Pyroelectric Infrared
Sensors
Cat.No.S21E-8
Note • Please read rating and CAUTION (for storage and operating, rating, soldering and mounting, handling) in this catalog to prevent smoking and/or burning, etc.
• This catalog has only typical specifications. Therefore, please approve our product specifications or transact the approval sheet for product specifications before ordering.
S21J.pdf
2012.10.1
for EU RoHS Compliant
• All the products on this catalog are complied with EU RoHS.
• EU RoHS is "the European Directive 2011/65/EU on the Restriction of the Use
of Certain Hazardous Substances in Electrical and Electronic Equipment".
• For more details, please refer to our website 'Murata's Approach for EU RoHS'
(http://www.murata.com/info/rohs.html).
Note • Please read rating and CAUTION (for storage and operating, rating, soldering and mounting, handling) in this catalog to prevent smoking and/or burning, etc.
• This catalog has only typical specifications. Therefore, please approve our product specifications or transact the approval sheet for product specifications before ordering.
S21J.pdf
2012.10.1
CONTENTS
SMD-Dual / Parallel Quad Type Pyroelectric Infrared Sensor IRS Series
Dual Type Pyroelectric Infrared Sensor IRA-E700 Series
Quad Type Pyroelectric Infrared Sensor IRA-E900 Series
2
3
6
7
8
11
21
1
2
3
Lens
Notice
Pyroelectric Infrared Sensor IRS/IRA Series Characteristics Data
Part Numbering
HIC®
in this catalog are the trademarks of
Murata Manufacturing Co., Ltd.
1
2
3
Note • Please read rating and CAUTION (for storage and operating, rating, soldering and mounting, handling) in this catalog to prevent smoking and/or burning, etc.
• This catalog has only typical specifications. Therefore, please approve our product specifications or transact the approval sheet for product specifications before ordering.
S21J.pdf
2012.10.1
Note • Please read rating and CAUTION (for storage and operating, rating, soldering and mounting, handling) in this catalog to prevent smoking and/or burning, etc.
• This catalog has only typical specifications. Therefore, please approve our product specifications or transact the approval sheet for product specifications before ordering.
2
Part Numbering
Pyroelectric Infrared Sensor
❶Product ID
❷Type
❸Characteristics
❹Individual Specification Code
* Part Number shows only an example which might be different
from actual part number.
* "❸Characteristics" and "❹Individual Specification Code" might
have different digit number from actual Part Number.
(Part Number) IR S- B210ST 01
❶ ❷ ❸ ❹
-R1
❺
S21J.pdf
2012.10.1
1
3
Note • Please read rating and CAUTION (for storage and operating, rating, soldering and mounting, handling) in this catalog to prevent smoking and/or burning, etc.
• This catalog has only typical specifications. Therefore, please approve our product specifications or transact the approval sheet for product specifications before ordering.
2.4
0.50.5
4.7
(4)
(3)
(2)
(1)
(5)
4.9
3.8
1.4
3.8
4.7
0.9
01X
0.3
Out Put Terminal
(Vout)
Power Supply
Terminal
(Vin)
0.6 0.6
1.9
1.0
0.4
3.3
2.5
GND
General Tolerance: ±0.2
(in mm)
Part Number
Responsivity (500K, 1Hz, 1Hz)
Field of View
Optical Filter
Electrode
Supply Voltage
Operating Temperature
Storage Temperature
3.6mVp-p (Typ.)
θ1=70° θ2=50°
3μm long-pass
−
2 to 15V
-40 to 70℃
-40 to 85℃
IRS-B210ST01
SMD-Dual Type Pyroelectric Infrared Sensor IRS-B210ST01 Series
Pyroelectric Infrared Sensors for Reflow Soldering
SMD type Pyroelectric infrared sensors, IRS series, exhibit
high sensitivity and reliable performance made possible by
Murata's ceramic technology and packaging technology
developed over many years.
IRS-B series is approximately 50% smaller in volume and
10% thinner than our previous surface mount model.
Compared with common lead-type models, it is significantly
smaller with a lower profile approximately 20% less in
volume and 50% less in thickness than the former.
▊Features
1. Reflow surface-mounting support
2. Smallest and ultra-thin throughout the trade
(4.7×4.7×2.4mm)
3. High sensitivity
4. Achieves superior electromagnetic noise resistance
characteristics
▊Applications
1. Human detection
2. TV
3. Air conditioning
4. Digital photo-frame
5. Personal computers
6. Automatic switches for lighting equipment
7. WEB cameras (IP cameras)
8. Automatic warm water cleaning toilet seats
9. Security devices
10. Other automatic switches
(ex. :LCD monitors, Air purifiers, Ventilation fans)
11. Home electronics for Eco
▊Rating (25˚C)
▊Dimensions & Circuit Diagrams
1.20
0.80
2.50
(in mm)
d(Vin)
(RG)
s(Vout)
g(GND)
S21J.pdf
2012.10.1
Note • Please read rating and CAUTION (for storage and operating, rating, soldering and mounting, handling) in this catalog to prevent smoking and/or burning, etc.
• This catalog has only typical specifications. Therefore, please approve our product specifications or transact the approval sheet for product specifications before ordering.
1
4
2.4
0.50.5
4.7
(4)
(3)
(2)
(1)
(5)
4.9
3.8
1.4
3.8
4.7
0.9
02X
0.3
GND
0.60.6
1.9
1.0
0.4
3.3
2.5
Out Put Terminal
(Vout)
Power Supply
Terminal
(Vin)
General Tolerance: ±0.2
(in mm)
Parallel Quad Type Pyroelectric Infrared Sensor IRS-B340ST02 Series
Pyroelectric Infrared Sensors for Reflow Soldering
Part Number
Responsivity (500K, 1Hz, 1Hz)
Field of View
Optical Filter
Electrode
Supply Voltage
Operating Temperature
Storage Temperature
3.6mVp-p (Typ.)
θ1=70° θ2=50°
3μm long-pass
−
2 to 15V
-40 to 70℃
-40 to 80℃
IRS-B340ST02
SMD type Pyroelectric infrared sensors, IRS series, exhibit
high sensitivity and reliable performance made possible by
Murata's ceramic technology and packaging technology
developed over many years.
IRS-B series is approximately 50% smaller in volume and
10% thinner than our previous surface mount model.
Compared with common lead-type models, it is significantly
smaller with a lower profile approximately 20% less in
volume and 50% less thickness than the former.
▊Features
1. Reflow surface-mounting support
2. Smallest and ultra-thin throughout the trade
(4.7×4.7×2.4mm)
3. High sensitivity
4. Achieves superior electromagnetic noise resistance
characteristics
▊Applications
1. Human detection
2. TV
3. Air conditioning
4. Digital photo-frame
5. Personal computers
6. Automatic switches for lighting equipment
7. WEB cameras (IP cameras)
8. Automatic warm water cleaning toilet seats
9. Security devices
10. Other automatic switches
(ex. :LCD monitors, Air purifiers, Ventilation fans)
11. Home electronics for Eco
▊Rating (25˚C)
▊Dimensions & Circuit Diagrams
0.401.101.10
2.60
1.35
0.40 0.4750.475 (in mm)
d (Vin)
s (Vout)
g (GND)
(RG)
S21J.pdf
2012.10.1
Note • Please read rating and CAUTION (for storage and operating, rating, soldering and mounting, handling) in this catalog to prevent smoking and/or burning, etc.
• This catalog has only typical specifications. Therefore, please approve our product specifications or transact the approval sheet for product specifications before ordering.
1
5
2.4
0.50.5
4.7
4.9
3.8
1.4
3.8
4.7
03X
0.60.6
1.9
1.0
0.4
3.3
2.5
GND
General Tolerance: ±0.2
(in mm)
(4)
(3)
(2)
(1)
(5)
0.9
0.3
Out Put Terminal
(Vout)
Power Supply
Terminal
(Vin)
Parallel Quad Type Pyroelectric Infrared Sensor IRS-B345ST03 Series
Pyroelectric Infrared Sensors for Reflow Soldering
Part Number
Responsivity (500K, 1Hz, 1Hz)
Field of View
Optical Filter
Electrode
Supply Voltage
Operating Temperature
Storage Temperature
3.6mVp-p
θ1=70° θ2=50°
3μm long-pass
−
2 to 15V
-40 to 70℃
-40 to 80℃
IRS-B345ST03-R1
SMD type Pyroelectric infrared sensors, IRS series, exhibit
high sensitivity and reliable performance made possible by
Murata's ceramic technology and packaging technology
developed over many years.
IRS-B series is approximately 50% smaller in volume and
10% thinner than our previous surface mount model.
Compared with common lead-type models, it is significantly
smaller with a lower profile approximately 20% less in
volume and 50% less thickness than the former.
▊Features
1. Reflow surface-mounting support
2. Smallest and ultra-thin throughout the trade
(4.7×4.7×2.4mm)
3. High sensitivity
4. Achieves superior electromagnetic noise resistance
characteristics
▊Applications
1. Human detection
2. TV
3. Air conditioning
4. Degital photo-frame
5. Parsonal computers
6. Automatic switches for lighting equipment
7. WEB cameras (IP cameras)
8. Automatic warm water cleaning toilet seats
9. Security devices
10. Other automatic switches
(ex. :LCD monitors, Air purifiers, Ventilation fans)
11. Home electronics for ECO
▊Rating (25˚C)
▊Dimensions & Circuit Diagrams
1.025
(in mm)
+ +
– –
2.05
2.6
0.675
0.5
0.125
1.3
0.325
d (Vin)
s (Vout)
g (GND)
(RG)
S21J.pdf
2012.10.1
Note • Please read rating and CAUTION (for storage and operating, rating, soldering and mounting, handling) in this catalog to prevent smoking and/or burning, etc.
• This catalog has only typical specifications. Therefore, please approve our product specifications or transact the approval sheet for product specifications before ordering.
2
6
(in mm)
Dual Type Pyroelectric Infrared Sensor IRA-E700 Series
Pyroelectric Infrared Sensors
Pyroelectric infrared sensors, IRA series, exhibit high
sensitivity and reliable performance made possible by
Murata's ceramic technology and Hybrid IC technique
expertise developed over many years.
IRA-E700 series realizes cost benefits and higher
performance with a new infrared sensor element of
improved material parameters and fabrication.
IRA-E700 series is available in two types.
IRA-E710ST0 has enhanced immunity to RFI (Radio
Frequency Interference).
▊Features
1. High sensitivity and excellent S/N ratio
2. High stability to temperature changes
3. Slight movement can be detectable.
4. High immunity to external noise (Vibration, RFI etc.)
5. Custom design is available.
6. Higher in cost-performance
▊Applications
1. Security
2. Lighting appliances
3. Household or other appliances
▊Rating (25˚C)
▊Dimensions & Circuit Diagrams
IRA-E700ST0
IRA-E710ST0
Part Number
Responsivity (500K, 1Hz, 1Hz)
Field of View
Optical Filter
Electrode
Supply Voltage
Operating Temperature
Storage Temperature
4.3mVp-p (Typ.)
θ1=θ2=45°
5μm long-pass
(2.0×1.0mm)×2
2 to 15V
-40 to 70℃
-40 to 85℃
IRA-E700ST0 IRA-E710ST0
4.7±0.1
3.7±0.1
8.2±0.1
9.2±0.2
θ1=45˚
θ2=45˚
Pyroelectric-element 3.6±0.2
4.7±0.211±2
5.08±0.05
d s
g (in mm)
φ0.45±0.05
d
s
g
(RG)
d
s
g
(RG)
S21J.pdf
2012.10.1
Note • Please read rating and CAUTION (for storage and operating, rating, soldering and mounting, handling) in this catalog to prevent smoking and/or burning, etc.
• This catalog has only typical specifications. Therefore, please approve our product specifications or transact the approval sheet for product specifications before ordering.
2
7
Quad Type Pyroelectric Infrared Sensor IRA-E900 Series
Pyroelectric Infrared Sensors
Pyroelectric infrared sensors, IRA series, exhibit high
sensitivity and reliable performance made possible by
Murata's ceramic technology and Hybrid IC technique
expertise developed over many years.
IRA-E900 series realizes cost benefits and higher
performance with a new infrared sensor element of
improved material parameters and fabrication.
IRA-E900 series is available in two types.
IRA-E910ST1 has enhanced immunity to RFI (Radio
Frequency Interference).
▊Features
1. High sensitivity and excellent S/N ratio
2. High stability to temperature changes
3. Slight movement can be detectable.
4. Non directional sensing with wide F.O.V.
5. High immunity to external noise (Vibration, RFI etc.)
6. Custom design is available.
7. Higher in cost-performance
▊Applications
1. Security
2. Lighting appliances
3. Household or other appliances
▊Rating (25˚C)
▊Dimensions & Circuit Diagrams
IRA-E900ST1
(in mm)
(in mm)
IRA-E910ST1
∗Specified on the bottom of stem
General Tolerance : ±0.2
Part Number
Responsivity (500K, 1Hz, 1Hz)
Field of View
Optical Filter
Electrode
Supply Voltage
Operating Temperature
Storage Temperature
3.3mVp-p (Typ.)
θ1=θ2=41°
5μm long-pass
(1.1×1.1mm)×4
3 to 15V
-25 to 55℃
-40 to 85℃
IRA-E900ST1 IRA-E910ST1
d
s
g
(RG)
+
+
+
+
-
-
-
-
d
s
g
(RG)
+
+
+
+
-
-
-
-
S21J.pdf
2012.10.1
Note • Please read rating and CAUTION (for storage and operating, rating, soldering and mounting, handling) in this catalog to prevent smoking and/or burning, etc.
• This catalog has only typical specifications. Therefore, please approve our product specifications or transact the approval sheet for product specifications before ordering.
3
8
▊Spectral Response of Window Materials (IRA Series)
▊Frequency Characteristics
100
0
4000
Wave Number (cm–1)
80
60
40
20
3500 3000 2500 2000 1800 1600 1400 1200 1000 800
2.5 3.0 4.0 5.0 6.0 7.0 8.0 10.0 12.0
Wave Length (μm)
(%)
Pyroelectric Infrared Sensor IRS/IRA Series Characteristics Data
▊Spectral Response of Window Materials (IRS Series)
0
4500 4000 3500 3000 2500 2000 1750
Wave Number (μm)
1500 1250 1000 750 500
10
20
30
40
50
60
70
80
90
100
%T
TransmissionRatio(%)
S21J.pdf
2012.10.1
3
9
Note • Please read rating and CAUTION (for storage and operating, rating, soldering and mounting, handling) in this catalog to prevent smoking and/or burning, etc.
• This catalog has only typical specifications. Therefore, please approve our product specifications or transact the approval sheet for product specifications before ordering.
Pyroelectric Infrared Sensor IRS/IRA Series Characteristics Data
▊Test Method of Sensitivity
▊Typical Application Circuit (Human Detection)
*1 IRA Series
IRS Series
500K
Black Body
1Hz
Mechanical Chopper
S21J.pdf
2012.10.1
5
10
Note • Please read rating and CAUTION (for storage and operating, rating, soldering and mounting, handling) in this catalog to prevent smoking and/or burning, etc.
• This catalog has only typical specifications. Therefore, please approve our product specifications or transact the approval sheet for product specifications before ordering.
After test completion, leave for three hours in
normal humidity temperature conditions, and
then measure.
1. External appearance:
No significant damage
2. Sensitivity:
Tolerance within 20% deviation from original
value
3. Noise:
Maximum tolerance +100mV of original value
No generation of bubbles
▊Reliability Test
IRS series, IRA-E700 series, IRA-E900 series
Item
High Temperature
Low Temperature
Humidity
Heat Cycle
Vibration
Shock
Soldering Heat
Hermetic Sealing
100℃ for 500 hrs.
—40℃ for 500 hrs.
60℃, 95% RH for 500 hrs.
20 times of following cycle.
—25℃, 30 min. ⇨Room temp., 30 min.⇩
⇧Room temp., 30 min. ⇦55℃, 30 min.
Apply vibration of amplitude of 1.5mm with 10 to 55Hz band to each of 3
perpendicular directions for 60 min.
Apply shock of 100G sine wave by standard shock tester to each of 3
perpendicular directions.
Immerse up to 3.0mm from can case in solder bath of 260±5℃ for 10±1 s.
Conform to MIL-STD-202F chapter 112D, condition D.
Immerse in fluorocarbon bath (FC-40) of 125±5℃ for 20 s.
Test Conditions Criteria
Pyroelectric Infrared Sensor IRS/IRA Series Characteristics Data
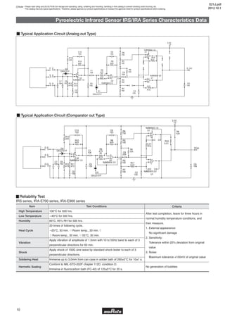
■ Typical Application Circuit (Comparator out Type)
D1
DA3J101F
D2
DA3J101F C1
106
C2
106
+V
3.3V
+
U1
NJM2903 1/2
+
U1
NJM2903 2/2
C3
105
COut
C4
106
D
S
G C5
105
C6
102
C7
106G
S
D
C8
226
C9
153
U2
NJM2904 2/2
C10
153
U2
NJM2904 1/2
R18
0.01
R17
0.01
R14
0.01
R1
473
R2
182
R3
182
R4
104
R5
104
R6
752
R7
182
R8
825
R9
473
R10
825
R11
473
R12
474
R13
224
■ Typical Application Circuit (Analog out Type)
D
S
G
D
S
G
D1
DA3J101F
D2
DA3J101F C1
106
C2
106
+V
3.3V
U1
NJM2904 1/2
U1
NJM2904 2/2
C3
105
A_Out
C4
106
C5
105
C6
102
C7
106
C8
226
C9
153
U2
NJM2904 2/2
C10
153
U2
NJM2904 1/2
R16
0.01
R15
0.01
R1
473
R2
182
R3
182
R5
104
R6
752
R7
182
R8
825
R9
473
R10
825
R11
473
R12
474
R13
224
S21J.pdf
2012.10.1
5
11
Note • Please read rating and CAUTION (for storage and operating, rating, soldering and mounting, handling) in this catalog to prevent smoking and/or burning, etc.
• This catalog has only typical specifications. Therefore, please approve our product specifications or transact the approval sheet for product specifications before ordering.
Pyroelectric Infrared Sensors/Lens(IRS Series)
IML-0650
1.7(m)
0.6(m)
6.0(m)
2.8(m)
Unit: m
Distance: 4.0m
ø11
ø9.5
ø9.5
2
(1.8)
60˚
(5.13)
(1.45)(4.5)4.3
3.55
10.252.8
2.8
0.1
(6.66)
ø8
0.75
5R6.5
0.75
0.79902
B
4-ø0.5
ø12.79
ø10.25
(in mm)
General tolerance: ±0.15mm
1.7(m)
0.6(m)
6.0(m)
2.8(m)
Unit: m
Distance: 4.0m
Sensor : IRS-B210ST01
Sensor : IRS-B340ST02
S21J.pdf
2012.10.1
Note • Please read rating and CAUTION (for storage and operating, rating, soldering and mounting, handling) in this catalog to prevent smoking and/or burning, etc.
• This catalog has only typical specifications. Therefore, please approve our product specifications or transact the approval sheet for product specifications before ordering.
12
Pyroelectric Infrared Sensors/Lens(IRS Series)
IML-0654
Unit: m
Distance: 1.0m
1.00
0.50
0.00
-0.50
-1.00
-1.50 -1.00 -0.50 0.00 0.50 1.00 1.50
Unit: m
Distance: 1.0m
1.00
0.50
0.00
-0.50
-1.00
-1.50 -1.00 -0.50 0.00 0.50 1.00 1.50
SR49.5
0.40.6
(0.5)
0.5
(1.277)
16.2
15
SR50
13
A
11
10(0.5)
(0.5)
(0.6)
(0.5)
1.5
2
8.5
14
60º
5º
section A
hook
hook
11
8
7
6.1
3.2
1.58
1.4
(1)
(1.4)
87.5
3.2
(1.777)
3.2
2º 2º
5
Sensor : IRS-B210ST01
Sensor : IRS-B340ST02
S21J.pdf
2012.10.1
Note • Please read rating and CAUTION (for storage and operating, rating, soldering and mounting, handling) in this catalog to prevent smoking and/or burning, etc.
• This catalog has only typical specifications. Therefore, please approve our product specifications or transact the approval sheet for product specifications before ordering.
13
Note • Please read rating and CAUTION (for storage and operating, rating, soldering and mounting, handling) in this catalog to prevent smoking and/or burning, etc.
• This catalog has only typical specifications. Therefore, please approve our product specifications or transact the approval sheet for product specifications before ordering.
Pyroelectric Infrared Sensors/Lens(IRS Series)
IML-0660
IML-0662
5
4
3
2
1
0
-1
-2
-3
-4
-5
-5 -4 -3 -2 -1 0 1 2 3 4 5
(Distance: 2.5m, Combination with IRS-B210ST01)
(Distance: 2.5m, Combination with IRS-B340ST02)
5
4
3
2
1
0
-1
-2
-3
-4
-5
-5 -4 -3 -2 -1 0 1 2 3 4 5
3m
3m
0m
Vertical
3m
3m
3m
3
2
1
0
-1
-2
-3
-3 -1 1 3
0m
Horizontal
3m
(Distance: 1m, Combination with IRS-B210ST01)
(in mm)
General Tolerance: ±0.2mm
Non Instructions Corner: max.R0.2
3.0
2.0
(R5.7)
4.0-ø0.4
(10.4)
(2.9)
(6.7)
(4.8)
ø11.0 (ø10.4)
(0.5)
A
B
Cross Section A-A
Detail Drawing B
A
R6.0
R6.5
R6.6
0.5
1.5
(8.32)
(5.19)
1.25
0.1
3.25
1.55
(0.57)
0.07
(0.95)
(in mm)
General Tolerance: ±0.2mm
Non Instructions Corner: max.R0.2
4.7
B-B
4-C0.5
6.7
8.0
2.9
4.46.7
9.0
2.75
4.7
A-A
2-C0.5
A
B B
A
4-R1.8
4-C1.4
S21J.pdf
2012.10.1
Note • Please read rating and CAUTION (for storage and operating, rating, soldering and mounting, handling) in this catalog to prevent smoking and/or burning, etc.
• This catalog has only typical specifications. Therefore, please approve our product specifications or transact the approval sheet for product specifications before ordering.
14
焦電型赤外線センサ/レンズ(IRSシリーズ)
IML-0668
3
2
1
0
-1
-2
-3
-3 -1 0-2 1 2 3
Figure 3-1 Luminous Intensity Distribution
(Distance: 3m, Combination with IRS-B210ST01)
(IRS-B210ST01-R1)
(IRS-B340ST02-R1)
3
2
1
0
-1
-2
-3
-3 -1 0-2 1 2 3
Figure 3-2 Luminous Intensity Distribution
(Distance: 3m, Combination with IRS-B340ST02)(in mm)
General Tolerance: ±0.2mm
Non Instructions Corner: max.R0.2
8.0(2)
(2.3)
(0.3)
4.8
A-A
B-B
(2)
(3.2)
2.8
7.2
A
A
B B
9.2
draft 2°
draft 1°
ø9
ø10.3
S21J.pdf
2012.10.1
Note • Please read rating and CAUTION (for storage and operating, rating, soldering and mounting, handling) in this catalog to prevent smoking and/or burning, etc.
• This catalog has only typical specifications. Therefore, please approve our product specifications or transact the approval sheet for product specifications before ordering.
15
Pyroelectric Infrared Sensors/Lens(IRA Series)
IML-0669
Thickness 0.4t
2
1.5
ø11ø10.2
ø12
R6.5
SR
5.5
1.254
3.257.254
0.9
0.5
0.07
1.551.13
0.57
Distance: 2.5m
max: 7.5m
Distance:2.5mmax:6.0m
Unit: m
Distance: 2.5m
Distance: 2.5m
max: 7.5m
Distance:2.5mmax:6.0m
Distance: 2.5m
Distance:2.5m
Unit: m
Distance: 2.5m
Sensor : IRS-B210ST01
Sensor : IRS-B340ST02
S21J.pdf
2012.10.1
Note • Please read rating and CAUTION (for storage and operating, rating, soldering and mounting, handling) in this catalog to prevent smoking and/or burning, etc.
• This catalog has only typical specifications. Therefore, please approve our product specifications or transact the approval sheet for product specifications before ordering.
16
Pyroelectric Infrared Sensors/Lens(IRA Series)
IML-0636
IML-0635
S21J.pdf
2012.10.1
Note • Please read rating and CAUTION (for storage and operating, rating, soldering and mounting, handling) in this catalog to prevent smoking and/or burning, etc.
• This catalog has only typical specifications. Therefore, please approve our product specifications or transact the approval sheet for product specifications before ordering.
5
17
Note • Please read rating and CAUTION (for storage and operating, rating, soldering and mounting, handling) in this catalog to prevent smoking and/or burning, etc.
• This catalog has only typical specifications. Therefore, please approve our product specifications or transact the approval sheet for product specifications before ordering.
Pyroelectric Infrared Sensors/Lens(IRA Series)
IML-0637
IML-0638
6.11m
4.91m
3m
3m
0m
Vertical
3m
On the Floor
3m
45.5º
3m0m
45.5º
42º
42º
Horizontal
Vertical
Pyroelectric Element
Horizontal
Assembled with Murata sensor IRA-E700 Series.
S21J.pdf
2012.10.1
5
18
Note • Please read rating and CAUTION (for storage and operating, rating, soldering and mounting, handling) in this catalog to prevent smoking and/or burning, etc.
• This catalog has only typical specifications. Therefore, please approve our product specifications or transact the approval sheet for product specifications before ordering.
(in mm)
PPGI0601
Pyroelectric Infrared Sensors/Lens(IRS/IRA Series)
PPGI0626
(in mm)
S21J.pdf
2012.10.1
19
Note • Please read rating and CAUTION (for storage and operating, rating, soldering and mounting, handling) in this catalog to prevent smoking and/or burning, etc.
• This catalog has only typical specifications. Therefore, please approve our product specifications or transact the approval sheet for product specifications before ordering.
Pyroelectric Infrared Sensors/Lens(IRS/IRA Series)
5
(in mm)
PPGI0902
S21J.pdf
2012.10.1
20
Pyroelectric Infrared Sensors/Lens(IRA Series)
Fresnel lens are available upon request.
IMD-FL01G
IMD-FL01W
Angle of Horizontal
0
1.0
2.0
3.0
m
1.0
2.0
3.0
5.04.0 m
52 deg.
34 deg.
12.5 deg.
1.0 3.02.0
Angle of Horizontal
0
1.0
2.0
3.0
m
1.0
2.0
3.0
5.04.0 m
52 deg.
34 deg.
12.5 deg.
1.0 3.02.0
15 deg.
0
1.0
2.0
m
1.0
2.0
Angle of Vertical
5.04.0 m1.0 3.02.0
15 deg.
0
1.0
2.0
m
1.0
2.0
Angle of Vertical
5.04.0 m1.0 3.02.0
5.0
20.5
22.5
ø2.0
1.0
16.4
5.1
Focal point (Pyro-Element)
12.8
16.5
21.5
26.5
(in mm)
General tolerance : ±0.4
5.0
20.5
22.5
ø2.0
1.0
16.4
5.1
Focal point (Pyro-Element)
12.8
16.5
21.5
26.5
(in mm)
General tolerance : ±0.4
Note • Please read rating and CAUTION (for storage and operating, rating, soldering and mounting, handling) in this catalog to prevent smoking and/or burning, etc.
• This catalog has only typical specifications. Therefore, please approve our product specifications or transact the approval sheet for product specifications before ordering.
S21J.pdf
2012.10.1
21
Notice
1. Caution (Design)
(1) Please make sure that your product has been evaluated
and confirmed against your specifications when our
product is mounted to your product.
(2) Be sure to provide an appropriate fail-safe function on
your product to prevent a second damage that may be
caused by the abnormal function or the failure of our
product.
(3) In case of outdoor use, suitable optical filter and water
and humidity proof structure should be applied.
(4) To prevent failure or malfunction, please use a stabilized
power supply.
(5) Please avoid using the sensor in the following conditions
because it may cause failure or malfunction.
(a) in such a fluid as water, alcohol etc. corrosive gas
(SO2, Cl2, NOX etc.) or sea breeze
(b) in high humidity
(c) in a place exposed directly to sunlight or headlights of
automobile
(d) in a place exposed to rapid ambient temperature
change
(e) in a place exposed directly to an air-conditioner or
heat vent
(f) strong vibrations
(g) in a place exposed to strong electromagnetic field
(h) in such a place where infrared ray is shaded
(i) in any other place similar to the above (a) through (h)
2. Caution (Handling and Storage)
(1) The optical filter of the sensor should not be scratched or
soiled.
(2) Strong shock should be avoided.
(3) Electrostatics and strong electromagnetic field should be
avoided.
(4) The sensor should be kept on conductive sponge.
(5) High temperature, high humidity, fluid such as water or
alcohol etc., corrosive gas (SO2, Cl2, NOX etc.) and sea
breeze should be avoided.
▊Notice
Note • Please read rating and CAUTION (for storage and operating, rating, soldering and mounting, handling) in this catalog to prevent smoking and/or burning, etc.
• This catalog has only typical specifications. Therefore, please approve our product specifications or transact the approval sheet for product specifications before ordering.
S21J.pdf
2012.10.1
22
Notice
3.Caution (Mounting)
(IRS Series)
Soldering Conditions
Following figure shows temperature profile when reflow soldering.
・Cleaning after reflow soldering should not be applied.
・Flow soldering should not be applied.
・Please contact us when using other reflow profile except following reflow profile.
(1) Cleaning after reflow soldering should not be applied.
Optical filter of sensor should not be soiled because it may cause failure or malfunction.
(2) Please follow soldering conditions described in the specification. This product can permanently stop operating if the
piezoelectric(pyroelectric) characteristic is decreased due to excessive heating.
3.Caution (Mounting)
(IRA Series)
(1) Soldering
(a) Hand soldering should be applied.
(b) Soldering should be done quickly as following.
(c) Soldering flux should be rosin flux and not contain more than 0.2wt% chlorine.
Soldering flux should be removed after soldering.
(2) Cleaning
Soldering flux should be removed after soldering.
Soldering flux may cause malfunction or degradation of character unless sufficiently cleaned.
▊Notice
245ºC
220ºC
180ºC
150ºC
100ºC
Temp. (ºC)
Heating period
80-100 sec.
(20sec.
min.)
30-60
sec.max.
120 sec.
min.
Pre-Heating
150-180ºC
Heating
220ºC
min.
Gradual
in air
Time (sec.)
2ºC/sec.
max.
Peak temperature on product surface
250ºC, 5sec. max.
Temperature of soldering iron : 350˚C
Distance from can case
1 to 3mm
Over 3mm
Period of time
Within 3 seconds per point
Within 10 seconds per point
Note • Please read rating and CAUTION (for storage and operating, rating, soldering and mounting, handling) in this catalog to prevent smoking and/or burning, etc.
• This catalog has only typical specifications. Therefore, please approve our product specifications or transact the approval sheet for product specifications before ordering.
S21J.pdf
2012.10.1
Note • Please read rating and CAUTION (for storage and operating, rating, soldering and mounting, handling) in this catalog to prevent smoking and/or burning, etc.
• This catalog has only typical specifications. Therefore, please approve our product specifications or transact the approval sheet for product specifications before ordering.
S21J.pdf
2012.10.1

progam plc

  • 1.
    Pyroelectric Infrared Sensors Cat.No.S21E-8 Note •Please read rating and CAUTION (for storage and operating, rating, soldering and mounting, handling) in this catalog to prevent smoking and/or burning, etc. • This catalog has only typical specifications. Therefore, please approve our product specifications or transact the approval sheet for product specifications before ordering. S21J.pdf 2012.10.1
  • 2.
    for EU RoHSCompliant • All the products on this catalog are complied with EU RoHS. • EU RoHS is "the European Directive 2011/65/EU on the Restriction of the Use of Certain Hazardous Substances in Electrical and Electronic Equipment". • For more details, please refer to our website 'Murata's Approach for EU RoHS' (http://www.murata.com/info/rohs.html). Note • Please read rating and CAUTION (for storage and operating, rating, soldering and mounting, handling) in this catalog to prevent smoking and/or burning, etc. • This catalog has only typical specifications. Therefore, please approve our product specifications or transact the approval sheet for product specifications before ordering. S21J.pdf 2012.10.1
  • 3.
    CONTENTS SMD-Dual / ParallelQuad Type Pyroelectric Infrared Sensor IRS Series Dual Type Pyroelectric Infrared Sensor IRA-E700 Series Quad Type Pyroelectric Infrared Sensor IRA-E900 Series 2 3 6 7 8 11 21 1 2 3 Lens Notice Pyroelectric Infrared Sensor IRS/IRA Series Characteristics Data Part Numbering HIC® in this catalog are the trademarks of Murata Manufacturing Co., Ltd. 1 2 3 Note • Please read rating and CAUTION (for storage and operating, rating, soldering and mounting, handling) in this catalog to prevent smoking and/or burning, etc. • This catalog has only typical specifications. Therefore, please approve our product specifications or transact the approval sheet for product specifications before ordering. S21J.pdf 2012.10.1
  • 4.
    Note • Pleaseread rating and CAUTION (for storage and operating, rating, soldering and mounting, handling) in this catalog to prevent smoking and/or burning, etc. • This catalog has only typical specifications. Therefore, please approve our product specifications or transact the approval sheet for product specifications before ordering. 2 Part Numbering Pyroelectric Infrared Sensor ❶Product ID ❷Type ❸Characteristics ❹Individual Specification Code * Part Number shows only an example which might be different from actual part number. * "❸Characteristics" and "❹Individual Specification Code" might have different digit number from actual Part Number. (Part Number) IR S- B210ST 01 ❶ ❷ ❸ ❹ -R1 ❺ S21J.pdf 2012.10.1
  • 5.
    1 3 Note • Pleaseread rating and CAUTION (for storage and operating, rating, soldering and mounting, handling) in this catalog to prevent smoking and/or burning, etc. • This catalog has only typical specifications. Therefore, please approve our product specifications or transact the approval sheet for product specifications before ordering. 2.4 0.50.5 4.7 (4) (3) (2) (1) (5) 4.9 3.8 1.4 3.8 4.7 0.9 01X 0.3 Out Put Terminal (Vout) Power Supply Terminal (Vin) 0.6 0.6 1.9 1.0 0.4 3.3 2.5 GND General Tolerance: ±0.2 (in mm) Part Number Responsivity (500K, 1Hz, 1Hz) Field of View Optical Filter Electrode Supply Voltage Operating Temperature Storage Temperature 3.6mVp-p (Typ.) θ1=70° θ2=50° 3μm long-pass − 2 to 15V -40 to 70℃ -40 to 85℃ IRS-B210ST01 SMD-Dual Type Pyroelectric Infrared Sensor IRS-B210ST01 Series Pyroelectric Infrared Sensors for Reflow Soldering SMD type Pyroelectric infrared sensors, IRS series, exhibit high sensitivity and reliable performance made possible by Murata's ceramic technology and packaging technology developed over many years. IRS-B series is approximately 50% smaller in volume and 10% thinner than our previous surface mount model. Compared with common lead-type models, it is significantly smaller with a lower profile approximately 20% less in volume and 50% less in thickness than the former. ▊Features 1. Reflow surface-mounting support 2. Smallest and ultra-thin throughout the trade (4.7×4.7×2.4mm) 3. High sensitivity 4. Achieves superior electromagnetic noise resistance characteristics ▊Applications 1. Human detection 2. TV 3. Air conditioning 4. Digital photo-frame 5. Personal computers 6. Automatic switches for lighting equipment 7. WEB cameras (IP cameras) 8. Automatic warm water cleaning toilet seats 9. Security devices 10. Other automatic switches (ex. :LCD monitors, Air purifiers, Ventilation fans) 11. Home electronics for Eco ▊Rating (25˚C) ▊Dimensions & Circuit Diagrams 1.20 0.80 2.50 (in mm) d(Vin) (RG) s(Vout) g(GND) S21J.pdf 2012.10.1
  • 6.
    Note • Pleaseread rating and CAUTION (for storage and operating, rating, soldering and mounting, handling) in this catalog to prevent smoking and/or burning, etc. • This catalog has only typical specifications. Therefore, please approve our product specifications or transact the approval sheet for product specifications before ordering. 1 4 2.4 0.50.5 4.7 (4) (3) (2) (1) (5) 4.9 3.8 1.4 3.8 4.7 0.9 02X 0.3 GND 0.60.6 1.9 1.0 0.4 3.3 2.5 Out Put Terminal (Vout) Power Supply Terminal (Vin) General Tolerance: ±0.2 (in mm) Parallel Quad Type Pyroelectric Infrared Sensor IRS-B340ST02 Series Pyroelectric Infrared Sensors for Reflow Soldering Part Number Responsivity (500K, 1Hz, 1Hz) Field of View Optical Filter Electrode Supply Voltage Operating Temperature Storage Temperature 3.6mVp-p (Typ.) θ1=70° θ2=50° 3μm long-pass − 2 to 15V -40 to 70℃ -40 to 80℃ IRS-B340ST02 SMD type Pyroelectric infrared sensors, IRS series, exhibit high sensitivity and reliable performance made possible by Murata's ceramic technology and packaging technology developed over many years. IRS-B series is approximately 50% smaller in volume and 10% thinner than our previous surface mount model. Compared with common lead-type models, it is significantly smaller with a lower profile approximately 20% less in volume and 50% less thickness than the former. ▊Features 1. Reflow surface-mounting support 2. Smallest and ultra-thin throughout the trade (4.7×4.7×2.4mm) 3. High sensitivity 4. Achieves superior electromagnetic noise resistance characteristics ▊Applications 1. Human detection 2. TV 3. Air conditioning 4. Digital photo-frame 5. Personal computers 6. Automatic switches for lighting equipment 7. WEB cameras (IP cameras) 8. Automatic warm water cleaning toilet seats 9. Security devices 10. Other automatic switches (ex. :LCD monitors, Air purifiers, Ventilation fans) 11. Home electronics for Eco ▊Rating (25˚C) ▊Dimensions & Circuit Diagrams 0.401.101.10 2.60 1.35 0.40 0.4750.475 (in mm) d (Vin) s (Vout) g (GND) (RG) S21J.pdf 2012.10.1
  • 7.
    Note • Pleaseread rating and CAUTION (for storage and operating, rating, soldering and mounting, handling) in this catalog to prevent smoking and/or burning, etc. • This catalog has only typical specifications. Therefore, please approve our product specifications or transact the approval sheet for product specifications before ordering. 1 5 2.4 0.50.5 4.7 4.9 3.8 1.4 3.8 4.7 03X 0.60.6 1.9 1.0 0.4 3.3 2.5 GND General Tolerance: ±0.2 (in mm) (4) (3) (2) (1) (5) 0.9 0.3 Out Put Terminal (Vout) Power Supply Terminal (Vin) Parallel Quad Type Pyroelectric Infrared Sensor IRS-B345ST03 Series Pyroelectric Infrared Sensors for Reflow Soldering Part Number Responsivity (500K, 1Hz, 1Hz) Field of View Optical Filter Electrode Supply Voltage Operating Temperature Storage Temperature 3.6mVp-p θ1=70° θ2=50° 3μm long-pass − 2 to 15V -40 to 70℃ -40 to 80℃ IRS-B345ST03-R1 SMD type Pyroelectric infrared sensors, IRS series, exhibit high sensitivity and reliable performance made possible by Murata's ceramic technology and packaging technology developed over many years. IRS-B series is approximately 50% smaller in volume and 10% thinner than our previous surface mount model. Compared with common lead-type models, it is significantly smaller with a lower profile approximately 20% less in volume and 50% less thickness than the former. ▊Features 1. Reflow surface-mounting support 2. Smallest and ultra-thin throughout the trade (4.7×4.7×2.4mm) 3. High sensitivity 4. Achieves superior electromagnetic noise resistance characteristics ▊Applications 1. Human detection 2. TV 3. Air conditioning 4. Degital photo-frame 5. Parsonal computers 6. Automatic switches for lighting equipment 7. WEB cameras (IP cameras) 8. Automatic warm water cleaning toilet seats 9. Security devices 10. Other automatic switches (ex. :LCD monitors, Air purifiers, Ventilation fans) 11. Home electronics for ECO ▊Rating (25˚C) ▊Dimensions & Circuit Diagrams 1.025 (in mm) + + – – 2.05 2.6 0.675 0.5 0.125 1.3 0.325 d (Vin) s (Vout) g (GND) (RG) S21J.pdf 2012.10.1
  • 8.
    Note • Pleaseread rating and CAUTION (for storage and operating, rating, soldering and mounting, handling) in this catalog to prevent smoking and/or burning, etc. • This catalog has only typical specifications. Therefore, please approve our product specifications or transact the approval sheet for product specifications before ordering. 2 6 (in mm) Dual Type Pyroelectric Infrared Sensor IRA-E700 Series Pyroelectric Infrared Sensors Pyroelectric infrared sensors, IRA series, exhibit high sensitivity and reliable performance made possible by Murata's ceramic technology and Hybrid IC technique expertise developed over many years. IRA-E700 series realizes cost benefits and higher performance with a new infrared sensor element of improved material parameters and fabrication. IRA-E700 series is available in two types. IRA-E710ST0 has enhanced immunity to RFI (Radio Frequency Interference). ▊Features 1. High sensitivity and excellent S/N ratio 2. High stability to temperature changes 3. Slight movement can be detectable. 4. High immunity to external noise (Vibration, RFI etc.) 5. Custom design is available. 6. Higher in cost-performance ▊Applications 1. Security 2. Lighting appliances 3. Household or other appliances ▊Rating (25˚C) ▊Dimensions & Circuit Diagrams IRA-E700ST0 IRA-E710ST0 Part Number Responsivity (500K, 1Hz, 1Hz) Field of View Optical Filter Electrode Supply Voltage Operating Temperature Storage Temperature 4.3mVp-p (Typ.) θ1=θ2=45° 5μm long-pass (2.0×1.0mm)×2 2 to 15V -40 to 70℃ -40 to 85℃ IRA-E700ST0 IRA-E710ST0 4.7±0.1 3.7±0.1 8.2±0.1 9.2±0.2 θ1=45˚ θ2=45˚ Pyroelectric-element 3.6±0.2 4.7±0.211±2 5.08±0.05 d s g (in mm) φ0.45±0.05 d s g (RG) d s g (RG) S21J.pdf 2012.10.1
  • 9.
    Note • Pleaseread rating and CAUTION (for storage and operating, rating, soldering and mounting, handling) in this catalog to prevent smoking and/or burning, etc. • This catalog has only typical specifications. Therefore, please approve our product specifications or transact the approval sheet for product specifications before ordering. 2 7 Quad Type Pyroelectric Infrared Sensor IRA-E900 Series Pyroelectric Infrared Sensors Pyroelectric infrared sensors, IRA series, exhibit high sensitivity and reliable performance made possible by Murata's ceramic technology and Hybrid IC technique expertise developed over many years. IRA-E900 series realizes cost benefits and higher performance with a new infrared sensor element of improved material parameters and fabrication. IRA-E900 series is available in two types. IRA-E910ST1 has enhanced immunity to RFI (Radio Frequency Interference). ▊Features 1. High sensitivity and excellent S/N ratio 2. High stability to temperature changes 3. Slight movement can be detectable. 4. Non directional sensing with wide F.O.V. 5. High immunity to external noise (Vibration, RFI etc.) 6. Custom design is available. 7. Higher in cost-performance ▊Applications 1. Security 2. Lighting appliances 3. Household or other appliances ▊Rating (25˚C) ▊Dimensions & Circuit Diagrams IRA-E900ST1 (in mm) (in mm) IRA-E910ST1 ∗Specified on the bottom of stem General Tolerance : ±0.2 Part Number Responsivity (500K, 1Hz, 1Hz) Field of View Optical Filter Electrode Supply Voltage Operating Temperature Storage Temperature 3.3mVp-p (Typ.) θ1=θ2=41° 5μm long-pass (1.1×1.1mm)×4 3 to 15V -25 to 55℃ -40 to 85℃ IRA-E900ST1 IRA-E910ST1 d s g (RG) + + + + - - - - d s g (RG) + + + + - - - - S21J.pdf 2012.10.1
  • 10.
    Note • Pleaseread rating and CAUTION (for storage and operating, rating, soldering and mounting, handling) in this catalog to prevent smoking and/or burning, etc. • This catalog has only typical specifications. Therefore, please approve our product specifications or transact the approval sheet for product specifications before ordering. 3 8 ▊Spectral Response of Window Materials (IRA Series) ▊Frequency Characteristics 100 0 4000 Wave Number (cm–1) 80 60 40 20 3500 3000 2500 2000 1800 1600 1400 1200 1000 800 2.5 3.0 4.0 5.0 6.0 7.0 8.0 10.0 12.0 Wave Length (μm) (%) Pyroelectric Infrared Sensor IRS/IRA Series Characteristics Data ▊Spectral Response of Window Materials (IRS Series) 0 4500 4000 3500 3000 2500 2000 1750 Wave Number (μm) 1500 1250 1000 750 500 10 20 30 40 50 60 70 80 90 100 %T TransmissionRatio(%) S21J.pdf 2012.10.1
  • 11.
    3 9 Note • Pleaseread rating and CAUTION (for storage and operating, rating, soldering and mounting, handling) in this catalog to prevent smoking and/or burning, etc. • This catalog has only typical specifications. Therefore, please approve our product specifications or transact the approval sheet for product specifications before ordering. Pyroelectric Infrared Sensor IRS/IRA Series Characteristics Data ▊Test Method of Sensitivity ▊Typical Application Circuit (Human Detection) *1 IRA Series IRS Series 500K Black Body 1Hz Mechanical Chopper S21J.pdf 2012.10.1
  • 12.
    5 10 Note • Pleaseread rating and CAUTION (for storage and operating, rating, soldering and mounting, handling) in this catalog to prevent smoking and/or burning, etc. • This catalog has only typical specifications. Therefore, please approve our product specifications or transact the approval sheet for product specifications before ordering. After test completion, leave for three hours in normal humidity temperature conditions, and then measure. 1. External appearance: No significant damage 2. Sensitivity: Tolerance within 20% deviation from original value 3. Noise: Maximum tolerance +100mV of original value No generation of bubbles ▊Reliability Test IRS series, IRA-E700 series, IRA-E900 series Item High Temperature Low Temperature Humidity Heat Cycle Vibration Shock Soldering Heat Hermetic Sealing 100℃ for 500 hrs. —40℃ for 500 hrs. 60℃, 95% RH for 500 hrs. 20 times of following cycle. —25℃, 30 min. ⇨Room temp., 30 min.⇩ ⇧Room temp., 30 min. ⇦55℃, 30 min. Apply vibration of amplitude of 1.5mm with 10 to 55Hz band to each of 3 perpendicular directions for 60 min. Apply shock of 100G sine wave by standard shock tester to each of 3 perpendicular directions. Immerse up to 3.0mm from can case in solder bath of 260±5℃ for 10±1 s. Conform to MIL-STD-202F chapter 112D, condition D. Immerse in fluorocarbon bath (FC-40) of 125±5℃ for 20 s. Test Conditions Criteria Pyroelectric Infrared Sensor IRS/IRA Series Characteristics Data ■ Typical Application Circuit (Comparator out Type) D1 DA3J101F D2 DA3J101F C1 106 C2 106 +V 3.3V + U1 NJM2903 1/2 + U1 NJM2903 2/2 C3 105 COut C4 106 D S G C5 105 C6 102 C7 106G S D C8 226 C9 153 U2 NJM2904 2/2 C10 153 U2 NJM2904 1/2 R18 0.01 R17 0.01 R14 0.01 R1 473 R2 182 R3 182 R4 104 R5 104 R6 752 R7 182 R8 825 R9 473 R10 825 R11 473 R12 474 R13 224 ■ Typical Application Circuit (Analog out Type) D S G D S G D1 DA3J101F D2 DA3J101F C1 106 C2 106 +V 3.3V U1 NJM2904 1/2 U1 NJM2904 2/2 C3 105 A_Out C4 106 C5 105 C6 102 C7 106 C8 226 C9 153 U2 NJM2904 2/2 C10 153 U2 NJM2904 1/2 R16 0.01 R15 0.01 R1 473 R2 182 R3 182 R5 104 R6 752 R7 182 R8 825 R9 473 R10 825 R11 473 R12 474 R13 224 S21J.pdf 2012.10.1
  • 13.
    5 11 Note • Pleaseread rating and CAUTION (for storage and operating, rating, soldering and mounting, handling) in this catalog to prevent smoking and/or burning, etc. • This catalog has only typical specifications. Therefore, please approve our product specifications or transact the approval sheet for product specifications before ordering. Pyroelectric Infrared Sensors/Lens(IRS Series) IML-0650 1.7(m) 0.6(m) 6.0(m) 2.8(m) Unit: m Distance: 4.0m ø11 ø9.5 ø9.5 2 (1.8) 60˚ (5.13) (1.45)(4.5)4.3 3.55 10.252.8 2.8 0.1 (6.66) ø8 0.75 5R6.5 0.75 0.79902 B 4-ø0.5 ø12.79 ø10.25 (in mm) General tolerance: ±0.15mm 1.7(m) 0.6(m) 6.0(m) 2.8(m) Unit: m Distance: 4.0m Sensor : IRS-B210ST01 Sensor : IRS-B340ST02 S21J.pdf 2012.10.1
  • 14.
    Note • Pleaseread rating and CAUTION (for storage and operating, rating, soldering and mounting, handling) in this catalog to prevent smoking and/or burning, etc. • This catalog has only typical specifications. Therefore, please approve our product specifications or transact the approval sheet for product specifications before ordering. 12 Pyroelectric Infrared Sensors/Lens(IRS Series) IML-0654 Unit: m Distance: 1.0m 1.00 0.50 0.00 -0.50 -1.00 -1.50 -1.00 -0.50 0.00 0.50 1.00 1.50 Unit: m Distance: 1.0m 1.00 0.50 0.00 -0.50 -1.00 -1.50 -1.00 -0.50 0.00 0.50 1.00 1.50 SR49.5 0.40.6 (0.5) 0.5 (1.277) 16.2 15 SR50 13 A 11 10(0.5) (0.5) (0.6) (0.5) 1.5 2 8.5 14 60º 5º section A hook hook 11 8 7 6.1 3.2 1.58 1.4 (1) (1.4) 87.5 3.2 (1.777) 3.2 2º 2º 5 Sensor : IRS-B210ST01 Sensor : IRS-B340ST02 S21J.pdf 2012.10.1
  • 15.
    Note • Pleaseread rating and CAUTION (for storage and operating, rating, soldering and mounting, handling) in this catalog to prevent smoking and/or burning, etc. • This catalog has only typical specifications. Therefore, please approve our product specifications or transact the approval sheet for product specifications before ordering. 13 Note • Please read rating and CAUTION (for storage and operating, rating, soldering and mounting, handling) in this catalog to prevent smoking and/or burning, etc. • This catalog has only typical specifications. Therefore, please approve our product specifications or transact the approval sheet for product specifications before ordering. Pyroelectric Infrared Sensors/Lens(IRS Series) IML-0660 IML-0662 5 4 3 2 1 0 -1 -2 -3 -4 -5 -5 -4 -3 -2 -1 0 1 2 3 4 5 (Distance: 2.5m, Combination with IRS-B210ST01) (Distance: 2.5m, Combination with IRS-B340ST02) 5 4 3 2 1 0 -1 -2 -3 -4 -5 -5 -4 -3 -2 -1 0 1 2 3 4 5 3m 3m 0m Vertical 3m 3m 3m 3 2 1 0 -1 -2 -3 -3 -1 1 3 0m Horizontal 3m (Distance: 1m, Combination with IRS-B210ST01) (in mm) General Tolerance: ±0.2mm Non Instructions Corner: max.R0.2 3.0 2.0 (R5.7) 4.0-ø0.4 (10.4) (2.9) (6.7) (4.8) ø11.0 (ø10.4) (0.5) A B Cross Section A-A Detail Drawing B A R6.0 R6.5 R6.6 0.5 1.5 (8.32) (5.19) 1.25 0.1 3.25 1.55 (0.57) 0.07 (0.95) (in mm) General Tolerance: ±0.2mm Non Instructions Corner: max.R0.2 4.7 B-B 4-C0.5 6.7 8.0 2.9 4.46.7 9.0 2.75 4.7 A-A 2-C0.5 A B B A 4-R1.8 4-C1.4 S21J.pdf 2012.10.1
  • 16.
    Note • Pleaseread rating and CAUTION (for storage and operating, rating, soldering and mounting, handling) in this catalog to prevent smoking and/or burning, etc. • This catalog has only typical specifications. Therefore, please approve our product specifications or transact the approval sheet for product specifications before ordering. 14 焦電型赤外線センサ/レンズ(IRSシリーズ) IML-0668 3 2 1 0 -1 -2 -3 -3 -1 0-2 1 2 3 Figure 3-1 Luminous Intensity Distribution (Distance: 3m, Combination with IRS-B210ST01) (IRS-B210ST01-R1) (IRS-B340ST02-R1) 3 2 1 0 -1 -2 -3 -3 -1 0-2 1 2 3 Figure 3-2 Luminous Intensity Distribution (Distance: 3m, Combination with IRS-B340ST02)(in mm) General Tolerance: ±0.2mm Non Instructions Corner: max.R0.2 8.0(2) (2.3) (0.3) 4.8 A-A B-B (2) (3.2) 2.8 7.2 A A B B 9.2 draft 2° draft 1° ø9 ø10.3 S21J.pdf 2012.10.1
  • 17.
    Note • Pleaseread rating and CAUTION (for storage and operating, rating, soldering and mounting, handling) in this catalog to prevent smoking and/or burning, etc. • This catalog has only typical specifications. Therefore, please approve our product specifications or transact the approval sheet for product specifications before ordering. 15 Pyroelectric Infrared Sensors/Lens(IRA Series) IML-0669 Thickness 0.4t 2 1.5 ø11ø10.2 ø12 R6.5 SR 5.5 1.254 3.257.254 0.9 0.5 0.07 1.551.13 0.57 Distance: 2.5m max: 7.5m Distance:2.5mmax:6.0m Unit: m Distance: 2.5m Distance: 2.5m max: 7.5m Distance:2.5mmax:6.0m Distance: 2.5m Distance:2.5m Unit: m Distance: 2.5m Sensor : IRS-B210ST01 Sensor : IRS-B340ST02 S21J.pdf 2012.10.1
  • 18.
    Note • Pleaseread rating and CAUTION (for storage and operating, rating, soldering and mounting, handling) in this catalog to prevent smoking and/or burning, etc. • This catalog has only typical specifications. Therefore, please approve our product specifications or transact the approval sheet for product specifications before ordering. 16 Pyroelectric Infrared Sensors/Lens(IRA Series) IML-0636 IML-0635 S21J.pdf 2012.10.1
  • 19.
    Note • Pleaseread rating and CAUTION (for storage and operating, rating, soldering and mounting, handling) in this catalog to prevent smoking and/or burning, etc. • This catalog has only typical specifications. Therefore, please approve our product specifications or transact the approval sheet for product specifications before ordering. 5 17 Note • Please read rating and CAUTION (for storage and operating, rating, soldering and mounting, handling) in this catalog to prevent smoking and/or burning, etc. • This catalog has only typical specifications. Therefore, please approve our product specifications or transact the approval sheet for product specifications before ordering. Pyroelectric Infrared Sensors/Lens(IRA Series) IML-0637 IML-0638 6.11m 4.91m 3m 3m 0m Vertical 3m On the Floor 3m 45.5º 3m0m 45.5º 42º 42º Horizontal Vertical Pyroelectric Element Horizontal Assembled with Murata sensor IRA-E700 Series. S21J.pdf 2012.10.1
  • 20.
    5 18 Note • Pleaseread rating and CAUTION (for storage and operating, rating, soldering and mounting, handling) in this catalog to prevent smoking and/or burning, etc. • This catalog has only typical specifications. Therefore, please approve our product specifications or transact the approval sheet for product specifications before ordering. (in mm) PPGI0601 Pyroelectric Infrared Sensors/Lens(IRS/IRA Series) PPGI0626 (in mm) S21J.pdf 2012.10.1
  • 21.
    19 Note • Pleaseread rating and CAUTION (for storage and operating, rating, soldering and mounting, handling) in this catalog to prevent smoking and/or burning, etc. • This catalog has only typical specifications. Therefore, please approve our product specifications or transact the approval sheet for product specifications before ordering. Pyroelectric Infrared Sensors/Lens(IRS/IRA Series) 5 (in mm) PPGI0902 S21J.pdf 2012.10.1
  • 22.
    20 Pyroelectric Infrared Sensors/Lens(IRASeries) Fresnel lens are available upon request. IMD-FL01G IMD-FL01W Angle of Horizontal 0 1.0 2.0 3.0 m 1.0 2.0 3.0 5.04.0 m 52 deg. 34 deg. 12.5 deg. 1.0 3.02.0 Angle of Horizontal 0 1.0 2.0 3.0 m 1.0 2.0 3.0 5.04.0 m 52 deg. 34 deg. 12.5 deg. 1.0 3.02.0 15 deg. 0 1.0 2.0 m 1.0 2.0 Angle of Vertical 5.04.0 m1.0 3.02.0 15 deg. 0 1.0 2.0 m 1.0 2.0 Angle of Vertical 5.04.0 m1.0 3.02.0 5.0 20.5 22.5 ø2.0 1.0 16.4 5.1 Focal point (Pyro-Element) 12.8 16.5 21.5 26.5 (in mm) General tolerance : ±0.4 5.0 20.5 22.5 ø2.0 1.0 16.4 5.1 Focal point (Pyro-Element) 12.8 16.5 21.5 26.5 (in mm) General tolerance : ±0.4 Note • Please read rating and CAUTION (for storage and operating, rating, soldering and mounting, handling) in this catalog to prevent smoking and/or burning, etc. • This catalog has only typical specifications. Therefore, please approve our product specifications or transact the approval sheet for product specifications before ordering. S21J.pdf 2012.10.1
  • 23.
    21 Notice 1. Caution (Design) (1)Please make sure that your product has been evaluated and confirmed against your specifications when our product is mounted to your product. (2) Be sure to provide an appropriate fail-safe function on your product to prevent a second damage that may be caused by the abnormal function or the failure of our product. (3) In case of outdoor use, suitable optical filter and water and humidity proof structure should be applied. (4) To prevent failure or malfunction, please use a stabilized power supply. (5) Please avoid using the sensor in the following conditions because it may cause failure or malfunction. (a) in such a fluid as water, alcohol etc. corrosive gas (SO2, Cl2, NOX etc.) or sea breeze (b) in high humidity (c) in a place exposed directly to sunlight or headlights of automobile (d) in a place exposed to rapid ambient temperature change (e) in a place exposed directly to an air-conditioner or heat vent (f) strong vibrations (g) in a place exposed to strong electromagnetic field (h) in such a place where infrared ray is shaded (i) in any other place similar to the above (a) through (h) 2. Caution (Handling and Storage) (1) The optical filter of the sensor should not be scratched or soiled. (2) Strong shock should be avoided. (3) Electrostatics and strong electromagnetic field should be avoided. (4) The sensor should be kept on conductive sponge. (5) High temperature, high humidity, fluid such as water or alcohol etc., corrosive gas (SO2, Cl2, NOX etc.) and sea breeze should be avoided. ▊Notice Note • Please read rating and CAUTION (for storage and operating, rating, soldering and mounting, handling) in this catalog to prevent smoking and/or burning, etc. • This catalog has only typical specifications. Therefore, please approve our product specifications or transact the approval sheet for product specifications before ordering. S21J.pdf 2012.10.1
  • 24.
    22 Notice 3.Caution (Mounting) (IRS Series) SolderingConditions Following figure shows temperature profile when reflow soldering. ・Cleaning after reflow soldering should not be applied. ・Flow soldering should not be applied. ・Please contact us when using other reflow profile except following reflow profile. (1) Cleaning after reflow soldering should not be applied. Optical filter of sensor should not be soiled because it may cause failure or malfunction. (2) Please follow soldering conditions described in the specification. This product can permanently stop operating if the piezoelectric(pyroelectric) characteristic is decreased due to excessive heating. 3.Caution (Mounting) (IRA Series) (1) Soldering (a) Hand soldering should be applied. (b) Soldering should be done quickly as following. (c) Soldering flux should be rosin flux and not contain more than 0.2wt% chlorine. Soldering flux should be removed after soldering. (2) Cleaning Soldering flux should be removed after soldering. Soldering flux may cause malfunction or degradation of character unless sufficiently cleaned. ▊Notice 245ºC 220ºC 180ºC 150ºC 100ºC Temp. (ºC) Heating period 80-100 sec. (20sec. min.) 30-60 sec.max. 120 sec. min. Pre-Heating 150-180ºC Heating 220ºC min. Gradual in air Time (sec.) 2ºC/sec. max. Peak temperature on product surface 250ºC, 5sec. max. Temperature of soldering iron : 350˚C Distance from can case 1 to 3mm Over 3mm Period of time Within 3 seconds per point Within 10 seconds per point Note • Please read rating and CAUTION (for storage and operating, rating, soldering and mounting, handling) in this catalog to prevent smoking and/or burning, etc. • This catalog has only typical specifications. Therefore, please approve our product specifications or transact the approval sheet for product specifications before ordering. S21J.pdf 2012.10.1
  • 25.
    Note • Pleaseread rating and CAUTION (for storage and operating, rating, soldering and mounting, handling) in this catalog to prevent smoking and/or burning, etc. • This catalog has only typical specifications. Therefore, please approve our product specifications or transact the approval sheet for product specifications before ordering. S21J.pdf 2012.10.1