INTERNATIONALIssue Engineering– and Technology (IJEET), ISSN ENGINEERING
International Journal of Electrical
0976 – 6553(Online) Volume 3,
                               JOURNALDecember (2012), © IAEME 0976 – 6545(Print), ISSN
                                    3, October
                                               OF ELECTRICAL
                               & TECHNOLOGY (IJEET)
ISSN 0976 – 6545(Print)
ISSN 0976 – 6553(Online)
Volume 3, Issue 3, October - December (2012), pp. 187-199
                                                                             IJEET
© IAEME: www.iaeme.com/ijeet.asp
Journal Impact Factor (2012): 3.2031 (Calculated by GISI)                ©IAEME
www.jifactor.com




   OPTIMAL PLACEMENT OF CUSTOM POWER DEVICES IN POWER
     SYSTEM NETWORK FOR LOAD AND VOLTAGE BALANCING

                  D.K. Tanti1, M.K. Verma2, Brijesh Singh3, O.N. Mehrotra4
      1,4
          Department of Electrical Engineering, Bihar Institute of Technology, Sindri (INDIA)
                     E-mail: 1dktanti@yahoo.com , 4 onmehrotra@gmail.com
     2,3
         Department of Electrical Engineering, Indian Institute of Technology (BHU), Varanasi
                                              (INDIA)
              E-mail: 2mkverma.eee@iitbhu.ac.in , 3brijeshsingh81@indiatimes.com



 ABSTRACT

         In this paper, a criterion based on Artificial Neural Network (ANN) has been developed
 for optimal placement of Distribution Static Compensator (DSTATCOM), Dynamic Voltage
 Restorer (DVR) and Unified Power Quality Conditioner (UPQC) in a power system network for
 balancing of load voltage and current against switching of unbalanced load across it, and to
 balance voltage at all other buses which get affected due to connection of unbalanced load in the
 system. A feed forward neural network with back propagation algorithm has been trained with
 unbalanced bus voltages with targets defined as balanced bus voltages prior to connection of
 unbalanced load in the system. The optimal bus has been taken as the bus having maximum
 squared deviation of three phase unbalanced bus voltage from its target value. The DSTATCOM,
 DVR and UPQC have been placed at the optimal bus or in the line connecting optimal bus. Case
 studies have been performed on IEEE 14-bus system. Simulations have been carried out in
 standard MATLAB environment using SIMULINK and power system block-set toolboxes. The
 effectiveness of proposed approach of placement of custom power devices in load and voltage
 balancing has been established on the test system considered.

 KEYWORDS: Load balancing, Voltage balancing, DSTATCOM, DVR, UPQC, ANN




                                               187
International Journal of Electrical Engineering and Technology (IJEET), ISSN 0976 – 6545(Print), ISSN
0976 – 6553(Online) Volume 3, Issue 3, October – December (2012), © IAEME

1. INTRODUCTION

         The present distribution systems are facing severe power quality problems such as poor
voltage regulation, high reactive power demand, harmonics in supply voltage and current, and
load unbalancing [1]. Therefore, maintenance of power quality is becoming of increasing
importance in worldwide distribution systems. Industrial consumers with more automated
processes require high quality power supply else equipments such as microcontrollers, computers
and motor drives may get damaged. High quality power delivery includes balanced voltage
supply to consumers. Connection of unbalanced load at a bus may cause unbalanced voltage and
current drawn by other loads connected at that bus. Switching of unbalanced load at a bus may
also result in unbalanced voltage at some other buses. Unbalanced voltages contain negative and
zero sequence components which may cause additional losses in motors and generators,
oscillating torques in Alternating Current (AC) machines, increased ripples in rectifiers,
saturation of transformers, excessive neutral currents and malfunctioning of several type of
equipments.
         With the advancement in power electronics, new controllers known as Flexible AC
Transmission System (FACTS) have been developed [2]. These controllers have been proved to
be quite effective in power flow control, reactive power compensation and enhancement of
stability margin in AC networks [3]. Power electronics based controllers used in distribution
systems are called custom power devices. Custom power devices have been proved to be quite
effective in power quality enhancement [1]. The custom power devices may be series, shunt, and
series-shunt or series-series type depending upon their connection in the circuit. Most prominent
custom power devices include Distribution Static Compensator (DSTATCOM), Dynamic
Voltage Restorer (DVR) and Unified Power Quality Conditioner (UPQC) [1]. There are several
papers reported in literature on placement of custom power devices in balancing of unbalanced
load in radial distribution systems. Load voltage balancing using DVR against unbalanced
supply voltage in radial distribution system has been considered [4], [5]. Placement of
DSTATCOM in weak AC radial distribution system for load voltage and current balancing has
been considered in [6]. Balancing of source currents using DSTATCOM in radial distribution
system has been considered in [7]. In [7], unbalancing has been caused by connection of
unbalanced and non-linear load. Load compensation using DSTATCOM against unbalancing
caused by opening of one of the phase of the load in radial distribution system has been
considered in [8]. Balancing of supply across an unbalanced 4-phase load along with power
factor improvement using DSTATCOM has been suggested in [9]. A Voltage Source Converter
(VSC) based controller has been proposed in [10] to balance terminal voltage of an isolated
standalone asynchronous generator driven by constant speed prime mover. A non-linear and
unbalanced load has been connected at the generator terminals in [10] to create unbalance in
supply voltages. A DVR/APF (Active Power Filter) based on Proportional Resonant (PR)
controller has been proposed in [11] to protect sensitive industrial loads at the point of common
coupling, against voltage harmonics, imbalances and sags. The Artificial Neural Network (ANN)
based methodologies have been successfully applied in several areas of the Electrical
Engineering, including detection of voltage disturbances, voltage and reactive power control,
fault detections [12]-[14]. An AI based UPQC has been modeled using MATLAB toolbox to
improve power quality [15 ].To generate switching signals for the series compensator of the
UPQC system NNC algorithm such as MRC and NARMA-12 has been used. The paper [16 ] has

                                                188
International Journal of Electrical Engineering and Technology (IJEET), ISSN 0976 – 6545(Print), ISSN
0976 – 6553(Online) Volume 3, Issue 3, October – December (2012), © IAEME

proposed a model for UPQC to compensate input voltage harmonics and current harmonics
caused by non-linear load. The control strategies are based on PI and ANN controller. Again, in
paper [17 ] the ANN based controller has been designed and trained off-line using data from the
conventional proportional, integral controller. The performance of ANN and PI controller has
been studied and compared for UPQC using MATLAB simulation. An ANN based approach for
optimal placement of Custom Power Devices to mitigate voltage sag in a meshed interconnected
power system, has been suggested in [18].
        Unbalanced load connected at a particular bus may cause voltage unbalances at several
other buses in an interconnected power system network. No effort seems to be made in optimal
placement of custom power devices in an interconnected power system network in balancing bus
voltages at all the buses caused by unbalanced load connected at a particular bus. In this paper,
an Artificial Neural Network (ANN) based approach has been proposed for optimal placement of
custom power devices to balance unbalanced voltages in the whole power system network. The
ANN has been trained with Levenberg Marquardth back-propagation algorithm (trainlm ). Case
studies have been performed on IEEE 14-bus system. [19].

2 CUSTOM POWER DEVICES MODEL

2.1 DSTATCOM model

        In the present work, the DSTATCOM has been represented as three independently
controllable single phase current sources injecting reactive current in the three phases at the point
of coupling. The proposed DSTATCOM model has been shown in Figure-1. The control scheme
consists of three control switches which can be set on/off as per compensation requirement. The
maximum and minimum reactive power injection limit of DSTATCOM has been taken as +50
MVAR and -50 MVAR, respectively.




                               Figure-1. Proposed DSTATCOM model




                                                189
International Journal of Electrical Engineering and Technology (IJEET), ISSN 0976 – 6545(Print), ISSN
0976 – 6553(Online) Volume 3, Issue 3, October – December (2012), © IAEME

2.2 DVR model

        In the present work, the DVR has been represented as three independently controllable
single phase voltage sources injecting complex voltages in series with the line in the three
phases. The magnitude and angle of injected voltages may be controlled to balance load voltage
at different buses. The proposed DVR model has been shown in Figure-2 . The control scheme
consists of six control switches which can be set on/off as per compensation requirement. During
off condition, the three control switches connected in series with the controllable single phase
voltage sources are open and the other three control switches in parallel with controllable voltage
sources, are closed. When compensation is required , the three switches connected in series with
independently controllable voltage sources are closed, and the remaining three switches are made
open. This permits injection of controllable complex voltages in the three phases of the line
which causes load balancing and voltage balancing of different buses.




                                 Figure-2. Proposed DVR model


2.3 UPQC model

     In the present work, UPQC has been considered as combination of DSTATCOM and
DVR models suggested in sections 2.1 and 2.2, respectively.

3. METHODOLOGY

        In this work, feed forward Artificial Neural Network with back propagation algorithm
has been used to find optimal location for DSTATCOM placement. The architecture of this
network has been shown in figure-3.
        In figure-3, the input data p(1), p(2), ……….p(R) flow through the synapses weights wi,j.
These weights amplify or attenuate the input signals before being added at the node represented
by a circle. The summed data flows to the output through an activation function f. The neurons
are interconnected creating different layers. An elementary neuron with R inputs has been shown
in figure-3. Each input is weighted with an appropriate weight w. The sum of the weighted inputs
and the bias, b forms the input to the transfer function f.

                                                190
International Journal of Electrical Engineering and Technology (IJEET), ISSN 0976 – 6545(Print), ISSN
0976 – 6553(Online) Volume 3, Issue 3, October – December (2012), © IAEME

         Once the network weights and biases are initialized, the network is ready for training.
The training process requires a set of examples of proper network behavior network inputs, p
                                                                       behavior—network
and target outputs, t. During training the weights and biases of the network are iteratively
adjusted to minimize the network performance function. The default performance function for
feed forward networks is Mean Square Error (MSE) — the average squared error between the
                                                            he
network outputs and the target outputs. The gradient is determined using a technique called back
                                                                                             back-
propagation, which involves performing computations backward through the network.
         In the proposed neural network archite
                                           architecture there are 20 hidden layers and 14 output
layers. This network can be trained to give a desired pattern at the output, when the
corresponding input data set is applied. The training process is carried out with a large number of
input and output target data. The system has been made unbalanced by connection of highly
unbalanced load at different load buses. The three phase balanced per unit (p.u.) voltages of
buses prior to connection of unbalanced load, have been taken as output target data. The three
phase p.u. voltages of buses under unbalanced loading conditions have been considered as input
data to train the neural network. Once the network is trained some data are used to test the
network. The testing results provide information about the optimal location for the placement of
                                                                      location
DSTATCOM controller. Mean Square Error has been computed for all the buses. The load bus
corresponding to highest mean Mean Square Error value has been selected as the optimal bus for
the placement of DSTATCOM controller. The placement of DVR is considered in each of the
                                                   lacement
lines connected to the optimal bus. The line where placement of DVR results in the maximum
balancing of voltage and load is considered as the optimal line for the placement of DVR. The
UPFC placement is considered in optimal line towards optimal bus.
                            red




                                                  (a)




                                                 (b)

                          Figure- Artificial Neural Network architecture
                                -3.


                                                191
International Journal of Electrical Engineering and Technology (IJEET), ISSN 0976 – 6545(Print), ISSN
0976 – 6553(Online) Volume 3, Issue 3, October – December (2012), © IAEME

4. CASE STUDY
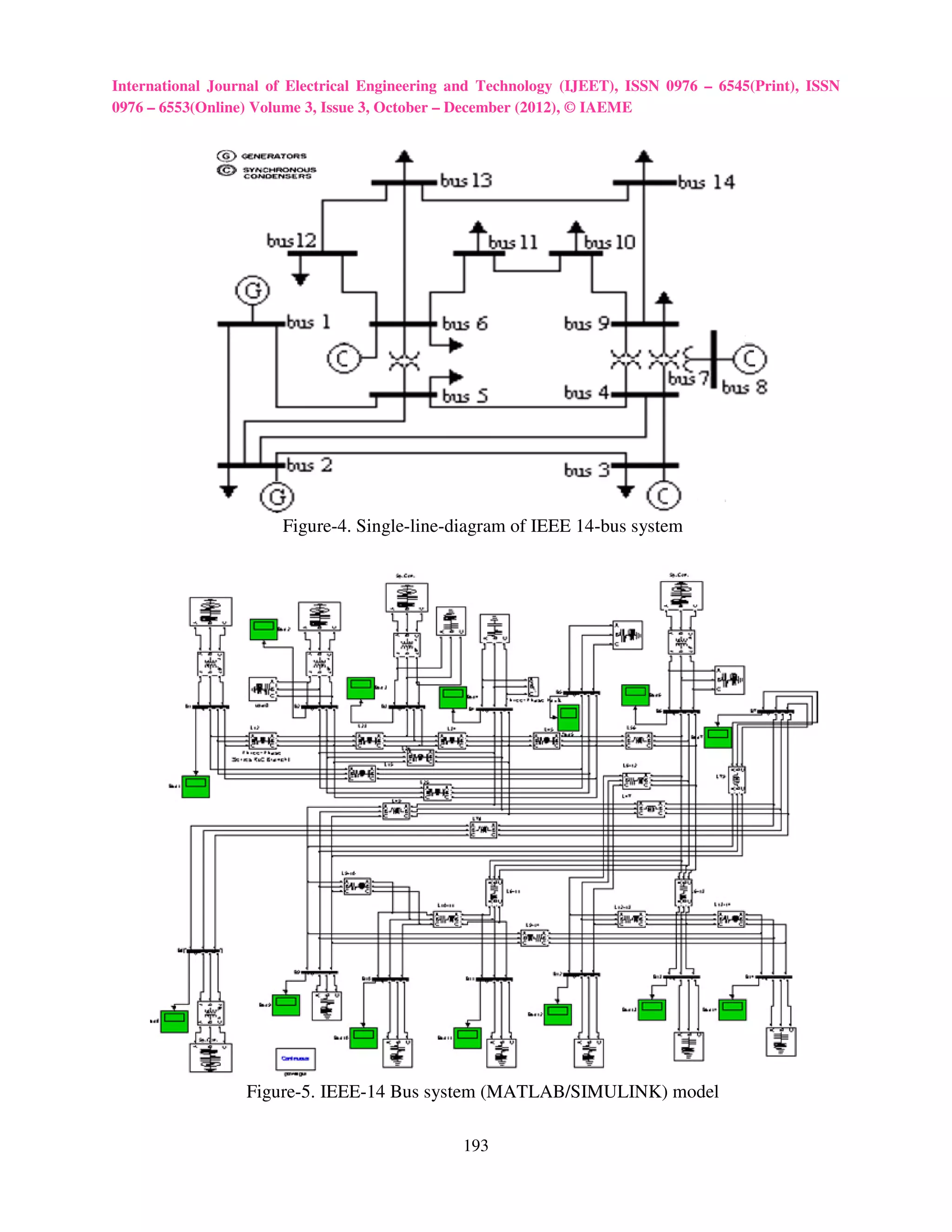
        Case studies were performed on IEEE 14-bus system [15] having 14 buses and 20 lines.
The system consists of 5 synchronous machines three of which are synchronous condensers.
There are 11 loads in the system having a net real and reactive power demand of 259 MW and
81.3 MVAR, respectively. The single-line-diagram of the system has been shown in figure-4.
Simulation model of IEEE 14-bus system was developed using software package
MATLAB/SIMULINK [16]. The simulation block diagram of the system has been shown in
figure-5. The developed plant model shown in figure-5 was used to find three phase balanced bus
voltages prior to switching of unbalanced load, unbalanced three phase voltage and current at the
bus where unbalanced load is switched on, and unbalanced three phase voltages at other buses in
the system. In order to create unbalance loading condition, an additional Y- connected highly
unbalanced load ; Phase A [P=1MW, Q=100MVAR] ,                               Phase B [ P=25KW,
Q=200KVAR] , Phase C [ P=1KW, Q=0.1KVAR] was connected at each bus considered at a
time, with all other buses having balanced base case loadings. A feed forward neural network
was trained with three phase unbalanced bus voltages. The balanced three phase voltages of
different buses prior to connection of unbalanced load at a bus were considered as target data for
the neural network. The Mean Square Errors (MSE) were calculated for all the buses using
training data and target data. The MSE of all the buses have been shown in figure-6. It is
observed from figure-6 that bus-5 has maximum MSE value. Therefore, bus-5 was selected as
the optimal location for the placement of DSTATCOM controller. Placement of DVR was
considered in each of the lines connected to bus-5 viz. line 5-1, line 5-2, line 5-4 and line 5-6,
respectively, and the three phase voltages of different buses were observed. It was found that
placement of DVR in line 5-4 was more effective in voltage load and voltage balancing
compared to DVR placement in line 5-1, line 5-2 and line 5-6, respectively. Therefore, line 5-4
was selected as the optimal line for the placement of DVR controller. UPFC placement was
considered in optimal line 5-4 towards optimal bus-5.
        Three phase voltage at all the buses and three phase current at the bus with unbalanced
load were plotted versus time for the four cases – (i) without any controller (ii) with placement
of DSTATCOM at the optimal bus (iii) with the placement of DVR in the optimal line and (iv)
with the placement of UPQC in optimal line towards optimal bus. The relative performance of
DVR, DSTATCOM and UPQC in load and voltage balancing is studied to decide most suitable
controller out of the three controllers considered. The variation of three phase voltage with
respect to time for all the buses and variation of three phase current with respect to time at the
bus with unbalanced load were plotted using MATLAB software [16]. Three phase voltage and
current at bus-2 with unbalanced load connected at bus-2 have been shown in figure-7. Three
phase voltage at bus-5 and at bus-10 with unbalanced load connected at bus-2 have been shown
in figure-8. Three phase voltage and current at bus-10 with unbalanced load connected at bus-10
have been shown in figure-9. Three phase voltage at bus-4 and at bus-5 with unbalanced load
connected at bus-10 have been shown in figure-10. Three phase voltage and current at bus-12
with unbalanced load connected at bus-12 have been shown in figure-11. Three phase voltage at
bus-4 and at bus-7 with unbalanced load connected at bus-12 have been shown in figure-12. It is
observed from figures 7, 9 and 11 that placement of custom power devices in the network results
in considerable balancing of load voltage and current at the bus with unbalanced load. It is
observed from figures 8, 10 and 12 that placement of custom power devices in the network is
also able to produce considerable voltage balancing at other buses.

                                                192
International Journal of Electrical Engineering and Technology (IJEET), ISSN 0976 – 6545(Print), ISSN
0976 – 6553(Online) Volume 3, Issue 3, October – December (2012), © IAEME




                       Figure-4. Single-line-diagram of IEEE 14-bus system




                  Figure-5. IEEE-14 Bus system (MATLAB/SIMULINK) model

                                                193
International Journal of Electrical Engineering and Technology (IJEET), ISSN 0976 – 6545(Print), ISSN
0976 – 6553(Online) Volume 3, Issue 3, October – December (2012), © IAEME




              Figure-6. Mean Square Error for different buses (IEEE 14-bus system)



                                 Unbalance load connected at Bus 2
Bus No.                   2 (Voltage waveform)                     2 (Current waveform)
Without
Controller



With DVR
in Line 5-4



With
DSTATCO
M at Bus 5


With
UPQC at
Line 5-4
Toward
Bus 5
   Figure-7. Three phase voltage and current at bus-2 with unbalanced load connected at bus-2



                                                194
International Journal of Electrical Engineering and Technology (IJEET), ISSN 0976 – 6545(Print), ISSN
0976 – 6553(Online) Volume 3, Issue 3, October – December (2012), © IAEME

                                           Unbalance load connected at Bus 2
Bus No.                          5 (Voltage waveform)                                 10 (Voltage waveform)
Without
Controller




With DVR in
Line 5-4




With
DSTATCOM
at Bus 5




With UPQC
at Line 5-4
Toward Bus 5


             Figure-8. Three phase voltage at bus-5 and at bus-10 with unbalanced load connected at bus-2

                                          Unbalance load connected at Bus 10
Bus No.                          10 (Voltage waveform)                                10 (Current waveform)
Without
Controller




With DVR in
Line 5-4




With
DSTATCOM
at Bus 5



With UPQC
at Line 5-4
Toward Bus 5



             Figure-9. Three phase voltage and current at bus-10 with unbalanced load connected at bus-10


                                                        195
International Journal of Electrical Engineering and Technology (IJEET), ISSN 0976 – 6545(Print), ISSN
0976 – 6553(Online) Volume 3, Issue 3, October – December (2012), © IAEME

                                    Unbalance load connected at Bus 10
Bus No.                     4 (Voltage waveform)                            5 (Voltage waveform)
Without
Controller



With DVR
in Line 5-4



With
DSTATCO
M at Bus 5


With UPQC
at Line 5-4
Toward Bus
5
      Figure-10. Three phase voltage at bus-4 and at bus-5 with unbalanced load connected at bus-10


                                   Unbalance load connected at Bus 12
Bus No.                    12 (Voltage waveform)                      12 (Current waveform)
Without
Controller




With DVR
in Line 5-4


With
DSTATCO
M at Bus 5



With UPQC
at Line 5-4
Toward Bus
5
      Figure-11. Three phase voltage and current at bus-12 with unbalanced load connected at bus-12




                                                 196
International Journal of Electrical Engineering and Technology (IJEET), ISSN 0976 – 6545(Print), ISSN
0976 – 6553(Online) Volume 3, Issue 3, October – December (2012), © IAEME

                                    Unbalance load connected at Bus 12
Bus No.                     4 (Voltage waveform)                            7 (Voltage waveform)
Without
Controller




With DVR
in Line 5-4



With
DSTATCO
M at Bus 5



With UPQC
at Line 5-4
Toward Bus
5

     Figure-12. Three phase voltage at bus-4 and at bus-7 with unbalanced load at connected at bus-12

5. CONCLUSION

        In this work, an Artificial Neural Network based approach has been suggested for the
placement of Custom Power Devices in power system to balance three phase voltage and
current at a bus where a highly unbalanced load is switched on, and to balance three phase
voltage at all other buses which become unbalanced due to connection of an highly unbalanced
load at a particular bus. Case studies were performed on IEEE 14-bus system using
MATLAB/SIMULINK. Simulation results on the test system validate the effectiveness of the
proposed approach of placement of custom power devices in load and voltage balancing. The
placement of UPQC seems to be more effective in load and voltage balancing compared to
placement of DSTATCOM and DVR controllers. The proposed approach of optimal placement
of custom power devices is quite simple and easy to adopt.

REFERENCES

[1] A. Ghosh and G. Ledwich, “Power quality enhancement using custom power devices”,Kluwer
Academic Publishers (London) 2002.
[2] N. G. Hingorani and L. Gyugyi, “Understanding FACTS: Concepts and technology of Flexible AC
Transmission System”, IEEE publication, 2000.
[3] J. Dixon, Luis Moran, Jose Rodriguez, “Reactive power compensation technologies: State of art
review”, Proceedings of the IEEE, Vol.93, No. 12, pp. 2144-2164, December 2005.



                                                  197
International Journal of Electrical Engineering and Technology (IJEET), ISSN 0976 – 6545(Print), ISSN
0976 – 6553(Online) Volume 3, Issue 3, October – December (2012), © IAEME

[4] ArindamGhosh and Gerald Ledwich, “Compensation of distribution system voltage using DVR”,
IEEE Transactions on Power Delivery, Vol. 17, No. 4, pp. 1030-1036, October 2002.
[5] PendroRoncero-Sanchez, Enrique Acha, Jose Enrique Ortega-Calderon, Vicente Feliu, and Aurelio
Gareia-Cerrada, “A versatile control scheme for a Dynamic Voltage Restorer
for power quality improvement”, IEEE Transactions on Power Delivery, Vol. 24, No. 1, pp. 277-284,
January 2009.
[6] ArindamGhosh and Gerald Ledwich, “Load compensating DSTATCOM in weak AC systems”, IEEE
Transactions on Power Delivery, Vol. 18, No. 1, pp. 1302-1309, October 2003.
[7] C. N. Bhende, Dr. M. K. Mishra, and Dr. H. M. Suryawanshi, “ A D-STATCOM modeling, analysis
and performance for unbalanced and non-linear loads”, Institutions of Engineers(India) Journal – EL ,
Vol. 86, pp. 297-304, March 2006.
[8] Wei-Neng Chang and Kuan-DihYeh, “Design and implementation of D-STATCOM for fast load
compensation of unbalanced loads, “Journal of Marine Science and Technology” , Vol. 17, No. 4, pp.
257-263, 2009.
[9] Zakir Husain, Ravinder Kumar Singh and ShriNiwasTiwari, “ Balancing of unbalanced load and
power factor correction in multiphase ( 4 phase ) load circuits using D-STATCOM”, Proceedings of the
World Congress on Engineering 2010, Vol. II WCE-2010, June 30-July 2, 2010, London (U.K).
[10] Gaurav Kumar Kansal and Bhim Singh, “Harmonic elimination, voltage control and load balancing
in an isolated power generation”, European Transactions on Electrical Power, Vol. 20, Issue 6, pp.
771-784, September 2010.
[11] Pablo Fernandez-Comesana, Francisco D. Freijedo, Jesus Doval-Gandoy, Oscar Lopez, Alejandro G.
Yepes, JanoMalvar, “Mitigation of voltage sags, imbalances and harmonics in sensitive industrial loads
by means of a series power line conditioners”, Electric Power Systems Research, Vol. 84, Issue 1, pp. 20-
30, March 2012.
[12] E.A.Mohamed , N.D. Rao, “Artificial Neural Network based fault diagnostic system for electric
power distribution feeders,” Electric Power Systems Research, Vol. 35, No. 1, pp. 1-10, 35 October 1995.
[13] Ernesto Vazquez, Hector J. Altuve, Oscar L. Chacon, “Neural network approach to fault detection in
electric power systems”, IEEE International conference on Neural Networks, Vol. 4, pp. 2090-2095, June
3-6, 1996, Washington, DC, USA.
[14] F.J. Alcantare, J. R. Vazquez, P. Salmeron, S.P. Litran, M.I. Arteaga Orozco, “On line detection of
voltage transient disturbances using ANNs,” International Conference on Renewable Energies and Power
Quality (ICREPQ 09) 15th to 17th April 2009, Valencia, Spain.
[15] Moleykutty George, “ Artificial Intelligence based three phase Unified Power Quality Conditioner”,
Journal of Computer Science (3) 7 : pp. 465-477, 2007.
[16] R.V.D. Rama Rao, Dr. SubhransuSekhar Dash, “ Power Quality Enhancement by Unified Power
Quality Conditioner using ANN with Hysteresis control”, International
Journal of Computer Applications (0975-8887), Vol. 6-No.-1, pp. 9-15, Sept.2010.
[17] N. Ramchandra, M. Kalyanchakravarthi, “ Neural Network Based Unified Power Quality
Conditioner”, International Journal of Modern Engineering Research. (IJMER), Vol.2, Issue 1, pp. 359-
365, Jan.-Feb.2012.
[18] D. K. Tanti, M. K. Verma, Brijesh Singh and O. N. Mehrotra, “ Optimal Placement of Custom Power
Devices in Power System Network to Mitigate Voltage Sag under Faults”, International Journal of Power
Electronics and Drive System (IJPEDS), Vol. 2, No. 3, pp. 267-276, September 2012
[19] “Power systems test case archieve” available at
http://www.ee.washington.edu/research/pstca/pf14/pg_tca14bus.htm
[20] MATLAB 7 User’s Guides for SIMPOWER SYSTEMS and Neural Network Tool-box.




                                                  198
International Journal of Electrical Engineering and Technology (IJEET), ISSN 0976 – 6545(Print), ISSN
0976 – 6553(Online) Volume 3, Issue 3, October – December (2012), © IAEME

BIOGRAPHIES

D. K. Tanti received B.Sc. (Eng.) degree in Electrical Engineering from Muzaffarpur Institute of
Technology (India) in 1990 and M.Sc. (Eng.) degree in Electrical Engineering from Bihar
Institute of Technology, Sindri (India) in 2000. Presently, he is Associate Professor in the
Department of Electrical Engineering, Bihar Institute of Technology, Sindri (India), and pursuing
for his Ph.D degree at Vinoba Bhave University, Hazaribag (India). His research interests
include application of FACTS controllers, power quality and power systems.

M. K. Verma received B.Sc. (Eng.) degree in Electrical Engineering from Regional Engineering
College, (presently National Institute of Technology), Rourkela (India) in 1989, M.Sc. (Eng.)
degree from Bihar Institute of Technology , Sindri (India) in 1994 and Ph.D. degree from Indian
Institute of Technology, Kanpur (India) in 2005. Presently, he is Associate Professor in the
Department of Electrical Engineering, Indian Institute of Technology (BHU), Varanasi (India).
His research interests include voltage stability studies, application of FACTS controllers,
operation and control of modern power systems, power quality and smart grid.

Brijesh Singh received B.Tech. degree in Electrical Engineering from Faculty of Engineering
and Technology, Purvanchal University, Jaunpur (India) in 2003 and M.Tech. degree from
Kamla Nehru Institute of Technology, Sultanpur (India) in 2008. Presently, he is persuing for his
Ph.D. degree at Indian Institute of Technology (BHU), Varanasi (India). His research interests
include modeling and analysis of power systems, application of FACTS controllers and power
quality.

O. N. Mehrotra received B.Sc. (Eng.) degree in Electrical Engineering from Muzaffarpur
Institute of Technology (India) in 1971, M.E. (Hons.) degree in Electrical Engineering from
University of Roorkee, (presently Indian Institute of Technology, Roorkee, India) in 1982 and
Ph.D. degree from Ranchi University (India) in 2002. Presently, he is Professor (retired),
Department of Electrical Engineering, Bihar Institute of Technology, Sindri (India). His research
interests include control and utilization of renewable energies, power quality and power systems.




                                                199

Optimal placement of custom power devices

  • 1.
    INTERNATIONALIssue Engineering– andTechnology (IJEET), ISSN ENGINEERING International Journal of Electrical 0976 – 6553(Online) Volume 3, JOURNALDecember (2012), © IAEME 0976 – 6545(Print), ISSN 3, October OF ELECTRICAL & TECHNOLOGY (IJEET) ISSN 0976 – 6545(Print) ISSN 0976 – 6553(Online) Volume 3, Issue 3, October - December (2012), pp. 187-199 IJEET © IAEME: www.iaeme.com/ijeet.asp Journal Impact Factor (2012): 3.2031 (Calculated by GISI) ©IAEME www.jifactor.com OPTIMAL PLACEMENT OF CUSTOM POWER DEVICES IN POWER SYSTEM NETWORK FOR LOAD AND VOLTAGE BALANCING D.K. Tanti1, M.K. Verma2, Brijesh Singh3, O.N. Mehrotra4 1,4 Department of Electrical Engineering, Bihar Institute of Technology, Sindri (INDIA) E-mail: 1dktanti@yahoo.com , 4 onmehrotra@gmail.com 2,3 Department of Electrical Engineering, Indian Institute of Technology (BHU), Varanasi (INDIA) E-mail: 2mkverma.eee@iitbhu.ac.in , 3brijeshsingh81@indiatimes.com ABSTRACT In this paper, a criterion based on Artificial Neural Network (ANN) has been developed for optimal placement of Distribution Static Compensator (DSTATCOM), Dynamic Voltage Restorer (DVR) and Unified Power Quality Conditioner (UPQC) in a power system network for balancing of load voltage and current against switching of unbalanced load across it, and to balance voltage at all other buses which get affected due to connection of unbalanced load in the system. A feed forward neural network with back propagation algorithm has been trained with unbalanced bus voltages with targets defined as balanced bus voltages prior to connection of unbalanced load in the system. The optimal bus has been taken as the bus having maximum squared deviation of three phase unbalanced bus voltage from its target value. The DSTATCOM, DVR and UPQC have been placed at the optimal bus or in the line connecting optimal bus. Case studies have been performed on IEEE 14-bus system. Simulations have been carried out in standard MATLAB environment using SIMULINK and power system block-set toolboxes. The effectiveness of proposed approach of placement of custom power devices in load and voltage balancing has been established on the test system considered. KEYWORDS: Load balancing, Voltage balancing, DSTATCOM, DVR, UPQC, ANN 187
  • 2.
    International Journal ofElectrical Engineering and Technology (IJEET), ISSN 0976 – 6545(Print), ISSN 0976 – 6553(Online) Volume 3, Issue 3, October – December (2012), © IAEME 1. INTRODUCTION The present distribution systems are facing severe power quality problems such as poor voltage regulation, high reactive power demand, harmonics in supply voltage and current, and load unbalancing [1]. Therefore, maintenance of power quality is becoming of increasing importance in worldwide distribution systems. Industrial consumers with more automated processes require high quality power supply else equipments such as microcontrollers, computers and motor drives may get damaged. High quality power delivery includes balanced voltage supply to consumers. Connection of unbalanced load at a bus may cause unbalanced voltage and current drawn by other loads connected at that bus. Switching of unbalanced load at a bus may also result in unbalanced voltage at some other buses. Unbalanced voltages contain negative and zero sequence components which may cause additional losses in motors and generators, oscillating torques in Alternating Current (AC) machines, increased ripples in rectifiers, saturation of transformers, excessive neutral currents and malfunctioning of several type of equipments. With the advancement in power electronics, new controllers known as Flexible AC Transmission System (FACTS) have been developed [2]. These controllers have been proved to be quite effective in power flow control, reactive power compensation and enhancement of stability margin in AC networks [3]. Power electronics based controllers used in distribution systems are called custom power devices. Custom power devices have been proved to be quite effective in power quality enhancement [1]. The custom power devices may be series, shunt, and series-shunt or series-series type depending upon their connection in the circuit. Most prominent custom power devices include Distribution Static Compensator (DSTATCOM), Dynamic Voltage Restorer (DVR) and Unified Power Quality Conditioner (UPQC) [1]. There are several papers reported in literature on placement of custom power devices in balancing of unbalanced load in radial distribution systems. Load voltage balancing using DVR against unbalanced supply voltage in radial distribution system has been considered [4], [5]. Placement of DSTATCOM in weak AC radial distribution system for load voltage and current balancing has been considered in [6]. Balancing of source currents using DSTATCOM in radial distribution system has been considered in [7]. In [7], unbalancing has been caused by connection of unbalanced and non-linear load. Load compensation using DSTATCOM against unbalancing caused by opening of one of the phase of the load in radial distribution system has been considered in [8]. Balancing of supply across an unbalanced 4-phase load along with power factor improvement using DSTATCOM has been suggested in [9]. A Voltage Source Converter (VSC) based controller has been proposed in [10] to balance terminal voltage of an isolated standalone asynchronous generator driven by constant speed prime mover. A non-linear and unbalanced load has been connected at the generator terminals in [10] to create unbalance in supply voltages. A DVR/APF (Active Power Filter) based on Proportional Resonant (PR) controller has been proposed in [11] to protect sensitive industrial loads at the point of common coupling, against voltage harmonics, imbalances and sags. The Artificial Neural Network (ANN) based methodologies have been successfully applied in several areas of the Electrical Engineering, including detection of voltage disturbances, voltage and reactive power control, fault detections [12]-[14]. An AI based UPQC has been modeled using MATLAB toolbox to improve power quality [15 ].To generate switching signals for the series compensator of the UPQC system NNC algorithm such as MRC and NARMA-12 has been used. The paper [16 ] has 188
  • 3.
    International Journal ofElectrical Engineering and Technology (IJEET), ISSN 0976 – 6545(Print), ISSN 0976 – 6553(Online) Volume 3, Issue 3, October – December (2012), © IAEME proposed a model for UPQC to compensate input voltage harmonics and current harmonics caused by non-linear load. The control strategies are based on PI and ANN controller. Again, in paper [17 ] the ANN based controller has been designed and trained off-line using data from the conventional proportional, integral controller. The performance of ANN and PI controller has been studied and compared for UPQC using MATLAB simulation. An ANN based approach for optimal placement of Custom Power Devices to mitigate voltage sag in a meshed interconnected power system, has been suggested in [18]. Unbalanced load connected at a particular bus may cause voltage unbalances at several other buses in an interconnected power system network. No effort seems to be made in optimal placement of custom power devices in an interconnected power system network in balancing bus voltages at all the buses caused by unbalanced load connected at a particular bus. In this paper, an Artificial Neural Network (ANN) based approach has been proposed for optimal placement of custom power devices to balance unbalanced voltages in the whole power system network. The ANN has been trained with Levenberg Marquardth back-propagation algorithm (trainlm ). Case studies have been performed on IEEE 14-bus system. [19]. 2 CUSTOM POWER DEVICES MODEL 2.1 DSTATCOM model In the present work, the DSTATCOM has been represented as three independently controllable single phase current sources injecting reactive current in the three phases at the point of coupling. The proposed DSTATCOM model has been shown in Figure-1. The control scheme consists of three control switches which can be set on/off as per compensation requirement. The maximum and minimum reactive power injection limit of DSTATCOM has been taken as +50 MVAR and -50 MVAR, respectively. Figure-1. Proposed DSTATCOM model 189
  • 4.
    International Journal ofElectrical Engineering and Technology (IJEET), ISSN 0976 – 6545(Print), ISSN 0976 – 6553(Online) Volume 3, Issue 3, October – December (2012), © IAEME 2.2 DVR model In the present work, the DVR has been represented as three independently controllable single phase voltage sources injecting complex voltages in series with the line in the three phases. The magnitude and angle of injected voltages may be controlled to balance load voltage at different buses. The proposed DVR model has been shown in Figure-2 . The control scheme consists of six control switches which can be set on/off as per compensation requirement. During off condition, the three control switches connected in series with the controllable single phase voltage sources are open and the other three control switches in parallel with controllable voltage sources, are closed. When compensation is required , the three switches connected in series with independently controllable voltage sources are closed, and the remaining three switches are made open. This permits injection of controllable complex voltages in the three phases of the line which causes load balancing and voltage balancing of different buses. Figure-2. Proposed DVR model 2.3 UPQC model In the present work, UPQC has been considered as combination of DSTATCOM and DVR models suggested in sections 2.1 and 2.2, respectively. 3. METHODOLOGY In this work, feed forward Artificial Neural Network with back propagation algorithm has been used to find optimal location for DSTATCOM placement. The architecture of this network has been shown in figure-3. In figure-3, the input data p(1), p(2), ……….p(R) flow through the synapses weights wi,j. These weights amplify or attenuate the input signals before being added at the node represented by a circle. The summed data flows to the output through an activation function f. The neurons are interconnected creating different layers. An elementary neuron with R inputs has been shown in figure-3. Each input is weighted with an appropriate weight w. The sum of the weighted inputs and the bias, b forms the input to the transfer function f. 190
  • 5.
    International Journal ofElectrical Engineering and Technology (IJEET), ISSN 0976 – 6545(Print), ISSN 0976 – 6553(Online) Volume 3, Issue 3, October – December (2012), © IAEME Once the network weights and biases are initialized, the network is ready for training. The training process requires a set of examples of proper network behavior network inputs, p behavior—network and target outputs, t. During training the weights and biases of the network are iteratively adjusted to minimize the network performance function. The default performance function for feed forward networks is Mean Square Error (MSE) — the average squared error between the he network outputs and the target outputs. The gradient is determined using a technique called back back- propagation, which involves performing computations backward through the network. In the proposed neural network archite architecture there are 20 hidden layers and 14 output layers. This network can be trained to give a desired pattern at the output, when the corresponding input data set is applied. The training process is carried out with a large number of input and output target data. The system has been made unbalanced by connection of highly unbalanced load at different load buses. The three phase balanced per unit (p.u.) voltages of buses prior to connection of unbalanced load, have been taken as output target data. The three phase p.u. voltages of buses under unbalanced loading conditions have been considered as input data to train the neural network. Once the network is trained some data are used to test the network. The testing results provide information about the optimal location for the placement of location DSTATCOM controller. Mean Square Error has been computed for all the buses. The load bus corresponding to highest mean Mean Square Error value has been selected as the optimal bus for the placement of DSTATCOM controller. The placement of DVR is considered in each of the lacement lines connected to the optimal bus. The line where placement of DVR results in the maximum balancing of voltage and load is considered as the optimal line for the placement of DVR. The UPFC placement is considered in optimal line towards optimal bus. red (a) (b) Figure- Artificial Neural Network architecture -3. 191
  • 6.
    International Journal ofElectrical Engineering and Technology (IJEET), ISSN 0976 – 6545(Print), ISSN 0976 – 6553(Online) Volume 3, Issue 3, October – December (2012), © IAEME 4. CASE STUDY Case studies were performed on IEEE 14-bus system [15] having 14 buses and 20 lines. The system consists of 5 synchronous machines three of which are synchronous condensers. There are 11 loads in the system having a net real and reactive power demand of 259 MW and 81.3 MVAR, respectively. The single-line-diagram of the system has been shown in figure-4. Simulation model of IEEE 14-bus system was developed using software package MATLAB/SIMULINK [16]. The simulation block diagram of the system has been shown in figure-5. The developed plant model shown in figure-5 was used to find three phase balanced bus voltages prior to switching of unbalanced load, unbalanced three phase voltage and current at the bus where unbalanced load is switched on, and unbalanced three phase voltages at other buses in the system. In order to create unbalance loading condition, an additional Y- connected highly unbalanced load ; Phase A [P=1MW, Q=100MVAR] , Phase B [ P=25KW, Q=200KVAR] , Phase C [ P=1KW, Q=0.1KVAR] was connected at each bus considered at a time, with all other buses having balanced base case loadings. A feed forward neural network was trained with three phase unbalanced bus voltages. The balanced three phase voltages of different buses prior to connection of unbalanced load at a bus were considered as target data for the neural network. The Mean Square Errors (MSE) were calculated for all the buses using training data and target data. The MSE of all the buses have been shown in figure-6. It is observed from figure-6 that bus-5 has maximum MSE value. Therefore, bus-5 was selected as the optimal location for the placement of DSTATCOM controller. Placement of DVR was considered in each of the lines connected to bus-5 viz. line 5-1, line 5-2, line 5-4 and line 5-6, respectively, and the three phase voltages of different buses were observed. It was found that placement of DVR in line 5-4 was more effective in voltage load and voltage balancing compared to DVR placement in line 5-1, line 5-2 and line 5-6, respectively. Therefore, line 5-4 was selected as the optimal line for the placement of DVR controller. UPFC placement was considered in optimal line 5-4 towards optimal bus-5. Three phase voltage at all the buses and three phase current at the bus with unbalanced load were plotted versus time for the four cases – (i) without any controller (ii) with placement of DSTATCOM at the optimal bus (iii) with the placement of DVR in the optimal line and (iv) with the placement of UPQC in optimal line towards optimal bus. The relative performance of DVR, DSTATCOM and UPQC in load and voltage balancing is studied to decide most suitable controller out of the three controllers considered. The variation of three phase voltage with respect to time for all the buses and variation of three phase current with respect to time at the bus with unbalanced load were plotted using MATLAB software [16]. Three phase voltage and current at bus-2 with unbalanced load connected at bus-2 have been shown in figure-7. Three phase voltage at bus-5 and at bus-10 with unbalanced load connected at bus-2 have been shown in figure-8. Three phase voltage and current at bus-10 with unbalanced load connected at bus-10 have been shown in figure-9. Three phase voltage at bus-4 and at bus-5 with unbalanced load connected at bus-10 have been shown in figure-10. Three phase voltage and current at bus-12 with unbalanced load connected at bus-12 have been shown in figure-11. Three phase voltage at bus-4 and at bus-7 with unbalanced load connected at bus-12 have been shown in figure-12. It is observed from figures 7, 9 and 11 that placement of custom power devices in the network results in considerable balancing of load voltage and current at the bus with unbalanced load. It is observed from figures 8, 10 and 12 that placement of custom power devices in the network is also able to produce considerable voltage balancing at other buses. 192
  • 7.
    International Journal ofElectrical Engineering and Technology (IJEET), ISSN 0976 – 6545(Print), ISSN 0976 – 6553(Online) Volume 3, Issue 3, October – December (2012), © IAEME Figure-4. Single-line-diagram of IEEE 14-bus system Figure-5. IEEE-14 Bus system (MATLAB/SIMULINK) model 193
  • 8.
    International Journal ofElectrical Engineering and Technology (IJEET), ISSN 0976 – 6545(Print), ISSN 0976 – 6553(Online) Volume 3, Issue 3, October – December (2012), © IAEME Figure-6. Mean Square Error for different buses (IEEE 14-bus system) Unbalance load connected at Bus 2 Bus No. 2 (Voltage waveform) 2 (Current waveform) Without Controller With DVR in Line 5-4 With DSTATCO M at Bus 5 With UPQC at Line 5-4 Toward Bus 5 Figure-7. Three phase voltage and current at bus-2 with unbalanced load connected at bus-2 194
  • 9.
    International Journal ofElectrical Engineering and Technology (IJEET), ISSN 0976 – 6545(Print), ISSN 0976 – 6553(Online) Volume 3, Issue 3, October – December (2012), © IAEME Unbalance load connected at Bus 2 Bus No. 5 (Voltage waveform) 10 (Voltage waveform) Without Controller With DVR in Line 5-4 With DSTATCOM at Bus 5 With UPQC at Line 5-4 Toward Bus 5 Figure-8. Three phase voltage at bus-5 and at bus-10 with unbalanced load connected at bus-2 Unbalance load connected at Bus 10 Bus No. 10 (Voltage waveform) 10 (Current waveform) Without Controller With DVR in Line 5-4 With DSTATCOM at Bus 5 With UPQC at Line 5-4 Toward Bus 5 Figure-9. Three phase voltage and current at bus-10 with unbalanced load connected at bus-10 195
  • 10.
    International Journal ofElectrical Engineering and Technology (IJEET), ISSN 0976 – 6545(Print), ISSN 0976 – 6553(Online) Volume 3, Issue 3, October – December (2012), © IAEME Unbalance load connected at Bus 10 Bus No. 4 (Voltage waveform) 5 (Voltage waveform) Without Controller With DVR in Line 5-4 With DSTATCO M at Bus 5 With UPQC at Line 5-4 Toward Bus 5 Figure-10. Three phase voltage at bus-4 and at bus-5 with unbalanced load connected at bus-10 Unbalance load connected at Bus 12 Bus No. 12 (Voltage waveform) 12 (Current waveform) Without Controller With DVR in Line 5-4 With DSTATCO M at Bus 5 With UPQC at Line 5-4 Toward Bus 5 Figure-11. Three phase voltage and current at bus-12 with unbalanced load connected at bus-12 196
  • 11.
    International Journal ofElectrical Engineering and Technology (IJEET), ISSN 0976 – 6545(Print), ISSN 0976 – 6553(Online) Volume 3, Issue 3, October – December (2012), © IAEME Unbalance load connected at Bus 12 Bus No. 4 (Voltage waveform) 7 (Voltage waveform) Without Controller With DVR in Line 5-4 With DSTATCO M at Bus 5 With UPQC at Line 5-4 Toward Bus 5 Figure-12. Three phase voltage at bus-4 and at bus-7 with unbalanced load at connected at bus-12 5. CONCLUSION In this work, an Artificial Neural Network based approach has been suggested for the placement of Custom Power Devices in power system to balance three phase voltage and current at a bus where a highly unbalanced load is switched on, and to balance three phase voltage at all other buses which become unbalanced due to connection of an highly unbalanced load at a particular bus. Case studies were performed on IEEE 14-bus system using MATLAB/SIMULINK. Simulation results on the test system validate the effectiveness of the proposed approach of placement of custom power devices in load and voltage balancing. The placement of UPQC seems to be more effective in load and voltage balancing compared to placement of DSTATCOM and DVR controllers. The proposed approach of optimal placement of custom power devices is quite simple and easy to adopt. REFERENCES [1] A. Ghosh and G. Ledwich, “Power quality enhancement using custom power devices”,Kluwer Academic Publishers (London) 2002. [2] N. G. Hingorani and L. Gyugyi, “Understanding FACTS: Concepts and technology of Flexible AC Transmission System”, IEEE publication, 2000. [3] J. Dixon, Luis Moran, Jose Rodriguez, “Reactive power compensation technologies: State of art review”, Proceedings of the IEEE, Vol.93, No. 12, pp. 2144-2164, December 2005. 197
  • 12.
    International Journal ofElectrical Engineering and Technology (IJEET), ISSN 0976 – 6545(Print), ISSN 0976 – 6553(Online) Volume 3, Issue 3, October – December (2012), © IAEME [4] ArindamGhosh and Gerald Ledwich, “Compensation of distribution system voltage using DVR”, IEEE Transactions on Power Delivery, Vol. 17, No. 4, pp. 1030-1036, October 2002. [5] PendroRoncero-Sanchez, Enrique Acha, Jose Enrique Ortega-Calderon, Vicente Feliu, and Aurelio Gareia-Cerrada, “A versatile control scheme for a Dynamic Voltage Restorer for power quality improvement”, IEEE Transactions on Power Delivery, Vol. 24, No. 1, pp. 277-284, January 2009. [6] ArindamGhosh and Gerald Ledwich, “Load compensating DSTATCOM in weak AC systems”, IEEE Transactions on Power Delivery, Vol. 18, No. 1, pp. 1302-1309, October 2003. [7] C. N. Bhende, Dr. M. K. Mishra, and Dr. H. M. Suryawanshi, “ A D-STATCOM modeling, analysis and performance for unbalanced and non-linear loads”, Institutions of Engineers(India) Journal – EL , Vol. 86, pp. 297-304, March 2006. [8] Wei-Neng Chang and Kuan-DihYeh, “Design and implementation of D-STATCOM for fast load compensation of unbalanced loads, “Journal of Marine Science and Technology” , Vol. 17, No. 4, pp. 257-263, 2009. [9] Zakir Husain, Ravinder Kumar Singh and ShriNiwasTiwari, “ Balancing of unbalanced load and power factor correction in multiphase ( 4 phase ) load circuits using D-STATCOM”, Proceedings of the World Congress on Engineering 2010, Vol. II WCE-2010, June 30-July 2, 2010, London (U.K). [10] Gaurav Kumar Kansal and Bhim Singh, “Harmonic elimination, voltage control and load balancing in an isolated power generation”, European Transactions on Electrical Power, Vol. 20, Issue 6, pp. 771-784, September 2010. [11] Pablo Fernandez-Comesana, Francisco D. Freijedo, Jesus Doval-Gandoy, Oscar Lopez, Alejandro G. Yepes, JanoMalvar, “Mitigation of voltage sags, imbalances and harmonics in sensitive industrial loads by means of a series power line conditioners”, Electric Power Systems Research, Vol. 84, Issue 1, pp. 20- 30, March 2012. [12] E.A.Mohamed , N.D. Rao, “Artificial Neural Network based fault diagnostic system for electric power distribution feeders,” Electric Power Systems Research, Vol. 35, No. 1, pp. 1-10, 35 October 1995. [13] Ernesto Vazquez, Hector J. Altuve, Oscar L. Chacon, “Neural network approach to fault detection in electric power systems”, IEEE International conference on Neural Networks, Vol. 4, pp. 2090-2095, June 3-6, 1996, Washington, DC, USA. [14] F.J. Alcantare, J. R. Vazquez, P. Salmeron, S.P. Litran, M.I. Arteaga Orozco, “On line detection of voltage transient disturbances using ANNs,” International Conference on Renewable Energies and Power Quality (ICREPQ 09) 15th to 17th April 2009, Valencia, Spain. [15] Moleykutty George, “ Artificial Intelligence based three phase Unified Power Quality Conditioner”, Journal of Computer Science (3) 7 : pp. 465-477, 2007. [16] R.V.D. Rama Rao, Dr. SubhransuSekhar Dash, “ Power Quality Enhancement by Unified Power Quality Conditioner using ANN with Hysteresis control”, International Journal of Computer Applications (0975-8887), Vol. 6-No.-1, pp. 9-15, Sept.2010. [17] N. Ramchandra, M. Kalyanchakravarthi, “ Neural Network Based Unified Power Quality Conditioner”, International Journal of Modern Engineering Research. (IJMER), Vol.2, Issue 1, pp. 359- 365, Jan.-Feb.2012. [18] D. K. Tanti, M. K. Verma, Brijesh Singh and O. N. Mehrotra, “ Optimal Placement of Custom Power Devices in Power System Network to Mitigate Voltage Sag under Faults”, International Journal of Power Electronics and Drive System (IJPEDS), Vol. 2, No. 3, pp. 267-276, September 2012 [19] “Power systems test case archieve” available at http://www.ee.washington.edu/research/pstca/pf14/pg_tca14bus.htm [20] MATLAB 7 User’s Guides for SIMPOWER SYSTEMS and Neural Network Tool-box. 198
  • 13.
    International Journal ofElectrical Engineering and Technology (IJEET), ISSN 0976 – 6545(Print), ISSN 0976 – 6553(Online) Volume 3, Issue 3, October – December (2012), © IAEME BIOGRAPHIES D. K. Tanti received B.Sc. (Eng.) degree in Electrical Engineering from Muzaffarpur Institute of Technology (India) in 1990 and M.Sc. (Eng.) degree in Electrical Engineering from Bihar Institute of Technology, Sindri (India) in 2000. Presently, he is Associate Professor in the Department of Electrical Engineering, Bihar Institute of Technology, Sindri (India), and pursuing for his Ph.D degree at Vinoba Bhave University, Hazaribag (India). His research interests include application of FACTS controllers, power quality and power systems. M. K. Verma received B.Sc. (Eng.) degree in Electrical Engineering from Regional Engineering College, (presently National Institute of Technology), Rourkela (India) in 1989, M.Sc. (Eng.) degree from Bihar Institute of Technology , Sindri (India) in 1994 and Ph.D. degree from Indian Institute of Technology, Kanpur (India) in 2005. Presently, he is Associate Professor in the Department of Electrical Engineering, Indian Institute of Technology (BHU), Varanasi (India). His research interests include voltage stability studies, application of FACTS controllers, operation and control of modern power systems, power quality and smart grid. Brijesh Singh received B.Tech. degree in Electrical Engineering from Faculty of Engineering and Technology, Purvanchal University, Jaunpur (India) in 2003 and M.Tech. degree from Kamla Nehru Institute of Technology, Sultanpur (India) in 2008. Presently, he is persuing for his Ph.D. degree at Indian Institute of Technology (BHU), Varanasi (India). His research interests include modeling and analysis of power systems, application of FACTS controllers and power quality. O. N. Mehrotra received B.Sc. (Eng.) degree in Electrical Engineering from Muzaffarpur Institute of Technology (India) in 1971, M.E. (Hons.) degree in Electrical Engineering from University of Roorkee, (presently Indian Institute of Technology, Roorkee, India) in 1982 and Ph.D. degree from Ranchi University (India) in 2002. Presently, he is Professor (retired), Department of Electrical Engineering, Bihar Institute of Technology, Sindri (India). His research interests include control and utilization of renewable energies, power quality and power systems. 199