IKBN DUSUN TUA www.facebook.com/kursus.chargeman.wireman.ikbndt
Disediakan oleh AFZAMIZAN 1
ALAT PELANTIK (TRIPPING DEVICES MSB)
Bahagian Tripping Mechanism bagi semua jenis pemutus litar adalah alat mekanikal yang boleh
digunakan untuk memutuskan litar dengan menekan push button yang dipasang di bahagian hadapan
panel.Untuk tripping secara kawalan jauh atau secara automatik dengan menggunakan geganti
mestilah berfungsi secara elektrik.
Alat pelantik yang biasa digunakan adalah
1) Gelung Shunt Trip Coil (Gelung Pirau) / (ST).
2) Under Voltage (U/V) atau No Volt Coil (N/V).
GELUNG SHUNT / PIRAU (SHUNT TRIP COIL)
Shunt trip coil dibina dari satu gegelung yang dililit pada teras besi.Apabila sesentuh relay tertutup
arus dialirkan ke gegelung,gelung akan menghasilkan elektro magnet dan dalam masa yang sama
menarik plunger.Pergerakan ini akan menolak tripping mechanism pada pemutus litar dan akan
menyebabkan pemutus litar tersebut trip.Shunt trip coil ini biasanya dipasang di dalam pemutus litar.
Shunt trip coil bagi pemutus litar voltan rendah (400 V) biasanya berkadaran 240 volt Arus Ulang
Alik (AU) tetapi ada juga yang 110 volt Arus Ulang Alik (AU) atau 30 volt Arus Terus (A.T) untuk
meng energize kannya.Bekalan untuk litar kawalan shunt trip coil boleh diambil dari sistem bekalan
pemasangan itu (bekalan biasanya di ambil dari fasa merah dan neutral).
Pepasangan shunt trip coil ini biasanya beserta dengan Over Current Relay,Earth Fault Relay atau
Earth Leakage Relay.
6A
OCR
OCR
OCR
EFR
STACB SHUNT TRIP COIL
R Y B N
Single line diagram pemasangan litar kawalan Earth Fault
Relay dan Over Current Relay dengan Shunt Trip Coil
IKBN DUSUN TUA www.facebook.com/kursus.chargeman.wireman.ikbndt
Disediakan oleh AFZAMIZAN 2
Maklumat Ringkasan:
- ACB / Circuit Breaker boleh di “ON”kan selagi ST tidak bertenaga.
- Sekiranya ST bertenaga, ia akan memutuskan bekalan.
- Semua penyentuh (auxillary contact) pada geganti perlindungan dalam sentiasa terbuka (Normally
Open) dan disambungkan secara SELARI dengan ST coil.
GELUNG TANPA VOLTAN (NO VOLT COIL/UNDER VOLTAGE COIL)
Pemasangan Under Voltage coil sama seperti shunt trip coil.Ia juga dipasang bersama litar kawalan
over current relay,Earth Fault Relay atau earth leakage relay.Perbezaan Pemasangan Under Voltage
Relay ini, ia sentiasa memerlukan bekalan untuk tujuan beroperasi.Oleh itu bekalan mestilah di ambil
dari punca bekalan masuk (incoming supply).Apabila under voltage coil tiada bekalan,pemutus litar
tidak dapat di ONkan
Incoming supply
6A OCR OCR OCR EFR
UVACB
R Y B N
Single line diagram pemasangan litar kawalan Earth Fault
Relay dan Over Current Relay dengan Under Voltage
IKBN DUSUN TUA www.facebook.com/kursus.chargeman.wireman.ikbndt
Disediakan oleh AFZAMIZAN 3
Maklumat Ringkas:
- ACB / Pemutus Litar tidak boleh di “ON”kan selagi U/V atau N/V tidak bertenaga dimana handle
berkeadaan free.
- Apabila ACB / Pemutus Litar didalam keadaan “ON” sekiranya U/V atau N/V diputuskan
bekalannya dan ia tidak bertenaga, ia akan melepaskan handle ACB / Pemutus Litar dan
memutuskan litar utama.
- Bekalan untuk U/V atau N/V pada sesuatu pepasangan hendaklah diambil sebelum “incoming”.
- Semua penyentuh (auxillary contact) pada geganti perlindungan dalam keadaan normally close
(tertutup) dan sambungan BERSIRI dengan gegelung U/V atau N/V.
GEGANTI (RELAY)
Geganti adalah satu komponen perlindungan yang tugasnya menentukan pada tahap kerosakan
bagaimana yang memerlukan pemutus litar bertindak memutuskan litar. Kerosakan yang kecil
mungkin tidak merbahayakan dan boleh diabaikan seketika, oleh itu geganti tidak perlu memberi
signal kepada gelong shunt trip untuk bertindak.
JENIS-JENIS GEGANTI
 Time lag fuse
 Oil dash pot
 Instantenous overcurrent
 Instantenous earth fault
 IDMT overcurrent
 IDMT earth fault
 Solid state (Elektronic Relay)
 ELR (earth leakage relay)
PRINSIP GEGANTI
 Haba (Fius dan thermal overload relay)
 Magnetik (MCB, MCCB, RCB)
 Haba dan magnetic (MCCB jenis tertentu)
Geganti yang selalu digunakan terdiri dari pelbagai jenis dan tugas. Secara amnya geganti yang
terdapat pada PSU adalah untuk perlindungan arus lebih, beban lebih dan rosak ke bumi.
Prinsip kerja geganti adalah menggunakan kesan medan magnet (electromagnet) dan juga haba. Oil
dash pot, induction disc dan induction cub adalah jenis-jenis geganti electromagnet, manakala
thermal overload relay menggunakan kesan haba kepada bi-metal strip.
IKBN DUSUN TUA www.facebook.com/kursus.chargeman.wireman.ikbndt
Disediakan oleh AFZAMIZAN 4
Terdapat dua (2) jenis geganti utama dalam PSU.
Instantaneous (sertamerta) O/C dan E/F.
Memutuskan bekalan sebaik sahaja nilai kerosakkan mencapai tahap yang ditentukan (set value). Oleh
itu ia tiada penatah masa.
Geganti Lewat Masa (IDMT) O/C dan E/F.
Mempunyai penatah masa oleh itu walaupun nilai kerosakkan telah mencapai tahap tertentu (set value)
ia masih boleh berada dalam keadaan yang tidak memutuskan litar dalam beberapa jangka masa yang
tertentu.
Namun begitu ada geganti yang boleh memberikan kedua-dua ciri di atas. Geganti tersebut adalah
Geganti Bocor Ke bumi (Earth Leakage Relay). ELR memberikan perlindungan kepada bocor ke
bumi untuk nilai yang kecil (maksima 300 miliampiar) dan lewat masa yang terhad (0.1 saat) dan
digunakan pada Papan Suis kecil (Sub-Switchboard) atau Papan Suis Utama bersaiz kecil (sehingga
300 A)
Coil ELR
ST
SHUNT TRIP
COIL
N
5A
Z CT
Sesentuh
ELR
IKBN DUSUN TUA www.facebook.com/kursus.chargeman.wireman.ikbndt
Disediakan oleh AFZAMIZAN 5
TIME LAG FUSE
Time lag fuse boleh di kata digunakan diperingkat awal sebelum terciptanya geganti-geganti yang lain
(Geganti generasi pertama). Sejenis fius yang tertentu kadarannya dipasang selari dengan gelong
pelantikan (trip coil). Didalam keadaan normal arus dari c.t akan mengalir melalui fius kerana gelong
pelantikan mempunyai galangan yang tinggi. Apabila kerosakan berlaku dan arus sekunder c.t
melebihi hadnya fius akan lebur. Oleh itu arus tadi tiada pilihan terpaksa melalui gelong dan
seterusnya menyebabkan trip contact menutup (close) dan membekalkan gelong shunt trip.
Terdapat satu dail untuk membuat tatahan arus dari 2.5A hingga 10A yang akan menyebabkan trip
contact menutup (close contact). Lazimnya tatahan ditentukan pada 3.75A (75% arus beban penuh).
Fius yang boleh digunakan adalah seperti berikut:
SWG 29 2.5A
SWG 22 5A
SWG 21 7.5A
S1
SWG 22
FUSE
TRIP
COIL
ST SHUNT TRIP
COIL
N S2
TRIP
CONTACT
S2
Single line diagram Time Lag Fuse
IKBN DUSUN TUA www.facebook.com/kursus.chargeman.wireman.ikbndt
Disediakan oleh AFZAMIZAN 6
F T F FT T
E/F
R Y B
F = Time Lage Fuse
T = Tripping Coil
TRIP COIL
Gambarajah Diagram 3 TIME LAG FUSE
TIME LAG FUSE
IKBN DUSUN TUA www.facebook.com/kursus.chargeman.wireman.ikbndt
Disediakan oleh AFZAMIZAN 7
GEGANTI OIL DASH POT
Geganti arus lebih/beban lebih oil dash pot boleh dikatakan binaan geganti “generasi kedua” selepas
time lag fuse. Menggunakan minyak silicon sebagai damper untuk mendapatkan stability.
Geganti oil dash pot banyak digunakan untuk perlindungan O/C dan O/L pada papan suis utama
voltan rendah.
Harganya murah, bersaiz kecil, boleh dipercayai, stabil tetapi tidak begitu tepat dan tatahannya agak
rumit dan mengambil masa. Sesuai untuk papan suis utama dan papan suis kecil dimana ketepatan
bukanlah perkara kritikal.
TO SHUNT TRIP COILLIVE
DARI CT
S1
S2
TRIP COIL
LUBANG
PLUNGER
SILICONE OIL
Plunger akan menolak trip contact menutup jika trip coil menerima isyarat beban lebih dari alatubah
arus. Piring tetap (fixed disc) di bahagian bawah plunger akan ikut menaik keatas tetapi cuba dihalang
oleh minyak. Pergerakan piring tetap itu juga akan mengujudkan keadaan hampagas dibahagian bawah
dash pot.
Dalam masa yang sama minyak akan mengalir kebahagian bawah melalui lubang yang terdapat pada
disc tetap dan disc tambahan. Tindakan ini akan memberikan ciri-ciri lewat masa dan kesetabilan
kepada geganti ini supaya ia tidak terpelantik jika keadaan tidak betul-betul memerlukannya.
Tatah arus pelantikan dibuat dengan meninggi atau merendahkan kedudukan pot yang mengandungi
minyak tadi. Plat penunjuk dibahagian hadapan geganti akan memberitahu nilai arus tatahan selaras
dengan kedudukan pot tadi.
Tatah Perlindungan Arus Beban Lampau (Over Current) Jenis Magnetik Oil Dashpot.
Biasanya digunakan 110% da 150%
“setting” 110% - ‘trip’ dalam masa 5 minit
“setting” 150% - ‘trip’ dalam masa 1 saat
Contoh : Arus beban penuh yang dibawa ialah 800A
Arus trip dalam masa 5 minit
= 800A x 100% = 800A x 1.1 = 880A
Arus trip dalam masa 1 saat
= 800A x 150% = 800A x 1.5 = 1200A
“SETTING RANGE” untuk geganti Arus Lampau
Jenis Magnetic Oil Dashpot = 3.5A hingga……5.5A
IKBN DUSUN TUA www.facebook.com/kursus.chargeman.wireman.ikbndt
Disediakan oleh AFZAMIZAN 8
Minyak dalam dashpot ialah dari jenis Mineral Oil SAE 30 bertujuan untuk melewatkan masa
‘tripping’
Jenis Sertamerta (Instantaneous) O/C (Over Current) atau O/L (Over Load)
Antara jenis geganti sertamerta ialah:
 Hinged armature type
 Magnetic overload with Plunger (Oil Dash Pot)
 Attracted armature (Instantenous O/C & E/F – CAG 12, CAG 12C)
Geganti jenis sertamerta adalah geganti “generasi ketiga” selepas oil dash pot. Geganti jenis ini terdapat
plug setting bridge untuk memilih tatahan arus, trip coil, trip contact dan indicator flag.
Hanya tatahan arus sahaja perlu dibuat pada geganti jenis sertamerta ini kerana lebih tepat dan
mudah untuk ditatah. Tidak perlukan minyak tetapi harganya lebih mahal dan selalunya jenis
attracted armature & plunger.
Geganti ini akan menyebabkan pemutus litar terpelantik sertamerta sebaik sahaja nilai kerosakan
yang telah ditentukan (set value) mencapai tahapnya tanpa sebarang kelewatan. Geganti jenis ini
selalunya menggunakan prinsip electromagnetic.
Bahagian-bahagian geganti serta-merta:
 Die cast frame
 Plug setting bridge (plugboard)
 Trip coil
 Mechanical operation indicator (trip indicator flag)
 Trip contact (normally open)
 Auxillary contact (alarm)
 Safety switch / trip switch
 Automatic c.t terminal short switch
 Reset push knob
INSTANTENOUS E/F
Jenis yang sama dengan geganti instantenous o/c tetapi ia disambungkan kepada alatubah arus yang
dipasang pada neutral busbar untuk mengesan earth fault/earth leakage. Tatahan hanya pada 10%
atau 0.5A dan hanya satu sahaja diperlukan untuk pemasangan suis board. Jenis yang selalu digunakan
adalah jenis attracted armature.
Geganti Lewat Masa IDMT (Inverse Definite Minimum Time)
Geganti jenis IDMT ini pula digunakan apabila nilai arus beban lebih boleh dibenarkan berlaku
untuk beberapa ketika. Jika keadaan tersebut berlaku untuk jangkamasa yang pendek dan bersifat
sementara dan tidak memudaratkan pemasangan, maka tidak perlulah pemutus litar terpelantik.
Contohnya arus permulaan untuk motor adalah tinggi, tetapi ia tidak memudaratkan pemasangan,
oleh itu tidak perlulah pemutus litar memutuskan bekalan.
Jangka masa beban lebih yang dibenarkan berlaku boleh jadi beberapa saat atau beberapa minit. Ia
bergantung kepada magnitude beban lebih tersebut. Lebih tinggi beban lebih tersebut maka
semakin cepatlah geganti akan bertindak, begitulah sebaliknya. Ciri masa ini juga penting untuk
IKBN DUSUN TUA www.facebook.com/kursus.chargeman.wireman.ikbndt
Disediakan oleh AFZAMIZAN 9
mengujudkan diskriminasi dalam pemasangan.
Geganti jenis ini ada yang menggunakan prinsip haba, seperti thermal overload relay, dan ada yang
menggunakan prinsip electromagnetic. Jenis electromagnetic perlukan alat tambahan iaitu induction
disc untuk melewatkan trip contact menutup (closing). Terdapat juga geganti yang boleh
memberikan kedua-dua ciri tersebut.
Relay pick-up time / creep time selalunya melebihi 105% dari arus tatahan tetapi hendaklah tidak
melebihi 130%.
Jenis-jenis geganti IDMT:
a. Long time delay standby (GDG 12)
b. Inverse time O/C & E/F (CDG 11)
c. Very Inverse GDG 13
d. Definite Minimum Time
e. Inverse Definite Minimum Time (IDMT)
Bahagian-Bahagian Geganti IDMT jenis Induction Disc Relay.
Time multiplier (TMS) Spindle
Die cast frame Operating electromagnet
Moving contact Mechanical operation indicator (trip indicator flag)
Helical control spring Fixed contact
Damping magnet Safety switch / trip switch
Plug setting bridge Automatic c.t terminal short switch
Disc Reset push knob
LITAR IDMT RELAY
TIM E M ULTIPLIER
HELICAL
SPRING
M OVING CONTACT
SPINDLE
DAM PER
M AGNET
FIXED CONTACT
OPERATING
M AGNET
PLUG BRIDGE
DISC
C.T
TRIP CONTACT
TRIP
ALARM
TRIP COIL
IKBN DUSUN TUA www.facebook.com/kursus.chargeman.wireman.ikbndt
Disediakan oleh AFZAMIZAN 10
Induction disc akan membawa bersama-samanya moving contact. Moving contact akan bersentuh
dengan fixed contact untuk menutup trip contact. Kedudukan jauh atau dekat moving contact dengan
fixed contact adalah bergantung kepada setting pada TMS. TMS mempunyai kedudukan dari 0
hinggalah 1.
Jika TMS berada pada kedudukan 1, ini bermakna moving contact berada pada kedudukan paling jauh
dengan fixed contact, oleh itu masa pergerakan (traveling time) yang diperlukan untuk trip contact
menutup adalah paling lama.
Jika TMS berada pada kedudukan 0.1, ini bermakna moving contact berada pada kedudukan paling
hampir dengan fixed contact, oleh itu masa yang diperlukan untuk trip contact menutup adalah paling
pendek. Oleh itu pengiraan perlu dibuat untuk menentukan kedudukan setting untuk TMS.
Pergerakan induction disc adalah dikawal oleh helical control spring yang dipasang pada hujung
bahagian atas induction disc spindle.
Salah satu ciri-ciri geganti ini ialah pada 20 kali ganda plug setting dan lebih geganti akan beroperasi
pada definite minimum time 2.2 saat pada TMS bersamaan 1. Jika TMS di tatah pada 0.1 maka
definite minimum time dikurangkan kepada 0.22 saat, iaitu satu persepuluh dari nilai nominal.
Operating electromagnet winding pada magnet utama mempunyai tapping yang disambung kepada
Plug setting multiplier/bridge (PSM). Tapping-tapping ditandakan sebagai peratus atau arus operasi
(operating current).
Plug setting untuk geganti arus lebih (O/C)
50% 75% 100% 125% 150% 175% 200%
2.5A 3.75A 5.0A 6.25A 7.5A 8.75A 10.0A
Plug setting untuk geganti rosak ke bumi (E/F)
10% 15% 20% 25% 30% 35% 40%
0.5A 0.75A 1.0A 1.25A 1.5A 1.75A 2.0A
Damping magnet berfungsi sebagai satu brek untuk mengawal pergerakan induction disc supaya
stabil dan tidak terlalu laju sehingga mengakibatkan overshoot yang berlebihan.
Apabila geganti dikeluarkan dari housing box, automatic c.t terminal switch akan menutup dan melitar -
pintaskan terminal S1 dan S2 secara sendirinya.
IKBN DUSUN TUA www.facebook.com/kursus.chargeman.wireman.ikbndt
Disediakan oleh AFZAMIZAN 11
ACB ST SHUNT TRIP
COIL
N
2.5
TRIP CONTACT
S1
S2
3.75 5 6.25 7.5 8.75 10
CT
12345678910
1 - 2 (TRIP CIRCUIT)
3 - 4 (TRIP CIRCUIT DENGAN
ISOLATING SWITCH)
5 - 6 (KOSONG)
7 - 8 (KOSONG)
9 - 10 (DARI ALATUBAH
ARUS NEUTRAL)
EFR
Pandangan belakang EFR
Pandangan belakang OCR
REDYELLOWBLUE
Diagram IDMT Relay
IKBN DUSUN TUA www.facebook.com/kursus.chargeman.wireman.ikbndt
Disediakan oleh AFZAMIZAN 12
1
A
HINGED ARMATURE RELAY
WITH 3 WINDINGS
TRIP CIRCUIT
ISOLATING SWITCH
TURNING
CAPASITOR
SETTING
POTENTIOMETER
AUXILIARY C.T
CENTER
TAP
MAIN C.T
SHORTING SWITCH
I
1 2 3 4 5 6 7 8 9 10
B
N 2N
n
n
Time Multiplier
Control Spring
Mechanical
Operation
Indicator
Operation Electro
Magnet
Disc
Plug Setting
Bridge
Damping Magnet
Die Case Frame
Moving Contact
Fixed Contact
Binaan IDMT Relay
IKBN DUSUN TUA www.facebook.com/kursus.chargeman.wireman.ikbndt
Disediakan oleh AFZAMIZAN 13
R Y B N
4 X 1000/5A CT
Kelas 10P10
15VA
1000 ACB
50 KA
Incoming supply
OCR
OCR
OCR
R Y B N
4 X 800/5A CT
Kelas 10P10
15VA
800 ACB
50 KA
Incoming supply
EFR
RYBN
Incoming supply
ST
S2
S1
S1
S1
S1
S2
S2
S2
C1 C2 C3
C4
B RYGEGANTI
EARTH
E11
E10
TRIP CONTACT
5A
EF
SHUNT
TRIP COIL
NEUTRAL
CIRCUIT
BREAKER
EF IDMT Relay
3 OC/OL IDMT
OC IDMT Relay

Ocr efr

  • 1.
    IKBN DUSUN TUAwww.facebook.com/kursus.chargeman.wireman.ikbndt Disediakan oleh AFZAMIZAN 1 ALAT PELANTIK (TRIPPING DEVICES MSB) Bahagian Tripping Mechanism bagi semua jenis pemutus litar adalah alat mekanikal yang boleh digunakan untuk memutuskan litar dengan menekan push button yang dipasang di bahagian hadapan panel.Untuk tripping secara kawalan jauh atau secara automatik dengan menggunakan geganti mestilah berfungsi secara elektrik. Alat pelantik yang biasa digunakan adalah 1) Gelung Shunt Trip Coil (Gelung Pirau) / (ST). 2) Under Voltage (U/V) atau No Volt Coil (N/V). GELUNG SHUNT / PIRAU (SHUNT TRIP COIL) Shunt trip coil dibina dari satu gegelung yang dililit pada teras besi.Apabila sesentuh relay tertutup arus dialirkan ke gegelung,gelung akan menghasilkan elektro magnet dan dalam masa yang sama menarik plunger.Pergerakan ini akan menolak tripping mechanism pada pemutus litar dan akan menyebabkan pemutus litar tersebut trip.Shunt trip coil ini biasanya dipasang di dalam pemutus litar. Shunt trip coil bagi pemutus litar voltan rendah (400 V) biasanya berkadaran 240 volt Arus Ulang Alik (AU) tetapi ada juga yang 110 volt Arus Ulang Alik (AU) atau 30 volt Arus Terus (A.T) untuk meng energize kannya.Bekalan untuk litar kawalan shunt trip coil boleh diambil dari sistem bekalan pemasangan itu (bekalan biasanya di ambil dari fasa merah dan neutral). Pepasangan shunt trip coil ini biasanya beserta dengan Over Current Relay,Earth Fault Relay atau Earth Leakage Relay. 6A OCR OCR OCR EFR STACB SHUNT TRIP COIL R Y B N Single line diagram pemasangan litar kawalan Earth Fault Relay dan Over Current Relay dengan Shunt Trip Coil
  • 2.
    IKBN DUSUN TUAwww.facebook.com/kursus.chargeman.wireman.ikbndt Disediakan oleh AFZAMIZAN 2 Maklumat Ringkasan: - ACB / Circuit Breaker boleh di “ON”kan selagi ST tidak bertenaga. - Sekiranya ST bertenaga, ia akan memutuskan bekalan. - Semua penyentuh (auxillary contact) pada geganti perlindungan dalam sentiasa terbuka (Normally Open) dan disambungkan secara SELARI dengan ST coil. GELUNG TANPA VOLTAN (NO VOLT COIL/UNDER VOLTAGE COIL) Pemasangan Under Voltage coil sama seperti shunt trip coil.Ia juga dipasang bersama litar kawalan over current relay,Earth Fault Relay atau earth leakage relay.Perbezaan Pemasangan Under Voltage Relay ini, ia sentiasa memerlukan bekalan untuk tujuan beroperasi.Oleh itu bekalan mestilah di ambil dari punca bekalan masuk (incoming supply).Apabila under voltage coil tiada bekalan,pemutus litar tidak dapat di ONkan Incoming supply 6A OCR OCR OCR EFR UVACB R Y B N Single line diagram pemasangan litar kawalan Earth Fault Relay dan Over Current Relay dengan Under Voltage
  • 3.
    IKBN DUSUN TUAwww.facebook.com/kursus.chargeman.wireman.ikbndt Disediakan oleh AFZAMIZAN 3 Maklumat Ringkas: - ACB / Pemutus Litar tidak boleh di “ON”kan selagi U/V atau N/V tidak bertenaga dimana handle berkeadaan free. - Apabila ACB / Pemutus Litar didalam keadaan “ON” sekiranya U/V atau N/V diputuskan bekalannya dan ia tidak bertenaga, ia akan melepaskan handle ACB / Pemutus Litar dan memutuskan litar utama. - Bekalan untuk U/V atau N/V pada sesuatu pepasangan hendaklah diambil sebelum “incoming”. - Semua penyentuh (auxillary contact) pada geganti perlindungan dalam keadaan normally close (tertutup) dan sambungan BERSIRI dengan gegelung U/V atau N/V. GEGANTI (RELAY) Geganti adalah satu komponen perlindungan yang tugasnya menentukan pada tahap kerosakan bagaimana yang memerlukan pemutus litar bertindak memutuskan litar. Kerosakan yang kecil mungkin tidak merbahayakan dan boleh diabaikan seketika, oleh itu geganti tidak perlu memberi signal kepada gelong shunt trip untuk bertindak. JENIS-JENIS GEGANTI  Time lag fuse  Oil dash pot  Instantenous overcurrent  Instantenous earth fault  IDMT overcurrent  IDMT earth fault  Solid state (Elektronic Relay)  ELR (earth leakage relay) PRINSIP GEGANTI  Haba (Fius dan thermal overload relay)  Magnetik (MCB, MCCB, RCB)  Haba dan magnetic (MCCB jenis tertentu) Geganti yang selalu digunakan terdiri dari pelbagai jenis dan tugas. Secara amnya geganti yang terdapat pada PSU adalah untuk perlindungan arus lebih, beban lebih dan rosak ke bumi. Prinsip kerja geganti adalah menggunakan kesan medan magnet (electromagnet) dan juga haba. Oil dash pot, induction disc dan induction cub adalah jenis-jenis geganti electromagnet, manakala thermal overload relay menggunakan kesan haba kepada bi-metal strip.
  • 4.
    IKBN DUSUN TUAwww.facebook.com/kursus.chargeman.wireman.ikbndt Disediakan oleh AFZAMIZAN 4 Terdapat dua (2) jenis geganti utama dalam PSU. Instantaneous (sertamerta) O/C dan E/F. Memutuskan bekalan sebaik sahaja nilai kerosakkan mencapai tahap yang ditentukan (set value). Oleh itu ia tiada penatah masa. Geganti Lewat Masa (IDMT) O/C dan E/F. Mempunyai penatah masa oleh itu walaupun nilai kerosakkan telah mencapai tahap tertentu (set value) ia masih boleh berada dalam keadaan yang tidak memutuskan litar dalam beberapa jangka masa yang tertentu. Namun begitu ada geganti yang boleh memberikan kedua-dua ciri di atas. Geganti tersebut adalah Geganti Bocor Ke bumi (Earth Leakage Relay). ELR memberikan perlindungan kepada bocor ke bumi untuk nilai yang kecil (maksima 300 miliampiar) dan lewat masa yang terhad (0.1 saat) dan digunakan pada Papan Suis kecil (Sub-Switchboard) atau Papan Suis Utama bersaiz kecil (sehingga 300 A) Coil ELR ST SHUNT TRIP COIL N 5A Z CT Sesentuh ELR
  • 5.
    IKBN DUSUN TUAwww.facebook.com/kursus.chargeman.wireman.ikbndt Disediakan oleh AFZAMIZAN 5 TIME LAG FUSE Time lag fuse boleh di kata digunakan diperingkat awal sebelum terciptanya geganti-geganti yang lain (Geganti generasi pertama). Sejenis fius yang tertentu kadarannya dipasang selari dengan gelong pelantikan (trip coil). Didalam keadaan normal arus dari c.t akan mengalir melalui fius kerana gelong pelantikan mempunyai galangan yang tinggi. Apabila kerosakan berlaku dan arus sekunder c.t melebihi hadnya fius akan lebur. Oleh itu arus tadi tiada pilihan terpaksa melalui gelong dan seterusnya menyebabkan trip contact menutup (close) dan membekalkan gelong shunt trip. Terdapat satu dail untuk membuat tatahan arus dari 2.5A hingga 10A yang akan menyebabkan trip contact menutup (close contact). Lazimnya tatahan ditentukan pada 3.75A (75% arus beban penuh). Fius yang boleh digunakan adalah seperti berikut: SWG 29 2.5A SWG 22 5A SWG 21 7.5A S1 SWG 22 FUSE TRIP COIL ST SHUNT TRIP COIL N S2 TRIP CONTACT S2 Single line diagram Time Lag Fuse
  • 6.
    IKBN DUSUN TUAwww.facebook.com/kursus.chargeman.wireman.ikbndt Disediakan oleh AFZAMIZAN 6 F T F FT T E/F R Y B F = Time Lage Fuse T = Tripping Coil TRIP COIL Gambarajah Diagram 3 TIME LAG FUSE TIME LAG FUSE
  • 7.
    IKBN DUSUN TUAwww.facebook.com/kursus.chargeman.wireman.ikbndt Disediakan oleh AFZAMIZAN 7 GEGANTI OIL DASH POT Geganti arus lebih/beban lebih oil dash pot boleh dikatakan binaan geganti “generasi kedua” selepas time lag fuse. Menggunakan minyak silicon sebagai damper untuk mendapatkan stability. Geganti oil dash pot banyak digunakan untuk perlindungan O/C dan O/L pada papan suis utama voltan rendah. Harganya murah, bersaiz kecil, boleh dipercayai, stabil tetapi tidak begitu tepat dan tatahannya agak rumit dan mengambil masa. Sesuai untuk papan suis utama dan papan suis kecil dimana ketepatan bukanlah perkara kritikal. TO SHUNT TRIP COILLIVE DARI CT S1 S2 TRIP COIL LUBANG PLUNGER SILICONE OIL Plunger akan menolak trip contact menutup jika trip coil menerima isyarat beban lebih dari alatubah arus. Piring tetap (fixed disc) di bahagian bawah plunger akan ikut menaik keatas tetapi cuba dihalang oleh minyak. Pergerakan piring tetap itu juga akan mengujudkan keadaan hampagas dibahagian bawah dash pot. Dalam masa yang sama minyak akan mengalir kebahagian bawah melalui lubang yang terdapat pada disc tetap dan disc tambahan. Tindakan ini akan memberikan ciri-ciri lewat masa dan kesetabilan kepada geganti ini supaya ia tidak terpelantik jika keadaan tidak betul-betul memerlukannya. Tatah arus pelantikan dibuat dengan meninggi atau merendahkan kedudukan pot yang mengandungi minyak tadi. Plat penunjuk dibahagian hadapan geganti akan memberitahu nilai arus tatahan selaras dengan kedudukan pot tadi. Tatah Perlindungan Arus Beban Lampau (Over Current) Jenis Magnetik Oil Dashpot. Biasanya digunakan 110% da 150% “setting” 110% - ‘trip’ dalam masa 5 minit “setting” 150% - ‘trip’ dalam masa 1 saat Contoh : Arus beban penuh yang dibawa ialah 800A Arus trip dalam masa 5 minit = 800A x 100% = 800A x 1.1 = 880A Arus trip dalam masa 1 saat = 800A x 150% = 800A x 1.5 = 1200A “SETTING RANGE” untuk geganti Arus Lampau Jenis Magnetic Oil Dashpot = 3.5A hingga……5.5A
  • 8.
    IKBN DUSUN TUAwww.facebook.com/kursus.chargeman.wireman.ikbndt Disediakan oleh AFZAMIZAN 8 Minyak dalam dashpot ialah dari jenis Mineral Oil SAE 30 bertujuan untuk melewatkan masa ‘tripping’ Jenis Sertamerta (Instantaneous) O/C (Over Current) atau O/L (Over Load) Antara jenis geganti sertamerta ialah:  Hinged armature type  Magnetic overload with Plunger (Oil Dash Pot)  Attracted armature (Instantenous O/C & E/F – CAG 12, CAG 12C) Geganti jenis sertamerta adalah geganti “generasi ketiga” selepas oil dash pot. Geganti jenis ini terdapat plug setting bridge untuk memilih tatahan arus, trip coil, trip contact dan indicator flag. Hanya tatahan arus sahaja perlu dibuat pada geganti jenis sertamerta ini kerana lebih tepat dan mudah untuk ditatah. Tidak perlukan minyak tetapi harganya lebih mahal dan selalunya jenis attracted armature & plunger. Geganti ini akan menyebabkan pemutus litar terpelantik sertamerta sebaik sahaja nilai kerosakan yang telah ditentukan (set value) mencapai tahapnya tanpa sebarang kelewatan. Geganti jenis ini selalunya menggunakan prinsip electromagnetic. Bahagian-bahagian geganti serta-merta:  Die cast frame  Plug setting bridge (plugboard)  Trip coil  Mechanical operation indicator (trip indicator flag)  Trip contact (normally open)  Auxillary contact (alarm)  Safety switch / trip switch  Automatic c.t terminal short switch  Reset push knob INSTANTENOUS E/F Jenis yang sama dengan geganti instantenous o/c tetapi ia disambungkan kepada alatubah arus yang dipasang pada neutral busbar untuk mengesan earth fault/earth leakage. Tatahan hanya pada 10% atau 0.5A dan hanya satu sahaja diperlukan untuk pemasangan suis board. Jenis yang selalu digunakan adalah jenis attracted armature. Geganti Lewat Masa IDMT (Inverse Definite Minimum Time) Geganti jenis IDMT ini pula digunakan apabila nilai arus beban lebih boleh dibenarkan berlaku untuk beberapa ketika. Jika keadaan tersebut berlaku untuk jangkamasa yang pendek dan bersifat sementara dan tidak memudaratkan pemasangan, maka tidak perlulah pemutus litar terpelantik. Contohnya arus permulaan untuk motor adalah tinggi, tetapi ia tidak memudaratkan pemasangan, oleh itu tidak perlulah pemutus litar memutuskan bekalan. Jangka masa beban lebih yang dibenarkan berlaku boleh jadi beberapa saat atau beberapa minit. Ia bergantung kepada magnitude beban lebih tersebut. Lebih tinggi beban lebih tersebut maka semakin cepatlah geganti akan bertindak, begitulah sebaliknya. Ciri masa ini juga penting untuk
  • 9.
    IKBN DUSUN TUAwww.facebook.com/kursus.chargeman.wireman.ikbndt Disediakan oleh AFZAMIZAN 9 mengujudkan diskriminasi dalam pemasangan. Geganti jenis ini ada yang menggunakan prinsip haba, seperti thermal overload relay, dan ada yang menggunakan prinsip electromagnetic. Jenis electromagnetic perlukan alat tambahan iaitu induction disc untuk melewatkan trip contact menutup (closing). Terdapat juga geganti yang boleh memberikan kedua-dua ciri tersebut. Relay pick-up time / creep time selalunya melebihi 105% dari arus tatahan tetapi hendaklah tidak melebihi 130%. Jenis-jenis geganti IDMT: a. Long time delay standby (GDG 12) b. Inverse time O/C & E/F (CDG 11) c. Very Inverse GDG 13 d. Definite Minimum Time e. Inverse Definite Minimum Time (IDMT) Bahagian-Bahagian Geganti IDMT jenis Induction Disc Relay. Time multiplier (TMS) Spindle Die cast frame Operating electromagnet Moving contact Mechanical operation indicator (trip indicator flag) Helical control spring Fixed contact Damping magnet Safety switch / trip switch Plug setting bridge Automatic c.t terminal short switch Disc Reset push knob LITAR IDMT RELAY TIM E M ULTIPLIER HELICAL SPRING M OVING CONTACT SPINDLE DAM PER M AGNET FIXED CONTACT OPERATING M AGNET PLUG BRIDGE DISC C.T TRIP CONTACT TRIP ALARM TRIP COIL
  • 10.
    IKBN DUSUN TUAwww.facebook.com/kursus.chargeman.wireman.ikbndt Disediakan oleh AFZAMIZAN 10 Induction disc akan membawa bersama-samanya moving contact. Moving contact akan bersentuh dengan fixed contact untuk menutup trip contact. Kedudukan jauh atau dekat moving contact dengan fixed contact adalah bergantung kepada setting pada TMS. TMS mempunyai kedudukan dari 0 hinggalah 1. Jika TMS berada pada kedudukan 1, ini bermakna moving contact berada pada kedudukan paling jauh dengan fixed contact, oleh itu masa pergerakan (traveling time) yang diperlukan untuk trip contact menutup adalah paling lama. Jika TMS berada pada kedudukan 0.1, ini bermakna moving contact berada pada kedudukan paling hampir dengan fixed contact, oleh itu masa yang diperlukan untuk trip contact menutup adalah paling pendek. Oleh itu pengiraan perlu dibuat untuk menentukan kedudukan setting untuk TMS. Pergerakan induction disc adalah dikawal oleh helical control spring yang dipasang pada hujung bahagian atas induction disc spindle. Salah satu ciri-ciri geganti ini ialah pada 20 kali ganda plug setting dan lebih geganti akan beroperasi pada definite minimum time 2.2 saat pada TMS bersamaan 1. Jika TMS di tatah pada 0.1 maka definite minimum time dikurangkan kepada 0.22 saat, iaitu satu persepuluh dari nilai nominal. Operating electromagnet winding pada magnet utama mempunyai tapping yang disambung kepada Plug setting multiplier/bridge (PSM). Tapping-tapping ditandakan sebagai peratus atau arus operasi (operating current). Plug setting untuk geganti arus lebih (O/C) 50% 75% 100% 125% 150% 175% 200% 2.5A 3.75A 5.0A 6.25A 7.5A 8.75A 10.0A Plug setting untuk geganti rosak ke bumi (E/F) 10% 15% 20% 25% 30% 35% 40% 0.5A 0.75A 1.0A 1.25A 1.5A 1.75A 2.0A Damping magnet berfungsi sebagai satu brek untuk mengawal pergerakan induction disc supaya stabil dan tidak terlalu laju sehingga mengakibatkan overshoot yang berlebihan. Apabila geganti dikeluarkan dari housing box, automatic c.t terminal switch akan menutup dan melitar - pintaskan terminal S1 dan S2 secara sendirinya.
  • 11.
    IKBN DUSUN TUAwww.facebook.com/kursus.chargeman.wireman.ikbndt Disediakan oleh AFZAMIZAN 11 ACB ST SHUNT TRIP COIL N 2.5 TRIP CONTACT S1 S2 3.75 5 6.25 7.5 8.75 10 CT 12345678910 1 - 2 (TRIP CIRCUIT) 3 - 4 (TRIP CIRCUIT DENGAN ISOLATING SWITCH) 5 - 6 (KOSONG) 7 - 8 (KOSONG) 9 - 10 (DARI ALATUBAH ARUS NEUTRAL) EFR Pandangan belakang EFR Pandangan belakang OCR REDYELLOWBLUE Diagram IDMT Relay
  • 12.
    IKBN DUSUN TUAwww.facebook.com/kursus.chargeman.wireman.ikbndt Disediakan oleh AFZAMIZAN 12 1 A HINGED ARMATURE RELAY WITH 3 WINDINGS TRIP CIRCUIT ISOLATING SWITCH TURNING CAPASITOR SETTING POTENTIOMETER AUXILIARY C.T CENTER TAP MAIN C.T SHORTING SWITCH I 1 2 3 4 5 6 7 8 9 10 B N 2N n n Time Multiplier Control Spring Mechanical Operation Indicator Operation Electro Magnet Disc Plug Setting Bridge Damping Magnet Die Case Frame Moving Contact Fixed Contact Binaan IDMT Relay
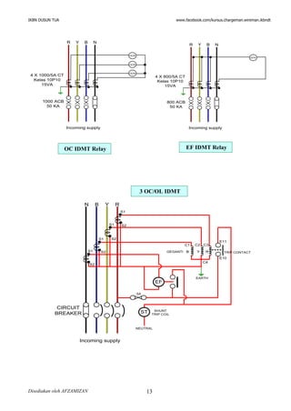
  • 13.
    IKBN DUSUN TUAwww.facebook.com/kursus.chargeman.wireman.ikbndt Disediakan oleh AFZAMIZAN 13 R Y B N 4 X 1000/5A CT Kelas 10P10 15VA 1000 ACB 50 KA Incoming supply OCR OCR OCR R Y B N 4 X 800/5A CT Kelas 10P10 15VA 800 ACB 50 KA Incoming supply EFR RYBN Incoming supply ST S2 S1 S1 S1 S1 S2 S2 S2 C1 C2 C3 C4 B RYGEGANTI EARTH E11 E10 TRIP CONTACT 5A EF SHUNT TRIP COIL NEUTRAL CIRCUIT BREAKER EF IDMT Relay 3 OC/OL IDMT OC IDMT Relay