Persyaratan K3 
Peralatan Instalasi 
Tenaga/Daya 
Modul Pembinanaan 
Calon Ahli K3 Spesialis 
Listrik
Peralatan Instalasi Tenaga/ 
Daya 
 Instalasi Listrik Tenaga/ Daya adalah 
pemasangan komponen-komponen peralatan 
listrik untuk melayani perubahan energi listrik 
menjadi tenaga mekanis.
Persyaratan Instalasi Listrik 
Tenaga 
 Syarat Aman 
 Instalasi listrik tenaga harus dibuat sesuai standar keselamatan, 
sehingga kecil kemungkinan timbulnya kecelakaan. 
 Aman dalam hal ini berarti tidak membahayakan keselamatan jiwa 
manusia, terjaminnya peralatan dan benda-benda di sekitarnya dari 
kerusakan akibat adanya gangguan seperti : gangguan hubung singkat, 
gangguan beban lebih, gangguan tegangan lebih, dan sebagainya. 
 Syarat Keandalan 
 adalah bahwa kelangsungan pemberian/pengaliran arus listrik kepada 
beban/konsumen pemakai listrik harus terjamin secara baik. 
 Syarat Ekonomis 
 Instalasi listrik tenaga harus dibuat sesuai dengan standarnya sehingga 
harga dari keseluruhan instalasi itu, ongkos pemasangan, dan ongkos 
pemeliharaannya tidak boros. 
 Rugi-rugi daya listrik yang hilang harus sekecil mungkin, rugi 
tegangan maksimal 5 % dari tegangan sumber.
Peralatan Instalasi Tenaga 
 Komponen perlengkapan kendali seperti tombol, sakelar, lampu, 
sinyal, sakelar magnet dan kawat penghubung harus mempunyai 
kemampuan yang sesuai dengan penggunaannya. 
 Komponen seperti tombol, sakelar kendali, dan sakelar pemilih 
harus mempunyai tanda atau warna yang memudahkan operator 
untuk melayaninya. 
 Penghantar atau kabel yang digunakan untuk perlengkapan kendali 
dalam PHB harus berukuran sekurang-kurangnya 1,0 mm kecuali 
penghantar atau kabel yang sudah terpasang dalam perlengkapan 
kendali itu. 
 Proteksi sistem kendali harus terpisah dari proteksi yang lain. 
(PUIL 2000: 6.6.5.1 - 6.6.5.4)
Klasifikasi Keandalan Beban 
 Sistem harus dapat mendukung beban yang memerlukan 
keandalan sangat tinggi, karena terhentinya aliran listrik akan dapat 
menyebabkan kematian atau kecelakaan. 
 Sistem harus dapat mendukung beban yang memerlukan 
keandalan tinggi, dimana jika aliran listrik berhenti tidak 
menyebabkan kematian manusia, tetapi menyebabkan kerusakan 
pada beban atau menyebabkan kerugian yang sangat besar. 
 Sistem harus dapat mendukung beban dengan keandalan biasa, 
apabila aliran listrik terhenti tidak begitu membahayakan dan 
merugikan. 
 Mutu terjamin, berarti konsumen mendapat aliran listrik sesuai 
dengan ukuran normal dari kebutuhan beban.
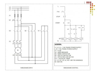
Komponen Panel Hubung 
Bagi Kendali 
A1. Pengaman Hubung Singkat Sirkit Cabang berfungsi 
sebagai pengaman arus lebih pada suatu sirkit cabang 
yang mensuplai dua motor atau lebih. 
A2. Sirkit Cabang berfungsi sebagai penghantar rangkaian 
akhir yang mensuplai dua motor atau lebih. 
B. Pengaman Hubung Singkat Sirkit Motor berfungsi 
sebagai pengaman arus lebih sirkit akhir yang 
mensuplai motor tunggal dari gangguan hubung singkat. 
C. Sarana Pemutus berfungsi sebagai sarana pemutus 
(pengisolir) motor dari jaringan apabila akan dilakukan 
perbaikan pada motor. 
D. Kendali Motor berfungsi sebagai alat pengasutan motor, 
pengatur putaran motor, menjalankan motor, membalik 
arah putaran motor, memberhentikan motor, dan lain-lain. 
E. Pengaman Beban Lebih berfungsi sebagai 
pengaman/melindungi motor, peralatan kontrol motor 
dan hantaran akhir terhadap pemanasan berlebihan 
akibat beban lebih dan atau motor tidak dapat diasut. 
F. Motor Listrik berfungsi sebagai alat yang merubah energi 
listrik menjadi energi mekanis untuk menggerakkan 
mesin-mesin pemakai listrik. 
G. Grounding System/Pembumian berfungsi mengamankan 
peralatan instalasi dan motor listrik dari adanya kejut 
listrik akbitat kebocoran arus
Komponen Panel Hubung Bagi 
Kendali 
 Pengaman Lebur (Fuse) 
Miniature Circuit Breaker (MCB) 
 Kontaktor Magnetik (Magnetic Contactor) 
 Thermal overload relay 
 Kabel Penghantar 
 Busbar 
 Lampu Indikator (Indicator Lamp) 
 Sepatu Kabel 
 Cable Tidy atau Spiral
Pengaman Lebur (Fuse) 
 Pengaman Lebur atau Fuse terpasang dalam 
rangkaiaan listrik tersusun secara seri, sehingga jika 
terlewati arus yang melebihi kapasitas kerja dari fuse 
tersebut, maka fuse akan terbakar dan memutus arus 
yang ada dalam rangkaian tersebut. 
 Elemen penghantar yang terdapat dalam fuse tersebut 
akan meleleh, dan memutus rangkaian listrik tersebut 
sebagai pengaman terhadap komponen-komponen lain 
dalam rangkaian listrik tersebut dari bahaya arus besar.
Miniature Circuit Breaker 
(MCB) 
Miniature Circuit Breaker (MCB) merupakan 
alat pengamanan terhadap gangguan beban 
lebih dan arus hubung singkat. Berdasarkan 
konstruksinya, MCB dilengkapi dengan 
komponen dwi logam yang digunakan untuk 
pengamanan gangguan beban lebih dan 
komponen elektromagnetik untuk 
pengamanan terhadap gangguan arus 
hubung singkat.
 Pemilihan MCB ditentukan oleh beberapa 
hal, yaitu : 
 Standar yang berlaku. Contoh PUIL, SPLN, IEC, 
dll. 
 Kapasitas Pemutusan 
 Arus Pengenal 
 Tegangan
Ir adalah arus nomimal MCB 
Im adalah arus hubung singkat minimum 
Icu adalah arus hubung singkat maksimum atau arus breaking capacity.
Circuit Breaker terpilih akan selalu 
membandingkan arus setting Ir dengan 
arus beban IB, serta breaking capacity-nya 
ICU dengan prospective ISC
 Definisi terkait dengan tegangan: 
 Ue: rated service voltage. 
 Ui: rated insulation voltage (> Ue max.). 
 Uimp: rated impulse withstand voltage.
 Definisi terkait dengan arus: 
 Ib: circuit operational current 
 Icm: rated short-circuit making capacity. 
 Ics: rated service breaking capacity (normally expressed as a % 
of Icu). 
 Icu: rated ultimate short-circuit breaking capacity (expressed in 
kA). 
 Icw: rated short-time withstand current. 
 IDn: rated residual operating current (often called residual 
sensitivity). 
 In: rated current = maximum value of current used for the 
temperature rise tests (e.g. for a Compact NS250 circuit breaker: 
In = 250 A). 
 Isc: short-circuit current at a given point in the installation.
Kontaktor Magnetik (Magnetic 
Contactor) 
 Kontaktor magnet adalah gawai 
elektromekanik yang dapat 
berfungsi sebagai penyambung 
dan pemutus rangkaian, yang 
dapat dikendalikan dari jarak 
jauh. 
 Pergerakankontak-kontaknya 
terjadi karena adanya gaya 
elektromagnet. Kontaktor 
magnet merupakan sakelar 
yang bekerja berdasarkan 
kemagnetan.Karena 
magnet berfungsi sebagai 
penarik dan pelepas kontak-kontak 
pada kontaktor.
 Kontak Utama 
 kontak yang menghubungkan dan memutuskan 
arus listrik yang menuju ke beban atau motor. 
 Kontak Bantu 
 Kontak ini hanya digunakan pada rangkaian 
kontrol. Terdiri dari dua jenis kontak yaitu kontak 
normally open (NO) dan normally close (NC). 
 Kontak NO cirinya bernomor ganda dan nomor 
terakhir adalah 3-4  Contoh : 13-14, 23-24, 33-34 
 Kontak NC cirinya bernomor ganda dan nomor 
terakhir 1-2  Contoh :11-12,21-22, 31-32
pemilihan kontaktor: 
Parameter utama 
 Jenis beban 
 Kapasitas beban, meliputi : arus, tegangan, 
daya, dll 
 Frekuensi On-Off 
 Kategori penggunaan
Pemilihan Kontaktor 
 Tegangan kerja 
 Besarnya daya 
 Kemampuan hantar arus (kontaknya) 
 Jumlah kontak bantu yang dimiliki 
 Kategori penggunaan
Kategori Pemakaian 
 AC1 : Pemakaian untukbeban non-induktif 
atau sedikit induktif 
 AC2 : Pemakaian untuk starting motor 
slipring (starting, switching off) 
 AC3 : Untuk pemakaian pada starting motor 
rotor sangkar. (starting, switching off) 
 AC4 :Pemakaian untuk jenis motor rotor 
sangkar (starting, plugging atau berbalik arah 
putaran)
TOLR (Thermal Overload 
Relay) 
 TOLR (Thermal Overload Relay) 
berfungsi untuk mengamankan 
motor atau memberi perlindungan 
kepada motor dari kerusakan 
akibat beban lebih. 
 Prinsip kerja thermal beban lebih 
(TOLR) berdasarkan panas 
(temperatur) yang ditimbulkan 
oleh arus yang mengalir melalui 
elemen – elemen pemanas 
bimetal.
Lampu Indikator (Indicator 
Lamp) 
 Lampu indikator adalah suatu komponen sistem 
kendali yang digunakan untuk memberikan 
penandaan visual terhadap kondisi operasi sistem. 
 Komponen ini terdiri atas sebuah lampu kecil 
(pijar/neon) dengan rumahnya yang tutup atasnya 
terbuat dari bahan transparan dengan warna tertentu 
 Warna-warna lampu indikator ini dapat dipilih sesuai 
dengan standar kode warna yang berlaku. 
 Lampu indikator umumnya disambungkan sedemikian 
rupa sehingga akan menyala jika kontaktor terkait 
sedang dalam kondisi operasi atau lampu-lampu 
indikator digunakan untuk memberi tanda bahwa 
motor telah siap untuk dijalankan dan motor telah 
beroperasi.
Warna Makna Warna Aplikasi 
Merah Kondisi Bahaya 
Menandakan kondisi bahaya dan 
membutuhkan penanganan secepatnya 
oleh operator 
Kuning 
Kondisi Tidak 
Normal 
Monitoring dan atau membutuhkan 
penanganan dari operator 
Biru 
Mesin siap untuk 
bekerja 
Mesin dalam kondisi siap dioperasikan 
Hijau Kondisi Normal 1. Sakelar utama dalam kondisi ON 
2. Pemilihan kecepatan dan arah putar 
mesin
Kabel Penghantar 
 Penghantar yang digunakan untuk 
instalasi listrik adalah penghantar 
yang dilindungi dengan isolasi atau 
disebut dengan kabel. 
Perkembangan penghantar semakin 
pesat seiring berkembangnya bahan-bahan 
isolasi, sehingga banyak 
bermunculan jenis penghantar baru. 
Untuk mempermudah identifikasi dari 
jenis kabel yang ada, maka diadakan 
suatu penandaan dari huruf maupun 
angka.
Sepatu Kabel 
 Sepatu kabel yaitu alat yang dapat dipasang 
pada ujung kabel yang tidak berisolasi. 
Dengan dipasangnya sepatu kabel akan 
memudahkan pelaksanaan pekerjaan, 
terutama pada pekerjaan kabel-kabel yang 
besar. 
 Hubungan setiap terminal (apitan) pada 
suatu penghantar haruslah cukup kuat, nilai 
kabel digerak-gerakan atau direntangkan 
harus dijamin tidak akan lepas atau putus.
Sepatu Kabel dengan Sekrup 
 Cara pemasangannya : 
bersihkan sepatu kabel 
yang tidak berisolasi 
sepanjang longsongan 
sepatu kabel agar 
hubungannya baik. 
Keraskan sekrup yang 
ada dengan 
menggunakan obeng 
atau kunci pas dan 
semacamnya.
sepatu kabel dengan alat 
penekan 
 Cara ini lebih praktis, 
akan tetapi sepatu kabel 
yang telah dipasang 
tidak dapat dilepas lagi 
(permanen) dengan 
mudah. Selain daripada 
itu pemasangannya pun 
harus menggunakan alat 
khusus untuk keperluan 
ini.
sepatu kabel dengan 
pematrian 
 Cara pemasanganya : setelah kabel 
dibuka isolasinya, bersihkanlah kawatnya 
dari kotoran yang mengganggu 
penempelan timah. Untuk memperoleh 
hasil yang sempurna sebaiknya bagian 
kawat yang akan dimasukan ke dalam 
sepatu kabel dilapisi dahulu dengan patri. 
Selanjutnya cairkanlah timah dan 
tuangkan ke dalam sepatu kabel 
secukupnya. Kemudian masukan kawat 
kabel ke dalam selongsong sebelum 
timah membeku. Pada umumnya bagian 
dalam (lubang) sepatu kabel yang 
diperdagangkan telah dilapisi dengan 
timah.
Busbar 
 Busbar merupakan 
penghantar listrik yang 
berbentuk empat persegi 
panjang tanpa 
isolasi.Busbar biasanya 
ditempatkan di dalam panel 
yang bersifat menampung 
tenaga listrik guna 
menyalurkannya ke 
komponen lainnya.Pada 
penggunaanya busbar 
dipasang untuk keperluan 
fasa, netral, dan 
pembumian.
Cable Tidy (Spiral) 
 Cable Tidy atau Spiral digunakan untuk 
pembungkus kabel atau casing kabel untuk 
mengamankan kabel dan memperindah 
kabel. Biasanya selubung kabel ini dipakai 
untuk kabel yang menuju lampu indikator 
dan atau menuju pintu panel. Dengan 
adanya spiral kabel terlihat lebih rapih , 
dengan adanya spiral kabel tersebut dapat 
dililit atau di satukan.Penggunaan spiral 
sangat cocok pada panel instalasi, karena 
lebih mudah mengarahkan penghantar dan 
tidak menghabiskan ruang panel yang 
sangat sempit.
Labelling Sistem Komponen 
 Sistem pelabelan ini pada dasarnya adalah 
pemberian identifikasi setiap komponen 
dalam suatu sistem sehingga dapat 
dibedakan secara mudah posisi jenis dan 
lokasi pemasangannya. Label jenis ini dibuat 
sesuai identifikasi setiap komponen dalam 
gambar diagramnya. Label ini dicetak diatas 
kertas stiker ataupun alluminium foil yang 
diberi lapisan perekat.
 Menurut standart IEC, pelabelan dibuat 
dengan 3 digit identifikasi yang merupakan 
kombinasi huruf dan angka 
 Digit I : berupa notasi huruf A – Z yang ditulis 
dengan huruf besar. Notasi ini menunjukkan jenis 
dari komponen yang bersangkutan. 
 Digit II: berupa notasi angka yang menunjukkan 
nomor urut dari setiap jenis komponen yang sama. 
 Digiti III: berupa notasi huruf A – Z yang ditullis 
dengan huruf besar. Notasi ini menunjukkan fungsi 
dari komponen yang bersangkutan. 
 Contohnya seperti K1M dimana huruf K menyatakan 
kontaktor, angka satu menyatakan kontaktor nomor 
urut ke satu, dan M menyatakan fungsi utama 
kontaktor.
Sistem IP 
berdasarkan DIN VDE 0470
Motor 
 nama pembuat; 
 tegangan pengenal; 
 arus beban pengenal; 
 daya pengenal; 
 frekuensi pengenal dan jumlah fase untuk motor arus bolak balik; 
 putaran per menit pengenal; 
 suhu lingkungan pengenal dan kenaikan suhu pengenal; 
 kelas isolasi; 
 tegangan kerja dan arus beban penuh sekunder untuk motor induksi 
rotor lilit; 
 jenis lilitan : shunt, kompon, atau seri untuk motor arus searah;
K3 peralatan tenaga daya 1

K3 peralatan tenaga daya 1

  • 1.
    Persyaratan K3 PeralatanInstalasi Tenaga/Daya Modul Pembinanaan Calon Ahli K3 Spesialis Listrik
  • 2.
    Peralatan Instalasi Tenaga/ Daya  Instalasi Listrik Tenaga/ Daya adalah pemasangan komponen-komponen peralatan listrik untuk melayani perubahan energi listrik menjadi tenaga mekanis.
  • 3.
    Persyaratan Instalasi Listrik Tenaga  Syarat Aman  Instalasi listrik tenaga harus dibuat sesuai standar keselamatan, sehingga kecil kemungkinan timbulnya kecelakaan.  Aman dalam hal ini berarti tidak membahayakan keselamatan jiwa manusia, terjaminnya peralatan dan benda-benda di sekitarnya dari kerusakan akibat adanya gangguan seperti : gangguan hubung singkat, gangguan beban lebih, gangguan tegangan lebih, dan sebagainya.  Syarat Keandalan  adalah bahwa kelangsungan pemberian/pengaliran arus listrik kepada beban/konsumen pemakai listrik harus terjamin secara baik.  Syarat Ekonomis  Instalasi listrik tenaga harus dibuat sesuai dengan standarnya sehingga harga dari keseluruhan instalasi itu, ongkos pemasangan, dan ongkos pemeliharaannya tidak boros.  Rugi-rugi daya listrik yang hilang harus sekecil mungkin, rugi tegangan maksimal 5 % dari tegangan sumber.
  • 4.
    Peralatan Instalasi Tenaga  Komponen perlengkapan kendali seperti tombol, sakelar, lampu, sinyal, sakelar magnet dan kawat penghubung harus mempunyai kemampuan yang sesuai dengan penggunaannya.  Komponen seperti tombol, sakelar kendali, dan sakelar pemilih harus mempunyai tanda atau warna yang memudahkan operator untuk melayaninya.  Penghantar atau kabel yang digunakan untuk perlengkapan kendali dalam PHB harus berukuran sekurang-kurangnya 1,0 mm kecuali penghantar atau kabel yang sudah terpasang dalam perlengkapan kendali itu.  Proteksi sistem kendali harus terpisah dari proteksi yang lain. (PUIL 2000: 6.6.5.1 - 6.6.5.4)
  • 5.
    Klasifikasi Keandalan Beban  Sistem harus dapat mendukung beban yang memerlukan keandalan sangat tinggi, karena terhentinya aliran listrik akan dapat menyebabkan kematian atau kecelakaan.  Sistem harus dapat mendukung beban yang memerlukan keandalan tinggi, dimana jika aliran listrik berhenti tidak menyebabkan kematian manusia, tetapi menyebabkan kerusakan pada beban atau menyebabkan kerugian yang sangat besar.  Sistem harus dapat mendukung beban dengan keandalan biasa, apabila aliran listrik terhenti tidak begitu membahayakan dan merugikan.  Mutu terjamin, berarti konsumen mendapat aliran listrik sesuai dengan ukuran normal dari kebutuhan beban.
  • 6.
    Komponen Panel Hubung Bagi Kendali A1. Pengaman Hubung Singkat Sirkit Cabang berfungsi sebagai pengaman arus lebih pada suatu sirkit cabang yang mensuplai dua motor atau lebih. A2. Sirkit Cabang berfungsi sebagai penghantar rangkaian akhir yang mensuplai dua motor atau lebih. B. Pengaman Hubung Singkat Sirkit Motor berfungsi sebagai pengaman arus lebih sirkit akhir yang mensuplai motor tunggal dari gangguan hubung singkat. C. Sarana Pemutus berfungsi sebagai sarana pemutus (pengisolir) motor dari jaringan apabila akan dilakukan perbaikan pada motor. D. Kendali Motor berfungsi sebagai alat pengasutan motor, pengatur putaran motor, menjalankan motor, membalik arah putaran motor, memberhentikan motor, dan lain-lain. E. Pengaman Beban Lebih berfungsi sebagai pengaman/melindungi motor, peralatan kontrol motor dan hantaran akhir terhadap pemanasan berlebihan akibat beban lebih dan atau motor tidak dapat diasut. F. Motor Listrik berfungsi sebagai alat yang merubah energi listrik menjadi energi mekanis untuk menggerakkan mesin-mesin pemakai listrik. G. Grounding System/Pembumian berfungsi mengamankan peralatan instalasi dan motor listrik dari adanya kejut listrik akbitat kebocoran arus
  • 7.
    Komponen Panel HubungBagi Kendali  Pengaman Lebur (Fuse) Miniature Circuit Breaker (MCB)  Kontaktor Magnetik (Magnetic Contactor)  Thermal overload relay  Kabel Penghantar  Busbar  Lampu Indikator (Indicator Lamp)  Sepatu Kabel  Cable Tidy atau Spiral
  • 8.
    Pengaman Lebur (Fuse)  Pengaman Lebur atau Fuse terpasang dalam rangkaiaan listrik tersusun secara seri, sehingga jika terlewati arus yang melebihi kapasitas kerja dari fuse tersebut, maka fuse akan terbakar dan memutus arus yang ada dalam rangkaian tersebut.  Elemen penghantar yang terdapat dalam fuse tersebut akan meleleh, dan memutus rangkaian listrik tersebut sebagai pengaman terhadap komponen-komponen lain dalam rangkaian listrik tersebut dari bahaya arus besar.
  • 10.
    Miniature Circuit Breaker (MCB) Miniature Circuit Breaker (MCB) merupakan alat pengamanan terhadap gangguan beban lebih dan arus hubung singkat. Berdasarkan konstruksinya, MCB dilengkapi dengan komponen dwi logam yang digunakan untuk pengamanan gangguan beban lebih dan komponen elektromagnetik untuk pengamanan terhadap gangguan arus hubung singkat.
  • 11.
     Pemilihan MCBditentukan oleh beberapa hal, yaitu :  Standar yang berlaku. Contoh PUIL, SPLN, IEC, dll.  Kapasitas Pemutusan  Arus Pengenal  Tegangan
  • 13.
    Ir adalah arusnomimal MCB Im adalah arus hubung singkat minimum Icu adalah arus hubung singkat maksimum atau arus breaking capacity.
  • 14.
    Circuit Breaker terpilihakan selalu membandingkan arus setting Ir dengan arus beban IB, serta breaking capacity-nya ICU dengan prospective ISC
  • 15.
     Definisi terkaitdengan tegangan:  Ue: rated service voltage.  Ui: rated insulation voltage (> Ue max.).  Uimp: rated impulse withstand voltage.
  • 16.
     Definisi terkaitdengan arus:  Ib: circuit operational current  Icm: rated short-circuit making capacity.  Ics: rated service breaking capacity (normally expressed as a % of Icu).  Icu: rated ultimate short-circuit breaking capacity (expressed in kA).  Icw: rated short-time withstand current.  IDn: rated residual operating current (often called residual sensitivity).  In: rated current = maximum value of current used for the temperature rise tests (e.g. for a Compact NS250 circuit breaker: In = 250 A).  Isc: short-circuit current at a given point in the installation.
  • 17.
    Kontaktor Magnetik (Magnetic Contactor)  Kontaktor magnet adalah gawai elektromekanik yang dapat berfungsi sebagai penyambung dan pemutus rangkaian, yang dapat dikendalikan dari jarak jauh.  Pergerakankontak-kontaknya terjadi karena adanya gaya elektromagnet. Kontaktor magnet merupakan sakelar yang bekerja berdasarkan kemagnetan.Karena magnet berfungsi sebagai penarik dan pelepas kontak-kontak pada kontaktor.
  • 18.
     Kontak Utama  kontak yang menghubungkan dan memutuskan arus listrik yang menuju ke beban atau motor.  Kontak Bantu  Kontak ini hanya digunakan pada rangkaian kontrol. Terdiri dari dua jenis kontak yaitu kontak normally open (NO) dan normally close (NC).  Kontak NO cirinya bernomor ganda dan nomor terakhir adalah 3-4  Contoh : 13-14, 23-24, 33-34  Kontak NC cirinya bernomor ganda dan nomor terakhir 1-2  Contoh :11-12,21-22, 31-32
  • 19.
    pemilihan kontaktor: Parameterutama  Jenis beban  Kapasitas beban, meliputi : arus, tegangan, daya, dll  Frekuensi On-Off  Kategori penggunaan
  • 20.
    Pemilihan Kontaktor Tegangan kerja  Besarnya daya  Kemampuan hantar arus (kontaknya)  Jumlah kontak bantu yang dimiliki  Kategori penggunaan
  • 21.
    Kategori Pemakaian AC1 : Pemakaian untukbeban non-induktif atau sedikit induktif  AC2 : Pemakaian untuk starting motor slipring (starting, switching off)  AC3 : Untuk pemakaian pada starting motor rotor sangkar. (starting, switching off)  AC4 :Pemakaian untuk jenis motor rotor sangkar (starting, plugging atau berbalik arah putaran)
  • 22.
    TOLR (Thermal Overload Relay)  TOLR (Thermal Overload Relay) berfungsi untuk mengamankan motor atau memberi perlindungan kepada motor dari kerusakan akibat beban lebih.  Prinsip kerja thermal beban lebih (TOLR) berdasarkan panas (temperatur) yang ditimbulkan oleh arus yang mengalir melalui elemen – elemen pemanas bimetal.
  • 23.
    Lampu Indikator (Indicator Lamp)  Lampu indikator adalah suatu komponen sistem kendali yang digunakan untuk memberikan penandaan visual terhadap kondisi operasi sistem.  Komponen ini terdiri atas sebuah lampu kecil (pijar/neon) dengan rumahnya yang tutup atasnya terbuat dari bahan transparan dengan warna tertentu  Warna-warna lampu indikator ini dapat dipilih sesuai dengan standar kode warna yang berlaku.  Lampu indikator umumnya disambungkan sedemikian rupa sehingga akan menyala jika kontaktor terkait sedang dalam kondisi operasi atau lampu-lampu indikator digunakan untuk memberi tanda bahwa motor telah siap untuk dijalankan dan motor telah beroperasi.
  • 24.
    Warna Makna WarnaAplikasi Merah Kondisi Bahaya Menandakan kondisi bahaya dan membutuhkan penanganan secepatnya oleh operator Kuning Kondisi Tidak Normal Monitoring dan atau membutuhkan penanganan dari operator Biru Mesin siap untuk bekerja Mesin dalam kondisi siap dioperasikan Hijau Kondisi Normal 1. Sakelar utama dalam kondisi ON 2. Pemilihan kecepatan dan arah putar mesin
  • 25.
    Kabel Penghantar Penghantar yang digunakan untuk instalasi listrik adalah penghantar yang dilindungi dengan isolasi atau disebut dengan kabel. Perkembangan penghantar semakin pesat seiring berkembangnya bahan-bahan isolasi, sehingga banyak bermunculan jenis penghantar baru. Untuk mempermudah identifikasi dari jenis kabel yang ada, maka diadakan suatu penandaan dari huruf maupun angka.
  • 26.
    Sepatu Kabel Sepatu kabel yaitu alat yang dapat dipasang pada ujung kabel yang tidak berisolasi. Dengan dipasangnya sepatu kabel akan memudahkan pelaksanaan pekerjaan, terutama pada pekerjaan kabel-kabel yang besar.  Hubungan setiap terminal (apitan) pada suatu penghantar haruslah cukup kuat, nilai kabel digerak-gerakan atau direntangkan harus dijamin tidak akan lepas atau putus.
  • 27.
    Sepatu Kabel denganSekrup  Cara pemasangannya : bersihkan sepatu kabel yang tidak berisolasi sepanjang longsongan sepatu kabel agar hubungannya baik. Keraskan sekrup yang ada dengan menggunakan obeng atau kunci pas dan semacamnya.
  • 28.
    sepatu kabel denganalat penekan  Cara ini lebih praktis, akan tetapi sepatu kabel yang telah dipasang tidak dapat dilepas lagi (permanen) dengan mudah. Selain daripada itu pemasangannya pun harus menggunakan alat khusus untuk keperluan ini.
  • 29.
    sepatu kabel dengan pematrian  Cara pemasanganya : setelah kabel dibuka isolasinya, bersihkanlah kawatnya dari kotoran yang mengganggu penempelan timah. Untuk memperoleh hasil yang sempurna sebaiknya bagian kawat yang akan dimasukan ke dalam sepatu kabel dilapisi dahulu dengan patri. Selanjutnya cairkanlah timah dan tuangkan ke dalam sepatu kabel secukupnya. Kemudian masukan kawat kabel ke dalam selongsong sebelum timah membeku. Pada umumnya bagian dalam (lubang) sepatu kabel yang diperdagangkan telah dilapisi dengan timah.
  • 30.
    Busbar  Busbarmerupakan penghantar listrik yang berbentuk empat persegi panjang tanpa isolasi.Busbar biasanya ditempatkan di dalam panel yang bersifat menampung tenaga listrik guna menyalurkannya ke komponen lainnya.Pada penggunaanya busbar dipasang untuk keperluan fasa, netral, dan pembumian.
  • 31.
    Cable Tidy (Spiral)  Cable Tidy atau Spiral digunakan untuk pembungkus kabel atau casing kabel untuk mengamankan kabel dan memperindah kabel. Biasanya selubung kabel ini dipakai untuk kabel yang menuju lampu indikator dan atau menuju pintu panel. Dengan adanya spiral kabel terlihat lebih rapih , dengan adanya spiral kabel tersebut dapat dililit atau di satukan.Penggunaan spiral sangat cocok pada panel instalasi, karena lebih mudah mengarahkan penghantar dan tidak menghabiskan ruang panel yang sangat sempit.
  • 32.
    Labelling Sistem Komponen  Sistem pelabelan ini pada dasarnya adalah pemberian identifikasi setiap komponen dalam suatu sistem sehingga dapat dibedakan secara mudah posisi jenis dan lokasi pemasangannya. Label jenis ini dibuat sesuai identifikasi setiap komponen dalam gambar diagramnya. Label ini dicetak diatas kertas stiker ataupun alluminium foil yang diberi lapisan perekat.
  • 33.
     Menurut standartIEC, pelabelan dibuat dengan 3 digit identifikasi yang merupakan kombinasi huruf dan angka  Digit I : berupa notasi huruf A – Z yang ditulis dengan huruf besar. Notasi ini menunjukkan jenis dari komponen yang bersangkutan.  Digit II: berupa notasi angka yang menunjukkan nomor urut dari setiap jenis komponen yang sama.  Digiti III: berupa notasi huruf A – Z yang ditullis dengan huruf besar. Notasi ini menunjukkan fungsi dari komponen yang bersangkutan.  Contohnya seperti K1M dimana huruf K menyatakan kontaktor, angka satu menyatakan kontaktor nomor urut ke satu, dan M menyatakan fungsi utama kontaktor.
  • 34.
  • 38.
    Motor  namapembuat;  tegangan pengenal;  arus beban pengenal;  daya pengenal;  frekuensi pengenal dan jumlah fase untuk motor arus bolak balik;  putaran per menit pengenal;  suhu lingkungan pengenal dan kenaikan suhu pengenal;  kelas isolasi;  tegangan kerja dan arus beban penuh sekunder untuk motor induksi rotor lilit;  jenis lilitan : shunt, kompon, atau seri untuk motor arus searah;

Editor's Notes

  • #9 fuse yang telah terbakar atau putus elemennya kita harus menggantinya dengan yang baru, tetapi yang perlu diingat adalah penggantian dengan kapasitas arus yang sama. Jika menggantinya dengan kapasitas arus yang lebih besar maka akan berakibat kerusakan pada rangkaian listrik tersebut, karena jika ada arus lebih dalam rangkaian tersebut, fuse tidak akan putus atau terbakar.
  • #15 nilai ICS, disarankan untuk memilih peralatan yang memiliki nilai service breaking capacity ICS ≥ nilai kemungkinan hubung singkat ISC. Hal ini cukup penting dan jauh lebih bijak dalam rangka untuk meyakinkan kelangsungan kerja serta kehandalan sistem yang lebih optimal.