Introduction         1

                                                                  Getting Started      2

                                                                  Setup of Terminals   3
         MINI-LINK
           MSM                                                    Network
Operation Manual                                                  Management
                                                                                       4
                                                                  MINI-LINK E
      Copyright © ERICSSON 1999                                   Terminal             5
            EN/LZT 110 5057 R2A
                                                                  MINI-LINK E Micro
                                                                  Terminal             6
                                                                  MINI-LINK C and
                         99-02
                                                                  Mk II Terminals      7

                                                                  Appendices           8
    All rights reserved. No parts of this publication may be
reproduced, stored in a retrieval system, or transmitted in any
form or by any means, electronic, mechanical, photocopying,
recording or otherwise, without prior written permission of the   Index                9
                           publisher.
I                 Contents




Contents                                                       Page

1       Introduction                                           1-3
1.1     MINI-LINK Service Manager Features                      1-3
1.2     The MINI-LINK Service Manager Software                  1-3
1.2.1   Copyright for MSM Software                              1-3
1.2.2   Third Party Software Products                           1-3
1.2.3   MINI-LINK Service Manager Software Licence Agreement    1-4
1.2.4   MINI-LINK Service Manager Software Revision             1-4
1.3     How to Use the Manual                                   1-4
1.3.1   Related Documents                                       1-5
1.4     Safety Requirements                                     1-7
1.5     Terminology                                             1-8

2       Getting Started                                        2-3
2.1     Installation                                            2-3
2.1.1   Package Contents                                        2-3
2.1.2   System Requirements                                     2-3
2.1.3   Installation Procedure from CD-ROM                      2-4
2.1.4   Installation Procedure from Diskett                     2-6
2.2     User Categories                                         2-7
2.2.1   Control User                                            2-7
2.2.2   View User                                               2-7
2.2.3   Password                                                2-7
2.3     Entering MSM                                            2-8
2.3.1   Login                                                   2-8
2.3.2   No contact established                                 2-10
2.4     General Action Procedures                              2-10
2.4.1   Selecting Menu Items                                   2-10
2.5     Accessing Help                                         2-10
2.6     The MSM Program Windows                                2-11
2.6.1   Overview                                               2-11
2.6.2   Different Options for the User Categories              2-12
2.7     The Network Window                                     2-13
2.7.1   Generating a Network List                              2-13
2.7.2   Working with Groups and Terminals                      2-14
2.8     Entering a Terminal Window                             2-19
2.9     Leaving a Terminal Window                              2-21
2.10    Closing a Network Window                               2-21
2.11    Exiting the program                                    2-21

3       Setup of Terminals                                     3-3
3.1     IDs                                                     3-3
3.1.1   Restricted IDs                                          3-3
3.2     Setup of MINI-LINK E Equipment                          3-4
3.2.1   AM Setup                                                3-4
3.2.2   Hop Setup                                               3-9
3.2.3   Traffic Setup                                          3-10
3.2.4   SAU Setup                                              3-12
3.2.5   Expanded NCC for MINI-LINK E                           3-15
3.3     Setup of MINI-LINK E Micro                             3-16
3.4     Setup of MINI-LINK C and MkII Equipment                3-18
3.4.1   Radio Terminal Setup                                   3-18
3.4.2   SMM Setup                                              3-20




                                   EN/LZT 110 5057 R2A
Contents                                               II



       3.5      Examples of ID Setups                           3-22
       3.5.1    Example 1: A MINI-LINK E 1+0 Hop                3-22
       3.5.2    Example 2: A MINI-LINK E 1+1 Hop with SAU       3-22
       3.5.3    Example 3: A MINI-LINK Sub-Network              3-23
       3.6      Example of Traffic Setup with Routing           3-24
       3.7      Example of a Routing Setup form                 3-27
       3.7.1    Explanation of the Form Contents                3-28


       4        Network Management                              4-3
       4.1      Network Supervision                              4-3
       4.1.1    Terminal Types                                   4-4
       4.1.2    Communication Channels                           4-5
       4.1.3    Network Operation and Maintenance Facilities     4-6
       4.1.4    Alarm Notification                               4-7
       4.1.5    Fault Information                                4-8
       4.2      The Main Frame Window                            4-9
       4.2.1    The Network Menu                                4-10
       4.2.2    The Log Menu                                    4-11
       4.2.3    The Config Menu                                 4-11
       4.2.4    The Help Menu                                   4-12
       4.3      The Network Window                              4-13
       4.3.1    The Terminal List                               4-14
       4.3.2    The Group Tree                                  4-15
       4.3.3    The Status Bar                                  4-15
       4.3.4    The Network Menu                                4-15
       4.3.5    The Edit Menu                                   4-16
       4.3.6    The Log Menu                                    4-19
       4.3.7    The Config Menu                                 4-22
       4.3.8    The View Menu                                   4-27
       4.3.9    The Window Menu                                 4-29
       4.3.10   The Help Menu                                   4-29
       4.4      Remote SW Upgrade                               4-30
       4.4.1    Introduction                                    4-30
       4.4.2    Recommendations for Remote SW Upgrade           4-31
       4.5      Remote SW Load                                  4-32
       4.5.1    Network Menu in the Network Window              4-32
       4.5.2    Select SW Type and Version                      4-34
       4.5.3    Scanning in Progress                            4-36
       4.5.4    Select Units to Load                            4-36
       4.5.5    Load Progress                                   4-39
       4.5.6    Optional Load Windows                           4-41
       4.6      Remote SW Activation                            4-43
       4.6.1    Network Menu in the Network Window              4-43
       4.6.2    Select Load Session for Activation              4-45
       4.6.3    Scanning in Progress                            4-47
       4.6.4    Select Units for Activation                     4-47
       4.6.5    Activation Progress                             4-50


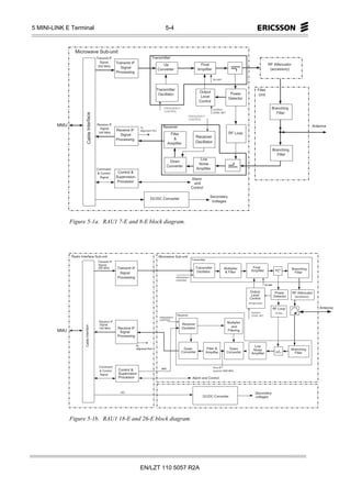
       5        MINI-LINK E Terminal                            5-3
       5.1      MINI-LINK E Technical Description                5-3
       5.1.1    Radio Unit (RAU)                                 5-3
       5.1.2    Modem Unit (MMU)                                 5-7
       5.1.3    Switch Multiplexer Unit (SMU)                   5-10
       5.1.4    Service Access Unit (SAU)                       5-13
       5.2      MINI-LINK E Supervision                         5-16
       5.2.1    Operation and Maintenance Facilities            5-17
       5.2.2    Fault Localization                              5-17




                                          EN/LZT 110 5057 R2A
III            Contents



5.3     MINI-LINK E Radio Terminal Window                5-18
5.3.1   The Setup Menu                                   5-19
5.3.2   The Log Menu                                     5-25
5.3.3   The View Menu                                    5-25
5.3.4   The Misc Menu                                    5-29
5.3.5   The Window Menu                                  5-32
5.3.6   The Help Menu                                    5-32
5.3.7   The Terminal Window (Radio Terminal)             5-33
5.4     MINI-LINK E SAU Terminal Window                  5-40
5.4.1   The Setup Menu                                   5-41
5.4.2   The Log Menu                                     5-47
5.4.3   The View Menu                                    5-48
5.4.4   The Misc Menu                                    5-50
5.4.5   The Window Menu                                  5-52
5.4.6   The Help Menu                                    5-52
5.4.7   The Terminal Window (SAU)                        5-53
5.5     Details on 1+1 Switching and AIS                 5-56
5.5.1   Switching in 1+1 Systems                         5-56
5.5.2   Alarm Indication Signal (AIS)                    5-57
5.6     Repair and Extension                             5-58
5.6.1   Factory Setup with the Preset Function           5-58
5.6.2   Factory Setup without the Preset Function        5-58
5.6.3   Setups after Addings or Replacements             5-59
5.6.4   Spare Parts and Repair                           5-59


6       MINI-LINK E Micro Terminal                       6-3
6.1     MINI-LINK E Micro Technical Description           6-3
6.1.1   MINI-LINK E Micro Radio Unit                      6-3
6.2     MINI-LINK E Micro Supervision                     6-5
6.2.1   Operation and Maintenance Facilities              6-5
6.2.2   Fault Localization                                6-5
6.3     MINI-LINK E Micro Terminal Window                 6-6
6.3.1   The Setup Menu                                    6-6
6.3.2   The Log Menu                                      6-9
6.3.3   The View Menu                                     6-9
6.3.4   The Misc Menu                                    6-13
6.3.5   The Window Menu                                  6-16
6.3.6   The Help Menu                                    6-16
6.3.7   The Terminal Window (Radio Terminal)             6-17
6.4     Repair and Extension                             6-23
6.4.1   Factory Setup with the Preset Function           6-23
6.4.2   Spare Parts and Repair                           6-23


7       MINI-LINK C and MkII Terminals                   7-3
7.1     MINI-LINK C and MkII Supervision                  7-3
7.1.1   Operation and Maintenance Facilities              7-4
7.1.2   Fault Localization                                7-4
7.2     Radio Terminal Window                             7-5
7.2.1   The Setup menu                                    7-5
7.2.2   The Log Menu                                      7-8
7.2.3   The View Menu                                     7-8
7.2.4   The Misc Menu                                    7-10
7.2.5   The Window Menu                                  7-12
7.2.6   The Help Menu                                    7-13
7.2.7   The Terminal Window (Radio Terminal)             7-14




                                   EN/LZT 110 5057 R2A
Contents                                         IV



       7.3     SMM Terminal Window                             7-19
       7.3.1   The Setup Menu                                  7-20
       7.3.2   The Log Menu                                    7-22
       7.3.3   The View Menu                                   7-23
       7.3.4   The Misc Menu                                   7-24
       7.3.5   The Window Menu                                 7-26
       7.3.6   The Help Menu                                   7-27
       7.3.7   The Terminal Window (SMM)                       7-28
       7.4     Details on Protected Switching and AIS          7-33
       7.4.1   Switching in Protected Systems                  7-33
       7.4.2   Alarm Indication Signal (AIS)                   7-33
       7.5     Repair                                          7-34

       8       Appendices                                      8-3
               Connection of Modem for Remote Supervision       8-3
               Program Files                                    8-6
               Using the Service Telephone for SAU Exp2         8-8
               Failure Report                                   8-9




                                         EN/LZT 110 5057 R2A
1-1                    1 Introduction   1
Contents
1         Introduction                                           Page

1.1       MINI-LINK Service Manager Features                     1-3

1.2       The MINI-LINK Service Manager Software                 1-3
1.2.1     Copyright for MSM Software                              1-3
1.2.2     Third Party Software Products                           1-3
1.2.3     MINI-LINK Service Manager Software Licence Agreement    1-4
1.2.4     MINI-LINK Service Manager Software Revision             1-4

1.3       How to Use the Manual                                  1-4
1.3.1     Related Documents                                       1-5
1.3.1.1   Reference Documents for MINI-LINK Netman                1-5
1.3.1.2   Reference Documents for MINI-LINK E                     1-5
1.3.1.3   Reference Documents for MINI-LINK C                     1-6


1.4       Safety Requirements                                    1-7

1.5       Terminology                                            1-8




                                  EN/LZT 110 5057 R2A
1 Introduction           1-2




                 EN/LZT 110 5057 R2A
1-3                                    1 Introduction   1
1       Introduction
1.1     MINI-LINK Service Manager Features
        The MINI-LINK Service Manager (MSM) is a PC tool for service, operation
        and maintenance of MINI-LINK sub-networks, including setup and fault
        localization.
        The MINI-LINK Service Manager (MSM) operate under Microsoft Windows
        95/98 and NT 4.0 on an IBM personal computer or compatible. The graphical
        user interface follows the user interface principles of Microsoft Windows.

        New functionality in MSM 5.1 compared to MSM R4B:
        - Support for MINI-LINK E Micro.
        - Remote Software Upgrade for download and activation of new CSS software
          versions to various MINI-LINK E terminal units.
        - Expanded NCC for interconnection between two AMMs and one E Micro.
        - Full severity presentation (previous MNM functionality).
        - Alarm log data collected for all terminals in the terminal list (previous MNM
          functionality).
        - Notification messages presented in the status bar for all terminals in the terminal
          list (previous MNM functionality).
        - Network window improved with drag-n-drop functionality for handling of
          groups and terminals.
        Changed functionality in MSM 5.1 compared to MSM R4B:
        - AGC and Performance log no longer supported.
        - Port Expander no longer supported.


1.2     The MINI-LINK Service Manager Software
1.2.1   Copyright for MSM Software
        The MSM program is protected by copyright law and international treaties.
        Unauthorized reproduction or distribution of this program, or any portion of it,
        may result in severe civil and criminal penalties, and will be prosecuted to the
        maximum extent possible under law.
        Copyright 1999 Ericsson Microwave Systems AB.

1.2.2   Third Party Software Products
        Portions of MSM:
        - Copyright 1996 Pervasive Software, Inc
        - Copyright 1996 Greenleaf Software




                                 EN/LZT 110 5057 R2A
1 Introduction                                     1-4



1.2.3            MINI-LINK Service Manager Software Licence
                 Agreement
                 Ericsson sells the right to use the software products under the conditions in our
                 Software Licence Agreement. Our Software Licence Agreement is a mandatory
                 and binding document which defines the scope of the right to use the software.
                 For a copy of the Software Licence Agreement or more information please
                 contact your Ericsson representative.

1.2.4            MINI-LINK Service Manager Software Revision
                 Ericsson Microwave Systems AB reserves the right to update the program,
                 change input data etc. without prior notice. The revision state of the program is
                 displayed in the head of the Login window and in the About Service Manager
                 window reached from the Help menu.


1.3              How to Use the Manual
                 This manual describes, in text and figures, how to use MSM for installation,
                 operation and maintenance of MINI-LINK equipment.


                 Chapter 1 introduces the MINI-LINK Service Manager, this manual and the
                           MINI-LINK terminology.
                 Chapter 2 describes how to start the work with the MSM program, including
                           installation and working with groups and terminals.
                 Chapter 3 explains the setup of MINI-LINK terminals of different types, with step-
                           by-step instructions. Examples are given in the last section. If the sub-
                           network that you are connected to is already set up, you can leave this
                           chapter out.
                 Chapter 4 describes how to work with a MINI-LINK sub-network, including
                           dividing the net in groups and logging the terminals’ status.
                 Chapter 5 explains the operation of MINI-LINK E terminals and SAUs, with
                           details on the different windows and facilities.
                 Chapter 6 explains the operation of MINI-LINK E Micro terminals, with details on
                           the different windows and facilities.
                 Chapter 7 explains the operation of MINI-LINK C and MkII radios and SMMs,
                           with details on the different windows and facilities.
                 Chapter 8 consists of appendices; information on how to use a modem, how to use
                           the service telephone, the program files and a failure report, which
                           should be attached when sending MINI-LINK equipment for repair.
                 Chapter 9 Index pages.

                 Throughout the manual, text proceeded by a dot (•) is a job action of some kind.
                 In instructions which are sequences of actions, the actions are numbered.




                                          EN/LZT 110 5057 R2A
1-5                                1 Introduction   1
1.3.1     Related Documents
1.3.1.1   Reference Documents for MINI-LINK Netman
          EN/LZT 110 5044 MINI-LINK Netman Installation and Configuration Manual.
                          The manual is intended for the System administrator user
                          category and describes how to install, configure and
                          maintain the MINI-LINK Netman program for the
                          MINI-LINK networks.

          EN/LZT 110 5043 MINI-LINK Netman Operation Manual.
                          The manual is intended for the Control user and the View
                          user categories and describes how to use the MINI-LINK
                          Netman Client program for network management.

          EN/LZT 110 5048 MINI-LINK Network Management, Technical Description.
                          The description gives a detailed technical and functional
                          description of the MINI-LINK Netman Software and the
                          MINI-LINK Service Manager (MSM).

1.3.1.2   Reference Documents for MINI-LINK E
          EN/LZT 110 2011 MINI-LINK E, Product Catalogue.
                          The catalogue is intended to be an aid when compiling an
                          order or simply to give an overview of the radio-link
                          products in the MINI-LINK E programme.
          EN/LZT 110 2012 MINI-LINK E, Technical Description.
                          The description gives a detailed technical and functional
                          description of the main products in the MINI-LINK E
                          programme.
          EN/LZT 110 2013 MINI-LINK E, Planning and Engineering Manual.
                          The manual describes how to realize a MINI-LINK
                          network. The purpose is to support both the network
                          planning phase and the realization phase.
          EN/LZT 110 2014 MINI-LINK E, Installation Manual.
                          The manual describes the installation procedure including
                          cabling for the MINI-LINK E.
          EN/LZT 110 5064 MINI-LINK E Micro, Installation Manual.
                          The manual describes the installation procedure including
                          cabling for the MINI-LINK E Micro.




                                 EN/LZT 110 5057 R2A
1 Introduction                                 1-6



1.3.1.3          Reference Documents for MINI-LINK C
                 EN/LZT 110 149   MINI-LINK C with C Micro, Product Catalogue.
                                  The catalogue is intended to be an aid when compiling an
                                  order or simply to give an overview of the radio-link
                                  products in the MINI-LINK C programme.
                 EN/LZT 110 145   MINI-LINK C with C Micro, Technical Description.
                                  The description gives a detailed technical and functional
                                  description of the main products in the MINI-LINK C
                                  programme.
                 EN/LZB 105 494   MINI-LINK C Radio Module, User’s Manual.
                                  The manual gives an overall explanation of the facilities of
                                  the microwave radio MINI-LINK C and its operation.
                 EN/LZT 110 140   MINI-LINK ICM-C, User’s Manual.
                                  The manual gives an overall explanation of the facilities of
                                  the ICM-C.
                 EN/LZB 105 485   MINI-LINK SMM-C, User’s Manual.
                                  The manual gives an overall explanation of the facilities of
                                  the SMM-C.




                                      EN/LZT 110 5057 R2A
1-7                                  1 Introduction   1
1.4   Safety Requirements
      Electrical Safety
      The MINI-LINK equipment meets the requirements for class I EN 60950 and EN
      41003. For electrical safety the DC power supply shall have reinforced insulation to
      the mains supply. All external connections are SELV (Safety Extra Low Voltage)
      except for the DC power connection when fed by a 60 V supply.

      Service Personnel
      Installation and service must be done by personnel having appropriate technical
      training and experience necessary to be aware of hazards during installation and/or
      service and of measures to minimize any danger to themselves or any other person.

      Safety Precautions
      - Follow all warnings and instructions in the manual.

      - This symbol      appears in the manual and identifies conditions or practices that
        are hazardous or affect safe operation of the equipment.
      - Access to equipment in use shall be restricted to service personnel.
      - Do not use any installation components (screws, nuts etc.) other than those
        enclosed with the equipment or recommended by the MINI-LINK manufacturer.
      - Ensure that the installation instructions, including required tightening torques for
        bolted joints, are followed and that appropriate tools (preferably the
        recommended tools) are used.
      - Use adequate safety devices (helmet, gloves, safety cables etc.) when working on
        or around the mast. Be aware of the risk of falling objects. Consider the safety
        catch when hoisting the antenna and radio.

      Microwave Radiation
      No dangerous levels of microwave radiation exist outside the antenna feeder.
      However, the body shall not be exposed to the radiation in front of the antenna
      (<0.5 m from the feeder) for a long time (>6 minutes), see ENV 50166-2.
      The transmitter should be switched off before disassembling the equipment, to
      avoid microwave radiation.


      Restricted
      area




                                   0.5 m


      Figure 1-1.   Restricted area.




                                   EN/LZT 110 5057 R2A
1 Introduction                                     1-8



1.5              Terminology
                 MINI-LINK Terminology
                 AGC           Automatic Gain Control
                 CSS                Control and Supervision System, software within each terminal
                                    which for example supports building of networks for operation and
                                    maintenance
                 Far-end terminal   The terminal with which the selected terminal communicates
                 Hop                A radio-link connection with a pair of communicating terminals
                 ID                 Unique identity for the terminal
                 Mbps               Mbit/s
                 MSM                MINI-LINK Service Manager (PC program)
                 Near-end terminal The selected terminal
                 Network            Several MINI-LINK sites connected via radio or cable
                 Unit               Exchangeable part of a MINI-LINK system

                 MINI-LINK E Terminology
                 AM            Access Module; indoor part
                 AMM                Access Module Magazine
                 EAC                External Alarm Channel. For explanation see section 4.1.2.
                 HCC                Hop Communication Channel. For explanation see section 4.1.2.
                 MMU                Modem Unit
                 NCC                Node Communication Channel. For explanation see section 4.1.2.
                 RAC                Remote Alarm Channel. For explanation see section 4.1.2.
                 RAU                Radio Unit
                 RCC                Radio Communication Channel. For explanation see section 4.1.2.
                 SAU                Service Access Unit
                 SMU                Switch/Multiplexer Unit
                 Terminal           One side of a radio-link connection, or an SAU, with a unique ID in
                                    the network

                 MINI-LINK C and MkII Terminology
                 EAC           External Alarm Channel. For explanation see section 4.1.2.
                 IAC                Internal Alarm Channel. For explanation see section 4.1.2.
                 ICM                Inter Connection Module
                 SMM                Switch/MUX Module
                 Terminal           MINI-LINK radio or SMM with a unique ID in the network




                                         EN/LZT 110 5057 R2A
2-1       2 Getting Started




Contents
2         Getting Started                                  Page                2
2.1       Installation                                      2-3
2.1.1     Package Contents                                  2-3
2.1.2     System Requirements                               2-3
2.1.3     Installation Procedure from CD-ROM                2-4
2.1.4     Installation Procedure from Diskett               2-6

2.2       User Categories                                   2-7
2.2.1     Control User                                      2-7
2.2.2     View User                                         2-7
2.2.3     Password                                          2-7

2.3       Entering MSM                                      2-8
2.3.1     Login                                             2-8
2.3.2     No contact established                           2-10

2.4       General Action Procedures                        2-10
2.4.1     Selecting Menu Items                             2-10

2.5       Accessing Help                                   2-10

2.6       The MSM Program Windows                          2-11
2.6.1     Overview                                         2-11
2.6.2     Different Options for the User Categories        2-12

2.7       The Network Window                               2-13
2.7.1     Generating a Network List                        2-13
2.7.2     Working with Groups and Terminals                2-14
2.7.2.1   Views of the terminal list                        2-15
2.7.2.2   Select groups or terminals                        2-15
2.7.2.3   View groups/sub-groups and their contents         2-16
2.7.2.4   Change view in terminal list                      2-16
2.7.2.5   Move groups or terminals                          2-16
2.7.2.6   Pop-up menus                                      2-17
2.7.2.7   Undo/redo commands                                2-18
2.7.2.8   Sorting in the terminal list                      2-18
2.7.2.9   Find terminals                                    2-18


2.8       Entering a Terminal Window                       2-19

2.9       Leaving a Terminal Window                        2-21

2.10      Closing a Network Window                         2-21

2.11      Exiting the program                              2-21




                                     EN/LZT 110 5057 R2A
2 Getting Started           2-2




                    EN/LZT 110 5057 R2A
2-3                      2 Getting Started




2       Getting Started                                                              2
2.1     Installation
2.1.1   Package Contents
        The MSM 5.1 program package LZY 202 531/1 includes:
        - 1 CD-ROM (1/LZY 202 531/1)
        - this user’s manual (EN/LZT 110 5057)

2.1.2   System Requirements
        Minimum PC requirements:
        - 486 processor
        - Windows 95
        - VGA monitor (800x600)
        - 16 MB RAM
        - 20 MB available hard disk space
        - CD-ROM drive (or 3.5" disk drive, see section 2.1.4)
        - One serial port
        - Keyboard
        - Mouse
        Recommended PC requirements:
        - Pentium processor
        - Windows 95
        - VGA monitor (800x600)
        - 32 MB RAM
        - 40 MB available hard disk space
        - CD-ROM drive
        - One serial port
        - Keyboard
        - Mouse




                                EN/LZT 110 5057 R2A
2 Getting Started                              2-4




2.1.3         Installation Procedure from CD-ROM
              To install MSM 5.1, start Microsoft Windows 95 and follow this procedure:
Step 1        Insert the MINI-LINK Service Manager CD into the CD-ROM drive.
              This will automatically start the Setup program.


Step 2        Welcome
              This is the Welcome screen for
              the Setup program.

              • Click Next to continue.




Step 3        User Information
              • Enter your Name, Company
              and MSM Serial number. The
              Serial number is found on the
              back of the CD case.

              • Click Next to continue.




Step 4        Registration Confirmation
              • Click Yes to confirm your
              user information.
              • Click No to correct anything
              that is incorrect.




                                      EN/LZT 110 5057 R2A
2-5        2 Getting Started



Step 5   Choose Destination Location
         Ericsson recommends you to
         use the default directory.
         If you want to change the
         directory click the Browse-                                          2
         button.

         • Click Next to continue.




Step 6   Select Program Folders
         Ericsson recommends you to
         use the default folders.
         If you want to change the
         folders select a folder from the
         Existing Folders list or enter
         the name of a new folder in the
         Program Folders text box.

         • Click Next to continue.


Step 7   Start Copying Files
         Check all the parameters you have
         entered.

         • If all settings are correct click
         Next to start the installation.

         • If anything is wrong click Back
         until you reach the right window
         and enter the correct information.


Step 8   Setup Complete
         It is recommended to read the
         ReadMe file. It contains the
         latest information on the
         program.

         • Click Finish to exit the setup
         program.




                                    EN/LZT 110 5057 R2A
2 Getting Started                                2-6




2.1.4         Installation Procedure from Diskette
              The MSM 5.1 program is delivered on CD-ROM only. For installation from
              diskette the installation files can be copied from CD-ROM to diskettes. Four
              diskettes are required.
              1. Copy the directories “Disk1”, “Disk2”, “Disk3” and “Disk4” to four
                 separate diskettes.
              2. Insert diskett number 1 in your disk drive.
              3. Select Run from the Start menu.
              4. Type your disk drive and setup in the dialogue box, for example a:setup.
              5. Click OK.
              6. Follow the instructions given during installation (as described in step 2 to
                 step 8 in section 2.1.3).
              7. After installation, read the README.TXT file for the latest MSM news.




                                       EN/LZT 110 5057 R2A
2-7                               2 Getting Started




2.2     User Categories
        There are two types of users, Control user and View user.

2.2.1   Control User
                                                                                               2
        The Control user has all the privileges necessary to operate the MINI-LINK sub-
        network through the MSM.

2.2.2   View User
        The View user can only change the parameters for his personal presentation, but has
        not the possibility to save any changes.

2.2.3   Password
        The MSM is protected by means of a password.
        Two levels of access are available:
        − Control user requires a password.
        − View user does not require a password.




                                EN/LZT 110 5057 R2A
2 Getting Started                                     2-8




2.3           Entering MSM
2.3.1         Login
              1. Connect the PC to the O&M port on MINI-LINK E equipment, the AGC/O&M
                 port on MINI-LINK E Micro equipment or the TERM port on MINI-LINK C or
                 MkII equipment.




                                                O&M port

              Figure 2-1.    The O&M port on MINI-LINK E equipment.




              Figure 2-2.    The AGC/O&M port on MINI-LINK E Micro equipment.




                POWER
                P-MARK




              Figure 2-3.    The TERM port on MINI-LINK C or MkII equipment.

              2. Start Windows 95.
              3. Start the MSM program.
                 If the default program folder has been used during the installation, the program is
                 found under the Windows Start menu:
                 ProgramsMINI-LINK Service Manager 5.1MINI-LINK Service Manager 5.1
                 Or double-click on the MINI-LINK Service Manager icon, if a shortcut is used to
                 start the program



                    Figure 2-4. The MSM icon.



                                           EN/LZT 110 5057 R2A
2-9                           2 Getting Started



4. The Login window opens.


                                                                                      2




  Figure 2-5.   The Login window.
5. In the Login window, choose your user category.
   No password is required for the View user.
   The Control user must enter a password in the Password field.
   The default password is 1111.
   If no password or an incorrect password is entered for the Control user, the
   MSM program will be run with authorization level View.
   If you want to change password, you do this from the Network window, in the
   Config menu (see section 4.2.3.4).
6. Select OK.
   The Main Frame window opens.




  Figure 2-6.   The Main Frame window.



                         EN/LZT 110 5057 R2A
2 Getting Started                              2-10



2.3.2         No contact established
              If MSM fails to establish contact with a MINI-LINK sub-network when logging in,
              you will be asked if you want to change communication parameters. If you do;
              1. Select OK to open the Configure Communication window.
              2. Make appropriate definitions; which serial port is used on the PC and how the
                 PC is connected to the MINI-LINK equipment (directly to a terminal or via a
                 modem).
              3. Select Save when the definitions are correct.
                 The MSM program must be restarted.
              If communication configuration is not the problem,
              • check PC cable and Front end MINI-LINK equipment.


2.4           General Action Procedures
2.4.1         Selecting Menu Items
              It is recommended to run MSM with a mouse, although all functions can be reached
              with the keyboard. In the procedures described in this manual, the use of a mouse is
              assumed.
              Note: In all click instructions with the mouse, use the left-hand mouse button
              unless otherwise stated.
              To select a menu item,
              • use the mouse to move the pointer to the item wanted and click on the item, or
              • press <Alt> on the keyboard, in combination with the underlined letter of the
                item desired.

2.5           Accessing Help
              The application Help consists of a Network and Program Help file and separate
              Terminal Help files. From the Network window all Help files are available, whereas
              only the Help file for the selected terminal type can be accessed from the Terminal
              window.
              There are different ways to access Help:
              • Press F1 on the keyboard to get help on a selected function.
              • Select the Help button in an opened sub-window to get help on that sub-window.
              • Select Contents from the Help menu in the Network window to get help on the
                Network window and the program, or in the Terminal window to get help on the
                terminal type.
              • Select Terminal from the Help menu in the Network window to get help on a
                terminal type.




                                       EN/LZT 110 5057 R2A
2-11                                     2 Getting Started




2.6     The MSM Program Windows
2.6.1   Overview
        The MSM main program windows are:
                                                                                                        2
        − The Main Frame window
        − The Network window
        − The Terminal window



                                           M a in F r a m e
                                            w in d o w




                                                          N e tw o r k
                                                           w in d o w




                                                                         T e r m in a l
                                                                          w in d o w




        Figure 2-7.   The MSM main program windows.

        The Main Frame window is used to load or create a network list.
        From here you reach the Network window.
        The Network window is used for network supervision, control and
        maintenance.
        From here you reach the Terminal windows.
        The Terminal window offers different control facilities such as alarm and status
        presentation for terminal management.




                                   EN/LZT 110 5057 R2A
2 Getting Started                                2-12




2.6.2         Different Options for the User Categories
              In the MSM main program windows (the Main Frame window, Network
              window and Terminal window) the menus offer different alternatives
              depending on the user categories.
              If a user category is not allowed to use a function, button or alternative in a
              window or dialog box, the commands are greyed out.
              For the View user it will in some cases result in a pop-up dialog window
              stating that the View user is not allowed to use the command.




                                        EN/LZT 110 5057 R2A
2-13                                    2 Getting Started




2.7     The Network Window
2.7.1   Generating a Network List
        When you enter MSM, you enter an empty Main Frame window.
                                                                                                          2




        Figure 2-8.   The Network menu options regarding the network list, for the Main Frame
                      window and the Network window.

        The Main Frame window
        The Network menu in the main Frame window offers different possibilities to
        display network lists. Select one of these alternatives from the Network menu:
        New                To open a new, blank network list.
        Open               To open a stored network list.
        Scan               To generate a list including all terminals in the network.
        Scan Local         To generate a list with the local terminals (front end, far end and
                           terminals connected to the front end communication buses).
        The Main Frame window is described in section 4.2.




                                     EN/LZT 110 5057 R2A
2 Getting Started                                    2-14



              The Network Window
              The Network window is opened, it shows the supervised network as a list of
              terminals to the right. The terminals can be structured in groups, with the group tree
              shown to the left. The group tree is built up by a root group with sub-groups in
              different levels. (For further information on network management, see chapter 4.)

              The Network menu
              The Network menu in the Network Window offers the following alternatives
              for the network list:
              Close         To close the Network window.
              Save          To save a network list which already has a name.
              Save as To save a network list which has no name or should be saved under a
                      new name.
              Merge         To combine two network lists.
                            The opened network list will be modified by adding information from
                            another network list defined in a given file.
              The Network window is described in section 4.3.

2.7.2         Working with Groups and Terminals
              The handling of groups and terminals largely corresponds with the Explorer of
              Microsoft Windows 95, where groups equal directories and terminals equal files.




              Figure 2-9.    The Network window with group tree and terminal list.




                                            EN/LZT 110 5057 R2A
2-15                        2 Getting Started



2.7.2.1   Views of the terminal list
          The terminal list in the Network window can be viewed in two different ways,
          either in Details view or in List view:
                                                                                                  2


          Figure 2-10. The Details view in the Terminal list
          When the Details view is selected the terminal list will be presented in three
          columns, showing the ID including a symbol corresponding to the severity, the
          Type of terminal and the alarm status Severity of the terminals in the terminal
          list.




          Figure 2-11. The List view in the terminal list
          When the List view is selected the terminals in the terminal list will be
          presented in one or more columns, showing only the IDs and the severity
          symbols of the terminals.

2.7.2.2   Select groups or terminals
          To select one group or terminal,
          • click on the desired group/terminal.
          To select several groups or terminals,
          • hold down the CTRL key while selecting.
            If selected groups or terminals are positioned in an interval you begin
            with clicking on the first one of desired groups/terminals, then hold down
            – the SHIFT key while clicking on the last desired group/terminal – all
            groups/terminals between the first and last ones will then also be
            selected.




                                        EN/LZT 110 5057 R2A
2 Getting Started                                  2-16



2.7.2.3       View groups/sub-groups and their contents
              To view the terminals a group consists of,
              • click on the group in the group tree to see all terminals in the group
                 shown in the terminal list.
              To see sub-groups in the group tree,
              • double-click on the group to see all sub-groups in the group tree. The
                 terminals in the selected group will be shown in the terminal list.
              In front of each group is a sign,
                a plus sign if the group contains sub-groups not presented, or
                a minus sign if the sub-groups are presented.

2.7.2.4       Change view in terminal list
              To change view in terminal list,
              • open the View menu and select a view option, Details or List view.




              Figure 2-12. The view menu in the network window.

2.7.2.5       Move groups or terminals
              To move groups or terminals within the group tree,
              • select a group or a terminal (or several groups or terminals, see section
                2.7.2.2), drag it (them) with the mouse (keeping the left-hand mouse
                button pressed) and drop it in its new position,
              or
              • select a group or a terminal (or several groups or terminals, see above),
                 open the Edit menu and select the Cut command.
                 The Cut command can also be reached via a pop-up menu, which is
                 described in section 2.7.2.6.
              • select the group into which you want to paste the group(s) or the
                 terminal(s), open the Edit menu and select the Paste command.
                 The Paste command can also be reached via a pop-up menu, which is
                 described in section 2.7.2.6.

              The Edit menu
              The Edit menu is also used to add or remove selected groups or terminals from
              the group tree or the terminal list (see section 4.3.5.8, 4.3.5.9 and 4.3.5.5 for
              details).




                                         EN/LZT 110 5057 R2A
2-17                                         2 Getting Started



2.7.2.6   Pop-up menus
          Several options can be reached via pop-up menus in both the group tree and the
          terminal list.
          To get a pop-up menu in the group tree,                                                                 2
          • click on a group with the right-hand mouse button




          Figure 2-13. A pop-up menu in the group tree.
          In the terminal list you can get two different types of pop-up menus: one type
          for a specific terminal and one for the terminal list.
          To get a pop-up menu for a selected terminal,
          • click on a terminal ID with the right-hand mouse button.




          Figure 2-14. A pop-up menu in the terminal list when a terminal ID is clicked at.

          To get a pop-up menu for the terminal list,
          • place the cursor somewhere in the terminal list without selecting a
            terminal ID and click the right-hand mouse button.




          Figure 2-15. A pop-up menu in the terminal list when no terminal is selected.




                                       EN/LZT 110 5057 R2A
2 Getting Started                              2-18



2.7.2.7       Undo/redo commands
              In the Edit menu there is an Undo command, which is used to undo executed
              editing options that have been performed via the Edit menu (described in
              sections 4.3.5.2 – 4.3.5.9), or via a pop-up menu (see section 2.7.2.6).
              A Redo command, also available in the Edit menu, is used to redo an editing
              option that has been undone by the undo command.

2.7.2.8       Sorting in the terminal list
              To temporarily sort the terminals shown in the terminal list,
              • click on the column heads to sort the terminals in order of terminal ID, of
                 terminal Type or of alarm status Severity,
              or
              • open the View menu and select the Sort Terminals command (for details,
                 see section 4.3.8.3),
              or
              • click the right-hand mouse button in the Terminal list without selecting a
                terminal ID and use the pop-up menu which appears (described in section
                2.7.2.6).
2.7.2.9       Find terminals
              To find a specific terminal in the group tree,
              • open the Edit menu and select the Find Terminal command (see section
                4.3.5.7 for details).




                                       EN/LZT 110 5057 R2A
2-19                                     2 Getting Started




2.8   Entering a Terminal Window
      If you are going to operate on a terminal, for example check detailed alarm status or
      perform a loop, you must open the Terminal window. This can be done in different
      ways:
                                                                                                         2
      • Double-click on the terminal of interest in the terminal list, or
      • select the terminal of interest in the terminal list and press <Enter> on the
          keyboard, or
      • select the terminal of interest in the terminal list with the right-hand mouse
          button. From the menu that appears you reach the different Terminal sub-
          windows directly.




      Figure 2-16. Examples of different Terminal windows opened from the terminal list in the
                   Network window.
      For all types of equipment two Terminal windows are presented next to each
      other (except the MINI-LINK E SAU); with the selected terminal to the left and
      the corresponding far-end terminal on the right-hand side.




                                   EN/LZT 110 5057 R2A
2 Getting Started                                 2-20



              There are various operation and maintenance facilities in MSM to perform on
              the equipment at terminal level when the network is run in normal operation.
              The different facilities are controlled from the Terminal window.




              Figure 2-17. The Terminal window for a MINI-LINK E Radio (1+1).
              The terminal window for each terminal is divided into two parts, the Alarm field
              and the Control and Status field.
              The Alarm field shows the alarms. Each alarm is followed by a symbol,
              depending on status. The alarm symbols are described in section 4.3.1.1.
              In the Control field an abnormal status (a status differing from the default value),
              is indicated by bold text font and yellow background colour. Each control button
              has a sub-window with selection possibilities. The control functions for
              MINI-LINK E terminals are described in chapter 5, MINI-LINK E Micro
              terminals in chapter 6 and MINI-LINK C and MkII terminals in chapter 7.
              The current status of the transmitter(s) and receiver(s) is shown in the Status
              field.




                                         EN/LZT 110 5057 R2A
2-21                           2 Getting Started




2.9    Leaving a Terminal Window
       Leaving a Terminal window can be either to close the window or to hide it.
       To close a Terminal window,                                                             2
       • click on the close box in the top right corner of the Terminal window, to return
         to the Network window, or
       • press Esc (Escape) on the keyboard.




       Figure 2-18. The close box in the Terminal window.

       To hide a Terminal window,
       • select the Network window or another Terminal window from the
         Window menu in the menu bar.

2.10   Closing a Network Window
       To close a network window but still leave the MSM program opened,
       • select Close from the Network menu, or
       • click on the close box in the top right corner of the Network list.

       Before execution, a warning box will ask you to confirm the command.


2.11   Exiting the program
       To exit the MSM program,
       • select Exit from the Network menu, or
       • click on the close box in the top right corner of the Main Frame window.

       Before execution, a warning box will ask you to confirm the command.




                                   EN/LZT 110 5057 R2A
2 Getting Started          2-22




                    EN/LZT 110 5057 R2A
3-1           3 Setup of Terminals




Contents
3       Setup of Terminals                              3-3
3.1     IDs                                             3-3
3.1.1   Restricted IDs                                   3-3

3.2
3.2.1
        Setup of MINI-LINK E Equipment
        AM Setup
                                                        3-4
                                                         3-4
                                                                            3
3.2.2   Hop Setup                                        3-9
3.2.3   Traffic Setup                                   3-10
3.2.4   SAU Setup                                       3-12
3.2.5   Expanded NCC for MINI-LINK E                    3-15

3.3     Setup of MINI-LINK E Micro Equipment           3-16
3.3.1   Expanded NCC for MINI-LINK E Micro              3-17

3.4     Setup of MINI-LINK C and MkII Equipment        3-18
3.4.1   Radio Terminal Setup                            3-18
3.4.2   SMM Setup                                       3-20

3.5     Examples of ID Setups                          3-22
3.5.1   Example 1: A MINI-LINK E 1+0 Hop                3-22
3.5.2   Example 2: A MINI-LINK E 1+1 Hop with SAU       3-22
3.5.3   Example 3: A MINI-LINK Sub-network              3-23

3.6     Example of Traffic Setup with Routing          3-24

3.7     Example of a Routing Setup Form                3-27
3.7.1   Explanation of the Form Contents                3-28




                               EN/LZT 110 5057 R2A
3 Setup of Terminals           3-2




                       EN/LZT 110 5057 R2A
3-3                                         3 Setup of Terminals




3       Setup of Terminals
        This chapter describes step by step how to set up MINI-LINK terminals. Examples
        of setup for different MINI-LINK configurations are given in section 3.5.
        For the supervision to work, the MINI-LINK equipment must be interconnected
        via the different communication channels (see section 4.1.2), and every
        terminal within the sub-network must have a unique ID (identity). Each
        terminal must also know the IDs of other terminals connected to its own
        communication channels.
                                                                                                                     3
        For further information on cabling, see the cabling section in MINI-LINK E
        Installation Manual, MINI-LINK E Micro Installation Manual and in the user’s
        manuals for MINI-LINK C and MkII equipment.


3.1     IDs
        Within a network, every terminal must have a unique ID (identity) for the
        message router to work properly.
        A MINI-LINK E terminal is one side of a hop (consisting of the indoor parts
        (MMUs and SMUs) and outdoor parts (RAUs)) or an SAU.
        A MINI-LINK E Micro terminal is one side of a hop (a MINI-LINK E Micro
        radio).
        A MINI-LINK C or MkII terminal is a radio or an SMM.

        S A U   ID 0 0 0 1
        M M U ID 0 0 0 2                                                                             R a d io
                                  R A U              ID 0 0 0 3
         S M U                                                             S M M     ID 0 0 0 4       ID 0 0 0 5

                M IN I-L IN K E                 M IN I-L IN K E M ic r o           M IN I-L IN K C o r M k II

        Figure 3-1.      Example of MINI-LINK E, E Micro, C and MkII terminal IDs.
        An ID consists of a combination of four characters; digits (0-9), capital letters
        (A-Z) or small letters (a-z). The first three characters can, for example, be used
        to define the site, and the last character to define the terminal on the site.
        The own ID of a terminal can only be set or changed with the PC connected to
        the terminal or, for MINI-LINK E a terminal in the same access module. This is
        for safety reasons, so as not to lose supervision contact by mistake.

3.1.1   Restricted IDs
        The following IDs are restricted IDs that must not be used: TRMA, TRMB,
        SMMA, SMMB and AAAA.
        BBBB is reserved for non-existing equipment.




                                          EN/LZT 110 5057 R2A
3 Setup of Terminals                             3-4




3.2          Setup of MINI-LINK E Equipment
             See section 3.2.1, 3.2.2 and 3.2.3 for setup of the MMU and SMU, and section
             3.2.1 and 3.2.4 for setup of the SAU.
             Note I: After a change in the AM Setup, always control and then save the Hop
             and Traffic Setups, even if they have not been changed.
             Note II: If you are going to make a Traffic Setup with routing according to a
             filled-in routing setup form, see section 3.7 for an explanation of the form
             contents.

3.2.1        AM Setup
             1. Connect the PC to the O&M port on the equipment you want to set up, open the
                Network window and select Scan Local from the Network menu.




             Figure 3-2.   The Network window.




                                        EN/LZT 110 5057 R2A
3-5                               3 Setup of Terminals




2. Double-click on TRMA in the Terminal list.
   (The Terminal window opens.)




                                                                                               3




Figure 3-3.   The Terminal window for a MINI-LINK E 1+0 terminal (default).
3. Select AM from the Setup menu.
   The AM Setup window shows the type of AMM and all units installed in this
   AMM.
   Note: If a warning that the NCC cable is connected is shown when selecting AM
   Setup, then disconnect the cable and re-open the AM Setup window. (The AM
   Setup cannot be performed if the NCC cable is connected.)




                            EN/LZT 110 5057 R2A
3 Setup of Terminals                             3-6




             Figure 3-4.   The AM Setup window for an AMM 4U.
             4. Enter the values of the parameters for the SAU, the radio terminals and
                expanded NCC (if applicable), as described below.
             SAU:
             • Click on the Config button in the AM Setup window to open the AM Setup
               Configuration window.




             Figure 3-5.   The AM Configuration SAU window.

             • Enter the ID for the SAU (see section 3.1.1 for restricted IDs).
             • Select OK.




                                        EN/LZT 110 5057 R2A
3-7                                3 Setup of Terminals



Radio terminal:
• Click on the Config button to open the AM Configuration window.




                                                                                               3




Figure 3-6.   The AM Configuration window.

• Select protection mode (see section 5.3.1.1)
• Select Traffic, if applicable, for routing of the traffic signals.
   Depending on MMU type, SMU type and configuration, different traffic capacity options are
   given.
   Example: MMU 34+2 Mbit/s and SMU 16x2 Mbit/s in a 1+0 configuration.
              Select between - 34+2 Mbit/s on the MMU front, and
                             - 16x2 Mbit/s on the SMU front plus 2 Mbit/s on the MMU front.

• Enter the ID for the terminal(s); to the MMU in a 1+0 terminal, or to the SMU in
  a 1+1 terminal (see section 3.1.1 for restricted IDs).
• Select OK when the selected terminal(s) has the correct configuration and ID.

Expanded NCC
• Select AM number for the AMM in the field Expanded NCC (AM no 1 or AM
   no 2) or select Inactive if you do not want to use Expanded NCC.
   Note: If the Expanded NCC is selected Inactive and you try to connect the NCC
   cable to an MMU, the NCC err alarm will flash on the MMU display.




                           EN/LZT 110 5057 R2A
3 Setup of Terminals                               3-8




             Figure 3-7. The AM Setup window with IDs etc. set.
             5. Select Save when every terminal and SAU have correct protection mode,
                traffic rate and ID, and the Expanded NCC is set (if applicable).
                All windows close, and the program automatically performs a local scan.




             Figure 3-8.   The Network window after AM Setup.




                                         EN/LZT 110 5057 R2A
3-9                         3 Setup of Terminals




3.2.2   Hop Setup
        1. Double-click on the terminal that you want to set up, in the Terminal list.
           (The Terminal window opens.)
        2. Select Hop from the Setup menu.



                                                                                                 3




        Figure 3-9.   The Hop Setup window.
        3. Enter the values of the parameters, see section 5.3.1.2.
           Note: See section 3.2.5 for Expanded NCC. Expanded NCC is set when all
           affected AMMs and MINI-LINK E Micro terminals have been set.
        4. Select Save. (The program returns to the Terminal window.)
        5. Check in the Control and Status field that the transmitter is turned on.
           If not, click on the Transmitter button in the Terminal window and select the
           Transmitter Radio in the Transmitter dialog box.
           Select On in the Transmitter Radio window.
        6. Exit the Terminal window. (The program returns to the Network window.)




                                   EN/LZT 110 5057 R2A
3 Setup of Terminals                              3-10




3.2.3        Traffic Setup
             Note I: Traffic Setup must be performed after AM Setup since the basic traffic
             configuration is defined in AM Setup.
             Note II: Traffic routing is guaranteed only for a configuration verified
             according to the MINI-LINK E Planning and Engineering manual and when
             you consider the prerequisites in section 3.6 in this manual and follow the
             instructions below.
             1. Double-click on the terminal that you want to set up, in the Terminal list.
                (The Terminal window opens.)
             2. Select Traffic from the Setup menu.




             Figure 3-10.   The Traffic Setup window.
             3. Select the terminal for Traffic Setup in the top left corner (a).
             4. For routing of a signal in the back-plane:
                - Click on the button with the signal (b). If the signal is already connected to
                another point, this is presented in the top Connected to field (c).
                - Select an available connection point from the list (d). If the connection point is
                already connected to another point, this is presented in the bottom Connected to
                field (e).
                - Select Disconnect to disconnect the connection(s).
                - Select Connect.
                Note: Clicking on the Reset button will reset the Traffic Setup for all terminals
                in the AMM to the original traffic configuration as set in AM Setup.
             5. Activate the Input alarms for the signals which should be used and deactivate the
                ones that should not be used, by clicking on the Alarm check boxes (f)
                respectively (to mark or remove the ticks).


                                         EN/LZT 110 5057 R2A
3-11                      3 Setup of Terminals




                                                                                       3


Figure 3-11. The Traffic Setup window after Traffic Setup.
6. Select Save. (The program returns to the Terminal window.)
7. Exit the Terminal window. (The program returns to the Network window.)




                             EN/LZT 110 5057 R2A
3 Setup of Terminals                            3-12




3.2.4        SAU Setup
             1. Double-click on the SAU in the Terminal list.




             Figure 3-12. The SAU Terminal window.
             2. Select Communication from the Setup menu.




             Figure 3-13. The Communication Setup window.
             3. Set the EAC IDs, that is the IDs connected to the same EAC bus as the SAU, if
                applicable.
             4. Select communication interface and enter the remote ID for the RAC, if
                applicable.




                                       EN/LZT 110 5057 R2A
3-13                          3 Setup of Terminals



5. Select Save.
   (The Communication Setup window closes and the program returns to the SAU
   Terminal window.)
6. Select User I/O from the Setup menu.




                                                                                         3




Figure 3-14. The User I/O Setup window.
7. Configure the User Inputs and Outputs.
   User 1 to 8 are inputs, while User 9 to 12 can be selected to inputs or outputs.
8. When the configuration is set, select Save.
   (The User I/O Setup window closes and the program returns to the SAU
   Terminal window.)
Note: Service Channel Setup, step 9-12, apply for SAU Exp 1 and Exp 2 only.
9. Select Service Channel from the Setup menu.




                           EN/LZT 110 5057 R2A
3 Setup of Terminals                             3-14




             Figure 3-15. The Service Channel Setup window for SAU Exp 2.
             10. Select the terminal IDs to be connected to digital service channels, by putting a
                 tick in the corresponding Alarm boxes. This is to activate the Service Channel
                 alarms for the signals.
             11. Analog channels apply for SAU Exp 2 only.
                 Select the terminal IDs to be connected to the analog service channel by putting
                 a tick in the corresponding Connect boxes.
                 Select telephone number for the SAU (the number to this SAU).
                 Select the BR Out ports which are connected with cables to other access
                 modules. The BR Out ports can be amplified if for example the branching
                 cable (BR/EAC) is long (default -11 dB).
             12. Select Save. (The Service Channel Setup window closes and the program
                 returns to the SAU Terminal window.)
             13. Exit the Terminal window. (The program returns to the Network window.)




                                        EN/LZT 110 5057 R2A
3-15                               3 Setup of Terminals




3.2.5   Expanded NCC for MINI-LINK E
        Note: The AM no in the AM Setup must be set before the Expanded NCC
        cable is connected to an AMM. When two AMMs are interconnected, one
        should have AM no 1 and the other AM no 2.
        1. Connect the NCC cable to the NCC port on any MMU in AM no 1, and to
           AM no 2 in the other end.
        2. Double-click on any terminal in AM no 1 or AM no 2.                                         3
        3. Open the Hop Setup window.
        4. Select Exp NCC.




        Figure 3-16.   Updating the NCC connections (MINI-LINK E Micro not used in this example).
        5. Select Update.
           The information field Conn. AMM, showing all connected terminals in the
           other AMM, is updated.
           Note: The field is updated in both AM no 1 and AM no 2.
        6. Select Close. (The Expanded NCC window closes.)
        7. Select Close. (The Hop Setup window closes.)




                                    EN/LZT 110 5057 R2A
3 Setup of Terminals                               3-16




3.3          Setup of MINI-LINK E Micro Equipment
             1. Connect the PC to the AGC/O&M port on the MINI-LINK E Micro.
             2. Open the Network window and select Scan Local from the Network
                menu.




             Figure 3-17. The Network window.
             3. Double-click on TRMA in the Terminal list.
             4. Select Main from the Setup menu.




             Figure 3-18. The Main Setup window.



                                        EN/LZT 110 5057 R2A
3-17                               3 Setup of Terminals



        5. Enter the values of the parameters, see section 6.3.1.1.
        6. Select Save.
        7. Exit the Terminal window.
           (The program returns to the Network window.)
        8. Close the Network window.
        9. Select Scan Local from the Network.


                                                                                                       3




        Figure 3-19. The Network window after setup of the MINI-LINK E Micro.

3.3.1   Expanded NCC for MINI-LINK E Micro
        1. Connect the NCC cable.
        2a. When the NCC cable is connected to a terminal where Expanded NCC has not
            been activated before (no IDs in the NCC list):
            The Expanded NCC is automatically updated (within one minute after the NCC
            cable connection).
        2b. When the NCC cable is connected to a terminal where there are old IDs in the
            NCC list:
            Open the Main Setup window and click on Update NCC1 (or Update NCC2).
        Note: The NCC connections in the other end are also updated (an other
        MINI-LINK E Micro or an AMM).
        Find more details about the Update NCC button in section 5.5.1.1.




                                   EN/LZT 110 5057 R2A
3 Setup of Terminals                             3-18




3.4          Setup of MINI-LINK C and MkII Equipment
3.4.1        Radio Terminal Setup
             1. Connect the PC to the radio TERM port (on the radio or the SMM-C or ICM),
                open the Network window and select Scan Local from the Network menu.




              Figure 3-20. The Network window.
             2. Double-click on TRMA in the Terminal list.




             Figure 3-21. The Terminal window for a MINI-LINK 23 radio.



                                        EN/LZT 110 5057 R2A
3-19                               3 Setup of Terminals



3. Select Main from the Setup menu.




                                                                                              3


Figure 3-22. The Main Setup window for a MINI-LINK C or MkII radio terminal.

4. Enter the values of the parameters, see section 7.2.1.1.
5. Select Save.
6. Exit the Terminal window.
   (The program returns to the Network window.)
7. Close the Network window.




                           EN/LZT 110 5057 R2A
3 Setup of Terminals                            3-20




3.4.2        SMM Setup
             1. Connect the PC to the TERM port on the SMM, open the Network window and
                select Scan Local from the Network menu.




             Figure 3-23. The Network window.
             2. Double-click on SMMA in the Terminal list.




             Figure 3-24. The SMM Terminal window.




                                       EN/LZT 110 5057 R2A
3-21                       3 Setup of Terminals



3. Select Main from the Setup menu.




                                                                                     3



Figure 3-25. The Main Setup window for an SMM.
4. Enter the values of the parameters, see section 7.3.1.1.

5. Select Save.
6. Exit Terminal window.
   (The program returns to the Network window.)
7. Close the Network window.




                          EN/LZT 110 5057 R2A
3 Setup of Terminals                                3-22




3.5          Examples of ID Setups
             For examples of ID setup of MINI-LINK C and MkII equipment, see the user’s
             manual for SMM, SMM-C and SMM 2+1.

3.5.1        Example 1: A MINI-LINK E 1+0 Hop
                A1                                                  B1
                MMU1    A001      RAU                      RAU
                                                                    MMU1         B001
                SMU1                                                SMU1




              AM:unit             Configuration   ID         Far End ID
              A1: MMU1            1+0             A001       B001
              B1: MMU1            1+0             B001       A001

             Comment: The MMU, SMU and RAU have one common ID set to the MMU.

3.5.2        Example 2: A MINI-LINK E 1+1 Hop with SAU

                 A1
                                   RAU                       RAU      B1
                 SAU1    A001
                                                                          MMU1
                 MMU1
                                                                         MMU2
                 MMU2
                                                                          SMU1     B001
                 SMU1   A002       RAU                       RAU




              AM: unit            Configuration   ID         Far End ID EAC ID
              A1: SAU1                            A001                  -
              A1: SMU1            1+1 Hot         A002       B001
              B1: SMU1            1+1 Hot         B001       A002

             Comment:           The MMUs, SMU and RAUs have one common ID set to the
                                SMU. The SAU has its own ID.




                                            EN/LZT 110 5057 R2A
3-23                                          3 Setup of Terminals




3.5.3   Example 3: A MINI-LINK Sub-network

         Site A                                Site B                                                     Site C

                         ML 23                          ML 23                            ML 23                     ML 23
                         A001                           B001                             B003                      C001




           SMM-C           A002                     SMM-C        B002            ICM-C                              ICM-C



                                                                                                          Site E


                                                                                                                   RAU
                                                                                                                                     3
         Site D                                                                           RAU


                                                                          B2                                                E1
                         RAU                            RAU
                                                                          SAU1         B008                         MMU1    E001
                                                                          MMU1         B009
                                                                   B1
                                                                   SAU1        B005
                         RAU                            RAU                                               Site F
                                                                   MMU1
                                                                   MMU2
               D1                                                  SMU1        B006
                                                                                          RAU                      RAU
               MMU1
                                                                   SMU2
                  MMU2                                             MMU3        B007                                         F1
                  SMU1       D001                                                                                   MMU1    F001
                                                                                                                    SMU1




        Setup data for MINI-LINK C radio terminals
        Front End ID                Near       Far               EAC ID
                                    Radio ID   Radio ID
        A001                        A001       B001              A002
        B001                        B001       A001              B002
        B003                        B003       C001              B002
                                                                 B005
                                                                 B008
        C001                        C001       B003              -

        Setup data for SMM-Cs
        Front End ID                Near       Far SMM          Near                  Near        Far         Far            EAC
                                    SMM ID     ID               Radio1 ID             Radio2 ID   Radio1 ID   Radio2 ID      ID
        A002                        A002       B002             A001                  BBBB        B001        BBBB           -
        B002                        B002       A002             B001                  BBBB        A001        BBBB           B003
                                                                                                                             B005
                                                                                                                             B008

        Setup data for MINI-LINK E equipment
        AM: unit                     Configuration ID                      Far End ID EAC ID
        B1: SAU1                                   B005                               B002
                                                                                      B003
                                                                                      B008
        B1: SMU1                     1+1 Hot             B006              D001
        B1: MMU3                     1+0                 B007              F001
        B2: SAU1                                         B008                         B002
                                                                                      B003
                                                                                      B005
        B2: MMU1                     1+0                 B009              E001
        D1: SMU1                     1+1 Hot             D001              B006
        E1: MMU1                     1+0                 E001              B009
        F1: MMU1                     1+0                 F001              B007



                                               EN/LZT 110 5057 R2A
3 Setup of Terminals                          3-24



3.6          Example of Traffic Setup with Routing
             Note: Traffic routing is guaranteed only for a configuration verified according
             to the MINI-LINK E Planning and Engineering manual and when you consider
             the prerequisites below and follow the instructions in section 3.2.3.
             The following prerequisites apply to traffic routing:
             - The MMUs and SMUs must have software version > R4.
             - The back-plane in the AMM is optimized for a net with tree structure. To
             fully use an AMM, the terminal with the highest traffic capacity should be
             placed in the position with highest pos number in the AMM.
             - Always route on the highest possible traffic rate level (on 8 Mbit/s level
             instead of 2 Mbit/s level, for example).
             - The traffic can be routed between the terminals on a 2, 8 and 34 Mbit/s level.
             - The terminal configuration is based on the alternatives provided in AM Setup.
             - The MUXes are defined in the AM Setup. In the Traffic Setup it is possible to
             connect or disconnect the MUXes - this can only be done for SMU MUXes.
             - 8 Mbit/s can be connected to the 2 Mbit/s connector on the front.
             Below is an example on how to set the traffic routing in the Traffic Setup
             window.




             Traffic in to the node:     34+2 Mbit/s, 1+1
             Traffic out from the node: 2x8 Mbit/s, 1+1
                                         6x2 Mbit/s on the front




                                       EN/LZT 110 5057 R2A
3-25                                 3 Setup of Terminals



1. Carry out the AM Setup and the Hop Setup. (See section 3.2.1 and 3.2.2.)




                                                                                                  3



Figure 3-26. The AM Setup window, after AM Setup.

2. Open the Traffic Setup window and select terminal 502A in the top left
   corner.




Figure 3-27. The Traffic Setup window showing terminal 502A, after Traffic Setup.

3. Click on the E2:1 button.




                            EN/LZT 110 5057 R2A
3 Setup of Terminals                              3-26



             4. Click on 502B E2:1 in the Available connection points list.

             5. Click on Disconnect.

             6. Click on Connect.

             7. Repeat step 3 to 6 for E2:2 to 502B E2:2.

             8. Click on the Alarm buttons for E1:14, E1:15 and BB2 to deactivate the
                alarms (remove the ticks). E1:9-13 and E1:16 remain connected to the front.
                Note: Alarms for signals not in use must be disabled.
             9.   Select terminal 502B in the top left corner.




             Figure 3-28. The Traffic Setup window showing terminal 502B.
             10. Enable the alarms for the signals in use, E2:1 and E2:2.




                                        EN/LZT 110 5057 R2A
3-27                    3 Setup of Terminals




3.7   Example of a Routing Setup Form
      The illustration below shows a filled-in routing setup form generated from a
      simulated case in the MINI-LINK Traffic Routing Guide software according to
      the MINI-LINK E Planning and Engineering manual.



                                                                                           3




      Figure 3-29. Example of a Routing Setup form.




                                  EN/LZT 110 5057 R2A
3 Setup of Terminals                          3-28



3.7.1        Explanation of the Form Contents
             Site Information
             In part A in fig. 3-29 you find site name, access module description, rack
             number and rack position.
             AM Setup Information
             In part B in fig. 3-29 you find information regarding the equipment, the
             positioning in the AMM, the IDs and protection mode.
             • Check that the AMM is equipped in accordance with the form.
             • Follow the instructions for the AM Setup in section 3.2.1 to make the
                necessary setup according to the information in the form.

             Traffic Setup Information
             In part C in fig. 3-29 you find information regarding the signals, the
             corresponding connection points and the alarms to activate for the feeder and
             the sub-link(s) respectively.
             • Follow the instructions for the Traffic Setup in section 3.2.3 to make the
                necessary setup according to the information in the form.




                                      EN/LZT 110 5057 R2A
4-1       4 Network Management




Contents
4         Network Management                                     Page

4.1       Network Supervision                                     4-3
4.1.1     Terminal Types                                          4-4
4.1.2     Communication Channels                                  4-5
4.1.3     Network Operation and Maintenance Facilities            4-6
4.1.4     Alarm Notification                                      4-7
4.1.5     Fault Information                                       4-8

4.2       The Main Frame Window                                   4-9
4.2.1
4.2.1.1
4.2.1.2
          The Network Menu
          New
          Open
                                                                 4-10
                                                                  4-10
                                                                  4-10
                                                                                   4
4.2.1.3   Scan                                                    4-10
4.2.1.4   Scan Local                                              4-10
4.2.1.5   Preset ML-E SW                                          4-10
4.2.1.6   Exit                                                    4-10
4.2.1.7   Recent File                                             4-10
4.2.2     The Log Menu                                           4-11
4.2.2.1   Alarm Log                                               4-11
4.2.3     The Config Menu                                        4-11
4.2.3.1   Configure Sorting                                       4-11
4.2.3.2   Configure Data Collection                               4-11
4.2.3.3   Configure Communication                                 4-11
4.2.3.4   Configure Password                                      4-11
4.2.4     The Help Menu                                          4-12
4.2.4.1   Contents                                                4-12
4.2.4.2   Terminal                                                4-12
4.2.4.3   About the Program                                       4-12


4.3       The Network Window                                    4-13
4.3.1     The Terminal List                                      4-14
4.3.1.1   The Status Symbols for Alarm Severity                   4-14
4.3.2     The Group Tree                                         4-15
4.3.3     The Status Bar                                         4-15
4.3.4     The Network Menu                                       4-15
4.3.4.1   Close                                                   4-15
4.3.4.2   Save                                                    4-15
4.3.4.3   Save as                                                 4-16
4.3.4.4   Merge                                                   4-16
4.3.4.5   Remote SW Load                                          4-16
4.3.4.6   Remote SW Activation                                    4-16
4.3.4.7   Exit                                                    4-16
4.3.5     The Edit Menu                                          4-16
4.3.5.1   Undo Editing Options                                    4-16
4.3.5.2   Redo Editing Options                                    4-16
4.3.5.3   Cut Terminals and Groups                                4-17
4.3.5.4   Paste Terminals and Groups                              4-17
4.3.5.5   Delete Terminals and Groups                             4-17
4.3.5.6   Rename Group                                            4-17
4.3.5.7   Find Terminal                                           4-18
4.3.5.8   New Terminal                                            4-18




                                      EN/LZT 110 5057 R2A
4 Network Management                                     4-2


      4.3.5.9    New Group                                          4-19
      4.3.6      The Log Menu                                      4-19
      4.3.6.1    Alarm Log                                          4-20
      4.3.7      The Config Menu                                   4-22
      4.3.7.1    Configure Sorting                                  4-23
      4.3.7.2    Configure Data Collection                          4-24
      4.3.7.3    Configure Communication                            4-25
      4.3.7.4    Configure Password                                 4-26
      4.3.8      The View Menu                                     4-27
      4.3.8.1    Details View                                       4-27
      4.3.8.2    List View                                          4-27
      4.3.8.3    Sort Terminals                                     4-28
      4.3.9      The Window Menu                                   4-29
      4.3.10     The Help Menu                                     4-29
      4.3.10.1   Contents                                           4-29
      4.3.10.2   Terminal                                           4-29
      4.3.10.3   About the Program                                  4-29


      4.4        Remote SW Upgrade                                 4-30
      4.4.1      Introduction                                      4-30
      4.4.2      Recommendations for Remote SW Upgrade             4-31

      4.5        Remote SW Load                                    4-32
      4.5.1      Network Menu in the Network Window                4-32
      4.5.1.1    Workflow for a New Load Session                    4-33
      4.5.2      Select SW Type and Version                        4-34
      4.5.3      Scanning in Progress                              4-36
      4.5.4      Select Units to Load                              4-36
      4.5.4.1    Excluded Units                                     4-38
      4.5.5      Load Progress                                     4-39
      4.5.5.1    Load Status                                        4-40
      4.5.6      Optional Load Windows                             4-41
      4.5.6.1    Get Load File                                      4-41
      4.5.6.2    Manually Enter Terminals                           4-42


      4.6        Remote SW Activation                              4-43
      4.6.1      Network Menu in the Network Window                4-43
      4.6.1.1    Workflow for a New Activation Session              4-44
      4.6.2      Select Load Session for Activation                4-45
      4.6.2.1    Load Session Details                               4-46
      4.6.3      Scanning in Progress                              4-47
      4.6.4      Select Units for Activation                       4-47
      4.6.4.1    Excluded Units                                     4-49
      4.6.5      Activation Progress                               4-50
      4.6.5.1    Activation Status                                  4-51




                                             EN/LZT 110 5057 R2A
4-3                            4 Network Management




4     Network Management
4.1   Network Supervision
      The Control and Supervision System (CSS) in the MINI-LINK equipment
      makes it possible to supervise a sub-network from any point in the sub-
      network. Each MINI-LINK unit (except the MINI-LINK E RAU) is provided
      with an RS-232 communication port, which gives access to the full range of
      CSS utilities. With a PC connected to this port (the O&M port on
      MINI-LINK E equipment and the TERM port on MINI-LINK C and MkII
      equipment), you can read any alarm and status signal in the sub-network.
      For the supervision to work, the MINI-LINK equipment must be
      interconnected via the different communication channels (see section 4.1.2),
      and every terminal within the sub-network must have a unique ID. Each
                                                                                                    4
      terminal must also know the ID of the remote terminal and the IDs of other
      terminals connected to its own communication channels.
      The ID of a near-end terminal can only be set or changed with the PC
      connected to a terminal in the same access module. This is for safety reasons,
      so as not to lose supervision contact by mistake.
      It is possible to supervise several clusters connected to one sub-network. This
      requires an RAC port (MINI-LINK E SAU).




           MINI-LINK
           Service Manager




                               502B

                    503A

               Sub-network


      Figure 4-1.    The supervised network list in the Network window consists of MINI-LINK
                     equipment in the MINI-LINK sub-networks.



                                  EN/LZT 110 5057 R2A
4 Network Management                              4-4



            With a modem, it is possible to supervise a far distant MINI-LINK sub-
            network from a PC (see appendix).
            Note: There is a practical limit of 200 terminals per sub-network.

4.1.1      Terminal Types
            MINI-LINK E equipment is supervised as terminals; MMUs, SMU and RAUs
            belonging to the same terminal, have a common ID. An SAU has its own ID.
            MINI-LINK E Micro is supervised as a terminal, presented with one ID in the
            Terminal list.
            For MINI-LINK C equipment, each radio and SMM has a unique ID in the
            CSS, and is supervised as a separate terminal.
             SAU ID 0001
             MMU ID 0002                                                                       Radio
                                    RAU                ID 0003
             SMU                                                                SMM ID 0004    ID 0005

                   MINI-LINK E Split             MINI-LINK E Micro                 MINI-LINK C or MkII

            Figure 4-2.   Example of MINI-LINK E, C and MkII terminal IDs.
            Further information on the supervision is given in the chapters for
            MINI-LINK terminals; chapter 4, chapter 5 and chapter 6 respectively.
                                       RAU               RAU
                           (SAU)                                       (SAU)
                                       Ra1               Ra1
                          MMU Ra1                                     MMU Ra1
            503A          MMU Ra2                                     MMU Ra2         502B
                            SMU                                         SMU
                            SMU                                         SMU
                            MMU                                         MMU
                            MMU        RAU               RAU            MMU
                                       Ra2               Ra2
                          AMM                                         AMM




                                                503A           502B




            Figure 4-3.   The Terminal window for a selected MINI-LINK E terminal shows a graphical
                          presentation of the equipment in the selected and the far-end terminal.



                                       EN/LZT 110 5057 R2A
4-5                                                    4 Network Management



4.1.2   Communication Channels
        The control and supervision data within a sub-network, is transmitted via
        different communication channels, and can be supervised from any terminal in
        the sub-network.
        There are communication channels between the equipment on a site, as well
        as between radios across the hops;

        For MINI-LINK E equipment:
        - The NCC (Node Communication Channel) transfers data between the units in
          an access module. The Expanded Node Communication Channel transfers data
          between max. two AMMs and one E Micro at the same site.
        - The RCC (Radio Communication Channel) transfers data between the MMU
          and the RAU.
                                                                                                                                                                                             4
        - The HCC (Hop Communication Channel) transfers data between MMUs over
          the hop.
        - The EAC (External Alarm Channel) transfers data from the SAU in the access
          module to other SAUs or MINI-LINK C and MkII equipment on a site.
        - The RAC (Remote Alarm Channel) transfers data from other MINI-LINK
          clusters (between SAUs), distributed through transmission lines.
        For MINI-LINK C and MkII equipment:
        - The IAC (Internal Alarm Channel) transfers data over the hop.
        - The EAC (External Alarm Channel) transfers data between MINI-LINK C and
          MkII equipment and SAUs on a site.
           M IN I- L IN K E M ic r o                    M IN I-L IN K E        M IN I-L IN K E                                                 M IN I-L IN K E             M IN I-L IN K E
                                                             R A U                  R A U                                                           R A U                       M ic r o




                      N C C                                            H C C                                                                                     H C C

                                 N C C                       R C C
                                                                                                   S A U                       S A U
                                                                                                 (M X U )                    (M X U )
                                             A M M                                A M M                     F ix e d lin e                  A M M


                                                     N C C


                                             A M M


                                                     E A C
                                          A M M , M K II
                                                o r
                                         M IN I-L IN K C

                                            S IT E A                            S IT E B                                                   S IT E C                      S IT E D

        Figure 4-4.             The communication channels in a sub-network.




                                                                     EN/LZT 110 5057 R2A
4 Network Management                            4-6




4.1.3      Network Operation and Maintenance Facilities
            There are various facilities in MSM to perform on the equipment when the
            MINI-LINK sub-network is working and run in normal operation.
            With MSM you can
            - see the status for the terminals in the sub-network,
            - structure the supervised sub-network by dividing it into groups and sub-groups,
            - sort the terminals in the list,
            - save the network list,
            - log alarms for the whole sub-network,
            - etc.




                                     EN/LZT 110 5057 R2A
4-7                             4 Network Management



4.1.4   Alarm Notification
        The Status bar at the bottom of the screen shows date, time and notification
        messages. Date and time is shown in the right-hand box.




                                                                                                      4



        Figure 4-5.   Example of an alarm notification in the Status bar and the Terminal window
                      opened for the indicated terminal ID.
        The MINI-LINK equipment has several failure detectors. When an event
        occurs in the network, a notification message is shown on the left-hand side in
        the status bar and the status for the network is updated. The notification
        message remains in the status bar until a new notification message is logged.
        The Status bar is also available when entering sub-windows and Terminal
        windows.
        The alarm notification shows the terminal ID. In the Alarm field in the
        Terminal window for the terminal, the active alarms are presented graphically
        with symbols.
        The alarm reports are also stored in the MSM Log directory for later analysis
        and problem tracking.
        The severity of a group is defined by the terminal or sub-group with the most
        severe status.
        The network facilities are presented in section 4.3, The Network Window.




                                   EN/LZT 110 5057 R2A
4 Network Management                              4-8



4.1.5      Fault Information




            Figure 4-6.   Example of fault presentation sub-window for an alarm with the Help window
                          activated.
            The example above shows an alarm sub-window opened for a MINI-LINK E
            1+1 terminal.
            To get further information about an alarm and instructions for fault
            localization, the MSM Help window can be used.
            The help information for fault localization displays instructions about for
            example available loop-backs.
            The Help window is reached by selecting the Help button in an opened sub-
            window.
            Direct help for a specific alarm is available by selecting the alarm and then
            press F1 on the keyboard.




                                       EN/LZT 110 5057 R2A
4-9                    4 Network Management




4.2   The Main Frame Window
      When you enter MSM, you will enter an empty Main Frame window.




                                                                                         4



      Figure 4-7. The Main Frame window.
      From the Main Frame window you can either create a new network list, load
      an existing network list or scan.
      The network management functions are found in the Main Frame window
      menu bar. The Main Frame window has the following menus: Network, Log,
      Config and Help. The different commands are presented in the sections
      below, in the same order as they appear in the menus.
      The options in the window menus are described for the Control user category.




                               EN/LZT 110 5057 R2A
4 Network Management                              4-10




4.2.1      The Network Menu
            The Network menu offers different possibilities to display network lists.




            Figure 4-8.   The Network menu bar.

4.2.1.1     New
            This command is used to open a new, empty network list.
            An empty Network window will be opened.

4.2.1.2     Open
            To open a stored network list.
            The Open command erases any present network list. A network list stored in
            a file is loaded. The Network window opens.
            If a terminal is included in the present network list, but the status is not known, it
            will get status ”unknown”.

4.2.1.3     Scan
            To scan the sub-network and generate a list with all terminals in the sub-
            network.

4.2.1.4     Scan Local
            To scan the hop and generate a list with the local terminals, that is the front end,
            the far end and the terminals connected to the front end communication buses.

4.2.1.5     Preset ML-E SW
            To erase all operator-set parameters in the front end MINI-LINK E unit
            (MSM and software revision ≥ R4A), and give it a default factory setup.
            Note: Only front end unit will be preset.

4.2.1.6     Exit
            To exit the MSM program.
            If there is an unsaved network list, the user will be asked to save it.

4.2.1.7     Recent File
            The four latest used network lists can be opened by selecting them from the
            menu bottom.



                                      EN/LZT 110 5057 R2A
4-11                       4 Network Management



4.2.2     The Log Menu
          The Log menu is used to read and print log files. Possible options are:




          Figure 4-9.   The Log menu bar.

4.2.2.1   Alarm Log
          For explanation of the Alarm Log options, see the Network window Log
          menu in section 4.3.6.1.

4.2.3     The Config Menu
                                                                                                4

          Figure 4-10. The Config menu bar.
          The following options are available:

4.2.3.1   Configure Sorting
          For explanation of the Configure Sorting options, see the Network window
          Config menu in section 4.3.7.1.

4.2.3.2   Configure Data Collection
          For explanation of the Configure Data Collection options, see the Network
          window Config menu in section 4.3.7.2.

4.2.3.3   Configure Communication
          For explanation of the Configure Communication options, see the Network
          window configuration menu in section 4.3.7.3.

4.2.3.4   Configure Password

          For explanation of the Configure Password options, see the Network window
          configuration menu in section 4.3.7.4.




                                    EN/LZT 110 5057 R2A
4 Network Management                               4-12




4.2.4      The Help Menu
            Help gives access to the MSM help files.




            Figure 4-11. The Help menu bar.
            For other ways to get help with the MSM program:
            • Press F1 on the keyboard to get help on a selected function.
            • Select the Help button in an opened sub-window to get help on that
              sub-window.

            The following alternatives are available in the menu:

4.2.4.1     Contents
            To open the Network and Program help file.

4.2.4.2     Terminal




            Figure 4-12. The different terminal help files.
            To open the help files for the different MINI-LINK terminals.

4.2.4.3     About the Program
            Shows information about the program: version, serial number and license
            holder.




                                        EN/LZT 110 5057 R2A
4-13                      4 Network Management




4.3   The Network Window
      In the Network window you control the sub-network and from here you reach
      windows for terminal management.
      The user category is shown in the window top bar. The different parts are
      described in the following sections.
      The options in the window menus are described for the Control user category.




                                                                                          4




      Figure 4-13. The Network window.

      − The Network window Menu bar at the top of the screen offers
        different facilities for network management. The Network window has
        the following menus; Network, Edit, Log, Config, View, Window and
        Help. The menus are explained in section 4.3.4. to 4.3.10. The different
        commands are presented in the same order as they appear in the menus.
      − The Title bar shows the name of the network presented in the Network
        window. When the Terminal list has been changed but not saved, it will
        display the unsaved state with an asterisk (*).
      − The Terminal list on the right-hand side shows all terminals in the
        network or a selected group and their status. The terminal list is
        explained in section 4.3.1.
      − The Group tree on the left-hand side shows the structure of groups in a
        network list. The group tree is explained in section 4.3.2.
      − The Status bar at the bottom of the window shows date, time and
        notification messages. The status bar is explained in section 4.3.3.



                               EN/LZT 110 5057 R2A
4 Network Management                             4-14



4.3.1       The Terminal List
            In the Terminal list all terminals in the network or group are listed with ID, type of
            terminal and status symbol (as shown below).




            Figure 4-14. The Group tree and the Terminal list in the Network window.

4.3.1.1     The Status Symbols for Alarm Severity
            The status symbols used in the group tree and the terminal list, in order of
            severity, are:
                Critical      Traffic disturbed (A-alarm)
                NoConn           No connection
                Major            Traffic not disturbed at present (B-alarm), for example alarms
                                 in a standby radio
                Minor            Fault not affecting traffic, for example MINI-LINK E SAU
                                 alarms
                Warning          Test mode: P-mark, loops etc.
                Unknown          The terminal is included in the active network list, but the
                                 status is not known
                Normal           Normal operation




                                       EN/LZT 110 5057 R2A
4-15                        4 Network Management



4.3.2     The Group Tree
          The Group tree shows the structure of groups in the network list, as
          structured by the operator. It is built up by a root group with sub-groups at
          different levels, and shows the names of the groups and the status of each
          group.
          In front of each group is a sign,
              a plus sign if the group contains sub-groups not presented, or
              a minus sign if the sub-groups are presented.
          The handling of groups and terminals are described in section 2.7.2.


4.3.3     The Status Bar

          Date and time are shown to the right. When an event from the network is logged,
                                                                                                  4
          a notification message is shown on the left-hand side. It remains in the status bar
          until a new event is logged. The Status bar is also available when entering sub-
          windows and Terminal windows.

4.3.4     The Network Menu
          When a network list is active, the Network menu offers the following
          alternatives:




          Figure 4-15. The Network menu bar.

4.3.4.1   Close
          This will close the Network window.
          If there is an unsaved network list, the user will be asked to save it (see
          section 4.3.4.2).

4.3.4.2   Save
          Save is used to save a network list which already has a name.
          This will save the network list with the current name. If no name is available,
          the user will be prompted to chose a file name (see section 4.3.4.3).




                                   EN/LZT 110 5057 R2A
4 Network Management                          4-16



4.3.4.3     Save as
            Save as is used to save a network list which has been changed or to save an
            existing list under a new name.

4.3.4.4     Merge
            The active network list will be modified by adding information about the
            terminals and groups from another saved network list opened from the Merge
            window.
            If a terminal is present in both network lists, the ”merged” terminal is
            ignored.

4.3.4.5     Remote SW Load
            Remote SW Load is used to load a new CSS software version in one or more
            terminal units (as described in section 4.5).

4.3.4.6     Remote SW Activation
            Remote SW Activation is used to activate a new CSS software version in one
            or more terminal units (as described in section 4.6).
4.3.4.7     Exit
            Exit is used to exit the Network window.
            If there is an unsaved network list, the user will be prompted to save it.

4.3.5       The Edit Menu
            The following options are available from the Edit menu:




            Figure 4-16. The Edit menu bar.

4.3.5.1     Undo Editing Options
            Undo Editing Options is used to undo executed editing options that have
            been performed via the Edit menu or via a pop-up menu (see section 2.7.2.6).

4.3.5.2     Redo Editing Options
            Redo Editing Options is used to redo an editing option that has been undone
            by the Undo command. The Redo command can be undone by the Undo
            command.




                                      EN/LZT 110 5057 R2A
4-17                         4 Network Management



4.3.5.3   Cut Terminals and Groups
          Cut Terminals and Groups is used to move groups or terminals to other
          positions in the group tree (see section 4.3.5.4.).
          Select the group or terminal you want to cut from the terminal list before
          selecting the cut command.
          The Cut command can also be reached via a pop-up menu, as described in
          section 2.7.2.6.

4.3.5.4   Paste Terminals and Groups
          Paste Terminals and Groups is used to paste previously cut groups or
          terminals into new positions in the group tree.
          Select the group into which you want to paste group(s) or the terminal(s),
          before selecting the Paste command.                                                   4
          The Paste command can also be reached via a pop-up menu, as described in
          section 2.7.2.6.
          Note: Another way than using the Cut and Paste commands to move
          terminals and groups, is by the Drag-and-Drop method, which is described in
          section 2.7.2.5.

4.3.5.5   Delete Terminals and Groups
          Delete Terminals and Groups is used to remove selected groups or terminals from
          the group tree or the network list.

4.3.5.6   Rename Group
          Rename Group is used to give a new name to a network group.




          Figure 4-17. The Rename Group window.
          Note: The root of the group tree (the Network) cannot be renamed.




                                  EN/LZT 110 5057 R2A
4 Network Management                                4-18



4.3.5.7     Find Terminal
            Find Terminal is used to find terminals in the group tree.




            Figure 4-18. The Find terminal dialog
            Choose a terminal ID, either by writing it in the Terminal ID field or by
            selecting it from the List of Available Terminal IDs and select OK.
            The group in which the terminal is situated is expanded and the terminal is
            selected.

4.3.5.8     New Terminal



            New Terminal is used to add a new terminal to the network list.




            Figure 4-19. The New terminal window.
            Type the ID to be added in the field above the Add New ID, then select the
            Add New ID button, and the ID will be added to the list of IDs. To remove
            an ID select the Delete ID button.
            When the last ID has been typed, select OK.




                                      EN/LZT 110 5057 R2A
4-19                       4 Network Management



4.3.5.9   New Group



          New Group is used to add a new empty network group to the selected
          position (the root of the group tree or a sub-group).




          Figure 4-20. The Create Group window.

4.3.6     The Log Menu
                                                                                               4
          The Log menu gives access to the data collected from the terminals and
          stored in the MSM Log directory. You can read, sort and print the log file for
          analysis and problem tracking.




          Figure 4-21. The Log menu bar.

          Note: The log functions must be activated by the Control user in the Data
          Collection window from the Network window Config menu.
          When opened from the Network window, all logs are presented by default,
          whereas the logs reached from the Terminal window by default only show
          data for the selected terminal.




                                   EN/LZT 110 5057 R2A
4 Network Management                             4-20



4.3.6.1     Alarm Log
            The Alarm Log window contains two fields of information:
            − The List of Alarm Logs.
            − Detailed Information for the log selected in the List of Alarm Logs.




            Figure 4-22. The Alarm Log window.
            The field for the Alarm Log list contains:
            Date and Time     The date and time presented is the PC date and time
                              when the data was logged.
            ID                The identity of the terminal logged. See section 4.1.1.
            Type of Equipment The type of terminal logged. See section 5.1 for
                              MINI-LINK E terminals, section 6.1 for MINI-LINK E
                              Micro terminals and section 7.1 for MINI-LINK C and
                              MkII terminals.
            Cause for Log     The reason the log was performed (Alarm notation,
                              Background poll etc.)
            Severity          The alarm status severity when the log was performed.
                              (The same as the severity presented in the Network
                              window.) See section 4.3.1.1.
            The field for Detailed Information about the log selected in the Alarm Log
            list contains the alarms, controls with abnormal status and additional
            information when the log was performed.




                                     EN/LZT 110 5057 R2A
4-21                        4 Network Management



The Log window functions
The following functions are available for the Alarm Log window:
Print to File The Print options dialog box:
              - Print to Text File allows the operator to copy all the data to a
                text file.
              - Copy Database copies the database to a file read by the
              database program. A name for the file must be given.
              If the Search filter is active the following options will be
              presented for the Print to Text File function:
              - Print Logs According to Filter
              - Print All Logs in Database

                                                                                       4



               Figure 4-23.   The Print options dialog box.

Delete         The Delete function allows the Control user to delete all data
               in a log or the data selected according to the search filter.




                         EN/LZT 110 5057 R2A
4 Network Management                             4-22



            Search Filter The Log Search Filter dialog box allows the operator to define
                          the log events to be presented in the Log window, to search
                          for special conditions in the log. Any combination of filters can
                          be used.




                            Figure 4-24.   The Search Filter window for the Alarm Log.

            Refresh         The Refresh function updates the log presentation with the
                            latest logged events (events which has occurred since entering
                            the log, or since Refresh last was activated, will be included in
                            the presentation).


4.3.7       The Config Menu
            The following options are available:




            Figure 4-25. The Config menu bar.




                                      EN/LZT 110 5057 R2A
4-23                       4 Network Management



4.3.7.1   Configure Sorting
          Configure Sorting is used to specify the default sorting order of terminals in
          the terminal list when the Netman Client is started and to select automatic
          arrangement of groups.




                                                                                                4
          Figure 4-26. The Configure Sorting window.

          It is possible to let the changed sorting order be saved for the opened network
          list by selecting Yes in the confirmation dialog box.
          The following options are available:
          By Default                The terminals in the list appear in the same order as
                                    when the list was created.
          By ID                     The terminals will be sorted in alphanumerical order.
          By Type                   The terminals will be sorted in order of terminal type
                                    of equipment.
          By Severity               The terminals will be sorted in order of alarm status
                                    severity. (See section 4.3.1.1).
          Recover group name        The Group option is used for a network list
          from file                 generated with the Get All command. By selecting
                                    the “Recover group name from file” box, the
                                    terminals in the opened network list will be
                                    automatically arranged in groups, as they are
                                    arranged in a reference network list selected in the
                                    File name field. (Type the network list file name in
                                    the field or select it using the Browse button.) Select
                                    Save for start-up, close the network list and re-open
                                    it in order to see the changes. Terminals not included
                                    in the reference network list will be placed under the
                                    root group Network.




                                    EN/LZT 110 5057 R2A
4 Network Management                            4-24




4.3.7.2     Configure Data Collection
            Configure Data Collection is used to change the data collection for the Alarm
            log.




            Figure 4-27. The Configure Data Collection window.
            The following parameters regarding logging of Alarms can be set in the
            Configure Data Collection window:
            Alarm Log             Log Alarm. Logs alarms from the terminals in the
                                  Alarm Log. The data is collected from the terminals.
                                  Include Start and Stop. Performs a log of the
                                  terminal both when supervision begins and ends.
            Status Update         Notification Polling. Stores detailed alarm logs and
                                  updates the terminal status at each notification. The
                                  box only applies to MINI-LINK C terminals since
                                  this is automatically done for MINI-LINK E
                                  terminals.
                                  Background Polling. Updates the network list by
                                  status polling. The terminals will be polled one at a
                                  time, each terminal will be polled when a response
                                  from the previous terminal has been received.
            Severity (MkII and C) User In. The severity for User Inputs of
                                  MINI-LINK MkII and C equipment (Radio Modules
                                  and SMMs). The setting will affect the severity of
                                  all these terminals. If the severity is changed from
                                  the default severity (Normal) the User Input(s) will
                                  also be presented in the Alarm field of the Terminal
                                  Window for all these terminals. The available
                                  severities are; Normal, Warning, Minor, Major and
                                  Critical.



                                      EN/LZT 110 5057 R2A
4-25                         4 Network Management



          Other                     Beep at notifications. Check this box to make a
                                    beep occur every time a notification message from a
                                    supervised terminal is received.



4.3.7.3   Configure Communication
          This dialog is used to change parameters regarding the communication
          between PC and front end.




                                                                                                 4


          Figure 4-28. Configure Communication dialog
          The following parameters can be defined:
          Front End:
          Terminal               Terminal should be selected for Front End connection
                                 when the PC with the MSM program is connected
                                 directly to a MINI-LINK terminal.
          Modem                  Modem should be selected for Front End connection
                                 when the PC with the MSM program is connected to a
                                 modem for distant supervision of a MINI-LINK
                                 network.
          Other:
          Serial Port            To select the serial port to be used on the PC.
          Terminal response To determine the time within which a terminal must
                            respond to a request before a new request should be
                            transmitted. The Terminal response time-out can be set
                            to between 5 and 25 seconds.




                                   EN/LZT 110 5057 R2A
4 Network Management                            4-26



4.3.7.4     Configure Password
            The login password for the Control user may be changed in this menu.




            Figure 4-29. Configure password dialog.




                                      EN/LZT 110 5057 R2A
4-27                                4 Network Management




4.3.8     The View Menu
          The View menu contains the Details and List commands by which the
          terminal list can be viewed in two different ways and a Sort Terminals
          command by which the sorting order of terminals in terminal list can be
          changed.




          Figure 4-30. The View menu bar

4.3.8.1   Details View
          By selecting Details the terminal list will be presented in three columns,                       4
          showing the ID, the Type and the alarm status Severity of the terminals in
          the terminal list.




          Figure 4-31. The Network window with the Terminal list in Details view.
          Sorting in the terminal list can be performed, either by selecting any of the
          column heads in the terminal list or by selecting the Sort Terminals command
          in the View menu (see section 4.3.8.3).

4.3.8.2   List View
          By selecting the List command the terminals in the terminal list will be
          presented in one or more columns, showing the IDs of the terminals.




          Figure 4-32. The Network window with the Terminal list in List view.



                                     EN/LZT 110 5057 R2A
4 Network Management                           4-28



4.3.8.3     Sort Terminals




            Used to change the sorting order of terminals in the terminal list.
            The sorting options are:
            By Default              The terminals in the list will appear in the same order
                                    as in the network list they are read from.
            By ID                   The terminals will be sorted in alphanumerical order.
            By Type                 The terminals will be sorted in order of terminal type.
            By Severity             The terminals will be sorted in order of alarm status
                                    severity (see section 4.3.1.1).
            Note: Changes of sorting order performed by the Sort Terminals command
            will not be saved for the network list, that is they will not be shown the next
            time the network list is opened. To save sorting order of the network list, use
            the Configure Sorting command in the Config menu (see section 4.3.7.1).




                                       EN/LZT 110 5057 R2A
4-29                        4 Network Management




4.3.9      The Window Menu
           The Window menu lists the Network window and all opened Terminal
           windows.




           Figure 4-33. The Window menu bar.
           By selecting one of the windows from the menu, this window will be the
           active window on the screen. This menu also offers a possibility of closing all
           opened Terminal windows.

4.3.10     The Help Menu
                                                                                                  4
           Help gives access to different help files.




           Figure 4-34. The Help menu bar.
           For other ways to get help with the MSM program:
           • Press F1 on the keyboard to get help on a selected function.
           • Select the Help button in an opened sub-window to get help on that
             sub-window.

           The following alternatives are available in the menu:

4.3.10.1   Contents
           To open the Network and Program help file.

4.3.10.2   Terminal




           To open the help files for the different MINI-LINK terminals.

4.3.10.3   About the Program
           Shows information about the program: version, serial number and licence
           holder.




                                    EN/LZT 110 5057 R2A
4 Network Management                         4-30




4.4         Remote SW Upgrade
4.4.1      Introduction
            This section describes how to use the Remote SW Upgrade functions in the
            MSM program.
            The Remote SW Upgrade is used to download and activate new CSS
            software versions in any number of MINI-LINK E terminal units of the same
            type.
            The Remote SW Upgrade function requires CSS software version 5.0.
            Remote SW Upgrade is divided in two sessions:
            - A Remote SW Load session which loads a CSS software version in selected
              units of the same type in one or more terminals.
              The current status for the selected units and the load progress are presented
              during the session, as well as the reason for any excluded units.
              The result of the completed load session is saved as a Load Session file. The
              saved load session can later be used for activation.
            - A Remote SW Activation session which activates the new loaded CSS
              software in selected units of the same type in one or more terminals.
              The activation session can be started when the present load session is finished
              or a saved load session file can be selected and used for the activation session.
              The current status for the selected units and the activation progress are
              presented during the session, as well as the reason for any excluded units.
              Activation can also be performed for each unit separately in a selected
              terminal.
            State and indication of Remote Software Upgrade (RSU)
            There are two RSU indicators; for detected RSU and RSU in progress (not
            finished or finished). The status of the RSU session is shown in the status
            bar.
            The following states for RSU can be presented:
            RSU detected – If RSU is started from another MSM, and at least one
            terminal’s status indicates that it is under RSU.
            RSU in progress – If RSU is started from own MSM and the RSU session is
            not finished.
            RSU finished – If RSU is started from own MSM and the RSU session is
            finished.




                                    EN/LZT 110 5057 R2A
4-31                         4 Network Management



4.4.2   Recommendations for Remote SW Upgrade
        The user traffic will not be affected during a Remote SW Upgrade session.
        The Remote SW Upgrade session will take 5 to 15 hours, depending on the
        size of the load file and the number of selected units.
        In order to minimize the risk of failure with the Remote SW Upgrade,
        consider the following before starting a session:
        - Start only one session in a sub-network at a time.
        - Start the session when the sub-network is stable, with only a minimum of
           disturbance.
        - Start the session when the traffic is low.
        - Start the session when the weather conditions are favourable.
                                                                                            4




                               EN/LZT 110 5057 R2A
4 Network Management                             4-32




4.5         Remote SW Load
            A Remote SW Load session loads a CSS software version in units of the
            same type in one or more terminals.
            It is not possible to load units which do not support Remote SW Upgrade.

4.5.1      Network Menu in the Network Window




            Figure 4-35. The Network menu bar.

            • Select the ”Remote SW Load” command from the Network Menu in
              the Network Window.

            The ”Select SW Type and Version” window opens, see section 4.5.2.
            The following dialog windows (section 4.5.1.1) are presented in the same
            order as they appear during a load session.




                                     EN/LZT 110 5057 R2A
4-33                                      4 Network Management



4.5.1.1   Workflow for a New Load Session
          The Remote Software Load is performed in the following main steps. All
          dialog windows (with sub-windows) are further described in section 4.5.2 to
          4.5.6.

                R e m o te S W L o a d c o m m a n d
          1      in th e N e tw o r k m e n u




          2     S e le c t S W      T y p e   a n d V e r s io n               G e t L o a d F ile



                                                        O p tio n a l

                                                                               M a n u a lly E n te r T e r m in a ls
                                                                                                                                             4
          3     S c a n n in g in P r o g r e s s




          4     S e le c t U n its to L o a d




          5     L o a d P ro g re s s




          6          C lo s e
                  T o e n d th e
                                                 A c tiv a te
                                               T o s ta rt th e                S e e s e c tio n
                   L o a d S e s s io n         A c tiv a tio n S e s s io n    " W o rk flo w fo r a N e w A c tiv a tio n S e s s io n "

          Figure 4-36. An overview of the main windows used in a load session.




                                                    EN/LZT 110 5057 R2A
4 Network Management                              4-34




4.5.2      Select SW Type and Version
            The window is used for selection of the software type and version for the load
            session.




            Figure 4-37. The dialog window for selecting software type and version.
            1.   Select the software type to load in the SW Type field and the version for the
                 software in the Version field.
                 (A new type or version can be loaded from the ”Have Disk” button and
                 added to the lists, as described in section 4.5.6.1.)
            (2.) By default the scanning of ”All possible Terminals” in the sub-network is
                 selected in the Scanning field.
                 Select the box for the ”Manually specified Terminals” if you want to manually
                 specify which terminals to load, as described in section 4.5.6.2.
            3.   Select OK to start the scanning. The ”Scanning in Progress” window opens,
                 see section 4.5.3.
            (For further information, see the explanation below for the fields and buttons.)




                                       EN/LZT 110 5057 R2A
4-35                               4 Network Management



SW Type     All types of installed software available for remote software upgrade. If the
            ”SW Type” list does not contain the wanted type, a new type can be loaded
            from a diskette by selecting the ”Have Disk” button. (See section 4.5.6.1.)
            The following types of MINI-LINK E software are available:
            CAU 1191099           MMU            All MMUs
            CAU 1191101           SMU            All SMUs
            CAU 1191102           SAU            All SAUs
            CAU 1191100           RAU            Frequency bands from 15 GHz to 38 GHz
            CAU 1192721           RAU            Frequency band 7 GHz
            CAU 1192761           RAU            Frequency band 7/8 GHz
            CXC 113404            RAU            Frequency bands from 15 GHz to 38 GHz
            CXC 113400            E_MICRO All MINI-LINK E Micro

Version     All versions installed for the currently selected SW Type. The list is
            automatically updated every time a SW Type is selected. If the ”Version” list



Scanning
            does not contain the wanted version, a new version can be loaded from a
            diskette by selecting the ”Have Disk” button. (See section 4.5.6.1.)

            Selects how to create the ”Available Units” list in the window ”Select Units
                                                                                                4
            to Load” (described in section 4.5.4).
            There are two different ways to create this list:
            - All possible terminals. A scan will be performed for the selected type on the
              complete active Network List.
            - Manually specified terminals. A window will be presented allowing the
              operator to manually select terminals from the active Network List. See
              section 4.5.6.2.

OK          To start the scanning for the selected software type, as described in section
            4.5.3.

Have Disk   To load a new software type or version from a diskette. See section 4.5.6.1.




                          EN/LZT 110 5057 R2A
4 Network Management                               4-36




4.5.3      Scanning in Progress
            This dialog box is shown while the terminals in the sub-network are scanned.
            The available units are added gradually as the net is scanned.
            The dialog box is shown until the list is finished, or you press the Stop button.
            If the scanning progress is stopped, only the units scanned so far will be
            available in the next window ”Select Units to Load”.
            The ”Select Units to Load” window is available after the scanning is finished,
            see section 4.5.4.

4.5.4      Select Units to Load
            The window is used to include the units for the load session by adding them
            to the ”Selected Units” field.




            Figure 4-38. The dialog window for selecting units for the load session.
            1. Select the unit(s) in the Available field.
            2. Use the Add buttons to include the units from the Available to the Selected
               field.
            3. Select Load to start and confirm the load session. The ”Load Progress”
               window opens, see section 4.5.5.
            (For further information, see the explanation below for the fields and buttons.)




                                        EN/LZT 110 5057 R2A
4-37                                4 Network Management



Load Information   Information about the SW Type and Version selected in the previous
                   ”Select SW Type and Version” window, as well as the estimated
                   time to complete the load session.

Excluded Units     The number of units not available for the load session. Select the
                   Details button to see information about the units and the reason for
                   the exclusion. See section 4.5.4.1.
Details            If a unit cannot be included in the load session, the Details button
                   will be enabled. By selecting it, a window containing the excluded
                   units will be shown, as described in section 4.5.4.1.

Available Units    The units possible to load with the selected SW (as presented in the
                   ”Load Information” field). The sort order of the columns can be
                   changed between ascending and descending by clicking on the
                   column head titles respectively.
Unit               Definition of the unit, normally the ID of the terminal.
                   An addition to the ID is used to indicate RAU and MMU units in
                   MINI-LINK E 1+1 terminals.
                                                                                               4
                     _Ra1 = the first radio in a 1+1 configuration.
                     _Ra2 = the second radio in a 1+1 configuration.
Active             The currently operating software version for the unit.
Passive            A loaded, not active, software version for the unit. This version will
                   be replaced by the software version selected.
                   If the version number is replaced with ”upg” the unit is currently
                   being upgraded.
                   If there are no passive software available the version number is
                   replaced with ”-”.

Selected Units     The units in this field will be included in the load session. For details
                   of the included columns, see the explanation for the Available Units
                   field above.

Add (All)          To add a selected unit or all units from the Available field into the
                   Selected field. If the user adds a unit that already is being upgraded
                   or a unit that already has a version newer or equal to the selected
                   version, a warning is shown.

Remove (All)       To remove a selected unit or all units from the Selected field.
Load               To start the load session.
                   See section 4.5.5.




                        EN/LZT 110 5057 R2A
4 Network Management                              4-38



4.5.4.1     Excluded Units
            Shows the units not available for this load session and the reason for the
            exclusion.




            Figure 4-39. The information window shows not available units for the load session.

            Explanations for the fields and buttons in the window above.
            No Connection              The unit is included in the active Network list, but has
                                       no present connection. Unit data could not be
                                       collected.
            No Support for RSU At least one unit in the terminal does not support
                               Remote Software Upgrade. A local upgrade of a
                               software version supporting Remote Software
                               Upgrade must be performed.
            No Matching Unit           The unit does not support the selected SW Type.




                                       EN/LZT 110 5057 R2A
4-39                             4 Network Management




4.5.5   Load Progress
        The window shows the current status during the load session. A progress bar is
        presented during the load session, when the session is completed the progress bar
        will be replaced by a text ”Load Finished”




                                                                                                      4
        Figure 4-40. The window during the load progress and when the load is finished.

        Actions during the load progress
        To view load status details during the load progress, select Details.
        To close the Load Process window, use the Close button. The load session
        will not be terminated.
        To terminate the load progress, use the Abort button. (For further
        information, see the explanation below for the fields and buttons.)

        Actions when the load is finished
        The result of the completed load session is saved as a Load Session file. The
        saved load session can later be used for activation. See the ”Select Load
        Session for Activation” window in section 4.6.2.
        If you want to end the software load phase to continue later with the software
        activation, select Close.
        If you want to go on and start the software activation from this window,
        select Activate. (For further information, see the explanation below for the
        fields and buttons.)




                                   EN/LZT 110 5057 R2A
4 Network Management                               4-40



            Information    Information about the SW Type and Version selected for the load session,
                           as well as the estimated time to complete the load session.

            Load Status    The number of ready, failed and currently loading units for the current
                           progress status. Select the Details button to see more information about the
                           units as described in section 0.

            Progress bar The progress bar shows graphically the current estimated load progress.
                         When the load progress is completed the progress bar is replaced with
                         ”Load Finished”.

            Details        To see more information about the current load progress status for the units,
                           as described in section 0.

            Activate       During the load progress is the Activate button disabled. The button
                           becomes enabled when the load is finished.
                           Select the button to start a Remote Software Activation session. A scanning
                           of the successfully loaded units starts and a dialog window ”Scanning in
                           Progress” is shown during the scanning, as described in section 4.6.3.

            Note: If the load progress is stopped:
            - early in the Load session; the Passive SW version can be deleted for any
              number of units.
            - late in the Load session; the selected SW version can be installed for any
              number of units.

4.5.5.1     Load Status
            Shows information about the current load progress status for the units.




            Figure 4-41. The information window shows the current status for the load progress.

            Explanations for the fields and button in the window above.
            Loading The units are currently being loaded in this loading session.
            Ready      The loading is successfully completed for the units.
            Failed     The loading could not be completed for the units.



                                       EN/LZT 110 5057 R2A
4-41                          4 Network Management



4.5.6     Optional Load Windows
4.5.6.1   Get Load File
          The Get Load File is opened from the Have Disk button in the ”Select SW
          Type and Version” window and is used to select new software types or
          versions to be added.




                                                                                                      4

          Figure 4-42. The dialog window for selecting a software load file.
          1. Select the directory for the software type to specify the path to the load file.
             Normally from a Release diskette in the disk drive (A:).
          2. Select the version file (multiple files can be selected by holding down the
             Shift key).
          3. Select Open to start the transfer.
          The software versions are transferred to the MSM upgrade directory and the
          Version field in the ”Select SW Type and Version” window is updated with
          the new types and versions.




                                     EN/LZT 110 5057 R2A
4 Network Management                              4-42



4.5.6.2     Manually Enter Terminals
            If the ”Manually specified Terminals” was selected in the ”Select SW Type
            and Version” window in section 4.5.2, the following window is shown.




            Figure 4-43. The dialog window for manually selecting terminals.
            1. Select the terminal in the Available field.
            2. Use the Add button to include the selected terminals.
            3. Select OK to start the scanning. The ”Scanning in Progress” window opens,
               see section 4.5.3.
            (For further information, see the explanation below for the fields and buttons.)
            Available Terminal ID The identities of terminals can contain units with the selected
                                  SW Type (as presented in the ”Load Information” field).
            Selected Terminal ID     The terminals in this field will be scanned, to find the units to
                                     upgrade.
            Load Information         Information about the SW Type and Version selected in the
                                     ”Select SW Type and Version” window. See section 4.5.2.
            Add                      To add selected terminals from the Available field into the
                                     Selected field.
            Remove                   To remove selected terminals from the Selected field.




                                       EN/LZT 110 5057 R2A
4-43                     4 Network Management




4.6     Remote SW Activation
        A Remote SW Activation session activates the new CSS software in units of
        the same type in one or more terminals.
        Note: Activation can also be performed for each unit separately, this function
        is available in the Terminal window under the Misc menu, as described in
        section 5.3.4.4, 5.4.4.4 and 6.3.4.4.

4.6.1   Network Menu in the Network Window



                                                                                             4

        Figure 4-44. The Network menu bar.

        • Select the ”Remote SW Activation” command from the Network Menu
          in the Network Window.

        The ”Select Load Session for Activation” window opens, see section 4.6.2.
        The following dialog windows (section 4.6.1.1) are presented in the same
        order as they appear during an activation session.




                                 EN/LZT 110 5057 R2A
4 Network Management                                                4-44



4.6.1.1            Workflow for a New Activation Session
                   The Remote Software Load is performed in the following main steps. All
                   dialog windows (with sub-windows) are further described in section 4.6.2 to
                   4.6.5.

                        R e m o te S W A c tiv a tio n c o m m a n d
               1         in th e N e tw o r k m e n u




                        S e le c t L o a d S e s s io n
           2             fo r A c tiv a tio n


                                                                           A c tiv a tio n       s ta    rte d fro m
                                                                            th e L o a d P      ro g     re s s w in d o w .
               3        S c a n n in g in P r o g r e s s                   S e e s e c tio n      " W     o rk flo w fo r
                                                                             a N e w L o a      d S      e s s io n " .



               4        S e le c t U n its fo r A c tiv a tio n




               5        A c tiv a tio n P r o g r e s s

                                  A c tiv a tio n fin is h e d


               6                            C lo s e
                                  T o e n d th e
                                   A c tiv a tio n S e s s io n

                   Figure 4-45. An overview of the main windows used in an activation session.




                                                            EN/LZT 110 5057 R2A
4-45                                4 Network Management



4.6.2   Select Load Session for Activation
        The window is used for selection of saved load session files for the Remote
        SW Activation.




                                                                                                          4
        Figure 4-46. The dialog window for selecting a saved load session.

        1.   Select the load session in the Available Sessions field.
        (2.) Use the Details button to see more information about the session, including
             valid and failed units.
        3.   Select OK to start the scanning. The ”Scanning in Progress” window opens,
             see section 4.6.3.
        (For further information, see the explanation below for the fields and buttons.)
        Available Sessions    The saved load session logs available for activation. The saved
                              session is identified by the date and time it was finished, as well as
                              the software type and version it was performed on.
                              Use the Details button to see more information about a selected
                              session, as described in section 4.6.2.1.
        Details               By selecting the Details button, the ”Load Session Details” window
                              is shown with information about the selected load session. See
                              section 4.6.2.1.




                                   EN/LZT 110 5057 R2A
4 Network Management                              4-46



4.6.2.1     Load Session Details
            Shows detailed information regarding the load session selected in the previous
            ”Select Load Session for Activation” window.




            Figure 4-47. The information window for the selected load session.

            Explanations for the fields and button in the window above.
            Session Information Information for the selected load session regarding
                                SW type and version, as well as by whom and when
                                the session was performed.
            Valid Units                The load session was successfully completed for these
                                       units.
            Failed Units               The load session could not be completed for these
                                       units.




                                       EN/LZT 110 5057 R2A
4-47                              4 Network Management



4.6.3   Scanning in Progress
        This dialog box is shown while the terminals in the sub-network are scanned.
        The available units are added gradually as the net is scanned.
        The dialog box is shown until the list is finished, or you press the Stop button.
        If the scanning progress is stopped, only the units scanned so far will be
        available in the next window ”Select Units for Activation”.
        The ”Select Units for Activation” window is available after the scanning is
        finished, see section 4.6.4.

4.6.4   Select Units for Activation
        The window is used to include the units for the activation session by adding
        them to the ”Selected Units” field.                                                             4




        Figure 4-48. The dialog window for selection of units for the activation session.
        1. Select the unit(s) in the Available field.
        2. Use the Add buttons to include the units from the Available to the Selected
           field.
        3. Select Activate to start and confirm the activation session. The ”Activation
           Progress” window opens, see section 4.6.5.
        (For further information, see the explanation below for the fields and buttons.)




                                    EN/LZT 110 5057 R2A
4 Network Management                               4-48



            Activation        Information about the SW Type and Version for the
            Information       activation session selected in the previous ”Select Load Session for
                              Activation” window, as well as the estimated time to complete the
                              activation session.

            Excluded Units    The number of units not available for the activation session. Select the
                              Details button to see information about the units and the reason for the
                              exclusion. See section 4.6.4.1.
            Details           If a unit cannot be included in the activation session, the Details button
                              will be enabled. By selecting it, a window containing the excluded units
                              will be shown, as described in section 4.6.4.1.

            Available Units   The units possible to load with the selected SW (as presented in the
                              ”Activation Information” field). The sort order of the columns can be
                              changed between ascending and descending by clicking on the column
                              head title respectively.
            Unit              Definition of the unit, normally the ID of the terminal.
                              An addition to the ID is used to indicate RAU and MMU units in
                              MINI-LINK E 1+1 terminals.
                               _Ra1 = the first radio in a 1+1 configuration.
                               _Ra2 = the second radio in a 1+1 configuration.
            Active            The currently operating software version for the unit. This version will
                              after the activation become the Passive version.
            Passive           The loaded, not active, software version for the unit. This version will
                              after the activation become the Active version.

            Selected Units    The units in this field will be included in the activation session. For
                              details of the included columns, see the explanation for the Available
                              Units field above.

            Add (All)         To add a selected unit or all units from the Available field into the
                              Selected field. By adding a unit that has a passive software version
                              which has been changed since the load session or a unit that has an
                              active software version newer than the passive software version, a
                              warning is shown.

            Remove (All)      To remove a selected unit or all units from the Selected field.
            Activate          To start the activation session.
                              See section 4.6.5.




                                       EN/LZT 110 5057 R2A
4-49                             4 Network Management



4.6.4.1   Excluded Units
          Shows the units not available for this activation session and the reason for the
          exclusion.




                                                                                                         4
          Figure 4-49. The information window shows not available units for the activation session.

          Explanations for the fields and buttons in the window above.
          No Connection              The unit is included in the active Network list, but
                                     has no present connection. Unit data could not be
                                     collected.
          No Support for RSU At least one unit in the terminal does not support
                             Remote Software Upgrade. A local upgrade of
                             software version supporting Remote Software
                             Upgrade must be performed.
          No Matching Unit           The unit does not support the selected SW Type.




                                      EN/LZT 110 5057 R2A
4 Network Management                              4-50




4.6.5      Activation Progress
            The window shows the current status during the activation session. A
            progress bar is presented during the activation session, when the session is
            completed the progress bar will be replaced by a text ”Activation Finished”.




            Figure 4-50. The window during the activation progress and when the activation is finished.

            Actions during the activation progress
            To view activation status details during the activation progress, select
            Details.
            To close the Activation Progress windows use the Close button. The
            activation session will not be terminated.
            To terminate the activation progress, use the Abort button.
            (For further information, see the explanation below for the fields and
            buttons.)

            Actions when the activation is finished
            To view activation status for the units after the completed activation session,
            select Details.
            To end the activation session, select the Close button.
            (For further information, see the explanation below for the fields and
            buttons.)




                                       EN/LZT 110 5057 R2A
4-51                               4 Network Management



          Information         Information about the SW Type and Version selected for the activation
                              session, as well as the estimated time to complete the activation
                              session.

          Activation Status   The number of ready, failed and remaining units for the current
                              progress status. Select the Details button to see more information
                              about the units as described in section 4.6.5.1.

          Progress bar        The progress bar shows graphically the current estimated activation
                              progress. When the activation progress is completed the progress bar
                              is replaced with ”Activation Finished”.

          Details             To see more information about the current activation progress status
                              for the units, as described in section 4.6.5.1.


4.6.5.1   Activation Status
          Shows information about the current activation progress status for the units.                   4




          Figure 4-51. The information window shows the current status for the activation progress.

          Explanations for the fields and button in the window above.
          Remaining        The currently remaining units in this activation session.
          Ready            The activation is successfully completed for the units.
          Failed           The activation could not be completed for the units.




                                     EN/LZT 110 5057 R2A
4 Network Management           4-52




                       EN/LZT 110 5057 R2A
5-1           5 MINI-LINK E Terminal




Contents
5         MINI-LINK E Terminal                                  Page

5.1       MINI-LINK E Technical Description                      5-3
5.1.1     Radio Unit (RAU)                                        5-3
5.1.2     Modem Unit (MMU)                                        5-7
5.1.3     Switch Multiplexer Unit (SMU)                          5-10
5.1.4     Service Access Unit (SAU)                              5-13

5.2       MINI-LINK E Supervision                               5-16
5.2.1     Operation and Maintenance Facilities                   5-17
5.2.2     Fault Localization                                     5-17

5.3       MINI-LINK E Radio Terminal Window                     5-18
5.3.1     The Setup Menu                                         5-19
5.3.1.1   AM Setup                                                5-19
5.3.1.2   Hop Setup                                               5-21
5.3.1.3
5.3.2
5.3.2.1
          Traffic Setup
          The Log Menu
          Alarm Log
                                                                  5-23
                                                                 5-25
                                                                  5-25
                                                                                    5
5.3.3     The View Menu                                          5-25
5.3.3.1   Alarm History                                           5-26
5.3.3.2   Performance                                             5-27
5.3.3.3   Revision Codes                                          5-29
5.3.4     The Misc Menu                                          5-29
5.3.4.1   Restore                                                 5-30
5.3.4.2   Reset                                                   5-30
5.3.4.3   Update Status                                           5-30
5.3.4.4   SW Activate                                             5-31
5.3.5     The Window Menu                                        5-32
5.3.6     The Help Menu                                          5-32
5.3.6.1   Contents                                                5-32
5.3.6.2   About the Program                                       5-32
5.3.7     The Terminal Window (Radio Terminal)                   5-33
5.3.7.1   The Alarm Field                                         5-33
5.3.7.2   The Control and Status Field                            5-34


5.4       MINI-LINK E SAU Terminal Window                       5-40
5.4.1     The Setup Menu                                         5-41
5.4.1.1   AM Setup                                                5-41
5.4.1.2   Communication Setup                                     5-43
5.4.1.3   User I/O Setup                                          5-44
5.4.1.4   Service Channel Setup                                   5-46
5.4.2     The Log Menu                                           5-47
5.4.2.1   Alarm Log                                               5-47
5.4.3     The View Menu                                          5-48
5.4.3.1   Alarm History                                           5-48
5.4.3.2   Revision Codes                                          5-49
5.4.4     The Misc Menu                                          5-50
5.4.4.1   Restore                                                 5-50
5.4.4.2   Reset                                                   5-50
5.4.4.3   Update Status                                           5-50
5.4.4.4   SW Activate                                             5-51



                                     EN/LZT 110 5057 R2A
5 MINI-LINK E Terminal                              5-2


       5.4.5     The Window Menu                                  5-52
       5.4.6     The Help Menu                                    5-52
       5.4.6.1   Contents                                          5-52
       5.4.6.2   About the Program                                 5-52
       5.4.7     The Terminal Window (SAU)                        5-53
       5.4.7.1   The Alarm Field                                   5-54
       5.4.7.2   The Control and Status Field                      5-54


       5.5       Details on 1+1 Switching and AIS                 5-56
       5.5.1     Switching in 1+1 Systems                         5-56
       5.5.2     Alarm Indication Signal (AIS)                    5-57

       5.6       Repair and Extension                             5-58
       5.6.1     Factory Setup with the Preset Function           5-58
       5.6.2     Factory Setup without the Preset Function        5-58
       5.6.3     Setups after Addings or Replacements             5-59
       5.6.3.1   Replacement when using Expanded NCC               5-59
       5.6.4     Spare Parts and Repair                           5-59




                                            EN/LZT 110 5057 R2A
5-3                         5 MINI-LINK E Terminal




5       MINI-LINK E Terminal
5.1     MINI-LINK E Technical Description
        MINI-LINK E consists of two main parts:
        - The outdoor part with Radio Unit (RAU) and Antenna Module.
        - The indoor part, the Access Module (AM), with Modem Unit (MMU), optional
          Switch Multiplexer Unit (SMU) and optional Service Access Unit (SAU). An
          Access Module Magazine (AMM) houses the indoor parts for up to four radios.
        The RAU and the MMU are interconnected via a coaxial cable.
        For detailed technical description of the MINI-LINK E equipment, please refer to
        the MINI-LINK E Technical Description EN/LZT 110 2012.
        The terminal types shown in MSM are:
        MLE_1+0 MINI-LINK E terminal with 1+0 configuration
        MLE_1+1 MINI-LINK E terminal with 1+1 configuration
        MLE_SAU MINI-LINK E SAU terminal
        The alarms in the following sections in 5.1 Technical Description are shown in
        italic type. All the alarms can be found in the program Help window as described
                                                                                                5
        in section 4.1.5.

5.1.1   Radio Unit (RAU)
        MINI-LINK E comprises two types of radios, RAU1 and RAU2.
        RAU1 and RAU2 have the same functionality, but different mechanical design
        and microwave technology. RAU2 has a higher integration of microwave
        circuits. In this section RAU1 is described for frequencies 7, 8, 18 and 26 GHz
        and RAU2 is described for frequencies 15, 23 and 38 GHz.
        The Radio Unit is fully independent of transmission rates and available for different
        frequency channel arrangements (see the Product Catalogue, EN/LZT 110 2011).




                                 EN/LZT 110 5057 R2A
5 MINI-LINK E Terminal                                                                                                                               5-4


                   M ic r o w a v e S u b - u n it
                                                         T r a n s m it IF                                                         T r a n s m itte r
                                                              S ig n a l,      T r a n s m it IF
                                                           3 5 0 M H z                                                                         U p                                             F in a l                                                                              R F A tte n u a to r
                                                                                     S ig n a l                                          C o n v e rte r                                    A m p lifie r                                                                              (a c c e s s o ry )
                                                                                P r o c e s s in g
                                                                                                                                                                                                                T X O F F



                                                                                                                                        T r a n s m itte r                                                                                                           F ilte r
                                                                                                                                                                                                 O u tp u t                               P o w e r
                                                                                                                                          O s c illa to r                                                                                                              U n it
                                                                                                                                                                                                  L e v e l                             D e te c to r
                                                                                                                                                                                                C o n tro l
                                                                                                                                                F R E Q U E N C Y
                                                                                                                                                                                                                O U T P U T                                                                 B r a n c h in g
                                                                                                                                                 C O N T R O L                                                   L E V E L S E T                                                                 F ilte r
                               C a b le In te r fa c e




                                                                                                                                                                                 F R E Q U E N C Y
                                                                                                                                                                                  C O N T R O L

        M M U                                            R e c e iv e IF
                                                                                                              T o                              R e c e iv e r                                                                                                                                                                            A n te n n a
                                                             S ig n a l,
                                                                                R e c e iv e IF               A lig n m e n t P o r t
                                                           1 4 0 M H z                                                                                                                                                                  R F L o o p
                                                                                    S ig n a l                                                          F ilte r
                                                                                                                                                           &                              R e c e iv e r
                                                                               P r o c e s s in g
                                                                                                                                                     A m p lifie r                       O s c illa to r
                                                                                                                                                                                                                                                                                            B r a n c h in g
                                                                                                                                                                                                                                                                                                 F ilte r
                                                                                                                                                                                               L o w
                                                                                                                                                         D o w n
                                                                                                                                                                                             N o is e
                                                                                                                                                     C o n v e rte r
                                                         C o m m a n d                                                                                                                    A m p lifie r
                                                          & C o n tro l           C o n tro l &
                                                             S ig n a l        S u p e r v is io n
                                                                                                                                                                                     A la r m
                                                                                 P ro c e s s o r                                                                                      a n d
                                                                                                                                                                                    C o n tro l

                                                                                                                                                                                                             S e c o n d a ry
                                                                                                                              D C /D C C o n v e rte r
                                                                                                                                                                                                               V o lta g e s




                Figure 5-1a. RAU1 7-E and 8-E block diagram.




                R a d io In te r fa c e S u b - u n it                                                                                    M ic r o w a v e S u b - u n it
                                                                                                                                                                                    T r a n s m itte r
                                                          T r a n s m it IF
                                                            S ig n a l,
                                                           3 5 0 M H z          T r a n s m it IF                                                                                        T r a n s m itte r                        M u ltip lie r             F in a l                                         B r a n c h in g
                                                                                                                                                                                           O s c illa to r                          & F ilte r              A m p lifie r
                                                                                    S ig n a l                                                                                                                                                                                                                     F ilte r
                                                                                 P r o c e s s in g                                                            F R E Q U E N C Y
                                                                                                                                                                C O N T R O L

                                                                                                                                                                                                                                                                                T X O F F


                                                                                                                                                                                                                                                          O u tp u t                           P o w e r        R F A tte n u a to r
                                                                                                                                                                                                                                                           L e v e l                          D e te c to r        (a c c e s s o ry )
                                                                                                                                                                                                                                                         C o n tro l
                                                                                                                                                                                                                                                        2 6 h ig h p o w e r

                                                                                                                                                                                                                                                                                            R F L o o p                                         A n te n n a
                                                                                                                                                                                                                                                            O U T P U T                        1 8 G H z
                                                                                                                                                                R e c e iv e r                                                                               L E V E L S E T
                                                                                                                                           F R E Q U E N C Y
                                                                                                                                            C O N T R O L
                                                             R e c e iv e IF                                                                                                                                                          M u ltip lie r
                                                              S ig n a l,                                                                                               R e c e iv e r
                                                                                 R e c e iv e IF                                                                       O s c illa to r                                                     a n d
                              C a b le In te r fa c e




                                                            1 4 0 M H z
        M M U                                                                      S ig n a l                                                                                                                                          F ilte r in g
                                                                                P r o c e s s in g

                                                                                                        T o                                                                                                                                                    L o w
                                                                                                         A lig n m e n t P o r t                                         D o w n                          F ilte r &                     D o w n              N o is e                                         B r a n c h in g
                                                                                                                                                                      C o n v e rte r                    A m p lifie r                C o n v e rte r       A m p lifie r                                           F ilte r



                                                            C o m m a n d                                                                                                                                        F ir s t IF
                                                                                                                                             A F C
                                                             & C o n tro l       C o n tro l &                                                                                                                  a ro u n d 1 0 0 0 M H z
                                                              S ig n a l          S u p e r v is io n
                                                                                   P ro c e s s o r                                                                                  A la r m     a n d C o n tro l



                                                                                    D C                                                                                                                                                                          S e c o n d a ry
                                                                                                                                                                                                   D C /D C       C o n v e rte r                                 v o lta g e s




                Figure 5-1b. RAU1 18-E and 26-E block diagram.




                                                                                                              EN/LZT 110 5057 R2A
5-5                                                                                                  5 MINI-LINK E Terminal


        M ic r o w a v e U n it                                                                                                                                                                                                                                        F ilte r U n it



                                         T r a n s m it IF                                                                                     T r a n s m itte r ( M C M                )
                                           S ig n a l,          T r a n s m it IF
                                            3 5 0 M H z                                                                                           T r a n s m itte r                                                  P o w e r                                       B r a n c h in g
                                                                    S ig n a l                                                                     O s c illa to r               M u lt ip lie r                    A m p lifie r                                         F ilte r
                                                                 P r o c e s s in g
                                                                                                                     F R E Q U E N C Y
                                                                                                                      C O N T R O L T X
                                                                                                                                                                                                                                                            R F
                                                                                                                                                                                                                                         T X O F F
                                                                                                                                                                                                                                                          L o o p

                                          D C                                                                                                                                                   O U T P U T
                                                                                                       S e c o n d a ry
                                                             D C /D C C o n v e rte r                   v o lta g e s
                                                                                                                                                                                                 L E V E L S E T      O u tp u t
                                                                                                                                                                                                                       L e v e l
                                                                                                                                                                                                                     C o n tro l
                                                                                                                                                                                                                                                                                          A n te n n a
                                          R e c e iv e IF
                                           S ig n a l,                                                                                                                                                             R e c e iv e r ( M C M                     )
                                         1 4 0 M H z
                                                                                                                                                                                              R e c e iv e r       F R E Q U E N C Y
                                                                                                                                                                                                                    C O N T R O L R X
M M U                                                                                                                                                                                        O s c illa to r
               C a b le In te r fa c e




                                                                                                         F R E Q U E N C Y
                                                                                                        C O N T R O L IF                            IF C o n v e r te r                                                                         R F L o o p
                                                                                                                                   IF
                                                                R S S I                                                      O s c illa to r                                                  M u ltip lie r

                                                                                                                    8 3 4 M H z

                                                                                                                                                                                                                              L o w
                                                                                                                               D o w n                      F ilte r &                          D o w n                      N o is e                                  B r a n c h in g
                                                                                                                              C o n v e rte r              A m p lifie r                       C o n v e rte r                 A m p lif ie r                           F ilte r
                                                                                                           1 4 0 M H z

                                         C o m m a n d
                                          & C o n tro l                                                                                                                    9 7 4 M H z
                                           S ig n a l



                                                                                                                                                                                                                                                                                                         5
                                                                                      A la r m a n d
                                                                C o n tro l &          C o n tro l
                                                               S u p e r v is io n
            T o A lig n m e n t P o r t                          P ro c e s s o r



                                                Figure 5-1c.                               RAU2 15-E, 23-E and 38-E block diagram.


                                                Transmitting direction
                                                The incoming signals from the MMU are demultiplexed in the cable interface.
                                                The transmitting IF signal is amplified and fed to the microwave sub-unit for
                                                modulation onto the RF transmitter oscillator. If the signal is missing, the Tx IF
                                                Input Alarm is activated. The frequency of the transmitter is controlled in a
                                                phase locked loop. An unlocked loop generates the Tx Frequency Alarm.
                                                The transmitting RF signal is amplified, frequency multiplied and filtered. The
                                                transmitter can be controlled by switching the final amplifier on or off. The
                                                transmitter output power is measured and a low level generates the RF Output Level
                                                Alarm.
                                                For test purposes a sample of the transmission signal can be fed into the receiver as
                                                an RF Loop (MINI-LINK 7-E, 8-E, 15-E, 18-E, 23-E and 38-E only).
                                                All radio units have built-in variable attenuators which can be adjusted from
                                                MINI-LINK Netman. In addition to variable attenuators, all RAU1 radios can
                                                have fixed RF attenuators fitted inside the radio unit.




                                                                                                                             EN/LZT 110 5057 R2A
5 MINI-LINK E Terminal                         5-6



             Receiving direction
             The received RF signal is down-converted in two steps to an IF of 140 MHz.
             The frequency of the receiver is controlled in a phase locked loop. An unlocked
             loop generates the Rx Frequency Alarm.
             A portion of the output IF signal is used as a reference in an AFC loop. If the
             control signal is outside the range, Rx AFC Alarm is activated.
             Additionally, a portion of the IF signal is fed to a calibrated detector to provide an
             accurate receiver input level measurement.
             The level is accessible either as analog voltage at the Alignment port on the RAU,
             or in dBm through the CSS, in MINI-LINK Netman. A low receiver level generates
             the RF Input Level Alarm or AGC Threshold Alarm.
             The outgoing signals to the MMU are multiplexed in the cable interface.
             Common parts
             The common parts consist of the RAU Control and Supervision System (CSS). The
             main functions of the RAU CSS are:
             − Alarm collection, where collected alarms and status signals from the RAU are
                 sent to the MMU processor. Summary status signals are visualized with LEDs on
                 the RAU; a green LED indicating Power on (steady) or that the radio unit has
                 been replaced with a unit with faulty software setup (flashing), and a red LED
                 indicating faulty radio unit (flashing) or fault in another unit (steady).
             − Command handling, where commands from the indoor units are executed. The
                 commands include transmitter control, channel frequency settings, output power
                 settings and RF-loop control.
             − Radio unit control, where the RAUs internal processes and loops are controlled.
             If the processor detects a software fault, it generates Proc Software Alarm. An
             interruption during setup generates EEPROM Alarm. Other processor faults
             generate Proc Hardware Alarm.




                                      EN/LZT 110 5057 R2A
5-7                                                               5 MINI-LINK E Terminal



5.1.2   Modem Unit (MMU)
        The MINI-LINK E programme comprises a set of MMU versions providing the
        following traffic capacities:
        - MMU 2x2 for 2x2 Mbit/s,
        - MMU 4x2/8 for 4x2 Mbit/s or 8 Mbit/s,
        - MMU 2x8 for 2x8 Mbit/s or 8x2 Mbit/s (with SMU) and
        - MMU 34+2 for 34+2 Mbit/s or 17x2 Mbit/s (with SMU).
        All MMUs are fully independent of frequency band.

                              O th e r M M U o r S M U                           S A U
                                                                                           S e r v ic e
                                                                                         c h a n n e ls

                                                                      R a d io F r a m e
        2 /8 /3 4 M b it/s                                                                                        M o d u la to r
                                                                        M u ltip le x e r
                                       T r a ffic                                                                                                                 R a d io
                                     In te rfa c e                                                                                                   C a b le       U n it
        2 /8 /2 M b it/s                  a n d                                                                                                   In te rfa c e
                                        R o u te r
                                                                       R a d io F r a m e
                                                                                                                D e m o d u la to r
                                                                      D e m u ltip le x e r



                                                     H C C
                                                                                 S A U
                                                                                          S e r v ic e
                                                                                         c h a n n e ls                                                                                        5
                                                                         H C C

          O p e r a tio n
                a n d                                  C o n tro l &                                                                      R C C
        M a in te n a n c e                          S u p e r v is io n                 N C C             O th e r u n its in
           In te rfa c e s                                                                                  th e a c c e s s m o d u le


            P r im a r y                                 D C /D C
              p o w e r                                C o n v e rte r
             s u p p ly                                                                                   S e c o n d a ry
                                                                                                           v o lta g e s
                                                                                                          S M U , S A U


        Figure 5-2a. MMU 2x2, 2x8 and 34+2 block diagram.




                                                                           EN/LZT 110 5057 R2A
5 MINI-LINK E Terminal                                                                  5-8




                              O th e r M M U o r S M U                                      O th e r M M U o r S M U                             S A U
                                                                                                                                                           S e r v ic e
                                                                                                                                                         c h a n n e ls

             4 x 2 M b it/s
                                                                                                                                     R a d io F r a m e
                                                                                                                                                                                 M o d u la to r
                                                                                                                                       M u ltip le x e r
                                       T r a ffic                                                                                                                                                                                  R a d io
                                                                 2 /8                                  T r a ffic
                                    In te rfa c e                                                                                                                                                                    C a b le     U n it
                                                            M u ltip le x e r                       In te rfa c e
                                          a n d                                                          a n d                                                                                                    In te rfa c e
                                                         D e m u ltip le x e r
                                      R o u te r                                                      R o u te r
                                                                                                                                      R a d io F r a m e                       D e m o d u la to r
                                                                                                                                     D e m u ltip le x e r

                                                                                                                                                         S e r v ic e
                                                                                                                    H C C                                 c h a n n e ls
                                                                                                                                                 S A U
                                                                                                                                         H C C
             8 M b it/s
                                                                        O p e r a tio n                                                                                                                   R C C
                                                                                                                       C o n tro l &
                                                                             a n d
                                                                      M a in te n a n c e                            S u p e r v is io n                 N C C             O th e r u n its in
                                                                         In te rfa c e s                                                                                    th e a c c e s s m o d u le


                                                                             P r im a r y                                D C /D C
                                                                               p o w e r                               C o n v e rte r
                                                                              s u p p ly
                                                                                                                                                                           S e c o n d a ry
                                                                                                                                                                            v o lta g e s
                                                                                                                                                                           S M U , S A U


             Figure 5-2b. MMU 4x2/8 block diagram.



             Transmitting direction
             The traffic input signals are connected from the MMU front or from an SMU
             through the access module backplate. If any of the active signals is faulty, Input
             Alarm is generated. For test purposes the traffic input signals can be looped back
             (MMU Tx Loops).
             MMU 4x2/8 only: The four 2 Mbit/s traffic input signals are multiplexed into one 8
             Mbit/s signal. If the 8 Mbit/s signal from the Multiplexer is faulty, Input Alarm is
             generated.
             Three different service types are multiplexed in the Radio Frame multiplexer for
             transmission over the radio path;
             - Traffic,
             - Service channel and
             - Hop Communication Channel (HCC).
             This composite data stream is signal processed and pulse shaped to optimise
             transmitting spectrum.
             The modulator consists of a phase locked voltage controlled oscillator (VCO). The
             oscillator is controlled from the far radio. If the modulation index is out of range, the
             Mod Index Alarm is generated.
             For test purpose, the IF Loop can be activated. It loops the signal after the
             modulator to the demodulator in the receiving direction.



                                                                EN/LZT 110 5057 R2A
5-9                            5 MINI-LINK E Terminal



Receiving direction
The signal from the RAU is AGC amplified and filtered. It is then demultiplexed and
FEC corrected in the Radio Frame demultiplexer. The demultiplexer generates the
Radio Frame Alarm if frame synchronization is lost. The number of errored bits in
the traffic data stream is measured. These are used for performance monitoring and
BER detection. The BER Alarm is activated when the BER alarm threshold, which
is software setable, is exceeded.
If the received bit stream comes from a radio with an ID differing from the Far End
ID set, a Radio ID Alarm is generated. A Dmod Clock Alarm is generated if the
received data rate does not correspond to the internal data rate of the MMU.
AIS is inserted at the receiving direction in case of failure, see section 5.5.2. AIS
Received Alarm indicates that an AIS signal is received.
In 1+1 configurations, if the receiver fails to synchronise the received traffic signal
to the MMUs, Hitless Phase Alarm is activated to indicate that the 1+1 switching is
not hitless.
MMU 4x2/8 only: The incoming 8 Mbit/s signal is demultiplexed into 2 Mbit/s
signals. If the signal is lost, or there is a frame lock error on the signal, the System
Line Fault E2:1 Alarm or Frame E2:1 Alarm respectively are generated.
                                                                                            5
For test purpose, the traffic output signals can be looped back to the transmitting
direction (MMU Rx Loops). This is made in the traffic router.
Common parts
A microprocessor-based control and supervisory system, CSS, is built into the
MMU. Its main functions are to collect alarms, control settings and loop tests and
handle the bit error collection. The communication channels within a sub-network,
via which the CSS data is transmitted, are presented in section 4.1.2.
The processor communicates with the RAU and the remote MMU over the hop.
The RCC Alarm (Radio Communication Channel) indicates lost communication with
the RAU and the HCC Alarm (Hop Communication Channel) with the remote
MMU.
In 1+0 configurations the processor also handles the terminal communication with
the SMU holding the optional MUXes, and the communication with other terminals
in the AMM. Communication lost with the SMU is indicated by the NCC MUX
Alarm (Node Communication Channel). If communication is lost with the other
terminals within the AMM, the NCC Ext Alarm is generated.
If the processor detects a software fault, it generates Proc Software Alarm. An
interruption during setup, generates the EEPROM Alarm.
Processor faults not covered by the above, generate the Proc Hardware Alarm.




                          EN/LZT 110 5057 R2A
5 MINI-LINK E Terminal                                                                                                                 5-10




5.1.3        Switch Multiplexer Unit (SMU)
             The SMU provides 1+1 protected switching and multiplexing/demultiplexing of
             2 Mbit/s channels.
             The SMU comes in three versions: SMU 8x2 for 8x2 Mbit/s,
                                              SMU 16x2 for 16x2 Mbit/s,
                                              SMU Sw (no multiplexing/demultiplexing).

                          F r o n t o r b a c k - p la n e
                           c o n n e c tio n 2 /8 /3 4 M b it/s

                                              2 x 2                                      T r a ffic            C o n n e c tio n s to M M U s
                                               4 x 2                                  In te rfa c e
                                                       8                                    a n d
                                              2 x 8
                                                3 4
                                                                                        R o u te r




                       O p e r a tio n &                                                   C o n tro l &                                  N C C
                        M a in te n a n c e                                                                                                                    O th e r u n its in
                                                                                         S u p e r v is io n                                                    th e a c c e s s m o d u le
                        In te rfa c e


             A la r m s fr o m    M M U s                                                   1 + 1                                                               M M U        1
                                                                                        S w itc h L o g ic                                                      M M U    2


                                                                                             D C /D C                                                           S e c o n d a ry
                                    M M U
                                                                                           C o n v e rte r                                                       v o lta g e s


             Figure 5-3a. SMU Sw block diagram.



             .
                                                           4 x 2 o r 8                                         2
                                                                                    T r a ffic                 2
                                                                                                                                                 2 /8
                                                                                 In te rfa c e                                              M u ltip le x e r
             C o n n e c tio n to fr o n t                                                                     2
                                                                                                                                                                                   8
                                                                                                                                          D e m u ltip le x e r
              o r o th e r S M U /M M U                                                a n d                       2
                                                                                                                                                                                                                               8
                                                                                   R o u te r                                                                                                                                          M M U 1
                                                                                                                               8                                                                   T r a ffic                  8           2 x 8
                                                                                                                                                                                                   R o u te r
                                                           4 x 2 o r 8                                                 2
                                                                                    T r a ffic                                                       2 /8                                          8 M b it/s
                                                                                                                       2                                                                                                                M M U 2
             C o n n e c tio n to fr o n t                                       In te rfa c e                                                  M u ltip le x e r                      8
                                                                                                                                                                                                                               8
                                                                                                                       2                                                                                                                     2 x 8
                                                                                       a n d                                                  D e m u ltip le x e r                                                        8
              o r o th e r S M U /M M U                                                                                                                                                                                                ( 1 + 1 o n ly )
                                                                                                                           2
                                                                                   R o u te r
                                                                                                                                   8


                                                  O p e r a tio n &                                                                                C o n tro l &                           N C C        O th e r u n its in
                                                   M a in te n a n c e                                                                           S u p e r v is io n                                     th e a c c e s s m o d u le
                                                    In te rfa c e


                                                                                                                                                     1 + 1                                               M M U 1
                                    A la r m s fr o m              M M U s
                                                                                                                                                S w itc h L o g ic                                      M M U 2



                                                                         M M U                                                                       D C /D C                                           S e c o n d a ry
                                                                                                                                                   C o n v e rte r                                       v o lta g e s


             Figure 5-3b. SMU 8x2 block diagram.




                                                                                           EN/LZT 110 5057 R2A
5-11                                                                                5 MINI-LINK E Terminal



                                                                                                                                                                                   M M U 1                         M M U 2                     ( W h e n S M U 1 6 x 2 is
                                                                                                                                                                               2 x 8 , 1 + 0                       2 x 8 , 1 + 0                s h a re d b e tw e e n




                                                                                                                                                                                                            8
                                                                                                                                                                                                     8
                                4 x 2 o r 8                                               2
                                                                                                                                                          2 /8                                                                                   tw o r a d io s 8 x 2 , 1 + 0 )
                                                     T r a ffic                   2
C o n n e c tio n to fr o n t                                                                                                                       M u lt ip le x e r
                                                  In te rfa c e                       2
                                                                                                                                                                                    8
 o r o th e r S M U /M M U                                                                                                                        D e m u lt ip le x e r
                                                        a n d                 2
                                                    R o u te r
                                                                          8


                                 4 x 2 o r 8                                                              2
                                                     T r a ffic                                   2                                                        2 /8                                                                            8

C o n n e c tio n to fr o n t                     In te rfa c e                                                                                      M u lt ip le x e r                 8
 o r o th e r S M U /M M U
                                                                                                      2
                                                                                                                                                   D e m u lt ip le x e r                             T r a ffic                                         8 /3 4
                                                        a n d                                                                                                                                                                                                                                             M M U 1
                                                    R o u te r
                                                                                              2
                                                                                                                                                                                                     R o u te r                        8            M u ltip le x e r                       T r a ffic
                                                                                                                                                                                                                                                                                                             3 4 + 2
                                                                                                  8
                                                                                                                                                                                                    8 M b it/s                                    D e m u ltip le x e r            3 4     R o u te r
                                4 x 2 o r 8                                                                                                   2                                                                                    8                                                     3 4 M b it/s
                                                     T r a ffic                                                                       2
                                                                                                                                                           2 /8                                                                                                                                           M M U 2
C o n n e c tio n to fr o n t                                                                                                                        M u lt ip le x e r                     8
                                                                                                                                                                                                                                                                                                               3 4 + 2
                                                  In te rfa c e                                                                           2
 o r o th e r S M U /M M U                                                                                                                         D e m u lt ip le x e r                                                      8                                                                          ( 1 + 1 o n ly )
                                                        a n d                                                                 2
                                                    R o u te r
                                                                                                                          8


                                4 x 2 o r 8                                                                                       2
                                                     T r a ffic                                                   2
                                                                                                                                                           2 /8
C o n n e c tio n to fr o n t                                                                                                                        M u lt ip le x e r                         8
                                                  In te rfa c e                                                       2
 o r o th e r S M U /M M U                                                                                                                         D e m u lt ip le x e r
                                                        a n d                                                 2
                                                    R o u te r                                                                                                                                                                                                               2 M b it/s is c o n n e c te d to
                                                                                                  8
                                                                                                                                                                                                                                                                              M M U 1 a n d is d is tr ib u te d
                                                                                                                                                                                                                                                                               fu rth e r to M M U 2
                                                           O p e r a tio n &                                                                                                                              C o n tro l &                                 N C C
                                                            M a in te n a n c e                                                                                                                                                                                           O th e r u n its in
                                                                                                                                                                                                        S u p e r v is io n                                                th e a c c e s s m o d u le
                                                             In te rfa c e s


                                               A la r m s fr o m      M M U s
                                                                                                                                                                                                            1 + 1
                                                                                                                                                                                                        S w itc h L o g ic
                                                                                                                                                                                                                                                                            M M U 1
                                                                                                                                                                                                                                                                           M M U 2
                                                                                                                                                                                                                                                                                                                             5
                                                                       M M U                                                                                                                               D C /D C                                                        S e c o n d a ry
                                                                                                                                                                                                         C o n v e rte r                                                    v o lta g e s


                         Figure 5-3c. SMU 16x2 block diagram.

                         Transmitting direction
                         In each multiplexer four 2 Mbit/s signals are multiplexed into an 8 Mbit/s signal. In
                         an SMU 16x2, the four 8 Mbit/s signals are further multiplexed into a 34 Mbit/s
                         signal. If any of the incoming signals is faulty, an Input Alarm is activated.
                         For test purposes, the traffic input signals can be looped back (SMU Tx Loops).
                         Receiving direction
                         The 34 Mbit/s signal in an SMU16x2 is first converted into four 8 Mbit/s signals.
                         The 8 Mbit/s signal is demultiplexed into four 2 Mbit/s signals. If the signal is lost,
                         or there is a frame lock error on the signal, the System Line Fault Alarm or Frame
                         Alarm respectively are generated.
                         For test purposes, SMU Rx Loops can be set to loop back the output traffic signals.
                         AIS is inserted at the receiving direction in case of failure, see section 5.5.2.




                                                                                                                                                  EN/LZT 110 5057 R2A
5 MINI-LINK E Terminal                         5-12



             Common parts
             A microprocessor-based control and supervisory system, CSS, is built into the
             SMU. Its main functions are to collect alarms and control 1+1 switching and loop
             tests.
             In transmitter switching, transmitter is selected automatically on alarm information
             from the transmitter section of the RAU or MMU, or manually from the MMU front
             panel or PC.
             There are two types of receiver switching; hitless switching, for fading, and
             hardware switching. The hardware switching is controlled automatically from the
             SMU processor or manually from the MMU front or the PC. The alarms that cause
             automatic switching are listed in section 5.5.1.
             In case of faults in the switching, the switch logic generates Switch Logic Alarm.
             When the transmitter is replaced due to an alarm, Tx Switch Over Alarm is
             generated. When the transmitter is replaced due to a request from the remote
             terminal, Rem Tx Switch Over Alarm is generated.
             The SMU processor communicates with the MMU(s) in the same terminal and with
             other terminals in the AMM. Communication lost with the MMU(s) activates the
             NCC Ra Alarm (Node Communication Channel), and with the other terminals the
             NCC Ext Alarm. (See section 4.1.2 for the different communication channels in a
             sub-network.)
             If the processor detects a software fault, it generates the Proc Software Alarm. An
             interruption during setup, generates the EEPROM Alarm.
             Processor faults not covered by the above, generate the Proc Hardware Alarm.




                                      EN/LZT 110 5057 R2A
5-13                           5 MINI-LINK E Terminal



5.1.4   Service Access Unit (SAU)
        The Service Access Unit provides additional features such as service channels,
        parallel inputs/outputs and access to the External Alarm Channel (EAC) at a
        MINI-LINK sub-network site. Three versions of the SAU are available; Basic,
        Exp 1 and Exp 2. Digital service channel and RAC require Exp 1 or Exp 2. Analog
        service channel requires Exp 2.

               2 S e r v ic e c h a n n e ls /r a d io
                                                                                                                                                    M M          U                       1
                                                                                                                                                     M M             U                       2
                                                                   D ig ita l                                                                         M M            U                       3
                                                         S e r v ic e c h a n n e l                                                                M M       U                       4
                                                              In te rfa c e &
                                                                                                                                                    M M                  U                       1
                                                                  R o u te r
                                                                                                                                                      M M                        U                       2
                                                                                                                                                       M M                       U                       3
                                                                                                                                                     M M                     U                       4
        6 4 k b p s
         F ix e d                                                                 IT U -T
           lin e                                                                 G .7 0 3       R A C
           F ix e d                                                                          In te rfa c e
                                                                                 R S 2 3 2
            lin e v ia
          m o d e m



                                E A C 1                          E A C
                                                                                                                                                                                                             5
                                 E A C 2                     In te rfa c e


                           U s e r In                           U s e r
                                                              In /O u t
                           U s e r O u t                   P ro c e s s o r

                           O p e r a tio n
                                 a n d                                                          C o n tro l &        N C C                      O th e r u n its in
                         M a in te n a n c e                                                   S u p e r v is io n                         th e a c c e s s m o d u le
                           In te rfa c e s


                                                                                                  D C /D C              S e c o n d a ry
                                                                         M M U                     C o n v e rte r        V o lta g e s


        Figure 5-4a. SAU Exp 1 block diagram.




                                                                EN/LZT 110 5057 R2A
5 MINI-LINK E Terminal                                                                                   5-14




                  2 S e r v ic e c h a n n e ls /r a d io
                                                                             D     ig ita l                                                                                                         M M       U                       1
                                                                  S e r v ic     e c h a n n e l                                                                                                      M M             U                       2
                                                                       In te      rfa c e &                                                                                                            M M            U                       3
                                                                           R      o u te r                                                                                                           M M          U                       4
                                               2 /4                      A n     a lo     g u e                                                                                                      M M                  U                       1
                                              w ir e              S e r v ic      e c      h a n n e l                                                                                                 M M                        U                       2
                                                                       In te       rfa   c e &                                                                                                          M M                       U                       3
                                                                           R       o u   te r                                                                                                         M M                     U                       4
             6 4 k b p s
              F ix e d                                                                              IT U -T
                lin e                                                                              G .7 0 3                    R A C
                F ix e d                                                                                                    In te rfa c e
                 lin e v ia                                                                       R S 2 3 2
               m o d e m
                                          B R

                                     E A C 1                                  E A C
                                      E A C 2                             In te rfa c e


                                 U s e r In                                  U s e r
                                                                           In /O u t
                                 U s e r O u t                          P ro c e s s o r

                                O p e r a tio n
                                      a n d                                                                                   C o n tro l &                          N C C                       O th e r u n its in
                              M a in te n a n c e                                                                              S u p e r v is io n                                          th e a c c e s s m o d u le
                                In te rfa c e s


                                                                                                                                     D C /D C                            S e c o n d a ry
                                                                                          M M U                                       C o n v e rte r                      V o lta g e s


             Figure 5-4b. SAU Exp 2 block diagram.




                      E A C 1                               E A C
                       E A C 2                          In te rfa c e


               U s e r In                                   U s e r
                                                          In /O u t
               U s e r O u t                           P ro c e s s o r

               O p e r a tio n
                     a n d                                                                                    C o n tro l &                             N C C                      O th e r u n its in
             M a in te n a n c e                                                                               S u p e r v is io n                                            th e a c c e s s m o d u le
               In te rfa c e s


                                                                                                                 D C /D C                                  S e c o n d a ry
                                                                    M M U                                         C o n v e rte r                            V o lta g e s


             Figure 5-4c. SAU Basic block diagram.




                                                                                 EN/LZT 110 5057 R2A
5-15                        5 MINI-LINK E Terminal



EAC Port
The External Alarm Channel (EAC) ports are used for connection of the alarm and
control information to and from other MINI-LINK E access modules or
MINI-LINK C or MkII terminals on the same site, when building MINI-LINK sub-
networks. Lost communication on the EAC channel generates the EAC Alarm.
User In/Out
At the User In ports, the users’ alarms are connected to the MINI-LINK operation
and maintenance network. The User Input Alarm indicates an active User Input.
The User Out ports are used for control of the users’ functions via the MINI-LINK
sub-network. The User Out ports can also be set to connect summary alarms from
the access module to the users’ supervisory system.
Control and Supervision Processor
A microprocessor-based control and supervisory system, CSS, is built into the SAU.
It controls user input and output and service channel routing. The communication
channels within a sub-network, via which the CSS data is transmitted, are presented in
section 4.1.2.
The processor communicates with other processors in the access module via the NCC
(Node Communication Channel) and with other MINI-LINK sites through the EAC.
Loss of communication activates the NCC Ext Alarm and the EAC Alarm respectively.
                                                                                         5
If the processor detects a software fault, it generates Proc Software Alarm. An
interruption during setup, generates EEPROM Alarm. Other processor faults, not
covered by the above, generate Proc Hardware Alarm.
Digital Service Channels (Exp 1 and Exp 2 only)
The digital service channels (ITU-T Rec G.703 64kbit/s) are used for connection of
external equipment, and a failure activates the Service Channel Alarm.
Analog Service Channel (Exp 2 only)
The analog service channel is used for speech communication between MINI-LINK
sites. For connection to other AMMs on the same site, each SAU Exp 2 has two
branching ports which use the same connector as EAC (BR/EAC).
RAC (Exp 1 and Exp 2 only)
The Remote Alarm Channel (RAC) is used when MINI-LINK terminals on
different sites cannot be reached by air. The RAC has two types of interface, RS
232C for analog fixed lines (via modem) and digital ITU-T Rec G.703 for 64 kbit/s
fixed lines. A fault on the RAC channel activates the RAC Alarm.




                        EN/LZT 110 5057 R2A
5 MINI-LINK E Terminal                                             5-16




5.2          MINI-LINK E Supervision
             MINI-LINK E equipment is supervised as terminals, where a terminal is either
             one side of a hop, or an SAU. The indoor parts (MMUs and SMUs) and
             outdoor parts (RAUs) belonging to the same terminal, have one ID. In the
             network list, the terminal is presented as one ID, whereas at terminal level the
             different units in the terminal are presented separately.
             The radio terminal types are:
             MLE 1+0 Consists of one MMU, one RAU and, for traffic rates 8x2 and
                          17x2 Mbit/s, one SMU.
             MLE 1+1                 Consists of two MMUs, two RAUs and one SMU.
             An SMU can be shared by two MMUs; either the two MMUs in a protected
             hop, or two separate 1+0 terminals. When the SMU is shared between two 1+0
             terminals, traffic alarms are presented in the terminal concerned, whereas
             common SMU alarms are presented in both terminals.
             The indoor part of the MINI-LINK E, the access module, can hold indoor units
             for up to four terminals.
             The SAU has its own ID and is shared between all terminals within an access
             module.

             Site B                           Site A                                               Site C

                                                                    AMM 1
                         RAU                           RAU                             RAU                  RAU
                         (ID B101)                     (ID:A104)    MMU1 ID:A101       (ID:A101)            (ID:C101)
                                                                                                                        MMU1 ID:C101
                                                                    SAU1    ID:A102



                         RAU                                        AMM 2
                                                       RAU
                         (ID B101)                     (ID:A104)     SAU1   ID:A103
                                                                                                   Site D
                                                                     MMU1 (ID:A104)

                  MMU1 (ID B101)                                    MMU2 (ID:A104)
                                                                                       RAU                  RAU
                  MMU2 (ID B101)                                     SMU1    ID:A104
                                                                                       (ID:A105)            (ID:D101)
                  SMU1   ID:B101                                     SMU2   *                                           MMU1   ID:D101
                                                                     MMU3 ID:A105                                       SMU1 (ID:D101)
                                                                    MMU4 ID:A106
                                                                                                   Site E

                                                                                       RAU                  RAU
                                                                                       (ID:A106)            (ID:E101)
                                                                                                                        MMU1   ID:E101

                                                                                                                        SMU1 (ID:E101)



             * The SMU is shared between two terminals; A105 and A106.

             The IDs in brackets are IDs that are automatically set when
             - the SMU is set in a 1+1 terminal, or
             - the MMU is set in a 1+0 terminal.
             Figure 5-5.           Example of IDs in a MINI-LINK E sub-network.




                                                 EN/LZT 110 5057 R2A
5-17                          5 MINI-LINK E Terminal



5.2.1   Operation and Maintenance Facilities
        There are various operation and maintenance facilities in MSM to perform on the
        equipment at terminal level when the sub-network is run in normal operation. The
        different facilities are controlled from the Terminal window.
        For each radio terminal you can
        - read alarm, performance and AGC (RF input level) data,
        - activate P-mark during service work on the equipment (with P-mark activated, all
          alarm signals are generated and can be read in the normal way, but notification
          signals are inhibited),
        - measure the traffic signals with an external instrument from test ports on the
          front, without disturbing the traffic,
        - switch transmitters and receivers (protected configurations only),
        - etc.
        For a SAU you can
        - read alarm data,
        - activate P-mark during service work,
                                                                                                5
        - read environmental alarms (connected to User In),
        - control remote functions, such as start air condition equipment (connected to
          User Out),
        - etc.

5.2.2   Fault Localization
        The MINI-LINK equipment has several failure detectors. If a failure occurs in a
        terminal, a notification message will be shown and one or more alarms in the
        Terminal window will go active (see explanation in section 4.1.4). To help
        locate the faulty terminal and unit, loop backs at several levels are available.




                                 EN/LZT 110 5057 R2A
5 MINI-LINK E Terminal                                              5-18




5.3          MINI-LINK E Radio Terminal Window
             Two Terminal windows are presented next to each other; for the selected
             terminal on the left and for the far-end terminal on the right-hand side. The
             Terminal window is divided into the Alarm field, with alarm presentation, and
             the Control and Status field, with control facilities and status presentation.




             Figure 5-6.   The Terminal window (MINI-LINK E 1+1 terminal).
             The Menu bar at the top of the window offers different facilities for terminal
             management of the selected terminal. The Terminal window has the following
             menus; Setup, Log, View, Misc, Window and Help. The different menus are
             presented in the sections below.
             The Status bar is the same as shown at the network level (see chapter 4).
                                                                R A U           R A U
                                  (S A      U )                                              (S A      U )
                                                                 R a 1           R a 1
                              M M U              R a 1                                   M M U              R a 1
             5 0 3 A           M M U              R a 2                                   M M U              R a 2   5 0 2 B
                                     S M     U                                                  S M     U
                                      S M      U                                                 S M      U
                                    M M              U                                         M M              U
                                   M M             U            R A U           R A U         M M             U
                                                                 R a 2           R a 2
                                 A M M                                                     A M M
             Figure 5-7.   The Terminal window for a selected MINI-LINK E terminal shows a graphical
                           presentation of the equipment in the selected and the far-end terminal.




                                                          EN/LZT 110 5057 R2A
5-19                        5 MINI-LINK E Terminal



5.3.1     The Setup Menu
          From the Setup menu, various setup parameters can be set or changed for a
          MINI-LINK E radio terminal.




          Figure 5-8.   The Setup menu bar.


5.3.1.1   AM Setup
          AM setup is used for viewing the setup of the equipment and the IDs of the
          installed terminals in the access module (AM).




                                                                                                    5



          Figure 5-9.   The AM Setup window.

          The following parameters are presented for the units and the terminals in the
          AMM:
          Pos                            The unit positions within the AMM. The positions
                                         are numbered starting from the lowest position.
          Type (indoor)                  The indoor unit type.
          Type (outdoor)                 The outdoor unit type. Only for MMU units.
          ID                             The identity of the terminal. An ID consists of four
                                         digits or letters. See section 4.1.1.
                                         The units in pos 1 , 2 and 3, in the AM Setup
                                         example in Figure 5-9, belong to the same terminal
                                         ID.




                                      EN/LZT 110 5057 R2A
5 MINI-LINK E Terminal                       5-20



             Prot. Mode (not for SAU) Defines the mode of operation:
                                      1+0, for unprotected terminal.
                                      1+1 Hot, for hot standby, where one transmitter is
                                      transmitting, while the other one is standby (not
                                      transmitting). Both radios operate at the same
                                      frequency.
                                      1+1 Work, for frequency diversity, where both
                                      transmitters are transmitting but at different
                                      frequencies.
             Traffic (not for SAU)    Depending on MMU type, SMU type and
                                      configuration, different traffic options are given.
                                      The extension ”-TR” indicates that Traffic Routing
                                      is active in the unit.
             Config                   The Config button is used to open the AM Setup
                                      Configuration window. In the Configuration
                                      window you can select protection mode, select
                                      traffic and enter the ID for the terminal(s), as
                                      described in chapter 3.
                                      After the Traffic Routing Setup there is a
                                      Deactivate button for each traffic routed terminal in
                                      the Configuration window. By clicking on the
                                      Deactivate button, the traffic routing in a terminal
                                      will be reset to default values (as specified in AM
                                      Setup).




                                        Figure 5-10. The AM Configuration window, with the
                                                     Deactivate button.

             Expanded NCC               An O&M communication bus which allows
                                        interconnection between two AMMs for
                                        distribution of operation and maintenance data.
                                        This reduces the need for additional SAUs.
                                        If Expanded NCC should be used the AM No must
                                        be selected in the AM Setup. Note: The NCC cable
                                        must NOT be connected between the two AMMs
                                        until both AMMs have unique AM No.




                                     EN/LZT 110 5057 R2A
5-21                         5 MINI-LINK E Terminal



5.3.1.2   Hop Setup
          Hop setup is used for setting of hop specific parameters.




          Figure 5-11. The Hop Setup window.
                                                                                                     5
          The following parameters are available:
          Type                                 Radio band/sub-band (displayed as information
                                               only). See Product Catalogue EN/LZT 110
                                               2011 for information on the specific frequency
                                               bands and sub-bands available
          Tx Frequency (MHz)                   Transmitting frequency in MHz. (See Product
                                               Catalogue EN/LZT 110 2011 for information
                                               on available frequencies.) The Tx Frequency
                                               must correspond with the Rx Frequency of the
                                               far-end radio.
          Rx Frequency (MHz)                   Operating receiver frequency in MHz
                                               (displayed only as information).
          Tx Attenuator (dB)                   The value of the fixed attenuator mounted, if
                                               applicable.
          Remote Controlled                    If selected the output power is set
          Output Power                         from MSM, if not the output power is set
                                               locally on the radio.
          Output Power (dBm)                   (Only if Remote Controlled Output Power is
                                               selected.) Adjustment of transmitter output
                                               power (including Tx Attenuator).
          AGC Alarm Threshold (dBm) AGC threshold value for the RF input level.
                                    (Used for 1+1 switching.).



                                    EN/LZT 110 5057 R2A
5 MINI-LINK E Terminal               5-22



             Radio ID Check         The purpose of the Radio ID option is to
                                    eliminate reception of traffic from any other
                                    radio but the correct far-end radio. When
                                    Radio ID is set to On, the ID of the received
                                    bit stream is checked. If the ID differs from the
                                    ”Far Radio ID” in the EEPROM, a Radio ID
                                    Alarm signal is generated.
             Far End ID             Identity of the far-end radio terminal in the
                                    hop.
             BER Alarm              The BER (Bit Error Ratio) alarm threshold
                                    value. Can be set to 10-3, 10-4, 10-5 and 10-6.
             Local Control          Activated Local Control enables control
                                    possibilities, such as setting loops, from the
                                    Local Supervision Interface on the MMU.
             NCC                    The terminals presented in the NCC are the
                                    terminals in the same AMM as defined in the
                                    AM Setup.
             Expanded NCC           If Expanded NCC is enabled, AM No selected
                                    to 1 or 2 in the AM Setup, the Expanded NCC
                                    dialog box can be opened by selecting the Exp.
                                    NCC button.




                                    Note: The Expanded NCC is configured in the
                                    Expanded NCC dialog box and is not affected
                                    by the Save button in the Hop Setup.




                              EN/LZT 110 5057 R2A
5-23                         5 MINI-LINK E Terminal



5.3.1.3   Traffic Setup
          Traffic setup is where all traffic inputs are specified (on/off) and the traffic
          routing is defined within an AMM.
          Note I: Traffic setup must be performed after AM setup since the basic traffic
          configuration is defined in the AM Setup window.
          Note II: Traffic routing is guaranteed only for a configurations verified
          according to the MINI-LINK E Planning and Engineering manual and when
          you consider the prerequisites in section 3.5 in this manual.




                                                                                                     5



          Figure 5-12. The Traffic Setup window.
          In the Traffic Setup dialog box you can perform traffic routing and enable
          traffic input alarms.
          The Reset button will reset the traffic routing setup for all terminals in the
          AMM to the original traffic configuration as set in the AM Setup window.
          Warning: A reset of traffic routing will disturb traffic!




                                      EN/LZT 110 5057 R2A
5 MINI-LINK E Terminal                         5-24



             Terminal traffic presentation includes (The numbers refer to figure 5-12):
             1. Terminal ID              At the top it is possible to select any of the radio
                                         terminals in the AMM, by selecting the
                                         corresponding identity.
             2. Connection               The Connection field presents the selected
                                         connection point for each traffic signal.
                                         Connection points with pos no are connected to the
                                         front panel on the terminal.
                                         Connection points with ID are connected in the
                                         back-plane to another terminal in the AMM.
             3. Alarm                    The input alarm detectors for each traffic signal can
                                         be:
                                         - Enabled (marked), meaning that an input alarm
                                         will be activated if a faulty traffic signal is detected
                                         on the input.
                                         - Disabled (not marked), meaning that the input
                                         alarm detector is disabled.
             4. Traffic Signal buttons Each traffic signal in a terminal is represented with
                                       a button. By selecting the button, the traffic signal
                                       will be presented in the Traffic Routing field.

             The Traffic Routing field includes the following controls and presentations:
             Selected Signal             The traffic signal selected in the terminal traffic
                                         presentation.
             Connected to                The current connection point for the selected traffic
                                         signal.
             Available connection        The available connection points
             points list box             for the selected traffic signal.
             Connected to                The current connection point for the selected
                                         Available connection point.
             Connect button              With Connect the Selected Signal is connected to
                                         the signal selected in the Available Connection
                                         Points list box.
             Disconnect button           With Disconnect the connections for the Selected
                                         Signal and the signal selected in the Available
                                         connection points list box are removed.




                                      EN/LZT 110 5057 R2A
5-25                         5 MINI-LINK E Terminal




5.3.2     The Log Menu
          The Log menu gives access to the data collected from the terminals and stored
          in the MSM log directory. You can read, sort and print the log files for analysis
          and problem tracking.




          Figure 5-13. The Log menu bar.
          The following functions are available for the Alarm Log windows; Print to File,
          Search Filter and Refresh.
          With Search Filter you can set different parameters, for example time or type of
          equipment, to search for certain logs.
          When opened from the Terminal window, the logs show data for the selected
          terminal, whereas the logs reached from the Network window show data from
          all supervised terminals within the network.
          Note: The log functions must be activated in the Data Collection window from
          the Network window Config menu.
                                                                                                  5
          The Log menu contains the following log:

5.3.2.1   Alarm Log
          For explanation of the Alarm Log options, see the Network window Log menu
          in section 4.3.6.1.

5.3.3     The View Menu
          The View menu presents information on alarm history, performance, revision and
          terminal properties concerning the selected terminal.




          Figure 5-14. The View menu bar.




                                    EN/LZT 110 5057 R2A
5 MINI-LINK E Terminal                           5-26



5.3.3.1      Alarm History
             Alarm History presents all alarms which have been active since the last reset of
             the Alarm History in the terminal, including present status.
             The Alarm History window presents information on alarms concerning the
             selected terminal, for analysis and problem tracking.




             Figure 5-15. The Alarm History window.
             The Alarm presentation uses the same graphical display and alarm indicators as
             for the Alarm field in the Terminal window (as described in section 5.3.7.1).
             The Reset button resets all the alarms in the Alarm History window.
             To get further information about an alarm and instructions for fault localization,
             the MSM Help window can be used. See section 4.1.5 ”Fault Information”.
             The Alarm presentation for a MINI-LINK E Radio terminal consists of:
             – Summary alarms
             – Transmitter alarms
             – Receiver alarms
             – Common alarms




                                       EN/LZT 110 5057 R2A
5-27                            5 MINI-LINK E Terminal



5.3.3.2   Performance
          Performance presents performance values according to ITU-T Rec G.826, max.
          AGC levels and current temperature for the selected terminal. Accumulated
          data is saved in the terminal in a non-volatile memory every 18 hours. If the
          power is interrupted, loss of performance data is limited to the last 18 hours at
          the most.




                                                                                                         5

          Figure 5-16. The Performance window.

          The New Sample button updates the Performance window.
          The traffic performance counters and the AGC levels can be cleared with Reset
          buttons.
          The performance values data is presented below. The maximum value for the
          performance data is > 50 years.
          Traffic Performance values:
          Unavailable Time, UT                   A period of UT begins at the onset of 10
                                                 consecutive SES events. (A new period of AT
                                                 begins at the onset of 10 consecutive non-SES
                                                 events.)
          Severely Errored Seconds,              Seconds with ≥30% errored blocks or one or more
          SES                                    Severely Disturbed Period, SDP. (SDP occurs with,
                                                 over a period of time, a bit error intensity of >10-2
                                                 or an interruption.)
          Severely Errored Seconds               The ratio of SES to total seconds in AT.
          Ratio, SESR
          Errored Seconds, ES                    Seconds with one or more errored blocks.
          Errored Seconds Ratio, ESR             The ratio of ES to AT.

                                    EN/LZT 110 5057 R2A
5 MINI-LINK E Terminal                       5-28



             Available Time, AT              Total time excluding UT.
             Background Block Error, BBE     Block with one or more errored bits (excluding
                                             SES).
             Background Block Error Ratio,   The ratio of errored blocks to total blocks
             BBER                            during a fixed measurement interval (excluding
                                             SES and UT).
             Background Block, BB            The number of blocks during AT (excluding
                                             SES).

             AGC Performance values:
             Last Sample                     The current RF input level in dBm.
             Since Last Reset                The maximum RF input level since a reset was
                                             performed. (After reset the value will be
                                             continuously updated until the seventh day, after
                                             this period the value will be updated every seven
                                             days.)
             Last 7 Days                     The maximum RF input level during the last
                                             seven day period. (After reset the value will be
                                             continuously updated until the seventh day, after
                                             this period the value will be updated every seven
                                             days.)

             Temperature Performance values:
             MMU Temperature             The current temperature in the MMU in degrees
                                         Celsius.
             RAU Temperature                 The current temperature in the RAU in degrees
                                             Celsius.




                                    EN/LZT 110 5057 R2A
5-29                      5 MINI-LINK E Terminal




5.3.3.3   Revision Codes
          Revision shows hardware and software revision information concerning all units
          in the terminal and the AMM housing the terminal.




          Figure 5-17. The Revision Codes window.
          The presented Revision Codes data depends on the selected terminal type.
          Type                Type of unit/magazine.
          HW Revision         Hardware Revision. The revision of the hardware in the
                              unit/magazine.
                                                                                                 5
          Serial No.          Serial Number. The serial number of the unit.
          SW Type             Software Type. Shows the article number for the CSS program
                              installed and running in the unit.
          SW Revision         Software Version. The version of the CSS program installed and
                              running in the unit.
          AMM Position        The unit positions within the Access Module Magazine. The
                              positions are numbered starting from the lowest position.


5.3.4     The Misc Menu
          The Misc (Miscellaneous) menu contains the following facilities:




          Figure 5-18. The Misc menu bar.




                                    EN/LZT 110 5057 R2A
5 MINI-LINK E Terminal                          5-30



5.3.4.1      Restore
             Restore is used for resetting of the control functions in the terminal to default
             values.




             Figure 5-19. The Restore window.
             The following functions are restored for a MINI-LINK E terminal:
             – P-mark is set to Off
             – All Loops are set to Off
             – All Test Port connections are removed
             – Switch Mode is set to Auto
             – Transmitter is set to On

5.3.4.2      Reset
             Reset is used for resetting of the processor in a selected unit within the
             terminal.
             Note: A reset might disturb the traffic.




             Figure 5-20. The Reset window.

5.3.4.3      Update Status
             Update status is used for manual update of terminal status in the active hop.




                                        EN/LZT 110 5057 R2A
5-31                                5 MINI-LINK E Terminal



5.3.4.4   SW Activate
          SW Activate is used to perform an activation of a new software in the units in
          the selected terminal.
          If an activation session is in progress the ”SW Activate” command is disabled in
          the Misc Menu.
          If no activation session is in progress the ”Activate Unit” window opens. The
          window shows all units in the terminal that are available for software activation.




          Figure 5-21. The dialog window for activating units in a selected terminal.
                       The figure shows the window before and after activation of a unit.

          1. Select one unit in the Units field.
          2. Select Activate to confirm and start the activation (the button is disabled if the
                                                                                                               5
             selected unit does not support remote activation). After the activation is
             performed the Units field is updated.
          (For further information, see the explanation below for the fields and buttons.)
          Unit        Definition of the unit, normally the ID of the terminal.
                      An addition to the ID is used to indicate RAU and MMU units in MINI-LINK E
                      1+1 terminals. (1+0 terminals has no addition.)
                       _Ra1 = the first radio in a 1+1 configuration.
                       _Ra2 = the second radio in a 1+1 configuration.
          SW Type     The following types of MINI-LINK E software are available:
                      CAU 1191099       MMU             All MMUs
                      CAU 1191101       SMU             All SMUs
                      CAU 1191102       SAU             All SAUs
                      CAU 1191100       RAU             Frequency bands from 15 GHz to 38 GHz
                      CAU 1192721       RAU             Frequency band 7 GHz
                      CAU 1192761       RAU             Frequency band 7/8 GHz
                      CXC 113404        RAU             Frequency bands from 15 GHz to 38 GHz
                      CXC 113400        E_MICRO         All MINI-LINK E Micro
          Active      The currently operating software version for the unit. This version will after the
                      activation become the Passive version.
          Passive     The loaded, not active, software version for the unit. This version will after the
                      activation become the Active version.

          Activate    To start the activation.
                      (If the selected unit has an active software version newer than the passive software
                      version, a warning is shown.)




                                        EN/LZT 110 5057 R2A
5 MINI-LINK E Terminal                           5-32



5.3.5        The Window Menu
             The Window menu lists the Network window and all opened Terminal
             windows.




             Figure 5-22. The Window menu bar.
             By selecting one of the windows from the menu, this window will be the active
             one. This menu also offers a possibility of closing all opened Terminal windows.

5.3.6        The Help Menu
             Help gives access to different help files.




             Figure 5-23. The Help menu bar.
             For other ways to get help with the MSM program:
             • Press F1 on the keyboard to get help on a selected function.
             • Select the Help button in an opened sub-window to get help on that sub-
               window.

             The following alternatives are available in the menu:

5.3.6.1      Contents
             To open the terminal help file for the MINI-LINK E Radio.
             The Network and Program help files are only available from the Network
             window Help menu.

5.3.6.2      About the Program
             Shows information about the MINI-LINK program: version, serial number and
             licence holder.




                                       EN/LZT 110 5057 R2A
5-33                                5 MINI-LINK E Terminal




5.3.7     The Terminal Window (Radio Terminal)
          The Terminal window for each terminal is divided into two parts; the Alarm
          field and the Control and Status field.




                                                                                                           5
          Figure 5-24. The Terminal window (MLE 1+1).

5.3.7.1   The Alarm Field
          In the Alarm field, the units in MINI-LINK E radio terminals are presented
          graphically. The traffic signal is presented with arrows in the units.
          A red button with an arrow and a cross indicates an alarm.
                                     MUX FAIL        MOD FAIL        TX FAIL
                               MUX LOS        MOD LOS           TX LOS


          Transmitter Alarms
          Common Alarms
          Receiver Alarms

                                DMUX FAIL       DMOD FAIL         RX FAIL
                                       DMUX LOS       DMOD LOS           RX LOS

          Figure 5-25. Graphical alarm presentation in a MINI-LINK E near-end 1+1 terminal.
          The alarms, as shown in the figure above, indicate the following failures:
          MUX LOS, MOD LOS, TX LOS - transmitting direction, input traffic failure
          MUX FAIL, MOD FAIL, TX FAIL - transmitting direction, internal failure
          DMUX LOS, DMOD LOS, RX LOS - receiving direction, input traffic failure
          DMUX FAIL, DMOD FAIL, RX FAIL - receiving direction, internal failure
          COMMON - other fault (excluding defined LOS and FAIL faults)
          A-alarms and B-alarms are indicated in a square in the Alarm field. An A-alarm is
          traffic disturbing calling for immediate action, while a B-alarm is not.

                                     EN/LZT 110 5057 R2A
5 MINI-LINK E Terminal                            5-34



             Detailed Alarm Information
             • Click on the arrow or unit to reach a sub-level with detailed information on
               the alarm.




             Figure 5-26. The Alarm field in the Terminal window (MLE 1+1) and an opened sub-level window.
             At the sub-levels, the alarms are followed by symbols depending on status:
                 Normal, no alarm indicated
                 Alarm indicated
                 AIS received or AGC threshold indicated (does not affect status on superior
                 levels.)
             To get further information about an alarm and instructions for fault
             localization, the MSM Help window can be used as described in section 4.1.5.

5.3.7.2      The Control and Status Field




             Figure 5-27. The Control and Status field in the Terminal window (MLE 1+1).
             Each control function has a sub-window with selection possibilities. An abnormal
             status, which is a status differing from the default value, is indicated with bold font
             and yellow background colour in the field next to the button.
             • Click on the control button to open the sub-window.




                                         EN/LZT 110 5057 R2A
5-35                            5 MINI-LINK E Terminal



The control functions for a MINI-LINK E radio terminal are:
P-mark
P-mark is a valuable facility during fault localization. With P-mark activated, all
alarm signals are generated and can be read in the normal way, but alarm
notification messages are inhibited. The severity of the terminal will be Warning
independent of alarm status.




Figure 5-28. The P-mark window.

MLE Loops
All available loops are listed and can be activated/deactivated.

                                                                                            5




Figure 5-29. The Loops window.
The loop test facility is a helpful tool for localization of a faulty unit. Several
loops can be set to isolate the fault to one unit. Note: Rx and Tx loops cannot
be combined with test port connection, see next page.
To set loops for the other transmitting direction use the Rev. Loops button.
The button Undo allows a reset of the loops set, if not saved (by the OK
button).




                          EN/LZT 110 5057 R2A
5 MINI-LINK E Terminal                                                    5-36



             Near-end Loops (Tx Loops)
               Near-end looping tests are used to find out if any of the units in the near-end
               terminal is faulty (the SMU, MMU or RAU). The following near-end loop tests
               are available (the numbers in brackets after each loop refer to the figure below):
                SMU Tx Loops (N1). In the SMU the traffic signal to be transmitted is,
                immediately at the input, looped back to the output (on the receiving side).
                AIS is inserted at the far-end.
                MMU Tx Loops (N2). The traffic signal to be transmitted is looped back at the
                input of the MMU. AIS is inserted at the far-end.
                IF Loop (N3). In the MMU the traffic signal to be transmitted is after being
                modulated mixed with the frequency of a local oscillator and looped back for
                demodulation (on the receiving side).
                RF Loop (N4) (MINI-LINK 7-E, 8-E, 15-E, 18-E, 23-E and 38-E). In the RAU
                a fraction of the traffic signal to be transmitted is shifted in frequency and looped
                back to the receiving side. Note: Turn off the transmitter of the remote terminal
                before activating RF loop, to avoid interference.
                N 1                       N 2           N 3             N 4

                        S M U                                                                                        S M U              A IS
                                                 M M U          R A U                   R A U      M M U
                       ( o p tio n a l)                                                                             ( o p tio n a l)


                N e a r-e n d                                                       F a r-e n d

                Figure 5-30.                The near-end loops in MINI-LINK E.

             Far-end Loops (Rx Loops)
               Far-end looping tests are used in order to find out (from remote) if any of the
               units in the far-end terminal is faulty (the SMU, MMU or RAU). The following
               far-end loop tests are available (the numbers in brackets after each loop refer to
               the figure below):
                MMU Rx Loops (F1). In the MMU the traffic signal being received (in the traffic
                interface and router part of the unit) is looped back to the transmitting side. AIS
                is inserted at the far-end.
                SMU Rx Loops (F2). In the SMU the traffic signal being received (in the traffic
                interface and router part of the unit) is looped back to the transmitting side.
                AIS is inserted at the far-end.
                                                                                                           F 1                  F 2

                      S M U                                                                                       S M U                A IS
                  ( o p tio n a l)
                                                M M U           R A U                 R A U       M M U          ( o p tio n a l)


                N e a r-e n d                                                       F a r-e n d

                Figure 5-31.                The far-end loops in MINI-LINK E.




                                                              EN/LZT 110 5057 R2A
5-37                                     5 MINI-LINK E Terminal



Test Port
Test port is used for directing traffic signals to/from the test ports on the front.




                                                                                                          5
Figure 5-32. The Test Port window.
Each SMU and MMU has one test ports on the front panel, to which you can
connect test equipment. You can choose either to monitor or to route a traffic
signal.
   • If you want to check the traffic signal, select the function Monitor and
     connect an analyzer to Test Port Out.
     The traffic signal will be lead to your analyzer without disturbing the traffic.
   • If you want to measure for example bit error on the traffic signal, select the
     function Route, set an RF loop or a loop at the far-end, and connect a
     BER-meter to the test ports.
   Note: Tx loop and Rx loop cannot be set in the same unit as the test port
   connection; the latest action will remove the first. If for example the test ports on
   an MMU are connected and after that a Tx loop on the BB1 signal in the MMU
   is set, the test port connection will be removed. (The loops are presented on the
   previous page.)
The button Undo allows a reset of the changes performed, if not saved (by the
OK button).
                                                 BER             BIT
  Analyzer                                       Detector        Generator

                 Test Port In                                    Test Port In
Test Port Out                                   Test Port Out
                    Traffic In                                      Traffic In
   Traffic Out                                     Traffic Out


Figure 5-33. The Test Port facilities; Monitor and Route.



                                 EN/LZT 110 5057 R2A
5 MINI-LINK E Terminal                            5-38


             Transmitter
             The transmitter can be set On or Off.




             Figure 5-34. The Transmitter window for an 1+1 terminal.
             If the transmitter for the radio unit is turned off by the operator, it cannot be
             controlled by the terminal.

             Switch Mode
             (for 1+1 configurations only)
             Switch Mode can be set to Auto or Manual.




             Figure 5-35. The Switch Mode window.
             In Automatic mode (set by default) switching is controlled by the state of
             different alarms in the terminal. When an alarm occurs in the active radio, there
             is a switch-over to the standby radio. This radio then remains the active radio
             (minimum number of switch-overs).
             With Manual mode set, the user selects transmitting (1+1 Hot only) and
             receiving radio, irrespective of alarm status.




                                        EN/LZT 110 5057 R2A
5-39                            5 MINI-LINK E Terminal



Status




Figure 5-36. Two examples of the Control and Status field in the Terminal window.
The current status of the transmitter(s) and receiver(s), is shown in the Status
field to the right.
The Status field shows:
Tx; The active transmitter is indicated by a frame, and the output power is
presented.
Rx; The active receiver is indicated by a frame, and the RF Input level is
presented.
                                                                                               5




                            EN/LZT 110 5057 R2A
5 MINI-LINK E Terminal                          5-40




5.4          MINI-LINK E SAU Terminal Window
             The Terminal window is divided in the Alarm field, with alarm presentation, and
             the Control and Status field, with control facilities.




             Figure 5-37. The Terminal window for a MINI-LINK E SAU.

             The Menu bar at the top of the window offers different facilities for terminal
             management for the selected terminal. The Terminal window has the following
             menus; Setup, Log, View, Misc, Window and Help. The different menus are
             presented in the sections below.
             The Status bar is the same as shown at the network level (see chapter 4).




                                       EN/LZT 110 5057 R2A
5-41                     5 MINI-LINK E Terminal



5.4.1     The Setup Menu
          From the Setup menu, various setup parameters can be set or changed for a
          MINI-LINK SAU terminal.




          Figure 5-38. The Setup menu bar.

5.4.1.1   AM Setup
          AM setup is used for viewing the setup of the equipment and the IDs of the
          installed terminals in the access module (AM).




                                                                                                5




          Figure 5-39. The AM Setup window.




                                     EN/LZT 110 5057 R2A
5 MINI-LINK E Terminal                        5-42



             The following parameters are presented for the units and the terminals in the
             AMM:
             Pos                      The unit positions within the AMM. The positions
                                      are numbered starting from the lowest position.
             Type (indoor)            The indoor unit type.
             Type (outdoor)           The outdoor unit type. Only for MMU units.
             ID                       The identity of the terminal. An ID consists of four
                                      digits or letters. See section 4.1.1.
                                      The units in pos 1 , 2 and 3, in the AM Setup
                                      example in Figure 5-39, belong to the same terminal
                                      ID.
             Prot. Mode (not for SAU) Defines the mode of operation:
                                      1+0, for unprotected terminal.
                                      1+1 Hot, for hot standby, where one transmitter is
                                      transmitting, while the other one is standby (not
                                      transmitting). Both radios operate at the same
                                      frequency.
                                      1+1 Work, for frequency diversity, where both
                                      transmitters are transmitting but at different
                                      frequencies.
                                      See example in section 5.3.1.1.
             Traffic (not for SAU)    Depending on MMU type, SMU type and
                                      configuration, different traffic options are given.
                                      The extension ”-TR” indicates Traffic Routing is
                                      active in the unit.
                                      See example in section 5.3.1.1.
             Expanded NCC             Expanded NCC is an O&M communication bus
                                      which allows interconnection between two AMMs
                                      for distribution of operation and maintenance data.
                                      This reduces the need for additional SAUs.
                                      If Expanded NCC should be used the AM No must
                                      be selected in the AM Setup. Note: The NCC cable
                                      must NOT be connected between the two AMMs
                                      until both AMMs have unique AM No.




                                      EN/LZT 110 5057 R2A
5-43                         5 MINI-LINK E Terminal



5.4.1.2   Communication Setup
          Communication setup is used for definition of the equipment connected to the
          SAU communication buses (EAC and RAC). The terminals within the AMM
          are listed as information.




          Figure 5-40. The Communication Setup window.
                                                                                                    5
          EAC (External Alarm Channel)
          EAC             Identities to all terminals connected to the EAC bus at the same
                          site.
          Add ID button       To include a new identity in the EAC table.
          Del ID button       To delete an identity from the EAC table.

          RAC (Remote Alarm Channel)
          Active         Activates the RAC bus and enables configuration of the bus
                         (setting remote ID and selecting communication interface).
          Remote ID           (Only if Active is selected) The identity of the SAU at the far-end
                              of the RAC.
          Interface G.703     (Only if Active is selected) The communication on the RAC will
                              use the G.703 interface.
          Interface RS-232 Only if Active is selected) The communication on the RAC will
                           use the RS-232C interface.

          NCC (Node Communication Channel)
          NCC           Terminal ID in the AMM, as defined in the AM Setup (read
                        only).




                                    EN/LZT 110 5057 R2A
5 MINI-LINK E Terminal                           5-44



             Expanded NCC If Expanded NCC is enabled, AM No selected to 1 or 2 in
                          the AM Setup, the Expanded NCC dialog box can be
                          opened by selecting the Exp. NCC button.




                                  Note: The Expanded NCC is configured in the Expanded
                                  NCC dialog box and is not affected by the Save button in the
                                  Hop Setup.

5.4.1.3      User I/O Setup
             User I/O setup is used for definition of user inputs and outputs. Provided with
             an SAU Exp 1 or Exp 2, each MINI-LINK E access module has eight User
             Input ports and four User Input/Output ports.
             The User Input ports are used for connection of user’s alarms to the
             MINI-LINK operation and maintenance network.
             User Output can be set to supervise A-alarms, B-alarms and P-mark from the
             access module, and to control user’s functions via MSM (Remote).




             Figure 5-41. The User I/O Setup window.
             Note: User 1 to 8 are inputs, while User 9 to 12 can be selected to inputs or
             outputs




                                        EN/LZT 110 5057 R2A
5-45                          5 MINI-LINK E Terminal



The User I/O Setup allows the following configuration of the user ports:
User Inputs:      NO. Normally open (open = no alarm). Alarm state will
                  occur when the input is closed.
                  NC. Normally closed (closed = no alarm). Alarm state
                  will occur when the input is opened.
                  Severity for each User Input is selectable. (If Normal is
                  selected, an alarm will not affect the status presentation
                  on a higher level, but will only be seen in the User Input
                  Alarm sub-window.)
User Outputs:     A-alarm. For indication of traffic disturbing failures in
                  the AM.
                  B-alarm. For indication of faults not disturbing traffic in
                  the AM.
                  A or B-alarm. For indication of A-alarm or B-alarm in
                  the AM.
                  P-mark. For indication of activated P-mark in the AM.
                  Remote. For control of user’s functions.
                  User 9-11 can be set for any of the above choices and will
                  go active at DC failure, while User 12 can be set for
                                                                                       5
                  Remote only and will not go active at DC failure.




                       EN/LZT 110 5057 R2A
5 MINI-LINK E Terminal                           5-46



5.4.1.4      Service Channel Setup
             Service Channel setup is used for control of service channel alarms (on/off).




             Figure 5-42. The Service Channel Setup window.
             The following parameters can be set for the Digital Service Channel:
             ID              The identity of the terminal in the Access Module to which the
                             service channel signal is connected.
             Alarm           If selected, the service channel alarms will be enabled.
             Connection      The connection point for the service channel.

             The following parameters can be set for the Analog Service Channel (Exp 2
             only):
             ID              The identity of the terminal in the Access Module to which the
                             service channel signal is connected.
             Connect         If selected, the service channel will be connected to the omnibus.
             Teleph. no.     The telephone number to the SAU.
             BR Out          The output level on the branching port. (Default -11 dB.)

             See chapter 8 ”Appendices” for use of the Service Telephone.




                                        EN/LZT 110 5057 R2A
5-47                         5 MINI-LINK E Terminal



5.4.2     The Log Menu
          The Log menu gives access to the data collected from the terminals and stored
          in the MSM Log directory. You can read, sort and print the log files for analysis
          and problem tracking.




          Figure 5-43. The Log menu bar.
          The following functions are available for the Alarm Log window; Print to File,
          Search Filter and Refresh.
          With Search Filter you can set different parameters for each log type, for
          example time or type of equipment, to search for certain logs.
          When opened from the Terminal window, the logs show data for the selected
          terminal, whereas the logs reached from the Network window show data from
          all supervised terminals within the network.
          Note: The log functions must be activated in the Data Collection window from
          the Network window Config menu.                                                         5
5.4.2.1   Alarm Log
          For explanation of the Alarm Log options, see the Network window Log menu
          in section 4.3.6.1.




                                    EN/LZT 110 5057 R2A
5 MINI-LINK E Terminal                           5-48




5.4.3        The View Menu
             The View menu presents information on alarm history and revision concerning
             the selected terminal.




             Figure 5-44. The View menu bar.

5.4.3.1      Alarm History
             Alarm History presents all alarms which have been active since the last reset of
             the Alarm History in the terminal, including present status.
             The Alarm History window presents information on alarms concerning the
             selected terminal, for analysis and problem tracking.




             Figure 5-45. The Alarm History window.
             The Alarm presentation uses the same graphical display and alarm indicators as
             for the Alarm field in the Terminal window (as described in section 5.4.7.1).
             The Reset button resets all the alarms in the Alarm History window.
             To get further information about an alarm and instructions for fault localization,
             the MSM Help window can be used. See section 4.1.5 ”Fault Information”.




                                       EN/LZT 110 5057 R2A
5-49                      5 MINI-LINK E Terminal



5.4.3.2   Revision Codes
          Revision shows hardware and software revision information concerning the
          SAU unit and the AMM housing the terminal.




          Figure 5-46. The Revision Codes window.

          Type                The unit/magazine type.
          HW Revision         Hardware revision in the unit/magazine.
          Serial No.          Serial Number. The serial number of the unit.
          SW Type             Software Type. Shows the article number for the CSS program
                              installed and running in the unit.
          SW Revision         Software Version. The version of the CSS program installed and     5
                              running in the unit.
          AMM Position        The unit´s position in the Access Module Magazine. The
                              positions are numbered starting from the lowest position.




                                    EN/LZT 110 5057 R2A
5 MINI-LINK E Terminal                          5-50




5.4.4        The Misc Menu
             The Misc (Miscellaneous) menu contains the following facilities:




             Figure 5-47. The Misc menu bar.

5.4.4.1      Restore
             Restore is used for deactivation of P-mark in the SAU.




             Figure 5-48. The Restore window.
             The following function is restored for a MINI-LINK E SAU terminal:
             – P-mark is set to Off

5.4.4.2      Reset
             Reset is used for resetting of the processor in the SAU.




             Figure 5-49. The Reset window.

5.4.4.3      Update Status
             Update status, for manual update of terminal status in the active hop. The
             command has the key F5 as a keyboard shortcut.




                                        EN/LZT 110 5057 R2A
5-51                                5 MINI-LINK E Terminal



5.4.4.4   SW Activate
          SW Activate is used to perform an activation of a new software in the units in
          the selected terminal.
          If an activation session is in progress the ”SW Activate” command is disabled
          in the Misc Menu.
          If no activation session is in progress the ”Activate Unit” window opens. The
          window shows all units in the terminal that are available for software
          activation.




          Figure 5-50. The dialog window for activating units in a selected terminal.
                       The figure shows the window before and after activation of a unit.

          1. Select one unit in the Units field.
                                                                                                               5
          2. Select Activate to confirm and start the activation (the button is disabled if the
             selected unit does not support remote activation). After the activation is
             performed the Units field is updated.
          (For further information, see the explanation below for the fields and buttons.)
          Unit        Definition of the unit, normally the ID of the terminal.
                      An addition to the ID is used to indicate RAU and MMU units in MINI-LINK E
                      1+1 terminals. (1+0 terminals has no addition.)
                       _Ra1 = the first radio in a 1+1 configuration.
                       _Ra2 = the second radio in a 1+1 configuration.

          SW Type     The following types of MINI-LINK E software are available:
                      CAU 1191099       MMU             All MMUs
                      CAU 1191101       SMU             All SMUs
                      CAU 1191102       SAU             All SAUs
                      CAU 1191100       RAU             Frequency bands from 15 GHz to 38 GHz
                      CAU 1192721       RAU             Frequency band 7 GHz
                      CAU 1192761       RAU             Frequency band 7/8 GHz
                      CXC 113404        RAU             Frequency bands from 15 GHz to 38 GHz
                      CXC 113400        E_MICRO         All MINI-LINK E Micro

          Active      The currently operating software version for the unit. This version will after the
                      activation become the Passive version.
          Passive     The loaded, not active, software version for the unit. This version will after the
                      activation become the Active version.

          Activate    To start the activation.
                      (If the selected unit has an active software version newer than the passive software
                      version, a warning is shown.)




                                        EN/LZT 110 5057 R2A
5 MINI-LINK E Terminal                           5-52



5.4.5        The Window Menu
             The Window menu lists the Network window and all opened Terminal
             windows.




             Figure 5-51. The Window menu bar.
             By selecting one of the windows from the menu, this window will be the active
             one. This menu also offers a possibility of closing all opened Terminal windows.


5.4.6        The Help Menu
             Help gives access to different help files.




             Figure 5-52. The Help menu bar.
             For other ways to get help with the MSM program:
             • Press F1 on the keyboard to get help on a selected function.
             • Select the Help button in an opened sub-window to get help on that sub-
               window.

             The following alternatives are available in the Help menu:

5.4.6.1      Contents
             To open the terminal help file for the MINI-LINK SAU.
             The Network and Program help files are only available from the Network
             window Help menu.

5.4.6.2      About the Program
             Shows information about the program: version, serial number and licence
             holder.




                                       EN/LZT 110 5057 R2A
5-53                    5 MINI-LINK E Terminal



5.4.7   The Terminal Window (SAU)
        The SAU Terminal window is divided into the Alarm field and the Control and
        Status field.




                                                                                            5

        Figure 5-53. The Terminal window (SAU).




                                  EN/LZT 110 5057 R2A
5 MINI-LINK E Terminal                            5-54




5.4.7.1      The Alarm Field




             Figure 5-54. The Alarm field in the Terminal window (SAU) and an opened sub-level
                          window.
             In the Alarm field, SAUs have all alarms listed.
             Each alarm is followed by one of the following symbols, depending on status:
                 Normal, no alarm indicated
                 Alarm indicated
             Alarms followed by three circles   have sub-levels.
             • Double-click on an alarm with three circles, to reach the sub-level.
             To get further information about an alarm and instructions for fault localization,
             the MSM Help window can be used as described in section 4.1.5.

5.4.7.2      The Control and Status Field




             Figure 5-55. The Control and Status field in the Terminal window (SAU).
             Each control function has a sub-window with selection possibilities. An abnormal
             status, which is a status differing from the default value, is indicated with bold font
             and yellow background colour in the field next to the button.
             • Click on the control button to open the sub-window.




                                         EN/LZT 110 5057 R2A
5-55                          5 MINI-LINK E Terminal



For a MINI-LINK SAU the control functions are:
P-mark
P-mark is a valuable facility during fault localization. With P-mark activated, all
alarm signals are generated and can be read in the normal way, but alarm
notification messages are inhibited. The severity of the terminal will be Warning
independent of alarm status.




Figure 5-56. The P-mark window.


User Output
For control of User Output ports, which are configured in the User I/O Setup
window. (Only when the User Output port is set to Remote, see section 5.4.1.3).
                                                                                          5
The control buttons have sub-windows.




Figure 5-57. The User Output window.




                          EN/LZT 110 5057 R2A
5 MINI-LINK E Terminal                                    5-56




5.5          Details on 1+1 Switching and AIS
5.5.1        Switching in 1+1 Systems
             Switching takes place when any of the alarms listed below goes active. The
             alarms are listed in priority order, starting with the highest priority.
             Transmitter switching
             MMU alarms                         RAU alarms
             NCC Ra
             Proc. Hardware                     Proc. Hardware
             Proc. Software                     Proc. Software
             EEPROM                             EEPROM
             RCC
             Radio Frame *                      Tx IF Input
             Mod Index                          RF Output Level
             Input BB1, BB2
             Input E1:1-4
             * Causes switching in combination with RCC alarm only.
             Receiver switching is performed at two levels; hitless and hardware switching.
             Hitless switching
             MMU alarms                         RAU alarms
             NCC Ra
             Proc. Hardware                     Proc. Hardware
             Proc. Software                     Proc. Software
             EEPROM                             EEPROM
             RCC
             Dmod Clock BB1, BB2                Rx Frequency
             Radio ID
                    -3
             BER 10 (fixed)
             Radio Frame
             Forward error correction **
             (not an alarm)
             AGC Threshold **
             ** Causes switching only if Hitless Phase alarm is not active.
             Hardware switching
             MMU alarms                      RAU alarms
             NCC Ra
             Proc. Hardware                  Proc. Hardware
             Proc. Software                  Proc Software
             EEPROM                          EEPROM
             RCC
             System Line Fault E2:1
             Follows selected transmitter if none of the alarms above is
             active




                                              EN/LZT 110 5057 R2A
5-57                         5 MINI-LINK E Terminal



5.5.2   Alarm Indication Signal (AIS)
        An Alarm Indication Signal (AIS) replaces the traffic signal in case of failure,
        and is automatically generated when loops, as described in section 5.3.7.2, are
        set or any of the following alarms is active:
        MMU alarms                SMU alarms
        Input                     Input
        Radio Frame               System Line Fault
                -3
        BER 10 (fixed)            Frame
        Radio ID                  AIS Received




                                                                                                5




                                 EN/LZT 110 5057 R2A
5 MINI-LINK E Terminal                          5-58




5.6          Repair and Extension

                    WARNING -          The plug-in units in the access module generate
                                       heat and may be hot.
                                    Switch off the power before replacing a unit.
             Replacement of a faulty unit, indoors or outdoors, is done on site. For removing and
             installation instructions, please refer to the MINI-LINK E Installation Manual
             (section about plug-in units and radio units respectively).

5.6.1        Factory Setup with the Preset Function
             The replacement unit must always be a factory-set unit, or it may disturb traffic
             until the new setups have been performed. If the unit has been used in another
             configuration, it can be factory-set with the preset function before it is fitted in
             the new access module (when still positioned in its previous access module or in
             an access module which is not in use). The preset function is available in two
             different ways; from the MSM dialog or with a special plug to the front.
             Note I: Preset requires software version R4A or later in the front-end unit.
             Note II: Only the front-end unit will be preset.
             From the MSM dialog
             - Connect the PC with MSM to the O&M port on the unit to preset.
             - Select Preset ML-E SW from the Network menu in the Network window.
               (Only presented when no network list is active.)
             With a preset plug, RNT 860 900/1
             (included in Installation Tool Kit and MLE Upgrade R4 or later.)
             - Connect the plug to the O&M port on the unit to preset.
             - Switch on the power. When the preset is completed, the green LED on the unit
               front starts to flash at a rapid pace.

5.6.2        Factory Setup without the Preset Function
             If you have a version <R4A without the preset function and do not have a plug, you
             must set, in AM setup: - Prot Mode to 1+0, and
                                        - Traffic to 2x2, 4x2/8, 2x8 or 34+2 Mbit/s.




                                       EN/LZT 110 5057 R2A
5-59                           5 MINI-LINK E Terminal




5.6.3     Setups after Addings or Replacements
          When a unit has been replaced or added, setups according to the table below
          must be performed. There is automatic back-up of an RAU, that is a replaced
          RAU needs no setup since the MMU stores the old RAU settings and sends
          them to RAU. (Requires software version R4A or later in the MMU.)
          Unit          Setup
          MMU, SMU      AM, Hop, Traffic
          SAU           AM, Communication, User I/O, Service Channel (optional)

          Note I:   When replacing an MMU in a 1+1 system, the radio cable must be
                    connected after the AM setup is performed.
          Note II: The transmitter must always be switched on manually when a terminal
          is installed. It can be done from the front panel (see MINI-LINK E Installation
          manual) or with MSM (see instruction in chapter 3).
5.6.3.1   Replacement when using Expanded NCC
          Add or replace units
          1.
          2.
               Remove the NCC-cable.
               Set AM No for the new unit to the same as the replaced unit had (in AM
                                                                                                     5
               setup).
          3.   Perform AM setup.
          4.   Connect the NCC-cable.
          5.   Update NCC (in Hop setup).

5.6.4     Spare Parts and Repair
          For information on spare parts, see MINI-LINK E Product Catalogue,
          EN/LZT 110 2011.
          The product code for the equipment installed can be read on labels on the units. The
          labels are placed on the outside on the RAUs. On the indoor units the labels are
          placed on the underside, where they can be read after having extracted the units
          from the magazine.
          Units can be sent to repair. For fast handling, please complete and enclose the
          Failure Report found as an appendix in this manual. The sub-units are repaired and
          replaced by equivalent units. If no fault is found, the cost for a full system test will
          be applied.




                                    EN/LZT 110 5057 R2A
5 MINI-LINK E Terminal          5-60




                         EN/LZT 110 5057 R2A
6-1           6 MINI-LINK E Micro Terminal




Contents
6         MINI-LINK E Micro Terminal                                  Page

6.1       MINI-LINK E Micro Technical Description                      6-3
6.1.1     MINI-LINK E Micro Radio Unit                                  6-3

6.2       MINI-LINK E Micro Supervision                                6-5
6.2.1     Operation and Maintenance Facilities                          6-5
6.2.2     Fault Localization                                            6-5

6.3       MINI-LINK E Micro Terminal Window                            6-6
6.3.1     The Setup Menu                                                6-6
6.3.1.1   Main Setup                                                    6-7
6.3.2     The Log Menu                                                  6-9
6.3.2.1   Alarm Log                                                     6-9
6.3.3     The View Menu                                                 6-9
6.3.3.1   Alarm History                                                6-10
6.3.3.2   Performance                                                  6-11
6.3.3.3   Revision Codes                                               6-13
6.3.4     The Misc Menu                                                6-13
6.3.4.1   Restore                                                      6-14
6.3.4.2   Reset                                                        6-14
6.3.4.3   Update Status                                                6-14
6.3.4.4   SW Activate                                                  6-15
6.3.5
6.3.6
6.3.6.1
          The Window Menu
          The Help Menu
          Contents
                                                                       6-16
                                                                       6-16
                                                                       6-16
                                                                                          6
6.3.6.2   About the Program                                            6-16
6.3.7     The Terminal Window (Radio Terminal)                         6-17
6.3.7.1   The Alarm Field                                              6-17
6.3.7.2   The Control and Status Field                                 6-19


6.4       Repair and Extension                                        6-23
6.4.1     Factory Setup with the Preset Function                       6-23
6.4.2     Spare Parts and Repair                                       6-23




                                     EN/LZT 110 5057 R2A
6 MINI-LINK E Micro Terminal           6-2




                               EN/LZT 110 5057 R2A
6-3                                                                                        6 MINI-LINK E Micro Terminal




6                              MINI-LINK E Micro Terminal
6.1                            MINI-LINK E Micro Technical Description
                               MINI-LINK E all-outdoor comprises an outdoor radio unit and an antenna
                               module. Operation and maintenance data, DC and traffic signals are connected
                               directly to the radio unit.
                               For detailed technical description of the MINI-LINK E Micro equipment, see the
                               MINI-LINK E and E Micro Technical Description, EN/LZT 110 2012.
                               The terminal type shown in MINI-LINK Netman are:
                               E_Micro      MINI-LINK E Micro terminal
                               The alarms in the following section 6.1.1 are shown in italic typeface. All the
                               alarms can be found in the Program Help window as described in section 4.1.5.

6.1.1                          MINI-LINK E Micro Radio Unit
                               MINI-LINK E Micro is an all-outdoor radio for the 15, 23 and 38 GHz
                               frequency bands, with software selectable traffic capacity of 2 or 2x2 Mbit/s.
        C o n n e c tio n U n it         M o d e m    B o a rd                                                                             M ic r o w a v e U n it                                                                                                                                                F ilte r U n it
         w ith lig h tn in g
          p r o te c tio n
                                                                                                                                                                                                T r a n s m itte r ( M C M                 )
                                                                                     T ra n         s m            it



                                                                                                                                                                                                                                                                                                                                                          6
                                                                                    B a s e            b a        n d                                                                               T r a n s m itte r                                                    P o w e r
                                                                                                                                                                                                                                       M u ltip lie r                   A m p lifie r                                 B r a n c h in g
                                                                                       S ig          n a      l                                                                                      O s c illa to r                                                                                                      F ilte r
                                                                                  P ro c e            s s     in g                                                     F R E Q U E N C Y
                                                                                                                                                                      C O N T R O L T X
                                                                                                                                                                                                                                                                                                          R F
                                                                                                                                                                                                                                                                                                        L o o p
                                            T r a ffic In te r fa c e
                                                                                                                                                                                                                                                                                     T X O F F
                                             a n d R a d io F r a m e                                                                                  P ro c e s s o r
                                              M u ltip le x e r                                                                                         In te rfa c e                                                                            O U T P U T
                                                                                                                                                                                                                                                  L E V E L S E T      O u tp u t
                                                                                                                                                                                   T o c o n tro l a n d
                                                                                                                                                                                    s u p e r v is io n                                                                 L e v e l
                                                                                                                                                                                     p ro c e s s o r
                                                                                                                                                                                                                                                                      C o n tro l
                                                                                     R e      c e      iv e                                                                                                                                                                                                                                A n te n n a
                                                                                    B a      s e      b a n d
                                                                                                                                                                                                                                                              R e c e iv e r ( M C M                      )
                                                                                        S      ig   n a l
                                                                                  P ro      c e      s s in g                                                                                                                           R e c e iv e r       F R E Q U E N C Y
                                                                                                                                                                                                                                                              C O N T R O L R X
                                                                                                                                                                                                                                       O s c illa to r
                                                                                                              R e c e iv e IF
                                                                                                               S ig n a l,                        F R E Q U E N C Y
                                                                                                             1 4 0 M H z                         C O N T R O L IF                              IF C o n v e r te r                                                                        R F L o o p
                                                         R S S I                                                                                                              IF
                                                                                                                                                                        O s c illa to r                                                  M u ltip lie r

                                                                                                                                                             8 3 4 M H z

                                                                                                                                                                                                                                                                         L o w
           C o m m a n d                                                                                                                                                                                                                                                N o is e                                        B r a n c h in g
                                                                                                                                                                            D o w n                     F ilte r &                         D o w n                                                                       F ilte r
            & C o n tro l                                                                                                                                                  C o n v e rte r                                                                                A m p lifie r
             S ig n a l                                                                                                                            1 4 0 M H z                                         A m p lifie r                      C o n v e rte r
                                                                           A la r m a n d
                                                       C o n tro l &        C o n tro l
           T o A lig n m e n t P o r t               S u p e r v is io n
                                                      P ro c e s s o r                                                                                                                                                   9 7 4 M H z



           D C
                                                      D C /D C C o n v e rte r                                          S e c o n d a ry
                                                                                                                         v o lta g e s




                               Figure 6-1.                  MINI-LINK E Micro block diagram.
                               Transmitting direction
                               In the transmitting direction, Radio Frame multiplexing and modulation is
                               made in the Modem Board. If the modulation index, controlled from the far
                               radio, is out of range, the Mod Index Alarm is generated. An Input Clock Alarm
                               is generated if the internal data rate does not correspond to the received data
                               rate.



                                                                                                                            EN/LZT 110 5057 R2A
6 MINI-LINK E Micro Terminal                    6-4



             In the transmitting direction, the traffic signal is amplified and fed to the
             microwave unit for modulation onto the transmitter oscillator. If the signal is
             missing, the Tx Input Alarm is activated. The frequency of the transmitter is
             controlled in a phase locked loop. An unlocked loop generates the Tx
             Frequency Alarm.
             In the transmitting direction, the traffic signal is amplified and frequency
             multiplied. The transmitter output power is controlled by adjusting the gain of
             the power amplifier. The transmitter can be switched on or off by switching the
             final amplifier. The transmitter output power is measured and a low level
             generates the RF Output Level Alarm.
             Near-end loop tests, Tx Loop and RF Loop, can be used for test purposes.
             Receiving direction
             The received RF signal is down-converted in two steps to an IF of 140 MHz.
             The frequency of the receiver is controlled in a phase locked loop. An unlocked
             loop generates the Rx Frequency Alarm.
             The output IF signal is used as a reference in an AFC loop. If the control signal
             is outside the range, Rx AFC Alarm is activated.
             Additionally, a portion of the IF signal is fed to a calibrated detector to provide
             an accurate receiver input level measurement (RSSI).
             The Radio Frame demultiplexer generates the Radio Frame Alarm if frame
             synchronization is lost. The number of errored bits in the traffic data stream is
             measured. These are used for performance monitoring and BER detection. The
             BER Alarm is activated when the BER alarm threshold, which is software
             setable, is exceeded.
             If the received bit stream comes from a radio with an ID differing from the Far
             End ID set, a Radio ID Alarm is generated. A Dmod Clock Alarm is generated
             if the received data rate does not correspond to the internal data rate.
             AIS is inserted at the receiving direction in case of failure. AIS Received Alarm
             indicates that an AIS signal is received.
             A low receiver level generates the RF Input Level Alarm if the received RF
             input signal level has dropped below the threshold for the receiver or the AGC
             Threshold Alarm if the RF input level has dropped below the AGC threshold
             value. The AGC threshold is set in Main setup.
             Far-end loop test Rx Loop can be used for test purposes.
             Common parts
             If the processor detects a software fault, it generates Proc Software Alarm. An
             interruption during setup generates EEPROM Alarm. Other processor faults
             generate Proc Hardware Alarm.
             If communication is lost on the HCC between the near-end and the far-end
             MINI-LINK E Micro or split it generates HCC Alarm. Communication lost on
             the NCC to any terminal on the NCC generates the NCC Alarm.
             Loss of AC power supply to MINI-LINK E Micro generates the AC Alarm
             (traffic can be maintained with battery backup).




                                       EN/LZT 110 5057 R2A
6-5                    6 MINI-LINK E Micro Terminal




6.2     MINI-LINK E Micro Supervision
        MINI-LINK E equipment is supervised as a terminal. In the network list, the
        terminal is presented as one ID.
        The radio terminal types are:
        E Micro      An all outdoor terminal, consists of one RAU.

6.2.1   Operation and Maintenance Facilities
        There are various operation and maintenance facilities in MINI-LINK Netman (to
        perform on the equipment) at terminal level when the network is run in normal
        operation. The different facilities are controlled from the Terminal window.
        Note: The list below applies for a Control user only. The facilities for a View user
        are limited and all functions below are not included (see section 1.5).
        For each radio terminal you can among other things:
        - read alarm, performance and AGC (RF input level) data
        - activate P-mark (with P-mark activated, all alarm signals are generated and can
          be read in the normal way, but notification signals are inhibited)
        - measure the traffic signals with an external instrument from test ports on the
          front, without disturbing the traffic
        - switch transmitters and receivers (protected configurations only)
                                                                                                 6
6.2.2   Fault Localization
        The MINI-LINK equipment has several failure detectors. If a failure occurs in a
        terminal, a notification message will be shown and one or more alarms in the
        Terminal window will go active (see explanation in section 4.1.4). To help
        locate the faulty terminal and unit, loop backs at several levels are available.




                                 EN/LZT 110 5057 R2A
6 MINI-LINK E Micro Terminal                      6-6




6.3          MINI-LINK E Micro Terminal Window
             Two Terminal windows are presented next to each other; for the selected
             terminal on the left and for the far-end terminal on the right-hand side. The
             Terminal window is divided into the Alarm field, with alarm presentation, and
             the Control and Status field, with control facilities and status presentation.




             Figure 6-2.   The Terminal window for a MINI-LINK E Micro.
             The Menu bar at the top of the window offers different facilities for terminal
             management of the selected terminal. The Terminal window has the following
             menus; Setup, Log, View, Misc, Window and Help. The different menus are
             presented in the sections below.
             The Status bar is the same as shown at the network level (see chapter 4).

6.3.1        The Setup Menu
             From the Setup menu, various setup parameters can be set or changed for a
             MINI-LINK E Micro radio terminal.




             Figure 6-3.   The Setup menu bar.




                                         EN/LZT 110 5057 R2A
6-7                  6 MINI-LINK E Micro Terminal



6.3.1.1   Main Setup
          MINI-LINK E Micro is set up with the Main Setup, where all parameters are
          defined.




          Figure 6-4.

          Near Radio ID
                        The Main Setup window.

                                             Identity of the selected radio terminal.
                                                                                                     6
          Type                               Radio band/sub-band (displayed as
                                             information only). See Product Catalogue
                                             EN/LZT 110 2011 for information on the
                                             specific frequency bands and sub-bands
                                             available.
          Tx Frequency (MHz)                 Transmitting frequency in MHz. (See Product
                                             Catalogue, EN/LZT 110 2011, for information
                                             on available frequencies.) The Tx Frequency
                                             must correspond with the Rx Frequency of the
                                             far-end radio and vice versa.
          Rx Frequency (MHz)                 Operating receiver frequency in MHz
                                             (displayed only as information).
          Output Power (dBm)                 Adjustment of transmitter output power.
          AGC Alarm Threshold (dBm) AGC threshold value for the RF input level.
          BER Alarm                          The BER (Bit Error Ratio) alarm threshold
                                             value. Can be set to 10-3, 10-4, 10-5 and 10-6.




                                     EN/LZT 110 5057 R2A
6 MINI-LINK E Micro Terminal             6-8



             Bit rate (Mbit/s)         It is possible to set the bit rate, depending on
                                       the hardware configuration, as one of either
                                       1x2 Mbit/s or 2x2 Mbit/s.
             Enable Alarm              The input alarm detectors for each traffic
                                       signal can be:
                                       – Enabled (marked)
                                       meaning that an alarm will be activated if a
                                       faulty traffic signal is detected on the E Micro
                                       traffic channel.
                                       – Disabled (not marked)
                                       meaning that the traffic channel alarm
                                       detectors are disabled.
             Long Haul                 Long-haul is used to increase the traffic
                                       interface sensitivity. Long-haul is activated if
                                       cables are longer than specified in G.703
                                       (maximum 6 dB). If long-haul is activated
                                       cables with attenuation up to 32 dB can be
                                       used (corresponds to about 1200 metres of the
                                       recommended cable).
             Far Radio ID              Identity of far-end radio terminal
                                       Note: This will not configure an ID for the Far
                                       Radio. The information is used for Radio ID
                                       Check and as operation maintenance infor-
                                       mation.
             Radio ID Check            The purpose of the Radio ID option is to
                                       eliminate reception of traffic from any other
                                       radio but the correct far-end radio. When
                                       Radio ID is set to On, the ID of the received
                                       bit stream is checked. If the ID differs from the
                                       ”Far Radio ID” in the EEPROM, a Radio ID
                                       Alarm signal is generated.
             NCC                       All terminals which are connected on the same
                                       NCC as the selected terminal, are displayed.
             Update NCC1/2             The NCC is configured by the Update NCC
                                       button and is not affected by the Save button in
                                       the Main Setup.
                                       Note: The NCC will automatically be updated
                                       when the NCC cable is connected.




                                 EN/LZT 110 5057 R2A
6-9                   6 MINI-LINK E Micro Terminal




6.3.2     The Log Menu
          The Log menu gives access to the data collected from the terminals and stored
          in the MINI-LINK Log directory. You can read, sort and print the log files for
          analysis and problem tracking.




          Figure 6-5.   The Log menu bar.
          The following functions are available for the Alarm Log window; Print to File,
          Search Filter and Refresh.
          With Search Filter you can set different parameters for each log type, for
          example time or type of equipment, to search for certain logs.
          When opened from the Terminal window, the logs show data for the selected
          terminal, whereas the logs reached from the Network window show data from
          all supervised terminals within the network.
          Note: The log functions must be activated in the Data Collection window from
          the Network window Config menu.
          The Log menu contains the following log:

6.3.2.1   Alarm Log
          For explanation of the Alarm Log options, see the Network window Log menu
          in section 4.3.6.1.
                                                                                                  6
6.3.3     The View Menu
          The View menu presents information on alarm history, performance, revision and
          terminal properties concerning the selected terminal.




          Figure 6-6.   The View menu bar.




                                     EN/LZT 110 5057 R2A
6 MINI-LINK E Micro Terminal                      6-10



6.3.3.1      Alarm History
             Alarm History presents all alarms which have been active since the last reset of
             the Alarm History in the terminal, including present status.
             The Alarm History window presents information on alarms concerning the
             selected terminal, for analysis and problem tracking.




             Figure 6-7.   The Alarm History window.
             The Alarm presentation uses the same graphical display and alarm indicators as
             for the Alarm field in the Terminal window (as described in section 6.3.7.1).
             The Reset button resets all the alarms in the Alarm History window.
             To get further information about an alarm and instructions for fault
             localization, the Help window can be used. See section 4.1.5 ”Fault
             Information”.
             The Alarm presentation for a MINI-LINK E Micro terminal consists of:
             – Transmitter alarms
             – Common alarms
             – Receiver alarms




                                         EN/LZT 110 5057 R2A
6-11                       6 MINI-LINK E Micro Terminal



6.3.3.2   Performance
          Performance presents performance values according to ITU-T Rec G.826, max.
          AGC levels and current temperature for the selected terminal. Accumulated
          data is saved in the terminal in a non-volatile memory every 18 hours. If the
          power is interrupted, loss of performance data is limited to the last 18 hours at
          the most.




                                                                                                          6
          Figure 6-8.   The Performance window.
          The New Sample button updates the Performance window.
          The traffic performance counters and the AGC levels can be cleared with Reset
          buttons.
          The performance values data is presented below. The maximum value for the
          performance data is > 50 years.
          Traffic Performance values:
          Unavailable Time, UT                    A period of UT begins at the onset of 10
                                                  consecutive SES events. (A new period of AT
                                                  begins at the onset of 10 consecutive non-SES
                                                  events.)
          Severely Errored Seconds,               Seconds with ≥30% errored blocks or one or more
          SES                                     Severely Disturbed Period, SDP. (SDP occurs
                                                  with, over a period of time, a bit error intensity of
                                                  >10-2 or an interruption.)
          Severely Errored Seconds                The ratio of SES to total seconds in AT during
          Ratio, SESR                             a fixed measurement interval.



                                     EN/LZT 110 5057 R2A
6 MINI-LINK E Micro Terminal                6-12



             Errored Seconds, ES             Seconds with one or more errored blocks.
             Errored Seconds Ratio, ESR      The ratio of ES to AT during a fixed measurement
                                             interval.
             Available Time, AT              Total time excluding UT.
             Background Block Error, BBE     Block with one or more errored bits (excluding
                                             SES).
             Background Block Error Ratio, The ratio of errored blocks to total blocks
             BBER                          during a fixed measurement interval (excluding
                                           SES and UT).
             Background Block, BB            The number of blocks during AT (excluding
                                             SES).

             AGC Performance values:
             Last Sample                     The current RF input level in dBm.
             Since Last Reset                The maximum RF input level since a reset was
                                             performed. (After reset the value will be
                                             continuously updated until the seventh day, after
                                             this period the value will be updated every seven
                                             days.)
             Last 7 Days                     The maximum RF input level during the last seven
                                             day period. (After reset the value will be
                                             continuously updated until the seventh day, after
                                             this period the value will be updated every seven
                                             days.)

             Temperature Performance value
             [°C]                        The current temperature of the E Micro terminal
                                         in degrees Celsius.




                                    EN/LZT 110 5057 R2A
6-13                 6 MINI-LINK E Micro Terminal




6.3.3.3   Revision Codes
          Revision shows hardware and software revision information for the E Micro
          terminal.




          Figure 6-9.   The Revision Codes window.
          The presented Revision Codes data is depends on the selected terminal type.
          Frequency Band The radio frequency band and sub-band.
          Traffic Rate         The supported traffic rates for the hardware.
          HW Revision          Hardware Revision. The version of the hardware in the unit.
          SW Type              Software Type. Shows the article number for the CSS program
                               installed and running in the unit
          SW Revision          Software Revision. The version of the CSS program installed and
                               running in the unit.
                                                                                                   6
          Bar Track Code Serial number, unique for the specific product.
          Product No.          The product code for the product.



6.3.4     The Misc Menu
          The Misc (Miscellaneous) menu contains the following facilities:




          Figure 6-10. The Misc menu bar.




                                     EN/LZT 110 5057 R2A
6 MINI-LINK E Micro Terminal                    6-14



6.3.4.1      Restore
             Restore is used for resetting of the control functions in the terminal to default
             values.




             Figure 6-11. The Restore window.
             The following functions are restored for a MINI-LINK E Micro terminal:
             – P-mark is set to Off
             – All Loops are set to Off
             – All Test Port connections are removed
             – Switch Mode is set to Auto
             – Transmitter is set to On

6.3.4.2      Reset
             Reset is used for resetting of the processor within the terminal.
             Note: A reset might disturb the traffic.




             Figure 6-12. The Reset window.

6.3.4.3      Update Status
             Update status, for manual update of terminal status in the active hop. The
             command has the key F5 as a keyboard shortcut.




                                        EN/LZT 110 5057 R2A
6-15                         6 MINI-LINK E Micro Terminal



6.3.4.4   SW Activate
          SW Activate is used to perform an activation of a new software in the E Micro
          terminal.
          If an activation session is in progress the ”SW Activate” command is disabled
          in the Misc Menu.
          If no activation session is in progress the ”Activate Unit” window opens. The
          window shows all units in the terminal that are available for software
          activation.




          Figure 6-13. Example of the dialog window for activating units in a selected terminal. The
                       figure shows the window before and after activation of a unit.

          1. Select one unit in the Units field.
          2. Select Activate to confirm and start the activation (the button is disabled if the
             selected unit does not support remote activation). After the activation is
             performed the Units field is updated.
          (For further information, see the explanation below for the fields and buttons.)
                                                                                                              6
          Unit        Definition of the unit, normally the ID of the terminal.
                      An addition to the ID is used to indicate RAU and MMU units in MINI-LINK E
                      1+1 terminals. (1+0 terminals has no addition.)
                       _Ra1 = the first radio in a 1+1 configuration.
                       _Ra2 = the second radio in a 1+1 configuration.

          SW Type     The following types of MINI-LINK E software are available:
                      CAU 1191099       MMU             All MMUs
                      CAU 1191101       SMU             All SMUs
                      CAU 1191102       SAU             All SAUs
                      CAU 1191100       RAU             Frequency bands from 15 GHz to 38 GHz
                      CAU 1192721       RAU             Frequency band 7 GHz
                      CAU 1192761       RAU             Frequency band 7/8 GHz
                      CXC 113404        RAU             Frequency bands from 15 GHz to 38 GHz
                      CXC 113400        E_MICRO         All MINI-LINK E Micro

          Active      The currently operating software version for the unit. This version will after the
                      activation become the Passive version.
          Passive     The loaded, not active, software version for the unit. This version will after the
                      activation become the Active version.

          Activate    To start the activation.
                      (If the selected unit has an active software version newer than the passive software
                      version, a warning is shown.)




                                        EN/LZT 110 5057 R2A
6 MINI-LINK E Micro Terminal                     6-16



6.3.5        The Window Menu
             The Window menu lists the Network window and all opened Terminal
             windows.




             Figure 6-14. The Window menu bar.
             By selecting one of the windows from the menu, this window will be the active
             one. This menu also offers a possibility of closing all opened Terminal windows.

6.3.6        The Help Menu
             Help gives access to different help files.




             Figure 6-15. The Help menu bar.
             For other ways to get help with the MSM program:
             • Press F1 on the keyboard to get help on a selected function.
             • Select the Help button in an opened sub-window to get help on that sub-
               window.

             The following alternatives are available in the menu:

6.3.6.1      Contents
             To open the terminal help file for the MINI-LINK E Micro Radio.
             The Network and Program help files are only available from the Network
             window Help menu.

6.3.6.2      About the Program
             Shows information about the program: version, serial number and licence
             holder.




                                       EN/LZT 110 5057 R2A
6-17                      6 MINI-LINK E Micro Terminal




6.3.7     The Terminal Window (Radio Terminal)
          The Terminal window for each terminal is divided into two parts; the Alarm
          field and the Control and Status field.




          Figure 6-16. The Terminal window (MINI-LINK E Micro).

6.3.7.1   The Alarm Field                                                                              6
          In the Alarm field, the MINI-LINK E Micro terminal is presented graphically. The
          traffic signal is presented with arrows in the units.
          A red button with an arrow and a cross indicates an alarm.




          Figure 6-17. Graphical alarm presentation in a MINI-LINK E Micro near-end terminal.
          The alarms, as shown in the figure above, indicate the following failures:
          TX LOS - transmitting direction, input traffic failure
          TX FAIL - transmitting direction, internal failure
          RX LOS - receiving direction, input traffic failure
          RX FAIL - receiving direction, internal failure
          COMMON - other fault (excluding defined LOS and FAIL faults)
          A-alarms and B-alarms are indicated in a square in the Alarm field. An A-alarm is
          traffic disturbing calling for immediate action, while a B-alarm is not.

                                     EN/LZT 110 5057 R2A
6 MINI-LINK E Micro Terminal                     6-18



             Detailed Alarm Information
             • Click on the arrow or unit to reach a sub-level with detailed information on
               the alarm.




             Figure 6-18. The Alarm field in the Terminal window (MINI-LINK E Micro) and an opened
                          sub-level window.
             At the sub-levels, the alarms are followed by symbols depending on status:
                 Normal, no alarm indicated
                 Alarm indicated
                 AIS received or AGC threshold indicated (does not affect status on
                 superior levels.)
             To get further information about an alarm and instructions for fault
             localization, the MSM Help window can be used as described in section 4.1.5.




                                        EN/LZT 110 5057 R2A
6-19                     6 MINI-LINK E Micro Terminal



6.3.7.2   The Control and Status Field




          Figure 6-19. The Control and Status field in the Terminal window (MINI-LINK E Micro).
          Each control function has a sub-window with selection possibilities. An abnormal
          status, which is a status differing from the default value, is indicated with bold font
          and yellow background colour in the field next to the button.
          • Click on the control button to open the sub-window.
          The control functions for a MINI-LINK E Micro terminal are:

          P-mark
          P-mark is a valuable facility during fault localization. With P-mark activated, all
          alarm signals are generated and can be read in the normal way, but alarm
          notification messages are inhibited. The severity of the terminal will be Warning
          independent of alarm status.

                                                                                                       6

          Figure 6-20. The P-mark window.




                                     EN/LZT 110 5057 R2A
6 MINI-LINK E Micro Terminal                     6-20



             MINI-LINK E Micro Loops
             All available loops are listed and can be activated/deactivated.




             Figure 6-21. The Loops window.
             The loop test facility is a helpful tool for localization of a faulty unit. Several
             loops can be set to isolate the fault to one unit.
             To set loops for the other transmitting direction use the Rev. Loops button.
             The button Undo allows a reset of the loops set, if not saved (by the OK
             button).




                                        EN/LZT 110 5057 R2A
6-21                    6 MINI-LINK E Micro Terminal



Near-end Loops (Tx Loops)
  Near-end loop tests are used to find out if and where the near-end terminal is
  faulty. The following near-end loop tests are available (the numbers in brackets
  after each loop refer to the figure below):
   MINI-LINK E Micro Tx Loop (N1). The traffic signal to be transmitted is,
   immediately at the input, looped back to the output on the receiving side.
   MINI-LINK E Micro RF Loop (N2). The RF signal to be transmitted is
   immediately before the branching looped back to the receiving side. Note: Turn
   off the transmitter of the remote terminal before activating RF loop, to avoid
   interference.
  N 1                 N 2


          E M ic r o                             E M ic r o


    N e a r-e n d                                F a r-e n d

   Figure 6-22.             The near-end loops in MINI-LINK E Micro

Far-end Loops (Rx Loops)
  Far-end loop tests are used to find out if and where the far-end terminal is faulty.
  The following far-end loop test is available (the numbers in brackets after the
  loop refer to the figure below):
   MINI-LINK E Micro Rx Loop (F1). The traffic signal to be received is looped
                                                                                                     6
   back to the transmitting side.
                                                               F 1


         E M ic r o                              E M ic r o


        N e a r-e n d                            F a r-e n d

   Figure 6-23.             The far-end loops in MINI-LINK E Micro




                                     EN/LZT 110 5057 R2A
6 MINI-LINK E Micro Terminal                       6-22



             Transmitter
             The transmitter can be set On or Off.




             Figure 6-24. The Transmitter window for an E Micro terminal.
             If the transmitter for the radio unit is turned off by the operator, it cannot be
             controlled by the terminal.

             Status




             Figure 6-25. The Status field in the Terminal window.
             The current status of the transmitter and receiver, is shown in the Status field to
             the right.
             The Status field shows:
             Tx; The output power is presented.
             Rx; The RF Input level is presented.




                                         EN/LZT 110 5057 R2A
6-23                     6 MINI-LINK E Micro Terminal




6.4     Repair and Extension

               WARNING - Switch off the power before replacing a unit.
        Replacement of a faulty unit, is done on site. For removing and installation
        instructions, please refer to the MINI-LINK E Micro Installation Manual.

6.4.1   Factory Setup with the Preset Function
        The replacement unit must always be a factory-set unit, or it may disturb traffic
        until the new setups have been performed. If the unit has been used in another
        configuration, it can be factory-set with the preset function before it is installed.
        The preset function is available from the MSM dialog.
        From the MSM dialog
        - Connect the PC with MSM to the AGC/O&M port on the E Micro.
        - Select Preset ML-E SW from the Network menu in the Network window.
          (Only presented when no network list is active.)

6.4.2   Spare Parts and Repair
        For information on spare parts, see MINI-LINK E Product Catalogue,
        EN/LZT 110 2011.
        The product code for the equipment installed can be read on labels on the units. The
        labels are placed on the outside on the terminals. The code is also found in the
                                                                                                   6
        Revision window in MSM.
        Units can be sent to repair. For fast handling, please complete and enclose the
        Failure Report found as an appendix in this manual. The sub-units are repaired and
        replaced by equivalent units. If no fault is found, the cost for a full system test will
        be applied.




                                  EN/LZT 110 5057 R2A
6 MINI-LINK E Micro Terminal          6-24




                               EN/LZT 110 5057 R2A
7-1           7 MINI-LINK C and MkII Terminals




Contents
7         MINI-LINK C and MkII Terminals                                  Page

7.1       MINI-LINK C and MkII Supervision                                 7-3
7.1.1     Operation and Maintenance Facilities                              7-4
7.1.2     Fault Localization                                                7-4

7.2       Radio Terminal Window                                            7-5
7.2.1     The Setup menu                                                    7-5
7.2.1.1   Main Setup                                                        7-6
7.2.2     The Log Menu                                                      7-8
7.2.2.1   Alarm Log                                                         7-8
7.2.3     The View Menu                                                     7-8
7.2.3.1   Performance                                                       7-9
7.2.3.2   Revision Codes                                                    7-9
7.2.4     The Misc Menu                                                    7-10
7.2.4.1   Restore                                                          7-10
7.2.4.2   User Ports                                                       7-11
7.2.4.3   Service Channel Test                                             7-12
7.2.4.4   Update Status                                                    7-12
7.2.5     The Window Menu                                                  7-12
7.2.6     The Help Menu                                                    7-13
7.2.6.1   Contents                                                         7-13
7.2.6.2   About the Program                                                7-13
7.2.7     The Terminal Window (Radio Terminal)                             7-14
7.2.7.1   The Alarm Field                                                  7-15
7.2.7.2   The Control and Status Field                                     7-16


7.3       SMM Terminal Window                                             7-19
7.3.1     The Setup Menu                                                   7-20
7.3.1.1
7.3.2
7.3.2.1
          Main Setup
          The Log Menu
          Alarm Log
                                                                           7-20
                                                                           7-22
                                                                           7-22
                                                                                              7
7.3.3     The View Menu                                                    7-23
7.3.3.1   Performance                                                      7-23
7.3.3.2   Revision Codes                                                   7-24
7.3.4     The Misc Menu                                                    7-24
7.3.4.1   Restore                                                          7-24
7.3.4.2   User Ports                                                       7-25
7.3.4.3   Service Channel Test                                             7-26
7.3.4.4   Update Status                                                    7-26
7.3.5     The Window Menu                                                  7-26
7.3.6     The Help Menu                                                    7-27
7.3.6.1   Contents                                                         7-27
7.3.6.2   About the Program                                                7-27
7.3.7     The Terminal Window (SMM)                                        7-28
7.3.7.1   The Alarm Field                                                  7-29
7.3.7.2   The Control and Status Field                                     7-30




                                     EN/LZT 110 5057 R2A
7 MINI-LINK C and MkII Terminals                  7-2




       7.4       Details on Protected Switching and AIS    7-33
       7.4.1     Switching in Protected Systems            7-33
       7.4.2     Alarm Indication Signal (AIS)             7-33

       7.5       Repair                                    7-34




                                     EN/LZT 110 5057 R2A
7-3                       7 MINI-LINK C and MkII Terminals




7     MINI-LINK C and MkII Terminals
      For a technical and a functional description of MINI-LINK C and MkII equipment,
      please refer to the user’s manuals for the equipment respectively.


7.1   MINI-LINK C and MkII Supervision
      When setting up a sub-network with MINI-LINK C and MkII equipment, each
      radio and SMM (equipment with own EAC buses), must be given a unique ID.
      The ICM does not have an own EAC bus and is not supervised by the Control
      and Supervision System (CSS).
      Note: MSM does not distinguish a MINI-LINK C Micro from a MINI-LINK C.
      The terminal types are:
      ML10_13         MINI-LINK 10 or 13 MkII radio
      ML15            MINI-LINK 15 MkII radio
      ML15-C          MINI-LINK 15-C radio
      ML23            MINI-LINK 23-C or 23 MkII radio
      ML26            MINI-LINK 26-C or 26 MkII radio
      ML38            MINI-LINK 38-C or 38 MkII radio
      SMM_1+0         MINI-LINK SMM 1+0 or SMM-C 1+0
      SMM_1+1         MINI-LINK SMM 1+1 or SMM-C 1+1
      SMM_2+1         MINI-LINK SMM 2+1

      Site A                                        Site B


                             ML 23                           ML 23
                             ID:A002                         ID:B002
          SMM ID:A001                                                        SMM ID:B001




                             ML 23
                             ID:A003
                                                             ML 23
                                                             ID:B003
                                                                                                          7
                                                    Site C

           SMM ID:A004       ML 26                           ML 26            SMM ID:C001
                             ID:A005                         ID:C002



                                                    Site D

           ICM-C             ML 23                           ML 23            ICM-C
                             ID:A006                         ID:D001




      Figure 7-1.   Example of IDs in a MINI-LINK C sub-network




                                     EN/LZT 110 5057 R2A
7 MINI-LINK C and MkII Terminals               7-4




7.1.1        Operation and Maintenance Facilities
             There are various operation and maintenance facilities in MSM to perform on
             the equipment at a terminal level, when the sub-network is run in normal
             operation. The different facilities are controlled from the Terminal window.
             For each radio terminal you can
             - read alarm, performance and AGC (RF input level) data,
             - activate P-mark during service work on the equipment (with P-mark activated, all
               alarm signals are generated and can be read in the normal way, but notification
               signals are inhibited),
             - read environmental alarms (connected to User In),
             - control remote functions, such as start air condition equipment (connected to
               User Out),
             - etc.
             For an SMM you can
             - read alarm and performance data,
             - activate P-mark during service work on the equipment,
             - switch transmitters and receivers (protected configurations only),
             - read environmental alarms (connected to User In),
             - control remote functions (connected to User Out),
             - etc.

7.1.2        Fault Localization
             The MINI-LINK equipment has several failure detectors. If a failure occurs in a
             terminal, a notification message will be shown and one or more alarms in the
             Terminal window will go active (see explanation in section 4.1.4). To help locate the
             faulty terminal and unit, loop-backs on several levels are available.
             The SMMs are equipped with relay outputs for indication of bay alarms. These
             relays can be connected to the user’s own supervision system.




                                      EN/LZT 110 5057 R2A
7-5                 7 MINI-LINK C and MkII Terminals




7.2     Radio Terminal Window
        Two Terminal windows are presented next to each other; for the selected
        terminal on the left and for the far-end terminal on the right-hand side. The
        Terminal window is divided into the Alarm field, with alarm presentation, and
        the Control and Status field, with control facilities and status presentation.




        Figure 7-2.   The Terminal window for a MINI-LINK C radio.                                  7
        The Menu bar at the top of the screen offers different facilities for terminal
        management of the selected terminal. The Terminal window has the following
        menus; Setup, Log, View, Misc. Window and Help. The different menus are
        presented in the sections below.
        The Status bar is the same as shown at the network level (see chapter 4).

7.2.1   The Setup menu
        From the Setup menu, setup parameters can be set or changed for a MINI-LINK C
        radio terminal.



        Figure 7-3.   The Setup menu bar.




                                    EN/LZT 110 5057 R2A
7 MINI-LINK C and MkII Terminals                    7-6



7.2.1.1      Main Setup
             MINI-LINK C and MkII radios are set up with the Main setup, where all parameters
             concerning terminals and traffic are defined.




             Figure 7-4.   The Main Setup window.
             The following parameters and functions are presented in the Setup window:
             Standby Mode                 Hot Standby; one transmitter is transmitting, while the
                                          other is in standby mode (not transmitting). Both radios
                                          operate on the same frequency.
                                          Working Standby(frequency diversity); both transmitters
                                          are working but at different frequencies. 1+0 systems run
                                          in Working Standby.
             Near Radio ID                Identity of the near-end radio terminal (displayed as
                                          information only).
             Far Radio ID                 Identity of the far-end radio terminal.
             Near Standby Radio ID Identity of the near-end standby radio terminal
                                   (Hot Standby configurations only).
             Far Standby Radio ID         Identity of the far-end standby radio terminal
                                          (Hot Standby configurations only).
             Bit rate (Mbit/s)            Traffic rate of the radio terminal (Mbit/s) (displayed as
                                          information only).
             Frequency Channel            The operating frequency, calculated with a formula.


                                        EN/LZT 110 5057 R2A
7-7                7 MINI-LINK C and MkII Terminals



Number                  See the user’s manual for the radio unit.
Frequency Index         The frequency index for the radio (displayed as
                        information only).
Radio ID Check          The purpose of this function is to eliminate reception of
                        traffic from any radio other than the correct remote radio.
                        If the ID differs from the “Far Radio ID”, a Radio ID
                        alarm signal is generated and AIS is inserted in the
                        received traffic channel.
Traffic Channel         Enables/disables a traffic channel, to activate/inactivate
                        the transmit side Input alarms for the signal (2x2 and 2x8
                        Mbit/s only).
User Mode               Each radio and SMM is provided with two user inputs
                        and two user outputs. The user mode controls the mode
                        of operation of the user outputs:
                        In User Mode Normal the status of the user output is
                        determined by the status of the remote user input.
                        In User Mode Special the status of the user output is
                        controlled by the user via the MSM.
                        The user ports are configured in the Main setup. The
                        status and control of the user ports is available in the
                        Misc menu. Default = Normal.
AGC Alarm Threshold The AGC threshold value as the RF input level in dBm.
                    (Used for 1+1 switching.) Valid range is -99 dBm to -30
                    dBm. Default = -70 dBm.
Remote Controlled       If selected the output power is set from the
Output Power            MSM, if not the output power is set locally on the radio.
RF Output Power         The RF output power in dBm (only available when
                        Remote Controlled Output Power is set).                       7
EAC Ids                 Identities for all terminals connected to the EAC bus at
                        the same site.
Add ID button           To include a new identity in the EAC table.
Del ID button           To delete an identity from the EAC table.




                      EN/LZT 110 5057 R2A
7 MINI-LINK C and MkII Terminals                7-8




7.2.2        The Log Menu
             The Log menu gives access to the data collected from the terminals and stored
             in the MSM Log directory. You can read, sort and print the log files for analysis
             and problem tracking.




             Figure 7-5.   The Log menu bar.
             The following functions are available for the Alarm Log window; Print to File,
             Search Filter and Refresh.
             With Search Filter you can set different parameters, for example time or type of
             equipment, to search for certain logs.
             When opened from the Terminal window, the logs show data for the selected
             terminal, whereas the logs reached from the Network window show data from
             all supervised terminals within the network.
             Note: The log functions must be activated in the Data Collection window from
             the Network window Config menu.
             The Log menu contains the following log:

7.2.2.1      Alarm Log
             For explanation of the Alarm Log options, see the Network window Log menu
             in section 4.3.6.1.

7.2.3        The View Menu
             The View menu presents information on performance, revision and general
             information concerning the selected terminal.




             Figure 7-6.   The View menu bar.




                                        EN/LZT 110 5057 R2A
7-9              7 MINI-LINK C and MkII Terminals



7.2.3.1   Performance
          Performance presents performance values according to ITU-T Rec G.821.
          Accumulated data is saved in the terminal in a non-volatile memory every 18
          hours. If the power is interrupted, loss of performance data is limited to the last
          18 hours at most.




          Figure 7-7.   The Performance window.
          The New Sample button updates the Performance window.
          The performance counters can be cleared with the Reset button.
          The performance values data is presented in the table below.
          Performance Values      Description                            Maximum values
                                          -3
          UAS, Unavailable        BER >10 for more than 10 consecutive   524287 sec (6 days)
          Seconds *               seconds
          SES, Severely Errored   Seconds with BER >10-3 (excluding UAS) 524287 sec (6 days)
          Seconds *
          DM, Degraded            Minutes with BER >10-6 (excluding UAS    8191 min (6 days)
          Minutes *               and SES)
          ES, Errored Seconds *   Seconds with any error (excluding UAS)   524287 sec (6 days)
          Total Seconds           Seconds since last reset                 67108863 sec (777 days)
          * The %-field shows the ratio of the performance value to Total Seconds.
                                                                                                      7
7.2.3.2   Revision Codes
          Revision shows hardware and software revision information for the selected
          terminal.




          Figure 7-8.   The Revision Codes window.
          CSS Software         The version of the CSS software installed in the radio.
          Baseband Unit        The version of the baseband unit installed in the radio.



                                     EN/LZT 110 5057 R2A
7 MINI-LINK C and MkII Terminals                7-10




7.2.4        The Misc Menu
             The Misc (Miscellaneous) menu contains the following facilities:




             Figure 7-9.   The Misc menu bar.

7.2.4.1      Restore
             Restore is used for resetting of the control functions in the terminal, such as
             Loops, P-mark, Switch Mode Remote and Transmitter Off, to default values.




             Figure 7-10. The Restore window.




                                        EN/LZT 110 5057 R2A
7-11               7 MINI-LINK C and MkII Terminals



7.2.4.2   User Ports
          Each piece of MINI-LINK C and MkII equipment is provided with two user
          inputs and two user outputs.




          Figure 7-11. The User Port window.

          User In
          With User In it is possible to read the user’s environmental alarms, for example
          a fire alarm or a power supply alarm. When an alarm occurs on User In (from
          User In = 1 (open) to User In = 0 (closed)), an alarm notification will be
          displayed in the status bar and the alarm will be logged in the alarm log.
          Note I: The severity grade for User In must be activated by the Control user in
          the Data Collection window from the Network window Config menu.
          For MINI-LINK C Micro always set the severity for User1 to Major (User1
          alarm for a MINI-LINK C Micro means AC failure).
          Note II: The severity is set in MSM, not in CSS.
          Note III: Setting of User severity sets the User severity for all MINI-LINK C
          and MkII terminals in the network.
          User Out
          With User Out it is possible to activate external equipment, for example to start
          air conditioning equipment. For this purpose, the User Mode option must be set
          to Special mode. User Out, set to Normal mode, can receive alarm signals from
                                                                                                                          7
          user inputs at the far-end terminal.
                           T e r m in a l A                                T e r m in a l B
          U s e r In 1
                                                                               N o rm a l                U s e r O u t1

                                                                               S p e c ia l


                           M S M                                 M S M                        M S M
                            U s e r In 1                          U s e r O u t1               U s e r O u t1
                             s ta tu s                             c o n tro l                  s ta tu s
          Figure 7-12. User mode Normal or Special.




                                           EN/LZT 110 5057 R2A
7 MINI-LINK C and MkII Terminals                 7-12



7.2.4.3      Service Channel Test
             Service channel test is used for testing the service channel with a test tone.




             Figure 7-13. The Service Channel Test window.

7.2.4.4      Update Status
             Update status, for manual update of terminal status in the active hop. The
             command has the key F5 as a keyboard shortcut.

7.2.5        The Window Menu
             The Window menu lists the Network window and all opened Terminal
             windows.




             Figure 7-14. The Window menu bar.
             By selecting one of the windows from the menu, this window will be the active
             one. This menu also offers a possibility of closing all opened Terminal windows.




                                        EN/LZT 110 5057 R2A
7-13                 7 MINI-LINK C and MkII Terminals



7.2.6     The Help Menu
          Help gives access to different help files.




          Figure 7-15. The Help menu bar.
          Other ways of getting help with the MSM program:
          • Press F1 on the keyboard to get help on a selected function.
          • Select the Help button in an opened sub-window to get help on that
            sub-window.

          The following alternatives are available in the menu:

7.2.6.1   Contents
          To open the Terminal help file for the MINI-LINK C Radio.
          The Network and Program help files are only available from the Network
          window Help menu.

7.2.6.2   About the Program
          Shows information about the program: version, serial number and licence
          holder.




                                                                                                     7




                                    EN/LZT 110 5057 R2A
7 MINI-LINK C and MkII Terminals                7-14




7.2.7        The Terminal Window (Radio Terminal)
             The Terminal window for each terminal is divided into two parts; the Alarm
             field and the Control and Status field.




             Figure 7-16. The Terminal window (ML23).




                                       EN/LZT 110 5057 R2A
7-15                 7 MINI-LINK C and MkII Terminals



7.2.7.1   The Alarm Field




          Figure 7-17. The Alarm field in the Terminal window (ML23) and an opened sub-level
                       window.
          The Alarm field shows the alarms listed. Each alarm is followed by one of the
          following symbols, depending on status:
              Normal, no alarm indicated
              Alarm indicated
              Buffered alarm; previous alarm that is no longer active
          Alarms followed by three circles   have sub-levels.
          • Double-click on an alarm with three circles, to reach the sub-level.
                                                                                                       7
          To get further information about an alarm and instructions for fault localization,
          the MSM Help window can be used as described in section 4.1.5.




                                     EN/LZT 110 5057 R2A
7 MINI-LINK C and MkII Terminals                  7-16



7.2.7.2      The Control and Status Field




             Figure 7-18. The Control and Status field in the Terminal window (ML23).
             Each control function has a sub-window with selection possibilities. An abnormal
             status, that is a status differing from the default value, is indicated with bold font and
             yellow background colour in the field next to the button.
             • Click on the control button to open the sub-window.
             The control functions for a MINI-LINK C or MkII radio terminal are:

             P-mark
             P-mark is a valuable facility during fault localization. With P-mark activated, all
             alarm signals are generated and can be read in the normal way, but alarm
             notification messages are inhibited. The severity of the terminal will be Warning
             independent of alarm status.




             Figure 7-19. The P-mark window.

             Loops
             All available loops are listed and can be activated/deactivated.




             Figure 7-20. The Loops window.
             The loop test facility is a helpful tool for localization of a faulty unit. Several
             loops can be set to isolate the fault to one terminal.




                                         EN/LZT 110 5057 R2A
7-17                 7 MINI-LINK C and MkII Terminals



RF Loop (MINI-LINK 15-C, MINI-LINK 15 MkII, MINI-LINK 23-C
          and MINI-LINK 23 MkII only)
  RF Loop shifts a sample of the transmitted signal in frequency and loops it back
  into the receiver. The remote radio terminal will insert AIS on its outgoing traffic.
   RF Loop cannot be activated from the remote side, since looping breaks the IAC
   connection and would make it impossible to deactivate the loop.
   Note: Turn off the transmitter of the remote radio terminal before activating RF
   Loop, to avoid interference.
                                                                                           AIS
                                                             Microwave
       Baseband           Microwave                             Unit           Baseband
         Unit                Unit                                                Unit
                                                                 Tx Off


   Figure 7-21.    The RF loop (equipment in gray is equipment under test).
Baseband Transmit Loop (Tx Loop)
  Baseband Transmit Loop loops back the transmitting side composite bit stream(s)
  to the receiving side. The remote radio terminal will insert an AIS on its outgoing
  traffic.
   Baseband Transmit Loop cannot be activated from the remote side, since looping
   breaks the IAC connection and would make it impossible to deactivate the loop.
                    AIS                                                                    AIS
        Baseband           Microwave                          Microwave         Baseband
           Unit               Unit                               Unit             Unit



   Figure 7-22.    The Baseband Transmit Loop (equipment in gray is equipment under test).
Baseband Receive Loop (Rx Loop)
  Baseband Receive Loop loops back received traffic signals to the transmitting
  side in the remote radio terminal, after regeneration and line decoding. In
  equipment with two traffic channels, there are two Baseband Receive Loops
                                                                                                 7
  available, which can be activated individually.
   The remote radio terminal will insert an AIS on its outgoing traffic.
                                                                                         AIS
       Baseband           Microwave                         Microwave         Baseband
         Unit                Unit                              Unit             Unit



   Figure 7-23.    The Baseband Receive Loop (equipment in gray is equipment under test).




                               EN/LZT 110 5057 R2A
7 MINI-LINK C and MkII Terminals                    7-18



             Transmitter
             The transmitter can be set On or Off.
             If the transmitter is turned off by the user, it cannot be controlled by the
             terminal.




             Figure 7-24. The Transmitter window.

             Status




             Figure 7-25. The Control and Status field in the Terminal window.
             The Status field on the right-hand side shows:
             Rx; The AGC level (RF Input) is presented.




                                         EN/LZT 110 5057 R2A
7-19                7 MINI-LINK C and MkII Terminals




7.3   SMM Terminal Window
      Note: The term SMM in the text includes both SMMs and SMM-Cs.
      Two Terminal windows are presented next to each other; for the selected SMM
      on the left and for the far-end SMM on the right-hand side. The Terminal
      window is divided into the Alarm field, with alarm presentation, and the Control
      and Status field, with control facilities and status presentation.




                                                                                               7
      Figure 7-26. The Terminal window for a MINI-LINK SMM 1+1.

      The Menu bar at the top of the screen offers different facilities for terminal
      management of the selected SMM. The Terminal window has the following
      menus; Setup, Log, View, Misc, Window and Help. The different menus are
      presented in the sections below.
      The Status bar is the same as shown at the network level (see chapter 4).




                               EN/LZT 110 5057 R2A
7 MINI-LINK C and MkII Terminals                   7-20




7.3.1        The Setup Menu
             From the Setup menu various setup parameters can be set or changed.




             Figure 7-27. The Setup menu bar.

7.3.1.1      Main Setup
             MINI-LINK SMMs are set up with Main setup, where all parameters concerning
             terminals and traffic are defined.




             Figure 7-28. The Main Setup window.
             The setup parameters are depending on terminal type,
             SMM 1+0, SMM 1+1 or SMM 2+1.




                                        EN/LZT 110 5057 R2A
7-21                    7 MINI-LINK C and MkII Terminals



The following parameters and functions are presented in the Setup window for
the SMM 1+1 terminal:
Standby Mode             Hot standby; one transmitter is transmitting, while the other is
                         in standby mode (not transmitting). Both radios operate on the
                         same frequency.
                         Working standby (frequency diversity); both transmitters are
                         working but at different frequencies. 1+0 systems run in
                         Working Standby.
Near SMM ID*             Identity of the near-end SMM terminal (displayed as
                         information only).
Far SMM ID*              Identity of the far-end SMM terminal.
Near Radio ID*           Identity of the radio connected to the near-end SMM.
                         Can be 1, 2 or 3 IDs, depending on configuration.
Far Radio ID*            Identity of the radio connected to the far-end SMM.
                         Can be 1, 2 or 3 IDs, depending on configuration.
Traffic Channel          Activates/deactivates a traffic channel (protected configurations
                         only).
User Mode                Each radio and SMM is provided with two user inputs and two
                         user outputs. The user mode controls the mode of operation of
                         the user outputs:
                         In User Mode Normal the status of the user output is
                         determined by the status of the remote user input.
                         In User Mode Special the status of the user output is controlled
                         by the user via the MSM.
                         The user ports are configured in the Main setup. The status and
                         control of the user ports is available in the Misc menu.

EAC IDs
                         Default = Normal.
                         Identities of the terminal(s) connected to the same EAC bus as
                                                                                                    7
                         the SMM.
Add ID button            To include a new ID in the EAC table.
Del ID button            To delete an ID from the EAC table.


*   See the user’s manual for SMM, SMM-C and SMM 2+1 for further information.




                              EN/LZT 110 5057 R2A
7 MINI-LINK C and MkII Terminals              7-22




7.3.2        The Log Menu
             The Log menu gives access to the data collected from the terminals and stored
             in the MSM Log directory. You can read, sort and print the log files for analysis
             and problem tracking.




             Figure 7-29. The Log menu bar.
             The following functions are available for the Alarm Log window; Print to File,
             Search Filter and Refresh.
             With Search Filter you can set different parameters, for example time or type of
             equipment, to search for certain logs.
             When opened from the Terminal window, the logs show data for the selected
             terminal, whereas the logs reached from the Network window show data from
             all supervised terminals within the network.
             Note: The log functions must be activated in the Data Collection window from
             the Network window Config menu.
             The Log menu contains the following log:

7.3.2.1      Alarm Log
             For explanation of the Alarm Log options, see the Network window Log menu
             in section 4.3.6.1.




                                       EN/LZT 110 5057 R2A
7-23                 7 MINI-LINK C and MkII Terminals



7.3.3     The View Menu
          The View menu presents information on performance, revision and general
          information concerning the selected terminal.




          Figure 7-30. The View menu bar.

7.3.3.1   Performance
          Performance presents performance values (SMM 1+1 and 2+1 only) according
          to ITU-T Rec G.821 (see section 7.2.3.1 for more information). The data is
          estimated by collecting BER data from the radio receiver currently selected by
          the switch unit.




          Figure 7-31. The Performance window.
          The New Sample button updates the Performance window.
          The performance counters can be cleared with the Reset button.
          Performance Values
          UAS, Unavailable
          Seconds *
                                  Description
                                          -3
                                  BER >10 for more than 10 consecutive
                                  seconds
                                                                         Maximum values
                                                                         524287 sec (6 days)
                                                                                                      7
          SES, Severely Errored   Seconds with BER >10-3 (excluding UAS) 524287 sec (6 days)
          Seconds *
          DM, Degraded            Minutes with BER >10-6 (excluding UAS    8191 min (6 days)
          Minutes *               and SES)
          ES, Errored Seconds *   Seconds with any error (excluding UAS)   524287 sec (6 days)
          Total Seconds           Seconds since last reset                 67108863 sec (777 days)
          * The %-field shows the ratio of the performance value to Total Seconds.




                                     EN/LZT 110 5057 R2A
7 MINI-LINK C and MkII Terminals                 7-24




7.3.3.2      Revision Codes
             Revision shows hardware and software revision information for the SMM.




             Figure 7-32. The Revision Codes window.

             CSS Software          The version of the CSS software installed in the SMM.
             Control Unit          The version of the control unit installed in the SMM.
             SU Software           Only for SMM as protected. The version of the installed switch
                                   unit software.
             Switch Unit           Only for SMM as protected. The version of the installed switch
                                   units.

7.3.4        The Misc Menu
             The Misc (Miscellaneous) menu contains the following facilities:




             Figure 7-33. The Misc menu bar.

7.3.4.1      Restore
             Restore is used for resetting of the control functions in the terminal, such as
             Loops, P-mark, Switch Mode Remote and Transmitter Off, to default values.




             Figure 7-34. The Restore window.




                                        EN/LZT 110 5057 R2A
7-25                  7 MINI-LINK C and MkII Terminals



7.3.4.2   User Ports
          Each SMM is provided with two user inputs and two user outputs.




          Figure 7-35. The User Ports window.
          User In
          With User In it is possible to read user’s environmental alarms, for example a
          fire alarm or a power supply alarm. When an alarm occurs on User In ((from
          User In = 1 (open) to User In = 0 (closed)), an alarm notification will be
          displayed in the status bar and the alarm will be logged in the alarm log file.
          Note I: The severity grade for User In must be activated by the Control user in
          the Data Collection window from the Network window Config menu.
          Note I: The severity is set in MSM, not in CSS.
          Note II: Setting of User severity sets the User severity for all MINI-LINK C
          and MkII terminals in the network.
          User Out
          With User Out it is possible to activate external equipment, for example to start
          air conditioning equipment. For this purpose, the User Mode option must be set
          to Special mode. User Out set to Normal mode, can receive alarm signals from
          user inputs at the far-end terminal.
                         T e r m in a l A
                                                                                                                      7
                                                                       T e r m in a l B
          U s e r In 1
                                                                           N o rm a l                U s e r O u t1

                                                                           S p e c ia l


                         M S M                               M S M                        M S M
                          U s e r In 1                        U s e r O u t1               U s e r O u t1
                           s ta tu s                           c o n tro l                  s ta tu s

          Figure 7-36. User mode Normal or Special.




                                            EN/LZT 110 5057 R2A
7 MINI-LINK C and MkII Terminals                 7-26



7.3.4.3      Service Channel Test
             Service channel test is used for testing the service channel with a test tone.




             Figure 7-37. The Service Channel Test window.

7.3.4.4      Update Status
             Update status, for manual update of terminal status in the active hop. The
             command has the key F5 as a keyboard shortcut.


7.3.5        The Window Menu
             The Window menu lists the Network window and all opened Terminal
             windows.




             Figure 7-38. The Window menu bar.
             By selecting one of the windows from the menu, this window will be the active
             one. This menu also offers a possibility of closing all opened Terminal windows.




                                        EN/LZT 110 5057 R2A
7-27                 7 MINI-LINK C and MkII Terminals



7.3.6     The Help Menu
          Help gives access to different help files.




          Figure 7-39. The Help menu bar.
          Other ways of getting help with the MSM program:
          • Press F1 on the keyboard to get help on a selected function.
          • Select the Help button in an opened sub-window to get help on that sub-
            window.

          The following alternatives are available in the menu:

7.3.6.1   Contents
          To open the Terminal help file for the MINI-LINK SMM.
          The Network and Program help files are only available from the Network
          window Help menu.

7.3.6.2   About the Program
          Shows information about the program: version, serial number and licence
          holder.




                                                                                                     7




                                    EN/LZT 110 5057 R2A
7 MINI-LINK C and MkII Terminals               7-28




7.3.7        The Terminal Window (SMM)
             The SMM Terminal window is divided into the Alarm field and the Control and
             Status field.




             Figure 7-40. The Terminal window for a MINI-LINK SMM 1+1.




                                      EN/LZT 110 5057 R2A
7-29                 7 MINI-LINK C and MkII Terminals



7.3.7.1   The Alarm Field




          Figure 7-41. The Alarm field in the Terminal window (SMM 1+1) and an opened sub-level
                       window.
          The Alarm field shows the alarms listed. Each alarm is followed by one of the
          following symbols, depending on status:
              Normal, no alarm indicated
              Alarm indicated
              Buffered alarm; previous alarm that is no longer active
          Alarms followed by three circles   have sub-levels.
          • Double-click on an alarm with three circles, to reach the sub-level.
                                                                                                      7
          To get further information about an alarm and instructions for fault localization,
          the MSM Help window can be used as described in section 4.1.5.




                                     EN/LZT 110 5057 R2A
7 MINI-LINK C and MkII Terminals                  7-30



7.3.7.2      The Control and Status Field




             Figure 7-42. The Control and Status field in the Terminal window (SMM 1+1).
             Each control function has a sub-window with selection possibilities. An abnormal
             status, that is a status differing from the default value, is indicated with bold font and
             yellow background colour in the field next to the button.
             • Click on the control button to open the sub-window.
             The control functions for an SMM are:
             P-mark
             P-mark is a valuable facility during fault localization. With P-mark activated, all
             alarm signals are generated and can be read in the normal way, but alarm
             notification messages are inhibited. The severity of the terminal will be Warning
             independent of alarm status.




             Figure 7-43. The P-mark summary window.




                                        EN/LZT 110 5057 R2A
7-31                  7 MINI-LINK C and MkII Terminals



Loops
In an SMM there are four loops available for each MUX; Tributary A, B, C and
D, and can be activated/deactivated.




Figure 7-44. The Loops window.
A MUX loop loops back the traffic signal in the far-end and inserts an AIS.
When a loop is activated (On), the normal traffic flow is interrupted and all or
part of the traffic is fed back.

                                                                        Mux            AIS
     Mux Unit       MINI-LINK                           MINI-LINK
                                                                        Unit



Figure 7-45. MUX loop on one traffic signal (equipment in gray is equipment under test).

                                                                                               7




                            EN/LZT 110 5057 R2A
7 MINI-LINK C and MkII Terminals                  7-32



             Switch Mode
             Switch Mode can be set to Auto or Remote (SMM 1+1 and SMM 2+1 only).




             Figure 7-46. The Switch Mode window.
             In Automatic mode (set by default) switching is controlled by the state of
             different alarms. When an alarm occurs in the active radio, there is a switch-
             over to the standby radio. This radio then remains the active radio (minimum
             number of switch-overs).
             With Remote mode set, the user selects transmitter and receiver from the MSM,
             irrespective of alarm status.
             In Manual mode (SMM 1+1 only) the selection is controlled by a switch on the
             front of the Switch Unit.

             Status




             Figure 7-47. The Control and Status field in the Terminal window (SMM 1+1).
             The Status field on the right-hand side shows (protected configurations only):
             Tx; The active transmitter is indicated by a frame.
             Rx; The active receiver is indicated by a frame.




                                        EN/LZT 110 5057 R2A
7-33                     7 MINI-LINK C and MkII Terminals




7.4     Details on Protected Switching and AIS
7.4.1   Switching in Protected Systems
        Switching takes place when any of the SMM alarms listed below goes active.
        Transmitter switching   Receiver switching
        Tx alarm                Rx alarm
                                Traffic alarm
                                AGC alarm

7.4.2   Alarm Indication Signal (AIS)
        An AIS replaces the traffic signal in case of failure, and is automatically
        generated when loops, as described in section 7.2.7.2 (Radio terminal) and
        7.3.7.2 (SMM), are set or any of the following alarms is active:
        Radio alarms                             SMM alarms
        BER                                      System Line Fault
        Radio ID                                 Frame Fault
        Radio Frame 1 and 2                      Input Tributary Fault
        Remote MINI-LINK Input Traffic 1 or 2    AIS Received




                                                                                                            7




                                   EN/LZT 110 5057 R2A
7 MINI-LINK C and MkII Terminals               7-34




7.5          Repair
             If the baseband unit in the radio module or the control unit in the SMM is
             replaced, a new software setup must be done but no new alignment is needed.
             For replacement of faulty equipment, refer to the user’s manual for the
             equipment.


                       WARNING -         The units in the SMM generate heat and
                                         may be hot.
                                         Switch off the power before replacing a unit.

             For information on spare parts, see MINI-LINK C Product Catalogue,
             EN/LZT 110 149.
             Sub-units or preferably complete modules can be sent to repair. For fast
             handling, please complete and enclose the Failure Report found as an appendix
             in this manual. The sub-units are repaired and replaced by equivalent units. If no
             fault is found, the cost for a full system test will be applied.




                                      EN/LZT 110 5057 R2A
8-1                       Appendices




8   Appendices                                   Page

•   Connection of Modem for Remote Supervision   8-3

•   Program Files                                8-6

•   Using the Service Telephone for SAU Exp2     8-8

•   Failure Report                               8-9




                                                                    8




                     EN/LZT 110 5057 R2A
Appendices           8-2




             EN/LZT 110 5057 R2A
8-3                                       Appendices
                                                                     Connection of Modem




Connection of Modem for
Remote Supervision
MSM Definition
The PC with MSM can be connected to the MINI-LINK sub-network via a
modem for distant supervision. The front-end connection must then be defined
in MSM.
1. Select Communication from the Config menu in the Network window.




  Figure 7-1. Selection of front end in the Configure Communication window.
2. Select Modem as Front-end connection, and select Save.




                                                                                           8




                          EN/LZT 110 5057 R2A
Appendices of Modem
Connection                                              8-4




            Setup of a Modem Connection


                                M o d e m   B                 P S T N   M o d e m   A

                                                                                        M IN I- L IN K e q u ip m e n t

            Figure 7-2.   MINI-LINK supervision via modems.
            The PC is connected to the modem via the serial COM port, and the modem is
            connected to the MINI-LINK equipment in accordance with the tables on the next
            page.
            The calling and modem configurations must be done outside MSM, preferably with
            Microsoft windows Terminal program. Use 1200 bit/s, 8 data bits, 1 stop bit, no
            parity and no flow control.
            The AT commands below apply when using Ericsson V.34DT ZATR 809 1401/020
            modem.
            The saved configuration is reloaded at modem power-up, and needs therefore only
            be done once.
            Calling from MSM to MINI-LINK
            Modem A - MINI-LINK
            AT&F0            Load factory default values from ROM.
            ATS0=2           Automatic answer after two signals.
            AT&D0            Ignore DTR (MINI-LINK does not support DTR).
            AT&E3            No modem initiated flow control.
            AT&E14           Data compression disabled.
            AT$SB1200        Set serial port baud rate to 1200 bit/s.
            AT$MB1200        Set modem baud rate to 1200 bit/s.
            ATQ1             Suppress result codes (no OK answer after this command).
            ATE0             Do not echo command nodes characters (no characters
                             echoed on the screen after this command).
            AT&W0            Save configuration.
            Modem B - MSM
            AT&F0                       Load factory default values from ROM.
            AT&D0                       Ignore DTR to be able to exit the Terminal program without
                                        disconnecting
            AT&E3                       No modem initiated flow control.
            AT&E14                      Data compression disabled.
            AT$SB1200                   Set serial port baud rate to 1200 bit/s.
            AT$MB1200                   Set modem baud rate to 1200 bit/s.
            AT&W0                       Save configuration.



                                                EN/LZT 110 5057 R2A
8-5                                        Appendices
                                                                       Connection of Modem




Connection to MINI-LINK
The tables below give guiding information on how to connect the modem to
MINI-LINK equipment (cable to Modem A in figure 7-2). For connection
between PC and modem, use a standard RS-232 cable. Consult the modem
manual for detailed instructions.

Connection of 25-pin RS-232 (or V.24)                Connection to MINI-LINK E
connector                                            equipment; O&M port
Pin    Name                       Note               Name                  Pin

2      TD, transmit Data          To modem           O&M_RD_104            2

3      RD, Received Data          From modem         O&M_TD_103            3

7      SG, Signal Ground          -                  0V                    5

8      DCD, Data Carrier Detect   From modem         O&M_DCD_109 **        4

20     Connect Data Set to Line   To modem           O&M_CDSTL_108_1 *     6



Connection of 25-pin RS-232 (or V.24)                Connection to MINI-LINK C and
connector                                            MkII radio; Terminal port
Pin    Name                       Note               Name                  Pin

2      TD, Transmit Data          To modem           RS 232 from radio     P1:5 or P3:B02

3      RD, Received Data          From modem         RS 232 to radio       P1:18 or P3:B04

7      SG, Signal Ground          -                  0V                    P2:6 or P3:C02

20     Connect Data Set to Line   To modem           Modem Connect *       P1:6 or P3:C06



Connection of 25-pin RS-232 (or V.24)                Connection to MINI-LINK C and
connector                                            MkII SMM; BAY/USER port
Pin    Name                       Note               Name                  1+0; Pin   1+1; Pin

2

3
       TD, transmit Data

       RD, Received Data
                                  To modem

                                  From modem
                                                     RS 232 from radio

                                                     RS 232 to radio
                                                                           9

                                                                           28
                                                                                      5

                                                                                      18
                                                                                                 8
7      SG, Signal Ground          -                  0V                    11         17

8      DCD, Data Carrier Detect   From modem         DTR TERM **           -          3

20     Connect Data Set to Line   To modem           Modem Connect *       -          4


*     The signal is provided for dial-up modems with automatic calling facilities only. The
      signal goes low for 0.6 seconds when an alarm occurs in the sub-network.
**    The signal is provided for dial-up modems with automatic calling facilities only. The
      signal is activated when connection is established between the modems. It is used for
      control of the O&M_CDSTL_108_1 (MINI-LINK E) / Modem Connect (MINI-LINK C
      and MkII) signal.



                            EN/LZT 110 5057 R2A
Appendices
Program Files                                    8-6




                Program Files
                The following files are created by the MSM programs during installation.


                Files in program directory (default directory: MINI-LINKMSM):
                MsmServer.exe                       MSM Server executable
                MsmServer.cfg                       MSM Server configuration
                MSM.exe                             MSM Client executable
                Msm.cfg                             MSM Client configuration
                Texts.dat                           Alarm and Status texts
                MsmServerlog.cfg                    MSM Server trace log configuration
                MSMlog.cfg                          MSM Client trace log configuration
                Equip.cfg                           Terminal type defenitions
                Demodb.dat                          Demo database
                RsuDetectorTraceLog.cfg RSU Detector trace log configuration
                *.hlp                               Help file
                *.cnt                               Help contents file


                Files in common MINI-LINK directory (WindowsMINI-LINK):
                AddOn_C.dll                    AddOn
                AddOn_Cps.dll                  AddOn proxy stub
                MXMServer_Cps.dll              MXM Server proxy stub
                RsuServer_C.exe                RSU Server executable
                RsuServer_Cps.dll              RSU Server proxy stub
                RsuClient_C.exe                RSU Client executable
                RsuClient_Cps.dll              RSU Client proxy stub
                MxmConfig_C.dll                MXM Configuration
                MxmConfig_Cps.dll              MXM Configuration proxy stub
                RsuDetector_C.dll              RSU Detector
                RsuDetector_Cps.dll            RSU Detector proxy stub
                RsuDetectorTraceLog.cfg RSU Detector trace log configuration
                ClientTraceLog.cfg             MSM Client trace log configuration
                FileTransfer_C.dll             File Transfer
                FileTransfer_Cps.dll           File Transfer proxy stub
                *.hlp                          Help file
                *.cnt                          Help contents file




                                        EN/LZT 110 5057 R2A
8-7                                  Program Files
                                                                      Appendices



Files in system directory (WINDOWSSYSTEM)
Msvcrt.dll                       C Run Time library
Msvcp50.dll                      C++ Run Time library
Wbtrv32.dll                      Btrieve
W32mkrc.dll                      Btrieve (single user)
W32mkde.exe                      Btrieve (single user)
Atl.dll                          ATL library (DCOM)
mfc42.dll                        MFC library


Files created by MSM during operation:
*.BAK                           Backup of the *.CFG configuration file
*.id                            MSM network list files


Log-files in sub-directory "log" (MSMLog)
ALARM32.btr                        Alarm log file of the MINI-LINK network


Remote Software Upgrade (RSU) files
Remote Software Upgrade (RSU) files are installed in the sub-directory “upgrade”
(WindowsMINI-LINKUpgrade). RSU files are installed and used when
new CSS software shall be loaded into the MINI-LINKs.




                                                                                     8




                        EN/LZT 110 5057 R2A
Appendices
Using the Service Telephone                    8-8




             Using the Service Telephone for
             SAU Exp 2
             The service telephone is connected to the analog service channel, available in
             SAU Exp 2.
             The two-digit number for the telephone is set in MSM, in the Service Channel
             setup.

             Making a phone-call
             To call a service telephone in the MINI-LINK sub-network, lift the handset and
             dial the number for the telephone.
             - Service telephones connected to MINI-LINK E equipment are assigned two-
                digit numbers in MSM. Dialling ”23” routes the ring signal to the telephone
                with number 23.
             - Service telephones connected to MINI-LINK C equipment are assigned
               single-digit numbers. They are set with switches in the telephone. Dialling
               ”23” routes the ring signal to the telephones with number 2 and 3.

             - The # button on the telephone can be used to make all telephones in the sub-
               network ring simultaneously (general call, group conversation).
             The 0-9 and # buttons are the only buttons required for calling in the MINI-LINK
             sub-network. The other buttons are not used in the MINI-LINK application.
             Note: There is absolutely no call privacy or secrecy on the service telephone
             network. Ongoing conversations can be listened in to and participated in simply
             by lifting the handset.

             Adjusting the sound level
             The sound level in the phone is adjusted with the control on the right hand side
             of the telephone.
             The sound level of the ring signal is adjusted with two switches on the left hand
             side of the telephone:

             - The      switch for adjustment of the tone.

             - The     switch for adjustment of the volume.




                                      EN/LZT 110 5057 R2A
8-9                                                Appendices



                                 MINI-LINK Failure Report
Date of report:                                                       Date of failure:

After repair return to:
Goods address                                             Invoice address




Failure report
Unit name                            Ordering code        Serial No                      H/W Revision state


Configuration (1+0, 1+1 etc).                                                            S/W Revision state




MECHANICAL DAMAGE                                    Detailed fault description:

DC FAILURE

TRAFFIC FAILURE

RF OUTPUT FAILURE

RF INPUT FAILURE

INTERMITTENT FAILURE

NOT WORKING AT INSTALLATION                          Alarms noticed:

UNKNOWN


Location of faulty unit
Site name

Name of opposite site

Transmit frequency (MHz) / Channel

Start of operation, date
                                                          Traffic type (Mbit/s)

                                            Latest previous failure on same unit, date
                                                                                                                           8
Name:                                                                 Telephone No:

                                                                      E-mail:

ERICSSON MICROWAVE SYSTEMS AB

Mail                    Goods address           Telephone               Telefax          E-mail
P.O Box 22150           MINI-LINK Repair Centre +46 33 179600           + 46 33 179947   emwbsrep@emw.ericsson.se
S-500 02 BORÅS          Sandlidsgatan 3
SWEDEN                  S-504 62 BORÅS, SWEDEN




                                              EN/LZT 110 5057 R2A
Appendices          8-10




             EN/LZT 110 5057 R2A
9-1                                                     Index




9 Index
A                                                                  F
Activation Progress (RSU Activation)                  4-50         Factory Setup                                 5-58; 6-23
Activation Status (RSU Activation)                    4-51         Failure Report                                       8-9
AGC Alarm Threshold                         5-21; 6-7; 7-7         Far End ID                                          5-22
AIS                                              5-9, 5-11         Far Radio ID                                   7-6, 7-21
Alarm Field                   5-33, 5-54; 6-17; 7-15, 7-29         Far SMM ID                                          7-21
Alarm History                             5-26, 5-48; 6-10         Fault Information                                    4-8
Alarm Indication Signal (AIS)                   5-57; 7-33         Find Terminal                                       4-18
Alarm Log                                             4-20         Frequency Channel Number                             7-6
Alarm Notification                                     4-7         Frequency Index                                      7-7
AM Setup                                   3-4; 5-19, 5-41
                                                                   G
B                                                                  Get Load File (RSU Load)                            4-41
Bay Alarm                                             7-4          Group Tree                                          4-15
BER Alarm                                       5-22; 6-7          Groups and Terminals                                2-14
Bit rate                                              7-6
Buffered Alarm                                 7-15, 7-29          H
                                                                   Help                                          2-10; 4-12
C                                                                  Hop Setup                                       3-9; 5-21
Close                                                              Hot Standby                               5-20, 5-42; 7-6
  the Network window                           2-21; 4-15
  the Terminal Window                                2-21          I
Communication Channels                                4-5
Communication Setup                                  5-43          IDs                                              3-3; 4-4
Configure Communication                              4-25          ID Setups, Examples                                    22
Configure Sorting                                    4-23
Control and Status Field     5-34, 5-54; 6-19; 7-16, 7-30          L
Control and Supervision System (CSS)4-3; 5-6; 5-9; 5-12, 5-15
                                                                   Licence Agreement                                     1-4
Copyright for MSM Software                            1-3
                                                                   List View                                            4-27
Cut Terminals and Groups                             4-17
                                                                   Load Progress (RSU Load)                             4-39
                                                                   Load Session Details (RSU Activation)                4-46
D                                                                  Load Status (RSU Load)                               4-40
Data Collection                                      4-24          Local Control                                        5-22
Delete Terminals and Groups                          4-17          Log                                                  4-19
Details View                                         4-27          Login                                                 2-8
                                                                   Loop                               5-35; 6-20; 7-16, 7-31
E
                                                                   M
EAC                                                   5-43
EAC ID                                           7-7; 7-21         Main Frame Window                                     4-9
EAC Port                                              5-15         Manually Enter Terminals (RSU Load)                  4-42
Excluded Units (RSU Activation)                       4-49         Merge                                                4-16
Excluded Units (RSU Load)                             4-38         MINI-LINK C Micro                               7-3, 7-11
Exit                                                               MINI-LINK E Micro Radio Unit                          6-3
  the MSM program                              2-21; 4-10          MINI-LINK E Micro, Setup                              6-7


                                                                                                                               9
  the Network Window                                 4-16          ML-C Radio, Setup                                     7-6
Expanded NCC for MINI-LINK E                         3-15          MMU                                                   5-7
                                                                   Modem Connection                                      8-3
                                                                   MSM, Program Windows Overview                        2-11
                                                                   MSM, Start                                            2-8




                                                 EN/LZT 110 5057 R2A
Index                                                 9-2


                                                            Scanning in Progress (RSU Load)                         4-36
N                                                           Search Filter                                           4-22
                                                            Select Load Session for Activation (RSU Activation) 4-45
NCC                                           5-22, 5-43    Select SW Type and Version (RSU Load)                   4-34
Near Radio ID                                  7-6, 7-21    Select Units for Activation (RSU Activation)            4-47
Near SMM ID                                         7-21    Select Units to Load (RSU Load)                         4-36
Near Standby Radio ID                                7-6    Service Channel                                         5-15
Network List, Generating                            2-13    Service Channel Setup                                   5-46
Network Supervision                                  4-3    Service Channel Test                              7-12, 7-26
Network Window                                2-13; 4-13    Service Telephone                                        8-8
New Group                                           4-19    Setup of MINI-LINK C and MkII Equipment                 3-18
New Network List                                    4-10    Setup of MINI-LINK E Equipment                           3-4
New Terminals                                       4-18    Setup of MINI-LINK E Micro                              3-16
                                                            SMM, Setup                                              7-20
O                                                           SMU                                                     5-10
                                                            Sort Terminals                                          4-28
Open Network List                                  4-10
                                                            Sorting                                                 4-23
Output Power                                   5-21; 6-7
                                                            Standby Mode                                       7-6, 7-21
                                                            Status Bar                                              4-15
P                                                           Status Symbols            4-14; 5-34, 5-54; 6-18; 7-15, 7-29
Password                                              2-9   Status Update                                           4-24
   Configure                                         4-26   SW Activate                                 5-31, 5-51; 6-15
Paste Terminals and Groups                           4-17   Switch Mode                                       5-38; 7-32
Performance                         5-27; 6-11; 7-9, 7-23   Switching                                         5-56; 7-33
P-mark                       5-35, 5-55; 6-19; 7-16, 7-30
Pop-up menus                                         2-17   T
Preset
                                                            Terminal List                                          4-14
   ML-E SW                              4-10; 5-58; 6-23
                                                            Terminal Types                           4-4; 5-16; 6-5; 7-3
   Plug                                             5-58
                                                            Terminal Window                                        2-19
Print Log to File                                   4-21
                                                            Terminal Window
Program Files                                        8-6
                                                               ML-C                                                 7-5
                                                               ML-E                                                5-18
R                                                              ML-E Micro                                           6-6
RAC                                           5-15, 5-43       SAU                                                 5-40
Radio ID Check                            5-22; 6-8; 7-7       SMM                                                 7-19
Radio Terminal Setup                                3-18    Terminology                                             1-8
RAU                                                  5-3    Test Port                                              5-37
Recover Group Name                                  4-23    Traffic Channel                                   7-7, 7-21
Redo Editing Options                                4-16    Traffic Routing                                        5-23
Remote Controlled Output Power                 5-21; 7-7    Traffic Setup                                   3-10; 5-23
Remote SW Activation                                4-43    Traffic Setup with Routing                               24
Remote SW Load                                      4-32    Transmitter                               5-38; 6-22; 7-18
Remote SW Upgrade (RSU)                             4-30    Tx Attenuator                                          5-21
Rename Group                                        4-17    Tx Frequency                                      5-21; 6-7
Repair                                  5-58; 6-23; 7-34    Tx                                        5-36; 6-21; 7-17
Reset                                   5-30, 5-50; 6-14    Type                                  5-19, 5-21, 5-42; 6-7
Restore                     5-30, 5-50; 6-14; 7-10, 7-24
Revision Codes               5-29, 5-49; 6-13; 7-9, 7-24    U
RF Output Power                                      7-7
                                                            Undo Editing Options                                   4-16
Rx                                      5-36; 6-21; 7-17
                                                            Update Status                  5-30, 5-50; 6-14; 7-12, 7-26
Rx Frequency                                   5-21; 6-7
                                                            User Categories                                        2-12
                                                            User Input, Output ML-C                          7-11, 7-25
S                                                           User Input, Output ML-E                          5-15; 5-44
SAU                                                 5-13    User Mode                                         7-7, 7-21
SAU Setup                                           3-12    User Output                                            5-55
Save as                                             4-16
Save                                                4-15    W
Scan Local                                          4-10
                                                            Working Standby                             5-20, 5-42; 7-6
Scan                                                4-10
Scanning in Progress (RSU Activation)               4-47




                                               EN/LZT 110 5057 R2A

Msm r2a

  • 1.
    Introduction 1 Getting Started 2 Setup of Terminals 3 MINI-LINK MSM Network Operation Manual Management 4 MINI-LINK E Copyright © ERICSSON 1999 Terminal 5 EN/LZT 110 5057 R2A MINI-LINK E Micro Terminal 6 MINI-LINK C and 99-02 Mk II Terminals 7 Appendices 8 All rights reserved. No parts of this publication may be reproduced, stored in a retrieval system, or transmitted in any form or by any means, electronic, mechanical, photocopying, recording or otherwise, without prior written permission of the Index 9 publisher.
  • 3.
    I Contents Contents Page 1 Introduction 1-3 1.1 MINI-LINK Service Manager Features 1-3 1.2 The MINI-LINK Service Manager Software 1-3 1.2.1 Copyright for MSM Software 1-3 1.2.2 Third Party Software Products 1-3 1.2.3 MINI-LINK Service Manager Software Licence Agreement 1-4 1.2.4 MINI-LINK Service Manager Software Revision 1-4 1.3 How to Use the Manual 1-4 1.3.1 Related Documents 1-5 1.4 Safety Requirements 1-7 1.5 Terminology 1-8 2 Getting Started 2-3 2.1 Installation 2-3 2.1.1 Package Contents 2-3 2.1.2 System Requirements 2-3 2.1.3 Installation Procedure from CD-ROM 2-4 2.1.4 Installation Procedure from Diskett 2-6 2.2 User Categories 2-7 2.2.1 Control User 2-7 2.2.2 View User 2-7 2.2.3 Password 2-7 2.3 Entering MSM 2-8 2.3.1 Login 2-8 2.3.2 No contact established 2-10 2.4 General Action Procedures 2-10 2.4.1 Selecting Menu Items 2-10 2.5 Accessing Help 2-10 2.6 The MSM Program Windows 2-11 2.6.1 Overview 2-11 2.6.2 Different Options for the User Categories 2-12 2.7 The Network Window 2-13 2.7.1 Generating a Network List 2-13 2.7.2 Working with Groups and Terminals 2-14 2.8 Entering a Terminal Window 2-19 2.9 Leaving a Terminal Window 2-21 2.10 Closing a Network Window 2-21 2.11 Exiting the program 2-21 3 Setup of Terminals 3-3 3.1 IDs 3-3 3.1.1 Restricted IDs 3-3 3.2 Setup of MINI-LINK E Equipment 3-4 3.2.1 AM Setup 3-4 3.2.2 Hop Setup 3-9 3.2.3 Traffic Setup 3-10 3.2.4 SAU Setup 3-12 3.2.5 Expanded NCC for MINI-LINK E 3-15 3.3 Setup of MINI-LINK E Micro 3-16 3.4 Setup of MINI-LINK C and MkII Equipment 3-18 3.4.1 Radio Terminal Setup 3-18 3.4.2 SMM Setup 3-20 EN/LZT 110 5057 R2A
  • 4.
    Contents II 3.5 Examples of ID Setups 3-22 3.5.1 Example 1: A MINI-LINK E 1+0 Hop 3-22 3.5.2 Example 2: A MINI-LINK E 1+1 Hop with SAU 3-22 3.5.3 Example 3: A MINI-LINK Sub-Network 3-23 3.6 Example of Traffic Setup with Routing 3-24 3.7 Example of a Routing Setup form 3-27 3.7.1 Explanation of the Form Contents 3-28 4 Network Management 4-3 4.1 Network Supervision 4-3 4.1.1 Terminal Types 4-4 4.1.2 Communication Channels 4-5 4.1.3 Network Operation and Maintenance Facilities 4-6 4.1.4 Alarm Notification 4-7 4.1.5 Fault Information 4-8 4.2 The Main Frame Window 4-9 4.2.1 The Network Menu 4-10 4.2.2 The Log Menu 4-11 4.2.3 The Config Menu 4-11 4.2.4 The Help Menu 4-12 4.3 The Network Window 4-13 4.3.1 The Terminal List 4-14 4.3.2 The Group Tree 4-15 4.3.3 The Status Bar 4-15 4.3.4 The Network Menu 4-15 4.3.5 The Edit Menu 4-16 4.3.6 The Log Menu 4-19 4.3.7 The Config Menu 4-22 4.3.8 The View Menu 4-27 4.3.9 The Window Menu 4-29 4.3.10 The Help Menu 4-29 4.4 Remote SW Upgrade 4-30 4.4.1 Introduction 4-30 4.4.2 Recommendations for Remote SW Upgrade 4-31 4.5 Remote SW Load 4-32 4.5.1 Network Menu in the Network Window 4-32 4.5.2 Select SW Type and Version 4-34 4.5.3 Scanning in Progress 4-36 4.5.4 Select Units to Load 4-36 4.5.5 Load Progress 4-39 4.5.6 Optional Load Windows 4-41 4.6 Remote SW Activation 4-43 4.6.1 Network Menu in the Network Window 4-43 4.6.2 Select Load Session for Activation 4-45 4.6.3 Scanning in Progress 4-47 4.6.4 Select Units for Activation 4-47 4.6.5 Activation Progress 4-50 5 MINI-LINK E Terminal 5-3 5.1 MINI-LINK E Technical Description 5-3 5.1.1 Radio Unit (RAU) 5-3 5.1.2 Modem Unit (MMU) 5-7 5.1.3 Switch Multiplexer Unit (SMU) 5-10 5.1.4 Service Access Unit (SAU) 5-13 5.2 MINI-LINK E Supervision 5-16 5.2.1 Operation and Maintenance Facilities 5-17 5.2.2 Fault Localization 5-17 EN/LZT 110 5057 R2A
  • 5.
    III Contents 5.3 MINI-LINK E Radio Terminal Window 5-18 5.3.1 The Setup Menu 5-19 5.3.2 The Log Menu 5-25 5.3.3 The View Menu 5-25 5.3.4 The Misc Menu 5-29 5.3.5 The Window Menu 5-32 5.3.6 The Help Menu 5-32 5.3.7 The Terminal Window (Radio Terminal) 5-33 5.4 MINI-LINK E SAU Terminal Window 5-40 5.4.1 The Setup Menu 5-41 5.4.2 The Log Menu 5-47 5.4.3 The View Menu 5-48 5.4.4 The Misc Menu 5-50 5.4.5 The Window Menu 5-52 5.4.6 The Help Menu 5-52 5.4.7 The Terminal Window (SAU) 5-53 5.5 Details on 1+1 Switching and AIS 5-56 5.5.1 Switching in 1+1 Systems 5-56 5.5.2 Alarm Indication Signal (AIS) 5-57 5.6 Repair and Extension 5-58 5.6.1 Factory Setup with the Preset Function 5-58 5.6.2 Factory Setup without the Preset Function 5-58 5.6.3 Setups after Addings or Replacements 5-59 5.6.4 Spare Parts and Repair 5-59 6 MINI-LINK E Micro Terminal 6-3 6.1 MINI-LINK E Micro Technical Description 6-3 6.1.1 MINI-LINK E Micro Radio Unit 6-3 6.2 MINI-LINK E Micro Supervision 6-5 6.2.1 Operation and Maintenance Facilities 6-5 6.2.2 Fault Localization 6-5 6.3 MINI-LINK E Micro Terminal Window 6-6 6.3.1 The Setup Menu 6-6 6.3.2 The Log Menu 6-9 6.3.3 The View Menu 6-9 6.3.4 The Misc Menu 6-13 6.3.5 The Window Menu 6-16 6.3.6 The Help Menu 6-16 6.3.7 The Terminal Window (Radio Terminal) 6-17 6.4 Repair and Extension 6-23 6.4.1 Factory Setup with the Preset Function 6-23 6.4.2 Spare Parts and Repair 6-23 7 MINI-LINK C and MkII Terminals 7-3 7.1 MINI-LINK C and MkII Supervision 7-3 7.1.1 Operation and Maintenance Facilities 7-4 7.1.2 Fault Localization 7-4 7.2 Radio Terminal Window 7-5 7.2.1 The Setup menu 7-5 7.2.2 The Log Menu 7-8 7.2.3 The View Menu 7-8 7.2.4 The Misc Menu 7-10 7.2.5 The Window Menu 7-12 7.2.6 The Help Menu 7-13 7.2.7 The Terminal Window (Radio Terminal) 7-14 EN/LZT 110 5057 R2A
  • 6.
    Contents IV 7.3 SMM Terminal Window 7-19 7.3.1 The Setup Menu 7-20 7.3.2 The Log Menu 7-22 7.3.3 The View Menu 7-23 7.3.4 The Misc Menu 7-24 7.3.5 The Window Menu 7-26 7.3.6 The Help Menu 7-27 7.3.7 The Terminal Window (SMM) 7-28 7.4 Details on Protected Switching and AIS 7-33 7.4.1 Switching in Protected Systems 7-33 7.4.2 Alarm Indication Signal (AIS) 7-33 7.5 Repair 7-34 8 Appendices 8-3 Connection of Modem for Remote Supervision 8-3 Program Files 8-6 Using the Service Telephone for SAU Exp2 8-8 Failure Report 8-9 EN/LZT 110 5057 R2A
  • 7.
    1-1 1 Introduction 1 Contents 1 Introduction Page 1.1 MINI-LINK Service Manager Features 1-3 1.2 The MINI-LINK Service Manager Software 1-3 1.2.1 Copyright for MSM Software 1-3 1.2.2 Third Party Software Products 1-3 1.2.3 MINI-LINK Service Manager Software Licence Agreement 1-4 1.2.4 MINI-LINK Service Manager Software Revision 1-4 1.3 How to Use the Manual 1-4 1.3.1 Related Documents 1-5 1.3.1.1 Reference Documents for MINI-LINK Netman 1-5 1.3.1.2 Reference Documents for MINI-LINK E 1-5 1.3.1.3 Reference Documents for MINI-LINK C 1-6 1.4 Safety Requirements 1-7 1.5 Terminology 1-8 EN/LZT 110 5057 R2A
  • 8.
    1 Introduction 1-2 EN/LZT 110 5057 R2A
  • 9.
    1-3 1 Introduction 1 1 Introduction 1.1 MINI-LINK Service Manager Features The MINI-LINK Service Manager (MSM) is a PC tool for service, operation and maintenance of MINI-LINK sub-networks, including setup and fault localization. The MINI-LINK Service Manager (MSM) operate under Microsoft Windows 95/98 and NT 4.0 on an IBM personal computer or compatible. The graphical user interface follows the user interface principles of Microsoft Windows. New functionality in MSM 5.1 compared to MSM R4B: - Support for MINI-LINK E Micro. - Remote Software Upgrade for download and activation of new CSS software versions to various MINI-LINK E terminal units. - Expanded NCC for interconnection between two AMMs and one E Micro. - Full severity presentation (previous MNM functionality). - Alarm log data collected for all terminals in the terminal list (previous MNM functionality). - Notification messages presented in the status bar for all terminals in the terminal list (previous MNM functionality). - Network window improved with drag-n-drop functionality for handling of groups and terminals. Changed functionality in MSM 5.1 compared to MSM R4B: - AGC and Performance log no longer supported. - Port Expander no longer supported. 1.2 The MINI-LINK Service Manager Software 1.2.1 Copyright for MSM Software The MSM program is protected by copyright law and international treaties. Unauthorized reproduction or distribution of this program, or any portion of it, may result in severe civil and criminal penalties, and will be prosecuted to the maximum extent possible under law. Copyright 1999 Ericsson Microwave Systems AB. 1.2.2 Third Party Software Products Portions of MSM: - Copyright 1996 Pervasive Software, Inc - Copyright 1996 Greenleaf Software EN/LZT 110 5057 R2A
  • 10.
    1 Introduction 1-4 1.2.3 MINI-LINK Service Manager Software Licence Agreement Ericsson sells the right to use the software products under the conditions in our Software Licence Agreement. Our Software Licence Agreement is a mandatory and binding document which defines the scope of the right to use the software. For a copy of the Software Licence Agreement or more information please contact your Ericsson representative. 1.2.4 MINI-LINK Service Manager Software Revision Ericsson Microwave Systems AB reserves the right to update the program, change input data etc. without prior notice. The revision state of the program is displayed in the head of the Login window and in the About Service Manager window reached from the Help menu. 1.3 How to Use the Manual This manual describes, in text and figures, how to use MSM for installation, operation and maintenance of MINI-LINK equipment. Chapter 1 introduces the MINI-LINK Service Manager, this manual and the MINI-LINK terminology. Chapter 2 describes how to start the work with the MSM program, including installation and working with groups and terminals. Chapter 3 explains the setup of MINI-LINK terminals of different types, with step- by-step instructions. Examples are given in the last section. If the sub- network that you are connected to is already set up, you can leave this chapter out. Chapter 4 describes how to work with a MINI-LINK sub-network, including dividing the net in groups and logging the terminals’ status. Chapter 5 explains the operation of MINI-LINK E terminals and SAUs, with details on the different windows and facilities. Chapter 6 explains the operation of MINI-LINK E Micro terminals, with details on the different windows and facilities. Chapter 7 explains the operation of MINI-LINK C and MkII radios and SMMs, with details on the different windows and facilities. Chapter 8 consists of appendices; information on how to use a modem, how to use the service telephone, the program files and a failure report, which should be attached when sending MINI-LINK equipment for repair. Chapter 9 Index pages. Throughout the manual, text proceeded by a dot (•) is a job action of some kind. In instructions which are sequences of actions, the actions are numbered. EN/LZT 110 5057 R2A
  • 11.
    1-5 1 Introduction 1 1.3.1 Related Documents 1.3.1.1 Reference Documents for MINI-LINK Netman EN/LZT 110 5044 MINI-LINK Netman Installation and Configuration Manual. The manual is intended for the System administrator user category and describes how to install, configure and maintain the MINI-LINK Netman program for the MINI-LINK networks. EN/LZT 110 5043 MINI-LINK Netman Operation Manual. The manual is intended for the Control user and the View user categories and describes how to use the MINI-LINK Netman Client program for network management. EN/LZT 110 5048 MINI-LINK Network Management, Technical Description. The description gives a detailed technical and functional description of the MINI-LINK Netman Software and the MINI-LINK Service Manager (MSM). 1.3.1.2 Reference Documents for MINI-LINK E EN/LZT 110 2011 MINI-LINK E, Product Catalogue. The catalogue is intended to be an aid when compiling an order or simply to give an overview of the radio-link products in the MINI-LINK E programme. EN/LZT 110 2012 MINI-LINK E, Technical Description. The description gives a detailed technical and functional description of the main products in the MINI-LINK E programme. EN/LZT 110 2013 MINI-LINK E, Planning and Engineering Manual. The manual describes how to realize a MINI-LINK network. The purpose is to support both the network planning phase and the realization phase. EN/LZT 110 2014 MINI-LINK E, Installation Manual. The manual describes the installation procedure including cabling for the MINI-LINK E. EN/LZT 110 5064 MINI-LINK E Micro, Installation Manual. The manual describes the installation procedure including cabling for the MINI-LINK E Micro. EN/LZT 110 5057 R2A
  • 12.
    1 Introduction 1-6 1.3.1.3 Reference Documents for MINI-LINK C EN/LZT 110 149 MINI-LINK C with C Micro, Product Catalogue. The catalogue is intended to be an aid when compiling an order or simply to give an overview of the radio-link products in the MINI-LINK C programme. EN/LZT 110 145 MINI-LINK C with C Micro, Technical Description. The description gives a detailed technical and functional description of the main products in the MINI-LINK C programme. EN/LZB 105 494 MINI-LINK C Radio Module, User’s Manual. The manual gives an overall explanation of the facilities of the microwave radio MINI-LINK C and its operation. EN/LZT 110 140 MINI-LINK ICM-C, User’s Manual. The manual gives an overall explanation of the facilities of the ICM-C. EN/LZB 105 485 MINI-LINK SMM-C, User’s Manual. The manual gives an overall explanation of the facilities of the SMM-C. EN/LZT 110 5057 R2A
  • 13.
    1-7 1 Introduction 1 1.4 Safety Requirements Electrical Safety The MINI-LINK equipment meets the requirements for class I EN 60950 and EN 41003. For electrical safety the DC power supply shall have reinforced insulation to the mains supply. All external connections are SELV (Safety Extra Low Voltage) except for the DC power connection when fed by a 60 V supply. Service Personnel Installation and service must be done by personnel having appropriate technical training and experience necessary to be aware of hazards during installation and/or service and of measures to minimize any danger to themselves or any other person. Safety Precautions - Follow all warnings and instructions in the manual. - This symbol appears in the manual and identifies conditions or practices that are hazardous or affect safe operation of the equipment. - Access to equipment in use shall be restricted to service personnel. - Do not use any installation components (screws, nuts etc.) other than those enclosed with the equipment or recommended by the MINI-LINK manufacturer. - Ensure that the installation instructions, including required tightening torques for bolted joints, are followed and that appropriate tools (preferably the recommended tools) are used. - Use adequate safety devices (helmet, gloves, safety cables etc.) when working on or around the mast. Be aware of the risk of falling objects. Consider the safety catch when hoisting the antenna and radio. Microwave Radiation No dangerous levels of microwave radiation exist outside the antenna feeder. However, the body shall not be exposed to the radiation in front of the antenna (<0.5 m from the feeder) for a long time (>6 minutes), see ENV 50166-2. The transmitter should be switched off before disassembling the equipment, to avoid microwave radiation. Restricted area 0.5 m Figure 1-1. Restricted area. EN/LZT 110 5057 R2A
  • 14.
    1 Introduction 1-8 1.5 Terminology MINI-LINK Terminology AGC Automatic Gain Control CSS Control and Supervision System, software within each terminal which for example supports building of networks for operation and maintenance Far-end terminal The terminal with which the selected terminal communicates Hop A radio-link connection with a pair of communicating terminals ID Unique identity for the terminal Mbps Mbit/s MSM MINI-LINK Service Manager (PC program) Near-end terminal The selected terminal Network Several MINI-LINK sites connected via radio or cable Unit Exchangeable part of a MINI-LINK system MINI-LINK E Terminology AM Access Module; indoor part AMM Access Module Magazine EAC External Alarm Channel. For explanation see section 4.1.2. HCC Hop Communication Channel. For explanation see section 4.1.2. MMU Modem Unit NCC Node Communication Channel. For explanation see section 4.1.2. RAC Remote Alarm Channel. For explanation see section 4.1.2. RAU Radio Unit RCC Radio Communication Channel. For explanation see section 4.1.2. SAU Service Access Unit SMU Switch/Multiplexer Unit Terminal One side of a radio-link connection, or an SAU, with a unique ID in the network MINI-LINK C and MkII Terminology EAC External Alarm Channel. For explanation see section 4.1.2. IAC Internal Alarm Channel. For explanation see section 4.1.2. ICM Inter Connection Module SMM Switch/MUX Module Terminal MINI-LINK radio or SMM with a unique ID in the network EN/LZT 110 5057 R2A
  • 15.
    2-1 2 Getting Started Contents 2 Getting Started Page 2 2.1 Installation 2-3 2.1.1 Package Contents 2-3 2.1.2 System Requirements 2-3 2.1.3 Installation Procedure from CD-ROM 2-4 2.1.4 Installation Procedure from Diskett 2-6 2.2 User Categories 2-7 2.2.1 Control User 2-7 2.2.2 View User 2-7 2.2.3 Password 2-7 2.3 Entering MSM 2-8 2.3.1 Login 2-8 2.3.2 No contact established 2-10 2.4 General Action Procedures 2-10 2.4.1 Selecting Menu Items 2-10 2.5 Accessing Help 2-10 2.6 The MSM Program Windows 2-11 2.6.1 Overview 2-11 2.6.2 Different Options for the User Categories 2-12 2.7 The Network Window 2-13 2.7.1 Generating a Network List 2-13 2.7.2 Working with Groups and Terminals 2-14 2.7.2.1 Views of the terminal list 2-15 2.7.2.2 Select groups or terminals 2-15 2.7.2.3 View groups/sub-groups and their contents 2-16 2.7.2.4 Change view in terminal list 2-16 2.7.2.5 Move groups or terminals 2-16 2.7.2.6 Pop-up menus 2-17 2.7.2.7 Undo/redo commands 2-18 2.7.2.8 Sorting in the terminal list 2-18 2.7.2.9 Find terminals 2-18 2.8 Entering a Terminal Window 2-19 2.9 Leaving a Terminal Window 2-21 2.10 Closing a Network Window 2-21 2.11 Exiting the program 2-21 EN/LZT 110 5057 R2A
  • 16.
    2 Getting Started 2-2 EN/LZT 110 5057 R2A
  • 17.
    2-3 2 Getting Started 2 Getting Started 2 2.1 Installation 2.1.1 Package Contents The MSM 5.1 program package LZY 202 531/1 includes: - 1 CD-ROM (1/LZY 202 531/1) - this user’s manual (EN/LZT 110 5057) 2.1.2 System Requirements Minimum PC requirements: - 486 processor - Windows 95 - VGA monitor (800x600) - 16 MB RAM - 20 MB available hard disk space - CD-ROM drive (or 3.5" disk drive, see section 2.1.4) - One serial port - Keyboard - Mouse Recommended PC requirements: - Pentium processor - Windows 95 - VGA monitor (800x600) - 32 MB RAM - 40 MB available hard disk space - CD-ROM drive - One serial port - Keyboard - Mouse EN/LZT 110 5057 R2A
  • 18.
    2 Getting Started 2-4 2.1.3 Installation Procedure from CD-ROM To install MSM 5.1, start Microsoft Windows 95 and follow this procedure: Step 1 Insert the MINI-LINK Service Manager CD into the CD-ROM drive. This will automatically start the Setup program. Step 2 Welcome This is the Welcome screen for the Setup program. • Click Next to continue. Step 3 User Information • Enter your Name, Company and MSM Serial number. The Serial number is found on the back of the CD case. • Click Next to continue. Step 4 Registration Confirmation • Click Yes to confirm your user information. • Click No to correct anything that is incorrect. EN/LZT 110 5057 R2A
  • 19.
    2-5 2 Getting Started Step 5 Choose Destination Location Ericsson recommends you to use the default directory. If you want to change the directory click the Browse- 2 button. • Click Next to continue. Step 6 Select Program Folders Ericsson recommends you to use the default folders. If you want to change the folders select a folder from the Existing Folders list or enter the name of a new folder in the Program Folders text box. • Click Next to continue. Step 7 Start Copying Files Check all the parameters you have entered. • If all settings are correct click Next to start the installation. • If anything is wrong click Back until you reach the right window and enter the correct information. Step 8 Setup Complete It is recommended to read the ReadMe file. It contains the latest information on the program. • Click Finish to exit the setup program. EN/LZT 110 5057 R2A
  • 20.
    2 Getting Started 2-6 2.1.4 Installation Procedure from Diskette The MSM 5.1 program is delivered on CD-ROM only. For installation from diskette the installation files can be copied from CD-ROM to diskettes. Four diskettes are required. 1. Copy the directories “Disk1”, “Disk2”, “Disk3” and “Disk4” to four separate diskettes. 2. Insert diskett number 1 in your disk drive. 3. Select Run from the Start menu. 4. Type your disk drive and setup in the dialogue box, for example a:setup. 5. Click OK. 6. Follow the instructions given during installation (as described in step 2 to step 8 in section 2.1.3). 7. After installation, read the README.TXT file for the latest MSM news. EN/LZT 110 5057 R2A
  • 21.
    2-7 2 Getting Started 2.2 User Categories There are two types of users, Control user and View user. 2.2.1 Control User 2 The Control user has all the privileges necessary to operate the MINI-LINK sub- network through the MSM. 2.2.2 View User The View user can only change the parameters for his personal presentation, but has not the possibility to save any changes. 2.2.3 Password The MSM is protected by means of a password. Two levels of access are available: − Control user requires a password. − View user does not require a password. EN/LZT 110 5057 R2A
  • 22.
    2 Getting Started 2-8 2.3 Entering MSM 2.3.1 Login 1. Connect the PC to the O&M port on MINI-LINK E equipment, the AGC/O&M port on MINI-LINK E Micro equipment or the TERM port on MINI-LINK C or MkII equipment. O&M port Figure 2-1. The O&M port on MINI-LINK E equipment. Figure 2-2. The AGC/O&M port on MINI-LINK E Micro equipment. POWER P-MARK Figure 2-3. The TERM port on MINI-LINK C or MkII equipment. 2. Start Windows 95. 3. Start the MSM program. If the default program folder has been used during the installation, the program is found under the Windows Start menu: ProgramsMINI-LINK Service Manager 5.1MINI-LINK Service Manager 5.1 Or double-click on the MINI-LINK Service Manager icon, if a shortcut is used to start the program Figure 2-4. The MSM icon. EN/LZT 110 5057 R2A
  • 23.
    2-9 2 Getting Started 4. The Login window opens. 2 Figure 2-5. The Login window. 5. In the Login window, choose your user category. No password is required for the View user. The Control user must enter a password in the Password field. The default password is 1111. If no password or an incorrect password is entered for the Control user, the MSM program will be run with authorization level View. If you want to change password, you do this from the Network window, in the Config menu (see section 4.2.3.4). 6. Select OK. The Main Frame window opens. Figure 2-6. The Main Frame window. EN/LZT 110 5057 R2A
  • 24.
    2 Getting Started 2-10 2.3.2 No contact established If MSM fails to establish contact with a MINI-LINK sub-network when logging in, you will be asked if you want to change communication parameters. If you do; 1. Select OK to open the Configure Communication window. 2. Make appropriate definitions; which serial port is used on the PC and how the PC is connected to the MINI-LINK equipment (directly to a terminal or via a modem). 3. Select Save when the definitions are correct. The MSM program must be restarted. If communication configuration is not the problem, • check PC cable and Front end MINI-LINK equipment. 2.4 General Action Procedures 2.4.1 Selecting Menu Items It is recommended to run MSM with a mouse, although all functions can be reached with the keyboard. In the procedures described in this manual, the use of a mouse is assumed. Note: In all click instructions with the mouse, use the left-hand mouse button unless otherwise stated. To select a menu item, • use the mouse to move the pointer to the item wanted and click on the item, or • press <Alt> on the keyboard, in combination with the underlined letter of the item desired. 2.5 Accessing Help The application Help consists of a Network and Program Help file and separate Terminal Help files. From the Network window all Help files are available, whereas only the Help file for the selected terminal type can be accessed from the Terminal window. There are different ways to access Help: • Press F1 on the keyboard to get help on a selected function. • Select the Help button in an opened sub-window to get help on that sub-window. • Select Contents from the Help menu in the Network window to get help on the Network window and the program, or in the Terminal window to get help on the terminal type. • Select Terminal from the Help menu in the Network window to get help on a terminal type. EN/LZT 110 5057 R2A
  • 25.
    2-11 2 Getting Started 2.6 The MSM Program Windows 2.6.1 Overview The MSM main program windows are: 2 − The Main Frame window − The Network window − The Terminal window M a in F r a m e w in d o w N e tw o r k w in d o w T e r m in a l w in d o w Figure 2-7. The MSM main program windows. The Main Frame window is used to load or create a network list. From here you reach the Network window. The Network window is used for network supervision, control and maintenance. From here you reach the Terminal windows. The Terminal window offers different control facilities such as alarm and status presentation for terminal management. EN/LZT 110 5057 R2A
  • 26.
    2 Getting Started 2-12 2.6.2 Different Options for the User Categories In the MSM main program windows (the Main Frame window, Network window and Terminal window) the menus offer different alternatives depending on the user categories. If a user category is not allowed to use a function, button or alternative in a window or dialog box, the commands are greyed out. For the View user it will in some cases result in a pop-up dialog window stating that the View user is not allowed to use the command. EN/LZT 110 5057 R2A
  • 27.
    2-13 2 Getting Started 2.7 The Network Window 2.7.1 Generating a Network List When you enter MSM, you enter an empty Main Frame window. 2 Figure 2-8. The Network menu options regarding the network list, for the Main Frame window and the Network window. The Main Frame window The Network menu in the main Frame window offers different possibilities to display network lists. Select one of these alternatives from the Network menu: New To open a new, blank network list. Open To open a stored network list. Scan To generate a list including all terminals in the network. Scan Local To generate a list with the local terminals (front end, far end and terminals connected to the front end communication buses). The Main Frame window is described in section 4.2. EN/LZT 110 5057 R2A
  • 28.
    2 Getting Started 2-14 The Network Window The Network window is opened, it shows the supervised network as a list of terminals to the right. The terminals can be structured in groups, with the group tree shown to the left. The group tree is built up by a root group with sub-groups in different levels. (For further information on network management, see chapter 4.) The Network menu The Network menu in the Network Window offers the following alternatives for the network list: Close To close the Network window. Save To save a network list which already has a name. Save as To save a network list which has no name or should be saved under a new name. Merge To combine two network lists. The opened network list will be modified by adding information from another network list defined in a given file. The Network window is described in section 4.3. 2.7.2 Working with Groups and Terminals The handling of groups and terminals largely corresponds with the Explorer of Microsoft Windows 95, where groups equal directories and terminals equal files. Figure 2-9. The Network window with group tree and terminal list. EN/LZT 110 5057 R2A
  • 29.
    2-15 2 Getting Started 2.7.2.1 Views of the terminal list The terminal list in the Network window can be viewed in two different ways, either in Details view or in List view: 2 Figure 2-10. The Details view in the Terminal list When the Details view is selected the terminal list will be presented in three columns, showing the ID including a symbol corresponding to the severity, the Type of terminal and the alarm status Severity of the terminals in the terminal list. Figure 2-11. The List view in the terminal list When the List view is selected the terminals in the terminal list will be presented in one or more columns, showing only the IDs and the severity symbols of the terminals. 2.7.2.2 Select groups or terminals To select one group or terminal, • click on the desired group/terminal. To select several groups or terminals, • hold down the CTRL key while selecting. If selected groups or terminals are positioned in an interval you begin with clicking on the first one of desired groups/terminals, then hold down – the SHIFT key while clicking on the last desired group/terminal – all groups/terminals between the first and last ones will then also be selected. EN/LZT 110 5057 R2A
  • 30.
    2 Getting Started 2-16 2.7.2.3 View groups/sub-groups and their contents To view the terminals a group consists of, • click on the group in the group tree to see all terminals in the group shown in the terminal list. To see sub-groups in the group tree, • double-click on the group to see all sub-groups in the group tree. The terminals in the selected group will be shown in the terminal list. In front of each group is a sign, a plus sign if the group contains sub-groups not presented, or a minus sign if the sub-groups are presented. 2.7.2.4 Change view in terminal list To change view in terminal list, • open the View menu and select a view option, Details or List view. Figure 2-12. The view menu in the network window. 2.7.2.5 Move groups or terminals To move groups or terminals within the group tree, • select a group or a terminal (or several groups or terminals, see section 2.7.2.2), drag it (them) with the mouse (keeping the left-hand mouse button pressed) and drop it in its new position, or • select a group or a terminal (or several groups or terminals, see above), open the Edit menu and select the Cut command. The Cut command can also be reached via a pop-up menu, which is described in section 2.7.2.6. • select the group into which you want to paste the group(s) or the terminal(s), open the Edit menu and select the Paste command. The Paste command can also be reached via a pop-up menu, which is described in section 2.7.2.6. The Edit menu The Edit menu is also used to add or remove selected groups or terminals from the group tree or the terminal list (see section 4.3.5.8, 4.3.5.9 and 4.3.5.5 for details). EN/LZT 110 5057 R2A
  • 31.
    2-17 2 Getting Started 2.7.2.6 Pop-up menus Several options can be reached via pop-up menus in both the group tree and the terminal list. To get a pop-up menu in the group tree, 2 • click on a group with the right-hand mouse button Figure 2-13. A pop-up menu in the group tree. In the terminal list you can get two different types of pop-up menus: one type for a specific terminal and one for the terminal list. To get a pop-up menu for a selected terminal, • click on a terminal ID with the right-hand mouse button. Figure 2-14. A pop-up menu in the terminal list when a terminal ID is clicked at. To get a pop-up menu for the terminal list, • place the cursor somewhere in the terminal list without selecting a terminal ID and click the right-hand mouse button. Figure 2-15. A pop-up menu in the terminal list when no terminal is selected. EN/LZT 110 5057 R2A
  • 32.
    2 Getting Started 2-18 2.7.2.7 Undo/redo commands In the Edit menu there is an Undo command, which is used to undo executed editing options that have been performed via the Edit menu (described in sections 4.3.5.2 – 4.3.5.9), or via a pop-up menu (see section 2.7.2.6). A Redo command, also available in the Edit menu, is used to redo an editing option that has been undone by the undo command. 2.7.2.8 Sorting in the terminal list To temporarily sort the terminals shown in the terminal list, • click on the column heads to sort the terminals in order of terminal ID, of terminal Type or of alarm status Severity, or • open the View menu and select the Sort Terminals command (for details, see section 4.3.8.3), or • click the right-hand mouse button in the Terminal list without selecting a terminal ID and use the pop-up menu which appears (described in section 2.7.2.6). 2.7.2.9 Find terminals To find a specific terminal in the group tree, • open the Edit menu and select the Find Terminal command (see section 4.3.5.7 for details). EN/LZT 110 5057 R2A
  • 33.
    2-19 2 Getting Started 2.8 Entering a Terminal Window If you are going to operate on a terminal, for example check detailed alarm status or perform a loop, you must open the Terminal window. This can be done in different ways: 2 • Double-click on the terminal of interest in the terminal list, or • select the terminal of interest in the terminal list and press <Enter> on the keyboard, or • select the terminal of interest in the terminal list with the right-hand mouse button. From the menu that appears you reach the different Terminal sub- windows directly. Figure 2-16. Examples of different Terminal windows opened from the terminal list in the Network window. For all types of equipment two Terminal windows are presented next to each other (except the MINI-LINK E SAU); with the selected terminal to the left and the corresponding far-end terminal on the right-hand side. EN/LZT 110 5057 R2A
  • 34.
    2 Getting Started 2-20 There are various operation and maintenance facilities in MSM to perform on the equipment at terminal level when the network is run in normal operation. The different facilities are controlled from the Terminal window. Figure 2-17. The Terminal window for a MINI-LINK E Radio (1+1). The terminal window for each terminal is divided into two parts, the Alarm field and the Control and Status field. The Alarm field shows the alarms. Each alarm is followed by a symbol, depending on status. The alarm symbols are described in section 4.3.1.1. In the Control field an abnormal status (a status differing from the default value), is indicated by bold text font and yellow background colour. Each control button has a sub-window with selection possibilities. The control functions for MINI-LINK E terminals are described in chapter 5, MINI-LINK E Micro terminals in chapter 6 and MINI-LINK C and MkII terminals in chapter 7. The current status of the transmitter(s) and receiver(s) is shown in the Status field. EN/LZT 110 5057 R2A
  • 35.
    2-21 2 Getting Started 2.9 Leaving a Terminal Window Leaving a Terminal window can be either to close the window or to hide it. To close a Terminal window, 2 • click on the close box in the top right corner of the Terminal window, to return to the Network window, or • press Esc (Escape) on the keyboard. Figure 2-18. The close box in the Terminal window. To hide a Terminal window, • select the Network window or another Terminal window from the Window menu in the menu bar. 2.10 Closing a Network Window To close a network window but still leave the MSM program opened, • select Close from the Network menu, or • click on the close box in the top right corner of the Network list. Before execution, a warning box will ask you to confirm the command. 2.11 Exiting the program To exit the MSM program, • select Exit from the Network menu, or • click on the close box in the top right corner of the Main Frame window. Before execution, a warning box will ask you to confirm the command. EN/LZT 110 5057 R2A
  • 36.
    2 Getting Started 2-22 EN/LZT 110 5057 R2A
  • 37.
    3-1 3 Setup of Terminals Contents 3 Setup of Terminals 3-3 3.1 IDs 3-3 3.1.1 Restricted IDs 3-3 3.2 3.2.1 Setup of MINI-LINK E Equipment AM Setup 3-4 3-4 3 3.2.2 Hop Setup 3-9 3.2.3 Traffic Setup 3-10 3.2.4 SAU Setup 3-12 3.2.5 Expanded NCC for MINI-LINK E 3-15 3.3 Setup of MINI-LINK E Micro Equipment 3-16 3.3.1 Expanded NCC for MINI-LINK E Micro 3-17 3.4 Setup of MINI-LINK C and MkII Equipment 3-18 3.4.1 Radio Terminal Setup 3-18 3.4.2 SMM Setup 3-20 3.5 Examples of ID Setups 3-22 3.5.1 Example 1: A MINI-LINK E 1+0 Hop 3-22 3.5.2 Example 2: A MINI-LINK E 1+1 Hop with SAU 3-22 3.5.3 Example 3: A MINI-LINK Sub-network 3-23 3.6 Example of Traffic Setup with Routing 3-24 3.7 Example of a Routing Setup Form 3-27 3.7.1 Explanation of the Form Contents 3-28 EN/LZT 110 5057 R2A
  • 38.
    3 Setup ofTerminals 3-2 EN/LZT 110 5057 R2A
  • 39.
    3-3 3 Setup of Terminals 3 Setup of Terminals This chapter describes step by step how to set up MINI-LINK terminals. Examples of setup for different MINI-LINK configurations are given in section 3.5. For the supervision to work, the MINI-LINK equipment must be interconnected via the different communication channels (see section 4.1.2), and every terminal within the sub-network must have a unique ID (identity). Each terminal must also know the IDs of other terminals connected to its own communication channels. 3 For further information on cabling, see the cabling section in MINI-LINK E Installation Manual, MINI-LINK E Micro Installation Manual and in the user’s manuals for MINI-LINK C and MkII equipment. 3.1 IDs Within a network, every terminal must have a unique ID (identity) for the message router to work properly. A MINI-LINK E terminal is one side of a hop (consisting of the indoor parts (MMUs and SMUs) and outdoor parts (RAUs)) or an SAU. A MINI-LINK E Micro terminal is one side of a hop (a MINI-LINK E Micro radio). A MINI-LINK C or MkII terminal is a radio or an SMM. S A U ID 0 0 0 1 M M U ID 0 0 0 2 R a d io R A U ID 0 0 0 3 S M U S M M ID 0 0 0 4 ID 0 0 0 5 M IN I-L IN K E M IN I-L IN K E M ic r o M IN I-L IN K C o r M k II Figure 3-1. Example of MINI-LINK E, E Micro, C and MkII terminal IDs. An ID consists of a combination of four characters; digits (0-9), capital letters (A-Z) or small letters (a-z). The first three characters can, for example, be used to define the site, and the last character to define the terminal on the site. The own ID of a terminal can only be set or changed with the PC connected to the terminal or, for MINI-LINK E a terminal in the same access module. This is for safety reasons, so as not to lose supervision contact by mistake. 3.1.1 Restricted IDs The following IDs are restricted IDs that must not be used: TRMA, TRMB, SMMA, SMMB and AAAA. BBBB is reserved for non-existing equipment. EN/LZT 110 5057 R2A
  • 40.
    3 Setup ofTerminals 3-4 3.2 Setup of MINI-LINK E Equipment See section 3.2.1, 3.2.2 and 3.2.3 for setup of the MMU and SMU, and section 3.2.1 and 3.2.4 for setup of the SAU. Note I: After a change in the AM Setup, always control and then save the Hop and Traffic Setups, even if they have not been changed. Note II: If you are going to make a Traffic Setup with routing according to a filled-in routing setup form, see section 3.7 for an explanation of the form contents. 3.2.1 AM Setup 1. Connect the PC to the O&M port on the equipment you want to set up, open the Network window and select Scan Local from the Network menu. Figure 3-2. The Network window. EN/LZT 110 5057 R2A
  • 41.
    3-5 3 Setup of Terminals 2. Double-click on TRMA in the Terminal list. (The Terminal window opens.) 3 Figure 3-3. The Terminal window for a MINI-LINK E 1+0 terminal (default). 3. Select AM from the Setup menu. The AM Setup window shows the type of AMM and all units installed in this AMM. Note: If a warning that the NCC cable is connected is shown when selecting AM Setup, then disconnect the cable and re-open the AM Setup window. (The AM Setup cannot be performed if the NCC cable is connected.) EN/LZT 110 5057 R2A
  • 42.
    3 Setup ofTerminals 3-6 Figure 3-4. The AM Setup window for an AMM 4U. 4. Enter the values of the parameters for the SAU, the radio terminals and expanded NCC (if applicable), as described below. SAU: • Click on the Config button in the AM Setup window to open the AM Setup Configuration window. Figure 3-5. The AM Configuration SAU window. • Enter the ID for the SAU (see section 3.1.1 for restricted IDs). • Select OK. EN/LZT 110 5057 R2A
  • 43.
    3-7 3 Setup of Terminals Radio terminal: • Click on the Config button to open the AM Configuration window. 3 Figure 3-6. The AM Configuration window. • Select protection mode (see section 5.3.1.1) • Select Traffic, if applicable, for routing of the traffic signals. Depending on MMU type, SMU type and configuration, different traffic capacity options are given. Example: MMU 34+2 Mbit/s and SMU 16x2 Mbit/s in a 1+0 configuration. Select between - 34+2 Mbit/s on the MMU front, and - 16x2 Mbit/s on the SMU front plus 2 Mbit/s on the MMU front. • Enter the ID for the terminal(s); to the MMU in a 1+0 terminal, or to the SMU in a 1+1 terminal (see section 3.1.1 for restricted IDs). • Select OK when the selected terminal(s) has the correct configuration and ID. Expanded NCC • Select AM number for the AMM in the field Expanded NCC (AM no 1 or AM no 2) or select Inactive if you do not want to use Expanded NCC. Note: If the Expanded NCC is selected Inactive and you try to connect the NCC cable to an MMU, the NCC err alarm will flash on the MMU display. EN/LZT 110 5057 R2A
  • 44.
    3 Setup ofTerminals 3-8 Figure 3-7. The AM Setup window with IDs etc. set. 5. Select Save when every terminal and SAU have correct protection mode, traffic rate and ID, and the Expanded NCC is set (if applicable). All windows close, and the program automatically performs a local scan. Figure 3-8. The Network window after AM Setup. EN/LZT 110 5057 R2A
  • 45.
    3-9 3 Setup of Terminals 3.2.2 Hop Setup 1. Double-click on the terminal that you want to set up, in the Terminal list. (The Terminal window opens.) 2. Select Hop from the Setup menu. 3 Figure 3-9. The Hop Setup window. 3. Enter the values of the parameters, see section 5.3.1.2. Note: See section 3.2.5 for Expanded NCC. Expanded NCC is set when all affected AMMs and MINI-LINK E Micro terminals have been set. 4. Select Save. (The program returns to the Terminal window.) 5. Check in the Control and Status field that the transmitter is turned on. If not, click on the Transmitter button in the Terminal window and select the Transmitter Radio in the Transmitter dialog box. Select On in the Transmitter Radio window. 6. Exit the Terminal window. (The program returns to the Network window.) EN/LZT 110 5057 R2A
  • 46.
    3 Setup ofTerminals 3-10 3.2.3 Traffic Setup Note I: Traffic Setup must be performed after AM Setup since the basic traffic configuration is defined in AM Setup. Note II: Traffic routing is guaranteed only for a configuration verified according to the MINI-LINK E Planning and Engineering manual and when you consider the prerequisites in section 3.6 in this manual and follow the instructions below. 1. Double-click on the terminal that you want to set up, in the Terminal list. (The Terminal window opens.) 2. Select Traffic from the Setup menu. Figure 3-10. The Traffic Setup window. 3. Select the terminal for Traffic Setup in the top left corner (a). 4. For routing of a signal in the back-plane: - Click on the button with the signal (b). If the signal is already connected to another point, this is presented in the top Connected to field (c). - Select an available connection point from the list (d). If the connection point is already connected to another point, this is presented in the bottom Connected to field (e). - Select Disconnect to disconnect the connection(s). - Select Connect. Note: Clicking on the Reset button will reset the Traffic Setup for all terminals in the AMM to the original traffic configuration as set in AM Setup. 5. Activate the Input alarms for the signals which should be used and deactivate the ones that should not be used, by clicking on the Alarm check boxes (f) respectively (to mark or remove the ticks). EN/LZT 110 5057 R2A
  • 47.
    3-11 3 Setup of Terminals 3 Figure 3-11. The Traffic Setup window after Traffic Setup. 6. Select Save. (The program returns to the Terminal window.) 7. Exit the Terminal window. (The program returns to the Network window.) EN/LZT 110 5057 R2A
  • 48.
    3 Setup ofTerminals 3-12 3.2.4 SAU Setup 1. Double-click on the SAU in the Terminal list. Figure 3-12. The SAU Terminal window. 2. Select Communication from the Setup menu. Figure 3-13. The Communication Setup window. 3. Set the EAC IDs, that is the IDs connected to the same EAC bus as the SAU, if applicable. 4. Select communication interface and enter the remote ID for the RAC, if applicable. EN/LZT 110 5057 R2A
  • 49.
    3-13 3 Setup of Terminals 5. Select Save. (The Communication Setup window closes and the program returns to the SAU Terminal window.) 6. Select User I/O from the Setup menu. 3 Figure 3-14. The User I/O Setup window. 7. Configure the User Inputs and Outputs. User 1 to 8 are inputs, while User 9 to 12 can be selected to inputs or outputs. 8. When the configuration is set, select Save. (The User I/O Setup window closes and the program returns to the SAU Terminal window.) Note: Service Channel Setup, step 9-12, apply for SAU Exp 1 and Exp 2 only. 9. Select Service Channel from the Setup menu. EN/LZT 110 5057 R2A
  • 50.
    3 Setup ofTerminals 3-14 Figure 3-15. The Service Channel Setup window for SAU Exp 2. 10. Select the terminal IDs to be connected to digital service channels, by putting a tick in the corresponding Alarm boxes. This is to activate the Service Channel alarms for the signals. 11. Analog channels apply for SAU Exp 2 only. Select the terminal IDs to be connected to the analog service channel by putting a tick in the corresponding Connect boxes. Select telephone number for the SAU (the number to this SAU). Select the BR Out ports which are connected with cables to other access modules. The BR Out ports can be amplified if for example the branching cable (BR/EAC) is long (default -11 dB). 12. Select Save. (The Service Channel Setup window closes and the program returns to the SAU Terminal window.) 13. Exit the Terminal window. (The program returns to the Network window.) EN/LZT 110 5057 R2A
  • 51.
    3-15 3 Setup of Terminals 3.2.5 Expanded NCC for MINI-LINK E Note: The AM no in the AM Setup must be set before the Expanded NCC cable is connected to an AMM. When two AMMs are interconnected, one should have AM no 1 and the other AM no 2. 1. Connect the NCC cable to the NCC port on any MMU in AM no 1, and to AM no 2 in the other end. 2. Double-click on any terminal in AM no 1 or AM no 2. 3 3. Open the Hop Setup window. 4. Select Exp NCC. Figure 3-16. Updating the NCC connections (MINI-LINK E Micro not used in this example). 5. Select Update. The information field Conn. AMM, showing all connected terminals in the other AMM, is updated. Note: The field is updated in both AM no 1 and AM no 2. 6. Select Close. (The Expanded NCC window closes.) 7. Select Close. (The Hop Setup window closes.) EN/LZT 110 5057 R2A
  • 52.
    3 Setup ofTerminals 3-16 3.3 Setup of MINI-LINK E Micro Equipment 1. Connect the PC to the AGC/O&M port on the MINI-LINK E Micro. 2. Open the Network window and select Scan Local from the Network menu. Figure 3-17. The Network window. 3. Double-click on TRMA in the Terminal list. 4. Select Main from the Setup menu. Figure 3-18. The Main Setup window. EN/LZT 110 5057 R2A
  • 53.
    3-17 3 Setup of Terminals 5. Enter the values of the parameters, see section 6.3.1.1. 6. Select Save. 7. Exit the Terminal window. (The program returns to the Network window.) 8. Close the Network window. 9. Select Scan Local from the Network. 3 Figure 3-19. The Network window after setup of the MINI-LINK E Micro. 3.3.1 Expanded NCC for MINI-LINK E Micro 1. Connect the NCC cable. 2a. When the NCC cable is connected to a terminal where Expanded NCC has not been activated before (no IDs in the NCC list): The Expanded NCC is automatically updated (within one minute after the NCC cable connection). 2b. When the NCC cable is connected to a terminal where there are old IDs in the NCC list: Open the Main Setup window and click on Update NCC1 (or Update NCC2). Note: The NCC connections in the other end are also updated (an other MINI-LINK E Micro or an AMM). Find more details about the Update NCC button in section 5.5.1.1. EN/LZT 110 5057 R2A
  • 54.
    3 Setup ofTerminals 3-18 3.4 Setup of MINI-LINK C and MkII Equipment 3.4.1 Radio Terminal Setup 1. Connect the PC to the radio TERM port (on the radio or the SMM-C or ICM), open the Network window and select Scan Local from the Network menu. Figure 3-20. The Network window. 2. Double-click on TRMA in the Terminal list. Figure 3-21. The Terminal window for a MINI-LINK 23 radio. EN/LZT 110 5057 R2A
  • 55.
    3-19 3 Setup of Terminals 3. Select Main from the Setup menu. 3 Figure 3-22. The Main Setup window for a MINI-LINK C or MkII radio terminal. 4. Enter the values of the parameters, see section 7.2.1.1. 5. Select Save. 6. Exit the Terminal window. (The program returns to the Network window.) 7. Close the Network window. EN/LZT 110 5057 R2A
  • 56.
    3 Setup ofTerminals 3-20 3.4.2 SMM Setup 1. Connect the PC to the TERM port on the SMM, open the Network window and select Scan Local from the Network menu. Figure 3-23. The Network window. 2. Double-click on SMMA in the Terminal list. Figure 3-24. The SMM Terminal window. EN/LZT 110 5057 R2A
  • 57.
    3-21 3 Setup of Terminals 3. Select Main from the Setup menu. 3 Figure 3-25. The Main Setup window for an SMM. 4. Enter the values of the parameters, see section 7.3.1.1. 5. Select Save. 6. Exit Terminal window. (The program returns to the Network window.) 7. Close the Network window. EN/LZT 110 5057 R2A
  • 58.
    3 Setup ofTerminals 3-22 3.5 Examples of ID Setups For examples of ID setup of MINI-LINK C and MkII equipment, see the user’s manual for SMM, SMM-C and SMM 2+1. 3.5.1 Example 1: A MINI-LINK E 1+0 Hop A1 B1 MMU1 A001 RAU RAU MMU1 B001 SMU1 SMU1 AM:unit Configuration ID Far End ID A1: MMU1 1+0 A001 B001 B1: MMU1 1+0 B001 A001 Comment: The MMU, SMU and RAU have one common ID set to the MMU. 3.5.2 Example 2: A MINI-LINK E 1+1 Hop with SAU A1 RAU RAU B1 SAU1 A001 MMU1 MMU1 MMU2 MMU2 SMU1 B001 SMU1 A002 RAU RAU AM: unit Configuration ID Far End ID EAC ID A1: SAU1 A001 - A1: SMU1 1+1 Hot A002 B001 B1: SMU1 1+1 Hot B001 A002 Comment: The MMUs, SMU and RAUs have one common ID set to the SMU. The SAU has its own ID. EN/LZT 110 5057 R2A
  • 59.
    3-23 3 Setup of Terminals 3.5.3 Example 3: A MINI-LINK Sub-network Site A Site B Site C ML 23 ML 23 ML 23 ML 23 A001 B001 B003 C001 SMM-C A002 SMM-C B002 ICM-C ICM-C Site E RAU 3 Site D RAU B2 E1 RAU RAU SAU1 B008 MMU1 E001 MMU1 B009 B1 SAU1 B005 RAU RAU Site F MMU1 MMU2 D1 SMU1 B006 RAU RAU MMU1 SMU2 MMU2 MMU3 B007 F1 SMU1 D001 MMU1 F001 SMU1 Setup data for MINI-LINK C radio terminals Front End ID Near Far EAC ID Radio ID Radio ID A001 A001 B001 A002 B001 B001 A001 B002 B003 B003 C001 B002 B005 B008 C001 C001 B003 - Setup data for SMM-Cs Front End ID Near Far SMM Near Near Far Far EAC SMM ID ID Radio1 ID Radio2 ID Radio1 ID Radio2 ID ID A002 A002 B002 A001 BBBB B001 BBBB - B002 B002 A002 B001 BBBB A001 BBBB B003 B005 B008 Setup data for MINI-LINK E equipment AM: unit Configuration ID Far End ID EAC ID B1: SAU1 B005 B002 B003 B008 B1: SMU1 1+1 Hot B006 D001 B1: MMU3 1+0 B007 F001 B2: SAU1 B008 B002 B003 B005 B2: MMU1 1+0 B009 E001 D1: SMU1 1+1 Hot D001 B006 E1: MMU1 1+0 E001 B009 F1: MMU1 1+0 F001 B007 EN/LZT 110 5057 R2A
  • 60.
    3 Setup ofTerminals 3-24 3.6 Example of Traffic Setup with Routing Note: Traffic routing is guaranteed only for a configuration verified according to the MINI-LINK E Planning and Engineering manual and when you consider the prerequisites below and follow the instructions in section 3.2.3. The following prerequisites apply to traffic routing: - The MMUs and SMUs must have software version > R4. - The back-plane in the AMM is optimized for a net with tree structure. To fully use an AMM, the terminal with the highest traffic capacity should be placed in the position with highest pos number in the AMM. - Always route on the highest possible traffic rate level (on 8 Mbit/s level instead of 2 Mbit/s level, for example). - The traffic can be routed between the terminals on a 2, 8 and 34 Mbit/s level. - The terminal configuration is based on the alternatives provided in AM Setup. - The MUXes are defined in the AM Setup. In the Traffic Setup it is possible to connect or disconnect the MUXes - this can only be done for SMU MUXes. - 8 Mbit/s can be connected to the 2 Mbit/s connector on the front. Below is an example on how to set the traffic routing in the Traffic Setup window. Traffic in to the node: 34+2 Mbit/s, 1+1 Traffic out from the node: 2x8 Mbit/s, 1+1 6x2 Mbit/s on the front EN/LZT 110 5057 R2A
  • 61.
    3-25 3 Setup of Terminals 1. Carry out the AM Setup and the Hop Setup. (See section 3.2.1 and 3.2.2.) 3 Figure 3-26. The AM Setup window, after AM Setup. 2. Open the Traffic Setup window and select terminal 502A in the top left corner. Figure 3-27. The Traffic Setup window showing terminal 502A, after Traffic Setup. 3. Click on the E2:1 button. EN/LZT 110 5057 R2A
  • 62.
    3 Setup ofTerminals 3-26 4. Click on 502B E2:1 in the Available connection points list. 5. Click on Disconnect. 6. Click on Connect. 7. Repeat step 3 to 6 for E2:2 to 502B E2:2. 8. Click on the Alarm buttons for E1:14, E1:15 and BB2 to deactivate the alarms (remove the ticks). E1:9-13 and E1:16 remain connected to the front. Note: Alarms for signals not in use must be disabled. 9. Select terminal 502B in the top left corner. Figure 3-28. The Traffic Setup window showing terminal 502B. 10. Enable the alarms for the signals in use, E2:1 and E2:2. EN/LZT 110 5057 R2A
  • 63.
    3-27 3 Setup of Terminals 3.7 Example of a Routing Setup Form The illustration below shows a filled-in routing setup form generated from a simulated case in the MINI-LINK Traffic Routing Guide software according to the MINI-LINK E Planning and Engineering manual. 3 Figure 3-29. Example of a Routing Setup form. EN/LZT 110 5057 R2A
  • 64.
    3 Setup ofTerminals 3-28 3.7.1 Explanation of the Form Contents Site Information In part A in fig. 3-29 you find site name, access module description, rack number and rack position. AM Setup Information In part B in fig. 3-29 you find information regarding the equipment, the positioning in the AMM, the IDs and protection mode. • Check that the AMM is equipped in accordance with the form. • Follow the instructions for the AM Setup in section 3.2.1 to make the necessary setup according to the information in the form. Traffic Setup Information In part C in fig. 3-29 you find information regarding the signals, the corresponding connection points and the alarms to activate for the feeder and the sub-link(s) respectively. • Follow the instructions for the Traffic Setup in section 3.2.3 to make the necessary setup according to the information in the form. EN/LZT 110 5057 R2A
  • 65.
    4-1 4 Network Management Contents 4 Network Management Page 4.1 Network Supervision 4-3 4.1.1 Terminal Types 4-4 4.1.2 Communication Channels 4-5 4.1.3 Network Operation and Maintenance Facilities 4-6 4.1.4 Alarm Notification 4-7 4.1.5 Fault Information 4-8 4.2 The Main Frame Window 4-9 4.2.1 4.2.1.1 4.2.1.2 The Network Menu New Open 4-10 4-10 4-10 4 4.2.1.3 Scan 4-10 4.2.1.4 Scan Local 4-10 4.2.1.5 Preset ML-E SW 4-10 4.2.1.6 Exit 4-10 4.2.1.7 Recent File 4-10 4.2.2 The Log Menu 4-11 4.2.2.1 Alarm Log 4-11 4.2.3 The Config Menu 4-11 4.2.3.1 Configure Sorting 4-11 4.2.3.2 Configure Data Collection 4-11 4.2.3.3 Configure Communication 4-11 4.2.3.4 Configure Password 4-11 4.2.4 The Help Menu 4-12 4.2.4.1 Contents 4-12 4.2.4.2 Terminal 4-12 4.2.4.3 About the Program 4-12 4.3 The Network Window 4-13 4.3.1 The Terminal List 4-14 4.3.1.1 The Status Symbols for Alarm Severity 4-14 4.3.2 The Group Tree 4-15 4.3.3 The Status Bar 4-15 4.3.4 The Network Menu 4-15 4.3.4.1 Close 4-15 4.3.4.2 Save 4-15 4.3.4.3 Save as 4-16 4.3.4.4 Merge 4-16 4.3.4.5 Remote SW Load 4-16 4.3.4.6 Remote SW Activation 4-16 4.3.4.7 Exit 4-16 4.3.5 The Edit Menu 4-16 4.3.5.1 Undo Editing Options 4-16 4.3.5.2 Redo Editing Options 4-16 4.3.5.3 Cut Terminals and Groups 4-17 4.3.5.4 Paste Terminals and Groups 4-17 4.3.5.5 Delete Terminals and Groups 4-17 4.3.5.6 Rename Group 4-17 4.3.5.7 Find Terminal 4-18 4.3.5.8 New Terminal 4-18 EN/LZT 110 5057 R2A
  • 66.
    4 Network Management 4-2 4.3.5.9 New Group 4-19 4.3.6 The Log Menu 4-19 4.3.6.1 Alarm Log 4-20 4.3.7 The Config Menu 4-22 4.3.7.1 Configure Sorting 4-23 4.3.7.2 Configure Data Collection 4-24 4.3.7.3 Configure Communication 4-25 4.3.7.4 Configure Password 4-26 4.3.8 The View Menu 4-27 4.3.8.1 Details View 4-27 4.3.8.2 List View 4-27 4.3.8.3 Sort Terminals 4-28 4.3.9 The Window Menu 4-29 4.3.10 The Help Menu 4-29 4.3.10.1 Contents 4-29 4.3.10.2 Terminal 4-29 4.3.10.3 About the Program 4-29 4.4 Remote SW Upgrade 4-30 4.4.1 Introduction 4-30 4.4.2 Recommendations for Remote SW Upgrade 4-31 4.5 Remote SW Load 4-32 4.5.1 Network Menu in the Network Window 4-32 4.5.1.1 Workflow for a New Load Session 4-33 4.5.2 Select SW Type and Version 4-34 4.5.3 Scanning in Progress 4-36 4.5.4 Select Units to Load 4-36 4.5.4.1 Excluded Units 4-38 4.5.5 Load Progress 4-39 4.5.5.1 Load Status 4-40 4.5.6 Optional Load Windows 4-41 4.5.6.1 Get Load File 4-41 4.5.6.2 Manually Enter Terminals 4-42 4.6 Remote SW Activation 4-43 4.6.1 Network Menu in the Network Window 4-43 4.6.1.1 Workflow for a New Activation Session 4-44 4.6.2 Select Load Session for Activation 4-45 4.6.2.1 Load Session Details 4-46 4.6.3 Scanning in Progress 4-47 4.6.4 Select Units for Activation 4-47 4.6.4.1 Excluded Units 4-49 4.6.5 Activation Progress 4-50 4.6.5.1 Activation Status 4-51 EN/LZT 110 5057 R2A
  • 67.
    4-3 4 Network Management 4 Network Management 4.1 Network Supervision The Control and Supervision System (CSS) in the MINI-LINK equipment makes it possible to supervise a sub-network from any point in the sub- network. Each MINI-LINK unit (except the MINI-LINK E RAU) is provided with an RS-232 communication port, which gives access to the full range of CSS utilities. With a PC connected to this port (the O&M port on MINI-LINK E equipment and the TERM port on MINI-LINK C and MkII equipment), you can read any alarm and status signal in the sub-network. For the supervision to work, the MINI-LINK equipment must be interconnected via the different communication channels (see section 4.1.2), and every terminal within the sub-network must have a unique ID. Each 4 terminal must also know the ID of the remote terminal and the IDs of other terminals connected to its own communication channels. The ID of a near-end terminal can only be set or changed with the PC connected to a terminal in the same access module. This is for safety reasons, so as not to lose supervision contact by mistake. It is possible to supervise several clusters connected to one sub-network. This requires an RAC port (MINI-LINK E SAU). MINI-LINK Service Manager 502B 503A Sub-network Figure 4-1. The supervised network list in the Network window consists of MINI-LINK equipment in the MINI-LINK sub-networks. EN/LZT 110 5057 R2A
  • 68.
    4 Network Management 4-4 With a modem, it is possible to supervise a far distant MINI-LINK sub- network from a PC (see appendix). Note: There is a practical limit of 200 terminals per sub-network. 4.1.1 Terminal Types MINI-LINK E equipment is supervised as terminals; MMUs, SMU and RAUs belonging to the same terminal, have a common ID. An SAU has its own ID. MINI-LINK E Micro is supervised as a terminal, presented with one ID in the Terminal list. For MINI-LINK C equipment, each radio and SMM has a unique ID in the CSS, and is supervised as a separate terminal. SAU ID 0001 MMU ID 0002 Radio RAU ID 0003 SMU SMM ID 0004 ID 0005 MINI-LINK E Split MINI-LINK E Micro MINI-LINK C or MkII Figure 4-2. Example of MINI-LINK E, C and MkII terminal IDs. Further information on the supervision is given in the chapters for MINI-LINK terminals; chapter 4, chapter 5 and chapter 6 respectively. RAU RAU (SAU) (SAU) Ra1 Ra1 MMU Ra1 MMU Ra1 503A MMU Ra2 MMU Ra2 502B SMU SMU SMU SMU MMU MMU MMU RAU RAU MMU Ra2 Ra2 AMM AMM 503A 502B Figure 4-3. The Terminal window for a selected MINI-LINK E terminal shows a graphical presentation of the equipment in the selected and the far-end terminal. EN/LZT 110 5057 R2A
  • 69.
    4-5 4 Network Management 4.1.2 Communication Channels The control and supervision data within a sub-network, is transmitted via different communication channels, and can be supervised from any terminal in the sub-network. There are communication channels between the equipment on a site, as well as between radios across the hops; For MINI-LINK E equipment: - The NCC (Node Communication Channel) transfers data between the units in an access module. The Expanded Node Communication Channel transfers data between max. two AMMs and one E Micro at the same site. - The RCC (Radio Communication Channel) transfers data between the MMU and the RAU. 4 - The HCC (Hop Communication Channel) transfers data between MMUs over the hop. - The EAC (External Alarm Channel) transfers data from the SAU in the access module to other SAUs or MINI-LINK C and MkII equipment on a site. - The RAC (Remote Alarm Channel) transfers data from other MINI-LINK clusters (between SAUs), distributed through transmission lines. For MINI-LINK C and MkII equipment: - The IAC (Internal Alarm Channel) transfers data over the hop. - The EAC (External Alarm Channel) transfers data between MINI-LINK C and MkII equipment and SAUs on a site. M IN I- L IN K E M ic r o M IN I-L IN K E M IN I-L IN K E M IN I-L IN K E M IN I-L IN K E R A U R A U R A U M ic r o N C C H C C H C C N C C R C C S A U S A U (M X U ) (M X U ) A M M A M M F ix e d lin e A M M N C C A M M E A C A M M , M K II o r M IN I-L IN K C S IT E A S IT E B S IT E C S IT E D Figure 4-4. The communication channels in a sub-network. EN/LZT 110 5057 R2A
  • 70.
    4 Network Management 4-6 4.1.3 Network Operation and Maintenance Facilities There are various facilities in MSM to perform on the equipment when the MINI-LINK sub-network is working and run in normal operation. With MSM you can - see the status for the terminals in the sub-network, - structure the supervised sub-network by dividing it into groups and sub-groups, - sort the terminals in the list, - save the network list, - log alarms for the whole sub-network, - etc. EN/LZT 110 5057 R2A
  • 71.
    4-7 4 Network Management 4.1.4 Alarm Notification The Status bar at the bottom of the screen shows date, time and notification messages. Date and time is shown in the right-hand box. 4 Figure 4-5. Example of an alarm notification in the Status bar and the Terminal window opened for the indicated terminal ID. The MINI-LINK equipment has several failure detectors. When an event occurs in the network, a notification message is shown on the left-hand side in the status bar and the status for the network is updated. The notification message remains in the status bar until a new notification message is logged. The Status bar is also available when entering sub-windows and Terminal windows. The alarm notification shows the terminal ID. In the Alarm field in the Terminal window for the terminal, the active alarms are presented graphically with symbols. The alarm reports are also stored in the MSM Log directory for later analysis and problem tracking. The severity of a group is defined by the terminal or sub-group with the most severe status. The network facilities are presented in section 4.3, The Network Window. EN/LZT 110 5057 R2A
  • 72.
    4 Network Management 4-8 4.1.5 Fault Information Figure 4-6. Example of fault presentation sub-window for an alarm with the Help window activated. The example above shows an alarm sub-window opened for a MINI-LINK E 1+1 terminal. To get further information about an alarm and instructions for fault localization, the MSM Help window can be used. The help information for fault localization displays instructions about for example available loop-backs. The Help window is reached by selecting the Help button in an opened sub- window. Direct help for a specific alarm is available by selecting the alarm and then press F1 on the keyboard. EN/LZT 110 5057 R2A
  • 73.
    4-9 4 Network Management 4.2 The Main Frame Window When you enter MSM, you will enter an empty Main Frame window. 4 Figure 4-7. The Main Frame window. From the Main Frame window you can either create a new network list, load an existing network list or scan. The network management functions are found in the Main Frame window menu bar. The Main Frame window has the following menus: Network, Log, Config and Help. The different commands are presented in the sections below, in the same order as they appear in the menus. The options in the window menus are described for the Control user category. EN/LZT 110 5057 R2A
  • 74.
    4 Network Management 4-10 4.2.1 The Network Menu The Network menu offers different possibilities to display network lists. Figure 4-8. The Network menu bar. 4.2.1.1 New This command is used to open a new, empty network list. An empty Network window will be opened. 4.2.1.2 Open To open a stored network list. The Open command erases any present network list. A network list stored in a file is loaded. The Network window opens. If a terminal is included in the present network list, but the status is not known, it will get status ”unknown”. 4.2.1.3 Scan To scan the sub-network and generate a list with all terminals in the sub- network. 4.2.1.4 Scan Local To scan the hop and generate a list with the local terminals, that is the front end, the far end and the terminals connected to the front end communication buses. 4.2.1.5 Preset ML-E SW To erase all operator-set parameters in the front end MINI-LINK E unit (MSM and software revision ≥ R4A), and give it a default factory setup. Note: Only front end unit will be preset. 4.2.1.6 Exit To exit the MSM program. If there is an unsaved network list, the user will be asked to save it. 4.2.1.7 Recent File The four latest used network lists can be opened by selecting them from the menu bottom. EN/LZT 110 5057 R2A
  • 75.
    4-11 4 Network Management 4.2.2 The Log Menu The Log menu is used to read and print log files. Possible options are: Figure 4-9. The Log menu bar. 4.2.2.1 Alarm Log For explanation of the Alarm Log options, see the Network window Log menu in section 4.3.6.1. 4.2.3 The Config Menu 4 Figure 4-10. The Config menu bar. The following options are available: 4.2.3.1 Configure Sorting For explanation of the Configure Sorting options, see the Network window Config menu in section 4.3.7.1. 4.2.3.2 Configure Data Collection For explanation of the Configure Data Collection options, see the Network window Config menu in section 4.3.7.2. 4.2.3.3 Configure Communication For explanation of the Configure Communication options, see the Network window configuration menu in section 4.3.7.3. 4.2.3.4 Configure Password For explanation of the Configure Password options, see the Network window configuration menu in section 4.3.7.4. EN/LZT 110 5057 R2A
  • 76.
    4 Network Management 4-12 4.2.4 The Help Menu Help gives access to the MSM help files. Figure 4-11. The Help menu bar. For other ways to get help with the MSM program: • Press F1 on the keyboard to get help on a selected function. • Select the Help button in an opened sub-window to get help on that sub-window. The following alternatives are available in the menu: 4.2.4.1 Contents To open the Network and Program help file. 4.2.4.2 Terminal Figure 4-12. The different terminal help files. To open the help files for the different MINI-LINK terminals. 4.2.4.3 About the Program Shows information about the program: version, serial number and license holder. EN/LZT 110 5057 R2A
  • 77.
    4-13 4 Network Management 4.3 The Network Window In the Network window you control the sub-network and from here you reach windows for terminal management. The user category is shown in the window top bar. The different parts are described in the following sections. The options in the window menus are described for the Control user category. 4 Figure 4-13. The Network window. − The Network window Menu bar at the top of the screen offers different facilities for network management. The Network window has the following menus; Network, Edit, Log, Config, View, Window and Help. The menus are explained in section 4.3.4. to 4.3.10. The different commands are presented in the same order as they appear in the menus. − The Title bar shows the name of the network presented in the Network window. When the Terminal list has been changed but not saved, it will display the unsaved state with an asterisk (*). − The Terminal list on the right-hand side shows all terminals in the network or a selected group and their status. The terminal list is explained in section 4.3.1. − The Group tree on the left-hand side shows the structure of groups in a network list. The group tree is explained in section 4.3.2. − The Status bar at the bottom of the window shows date, time and notification messages. The status bar is explained in section 4.3.3. EN/LZT 110 5057 R2A
  • 78.
    4 Network Management 4-14 4.3.1 The Terminal List In the Terminal list all terminals in the network or group are listed with ID, type of terminal and status symbol (as shown below). Figure 4-14. The Group tree and the Terminal list in the Network window. 4.3.1.1 The Status Symbols for Alarm Severity The status symbols used in the group tree and the terminal list, in order of severity, are: Critical Traffic disturbed (A-alarm) NoConn No connection Major Traffic not disturbed at present (B-alarm), for example alarms in a standby radio Minor Fault not affecting traffic, for example MINI-LINK E SAU alarms Warning Test mode: P-mark, loops etc. Unknown The terminal is included in the active network list, but the status is not known Normal Normal operation EN/LZT 110 5057 R2A
  • 79.
    4-15 4 Network Management 4.3.2 The Group Tree The Group tree shows the structure of groups in the network list, as structured by the operator. It is built up by a root group with sub-groups at different levels, and shows the names of the groups and the status of each group. In front of each group is a sign, a plus sign if the group contains sub-groups not presented, or a minus sign if the sub-groups are presented. The handling of groups and terminals are described in section 2.7.2. 4.3.3 The Status Bar Date and time are shown to the right. When an event from the network is logged, 4 a notification message is shown on the left-hand side. It remains in the status bar until a new event is logged. The Status bar is also available when entering sub- windows and Terminal windows. 4.3.4 The Network Menu When a network list is active, the Network menu offers the following alternatives: Figure 4-15. The Network menu bar. 4.3.4.1 Close This will close the Network window. If there is an unsaved network list, the user will be asked to save it (see section 4.3.4.2). 4.3.4.2 Save Save is used to save a network list which already has a name. This will save the network list with the current name. If no name is available, the user will be prompted to chose a file name (see section 4.3.4.3). EN/LZT 110 5057 R2A
  • 80.
    4 Network Management 4-16 4.3.4.3 Save as Save as is used to save a network list which has been changed or to save an existing list under a new name. 4.3.4.4 Merge The active network list will be modified by adding information about the terminals and groups from another saved network list opened from the Merge window. If a terminal is present in both network lists, the ”merged” terminal is ignored. 4.3.4.5 Remote SW Load Remote SW Load is used to load a new CSS software version in one or more terminal units (as described in section 4.5). 4.3.4.6 Remote SW Activation Remote SW Activation is used to activate a new CSS software version in one or more terminal units (as described in section 4.6). 4.3.4.7 Exit Exit is used to exit the Network window. If there is an unsaved network list, the user will be prompted to save it. 4.3.5 The Edit Menu The following options are available from the Edit menu: Figure 4-16. The Edit menu bar. 4.3.5.1 Undo Editing Options Undo Editing Options is used to undo executed editing options that have been performed via the Edit menu or via a pop-up menu (see section 2.7.2.6). 4.3.5.2 Redo Editing Options Redo Editing Options is used to redo an editing option that has been undone by the Undo command. The Redo command can be undone by the Undo command. EN/LZT 110 5057 R2A
  • 81.
    4-17 4 Network Management 4.3.5.3 Cut Terminals and Groups Cut Terminals and Groups is used to move groups or terminals to other positions in the group tree (see section 4.3.5.4.). Select the group or terminal you want to cut from the terminal list before selecting the cut command. The Cut command can also be reached via a pop-up menu, as described in section 2.7.2.6. 4.3.5.4 Paste Terminals and Groups Paste Terminals and Groups is used to paste previously cut groups or terminals into new positions in the group tree. Select the group into which you want to paste group(s) or the terminal(s), before selecting the Paste command. 4 The Paste command can also be reached via a pop-up menu, as described in section 2.7.2.6. Note: Another way than using the Cut and Paste commands to move terminals and groups, is by the Drag-and-Drop method, which is described in section 2.7.2.5. 4.3.5.5 Delete Terminals and Groups Delete Terminals and Groups is used to remove selected groups or terminals from the group tree or the network list. 4.3.5.6 Rename Group Rename Group is used to give a new name to a network group. Figure 4-17. The Rename Group window. Note: The root of the group tree (the Network) cannot be renamed. EN/LZT 110 5057 R2A
  • 82.
    4 Network Management 4-18 4.3.5.7 Find Terminal Find Terminal is used to find terminals in the group tree. Figure 4-18. The Find terminal dialog Choose a terminal ID, either by writing it in the Terminal ID field or by selecting it from the List of Available Terminal IDs and select OK. The group in which the terminal is situated is expanded and the terminal is selected. 4.3.5.8 New Terminal New Terminal is used to add a new terminal to the network list. Figure 4-19. The New terminal window. Type the ID to be added in the field above the Add New ID, then select the Add New ID button, and the ID will be added to the list of IDs. To remove an ID select the Delete ID button. When the last ID has been typed, select OK. EN/LZT 110 5057 R2A
  • 83.
    4-19 4 Network Management 4.3.5.9 New Group New Group is used to add a new empty network group to the selected position (the root of the group tree or a sub-group). Figure 4-20. The Create Group window. 4.3.6 The Log Menu 4 The Log menu gives access to the data collected from the terminals and stored in the MSM Log directory. You can read, sort and print the log file for analysis and problem tracking. Figure 4-21. The Log menu bar. Note: The log functions must be activated by the Control user in the Data Collection window from the Network window Config menu. When opened from the Network window, all logs are presented by default, whereas the logs reached from the Terminal window by default only show data for the selected terminal. EN/LZT 110 5057 R2A
  • 84.
    4 Network Management 4-20 4.3.6.1 Alarm Log The Alarm Log window contains two fields of information: − The List of Alarm Logs. − Detailed Information for the log selected in the List of Alarm Logs. Figure 4-22. The Alarm Log window. The field for the Alarm Log list contains: Date and Time The date and time presented is the PC date and time when the data was logged. ID The identity of the terminal logged. See section 4.1.1. Type of Equipment The type of terminal logged. See section 5.1 for MINI-LINK E terminals, section 6.1 for MINI-LINK E Micro terminals and section 7.1 for MINI-LINK C and MkII terminals. Cause for Log The reason the log was performed (Alarm notation, Background poll etc.) Severity The alarm status severity when the log was performed. (The same as the severity presented in the Network window.) See section 4.3.1.1. The field for Detailed Information about the log selected in the Alarm Log list contains the alarms, controls with abnormal status and additional information when the log was performed. EN/LZT 110 5057 R2A
  • 85.
    4-21 4 Network Management The Log window functions The following functions are available for the Alarm Log window: Print to File The Print options dialog box: - Print to Text File allows the operator to copy all the data to a text file. - Copy Database copies the database to a file read by the database program. A name for the file must be given. If the Search filter is active the following options will be presented for the Print to Text File function: - Print Logs According to Filter - Print All Logs in Database 4 Figure 4-23. The Print options dialog box. Delete The Delete function allows the Control user to delete all data in a log or the data selected according to the search filter. EN/LZT 110 5057 R2A
  • 86.
    4 Network Management 4-22 Search Filter The Log Search Filter dialog box allows the operator to define the log events to be presented in the Log window, to search for special conditions in the log. Any combination of filters can be used. Figure 4-24. The Search Filter window for the Alarm Log. Refresh The Refresh function updates the log presentation with the latest logged events (events which has occurred since entering the log, or since Refresh last was activated, will be included in the presentation). 4.3.7 The Config Menu The following options are available: Figure 4-25. The Config menu bar. EN/LZT 110 5057 R2A
  • 87.
    4-23 4 Network Management 4.3.7.1 Configure Sorting Configure Sorting is used to specify the default sorting order of terminals in the terminal list when the Netman Client is started and to select automatic arrangement of groups. 4 Figure 4-26. The Configure Sorting window. It is possible to let the changed sorting order be saved for the opened network list by selecting Yes in the confirmation dialog box. The following options are available: By Default The terminals in the list appear in the same order as when the list was created. By ID The terminals will be sorted in alphanumerical order. By Type The terminals will be sorted in order of terminal type of equipment. By Severity The terminals will be sorted in order of alarm status severity. (See section 4.3.1.1). Recover group name The Group option is used for a network list from file generated with the Get All command. By selecting the “Recover group name from file” box, the terminals in the opened network list will be automatically arranged in groups, as they are arranged in a reference network list selected in the File name field. (Type the network list file name in the field or select it using the Browse button.) Select Save for start-up, close the network list and re-open it in order to see the changes. Terminals not included in the reference network list will be placed under the root group Network. EN/LZT 110 5057 R2A
  • 88.
    4 Network Management 4-24 4.3.7.2 Configure Data Collection Configure Data Collection is used to change the data collection for the Alarm log. Figure 4-27. The Configure Data Collection window. The following parameters regarding logging of Alarms can be set in the Configure Data Collection window: Alarm Log Log Alarm. Logs alarms from the terminals in the Alarm Log. The data is collected from the terminals. Include Start and Stop. Performs a log of the terminal both when supervision begins and ends. Status Update Notification Polling. Stores detailed alarm logs and updates the terminal status at each notification. The box only applies to MINI-LINK C terminals since this is automatically done for MINI-LINK E terminals. Background Polling. Updates the network list by status polling. The terminals will be polled one at a time, each terminal will be polled when a response from the previous terminal has been received. Severity (MkII and C) User In. The severity for User Inputs of MINI-LINK MkII and C equipment (Radio Modules and SMMs). The setting will affect the severity of all these terminals. If the severity is changed from the default severity (Normal) the User Input(s) will also be presented in the Alarm field of the Terminal Window for all these terminals. The available severities are; Normal, Warning, Minor, Major and Critical. EN/LZT 110 5057 R2A
  • 89.
    4-25 4 Network Management Other Beep at notifications. Check this box to make a beep occur every time a notification message from a supervised terminal is received. 4.3.7.3 Configure Communication This dialog is used to change parameters regarding the communication between PC and front end. 4 Figure 4-28. Configure Communication dialog The following parameters can be defined: Front End: Terminal Terminal should be selected for Front End connection when the PC with the MSM program is connected directly to a MINI-LINK terminal. Modem Modem should be selected for Front End connection when the PC with the MSM program is connected to a modem for distant supervision of a MINI-LINK network. Other: Serial Port To select the serial port to be used on the PC. Terminal response To determine the time within which a terminal must respond to a request before a new request should be transmitted. The Terminal response time-out can be set to between 5 and 25 seconds. EN/LZT 110 5057 R2A
  • 90.
    4 Network Management 4-26 4.3.7.4 Configure Password The login password for the Control user may be changed in this menu. Figure 4-29. Configure password dialog. EN/LZT 110 5057 R2A
  • 91.
    4-27 4 Network Management 4.3.8 The View Menu The View menu contains the Details and List commands by which the terminal list can be viewed in two different ways and a Sort Terminals command by which the sorting order of terminals in terminal list can be changed. Figure 4-30. The View menu bar 4.3.8.1 Details View By selecting Details the terminal list will be presented in three columns, 4 showing the ID, the Type and the alarm status Severity of the terminals in the terminal list. Figure 4-31. The Network window with the Terminal list in Details view. Sorting in the terminal list can be performed, either by selecting any of the column heads in the terminal list or by selecting the Sort Terminals command in the View menu (see section 4.3.8.3). 4.3.8.2 List View By selecting the List command the terminals in the terminal list will be presented in one or more columns, showing the IDs of the terminals. Figure 4-32. The Network window with the Terminal list in List view. EN/LZT 110 5057 R2A
  • 92.
    4 Network Management 4-28 4.3.8.3 Sort Terminals Used to change the sorting order of terminals in the terminal list. The sorting options are: By Default The terminals in the list will appear in the same order as in the network list they are read from. By ID The terminals will be sorted in alphanumerical order. By Type The terminals will be sorted in order of terminal type. By Severity The terminals will be sorted in order of alarm status severity (see section 4.3.1.1). Note: Changes of sorting order performed by the Sort Terminals command will not be saved for the network list, that is they will not be shown the next time the network list is opened. To save sorting order of the network list, use the Configure Sorting command in the Config menu (see section 4.3.7.1). EN/LZT 110 5057 R2A
  • 93.
    4-29 4 Network Management 4.3.9 The Window Menu The Window menu lists the Network window and all opened Terminal windows. Figure 4-33. The Window menu bar. By selecting one of the windows from the menu, this window will be the active window on the screen. This menu also offers a possibility of closing all opened Terminal windows. 4.3.10 The Help Menu 4 Help gives access to different help files. Figure 4-34. The Help menu bar. For other ways to get help with the MSM program: • Press F1 on the keyboard to get help on a selected function. • Select the Help button in an opened sub-window to get help on that sub-window. The following alternatives are available in the menu: 4.3.10.1 Contents To open the Network and Program help file. 4.3.10.2 Terminal To open the help files for the different MINI-LINK terminals. 4.3.10.3 About the Program Shows information about the program: version, serial number and licence holder. EN/LZT 110 5057 R2A
  • 94.
    4 Network Management 4-30 4.4 Remote SW Upgrade 4.4.1 Introduction This section describes how to use the Remote SW Upgrade functions in the MSM program. The Remote SW Upgrade is used to download and activate new CSS software versions in any number of MINI-LINK E terminal units of the same type. The Remote SW Upgrade function requires CSS software version 5.0. Remote SW Upgrade is divided in two sessions: - A Remote SW Load session which loads a CSS software version in selected units of the same type in one or more terminals. The current status for the selected units and the load progress are presented during the session, as well as the reason for any excluded units. The result of the completed load session is saved as a Load Session file. The saved load session can later be used for activation. - A Remote SW Activation session which activates the new loaded CSS software in selected units of the same type in one or more terminals. The activation session can be started when the present load session is finished or a saved load session file can be selected and used for the activation session. The current status for the selected units and the activation progress are presented during the session, as well as the reason for any excluded units. Activation can also be performed for each unit separately in a selected terminal. State and indication of Remote Software Upgrade (RSU) There are two RSU indicators; for detected RSU and RSU in progress (not finished or finished). The status of the RSU session is shown in the status bar. The following states for RSU can be presented: RSU detected – If RSU is started from another MSM, and at least one terminal’s status indicates that it is under RSU. RSU in progress – If RSU is started from own MSM and the RSU session is not finished. RSU finished – If RSU is started from own MSM and the RSU session is finished. EN/LZT 110 5057 R2A
  • 95.
    4-31 4 Network Management 4.4.2 Recommendations for Remote SW Upgrade The user traffic will not be affected during a Remote SW Upgrade session. The Remote SW Upgrade session will take 5 to 15 hours, depending on the size of the load file and the number of selected units. In order to minimize the risk of failure with the Remote SW Upgrade, consider the following before starting a session: - Start only one session in a sub-network at a time. - Start the session when the sub-network is stable, with only a minimum of disturbance. - Start the session when the traffic is low. - Start the session when the weather conditions are favourable. 4 EN/LZT 110 5057 R2A
  • 96.
    4 Network Management 4-32 4.5 Remote SW Load A Remote SW Load session loads a CSS software version in units of the same type in one or more terminals. It is not possible to load units which do not support Remote SW Upgrade. 4.5.1 Network Menu in the Network Window Figure 4-35. The Network menu bar. • Select the ”Remote SW Load” command from the Network Menu in the Network Window. The ”Select SW Type and Version” window opens, see section 4.5.2. The following dialog windows (section 4.5.1.1) are presented in the same order as they appear during a load session. EN/LZT 110 5057 R2A
  • 97.
    4-33 4 Network Management 4.5.1.1 Workflow for a New Load Session The Remote Software Load is performed in the following main steps. All dialog windows (with sub-windows) are further described in section 4.5.2 to 4.5.6. R e m o te S W L o a d c o m m a n d 1 in th e N e tw o r k m e n u 2 S e le c t S W T y p e a n d V e r s io n G e t L o a d F ile O p tio n a l M a n u a lly E n te r T e r m in a ls 4 3 S c a n n in g in P r o g r e s s 4 S e le c t U n its to L o a d 5 L o a d P ro g re s s 6 C lo s e T o e n d th e A c tiv a te T o s ta rt th e S e e s e c tio n L o a d S e s s io n A c tiv a tio n S e s s io n " W o rk flo w fo r a N e w A c tiv a tio n S e s s io n " Figure 4-36. An overview of the main windows used in a load session. EN/LZT 110 5057 R2A
  • 98.
    4 Network Management 4-34 4.5.2 Select SW Type and Version The window is used for selection of the software type and version for the load session. Figure 4-37. The dialog window for selecting software type and version. 1. Select the software type to load in the SW Type field and the version for the software in the Version field. (A new type or version can be loaded from the ”Have Disk” button and added to the lists, as described in section 4.5.6.1.) (2.) By default the scanning of ”All possible Terminals” in the sub-network is selected in the Scanning field. Select the box for the ”Manually specified Terminals” if you want to manually specify which terminals to load, as described in section 4.5.6.2. 3. Select OK to start the scanning. The ”Scanning in Progress” window opens, see section 4.5.3. (For further information, see the explanation below for the fields and buttons.) EN/LZT 110 5057 R2A
  • 99.
    4-35 4 Network Management SW Type All types of installed software available for remote software upgrade. If the ”SW Type” list does not contain the wanted type, a new type can be loaded from a diskette by selecting the ”Have Disk” button. (See section 4.5.6.1.) The following types of MINI-LINK E software are available: CAU 1191099 MMU All MMUs CAU 1191101 SMU All SMUs CAU 1191102 SAU All SAUs CAU 1191100 RAU Frequency bands from 15 GHz to 38 GHz CAU 1192721 RAU Frequency band 7 GHz CAU 1192761 RAU Frequency band 7/8 GHz CXC 113404 RAU Frequency bands from 15 GHz to 38 GHz CXC 113400 E_MICRO All MINI-LINK E Micro Version All versions installed for the currently selected SW Type. The list is automatically updated every time a SW Type is selected. If the ”Version” list Scanning does not contain the wanted version, a new version can be loaded from a diskette by selecting the ”Have Disk” button. (See section 4.5.6.1.) Selects how to create the ”Available Units” list in the window ”Select Units 4 to Load” (described in section 4.5.4). There are two different ways to create this list: - All possible terminals. A scan will be performed for the selected type on the complete active Network List. - Manually specified terminals. A window will be presented allowing the operator to manually select terminals from the active Network List. See section 4.5.6.2. OK To start the scanning for the selected software type, as described in section 4.5.3. Have Disk To load a new software type or version from a diskette. See section 4.5.6.1. EN/LZT 110 5057 R2A
  • 100.
    4 Network Management 4-36 4.5.3 Scanning in Progress This dialog box is shown while the terminals in the sub-network are scanned. The available units are added gradually as the net is scanned. The dialog box is shown until the list is finished, or you press the Stop button. If the scanning progress is stopped, only the units scanned so far will be available in the next window ”Select Units to Load”. The ”Select Units to Load” window is available after the scanning is finished, see section 4.5.4. 4.5.4 Select Units to Load The window is used to include the units for the load session by adding them to the ”Selected Units” field. Figure 4-38. The dialog window for selecting units for the load session. 1. Select the unit(s) in the Available field. 2. Use the Add buttons to include the units from the Available to the Selected field. 3. Select Load to start and confirm the load session. The ”Load Progress” window opens, see section 4.5.5. (For further information, see the explanation below for the fields and buttons.) EN/LZT 110 5057 R2A
  • 101.
    4-37 4 Network Management Load Information Information about the SW Type and Version selected in the previous ”Select SW Type and Version” window, as well as the estimated time to complete the load session. Excluded Units The number of units not available for the load session. Select the Details button to see information about the units and the reason for the exclusion. See section 4.5.4.1. Details If a unit cannot be included in the load session, the Details button will be enabled. By selecting it, a window containing the excluded units will be shown, as described in section 4.5.4.1. Available Units The units possible to load with the selected SW (as presented in the ”Load Information” field). The sort order of the columns can be changed between ascending and descending by clicking on the column head titles respectively. Unit Definition of the unit, normally the ID of the terminal. An addition to the ID is used to indicate RAU and MMU units in MINI-LINK E 1+1 terminals. 4 _Ra1 = the first radio in a 1+1 configuration. _Ra2 = the second radio in a 1+1 configuration. Active The currently operating software version for the unit. Passive A loaded, not active, software version for the unit. This version will be replaced by the software version selected. If the version number is replaced with ”upg” the unit is currently being upgraded. If there are no passive software available the version number is replaced with ”-”. Selected Units The units in this field will be included in the load session. For details of the included columns, see the explanation for the Available Units field above. Add (All) To add a selected unit or all units from the Available field into the Selected field. If the user adds a unit that already is being upgraded or a unit that already has a version newer or equal to the selected version, a warning is shown. Remove (All) To remove a selected unit or all units from the Selected field. Load To start the load session. See section 4.5.5. EN/LZT 110 5057 R2A
  • 102.
    4 Network Management 4-38 4.5.4.1 Excluded Units Shows the units not available for this load session and the reason for the exclusion. Figure 4-39. The information window shows not available units for the load session. Explanations for the fields and buttons in the window above. No Connection The unit is included in the active Network list, but has no present connection. Unit data could not be collected. No Support for RSU At least one unit in the terminal does not support Remote Software Upgrade. A local upgrade of a software version supporting Remote Software Upgrade must be performed. No Matching Unit The unit does not support the selected SW Type. EN/LZT 110 5057 R2A
  • 103.
    4-39 4 Network Management 4.5.5 Load Progress The window shows the current status during the load session. A progress bar is presented during the load session, when the session is completed the progress bar will be replaced by a text ”Load Finished” 4 Figure 4-40. The window during the load progress and when the load is finished. Actions during the load progress To view load status details during the load progress, select Details. To close the Load Process window, use the Close button. The load session will not be terminated. To terminate the load progress, use the Abort button. (For further information, see the explanation below for the fields and buttons.) Actions when the load is finished The result of the completed load session is saved as a Load Session file. The saved load session can later be used for activation. See the ”Select Load Session for Activation” window in section 4.6.2. If you want to end the software load phase to continue later with the software activation, select Close. If you want to go on and start the software activation from this window, select Activate. (For further information, see the explanation below for the fields and buttons.) EN/LZT 110 5057 R2A
  • 104.
    4 Network Management 4-40 Information Information about the SW Type and Version selected for the load session, as well as the estimated time to complete the load session. Load Status The number of ready, failed and currently loading units for the current progress status. Select the Details button to see more information about the units as described in section 0. Progress bar The progress bar shows graphically the current estimated load progress. When the load progress is completed the progress bar is replaced with ”Load Finished”. Details To see more information about the current load progress status for the units, as described in section 0. Activate During the load progress is the Activate button disabled. The button becomes enabled when the load is finished. Select the button to start a Remote Software Activation session. A scanning of the successfully loaded units starts and a dialog window ”Scanning in Progress” is shown during the scanning, as described in section 4.6.3. Note: If the load progress is stopped: - early in the Load session; the Passive SW version can be deleted for any number of units. - late in the Load session; the selected SW version can be installed for any number of units. 4.5.5.1 Load Status Shows information about the current load progress status for the units. Figure 4-41. The information window shows the current status for the load progress. Explanations for the fields and button in the window above. Loading The units are currently being loaded in this loading session. Ready The loading is successfully completed for the units. Failed The loading could not be completed for the units. EN/LZT 110 5057 R2A
  • 105.
    4-41 4 Network Management 4.5.6 Optional Load Windows 4.5.6.1 Get Load File The Get Load File is opened from the Have Disk button in the ”Select SW Type and Version” window and is used to select new software types or versions to be added. 4 Figure 4-42. The dialog window for selecting a software load file. 1. Select the directory for the software type to specify the path to the load file. Normally from a Release diskette in the disk drive (A:). 2. Select the version file (multiple files can be selected by holding down the Shift key). 3. Select Open to start the transfer. The software versions are transferred to the MSM upgrade directory and the Version field in the ”Select SW Type and Version” window is updated with the new types and versions. EN/LZT 110 5057 R2A
  • 106.
    4 Network Management 4-42 4.5.6.2 Manually Enter Terminals If the ”Manually specified Terminals” was selected in the ”Select SW Type and Version” window in section 4.5.2, the following window is shown. Figure 4-43. The dialog window for manually selecting terminals. 1. Select the terminal in the Available field. 2. Use the Add button to include the selected terminals. 3. Select OK to start the scanning. The ”Scanning in Progress” window opens, see section 4.5.3. (For further information, see the explanation below for the fields and buttons.) Available Terminal ID The identities of terminals can contain units with the selected SW Type (as presented in the ”Load Information” field). Selected Terminal ID The terminals in this field will be scanned, to find the units to upgrade. Load Information Information about the SW Type and Version selected in the ”Select SW Type and Version” window. See section 4.5.2. Add To add selected terminals from the Available field into the Selected field. Remove To remove selected terminals from the Selected field. EN/LZT 110 5057 R2A
  • 107.
    4-43 4 Network Management 4.6 Remote SW Activation A Remote SW Activation session activates the new CSS software in units of the same type in one or more terminals. Note: Activation can also be performed for each unit separately, this function is available in the Terminal window under the Misc menu, as described in section 5.3.4.4, 5.4.4.4 and 6.3.4.4. 4.6.1 Network Menu in the Network Window 4 Figure 4-44. The Network menu bar. • Select the ”Remote SW Activation” command from the Network Menu in the Network Window. The ”Select Load Session for Activation” window opens, see section 4.6.2. The following dialog windows (section 4.6.1.1) are presented in the same order as they appear during an activation session. EN/LZT 110 5057 R2A
  • 108.
    4 Network Management 4-44 4.6.1.1 Workflow for a New Activation Session The Remote Software Load is performed in the following main steps. All dialog windows (with sub-windows) are further described in section 4.6.2 to 4.6.5. R e m o te S W A c tiv a tio n c o m m a n d 1 in th e N e tw o r k m e n u S e le c t L o a d S e s s io n 2 fo r A c tiv a tio n A c tiv a tio n s ta rte d fro m th e L o a d P ro g re s s w in d o w . 3 S c a n n in g in P r o g r e s s S e e s e c tio n " W o rk flo w fo r a N e w L o a d S e s s io n " . 4 S e le c t U n its fo r A c tiv a tio n 5 A c tiv a tio n P r o g r e s s A c tiv a tio n fin is h e d 6 C lo s e T o e n d th e A c tiv a tio n S e s s io n Figure 4-45. An overview of the main windows used in an activation session. EN/LZT 110 5057 R2A
  • 109.
    4-45 4 Network Management 4.6.2 Select Load Session for Activation The window is used for selection of saved load session files for the Remote SW Activation. 4 Figure 4-46. The dialog window for selecting a saved load session. 1. Select the load session in the Available Sessions field. (2.) Use the Details button to see more information about the session, including valid and failed units. 3. Select OK to start the scanning. The ”Scanning in Progress” window opens, see section 4.6.3. (For further information, see the explanation below for the fields and buttons.) Available Sessions The saved load session logs available for activation. The saved session is identified by the date and time it was finished, as well as the software type and version it was performed on. Use the Details button to see more information about a selected session, as described in section 4.6.2.1. Details By selecting the Details button, the ”Load Session Details” window is shown with information about the selected load session. See section 4.6.2.1. EN/LZT 110 5057 R2A
  • 110.
    4 Network Management 4-46 4.6.2.1 Load Session Details Shows detailed information regarding the load session selected in the previous ”Select Load Session for Activation” window. Figure 4-47. The information window for the selected load session. Explanations for the fields and button in the window above. Session Information Information for the selected load session regarding SW type and version, as well as by whom and when the session was performed. Valid Units The load session was successfully completed for these units. Failed Units The load session could not be completed for these units. EN/LZT 110 5057 R2A
  • 111.
    4-47 4 Network Management 4.6.3 Scanning in Progress This dialog box is shown while the terminals in the sub-network are scanned. The available units are added gradually as the net is scanned. The dialog box is shown until the list is finished, or you press the Stop button. If the scanning progress is stopped, only the units scanned so far will be available in the next window ”Select Units for Activation”. The ”Select Units for Activation” window is available after the scanning is finished, see section 4.6.4. 4.6.4 Select Units for Activation The window is used to include the units for the activation session by adding them to the ”Selected Units” field. 4 Figure 4-48. The dialog window for selection of units for the activation session. 1. Select the unit(s) in the Available field. 2. Use the Add buttons to include the units from the Available to the Selected field. 3. Select Activate to start and confirm the activation session. The ”Activation Progress” window opens, see section 4.6.5. (For further information, see the explanation below for the fields and buttons.) EN/LZT 110 5057 R2A
  • 112.
    4 Network Management 4-48 Activation Information about the SW Type and Version for the Information activation session selected in the previous ”Select Load Session for Activation” window, as well as the estimated time to complete the activation session. Excluded Units The number of units not available for the activation session. Select the Details button to see information about the units and the reason for the exclusion. See section 4.6.4.1. Details If a unit cannot be included in the activation session, the Details button will be enabled. By selecting it, a window containing the excluded units will be shown, as described in section 4.6.4.1. Available Units The units possible to load with the selected SW (as presented in the ”Activation Information” field). The sort order of the columns can be changed between ascending and descending by clicking on the column head title respectively. Unit Definition of the unit, normally the ID of the terminal. An addition to the ID is used to indicate RAU and MMU units in MINI-LINK E 1+1 terminals. _Ra1 = the first radio in a 1+1 configuration. _Ra2 = the second radio in a 1+1 configuration. Active The currently operating software version for the unit. This version will after the activation become the Passive version. Passive The loaded, not active, software version for the unit. This version will after the activation become the Active version. Selected Units The units in this field will be included in the activation session. For details of the included columns, see the explanation for the Available Units field above. Add (All) To add a selected unit or all units from the Available field into the Selected field. By adding a unit that has a passive software version which has been changed since the load session or a unit that has an active software version newer than the passive software version, a warning is shown. Remove (All) To remove a selected unit or all units from the Selected field. Activate To start the activation session. See section 4.6.5. EN/LZT 110 5057 R2A
  • 113.
    4-49 4 Network Management 4.6.4.1 Excluded Units Shows the units not available for this activation session and the reason for the exclusion. 4 Figure 4-49. The information window shows not available units for the activation session. Explanations for the fields and buttons in the window above. No Connection The unit is included in the active Network list, but has no present connection. Unit data could not be collected. No Support for RSU At least one unit in the terminal does not support Remote Software Upgrade. A local upgrade of software version supporting Remote Software Upgrade must be performed. No Matching Unit The unit does not support the selected SW Type. EN/LZT 110 5057 R2A
  • 114.
    4 Network Management 4-50 4.6.5 Activation Progress The window shows the current status during the activation session. A progress bar is presented during the activation session, when the session is completed the progress bar will be replaced by a text ”Activation Finished”. Figure 4-50. The window during the activation progress and when the activation is finished. Actions during the activation progress To view activation status details during the activation progress, select Details. To close the Activation Progress windows use the Close button. The activation session will not be terminated. To terminate the activation progress, use the Abort button. (For further information, see the explanation below for the fields and buttons.) Actions when the activation is finished To view activation status for the units after the completed activation session, select Details. To end the activation session, select the Close button. (For further information, see the explanation below for the fields and buttons.) EN/LZT 110 5057 R2A
  • 115.
    4-51 4 Network Management Information Information about the SW Type and Version selected for the activation session, as well as the estimated time to complete the activation session. Activation Status The number of ready, failed and remaining units for the current progress status. Select the Details button to see more information about the units as described in section 4.6.5.1. Progress bar The progress bar shows graphically the current estimated activation progress. When the activation progress is completed the progress bar is replaced with ”Activation Finished”. Details To see more information about the current activation progress status for the units, as described in section 4.6.5.1. 4.6.5.1 Activation Status Shows information about the current activation progress status for the units. 4 Figure 4-51. The information window shows the current status for the activation progress. Explanations for the fields and button in the window above. Remaining The currently remaining units in this activation session. Ready The activation is successfully completed for the units. Failed The activation could not be completed for the units. EN/LZT 110 5057 R2A
  • 116.
    4 Network Management 4-52 EN/LZT 110 5057 R2A
  • 117.
    5-1 5 MINI-LINK E Terminal Contents 5 MINI-LINK E Terminal Page 5.1 MINI-LINK E Technical Description 5-3 5.1.1 Radio Unit (RAU) 5-3 5.1.2 Modem Unit (MMU) 5-7 5.1.3 Switch Multiplexer Unit (SMU) 5-10 5.1.4 Service Access Unit (SAU) 5-13 5.2 MINI-LINK E Supervision 5-16 5.2.1 Operation and Maintenance Facilities 5-17 5.2.2 Fault Localization 5-17 5.3 MINI-LINK E Radio Terminal Window 5-18 5.3.1 The Setup Menu 5-19 5.3.1.1 AM Setup 5-19 5.3.1.2 Hop Setup 5-21 5.3.1.3 5.3.2 5.3.2.1 Traffic Setup The Log Menu Alarm Log 5-23 5-25 5-25 5 5.3.3 The View Menu 5-25 5.3.3.1 Alarm History 5-26 5.3.3.2 Performance 5-27 5.3.3.3 Revision Codes 5-29 5.3.4 The Misc Menu 5-29 5.3.4.1 Restore 5-30 5.3.4.2 Reset 5-30 5.3.4.3 Update Status 5-30 5.3.4.4 SW Activate 5-31 5.3.5 The Window Menu 5-32 5.3.6 The Help Menu 5-32 5.3.6.1 Contents 5-32 5.3.6.2 About the Program 5-32 5.3.7 The Terminal Window (Radio Terminal) 5-33 5.3.7.1 The Alarm Field 5-33 5.3.7.2 The Control and Status Field 5-34 5.4 MINI-LINK E SAU Terminal Window 5-40 5.4.1 The Setup Menu 5-41 5.4.1.1 AM Setup 5-41 5.4.1.2 Communication Setup 5-43 5.4.1.3 User I/O Setup 5-44 5.4.1.4 Service Channel Setup 5-46 5.4.2 The Log Menu 5-47 5.4.2.1 Alarm Log 5-47 5.4.3 The View Menu 5-48 5.4.3.1 Alarm History 5-48 5.4.3.2 Revision Codes 5-49 5.4.4 The Misc Menu 5-50 5.4.4.1 Restore 5-50 5.4.4.2 Reset 5-50 5.4.4.3 Update Status 5-50 5.4.4.4 SW Activate 5-51 EN/LZT 110 5057 R2A
  • 118.
    5 MINI-LINK ETerminal 5-2 5.4.5 The Window Menu 5-52 5.4.6 The Help Menu 5-52 5.4.6.1 Contents 5-52 5.4.6.2 About the Program 5-52 5.4.7 The Terminal Window (SAU) 5-53 5.4.7.1 The Alarm Field 5-54 5.4.7.2 The Control and Status Field 5-54 5.5 Details on 1+1 Switching and AIS 5-56 5.5.1 Switching in 1+1 Systems 5-56 5.5.2 Alarm Indication Signal (AIS) 5-57 5.6 Repair and Extension 5-58 5.6.1 Factory Setup with the Preset Function 5-58 5.6.2 Factory Setup without the Preset Function 5-58 5.6.3 Setups after Addings or Replacements 5-59 5.6.3.1 Replacement when using Expanded NCC 5-59 5.6.4 Spare Parts and Repair 5-59 EN/LZT 110 5057 R2A
  • 119.
    5-3 5 MINI-LINK E Terminal 5 MINI-LINK E Terminal 5.1 MINI-LINK E Technical Description MINI-LINK E consists of two main parts: - The outdoor part with Radio Unit (RAU) and Antenna Module. - The indoor part, the Access Module (AM), with Modem Unit (MMU), optional Switch Multiplexer Unit (SMU) and optional Service Access Unit (SAU). An Access Module Magazine (AMM) houses the indoor parts for up to four radios. The RAU and the MMU are interconnected via a coaxial cable. For detailed technical description of the MINI-LINK E equipment, please refer to the MINI-LINK E Technical Description EN/LZT 110 2012. The terminal types shown in MSM are: MLE_1+0 MINI-LINK E terminal with 1+0 configuration MLE_1+1 MINI-LINK E terminal with 1+1 configuration MLE_SAU MINI-LINK E SAU terminal The alarms in the following sections in 5.1 Technical Description are shown in italic type. All the alarms can be found in the program Help window as described 5 in section 4.1.5. 5.1.1 Radio Unit (RAU) MINI-LINK E comprises two types of radios, RAU1 and RAU2. RAU1 and RAU2 have the same functionality, but different mechanical design and microwave technology. RAU2 has a higher integration of microwave circuits. In this section RAU1 is described for frequencies 7, 8, 18 and 26 GHz and RAU2 is described for frequencies 15, 23 and 38 GHz. The Radio Unit is fully independent of transmission rates and available for different frequency channel arrangements (see the Product Catalogue, EN/LZT 110 2011). EN/LZT 110 5057 R2A
  • 120.
    5 MINI-LINK ETerminal 5-4 M ic r o w a v e S u b - u n it T r a n s m it IF T r a n s m itte r S ig n a l, T r a n s m it IF 3 5 0 M H z U p F in a l R F A tte n u a to r S ig n a l C o n v e rte r A m p lifie r (a c c e s s o ry ) P r o c e s s in g T X O F F T r a n s m itte r F ilte r O u tp u t P o w e r O s c illa to r U n it L e v e l D e te c to r C o n tro l F R E Q U E N C Y O U T P U T B r a n c h in g C O N T R O L L E V E L S E T F ilte r C a b le In te r fa c e F R E Q U E N C Y C O N T R O L M M U R e c e iv e IF T o R e c e iv e r A n te n n a S ig n a l, R e c e iv e IF A lig n m e n t P o r t 1 4 0 M H z R F L o o p S ig n a l F ilte r & R e c e iv e r P r o c e s s in g A m p lifie r O s c illa to r B r a n c h in g F ilte r L o w D o w n N o is e C o n v e rte r C o m m a n d A m p lifie r & C o n tro l C o n tro l & S ig n a l S u p e r v is io n A la r m P ro c e s s o r a n d C o n tro l S e c o n d a ry D C /D C C o n v e rte r V o lta g e s Figure 5-1a. RAU1 7-E and 8-E block diagram. R a d io In te r fa c e S u b - u n it M ic r o w a v e S u b - u n it T r a n s m itte r T r a n s m it IF S ig n a l, 3 5 0 M H z T r a n s m it IF T r a n s m itte r M u ltip lie r F in a l B r a n c h in g O s c illa to r & F ilte r A m p lifie r S ig n a l F ilte r P r o c e s s in g F R E Q U E N C Y C O N T R O L T X O F F O u tp u t P o w e r R F A tte n u a to r L e v e l D e te c to r (a c c e s s o ry ) C o n tro l 2 6 h ig h p o w e r R F L o o p A n te n n a O U T P U T 1 8 G H z R e c e iv e r L E V E L S E T F R E Q U E N C Y C O N T R O L R e c e iv e IF M u ltip lie r S ig n a l, R e c e iv e r R e c e iv e IF O s c illa to r a n d C a b le In te r fa c e 1 4 0 M H z M M U S ig n a l F ilte r in g P r o c e s s in g T o L o w A lig n m e n t P o r t D o w n F ilte r & D o w n N o is e B r a n c h in g C o n v e rte r A m p lifie r C o n v e rte r A m p lifie r F ilte r C o m m a n d F ir s t IF A F C & C o n tro l C o n tro l & a ro u n d 1 0 0 0 M H z S ig n a l S u p e r v is io n P ro c e s s o r A la r m a n d C o n tro l D C S e c o n d a ry D C /D C C o n v e rte r v o lta g e s Figure 5-1b. RAU1 18-E and 26-E block diagram. EN/LZT 110 5057 R2A
  • 121.
    5-5 5 MINI-LINK E Terminal M ic r o w a v e U n it F ilte r U n it T r a n s m it IF T r a n s m itte r ( M C M ) S ig n a l, T r a n s m it IF 3 5 0 M H z T r a n s m itte r P o w e r B r a n c h in g S ig n a l O s c illa to r M u lt ip lie r A m p lifie r F ilte r P r o c e s s in g F R E Q U E N C Y C O N T R O L T X R F T X O F F L o o p D C O U T P U T S e c o n d a ry D C /D C C o n v e rte r v o lta g e s L E V E L S E T O u tp u t L e v e l C o n tro l A n te n n a R e c e iv e IF S ig n a l, R e c e iv e r ( M C M ) 1 4 0 M H z R e c e iv e r F R E Q U E N C Y C O N T R O L R X M M U O s c illa to r C a b le In te r fa c e F R E Q U E N C Y C O N T R O L IF IF C o n v e r te r R F L o o p IF R S S I O s c illa to r M u ltip lie r 8 3 4 M H z L o w D o w n F ilte r & D o w n N o is e B r a n c h in g C o n v e rte r A m p lifie r C o n v e rte r A m p lif ie r F ilte r 1 4 0 M H z C o m m a n d & C o n tro l 9 7 4 M H z S ig n a l 5 A la r m a n d C o n tro l & C o n tro l S u p e r v is io n T o A lig n m e n t P o r t P ro c e s s o r Figure 5-1c. RAU2 15-E, 23-E and 38-E block diagram. Transmitting direction The incoming signals from the MMU are demultiplexed in the cable interface. The transmitting IF signal is amplified and fed to the microwave sub-unit for modulation onto the RF transmitter oscillator. If the signal is missing, the Tx IF Input Alarm is activated. The frequency of the transmitter is controlled in a phase locked loop. An unlocked loop generates the Tx Frequency Alarm. The transmitting RF signal is amplified, frequency multiplied and filtered. The transmitter can be controlled by switching the final amplifier on or off. The transmitter output power is measured and a low level generates the RF Output Level Alarm. For test purposes a sample of the transmission signal can be fed into the receiver as an RF Loop (MINI-LINK 7-E, 8-E, 15-E, 18-E, 23-E and 38-E only). All radio units have built-in variable attenuators which can be adjusted from MINI-LINK Netman. In addition to variable attenuators, all RAU1 radios can have fixed RF attenuators fitted inside the radio unit. EN/LZT 110 5057 R2A
  • 122.
    5 MINI-LINK ETerminal 5-6 Receiving direction The received RF signal is down-converted in two steps to an IF of 140 MHz. The frequency of the receiver is controlled in a phase locked loop. An unlocked loop generates the Rx Frequency Alarm. A portion of the output IF signal is used as a reference in an AFC loop. If the control signal is outside the range, Rx AFC Alarm is activated. Additionally, a portion of the IF signal is fed to a calibrated detector to provide an accurate receiver input level measurement. The level is accessible either as analog voltage at the Alignment port on the RAU, or in dBm through the CSS, in MINI-LINK Netman. A low receiver level generates the RF Input Level Alarm or AGC Threshold Alarm. The outgoing signals to the MMU are multiplexed in the cable interface. Common parts The common parts consist of the RAU Control and Supervision System (CSS). The main functions of the RAU CSS are: − Alarm collection, where collected alarms and status signals from the RAU are sent to the MMU processor. Summary status signals are visualized with LEDs on the RAU; a green LED indicating Power on (steady) or that the radio unit has been replaced with a unit with faulty software setup (flashing), and a red LED indicating faulty radio unit (flashing) or fault in another unit (steady). − Command handling, where commands from the indoor units are executed. The commands include transmitter control, channel frequency settings, output power settings and RF-loop control. − Radio unit control, where the RAUs internal processes and loops are controlled. If the processor detects a software fault, it generates Proc Software Alarm. An interruption during setup generates EEPROM Alarm. Other processor faults generate Proc Hardware Alarm. EN/LZT 110 5057 R2A
  • 123.
    5-7 5 MINI-LINK E Terminal 5.1.2 Modem Unit (MMU) The MINI-LINK E programme comprises a set of MMU versions providing the following traffic capacities: - MMU 2x2 for 2x2 Mbit/s, - MMU 4x2/8 for 4x2 Mbit/s or 8 Mbit/s, - MMU 2x8 for 2x8 Mbit/s or 8x2 Mbit/s (with SMU) and - MMU 34+2 for 34+2 Mbit/s or 17x2 Mbit/s (with SMU). All MMUs are fully independent of frequency band. O th e r M M U o r S M U S A U S e r v ic e c h a n n e ls R a d io F r a m e 2 /8 /3 4 M b it/s M o d u la to r M u ltip le x e r T r a ffic R a d io In te rfa c e C a b le U n it 2 /8 /2 M b it/s a n d In te rfa c e R o u te r R a d io F r a m e D e m o d u la to r D e m u ltip le x e r H C C S A U S e r v ic e c h a n n e ls 5 H C C O p e r a tio n a n d C o n tro l & R C C M a in te n a n c e S u p e r v is io n N C C O th e r u n its in In te rfa c e s th e a c c e s s m o d u le P r im a r y D C /D C p o w e r C o n v e rte r s u p p ly S e c o n d a ry v o lta g e s S M U , S A U Figure 5-2a. MMU 2x2, 2x8 and 34+2 block diagram. EN/LZT 110 5057 R2A
  • 124.
    5 MINI-LINK ETerminal 5-8 O th e r M M U o r S M U O th e r M M U o r S M U S A U S e r v ic e c h a n n e ls 4 x 2 M b it/s R a d io F r a m e M o d u la to r M u ltip le x e r T r a ffic R a d io 2 /8 T r a ffic In te rfa c e C a b le U n it M u ltip le x e r In te rfa c e a n d a n d In te rfa c e D e m u ltip le x e r R o u te r R o u te r R a d io F r a m e D e m o d u la to r D e m u ltip le x e r S e r v ic e H C C c h a n n e ls S A U H C C 8 M b it/s O p e r a tio n R C C C o n tro l & a n d M a in te n a n c e S u p e r v is io n N C C O th e r u n its in In te rfa c e s th e a c c e s s m o d u le P r im a r y D C /D C p o w e r C o n v e rte r s u p p ly S e c o n d a ry v o lta g e s S M U , S A U Figure 5-2b. MMU 4x2/8 block diagram. Transmitting direction The traffic input signals are connected from the MMU front or from an SMU through the access module backplate. If any of the active signals is faulty, Input Alarm is generated. For test purposes the traffic input signals can be looped back (MMU Tx Loops). MMU 4x2/8 only: The four 2 Mbit/s traffic input signals are multiplexed into one 8 Mbit/s signal. If the 8 Mbit/s signal from the Multiplexer is faulty, Input Alarm is generated. Three different service types are multiplexed in the Radio Frame multiplexer for transmission over the radio path; - Traffic, - Service channel and - Hop Communication Channel (HCC). This composite data stream is signal processed and pulse shaped to optimise transmitting spectrum. The modulator consists of a phase locked voltage controlled oscillator (VCO). The oscillator is controlled from the far radio. If the modulation index is out of range, the Mod Index Alarm is generated. For test purpose, the IF Loop can be activated. It loops the signal after the modulator to the demodulator in the receiving direction. EN/LZT 110 5057 R2A
  • 125.
    5-9 5 MINI-LINK E Terminal Receiving direction The signal from the RAU is AGC amplified and filtered. It is then demultiplexed and FEC corrected in the Radio Frame demultiplexer. The demultiplexer generates the Radio Frame Alarm if frame synchronization is lost. The number of errored bits in the traffic data stream is measured. These are used for performance monitoring and BER detection. The BER Alarm is activated when the BER alarm threshold, which is software setable, is exceeded. If the received bit stream comes from a radio with an ID differing from the Far End ID set, a Radio ID Alarm is generated. A Dmod Clock Alarm is generated if the received data rate does not correspond to the internal data rate of the MMU. AIS is inserted at the receiving direction in case of failure, see section 5.5.2. AIS Received Alarm indicates that an AIS signal is received. In 1+1 configurations, if the receiver fails to synchronise the received traffic signal to the MMUs, Hitless Phase Alarm is activated to indicate that the 1+1 switching is not hitless. MMU 4x2/8 only: The incoming 8 Mbit/s signal is demultiplexed into 2 Mbit/s signals. If the signal is lost, or there is a frame lock error on the signal, the System Line Fault E2:1 Alarm or Frame E2:1 Alarm respectively are generated. 5 For test purpose, the traffic output signals can be looped back to the transmitting direction (MMU Rx Loops). This is made in the traffic router. Common parts A microprocessor-based control and supervisory system, CSS, is built into the MMU. Its main functions are to collect alarms, control settings and loop tests and handle the bit error collection. The communication channels within a sub-network, via which the CSS data is transmitted, are presented in section 4.1.2. The processor communicates with the RAU and the remote MMU over the hop. The RCC Alarm (Radio Communication Channel) indicates lost communication with the RAU and the HCC Alarm (Hop Communication Channel) with the remote MMU. In 1+0 configurations the processor also handles the terminal communication with the SMU holding the optional MUXes, and the communication with other terminals in the AMM. Communication lost with the SMU is indicated by the NCC MUX Alarm (Node Communication Channel). If communication is lost with the other terminals within the AMM, the NCC Ext Alarm is generated. If the processor detects a software fault, it generates Proc Software Alarm. An interruption during setup, generates the EEPROM Alarm. Processor faults not covered by the above, generate the Proc Hardware Alarm. EN/LZT 110 5057 R2A
  • 126.
    5 MINI-LINK ETerminal 5-10 5.1.3 Switch Multiplexer Unit (SMU) The SMU provides 1+1 protected switching and multiplexing/demultiplexing of 2 Mbit/s channels. The SMU comes in three versions: SMU 8x2 for 8x2 Mbit/s, SMU 16x2 for 16x2 Mbit/s, SMU Sw (no multiplexing/demultiplexing). F r o n t o r b a c k - p la n e c o n n e c tio n 2 /8 /3 4 M b it/s 2 x 2 T r a ffic C o n n e c tio n s to M M U s 4 x 2 In te rfa c e 8 a n d 2 x 8 3 4 R o u te r O p e r a tio n & C o n tro l & N C C M a in te n a n c e O th e r u n its in S u p e r v is io n th e a c c e s s m o d u le In te rfa c e A la r m s fr o m M M U s 1 + 1 M M U 1 S w itc h L o g ic M M U 2 D C /D C S e c o n d a ry M M U C o n v e rte r v o lta g e s Figure 5-3a. SMU Sw block diagram. . 4 x 2 o r 8 2 T r a ffic 2 2 /8 In te rfa c e M u ltip le x e r C o n n e c tio n to fr o n t 2 8 D e m u ltip le x e r o r o th e r S M U /M M U a n d 2 8 R o u te r M M U 1 8 T r a ffic 8 2 x 8 R o u te r 4 x 2 o r 8 2 T r a ffic 2 /8 8 M b it/s 2 M M U 2 C o n n e c tio n to fr o n t In te rfa c e M u ltip le x e r 8 8 2 2 x 8 a n d D e m u ltip le x e r 8 o r o th e r S M U /M M U ( 1 + 1 o n ly ) 2 R o u te r 8 O p e r a tio n & C o n tro l & N C C O th e r u n its in M a in te n a n c e S u p e r v is io n th e a c c e s s m o d u le In te rfa c e 1 + 1 M M U 1 A la r m s fr o m M M U s S w itc h L o g ic M M U 2 M M U D C /D C S e c o n d a ry C o n v e rte r v o lta g e s Figure 5-3b. SMU 8x2 block diagram. EN/LZT 110 5057 R2A
  • 127.
    5-11 5 MINI-LINK E Terminal M M U 1 M M U 2 ( W h e n S M U 1 6 x 2 is 2 x 8 , 1 + 0 2 x 8 , 1 + 0 s h a re d b e tw e e n 8 8 4 x 2 o r 8 2 2 /8 tw o r a d io s 8 x 2 , 1 + 0 ) T r a ffic 2 C o n n e c tio n to fr o n t M u lt ip le x e r In te rfa c e 2 8 o r o th e r S M U /M M U D e m u lt ip le x e r a n d 2 R o u te r 8 4 x 2 o r 8 2 T r a ffic 2 2 /8 8 C o n n e c tio n to fr o n t In te rfa c e M u lt ip le x e r 8 o r o th e r S M U /M M U 2 D e m u lt ip le x e r T r a ffic 8 /3 4 a n d M M U 1 R o u te r 2 R o u te r 8 M u ltip le x e r T r a ffic 3 4 + 2 8 8 M b it/s D e m u ltip le x e r 3 4 R o u te r 4 x 2 o r 8 2 8 3 4 M b it/s T r a ffic 2 2 /8 M M U 2 C o n n e c tio n to fr o n t M u lt ip le x e r 8 3 4 + 2 In te rfa c e 2 o r o th e r S M U /M M U D e m u lt ip le x e r 8 ( 1 + 1 o n ly ) a n d 2 R o u te r 8 4 x 2 o r 8 2 T r a ffic 2 2 /8 C o n n e c tio n to fr o n t M u lt ip le x e r 8 In te rfa c e 2 o r o th e r S M U /M M U D e m u lt ip le x e r a n d 2 R o u te r 2 M b it/s is c o n n e c te d to 8 M M U 1 a n d is d is tr ib u te d fu rth e r to M M U 2 O p e r a tio n & C o n tro l & N C C M a in te n a n c e O th e r u n its in S u p e r v is io n th e a c c e s s m o d u le In te rfa c e s A la r m s fr o m M M U s 1 + 1 S w itc h L o g ic M M U 1 M M U 2 5 M M U D C /D C S e c o n d a ry C o n v e rte r v o lta g e s Figure 5-3c. SMU 16x2 block diagram. Transmitting direction In each multiplexer four 2 Mbit/s signals are multiplexed into an 8 Mbit/s signal. In an SMU 16x2, the four 8 Mbit/s signals are further multiplexed into a 34 Mbit/s signal. If any of the incoming signals is faulty, an Input Alarm is activated. For test purposes, the traffic input signals can be looped back (SMU Tx Loops). Receiving direction The 34 Mbit/s signal in an SMU16x2 is first converted into four 8 Mbit/s signals. The 8 Mbit/s signal is demultiplexed into four 2 Mbit/s signals. If the signal is lost, or there is a frame lock error on the signal, the System Line Fault Alarm or Frame Alarm respectively are generated. For test purposes, SMU Rx Loops can be set to loop back the output traffic signals. AIS is inserted at the receiving direction in case of failure, see section 5.5.2. EN/LZT 110 5057 R2A
  • 128.
    5 MINI-LINK ETerminal 5-12 Common parts A microprocessor-based control and supervisory system, CSS, is built into the SMU. Its main functions are to collect alarms and control 1+1 switching and loop tests. In transmitter switching, transmitter is selected automatically on alarm information from the transmitter section of the RAU or MMU, or manually from the MMU front panel or PC. There are two types of receiver switching; hitless switching, for fading, and hardware switching. The hardware switching is controlled automatically from the SMU processor or manually from the MMU front or the PC. The alarms that cause automatic switching are listed in section 5.5.1. In case of faults in the switching, the switch logic generates Switch Logic Alarm. When the transmitter is replaced due to an alarm, Tx Switch Over Alarm is generated. When the transmitter is replaced due to a request from the remote terminal, Rem Tx Switch Over Alarm is generated. The SMU processor communicates with the MMU(s) in the same terminal and with other terminals in the AMM. Communication lost with the MMU(s) activates the NCC Ra Alarm (Node Communication Channel), and with the other terminals the NCC Ext Alarm. (See section 4.1.2 for the different communication channels in a sub-network.) If the processor detects a software fault, it generates the Proc Software Alarm. An interruption during setup, generates the EEPROM Alarm. Processor faults not covered by the above, generate the Proc Hardware Alarm. EN/LZT 110 5057 R2A
  • 129.
    5-13 5 MINI-LINK E Terminal 5.1.4 Service Access Unit (SAU) The Service Access Unit provides additional features such as service channels, parallel inputs/outputs and access to the External Alarm Channel (EAC) at a MINI-LINK sub-network site. Three versions of the SAU are available; Basic, Exp 1 and Exp 2. Digital service channel and RAC require Exp 1 or Exp 2. Analog service channel requires Exp 2. 2 S e r v ic e c h a n n e ls /r a d io M M U 1 M M U 2 D ig ita l M M U 3 S e r v ic e c h a n n e l M M U 4 In te rfa c e & M M U 1 R o u te r M M U 2 M M U 3 M M U 4 6 4 k b p s F ix e d IT U -T lin e G .7 0 3 R A C F ix e d In te rfa c e R S 2 3 2 lin e v ia m o d e m E A C 1 E A C 5 E A C 2 In te rfa c e U s e r In U s e r In /O u t U s e r O u t P ro c e s s o r O p e r a tio n a n d C o n tro l & N C C O th e r u n its in M a in te n a n c e S u p e r v is io n th e a c c e s s m o d u le In te rfa c e s D C /D C S e c o n d a ry M M U C o n v e rte r V o lta g e s Figure 5-4a. SAU Exp 1 block diagram. EN/LZT 110 5057 R2A
  • 130.
    5 MINI-LINK ETerminal 5-14 2 S e r v ic e c h a n n e ls /r a d io D ig ita l M M U 1 S e r v ic e c h a n n e l M M U 2 In te rfa c e & M M U 3 R o u te r M M U 4 2 /4 A n a lo g u e M M U 1 w ir e S e r v ic e c h a n n e l M M U 2 In te rfa c e & M M U 3 R o u te r M M U 4 6 4 k b p s F ix e d IT U -T lin e G .7 0 3 R A C F ix e d In te rfa c e lin e v ia R S 2 3 2 m o d e m B R E A C 1 E A C E A C 2 In te rfa c e U s e r In U s e r In /O u t U s e r O u t P ro c e s s o r O p e r a tio n a n d C o n tro l & N C C O th e r u n its in M a in te n a n c e S u p e r v is io n th e a c c e s s m o d u le In te rfa c e s D C /D C S e c o n d a ry M M U C o n v e rte r V o lta g e s Figure 5-4b. SAU Exp 2 block diagram. E A C 1 E A C E A C 2 In te rfa c e U s e r In U s e r In /O u t U s e r O u t P ro c e s s o r O p e r a tio n a n d C o n tro l & N C C O th e r u n its in M a in te n a n c e S u p e r v is io n th e a c c e s s m o d u le In te rfa c e s D C /D C S e c o n d a ry M M U C o n v e rte r V o lta g e s Figure 5-4c. SAU Basic block diagram. EN/LZT 110 5057 R2A
  • 131.
    5-15 5 MINI-LINK E Terminal EAC Port The External Alarm Channel (EAC) ports are used for connection of the alarm and control information to and from other MINI-LINK E access modules or MINI-LINK C or MkII terminals on the same site, when building MINI-LINK sub- networks. Lost communication on the EAC channel generates the EAC Alarm. User In/Out At the User In ports, the users’ alarms are connected to the MINI-LINK operation and maintenance network. The User Input Alarm indicates an active User Input. The User Out ports are used for control of the users’ functions via the MINI-LINK sub-network. The User Out ports can also be set to connect summary alarms from the access module to the users’ supervisory system. Control and Supervision Processor A microprocessor-based control and supervisory system, CSS, is built into the SAU. It controls user input and output and service channel routing. The communication channels within a sub-network, via which the CSS data is transmitted, are presented in section 4.1.2. The processor communicates with other processors in the access module via the NCC (Node Communication Channel) and with other MINI-LINK sites through the EAC. Loss of communication activates the NCC Ext Alarm and the EAC Alarm respectively. 5 If the processor detects a software fault, it generates Proc Software Alarm. An interruption during setup, generates EEPROM Alarm. Other processor faults, not covered by the above, generate Proc Hardware Alarm. Digital Service Channels (Exp 1 and Exp 2 only) The digital service channels (ITU-T Rec G.703 64kbit/s) are used for connection of external equipment, and a failure activates the Service Channel Alarm. Analog Service Channel (Exp 2 only) The analog service channel is used for speech communication between MINI-LINK sites. For connection to other AMMs on the same site, each SAU Exp 2 has two branching ports which use the same connector as EAC (BR/EAC). RAC (Exp 1 and Exp 2 only) The Remote Alarm Channel (RAC) is used when MINI-LINK terminals on different sites cannot be reached by air. The RAC has two types of interface, RS 232C for analog fixed lines (via modem) and digital ITU-T Rec G.703 for 64 kbit/s fixed lines. A fault on the RAC channel activates the RAC Alarm. EN/LZT 110 5057 R2A
  • 132.
    5 MINI-LINK ETerminal 5-16 5.2 MINI-LINK E Supervision MINI-LINK E equipment is supervised as terminals, where a terminal is either one side of a hop, or an SAU. The indoor parts (MMUs and SMUs) and outdoor parts (RAUs) belonging to the same terminal, have one ID. In the network list, the terminal is presented as one ID, whereas at terminal level the different units in the terminal are presented separately. The radio terminal types are: MLE 1+0 Consists of one MMU, one RAU and, for traffic rates 8x2 and 17x2 Mbit/s, one SMU. MLE 1+1 Consists of two MMUs, two RAUs and one SMU. An SMU can be shared by two MMUs; either the two MMUs in a protected hop, or two separate 1+0 terminals. When the SMU is shared between two 1+0 terminals, traffic alarms are presented in the terminal concerned, whereas common SMU alarms are presented in both terminals. The indoor part of the MINI-LINK E, the access module, can hold indoor units for up to four terminals. The SAU has its own ID and is shared between all terminals within an access module. Site B Site A Site C AMM 1 RAU RAU RAU RAU (ID B101) (ID:A104) MMU1 ID:A101 (ID:A101) (ID:C101) MMU1 ID:C101 SAU1 ID:A102 RAU AMM 2 RAU (ID B101) (ID:A104) SAU1 ID:A103 Site D MMU1 (ID:A104) MMU1 (ID B101) MMU2 (ID:A104) RAU RAU MMU2 (ID B101) SMU1 ID:A104 (ID:A105) (ID:D101) SMU1 ID:B101 SMU2 * MMU1 ID:D101 MMU3 ID:A105 SMU1 (ID:D101) MMU4 ID:A106 Site E RAU RAU (ID:A106) (ID:E101) MMU1 ID:E101 SMU1 (ID:E101) * The SMU is shared between two terminals; A105 and A106. The IDs in brackets are IDs that are automatically set when - the SMU is set in a 1+1 terminal, or - the MMU is set in a 1+0 terminal. Figure 5-5. Example of IDs in a MINI-LINK E sub-network. EN/LZT 110 5057 R2A
  • 133.
    5-17 5 MINI-LINK E Terminal 5.2.1 Operation and Maintenance Facilities There are various operation and maintenance facilities in MSM to perform on the equipment at terminal level when the sub-network is run in normal operation. The different facilities are controlled from the Terminal window. For each radio terminal you can - read alarm, performance and AGC (RF input level) data, - activate P-mark during service work on the equipment (with P-mark activated, all alarm signals are generated and can be read in the normal way, but notification signals are inhibited), - measure the traffic signals with an external instrument from test ports on the front, without disturbing the traffic, - switch transmitters and receivers (protected configurations only), - etc. For a SAU you can - read alarm data, - activate P-mark during service work, 5 - read environmental alarms (connected to User In), - control remote functions, such as start air condition equipment (connected to User Out), - etc. 5.2.2 Fault Localization The MINI-LINK equipment has several failure detectors. If a failure occurs in a terminal, a notification message will be shown and one or more alarms in the Terminal window will go active (see explanation in section 4.1.4). To help locate the faulty terminal and unit, loop backs at several levels are available. EN/LZT 110 5057 R2A
  • 134.
    5 MINI-LINK ETerminal 5-18 5.3 MINI-LINK E Radio Terminal Window Two Terminal windows are presented next to each other; for the selected terminal on the left and for the far-end terminal on the right-hand side. The Terminal window is divided into the Alarm field, with alarm presentation, and the Control and Status field, with control facilities and status presentation. Figure 5-6. The Terminal window (MINI-LINK E 1+1 terminal). The Menu bar at the top of the window offers different facilities for terminal management of the selected terminal. The Terminal window has the following menus; Setup, Log, View, Misc, Window and Help. The different menus are presented in the sections below. The Status bar is the same as shown at the network level (see chapter 4). R A U R A U (S A U ) (S A U ) R a 1 R a 1 M M U R a 1 M M U R a 1 5 0 3 A M M U R a 2 M M U R a 2 5 0 2 B S M U S M U S M U S M U M M U M M U M M U R A U R A U M M U R a 2 R a 2 A M M A M M Figure 5-7. The Terminal window for a selected MINI-LINK E terminal shows a graphical presentation of the equipment in the selected and the far-end terminal. EN/LZT 110 5057 R2A
  • 135.
    5-19 5 MINI-LINK E Terminal 5.3.1 The Setup Menu From the Setup menu, various setup parameters can be set or changed for a MINI-LINK E radio terminal. Figure 5-8. The Setup menu bar. 5.3.1.1 AM Setup AM setup is used for viewing the setup of the equipment and the IDs of the installed terminals in the access module (AM). 5 Figure 5-9. The AM Setup window. The following parameters are presented for the units and the terminals in the AMM: Pos The unit positions within the AMM. The positions are numbered starting from the lowest position. Type (indoor) The indoor unit type. Type (outdoor) The outdoor unit type. Only for MMU units. ID The identity of the terminal. An ID consists of four digits or letters. See section 4.1.1. The units in pos 1 , 2 and 3, in the AM Setup example in Figure 5-9, belong to the same terminal ID. EN/LZT 110 5057 R2A
  • 136.
    5 MINI-LINK ETerminal 5-20 Prot. Mode (not for SAU) Defines the mode of operation: 1+0, for unprotected terminal. 1+1 Hot, for hot standby, where one transmitter is transmitting, while the other one is standby (not transmitting). Both radios operate at the same frequency. 1+1 Work, for frequency diversity, where both transmitters are transmitting but at different frequencies. Traffic (not for SAU) Depending on MMU type, SMU type and configuration, different traffic options are given. The extension ”-TR” indicates that Traffic Routing is active in the unit. Config The Config button is used to open the AM Setup Configuration window. In the Configuration window you can select protection mode, select traffic and enter the ID for the terminal(s), as described in chapter 3. After the Traffic Routing Setup there is a Deactivate button for each traffic routed terminal in the Configuration window. By clicking on the Deactivate button, the traffic routing in a terminal will be reset to default values (as specified in AM Setup). Figure 5-10. The AM Configuration window, with the Deactivate button. Expanded NCC An O&M communication bus which allows interconnection between two AMMs for distribution of operation and maintenance data. This reduces the need for additional SAUs. If Expanded NCC should be used the AM No must be selected in the AM Setup. Note: The NCC cable must NOT be connected between the two AMMs until both AMMs have unique AM No. EN/LZT 110 5057 R2A
  • 137.
    5-21 5 MINI-LINK E Terminal 5.3.1.2 Hop Setup Hop setup is used for setting of hop specific parameters. Figure 5-11. The Hop Setup window. 5 The following parameters are available: Type Radio band/sub-band (displayed as information only). See Product Catalogue EN/LZT 110 2011 for information on the specific frequency bands and sub-bands available Tx Frequency (MHz) Transmitting frequency in MHz. (See Product Catalogue EN/LZT 110 2011 for information on available frequencies.) The Tx Frequency must correspond with the Rx Frequency of the far-end radio. Rx Frequency (MHz) Operating receiver frequency in MHz (displayed only as information). Tx Attenuator (dB) The value of the fixed attenuator mounted, if applicable. Remote Controlled If selected the output power is set Output Power from MSM, if not the output power is set locally on the radio. Output Power (dBm) (Only if Remote Controlled Output Power is selected.) Adjustment of transmitter output power (including Tx Attenuator). AGC Alarm Threshold (dBm) AGC threshold value for the RF input level. (Used for 1+1 switching.). EN/LZT 110 5057 R2A
  • 138.
    5 MINI-LINK ETerminal 5-22 Radio ID Check The purpose of the Radio ID option is to eliminate reception of traffic from any other radio but the correct far-end radio. When Radio ID is set to On, the ID of the received bit stream is checked. If the ID differs from the ”Far Radio ID” in the EEPROM, a Radio ID Alarm signal is generated. Far End ID Identity of the far-end radio terminal in the hop. BER Alarm The BER (Bit Error Ratio) alarm threshold value. Can be set to 10-3, 10-4, 10-5 and 10-6. Local Control Activated Local Control enables control possibilities, such as setting loops, from the Local Supervision Interface on the MMU. NCC The terminals presented in the NCC are the terminals in the same AMM as defined in the AM Setup. Expanded NCC If Expanded NCC is enabled, AM No selected to 1 or 2 in the AM Setup, the Expanded NCC dialog box can be opened by selecting the Exp. NCC button. Note: The Expanded NCC is configured in the Expanded NCC dialog box and is not affected by the Save button in the Hop Setup. EN/LZT 110 5057 R2A
  • 139.
    5-23 5 MINI-LINK E Terminal 5.3.1.3 Traffic Setup Traffic setup is where all traffic inputs are specified (on/off) and the traffic routing is defined within an AMM. Note I: Traffic setup must be performed after AM setup since the basic traffic configuration is defined in the AM Setup window. Note II: Traffic routing is guaranteed only for a configurations verified according to the MINI-LINK E Planning and Engineering manual and when you consider the prerequisites in section 3.5 in this manual. 5 Figure 5-12. The Traffic Setup window. In the Traffic Setup dialog box you can perform traffic routing and enable traffic input alarms. The Reset button will reset the traffic routing setup for all terminals in the AMM to the original traffic configuration as set in the AM Setup window. Warning: A reset of traffic routing will disturb traffic! EN/LZT 110 5057 R2A
  • 140.
    5 MINI-LINK ETerminal 5-24 Terminal traffic presentation includes (The numbers refer to figure 5-12): 1. Terminal ID At the top it is possible to select any of the radio terminals in the AMM, by selecting the corresponding identity. 2. Connection The Connection field presents the selected connection point for each traffic signal. Connection points with pos no are connected to the front panel on the terminal. Connection points with ID are connected in the back-plane to another terminal in the AMM. 3. Alarm The input alarm detectors for each traffic signal can be: - Enabled (marked), meaning that an input alarm will be activated if a faulty traffic signal is detected on the input. - Disabled (not marked), meaning that the input alarm detector is disabled. 4. Traffic Signal buttons Each traffic signal in a terminal is represented with a button. By selecting the button, the traffic signal will be presented in the Traffic Routing field. The Traffic Routing field includes the following controls and presentations: Selected Signal The traffic signal selected in the terminal traffic presentation. Connected to The current connection point for the selected traffic signal. Available connection The available connection points points list box for the selected traffic signal. Connected to The current connection point for the selected Available connection point. Connect button With Connect the Selected Signal is connected to the signal selected in the Available Connection Points list box. Disconnect button With Disconnect the connections for the Selected Signal and the signal selected in the Available connection points list box are removed. EN/LZT 110 5057 R2A
  • 141.
    5-25 5 MINI-LINK E Terminal 5.3.2 The Log Menu The Log menu gives access to the data collected from the terminals and stored in the MSM log directory. You can read, sort and print the log files for analysis and problem tracking. Figure 5-13. The Log menu bar. The following functions are available for the Alarm Log windows; Print to File, Search Filter and Refresh. With Search Filter you can set different parameters, for example time or type of equipment, to search for certain logs. When opened from the Terminal window, the logs show data for the selected terminal, whereas the logs reached from the Network window show data from all supervised terminals within the network. Note: The log functions must be activated in the Data Collection window from the Network window Config menu. 5 The Log menu contains the following log: 5.3.2.1 Alarm Log For explanation of the Alarm Log options, see the Network window Log menu in section 4.3.6.1. 5.3.3 The View Menu The View menu presents information on alarm history, performance, revision and terminal properties concerning the selected terminal. Figure 5-14. The View menu bar. EN/LZT 110 5057 R2A
  • 142.
    5 MINI-LINK ETerminal 5-26 5.3.3.1 Alarm History Alarm History presents all alarms which have been active since the last reset of the Alarm History in the terminal, including present status. The Alarm History window presents information on alarms concerning the selected terminal, for analysis and problem tracking. Figure 5-15. The Alarm History window. The Alarm presentation uses the same graphical display and alarm indicators as for the Alarm field in the Terminal window (as described in section 5.3.7.1). The Reset button resets all the alarms in the Alarm History window. To get further information about an alarm and instructions for fault localization, the MSM Help window can be used. See section 4.1.5 ”Fault Information”. The Alarm presentation for a MINI-LINK E Radio terminal consists of: – Summary alarms – Transmitter alarms – Receiver alarms – Common alarms EN/LZT 110 5057 R2A
  • 143.
    5-27 5 MINI-LINK E Terminal 5.3.3.2 Performance Performance presents performance values according to ITU-T Rec G.826, max. AGC levels and current temperature for the selected terminal. Accumulated data is saved in the terminal in a non-volatile memory every 18 hours. If the power is interrupted, loss of performance data is limited to the last 18 hours at the most. 5 Figure 5-16. The Performance window. The New Sample button updates the Performance window. The traffic performance counters and the AGC levels can be cleared with Reset buttons. The performance values data is presented below. The maximum value for the performance data is > 50 years. Traffic Performance values: Unavailable Time, UT A period of UT begins at the onset of 10 consecutive SES events. (A new period of AT begins at the onset of 10 consecutive non-SES events.) Severely Errored Seconds, Seconds with ≥30% errored blocks or one or more SES Severely Disturbed Period, SDP. (SDP occurs with, over a period of time, a bit error intensity of >10-2 or an interruption.) Severely Errored Seconds The ratio of SES to total seconds in AT. Ratio, SESR Errored Seconds, ES Seconds with one or more errored blocks. Errored Seconds Ratio, ESR The ratio of ES to AT. EN/LZT 110 5057 R2A
  • 144.
    5 MINI-LINK ETerminal 5-28 Available Time, AT Total time excluding UT. Background Block Error, BBE Block with one or more errored bits (excluding SES). Background Block Error Ratio, The ratio of errored blocks to total blocks BBER during a fixed measurement interval (excluding SES and UT). Background Block, BB The number of blocks during AT (excluding SES). AGC Performance values: Last Sample The current RF input level in dBm. Since Last Reset The maximum RF input level since a reset was performed. (After reset the value will be continuously updated until the seventh day, after this period the value will be updated every seven days.) Last 7 Days The maximum RF input level during the last seven day period. (After reset the value will be continuously updated until the seventh day, after this period the value will be updated every seven days.) Temperature Performance values: MMU Temperature The current temperature in the MMU in degrees Celsius. RAU Temperature The current temperature in the RAU in degrees Celsius. EN/LZT 110 5057 R2A
  • 145.
    5-29 5 MINI-LINK E Terminal 5.3.3.3 Revision Codes Revision shows hardware and software revision information concerning all units in the terminal and the AMM housing the terminal. Figure 5-17. The Revision Codes window. The presented Revision Codes data depends on the selected terminal type. Type Type of unit/magazine. HW Revision Hardware Revision. The revision of the hardware in the unit/magazine. 5 Serial No. Serial Number. The serial number of the unit. SW Type Software Type. Shows the article number for the CSS program installed and running in the unit. SW Revision Software Version. The version of the CSS program installed and running in the unit. AMM Position The unit positions within the Access Module Magazine. The positions are numbered starting from the lowest position. 5.3.4 The Misc Menu The Misc (Miscellaneous) menu contains the following facilities: Figure 5-18. The Misc menu bar. EN/LZT 110 5057 R2A
  • 146.
    5 MINI-LINK ETerminal 5-30 5.3.4.1 Restore Restore is used for resetting of the control functions in the terminal to default values. Figure 5-19. The Restore window. The following functions are restored for a MINI-LINK E terminal: – P-mark is set to Off – All Loops are set to Off – All Test Port connections are removed – Switch Mode is set to Auto – Transmitter is set to On 5.3.4.2 Reset Reset is used for resetting of the processor in a selected unit within the terminal. Note: A reset might disturb the traffic. Figure 5-20. The Reset window. 5.3.4.3 Update Status Update status is used for manual update of terminal status in the active hop. EN/LZT 110 5057 R2A
  • 147.
    5-31 5 MINI-LINK E Terminal 5.3.4.4 SW Activate SW Activate is used to perform an activation of a new software in the units in the selected terminal. If an activation session is in progress the ”SW Activate” command is disabled in the Misc Menu. If no activation session is in progress the ”Activate Unit” window opens. The window shows all units in the terminal that are available for software activation. Figure 5-21. The dialog window for activating units in a selected terminal. The figure shows the window before and after activation of a unit. 1. Select one unit in the Units field. 2. Select Activate to confirm and start the activation (the button is disabled if the 5 selected unit does not support remote activation). After the activation is performed the Units field is updated. (For further information, see the explanation below for the fields and buttons.) Unit Definition of the unit, normally the ID of the terminal. An addition to the ID is used to indicate RAU and MMU units in MINI-LINK E 1+1 terminals. (1+0 terminals has no addition.) _Ra1 = the first radio in a 1+1 configuration. _Ra2 = the second radio in a 1+1 configuration. SW Type The following types of MINI-LINK E software are available: CAU 1191099 MMU All MMUs CAU 1191101 SMU All SMUs CAU 1191102 SAU All SAUs CAU 1191100 RAU Frequency bands from 15 GHz to 38 GHz CAU 1192721 RAU Frequency band 7 GHz CAU 1192761 RAU Frequency band 7/8 GHz CXC 113404 RAU Frequency bands from 15 GHz to 38 GHz CXC 113400 E_MICRO All MINI-LINK E Micro Active The currently operating software version for the unit. This version will after the activation become the Passive version. Passive The loaded, not active, software version for the unit. This version will after the activation become the Active version. Activate To start the activation. (If the selected unit has an active software version newer than the passive software version, a warning is shown.) EN/LZT 110 5057 R2A
  • 148.
    5 MINI-LINK ETerminal 5-32 5.3.5 The Window Menu The Window menu lists the Network window and all opened Terminal windows. Figure 5-22. The Window menu bar. By selecting one of the windows from the menu, this window will be the active one. This menu also offers a possibility of closing all opened Terminal windows. 5.3.6 The Help Menu Help gives access to different help files. Figure 5-23. The Help menu bar. For other ways to get help with the MSM program: • Press F1 on the keyboard to get help on a selected function. • Select the Help button in an opened sub-window to get help on that sub- window. The following alternatives are available in the menu: 5.3.6.1 Contents To open the terminal help file for the MINI-LINK E Radio. The Network and Program help files are only available from the Network window Help menu. 5.3.6.2 About the Program Shows information about the MINI-LINK program: version, serial number and licence holder. EN/LZT 110 5057 R2A
  • 149.
    5-33 5 MINI-LINK E Terminal 5.3.7 The Terminal Window (Radio Terminal) The Terminal window for each terminal is divided into two parts; the Alarm field and the Control and Status field. 5 Figure 5-24. The Terminal window (MLE 1+1). 5.3.7.1 The Alarm Field In the Alarm field, the units in MINI-LINK E radio terminals are presented graphically. The traffic signal is presented with arrows in the units. A red button with an arrow and a cross indicates an alarm. MUX FAIL MOD FAIL TX FAIL MUX LOS MOD LOS TX LOS Transmitter Alarms Common Alarms Receiver Alarms DMUX FAIL DMOD FAIL RX FAIL DMUX LOS DMOD LOS RX LOS Figure 5-25. Graphical alarm presentation in a MINI-LINK E near-end 1+1 terminal. The alarms, as shown in the figure above, indicate the following failures: MUX LOS, MOD LOS, TX LOS - transmitting direction, input traffic failure MUX FAIL, MOD FAIL, TX FAIL - transmitting direction, internal failure DMUX LOS, DMOD LOS, RX LOS - receiving direction, input traffic failure DMUX FAIL, DMOD FAIL, RX FAIL - receiving direction, internal failure COMMON - other fault (excluding defined LOS and FAIL faults) A-alarms and B-alarms are indicated in a square in the Alarm field. An A-alarm is traffic disturbing calling for immediate action, while a B-alarm is not. EN/LZT 110 5057 R2A
  • 150.
    5 MINI-LINK ETerminal 5-34 Detailed Alarm Information • Click on the arrow or unit to reach a sub-level with detailed information on the alarm. Figure 5-26. The Alarm field in the Terminal window (MLE 1+1) and an opened sub-level window. At the sub-levels, the alarms are followed by symbols depending on status: Normal, no alarm indicated Alarm indicated AIS received or AGC threshold indicated (does not affect status on superior levels.) To get further information about an alarm and instructions for fault localization, the MSM Help window can be used as described in section 4.1.5. 5.3.7.2 The Control and Status Field Figure 5-27. The Control and Status field in the Terminal window (MLE 1+1). Each control function has a sub-window with selection possibilities. An abnormal status, which is a status differing from the default value, is indicated with bold font and yellow background colour in the field next to the button. • Click on the control button to open the sub-window. EN/LZT 110 5057 R2A
  • 151.
    5-35 5 MINI-LINK E Terminal The control functions for a MINI-LINK E radio terminal are: P-mark P-mark is a valuable facility during fault localization. With P-mark activated, all alarm signals are generated and can be read in the normal way, but alarm notification messages are inhibited. The severity of the terminal will be Warning independent of alarm status. Figure 5-28. The P-mark window. MLE Loops All available loops are listed and can be activated/deactivated. 5 Figure 5-29. The Loops window. The loop test facility is a helpful tool for localization of a faulty unit. Several loops can be set to isolate the fault to one unit. Note: Rx and Tx loops cannot be combined with test port connection, see next page. To set loops for the other transmitting direction use the Rev. Loops button. The button Undo allows a reset of the loops set, if not saved (by the OK button). EN/LZT 110 5057 R2A
  • 152.
    5 MINI-LINK ETerminal 5-36 Near-end Loops (Tx Loops) Near-end looping tests are used to find out if any of the units in the near-end terminal is faulty (the SMU, MMU or RAU). The following near-end loop tests are available (the numbers in brackets after each loop refer to the figure below): SMU Tx Loops (N1). In the SMU the traffic signal to be transmitted is, immediately at the input, looped back to the output (on the receiving side). AIS is inserted at the far-end. MMU Tx Loops (N2). The traffic signal to be transmitted is looped back at the input of the MMU. AIS is inserted at the far-end. IF Loop (N3). In the MMU the traffic signal to be transmitted is after being modulated mixed with the frequency of a local oscillator and looped back for demodulation (on the receiving side). RF Loop (N4) (MINI-LINK 7-E, 8-E, 15-E, 18-E, 23-E and 38-E). In the RAU a fraction of the traffic signal to be transmitted is shifted in frequency and looped back to the receiving side. Note: Turn off the transmitter of the remote terminal before activating RF loop, to avoid interference. N 1 N 2 N 3 N 4 S M U S M U A IS M M U R A U R A U M M U ( o p tio n a l) ( o p tio n a l) N e a r-e n d F a r-e n d Figure 5-30. The near-end loops in MINI-LINK E. Far-end Loops (Rx Loops) Far-end looping tests are used in order to find out (from remote) if any of the units in the far-end terminal is faulty (the SMU, MMU or RAU). The following far-end loop tests are available (the numbers in brackets after each loop refer to the figure below): MMU Rx Loops (F1). In the MMU the traffic signal being received (in the traffic interface and router part of the unit) is looped back to the transmitting side. AIS is inserted at the far-end. SMU Rx Loops (F2). In the SMU the traffic signal being received (in the traffic interface and router part of the unit) is looped back to the transmitting side. AIS is inserted at the far-end. F 1 F 2 S M U S M U A IS ( o p tio n a l) M M U R A U R A U M M U ( o p tio n a l) N e a r-e n d F a r-e n d Figure 5-31. The far-end loops in MINI-LINK E. EN/LZT 110 5057 R2A
  • 153.
    5-37 5 MINI-LINK E Terminal Test Port Test port is used for directing traffic signals to/from the test ports on the front. 5 Figure 5-32. The Test Port window. Each SMU and MMU has one test ports on the front panel, to which you can connect test equipment. You can choose either to monitor or to route a traffic signal. • If you want to check the traffic signal, select the function Monitor and connect an analyzer to Test Port Out. The traffic signal will be lead to your analyzer without disturbing the traffic. • If you want to measure for example bit error on the traffic signal, select the function Route, set an RF loop or a loop at the far-end, and connect a BER-meter to the test ports. Note: Tx loop and Rx loop cannot be set in the same unit as the test port connection; the latest action will remove the first. If for example the test ports on an MMU are connected and after that a Tx loop on the BB1 signal in the MMU is set, the test port connection will be removed. (The loops are presented on the previous page.) The button Undo allows a reset of the changes performed, if not saved (by the OK button). BER BIT Analyzer Detector Generator Test Port In Test Port In Test Port Out Test Port Out Traffic In Traffic In Traffic Out Traffic Out Figure 5-33. The Test Port facilities; Monitor and Route. EN/LZT 110 5057 R2A
  • 154.
    5 MINI-LINK ETerminal 5-38 Transmitter The transmitter can be set On or Off. Figure 5-34. The Transmitter window for an 1+1 terminal. If the transmitter for the radio unit is turned off by the operator, it cannot be controlled by the terminal. Switch Mode (for 1+1 configurations only) Switch Mode can be set to Auto or Manual. Figure 5-35. The Switch Mode window. In Automatic mode (set by default) switching is controlled by the state of different alarms in the terminal. When an alarm occurs in the active radio, there is a switch-over to the standby radio. This radio then remains the active radio (minimum number of switch-overs). With Manual mode set, the user selects transmitting (1+1 Hot only) and receiving radio, irrespective of alarm status. EN/LZT 110 5057 R2A
  • 155.
    5-39 5 MINI-LINK E Terminal Status Figure 5-36. Two examples of the Control and Status field in the Terminal window. The current status of the transmitter(s) and receiver(s), is shown in the Status field to the right. The Status field shows: Tx; The active transmitter is indicated by a frame, and the output power is presented. Rx; The active receiver is indicated by a frame, and the RF Input level is presented. 5 EN/LZT 110 5057 R2A
  • 156.
    5 MINI-LINK ETerminal 5-40 5.4 MINI-LINK E SAU Terminal Window The Terminal window is divided in the Alarm field, with alarm presentation, and the Control and Status field, with control facilities. Figure 5-37. The Terminal window for a MINI-LINK E SAU. The Menu bar at the top of the window offers different facilities for terminal management for the selected terminal. The Terminal window has the following menus; Setup, Log, View, Misc, Window and Help. The different menus are presented in the sections below. The Status bar is the same as shown at the network level (see chapter 4). EN/LZT 110 5057 R2A
  • 157.
    5-41 5 MINI-LINK E Terminal 5.4.1 The Setup Menu From the Setup menu, various setup parameters can be set or changed for a MINI-LINK SAU terminal. Figure 5-38. The Setup menu bar. 5.4.1.1 AM Setup AM setup is used for viewing the setup of the equipment and the IDs of the installed terminals in the access module (AM). 5 Figure 5-39. The AM Setup window. EN/LZT 110 5057 R2A
  • 158.
    5 MINI-LINK ETerminal 5-42 The following parameters are presented for the units and the terminals in the AMM: Pos The unit positions within the AMM. The positions are numbered starting from the lowest position. Type (indoor) The indoor unit type. Type (outdoor) The outdoor unit type. Only for MMU units. ID The identity of the terminal. An ID consists of four digits or letters. See section 4.1.1. The units in pos 1 , 2 and 3, in the AM Setup example in Figure 5-39, belong to the same terminal ID. Prot. Mode (not for SAU) Defines the mode of operation: 1+0, for unprotected terminal. 1+1 Hot, for hot standby, where one transmitter is transmitting, while the other one is standby (not transmitting). Both radios operate at the same frequency. 1+1 Work, for frequency diversity, where both transmitters are transmitting but at different frequencies. See example in section 5.3.1.1. Traffic (not for SAU) Depending on MMU type, SMU type and configuration, different traffic options are given. The extension ”-TR” indicates Traffic Routing is active in the unit. See example in section 5.3.1.1. Expanded NCC Expanded NCC is an O&M communication bus which allows interconnection between two AMMs for distribution of operation and maintenance data. This reduces the need for additional SAUs. If Expanded NCC should be used the AM No must be selected in the AM Setup. Note: The NCC cable must NOT be connected between the two AMMs until both AMMs have unique AM No. EN/LZT 110 5057 R2A
  • 159.
    5-43 5 MINI-LINK E Terminal 5.4.1.2 Communication Setup Communication setup is used for definition of the equipment connected to the SAU communication buses (EAC and RAC). The terminals within the AMM are listed as information. Figure 5-40. The Communication Setup window. 5 EAC (External Alarm Channel) EAC Identities to all terminals connected to the EAC bus at the same site. Add ID button To include a new identity in the EAC table. Del ID button To delete an identity from the EAC table. RAC (Remote Alarm Channel) Active Activates the RAC bus and enables configuration of the bus (setting remote ID and selecting communication interface). Remote ID (Only if Active is selected) The identity of the SAU at the far-end of the RAC. Interface G.703 (Only if Active is selected) The communication on the RAC will use the G.703 interface. Interface RS-232 Only if Active is selected) The communication on the RAC will use the RS-232C interface. NCC (Node Communication Channel) NCC Terminal ID in the AMM, as defined in the AM Setup (read only). EN/LZT 110 5057 R2A
  • 160.
    5 MINI-LINK ETerminal 5-44 Expanded NCC If Expanded NCC is enabled, AM No selected to 1 or 2 in the AM Setup, the Expanded NCC dialog box can be opened by selecting the Exp. NCC button. Note: The Expanded NCC is configured in the Expanded NCC dialog box and is not affected by the Save button in the Hop Setup. 5.4.1.3 User I/O Setup User I/O setup is used for definition of user inputs and outputs. Provided with an SAU Exp 1 or Exp 2, each MINI-LINK E access module has eight User Input ports and four User Input/Output ports. The User Input ports are used for connection of user’s alarms to the MINI-LINK operation and maintenance network. User Output can be set to supervise A-alarms, B-alarms and P-mark from the access module, and to control user’s functions via MSM (Remote). Figure 5-41. The User I/O Setup window. Note: User 1 to 8 are inputs, while User 9 to 12 can be selected to inputs or outputs EN/LZT 110 5057 R2A
  • 161.
    5-45 5 MINI-LINK E Terminal The User I/O Setup allows the following configuration of the user ports: User Inputs: NO. Normally open (open = no alarm). Alarm state will occur when the input is closed. NC. Normally closed (closed = no alarm). Alarm state will occur when the input is opened. Severity for each User Input is selectable. (If Normal is selected, an alarm will not affect the status presentation on a higher level, but will only be seen in the User Input Alarm sub-window.) User Outputs: A-alarm. For indication of traffic disturbing failures in the AM. B-alarm. For indication of faults not disturbing traffic in the AM. A or B-alarm. For indication of A-alarm or B-alarm in the AM. P-mark. For indication of activated P-mark in the AM. Remote. For control of user’s functions. User 9-11 can be set for any of the above choices and will go active at DC failure, while User 12 can be set for 5 Remote only and will not go active at DC failure. EN/LZT 110 5057 R2A
  • 162.
    5 MINI-LINK ETerminal 5-46 5.4.1.4 Service Channel Setup Service Channel setup is used for control of service channel alarms (on/off). Figure 5-42. The Service Channel Setup window. The following parameters can be set for the Digital Service Channel: ID The identity of the terminal in the Access Module to which the service channel signal is connected. Alarm If selected, the service channel alarms will be enabled. Connection The connection point for the service channel. The following parameters can be set for the Analog Service Channel (Exp 2 only): ID The identity of the terminal in the Access Module to which the service channel signal is connected. Connect If selected, the service channel will be connected to the omnibus. Teleph. no. The telephone number to the SAU. BR Out The output level on the branching port. (Default -11 dB.) See chapter 8 ”Appendices” for use of the Service Telephone. EN/LZT 110 5057 R2A
  • 163.
    5-47 5 MINI-LINK E Terminal 5.4.2 The Log Menu The Log menu gives access to the data collected from the terminals and stored in the MSM Log directory. You can read, sort and print the log files for analysis and problem tracking. Figure 5-43. The Log menu bar. The following functions are available for the Alarm Log window; Print to File, Search Filter and Refresh. With Search Filter you can set different parameters for each log type, for example time or type of equipment, to search for certain logs. When opened from the Terminal window, the logs show data for the selected terminal, whereas the logs reached from the Network window show data from all supervised terminals within the network. Note: The log functions must be activated in the Data Collection window from the Network window Config menu. 5 5.4.2.1 Alarm Log For explanation of the Alarm Log options, see the Network window Log menu in section 4.3.6.1. EN/LZT 110 5057 R2A
  • 164.
    5 MINI-LINK ETerminal 5-48 5.4.3 The View Menu The View menu presents information on alarm history and revision concerning the selected terminal. Figure 5-44. The View menu bar. 5.4.3.1 Alarm History Alarm History presents all alarms which have been active since the last reset of the Alarm History in the terminal, including present status. The Alarm History window presents information on alarms concerning the selected terminal, for analysis and problem tracking. Figure 5-45. The Alarm History window. The Alarm presentation uses the same graphical display and alarm indicators as for the Alarm field in the Terminal window (as described in section 5.4.7.1). The Reset button resets all the alarms in the Alarm History window. To get further information about an alarm and instructions for fault localization, the MSM Help window can be used. See section 4.1.5 ”Fault Information”. EN/LZT 110 5057 R2A
  • 165.
    5-49 5 MINI-LINK E Terminal 5.4.3.2 Revision Codes Revision shows hardware and software revision information concerning the SAU unit and the AMM housing the terminal. Figure 5-46. The Revision Codes window. Type The unit/magazine type. HW Revision Hardware revision in the unit/magazine. Serial No. Serial Number. The serial number of the unit. SW Type Software Type. Shows the article number for the CSS program installed and running in the unit. SW Revision Software Version. The version of the CSS program installed and 5 running in the unit. AMM Position The unit´s position in the Access Module Magazine. The positions are numbered starting from the lowest position. EN/LZT 110 5057 R2A
  • 166.
    5 MINI-LINK ETerminal 5-50 5.4.4 The Misc Menu The Misc (Miscellaneous) menu contains the following facilities: Figure 5-47. The Misc menu bar. 5.4.4.1 Restore Restore is used for deactivation of P-mark in the SAU. Figure 5-48. The Restore window. The following function is restored for a MINI-LINK E SAU terminal: – P-mark is set to Off 5.4.4.2 Reset Reset is used for resetting of the processor in the SAU. Figure 5-49. The Reset window. 5.4.4.3 Update Status Update status, for manual update of terminal status in the active hop. The command has the key F5 as a keyboard shortcut. EN/LZT 110 5057 R2A
  • 167.
    5-51 5 MINI-LINK E Terminal 5.4.4.4 SW Activate SW Activate is used to perform an activation of a new software in the units in the selected terminal. If an activation session is in progress the ”SW Activate” command is disabled in the Misc Menu. If no activation session is in progress the ”Activate Unit” window opens. The window shows all units in the terminal that are available for software activation. Figure 5-50. The dialog window for activating units in a selected terminal. The figure shows the window before and after activation of a unit. 1. Select one unit in the Units field. 5 2. Select Activate to confirm and start the activation (the button is disabled if the selected unit does not support remote activation). After the activation is performed the Units field is updated. (For further information, see the explanation below for the fields and buttons.) Unit Definition of the unit, normally the ID of the terminal. An addition to the ID is used to indicate RAU and MMU units in MINI-LINK E 1+1 terminals. (1+0 terminals has no addition.) _Ra1 = the first radio in a 1+1 configuration. _Ra2 = the second radio in a 1+1 configuration. SW Type The following types of MINI-LINK E software are available: CAU 1191099 MMU All MMUs CAU 1191101 SMU All SMUs CAU 1191102 SAU All SAUs CAU 1191100 RAU Frequency bands from 15 GHz to 38 GHz CAU 1192721 RAU Frequency band 7 GHz CAU 1192761 RAU Frequency band 7/8 GHz CXC 113404 RAU Frequency bands from 15 GHz to 38 GHz CXC 113400 E_MICRO All MINI-LINK E Micro Active The currently operating software version for the unit. This version will after the activation become the Passive version. Passive The loaded, not active, software version for the unit. This version will after the activation become the Active version. Activate To start the activation. (If the selected unit has an active software version newer than the passive software version, a warning is shown.) EN/LZT 110 5057 R2A
  • 168.
    5 MINI-LINK ETerminal 5-52 5.4.5 The Window Menu The Window menu lists the Network window and all opened Terminal windows. Figure 5-51. The Window menu bar. By selecting one of the windows from the menu, this window will be the active one. This menu also offers a possibility of closing all opened Terminal windows. 5.4.6 The Help Menu Help gives access to different help files. Figure 5-52. The Help menu bar. For other ways to get help with the MSM program: • Press F1 on the keyboard to get help on a selected function. • Select the Help button in an opened sub-window to get help on that sub- window. The following alternatives are available in the Help menu: 5.4.6.1 Contents To open the terminal help file for the MINI-LINK SAU. The Network and Program help files are only available from the Network window Help menu. 5.4.6.2 About the Program Shows information about the program: version, serial number and licence holder. EN/LZT 110 5057 R2A
  • 169.
    5-53 5 MINI-LINK E Terminal 5.4.7 The Terminal Window (SAU) The SAU Terminal window is divided into the Alarm field and the Control and Status field. 5 Figure 5-53. The Terminal window (SAU). EN/LZT 110 5057 R2A
  • 170.
    5 MINI-LINK ETerminal 5-54 5.4.7.1 The Alarm Field Figure 5-54. The Alarm field in the Terminal window (SAU) and an opened sub-level window. In the Alarm field, SAUs have all alarms listed. Each alarm is followed by one of the following symbols, depending on status: Normal, no alarm indicated Alarm indicated Alarms followed by three circles have sub-levels. • Double-click on an alarm with three circles, to reach the sub-level. To get further information about an alarm and instructions for fault localization, the MSM Help window can be used as described in section 4.1.5. 5.4.7.2 The Control and Status Field Figure 5-55. The Control and Status field in the Terminal window (SAU). Each control function has a sub-window with selection possibilities. An abnormal status, which is a status differing from the default value, is indicated with bold font and yellow background colour in the field next to the button. • Click on the control button to open the sub-window. EN/LZT 110 5057 R2A
  • 171.
    5-55 5 MINI-LINK E Terminal For a MINI-LINK SAU the control functions are: P-mark P-mark is a valuable facility during fault localization. With P-mark activated, all alarm signals are generated and can be read in the normal way, but alarm notification messages are inhibited. The severity of the terminal will be Warning independent of alarm status. Figure 5-56. The P-mark window. User Output For control of User Output ports, which are configured in the User I/O Setup window. (Only when the User Output port is set to Remote, see section 5.4.1.3). 5 The control buttons have sub-windows. Figure 5-57. The User Output window. EN/LZT 110 5057 R2A
  • 172.
    5 MINI-LINK ETerminal 5-56 5.5 Details on 1+1 Switching and AIS 5.5.1 Switching in 1+1 Systems Switching takes place when any of the alarms listed below goes active. The alarms are listed in priority order, starting with the highest priority. Transmitter switching MMU alarms RAU alarms NCC Ra Proc. Hardware Proc. Hardware Proc. Software Proc. Software EEPROM EEPROM RCC Radio Frame * Tx IF Input Mod Index RF Output Level Input BB1, BB2 Input E1:1-4 * Causes switching in combination with RCC alarm only. Receiver switching is performed at two levels; hitless and hardware switching. Hitless switching MMU alarms RAU alarms NCC Ra Proc. Hardware Proc. Hardware Proc. Software Proc. Software EEPROM EEPROM RCC Dmod Clock BB1, BB2 Rx Frequency Radio ID -3 BER 10 (fixed) Radio Frame Forward error correction ** (not an alarm) AGC Threshold ** ** Causes switching only if Hitless Phase alarm is not active. Hardware switching MMU alarms RAU alarms NCC Ra Proc. Hardware Proc. Hardware Proc. Software Proc Software EEPROM EEPROM RCC System Line Fault E2:1 Follows selected transmitter if none of the alarms above is active EN/LZT 110 5057 R2A
  • 173.
    5-57 5 MINI-LINK E Terminal 5.5.2 Alarm Indication Signal (AIS) An Alarm Indication Signal (AIS) replaces the traffic signal in case of failure, and is automatically generated when loops, as described in section 5.3.7.2, are set or any of the following alarms is active: MMU alarms SMU alarms Input Input Radio Frame System Line Fault -3 BER 10 (fixed) Frame Radio ID AIS Received 5 EN/LZT 110 5057 R2A
  • 174.
    5 MINI-LINK ETerminal 5-58 5.6 Repair and Extension WARNING - The plug-in units in the access module generate heat and may be hot. Switch off the power before replacing a unit. Replacement of a faulty unit, indoors or outdoors, is done on site. For removing and installation instructions, please refer to the MINI-LINK E Installation Manual (section about plug-in units and radio units respectively). 5.6.1 Factory Setup with the Preset Function The replacement unit must always be a factory-set unit, or it may disturb traffic until the new setups have been performed. If the unit has been used in another configuration, it can be factory-set with the preset function before it is fitted in the new access module (when still positioned in its previous access module or in an access module which is not in use). The preset function is available in two different ways; from the MSM dialog or with a special plug to the front. Note I: Preset requires software version R4A or later in the front-end unit. Note II: Only the front-end unit will be preset. From the MSM dialog - Connect the PC with MSM to the O&M port on the unit to preset. - Select Preset ML-E SW from the Network menu in the Network window. (Only presented when no network list is active.) With a preset plug, RNT 860 900/1 (included in Installation Tool Kit and MLE Upgrade R4 or later.) - Connect the plug to the O&M port on the unit to preset. - Switch on the power. When the preset is completed, the green LED on the unit front starts to flash at a rapid pace. 5.6.2 Factory Setup without the Preset Function If you have a version <R4A without the preset function and do not have a plug, you must set, in AM setup: - Prot Mode to 1+0, and - Traffic to 2x2, 4x2/8, 2x8 or 34+2 Mbit/s. EN/LZT 110 5057 R2A
  • 175.
    5-59 5 MINI-LINK E Terminal 5.6.3 Setups after Addings or Replacements When a unit has been replaced or added, setups according to the table below must be performed. There is automatic back-up of an RAU, that is a replaced RAU needs no setup since the MMU stores the old RAU settings and sends them to RAU. (Requires software version R4A or later in the MMU.) Unit Setup MMU, SMU AM, Hop, Traffic SAU AM, Communication, User I/O, Service Channel (optional) Note I: When replacing an MMU in a 1+1 system, the radio cable must be connected after the AM setup is performed. Note II: The transmitter must always be switched on manually when a terminal is installed. It can be done from the front panel (see MINI-LINK E Installation manual) or with MSM (see instruction in chapter 3). 5.6.3.1 Replacement when using Expanded NCC Add or replace units 1. 2. Remove the NCC-cable. Set AM No for the new unit to the same as the replaced unit had (in AM 5 setup). 3. Perform AM setup. 4. Connect the NCC-cable. 5. Update NCC (in Hop setup). 5.6.4 Spare Parts and Repair For information on spare parts, see MINI-LINK E Product Catalogue, EN/LZT 110 2011. The product code for the equipment installed can be read on labels on the units. The labels are placed on the outside on the RAUs. On the indoor units the labels are placed on the underside, where they can be read after having extracted the units from the magazine. Units can be sent to repair. For fast handling, please complete and enclose the Failure Report found as an appendix in this manual. The sub-units are repaired and replaced by equivalent units. If no fault is found, the cost for a full system test will be applied. EN/LZT 110 5057 R2A
  • 176.
    5 MINI-LINK ETerminal 5-60 EN/LZT 110 5057 R2A
  • 177.
    6-1 6 MINI-LINK E Micro Terminal Contents 6 MINI-LINK E Micro Terminal Page 6.1 MINI-LINK E Micro Technical Description 6-3 6.1.1 MINI-LINK E Micro Radio Unit 6-3 6.2 MINI-LINK E Micro Supervision 6-5 6.2.1 Operation and Maintenance Facilities 6-5 6.2.2 Fault Localization 6-5 6.3 MINI-LINK E Micro Terminal Window 6-6 6.3.1 The Setup Menu 6-6 6.3.1.1 Main Setup 6-7 6.3.2 The Log Menu 6-9 6.3.2.1 Alarm Log 6-9 6.3.3 The View Menu 6-9 6.3.3.1 Alarm History 6-10 6.3.3.2 Performance 6-11 6.3.3.3 Revision Codes 6-13 6.3.4 The Misc Menu 6-13 6.3.4.1 Restore 6-14 6.3.4.2 Reset 6-14 6.3.4.3 Update Status 6-14 6.3.4.4 SW Activate 6-15 6.3.5 6.3.6 6.3.6.1 The Window Menu The Help Menu Contents 6-16 6-16 6-16 6 6.3.6.2 About the Program 6-16 6.3.7 The Terminal Window (Radio Terminal) 6-17 6.3.7.1 The Alarm Field 6-17 6.3.7.2 The Control and Status Field 6-19 6.4 Repair and Extension 6-23 6.4.1 Factory Setup with the Preset Function 6-23 6.4.2 Spare Parts and Repair 6-23 EN/LZT 110 5057 R2A
  • 178.
    6 MINI-LINK EMicro Terminal 6-2 EN/LZT 110 5057 R2A
  • 179.
    6-3 6 MINI-LINK E Micro Terminal 6 MINI-LINK E Micro Terminal 6.1 MINI-LINK E Micro Technical Description MINI-LINK E all-outdoor comprises an outdoor radio unit and an antenna module. Operation and maintenance data, DC and traffic signals are connected directly to the radio unit. For detailed technical description of the MINI-LINK E Micro equipment, see the MINI-LINK E and E Micro Technical Description, EN/LZT 110 2012. The terminal type shown in MINI-LINK Netman are: E_Micro MINI-LINK E Micro terminal The alarms in the following section 6.1.1 are shown in italic typeface. All the alarms can be found in the Program Help window as described in section 4.1.5. 6.1.1 MINI-LINK E Micro Radio Unit MINI-LINK E Micro is an all-outdoor radio for the 15, 23 and 38 GHz frequency bands, with software selectable traffic capacity of 2 or 2x2 Mbit/s. C o n n e c tio n U n it M o d e m B o a rd M ic r o w a v e U n it F ilte r U n it w ith lig h tn in g p r o te c tio n T r a n s m itte r ( M C M ) T ra n s m it 6 B a s e b a n d T r a n s m itte r P o w e r M u ltip lie r A m p lifie r B r a n c h in g S ig n a l O s c illa to r F ilte r P ro c e s s in g F R E Q U E N C Y C O N T R O L T X R F L o o p T r a ffic In te r fa c e T X O F F a n d R a d io F r a m e P ro c e s s o r M u ltip le x e r In te rfa c e O U T P U T L E V E L S E T O u tp u t T o c o n tro l a n d s u p e r v is io n L e v e l p ro c e s s o r C o n tro l R e c e iv e A n te n n a B a s e b a n d R e c e iv e r ( M C M ) S ig n a l P ro c e s s in g R e c e iv e r F R E Q U E N C Y C O N T R O L R X O s c illa to r R e c e iv e IF S ig n a l, F R E Q U E N C Y 1 4 0 M H z C O N T R O L IF IF C o n v e r te r R F L o o p R S S I IF O s c illa to r M u ltip lie r 8 3 4 M H z L o w C o m m a n d N o is e B r a n c h in g D o w n F ilte r & D o w n F ilte r & C o n tro l C o n v e rte r A m p lifie r S ig n a l 1 4 0 M H z A m p lifie r C o n v e rte r A la r m a n d C o n tro l & C o n tro l T o A lig n m e n t P o r t S u p e r v is io n P ro c e s s o r 9 7 4 M H z D C D C /D C C o n v e rte r S e c o n d a ry v o lta g e s Figure 6-1. MINI-LINK E Micro block diagram. Transmitting direction In the transmitting direction, Radio Frame multiplexing and modulation is made in the Modem Board. If the modulation index, controlled from the far radio, is out of range, the Mod Index Alarm is generated. An Input Clock Alarm is generated if the internal data rate does not correspond to the received data rate. EN/LZT 110 5057 R2A
  • 180.
    6 MINI-LINK EMicro Terminal 6-4 In the transmitting direction, the traffic signal is amplified and fed to the microwave unit for modulation onto the transmitter oscillator. If the signal is missing, the Tx Input Alarm is activated. The frequency of the transmitter is controlled in a phase locked loop. An unlocked loop generates the Tx Frequency Alarm. In the transmitting direction, the traffic signal is amplified and frequency multiplied. The transmitter output power is controlled by adjusting the gain of the power amplifier. The transmitter can be switched on or off by switching the final amplifier. The transmitter output power is measured and a low level generates the RF Output Level Alarm. Near-end loop tests, Tx Loop and RF Loop, can be used for test purposes. Receiving direction The received RF signal is down-converted in two steps to an IF of 140 MHz. The frequency of the receiver is controlled in a phase locked loop. An unlocked loop generates the Rx Frequency Alarm. The output IF signal is used as a reference in an AFC loop. If the control signal is outside the range, Rx AFC Alarm is activated. Additionally, a portion of the IF signal is fed to a calibrated detector to provide an accurate receiver input level measurement (RSSI). The Radio Frame demultiplexer generates the Radio Frame Alarm if frame synchronization is lost. The number of errored bits in the traffic data stream is measured. These are used for performance monitoring and BER detection. The BER Alarm is activated when the BER alarm threshold, which is software setable, is exceeded. If the received bit stream comes from a radio with an ID differing from the Far End ID set, a Radio ID Alarm is generated. A Dmod Clock Alarm is generated if the received data rate does not correspond to the internal data rate. AIS is inserted at the receiving direction in case of failure. AIS Received Alarm indicates that an AIS signal is received. A low receiver level generates the RF Input Level Alarm if the received RF input signal level has dropped below the threshold for the receiver or the AGC Threshold Alarm if the RF input level has dropped below the AGC threshold value. The AGC threshold is set in Main setup. Far-end loop test Rx Loop can be used for test purposes. Common parts If the processor detects a software fault, it generates Proc Software Alarm. An interruption during setup generates EEPROM Alarm. Other processor faults generate Proc Hardware Alarm. If communication is lost on the HCC between the near-end and the far-end MINI-LINK E Micro or split it generates HCC Alarm. Communication lost on the NCC to any terminal on the NCC generates the NCC Alarm. Loss of AC power supply to MINI-LINK E Micro generates the AC Alarm (traffic can be maintained with battery backup). EN/LZT 110 5057 R2A
  • 181.
    6-5 6 MINI-LINK E Micro Terminal 6.2 MINI-LINK E Micro Supervision MINI-LINK E equipment is supervised as a terminal. In the network list, the terminal is presented as one ID. The radio terminal types are: E Micro An all outdoor terminal, consists of one RAU. 6.2.1 Operation and Maintenance Facilities There are various operation and maintenance facilities in MINI-LINK Netman (to perform on the equipment) at terminal level when the network is run in normal operation. The different facilities are controlled from the Terminal window. Note: The list below applies for a Control user only. The facilities for a View user are limited and all functions below are not included (see section 1.5). For each radio terminal you can among other things: - read alarm, performance and AGC (RF input level) data - activate P-mark (with P-mark activated, all alarm signals are generated and can be read in the normal way, but notification signals are inhibited) - measure the traffic signals with an external instrument from test ports on the front, without disturbing the traffic - switch transmitters and receivers (protected configurations only) 6 6.2.2 Fault Localization The MINI-LINK equipment has several failure detectors. If a failure occurs in a terminal, a notification message will be shown and one or more alarms in the Terminal window will go active (see explanation in section 4.1.4). To help locate the faulty terminal and unit, loop backs at several levels are available. EN/LZT 110 5057 R2A
  • 182.
    6 MINI-LINK EMicro Terminal 6-6 6.3 MINI-LINK E Micro Terminal Window Two Terminal windows are presented next to each other; for the selected terminal on the left and for the far-end terminal on the right-hand side. The Terminal window is divided into the Alarm field, with alarm presentation, and the Control and Status field, with control facilities and status presentation. Figure 6-2. The Terminal window for a MINI-LINK E Micro. The Menu bar at the top of the window offers different facilities for terminal management of the selected terminal. The Terminal window has the following menus; Setup, Log, View, Misc, Window and Help. The different menus are presented in the sections below. The Status bar is the same as shown at the network level (see chapter 4). 6.3.1 The Setup Menu From the Setup menu, various setup parameters can be set or changed for a MINI-LINK E Micro radio terminal. Figure 6-3. The Setup menu bar. EN/LZT 110 5057 R2A
  • 183.
    6-7 6 MINI-LINK E Micro Terminal 6.3.1.1 Main Setup MINI-LINK E Micro is set up with the Main Setup, where all parameters are defined. Figure 6-4. Near Radio ID The Main Setup window. Identity of the selected radio terminal. 6 Type Radio band/sub-band (displayed as information only). See Product Catalogue EN/LZT 110 2011 for information on the specific frequency bands and sub-bands available. Tx Frequency (MHz) Transmitting frequency in MHz. (See Product Catalogue, EN/LZT 110 2011, for information on available frequencies.) The Tx Frequency must correspond with the Rx Frequency of the far-end radio and vice versa. Rx Frequency (MHz) Operating receiver frequency in MHz (displayed only as information). Output Power (dBm) Adjustment of transmitter output power. AGC Alarm Threshold (dBm) AGC threshold value for the RF input level. BER Alarm The BER (Bit Error Ratio) alarm threshold value. Can be set to 10-3, 10-4, 10-5 and 10-6. EN/LZT 110 5057 R2A
  • 184.
    6 MINI-LINK EMicro Terminal 6-8 Bit rate (Mbit/s) It is possible to set the bit rate, depending on the hardware configuration, as one of either 1x2 Mbit/s or 2x2 Mbit/s. Enable Alarm The input alarm detectors for each traffic signal can be: – Enabled (marked) meaning that an alarm will be activated if a faulty traffic signal is detected on the E Micro traffic channel. – Disabled (not marked) meaning that the traffic channel alarm detectors are disabled. Long Haul Long-haul is used to increase the traffic interface sensitivity. Long-haul is activated if cables are longer than specified in G.703 (maximum 6 dB). If long-haul is activated cables with attenuation up to 32 dB can be used (corresponds to about 1200 metres of the recommended cable). Far Radio ID Identity of far-end radio terminal Note: This will not configure an ID for the Far Radio. The information is used for Radio ID Check and as operation maintenance infor- mation. Radio ID Check The purpose of the Radio ID option is to eliminate reception of traffic from any other radio but the correct far-end radio. When Radio ID is set to On, the ID of the received bit stream is checked. If the ID differs from the ”Far Radio ID” in the EEPROM, a Radio ID Alarm signal is generated. NCC All terminals which are connected on the same NCC as the selected terminal, are displayed. Update NCC1/2 The NCC is configured by the Update NCC button and is not affected by the Save button in the Main Setup. Note: The NCC will automatically be updated when the NCC cable is connected. EN/LZT 110 5057 R2A
  • 185.
    6-9 6 MINI-LINK E Micro Terminal 6.3.2 The Log Menu The Log menu gives access to the data collected from the terminals and stored in the MINI-LINK Log directory. You can read, sort and print the log files for analysis and problem tracking. Figure 6-5. The Log menu bar. The following functions are available for the Alarm Log window; Print to File, Search Filter and Refresh. With Search Filter you can set different parameters for each log type, for example time or type of equipment, to search for certain logs. When opened from the Terminal window, the logs show data for the selected terminal, whereas the logs reached from the Network window show data from all supervised terminals within the network. Note: The log functions must be activated in the Data Collection window from the Network window Config menu. The Log menu contains the following log: 6.3.2.1 Alarm Log For explanation of the Alarm Log options, see the Network window Log menu in section 4.3.6.1. 6 6.3.3 The View Menu The View menu presents information on alarm history, performance, revision and terminal properties concerning the selected terminal. Figure 6-6. The View menu bar. EN/LZT 110 5057 R2A
  • 186.
    6 MINI-LINK EMicro Terminal 6-10 6.3.3.1 Alarm History Alarm History presents all alarms which have been active since the last reset of the Alarm History in the terminal, including present status. The Alarm History window presents information on alarms concerning the selected terminal, for analysis and problem tracking. Figure 6-7. The Alarm History window. The Alarm presentation uses the same graphical display and alarm indicators as for the Alarm field in the Terminal window (as described in section 6.3.7.1). The Reset button resets all the alarms in the Alarm History window. To get further information about an alarm and instructions for fault localization, the Help window can be used. See section 4.1.5 ”Fault Information”. The Alarm presentation for a MINI-LINK E Micro terminal consists of: – Transmitter alarms – Common alarms – Receiver alarms EN/LZT 110 5057 R2A
  • 187.
    6-11 6 MINI-LINK E Micro Terminal 6.3.3.2 Performance Performance presents performance values according to ITU-T Rec G.826, max. AGC levels and current temperature for the selected terminal. Accumulated data is saved in the terminal in a non-volatile memory every 18 hours. If the power is interrupted, loss of performance data is limited to the last 18 hours at the most. 6 Figure 6-8. The Performance window. The New Sample button updates the Performance window. The traffic performance counters and the AGC levels can be cleared with Reset buttons. The performance values data is presented below. The maximum value for the performance data is > 50 years. Traffic Performance values: Unavailable Time, UT A period of UT begins at the onset of 10 consecutive SES events. (A new period of AT begins at the onset of 10 consecutive non-SES events.) Severely Errored Seconds, Seconds with ≥30% errored blocks or one or more SES Severely Disturbed Period, SDP. (SDP occurs with, over a period of time, a bit error intensity of >10-2 or an interruption.) Severely Errored Seconds The ratio of SES to total seconds in AT during Ratio, SESR a fixed measurement interval. EN/LZT 110 5057 R2A
  • 188.
    6 MINI-LINK EMicro Terminal 6-12 Errored Seconds, ES Seconds with one or more errored blocks. Errored Seconds Ratio, ESR The ratio of ES to AT during a fixed measurement interval. Available Time, AT Total time excluding UT. Background Block Error, BBE Block with one or more errored bits (excluding SES). Background Block Error Ratio, The ratio of errored blocks to total blocks BBER during a fixed measurement interval (excluding SES and UT). Background Block, BB The number of blocks during AT (excluding SES). AGC Performance values: Last Sample The current RF input level in dBm. Since Last Reset The maximum RF input level since a reset was performed. (After reset the value will be continuously updated until the seventh day, after this period the value will be updated every seven days.) Last 7 Days The maximum RF input level during the last seven day period. (After reset the value will be continuously updated until the seventh day, after this period the value will be updated every seven days.) Temperature Performance value [°C] The current temperature of the E Micro terminal in degrees Celsius. EN/LZT 110 5057 R2A
  • 189.
    6-13 6 MINI-LINK E Micro Terminal 6.3.3.3 Revision Codes Revision shows hardware and software revision information for the E Micro terminal. Figure 6-9. The Revision Codes window. The presented Revision Codes data is depends on the selected terminal type. Frequency Band The radio frequency band and sub-band. Traffic Rate The supported traffic rates for the hardware. HW Revision Hardware Revision. The version of the hardware in the unit. SW Type Software Type. Shows the article number for the CSS program installed and running in the unit SW Revision Software Revision. The version of the CSS program installed and running in the unit. 6 Bar Track Code Serial number, unique for the specific product. Product No. The product code for the product. 6.3.4 The Misc Menu The Misc (Miscellaneous) menu contains the following facilities: Figure 6-10. The Misc menu bar. EN/LZT 110 5057 R2A
  • 190.
    6 MINI-LINK EMicro Terminal 6-14 6.3.4.1 Restore Restore is used for resetting of the control functions in the terminal to default values. Figure 6-11. The Restore window. The following functions are restored for a MINI-LINK E Micro terminal: – P-mark is set to Off – All Loops are set to Off – All Test Port connections are removed – Switch Mode is set to Auto – Transmitter is set to On 6.3.4.2 Reset Reset is used for resetting of the processor within the terminal. Note: A reset might disturb the traffic. Figure 6-12. The Reset window. 6.3.4.3 Update Status Update status, for manual update of terminal status in the active hop. The command has the key F5 as a keyboard shortcut. EN/LZT 110 5057 R2A
  • 191.
    6-15 6 MINI-LINK E Micro Terminal 6.3.4.4 SW Activate SW Activate is used to perform an activation of a new software in the E Micro terminal. If an activation session is in progress the ”SW Activate” command is disabled in the Misc Menu. If no activation session is in progress the ”Activate Unit” window opens. The window shows all units in the terminal that are available for software activation. Figure 6-13. Example of the dialog window for activating units in a selected terminal. The figure shows the window before and after activation of a unit. 1. Select one unit in the Units field. 2. Select Activate to confirm and start the activation (the button is disabled if the selected unit does not support remote activation). After the activation is performed the Units field is updated. (For further information, see the explanation below for the fields and buttons.) 6 Unit Definition of the unit, normally the ID of the terminal. An addition to the ID is used to indicate RAU and MMU units in MINI-LINK E 1+1 terminals. (1+0 terminals has no addition.) _Ra1 = the first radio in a 1+1 configuration. _Ra2 = the second radio in a 1+1 configuration. SW Type The following types of MINI-LINK E software are available: CAU 1191099 MMU All MMUs CAU 1191101 SMU All SMUs CAU 1191102 SAU All SAUs CAU 1191100 RAU Frequency bands from 15 GHz to 38 GHz CAU 1192721 RAU Frequency band 7 GHz CAU 1192761 RAU Frequency band 7/8 GHz CXC 113404 RAU Frequency bands from 15 GHz to 38 GHz CXC 113400 E_MICRO All MINI-LINK E Micro Active The currently operating software version for the unit. This version will after the activation become the Passive version. Passive The loaded, not active, software version for the unit. This version will after the activation become the Active version. Activate To start the activation. (If the selected unit has an active software version newer than the passive software version, a warning is shown.) EN/LZT 110 5057 R2A
  • 192.
    6 MINI-LINK EMicro Terminal 6-16 6.3.5 The Window Menu The Window menu lists the Network window and all opened Terminal windows. Figure 6-14. The Window menu bar. By selecting one of the windows from the menu, this window will be the active one. This menu also offers a possibility of closing all opened Terminal windows. 6.3.6 The Help Menu Help gives access to different help files. Figure 6-15. The Help menu bar. For other ways to get help with the MSM program: • Press F1 on the keyboard to get help on a selected function. • Select the Help button in an opened sub-window to get help on that sub- window. The following alternatives are available in the menu: 6.3.6.1 Contents To open the terminal help file for the MINI-LINK E Micro Radio. The Network and Program help files are only available from the Network window Help menu. 6.3.6.2 About the Program Shows information about the program: version, serial number and licence holder. EN/LZT 110 5057 R2A
  • 193.
    6-17 6 MINI-LINK E Micro Terminal 6.3.7 The Terminal Window (Radio Terminal) The Terminal window for each terminal is divided into two parts; the Alarm field and the Control and Status field. Figure 6-16. The Terminal window (MINI-LINK E Micro). 6.3.7.1 The Alarm Field 6 In the Alarm field, the MINI-LINK E Micro terminal is presented graphically. The traffic signal is presented with arrows in the units. A red button with an arrow and a cross indicates an alarm. Figure 6-17. Graphical alarm presentation in a MINI-LINK E Micro near-end terminal. The alarms, as shown in the figure above, indicate the following failures: TX LOS - transmitting direction, input traffic failure TX FAIL - transmitting direction, internal failure RX LOS - receiving direction, input traffic failure RX FAIL - receiving direction, internal failure COMMON - other fault (excluding defined LOS and FAIL faults) A-alarms and B-alarms are indicated in a square in the Alarm field. An A-alarm is traffic disturbing calling for immediate action, while a B-alarm is not. EN/LZT 110 5057 R2A
  • 194.
    6 MINI-LINK EMicro Terminal 6-18 Detailed Alarm Information • Click on the arrow or unit to reach a sub-level with detailed information on the alarm. Figure 6-18. The Alarm field in the Terminal window (MINI-LINK E Micro) and an opened sub-level window. At the sub-levels, the alarms are followed by symbols depending on status: Normal, no alarm indicated Alarm indicated AIS received or AGC threshold indicated (does not affect status on superior levels.) To get further information about an alarm and instructions for fault localization, the MSM Help window can be used as described in section 4.1.5. EN/LZT 110 5057 R2A
  • 195.
    6-19 6 MINI-LINK E Micro Terminal 6.3.7.2 The Control and Status Field Figure 6-19. The Control and Status field in the Terminal window (MINI-LINK E Micro). Each control function has a sub-window with selection possibilities. An abnormal status, which is a status differing from the default value, is indicated with bold font and yellow background colour in the field next to the button. • Click on the control button to open the sub-window. The control functions for a MINI-LINK E Micro terminal are: P-mark P-mark is a valuable facility during fault localization. With P-mark activated, all alarm signals are generated and can be read in the normal way, but alarm notification messages are inhibited. The severity of the terminal will be Warning independent of alarm status. 6 Figure 6-20. The P-mark window. EN/LZT 110 5057 R2A
  • 196.
    6 MINI-LINK EMicro Terminal 6-20 MINI-LINK E Micro Loops All available loops are listed and can be activated/deactivated. Figure 6-21. The Loops window. The loop test facility is a helpful tool for localization of a faulty unit. Several loops can be set to isolate the fault to one unit. To set loops for the other transmitting direction use the Rev. Loops button. The button Undo allows a reset of the loops set, if not saved (by the OK button). EN/LZT 110 5057 R2A
  • 197.
    6-21 6 MINI-LINK E Micro Terminal Near-end Loops (Tx Loops) Near-end loop tests are used to find out if and where the near-end terminal is faulty. The following near-end loop tests are available (the numbers in brackets after each loop refer to the figure below): MINI-LINK E Micro Tx Loop (N1). The traffic signal to be transmitted is, immediately at the input, looped back to the output on the receiving side. MINI-LINK E Micro RF Loop (N2). The RF signal to be transmitted is immediately before the branching looped back to the receiving side. Note: Turn off the transmitter of the remote terminal before activating RF loop, to avoid interference. N 1 N 2 E M ic r o E M ic r o N e a r-e n d F a r-e n d Figure 6-22. The near-end loops in MINI-LINK E Micro Far-end Loops (Rx Loops) Far-end loop tests are used to find out if and where the far-end terminal is faulty. The following far-end loop test is available (the numbers in brackets after the loop refer to the figure below): MINI-LINK E Micro Rx Loop (F1). The traffic signal to be received is looped 6 back to the transmitting side. F 1 E M ic r o E M ic r o N e a r-e n d F a r-e n d Figure 6-23. The far-end loops in MINI-LINK E Micro EN/LZT 110 5057 R2A
  • 198.
    6 MINI-LINK EMicro Terminal 6-22 Transmitter The transmitter can be set On or Off. Figure 6-24. The Transmitter window for an E Micro terminal. If the transmitter for the radio unit is turned off by the operator, it cannot be controlled by the terminal. Status Figure 6-25. The Status field in the Terminal window. The current status of the transmitter and receiver, is shown in the Status field to the right. The Status field shows: Tx; The output power is presented. Rx; The RF Input level is presented. EN/LZT 110 5057 R2A
  • 199.
    6-23 6 MINI-LINK E Micro Terminal 6.4 Repair and Extension WARNING - Switch off the power before replacing a unit. Replacement of a faulty unit, is done on site. For removing and installation instructions, please refer to the MINI-LINK E Micro Installation Manual. 6.4.1 Factory Setup with the Preset Function The replacement unit must always be a factory-set unit, or it may disturb traffic until the new setups have been performed. If the unit has been used in another configuration, it can be factory-set with the preset function before it is installed. The preset function is available from the MSM dialog. From the MSM dialog - Connect the PC with MSM to the AGC/O&M port on the E Micro. - Select Preset ML-E SW from the Network menu in the Network window. (Only presented when no network list is active.) 6.4.2 Spare Parts and Repair For information on spare parts, see MINI-LINK E Product Catalogue, EN/LZT 110 2011. The product code for the equipment installed can be read on labels on the units. The labels are placed on the outside on the terminals. The code is also found in the 6 Revision window in MSM. Units can be sent to repair. For fast handling, please complete and enclose the Failure Report found as an appendix in this manual. The sub-units are repaired and replaced by equivalent units. If no fault is found, the cost for a full system test will be applied. EN/LZT 110 5057 R2A
  • 200.
    6 MINI-LINK EMicro Terminal 6-24 EN/LZT 110 5057 R2A
  • 201.
    7-1 7 MINI-LINK C and MkII Terminals Contents 7 MINI-LINK C and MkII Terminals Page 7.1 MINI-LINK C and MkII Supervision 7-3 7.1.1 Operation and Maintenance Facilities 7-4 7.1.2 Fault Localization 7-4 7.2 Radio Terminal Window 7-5 7.2.1 The Setup menu 7-5 7.2.1.1 Main Setup 7-6 7.2.2 The Log Menu 7-8 7.2.2.1 Alarm Log 7-8 7.2.3 The View Menu 7-8 7.2.3.1 Performance 7-9 7.2.3.2 Revision Codes 7-9 7.2.4 The Misc Menu 7-10 7.2.4.1 Restore 7-10 7.2.4.2 User Ports 7-11 7.2.4.3 Service Channel Test 7-12 7.2.4.4 Update Status 7-12 7.2.5 The Window Menu 7-12 7.2.6 The Help Menu 7-13 7.2.6.1 Contents 7-13 7.2.6.2 About the Program 7-13 7.2.7 The Terminal Window (Radio Terminal) 7-14 7.2.7.1 The Alarm Field 7-15 7.2.7.2 The Control and Status Field 7-16 7.3 SMM Terminal Window 7-19 7.3.1 The Setup Menu 7-20 7.3.1.1 7.3.2 7.3.2.1 Main Setup The Log Menu Alarm Log 7-20 7-22 7-22 7 7.3.3 The View Menu 7-23 7.3.3.1 Performance 7-23 7.3.3.2 Revision Codes 7-24 7.3.4 The Misc Menu 7-24 7.3.4.1 Restore 7-24 7.3.4.2 User Ports 7-25 7.3.4.3 Service Channel Test 7-26 7.3.4.4 Update Status 7-26 7.3.5 The Window Menu 7-26 7.3.6 The Help Menu 7-27 7.3.6.1 Contents 7-27 7.3.6.2 About the Program 7-27 7.3.7 The Terminal Window (SMM) 7-28 7.3.7.1 The Alarm Field 7-29 7.3.7.2 The Control and Status Field 7-30 EN/LZT 110 5057 R2A
  • 202.
    7 MINI-LINK Cand MkII Terminals 7-2 7.4 Details on Protected Switching and AIS 7-33 7.4.1 Switching in Protected Systems 7-33 7.4.2 Alarm Indication Signal (AIS) 7-33 7.5 Repair 7-34 EN/LZT 110 5057 R2A
  • 203.
    7-3 7 MINI-LINK C and MkII Terminals 7 MINI-LINK C and MkII Terminals For a technical and a functional description of MINI-LINK C and MkII equipment, please refer to the user’s manuals for the equipment respectively. 7.1 MINI-LINK C and MkII Supervision When setting up a sub-network with MINI-LINK C and MkII equipment, each radio and SMM (equipment with own EAC buses), must be given a unique ID. The ICM does not have an own EAC bus and is not supervised by the Control and Supervision System (CSS). Note: MSM does not distinguish a MINI-LINK C Micro from a MINI-LINK C. The terminal types are: ML10_13 MINI-LINK 10 or 13 MkII radio ML15 MINI-LINK 15 MkII radio ML15-C MINI-LINK 15-C radio ML23 MINI-LINK 23-C or 23 MkII radio ML26 MINI-LINK 26-C or 26 MkII radio ML38 MINI-LINK 38-C or 38 MkII radio SMM_1+0 MINI-LINK SMM 1+0 or SMM-C 1+0 SMM_1+1 MINI-LINK SMM 1+1 or SMM-C 1+1 SMM_2+1 MINI-LINK SMM 2+1 Site A Site B ML 23 ML 23 ID:A002 ID:B002 SMM ID:A001 SMM ID:B001 ML 23 ID:A003 ML 23 ID:B003 7 Site C SMM ID:A004 ML 26 ML 26 SMM ID:C001 ID:A005 ID:C002 Site D ICM-C ML 23 ML 23 ICM-C ID:A006 ID:D001 Figure 7-1. Example of IDs in a MINI-LINK C sub-network EN/LZT 110 5057 R2A
  • 204.
    7 MINI-LINK Cand MkII Terminals 7-4 7.1.1 Operation and Maintenance Facilities There are various operation and maintenance facilities in MSM to perform on the equipment at a terminal level, when the sub-network is run in normal operation. The different facilities are controlled from the Terminal window. For each radio terminal you can - read alarm, performance and AGC (RF input level) data, - activate P-mark during service work on the equipment (with P-mark activated, all alarm signals are generated and can be read in the normal way, but notification signals are inhibited), - read environmental alarms (connected to User In), - control remote functions, such as start air condition equipment (connected to User Out), - etc. For an SMM you can - read alarm and performance data, - activate P-mark during service work on the equipment, - switch transmitters and receivers (protected configurations only), - read environmental alarms (connected to User In), - control remote functions (connected to User Out), - etc. 7.1.2 Fault Localization The MINI-LINK equipment has several failure detectors. If a failure occurs in a terminal, a notification message will be shown and one or more alarms in the Terminal window will go active (see explanation in section 4.1.4). To help locate the faulty terminal and unit, loop-backs on several levels are available. The SMMs are equipped with relay outputs for indication of bay alarms. These relays can be connected to the user’s own supervision system. EN/LZT 110 5057 R2A
  • 205.
    7-5 7 MINI-LINK C and MkII Terminals 7.2 Radio Terminal Window Two Terminal windows are presented next to each other; for the selected terminal on the left and for the far-end terminal on the right-hand side. The Terminal window is divided into the Alarm field, with alarm presentation, and the Control and Status field, with control facilities and status presentation. Figure 7-2. The Terminal window for a MINI-LINK C radio. 7 The Menu bar at the top of the screen offers different facilities for terminal management of the selected terminal. The Terminal window has the following menus; Setup, Log, View, Misc. Window and Help. The different menus are presented in the sections below. The Status bar is the same as shown at the network level (see chapter 4). 7.2.1 The Setup menu From the Setup menu, setup parameters can be set or changed for a MINI-LINK C radio terminal. Figure 7-3. The Setup menu bar. EN/LZT 110 5057 R2A
  • 206.
    7 MINI-LINK Cand MkII Terminals 7-6 7.2.1.1 Main Setup MINI-LINK C and MkII radios are set up with the Main setup, where all parameters concerning terminals and traffic are defined. Figure 7-4. The Main Setup window. The following parameters and functions are presented in the Setup window: Standby Mode Hot Standby; one transmitter is transmitting, while the other is in standby mode (not transmitting). Both radios operate on the same frequency. Working Standby(frequency diversity); both transmitters are working but at different frequencies. 1+0 systems run in Working Standby. Near Radio ID Identity of the near-end radio terminal (displayed as information only). Far Radio ID Identity of the far-end radio terminal. Near Standby Radio ID Identity of the near-end standby radio terminal (Hot Standby configurations only). Far Standby Radio ID Identity of the far-end standby radio terminal (Hot Standby configurations only). Bit rate (Mbit/s) Traffic rate of the radio terminal (Mbit/s) (displayed as information only). Frequency Channel The operating frequency, calculated with a formula. EN/LZT 110 5057 R2A
  • 207.
    7-7 7 MINI-LINK C and MkII Terminals Number See the user’s manual for the radio unit. Frequency Index The frequency index for the radio (displayed as information only). Radio ID Check The purpose of this function is to eliminate reception of traffic from any radio other than the correct remote radio. If the ID differs from the “Far Radio ID”, a Radio ID alarm signal is generated and AIS is inserted in the received traffic channel. Traffic Channel Enables/disables a traffic channel, to activate/inactivate the transmit side Input alarms for the signal (2x2 and 2x8 Mbit/s only). User Mode Each radio and SMM is provided with two user inputs and two user outputs. The user mode controls the mode of operation of the user outputs: In User Mode Normal the status of the user output is determined by the status of the remote user input. In User Mode Special the status of the user output is controlled by the user via the MSM. The user ports are configured in the Main setup. The status and control of the user ports is available in the Misc menu. Default = Normal. AGC Alarm Threshold The AGC threshold value as the RF input level in dBm. (Used for 1+1 switching.) Valid range is -99 dBm to -30 dBm. Default = -70 dBm. Remote Controlled If selected the output power is set from the Output Power MSM, if not the output power is set locally on the radio. RF Output Power The RF output power in dBm (only available when Remote Controlled Output Power is set). 7 EAC Ids Identities for all terminals connected to the EAC bus at the same site. Add ID button To include a new identity in the EAC table. Del ID button To delete an identity from the EAC table. EN/LZT 110 5057 R2A
  • 208.
    7 MINI-LINK Cand MkII Terminals 7-8 7.2.2 The Log Menu The Log menu gives access to the data collected from the terminals and stored in the MSM Log directory. You can read, sort and print the log files for analysis and problem tracking. Figure 7-5. The Log menu bar. The following functions are available for the Alarm Log window; Print to File, Search Filter and Refresh. With Search Filter you can set different parameters, for example time or type of equipment, to search for certain logs. When opened from the Terminal window, the logs show data for the selected terminal, whereas the logs reached from the Network window show data from all supervised terminals within the network. Note: The log functions must be activated in the Data Collection window from the Network window Config menu. The Log menu contains the following log: 7.2.2.1 Alarm Log For explanation of the Alarm Log options, see the Network window Log menu in section 4.3.6.1. 7.2.3 The View Menu The View menu presents information on performance, revision and general information concerning the selected terminal. Figure 7-6. The View menu bar. EN/LZT 110 5057 R2A
  • 209.
    7-9 7 MINI-LINK C and MkII Terminals 7.2.3.1 Performance Performance presents performance values according to ITU-T Rec G.821. Accumulated data is saved in the terminal in a non-volatile memory every 18 hours. If the power is interrupted, loss of performance data is limited to the last 18 hours at most. Figure 7-7. The Performance window. The New Sample button updates the Performance window. The performance counters can be cleared with the Reset button. The performance values data is presented in the table below. Performance Values Description Maximum values -3 UAS, Unavailable BER >10 for more than 10 consecutive 524287 sec (6 days) Seconds * seconds SES, Severely Errored Seconds with BER >10-3 (excluding UAS) 524287 sec (6 days) Seconds * DM, Degraded Minutes with BER >10-6 (excluding UAS 8191 min (6 days) Minutes * and SES) ES, Errored Seconds * Seconds with any error (excluding UAS) 524287 sec (6 days) Total Seconds Seconds since last reset 67108863 sec (777 days) * The %-field shows the ratio of the performance value to Total Seconds. 7 7.2.3.2 Revision Codes Revision shows hardware and software revision information for the selected terminal. Figure 7-8. The Revision Codes window. CSS Software The version of the CSS software installed in the radio. Baseband Unit The version of the baseband unit installed in the radio. EN/LZT 110 5057 R2A
  • 210.
    7 MINI-LINK Cand MkII Terminals 7-10 7.2.4 The Misc Menu The Misc (Miscellaneous) menu contains the following facilities: Figure 7-9. The Misc menu bar. 7.2.4.1 Restore Restore is used for resetting of the control functions in the terminal, such as Loops, P-mark, Switch Mode Remote and Transmitter Off, to default values. Figure 7-10. The Restore window. EN/LZT 110 5057 R2A
  • 211.
    7-11 7 MINI-LINK C and MkII Terminals 7.2.4.2 User Ports Each piece of MINI-LINK C and MkII equipment is provided with two user inputs and two user outputs. Figure 7-11. The User Port window. User In With User In it is possible to read the user’s environmental alarms, for example a fire alarm or a power supply alarm. When an alarm occurs on User In (from User In = 1 (open) to User In = 0 (closed)), an alarm notification will be displayed in the status bar and the alarm will be logged in the alarm log. Note I: The severity grade for User In must be activated by the Control user in the Data Collection window from the Network window Config menu. For MINI-LINK C Micro always set the severity for User1 to Major (User1 alarm for a MINI-LINK C Micro means AC failure). Note II: The severity is set in MSM, not in CSS. Note III: Setting of User severity sets the User severity for all MINI-LINK C and MkII terminals in the network. User Out With User Out it is possible to activate external equipment, for example to start air conditioning equipment. For this purpose, the User Mode option must be set to Special mode. User Out, set to Normal mode, can receive alarm signals from 7 user inputs at the far-end terminal. T e r m in a l A T e r m in a l B U s e r In 1 N o rm a l U s e r O u t1 S p e c ia l M S M M S M M S M U s e r In 1 U s e r O u t1 U s e r O u t1 s ta tu s c o n tro l s ta tu s Figure 7-12. User mode Normal or Special. EN/LZT 110 5057 R2A
  • 212.
    7 MINI-LINK Cand MkII Terminals 7-12 7.2.4.3 Service Channel Test Service channel test is used for testing the service channel with a test tone. Figure 7-13. The Service Channel Test window. 7.2.4.4 Update Status Update status, for manual update of terminal status in the active hop. The command has the key F5 as a keyboard shortcut. 7.2.5 The Window Menu The Window menu lists the Network window and all opened Terminal windows. Figure 7-14. The Window menu bar. By selecting one of the windows from the menu, this window will be the active one. This menu also offers a possibility of closing all opened Terminal windows. EN/LZT 110 5057 R2A
  • 213.
    7-13 7 MINI-LINK C and MkII Terminals 7.2.6 The Help Menu Help gives access to different help files. Figure 7-15. The Help menu bar. Other ways of getting help with the MSM program: • Press F1 on the keyboard to get help on a selected function. • Select the Help button in an opened sub-window to get help on that sub-window. The following alternatives are available in the menu: 7.2.6.1 Contents To open the Terminal help file for the MINI-LINK C Radio. The Network and Program help files are only available from the Network window Help menu. 7.2.6.2 About the Program Shows information about the program: version, serial number and licence holder. 7 EN/LZT 110 5057 R2A
  • 214.
    7 MINI-LINK Cand MkII Terminals 7-14 7.2.7 The Terminal Window (Radio Terminal) The Terminal window for each terminal is divided into two parts; the Alarm field and the Control and Status field. Figure 7-16. The Terminal window (ML23). EN/LZT 110 5057 R2A
  • 215.
    7-15 7 MINI-LINK C and MkII Terminals 7.2.7.1 The Alarm Field Figure 7-17. The Alarm field in the Terminal window (ML23) and an opened sub-level window. The Alarm field shows the alarms listed. Each alarm is followed by one of the following symbols, depending on status: Normal, no alarm indicated Alarm indicated Buffered alarm; previous alarm that is no longer active Alarms followed by three circles have sub-levels. • Double-click on an alarm with three circles, to reach the sub-level. 7 To get further information about an alarm and instructions for fault localization, the MSM Help window can be used as described in section 4.1.5. EN/LZT 110 5057 R2A
  • 216.
    7 MINI-LINK Cand MkII Terminals 7-16 7.2.7.2 The Control and Status Field Figure 7-18. The Control and Status field in the Terminal window (ML23). Each control function has a sub-window with selection possibilities. An abnormal status, that is a status differing from the default value, is indicated with bold font and yellow background colour in the field next to the button. • Click on the control button to open the sub-window. The control functions for a MINI-LINK C or MkII radio terminal are: P-mark P-mark is a valuable facility during fault localization. With P-mark activated, all alarm signals are generated and can be read in the normal way, but alarm notification messages are inhibited. The severity of the terminal will be Warning independent of alarm status. Figure 7-19. The P-mark window. Loops All available loops are listed and can be activated/deactivated. Figure 7-20. The Loops window. The loop test facility is a helpful tool for localization of a faulty unit. Several loops can be set to isolate the fault to one terminal. EN/LZT 110 5057 R2A
  • 217.
    7-17 7 MINI-LINK C and MkII Terminals RF Loop (MINI-LINK 15-C, MINI-LINK 15 MkII, MINI-LINK 23-C and MINI-LINK 23 MkII only) RF Loop shifts a sample of the transmitted signal in frequency and loops it back into the receiver. The remote radio terminal will insert AIS on its outgoing traffic. RF Loop cannot be activated from the remote side, since looping breaks the IAC connection and would make it impossible to deactivate the loop. Note: Turn off the transmitter of the remote radio terminal before activating RF Loop, to avoid interference. AIS Microwave Baseband Microwave Unit Baseband Unit Unit Unit Tx Off Figure 7-21. The RF loop (equipment in gray is equipment under test). Baseband Transmit Loop (Tx Loop) Baseband Transmit Loop loops back the transmitting side composite bit stream(s) to the receiving side. The remote radio terminal will insert an AIS on its outgoing traffic. Baseband Transmit Loop cannot be activated from the remote side, since looping breaks the IAC connection and would make it impossible to deactivate the loop. AIS AIS Baseband Microwave Microwave Baseband Unit Unit Unit Unit Figure 7-22. The Baseband Transmit Loop (equipment in gray is equipment under test). Baseband Receive Loop (Rx Loop) Baseband Receive Loop loops back received traffic signals to the transmitting side in the remote radio terminal, after regeneration and line decoding. In equipment with two traffic channels, there are two Baseband Receive Loops 7 available, which can be activated individually. The remote radio terminal will insert an AIS on its outgoing traffic. AIS Baseband Microwave Microwave Baseband Unit Unit Unit Unit Figure 7-23. The Baseband Receive Loop (equipment in gray is equipment under test). EN/LZT 110 5057 R2A
  • 218.
    7 MINI-LINK Cand MkII Terminals 7-18 Transmitter The transmitter can be set On or Off. If the transmitter is turned off by the user, it cannot be controlled by the terminal. Figure 7-24. The Transmitter window. Status Figure 7-25. The Control and Status field in the Terminal window. The Status field on the right-hand side shows: Rx; The AGC level (RF Input) is presented. EN/LZT 110 5057 R2A
  • 219.
    7-19 7 MINI-LINK C and MkII Terminals 7.3 SMM Terminal Window Note: The term SMM in the text includes both SMMs and SMM-Cs. Two Terminal windows are presented next to each other; for the selected SMM on the left and for the far-end SMM on the right-hand side. The Terminal window is divided into the Alarm field, with alarm presentation, and the Control and Status field, with control facilities and status presentation. 7 Figure 7-26. The Terminal window for a MINI-LINK SMM 1+1. The Menu bar at the top of the screen offers different facilities for terminal management of the selected SMM. The Terminal window has the following menus; Setup, Log, View, Misc, Window and Help. The different menus are presented in the sections below. The Status bar is the same as shown at the network level (see chapter 4). EN/LZT 110 5057 R2A
  • 220.
    7 MINI-LINK Cand MkII Terminals 7-20 7.3.1 The Setup Menu From the Setup menu various setup parameters can be set or changed. Figure 7-27. The Setup menu bar. 7.3.1.1 Main Setup MINI-LINK SMMs are set up with Main setup, where all parameters concerning terminals and traffic are defined. Figure 7-28. The Main Setup window. The setup parameters are depending on terminal type, SMM 1+0, SMM 1+1 or SMM 2+1. EN/LZT 110 5057 R2A
  • 221.
    7-21 7 MINI-LINK C and MkII Terminals The following parameters and functions are presented in the Setup window for the SMM 1+1 terminal: Standby Mode Hot standby; one transmitter is transmitting, while the other is in standby mode (not transmitting). Both radios operate on the same frequency. Working standby (frequency diversity); both transmitters are working but at different frequencies. 1+0 systems run in Working Standby. Near SMM ID* Identity of the near-end SMM terminal (displayed as information only). Far SMM ID* Identity of the far-end SMM terminal. Near Radio ID* Identity of the radio connected to the near-end SMM. Can be 1, 2 or 3 IDs, depending on configuration. Far Radio ID* Identity of the radio connected to the far-end SMM. Can be 1, 2 or 3 IDs, depending on configuration. Traffic Channel Activates/deactivates a traffic channel (protected configurations only). User Mode Each radio and SMM is provided with two user inputs and two user outputs. The user mode controls the mode of operation of the user outputs: In User Mode Normal the status of the user output is determined by the status of the remote user input. In User Mode Special the status of the user output is controlled by the user via the MSM. The user ports are configured in the Main setup. The status and control of the user ports is available in the Misc menu. EAC IDs Default = Normal. Identities of the terminal(s) connected to the same EAC bus as 7 the SMM. Add ID button To include a new ID in the EAC table. Del ID button To delete an ID from the EAC table. * See the user’s manual for SMM, SMM-C and SMM 2+1 for further information. EN/LZT 110 5057 R2A
  • 222.
    7 MINI-LINK Cand MkII Terminals 7-22 7.3.2 The Log Menu The Log menu gives access to the data collected from the terminals and stored in the MSM Log directory. You can read, sort and print the log files for analysis and problem tracking. Figure 7-29. The Log menu bar. The following functions are available for the Alarm Log window; Print to File, Search Filter and Refresh. With Search Filter you can set different parameters, for example time or type of equipment, to search for certain logs. When opened from the Terminal window, the logs show data for the selected terminal, whereas the logs reached from the Network window show data from all supervised terminals within the network. Note: The log functions must be activated in the Data Collection window from the Network window Config menu. The Log menu contains the following log: 7.3.2.1 Alarm Log For explanation of the Alarm Log options, see the Network window Log menu in section 4.3.6.1. EN/LZT 110 5057 R2A
  • 223.
    7-23 7 MINI-LINK C and MkII Terminals 7.3.3 The View Menu The View menu presents information on performance, revision and general information concerning the selected terminal. Figure 7-30. The View menu bar. 7.3.3.1 Performance Performance presents performance values (SMM 1+1 and 2+1 only) according to ITU-T Rec G.821 (see section 7.2.3.1 for more information). The data is estimated by collecting BER data from the radio receiver currently selected by the switch unit. Figure 7-31. The Performance window. The New Sample button updates the Performance window. The performance counters can be cleared with the Reset button. Performance Values UAS, Unavailable Seconds * Description -3 BER >10 for more than 10 consecutive seconds Maximum values 524287 sec (6 days) 7 SES, Severely Errored Seconds with BER >10-3 (excluding UAS) 524287 sec (6 days) Seconds * DM, Degraded Minutes with BER >10-6 (excluding UAS 8191 min (6 days) Minutes * and SES) ES, Errored Seconds * Seconds with any error (excluding UAS) 524287 sec (6 days) Total Seconds Seconds since last reset 67108863 sec (777 days) * The %-field shows the ratio of the performance value to Total Seconds. EN/LZT 110 5057 R2A
  • 224.
    7 MINI-LINK Cand MkII Terminals 7-24 7.3.3.2 Revision Codes Revision shows hardware and software revision information for the SMM. Figure 7-32. The Revision Codes window. CSS Software The version of the CSS software installed in the SMM. Control Unit The version of the control unit installed in the SMM. SU Software Only for SMM as protected. The version of the installed switch unit software. Switch Unit Only for SMM as protected. The version of the installed switch units. 7.3.4 The Misc Menu The Misc (Miscellaneous) menu contains the following facilities: Figure 7-33. The Misc menu bar. 7.3.4.1 Restore Restore is used for resetting of the control functions in the terminal, such as Loops, P-mark, Switch Mode Remote and Transmitter Off, to default values. Figure 7-34. The Restore window. EN/LZT 110 5057 R2A
  • 225.
    7-25 7 MINI-LINK C and MkII Terminals 7.3.4.2 User Ports Each SMM is provided with two user inputs and two user outputs. Figure 7-35. The User Ports window. User In With User In it is possible to read user’s environmental alarms, for example a fire alarm or a power supply alarm. When an alarm occurs on User In ((from User In = 1 (open) to User In = 0 (closed)), an alarm notification will be displayed in the status bar and the alarm will be logged in the alarm log file. Note I: The severity grade for User In must be activated by the Control user in the Data Collection window from the Network window Config menu. Note I: The severity is set in MSM, not in CSS. Note II: Setting of User severity sets the User severity for all MINI-LINK C and MkII terminals in the network. User Out With User Out it is possible to activate external equipment, for example to start air conditioning equipment. For this purpose, the User Mode option must be set to Special mode. User Out set to Normal mode, can receive alarm signals from user inputs at the far-end terminal. T e r m in a l A 7 T e r m in a l B U s e r In 1 N o rm a l U s e r O u t1 S p e c ia l M S M M S M M S M U s e r In 1 U s e r O u t1 U s e r O u t1 s ta tu s c o n tro l s ta tu s Figure 7-36. User mode Normal or Special. EN/LZT 110 5057 R2A
  • 226.
    7 MINI-LINK Cand MkII Terminals 7-26 7.3.4.3 Service Channel Test Service channel test is used for testing the service channel with a test tone. Figure 7-37. The Service Channel Test window. 7.3.4.4 Update Status Update status, for manual update of terminal status in the active hop. The command has the key F5 as a keyboard shortcut. 7.3.5 The Window Menu The Window menu lists the Network window and all opened Terminal windows. Figure 7-38. The Window menu bar. By selecting one of the windows from the menu, this window will be the active one. This menu also offers a possibility of closing all opened Terminal windows. EN/LZT 110 5057 R2A
  • 227.
    7-27 7 MINI-LINK C and MkII Terminals 7.3.6 The Help Menu Help gives access to different help files. Figure 7-39. The Help menu bar. Other ways of getting help with the MSM program: • Press F1 on the keyboard to get help on a selected function. • Select the Help button in an opened sub-window to get help on that sub- window. The following alternatives are available in the menu: 7.3.6.1 Contents To open the Terminal help file for the MINI-LINK SMM. The Network and Program help files are only available from the Network window Help menu. 7.3.6.2 About the Program Shows information about the program: version, serial number and licence holder. 7 EN/LZT 110 5057 R2A
  • 228.
    7 MINI-LINK Cand MkII Terminals 7-28 7.3.7 The Terminal Window (SMM) The SMM Terminal window is divided into the Alarm field and the Control and Status field. Figure 7-40. The Terminal window for a MINI-LINK SMM 1+1. EN/LZT 110 5057 R2A
  • 229.
    7-29 7 MINI-LINK C and MkII Terminals 7.3.7.1 The Alarm Field Figure 7-41. The Alarm field in the Terminal window (SMM 1+1) and an opened sub-level window. The Alarm field shows the alarms listed. Each alarm is followed by one of the following symbols, depending on status: Normal, no alarm indicated Alarm indicated Buffered alarm; previous alarm that is no longer active Alarms followed by three circles have sub-levels. • Double-click on an alarm with three circles, to reach the sub-level. 7 To get further information about an alarm and instructions for fault localization, the MSM Help window can be used as described in section 4.1.5. EN/LZT 110 5057 R2A
  • 230.
    7 MINI-LINK Cand MkII Terminals 7-30 7.3.7.2 The Control and Status Field Figure 7-42. The Control and Status field in the Terminal window (SMM 1+1). Each control function has a sub-window with selection possibilities. An abnormal status, that is a status differing from the default value, is indicated with bold font and yellow background colour in the field next to the button. • Click on the control button to open the sub-window. The control functions for an SMM are: P-mark P-mark is a valuable facility during fault localization. With P-mark activated, all alarm signals are generated and can be read in the normal way, but alarm notification messages are inhibited. The severity of the terminal will be Warning independent of alarm status. Figure 7-43. The P-mark summary window. EN/LZT 110 5057 R2A
  • 231.
    7-31 7 MINI-LINK C and MkII Terminals Loops In an SMM there are four loops available for each MUX; Tributary A, B, C and D, and can be activated/deactivated. Figure 7-44. The Loops window. A MUX loop loops back the traffic signal in the far-end and inserts an AIS. When a loop is activated (On), the normal traffic flow is interrupted and all or part of the traffic is fed back. Mux AIS Mux Unit MINI-LINK MINI-LINK Unit Figure 7-45. MUX loop on one traffic signal (equipment in gray is equipment under test). 7 EN/LZT 110 5057 R2A
  • 232.
    7 MINI-LINK Cand MkII Terminals 7-32 Switch Mode Switch Mode can be set to Auto or Remote (SMM 1+1 and SMM 2+1 only). Figure 7-46. The Switch Mode window. In Automatic mode (set by default) switching is controlled by the state of different alarms. When an alarm occurs in the active radio, there is a switch- over to the standby radio. This radio then remains the active radio (minimum number of switch-overs). With Remote mode set, the user selects transmitter and receiver from the MSM, irrespective of alarm status. In Manual mode (SMM 1+1 only) the selection is controlled by a switch on the front of the Switch Unit. Status Figure 7-47. The Control and Status field in the Terminal window (SMM 1+1). The Status field on the right-hand side shows (protected configurations only): Tx; The active transmitter is indicated by a frame. Rx; The active receiver is indicated by a frame. EN/LZT 110 5057 R2A
  • 233.
    7-33 7 MINI-LINK C and MkII Terminals 7.4 Details on Protected Switching and AIS 7.4.1 Switching in Protected Systems Switching takes place when any of the SMM alarms listed below goes active. Transmitter switching Receiver switching Tx alarm Rx alarm Traffic alarm AGC alarm 7.4.2 Alarm Indication Signal (AIS) An AIS replaces the traffic signal in case of failure, and is automatically generated when loops, as described in section 7.2.7.2 (Radio terminal) and 7.3.7.2 (SMM), are set or any of the following alarms is active: Radio alarms SMM alarms BER System Line Fault Radio ID Frame Fault Radio Frame 1 and 2 Input Tributary Fault Remote MINI-LINK Input Traffic 1 or 2 AIS Received 7 EN/LZT 110 5057 R2A
  • 234.
    7 MINI-LINK Cand MkII Terminals 7-34 7.5 Repair If the baseband unit in the radio module or the control unit in the SMM is replaced, a new software setup must be done but no new alignment is needed. For replacement of faulty equipment, refer to the user’s manual for the equipment. WARNING - The units in the SMM generate heat and may be hot. Switch off the power before replacing a unit. For information on spare parts, see MINI-LINK C Product Catalogue, EN/LZT 110 149. Sub-units or preferably complete modules can be sent to repair. For fast handling, please complete and enclose the Failure Report found as an appendix in this manual. The sub-units are repaired and replaced by equivalent units. If no fault is found, the cost for a full system test will be applied. EN/LZT 110 5057 R2A
  • 235.
    8-1 Appendices 8 Appendices Page • Connection of Modem for Remote Supervision 8-3 • Program Files 8-6 • Using the Service Telephone for SAU Exp2 8-8 • Failure Report 8-9 8 EN/LZT 110 5057 R2A
  • 236.
    Appendices 8-2 EN/LZT 110 5057 R2A
  • 237.
    8-3 Appendices Connection of Modem Connection of Modem for Remote Supervision MSM Definition The PC with MSM can be connected to the MINI-LINK sub-network via a modem for distant supervision. The front-end connection must then be defined in MSM. 1. Select Communication from the Config menu in the Network window. Figure 7-1. Selection of front end in the Configure Communication window. 2. Select Modem as Front-end connection, and select Save. 8 EN/LZT 110 5057 R2A
  • 238.
    Appendices of Modem Connection 8-4 Setup of a Modem Connection M o d e m B P S T N M o d e m A M IN I- L IN K e q u ip m e n t Figure 7-2. MINI-LINK supervision via modems. The PC is connected to the modem via the serial COM port, and the modem is connected to the MINI-LINK equipment in accordance with the tables on the next page. The calling and modem configurations must be done outside MSM, preferably with Microsoft windows Terminal program. Use 1200 bit/s, 8 data bits, 1 stop bit, no parity and no flow control. The AT commands below apply when using Ericsson V.34DT ZATR 809 1401/020 modem. The saved configuration is reloaded at modem power-up, and needs therefore only be done once. Calling from MSM to MINI-LINK Modem A - MINI-LINK AT&F0 Load factory default values from ROM. ATS0=2 Automatic answer after two signals. AT&D0 Ignore DTR (MINI-LINK does not support DTR). AT&E3 No modem initiated flow control. AT&E14 Data compression disabled. AT$SB1200 Set serial port baud rate to 1200 bit/s. AT$MB1200 Set modem baud rate to 1200 bit/s. ATQ1 Suppress result codes (no OK answer after this command). ATE0 Do not echo command nodes characters (no characters echoed on the screen after this command). AT&W0 Save configuration. Modem B - MSM AT&F0 Load factory default values from ROM. AT&D0 Ignore DTR to be able to exit the Terminal program without disconnecting AT&E3 No modem initiated flow control. AT&E14 Data compression disabled. AT$SB1200 Set serial port baud rate to 1200 bit/s. AT$MB1200 Set modem baud rate to 1200 bit/s. AT&W0 Save configuration. EN/LZT 110 5057 R2A
  • 239.
    8-5 Appendices Connection of Modem Connection to MINI-LINK The tables below give guiding information on how to connect the modem to MINI-LINK equipment (cable to Modem A in figure 7-2). For connection between PC and modem, use a standard RS-232 cable. Consult the modem manual for detailed instructions. Connection of 25-pin RS-232 (or V.24) Connection to MINI-LINK E connector equipment; O&M port Pin Name Note Name Pin 2 TD, transmit Data To modem O&M_RD_104 2 3 RD, Received Data From modem O&M_TD_103 3 7 SG, Signal Ground - 0V 5 8 DCD, Data Carrier Detect From modem O&M_DCD_109 ** 4 20 Connect Data Set to Line To modem O&M_CDSTL_108_1 * 6 Connection of 25-pin RS-232 (or V.24) Connection to MINI-LINK C and connector MkII radio; Terminal port Pin Name Note Name Pin 2 TD, Transmit Data To modem RS 232 from radio P1:5 or P3:B02 3 RD, Received Data From modem RS 232 to radio P1:18 or P3:B04 7 SG, Signal Ground - 0V P2:6 or P3:C02 20 Connect Data Set to Line To modem Modem Connect * P1:6 or P3:C06 Connection of 25-pin RS-232 (or V.24) Connection to MINI-LINK C and connector MkII SMM; BAY/USER port Pin Name Note Name 1+0; Pin 1+1; Pin 2 3 TD, transmit Data RD, Received Data To modem From modem RS 232 from radio RS 232 to radio 9 28 5 18 8 7 SG, Signal Ground - 0V 11 17 8 DCD, Data Carrier Detect From modem DTR TERM ** - 3 20 Connect Data Set to Line To modem Modem Connect * - 4 * The signal is provided for dial-up modems with automatic calling facilities only. The signal goes low for 0.6 seconds when an alarm occurs in the sub-network. ** The signal is provided for dial-up modems with automatic calling facilities only. The signal is activated when connection is established between the modems. It is used for control of the O&M_CDSTL_108_1 (MINI-LINK E) / Modem Connect (MINI-LINK C and MkII) signal. EN/LZT 110 5057 R2A
  • 240.
    Appendices Program Files 8-6 Program Files The following files are created by the MSM programs during installation. Files in program directory (default directory: MINI-LINKMSM): MsmServer.exe MSM Server executable MsmServer.cfg MSM Server configuration MSM.exe MSM Client executable Msm.cfg MSM Client configuration Texts.dat Alarm and Status texts MsmServerlog.cfg MSM Server trace log configuration MSMlog.cfg MSM Client trace log configuration Equip.cfg Terminal type defenitions Demodb.dat Demo database RsuDetectorTraceLog.cfg RSU Detector trace log configuration *.hlp Help file *.cnt Help contents file Files in common MINI-LINK directory (WindowsMINI-LINK): AddOn_C.dll AddOn AddOn_Cps.dll AddOn proxy stub MXMServer_Cps.dll MXM Server proxy stub RsuServer_C.exe RSU Server executable RsuServer_Cps.dll RSU Server proxy stub RsuClient_C.exe RSU Client executable RsuClient_Cps.dll RSU Client proxy stub MxmConfig_C.dll MXM Configuration MxmConfig_Cps.dll MXM Configuration proxy stub RsuDetector_C.dll RSU Detector RsuDetector_Cps.dll RSU Detector proxy stub RsuDetectorTraceLog.cfg RSU Detector trace log configuration ClientTraceLog.cfg MSM Client trace log configuration FileTransfer_C.dll File Transfer FileTransfer_Cps.dll File Transfer proxy stub *.hlp Help file *.cnt Help contents file EN/LZT 110 5057 R2A
  • 241.
    8-7 Program Files Appendices Files in system directory (WINDOWSSYSTEM) Msvcrt.dll C Run Time library Msvcp50.dll C++ Run Time library Wbtrv32.dll Btrieve W32mkrc.dll Btrieve (single user) W32mkde.exe Btrieve (single user) Atl.dll ATL library (DCOM) mfc42.dll MFC library Files created by MSM during operation: *.BAK Backup of the *.CFG configuration file *.id MSM network list files Log-files in sub-directory "log" (MSMLog) ALARM32.btr Alarm log file of the MINI-LINK network Remote Software Upgrade (RSU) files Remote Software Upgrade (RSU) files are installed in the sub-directory “upgrade” (WindowsMINI-LINKUpgrade). RSU files are installed and used when new CSS software shall be loaded into the MINI-LINKs. 8 EN/LZT 110 5057 R2A
  • 242.
    Appendices Using the ServiceTelephone 8-8 Using the Service Telephone for SAU Exp 2 The service telephone is connected to the analog service channel, available in SAU Exp 2. The two-digit number for the telephone is set in MSM, in the Service Channel setup. Making a phone-call To call a service telephone in the MINI-LINK sub-network, lift the handset and dial the number for the telephone. - Service telephones connected to MINI-LINK E equipment are assigned two- digit numbers in MSM. Dialling ”23” routes the ring signal to the telephone with number 23. - Service telephones connected to MINI-LINK C equipment are assigned single-digit numbers. They are set with switches in the telephone. Dialling ”23” routes the ring signal to the telephones with number 2 and 3. - The # button on the telephone can be used to make all telephones in the sub- network ring simultaneously (general call, group conversation). The 0-9 and # buttons are the only buttons required for calling in the MINI-LINK sub-network. The other buttons are not used in the MINI-LINK application. Note: There is absolutely no call privacy or secrecy on the service telephone network. Ongoing conversations can be listened in to and participated in simply by lifting the handset. Adjusting the sound level The sound level in the phone is adjusted with the control on the right hand side of the telephone. The sound level of the ring signal is adjusted with two switches on the left hand side of the telephone: - The switch for adjustment of the tone. - The switch for adjustment of the volume. EN/LZT 110 5057 R2A
  • 243.
    8-9 Appendices MINI-LINK Failure Report Date of report: Date of failure: After repair return to: Goods address Invoice address Failure report Unit name Ordering code Serial No H/W Revision state Configuration (1+0, 1+1 etc). S/W Revision state MECHANICAL DAMAGE Detailed fault description: DC FAILURE TRAFFIC FAILURE RF OUTPUT FAILURE RF INPUT FAILURE INTERMITTENT FAILURE NOT WORKING AT INSTALLATION Alarms noticed: UNKNOWN Location of faulty unit Site name Name of opposite site Transmit frequency (MHz) / Channel Start of operation, date Traffic type (Mbit/s) Latest previous failure on same unit, date 8 Name: Telephone No: E-mail: ERICSSON MICROWAVE SYSTEMS AB Mail Goods address Telephone Telefax E-mail P.O Box 22150 MINI-LINK Repair Centre +46 33 179600 + 46 33 179947 emwbsrep@emw.ericsson.se S-500 02 BORÅS Sandlidsgatan 3 SWEDEN S-504 62 BORÅS, SWEDEN EN/LZT 110 5057 R2A
  • 244.
    Appendices 8-10 EN/LZT 110 5057 R2A
  • 245.
    9-1 Index 9 Index A F Activation Progress (RSU Activation) 4-50 Factory Setup 5-58; 6-23 Activation Status (RSU Activation) 4-51 Failure Report 8-9 AGC Alarm Threshold 5-21; 6-7; 7-7 Far End ID 5-22 AIS 5-9, 5-11 Far Radio ID 7-6, 7-21 Alarm Field 5-33, 5-54; 6-17; 7-15, 7-29 Far SMM ID 7-21 Alarm History 5-26, 5-48; 6-10 Fault Information 4-8 Alarm Indication Signal (AIS) 5-57; 7-33 Find Terminal 4-18 Alarm Log 4-20 Frequency Channel Number 7-6 Alarm Notification 4-7 Frequency Index 7-7 AM Setup 3-4; 5-19, 5-41 G B Get Load File (RSU Load) 4-41 Bay Alarm 7-4 Group Tree 4-15 BER Alarm 5-22; 6-7 Groups and Terminals 2-14 Bit rate 7-6 Buffered Alarm 7-15, 7-29 H Help 2-10; 4-12 C Hop Setup 3-9; 5-21 Close Hot Standby 5-20, 5-42; 7-6 the Network window 2-21; 4-15 the Terminal Window 2-21 I Communication Channels 4-5 Communication Setup 5-43 IDs 3-3; 4-4 Configure Communication 4-25 ID Setups, Examples 22 Configure Sorting 4-23 Control and Status Field 5-34, 5-54; 6-19; 7-16, 7-30 L Control and Supervision System (CSS)4-3; 5-6; 5-9; 5-12, 5-15 Licence Agreement 1-4 Copyright for MSM Software 1-3 List View 4-27 Cut Terminals and Groups 4-17 Load Progress (RSU Load) 4-39 Load Session Details (RSU Activation) 4-46 D Load Status (RSU Load) 4-40 Data Collection 4-24 Local Control 5-22 Delete Terminals and Groups 4-17 Log 4-19 Details View 4-27 Login 2-8 Loop 5-35; 6-20; 7-16, 7-31 E M EAC 5-43 EAC ID 7-7; 7-21 Main Frame Window 4-9 EAC Port 5-15 Manually Enter Terminals (RSU Load) 4-42 Excluded Units (RSU Activation) 4-49 Merge 4-16 Excluded Units (RSU Load) 4-38 MINI-LINK C Micro 7-3, 7-11 Exit MINI-LINK E Micro Radio Unit 6-3 the MSM program 2-21; 4-10 MINI-LINK E Micro, Setup 6-7 9 the Network Window 4-16 ML-C Radio, Setup 7-6 Expanded NCC for MINI-LINK E 3-15 MMU 5-7 Modem Connection 8-3 MSM, Program Windows Overview 2-11 MSM, Start 2-8 EN/LZT 110 5057 R2A
  • 246.
    Index 9-2 Scanning in Progress (RSU Load) 4-36 N Search Filter 4-22 Select Load Session for Activation (RSU Activation) 4-45 NCC 5-22, 5-43 Select SW Type and Version (RSU Load) 4-34 Near Radio ID 7-6, 7-21 Select Units for Activation (RSU Activation) 4-47 Near SMM ID 7-21 Select Units to Load (RSU Load) 4-36 Near Standby Radio ID 7-6 Service Channel 5-15 Network List, Generating 2-13 Service Channel Setup 5-46 Network Supervision 4-3 Service Channel Test 7-12, 7-26 Network Window 2-13; 4-13 Service Telephone 8-8 New Group 4-19 Setup of MINI-LINK C and MkII Equipment 3-18 New Network List 4-10 Setup of MINI-LINK E Equipment 3-4 New Terminals 4-18 Setup of MINI-LINK E Micro 3-16 SMM, Setup 7-20 O SMU 5-10 Sort Terminals 4-28 Open Network List 4-10 Sorting 4-23 Output Power 5-21; 6-7 Standby Mode 7-6, 7-21 Status Bar 4-15 P Status Symbols 4-14; 5-34, 5-54; 6-18; 7-15, 7-29 Password 2-9 Status Update 4-24 Configure 4-26 SW Activate 5-31, 5-51; 6-15 Paste Terminals and Groups 4-17 Switch Mode 5-38; 7-32 Performance 5-27; 6-11; 7-9, 7-23 Switching 5-56; 7-33 P-mark 5-35, 5-55; 6-19; 7-16, 7-30 Pop-up menus 2-17 T Preset Terminal List 4-14 ML-E SW 4-10; 5-58; 6-23 Terminal Types 4-4; 5-16; 6-5; 7-3 Plug 5-58 Terminal Window 2-19 Print Log to File 4-21 Terminal Window Program Files 8-6 ML-C 7-5 ML-E 5-18 R ML-E Micro 6-6 RAC 5-15, 5-43 SAU 5-40 Radio ID Check 5-22; 6-8; 7-7 SMM 7-19 Radio Terminal Setup 3-18 Terminology 1-8 RAU 5-3 Test Port 5-37 Recover Group Name 4-23 Traffic Channel 7-7, 7-21 Redo Editing Options 4-16 Traffic Routing 5-23 Remote Controlled Output Power 5-21; 7-7 Traffic Setup 3-10; 5-23 Remote SW Activation 4-43 Traffic Setup with Routing 24 Remote SW Load 4-32 Transmitter 5-38; 6-22; 7-18 Remote SW Upgrade (RSU) 4-30 Tx Attenuator 5-21 Rename Group 4-17 Tx Frequency 5-21; 6-7 Repair 5-58; 6-23; 7-34 Tx 5-36; 6-21; 7-17 Reset 5-30, 5-50; 6-14 Type 5-19, 5-21, 5-42; 6-7 Restore 5-30, 5-50; 6-14; 7-10, 7-24 Revision Codes 5-29, 5-49; 6-13; 7-9, 7-24 U RF Output Power 7-7 Undo Editing Options 4-16 Rx 5-36; 6-21; 7-17 Update Status 5-30, 5-50; 6-14; 7-12, 7-26 Rx Frequency 5-21; 6-7 User Categories 2-12 User Input, Output ML-C 7-11, 7-25 S User Input, Output ML-E 5-15; 5-44 SAU 5-13 User Mode 7-7, 7-21 SAU Setup 3-12 User Output 5-55 Save as 4-16 Save 4-15 W Scan Local 4-10 Working Standby 5-20, 5-42; 7-6 Scan 4-10 Scanning in Progress (RSU Activation) 4-47 EN/LZT 110 5057 R2A