Albert Sudaryanto

7109040002

RANGKAIAN DIGITAL CLOCK

DOSEN
: Bpk. MADYONO
ASISTEN
: Bpk. JOHAN KUNCORO
NAMA
: ALBERT SUDARYANTO
NRP
: 7109040002
KELAS
: 2 D4 ELEKTRONIKA A
MATA KULIAH : BENGKEL ELEKTRONIKA 1

POLITEKNIK ELEKTRONIKA NEGERI SURABAYA
INSTITUT TEKHNOLOGI SEPULUH NOPEMBER
2010 – 2011

Politeknik Elektronika Negeri Surabaya

2010
Albert Sudaryanto
I.

7109040002

JUDUL PRAKTIKUM
Rangkaian Jam Digital

II.

III.

TUJUAN PRAKTIKUM
1. Mahasiswa dapat mngetahui prinsip kerja dari IC-IC TTL yang digunakan dalam
rangkaian jam digital.
2. Mahasiswa dapat membuat rangkaian Jam digital dan melakukan trouble shootingnya.
DASAR TEORI
Pada era sekarang ini kebanyakan barang – barang elektronik dalam penerapannya
menggunakan prinsip – prinsip logika atau yang dinamakan prinsip digital, dengan
semakin maju cara berfikir kita, semakin bermacam –macam pula variasi suatu barang
elektronika yang memanfaatkan prinsip rangkaian logika atau digital ini. Sehingga
sekarang tidak menutup kemungkinan jika dimana – mana menemukan bermacam –
macam alat yang memanfaatkan fungsi tersebut.
Berdasarkan fakta diatas, maka kami ingin membuat suatu rangkaian sederhana
yang memanfaatkan prinsip kerja rangkaian logika atau digital, lebih jelasnya kami
mencoba mempraktekan teori yang sebelumnya telah kami dapatkan kedalam bentuk
sebuah rangkaian yaitu jam digital.
Jam elektronika digital yang terdiri dari pencacah yang merupakan komponen
terpenting dari sistem jam digital. Gambar dibawah merupakan diagram blok sederhana
suatu sistem jam digital. Pada masukannya kami menggunakan frekuensi 1 Hz yang
dihasilkan oleh timer 555. Kemudian pulsa satu-per-detik, satu-per-menit, dan satu-perjam dihitung dan disimpan dalam akumulator pencacah jam tersebut. Selanjutnya isi
akumulator pencacah (detik, menit, jam) yang tersimpan didekode, dan waktu yang tepat
ditayangkan pada tayangan waktu keluaran. Jam digital mempunyai elemen sistem
khusus.

Rangkaian jam terdiri dari berbagai rangkaian seperti rangkaian detik, menit dan
jam. Rangkaian jam Terdiri dari IC 7490, IC 7493, IC 7447, IC 74154 dan IC clock yaitu IC NE
555.
IC 7490 adalah IC TTL yang dapat digunakan sebagai pembagi 10. IC ini digunakan
untuk mengcounter bagian detik dan menit. Secara sederhana, IC 7490 dapat
digambarkan sebagai berikut:

Politeknik Elektronika Negeri Surabaya

2010
Albert Sudaryanto

7109040002

IC 7493 adalah IC TTL yang dapat digunakan sebagai pembagi 16. Ic ini digunakan
untuk mengcounter bagian jam. Secara sederhana, IC 7493 dapat digambarkan sebagai
berikut:

IC 7447 adalah IC TTL yang dapat digunakan sebagai penghubung antara IC counter
dengan seven segmen. Secara sederhana, IC 7447 dapat digambarkan sebagai berikut:

IC NE 555 adalah IC yang digunakan sebagai pemicu jam tersebut untuk berdetak
dan juga sebagai pengatur frekuensi sebesar 1 Hz, IC NE 555 dapat digambarkan sebagai
berikut:

Politeknik Elektronika Negeri Surabaya

2010
Albert Sudaryanto

7109040002

IC 74154 adalah IC yang digunakan sebagai bagian output jam ke display LED,
Selanjutnya IC 74154 dapat digambarkan sebagai berikut:

IV.

V.

PERALATAN DAN KOMPONEN
 IC 7805 Voltage Regulator
 IC 74LS90P + Socket
 IC 74LS93N + Socket
 IC 74LS47N + Socket
 IC 74LS154N + Socket
 IC NE555N + Socket
 Resistor 100Ω, 560Ω, 5.6KΩ
 VR 20 KΩ









Diode 4148
Capasitor 0,1 μF, 100 μF, 10 nF
Saklar on off push
Saklar Push button
7 Segment Common Annoda
Led 3mm
Black Pin + Housing

RANGKAIAN PERCOBAAN

Politeknik Elektronika Negeri Surabaya

2010
Albert Sudaryanto

Politeknik Elektronika Negeri Surabaya

7109040002

2010
Albert Sudaryanto

Politeknik Elektronika Negeri Surabaya

7109040002

2010
Albert Sudaryanto

VI.

7109040002

ANALISA DATA HASIL PERCOBAAN
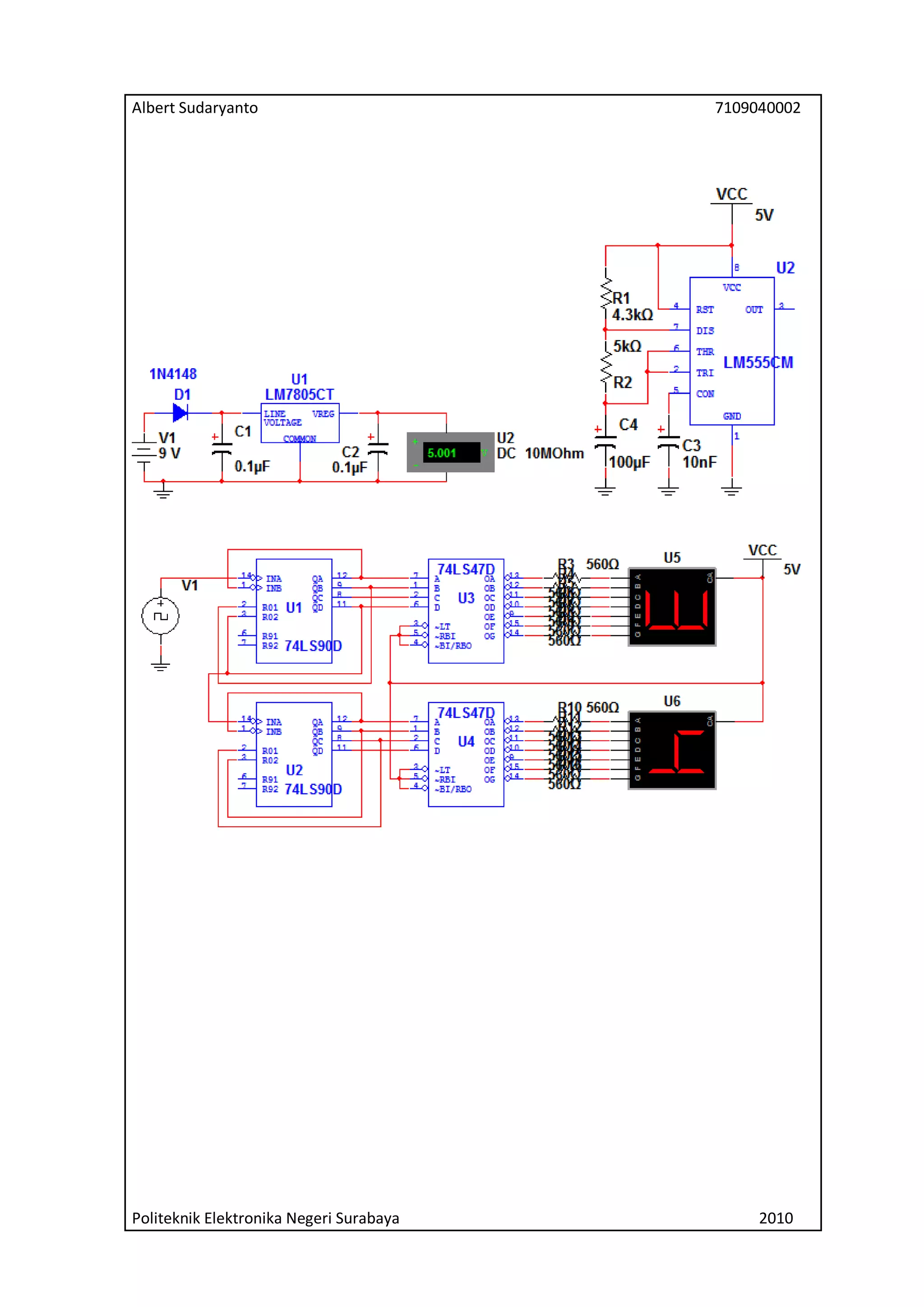
Regulator Power Supply
Pada rangkaian jam digital ini menggunakan supply baterai 9 V. Karena pada rangkaian
ini sebagian komponennya menggunakan IC TTL maka dibutuhkan input tegangan VCC
sebesar 5V apabila melebihi tegangan tersebut IC akan rusak. Maka dari itulah pada
rangkaian digital ini diperlukan regulator Voltage untuk mengconvert/membantasi
tegangan dari 9 V ke 5 V. Rangkaian regulator ini terdiri dari 2 capasitor 0.1 μF dan sebuah
IC 7805.
Rangkaian Detik
Detik terdiri dari satuan 0-9 dan puluhan 0-5.Pada saat puluhan di posisi 5 dan satuan
di posisi 9 yang berarti detik ke 59,maka rangkaian detik ini akan mereset menjadi 0-0 dan
akan menambah 1 pada satuan menit .Untuk memperoleh tampilan 0-9 pada satuan detik,
maka IC 1 (7490) diset sebagai pembagi 10. Master reset dihubungkan dengan QB dan QD
karena pada prinsipnya kita mereset angka 10 supaya angka 10 tidak tampil pada layar
display sementara itu angka 10 dalam biner adalah 1010 dimana digit sebelah kiri adalah
MSB(digit dengan nilai tertinggi),di dalam mereset kita tidak menggunakan urutan dari MSB
ke LSB(digit dengan nilai terendah) tetapi sebaliknya kita menggunakan urutan dari LSB ke
MSB jadi QA,QB,QC,QD untuk biner 10 berturut-turut adalah 0,1,0,1 QA dan QC bernilai 0
sementara itu QB dan QD bernilai 1. Di dalam mereset kita menghubungkan digit yang
bernilai 1 yang terdapat pada nilai biner yang akan direset dengan master reset (RO1 dan
RO2) maka dalam mereset angka 10 kita menghubungkan QB dengan RO1 dan QD dengan
RO2 atau bisa sebaliknya.CLKA dihubungkan lagsung dengan output dari rangkaian
pembangkit clock yang menggunakan IC NE 555 dan CLKB dihubungkan dengan QA karena
pada dasarnya IC counter terdiri dari beberapa buah flip-flop yang saling berhubungan dan
untuk IC 7490 output dari flip-flop A misalnya, merupakan input dari flip-flop yang
lain.Untuk mengeset nilai puluhan,kita mereset angka 6 dalam hal ini adalah QD
dihubungkan ke CLKA pada IC 2(rangkaian detik bagian puluhan) sementara itu CLKB

Politeknik Elektronika Negeri Surabaya

2010
Albert Sudaryanto

7109040002

dihubungkan dengan QA pada IC 2 seperti yang telah dijelaskan di atas. RO1 dihubungkan
ke QB dan RO2 dihubungkan ke QC untuk mereset keluaran jika output sudah bernilai
0110(merupakan biner dari 6).
Rangkaian Menit
Menit dari sebuah jam terdiri dari satuan 0-9 dan puluhan 0-5.Pada saat puluhan di
posisi 5 dan satuan di posisi 9 yang berarti menit ke 59,maka rangkaian menit ini akan
mereset menjadi 0-0 dan akan menambah 1 pada satuan jam .Untuk memperoleh tampilan
0-9 pada satuan menit, maka IC 1 (7490) diset sebagai pembagi 1, maka master reset
dihubungkan dengan QB dan QD karena pada prinsipnya kita mereset angka 10 supaya
angka 10 tidak tampil pada layar display sementara itu angka 10 dalam biner adalah 1010
dimana digit sebelah kiri adalah MSB(digit dengan nilai tertinggi),di dalam mereset kita
tidak menggunakan urutan dari MSB ke LSB(digit dengan nilai terendah) tetapi sebaliknya
kita menggunakan urutan dari LSB ke MSB jadi QA,QB,QC,QD untuk biner 10 berturut-turut
adalah 0,1,0,1 QA dan QC bernilai 0 sementara itu QB dan QD bernilai 1.Di dalam mereset
kita menghubungkan digit yang bernilai 1 yang terdapat pada nilai biner yang akan direset
dengan master reset (RO1 dan RO2) maka dalam mereset angka 10 kita menghubungkan
QB dengan RO1 dan QD dengan RO2 atau bisa sebaliknya.CLKA dihubungkan dengan QD
dari puluhan detik dan CLKB dihubungkan dengan QA karena pada dasarnya IC counter
terdiri dari beberapa buah flip-flop yang saling berhubungan dan untuk IC 7490 output dari
flip-flop A misalnya,merupakan input dari flip-flop yang lain.Untuk mengeset nilai
puluhan,kita mereset angka 6 supaya angka 6 tidak ditampilkan pada display dan supaya
tampilan pada display hanya merupakan nilai antara 1-5,maka output yang terakhir dari IC
1(rangkaian detik bagian satuan yang bernilai 1) dalam hal ini adalah QD dihubungkan ke
CLKA pada IC 2 (7490) (rangkaian menit bagian puluhan) sementara itu CLKB dihubungkan
dengan QA pada IC 2 seperti yang telah dijelaskan di atas. RO1 dihubungkan ke QB dan RO2
dihubungkan ke QC untuk mereset keluaran jika output sudah bernilai 0110(merupakan
biner dari 6).
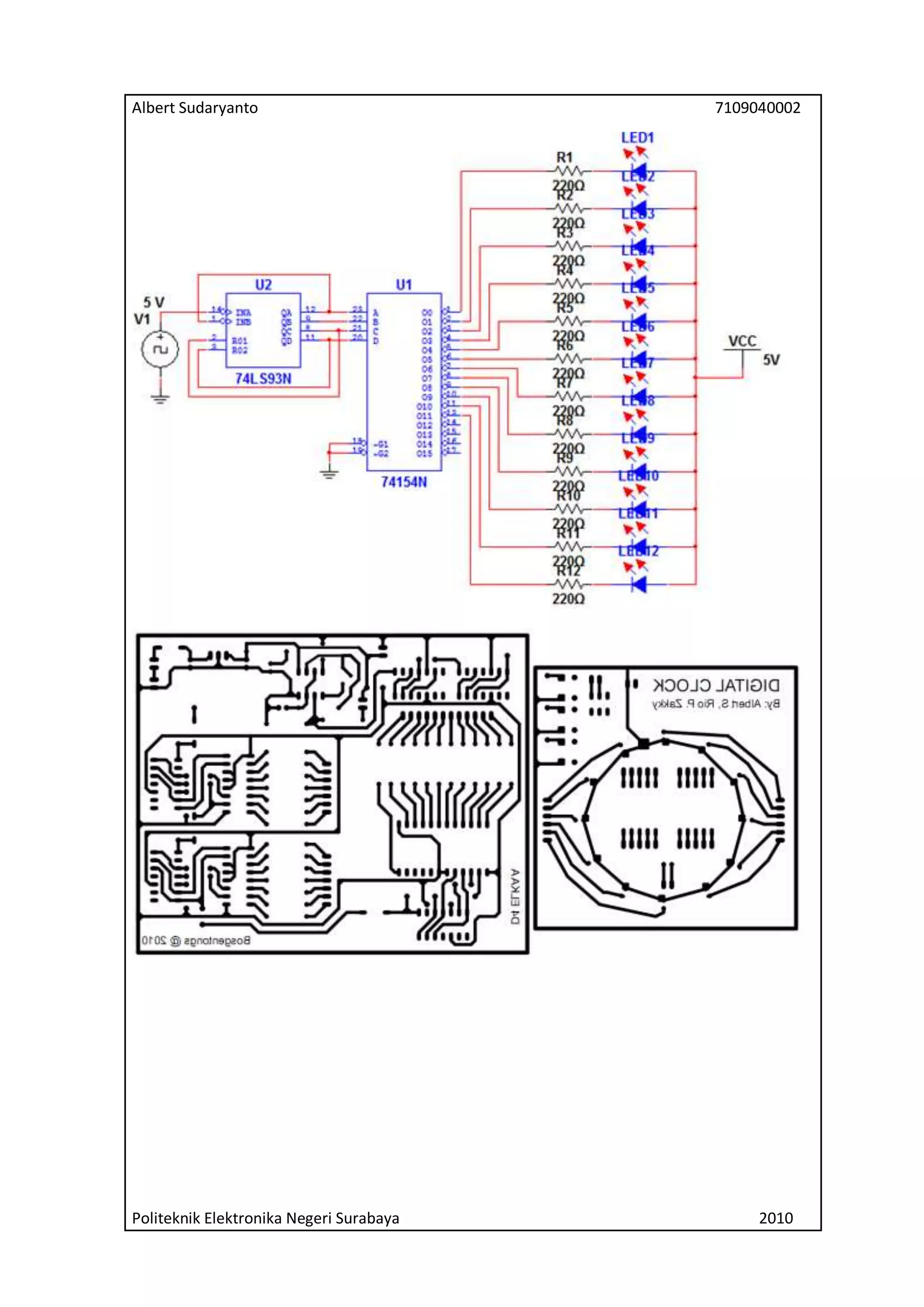
Rangkaian Jam
Rangkaian jam terdiri dari 12 led pada tampilannya. Oleh karena itu pada bagian jam
ini menggunakan ic 74LS93 pada counternya. Kenapa menggunakan IC ini dikarenaka pada
IC ini mempunyai 16bit Counter jadi pada IC ini bisa mengcounter dari 0-15. Karena pada
jam hanya menggunakan 0-11 saja pada counternya maka pada master reset disambungkan
pada dengan QC dan QD. Kemuduan Output QA, QB, QC, QD dihubungkan ke decoder
74LS154 untuk didfecoder dari input BCD ke Output 16 Bit.
VII.

KESIMPULAN
IC 74LS93 dan 74LS90 merupakan IC 4 bit counter yang dapat digunakan dalam rancangan
pembuatan jam digital.
IC Timer NE 555 merupakan IC Pembangkit clock untuk menghasilkan pulsa.
IC 74LS47 merupakan IC Decoder yang mengkonversi Input BCD ke 7 Segment.
IC 74LS145 merupakan IC Decoder yang mengkonversi input BCD ke input 16 Bit.
Rangkaian detik pada jam digital merupakan rangkaian pembagi 60.

Politeknik Elektronika Negeri Surabaya

2010
Albert Sudaryanto

VIII.

7109040002

Rangkaian menit pada jam digital merupakan rangkaian pembagi 3600.
Rangkaian jam pada jam digital merupakan rangkaian pembagi 86400.
DAFTAR PUSTAKA
1. Tokheim, L. Roger.1990.”Elektronika Digital”: 294-296. Jakarta
2. www.datasheet-archive.com

Politeknik Elektronika Negeri Surabaya

2010

Laporan rangkaian digital clock

  • 1.
    Albert Sudaryanto 7109040002 RANGKAIAN DIGITALCLOCK DOSEN : Bpk. MADYONO ASISTEN : Bpk. JOHAN KUNCORO NAMA : ALBERT SUDARYANTO NRP : 7109040002 KELAS : 2 D4 ELEKTRONIKA A MATA KULIAH : BENGKEL ELEKTRONIKA 1 POLITEKNIK ELEKTRONIKA NEGERI SURABAYA INSTITUT TEKHNOLOGI SEPULUH NOPEMBER 2010 – 2011 Politeknik Elektronika Negeri Surabaya 2010
  • 2.
    Albert Sudaryanto I. 7109040002 JUDUL PRAKTIKUM RangkaianJam Digital II. III. TUJUAN PRAKTIKUM 1. Mahasiswa dapat mngetahui prinsip kerja dari IC-IC TTL yang digunakan dalam rangkaian jam digital. 2. Mahasiswa dapat membuat rangkaian Jam digital dan melakukan trouble shootingnya. DASAR TEORI Pada era sekarang ini kebanyakan barang – barang elektronik dalam penerapannya menggunakan prinsip – prinsip logika atau yang dinamakan prinsip digital, dengan semakin maju cara berfikir kita, semakin bermacam –macam pula variasi suatu barang elektronika yang memanfaatkan prinsip rangkaian logika atau digital ini. Sehingga sekarang tidak menutup kemungkinan jika dimana – mana menemukan bermacam – macam alat yang memanfaatkan fungsi tersebut. Berdasarkan fakta diatas, maka kami ingin membuat suatu rangkaian sederhana yang memanfaatkan prinsip kerja rangkaian logika atau digital, lebih jelasnya kami mencoba mempraktekan teori yang sebelumnya telah kami dapatkan kedalam bentuk sebuah rangkaian yaitu jam digital. Jam elektronika digital yang terdiri dari pencacah yang merupakan komponen terpenting dari sistem jam digital. Gambar dibawah merupakan diagram blok sederhana suatu sistem jam digital. Pada masukannya kami menggunakan frekuensi 1 Hz yang dihasilkan oleh timer 555. Kemudian pulsa satu-per-detik, satu-per-menit, dan satu-perjam dihitung dan disimpan dalam akumulator pencacah jam tersebut. Selanjutnya isi akumulator pencacah (detik, menit, jam) yang tersimpan didekode, dan waktu yang tepat ditayangkan pada tayangan waktu keluaran. Jam digital mempunyai elemen sistem khusus. Rangkaian jam terdiri dari berbagai rangkaian seperti rangkaian detik, menit dan jam. Rangkaian jam Terdiri dari IC 7490, IC 7493, IC 7447, IC 74154 dan IC clock yaitu IC NE 555. IC 7490 adalah IC TTL yang dapat digunakan sebagai pembagi 10. IC ini digunakan untuk mengcounter bagian detik dan menit. Secara sederhana, IC 7490 dapat digambarkan sebagai berikut: Politeknik Elektronika Negeri Surabaya 2010
  • 3.
    Albert Sudaryanto 7109040002 IC 7493adalah IC TTL yang dapat digunakan sebagai pembagi 16. Ic ini digunakan untuk mengcounter bagian jam. Secara sederhana, IC 7493 dapat digambarkan sebagai berikut: IC 7447 adalah IC TTL yang dapat digunakan sebagai penghubung antara IC counter dengan seven segmen. Secara sederhana, IC 7447 dapat digambarkan sebagai berikut: IC NE 555 adalah IC yang digunakan sebagai pemicu jam tersebut untuk berdetak dan juga sebagai pengatur frekuensi sebesar 1 Hz, IC NE 555 dapat digambarkan sebagai berikut: Politeknik Elektronika Negeri Surabaya 2010
  • 4.
    Albert Sudaryanto 7109040002 IC 74154adalah IC yang digunakan sebagai bagian output jam ke display LED, Selanjutnya IC 74154 dapat digambarkan sebagai berikut: IV. V. PERALATAN DAN KOMPONEN  IC 7805 Voltage Regulator  IC 74LS90P + Socket  IC 74LS93N + Socket  IC 74LS47N + Socket  IC 74LS154N + Socket  IC NE555N + Socket  Resistor 100Ω, 560Ω, 5.6KΩ  VR 20 KΩ        Diode 4148 Capasitor 0,1 μF, 100 μF, 10 nF Saklar on off push Saklar Push button 7 Segment Common Annoda Led 3mm Black Pin + Housing RANGKAIAN PERCOBAAN Politeknik Elektronika Negeri Surabaya 2010
  • 5.
    Albert Sudaryanto Politeknik ElektronikaNegeri Surabaya 7109040002 2010
  • 6.
    Albert Sudaryanto Politeknik ElektronikaNegeri Surabaya 7109040002 2010
  • 7.
    Albert Sudaryanto VI. 7109040002 ANALISA DATAHASIL PERCOBAAN Regulator Power Supply Pada rangkaian jam digital ini menggunakan supply baterai 9 V. Karena pada rangkaian ini sebagian komponennya menggunakan IC TTL maka dibutuhkan input tegangan VCC sebesar 5V apabila melebihi tegangan tersebut IC akan rusak. Maka dari itulah pada rangkaian digital ini diperlukan regulator Voltage untuk mengconvert/membantasi tegangan dari 9 V ke 5 V. Rangkaian regulator ini terdiri dari 2 capasitor 0.1 μF dan sebuah IC 7805. Rangkaian Detik Detik terdiri dari satuan 0-9 dan puluhan 0-5.Pada saat puluhan di posisi 5 dan satuan di posisi 9 yang berarti detik ke 59,maka rangkaian detik ini akan mereset menjadi 0-0 dan akan menambah 1 pada satuan menit .Untuk memperoleh tampilan 0-9 pada satuan detik, maka IC 1 (7490) diset sebagai pembagi 10. Master reset dihubungkan dengan QB dan QD karena pada prinsipnya kita mereset angka 10 supaya angka 10 tidak tampil pada layar display sementara itu angka 10 dalam biner adalah 1010 dimana digit sebelah kiri adalah MSB(digit dengan nilai tertinggi),di dalam mereset kita tidak menggunakan urutan dari MSB ke LSB(digit dengan nilai terendah) tetapi sebaliknya kita menggunakan urutan dari LSB ke MSB jadi QA,QB,QC,QD untuk biner 10 berturut-turut adalah 0,1,0,1 QA dan QC bernilai 0 sementara itu QB dan QD bernilai 1. Di dalam mereset kita menghubungkan digit yang bernilai 1 yang terdapat pada nilai biner yang akan direset dengan master reset (RO1 dan RO2) maka dalam mereset angka 10 kita menghubungkan QB dengan RO1 dan QD dengan RO2 atau bisa sebaliknya.CLKA dihubungkan lagsung dengan output dari rangkaian pembangkit clock yang menggunakan IC NE 555 dan CLKB dihubungkan dengan QA karena pada dasarnya IC counter terdiri dari beberapa buah flip-flop yang saling berhubungan dan untuk IC 7490 output dari flip-flop A misalnya, merupakan input dari flip-flop yang lain.Untuk mengeset nilai puluhan,kita mereset angka 6 dalam hal ini adalah QD dihubungkan ke CLKA pada IC 2(rangkaian detik bagian puluhan) sementara itu CLKB Politeknik Elektronika Negeri Surabaya 2010
  • 8.
    Albert Sudaryanto 7109040002 dihubungkan denganQA pada IC 2 seperti yang telah dijelaskan di atas. RO1 dihubungkan ke QB dan RO2 dihubungkan ke QC untuk mereset keluaran jika output sudah bernilai 0110(merupakan biner dari 6). Rangkaian Menit Menit dari sebuah jam terdiri dari satuan 0-9 dan puluhan 0-5.Pada saat puluhan di posisi 5 dan satuan di posisi 9 yang berarti menit ke 59,maka rangkaian menit ini akan mereset menjadi 0-0 dan akan menambah 1 pada satuan jam .Untuk memperoleh tampilan 0-9 pada satuan menit, maka IC 1 (7490) diset sebagai pembagi 1, maka master reset dihubungkan dengan QB dan QD karena pada prinsipnya kita mereset angka 10 supaya angka 10 tidak tampil pada layar display sementara itu angka 10 dalam biner adalah 1010 dimana digit sebelah kiri adalah MSB(digit dengan nilai tertinggi),di dalam mereset kita tidak menggunakan urutan dari MSB ke LSB(digit dengan nilai terendah) tetapi sebaliknya kita menggunakan urutan dari LSB ke MSB jadi QA,QB,QC,QD untuk biner 10 berturut-turut adalah 0,1,0,1 QA dan QC bernilai 0 sementara itu QB dan QD bernilai 1.Di dalam mereset kita menghubungkan digit yang bernilai 1 yang terdapat pada nilai biner yang akan direset dengan master reset (RO1 dan RO2) maka dalam mereset angka 10 kita menghubungkan QB dengan RO1 dan QD dengan RO2 atau bisa sebaliknya.CLKA dihubungkan dengan QD dari puluhan detik dan CLKB dihubungkan dengan QA karena pada dasarnya IC counter terdiri dari beberapa buah flip-flop yang saling berhubungan dan untuk IC 7490 output dari flip-flop A misalnya,merupakan input dari flip-flop yang lain.Untuk mengeset nilai puluhan,kita mereset angka 6 supaya angka 6 tidak ditampilkan pada display dan supaya tampilan pada display hanya merupakan nilai antara 1-5,maka output yang terakhir dari IC 1(rangkaian detik bagian satuan yang bernilai 1) dalam hal ini adalah QD dihubungkan ke CLKA pada IC 2 (7490) (rangkaian menit bagian puluhan) sementara itu CLKB dihubungkan dengan QA pada IC 2 seperti yang telah dijelaskan di atas. RO1 dihubungkan ke QB dan RO2 dihubungkan ke QC untuk mereset keluaran jika output sudah bernilai 0110(merupakan biner dari 6). Rangkaian Jam Rangkaian jam terdiri dari 12 led pada tampilannya. Oleh karena itu pada bagian jam ini menggunakan ic 74LS93 pada counternya. Kenapa menggunakan IC ini dikarenaka pada IC ini mempunyai 16bit Counter jadi pada IC ini bisa mengcounter dari 0-15. Karena pada jam hanya menggunakan 0-11 saja pada counternya maka pada master reset disambungkan pada dengan QC dan QD. Kemuduan Output QA, QB, QC, QD dihubungkan ke decoder 74LS154 untuk didfecoder dari input BCD ke Output 16 Bit. VII. KESIMPULAN IC 74LS93 dan 74LS90 merupakan IC 4 bit counter yang dapat digunakan dalam rancangan pembuatan jam digital. IC Timer NE 555 merupakan IC Pembangkit clock untuk menghasilkan pulsa. IC 74LS47 merupakan IC Decoder yang mengkonversi Input BCD ke 7 Segment. IC 74LS145 merupakan IC Decoder yang mengkonversi input BCD ke input 16 Bit. Rangkaian detik pada jam digital merupakan rangkaian pembagi 60. Politeknik Elektronika Negeri Surabaya 2010
  • 9.
    Albert Sudaryanto VIII. 7109040002 Rangkaian menitpada jam digital merupakan rangkaian pembagi 3600. Rangkaian jam pada jam digital merupakan rangkaian pembagi 86400. DAFTAR PUSTAKA 1. Tokheim, L. Roger.1990.”Elektronika Digital”: 294-296. Jakarta 2. www.datasheet-archive.com Politeknik Elektronika Negeri Surabaya 2010