CHEMICAL TREATMENT 
OF BASE OILS FOR HEAVY 
LIQUID PARAFFINS 
Savita Oil Technologies Limited 
Rishen Kapoor - 210 
MBA Tech (Chem)
LIQUID PARAFFIN 
• Liquid Paraffins are manufactured from highly 
refined Base Oils and consist of saturated 
paraffinic and cycloparaffinic hydrocarbons. 
• The refinement process ensures complete 
removal of aromatics, sulphur and nitrogen 
compounds. 
• The technologies employed result in products 
that are highly stable over time besides being 
hydrophobic, colourless, odourless and tasteless. 
2
PHYSICAL PROPERTIES 
• Liquid paraffin is an oily, transparent, colourless 
liquid. 
• At room temperature it is odourless and 
tasteless. However, when heated it does have a 
slightly unpleasant petroleum smell. 
• It does not dissolve in water, glycerol or cold 
ethanol. It does dissolve in benzene, ether, 
chloroform and hot ethanol. 
• It has a density of 0.8 gm/cm3. 
3
PLANT INTRODUCTION 
• The heavy liquid paraffin plant is a batch 
operation type plant, it is active for 300 days in a 
year not including emergency shutdown. 
• The installed capacity 900 kilo litres/month, 
currently the plant is working at 600 kilo/litres 
per month due to customer demand. 
4
Base 
Oils 
Oleum 
23% 
Iso 
Propyl 
Alcohol 
Caustic 
Lye 
Fuller’s 
Earth 
Raw 
Materials 
5
MANUFACTURING PROCESS 
1) Oleum treatment of base oil. 
2) Purification of treated oil. 
3) Blending & earth filtration 
4) Packing of Products. 
6
• Base oils are treated with oleum to convert the 
unsaturated aromatics present, into corresponding 
sulphonic acids 
• the oil obtained after this step is acidic and is called 
sour oil, the sour oil is sent to the next stage for 
neutralization. 
• This Sour oil is neutralised with a caustic solution 
and the traces of sulphonates present in the oil as 
impurity, are removed by extracting this oil with 
I.P.A. 
7 
MANUFACTURING PROCESS
• This Sour oil is neutralised in the neutralizer 
with the addition of a caustic solution and the 
traces of sulphonates present in the oil as 
impurity, are removed by extracting this oil with 
I.P.A. (iso propyl alcohol) 
• The resultant oil is considered to be pure .This 
oil is first dehydrated and then blended with 
other suitable oils and filtered to get liquid 
paraffin as desired by end-user requirements. 
8 
MANUFACTURING PROCESS
OLEUM TREATMENT 
Receiving 
base oil in the 
Sulfonator 
from the 
storage tank 
Oleum 
Treatment 
Sludge 
Removal 
Transfer the 
treated oil to 
the next 
operation 
9
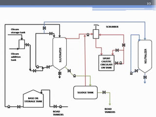
10
SR 
NO 
PROCEDURE TEMPERATURE 
(DEGREES 
CELSIUS) 
TIME (HOURS) 
1 Receiving batch from storage tank Room temperature 3 
2 Oleum treatment Room temperature 
to 55 
10 
3 Settling Room temperature 
to 50 
10 
4 Sludge separation Room temperature 
to 50 
2 
5 Sampling and quality report Room temperature 
to 50 
6 
6 Transfer to neutralizer Room temperature 
to 50 
1 
Total Time 32 
11
PURIFICATION OF TREATED OIL 
Stage 1 
Receive 
treated oil 
in 
neutralizer 
Stage 2 
Neutralisati 
on 
Stage 3 
I.P.A. 
Wash 
Stage 4 
Water 
Wash 
12 
Stage 5 
Flashing 
and 
Stripping
13
Sr No Procedure Temperature (Degrees 
Celsius) 
Time (Hours) 
1 Receiving batch from sulphonator RT to 50 1 
2 Neutralization RT to 50 4 
3 Settling RT to 40 6 
4 Layer separation RT to 40 1 
5 IPA wash RT 8 
6 IPA layer settling 55-65 6 
7 Layer separation 55-65 1 
8 Water wash 55-65 4 
9 Flashing 50-55 2 
10 Stripping to storage tank 100-105 24 
Total 57 
14
BLENDING AND FILTRATION ON A BED 
OF ACTIVATED EARTH:- 
BED 
PREPARATON 
FILTRATION 
PROCESS 
DISCARDING 
OF THE USED 
BED 
15
BED PREPARATION 
• Filter bed is a cylindrical vessel with dished ends 
and it can take about 3.0 Kg/cm2 pressure. 
• The filter plate is dressed with a single layer of 
filter paper ,the layer is firmly fixed to the plate 
especially at the circumference using a fixing 
ring and adhesive. Over this layer activated earth 
is charged and levelled. 
16
• The activated earth used in this plant is 
produced domestically and costs approximately 
Rs 50 /kg . 
• The aim in using activated earth for filtration is 
to completely remove any trace solids that might 
be present and to remove any colour that might 
have been imparted to the product during the 
process. This process also imparts a lustre/shine 
to the finished product. 
17 
BED PREPARATION
FILTRATION METHOD 
• One or two such filters are used in series to 
effectively remove the impurities from the oil 
which is taken for filtration. 
• The oil percolates through the activated earth by 
gravity and is collected in L.P. product receivers. 
From the first filter the filtered oil is collected in 
an intermediate product receiver from where it 
is pumped to the secondary filter. 
18
DISCARDING OF BED 
• Samples of the filtered oil are checked periodically 
and filtration is continued till the filter sample 
confirms to specifications. When the falling sample 
does not confirm to specifications, collection of oil in 
the product receiver is stopped. 
• The remaining oil in the filter bed is collected in the 
intermediate product receiver, when the filtration by 
gravity stops. The earth is now referred to as the 
deactivated earth. 
19
• Deactivated earth still contains some absorbed 
oil which is removed by application of air 
pressure. The recovered oil is collected and sent 
to the storage tank. 
• The deactivated earth which is freed from most 
of the absorbed oil is discarded. This earth is 
sent from the Thurbe plant to a sister plant of 
the Savita group wherein it is used as fuel for a 
boiler. 
20 
BED PREPARATION
21
BLENDING 
• The finished product collected in the product 
receiver is blended using the blending pump for 
a period of 1-2 hours. 
It is checked in the quality control department 
for viscosity and other special fiacre depending 
on the final viscosity required by the customer, it 
is blended with oil of required viscosity so that 
the blended sample meets customer 
requirements. 
22
PACKING 
• The oil is packed in standard packing of 210 / 
235 litres per drum. The finished product is also 
filled in tankers, depending on customers’ 
requirements. 
23

Heavy Liquid Paraffins

  • 1.
    CHEMICAL TREATMENT OFBASE OILS FOR HEAVY LIQUID PARAFFINS Savita Oil Technologies Limited Rishen Kapoor - 210 MBA Tech (Chem)
  • 2.
    LIQUID PARAFFIN •Liquid Paraffins are manufactured from highly refined Base Oils and consist of saturated paraffinic and cycloparaffinic hydrocarbons. • The refinement process ensures complete removal of aromatics, sulphur and nitrogen compounds. • The technologies employed result in products that are highly stable over time besides being hydrophobic, colourless, odourless and tasteless. 2
  • 3.
    PHYSICAL PROPERTIES •Liquid paraffin is an oily, transparent, colourless liquid. • At room temperature it is odourless and tasteless. However, when heated it does have a slightly unpleasant petroleum smell. • It does not dissolve in water, glycerol or cold ethanol. It does dissolve in benzene, ether, chloroform and hot ethanol. • It has a density of 0.8 gm/cm3. 3
  • 4.
    PLANT INTRODUCTION •The heavy liquid paraffin plant is a batch operation type plant, it is active for 300 days in a year not including emergency shutdown. • The installed capacity 900 kilo litres/month, currently the plant is working at 600 kilo/litres per month due to customer demand. 4
  • 5.
    Base Oils Oleum 23% Iso Propyl Alcohol Caustic Lye Fuller’s Earth Raw Materials 5
  • 6.
    MANUFACTURING PROCESS 1)Oleum treatment of base oil. 2) Purification of treated oil. 3) Blending & earth filtration 4) Packing of Products. 6
  • 7.
    • Base oilsare treated with oleum to convert the unsaturated aromatics present, into corresponding sulphonic acids • the oil obtained after this step is acidic and is called sour oil, the sour oil is sent to the next stage for neutralization. • This Sour oil is neutralised with a caustic solution and the traces of sulphonates present in the oil as impurity, are removed by extracting this oil with I.P.A. 7 MANUFACTURING PROCESS
  • 8.
    • This Souroil is neutralised in the neutralizer with the addition of a caustic solution and the traces of sulphonates present in the oil as impurity, are removed by extracting this oil with I.P.A. (iso propyl alcohol) • The resultant oil is considered to be pure .This oil is first dehydrated and then blended with other suitable oils and filtered to get liquid paraffin as desired by end-user requirements. 8 MANUFACTURING PROCESS
  • 9.
    OLEUM TREATMENT Receiving base oil in the Sulfonator from the storage tank Oleum Treatment Sludge Removal Transfer the treated oil to the next operation 9
  • 10.
  • 11.
    SR NO PROCEDURETEMPERATURE (DEGREES CELSIUS) TIME (HOURS) 1 Receiving batch from storage tank Room temperature 3 2 Oleum treatment Room temperature to 55 10 3 Settling Room temperature to 50 10 4 Sludge separation Room temperature to 50 2 5 Sampling and quality report Room temperature to 50 6 6 Transfer to neutralizer Room temperature to 50 1 Total Time 32 11
  • 12.
    PURIFICATION OF TREATEDOIL Stage 1 Receive treated oil in neutralizer Stage 2 Neutralisati on Stage 3 I.P.A. Wash Stage 4 Water Wash 12 Stage 5 Flashing and Stripping
  • 13.
  • 14.
    Sr No ProcedureTemperature (Degrees Celsius) Time (Hours) 1 Receiving batch from sulphonator RT to 50 1 2 Neutralization RT to 50 4 3 Settling RT to 40 6 4 Layer separation RT to 40 1 5 IPA wash RT 8 6 IPA layer settling 55-65 6 7 Layer separation 55-65 1 8 Water wash 55-65 4 9 Flashing 50-55 2 10 Stripping to storage tank 100-105 24 Total 57 14
  • 15.
    BLENDING AND FILTRATIONON A BED OF ACTIVATED EARTH:- BED PREPARATON FILTRATION PROCESS DISCARDING OF THE USED BED 15
  • 16.
    BED PREPARATION •Filter bed is a cylindrical vessel with dished ends and it can take about 3.0 Kg/cm2 pressure. • The filter plate is dressed with a single layer of filter paper ,the layer is firmly fixed to the plate especially at the circumference using a fixing ring and adhesive. Over this layer activated earth is charged and levelled. 16
  • 17.
    • The activatedearth used in this plant is produced domestically and costs approximately Rs 50 /kg . • The aim in using activated earth for filtration is to completely remove any trace solids that might be present and to remove any colour that might have been imparted to the product during the process. This process also imparts a lustre/shine to the finished product. 17 BED PREPARATION
  • 18.
    FILTRATION METHOD •One or two such filters are used in series to effectively remove the impurities from the oil which is taken for filtration. • The oil percolates through the activated earth by gravity and is collected in L.P. product receivers. From the first filter the filtered oil is collected in an intermediate product receiver from where it is pumped to the secondary filter. 18
  • 19.
    DISCARDING OF BED • Samples of the filtered oil are checked periodically and filtration is continued till the filter sample confirms to specifications. When the falling sample does not confirm to specifications, collection of oil in the product receiver is stopped. • The remaining oil in the filter bed is collected in the intermediate product receiver, when the filtration by gravity stops. The earth is now referred to as the deactivated earth. 19
  • 20.
    • Deactivated earthstill contains some absorbed oil which is removed by application of air pressure. The recovered oil is collected and sent to the storage tank. • The deactivated earth which is freed from most of the absorbed oil is discarded. This earth is sent from the Thurbe plant to a sister plant of the Savita group wherein it is used as fuel for a boiler. 20 BED PREPARATION
  • 21.
  • 22.
    BLENDING • Thefinished product collected in the product receiver is blended using the blending pump for a period of 1-2 hours. It is checked in the quality control department for viscosity and other special fiacre depending on the final viscosity required by the customer, it is blended with oil of required viscosity so that the blended sample meets customer requirements. 22
  • 23.
    PACKING • Theoil is packed in standard packing of 210 / 235 litres per drum. The finished product is also filled in tankers, depending on customers’ requirements. 23