2-1
2-2
2-3
2-4
2-5
2-6
2-7
2-8
2-9
2-10
2-11
2-12
nuts
2-13
2-14
2-15

Fasteners and Fastening
Threaded Fasteners
Screw and Screw Thread
Screw Thread Terminology
Basic Profiles of Screw Threads
Types of V-threads
Profile of Square Thread and its modifications
Right-Hand and Left-Hand Threads
Single-start and Multi-start Threads
Bolts and Nuts
Chamfering of Bolts and Nuts
Washer facing of the hexagonal bolts and
Counter-sinking of the nut
Method of drawing hexagonal head bolt and nut
Method of drawing a square head bolt and nut
A mechanical element which holds two or more parts of a machine
or a structure is known as fastener. The process is called fastening.
Permanent fastening: it involves destruction during separation
 press fits
 shrink fits
 rivets
 welding, brazing, and soldering
 adhesives

CH
-8
LE
C
33
Sli
de
3
Temporary fastening: it doesn’t involve destruction during
separation
 Bolts and nuts
 studs and nuts
 screws
 keys
 pins, etc…
 Externally threaded fasteners
 Internally threaded fasteners
Use:
 to fasten parts together
 for the relative adjustment of the adjacent parts

CH
-8
LE
C
33
Sli
de
6
 To transmit motion and
power

CH
-8
LE
C
33
Sli
de
7
Lead=L=n p
n = number of start

Figure 2-1

Terminology of screw
threads. Sharp Vee
Threads shown for clarity;
the crests and roots are
actually flattened or
rounded during the
forming operation
 V-thread
 Square thread
CH
-8
LE
C
33
Sli
de
10
CH
-8
LE
C
33
Sli
de
11
 Right-hand thread – A screw thread that is screwed in by rotating CW .
 Left-hand thread – A screw thread that is screwed in by rotating CCW.
(a) Single (STANDARD)

(b) double

(c) triple threaded
2-10 Bolts and Nuts
Bolt . Threaded
fastener designed to
pass through holes in
mating members and
to be secured by
tightening a nut from
the end opposite the
head of the bolt.
2-11 Chamfering of Bolts and
Nuts
2-11 Chamfering of Bolts and
Nuts
2-12 Washer facing of the hexagonal
bolts and nuts
Finished vs.
Unfinished Bolts:

The difference between a finished and
Unfinished hex head bolt is a washer
Under the head of the finished bolt.
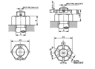
2-13 Counter-sinking of the nut
Countersinking of nut
facilitates the gripping
of the bolt end when
the nut first enters
while it is threaded on
2-14 Method of drawing
hexagonal head bolt and nut
2-14 Method of drawing
hexagonal head bolt and nut

CH-8

LEC 33

Slide 20
2-14 Method of drawing
hexagonal head bolt and nut
2-14 Method of drawing
hexagonal head bolt and nut
2-15 Method of drawing a square
head bolt and nut
2-15 Method of drawing a square
head bolt and nut
2-15 Method of drawing a square
head bolt and nut
Conventional
representation
s of threads
2.17.Locking of nuts
2.21 Foundation bolts
Fasteners & fastening
Fasteners & fastening
Fasteners & fastening
Fasteners & fastening
Fasteners & fastening
Fasteners & fastening

Fasteners & fastening