DC Machines –II
• Motoring and generation
• Armature circuit equation for motoring and generation,
• Types of field excitations - separately excited, shunt and series.
• Open circuit characteristic of separately excited DC generator,
• back EMF with armature reaction,
• voltage build-up in a shunt generator,
• critical field resistance and critical speed.
• V-I characteristics and torque-speed characteristics of separately
excited shunt and series motors.
• Speed control through armature voltage.
• Losses, load testing and back-to-back testing of DC machines..
Motoring and Generation -
• Motoring and generation are two fundamental concepts
associated with the operation of DC (Direct Current) machines,
such as DC motors and DC generators.
• These concepts describe how these machines function when
they are either consuming electrical power to produce
mechanical work (motoring) or converting mechanical work
into electrical power (generation).
Motoring:
•Motoring refers to the operation of a DC machine as an electric motor. In
this mode, electrical power is supplied to the machine to produce
mechanical output or work.
•When voltage is applied to the armature of the DC motor, it generates a
magnetic field due to the flow of current in the coils (windings).
•The magnetic field interacts with the field produced by the stator's field
winding (either permanent magnets or separate field windings) to create a
mechanical torque.
•This torque causes the motor's shaft to rotate, which is used to drive a
load or perform some mechanical task.
•The motor operates until an opposing force, such as friction or the load,
is balanced by the motor's torque.
•The speed and direction of rotation can often be controlled by
adjusting the applied voltage and the field winding current.
Generation:
•Generation refers to the operation of a DC machine as an electric
generator. In this mode, mechanical work is applied to the machine,
causing it to generate electrical power.
•When the shaft of the DC generator is mechanically rotated (e.g., by a
prime mover like a steam turbine, waterwheel, or engine), it induces an
electromotive force (EMF) in the armature coils.
•This EMF creates an electrical current, which can be used to power
external electrical loads or charge batteries.
• The generated voltage is proportional to the speed at which
the machine is rotated (N) and the strength of the magnetic
field (Φ) produced by the field winding or permanent
magnets.
• DC generators are commonly used in applications where a
steady and controllable DC power source is required, such as
in portable generators and backup power systems.
In summary, the key difference between motoring and generation in DC
machines is the direction of energy flow.
In motoring, electrical energy is supplied to the machine to produce
mechanical work, while in generation, mechanical work is applied to the
machine to produce electrical energy.
The operation mode (motor or generator) depends on the direction of
the current flow and the relative relationship between the applied
voltage and the machine's generated voltage.
Difference between motoring and generation in DC machines
Motor Generator
Input and
Output
Motor has dc current as an input
and mechanical energy as an
output.
Generator has dc current as an
output and mechanical energy
as an input.
EMF
(Electromotive
Force)
EMF is used to energize the coil
to rotate the armature.
EMF is generated around the
coil and transmitted to the
load or another section of the
circuit.
Generated EMF
Motor has a generated EMF less
than the voltage across the
source terminal (EMF<V).
Generator has a generated
EMF more than the voltage
across the source terminal
(EMF>V).
EMF
Calculation
Eb = V – IaRa Eg = V + IaRa
Motor Generator
Electric
current
Electric current is used to
energize the armature winding
through the commutator.
Electric current is generated
from the armature winding to
the commutator.
Rule Fleming Left Hand Rule Fleming Right Hand Rule
Work
principle
Operated by a current-
carrying conductor in a
magnetic field and generates
forces.
Operated by mechanical force
that rotates the armature in a
magnetic field and generates
induced current.
Armature
shaft
The armature is supplied by
an electrical current in a
magnetic field.
The armature is rotated by a
mechanical energy in a
magnetic field.
Motor Generator
Energy
conversion
The motor will rotate faster
when supplied with higher
power up to its maximum
power rating.
The generator will likely
produce fixed voltage with
rated rpm.
Examples
Robotic motors, production
and manufacturing tools
and machines, printers, and
many more.
Wind turbines, hydro power
plants, dynamos, alternators,
and many more.
Motoring and generation Armature circuit equation for motoring
and generation-
The armature circuit equation for both motoring (electric motor
operation) and generation (electric generator operation) in a direct current
(DC) machine can be expressed using the following equation:
Ea = V - Ia * Ra ± (Φ * N)
Where:
Ea is the back electromotive force (EMF) generated in the armature coil.
V is the applied voltage to the armature.
Ia is the armature current.
Ra is the armature resistance.
Φ is the magnetic flux in the machine's magnetic field.
N is the speed of the machine (rotational speed in revolutions per minute, RPM).
In the above equation:
When the machine is operating as a motor (motoring), the armature
current Ia flows in the direction of the applied voltage V, and the back
EMF Ea opposes the applied voltage. Therefore, the equation becomes:
Ea = V - Ia * Ra - Φ * N
When the machine is operating as a generator (generation), the armature
current Ia flows in the opposite direction of the applied voltage V, and the
back EMF Ea aids the applied voltage. Therefore, the equation becomes:
Ea = V - Ia * Ra + Φ * N
Ea = V - Ia * Ra ± (Φ * N)
• In both cases, the armature current Ia and the armature resistance Ra
cause a voltage drop, and the term Φ * N represents the voltage
generated due to the machine's magnetic field interacting with the
armature coils as they rotate.
• The polarity of the generated voltage (Ea) depends on whether the
machine is operating as a motor or a generator.ta
Types of field excitations –
separately excited, shunt and series.
The magnetic flux in a d.c machine is produced by field coils
carrying current. The production of magnetic flux in the device
by circulating current in the field winding is called excitation.
Excitation -
What is the main purpose of excitation in dc machine ??
The main purpose of excitation in a DC machine is
- to establish and control the magnetic field, which is fundamental for
converting electrical energy to mechanical energy (in the case of a motor)
or mechanical energy to electrical energy (in the case of a generator)
while providing control, stability, and adaptability to different operating
conditions.
• Creation of Magnetic Field
• Conversion of Electrical Energy to Mechanical Energy (Motor Mode)
• Conversion of Mechanical Energy to Electrical Energy
(Generator Mode)
• Control of Machine Operation
• Reversibility
• Stability and Regulation
• Starting
The types of DC Motors are -
There are two types of excitation in D.C machine.
• Separate excitation, and
• Self-excitation.
Self-excitation –
The current flowing through the field winding is supplied by
the machine itself.
Separate excitation –
The field coils are energized by a separate D.C. Source.
Separately Excited DC Motor -
 In separately excited DC motors, the supply is given to the field
and armature windings separately.
 The main feature of this type of DC motor is that the current
through the armature doesn’t flow through the field windings
because the field winding is energized by a separate DC source.
 This can be understood in a better way through the diagram given
below.
Separately excited DC machines are commonly used in applications
requiring fine control of speed and torque, such as in industrial drives
and some types of electric vehicles.
Self Excited DC Motor -
• As the name implies self-excited, hence, in this type of motor, the
current in the windings is supplied by the machine or motor itself to
establish the magnetic field in the field winding.
• This type of excitation is based on the feedback of the generated
electromotive force (EMF) to the field winding.
There are three subtypes of self-excited DC machines:
a. Shunt-Wound DC Machine:
•In a shunt-wound DC machine, the field winding (shunt field)
is connected in parallel with the armature winding. They
both receive the same supply voltage.
•Shunt-wound machines have relatively constant speed
characteristics and are commonly used in applications where
stable speed is required, such as in small generators and certain
types of industrial applications.
• The parallel connection means that the current is split between the
two components.
• A DC shunt motor has a constant speed that doesn’t change with
varying mechanical loads.
b. Series-Wound DC Machine:
 In series-wound DC motors, the field winding and the
armature coil are connected in series to the power
supply. This means the same current flows through the
coil and armature. Since these types of motors can work
both with DC and AC, they are also called universal
motors.
 Series motors always rotate in the same direction, and
their speed depends on the mechanical load.
Series-wound machines provide high starting torque but tend to have
poor speed regulation, making them suitable for applications like
electric traction (e.g., locomotives).
c. Compound-Wound DC Machine:
•Compound-wound DC machines combine elements of both
shunt and series winding.
•They have two sets of field windings: one connected in
parallel (shunt) and another in series with the armature.
•Compound-wound machines offer a compromise between the
characteristics of shunt and series machines, providing good
torque and speed regulation.
•They are used in various industrial applications, including
machine tools and rolling mills.
These motors are further divided into
• Short shunt and
• Long shunt and
• Cumulative Compound
• Differential Compound motors.
Relation Between Back EMF and Load Current -
• When the armature of the DC motor rotates under the influence of
the driving force, the armature of the conductors moves through the
magnetic field and generates an electromotive force(emf) in them.
• The induced emf is in opposite direction to the externally applied
voltage and this induced voltage is known as back emf and denoted
by E. Emf induced in any DC motor is given by the formula
Where
N = Speed of DC motor
P = Number of pole
φ = magnetic flux
Z = Number of Conductor
A = Number of Parallel Path
• for a dc motor Number of Pole(P), Number of conductors (Z), and
Number Of Parallel Path (A) is constant hence we can replace this
emf equation in a general form By Removing all Constant By a new
Constant K then
If this motor is connected with a DC Source of terminal voltage V
and a load Current I start to flow in the motor then due to internal
armature resistance(R), a voltage will drop then We can write the
KVL equation for this motor like this
V = E+IR
E=V - IR
k𝜙N =V - IR
Torque Equation of Separately Excited DC motor
It is a mathematical equation that provides the torque value produced by
the motor at its shaft. it is given as
Power Developed In armature = Mechanical Power Developed at the
shaft of DC motor
Above equation shows torque equation of a separately excited DC motor.
PARAMET
ER
Series
Wound DC
Motor
Shunt
Wound DC
Motor
Compound
Wound DC
Motor
Permanent
Magnet
DC(PMDC)
Constructio
n
Rotor, Field
windings in
series
Rotor, Field
windings in
parallel
Rotor,
Combined
series and
shunt
windings
Rotor with
permanent
magnets,
Stator with
windings
Advantages High
starting
torque,
Suitable for
heavy loads
Good speed
regulation,
Precise
control,
Stable
operation
Compromise
between
torque and
speed
regulation
Simple
construction
, High
efficiency,
Responsive
PARAMET
ER
Series
Wound DC
Motor
Shunt
Wound DC
Motor
Compound
Wound DC
Motor
Permanent
Magnet
DC(PMDC)
Disadvanta
ges
Limited
speed
control,
Inefficient at
high speeds,
Prone to
overheating
Lower
starting
torque,
Efficiency
may not be
as high
Complex
control,
Efficiency
may not be
optimal
Limited to
low to
moderate
power,
Limited
speed
control
Application Electric
vehicles,
Winches,
Elevators
Conveyor
belts,
Printing
presses
Rolling
mills,
Industrial
equipment
Toys, Small
appliances,
Fans
Applications of DC Motors
The applications of a dc motor depend on the requirement of the
electrical equipment and the characteristics of the DC motor.
DC Series Motor Applications
•Cranes
•Lifts and elevators
•Winching systems
•Hair driers
•Power tools
DC Shunt Motor
Applications
•Windscreen wiper drives
•Drills
•Conveyers
•Fans
•Centrifugal pumps
•Blowers
Compound DC Motor
Applications
•Conveyers
•Stamping machines
•Compressors
•Heavy planners
•Rolling mills
•Presses
Permanent Magnet
DC Motors
•Toys
•Starter motors
•Disc drivers
•Wheels chairs
Brushless DC Motor Applications
•Computer cooling fans
•Heating and ventilation
•Cooling systems in aircraft and vehicles
•Handheld power tools
Separately Excited DC Motor
Applications
•Actuators in industrial machinery
•Traction motors in trains
•Steel rolling mills
Open circuit characteristics of separately excited DC generator
What is open circuit characteristics of separately excited DC
generator???
• The curve which gives the relation between field current (If) and
the generated voltage (E0) in the armature on no load is called
magnetic or open circuit characteristic of a DC generator.
• The plot of this curve is practically same for all types of
generators, whether they are separately excited or self-excited
• It is also known as magnetic characteristics or no-load
saturation characteristics.
• It shows the relation between the induced emf E0 at the no-load
condition and the field current If at a constant speed.
• For separately excited DC generator, the open circuit
characteristics is obtained by conducting an experiment
under no-load conditions.
• An ammeter is connected to the field winding and a voltmeter
is connected to the generator to measure the induced voltage.
• The circuit is connected as shown in the above diagram.
• The field current is varied by connecting an additional
resistance(Rheostat) and is measured by an ammeter.
• At a constant speed, when the field current
is increased from zero, the flux and hence
the induced emf increases.
• The values of induced emf corresponding
to the field current is measured and
tabulated. From the tabulation, a graph is
drawn with field current as the x-axis and
generated emf as the y-axis.
• The graph shows the open circuit characteristics of a separately excited
DC generator
• From the above graph, it is observed that the increase in field
current increases the emf induced.
• When the poles get saturated, the increase in field current does not
increase the flux and thus the emf induced also remains constant.
• Different curves can be obtained for different speeds.
• From graph it is observed that, for higher speeds, the emf induced
will be more.
voltage build-up in a shunt generator, critical field resistance and
critical speed.
Conditions to build up voltage in shunt generator:
1.The shunt winding should have residual magnetic field.
2.The direction of shunt winding and armature winding should be in
such a way that flux generated by them should aid together.
3. The shunt winding should have critical winding resistance.
Process of voltage build up:
• When the armature is rotated, the residual flux in field winding
will induce small voltage in armature.
• The induced voltage in armature generates a flux and it will
aid(add) with field flux and the net flux will increase further.
This process will be repeating until the actual treminal voltage is
reached.
• Once the terminal voltage is reached then the winding will get
saturated and hence there won't be any further increase in flux,
also the voltage gets constant.
• Consider a DC Shunt Generator at no load as shown in
figure below. The switch in the field circuit is supposed
open and the armature of DC Shunt Generator is driven at
rated speed.
• Because of presence of small residual flux in the field
poles, DC Shunt Generator will have a small voltage at its
terminal even though the switch S is open when driven at
rated speed.
• Now suppose the switch S is closed.
• As there is small voltage is there across the terminals of DC
Shunt Generator and Switch S is closed, therefore a small
current will start flowing through the field circuit of DC
Shunt Generator which in turn will produce magnetic flux
and if the produced magnetic flux adds the residual magnetic
flux then net flux will increase and the generated voltage
(Ea = KaØωm) will increase corresponding to point J on the
Magnetization curve as shown in figure below.
• Since the generated voltage has increased,
therefore the field current will also increase to
OK corresponding to which the Generated
Voltage across the Terminals of DC Shunt
Generator will increase to point L.
• In the same manner the voltage will continue to
build up till the point of intersection of Field
Resistance Line and Magnetization curve /
Open Circuit Characteristics of DC Shunt
Generator.
Beyond point of intersection of Field Resistance Line and
Magnetization curve / Open Circuit Characteristics the voltage won’t
build up as in that case the generated voltage Ea will not be able to
drive the required field current. Thus the stable point at which the
voltage will remain fix is the voltage Ea corresponding to point of
intersection of Field Resistance Line and Magnetization curve / Open
Circuit Characteristics.
Effect of variation of field resistance of DC Shunt Generator in its
Voltage Build up:
If the field resistance is increased to OA, then Field Resistance
line intersect the OCC curve at point p, and hence there will not be
voltage build up beyond point p.
Now, if shunt field resistance is such that OB represents the Field
resistance line then as clear from the figure above, the lone is
intersecting the OCC curve at many points between q and r,
therefore the field current will fluctuate between s and t and hence
the voltage generated at the terminals of DC Shunt Generator will
vary from qs to rt resulting in unstable condition.
If we find the slope (tanƟ) of the Field Resistance Line then we will
get Field Resistance value which is known as Critical Filed
Resistance.
What is the significance of Critical Field Resistance?
As clear from the figure above, if the field resistance is more than
the Critical Field Resistance then there will not be voltage build up
in DC Shunt Generator.
See in the figure OA is shunt field resistance which is more than
Critical Field Resistance OB (check by slope, slope of OA is more
than slope of OB), hence there is no voltage build up in DC Shunt
Generator.
Effect of variation of speed of rotation of DC Shunt
Generator in its Voltage Build up:
Suppose the field resistance is OC and DC Shunt Generator is
running at a speed of n1 for which the stable point of its terminal
voltage is C.
Now the speed of DC Shunt Generator is reduced to n2 therefore the
OCC curev will also move downward as shown in figure.
It should be noted here that the same field resistance line OC is now
tangent to the new OCC curve and therefore will create an unstable
condition of operaton of DC Shunt Generator.
This speed n2 is hence called Critical Speed.
Thus Critical Speed is that speed at which the DC Shunt Generator
just fails to built up voltage with no external resistance in the field
circuit.
V-I characteristics and torque-speed characteristics of
separately excited shunt and series motors.
V-I characteristics of separately excited shunt motors.
There are generally three most important characteristic of DC
motor
1. Magnetic or Open Circuit Characteristic of Separately Excited
DC Motor.
2. Internal or Total Characteristic of Separately Excited DC Motor.
3. External Characteristic of Separately Excited DC Motor.
• The curve which gives the relation between field current
(If) and the generated voltage (E0) in the armature on no
load is called magnetic or open circuit characteristic of
a DC Motor.
• The plot of this curve is practically same for all types of
motors, whether they are separately excited or self-
excited. This curve is also known as no load saturation
characteristic curve of DC motor.
Magnetic or Open Circuit Characteristic of Separately
Excited DC motor
• From the above graph, we can see the variation of generated
emf on no load with field current for different fixed speeds of
the armature.
• For higher value of constant speed, the steepness of the curve is
more.
• When the field current is zero, for the effect residual magnetism
in the poles, there will be a small initial emf (OA) as show in
figure.
• Let us consider a separately excited DC motor giving its no load
voltage E0 for a constant field current.
• If there is no armature reaction and armature voltage drop in the
machine then the voltage will remain constant.
• Therefore, if we plot the rated voltage on the Y axis and load
current on the X axis then the curve will be a straight line and
parallel to X-axis as shown in figure below.
• Here, AB line indicating the no load voltage (E0).
When the motor is loaded then the voltage drops due to two
main reasons-
• Due to armature reaction,
• Due to ohmic drop (IaRa).
Internal or Total Characteristic of Separately Excited DC motor
The internal characteristic of the separately excited DC motor
is obtained by subtracting the drops due to armature reaction from no
load voltage.
This curve of actually generated voltage (Eg) will be slightly
dropping.
Here, AC line in the diagram indicating the actually generated voltage
(Eg) with respect to load current.
This curve is also called total characteristic of separately excited
DC motor.
External Characteristic of Separately Excited DC motor
• The external characteristic of the separately excited DC motor is
obtained by subtracting the drops due to ohmic loss (Ia Ra) in
the armature from generated voltage (Eg).
• Terminal voltage(V)
(V) = Eg – Ia Ra.
• This curve gives the relation between the terminal voltage (V)
and load current.
• The external characteristic curve lies below the internal
characteristic curve.
• Here, AD line in the diagram is indicating the change in terminal
voltage(V) with increasing load current.
• It can be seen from figure that when load current increases then
the terminal voltage decreases slightly.
• This decrease in terminal voltage can be maintained easily by
increasing the field current and thus increasing the generated
voltage.
• Therefore, we can get constant terminal voltage.
Torque-speed characteristics of separately excited dc shunt motor
The speed-torque characteristics of a dc motor is a graph of torque
on X-axis versus the speed which is plotted on Y-axis.
As the torque is proportional to the armature current , the nature of
this characteristics is same as that of the speed-armature current
characteristic shown in graph.
From graph, at no load the torque produced by the motor is Ta0 &
the motor rotates at the no load speed N0.
As the load is increased, the torque requirement also increase.
To generate the required amount of torque, the motor has to draw
more armature current & motor armature current can be drawn if
the more speed decreases, because
Ia =
𝑽 − 𝑬𝒃
𝑹𝒂
Therefore, as the load increases, torque will also increase & the
speed decreases.
However the reduction in speed is not significant as the load is
increased from no load to full load.
In dc shunt motor, the torque is directly proportional to armature
current. Therefore dc shunt motor is practically called as
constant speed motor.
V-I characteristics of separately excited series motors.
Open Circuit Characteristics (O.C.C)
• The curve (A) in the plot shows the O.C.C of a series DC motor.
• It is the graph plotted between the generated EMF at no-load
and field current.
• The O.C.C can be obtained by disconnecting the field winding
from the machine and is excited separately.
Internal Characteristics
• The internal characteristics of a DC series motor is the graph plotted
between generated EMF (Eg) on-load and the armature current.
• Because of the effect of armature reaction, the magnetic flux on-load
will be less than the flux at no-load.
• Therefore, the generated EMF (E) under loaded condition will be less
than the EMF generated (E0) at no-load.
• As a result of this, the internal characteristics curve lies just below the
open circuit characteristics [See the curve (B)].
External Characteristics or Load Characteristics
• The external characteristics or load characteristics is the plot
between the terminal voltage (V) and load current (IL}).
• Since, the terminal voltage is less than the generated voltage due
to armature and series field copper losses, which is given by,
V = E − Ia ( Ra + Rse )
• Therefore, the external characteristics curve will lie below the
internal characteristics curve by an equal amount to voltage drop
due to copper losses in the machine [see the curve (C)].
Torque-speed characteristics of separately excited series motor
• The speed –torque characteristics of a dc series motor is shown in
above graph.
• We know that,
T ∝ Ia
2
.
& N ∝ 1
Ia
Ia∝ T
& N ∝
1
T
• This shows that the speed decreases with increase in the value of
torque that is with increase in load.
Comparison of DC shunt & DC series Motors
S.
N.
parameter DC shunt motor DC series motor
01 Connection of
field winding with
armature
Field is in parallel
with armature
Field is in series with
armature
02 Type of starter Three point Four point
03 Torque developed Low High
04 Applications Machine tool,
printing, pumps,
paper machine
Electric trains, crains,
Hoists, Conveyers
Comparison of Speed- Torque characteristics of DC shunt & DC series Motors
S.N parameter DC shunt motor DC series motor
01 Nature of
characteristics
02 Relation between
speed & torque
As load increases, T
increases & Speed
reduces slightly
As load increases, torque
increases & speed reduces
exponentially.
03 Reduction in speed
with increased load
Slightly reduction in
Speed takes place.
Drastic reduction in speed
takes place
04 Starting torque Moderately high Very high
Speed control through armature voltage
• The relationship given below gives the speed of a D.C. motor
• The above equation shows that the speed depends upon the
supply voltage V, the armature circuit resistance Ra, and the
field flux Ф, which is produced by the field current.
• Thus, there are three general methods of speed control of
D.C. Motors.
Thus, there are three general methods of speed control of D.C.
Motors.
• Resistance variation in the armature circuit: This method is
called armature resistance control or Rheostat control.
• Variation of field flux Ф: This method is called field flux
control.
• Variation of the applied voltage.: This method is also called
armature voltage control.
The speed is directly proportional to the voltage applied across the
armature.
As the supply voltage is normally constant, the voltage across the
armature can be controlled by adding a variable resistance in series
with the armature as shown in the Fig.
• Speed control of a DC shunt motor through armature voltage
involves adjusting the armature voltage to vary the motor's speed
while keeping the field current (field winding voltage) constant.
• This method is commonly used in applications where precise speed
control is required. Here's how you can control the speed of a DC
shunt motor using armature voltage:
Basic Principle:
• The speed of a DC shunt motor is directly proportional to
the armature voltage and inversely proportional to the field
current.
• By increasing or decreasing the armature voltage, you can
increase or decrease the motor's speed while maintaining a
constant field current.
Method of Control:
Increasing Speed:
• To increase the motor's speed, we need to increase the armature
voltage.
• We can achieve this by adjusting the output voltage of an adjustable
power supply connected to the motor's armature terminals. As the
armature voltage increases, the motor speeds up.
Decreasing Speed:
• To decrease the motor's speed, you reduce the armature voltage.
• This can be done by lowering the output voltage of the power supply.
As the armature voltage decreases, the motor slows down.
• The field winding is excited by the normal voltage hence Ish is
rated and constant in this method.
• Initially the rheostat position is minimum and rated voltage
gets applied across the armature.
• So speed is also rated.
• For a given load, armature current is fixed.
• So when extra resistance is added in the armature circuit,
Ia remains same and there is voltage drop across the resistance
added (Ia R).
• Hence voltage across the armature decreases, decreasing the
speed below normal value.
• By varying this extra resistance, various speeds below rated
value can be obtained.
• So far a constant load torque, the speed is directly
proportional to the voltage across the armature.
• The relationship between speed and voltage across the
armature is shown in the following graph.
Advantages: Disadvantages:
1.Precise Speed Control. 1)Reduced Torque at Lower Speeds
2.Energy Efficiency 2) Potential Overheating
3.Smooth Operation 3) Limited Speed Range
4.Simple Control Circuitry 4) Field Weakening
5.Compatibility 5) Wasted Power
 Speed control of a DC shunt motor through armature
voltage is an effective and precise method for regulating
motor speed in applications such as conveyor systems,
industrial machines, and fans.
 It allows for smooth and continuous control over the
motor's speed while maintaining constant field current
for optimal motor performance.
Losses in DC Machine –
 In DC machine the energy loss takes place in the form of heat
energy.
 The losses occurs in the armature and field of the DC machine.
There are five types of losses
1. copper loss,
2. brush loss,
3. iron loss,
4. stray loss and
5. mechanical loss takes place in a DC machine.
Copper Loss in DC Machine winding
• The copper loss is caused by the ohmic resistance offered by the
winding of the DC machine.
• When the current flows through the winding the heat loss takes
place in the winding.
• The heat loss is proportional to the square of the current and the
resistance of the winding.
• The copper loss in the winding is I2R.
Where, I is the current flowing through the winding and
R is the resistance of the winding.
• The copper loss is also known as variable loss because the
copper loss depends on the percentage loading of the machine.
• The loss increases with increase of loading on the machine.
• The DC machine has two types of winding- field and armature
winding- and losses take place in both the winding.
• The supply is fed to armature through the carbon brushes and
losses also takes place across the carbon brush due to ohmic
voltage drop.
Copper Loss in Armature Winding
 The armature of the DC machine has very low resistance.
 The resistance of the armature is denoted by Ra.
Armature copper loss = Ia2Ra
Where, Ia is the armature current and Ra is the armature winding
resistance.
 The maximum copper loss occurs in the armature winding,
because the load current flows through the armature winding.
 The copper loss in the armature is about 25 to 30 % of the full
load loss.
Copper loss in the field winding -
• DC supply is fed to the field winding for production of the flux
in the DC machine.
• The resistance of the field winding is much more than the
resistance of the armature winding.
• That is why the substantial copper loss takes place in the field
winding even at the low field current.
• The copper loss in the field winding is expressed as;
• Field winding copper loss = If
2Rf
Where, If is the field current and Rf is the field winding
resistance.
• The field winding copper loss is about 20-25 % of the full load
loss of the DC machine.
• The copper loss in the field winding is a practically constant loss
because the field current and the field resistance remains almost
constant in the DC machine.
Brush Contact Resistance Loss
• The armature is a rotating part of the DC machine, and brushes are
used to provide DC supply to the rotating part of the DC machine.
• Ideally, the contact resistance between the brush contacting area
with commutator surface must be zero.
• However, in reality it is impossible to have zero contact resistance.
• The voltage drop takes place across the carbon brushes. The brush
power drop depends upon the voltage drop across the brush and
armature current.
Power Drop in Brush = PBD = VBD Ia
Where,
PBD = Power drop in Brush
VBD = Voltage Drop in Brush
Ia = Armature Current
If the brush voltage drop is not given, it is generally assumed 2
volts drop across carbon brush and the power drop in brush is
2Ia .
Core Losses or Iron Losses in DC Machine
• The armature winding of the DC machine is wound
around the magnetic core.
• The flux generated by the field coil gets linked to the
armature conductors through magnetic core.
• Two types of losses namely hysteresis and eddy current
loss occur in the magnetic core.
• The iron loss is almost constant therefore the iron loss or
core loss is also called constant loss.
• The total core loss is about 20-25 % of the full load losses.
Mechanical Loss in DC Machine
• Losses occurring due to mechanical affects like friction
etc. are called Mechanical Losses.
• In DC machine, the field is a stationary part and the
armature is a rotating part.
• The armature rotates on the bearings. The energy loss in
the form of heat occurs due to friction between the inner
cage and outer cage of the bearing.
• The other mechanical loss is the windage loss.
• The air surrounding to the shaft offers resistance and,
when DC machine rotates the loss caused by air
resistance is called the windage loss.
• Mechanical losses are very small in magnitude as
compared to copper loss & iron loss.
Stray Losses in DC Machine
• All the losses which are neighter copper, iorn, brush or
mechanical type loss are classified under stray losses.
• Stray losses are also called as miscellaneous losses which
are difficult to determine.
• The various reasons of the stray losses in DC machine are
short circuit current undergoing commutation,distortion
of flux etc.
• The stray losses in DC machine are about 1 % of the total
losses.
• Load testing of DC machines is a method used to assess the
performance and operational characteristics of direct current
(DC) motors or generators under specific load conditions. It
involves applying various loads to the machine to evaluate its
response, efficiency, and reliability.
• The load testing of DC machine is needed to determine the rating
of a machine.
• When we run a machine, then some energy is lost in the machine,
which converts into the heat and cause temperature rise.
The load testing of DC machine
• If a machine produces too much heat then it can affect the
insulation of the machine and ultimately it can cause the
breakdown of the machine.
• Therefore, the load must be set to a value that it can operate
within the temperature limit.
• The maximum value of the load that can be delivered by the
machine without any harm is called the continuous rating of
that machine.
• Load testing can be considered both direct and indirect,
depending on the specific objectives and methods used:
Direct Load Testing:
 Direct load testing involves directly applying a known load to
the DC machine and measuring its response to that load.
 This type of testing is typically more straightforward and
provides immediate and precise information about the machine's
performance.
 In direct load testing, you apply mechanical or electrical loads to
the machine and observe parameters such as speed, current,
torque, and temperature.
 This data is collected and analyzed to assess how well the
machine handles different loads, its efficiency, and whether it
operates within its specified performance range.
Indirect Load Testing:
 Indirect load testing refers to assessing the DC machine's
performance without applying a physical load directly to it.
 Instead, it involves various analytical and diagnostic
techniques to evaluate the machine's condition and
performance indirectly.
 Indirect load testing may include analyzing historical data,
conducting diagnostic tests (e.g., insulation resistance tests,
vibration analysis), and performing calculations based on
the machine's specifications and operational data.
 It can also involve simulation and modeling to predict the
machine's behavior under different load scenarios.
Direct load testing involves physically applying loads to the
machine and directly measuring its performance parameters. This
method provides real-world performance data.
Indirect load testing involves various diagnostic and analytical
methods that assess the machine's performance without the need for
applying physical loads directly. This method is often used for
predictive maintenance and condition monitoring.
Back-to Back testing of DC machines..
• Back-to-back testing of DC machines, also known as regenerative
testing or Hopkinson's test .
• Hopkinson's test is a method of testing the efficiency of DC
machines.
• This test requires two identical shunt machines which are
mechanically coupled and also connected electrically in parallel.
• It requires two identical machines that are coupled to each
other.
• One of these two machines is operated as a generator to supply
the mechanical power to the motor and the other is operated as
a motor to drive the generator.
• The motor takes its input from the supply and the mechanical
output of the motor drives the generator. The electrical output
of the generator is used in supplying the input to the motor.
Therefore, the output of each machine is fed as input to the
other.
• When both the machines are run at rated load, the input from the
supply is equal to the total losses of both the machines. Thus,
the power input form the supply is very small.
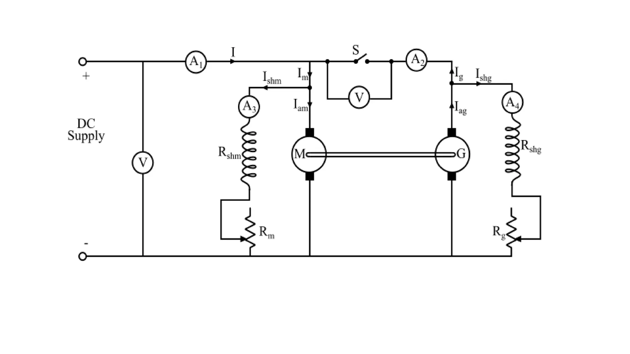
Connection Diagram-
The connection diagram of Hopkinson’s test is shown in the figure.
 In the connection diagram, the machine M acts as a
motor and is started from the supply with the help of
starter. The switch S is kept open.
 The field current of the machine M is adjusted with
the help of field rheostat Rm to make the motor to run
at its rated speed. The machine G acts as a generator.
 As the G is driven by the machine M, hence it runs at
rated speed of M.
 The field current of the machine G is so adjusted with
the help of its field rheostat Rg that the armature
voltage of the generator G is somewhat higher than the
supply voltage.
 When the voltage of the generator is equal to and of
the same polarity of the busbar voltage, the switch S is
closed and the generator is connected to the busbar.
 Now, both the machines are connected in parallel
across the supply voltage.
 Under this condition, the generator neither taking any
current from nor giving any current to the supply, thus
it is said to be float.
 Now, by adjusting the excitation of the machines with
the help of the field rheostats, any load can be thrown
on the machines.
Advantages:
Efficiency Assessment: Back-to-back testing allows for a precise
assessment of the efficiency of DC machines. By comparing the
electrical power input to the motor and the electrical power output
from the generator, you can calculate efficiency accurately.
Dynamic Response Testing: This method is well-suited for
evaluating the dynamic response of DC machines. It enables the
testing of rapid acceleration, deceleration, and load changes,
which is crucial for applications requiring precise control, such as
electric locomotives and industrial drives.
High-Power Testing: Back-to-back testing is particularly
useful for testing large and high-power DC machines,
including electric locomotives, industrial motors, and large
generators.
Closed-Loop Operation: The closed-loop configuration
allows the electrical energy generated by the generator
machine to be fed back into the power supply system or
absorbed by load banks, reducing energy wastage and making
the testing process more environmentally friendly.
Fault Detection: Anomalies in the behavior of the machines,
such as abnormal vibrations or electrical imbalances, can be
detected during back-to-back testing, allowing for early fault
detection and preventive maintenance.
Controlled Testing Environment: Back-to-back testing
provides a controlled environment for evaluating the
machines, allowing for consistent and repeatable testing
conditions.
Disadvantages:
Complex Setup: The setup for back-to-back testing
can be complex and requires two compatible DC
machines, which may not be readily available or cost-
effective for smaller machines.
Space and Infrastructure: Conducting back-to-back
testing requires a dedicated testing facility with
sufficient space to accommodate the machines and
associated equipment.
High Initial Cost: The equipment and infrastructure
required for back-to-back testing can be expensive to
acquire and set up, making it less practical for some
organizations.
Energy Dissipation: The electrical energy generated
by the generator machine needs to be either returned to
the power supply grid or dissipated as heat using load
banks. This energy dissipation can be inefficient and
costly.
Complex Data Analysis: Analyzing the data collected
during back-to-back testing can be complex and may
require specialized expertise to interpret the results
accurately.
Limited Application: Back-to-back testing is most
beneficial for high-power DC machines and may not
be practical or cost-effective for smaller machines or
applications.

DC MACHINE-Motoring and generation, Armature circuit equation

  • 1.
    DC Machines –II •Motoring and generation • Armature circuit equation for motoring and generation, • Types of field excitations - separately excited, shunt and series. • Open circuit characteristic of separately excited DC generator, • back EMF with armature reaction, • voltage build-up in a shunt generator, • critical field resistance and critical speed. • V-I characteristics and torque-speed characteristics of separately excited shunt and series motors. • Speed control through armature voltage. • Losses, load testing and back-to-back testing of DC machines..
  • 2.
    Motoring and Generation- • Motoring and generation are two fundamental concepts associated with the operation of DC (Direct Current) machines, such as DC motors and DC generators. • These concepts describe how these machines function when they are either consuming electrical power to produce mechanical work (motoring) or converting mechanical work into electrical power (generation).
  • 3.
    Motoring: •Motoring refers tothe operation of a DC machine as an electric motor. In this mode, electrical power is supplied to the machine to produce mechanical output or work. •When voltage is applied to the armature of the DC motor, it generates a magnetic field due to the flow of current in the coils (windings). •The magnetic field interacts with the field produced by the stator's field winding (either permanent magnets or separate field windings) to create a mechanical torque.
  • 4.
    •This torque causesthe motor's shaft to rotate, which is used to drive a load or perform some mechanical task. •The motor operates until an opposing force, such as friction or the load, is balanced by the motor's torque. •The speed and direction of rotation can often be controlled by adjusting the applied voltage and the field winding current.
  • 5.
    Generation: •Generation refers tothe operation of a DC machine as an electric generator. In this mode, mechanical work is applied to the machine, causing it to generate electrical power. •When the shaft of the DC generator is mechanically rotated (e.g., by a prime mover like a steam turbine, waterwheel, or engine), it induces an electromotive force (EMF) in the armature coils. •This EMF creates an electrical current, which can be used to power external electrical loads or charge batteries.
  • 6.
    • The generatedvoltage is proportional to the speed at which the machine is rotated (N) and the strength of the magnetic field (Φ) produced by the field winding or permanent magnets. • DC generators are commonly used in applications where a steady and controllable DC power source is required, such as in portable generators and backup power systems.
  • 7.
    In summary, thekey difference between motoring and generation in DC machines is the direction of energy flow. In motoring, electrical energy is supplied to the machine to produce mechanical work, while in generation, mechanical work is applied to the machine to produce electrical energy. The operation mode (motor or generator) depends on the direction of the current flow and the relative relationship between the applied voltage and the machine's generated voltage.
  • 8.
    Difference between motoringand generation in DC machines Motor Generator Input and Output Motor has dc current as an input and mechanical energy as an output. Generator has dc current as an output and mechanical energy as an input. EMF (Electromotive Force) EMF is used to energize the coil to rotate the armature. EMF is generated around the coil and transmitted to the load or another section of the circuit. Generated EMF Motor has a generated EMF less than the voltage across the source terminal (EMF<V). Generator has a generated EMF more than the voltage across the source terminal (EMF>V). EMF Calculation Eb = V – IaRa Eg = V + IaRa
  • 9.
    Motor Generator Electric current Electric currentis used to energize the armature winding through the commutator. Electric current is generated from the armature winding to the commutator. Rule Fleming Left Hand Rule Fleming Right Hand Rule Work principle Operated by a current- carrying conductor in a magnetic field and generates forces. Operated by mechanical force that rotates the armature in a magnetic field and generates induced current. Armature shaft The armature is supplied by an electrical current in a magnetic field. The armature is rotated by a mechanical energy in a magnetic field.
  • 10.
    Motor Generator Energy conversion The motorwill rotate faster when supplied with higher power up to its maximum power rating. The generator will likely produce fixed voltage with rated rpm. Examples Robotic motors, production and manufacturing tools and machines, printers, and many more. Wind turbines, hydro power plants, dynamos, alternators, and many more.
  • 11.
    Motoring and generationArmature circuit equation for motoring and generation- The armature circuit equation for both motoring (electric motor operation) and generation (electric generator operation) in a direct current (DC) machine can be expressed using the following equation: Ea = V - Ia * Ra ± (Φ * N) Where: Ea is the back electromotive force (EMF) generated in the armature coil. V is the applied voltage to the armature. Ia is the armature current. Ra is the armature resistance. Φ is the magnetic flux in the machine's magnetic field. N is the speed of the machine (rotational speed in revolutions per minute, RPM).
  • 12.
    In the aboveequation: When the machine is operating as a motor (motoring), the armature current Ia flows in the direction of the applied voltage V, and the back EMF Ea opposes the applied voltage. Therefore, the equation becomes: Ea = V - Ia * Ra - Φ * N When the machine is operating as a generator (generation), the armature current Ia flows in the opposite direction of the applied voltage V, and the back EMF Ea aids the applied voltage. Therefore, the equation becomes: Ea = V - Ia * Ra + Φ * N Ea = V - Ia * Ra ± (Φ * N)
  • 13.
    • In bothcases, the armature current Ia and the armature resistance Ra cause a voltage drop, and the term Φ * N represents the voltage generated due to the machine's magnetic field interacting with the armature coils as they rotate. • The polarity of the generated voltage (Ea) depends on whether the machine is operating as a motor or a generator.ta
  • 14.
    Types of fieldexcitations – separately excited, shunt and series.
  • 15.
    The magnetic fluxin a d.c machine is produced by field coils carrying current. The production of magnetic flux in the device by circulating current in the field winding is called excitation. Excitation - What is the main purpose of excitation in dc machine ??
  • 16.
    The main purposeof excitation in a DC machine is - to establish and control the magnetic field, which is fundamental for converting electrical energy to mechanical energy (in the case of a motor) or mechanical energy to electrical energy (in the case of a generator) while providing control, stability, and adaptability to different operating conditions.
  • 17.
    • Creation ofMagnetic Field • Conversion of Electrical Energy to Mechanical Energy (Motor Mode) • Conversion of Mechanical Energy to Electrical Energy (Generator Mode) • Control of Machine Operation • Reversibility • Stability and Regulation • Starting
  • 18.
    The types ofDC Motors are -
  • 19.
    There are twotypes of excitation in D.C machine. • Separate excitation, and • Self-excitation. Self-excitation – The current flowing through the field winding is supplied by the machine itself. Separate excitation – The field coils are energized by a separate D.C. Source.
  • 20.
    Separately Excited DCMotor -  In separately excited DC motors, the supply is given to the field and armature windings separately.  The main feature of this type of DC motor is that the current through the armature doesn’t flow through the field windings because the field winding is energized by a separate DC source.  This can be understood in a better way through the diagram given below.
  • 21.
    Separately excited DCmachines are commonly used in applications requiring fine control of speed and torque, such as in industrial drives and some types of electric vehicles.
  • 22.
    Self Excited DCMotor - • As the name implies self-excited, hence, in this type of motor, the current in the windings is supplied by the machine or motor itself to establish the magnetic field in the field winding. • This type of excitation is based on the feedback of the generated electromotive force (EMF) to the field winding. There are three subtypes of self-excited DC machines:
  • 23.
    a. Shunt-Wound DCMachine: •In a shunt-wound DC machine, the field winding (shunt field) is connected in parallel with the armature winding. They both receive the same supply voltage. •Shunt-wound machines have relatively constant speed characteristics and are commonly used in applications where stable speed is required, such as in small generators and certain types of industrial applications.
  • 24.
    • The parallelconnection means that the current is split between the two components. • A DC shunt motor has a constant speed that doesn’t change with varying mechanical loads.
  • 25.
    b. Series-Wound DCMachine:  In series-wound DC motors, the field winding and the armature coil are connected in series to the power supply. This means the same current flows through the coil and armature. Since these types of motors can work both with DC and AC, they are also called universal motors.  Series motors always rotate in the same direction, and their speed depends on the mechanical load.
  • 26.
    Series-wound machines providehigh starting torque but tend to have poor speed regulation, making them suitable for applications like electric traction (e.g., locomotives).
  • 27.
    c. Compound-Wound DCMachine: •Compound-wound DC machines combine elements of both shunt and series winding. •They have two sets of field windings: one connected in parallel (shunt) and another in series with the armature. •Compound-wound machines offer a compromise between the characteristics of shunt and series machines, providing good torque and speed regulation.
  • 28.
    •They are usedin various industrial applications, including machine tools and rolling mills.
  • 29.
    These motors arefurther divided into • Short shunt and • Long shunt and • Cumulative Compound • Differential Compound motors.
  • 30.
    Relation Between BackEMF and Load Current - • When the armature of the DC motor rotates under the influence of the driving force, the armature of the conductors moves through the magnetic field and generates an electromotive force(emf) in them. • The induced emf is in opposite direction to the externally applied voltage and this induced voltage is known as back emf and denoted by E. Emf induced in any DC motor is given by the formula
  • 31.
    Where N = Speedof DC motor P = Number of pole φ = magnetic flux Z = Number of Conductor A = Number of Parallel Path • for a dc motor Number of Pole(P), Number of conductors (Z), and Number Of Parallel Path (A) is constant hence we can replace this emf equation in a general form By Removing all Constant By a new Constant K then
  • 32.
    If this motoris connected with a DC Source of terminal voltage V and a load Current I start to flow in the motor then due to internal armature resistance(R), a voltage will drop then We can write the KVL equation for this motor like this V = E+IR E=V - IR k𝜙N =V - IR
  • 33.
    Torque Equation ofSeparately Excited DC motor It is a mathematical equation that provides the torque value produced by the motor at its shaft. it is given as Power Developed In armature = Mechanical Power Developed at the shaft of DC motor Above equation shows torque equation of a separately excited DC motor.
  • 34.
    PARAMET ER Series Wound DC Motor Shunt Wound DC Motor Compound WoundDC Motor Permanent Magnet DC(PMDC) Constructio n Rotor, Field windings in series Rotor, Field windings in parallel Rotor, Combined series and shunt windings Rotor with permanent magnets, Stator with windings Advantages High starting torque, Suitable for heavy loads Good speed regulation, Precise control, Stable operation Compromise between torque and speed regulation Simple construction , High efficiency, Responsive
  • 35.
    PARAMET ER Series Wound DC Motor Shunt Wound DC Motor Compound WoundDC Motor Permanent Magnet DC(PMDC) Disadvanta ges Limited speed control, Inefficient at high speeds, Prone to overheating Lower starting torque, Efficiency may not be as high Complex control, Efficiency may not be optimal Limited to low to moderate power, Limited speed control Application Electric vehicles, Winches, Elevators Conveyor belts, Printing presses Rolling mills, Industrial equipment Toys, Small appliances, Fans
  • 36.
    Applications of DCMotors The applications of a dc motor depend on the requirement of the electrical equipment and the characteristics of the DC motor. DC Series Motor Applications •Cranes •Lifts and elevators •Winching systems •Hair driers •Power tools
  • 37.
    DC Shunt Motor Applications •Windscreenwiper drives •Drills •Conveyers •Fans •Centrifugal pumps •Blowers Compound DC Motor Applications •Conveyers •Stamping machines •Compressors •Heavy planners •Rolling mills •Presses
  • 38.
    Permanent Magnet DC Motors •Toys •Startermotors •Disc drivers •Wheels chairs Brushless DC Motor Applications •Computer cooling fans •Heating and ventilation •Cooling systems in aircraft and vehicles •Handheld power tools Separately Excited DC Motor Applications •Actuators in industrial machinery •Traction motors in trains •Steel rolling mills
  • 39.
    Open circuit characteristicsof separately excited DC generator
  • 40.
    What is opencircuit characteristics of separately excited DC generator???
  • 41.
    • The curvewhich gives the relation between field current (If) and the generated voltage (E0) in the armature on no load is called magnetic or open circuit characteristic of a DC generator. • The plot of this curve is practically same for all types of generators, whether they are separately excited or self-excited
  • 45.
    • It isalso known as magnetic characteristics or no-load saturation characteristics. • It shows the relation between the induced emf E0 at the no-load condition and the field current If at a constant speed. • For separately excited DC generator, the open circuit characteristics is obtained by conducting an experiment under no-load conditions.
  • 46.
    • An ammeteris connected to the field winding and a voltmeter is connected to the generator to measure the induced voltage.
  • 47.
    • The circuitis connected as shown in the above diagram. • The field current is varied by connecting an additional resistance(Rheostat) and is measured by an ammeter.
  • 48.
    • At aconstant speed, when the field current is increased from zero, the flux and hence the induced emf increases. • The values of induced emf corresponding to the field current is measured and tabulated. From the tabulation, a graph is drawn with field current as the x-axis and generated emf as the y-axis. • The graph shows the open circuit characteristics of a separately excited DC generator
  • 49.
    • From theabove graph, it is observed that the increase in field current increases the emf induced. • When the poles get saturated, the increase in field current does not increase the flux and thus the emf induced also remains constant. • Different curves can be obtained for different speeds. • From graph it is observed that, for higher speeds, the emf induced will be more.
  • 50.
    voltage build-up ina shunt generator, critical field resistance and critical speed.
  • 51.
    Conditions to buildup voltage in shunt generator: 1.The shunt winding should have residual magnetic field. 2.The direction of shunt winding and armature winding should be in such a way that flux generated by them should aid together. 3. The shunt winding should have critical winding resistance.
  • 52.
    Process of voltagebuild up: • When the armature is rotated, the residual flux in field winding will induce small voltage in armature. • The induced voltage in armature generates a flux and it will aid(add) with field flux and the net flux will increase further. This process will be repeating until the actual treminal voltage is reached. • Once the terminal voltage is reached then the winding will get saturated and hence there won't be any further increase in flux, also the voltage gets constant.
  • 54.
    • Consider aDC Shunt Generator at no load as shown in figure below. The switch in the field circuit is supposed open and the armature of DC Shunt Generator is driven at rated speed. • Because of presence of small residual flux in the field poles, DC Shunt Generator will have a small voltage at its terminal even though the switch S is open when driven at rated speed. • Now suppose the switch S is closed.
  • 55.
    • As thereis small voltage is there across the terminals of DC Shunt Generator and Switch S is closed, therefore a small current will start flowing through the field circuit of DC Shunt Generator which in turn will produce magnetic flux and if the produced magnetic flux adds the residual magnetic flux then net flux will increase and the generated voltage (Ea = KaØωm) will increase corresponding to point J on the Magnetization curve as shown in figure below.
  • 57.
    • Since thegenerated voltage has increased, therefore the field current will also increase to OK corresponding to which the Generated Voltage across the Terminals of DC Shunt Generator will increase to point L. • In the same manner the voltage will continue to build up till the point of intersection of Field Resistance Line and Magnetization curve / Open Circuit Characteristics of DC Shunt Generator.
  • 58.
    Beyond point ofintersection of Field Resistance Line and Magnetization curve / Open Circuit Characteristics the voltage won’t build up as in that case the generated voltage Ea will not be able to drive the required field current. Thus the stable point at which the voltage will remain fix is the voltage Ea corresponding to point of intersection of Field Resistance Line and Magnetization curve / Open Circuit Characteristics.
  • 59.
    Effect of variationof field resistance of DC Shunt Generator in its Voltage Build up:
  • 61.
    If the fieldresistance is increased to OA, then Field Resistance line intersect the OCC curve at point p, and hence there will not be voltage build up beyond point p. Now, if shunt field resistance is such that OB represents the Field resistance line then as clear from the figure above, the lone is intersecting the OCC curve at many points between q and r, therefore the field current will fluctuate between s and t and hence the voltage generated at the terminals of DC Shunt Generator will vary from qs to rt resulting in unstable condition.
  • 62.
    If we findthe slope (tanƟ) of the Field Resistance Line then we will get Field Resistance value which is known as Critical Filed Resistance.
  • 63.
    What is thesignificance of Critical Field Resistance? As clear from the figure above, if the field resistance is more than the Critical Field Resistance then there will not be voltage build up in DC Shunt Generator. See in the figure OA is shunt field resistance which is more than Critical Field Resistance OB (check by slope, slope of OA is more than slope of OB), hence there is no voltage build up in DC Shunt Generator.
  • 64.
    Effect of variationof speed of rotation of DC Shunt Generator in its Voltage Build up:
  • 66.
    Suppose the fieldresistance is OC and DC Shunt Generator is running at a speed of n1 for which the stable point of its terminal voltage is C. Now the speed of DC Shunt Generator is reduced to n2 therefore the OCC curev will also move downward as shown in figure. It should be noted here that the same field resistance line OC is now tangent to the new OCC curve and therefore will create an unstable condition of operaton of DC Shunt Generator.
  • 67.
    This speed n2is hence called Critical Speed. Thus Critical Speed is that speed at which the DC Shunt Generator just fails to built up voltage with no external resistance in the field circuit.
  • 68.
    V-I characteristics andtorque-speed characteristics of separately excited shunt and series motors.
  • 69.
    V-I characteristics ofseparately excited shunt motors.
  • 70.
    There are generallythree most important characteristic of DC motor 1. Magnetic or Open Circuit Characteristic of Separately Excited DC Motor. 2. Internal or Total Characteristic of Separately Excited DC Motor. 3. External Characteristic of Separately Excited DC Motor.
  • 71.
    • The curvewhich gives the relation between field current (If) and the generated voltage (E0) in the armature on no load is called magnetic or open circuit characteristic of a DC Motor. • The plot of this curve is practically same for all types of motors, whether they are separately excited or self- excited. This curve is also known as no load saturation characteristic curve of DC motor. Magnetic or Open Circuit Characteristic of Separately Excited DC motor
  • 73.
    • From theabove graph, we can see the variation of generated emf on no load with field current for different fixed speeds of the armature. • For higher value of constant speed, the steepness of the curve is more. • When the field current is zero, for the effect residual magnetism in the poles, there will be a small initial emf (OA) as show in figure.
  • 74.
    • Let usconsider a separately excited DC motor giving its no load voltage E0 for a constant field current. • If there is no armature reaction and armature voltage drop in the machine then the voltage will remain constant. • Therefore, if we plot the rated voltage on the Y axis and load current on the X axis then the curve will be a straight line and parallel to X-axis as shown in figure below.
  • 75.
    • Here, ABline indicating the no load voltage (E0). When the motor is loaded then the voltage drops due to two main reasons- • Due to armature reaction, • Due to ohmic drop (IaRa).
  • 76.
    Internal or TotalCharacteristic of Separately Excited DC motor The internal characteristic of the separately excited DC motor is obtained by subtracting the drops due to armature reaction from no load voltage. This curve of actually generated voltage (Eg) will be slightly dropping. Here, AC line in the diagram indicating the actually generated voltage (Eg) with respect to load current. This curve is also called total characteristic of separately excited DC motor.
  • 78.
    External Characteristic ofSeparately Excited DC motor • The external characteristic of the separately excited DC motor is obtained by subtracting the drops due to ohmic loss (Ia Ra) in the armature from generated voltage (Eg). • Terminal voltage(V) (V) = Eg – Ia Ra. • This curve gives the relation between the terminal voltage (V) and load current. • The external characteristic curve lies below the internal characteristic curve.
  • 79.
    • Here, ADline in the diagram is indicating the change in terminal voltage(V) with increasing load current. • It can be seen from figure that when load current increases then the terminal voltage decreases slightly. • This decrease in terminal voltage can be maintained easily by increasing the field current and thus increasing the generated voltage. • Therefore, we can get constant terminal voltage.
  • 81.
    Torque-speed characteristics ofseparately excited dc shunt motor
  • 82.
    The speed-torque characteristicsof a dc motor is a graph of torque on X-axis versus the speed which is plotted on Y-axis. As the torque is proportional to the armature current , the nature of this characteristics is same as that of the speed-armature current characteristic shown in graph. From graph, at no load the torque produced by the motor is Ta0 & the motor rotates at the no load speed N0. As the load is increased, the torque requirement also increase.
  • 83.
    To generate therequired amount of torque, the motor has to draw more armature current & motor armature current can be drawn if the more speed decreases, because Ia = 𝑽 − 𝑬𝒃 𝑹𝒂 Therefore, as the load increases, torque will also increase & the speed decreases. However the reduction in speed is not significant as the load is increased from no load to full load. In dc shunt motor, the torque is directly proportional to armature current. Therefore dc shunt motor is practically called as constant speed motor.
  • 84.
    V-I characteristics ofseparately excited series motors.
  • 86.
    Open Circuit Characteristics(O.C.C) • The curve (A) in the plot shows the O.C.C of a series DC motor. • It is the graph plotted between the generated EMF at no-load and field current. • The O.C.C can be obtained by disconnecting the field winding from the machine and is excited separately.
  • 87.
    Internal Characteristics • Theinternal characteristics of a DC series motor is the graph plotted between generated EMF (Eg) on-load and the armature current. • Because of the effect of armature reaction, the magnetic flux on-load will be less than the flux at no-load. • Therefore, the generated EMF (E) under loaded condition will be less than the EMF generated (E0) at no-load. • As a result of this, the internal characteristics curve lies just below the open circuit characteristics [See the curve (B)].
  • 88.
    External Characteristics orLoad Characteristics • The external characteristics or load characteristics is the plot between the terminal voltage (V) and load current (IL}). • Since, the terminal voltage is less than the generated voltage due to armature and series field copper losses, which is given by, V = E − Ia ( Ra + Rse ) • Therefore, the external characteristics curve will lie below the internal characteristics curve by an equal amount to voltage drop due to copper losses in the machine [see the curve (C)].
  • 89.
    Torque-speed characteristics ofseparately excited series motor
  • 90.
    • The speed–torque characteristics of a dc series motor is shown in above graph. • We know that, T ∝ Ia 2 . & N ∝ 1 Ia Ia∝ T & N ∝ 1 T • This shows that the speed decreases with increase in the value of torque that is with increase in load.
  • 91.
    Comparison of DCshunt & DC series Motors S. N. parameter DC shunt motor DC series motor 01 Connection of field winding with armature Field is in parallel with armature Field is in series with armature 02 Type of starter Three point Four point 03 Torque developed Low High 04 Applications Machine tool, printing, pumps, paper machine Electric trains, crains, Hoists, Conveyers
  • 92.
    Comparison of Speed-Torque characteristics of DC shunt & DC series Motors S.N parameter DC shunt motor DC series motor 01 Nature of characteristics 02 Relation between speed & torque As load increases, T increases & Speed reduces slightly As load increases, torque increases & speed reduces exponentially. 03 Reduction in speed with increased load Slightly reduction in Speed takes place. Drastic reduction in speed takes place 04 Starting torque Moderately high Very high
  • 93.
    Speed control througharmature voltage • The relationship given below gives the speed of a D.C. motor • The above equation shows that the speed depends upon the supply voltage V, the armature circuit resistance Ra, and the field flux Ф, which is produced by the field current. • Thus, there are three general methods of speed control of D.C. Motors.
  • 94.
    Thus, there arethree general methods of speed control of D.C. Motors. • Resistance variation in the armature circuit: This method is called armature resistance control or Rheostat control. • Variation of field flux Ф: This method is called field flux control. • Variation of the applied voltage.: This method is also called armature voltage control.
  • 95.
    The speed isdirectly proportional to the voltage applied across the armature. As the supply voltage is normally constant, the voltage across the armature can be controlled by adding a variable resistance in series with the armature as shown in the Fig.
  • 97.
    • Speed controlof a DC shunt motor through armature voltage involves adjusting the armature voltage to vary the motor's speed while keeping the field current (field winding voltage) constant. • This method is commonly used in applications where precise speed control is required. Here's how you can control the speed of a DC shunt motor using armature voltage:
  • 98.
    Basic Principle: • Thespeed of a DC shunt motor is directly proportional to the armature voltage and inversely proportional to the field current. • By increasing or decreasing the armature voltage, you can increase or decrease the motor's speed while maintaining a constant field current.
  • 99.
    Method of Control: IncreasingSpeed: • To increase the motor's speed, we need to increase the armature voltage. • We can achieve this by adjusting the output voltage of an adjustable power supply connected to the motor's armature terminals. As the armature voltage increases, the motor speeds up. Decreasing Speed: • To decrease the motor's speed, you reduce the armature voltage. • This can be done by lowering the output voltage of the power supply. As the armature voltage decreases, the motor slows down.
  • 100.
    • The fieldwinding is excited by the normal voltage hence Ish is rated and constant in this method. • Initially the rheostat position is minimum and rated voltage gets applied across the armature. • So speed is also rated. • For a given load, armature current is fixed. • So when extra resistance is added in the armature circuit, Ia remains same and there is voltage drop across the resistance added (Ia R).
  • 101.
    • Hence voltageacross the armature decreases, decreasing the speed below normal value. • By varying this extra resistance, various speeds below rated value can be obtained. • So far a constant load torque, the speed is directly proportional to the voltage across the armature. • The relationship between speed and voltage across the armature is shown in the following graph.
  • 103.
    Advantages: Disadvantages: 1.Precise SpeedControl. 1)Reduced Torque at Lower Speeds 2.Energy Efficiency 2) Potential Overheating 3.Smooth Operation 3) Limited Speed Range 4.Simple Control Circuitry 4) Field Weakening 5.Compatibility 5) Wasted Power
  • 104.
     Speed controlof a DC shunt motor through armature voltage is an effective and precise method for regulating motor speed in applications such as conveyor systems, industrial machines, and fans.  It allows for smooth and continuous control over the motor's speed while maintaining constant field current for optimal motor performance.
  • 106.
    Losses in DCMachine –  In DC machine the energy loss takes place in the form of heat energy.  The losses occurs in the armature and field of the DC machine. There are five types of losses 1. copper loss, 2. brush loss, 3. iron loss, 4. stray loss and 5. mechanical loss takes place in a DC machine.
  • 107.
    Copper Loss inDC Machine winding • The copper loss is caused by the ohmic resistance offered by the winding of the DC machine. • When the current flows through the winding the heat loss takes place in the winding. • The heat loss is proportional to the square of the current and the resistance of the winding. • The copper loss in the winding is I2R. Where, I is the current flowing through the winding and R is the resistance of the winding.
  • 108.
    • The copperloss is also known as variable loss because the copper loss depends on the percentage loading of the machine. • The loss increases with increase of loading on the machine. • The DC machine has two types of winding- field and armature winding- and losses take place in both the winding. • The supply is fed to armature through the carbon brushes and losses also takes place across the carbon brush due to ohmic voltage drop.
  • 109.
    Copper Loss inArmature Winding  The armature of the DC machine has very low resistance.  The resistance of the armature is denoted by Ra. Armature copper loss = Ia2Ra Where, Ia is the armature current and Ra is the armature winding resistance.  The maximum copper loss occurs in the armature winding, because the load current flows through the armature winding.  The copper loss in the armature is about 25 to 30 % of the full load loss.
  • 110.
    Copper loss inthe field winding - • DC supply is fed to the field winding for production of the flux in the DC machine. • The resistance of the field winding is much more than the resistance of the armature winding. • That is why the substantial copper loss takes place in the field winding even at the low field current. • The copper loss in the field winding is expressed as;
  • 111.
    • Field windingcopper loss = If 2Rf Where, If is the field current and Rf is the field winding resistance. • The field winding copper loss is about 20-25 % of the full load loss of the DC machine. • The copper loss in the field winding is a practically constant loss because the field current and the field resistance remains almost constant in the DC machine.
  • 112.
    Brush Contact ResistanceLoss • The armature is a rotating part of the DC machine, and brushes are used to provide DC supply to the rotating part of the DC machine. • Ideally, the contact resistance between the brush contacting area with commutator surface must be zero. • However, in reality it is impossible to have zero contact resistance. • The voltage drop takes place across the carbon brushes. The brush power drop depends upon the voltage drop across the brush and armature current.
  • 113.
    Power Drop inBrush = PBD = VBD Ia Where, PBD = Power drop in Brush VBD = Voltage Drop in Brush Ia = Armature Current If the brush voltage drop is not given, it is generally assumed 2 volts drop across carbon brush and the power drop in brush is 2Ia .
  • 114.
    Core Losses orIron Losses in DC Machine • The armature winding of the DC machine is wound around the magnetic core. • The flux generated by the field coil gets linked to the armature conductors through magnetic core. • Two types of losses namely hysteresis and eddy current loss occur in the magnetic core. • The iron loss is almost constant therefore the iron loss or core loss is also called constant loss. • The total core loss is about 20-25 % of the full load losses.
  • 115.
    Mechanical Loss inDC Machine • Losses occurring due to mechanical affects like friction etc. are called Mechanical Losses. • In DC machine, the field is a stationary part and the armature is a rotating part. • The armature rotates on the bearings. The energy loss in the form of heat occurs due to friction between the inner cage and outer cage of the bearing. • The other mechanical loss is the windage loss.
  • 116.
    • The airsurrounding to the shaft offers resistance and, when DC machine rotates the loss caused by air resistance is called the windage loss. • Mechanical losses are very small in magnitude as compared to copper loss & iron loss.
  • 117.
    Stray Losses inDC Machine • All the losses which are neighter copper, iorn, brush or mechanical type loss are classified under stray losses. • Stray losses are also called as miscellaneous losses which are difficult to determine. • The various reasons of the stray losses in DC machine are short circuit current undergoing commutation,distortion of flux etc. • The stray losses in DC machine are about 1 % of the total losses.
  • 118.
    • Load testingof DC machines is a method used to assess the performance and operational characteristics of direct current (DC) motors or generators under specific load conditions. It involves applying various loads to the machine to evaluate its response, efficiency, and reliability. • The load testing of DC machine is needed to determine the rating of a machine. • When we run a machine, then some energy is lost in the machine, which converts into the heat and cause temperature rise. The load testing of DC machine
  • 119.
    • If amachine produces too much heat then it can affect the insulation of the machine and ultimately it can cause the breakdown of the machine. • Therefore, the load must be set to a value that it can operate within the temperature limit. • The maximum value of the load that can be delivered by the machine without any harm is called the continuous rating of that machine.
  • 120.
    • Load testingcan be considered both direct and indirect, depending on the specific objectives and methods used: Direct Load Testing:  Direct load testing involves directly applying a known load to the DC machine and measuring its response to that load.  This type of testing is typically more straightforward and provides immediate and precise information about the machine's performance.
  • 121.
     In directload testing, you apply mechanical or electrical loads to the machine and observe parameters such as speed, current, torque, and temperature.  This data is collected and analyzed to assess how well the machine handles different loads, its efficiency, and whether it operates within its specified performance range.
  • 122.
    Indirect Load Testing: Indirect load testing refers to assessing the DC machine's performance without applying a physical load directly to it.  Instead, it involves various analytical and diagnostic techniques to evaluate the machine's condition and performance indirectly.  Indirect load testing may include analyzing historical data, conducting diagnostic tests (e.g., insulation resistance tests, vibration analysis), and performing calculations based on the machine's specifications and operational data.
  • 123.
     It canalso involve simulation and modeling to predict the machine's behavior under different load scenarios. Direct load testing involves physically applying loads to the machine and directly measuring its performance parameters. This method provides real-world performance data. Indirect load testing involves various diagnostic and analytical methods that assess the machine's performance without the need for applying physical loads directly. This method is often used for predictive maintenance and condition monitoring.
  • 124.
    Back-to Back testingof DC machines.. • Back-to-back testing of DC machines, also known as regenerative testing or Hopkinson's test . • Hopkinson's test is a method of testing the efficiency of DC machines. • This test requires two identical shunt machines which are mechanically coupled and also connected electrically in parallel.
  • 125.
    • It requirestwo identical machines that are coupled to each other. • One of these two machines is operated as a generator to supply the mechanical power to the motor and the other is operated as a motor to drive the generator. • The motor takes its input from the supply and the mechanical output of the motor drives the generator. The electrical output of the generator is used in supplying the input to the motor. Therefore, the output of each machine is fed as input to the other.
  • 126.
    • When boththe machines are run at rated load, the input from the supply is equal to the total losses of both the machines. Thus, the power input form the supply is very small. Connection Diagram- The connection diagram of Hopkinson’s test is shown in the figure.
  • 128.
     In theconnection diagram, the machine M acts as a motor and is started from the supply with the help of starter. The switch S is kept open.  The field current of the machine M is adjusted with the help of field rheostat Rm to make the motor to run at its rated speed. The machine G acts as a generator.
  • 129.
     As theG is driven by the machine M, hence it runs at rated speed of M.  The field current of the machine G is so adjusted with the help of its field rheostat Rg that the armature voltage of the generator G is somewhat higher than the supply voltage.  When the voltage of the generator is equal to and of the same polarity of the busbar voltage, the switch S is closed and the generator is connected to the busbar.
  • 130.
     Now, boththe machines are connected in parallel across the supply voltage.  Under this condition, the generator neither taking any current from nor giving any current to the supply, thus it is said to be float.  Now, by adjusting the excitation of the machines with the help of the field rheostats, any load can be thrown on the machines.
  • 131.
    Advantages: Efficiency Assessment: Back-to-backtesting allows for a precise assessment of the efficiency of DC machines. By comparing the electrical power input to the motor and the electrical power output from the generator, you can calculate efficiency accurately. Dynamic Response Testing: This method is well-suited for evaluating the dynamic response of DC machines. It enables the testing of rapid acceleration, deceleration, and load changes, which is crucial for applications requiring precise control, such as electric locomotives and industrial drives.
  • 132.
    High-Power Testing: Back-to-backtesting is particularly useful for testing large and high-power DC machines, including electric locomotives, industrial motors, and large generators. Closed-Loop Operation: The closed-loop configuration allows the electrical energy generated by the generator machine to be fed back into the power supply system or absorbed by load banks, reducing energy wastage and making the testing process more environmentally friendly.
  • 133.
    Fault Detection: Anomaliesin the behavior of the machines, such as abnormal vibrations or electrical imbalances, can be detected during back-to-back testing, allowing for early fault detection and preventive maintenance. Controlled Testing Environment: Back-to-back testing provides a controlled environment for evaluating the machines, allowing for consistent and repeatable testing conditions.
  • 134.
    Disadvantages: Complex Setup: Thesetup for back-to-back testing can be complex and requires two compatible DC machines, which may not be readily available or cost- effective for smaller machines. Space and Infrastructure: Conducting back-to-back testing requires a dedicated testing facility with sufficient space to accommodate the machines and associated equipment.
  • 135.
    High Initial Cost:The equipment and infrastructure required for back-to-back testing can be expensive to acquire and set up, making it less practical for some organizations. Energy Dissipation: The electrical energy generated by the generator machine needs to be either returned to the power supply grid or dissipated as heat using load banks. This energy dissipation can be inefficient and costly.
  • 136.
    Complex Data Analysis:Analyzing the data collected during back-to-back testing can be complex and may require specialized expertise to interpret the results accurately. Limited Application: Back-to-back testing is most beneficial for high-power DC machines and may not be practical or cost-effective for smaller machines or applications.