CLIENT:- CONTRACTOR: -
O2 POWER PRIVATE LIMITED VAIBHAVI ELECTRICALS
“132KV Sub-Station” for 100MW Buldhana Motala
Maharashtra State Project
1) Document Name: AUX TRANSFORMER - AT MCR LOCATION - DRAWING + GTP
2) O2 Power Document No: O2PPL-MOTALA-MH-SY-100MW-E-DWG-AT-2301
O2 Power Document No: O2PPL-MOTALA-MH-SY-100MW-E-GTP-AT-2302
For Information For Proposal/Purchase For Design
For Approval √ For Construction As
Built
Sr. No. Rev No. Date Detail of Revision Remark
1 R1 – GTP 01/12/2023 For Approval These drawings
reviewed & confirmed
by PG Associates.
2 R1 – DWG 01/12/2023 For Approval
3
AVJ TT KGK
Prepared By Checked By Approved By
Copyright
All rights reserved. No part of this publication may be reproduced, distributed, or transmitted in any form or by any means, including photocopying, recording, or other
electronic or mechanical methods, without the prior written permission of the publisher, except in the case of brief quotations embodied in critical reviews and certain
other non-commercial uses permitted by copyright law. For permission requests, write to the publisher, addressed “Attention: Permissions Coordinator,” at the address
below
O2 Power PVT LTD
Ref WO23-24-005265 160 kVA R1
Sr No Particulars Unit Offered Details
1 Manufacturers Name Kalpa Electrikal Private Limited
2 Applicable standard IS 1180
3 Location & Service & Duty
Outdoor, Continuous, Distribution
Transformer
4 Type of construction Core Type / Conventional
5 Continuous Maximum Rating under peak ambient temp. of 50°C kVA 160
6 Rated Voltage at Normal tap
(a) HV Volts 33000
(b) LV Volts 415
7 Rated Current
(a) HV Amps 2.80
(b) LV Amps 222.59
8 Rated frequency Hz 50
9 No of Phases 3
10 Method of connection
(a) HV Delta
(b) LV Star
11 Vector Group Dyn11
12 Method
(a) Method of cooling ONAN
(b) Transformer oil reference standard IS 335
13
Maximum temperature rise by the transformer when run at
maximum ambient temp. of 50°C
(a) Of top oil by thermometer ° C 50
(b) Of winding by thermometer ° C 55
14
Hot spot temperature, at rated current and voltage, calculated
corresponding to the yearly weighted average ambient temp. of
32°C
° C 98
15
Guaranteed No Load Loss at rated voltage and rated frequency IS
Tol
Watt 329
16
Guaranteed Load Loss at rated voltage and rated frequency IS
Tol
Watt 1557
MANUFACTURER'S GUARANTEED TECHNICAL PARTICULARS OF TRANSFORMER
Copper Wound 160 kVA 33/0.415 kV Oil Filled Transformer
1/4
O2 POWER PRIVATE LIMITED
A
Document approved as submitted; proceed with
fabrication/construction.
B
Document approved subject to comments noted; proceed
with fabrication/construction considering our comments.
C
Our comments are noted on the enclosed marked-up
print.
D
Our comments are noted in the memo attached to this
transmittal.
F
Correct original of the document to reflect our comments
and resubmit for records.
G
Documents of this category are for information only and
not for approval. Information furnished on the document is
noted.
H
Document reviewed only against our previous comments
and other revisions highlighted and identified by the
vendor.
I Document returned without review.
J Print not enclosed.
E
Correct original of the document to reflect our comments
and resubmit for approval.
Reviewed by...................... Date ......................
The approval or comments conveyed herein neither
relieve the manufacturer of his contractual obligations and
his responsibilities to correctness of design, manufacture,
satisfactory performance and conformity of
equipments/installations as per standards and statutory
guideline as applicable.
Ref WO23-24-005265 160 kVA R1
Sr No Particulars Unit Offered Details
MANUFACTURER'S GUARANTEED TECHNICAL PARTICULARS OF TRANSFORMER
Copper Wound 160 kVA 33/0.415 kV Oil Filled Transformer
17 Total Losses at rated Current at 75°C, Max IS 1180 Level 1
a) At 50% loading Watt 720
b) At 100% loading Watt 2096
18 Impedance at full load and at 75°C % 4.50
19 Resistance at full load and at 75°C % 0.97
20 Reactance at full load % 4.39
21 Efficiency at 75°C
(a) At Unity power factor
(i) At 125% of full load % 98.64
(ii) At 100% of full load % 98.84
(iii) At 75% of full load % 99.01
(iv) At 50% of full load % 99.11
(v) At 25% of full load % 98.95
(b) At 0.8 power factor 0.8
(i) At 125% of full load % 98.30
(ii) At 100% of full load % 98.55
(iii) At 75% of full load % 98.76
(iv) At 50% of full load % 98.89
(v) At 25% of full load % 98.69
22 Maximum efficiency % 99.11
23 Load at which maximum efficiency occurs % 45.95
24 Regulation at full load & at 75°C
(a) At Unity power factor % 1.07
(b) At 0.8 power factor % 3.46
25 Core material CRGO - MOH
Winding Material Electrolytic Copper
26 Max. flux density at rated voltage and rated frequency Tesla 1.54
27 Percentage no load current at rated frequency Approx.
(a) At rated voltage % Less than 2% of Rated Current
2/4
Ref WO23-24-005265 160 kVA R1
Sr No Particulars Unit Offered Details
MANUFACTURER'S GUARANTEED TECHNICAL PARTICULARS OF TRANSFORMER
Copper Wound 160 kVA 33/0.415 kV Oil Filled Transformer
28 Insulation level of transformer
(a) Impulse strength
HV / LV KVp 170 / -
(b) Power frequency withstand voltage
HV / LV KVrms 70 / 3
(c) Induced over voltage withstand
Primary winding
KVrms
@ Hz
66 @100Hz
Secondary winding
KVrms
@ Hz
0.83 @100Hz
29 Tank
(a) Type(construction)
Conventional with Conservator &
Radiator
30 Terminal arrangements
(a) High voltage side Cable Box
(b) Low voltage side Cable Box
31 HV Bushing details
(a) Rating of the bushing
kV /
Amp
33 / 250
(b) Type Porcelain
(c) Basic Insulation level KVp 170 / 70
(d) Creepage Distance mm/kV 25
(e) Reference Standard IS 2099 / IS 3347
32 LV Bushing details
(a) Rating of the bushing
kV /
Amp
1.1 / 630
(b) Type Porcelain
(c) Basic Insulation level kV - / 3
(d) Reference Standard IS 2099 / IS 3347
33 Insulation materials
(a) Turn insulation HV Kraft paper
(b) Turn insulation LV Kraft paper
(c) Insulation core to LV Pre Compressed Board
(d) Insulation HV to LV Pre Compressed Board
3/4
Ref WO23-24-005265 160 kVA R1
Sr No Particulars Unit Offered Details
MANUFACTURER'S GUARANTEED TECHNICAL PARTICULARS OF TRANSFORMER
Copper Wound 160 kVA 33/0.415 kV Oil Filled Transformer
34 Minimum external clearances in air As per IS
(a) HV phase to phase mm 350
(b) HV phase to earth mm 220
(c) LV phase to phase mm 25
(d) LV phase to earth mm 20
35 Transformer weight details (Approx)
(a) Core And Winding Kg 735
(b) Tank & fittings Kg 660
(c) Oil Kg 440
(d) Total for transformer Kg 1835
(e) Volume of Oil (minimum quantity for first filling) Ltr 495
36 Overall dimensions (Approx)
(a) Length mm 1800
(b) Breadth mm 2400
(c) Height mm 1900
37 Tap Changer
(a) Make Always/Paragon/Equivalent
(b) Type Tap Switch
(c) Tapping Range 5 to -10 @ 2.5 %
(d) No of steps 6 of 2.5 %
(e) Winding on which tapings are provided HV Winding
38 Paint shade RAL 7035
R1 Sl. No 13 Temp rise, Sl. No 38 paint shade
Prapared by Sathisha MS
4/4
4 3 2 1
5
6
7
8
4 3 2 1
5
6
7
8
C
D
B
A
IF
IN
DOUBT
ASK
DESIGN
DEPT
All
information
Contained
in
this
document
is
confidential
and
the
property
of
KALPA
ELECTRIKAL
PVT
LTD.
Reproduction
of
these
in
any
form
should
not
done
without
the
permission
of
the
company.
SCALE : NTS
TITLE:
REV 01 SH 01 OF 01
SIGN
REVISION MADE
DATE
R.NO
DRAWN
CHECKED
APPROVED
DATE NAME SIGN
22/11/23 MADHU
TOLERANCE ±15%
SOMASHEKAR
Wo .No : 23/5265
MJ
GENERAL ASSEMBLY DRAWING
DRG NO: KE-3PH-GA-23-5265
TRANSFORMER OIL COOLED
SATHISHA SMS
CUSTOMER: VAIBHAVI ELECTRICALS
22/11/23
22/11/23
NOTE:
1. ALL DIMENSIONS AND WEIGHTS ARE SUBJECT TO A MANUFACTURING TOL.OF ±15%.
2. DUE TO CONSTANT DEVELOPMENTS IN OUR DESIGNS, THE PRODUCT SUPPLIED MAY VARY
SLIGHTLY FROM THE ABOVE DRAWING.
3. FINISH PAINT : RAL 7035, MIN PAINT THICKNESS 100 MICRONS.
4. "ALL DIMENSIONS ARE IN mm".
WITHDRAWN
DIRECTION
WITHDRAWN
DIRECTION
MJ
CUSTOMER COMMENTS
01/12/23
01
ARE INCORPORATED
NOTE:-
1. TRANSFORMER WEIGHTS AND DIMENSIONS ARE SUBJECT TO +/-10 % TOLERANCE.
2. SUPPLY OF FOUNDATION BOLTS NOT IN OUR SCOPE.
3. TOTAL WEIGHT OF THE TRANSFORMER: 1835kg
TRANSFORMER
℄
BASE CHANNELS
( ISMC 100X50)
CUTOUT
FOR CABLE
(150x150mm)
BI-DIRECTIONAL ROLLERS
(HENCE ROLLERS WILL
ROTATE EITHER SIDE)
JACKING
PAD
℄
REFER DETAIL 'Z'
LV
SIDE
LV
GLAND
PLATE
WITHDRAWN
DIRECTION
FOUNDATION BOLT SIZE
M12-4Nos-300mm Length
(FOUNDATION BOLTS ARE
NOT IN OUR SCOPE)
FOUNDATION DRAWING .
M12 STUD
ROLLER
ROLLER
BRACKET
ANTI EARTHQUAKE
CLAMP
HV
SIDE
HV
GLAND
PLATE
WITHDRAWN
DIRECTION
REFER DETAIL 'Y'
4 3 2 1
5
6
7
8
4 3 2 1
5
6
7
8
C
D
B
A
IF
IN
DOUBT
ASK
DESIGN
DEPT
All
information
Contained
in
this
document
is
confidential
and
the
property
of
KALPA
ELECTRIKAL
PVT
LTD.
Reproduction
of
these
in
any
form
should
not
done
without
the
permission
of
the
company.
SCALE : NTS
TITLE:
REV 00 SH 01 OF 01
SIGN
REVISION MADE
DATE
R.NO
DRAWN
CHECKED
APPROVED
DATE NAME SIGN
22/11/23 MADHU
TOLERANCE ±15%
SOMASHEKAR
Wo .No : 23/5265
MJ
FOUNDATION DETAILS
DRG NO: KE-3PH-FD-23-5265
SATHISHA SMS
CUSTOMER: VAIBHAVI ELECTRICALS
22/11/23
22/11/23
KALPA ELECTRIKAL PVT LTD.
REG.D OFFICE : 149/25, III MAIN, INDL TOWN, RAJAJINAGAR,
BENGALURU - 560010, PH :(080)23405248/23303103.
WORKS : #133/4, CHIKKAHANUMANTHAIAH IND. ESTATE, MACHOHALLI,
MAGADI MAIN RD, BENGALURU -560091.
DISTRIBUTION TRANSFORMER
kVA
NO LOAD
VOLTS
AMPERES
TYPE OF COOLING
FREQUENCY
IMPD. VOLTS @
NOMINAL TAP %
VECTOR GROUP REF
CL. OF INSULN.
OIL TRF
ONAN
50Hz
PRI.
SEC.
PRI.
SEC.
PRI.
SEC.
PHASES
{
{
CORE & WINDING
160
+5% 33000V -10%
415V
2.80A
222.60A
3 - DELTA
3 - STAR Dyn11
WINDING MATL.
GTD MAX. TEMP RISE OF
OIL/WDG. OVER AN AMB 50°C
TOTAL Wt. IN kg.
TANK & FITTING
SPECIFICATION REF. IS:1180
A
COPPER
BATCH No./SL.No.
735
kg
kg 660
1835
kg
OIL TRF (IS:335) ltr
YEAR OF MFG.
INS. LEVEL PRI.
SEC.
440
495
50/55°C
150
Ø3.25
140
202
212
5
5
2023
NOTE:-
1. ALL DIMENSIONS ARE IN mm.
2. DRAWING NOT TO SCALE.
3. * MEASURED IMPEDANCE WILL BE PUNCHED AFTER TESTING .
4. 1.5mm THICK ALUMINIUM.
5. THIS PLATE NUMBERS SHOULD BE SUITABLE FOR OUTDOOR APPLICATION
6..BEFORE PROCEEDING WITH OIL FILLING, CHECK THE INSTRUCTION BOOK
7. TRANSFORMER DOES NOT CONTAIN DETACHABLE LEVEL OF PCB AT
THE TIME OF MANUFACTURE
LI170 / AC70 kV
AC3 kV
ENERGY EFFICIENCY
LEVEL
1
MAX. TOTAL LOSSES
AT 50% RATED LOAD
720
MAX. TOTAL LOSSES
AT 100% RATED LOAD
2096
W
W
WTI CT DETAILS:- RATIO: 225/2A
CL: 1
BURDEN: 5VA
CUSTOMER :
2w
2v
1W 1V
2u
11 1U
2n 2u 2v 2w
Dyn11 2n
PRI. SEC.
POSN TAP LINK CON. VOLTS Amps VOLTS
1 6 - 7 34650 2.67
415
2 7 - 5 33825 2.73
3 5 - 8 33000 2.80
4 8 - 4 32175 2.87
5 4 - 9 31350 2.95
9 - 3
3 - 10
6
7
30525 3.03
29700 3.11
IF
IN
DOUBT
ASK
SCALE:NTS
TOL:- +/- 10% UNITS:mm
TITLE:- RATING AND DIAGRAM PLATE
DRAWN
CHECKED
APPROVED
TYPE:- OUT DOOR
A
B
C
D
1
2
3
4
REV 1;
All
information
Contained
in
this
document
is
confidential
and
the
property
of
KALPA
ELECTRIKAL
PVT
LTD.,
Reproduction
of
these
in
any
form
should
not
done
without
the
permission
of
the
company.
*DESIGN
SECTION.
DATE:
MADHU
SOMASHEKAR
Name Sign
DRG.NO:- KE-NP-23-5265
DATE:-22/11/2023
CUSTOMER:- VAIBHAVI ELECTRICALS
WO.NO : 23-5265
MJ
KALPA ELECTRIKAL PVT LTD.
REG.D OFFICE : 149/25, III MAIN, INDL TOWN, RAJAJINAGAR, BENGALURU - 10, PH :(080)23405248/23303103.
WORKS : #133/4, CHIKKAHANUMANTHAIAH IND. ESTATE, MACHOHALLI, MAGADI MAIN RD, BENGALURU - 91.
REV 2; DATE:
SATHISHA SMS
CYCLIC ENERGY PRIVATE LIMITED
100MW OPEN ACCESS MOTALA
MAHARASHTRA
PROJECT :
TYPE OF OIL MINERAL
TANK PRESSURE 0.42
kg/cm2
LIMIT
CUSTOMER COMMENTS INCORPORATED 01/12/23
TANK WALL
Note:
1. HV CABLE BOX DISCONNECTING PART(CHAMBER) WILL BE SENT DISMANTLED CONDITION
AND CUSTOMER HAS TO BE ASSEMBLED AT SITE.
2. ALL DIMENSIONS ARE SUBJECT TO A MANUFACTURING TOL.OF ±10%.
3. CABLE BOX SUITABLE FOR :1R x33kV x 3C x 300sqmm, Al. Armored XLPE Cable.
4. DEGREE OF PROTECTION IP:55
5. CABLE GLANDS AND LUGS ARE IN VAIBHAVI ELECTRICALS SCOPE OF SUPPLY
6. FINISH PAINT : RAL 7035, MIN PAINT THICKNESS 100 MICRONS.
14 HOLE
14 HOLE
HV CABLE BOX WITH DISCONNECTING CHAMBER .
4 3 2 1
5
6
7
8
4 3 2 1
5
6
7
8
C
D
B
A
IF
IN
DOUBT
ASK
DESIGN
DEPT
All
information
Contained
in
this
document
is
confidential
and
the
property
of
KALPA
ELECTRIKAL
PVT
LTD.
Reproduction
of
these
in
any
form
should
not
done
without
the
permission
of
the
company.
SCALE : NTS
TITLE:
REV 01 SH 01 OF 01
SIGN
REVISION MADE
DATE
R.NO
DRAWN
CHECKED
APPROVED
DATE NAME SIGN
22/11/23 MADHU
TOLERANCE ±15%
SOMASHEKAR
Wo .No : 23/5265
MJ
HV CABLE BOX ASSEMBLY
DRG NO: KE-3PH-HVCB-23-5265
SATHISHA SMS
CUSTOMER: VAIBHAVI ELECTRICALS
22/11/23
22/11/23
MJ
CUSTOMER COMMENTS
01/12/23
01
ARE INCORPORATED
6 TINNED COPPER BUSBAR 4
5 1kV/630 Amps LV PORCELIAN BUSHINGS 4
4 LIFTER 2
3 HANDLE 2
2 EARTHING BOSS
1 5mm THICK, ALUMINUM UNDRILLED GLAND PLATE 1
SL # DESCRIPTION QTY
GLAND PLATE
2r
2y
2b 2n
LV CABLE BOX
1.CABLE BOX SUITABLE FOR : 1R x 1.1kV x 3.5C x 240sq mm , AL, XLPE INSULATED CABLE
2.CABLE GLANDS, LUGS ARE IN VAIBHAVI ELECTRICALS SCOPE OF SUPPLY.
3.ALL DIMENSIONS ARE IN mm
4.ALL DIMENSIONS ARE SUBJECT TO A MANUFACTURING TOL.OF ±10%.
5.DEGREE OF PROTECTION IP-55
6.FINISH PAINT : RAL 7035, MIN PAINT THICKNESS 100 MICRONS.
4 3 2 1
5
6
7
8
4 3 2 1
5
6
7
8
C
D
B
A
IF
IN
DOUBT
ASK
DESIGN
DEPT
All
information
Contained
in
this
document
is
confidential
and
the
property
of
KALPA
ELECTRIKAL
PVT
LTD.
Reproduction
of
these
in
any
form
should
not
done
without
the
permission
of
the
company.
SCALE : NTS
TITLE:
REV 01 SH 01 OF 01
SIGN
REVISION MADE
DATE
R.NO
DRAWN
CHECKED
APPROVED
DATE NAME SIGN
22/11/23 MADHU
TOLERANCE ±15%
SOMASHEKAR
Wo .No : 23/5265
MJ
LV CABLE BOX ASSEMBLY
DRG NO: KE-3PH-LVCB-23-5265
SATHISHA SMS
CUSTOMER: VAIBHAVI ELECTRICALS
22/11/23
22/11/23
MJ
CUSTOMER COMMENTS
01/12/23
01
ARE INCORPORATED
4 3 2 1
5
6
7
8
4 3 2 1
5
6
7
8
C
D
B
A
IF
IN
DOUBT
ASK
DESIGN
DEPT
All
information
Contained
in
this
document
is
confidential
and
the
property
of
KALPA
ELECTRIKAL
PVT
LTD.
Reproduction
of
these
in
any
form
should
not
done
without
the
permission
of
the
company.
SCALE : NTS
TITLE:
REV 00 SH 01 OF 01
SIGN
REVISION MADE
DATE
R.NO
DRAWN
CHECKED
APPROVED
DATE NAME SIGN
22/11/23 MADHU
TOLERANCE ±15%
SOMASHEKAR
Wo .No : 23/5265
MJ
HV BUSHING ASSEMBLY
DRG NO: KE-3PH-HVB-23-5265
SATHISHA SMS
CUSTOMER: VAIBHAVI ELECTRICALS
22/11/23
22/11/23
4 3 2 1
5
6
7
8
4 3 2 1
5
6
7
8
C
D
B
A
IF
IN
DOUBT
ASK
DESIGN
DEPT
All
information
Contained
in
this
document
is
confidential
and
the
property
of
KALPA
ELECTRIKAL
PVT
LTD.
Reproduction
of
these
in
any
form
should
not
done
without
the
permission
of
the
company.
SCALE : NTS
TITLE:
REV 00 SH 01 OF 01
SIGN
REVISION MADE
DATE
R.NO
DRAWN
CHECKED
APPROVED
DATE NAME SIGN
22/11/23 MADHU
TOLERANCE ±15%
SOMASHEKAR
Wo .No : 23/5265
MJ
LV BUSHING ASSEMBLY
DRG NO: KE-3PH-LVB-23-5265
SATHISHA SMS
CUSTOMER: VAIBHAVI ELECTRICALS
22/11/23
22/11/23
PRECIMEASURE CONTROLS PVT. LTD.
ELECTRONIC TEMPERATURE CONTROLLER PMC-2243A
OIL TEMPERATURE
°
C
ALARM TRIP
PROG INC
SET
MAX
ALARM TRIP
WTI TEMPERATURE
°
C
GRADIENT
DEC MAX
PRECIMEASURE CONTROLS PVT. LTD.
BANGALORE
MAX SET
ENTER RESET
LHS VIEW FRONT VIEW RHS VIEW
NOTE :-
1.
PAINT SHADE
EXTERNAL
INTERNAL
:POWDER COATING (TDFT:100 MICRONS)
: RAL 7035
: GLOSSY WHITE
2. DEGREE OF PROTECTION : IP 55W
MOUNTING PLATE : ORANGE
BOTTOM VIEW
3. GENERAL ARRANGEMENT OF ELECTRICAL EQUIPMENT
SHOWN IN THE DRAWING MAY CHANGED AT THE TIME
OF ASSEMBLY.
GENERAL TOLERANCE : + 5mm
-
MARSHALLING BOX
4. M.BOX WEIGHT APPROX. 20kg
5. ALL HARDWARE SS WILL BE USED
6. COLOUR CODING OF PHASE WILL BE PROVIDED
7. ENTIRE BODY OF MARSHALLING BOX MS 2mm SHEET.
8. NEOPRANE TYPE GASKET WILL BE USED.
4 3 2 1
5
6
7
8
4 3 2 1
5
6
7
8
C
D
B
A
IF
IN
DOUBT
ASK
DESIGN
DEPT
All
information
Contained
in
this
document
is
confidential
and
the
property
of
KALPA
ELECTRIKAL
PVT
LTD.
Reproduction
of
these
in
any
form
should
not
done
without
the
permission
of
the
company.
SCALE : NTS
TITLE:
REV 00 SH 01 OF 01
SIGN
REVISION MADE
DATE
R.NO
DRAWN
CHECKED
APPROVED
DATE NAME SIGN
01/12/23 MADHU
TOLERANCE ±15%
SOMASHEKAR
Wo .No : 23/5265
MJ
MARSHALLING BOX GA
DRG NO: KE-3PH-MBGA-23-5265
SATHISHA SMS
CUSTOMER: VAIBHAVI ELECTRICALS
01/12/23
01/12/23
CANOPY
PROJECT 50mm
AT ALL DIRECTION
TPS
ELECTRONIC TEMPERATURE
CONTROLLER PMC-2243A
TB
MARSHALLING BOX WIRING DIAGRAM
4 3 2 1
5
6
7
8
4 3 2 1
5
6
7
8
C
D
B
A
IF
IN
DOUBT
ASK
DESIGN
DEPT
All
information
Contained
in
this
document
is
confidential
and
the
property
of
KALPA
ELECTRIKAL
PVT
LTD.
Reproduction
of
these
in
any
form
should
not
done
without
the
permission
of
the
company.
SCALE : NTS
TITLE:
REV 00 SH 01 OF 01
SIGN
REVISION MADE
DATE
R.NO
DRAWN
CHECKED
APPROVED
DATE NAME SIGN
01/12/23 MADHU
TOLERANCE ±15%
SOMASHEKAR
Wo .No : 23/5265
MJ
MARSHALLING BOX WIRING DIAGRAM
DRG NO: KE-3PH-MBWD-23-5265
SATHISHA SMS
CUSTOMER: VAIBHAVI ELECTRICALS
01/12/23
01/12/23

Auxillary Transformer GTP & Drawings for Substation

  • 1.
    CLIENT:- CONTRACTOR: - O2POWER PRIVATE LIMITED VAIBHAVI ELECTRICALS “132KV Sub-Station” for 100MW Buldhana Motala Maharashtra State Project 1) Document Name: AUX TRANSFORMER - AT MCR LOCATION - DRAWING + GTP 2) O2 Power Document No: O2PPL-MOTALA-MH-SY-100MW-E-DWG-AT-2301 O2 Power Document No: O2PPL-MOTALA-MH-SY-100MW-E-GTP-AT-2302 For Information For Proposal/Purchase For Design For Approval √ For Construction As Built Sr. No. Rev No. Date Detail of Revision Remark 1 R1 – GTP 01/12/2023 For Approval These drawings reviewed & confirmed by PG Associates. 2 R1 – DWG 01/12/2023 For Approval 3 AVJ TT KGK Prepared By Checked By Approved By Copyright All rights reserved. No part of this publication may be reproduced, distributed, or transmitted in any form or by any means, including photocopying, recording, or other electronic or mechanical methods, without the prior written permission of the publisher, except in the case of brief quotations embodied in critical reviews and certain other non-commercial uses permitted by copyright law. For permission requests, write to the publisher, addressed “Attention: Permissions Coordinator,” at the address below O2 Power PVT LTD
  • 2.
    Ref WO23-24-005265 160kVA R1 Sr No Particulars Unit Offered Details 1 Manufacturers Name Kalpa Electrikal Private Limited 2 Applicable standard IS 1180 3 Location & Service & Duty Outdoor, Continuous, Distribution Transformer 4 Type of construction Core Type / Conventional 5 Continuous Maximum Rating under peak ambient temp. of 50°C kVA 160 6 Rated Voltage at Normal tap (a) HV Volts 33000 (b) LV Volts 415 7 Rated Current (a) HV Amps 2.80 (b) LV Amps 222.59 8 Rated frequency Hz 50 9 No of Phases 3 10 Method of connection (a) HV Delta (b) LV Star 11 Vector Group Dyn11 12 Method (a) Method of cooling ONAN (b) Transformer oil reference standard IS 335 13 Maximum temperature rise by the transformer when run at maximum ambient temp. of 50°C (a) Of top oil by thermometer ° C 50 (b) Of winding by thermometer ° C 55 14 Hot spot temperature, at rated current and voltage, calculated corresponding to the yearly weighted average ambient temp. of 32°C ° C 98 15 Guaranteed No Load Loss at rated voltage and rated frequency IS Tol Watt 329 16 Guaranteed Load Loss at rated voltage and rated frequency IS Tol Watt 1557 MANUFACTURER'S GUARANTEED TECHNICAL PARTICULARS OF TRANSFORMER Copper Wound 160 kVA 33/0.415 kV Oil Filled Transformer 1/4 O2 POWER PRIVATE LIMITED A Document approved as submitted; proceed with fabrication/construction. B Document approved subject to comments noted; proceed with fabrication/construction considering our comments. C Our comments are noted on the enclosed marked-up print. D Our comments are noted in the memo attached to this transmittal. F Correct original of the document to reflect our comments and resubmit for records. G Documents of this category are for information only and not for approval. Information furnished on the document is noted. H Document reviewed only against our previous comments and other revisions highlighted and identified by the vendor. I Document returned without review. J Print not enclosed. E Correct original of the document to reflect our comments and resubmit for approval. Reviewed by...................... Date ...................... The approval or comments conveyed herein neither relieve the manufacturer of his contractual obligations and his responsibilities to correctness of design, manufacture, satisfactory performance and conformity of equipments/installations as per standards and statutory guideline as applicable.
  • 3.
    Ref WO23-24-005265 160kVA R1 Sr No Particulars Unit Offered Details MANUFACTURER'S GUARANTEED TECHNICAL PARTICULARS OF TRANSFORMER Copper Wound 160 kVA 33/0.415 kV Oil Filled Transformer 17 Total Losses at rated Current at 75°C, Max IS 1180 Level 1 a) At 50% loading Watt 720 b) At 100% loading Watt 2096 18 Impedance at full load and at 75°C % 4.50 19 Resistance at full load and at 75°C % 0.97 20 Reactance at full load % 4.39 21 Efficiency at 75°C (a) At Unity power factor (i) At 125% of full load % 98.64 (ii) At 100% of full load % 98.84 (iii) At 75% of full load % 99.01 (iv) At 50% of full load % 99.11 (v) At 25% of full load % 98.95 (b) At 0.8 power factor 0.8 (i) At 125% of full load % 98.30 (ii) At 100% of full load % 98.55 (iii) At 75% of full load % 98.76 (iv) At 50% of full load % 98.89 (v) At 25% of full load % 98.69 22 Maximum efficiency % 99.11 23 Load at which maximum efficiency occurs % 45.95 24 Regulation at full load & at 75°C (a) At Unity power factor % 1.07 (b) At 0.8 power factor % 3.46 25 Core material CRGO - MOH Winding Material Electrolytic Copper 26 Max. flux density at rated voltage and rated frequency Tesla 1.54 27 Percentage no load current at rated frequency Approx. (a) At rated voltage % Less than 2% of Rated Current 2/4
  • 4.
    Ref WO23-24-005265 160kVA R1 Sr No Particulars Unit Offered Details MANUFACTURER'S GUARANTEED TECHNICAL PARTICULARS OF TRANSFORMER Copper Wound 160 kVA 33/0.415 kV Oil Filled Transformer 28 Insulation level of transformer (a) Impulse strength HV / LV KVp 170 / - (b) Power frequency withstand voltage HV / LV KVrms 70 / 3 (c) Induced over voltage withstand Primary winding KVrms @ Hz 66 @100Hz Secondary winding KVrms @ Hz 0.83 @100Hz 29 Tank (a) Type(construction) Conventional with Conservator & Radiator 30 Terminal arrangements (a) High voltage side Cable Box (b) Low voltage side Cable Box 31 HV Bushing details (a) Rating of the bushing kV / Amp 33 / 250 (b) Type Porcelain (c) Basic Insulation level KVp 170 / 70 (d) Creepage Distance mm/kV 25 (e) Reference Standard IS 2099 / IS 3347 32 LV Bushing details (a) Rating of the bushing kV / Amp 1.1 / 630 (b) Type Porcelain (c) Basic Insulation level kV - / 3 (d) Reference Standard IS 2099 / IS 3347 33 Insulation materials (a) Turn insulation HV Kraft paper (b) Turn insulation LV Kraft paper (c) Insulation core to LV Pre Compressed Board (d) Insulation HV to LV Pre Compressed Board 3/4
  • 5.
    Ref WO23-24-005265 160kVA R1 Sr No Particulars Unit Offered Details MANUFACTURER'S GUARANTEED TECHNICAL PARTICULARS OF TRANSFORMER Copper Wound 160 kVA 33/0.415 kV Oil Filled Transformer 34 Minimum external clearances in air As per IS (a) HV phase to phase mm 350 (b) HV phase to earth mm 220 (c) LV phase to phase mm 25 (d) LV phase to earth mm 20 35 Transformer weight details (Approx) (a) Core And Winding Kg 735 (b) Tank & fittings Kg 660 (c) Oil Kg 440 (d) Total for transformer Kg 1835 (e) Volume of Oil (minimum quantity for first filling) Ltr 495 36 Overall dimensions (Approx) (a) Length mm 1800 (b) Breadth mm 2400 (c) Height mm 1900 37 Tap Changer (a) Make Always/Paragon/Equivalent (b) Type Tap Switch (c) Tapping Range 5 to -10 @ 2.5 % (d) No of steps 6 of 2.5 % (e) Winding on which tapings are provided HV Winding 38 Paint shade RAL 7035 R1 Sl. No 13 Temp rise, Sl. No 38 paint shade Prapared by Sathisha MS 4/4
  • 6.
    4 3 21 5 6 7 8 4 3 2 1 5 6 7 8 C D B A IF IN DOUBT ASK DESIGN DEPT All information Contained in this document is confidential and the property of KALPA ELECTRIKAL PVT LTD. Reproduction of these in any form should not done without the permission of the company. SCALE : NTS TITLE: REV 01 SH 01 OF 01 SIGN REVISION MADE DATE R.NO DRAWN CHECKED APPROVED DATE NAME SIGN 22/11/23 MADHU TOLERANCE ±15% SOMASHEKAR Wo .No : 23/5265 MJ GENERAL ASSEMBLY DRAWING DRG NO: KE-3PH-GA-23-5265 TRANSFORMER OIL COOLED SATHISHA SMS CUSTOMER: VAIBHAVI ELECTRICALS 22/11/23 22/11/23 NOTE: 1. ALL DIMENSIONS AND WEIGHTS ARE SUBJECT TO A MANUFACTURING TOL.OF ±15%. 2. DUE TO CONSTANT DEVELOPMENTS IN OUR DESIGNS, THE PRODUCT SUPPLIED MAY VARY SLIGHTLY FROM THE ABOVE DRAWING. 3. FINISH PAINT : RAL 7035, MIN PAINT THICKNESS 100 MICRONS. 4. "ALL DIMENSIONS ARE IN mm". WITHDRAWN DIRECTION WITHDRAWN DIRECTION MJ CUSTOMER COMMENTS 01/12/23 01 ARE INCORPORATED
  • 7.
    NOTE:- 1. TRANSFORMER WEIGHTSAND DIMENSIONS ARE SUBJECT TO +/-10 % TOLERANCE. 2. SUPPLY OF FOUNDATION BOLTS NOT IN OUR SCOPE. 3. TOTAL WEIGHT OF THE TRANSFORMER: 1835kg TRANSFORMER ℄ BASE CHANNELS ( ISMC 100X50) CUTOUT FOR CABLE (150x150mm) BI-DIRECTIONAL ROLLERS (HENCE ROLLERS WILL ROTATE EITHER SIDE) JACKING PAD ℄ REFER DETAIL 'Z' LV SIDE LV GLAND PLATE WITHDRAWN DIRECTION FOUNDATION BOLT SIZE M12-4Nos-300mm Length (FOUNDATION BOLTS ARE NOT IN OUR SCOPE) FOUNDATION DRAWING . M12 STUD ROLLER ROLLER BRACKET ANTI EARTHQUAKE CLAMP HV SIDE HV GLAND PLATE WITHDRAWN DIRECTION REFER DETAIL 'Y' 4 3 2 1 5 6 7 8 4 3 2 1 5 6 7 8 C D B A IF IN DOUBT ASK DESIGN DEPT All information Contained in this document is confidential and the property of KALPA ELECTRIKAL PVT LTD. Reproduction of these in any form should not done without the permission of the company. SCALE : NTS TITLE: REV 00 SH 01 OF 01 SIGN REVISION MADE DATE R.NO DRAWN CHECKED APPROVED DATE NAME SIGN 22/11/23 MADHU TOLERANCE ±15% SOMASHEKAR Wo .No : 23/5265 MJ FOUNDATION DETAILS DRG NO: KE-3PH-FD-23-5265 SATHISHA SMS CUSTOMER: VAIBHAVI ELECTRICALS 22/11/23 22/11/23
  • 8.
    KALPA ELECTRIKAL PVTLTD. REG.D OFFICE : 149/25, III MAIN, INDL TOWN, RAJAJINAGAR, BENGALURU - 560010, PH :(080)23405248/23303103. WORKS : #133/4, CHIKKAHANUMANTHAIAH IND. ESTATE, MACHOHALLI, MAGADI MAIN RD, BENGALURU -560091. DISTRIBUTION TRANSFORMER kVA NO LOAD VOLTS AMPERES TYPE OF COOLING FREQUENCY IMPD. VOLTS @ NOMINAL TAP % VECTOR GROUP REF CL. OF INSULN. OIL TRF ONAN 50Hz PRI. SEC. PRI. SEC. PRI. SEC. PHASES { { CORE & WINDING 160 +5% 33000V -10% 415V 2.80A 222.60A 3 - DELTA 3 - STAR Dyn11 WINDING MATL. GTD MAX. TEMP RISE OF OIL/WDG. OVER AN AMB 50°C TOTAL Wt. IN kg. TANK & FITTING SPECIFICATION REF. IS:1180 A COPPER BATCH No./SL.No. 735 kg kg 660 1835 kg OIL TRF (IS:335) ltr YEAR OF MFG. INS. LEVEL PRI. SEC. 440 495 50/55°C 150 Ø3.25 140 202 212 5 5 2023 NOTE:- 1. ALL DIMENSIONS ARE IN mm. 2. DRAWING NOT TO SCALE. 3. * MEASURED IMPEDANCE WILL BE PUNCHED AFTER TESTING . 4. 1.5mm THICK ALUMINIUM. 5. THIS PLATE NUMBERS SHOULD BE SUITABLE FOR OUTDOOR APPLICATION 6..BEFORE PROCEEDING WITH OIL FILLING, CHECK THE INSTRUCTION BOOK 7. TRANSFORMER DOES NOT CONTAIN DETACHABLE LEVEL OF PCB AT THE TIME OF MANUFACTURE LI170 / AC70 kV AC3 kV ENERGY EFFICIENCY LEVEL 1 MAX. TOTAL LOSSES AT 50% RATED LOAD 720 MAX. TOTAL LOSSES AT 100% RATED LOAD 2096 W W WTI CT DETAILS:- RATIO: 225/2A CL: 1 BURDEN: 5VA CUSTOMER : 2w 2v 1W 1V 2u 11 1U 2n 2u 2v 2w Dyn11 2n PRI. SEC. POSN TAP LINK CON. VOLTS Amps VOLTS 1 6 - 7 34650 2.67 415 2 7 - 5 33825 2.73 3 5 - 8 33000 2.80 4 8 - 4 32175 2.87 5 4 - 9 31350 2.95 9 - 3 3 - 10 6 7 30525 3.03 29700 3.11 IF IN DOUBT ASK SCALE:NTS TOL:- +/- 10% UNITS:mm TITLE:- RATING AND DIAGRAM PLATE DRAWN CHECKED APPROVED TYPE:- OUT DOOR A B C D 1 2 3 4 REV 1; All information Contained in this document is confidential and the property of KALPA ELECTRIKAL PVT LTD., Reproduction of these in any form should not done without the permission of the company. *DESIGN SECTION. DATE: MADHU SOMASHEKAR Name Sign DRG.NO:- KE-NP-23-5265 DATE:-22/11/2023 CUSTOMER:- VAIBHAVI ELECTRICALS WO.NO : 23-5265 MJ KALPA ELECTRIKAL PVT LTD. REG.D OFFICE : 149/25, III MAIN, INDL TOWN, RAJAJINAGAR, BENGALURU - 10, PH :(080)23405248/23303103. WORKS : #133/4, CHIKKAHANUMANTHAIAH IND. ESTATE, MACHOHALLI, MAGADI MAIN RD, BENGALURU - 91. REV 2; DATE: SATHISHA SMS CYCLIC ENERGY PRIVATE LIMITED 100MW OPEN ACCESS MOTALA MAHARASHTRA PROJECT : TYPE OF OIL MINERAL TANK PRESSURE 0.42 kg/cm2 LIMIT CUSTOMER COMMENTS INCORPORATED 01/12/23
  • 9.
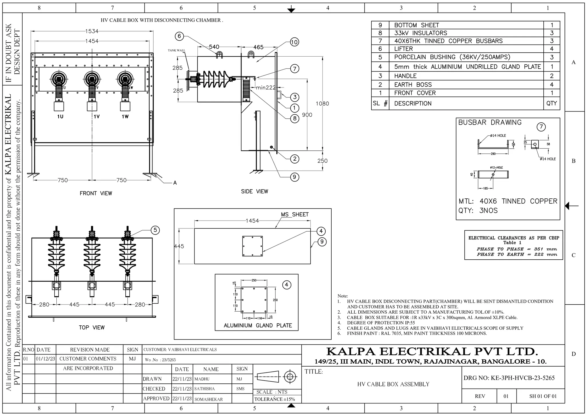
    TANK WALL Note: 1. HVCABLE BOX DISCONNECTING PART(CHAMBER) WILL BE SENT DISMANTLED CONDITION AND CUSTOMER HAS TO BE ASSEMBLED AT SITE. 2. ALL DIMENSIONS ARE SUBJECT TO A MANUFACTURING TOL.OF ±10%. 3. CABLE BOX SUITABLE FOR :1R x33kV x 3C x 300sqmm, Al. Armored XLPE Cable. 4. DEGREE OF PROTECTION IP:55 5. CABLE GLANDS AND LUGS ARE IN VAIBHAVI ELECTRICALS SCOPE OF SUPPLY 6. FINISH PAINT : RAL 7035, MIN PAINT THICKNESS 100 MICRONS. 14 HOLE 14 HOLE HV CABLE BOX WITH DISCONNECTING CHAMBER . 4 3 2 1 5 6 7 8 4 3 2 1 5 6 7 8 C D B A IF IN DOUBT ASK DESIGN DEPT All information Contained in this document is confidential and the property of KALPA ELECTRIKAL PVT LTD. Reproduction of these in any form should not done without the permission of the company. SCALE : NTS TITLE: REV 01 SH 01 OF 01 SIGN REVISION MADE DATE R.NO DRAWN CHECKED APPROVED DATE NAME SIGN 22/11/23 MADHU TOLERANCE ±15% SOMASHEKAR Wo .No : 23/5265 MJ HV CABLE BOX ASSEMBLY DRG NO: KE-3PH-HVCB-23-5265 SATHISHA SMS CUSTOMER: VAIBHAVI ELECTRICALS 22/11/23 22/11/23 MJ CUSTOMER COMMENTS 01/12/23 01 ARE INCORPORATED
  • 10.
    6 TINNED COPPERBUSBAR 4 5 1kV/630 Amps LV PORCELIAN BUSHINGS 4 4 LIFTER 2 3 HANDLE 2 2 EARTHING BOSS 1 5mm THICK, ALUMINUM UNDRILLED GLAND PLATE 1 SL # DESCRIPTION QTY GLAND PLATE 2r 2y 2b 2n LV CABLE BOX 1.CABLE BOX SUITABLE FOR : 1R x 1.1kV x 3.5C x 240sq mm , AL, XLPE INSULATED CABLE 2.CABLE GLANDS, LUGS ARE IN VAIBHAVI ELECTRICALS SCOPE OF SUPPLY. 3.ALL DIMENSIONS ARE IN mm 4.ALL DIMENSIONS ARE SUBJECT TO A MANUFACTURING TOL.OF ±10%. 5.DEGREE OF PROTECTION IP-55 6.FINISH PAINT : RAL 7035, MIN PAINT THICKNESS 100 MICRONS. 4 3 2 1 5 6 7 8 4 3 2 1 5 6 7 8 C D B A IF IN DOUBT ASK DESIGN DEPT All information Contained in this document is confidential and the property of KALPA ELECTRIKAL PVT LTD. Reproduction of these in any form should not done without the permission of the company. SCALE : NTS TITLE: REV 01 SH 01 OF 01 SIGN REVISION MADE DATE R.NO DRAWN CHECKED APPROVED DATE NAME SIGN 22/11/23 MADHU TOLERANCE ±15% SOMASHEKAR Wo .No : 23/5265 MJ LV CABLE BOX ASSEMBLY DRG NO: KE-3PH-LVCB-23-5265 SATHISHA SMS CUSTOMER: VAIBHAVI ELECTRICALS 22/11/23 22/11/23 MJ CUSTOMER COMMENTS 01/12/23 01 ARE INCORPORATED
  • 11.
    4 3 21 5 6 7 8 4 3 2 1 5 6 7 8 C D B A IF IN DOUBT ASK DESIGN DEPT All information Contained in this document is confidential and the property of KALPA ELECTRIKAL PVT LTD. Reproduction of these in any form should not done without the permission of the company. SCALE : NTS TITLE: REV 00 SH 01 OF 01 SIGN REVISION MADE DATE R.NO DRAWN CHECKED APPROVED DATE NAME SIGN 22/11/23 MADHU TOLERANCE ±15% SOMASHEKAR Wo .No : 23/5265 MJ HV BUSHING ASSEMBLY DRG NO: KE-3PH-HVB-23-5265 SATHISHA SMS CUSTOMER: VAIBHAVI ELECTRICALS 22/11/23 22/11/23
  • 12.
    4 3 21 5 6 7 8 4 3 2 1 5 6 7 8 C D B A IF IN DOUBT ASK DESIGN DEPT All information Contained in this document is confidential and the property of KALPA ELECTRIKAL PVT LTD. Reproduction of these in any form should not done without the permission of the company. SCALE : NTS TITLE: REV 00 SH 01 OF 01 SIGN REVISION MADE DATE R.NO DRAWN CHECKED APPROVED DATE NAME SIGN 22/11/23 MADHU TOLERANCE ±15% SOMASHEKAR Wo .No : 23/5265 MJ LV BUSHING ASSEMBLY DRG NO: KE-3PH-LVB-23-5265 SATHISHA SMS CUSTOMER: VAIBHAVI ELECTRICALS 22/11/23 22/11/23
  • 13.
    PRECIMEASURE CONTROLS PVT.LTD. ELECTRONIC TEMPERATURE CONTROLLER PMC-2243A OIL TEMPERATURE ° C ALARM TRIP PROG INC SET MAX ALARM TRIP WTI TEMPERATURE ° C GRADIENT DEC MAX PRECIMEASURE CONTROLS PVT. LTD. BANGALORE MAX SET ENTER RESET LHS VIEW FRONT VIEW RHS VIEW NOTE :- 1. PAINT SHADE EXTERNAL INTERNAL :POWDER COATING (TDFT:100 MICRONS) : RAL 7035 : GLOSSY WHITE 2. DEGREE OF PROTECTION : IP 55W MOUNTING PLATE : ORANGE BOTTOM VIEW 3. GENERAL ARRANGEMENT OF ELECTRICAL EQUIPMENT SHOWN IN THE DRAWING MAY CHANGED AT THE TIME OF ASSEMBLY. GENERAL TOLERANCE : + 5mm - MARSHALLING BOX 4. M.BOX WEIGHT APPROX. 20kg 5. ALL HARDWARE SS WILL BE USED 6. COLOUR CODING OF PHASE WILL BE PROVIDED 7. ENTIRE BODY OF MARSHALLING BOX MS 2mm SHEET. 8. NEOPRANE TYPE GASKET WILL BE USED. 4 3 2 1 5 6 7 8 4 3 2 1 5 6 7 8 C D B A IF IN DOUBT ASK DESIGN DEPT All information Contained in this document is confidential and the property of KALPA ELECTRIKAL PVT LTD. Reproduction of these in any form should not done without the permission of the company. SCALE : NTS TITLE: REV 00 SH 01 OF 01 SIGN REVISION MADE DATE R.NO DRAWN CHECKED APPROVED DATE NAME SIGN 01/12/23 MADHU TOLERANCE ±15% SOMASHEKAR Wo .No : 23/5265 MJ MARSHALLING BOX GA DRG NO: KE-3PH-MBGA-23-5265 SATHISHA SMS CUSTOMER: VAIBHAVI ELECTRICALS 01/12/23 01/12/23 CANOPY PROJECT 50mm AT ALL DIRECTION
  • 14.
    TPS ELECTRONIC TEMPERATURE CONTROLLER PMC-2243A TB MARSHALLINGBOX WIRING DIAGRAM 4 3 2 1 5 6 7 8 4 3 2 1 5 6 7 8 C D B A IF IN DOUBT ASK DESIGN DEPT All information Contained in this document is confidential and the property of KALPA ELECTRIKAL PVT LTD. Reproduction of these in any form should not done without the permission of the company. SCALE : NTS TITLE: REV 00 SH 01 OF 01 SIGN REVISION MADE DATE R.NO DRAWN CHECKED APPROVED DATE NAME SIGN 01/12/23 MADHU TOLERANCE ±15% SOMASHEKAR Wo .No : 23/5265 MJ MARSHALLING BOX WIRING DIAGRAM DRG NO: KE-3PH-MBWD-23-5265 SATHISHA SMS CUSTOMER: VAIBHAVI ELECTRICALS 01/12/23 01/12/23