total steam
solutions
Applications Overview
For the steam and condensate loop
From generation to distribution to utilization and back to the boiler — Spir
Energy Services
Our services are tailored and integrated to suit your resources, plant requirements and
available budget. Spirax Sarco engineers will work with you to implement improvements
to your system and help you maintain the resulting performance gains. Our services can
be split into three categories:
Surveys and audits
• Steam trap surveys			 • Thermal imaging
• Steam, air, N2 and O2 leak surveys	 • Ultrasonic pipewall thickness testing
• Steam system audits			 • Seismic and structural analysis
• Steam quality testing			 • Compressor performance analysis
• Process audits				 • Product health checks
• Energy audits				 • Faultfinding & rectification
Installation and service
• Installation	 • Project and site management	 • Commissioning				
• Maintenance contracts	 • Start-up	 • Service and repair
• On-site training
Engineering and design
• Steam system design	 • Pre-engineered packaged solutions	 • System efficiency calculations		
• Assessment of savings	 • Product/package performance calculations			
• Certification and other documentation	 • Return on investment calculations
Engineered Systems
Spirax Sarco’s Engineered Systems Division offers pre-engineered, compact skid
mounted packaged solutions. The Engineered Systems advantage expedites the
installation process and delivers a quality solution. Benefits include:
•	 Type and size of components carefully 	 •	Shortened overall project lead times
  	selected to ensure system compatibility	 •	Simplified maintenance and prolonged
•	 Reduced engineering, piping layout and		 service life
	procurement costs	 •	 Pre-tested for faster start up
• 	Conserved plant space and optimized 	 •	 Reduced plant down time
	operating efficiency	 •	 Single source supply for greater
• 	Minimized field labor and job site welding		 accountability
•	 Potential for fewer installation errors and
safety mishaps
Spirax Sarco’s packaged solutions include:
• 	Manifolds and trap stations	 •	Condensate recovery solutions
• 	Heat exchanger solutions	 • 	Vessels and receivers
• 	Heat recovery solutions (e.g. boiler blowdown and flash steam)
	• 	Steam conditioning stations	 • 	Deaerators and surge tanks
• 	Control valve and flow metering stations	 • 	Clean steam generators	
•	 Specialized packages
rax Sarco has the answer
Boiler Controls & Systems
Requirements for greater productivity have led to increasing boiler house automation
and limited levels of supervision. Spirax Sarco has developed a range of boiler controls
that improve levels of both efficiency and safety in the boiler house.
	
•	 Surface (TDS) Blowdown Systems	 •	 High and Low Level Alarm Systems
• 	On/Off and Modulating Level Controls	 • 	Boiler Bottom Blowdown System	
• 	Condensate Contamination Detection Systems	
• 	By measuring boiler water conductivity, Spirax Sarco surface blowdown systems 	
	 provide automatic TDS control. The same operating principle is used to monitor and 	
	 control retuning condensate lines ensuring contaminated condensate is not retuned 	
	 to the boiler house.
• 	Using “state-of-the-art” conductivity and capacitance probes, Spirax Sarco systems 	
	 provide automatic On/Off and Modulating level controls for boilers, deaerators, 	
	 feedwater tanks, etc.
• 	High integrity, self-monitoring level alarm systems incorporating conductivity probes 	
	 offer low maintenance, high and low alarms that provide warnings of system faults 	
	 and allow safe shutdown of plant. These systems are suitable for steam boilers, 	
	 particularly for those operating with only limited supervision, and can be used with other vessels.
Flow Meters
EMCO Flow Systems has been in the metering business for over 45 years with field
proven flowmeters offering solutions for measurement including industrial inline vortex,
industrial insertion vortex and turbine, and variable area flow products. Now part of the
Spirax Sarco group of companies, our global network of over 1,300 dedicated industry
engineers in 34 different countries, and with over a combined 150 years of experience,
we can give you access to the expertise and resources you need to improve the
performance of your plant, comply with legislation, meet environmental goals and stay
ahead of even the most intense competition.
Spirax Sarco’s range of precision flowmeters for liquid, gas, and steam applications
provide a wide range of metering solutions to diverse industries, including the military,
hospitals, universities, and many Fortune 500 companies.
spiraxsarco.com/us
USA’s leading provider of Steam System Solutions
Control Systems
Maximum productivity requires delivering the steam at its most energy efficient pressure
and temperature resulting in optimum energy usage, and a safe, comfortable environment.
Spirax Sarco has a complete range of controls to efficiently provide the right heat transfer
for any process or heating application.
• Automatic Control Valves			 • Direct Operated Temperature Regulators
• Direct Operated Pressure Regulators	 • Pilot Operated Temperature Regulators
• Pilot Operated Pressure Regulators	 • Safety Valves
Ranging in sizes from 1/2” to 6”, operating pressures up to 600 psi, and capacities up to
100,000 lb/hr, the complete range of controls and regulators provide steam system solutions industry wide. Available in iron, steel,
stainless steel, and bronze, Spirax Sarco controls and regulators are suitable for virtually all control applications.
Steam Traps
Spirax Sarco designs and manufactures all types of steam traps in a variety of materials. Whether it be for steam mains, steam tracing,
or heating and processing equipment, Spirax Sarco has the knowledge, service and products to improve your steam system.
• Balanced Pressure Thermostatic			 • Bimetallic
• Float & Thermostatic				 • Inverted Bucket
• Thermo-Dynamic®
				 • Liquid Expansion
• Steam Trap Fault Detection Systems		 • Steam Trap Diffuser
• Steam Trap management Systems
Mechanical steam traps are available in iron, steel and stainless steel with NPT, socket weld,
or flanged connections in sizes ranging from 1/2” to 4”. Thermostatic types are available in
brass, forged steel, stainless steel, cast alloy steel with stainless steel internals with NPT and
socket weld connections and are available in sizes 1/2” to 1-1/2”. The thermo-dynamic®
types
are available in stainless, alloy and forged steel and range in sizes from 1/2” to 1” with NPT, Socket Weld and ANSI connections. Bimetal trap
available in steel and stainless steel 1/2” to 2”. Several styles are available with Universal connectors.
Condensate Pumps & Energy Recovery
Spirax Sarco offers the solutions to maintaining efficiency in all areas of condensate
recovery. For the total system solution, Spirax Sarco’s non-electric pumps drain and return
condensate and other liquids from vacuum systems, condensers, process equipment, or
any other steam condensing equipment. The Pressure Powered Pump can handle liquids
from 0.65 to 1.0 specific gravity and capacities up to 39,000 lb/hr. Available in cast iron or
fabricated steel (ASME code stamped) with stainless steel internals and stainless steel
check valves. The rugged body allows a maximum pressure of 125-300 psig. This system
solution saves energy and provides optimum system efficiency with low maintenance.
• Pressure Powered Pump		 	 • Packaged Pressure Powered Pumps
• High Capacity Pressure Powered Pump	 • Electric Pumps
					 • Combined Automatic Pump Traps
	
For easy installation, Pressure Powered Pump packaged units are pre-piped and combine any Pressure Powered Pump, with a
receiver, strainer, isolation valves and traps as requested. Electric pumps are packaged units, assembled, wired and tested. Electric
condensate return pumps are available in simplex units with an integral float switch or a mechanical alternator on the duplex units.
High Purity Products
Avoidance of the risk of contamination across many industries has resulted in a growing
need for clean steam, pure steam and water of WFI (Water For Injection) quality.
Products suitable for these high purity systems must be designed and manufactured
to a high standard to ensure compliance with the exacting rules and regulations set for
example by the biopharmaceutical and healthcare industries. Spirax Sarco’s extensive
range of high purity products extends from generation through distribution to usage.
• Sanitary control and instrumentation
• Pure and clean steam trapping
• Sanitary ancillary products
• Fabrication and service
Pipeline Ancillaries
The Spirax Sarco line of Pipeline Auxiliaries complete the steam system and are
available in a variety of materials and sizes to suit your needs.
• Flash Vessels			 •   Steam Separators
• Strainers - Pipeline and Basket	 •   Sight Glasses/Checks
• Air Removal Equipment		 •   Trap Diffusers
• Radiator Valves			 •   Vent Heads
• Ball Valves			 •   Vacuum Breakers
• Steam Injectors
Training
Years of accumulated experience has enabled the development and nurturing of
in-depth expertise for the proper control and conditioning of steam. Experienced
field personnel work closely with design, operations, and maintenance engineers,
continuously evaluating ways to improve productivity. Often, these solutions pay for
themselves many times over.
The four U.S. training centers located in Chicago, Houston, Los Angeles, and Columbia,
SC., have on-site steam systems providing hands-on training. Education programs
include the theory of steam, the application of steam products, plant design, energy and
system efficiency, to name just a few. Programs also can be tailored to meet individual
needs. Thousands of engineers, maintenance personnel, operations managers, energy
and plant managers complete Spirax Sarco training programs each year and return to
continue broadening their knowledge of steam systems.
spiraxsarco.com/us
28
Cold water header tank
Cold
water
make-up
Live
steam
supply
Steam
boiler
General layout only, some of the detail has been omitted for clarity. Your local Spirax Sarco engineer will be pleased to advise.
4
13
12
1
3
6
19
2 4
5
13
24
8
10
11
Feedwater storage
and conditioning
1 Feedtank
2 Deaerator heads
3 Steam injection and temperature control systems
4 Level controls
5 Recirculating systems
6 Air vent and vacuum breakers
Feedwater supply
and boiler level controls
7 Modulating feedwater valve controls
8 Water level alarms
9 Feedpump check valves
Also available:
- On / off feedpump controls	
Boiler blowdown
TDS controls
10 Auto TDS control systems
11 Sample coolers
Also available:
- Blowdown systems for coil and
other boilers
Steam generation
35
From
second boiler
Overflow
To others
Cooling
water
supply
7
9
14
16
15
18
17
19
22
43
23
36
21
20
Blowdown heat
recovery
12 Flash vessels
13 Residual blowdown heat exchangers 	
and circulating pumps
Bottom blowdown
valves and vessels
14 Timed, bottom blowdown valves
15 Inlet manifolds
16 Isolation and check valves
17 Blowdown vessels
18 Cooling water systems
19 Vent heads
Also available:
- Manual bottom blowdown valves
Steam start-up
and flowmetering
20 Steam main start-up systems
21 Steam separators
22 Steam flowmeters
Condensate monitoring
23 Condensate contamination detectors
24 Condensate dump valves
35
Air
Flow
Return
Make-up
Heat Exchanger
General layout only, some of the detail has been omitted for clarity. Your local Spirax Sarco engineer will be pleased to advise.
41
46
36
36
41
27
36
31
38
28
25
28
39
46
40
33
29
26
20
41
46
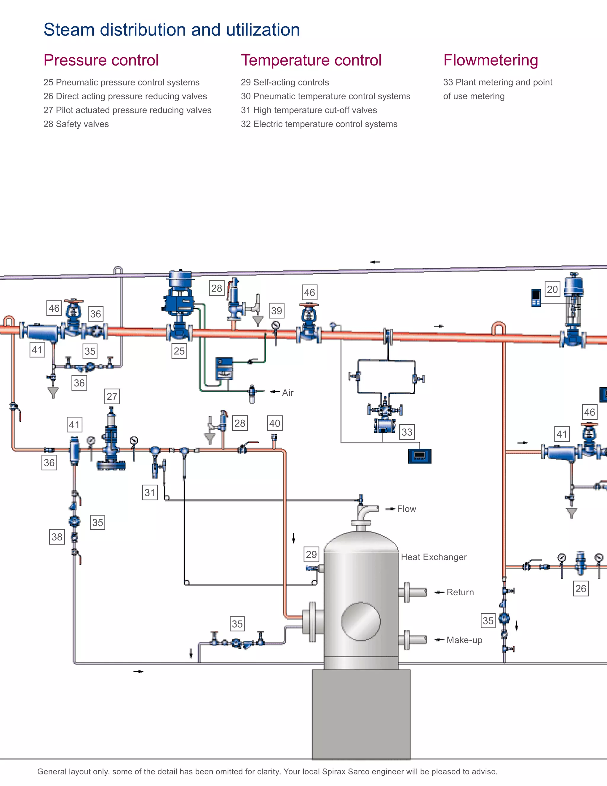
Pressure control
25 Pneumatic pressure control systems
26 Direct acting pressure reducing valves
27 Pilot actuated pressure reducing valves
28 Safety valves
Temperature control
29 Self-acting controls
30 Pneumatic temperature control systems
31 High temperature cut-off valves
32 Electric temperature control systems
Flowmetering
33 Plant metering and point
of use metering
Steam distribution and utilization
35
35
35 35
Jacketed heating kettle
Shell and tube
heat exchanger
Flow
Return
Condensate
from others
To boiler
Air
33
30
32
40
45
37
45
35
42
44 34 44
39
44 37
32
36
46
Steam traps
34 Thermodynamic
35 Float
Also available:
- Balanced pressure
- Bimetallic
- Inverted bucket
Pipeline ancillaries
36 Strainers
37 Air vents
38 Sight glasses
39 Pressure gauges
40 Vacuum breakers
	
Pipeline ancillaries
41 Separators
42 Check valves
43 Steam trap monitors
44 Manual and actuated ball valves
45 Stop valves
46 Bellows sealed stop valves
35
feedtank To condensate re
Air duct
Air
General layout only, some of the detail has been omitted for clarity. Your local Spirax Sarco engineer will be pleased to advise.
26
28 46
46
30
44
44
38
35
36
19
48
50
Steam humidification
47 Steam injection humidifiers
Also available:
- Self-generative humidifiers
Clean / pure steam
Many of the products shown are
also available for clean or pure steam
applications in the biotechnology,
pharmaceutical, food and drink
industries.	
Flash steam recovery
48 Flash vessels are used to convert
pressurised condensate into useful flash
steam - used here on the first stage of
an air heater battery.
Steam specialization, condensate handling and the environment
35
eceiver unit
Flow
Plate heat
exchanger
Return
26
47
44 37
44
49
30
Condensate recovery
49 Combined pump traps and pressure	
power pumps for condensate 	
removal and return (no electrics).
50 Electric pump sets used where
condensate can freely drain
into a receiver.
Engineered systems
A complete, compact steam heat
exchange solution for process, heating,
and domestic hot water requirements.
The environment
Steam has always been environmentally friendly
- modern, highly efficient centralized boiler plant
ensures emissions are minimized and the steam
itself condenses to pure, unpolluted water. Spirax
Sarco remains at the forefront of improving the
efficiency of the entire steam and condensate loop
and is the only company with this total capability.
35
35
Spirax Sarco, Inc.
1150 Northpoint Blvd., Blythewood, SC 29016
T 800-883-4411 or 803-714-2000
F 803-714-2222
www.spiraxsarco.com/us
SPB1025 © Copyright 2013 Spirax Sarco is a registered trademark of Spirax-Sarco Limited
spiraxsarco.com/us
US Regional Offices
Northeast
500 W Wilson Bridge Road
Suite 135
Worthington, OH 43085
Phone: 614-436-8055
Mid-Atlantic
4647 Saucon Creek Road
Suite 102
Center Valley, PA18034
Phone: 1-800-251-7676
Southeast
1150 Northpoint Blvd
Blythewood, SC 29016
Phone: 803-714-2125
Midwest
1500 Eisenhower Lane
Suite 600
Lisle, IL 60532
Phone: 630-493-4525
Southwest
203 Georgia Avenue
Deer Park, TX 77536
Phone: 281-478-4002
West
8141 E. Kaiser Blvd
Suite 311
Anaheim Hills, CA 92808
Phone: 714-279-0417
2150 Miller Drive
Longmont, CO 80501
Phone: 800-356-9362

applications overview

  • 1.
  • 2.
    From generation todistribution to utilization and back to the boiler — Spir Energy Services Our services are tailored and integrated to suit your resources, plant requirements and available budget. Spirax Sarco engineers will work with you to implement improvements to your system and help you maintain the resulting performance gains. Our services can be split into three categories: Surveys and audits • Steam trap surveys • Thermal imaging • Steam, air, N2 and O2 leak surveys • Ultrasonic pipewall thickness testing • Steam system audits • Seismic and structural analysis • Steam quality testing • Compressor performance analysis • Process audits • Product health checks • Energy audits • Faultfinding & rectification Installation and service • Installation • Project and site management • Commissioning • Maintenance contracts • Start-up • Service and repair • On-site training Engineering and design • Steam system design • Pre-engineered packaged solutions • System efficiency calculations • Assessment of savings • Product/package performance calculations • Certification and other documentation • Return on investment calculations Engineered Systems Spirax Sarco’s Engineered Systems Division offers pre-engineered, compact skid mounted packaged solutions. The Engineered Systems advantage expedites the installation process and delivers a quality solution. Benefits include: • Type and size of components carefully • Shortened overall project lead times   selected to ensure system compatibility • Simplified maintenance and prolonged • Reduced engineering, piping layout and service life procurement costs • Pre-tested for faster start up • Conserved plant space and optimized • Reduced plant down time operating efficiency • Single source supply for greater • Minimized field labor and job site welding accountability • Potential for fewer installation errors and safety mishaps Spirax Sarco’s packaged solutions include: • Manifolds and trap stations • Condensate recovery solutions • Heat exchanger solutions • Vessels and receivers • Heat recovery solutions (e.g. boiler blowdown and flash steam) • Steam conditioning stations • Deaerators and surge tanks • Control valve and flow metering stations • Clean steam generators • Specialized packages
  • 3.
    rax Sarco hasthe answer Boiler Controls & Systems Requirements for greater productivity have led to increasing boiler house automation and limited levels of supervision. Spirax Sarco has developed a range of boiler controls that improve levels of both efficiency and safety in the boiler house. • Surface (TDS) Blowdown Systems • High and Low Level Alarm Systems • On/Off and Modulating Level Controls • Boiler Bottom Blowdown System • Condensate Contamination Detection Systems • By measuring boiler water conductivity, Spirax Sarco surface blowdown systems provide automatic TDS control. The same operating principle is used to monitor and control retuning condensate lines ensuring contaminated condensate is not retuned to the boiler house. • Using “state-of-the-art” conductivity and capacitance probes, Spirax Sarco systems provide automatic On/Off and Modulating level controls for boilers, deaerators, feedwater tanks, etc. • High integrity, self-monitoring level alarm systems incorporating conductivity probes offer low maintenance, high and low alarms that provide warnings of system faults and allow safe shutdown of plant. These systems are suitable for steam boilers, particularly for those operating with only limited supervision, and can be used with other vessels. Flow Meters EMCO Flow Systems has been in the metering business for over 45 years with field proven flowmeters offering solutions for measurement including industrial inline vortex, industrial insertion vortex and turbine, and variable area flow products. Now part of the Spirax Sarco group of companies, our global network of over 1,300 dedicated industry engineers in 34 different countries, and with over a combined 150 years of experience, we can give you access to the expertise and resources you need to improve the performance of your plant, comply with legislation, meet environmental goals and stay ahead of even the most intense competition. Spirax Sarco’s range of precision flowmeters for liquid, gas, and steam applications provide a wide range of metering solutions to diverse industries, including the military, hospitals, universities, and many Fortune 500 companies. spiraxsarco.com/us
  • 4.
    USA’s leading providerof Steam System Solutions Control Systems Maximum productivity requires delivering the steam at its most energy efficient pressure and temperature resulting in optimum energy usage, and a safe, comfortable environment. Spirax Sarco has a complete range of controls to efficiently provide the right heat transfer for any process or heating application. • Automatic Control Valves • Direct Operated Temperature Regulators • Direct Operated Pressure Regulators • Pilot Operated Temperature Regulators • Pilot Operated Pressure Regulators • Safety Valves Ranging in sizes from 1/2” to 6”, operating pressures up to 600 psi, and capacities up to 100,000 lb/hr, the complete range of controls and regulators provide steam system solutions industry wide. Available in iron, steel, stainless steel, and bronze, Spirax Sarco controls and regulators are suitable for virtually all control applications. Steam Traps Spirax Sarco designs and manufactures all types of steam traps in a variety of materials. Whether it be for steam mains, steam tracing, or heating and processing equipment, Spirax Sarco has the knowledge, service and products to improve your steam system. • Balanced Pressure Thermostatic • Bimetallic • Float & Thermostatic • Inverted Bucket • Thermo-Dynamic® • Liquid Expansion • Steam Trap Fault Detection Systems • Steam Trap Diffuser • Steam Trap management Systems Mechanical steam traps are available in iron, steel and stainless steel with NPT, socket weld, or flanged connections in sizes ranging from 1/2” to 4”. Thermostatic types are available in brass, forged steel, stainless steel, cast alloy steel with stainless steel internals with NPT and socket weld connections and are available in sizes 1/2” to 1-1/2”. The thermo-dynamic® types are available in stainless, alloy and forged steel and range in sizes from 1/2” to 1” with NPT, Socket Weld and ANSI connections. Bimetal trap available in steel and stainless steel 1/2” to 2”. Several styles are available with Universal connectors. Condensate Pumps & Energy Recovery Spirax Sarco offers the solutions to maintaining efficiency in all areas of condensate recovery. For the total system solution, Spirax Sarco’s non-electric pumps drain and return condensate and other liquids from vacuum systems, condensers, process equipment, or any other steam condensing equipment. The Pressure Powered Pump can handle liquids from 0.65 to 1.0 specific gravity and capacities up to 39,000 lb/hr. Available in cast iron or fabricated steel (ASME code stamped) with stainless steel internals and stainless steel check valves. The rugged body allows a maximum pressure of 125-300 psig. This system solution saves energy and provides optimum system efficiency with low maintenance. • Pressure Powered Pump • Packaged Pressure Powered Pumps • High Capacity Pressure Powered Pump • Electric Pumps • Combined Automatic Pump Traps For easy installation, Pressure Powered Pump packaged units are pre-piped and combine any Pressure Powered Pump, with a receiver, strainer, isolation valves and traps as requested. Electric pumps are packaged units, assembled, wired and tested. Electric condensate return pumps are available in simplex units with an integral float switch or a mechanical alternator on the duplex units.
  • 5.
    High Purity Products Avoidanceof the risk of contamination across many industries has resulted in a growing need for clean steam, pure steam and water of WFI (Water For Injection) quality. Products suitable for these high purity systems must be designed and manufactured to a high standard to ensure compliance with the exacting rules and regulations set for example by the biopharmaceutical and healthcare industries. Spirax Sarco’s extensive range of high purity products extends from generation through distribution to usage. • Sanitary control and instrumentation • Pure and clean steam trapping • Sanitary ancillary products • Fabrication and service Pipeline Ancillaries The Spirax Sarco line of Pipeline Auxiliaries complete the steam system and are available in a variety of materials and sizes to suit your needs. • Flash Vessels •   Steam Separators • Strainers - Pipeline and Basket •   Sight Glasses/Checks • Air Removal Equipment •   Trap Diffusers • Radiator Valves •   Vent Heads • Ball Valves •   Vacuum Breakers • Steam Injectors Training Years of accumulated experience has enabled the development and nurturing of in-depth expertise for the proper control and conditioning of steam. Experienced field personnel work closely with design, operations, and maintenance engineers, continuously evaluating ways to improve productivity. Often, these solutions pay for themselves many times over. The four U.S. training centers located in Chicago, Houston, Los Angeles, and Columbia, SC., have on-site steam systems providing hands-on training. Education programs include the theory of steam, the application of steam products, plant design, energy and system efficiency, to name just a few. Programs also can be tailored to meet individual needs. Thousands of engineers, maintenance personnel, operations managers, energy and plant managers complete Spirax Sarco training programs each year and return to continue broadening their knowledge of steam systems. spiraxsarco.com/us
  • 6.
    28 Cold water headertank Cold water make-up Live steam supply Steam boiler General layout only, some of the detail has been omitted for clarity. Your local Spirax Sarco engineer will be pleased to advise. 4 13 12 1 3 6 19 2 4 5 13 24 8 10 11 Feedwater storage and conditioning 1 Feedtank 2 Deaerator heads 3 Steam injection and temperature control systems 4 Level controls 5 Recirculating systems 6 Air vent and vacuum breakers Feedwater supply and boiler level controls 7 Modulating feedwater valve controls 8 Water level alarms 9 Feedpump check valves Also available: - On / off feedpump controls Boiler blowdown TDS controls 10 Auto TDS control systems 11 Sample coolers Also available: - Blowdown systems for coil and other boilers Steam generation 35
  • 7.
    From second boiler Overflow To others Cooling water supply 7 9 14 16 15 18 17 19 22 43 23 36 21 20 Blowdownheat recovery 12 Flash vessels 13 Residual blowdown heat exchangers and circulating pumps Bottom blowdown valves and vessels 14 Timed, bottom blowdown valves 15 Inlet manifolds 16 Isolation and check valves 17 Blowdown vessels 18 Cooling water systems 19 Vent heads Also available: - Manual bottom blowdown valves Steam start-up and flowmetering 20 Steam main start-up systems 21 Steam separators 22 Steam flowmeters Condensate monitoring 23 Condensate contamination detectors 24 Condensate dump valves 35
  • 8.
    Air Flow Return Make-up Heat Exchanger General layoutonly, some of the detail has been omitted for clarity. Your local Spirax Sarco engineer will be pleased to advise. 41 46 36 36 41 27 36 31 38 28 25 28 39 46 40 33 29 26 20 41 46 Pressure control 25 Pneumatic pressure control systems 26 Direct acting pressure reducing valves 27 Pilot actuated pressure reducing valves 28 Safety valves Temperature control 29 Self-acting controls 30 Pneumatic temperature control systems 31 High temperature cut-off valves 32 Electric temperature control systems Flowmetering 33 Plant metering and point of use metering Steam distribution and utilization 35 35 35 35
  • 9.
    Jacketed heating kettle Shelland tube heat exchanger Flow Return Condensate from others To boiler Air 33 30 32 40 45 37 45 35 42 44 34 44 39 44 37 32 36 46 Steam traps 34 Thermodynamic 35 Float Also available: - Balanced pressure - Bimetallic - Inverted bucket Pipeline ancillaries 36 Strainers 37 Air vents 38 Sight glasses 39 Pressure gauges 40 Vacuum breakers Pipeline ancillaries 41 Separators 42 Check valves 43 Steam trap monitors 44 Manual and actuated ball valves 45 Stop valves 46 Bellows sealed stop valves 35
  • 10.
    feedtank To condensatere Air duct Air General layout only, some of the detail has been omitted for clarity. Your local Spirax Sarco engineer will be pleased to advise. 26 28 46 46 30 44 44 38 35 36 19 48 50 Steam humidification 47 Steam injection humidifiers Also available: - Self-generative humidifiers Clean / pure steam Many of the products shown are also available for clean or pure steam applications in the biotechnology, pharmaceutical, food and drink industries. Flash steam recovery 48 Flash vessels are used to convert pressurised condensate into useful flash steam - used here on the first stage of an air heater battery. Steam specialization, condensate handling and the environment 35
  • 11.
    eceiver unit Flow Plate heat exchanger Return 26 47 4437 44 49 30 Condensate recovery 49 Combined pump traps and pressure power pumps for condensate removal and return (no electrics). 50 Electric pump sets used where condensate can freely drain into a receiver. Engineered systems A complete, compact steam heat exchange solution for process, heating, and domestic hot water requirements. The environment Steam has always been environmentally friendly - modern, highly efficient centralized boiler plant ensures emissions are minimized and the steam itself condenses to pure, unpolluted water. Spirax Sarco remains at the forefront of improving the efficiency of the entire steam and condensate loop and is the only company with this total capability. 35 35
  • 12.
    Spirax Sarco, Inc. 1150Northpoint Blvd., Blythewood, SC 29016 T 800-883-4411 or 803-714-2000 F 803-714-2222 www.spiraxsarco.com/us SPB1025 © Copyright 2013 Spirax Sarco is a registered trademark of Spirax-Sarco Limited spiraxsarco.com/us US Regional Offices Northeast 500 W Wilson Bridge Road Suite 135 Worthington, OH 43085 Phone: 614-436-8055 Mid-Atlantic 4647 Saucon Creek Road Suite 102 Center Valley, PA18034 Phone: 1-800-251-7676 Southeast 1150 Northpoint Blvd Blythewood, SC 29016 Phone: 803-714-2125 Midwest 1500 Eisenhower Lane Suite 600 Lisle, IL 60532 Phone: 630-493-4525 Southwest 203 Georgia Avenue Deer Park, TX 77536 Phone: 281-478-4002 West 8141 E. Kaiser Blvd Suite 311 Anaheim Hills, CA 92808 Phone: 714-279-0417 2150 Miller Drive Longmont, CO 80501 Phone: 800-356-9362