Presentation
on
Thales 300 kW MW transmitter
by
R.Narasimha Swamy,
Superintending Engineer, AIR, Bangalore
C o n n e c t io n o f m o d u le s in s e r ie s
1
2
3
4
5
V
V
V
1
2
3
4
nV n
V n
V 2
V 1
V o
C o n n e c t io n o f m o d u le s a s s e m b lie s
in p a r a lle l
O u t p u t
M 1 M 1 2 8
M 1 2 9 M 2 5 5
9 0
O
1 2 0
O u t p u t
Vseries
Output
Principle of RF power generation
T Y P E S E R IA L P A R A L L E L M IX E D
O P E R A T IO N
M O D U L E V O L T A G E A D D E D
S A M E C U R R E N T
M O D U L E C U R R E N T A D D E D
S A M E V O L T A G E
M O D U L E V O L T A G E A N D
C U R R E N T
A D D E D A N D C O M B IN E D
S T A B IL IT Y W IT H O N E O R
M O R E M O D U L E O U T O F
O R D E R
S T A B L E
P O W E R D E C R E A S E S
U N S T A B L E
P O W E R R E M A IN S C O N S T A N T
S T A B L E U N D E R C O N D IT IO N
S M A L L U N B A L A N C E D V O L T A G E
D IF F E R E N C E
D IS A B L E D M O D U L E
M O D U L E F A U L T A L L O W E D
S H O R T - C IR C U IT
T H E N O R M A L T R A N S IS T O R
F A IL U R E M O D E
O P E N C IR C U IT
N E E D A D D IT IO N A L
P R O T E C T IO N
S H O R T C IR C U IT L IM IT E D
N U M B E R O F F A U L T Y M O D U L E
L IM IT E D
L IM IT A T IO N
H IG H V O L T A G E L IN E L E N G T H
L O A D V A R IA T IO N
H IG H C U R R E N T
L O W IM P E D A N C E
IN C R E A S E D L O S S E S
V O L T A G E A N D
C U R R E N T C O M B IN E D
T H O M C A S T S O L U T IO N
1 2 0 T O 1 6 0 M O D U L E S
IN S E R IA L
1 5 0 k W
N IL
2 L IN E S O F 1 2 8 M O D U L E S IN
S E R IA L
4 0 0 k W
P H A S E V A R IA T IO N A L L O W E D F O R B ID D E N A L L O W E D
Choice of combiners
Functional Blocks
• High current, HT DC power supply units for powering the
MOSFETs of the PA and low voltage regulated DC power
supplies for the control electronics
• RF Pilot source and RF Driver amplifier units
• Array of 255 RF Power amplifiers connected in
series/parallel combination and associated control,
distribution and monitoring electronics.
• RF Adaptation Unit for matching and combining the left
and right RF lines
• Low pass RF Filter unit for reducing the spurious
harmonics.
• Modulation Encoder for controlling the switching of all
the 255 modules.
Contd.,
Functional blocks Contd.,
• Control and management electronics consisting of
embedded 16-bit microprocessor, digital input/output
boards, signal-conditioning circuits, fast blocking
boards etc for data acquisition and overall control
and supervision.
• Various types of sensors, instrumentation and
associated signal conditioning electronics for
monitoring the health of transmitter and sub
systems.
• Interlocking and grounding arrangement for safety
measure.
• Man machine interfaces for annunciation and control.
• Water-cooling (Hydraulics) for PA MOSFETS and high
power rectifier diodes and sophisticated processor
based ventilation system for air cooling.
• 800 kW Dummy load and associated heat exchanger.
R F 1
R F 2
E X T
R F
E N C O D E R
E N C O -
D E R
A M P L I F -
I E R
E
X
C
I
T
E
R
D E M U L T I P L E -
X E R
P O W E R
I N T E R
F A C E
D I G I T A L
H O L D
L A T C H
O P T O
C O U -
P L E R
R F 1 I N
R F O U T
R F 2 I N
E X T .
M 1
J 2
J 1
E M E R G E N C Y M O D U L E C U T O F F
C L O C K
R F F O R P H A S E
D A U G H T E R B O A R D
M
3 1
M O D U L E 1
D E D I C A T E D M O D U L E C O M M A N D
M O D U L E O N
C U T O F FJ 1 5
4 S T A T E
M O D U L E
O N / O F F
C O M M A N D
T H
T 1
T 2
R E M O T E
D I S T R I B U T I O N
R F 1
R F 2
D M 1
P I L O T - 1
P I L O T - 2
P I L O T
C / O
J1 3
1 6
1 7
3 2
J1 1
1 2J
1 2J
1 2J
1 6
1 7
R F 1
D M
M 3 2
RF flow
L E F T
D I S T R I B U T I O N
B O A R D
2 4 1
2 2 52 4 0
1 2 91 4 4
1 4 5
1 6 11 7 6
1 7 7
1 9 32 0 8
2 0 9
1 1 3
1 1 79 7
1 7
1 61
4 9
4 63 3
8 1
8 06 5
S P A R E
L E F T
D I S T R I B U T I O N
B O A R D
L E F T
D I S T R I B U T I O N
B O A R D
L E F T
D I S T R I B U T I O N
B O A R D
R F
A M P L I F I E R M O D U L E S
L E F T C H A N N E L
R I G H T
D I S T R I B U T I O N
B O A R D
R I G H T
D I S T R I B U T I O N
B O A R D
R I G H T
D I S T R I B U T I O N
B O A R D
R I G H T
D I S T R I B U T I O N
B O A R D
E N C O D E R
A M P L I .
A S S E M B L Y
D
A M P L I .
A S S E M B L Y
C
A M P L I .
A S S E M B L Y
B
A M P L I .
A S S E M B L Y
A
G E S M O D R A C K
M O D U L E S
C O M M A N D
R I G H T C H A N N E L
RACK4
(64MODULES)
RACK3
(64MODULES)
RACK2
(64MODULES)
RACK1
(64MODULES)
D M : D E D I C A T E D M O D U L E
A M P L I F I E R M O D U L E
D I S T R I B U T I O N ( 9 8 / 0 3 0 7 A )
A M P L I F I E R B L O C K L A Y O U T
2 5 6
D M
1 9 2
D M
1 6 0
D M
3 2
D M
6 4
D M
9 6
D M
1 2 8
D M
2 2 4
D M
B O T T O M T O P
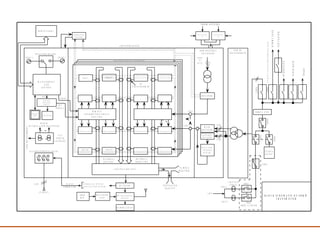
B L O C K S C H E M A T I C O F 3 0 0 K W
T R A N S M I T T E R
T r . T r .
1 1 K V / 4 1 5 V
7 5 0 K V A
T R F - 2
1 1 K V
P O W E R
T R A N S F O R M E R
P A # 1 7
M A N A G E M E N T
A N D
C O N T R O L
E N C O D E R
A M P L I F I E R
C I R C U I T
B L O C K
M M I E X C I T E R
R E M O T E M M I
R E M O T E
D I S T R I B U T I O N C I R C U I T
L E F T L I N E
A D A P T A T I O N U N I T
P A # 1
H Y D R A U L I C
S Y S T E M
R E C T I F I E R
M A I N
R E C T I F I E R
A U X I L I A R Y
R E C T I F I E R
M A L T A N D
L O C K I N G
S Y S T E M
R F F I L T E R
R F C H A N G E O V E R
S W I T C H
D U M M Y L O A D
M A T C H I N G
U N I T
5 0 K W
M W
V E N T I L A T O R
# 2
V E N T I L A T O R
# 1
9 0 0 K V A A V R
1 2 5 K V A
D G S E T
P O W E R S U P P L Y
E N C L O S U R E
A M P L I F I E R B L O C K
P I L O T - 1 P I L O T - 2
S E L E C T I O N B O A R D
R F
C M D S
R F
S I G N A L
B L O C K
I N T E R N A L P O W E R S U P P L I E S
V L V
P O W E R
S U P P L I E S
4 1 0 V
L V I N P U T
E L C T R O T E C H N I C A L R A C K
F A U L T
C O M M A N D
H Y D R A U L I C S Y S T E M
V E N T I L A T I O N S Y S T E M
V E N T I L A T O R
E X H A U S T
R F S I G N A L
L E F T T H E
R F S I G N A L
R I G H T L I N E
A M P L I F I E R M O D U L E S A S S E M B L I E S
- V in t
3 3 0 V 3 3 0 V
3 3 0 V
LVINPUTTOELECTROTECHNICALRACK
R F
T R A N S F O R M E R
1 2 0 0 A
LVGPSEXTERNAL
P A # 1 6 P A # 3 2
T R F - 1
8 0 0 A
8 0 0 A
5 0 K W L T R O O M
T x H A L L
H E A T I N G
1200A
630A
1600A
1200A
100A
SPARE
AUDIORACK
HYDRAULICS
DUMMYLOAD
VENTILATOR
F R O M O U T S I D E
F R O M
E T
R A C K
Functions of distribution board
 Distributes the RF signal received from the RF Exciter
board to 31 numbers of individual PAs used for coarse RF
power generation.
 Routes the RF signal received from the Encoder board to
the dedicated PA module for fine control.
 Routes the VINT
DC power supply to the individual PAs for
MOSFET H-bridge control.
 On command from the control system, health status of the
PA modules on the basis of presence of +330V and VINT
DC
power supply on the MOSFETs and forwards it to control
system through 4253 card #1 by polling method.
 The daughter board mounted on the distribution board
decodes the 4th
state command signals received from the
Encoder board and distributes the command to the
individual PAs after providing necessary optical isolation.
Features of PA
• Designed to produce 2.34 kW of RF power under dynamic
operating conditions.
• They are used as high speed RF switches working in class
D mode. Hence power conversion efficiency of these
amplifiers is very high.
• Employs industry standard reliable MOSFET of reputed
make in H-bridge topology as switching elements.
• During normal operation, they dissipate around 400 Watt of
heat to be extracted by circulating water through their heat
sink.
• Simple electronic design ensures ease of servicing.
• Reliable mechanical design ensures efficient heat
extraction.
• Provided with ultra fast fuse to isolate the H-bridge in case
of failure of MOSFET to prevent over loading of drain power
supply (+330V).
Principle of H bridge
R E L A Y
( A )
+ 1 2
.
+ -
G R O U N D
( C O M M O N )
+ -
+ 1 2
R E L A Y
.
R E L A Y
R E L A Y
.
R E L A Y
R E L A Y
.
( A )
( C )
( B )
( D )
+ 1 2 + 1 2
.
+ -
.
+ -
+ 1 2
( A ) ( B )
( C ) ( D )
P N P
N P N
G R O U N D
+ 1 2
P N P
N P N
G R O U N D
F I G U R E : R F A M P L I F I E R F U L L Q U A D B R I D G E D O P E R A T I O N
- +
C O M B I N E R
T R A N S F O R M E R
O F F O N
+ 3 3 0 V
Q 1 0 1 & Q 1 0 2 Q 2 0 1 & Q 2 0 2
+ 3 3 0 V
( A ) Q 1 0 1 , Q 1 0 2 , Q 2 0 3 & Q 2 0 4 O F F
Q 2 0 1 , Q 2 0 2 , Q 1 0 3 & Q 1 0 4 O N
-+
C O M B I N E R
T R A N S F O R M E R
+ 3 3 0 V + 3 3 0 V
Q 1 0 1 & Q 1 0 2
O N
Q 1 0 3 & Q 1 0 4
O F F
Q 2 0 1 & Q 2 0 2
O F F
Q 2 0 3 & Q 2 0 4
O N
( B ) Q 1 0 1 , Q 1 0 2 , Q 2 0 3 & Q 2 0 4 O N
Q 2 0 1 , Q 2 0 2 , Q 1 0 3 & Q 1 0 4 O F F
O F F
Q 2 0 3 & Q 2 0 4
O N
Q 1 0 3 & Q 1 0 4
( C ) O U T P U T W A V E F O R M S
+ V
0
+ V
T O R R O I D A L
T R A N S F O R M E R
P I L O T B O A R D 2
P I L O T B O A R D 1
P I L O T C O M M A N D B O A R D
S A F E T Y D E V I C E
M E A S U R E M E N T B O A R D
M i c r o P r o c e s s o r B o a r d ( S B C 3 3 0 )
F A S T B L O C K I N G B O A R D
( C B R )
I / O B O A R D M P L 4 2 5 3
E T H E R N E T C O N N E C T I O N
B O A R D ( L A N )
I / O B O A R D M P L 4 2 5 3
I / O B O A R D M P L 4 2 5 5
I / O B O A R D M P L 4 2 5 5
E N C O D E R B O A R D
B
A
C
K
P
L
A
N
E
B
O
A
R
D
T r a n s m i t te r
G
9
6
G
E
S
B
U
S
B
O
A
R
D
E N C O D E R A M P L I F I E R
C I R C U I T
V L V P O W E R
S U P P L I E S
R F F I L T E R
P O W E R S U P P L Y
E N C L O S U R E
A D A P T A T I O N U N I T
G R O U N D A N D I N T E R L O C K I N G
S Y S T E M
R F E X C IT E R
ElectrotechnicalRack
B L O C K
M M I
E X T E R N A L
R e m o t e M M I
H Y D R A U L I C
C I R C U I T
V E N T I L A T I O N
S Y S T E M
P O W E R
U N I T
D i g i t a l a u d i o
i n p u t
A n a l o g
a u d i o i n p u t
→
Signal Source
RHS header current phase Sensors mounted at the
output of each RF
header lineLHS header current phase
VINT
DC power supply
voltage
From PS rack
Incoming 3φ, LT voltage
+330V DC PS current Hall effect sensor in
PS cabinet
+330V DC PS voltage Voltage divider in PS
cabinet
RHS header current Sensors mounted at the
output of each header
lineLHS header current
Output RF power Directional coupler
Output RF VSWR Directional coupler
Exciter RF output
voltage
Sample of Exciter
voltage
Functions of Encoder board
• Number of modules to be switched
depends on:
 Instantaneous amplitude of the modulating
audio signal.
 Audio attenuation level set by the user.
 Modulation type i.e. AM-DSB/DCC chosen by
the user.
 Number of faulty module in the transmitter
Dedicated
module Number
Module
position
Proportionate
output
1 32 5.1 ± 0.3
2 160 4.7 ± 0.3
3 64 3.8 ± 0.3
4 192 3.1 ± 0.3
5 96 2.3 ± 0.3
6 224 1.6 ± 0.3
7 128 1.0 ± 0.3
8 256 (not
used)
0
M o d u l a t io n S t r a t e g y F u n c t io n a l A r c h it e c t u r e
N ( t ) - N ( t + 1 )
M e m o r y
D e l a y
R o t a t i o n
C l o c k
P r o c e s s i n g
S t r a t e g y
5
R o t a t i o n C l o c k
E n v e l o p e
P r o c e s s i n g
B a n k A B
R o t a t i o n p r o c e s s i n g
+ C o m p u t a t i o n N ( t ) - N ( t + 1 )
B a n k C D
R o t a t i o n p r o c e s s i n g
+ C o m p u t a t i o n N ( t ) - N ( t + 1 )
B a n k
A B C D
R e p a r t i t i o n
R F
P r o c e s s i n g
R F
S l o p e
P r o c e s s i n g
N ( t + n )
N ( t )
S t a n d a r d M o d u le s
M ( 1 - 1 2 4 )
E n v e lo p e
R A M D P A
R A M D P B
R A M D P C
R A M D P D
F r o m c o n t r o l S y s t e m
( G e s m o d )
R e a l t i m e t a b l e o f
O p e r a t i o n R F M o d u l e s
2 x 3 1
2 x 3 1
2 x 3 1
2 x 3 1
D e d ic a t e d m o d u le s m ( 1 - 7 )
C l o c k M
C l o c k M
S +
S -
M U X
m
D i s t r i b u t o r
p o s i t i o n S l o p e
p r o c e s s i n g a n d
p h a s e d e l a y
o p t i m i s e r
7
S lo p e S ig n C o n t r o l
N e g a t i v e S l o p e
p r o c e s s i n g a n d
p h a s e d e l a y
o p t i m i s e r
3
21
4
7
3
6
6
6
1 1
1 08
9
9
6
M O D U L E O N
M O D U L E O N
D I R E C T I O N O F
R O T A T I O N
N E X T M O D U L E T O B E S W I T C H " O F F "
N E X T M O D U L E T O B E S W I T C H " O N "
Module rotation
The next module to be switched ON is the one which has
been OFF for the longest time.
The next module to be switched OFF is the one which has
been ON for the longest time.
The principle ensures equal distribution of thermal and
electrical stress over the modules.
Fault reports compiled from
• Imphal
• Sri Nagar
• Jodhpur
• Indore
Normal faults
• PA failure
• Failure of opto couplers
• Failure of polling mechanism due to
problem in distribution board
• Faults due to cooling
Maintenance tips
• Keep transmitter free from dust and suit
• Ensure proper connectivity
• Air conditioning is must
• Introduce surge protectors on mains
• Keep a watch on the feeds and investigate the
matter immediately, in case of abnormality
• Do not ignore faults which includes tripping of
the transmitter without indication
Abnormal faults
• Failure of Encoder card connectivity
• Problems in daughter board
• Failure of PS of driver module
• Problem in VCC (PS 323, A1, +5V) of
Encoder board
• Micro switch problem of KM1 and KM2

300k w transmitter

  • 1.
    Presentation on Thales 300 kWMW transmitter by R.Narasimha Swamy, Superintending Engineer, AIR, Bangalore
  • 3.
    C o nn e c t io n o f m o d u le s in s e r ie s 1 2 3 4 5 V V V 1 2 3 4 nV n V n V 2 V 1 V o C o n n e c t io n o f m o d u le s a s s e m b lie s in p a r a lle l O u t p u t M 1 M 1 2 8 M 1 2 9 M 2 5 5 9 0 O 1 2 0 O u t p u t Vseries Output Principle of RF power generation
  • 4.
    T Y PE S E R IA L P A R A L L E L M IX E D O P E R A T IO N M O D U L E V O L T A G E A D D E D S A M E C U R R E N T M O D U L E C U R R E N T A D D E D S A M E V O L T A G E M O D U L E V O L T A G E A N D C U R R E N T A D D E D A N D C O M B IN E D S T A B IL IT Y W IT H O N E O R M O R E M O D U L E O U T O F O R D E R S T A B L E P O W E R D E C R E A S E S U N S T A B L E P O W E R R E M A IN S C O N S T A N T S T A B L E U N D E R C O N D IT IO N S M A L L U N B A L A N C E D V O L T A G E D IF F E R E N C E D IS A B L E D M O D U L E M O D U L E F A U L T A L L O W E D S H O R T - C IR C U IT T H E N O R M A L T R A N S IS T O R F A IL U R E M O D E O P E N C IR C U IT N E E D A D D IT IO N A L P R O T E C T IO N S H O R T C IR C U IT L IM IT E D N U M B E R O F F A U L T Y M O D U L E L IM IT E D L IM IT A T IO N H IG H V O L T A G E L IN E L E N G T H L O A D V A R IA T IO N H IG H C U R R E N T L O W IM P E D A N C E IN C R E A S E D L O S S E S V O L T A G E A N D C U R R E N T C O M B IN E D T H O M C A S T S O L U T IO N 1 2 0 T O 1 6 0 M O D U L E S IN S E R IA L 1 5 0 k W N IL 2 L IN E S O F 1 2 8 M O D U L E S IN S E R IA L 4 0 0 k W P H A S E V A R IA T IO N A L L O W E D F O R B ID D E N A L L O W E D Choice of combiners
  • 5.
    Functional Blocks • Highcurrent, HT DC power supply units for powering the MOSFETs of the PA and low voltage regulated DC power supplies for the control electronics • RF Pilot source and RF Driver amplifier units • Array of 255 RF Power amplifiers connected in series/parallel combination and associated control, distribution and monitoring electronics. • RF Adaptation Unit for matching and combining the left and right RF lines • Low pass RF Filter unit for reducing the spurious harmonics. • Modulation Encoder for controlling the switching of all the 255 modules. Contd.,
  • 6.
    Functional blocks Contd., •Control and management electronics consisting of embedded 16-bit microprocessor, digital input/output boards, signal-conditioning circuits, fast blocking boards etc for data acquisition and overall control and supervision. • Various types of sensors, instrumentation and associated signal conditioning electronics for monitoring the health of transmitter and sub systems. • Interlocking and grounding arrangement for safety measure. • Man machine interfaces for annunciation and control. • Water-cooling (Hydraulics) for PA MOSFETS and high power rectifier diodes and sophisticated processor based ventilation system for air cooling. • 800 kW Dummy load and associated heat exchanger.
  • 7.
    R F 1 RF 2 E X T R F E N C O D E R E N C O - D E R A M P L I F - I E R E X C I T E R D E M U L T I P L E - X E R P O W E R I N T E R F A C E D I G I T A L H O L D L A T C H O P T O C O U - P L E R R F 1 I N R F O U T R F 2 I N E X T . M 1 J 2 J 1 E M E R G E N C Y M O D U L E C U T O F F C L O C K R F F O R P H A S E D A U G H T E R B O A R D M 3 1 M O D U L E 1 D E D I C A T E D M O D U L E C O M M A N D M O D U L E O N C U T O F FJ 1 5 4 S T A T E M O D U L E O N / O F F C O M M A N D T H T 1 T 2 R E M O T E D I S T R I B U T I O N R F 1 R F 2 D M 1 P I L O T - 1 P I L O T - 2 P I L O T C / O J1 3 1 6 1 7 3 2 J1 1 1 2J 1 2J 1 2J 1 6 1 7 R F 1 D M M 3 2 RF flow
  • 8.
    L E FT D I S T R I B U T I O N B O A R D 2 4 1 2 2 52 4 0 1 2 91 4 4 1 4 5 1 6 11 7 6 1 7 7 1 9 32 0 8 2 0 9 1 1 3 1 1 79 7 1 7 1 61 4 9 4 63 3 8 1 8 06 5 S P A R E L E F T D I S T R I B U T I O N B O A R D L E F T D I S T R I B U T I O N B O A R D L E F T D I S T R I B U T I O N B O A R D R F A M P L I F I E R M O D U L E S L E F T C H A N N E L R I G H T D I S T R I B U T I O N B O A R D R I G H T D I S T R I B U T I O N B O A R D R I G H T D I S T R I B U T I O N B O A R D R I G H T D I S T R I B U T I O N B O A R D E N C O D E R A M P L I . A S S E M B L Y D A M P L I . A S S E M B L Y C A M P L I . A S S E M B L Y B A M P L I . A S S E M B L Y A G E S M O D R A C K M O D U L E S C O M M A N D R I G H T C H A N N E L RACK4 (64MODULES) RACK3 (64MODULES) RACK2 (64MODULES) RACK1 (64MODULES) D M : D E D I C A T E D M O D U L E A M P L I F I E R M O D U L E D I S T R I B U T I O N ( 9 8 / 0 3 0 7 A ) A M P L I F I E R B L O C K L A Y O U T 2 5 6 D M 1 9 2 D M 1 6 0 D M 3 2 D M 6 4 D M 9 6 D M 1 2 8 D M 2 2 4 D M B O T T O M T O P
  • 9.
    B L OC K S C H E M A T I C O F 3 0 0 K W T R A N S M I T T E R T r . T r . 1 1 K V / 4 1 5 V 7 5 0 K V A T R F - 2 1 1 K V P O W E R T R A N S F O R M E R P A # 1 7 M A N A G E M E N T A N D C O N T R O L E N C O D E R A M P L I F I E R C I R C U I T B L O C K M M I E X C I T E R R E M O T E M M I R E M O T E D I S T R I B U T I O N C I R C U I T L E F T L I N E A D A P T A T I O N U N I T P A # 1 H Y D R A U L I C S Y S T E M R E C T I F I E R M A I N R E C T I F I E R A U X I L I A R Y R E C T I F I E R M A L T A N D L O C K I N G S Y S T E M R F F I L T E R R F C H A N G E O V E R S W I T C H D U M M Y L O A D M A T C H I N G U N I T 5 0 K W M W V E N T I L A T O R # 2 V E N T I L A T O R # 1 9 0 0 K V A A V R 1 2 5 K V A D G S E T P O W E R S U P P L Y E N C L O S U R E A M P L I F I E R B L O C K P I L O T - 1 P I L O T - 2 S E L E C T I O N B O A R D R F C M D S R F S I G N A L B L O C K I N T E R N A L P O W E R S U P P L I E S V L V P O W E R S U P P L I E S 4 1 0 V L V I N P U T E L C T R O T E C H N I C A L R A C K F A U L T C O M M A N D H Y D R A U L I C S Y S T E M V E N T I L A T I O N S Y S T E M V E N T I L A T O R E X H A U S T R F S I G N A L L E F T T H E R F S I G N A L R I G H T L I N E A M P L I F I E R M O D U L E S A S S E M B L I E S - V in t 3 3 0 V 3 3 0 V 3 3 0 V LVINPUTTOELECTROTECHNICALRACK R F T R A N S F O R M E R 1 2 0 0 A LVGPSEXTERNAL P A # 1 6 P A # 3 2 T R F - 1 8 0 0 A 8 0 0 A 5 0 K W L T R O O M T x H A L L H E A T I N G 1200A 630A 1600A 1200A 100A SPARE AUDIORACK HYDRAULICS DUMMYLOAD VENTILATOR F R O M O U T S I D E F R O M E T R A C K
  • 10.
    Functions of distributionboard  Distributes the RF signal received from the RF Exciter board to 31 numbers of individual PAs used for coarse RF power generation.  Routes the RF signal received from the Encoder board to the dedicated PA module for fine control.  Routes the VINT DC power supply to the individual PAs for MOSFET H-bridge control.  On command from the control system, health status of the PA modules on the basis of presence of +330V and VINT DC power supply on the MOSFETs and forwards it to control system through 4253 card #1 by polling method.  The daughter board mounted on the distribution board decodes the 4th state command signals received from the Encoder board and distributes the command to the individual PAs after providing necessary optical isolation.
  • 11.
    Features of PA •Designed to produce 2.34 kW of RF power under dynamic operating conditions. • They are used as high speed RF switches working in class D mode. Hence power conversion efficiency of these amplifiers is very high. • Employs industry standard reliable MOSFET of reputed make in H-bridge topology as switching elements. • During normal operation, they dissipate around 400 Watt of heat to be extracted by circulating water through their heat sink. • Simple electronic design ensures ease of servicing. • Reliable mechanical design ensures efficient heat extraction. • Provided with ultra fast fuse to isolate the H-bridge in case of failure of MOSFET to prevent over loading of drain power supply (+330V).
  • 12.
  • 13.
    R E LA Y ( A ) + 1 2 . + - G R O U N D ( C O M M O N ) + - + 1 2 R E L A Y .
  • 14.
    R E LA Y R E L A Y . R E L A Y R E L A Y . ( A ) ( C ) ( B ) ( D ) + 1 2 + 1 2 . + - .
  • 15.
    + - + 12 ( A ) ( B ) ( C ) ( D ) P N P N P N G R O U N D + 1 2 P N P N P N G R O U N D
  • 17.
    F I GU R E : R F A M P L I F I E R F U L L Q U A D B R I D G E D O P E R A T I O N - + C O M B I N E R T R A N S F O R M E R O F F O N + 3 3 0 V Q 1 0 1 & Q 1 0 2 Q 2 0 1 & Q 2 0 2 + 3 3 0 V ( A ) Q 1 0 1 , Q 1 0 2 , Q 2 0 3 & Q 2 0 4 O F F Q 2 0 1 , Q 2 0 2 , Q 1 0 3 & Q 1 0 4 O N -+ C O M B I N E R T R A N S F O R M E R + 3 3 0 V + 3 3 0 V Q 1 0 1 & Q 1 0 2 O N Q 1 0 3 & Q 1 0 4 O F F Q 2 0 1 & Q 2 0 2 O F F Q 2 0 3 & Q 2 0 4 O N ( B ) Q 1 0 1 , Q 1 0 2 , Q 2 0 3 & Q 2 0 4 O N Q 2 0 1 , Q 2 0 2 , Q 1 0 3 & Q 1 0 4 O F F O F F Q 2 0 3 & Q 2 0 4 O N Q 1 0 3 & Q 1 0 4 ( C ) O U T P U T W A V E F O R M S + V 0 + V T O R R O I D A L T R A N S F O R M E R
  • 18.
    P I LO T B O A R D 2 P I L O T B O A R D 1 P I L O T C O M M A N D B O A R D S A F E T Y D E V I C E M E A S U R E M E N T B O A R D M i c r o P r o c e s s o r B o a r d ( S B C 3 3 0 ) F A S T B L O C K I N G B O A R D ( C B R ) I / O B O A R D M P L 4 2 5 3 E T H E R N E T C O N N E C T I O N B O A R D ( L A N ) I / O B O A R D M P L 4 2 5 3 I / O B O A R D M P L 4 2 5 5 I / O B O A R D M P L 4 2 5 5 E N C O D E R B O A R D B A C K P L A N E B O A R D T r a n s m i t te r G 9 6 G E S B U S B O A R D E N C O D E R A M P L I F I E R C I R C U I T V L V P O W E R S U P P L I E S R F F I L T E R P O W E R S U P P L Y E N C L O S U R E A D A P T A T I O N U N I T G R O U N D A N D I N T E R L O C K I N G S Y S T E M R F E X C IT E R ElectrotechnicalRack B L O C K M M I E X T E R N A L R e m o t e M M I H Y D R A U L I C C I R C U I T V E N T I L A T I O N S Y S T E M P O W E R U N I T D i g i t a l a u d i o i n p u t A n a l o g a u d i o i n p u t →
  • 19.
    Signal Source RHS headercurrent phase Sensors mounted at the output of each RF header lineLHS header current phase VINT DC power supply voltage From PS rack Incoming 3φ, LT voltage +330V DC PS current Hall effect sensor in PS cabinet +330V DC PS voltage Voltage divider in PS cabinet RHS header current Sensors mounted at the output of each header lineLHS header current Output RF power Directional coupler Output RF VSWR Directional coupler Exciter RF output voltage Sample of Exciter voltage
  • 20.
    Functions of Encoderboard • Number of modules to be switched depends on:  Instantaneous amplitude of the modulating audio signal.  Audio attenuation level set by the user.  Modulation type i.e. AM-DSB/DCC chosen by the user.  Number of faulty module in the transmitter
  • 21.
    Dedicated module Number Module position Proportionate output 1 325.1 ± 0.3 2 160 4.7 ± 0.3 3 64 3.8 ± 0.3 4 192 3.1 ± 0.3 5 96 2.3 ± 0.3 6 224 1.6 ± 0.3 7 128 1.0 ± 0.3 8 256 (not used) 0
  • 22.
    M o du l a t io n S t r a t e g y F u n c t io n a l A r c h it e c t u r e N ( t ) - N ( t + 1 ) M e m o r y D e l a y R o t a t i o n C l o c k P r o c e s s i n g S t r a t e g y 5 R o t a t i o n C l o c k E n v e l o p e P r o c e s s i n g B a n k A B R o t a t i o n p r o c e s s i n g + C o m p u t a t i o n N ( t ) - N ( t + 1 ) B a n k C D R o t a t i o n p r o c e s s i n g + C o m p u t a t i o n N ( t ) - N ( t + 1 ) B a n k A B C D R e p a r t i t i o n R F P r o c e s s i n g R F S l o p e P r o c e s s i n g N ( t + n ) N ( t ) S t a n d a r d M o d u le s M ( 1 - 1 2 4 ) E n v e lo p e R A M D P A R A M D P B R A M D P C R A M D P D F r o m c o n t r o l S y s t e m ( G e s m o d ) R e a l t i m e t a b l e o f O p e r a t i o n R F M o d u l e s 2 x 3 1 2 x 3 1 2 x 3 1 2 x 3 1 D e d ic a t e d m o d u le s m ( 1 - 7 ) C l o c k M C l o c k M S + S - M U X m D i s t r i b u t o r p o s i t i o n S l o p e p r o c e s s i n g a n d p h a s e d e l a y o p t i m i s e r 7 S lo p e S ig n C o n t r o l N e g a t i v e S l o p e p r o c e s s i n g a n d p h a s e d e l a y o p t i m i s e r 3 21 4 7 3 6 6 6 1 1 1 08 9 9 6
  • 23.
    M O DU L E O N M O D U L E O N D I R E C T I O N O F R O T A T I O N N E X T M O D U L E T O B E S W I T C H " O F F " N E X T M O D U L E T O B E S W I T C H " O N " Module rotation The next module to be switched ON is the one which has been OFF for the longest time. The next module to be switched OFF is the one which has been ON for the longest time. The principle ensures equal distribution of thermal and electrical stress over the modules.
  • 24.
    Fault reports compiledfrom • Imphal • Sri Nagar • Jodhpur • Indore
  • 25.
    Normal faults • PAfailure • Failure of opto couplers • Failure of polling mechanism due to problem in distribution board • Faults due to cooling
  • 26.
    Maintenance tips • Keeptransmitter free from dust and suit • Ensure proper connectivity • Air conditioning is must • Introduce surge protectors on mains • Keep a watch on the feeds and investigate the matter immediately, in case of abnormality • Do not ignore faults which includes tripping of the transmitter without indication
  • 27.
    Abnormal faults • Failureof Encoder card connectivity • Problems in daughter board • Failure of PS of driver module • Problem in VCC (PS 323, A1, +5V) of Encoder board • Micro switch problem of KM1 and KM2