Technical Handbook




Alcatel 1660SM
 STM 64 Multiservice Metro Node




   1660SM Rel. 5.2




        Version B




        3AL 91669 AAAA Ed.03
3AL 91669 AAAA Ed.03
1660SM REL.5.2 TECHNICAL HANDBOOK
not permitted without written authorization from Alcatel.
  All rights reserved. Passing on and copying of this
  document, use and communication of its contents




                                                                                                TABLE OF CONTENTS

                                                                                                LIST OF FIGURES AND TABLES . . . . . . . . . . . . . . . . . . . . . . . . . . . . . . . . . . . . . . . . . . . . . . . . . . . . . . .                    7

                                                                                                HANDBOOK GUIDE . . . . . . . . . . . . . . . . . . . . . . . . . . . . . . . . . . . . . . . . . . . . . . . . . . . . . . . . . . . . . . . . . .         15

                                                                                                1 HANDBOOK STRUCTURE AND CONFIGURATION CHECK . . . . . . . . . . . . . . . . . . . . . . . . . . . .                                                       17
                                                                                                  1.1 General information . . . . . . . . . . . . . . . . . . . . . . . . . . . . . . . . . . . . . . . . . . . . . . . . . . . . . . . . . . . .          17
                                                                                                  1.2 Handbook applicability . . . . . . . . . . . . . . . . . . . . . . . . . . . . . . . . . . . . . . . . . . . . . . . . . . . . . . . . .             17
                                                                                                  1.3 Product-release handbooks . . . . . . . . . . . . . . . . . . . . . . . . . . . . . . . . . . . . . . . . . . . . . . . . . . . .                    18
                                                                                                  1.4 Handbook Structure . . . . . . . . . . . . . . . . . . . . . . . . . . . . . . . . . . . . . . . . . . . . . . . . . . . . . . . . . . . .           24
                                                                                                  1.5 Handbook Configuration Check . . . . . . . . . . . . . . . . . . . . . . . . . . . . . . . . . . . . . . . . . . . . . . . . .                       25
                                                                                                     1.5.1 List of the editions and of modified parts . . . . . . . . . . . . . . . . . . . . . . . . . . . . . . . . . . . . . . .                        25
                                                                                                     1.5.2 Notes on Ed.01 . . . . . . . . . . . . . . . . . . . . . . . . . . . . . . . . . . . . . . . . . . . . . . . . . . . . . . . . . . . . .        26
                                                                                                     1.5.3 Notes on Ed.02 . . . . . . . . . . . . . . . . . . . . . . . . . . . . . . . . . . . . . . . . . . . . . . . . . . . . . . . . . . . . .        26
                                                                                                     1.5.4 Notes on Ed.03 . . . . . . . . . . . . . . . . . . . . . . . . . . . . . . . . . . . . . . . . . . . . . . . . . . . . . . . . . . . . .        26

                                                                                                2 SAFETY NORMS AND LABELS . . . . . . . . . . . . . . . . . . . . . . . . . . . . . . . . . . . . . . . . . . . . . . . . . . . . .                        27
                                                                                                  2.1 First aid for electric shock . . . . . . . . . . . . . . . . . . . . . . . . . . . . . . . . . . . . . . . . . . . . . . . . . . . . . .             27
                                                                                                  2.2 Safety Rules . . . . . . . . . . . . . . . . . . . . . . . . . . . . . . . . . . . . . . . . . . . . . . . . . . . . . . . . . . . . . . . . . . .   29
                                                                                                     2.2.1 General Rules . . . . . . . . . . . . . . . . . . . . . . . . . . . . . . . . . . . . . . . . . . . . . . . . . . . . . . . . . . . . . .       29
                                                                                                     2.2.2 Labels Indicating Danger, Forbiddance, Command . . . . . . . . . . . . . . . . . . . . . . . . . . . . . .                                      30
                                                                                                     2.2.3 Dangerous Electrical Voltages . . . . . . . . . . . . . . . . . . . . . . . . . . . . . . . . . . . . . . . . . . . . . . . .                   31
                                                                                                     2.2.4 Harmful Optical Signals . . . . . . . . . . . . . . . . . . . . . . . . . . . . . . . . . . . . . . . . . . . . . . . . . . . . . .             32
                                                                                                     2.2.5 Risks of Explosions . . . . . . . . . . . . . . . . . . . . . . . . . . . . . . . . . . . . . . . . . . . . . . . . . . . . . . . . . .         34
                                                                                                     2.2.6 Moving Mechanical Parts . . . . . . . . . . . . . . . . . . . . . . . . . . . . . . . . . . . . . . . . . . . . . . . . . . . . .               34
                                                                                                     2.2.7 Heat–radiating Mechanical Parts . . . . . . . . . . . . . . . . . . . . . . . . . . . . . . . . . . . . . . . . . . . . . .                     35
                                                                                                     2.2.8 Specific safety rules in this handbook . . . . . . . . . . . . . . . . . . . . . . . . . . . . . . . . . . . . . . . . . .                      36

                                                                                                3 OTHER NORMS AND LABELS . . . . . . . . . . . . . . . . . . . . . . . . . . . . . . . . . . . . . . . . . . . . . . . . . . . . . .                       37
                                                                                                  3.1 Electromagnetic Compatibility . . . . . . . . . . . . . . . . . . . . . . . . . . . . . . . . . . . . . . . . . . . . . . . . . .                    37
                                                                                                     3.1.1 General Norms – Installation . . . . . . . . . . . . . . . . . . . . . . . . . . . . . . . . . . . . . . . . . . . . . . . . . .                37
                                                                                                     3.1.2 General Norms – Turn–up & Commissioning, Operation . . . . . . . . . . . . . . . . . . . . . . . . . .                                          38
                                                                                                     3.1.3 General Norms – Maintenance . . . . . . . . . . . . . . . . . . . . . . . . . . . . . . . . . . . . . . . . . . . . . . . .                     38
                                                                                                  3.2 Electrostatic Dischargers (ESD) . . . . . . . . . . . . . . . . . . . . . . . . . . . . . . . . . . . . . . . . . . . . . . . . .                    39
                                                                                                  3.3 Suggestions, notes and cautions . . . . . . . . . . . . . . . . . . . . . . . . . . . . . . . . . . . . . . . . . . . . . . .                        40
                                                                                                  3.4 Labels affixed to the Equipment . . . . . . . . . . . . . . . . . . . . . . . . . . . . . . . . . . . . . . . . . . . . . . . . .                    40


                                                                                           03     051118                       ECR 25074                                    M.SEVERI ITAVE                                           P. GHELFI ITAVE
                                                                                                                                                                        S. MAGGIO – C. FAVERO
                                                                                           02     050414                       ECR 23081                                     J. MIR ITAVE                                            P. GHELFI ITAVE
                                                                                                                                                                        S. MAGGIO – C. FAVERO
                                                                                           01     041112                                                                     J. MIR ITAVE                                            P. GHELFI ITAVE
                                                                                                                                                                        S. MAGGIO – C. FAVERO
                                                                                           ED      DATE                     CHANGE NOTE                                 APPRAISAL AUTHORITY                                             ORIGINATOR
                                                  1AA 00014 0004 (9007) A4 – ALICE 04.10




                                                                                                                                                                                               1660SM REL. 5.2
                                                                                                                                                                                               Version B
                                                                                                                                                                                               TECHNICAL HANDBOOK

                                                                                            ED             03

                                                                                                                                                                                               3AL 91669 AA AA                                             1 / 706


                                                                                                                                                                                                                     706
4 LIST OF ABBREVIATIONS . . . . . . . . . . . . . . . . . . . . . . . . . . . . . . . . . . . . . . . . . . . . . . . . . . . . . . . . . .                      51

                                          5 GENERAL ON ALCATEL CUSTOMER DOCUMENTATION . . . . . . . . . . . . . . . . . . . . . . . . . . . . . .                                                          57
                                            5.1 Products, product-releases, versions and Customer Documentation . . . . . . . . . . . . . .                                                                57




                                                                                                                                                                                                                     not permitted without written authorization from Alcatel.
                                            5.2 Handbook supply to Customers . . . . . . . . . . . . . . . . . . . . . . . . . . . . . . . . . . . . . . . . . . . . . . . . .                             57




                                                                                                                                                                                                                       All rights reserved. Passing on and copying of this
                                                                                                                                                                                                                       document, use and communication of its contents
                                            5.3 Aims of standard Customer Documentation . . . . . . . . . . . . . . . . . . . . . . . . . . . . . . . . . . . . .                                          57
                                            5.4 Handbook Updating . . . . . . . . . . . . . . . . . . . . . . . . . . . . . . . . . . . . . . . . . . . . . . . . . . . . . . . . . . . .                  58
                                               5.4.1 Changes introduced in the same product-release (same handbook P/N) . . . . . . . . . . . .                                                            58
                                               5.4.2 Changes due to new product version . . . . . . . . . . . . . . . . . . . . . . . . . . . . . . . . . . . . . . . . . .                                58
                                            5.5 Customer documentation on CD–ROM . . . . . . . . . . . . . . . . . . . . . . . . . . . . . . . . . . . . . . . . . .                                       59
                                               5.5.1 Contents, creation and production of a CD–ROM . . . . . . . . . . . . . . . . . . . . . . . . . . . . . . . .                                         59
                                               5.5.2 Use of the CD–ROM . . . . . . . . . . . . . . . . . . . . . . . . . . . . . . . . . . . . . . . . . . . . . . . . . . . . . . . . .                   60
                                               5.5.3 CD–ROM identification . . . . . . . . . . . . . . . . . . . . . . . . . . . . . . . . . . . . . . . . . . . . . . . . . . . . . . .                   60
                                               5.5.4 CD–ROM updating . . . . . . . . . . . . . . . . . . . . . . . . . . . . . . . . . . . . . . . . . . . . . . . . . . . . . . . . . .                   60

                                          DESCRIPTIONS . . . . . . . . . . . . . . . . . . . . . . . . . . . . . . . . . . . . . . . . . . . . . . . . . . . . . . . . . . . . . . . . . . . . . .         61

                                          1 GENERAL . . . . . . . . . . . . . . . . . . . . . . . . . . . . . . . . . . . . . . . . . . . . . . . . . . . . . . . . . . . . . . . . . . . . . . . . .      63
                                            1.1 Introduction to the equipment . . . . . . . . . . . . . . . . . . . . . . . . . . . . . . . . . . . . . . . . . . . . . . . . . .                          63
                                            1.2 Insertion of the equipment into the network . . . . . . . . . . . . . . . . . . . . . . . . . . . . . . . . . . . . . .                                    71
                                               1.2.1 Configuration . . . . . . . . . . . . . . . . . . . . . . . . . . . . . . . . . . . . . . . . . . . . . . . . . . . . . . . . . . . . . . .           71
                                               1.2.2 Application . . . . . . . . . . . . . . . . . . . . . . . . . . . . . . . . . . . . . . . . . . . . . . . . . . . . . . . . . . . . . . . . .         72
                                               1.2.3 SDH / CWDM integration in “ring” network . . . . . . . . . . . . . . . . . . . . . . . . . . . . . . . . . . . . . .                                  75
                                               1.2.4 SDH / CWDM integration in “linear” network . . . . . . . . . . . . . . . . . . . . . . . . . . . . . . . . . . . .                                    79
                                               1.2.5 Network protection . . . . . . . . . . . . . . . . . . . . . . . . . . . . . . . . . . . . . . . . . . . . . . . . . . . . . . . . . .                81

                                          2 PHYSICAL CONFIGURATION . . . . . . . . . . . . . . . . . . . . . . . . . . . . . . . . . . . . . . . . . . . . . . . . . . . . . . .                           83
                                            2.1 Equipment front view . . . . . . . . . . . . . . . . . . . . . . . . . . . . . . . . . . . . . . . . . . . . . . . . . . . . . . . . . .                   84
                                               2.1.1 1660SM Shelf “without fans” front view (SR60M) . . . . . . . . . . . . . . . . . . . . . . . . . . . . . . .                                          84
                                               2.1.2 19” Fans subrack front view (SRFAN) . . . . . . . . . . . . . . . . . . . . . . . . . . . . . . . . . . . . . . . . . .                               84
                                               2.1.3 1660SM Shelf “with fans” front view . . . . . . . . . . . . . . . . . . . . . . . . . . . . . . . . . . . . . . . . . .                               85
                                            2.2 Part list . . . . . . . . . . . . . . . . . . . . . . . . . . . . . . . . . . . . . . . . . . . . . . . . . . . . . . . . . . . . . . . . . . . . . . .    86
                                               2.2.1 Equipment Shelf part list . . . . . . . . . . . . . . . . . . . . . . . . . . . . . . . . . . . . . . . . . . . . . . . . . . . . .                   87
                                               2.2.2 Fans Subrack 19” part list . . . . . . . . . . . . . . . . . . . . . . . . . . . . . . . . . . . . . . . . . . . . . . . . . . . .                   104
                                               2.2.3 Explanatory notes . . . . . . . . . . . . . . . . . . . . . . . . . . . . . . . . . . . . . . . . . . . . . . . . . . . . . . . . . . .              105
                                            2.3 Relationship between Port Card and Access Card . . . . . . . . . . . . . . . . . . . . . . . . . . . . . . . .                                            110
                                            2.4 Units front view . . . . . . . . . . . . . . . . . . . . . . . . . . . . . . . . . . . . . . . . . . . . . . . . . . . . . . . . . . . . . . . .          123
                                               2.4.1 Port cards front view . . . . . . . . . . . . . . . . . . . . . . . . . . . . . . . . . . . . . . . . . . . . . . . . . . . . . . . . .              124
                                               2.4.2 Access cards front view . . . . . . . . . . . . . . . . . . . . . . . . . . . . . . . . . . . . . . . . . . . . . . . . . . . . . .                  150
                                               2.4.3 FAN subrack cover front view . . . . . . . . . . . . . . . . . . . . . . . . . . . . . . . . . . . . . . . . . . . . . . . . .                       173
                                               2.4.4 Assembled Fans unit . . . . . . . . . . . . . . . . . . . . . . . . . . . . . . . . . . . . . . . . . . . . . . . . . . . . . . . .                  174

                                          3 FUNCTIONAL DESCRIPTION . . . . . . . . . . . . . . . . . . . . . . . . . . . . . . . . . . . . . . . . . . . . . . . . . . . . . . . .                        175
                                            3.1 General description . . . . . . . . . . . . . . . . . . . . . . . . . . . . . . . . . . . . . . . . . . . . . . . . . . . . . . . . . . . .               175
                                            3.2 Connections sub–system . . . . . . . . . . . . . . . . . . . . . . . . . . . . . . . . . . . . . . . . . . . . . . . . . . . . . . .                      198
                                            3.3 SIGNAL MANAGEMENT SUB–SYSTEM . . . . . . . . . . . . . . . . . . . . . . . . . . . . . . . . . . . . . . . . . .                                          200
                                               3.3.1 Signal management referred to ”G.783 1994” . . . . . . . . . . . . . . . . . . . . . . . . . . . . . . . . . . .                                     200
                                               3.3.2 SDH port signal management . . . . . . . . . . . . . . . . . . . . . . . . . . . . . . . . . . . . . . . . . . . . . . . .                           201
                                               3.3.3 PDH port signal management . . . . . . . . . . . . . . . . . . . . . . . . . . . . . . . . . . . . . . . . . . . . . . . .                           204
                                               3.3.4 SIGNAL MANAGEMENT referred to ”G. 783” . . . . . . . . . . . . . . . . . . . . . . . . . . . . . . . . . . .                                         206
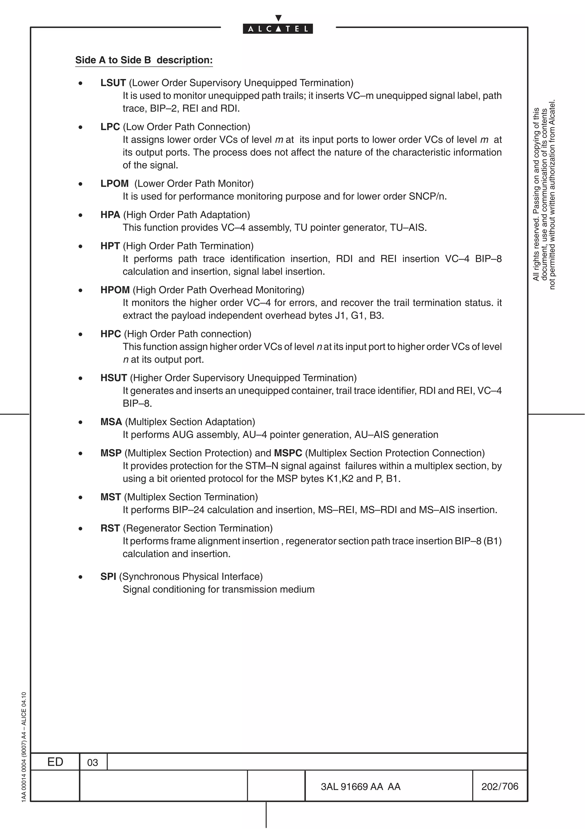
                                               3.3.5 ATOMIC FUNCTION NAMING CONVENTIONS . . . . . . . . . . . . . . . . . . . . . . . . . . . . . . . . .                                                 206
                                               3.3.6 SDH PORT FUNCTIONAL BLOCKS . . . . . . . . . . . . . . . . . . . . . . . . . . . . . . . . . . . . . . . . . . .                                     207
1AA 00014 0004 (9007) A4 – ALICE 04.10




                                               3.3.7 PDH PORT FUNCTIONAL BLOCKS . . . . . . . . . . . . . . . . . . . . . . . . . . . . . . . . . . . . . . . . . . .                                     217
                                            3.4 ISA (Integrated Service Adapter) introduction . . . . . . . . . . . . . . . . . . . . . . . . . . . . . . . . . . . .                                     223
                                            3.5 ISA – ATM management sub–system . . . . . . . . . . . . . . . . . . . . . . . . . . . . . . . . . . . . . . . . . . . .                                   225

                                         ED          03

                                                                                                                                             3AL 91669 AA AA                                               2 / 706


                                                                                                                                                                  706
3.5.1 ATM ( Asynchronous Transfer Mode) basic . . . . . . . . . . . . . . . . . . . . . . . . . . . . . . . . . . . .                                   225
                                                                                                   3.5.2 ATM in1660SM . . . . . . . . . . . . . . . . . . . . . . . . . . . . . . . . . . . . . . . . . . . . . . . . . . . . . . . . . . . . .            229
                                                                                                3.6 ISA – PR_EA (MPLS) sub–system . . . . . . . . . . . . . . . . . . . . . . . . . . . . . . . . . . . . . . . . . . . . . . .                            234
                                                                                                   3.6.1 PR_EA (MPLS) generalities . . . . . . . . . . . . . . . . . . . . . . . . . . . . . . . . . . . . . . . . . . . . . . . . . .                     234
not permitted without written authorization from Alcatel.




                                                                                                   3.6.2 PR_EA (MPLS) service in 1660SM equipment . . . . . . . . . . . . . . . . . . . . . . . . . . . . . . . . . .                                      241
  All rights reserved. Passing on and copying of this
  document, use and communication of its contents




                                                                                                3.7 ISA – PR Subsystem . . . . . . . . . . . . . . . . . . . . . . . . . . . . . . . . . . . . . . . . . . . . . . . . . . . . . . . . . . .               245
                                                                                                   3.7.1 PR Generalities . . . . . . . . . . . . . . . . . . . . . . . . . . . . . . . . . . . . . . . . . . . . . . . . . . . . . . . . . . . . .         245
                                                                                                   3.7.2 PR in 1660SM . . . . . . . . . . . . . . . . . . . . . . . . . . . . . . . . . . . . . . . . . . . . . . . . . . . . . . . . . . . . . .          246
                                                                                                3.8 ISA – ETHERNET management sub–system . . . . . . . . . . . . . . . . . . . . . . . . . . . . . . . . . . . . .                                         263
                                                                                                   3.8.1 LAN to LAN transport service . . . . . . . . . . . . . . . . . . . . . . . . . . . . . . . . . . . . . . . . . . . . . . . . .                    263
                                                                                                   3.8.2 LAN to LAN functional description . . . . . . . . . . . . . . . . . . . . . . . . . . . . . . . . . . . . . . . . . . . . .                       264
                                                                                                   3.8.3 Main features description . . . . . . . . . . . . . . . . . . . . . . . . . . . . . . . . . . . . . . . . . . . . . . . . . . . . .               265
                                                                                                   3.8.4 Technical specification . . . . . . . . . . . . . . . . . . . . . . . . . . . . . . . . . . . . . . . . . . . . . . . . . . . . . . .             273
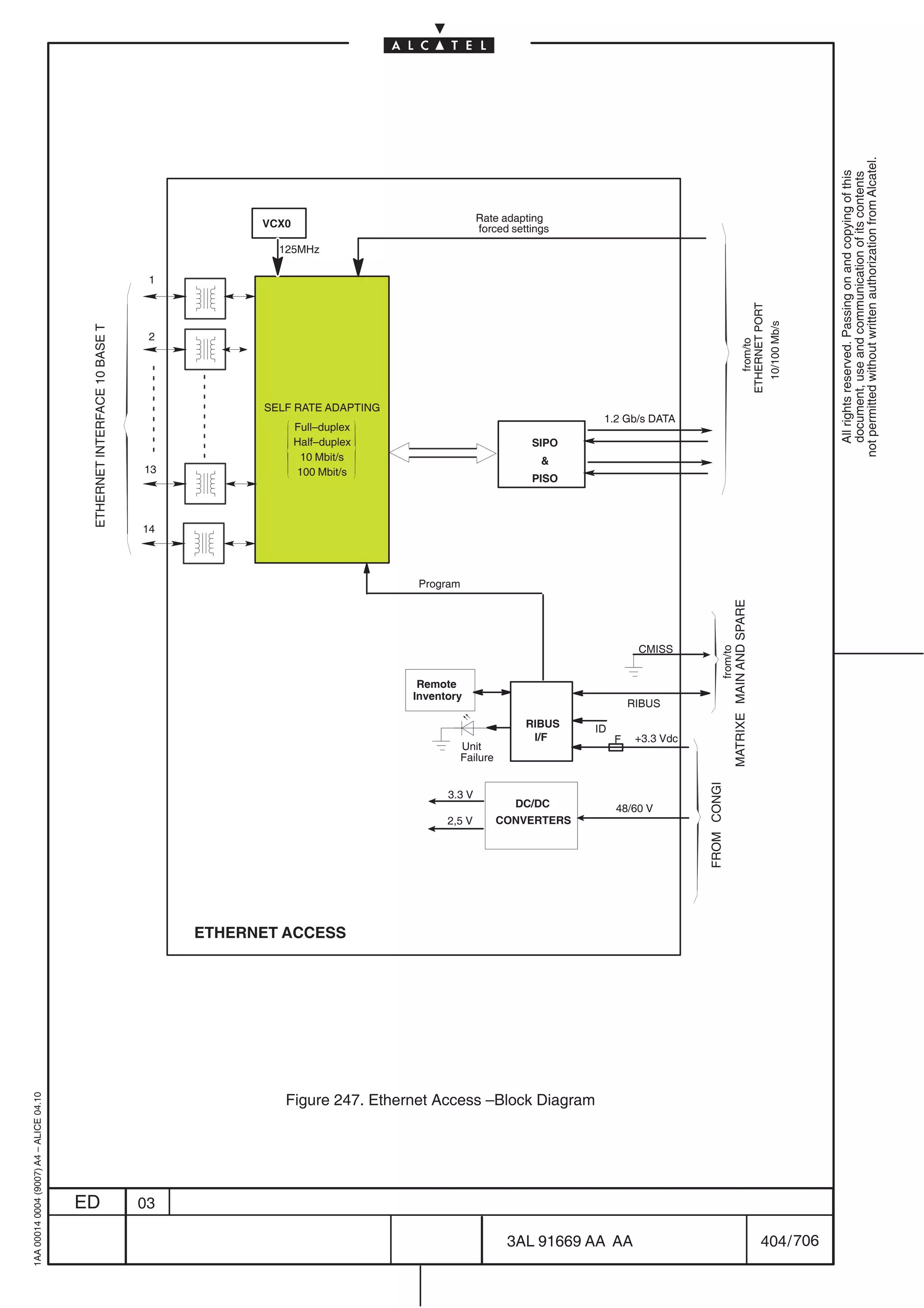
                                                                                                   3.8.5 Ethernet boards . . . . . . . . . . . . . . . . . . . . . . . . . . . . . . . . . . . . . . . . . . . . . . . . . . . . . . . . . . . . .         275
                                                                                                3.9 ISA – ES (Ethernet Switch) . . . . . . . . . . . . . . . . . . . . . . . . . . . . . . . . . . . . . . . . . . . . . . . . . . . . . .                 281
                                                                                                   3.9.1 General . . . . . . . . . . . . . . . . . . . . . . . . . . . . . . . . . . . . . . . . . . . . . . . . . . . . . . . . . . . . . . . . . . . .   281
                                                                                                   3.9.2 ISA–ES series modules . . . . . . . . . . . . . . . . . . . . . . . . . . . . . . . . . . . . . . . . . . . . . . . . . . . . . .                 284
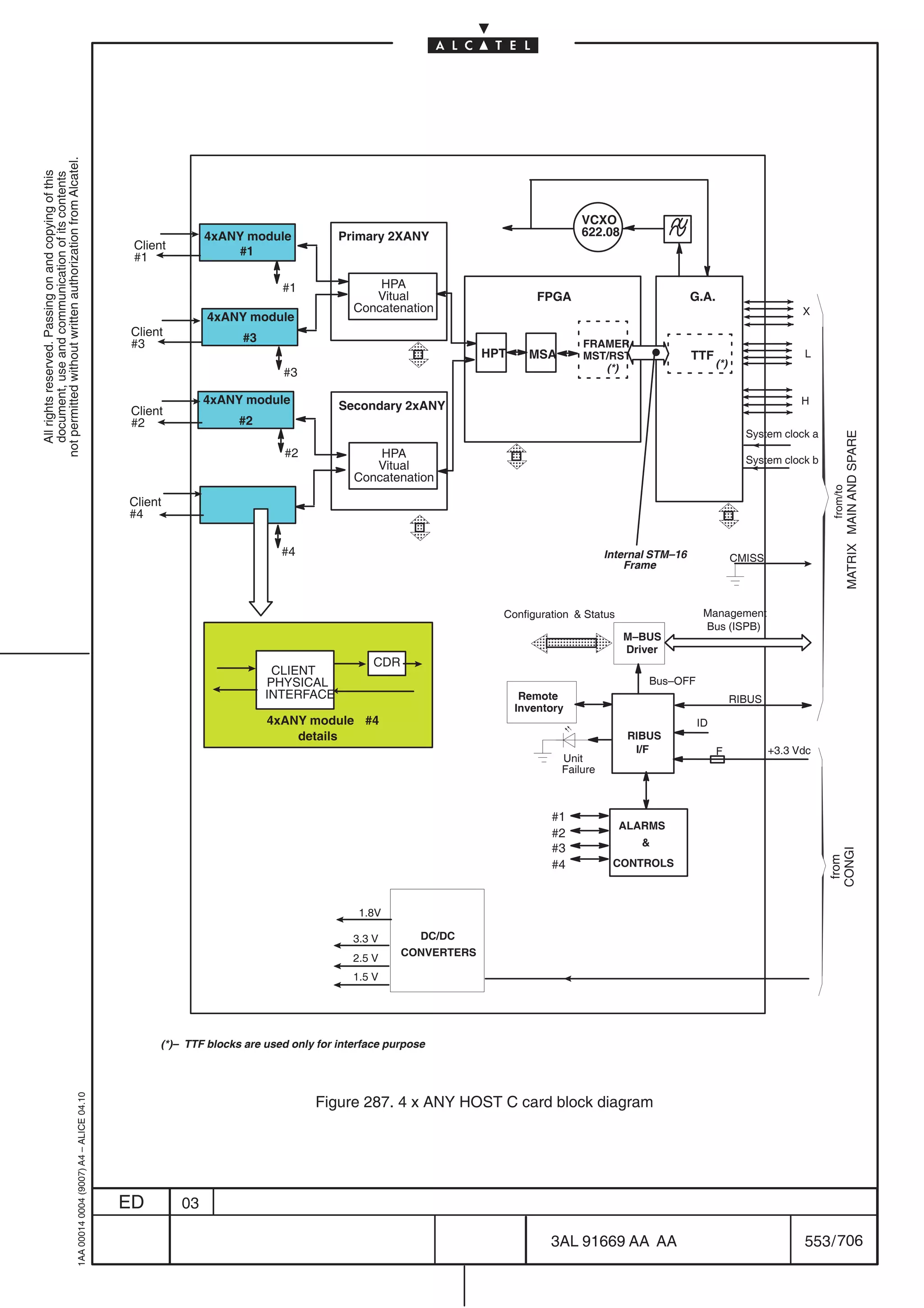
                                                                                                3.10 4 x ANY HOST C subsystem . . . . . . . . . . . . . . . . . . . . . . . . . . . . . . . . . . . . . . . . . . . . . . . . . . .                        293
                                                                                                3.11 Coarse WDM sub–system . . . . . . . . . . . . . . . . . . . . . . . . . . . . . . . . . . . . . . . . . . . . . . . . . . . . .                       300
                                                                                                   3.11.1 Equipment facilities . . . . . . . . . . . . . . . . . . . . . . . . . . . . . . . . . . . . . . . . . . . . . . . . . . . . . . . . .           301
                                                                                                   3.11.2 Functional description . . . . . . . . . . . . . . . . . . . . . . . . . . . . . . . . . . . . . . . . . . . . . . . . . . . . . .               303
                                                                                                   3.11.3 “Ring” node functional scheme . . . . . . . . . . . . . . . . . . . . . . . . . . . . . . . . . . . . . . . . . . . . . . .                      304
                                                                                                   3.11.4 “Terminal” node functional scheme . . . . . . . . . . . . . . . . . . . . . . . . . . . . . . . . . . . . . . . . . . .                          307
                                                                                                   3.11.5 Optical span design . . . . . . . . . . . . . . . . . . . . . . . . . . . . . . . . . . . . . . . . . . . . . . . . . . . . . . . .              309
                                                                                                3.12 Controller sub–system . . . . . . . . . . . . . . . . . . . . . . . . . . . . . . . . . . . . . . . . . . . . . . . . . . . . . . . .                 315
                                                                                                   3.12.1 Network management interfaces . . . . . . . . . . . . . . . . . . . . . . . . . . . . . . . . . . . . . . . . . . . . .                          317
                                                                                                   3.12.2 ATM/IP/MPLS over SDH Management . . . . . . . . . . . . . . . . . . . . . . . . . . . . . . . . . . . . . . . .                                  319
                                                                                                3.13 Protection sub–system . . . . . . . . . . . . . . . . . . . . . . . . . . . . . . . . . . . . . . . . . . . . . . . . . . . . . . . .                 321
                                                                                                   3.13.1 EPS Protections . . . . . . . . . . . . . . . . . . . . . . . . . . . . . . . . . . . . . . . . . . . . . . . . . . . . . . . . . . .            322
                                                                                                   3.13.2 MS linear trail Protection (1+1 linear APS) . . . . . . . . . . . . . . . . . . . . . . . . . . . . . . . . . . . . .                            335
                                                                                                   3.13.3 MS linear trail Protection (1:N linear dual–ended APS) . . . . . . . . . . . . . . . . . . . . . . . . . .                                       337
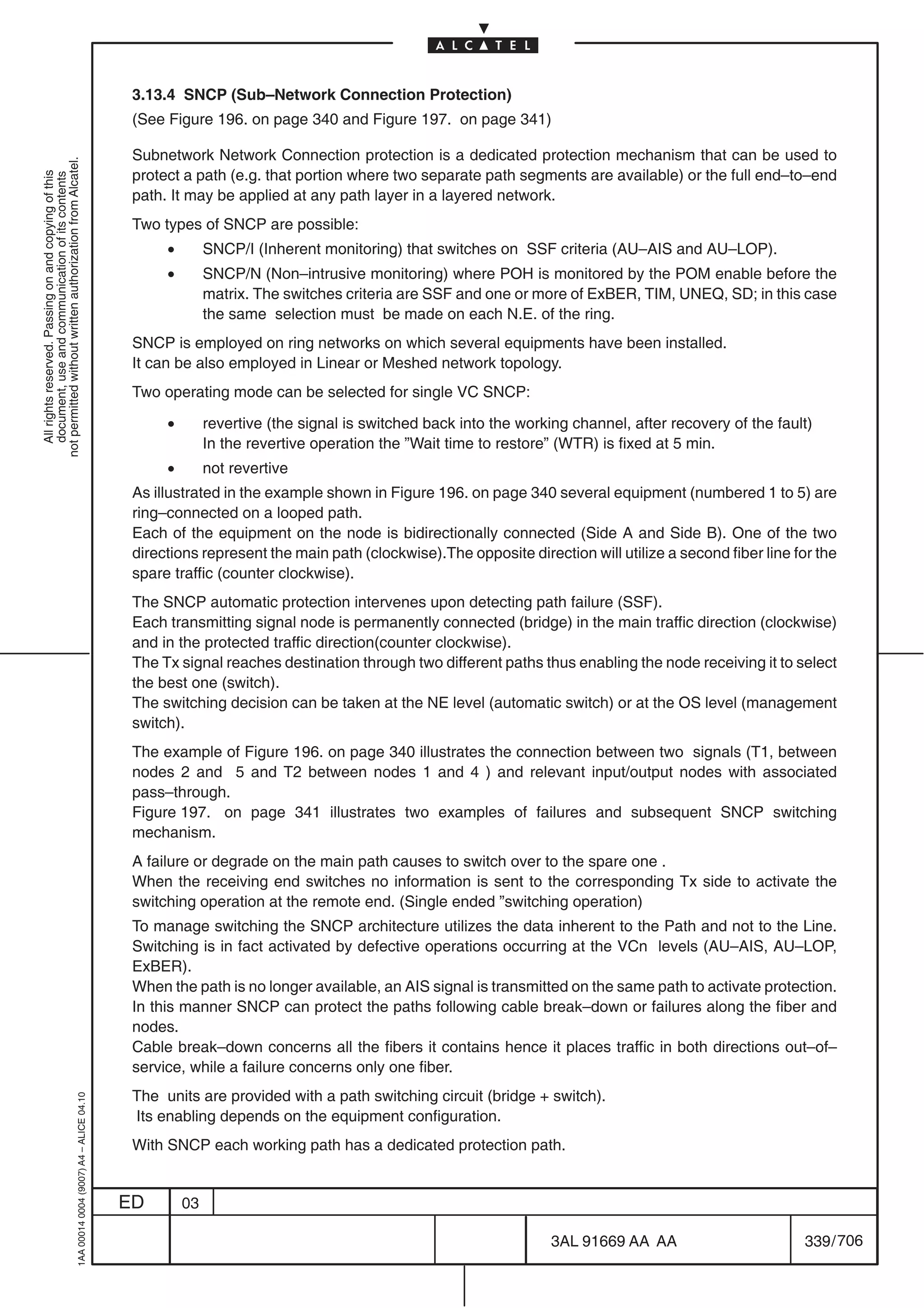
                                                                                                   3.13.4 SNCP (Sub–Network Connection Protection) . . . . . . . . . . . . . . . . . . . . . . . . . . . . . . . . . .                                     339
                                                                                                   3.13.5 Drop & Continue . . . . . . . . . . . . . . . . . . . . . . . . . . . . . . . . . . . . . . . . . . . . . . . . . . . . . . . . . . .            344
                                                                                                   3.13.6 Collapsed dual node ring interconnection . . . . . . . . . . . . . . . . . . . . . . . . . . . . . . . . . . . . .                               348
                                                                                                   3.13.7 Collapsed single node ring interconnection . . . . . . . . . . . . . . . . . . . . . . . . . . . . . . . . . . . .                               351
                                                                                                   3.13.8 MS–SPRING protection . . . . . . . . . . . . . . . . . . . . . . . . . . . . . . . . . . . . . . . . . . . . . . . . . . . . .                   354
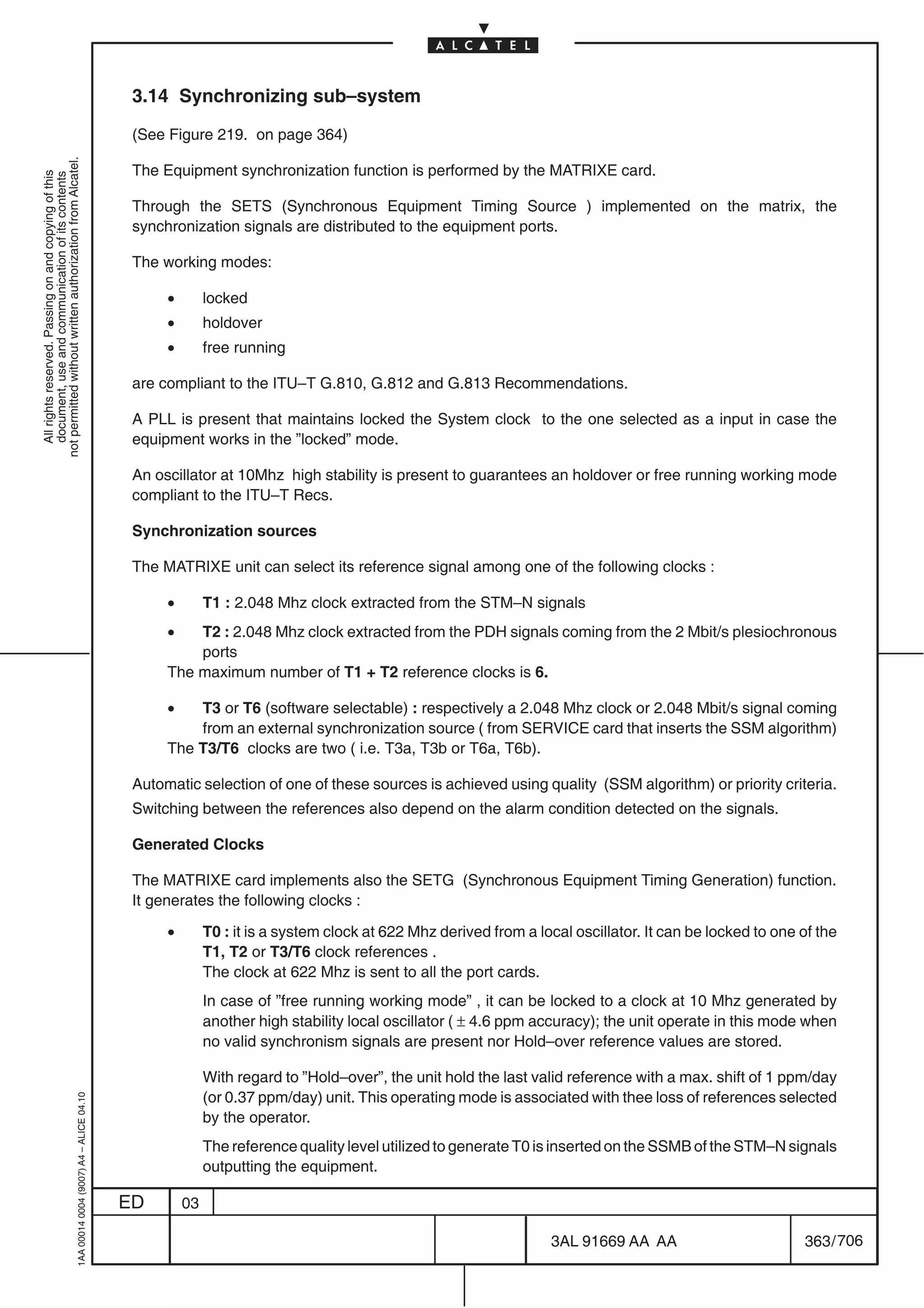
                                                                                                3.14 Synchronizing sub–system . . . . . . . . . . . . . . . . . . . . . . . . . . . . . . . . . . . . . . . . . . . . . . . . . . . .                      363
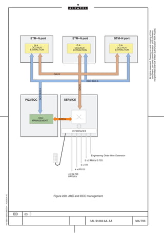
                                                                                                3.15 Auxiliary and DCC sub–system . . . . . . . . . . . . . . . . . . . . . . . . . . . . . . . . . . . . . . . . . . . . . . . .                          365
                                                                                                3.16 Power supply sub–system . . . . . . . . . . . . . . . . . . . . . . . . . . . . . . . . . . . . . . . . . . . . . . . . . . . . .                     367
                                                                                                3.17 Remote inventory Sub–system . . . . . . . . . . . . . . . . . . . . . . . . . . . . . . . . . . . . . . . . . . . . . . . .                           370
                                                                                                3.18 Frames Structure . . . . . . . . . . . . . . . . . . . . . . . . . . . . . . . . . . . . . . . . . . . . . . . . . . . . . . . . . . . . .            371
                                                                                                   3.18.1 Synchronous 2048 Kb/s frames . . . . . . . . . . . . . . . . . . . . . . . . . . . . . . . . . . . . . . . . . . . . . .                         380
                                                                                                   3.18.2 ATM cells mapping into SDH/PDH frames . . . . . . . . . . . . . . . . . . . . . . . . . . . . . . . . . . . . .                                  383

                                                                                            4 UNITS DESCRIPTION . . . . . . . . . . . . . . . . . . . . . . . . . . . . . . . . . . . . . . . . . . . . . . . . . . . . . . . . . . . . . .                385
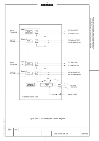
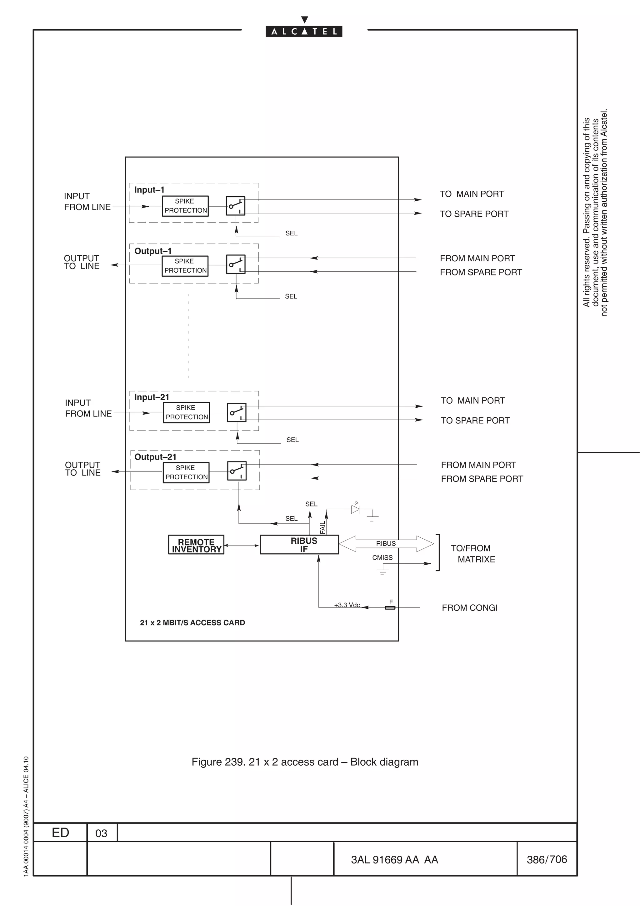
                                                                                              4.1 21 x 2 Mbit/s access card (A21E1) . . . . . . . . . . . . . . . . . . . . . . . . . . . . . . . . . . . . . . . . . . . . . . .                          385
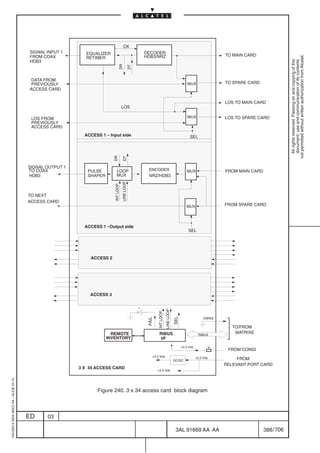
                                                                                              4.2 3 X 34 Mbit/s access card (A3E3) . . . . . . . . . . . . . . . . . . . . . . . . . . . . . . . . . . . . . . . . . . . . . . . .                         387
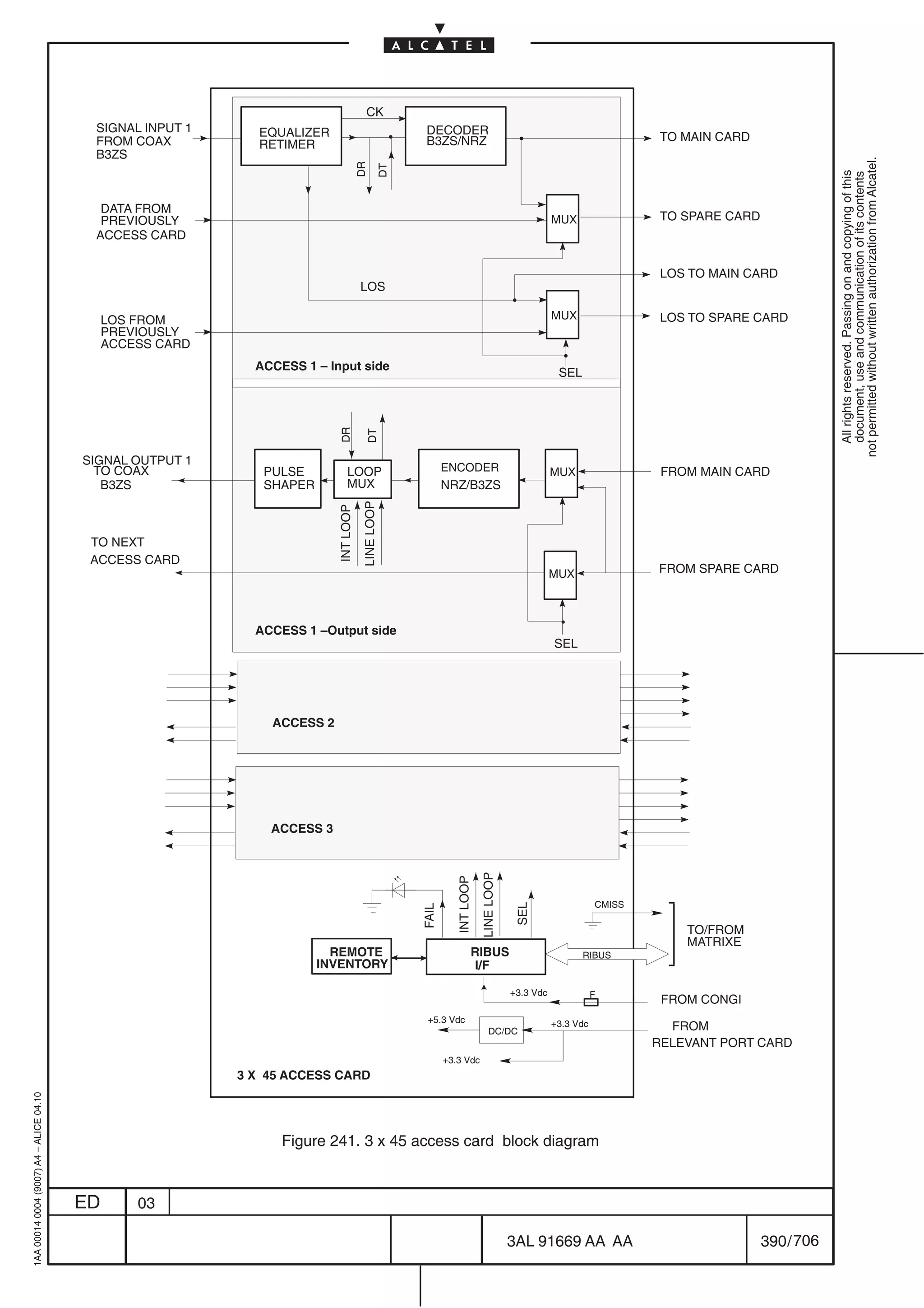
                                                                                              4.3 3 X 45 Mbit/s access card (A3T3) . . . . . . . . . . . . . . . . . . . . . . . . . . . . . . . . . . . . . . . . . . . . . . . .                         389
                                                                                              4.4 2 x 140/STM–1 O/E adapter (A2S1) . . . . . . . . . . . . . . . . . . . . . . . . . . . . . . . . . . . . . . . . . . . . . .                             391
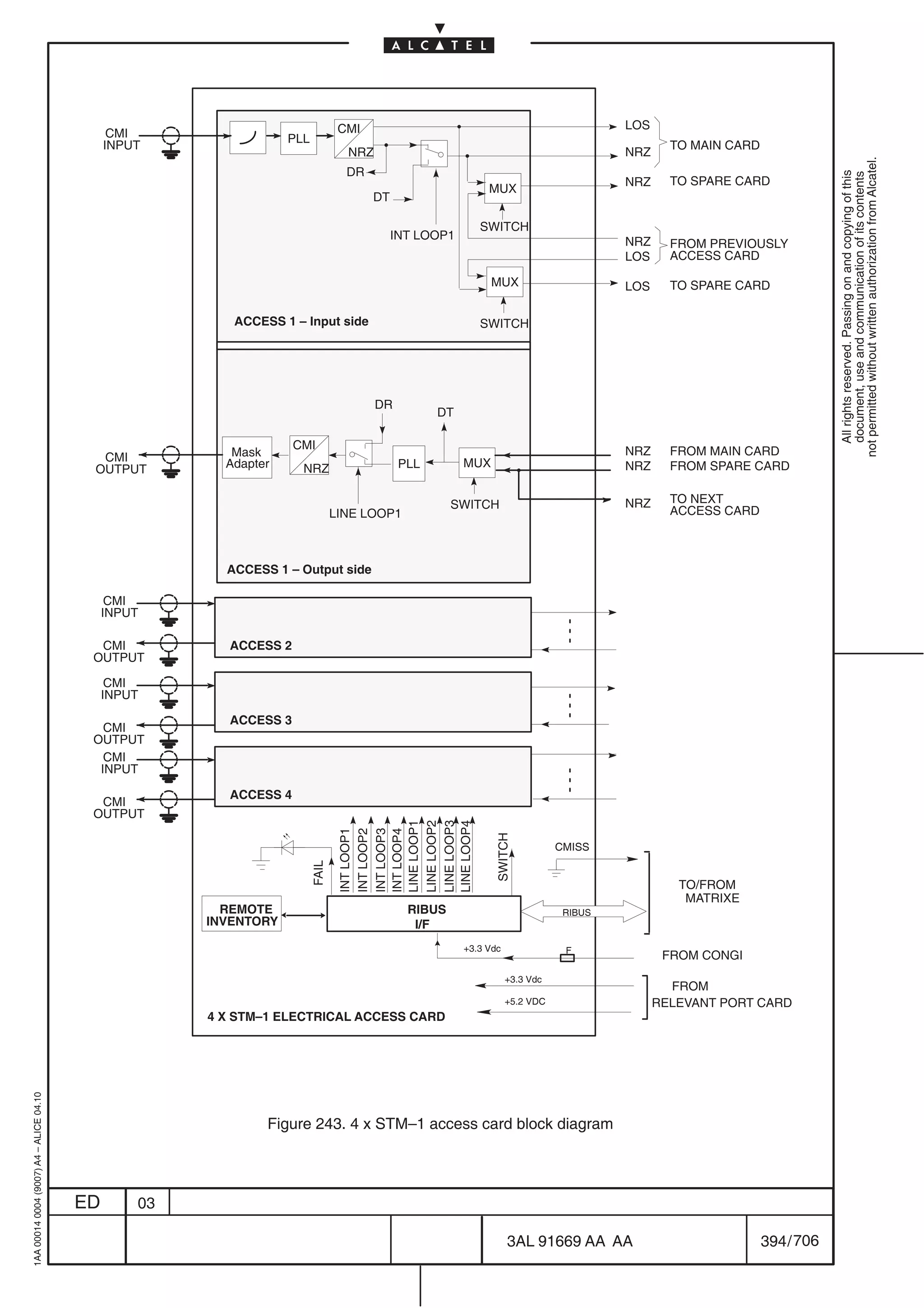
                                                                                              4.5 4 x STM–1 electrical access card (A4ES1) . . . . . . . . . . . . . . . . . . . . . . . . . . . . . . . . . . . . . . . .                                 393
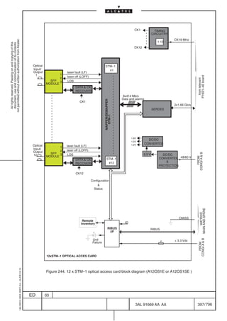
                                                                                              4.6 Optical Access 12xSTM–1 (A12OS1E or A12OS1SE) . . . . . . . . . . . . . . . . . . . . . . . . . . . . . .                                                395
                                                  1AA 00014 0004 (9007) A4 – ALICE 04.10




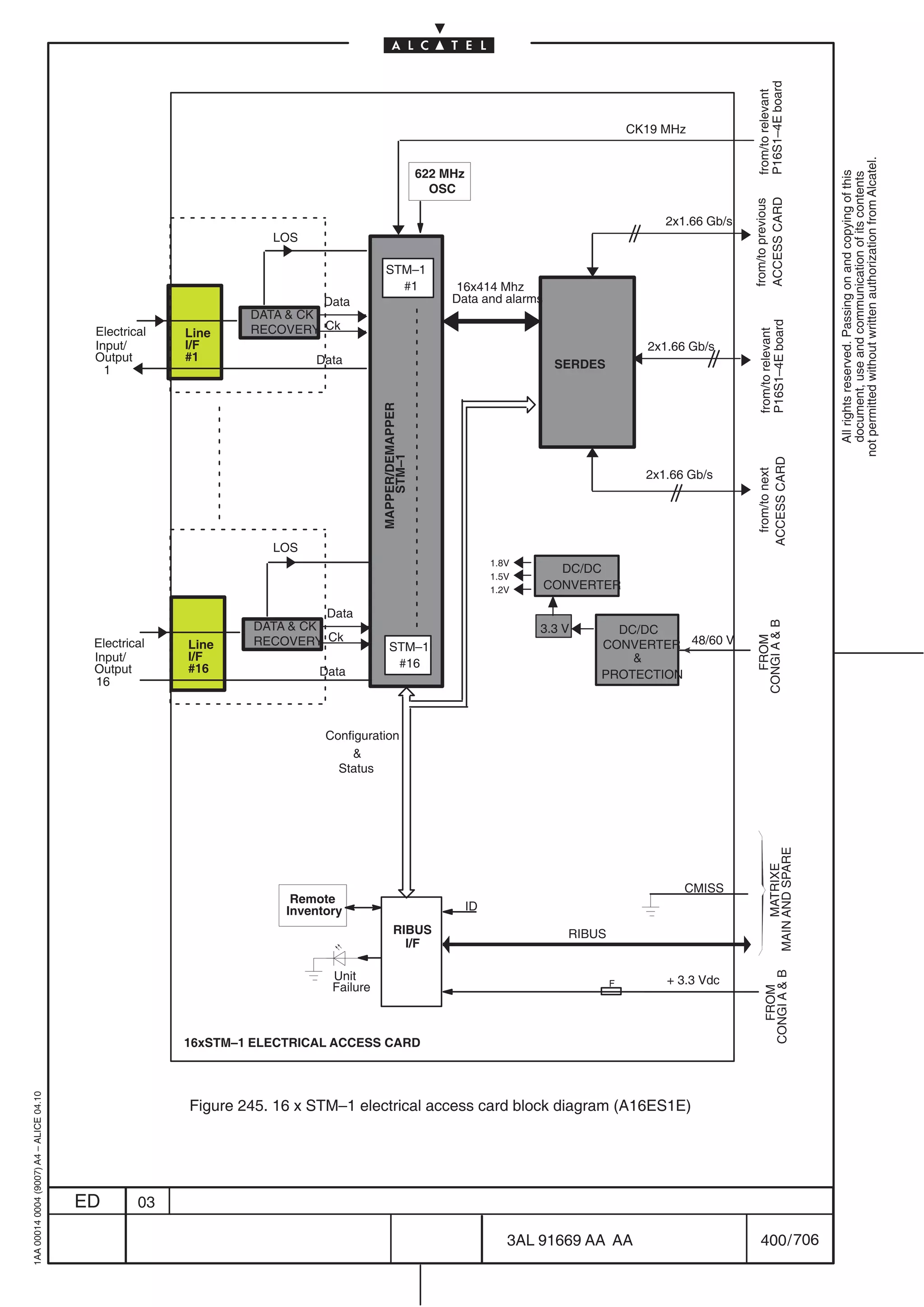
                                                                                              4.7 Electrical Access 16xSTM–1 (A16ES1E) . . . . . . . . . . . . . . . . . . . . . . . . . . . . . . . . . . . . . . . . .                                   398
                                                                                              4.8 High Speed protection access card (HPROT) . . . . . . . . . . . . . . . . . . . . . . . . . . . . . . . . . . . .                                        401
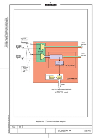
                                                                                              4.9 ISA – Ethernet access card (ETH–ATX) . . . . . . . . . . . . . . . . . . . . . . . . . . . . . . . . . . . . . . . . . .                                 403

                                                                                           ED          03

                                                                                                                                                                                              3AL 91669 AA AA                                               3 / 706


                                                                                                                                                                                                                    706
4.10    ISA – Gigabit Ethernet access Card (GETH–AG) . . . . . . . . . . . . . . . . . . . . . . . . . . . . . . . . .                                      405
                                              4.11    ISA –16 FEA–PR Fast Ethernet Access Card . . . . . . . . . . . . . . . . . . . . . . . . . . . . . . . . . . . .                                    408
                                              4.12    ISA – 2 GBA–PR Fast Ethernet Access Card . . . . . . . . . . . . . . . . . . . . . . . . . . . . . . . . . . . .                                    411
                                              4.13    Optical booster (BST10, BST15, BST17) . . . . . . . . . . . . . . . . . . . . . . . . . . . . . . . . . . . . . . . .                               414




                                                                                                                                                                                                                     not permitted without written authorization from Alcatel.
                                              4.14    Optical 2.5 Gbit/s Preamplifier (PR16) . . . . . . . . . . . . . . . . . . . . . . . . . . . . . . . . . . . . . . . . . .                          418




                                                                                                                                                                                                                       All rights reserved. Passing on and copying of this
                                                                                                                                                                                                                       document, use and communication of its contents
                                              4.15    Electrical module (ICMI) . . . . . . . . . . . . . . . . . . . . . . . . . . . . . . . . . . . . . . . . . . . . . . . . . . . . . . .              425
                                              4.16    STM–1 optical modules . . . . . . . . . . . . . . . . . . . . . . . . . . . . . . . . . . . . . . . . . . . . . . . . . . . . . . .                 427
                                              4.17    STM–4 optical modules . . . . . . . . . . . . . . . . . . . . . . . . . . . . . . . . . . . . . . . . . . . . . . . . . . . . . . .                 428
                                              4.18    4 x ANY plug–in modules . . . . . . . . . . . . . . . . . . . . . . . . . . . . . . . . . . . . . . . . . . . . . . . . . . . . . .                 429
                                              4.19    SFP optical modules: 1000B and 100B . . . . . . . . . . . . . . . . . . . . . . . . . . . . . . . . . . . . . . . . .                               430
                                              4.20    63 x 2 Mbit/s port card (P63E1) . . . . . . . . . . . . . . . . . . . . . . . . . . . . . . . . . . . . . . . . . . . . . . . .                     432
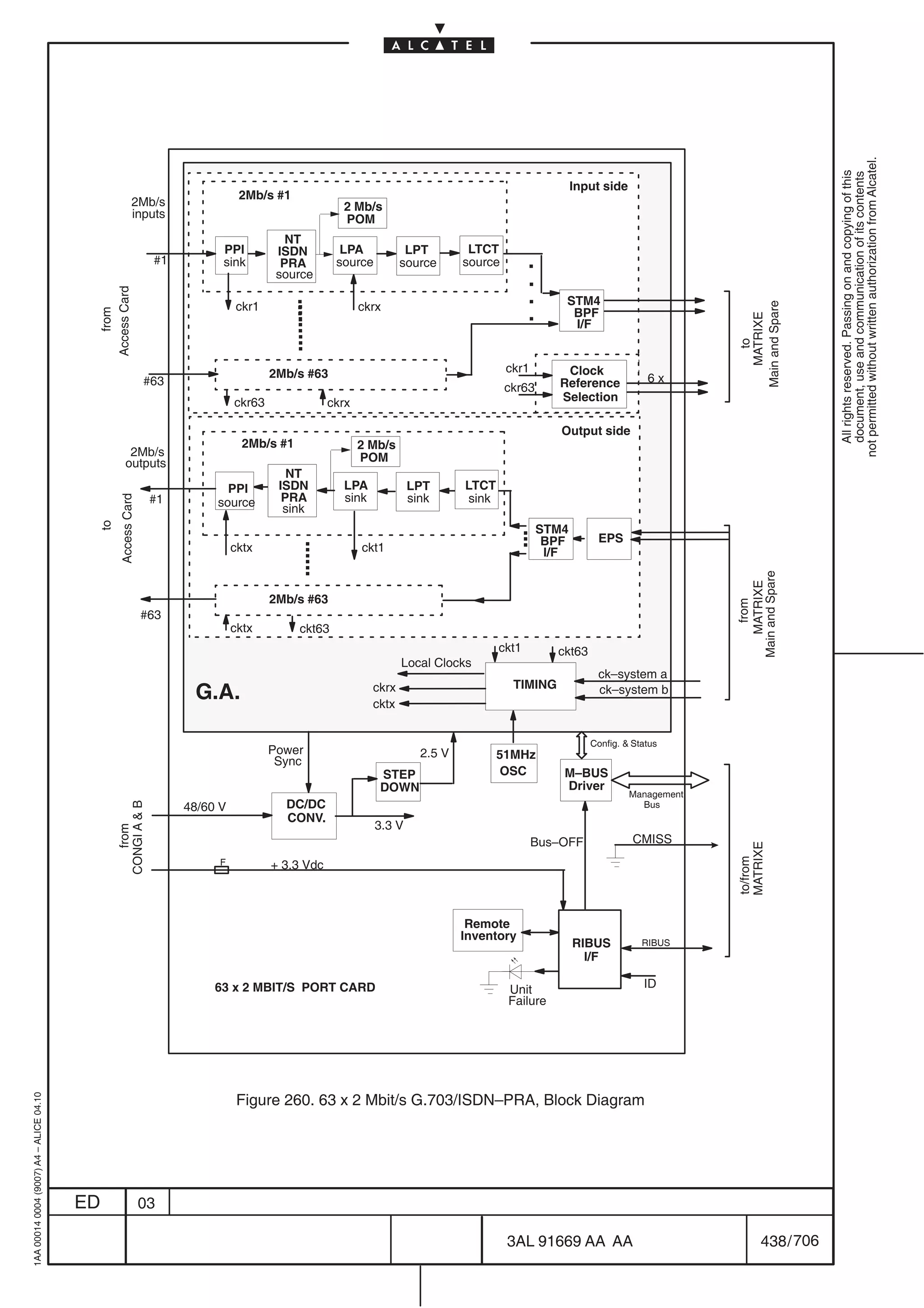
                                              4.21    63 x 2 Mbit/s / G703 / ISDN–PRA port card ( P63E1N–M4) . . . . . . . . . . . . . . . . . . . . . . . .                                              435
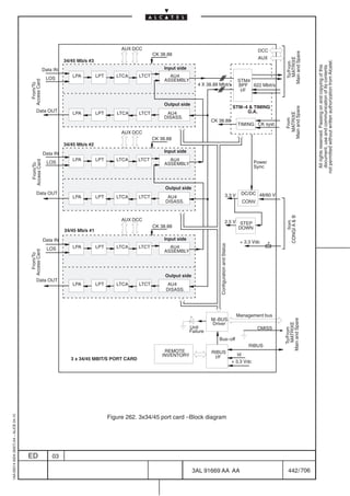
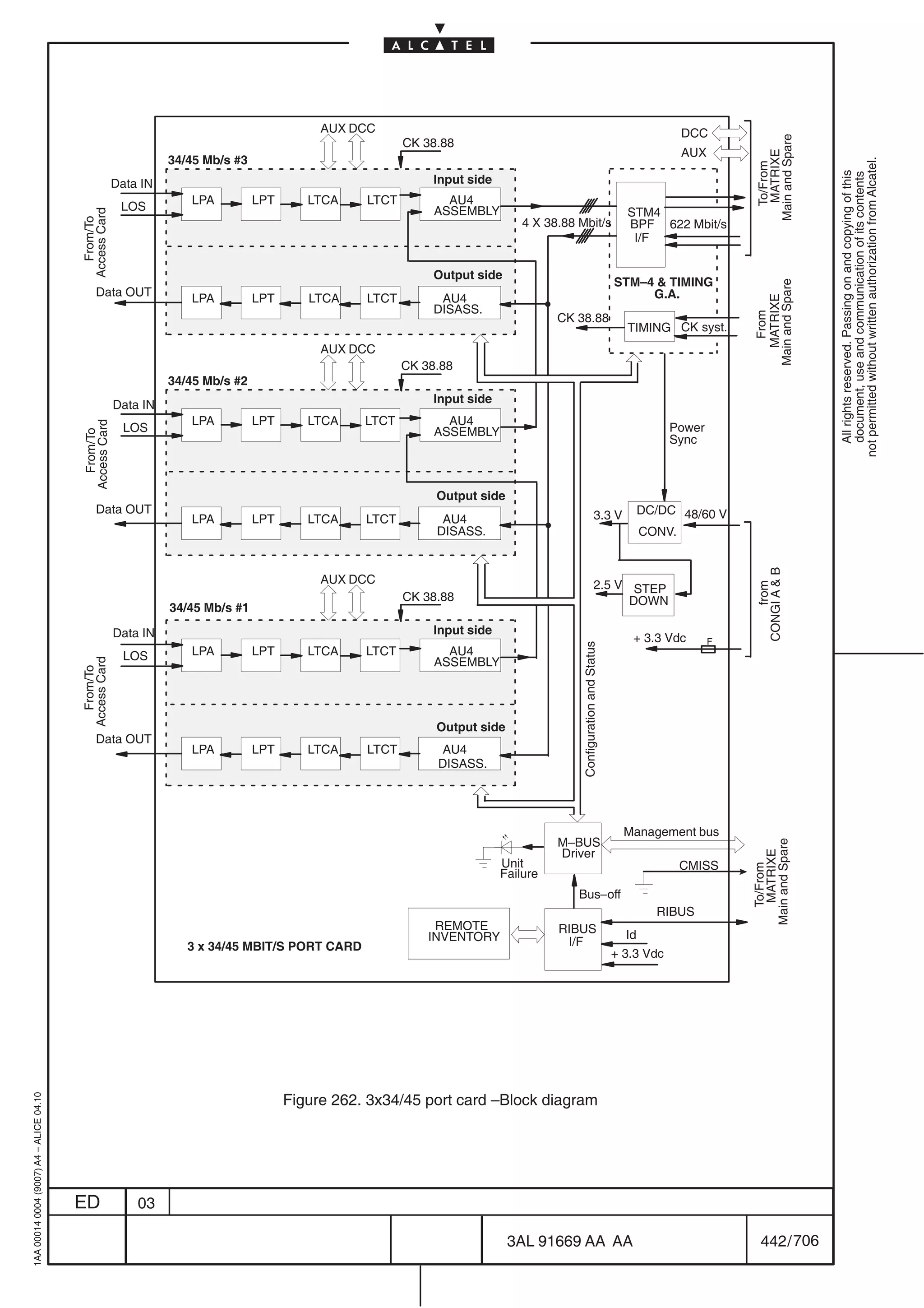
                                              4.22    3 x 34/45 Mbit/s port card (P3E3T3) . . . . . . . . . . . . . . . . . . . . . . . . . . . . . . . . . . . . . . . . . . . . .                       440
                                              4.23    4 x STM–1 electrical/optical port card (P4S1N) . . . . . . . . . . . . . . . . . . . . . . . . . . . . . . . . . .                                  443
                                              4.24    4 X 140/STM1 switchable O/E port card (P4E4N) . . . . . . . . . . . . . . . . . . . . . . . . . . . . . . . . .                                     448
                                              4.25    4 x STM–1 port (P4ES1N) . . . . . . . . . . . . . . . . . . . . . . . . . . . . . . . . . . . . . . . . . . . . . . . . . . . . . .                 455
                                              4.26    Port 16xSTM1 – 4xSTM4 (P16S1–4E) . . . . . . . . . . . . . . . . . . . . . . . . . . . . . . . . . . . . . . . . . . .                              460
                                              4.27    4 x OC3 AU3/TU3 CONVERSION port (P4OC3) . . . . . . . . . . . . . . . . . . . . . . . . . . . . . . . . . .                                         463
                                              4.28    STM–4 optical ports . . . . . . . . . . . . . . . . . . . . . . . . . . . . . . . . . . . . . . . . . . . . . . . . . . . . . . . . . . .           471
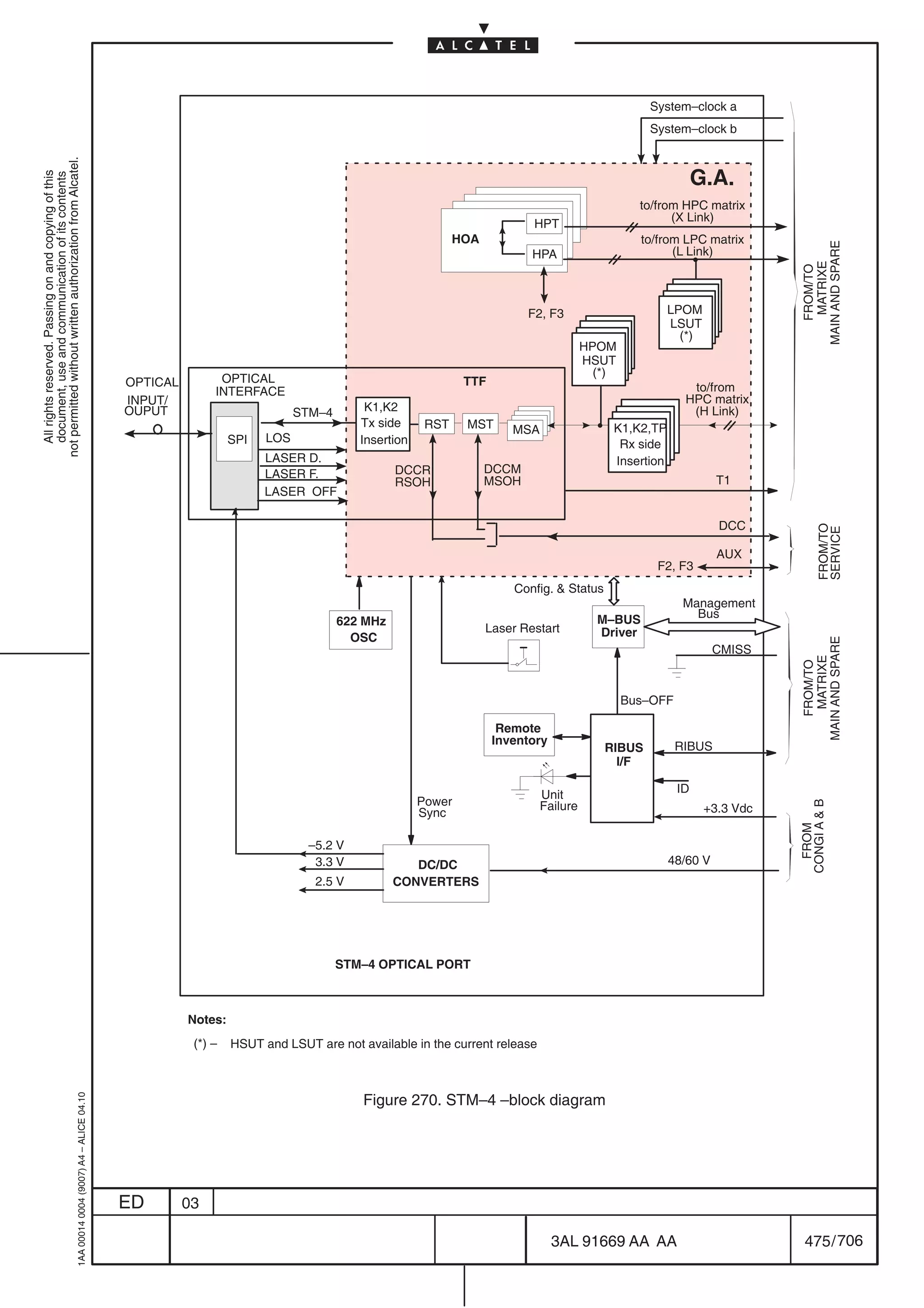
                                              4.29    4 x STM–4 optical port (P4S4N) . . . . . . . . . . . . . . . . . . . . . . . . . . . . . . . . . . . . . . . . . . . . . . . .                      476
                                              4.30    ISA – ATM MATRIX 4X4 (ATM4X4) . . . . . . . . . . . . . . . . . . . . . . . . . . . . . . . . . . . . . . . . . . . . . .                           481
                                              4.31    ISA – ATM MATRIX 4X4 ENHANCED (ATM4X4D3) . . . . . . . . . . . . . . . . . . . . . . . . . . . . . . . .                                            488
                                              4.32    ISA – ATM MATRIX 4X4 ENHANCED (ATM4X4V2) . . . . . . . . . . . . . . . . . . . . . . . . . . . . . . . .                                            488
                                              4.33    ISA – ATM MATRIX 8X8 (ATM8X8) . . . . . . . . . . . . . . . . . . . . . . . . . . . . . . . . . . . . . . . . . . . . . .                           494
                                              4.34    ISA–Packet Ring Edge Aggregator Unit (PREA1GBE, PREA4ETH) . . . . . . . . . . . . . . .                                                             501
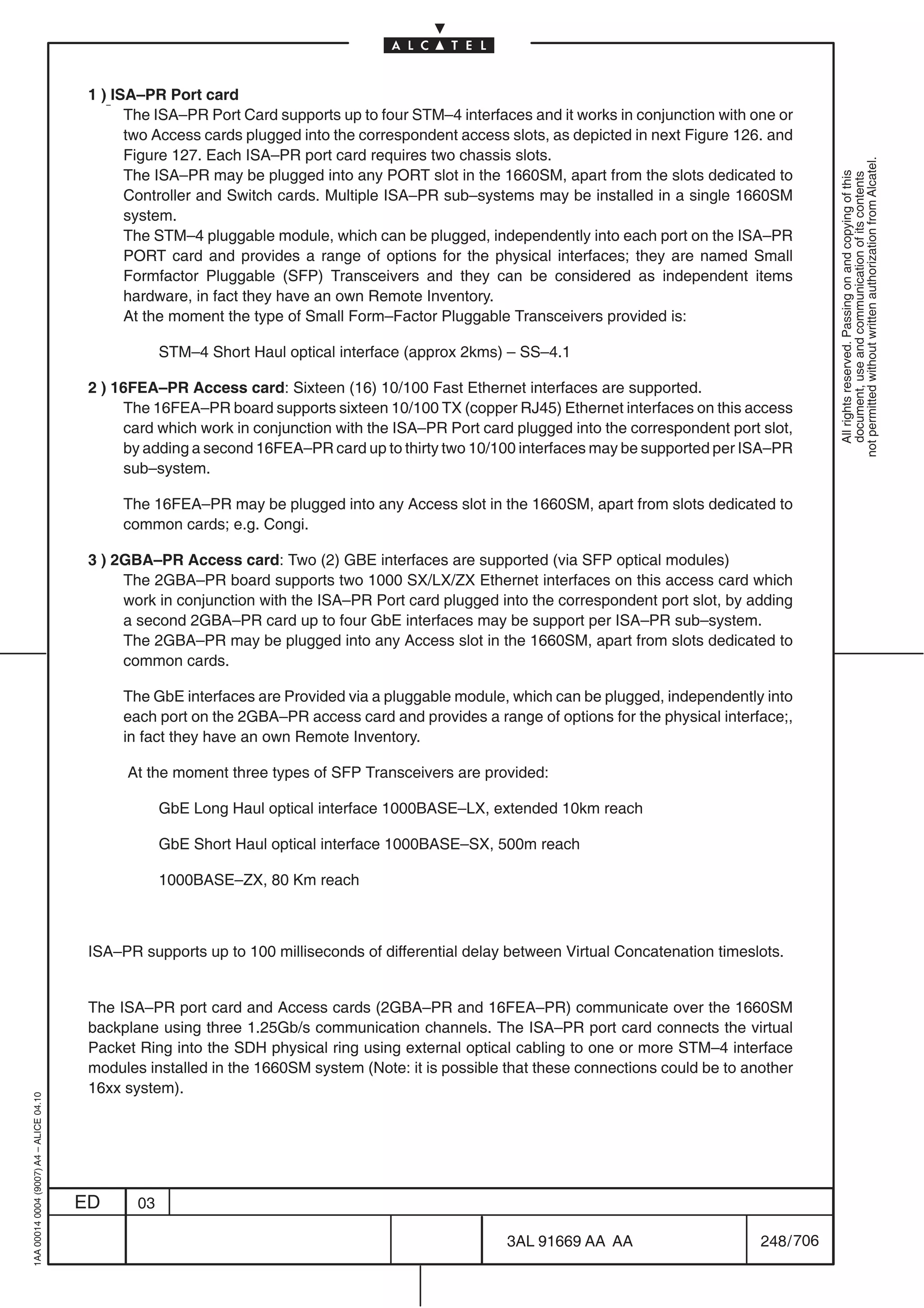
                                              4.35    ISA – Packet Ring unit (ISA–PR) . . . . . . . . . . . . . . . . . . . . . . . . . . . . . . . . . . . . . . . . . . . . . . .                       508
                                              4.36    STM–16 optical port (two slots wide) . . . . . . . . . . . . . . . . . . . . . . . . . . . . . . . . . . . . . . . . . . .                          512
                                              4.37    STM–16 optical slim port (one slot wide) . . . . . . . . . . . . . . . . . . . . . . . . . . . . . . . . . . . . . . .                              518
                                              4.38    STM–64 optical port . . . . . . . . . . . . . . . . . . . . . . . . . . . . . . . . . . . . . . . . . . . . . . . . . . . . . . . . . .             524
                                              4.39    ISA – Ethernet/Fast Ethernet port (ETH–MB) . . . . . . . . . . . . . . . . . . . . . . . . . . . . . . . . . . . .                                  527
                                              4.40    ISA –Giga Ethernet Main Board (GETH–MB) . . . . . . . . . . . . . . . . . . . . . . . . . . . . . . . . . . . .                                     531
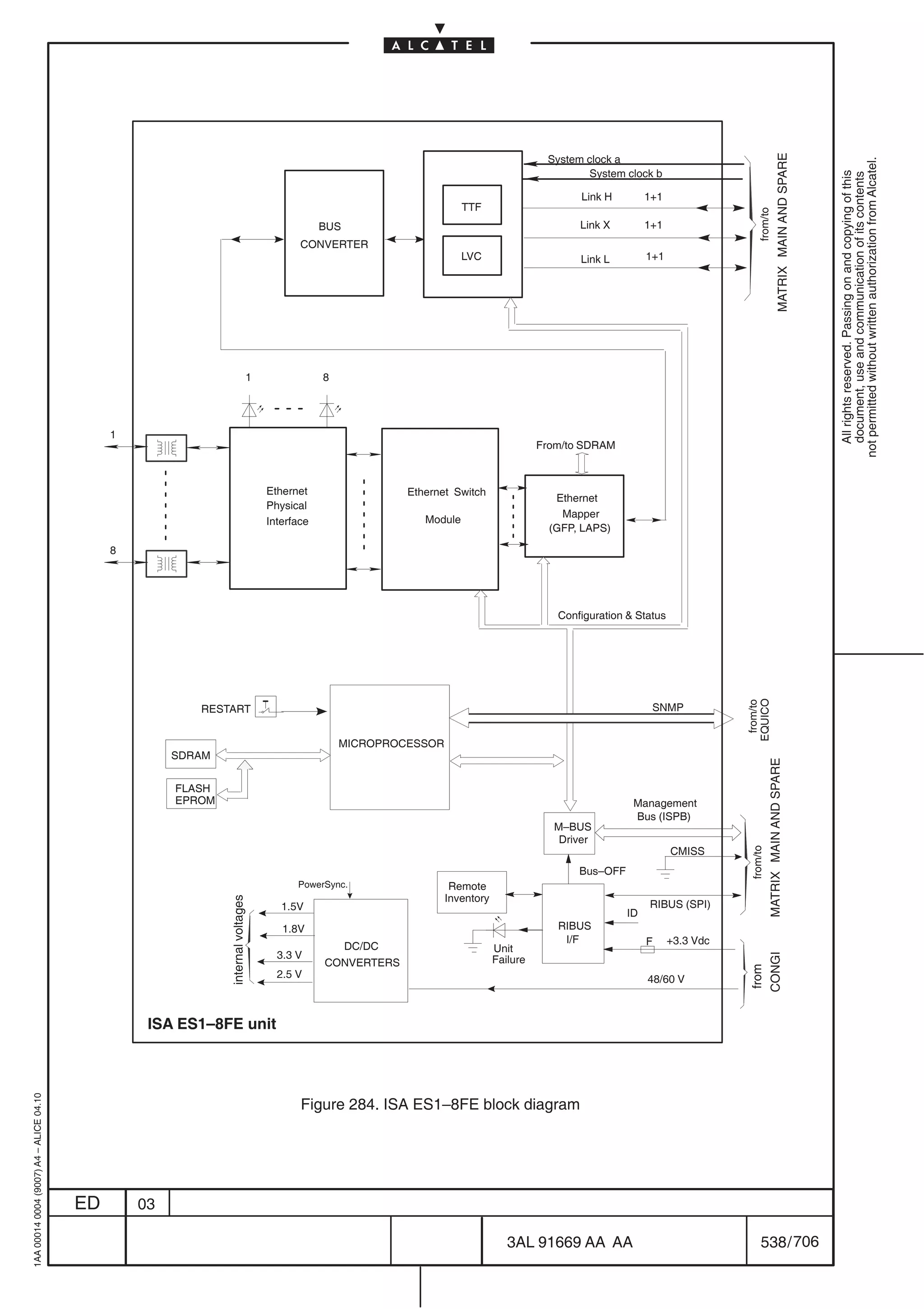
                                              4.41    ISA– Ethernet switch (ES1–8FE) . . . . . . . . . . . . . . . . . . . . . . . . . . . . . . . . . . . . . . . . . . . . . . .                        535
                                              4.42    ISA– Ethernet switch (ES1–8FX) . . . . . . . . . . . . . . . . . . . . . . . . . . . . . . . . . . . . . . . . . . . . . . .                        539
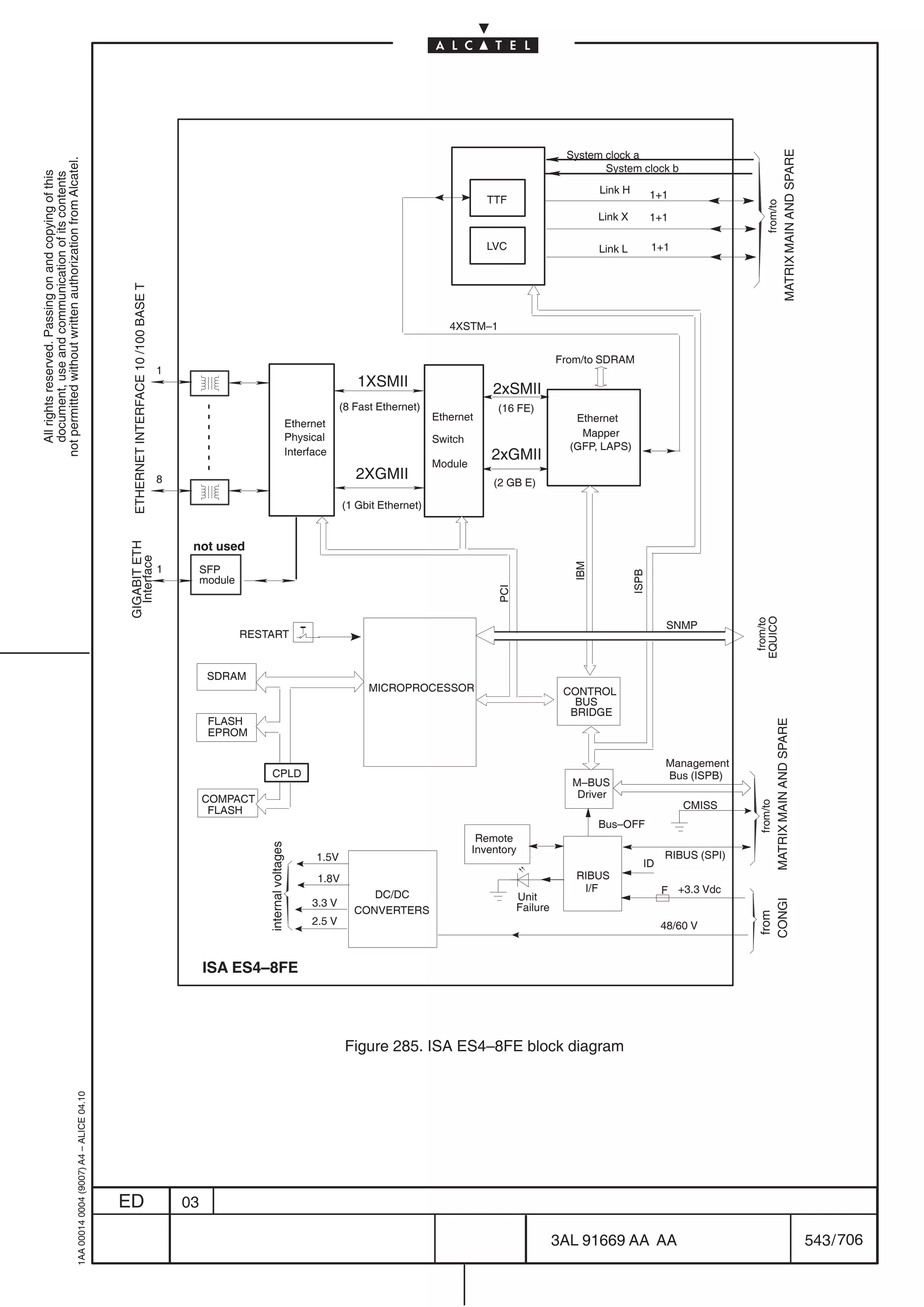
                                              4.43    ISA– Ethernet switch (ES4–8FE) . . . . . . . . . . . . . . . . . . . . . . . . . . . . . . . . . . . . . . . . . . . . . . .                        539
                                              4.44    ISA ES–16 . . . . . . . . . . . . . . . . . . . . . . . . . . . . . . . . . . . . . . . . . . . . . . . . . . . . . . . . . . . . . . . . . . . .   544
                                              4.45    4 X ANY HOST C card . . . . . . . . . . . . . . . . . . . . . . . . . . . . . . . . . . . . . . . . . . . . . . . . . . . . . . . . .               549
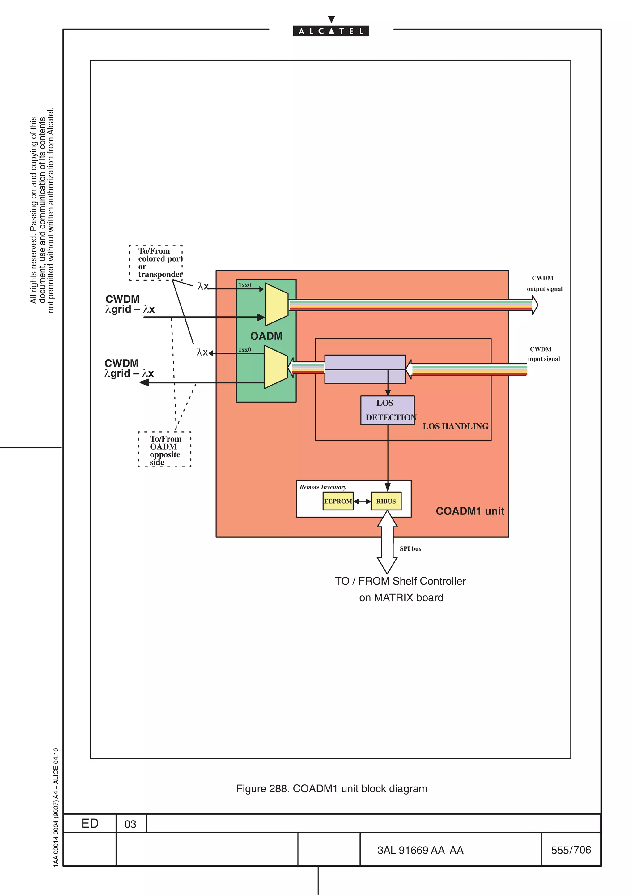
                                              4.46    COADM1 . . . . . . . . . . . . . . . . . . . . . . . . . . . . . . . . . . . . . . . . . . . . . . . . . . . . . . . . . . . . . . . . . . . . .    554
                                              4.47    COADM2 . . . . . . . . . . . . . . . . . . . . . . . . . . . . . . . . . . . . . . . . . . . . . . . . . . . . . . . . . . . . . . . . . . . . .    556
                                              4.48    COMDX8 . . . . . . . . . . . . . . . . . . . . . . . . . . . . . . . . . . . . . . . . . . . . . . . . . . . . . . . . . . . . . . . . . . . . .    558
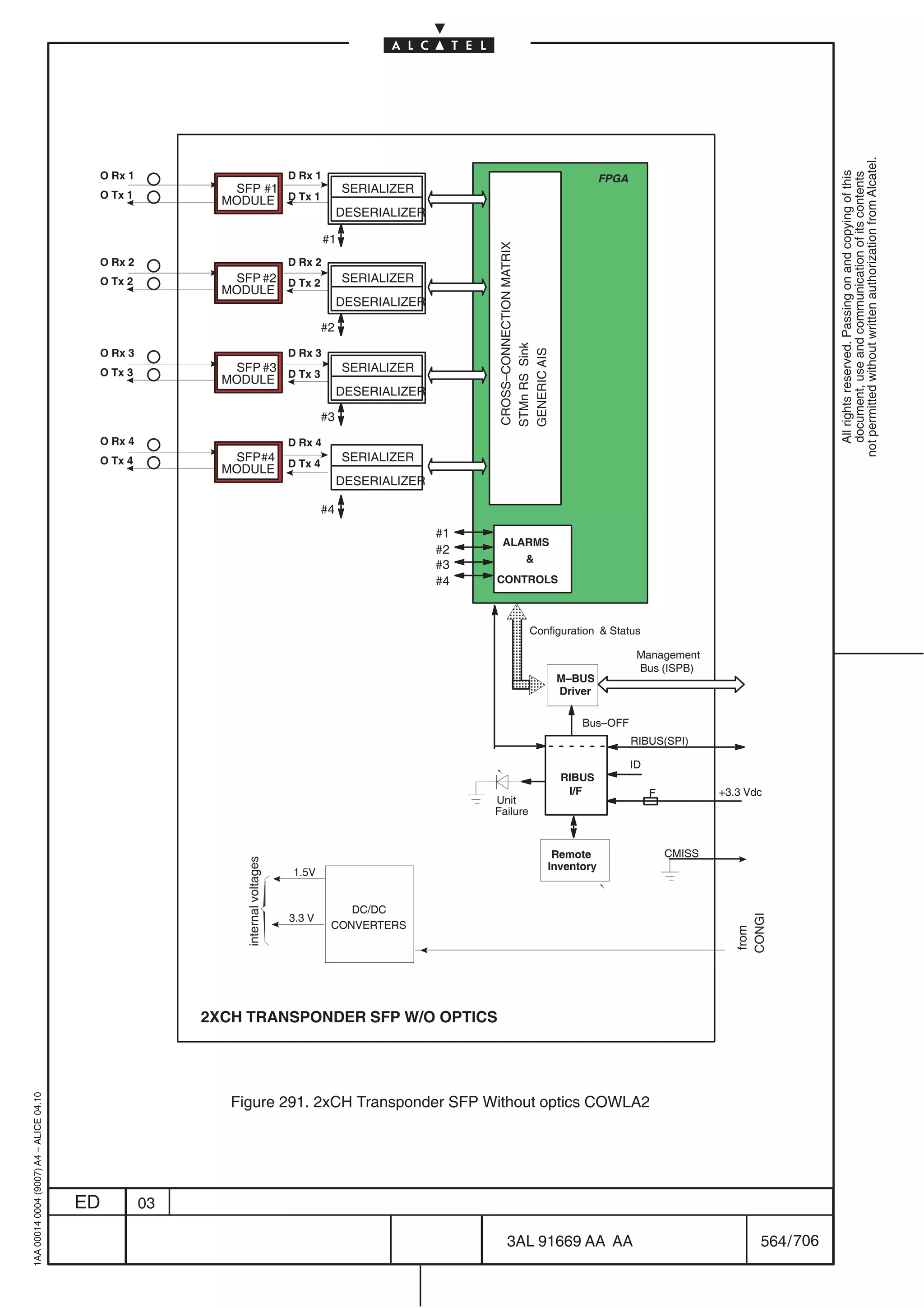
                                              4.49    2xCH Transponder SFP without optics (COWLA2) . . . . . . . . . . . . . . . . . . . . . . . . . . . . . .                                            560
                                              4.50    PQ2/EQC card . . . . . . . . . . . . . . . . . . . . . . . . . . . . . . . . . . . . . . . . . . . . . . . . . . . . . . . . . . . . . . . .        565
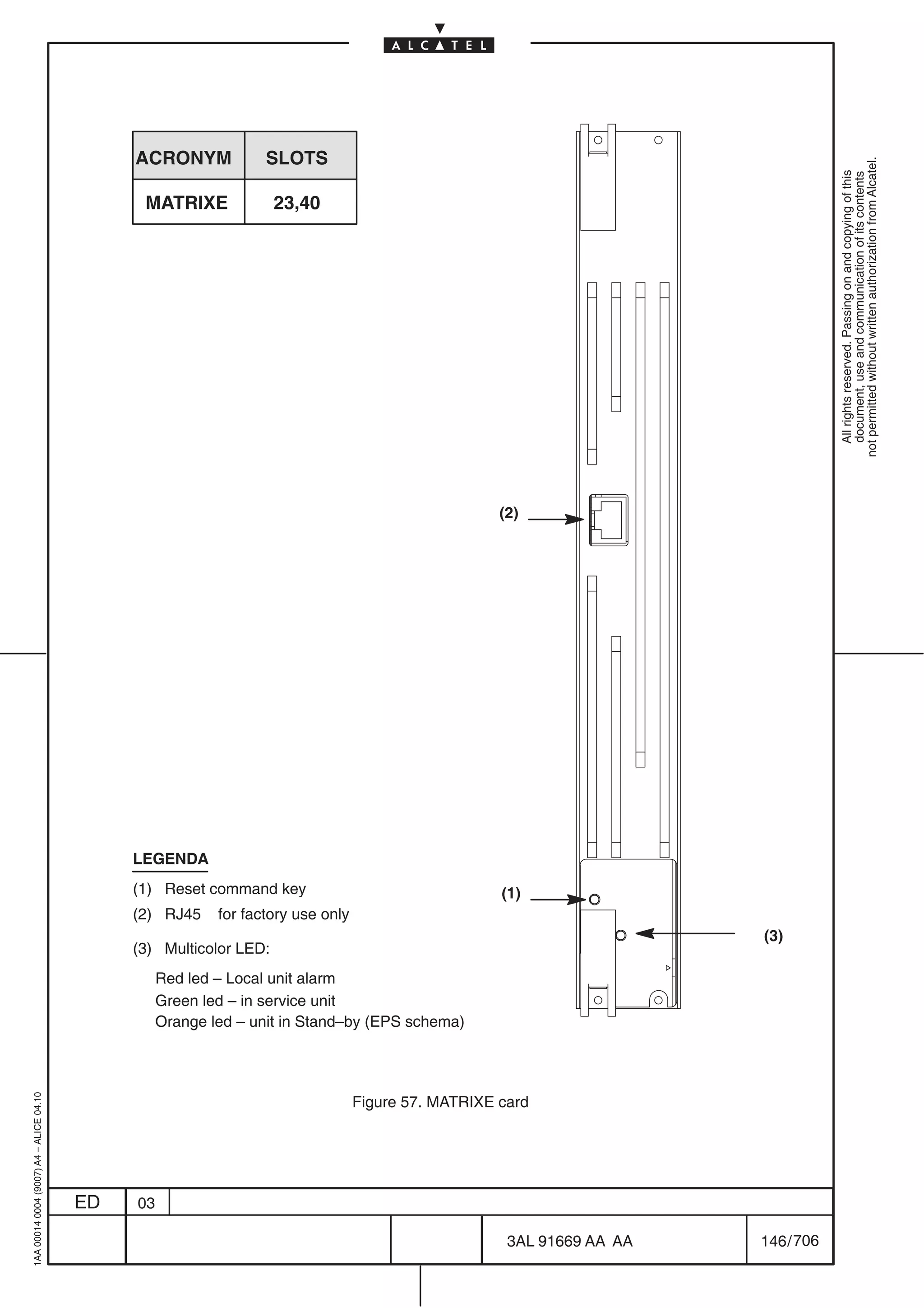
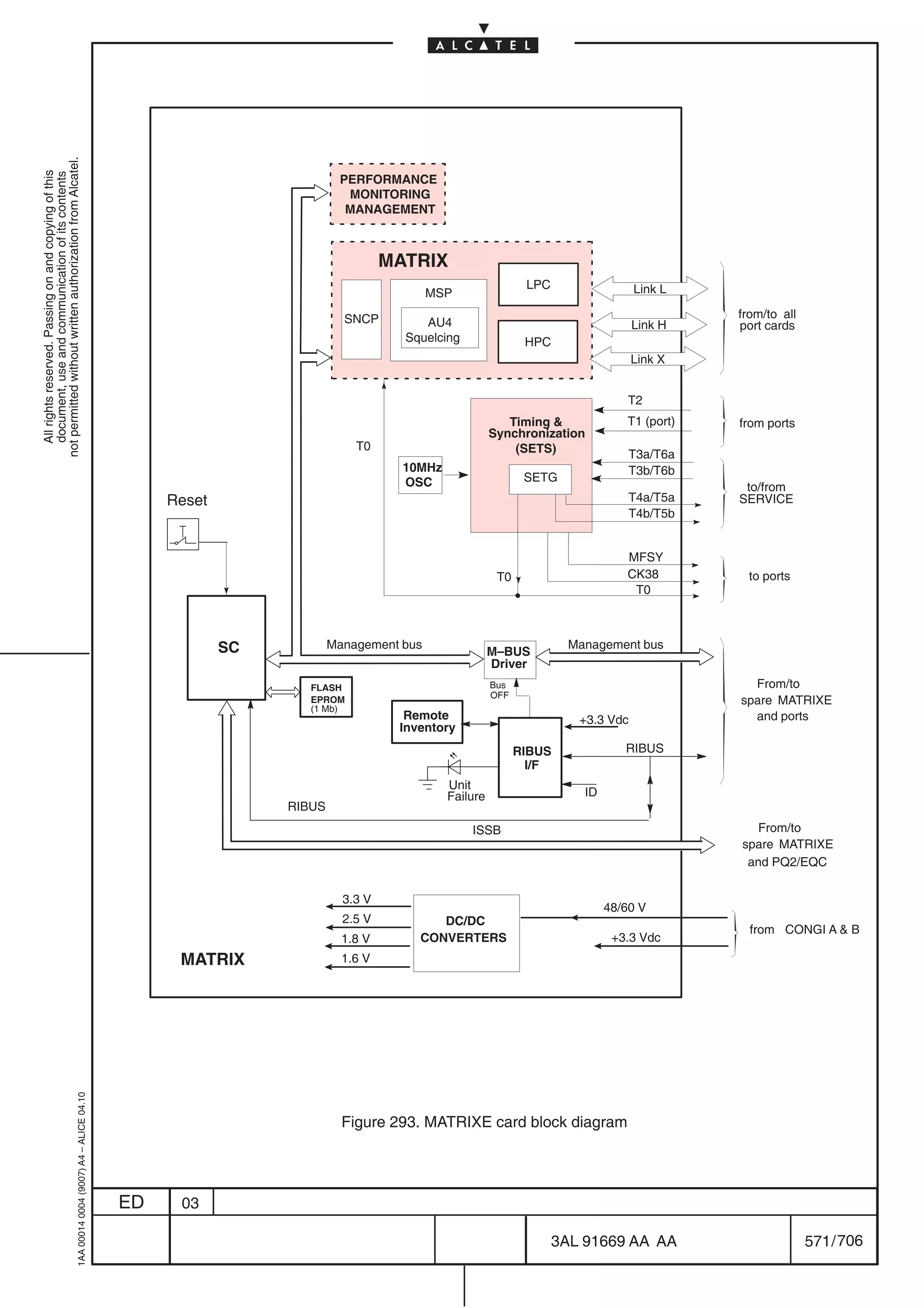
                                              4.51    MatrixE card . . . . . . . . . . . . . . . . . . . . . . . . . . . . . . . . . . . . . . . . . . . . . . . . . . . . . . . . . . . . . . . . . .    568
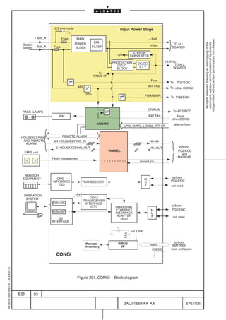
                                              4.52    CONGI card . . . . . . . . . . . . . . . . . . . . . . . . . . . . . . . . . . . . . . . . . . . . . . . . . . . . . . . . . . . . . . . . . .      572
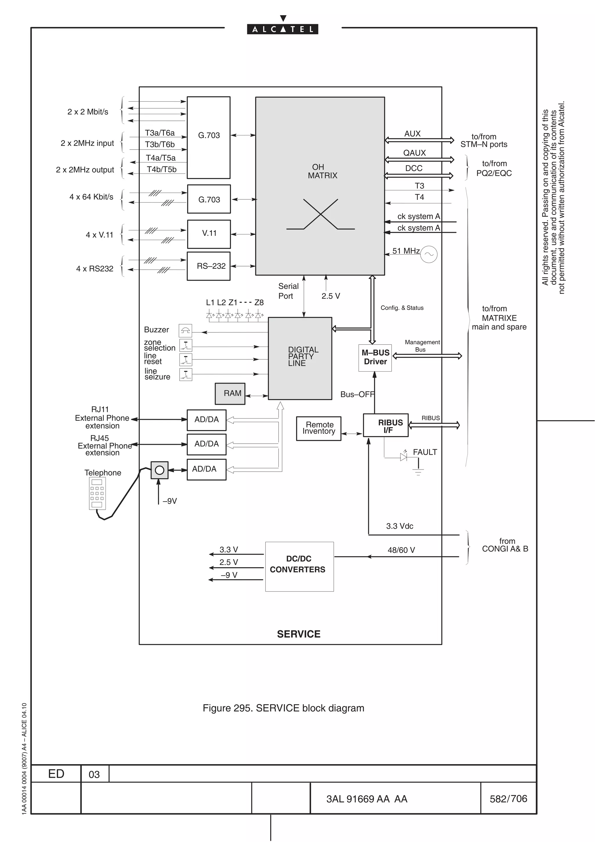
                                              4.53    SERVICE card . . . . . . . . . . . . . . . . . . . . . . . . . . . . . . . . . . . . . . . . . . . . . . . . . . . . . . . . . . . . . . . .        577
                                              4.54    FAN SHELF 19” AND RELEVANT FAN UNIT . . . . . . . . . . . . . . . . . . . . . . . . . . . . . . . . . . . . .                                       583
                                              4.55    ASSEMBLED FANS UNIT . . . . . . . . . . . . . . . . . . . . . . . . . . . . . . . . . . . . . . . . . . . . . . . . . . . . . .                     587

                                          5 TECHNICAL SPECIFICATIONS . . . . . . . . . . . . . . . . . . . . . . . . . . . . . . . . . . . . . . . . . . . . . . . . . . . . . .                          591
                                            5.1 General characteristics . . . . . . . . . . . . . . . . . . . . . . . . . . . . . . . . . . . . . . . . . . . . . . . . . . . . . . . . .                 591
                                               5.1.1 Optical Safety . . . . . . . . . . . . . . . . . . . . . . . . . . . . . . . . . . . . . . . . . . . . . . . . . . . . . . . . . . . . . .           595
                                               5.1.2 Electrical Safety . . . . . . . . . . . . . . . . . . . . . . . . . . . . . . . . . . . . . . . . . . . . . . . . . . . . . . . . . . . . .          600
1AA 00014 0004 (9007) A4 – ALICE 04.10




                                            5.2 Electrical interface characteristics . . . . . . . . . . . . . . . . . . . . . . . . . . . . . . . . . . . . . . . . . . . . . .                          601
                                               5.2.1 21 X 2 Mbit/s 75 Ohm electrical characteristics (A21E1) . . . . . . . . . . . . . . . . . . . . . . . . . .                                          601
                                               5.2.2 21 X 2 Mbit/s 120 Ohm electrical characteristics (A21E1) . . . . . . . . . . . . . . . . . . . . . . . . .                                           601

                                         ED          03

                                                                                                                                            3AL 91669 AA AA                                                4 / 706


                                                                                                                                                                  706
5.2.3 21 X 2 Mbit/s 120 Ohm K20 electrical characteristics (A21E1) . . . . . . . . . . . . . . . . . . . . .                                          601
                                                                                                   5.2.4 3 X 34 Mbit/s electrical characteristics (A3E3) . . . . . . . . . . . . . . . . . . . . . . . . . . . . . . . . . .                             601
                                                                                                   5.2.5 3 X 45 Mbit/s electrical characteristics (A3T3) . . . . . . . . . . . . . . . . . . . . . . . . . . . . . . . . . .                             602
                                                                                                   5.2.6 STM–1 electrical characteristics (A4 ES1 and ICMI) . . . . . . . . . . . . . . . . . . . . . . . . . . . . .                                    602
not permitted without written authorization from Alcatel.




                                                                                                   5.2.7 140 Mbit/s electrical characteristics (ICMI) . . . . . . . . . . . . . . . . . . . . . . . . . . . . . . . . . . . . . .                        602
  All rights reserved. Passing on and copying of this
  document, use and communication of its contents




                                                                                                   5.2.8 Engineering Order Wire characteristics (SERVICE) . . . . . . . . . . . . . . . . . . . . . . . . . . . . . .                                    603
                                                                                                   5.2.9 AUX channels characteristics (SERVICE) . . . . . . . . . . . . . . . . . . . . . . . . . . . . . . . . . . . . . .                              603
                                                                                                5.3 ATM interface characteristics . . . . . . . . . . . . . . . . . . . . . . . . . . . . . . . . . . . . . . . . . . . . . . . . . .                    605
                                                                                                   5.3.1 ATM matrix 4x4 switching capability (ATM4X4) . . . . . . . . . . . . . . . . . . . . . . . . . . . . . . . . . .                                605
                                                                                                   5.3.2 ATM matrix 4x4V2 switching capability (ATM4X4V2) . . . . . . . . . . . . . . . . . . . . . . . . . . . . .                                      606
                                                                                                   5.3.3 ATM matrix 4x4 D3 switching capability (ATM4X4D3) . . . . . . . . . . . . . . . . . . . . . . . . . . . .                                       607
                                                                                                   5.3.4 ATM matrix 8x8 switching capability (ATM8X8) . . . . . . . . . . . . . . . . . . . . . . . . . . . . . . . . . .                                608
                                                                                                5.4 PR_EA characteristics and MPLS data traffic management (PREA4ETH, PREA1GBE)                                                                          609
                                                                                                5.5 PR characteristics . . . . . . . . . . . . . . . . . . . . . . . . . . . . . . . . . . . . . . . . . . . . . . . . . . . . . . . . . . . . .         610
                                                                                                   5.5.1 ISA–PR port card interface characteristics . . . . . . . . . . . . . . . . . . . . . . . . . . . . . . . . . . . . . .                          610
                                                                                                   5.5.2 16FEA–PR access card interface characteristics . . . . . . . . . . . . . . . . . . . . . . . . . . . . . . . .                                  611
                                                                                                   5.5.3 2GBA–PR access card interface characteristics . . . . . . . . . . . . . . . . . . . . . . . . . . . . . . . . .                                 611
                                                                                                5.6 ETHERNET interface characteristics . . . . . . . . . . . . . . . . . . . . . . . . . . . . . . . . . . . . . . . . . . . .                           612
                                                                                                   5.6.1 Ethernet 10/100Base–T interface characteristics (ETH–MB + ETH–ATX) . . . . . . . . . .                                                          612
                                                                                                   5.6.2 Ethernet switch port card characteristics (ES1–8FE) . . . . . . . . . . . . . . . . . . . . . . . . . . . . .                                   613
                                                                                                   5.6.3 Ethernet switch port card characteristics (ES1–8FX) . . . . . . . . . . . . . . . . . . . . . . . . . . . . .                                   614
                                                                                                   5.6.4 Ethernet switch port card characteristics (ES4–8FE) . . . . . . . . . . . . . . . . . . . . . . . . . . . . .                                   615
                                                                                                   5.6.5 Ethernet switch port card characteristics (ISA ES–16) . . . . . . . . . . . . . . . . . . . . . . . . . . . .                                   616
                                                                                                   5.6.6 Access Card Gigabit Ethernet interfaces characteristics (GETH–AG) . . . . . . . . . . . . . .                                                   617
                                                                                                   5.6.7 Gigabit Ethernet ports card interfaces characteristics (GETH–MB) . . . . . . . . . . . . . . . . .                                              618
                                                                                                5.7 4 x ANY clients characteristics . . . . . . . . . . . . . . . . . . . . . . . . . . . . . . . . . . . . . . . . . . . . . . . . . .                  619
                                                                                                   5.7.1 Gigabit Ethernet LX . . . . . . . . . . . . . . . . . . . . . . . . . . . . . . . . . . . . . . . . . . . . . . . . . . . . . . . . .           619
                                                                                                   5.7.2 Gigabit Ethernet SX . . . . . . . . . . . . . . . . . . . . . . . . . . . . . . . . . . . . . . . . . . . . . . . . . . . . . . . . .           620
                                                                                                   5.7.3 Fiber Channel 100–SM–LL–I . . . . . . . . . . . . . . . . . . . . . . . . . . . . . . . . . . . . . . . . . . . . . . . . .                     621
                                                                                                   5.7.4 Fiber Channel 100–M5–SL–I . . . . . . . . . . . . . . . . . . . . . . . . . . . . . . . . . . . . . . . . . . . . . . . . .                     622
                                                                                                   5.7.5 Fast Ethernet (100BASE FX)/FDDI . . . . . . . . . . . . . . . . . . . . . . . . . . . . . . . . . . . . . . . . . . . .                         623
                                                                                                   5.7.6 ESCON . . . . . . . . . . . . . . . . . . . . . . . . . . . . . . . . . . . . . . . . . . . . . . . . . . . . . . . . . . . . . . . . . . . .   624
                                                                                                   5.7.7 Digital Video . . . . . . . . . . . . . . . . . . . . . . . . . . . . . . . . . . . . . . . . . . . . . . . . . . . . . . . . . . . . . . . .   625
                                                                                                5.8 Optical interface characteristics . . . . . . . . . . . . . . . . . . . . . . . . . . . . . . . . . . . . . . . . . . . . . . . .                    626
                                                                                                   5.8.1 Example of a link using 1660SM with L–16.2 JE2 Port and 15 dBm Booster . . . . . . . .                                                          640
                                                                                                   5.8.2 Example of a link using 1660SM with L–64.2b “Extended” . . . . . . . . . . . . . . . . . . . . . . . .                                          641
                                                                                                   5.8.3 Example of a link using 1660SM with L–64.2b “Reduced” . . . . . . . . . . . . . . . . . . . . . . . .                                           643
                                                                                                5.9 Coarse WDM subsystem units characteristics . . . . . . . . . . . . . . . . . . . . . . . . . . . . . . . . . . .                                     644
                                                                                                   5.9.1 COADM–1 Channel . . . . . . . . . . . . . . . . . . . . . . . . . . . . . . . . . . . . . . . . . . . . . . . . . . . . . . . . .               644
                                                                                                   5.9.2 COADM–2 Channels . . . . . . . . . . . . . . . . . . . . . . . . . . . . . . . . . . . . . . . . . . . . . . . . . . . . . . . .                645
                                                                                                   5.9.3 MUX/DEMUX 8 Channels . . . . . . . . . . . . . . . . . . . . . . . . . . . . . . . . . . . . . . . . . . . . . . . . . . . .                    646
                                                                                                   5.9.4 2 Channels TRANSPONDER SFP without optical modulle . . . . . . . . . . . . . . . . . . . . . . . .                                              647
                                                                                                   5.9.5 CWDM optical PLUGIN . . . . . . . . . . . . . . . . . . . . . . . . . . . . . . . . . . . . . . . . . . . . . . . . . . . . . .                 647
                                                                                                5.10 Power Supply characteristics . . . . . . . . . . . . . . . . . . . . . . . . . . . . . . . . . . . . . . . . . . . . . . . . . .                    649
                                                                                                   5.10.1 Power consumption . . . . . . . . . . . . . . . . . . . . . . . . . . . . . . . . . . . . . . . . . . . . . . . . . . . . . . . .              649
                                                                                                5.11 Alarm Characteristics . . . . . . . . . . . . . . . . . . . . . . . . . . . . . . . . . . . . . . . . . . . . . . . . . . . . . . . . .             650
                                                                                                5.12 Mechanical characteristics . . . . . . . . . . . . . . . . . . . . . . . . . . . . . . . . . . . . . . . . . . . . . . . . . . . .                  653
                                                                                                   5.12.1 1660SM subrack without fans . . . . . . . . . . . . . . . . . . . . . . . . . . . . . . . . . . . . . . . . . . . . . . . .                    653
                                                                                                   5.12.2 1660SM subrack with fans shelf . . . . . . . . . . . . . . . . . . . . . . . . . . . . . . . . . . . . . . . . . . . . . .                     653
                                                                                                   5.12.3 Fans shelf 19” . . . . . . . . . . . . . . . . . . . . . . . . . . . . . . . . . . . . . . . . . . . . . . . . . . . . . . . . . . . . .       653
                                                  1AA 00014 0004 (9007) A4 – ALICE 04.10




                                                                                                5.13 Environmental conditions . . . . . . . . . . . . . . . . . . . . . . . . . . . . . . . . . . . . . . . . . . . . . . . . . . . . .                  654
                                                                                                   5.13.1 Electromagnetic Compatibility (EMC) norms . . . . . . . . . . . . . . . . . . . . . . . . . . . . . . . . . . .                                654
                                                                                                   5.13.2 Waste from Electrical and Electronic Equipment (WEEE) . . . . . . . . . . . . . . . . . . . . . . .                                            655
                                                                                                   5.13.3 Acoustical noise . . . . . . . . . . . . . . . . . . . . . . . . . . . . . . . . . . . . . . . . . . . . . . . . . . . . . . . . . . .         655

                                                                                           ED          03

                                                                                                                                                                                            3AL 91669 AA AA                                               5 / 706


                                                                                                                                                                                                                 706
5.13.4 Climatic for operating conditions . . . . . . . . . . . . . . . . . . . . . . . . . . . . . . . . . . . . . . . . . . . . .                     656
                                                  5.13.5 Storage . . . . . . . . . . . . . . . . . . . . . . . . . . . . . . . . . . . . . . . . . . . . . . . . . . . . . . . . . . . . . . . . . . .   658
                                                  5.13.6 Transportation . . . . . . . . . . . . . . . . . . . . . . . . . . . . . . . . . . . . . . . . . . . . . . . . . . . . . . . . . . . . .        660




                                                                                                                                                                                                                    not permitted without written authorization from Alcatel.
                                          MAINTENANCE . . . . . . . . . . . . . . . . . . . . . . . . . . . . . . . . . . . . . . . . . . . . . . . . . . . . . . . . . . . . . . . . . . . . . .        663




                                                                                                                                                                                                                      All rights reserved. Passing on and copying of this
                                                                                                                                                                                                                      document, use and communication of its contents
                                          6 MAINTENANCE . . . . . . . . . . . . . . . . . . . . . . . . . . . . . . . . . . . . . . . . . . . . . . . . . . . . . . . . . . . . . . . . . . . . 665
                                            6.1 General safety rules . . . . . . . . . . . . . . . . . . . . . . . . . . . . . . . . . . . . . . . . . . . . . . . . . . . . . . . . . . . . 665
                                            6.2 General rules . . . . . . . . . . . . . . . . . . . . . . . . . . . . . . . . . . . . . . . . . . . . . . . . . . . . . . . . . . . . . . . . . . 666
                                            6.3 Maintenance Aspects . . . . . . . . . . . . . . . . . . . . . . . . . . . . . . . . . . . . . . . . . . . . . . . . . . . . . . . . . . 666
                                            6.4 Instruments And Accessories . . . . . . . . . . . . . . . . . . . . . . . . . . . . . . . . . . . . . . . . . . . . . . . . . . . 666
                                            6.5 Routine Maintenance . . . . . . . . . . . . . . . . . . . . . . . . . . . . . . . . . . . . . . . . . . . . . . . . . . . . . . . . . . . 667
                                               6.5.1 Routine maintenance every three months . . . . . . . . . . . . . . . . . . . . . . . . . . . . . . . . . . . . . . 667
                                               6.5.2 Routine maintenance every year . . . . . . . . . . . . . . . . . . . . . . . . . . . . . . . . . . . . . . . . . . . . . . 669
                                               6.5.3 Routine Maintenance every five year . . . . . . . . . . . . . . . . . . . . . . . . . . . . . . . . . . . . . . . . . . 669
                                            6.6 Corrective Maintenance (Trouble/Shooting) . . . . . . . . . . . . . . . . . . . . . . . . . . . . . . . . . . . . . . 670
                                               6.6.1 Fan unit substitution . . . . . . . . . . . . . . . . . . . . . . . . . . . . . . . . . . . . . . . . . . . . . . . . . . . . . . . . . 670
                                            6.7 Set of spare parts . . . . . . . . . . . . . . . . . . . . . . . . . . . . . . . . . . . . . . . . . . . . . . . . . . . . . . . . . . . . . . 671
                                               6.7.1 Suggested Spare Parts . . . . . . . . . . . . . . . . . . . . . . . . . . . . . . . . . . . . . . . . . . . . . . . . . . . . . . 671
                                               6.7.2 General rules on spare parts management . . . . . . . . . . . . . . . . . . . . . . . . . . . . . . . . . . . . . 671
                                               6.7.3 Particular rules on spare parts management . . . . . . . . . . . . . . . . . . . . . . . . . . . . . . . . . . . . 671
                                            6.8 Repair Form . . . . . . . . . . . . . . . . . . . . . . . . . . . . . . . . . . . . . . . . . . . . . . . . . . . . . . . . . . . . . . . . . . . 671

                                          DISMANTLING & RECYCLING . . . . . . . . . . . . . . . . . . . . . . . . . . . . . . . . . . . . . . . . . . . . . . . . . . . . . . . . .                      673

                                          7 DISMANTLING & RECYCLING . . . . . . . . . . . . . . . . . . . . . . . . . . . . . . . . . . . . . . . . . . . . . . . . . . . . . . . 675
                                            7.1 WEEE general information . . . . . . . . . . . . . . . . . . . . . . . . . . . . . . . . . . . . . . . . . . . . . . . . . . . . . . 675
                                            7.2 How to disassembly equipment . . . . . . . . . . . . . . . . . . . . . . . . . . . . . . . . . . . . . . . . . . . . . . . . . 676
                                               7.2.1 Tools necessary for disassembly . . . . . . . . . . . . . . . . . . . . . . . . . . . . . . . . . . . . . . . . . . . . . . 676
                                               7.2.2 Subrack disassembly . . . . . . . . . . . . . . . . . . . . . . . . . . . . . . . . . . . . . . . . . . . . . . . . . . . . . . . . 677
                                               7.2.3 Unit disassembly . . . . . . . . . . . . . . . . . . . . . . . . . . . . . . . . . . . . . . . . . . . . . . . . . . . . . . . . . . . . 684
                                               7.2.4 Hazardous materials and components . . . . . . . . . . . . . . . . . . . . . . . . . . . . . . . . . . . . . . . . . 694
                                            7.3 Eco declaration . . . . . . . . . . . . . . . . . . . . . . . . . . . . . . . . . . . . . . . . . . . . . . . . . . . . . . . . . . . . . . . . 696

                                          HARDWARE SETTING DOCUMENTATION . . . . . . . . . . . . . . . . . . . . . . . . . . . . . . . . . . . . . . . . . . . . . .                                     699

                                          UNITS DOCUMENTATION LIST . . . . . . . . . . . . . . . . . . . . . . . . . . . . . . . . . . . . . . . . . . . . . . . . . . . . . . . .                       701
1AA 00014 0004 (9007) A4 – ALICE 04.10




                                         ED          03

                                                                                                                                            3AL 91669 AA AA                                               6 / 706


                                                                                                                                                                  706
LIST OF FIGURES AND TABLES

                                                                                                                                                              FIGURES
not permitted without written authorization from Alcatel.




                                                                                            Figure 1. Subrack label . . . . . . . . . . . . . . . . . . . . . . . . . . . . . . . . . . . . . . . . . . . . . . . . . . . . . . . . . . . . . . . .        41
  All rights reserved. Passing on and copying of this
  document, use and communication of its contents




                                                                                            Figure 2. Subrack label . . . . . . . . . . . . . . . . . . . . . . . . . . . . . . . . . . . . . . . . . . . . . . . . . . . . . . . . . . . . . . . .        42
                                                                                            Figure 3. Subrack label . . . . . . . . . . . . . . . . . . . . . . . . . . . . . . . . . . . . . . . . . . . . . . . . . . . . . . . . . . . . . . . .        43
                                                                                            Figure 4. Labels on units with standard cover plate . . . . . . . . . . . . . . . . . . . . . . . . . . . . . . . . . . . . . . .                              44
                                                                                            Figure 5. Modules label . . . . . . . . . . . . . . . . . . . . . . . . . . . . . . . . . . . . . . . . . . . . . . . . . . . . . . . . . . . . . . . .        45
                                                                                            Figure 6. Internal label for Printed Board Assembly . . . . . . . . . . . . . . . . . . . . . . . . . . . . . . . . . . . . . . . .                            46
                                                                                            Figure 7. Back panels internal label . . . . . . . . . . . . . . . . . . . . . . . . . . . . . . . . . . . . . . . . . . . . . . . . . . . . . .               47
                                                                                            Figure 8. Label specifying item not on catalogue (P/N. and serial number) . . . . . . . . . . . . . . . . . . . .                                              48
                                                                                            Figure 9. Label specifying item on catalogue (P/N. and serial number) . . . . . . . . . . . . . . . . . . . . . . .                                            48
                                                                                            Figure 10. Item identification labels – item on catalog . . . . . . . . . . . . . . . . . . . . . . . . . . . . . . . . . . . . . .                            49
                                                                                            Figure 11. Label identifying the equipment (example) . . . . . . . . . . . . . . . . . . . . . . . . . . . . . . . . . . . . . .                               49
                                                                                            Figure 12. CE label . . . . . . . . . . . . . . . . . . . . . . . . . . . . . . . . . . . . . . . . . . . . . . . . . . . . . . . . . . . . . . . . . . . .    50
                                                                                            Figure 13. WEEE label . . . . . . . . . . . . . . . . . . . . . . . . . . . . . . . . . . . . . . . . . . . . . . . . . . . . . . . . . . . . . . . . .        50
                                                                                            Figure 14. Example of SDH/DATA/CWDM integration in “metro area” . . . . . . . . . . . . . . . . . . . . . . . .                                                67
                                                                                            Figure 15. Example of ATM Transport management . . . . . . . . . . . . . . . . . . . . . . . . . . . . . . . . . . . . . . .                                   68
                                                                                            Figure 16. ISA–PR Deployment Scenario . . . . . . . . . . . . . . . . . . . . . . . . . . . . . . . . . . . . . . . . . . . . . . . . .                        69
                                                                                            Figure 17. Ethernet service application . . . . . . . . . . . . . . . . . . . . . . . . . . . . . . . . . . . . . . . . . . . . . . . . . . .                  70
                                                                                            Figure 18. Terminal multiplexer . . . . . . . . . . . . . . . . . . . . . . . . . . . . . . . . . . . . . . . . . . . . . . . . . . . . . . . . . .            71
                                                                                            Figure 19. Add/Drop Multiplexer . . . . . . . . . . . . . . . . . . . . . . . . . . . . . . . . . . . . . . . . . . . . . . . . . . . . . . . . .              71
                                                                                            Figure 20. ”HUB” STM–1 . . . . . . . . . . . . . . . . . . . . . . . . . . . . . . . . . . . . . . . . . . . . . . . . . . . . . . . . . . . . . . .           72
                                                                                            Figure 21. Point–to–point links . . . . . . . . . . . . . . . . . . . . . . . . . . . . . . . . . . . . . . . . . . . . . . . . . . . . . . . . . .            72
                                                                                            Figure 22. Linear drop–insert . . . . . . . . . . . . . . . . . . . . . . . . . . . . . . . . . . . . . . . . . . . . . . . . . . . . . . . . . . .            73
                                                                                            Figure 23. Ring structure . . . . . . . . . . . . . . . . . . . . . . . . . . . . . . . . . . . . . . . . . . . . . . . . . . . . . . . . . . . . . . .        73
                                                                                            Figure 24. Meshed topology . . . . . . . . . . . . . . . . . . . . . . . . . . . . . . . . . . . . . . . . . . . . . . . . . . . . . . . . . . . .             74
                                                                                            Figure 25. SDH/CWDM integration in “ring” with COADM units . . . . . . . . . . . . . . . . . . . . . . . . . . . . . .                                         75
                                                                                            Figure 26. SDH/CWDM integration in “ring” with COADM unit: detailed view . . . . . . . . . . . . . . . . . .                                                   76
                                                                                            Figure 27. SDH/CWDM integration in “ring” with MUX/DEMUX unit . . . . . . . . . . . . . . . . . . . . . . . . . .                                              77
                                                                                            Figure 28. SDH/CWDM integration in “ring” with MUX/DEMUX unit: detailed view . . . . . . . . . . . . . .                                                       78
                                                                                            Figure 29. SDH/CWDM integration in “linear” network . . . . . . . . . . . . . . . . . . . . . . . . . . . . . . . . . . . . . .                                79
                                                                                            Figure 30. SDH/CWDM integration in “linear” network (MUX/DEMUX): detailed view . . . . . . . . . . .                                                           79
                                                                                            Figure 31. SDH/CWDM integration in “linear” network (COADM unit): detailed view . . . . . . . . . . . .                                                        80
                                                                                            Figure 32. 1660SM units positioning in “SR60M” subrack . . . . . . . . . . . . . . . . . . . . . . . . . . . . . . . . . . .                                   84
                                                                                            Figure 33. 19” Fans subrack unit slots . . . . . . . . . . . . . . . . . . . . . . . . . . . . . . . . . . . . . . . . . . . . . . . . . . .                   84
                                                                                            Figure 34. 1660SM units positioning in 1660 subrack with fans . . . . . . . . . . . . . . . . . . . . . . . . . . . . .                                        85
                                                                                            Figure 35. PDH, SDH electrical ports front view . . . . . . . . . . . . . . . . . . . . . . . . . . . . . . . . . . . . . . . . . . .                         124
                                                                                            Figure 36. 4 x STM–1, 4 x OC3 port : front view . . . . . . . . . . . . . . . . . . . . . . . . . . . . . . . . . . . . . . . . . .                           125
                                                                                            Figure 37. 16xSTM–1 – 4xSTM–4 port front view . . . . . . . . . . . . . . . . . . . . . . . . . . . . . . . . . . . . . . . . . .                             126
                                                                                            Figure 38. STM–4 optical port front view . . . . . . . . . . . . . . . . . . . . . . . . . . . . . . . . . . . . . . . . . . . . . . . . .                    127
                                                                                            Figure 39. 4 x STM–4 port card – front view . . . . . . . . . . . . . . . . . . . . . . . . . . . . . . . . . . . . . . . . . . . . . .                       128
                                                                                            Figure 40. STM–16 optical front view . . . . . . . . . . . . . . . . . . . . . . . . . . . . . . . . . . . . . . . . . . . . . . . . . . . .                  129
                                                                                            Figure 41. I–16 PORT SFF (intra–office) . . . . . . . . . . . . . . . . . . . . . . . . . . . . . . . . . . . . . . . . . . . . . . . . .                     130
                                                                                            Figure 42. STM–16 SFP SLIM port optical front view . . . . . . . . . . . . . . . . . . . . . . . . . . . . . . . . . . . . . . .                              131
                                                                                            Figure 43. ATM 4X4 and ATM 4X4V2 card – front view . . . . . . . . . . . . . . . . . . . . . . . . . . . . . . . . . . . . .                                  132
                                                                                            Figure 44. ATM 8X8 card – front view . . . . . . . . . . . . . . . . . . . . . . . . . . . . . . . . . . . . . . . . . . . . . . . . . . . .                  133
                                                                                            Figure 45. STM–64 optical port front view . . . . . . . . . . . . . . . . . . . . . . . . . . . . . . . . . . . . . . . . . . . . . . . .                     134
                                                                                            Figure 46. ISA – Ethernet port front view . . . . . . . . . . . . . . . . . . . . . . . . . . . . . . . . . . . . . . . . . . . . . . . . .                   135
                                                                                            Figure 47. ISA– Gigabit ETHERNET board . . . . . . . . . . . . . . . . . . . . . . . . . . . . . . . . . . . . . . . . . . . . . . .                          136
                                                  1AA 00014 0004 (9007) A4 – ALICE 04.10




                                                                                            Figure 48. ISA – ES4–8FE port front view . . . . . . . . . . . . . . . . . . . . . . . . . . . . . . . . . . . . . . . . . . . . . . . .                      137
                                                                                            Figure 49. ISA – ES1–8FE port front view . . . . . . . . . . . . . . . . . . . . . . . . . . . . . . . . . . . . . . . . . . . . . . . .                      138
                                                                                            Figure 50. ISA ES1–8FX front view . . . . . . . . . . . . . . . . . . . . . . . . . . . . . . . . . . . . . . . . . . . . . . . . . . . . . .                 139


                                                                                           ED          03

                                                                                                                                                                                             3AL 91669 AA AA                                               7 / 706


                                                                                                                                                                                                                   706
Figure 51. ISA ES–16 front view . . . . . . . . . . . . . . . . . . . . . . . . . . . . . . . . . . . . . . . . . . . . . . . . . . . . . . . . . 140
                                          Figure 52. ISA– PRE_EA Matrix 4x Ethernet . . . . . . . . . . . . . . . . . . . . . . . . . . . . . . . . . . . . . . . . . . . . . . 141
                                          Figure 53. ISA– PRE_EA Matrix 1 x GB–ETH . . . . . . . . . . . . . . . . . . . . . . . . . . . . . . . . . . . . . . . . . . . . . 142
                                          Figure 54. ISA– PR Matrix 4x4STM4 PLUG–IN . . . . . . . . . . . . . . . . . . . . . . . . . . . . . . . . . . . . . . . . . . . 143




                                                                                                                                                                                                         not permitted without written authorization from Alcatel.
                                          Figure 55. COWLA2 front view . . . . . . . . . . . . . . . . . . . . . . . . . . . . . . . . . . . . . . . . . . . . . . . . . . . . . . . . . . 144




                                                                                                                                                                                                           All rights reserved. Passing on and copying of this
                                                                                                                                                                                                           document, use and communication of its contents
                                          Figure 56. 4xANY Host C . . . . . . . . . . . . . . . . . . . . . . . . . . . . . . . . . . . . . . . . . . . . . . . . . . . . . . . . . . . . . . . 145
                                          Figure 57. MATRIXE card . . . . . . . . . . . . . . . . . . . . . . . . . . . . . . . . . . . . . . . . . . . . . . . . . . . . . . . . . . . . . . 146
                                          Figure 58. EQUICO (PQ2/EQC) . . . . . . . . . . . . . . . . . . . . . . . . . . . . . . . . . . . . . . . . . . . . . . . . . . . . . . . . . 147
                                          Figure 59. Control and General interface . . . . . . . . . . . . . . . . . . . . . . . . . . . . . . . . . . . . . . . . . . . . . . . . . 148
                                          Figure 60. SERVICE interface . . . . . . . . . . . . . . . . . . . . . . . . . . . . . . . . . . . . . . . . . . . . . . . . . . . . . . . . . . 149
                                          Figure 61. 21 x 2 Mbit/s 75 ohm access card 1.0/2.3 connectors . . . . . . . . . . . . . . . . . . . . . . . . . . . . . 150
                                          Figure 62. 21 X 2 Mbit/s 120 Ohm access card . . . . . . . . . . . . . . . . . . . . . . . . . . . . . . . . . . . . . . . . . . . . 151
                                          Figure 63. 3 X 34 Mbit/s 75 ohm access card . . . . . . . . . . . . . . . . . . . . . . . . . . . . . . . . . . . . . . . . . . . . . 152
                                          Figure 64. 3 X 45 Mbit/s 75 ohm access card . . . . . . . . . . . . . . . . . . . . . . . . . . . . . . . . . . . . . . . . . . . . . 153
                                          Figure 65. 4 X STM–1 access card . . . . . . . . . . . . . . . . . . . . . . . . . . . . . . . . . . . . . . . . . . . . . . . . . . . . . . 154
                                          Figure 66. High Speed protection – front view . . . . . . . . . . . . . . . . . . . . . . . . . . . . . . . . . . . . . . . . . . . . . 155
                                          Figure 67. 2 x 140/STM–1 O/E adapter (access card)– front view . . . . . . . . . . . . . . . . . . . . . . . . . . . . 156
                                          Figure 68. Optical access 12xSTM1 unit front view . . . . . . . . . . . . . . . . . . . . . . . . . . . . . . . . . . . . . . . . 157
                                          Figure 69. Optical access 12xSTM1 SLIM unit front view . . . . . . . . . . . . . . . . . . . . . . . . . . . . . . . . . . . 158
                                          Figure 70. Electrical access 16xSTM1 unit front view . . . . . . . . . . . . . . . . . . . . . . . . . . . . . . . . . . . . . . 159
                                          Figure 71. ISA – Ethernet access front view . . . . . . . . . . . . . . . . . . . . . . . . . . . . . . . . . . . . . . . . . . . . . . 160
                                          Figure 72. ISA – Gigabit Ethernet access card front view . . . . . . . . . . . . . . . . . . . . . . . . . . . . . . . . . . . 161
                                          Figure 73. ISA PR 2XGBE 1000 access card front view . . . . . . . . . . . . . . . . . . . . . . . . . . . . . . . . . . . . 162
                                          Figure 74. ISA PR16XETH 10/100 access card front view . . . . . . . . . . . . . . . . . . . . . . . . . . . . . . . . . . 163
                                          Figure 75. COADM1 front view . . . . . . . . . . . . . . . . . . . . . . . . . . . . . . . . . . . . . . . . . . . . . . . . . . . . . . . . . . 164
                                          Figure 76. COADM2 front view . . . . . . . . . . . . . . . . . . . . . . . . . . . . . . . . . . . . . . . . . . . . . . . . . . . . . . . . . . 165
                                          Figure 77. COMDX8 front view . . . . . . . . . . . . . . . . . . . . . . . . . . . . . . . . . . . . . . . . . . . . . . . . . . . . . . . . . . 166
                                          Figure 78. STM–1/STM–4 optical module front view . . . . . . . . . . . . . . . . . . . . . . . . . . . . . . . . . . . . . . . 167
                                          Figure 79. STM–1 or 140 Mbit/s electrical module front view . . . . . . . . . . . . . . . . . . . . . . . . . . . . . . . . 168
                                          Figure 80. Relationship between SFP modules and housing boards . . . . . . . . . . . . . . . . . . . . . . . . . . 169
                                          Figure 81. 4XANY plug–in module . . . . . . . . . . . . . . . . . . . . . . . . . . . . . . . . . . . . . . . . . . . . . . . . . . . . . . . 170
                                          Figure 82. Optical Booster card front view . . . . . . . . . . . . . . . . . . . . . . . . . . . . . . . . . . . . . . . . . . . . . . . . 171
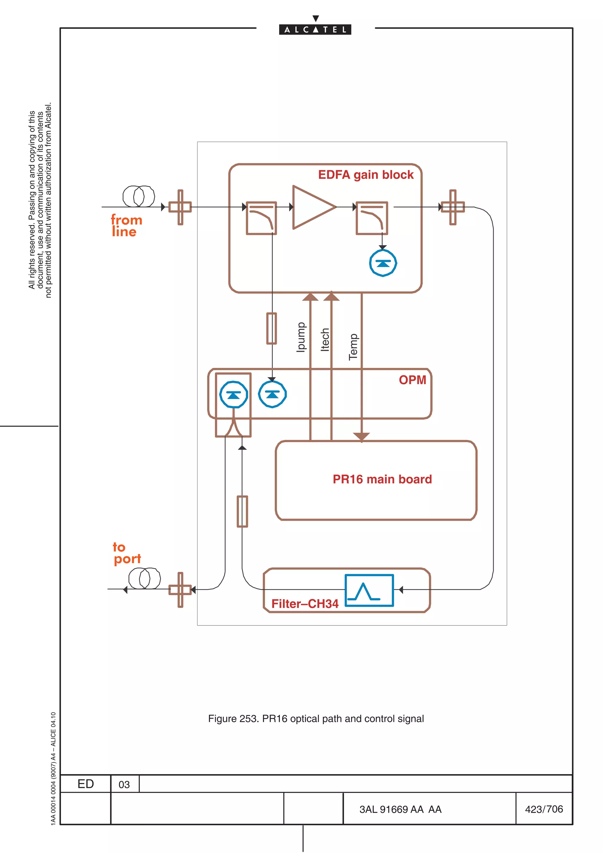
                                          Figure 83. PREAMPLIFIER 2.5 GB/S front view . . . . . . . . . . . . . . . . . . . . . . . . . . . . . . . . . . . . . . . . . . 172
                                          Figure 84. 19” Fans subrack cover front view . . . . . . . . . . . . . . . . . . . . . . . . . . . . . . . . . . . . . . . . . . . . . 173
                                          Figure 85. Assembled Fans unit front view . . . . . . . . . . . . . . . . . . . . . . . . . . . . . . . . . . . . . . . . . . . . . . . . 174
                                          Figure 86. LOI block diagram . . . . . . . . . . . . . . . . . . . . . . . . . . . . . . . . . . . . . . . . . . . . . . . . . . . . . . . . . . . 175
                                          Figure 87. HOI block diagram . . . . . . . . . . . . . . . . . . . . . . . . . . . . . . . . . . . . . . . . . . . . . . . . . . . . . . . . . . . 176
                                          Figure 88. TTF and HOA block diagram . . . . . . . . . . . . . . . . . . . . . . . . . . . . . . . . . . . . . . . . . . . . . . . . . . 176
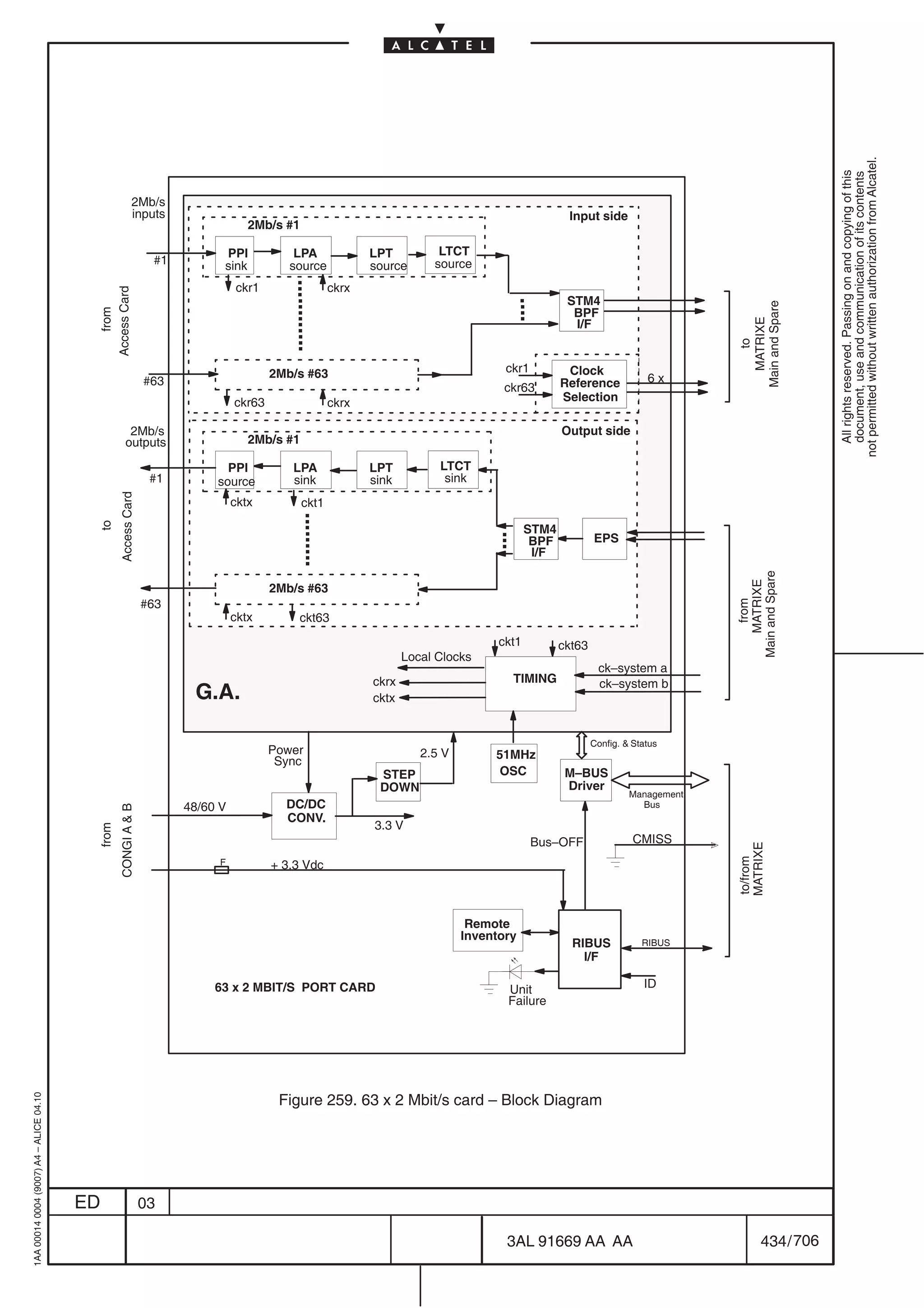
                                          Figure 89. 1660SM Block diagram – ( SDH and PDH boards) . . . . . . . . . . . . . . . . . . . . . . . . . . . . . . . 187
                                          Figure 90. 1660SM Block diagram – (SDH and PDH boards) . . . . . . . . . . . . . . . . . . . . . . . . . . . . . . . . 188
                                          Figure 91. 1660SM Block diagram – (SDH boards) . . . . . . . . . . . . . . . . . . . . . . . . . . . . . . . . . . . . . . . 189
                                          Figure 92. 1660SM Block diagram – (SONET and 4xANY HOSTC boards) . . . . . . . . . . . . . . . . . . . 190
                                          Figure 93. 1660SM Block diagram – (CWDM boards) . . . . . . . . . . . . . . . . . . . . . . . . . . . . . . . . . . . . . 191
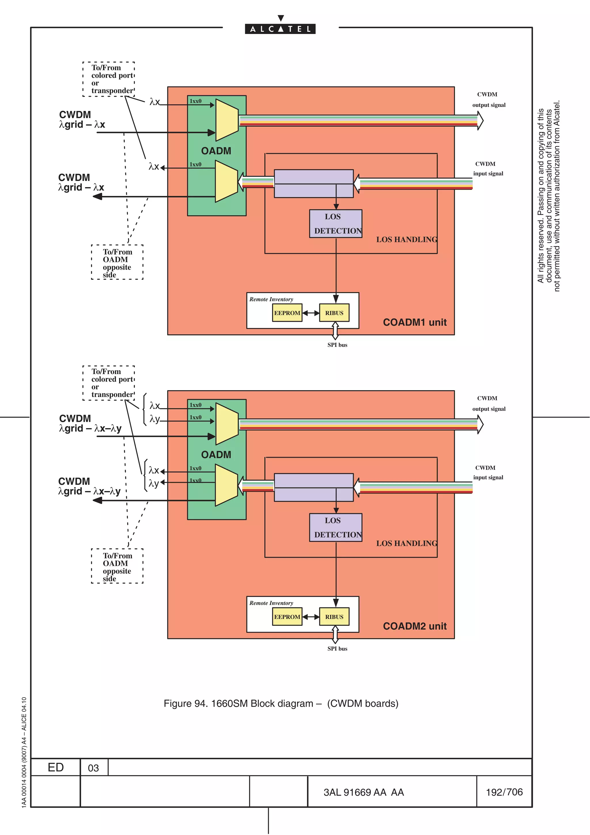
                                          Figure 94. 1660SM Block diagram – (CWDM boards) . . . . . . . . . . . . . . . . . . . . . . . . . . . . . . . . . . . . . 192
                                          Figure 95. 1660SM Block diagram – ( Common units and ISA boards) . . . . . . . . . . . . . . . . . . . . . . . 193
                                          Figure 96. 1660SM Block diagram – (ISA boards) . . . . . . . . . . . . . . . . . . . . . . . . . . . . . . . . . . . . . . . . . 194
                                          Figure 97. 1660SM Block diagram – (ISA – ES boards) . . . . . . . . . . . . . . . . . . . . . . . . . . . . . . . . . . . 195
                                          Figure 98. 1660SM Block diagram – (ISA – ETHERNET boards) . . . . . . . . . . . . . . . . . . . . . . . . . . . 196
                                          Figure 99. 1660SM Block diagram – (ISA–PR board) . . . . . . . . . . . . . . . . . . . . . . . . . . . . . . . . . . . . . . 197
                                          Figure 100. MATRIXE– Cross connection management . . . . . . . . . . . . . . . . . . . . . . . . . . . . . . . . . . . . 199
1AA 00014 0004 (9007) A4 – ALICE 04.10




                                          Figure 101. SDH signal management block diagram . . . . . . . . . . . . . . . . . . . . . . . . . . . . . . . . . . . . . . . 203
                                          Figure 102. 2Mbit/s, 34 Mbit/s, 45 Mbit/s signal management block diagram . . . . . . . . . . . . . . . . . . 204
                                          Figure 103. 140Mbit/s signal management block diagram . . . . . . . . . . . . . . . . . . . . . . . . . . . . . . . . . . . 205
                                          Figure 104. 1660SM Block Diagram: signal management (SDH port) . . . . . . . . . . . . . . . . . . . . . . . . 216

                                         ED         03

                                                                                                                                    3AL 91669 AA AA                                            8 / 706


                                                                                                                                                        706
Figure 105. 1660SM Block Diagram: signal management ( 2Mbit/s PDH ports) . . . . . . . . . . . . . . . 218
                                                                                            Figure 106. 1660SM Block Diagram: signal management ( 34 Mbit/s and 45 Mbit/s PDH ports) . 220
                                                                                            Figure 107. 1660SM Block Diagram: signal management ( 140 Mbit/s PDH ports) . . . . . . . . . . . . 222
                                                                                            Figure 108. Example of technology convergency with ISA boards in OMSN . . . . . . . . . . . . . . . . . . . 224
not permitted without written authorization from Alcatel.




                                                                                            Figure 109. Relationship between the VC, the VP and the TP . . . . . . . . . . . . . . . . . . . . . . . . . . . . . . . 225
  All rights reserved. Passing on and copying of this
  document, use and communication of its contents




                                                                                            Figure 110. Basic format of an ATM cell . . . . . . . . . . . . . . . . . . . . . . . . . . . . . . . . . . . . . . . . . . . . . . . . . . 226
                                                                                            Figure 111. ATM network interface . . . . . . . . . . . . . . . . . . . . . . . . . . . . . . . . . . . . . . . . . . . . . . . . . . . . . . . 227
                                                                                            Figure 112. UNI and NNI ATM cell header and payload . . . . . . . . . . . . . . . . . . . . . . . . . . . . . . . . . . . . 228
                                                                                            Figure 113. 1660SM with ATM Matrix architecture . . . . . . . . . . . . . . . . . . . . . . . . . . . . . . . . . . . . . . . . . 232
                                                                                            Figure 114. Leased line service versus Data transport service . . . . . . . . . . . . . . . . . . . . . . . . . . . . . . . 233
                                                                                            Figure 115. MPLS subsystem, protocol stacking . . . . . . . . . . . . . . . . . . . . . . . . . . . . . . . . . . . . . . . . . . . 235
                                                                                            Figure 116. Framing for MPLS . . . . . . . . . . . . . . . . . . . . . . . . . . . . . . . . . . . . . . . . . . . . . . . . . . . . . . . . . . 236
                                                                                            Figure 117. MPLS label format . . . . . . . . . . . . . . . . . . . . . . . . . . . . . . . . . . . . . . . . . . . . . . . . . . . . . . . . . . 237
                                                                                            Figure 118. PPP frame . . . . . . . . . . . . . . . . . . . . . . . . . . . . . . . . . . . . . . . . . . . . . . . . . . . . . . . . . . . . . . . . . 237
                                                                                            Figure 119. HDLC frame with PPP encapsulation . . . . . . . . . . . . . . . . . . . . . . . . . . . . . . . . . . . . . . . . . . 237
                                                                                            Figure 120. Ethernet MAC 802.3 frame format . . . . . . . . . . . . . . . . . . . . . . . . . . . . . . . . . . . . . . . . . . . . 238
                                                                                            Figure 121. Ethernet “Tagged” MAC 802.3 frame format . . . . . . . . . . . . . . . . . . . . . . . . . . . . . . . . . . . . 238
                                                                                            Figure 122. Ethernet frame format for “MPLS over Ethernet” . . . . . . . . . . . . . . . . . . . . . . . . . . . . . . . . 238
                                                                                            Figure 123. MPLS Tunnelling Example . . . . . . . . . . . . . . . . . . . . . . . . . . . . . . . . . . . . . . . . . . . . . . . . . . . 239
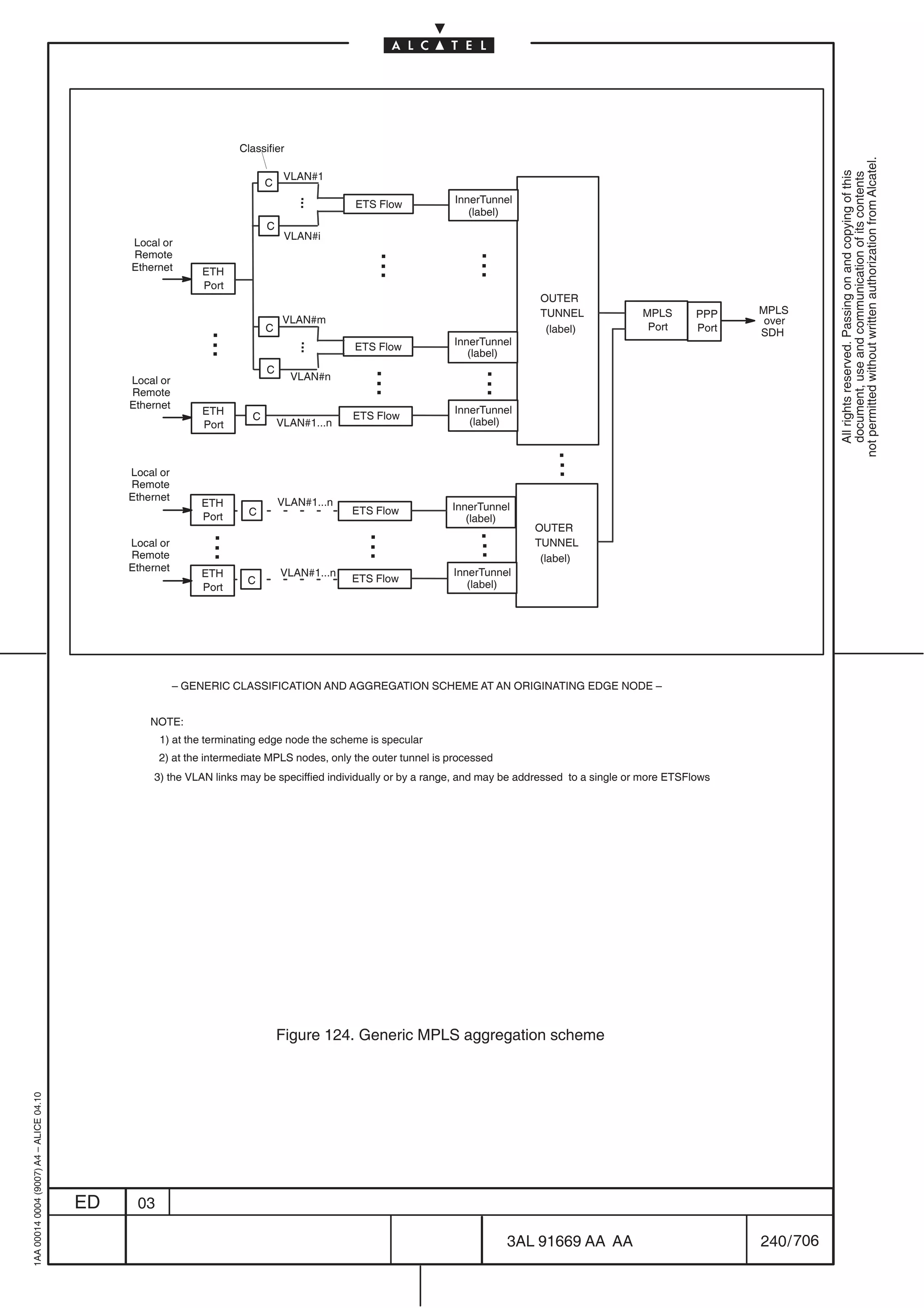
                                                                                            Figure 124. Generic MPLS aggregation scheme . . . . . . . . . . . . . . . . . . . . . . . . . . . . . . . . . . . . . . . . . . . 240
                                                                                            Figure 125. MPLS subsystem . . . . . . . . . . . . . . . . . . . . . . . . . . . . . . . . . . . . . . . . . . . . . . . . . . . . . . . . . . . 244
                                                                                            Figure 126. ISA–PR Sub–System Architecture (Overlay Mode) . . . . . . . . . . . . . . . . . . . . . . . . . . . . . . 247
                                                                                            Figure 127. ISA–PR Sub–System Architecture (Independent Mode) . . . . . . . . . . . . . . . . . . . . . . . . . 247
                                                                                            Figure 128. Traffic flow and processing in 1660 SM . . . . . . . . . . . . . . . . . . . . . . . . . . . . . . . . . . . . . . . . 250
                                                                                            Figure 129. ISA–PR Policing . . . . . . . . . . . . . . . . . . . . . . . . . . . . . . . . . . . . . . . . . . . . . . . . . . . . . . . . . . . . 253
                                                                                            Figure 130. ISA–PR Traffic Management Overview . . . . . . . . . . . . . . . . . . . . . . . . . . . . . . . . . . . . . . . . 255
                                                                                            Figure 131. Channels . . . . . . . . . . . . . . . . . . . . . . . . . . . . . . . . . . . . . . . . . . . . . . . . . . . . . . . . . . . . . . . . . . 257
                                                                                            Figure 132. Bottlenecks . . . . . . . . . . . . . . . . . . . . . . . . . . . . . . . . . . . . . . . . . . . . . . . . . . . . . . . . . . . . . . . . 258
                                                                                            Figure 133. RPR protection mechanism . . . . . . . . . . . . . . . . . . . . . . . . . . . . . . . . . . . . . . . . . . . . . . . . . . 259
                                                                                            Figure 134. Packet protection (and QoS assurance) in multiring network : MPLS over RPR . . . . . 260
                                                                                            Figure 135. Customer Edge Dual Homing . . . . . . . . . . . . . . . . . . . . . . . . . . . . . . . . . . . . . . . . . . . . . . . . 261
                                                                                            Figure 136. Relationship with other ISA Cards . . . . . . . . . . . . . . . . . . . . . . . . . . . . . . . . . . . . . . . . . . . . 262
                                                                                            Figure 137. Example of an Ethernet stream transport through a SDH network . . . . . . . . . . . . . . . . . 263
                                                                                            Figure 138. LAN to LAN service block diagram . . . . . . . . . . . . . . . . . . . . . . . . . . . . . . . . . . . . . . . . . . . . 264
                                                                                            Figure 139. GFP frame format . . . . . . . . . . . . . . . . . . . . . . . . . . . . . . . . . . . . . . . . . . . . . . . . . . . . . . . . . . 266
                                                                                            Figure 140. GFP encapsulation of the MAC frames . . . . . . . . . . . . . . . . . . . . . . . . . . . . . . . . . . . . . . . . 268
                                                                                            Figure 141. Flow control mechanism: input control . . . . . . . . . . . . . . . . . . . . . . . . . . . . . . . . . . . . . . . . . 269
                                                                                            Figure 142. Flow control mechanism: output control . . . . . . . . . . . . . . . . . . . . . . . . . . . . . . . . . . . . . . . 270
                                                                                            Figure 143. Flow control mechanism: External control . . . . . . . . . . . . . . . . . . . . . . . . . . . . . . . . . . . . . . 271
                                                                                            Figure 144. Messages dispatching via Virtual Concatenation . . . . . . . . . . . . . . . . . . . . . . . . . . . . . . . . 271
                                                                                            Figure 145. Messages dispatching via Packet Concatenation . . . . . . . . . . . . . . . . . . . . . . . . . . . . . . . 272
                                                                                            Figure 146. Board Ethernet 10/100: System architecture . . . . . . . . . . . . . . . . . . . . . . . . . . . . . . . . . . . 276
                                                                                            Figure 147. Example of Ethernet service application . . . . . . . . . . . . . . . . . . . . . . . . . . . . . . . . . . . . . . . 277
                                                                                            Figure 148. Gigabit Ethernet System architecture: Gigabit access with Fast Ethernet board . . . . . 279
                                                                                            Figure 149. Gigabit Ethernet System architecture:Gigabit Ethernet main board . . . . . . . . . . . . . . . . 280
                                                                                            Figure 150. Ethernet Private Line service . . . . . . . . . . . . . . . . . . . . . . . . . . . . . . . . . . . . . . . . . . . . . . . . . 281
                                                                                            Figure 151. Ethernet Virtual Private Line service . . . . . . . . . . . . . . . . . . . . . . . . . . . . . . . . . . . . . . . . . . . 282
                                                                                            Figure 152. Ethernet Virtual LAN . . . . . . . . . . . . . . . . . . . . . . . . . . . . . . . . . . . . . . . . . . . . . . . . . . . . . . . . 282
                                                                                            Figure 153. Broadband Access service . . . . . . . . . . . . . . . . . . . . . . . . . . . . . . . . . . . . . . . . . . . . . . . . . . . 283
                                                                                            Figure 154. ISA–ES access port . . . . . . . . . . . . . . . . . . . . . . . . . . . . . . . . . . . . . . . . . . . . . . . . . . . . . . . . . 285
                                                  1AA 00014 0004 (9007) A4 – ALICE 04.10




                                                                                            Figure 155. Traffic flow and processing in ISA–ES series . . . . . . . . . . . . . . . . . . . . . . . . . . . . . . . . . . . 286
                                                                                            Figure 156. ISA–ES series ports . . . . . . . . . . . . . . . . . . . . . . . . . . . . . . . . . . . . . . . . . . . . . . . . . . . . . . . . 286
                                                                                            Figure 157. ISA–ES series traffic parameters . . . . . . . . . . . . . . . . . . . . . . . . . . . . . . . . . . . . . . . . . . . . . 288
                                                                                            Figure 158. WRED Congestion avoidance mechanisms . . . . . . . . . . . . . . . . . . . . . . . . . . . . . . . . . . . . 290

                                                                                           ED         03

                                                                                                                                                                                        3AL 91669 AA AA                                             9 / 706


                                                                                                                                                                                                             706
Figure 159. ISA–ES series operational modes . . . . . . . . . . . . . . . . . . . . . . . . . . . . . . . . . . . . . . . . . . . .                  291
                                          Figure 160. Ethernet Multiplexing Function . . . . . . . . . . . . . . . . . . . . . . . . . . . . . . . . . . . . . . . . . . . . . . .             291
                                          Figure 161. Multiple customers on a single NNI . . . . . . . . . . . . . . . . . . . . . . . . . . . . . . . . . . . . . . . . . . .                 292
                                          Figure 162. 4xANY HOST–C: Client allocation grid in “enhanced” slot . . . . . . . . . . . . . . . . . . . . . . . .                                  295




                                                                                                                                                                                                          not permitted without written authorization from Alcatel.
                                          Figure 163. 4xANY HOST–C: module configuration in “enhanced” slot . . . . . . . . . . . . . . . . . . . . . . .                                      295




                                                                                                                                                                                                            All rights reserved. Passing on and copying of this
                                                                                                                                                                                                            document, use and communication of its contents
                                          Figure 164. Client allocation grid in “HS slots” with GE/FC/FICON . . . . . . . . . . . . . . . . . . . . . . . . . . .                              297
                                          Figure 165. Client allocation grid in “HS slots” with FE/FDDI/ESCON/DV . . . . . . . . . . . . . . . . . . . . .                                     298
                                          Figure 166. module configuration in “HS” slots . . . . . . . . . . . . . . . . . . . . . . . . . . . . . . . . . . . . . . . . . . . .               298
                                          Figure 167. COADM functionality: example of equipment shelf . . . . . . . . . . . . . . . . . . . . . . . . . . . . . .                              301
                                          Figure 168. MUX/DEMUX functionality: example of shelf equipment . . . . . . . . . . . . . . . . . . . . . . . . .                                    302
                                          Figure 169. 1660SM signal flow diagram with WDM application . . . . . . . . . . . . . . . . . . . . . . . . . . . .                                  303
                                          Figure 170. 1660SM (WDM application) ’ring’ node functional scheme (1) . . . . . . . . . . . . . . . . . . . .                                       304
                                          Figure 171. 1660SM (WDM application) ’ring’ node functional scheme (2) . . . . . . . . . . . . . . . . . . . .                                       304
                                          Figure 172. 1660SM (WDM application) ’ring’ node functional scheme (3) . . . . . . . . . . . . . . . . . . . .                                       305
                                          Figure 173. 1660SM (WDM application) ’ring’ node functional scheme (4) . . . . . . . . . . . . . . . . . . . .                                       306
                                          Figure 174. 1660SM (WDM application)’end’ node functional scheme (Mux/Demux) . . . . . . . . . . .                                                   307
                                          Figure 175. 1660SM (WDM application) ’end’ node functional scheme (COADM) . . . . . . . . . . . . . .                                                308
                                          Figure 176. Passive optical operation . . . . . . . . . . . . . . . . . . . . . . . . . . . . . . . . . . . . . . . . . . . . . . . . . . . .        310
                                          Figure 177. COMDX8 insertion loss . . . . . . . . . . . . . . . . . . . . . . . . . . . . . . . . . . . . . . . . . . . . . . . . . . . . .          312
                                          Figure 178. COADM2 insertion loss . . . . . . . . . . . . . . . . . . . . . . . . . . . . . . . . . . . . . . . . . . . . . . . . . . . . .          312
                                          Figure 179. COADM1 insertion loss . . . . . . . . . . . . . . . . . . . . . . . . . . . . . . . . . . . . . . . . . . . . . . . . . . . . .          313
                                          Figure 180. 1660SM Control Sub–system . . . . . . . . . . . . . . . . . . . . . . . . . . . . . . . . . . . . . . . . . . . . . . . .                316
                                          Figure 181. 1660SM general management architecture . . . . . . . . . . . . . . . . . . . . . . . . . . . . . . . . . . . .                           318
                                          Figure 182. Connection Mode for TMN . . . . . . . . . . . . . . . . . . . . . . . . . . . . . . . . . . . . . . . . . . . . . . . . . . .            318
                                          Figure 183. Protocol stack for SDH/ATM management . . . . . . . . . . . . . . . . . . . . . . . . . . . . . . . . . . . . .                          319
                                          Figure 184. Example of management of a network with SDH and ATM/IP/MPLS traffic . . . . . . . . .                                                    320
                                          Figure 185. Low Speed Link Connections . . . . . . . . . . . . . . . . . . . . . . . . . . . . . . . . . . . . . . . . . . . . . . . .               323
                                          Figure 186. Example of EPS protection schemes . . . . . . . . . . . . . . . . . . . . . . . . . . . . . . . . . . . . . . . . . .                    324
                                          Figure 187. High Speed connections (3x34, 3x45, 4x155 Mbit/s) . . . . . . . . . . . . . . . . . . . . . . . . . . . .                                326
                                          Figure 188. High Speed connections (16xSTM–1) . . . . . . . . . . . . . . . . . . . . . . . . . . . . . . . . . . . . . . . . .                      327
                                          Figure 189. Examples of ATM MATRIX EPS protection scheme . . . . . . . . . . . . . . . . . . . . . . . . . . . .                                     329
                                          Figure 190. Messages exchanged between the EC and the ISA–ATM boards in EPS group . . . . .                                                          330
                                          Figure 191. Examples of MPLS (PR_EA..) boards protection scheme . . . . . . . . . . . . . . . . . . . . . . . .                                      332
                                          Figure 192. Messages exchanged between EC and ISA–PR_EA Matrix... boards in EPS group .                                                              333
                                          Figure 193. Linear 1+1 single ended protection . . . . . . . . . . . . . . . . . . . . . . . . . . . . . . . . . . . . . . . . . . . .               336
                                          Figure 194. Linear 1+1 dual ended protection . . . . . . . . . . . . . . . . . . . . . . . . . . . . . . . . . . . . . . . . . . . . .               336
                                          Figure 195. MSP Linear 1:N Dual–Ended protection . . . . . . . . . . . . . . . . . . . . . . . . . . . . . . . . . . . . . . .                       338
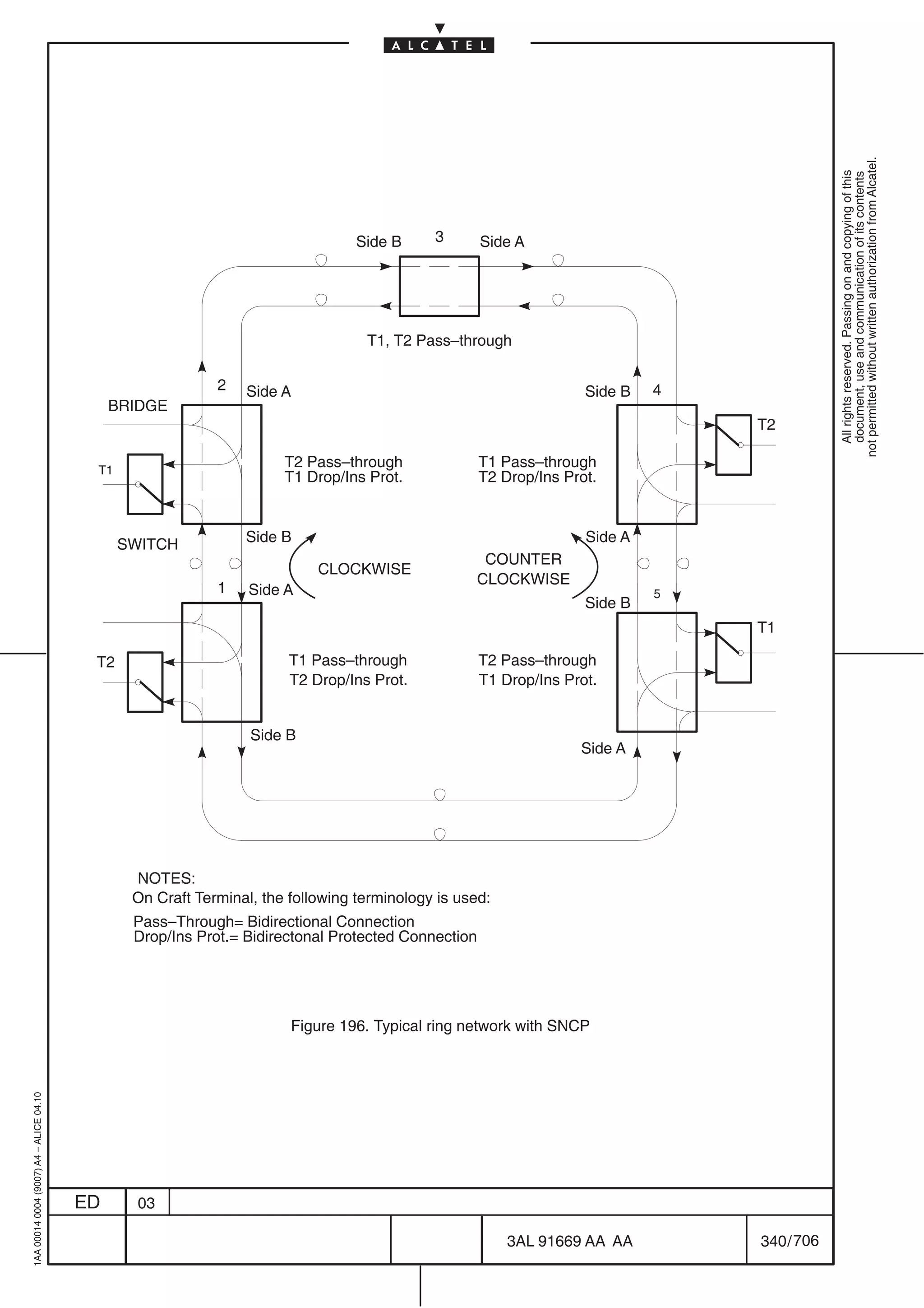
                                          Figure 196. Typical ring network with SNCP . . . . . . . . . . . . . . . . . . . . . . . . . . . . . . . . . . . . . . . . . . . . . .               340
                                          Figure 197. Failure examples in SNCP ring . . . . . . . . . . . . . . . . . . . . . . . . . . . . . . . . . . . . . . . . . . . . . . .              341
                                          Figure 198. SNCP example . . . . . . . . . . . . . . . . . . . . . . . . . . . . . . . . . . . . . . . . . . . . . . . . . . . . . . . . . . . . .   343
                                          Figure 199. Drop and Continue D/C A INS A (called “Normal” on C.T.) . . . . . . . . . . . . . . . . . . . . . . .                                    345
                                          Figure 200. Drop and Continue D/C A INS B (called “Inverse” on C.T.) . . . . . . . . . . . . . . . . . . . . . . .                                   345
                                          Figure 201. Drop and Continue . . . . . . . . . . . . . . . . . . . . . . . . . . . . . . . . . . . . . . . . . . . . . . . . . . . . . . . . .      346
                                          Figure 202. Drop and Continue – 1st failure . . . . . . . . . . . . . . . . . . . . . . . . . . . . . . . . . . . . . . . . . . . . . . .            347
                                          Figure 203. Drop and Continue – 2nd failure . . . . . . . . . . . . . . . . . . . . . . . . . . . . . . . . . . . . . . . . . . . . . .              347
                                          Figure 204. Collapsed dual node interconnection . . . . . . . . . . . . . . . . . . . . . . . . . . . . . . . . . . . . . . . . . .                  349
                                          Figure 205. Collapsed dual node interconnection – 1st failure . . . . . . . . . . . . . . . . . . . . . . . . . . . . . . .                          350
                                          Figure 206. Collapsed dual node interconnection – 2nd failure . . . . . . . . . . . . . . . . . . . . . . . . . . . . . .                            350
                                          Figure 207. Collapsed single node ring interconnection . . . . . . . . . . . . . . . . . . . . . . . . . . . . . . . . . . . . .                     351
                                          Figure 208. Collapsed single node ring interconnection –1st failure . . . . . . . . . . . . . . . . . . . . . . . . . .                              352
1AA 00014 0004 (9007) A4 – ALICE 04.10




                                          Figure 209. Collapsed single node ring interconnection –2nd failure . . . . . . . . . . . . . . . . . . . . . . . . . .                              353
                                          Figure 210. 2F MS SPRING Connection . . . . . . . . . . . . . . . . . . . . . . . . . . . . . . . . . . . . . . . . . . . . . . . . .                355
                                          Figure 211. Effect of a BRIDGE “B side” operation . . . . . . . . . . . . . . . . . . . . . . . . . . . . . . . . . . . . . . . . .                  356
                                          Figure 212. Effect of a BRIDGE “A side” operation . . . . . . . . . . . . . . . . . . . . . . . . . . . . . . . . . . . . . . . . .                  356

                                         ED         03

                                                                                                                                      3AL 91669 AA AA                                          10 / 706


                                                                                                                                                          706
Figure 213. Effect of SWITCH “B side” operation . . . . . . . . . . . . . . . . . . . . . . . . . . . . . . . . . . . . . . . . . .                    357
                                                                                            Figure 214. Effect of SWITCH “A side” operation . . . . . . . . . . . . . . . . . . . . . . . . . . . . . . . . . . . . . . . . . .                    357
                                                                                            Figure 215. Line break recovering operations . . . . . . . . . . . . . . . . . . . . . . . . . . . . . . . . . . . . . . . . . . . . .                 358
                                                                                            Figure 216. 2F MS–SPRING example of operation . . . . . . . . . . . . . . . . . . . . . . . . . . . . . . . . . . . . . . . .                          360
not permitted without written authorization from Alcatel.




                                                                                            Figure 217. Squelching on isolated Node connection . . . . . . . . . . . . . . . . . . . . . . . . . . . . . . . . . . . . . . .                       361
  All rights reserved. Passing on and copying of this
  document, use and communication of its contents




                                                                                            Figure 218. MS SPRING Drop and Continue, Insert Continues (protected) . . . . . . . . . . . . . . . . . . .                                            362
                                                                                            Figure 219. Synchronization function : block diagram . . . . . . . . . . . . . . . . . . . . . . . . . . . . . . . . . . . . . .                       364
                                                                                            Figure 220. AUX and DCC management . . . . . . . . . . . . . . . . . . . . . . . . . . . . . . . . . . . . . . . . . . . . . . . . .                   366
                                                                                            Figure 221. 1660SM –Input power stage and distributed power supply . . . . . . . . . . . . . . . . . . . . . . .                                       369
                                                                                            Figure 222. Remote Inventory sub–system . . . . . . . . . . . . . . . . . . . . . . . . . . . . . . . . . . . . . . . . . . . . . . .                  370
                                                                                            Figure 223. 1660SM: SDH multiplexing structure and AU–3/TU–3 conversion . . . . . . . . . . . . . . . . .                                              371
                                                                                            Figure 224. VC–12 Structure (asynchronous mapping of 2048 Kbit/s) . . . . . . . . . . . . . . . . . . . . . . . .                                      372
                                                                                            Figure 225. TU–12 Structure . . . . . . . . . . . . . . . . . . . . . . . . . . . . . . . . . . . . . . . . . . . . . . . . . . . . . . . . . . . .    373
                                                                                            Figure 226. VC–3 structure . . . . . . . . . . . . . . . . . . . . . . . . . . . . . . . . . . . . . . . . . . . . . . . . . . . . . . . . . . . . .   374
                                                                                            Figure 227. TU–3 structure . . . . . . . . . . . . . . . . . . . . . . . . . . . . . . . . . . . . . . . . . . . . . . . . . . . . . . . . . . . . .   374
                                                                                            Figure 228. VC–4 Structure and POH byte contents . . . . . . . . . . . . . . . . . . . . . . . . . . . . . . . . . . . . . . .                         375
                                                                                            Figure 229. STM–1 structure and SOH byte contents . . . . . . . . . . . . . . . . . . . . . . . . . . . . . . . . . . . . . .                          376
                                                                                            Figure 230. STM–4 structure and SOH byte contents . . . . . . . . . . . . . . . . . . . . . . . . . . . . . . . . . . . . . .                          377
                                                                                            Figure 231. Structure of STM–16 and SOH bytes contents . . . . . . . . . . . . . . . . . . . . . . . . . . . . . . . . . .                             378
                                                                                            Figure 232. STM–64 structure and SOH byte contents . . . . . . . . . . . . . . . . . . . . . . . . . . . . . . . . . . . . .                           379
                                                                                            Figure 233. Synchronous 2048 Kb/s signal: basic frame overhead . . . . . . . . . . . . . . . . . . . . . . . . . . .                                   380
                                                                                            Figure 234. Synchronous 2048 Kb/s signal: CRC–4 multiframe overhead . . . . . . . . . . . . . . . . . . . . .                                          381
                                                                                            Figure 235. Mapping of ATM cells into VC12 . . . . . . . . . . . . . . . . . . . . . . . . . . . . . . . . . . . . . . . . . . . . . .                 383
                                                                                            Figure 236. Mapping of ATM cells into VC4/VC3 . . . . . . . . . . . . . . . . . . . . . . . . . . . . . . . . . . . . . . . . . . .                    383
                                                                                            Figure 237. Mapping of ATM cells into 2048 kb/s frame . . . . . . . . . . . . . . . . . . . . . . . . . . . . . . . . . . . .                          384
                                                                                            Figure 238. Mapping of ATM cells into 34368 kb/s frame . . . . . . . . . . . . . . . . . . . . . . . . . . . . . . . . . . .                           384
                                                                                            Figure 239. 21 x 2 access card – Block diagram . . . . . . . . . . . . . . . . . . . . . . . . . . . . . . . . . . . . . . . . . . .                   386
                                                                                            Figure 240. 3 x 34 access card block diagram . . . . . . . . . . . . . . . . . . . . . . . . . . . . . . . . . . . . . . . . . . . .                   388
                                                                                            Figure 241. 3 x 45 access card block diagram . . . . . . . . . . . . . . . . . . . . . . . . . . . . . . . . . . . . . . . . . . . .                   390
                                                                                            Figure 242. 2 x 140/STM–1 O/E adapter (access card) block diagram . . . . . . . . . . . . . . . . . . . . . . .                                        392
                                                                                            Figure 243. 4 x STM–1 access card block diagram . . . . . . . . . . . . . . . . . . . . . . . . . . . . . . . . . . . . . . . .                        394
                                                                                            Figure 244. 12 x STM–1 optical access card block diagram (A12OS1E or A12OS1SE ) . . . . . . . .                                                        397
                                                                                            Figure 245. 16 x STM–1 electrical access card block diagram (A16ES1E) . . . . . . . . . . . . . . . . . . . .                                          400
                                                                                            Figure 246. HPROT access card block diagram . . . . . . . . . . . . . . . . . . . . . . . . . . . . . . . . . . . . . . . . . . .                      402
                                                                                            Figure 247. Ethernet Access –Block Diagram . . . . . . . . . . . . . . . . . . . . . . . . . . . . . . . . . . . . . . . . . . . . .                   404
                                                                                            Figure 248. Gigabit Ethernet Access card –Block Diagram . . . . . . . . . . . . . . . . . . . . . . . . . . . . . . . . . .                            407
                                                                                            Figure 249. 16FEA–PR Card Functional Block Diagram . . . . . . . . . . . . . . . . . . . . . . . . . . . . . . . . . . . .                             408
                                                                                            Figure 250. 2GBA–PR Card Functional Block Diagram . . . . . . . . . . . . . . . . . . . . . . . . . . . . . . . . . . . . .                            411
                                                                                            Figure 251. BSTxx – optical block diagram . . . . . . . . . . . . . . . . . . . . . . . . . . . . . . . . . . . . . . . . . . . . . . .                414
                                                                                            Figure 252. BSTxx – card block diagram . . . . . . . . . . . . . . . . . . . . . . . . . . . . . . . . . . . . . . . . . . . . . . . . .               417
                                                                                            Figure 253. PR16 optical path and control signal . . . . . . . . . . . . . . . . . . . . . . . . . . . . . . . . . . . . . . . . . .                   423
                                                                                            Figure 254. PR16 card block diagram . . . . . . . . . . . . . . . . . . . . . . . . . . . . . . . . . . . . . . . . . . . . . . . . . . . .            424
                                                                                            Figure 255. STM–1 Electrical module –block diagram . . . . . . . . . . . . . . . . . . . . . . . . . . . . . . . . . . . . . .                         426
                                                                                            Figure 256. STM–1 Optical module – block diagram . . . . . . . . . . . . . . . . . . . . . . . . . . . . . . . . . . . . . . .                         427
                                                                                            Figure 257. STM–4 optical module block diagram . . . . . . . . . . . . . . . . . . . . . . . . . . . . . . . . . . . . . . . . .                       428
                                                                                            Figure 258. SFP optical modules general block diagram . . . . . . . . . . . . . . . . . . . . . . . . . . . . . . . . . . . .                          431
                                                                                            Figure 259. 63 x 2 Mbit/s card – Block Diagram . . . . . . . . . . . . . . . . . . . . . . . . . . . . . . . . . . . . . . . . . . .                   434
                                                                                            Figure 260. 63 x 2 Mbit/s G.703/ISDN–PRA, Block Diagram . . . . . . . . . . . . . . . . . . . . . . . . . . . . . . . .                                438
                                                                                            Figure 261. Functional Diagram of the NT ISDN–PRA block . . . . . . . . . . . . . . . . . . . . . . . . . . . . . . . .                                439
                                                                                            Figure 262. 3x34/45 port card –Block diagram . . . . . . . . . . . . . . . . . . . . . . . . . . . . . . . . . . . . . . . . . . . .                   442
                                                  1AA 00014 0004 (9007) A4 – ALICE 04.10




                                                                                            Figure 263. 4 x STM–1 Electrical/Optical port block diagram . . . . . . . . . . . . . . . . . . . . . . . . . . . . . . . .                            447
                                                                                            Figure 264. 4 x 140/STM–1 Electrical / Optical port block diagram . . . . . . . . . . . . . . . . . . . . . . . . . . .                                453
                                                                                            Figure 265. Mapper /Demapper 140–PDH / 155–STM1 block diagram . . . . . . . . . . . . . . . . . . . . . . .                                            454
                                                                                            Figure 266. 4 x STM–1 Electrical port block diagram . . . . . . . . . . . . . . . . . . . . . . . . . . . . . . . . . . . . . . .                      459

                                                                                           ED          03

                                                                                                                                                                                         3AL 91669 AA AA                                           11 / 706


                                                                                                                                                                                                             706
Figure 267. 16x STM–1 – 4x STM–4 port block diagram . . . . . . . . . . . . . . . . . . . . . . . . . . . . . . . . . . . .                               462
                                          Figure 268. 4 x OC3 AU3/TU3 conversion port(P40C3) . . . . . . . . . . . . . . . . . . . . . . . . . . . . . . . . . . . .                                469
                                          Figure 269. AU3/TU3 conversion block . . . . . . . . . . . . . . . . . . . . . . . . . . . . . . . . . . . . . . . . . . . . . . . . . . .                470
                                          Figure 270. STM–4 –block diagram . . . . . . . . . . . . . . . . . . . . . . . . . . . . . . . . . . . . . . . . . . . . . . . . . . . . . .              475




                                                                                                                                                                                                               not permitted without written authorization from Alcatel.
                                          Figure 271. 4xSTM–4 optical port block diagram . . . . . . . . . . . . . . . . . . . . . . . . . . . . . . . . . . . . . . . . . .                        480




                                                                                                                                                                                                                 All rights reserved. Passing on and copying of this
                                                                                                                                                                                                                 document, use and communication of its contents
                                          Figure 272. ATM 4X4 card – Block diagram . . . . . . . . . . . . . . . . . . . . . . . . . . . . . . . . . . . . . . . . . . . . . . .                    487
                                          Figure 273. ATM4X4V2 card – Block diagram . . . . . . . . . . . . . . . . . . . . . . . . . . . . . . . . . . . . . . . . . . . . .                       493
                                          Figure 274. ATM 8X8 card – Block diagram part A . . . . . . . . . . . . . . . . . . . . . . . . . . . . . . . . . . . . . . . . .                         499
                                          Figure 275. ATM 8X8 card – Block diagram part B . . . . . . . . . . . . . . . . . . . . . . . . . . . . . . . . . . . . . . . . .                         500
                                          Figure 276. MPLS+4FE Unit (PREA4ETH) – Block diagram . . . . . . . . . . . . . . . . . . . . . . . . . . . . . . . . .                                    506
                                          Figure 277. MPLS+1GbE Unit (PREA1GBE) – Block diagram . . . . . . . . . . . . . . . . . . . . . . . . . . . . . . .                                       507
                                          Figure 278. PR unit functional block diagram . . . . . . . . . . . . . . . . . . . . . . . . . . . . . . . . . . . . . . . . . . . . . .                  508
                                          Figure 279. STM–16 optical port block diagram . . . . . . . . . . . . . . . . . . . . . . . . . . . . . . . . . . . . . . . . . . .                       517
                                          Figure 280. STM–16 slim port block diagram . . . . . . . . . . . . . . . . . . . . . . . . . . . . . . . . . . . . . . . . . . . . . .                    523
                                          Figure 281. STM–64 optical port block diagram . . . . . . . . . . . . . . . . . . . . . . . . . . . . . . . . . . . . . . . . . . .                       526
                                          Figure 282. ETHERNET port (ETH–MB) – Block diagram . . . . . . . . . . . . . . . . . . . . . . . . . . . . . . . . . . .                                  530
                                          Figure 283. Gigabit Ethernet Unit – Block diagram . . . . . . . . . . . . . . . . . . . . . . . . . . . . . . . . . . . . . . . . .                       534
                                          Figure 284. ISA ES1–8FE block diagram . . . . . . . . . . . . . . . . . . . . . . . . . . . . . . . . . . . . . . . . . . . . . . . . .                   538
                                          Figure 285. ISA ES4–8FE block diagram . . . . . . . . . . . . . . . . . . . . . . . . . . . . . . . . . . . . . . . . . . . . . . . . .                   543
                                          Figure 286. ISA ES16 unit block diagram . . . . . . . . . . . . . . . . . . . . . . . . . . . . . . . . . . . . . . . . . . . . . . . . .                 548
                                          Figure 287. 4 x ANY HOST C card block diagram . . . . . . . . . . . . . . . . . . . . . . . . . . . . . . . . . . . . . . . . .                           553
                                          Figure 288. COADM1 unit block diagram . . . . . . . . . . . . . . . . . . . . . . . . . . . . . . . . . . . . . . . . . . . . . . . . .                   555
                                          Figure 289. COADM2 block diagram . . . . . . . . . . . . . . . . . . . . . . . . . . . . . . . . . . . . . . . . . . . . . . . . . . . . .                557
                                          Figure 290. MUX/DEMUX8 (COMDX8) block diagram and LOS detection in ’passive’ boards . . .                                                                 559
                                          Figure 291. 2xCH Transponder SFP Without optics COWLA2 . . . . . . . . . . . . . . . . . . . . . . . . . . . . . . .                                      564
                                          Figure 292. 1660SM PQ2/EQC Card Block Diagram . . . . . . . . . . . . . . . . . . . . . . . . . . . . . . . . . . . . . . .                               567
                                          Figure 293. MATRIXE card block diagram . . . . . . . . . . . . . . . . . . . . . . . . . . . . . . . . . . . . . . . . . . . . . . . .                    571
                                          Figure 294. CONGI – Block diagram . . . . . . . . . . . . . . . . . . . . . . . . . . . . . . . . . . . . . . . . . . . . . . . . . . . . .               576
                                          Figure 295. SERVICE block diagram . . . . . . . . . . . . . . . . . . . . . . . . . . . . . . . . . . . . . . . . . . . . . . . . . . . . .               582
                                          Figure 296. Fans shelf 19” general block diagram . . . . . . . . . . . . . . . . . . . . . . . . . . . . . . . . . . . . . . . . .                        585
                                          Figure 297. Fans unit for fan shelf 19” block diagram . . . . . . . . . . . . . . . . . . . . . . . . . . . . . . . . . . . . . . .                       586
                                          Figure 298. Assembled Fans unit power supply and alarms general block diagram . . . . . . . . . . . . .                                                   588
                                          Figure 299. Assembled Fans unit block diagram . . . . . . . . . . . . . . . . . . . . . . . . . . . . . . . . . . . . . . . . . . .                       589
                                          Figure 300. Example of a link using 1660SM with L–64.2b “Extended” . . . . . . . . . . . . . . . . . . . . . . .                                          641
                                          Figure 301. Example of a link using 1660SM with L–64.2b “Reduced” . . . . . . . . . . . . . . . . . . . . . . . .                                         643
                                          Figure 302. Climatogram for Class 3.2 : Partly temperature controlled locations . . . . . . . . . . . . . . .                                             657
                                          Figure 303. Climatogram for Class 1.2: not temperature controlled storage location . . . . . . . . . . . .                                                659
                                          Figure 304. Repair form . . . . . . . . . . . . . . . . . . . . . . . . . . . . . . . . . . . . . . . . . . . . . . . . . . . . . . . . . . . . . . . .   672
                                          Figure 305. Subrack front and rear view . . . . . . . . . . . . . . . . . . . . . . . . . . . . . . . . . . . . . . . . . . . . . . . . . .               677
                                          Figure 306. Handle removing and disassembly . . . . . . . . . . . . . . . . . . . . . . . . . . . . . . . . . . . . . . . . . . . .                       678
                                          Figure 307. Rear cover removing . . . . . . . . . . . . . . . . . . . . . . . . . . . . . . . . . . . . . . . . . . . . . . . . . . . . . . . .           679
                                          Figure 308. Back Panel removing . . . . . . . . . . . . . . . . . . . . . . . . . . . . . . . . . . . . . . . . . . . . . . . . . . . . . . .             680
                                          Figure 309. Upper and lower guides plane removing . . . . . . . . . . . . . . . . . . . . . . . . . . . . . . . . . . . . . . .                           681
                                          Figure 310. Side wall removing . . . . . . . . . . . . . . . . . . . . . . . . . . . . . . . . . . . . . . . . . . . . . . . . . . . . . . . . . .        682
                                          Figure 311. Optical fiber duct, guides and contact spring removing . . . . . . . . . . . . . . . . . . . . . . . . . . .                                  683
                                          Figure 312. Side coverplate removal . . . . . . . . . . . . . . . . . . . . . . . . . . . . . . . . . . . . . . . . . . . . . . . . . . . . .             684
                                          Figure 313. Levers removal . . . . . . . . . . . . . . . . . . . . . . . . . . . . . . . . . . . . . . . . . . . . . . . . . . . . . . . . . . . . .      685
                                          Figure 314. Optical connectors support removal . . . . . . . . . . . . . . . . . . . . . . . . . . . . . . . . . . . . . . . . . . .                      686
                                          Figure 315. Side coverplate and contact spring removal . . . . . . . . . . . . . . . . . . . . . . . . . . . . . . . . . . .                              687
                                          Figure 316. Internal connectors removal . . . . . . . . . . . . . . . . . . . . . . . . . . . . . . . . . . . . . . . . . . . . . . . . . .               688
1AA 00014 0004 (9007) A4 – ALICE 04.10




                                          Figure 317. Dissipator removal . . . . . . . . . . . . . . . . . . . . . . . . . . . . . . . . . . . . . . . . . . . . . . . . . . . . . . . . . .        689
                                          Figure 318. Modules removal from dissipator . . . . . . . . . . . . . . . . . . . . . . . . . . . . . . . . . . . . . . . . . . . . .                     690
                                          Figure 319. Daughter boad removal . . . . . . . . . . . . . . . . . . . . . . . . . . . . . . . . . . . . . . . . . . . . . . . . . . . . .               690
                                          Figure 320. Gold connector removal . . . . . . . . . . . . . . . . . . . . . . . . . . . . . . . . . . . . . . . . . . . . . . . . . . . . .              691

                                         ED          03

                                                                                                                                         3AL 91669 AA AA                                            12 / 706


                                                                                                                                                              706
Figure 321. Internal cables removal . . . . . . . . . . . . . . . . . . . . . . . . . . . . . . . . . . . . . . . . . . . . . . . . . . . . . .                     692
                                                                                            Figure 322. Connector metal support removal . . . . . . . . . . . . . . . . . . . . . . . . . . . . . . . . . . . . . . . . . . . . .                               693

                                                                                                                                                                           TABLES
not permitted without written authorization from Alcatel.




                                                                                            Table 1. Handbooks related to the specific product hardware . . . . . . . . . . . . . . . . . . . . . . . . . . . . . . . .                                              18
  All rights reserved. Passing on and copying of this
  document, use and communication of its contents




                                                                                            Table 2. Handbooks related to the specific product SW management and local product control . .                                                                           18
                                                                                            Table 3. Handbooks related to ATM specific product SW . . . . . . . . . . . . . . . . . . . . . . . . . . . . . . . . . . .                                              19
                                                                                            Table 4. Handbooks related to PR_EA specific product SW . . . . . . . . . . . . . . . . . . . . . . . . . . . . . . . . .                                                19
                                                                                            Table 5. Handbooks related to PR specific product SW . . . . . . . . . . . . . . . . . . . . . . . . . . . . . . . . . . . . .                                           19
                                                                                            Table 6. Handbooks related to ISA ES specific product SW . . . . . . . . . . . . . . . . . . . . . . . . . . . . . . . . .                                               20
                                                                                            Table 7. Handbooks common to Alcatel Network Elements using 1320CT platform . . . . . . . . . . . .                                                                      21
                                                                                            Table 8. Optional handbooks common to 16xxSM . . . . . . . . . . . . . . . . . . . . . . . . . . . . . . . . . . . . . . . . .                                           22
                                                                                            Table 9. Documentation on CD–ROM . . . . . . . . . . . . . . . . . . . . . . . . . . . . . . . . . . . . . . . . . . . . . . . . . . . .                                 22
                                                                                            Table 10. Handbook configuration check . . . . . . . . . . . . . . . . . . . . . . . . . . . . . . . . . . . . . . . . . . . . . . . . .                                 25
                                                                                            Table 11. IEC 950 –Table 16: Overtemperature limits, Part 2 . . . . . . . . . . . . . . . . . . . . . . . . . . . . . . . .                                              35
                                                                                            Table 12. Label references . . . . . . . . . . . . . . . . . . . . . . . . . . . . . . . . . . . . . . . . . . . . . . . . . . . . . . . . . . . . .                     40
                                                                                            Table 13. List of Abbreviations . . . . . . . . . . . . . . . . . . . . . . . . . . . . . . . . . . . . . . . . . . . . . . . . . . . . . . . . . .                      51
                                                                                            Table 14. Network application versus configuration modes . . . . . . . . . . . . . . . . . . . . . . . . . . . . . . . . .                                               81
                                                                                            Table 15. Main part list . . . . . . . . . . . . . . . . . . . . . . . . . . . . . . . . . . . . . . . . . . . . . . . . . . . . . . . . . . . . . . . . .               87
                                                                                            Table 16. Accessories list . . . . . . . . . . . . . . . . . . . . . . . . . . . . . . . . . . . . . . . . . . . . . . . . . . . . . . . . . . . . . . . 102
                                                                                            Table 17. Fans Subrack 19” part list . . . . . . . . . . . . . . . . . . . . . . . . . . . . . . . . . . . . . . . . . . . . . . . . . . . . . 104
                                                                                            Table 18. Explanatory notes . . . . . . . . . . . . . . . . . . . . . . . . . . . . . . . . . . . . . . . . . . . . . . . . . . . . . . . . . . . . 105
                                                                                            Table 19. Relationship between P63E1, P63E1N–M4 (63 X 2 Mbit/s unit) port card and A21E1 access
                                                                                            card . . . . . . . . . . . . . . . . . . . . . . . . . . . . . . . . . . . . . . . . . . . . . . . . . . . . . . . . . . . . . . . . . . . . . . . . . . . . . . . . . 110
                                                                                            Table 20. Relationship between P3E3T3 (3X34/45 Mbit/s Switchable unit) port card and A3E3 access
                                                                                            card (3X34 Mbit/s) . . . . . . . . . . . . . . . . . . . . . . . . . . . . . . . . . . . . . . . . . . . . . . . . . . . . . . . . . . . . . . . . . . . . . 111
                                                                                            Table 21. Relationship between P3E3T3 (3X34/45 Mbit/s Switchable unit) port card and A3T3 access
                                                                                            card (3X45 Mbit/s) . . . . . . . . . . . . . . . . . . . . . . . . . . . . . . . . . . . . . . . . . . . . . . . . . . . . . . . . . . . . . . . . . . . . . 112
                                                                                            Table 22. Relationship between P4S1N, P4E4N, P4OC3 port card and A2S1 access card . . . . 113
                                                                                            Table 23. Relationship between P16S1–4E port card and A12OS1E access card . . . . . . . . . . . . 114
                                                                                            Table 24. Relationship between P16S1–4E port card and A12OS1SE access card . . . . . . . . . . . 115
                                                                                            Table 25. Relationship between P16S1–4E port card and A16ES1E access card . . . . . . . . . . . . . 116
                                                                                            Table 26. Relationship between P4ES1N (4xSTM–1 Electrical) port card and A4ES1 access card. 117
                                                                                            Table 27. Relationship between ETH–MB (11x10/100 Mb/s Ethernet) port card and ETH–ATX access
                                                                                            card. . . . . . . . . . . . . . . . . . . . . . . . . . . . . . . . . . . . . . . . . . . . . . . . . . . . . . . . . . . . . . . . . . . . . . . . . . . . . . . . . . 118
                                                                                            Table 28. Relationship between ETH–MB (10/100Mb) port card and GETH–AG (1.25 Gb/s) access
                                                                                            card. . . . . . . . . . . . . . . . . . . . . . . . . . . . . . . . . . . . . . . . . . . . . . . . . . . . . . . . . . . . . . . . . . . . . . . . . . . . . . . . . . 119
                                                                                            Table 29. Relationship between ISA ES–16 port card and and ETH–ATX access card. . . . . . . . . . 120
                                                                                            Table 30. Relationship between ISA ES–16 port card and and GETH–AG access card. . . . . . . . . . 121
                                                                                            Table 31. Relationship between ISA–PR port card and 16FEA–PR or 2GBA–PR access cards. . . 122
                                                                                            Table 32. Interfaces acceding to the MPLS functions . . . . . . . . . . . . . . . . . . . . . . . . . . . . . . . . . . . . . . . 178
                                                                                            Table 33. Sub–systems & involved cards . . . . . . . . . . . . . . . . . . . . . . . . . . . . . . . . . . . . . . . . . . . . . . . . . 185
                                                                                            Table 34. High Order/Low Order connections for 1660SM . . . . . . . . . . . . . . . . . . . . . . . . . . . . . . . . . . 198
                                                                                            Table 35. ATM transport network layered model . . . . . . . . . . . . . . . . . . . . . . . . . . . . . . . . . . . . . . . . . . . 225
                                                                                            Table 36. ATM traffic contracts. . . . . . . . . . . . . . . . . . . . . . . . . . . . . . . . . . . . . . . . . . . . . . . . . . . . . . . . . . . 230
                                                                                            Table 37. MPLS layer stack over SDH . . . . . . . . . . . . . . . . . . . . . . . . . . . . . . . . . . . . . . . . . . . . . . . . . . . . 234
                                                                                            Table 38. MPLS layer stack over ETHERNET . . . . . . . . . . . . . . . . . . . . . . . . . . . . . . . . . . . . . . . . . . . . . 234
                                                                                            Table 39. Interfaces acceding to the MPLS functions . . . . . . . . . . . . . . . . . . . . . . . . . . . . . . . . . . . . . . . 241
                                                                                            Table 40. Relationship between 4xANY optical modules and client type . . . . . . . . . . . . . . . . . . . . . . 293
                                                                                            Table 41. 4xANY HOST C client type . . . . . . . . . . . . . . . . . . . . . . . . . . . . . . . . . . . . . . . . . . . . . . . . . . . . 294
                                                                                            Table 42. Modules configuration in “Enhanced HS” slot . . . . . . . . . . . . . . . . . . . . . . . . . . . . . . . . . . . . . 296
                                                  1AA 00014 0004 (9007) A4 – ALICE 04.10




                                                                                            Table 43. Modules configuration in “HS” slot . . . . . . . . . . . . . . . . . . . . . . . . . . . . . . . . . . . . . . . . . . . . . . 299
                                                                                            Table 44. CWDM channels grid supported by 1660SM . . . . . . . . . . . . . . . . . . . . . . . . . . . . . . . . . . . . . 309
                                                                                            Table 45. Boards insertion loss . . . . . . . . . . . . . . . . . . . . . . . . . . . . . . . . . . . . . . . . . . . . . . . . . . . . . . . . . . 311

                                                                                           ED           03

                                                                                                                                                                                                 3AL 91669 AA AA                                                 13 / 706


                                                                                                                                                                                                                       706
Table 46. Fiber technical data . . . . . . . . . . . . . . . . . . . . . . . . . . . . . . . . . . . . . . . . . . . . . . . . . . . . . . . . . . . 313
                                          Table 47. Optical transceiver characteristics . . . . . . . . . . . . . . . . . . . . . . . . . . . . . . . . . . . . . . . . . . . . . . 314
                                          Table 48. MSP protection schemes . . . . . . . . . . . . . . . . . . . . . . . . . . . . . . . . . . . . . . . . . . . . . . . . . . . . . . 335
                                          Table 49. Example of SNCP protected groups . . . . . . . . . . . . . . . . . . . . . . . . . . . . . . . . . . . . . . . . . . . . . 342




                                                                                                                                                                                                       not permitted without written authorization from Alcatel.
                                          Table 50. 16FEA–PR card LEDs designation . . . . . . . . . . . . . . . . . . . . . . . . . . . . . . . . . . . . . . . . . . . . . . 410




                                                                                                                                                                                                         All rights reserved. Passing on and copying of this
                                                                                                                                                                                                         document, use and communication of its contents
                                          Table 51. 16FEA–PR interface LED designation . . . . . . . . . . . . . . . . . . . . . . . . . . . . . . . . . . . . . . . . . . . 410
                                          Table 52. 2GBA–PR card LED designation . . . . . . . . . . . . . . . . . . . . . . . . . . . . . . . . . . . . . . . . . . . . . . . 413
                                          Table 53. 2GBA–PR interface LED designation . . . . . . . . . . . . . . . . . . . . . . . . . . . . . . . . . . . . . . . . . . . . 413
                                          Table 54. PR unit LED designation . . . . . . . . . . . . . . . . . . . . . . . . . . . . . . . . . . . . . . . . . . . . . . . . . . . . . . . 510
                                          Table 55. CONGI A and CONGI B interfaces . . . . . . . . . . . . . . . . . . . . . . . . . . . . . . . . . . . . . . . . . . . . . . 572
                                          Table 56. Remote alarm provided by the AND/OR block available on CONGI in slot 10 . . . . . . . . . 573
                                          Table 57. Remote alarm provided by the AND/OR block available on CONGI in slot 12 . . . . . . . . . 574
                                          Table 58. Rack lamps signals . . . . . . . . . . . . . . . . . . . . . . . . . . . . . . . . . . . . . . . . . . . . . . . . . . . . . . . . . . . 574
                                          Table 59. L1, L2 LEDs status for selective call . . . . . . . . . . . . . . . . . . . . . . . . . . . . . . . . . . . . . . . . . . . . . 578
                                          Table 60. L1, L2 LEDs status for omnibus call . . . . . . . . . . . . . . . . . . . . . . . . . . . . . . . . . . . . . . . . . . . . . 578
                                          Table 61. Hazard level classification of different optical interfaces . . . . . . . . . . . . . . . . . . . . . . . . . . . . 596
                                          Table 62. ATM4X4 board: configurable TPs type and max, number . . . . . . . . . . . . . . . . . . . . . . . . . . 605
                                          Table 63. ATM4X4V2 board: configurable TPs type and max, number . . . . . . . . . . . . . . . . . . . . . . . . 606
                                          Table 64. ATM4X4D3 board: configurable TPs type and max, number . . . . . . . . . . . . . . . . . . . . . . . . 607
                                          Table 65. ATM8X8 board: configurable TPs type and max, number . . . . . . . . . . . . . . . . . . . . . . . . . . 608
                                          Table 66. Parameters specified for STM–1 Optical Interface . . . . . . . . . . . . . . . . . . . . . . . . . . . . . . . . 628
                                          Table 67. Parameters specified for STM–4 Optical Interface . . . . . . . . . . . . . . . . . . . . . . . . . . . . . . . . 630
                                          Table 68. STM–16 Optical interfaces (Single Channel) . . . . . . . . . . . . . . . . . . . . . . . . . . . . . . . . . . . . . 631
                                          Table 69. STM–16 Optical interfaces (Multi Channel) . . . . . . . . . . . . . . . . . . . . . . . . . . . . . . . . . . . . . . . 633
                                          Table 70. Parameters specified for STM–64 optical interfaces (Single Channel) . . . . . . . . . . . . . . . 634
                                          Table 71. Parameters specified for 1000B–SX Optical Interface . . . . . . . . . . . . . . . . . . . . . . . . . . . . . 636
                                          Table 72. Parameters specified for 1000B–LX Optical Interface . . . . . . . . . . . . . . . . . . . . . . . . . . . . . . 637
                                          Table 73. Parameters specified for 1000B–ZX Optical Interface . . . . . . . . . . . . . . . . . . . . . . . . . . . . . 638
                                          Table 74. Parameters specified for Optical Booster . . . . . . . . . . . . . . . . . . . . . . . . . . . . . . . . . . . . . . . . 639
                                          Table 75. L–64.2b “Extended” characteristics . . . . . . . . . . . . . . . . . . . . . . . . . . . . . . . . . . . . . . . . . . . . 642
                                          Table 76. L–64.2b “Reduced” characteristics . . . . . . . . . . . . . . . . . . . . . . . . . . . . . . . . . . . . . . . . . . . . . . 643
                                          Table 77. Relation between Alarm severity terminology displayed on C.T./O.S. and alarm severity ter-
                                          minology used for the EQUICO leds and CONGI remote alarm connector pins. . . . . . . . . . . . . . . 650
                                          Table 78. Transportation climatic . . . . . . . . . . . . . . . . . . . . . . . . . . . . . . . . . . . . . . . . . . . . . . . . . . . . . . . . 661
                                          Table 79. List of hazardous materials and components present in the equipment . . . . . . . . . . . . . . 694
                                          Table 80. Example of correspondence between CS and ’suffix + ICS’ . . . . . . . . . . . . . . . . . . . . . . . . 701
                                          Table 81. Hardware presetting documentation . . . . . . . . . . . . . . . . . . . . . . . . . . . . . . . . . . . . . . . . . . . . . 704
1AA 00014 0004 (9007) A4 – ALICE 04.10




                                         ED         03

                                                                                                                                    3AL 91669 AA AA                                         14 / 706


                                                                                                                                                        706
All rights reserved. Passing on and copying of this
                                                                  document, use and communication of its contents
                                                                not permitted without written authorization from Alcatel.
      1AA 00014 0004 (9007) A4 – ALICE 04.10




                           ED
                           03




706
         3AL 91669 AA AA
                                               HANDBOOK GUIDE




         15 / 706
1AA 00014 0004 (9007) A4 – ALICE 04.10




                           ED
                           03




706
         3AL 91669 AA AA
         16 / 706
                                                 All rights reserved. Passing on and copying of this
                                                 document, use and communication of its contents
                                               not permitted without written authorization from Alcatel.
1 HANDBOOK STRUCTURE AND CONFIGURATION CHECK

                                                                                            1.1 General information
not permitted without written authorization from Alcatel.
  All rights reserved. Passing on and copying of this
  document, use and communication of its contents




                                                                                                                                           WARNING

                                                                                                 ALCATEL makes no warranty of any kind with regards to this manual, and specifically disclaims the
                                                                                                 implied warranties of merchantability and fitness for a particular purpose. ALCATEL will not be liable
                                                                                                 for errors contained herein or for damages, whether direct, indirect, consequential, incidental, or
                                                                                                 special, in connection with the furnishing, performance, or use of this material.

                                                                                                                                            NOTICE

                                                                                                 The product specification and/or performance levels contained in this document are for information
                                                                                                 purposes only and are subject to change without notice. They do not represent any obligation on the
                                                                                                 part of ALCATEL.

                                                                                                                                 COPYRIGHT NOTIFICATION

                                                                                                 The technical information of this manual is the property of ALCATEL and must not be copied,
                                                                                                 reproduced or disclosed to a third party without written consent.


                                                                                            1.2 Handbook applicability

                                                                                            This handbook applies to the following product-releases:


                                                                                                                   PRODUCT                                    ANV P/N              FACTORY P/N
                                                                                                                     1660SM                               3AL 36301 AAAA            521.203.300

                                                                                                PRODUCT          RELEASE               VERSION                ANV P/N              FACTORY P/N
                                                                                                1660SM               5.2                                  3AL 81407 ACAA              ––.––.––
                                                  1AA 00014 0004 (9007) A4 – ALICE 04.10




                                                                                           ED      03

                                                                                                                                                           3AL 91669 AA AA                         17 / 706


                                                                                                                                                                         706
1.3 Product-release handbooks

                                                         The list of handbooks given here below is valid on the issue date of this Handbook and
                                                         can be changed without any obligation for ALCATEL to update it in this Handbook.




                                                                                                                                                             not permitted without written authorization from Alcatel.
                                                                                                                                                               All rights reserved. Passing on and copying of this
                                                                                                                                                               document, use and communication of its contents
                                                         Some of the handbooks listed here below may not be available on the issue date of this
                                                         Handbook.

                                          The standard Customer Documentation in the English language for the equipment whose
                                          product-release-version is stated in para.1.2 on page 17 consists of the following handbooks:

                                          Table 1. Handbooks related to the specific product hardware

                                                                                                                                             THIS
                                              REF                                HANDBOOK                               ANV Part No.
                                                                                                                                             HDBK

                                                         1660SM Rel.5.2
                                                                                                                      3AL 91669 AAAA
                                                         Technical Handbook
                                              [1]
                                                         Provide information regarding Equipment description, Maintenance , Hardware
                                                         setting documentation

                                                         1660SM Rel.5.2
                                                                                                                      3AL 91669 BAAA
                                                         Installation Handbook
                                              [2]
                                                         Provide information regarding Equipment Installation, according to A–Installation
                                                         Engineering Department rules.

                                                         1660SM Rel.5.2
                                                                                                                      3AL91669 CAAA
                                                         Turnup & Commissionig Handbook
                                              [3]
                                                         Provide information regarding Equipment Turn–On, Test and Operation,
                                                         according to A–Installation Engineering Department rules.

                                          Table 2. Handbooks related to the specific product SW management and local product control


                                                                                                                                              THIS
                                              REF                                HANDBOOK                               ANV Part No.         HDBK
                                                                                                                                             or note

                                                         Metro OMSN Rel.4.4/5.2
                                                                                                                      3AL 91670 AAAA
                                                         CT Operator’s Handbook
                                              [4]

                                                         Provides 1660SM “SDH” Craft Terminal screens and operational procedures
1AA 00014 0004 (9007) A4 – ALICE 04.10




                                         ED         03

                                                                                                            3AL 91669 AA AA                       18 / 706


                                                                                                                         706
Table 3. Handbooks related to ATM specific product SW

                                                                                                                                                                                THIS
                                                                                                REF                               HANDBOOK                     ANV Part No.    HDBK
not permitted without written authorization from Alcatel.




                                                                                                                                                                               or note
  All rights reserved. Passing on and copying of this
  document, use and communication of its contents




                                                                                                            ATM Rel.1.2
                                                                                                [5]                                                           3AL 80814 AAAA
                                                                                                            Operator’s Handbook

                                                                                                            ATM Rel.2.0
                                                                                                [6]                                                           3AL 81826 AAAA
                                                                                                            Operator’s Handbook

                                                                                                            ATM Rel.2.1
                                                                                                [7]                                                           3AL 89777 AAAA
                                                                                                            Operator’s Handbook

                                                                                                            ATM Rel.2.2
                                                                                                [8]                                                           3AL 91714 AAAA
                                                                                                            Operator’s Handbook

                                                                                             Provides ATM Craft Terminal screens and operational procedures


                                                                                            Table 4. Handbooks related to PR_EA specific product SW

                                                                                                                                                                                THIS
                                                                                                REF                               HANDBOOK                     ANV Part No.    HDBK
                                                                                                                                                                               or note

                                                                                                            PR_EA Rel.1.1
                                                                                                [9]                                                           3AL 81062 BAAA
                                                                                                            Operator’s Handbook

                                                                                             Provides PR_EA Terminal screens and operational procedures


                                                                                            Table 5. Handbooks related to PR specific product SW

                                                                                                                                                                                THIS
                                                                                                REF                               HANDBOOK                     ANV Part No.    HDBK
                                                                                                                                                                               or note

                                                                                                            PR Rel.1.0
                                                                                                [10]                                                          3AL 81771 AAAA
                                                                                                            Operator’s Handbook

                                                                                                            PR Rel.1.1
                                                                                                [11]                                                          3AL 91658 AAAA
                                                                                                            Operator’s Handbook

                                                                                                            PR Rel.1.2
                                                                                                [12]                                                          3AL 91715 AAAA
                                                                                                            Operator’s Handbook

                                                                                             Provides PR Craft Terminal screens and operational procedures
                                                  1AA 00014 0004 (9007) A4 – ALICE 04.10




                                                                                           ED          03

                                                                                                                                                      3AL 91669 AA AA               19 / 706


                                                                                                                                                                706
Table 6. Handbooks related to ISA ES specific product SW


                                                                                                                                 THIS
                                              REF                               HANDBOOK                        ANV Part No.




                                                                                                                                                not permitted without written authorization from Alcatel.
                                                                                                                                HDBK




                                                                                                                                                  All rights reserved. Passing on and copying of this
                                                                                                                                                  document, use and communication of its contents
                                                                                                                                or note

                                                          ES1 Rel.1.0
                                              [13]                                                             3AL 89872 AAAA
                                                          Operator’s Handbook

                                                          ES1/ES4 Rel.1.1
                                              [14]                                                             3AL 89871 AAAA
                                                          Operator’s Handbook

                                                          ES1/ES4 Rel.1.2
                                              [15]                                                             3AL91804 AAAA
                                                          Operator’s Handbook

                                                          ES16 Rel.2.0
                                              [16]                                                             3AL 89870 AAAA
                                                          Operator’s Handbook

                                                          ES16 Rel.2.1
                                              [17]                                                             3AL 91716 AAAA
                                                          Operator’s Handbook

                                           Provides ISA–ES Craft Terminal screens and operational procedures
1AA 00014 0004 (9007) A4 – ALICE 04.10




                                         ED          03

                                                                                                     3AL 91669 AA AA                 20 / 706


                                                                                                                 706
Table 7. Handbooks common to Alcatel Network Elements using 1320CT platform

                                                                                                                                                                          FACTORY          THIS
                                                                                                REF                   HANDBOOK                     ANV Part No.
                                                                                                                                                                           Part No.        HDBK
not permitted without written authorization from Alcatel.
  All rights reserved. Passing on and copying of this
  document, use and communication of its contents




                                                                                                            1320CT 3.x
                                                                                                                                                 3AL 79551 AAAA         957.140.042 N
                                                                                                            Basic Operator’s Handbook
                                                                                                [18]
                                                                                                            Provides general information and operational procedures common to all
                                                                                                            1320CT (Craft terminal) of Alcatel InfoModel Network Elements.

                                                                                                            1330AS Rel.6.5
                                                                                                                                                 3AL 88876 AAAA            ––––––––
                                                                                                            Operator’s Handbook

                                                                                                            Provides detailed information and operational procedures regarding the alarm
                                                                                                [19]
                                                                                                            Surveillance software embedded in the 1320CT software package.
                                                                                                            Information about Historical Alarms an Network Element Symbols
                                                                                                            Management ( Physical Network Management) are not valid for Craft Terminal.
                                                                                                            They are only used by Network Management.

                                                                                                            ELB Rel.2.x Operator’s Handbook      3AL 88877 AAAA            ––––––––

                                                                                                [20]
                                                                                                            Provide detailed information and operational procedures regarding the Event
                                                                                                            Log Browser software embedded in the 1320CT software package.
                                                  1AA 00014 0004 (9007) A4 – ALICE 04.10




                                                                                           ED          03

                                                                                                                                                             3AL 91669 AA AA                  21 / 706


                                                                                                                                                                          706
Table 8. Optional handbooks common to 16xxSM

                                                                                                                             FACTORY           THIS
                                              REF                    HANDBOOK                      ANV Part No.
                                                                                                                              Part No.         HDBK




                                                                                                                                                                not permitted without written authorization from Alcatel.
                                                                                                                                                                  All rights reserved. Passing on and copying of this
                                                                                                                                                                  document, use and communication of its contents
                                                          S9–16xxSM
                                                                                                 3AL 78901 AAAA          955.100.692 N
                                                          System Installation Handbook
                                              [21]
                                                          Provides general installation rules necessary to install the Optinex family
                                                          equipment in the S9 Rack.

                                                          Optinex RACK–16xxSM
                                                                                                 3AL 38207 AAAA           955.110.202 L
                                                          System Installation Handbook
                                              [22]
                                                          Provides general installation rules necessary to install the Optinex family
                                                          equipment in the Optinex Rack.

                                          N.B.            Handbooks REF. [21] and [22] are available only on paper support




                                          Table 9. Documentation on CD–ROM
                                          See para. 5.5 on page 59

                                              REF                      CD–ROM TITLE                         ANV Part No.             FACTORY Part No.

                                                          1660SM Rel.5.2 CD–ROM–DOC EN                    3AL 91671 AAAA                 ––.––.––
                                              [23]
                                                          Contains, in electronic format, the following handbooks: REF. [1] to [4]

                                                          1320CT 3.x BASIC CD–ROM–DOC EN                  3AL 79552 AAAA               417.100.032
                                              [24]
                                                          Contains, in electronic format, the following handbooks: REF. [18] to [20]

                                                          ATM 1.2 CD–ROM–DOC EN                           3AL 80815 AAAA                 ––.––.––
                                              [25]
                                                          Contains, in electronic format, the following handbooks: REF. [5]

                                                          ATM 2.0 CD–ROM–DOC EN                           3AL 81829 AAAA                 ––.––.––
                                              [26]
                                                          Contains, in electronic format, the following handbook: REF. [6]

                                                          ATM 2.1 CD–ROM–DOC EN                           3AL 89778 AAAA                 ––.––.––
                                              [27]
                                                          Contains, in electronic format, the following handbooks: REF. [7]

                                                          ATM 2.2 CD–ROM–DOC EN                           3AL 91717 AAAA                 ––.––.––
1AA 00014 0004 (9007) A4 – ALICE 04.10




                                              [28]
                                                          Contains, in electronic format, the following handbooks: REF. [8]




                                         ED          03

                                                                                                              3AL 91669 AA AA                        22 / 706


                                                                                                                             706
REF                      CD–ROM TITLE                         ANV Part No.           FACTORY Part No.

                                                                                                            PR_EA 1.1 CD–ROM–DOC EN                         3AL 81063 BAAA               ––.––.––
not permitted without written authorization from Alcatel.




                                                                                                [29]
  All rights reserved. Passing on and copying of this
  document, use and communication of its contents




                                                                                                            Contains, in electronic format, the following handbook: REF. [9]

                                                                                                            PR 1.0 CD–ROM–DOC EN                            3AL 81769 AAAA               ––.––.––
                                                                                                [30]
                                                                                                            Contains, in electronic format, the following handbook: REF. [10]

                                                                                                            PR 1.1 CD–ROM–DOC EN                            3AL 91659 AAAA               ––.––.––
                                                                                                [31]
                                                                                                            Contains, in electronic format, the following handbooks: REF. [11]

                                                                                                            PR 1.2 CD–ROM–DOC EN                            3AL 91718 AAAA               ––.––.––
                                                                                                [32]
                                                                                                            Contains, in electronic format, the following handbooks: REF. [12]

                                                                                                            ES1 1.0 CD–ROM–DOC EN                           3AL 89875 AAAA               ––.––.––
                                                                                                [33]
                                                                                                            Contains, in electronic format, the following handbooks: REF. [13]

                                                                                                            ES1/ES4 1.1 CD–ROM–DOC EN                       3AL 89874 AAAA               ––.––.––
                                                                                                [34]
                                                                                                            Contains, in electronic format, the following handbooks: REF. [14]

                                                                                                            ES1/ES4 1.2 CD–ROM–DOC EN                       3AL91805 AAAA                ––.––.––
                                                                                                [35]
                                                                                                            Contains, in electronic format, the following handbooks: REF. [15]

                                                                                                            ES16 2.0 CD–ROM–DOC EN                          3AL 89873 AAAA               ––.––.––
                                                                                                [36]
                                                                                                            Contains, in electronic format, the following handbooks: REF. [16]

                                                                                                            ES16 2.1 CD–ROM–DOC EN                          3AL 91719 AAAA               ––.––.––
                                                                                                [37]
                                                                                                            Contains, in electronic format, the following handbooks: REF. [17]
                                                  1AA 00014 0004 (9007) A4 – ALICE 04.10




                                                                                           ED          03

                                                                                                                                                               3AL 91669 AA AA                      23 / 706


                                                                                                                                                                               706
1.4 Handbook Structure

                                          This handbook has been edited according to the Alcatel standardized “drawing–up guides” complying with
                                          such suggestion.




                                                                                                                                                             not permitted without written authorization from Alcatel.
                                                                                                                                                               All rights reserved. Passing on and copying of this
                                                                                                                                                               document, use and communication of its contents
                                          This handbook is divided into the following main topics as described in the table of contents:


                                           HANDBOOK GUIDE:                        It contains general information on safety norms, EMC and type
                                                                                  of labels that might be affixed to the equipment. Furthermore,
                                                                                  it describes the handbook structure and the customer
                                                                                  documentation. The abbreviation list is supplied too.

                                           DESCRIPTION:                           It contains all the equipment’s general and detailed system
                                                                                  features including its application in the telecommunication
                                                                                  network. Furthermore, it supplies the equipment description and
                                                                                  specifications (i.e., system, mechanical,electrical and/or
                                                                                  optical).

                                           MAINTENANCE:                           It contains all the details for periodic checks, fault location and
                                                                                  repair procedures and restore to normal operation through the
                                                                                  withdrawal of faulty units and their replacement with spares (*)

                                           DISMANTLING & RECYLING                 It contains information for subrack/units dismantling and
                                                                                  recycling and list of hazardous materials.

                                           APPENDICES:                            Section envisaged (but not necessarily included) to describe
                                                                                  possible alternative unit.

                                           HARDWARE SETTING                       It encloses the documents related to unit hardware setting
                                           DOCUMENTATION:                         operations, if envisaged.

                                           ANNEXES:                               Section envisaged (but not necessarily included) containing
                                                                                  additional documentation or general information on other topics
                                                                                  not inherent to the chapters making up the handbook.




                                          (*)   If the equipment is software integrated and man–machine interfaced (through a PCD, PC, Work
                                                Station or other external processing/displaying system) the maintenance carried out with such
                                                system is described in the Operator’s Handbook (see para.1.3 on page 18 )
1AA 00014 0004 (9007) A4 – ALICE 04.10




                                         ED      03

                                                                                                         3AL 91669 AA AA                          24 / 706


                                                                                                                       706
1.5 Handbook Configuration Check

                                                                                            1.5.1 List of the editions and of modified parts
not permitted without written authorization from Alcatel.
  All rights reserved. Passing on and copying of this
  document, use and communication of its contents




                                                                                            The following table indicates the handbook parts new and modified with respect to the previous edition.

                                                                                            Legenda

                                                                                            n        = new part                p  =proposal part
                                                                                            m        = modified part           PR =proposal edition

                                                                                            Table 10. Handbook configuration check

                                                                                                                                                      EDITION   01   02     03   04     05    06
                                                                                            DESCRIPTION                                                         n
                                                                                                1. GENERAL                                                      n
                                                                                                2. PHYSICAL CONFIGURATION                                       n    m      m
                                                                                                3. FUNCTIONAL DESCRIPTION                                       n           m
                                                                                                4. UNITS DESCRIPTION                                            n    m      m
                                                                                                5. TECHNICAL SPECIFICATION                                      n    m      m
                                                                                            MAINTENANCE                                                         n
                                                                                                6. MAINTENANCE                                                  n
                                                                                            DISMANTLING & RECYCLING                                                          n
                                                                                                7.                                                                           n
                                                                                            APPENDICES
                                                                                                     Nothing envisaged
                                                                                            HARDWARE SETTING DOCUMENTATION                                      n
                                                                                                     Unit documentation list                                    n    m
                                                                                            ANNEXES
                                                                                                     Nothing envisaged

                                                                                            Note:           the edition of the enclosed documents (sections HARDWARE SETTING DOCUMENTATION
                                                                                                            and ANNEXES) is not subjected to configuration check.
                                                  1AA 00014 0004 (9007) A4 – ALICE 04.10




                                                                                           ED          03

                                                                                                                                                           3AL 91669 AA AA                     25 / 706


                                                                                                                                                                      706
1.5.2 Notes on Ed.01

                                          Ed.01 created on June 2004 is the first validated and officially released issue of this Handbook.




                                                                                                                                                         not permitted without written authorization from Alcatel.
                                                                                                                                                           All rights reserved. Passing on and copying of this
                                                                                                                                                           document, use and communication of its contents
                                          1.5.3 Notes on Ed.02

                                          Ed.02 created on April 2005 has been edited for:

                                          –    New Hardware setting document (MSZZQ) has been added

                                          –    Correction of CWDM units characteristics

                                          –    A12OS1SE access cad added.


                                          1.5.4 Notes on Ed.03

                                          Ed.03 created on September 2005 has been edited for:

                                          –    Dismantling & Recycling procedures introduction

                                          –    Added new STM64 PORT XFP

                                          –    Added new Optical Modules LC

                                          –    Added new SFP “DDM” module

                                          –    Added 16xSTM1 High Speed Protection module

                                          –    Added Optical Compensation Device

                                          –    Correction on ISA PR_EA figures about data frame structure

                                          –    Correction for COADM “Loss of signal” detection not managed

                                          –    Editing corrections
1AA 00014 0004 (9007) A4 – ALICE 04.10




                                         ED      03

                                                                                                        3AL 91669 AA AA                       26 / 706


                                                                                                                     706
2 SAFETY NORMS AND LABELS

                                                                                            2.1 First aid for electric shock
not permitted without written authorization from Alcatel.
  All rights reserved. Passing on and copying of this
  document, use and communication of its contents




                                                                                            Do not touch the patient with bare hands until the circuit has been opened.

                                                                                            Open the circuit by switching off the line switches. If that is not possible, protect yourself with dry
                                                                                            material and free the patient from the conductor.

                                                                                            ARTIFICIAL RESPIRATION

                                                                                            It is important to start mouth to mouth resuscitation at once and seek medical help immediately.

                                                                                            TREATMENT OF BURNS

                                                                                            This treatment should be used after the patient has regained consciousness. It can also be employed while
                                                                                            the artificial respiration is being applied (in this case there should be at least two persons present).

                                                                                            WARNING:

                                                                                                 •        Do not attempt to remove his clothing from the burnt parts;

                                                                                                 •        Apply dry gauze on the burns;

                                                                                                 •        Do not apply ointments or other oily substances.
                                                  1AA 00014 0004 (9007) A4 – ALICE 04.10




                                                                                           ED        03

                                                                                                                                                          3AL 91669 AA AA                        27 / 706


                                                                                                                                                                        706
Mouth to mouth resuscitation method


                                                   Lay the patient supine with his arms parallel with the body, if the patient is laying




                                                                                                                                                      not permitted without written authorization from Alcatel.
                                              1    on an inclined plane, make sure that his stomach is slightly lower than his chest.




                                                                                                                                                        All rights reserved. Passing on and copying of this
                                                                                                                                                        document, use and communication of its contents
                                                   Open the patient’s mouth and check that there are no extraneous bodies in his
                                                   mouth (dentures, chewing–gum etc.),


                                                   Kneel beside the patient level with his head. Put
                                                   a hand under the patient’s head and one under
                                              2
                                                   his neck (see fig.) Lift the patient’s head and let
                                                   it recline backwards as far as possible

                                                   Shift the hand from the patient’s neck to is chin:
                                                   place your thumb between his chin and his
                                                   mouth, the index along his jawbone, and keep the
                                              3    other fingers closed together (see fig.). While
                                                   performing these operations take a good supply
                                                   of oxygen by taking deep breaths with your
                                                   mouth open.



                                                   With your thumb between the patient’s chin and
                                              4    mouth keep his lips together and blow into his
                                                   nasal cavities (see fig.)



                                                   While performing these operations observe if the
                                                   patient’s chest rises (see fig.) If not it is possible
                                                   that his nose is blocked: in that case open the
                                                   patient’s mouth as much as possible by pressing
                                                   on his chin with your hand, place your lips around
                                              5    his mouth and blow into his oral cavity. Observe
                                                   if the patient’s chest heaves. This second
                                                   method can be used instead of the first even
                                                   when the patient’s nose is kept closed by
                                                   pressing the nostrils together using the hand you
                                                   were holding his head with. The patient’s head
                                                   must be kept sloping backwards as much as
                                                   possible.

                                              6    Start with ten rapid expirations, hence continue at a rate of twelve/fifteen
                                                   expirations per minute. Go on like this until the patient has regained
                                                   consciousness, or until a doctor has ascertained his death.
1AA 00014 0004 (9007) A4 – ALICE 04.10




                                         ED   03

                                                                                                            3AL 91669 AA AA                28 / 706


                                                                                                                      706
2.2 Safety Rules

                                                                                            2.2.1 General Rules
not permitted without written authorization from Alcatel.
  All rights reserved. Passing on and copying of this
  document, use and communication of its contents




                                                                                                •        Before carrying out any installation, turn–up & commissioning, operation and maintenance
                                                                                                         operations carefully read the relevant Handbook and chapters.

                                                                                                •        Observe safety rules

                                                                                                         –    When equipment is operating nobody is allowed to have access inside on the equipment
                                                                                                              parts which are protected with Cover Plate Shields removable with tools

                                                                                                         –    In case of absolute need to have access inside, on the equipment parts when it is operating
                                                                                                              this is allowed exclusively to service personnel, where for Service Personnel or Technical
                                                                                                              assistance is meant :

                                                                                                              ”personnel which has adequate Technical Knowledge and experience necessary to be
                                                                                                              aware of the danger that he might find in carrying out an operation and of the necessary
                                                                                                              measurements to reduce danger to minimum for him and for others”.

                                                                                                              The Service Personnel can only replace the faulty units with spare parts.
                                                                                                              The Service Personnel is not allowed to repair: hence the access to the parts no specified
                                                                                                              is not permitted.

                                                                                                              The keys and/or the tools used to open doors, hinged covers to remove parts which give
                                                                                                              access to compartments in which are present high dangerous voltages must belong
                                                                                                              exclusively to the service personnel.

                                                                                                         –    For the eventual cleaning of the external parts of the equipment, absolutely do not use any
                                                                                                              inflammable substance or substances which in some way may alter the markings,
                                                                                                              inscriptions ect.

                                                                                                         –    It is recommended to use a slightly wet cleaning cloth.

                                                                                                •        The Safety Rules stated in the handbook describe the operations and/or precautions to observe
                                                                                                         to safeguard service personnel during the working phases and to guarantee equipment safety,
                                                                                                         i.e., not exposing persons, animals, things to the risk of being injured/damaged.

                                                                                                •        Whenever the safety protection features have been impaired, REMOVE POWER.
                                                                                                         To cut off power proceed to switch off the power supply units as well as cut off power station
                                                                                                         upstream (rack or station distribution frame).

                                                                                                •        The safety rules described at the beginning of the handbook are distinguished by the following
                                                                                                         symbol and statement:




                                                                                                                                                 SAFETY RULES
                                                  1AA 00014 0004 (9007) A4 – ALICE 04.10




                                                                                           ED       03

                                                                                                                                                             3AL 91669 AA AA                         29 / 706


                                                                                                                                                                           706
2.2.2 Labels Indicating Danger, Forbiddance, Command

                                          It is of utmost importance to follow the instructions printed on the labels affixed to the units and assemblies.




                                                                                                                                                                 not permitted without written authorization from Alcatel.
                                          The labels are fully compliant with International Norms ISO 3846–1984. The symbols or statements are




                                                                                                                                                                   All rights reserved. Passing on and copying of this
                                                                                                                                                                   document, use and communication of its contents
                                          enclosed in geometric shapes: ISO 3864–1984.




                                                                                    CONTAINS A SYMBOL STATEMENT
                                                                                    INDICATES FORBIDDANCE (WHITE BACKGROUND
                                                                                    WHIT RED RIM–BLACK SYMBOL OR STATEMENT)
                                                                                    IT IS A COMMAND (BLUE BACKGROUND–WHITE
                                                                                    SYMBOL OR STATEMENT).


                                                                                    CONTAINS A SYMBOL
                                                                                    INDICATES WARNING OR DANGER (YELLOW
                                                                                    BACKGROUND–BLACK SYMBOL AND RIM)




                                                                                    CONTAINS A STATEMENT PROVIDING INFORMATION
                                                                                    OR INSTRUCTION.
                                                                                    (YELLOW BACKGROUND–BLACK STATEMENT AND RIM)




                                          The labels have been affixed to indicate a dangerous condition. They may contain any standard–known
                                          symbol or any statement necessary to safeguard users and service personnel against the most common
                                          ones, specifically:

                                               •        dangerous electrical voltages

                                               •        harmful optical signals

                                               •        risk of explosion

                                               •        moving mechanical parts

                                               •        heat–radiating mechanical parts

                                          Pay attention to the information stated in the following, and proceed as instructed
1AA 00014 0004 (9007) A4 – ALICE 04.10




                                         ED        03

                                                                                                            3AL 91669 AA AA                           30 / 706


                                                                                                                           706
The symbols presented in para.2.2.3 through 2.2.7 are all the possible symbols that could be
                                                                                                        present on Alcatel equipment, but are not all necessarily present on the equipment this
                                                                                                        handbook refers to.
not permitted without written authorization from Alcatel.
  All rights reserved. Passing on and copying of this
  document, use and communication of its contents




                                                                                            2.2.3 Dangerous Electrical Voltages

                                                                                            2.2.3.1 Labelling

                                                                                            The following warning label is affixed next to dangerous voltages (>42.4 Vp; >60 Vdc).




                                                                                            If it is a Class 1 equipment connected to mains, then the label associated to it will state that the equipment
                                                                                            will have to be grounded before connecting it to the power supply voltage, e.g.:




                                                                                                                                             WARNING !
                                                                                                                                Ground protect the equipment before
                                                                                                                                connecting it to mains
                                                                                                                                Make sure that power has been cut off
                                                                                                                                before disconnecting ground protec-
                                                                                                                                tion.



                                                                                            2.2.3.2 Electrical safety: general rules

                                                                                            DANGER! Possibility of personal injury:                                     carefully observe the specific
                                                                                            procedures for installation / turn–up and commissioning / maintenance of equipment parts where a.c. or
                                                                                            d.c. power is present, described in the relevant installation / turn–up and commissioning / maintenance
                                                                                            documents and the following general rules:

                                                                                            a)   Personal injury can be caused by –48 V dc (or by 220 V ac if envisaged in the equipment). Avoid
                                                                                                 touching powered terminals with any exposed part of your body.

                                                                                            b)   Short circuiting, low-voltage, low-impedance, dc circuits can cause severe arcing that can result in
                                                                                                 burns and/or eye damage. Remove rings, watches, and other metal jewelry before working with
                                                                                                 primary circuits. Exercise caution to avoid shorting power input terminals.
                                                  1AA 00014 0004 (9007) A4 – ALICE 04.10




                                                                                            2.2.3.3 Electrical safety: equipment specific data

                                                                                            Refer to para.5.1.2 on page 600.



                                                                                           ED      03

                                                                                                                                                             3AL 91669 AA AA                          31 / 706


                                                                                                                                                                           706
2.2.4 Harmful Optical Signals

                                          2.2.4.1 Labelling




                                                                                                                                                           not permitted without written authorization from Alcatel.
                                          If the assembly or unit is fitted with a LASER, the labels must comply with the IEC 60825–1 and –2




                                                                                                                                                             All rights reserved. Passing on and copying of this
                                                                                                                                                             document, use and communication of its contents
                                          International Norms.




                                          The symbol indicates the presence of a LASER beam. Danger level is stated within a rectangular label:




                                          If the LASER is a Hazard Level 1, 1M product, the label depicting the symbol within a triangle is not
                                          compulsory.

                                          If the LASER is a Hazard Level 3A product, the label depicting the symbol within a triangle is compulsory.

                                                        NOTE: the equipment may be provided with labels of a type other than the illustrated one
                                                        (reason: previous standard).


                                          The rectangular shaped label bears all the information needed, i.e.:

                                               •        LASER class
                                               •        Power emitted
                                               •        Wave length
                                               •        Ref. Norm
                                               •        Precautionary measures taken depend on LASER class
                                               •        Indications given on openings, panels and safety interlockers
1AA 00014 0004 (9007) A4 – ALICE 04.10




                                                                                    exemple of power and lenght values




                                         ED        03

                                                                                                                  3AL 91669 AA AA               32 / 706


                                                                                                                            706
2.2.4.2 Optical safety: general rules

                                                                                            On handling optical equipments or units or cables always check that laser labels are properly affixed and
                                                                                            that the system complies with applicable optical standards.
not permitted without written authorization from Alcatel.
  All rights reserved. Passing on and copying of this
  document, use and communication of its contents




                                                                                            DANGER! Possibility of eyes damage: invisible infrared radiations emitted by
                                                                                            the fiber optic transmitters can cause eyes damages. Carefully observe the specific procedures for
                                                                                            installation / turn–up and commissioning / maintenance of units containing laser devices or cables
                                                                                            transporting optical signals, described in the relevant installation / turn–up and commissioning /
                                                                                            maintenance documents and the following general rules:

                                                                                            a)   Laser radiation is not visible by the naked eye or with laser safety glasses. Although it cannot be seen,
                                                                                                 laser radiation may be present.

                                                                                            b)   Never look directly into an unterminated fiber optic connector or into a broken optical fiber cable,
                                                                                                 unless it is absolutely known that no laser radiation is present.

                                                                                            c)   Never look at an optical fiber splice, cable or connector, unless it is absolutely known that no laser
                                                                                                 radiation is present.

                                                                                            d)   All optical connectors, terminating either fibers and transmitters/receivers, are provided with
                                                                                                 protective covers that must always be used, as soon as possible, when any optical link is
                                                                                                 disconnected for installation/test/maintenance purposes or whatever operation.

                                                                                            e)   Never look directly into an unterminated fiber optic connector or into a broken optical fiber cable by
                                                                                                 means of magnifiers/microscopes, unless it is absolutely known that no laser radiation is present. A
                                                                                                 magnifier/microscope greatly increases the damage hazard to the eyes.

                                                                                            f)   Never point an unterminated optical fiber splice, cable or connector to other persons, unless it is
                                                                                                 absolutely known that no laser radiation is present.

                                                                                            g)   Always remove electrical power from near and far optical transmitters before disconnecting optical
                                                                                                 links between the transmitter and the receiver.

                                                                                            h)   Wearing of laser safety goggles or eyes shields is recommended for every person working on optical
                                                                                                 devices, whenever the above listed rules cannot be followed.

                                                                                            2.2.4.3 Optical safety: equipment specific data

                                                                                            Refer to paragraph 5.1.1 on page 595 .
                                                  1AA 00014 0004 (9007) A4 – ALICE 04.10




                                                                                           ED      03

                                                                                                                                                             3AL 91669 AA AA                          33 / 706


                                                                                                                                                                           706
2.2.5 Risks of Explosions

                                          2.2.5.1 Labelling and safety instructions




                                                                                                                                                           not permitted without written authorization from Alcatel.
                                          This risk is present when batteries are used, and it is signalled by the following label:




                                                                                                                                                             All rights reserved. Passing on and copying of this
                                                                                                                                                             document, use and communication of its contents
                                          Therefore, slits or apertures are made to let air circulate freely and allow dangerous gasses to downflow
                                          (battery–emitted hydrogen). A 417–IEC–5641 Norm. compliant label is affixed next to it indicating that the
                                          openings must not be covered up.




                                          2.2.6 Moving Mechanical Parts

                                          The following warning label is affixed next to fans or other moving mechanical parts:




                                          Before carrying out any maintenance operation see that all the moving mechanical parts have been
                                          stopped.
1AA 00014 0004 (9007) A4 – ALICE 04.10




                                         ED      03

                                                                                                          3AL 91669 AA AA                       34 / 706


                                                                                                                        706
2.2.7 Heat–radiating Mechanical Parts

                                                                                            The presence of heat–radiating mechanical parts is indicated by the following warning label in compliancy
                                                                                            with IEC 417 Norm, Fig.5041:
not permitted without written authorization from Alcatel.
  All rights reserved. Passing on and copying of this
  document, use and communication of its contents




                                                                                            As stated by IEC 950 Norm., para.1.4.7 mechanical parts which carry the above pictured label and that
                                                                                            could inadvertently be touched, have a temperature T established by the following formula:

                                                                                                                        (T–Tamb)  (DTmax + 25° – Tmra)
                                                                                            where:

                                                                                            T                         Temperature of the mechanical part measured at ambient temperature Tamb.

                                                                                            Tamb                      Ambient temperature during the test

                                                                                            DTmax                     Value defined by IEC 60950 Norm, Table 16 part 2a, para.5.1, and specified in
                                                                                                                      the table below.

                                                                                            Tmra                      The maximum room ambient temperature permitted by the equipment
                                                                                                                      specification or 25°C, whichever is greater.

                                                                                            Table 11. IEC 950 –Table 16: Overtemperature limits, Part 2


                                                                                                                                                   Maximum overtemperature (°C )
                                                                                                 Operator–accessible parts
                                                                                                                                                               Glass,                Plastic,
                                                                                                                                           Metal
                                                                                                                                                              porcelain              rubber

                                                                                            Handle knob, ect., held or touched
                                                                                                                                            35                    45                    60
                                                                                            for short periods

                                                                                            Handles, knobs, ect., regularly held            30                    40                    50

                                                                                            Outer surface of the equipment that
                                                                                                                                            45                    55                    70
                                                                                            can be touched

                                                                                            Inner surface of the equipment that
                                                                                                                                            45                    55                    70
                                                                                            can be touched


                                                                                            DANGER! Possibility of personal injury:                               carefully observe the specific
                                                                                            procedures for installation / turn–up and commissioning / maintenance of equipment parts where
                                                                                            heat–radiating mechanical parts are present, described in the relevant installation / turn–up and
                                                                                            commissioning / maintenance documents and the following general rule:
                                                  1AA 00014 0004 (9007) A4 – ALICE 04.10




                                                                                            a)   Personal injury can be caused by heat. Avoid touching powered terminals with any exposed part of
                                                                                                 your body.



                                                                                           ED        03

                                                                                                                                                          3AL 91669 AA AA                        35 / 706


                                                                                                                                                                        706
2.2.8 Specific safety rules in this handbook

                                              •        The safety rules are specified in the following chapters:




                                                                                                                                        not permitted without written authorization from Alcatel.
                                                       –    Chapter 6 paragraph 6.1 on page 665




                                                                                                                                          All rights reserved. Passing on and copying of this
                                                                                                                                          document, use and communication of its contents
                                                       –    Chapter 6 paragraph 6.5.2.1 on page 669

                                                       –    Chapter 6 paragraph 6.6.1 on page 670
1AA 00014 0004 (9007) A4 – ALICE 04.10




                                         ED       03

                                                                                                           3AL 91669 AA AA   36 / 706


                                                                                                                     706
3 OTHER NORMS AND LABELS

                                                                                            3.1 Electromagnetic Compatibility
not permitted without written authorization from Alcatel.
  All rights reserved. Passing on and copying of this
  document, use and communication of its contents




                                                                                            The equipment’s EMC norms depend on the type of installation being carried out (cable termination,
                                                                                            grounding etc.,) and on the operating conditions (equipment, setting options of the electrical/electronic
                                                                                            units, presence of dummy covers, etc.).

                                                                                                 •        Before starting any installation, turn–up  commissioning, operation and maintenance work
                                                                                                          refer to the relevant Handbook and chapters.

                                                                                                 •        The norms set down to guarantee EMC compatibility, are distinguished inside this handbook
                                                                                                          by the symbol and term:



                                                                                                                    ATTENTION                                  EMC NORMS.




                                                                                            3.1.1 General Norms – Installation

                                                                                                 •        All connections (towards the external source of the equipment) made with shielded cables use
                                                                                                          only cables and connectors suggested in this technical handbook or in the relevant Plant
                                                                                                          Documentation, or those specified in the Customer’s”Installation Norms.” (or similar
                                                                                                          documents)

                                                                                                 •        Shielded cables must be suitably terminated

                                                                                                 •        Install filters outside the equipment as required

                                                                                                 •        Ground connect the equipment utilizing a conductor with proper dia. and impedance

                                                                                                 •        Mount shields (if utilized), previously positioned during the installation phase, but not before
                                                                                                          having cleaned and degreased it.

                                                                                                 •        Before inserting the shielded unit proceed to clean and degrease all peripheral surfaces
                                                                                                          (contact springs and connection points, etc.)

                                                                                                 •        Screw fasten the units to the subrack.

                                                                                                 •        To correctly install EMC compatible equipment follow the instructions given.
                                                  1AA 00014 0004 (9007) A4 – ALICE 04.10




                                                                                           ED        03

                                                                                                                                                              3AL 91669 AA AA                         37 / 706


                                                                                                                                                                            706
3.1.2 General Norms – Turn–up  Commissioning, Operation

                                              •        Preset the electrical units as required to guarantee EMC compatibility

                                              •




                                                                                                                                                                  not permitted without written authorization from Alcatel.
                                                       Check that the equipment is operating with all the shields properly positioned (dummy covers,




                                                                                                                                                                    All rights reserved. Passing on and copying of this
                                                                                                                                                                    document, use and communication of its contents
                                                       ESD connector protections, etc.)

                                              •        To properly use EMC compatible equipment observe the information given




                                          3.1.3 General Norms – Maintenance

                                              •        Before inserting the shielded unit, which will replace the faulty or modified unit, proceed to clean
                                                       and degrease all peripheral surfaces (contact springs and connection points, etc.)

                                              •        Clean the dummy covers of the spare units as well.

                                              •        Screw fasten the units to the subrack.
1AA 00014 0004 (9007) A4 – ALICE 04.10




                                         ED       03

                                                                                                             3AL 91669 AA AA                           38 / 706


                                                                                                                            706
3.2 Electrostatic Dischargers (ESD)

                                                                                            Before removing the ESD protections from the monitors, connectors etc., observe the precautionary
                                                                                            measures stated. Make sure that the ESD protections have been replaced and after having terminated
not permitted without written authorization from Alcatel.




                                                                                            the maintenance and monitoring operations.
  All rights reserved. Passing on and copying of this
  document, use and communication of its contents




                                                                                            Most electronic devices are sensitive to electrostatic dischargers, to this concern the following warning
                                                                                            labels have been affixed:




                                                                                            Observe the precautionary measures stated when having to touch the electronic parts during the
                                                                                            installation/maintenance phases.

                                                                                            Workers are supplied with antistatic protection devices consisting of:




                                                                                                            ELASTICIZED BAND

                                                                                                                                                                   COILED CORD




                                                                                                 •        an elasticized band worn around the wrist

                                                                                                 •        a coiled cord connected to the elasticized band and to the stud on the subrack.
                                                  1AA 00014 0004 (9007) A4 – ALICE 04.10




                                                                                           ED        03

                                                                                                                                                            3AL 91669 AA AA                      39 / 706


                                                                                                                                                                          706
3.3 Suggestions, notes and cautions

                                          Suggestions and special notes are marked by the following symbol:




                                                                                                                                                             not permitted without written authorization from Alcatel.
                                                      Suggestion or note....




                                                                                                                                                               All rights reserved. Passing on and copying of this
                                                                                                                                                               document, use and communication of its contents
                                          Cautions to avoid possible equipment damage are marked by the following symbol:

                                                              TITLE...

                                          (caution to avoid equipment damage)
                                                    statement....


                                          3.4 Labels affixed to the Equipment

                                          This chapter indicates the positions and the information contained on the identification and serial labels
                                          affixed to the equipment.

                                          Figure 1. thru’ Figure 7. illustrate the most common positions of the labels on the units, modules and
                                          subracks.

                                          Figure 8. thru’ Figure 13. illustrate the information (e.g., identification and serial No.) printed on the
                                          labels.

                                          The table below relates the ref. numbers stated on the figures to the labels used.

                                                      Labelling depicted hereafter is for indicative purposes and could be changed without any notice.


                                          Table 12. Label references



                                                  Ref. No.                                              Name of Label

                                                        1                label specifying item not on catalogue (P/N. and serial number)

                                                        2                label specifying item on catalogue (P/N. and serial number)
                                                                         Refer to Figure 9. on page 48

                                                        3                item identification label – item on catalog
                                                                         Refer to Figure 10. on page 49

                                                        4                label identifying the equipment
                                                                         Refer to Figure 11. on page 49

                                                        5                label identifying compliancy with CE and WEEE Directives.
                                                                         Refer to Figure 12. and Figure 13. on page 50


                                          On contract basis, customized labels can be affixed to the equipment.
                                          Standard labels can be affixed to any position on the equipment, as required by the Customer.
                                          However, for each of the above are applied the rules defined by each individual Customer.
1AA 00014 0004 (9007) A4 – ALICE 04.10




                                         ED      03

                                                                                                             3AL 91669 AA AA                      40 / 706


                                                                                                                        706
All rights reserved. Passing on and copying of this
                                                                                                                                                 document, use and communication of its contents
                                                                                                                                               not permitted without written authorization from Alcatel.
      1AA 00014 0004 (9007) A4 – ALICE 04.10




                           ED
                                                                                                                                                                                  4




                           03
                                Figure 1. Subrack label
                                                                                                                                           2




                                                                                                                                    ABCD




                                                          NOTE : The above reference numbers are detailed on Table 12. on page 40




706
         3AL 91669 AA AA
                                                                                                                                                           5




         41 / 706
1AA 00014 0004 (9007) A4 – ALICE 04.10




                           ED
                           03
                                                                                                                                             ABC




                                         Figure 2. Subrack label
                                                                                                                                                   2




                                                                   NOTE : The above reference numbers are detailed on Table 12. on page 40




706
         3AL 91669 AA AA
         42 / 706
                                                                                                                                                         All rights reserved. Passing on and copying of this
                                                                                                                                                         document, use and communication of its contents
                                                                                                                                                       not permitted without written authorization from Alcatel.
All rights reserved. Passing on and copying of this
                                                                                                                                                                                                         document, use and communication of its contents
                                                                                                                                                                                                       not permitted without written authorization from Alcatel.
      1AA 00014 0004 (9007) A4 – ALICE 04.10




                           ED
                           03
                                                                                                                                                                                                NB.1
                                                                                                                                                                                                                                         2




                                                                                                                                            NB.1 = The label is present on the support side
                                                                                                                                                                                              ABC




                                        Figure 3. Subrack label
                                                                  NOTE : The above reference numbers are detailed on Table 12. on page 40




706
         3AL 91669 AA AA
         43 / 706
1AA 00014 0004 (9007) A4 – ALICE 04.10




                           ED
                           03
                                                                                                                                                                                         ABC




                                                                                                                                                                           xxxxxx
                                                                                                                                                                          xxxxxx
                                                                                                                                                                         xxxxxxxxx
                                                                                                                                                                                               2




                                                                                               NOTE : The above reference numbers are detailed on Table 12. on page 40

                                         Figure 4. Labels on units with standard cover plate




706
         3AL 91669 AA AA
                                                                                                                                                                                     3




         44 / 706
                                                                                                                                                                                                     All rights reserved. Passing on and copying of this
                                                                                                                                                                                                     document, use and communication of its contents
                                                                                                                                                                                                   not permitted without written authorization from Alcatel.
All rights reserved. Passing on and copying of this
                                                                                                                                                               document, use and communication of its contents
                                                                                                                                                             not permitted without written authorization from Alcatel.
      1AA 00014 0004 (9007) A4 – ALICE 04.10




                           ED
                           03
                                                                                                                                                       ABC




                                               Figure 5. Modules label
                                                                         NOTE : The above reference numbers are detailed on Table 12. on page 40




706
         3AL 91669 AA AA
                                                                                                                                                   2




         45 / 706
not permitted without written authorization from Alcatel.
                                                                                                                                      All rights reserved. Passing on and copying of this
                                                                                                                                      document, use and communication of its contents
                                                                                      NB.1
                                                                                 1



                                                                           ABC




                                          NB.1 = The label is present on the p.c.s. component side

                                          NOTE : The above reference numbers are detailed on Table 12. on page 40

                                                                   Figure 6. Internal label for Printed Board Assembly
1AA 00014 0004 (9007) A4 – ALICE 04.10




                                         ED      03

                                                                                                      3AL 91669 AA AA    46 / 706


                                                                                                                   706
not permitted without written authorization from Alcatel.
  All rights reserved. Passing on and copying of this
  document, use and communication of its contents




                                                                                                       NB.1
                                                                                                                        ABC




                                                                                                                                      1




                                                                                            NB. 1 = The label is present on p.c.s. components side or rear side on the empty spaces.

                                                                                            NOTE : The above reference numbers are detailed on Table 12. on page 40
                                                  1AA 00014 0004 (9007) A4 – ALICE 04.10




                                                                                                                              Figure 7. Back panels internal label



                                                                                           ED     03

                                                                                                                                                         3AL 91669 AA AA               47 / 706


                                                                                                                                                                     706
FACTORY P/N + CS

                                                                                           FACTORY SERIAL NUMBER




                                                                                                                                                      not permitted without written authorization from Alcatel.
                                                                                                                                                        All rights reserved. Passing on and copying of this
                                                                                                                                                        document, use and communication of its contents
                                                                                               SERIAL NUMBER BAR CODE
                                                                                     (format 128; Module = 0,166; EN 799; Subset B/C)




                                                           Figure 8. Label specifying item not on catalogue (P/N. and serial number)




                                                        ANV ITEM PART NUMBER + space + ICS
                                                                                                                     ALCATEL FACTORY PART
                                                   ANV ITEM PART NUMBER + ICS BAR CODE                               NUMBER + SPACE + CS
                                              (format ALFA 39 (+ * start, stop); Module = 0,166; Ratio = 2)



                                          ACRONYM




                                                                                      SERIAL NUMBER BAR CODE
                                               SERIAL NUMBER               (format ALFA 39 (+ * start, stop); Module = 0,166; Ratio = 2)




                                                             Figure 9. Label specifying item on catalogue (P/N. and serial number)
1AA 00014 0004 (9007) A4 – ALICE 04.10




                                         ED        03

                                                                                                          3AL 91669 AA AA                  48 / 706


                                                                                                                       706
not permitted without written authorization from Alcatel.




                                                                                                     FREQUENCY        ACRONYM
  All rights reserved. Passing on and copying of this
  document, use and communication of its contents




                                                                                                      (Optional)


                                                                                                                                                         ANV ITEM PART NUMBER




                                                                                                             Figure 10. Item identification labels – item on catalog




                                                                                                                                              EQUIPMENT NAME




                                                                                                             Figure 11. Label identifying the equipment (example)
                                                  1AA 00014 0004 (9007) A4 – ALICE 04.10




                                                                                           ED   03

                                                                                                                                                  3AL 91669 AA AA               49 / 706


                                                                                                                                                                706
1AA 00014 0004 (9007) A4 – ALICE 04.10




                           ED
                           03
                                               equipment.
                                                                                                                                                               Figure 12. CE label




                                                                                                                                       Figure 13. WEEE label




706
         3AL 91669 AA AA
                                               Warning: CE and WEEE symbols can be in the same label or in different position of the




         50 / 706
                                                                                                                                                                                       All rights reserved. Passing on and copying of this
                                                                                                                                                                                       document, use and communication of its contents
                                                                                                                                                                                     not permitted without written authorization from Alcatel.
4 LIST OF ABBREVIATIONS

                                                                                            Table 13. List of Abbreviations
not permitted without written authorization from Alcatel.
  All rights reserved. Passing on and copying of this
  document, use and communication of its contents




                                                                                                        ABBREVIATION                                      MEANING

                                                                                            ABIL                              Enabling

                                                                                            ABN                               Abnormal

                                                                                            ADM                               Add/Drop Multiplexer

                                                                                            AIS                               Alarm indication Signal

                                                                                            ALS                               Automatic Laser Shutdown

                                                                                            APD                               Avalanche Photodiode

                                                                                            APS                               Automatic Protection Switching

                                                                                            AND                               Alarm on both station batteries

                                                                                            ANSI                              American National Standards International

                                                                                            ASIC                              Application Specific Integrated Circuit

                                                                                            ATM                               Asynchronous Transfer Module

                                                                                            ATTD                              Attended (alarm storing)

                                                                                            AU                                Administrative Unit

                                                                                            AUG                               Administrative Unit Group

                                                                                            AUOH                              AU Pointer

                                                                                            AUX                               Auxiliary

                                                                                            AU4                               Administrative unit – level 4

                                                                                            BATT                              Battery

                                                                                            BER                               Bit Error Rate

                                                                                            BIP                               Bit Interleaved Parity

                                                                                            BNC                               Bayonet Not Coupling

                                                                                            C                                 Storing command

                                                                                            CE                                European Conformity

                                                                                            CO                                Central Office

                                                                                            CPE                               Customer premises equipment
                                                  1AA 00014 0004 (9007) A4 – ALICE 04.10




                                                                                            CT                                Craft Terminal

                                                                                            CMI                               Code Mark Inversion



                                                                                           ED      03

                                                                                                                                                       3AL 91669 AA AA    51 / 706


                                                                                                                                                                  706
ABBREVIATION                              MEANING

                                          COAX                       Coaxial




                                                                                                                                            not permitted without written authorization from Alcatel.
                                          CPI                        Incoming parallel contacts




                                                                                                                                              All rights reserved. Passing on and copying of this
                                                                                                                                              document, use and communication of its contents
                                          CPO                        Outgoing parallel contacts

                                                                     Central Processing Unit (referred to Controller equipment unit
                                          CPU
                                                                     or Microprocessor)

                                          C12/C3/C4                  1st, 3rd and 4th level container

                                          DC                         Direct Current

                                          DCC                        Data Communication Channel

                                          DCE                        Data Circuit Terminating Equipment

                                          DCU                        Optical Compensation Device

                                          DPLL                       Digital Phase Locked Loop

                                          DTE                        Data Terminal Equipment

                                          EBU                        European Broadcasting Union

                                          EC                         Equipment Controller

                                          ECC                        Embedded Control Channel

                                          ECMA                       Standardizing information and communication system
                                                                     (Formerly ”European Computer Manufacturers Association”).

                                          ECT                        Equipment Craft Terminal

                                          EMC                        Electromagnetic compatibility

                                          EMI                        Electromagnetic interference

                                          EOW                        Engineering Order Wire

                                          EPS                        Equipment Protection Switching

                                          ESD                        Electrostatic discharges

                                          ETSI                       European Telecommunication Standards Institute

                                          E2PROM                     Electrically erasable programmable read only memory

                                          F                          Interface F (for Craft Terminal) or Fuse

                                          FEBE                       Far End Block Error

                                          FEPROM                     Flesh Electrically erasable programmable read only memory

                                          FERF                       Far End Receive Failure
1AA 00014 0004 (9007) A4 – ALICE 04.10




                                          FPGA                       Field Programmable Gate Array

                                          GA                         Gate Array


                                         ED      03

                                                                                            3AL 91669 AA AA                      52 / 706


                                                                                                         706
ABBREVIATION                               MEANING

                                                                                            GND                        Ground
not permitted without written authorization from Alcatel.




                                                                                            HDBK                       Handbook
  All rights reserved. Passing on and copying of this
  document, use and communication of its contents




                                                                                            HDB3                       High Density Bipolar Code

                                                                                            HIGHREFL                   High Optical reflections

                                                                                            HOA                        High Order Adaptation

                                                                                            HOI                        High Order Interface

                                                                                            HPC                        High order Path Connection

                                                                                            HPT                        Higher Order Path Termination

                                                                                            HPOM                       High order Path Overhead Monitoring

                                                                                            HSUT                       High order Supervisory Unequipped Termination

                                                                                            HW                         Hardware

                                                                                            ICS                        Item Change Status

                                                                                            ID                         Identification signals

                                                                                            IEC                        International Electrotechnical Committee

                                                                                            IEEE                       Institute of Electrical and Electronic Engineering

                                                                                            IN                         Input

                                                                                            IND                        Indicative alarm

                                                                                            INT                        Internal Local Alarms

                                                                                            IP                         Internet Protocol

                                                                                            ISO                        International Organism for standardization

                                                                                                                       International Telecommunication Union–Telecommunication
                                                                                            ITU–T (*)
                                                                                                                       Sector

                                                                                            JE1                        Joint Engineering

                                                                                            LAN                        Local Area Network

                                                                                            LDSSHUT                    Command for ALS

                                                                                            LED                        Light emitting diode

                                                                                            LOF                        Loss of alignment

                                                                                            LOI                        Low Order Interface

                                                                                            LOM                        Loss Of Multiframe
                                                  1AA 00014 0004 (9007) A4 – ALICE 04.10




                                                                                            LOP                        Loss Of Pointer



                                                                                           ED      03

                                                                                                                                                3AL 91669 AA AA                  53 / 706


                                                                                                                                                           706
ABBREVIATION                               MEANING

                                          LOS                        Loss of signal




                                                                                                                                          not permitted without written authorization from Alcatel.
                                          LPA                        Lower order path adaption




                                                                                                                                            All rights reserved. Passing on and copying of this
                                                                                                                                            document, use and communication of its contents
                                          LPC                        Lower order path connection

                                          LPOM                       Lower Order Path Monitoring

                                                                     Lower order path termination or Loopback equipment side
                                          LPT
                                                                     (local)

                                          LSUT                       Lower order Supervisory Unequipped Termination

                                          M                          Tagblock or Alarm storing

                                          MCF                        Message Communication Function

                                          MLM                        Multi Longitudinal mode

                                          MSA                        Multiplex section adaptation

                                          MSOH                       Multiplex Section Overhead

                                          MSP                        Multiplex section protection

                                          MST                        Multiplex section termination

                                          NRZ                        No return to zero

                                          NURG                       Not urgent alarm

                                          OH–BUS                     Dedicated housekeeping stream

                                          OMSN                       Optinex MultiService Node

                                          OOF                        Out Of Frame

                                          OR                         Logic sum/Loss of only one station battery

                                          OS                         Operating system

                                          OUT                        Output

                                          P/S                        Parallel/Serial converter

                                          PC                         Personal Computer

                                          PDH                        Plesiochronous Digital Hierarchy

                                          PFAIL                      Power supply failure

                                          PI                         Physical interface

                                          PJE                        Pointer Justification Event

                                          PPI                        Plesiochronous Physical interface
1AA 00014 0004 (9007) A4 – ALICE 04.10




                                          POH                        Path Overhead



                                         ED      03

                                                                                            3AL 91669 AA AA                    54 / 706


                                                                                                         706
ABBREVIATION                               MEANING

                                                                                            PMMF                       Physical Machine Management Function
not permitted without written authorization from Alcatel.




                                                                                            PPS                        Path Protection Switching
  All rights reserved. Passing on and copying of this
  document, use and communication of its contents




                                                                                            PRBS                       Pseudo Random Binary Signal

                                                                                            PR_EA                      Packet Ring Edge Aggregator

                                                                                            PWALM                      Power supply alarm

                                                                                            PWANDOR                    ANDOR/3 failure

                                                                                                                       TMN Interface with B2 protocol. Interface towards plesiochro-
                                                                                            Q2/QB2
                                                                                                                       nous equipment

                                                                                            Q3/QB3                     TMN Interface with B3 protocol. Interface towards TMN

                                                                                            R                          Reset command /General alarm

                                                                                            RAI                        Remote Alarm Indication

                                                                                            RECC                       Recommendation

                                                                                            RAM                        Random Access Memory

                                                                                            RDI                        Remote Defect Indication

                                                                                            REI                        Remote Error Indication

                                                                                            RCK                        Received clock

                                                                                            REF                        Reference

                                                                                            REL                        Release

                                                                                            RIBUS                      Remote Inventory BUS

                                                                                            RMS                        Root Mean Square

                                                                                                                       Not urgent Alarm command. Lights up the relative rack red
                                                                                            RNURG
                                                                                                                       LED

                                                                                            RSOH                       Regenerator Section Overhead

                                                                                            RST                        Regenerator Section Termination

                                                                                            RURG                       Urgent Alarm command. Lights up the relative rack red LED

                                                                                            Rx                         Reception

                                                                                            SC                         Shelf Controller

                                                                                            SDH                        Synchronous Digital Hierarchy

                                                                                            SETG                       Synchronous Equipment Timing Generation function
                                                  1AA 00014 0004 (9007) A4 – ALICE 04.10




                                                                                            SLM                        Single Longitudinal Mode

                                                                                            SM                         Single Mode/Synchronous Mux


                                                                                           ED      03

                                                                                                                                            3AL 91669 AA AA                        55 / 706


                                                                                                                                                         706
ABBREVIATION                                       MEANING

                                          SNCP/I (** )                      Subnetwork Connection Protection Inherent




                                                                                                                                                      not permitted without written authorization from Alcatel.
                                          SOH                               Section Overhead




                                                                                                                                                        All rights reserved. Passing on and copying of this
                                                                                                                                                        document, use and communication of its contents
                                          S/P                               Serial/Parallel Converter

                                          SPI                               Synchronous Physical Interface

                                          SSF                               Server Signal Fail

                                          SQ                                Squelch

                                          STM–0/STM–1                       Synchronous Transport Module, levels 0 etc.

                                          SW                                Software

                                          TANC                              Remote alarm due to failure of all power supply units

                                          TD                                Layout drawing

                                          TIM                               Trace Identifier Mismatch

                                          TMN                               Telecommunication Management Network

                                          TOR                               Remote alarm indicating loss of one of the station batteries

                                          TORC                              Remote alarm due to a faulty/missing power supply unit

                                          TSD                               Trail Signal Degrade

                                          TSF                               Trail Signal Fail

                                          TTF                               Transport Terminal Function

                                          TUG2/3                            Tributary unit group, level 2,3

                                          TUOH                              Tributary Unit Overhead

                                          TUP/UP                            Equipment Controller remote alarm

                                          TU12/TU3                          Tributary unit level 12, 3

                                          TX                                Transmission

                                          URG                               Urgent

                                          VCXO/VCO                          Voltage controlled oscillator

                                          VC12/VC3/VC4                      Virtual Container, levels 12,3,4

                                          VMMF                              Virtual Machine Management Function

                                          WAN                               Wide Access Network

                                          NOTES –
                                          (*) Owing to change of name all documents issued by the two ITU committees (CCIR ND
                                                                 name,
1AA 00014 0004 (9007) A4 – ALICE 04.10




                                          CCITT) in 1992 (and in some cases even before then) are classified as ITU–R and ITU–T,
                                          respectively
                                          respectively.
                                           (**) Substitutes PPS


                                         ED      03

                                                                                                   3AL 91669 AA AA                         56 / 706


                                                                                                               706
5 GENERAL ON ALCATEL CUSTOMER DOCUMENTATION

                                                                                            5.1 Products, product-releases, versions and Customer Documentation
not permitted without written authorization from Alcatel.
  All rights reserved. Passing on and copying of this
  document, use and communication of its contents




                                                                                            A ”product” is defined by the network hierarchical level where it can be inserted and by the whole of
                                                                                            performance and services for which it is meant.
                                                                                            A ”product” evolves through successive ”product-releases” which are the real products marketed for
                                                                                            their delivery at a certain ”product-release” availability date.

                                                                                            So, a ”product–release” defines a set of hardware components and a software package which, as a whole,
                                                                                            identify the possible network applications and the equipment performance which the specific
                                                                                            ”product-release” has been designed, engineered and marketed for.

                                                                                            In some cases a ”product-release” has further development steps, named ”versions”, that are born to
                                                                                            improve or add some performance (mainly software) with respect to the previous version, or for bug fixing
                                                                                            purposes.

                                                                                            A ”product-release” has its own standard Customer Documentation, composed by one or more
                                                                                            handbooks.

                                                                                            A new ”version” of a ”product-release” may or may not produce a change in the status of the Customer
                                                                                            Documentation set, as described in para. 5.4 on page 58.


                                                                                            5.2 Handbook supply to Customers

                                                                                            Handbooks are not automatically delivered together with the equipment they refer to.
                                                                                            The number of handbooks per type to be supplied must be decided at contract level.


                                                                                            5.3 Aims of standard Customer Documentation

                                                                                            Standard Customer Documentation, referred to hereafter, must be always meant as plant-independent.
                                                                                            Plant-dependent documentation, if envisaged by the contract, is subjected to commercial criteria as far
                                                                                            as contents, formats and supply conditions are concerned (plant-dependent documentation is not
                                                                                            described here).

                                                                                            Standard hardware and software documentation is meant to give the Customer personnel the possibility
                                                                                            and the information necessary for installing, commissioning, operating and maintaining the equipment
                                                                                            according to Alcatel–Telecom Laboratory design choices.
                                                                                            In particular: the contents of the handbooks associated to the software applications focus on the
                                                                                            explanation of the man-machine interface and of the operating procedures allowed by it; maintenance is
                                                                                            described down to faulty PCB location and replacement.

                                                                                            Consequently, no supply to the Customers of design documentation (like PCB hardware design and
                                                                                            production documents and files, software source programs, programming tools, etc.) is envisaged.

                                                                                            The handbooks concerning hardware (usually the ”Technical Handbook”) and software (usually the
                                                                                            ”Operator’s Handbook”) are kept separate in that any product changes do not necessarily concern their
                                                                                            contents.
                                                                                                 For example, only the Technical Handbook might be revised because of hardware configuration
                                                                                                 changes (e.g., replacing a unit with one having different P/N but the same function).
                                                  1AA 00014 0004 (9007) A4 – ALICE 04.10




                                                                                                 On the other hand, the Operator’s Handbook is updated because of a new software version but which
                                                                                                 does not concern the Technical Handbook as long as it does not imply hardware modifications.
                                                                                                 However, both types of handbooks can be updated to improve contents, correct mistakes, etc..


                                                                                           ED      03

                                                                                                                                                          3AL 91669 AA AA                        57 / 706


                                                                                                                                                                        706
5.4 Handbook Updating

                                          The handbooks associated to the ”product–release” are listed in para.1.3 on page 18.




                                                                                                                                                              not permitted without written authorization from Alcatel.
                                          Each handbook is identified by:




                                                                                                                                                                All rights reserved. Passing on and copying of this
                                                                                                                                                                document, use and communication of its contents
                                          –   the name of the ”product-release” (and ”version” when the handbook is applicable to the versions
                                              starting from it, but not to the previous ones),
                                          –   the handbook name,
                                          –   the handbook P/N,
                                          –   the handbook edition (usually first edition=01),
                                          –   the handbook issue date. The date on the handbook does not refer to the date of print but to the date
                                              on which the handbook source file has been completed and released for the production.


                                          5.4.1 Changes introduced in the same product-release (same handbook P/N)

                                          The edition and date of issue might change on future handbook versions for the following reasons:

                                          –    only the date changes (pointed out in the Table of Contents) when modifications are made to the
                                               editorial system not changing the technical contents of the handbook.

                                          –    the edition, hence the date, is changed because modifications made concern technical contents. In
                                               this case:

                                               •        the chapters modified with respect to the previous edition are listed in Table 10. on page 25.;
                                               •        in affected chapters, revision bars on the left of the page indicate modifications in text and
                                                        drawings.

                                          Changes concerning the technical contents of the handbook cause the edition number increase (e.g. from
                                          Ed.01 to Ed.02). Slight changes (e.g. for corrections) maintain the same edition but with the addition of
                                          a version character (e.g. from Ed.02 to Ed.02A). Version character can be used for draft or proposal
                                          editions.

                                                        NOTES FOR HANDBOOKS RELEVANT TO SOFTWARE APPLICATIONS


                                                        Handbooks relevant to software applications (typically the Operator’s Handbooks) are not
                                                        modified unless the new software ”version” distributed to Customers implies man–machine
                                                        interface changes or in case of slight modifications not affecting the understanding of the
                                                        explained procedures.

                                                        Moreover, should the screen prints included in the handbook contain the product-release’s
                                                        ”version” marking, they are not replaced in the handbooks related to a subsequent version, if
                                                        the screen contents are unchanged.

                                          5.4.1.1 Supplying updated handbooks to Customers

                                          Supplying updated handbooks to Customers who have already received previous issues is submitted to
                                          commercial criteria.
                                          By updated handbook delivery it is meant the supply of a complete copy of the handbook new issue
                                          (supplying errata–corrige sheets is not envisaged).
1AA 00014 0004 (9007) A4 – ALICE 04.10




                                          5.4.2 Changes due to new product version

                                          A new product version changes the handbook P/N and the edition starts from 01.
                                          In this case the modified parts of the handbook are not listed.

                                         ED        03

                                                                                                            3AL 91669 AA AA                        58 / 706


                                                                                                                         706
5.5 Customer documentation on CD–ROM

                                                                                            In the following by ’CD–ROM’ it is meant ’Customer Documentation on CD–ROM’
not permitted without written authorization from Alcatel.
  All rights reserved. Passing on and copying of this
  document, use and communication of its contents




                                                                                            5.5.1 Contents, creation and production of a CD–ROM

                                                                                            In most cases, a CD–ROM contains in read–only eletronic format the documentation of one
                                                                                            product–release(–version) and for a certain language.
                                                                                            In some other cases, the same CD–ROM can contain the documentation of different
                                                                                            product–release(–version)s for a certain language.

                                                                                            As a general rule:

                                                                                            –    CD–ROMs for Network Management products do not contain:

                                                                                                 •        the Installation Guides

                                                                                                 •        the documentation of system optional features that Customers could not buy from Alcatel
                                                                                                          together with the main applicative SW.

                                                                                            –    CD–ROMs for Network Elements products do not contain:

                                                                                                 •        the documentation of system optional features (e.g. System Installation Handbooks related to
                                                                                                          racks that Customers could not buy from Alcatel together with the main equipment).

                                                                                            A CD–ROM is obtained collecting various handbooks and documents in .pdf format. Bookmarks and
                                                                                            hyperlinks make the navigation easier. No additional information is added to each handbook, so that the
                                                                                            documentation present in the CD–ROMs is exactly the same the Customer would receive on paper.

                                                                                            The files processed in this way are added to files/images for managing purpose and a master CD–ROM
                                                                                            is recorded.

                                                                                            Suitable checks are made in order to have a virus–free product.

                                                                                            After a complete functional check, the CD–ROM image is electronically transferred to the archive of the
                                                                                            Production Department, so that the CD–ROM can be produced and delivered to Customers.
                                                  1AA 00014 0004 (9007) A4 – ALICE 04.10




                                                                                           ED        03

                                                                                                                                                            3AL 91669 AA AA                       59 / 706


                                                                                                                                                                         706
5.5.2 Use of the CD–ROM

                                          The CD–ROM can be used both in PC and Unix WS environments.

                                          The CD–ROM starts automatically with autorun and hyperlinks from the opened “Index” document permit




                                                                                                                                                              not permitted without written authorization from Alcatel.
                                                                                                                                                                All rights reserved. Passing on and copying of this
                                                                                                                                                                document, use and communication of its contents
                                          to visualize the .pdf handbooks
                                          Other hyperlinks permit to get, from the Technical handbooks, the specific .pdf setting documents.

                                          In order to open the .pdf documents Adobe Acrobat Reader Version 4.0 (minimum) must have been
                                          installed on the platform.
                                          The CD–ROM doesn’t contain the Adobe Acrobat Reader program. The Customer is in charge of getting
                                          and installing it.
                                          ReadMe info is present on the CD–ROM to this purpose.

                                          Then the Customer is allowed to read the handbooks on the PC/WS screen, using the navigation and
                                          zooming tools included in the tool, and to print selected parts of the documentation through a local printer.


                                          5.5.3 CD–ROM identification

                                          Each CD–ROM is identified:

                                               1)     by the following external identifiers, that are printed on the CD–ROM upper surface:
                                                      –    the name of the ”product–release(s)” (and ”version” if applicable)
                                                      –    a writing indicating the language(s),
                                                      –    the CD–ROM P/N (Factory P/N and ANV P/N),
                                                      –    the CD–ROM edition (usually first edition=01)

                                               2)     and, internally, by the list of the source handbooks and documents (P/Ns and editions) by whose
                                                      collection and processing the CD–ROM itself has been created.


                                          5.5.4 CD–ROM updating

                                          The list of source handbook/document P/Ns–editions indicated in previous para. 5.5.3 point 2 ) , in
                                          association with the CD–ROM’s own P/N–edition, is also loaded in the Alcatel–Information–System as a
                                          structured list.
                                          Whenever a new edition of any of such handbooks/documents is released in the Alcatel archive system,
                                          a check in the Alcatel–Information–System is made to identify the list of CD–ROMs that must be updated
                                          to include the new editions of these handbooks/documents.
                                          This causes the planning and creation of a new edition of the CD–ROM.
                                          Updating of CD–ROMs always follows, with a certain delay, the updating of the single handbooks
                                          composing the collection.
1AA 00014 0004 (9007) A4 – ALICE 04.10




                                         ED      03

                                                                                                          3AL 91669 AA AA                          60 / 706


                                                                                                                        706
All rights reserved. Passing on and copying of this
                                                                document, use and communication of its contents
                                                              not permitted without written authorization from Alcatel.
      1AA 00014 0004 (9007) A4 – ALICE 04.10




                           ED
                           03




706
         3AL 91669 AA AA
                                               DESCRIPTIONS




         61 / 706
1AA 00014 0004 (9007) A4 – ALICE 04.10




                           ED
                           03




706
         3AL 91669 AA AA
         62 / 706
                                                 All rights reserved. Passing on and copying of this
                                                 document, use and communication of its contents
                                               not permitted without written authorization from Alcatel.
1 GENERAL

                                                                                            1.1 Introduction to the equipment
not permitted without written authorization from Alcatel.
  All rights reserved. Passing on and copying of this
  document, use and communication of its contents




                                                                                            The Alcatel 1660SM is a synchronous Optical Multi Service Node (OMSN); it complies with the
                                                                                            Synchronous Digital Hierarchy (SDH) defined in ITU–T Recommendation G.707.

                                                                                            The integration of SDH and WDM technology represents the chance to enhance the network capacity with
                                                                                            no impact on the starting physical means (i.e. fibers): the presence of a wavelength grid allows the user to
                                                                                            multiply the capacity with limited costs, if compared to the cable laying; on the other side the SDH network
                                                                                            (specifically configured with OMSN’s equipment) represents the most flexible and reliable way to handle
                                                                                            different types of clients, both TDM and data.
                                                                                            The availability of Coarse WDM technology in the 1660SM matches a second driver for network
                                                                                            integration, i.e. ’cost reduction’.
                                                                                            CWDM optical devices represent a cost effective solution, if compared to the Dense WDM technology and
                                                                                            fit most of the network scenarios in area ’metro’(refer to Figure 14. on page 67).
                                                                                            1660SM, makes available up to 8 channels for traffic transport according the ITU –T G.694.2 wavelength
                                                                                            grid: 1470 – 1490 – 1510 – 1530 – 1550 – 1570 – 1590 – 1610 nm.
                                                                                            The 1660SM with CWDM technology fulfits both ’ring’ and ’linear’ applications (refer to paragraph 1.2.3
                                                                                            on page 75 and paragraph 1.2.4 on page 79).

                                                                                            Compatible with existing plesiochronous systems as well as with the installed SDH networks, the 1660SM
                                                                                            is a transmission equipment operating at 155 (STM–1), 622(STM–4), 2488(STM–16) and 9953 (STM–64)
                                                                                            Mbit/s bit rates.

                                                                                            It can be configured as a Multiple Line Terminal Multiplexers or as a Multiple Add/Drop Multiplexers
                                                                                            or mini cross connect for applications in linear links, network rings and meshed networks.

                                                                                            A wide range of ports can be added/dropped/connected by the equipment according to the traffic type to be
                                                                                            managed:

                                                                                            –    2.048 Mbit/s signal (with asynchronous mapping)
                                                                                                 Processing of unstructured and structured (ISDN–PRA) 2Mb/s signal.

                                                                                            –    34/45 Mbit/s

                                                                                            –    STM–1 Electrical/Optical

                                                                                            –    STM–4 Optical Signal

                                                                                            –    STM–16 Optical Signal

                                                                                            –    STM–64 Optical Signal

                                                                                            –    OC3 Electrical/Optical

                                                                                            –    A mixing of SDH and Data Services is possible by inserting the 4xANY board in the 1660SM
                                                                                                 subrack.
                                                                                                 It allows to multiplex in the time domain up to 4 client signals into one single 2.5Gb/s optical channel
                                                                                                 (server signal). Server STM–16 signal is connected to SDH matrix through 1660SM backpanel.
                                                                                                 Multiplexing scheme delivers a fully compliant SDH frame. The signal can hence be directly
                                                                                                 connected to a SDH ADM/DXC without requiring prior de–concentration.

                                                                                                 The clients signals can be independently handled among the following types:
                                                  1AA 00014 0004 (9007) A4 – ALICE 04.10




                                                                                                 •        Fast Ethernet
                                                                                                 •        FDDI (125Mbps)


                                                                                           ED        03

                                                                                                                                                            3AL 91669 AA AA                          63 / 706


                                                                                                                                                                          706
•        ESCON (200Mbps)
                                              •        Digital Video (270Mbps)
                                              •        Fiber Channel (1.0625Gbps)
                                              •        FICON (1.0625Gbps)




                                                                                                                                                                not permitted without written authorization from Alcatel.
                                              •        Gigabit Ethernet (1.25Gbps)




                                                                                                                                                                  All rights reserved. Passing on and copying of this
                                                                                                                                                                  document, use and communication of its contents
                                          –   ISA (Integrated Service Adapter)

                                              Alcatel’s Integrated Service Adapter (ISA) series of plug–in cards are specially designed to enhance
                                              the optical transport network by adding data–aware features that are easy to introduce, allowing
                                              carriers to efficiently and cost–effectively aggregate, switch and transport the expanding amount of
                                              data services in their metropolitan network.
                                              1660SM equipped with ISA plug–in cards give telecom operators a new generation modular platform
                                              for multi–service SDH transport and further strengthen Alcatel’s leading position in the supply of
                                              optical multi–technology transmission networks.
                                              The ISA system is modular and the plug–ins can be chosen according to the specific application the
                                              1660SM needs to manage; the following ISA boards are available:

                                              •        ISA–ATM (Asynchronous Transfer Module); the ATM cells, mapped into SDH G707 payloads
                                                       (VC4, VC4–C, VC3, VC12) or PDH G704/G832/G804 frames (E1, E3), can be processed,
                                                       routed and switched, using the dedicated unit.
                                                       Such functionalities are particularly useful in urban and local access ring to consolidate data
                                                       traffic from different users onto the same SDH Virtual Containers, thereby optimizing the
                                                       utilization of transmission bandwidth (see Figure 15. on page 68).

                                              •        ISA–PR_EA (Packet Ring Edge Aggregator) also called MPLS (Multi Protocol Label
                                                       Switching); the packets data services of level 3 of the protocol stack, transported over Ethernet,
                                                       are routed into the SDH network by means of MPLS labels.
                                                       Topology can be either meshed or ring networks. It is expecially made as interface aggregator.

                                              •        ISA–PR (Packet Ring); the packets data services of level 3 of the protocol stack, transported
                                                       over Ethernet, are routed into the SDH network by means of MPLS labels.
                                                       PR is for ring network topology, with dedicated data protector scheme.
                                                       The role of PR functionality is to provide a shared carrier–class Ethernet Packet Ring either
                                                       embedded physically into the SDH infrastructure, in which case the embedded Packet Ring is
                                                       provided in a flexible manner over SDH Virtual Containers (VC–4–Xv), or alternatively the PR
                                                       can be connected directly to independent fibers to create a Packet Ring over single or dual
                                                       STM4.
                                                       PR Deployment Scenario is presented on Figure 16. on page 69.

                                              •        ISA–Ethernet: the ethernet MAC frames are accessed at 10/100BaseT format, and then
                                                       mapped into SDH G707 payloads (VC4, VC3, VC12); they can be transparently linked,
                                                       point–to–point, in the SDH network to allow LAN to LAN connections as depicted in the
                                                       example of Figure 17. on page 70.
                                                       If the customer has N sites to be interconnected, each Customer Box uses N–1 Point to Point
                                                       Ethernet interfaces.
                                                       Ethernet frames are mapped over a SDH VC using Generic Framing Procedure encapsulation.
                                                       As SDH Network is transparent, the customer Boxes see them as directly connected in a mesh.

                                              •        ISA–Gbit/s Ethernet: the ethernet signals are accessed at 1.25Gb/s over optical fiber medium,
                                                       and then mapped into SDH G707 payloads VC4; they can be transparently linked,
                                                       point–to–point, in the SDH network to allow LAN to LAN connections as depicted in the
1AA 00014 0004 (9007) A4 – ALICE 04.10




                                                       example of Figure 17. on page 70
                                                       If the customer has N sites to be interconnected, each Customer Box uses N–1 Point to Point
                                                       Ethernet interfaces.


                                         ED       03

                                                                                                            3AL 91669 AA AA                          64 / 706


                                                                                                                          706
Ethernet frames are mapped over a SDH VC using Generic Framing Procedure encapsulation.
                                                                                                          As SDH Network is transparent, the customer Boxes see them as directly connected in a mesh.

                                                                                                 •        ISA–ES (Ethernet Switching).
not permitted without written authorization from Alcatel.
  All rights reserved. Passing on and copying of this
  document, use and communication of its contents




                                                                                                          ISA–ES series modules provide ETH 10/100/1000 interfaces connectivity for LAN based clients
                                                                                                          premises inside the metro area.
                                                                                                          Beyond mapping ETH flows onto the SDH metro network by means of standard mechanisms
                                                                                                          (as specified in ITU G.7071, ITU G.7042 and ITU G.707) the ISA–ES series cards introduce wire
                                                                                                          speed classifying, policing and scheduling capability empowered by carrier class Ethernet
                                                                                                          switching engine.
                                                                                                          Per customer traffic flow management with low bandwidth granularity, segregation and QoS are
                                                                                                          just few of the value added arguments that these series of modules offer to the carrier operators
                                                                                                          at a competitive price.

                                                                                            When 1660SM is used as Add/Drop Multiplexer, mixed STM–N ports can be used in the same
                                                                                            configuration thus allowing to manage in the same equipment and at the same time STM–1 , STM–4,
                                                                                            STM–16 and STM–64 rings (multiring).

                                                                                            A large variety of STM–N optical plug–in modules operating at 1300 nm and 1550 nm is available to cover
                                                                                            short and long haul systems. Dedicated optical interfaces are also available to inter–work with boosters
                                                                                            and optical pre–amplifiers at all STM–N levels.

                                                                                            1660SM also features “coloured” STM–16 interfaces for direct interworking with WDM equipment without
                                                                                            intermediate wavelength adapters.

                                                                                            All the electrical units (traffic ports) and the common units can be optionally EPS protected with different
                                                                                            modularity (1+1; 1+N with 1 v N v15 as far as regards the traffic ports ):

                                                                                            –    The EPS protection of the High Speed electrical traffic units ( 34 Mbit/s, 45 Mbit/s and155 Mbit/s) is
                                                                                                 implemented using a dedicated access module.

                                                                                            –    The EPS protection of the ATM/PR_EA units is implemented.

                                                                                            –    The EPS protection of the ISA–ES16 units is implemented.

                                                                                            According to the network topology, network protection mechanisms are provided:

                                                                                            –    Single ended and dual ended MSP (Multiplex Section Protection) can be implemented at any STM–N
                                                                                                 level.

                                                                                            –    MS–SPRing (Multiple Section Shared Protection Ring) on two fibers bidirectional rings can be
                                                                                                 implemented at STM–16 level.

                                                                                            A centralized matrix implements the cross–connect function and can be protected in 1+1 EPS scheme.
                                                                                            The maximum matrix cross connection capability can be 256x256 STM–1 equivalent port at VC–12 /
                                                                                            VC–3 level + 384x384 equivalent port at VC–4 level.

                                                                                            A wide auxiliary capacity, in accordance with SDH standards, is available for embedded services. An
                                                                                            Engineering Order Wire channel, with DTMF signalling, can be accessed by a microtelephone for
                                                                                            maintenance facility.

                                                                                            The clock reference function, housed in the centralized unit (MATRIX), synchronizes the 1660SM and
                                                                                            provides generation and distribution of a synchronism clock. The distributed clock can be locked to an
                                                  1AA 00014 0004 (9007) A4 – ALICE 04.10




                                                                                            external 2MHz or 2Mbit/s source, to any STM–N or 2Mbit/s tributary signal.
                                                                                            The SSM (Synchronization Status Message) and priority algorithms are supported.




                                                                                           ED        03

                                                                                                                                                               3AL 91669 AA AA                         65 / 706


                                                                                                                                                                             706
The Equipment Controller function provides unit configuration and collects unit alarms, statuses and
                                          performance monitoring data. A Local software download facility is available in order to update the
                                          complete software of the control subsystem.




                                                                                                                                                             not permitted without written authorization from Alcatel.
                                          Traffic ports have no on–board processor and may be reused from one equipment to another or retrieve




                                                                                                                                                               All rights reserved. Passing on and copying of this
                                                                                                                                                               document, use and communication of its contents
                                          from stocks with no worries about software version.

                                          The system can be managed either by a Personal Computer through the F interface or by a Network
                                          Management System through the Q interface.

                                          Moreover, the 1660SM can work as a Mediation Device for Alcatel NE accessible through Q2/RQ2
                                          interface. In this way, it can be possible to transport information about alarms and configurations of PDH
                                          and/or Access Systems to/from a centralized TMN using the standard SDH DCC network.

                                          A DC/DC converter, located on each board, guarantees the powering of the system. The distribution
                                          of Power Supplies inherently guarantees protection.

                                          Other functionalities :

                                               •        Bidirectional Transmission
                                                        For the Optinex 1660SM optical interface a bidirectional transmission on single fiber function
                                                        is implemented, using an external passive optical coupler.

                                               •        Remote Equipment Control
                                                        This function allows a centralized management system for small SDH networks, similar to that
                                                        offered by an OS.
                                                        That means that it is possible to perform management functionalities , from one of the NEs of
                                                        the network, toward the other NEs (up to 31), like configuration modification and remote
                                                        control.

                                               •        Dual OS
                                                        O.S. Spare is foreseen to protect the Main one.
1AA 00014 0004 (9007) A4 – ALICE 04.10




                                         ED        03

                                                                                                           3AL 91669 AA AA                        66 / 706


                                                                                                                         706
not permitted without written authorization from Alcatel.
  All rights reserved. Passing on and copying of this
  document, use and communication of its contents




                                                                                                                        Link: up
                                                                                                                        to 100 Km




                                                                                                                                                                                                   Metro Access Ring
                                                                                                           PACKET
                                                                                                          VC–4/3/12




                                                                                            Core
                                                                                                   CWDM




                                                                                                                      CWDM




                                                                                            OMSN                                    Metro G
                                                                                                                                    OMSN               2.5/nx2.5G CWDM
                                                                                                                                                            network                   Metro              VC–4/3/12
                                                                                                                                    CWDM                                              OMSN                PACKET
                                                                                                2.5/nx2.5G CWDM
                                                                                                                      VC–4/3/12




                                                                                                                                                                                        PACKET
                                                                                                                                                                                       VC–4/3/12
                                                                                                network



                                                                                                                                                                               CWDM
                                                                                                         Metro Core    PACKET
                                                                                                         Ring/Mesh                                       Metro Edge                                  SDH@STM–16
                                                                                                                        CWDM                          Ring (up to 100–X Km)
                                                                                                         1–N x STM–16


                                                                                                          E1/DS1                                        1–N x STM–16
                                                                                                E3/DS3
                                                                                            10/100/GbE


                                                                                                                                                                                                              E1/DS1

                                                                                                                                                                                                                 E3/DS3
                                                                                                                                                    STM–n/10GbE                                                        10/100/GbE

                                                                                                                                           E1/DS1
                                                                                                                                                                                                                       STM–n/10GbE
                                                                                                                                     E3/DS3
                                                                                                                                    E/FE
                                                  1AA 00014 0004 (9007) A4 – ALICE 04.10




                                                                                                                      Figure 14. Example of SDH/DATA/CWDM integration in “metro area”




                                                                                           ED      03

                                                                                                                                                                              3AL 91669 AA AA                                   67 / 706


                                                                                                                                                                                                   706
1AA 00014 0004 (9007) A4 – ALICE 04.10




                           ED
                                                                                                                                                        SDH Interfaces:
                                                                                           1640FOX                                                        TDM
                                                                                                                                                          ATM
                                                                                                                                                          PR_EA




                           03
                                                                                                                                                                                                1660SM
                                                                                                                                                        PDH Interfaces:
                                                                                                                                                          TDM
                                                                                                                                                          ATM




                                                                                                           ÌÑ
                                                                                                           ÑÑ
                                                                                                           ÑÑ
                                                                                                                                                          PR_EA
                                                                                                                                                        Ethernet:




                                                                                                         ÌÌÌÌ
                                                                                                         ÌÌÌÌ
                                                                                                         ÌÌÑÌ
                                                                                                                          1650SMC                         10/100 Base T
                                                                                                                                    Consolidated
                                                                                                                                     bandwidth            Full Duplex
                                                                                                                                                          1000 BASE –LX
                                                                                                                                                          1000 BASE –SX




                                                                                                                            ÓÔÑ
                                                                                                                              ÑÑ
                                                                                                                            ÓÔ
                                                                                                                            ÓÓ
                                                                                                                                                                       Ó
                                                                                                                                                   SDH Network




                                                                                                                          ÌÌÌ
                                                                                                                          ÌÌÌ Ô
                                                                                                                          ÌÌÌ Ó
                                                                                                                          ÌÌÌ Ó Ñ
                                                                                                                                                                     ÑÑ
                                                                                                                                                                     ÑÓ
                                                                                                                                                                     ÑÓ




                                                                                               ÓÔ
                                                                                               ÌÔ
                                                                                               ÌÔ
                                                                                                                                                                                                ÌÌÌÌ
                                                                                                                                                                                                ÌÌÌÌ
                                                                                                                                                                                                ÌÌÌÌ
                                                                                                                                                                                                ÌÌÌÌ




                                                                                             ÌÌÓÌ
                                                                                             ÌÌÓÌ
                                                                                             ÌÌÌÌ
                                                                                             ÌÌÌÌ
                                                                                                                                                                  ÌÌÌÌ Ñ
                                                                                                                                                                  ÌÌÌÌ Ñ
                                                                                                                                                                  ÌÌÌÌ

                                                                                                                                                                    1650SMC
                                                                                        1640FOX                                                                                                                                 1640FOX


                                                                                                     Bandwidth control:
                                                                                                     – ATMM QoS


                                                                                                                                       ATM
                                                                                                                                      Switch




                                       Figure 15. Example of ATM Transport management
                                                                                                                                                                                    Traffic engineering:




706
         3AL 91669 AA AA
                                                                                                                                                                                    MPLS Routing
                                                                                                                                                                                    ATM switching
                                                                                                                                                   ÌÌÌÌ
                                                                                                                                                   ÌÌÌÌ
                                                                                                                                                   ÌÌÌÌ



                                                                                                                                     1640FOX




         68 / 706
                                                                                                                                                                      All rights reserved. Passing on and copying of this
                                                                                                                                                                      document, use and communication of its contents
                                                                                                                                                                    not permitted without written authorization from Alcatel.
not permitted without written authorization from Alcatel.
  All rights reserved. Passing on and copying of this
  document, use and communication of its contents




                                                                                                Legend :

                                                                                                       1660SM with ISA –PR
                                                                                                                       –


                                                                                                                                                                                                Ethernet/IP
                                                                                                       Customer Switch/Router
                                                                                                                                                                                                   Core
                                                                                                                                   Hand –off of aggregated packet                                   L3 Router
                                                                                                                                       traffic to core network




                                                                                                             1640FOX                                                         GbE




                                                                                                                                 Overlay MPLS Packet Ring
                                                                                                                                   created over VC –4–Xv
                                                                                                                                                                          STM16 SDH Ring
                                                                                                                                         Bandwidth




                                                                                                           1650         Fe or
                                                                                                                        GbE
                                                                                                                                                                                                                1640FOX




                                                                                                                                             ISA –PR does not have to
                                                                                                                             1640FOX           be installed in all ring
                                                                                                                                                                                   End –to–end Metro
                                                                                                                                                        nodes
                                                                                                                                                                                Ethernet Service created
                                                                                                                                                                                     with QoS/SLA
                                                  1AA 00014 0004 (9007) A4 – ALICE 04.10




                                                                                                                                Figure 16. ISA–PR Deployment Scenario




                                                                                           ED     03

                                                                                                                                                                            3AL 91669 AA AA                               69 / 706


                                                                                                                                                                                              706
1AA 00014 0004 (9007) A4 – ALICE 04.10




                           ED
                           03
                                                                                                       Ethernet frames
                                                                                                     are mapped in SDH
                                                                                                     VC–12. VC–3, VC–4             Site to Site Traffic is
                                                                                                                                  mapped on a dedicated
                                                                                                                                      SDH VC




                                                                                                                            SDH RING NETWORK




                                Figure 17. Ethernet service application




706
                                                                          Legenda:




         3AL 91669 AA AA
                                                                                                               SDH level
                                                                                                                                              The LAN to LAN
                                                                              Customer box:
                                                                                                               protection                     board is present
                                                                              either LAN Switch or Router
                                                                                                                                                only at each
                                                                                                                                              terminating node
                                                                                1660SM
                                                                                with LAN to LAN board




         70 / 706
                                                                                                                                          All rights reserved. Passing on and copying of this
                                                                                                                                          document, use and communication of its contents
                                                                                                                                        not permitted without written authorization from Alcatel.
1.2 Insertion of the equipment into the network

                                                                                            The 1660SM equipment belongs to the Alcatel Optinex family product, compliant with the SDH
                                                                                            Synchronous Digital Hierarchy defined by the ITU–T Recs.
not permitted without written authorization from Alcatel.




                                                                                            The equipment 1660SM can be utilized in local, regional and metropolitan networks configured for
  All rights reserved. Passing on and copying of this
  document, use and communication of its contents




                                                                                            standard plesiochronous or synchronous systems.
                                                                                            The product can be suitably employed on linear, ring and hub networks and on protected or unprotected
                                                                                            line links.

                                                                                            The equipment applications depends on the different types of networks available.


                                                                                            1.2.1 Configuration

                                                                                                 •        Terminal multiplexer (see Figure 18. ).
                                                                                                          The NE is provided with an STM–N (with N=1÷64 ) a station interface (eventually stand–by too)
                                                                                                          to be connected to a Digital Electronic Cross–Connect or to a higher hierarchical line system.


                                                                                                                                                                                   SDH PORT

                                                                                                      PDH PORTS                                 NE
                                                                                                                                                                                   SDH PORT
                                                                                                                                                                                   (SPARE)


                                                                                                                                    Figure 18. Terminal multiplexer


                                                                                                 •        Add/Drop Multiplexer ( see Figure 19. )
                                                                                                          The NE can be programmed to drop (insert) signals from (into) the STM–N (with N=1÷64 )
                                                                                                          stream.
                                                                                                          Part of the signal pass–through between the line sides, defined A and B in Figure 19. on page
                                                                                                          71.

                                                                                                               SDH PORT                                                 SDH PORT
                                                                                                Side A                                         NE                                       Side B
                                                                                                               SDH PORT                                                 SDH PORT
                                                                                                               (SPARE)                                                  (SPARE)



                                                                                                                                         SDH, PDH PORTS


                                                                                                                                   Figure 19. Add/Drop Multiplexer
                                                  1AA 00014 0004 (9007) A4 – ALICE 04.10




                                                                                           ED        03

                                                                                                                                                             3AL 91669 AA AA                        71 / 706


                                                                                                                                                                           706
•        ”HUB” STM–N (see Figure 20. )
                                                       The NE permits to drop/insert STM–N tributaries into a multiple stream and then branch them
                                                       off in HUB structures.




                                                                                                                                                         not permitted without written authorization from Alcatel.
                                                                                                                                                           All rights reserved. Passing on and copying of this
                                                                                                                                                           document, use and communication of its contents
                                                               SDH PORT                                                SDH PORT
                                                                                               NE
                                                               SDH PORT                                                SDH PORT
                                                               (SPARE)                                                 (SPARE)




                                                                                           SDH PORT


                                                                                   Figure 20. ”HUB” STM–1


                                              •        Mixed Configuration

                                                       The NE can handle in the same node all the previously configuration thus performing a mixed
                                                       configuration.


                                          1.2.2 Application

                                          For each of the above configurations different network topologies may be used. The most important
                                          network topologies are:

                                                            Point to Point

                                                            Linear

                                                            Ring and multiring topology

                                                            Meshed topology



                                              •        Point–to–point link (see Figure 21. )
                                                       In this case the NE can be connected to another multiplexer through the line




                                                                             SDH PORT                  SDH PORT

                                           PDH PORTS                    NE                                          NE                PDH PORTS

                                                                             SDH PORT                  SDH PORT
                                                                              SPARE                     SPARE



                                                                                Figure 21. Point–to–point links
1AA 00014 0004 (9007) A4 – ALICE 04.10




                                         ED       03

                                                                                                         3AL 91669 AA AA                      72 / 706


                                                                                                                       706
•        Linear Drop–insert (see Figure 22. )
                                                                                                           The NE can be programmed to drop (insert) PDH and SDH ports from (into) the STM–N (with
                                                                                                           N=1÷64 ) stream or terminate PDH ports
not permitted without written authorization from Alcatel.
  All rights reserved. Passing on and copying of this
  document, use and communication of its contents




                                                                                                                        SDH PORT              SDH PORT               SDH PORT

                                                                                                               NE                       NE                   NE                      NE
                                                                                                                            SPARE               SPARE                 SPARE
                                                                                            PDH PORTS                                                                                      PDH PORTS

                                                                                                                                  SDH AND PDH            SDH AND PDH
                                                                                                                                    PORTS                  PORTS


                                                                                                                                     Figure 22. Linear drop–insert


                                                                                                  •        Ring structure (see Figure 23. )
                                                                                                           The drop–insert function permits to realize ring structures.
                                                                                                           The VC can be automatically rerouted if the optical splice breaks down or one of the equipment
                                                                                                           nodes fails

                                                                                                                                             SDH AND PDH
                                                                                                                                               PORTS


                                                                                                                                                  NE
                                                                                                                               STM–4                                STM–4

                                                                                                                                               RING 1
                                                                                            SDH AND PDH                                                                               SDH AND PDH
                                                                                                                                NE                                   NE
                                                                                               PORTS                                         SDH AND PDH                                 PORTS
                                                                                                                                               PORTS


                                                                                                                                STM–4                               STM–4

                                                                                                                                                   NE

                                                                                                                               STM–1                                STM–1

                                                                                                                                                  PDH
                                                                                                                                                 PORTS
                                                                                                SDH AND PDH                                                                           SDH AND PDH
                                                                                                                                NE                                   NE
                                                                                                   PORTS                                                                                 PORTS
                                                                                                                                                RING 2

                                                                                                                               STM–1                NE              STM–1



                                                                                                                                             SDH AND PDH
                                                  1AA 00014 0004 (9007) A4 – ALICE 04.10




                                                                                                                                               PORTS


                                                                                                                                        Figure 23. Ring structure

                                                                                           ED         03

                                                                                                                                                              3AL 91669 AA AA                        73 / 706


                                                                                                                                                                            706
•        Meshed Topology (see Figure 24. on page 74)

                                                       The Meshed topology may be used in case of collection of traffic in peripheral nodes or
                                                       customer premises sites. 1+1 line protection may be used to protect against line failure and,




                                                                                                                                                                 not permitted without written authorization from Alcatel.
                                                       in some cases, node failure could be protected using dual hub topology too. For this type of




                                                                                                                                                                   All rights reserved. Passing on and copying of this
                                                                                                                                                                   document, use and communication of its contents
                                                       network topologies the mini digital cross connect system is very useful and SNCP/I is used.


                                                                             PDH PORT


                                                                                 NE
                                                                                                       SDH AND PDH
                                                                     STM–N                  STM–N         PORTS                               PDH PORT
                                                                                                                 STM–1             STM–1
                                                               NE               RING                                       NE               NE
                                          PDH PORT                                                   NE

                                                                    STM–N                    STM–N
                                                                                                                         PDH PORT

                                                                                 NE




                                                                                               STM–N




                                                                                                          SDH AND PDH
                                                                                                             PORTS



                                                                                       STM–N              NE
                                                                                                                          STM–N

                                                                     STM–N

                                          PDH PORT            NE     STM–N
                                                                                       NE                 RING              NE             PDH PORT

                                                                     SDH AND PDH
                                                                        PORTS
                                                                                                                           STM–N
                                                                                       STM–N              NE



                                                                                                       PDH PORT




                                                                                  Figure 24. Meshed topology
1AA 00014 0004 (9007) A4 – ALICE 04.10




                                         ED       03

                                                                                                               3AL 91669 AA AA                        74 / 706


                                                                                                                            706
1.2.3 SDH / CWDM integration in “ring” network

                                                                                            NOTE: in this paragraph and in the following 1.2.4 on page 79 , 1660SM equipped with Coarse WDM
                                                                                            units will be called 1660OADM.
not permitted without written authorization from Alcatel.
  All rights reserved. Passing on and copying of this
  document, use and communication of its contents




                                                                                                 •        COADM 1 (2) channel;

                                                                                                 •        MUX/DEMUX 8 channels.

                                                                                            The use of COADM unit for interfacing WDM ring, allows the operator to duplicate/triplicate the starting
                                                                                            network capacity based on a ’single optical channel’ provided by ’pure’ STM–N interfaces.




                                                                                                                  Figure 25. SDH/CWDM integration in “ring” with COADM units


                                                                                            According to the amount of traffic to be handled at a node of the ring, 1(2) channels (λx, λy) out of the 8
                                                                                            specified by ITU–T grid are added/dropped in order to be handled by 1660SM; the remaining channels
                                                                                            possibly not terminated, are by–passed, from one side to the opposite one of the node (W to E, E to W)
                                                                                            through a specific link (at WDM level) between COADM’s units.
                                                  1AA 00014 0004 (9007) A4 – ALICE 04.10




                                                                                            COADM unit is specifically devoted to application in a ’ring’ network (due to WDM pass–through link) and
                                                                                            requires the use of two separate units respectively for West side interfacing and East side interfacing.



                                                                                           ED        03

                                                                                                                                                           3AL 91669 AA AA                         75 / 706


                                                                                                                                                                         706
In Figure 25. the representation of a ’ring’ network using COADM as ring interface is provided; while in
                                          Figure 26. the functional parts related to each node of the ring are detailed.




                                                                                                                                                         not permitted without written authorization from Alcatel.
                                                                                                                                                           All rights reserved. Passing on and copying of this
                                                                                                                                                           document, use and communication of its contents
                                                       Figure 26. SDH/CWDM integration in “ring” with COADM unit: detailed view


                                          In the showed example, ’added/dropped’ wavelengths ( λ1, λ2, ) are terminated by STM16 ’CWDM’
                                          interfaces operating in compliance with the ITU–T grid. Traffic streams terminated are, then,
                                          cross–connected     at SDH level and made available to the relevant ’client’ interfaces
                                          (SDH/PDH/MPLS/Ethernet).

                                          The use of MUX/DEMUX unit for interfacing WDM ring, allows the operator to terminate the whole pool
                                          of optical channels available. MUX/DEMUX unit is required when the traffic matrix is larger than the
                                          capacity provided by COADM 1(2) channel/s.
                                          The application in a ’ring’ network, requires the use of two MUX/DEMUX units respectively for West side
                                          interfacing and East side interfacing.
1AA 00014 0004 (9007) A4 – ALICE 04.10




                                         ED      03

                                                                                                       3AL 91669 AA AA                        76 / 706


                                                                                                                     706
not permitted without written authorization from Alcatel.
  All rights reserved. Passing on and copying of this
  document, use and communication of its contents




                                                                                                              Figure 27. SDH/CWDM integration in “ring” with MUX/DEMUX unit


                                                                                            Up to 8 channels may be added/dropped at a node of the ring, according to the amount of traffic to be
                                                                                            terminated; while wavelengths not terminated at a node, are by–passed, from one side to the opposite
                                                                                            one of the node (W to E, E to W) through a specific link (at channel level) between MUX/DEMUX units.

                                                                                            In Figure 27. the representation of a ’ring’ network using MUX/DEMUX as ring interfaces is provided.

                                                                                            In Figure 28. the functional parts related to each node of the ring are detailed.
                                                  1AA 00014 0004 (9007) A4 – ALICE 04.10




                                                                                           ED      03

                                                                                                                                                           3AL 91669 AA AA                   77 / 706


                                                                                                                                                                         706
not permitted without written authorization from Alcatel.
                                                                                                                                                       All rights reserved. Passing on and copying of this
                                                                                                                                                       document, use and communication of its contents
                                                      Figure 28. SDH/CWDM integration in “ring” with MUX/DEMUX unit: detailed view


                                          In the showed example, 4 wavelengths ( λ1, λ2, λ3, λ4, ) are ’added/dropped’ at a generic node, then
                                          terminated by STM16 ’CWDM’ interfaces operating in compliance with the ITU–T grid. As for previous
                                          COADM application, traffic streams terminated are cross–connected at SDH level and made available
                                          to the relevant ’client’ interfaces (SDH/PDH/MPLS/Ethernet).
1AA 00014 0004 (9007) A4 – ALICE 04.10




                                         ED      03

                                                                                                     3AL 91669 AA AA                      78 / 706


                                                                                                                  706
1.2.4 SDH / CWDM integration in “linear” network

                                                                                            The use of 16660SM with “Coarse WDM units” in linear network is properly based on MUX/DEMUX unit
                                                                                            deployment.
not permitted without written authorization from Alcatel.
  All rights reserved. Passing on and copying of this
  document, use and communication of its contents




                                                                                            As, already seen for ’ring’ application, the use of MUX/DEMUX allows the termination of 8 available
                                                                                            channels. Nevertheless, the use of COADMn unit may be considered for those network scenarios whose
                                                                                            traffic demand is satisfied by 1 or 2 wavelengths.




                                                                                                                    Figure 29. SDH/CWDM integration in “linear” network


                                                                                            Figure 29. shows a ’linear’ network application for 1660SM.

                                                                                            In Figure 30. a detailed vision of a node in this kind of network is also provided; wavelength multi/
                                                                                            demultiplexing is supposed to be performed by MUX/DEMUX unit.




                                                                                                     Figure 30. SDH/CWDM integration in “linear” network (MUX/DEMUX): detailed view


                                                                                            In the showed example, the whole pool of 8 wavelengths is terminated at the end of the link by STM16
                                                  1AA 00014 0004 (9007) A4 – ALICE 04.10




                                                                                            ’CWDM’ interfaces operating in compliance with the ITU–T grid: two shelves are considered in order to
                                                                                            allow the equipment of ’colored’ interfaces needed.



                                                                                           ED      03

                                                                                                                                                          3AL 91669 AA AA                    79 / 706


                                                                                                                                                                     706
In Figure 8, the possible use of an COADM unit for wavelength multi/demultiplexing is considered; for this
                                          functionality, COADM ’pass–through’ link is not used.




                                                                                                                                                           not permitted without written authorization from Alcatel.
                                                                                                                                                             All rights reserved. Passing on and copying of this
                                                                                                                                                             document, use and communication of its contents
                                                      Figure 31. SDH/CWDM integration in “linear” network (COADM unit): detailed view
1AA 00014 0004 (9007) A4 – ALICE 04.10




                                         ED      03

                                                                                                        3AL 91669 AA AA                         80 / 706


                                                                                                                      706
1.2.5 Network protection

                                                                                            The relationship between the network application with their own protection and the configuration modes
                                                                                            is summed up in Table 14. on page 81.
not permitted without written authorization from Alcatel.
  All rights reserved. Passing on and copying of this
  document, use and communication of its contents




                                                                                            Table 14. Network application versus configuration modes



                                                                                                                             Network Protection                     NE Configuration
                                                                                            Network application
                                                                                                                                 Scheme                        TM                   ADM

                                                                                            Point to Point                           MSP

                                                                                            Linear                                   MSP

                                                                                            Ring                                    SNCP

                                                                                            Hub and Meshed                      MSP  SNCP
                                                  1AA 00014 0004 (9007) A4 – ALICE 04.10




                                                                                           ED        03

                                                                                                                                                        3AL 91669 AA AA                       81 / 706


                                                                                                                                                                      706
1AA 00014 0004 (9007) A4 – ALICE 04.10




                           ED
                           03




706
         3AL 91669 AA AA
         82 / 706
                                                 All rights reserved. Passing on and copying of this
                                                 document, use and communication of its contents
                                               not permitted without written authorization from Alcatel.
2 PHYSICAL CONFIGURATION

                                                                                                       In all this document, three types of cards will be distinguished :
not permitted without written authorization from Alcatel.
  All rights reserved. Passing on and copying of this
  document, use and communication of its contents




                                                                                                   •        access card : it is a board containing the signal physical interfaces ( electrical connectors)

                                                                                                   •        ports card : it is the board that performs the SDH elaboration of the signal

                                                                                                   •        module (electrical or optical) : It is a particular plug–in card ( of small dimensions ) that is
                                                                                                            inserted on the front panel of some particular boards.

                                                                                            This Chapter illustrates the physical structure, layout and composition, coding and partition of the
                                                                                            Equipment and Fans subrack.



                                                                                            EQUIPMENT:

                                                                                            The Equipment Shelf front view is illustrated in Figure 32. on page 84 (“SR60M” subrack) and in
                                                                                            Figure 34. on page 85 (1660 subrack with fans).
                                                                                            1660SM is composed of one shelf containing 21 slots in the access area and 20 slots in the basic area.
                                                                                            The two areas are located on different “lines” inside the shelf.

                                                                                            The main part code and partition are listed in Table 15. on page 87.

                                                                                            The accessories codes and partition are listed in Table 16. on page 102.

                                                                                            For the relationship between access cards and port cards refer to paragraph 2.3 on page 110.

                                                                                            FANS SUBRACKS:

                                                                                            The Fans subracks front view is illustrated in Figure 33. on page 84.

                                                                                            The main part code and partition are listed in Table 17. on page 104.

                                                                                            NOTES:

                                                                                            The explanatory notes are reported in Table 18. on page 105.

                                                                                            UNITS FRONT VIEW:

                                                                                            For the units front view refer to para 2.4 on page 123.


                                                                                            N.B.            Table 15. on page 87 contains the units of current equipment release. Units belonging to
                                                                                                            previous equipment releases/versions (e.g. for configuration updating) are not here listed but
                                                                                                            still supported, if compatible with the current one. (For eventual units belonging to previous
                                                                                                            equipment releases/versions refer to the relative Technical Handbook).

                                                                                            N.B.            The Personal Computer (Craft Terminal) utilized for Initial Turn–on and Maintenance operations
                                                                                                            is not listed as an item of the equipment, but it can be supplied by Alcatel. See Operator’s
                                                                                                            Handbook for PC hardware configuration.
                                                  1AA 00014 0004 (9007) A4 – ALICE 04.10




                                                                                           ED          03

                                                                                                                                                                3AL 91669 AA AA                         83 / 706


                                                                                                                                                                              706
1AA 00014 0004 (9007) A4 – ALICE 04.10




                           ED
                                                                                                                                                                                                                                                         I
                                                                                                                                                                                                                                                                                                                E
                                                                                                                                                                                                                                                                                                                              S
                                                                                                                                                                                                                                                                                                                                  S
                                                                                                                                                                                                                                                                                                                                      E




                                                                                                                                                                                                                                                                                                            A
                                                                                                                                                                                                                                                                                                                    R
                                                                                                                                                                                                                                                                                                                        A
                                                                                                                                                                                                                                                                                                                                          C
                                                                                                                                                                                                                                                                                                                                              C
                                                                                                                                                                                                                                                                                                                                                  A




                                                                                                                                                                                                                                         E
                                                                                                                                                                                                                                                             S




                                                                                                                                                                                                                                     A
                                                                                                                                                                                                                                             R
                                                                                                                                                                                                                                                 A
                                                                                                                                                                                                                                                     C
                                                                                                                                                                                                                                                                 A
                                                                                                                                                                                                                                                                     B




                           03
                                                                                                                                                                                                                      W = mm width
                                                                                                                                                                                                                                                                                                                                                  1
                                                                                                                                                                                                                                                                                                            ACCESS LS                                                             W20




                                                                                                                                                                                                                                                                         22
                                                                                                                                                                                                                         W20             PQ2/EQC




                                                                                           SLOT 0
                                                                                                                                                                                                                                                                                                                                                  2
                                                                                                                                                                                                                                                                                                            ACCESS LS – HS                                                        W20
                                                                                                                                                                                                                         W35                             MATRIXE A




                                                                                                                                                                                                                                                                         23
                                                                                                                                                                                                                                         TBUS


                                                                                                                                                                                                                                                                                                                                                  3
                                                                                                                                                                                                                                                                                                            ACCESS LS – HS                                                        W20




                                                                                                                                                                                                                                                                         24
                                                                                                                                                                                                                         W20             PORT LS – HS                                                                                                                             W20
                                                                                                                                                                                                                                                                                                                                                  4
                                                                                                                                                                                                                                                                                                            ACCESS LS – HS




                                                                                  SLOT 1
                                                                                                                                                                                                                         W20             PORT ENHANCED – HS                                                                                                                       W20
                                                                                                                                                                                                                                                                                                                                                  5
                                                                                                                                                                                                                                                                                                            ACCESS LS – HS
                                                                                                                                                                                                                                                                                                                                                                                                                                               2.1 Equipment front view




                                                                                                    Left side
                                                                                                                                                                                                                         W20             PORT ENHANCED – HS                                                                                                                       W20
                                                                                                                                                                                                                                                                                                                                                  6


                                                                                                                                                                                                                                                                                                            ACCESS LS – HS
                                                                                                                                                                                                                         W20




                                                                         SLOT 4
                                                                                                                                                                                                                                         PORT LS – HS                                                                                                                             W20
                                                                                                                                                                                                                                                                                                                                                  7




                                                                                                                                                                                                                                                                                                            ACCESS LS – HS
                                                                                                                                                                                                                         W20




                                                                                                                                                                                                                                                                         25 26 27 28
                                                                                                                                                                                                                                         PORT ENHANCED – HS                                                                                                                       W20
                                                                                                                                                                                                                                                                                                                                                  8




                                                                                                                                                                                                                                                                                                            ACCESS LS – HS
                                                                                                                                                                                                                         W20




                                                                                                                 2.1.2 19” Fans subrack front view (SRFAN)
                                                                                                                                                                                                                                         PORT ENHANCED – HS                                                                                                                       W20
                                                                                                                                                                                                                                                                                                            ACCESS LS – HS
                                                                                                                                                                                                                         W20             PORT LS – HS
                                                                                                                                                                                                                                                                                                                                                  9 10




                                                                                                                                                                                                                                                                                                            CONGI A                                                               W20
                                                                                                                                                                                                                         W20             PORT HS
                                                                                                                                                                                                                                                                                                                                                  11




                                                                                                                                                                                                                                                                                                            SERVICE                                                               W30
                                                                                                                                                                                                                         W20             PORT LS SPARE – HS
                                                                                                                                                                                                                                                                                                                                                                                        2.1.1 1660SM Shelf “without fans” front view (SR60M)




                                                                                                                                                                                                                         W20             PORT LS – HS                                                       CONGI B                                                               W20

                                                                                                                                                                                                                                                                                                            ACCESS LS – HS                                                        W20




                                                                                           SLOT 2
                                                                                                                                                                                                                         W20             PORT ENHANCED – HS

                                                                                                                                                                                                                         W20             PORT ENHANCED – HS                                                 ACCESS LS – HS                                                        W20




                                Figure 33. 19” Fans subrack unit slots
                                                                                                                                                                                                                                                                                                            ACCESS LS – HS                                                        W20
                                                                                                                                                                                                                         W20             PORT LS – HS




                                                                                  SLOT 3
                                                                                                                                                                                                                                                                                                            ACCESS LS – HS                                                        W20
                                                                                                                                                                                                                         W20             PORT ENHANCED – HS
                                                                                                                                                                                                                                                                                                                                                                                  W20




706
                                                                                                                                                                                                                         W20             PORT ENHANCED – HS                                                 ACCESS LS – HS




         3AL 91669 AA AA
                                                                                                                                                             Figure 32. 1660SM units positioning in “SR60M” subrack




                                                                                                    Right side
                                                                                                                                                                                                                                                                                                            ACCESS LS – HS                                                        W20




                                                                         SLOT 5
                                                                                                                                                                                                                                                                         29 30 31 32 33 34 35 36 37 38 39



                                                                                                                                                                                                                         W20             PORT LS – HS
                                                                                                                                                                                                                                                                                                            ACCESS LS – HS                                                        W20
                                                                                                                                                                                                                                                                         40




                                                                                                                                                                                                                         W35             TBUS            MATRIXE B
                                                                                                                                                                                                                                                                                                            ACCESS LS – HS                                                        W20
                                                                                                                                                                                                                         W20
                                                                                                                                                                                                                                                                         41




                                                                                                                                                                                                                                                                                                            ACCESS LS                                                             W20
                                                                                                                                                                                                                                                                                                                                                  12 13 14 15 16 17 18 19 20 21




         84 / 706
                                                                                                                                                                                                                                                                                                                      All rights reserved. Passing on and copying of this
                                                                                                                                                                                                                                                                                                                      document, use and communication of its contents
                                                                                                                                                                                                                                                                                                                    not permitted without written authorization from Alcatel.
All rights reserved. Passing on and copying of this
                                                                                                                                                                                                                                      document, use and communication of its contents
                                                                                                                                                                                                                                    not permitted without written authorization from Alcatel.
      1AA 00014 0004 (9007) A4 – ALICE 04.10




                           ED
                                                                                                                                                                               I




                                                                                                                                                    F




                                                                                                                            E
                                                                                                                                        S
                                                                                                                                                              E
                                                                                                                                                                                   S
                                                                                                                                                                                                                                    E
                                                                                                                                                                                                                                                 S
                                                                                                                                                                                                                                                      S
                                                                                                                                                                                                                                                          E




                                                                                                                        A
                                                                                                                                R
                                                                                                                                    A
                                                                                                                                            N
                                                                                                                                                A
                                                                                                                                                          A
                                                                                                                                                                  R
                                                                                                                                                                      A
                                                                                                                                                                           C
                                                                                                                                                                                              A
                                                                                                                                                                                                                          B
                                                                                                                                                                                                                               A
                                                                                                                                                                                                                                        R
                                                                                                                                                                                                                                            A
                                                                                                                                                                                                                                                              C
                                                                                                                                                                                                                                                                  C
                                                                                                                                                                                                                                                                             A




                           03
                                                                                                                                                                                                                                                                      1
                                                                                                                                                                                                                              W20           ACCESS LS




                                                                                                                                                                                       22
                                                                                                                                                    W20   PQ2/EQC

                                                                                                                                                                                                                                                                      2
                                                                                                                                                                                                                              W20           ACCESS LS – HS




                                                                                                W = mm width
                                                                                                                                                                          MATRIXE A




                                                                                                                                                                                       23
                                                                                                                                                    W35   TBUS                                                                                                        3
                                                                                                                                                                                                                              W20           ACCESS LS – HS




                                                                                                                                                                                       24
                                                                                                                                                    W20   PORT LS – HS                                                        W20
                                                                                                                                                                                                                                                                      4

                                                                                                                                                                                                                                            ACCESS LS – HS
                                                                                                                                                    W20   PORT ENHANCED – HS                                                  W20
                                                                                                                                                                                                                                                                      5




                                                                                                                                                                                                                                            ACCESS LS – HS
                                                                                                                                                    W20   PORT ENHANCED – HS                                                  W20
                                                                                                                                                                                                                                                                      6




                                                                                                                                                                                                                                            ACCESS LS – HS
                                                                                                                                                    W20   PORT LS – HS                                                        W20
                                                                                                                                                                                                                                                                      7




                                                                                                                                                                                                                                            ACCESS LS – HS
                                                                                                                                                    W20




                                                                                                                                                                                       25 26 27 28




                                                                                                               F1
                                                                                                                                                          PORT ENHANCED – HS                                                  W20
                                                                                                                                                                                                                                                                      8




                                                                                                                                                                                                                                            ACCESS LS – HS
                                                                                                                                                    W20   PORT ENHANCED – HS
                                                                                                                                                                                                                                                                                                      2.1.3 1660SM Shelf “with fans” front view




                                                                                                                                                                                                                              W20           ACCESS LS – HS




                                                                                                               F2
                                                                                                                                                    W20   PORT LS – HS
                                                                                                                                                                                                                                                                      9 10




                                                                                                                                                                                                                              W20           CONGI A
                                                                                                                                                    W20   PORT HS
                                                                                                                                                                                                                                                                      11




                                                                                                                                                                                                                              W30           SERVICE
                                                                                                                                                    W20   PORT LS SPARE – HS
                                                                                                                                                    W20   PORT LS – HS                                                        W20           CONGI B

                                                                                                                                                          PORT ENHANCED – HS                                                  W20           ACCESS LS – HS
                                                                                                                                                    W20
                                                                                                                                                          PORT ENHANCED – HS                                                  W20           ACCESS LS – HS
                                                                                                                                                    W20




                                                                                                               FILTER
                                                                                                                                                                                                                              W20           ACCESS LS – HS
                                                                                                                                                    W20   PORT LS – HS
                                                                                                                                                                                                                              W20           ACCESS LS – HS
                                                                                                                                                    W20   PORT ENHANCED – HS
                                                                                                                                                                                                                              W20




706
                                                                                                                                                          PORT ENHANCED – HS                                                                ACCESS LS – HS




         3AL 91669 AA AA
                                                                                                                                                    W20
                                                                                                                                                                                                                              W20           ACCESS LS – HS
                                                                                                                                                                                       29 30 31 32 33 34 35 36 37 38 39




                                                                                                                                                          PORT LS – HS




                                Figure 34. 1660SM units positioning in 1660 subrack with fans
                                                                                                                                                    W20
                                                                                                                                                                                                                              W20           ACCESS LS – HS
                                                                                                                                                                                       40




                                                                                                                                                    W35   TBUS            MATRIXE B
                                                                                                                                                                                                                              W20           ACCESS LS – HS
                                                                                                                                                    W20
                                                                                                                                                                                       41




                                                                                                                                                                                                                              W20           ACCESS LS
                                                                                                                                                                                                                                                                      12 13 14 15 16 17 18 19 20 21




         85 / 706
2.2 Part list

                                          In the tables of the following paragraphs are listed, named and coded the items and units making up the
                                          Equipment Shelf (see para. 2.2.1 on page 87) and Fans subrack (see para 2.2.2 on page 104).




                                                                                                                                                               not permitted without written authorization from Alcatel.
                                          Furthermore, for any item the position and the maximum quantity that can be allocated inside the subracks




                                                                                                                                                                 All rights reserved. Passing on and copying of this
                                                                                                                                                                 document, use and communication of its contents
                                          are indicated too.

                                          Such tables report the following information :

                                               •        Item Name

                                               •        The ”Acronym” identifying the units is silk–screen printed on the front cover plate. The same
                                                        Acronym, not provided with the point (e.g. L–4.1 becomes L–41), is used by the Craft Terminal
                                                        to distinguish the unit.
                                                        There is in exception to this rule for the P3E3T3; the unit is identified as P3E3T3 on the front
                                                        cover plate and as P3E3/T3 on the Craft Terminal.

                                               •        Factory and ANV part numbers (e.g. 411.XXX.XXX ; 3ALXXXXX XXXX)

                                               •        Maximum quantity

                                               •        Position of the unit inside the equipment. Refer to Figure 32. at page 84 for slot numbering.

                                               •        Number of explanatory notes

                                          Table 18. on page 105 (see para 2.2.3 on page 105) reports all the explanatory notes .
1AA 00014 0004 (9007) A4 – ALICE 04.10




                                         ED        03

                                                                                                            3AL 91669 AA AA                         86 / 706


                                                                                                                          706
2.2.1 Equipment Shelf part list



                                                                                            Table 15. Main part list
not permitted without written authorization from Alcatel.
  All rights reserved. Passing on and copying of this
  document, use and communication of its contents




                                                                                                                                           ANV Part Number       Max.
                                                                                                           NAME                ACRONYM                                  SLOT      NOTES
                                                                                                                                         (Factory Part Number)   Qty

                                                                                            1660SM MECHANICAL STRUCTURE “without” integrated Fans subrack (SR60M)
                                                                                            Refer to Figure 32. on page 84

                                                                                                                                           3AL 78834 AA––
                                                                                            1660SM SHELF                                                          –                 1
                                                                                                                                            (593.155.059E)

                                                                                            It contains:

                                                                                                                                           3AL 79157 AA––
                                                                                            1660SM SHELF                        SR60M                             1       –         2
                                                                                                                                           (593.155.073 U)

                                                                                            1660SM MECHANICAL STRUCTURE “with” integrated Fans subrack
                                                                                            Refer to Figure 34. on page 85

                                                                                            1660SM         SUBRACK     WITH
                                                                                                                                  ––        3AL 89794AB––         –                 3
                                                                                            FANS

                                                                                            It contains:

                                                                                            1660SM SUBRACK AND
                                                                                                                                  ––       8DG 15205 AA––         1       –         2
                                                                                            FAN

                                                                                            It contains:

                                                                                            METALLIC FAN GRID FOR                          3AL 89559 AA––
                                                                                                                                  ––                              1     FILTER      4
                                                                                            ASSEMBLED FANS UNIT                                  ––

                                                                                            ASSEMBLED FANS UNIT                   ––        3AL 89561AB––         2     F1, F2

                                                                                            DUST FILTER FOR                                8DG 15264 AA––
                                                                                                                                  ––                              1     FILTER      4
                                                                                            ASSEMBLED FANS UNIT                                  ––

                                                                                            Parts contained in the subracks

                                                                                                                                           3AL 79088 AC––
                                                                                            TERMINATION BUS/2                    TBUS                             2     23, 40      5
                                                                                                                                           (487.166.408 B)

                                                                                            SFP EXTRACTOR                                  3AL 81728 AA––         1       ––        6

                                                                                                                              OPTICAL COMPENSATION DEVICE
                                                                                            LOW LOSS SMF C +                                1AB 210830005
                                                                                                                                  ––                              1       ––        7
                                                                                            BAND DCM–20KM                                        ––

                                                                                            LOW SPEED PORTS (PDH)                                                                   8

                                                                                                                                           3AL 79092 AA––               24, 27,
                                                                                            63x2 MBIT/S PORT 1.0/2.3             P63E1                                              9
                                                                                                                                           (474.166.425 V )
                                                  1AA 00014 0004 (9007) A4 – ALICE 04.10




                                                                                                                                                                        30, 32,
                                                                                                                                                                  7
                                                                                            63x2 MBIT/S G703/ISDN–                          3AL 79092AC––               33, 36,    9
                                                                                                                   P63E1N–M4                                              39
                                                                                            PRA–FS PORT                                     (474.166.046 C)                        10


                                                                                           ED      03

                                                                                                                                                    3AL 91669 AA AA                     87 / 706


                                                                                                                                                                 706
ANV Part Number       Max.
                                                    NAME              ACRONYM                                    SLOT      NOTES
                                                                                 (Factory Part Number)   Qty




                                                                                                                                            not permitted without written authorization from Alcatel.
                                          HIGH SPEED PORTS (PDH)                                                            11




                                                                                                                                              All rights reserved. Passing on and copying of this
                                                                                                                                              document, use and communication of its contents
                                                                                    3AL 78864 AA––
                                          3x34/45 MBIT/S SWIT. PORT   P3E3T3                             16     24 to 39    12
                                                                                     (474.156.339L)

                                          HIGH SPEED PORTS : STM–1 (SDH) and 140 Mbit/s (PDH)                               13

                                          4 x STM–1 ELECTRICAL                      3AL 78823 AA––
                                                                      P4ES1N                                                14
                                          PORT/1                                     (474.166.423T)

                                          4 X 140/STM1 SWITCH. O/E                  3AL 79263 AA––                          15
                                                                       P4E4N                             16     24 to 39
                                          PORT/1                                     (474.156.371L)                         16

                                                                                    3AL 78821 BA––
                                          4x STM–1 PORT/1              P4S1N                                                16
                                                                                    (474.156.375 Q)

                                          16xSTM1 – 4xSTM4            P16S1–4E      3AL89668 AA––        16     24 to 39    17

                                          HIGH SPEED PORTS : OC3 (SONET)

                                          4 x OC3   AU3/TU3 CONV.                   3AL 81736 AA––
                                                                       P4OC3                             16     24 to 39    16
                                          PORT                                      (474.156.186 U)

                                          4 x ANY CONCENTRATOR

                                                                                                                25+26
                                                                                                                28+29
                                                                                    3AL 81635 AA––              34+35
                                          4 x ANY HOST C              4XANYC                              6                 18
                                                                                    (411.102.533 K)             37+38
                                                                                                                30+31
                                                                                                                32+33
1AA 00014 0004 (9007) A4 – ALICE 04.10




                                         ED    03

                                                                                            3AL 91669 AA AA                      88 / 706


                                                                                                         706
ANV Part Number       Max.
                                                                                                      NAME           ACRONYM                                     SLOT      NOTES
                                                                                                                                 (Factory Part Number)   Qty
not permitted without written authorization from Alcatel.




                                                                                            HIGH SPEED PORTS : STM–4 (SDH)                                                  13
  All rights reserved. Passing on and copying of this
  document, use and communication of its contents




                                                                                                                                   3AL 78856 BA––
                                                                                            S–4.1 PORT/1 FC/PC         S–4.1N
                                                                                                                                   (474.156.376 R)

                                                                                                                                   3AL 78856 BB––
                                                                                            S–4.1 PORT/1 SC/PC         S–4.1N
                                                                                                                                   (474.156.377 J)

                                                                                                                                   3AL 78856 BC––
                                                                                            L–4.1 PORT/1 FC/PC         L–4.1 N
                                                                                                                                   (474.156.378 T)
                                                                                                                                                                            19
                                                                                                                                                         16     24 to 39
                                                                                                                                   3AL 78856 BD––                           20
                                                                                            L–4.1 PORT/1 SC/PC         L–4.1 N
                                                                                                                                   (474.156.379 U)

                                                                                                                                   3AL 78856 BE––
                                                                                            L–4.2 PORT/1 FC/PC         L–4.2N
                                                                                                                                   (474.156.380 J)

                                                                                                                                   3AL 78856 BF––
                                                                                            L–4.2 PORT/1 SC/PC         L–4.2N
                                                                                                                                   (474.156.381 F)
                                                                                                                                                                25,26,
                                                                                                                                   3AL 79176 AA––               28,29,
                                                                                            4 x STM–4 PORT             P4S4N                              4                 21
                                                                                                                                    411.101.062 V               34,35,
                                                                                                                                                                37,38
                                                  1AA 00014 0004 (9007) A4 – ALICE 04.10




                                                                                           ED    03

                                                                                                                                            3AL 91669 AA AA                      89 / 706


                                                                                                                                                         706
ANV Part Number       Max.
                                                    NAME              ACRONYM                                    SLOT      NOTES
                                                                                 (Factory Part Number)   Qty




                                                                                                                                            not permitted without written authorization from Alcatel.
                                          HIGH SPEED PORTS : STM–16 (SDH)                                                   13




                                                                                                                                              All rights reserved. Passing on and copying of this
                                                                                                                                              document, use and communication of its contents
                                                                                   3AL 78894 CA––
                                          S–16.1 PORT FC/PC/16C       S–16.1ND
                                                                                   (411.101.308 R)

                                                                                   3AL 78895 CA––
                                          S–16.1 PORT SC /16C         S–16.1ND
                                                                                    (411.101.309 J)

                                                                                   3AL 78896 CA––               25+26
                                          L–16.1 PORT FC/PC/16C       L–16.1ND
                                                                                   (411.101.310 E)              28+29       19
                                                                                                          4
                                                                                   3AL 78897 CA––               34+35       20
                                          L–16.1 PORT SC/16C          L–16.1ND                                  37+38       22
                                                                                    (411.101.311 T)

                                                                                   3AL 78898 CA––
                                          L–16.2 PORT FC/PC/16C       L–16.2ND
                                                                                   (411.101.312 U)

                                                                                   3AL 78899 CA––
                                          L–16.2 PORT SC/16C          L–16.2ND
                                                                                   (411.101.313 V)

                                                                                   3AL 79029 CA––
                                          L–16.2 JE2 PORT FC/PC/16C   L–16.2ND
                                                                                   (411.101.316 Y)

                                                                                   3AL 79029 CB––
                                          L–16.2 JE2 PORT SC/PC/16C   L–16.2ND                                  25+26       19
                                                                                    (411.101.317 Z)
                                                                                                          4     28+29       20
                                          L–16.2 JE3 PORT FC/PC/16C                3AL 79030 DA––               34+35       23
                                                                      L–16.2ND                                  37+38       22
                                          CH34                                     (411.102.549 B)

                                          L–16.2 JE3 PORT SC/PC/16C                3AL 79030 DB––
                                                                      L–16.2ND
                                          CH34                                     (411.102.550 G)

                                                                                                                25+26
                                                                                                                            19
                                          I–16.1 PORT /SFF                          3AL 80881AA––               28+29
                                                                      I–16.1ND                            4                 22
                                          (Intra office)                            (411.102.022 N)             34+35
                                                                                                                            24
                                                                                                                37+38

                                                                                   3AL 81289 AA––
                                          STM–16 SLIM PORT UP/SFP     O–16ES                             16     24 to 39    25
                                                                                   (411.102.508 B)

                                                                                                                    (Table continues)
1AA 00014 0004 (9007) A4 – ALICE 04.10




                                         ED    03

                                                                                             3AL 91669 AA AA                     90 / 706


                                                                                                          706
ANV Part Number
                                                                                                                                                    Max.
                                                                                                      NAME          ACRONYM    (Factory Part Num-           SLOT     NOTES
                                                                                                                                                    Qty
                                                                                                                                      ber)
not permitted without written authorization from Alcatel.
  All rights reserved. Passing on and copying of this
  document, use and communication of its contents




                                                                                            STM16 195.7 PORT 6400               3AL 79187 BA––
                                                                                                                    L–16.2ND
                                                                                            SC/PC/16C                           (411.101.320 G)
                                                                                            STM16 195.5 PORT 6400               3AL 79187 BB––
                                                                                                                    L–16.2ND
                                                                                            SC/PC/16C                           (411.101.321 V)
                                                                                            STM16 195.3 PORT 6400               3AL 79187 BC––
                                                                                                                    L–16.2ND
                                                                                            SC/PC/16C                           (411.101.322 W)
                                                                                            STM16 195.1 PORT 6400               3AL 79187 BD––              25+26      19
                                                                                                                    L–16.2ND
                                                                                            SC/PC/16C                           (411.101.323 X)      4      28+29      22
                                                                                            STM16 194.9 PORT 6400               3AL 79187 BE––              34+35      26
                                                                                                                    L–16.2ND                                37+38
                                                                                            SC/PC/16C                           (411.101.324 Y)
                                                                                            STM16 194.7 PORT 6400               3AL 79187 BF––
                                                                                                                    L–16.2ND
                                                                                            SC/PC/16C                           (411.101.325 Z)
                                                                                            STM16 194.5 PORT 6400               3AL 79187 BG––
                                                                                                                    L–16.2ND
                                                                                            SC/PC/16C                            (411.101.326 S)
                                                                                            STM16 194.3 PORT 6400               3AL 79187 BH––
                                                                                                                    L–16.2ND
                                                                                            SC/PC/16C                           (411.101.327 T)
                                                                                            STM16 193.7 PORT 6400               3AL 79187 BL––
                                                                                                                    L–16.2ND
                                                                                            SC/PC/16C                            (411.101.328 C)
                                                                                            STM16 193.5 PORT 6400               3AL 79187 BM––
                                                                                                                    L–16.2ND
                                                                                            SC/PC/16C                            (411.101.329 D)
                                                                                            STM16 193.3 PORT 6400               3AL 79187 BN––
                                                                                                                    L–16.2ND
                                                                                            SC/PC/16C                            (411.101.330 A)
                                                                                            STM16 193.1 PORT 6400               3AL 79187 BP––              25+26
                                                                                                                    L–16.2ND                                           19
                                                                                            SC/PC/16C                            (411.101.331 X)            28+29
                                                                                                                                                     4                 22
                                                                                            STM16 192.9 PORT 6400               3AL 79187 BQ––              34+35
                                                                                                                    L–16.2ND                                           27
                                                                                            SC/PC/16C                            (411.101.332 Y)            37+38
                                                                                            STM16 192.7 PORT 6400               3AL 79187 BR––
                                                                                                                    L–16.2ND
                                                                                            SC/PC/16C                            (411.101.333 Z)
                                                                                            STM16 192.5 PORT 6400               3AL 79187 BS––
                                                                                                                    L–16.2ND
                                                                                            SC/PC/16C                            (411.101.334 S)
                                                                                            STM16 192.3 PORT 6400               3AL 79187 BT––
                                                                                                                    L–16.2ND
                                                                                            SC/PC/16C                            (411.101.335 T)

                                                                                                                                                               (Table continues)
                                                  1AA 00014 0004 (9007) A4 – ALICE 04.10




                                                                                           ED    03

                                                                                                                                          3AL 91669 AA AA                   91 / 706


                                                                                                                                                     706
ANV Part Number
                                                                                                    Max.
                                                    NAME           ACRONYM     (Factory Part Num-          SLOT    NOTES
                                                                                                    Qty
                                                                                      ber)




                                                                                                                                    not permitted without written authorization from Alcatel.
                                                                                                                                      All rights reserved. Passing on and copying of this
                                                                                                                                      document, use and communication of its contents
                                          STM16 195.7 PORT 12800                3AL 79188 BA––
                                                                    L–16.2ND
                                          SC/PC/16C                             (411.101.336 U)
                                          STM16 195.5 PORT 12800                3AL 79188 BB––
                                                                    L–16.2ND
                                          SC/PC/16C                              (411.101.337V)
                                          STM16 195.3 PORT 12800                3AL 79188 BC––
                                                                    L–16.2ND
                                          SC/PC/16C                              (411.101.338 E)
                                          STM16 195.1 PORT 12800                3AL 79188 BD––             25+26
                                                                    L–16.2ND                                        19
                                          SC/PC/16C                              (411.101.339 F)           28+29
                                                                                                     4              22
                                          STM16 194.9 PORT 12800                3AL 79188 BE––             34+35
                                                                    L–16.2ND                                        26
                                          SC/PC/16C                              (411.101.340 L)           37+38
                                          STM16 194.7 PORT 12800                3AL 79188 BF––
                                                                    L–16.2ND
                                          SC/PC/16C                             (411.101.341 H)
                                          STM16 194.5 PORT 12800                3AL 79188 BG––
                                                                    L–16.2ND
                                          SC/PC/16C                              (411.101.342 A)
                                          STM16 194.3 PORT 12800                3AL 79188 BH––
                                                                    L–16.2ND
                                          SC/PC/16C                              (411.101.343 B)
                                          STM16 193.7 PORT 12800                3AL 79188 BL––
                                                                    L–16.2ND
                                          SC/PC/16C                              (411.101.344 C)
                                          STM16 193.5 PORT 12800                3AL 79188 BM––
                                                                    L–16.2ND
                                          SC/PC/16C                              (411.101.345 D)
                                          STM16 193.3 PORT 12800                3AL 79188 BN––
                                                                    L–16.2ND
                                          SC/PC/16C                              (411.101.346 E)
                                          STM16 193.1 PORT 12800                3AL 79188 BP––             25+26
                                                                    L–16.2ND                                        19
                                          SC/PC/16C                              (411.101.347 F)           28+29
                                                                                                     4              22
                                          STM16 192.9 PORT 12800                3AL 79188 BQ––             34+35
                                                                    L–16.2ND                                        27
                                          SC/PC/16C                             (411.101.348 Q)            37+38
                                          STM16 192.7 PORT 12800                3AL 79188 BR––
                                                                    L–16.2ND
                                          SC/PC/16C                              (411.101.349 R)
                                          STM16 192.5 PORT 12800                3AL 79188 BS––
                                                                    L–16.2ND
                                          SC/PC/16C                              (411.101.350N)
                                          STM16 192.3 PORT 12800                3AL 79188 BT––
                                                                    L–16.2ND
                                          SC/PC/16C                              (411.101.351 B)
                                          HIGH SPEED PORTS : STM–64 (SDH)
                                          STM 64 PORT                           3AL 80802 AA––
                                                                    S–642E
                                          S–64.2E FC                            (474.156.064 C)
                                          STM 64 PORT                           3AL 80802 AB––
                                                                    L–642E
                                          L– 64.2 B FC                             ––.––.––                25+26
                                          STM 64 PORT                           3AL 81249 AA––             28+29
                                                                     I–641E                          4              28
                                          I 64.1E FC                            (474.156.158 P)            34+35
                                          STM 64 PORT                           3AL 91884 AA––             37+38
                                                                    S–642E
                                          XFP S–64.2 FC                            ––.––.––
                                          STM 64 PORT                           3AL 91885 AA––
                                                                     I–641E
1AA 00014 0004 (9007) A4 – ALICE 04.10




                                          XFP I–64.1 FC                            ––.––.––




                                         ED    03

                                                                                         3AL 91669 AA AA                 92 / 706


                                                                                                    706
ANV Part Number
                                                                                                                                                      Max.
                                                                                                      NAME            ACRONYM    (Factory Part Num-           SLOT      NOTES
                                                                                                                                                      Qty
                                                                                                                                        ber)
not permitted without written authorization from Alcatel.
  All rights reserved. Passing on and copying of this
  document, use and communication of its contents




                                                                                            ISA – ETHERNET PORT

                                                                                                                                  3AL 80407 AA––                         29
                                                                                            ETHERNET PORT             ETH–MB                           6     24 to 39
                                                                                                                                  (474.156.038 A)

                                                                                                                                  3AL 80702 AB––
                                                                                            GIGABIT ETHERNET PORT/2   GETH–MB                          8     24 to 39    30
                                                                                                                                     ––.––.––

                                                                                            ISA – ATM PARTS

                                                                                                                                  3AL 79093 AA––
                                                                                            ATM MATRIX 4X4             ATM4X4                                            31
                                                                                                                                   (411.101.035 J)

                                                                                            ATM MATRIX 4X4                        3AL 81185 AA––             24 to 39
                                                                                                                      ATM4X4V2                                           32
                                                                                            ENHANCED                              (411.102.475 Z)
                                                                                                                                                       4
                                                                                                                                  3AL 89917 AA––
                                                                                            ATM MATRIX 4X4 D3         ATM4X4D3                                           33
                                                                                                                                     ––.––.––

                                                                                                                                  3AL 79094 AA––
                                                                                            ATM MATRIX 8X8             ATM8X8                                24 to 38    34
                                                                                                                                  (411.101.036 K)

                                                                                            ISA – PR_EA PARTS

                                                                                            PR_EA MATRIX                          3AL 79631 AA––
                                                                                                                      PREA4ETH                         4     24 to 39    35
                                                                                            4X ETHERNET                           (411.101.281 W)

                                                                                            PR_EA MATRIX                          3AL 81275 AA––
                                                                                                                      PREA1GBE                         4     24 to 39    36
                                                                                            1XGB–ETH                              (411.102.505 Y)

                                                                                            ISA – PR PARTS

                                                                                            PR MATRIX                             3AL 89677 AA––
                                                                                                                       ISA–PR                          3     25 to 38    37
                                                                                            4X4 STM4 PLUG–IN                         ––.––.––

                                                                                            ISA – ES PARTS

                                                                                                                                  3AL 98128AA––
                                                                                            ISA–ES1 8FE               ES1–8FE                          8     24 to 39
                                                                                                                                     ––.––.––

                                                                                                                                  3AL 98150AA––
                                                                                            ISA–ES1 8FX               ES1–8FX                          8     24 to 39    38
                                                                                                                                     ––.––.––

                                                                                                                                  3AL81879 AA––
                                                                                            ISA–ES4 8FE +1GE          ES4–8FE                          8     24 to 39    39
                                                                                                                                  (474.156.195 V)

                                                                                                                                  3AL81915 AA––
                                                                                            ISA–ES16 BOARD            ISA–ES16                         8     24 to 39
                                                                                                                                     ––.––.––

                                                                                            CWDM PORTS
                                                  1AA 00014 0004 (9007) A4 – ALICE 04.10




                                                                                            2xCH TRANSPONDER SFP                  3AL 81427 AA––
                                                                                                                      COWLA2                          16     24 to 39    40
                                                                                            W/O OPTICS                            (411.102.520 S)


                                                                                           ED    03

                                                                                                                                           3AL 91669 AA AA                    93 / 706


                                                                                                                                                      706
ANV Part Number       Max.
                                                    NAME               ACRONYM                                    SLOT      NOTES
                                                                                  (Factory Part Number)   Qty




                                                                                                                                                not permitted without written authorization from Alcatel.
                                          LS (LOW SPEED) ACCESS CARDS




                                                                                                                                                  All rights reserved. Passing on and copying of this
                                                                                                                                                  document, use and communication of its contents
                                          21x2 MBIT/S PROT. 75 OHM                   3AL78831AA––
                                                                        A21E1
                                          1.0/2.3                                    (474.156.323C)
                                                                                                                             41
                                                                                     3AL78832AA––                 1 to 9,
                                          21x2 MBIT/S PROT. 120 OHM     A21E1                             18
                                                                                     (474.156.324D)              13 to 21

                                          21x2 MBIT/S PROT. 120 OHM                 3AL 79163 AA––
                                                                        A21E1                                               41, 42
                                          K20                                       (474.156.366 P)

                                          HS (HIGH SPEED) ACCESS CARDS

                                                                                     3AL78865AB––
                                          3x34 MBIT/S 75 OHM             A3E3                                                43
                                                                                     (474.156.181 X)

                                                                                     3AL78866AB––                 2 to 9,
                                          3x45 MBIT/S 75 OHM             A3T3                             16                 44
                                                                                     (474.156.182 Y)             13 to 20

                                          4xSTM–1 ELECTRICAL 75                      3AL78835AA––
                                                                        A4ES1                                                45
                                          OHM                                        (474.156.325E)

                                                                                    3AL 78849 AA––                2 to 9,
                                          HIGH SPEED PROTECTION         HPROT                              8                 46
                                                                                    (474.156.127 Y)              13 to 20

                                          16xSTM1  HIGH        SPEED                3AL 36306 AA––                2 to 9,
                                                                        HPROT                              8                 47
                                          PROTECTION                                   ––.––.––                  13 to 20

                                                                                     3AL78818AA––                 2 to 9,
                                          2x140/STM–1 O/E ADAPTER        A2S1                             16                 48
                                                                                     (474.166.421Z)              13 to 20

                                          OPTICAL ACCESS                                                          2 to 8,
                                                                       A120S1E      3AL 89669 AA––         8                49,50
                                          12xSTM1                                                                13 to 20

                                          OPTICAL ACCESS                                                          2 to 9,
                                                                       A120S1SE     3AL 91880 AA––        16
                                          12xSTM1 SLIM                                                           13 to 20

                                          ELECTRICAL ACCESS                                                       2 to 9,
                                                                       A16ES1E      3AL 89670 AA––        16                 50
                                          16xSTM1                                                                13 to 20

                                          ISA – ETHERNET ACCESS CARDS

                                                                                    3AL 80404 AA––
                                          ETHERNET ACCESS              ETH–ATX                             6                 51
                                                                                    (474.156.039 B)               2 to 9,
                                          GIGABIT ETHERNET                           3AL 80411 AB––              13 to 20
                                                                       GETH–AG                             8                 52
                                          ACCESS/2

                                          ISA – PR ACCESS CARDS

                                          ISA–PR 16XETH 10/100                      3AL 89678 AA––
                                                                       16FEA–PR                            6
                                          ACCESS                                       ––.––.––                   1 to 9,    53
1AA 00014 0004 (9007) A4 – ALICE 04.10




                                          ISA–PR 2XGBE 1000                         3AL 89679 AA––               13 to 21
                                                                       2 GBA–PR                            6                 54
                                          ACCESS PLUG–IN                               ––.––.––


                                         ED    03

                                                                                               3AL 91669 AA AA                       94 / 706


                                                                                                           706
ANV Part Number       Max.
                                                                                                      NAME          ACRONYM                                    SLOT       NOTES
                                                                                                                               (Factory Part Number)   Qty
not permitted without written authorization from Alcatel.




                                                                                            CONTROL AND GENERAL INTERFACE
  All rights reserved. Passing on and copying of this
  document, use and communication of its contents




                                                                                            CONTROL AND GENERAL
                                                                                                                       CONGI      3AL78830AD––          2     10, 12         55,
                                                                                            INTERFACE

                                                                                            SERVICE

                                                                                                                                  3AL78817AA––
                                                                                            SERVICES I/F            SERVICE                             1       11           56
                                                                                                                                  (411.100.704R)

                                                                                            BOOSTER AND PREAMPLIFIER

                                                                                            OMSN BOOSTER +10dBm                  3AL 78962 AA––
                                                                                                                       BST10
                                                                                            FC/PC                                (411.100.902 G)

                                                                                            OMSN BOOSTER +10dBm                  3AL 78962 BA––
                                                                                                                       BST10
                                                                                            SC/PC                                (411.101.245 H)

                                                                                            OMSN BOOSTER +15dBm                  3AL 78962 AC––
                                                                                                                       BST15
                                                                                            FC/PC                                (411.100.904 A)               2 to 8
                                                                                            OMSN BOOSTER +15dBm                  3AL 78962 BC––               13 to 19
                                                                                                                       BST15
                                                                                            SC/PC                                (411.101.247 B)
                                                                                                                                                        8                    57
                                                                                            OMSN BOOSTER +17dBm                  3AL 78962 AD––
                                                                                                                       BST17
                                                                                            FC/PC                                (411.100.905 B)

                                                                                            OMSN BOOSTER +17dBm                  3AL 78962 BD––
                                                                                                                       BST17
                                                                                            SC/PC                                 (411.101.248 L)

                                                                                            PREAMPLIFIER 2.5 GB/S                3AL 78963 AD––
                                                                                                                       PR16
                                                                                            SC/PC CH34                           (411. 102.557 T)              2 to 8
                                                                                            PREAMPLIFIER 2.5 GB/S                3AL 78963 AC––               13 to 19
                                                                                                                       PR16
                                                                                            FC/PC CH34                           (411.102.558 C)

                                                                                                                                                                     (Table continues)
                                                  1AA 00014 0004 (9007) A4 – ALICE 04.10




                                                                                           ED    03

                                                                                                                                            3AL 91669 AA AA                        95 / 706


                                                                                                                                                        706
ANV Part Number       Max.
                                                    NAME           ACRONYM                                   SLOT      NOTES
                                                                             (Factory Part Number)   Qty




                                                                                                                                          not permitted without written authorization from Alcatel.
                                          CWDM CONNECTION MODULES




                                                                                                                                            All rights reserved. Passing on and copying of this
                                                                                                                                            document, use and communication of its contents
                                                                               3AL 81344 AA––
                                          COADM 1 CH (1470)        COADM1
                                                                                (411.102.513P)

                                                                               3AL 81344 AB––
                                          COADM 1 CH (1490)        COADM1
                                                                               (411.102.542 U)

                                                                               3AL 81344 AC––
                                          COADM 1 CH (1510)        COADM1
                                                                               (411.102.543 V)

                                                                               3AL 81344 AD––
                                          COADM 1 CH (1530)        COADM1
                                                                               (411.102.544 W)

                                                                               3AL 81344 AE––
                                          COADM 1 CH (1550)        COADM1
                                                                               (411.102.545 X)

                                                                                3AL 81344 AF––
                                          COADM 1 CH (1570)        COADM1
                                                                                (411.102.546 Y)              1 to 8
                                                                                                      8
                                                                               3AL 81344 AG––               13 to 20
                                          COADM 1 CH (1590)        COADM1                                               57
                                                                                (411.102.547 Z)

                                                                               3AL 81344 AH––
                                          COADM 1 CH (1610)        COADM1
                                                                               (411.102.548 A)

                                                                               3AL 81346 AA––
                                          COADM 2 CH (1470–1490)   COADM2
                                                                               (411.102.541 R)

                                                                               3AL 81346 AB––
                                          COADM 2 CH (1510–1530)   COADM2
                                                                               (411.102.539 Z)

                                                                               3AL 81346 AC––
                                          COADM 2 CH (1550–1570)   COADM2
                                                                               (411.102.540 E)

                                                                               3AL 81346 AD––
                                          COADM 2 CH (1590–1610)   COADM2
                                                                                (411.102.541 T)

                                                                               3AL 81348 AA––                1 to 8
                                          MUX – DEMUX 8 CH.        COMDX8                             8
                                                                               (411.102.517 K)              13 to 20
1AA 00014 0004 (9007) A4 – ALICE 04.10




                                         ED    03

                                                                                          3AL 91669 AA AA                      96 / 706


                                                                                                      706
ANV Part Number       Max.
                                                                                                       NAME               ACRONYM                                  SLOT   NOTES
                                                                                                                                    (Factory Part Number)   Qty
not permitted without written authorization from Alcatel.




                                                                                            STM–1 MODULES
  All rights reserved. Passing on and copying of this
  document, use and communication of its contents




                                                                                                                                       3AL78815AA––
                                                                                            S–1.1 OPT. INTERF. FC/PC       IS–1.1
                                                                                                                                       (474.166.420 C)

                                                                                                                                      3AL 78815 AB––
                                                                                            S–1.1 OPT. INTERF. SC/PC       IS–1.1
                                                                                                                                      (474.166.424 U)

                                                                                                                                       3AL78838AA––
                                                                                            L–1.1 OPT. INTERF. FC/PC       IL–1.1
                                                                                                                                       (474.156.326 F)

                                                                                                                                      3AL 78838 AB––
                                                                                            L–1.1 OPT. INTERF. SC/PC       IL–1.1
                                                                                                                                      (474.156.352 R)

                                                                                                                                       3AL78839AA––                        58,59
                                                                                            L–1.2 OPT. INTERF. FC/PC       IL–1.2
                                                                                                                                       (474.156.327 G)

                                                                                                                                      3AL 78839 AB––
                                                                                            L–1.2 OPT. INTERF. SC/PC       IL–1.2
                                                                                                                                      (474.156.353 J)
                                                                                                                                      3AL 91790 AA––        64      ––
                                                                                            S–1.1 OPT. INTERF. LC          IS–1.1
                                                                                                                                         ––––––––
                                                                                                                                      3AL 91791 AA––
                                                                                            L–1.1 OPT. INTERF. LC          IL–1.1
                                                                                                                                         ––––––––
                                                                                                                                      3AL 91792 AA––
                                                                                            L–1.2 OPT. INTERF. LC          IL–1.2
                                                                                                                                         ––––––––
                                                                                                                                       3AL78840AA––
                                                                                            L–1.2 JE OPT. INTERF. FC/PC    IL–1.2
                                                                                                                                       (474.156.328 R)
                                                                                                                                                                          58,59,60
                                                                                                                                                                          58 59 60
                                                                                                                                      3AL 78840 AB––
                                                                                            L–1.2 JE OPT. INTERF. SC/PC    IL–1.2
                                                                                                                                      (474.156.354 K)

                                                                                            140/155 ELECTRICAL                         3AL37558AB––
                                                                                                                            ICMI                                            61
                                                                                            INTERFACE                                  (474.156.346 K)

                                                                                            STM–1 MULTIMODE OPT                        3AL 80741 AA––
                                                                                                                           MM1                                              58
                                                                                            SC/PC                                      (474.166.035 Z)
                                                  1AA 00014 0004 (9007) A4 – ALICE 04.10




                                                                                           ED     03

                                                                                                                                                 3AL 91669 AA AA                   97 / 706


                                                                                                                                                             706
ANV Part Number       Max.
                                                    NAME             ACRONYM                                    SLOT       NOTES
                                                                               (Factory Part Number)   Qty




                                                                                                                                              not permitted without written authorization from Alcatel.
                                          STM–4 MODULES




                                                                                                                                                All rights reserved. Passing on and copying of this
                                                                                                                                                document, use and communication of its contents
                                          S–4.1 OPTICAL INTERF.                  3AL 79340 AA––
                                          FC/PC                                   474.156.372 M
                                          S–4.1 OPTICAL INTERF.                  3AL 79451 AA––
                                                                      IS–4.1
                                          SC/PC                                  474.156.384 A
                                                                                 3AL 91793 AA––
                                          S–4.1 OPTICAL INTERF. LC
                                                                                    ––––––––
                                          L–4.1 OPTICAL INTERF.                  3AL 79452 AA––
                                          FC/PC                                   474.156.385 B
                                          L–4.1 OPTICAL INTERF.                  3AL 79452 AB––
                                                                      IL–4.1                            8        ––         62
                                          SC/PC                                   474.156.386 C
                                                                                 3AL 91794 AA––
                                          L–4.1 OPTICAL INTERF. LC
                                                                                    ––––––––
                                          L–4.2 OPTICAL INTERF.                  3AL 79453 AA––
                                          FC/PC                                   474.156.387 D
                                          L–4.2 OPTICAL INTERF.                  3AL 79453 AB––
                                                                      IL–4.2
                                          SC/PC                                   474.156.388 N
                                                                                 3AL 71975 AA––
                                          L–4.2 OPTICAL INTERF. LC
                                                                                    ––––––––
                                          4xANY MODULES

                                          4 X ANY HS PLUG–IN 1310                3AL 81616 AA––                Refer to
                                                                      OH–I                             12                   63
                                          (OH–I)                                 (474.156.178 K)              Figure 56.

                                          4 X ANY LS PLUG–IN 1310                3AL 81617 AA––                Refer to
                                                                      OL–IN                            24                   64
                                          (OL–I)                                 (474.156.179 L)              Figure 56.

                                                                                  3AL81613 AA––                Refer to
                                          4 X ANY HS PLUG–IN 850     OH–MM                             12                   63
                                                                                  (474.156.175 G)             Figure 56.

                                                                                  3AL81615 AA––                Refer to
                                          4 X ANY LS PLUG–IN 850      OL–MM                            24                   64
                                                                                  (474.156.177 A)             Figure 56.
1AA 00014 0004 (9007) A4 – ALICE 04.10




                                         ED    03

                                                                                            3AL 91669 AA AA                        98 / 706


                                                                                                        706
ANV Part Number       Max.
                                                                                                      NAME            ACRONYM                                   SLOT   NOTES
                                                                                                                                 (Factory Part Number)   Qty
not permitted without written authorization from Alcatel.




                                                                                            ETHERNET “SFP” OPTICAL MODULES
  All rights reserved. Passing on and copying of this
  document, use and communication of its contents




                                                                                            OPTO TRX 1.25GBE SFP
                                                                                                                                    1AB 18728 0001               ––
                                                                                            1000B–LX

                                                                                            OPTO TRX 1.25GBE SFP
                                                                                                                                    1AB 18728 0002               ––
                                                                                            1000B–SX
                                                                                                                                                                        65
                                                                                                                       1000B                             64
                                                                                            OPTO TRX 1.25GBE SFP                                                        66
                                                                                                                                    1AB 18728 0028               ––
                                                                                            1000B–ZX

                                                                                            OPTO TRX SFP 1.25GBE SX
                                                                                                                                    1AB 187280033                ––
                                                                                            DDM

                                                                                            STM–1 “SFP” OPTICAL MODULES

                                                                                                                       S S–1.1
                                                                                            OPTO TRX SFP S–1.1            or        1AB 194670001        256     ––
                                                                                                                        100B

                                                                                            OPTO TRX SFP L–1.1                                                          65
                                                                                                                       SL–1.1       1AB 194670002        256     ––
                                                                                            PLUGIN

                                                                                            OPTO TRX SFP L–1.2
                                                                                                                       SL–1.2       1AB 194670003        256     ––
                                                                                            –40 +85 C LC

                                                                                            STM4 “SFP” OPTICAL MODULES

                                                                                            TRX SFP S–4.1              SS–4.1       1AB 196360001        32      ––

                                                                                            TRX SFP L–4.1
                                                                                                                       SL–4.1       1AB 196360003        32      ––
                                                                                            –40 +85 C LC                                                                65

                                                                                            TRX SFP L–4.2
                                                                                                                       SL–4.2       1AB 196360002        32      ––
                                                                                            –40 +85 C LC

                                                                                            STM–16 “SFP” OPTICAL MODULES (Black and White)

                                                                                            OPTO TRX SFP S–16.1        SS–161       1AB 19637 0001

                                                                                            OPTO TRX SFP L–16.1        SL–161       1AB 19637 0004       16      ––     65

                                                                                            OPTO TRX SFP L–16.2        SL–162       1AB 19637 0003
                                                  1AA 00014 0004 (9007) A4 – ALICE 04.10




                                                                                           ED    03

                                                                                                                                              3AL 91669 AA AA                  99 / 706


                                                                                                                                                          706
ANV Part Number       Max.
                                                    NAME         ACRONYM                                    SLOT   NOTES
                                                                            (Factory Part Number)   Qty




                                                                                                                                     not permitted without written authorization from Alcatel.
                                          CWDM “SFP” OPTICAL MODULES (Colored)




                                                                                                                                       All rights reserved. Passing on and copying of this
                                                                                                                                       document, use and communication of its contents
                                          CWDM 1470 NM
                                                                  SS–162C        1AB 19634 0001
                                          PIN PLUGIN

                                          CWDM 1490 NM
                                                                  SS–162C        1AB 19634 0002
                                          PIN PLUGIN

                                          CWDM 1510 NM
                                                                  SS–162C        1AB 19634 0003
                                          PIN PLUGIN

                                          CWDM 1530 NM
                                                                  SS–162C        1AB 19634 0004
                                          PIN PLUGIN
                                                                                                    16       ––     65
                                          CWDM 1550 NM
                                                                  SS–162C        1AB 19634 0005
                                          PIN PLUGIN

                                          CWDM 1570 NM
                                                                  SS–162C        1AB 19634 0006
                                          PIN PLUGIN

                                          CWDM 1590 NM
                                                                  SS–162C        1AB 19634 0007
                                          PIN PLUGIN

                                          CWDM 1610 NM
                                                                  SS–162C        1AB19634 0008
                                          PIN PLUGIN

                                          CWDM 1470 NM
                                                                  SL–162C        1AB19635 0001
                                          APD PLUGIN

                                          CWDM 1490 NM
                                                                  SL–162C        1AB19635 0002
                                          APD PLUGIN

                                          CWDM 1510 NM
                                                                  SL–162C        1AB19635 0003
                                          APD PLUGIN

                                          CWDM 1530 NM
                                                                  SL–162C        1AB19635 0004
                                          APD PLUGIN
                                                                                                    16       ––     65
                                          CWDM 1550 NM
                                                                  SL–162C        1AB19635 0005
                                          APD PLUGIN

                                          CWDM 1570 NM
                                                                  SL–162C        1AB19635 0006
                                          APD PLUGIN

                                          CWDM 1590 NM
                                                                  SL–162C        1AB19635 0007
                                          APD PLUGIN

                                          CWDM 1610 NM
                                                                  SL–162C        1AB19635 0008
                                          APD PLUGIN
1AA 00014 0004 (9007) A4 – ALICE 04.10




                                         ED    03

                                                                                          3AL 91669 AA AA                100 / 706


                                                                                                     706
ANV Part Number       Max.
                                                                                                       NAME     ACRONYM                                  SLOT    NOTES
                                                                                                                          (Factory Part Number)   Qty
not permitted without written authorization from Alcatel.




                                                                                            CONTROLLER
  All rights reserved. Passing on and copying of this
  document, use and communication of its contents




                                                                                                                             3AL78836AB––
                                                                                            EQUICO E            PQ2/EQC                            1      22      67
                                                                                                                             (411.102.506 Z)

                                                                                            MATRIX

                                                                                                                             3AL81072 AA––
                                                                                            MATRIX ENHANCED     MATRIXE                            2     23,40    68
                                                                                                                             (411.102.032 Q)

                                                                                            FLASH CARD

                                                                                            FLASH CARD 256 MB                1AB 17634 0002
                                                                                                                MEM–DEV                            1      ––      69
                                                                                            –20/85° C                             ––––
                                                  1AA 00014 0004 (9007) A4 – ALICE 04.10




                                                                                           ED    03

                                                                                                                                       3AL 91669 AA AA                 101 / 706


                                                                                                                                                   706
Table 16. Accessories list

                                                                                   ANV Part Number       Max.
                                                      NAME             ACRONYM                                  SLOT   NOTES
                                                                                 (Factory Part Number)   Qty




                                                                                                                                         not permitted without written authorization from Alcatel.
                                                                                                                                           All rights reserved. Passing on and copying of this
                                                                                                                                           document, use and communication of its contents
                                          EQUIPMENT ACCESSORIES
                                                                                    3AN49397AA––                        70
                                          DUMMY PLATE W20                ––                              32      ––
                                                                                    (299.701.587 J)
                                                                                    3AN49399AA––                        71
                                          DUMMY PLATE W30                ––                               1      ––
                                                                                    (299.701.590 Z)
                                                                                    3AN49400AA––                        72
                                          DUMMY PLATE W35                ––                               1      ––
                                                                                    (299.701.591 N)

                                                                                    1AF00398AA––
                                          TELEPHONE HANDSET              ––                               1      ––     73
                                                                                    (013.200.016A)
                                                                                    3AL91653AA––
                                          INST. KIT X 1660SM R5          ––                               1      ––     74
                                                                                       ––.––.––
                                                                                   3CA 08540 AA––
                                          19” / 21” ADAPTER KIT          ––                               1      ––     75
                                                                                    (299.701.597 L)
                                          CAPS ESD COMMON PART                     3AL 79266 AA––
                                                                         ––                               1      ––
                                          OMSN                                     (299.701.877 U)
                                                                                   3AL 79267 AA––
                                          CAPS ESD 1.0/2.3 OMSN          ––                              38      ––     76
                                                                                   (299.701.878 D)
                                                                                   3AL 79268 AA––
                                          CAPS ESD SUB/D OMSN            ––                               6      ––
                                                                                   (299.701.879 E)
                                          40A 72V CIRCUIT                           1AB16271 0015
                                                                         ––                               2      ––     77
                                          BREAKER
                                          40A CIRCUIT                               1AB02438 0031
                                                                         ––                               2      ––     78
                                          BREAKER S9 RACK
                                                                                    1AB 162710003
                                          4A 72Vdc CIRCUIT BREAKER       ––                               2      ––     79
                                                                                    (001.791.353 R)
                                          CASE EMC 1.0/2.3 FOR                     3AL 80915 AA––
                                                                         ––                              64      ––     80
                                          CABLE 3.6 mm                             (298.701.209 N)
                                          120 OHM KIT FOR CABLE                    3AN 50125 AA––
                                                                         ––                               2      ––     81
                                          SUPPORT                                  (299.701.063 X)
                                                                                    1AB 07984 0025
                                          SM JUMPER FC/PC 1,35 MT        ––
                                                                                                         16      ––     82
                                                                                    1AB 08001 0065
                                          SM JUMPER SC/PC 1,35 MT        ––

                                          JUMPER SM MU/SPC FC/                      1AB 217410045
                                          SPC (1,35 m)                                    ––
                                                                                                          1             83
                                          JUMPER SM MU/SPC SC/                      1AB 217420046
                                          SPC (1,35 m)                                    ––
                                          KIT T_BUS UPGRADE FOR                      3AL 81202 AA
                                                                         ––                               1      ––     84
1AA 00014 0004 (9007) A4 – ALICE 04.10




                                          ISA APPLICATION                           (299.701.228 H)

                                          KIT–CABLING ETHERNET           ––        3AL 81639 AA––         1      ––     85


                                         ED      03

                                                                                              3AL 91669 AA AA                102 / 706


                                                                                                          706
ANV Part Number       Max.
                                                                                                      NAME           ACRONYM                                  SLOT     NOTES
                                                                                                                               (Factory Part Number)   Qty
not permitted without written authorization from Alcatel.




                                                                                            KIT SM/MM 50 um                      3AL 81465 AA––
  All rights reserved. Passing on and copying of this
  document, use and communication of its contents




                                                                                                                       ––                              64      ––        86
                                                                                            PATCH CORD                           (299.701.237 S)

                                                                                            KIT SM/MM 62.5 um                    3AL 81466 AA––
                                                                                                                       ––                              64      ––        86
                                                                                            PATCH CORD                           (299.701.2378B)
                                                                                            120 OHM NEW                           3AL80834 AA––
                                                                                                                       ––                              54      ––        87
                                                                                            CONNECTOR KIT                         (299.701.066 S)
                                                                                            1.0/2.3 COAXIAL                       1AB061220003
                                                                                                                       ––                              764     ––        88
                                                                                            CONNECTOR (3mm)                       (040.144.001N)
                                                                                            MALE CONNECTOR 1.0/2.3                1AB 00972 0049
                                                                                                                       ––                              128     ––        89
                                                                                            (3.6 mm)
                                                                                            1.0/2.3 MALE COAXIAL                  1AB158340001
                                                                                                                       ––                               8      ––        90
                                                                                            CONNECTOR BALUN                       (040.144.010J)

                                                                                            CONNECTORS RJ45 M8
                                                                                                                       ––         1AB 07461 0019       300     ––        91
                                                                                            WIRES ITC CAT.6

                                                                                            SPARE PARTS

                                                                                                                                 3AL 79088 AC––
                                                                                            TERMINATION BUS/2         TBUS                              1      –
                                                                                                                                 (487.166.408 B)

                                                                                                                                 3AL 79497 AA––
                                                                                            EXTRACTORS KIT             ––                               1      ––
                                                                                                                                 (299.701.341 A)

                                                                                            SFP MODULE PLUG–IN
                                                                                                                       ––        3AL 81728 AA––         1      ––        92
                                                                                            TOOL

                                                                                            SOFTWARE                                                                     93

                                                                                                                                                                     (End of table)
                                                  1AA 00014 0004 (9007) A4 – ALICE 04.10




                                                                                           ED    03

                                                                                                                                            3AL 91669 AA AA                   103 / 706


                                                                                                                                                        706
2.2.2 Fans Subrack 19” part list

                                          Refer to Figure 33. on page 84.




                                                                                                                                                    not permitted without written authorization from Alcatel.
                                                                                                                                                      All rights reserved. Passing on and copying of this
                                                                                                                                                      document, use and communication of its contents
                                          Table 17. Fans Subrack 19” part list


                                                                                        ANV Part Number       Max.
                                                      NAME                  ACRONYM                                  SLOT        NOTES
                                                                                      (Factory Part Number)   Qty

                                          MECHANICAL STRUCTURE

                                                                                         3AL79773AA––
                                          FANS SHELF 19”                     SRFAN                             1       –           94
                                                                                         (593.153.008 A)

                                          ACCESSORIES

                                          FAN UNIT FOR FAN SHELF                        3AL 79772 AA––
                                                                              FAN                              4     0,1,2,3
                                          19”                                            (411.101.423 L)

                                          METALLIC FAN GRID                      ––     3AL 81812 AA––         2      4.5

                                          DUST FILTER        FOR   FAN                  3AL 80371 AA––                             95
                                                                                 ––                            2      4,5
                                          SHELF 19”                                     (299.908.007 Y)
                                                                                                                               (End of table)
1AA 00014 0004 (9007) A4 – ALICE 04.10




                                         ED      03

                                                                                                   3AL 91669 AA AA                      104 / 706


                                                                                                               706
2.2.3 Explanatory notes

                                                                                            Table 18. Explanatory notes

                                                                                                Note                                                  Explanation
not permitted without written authorization from Alcatel.
  All rights reserved. Passing on and copying of this
  document, use and communication of its contents




                                                                                                           The subrack must be install in the Rack together with the FANS SHELF 19” and the relevant
                                                                                                 1
                                                                                                           fans units.
                                                                                                 2         It is the main shelf of the equipment, also with the back panel
                                                                                                 3         The subrack also hosts two fans units in the lower two slots of the mechanical structure.
                                                                                                 4         Filters used as alternative in the 1660SM SUBRACK AND FAN.
                                                                                                 5         Mandatory unit. Used to provide voltage logical reference to all Control and Auxiliary bus.
                                                                                                 6         Extractors used to remove the SFP module.
                                                                                                           To be used for “STM 64 PORT L– 64.2 B FC” extended application to cover span with
                                                                                                 7         attenuation range (S–R) up to 28 dB, see para. 5.8.2 on page 641. Must be provided also
                                                                                                           relevant jumpers.
                                                                                                 8         As Low Speed ports are intended the 2 Mbit/s speed ports
                                                                                                           To be used with the LS access cards. Three access cards are needed to fully connect the port’s
                                                                                                 9
                                                                                                           channel. The P63E1, P63E1N–M4 spare port must be inserted in slot 32.
                                                                                                           The board supports the NT functionality, performance monitoring, Retiminig and Frame Slip
                                                                                                 10
                                                                                                           functionalities.
                                                                                                 11        As High Speed PDH ports are intended the 34 Mbit/s and the 45 Mbit/s ports
                                                                                                           The same board can be used as 3x34 Mbit/s or 3x45Mbit/s but its corresponding access cards
                                                                                                 12
                                                                                                           are separated (i.e A3E3 for 3x34 Mbit/s and A3T3 for 3x45 Mbit/s)
                                                                                                 13        As High Speed SDH ports are intended STM–1, STM–4, STM–16, STM–64 ports
                                                                                                 14        The port needs an access card with 4 STM–1 electrical interfaces
                                                                                                 15        Each port of this board can be configured as 140 Mbit/s or STM–1.
                                                                                                           The port needs four (electrical or optical) modules to reach the maximum capability of four
                                                                                                           channels. Two modules have to be inserted on the card front panel and two on the correspond-
                                                                                                 16        ing access card 2 x STM–1 front panel (A2S1). Notice that different kind of access module (elec-
                                                                                                           trical and optical, also of different characteristic and connectors) can be inserted in the port card
                                                                                                           or in the access card
                                                                                                           The unit has 4 cavity on the front panel that can be equipped with up to 4 STM4 SFP modules
                                                                                                           or up to 4 STM1 SFP modules. The unit can be used in conjuction with the relevant access card
                                                                                                 17        in order to provide up to 12 STM1 optical ports (A12OS1E) or up to 16 STM1 electrical ports
                                                                                                           (A16ES1E). Refer to Figure 80. on page 169 for relationship between SFP modules and rele-
                                                                                                           vant Housing board.
                                                                                                           The unit is two slot wide and it can house up to 4 optical modules (OH–I, OL–IN, OH–MM, OL–
                                                                                                 18
                                                                                                           MM). For details about the max. board capabilty refer to paragraph 3.10 on page 293.
                                                                                                 19        The ports does not need access card
                                                                                                 20        Ports supplied with different connectors types
                                                  1AA 00014 0004 (9007) A4 – ALICE 04.10




                                                                                           ED         03

                                                                                                                                                                  3AL 91669 AA AA                         105 / 706


                                                                                                                                                                                706
Note                                               Explanation
                                                         Note: this board does not support Low Order traffic termination
                                                         The board is used in conjunction with ISA–PR board.




                                                                                                                                                             not permitted without written authorization from Alcatel.
                                               21        Two modules have to be inserted on the card front panel.




                                                                                                                                                               All rights reserved. Passing on and copying of this
                                                                                                                                                               document, use and communication of its contents
                                                         Notice that different kind of STM–4 modules (also of different characteristic and connectors)
                                                         can be inserted in the port card .
                                               22        STM–16 port is two slot wide
                                               23        Ports to be used with the Booster
                                                         The board is used to interconnect distances less than approximately 2Km (intra–office applica-
                                               24
                                                         tion)
                                                         The unit is one slot wide and must be equipped with SFP optical module. Refer to Figure 80.
                                               25
                                                         on page 169 for relationship between SFP modules and relevant Housing board.
                                               26        Port used as input for the WDM equipment (blue band)
                                               27        Port used as input for the WDM equipment (red band)
                                               28        The unit is two slot wide.
                                               29        The board has #11 RJ45 interfaces
                                                         The board can be equipped with up to four 1.25 Gbit/s Modules. Refer to Figure 80. on page
                                               30
                                                         169 for relationship between SFP modules and relevant Housing board.
                                                         The unit provides a STM–1 interface on the front coverplate.
                                                         It manages up to 16 ports configurable as: SDH VC–4, SDH VC–3, SDH VC–12, PDH 34M,
                                               31        PDH 2M.
                                                         The max throughput towards backpanel is 622 Mbit/s.
                                                         The unit supports the PNNI.
                                                         It manages up to 252 ports configurable as: SDH VC–4, SDH VC–3, SDH VC–12, PDH 45M,
                                                         PDH 34M, PDH 2M.
                                               32
                                                         The max throughput towards backpanel is 622 Mbit/s.
                                                         The unit supports the IMA.
                                                         It manages up to 16 ports configurable as: SDH VC–4, SDH VC–3, SDH VC–12, PDH 45M,
                                                         PDH 34M, PDH 2M.
                                               33
                                                         The max throughput towards backpanel is 622 Mbit/s.
                                                         The unit supports the IMA.
                                                         The board is two slot wide
                                                         It manages up to 16+16 ports configurable as: SDH VC–4, SDH VC4–C, SDH VC–3, SDH
                                               34        VC–12, PDH 45M, PDH 34M, PDH 2M.
                                                         The max throughput towards backpanel is 1.2 Gbit/s.
                                                         The unit supports the PNNI.
                                                         With a max. data throughput of 1Gb/s, it allows the transportation of MPLS packets over SDH,
                                               35        their routing, and the traffic congestion management. It hosts, further, 4x 10/100BaseT
                                                         interfaces carring MPLS over ethernet.
                                                         With a max. data throughput of 1.6 Gb/s, it allows the transportation of MPLS packets over
                                                         SDH, their routing, and the traffic congestion management.
                                               36
                                                         Refer to Figure 80. on page 169 for relationship between SFP modules and relevant Housing
1AA 00014 0004 (9007) A4 – ALICE 04.10




                                                         board.




                                         ED         03

                                                                                                            3AL 91669 AA AA                      106 / 706


                                                                                                                         706
Note                                                Explanation
                                                                                                           The board is two slot wide
                                                                                                           With a max. data throughput of 6.5 Gb/s data throughput, it allows the transportation of ethernet
not permitted without written authorization from Alcatel.




                                                                                                           packets over SDH, their routing, and the traffic congestion management.
  All rights reserved. Passing on and copying of this
  document, use and communication of its contents




                                                                                                 37        It hosts four STM4 optical modules interfacing physical line (Refer to Figure 80. on page 169
                                                                                                           for relationship between SFP modules and relevant Housing board).
                                                                                                           Two access cards max are used for each PR board. Mixed access cards configuration are al-
                                                                                                           lowed.
                                                                                                           The unit must be equipped with SFP optical module (Refer to Figure 80. on page 169 for rela-
                                                                                                 38
                                                                                                           tionship between SFP modules and relevant Housing board).
                                                                                                           The unit can be equipped with one 1.25 Gbit/s Modules (Refer to Figure 80. on page 169 for
                                                                                                 39        relationship between SFP modules and relevant Housing board).
                                                                                                           This module is not operative in current release.
                                                                                                           The board must be equipped with SFP optical module “colored” (1470 – 1610 nm) or “Black and
                                                                                                           White”. The max. number of SFP module per board is equal to four.
                                                                                                 40
                                                                                                           Refer to Figure 80. on page 169 for relationship between SFP modules and relevant Housing
                                                                                                           board.
                                                                                                           Protected LS access card . Allow the bidirectional connection of up to twenty–one 2 Mbit/s
                                                                                                 41
                                                                                                           channels. To be used in EPS protected configurations.
                                                                                                 42        Compliant with ITU K20 norms
                                                                                                           HS access card dedicated to the 3x34 port. Allows the bidirectional connection of up to three
                                                                                                 43
                                                                                                           34 Mbit/s channels.
                                                                                                           HS access card dedicated to the 3x45 port. Allows the bidirectional connection of up to three
                                                                                                 44
                                                                                                           45 Mbit/s channels.
                                                                                                           HS access card to be used for the 4 x STM–1 electrical port. Allows the bidirectional connection
                                                                                                 45
                                                                                                           of up to 4 channels
                                                                                                           To be used in an EPS protection scheme as access card for the HS electrical spare port
                                                                                                 46
                                                                                                           (3x34 Mbit/s, 3x45 Mbit/s and 4x155 Mbit/s)
                                                                                                           To be used in an EPS protection scheme as access card for the HS electrical spare port
                                                                                                 47
                                                                                                           16x 155 Mbit/s
                                                                                                 48        The access card needs up to 2 optical or electrical modules to be inserted inside
                                                                                                           The unit can be equipped with up to 12 SFP STM1 optical modules S–1.1.
                                                                                                 49        Refer to Figure 80. on page 169 for relationship between SFP modules and relevant Housing
                                                                                                           board.
                                                                                                 50        To be used in conjuction with P16S1–4E.
                                                                                                 51        The board has #14 RJ45 interfaces.
                                                                                                           The board can be used in conjunction with the ETH–MB.
                                                                                                           If used in conjunction with ETH–MB the access card provides up to two Gigabit Ethernet Inter-
                                                                                                           face; in this configuration only the two upper interfaces present on the access card can be used
                                                                                                 52        for Gbit Ethernet application. For details on slot position refer to Table 28. on page 119.

                                                                                                           The access card can be equipped with SFP Optical module. Refer to Figure 80. on page 169
                                                                                                           for relationship between SFP modules and relevant Housing board.
                                                  1AA 00014 0004 (9007) A4 – ALICE 04.10




                                                                                                           The board has 16 RJ45 interfaces at 10/100 Mbit/s.
                                                                                                 53
                                                                                                           It is used in conjunction with the ISA–PR Card for data access.


                                                                                           ED         03

                                                                                                                                                               3AL 91669 AA AA                        107 / 706


                                                                                                                                                                             706
Note                                                Explanation
                                                         The board has 2 plug–in interfaces at 1 Gbit/s (Refer to Figure 80. on page 169 for relationship
                                               54        between SFP modules and relevant Housing board)




                                                                                                                                                                not permitted without written authorization from Alcatel.
                                                         It is used in conjunction with the ISA–PR Card for data access.




                                                                                                                                                                  All rights reserved. Passing on and copying of this
                                                                                                                                                                  document, use and communication of its contents
                                                         A max of two Control and General interfaces can be used.
                                                         It delivers two voltage levels to all the cards.
                                               55        It provides external connectors for housekeepings, remote alarms, rack lamps, Q interface, LAN
                                                         interface.
                                                         If two CONGI cards are inserted, they provide different interfaces.
                                               56        Provides the connectors for the auxiliary , EOW channels and the synchronization interfaces.
                                               57        The board is two slot wide
                                                         Up to 2 of these modules are inserted on the following cards : P4E4N, P4S1N and A2S1 to real-
                                                         ize optical connections for a maximum of 2 STM–1 channels.
                                               58        Only one of these modules can be inserted in the ATM matrix 4X4.
                                                         With the MM1 module must be ordered also the specific patch cord in order to reach the multi-
                                                         mode charachteistics (50um patch cord or 62 um patch cord).
                                               59        Optical modules supplied with different connectors.
                                               60        Optical modules to be used with the Booster
                                                         Up to 2 of these modules are inserted on the following cards : P4E4N, P4S1N and A2S1 to real-
                                               61        ize electrical connections for a maximum of 2 STM–1 or 140 Mbit/s channels .
                                                         Only one of these modules can be inserted in the ATM matrix 4X4.
                                                         Up of 2 of these modules are inserted on the P4S4N card to realize optical connections for a
                                               62        maximum of 2 STM–4 channels (one for module).Optical modules supplied with different con-
                                                         nectors.
                                               63        Used for: Fiber Channel, FICON, Gigabit Ethernet
                                               64        Used for: Fast Ethernet, FDDI, ESCON, Digital Video.
                                                         Refer to Figure 80. on page 169 for relationship between SFP modules and relevant Housing
                                               65
                                                         board.
                                                         Due to access limitation only two of this modules can be equipped when GETH–AG is used in
                                               66
                                                         conjunction with ETH–MB.
                                               67        Equipment Controller card provides the F interface for the Craft Terminal connection
                                                         Two MATRIX cards can be used in a 1+1 protected EPS configuration. The card performs con-
                                               68
                                                         nection and cross–connection functionalities and moreover synchronization functionalities.
                                               69        It contains the equipment data base . To be used for running “SDH” and “ATM” software
                                                         It is essential to insert the relevant dummy plates on the spaces left by the port or access mod-
                                               70
                                                         ules units not supplied in order to obtain the EMI/EMC performances.
                                               71        Dummy plate for unequipped SERVICES I/F unit
                                               72        Dummy plate for unequipped MATRIX unit
                                               73        Optional telephone handset associated to the SERVICES I/F card.
                                               74        It is necessary when Optinex rack is employed
1AA 00014 0004 (9007) A4 – ALICE 04.10




                                               75        Mechanical adaptor utilized to insert the subrack in “21” rack.




                                         ED         03

                                                                                                             3AL 91669 AA AA                        108 / 706


                                                                                                                           706
Note                                                Explanation
                                                                                                           Protection cups to be used to respect the ESD precaution. At the end of the installation phase
                                                                                                 76
                                                                                                           all the connectors not used for cabling must be covered with the relevant “protection caps”
not permitted without written authorization from Alcatel.
  All rights reserved. Passing on and copying of this
  document, use and communication of its contents




                                                                                                 77        To be used with CONGI 3AL78830AD––.
                                                                                                 78        To be used with S9 Rack.
                                                                                                 79        To be used in Optinex rack (TRU) to power the Fan Shelf
                                                                                                 80        To be used for EMC performance. One for each 140/155 ELECTRICAL INTERFACE (ICMI)
                                                                                                 81        To be installed when 120 Ohm connector are used for 2Mbit/s signals.
                                                                                                           Must be provided with optical boosters in order to perform connection with STM–4 or STM–16
                                                                                                 82
                                                                                                           ports.
                                                                                                           Must be provided between “Optical Compensation Device” and “STM 64 PORT L– 64.2B
                                                                                                 83
                                                                                                           FC” card.
                                                                                                 84        Upgrade for ATM functionality.
                                                                                                           Cable duct to be used during the installation phase. It allows the electrical cables separation
                                                                                                 85
                                                                                                           from the optical cables.
                                                                                                 86        Must be used in conjunction with “STM–1 MULTIMODE OPT SC/PC” Optical Module
                                                                                                 87        Every kit contains #1 connectors for 7x2 Mbit/s interface 120 Ohm
                                                                                                 88        To be used for the 2 Mbit/s connections and for the synchronism on SERVICES I/F card.
                                                                                                 89        To be used for the 34/45 Mbit/s and STM–1 electrical connections
                                                                                                 90        To be used only with SERVICES I/F port card. It allows the 75/120 Ohm conversion.
                                                                                                 91        To be used with the relevant cable in the installation phase for ethernet port connection
                                                                                                 92        To be used to remove the fiber cable from port connector
                                                                                                 93        Details concerning the software P/N are given in the Operator’s Handbook.
                                                                                                           The subrack (with relevant fans units and filter) must be install in the Rack together with the
                                                                                                 94
                                                                                                           1660SM SUBRACK “SR60M”
                                                                                                 95        Filters used as alternative in the Fans shelf 19”

                                                                                                                                                                                           (End of table)
                                                  1AA 00014 0004 (9007) A4 – ALICE 04.10




                                                                                           ED         03

                                                                                                                                                               3AL 91669 AA AA                         109 / 706


                                                                                                                                                                            706
2.3 Relationship between Port Card and Access Card

                                          Table 19. Relationship between P63E1, P63E1N–M4 (63 X 2 Mbit/s unit) port card and A21E1 access
                                          card




                                                                                                                                                  not permitted without written authorization from Alcatel.
                                                                                                                                                    All rights reserved. Passing on and copying of this
                                                                                                                                                    document, use and communication of its contents
                                              Port Card acronym       Port Card Slot     Access Card acronym         Access Card Slot

                                                                                                 A21E1                 1 (CH. 1–21)

                                                                            24                   A21E1                2 (CH. 22–42)

                                                                                                 A21E1                3 (CH. 43–63)

                                                                                                 A21E1                 4 (CH. 1–21)

                                                                            27                   A21E1                5 (CH. 22–42)

                                                                                                 A21E1                6 (CH. 43–63)

                                                                                                 A21E1                 7 (CH. 1–21)

                                                                            30                   A21E1                8 (CH. 22–42)

                                                                                                 A21E1                9 (CH. 43–63)

                                              P63E1, P63E1N–M4          32 (spare)              ––––––                   ––––––

                                                                                                 A21E1                13 (CH. 1–21)

                                                                            33                   A21E1               14 (CH. 22–42)

                                                                                                 A21E1               15 (CH. 43–63)

                                                                                                 A21E1                16 (CH. 1–21)

                                                                            36                   A21E1               17 (CH. 22–42)

                                                                                                 A21E1               18 (CH. 43–63)

                                                                                                 A21E1                19 (CH. 1–21)

                                                                            39                   A21E1               20 (CH. 22–42)

                                                                                                 A21E1               21 (CH. 43–63)
1AA 00014 0004 (9007) A4 – ALICE 04.10




                                         ED      03

                                                                                                  3AL 91669 AA AA                     110 / 706


                                                                                                               706
Table 20. Relationship between P3E3T3 (3X34/45 Mbit/s Switchable unit) port card and A3E3 access
                                                                                            card (3X34 Mbit/s)

                                                                                                Port Card acronym          Port Card Slot       Access Card acronym           Access Card Slot
not permitted without written authorization from Alcatel.
  All rights reserved. Passing on and copying of this
  document, use and communication of its contents




                                                                                                     P3E3T3                      24                      A3E3                    2 (CH. 1–3)

                                                                                                     P3E3T3                      25                      A3E3                    3 (CH. 1–3)

                                                                                                     P3E3T3                      26                      A3E3                    4 (CH. 1–3)

                                                                                                     P3E3T3                      27                      A3E3                    5 (CH. 1–3)

                                                                                                     P3E3T3                      28                      A3E3                    6 (CH. 1–3)

                                                                                                     P3E3T3                      29                      A3E3                    7 (CH. 1–3)

                                                                                                     P3E3T3                      30                      A3E3                    8 (CH. 1–3)

                                                                                                     P3E3T3                      31                      A3E3                    9 (CH. 1–3)

                                                                                                     P3E3T3                      32                      A3E3                   13 (CH. 1–3)

                                                                                                     P3E3T3                      33                      A3E3                   14 (CH. 1–3)

                                                                                                     P3E3T3                      34                      A3E3                   15 (CH. 1–3)

                                                                                                     P3E3T3                      35                      A3E3                   16 (CH. 1–3)

                                                                                                     P3E3T3                      36                      A3E3                   17 (CH. 1–3)

                                                                                                     P3E3T3                      37                      A3E3                   18 (CH. 1–3)

                                                                                                     P3E3T3                      38                      A3E3                   19 (CH. 1–3)

                                                                                                     P3E3T3                      39                      A3E3                   20 (CH. 1–3)


                                                                                            One or more 1+N (N ≤15) EPS revertive protection scheme can be created (for more detail see point [3]
                                                                                            of para. 3.13.1 on page 322).
                                                                                            In case of EPS configuration the following configuration rules must be respected:

                                                                                            –    Insert the protecting port card in a slot at the most left of of the protected port cards group.

                                                                                            –    Insert the special protection access card (HPROT) associated to the protecting port card
                                                                                                 following the rule reported in Table 20. on page 111 ( for example if the “protecting port card” has
                                                                                                 been inserted in slot 24, the ” protection access card HPROT” must be inserted in slot 2).

                                                                                            The max. number of EPS groups is 8 i.e. 8 cards each protected 1+1 revertive. For each group a HPROT
                                                                                            access card is required therefore the max number of HPROT access cards is 8.
                                                  1AA 00014 0004 (9007) A4 – ALICE 04.10




                                                                                           ED      03

                                                                                                                                                          3AL 91669 AA AA                        111 / 706


                                                                                                                                                                       706
Table 21. Relationship between P3E3T3 (3X34/45 Mbit/s Switchable unit) port card and A3T3 access
                                          card (3X45 Mbit/s)

                                              Port Card acronym          Port Card Slot       Access Card acronym           Access Card Slot




                                                                                                                                                          not permitted without written authorization from Alcatel.
                                                                                                                                                            All rights reserved. Passing on and copying of this
                                                                                                                                                            document, use and communication of its contents
                                                   P3E3T3                      24                      A3T3                    2 (CH. 1–3)

                                                   P3E3T3                      25                      A3T3                    3 (CH. 1–3)

                                                   P3E3T3                      26                      A3T3                    4 (CH. 1–3)

                                                   P3E3T3                      27                      A3T3                    5 (CH. 1–3)

                                                   P3E3T3                      28                      A3T3                    6 (CH. 1–3)

                                                   P3E3T3                      29                      A3T3                    7 (CH. 1–3)

                                                   P3E3T3                      30                      A3T3                    8 (CH. 1–3)

                                                   P3E3T3                      31                      A3T3                    9 (CH. 1–3)

                                                   P3E3T3                      32                      A3T3                   13 (CH. 1–3)

                                                   P3E3T3                      33                      A3T3                   14 (CH. 1–3)

                                                   P3E3T3                      34                      A3T3                   15 (CH. 1–3)

                                                   P3E3T3                      35                      A3T3                   16 (CH. 1–3)

                                                   P3E3T3                      36                      A3T3                   17 (CH. 1–3)

                                                   P3E3T3                      37                      A3T3                   18 (CH. 1–3)

                                                   P3E3T3                      38                      A3T3                   19 (CH. 1–3)

                                                   P3E3T3                      39                      A3T3                   20 (CH. 1–3)


                                          One or more 1+N (N ≤15) EPS revertive protection scheme can be created (for more detail see point [3]
                                          of para. 3.13.1 on page 322).
                                          In case of EPS configuration the following configuration rules must be respected:

                                          –    Insert the protecting port card in a slot at the most left of of the protected port cards group.

                                          –    Insert the special protection access card (HPROT) associated to the protecting port card
                                               following the rule reported in Table 20. on page 111 ( for example if the “protecting port card” has
                                               been inserted in slot 24, the ” protection access card HPROT” must be inserted in slot 2).

                                          The max. number of EPS groups is 8 i.e. 8 cards each protected 1+1 revertive. For each group a HPROT
                                          access card is required therefore the max number of HPROT access cards is 8.
1AA 00014 0004 (9007) A4 – ALICE 04.10




                                         ED      03

                                                                                                        3AL 91669 AA AA                       112 / 706


                                                                                                                     706
Table 22. Relationship between P4S1N, P4E4N, P4OC3 port card and A2S1 access card

                                                                                                  Port Card acronym     Port Card Slot    Access Card acronym         Access Card Slot

                                                                                                P4E4N, P4S1N, P4OC3          24                  A2S1                   2 (CH. 3–4)
not permitted without written authorization from Alcatel.
  All rights reserved. Passing on and copying of this
  document, use and communication of its contents




                                                                                                      (CH. 1–2)

                                                                                                P4E4N, P4S1N, P4OC3          25                  A2S1                   3 (CH. 3–4)
                                                                                                     (CH. 1–2)

                                                                                                P4E4N, P4S1N, P4OC3          26                  A2S1                   4 (CH. 3–4)
                                                                                                     (CH. 1–2)

                                                                                                P4E4N, P4S1N, P4OC3          27                  A2S1                   5 (CH. 3–4)
                                                                                                     (CH. 1–2)

                                                                                                P4E4N, P4S1N, P4OC3          28                  A2S1                   6 (CH. 3–4)
                                                                                                     (CH. 1–2)

                                                                                                P4E4N, P4S1N, P4OC3          29                  A2S1                   7 (CH. 3–4)
                                                                                                     (CH. 1–2)

                                                                                                P4E4N, P4S1N, P4OC3          30                  A2S1                   8 (CH. 3–4)
                                                                                                     (CH. 1–2)

                                                                                                P4E4N, P4S1N, P4OC3          31                  A2S1                   9 (CH. 3–4)
                                                                                                     (CH. 1–2)

                                                                                                P4E4N, P4S1N, P4OC3          32                  A2S1                  13 (CH. 3–4)
                                                                                                     (CH. 1–2)

                                                                                                P4E4N, P4S1N, P4OC3          33                  A2S1                  14 (CH. 3–4)
                                                                                                     (CH. 1–2)

                                                                                                P4E4N, P4S1N, P4OC3          34                  A2S1                  15 (CH. 3–4)
                                                                                                     (CH. 1–2)

                                                                                                P4E4N, P4S1N, P4OC3          35                  A2S1                  16 (CH. 3–4)
                                                                                                     (CH. 1–2)

                                                                                                P4E4N, P4S1N, P4OC3          36                  A2S1                  17 (CH. 3–4)
                                                                                                     (CH. 1–2)

                                                                                                P4E4N, P4S1N, P4OC3          37                  A2S1                  18 (CH. 3–4)
                                                                                                     (CH. 1–2)

                                                                                                P4E4N, P4S1N, P4OC3          38                  A2S1                  19 (CH. 3–4)
                                                                                                     (CH. 1–2)

                                                                                                P4E4N, P4S1N, P4OC3          39                  A2S1                  20 (CH. 3–4)
                                                                                                     (CH. 1–2)
                                                  1AA 00014 0004 (9007) A4 – ALICE 04.10




                                                                                           ED       03

                                                                                                                                                  3AL 91669 AA AA                     113 / 706


                                                                                                                                                                706
Table 23. Relationship between P16S1–4E port card and A12OS1E access card


                                              Port Card acronym       Port Card Slot   Access Card acronym         Access Card Slot




                                                                                                                                                not permitted without written authorization from Alcatel.
                                                 P16S1–4E                  24                A12OS1E                     2+3




                                                                                                                                                  All rights reserved. Passing on and copying of this
                                                                                                                                                  document, use and communication of its contents
                                                  (CH. 1–4)                                                           (CH. 5 –16)

                                                 P16S1–4E                  25                A12OS1E                     3+4
                                                 (CH. 1–4)                                                            (CH. 5 –16)

                                                 P16S1–4E                  26                A12OS1E                     4+5
                                                 (CH. 1–4)                                                            (CH. 5 –16)

                                                 P16S1–4E                  27                A12OS1E                     5+6
                                                 (CH. 1–4)                                                            (CH. 5 –16)

                                                 P16S1–4E                  28                A12OS1E                     6+7
                                                 (CH. 1–4)                                                            (CH. 5 –16)

                                                 P16S1–4E                  29                A12OS1E                     7+8
                                                 (CH. 1–4)                                                            (CH. 5 –16)

                                                 P16S1–4E                  30                A12OS1E                     8+9
                                                 (CH. 1–4)                                                            (CH. 5 –16)

                                                 P16S1–4E                  31                A12OS1E                  –––––––––
                                                 (CH. 1–4)

                                                 P16S1–4E                  32                A12OS1E                    13+14
                                                 (CH. 1–4)                                                            (CH. 5 –16)

                                                 P16S1–4E                  33                A12OS1E                    14+15
                                                 (CH. 1–4)                                                            (CH. 5 –16)

                                                 P16S1–4E                  34                A12OS1E                    15+16
                                                 (CH. 1–4)                                                            (CH. 5 –16)

                                                 P16S1–4E                  35                A12OS1E                    16+17
                                                 (CH. 1–4)                                                            (CH. 5 –16)

                                                 P16S1–4E                  36                A12OS1E                    17+18
                                                 (CH. 1–4)                                                            (CH. 5 –16)

                                                 P16S1–4E                  37                A12OS1E                    18 +19
                                                 (CH. 1–4)                                                            (CH. 5 –16)

                                                 P16S1–4E                  38                A12OS1E                    19 +20
                                                 (CH. 1–4)                                                            (CH. 5 –16)

                                                 P16S1–4E                  39                A12OS1E                  –––––––––
                                                 (CH. 1–4)
1AA 00014 0004 (9007) A4 – ALICE 04.10




                                         ED     03

                                                                                                3AL 91669 AA AA                     114 / 706


                                                                                                             706
Table 24. Relationship between P16S1–4E port card and A12OS1SE access card


                                                                                                Port Card acronym       Port Card Slot   Access Card acronym         Access Card Slot
not permitted without written authorization from Alcatel.




                                                                                                   P16S1–4E                  24               A12OS1SE                       2
  All rights reserved. Passing on and copying of this
  document, use and communication of its contents




                                                                                                    (CH. 1–4)                                                            (CH. 5 –16)

                                                                                                   P16S1–4E                  25               A12OS1SE                        3
                                                                                                   (CH. 1–4)                                                             (CH. 5 –16)

                                                                                                   P16S1–4E                  26               A12OS1SE                       4
                                                                                                   (CH. 1–4)                                                             (CH. 5 –16)

                                                                                                   P16S1–4E                  27               A12OS1SE                       5
                                                                                                   (CH. 1–4)                                                             (CH. 5 –16)

                                                                                                   P16S1–4E                  28               A12OS1SE                       6
                                                                                                   (CH. 1–4)                                                             (CH. 5 –16)

                                                                                                   P16S1–4E                  29               A12OS1SE                       7
                                                                                                   (CH. 1–4)                                                             (CH. 5 –16)

                                                                                                   P16S1–4E                  30               A12OS1SE                       8
                                                                                                   (CH. 1–4)                                                             (CH. 5 –16)

                                                                                                   P16S1–4E                  31               A12OS1SE                       9
                                                                                                   (CH. 1–4)                                                             (CH. 5 –16)

                                                                                                   P16S1–4E                  32               A12OS1SE                      13
                                                                                                   (CH. 1–4)                                                             (CH. 5 –16)

                                                                                                   P16S1–4E                  33               A12OS1SE                      14
                                                                                                   (CH. 1–4)                                                             (CH. 5 –16)

                                                                                                   P16S1–4E                  34               A12OS1SE                      15
                                                                                                   (CH. 1–4)                                                             (CH. 5 –16)

                                                                                                   P16S1–4E                  35               A12OS1SE                      16
                                                                                                   (CH. 1–4)                                                             (CH. 5 –16)

                                                                                                   P16S1–4E                  36               A12OS1SE                      17
                                                                                                   (CH. 1–4)                                                             (CH. 5 –16)

                                                                                                   P16S1–4E                  37               A12OS1SE                     18
                                                                                                   (CH. 1–4)                                                           (CH. 5 –16)

                                                                                                   P16S1–4E                  38               A12OS1SE                     19
                                                                                                   (CH. 1–4)                                                           (CH. 5 –16)

                                                                                                   P16S1–4E                  39               A12OS1SE                     20
                                                                                                   (CH. 1–4)                                                           (CH. 5 –16)
                                                  1AA 00014 0004 (9007) A4 – ALICE 04.10




                                                                                           ED     03

                                                                                                                                                  3AL 91669 AA AA                      115 / 706


                                                                                                                                                               706
Table 25. Relationship between P16S1–4E port card and A16ES1E access card


                                              Port Card acronym           Port Card Slot      Access Card acronym           Access Card Slot




                                                                                                                                                           not permitted without written authorization from Alcatel.
                                                  P16S1–4E                      24                  A16ES1E                  2 (CH. 1 – 16)




                                                                                                                                                             All rights reserved. Passing on and copying of this
                                                                                                                                                             document, use and communication of its contents
                                                  P16S1–4E                      25                  A16ES1E                   3 (CH. 1 – 16)

                                                  P16S1–4E                      26                  A16ES1E                  4 (CH. 1 – 16)

                                                  P16S1–4E                      27                  A16ES1E                  5 (CH. 1 – 16)

                                                  P16S1–4E                      28                  A16ES1E                  6 (CH. 1 – 16)

                                                  P16S1–4E                      29                  A16ES1E                  7 (CH. 1 – 16)

                                                  P16S1–4E                      30                  A16ES1E                  8 (CH. 1 – 16)

                                                  P16S1–4E                      31                  A16ES1E                  9 (CH. 1 – 16)

                                                  P16S1–4E                      32                  A16ES1E                  13 (CH. 1 – 16)

                                                  P16S1–4E                      33                  A16ES1E                  14 (CH. 1 – 16)

                                                  P16S1–4E                      34                  A16ES1E                  15 (CH. 1 – 16)

                                                  P16S1–4E                      35                  A16ES1E                  16 (CH. 1 – 16)

                                                  P16S1–4E                      36                  A16ES1E                  17 (CH. 1 – 16)

                                                  P16S1–4E                      37                  A16ES1E                  18 (CH. 1 – 16)

                                                  P16S1–4E                      38                  A16ES1E                  19 (CH. 1 – 16)

                                                  P16S1–4E                      39                  A16ES1E                  20 (CH. 1 – 16)


                                          One or more 1+N (N ≤15) EPS revertive protection scheme can be created (for more detail see point [3]
                                          of para. 3.13.1 on page 322).
                                          In case of EPS configuration the following configuration rules must be respected:

                                          –    Insert the protecting port card in a slot at the most left of of the protected port cards group.

                                          –    Insert the special protection access card (HPROT) associated to the protecting port card
                                               following the rule reported in Table 25. on page 116 ( for example if the “protecting port card” has
                                               been inserted in slot 24, the ” protection access card HPROT” must be inserted in slot 2).

                                          The max. number of EPS groups is 8 i.e. 8 cards each protected 1+1 revertive. For each group a HPROT
                                          access card is required therefore the max number of HPROT access cards is 8.
1AA 00014 0004 (9007) A4 – ALICE 04.10




                                         ED      03

                                                                                                        3AL 91669 AA AA                        116 / 706


                                                                                                                     706
Table 26. Relationship between P4ES1N (4xSTM–1 Electrical) port card and A4ES1 access card.

                                                                                                Port Card acronym          Port Card Slot       Access Card acronym           Access Card Slot

                                                                                                     P4ES1N                      24                     A4ES1                   2 (CH. 1 to 4)
not permitted without written authorization from Alcatel.
  All rights reserved. Passing on and copying of this
  document, use and communication of its contents




                                                                                                     P4ES1N                      25                     A4ES1                   3 (CH. 1 to 4)

                                                                                                     P4ES1N                      26                     A4ES1                   4 (CH. 1 to 4)

                                                                                                     P4ES1N                      27                     A4ES1                   5 (CH. 1 to 4)

                                                                                                     P4ES1N                      28                     A4ES1                   6 (CH. 1 to 4)

                                                                                                     P4ES1N                      29                     A4ES1                   7 (CH. 1 to 4)

                                                                                                     P4ES1N                      30                     A4ES1                   8 (CH. 1 to 4)

                                                                                                     P4ES1N                      31                     A4ES1                   9 (CH. 1 to 4)

                                                                                                     P4ES1N                      32                     A4ES1                  13 (CH. 1 to 4)

                                                                                                     P4ES1N                      33                     A4ES1                  14 (CH. 1 to 4)

                                                                                                     P4ES1N                      34                     A4ES1                  15 (CH. 1 to 4)

                                                                                                     P4ES1N                      35                     A4ES1                  16 (CH. 1 to 4)

                                                                                                     P4ES1N                      36                     A4ES1                  17 (CH. 1 to 4)

                                                                                                     P4ES1N                      37                     A4ES1                  18 (CH. 1 to 4)

                                                                                                     P4ES1N                      38                     A4ES1                  19 (CH. 1 to 4)

                                                                                                     P4ES1N                      39                     A4ES1                  20 (CH. 1 to 4)


                                                                                            One or more 1+N (N ≤15) EPS revertive protection scheme can be created (for more detail see point [3]
                                                                                            of para. 3.13.1 on page 322).
                                                                                            In case of EPS configuration the following configuration rules must be respected:

                                                                                            –    Insert the protecting port card in a slot at the most left of of the protected port cards group.

                                                                                            –    Insert the special protection access card (HPROT) associated to the protecting port card
                                                                                                 following the rule reported in Table 20. on page 111 ( for example if the “protecting port card” has
                                                                                                 been inserted in slot 24, the ” protection access card HPROT” must be inserted in slot 2).

                                                                                            The max. number of EPS groups is 8 i.e. 8 cards each protected 1+1 revertive. For each group a HPROT
                                                                                            access card is required therefore the max number of HPROT access cards is 8.

                                                                                            The STM–4 and STM–16 high speed port card does not need Access Card because the physical
                                                                                            termination of the channel is on the port itself.
                                                  1AA 00014 0004 (9007) A4 – ALICE 04.10




                                                                                           ED      03

                                                                                                                                                          3AL 91669 AA AA                        117 / 706


                                                                                                                                                                       706
Table 27. Relationship between ETH–MB (11x10/100 Mb/s Ethernet) port card and ETH–ATX access
                                          card.


                                               Port Card acronym      Port Card Slot     Access Card acronym         Access Card Slot




                                                                                                                                                     not permitted without written authorization from Alcatel.
                                                                                                                                                       All rights reserved. Passing on and copying of this
                                                                                                                                                       document, use and communication of its contents
                                           ETH–MB (CH. 1 to 11)            24                 ETH–ATX                2 (CH. 12 to 25)

                                              ETH–MB (CH. 1 to 11)         25                 ETH–ATX                3 (CH. 12 to 25)

                                              ETH–MB (CH. 1 to 11)         26                 ETH–ATX                4 (CH. 12 to 25)

                                              ETH–MB (CH. 1 to 11)         27                 ETH–ATX                5 (CH. 12 to 25)

                                              ETH–MB (CH. 1 to 11)         28                 ETH–ATX                6 (CH. 12 to 25)

                                              ETH–MB (CH. 1 to 11)         29                 ETH–ATX                7 (CH. 12 to 25)

                                              ETH–MB (CH. 1 to 11)         30                 ETH–ATX                8 (CH. 12 to 25)

                                              ETH–MB (CH. 1 to 11)         31                 ETH–ATX                9 (CH. 12 to 25)

                                              ETH–MB (CH. 1 to 11)         32                 ETH–ATX                13 (CH. 12 to 25)

                                              ETH–MB (CH. 1 to 11)         33                 ETH–ATX                14 (CH. 12 to 25)

                                              ETH–MB (CH. 1 to 11)         34                 ETH–ATX                15 (CH. 12 to 25)

                                              ETH–MB (CH. 1 to 11)         35                 ETH–ATX                16 (CH. 12 to 25)

                                              ETH–MB (CH. 1 to 11)         36                 ETH–ATX                17 (CH. 12 to 25)

                                              ETH–MB (CH. 1 to 11)         37                 ETH–ATX                18 (CH. 12 to 25)

                                              ETH–MB (CH. 1 to 11)         38                 ETH–ATX                19 (CH. 12 to 25)

                                              ETH–MB (CH. 1 to 11)         39                 ETH–ATX                20 (CH. 12 to 25)
1AA 00014 0004 (9007) A4 – ALICE 04.10




                                         ED       03

                                                                                                 3AL 91669 AA AA                         118 / 706


                                                                                                               706
Table 28. Relationship between ETH–MB (10/100Mb) port card and GETH–AG (1.25 Gb/s) access
                                                                                            card.


                                                                                                Port Card acronym          Port Card Slot      Access Card acronym       Access Card Slot (N.B.)
not permitted without written authorization from Alcatel.
  All rights reserved. Passing on and copying of this
  document, use and communication of its contents




                                                                                                    ETH–MB                      24                   GETH–AG                          2
                                                                                             (10/100 Mb CH.1 to 11)                                                         (Gigabit CH. 1 and 2)
                                                                                                    ETH–MB                      25                   GETH–AG                          3
                                                                                             (10/100 Mb CH.1 to 11)                                                         (Gigabit CH. 1 and 2)
                                                                                                    ETH–MB                      26                   GETH–AG                          4
                                                                                             (10/100 Mb CH.1 to 11)                                                         (Gigabit CH. 1 and 2)
                                                                                                    ETH–MB                      27                   GETH–AG                          5
                                                                                             (10/100 Mb CH.1 to 11)                                                         (Gigabit CH. 1 and 2)
                                                                                                    ETH–MB                      28                   GETH–AG                          6
                                                                                             (10/100 Mb CH.1 to 11)                                                         (Gigabit CH. 1 and 2)
                                                                                                    ETH–MB                      29                   GETH–AG                          7
                                                                                             (10/100 Mb CH.1 to 11)                                                         (Gigabit CH. 1 and 2)
                                                                                                    ETH–MB                      30                   GETH–AG                          8
                                                                                             (10/100 Mb CH.1 to 11)                                                         (Gigabit CH. 1 and 2)
                                                                                                    ETH–MB                      31                   GETH–AG                          9
                                                                                             (10/100 Mb CH.1 to 11)                                                         (Gigabit CH. 1 and 2)
                                                                                                    ETH–MB                      32                   GETH–AG                          13
                                                                                             (10/100 Mb CH.1 to 11)                                                         (Gigabit CH. 1 and 2)
                                                                                                    ETH–MB                      33                   GETH–AG                          14
                                                                                             (10/100 Mb CH.1 to 11)                                                         (Gigabit CH. 1 and 2)
                                                                                                    ETH–MB                      34                   GETH–AG                          15
                                                                                             (10/100 Mb CH.1 to 11)                                                         (Gigabit CH. 1 and 2)
                                                                                                    ETH–MB                      35                   GETH–AG                          16
                                                                                             (10/100 Mb CH.1 to 11)                                                         (Gigabit CH. 1 and 2)
                                                                                                    ETH–MB                      36                   GETH–AG                          17
                                                                                             (10/100 Mb CH.1 to 11)                                                         (Gigabit CH. 1 and 2)
                                                                                                    ETH–MB                      37                   GETH–AG                          18
                                                                                             (10/100 Mb CH.1 to 11)                                                         (Gigabit CH. 1 and 2)
                                                                                                    ETH–MB                      38                   GETH–AG                          19
                                                                                             (10/100 Mb CH.1 to 11)                                                         (Gigabit CH. 1 and 2)
                                                                                                    ETH–MB                      39                   GETH–AG                          20
                                                                                             (10/100 Mb CH.1 to 11)                                                         (Gigabit CH. 1 and 2)


                                                                                            N.B.        The following channels are made available (max quantity) when GETH–AG is used in
                                                                                                        conjunction with ETH–MB:

                                                                                                        –   up to two Gigabit Ethernet interface on the access card GETH–AG;in this configuration
                                                                                                            only the two upper interfaces present on the access card can be used for Gbit Ethernet
                                                                                                            application.
                                                                                                        –   up to eleven 10/100 Mbit Ethernet interfaces on the ETH–MB.
                                                  1AA 00014 0004 (9007) A4 – ALICE 04.10




                                                                                           ED      03

                                                                                                                                                        3AL 91669 AA AA                        119 / 706


                                                                                                                                                                      706
Table 29. Relationship between ISA ES–16 port card and and ETH–ATX access card.


                                              Port Card acronym       Port Card Slot     Access Card acronym         Access Card Slot




                                                                                                                                                not permitted without written authorization from Alcatel.
                                                 ISA ES–16                 24                  ETH–ATX                      2




                                                                                                                                                  All rights reserved. Passing on and copying of this
                                                                                                                                                  document, use and communication of its contents
                                                 ISA ES–16                 25                  ETH–ATX                      3

                                                 ISA ES–16                 26                  ETH–ATX                      4

                                                 ISA ES–16                 27                  ETH–ATX                      5

                                                 ISA ES–16                 28                  ETH–ATX                      6

                                                 ISA ES–16                 29                  ETH–ATX                      7

                                                 ISA ES–16                 30                  ETH–ATX                      8

                                                 ISA ES–16                 31                  ETH–ATX                      9

                                                 ISA ES–16                 32                  ETH–ATX                      13

                                                 ISA ES–16                 33                  ETH–ATX                      14

                                                 ISA ES–16                 34                  ETH–ATX                      15

                                                 ISA ES–16                 35                  ETH–ATX                      16

                                                 ISA ES–16                 36                  ETH–ATX                      17

                                                 ISA ES–16                 37                  ETH–ATX                      18

                                                 ISA ES–16                 38                  ETH–ATX                      19

                                                 ISA ES–16                 39                  ETH–ATX                      20
1AA 00014 0004 (9007) A4 – ALICE 04.10




                                         ED      03

                                                                                                  3AL 91669 AA AA                   120 / 706


                                                                                                               706
Table 30. Relationship between ISA ES–16 port card and and GETH–AG access card.


                                                                                                Port Card acronym       Port Card Slot     Access Card acronym         Access Card Slot
not permitted without written authorization from Alcatel.




                                                                                                   ISA ES–16                 24                 GETH–AG                       2
  All rights reserved. Passing on and copying of this
  document, use and communication of its contents




                                                                                                   ISA ES–16                 25                 GETH–AG                       3

                                                                                                   ISA ES–16                 26                 GETH–AG                       4

                                                                                                   ISA ES–16                 27                 GETH–AG                       5

                                                                                                   ISA ES–16                 28                 GETH–AG                       6

                                                                                                   ISA ES–16                 29                 GETH–AG                       7

                                                                                                   ISA ES–16                 30                 GETH–AG                       8

                                                                                                   ISA ES–16                 31                 GETH–AG                       9

                                                                                                   ISA ES–16                 32                 GETH–AG                       13

                                                                                                   ISA ES–16                 33                 GETH–AG                       14

                                                                                                   ISA ES–16                 34                 GETH–AG                       15

                                                                                                   ISA ES–16                 35                 GETH–AG                       16

                                                                                                   ISA ES–16                 36                 GETH–AG                       17

                                                                                                   ISA ES–16                 37                 GETH–AG                       18

                                                                                                   ISA ES–16                 38                 GETH–AG                       19

                                                                                                   ISA ES–16                 39                 GETH–AG                       20
                                                  1AA 00014 0004 (9007) A4 – ALICE 04.10




                                                                                           ED      03

                                                                                                                                                   3AL 91669 AA AA                    121 / 706


                                                                                                                                                                 706
Table 31. Relationship between ISA–PR port card and 16FEA–PR or 2GBA–PR access cards.


                                              Port Card acro-   Port Card Slot     Access Card               Access Card Slot
                                                    nym                             acronym




                                                                                                                                                not permitted without written authorization from Alcatel.
                                                                                                                                                  All rights reserved. Passing on and copying of this
                                                                                                                                                  document, use and communication of its contents
                                                 ISA–PR            25–26           16FEA–PR or           2 –3                left
                                                                                    2GBA–PR              3–4              middle
                                                                                                         4–5               right
                                                 ISA–PR            26–27           16FEA–PR or           3–4                 left
                                                                                    2GBA–PR              4–5              middle
                                                                                                         5–6               right
                                                 ISA–PR            27–28           16FEA–PR or           4–5                 left
                                                                                    2GBA–PR              5–6              middle
                                                                                                         6–7               right
                                                 ISA–PR            28–29           16FEA–PR or           5–6                 left
                                                                                    2GBA–PR              6–7              middle
                                                                                                         7–8               right
                                                 ISA–PR            29–30           16FEA–PR or           6–7                 left
                                                                                    2GBA–PR              7–8              middle
                                                                                                         8–9               right
                                                 ISA–PR            30–31           16FEA–PR or          7–8                  left
                                                                                    2GBA–PR             8–9               middle
                                                                                                        9 – 10             right
                                                 ISA–PR            31–32           16FEA–PR or           8–9                 left
                                                                                    2GBA–PR             9 – 10            middle
                                                                                                        13 –14             right
                                                 ISA–PR            32–33           16FEA–PR or          12 – 13              left
                                                                                    2GBA–PR             13 – 14           middle
                                                                                                        14 – 15            right
                                                 ISA–PR            33–34           16FEA–PR or          13 – 14              left
                                                                                    2GBA–PR             14 – 15           middle
                                                                                                        15 – 16            right
                                                 ISA–PR            34–35           16FEA–PR or          14 – 15              left
                                                                                    2GBA–PR             15 – 16           middle
                                                                                                        16 – 17            right
                                                 ISA–PR            35–36           16FEA–PR or          15 – 16              left
                                                                                    2GBA–PR             16 – 17           middle
                                                                                                        17 – 18            right
                                                 ISA–PR            36–37           16FEA–PR or          16 – 17              left
                                                                                    2GBA–PR             17 – 18           middle
                                                                                                        18 –19             right
                                                 ISA–PR            37–38           16FEA–PR or          17 – 18              left
                                                                                    2GBA–PR             18 – 19           middle
                                                                                                        19 – 20            right
                                                 ISA–PR            38–39           16FEA–PR or          18 – 19              left
1AA 00014 0004 (9007) A4 – ALICE 04.10




                                                                                    2GBA–PR             19 – 20           middle
                                                                                                        20 – 21            right



                                         ED       03

                                                                                                 3AL 91669 AA AA                    122 / 706


                                                                                                             706
2.4 Units front view

                                                                                            The following paragraph show the access points (LEDs, switches etc.) present on each unit together with
                                                                                            legenda and meaning.
not permitted without written authorization from Alcatel.
  All rights reserved. Passing on and copying of this
  document, use and communication of its contents




                                                                                            More in detail:

                                                                                            Paragraph 2.4.1 on page 124 shows the Port cards front view

                                                                                            Paragraph 2.4.2 on page 150 shows the Access cards front view

                                                                                            Paragraph 2.4.3 on page 173 shows the Fans subrack cover front view
                                                  1AA 00014 0004 (9007) A4 – ALICE 04.10




                                                                                           ED      03

                                                                                                                                                         3AL 91669 AA AA                      123 / 706


                                                                                                                                                                      706
2.4.1 Port cards front view




                                                                                                                                                                not permitted without written authorization from Alcatel.
                                                                                                                                                                  All rights reserved. Passing on and copying of this
                                                                                                                                                                  document, use and communication of its contents
                                                     ACRONYM              SLOTS

                                                     P63E1           24,27,30,32,33,36,39

                                                     P63E1N–M4       24,27,30,32,33,36,39

                                                     P3E3T3          24 to 39

                                                     P4ES1N          24 to 39




                                                 LEGENDA
                                                                                                                               3AL XXXXX AA




                                                 (1)   Multicolor LED:                                                                        (1)
                                                                                                                      xxxxxx




                                                       Red led – local unit alarm
                                                       Green led – in service unit
                                                       Orange led –unit in Stand–by (EPS schema)
1AA 00014 0004 (9007) A4 – ALICE 04.10




                                                                    Figure 35. PDH, SDH electrical ports front view



                                         ED     03

                                                                                                     3AL 91669 AA AA                                124 / 706


                                                                                                                  706
ACRONYM             SLOTS
not permitted without written authorization from Alcatel.
  All rights reserved. Passing on and copying of this
  document, use and communication of its contents




                                                                                                       P4S1N          24 to 39

                                                                                                       P4E4N          24 to 39

                                                                                                       P4OC3          24 to 39
                                                                                                                                                                  ÑÑÑ
                                                                                                                                                                  ÑÑÑ
                                                                                                                                                                  ÑÑÑ
                                                                                                                                                                  ÑÑÑ
                                                                                                                                                                  ÑÑÑ
                                                                                                                                                                  ÑÑÑ                       (1)

                                                                                                                                                                  ÑÑÑ
                                                                                                                                                                  ÑÑÑ
                                                                                                                                                                  ÑÑÑ
                                                                                                                                                                  ÑÑÑ
                                                                                                                                                                  ÑÑÑ
                                                                                                                                                                  ÑÑÑ
                                                                                                                                                                  ÑÑÑ
                                                                                                                                                                  ÑÑÑ
                                                                                                                                                                  ÑÑÑ
                                                                                                                                                                  ÑÑÑ
                                                                                                                                                                  ÑÑÑ                       (2)
                                                                                                                                                                  ÑÑÑ
                                                                                                                                                                  ÑÑÑ
                                                                                                                                                                  ÑÑÑ
                                                                                                                                                                  ÑÑÑ
                                                                                                  LEGENDA                                                         ÑÑÑ
                                                                                                                                                                  ÑÑÑ
                                                                                                  (1) Channel # 1 (N.B.)
                                                                                                  (2) Channel # 2 (N.B.)
                                                                                                  (3) Bicolor LED:
                                                                                                                                                                             3AL XXXXX AA




                                                                                                       Red led – local unit alarm                                                           (3)
                                                                                                                                                                    xxxxxx




                                                                                                       Green led – in service unit




                                                                                                N.B.– The unit can be equipped with electrical or optical modules (see Figure 78. and Figure 79. )
                                                  1AA 00014 0004 (9007) A4 – ALICE 04.10




                                                                                                                      Figure 36. 4 x STM–1, 4 x OC3 port : front view




                                                                                           ED     03

                                                                                                                                                        3AL 91669 AA AA                           125 / 706


                                                                                                                                                                         706
ACRONYM                SLOTS




                                                                                                                                  not permitted without written authorization from Alcatel.
                                                                                                                                    All rights reserved. Passing on and copying of this
                                                                                                                                    document, use and communication of its contents
                                                 P16S1–4E              24 to 39




                                                                                                   (1)



                                                                        OUTPUT                     (2)




                                                                                                   (3)
                                                       INPUT


                                                                                                   (4)




                                                                                                   (5)




                                              LEGENDA


                                              (1 to 4): are cavity for STM–1 / STM–4 SFP optical modules
                                                        (Refer to Figure 80. on page 169)
                                                                                                                      (6)
                                                    (5): Laser restart key

                                                 (6) Bicolor LED:
                                                            Red led – Local unit alarm
                                                            Green led – in service unit
1AA 00014 0004 (9007) A4 – ALICE 04.10




                                                                     Figure 37. 16xSTM–1 – 4xSTM–4 port front view




                                         ED    03

                                                                                                    3AL 91669 AA AA   126 / 706


                                                                                                                706
FC/PC                                     SC/PC
                                                                                                ACRONYM              SLOTS
not permitted without written authorization from Alcatel.
  All rights reserved. Passing on and copying of this
  document, use and communication of its contents




                                                                                                     S–4.1N          24 to 39

                                                                                                     L–4.1N          24 to 39


                                                                                                     L–4.2N          24 to 39




                                                                                                                                   (2)                             (2)




                                                                                                                                                                                                               INPUT
                                                                                                                    INPUT
                                                                                                                                                                                                       OUTPUT
                                                                                                                OUTPUT




                                                                                                LEGENDA

                                                                                                (1) Laser restart Key              (1)                             (1)
                                                                                                (2) Channel #1
                                                                                                (3) Bicolor LED:
                                                                                                     Red led – Local unit alarm
                                                                                                                                                    3AL XXXXX AA




                                                                                                                                                                                        3AL XXXXX AA




                                                                                                     Green led – in service unit                                         (3)                             (3)
                                                                                                                                           xxxxxx




                                                                                                                                                                               xxxxxx
                                                  1AA 00014 0004 (9007) A4 – ALICE 04.10




                                                                                                                          Figure 38. STM–4 optical port front view




                                                                                           ED   03

                                                                                                                                                                   3AL 91669 AA AA                                     127 / 706


                                                                                                                                                                                            706
not permitted without written authorization from Alcatel.
                                               ACRONYM            SLOTS




                                                                                                                                                        All rights reserved. Passing on and copying of this
                                                                                                                                                        document, use and communication of its contents
                                                  P4S4N           25–26
                                                                  28–29
                                                                  34–35
                                                                  37–38


                                                                                                                                    (1)




                                                                                                                                    (2)




                                              LEGENDA:

                                               (1) Channel # 1 (see NOTE)
                                               (2) Channel # 2 (see NOTE)
                                               (3) Bicolor LED:
                                                  Red led – local unit alarm
                                                                                                               3AL XXXXX AA




                                                  Green led – in service unit                                                       (3)




                                               NOTE: the unit can be equipped with optical modules (see Figure 78. on page 167).
1AA 00014 0004 (9007) A4 – ALICE 04.10




                                                                       Figure 39. 4 x STM–4 port card – front view




                                         ED      03

                                                                                                     3AL 91669 AA AA                      128 / 706


                                                                                                                              706
FC/PC                   SC/PC

                                                                                           ACRONYM             SLOTS
not permitted without written authorization from Alcatel.
  All rights reserved. Passing on and copying of this
  document, use and communication of its contents




                                                                                                               25+26
                                                                                            S–16.1ND           28+29
                                                                                                               34+35
                                                                                                               37+38
                                                                                                                                                      (1)                              (1)
                                                                                                               25+26
                                                                                                               28+29
                                                                                            L–16.1ND           34+35
                                                                                                               37+38


                                                                                                               25+26                                                                         INPUT
                                                                                                               28+29                                                                 OUTPUT
                                                                                            L–16.2ND           34+35
                                                                                                               37+38




                                                                                                        INPUT

                                                                                                     OUTPUT




                                                                                                                                                      (2)                             (2)



                                                                                            LEGENDA

                                                                                            (1) Laser restart Key
                                                                                            (2) Channel #1
                                                                                                                              3AL XXXXX AA




                                                                                                                                                                3AL XXXXX AA




                                                                                                                                                      (3)                             (3)
                                                                                                                                 xxxxxx




                                                                                                                                                                   xxxxxx




                                                                                            (3) Bicolor LED:
                                                                                                                                   xxxx




                                                                                                                                                                     xxxx




                                                                                                Red led – Local unit alarm
                                                                                                Green led – in service unit
                                                  1AA 00014 0004 (9007) A4 – ALICE 04.10




                                                                                                                              Figure 40. STM–16 optical front view




                                                                                           ED     03

                                                                                                                                                            3AL 91669 AA AA                   129 / 706


                                                                                                                                                                               706
ACRONYM          SLOTS




                                                                                                                                                      not permitted without written authorization from Alcatel.
                                                                                                                                                        All rights reserved. Passing on and copying of this
                                                                                                                                                        document, use and communication of its contents
                                                                25+26
                                              I –16.1ND         28+29
                                                                34+35
                                                                37+38                             (1)




                                                                                  OUTPUT
                                                                       INPUT

                                                                                                                                     (2)




                                               LEGENDA

                                               (1) Laser restart Key
                                               (2) Channel #1
                                               (3) Bicolor LED:
                                                    Red led – Local unit alarm
                                                                                                               3AL XXXXX AA
                                                                                                                  xxxxxx




                                                    Green led – in service unit
                                                                                                                    xxxx




                                                                                                                                    (3)
1AA 00014 0004 (9007) A4 – ALICE 04.10




                                                                        Figure 41. I–16 PORT SFF (intra–office)




                                         ED    03

                                                                                                        3AL 91669 AA AA                   130 / 706


                                                                                                                              706
not permitted without written authorization from Alcatel.




                                                                                                 ACRONYM           SLOTS
  All rights reserved. Passing on and copying of this
  document, use and communication of its contents




                                                                                                   O–16ES          24 to 39




                                                                                                                                                                        (2)
                                                                                                                                           OUTPUT




                                                                                                                            INPUT




                                                                                                Note: the cavities must be equipped with
                                                                                                SFP modules (refer to Figure 80. on page 169)




                                                                                                                                                           (1)




                                                                                                LEGENDA
                                                                                                                                                                        (3)
                                                                                                (1) Laser restart Key
                                                                                                (2) Optical Channel
                                                                                                (3) Bicolor LED:
                                                                                                   Red led – Local unit alarm
                                                                                                   Green led – in service unit
                                                  1AA 00014 0004 (9007) A4 – ALICE 04.10




                                                                                                                   Figure 42. STM–16 SFP SLIM port optical front view




                                                                                           ED    03

                                                                                                                                                     3AL 91669 AA AA      131 / 706


                                                                                                                                                                  706
ATM4X4V2
                                                                                                  ATM4X4                                      ATM4X4D3




                                                                                                                                                                                   not permitted without written authorization from Alcatel.
                                               ACRONYM               SLOTS




                                                                                                                                                                                     All rights reserved. Passing on and copying of this
                                                                                                                                                                                     document, use and communication of its contents
                                                ATM4X4
                                                                                                                                    (1)
                                                ATM4X4V2              24–39

                                                ATM4X4D3




                                                                                        (2)




                                              LEGENDA                                                                             (3)
                                                                                                                                  (4)
                                               (1)   Reset command Key                                                            (5)
                                               (2)   Channel #1 (N.B.)                                                            (6)
                                               (3)   Red LED – Urgent Alarm (Critical or Major)                                   (7)
                                               (4)                                                                                (8)                                   (1)
                                                     Red LED – Not Urgent alarm (Minor)
                                               (5)   Yellow LED – Alarm storing (Attended)
                                               (6)   Yellow LED – Abnormal condition                                              (9)
                                               (7)   Yellow LED – Indicative Alarm (Warning)
                                               (8)   Lamp test push–button
                                               (9)   Factory use only
                                                                                                           3AL XXXXX AA




                                                                                                                                                        3AL XXXXX AA




                                              (10)   Multicolor LED:
                                                                                                  xxxxxx




                                                                                                                                               xxxxxx




                                                     Red led – local unit alarm (INT)                                             (10)
                                                     Green led – in service unit
                                                     Orange led –unit in Stand–by (EPS schema)




                                               N.B.– The ATM4X4 unit can be equipped with electrical or optical STM–1 modules (see
1AA 00014 0004 (9007) A4 – ALICE 04.10




                                          Figure 78. and Figure 79. )

                                                                   Figure 43. ATM 4X4 and ATM 4X4V2 card – front view


                                         ED          03

                                                                                                                          3AL 91669 AA AA                              132 / 706


                                                                                                                                        706
ACRONYM                 SLOTS
not permitted without written authorization from Alcatel.
  All rights reserved. Passing on and copying of this
  document, use and communication of its contents




                                                                                                     ATM8x8              24 – 38
                                                                                                                                                    (1)




                                                                                                LEGENDA

                                                                                                (1)   Reset command Key                             (2)
                                                                                                (2)   Red LED – Urgent Alarm (Critical or Major)    (3)
                                                                                                                                                    (4)
                                                                                                (3)   Red LED – Not Urgent alarm (Minor)            (5)
                                                                                                (4)                                                 (6)
                                                                                                      Yellow LED – Alarm storing (Attended)         (7)
                                                                                                (5)   Yellow LED – Abnormal condition
                                                                                                                                                     (8)
                                                                                                (6)   Yellow LED – Indicative Alarm (Warning)
                                                                                                (7)   Lamp test push–button
                                                                                                (8)   Factory use only                                                  (9)
                                                                                                (9)   Multicolor LED:
                                                                                                      Red led – local unit alarm (INT)
                                                                                                      Green led – in service unit
                                                                                                      Orange led –unit in Stand–by (EPS schema)


                                                                                                                          Figure 44. ATM 8X8 card – front view
                                                  1AA 00014 0004 (9007) A4 – ALICE 04.10




                                                                                           ED   03

                                                                                                                                                     3AL 91669 AA AA   133 / 706


                                                                                                                                                                 706
not permitted without written authorization from Alcatel.
                                               ACRONYM              SLOTS




                                                                                                                                       All rights reserved. Passing on and copying of this
                                                                                                                                       document, use and communication of its contents
                                                   S–642E
                                                   I–641E          24 to 39

                                                   L–642E
                                                                                              (1)




                                                                                              (2)




                                                                                               INPUT

                                                                                            OUTPUT




                                              LEGENDA

                                              (1) Laser restart Key
                                              (2) Channel #1
                                              (3) Bicolor LED:                                                           (3)
                                                   Red led – Local unit alarm
                                                   Green led – in service unit
1AA 00014 0004 (9007) A4 – ALICE 04.10




                                                                       Figure 45. STM–64 optical port front view




                                         ED   03

                                                                                                     3AL 91669 AA AA     134 / 706


                                                                                                                   706
ACRONYM             SLOTS
not permitted without written authorization from Alcatel.
  All rights reserved. Passing on and copying of this
  document, use and communication of its contents




                                                                                                 ETH–MB            24 to 39


                                                                                                                                                      (1)

                                                                                                                                                      (2)

                                                                                                                                                      (3)

                                                                                                                                                      (4)


                                                                                                                                                      (5)

                                                                                                                                                      (6)


                                                                                                                                                      (7)

                                                                                                                                                      (8)


                                                                                                                                                      (9)

                                                                                                                                                     (10)

                                                                                                                                                     (11)

                                                                                                                                         Not used (12)




                                                                                                LEGENDA

                                                                                                (1) to (11) Ethernet Channels
                                                                                                                                                                           (13)
                                                                                                      (13) Bicolor LED
                                                                                                          Red led – Local unit alarm
                                                                                                          Green led – in service unit
                                                  1AA 00014 0004 (9007) A4 – ALICE 04.10




                                                                                                                         Figure 46. ISA – Ethernet port front view




                                                                                           ED   03

                                                                                                                                                       3AL 91669 AA AA      135 / 706


                                                                                                                                                                     706
ACRONYM              SLOTS




                                                                                                                                    not permitted without written authorization from Alcatel.
                                                                                                                                      All rights reserved. Passing on and copying of this
                                                                                                                                      document, use and communication of its contents
                                                   GETH–MB             24 to 39




                                                                        OUTPUT
                                                                                                     (1)




                                                          INPUT                                      (2)



                                                                                                     (3)



                                                                                                     (4)




                                                                                                      (6)




                                               LEGENDA

                                              (1) to (4) are Gigabit Ethernet channels
                                                   Note: the cavities must be equipped with
                                                   Ethernet Optical Modules (refer toFigure 80. on page 169)
                                                                                                                         (5)
                                              (6): Factory use only

                                               (5) Bicolor LED:
                                                          Red led – Local unit alarm
                                                          Green led – in service unit
1AA 00014 0004 (9007) A4 – ALICE 04.10




                                                                        Figure 47. ISA– Gigabit ETHERNET board




                                         ED      03

                                                                                                      3AL 91669 AA AA   136 / 706


                                                                                                                 706
ACRONYM              SLOTS
not permitted without written authorization from Alcatel.
  All rights reserved. Passing on and copying of this
  document, use and communication of its contents




                                                                                                 ES4–8FE            24 to 39




                                                                                                                                                                           (11)

                                                                                                                           OUTPUT
                                                                                                                                                                           (10)




                                                                                                           INPUT                                                           (9)




                                                                                                                                                   (1)
                                                                                                 Note: the cavities must be equipped with          (2)
                                                                                                 SFP modules (refer toFigure 80. on page 169)
                                                                                                                                                   (3)

                                                                                                                                                   (4)


                                                                                                                                                   (5)

                                                                                                                                                   (6)

                                                                                            LEGENDA
                                                                                                                                                   (7)

                                                                                            (1) to (8) 10/100 Ethernet channels                    (8)
                                                                                                 (9) Gigabit Ethernet channel SFP

                                                                                                (10) Factory use only                                                        (12)

                                                                                                (11) Microprocessor restart Key

                                                                                                (12) Bicolor LED:
                                                                                                     Red led – Local unit alarm
                                                                                                     Green led – in service unit



                                                                                                                         Figure 48. ISA – ES4–8FE port front view
                                                  1AA 00014 0004 (9007) A4 – ALICE 04.10




                                                                                           ED    03

                                                                                                                                                         3AL 91669 AA AA            137 / 706


                                                                                                                                                                    706
ACRONYM                  SLOTS




                                                                                                                                               not permitted without written authorization from Alcatel.
                                                                                                                                                 All rights reserved. Passing on and copying of this
                                                                                                                                                 document, use and communication of its contents
                                                 ES1–8FE               24 to 39



                                                                                                      (1)              1

                                                                                                      (2)
                                                                                                                       2

                                                                                                      (3)
                                                                                                                       3

                                                                                                      (4)
                                                                                                                       4
                                                                                  RJ45 connectors
                                                                                                      (5)
                                                                                                                       5

                                                                                                      (6)
                                                                                                                       6


                                                                                                      (7)              7

                                                                                                      (8)
                                                                                                                       8


                                                                                                                       12
                                                                                                    (9)                34
                                                                                                                       56
                                                                                                                       78


                                              LEGENDA


                                              (1) to (8) Ethernet channels
                                                                                                    (10)
                                                     (9) Channel status indicators:
                                                                                                                            DBG
                                                         yellow : active channel
                                                         yellow blinking: channel with traffic      (11)

                                                  (10) Not used
                                                  (11) Microprocessor restart Key
                                                                                                                                  (12)
                                                  (12) Bicolor LED:
                                                       Red led – Local unit alarm
                                                       Green led – in service unit
1AA 00014 0004 (9007) A4 – ALICE 04.10




                                                                          Figure 49. ISA – ES1–8FE port front view




                                         ED     03

                                                                                                          3AL 91669 AA AA          138 / 706


                                                                                                                     706
ACRONYM                  SLOTS
not permitted without written authorization from Alcatel.
  All rights reserved. Passing on and copying of this
  document, use and communication of its contents




                                                                                                    ES1–8FX                24 to 39

                                                                                                                                                       (1)


                                                                                                                                                       (2)



                                                                                                                           OUTPUT                      (3)



                                                                                                                                                       (4)
                                                                                                          INPUT


                                                                                                                                                       (5)




                                                                                                                                                       (6)



                                                                                                                                                       (7)



                                                                                                                                                       (8)



                                                                                                LEGENDA                                                (9)
                                                                                                       (1): Reset button
                                                                                                (2 to 9): are cavity for Fast Ethernet optical SFP modules
                                                                                                          (Refer to Figure 80. on page 169)
                                                                                                                                                                          (10)
                                                                                                   (10) Bicolor LED:
                                                                                                               Red led – Local unit alarm
                                                                                                               Green led – in service unit
                                                  1AA 00014 0004 (9007) A4 – ALICE 04.10




                                                                                                                               Figure 50. ISA ES1–8FX front view




                                                                                           ED     03

                                                                                                                                                        3AL 91669 AA AA   139 / 706


                                                                                                                                                                   706
not permitted without written authorization from Alcatel.
                                                                                                                                             All rights reserved. Passing on and copying of this
                                                                                                                                             document, use and communication of its contents
                                                    ACRONYM              SLOTS

                                                     ISA–ES16           24 to 39


                                                                                                         (1)




                                                                                                                    MAJ        (2)
                                                                                                                    MIN        (3)
                                                                                                                    uP
                                                                                                                               (4)




                                                                                                                               (5)
                                                                                                                         ETH

                                                                                                                               (6)

                                              LEGENDA

                                                                                                                               (7)
                                              (1) Microprocessor reset key
                                              (2) Red LED – Urgent Alarm (Major)                                    RS232
                                              (3) Yellow LED – Not Urgent alarm (Minor) not used in current release
                                              (4) Microprocessor bicolor LED
                                              (5) LED indicating the Ethernet port status (factory use only)
                                              (6) Ethernet debugger port (factory use only)
                                              (7) RS232 port (factory use only)

                                              (8)     Bicolor LED:
                                                      Red led – Local unit alarm                                               (8)
                                                      Green led – in service unit
1AA 00014 0004 (9007) A4 – ALICE 04.10




                                                                             Figure 51. ISA ES–16 front view




                                         ED     03

                                                                                                       3AL 91669 AA AA         140 / 706


                                                                                                                 706
not permitted without written authorization from Alcatel.
  All rights reserved. Passing on and copying of this
  document, use and communication of its contents




                                                                                                   ACRONYM                 SLOTS

                                                                                                   PREA4ETH                24 to 39




                                                                                                                                             (1)


                                                                                                                                                                                         (2)


                                                                                                                                             (3)




                                                                                                                                             (4)                             EthPort63

                                                                                                                                             (5)                             EthPort62
                                                                                                                          RJ45 connectors
                                                                                                                                             (6)                             EthPort61
                                                                                                LEGENDA
                                                                                                        (1) Factory use only                 (7)                             EthPort60
                                                                                                       (2) Microprocessor restart Key
                                                                                                       (3) Not used
                                                                                                (4) to (7) Ethernet cahnnels                                                             (8)
                                                                                                     (8) Bicolor LED
                                                                                                           Red led – Local unit alarm
                                                                                                           Green led – in service unit
                                                  1AA 00014 0004 (9007) A4 – ALICE 04.10




                                                                                                                           Figure 52. ISA– PRE_EA Matrix 4x Ethernet




                                                                                           ED      03

                                                                                                                                                        3AL 91669 AA AA                        141 / 706


                                                                                                                                                                       706
not permitted without written authorization from Alcatel.
                                                                                                                                              All rights reserved. Passing on and copying of this
                                                                                                                                              document, use and communication of its contents
                                                 ACRONYM                SLOTS

                                                PREA1GBE                24 to 39




                                                                                               (1)


                                                                                                                          (2)


                                                                                               (3)




                                                                                               (4)
                                          LEGENDA



                                              (1) Factoy use only
                                              (2) Microprocessor restart Key
                                              (3) Not used
                                              (4) The slot can be equipped with SFP Gigabit Ethernet optical              (5)
                                                  module, see Figure 80. on page 169

                                              (5) Bicolor LED
                                                  Red led – Local unit alarm
                                                  Green led – in service unit
1AA 00014 0004 (9007) A4 – ALICE 04.10




                                                                         Figure 53. ISA– PRE_EA Matrix 1 x GB–ETH




                                         ED        03

                                                                                                     3AL 91669 AA AA            142 / 706


                                                                                                                    706
ACRONYM              SLOTS
not permitted without written authorization from Alcatel.




                                                                                                                                                              OUTPUT
  All rights reserved. Passing on and copying of this
  document, use and communication of its contents




                                                                                                   ISA–PR             25 to 38


                                                                                                                                               INPUT




                                                                                                LEGENDA                                                                (1)


                                                                                            (1) to (4) SFP optical connections for STM4 SDH ring interface.
                                                                                                        From top to bottom W1, W2 for West ring interface,             (2)
                                                                                                        E1, E2 for East ring interface.
                                                                                                  Note: the cavities must be equipped with
                                                                                                  STM4 optical modules (refer to Figure 80. on page 169)
                                                                                                  In the figure the four modules are included                          (3)

                                                                                            (5) OK led
                                                                                                  Red led – Major / critical alarm (Major alarm on ISA–PR              (4)
                                                                                                           or slot alarms in access card or Major transmis–
                                                                                                           sion alarms on access card. Access card slot
                                                                                                           alarms stand for: Card Mismatch, Card unassigned,
                                                                                                           Card Failure on POST _ Power On Self Test)
                                                                                                  Red led blinking 50/50 – during POST failure (Power On Self Test)
                                                                                                  Red led blinking 20/80 – Card Mismatch
                                                                                                  Yellow led – Minor alarm                                             (5)
                                                                                                  Yellow led blinking 50/50 – Maintenance in progress (loopbacks..)
                                                                                                  Green led – OK status (no alarms)
                                                                                                  Green led blinking 50/50 – ISA–PR is in initialization process       (6)
                                                                                                           (following power–on or reset)
                                                                                                  Led OFF – card not powered
                                                                                                                                                                       (7)
                                                                                            (6) ETH– Ethernet management interface RJ45 connector
                                                                                                For local Craft Terminal or Network Management System connections
                                                                                            (7) RS 232 – RJ45 connector For internal factory use                       (8)
                                                                                            (8) Microprocessor restart key
                                                                                                                                                                       (9)
                                                                                            (9) Active led
                                                                                                  Led OFF – card not powered
                                                                                                  Green led – card is powered
                                                  1AA 00014 0004 (9007) A4 – ALICE 04.10




                                                                                                                       Figure 54. ISA– PR Matrix 4x4STM4 PLUG–IN



                                                                                           ED      03

                                                                                                                                                         3AL 91669 AA AA     143 / 706


                                                                                                                                                                      706
not permitted without written authorization from Alcatel.
                                              ACRONYM              SLOTS




                                                                                                                                     All rights reserved. Passing on and copying of this
                                                                                                                                     document, use and communication of its contents
                                                COWLA2             24 to 39




                                                                                                        (1)


                                                                                          1st Channel


                                                                                                        (2)




                                                                                                        (3)


                                                                                          2nd Channel


                                                                                                        (4)
                                              LEGENDA




                                               (1) Slot for ”Black  White or ”Colored” SFP module

                                               (2) Slot for ”Black  White” or ”Colored” SFP module

                                               (3) Slot for ”Black  White” or ”Colored” SFP module

                                               (4) Slot for ”Black  White” or ”Colored” SFP module
                                                    Note: the cavities must be equipped with                            (5)
                                                    SFP modules (refer toFigure 80. on page 169)

                                               (5) Active led
                                                   Red led – Local unit alarm
                                                   Green led – in service unit
1AA 00014 0004 (9007) A4 – ALICE 04.10




                                                                           Figure 55. COWLA2 front view




                                         ED    03

                                                                                                     3AL 91669 AA AA   144 / 706


                                                                                                               706
ACRONYM            SLOTS
not permitted without written authorization from Alcatel.
  All rights reserved. Passing on and copying of this
  document, use and communication of its contents




                                                                                                                       25+26
                                                                                                                       28+29
                                                                                                      4XANYC           34+35
                                                                                                                       37+38
                                                                                                                       32+33




                                                                                                                                                                        (3)




                                                                                                                                                            (1)




                                                                                                LEGENDA:

                                                                                                (1) Channel #1
                                                                                                   (Low speed 4XANY acronym modules: OL–IN, OL–MM)                      (4)
                                                                                                (2) Channel #2
                                                                                                   (Low speed 4XANY acronym modules: OL–IN, OL–MM)
                                                                                                (3) Channel #3
                                                                                                   (Low speed 4XANY acronym modules: OL–IN, OL–MM
                                                                                                     OR                                                     (2)
                                                                                                    High speed 4XANY acronym modules: OH–I, OH–MM)

                                                                                                (4) Channel #4
                                                                                                   (Low speed 4XANY acronym modules: OL–IN, OL–MM
                                                                                                    OR
                                                                                                   High speed 4XANY acronym modules: OH–I, OH–MM)


                                                                                                (5) Bicolor LED:                                                        (5)
                                                                                                    Red led – local unit alarm
                                                                                                    Green led – in service unit

                                                                                                  Note: The allowed mixed configuration are reported on
                                                                                                        paragraph 3.10 on page 293
                                                  1AA 00014 0004 (9007) A4 – ALICE 04.10




                                                                                                                                  Figure 56. 4xANY Host C




                                                                                           ED      03

                                                                                                                                                      3AL 91669 AA AA    145 / 706


                                                                                                                                                                  706
ACRONYM             SLOTS




                                                                                                                                    not permitted without written authorization from Alcatel.
                                                                                                                                      All rights reserved. Passing on and copying of this
                                                                                                                                      document, use and communication of its contents
                                               MATRIXE              23,40




                                                                                                     (2)




                                              LEGENDA
                                              (1) Reset command key                                  (1)
                                              (2) RJ45     for factory use only
                                                                                                                        (3)
                                              (3) Multicolor LED:
                                                   Red led – Local unit alarm
                                                   Green led – in service unit
                                                   Orange led – unit in Stand–by (EPS schema)
1AA 00014 0004 (9007) A4 – ALICE 04.10




                                                                                  Figure 57. MATRIXE card




                                         ED   03

                                                                                                      3AL 91669 AA AA   146 / 706


                                                                                                                706
ACRONYM                  SLOTS
not permitted without written authorization from Alcatel.
  All rights reserved. Passing on and copying of this
  document, use and communication of its contents




                                                                                                  PQ2/EQC                  22




                                                                                                                                                                                        (1)


                                                                                                                                                     (2a)




                                                                                                                                                                                        (2)



                                                                                                LEGENDA

                                                                                                (1) Reset command key
                                                                                                                                                                                        (3)
                                                                                                (2) Personal Computer Connector (F interface RS–232)
                                                                                                (2a) Personal Computer Connector (USB interface)
                                                                                                    (not operative in current release)
                                                                                                                                                                                        (4)
                                                                                                (3)    RJ45 for factory use only
                                                                                                                                                                                        (5)
                                                                                                (4)    Red LED – Urgent Alarm (Critical or Major)                                       (6)
                                                                                                (5)    Red LED – Not Urgent ( Minor)                                                    (7)
                                                                                                (6)    Yellow LED – Alarm storing (Attended)                                            (8)
                                                                                                 (7)   Yellow LED – Abnormal condition
                                                                                                 (8)   Yellow LED – Indicative Alarm (Warning)
                                                                                                                                                                                        (9)
                                                                                                 (9)    Lamp test push–button
                                                                                                (10)    Alarm storing push–botton (Attended)
                                                                                                (11)   Green LED – When on it means active unit                                         (10)
                                                                                                                                                                                        (11)
                                                                                                (12) Bicolor LED:
                                                                                                                                                                         3AL XXXXX AA




                                                                                                                                                                                        (12)
                                                                                                                                                                xxxxxx




                                                                                                     Red led – Local unit alarm
                                                                                                     Green led – in service unit
                                                  1AA 00014 0004 (9007) A4 – ALICE 04.10




                                                                                                                                Figure 58. EQUICO (PQ2/EQC)




                                                                                           ED    03

                                                                                                                                                     3AL 91669 AA AA                           147 / 706


                                                                                                                                                               706
ACRONYM                SLOTS




                                                                                                                                                              not permitted without written authorization from Alcatel.
                                                                                                                                                                All rights reserved. Passing on and copying of this
                                                                                                                                                                document, use and communication of its contents
                                                   CONGI               10, 12




                                                                                                                                            (1)




                                                                                                                                            (2)




                                                                                                                                            (3)




                                                                                                                                            (4)


                                              LEGENDA

                                              (1) Power
                                              (2) Housekeeping and remote alarm
                                              (3) Rack lamps (not used on CONGI in slot 12)                                                 (5)
                                              (4) QMD (Q2) (not used on CONGI in slot 12)
                                              (5) I/O BNC for Q3 10 base 2 (not used on CONGI in slot 12)
                                              (6) RJ45 for Q3 10 base T (not used on CONGI in slot 12)                                      (6)
                                              (7) Bicolor LED:
                                                  Red led – local unit alarm
                                                                                                                             3AL XXXXX AA




                                                  Green led – in service unit                                                               (7)
                                                                                                                    xxxxxx
1AA 00014 0004 (9007) A4 – ALICE 04.10




                                                                       Figure 59. Control and General interface




                                         ED   03

                                                                                                    3AL 91669 AA AA                               148 / 706


                                                                                                                  706
ACRONYM            SLOTS
not permitted without written authorization from Alcatel.
  All rights reserved. Passing on and copying of this
  document, use and communication of its contents




                                                                                                  SERVICE             11

                                                                                                                                                                   J1                           J5
                                                                                                                                                                   J2                           J6
                                                                                                                                                           (1)
                                                                                                                                                                   J3                           J7

                                                                                                                                                                   J4                           J8
                                                                                                 LEGENDA

                                                                                                 (1) I/O auxiliary 2 Mbit/s Channels G.703

                                                                                                      J1 – 2 Mbit/s Channel Output 1
                                                                                                      J2 – 2 Mbit/s Channel Input 1
                                                                                                      J5 – 2Mbit/s Channel Output 2                        (2)
                                                                                                      J6 – 2Mbit/s Channel Input 2
                                                                                                     I/O 2 MHz Synchronous interfaces
                                                                                                     J3 – 2 MHz Output 1 (T4A) or 2 Mbit/s Output (T5A)
                                                                                                     J4 – 2 MHz Input 1 (T3A) or 2 Mbit/s Input (T6A)
                                                                                                     J7 – 2 MHz Output 2 (T4B) or 2 Mbit/s Output (T5B)
                                                                                                     J8 – 2 MHz Input 2 (T3B) or 2 Mbit/s Input (T6B)
                                                                                                 (2) Auxiliary channels:                                   (3)
                                                                                                     4 channel RS–232
                                                                                                     4 channel V.11 64 Kbit/s
                                                                                                     4 channel G.703 64 Kbit/s                             (4)

                                                                                                (3) Four wire telephone extension point
                                                                                                    (RJ45)
                                                                                                (4)    Four wire telephone extension point                 (5)
                                                                                                      (RJ11)
                                                                                                (5) Z1–Z8 EOW zone selection LEDs (N.B.1)                  (6)      L1                          L2

                                                                                                (6) L1–L2 LEDS status for selective call (N.B.2)                                                     (7)
                                                                                                                                                                                                     (8)
                                                                                                (7) Telephone jack
                                                                                                                                                                                                     (9)
                                                                                                 (8) Line seizure Key
                                                                                                                                                                                                     (10)
                                                                                                 (9) EOW zone selection (N.B.1)
                                                                                                                                                                                 3AL XXXXX AA




                                                                                                (10) Reset command Key                                                                               (11)
                                                                                                                                                                        xxxxxx




                                                                                                (11) Bicolor LED:
                                                                                                     Red led – local unit alarm
                                                                                                     Green led – in service unit




                                                                                            N.B.1 Only one Zone is operative.
                                                  1AA 00014 0004 (9007) A4 – ALICE 04.10




                                                                                            N.B.2 For details see Table 59. on page 578 and Table 60. on page 578

                                                                                                                                   Figure 60. SERVICE interface


                                                                                           ED         03

                                                                                                                                                          3AL 91669 AA AA                            149 / 706


                                                                                                                                                                    706
2.4.2 Access cards front view




                                                                                                                                                                 not permitted without written authorization from Alcatel.
                                                                                                                                                                   All rights reserved. Passing on and copying of this
                                                                                                                                                                   document, use and communication of its contents
                                                  ACRONYM               SLOTS

                                                     A21E1          1 to 9,13 to21


                                                                                                         (1)
                                                                                                         (2)
                                                                                                         (3)
                                                                                                         (4)
                                                                                                         (5)

                                                                                                         (6)
                                                                                                         (7)
                                                                                                         (8)
                                                                                                         (9)
                                                                                                         (10)
                                                                                                         (11)
                                                                                                         (12)
                                                                                                         (13)
                                                                                                         (14)
                                                                                                         (15)
                                                                                                         (16)
                                                                                                         (17)
                                                                                                         (18)

                                               LEGENDA                                                   (19)
                                                                                                         (20)

                                               (1) – (21) 2 Mbit/s data signals                          (21)

                                                     (22) Bicolor LED:
                                                                                                                             3AL XXXXX AA




                                                          Red led – local unit alarm (INT)             INPUT                                OUTPUT
                                                                                                                    xxxxxx




                                                          Green led – in service unit
                                                                                                                                              (22)
1AA 00014 0004 (9007) A4 – ALICE 04.10




                                                            Figure 61. 21 x 2 Mbit/s 75 ohm access card 1.0/2.3 connectors



                                         ED     03

                                                                                                    3AL 91669 AA AA                                  150 / 706


                                                                                                                 706
ACRONYM                  SLOTS
not permitted without written authorization from Alcatel.
  All rights reserved. Passing on and copying of this
  document, use and communication of its contents




                                                                                                      A21E1             1 to 9,13 to21




                                                                                                                                                                                          (1)




                                                                                                                                                                                          (2)




                                                                                                     LEGENDA                                                                              (3)


                                                                                                     (1) Channels # 1 to 7 connector
                                                                                                     (2) Channels # 8 to 14 connector
                                                                                                     (3) Channels #15 to 21 connector
                                                                                                     (4) Bicolor LED:
                                                                                                                                                                           3AL XXXXX AA




                                                                                                                                                                                          (4)
                                                                                                                                                                  xxxxxx




                                                                                                        Red led – local unit alarm (INT)
                                                                                                        Green led – in service unit
                                                  1AA 00014 0004 (9007) A4 – ALICE 04.10




                                                                                                                        Figure 62. 21 X 2 Mbit/s 120 Ohm access card




                                                                                           ED   03

                                                                                                                                                       3AL 91669 AA AA                          151 / 706


                                                                                                                                                                       706
ACRONYM               SLOTS




                                                                                                                                                            not permitted without written authorization from Alcatel.
                                                                                                                                                              All rights reserved. Passing on and copying of this
                                                                                                                                                              document, use and communication of its contents
                                                       A3E3           2 to 9, 13 to 20



                                                                                                      INPUT                              (1)
                                                                                                    OUTPUT




                                                                                                      INPUT                               (2)
                                                                                                    OUTPUT




                                                                                                      INPUT
                                                                                                                                         (3)
                                                                                                    OUTPUT




                                               LEGENDA

                                                   (1) Channel #1
                                                   (2) Channel #2
                                               (3) Channel #3

                                                   (4) Bicolor LED:
                                                                                                                          3AL XXXXX AA




                                                      Red led – local unit alarm (INT)                                                   (4)
                                                                                                                 xxxxxx




                                                      Green led – in service unit
1AA 00014 0004 (9007) A4 – ALICE 04.10




                                                                       Figure 63. 3 X 34 Mbit/s 75 ohm access card




                                         ED   03

                                                                                                     3AL 91669 AA AA                            152 / 706


                                                                                                                     706
ACRONYM               SLOTS
not permitted without written authorization from Alcatel.
  All rights reserved. Passing on and copying of this
  document, use and communication of its contents




                                                                                                         A3T3           2 to 9, 13 to 20



                                                                                                                                                         INPUT                                 (1)
                                                                                                                                                       OUTPUT




                                                                                                                                                         INPUT                                 (2)
                                                                                                                                                       OUTPUT




                                                                                                                                                         INPUT                                 (3)
                                                                                                                                                       OUTPUT




                                                                                                 LEGENDA

                                                                                                     (1) Channel #1
                                                                                                     (2) Channel #2
                                                                                                 (3) Channel #3

                                                                                                     (4) Bicolor LED:
                                                                                                                                                                                3AL XXXXX AA




                                                                                                        Red led – local unit alarm (INT)                                                       (4)
                                                                                                                                                                       xxxxxx




                                                                                                        Green led – in service unit
                                                  1AA 00014 0004 (9007) A4 – ALICE 04.10




                                                                                                                         Figure 64. 3 X 45 Mbit/s 75 ohm access card




                                                                                           ED   03

                                                                                                                                                       3AL 91669 AA AA                               153 / 706


                                                                                                                                                                       706
ACRONYM                 SLOTS




                                                                                                                                                         not permitted without written authorization from Alcatel.
                                                                                                                                                           All rights reserved. Passing on and copying of this
                                                                                                                                                           document, use and communication of its contents
                                                   A4ES1         2 to 9, 13 to20



                                                                                                      INPUT
                                                                                                                                       (1)
                                                                                                    OUTPUT




                                                                                                      INPUT
                                                                                                                                       (2)
                                                                                                    OUTPUT




                                                                                                      INPUT
                                                                                                                                       (3)
                                                                                                    OUTPUT




                                              LEGENDA
                                                                                                      INPUT
                                                                                                                                       (4)
                                              (1) Channel #1                                        OUTPUT
                                              (2) Channel #2
                                              (3) Channel #3
                                              (4) Channel #4
                                                                                                                        3AL XXXXX AA




                                                                                                                                       (5)
                                                                                                               xxxxxx




                                              (5) Bicolor LED:
                                                   Red led – local unit alarm (INT)
                                                   Green led – in service unit
1AA 00014 0004 (9007) A4 – ALICE 04.10




                                                                          Figure 65. 4 X STM–1 access card




                                         ED   03

                                                                                                  3AL 91669 AA AA                            154 / 706


                                                                                                              706
All rights reserved. Passing on and copying of this
                                                                                                                                                 document, use and communication of its contents
                                                                                                                                               not permitted without written authorization from Alcatel.
      1AA 00014 0004 (9007) A4 – ALICE 04.10




                           ED
                                                                                                                      (1)




                           03
                                                                                                                                                                                                 HPROT




                                                                                                                                     LEGENDA
                                                                                                                                                                                                                  ACRONYM




                                                                                                                      Bicolor LED:
                                                                                                                                                                                                                  SLOTS




                                                                                        Red led – local unit alarm
                                                                                        Green led – in service unit
                                                                                                                                                                                                2 to 9, 13 to20




                                       Figure 66. High Speed protection – front view




706
                                                                                             xxxxxx




         3AL 91669 AA AA
                                                                                       3AL XXXXX AA




                                                                                                           (1)




         155 / 706
ACRONYM               SLOTS




                                                                                                                                                               not permitted without written authorization from Alcatel.
                                                                                                                                                                 All rights reserved. Passing on and copying of this
                                                                                                                                                                 document, use and communication of its contents
                                               A2S1                 2 to 9, 13 to20




                                                                                                                                             (1)




                                                                                                                                             (2)




                                               LEGENDA

                                               (1) Channel #3 (N.B.)
                                               (2) Channel #4 (N.B.)
                                                                                                                        3AL XXXXX AA




                                               (3) Bicolor LED:                                                                              (3)
                                                                                                               xxxxxx




                                                     Red led – local unit alarm (INT)
                                                     Green led – in service unit




                                              N.B.– The unit can be equipped with electrical or optical modules (see Figure 78. and Figure 79. )
1AA 00014 0004 (9007) A4 – ALICE 04.10




                                                              Figure 67. 2 x 140/STM–1 O/E adapter (access card)– front view




                                         ED     03

                                                                                                      3AL 91669 AA AA                              156 / 706


                                                                                                                                       706
ACRONYM                SLOTS

                                                                                                     A12OS1E              2 to 8, 13 to 20
not permitted without written authorization from Alcatel.
  All rights reserved. Passing on and copying of this
  document, use and communication of its contents




                                                                                                                OUTPUT




                                                                                                                 INPUT




                                                                                                                                                                                                  (1)




                                                                                                LEGENDA

                                                                                                (1): are cavity for STM–1 SFP optical modules;
                                                                                                      12 channels can be managed
                                                                                                     (Refer to Figure 80. on page 169)


                                                                                                (2): Bicolor LED:
                                                                                                                                                                       3AL XXXXX AA




                                                                                                            Red led – Local unit alarm                                                      (2)
                                                                                                                                                              xxxxxx




                                                                                                            Green led – in service unit
                                                  1AA 00014 0004 (9007) A4 – ALICE 04.10




                                                                                                                       Figure 68. Optical access 12xSTM1 unit front view


                                                                                           ED       03

                                                                                                                                                        3AL 91669 AA AA                             157 / 706


                                                                                                                                                                                      706
ACRONYM                SLOTS

                                                  A12OS1SE              2 to 9, 13 to20




                                                                                                                                                             not permitted without written authorization from Alcatel.
                                                                                                                                                               All rights reserved. Passing on and copying of this
                                                                                                                                                               document, use and communication of its contents
                                                              OUTPUT




                                                               INPUT




                                                                                                                                               (1)




                                              LEGENDA

                                              (1): are cavity for STM–1 SFP optical modules;
                                                    12 channels can be managed
                                                   (Refer to Figure 80. on page 169)


                                              (2): Bicolor LED:
                                                                                                                    3AL XXXXX AA




                                                          Red led – Local unit alarm                                                     (2)
                                                                                                           xxxxxx




                                                          Green led – in service unit
1AA 00014 0004 (9007) A4 – ALICE 04.10




                                                                  Figure 69. Optical access 12xSTM1 SLIM unit front view


                                         ED       03

                                                                                                      3AL 91669 AA AA                            158 / 706


                                                                                                                                   706
ACRONYM               SLOTS

                                                                                                    A16ES1E              2 to 9, 13 to20
not permitted without written authorization from Alcatel.
  All rights reserved. Passing on and copying of this
  document, use and communication of its contents




                                                                                                                                                          (1)
                                                                                                                                                          (2)
                                                                                                                                                          (3)
                                                                                                                                                          (4)
                                                                                                                                                          (5)

                                                                                                                                                          (6)
                                                                                                                                                          (7)
                                                                                                                                                          (8)
                                                                                                                                                          (9)
                                                                                                                                                          (10)
                                                                                                                                                          (11)
                                                                                                                                                          (12)
                                                                                                                                                         (13)
                                                                                                                                                         (14)
                                                                                                                                                          (15)
                                                                                                                                                         (16)




                                                                                                                                                      INPUT                                  OUTPUT
                                                                                                LEGENDA

                                                                                                (1) to (16): STM–1 input output electrical channels
                                                                                                                                                                              3AL XXXXX AA




                                                                                                (2): Bicolor LED:                                                                            (2)
                                                                                                                                                                     xxxxxx




                                                                                                            Red led – Local unit alarm
                                                                                                            Green led – in service unit
                                                  1AA 00014 0004 (9007) A4 – ALICE 04.10




                                                                                                                     Figure 70. Electrical access 16xSTM1 unit front view




                                                                                           ED      03

                                                                                                                                                         3AL 91669 AA AA                           159 / 706


                                                                                                                                                                      706
ACRONYM                SLOTS




                                                                                                                                            not permitted without written authorization from Alcatel.
                                                                                                                                              All rights reserved. Passing on and copying of this
                                                                                                                                              document, use and communication of its contents
                                                   ETH–ATX       2 to 9, 13 to20

                                                                                          (1)

                                                                                          (2)

                                                                                          (3)

                                                                                          (4)



                                                                                          (5)

                                                                                          (6)


                                                                                          (7)

                                                                                          (8)



                                                                                          (9)

                                                                                         (10)

                                                                                         (11)

                                                                                         (12)


                                                                                         (13)

                                                                                         (14)
                                              LEGENDA

                                                                                                                         (15)
                                              (1) to (14) Ethernet channels

                                                    (15) Bicolor LED
                                                         Red led – Local unit alarm
                                                         Green led – in service unit
1AA 00014 0004 (9007) A4 – ALICE 04.10




                                                                     Figure 71. ISA – Ethernet access front view




                                         ED   03

                                                                                                    3AL 91669 AA AA             160 / 706


                                                                                                                   706
ACRONYM                SLOTS
not permitted without written authorization from Alcatel.
  All rights reserved. Passing on and copying of this
  document, use and communication of its contents




                                                                                                  GETH–AG 2 to 9, 13 to20




                                                                                                                               OUTPUT




                                                                                                                INPUT




                                                                                                                                                     (1)



                                                                                                                                                     (2)



                                                                                                                                                     (3)



                                                                                                                                                     (4)




                                                                                                LEGENDA

                                                                                                (1) to (4) are Gigabit Ethernet channels
                                                                                                Note: the cavities must be equipped with
                                                                                                Ethernet Optical Modules (refer to Figure 80. on page 169)                   (5)
                                                                                                Only the two upper cavities can be equipped when
                                                                                                the GHETH–AG is used in cojunction with ETH–MB

                                                                                                (5) Bicolor LED
                                                                                                    Red led – Local unit alarm
                                                                                                    Green led – in service unit
                                                  1AA 00014 0004 (9007) A4 – ALICE 04.10




                                                                                                                 Figure 72. ISA – Gigabit Ethernet access card front view




                                                                                           ED   03

                                                                                                                                                      3AL 91669 AA AA       161 / 706


                                                                                                                                                                   706
ACRONYM              SLOTS




                                                                                                                                      not permitted without written authorization from Alcatel.
                                              2GBA–PR              2 to 8




                                                                                                                                        All rights reserved. Passing on and copying of this
                                                                                                                                        document, use and communication of its contents
                                                                  13 to 20




                                                                                                 OUTPUT




                                                                                     INPUT




                                         LEGENDA


                                         (1) and (2) are Gigabit ethernet channels
                                         Note: the cavities must be equipped with
                                         Ethernet Optical Modules (refer toFigure 80. on page 169)
                                         In the figure the two modules are included

                                         (3) and (4) Link led, one for each ethernet channel
                                               Red led – any port related alarm
                                               Green led – link up
                                                                                                                        (1)

                                         (5) OK led
                                              Red led – Major / critical alarm
                                              Red led blinking 50/50 – during POST (Power On Self Test) failure         (2)
                                              Red led blinking 20/80 – Card Mismatch

                                              Yellow led – Minor alarm
                                              Yellow led blinking 50/50 – maintenance
                                              Green led – OK status (no alarms)                                         (3)
                                              Green led blinking 50/50 – during init
                                                                                                                        (4)
                                              Green led blinking 20/80 – Card is Unassigned (i.e.not yet
                                                                        approved by NMS)                                (5)
                                              Led OFF – card not powered
                                                                                                                        (6)
                                         (6) Active led
                                              Led OFF – card not powered
                                              Green led – card is powered
1AA 00014 0004 (9007) A4 – ALICE 04.10




                                                                 Figure 73. ISA PR 2XGBE 1000 access card front view




                                         ED      03

                                                                                                      3AL 91669 AA AA     162 / 706


                                                                                                                  706
(2)
not permitted without written authorization from Alcatel.




                                                                                                          ACRONYM               SLOTS
  All rights reserved. Passing on and copying of this
  document, use and communication of its contents




                                                                                                                                2 to 8                               (3)
                                                                                                             16FEA–PR
                                                                                                                               13 to 20




                                                                                                LEGENDA

                                                                                                (1) 16 x 10/100 fast ethernet channels
                                                                                                (2) Link led, one for each channel
                                                                                                       Green led – link up
                                                                                                       Led off – link down
                                                                                                (3) Activity led, one for each ethernet channel
                                                                                                       Yellow led – Rx/Tx in progress                        (1)
                                                                                                       Led off – link silent

                                                                                                (4) OK led
                                                                                                        Red led – Major / critical alarm
                                                                                                        Red led blinking 50/50 – during POST (Power On Self Test) failure
                                                                                                        Red led blinking 20/80 – Card Mismatch

                                                                                                        Yellow led – Minor alarm
                                                                                                        Yellow led blinking 50/50 – maintenance
                                                                                                        Green led – OK status (no alarms)
                                                                                                        Green led blinking 50/50 – during init
                                                                                                        Green led blinking 20/80 – Card is Unassigned (i.e.not yet
                                                                                                                                  approved by NMS)
                                                                                                        Led OFF – card not powered


                                                                                                (5) Active led
                                                                                                                                                                     (4)
                                                                                                       Led OFF – card not powered
                                                                                                       Green led – card is powered
                                                                                                                                                                            (5)
                                                  1AA 00014 0004 (9007) A4 – ALICE 04.10




                                                                                                                   Figure 74. ISA PR16XETH 10/100 access card front view




                                                                                           ED      03

                                                                                                                                                          3AL 91669 AA AA         163 / 706


                                                                                                                                                                            706
ACRONYM              SLOTS




                                                                                                                                      not permitted without written authorization from Alcatel.
                                                                                                                                        All rights reserved. Passing on and copying of this
                                                                                                                                        document, use and communication of its contents
                                               COADM1              1 to 8
                                                                  13 to 20



                                                                                     (1)




                                                                                      (2)




                                              LEGENDA
                                                                                                                    (3)

                                              (1) Line Side Fiber Connectors

                                              (2) Add/Drop Channel Fiber Connectors
                                                                                                                    (4)
                                              (3) Pass–through Fiber Connectors

                                              (4) Bicolor LED
                                                  Red led – Local unit alarm
                                                  Green led – in service unit
1AA 00014 0004 (9007) A4 – ALICE 04.10




                                                                            Figure 75. COADM1 front view




                                         ED    03

                                                                                                  3AL 91669 AA AA         164 / 706


                                                                                                            706
ACRONYM             SLOTS
not permitted without written authorization from Alcatel.
  All rights reserved. Passing on and copying of this
  document, use and communication of its contents




                                                                                                COADM2              1 to 8
                                                                                                                   13 to 20




                                                                                                                                      (1)




                                                                                                                                                                      (3)
                                                                                                                                       (2)




                                                                                                LEGENDA                                                                      (4)


                                                                                                (1) Line Side Fiber Connectors

                                                                                                (2) Add/Drop Channel #1 Fiber Connectors

                                                                                                (3) Add/Drop Channel #2 Fiber Connectors

                                                                                                (4) Pass–through Fiber Connectors                                      (5)


                                                                                                (5) Bicolor LED
                                                                                                    Red led – Local unit alarm
                                                                                                    Green led – in service unit
                                                  1AA 00014 0004 (9007) A4 – ALICE 04.10




                                                                                                                              Figure 76. COADM2 front view




                                                                                           ED    03

                                                                                                                                                    3AL 91669 AA AA                165 / 706


                                                                                                                                                              706
ACRONYM                SLOTS




                                                                                                                                           not permitted without written authorization from Alcatel.
                                                                                                                                             All rights reserved. Passing on and copying of this
                                                                                                                                             document, use and communication of its contents
                                                 COMDX8               1 to 8
                                                                     13 to 20




                                                                                              (1)




                                                                                             (2)                         (3)




                                                                                             (4)                         (5)




                                          LEGENDA                                            (6)                         (7)
                                          (1) Line Side Fiber Connectors

                                          (2) Channel 1470 nm Fiber Connectors
                                          (3) Channel 1490 nm Fiber Connectors
                                          (4) Channel 1510 nm Fiber Connectors
                                                                                              (8)                        (9)
                                          (5) Channel 1530 nm Fiber Connectors
                                          (6) Channel 1550 nm Fiber Connectors
                                          (7) Channel 1570 nm Fiber Connectors
                                              (8) Channel 1590 nm Fiber Connectors                                       (10)
                                              (9) Channel 1610 nm Fiber Connectors

                                              (10) Bicolor LED
                                                   Red led – Local unit alarm
                                                   Green led – in service unit
1AA 00014 0004 (9007) A4 – ALICE 04.10




                                                                                 Figure 77. COMDX8 front view




                                         ED        03

                                                                                                       3AL 91669 AA AA         166 / 706


                                                                                                                 706
STM–1 module EQUIPPED
                                                                                                  acronym    on CARDS
not permitted without written authorization from Alcatel.




                                                                                                       IS–1.1                                           SC/PC
  All rights reserved. Passing on and copying of this
  document, use and communication of its contents




                                                                                                                P4S1N
                                                                                                       IL–1.1   P4E4N
                                                                                                                ATM4X4
                                                                                                       IL–1.2   A2S1                   INPUT
                                                                                                                P4OC3            OUTPUT
                                                                                                       MM1
                                                                                                 (SC/PC only)



                                                                                                STM–4 module EQUIPPED
                                                                                                  acronym    on CARDS
                                                                                                                                                                    Laser restart key
                                                                                                    IS–4.1
                                                                                                                P4S4N
                                                                                                    IL–4.1

                                                                                                    IL–4.2



                                                                                                                                                            FC/PC
                                                                                                                  LC



                                                                                                                                                  INPUT
                                                                                            Laser restart key
                                                                                                                                           OUTPUT


                                                                                                 INPUT




                                                                                                OUTPUT
                                                                                                                                                                    Laser restart key
                                                  1AA 00014 0004 (9007) A4 – ALICE 04.10




                                                                                                                Figure 78. STM–1/STM–4 optical module front view




                                                                                           ED     03

                                                                                                                                                 3AL 91669 AA AA                 167 / 706


                                                                                                                                                             706
1AA 00014 0004 (9007) A4 – ALICE 04.10




                           ED
                           03
                                                                                                                                       ICMI
                                                                                                                                                           ACRONYM




                                                                                                                                 A2S1
                                                                                                                                 P4E4N
                                                                                                                                 P4S1N
                                                                                                                                 P4OC3


                                                                                                                                 ATM4X4
                                                                                                                                                         EQUIPPED
                                                                                                                                                         ON PORTS




                                                                                                              INPUT




                                                                                                     OUTPUT




706
         3AL 91669 AA AA
                                       Figure 79. STM–1 or 140 Mbit/s electrical module front view




         168 / 706
                                                                                                                        All rights reserved. Passing on and copying of this
                                                                                                                        document, use and communication of its contents
                                                                                                                      not permitted without written authorization from Alcatel.
SFP MODULE             EQUIPPED ON
                                                                                             ACRONYM               PORT/ACCESS
                                                                                                                  GETH–MB
not permitted without written authorization from Alcatel.
  All rights reserved. Passing on and copying of this
  document, use and communication of its contents




                                                                                                                  GETH–AG
                                                                                                1000B             ES4–8FE
                                                                                                                  2GBA–PR
                                                                                                                  PREA1GBE

                                                                                                100B              ES1–8FX

                                                                                                SS–161

                                                                                                SL–161
                                                                                                                  O–16ES
                                                                                                SL–162
                                                                                                                  COWLA2
                                                                                                SS–162C

                                                                                                SL–162C

                                                                                                SS–41
                                                                                                                  ISA–PR
                                                                                                SL–4.1            P16S1–4E                              SFP Module

                                                                                                SL–4.2

                                                                                                SS–11
                                                                                                                  P16S1–4E                      OUTPUT
                                                                                                SL–11             A12OS1E
                                                                                                                  A12OS1SE
                                                                                                SL–12




                                                                                                                                                               INPUT



                                                                                                                                                    Optical cables
                                                  1AA 00014 0004 (9007) A4 – ALICE 04.10




                                                                                                          Figure 80. Relationship between SFP modules and housing boards




                                                                                           ED   03

                                                                                                                                                 3AL 91669 AA AA           169 / 706


                                                                                                                                                              706
1AA 00014 0004 (9007) A4 – ALICE 04.10




                           ED
                           03
                                                                                                                                            OH–I
                                                                                                                                                      acronym



                                                                                                                                    OL–IN



                                                                                                          OL–MM
                                                                                                                   OH–MM




                                                                         INPUT
                                                                                 OUTPUT
                                                                                                                           4XANYC
                                                                                                                                                   4XANY modules EQUIPPED
                                                                                                                                                                 on CARDS




                                       Figure 81. 4XANY plug–in module




706
         3AL 91669 AA AA
         170 / 706
                                                                                            All rights reserved. Passing on and copying of this
                                                                                            document, use and communication of its contents
                                                                                          not permitted without written authorization from Alcatel.
ACRONYM            SLOTS
                                                                                                                                       SC/PC                                  FC/PC
not permitted without written authorization from Alcatel.




                                                                                                                2 to 8                                         INPUT
  All rights reserved. Passing on and copying of this




                                                                                                BST10
  document, use and communication of its contents




                                                                                                               13 to 19
                                                                                                                                                         OUTPUT
                                                                                                                2 to 8
                                                                                                BST15          13 to 19

                                                                                                                2 to 8
                                                                                                BST17
                                                                                                               13 to 19




                                                                                                                     (2)                                       (2)


                                                                                                       INPUT
                                                                                                OUTPUT




                                                                                                                                                         (1)                              (1)




                                                                                           LEGENDA:
                                                                                            (1) Cover remove
                                                                                            (2) IN / OUT Main Signal
                                                                                            (3) Yellow LED: active Shut Down
                                                                                            (4) Bicolor LED:                                             (3)                             (3)
                                                                                                Red led – Local unit alarm                               (4)                             (4)
                                                                                                Green led – in service unit




                                                                                                                           Figure 82. Optical Booster card front view
                                                  1AA 00014 0004 (9007) A4 – ALICE 04.10




                                                                                           ED     03

                                                                                                                                                         3AL 91669 AA AA              171 / 706


                                                                                                                                                                        706
ACRONYM            SLOTS
                                                                                    SC/PC                               FC/PC




                                                                                                                                              not permitted without written authorization from Alcatel.
                                                              2 to 8




                                                                                                                                                All rights reserved. Passing on and copying of this
                                              PR16




                                                                                                                                                document, use and communication of its contents
                                                             13 to 19




                                                                                                          INPUT

                                                                                                  OUTPUT




                                                     INPUT
                                              OUTPUT




                                                                                                     (1)                            (1)




                                                                 (2)

                                         LEGENDA:                                                         (2)

                                          (1) Cover remove
                                          (2) IN / OUT Main Signal                                Not used                      Not used
                                          (3) Yellow LED: active Shut Down
                                          (4) Bicolor LED:                                          (3)                            (3)
                                              Red led – Local unit alarm                            (4)                            (4)
                                              Green led – in service unit




                                                                       Figure 83. PREAMPLIFIER 2.5 GB/S front view
1AA 00014 0004 (9007) A4 – ALICE 04.10




                                         ED     03

                                                                                                     3AL 91669 AA AA              172 / 706


                                                                                                                  706
2.4.3 FAN subrack cover front view
not permitted without written authorization from Alcatel.
  All rights reserved. Passing on and copying of this
  document, use and communication of its contents




                                                                                                                                             (1)




                                                                                                       (2)                             (4)    (5) (6)                         (3)




                                                                                                LEGENDA


                                                                                                (1)    MULTICOLOR LED:
                                                                                                       Red led – local unit alarm
                                                                                                       Orange led – temperature major than 55 C
                                                                                                       Green led – in service unit


                                                                                                (2)    Battery A connector
                                                                                                (3)    Battery B connector
                                                                                                (4)    Not used

                                                                                                (5)    Alarms connector for 1660SM

                                                                                                (6)    Not used
                                                  1AA 00014 0004 (9007) A4 – ALICE 04.10




                                                                                                                         Figure 84. 19” Fans subrack cover front view



                                                                                           ED     03

                                                                                                                                                        3AL 91669 AA AA             173 / 706


                                                                                                                                                                        706
2.4.4 Assembled Fans unit




                                                                                                                                     not permitted without written authorization from Alcatel.
                                                                                                                                       All rights reserved. Passing on and copying of this
                                                                                                                                       document, use and communication of its contents
                                                                                                 (1)




                                                                                                (2)



                                              (1)    MULTICOLOR LED:
                                                     Red led – local unit alarm
                                                     Orange led – temperature major than 55 C
                                                     Green led – in service unit

                                              (2)    Not used




                                                                      Figure 85. Assembled Fans unit front view
1AA 00014 0004 (9007) A4 – ALICE 04.10




                                         ED     03

                                                                                                       3AL 91669 AA AA   174 / 706


                                                                                                                  706
3 FUNCTIONAL DESCRIPTION

                                                                                            3.1 General description
not permitted without written authorization from Alcatel.
  All rights reserved. Passing on and copying of this
  document, use and communication of its contents




                                                                                            From Figure 89. on page 187 to Figure 96. on page 194 illustrates, in block diagram form, the units
                                                                                            employed in the 1660SM and the general operating functions:

                                                                                                •        EQUICOE unit (also called PQ2/EQC)

                                                                                                         The unit provides the following functionality:

                                                                                                         –    Equipment Controller (EC) function

                                                                                                         –    F interface for Local Craft Terminal

                                                                                                         –    USB interface for Local Craft Terminal (not operative in current release)

                                                                                                         –    Communication with the Operation System (O.S) through different interface (DCC, QB3
                                                                                                              etc.)

                                                                                                •        MATRIXE unit

                                                                                                         The unit provides the following functionality:

                                                                                                         –    Matrix that performs HPC, LPC and protection functions

                                                                                                         –    Synchronization functions

                                                                                                         –    Shelf Controller (SC) function

                                                                                                •        2 or 34/45 Mbit/s PDH Electrical unit

                                                                                                         Different PDH Electrical unit are available:

                                                                                                         –    ”2 Mbit/s PDH Electrical unit” provides the interface for the asynchronous mapping G.703
                                                                                                              2 Mbit/s signals into SDH VC12s. Each unit supports 63 interface.
                                                                                                              The unit is the same for 75 Ω and 120 Ω. applications; impedance match is performed at
                                                                                                              the “access card” level.

                                                                                                         –    ”34 Mbit/s / 45 Mbit/s unit” provides the interface for the asynchronous mapping of G.703
                                                                                                              34 Mbit/s or 45 Mbit/s signals into SDH VC–3s. Each unit supports 3 interface .
                                                                                                              The selection of the working mode (3 x 34 Mb/s or 3 x 45 Mb/s) is controlled via software.
                                                                                                              Two different access module are used for the 34 Mb/s and 45 Mb/s applications.

                                                                                                         For both units the Lower Order Interface (LOI) block includes PPI (physically on the Access
                                                                                                         Card), LPA, LPT functionality (see Figure 86. on page 175 and Figure 89. on page 187)


                                                                                                                                                     LOI

                                                                                                                                    PPI           LPA          LPT
                                                  1AA 00014 0004 (9007) A4 – ALICE 04.10




                                                                                                                                    Figure 86. LOI block diagram



                                                                                           ED       03

                                                                                                                                                             3AL 91669 AA AA                       175 / 706


                                                                                                                                                                          706
•        4 x 140 Electrical or 155 Mbit/s E/O unit

                                                       The unit provide four 140 PDH electrical or 155 Mbit/s STM–1 Electrical/Optical interfaces.
                                                       The selection of the working mode (per port) is controlled via software:




                                                                                                                                                              not permitted without written authorization from Alcatel.
                                                       –    When the 140 Mbit/s mode is selected, the port provides an interface for the asynchronous




                                                                                                                                                                All rights reserved. Passing on and copying of this
                                                                                                                                                                document, use and communication of its contents
                                                            mapping of G.703 140 Mbit/s signals into SDH VC–4. The functions performed in the High
                                                            Order Interface (HOI) block are: PPI (Physically on the Access Card), LPA, HPT(see
                                                            Figure 87. on page 176 and Figure 89. on page 187. Two of the four PPI blocks are
                                                            present on the board, the other two are on the Access Card.
                                                                                                 HOI

                                                                                  PPI           LPA           HPT




                                                                                  Figure 87. HOI block diagram

                                                       –    When the 155 Mbit/s STM–1 mode is selected, the VC–4 can either be unstructured or
                                                            structured into lower order VCs. The functions performed are TTF and HOA (see
                                                            Figure 88. on page 176). Two of the four SPI blocks are present on the board, the other
                                                            two are on the Access Card.
                                                                                                 TTF

                                                                    SPI         RST          MST             MSP         MSA

                                                                                                HOA

                                                                                         HPT           HPA




                                                                             Figure 88. TTF and HOA block diagram


                                              •        4 x155 Mbit/s Electrical/Optical unit

                                                       The unit provides four bidirectional STM–1 electrical or optical interfaces. For each STM–1, the
                                                       VC–4 can either be unstructured or structured into lower order VCs. The function performed are
                                                       TTF and HOA ( see Figure 88. on page 176 and Figure 89. on page 187.).
                                                       Two of the four SPI blocks are present on the board, the other two are on the Access Card.
                                                       Any combination of electrical or optical (short or long haul) is possible on the same unit.

                                              •        4 x155 Mbit/s Electrical unit

                                                       The unit provides four bidirectional STM–1 electrical interfaces. The four SPI blocks are
                                                       available on Access Card. For each STM–1, the VC–4 can either be unstructured or structured
                                                       into lower order VCs. The function performed are TTF and HOA ( see Figure 88. on page 176
                                                       and Figure 89. on page 187.).
1AA 00014 0004 (9007) A4 – ALICE 04.10




                                         ED       03

                                                                                                             3AL 91669 AA AA                      176 / 706


                                                                                                                         706
•        16 x155 Mbit/s Electrical/Optical – 4xSTM–4 unit

                                                                                                         The board P16S1–4E provides either 4 STM–4 optical interfaces or 16 STM–1
                                                                                                         Optical/Electrical interfaces (along with the Optical/Electrical Access Board) (refer to
not permitted without written authorization from Alcatel.




                                                                                                         Figure 91. on page 189).
  All rights reserved. Passing on and copying of this
  document, use and communication of its contents




                                                                                                         The P16S1–4E board along with A12OS1E or A12OS1SE Optical Access board allows the
                                                                                                         transport of 16 optical STM1 streams by means of 16 SFP optical transceivers.
                                                                                                         On the P16S1–4E there are four of 16 SFP transceivers, while in the A12OS1E card there are
                                                                                                         the other 12 transceivers.
                                                                                                         On the P16S1–4E board the SFP transceivers can work at both the bit rate of 155 and 622 Mb/s
                                                                                                         for both Short Haul and Long Haul applications.

                                                                                                         The P16S1–4E board along with the A16ES1E Electrical Access card allows the transport of
                                                                                                         16 electrical STM–1 streams. All the 16 electrical line interface devices are present in the
                                                                                                         A16ES1E board.

                                                                                                •        1 X STM–4 Optical unit

                                                                                                         The 1 x STM–4 optical unit provide one STM–4 optical interface; the function performed are TTF
                                                                                                         and HOA. Several short and long haul types are available.

                                                                                                •        1 X STM–16 optical unit

                                                                                                         The 1 x STM–16 optical unit provide one STM–16 optical interface (on front panel); the function
                                                                                                         performed are TTF and HOA. Several short and long haul types are available.

                                                                                                         “Colored” versions are available for direct interworking with WDM equipment without
                                                                                                         intermediate wavelength adapters.

                                                                                                         STM–16 SLIM short haul port are also available (one slot wide)

                                                                                                •        1 X STM–64 optical unit

                                                                                                         The 1 x STM–64 optical unit provide one STM–64 optical interface (on front panel); the function
                                                                                                         performed are TTF and HOA. Short haul and intra–office interface types are available.

                                                                                                •        4 X OC3 AU3/TU3 Conversion unit

                                                                                                         This board can manage up to 4 x OC–3 (SONET) streams. The board hosts up to 2 interfaces
                                                                                                         into the front panel.
                                                                                                         The other two interfaces can be hosted in the Access area using the relevant access card that
                                                                                                         must be equipped in the slot associated to the corresponding traffic unit slot (refer to Table 22.
                                                                                                         on page 113).
                                                                                                         Each combination of interfaces (electrical, S.1.1,L.1.1,..) can be equipped in the same board.
                                                                                                         On OC–3 interface the Sonet mapping is mange so the RS and MS sections are terminated,
                                                                                                         the 3 AU3 are processed to extract or insert the 3 VC3. This unit performs the AU3/TU3
                                                                                                         conversion , which allows the transport in SDH network of Sonet VC3 traffic.
                                                                                                         The conversion is performed on OC–3 interface: the 3 VC3 are extracted then re–mapped in
                                                                                                         SDH VC4 container and this container is passed to the matrix where it is managed as a
                                                                                                         structured VC4. The OH byte of RS and MS section are managed according SDH ITU standard.
                                                  1AA 00014 0004 (9007) A4 – ALICE 04.10




                                                                                           ED       03

                                                                                                                                                              3AL 91669 AA AA                         177 / 706


                                                                                                                                                                            706
•        ISA – ATM4X4, ATM4X4V2, ATM4X4D3

                                                       Three boards types are available:




                                                                                                                                                               not permitted without written authorization from Alcatel.
                                                       –    ATM4X4 with a max. number of 16 TPs configurable among SDH VC4, SDH VC3, SDH




                                                                                                                                                                 All rights reserved. Passing on and copying of this
                                                                                                                                                                 document, use and communication of its contents
                                                            VC12, PDH 2M and PDH 34M.

                                                       –    ATM4X4V2 with a max number. of 252 TPs configurable among SDH VC4, SDH VC3,
                                                            SDH VC12, PDH 2M, PDH 34M and PDH 45M.

                                                       –    ATM4X4D3 with a max number. of 16 TPs configurable among SDH VC4, SDH VC3, SDH
                                                            VC12, PDH 2M, PDH 34M and PDH 45M.

                                                       They are a one slot wide boards that integrate an ATM switch functionality.
                                                       Only the ATM4X4 BOARD also includes a STM–1 local access port on the front panel.
                                                       For both throughput capacity towards backpanel is 622 Mbit/s.
                                                       ATM traffic control functions, such as “Shaping” and “Policing” (which are needed to avoid
                                                       network congestion) are supported.

                                              •        ISA – ATM MATRIX 8X8

                                                       It is a two slot wide board that integrate an ATM switch functionality.
                                                       16+16 TPs are configurable among SDH VC4,SDH VC4–C, SDH VC3, SDH VC12, PDH 2M
                                                       and PDH 34M.
                                                       The throughput capacity is 1.2 Gbit/s.
                                                       ATM traffic control functions, such as “Shaping” and “Policing” (which are needed to avoid
                                                       network congestion) are supported.

                                              •        ISA – PR_EA MATRIX

                                                       1660SM can host two types of PR_EA matrix (generically ISA PR_EA board):
                                                       –   in the first version, it hosts a 4 x 10/100 BaseT Fast Ethernet module and the total traffic
                                                           throughput is 1 Gb/s, in which 622Mb/s are contributed by the SDH matrix, and 400 Mb/s
                                                           contributed by the 4 Fast Ethernet local ports.
                                                       –   in the second version, it hosts a 1 x 1Gigabit Ethernet module and the total traffic
                                                           throughput is 1.8 Gb/s, in which 622Mb/s are contributed by the SDH matrix, and 1.25 Gb/s
                                                           contributed by the Gb Ethernet local port.

                                                       The following table summarizes the interfaces that can accede to the MPLS functions:

                                                       Table 32. Interfaces acceding to the MPLS functions



                                                           TYPE OF INTERFACE                  CONTAINER                        NOTES

                                                                     SDH                 VC–12, VC–3, VC–4

                                                                     PDH                 E1, E3, T3                not available in current rel.

                                                            Ethernet (E, FE, GE)         MAC 802.3                 also “802.1p/q Tagged”
1AA 00014 0004 (9007) A4 – ALICE 04.10




                                         ED       03

                                                                                                           3AL 91669 AA AA                         178 / 706


                                                                                                                         706
•        ISA – PR MATRIX

                                                                                                         1660SM can host PR matrix (generically ISA–PR board) and relevant access cards:
not permitted without written authorization from Alcatel.




                                                                                                         It provides a shared carrier–class Ethernet Packet Ring embedded, in a flexible manner over SDH
  All rights reserved. Passing on and copying of this
  document, use and communication of its contents




                                                                                                         VCs (with VC–4–nv framing), either physically or logically into the SDH infrastructure.
                                                                                                         The ISA–PR is a Layer 2 MPLS–based statistical packet switch with Ethernet and GBE interfaces
                                                                                                         operating a Resilient Packet Ring transported over multiple STM–4 standard interfaces.

                                                                                                         The ISA–PR port card is a RPR switch with four STM–4 interfaces providing 6.5 Gbps packet
                                                                                                         throughput with a provisionable trunk capacity of 1.2 Gbps both in East and West directions.

                                                                                                         On its front plate a RJ45 connector provides the connection toward the Local Craft Terminal
                                                                                                         or the Operation System.

                                                                                                         The following table summarizes the interfaces that can accede to the PR functions:


                                                                                                             TYPE OF INTERFACE                   CONTAINER                       NOTES

                                                                                                                         SDH               VC–4

                                                                                                                Ethernet (E, FE, GE)       MAC 802.3                 also “802.1p/q Tagged”


                                                                                                         Two access card types are availale (also in mixed configuration):

                                                                                                         –      16 FEA–PR – Fast ETHERNET access card

                                                                                                                10/100 Ethernet Access card supporting sixteen (16) 10/100 Fast Ethernet interfaces.
                                                                                                                Up to four 16FEA–PR access cards can be equipped.

                                                                                                         –      2 GBA–PR – GigaBit Ethernet access card

                                                                                                                GigaBit Ethernet Access card supporting two (2) GigaBit Ethernet interfaces.

                                                                                                •        ISA – Fast ETHERNET unit

                                                                                                         The unit is able to provide 25 x 10/100 Mb/s Ethernet interfaces to allow LAN–to–LAN
                                                                                                         connections.
                                                                                                         In the main port are provided 11 connectors on the front panel of the unit. The main port can
                                                                                                         be used in conjunction with the relevant access module (ETH–ATX) which is able to provide 14
                                                                                                         additional 10/100 Mb/s Ethernet interfaces.

                                                                                                         Ethernet frames are mapped over an SDH VC (VC–12, VC–3, VC–4) with a max. throughput
                                                                                                         of 622 Mbt/s toward the backplane.

                                                                                                         Each physical interface can independently be mapped into the relevant VC according to the
                                                                                                         required bit rate.

                                                                                                         N.B.        The Fast Ethernet unit 10/100 Mb/s can be also used in conjunction with the Gigabit
                                                                                                                     Ethernet Access card (GETH–AG); in this configuration the Fast Ethernet unit can
                                                                                                                     handle the following interfaces:

                                                                                                                     –    two Gbit Ethernet interfaces (on the access card GETH–AG); Ethernet frames
                                                                                                                          are mapped over a single SDH VC–4.
                                                  1AA 00014 0004 (9007) A4 – ALICE 04.10




                                                                                                                     –    11 Interfaces 10/100 Mb/s Ethernet interfaces (on the Main board)




                                                                                           ED       03

                                                                                                                                                             3AL 91669 AA AA                       179 / 706


                                                                                                                                                                           706
•        ISA – Gigabit ETHERNET unit

                                                       The unit is able to manage 4 Gigabit Ethernet interfaces on the main board.

                                              •        ISA ES1–8FE, ISA ES1–8FX and ISA ES4–8FE




                                                                                                                                                                 not permitted without written authorization from Alcatel.
                                                                                                                                                                   All rights reserved. Passing on and copying of this
                                                                                                                                                                   document, use and communication of its contents
                                                       The boards mainly work as a LAN switching, and in particular they provide the service of
                                                       connecting two LANs as point to point connection between two routers or switches through a
                                                       SDH network.

                                                       ISA ES1–8FE and ISA ES4–8FE units have eight 10/100 Mbit/s Ethernet interfaces on the front
                                                       panel; the Ethernet traffic, opportunely mapped in the SDH transport structures, is then sent
                                                       toward the SDH matrix via the back plane with a STM–1 equivalent throughput .

                                                       ES1–8FX board has eight Small Form factor Pluggeable module supporting optical Fast
                                                       Ethernet Interfaces on the front panel.

                                                       ES4–8FE board has also one Small Form factor Pluggeable module supporting a Gigabit
                                                       Ethernet Interface on the front panel.

                                                       ISA–ES1 and ISA ES4 series module can classify ETH traffic according to a wide set of standard
                                                       specified criteria in order to provide a feature reach set of capability. Each classified traffic is
                                                       referred as a classified flow.
                                                       Classification criteria are the following:

                                                       –    Port (Physical ETH or ETH over SDH)
                                                       –    IEEE 802.1Q (VLAN tagging)
                                                       –    IEEE 802.1p (ETH frame priority)
                                                       –    IEEE 802.3 Source/Destination MAC address (also according to IEEE 802.1ad)

                                                       Hereafter are reported the available trunking capacity:

                                                       –    ISA–ES1          has 1 VC–4 of bandwidth available
                                                       –    ISA–ES4          has 4 VC–4 of bandwidth available

                                              •        ISA ES16

                                                       As for ISA ES1 and ISA ES4 the boards ISA ES16 mainly work as a LAN switching, and in
                                                       particular they provide the service of connecting two LANs as point to point connection between
                                                       two routers or switches through a SDH network.

                                                       ISA–ES16 is a port less card that can use specific access modules:

                                                       –    14 x FE access module: 14 x Fast Ethernet ports (10/100 Base T)

                                                       –    4 x GE access module:       4 x GB Ethernet ports with SFP plugs

                                                       ISA ES16 Classification criteria are the following:

                                                       –    Port (Physical ETH or ETH over SDH)
                                                       –    IEEE 802.1Q (VLAN tagging)
                                                       –    IEEE 802.1p (ETH frame priority)
                                                       –    IEEE 802.3 Source/Destination MAC address (also according to IEEE 802.1ad)
                                                       –    MPLS label (according to IETF Martini draft ETH over MPLS)
                                                       –    IP–TOS/DSCP fields
1AA 00014 0004 (9007) A4 – ALICE 04.10




                                                       Hereafter are reported the available trunking capacity:

                                                       –    ISA–ES16              has up to 16 VC–4 of bandwidth available


                                         ED       03

                                                                                                             3AL 91669 AA AA                         180 / 706


                                                                                                                            706
•        Double channel multirate transponder (COWLA2) unit

                                                                                                         This unit realizes both the ’wavelength assignment’ and the ’wavelength regeneration’ on the
                                                                                                         2 separate channels supported, according to the type of optical interface (’colored’ CWDM or
not permitted without written authorization from Alcatel.




                                                                                                         BW) equipped.
  All rights reserved. Passing on and copying of this
  document, use and communication of its contents




                                                                                                         Pluggable CoarseWDM/BW SFP optical modules are equipped in order to allow maximum
                                                                                                         flexibility in channel configuration.
                                                                                                         8 possible Coarse WDM modules with SFP transceiver are available with a throughput up to
                                                                                                         2.5Gb/s. CWDM transceiver are ITU–T grid compliant (1470–1490–1510–
                                                                                                         1530–1550–1570–1590–1610 nm).
                                                                                                         The configuration of COWLA2 requires the operator to specify for each module the transported
                                                                                                         client signal and if the module is colored or BW.
                                                                                                         The transponder unit supports the ’3R’ functionality for the following signal types:

                                                                                                         –    FDDI (125 Mb/s);                not operative in current release

                                                                                                         –    Fast Ethernet (125 Mb/s);       not operative in current release

                                                                                                         –    STM1/OC3;                       not operative in current release

                                                                                                         –    Escon (200 Mb/s);               not operative in current release

                                                                                                         –    Digital Video (270 Mb/s);       not operative in current release

                                                                                                         –    STM4/OC12;                      not operative in current release

                                                                                                         –    Fiber Channel (1.0625 Gb/s); not operative in current release

                                                                                                         –    FICON (1.0625 Gb/s);            not operative in current release

                                                                                                         –    Gb Ethernet (1.25 Gb/s);        not operative in current release

                                                                                                         –    2 Fiber Channel (2.125 Gb/s); not operative in current release

                                                                                                         –    STM16/OC48;

                                                                                                         –    2 Gb Ethernet (2.5 Gb/s);       not operative in current release

                                                                                                         –    STM16 w/ FEC (2.667 Gb/s)       not operative in current release

                                                                                                •        OADM1 (COADM1) unit

                                                                                                         COADM1 unit realizes wavelengths multi–demultiplexing allowing to add/drop 1 channel out of
                                                                                                         the 8 supported according to CWDM grid and the pass–through of remaining WDM channels
                                                                                                         not terminated.
                                                                                                         One specific item per ITU–T channel is foreseen: 1470 – 1490 – 1510 – 1530 – 1550 – 1570
                                                                                                         – 1590 – 1610 nm.
                                                                                                         The functionality of the board has to be considered for ring application, and performing ’one
                                                                                                         side’ channel termination: thus, two separate boards are required at a node of the ring in order
                                                                                                         to achieve the complete OADM functionality.
                                                                                                         ’Loss of Signal’ detection on CWDM optical signal received is not managed.
                                                  1AA 00014 0004 (9007) A4 – ALICE 04.10




                                                                                           ED       03

                                                                                                                                                             3AL 91669 AA AA                        181 / 706


                                                                                                                                                                           706
•        OADM2 (COADM2) unit

                                                       COADM2 board realizes wavelengths multi–demultiplexing allowing to add/drop 2 channels out
                                                       of the 8 supported according to CWDM grid and the pass–through of remaining WDM channels




                                                                                                                                                              not permitted without written authorization from Alcatel.
                                                       not terminated.




                                                                                                                                                                All rights reserved. Passing on and copying of this
                                                                                                                                                                document, use and communication of its contents
                                                       Four specific items are foreseen, considering to support the termination of two adjacent
                                                       wavelengths per item:

                                                       –    1470 – 1490 nm;

                                                       –    1510 – 1530 nm;

                                                       –    1550 – 1570 nm;

                                                       –    1590 – 1610 nm.

                                                       The functionality of the board has to be considered for ring application, and performing ’one
                                                       side’ channel termination: thus, two separate boards are required at a node of the ring in order
                                                       to achieve the complete OADM functionality.
                                                       ’Loss of Signal’ detection on CWDM optical signal received is not managed.



                                              •        Mux/Demux 8 ch (COMDX8) unit

                                                       MUX/DEMUX board realizes wavelengths multi–demultiplexing on the whole group of 8
                                                       CWDM channels supported.
                                                       8 CWDM ITU–T grid compliant filters are equipped on the MUX/DEMUX module: 1470, 1490,
                                                       1510, 1530, 1550, 1570, 1590, 1610 nm.

                                                       The functionality of the board can be considered both for linear and ring application; contrary
                                                       to COADMn boards, no ’pass–through’ link is provided, then pass–through of wavelengths not
                                                       terminated must be realized on each single wavelength.
                                                       In ’ring’ application, the board performs ’one side’ channels termination: thus, two separate
                                                       boards are required at a node of the ring in order to achieve the complete functionality.
                                                       ’Loss of Signal’ detection on CWDM optical signal received is not managed.



                                              •        4 x ANY HOST C unit

                                                       The 4xANY board is a Time Division Multiplexer concentrator that performs a bidirectional
                                                       interface between up to 4 clients data and the MATRIX board (via backpanel) through up to 16
                                                       VC–4.

                                                       A mixing of SDH and Data Services is possible. Multiplexing scheme delivers a fully compliant
                                                       SDH frame.

                                                       The board is two slot wide and can be plugged in the enhanced slot( 2526, 2829, 3435,
                                                       3738) and not enhanced slot (3031, 3233).
1AA 00014 0004 (9007) A4 – ALICE 04.10




                                         ED       03

                                                                                                           3AL 91669 AA AA                        182 / 706


                                                                                                                         706
Up to 4 client signals can be independently handled among the following types (for details and
                                                                                                         restriction refer to paragraph 3.10 on page 293) :

                                                                                                              •    Fast Ethernet
not permitted without written authorization from Alcatel.
  All rights reserved. Passing on and copying of this
  document, use and communication of its contents




                                                                                                              •    FDDI (125Mbps)

                                                                                                              •    ESCON (200Mbps)

                                                                                                              •    Digital Video (270Mbps)

                                                                                                              •    Fiber Channel (1.0625Gbps)

                                                                                                              •    FICON (1.0625Gbps)

                                                                                                              •    Gigabit Ethernet (1.25Gbps)

                                                                                                •        SERVICE unit

                                                                                                         The unit provides the following functionality:

                                                                                                         –    Auxiliary channels

                                                                                                         –    Engineering Order Wire (EOW)

                                                                                                         –    2 MHz Input/Output

                                                                                                •        CONGI unit

                                                                                                         The unit provides the following functionality:

                                                                                                         –    Power Supply

                                                                                                         –    QB3 Interface

                                                                                                         –    Housekeeping and remote alarm

                                                                                                         –    Q2/RQ2 interface

                                                                                                •        Access Cards

                                                                                                         They provides the physical interface for the different types of signals

                                                                                                •        Protection Card

                                                                                                         The unit allows the EPS protection for 34/45Mbit/s and 155 Mbit/s electrical unit.

                                                                                                •        BOOSTER

                                                                                                         To improve the span length of STM–N interfaces for single channel application, the Optical
                                                                                                         booster unit can be used. This unit can be plug–in in the access area. Three integrated boosters
                                                                                                         are available, according to the relevant gain values: 10dbm, 15dBm and 17dBm.

                                                                                                •        OPTICAL PREAMPLIFIER

                                                                                                         This unit can be plug–in in the access area. It is used in conjunction with the optical booster to
                                                  1AA 00014 0004 (9007) A4 – ALICE 04.10




                                                                                                         improve the span length of STM–16 interfaces for single channel application.




                                                                                           ED       03

                                                                                                                                                              3AL 91669 AA AA                         183 / 706


                                                                                                                                                                            706
The functions carried out by the unit can be splitted into the following sub–systems:

                                          [1]   Connections sub–system (see paragraph 3.2 on page 198)




                                                                                                                                                          not permitted without written authorization from Alcatel.
                                          [2]   Signal management sub–system (see paragraph 3.3 on page 200)




                                                                                                                                                            All rights reserved. Passing on and copying of this
                                                                                                                                                            document, use and communication of its contents
                                          [3]   ISA (Integrated Service Adapter) sub–system ( refer to paragraph 3.4 on page 223)

                                          [4]   4xANY HOST C subs–system (see paragraph 3.10 on page 293)

                                          [5]   Coarse WDM sub–system (refer to paragraph 3.11 on page 300)

                                          [6]   Controller sub–system (see paragraph 3.12 on page 315)

                                          [7]   Protection sub–system (see paragraph 3.13 on page 321)

                                          [8]   Synchronization sub–system (see paragraph 3.14 on page 363)

                                          [9]   Auxiliary sub–system (see paragraph 3.15 on page 365)

                                          [10] Power supply sub–system (see paragraph 3.16 on page 367)

                                          [11] Remote inventory sub–system (see paragraph 3.17 on page 370)

                                          On the following paragraphs a detailed description of each sub–system is given.

                                          Each logical function does not correspond necessarily to a physical card but can be distributed over more
                                          than one card. On the other side, one card can house more than one function.

                                          For each sub–system the list of the involved cards and a brief abstract of the function detailed on the
                                          following paragraphs is reported in Table 33. on page 185.

                                          Notice that the On Board Power Supply (DC/DC converter in Figure 89. on page 187) is present on each
                                          card and that the Controller function is centralized ( EC and SC).
1AA 00014 0004 (9007) A4 – ALICE 04.10




                                         ED      03

                                                                                                        3AL 91669 AA AA                       184 / 706


                                                                                                                      706
Table 33. Sub–systems  involved cards
                                                                                                Sub–system                    Card involved                           Short description
                                                                                                Connections                 MATRIXE and ports          On the para. is explained how the signal is
not permitted without written authorization from Alcatel.




                                                                                                                                                       managed between the port and the MATRIXE
  All rights reserved. Passing on and copying of this
  document, use and communication of its contents




                                                                                            Signal management            all the ports (LS and HS)     On the para. it is explained how the PDH, SDH
                                                                                                                              Access Modules           and SONET signals are elaborated on the
                                                                                                                                                       ports.
                                                                                                                                                       The description in compliancy with the G.783
                                                                                                                                                       ITU–T Rec.

                                                                                                                                                       On the paragraph are explained the ATM,
                                                                                                                       ISA boards, relevant access
                                                                                            ISA boards manage-                                         Ethernet/Fast Ethernet/Gigabit Ethernet, MPLS,
                                                                                                                              modules and
                                                                                                   ment                                                PR, connections types supported by the
                                                                                                                             SDH MATRIX
                                                                                                                                                       system.

                                                                                                                           4xANY HOST C and            On the paragraph are explained the 4xANY
                                                                                           4xANY management                   SDH MATRIX               HOST C connections types supported by the
                                                                                                                                                       system.

                                                                                                                           COADM1, COADM2,             On the paragraph is explained the integration of
                                                                                           Coarse WDM                      COMDX8, COWLA2              WDM tecnology inside the 1660SM in order to
                                                                                                                            and SFP modules            enhance the network capacity.
                                                                                                 Controller              EQUICOE and MATRIXE           The control system is centralized. The
                                                                                                                                                       EQUICOE performs the Equipment Controller
                                                                                                                                                       (EC) function and the MATRIXE perform the
                                                                                                                                                       Shelf Controller (SC) function.
                                                                                                                         all the ports (LS and HS)     The following network protection are explained:

                                                                                                                                                       –     linear MSP
                                                                                                         Network-                                      –     MS SPRING
                                                                                                        protections                                    –     SNCP/I and SNCP/N (among VC–4 only)
                                                                                                                                                       –     Drop  Continue + insertion SNCP
                                                                                                                                                       –     Collapsed single–node ring interconnection
                                                                                                                                                       –     Collapsed dual–node ring interconnection

                                                                                                                                                       The MATRIXE card manages all the protections.
                                                                                                                      63x2 Mbit/s port (N+1)           The SC on the MATRIXE card controls the EPS
                                                                                                                                                       protections.
                                                                                           Protection                 3x34/45 Mbit/s port (N+1)
                                                                                                                      4xSTM–1 electrical port (N+1)
                                                                                                                      16xSTM–1 electrical port (N+1)

                                                                                                        Equipment ISA–ATM MATRIX (1+1)
                                                                                                        protections PR_EA MATRIX (1+1)

                                                                                                                      ISA–ES 16 (1+1)
                                                                                                                      CONGI (power supply only)
                                                                                                                      MATRIXE
                                                  1AA 00014 0004 (9007) A4 – ALICE 04.10




                                                                                                                      HPROT




                                                                                           ED     03

                                                                                                                                                           3AL 91669 AA AA                    185 / 706


                                                                                                                                                                       706
Sub–system              Card involved                            Short description
                                              Synchronization              MATRIXE                The MATRIXE performs the synchronization
                                                                                                  function therefore distributing the clock and




                                                                                                                                                      not permitted without written authorization from Alcatel.
                                                                                                  synchronisms to all the equipment cards.




                                                                                                                                                        All rights reserved. Passing on and copying of this
                                                                                                                                                        document, use and communication of its contents
                                                  Auxiliary          HS ports, SERVICE,           On the para. is explained how the OH bytes
                                                                         EQUICOE                  (DCC, EOW and AUX channels) are managed.

                                               Power supply          all the cards, CONGI         The powering is distributed over the all equip-
                                                                                                  ment cards. The CONGI cards provides the 48
                                                                                                  V and the service 3.3 V to power each card.

                                              Remote Inventory   all the cards, access card and   On the para. is explained the Remote Inventory
                                                                             modules              architecture
1AA 00014 0004 (9007) A4 – ALICE 04.10




                                         ED       03

                                                                                                    3AL 91669 AA AA                       186 / 706


                                                                                                                  706
not permitted without written authorization from Alcatel.
  All rights reserved. Passing on and copying of this
  document, use and communication of its contents




                                                                                                                                                                           SPARE
                                                                                                                                                                                             Prot.
                                                                                                                                                                                             Link
                                                                                                                                    63 x 2 Mbit/s PDH Electrical unit
                                                                                                                                                              MAIN                                           Access cards
                                                                                                                         T2           line clock
                                                                                                                        T∅                                           LOI                                              G.703         Electrical
                                                                                                                                                                                                              Sw
                                                                                                              Data                                                                                                                  Interfaces
                                                                                                                      –Batt/Gnd     DC/DC
                                                                                                                        Control    Converter           Vcc W


                                                                                                                                                                                                              Prot. Vcc W Control




                                                                                                                                  3 x 34/45 Mbit/s PDH Electrical unit                     PROT.              Access cards
                                                                                                                                                                                           CARD
                                                                                           TO/FROM MATRIX




                                                                                                                                                                                   Prot.             Prot.
                                                                                             See Figure 95.




                                                                                                                                                                                   Link              Link
                                                                                                                         OH

                                                                                                                                                                                                                                        Electrical
                                                                                                                          T∅                                         LOI                                              G.703
                                                                                                              Data                                                                                                                      Interfaces

                                                                                                                      –Batt/Gnd     DC/DC
                                                                                                                        Control    Converter           Vcc X




                                                                                                                                                                                                                   Vcc X Control




                                                                                                                                  4 x 155 Mbit/s electrical unit                           PROT.              Access cards
                                                                                                                                                                                           CARD
                                                                                                                       Control

                                                                                                                                                    HOA        TTF                                             SPI
                                                                                                              Data

                                                                                                                         T∅                                                        Prot.              Prot.
                                                                                                                                                                                   Link               Link                           Electrical
                                                                                                                         T1                                                                                                          Interfaces
                                                                                                                         DCC
                                                                                                                         OH        DC/DC           HOA         TTF                                              SPI
                                                                                                                                  Converter
                                                                                                                      –Batt/Gnd                    Vcc Y




                                                                                                                                                                                                              Vcc Y Control
                                                  1AA 00014 0004 (9007) A4 – ALICE 04.10




                                                                                                                                  Figure 89. 1660SM Block diagram – ( SDH and PDH boards)


                                                                                               ED                03

                                                                                                                                                                                   3AL 91669 AA AA                                     187 / 706


                                                                                                                                                                                                        706
4 x 140 Mb/s el.–155 E/O Mbit/s unit




                                                                                                                                                                                                not permitted without written authorization from Alcatel.
                                                                         –Batt/Gnd




                                                                                                                                                                                                  All rights reserved. Passing on and copying of this
                                                                                                                                                                                                  document, use and communication of its contents
                                                                                        DC/DC
                                                                           Control     Converter                                                              140 Mbit/s
                                                                                                          HOI          PPI
                                                                             T∅         Vcc Z                                                                 STM–1
                                                                             T1                     HOA         TTF    SPI
                                                                             DCC                                                                              STM–1                Optical/
                                                                             OH                     HOA         TTF             SPI
                                                                                                                                                                                   Electrical
                                                                                                                                                                                   Interfaces
                                                                          Data                                  TTF             SPI                                        STM–1
                                                                                                    HOA
                                                                                                                                Access card              Booster
                                         TO/FROM MATRIX See Figure 95.




                                                                                                                               Vcc Z          Control

                                                                                      4 x 155 E/O Mbit/s unit
                                                                          –Batt/Gnd
                                                                                        DC/DC
                                                                                                                TTF                                 Booster
                                                                           Control     Converter                       SPI                                                 STM–1
                                                                                                    HOA
                                                                             T∅         Vcc Z                                                                 STM–1
                                                                             T1                     HOA         TTF    SPI
                                                                             DCC                                                                              STM–1
                                                                                                                               SPI                                                 Optical/
                                                                             OH                     HOA         TTF
                                                                                                                                                              STM–1                Electrical
                                                                          Data                      HOA         TTF            SPI                                                 Interfaces

                                                                                                                               Access card


                                                                                                                               Vcc Z      Control


                                                                                                        1 x STM–4 SDH unit
                                                                         –Batt/Gnd                      1 x STM–16 SDH unit
                                                                                        DC/DC
                                                                           Control     Converter                                 (*)
                                                                            T∅
                                                                             T1                                                        Preamplifier
                                                                             DCC                              TTF     SPI                                                          Optical
                                                                                                                                                     STM–4/STM–16                  Interfaces
                                                                            Data
                                                                                                   HOA
                                                                             OH
                                                                                                                                     Booster




                                                                         –Batt/Gnd
                                                                                        DC/DC            1 x STM–64 SDH unit
                                                                           Control     Converter
                                                                            T∅
                                                                             T1                                                                                                    Optical
                                                                             DCC                                TTF   SPI                                                          Interfaces
                                                                                                                                                      STM–64
                                                                            Data
                                                                                                    HOA
                                                                             OH                                                        Booster


                                                                                      (*) – Only for STM–16
1AA 00014 0004 (9007) A4 – ALICE 04.10




                                                                                                Figure 90. 1660SM Block diagram – (SDH and PDH boards)


                                             ED                              03

                                                                                                                                       3AL 91669 AA AA                             188 / 706


                                                                                                                                                        706
16 x 155 E/O – 4xSTM–4 Optical
                                                                                                                                         Mbit/s unit
                                                                                                                            –Batt/Gnd                                    #1                                        STM–1
                                                                                                                                          DC/DC            TTF
                                                                                                                                         Converter                 SPI
not permitted without written authorization from Alcatel.




                                                                                                                                                     HOA
  All rights reserved. Passing on and copying of this
  document, use and communication of its contents




                                                                                                                                          Vcc Z
                                                                                                                                                                                                                                 Optical
                                                                                                                              Control                                                                              STM–1         Interfaces
                                                                                                                                                                         #4
                                                                                                                                 T∅                  HOA   TTF     SPI
                                                                                                                                 T1
                                                                                                                                 DCC                                                        Access card
                                                                                                                                 OH
                                                                                                                                                                                                                     STM–1
                                                                                                                                                     HOA   TTF                             #5      SPI
                                                                                                                                                                                                                                Optical
                                                                                                                                                                                                                     STM–1      Interfaces
                                                                                                                                                                                           #16     SPI
                                                                                                                                                     HOA   TTF
                                                                                                                            Data
                                                                                            TO/FROM MATRIX See Figure 95.




                                                                                                                                                                         OR

                                                                                                                                                                                           Vcc Z         Control
                                                                                                                                         16 x 155 E/O – 4xSTM–4 Optical
                                                                                                                                         Mbit/s unit
                                                                                                                            –Batt/Gnd     DC/DC
                                                                                                                                                                                            Access card               STM–1
                                                                                                                                         Converter
                                                                                                                                                     HOA   TTF                              #1     SPI
                                                                                                                                          Vcc Z
                                                                                                                              Control                                                                                 STM–1
                                                                                                                                 T∅                  HOA   TTF                              #4     SPI
                                                                                                                                 T1
                                                                                                                                                                                                                                 Electrical
                                                                                                                                 DCC
                                                                                                                                 OH
                                                                                                                                                                                                                      STM–1      Interfaces
                                                                                                                                                     HOA   TTF                             #10     SPI

                                                                                                                                                                                                                      STM–1
                                                                                                                                                     HOA   TTF                             #16     SPI
                                                                                                                            Data


                                                                                                                                                                         OR

                                                                                                                                                                                           Vcc Z         Control
                                                                                                                                         16 x 155 E/O – 4xSTM–4 Optical
                                                                                                                                         Mbit/s unit
                                                                                                                             –Batt/Gnd
                                                                                                                                          DC/DC                                                                            #1
                                                                                                                                         Converter                        #1                              STM–4
                                                                                                                                                           TTF
                                                                                                                                                                   SPI
                                                                                                                                          Vcc Z      HOA
                                                                                                                                                                                                                                Optical

                                                                                                                              Control                                                                      STM–4           #4   Interfaces
                                                                                                                                                                          #4
                                                                                                                                 T∅                  HOA   TTF     SPI
                                                                                                                                 T1
                                                                                                                                 DCC
                                                                                                                                 OH                               #5
                                                                                                                                                     HOA    TTF
                                                                                                                                                                               not used




                                                                                                                             Data                    HOA    TTF   #16
                                                  1AA 00014 0004 (9007) A4 – ALICE 04.10




                                                                                                                                                  Figure 91. 1660SM Block diagram – (SDH boards)




                                                                                           ED                               03

                                                                                                                                                                                          3AL 91669 AA AA                             189 / 706


                                                                                                                                                                                                            706
4 x OC3 AU3/TU3 CONV. unit
                                                                          –Batt/Gnd




                                                                                                                                                                                           not permitted without written authorization from Alcatel.
                                                                                       DC/DC




                                                                                                                                                                                             All rights reserved. Passing on and copying of this
                                                                                                                                                                                             document, use and communication of its contents
                                                                           Control    Converter                                                            OC3
                                                                                                    AU3/TU3 conv.    SPI
                                                                             T∅        Vcc Z                                                               OC3
                                                                                                    AU3/TU3 conv.    SPI
                                                                             DCC                                                                           OC3
                                                                             OH                      AU3/TU3 conversion          SPI                                       Optical/
                                                                                                                                                                           Electrical
                                                                                                                                                                           Interfaces
                                                                          Data                       AU3/TU3 conversion          SPI                       OC3

                                                                                                                                Access card


                                                                                                                              Vcc Z        Control
                                          TO/FROM MATRIX See Figure 95.




                                                                                        4 x ANY HOST C unit
                                                                          –Batt/Gnd     DC/DC
                                                                                       Converter
                                                                            Control
                                                                                                                            ÏÏÏÏÏÏÏ
                                                                                                                            ÏÏÏÏÏÏÏ
                                                                                                                             CDR
                                                                             T∅                                                           RX
                                                                                                                            ÏÏÏÏÏÏÏ                              Low speed signals:
                                                                                                                                          TX
                                                                                                                            ÏÏÏÏÏÏÏ                              Fast Ethernet
                                                                                                                            Opt. module #1                       FDDI
                                                                                                                    2xAny   ÏÏÏÏÏÏÏ                              ESCON
                                                                                                                            ÏÏÏÏÏÏÏ
                                                                                                                             CDR
                                                                                                                            ÏÏÏÏÏÏÏ       RX
                                                                                                                                                                 Digital Video
                                                                                                                                                                 FDDI
                                                                                                                                          TX

                                                                          Data                     STM–16
                                                                                                                            ÏÏÏÏÏÏÏ
                                                                                                                            Opt. module #2
                                                                                                                            ÏÏÏÏÏÏÏ
                                                                                                   Mapper                   ÏÏÏÏÏÏÏ                              Low speed signals:
                                                                                                                            ÏÏÏÏÏÏÏ
                                                                                                                             CDR

                                                                                                                            ÏÏÏÏÏÏÏ       RX
                                                                                                                                          TX
                                                                                                                                                                 Fast Ethernet
                                                                                                                                                                 FDDI
                                                                                                                            ÏÏÏÏÏÏÏ
                                                                                                                            Opt. module #3                       ESCON
                                                                                                                    2xAny   ÏÏÏÏÏÏÏ                              Digital Video
                                                                                                                                                                 FDDI
                                                                                                                            ÏÏÏÏÏÏÏ
                                                                                                                             CDR
                                                                                                                                          RX                     High speed signals:
                                                                                                                            ÏÏÏÏÏÏÏ       TX
                                                                                                                                                                 Fiber Channel
                                                                                                                            ÏÏÏÏÏÏÏ
                                                                                                                            Opt. module #4
                                                                                                                            ÏÏÏÏÏÏÏ                              FICON
                                                                                                                                                                 Gigabit Ethernet
1AA 00014 0004 (9007) A4 – ALICE 04.10




                                                                                      Figure 92. 1660SM Block diagram – (SONET and 4xANY HOSTC boards)




                                         ED                                 03

                                                                                                                                       3AL 91669 AA AA                         190 / 706


                                                                                                                                                     706
DOUBLE MULTIRATE TRANSPONDER unit
                                                                                                                                                          CK
not permitted without written authorization from Alcatel.




                                                                                                                                        Multirate         Rx1              Mx                                              SFP module
                                                                                                             SFP module                                                                                    Data
  All rights reserved. Passing on and copying of this
  document, use and communication of its contents




                                                                                                                                         CDR          Data Rx1
                                                                                                                                                                                          Data Rx3       Recovery
                                                                                                                     BW                                                                                                       CWDM
                                                                                                                                                            Data Rx2                                                            TVC
                                                                                                                     TVC                  Data                                          Data Rx4
                                                                                                                                        Recovery                                                   CK Multirate
                                                                                                                                                              CK Rx 1:4          Data Rx 1:4       Rx3 CDR                              BW or CWDM
                                                                                            BW or CWDM
                                                                                                             SFP module                                                                                    Data            SFP module
                                                                                                                                        Multirate     CK                                                 Recovery
                                                                                                                                         CDR          Rx2
                                                                                                                     CWDM                                                                                                        CWDM
                                                                                                                      TVC                                                                                                         TVC
                                                                                                                                          Data                                                     CK    Multirate
                                                                                                                                                                   RS             RS               Rx4    CDR
                                                                                                                                        Recovery
                                                                                                                                                                 monitor        monitor
                                                                                                                                                                    #1             #2




                                                                                                                                                                 Alarm/Control
                                                                                                                                                                    Interface
                                                                                                                     Remote Inventory

                                                                                                                             EEPROM        RIBUS




                                                                                                                                            SPI bus                      ISPB bus




                                                                                                                        λ1              1470                                                                                             output signal

                                                                                                                        λ2              1490                                                                                              CWDM
                                                                                                                                        1510
                                                                                                                        λ3
                                                                                            OUTPUT CHANNELS                             1530
                                                                                            (from colored port or       λ4                             MUX
                                                                                            Transponder interface)                      1550
                                                                                                                        λ5
                                                                                                                                        1570
                                                                                                                        λ6              1610
                                                                                                                        λ7              1590
                                                                                                                        λ8

                                                                                                                         λ1             1470
                                                                                                                         λ2             1490
                                                                                                                                                                                                         LOS HANDLING
                                                                                                INPUT CHANNELS
                                                                                                                         λ3             1510                                                                                             CWDM
                                                                                                                                                                                                                                         input signal
                                                                                            (to colored port or          λ4             1530
                                                                                            Transponder interface)                                    DEMUX
                                                                                                                         λ5             1550

                                                                                                                         λ6             1570

                                                                                                                         λ7             1610
                                                                                                                                        1590
                                                                                                                         λ8                                                                                           LOS
                                                                                                                                                                                                                     DETECTION



                                                                                                                                        MUX/DEMUX8 unit                                    Remote Inventory

                                                                                                                                                                                                     EEPROM            RIBUS




                                                                                                                                                                                                                       SPI bus
                                                  1AA 00014 0004 (9007) A4 – ALICE 04.10




                                                                                                                                   Figure 93. 1660SM Block diagram – (CWDM boards)




                                                                                           ED        03

                                                                                                                                                                                               3AL 91669 AA AA                                   191 / 706


                                                                                                                                                                                                                     706
To/From
                                                 colored port
                                                 or
                                                 transponder                                                                         CWDM
                                                                λx        1xx0




                                                                                                                                                     not permitted without written authorization from Alcatel.
                                                                                                                                    output signal




                                                                                                                                                       All rights reserved. Passing on and copying of this
                                          CWDM




                                                                                                                                                       document, use and communication of its contents
                                          λgrid – λx

                                                                             OADM
                                                                λx        1xx0                                                       CWDM
                                                                                                                                    input signal
                                          CWDM
                                          λgrid – λx

                                                                                                          LOS
                                                                                                         DETECTION
                                                                                                                     LOS HANDLING
                                                     To/From
                                                     OADM
                                                     opposite
                                                     side

                                                                                      Remote Inventory

                                                                                               EEPROM      RIBUS
                                                                                                                      COADM1 unit

                                                                                                           SPI bus



                                                 To/From
                                                 colored port
                                                 or
                                                 transponder                                                                         CWDM
                                                                λx        1xx0
                                                                                                                                    output signal
                                          CWDM                  λy        1xx0

                                          λgrid – λx–λy

                                                                             OADM
                                                                λx        1xx0                                                       CWDM
                                                                                                                                    input signal
                                          CWDM                  λy        1xx0

                                          λgrid – λx–λy

                                                                                                          LOS
                                                                                                         DETECTION
                                                                                                                     LOS HANDLING
                                                     To/From
                                                     OADM
                                                     opposite
                                                     side

                                                                                      Remote Inventory

                                                                                               EEPROM      RIBUS
                                                                                                                      COADM2 unit

                                                                                                           SPI bus
1AA 00014 0004 (9007) A4 – ALICE 04.10




                                                                     Figure 94. 1660SM Block diagram – (CWDM boards)




                                         ED     03

                                                                                                          3AL 91669 AA AA                192 / 706


                                                                                                                      706
ISA boards
not permitted without written authorization from Alcatel.




                                                                                                                                  See from Figure 96. on page 194 to Figure 98. on page 196
  All rights reserved. Passing on and copying of this
  document, use and communication of its contents




                                                                                                                                                                               Data
                                                                                                                                          2
                                                                                                                                     1

                                                                                                                              Data                                                        Data
                                                                                           See Figure 89. and Figure 90.




                                                                                                                                                                                                            TO/FROM
                                                                                                                                                          SDH matrix                                         PORT
                                                                                                                                                        (HPC–LPC)                                          See Figure 89. and Figure 90.




                                                                                                                             T∅                                                                                  SERVICE unit
                                                                                                                                                                                                 –Batt/Gnd        DC/DC
                                                                                                                            T1
                                                                                                                                                                                                                  Converter
                                                                                                                                                                          MATRIXE                                                   RS232            Aux RS232
                                                                                                                             T2
                                                                                           TO/FROM PORT




                                                                                                                                                 Synchronization
                                                                                                                           T3/T6 a                                                                  OH             OH               G.703            Aux 2Mbit/s
                                                                                                                                                                                                    ports        add/drop
                                                                                                                           T3/T6 b                                                                                                  G.703            Aux 64kbit/s
                                                                                                                           T4/T5 a                                                                 Control                           V.11            Aux 64kbit/s
                                                                                                                           T4/T5 b                                              Control                                                              Voice ext.
                                                                                                                                                                                                                                    Digital
                                                                                                                           Control                                                                                 DCC              Party            Local phone
                                                                                                                                                                                                   EQUICOE
                                                                                                                                                                                                                 add/drop            Line            Aux ext.

                                                                                                                                                                                                 T3/T6 a                                                T3a/T6a_ext.
                                                                                                                                                                                                 T3/T6 b                                                T3b/T6b_ext.
                                                                                                                                                                       Shelf
                                                                                                                                                                                                 T4/T5 a                             G.703
                                                                                                                       –Batt/Gnd               DC/DC               Controller                                                                           T4a/T5a_ext.
                                                                                                                                              Converter                                          T4/T5 b
                                                                                                                                                                                                                                                        T4b/T5b_ext.


                                                                                                                                                     SC/EC Control                               Control                        b
                                                                                                                                                                                                              CONGI unit
                                                                                                                                         EQUICOE
                                                                                                                                                                                                                                              Remote alarms 
                                                                                                                                                                                                                                              Housekeeping
                                                                                                          –Batt/Gnd                       DC/DC
                                                                                                                                         Converter
                                                                                                USB                                                                                       –Batt/Gnd             Filter 
                                                                                              Interface                                                                                                                                       Power B
                                                                                                                                                                                                Vcc             DC/DC
                                                                                                                                                                Equipment
                                                                                                  F                                                              Controller                                                     a
                                                                                                                                                                                            Control           CONGI unit
                                                                                              Interface                                                                                                                                       QB3
                                                                                                                                                                                                                                              Remote alarms 
                                                                                                                                                 leds                                                                                         Housekeeping
                                                                                                                                                                                                                                              Rack lamps
                                                                                                         ports
                                                                                                                                           DCC                                                                                                Q2
                                                                                                                                         add/drop                                         –Batt/Gnd            Filter 
                                                                                                         SERVICE                                                                                Vcc            DC/DC                          Power A
                                                  1AA 00014 0004 (9007) A4 – ALICE 04.10




                                                                                                                                              Figure 95. 1660SM Block diagram – ( Common units and ISA boards)

                                                                                           ED                                  03

                                                                                                                                                                                                      3AL 91669 AA AA                                    193 / 706


                                                                                                                                                                                                                          706
ISA – ATM MATRIX
                                                                          –Batt/Gnd
                                                                                              DC/DC
                                                                                             Converter
                                                                            Control




                                                                                                                                                                                                                              not permitted without written authorization from Alcatel.
                                                                                                                                                                                                                                All rights reserved. Passing on and copying of this
                                                                                                                                                                                                                                document, use and communication of its contents
                                                                                               Traffic Policing     CELL
                                                                                                     and          SWITCHING
                                                                                                  Shapimg
                                                                                  T∅
                                                                                                          ATM ENGINE

                                                                           Data




                                                                                                                                                                                                         Optical/Electrical
                                                                                               SDH TERMINATION




                                                                                                                                                                                                             Interface
                                                                                                                                 STM–1         E/O     STM–1
                                                                                                                               LOCAL PORT    MODULE
                                                                                                                                   (*)
                                          TO/FROM MATRIX See Figure 95.




                                                                                       ISA – PR_EA MATRIX 1GBPS 1 X GB ETHERNET




                                                                                                                                                               Gigabit Ethernet Optical Interfaces
                                                                          –Batt/Gnd
                                                                                             DC/DC
                                                                            Control         Converter




                                                                                                                                                                                                      1000 BASE–SX / LX /ZX
                                                                                  T∅


                                                                                                                                 OPTICAL MODULE #1
                                                                          Data                       MPLS ENGINE
                                                                                                                                  1000 BASE–SX/LX/ZX




                                                                                       ISA – PR_EA MATRIX 4X ETHERNET
                                                                           –Batt/Gnd
                                                                                              DC/DC
                                                                                                                                                                                                     10/100 Mbit/s Base T




                                                                             Control         Converter                                  ETHERNET #1
                                                                                                                                                                                                       Ethernet Interface




                                                                                                                                                           1
                                                                                  T∅                                                    ETHERNET #2

                                                                                                                                        ETHERNET #3
                                                                          Data                          MPLS ENGINE                     ETHERNET #4        4




                                                                          NOTE: (*) – Available only on ATM MATRIX 4X4
1AA 00014 0004 (9007) A4 – ALICE 04.10




                                                                                               Figure 96. 1660SM Block diagram – (ISA boards)



                                         ED                                03

                                                                                                                              3AL 91669 AA AA                                                          194 / 706


                                                                                                                                            706
Gigabit Ethernet Optical Interfaces
                                                                                                                                                                                                                       1000 BASE–SX / LX /ZX
                                                                                                                                                                                      Physical
                                                                                            See Figure 95.                                                                            Interface
                                                                                                                            ISA – ES1
not permitted without written authorization from Alcatel.
  All rights reserved. Passing on and copying of this
  document, use and communication of its contents




                                                                                                             Control                                                                 GBit ETH.
                                                                                                                           ISA – ES4
                                                                                                                    T∅
                                                                                                                                                                                                  (*)



                                                                                                                                                                                      Physical
                                                                                            TO/FROM MATRIX




                                                                                                                                                                                      Interface
                                                                                                                                                                                                         1




                                                                                                                                                                                                                 10/100 Mbit/s Base T
                                                                                                                                                                                       ETH. 1




                                                                                                                                                                                                                  Ethernet Interfaces

                                                                                                                                                                                                                 100 Mbit/s Base FX
                                                                                                             Data             SDH               Ethernet frame
                                                                                                                                                                      Ethernet
                                                                                                                                                mapping into          switcher
                                                                                                                             framer




                                                                                                                                                                                                                           or
                                                                                                                                                   SDH VC

                                                                                                                                                                                                             8
                                                                                                                                                                                        ETH. 8


                                                                                                               –Batt/Gnd             DC/DC
                                                                                                                                    Converter




                                                                                                  (*) GIGABIT ETHERNET interface is available only on ES4–8FE board; it is not supported in
                                                                                                  current release




                                                                                                                                                                                                                     10/100 Mbit/s Base T
                                                                                                                                                                                                                      Ethernet Interfaces
                                                                                                                                                                                     ETHERNET #1             1
                                                                                            See Figure 95.




                                                                                                                            ISA – ES16
                                                                                                             Control

                                                                                                                    T∅                                                               ETHERNET #14            14
                                                                                                                                                                                      10/100 ETH
                                                                                                                                                                                      Access card
                                                                                            TO/FROM MATRIX




                                                                                                             Data           SDH            Ethernet frame
                                                                                                                                                                 Ethernet
                                                                                                                                            mapping into         switcher
                                                                                                                            framer
                                                                                                                                                                                                                      Gigabit Ethernet Optical Interfaces




                                                                                                                                                SDH VC
                                                                                                                                                                                   Gigabit Ethernet
                                                                                                                                                                                                                           1000 BASE–SX / LX / ZX




                                                                                                                                                                                    Access card
                                                                                                                                                                                    OPTICAL MODULE #1
                                                                                                                                                                                                         1
                                                                                                                                                                                    1000 BASE–SX/LX/ZX
                                                                                                               –Batt/Gnd    DC/DC
                                                                                                                           Converter
                                                                                                                                                                                    OPTICAL MODULE #2    4
                                                                                                                                                                                    1000 BASE–SX/LX/ZX
                                                  1AA 00014 0004 (9007) A4 – ALICE 04.10




                                                                                                                           Figure 97. 1660SM Block diagram – (ISA – ES boards)



                                                                                           ED                03

                                                                                                                                                                            3AL 91669 AA AA                                          195 / 706


                                                                                                                                                                                       706
Ethernet Interfaces
                                                                                                                                                                                      10/100 Mbit/s Base T
                                                                        ISA – ETHERNET




                                                                                                                                                                                                                                 not permitted without written authorization from Alcatel.
                                                                                                  ETHERNET #1                                       1
                                                            Control




                                                                                                                                                                                                                                   All rights reserved. Passing on and copying of this
                                                                        PORT (10/100 Mb/s)




                                                                                                                                                                                                                                   document, use and communication of its contents
                                                                  T∅
                                                                                                                                                    11
                                                                                                 ETHERNET #11
                                                                           Ethernet frame
                                                           Data            mapping into




                                                                                                                                                                                      Ethernet Interfaces
                                                                             SDH VC                                     ETHERNET #1                 1




                                                                                                                                                                                  10/100 Mbit/s Base T
                                          See Figure 95.




                                                                                                                       ETHERNET #14                 14
                                                           –Batt/Gnd          DC/DC
                                                                             Converter
                                                                                                                       Access card




                                                                                                                                                                                                          10/100 Mbit/s Base T
                                                                                                                                                                           Ethernet Interfaces
                                                                       ISA – ETHERNET PORT                                                      1
                                                            Control                              ETHERNET #1
                                                                          (10/100 Mb/s)
                                          TO/FROM MATRIX




                                                                  T∅
                                                                                                                                                11
                                                                                                 ETHERNET #11
                                                                           Ethernet frame
                                                                           mapping into
                                                           Data              SDH VC




                                                                                                                                                         Gigabit Ethernet Optical Interfaces
                                                                                                                     OPTICAL MODULE #1
                                                                                                                                            1




                                                                                                                                                                                                 1000 BASE–SX / LX / ZX
                                                                                                                     1000 BASE–SX /LX/ZX


                                                                                                                     OPTICAL MODULE #2      2
                                                                                                                      1000 BASE–SX /LX/ZX
                                                           –Batt/Gnd          DC/DC
                                                                             Converter                                Gigabit Ethernet
                                                                                                                        Access card




                                                                         ISA – GBIT
                                                           Control
                                                                         ETHERNET PORT
                                                                                                                                                                    Gigabit Ethernet Optical Interfaces




                                                                  T∅
                                                                                                                                                                      1000 BASE–SX / LX / ZX




                                                                                            OPTICAL MODULE #1
                                                                                                                                                1
                                                                          Ethernet frame    1000 BASE–SX /LX/ZX
                                                           Data           mapping into
                                                                            SDH VCxc
                                                                                            OPTICAL MODULE #4                                   4
                                                                                            1000 BASE–SX /LX/ZX




                                                                             DC/DC
                                                                            Converter
1AA 00014 0004 (9007) A4 – ALICE 04.10




                                                                         Figure 98. 1660SM Block diagram – (ISA – ETHERNET boards)




                                         ED                03

                                                                                                                  3AL 91669 AA AA                                                              196 / 706


                                                                                                                              706
not permitted without written authorization from Alcatel.
  All rights reserved. Passing on and copying of this
  document, use and communication of its contents




                                                                                                                                                                                                                                                     Ethernet Interfaces 10/100 Mbit/s Base T
                                                                                                                                                                                              16FEA–PR
                                                                                                                                                     ISA – PR MATRIX                         Access card
                                                                                                TO/FROM STM4 LINE OR PORT CARD




                                                                                                                                                                                                                                  1
                                                                                                                                                                                                         ETHERNET #1


                                                                                                                                                                                      NETWORK
                                                                                                                                                                                     PROCESSOR


                                                                                                                                                                                                                                  16
                                                                                                                                  STM4 1                                                                ETHERNET #16
                                                                                                                                  STM4 2                       MPLS ENGINE
                                                                                                                                             STM4 FRAME
                                                                                                                                              INTERFACE
                                                                                                                                  STM4 3                         TRAFFIC




                                                                                                                                                                                                                                       Gigabit Ethernet Optical Interfaces
                                                                                                                                  STM4 4                       MANAGEMENT                          OPTICAL MODULE #1          1




                                                                                                                                                                                                                                          1000 BASE–SX / LX / ZX
                                                                                                                                                                                                   1000 BASE–SX /LX/ZX
                                                                                                                                                                                      NETWORK
                                                                                                                                                                                     PROCESSOR

                                                                                                                           –Batt/Gnd                                                                  OPTICAL MODULE #2
                                                                                                                                                DC/DC                                                                         2
                                                                                                                     from Congi                Converter
                                                                                                                                                                                                       1000 BASE–SX /LX/ZX

                                                                                                                                                                                             2 GBA–PR
                                                                                                                   Control
                                                                                                                                                                   PR
                                                                                                                                                                                            Access card
                                                                                                                   from/to Matrix
                                                                                                                                                                 Controller
                                                                                                                                 Craft
                                                                                                                                 Terminal   RJ45
                                                                                                                                 or NMS
                                                  1AA 00014 0004 (9007) A4 – ALICE 04.10




                                                                                                                                                   Figure 99. 1660SM Block diagram – (ISA–PR board)




                                                                                           ED                                    03

                                                                                                                                                                                   3AL 91669 AA AA                           197 / 706


                                                                                                                                                                                                 706
3.2 Connections sub–system

                                          This sub–system allows connections between any SDH, SONET, PDH or ISA (Integrated Service Adapter)
                                          ports




                                                                                                                                                               not permitted without written authorization from Alcatel.
                                                                                                                                                                 All rights reserved. Passing on and copying of this
                                                                                                                                                                 document, use and communication of its contents
                                          The connections can be realized at VC–12, VC–3, and VC–4 level using a not blocking matrix present
                                          on the MATRIXE unit.
                                          Several types of connections may be established, such as:
                                                •        Unidirectional Point to Point
                                                •        Unidirectional Point to Multipoint
                                                •        Bidirectional Point to Point

                                          Cross–connection function can be considered within two layers: HO Layer and LO layer. Refer to
                                          Figure 100. on page 199.

                                          The maximum matrix cross connection capability can be 256x256 STM–1 equivalent port at VC–12 /
                                          VC–3 level + 384x384 equivalent port at VC–4 level.

                                          The following table illustrates the connections for each unit:

                                          Table 34. High Order/Low Order connections for 1660SM
                                                                       STM–1, STM–4, STM–16,          OC3        140 Mbit/s     34 Mbit/s   2 Mbit/s
                                                                           STM–64 ports               ports        ports        45 Mbit/s    ports
                                                                                                                                  ports

                                              PORTS          Struc-     AU–4      TU–3        TU–12   AU–3         VC–4          VC–3       VC–12
                                                              ture

                                              STM–1,         AU–4        Yes        –           –      –            Yes            –           –

                                              STM–4,         TU–3         –        Yes          –     Yes            –            Yes          –

                                              STM–16         TU–12        –         –          Yes     –             –             –          Yes

                                               OC3           AU–3         –        Yes          –     Yes            –             –           –

                                           140 Mbit/s        VC–4        Yes        –           –      –            Yes            –           –

                                              34Mbit/s
                                              45Mbit/s       VC–3         –        Yes          –      –             –            Yes          –

                                              2Mbit/s        VC–12        –         –          Yes     –             –             –          Yes

                                          The above connections allows the 1660SM to realize Multi Line Terminal configuration, Add/Drop
                                          configuration and Mini Cross–Connect configurations in linear links, rings, and mashed network as
                                          describe in Chapter 1 on page 63.
                                          AU4–4C and AU4–16C concatenated signals can also be cross connected between any STM–4 and
                                          STM–16 ports.
1AA 00014 0004 (9007) A4 – ALICE 04.10




                                         ED         03

                                                                                                              3AL 91669 AA AA                      198 / 706


                                                                                                                          706
(equivalent STM–1 streams)
not permitted without written authorization from Alcatel.




                                                                                                                       128                          256           4x STM–64 Tx
  All rights reserved. Passing on and copying of this




                                                                                                     8x STM–16 Tx
  document, use and communication of its contents




                                                                                                          port                                                        port


                                                                                                                      128                                 256
                                                                                                     8x STM–16 Rx                                                 4x STM–64 Rx
                                                                                                         port                                                         port




                                                                                                      MATRIXE



                                                                                                                                   MSP           MSP
                                                                                                                                   128x          256x
                                                                                                                                   128           256




                                                                                                                        384                                384



                                                                                                                                          HPC
                                                                                                                                          640x
                                                                                                                                          640


                                                                                                                256                                              256


                                                                                                                                          LPC
                                                                                                                             256          256x     256
                                                                                                     HOA sk                                                             HOA sk
                                                                                                     LVC                                  256                           LVC




                                                                                                     LOI so                                                             LOI so


                                                                                                     port                                                        port
                                                  1AA 00014 0004 (9007) A4 – ALICE 04.10




                                                                                                              Figure 100. MATRIXE– Cross connection management




                                                                                           ED   03

                                                                                                                                                    3AL 91669 AA AA              199 / 706


                                                                                                                                                                 706
3.3 SIGNAL MANAGEMENT SUB–SYSTEM

                                          3.3.1 Signal management referred to ”G.783 1994”




                                                                                                                                                            not permitted without written authorization from Alcatel.
                                                                                                                                                              All rights reserved. Passing on and copying of this
                                                                                                                                                              document, use and communication of its contents
                                          In the next paragraphs will be explained the SDH and PDH port signal management. The functional blocks
                                          in this description are similar to that utilized in the Craft Terminal application.
                                          For each port the description is subdivided in two part:
                                          –    Signal management from Side B (high bit rate signal) to Side A (low bit rate signal).
                                          –    Signal management from Side A (low bit rate signal) to Side B (high bit rate signal).

                                          Anyway a signal may not transit through all the functional blocks (e.g. from side A to side B) but it comes
                                          back to the source side by means of the matrix (LPC, HPC) thus realizing a cross connection.
1AA 00014 0004 (9007) A4 – ALICE 04.10




                                         ED      03

                                                                                                         3AL 91669 AA AA                        200 / 706


                                                                                                                       706
3.3.2 SDH port signal management
                                                                                            (For STM –N see Figure 101. on page 203)

                                                                                                Side B to Side A description:
not permitted without written authorization from Alcatel.




                                                                                                •
  All rights reserved. Passing on and copying of this




                                                                                                         SPI (Synchronous Physical Interface)
  document, use and communication of its contents




                                                                                                              It interface the physical transmission medium, regenerates and decodes line signal and
                                                                                                              detect the LOF alarm.
                                                                                                •        RST (Regenerator Section Termination)
                                                                                                             It manages the section overhead bytes for the Regeneration Section; it performed frame
                                                                                                             alignment detection, regenerator section trace recovery and mismatch detection, B1
                                                                                                             BIP–8 errored block count.
                                                                                                •        MST (Multiplex Section Termination)
                                                                                                             It manages the section overhead bytes for the Multiplexing section; performs BIP–24
                                                                                                             errored block count, MS–REI recovery, MS–RDI and MS–AIS detection.
                                                                                                •        MSP (Multiplex Section Protection) and MSPC (Multiplex Section Protection Connection)
                                                                                                            It provides protection for the STM–N signal against failures within a multiplex section, by
                                                                                                            using a bit oriented protocol for the MSP bytes K1,K2 and P, B1.
                                                                                                •        MSA (Multiplex Section Adaptation)
                                                                                                            It performs AU4 pointer interpretation, LOP and AIS detection, pointer justification.
                                                                                                •        HPOM (High Order Path Overhead Monitoring)
                                                                                                            It monitors the higher order VC–n for errors, and recover the trail termination status. it
                                                                                                            extract the payload independent overhead bytes J1, G1, B3.
                                                                                                •        HPC (High Order Path connection)
                                                                                                             This function assign higher order VCs of level n at its input port to higher order VCs of level
                                                                                                             n at its output port.
                                                                                                •        HSUT (Higher Order Supervisory Unequipped Termination)
                                                                                                            It performs the termination of an unequipped path recovering path trace information, REI
                                                                                                            and detecting HP–RDI (Path status monitoring),VC4 BIP–8 Errored Block count.
                                                                                                •        HPT (High Order Path Termination)
                                                                                                             This function recover the trail termination status. It extract the payload independent
                                                                                                             overhead bytes/bits (J1, G1, B3) from the VCn layer ;
                                                                                                •        HPA (High Order Path Adaptation)
                                                                                                             This functions provide VC–4 disassembly TU pointer interpretation, LOP and TU–AIS
                                                                                                             detection;
                                                                                                •        LPOM (Lower Order Path Monitor)

                                                                                                •        LPC (Low Order Path Connection)
                                                                                                             It assigns lower order VCs of level m at its input ports to lower order VCs of level m at
                                                                                                             its output ports. The process does not affect the nature of the characteristic information
                                                                                                             of the signal.
                                                                                                •        LSUT (Lower Order Supervisory Unequipped Termination)
                                                                                                            It is used to monitor unequipped path trace, recovering VC–m unequipped signal label,
                                                                                                            BIP–2 recovery.
                                                  1AA 00014 0004 (9007) A4 – ALICE 04.10




                                                                                           ED       03

                                                                                                                                                               3AL 91669 AA AA                        201 / 706


                                                                                                                                                                             706
Side A to Side B description:

                                              •        LSUT (Lower Order Supervisory Unequipped Termination)
                                                          It is used to monitor unequipped path trails; it inserts VC–m unequipped signal label, path




                                                                                                                                                                not permitted without written authorization from Alcatel.
                                                          trace, BIP–2, REI and RDI.




                                                                                                                                                                  All rights reserved. Passing on and copying of this
                                                                                                                                                                  document, use and communication of its contents
                                              •        LPC (Low Order Path Connection)
                                                           It assigns lower order VCs of level m at its input ports to lower order VCs of level m at
                                                           its output ports. The process does not affect the nature of the characteristic information
                                                           of the signal.
                                              •        LPOM (Lower Order Path Monitor)
                                                          It is used for performance monitoring purpose and for lower order SNCP/n.
                                              •        HPA (High Order Path Adaptation)
                                                           This function provides VC–4 assembly, TU pointer generator, TU–AIS.
                                              •        HPT (High Order Path Termination)
                                                           It performs path trace identification insertion, RDI and REI insertion VC–4 BIP–8
                                                           calculation and insertion, signal label insertion.
                                              •        HPOM (High Order Path Overhead Monitoring)
                                                          It monitors the higher order VC–4 for errors, and recover the trail termination status. it
                                                          extract the payload independent overhead bytes J1, G1, B3.
                                              •        HPC (High Order Path connection)
                                                           This function assign higher order VCs of level n at its input port to higher order VCs of level
                                                           n at its output port.
                                              •        HSUT (Higher Order Supervisory Unequipped Termination)
                                                          It generates and inserts an unequipped container, trail trace identifier, RDI and REI, VC–4
                                                          BIP–8.
                                              •        MSA (Multiplex Section Adaptation)
                                                          It performs AUG assembly, AU–4 pointer generation, AU–AIS generation
                                              •        MSP (Multiplex Section Protection) and MSPC (Multiplex Section Protection Connection)
                                                          It provides protection for the STM–N signal against failures within a multiplex section, by
                                                          using a bit oriented protocol for the MSP bytes K1,K2 and P, B1.
                                              •        MST (Multiplex Section Termination)
                                                           It performs BIP–24 calculation and insertion, MS–REI, MS–RDI and MS–AIS insertion.
                                              •        RST (Regenerator Section Termination)
                                                           It performs frame alignment insertion , regenerator section path trace insertion BIP–8 (B1)
                                                           calculation and insertion.

                                              •        SPI (Synchronous Physical Interface)
                                                            Signal conditioning for transmission medium
1AA 00014 0004 (9007) A4 – ALICE 04.10




                                         ED       03

                                                                                                             3AL 91669 AA AA                        202 / 706


                                                                                                                           706
Side A
not permitted without written authorization from Alcatel.




                                                                                                                     To point Y1  From point Y2
  All rights reserved. Passing on and copying of this
  document, use and communication of its contents




                                                                                                                      Figure 102. Figure 102.
                                                                                                                           X1          X2
                                                                                                                                                                     Low
                                                                                                                                                                     Order
                                                                                                     LSUT                                                    LSUT    Path
                                                                                                                                                                     Layer
                                                                                                                                 LPC

                                                                                                     LPOM                                                   LPOM




                                                                                                                HPA                              HPA


                                                                                                                HPT                              HPT
                                                                                                                                                                     High
                                                                                                                   To point W1    From point W2                      Order
                                                                                                                   Figure 103.      Figure 103.                      Path
                                                                                                                                                            HSUT     Layer
                                                                                                     HSUT             Z1                    Z2


                                                                                                                                 HPC


                                                                                                     HPOM                                                  HPOM


                                                                                                                MSA                              MSA


                                                                                                                                                                     Multiplex
                                                                                                               MSP               MSPC             MSP                Section
                                                                                                                                                                     Layer



                                                                                                                MST                              MST

                                                                                                                                                                     Regenerator
                                                                                                                RST                              RST                 Section
                                                                                                                                                                     Layer


                                                                                                                SPI                              SPI                 SDH
                                                                                                                                                                     Physical
                                                                                                                                                                     Layer




                                                                                                                                Side B
                                                  1AA 00014 0004 (9007) A4 – ALICE 04.10




                                                                                                            Figure 101. SDH signal management block diagram

                                                                                           ED   03

                                                                                                                                                   3AL 91669 AA AA               203 / 706


                                                                                                                                                             706
3.3.3 PDH port signal management

                                          Ports managed are: 2Mbit/s (mapped into VC–12), 34Mbit/s (VC–3), 45Mbit/s (VC–3) and 140Mbit/s
                                          (VC–4). The following functions are associated with each PDH port.




                                                                                                                                                                 not permitted without written authorization from Alcatel.
                                                                                                                                                                   All rights reserved. Passing on and copying of this
                                                                                                                                                                   document, use and communication of its contents
                                          2Mbit/s, 34 Mbit/s and 45 Mbit/s port management
                                          ( See Figure 102. on page 204 )

                                              Side B to Side A description:

                                              •        PPI This block provides the interface between the physical transmission medium and the
                                                       internal unit format. The received line signal is HDB3 coded. A decoder on the physical interface
                                                       decodes the signal to NRZ (no return–to–zero) format.
                                              •        LPA This block adapts user data for transport in the synchronous domain. For asynchronous
                                                       user data, lower order path adaptation involves bit justification. The 2.048 Mbit/s is inserted into
                                                       a VC–12, which is synchronized (stuffing) with the correspondent TU–12. The 34 Mbit/s or 45
                                                       Mbit/s is inserted into a VC–3, which is synchronized with the correspondent TU–3.
                                              •        LPT For the 2.048 Mbit/s the LPT function creates a VC–12 by generating and adding POH
                                                       to a C–12. The POH formats are defined in Recommendations G.708 and G.709. For the 34
                                                       Mbit/s and 45 Mbit/s the LPT functions creates a VC–3 by generating and adding POH to a C–3.

                                              Side A to Side B description:

                                              •        LPT The LPT function terminates and processes the POH to determine the status of the defined
                                                       path attributes.
                                              •        LPA It extracts the POH from the VC–12 (2 Mbit/s) or VC–3 (34 Mbit/s and 45 Mbit/s) .
                                              •        PPI This block provides the interface between the internal unit format and the physical
                                                       transmission medium. It encodes HDB3 the signal to be sent on line.


                                                                                              Side B




                                                                           PPI                                    PPI




                                                                           LPA                                    LPA



                                                                          LPT                                     LPT




                                                                             Y1                                     Y2

                                                                         From point X1                        To point X2
                                                                         Figure 101.                            Figure 101.

                                                                                               Side A
1AA 00014 0004 (9007) A4 – ALICE 04.10




                                                          Figure 102. 2Mbit/s, 34 Mbit/s, 45 Mbit/s signal management block diagram


                                         ED       03

                                                                                                             3AL 91669 AA AA                         204 / 706


                                                                                                                            706
140 Mbit/s port management
                                                                                            ( See Figure 103. on page 205 )

                                                                                                Side B to Side A description:
not permitted without written authorization from Alcatel.
  All rights reserved. Passing on and copying of this
  document, use and communication of its contents




                                                                                                •        PPI This block provides the interface between the physical transmission medium and the
                                                                                                         internal unit format. The received line signal is CMI coded. A decoder on the physical interface
                                                                                                         decodes the signal to NRZ (no return–to–zero) format.

                                                                                                •        LPA The 140 Mbit/s plesiochronous stream is inserted in a C4 container to be adapted so as
                                                                                                         to be transported into the synchronous network.

                                                                                                •        HPT The Virtual Container (VC–4) is formatted. The VC–4 is structured so that its octets are
                                                                                                         distributed within a 125 µs. interval and consist of the C4 container and POH.

                                                                                                Side A to Side B description:

                                                                                                •        HPT The HPT extract and processes the POH to determine the status of the defined path
                                                                                                         attributes.

                                                                                                •        LPA It extracts the 140 Mbit/s signal from the container C4 .

                                                                                                •        PPI This block provides the interface between the internal unit format and the physical
                                                                                                         transmission medium. It encodes CMI the signal to be sent on line.


                                                                                                                                                Side B




                                                                                                                              PPI                                  PPI




                                                                                                                              LPA                                  LPA



                                                                                                                             HPT                                 HPT




                                                                                                                                w1                                  w2
                                                                                                                            From point Z1                     To point Z2
                                                                                                                            Figure 101.                         Figure 101.

                                                                                                                                                Side A


                                                                                                                      Figure 103. 140Mbit/s signal management block diagram
                                                  1AA 00014 0004 (9007) A4 – ALICE 04.10




                                                                                           ED       03

                                                                                                                                                             3AL 91669 AA AA                        205 / 706


                                                                                                                                                                           706
3.3.4 SIGNAL MANAGEMENT referred to ”G. 783”

                                          The ITU–T G.783 Recommendation describe the SDH characteristic in terms of atomic functions.
                                          This paragraph has been introduced as an aid to the understanding of the terms used for the Termination




                                                                                                                                                                 not permitted without written authorization from Alcatel.
                                          Point (T.P.). These TPs can be accessed and managed by the operator for performance monitoring




                                                                                                                                                                   All rights reserved. Passing on and copying of this
                                                                                                                                                                   document, use and communication of its contents
                                          purpose .
                                          In the following will be explained the atomic functions naming conventions and the signal processing in
                                          the SDH and PDH port .


                                          3.3.5 ATOMIC FUNCTION NAMING CONVENTIONS

                                          Each characteristic layer of the SDH network is splitted into different atomic functions :

                                               –        trail termination function :

                                                        •    Source (So): additional information is added to the characteristic information to allow trail
                                                             monitoring.
                                                        •    Sink (Sk): the information related to the trail monitoring is extracted

                                                        If a signal fail condition of the associated data signal is detected, a TSF signal is generated to
                                                        inform the next downstream function. TSF is use in the HPOM (Snm) function to drive the
                                                        SNCP/MSP protection.

                                               –        adaptation function :

                                                        •    Source (So):the characteristic information is adapted from the client to the server layer
                                                        •    Sink (Sk): the characteristic information is adapted from the server to the client layer

                                                        The processes present in an adaptation function can be : encoding, rate changing, alignment,
                                                        justification, multiplexing.
                                                        If a signal fail condition of the associated data signal is detected, a SSF signal is generated to
                                                        inform the next downstream function.

                                               –        connection function : it represents the connection functions inside the network ( link
                                                        connection, sub–network network connection) and it is performed by the matrix functional block

                                          Each atomic function is represented by a different symbol and named as follow:


                                               –        trail termination TT : triangle
                                                                                                      Sink                        Source

                                                        naming rules: layer_TT[ _direction]                    example: OSn_TT[ _Sk]




                                               –        adaptation A : trapezium
                                                                                                       Sink                       Source

                                                        naming rules: layer/client layer_A[direction]        example: OSn/RSn_A[Sk]
1AA 00014 0004 (9007) A4 – ALICE 04.10




                                               –        connection C: circle or ellipse


                                                        naming rules: layer_C                                    example: Sm_C

                                         ED        03

                                                                                                              3AL 91669 AA AA                        206 / 706


                                                                                                                            706
3.3.6 SDH PORT FUNCTIONAL BLOCKS

                                                                                            (For STM–N port refer to Figure 104. on page 216)
not permitted without written authorization from Alcatel.




                                                                                            The received signal is either electrical STM–1 CMI coded (ITU–T G.703 Rec.) or optical STM–N (ITU–T
  All rights reserved. Passing on and copying of this
  document, use and communication of its contents




                                                                                            G.957 Rec.). The SDH frame format is compliant with ITU_T G.707 Rec.

                                                                                            In this paragraph will be explained the SDH and PDH port signal management referred to atomic function.
                                                                                            For each port the description is subdivided in two part:

                                                                                            –    Signal management from Side B (high bit rate signal) to Side A (low bit rate signal).

                                                                                            –    Signal management from Side A (low bit rate signal) to Side B (high bit rate signal).


                                                                                            Side B to Side A description:

                                                                                            a)   SDH Physical layer (SPI)

                                                                                            It is the interface between the physical transmission medium and the Regeneration Section. The function
                                                                                            performed are describe below:

                                                                                                 •        Optical or Electrical Section layer Trail Termination: OSn_TT_Sk or ESn_TT_Sk

                                                                                                               •    input LOS detection.

                                                                                                 •        Optical or Electrical Section layer Adaptation to Regenerator Section layer: OSn/RSn_A_Sk
                                                                                                          and ESn/Rsn_A_Sk

                                                                                                               •    descrambler.

                                                                                                               •    A1, A2: frame alignment detection.
                                                                                                               •    OOF count and LOF detection.
                                                                                                               •    AIS or SSF insertion if LOF is detected

                                                                                            b)   Regenerator Section layer (RST)

                                                                                                 •        Regenerator Section layer Trail Termination: RSn_TT_Sk
                                                                                                              •    J0:       regenerator section trace recovery and mismatch detection (TIM) (not
                                                                                                                   managed in this release)
                                                                                                              •    B1:       BIP–8 Errored Block count: even bit parity is computed and compared with
                                                                                                                   B1 recovered from the current frame.
                                                                                                              •    AIS insertion if TIM is detected

                                                                                                 •        Regenerator Section layer to Multiplex Section layer Adaptation: RSn/MSn_A_Sk
                                                                                                              •    AIS insertion on AIS detection
                                                  1AA 00014 0004 (9007) A4 – ALICE 04.10




                                                                                           ED        03

                                                                                                                                                              3AL 91669 AA AA                   207 / 706


                                                                                                                                                                         706
c)   Multiplex Section layer :

                                               •        Multiplex Section layer Trail Termination (MST): MSn_TT_Sk

                                                             •




                                                                                                                                                         not permitted without written authorization from Alcatel.
                                                                  B2:        BIP–24N Errored Block count ––Ex–BER, Signal Degrade alarm




                                                                                                                                                           All rights reserved. Passing on and copying of this
                                                                                                                                                           document, use and communication of its contents
                                                             •    M1:        MS–REI recovery.
                                                             •    K2[6–8]:   MS–RDI detection.
                                                             •    K2[6–8]:   MS–AIS detection.

                                               •        Multiplex Section Sub–layer Protection function (MSP):

                                                        –    Multiplex Section layer   to the Multiplex Section Protection Sub–layer Adaptation:
                                                             MSn/MSnP_A_Sk

                                                             •    the K1–K2 information (APS protocol) is recovered .
                                                             •    AIS or SSF insertion

                                                        –    Multiplex Section Protection Sub–layer Trail Termination: MSnP_TT_Sk

                                                             •    AIS or SSF detection
                                                             •    TSF insertion (on SSF detection)

                                               •        Multiplex Section layer Adaptation to the High Order Path layer (MSA): MSn/Sn_A_Sk

                                                             •    AU–4 Pointer interpreter.
                                                             •    LOP detection
                                                             •    AU–AIS detection
                                                             •    AIS or SSF insertion (on LOP and AU–AIS detection)
                                                             •    PJE (Pointer Justification Event) count.

                                          d)   High Order Path layer:

                                               •        High Order Path Overhead Monitoring Function (HPOM)

                                                        –    High Order Path Overhead Trail Termination: Snm_TT_Sk

                                                             •    J1:       Path Trace information is recovered.
                                                             •    G1[1–4]: The REI information is recovered.
                                                             •    G1[5]:    Path Status monitoring –– HP–RDI detection.
                                                             •    C2:       Signal Label Monitoring –– UNEQ and VC–AIS detection.
                                                             •    B3:       VC–4 BIP–8 Errored Block Count –– Ex–BER and Signal Degrade alarm
                                                             •    TSF insertion
                                                             •    TSD insertion
                                                                  TSF and TSD are used for SNCP switch

                                               •        High Order Supervisory Unequipped Termination

                                                        –    High Order Supervisory Unequipped Trail Termination (HSUT): Sns_TT_Sk

                                                             •    J1:        Path Trace information is recovered.
                                                             •    G1[1–4]:   The REI information is recovered.
                                                             •    G1[5]:     Path Status monitoring ––HP–RDI detection.
                                                             •    C2:        Signal Label Monitoring –– UNEQ and VC–AIS detection.
                                                             •    B3:        VC–4 BIP–8 Errored Block Count.
1AA 00014 0004 (9007) A4 – ALICE 04.10




                                         ED        03

                                                                                                         3AL 91669 AA AA                     208 / 706


                                                                                                                        706
•        High Order Path Tandem Connection Trail Termination (according to Option 2 TC described in
                                                                                                         Recc. ITU–T G.707)

                                                                                                         –   High Order Path Tandem Connection Termination (HTCT): SnD_TT_Sk
not permitted without written authorization from Alcatel.
  All rights reserved. Passing on and copying of this
  document, use and communication of its contents




                                                                                                              •   N1[1–4]: VC–4 BIP–8 extraction and EDC calculation.
                                                                                                              •   N1[8][73]: RDI extraction.
                                                                                                              •   N1[5]: REI extraction.
                                                                                                              •   N1[7][74]: ODI extraction (Outgoing Defect Indication).
                                                                                                              •   N1[6]: OEI extraction (Outgoing Error Indication)
                                                                                                              •   N1[7–8]: extraction from the multiframed channel N1[7–8] of:
                                                                                                                            FAS (Frame Alignment Signal) in frames 1 to 8.
                                                                                                                            trace identifier in frames 9 to 72.
                                                                                                                            TC RDI and ODI in frames 73 to 76.
                                                                                                              •   B3: BIP–8 compensation.



                                                                                                •        High Order Path Tandem Connection Adaptation (according to Option 2 TC described in Recc.
                                                                                                         ITU–T G.707)

                                                                                                         –   High Order Path Tandem Connection Adaptation (HTCA): SnD/Sn_A_Sk

                                                                                                             this function will restore the invalid Frame Start condition if that existed at the iput of the
                                                                                                             tandem connection.
                                                                                                             AIS insertion.



                                                                                                •        High Order Path Tandem Connection Monitoring (according to Option 2 TC described in Recc.
                                                                                                         ITU–T G.707)

                                                                                                         –   High Order Path Tandem Connection Monitoring (HTCM): SnDm_TT_Sk

                                                                                                              •   N1[1–4]: VC–4 BIP–8 extraction and EDC calculation.
                                                                                                              •   N1[8][73]: RDI extraction.
                                                                                                              •   N1[5]: REI extraction.
                                                                                                              •   N1[7][74]: ODI extraction (Outgoing Defect Indication).
                                                                                                              •   N1[6]: OEI extraction (Outgoing Error Indication)
                                                                                                              •   N1[7–8]: extraction from the multiframed channel N1[7–8] of:
                                                                                                                  FAS (Frame Alignment Signal) in frames 1 to 8.
                                                                                                                  trace identifier in frames 9 to 72.
                                                                                                                  TC RDI and ODI in frames 73 to 76.
                                                  1AA 00014 0004 (9007) A4 – ALICE 04.10




                                                                                           ED       03

                                                                                                                                                              3AL 91669 AA AA                         209 / 706


                                                                                                                                                                             706
•        High Order Path layer Trail Termination Function (HPT): Sn_TT_Sk

                                                            •    J1:        Path Trace information is recovered –– TIM detection.
                                                            •    G1[1–4]:   The REI information is recovered.




                                                                                                                                                           not permitted without written authorization from Alcatel.
                                                            •    G1[5]:     Path Status monitoring ––HP–RDI detection.




                                                                                                                                                             All rights reserved. Passing on and copying of this
                                                                                                                                                             document, use and communication of its contents
                                                            •    C2:        UNEQ detection.
                                                            •    B3:        VC–4 BIP–8 Errored Block Count –– Ex–BER, Signal Degrade alarm

                                               •        High Order Path layer Adaptation to Low Order Path layer (HPA): Sn/Sm_A_Sk

                                                            •    VC–4 disassembly.
                                                            •    TU pointer interpretation.
                                                            •    LOP detection.
                                                            •    TU–AIS detection.
                                                            •    C2:       HP–SLM (signal label mismatch) detection.
                                                            •    H4:       LOM (Loss of Multiframe) detection.

                                          e)   Low Order Path layer:

                                               •        Low Order Path Overhead Monitoring Function (LPOM)

                                                        –   Low Order Path Overhead Trail Termination: Smm_TT_Sk

                                                            •    J2:       Trace Identifier Monitoring.
                                                            •    V5[8]:    RDI information is recovered and reported.
                                                            •    V5[3]:    REI bit is recovered and the derived performance primitives are reported.
                                                            •    V5[5–7]: Signal Label Monitoring –– VC–AIS detection.
                                                            •    V5[1,2]: VC–m BIP–2 Errored Block Count ––Ex–BER, Signal Degrade alarm
                                                            •    AIS or SSF detection––SSF alarm
                                                            •    TSF insertion (used for SNCP switch)

                                               •        Low Order Supervisory Unequipped Termination (LSUT)

                                                        –   Low Order Supervisory Unequipped Trail Termination: Sms_TT_Sk

                                                            •    V5[5–7]:   signal label is recovered from the VC–m. 000 (unequipped) is expected.
                                                            •    J2:        trail trace identifier is recovered.
                                                            •    V5[1,2]:   BIP–2 is recovered.
                                                            •    V5[3]:     REI bit is recovered and the derived performance primitives is reported.
                                                            •    V5[8]:     RDI information is recovered and reported.
1AA 00014 0004 (9007) A4 – ALICE 04.10




                                         ED        03

                                                                                                          3AL 91669 AA AA                      210 / 706


                                                                                                                       706
•        Low Order Path Tandem Connection Trail Termination (according to Option 2 TC described in
                                                                                                         Recc. ITU–T G.707)

                                                                                                         –   Low Order Path Tandem Connection Termination (LTCT): SmD_TT_Sk
not permitted without written authorization from Alcatel.
  All rights reserved. Passing on and copying of this
  document, use and communication of its contents




                                                                                                             •    N2[1–2]: VC–12 BIP–2 extraction and EDC calculation.
                                                                                                             •    N2[8][73]: RDI extraction.
                                                                                                             •    N2[5]: REI extraction.
                                                                                                             •    N2[7][74]: ODI extraction (Outgoing Defect Indication).
                                                                                                             •    N2[6]: OEI extraction (Outgoing Error Indication)
                                                                                                             •    N2[7–8]: extraction from the multiframed channel N2[7–8] of:
                                                                                                                            FAS (Frame Alignment Signal) in frames 1 to 8.
                                                                                                                            trace identifier in frames 9 to 72.
                                                                                                                            TC RDI and ODI in frames 73 to 76.
                                                                                                             •    N2[4]: AIS detection
                                                                                                             •    V5[1–2]: BIP–2 compensation.

                                                                                                •        Low Order Path Tandem Connection Adaptation (according to Option 2 TC described in Recc.
                                                                                                         ITU–T G.707)

                                                                                                         –   Low Order Path Tandem Connection Adaptation (LTCA): SmD/Sm_A_Sk

                                                                                                             this function will restore the invalid Frame Start condition if that existed at the iput of the
                                                                                                             tandem connection.
                                                                                                             AIS insertion.



                                                                                                •        Low Order Path Tandem Connection Monitoring (according to Option 2 TC described in Recc.
                                                                                                         ITU–T G.707)

                                                                                                         –   Low Order Path Tandem Connection Monitoring (LTCM): SnDm_TT_Sk

                                                                                                             •    N2[1–2]: VC–12 BIP–2 extraction and EDC calculation.
                                                                                                             •    N2[8][73]: RDI extraction.
                                                                                                             •    N2[5]: REI extraction.
                                                                                                             •    N2[7][74]: ODI extraction (Outgoing Defect Indication).
                                                                                                             •    N2[6]: OEI extraction (Outgoing Error Indication)
                                                                                                             •    N2[7–8]: extraction from the multiframed channel N2[7–8] of:
                                                                                                                            FAS (Frame Alignment Signal) in frames 1 to 8.
                                                                                                                            trace identifier in frames 9 to 72.
                                                                                                                            TC RDI and ODI in frames 73 to 76.
                                                                                                             •    N2[4]: AIS detection
                                                  1AA 00014 0004 (9007) A4 – ALICE 04.10




                                                                                           ED       03

                                                                                                                                                              3AL 91669 AA AA                          211 / 706


                                                                                                                                                                             706
Side A to Side B description:

                                          a)   Low Order Path layer:

                                               •




                                                                                                                                                                 not permitted without written authorization from Alcatel.
                                                        Low Order Supervisory Unequipped Termination (LSUT)




                                                                                                                                                                   All rights reserved. Passing on and copying of this
                                                                                                                                                                   document, use and communication of its contents
                                                        –   Low Order Supervisory Unequipped Trail Termination: Sms_TT_So

                                                            •    V5[5–7]:   signal label 000 (unequipped) is inserted in the VC–m.
                                                            •    J2:        trail trace identifier is generated.
                                                            •    V5[1,2]:   BIP–2 is calculated and transmitted.
                                                            •    V5[3]:     the number of errors is encoded in REI.
                                                            •    V5[8]:     RDI indication is inserted.

                                               •        Low Order Path Overhead Monitoring Function (LPOM)

                                                        –   Low Order Path Overhead Trail Termination: Smm_TT_Sk

                                                            •    J2:        Trace Identifier Monitoring.
                                                            •    V5[8]:     RDI information is recovered and reported.
                                                            •    V5[3]:     REI bit is recovered and the derived performance primitives are reported.
                                                            •    V5[5–7]:   Signal Label Monitoring –– VC–AIS detection.
                                                            •    V5[1,2]:   VC–m BIP–2 Errored Block Count –– Ex–BER, Signal Degrade alarm

                                               •        Low Order Path Tandem Connection Adaptation (according to Option 2 TC described in Recc.
                                                        ITU–T G.707)

                                                        –   Low Order Path Tandem Connection Adaptation (LTCA): SmD/Sm_A_Sk

                                                            this function will restore the invalid Frame Start condition if that existed at the iput of the
                                                            tandem connection.
                                                            AIS insertion.

                                               •        Low Order Path Tandem Connection Trail Termination (according to Option 2 TC described in
                                                        Recc. ITU–T G.707)

                                                        –   Low Order Path Tandem Connection Termination (LTCT): SmD_TT_So

                                                            •    N2[8][73]: RDI insertion
                                                            •    N2[5]: REI insertion
                                                            •    N2[7][74]: ODI insertion (Outgoing Defect Indication)
                                                            •    N2[6]: OEI insertion (Outgoing Error Indication)
                                                            •    N2[7–8]: insertion in the multiframed channel N1[7 –8] of:
                                                                           FAS (Frame Alignment Signal) in frames 1 to 8
                                                                           trace identifier in frames 9 to 72
                                                                           TC RDI and ODI in frames 73 to 76
                                                            •    N2[1–2]: BIP–2 calculation and insertion
                                                            •    V5[1–2]: BIP–2 compensation
1AA 00014 0004 (9007) A4 – ALICE 04.10




                                         ED        03

                                                                                                             3AL 91669 AA AA                         212 / 706


                                                                                                                            706
•        Low Order Path Tandem Connection Monitoring (according to Option 2 TC described in Recc.
                                                                                                          ITU–T G.707)

                                                                                                          –   Low Order Path Tandem Connection Monitoring (LTCM): SnDm_TT_Sk
not permitted without written authorization from Alcatel.
  All rights reserved. Passing on and copying of this
  document, use and communication of its contents




                                                                                                              •    N2[1–2]: VC–12 BIP–2 extraction and EDC calculation.
                                                                                                              •    N2[8][73]: RDI extraction.
                                                                                                              •    N2[5]: REI extraction.
                                                                                                              •    N2[7][74]: ODI extraction (Outgoing Defect Indication).
                                                                                                              •    N2[6]: OEI extraction (Outgoing Error Indication)
                                                                                                              •    N2[7–8]: extraction from the multiframed channel N2[7–8] of:
                                                                                                                             FAS (Frame Alignment Signal) in frames 1 to 8.
                                                                                                                             trace identifier in frames 9 to 72.
                                                                                                                             TC RDI and ODI in frames 73 to 76.
                                                                                                              •    N2[4]: AIS detection

                                                                                            b)   High Order Path layer:

                                                                                                 •        Low Order Path layer to High Order Path layer Adaptation (HPA): Sn/Sm_A_So

                                                                                                              •    VC–4 assembly.
                                                                                                              •    TU pointer generator.
                                                                                                              •    TU–AIS generator.
                                                                                                              •    C2:       Signal label insertion.
                                                                                                              •    H4:       Multiframe indicator

                                                                                                 •        High Order Path layer Trail Termination Function (HPT): Sn_TT_So

                                                                                                              •    J1:       path trace identifier is inserted.
                                                                                                              •    G1:       insertion of RDI[5] and/or REI[1–4] information.
                                                                                                              •    B3:       VC–4 Bip–8 calculation and insertion.

                                                                                                 •        High Order Path Overhead Monitoring Function

                                                                                                          –   High Order Path Overhead Trail Termination (HPOM): Snm_TT_Sk

                                                                                                              •    J1:      Path Trace information is recovered.
                                                                                                              •    G1[1–4]: The REI information is recovered.
                                                                                                              •    G1[5]:   Path Status monitoring –– HP–RDI detection.
                                                                                                              •    C2:      Signal Label Monitoring –– UNEQ and VC–AIS detection.
                                                                                                              •    B3:      VC–4 BIP–8 Errored Block Count.
                                                                                                              •    AIS or SSF detection –– SSF alarm
                                                  1AA 00014 0004 (9007) A4 – ALICE 04.10




                                                                                           ED        03

                                                                                                                                                           3AL 91669 AA AA                   213 / 706


                                                                                                                                                                         706
–   High Order Supervisory Unequipped Trail Termination (HSUT): Sns_TT_So

                                                            •   Generation of an unequipped container and frame offset.
                                                            •   C2:      “unequipped” insertion.




                                                                                                                                                        not permitted without written authorization from Alcatel.
                                                            •   J1:      trail trace identifier is generated.




                                                                                                                                                          All rights reserved. Passing on and copying of this
                                                                                                                                                          document, use and communication of its contents
                                                            •   G1:      insertion of RDI and/or REI information.
                                                            •   B3:      VC–4 Bip–8 calculation and insertion.

                                              •        High Order Path Tandem Connection Adaptation (according to Option 2 TC described in Recc.
                                                       ITU–T G.707)

                                                       –   High Order Path Tandem Connection Adaptation (HTCA): SnD_A_So

                                                           this function will replace the incoming Frame Start signal by a local generated one if
                                                           all–ONEs VC is received.



                                              •        High Order Path Tandem Connection Trail Termination (according to Option 2 TC described in
                                                       Recc. ITU–T G.707)

                                                       –   High Order Path Tandem Connection Termination (HTCT): SnD_TT_So

                                                            •   N1[8][73]: RDI insertion
                                                            •   N1[5]: REI insertion
                                                            •   N1[7][74]: ODI insertion (Outgoing Defect Indication)
                                                            •   N1[6]: OEI insertion (Outgoing Error Indication)
                                                            •   N1[7–8]: insertion in the multiframed channel N1[7 –8] of:
                                                                          FAS (Frame Alignment Signal) in frames 1 to 8
                                                                          trace identifier in frames 9 to 72
                                                                          TC RDI and ODI in frames 73 to 76
                                                            •   N1[1–4]: BIP–8 calculation and insertion
                                                            •   B3: BIP–8 compensation



                                              •        High Order Path Tandem Connection Monitoring (according to Option 2 TC described in Recc.
                                                       ITU–T G.707)

                                                       –   High Order Path Tandem Connection Monitoring (HTCM): SnDm_TT_Sk

                                                            •   N1[1–4]: VC–4 BIP–8 extraction and EDC calculation.
                                                            •   N1[8][73]: RDI extraction.
                                                            •   N1[5]: REI extraction.
                                                            •   N1[7][74]: ODI extraction (Outgoing Defect Indication).
                                                            •   N1[6]: OEI extraction (Outgoing Error Indication)
                                                            •   N1[7–8]: extraction from the multiframed channel N1[7–8] of:
                                                                FAS (Frame Alignment Signal) in frames 1 to 8.
                                                                trace identifier in frames 9 to 72.
                                                                TC RDI and ODI in frames 73 to 76.
1AA 00014 0004 (9007) A4 – ALICE 04.10




                                         ED       03

                                                                                                        3AL 91669 AA AA                     214 / 706


                                                                                                                      706
c)   Multiplex Section layer:

                                                                                                 •        Multiplex Section layer Adaptation to the High Order Path layer (MSA): MSn/Sn_A_So

                                                                                                               •
not permitted without written authorization from Alcatel.




                                                                                                                    AUG assembly and byte interleaving.
  All rights reserved. Passing on and copying of this
  document, use and communication of its contents




                                                                                                               •    AU–4 Pointer generator.
                                                                                                               •    AU–AIS generator.

                                                                                                 •        Multiplex Section Sub–layer Protection function (MSP)

                                                                                                          –    Multiplex Section Protection Sub–layer Termination: MSnP_TT_So

                                                                                                               •    no information is inserted.

                                                                                                          –    Multiplex Section layer Adaptation to the Multiplex Section Protection Sub–layer:
                                                                                                               MSn/MSnP_A_So

                                                                                                               •    generation of K1–K2 information (APS protocol).

                                                                                                 •        Multiplex Section layer Trail Termination: MSn_TT_So

                                                                                                               •    B2:        BIP–24N calculation and insertion.
                                                                                                               •    M1:        MS–REI insertion.
                                                                                                               •    K2[6–8]:   MS–RDI insertion.
                                                                                                               •    K2[6–8]:   MS–AIS insertion.

                                                                                            d)   Regenerator Section layer (RST)

                                                                                                 •        Multiplex Section layer to Regenerator Section layer Adaptation : RSn/MSn_A_So

                                                                                                               •    RS–AIS insertion.
                                                                                                 •        Regenerator Section layer Trail Termination: RSn_TT_So
                                                                                                               •    A1, A2:    frame alignment insertion.
                                                                                                               •    J0:        regenerator section trace insertion (not managed in this release)
                                                                                                               •    B1:        BIP–8 calculation and insertion.

                                                                                            e)   SDH Physical layer (SPI)
                                                                                            It is the interface between Regeneration Section and the physical transmission medium. The function
                                                                                            performed are describe below:

                                                                                                 •        Optical or Electrical Section layer Adaptation to Regenerator Section layer: OSn/RSn_A_So
                                                                                                          and ESn/Rsn_A_So:
                                                                                                               •    scrambler.
                                                                                                               •    AIS generator (on LOS or LOF).
                                                                                                 •        Optical or Electrical Section layer Trail Termination: OSn_TT _So or ESn_TT _So
                                                                                                               •     signal conditioning for transmission medium (e.g. electrical/optical conversion etc.)
                                                  1AA 00014 0004 (9007) A4 – ALICE 04.10




                                                                                           ED        03

                                                                                                                                                              3AL 91669 AA AA                        215 / 706


                                                                                                                                                                            706
Side A
                                                                                                                                                     Low
                                                                           LTCA        To point Y1 From point Y2        LTCA                         Order
                                                                          SmD/Sm        Figure 105. Figure 105.        SmD/Sm                        Path
                                                                                        Figure 106. Figure 106.                                      Layer




                                                                                                                                                                         not permitted without written authorization from Alcatel.
                                                                                                       X2




                                                                                                                                                                           All rights reserved. Passing on and copying of this
                                                                                               X1




                                                                                                                                                                           document, use and communication of its contents
                                                      LPOM      LTCM      LTCT         LSUT                 LSUT         LTCT          LTCM        LPOM
                                                       Smm     SmDm       SmD          Sms                               SmD          SmDm         Smm
                                                                                                            Sms


                                                                                                Sm
                                                                                                 LPC


                                                                                         HPA             HPA                           High
                                                                                                                                       Order
                                                 HTCA                            Sn/Sm                         Sn/Sm                   Path
                                                SnD/Sn                                                                                 Layer      HTCA
                                                                                          HPT            HPT                                      SnD/Sn
                                                                                  Sn                            Sn

                                               HTCT       HPOM                         To point W1 From point W2                        HPOM
                                                                     HSUT              Figure 107.   Figure 107.          HSUT                      HTCT
                                                Snd        Snm       Sns                 Z1             Z2                 Sns           Snm        Snd


                                                                                                Sn
                                                                                                HPC
                                                HTCM
                                                SnDm                                                                                                HTCM
                                                                                                                                                    SnDm


                                                                   MSA                                                          MSA
                                                                    (*)          MSn/Sn                        MSn/Sn            (*)

                                                                                  MSnP                          MSnP
                                                                                                                                                  Multiplex
                                                                   MSP                                                          MSP               Section
                                                                                               MSnPC                                              Layer

                                                                              MSn/MSnP                         MSn/MSnP

                                                                                  MSn                           MSn
                                                                   MST                                                          MST


                                                                                 RSn/MSn                       RSn/MSn                         Regeneration
                                                                                                                                               Section
                                                                   RST                                                          RST            Layer
                                                                                  RSn                           RSn



                                                                          OSn/RSn or ESn/RSn             OSn/RSn or ESn/RSn                       SDH
                                                                                                                                                  Physical
                                                                                                                                                  Layer
                                                                   SPI        OSn or ESn                    OSn or ESn          SPI



                                                                                                                          Side B

                                              (*) – 1,4,16,64 MSn/Sn are multiplied in STM–n
1AA 00014 0004 (9007) A4 – ALICE 04.10




                                                             Figure 104. 1660SM Block Diagram: signal management (SDH port)


                                         ED        03

                                                                                                               3AL 91669 AA AA                               216 / 706


                                                                                                                            706
3.3.7 PDH PORT FUNCTIONAL BLOCKS
                                                                                            In LC–NG PDH Low Order ports managed are 2Mbit/s (mapped into VC–12), 34Mbit/s (VC–3), 45Mbit/s
                                                                                            (VC–3) and 140Mbit/s (VC–4). The following functions are associated with each PDH port.
not permitted without written authorization from Alcatel.




                                                                                            2 MBIT/S PORT MANAGEMENT
  All rights reserved. Passing on and copying of this
  document, use and communication of its contents




                                                                                            (See Figure 105. on page 218 )

                                                                                            Side B to Side A description:

                                                                                            a)   Low Order Path layer:
                                                                                                 •        Low Order Path layer Trail Termination Function (LPT): S12_TT_Sk
                                                                                                              •    J2:      trail trace identifier is recovered –– TIM detection.
                                                                                                              •    V5[1,2]: BIP–2 is recovered –– Ex–BER, Signal Degrade alarm
                                                                                                              •    V5[3]:   REI bit is recovered and the derived performance primitives is reported.
                                                                                                              •    V5[8]:   RDI information is recovered and reported.
                                                                                                              •    AIS or SSF detection –– SSF alarm
                                                                                                 •        Low Order Path layer Adaptation to PDH Section layer (LPA): S12/P12x_A_Sk or
                                                                                                          S12/P12s_A_Sk
                                                                                                              •    V5[5–7]: Signal label detection in the byte V5[5–7] –– Signal label Mismatch
                                                                                                                   detection
                                                                                                              •    AIS or SSF is applied if Signal label Mismatch is detected

                                                                                            b)   Electrical PDH Physical Section layer (PPI)
                                                                                                 •        Adaptation to PDH section layer: E12/P12x_A_So or E12/P12s_A_So
                                                                                                              •    It convert the internal signal code to the line code.
                                                                                                 •        Trail Termination: E12_TT_So
                                                                                                              •    signal conditioning for transmission medium ( e.g. electrical level, etc.)

                                                                                            Side A to Side B description:

                                                                                            a)   Electrical PDH Physical Section layer (PPI)
                                                                                                 •        Trail Termination: E12_TT_Sk
                                                                                                              •    input LOS detection.
                                                                                                              •    AIS insertion if LOS is detected

                                                                                                 •        PDH physical adaptation layer: E12/P12x_A_Sk or E12/P12s_A_Sk
                                                                                                              •    timing is extracted.
                                                                                                              •    data are decoded.
                                                                                                              •    AIS insertion if LOF or AIS is detected.

                                                                                            b)   Low Order Path layer:
                                                                                                 •        PDH Section layer    to Low Order Path layer Adaptation          (LPA): S12/P12x_A_So or
                                                                                                          S12/P12s_A_So
                                                                                                              •    V5[5–7]: Signal label insertion in the byte V5[5–7].

                                                                                                 •        Low Order Path layer Trail Termination function (LPT): S12_TT_So
                                                                                                              •    J2:        trail trace identifier is generated.
                                                  1AA 00014 0004 (9007) A4 – ALICE 04.10




                                                                                                              •    V5[1,2]:   BIP–2 is calculated and transmitted.
                                                                                                              •    V5[3]:     the number of errors is encoded in REI.
                                                                                                              •    V5[8]:     RDI indication is inserted.


                                                                                           ED        03

                                                                                                                                                              3AL 91669 AA AA                   217 / 706


                                                                                                                                                                           706
not permitted without written authorization from Alcatel.
                                                                                                                                                   All rights reserved. Passing on and copying of this
                                                                                                                                                   document, use and communication of its contents
                                                                              Side A




                                                        PPI                        PPI


                                                                 E12                         E12



                                                               E12/P12                    E12/P12




                                                        LPA                        LPA
                                                              S12/P12                     S12/P12                         Low Order Path
                                                                                                                             Layer


                                                        LPT                        LPT
                                                                S12                         S12




                                                                  Y1                          Y2

                                                              From point X1              To point X2
                                                               Figure 104.                Figure 104.




                                                                              Side B
1AA 00014 0004 (9007) A4 – ALICE 04.10




                                                   Figure 105. 1660SM Block Diagram: signal management ( 2Mbit/s PDH ports)




                                         ED   03

                                                                                                        3AL 91669 AA AA              218 / 706


                                                                                                                  706
34 MBIT/S AND 45 MBIT/S PORT MANAGEMENT

                                                                                            (See Figure 106. on page220 )
not permitted without written authorization from Alcatel.




                                                                                            Side B to Side A description:
  All rights reserved. Passing on and copying of this
  document, use and communication of its contents




                                                                                            a)   Low Order Path layer:

                                                                                                 •        Low Order Path layer Trail Termination Function (LPT): S3_TT_Sk

                                                                                                              •    J1:      Path Trace information is recovered –– TIM detection.
                                                                                                              •    G1[1–4]: The REI information is recovered.
                                                                                                              •    G1[5]:   Path Status monitoring ––HP–RDI detection.
                                                                                                              •    C2:      UNEQ detection.
                                                                                                              •    B3:      VC–3 BIP–8 Errored Block Count –– Ex–BER, Signal Degrade
                                                                                                              •    SSF detection –– SSF alarm

                                                                                                 •        Low Order Path layer Adaptation to PDH Section layer (LPA): S3/P3x_A_Sk or S3/P3s_A_Sk

                                                                                                              •    C2:      Signal label detection in the byte C2 – Signal label Mismatch detection.
                                                                                                              •    AIS or SSF is applied if TSF or Signal label Mismatch is detected

                                                                                            b)   Electrical PDH Physical Section layer (PPI)

                                                                                                 •        Adaptation to PDH section layer: E3/P3x_A_So or E3/P3s_A_So

                                                                                                              •    It convert the internal signal code to the line code (HDB3)

                                                                                                 •        Trail Termination: E3_TT_So

                                                                                                              •    signal conditioning for transmission medium ( e.g. electrical level, etc.).

                                                                                            Side A to Side B description:

                                                                                            a)   Electrical PDH Physical Section layer (PPI)

                                                                                                 •        Trail Termination: E3_TT_Sk

                                                                                                              •    Input LOS detection.

                                                                                                 •        PDH physical Adaptation layer: E3/P3x_A_Sk or E3/P3s_A_Sk

                                                                                                              •    timing is extracted.
                                                                                                              •    data are decoded.
                                                                                                              •    AIS detection and insertion.
                                                                                                              •    LOF detection (only in case of E3/P3x_A_Sk)

                                                                                            b)   Low Order Path layer:

                                                                                                 •        PDH Section layer to Low Order Path layer Adaptation (LPA): S3/P3x_A_So or S3/P3s_A_So

                                                                                                              •    The signal label is inserted in C2

                                                                                                 •        Low Order Path layer Trail Termination Function (LPT): S3_TT_So
                                                  1AA 00014 0004 (9007) A4 – ALICE 04.10




                                                                                                              •    J1:       path trace identifier is inserted.
                                                                                                              •    G1:       insertion of RDI[5] and/or REI[1–4] information.
                                                                                                              •    B3:       VC–3 Bip–8 calculation and insertion.


                                                                                           ED        03

                                                                                                                                                             3AL 91669 AA AA                     219 / 706


                                                                                                                                                                            706
not permitted without written authorization from Alcatel.
                                                                                                                                                     All rights reserved. Passing on and copying of this
                                                                                                                                                     document, use and communication of its contents
                                                                                  Side A




                                                           PPI                        PPI


                                                                      E3                        E3



                                                                      E3/P3                    E3/P3




                                                           LPA                        LPA

                                                                     S3/P3                                                   Low Order Path
                                                                                               S3/P3
                                                                                                                                 Layer



                                                           LPT                        LPT
                                                                       S3                       S3




                                                                       Y1                       Y2
                                                                 From point X1              To point X2
                                                                    Figure 104.              Figure 104.
                                                                                  Side B
1AA 00014 0004 (9007) A4 – ALICE 04.10




                                              Figure 106. 1660SM Block Diagram: signal management ( 34 Mbit/s and 45 Mbit/s PDH ports)



                                         ED      03

                                                                                                           3AL 91669 AA AA             220 / 706


                                                                                                                     706
140 MBIT/S PORT MANAGEMENT

                                                                                            (See Figure 107. on page 222)
not permitted without written authorization from Alcatel.




                                                                                            Side B to Side A description:
  All rights reserved. Passing on and copying of this
  document, use and communication of its contents




                                                                                            a)   High Order Path layer:

                                                                                                 •        High Order Path layer Trail Termination Function (HPT): S4_TT_Sk

                                                                                                              •    J1:      Path Trace information is recovered –– TIM detection.
                                                                                                              •    G1[1–4]: The REI information is recovered.
                                                                                                              •    G1[5]:   Path Status monitoring ––HP–RDI detection.
                                                                                                              •    C2:      UNEQ detection.
                                                                                                              •    B3:      VC–4 BIP–8 Errored Block Count–– Ex–BER, Signal Degrade alarm
                                                                                                              •    SSF detection –– SSF alarm

                                                                                                 •        Low Order Path layer Adaptation to PDH Section layer (LPA): S4/P4x_A_Sk or S4/P4s_A_Sk

                                                                                                              •    C2:      Signal label detection in the byte C2 – Signal label Mismatch detection.
                                                                                                              •    AIS or SSF is applied if TSF or Signal label Mismatch is detected

                                                                                            b)   Electrical PDH Physical Section layer (PPI)

                                                                                                 •        Adaptation to PDH section layer:E4/P4x_A_So or E4/P4s_A_So

                                                                                                              •    It convert the internal signal code to the line code (CMI)

                                                                                                 •        Trail Termination: E4_TT_So

                                                                                                              •    signal conditioning for transmission medium ( e.g. electrical level, etc.).

                                                                                            Side A to Side B description:

                                                                                            a)   Electrical PDH Physical Section layer (PPI)

                                                                                                 •        Trail Termination: E4_TT_Sk

                                                                                                              •    Input LOS detection.

                                                                                                 •        PDH physical Adaptation layer: E4/P4x_A_Sk or E4/P4s_A_Sk

                                                                                                              •    timing is extracted.
                                                                                                              •    data are decoded.
                                                                                                              •    AIS detection and insertion.
                                                                                                              •    LOF detection (only in case of E4/P4x_A_Sk)

                                                                                            b)   Low Order Path layer:

                                                                                                 •        PDH Section layer to Low Order Path layer Adaptation (LPA): S4/P4x_A_So or S4/P4s_A_So

                                                                                                              •    The signal label is inserted in C2

                                                                                                 •        High Order Path layer Trail Termination Function (HPT): S4_TT_So
                                                  1AA 00014 0004 (9007) A4 – ALICE 04.10




                                                                                                              •    J1:       path trace identifier is inserted.
                                                                                                              •    G1:       insertion of RDI[5] and/or REI[1–4] information.
                                                                                                              •    B3:       VC–4 Bip–8 calculation and insertion.


                                                                                           ED        03

                                                                                                                                                             3AL 91669 AA AA                     221 / 706


                                                                                                                                                                            706
not permitted without written authorization from Alcatel.
                                                                                                                                                      All rights reserved. Passing on and copying of this
                                                                                                                                                      document, use and communication of its contents
                                                                                Side A




                                                          PPI                        PPI


                                                                    E4                         E4



                                                                    E4/P4                     E4/P4




                                                          LPA                        LPA

                                                                    S4/P4                     S4/P4


                                                                                                                           High Order Path
                                                                                                                                Layer

                                                          HPT                        HPT
                                                                     S4                        S4




                                                                      W1                        W2
                                                                From point Z1              To point Z2

                                                                 Figure 104.               Figure 104.

                                                                                Side B




                                                   Figure 107. 1660SM Block Diagram: signal management ( 140 Mbit/s PDH ports)
1AA 00014 0004 (9007) A4 – ALICE 04.10




                                         ED   03

                                                                                                         3AL 91669 AA AA                222 / 706


                                                                                                                   706
3.4 ISA (Integrated Service Adapter) introduction

                                                                                            Today’s metropolitan and regional optical transmission networks need the flexibility to support new and
                                                                                            existing services.
not permitted without written authorization from Alcatel.




                                                                                            As new data services overcome traditional voice services in terms of global traffic volume,
  All rights reserved. Passing on and copying of this
  document, use and communication of its contents




                                                                                            telecommunication operators face a host of challenges.
                                                                                            These include finding the optimal solution with the bandwidth to handle increasing data traffic, keeping
                                                                                            infrastructure updating investments to a minimum and protecting their high revenues on traditional voice
                                                                                            services.
                                                                                            Whereas core networks have to provide traffic with huge bandwidth capacity, metro and regional networks
                                                                                            need to focus on better aggregating traffic with refined dimensioning and improved network resource
                                                                                            allocation.
                                                                                            Integrated ”data–aware” features distributed along the optical transmission nodes of today’s metro
                                                                                            networks enable multi–service and multi–technology transmission of data services.
                                                                                            They optimize the network infrastructure and bandwidth allocation, giving carriers the twofold benefit of
                                                                                            reducing the need for extra investments in dedicated data equipment and safeguarding their high
                                                                                            revenues on traditional voice services.

                                                                                            Alcatel’s Integrated Service Adapter (ISA) series of plug–in cards are specially designed for the Optical
                                                                                            Multi–Service Nodes (OMSN) family (1660SM is part of this family) .
                                                                                            They enhance the optical transport network by adding data–aware features that are easy to introduce,
                                                                                            allowing carriers to efficiently and cost–effectively aggregate, switch and transport the expanding amount
                                                                                            of data services in their metropolitan network.
                                                                                            1660SM equipped with ISA plug–in cards give telecom operators a new generation modular platform for
                                                                                            multi–service SDH transport and further strengthen Alcatel’s leading position in the supply of optical
                                                                                            multi–technology transmission networks.

                                                                                            Whenever and wherever it is needed in the metro network, OMSNs extend their multi–service functionality
                                                                                            by integrating ISA plug–in ATM switching and Ethernet/Gigabit Ethernet rate–adaptive transport
                                                                                            capabilities into a single optical network element efficiently and cost–effectively. The ISA plug–ins bring
                                                                                            metro networks the switching intelligence needed to aggregate and groom mixes of different
                                                                                            packet–based data protocols and traditional TDM services (refer to Figure 108. on page 224).

                                                                                            ATM and Ethernet ISA cards are able to provide services such as ATM Virtual Private Networks,
                                                                                            Broadband Virtual Leased Lines and TLS.

                                                                                            The OMSN product family allows operators of SDH transport networks to introduce a wide variety of data
                                                                                            managed services including top–level differentiated QoS capabilities, variable service rates and traffic
                                                                                            congestion management.

                                                                                            Different types of ISA cards can be easily and quickly plugged into 1660SM. The system is modular and
                                                                                            the plug–ins can be chosen according to the specific application the optical multi–service equipment
                                                                                            needs to manage.

                                                                                            In the following will be explained the different ISA boards type and their application in the network:

                                                                                            –    ISA – ATM (Asynchronous Transfer Mode) refer to paragraph 3.5 on page 225.

                                                                                            –    ISA – PR_EA (Packet Ring Edge Aggregator) refer to paragraph 3.6 on page 234

                                                                                            –    ISA – PR (Packet Ring) refer to paragraph 3.7 on page 245

                                                                                            –    ISA – ETHERNET/FAST ETHERNET/GIGABIT ETHERNET refer to paragraph 3.8 on page 263
                                                  1AA 00014 0004 (9007) A4 – ALICE 04.10




                                                                                            –    ISA – ES (Ethernet Switch) refer to paragraph 3.9 on page 281



                                                                                           ED      03

                                                                                                                                                           3AL 91669 AA AA                           223 / 706


                                                                                                                                                                         706
not permitted without written authorization from Alcatel.
                                                                                                                                                                           All rights reserved. Passing on and copying of this
                                                                                                                                                                           document, use and communication of its contents
                                                                                          SAN


                                                                      ISP1                              UMTS
                                                                                   ISP2
                                                       RNC                                 DWDM                           ATM
                                                                             POS

                                                                                                         Radio                  ATM           LMDS


                                                       Optical Ring
                                                                                                                                        Eth
                                                   DWDM/ MSN
                                                       O                                        OMSN
                                                                                                                                                Enterprise
                                                                                                DWDM           ATM
                                                                                                                                  DSL

                                                             CORE                                      GbE
                                                                                                                                 DSL



                                                                                   EDGE                                                  Residential




                                                                                          ACCESS             Enterprise
1AA 00014 0004 (9007) A4 – ALICE 04.10




                                                   Figure 108. Example of technology convergency with ISA boards in OMSN




                                         ED   03

                                                                                                       3AL 91669 AA AA                                       224 / 706


                                                                                                                                706
3.5 ISA – ATM management sub–system

                                                                                            3.5.1 ATM ( Asynchronous Transfer Mode) basic
not permitted without written authorization from Alcatel.
  All rights reserved. Passing on and copying of this
  document, use and communication of its contents




                                                                                            Asynchronous Transfer Mode (ATM) is an International Telecommunication Union Telecommunication
                                                                                            Standardization Sector (ITU–T) standard for cell relay wherein information for multiple service types, such
                                                                                            as voice, video, or data, is conveyed in small, fixed–size cells. ATM networks are connection oriented. This
                                                                                            chapter provides summaries of ATM protocols, services, and operation.

                                                                                            According to ITU–T Recommendation I.311, an ATM transport network has two layers: the ATM layer and
                                                                                            the physical layer as shown in Table 35. .

                                                                                            Table 35. ATM transport network layered model

                                                                                                                                                           Higher layer

                                                                                                                                            ATM layer           VC (Virtual Channel) level

                                                                                                                                                                VP (Virtual Path) level
                                                                                                          ATM Transport network
                                                                                                                                          Physical Layer        Transmission Path Level

                                                                                                                                                                Transmission Media Level


                                                                                            The ATM layer is subdivided into two levels: the VP level and the VC level.

                                                                                            The relations between the Virtual Channel, the Virtual Path and the Transmission Path are shown in
                                                                                            Figure 109. on page 225.




                                                                                                                       ÔÔÔÔÔÔÔÔÔÔÔÔÔÔ
                                                                                                                       ÔÔÔÔÔÔÔÔÔÔÔÔÔÔ
                                                                                                  VC                  VP                                                  VP          VC
                                                                                                                       ÔÔÔÔÔÔÔÔÔÔÔÔÔÔ
                                                                                                                       ÔÔÔÔÔÔÔÔÔÔÔÔÔÔ
                                                                                                        VC                 VP                                               VP               VC
                                                                                                                                          Transmission Path

                                                                                                   VC                VP
                                                                                                                       ÔÔÔÔÔÔÔÔÔÔÔÔÔÔ
                                                                                                                       ÔÔÔÔÔÔÔÔÔÔÔÔÔÔ                                     VP              VC
                                                                                                                       ÔÔÔÔÔÔÔÔÔÔÔÔÔÔ
                                                                                                                       ÔÔÔÔÔÔÔÔÔÔÔÔÔÔ

                                                                                                                 Figure 109. Relationship between the VC, the VP and the TP
                                                  1AA 00014 0004 (9007) A4 – ALICE 04.10




                                                                                           ED      03

                                                                                                                                                            3AL 91669 AA AA                        225 / 706


                                                                                                                                                                          706
ATM transfers information in fixed –size unit called cells ; each cell consist of 53 octets, or bytes.
                                          The first 5 bytes contain cell–header information and the remaining 48 contain the “payload” (user
                                          information). Figure 110. on page 226 illustrates the basic format of an ATM cell.




                                                                                                                                                        not permitted without written authorization from Alcatel.
                                                                                                                                                          All rights reserved. Passing on and copying of this
                                                                                                                                                          document, use and communication of its contents
                                                                                    8 Bits


                                                                               HEADER (5 bytes)




                                                                                                                53 Bytes
                                                                             PAYLOAD (48 bytes)




                                                                         Figure 110. Basic format of an ATM cell


                                          An ATM network is made up of an ATM switch and ATM endpoints. An ATM switch is responsible for cell
                                          transit through an ATM network. An ATM switch accepts the incoming cell from an ATM endpoint or
                                          another ATM switch. It then reads and updates the cell–header information and quickly switches the cell
                                          to an output interface toward its destination. An ATM endpoint (or end system) contains an ATM network
                                          interface adapter. Examples of ATM endpoints are workstations, routers etc.

                                          An ATM network consists of a set of ATM switches interconnected by point–to–point ATM links or
                                          interfaces. ATM switches support two primary types of interfaces: UNI and NNI. The UNI connects ATM
                                          end systems (such as hosts and routers) to an ATM switch. The NNI connects two ATM switches.
                                          Depending on whether the switch is owned and located at the customers premises or publicly owned and
                                          operated by the telephone company, UNI and NNI can be further subdivided into public and private UNIs
                                          and NNIs. A private UNI connects an ATM endpoint and a private ATM switch. Its public counterpart
                                          connects an ATM endpoint or private switch to a public switch. A private NNI connects two ATM switches
                                          within the same private organization. A public one connects two ATM switches within the same public
                                          organization (see Figure 111. on page 227).
1AA 00014 0004 (9007) A4 – ALICE 04.10




                                         ED      03

                                                                                                       3AL 91669 AA AA                      226 / 706


                                                                                                                    706
All rights reserved. Passing on and copying of this
                                                                                                                                           document, use and communication of its contents
                                                                                                                                         not permitted without written authorization from Alcatel.
      1AA 00014 0004 (9007) A4 – ALICE 04.10




                           ED
                           03
                                                                                                                ATM
                                                                                                                Switch




                                                                        Private UNI
                                                                                              ATM
                                                                                             Switch




                                                                        UNI
                                                                                                                                                               Private ATM Network




                                                                                                               Pivate NNI
                                                                                                                                              Public UNI




                                                                                       UNI




                                    Figure 111. ATM network interface




706
                                                                                                                                                            ATM




         3AL 91669 AA AA
                                                                                                                                                           Switch




                                                                                                                            Public NNI




                                                                                      UNI
                                                                                                       ATM
                                                                                                      Switch
                                                                                                                                                                                     Public ATM Network




         227 / 706
An ATM cell header can be one of two formats: UNI or the NNI. The UNI header is used for communication
                                          between ATM endpoints and ATM switches in private ATM networks. The NNI header is used for
                                          communication between ATM switches. Figure 112. on page 228 depicts the basic ATM cell format, the
                                          ATM UNI cell–header format, and the ATM NNI cell–header format.




                                                                                                                                                                                  not permitted without written authorization from Alcatel.
                                                                                                                                                                                    All rights reserved. Passing on and copying of this
                                                                                                                                                                                    document, use and communication of its contents
                                                                                     8 Bits                                         8 Bits
                                              HEADER (5 Bytes)




                                                                          GFC                  VPI                            VPI
                                                                          VPI
                                                                                     VCI                                          VCI
                                                                                              PT      CLP                                    PT    CLP
                                                                                     HEC                                          HEC




                                                                                                                                                           53 Bytes
                                              PAYLOAD (48 Bytes)




                                                                               ATM UNI cell                                   ATM NNI cell


                                                                    GFC (Generic Flow Control)
                                                                    Generic Flow Control field permits multiplexing the transmission of several terminals on
                                                                    the same user interface. It is used for the traffic from the users to the network
                                                                    VPI/VCI (Virtual Path Identifier / Virtual Channel Identifier)
                                                                    The VPI/VCI field contains 24 bits on the UNI interface and 28 bits on the NNI interface.
                                                                    The VPI field is 8 to 12 Bits, allowing 256 to 4096 virtual paths. Each path can consist of
                                                                    64.000 VCIs. VPI/VCI identifies the next destination of a cell as it passes through a series
                                                                    of ATM switches on the way to its destination.
                                                                    PT (Payload Type)
                                                                    Payload Type field id used to indicate different types of payload for OAM. It also
                                                                    indicates ”end of packet” wich is used with ATM Adaptation Layer 5
                                                                    CLP (Cell Loss Priority)
                                                                    Cell Loss Priority bit is used for buffer managementin conjunction with congestion control
                                                                    If it is set to 1, then the cell within a buffer could be discarded.
                                                                    When the CLP bit is set to 0, the cell could not be discarded
                                                                    HEC (Header Error Control)
                                                                    Header Error Control field allows to either correct single bit errors or detect multiple
                                                                    bit errors. If multiple bit errors are detected the cell is dropped.
1AA 00014 0004 (9007) A4 – ALICE 04.10




                                                                                   Figure 112. UNI and NNI ATM cell header and payload




                                         ED                        03

                                                                                                                           3AL 91669 AA AA                            228 / 706


                                                                                                                                             706
3.5.2 ATM in1660SM

                                                                                            Optinex 1660SM can integrate ATM switch functionality through dedicated plug–in board.

                                                                                            Three ATM switch boards are available:
not permitted without written authorization from Alcatel.
  All rights reserved. Passing on and copying of this
  document, use and communication of its contents




                                                                                            –    ATM MATRIX 4X4 that provide a 622 Mb/s throughput (4xSTM–1 equivalent capacity); this board
                                                                                                 includes a local STM–1 access port on the front panel.
                                                                                                 Up to 16 TPs can be configured among VC–4, VC–3, VC12, E3 and E1.

                                                                                            –    ATM MATRIX 4X4V2 that provide a 622 Mb/s throughput (4xSTM–1 equivalent capacity);
                                                                                                 Up to 252 TPs can be configured among VC–4, VC4–C, VC–3, VC12, E3 and E1.

                                                                                            –    ATM MATRIX 8X8 that provide a 1.2 Gb/s throughput (8xSTM–1 equivalent capacity)
                                                                                                 Up to 32 TPs can be configured among VC–4, VC4–C, VC–3, VC12, E3 and E1.

                                                                                            If more capacity is needed more than one ATM board in a single 1660SM can be used.

                                                                                            The overall ATM Switch functional model is compliant to ITU–T I.731, I.732, ETSI EN 300 417–1–1/2–1,
                                                                                            af–tm–0010.002.

                                                                                            The board provide ATM traffic control functions, such as shaping (Input and Output) and policing (UPC,
                                                                                            NPC) which are needed to avoid network congestion (SCD, EPD, TPD).

                                                                                            The standard PDH and SDH ports of 1660SM can be used to transport ATM traffic streams.

                                                                                            The ATM traffic can be mapped on the VC–12, VC–3, VC–4 and VC–4–4c SDH Virtual Containers and
                                                                                            on E1, E3 PDH signals, in accordance with relevant ITU–T recommendations (G.804 and G.832 for ATM
                                                                                            over PDH and G.707 for ATM over SDH).

                                                                                            The following ATM connection types are supported:

                                                                                                 •        Permanent Virtual Connections (PVCs): Virtual Path Connections (VPCs) and Virtual
                                                                                                          Channel Connections (VCCs ) provisioned by the TMN.

                                                                                                 •        Switched Virtual Connections (SVCs): VPCs or VCCs set–up end–to–end in real–time by
                                                                                                          signaling procedures. Virtual Channel Connections (VCC) can be transparently tunnelled via
                                                                                                          a Hard or Soft VP tunnel. (Note: UNI signalling is not supported).

                                                                                            Two instances of Permanent Virtual Connections (PVCs) are defined on network level:

                                                                                                 •        Hard PVC: Virtual Path Connections (VPC) and Virtual Channel Connections (VCC); it is a PVC
                                                                                                          established/released upon a request initiated by a management request procedure (all the
                                                                                                          nodes involved by the connections need to be configured by the Network Management).

                                                                                                 •        Soft PVC: Virtual Path Connections (Soft–VPC) and Virtual Channel Connections (Soft–VCC).
                                                                                                          The P–NNI signalling and routing is supported according to af–pnni–0055.000,
                                                                                                          af–pnni–0066.000 and af–pnni–0081.000.
                                                                                                          In the scope of Soft–PVC the two connecting points contiguous to the connection end–points
                                                                                                          are defined as calling end–point and called end–point: the former is responsible to start the
                                                                                                          signaling process in order to establish the Soft–PVC and to restore the connection in case of
                                                                                                          failures.
                                                                                                          It is provisioned by the ATM–OS only in the calling and called endpoints and setup by means
                                                                                                          of a signaling protocol, e.g. the PNNI, in all the other intermediate connecting points as if it is
                                                                                                          a SVC. The routing of the soft–PVC is done by the calling endpoint by means of the PNNI
                                                                                                          Routing Algorithm presenting every ATM board together with some network topology
                                                                                                          knowledge.
                                                  1AA 00014 0004 (9007) A4 – ALICE 04.10




                                                                                           ED        03

                                                                                                                                                                3AL 91669 AA AA                        229 / 706


                                                                                                                                                                              706
3.5.2.1 ATM point to point and point to multipoint connections

                                          Uni–directional and bi–directional point–to–point ATM connections (VPC and VCC) are supported.
                                          Uni–directional (for broadcast or dropcontinue usages) point–to–multipoint ATM connections (VPC and




                                                                                                                                                            not permitted without written authorization from Alcatel.
                                          VCC) are also supported.




                                                                                                                                                              All rights reserved. Passing on and copying of this
                                                                                                                                                              document, use and communication of its contents
                                          The uni–directional point–to–multipoint ATM connection is supported via the Spatial (cell copy to different
                                          interfaces) and Logical (cell copy to different flows on the same interface) Multicast feature of the ATM
                                          switch.

                                          3.5.2.2 ATM traffic management

                                          According to ITU–T I.358 terminology (ATM–Forum TM4.1) the following ATM Transfer Capabilities (ATC)
                                          are supported on all connections (see Table 36. on page 230).

                                          Table 36. ATM traffic contracts.

                                                    ATM                         ITU–T                 Traffic type                QoS class
                                                   FORUM                                               parameter                  parameter
                                                      CBR                    DBR class 1        PCR0+1, CDVTPCR            CTD, CDV, CLR0+1
                                                      ––                     DBR class 2        PCR0+1, CDVTPCR            CLR0+1
                                                      UBR                    DBR class U        PCR0+1, CDVTPCR            ––
                                                   rt–VBR.1                  SBR.1 class 1      PCR0+1, CDVTPCR,           CTD, CDV, CLR0+1
                                                                                                SCR0+1, CDVTSCR
                                                 nrt–VBR.1                   SBR.1 class 2      PCR0+1, CDVTPCR,           CLR0+1
                                                                                                SCR0+1, CDVTSCR
                                                 nrt–VBR.2                   SBR.2 class 3      PCR0+1, CDVTPCR,           CLR0
                                                                                                SCR0+1, CDVTSCR
                                                 nrt–VBR.3                   SBR.3 class 3      PCR0+1, CDVTPCR,           CLR0
                                                                                                SCR0+1, CDVTSCR
                                                    GFR.2                       GFR.2           PCR0+1, CDVTPCR,           minimum CLR/FLR for
                                                                                                MCR0, MBS, MFL             high priority cells/frame
                                          Notes:
                                          PCR:        Peak Cell Rate
                                          CDVT:       Cell Delay Variation Tolerance
                                          SCR:        Sustainable Bit Rate
                                          MCR:        Minimum Cell Rate
                                          MBS:        Maximum Burst Size
                                          CLR:        Cell Loss Ratio

                                          ATC and example of applications

                                          CBR (Constant Bit Rate) / DBR (Deterministic Bit Rate):
                                          Static amount of bandwidth that has to be reserved. Used for real–time application very sensitive to cell
                                          delay variation like circuit emulation, video and voice at constant rate.

                                          VBR (Variable Bit Rate ) / SBR ( Statical Bit Rate):
                                          –   Real Time ( rt ): those listed above but at variable rate
                                          –   Non –real–time ( nrt ) with bursty traffic: Banking transactions, Frame Relay services

                                          UBR (Unspecified Bit Rate):
                                          Non real–time application, best effort: Banking transactions, World Wide Web (WWW) E–mail, LAN
                                          interconnection
1AA 00014 0004 (9007) A4 – ALICE 04.10




                                          GFR (Guaranteed Frame Rate) :
                                          Non –real–time application with minimum throughput guarantee. Traffic sent beyond this rate ( extra traf-
                                          fic) will receive fair share of resource.

                                         ED      03

                                                                                                         3AL 91669 AA AA                        230 / 706


                                                                                                                       706
The traffic contract is used as input to the Connection Admission Control (CAC) or Global CAC (GCAC)
                                                                                            for Soft–PVC in order to accept/reject the ATM connection.

                                                                                            Usage Parameter Control (UPC) can be performed at User–Network Interface (UNI) while Network
not permitted without written authorization from Alcatel.




                                                                                            Parameter Control (NPC) can be performed at Network–Network Interface (NNI) or Inter–Carrier Interface
  All rights reserved. Passing on and copying of this
  document, use and communication of its contents




                                                                                            (ICI); UPC/NPC can be performed at VP and VC level.

                                                                                            Input Shaping can be performed in order to guarantee that incoming traffic is coherent with the resource
                                                                                            allocation performed by the CAC.
                                                                                            Output Shaping can be performed in order to guarantee that outgoing VPC is coherent with the resource
                                                                                            allocation performed by the CAC when several VCC are multiplexed in the outgoing VPC.

                                                                                            Congestion control and queues management are performed and alarms are generated accordingly.

                                                                                            Traffic and Congestion management is according to ITU–T I.371, ATM Forum af–tm–0056.000.

                                                                                            3.5.2.3 ATM OAM F4 and F5 flows

                                                                                            The ATM Switch board support the following OAM functionality at F4 (VP level) and F5 (VC level):

                                                                                                 •        Fault Management functions supported for all the supported ATM connections are Alarm
                                                                                                          Indication Signal / Remote Defect Indication (AIS/RDI), Continuity Check (CC) defects and
                                                                                                          Loop–back. Defects and possible subsequent failures are detected and reported.

                                                                                                 •         Performance Management (PM) functions are Forward Monitoring and reporting. The
                                                                                                          supported ATM cell transfer outcomes are successful cell transfer, tagged cell transfer, errored
                                                                                                          cells, lost cells, mis–inserted cells and severely errored cell–block. The supported ATM
                                                                                                          performance parameters are Cell Loss Ratio, Cell mis–insertion Rate, Severely Errored Cell
                                                                                                          Block Ratio, Cell Transfer Delay, and Cell Delay Variation; moreover, the
                                                                                                          availability/unavailability status and parameters and the Severely Errored Second are
                                                                                                          determined.

                                                                                                 •        Activation and De–activation of Performance Management (PM) and Continuity Check (CC) are
                                                                                                          supported.

                                                                                                 •        Cell Insertion, extraction, non–intrusive monitoring and loop–back functions and the related
                                                                                                          processing can be performed at F4 and F5 levels depending on the setting of VPC/VCC
                                                                                                          end–points and segment end–points before and after the ATM Switching Matrix.

                                                                                                 •        OAM is performed according to ITU–T I.610. Performance and Availability according to I.356
                                                                                                          and I.357.

                                                                                            3.5.2.4 ATM Virtual Path Group Protection (VPG)

                                                                                            The ATM VPG Protection is supported (on Hard–PVC) in order to facilitate fast ATM layer protection
                                                                                            switching in cases where the under–laying SDH protection mechanism is not used.
                                                                                            The uni–directional and bi–directional 1+1 and 1:1 VPG protection schemes are supported to allow
                                                                                            high–priority traffic protection eventually dropping in 1:1 scheme the low–priority traffic. The Signal Fail
                                                                                            is used as a switching trigger mechanism. VPG Protection follows ITU–T I.630.

                                                                                            3.5.2.5 ATM switching modules architecture

                                                                                            The ATM switch is cascaded to the SDH matrix via back–panel connection (see Figure 113. on page 232)
                                                  1AA 00014 0004 (9007) A4 – ALICE 04.10




                                                                                            In a given node, SDH VCs or PDH flows carrying ATM cells that do not require switching in the ATM layer,
                                                                                            at virtual path (VP) / virtual channel (VC) can be cross–connected transparently by the SDH matrix directly,
                                                                                            without unnecessarily loading the ATM switch (pass through functionality).


                                                                                           ED        03

                                                                                                                                                              3AL 91669 AA AA                        231 / 706


                                                                                                                                                                            706
not permitted without written authorization from Alcatel.
                                                                                                                                                                   All rights reserved. Passing on and copying of this
                                                                                                                                                                   document, use and communication of its contents
                                                               OMSN Port                   Pass–through                         OMSN Port
                                                                                              traffic
                                                                  RX                                                                    TX

                                          STM–
                                          STM–4                                                                                                    STM–
                                                                                                                                                   STM–4
                                                                 TX                                                                     RX

                                                                                                    SDH
                                                               OMSN Port                         Xconnection                    OMSN Port

                                                                RX                                                                       TX
                                          STM–
                                          STM–1                                                                                                    STM–
                                                                                                                                                   STM–1
                                                                TX                                                                      RX
                                                                                                      Traffic
                                                                                                   consolidation
                                                               OMSN Port                                                        OMSN Port

                                                                RX                                                                       TX
                                          STM–
                                          STM–1                                               SDH MATRIX                                           STM–
                                                                                                                                                   STM–1
                                                                TX                                                                      RX


                                                               OMSN Port

                                                                RX                               –Cell switching
                                          STM–
                                          STM–1
                                                                TX



                                                                           SDH
                                                                       termination                                                Local Port (*)
                                                                                                   ATM                                   TX
                                                                                                                                                   STM–
                                                                                                                                                   STM– 1
                                                                           Traffic
                                                                        policing and              ENGINE                                RX         port
                                                                          shaping
                                                                                                     –         ATM Matrix

                                              NOTES:
                                              (*) Available only on ATM MATRIX 4X4




                                                                              Figure 113. 1660SM with ATM Matrix architecture
1AA 00014 0004 (9007) A4 – ALICE 04.10




                                         ED       03

                                                                                                               3AL 91669 AA AA                       232 / 706


                                                                                                                            706
3.5.2.6 ATM switching modules application

                                                                                            The main application of the ATM board is to consolidate ATM traffic collected from different sources onto
                                                                                            shared SDH VCs (virtual containers) in STM–n rings and to switch the ATM traffic, as needed at VP and
not permitted without written authorization from Alcatel.




                                                                                            /or VC level, into the network.
  All rights reserved. Passing on and copying of this
  document, use and communication of its contents




                                                                                                                                               Wasted bandwidth


                                                                                                                                                                    SDH circuits

                                                                                                                 E3                                                                 E3

                                                                                                            E3                                                                      E3


                                                                                                          E3                       SDH VC–4 [3 X VC–3]                               E3
                                                                                                                  ADM                                         ADM




                                                                                                                                 Free bandwidth
                                                                                                                                                                           Data flows
                                                                                                                                                  Consolidation


                                                                                                                 E3                                                         E3
                                                                                                          E3

                                                                                                                                                                          STM–1
                                                                                                          E3                      SDH VC–4 [3 X VC–3]
                                                                                                                                                                               E1
                                                                                                               1660SM                                      1660SM
                                                                                                                                    ATM board




                                                                                                                  Figure 114. Leased line service versus Data transport service


                                                                                            Typical applications of the atm board concept are ADSL, UMTS and LMDS metropolitan networks.

                                                                                            In all those scenarios the Provider can take great advantage of the distributed switching functionality for
                                                                                            optimizing the transmission resources avoiding wasting capacity not effectively used by the paying traffic.

                                                                                            The switch can also be used in FTTB scenarios and as CPE where a mix of TDM and ATM services in the
                                                  1AA 00014 0004 (9007) A4 – ALICE 04.10




                                                                                            same box results in benefits for both the Provider and the Customers.




                                                                                           ED      03

                                                                                                                                                           3AL 91669 AA AA                        233 / 706


                                                                                                                                                                         706
3.6 ISA – PR_EA (MPLS) sub–system

                                          3.6.1 PR_EA (MPLS) generalities




                                                                                                                                                           not permitted without written authorization from Alcatel.
                                                                                                                                                             All rights reserved. Passing on and copying of this
                                                                                                                                                             document, use and communication of its contents
                                          The MPLS (Multi Protocol Label Switching) technique is used in Alcatel transport systems in order to
                                          distribute and route data packets originated by the network layer (level 3 of the protocol stack) and
                                          encapsulated into the Ethernet 802.3 frame; it can be seen as a “server” layer for the Ethernet “client”
                                          layer (called “MPLS over SDH”). The data may also be “MPLS–packed” at the network edge, and
                                          transported over Ethernet; this transport modality is called “MPLS over Ethernet”.

                                          MPLS operates at the level 2 of the protocol stack and uses the SDH as its physical layer to transport and
                                          aggregate the various streams of data packets (MPLS over SDH); see Table 37. on page 234. The “MPLS
                                          over Ethernet” layering is illustrated in Table 38. page 234.
                                          The MPLS technique consists of binding one or more “Labels” to the packets, in this way permitting the
                                          forwarding of a packet to the other nodes of the network without inspecting the level 3 header, only the
                                          look up of the attached label(s) is needed.
                                          The classification of the incoming packets are performed only once, at the edge of the MPLS network; the
                                          inner MPLS routers have only to select the “next hop” to which forwarding the incoming packets, by looking
                                          the top label.

                                          PR_EA (Packet Ring Edge Aggregator) is an Alcatel mark indicating a system that is able to aggregate,
                                          at the edge of the MPLS network (ring topology), many mpls packets communications.
                                          It is a “path oriented” connectionless service; all the packets belonging to the same stream and assigned
                                          to the same class of service are all treated the same way by a router.
                                          In other words, when they enter the network, the packets are assigned to a “Forwarding Equivalence
                                          Class” (FEC); the subsequent packets with the same destination and the same quality of service are
                                          assigned to the same FEC; also other packets belonging to different streams can be assigned to the same
                                          FEC, in this way aggregating various packets streams to a common path.
                                          This common path is called LSP (Label Switched Path) and can be treated by the intermediate nodes as
                                          a tunnel.
                                          The intermediate inner nodes have in charge the only forwarding of the packets, and all the incoming
                                          packets within the same LSP will be forwarded toward the same direction.

                                          For more information about MPLS refer to RFC_3031, RFC_3032, RFC_3209, RFC_3270, ITU–T_
                                          Y1311, etc.


                                              3               NETWORK                          any network “packetized” data service

                                                                                                              ETHERNET
                                              2               DATA LINK
                                                                                                                 MPLS

                                              1               PHYSICAL                                            SDH

                                          Table 37. MPLS layer stack over SDH

                                              3               NETWORK                          any network “packetized” data service

                                              2               DATA LINK                                          MPLS

                                              1               PHYSICAL                                        ETHERNET
1AA 00014 0004 (9007) A4 – ALICE 04.10




                                          Table 38. MPLS layer stack over ETHERNET




                                         ED       03

                                                                                                        3AL 91669 AA AA                        234 / 706


                                                                                                                      706
The Alcatel MPLS system can manage packets data streams transported over “local” Ethernet FE or GE
                                                                                            (Fast Ethernet, Gigabit Ethernet) and “remotized” ethernet over GFP/SDH; the packets are identified and
                                                                                            classified with a first label (by inspecting the ethernet frame header), marked again by the label switching
                                                                                            router with a second label, and then sent into the MPLS network, aggregated and encapsulated into
not permitted without written authorization from Alcatel.




                                                                                            PPP/HDLC/SDH frames.
  All rights reserved. Passing on and copying of this
  document, use and communication of its contents




                                                                                            If coming from the MPLS network, the packets can be terminated towards the ethernet ports or routed
                                                                                            towards other routers, if possible they are also aggregated into a common FEC; the routing operation is
                                                                                            performed by the swapping of the top label.

                                                                                            The protocol stacking is illustrated in the figure below (Figure 115. ).
                                                                                            The MPLS framing among the various protocols is illustrated in Figure 116.
                                                                                            A generic example of MPLS tunnelling is illustrated in Figure 123. page 239.
                                                                                            A generic scheme of MPLS classification and aggregation is illustrated in Figure 124. page 240.

                                                                                            The protocol stacking is illustrated in the figure below (Figure 115. ).
                                                                                            The MPLS framing among the various protocols is illustrated in Figure 116.
                                                                                            The label and frames formats are illustrated in Figure 117. , Figure 118. , Figure 119. , Figure 120. ; the
                                                                                            GFP frame is reported in the “Ethernet” description, para. 3.8.3.1, page 265.




                                                                                                                3    any                       3       any                                              3   any
                                                                                                                2   Eth                                 Eth                                                  Eth
                                                                                                                                           2                                 3    any
                                                                                                                1 FE or GE                             MPLS                                                 MPLS
                                                                                                                                                                                   Eth
                                                                                                 local                                                                                              2       MPLS
                                                                                                                              FE,GE                                      2        MPLS
                                                                                                Ethernet                                CI                                                                 PPP
                                                                                                                              Proc.                                              MPLS
                                                                                                                                                                                                            HDLC
                                                                                                                                                                                                        1   SDH
                                                                                                                                                                MPLS                     SDH/HDLC                  MPLS
                                                                                                            3       any                                                                                             over
                                                                                                                                                   3     any   ROUTING                    Proc.                    SDH
                                                                                                        2           Eth
                                                                                                                                               2         Eth
                                                                                                                    GFP
                                                                                                                                                        MPLS
                                                                                                            1       SDH
                                                                                             remote                          SDH/GFP
                                                                                                                                         CI
                                                                                             Ethernet                         Proc.
                                                                                             over SDH



                                                                                                                                      CLASSIFICATION
                                                                                                                                             
                                                                                                                                      IDENTIFICATION




                                                                                                                                       Figure 115. MPLS subsystem, protocol stacking
                                                  1AA 00014 0004 (9007) A4 – ALICE 04.10




                                                                                           ED         03

                                                                                                                                                                                 3AL 91669 AA AA                           235 / 706


                                                                                                                                                                                              706
Ethernet         PRE FS DA SA DFL                Ethernet Payload                                   FCS




                                                                                                                                                                         not permitted without written authorization from Alcatel.
                                                                                                                                                                           All rights reserved. Passing on and copying of this
                                                                                                                                                                           document, use and communication of its contents
                                                                            DA SA DFL               Ethernet Payload                                   FCS



                                                                                                    Ethernet Packet



                                                    GFP       GFP Header                            Ethernet Packet



                                                                                                    Ethernet Packet



                                                              Label Label                           Ethernet Packet
                                                    MPLS        1     2



                                                                                                 Labelled Packet (MPLS)



                                                    PPP              PPP Header                   MPLS packet                             PPP
                                                                                                                                          PAD



                                                   HDLC        Flag Addr Control                  PPP frame                                      FCS




                                                                                  HDLC frame
                                                                                                                       SDH
                                                                                                                       VC4 or VC3 or VC12 frame




                                                              POH                  SDH payload




                                                                                  GFP frame
                                                                                                                      SDH
                                                                                                                      VC4 or VC3 or VC12 frame



                                                              POH                  SDH payload
1AA 00014 0004 (9007) A4 – ALICE 04.10




                                                                                    Figure 116. Framing for MPLS




                                         ED   03

                                                                                                              3AL 91669 AA AA                                236 / 706


                                                                                                                              706
A generic MPLS label is illustrated below (refer to RFC 3032):


                                                                                                0                               1                                  2                              3
not permitted without written authorization from Alcatel.
  All rights reserved. Passing on and copying of this




                                                                                                0 1 2      3 4 5 6        7 8 9 0 1 2         3 4 5 6        7 8 9 0 1 2      3 4 5 6       7 8 9 0 1
  document, use and communication of its contents




                                                                                                                                  Label                                Exp   S              TTL



                                                                                             Label:       Label Value (20 bits)

                                                                                             Exp:         Experimental (3 bits)

                                                                                             S:           Bottom of Stack (1 bit)

                                                                                             TTL:         Time To Live (8 bits)



                                                                                                                                       Figure 117. MPLS label format




                                                                                                              Protocol                            Information                       Padding
                                                                                                              8/16 bits                                a*                             b*



                                                                                                         a* + b* = 1500



                                                                                                                                          Figure 118. PPP frame




                                                                                                                            Flag                  Address                Control
                                                                                                                          01111110                11111111               00000011



                                                                                                                                                    PPP
                                                                                                                                                   FRAME



                                                                                                                            FCS                      Flag                Inter–Frame–Fill
                                                                                                                          16/32 bits              011111110               or next Address
                                                  1AA 00014 0004 (9007) A4 – ALICE 04.10




                                                                                                                           Figure 119. HDLC frame with PPP encapsulation




                                                                                           ED       03

                                                                                                                                                                3AL 91669 AA AA                   237 / 706


                                                                                                                                                                             706
Preamble                     FS          Dest. Add.              Source Addr.             DFL
                                                       ( 7 bytes)                  (1)               (6)                        (6)               (2)




                                                                                                                                                                        not permitted without written authorization from Alcatel.
                                                                                                                                                                          All rights reserved. Passing on and copying of this
                                                                                                                                                                          document, use and communication of its contents
                                                                      Data + Pad                                        FCS
                                                                          (46 to 1500)                                    (4)


                                                FS=start of frame delimiter; DFL=length of data field; FCS= frame checksum



                                                                            Figure 120. Ethernet MAC 802.3 frame format




                                               PR        FS      DA          SA      1Q        TCI    L/T
                                               (7B)      (1)        (6)      (6)         (2)   (2)    (2)



                                                                      Data         + Pad                                FCS
                                                                           (46 to1500)                                    (4)

                                              PR:     preamble
                                              FS:     Frame Start
                                              DA:     Dastination Address
                                              SA:     Source Address
                                              1Q:     802.1Q field (a constant fixed value)
                                              TCI:    Tag Control Information= (3bits:user priority 802.1p)+(1bit:CFI)+(12 bits: VLAN identifier 802.1q);
                                                                                                             CFI : Canonical Field Identifier

                                              L/T:    MAC client Lenght/Type


                                                                     Figure 121. Ethernet “Tagged” MAC 802.3 frame format


                                           +–––––+––––+––––+––––+–––––+––––+–––––+
                                           | PRE | FS | DA | SA | L/T |MPLS Label|
                                           |(7B) |(1) | (6)| (6)| (2) |   (4)    |
                                           +–––––+––––+––––+––––+–––––+––––+–––––+
                                           +––––––––––––––––––––––––+–––––––––+–––––+
                                           |        Data + Pad                | FCS |
                                           |       (46 to 1500)               | (4) |
                                           +––––––––––––––––––––––––+–––––––––+–––––+
1AA 00014 0004 (9007) A4 – ALICE 04.10




                                          PRE: preamble; FS: Frame Start; DA: Destination Addr.; SA: Source Addr.
                                          L/T: MAC client Length/Type;

                                                                 Figure 122. Ethernet frame format for “MPLS over Ethernet”

                                         ED     03

                                                                                                              3AL 91669 AA AA                               238 / 706


                                                                                                                                706
All rights reserved. Passing on and copying of this
                                                                                                                                                                                                      document, use and communication of its contents
                                                                                                                                                                                                    not permitted without written authorization from Alcatel.
      1AA 00014 0004 (9007) A4 – ALICE 04.10




                           ED
                                                                                                              Originating                     Transport              Transit                      Transport                  Terminating
                                                                                                                Point                          Network               Point                         Network                      Point




                           03
                                                                                                                                             SDH Network                                     SDH Network



                                                                                                                                SDH XC                      SDH XC              SDH XC                         SDH XC
                                                                                                                                                                                                                                    ETH Port
                                                                              Ethernet                 ETH Port                 PPP Port                     PPP Port               PPP Port                   PPP Port                      (Rate)   Ethernet
                                                                               Data                         (Rate)                   (Rate)                       (Rate)                 (Rate)                     (Rate)                              Data

                                                                                                                               MPLS Port                    MPLS Port           MPLS Port                     MPLS Port


                                                                                                                                 HEAD                                 TRANSIT                                    TAIL
                                                                                                                              OuterTunnel                            OuterTunnel                              OuterTunnel
                                                                                                                              (Label + TD)                           (Label + TD)                             (Label + TD)


                                                                                                                                 HEAD                                                                            TAIL
                                                                                                                              InnerTunnel                                                                     InnerTunnel
                                                                                                                              (Label + TD)                                                                    (Label + TD)


                                                                                                       InFlow                   OutFlow                                                                          InFlow            OutFlow




                                        Figure 123. MPLS Tunnelling Example
                                                                                                       (TD)                                                                                                      (TD)
                                                                                         Classifier
                                                                                          (Priority)




706
         3AL 91669 AA AA
                                                                                           (VLAN)                                                                                                                         ETS XC
                                                                                                                     ETS XC




                                                                                                                                                          – MPLS TUNNELLING EXAMPLE –




         239 / 706
Classifier




                                                                                                                                                                                   not permitted without written authorization from Alcatel.
                                                                                                                                                                                     All rights reserved. Passing on and copying of this
                                                                                VLAN#1




                                                                                                                                                                                     document, use and communication of its contents
                                                                           C
                                                                                   .
                                                                                   .
                                                                                   .        ETS Flow             InnerTunnel
                                                                                                                    (label)
                                                                           C

                                                                                                   .                  .
                                                                                VLAN#i
                                              Local or
                                              Remote
                                              Ethernet       ETH
                                                                                                   .
                                                                                                   .                  .
                                                                                                                      .
                                                             Port
                                                                                                                                OUTER
                                                                                                                                TUNNEL               MPLS       PPP    MPLS

                                                               .
                                                               .           C
                                                                                VLAN#m
                                                                                                                                 (label)              Port      Port
                                                                                                                                                                        over
                                                                                                                                                                       SDH
                                                               .                   .
                                                                                   .
                                                                                   .        ETS Flow             InnerTunnel

                                                                                                .
                                                                                                                    (label)
                                                                           C
                                                                                                .                      .
                                                                                                                       .
                                              Local or
                                              Remote
                                              Ethernet
                                                                                 VLAN#n
                                                                                                .                      .
                                                             ETH                                                 InnerTunnel
                                                                       C                    ETS Flow
                                                             Port              VLAN#1...n                           (label)

                                                                                                                                   .
                                                                                                                                   .
                                              Local or
                                              Remote
                                                                                                                                   .
                                              Ethernet                         VLAN#1...n
                                                             ETH                                                InnerTunnel
                                                                      C                     ETS Flow

                                                                                               .                      .
                                                             Port
                                                               .
                                                                                                                   (label)

                                                               .                               .                      .
                                                                                                                               OUTER
                                              Local or
                                              Remote
                                              Ethernet
                                                               .                               .                      .        TUNNEL
                                                                                                                                (label)
                                                             ETH               VLAN#1...n                       InnerTunnel
                                                                      C                     ETS Flow
                                                             Port                                                  (label)




                                                         – GENERIC CLASSIFICATION AND AGGREGATION SCHEME AT AN ORIGINATING EDGE NODE –


                                                  NOTE:
                                                    1) at the terminating edge node the scheme is specular
                                                    2) at the intermediate MPLS nodes, only the outer tunnel is processed
                                                  3) the VLAN links may be speciffied individually or by a range, and may be addressed to a single or more ETSFlows




                                                                               Figure 124. Generic MPLS aggregation scheme
1AA 00014 0004 (9007) A4 – ALICE 04.10




                                         ED    03

                                                                                                                            3AL 91669 AA AA                            240 / 706


                                                                                                                                            706
3.6.2 PR_EA (MPLS) service in 1660SM equipment

                                                                                            The PR_EA (MPLS) subsystem permits the circulation and relevant traffic management of the MPLS data
                                                                                            packets through the SDH network.
not permitted without written authorization from Alcatel.




                                                                                            The system allows the management of packet data services over Ethernet and their transportation over
  All rights reserved. Passing on and copying of this
  document, use and communication of its contents




                                                                                            the SDH network. The packets may be originated by any “packetized” service operating at level 3 of the
                                                                                            protocol stack. The ethernet packets are labelled and then mapped onto SDH frames via PPP/HDLC
                                                                                            framing.
                                                                                            In substance it performs the MPLS functions: classification, routing, aggregation of data packets.
                                                                                            Locally, at the network edge, the packets are received and delivered over ethernet links or over “remotized”
                                                                                            ethernet ports via GFP/SDH encapsulation; the ethernet links can be type E, FE, GE (10Mb/s, 100Mb/s,
                                                                                            1Gb/s).
                                                                                            The ethernet frames can be either “standard” as in Figure 120. or “802.1 Tagged” as in Figure 121.
                                                                                            The packets streams aggregation permits the use of one single interface per site, into a VPN (Virtual
                                                                                            Private Network) context, when several remote sites of the same VPN are connected between them,
                                                                                            passing through the MPLS network.
                                                                                            The MPLS traffic can be routed over 63 logical ports.
                                                                                            The ethernet SLA (Service Level Agreement) is managed by means of three types of QoS (Quality of
                                                                                            Service): Best Effort bandwidth (BE–BW), or Min–BW with regulated bursts, or Guaranteed constant BW.
                                                                                            The classification is based on 802.1p/q fields (up to 4096 VLAN identifiers and up to 8 priority values) of
                                                                                            the “Tagged MAC frame”, if present, otherwise it is automatically defined by the system.
                                                                                            Furthermore it provides the traffic congestion control. This is based upon 256 queues per “logical” port,
                                                                                            scheduled by means of HOL (Head Of Line) or WC–WFQ or WNC–WFQ (Work Conservative or Work Non
                                                                                            Conservative – Weighed Fair Queuing) methods. The congestion avoidance is based upon the W–RED
                                                                                            (Weighed – Random Early Discarding) method. The police function is accomplished by a “Dual–Rate
                                                                                            Leaky–Bucket”, based on PIR (Peak Information Rate) and CIR (Committed Information Rate) values of
                                                                                            the traffic contract.
                                                                                            “Fixed Share” or “VariableProportional Share” options are possible for Best–Effort traffic deployed in ring
                                                                                            topology.

                                                                                            The MPLS functions are implemented on PR_EA units that can be inserted into the 1660SM.
                                                                                            There are two versions of PR_EA board:
                                                                                            –   the first version, it hosts a 4 x 10/100 BaseT Fast Ethernet module and the total traffic throughput
                                                                                                is 1 Gb/s, in which 622Mb/s are contributed by the SDH matrix, and 400 Mb/s contributed by the 4
                                                                                                Fast Ethernet local ports.
                                                                                            –   the second version, it hosts a 1 x 1Gigabit Ethernet module and the total traffic throughput is 1.8
                                                                                                Gb/s, in which 622Mb/s are contributed by the SDH matrix, and 1.25 Gb/s contributed by the
                                                                                                GbEthernet local port.

                                                                                            The following table summarizes the interfaces that can accede to the MPLS functions:


                                                                                                 TYPE OF INTERFACE                         CONTAINER                              NOTES

                                                                                                           SDH                   VC–12, VC–3, VC–4

                                                                                                           PDH                   E1, E3, T3                          not available in current rel.

                                                                                                   Ethernet (E, FE, GE)          MAC 802.3                           also “802.1p/q Tagged”


                                                                                            Table 39. Interfaces acceding to the MPLS functions
                                                  1AA 00014 0004 (9007) A4 – ALICE 04.10




                                                                                            This subsystem is illustrated in Figure 125. page 244.
                                                                                            The description of the MPLS unit functional blocks is hereinafter reported; for the description of the blocks
                                                                                            belonging to the other units refer to their dedicated paragraphs of this handbook.

                                                                                           ED      03

                                                                                                                                                            3AL 91669 AA AA                          241 / 706


                                                                                                                                                                          706
The following are the main functional blocks implemented in the PR_EA Unit:

                                              •        SDH–MAP
                                                       It provides to deassemble the SDH virtual containers (toward MPLS direction), removing the




                                                                                                                                                                 not permitted without written authorization from Alcatel.
                                                       SDH OverHead, and to assemble them toward SDH direction, thus “loading” and “unloading”




                                                                                                                                                                   All rights reserved. Passing on and copying of this
                                                                                                                                                                   document, use and communication of its contents
                                                       the packets to/from the SDH frames (refer to ITU–T rec. G.707); the packets are then switched
                                                       toward GFP or HDLC processing, according to the logical ports configurations.

                                              •        HDLC
                                                       It provides: to deassemble (toward MPLS direction) the HDLC frames (High–Level Data Link
                                                       Control), removing the HDLC header; and to assemble them toward SDH direction; to
                                                       scrambler/descrambler the data; byte stuffing/destuffing. The HDLC frame format is reported
                                                       in Figure 119. page 237 (refer to rec. RFC 1662 and RFC 2615).

                                              •        PPP
                                                       It provides to deassemble (toward MPLS direction) the PPP frames (Point–to–Point Protocol),
                                                       removing the PPP header, and to assemble them toward SDH direction; the PPP frame format
                                                       is reported in Figure 118. page 237 (refer to rec. RFC 1661).
                                                       The “Martini Encapsulation” can be configured for the MPLS packets (substitution of ethernet
                                                       “FCS” field with an error check value consistent with the entire labelled packet).

                                              •        GFP
                                                       It provides to deassemble (toward MPLS direction) the GFP frames (Generic Framing
                                                       Procedure), removing the GFP header, and to assemble them toward SDH direction; the GFP
                                                       frame format is reported in para. 3.8, page 263 (refer to rec. ITU–T G7041). It supports
                                                       un–concatenated ethernet frames over unstructured VC4 payloads.

                                              •        PUSH1
                                                       It provides to “push in” the first label to the ethernet packet, after having inspected the ethernet
                                                       header, identified the destination and the class of service. It classifies the packets by decoding
                                                       the 802.1p/q “User Priority” and “VLAN–Tag” fields. Depending on the type of decoded or
                                                       negotiated ethernet SLA (Service Level Agreement), the stream can be associated with one of
                                                       three types of QoS (Quality of Service): Best Effort bandwidth (BE–BW), or Min–BW with
                                                       regulated bursts, or Guaranted constant BW. The label format is reported in Figure 117. page
                                                       237 (refer to rec. RFC 3032).

                                              •        POP1
                                                       It provides to “pop out” the label from the ethernet packet.

                                              •        PREAMBLE
                                                       It provides to remove (toward MPLS direction) the “preamble” and “start–of–frame–delimiter”
                                                       fields from the ethernet MAC 802.3 header (Medium Access Control), and to re–insert them
                                                       toward ethernet direction. Moreover it decodes the “Tag” fields of the MAC client header: 802.1p
                                                       and 802.1q. The ethernet FCS value is calculated too. The MAC frame is illustrated in
                                                       Figure 120. page 238 and Figure 121. page 238 (refer also to rec. IEEE 802.3).

                                              •        LOCAL PORT
                                                       This block represents a module that is mounted on the board and, according to the the module,
                                                       it distinguishes the type of unit.
                                                       The three possible types of module are:
                                                              4xFE: it contains 4 Fast Ethernet transceiver interfaces type 10/100Base–T, each
                                                              interface allowing a local connection to a LAN at auto–negotiable rates 10 or 100 Mb/s.
1AA 00014 0004 (9007) A4 – ALICE 04.10




                                                              1xGbE: it contains 1 small–form Gigabit Ethernet optical transceiver, implementing the
                                                              optical/electric conversion and a full–duplex Gigabit Ethernet interface at 1.25 Gb/s, as
                                                              specified in IEEE–802.3.


                                         ED       03

                                                                                                             3AL 91669 AA AA                         242 / 706


                                                                                                                            706
•        QUEUING MANAGER
                                                                                                         It provides to monitor the load of traffic in the local router, and to take measures for preventing
                                                                                                         the congestions, supported by the intra–board MPLS microcontroller. The priority management
                                                                                                         is based on the ethernet SLA (Service Level Agreement), three types of QoS (Quality of Service)
not permitted without written authorization from Alcatel.




                                                                                                         are available: Best Effort bandwidth (BE–BW), Min–BW with regulated bursts, Guaranted
  All rights reserved. Passing on and copying of this
  document, use and communication of its contents




                                                                                                         constant BW. The traffic management is based upon 256 queues per “logical” port (63 available
                                                                                                         logical ports); scheduled by means of HOL or WC–WFQ or WNC–WFQ methods; congestion
                                                                                                         avoidance via W–RED method; police service by means of CIR and PIR parameters: a
                                                                                                         “Dual–Rate Leaky–Bucket” police mechanism is used (it can be seen as two cascaded leaky
                                                                                                         buckets, the first based on PIR value, the second on CIR). In case of congestion, only the low
                                                                                                         priority traffic will be cut–off, while the high priority traffic maintains the guaranted BW.
                                                                                                         The Best–Effort traffic deployed in ring topology can be associated to a “Fixed Share” of the total
                                                                                                         available band, or to a “VariableProportional Share”. In case of congestion the BE excess
                                                                                                         traffic will be cut–off via W–RED.
                                                                                                         Packets shorter than the minimum ethernet frame are silently discarded. Packets longer than
                                                                                                         the maximum frame are silently discarded. The discarded packets are counted by the PM
                                                                                                         function.
                                                                                                         Note: the priority and the BW parameters (classification) are marked on the first label, at the
                                                                                                         “PUSH1” function of the ingress node.

                                                                                                •        MPLS ROUTING
                                                                                                         It performs, supported by the local microcontroller, the routing functions by looking the top
                                                                                                         MPLS label; it can forward the packets streams to up to 63 SDH or ethernet ports.
                                                                                                         In the MPLS network, it provides to inspect the top label of the MPLS packet in order to identify
                                                                                                         the incoming FEC and LSP; if possible, it aggregates the packet to other packets streams on
                                                                                                         a common path, then it selects the forwarding to a next hop by swapping the top label.
                                                                                                         At the edge of the MPLS network (originating node), on receiving packets from the local or
                                                                                                         remote ethernet interfaces, it provides to push the top label reporting information for the routing
                                                                                                         procedure (LSP and FEC).
                                                                                                         At the edge of the MPLS network (destination node), on receiving packets from the network,
                                                                                                         it provides to pop out the top label and drops them to the destination end port.
                                                                                                         At the beginning of a packets stream introduction, the microcontroller starts the RSVP–TE
                                                                                                         signalling (Resource Reservation Protocol – Traffic Engineered Tunnel) in order to search and
                                                                                                         establish a path with a certain band capacity and a given priority, between the destination and
                                                                                                         the source node; this path can be treated as a tunnel and is called LSP (Label Switched Path);
                                                                                                         once the LSP has been established, the RSVP signalling finishes and starts the Label
                                                                                                         Distribution Protocol (LDP) signalling, that informs all the nodes of the network to maintain the
                                                                                                         label bindings for the relevant established LSP. The RSVP and LDP signalling are in–band
                                                                                                         communications between the local and remote microcontrollers.

                                                                                                •        MPLS CONTROLLER
                                                                                                         It is a local microcontroller managing and supporting the MPLS functionalities, such as:
                                                                                                         The RSVP–TE and LDP communications between the destination and the origination nodes,
                                                                                                         in order to establish the routing and the LSP tunnelling.
                                                                                                         Management of communications with the network Operations System (OS), by means of
                                                                                                         SNMP (Simple Network Management Protocol) messaging for MPLS network configuration.
                                                                                                         Configuration of the MPLS functions implemented by the devices on the board, by means of
                                                                                                         ICMP (Internet Control Message Protocol) messaging.
                                                                                                         Collection of alarms and status of the MPLS functions.
                                                                                                         Management of the Performance Monitoring (PM) function for MPLS.
                                                                                                         Management of Multicast traffic.
                                                  1AA 00014 0004 (9007) A4 – ALICE 04.10




                                                                                                         Management of OSPF (Open Shortest Path First) routing (not operative).
                                                                                                         Furthermore it aids the congestion control function, supporting the “Queuing Manager”.



                                                                                           ED       03

                                                                                                                                                               3AL 91669 AA AA                        243 / 706


                                                                                                                                                                             706
MPLS Unit




                                                                                                                                                                               not permitted without written authorization from Alcatel.
                                                                                                                                                                                 All rights reserved. Passing on and copying of this
                                                                                                                                                                                 document, use and communication of its contents
                                                           MPLS
                                                         CONTROLLER                                QUEUING
                                                                                                   MANAGER




                                                                                                    MPLS
                                                                                                   ROUTING




                                                                                                    PUSH1        PPP             POP1       PPP
                                                                            POP1   PUSH1

                                                         LOCAL PORT                                  GFP         HDLC            GFP       HDLC
                                                                      ETH    PREAMBLE
                                               local        4xFE
                                              access          or
                                                           1xGbE

                                                                      SDH                                              SDH–MAP




                                                           SDH unit                                          MATRIX unit                            SDH unit


                                                 MPLS           SDH                                                                                             MPLS
                                                  over                                               SDH                                    SDH                  over
                                                 SDH           PORTS                              CONNECTION                               PORTS                SDH

                                                                                     sc


                                                          PQ2/EQC unit



                                                                   EC                      PDH          SDH             FE                 GbE
                                                                                          UNITS        UNITS           UNITS              UNITS


                                                                                   MPLS over PDH      over SDH         over FE           over GbE




                                              NOTES:
                                                 1) FE = Fast Ethernet 10/100Mb/s; GbE = Gigabit Ethernet 1.25Gb/s
                                                 2) 4xFE or 1xGbE local ports are alternative and are mounted on three different boards
                                                 3) MPLS over PDH is not available in current release

                                                                              Figure 125. MPLS subsystem
1AA 00014 0004 (9007) A4 – ALICE 04.10




                                         ED     03

                                                                                                                 3AL 91669 AA AA                                   244 / 706


                                                                                                                                        706
3.7 ISA – PR Subsystem

                                                                                            3.7.1 PR Generalities
not permitted without written authorization from Alcatel.
  All rights reserved. Passing on and copying of this
  document, use and communication of its contents




                                                                                            The role of the ISA–PR (Internetworking Services Architecture – Packet Ring) functionality inside 1660SM
                                                                                            is to provide a shared carrier–class Ethernet Packet Ring:

                                                                                                 •        embedded physically into the SDH infrastructure, in which case the embedded Packet Ring is
                                                                                                          provided in a flexible manner over SDH Virtual Containers (VC–4–Xv)

                                                                                                          or alternatively

                                                                                                 •        connected directly to independent fibers to create a Packet Ring over single or dual STM4.

                                                                                            ISA–PR Deployment Scenario is presented on next Figure 16.

                                                                                            ISA–PR aggregates and transports Metro Ethernet traffic within a metro access or metro core SDH access
                                                                                            ring/rings, all packet traffic is statistically multiplexed, with multiple Classes of Services and guaranteed
                                                                                            QoS support (according to the defined SLA).

                                                                                            The ISA–PR is effectively an Ethernet Add–Drop Multiplexer (ADM) sub–system, which operates as a
                                                                                            embedded Overlay ”Packet–Ring” transported over an 1660SM SDH ring at flexible rates.

                                                                                            The ISA–PR provides a number of primary functions including:

                                                                                            –    Statistical sharing of ring bandwidth between Metro Ethernet ports/services (including spatial reuse)
                                                                                                 to ensure maximum bandwidth efficiency

                                                                                            –    Aggregates Ethernet traffic from multiple edge Ethernet ports (e.g. other ISA–Eth, ISA–PR_EA
                                                                                                 cards) onto GbE uplinks at the central gateway node

                                                                                            –    Traffic Management at the customer and flow level

                                                                                                 •        Three distinct classes of service to cater for different application requirements.

                                                                                                 •        Enforceable customer SLA’s (Service Level Agreement)

                                                                                            –    Supports point–to–point, point–to–multipoint and multipoint connections, enabling the delivery of
                                                                                                 basic and value–added Metro Ethernet services

                                                                                            –    Provides multiple physical Ethernet access interfaces (10/100Mbps and GbE interfaces) to both
                                                                                                 customer and core network devices
                                                  1AA 00014 0004 (9007) A4 – ALICE 04.10




                                                                                           ED        03

                                                                                                                                                               3AL 91669 AA AA                      245 / 706


                                                                                                                                                                             706
3.7.2 PR in 1660SM

                                          The ISA–PR is a self contained, independent sub–system operating in the OMSN 1660SM chassis, it is
                                          not connected to the rest of the node from a system perspective except for the drawing of power from the




                                                                                                                                                           not permitted without written authorization from Alcatel.
                                          backplane; (i.e. in order to function it requires only the Congi card to be present in the chassis)




                                                                                                                                                             All rights reserved. Passing on and copying of this
                                                                                                                                                             document, use and communication of its contents
                                          The ISA–PR Sub–System can operate in two embedded ring modes: ”Overlay” and ”Independent”.

                                               •        In Overlay mode ISA–PR sub–systems communicates via external cabling into the 1660 switch
                                                        matrix cards and shares fiber with other traffic (TDM, ATM). See Figure 126.
                                               •        In Independent mode the ISA–PR nodes connects directly to a dedicated fiber ring, thus
                                                        creating a standalone packet ring. See Figure 127.

                                          Overlay mode is typically used to integrate into an existing SDH Ring or where additional fiber pairs are
                                          not available, which requires the provision of STM4 cards to connect the ISA–PR subsystem into the
                                          matrix.
                                          Independent mode is useful when the availability of additional fiber pairs and/or the requirement for data
                                          only transmission makes creating a standalone ring a viable option.

                                          There are currently three card variants that make up the ISA–PR sub–system:

                                               1)       ISA–PR – Port card: four STM–4 interfaces are supported which connect either into the
                                                        1660SM Matrix via STM–4 port cards (overlay mode) or directly over dark fiber or DWDM layer
                                                        (independent mode).

                                               2)       16FEA–PR – 10/100 Ethernet Access card –: sixteen (16) 10/100 FE (Fast Ethernet)
                                                        interfaces are supported.

                                               3)       2GBA–PR – 2 Gigabit Ethernet Access card –: up to two (2) GbE (Gigabit Ethernet) interfaces
                                                        are supported

                                          All optical interfaces are based on SFP optical transceiver modules.
                                          A single Port card must be installed working in conjunction with one or two Access cards;
                                          Possible access interface combinations are:

                                               •        16 or 32 x 100BaseTX
                                               •        16 x 100BaseT + 2 x GbE
                                               •        2 or 4 GbE

                                          An ISA–block diagram is also presented in Figure 99. on page 197
1AA 00014 0004 (9007) A4 – ALICE 04.10




                                         ED        03

                                                                                                         3AL 91669 AA AA                       246 / 706


                                                                                                                       706
Three 1.25 Gb/s Backplane
                                                                                                                                                         Bus Connections connect
                                                                                                                                                         Access cards to Port Card
                                                                                                                                                         (one bus for control signals)
not permitted without written authorization from Alcatel.




                                                                                                                                Upto 2 Access Cards
  All rights reserved. Passing on and copying of this
  document, use and communication of its contents




                                                                                                         Ethernet 10/100        per Port card                                             Single or Dual STM 4 Output of
                                                                                                         or 1000 Mb/s Ports                                                                ISA PR Port card is cable via
                                                                                                                                                                                          optic fibre to STM 4 tributary
                                                                                                                                                                                           card(s). MPLS Packet Ring
                                                                                                                                                                                          Framing format is VC–4–Xv

                                                                                                                               ISA – PR                     ISA – PR
                                                                                                                                                            ISA PR
                                                                                                                              Access Card                   Port Card
                                                                                             ISA – Access Cards:
                                                                                                   PR                         Card or GbE
                                                                                                                                FE
                                                                                                                                                            Card
                                                                                            *16 x 10/100 Ethernet TX
                                                                                            * 2 x 1000 GbE SFP




                                                                                                                                                                                                                To Ring
                                                                                                                                Dual                                                              SDH
                                                                                                                                                              SDH
                                                                                                                              Trib Card                                                           Port
                                                                                                                               STM–4                         Matrix
                                                                                                                               Trib
                                                                                                                               Card




                                                                                                                       Figure 126. ISA–PR Sub–System Architecture (Overlay Mode)



                                                                                                                                                          Three 1.25 Gb/s Backplane
                                                                                                                                                          Bus Connections connect
                                                                                                                                                          Access cards to Port Card
                                                                                                                                                          (one bus for control signals)
                                                                                                                                Upto 2 Access Cards
                                                                                                                                per Port card
                                                                                                         Ethernet 10/100
                                                                                                         or 1000 Mb/s Ports




                                                                                                    –                           ISA – PR
                                                                                                                               ISA PR                       ISA – PR
                                                                                                                              Access Card
                                                                                                                              Access                        Port Card
                                                                                                                                                            Port
                                                                                                                                                                                                   VC –4–Xv
                                                                                                                              Card or GbE
                                                                                                                                 FE
                                                                                                                                                            Card
                                                                                                                                                                                                  Packet Ring
                                                                                                 ISA PR Access Cards:
                                                                                                *16 x 10/100 Ethernet TX
                                                                                                * 2 x 1000 GbE SFP


                                                                                                                                                                       –




                                                                                                                                                Single (or Dual) STM 4 Output
                                                                                                                                                 of ISA PR Port card is directly
                                                                                                                                                to fibre pair to create an data
                                                                                                                                                Packet Ring. MPLS Packet
                                                                                                                                                Ring Framing format is VC–4Xv
                                                                                                                                                over STM4
                                                  1AA 00014 0004 (9007) A4 – ALICE 04.10




                                                                                                                    Figure 127. ISA–PR Sub–System Architecture (Independent Mode)

                                                                                           ED           03

                                                                                                                                                                      3AL 91669 AA AA                                247 / 706


                                                                                                                                                                                         706
1 ) ISA–PR Port card
                                                The ISA–PR Port Card supports up to four STM–4 interfaces and it works in conjunction with one or
                                                two Access cards plugged into the correspondent access slots, as depicted in next Figure 126. and
                                                Figure 127. Each ISA–PR port card requires two chassis slots.




                                                                                                                                                        not permitted without written authorization from Alcatel.
                                                The ISA–PR may be plugged into any PORT slot in the 1660SM, apart from the slots dedicated to




                                                                                                                                                          All rights reserved. Passing on and copying of this
                                                                                                                                                          document, use and communication of its contents
                                                Controller and Switch cards. Multiple ISA–PR sub–systems may be installed in a single 1660SM
                                                system.
                                                The STM–4 pluggable module, which can be plugged, independently into each port on the ISA–PR
                                                PORT card and provides a range of options for the physical interfaces; they are named Small
                                                Formfactor Pluggable (SFP) Transceivers and they can be considered as independent items
                                                hardware, in fact they have an own Remote Inventory.
                                                At the moment the type of Small Form–Factor Pluggable Transceivers provided is:

                                                      STM–4 Short Haul optical interface (approx 2kms) – SS–4.1

                                          2 ) 16FEA–PR Access card: Sixteen (16) 10/100 Fast Ethernet interfaces are supported.
                                               The 16FEA–PR board supports sixteen 10/100 TX (copper RJ45) Ethernet interfaces on this access
                                               card which work in conjunction with the ISA–PR Port card plugged into the correspondent port slot,
                                               by adding a second 16FEA–PR card up to thirty two 10/100 interfaces may be supported per ISA–PR
                                               sub–system.

                                               The 16FEA–PR may be plugged into any Access slot in the 1660SM, apart from slots dedicated to
                                               common cards; e.g. Congi.

                                          3 ) 2GBA–PR Access card: Two (2) GBE interfaces are supported (via SFP optical modules)
                                               The 2GBA–PR board supports two 1000 SX/LX/ZX Ethernet interfaces on this access card which
                                               work in conjunction with the ISA–PR Port card plugged into the correspondent port slot, by adding
                                               a second 2GBA–PR card up to four GbE interfaces may be support per ISA–PR sub–system.
                                               The 2GBA–PR may be plugged into any Access slot in the 1660SM, apart from slots dedicated to
                                               common cards.

                                               The GbE interfaces are Provided via a pluggable module, which can be plugged, independently into
                                               each port on the 2GBA–PR access card and provides a range of options for the physical interface;,
                                               in fact they have an own Remote Inventory.

                                               At the moment three types of SFP Transceivers are provided:

                                                      GbE Long Haul optical interface 1000BASE–LX, extended 10km reach

                                                      GbE Short Haul optical interface 1000BASE–SX, 500m reach

                                                      1000BASE–ZX, 80 Km reach



                                          ISA–PR supports up to 100 milliseconds of differential delay between Virtual Concatenation timeslots.


                                          The ISA–PR port card and Access cards (2GBA–PR and 16FEA–PR) communicate over the 1660SM
                                          backplane using three 1.25Gb/s communication channels. The ISA–PR port card connects the virtual
                                          Packet Ring into the SDH physical ring using external optical cabling to one or more STM–4 interface
                                          modules installed in the 1660SM system (Note: it is possible that these connections could be to another
                                          16xx system).
1AA 00014 0004 (9007) A4 – ALICE 04.10




                                         ED      03

                                                                                                       3AL 91669 AA AA                      248 / 706


                                                                                                                    706
Main functional aspects of the ISA–PR:
                                                                                            1660SM when equipped with ISA–PR sub–system will allow point–to–point and multipoint–to–multipoint
                                                                                            Metro Ethernet connections between routers or switches through SDH, as depicted Figure 16.
                                                                                            The Packet Ring maps Ethernet over MPLS over POS and shares the bandwidth between hundreds of
not permitted without written authorization from Alcatel.




                                                                                            Ethernet traffic flows according to the defined SLA.
  All rights reserved. Passing on and copying of this
  document, use and communication of its contents




                                                                                            The bandwidth in this Packet Ring may, and likely will, be oversubscribed; hence sophisticated traffic
                                                                                            management functions are provided to ensure the service SLAs are adhered to.

                                                                                            All the Ethernet access connectors are on the front panel of the 2GBA–PR and 16FEA–PR cards.
                                                                                            A full–blown configuration constitutes two or three cards.
                                                                                            An ISA–PR Port card and at least one of either an 2GBA–PR and/or 16FEA–PR Access card, which
                                                                                            provide various combinations of 10/100 and GbE interfaces.

                                                                                            ISA–PR ”Overlay” Packet Ring provides:

                                                                                                 •        Layer 1 – STM–4 (or dual STM–4)
                                                                                                 •        Layer ”1.5” – MPLS over PPP/HDLC Packet Ring multiplexed over VC–4–4v, VC–4–6v and
                                                                                                          VC–4–8v
                                                                                                 •        Ring protection is executed at the overlay L1.5 level
                                                                                                 •        Ring operational modes: Uni–directional and [future] Bi–directional

                                                                                            The ISA–PR Ethernet Packet Ring bandwidth is constructed from a virtually concatenated SDH path in
                                                                                            the form VC–4–xv (where x=4, 6, 8). This Packet Ring provides sub–50ms protection by employing packet
                                                                                            wrapping to ensure restoration or traffic under ring or node failure conditions.

                                                                                            The ISA–PR board provides the operator with the flexibility to provision the mapping between the ISA–PR
                                                                                            port STM–4 interfaces and the SDH Ring; in this way the operator can choose the mapping which he thinks
                                                                                            more appropriate:

                                                                                            ISA–PR provides the following concatenation options over a single STM–4 interface:

                                                                                                 •        VC–4–4c over a single STM–4 interface
                                                                                                 •        VC–4–4v over a single STM–4 interface

                                                                                            ISA–PR provides the following concatenation options over dual STM–4 physical interfaces:
                                                                                                •   VC–4–6v over two STM–4 interfaces
                                                                                                •   VC–4–8v over two STM–4 interfaces

                                                                                            Ethernet frames arriving onto the ports of an 2GBA–PR and 16FEA–PR Access card are firstly classified
                                                                                            to determine priority and destination, placed in the appropriate priority queue and then mapped, according
                                                                                            to SLA rules, into the Packet Ring via the ISA–PR Port card – the mapping used is
                                                                                            Ethernet/MPLS/POS/SDH.

                                                                                            The output of the ISA–PR port card uses either two or four STM–4 optical outputs, which are connected
                                                                                            externally (via optical cable) into one or more 1660 SM STM–4 tributary cards toward the SDH matrix, then
                                                                                            through the back–Plane and finally out onto the physical SDH ring as an overlay embedded Packet Ring.
                                                  1AA 00014 0004 (9007) A4 – ALICE 04.10




                                                                                           ED        03

                                                                                                                                                          3AL 91669 AA AA                        249 / 706


                                                                                                                                                                        706
ISA–PR Traffic Management

                                             ISA–PR supports Ethernet traffic management, fully compliant with the MEF specifications. The basic
                                             concepts for the ISA–PR traffic management at all tributary ports are described in the following and




                                                                                                                                                                    not permitted without written authorization from Alcatel.
                                             depicted in Figure 128. and Figure 130.




                                                                                                                                                                      All rights reserved. Passing on and copying of this
                                                                                                                                                                      document, use and communication of its contents
                                             Figure 128. provides a high level overview of the traffic flow and processing in the ISA–PR series
                                             modules. The figure depicts the traffic flow from ingress node to egress node – left to right, and load
                                             balancing control flow – right to left. The pipeline is composed of some main processing steps that are
                                             described in the next.

                                                           INGRESS NODE                                                             EGRESS NODE



                                                                                                       Load Balancing
                                                                      Local feedback                     Network–wide feedback




                                          Network                          Buffer                                                       Buffer  Network
                                                            Policer                    Shaper       ADM           RING           ADM
                                          Processor                        Manager                                                      Manager Processor

                                         Classifier –      Limits in-     Buffers      Regu-       Adds in-               Extracts       Switches   Editor     of
                                         Determines        gress BW       and          lates       gress traf-            “drop” traffic egress     packet
                                         EVC  CoS.        according      switches     traffic     fic into the           from the ring. traffic    headers.
                                         Editor of pack-   to    SLA      ingress      flow into   ring                   Classifier –              Layer      2
                                         et    headers.    and BW         traffic      the ring                           Determines                based func-
                                         Layer 2 based     availability                                                   EVC  QoS                 tionality.
                                         functionality.


                                                                            Figure 128. Traffic flow and processing in 1660 SM
1AA 00014 0004 (9007) A4 – ALICE 04.10




                                           ED        03

                                                                                                                  3AL 91669 AA AA                      250 / 706


                                                                                                                             706
3.7.2.1 Ingress processing

                                                                                            Classification
not permitted without written authorization from Alcatel.




                                                                                            Every packet entering through a tributary port is classified to identify the EVC it belongs to, and its CoS.
  All rights reserved. Passing on and copying of this
  document, use and communication of its contents




                                                                                            Classification may occasionally result in a decision to discard the packet because it is not valid or does
                                                                                            not belong to any of the provisioned EVCs; i.e. a misrouted packet.

                                                                                            Validation

                                                                                            Incoming packets are validated according to:

                                                                                            –     Correct Packet Format; Ethernet frame format as per IEEE 802.3 including
                                                                                                  •    802.3
                                                                                                  •    802.1Q
                                                                                                  •    Multiple stacked VLAN
                                                                                                  •    Ethernet frame encapsulating MPLS payload (e.g. According to the Martini draft)

                                                                                            –     Packet Size
                                                                                                  •   Minimum – 64 Bytes
                                                                                                  •   Maximum – 1574 Bytes

                                                                                            –     Valid CRC.

                                                                                            EVC

                                                                                            ISA–PR can be provisioned to use the following criteria to determine the EVC, used to forward the packet:
                                                                                            –   Input access Port
                                                                                            –   IEEE 802.1Q (VLAN tagging)
                                                                                            –   Destination MAC address
                                                                                            –   MPLS pseudo–wire label (according to IETF Martini draft ETH over MPLS) with Tri–Color marking
                                                                                                (L–LSP mode)
                                                                                            –   Combinations of the above; e.g. Port + MPLS + VLAN

                                                                                            Priority indications, discussed below, may not be used to determine the EVC. They are used to determine
                                                                                            the order in which packets are forwarded across the EVC.

                                                                                            COS

                                                                                            Packet classification by CoS is required to differentiate between customer applications. For example, a
                                                                                            videoconference over IP carried over the Ethernet network will require low delay through the network. At
                                                                                            the other extreme, applications such as web browsing, are fairly tolerant to delay. Such applications also
                                                                                            exibit uneven traffic distribution over time and are therefore more suitable for statistical multiplexing.

                                                                                            ISA–PR implements three CoS: High, Medium and Low.

                                                                                            Delay and Delay Variation, associated with each CoS, may be customized using 1354BM–PR NMS; e.g.
                                                                                            by setting a limit for total delay sensitive traffic.

                                                                                            1354BM–PR default parameters address typical use of these CoS:
                                                                                                •  High – Delay sensitive applications; e.g. VoIP
                                                                                                •  Medium – moderately Delay sensitive applications; e.g. interface Client – Server
                                                                                                •  Low – Delay insensitive applications; e.g. e–mail.
                                                  1AA 00014 0004 (9007) A4 – ALICE 04.10




                                                                                           ED       03

                                                                                                                                                            3AL 91669 AA AA                        251 / 706


                                                                                                                                                                          706
ISA–PR may be provisioned to use the following criteria to determine the CoS of the packet:

                                               •         802.1p
                                                         –    IP TOS/DiffServ




                                                                                                                                                            not permitted without written authorization from Alcatel.
                                                         –    MPLS Exp




                                                                                                                                                              All rights reserved. Passing on and copying of this
                                                                                                                                                              document, use and communication of its contents
                                                         –    MPLS Tricolor scheme.
                                                         –    Fixed CoS; i.e. independent of any indication within the packet.

                                          The rationale for using the Fixed CoS criterion is mostly Customer Equipment inability to support any of
                                          the other criteria.

                                          Layer 2 Based Functionality

                                          Layer 2 Based FunctionalityI herein refers to any decisions, based on MAC address. This includes:
                                               •    identifying the EVC, when provisioned to an E–LAN service
                                               •    selective processing of Layer 2 control protocols.
                                          Both functions above are tightly related to MEF service standards.

                                          When provisioned to an E–LAN service, ISA–PR learns the MAC address of the connected equipment and
                                          forwards packets accordingly.
                                          Layer 2 control protocols are identified using the standard MAC addresses. Selective processing allows
                                          1354BM–PR to provision ISA–PR to either block; i.e. discard the control protocol packets or tunnel; i.e.
                                          forward them. The most useful example is blocking the Spanning Tree at an interface to ISP.

                                          Editing

                                          Editing is not functionally associated with Classification. It is described here because ISA–PR implements
                                          Editing by Network Processor, which also implements Classification. On Classification completion packet
                                          may be optionally edited to modify its header/s.

                                          Supported packet editing options are:
                                               •    append VLAN
                                               •    swap VLAN
                                               •    strip VLAN
                                               •    strip MPLS
                                          The rationale for header editing is needed to mediate between different paradigms, usde by the connecting
                                          networks; e.g.between MPLS and Q–in–Q paradigms; as well as potential tag uniqueness challenges,
                                          when certain values are already in use and therefore require swap to another value.

                                          Classifier is able to process any blend of ingress packet lenghts at wire–speed. Under no circumnstances
                                          will it discard a packet due to inability to process it.

                                          On classification completion Classifier forwards valid packets to the Policer, along with their EVC and CoS
                                          identifiers and the MPLS label identifying the EVC across the ring.
1AA 00014 0004 (9007) A4 – ALICE 04.10




                                         ED         03

                                                                                                            3AL 91669 AA AA                     252 / 706


                                                                                                                          706
Policing

                                                                                               ISA–PR implements policing to enforce traffic parameters as contracted between the customer and the
                                                                                               provider. Policing supports all the three modules specified by MEF; i.e. policing per:
not permitted without written authorization from Alcatel.




                                                                                                    •     UNI
  All rights reserved. Passing on and copying of this
  document, use and communication of its contents




                                                                                                    •     EVC
                                                                                                    •     EVC.CoS

                                                                                               The standard set of attributes for each of the model is above is
                                                                                                    •   CIR (committed information rate)
                                                                                                    •   CBS (committed burst size)
                                                                                                    •   EIR (excess information rate)
                                                                                                    •   EBS (excess burst size)

                                                                                               The outcome of policing is colour marking of the packet. The effect of this marking is as follows
                                                                                                    •    green packets are delivered unconditionally
                                                                                                    •    yellow packets are delivered only if the network has available resources
                                                                                                    •    red packets are discarded.
                                                                                               Figure 129. depicts the policing function.

                                                                                           –      CIR = committer information rate                      Burst window size (bytes)
                                                                                           –      CBS = burst window size at the CIR
                                                                                           –      EIR = excess information rate                PBS
                                                                                           –      EBS = burst window size at the EIR
                                                                                                                                                                                Yellow
                                                                                                                                                              EBS

                                                                                                                                               CBS
                                                                                                                                                                                 EIR
                                                                                                                                                           Green
                                                                                                                                                                                                Rate (bps)

                                                                                                                                                                     CIR                    PIR

                                                                                                                                      Figure 129. ISA–PR Policing


                                                                                               This policing scheme decouples BW profile; i.e. CIR vs. EIR, from CoS. This allows to fix for every
                                                                                               application the mix of attributes it needs. Some examples:
                                                                                                     •    client/server applications – CIR  0, EIR = 0, CoS = Medium
                                                                                                     •    voice – CIR  0, EIR = 0, CoS = High
                                                                                                     •    broadcast TV – CIR  0, EIR = 0, CoS = Low
                                                                                                     •    residential internet access – CIR  0, EIR = 0, CoS = Low
                                                                                                     •    VPN for multiple applications – CIR  0, EIR = 0, CoS = High/Medium/Low (derived from priority
                                                                                                          indication within the packet)
                                                                                               In addition to the standard settind ISA–PR implements a proprietary bunding feature. The use of bunding
                                                                                               is optional and does not contradict any of the MEF applications. It improves the performance of the per
                                                                                               EVC policing by protecting a higher CoS traffic from undesirable effects of bursts of lower CoS traffic. This
                                                                                               allows the customer to better utilise his bandwith by using a single service for all of his VPN applications.

                                                                                               Policing attributes the granularity
                                                  1AA 00014 0004 (9007) A4 – ALICE 04.10




                                                                                                    •     CIR, EIR – 100 Kbps
                                                                                                    •     CBS, EBS – 1 Kbyte
                                                                                               Policed packets are passed to the Buffer Manager which places them at appropriate queue/s.


                                                                                           ED         03

                                                                                                                                                               3AL 91669 AA AA                         253 / 706


                                                                                                                                                                             706
Buffer Management

                                          Buffer Management maintains packet memory, structured into multiple queues each queue serving a
                                          particular destination and CoS; i.e. three queues per destination.




                                                                                                                                                        not permitted without written authorization from Alcatel.
                                          It also maintains various queue fill level thresholds to maintain priorization between CoS, prevent any




                                                                                                                                                          All rights reserved. Passing on and copying of this
                                                                                                                                                          document, use and communication of its contents
                                          queue from monopolizing the memory and provide triggers for load balancing.
                                          Load balancing packets are issued after a fixed number of yellow bytes is delivered from a channel.
                                          Upon reaching the first stress level, indicated by queue depth increasing beyond a threshold, buffer
                                          management issues a stress signal to local policers that is increasing in queue depth.
                                          Upon reaching a higher threshold it starts discarding the yellow packets.
                                          Upon reaching a yet higher threshold, which indicates maximum queue occupancy, it discards all arriving
                                          packets.

                                          Shaping

                                          Shaping controls the rate and the order at which packets are injected into the ring.
                                          The total Bandwidth per destination may be determined to either wide NMS as fixed number or dynamically
                                          changed by the load balancing mechanism.
                                          Selection between the two modes is performed by NMS.
                                          The bandwidth per destination is shared between the various queues in decreasing CoS order; i.e. High
                                          packets are forwarded first, Medium next and Low last.

                                          ADM

                                          The ADM function maps packets into the synchronous SDH payload.
                                          The applicable payloads are VC4–4v, VC4–5v, VC4–6v, VC4–7v, VC4–8v.
1AA 00014 0004 (9007) A4 – ALICE 04.10




                                         ED      03

                                                                                                       3AL 91669 AA AA                      254 / 706


                                                                                                                    706
Ingress summary

                                                                                            Figure 130. summarises ingress processing.
not permitted without written authorization from Alcatel.
  All rights reserved. Passing on and copying of this
  document, use and communication of its contents




                                                                                                                                            MEF policer
                                                                                                      CIR            EIR        Discard
                                                                                                                                                                                 Packets output to ring:
                                                                                                                                                                                 Packets are output onto the ring
                                                                                                                                                                                 into the appropriate Virtual trunk (VT)
                                                                                                                                                                                 for the CoS  Destination node/port
                                                                                                                                            Packet analysis(B):
                                                                                                                    Policing:               Packets are put into queues
                                                                                                                    MEF policing with CIR+ based on header priority and                                         SDH
                                                                                                                    EIR SLS. Either per UNI destination port                                                    out
                                                                                                                    Per EVC                                                 Queues
                                                                                           Packet analysis(A):      Per EVC.CoS                             Destination A
                                                                                                                    NN proprietary bundling
                                                                                           Classified by service
                                                                                           Based on header and                                                    High
                                                                                           port info
                                                                                                                                                                Medium

                                                                                           Packet Labeling                                                        Low
                                                                                           Martini Labels are
                                                                                           stripped, and internal
                                                                                           MPLS Labels are added                                                                           Scheduler
                                                                                                                                                            Destination B
                                                                                                                                                                  High
                                                                                                                                                                Medium

                                                                                                                                                                  Low

                                                                                                                                                                             Aggregate                           SDH
                                                                                                                                                   Stress                    Shapers                             in
                                                                                                                                               Queue filling feedback
                                                                                                                                                Similar to R.E.D

                                                                                           Access card                                                             Port card
                                                                                             NP                             Policer                  BM                                                       ADM


                                                                                                                            Figure 130. ISA–PR Traffic Management Overview

                                                                                            Every packet is assigned an identifier detailing customer, SLA and traffic flow. i.e. where is the packet to
                                                                                            be delivered, which priority is the packet given internally. These classified or tagged packets are then
                                                                                            managed at wire speed, creating a breakthrough in service agility.
                                                                                            Service providers can now market and deliver differentiated services – and importantly, more than one
                                                                                            data service per customer interface – to hundreds of customers over a single, shared fibre or wavelength
                                                                                            of capacity.
                                                                                            ISA–PR functions as a Layer 2 device, so the Ethernet connectivity it provides is transparent to the
                                                                                            customer. Therefore any L2 protocol used by the customer, such as spanning tree, can be delivered
                                                                                            unaffected, unless explicitly provisioned to filter them out.
                                                                                            Sophisticated traffic–engineering algorithms ensure that, on a per–flow, per–node and per–ring basis, all
                                                                                            SLAs configured on all network elements are met.
                                                  1AA 00014 0004 (9007) A4 – ALICE 04.10




                                                                                           ED        03

                                                                                                                                                                        3AL 91669 AA AA                            255 / 706


                                                                                                                                                                                    706
3.7.2.2 Egress processing

                                          Egress processing is much simpler than Ingress processing. It involves no extensive classification and no
                                          policing.




                                                                                                                                                           not permitted without written authorization from Alcatel.
                                                                                                                                                             All rights reserved. Passing on and copying of this
                                                                                                                                                             document, use and communication of its contents
                                          ADM

                                          The ADM function selectively drops packets into the node, based on their MPLS labels and identifiers their
                                          EVC and CoS. Per packet decision by ADM may result in either:
                                          –    drop
                                          –    drop and forward
                                          –    forward
                                          –    discard.

                                          Buffer Management

                                          Buffer management maintains packet memory, structured into queues, each queue serving a 1Gbps
                                          interface between Port and Access card and CoS; i.e. three queues per every one of the 4 interfaces. It
                                          also maintains various queue fill level thresholds to maintain prioritisation between CoS, prevent any
                                          queue from monopolizing the memory and provide triggers for load balancing.
                                          Upon reaching the load balancing threshold buffer management issues a flow control packet.
                                          Upon reaching a higher threshold it starts discarding the yellow packets.
                                          Upon reaching a yet higher threshold, which indicates maximum queue occupancy it discards all arriving
                                          packets.
                                          Buffer Management forwards packets to the Access cards as long as the interface between the cards is
                                          free to do so; i.e. without any shaping.

                                          Editing

                                          Egress Editing may be provisioned to append an MPLS header, if any of the Ethernet ports on that Access
                                          card is configured as a Martini interface.
                                          Editing is applied by the Network Processor.

                                          L2 Switching

                                          Egress L2 Switching comprises MAC based filtering and MAC learning.
                                          L2 Switching is applied by the Network Processor.

                                          Egress Buffering

                                          Egress Buffer Management maintains packet memory, structured into queues, each queue serving an
                                          Ethernet port and CoS; i.e. three queues per every one of the 16 Fast Ethernet in ISA–16FEA card or 2
                                          Gigabit Ethernet in ISA–2GBA card.
                                          Egress Buffer Management forwards packets across the Ethernet ports as long as the interface between
                                          the ports are available; no failure and no flow control applied by the connected device.
                                          Egress Buffering is applied by the Network Processor.
1AA 00014 0004 (9007) A4 – ALICE 04.10




                                         ED      03

                                                                                                        3AL 91669 AA AA                        256 / 706


                                                                                                                      706
Load Balancing

                                                                                            In order to prevent congestion in the ring each ISA–PR monitors the traffic, identifies congestion
                                                                                            conditions, communicates its status to other ISA–PR and responds to congestion reports by other
not permitted without written authorization from Alcatel.




                                                                                            ISA–PR. This set of functions is collectively referred to as ”Load Balancing”.
  All rights reserved. Passing on and copying of this
  document, use and communication of its contents




                                                                                            Both ADM and Buffer Manager participate in Load Balancing.

                                                                                            Communicating the congestion status is done using OAM–like packets, called LB–OAM.
                                                                                            Each ISA–PR generates LB–OAM packets that traverse all the paths, originating at that ISA–PR.
                                                                                            While traversing the ring LB–OAM packets are stamped with the congestion levels of the bottlenecks
                                                                                            encountered in the path. At the end of the path the packets are sent back to their source ISA–PR.
                                                                                            In response to the congestion in the path, the originating ISA–PR adjusts the channel BW in order to
                                                                                            reduce the load of traffic in congested bottlenecks.
                                                                                            Adjusting the channel BW takes into account the relative SLA satisfaction of the affected services and
                                                                                            hence achieves fairness.

                                                                                            Channels

                                                                                            Channels are virtual pipes that aggregate traffic in the ring.
                                                                                            Each channel aggregates traffic that originates from a single ISA–PR and goes to one or more
                                                                                            destinations.
                                                                                            The total BW of the services in a channel is limited by the channel BW.
                                                                                            The originating ISA–PR controls the BW of each channel.
                                                                                            Traffic management uses channels to adjust ring traffic so the total forwarded traffic does not exceed the
                                                                                            available resources in any point in the ring.
                                                                                            In case of congestion the BW of channels that contribute to the congestion will be reduced and the
                                                                                            congestion will be relieved.
                                                                                            Reducing the bandwidth of a channel will cause the originating network element to forward less traffic
                                                                                            through the services of that channel. The reduction in bandwidth will take into consideration the SLA of
                                                                                            services in the channel and maintain fairness between customers.

                                                                                           Traffic in the physical network is divided into channels.   Each channel carries traffic of multiple services.




                                                                                                                                       Figure 131. Channels
                                                  1AA 00014 0004 (9007) A4 – ALICE 04.10




                                                                                           ED       03

                                                                                                                                                            3AL 91669 AA AA                       257 / 706


                                                                                                                                                                          706
Bottlenecks

                                          Each ISA–PR monitors the traffic traversing it on a number of ”bottlenecks”.
                                          Bottlenecks are convergence points in the ring that might be congested when traffic load increases.




                                                                                                                                                             not permitted without written authorization from Alcatel.
                                          There are both Ingress and Egress bottlenecks.




                                                                                                                                                               All rights reserved. Passing on and copying of this
                                                                                                                                                               document, use and communication of its contents
                                                                                   Figure 132. Bottlenecks


                                          Congestion Indications

                                          Whenever a bottleneck is congested the node will notify the other nodes in the ring of the congestion by
                                          sending a ”congestion indication”. The congestion indication reports the location of the congestion.
                                          In reaction, each node reduces the allocated bandwidth to the channels that send traffic toward the
                                          congested bottleneck, thereby relieving the congestion.
                                          In case of severe congestion, the congested network element will send repeating congestion indications
                                          causing larger bandwidth reduction in the relevant channels.

                                          Fairness

                                          Even in times of congestion on the ring, the ISA–PR assures that
                                          –    CIR is not affected
                                          –    EIR is affected in a fair manner
                                          Reduction will be relative to the amount of BW the customer bought.
                                          Maintaining fairness will be done by balancing the level of ”satisfaction” of channels in the network.
                                          The level of satisfaction of a channel represents the difference between the amount of forwarded EIR traffic
                                          and the amount of conforming EIR traffic, submitted by the customers.
                                          ”Non–conforming” traffic; i.e. traffic exceeding SLA BW, is marked Red by the Policer and not taken into
                                          consideration for ”satisfaction” purposes.
                                          The load balancing mechanism increases the BW of channels, which are more affected by the traffic load
                                          while reducing BW of other channels, which are more ”satisfied”.
                                          The bandwidth of each channel will be reduced whenever it gets a congestion indication. If a congestion
                                          indication is not received during a period of time the channel bandwidth will be increased.
1AA 00014 0004 (9007) A4 – ALICE 04.10




                                         ED      03

                                                                                                          3AL 91669 AA AA                        258 / 706


                                                                                                                        706
3.7.2.3 Protection sub–system

                                                                                            The following protection mechanisms are provided:

                                                                                            –     native packet ring protection, refer to point [1] on page 259
not permitted without written authorization from Alcatel.
  All rights reserved. Passing on and copying of this
  document, use and communication of its contents




                                                                                            –     Dual Attach, refer to point [2] on page 260.

                                                                                            –     Customer Edge (CE) Dual Homing, refer to point [3] on page 261.

                                                                                            [1]   Packet ring protection

                                                                                            The packet protection is provided by the MPLS–based Resilient Packet Ring (RPR) technology, via
                                                                                            “Wrapping” mechanism (see Figure 133. on page 259).
                                                                                            RPR is currently being standardized by the IEEE 802.17 Working Group and specifies a technology for
                                                                                            packet–based transport in ring topologies defining special functions that offer fast fault location and trigger
                                                                                            fast switchover at packet level.
                                                                                            RPR is used to optimize and manage the portion of bandwidth dedicated to packet traffic in SDH networks.
                                                                                            An RPR topology consists of two counter rotating fiber rings (or portion of SDH fiber rings bandwidth) in
                                                                                            which multiple nodes share the whole bandwidth (see Figure 133. on page 259)
                                                                                            Negotiation for bandwidth occurs among the nodes through specific fairness mechanism that guarantees
                                                                                            fair bandwidth allocation for customer traffic per each node. Nodes can send packets to other nodes either
                                                                                            by utilizing unicast (point–to–point) or multicast (multipoint) destinations, which enables multipoint
                                                                                            Ethernet VPN and Ethernet aggregation services be implemented over RPR.
                                                                                            When sending a packet, the node determines which ring direction to use, so the spans in the opposite
                                                                                            direction remains free for other customer traffic sent by other nodes.
                                                                                            A packet traveling on the ring is stripped by the destination node. This means that the packet does not use
                                                                                            all the ring bandwidth but only the span that it requires to go from source to destination. This features is
                                                                                            called “spatial reuse” as the bandwidth of the other span of the ring can be used by other paying traffic.
                                                                                            RPR protection protocol provides sub–50msec resilience for traffic in case of fiber or node failure.
                                                                                            Specific control packets are exchanged among the nodes to keep the ring constantly monitored.
                                                                                            “Wrapping” mechanisms is provided for packet protection switch accomplished by merging the frames
                                                                                            destined at the failed segment, into payload destined at the opposite direction by node adjacent to the
                                                                                            failed segment.
                                                                                            Additionally, RPR provides ring–wide QoS assurance mechanisms and three different CoS.



                                                                                                              1660SM                                                           1660SM




                                                                                                                              Figure 133. RPR protection mechanism
                                                  1AA 00014 0004 (9007) A4 – ALICE 04.10




                                                                                           ED       03

                                                                                                                                                             3AL 91669 AA AA                         259 / 706


                                                                                                                                                                            706
MPLS–based RPR technology.
                                          To extend the packet protection (and end–to–end QoS...) to a multiring network, it is necessary to put
                                          MPLS as the “upper layer” on top of RPR. MPLS provides the technology to handle traffic in multiring
                                          networks thus ensuring end–to–end resilience and QoS for carrier–class Ethernet services across such




                                                                                                                                                                 not permitted without written authorization from Alcatel.
                                          a network.




                                                                                                                                                                   All rights reserved. Passing on and copying of this
                                                                                                                                                                   document, use and communication of its contents
                                          In Figure 134. each ring is responsible of providing RPR protection while the MPLS upper layer working
                                          on top of RPR guarantees end–to–end resilience and networking. This is achieved by using two
                                          techniques:
                                          –     Martini MPLS encapsulation
                                          –     Dual attach protection (described in the following paragraph [2])

                                          The Martini MPLS encapsulation is used to provide an end–to–end reliable support to Ethernet
                                          networking. It specifies a technique by which Layer 2 Protocol Data Units (PDUs) such as Ethernet may
                                          be tunneled through an MPLS enabled network. End–to–end Ethernet connectivity relations are
                                          transported over specific MPLS Label Switched Paths (LSPs) that are switched through the network. This
                                          allows for the provisioning of multiple, segregated customer networks over the Service Provider
                                          infrastructure, creating a Virtual Private Network (VPN) for each customer.


                                                            1660SM                                                            1660SM




                                                Figure 134. Packet protection (and QoS assurance) in multiring network : MPLS over RPR


                                          [2]   Dual Attach protection

                                          Refer to Figure 134. and Figure 23. on page 73.

                                          The Dual Attach protection is a redundant connection to another ring or hub providing aggregate
                                          protection.
                                          It offers a mechanism that expands the protection capabilities of RPR to multi–ring architectures enabling
                                          network–wide resilience.
                                          Two RPR rings are interconnected in two points (nodes) so that networking is resilient to both node and
                                          link failures. In addition, dual attach allows for multiple node or link failures across multiple RPR structures.
                                          Considering Figure 134. , if either Node A fails or the link between Node A and the other ring fails, Node
                                          B can forward packets to the other ring through its attachment keeping QoS and SLA levels unaltered.
1AA 00014 0004 (9007) A4 – ALICE 04.10




                                         ED      03

                                                                                                             3AL 91669 AA AA                         260 / 706


                                                                                                                           706
[3]   Customer Edge (CE) Dual Homing protection

                                                                                            The CE dual homing consists in a CE connection to two nodes in a ring for protection of the access
                                                                                            interfaces.
not permitted without written authorization from Alcatel.




                                                                                            This protection is described in the following Figure 135. and in Figure 23. on page 73
  All rights reserved. Passing on and copying of this
  document, use and communication of its contents




                                                                                                                            1660SM
                                                                                                                                                  1660SM




                                                                                                                                                  1660SM
                                                                                                           1660SM                                                1660SM

                                                                                                                   1660SM

                                                                                                                                                  1660SM




                                                                                                                         Figure 135. Customer Edge Dual Homing
                                                  1AA 00014 0004 (9007) A4 – ALICE 04.10




                                                                                           ED      03

                                                                                                                                                      3AL 91669 AA AA                    261 / 706


                                                                                                                                                                  706
3.7.2.4 Alcatel ISA Card Interworking
                                          ISA–PR supports interworking with other OMSN’s portfolio’s ISA card types as for the following
                                          Figure 136.




                                                                                                                                                                                                                                          not permitted without written authorization from Alcatel.
                                                                                                                                                                                                                                            All rights reserved. Passing on and copying of this
                                                                                                                                                                                                                                            document, use and communication of its contents
                                                                                               Core                                                  Core MPLS
                                                                                              Router                                                Switch/Router

                                                                                                                                                                              FX, FE
                                                                                     FX, FE                                                                                   GbE
                                                                                      GbE
                                                                                                                       Beo
                                                                                                                       atw
                                                                                                                        yr
                                                                                                                        Nks                                      Beos
                                                                                                                                                                 a tr
                                                                                                                                                                  yw
                                                                                                                                                                  Nk




                                                                                                            ISA PR                                  ISA PR




                                                                                     EMX3660 Overlay                                   1660SM
                                                                                       Packet Ring                                      SDH
                                                                                        VC–4–Xv
                                                                              Beos
                                                                              a tr
                                                                               yw
                                                                               Nk
                                                                                                                                        Ring                                                                  Beo
                                                                                                                                                                                                              a t rs
                                                                                                                                                                                                               yw
                                                                                                                                                                                                               Nk




                                                                                                                              Beos
                                                                                                                              a tr
                                                                                                                              yw
                                                                                                                               Nk                       Beo
                                                                                                                                                        a t rs
                                                                                                                                                         yw
                                                                                                                                                         Nk




                                                                    ISA PR
                                                                                                                                                                                                   ISA PR



                                                                CO                                          ISA PR                                   ISA PR



                                                                                                                  GbE                                                                                  GbE
                                                                                       GbE                                                                                    FE
                                                                                                                                                                                                               ISA
                                                                                                                                                                                        ISA                   PR_EAw
                                                                                                          ISA                                                                          PR_EA
                                                                                                                                                                                                 Bo
                                                                                                                                                                                                 aw
                                                                                                                                                                                                 yr
                                                                                                                                                                                                  N
                                                                                                                                                                                                  ek
                                                                                                                                                                                                  ts               Bo
                                                                                                                                                                                                                   ar
                                                                                                                                                                                                                   yk
                                                                                                                                                                                                                   Nes
                                                                                                                                                                                                                    t


                                                                                                         PR_EA   Br
                                                                                                                 aw
                                                                                                                 yo
                                                                                                                 Ns
                                                                                                                  ek
                                                                                                                  t
                                                                                                                        1650


                                                                                                                                     STM–n
                                                                                                                                                                                                       1650
                                                                                                                                                                                                       Ring
                                                                    1640                                                                            FE/GbE
                                                                                                                                             16x0                                                Bo
                                                                                                                                                                                                 aw
                                                                                                                                                                                                 yr
                                                                                                                                                                                                  N
                                                                                                                                                                                                  ek
                                                                                                                                                                                                  ts                    Bo
                                                                                                                                                                                                                        aw
                                                                                                                                                                                                                        yr
                                                                                                                                                                                                                        Nek
                                                                                                                                                                                                                         ts
                                                                              Bo
                                                                              aw
                                                                              yrs
                                                                              Nek
                                                                               t                   Bo
                                                                                                   aw
                                                                                                   yr
                                                                                                    N
                                                                                                    ek
                                                                                                    ts                        Bo
                                                                                                                              aw
                                                                                                                              yr
                                                                                                                              Ns
                                                                                                                               ek
                                                                                                                               t              Bo
                                                                                                                                              aw
                                                                                                                                              yr
                                                                                                                                               N
                                                                                                                                               ek
                                                                                                                                               ts




                                                                                                                                                       1640                                                    ISA GbE
                                                                                                                                         ISA GbE                        Br
                                                                                                                                                                        aw
                                                                                                                                                                        yo
                                                                                                                                                                        Ns
                                                                                                                                                                         ek
                                                                                                                                                                         t             ISA Eth
                                                                    ISA Eth             ISA Eth            ISA Eth


                                                                         FE                   FE                 FE                           GbE      ISA Eth                             FE                          GbE

                                                               CE
                                                                                                                                                                 FE




                                                                              Figure 136. Relationship with other ISA Cards


                                          Inter–working with the following ISA cards is supported:

                                          –    ISA Eth
                                          –    ISA GbE
                                          –    ISA PR_EA

                                          The ISA–PR is designed to be deployed in conjunction with ISA Eth, ISA GbE and ISA PR_EA cards
                                          deployed in OMSN node types. Customer deployment will often involve the use of some or all of these
                                          ISA card types in an ”overlay” network, which may consist of point–to–point links, aggregation functions
                                          and Packet Rings.

                                          The ISA–PR_EA card is used to aggregate different ETH traffic flow, while guaranteeing per flow QoS,
                                          coming from ISA–Eth or ISA–Gbe into GBE interface that can be connected to the ISA–PR.
                                          Customer segregation and traffic management is provided by MPLS traffic segregation on the link
                                          between the two ISA–PR and ISA–PR_EA cards.

                                          The ISA PR_EA cards attaching to the ISA PR may utilize Dual Attach for protection.
1AA 00014 0004 (9007) A4 – ALICE 04.10




                                         ED      03

                                                                                                                                                                 3AL 91669 AA AA                                              262 / 706


                                                                                                                                                                                                         706
3.8 ISA – ETHERNET management sub–system

                                                                                              3.8.1 LAN to LAN transport service
not permitted without written authorization from Alcatel.
  All rights reserved. Passing on and copying of this
  document, use and communication of its contents




                                                                                              OMSNs can be equipped with Ethernet units to allow LAN to LAN service as a point to point connection
                                                                                              between two routers or switches through a SDH network, as depicted Figure 147. on page 277. The board
                                                                                              acts as a gateway towards the SDH network.

                                                                                              In order to guarantee the end to end transparency each Ethernet stream/interface of the board is mapped
                                                                                              in a specific SDH VC (by means of “GFP” encapsulation algorithms, according to ITU–T G.7041 Rec.)
                                                                                              performing a one to one Ethernet traffic mapping into the SDH network.

                                                                                              A transport network based on OMSNs equipment provides flexible link service among remote LANs
                                                                                              carrying Ethernet traffic, as shown on Figure 137.



                                                                                                                           OMSN             STM–N          OMSN


                                                                                                              STM–N                                               STM–N

                                                                                                                                 STM–N
                                                                                                 OMSN                                                                            OMSN
                                                                                                 Ethernet                                                                        Ethernet
                                                                                           LAN A   over                                     OMSN            STM–N                  over         LAN B
                                                                                                   SDH                                                                             SDH

                                                                                                                              STM–N               STM–N                     STM–N
                                                                                                              STM–N


                                                                                                                         OMSN                                 OMSN
                                                                                                                                           STM–N


                                                                                                          Figure 137. Example of an Ethernet stream transport through a SDH network

                                                                                              –    Transparency
                                                                                                   The Ethernet frames are forwarded to the output port with no protocol termination. This cause no
                                                                                                   impact on service management architecture due to transport network insertion
                                                                                              –    Low latency
                                                                                                   The transport network provides a very low end–to–end delay; the removal of storeforward need in
                                                                                                   the intermediate nodes using continuous data flow is another consequence of transparency
                                                                                              –    High availability
                                                                                                   The LAN–to–LAN service makes use of the same resources and infrastructures of the other
                                                                                                   transported services (ATM, MPLS, PDH and SDH streams...); so availability is very high
                                                                                              –    High quality
                                                                                                   All the features of the transport network, like very low BER, synchronization, alarms management,
                                                  1AA 00014 0004 (9007) A4 – ALICE 04.10




                                                                                                   performance monitoring, protection mechanisms, ... are used providing so high quality service.




                                                                                            ED       03

                                                                                                                                                           3AL 91669 AA AA                      263 / 706


                                                                                                                                                                        706
3.8.2 LAN to LAN functional description

                                             The functional block diagram of a LAN to LAN service is shown in Figure 138.
                                             The client sink termination function adapts the client interface; all the payload frames received are stored




                                                                                                                                                                not permitted without written authorization from Alcatel.
                                             into input buffer queue.




                                                                                                                                                                  All rights reserved. Passing on and copying of this
                                                                                                                                                                  document, use and communication of its contents
                                             The source SDH adaptation function draws the frames from the memory emptying the cluster and making
                                             it available again; then maps the frame into SDH Virtual Container applying the GFP encapsulation
                                             procedure.
                                             SDH paths are considered as traffic pipes carrying a continuous data flow.
                                             At the output port the dual operation is performed: the output buffer queue is written with payload frames
                                             received from SDH line and then the client source termination draws from memory and forwards these
                                             frames to the client according to the interface characteristics.
                                             Input buffer size          =    80 frames
                                             Output buffer size         =    80 frames, without concatenation
                                                                             528 frames, VC–3 concatenation (N x VC–3)
                                                                             2064 frames, VC–12 concatenation (N x VC–12)



                                                            Port A                                                               Port B


                                                  Client               SDH           SDH pipe – A to B                SDH                 Client
                                                  sink                source                                          sink                source


                                                            input                                                                output
                                         Client             buffer                     Bidir. SDH pipe                           buffer               Client
                                           A                                             (N x path)                                                     B



                                                  Client               SDH           SDH pipe – B to A               SDH                  Client
                                                  source               sink                                         source                sink


                                                            output                                                               input
                                                            buffer                                                               buffer




                                                                          Figure 138. LAN to LAN service block diagram


                                             Three types of Ethernet interfaces are provided
                                             –   10 Mbit/s – Ethernet
                                             –   100 Mbit/s – Fast Ethernet
                                             –   1000 Mbit/s – Giga Ethernet
1AA 00014 0004 (9007) A4 – ALICE 04.10




                                           ED       03

                                                                                                             3AL 91669 AA AA                        264 / 706


                                                                                                                           706
Different Ethernet interfaces types can be used at the termination ends: e.g. an Ethernet client interface
                                                                                            in one side and a Fast Ethernet one in the other side.

                                                                                            A SDH pipe can be configured as
not permitted without written authorization from Alcatel.




                                                                                            –   a single SDH path or
  All rights reserved. Passing on and copying of this
  document, use and communication of its contents




                                                                                            –   a concatenation of paths:
                                                                                                •    N x VC–12
                                                                                                •    N x VC–3
                                                                                                •    N x VC–4

                                                                                            Depending on client types and SDH pipe a bandwith limit can occur.

                                                                                            A flow control mechanism is used to adapt the client rate to the transport pipe.


                                                                                            3.8.3 Main features description

                                                                                            3.8.3.1 Encapsulation

                                                                                            All the types of client
                                                                                            –     Ethernet
                                                                                            –     Fast Ethernet
                                                                                            –     GigaBit Ethernet
                                                                                            are mapped into SDH Virtual Containers using encapsulation algorithms for variable lenght packets,
                                                                                            according to ITU–T G.7041 Recommendation “Generic framing procedure (GFP)”.
                                                                                            GFP has been adopted to solve the incompatibility between the Ethernet traffic, based on discontinuous
                                                                                            data, and the SDH traffic needing a continuous data stream.
                                                                                            GFP is able to map lenght–variable data.
                                                                                            The Ethernet frames are GFP encapsulated, to be then mapped into SDH Virtual Containers.
                                                                                            In this application the client signals are Ethernet MAC (PDU oriented) type. The GFP encapsulation is
                                                                                            shown on Figure 140. on page 268.
                                                                                            For each pipe three different GFP frame formats can be configured, as shown on Figure 139. on page 266:
                                                                                            –     GFP without FCS
                                                                                            –     GFP with FCS
                                                                                            –     Extended GFP.
                                                  1AA 00014 0004 (9007) A4 – ALICE 04.10




                                                                                           ED      03

                                                                                                                                                          3AL 91669 AA AA                        265 / 706


                                                                                                                                                                        706
not permitted without written authorization from Alcatel.
                                                                                                                                    All rights reserved. Passing on and copying of this
                                                                                                                                    document, use and communication of its contents
                                               PLI                            PLI                       PLI
                                               PLI          Core              PLI                       PLI          Core
                                                           Header                                                   Header
                                              cHEC                          cHEC                       cHEC
                                              cHEC                          cHEC                       cHEC
                                          PTI+PFI+EXI                  PTI+PFI+EXI                     TYPE
                                               UPI         Payload            UPI                   Path Status
                                              tHEC         Header           tHEC                   Circuit Status
                                              tHEC                          tHEC                   Circuit Status   Payload
                                                                                                                    Header
                                          Ethernet data               Ethernet data                 Link Status
                                          Ethernet data               Ethernet data                 Link Status
                                          Ethernet data               Ethernet data                   pcHEC
                                                            Client
                                                           Payload                                    pcHEC
                                                            Field
                                                                                                   Ethernet data
                                                                                                   Ethernet data
                                                                                                   Ethernet data
                                                                                                                     Client
                                          Ethernet data               Ethernet data
                                                                                                                    Payload
                                                                           pFCS                                      Field
                                                            FCS            pFCS
                                                            Field
                                                                           pFCS
                                                                           pFCS                    Ethernet data

                                         GFP without FCS                GFP with FCS               Extended GFP
1AA 00014 0004 (9007) A4 – ALICE 04.10




                                                                    Figure 139. GFP frame format



                                         ED    03

                                                                                          3AL 91669 AA AA             266 / 706


                                                                                                       706
According to the type, the GFP frame format consists of a Core Header, a Payload Header, a Client
                                                                                            Payload field and FCS field.

                                                                                            The Core Header, made up of 4 octets, supports frame delineation procedures and essential data link
not permitted without written authorization from Alcatel.




                                                                                            operations functions independent of the higher layer PDUs (Protocol Data Unit).
  All rights reserved. Passing on and copying of this
  document, use and communication of its contents




                                                                                            The GFP Core Header consists of the following fields
                                                                                            –   PLI: it is the PDU Length Indicator field 16 bits length, containing a binary number representing the
                                                                                                number of octets in the GFP Payload Area. Zero length means no payload area, i.e. idle frame; this
                                                                                                is intended for use as a filler frame for the adaptation process
                                                                                            –   cHEC: it is the Core Header Error Control field 16 bits lenght, containing a CRC–16 generated
                                                                                                sequence that protects the integrity of the contents of the Core Header by enabling both single–bit
                                                                                                error correction and multi–bit error detection.

                                                                                            The Payload Header, is a variable–length area, made up of
                                                                                            –    4 octets in GFP without FCS and GFP with FCS frame format
                                                                                            –    8 octects in Extended GFP frame format,
                                                                                            provides payload information like GFP type; when Extended GFP is used this area provides also
                                                                                            information used in Packet Concatenation.
                                                                                            According to the frame format, in the following are described the various types of fields:

                                                                                            –    GFP without FCS and GFP with FCS frame format
                                                                                                 •   the first two octects constitute the GFP type field of the Payload Header, indicating the content
                                                                                                     and format of the GFP Payload field. The Type field distinguishes between services in a
                                                                                                     multi–service environment. This field consists of
                                                                                                     –     PTI, Payload Type Identifier, a 3–bit field
                                                                                                           •     PTI=0 for GFP user frame conveying client data
                                                                                                           •     PTI=1 for GFP user frame conveying far–end Client Signal Fail indications
                                                                                                     –     PFI, Payload FCS Indicator, 1–bit field
                                                                                                           •     PFI=0, Payload FCS is present
                                                                                                           •     PFI=1, Payload FCS is absent
                                                                                                     –     EXI, Extension Header Identifier, 4–bit field
                                                                                                     –     UPI, Used Payload Identifier, 8–bit field
                                                                                                 •   tHEC: the 3rd and 4th octets constitute the Type Header Error Control field containing a CRC–16
                                                                                                     generated sequence that protects the integrity of the contents of the Type Field by bit error
                                                                                                     detection.

                                                                                            –    Extended GFP
                                                                                                 •   the first octect is made up of the TYPE fields that provides format and frame type
                                                                                                 •   from 2nd to 6th octet the information about Path Status, Circuit Status and Link Status are given
                                                                                                 •   in the last two octets, the FCS type information are given, in pcFCS fields.

                                                                                            The Payload Field contains the Ethernet frames; this variable–length area may include from 64 to 1574
                                                                                            bytes. The client user/control PDU is always transferred into the GFP Payload field as an octet–aligned
                                                                                            packet stream.

                                                                                            The payload Frame Check Sequence (pFCS) is an optional field, 4–bytes long. If selected, it’s a frame
                                                                                            check sequence containing a CRC–32 sequence used to detect any packet corruption inside the transport
                                                                                            network.
                                                  1AA 00014 0004 (9007) A4 – ALICE 04.10




                                                                                           ED      03

                                                                                                                                                          3AL 91669 AA AA                        267 / 706


                                                                                                                                                                        706
Ethernet MAC frame                                                     GFP frame
                                         Octets                                                       Octets




                                                                                                                                                                 not permitted without written authorization from Alcatel.
                                              7            Preamble                                        4            Core Header




                                                                                                                                                                   All rights reserved. Passing on and copying of this
                                                                                                                                                                   document, use and communication of its contents
                                              1     Start of frame delimiter                            4
8            Payload Header
                                              6     Destination Address (DA)
                                              6     Source Address (SA)
                                                                                                                              Client
                                              2            Lenght/Type
                                                                                                                             Payload
                                                        MAC client data                                                       Field
                                                             Pad
                                                         Frame check
                                              4         sequence (FCS)
                                         Bit # 1 2 3 4 5 6 7 8                                                   1 2 3 4 5 6 7 8
                                         Ethernet MAC Frame fields:

                                         –    Preamble: the preamble is a 7–octet field that is used to allow the PLS (Physical Signaling) circuitry to
                                              reach its steady–state synchronization with the received frame’s timing.

                                         –    Start of Frame Delimiter: the SFD field is the sequence 10101011. It immediately follows the preamble
                                              pattern and indicates the start of a frame.

                                         –    Destination Address (DA): the Destination Address field specifies the station(s) for which the frame is
                                              intended.

                                         –    Source Address (SA): the Source Address field specifies the station sending the frame.

                                         –    Length/Type: this two–octet field takes one of two meanings, depending on its numeric value:
                                                             –    If the value of this field is less than or equal to the value of max Valid Frame, then
                                                                  the Length/Type field indicates the number of MAC client data octets contained in
                                                                  the subsequent data field of the frame (Length interpretation).
                                                             –    If the value of this field is greater than or equal to 1536 decimal (equal to 0600 hexa-
                                                                  decimal), then the Length/Type field indicates the nature of the MAC client protocol
                                                                  (Type interpretation).
                                                                  The Length and Type interpretations of this field are mutually exclusive.

                                         –    MAC client data and PAD: The data field contains a sequence of n octets; full data transparency is pro-
                                              vided. If the length of the data field is less than the minimum required for proper operation of the protocol,
                                              a PAD field (a sequence of octets) will be added at the end of the data field but prior to the FCS field.

                                         –    Frame check sequence (FCS): a cyclic redundancy check (CRC) is used by the trnsmit and receive algo-
                                              rithms tp generate a CRC value for the FCS field. The frame check sequence (FCS) field contains a
                                              4–octet (32–bit) cyclic redundancy check (CRC) value. This value is computed as a function of the con-
                                              tents of the source address, destination address, lenght, LLC data and Pad (that are all the fields except
1AA 00014 0004 (9007) A4 – ALICE 04.10




                                              the preamble, SFD, FCS and extension).

                                                                      Figure 140. GFP encapsulation of the MAC frames


                                         ED       03

                                                                                                             3AL 91669 AA AA                         268 / 706


                                                                                                                           706
3.8.3.2 Flow control

                                                                                                To avoid buffer saturation probems at the termination end, flow management is very important. When an
                                                                                                excessive traffic is received, a control mechanism can be used to slow down the transmitter avoiding a
not permitted without written authorization from Alcatel.




                                                                                                packets loss.
  All rights reserved. Passing on and copying of this
  document, use and communication of its contents




                                                                                                Three different control options are used:
                                                                                                –   input control
                                                                                                –   output control
                                                                                                –   external control.

                                                                                                In the following the relative actions are described.

                                                                                                As you can see from Figure 141. on page 269, the input control is performed at the input port; it is always
                                                                                                enabled regardless the GFP type. When the input buffer of Port A crosses a fixed threshold of 48 frames,
                                                                                                a pause request is sent back to the transmitter; no input frame is thrown away till 80 frames filling
                                                                                                occurence. The pause request message is defined in IEEE 802.3x; the transmitter is asked to be paused
                                                                                                for 32 quanta.
                                                                                                The transmitter will be re–qualified (pause request stopped) when the input buffer of Port A crosses the
                                                                                                44 frames threshold.


                                                                                            Client              Port A                                                                    Port B             Client
                                                                                              A                                                                                                                B

                                                                                                       Client                        SDH               3 x VC–12               SDH                 Client
                                                                                                       sink                         source                                     sink                source

                                                                                                                                                                                          output
                                                                                                                input                                                                     buffer
                                                                                            100                 buffer                             Bidir. SDH pipe                                             100
                                                                                           Mbps                                                      (N x path)                                               Mbps
                                                                                                                    pause request




                                                                                                    Client                          SDH                3 x VC–12               SDH                 Client
                                                                                                    source                          sink                                      source               sink
                                                                                           +
                                                                                           control+             output
                                                                                                                buffer                                                                    input
                                                                                           data flow                                                                                      buffer




                                                                                                                                     Figure 141. Flow control mechanism: input control
                                                  1AA 00014 0004 (9007) A4 – ALICE 04.10




                                                                                               ED        03

                                                                                                                                                                      3AL 91669 AA AA                       269 / 706


                                                                                                                                                                                    706
As you can see from Figure 142. on page 270, the output control is performed at the output port only when
                                            Extended GFP is used. When the output buffer of Port B crosses a fixed threshold of
                                            –     272 frames, when VC–3 concatenation is used (N x VC–3)
                                            –     1040 frames, when VC–12 concatenation is used (N x VC–12)




                                                                                                                                                                            not permitted without written authorization from Alcatel.
                                            a flow control action is performed to reduce the traffic received from the SDH network: a pause request




                                                                                                                                                                              All rights reserved. Passing on and copying of this
                                                                                                                                                                              document, use and communication of its contents
                                            is sent back to the SDH source of Port B and then, by means of the SDH pipe, to the SDH source of Port
                                            A. This fact could cause the queue filling of the input buffer of the Port A: in this case the input control
                                            previously described is applied.
                                            The transmitter will be re–qualified (pause request stopped) when the input buffer of Port B crosses the
                                            –     240 frames threshold, when VC–3 concatenation is used (N x VC–3)
                                            –     1008 frames threshold, when VC–12 concatenation is used (N x VC–12)

                                            If the received client throughput is higher than SDH pipe capacity, idle frames are sent to fill the SDH virtual
                                            container.


                                         Client             Port A                                                                 Port B                        Client
                                           A                                                                                                                       B

                                                  Client               SDH                       1 x VC–3               SDH                            Client
                                                  sink                source                                            sink                           source
                                                                               pause request




                                                            input                                                                  output
                                          100               buffer                             Bidir. SDH pipe                     buffer                          10
                                         Mbps                                                    (N x path)    control+                                           Mbps


                                                                                                                                       pause request
                                                                                                                data flow

                                                                                                                 +
                                                Client                 SDH                       1 x VC–3              SDH                             Client
                                                source                 sink                                           source                           sink

                                                            output
                                                            buffer                                                                 input
                                                                                                                                   buffer




                                                                       Figure 142. Flow control mechanism: output control


                                            See Figure 143. on page 271. The external control is performed at the output port. When a pause activity
                                            is requested from the external client, the output transmitter is stopped for the relative period.
                                            The external control is planned for future releases.

                                            This fact could cause first the queue filling of the output buffer of Port B activating the output control
                                            previously described, and then the queue filling of the input buffer of Port A activating the input control.
1AA 00014 0004 (9007) A4 – ALICE 04.10




                                          ED        03

                                                                                                              3AL 91669 AA AA                                   270 / 706


                                                                                                                             706
Client
                                                                                             A             Port A                                            Port B                                               Client B
                                                                                                 Client              SDH              1 x VC–3        SDH              Client                               Client                      Client
not permitted without written authorization from Alcatel.




                                                                                                  sink              source                            sink             source                                sink                       source
  All rights reserved. Passing on and copying of this
  document, use and communication of its contents




                                                                                                                                                                                pause request
                                                                                             100           input                 Bidir. SDH pipe              output                            10/100               output
                                                                                                           buffer                                             buffer                                                 buffer
                                                                                            Mbps                                   (N x path)                                                   Mbps




                                                                                                                                                                                                                        pause request
                                                                                                 Client             SDH               1 x VC–3        SDH              Client                               Client                      Client
                                                                                                 source             sink                             source            sink                                 source                       sink
                                                                                                                                                                                                  +
                                                                                                           output                                             input                             control+             input
                                                                                                           buffer                                             buffer                                                 buffer
                                                                                                                                                                                                data flow


                                                                                                                             Figure 143. Flow control mechanism: External control


                                                                                             3.8.3.3 Concatenation

                                                                                             Two different VC–n concatenation mechanisms are employed in OMSN Lan to Lan transport service:

                                                                                             –      Virtual Concatenation for VC–4 concatenation in Gigabit Ethernet clients

                                                                                             –      Packet Concatenation for VC–12 and VC–3 concatenation in Ethernet/Fast Ethernet clients

                                                                                             In both cases differential delay of the network is compensated at path Termination Sink.

                                                                                             When Virtual Concatenation is used each Ethernet frame is sent by dispatching one byte per VC in rotation
                                                                                             mode. Thus the message to be transmitted by means of the SDH network is splitted byte per byte among
                                                                                             the paths making up the Pipe.

                                                                                             The Virtual Concatenation Termination feature is according to ITU–T G.707 and G.783 Recs.
                                                                                                                                         Transmission Network

                                                                                                                                                  33 2 11
                                                                                                                                                  VC–4
                                                                                                            Client A                                                                                  Client B


                                                                                                                                                 33 2 21

                                                                                                                                                  VC–4
                                                                                              Message        Message          Message                                     Message                      Message        Message
                                                                                                 3              2                 1                                                      3                    2                     1


                                                                                                                                                 33 2 21
                                                  1AA 00014 0004 (9007) A4 – ALICE 04.10




                                                                                                                                                  VC–4
                                                                                                                       Figure 144. Messages dispatching via Virtual Concatenation


                                                                                            ED        03

                                                                                                                                                                3AL 91669 AA AA                                                         271 / 706


                                                                                                                                                                                                706
When the Packet Concatenation is used, each Ethernet frame is not shared among different paths (VCs)
                                          of a certain pipe as in Virtual Concatenation mode; but each message is dispatched on a single path/VC
                                          of a certain pipe.
                                          When a failure occurs inside the network, unavailable paths are not used and traffic is kept by using the




                                                                                                                                                          not permitted without written authorization from Alcatel.
                                          remaining available paths.




                                                                                                                                                            All rights reserved. Passing on and copying of this
                                                                                                                                                            document, use and communication of its contents
                                          The bandwidth can be increased/decreased with no impact on traffic (hitless link adjustment).
                                          Obviously the messages can be sent through different ways and have to be realigned in reception to
                                          restore the proper sequence.

                                                                              Transmission Network

                                                                                         Message
                                                                                               1
                                                                                    VC–12 or VC–3
                                                       Client A                                                               Client B

                                                                                        Message
                                                                                           2
                                                                                    VC–12 or VC–3
                                          Message       Message     Message                                     Message       Message    Message
                                              3            2             1                                          3            2           1

                                                                                        Message
                                                                                         3
                                                                                    VC–12 or VC–3


                                                               Figure 145. Messages dispatching via Packet Concatenation
1AA 00014 0004 (9007) A4 – ALICE 04.10




                                         ED       03

                                                                                                        3AL 91669 AA AA                       272 / 706


                                                                                                                        706
3.8.4 Technical specification

                                                                                            Latency data
not permitted without written authorization from Alcatel.




                                                                                            [1]   GigaBit Ethernet board latency
  All rights reserved. Passing on and copying of this
  document, use and communication of its contents




                                                                                                  •        1 x VC–4

                                                                                                           –   64 bytes     =   205 µs

                                                                                                           –   512 bytes    =   201 µs

                                                                                                           –   1518 bytes   =   193 µs

                                                                                            [2]   Fast Ethernet board latency

                                                                                                  •        1 x VC–4

                                                                                                           –   64 bytes     =   101 µs

                                                                                                           –   512 bytes    =   125 µs

                                                                                                           –   1518 bytes   =   178 µs

                                                                                                  •        1 x VC–3

                                                                                                           –   64 bytes     =   72 µs

                                                                                                           –   512 bytes    =   147 µs

                                                                                                           –   1518 bytes   =   317 µs

                                                                                                  •        1 x VC–12

                                                                                                           –   64 bytes     =   517 µs

                                                                                                           –   512 bytes    =   2108 µs

                                                                                                           –   1518 bytes   =   5841 µs

                                                                                                  •        2 x VC–3

                                                                                                           –   64 bytes     =   277 µs

                                                                                                           –   512 bytes    =   1462 µs

                                                                                                           –   1518 bytes   =   3997 µs

                                                                                                  •        8 x VC–12

                                                                                                           –   64 bytes     =   657 µs

                                                                                                           –   512 bytes    =   3452 µs

                                                                                                           –   1518 bytes   =   5824 µs
                                                  1AA 00014 0004 (9007) A4 – ALICE 04.10




                                                                                           ED         03

                                                                                                                                          3AL 91669 AA AA   273 / 706


                                                                                                                                                    706
Herebelow is given an example of the end to end delay; it is the sum of the following values:
                                          –   physical line delay = 5 µs/Km
                                          –   delay for each OMSN pass through = 5 
10 µs/NE
                                          –   latency.




                                                                                                                                                      not permitted without written authorization from Alcatel.
                                                                                                                                                        All rights reserved. Passing on and copying of this
                                                                                                                                                        document, use and communication of its contents
                                          In a 1000 Km long network (5us/Km) and made up of 100 OMSNs equipment (5 
 10 µs/NE) using a Fast
                                          Ethernet board 8 x VC–12 / 512 bytes mapped, the end to end delay is equal to:

                                          (1000 Km x 5 µs) + (100 x 10 µs) + 3452 µs = 9452 µs



                                          Allowed differential delay in case of concatenation

                                          VC–12 concatenation = 35 ms

                                          VC–3 concatenation =     3 ms

                                          VC–4 concatenation =     256 ms
1AA 00014 0004 (9007) A4 – ALICE 04.10




                                         ED      03

                                                                                                       3AL 91669 AA AA                    274 / 706


                                                                                                                     706
3.8.5 Ethernet boards

                                                                                            Two types of ETHERNET boards are foreseen for 1660SM :
not permitted without written authorization from Alcatel.




                                                                                            –   10/100 Mb/s Ethernet unit (refer to paragraph 3.8.5.1 on page 275)
  All rights reserved. Passing on and copying of this
  document, use and communication of its contents




                                                                                            –   Gbit Ethernet (rate adaptive) unit (refer to paragraph 3.8.5.2 on page 279)

                                                                                            3.8.5.1 10/100 Mbit/s Ethernet unit

                                                                                                       1660SM can also be equipped with 10/100 Mb/s Ethernet unit to allow LAN to LAN connections
                                                                                                       as a point to point connection between two routers or switches through an SDH network, as
                                                                                                       depicted Figure 147. on page 277. The board acts as a gateway towards the SDH network.
                                                                                                       If the customer has N sites to be interconnected, each Customer Box uses N–1 Point to Point
                                                                                                       Ethernet interfaces.

                                                                                                       The 10 or 100 Mb/s Ethernet traffic flows are mapped into VC12, VC3, or VC4 SDH transport
                                                                                                       structures, more precisely each Ethernet traffic interface of the board is mapped in a specific
                                                                                                       VCn (n=12, 3, 4), one to one Ethernet traffic mapping in the SDH network is performed, in order
                                                                                                       to guarantee the transparency end to end.
                                                                                                       In fact the Ethernet traffic is transported transparently in the SDH Network and it is terminated
                                                                                                       in the ADMs nodes where Ethernet traffic is dropped towards switches or routers without
                                                                                                       terminating the Ethernet frames.
                                                                                                       Mapping Ethernet flow inside VC–12/3/4 implies a compression of the total available bandwidth
                                                                                                       of the physical ethernet protocol. The IEEE802.3 is the standard algorithm used to adapt each
                                                                                                       customer flow inside an independent VC.

                                                                                                       Main functional aspects:

                                                                                                       Ethernet frames are mapped over a SDH VC using Generic Framing Procedure (GFP)
                                                                                                       encapsulation (see Figure 140. on page 268, and Recc. ITU–T G. 7041 for details).

                                                                                                       All the Ethernet access connectors are on the front panel of the unit. The architecture of the
                                                                                                       board is represented in Figure 146. on page 276. It is constituted by two cards, an access card
                                                                                                       that provides 14 Ethernet interfaces 10BaseT or 100BaseT, and a main board that provides 11
                                                                                                       Ethernet interfaces 10BaseT or 100BaseT (the physical connector is always the same). The
                                                                                                       Ethernet traffic, opportunely mapped in the SDH transport structures, is then sent toward the
                                                                                                       SDH matrix through the back–Plane which has 4 STM–1 equivalent throughput.
                                                                                                       –    The board allows the mapping provisioning between the Ethernet (10 Mbit) or Fast
                                                                                                            Ethernet (100 Mbit) interfaces and the SDH VC as follows:

                                                                                                            •    Ethernet interface to a single:

                                                                                                                 –     VC–12 or
                                                                                                                 –     VC–3;

                                                                                                            •    Fast Ethernet interfaces to a single:

                                                                                                                 –     VC–12 or
                                                                                                                 –     VC–3
                                                                                                                 –     VC–4

                                                                                                            The back–Panel can support a maximum throughput of 622 Mb/s divided in 4 STM–1
                                                  1AA 00014 0004 (9007) A4 – ALICE 04.10




                                                                                                            flows. This constitutes a constraint respect to, for example, a configuration of the board
                                                                                                            with 25 Fast Ethernet interfaces mapped into 25 VC–4 (not possible because overcome
                                                                                                            the throughput).


                                                                                           ED     03

                                                                                                                                                            3AL 91669 AA AA                        275 / 706


                                                                                                                                                                          706
This is a typical problem of resource allocation where in one side there are up to 25 VC–n
                                                       transport structures on the other side there are 4 tubes of STM–1 capacity, and the
                                                       Operator has to find the mapping VCn–tube which best fits the available resources (622
                                                       Mbit/s).




                                                                                                                                                        not permitted without written authorization from Alcatel.
                                                       Summarizing, the operator first provisions the board defining the interface types, second




                                                                                                                                                          All rights reserved. Passing on and copying of this
                                                                                                                                                          document, use and communication of its contents
                                                       he creates the VCx defining in the mapping between the interface and VC, since the
                                                       relationship between interface and VC is one to one. More complex is the association
                                                       between the VC–n and STM–1 back–Plane flow in order to best fit the resources.
                                                   –   One Ethernet Interface is mapped in one SDH VC: no grooming of Ethernet frames in the
                                                       SDH network
                                                   –   No Virtual Concatenation of Lower Order SDH VCs
                                                   –   Protection occurs at SDH level




                                                               Figure 146. Board Ethernet 10/100: System architecture
1AA 00014 0004 (9007) A4 – ALICE 04.10




                                         ED   03

                                                                                                      3AL 91669 AA AA                       276 / 706


                                                                                                                   706
All rights reserved. Passing on and copying of this
                                                                                                                                                      document, use and communication of its contents
                                                                                                                                                    not permitted without written authorization from Alcatel.
      1AA 00014 0004 (9007) A4 – ALICE 04.10




                           ED
                           03
                                                                                                                   Ethernet frames
                                                                                                                 are mapped in SDH
                                                                                                                 VC–12. VC–3, VC–4             Site to Site Traffic is
                                                                                                                                              mapped on a dedicated
                                                                                                                                                  SDH VC




                                                                                                                                        SDH RING NETWORK




                                Figure 147. Example of Ethernet service application




706
                                                                                      Legenda:




         3AL 91669 AA AA
                                                                                                                           SDH level
                                                                                                                                                          The LAN to LAN
                                                                                          Customer box:
                                                                                                                           protection                     board is present
                                                                                          either LAN Switch or Router
                                                                                                                                                            only at each
                                                                                                                                                          terminating node
                                                                                            1660SM
                                                                                            with LAN to LAN board




         277 / 706
Ethernet MAC Frame and GFP Frame fields:

                                          –   Preamble: the preamble is a 7–octet field that is used to allow the PLS (Physical Signaling) circuitry
                                              to reach its steady–state synchronization with the received frame’s timing.




                                                                                                                                                              not permitted without written authorization from Alcatel.
                                                                                                                                                                All rights reserved. Passing on and copying of this
                                                                                                                                                                document, use and communication of its contents
                                          –   Start of Frame Delimiter: the SFD field is the sequence 10101011. It immediately follows the
                                              preamble pattern and indicates the start of a frame.

                                          –   Destination Address (DA): the Destination Address field specifies the station(s) for which the frame
                                              is intended.

                                          –   Source Address (SA): the Source Address field specifies the station sending the frame.

                                          –   Length/Type: this two–octet field takes one of two meanings, depending on its numeric value:
                                                            –     If the value of this field is less than or equal to the value of max Valid Frame, then
                                                                  the Length/Type field indicates the number of MAC client data octets contained
                                                                  in the subsequent data field of the frame (Length interpretation).
                                                            –     If the value of this field is greater than or equal to 1536 decimal (equal to 0600
                                                                  hexadecimal), then the Length/Type field indicates the nature of the MAC client
                                                                  protocol (Type interpretation).
                                                                  The Length and Type interpretations of this field are mutually exclusive.

                                          –   MAC client data and PAD: The data field contains a sequence of n octets; full data transparency is
                                              provided. If the length of the data field is less than the minimum required for proper operation of the
                                              protocol, a PAD field (a sequence of octets) will be added at the end of the data field but prior to the
                                              FCS field.

                                          –   Frame check Sequence (FCS): a cyclic redundancy check (CRC) is used by the transmit and receive
                                              algorithms to generate a CRC value for the FCS field. The frame check sequence (FCS) field contains
                                              a 4–octet (32–bit) cyclic redundancy check (CRC) value. This value is computed as a function of the
                                              contents of the source address, destination address, length, LLC data and pad (that is, all fields
                                              except the preamble, SFD, FCS, and extension).

                                          –   PLI: the two–octet PLI field contains a binary number representing the number of octets in the GFP
                                              Payload Area.

                                          –   cHEC: the two–octet Core Header Error Control field contains a CRC–16 generated sequence that
                                              protects the integrity of the contents of the Core Header by enabling both single–bit error correction
                                              and multi–bit error detection.

                                          –   Type: the GFP Type field is a mandatory 2–octet field of the Payload Header that indicates the
                                              content and format of the GFP Payload field

                                          –   tHEC: The two–octet Type Header Error Control field contains a CRC–16 generated sequence that
                                              protects the integrity of the contents of the Type Field by enabling both single–bit error correction and
                                              multi–bit error detection.

                                          –   GFP Extension Header: a 0–to–60 octets extended field that supports technology specific data link
                                              headers such as virtual link identifiers, source/destination addresses, port numbers, Class of
                                              Service, extended header error control, etc.

                                          –   GFP Payload: The GFP Payload Area consists of all octets in the GFP frame after the GFP Core
                                              Header. This variable length area may include from 4 to 65 535 octets.
1AA 00014 0004 (9007) A4 – ALICE 04.10




                                         ED     03

                                                                                                          3AL 91669 AA AA                         278 / 706


                                                                                                                         706
3.8.5.2 Gbit Ethernet (rate adaptive) unit

                                                                                            The task of the Gigabit Ethernet functionality inside 1660SM is to carry Gigabit Ethernet packets over SDH
                                                                                            Virtual Containers. It can be achieved in two different ways using :
not permitted without written authorization from Alcatel.
  All rights reserved. Passing on and copying of this
  document, use and communication of its contents




                                                                                            [1]   “Gigabit Access card” + “10/100 Mbit Ethernet board”: only two Gigabit interfaces are supported.

                                                                                            [2]   “Gigabit Ethernet rate adaptive board”: up to 4 Gigabit interfaces are supported.

                                                                                            [1] “Gigabit Access card” + “10/100 Mbit Ethernet board”

                                                                                            This functionality is achieved using the 10/100 Mbit/s Ethernet board (Fast Ethernet) in conjunction with
                                                                                            the Gigabit Ethernet Access Card as depicted in Figure 148.

                                                                                            The function performed by the Access card is the interfacing on one side with the 1 Gigabit line and on
                                                                                            the other side with the 10/100 Mbit/s Ethernet board ( where the signal is processed) through two 1.2 Gbit/s
                                                                                            serial busses.
                                                                                            Only two of the four interfaces ( pluggable module alternatively 1000 BASE–LX , 1000 BASE–SX, 1000
                                                                                            BASE–ZX) on the Gigabit Access card can be used .
                                                                                            Gigabit interface are mapped through Generic Frame Protocol in one VC–4. with a compression ratio of
                                                                                            1:7; 802.3 Ethernet Flow Control is supported.
                                                                                            The Ethernet traffic mapped in the SDH transport structures, is then sent toward the SDH matrix through
                                                                                            the back–Plane which has 4 STM–1 equivalent throughput.
                                                                                            In the configuration depicted in Figure 148. the 10/100 Mbit Ethernet interfaces present on the
                                                                                            ETHERNET board can also be used taking into account the limit of the backplane.


                                                                                                   Gigabit Eth     1

                                                                                                          Gigabit Eth       Gigabit
                                                                                                          not used       Access Card
                                                                                                          not used 4




                                                                                                                                 2 x 1.2 Gibit/s busses (through backplane)



                                                                                                  10/100 Mbit Eth 1

                                                                                                                            10/100
                                                                                                                          ETHERNET
                                                                                                                                                       SDH                        SDH
                                                                                                                                                       Matrix                     Port
                                                                                                                           BOARD
                                                                                            10/100 Mbit Eth
                                                                                                  10/100 Mbit Eth 11




                                                                                                                                                  Backplane : 622 Mbit/s
                                                                                                                                                  throughput
                                                  1AA 00014 0004 (9007) A4 – ALICE 04.10




                                                                                                   Figure 148. Gigabit Ethernet System architecture: Gigabit access with Fast Ethernet board



                                                                                           ED       03

                                                                                                                                                            3AL 91669 AA AA                        279 / 706


                                                                                                                                                                           706
[2] “Gigabit Ethernet rate adaptive board”

                                          The board, named Gb Ethernet with GFP mapping (mnemonic label GETH–MB), supports up to four Gb
                                          Ethernet interfaces in the main boards depicted in the following Figure 149.




                                                                                                                                                              not permitted without written authorization from Alcatel.
                                                                                                                                                                All rights reserved. Passing on and copying of this
                                                                                                                                                                document, use and communication of its contents
                                                  Ethernet Modules:
                                                  1000 Base LX
                                                  1000 Base SX
                                                  1000 Base ZX                           Gbit ETH
                                                                                        Main board




                                                                              1660SM (Slot not Enhanced)


                                                       Figure 149. Gigabit Ethernet System architecture:Gigabit Ethernet main board


                                          The Gb Ethernet interfaces (pluggable module) plugged in main board, are named Small Formfactor
                                          Pluggable (SFP) Transceivers and they can be considered as independent items hardware, in fact they
                                          have an own Remote Inventory. At the moment three types of Small Formfactor Pluggable Transceivers
                                          are provided:

                                          1. Gb Ethernet Long Haul optical interface 1000BASE–LX

                                          2. Gb Ethernet Short Haul optical interface 1000BASE–SX

                                          3. Gb Ethernetl optical interface 1000BASE–ZX

                                          Each Gb Ethernet interface can be mapped through the Generic Frame Protocol (GFP) into 1, 2, 3, 4, 5,
                                          6 or 7 VC4s. The mapping determines the rate of compression of the data throughput that can be
                                          respectively from 1:7 to 1:1. As for the Fast Ethernet this compression is allowed thanks to the flow control
                                          algorithm and considering the Ethernet traffic profile is typically bursty and the mean throughput is less
                                          than the peak rate.

                                          If the board is into an enhanced slot of 1660SM the back panel throughput is of 1.2 Gb/s instead of
                                          622Mb/s, this determines that the maximum number of VC–4 mappable to the Gb/s Ethernet Interfaces
                                          is 8 instead of 4. This, for example, allows the transparent (without compression) transport of a Gb
                                          Ethernet interface into the SDH network.

                                          In order to provide for the Gb Ethernet a rate compression less than 1/7, more than one VC4 can be used
                                          to transport the Ethernet traffic, until a maximum of 7 VC4 where the transparent transport is obtained,
                                          in fact 7 times 150Mb/s (VC4 payload rate) is 1050Mb/s. Note, if no compression is configured (i.e.
                                          mapping on 7 VC4s), also another Gb/s interface can be mapped on a single VC4 (maximum compression
                                          level), in order to use all the backpanel bandwidth (8 VC–4 equivalent).

                                          The possibility of configuring more VC–4s, referring to the same client, is obtained by High Order virtual
1AA 00014 0004 (9007) A4 – ALICE 04.10




                                          concatenation, where the level, the number of VC4s virtual concatenated, is provisioned by the operator.




                                         ED      03

                                                                                                          3AL 91669 AA AA                         280 / 706


                                                                                                                        706
3.9 ISA – ES (Ethernet Switch)

                                                                                            3.9.1 General
not permitted without written authorization from Alcatel.
  All rights reserved. Passing on and copying of this
  document, use and communication of its contents




                                                                                            Today’s evolving telecommunications services environment is highly competitive. There is a growing
                                                                                            demand from Enterprise customers for simple, wide–area Broadband Data services which meet their
                                                                                            needs for plentiful, competitively priced and flexible connectivity. Historically the success of Ethernet as
                                                                                            the predominate technology within the Enterprise infrastructure, has been driven by very low capital and
                                                                                            operational costs, the high degree of flexibility offered by the technology and importantly its easy of use
                                                                                            – the plug and play model. Thus enterprises are now looking for data services outside of the building (in
                                                                                            the WAN), which match the Ethernet technology used internally for LAN based services, without the need
                                                                                            for expensive conversion equipment. These new services offered by the public network in the Wide Area
                                                                                            are referred to a Metro Ethernet services.

                                                                                            Similarly network operators and service providers are looking to new services like Metro Ethernet in order
                                                                                            to develop new high–value revenue streams. An example of which is enhancing basic Ethernet
                                                                                            connectivity this through the use of value added capabilities such as Layer 2 VPNs and multiple Qualities
                                                                                            of Service (QoS) per connection. Deployment of Ethernet as a simplistic point–to–point technology will
                                                                                            only result in canalization of existing Leased Line, Frame Relay and ATM based services. Only through
                                                                                            the provision of Value–Added Services (VAS) of basic Ethernet connectivity to provide differentiation will
                                                                                            Metro Ethernet services deliver incremental revenues and ultimately profitability.

                                                                                            The ISA–ES series modules can deliver a full set of Ethernet services that are described in the next points
                                                                                            [1] to [4].

                                                                                            [1]   Ethernet Private Line

                                                                                                  EPLine service connects two ports of a client between each other in a transparent fashion (using
                                                                                                  transparent mode).

                                                                                                  Traffic originating from one Customer Port is forwarded to the other one without any filtering and
                                                                                                  maximum level of security possible (physical segregation through different SDH infrastructure). The
                                                                                                  service emulates an Ethernet ”wire” which actual bandwidth is determined by the SLA and by network
                                                                                                  load. EPLine does not require MAC learning or MAC–based forwarding.




                                                                                                                            Figure 150. Ethernet Private Line service
                                                  1AA 00014 0004 (9007) A4 – ALICE 04.10




                                                                                           ED       03

                                                                                                                                                            3AL 91669 AA AA                        281 / 706


                                                                                                                                                                          706
[2]   Ethernet Virtual Private Line

                                                EVP–Line service connects two ports of a client between each other (using bridging mode).




                                                                                                                                                             not permitted without written authorization from Alcatel.
                                                Traffic originating from one Customer Port is classified and forwarded accordingly to the other end.




                                                                                                                                                               All rights reserved. Passing on and copying of this
                                                                                                                                                               document, use and communication of its contents
                                                The service emulates an Ethernet ”wire” which actual bandwidth is determined by the SLA and by
                                                network load. Thanks to the available Eth Multiplexing Function provided by the ISA–ES series
                                                modules, different Virtual Private Line services can be defined on the same UNI belonging to different
                                                applications and with different QoS SLA.

                                                EVPLine adopts MAC learning and MAC–based forwarding according to the need.




                                                                       Figure 151. Ethernet Virtual Private Line service


                                          [3]   Ethernet Virtual LAN

                                                EVP–LAN service connects two or more ports of a client between each other (using bridging mode).

                                                Traffic originating from one Customer Port is classified and forwarded accordingly to the other end.
                                                The service emulates an Ethernet LAN which actual bandwidth is determined by the SLA and by
                                                network load. EVP–LAN adopts MAC learning and MAC–based forwarding with aging timeout.
1AA 00014 0004 (9007) A4 – ALICE 04.10




                                                                               Figure 152. Ethernet Virtual LAN


                                         ED       03

                                                                                                          3AL 91669 AA AA                        282 / 706


                                                                                                                        706
[4]   Broadband access

                                                                                                  In this service, a number of customers are connected to a common Aggregate Port (e.g. typically
                                                                                                  connected to an ISP point of presence) Traffic is only delivered from individual Customer Ports to the
not permitted without written authorization from Alcatel.




                                                                                                  Aggregate Port.
  All rights reserved. Passing on and copying of this
  document, use and communication of its contents




                                                                                                  Broadband Access can distinguish between various customers’ traffic at the Aggregate Port using
                                                                                                  VLAN tags.

                                                                                                  For each customer that is attached to the BA service it is possible to define a specific QoS SLA.




                                                                                                                              Figure 153. Broadband Access service
                                                  1AA 00014 0004 (9007) A4 – ALICE 04.10




                                                                                           ED       03

                                                                                                                                                            3AL 91669 AA AA                        283 / 706


                                                                                                                                                                          706
3.9.2 ISA–ES series modules

                                          ISA–ES series modules provide ETH 10/100/1000 interfaces connectivity for LAN based clients premises
                                          inside the metro area.




                                                                                                                                                             not permitted without written authorization from Alcatel.
                                                                                                                                                               All rights reserved. Passing on and copying of this
                                                                                                                                                               document, use and communication of its contents
                                          Beyond mapping ETH flows onto the SDH metro network by means of standard mechanisms (as specified
                                          in ITU G.7071, ITU G.7042 and ITU G.707) the ISA–ES series cards introduce wire speed classifying,
                                          policing and scheduling capability empowered by carrier class Ethernet switching engine.

                                          Per customer traffic flow management with low bandwidth granularity, segregation and QoS are just few
                                          of the value added arguments that these series of modules offer to the carrier operators at a competitive
                                          price.

                                          ISA–ES series is composed by:

                                          –    ISA–ES1 module

                                          –    ISA–ES4 module

                                          –    ISA–ES16 module

                                          The ISA–ES series modules are modules that can be plugged according to the bandwidth and interface
                                          count demand inside the OMSN product family.

                                          Some of the resources available in the SDH infrastructure can be utilized in order to realize a converged
                                          multi service network into which different streams (e.g. TDM, ETH, ATM) can travel together in fat big pipes
                                          reducing capital and operational expenses for the operator.

                                          The major benefits that can be experienced utilizing an ISA–ES card in the SDH networks are:

                                          –    Interfaces cost reduction

                                          –    Bandwidth policing according to clients needs and operator’s policy

                                          The interface cost reduction is achieved thanks to the native ETH interfaces provided from the equipment
                                          that allow a cost effective replacement of useless and expensive up–link ports an external devices to
                                          connect to the public network (e.g. POS (Packet Over SDH/SONET) or FR uplinks).
                                          This leads to an infrastructure’s optimization for the operator and an induced cost reduction for the
                                          end–user devices.
                                          Furthermore bandwidth can be allocated and consequently controlled by the operator (through CIR, PIR
                                          and burstiness specification) to the end users in accordance with the real need, independently from the
                                          (physical) interface type used case by case.
                                          Operators are, as such, enabled to offer more services with enhanced flexibility and granularity, optimizing
                                          the bandwidth through the SDH network and opening new value added services from a common set of
                                          equipments being the technology TDM, ATM or ETH.

                                          As for the other ISA modules the ISA–ES series modules are connected to the main SDH matrix via
                                          specific back–panel wires.

                                          The capacity available from the card to the back panel gives the overall card trunking capacity that is
                                          available for traffic to flow from and to the SDH resources (e.g. SDH ports that carry ETH traffic into SDH
                                          VC).
1AA 00014 0004 (9007) A4 – ALICE 04.10




                                         ED      03

                                                                                                          3AL 91669 AA AA                        284 / 706


                                                                                                                        706
The number to the right of the ISA–ES series card gives that amount in VC–4 equivalents.
                                                                                            Hereafter are reported the available trunking capacity for each of the ISA_ES series cards:

                                                                                            –     ISA–ES1                          has 1 VC–4 of bandwidth available
not permitted without written authorization from Alcatel.
  All rights reserved. Passing on and copying of this
  document, use and communication of its contents




                                                                                            –     ISA–ES4                          has 4 VC–4 of bandwidth available

                                                                                            –     SA–ES16                          has up to 16 VC–4 of bandwidth available

                                                                                            Each of the ISA–ES series modules has specific ETH access ports and SDH trunks.

                                                                                            –     ETH access ports may reside on the card itself of may be provided through other access cards.

                                                                                            –     SDH trunks are connections (SDH VCs) through the back panel to the SDH matrix and to SDH ports
                                                                                                  (STM–n).

                                                                                            ETH access ports on the ES series modules are:

                                                                                            –     ISA–ES1 8FE                 has 8 Ethernet ports (10/100 Base T) on the front of the card

                                                                                            –     ISA–ES1 8FX                 has 8 Ethernet ports (100 Base FX) on the front of the card

                                                                                            –     ISA–ES4 8FE+1GE             has 8 Ethernet ports (10/100 Base T) and 1 GB Ethernet port (1000 Base
                                                                                                                              SX/LX/ZX SFP) on the front of the card

                                                                                            –     ISA–ES16                    is a port less card that can use specific access modules:

                                                                                                  •        14 x FE access module: 14 x Fast Ethernet ports (10/100 Base T)

                                                                                                  •        4 x GE access module:   4 x GB Ethernet ports with SFP plugs (Optical SX, LX, ZX)

                                                                                            Different ISA–ES series modules can be equipped in the same equipment. In this case it is also possible
                                                                                            to realize back–to–back trunking between them via specific cross connections inside the SDH matrix
                                                                                            (without the need of cabling).
                                                                                            Traffic can flow between two or more cards and the amount of it can be specified according to the need
                                                                                            (refer to Figure 154. on page 285).


                                                                                                ISA–ES1




                                                                                                ISA–ES16



                                                                                                Access card



                                                                                                                                                          SDH
                                                  1AA 00014 0004 (9007) A4 – ALICE 04.10




                                                                                                                                   Figure 154. ISA–ES access port


                                                                                           ED         03

                                                                                                                                                            3AL 91669 AA AA                    285 / 706


                                                                                                                                                                          706
Figure 155. provides an high level overview of the traffic flow and processing in the ISA–ES series
                                          modules.

                                          The pipeline is composed of five main processing steps that are described in the next paragraphs.




                                                                                                                                                                           not permitted without written authorization from Alcatel.
                                                                                                                                                                             All rights reserved. Passing on and copying of this
                                                                                                                                                                             document, use and communication of its contents
                                                    De–mapping           Classifier        Policer    Forwarding             Scheduler    Mapping

                                                     Encap packet                                                                        frame       mapping
                                                                         Header           PIR                        Ports                       +
                                                         De– assembly                                                                      reassembly
                                                                                                                 ?                               =
                                                             =                                  CIR     Bridge
                                                      Frame/packet




                                                                        Figure 155. Traffic flow and processing in ISA–ES series


                                          [1]   Mapping

                                          ISA–ES series modules are a family of Ethernet switching modules that provides native ETH access to
                                          an SDH infrastructure.

                                          Beyond just providing the physical ETH connectivity this family of modules has a full carrier class set of
                                          functionality for optimal and efficient handling of ETH traffic flows with QoS.

                                          An ISA–ES module receives and sends ETH traffic through two kinds of ports (refer to Figure 156. ):

                                                •        ETH physical interfaces (10/100 Base T, 100 BASE FX or 1000 Base SX/LX/ZX)

                                                •        ETH over SDH (also referred as trunk ports)

                                          These ports are connected to a carrier class Ethernet switching engine that processes each flow and takes
                                          care of the frame forwarding.




                                                                                  Eth         Eth
                                                                                  I/O        Switch

                                                                                            ETH                        Back
                                                                                  ETH      Over SDH                    Panel
                                                                                  ports     ports                     N x VC


                                                                                      Figure 156. ISA–ES series ports
1AA 00014 0004 (9007) A4 – ALICE 04.10




                                         ED         03

                                                                                                                     3AL 91669 AA AA                           286 / 706


                                                                                                                                 706
The following standards apply to ETH physical ports:

                                                                                                 •        IEEE 802.3 10BASE–T Ethernet (twisted–pair copper)

                                                                                                 •
not permitted without written authorization from Alcatel.




                                                                                                          IEEE 802.3u 100BASE–TX Fast Ethernet (twisted–pair copper)
  All rights reserved. Passing on and copying of this
  document, use and communication of its contents




                                                                                                 •        IEEE 802.1z (Gigabit Ethernet)

                                                                                                 •        ANSI/IEEE 802.3 Auto–negotiation

                                                                                                 •        IEEE 802.3x Flow Control

                                                                                                 •        Data transfer rate from client equipment is limited in accordance with the specified traffic
                                                                                                          characteristics by the standard IEEE 802.3x flow control mechanism.

                                                                                            Flow control frames are used to prevent congestion of the network that may cause packet discarding at
                                                                                            the egress of the network; the flow control mechanism stops the client source until the bandwidth allocated
                                                                                            to the service is able to absorb the extra traffic.
                                                                                            The result is that no packets are lost even in case of congestion. Flow control can be disabled according
                                                                                            to the operator’s choice.

                                                                                            The following standards apply to the ETH over SDH ports:

                                                                                                 •        ITU–T G.7041 GFP (Generic Framing Procedure)

                                                                                                 •        ITU–T G.7042 LCAS (Link Connection Adjustment Scheme)

                                                                                                 •        G.707 (SDH VC Virtual Concatenation at Low and High Order VC–12, VC–3 and VC–4 nv)

                                                                                            The Ethernet mapping scheme on the trunk ports adheres to the Generic Framing Procedure (ITU–T G.
                                                                                            7041).

                                                                                            The Ethernet traffic, opportunely mapped in the SDH transport structures, is then sent by the trunk ports
                                                                                            toward the SDH matrix from the back–plane and than to the corresponding SDH port.

                                                                                            A trunk port is realized by a bundle of SDH VCs (VC–12, VC–3, VC–4) grouped together according to
                                                                                            ITU–T G.707 (Virtual Conc) and ITU–T G.7042 (LCAS).

                                                                                            The bandwidth of the trunk port in normal operational mode corresponds to the available bandwidth of the
                                                                                            grouped VCs (e.g. 5xVC–12 equals 10 Mbps).
                                                  1AA 00014 0004 (9007) A4 – ALICE 04.10




                                                                                           ED        03

                                                                                                                                                            3AL 91669 AA AA                       287 / 706


                                                                                                                                                                         706
[2]   Traffic classification

                                          ISA–ES series module can classify ETH traffic according to a wide set of standard specified criteria in order
                                          to provide a feature reach set of capability.




                                                                                                                                                              not permitted without written authorization from Alcatel.
                                                                                                                                                                All rights reserved. Passing on and copying of this
                                                                                                                                                                document, use and communication of its contents
                                          Each classified traffic is referred in the next paragraphs as a classified flow.

                                          Classification criteria are the following:

                                                •        Port (Physical ETH or ETH over SDH)

                                                •        IEEE 802.1Q (VLAN tagging)

                                                •        IEEE 802.1p (ETH frame priority)

                                                •        IEEE 802.3 Source/Destination MAC address (also according to IEEE 802.1ad)

                                          The ISA–ES16 module expands the classification criteria by means of also supporting:

                                                •        MPLS label (according to IETF Martini draft ETH over MPLS)

                                                •        IP–TOS/DSCP fields

                                          [3]   Policing and metering traffic with QoS

                                          ISA–ES series modules allow service providers and carrier operators to specify per flow traffic QoS.

                                          ETH flows quality of service is enforced at the ingress of the network and inside the network by traffic
                                          conformance check made by the policing function.
                                          Policing is performed by means of a token bucket algorithm (dual rate on the ISA–ES16).

                                          Traffic QoS is specified by a set of parameters that control its max, mean rate and the relative burst window
                                          size in bytes.

                                          Policing parameters are specified per classified flow according to:

                                          CIR = committer information rate
                                          CBS = burst window size at the CIR
                                          PIR = excess information rate
                                          PBS = burst window size at the PIR

                                                                            Burst window size (bytes)

                                                                  PBS
                                                                                                   Yellow
                                                                                 EBS

                                                                  CBS
                                                                                                   EIR
                                                                               Green
                                                                                                                             Rate (bps)

                                                                                        CIR                   PIR
1AA 00014 0004 (9007) A4 – ALICE 04.10




                                                                          Figure 157. ISA–ES series traffic parameters


                                         ED         03

                                                                                                           3AL 91669 AA AA                        288 / 706


                                                                                                                         706
Through the specification of per flow traffic parameters the ISA–ES series modules can support the
                                                                                            following SLAs:

                                                                                            a)    Guaranteed SLA
not permitted without written authorization from Alcatel.
  All rights reserved. Passing on and copying of this
  document, use and communication of its contents




                                                                                                  Typically serves High priority traffic for mission critical applications that require loss–less delivery and
                                                                                                  minimal delay.

                                                                                                  Guaranteed SLA denotes BW (CIR = PIR  0 in 100Kbps increments), which is always available
                                                                                                  regardless of any congestion conditions. Traffic delivered using Guaranteed BW, is policed to the CIR
                                                                                                  value with a burst window equal to the CBS.

                                                                                                  Guaranteed traffic is always composed of green packets and gets the highest priority in the
                                                                                                  processing chain.

                                                                                            b)    Regulated SLA

                                                                                                  Typically serves Medium priority traffic, which relies on transport layer protocol (per OSI stack) to
                                                                                                  recover from occasional loss and requires moderate delay; e.g. client–server applications.

                                                                                                  Regulated SLA denotes BW (PIR  CIR 0 in 100Kbps increments), which may be overbooked per
                                                                                                  network operator’s overbooking policy. The portion of bandwidth between CIR and PIR (aka EIR)
                                                                                                  may therefore be partially available under congestion conditions. This SLA is available only from the
                                                                                                  ISA–ES16 card.

                                                                                                  Regulated traffic is composed of green and yellow (Excess of CIR) packets.

                                                                                            c)    Best–Effort SLA

                                                                                                  Typically serves Low priority traffic, which relies on transport layer protocol (per OSI stack) to recover
                                                                                                  from loss and tolerates large delay; e.g. email and file transfer applications.

                                                                                                  Best Effort denotes BW (PIR  CIR = 0 in 100Kbps increments), which may or may not be available
                                                                                                  per network operator’s reservation for Best Effort policy. It may therefore be unavailable under
                                                                                                  congestion conditions.

                                                                                                  Regulated traffic is composed of yellow packets.



                                                                                            [4]   Congestion avoidance and Scheduling

                                                                                            Congestion avoidance techniques serve to anticipate and avoid network congestion conditions wile
                                                                                            maximizing network utilization and good–put of the traffic flows.

                                                                                            Congestion avoidance in ISA–ES series modules is based on a combination of Tail Dropping and WRED
                                                                                            (Random Early Detection); these techniques are designed to provide preferential treatment for premium
                                                                                            (CIR) class traffic under congestion situations while concurrently maximizing network throughput and
                                                                                            capacity utilization and minimizing packet loss and delay.

                                                                                            a)    Tail drop

                                                                                                  Tail drop treats all traffic equally and does not differentiate between classes of service. Queues fill
                                                                                                  during periods of congestion. When the output queue is full and tail drop is in effect, packets are
                                                  1AA 00014 0004 (9007) A4 – ALICE 04.10




                                                                                                  dropped until the congestion is eliminated and the queue is no longer full.




                                                                                           ED       03

                                                                                                                                                               3AL 91669 AA AA                          289 / 706


                                                                                                                                                                              706
b)   WRED

                                               The packet drop probability is based on the minimum threshold, maximum threshold, and mark
                                               probability denominator.




                                                                                                                                                         not permitted without written authorization from Alcatel.
                                                                                                                                                           All rights reserved. Passing on and copying of this
                                                                                                                                                           document, use and communication of its contents
                                               When the average queue depth is above the minimum threshold, RED starts dropping packets. The
                                               rate of packet drop increases linearly as the average queue size increases until the average queue
                                               size reaches the maximum threshold.

                                               The mark probability denominator is the fraction of packets dropped when the average queue depth
                                               is at the maximum threshold. For example, if the denominator is 512, one out of every 512 packets
                                               is dropped when the average queue is at the maximum threshold. When the average queue size is
                                               above the maximum threshold, all packets are dropped.

                                               WRED is applied to yellow packets (Regulated (traffic beyond CIR) and Best Effort traffic quality).


                                                                          1




                                                            Mark probability



                                                                           0

                                                                                   Minimum        Maximum
                                                                                   threshold      threshold

                                                                                   Average queue size


                                                                  Figure 158. WRED Congestion avoidance mechanisms


                                          c)   Scheduling

                                               Scheduling of packets is performed on egress ports combining HOL (FIFO queue) and DRR (Deficit
                                               Round Robin) queues.

                                               HOL is used for Guaranteed traffic that gets highest priority.

                                               DRR is applied to Regulated and Best Effort traffic
1AA 00014 0004 (9007) A4 – ALICE 04.10




                                         ED      03

                                                                                                         3AL 91669 AA AA                     290 / 706


                                                                                                                     706
[5]   Switching and forwarding

                                                                                            ISA–ES series modules are based onto a carrier class Ethernet switching engine with auto learning
                                                                                            bridges according to IEEE 802.1ad.
not permitted without written authorization from Alcatel.
  All rights reserved. Passing on and copying of this
  document, use and communication of its contents




                                                                                            This engine is either wire speed performing (all the functions are performed in hw) and highly flexible and
                                                                                            configurable.

                                                                                            On a per port basis it can be used in two modes:

                                                                                            Transparent mode: the engine forwards all the traffic incoming from one port to another without inspection
                                                                                            at the specified rate.

                                                                                            Bridging mode with Stacked VLAN capability: a group of configured ports (ETH phy or ETH over SDH) are
                                                                                            bridged together with MAC auto learning function according to IEEE 802.1ad.


                                                                                                                                            Transparent Mode



                                                                                                                             Eth                                                 Back Panel
                                                                                                                             I/O                                                 N x VC–4
                                                                                                                                                 Bridge Mode




                                                                                                                          Figure 159. ISA–ES series operational modes


                                                                                            a)    Multiple service per UNI port

                                                                                                  ISA–ES series modules allow multiple services to be deployed from a single UNI Ethernet port.
                                                                                                  Thanks to the Ethernet Multiplexing Function capability different traffics can coexist on the same port
                                                                                                  and be differentiated between them by the classification process thus get the desired QoS per flow.


                                                                                                                                                      CUSTOMER
                                                                                                                                                        SITE B



                                                                                                                                                                                      CUSTOMER
                                                                                                                                                                                        SITE C
                                                                                                                 ETH UNI

                                                                                                                                     EMF
                                                                                                      CUSTOMER
                                                                                                       SITE A
                                                                                                                                                                                      CUSTOMER
                                                                                                                                                                                        SITE D
                                                  1AA 00014 0004 (9007) A4 – ALICE 04.10




                                                                                                                            Figure 160. Ethernet Multiplexing Function

                                                                                           ED       03

                                                                                                                                                             3AL 91669 AA AA                        291 / 706


                                                                                                                                                                           706
b)   Multiple customers per NNI port

                                               The ISA–ES series modules allow a single NNI interface to be used for different customers while
                                               guaranteeing high levels of segregation, security and per customer QoS ability.




                                                                                                                                                        not permitted without written authorization from Alcatel.
                                                                                                                                                          All rights reserved. Passing on and copying of this
                                                                                                                                                          document, use and communication of its contents
                                               ISA–ES series modules allow ETH frames to be tagged before being sent at the NNI interface. The
                                               modules have full VLAN tag agility in the sense that VLAN tags can be pushed, swapped and popped
                                               by the cards. The provider is able to add its own tags to the customer flows in order to segregate
                                               different customers inside common network resources. This taggagility functionality allow service
                                               providers to spread the capital expenditures among different customers and as a consequence to
                                               offer highly competitive price levels for the offered services to their customers.



                                                                              CUSTOMER       A




                                                 CUSTOMER B                 ETH UNI
                                                                                                                          SVLAN 1
                                                                                                                              SVLAN 2
                                                                                                                          SVLAN 3



                                                CUSTOMER C




                                                                      Figure 161. Multiple customers on a single NNI


                                          c)   Customer traffic Isolation

                                               All ISA–ES series modules ports and services provide customer traffic isolation, such that traffic
                                               belonging to a given customer is isolated from traffic of any other customer using an identical or
                                               different service.

                                          d)   Customer Address Space Isolation

                                               All ISA–ES series modules ports and services provide isolation customer of customer specific
                                               addresses, such that VLAN tags and MAC addresses belonging to a given customer are isolated
                                               from VLAN tags and MAC addresses of any other customer using an identical or different service.

                                          e)   VLAN Uniqueness

                                               VLAN at the access interfaces need not be unique. Same value can be used at different ports of the
                                               same node or at different nodes. The guarantee of VLAN uniqueness within a port in the ISA PR EA
                                               comes from the encapsulation of the Ethernet frames in MPLS LSP’s that segregate Ethernet traffic.
1AA 00014 0004 (9007) A4 – ALICE 04.10




                                         ED      03

                                                                                                       3AL 91669 AA AA                      292 / 706


                                                                                                                    706
3.10 4 x ANY HOST C subsystem

                                                                                            The unit is able to perform time division multiplex/demultiplex of client channels. The client streams are
                                                                                            mapped in 16 virtually concatenated VC–4s according to a proprietary–mapping algorithm. Provisioning
not permitted without written authorization from Alcatel.




                                                                                            parameters and alarm collection are managed through two control interfaces.
  All rights reserved. Passing on and copying of this
  document, use and communication of its contents




                                                                                            The board has a highly modular fabric consisting of a housing card that can accommodate up to 4 modules,
                                                                                            one for each aggregated traffic.

                                                                                            The client data rates that the module can manage are reporte in Table 40. :

                                                                                            Table 40. Relationship between 4xANY optical modules and client type

                                                                                                 Client type            Bit rate                           Associated module

                                                                                                                                              Type             Wavelenght             Acronym
                                                                                            Fast Ethernet           @125 Mb/sec            Low Speed
                                                                                                                                                p                1310 nm                OL–IN
                                                                                                                                                                  850 nm               OL–MM
                                                                                            FDDI                    @125 Mb/sec            Low Speed
                                                                                                                                                p                1310 nm                OL–IN
                                                                                                                                                                  850 nm               OL–MM
                                                                                            ESCON                   @200 Mb/sec            Low Speed
                                                                                                                                                p                1310 nm                OL–IN
                                                                                                                                                                  850 nm               OL–MM
                                                                                            Digital Video
                                                                                              g                     @270 Mb/sec            Low Speed
                                                                                                                                                p                1310 nm                OL–IN
                                                                                                                                                                  850 nm               OL–MM
                                                                                            Fiber Channel           @1.0625 Gb/sec         High Speed
                                                                                                                                             g p                 1310 nm               OH–IN
                                                                                                                                                                  850 nm               OH–MM
                                                                                            FICON                   @1.0625 Gb/sec         High Speed
                                                                                                                                             g p                 1310 nm               OH–IN
                                                                                                                                                                  850 nm               OH–MM
                                                                                            Gigabit Ethernet
                                                                                              g                     @1.25 Gb/sec           High Speed
                                                                                                                                             g p                 1310 nm               OH–IN
                                                                                                                                                                  850 nm               OH–MM


                                                                                            The 4xANYC modules configuration requires the operator to specify the client type to be transported on
                                                                                            each module.

                                                                                            The Table 41. below reports the number of VC–4 istantiated for managing a data stream of each client
                                                                                            type
                                                  1AA 00014 0004 (9007) A4 – ALICE 04.10




                                                                                           ED      03

                                                                                                                                                          3AL 91669 AA AA                        293 / 706


                                                                                                                                                                        706
Table 41. 4xANY HOST C client type

                                                Client type        Number of istantiated VC4




                                                                                                                                                            not permitted without written authorization from Alcatel.
                                                                                                                                                              All rights reserved. Passing on and copying of this
                                                                                                                                                              document, use and communication of its contents
                                           Fiber Channel                         8

                                           FICON                                 8

                                           Gigabit Ethernet                      8

                                           Digital Video                         2

                                           ESCON                                 2

                                           Fast Ethernet                         1

                                           FDDI                                  1


                                          The max throughput made available by the 4xANY HOSTC port is STM16 (2.5 Gb/s). The capability to
                                          handle the whole throughput in terms of cross–connectivity depends on the equipment of the port in
                                          “Enhanced H.S slots” rather than in “H.S. slots” of 1660SM shelf as explained on points [1] and [2].

                                          Insertion of the board across hybrid slot (“Enhanced H.S slots” + “H.S. slots”) is not allowed.



                                          [1]   4 x ANY inserted in enhanced slot (2526, 2829, 3435, 3738)

                                                In ’Enhanced H.S.’ slot, the connection port –matrix can exploit two NGI links per type (i.e. 2 ’H’
                                                / 2 ’X’ / 2 ’L” links), each one operating at 622 Mb/s (equivalent 4xSTM1’s), with a total connection
                                                bandwidth of 1.2 Gb/s per slot; then, the port equipped in two ’Enhanced’ slots, allows the user to
                                                use up to 2.5 Gb/s throughput according to the client allocation grid showed in Figure 162.
1AA 00014 0004 (9007) A4 – ALICE 04.10




                                         ED       03

                                                                                                         3AL 91669 AA AA                        294 / 706


                                                                                                                       706
Modules                                                                                      Links towards
                                                                                             configured                             Client allocation inside 4xANY board
                                                                                                                                                                                               MATRIX
                                                                                                                 AU4 #0
                                                                                                                 AU4 #1                                                       GE,             NGI link #0
not permitted without written authorization from Alcatel.




                                                                                                                 AU4 #2
  All rights reserved. Passing on and copying of this
  document, use and communication of its contents




                                                                                                                                                 ESCON, DV
                                                                                                                 AU4 #3      FE, FDDI                                         FC,
                                                                                                                 AU4 #4
                                                                                                #1        #3
                                                                                                                 AU4 #5                                                       FICON
                                                                                                                                                                                              NGI link #1
                                                                                                                 AU4 #6      FE, FDDI
                                                                                                                                                 ESCON, DV
                                                                                                                 AU4 #7
                                                                                                                 AU4 #8
                                                                                                                                                 ESCON, DV
                                                                                                #2        #4     AU4 #9      FE, FDDI                                         GE,
                                                                                                                                                                                              NGI link #2
                                                                                                                 AU4 #10
                                                                                                                 AU4 #11                                                      FC,
                                                                                                                 AU4 #12
                                                                                                                 AU4 #13     FE, FDDI                                         FICON
                                                                                                                                                 ESCON, DV                                    NGI link #3
                                                                                                                 AU4 #14
                                                                                                                 AU4 #15

                                                                                                                    Figure 162. 4xANY HOST–C: Client allocation grid in “enhanced” slot


                                                                                            Consequently, module configuration allowed are as reported in the following Figure 163.


                                                                                                               FE, FDDI,           FE, FDDI,                                              GE, FC,
                                                                                                               ESCON, DV           ESCON, DV                       Not eq.                FICON,
                                                                                                     #1                      #3                              #1                     #3
                                                                                                               Not eq.             Not eq.                                                Not eq.



                                                                                                               FE, FDDI,           FE, FDDI,                      FE, FDDI,               FE, FDDI,
                                                                                                     #2        ESCON, DV     #4    ESCON, DV                #2    ESCON, DV         #4    ESCON, DV

                                                                                                               Not eq.             Not eq.                        Not eq.                 Not eq.




                                                                                                               FE, FDDI,           FE, FDDI,                                              GE, FC,
                                                                                                     #1        ESCON, DV     #3    ESCON, DV                 #1   Not eq.           #3    FICON,

                                                                                                               Not eq.             Not eq.                                                Not eq.



                                                                                                                                   GE, FC,                                                GE, FC,
                                                                                                     #2        Not eq.       #4    FICON,                   #2    Not eq.           #4    FICON,

                                                                                                                                   Not eq.                                                Not eq.


                                                                                                                    Figure 163. 4xANY HOST–C: module configuration in “enhanced” slot
                                                  1AA 00014 0004 (9007) A4 – ALICE 04.10




                                                                                            Same considerations of Figure 163. are showed in Table 42. :


                                                                                           ED         03

                                                                                                                                                              3AL 91669 AA AA                       295 / 706


                                                                                                                                                                             706
Table 42. Modules configuration in “Enhanced HS” slot
                                              Module        Module type           Client configured          Configuration Constraints
                                              number                                 by operator




                                                                                                                                                     not permitted without written authorization from Alcatel.
                                          #3           OH MM, OH IN
                                                       OH–MM, OH–IN             Fiber Channel            In conjunction with this clients on




                                                                                                                                                       All rights reserved. Passing on and copying of this
                                                                                                                                                       document, use and communication of its contents
                                                                                FICON                    module#3, the module#1cannot be
                                                                                                                  ,
                                                                                Gigabit Ethernet         used
                                                       OL MM, OL IN
                                                       OL–MM, OL–IN             Digital Video
                                                                                ESCON
                                                                                Fast Ethernet
                                                                                FDDI
                                          #1                                                             OH–MM, OH–I cannot be configured
                                                                                                         in module#1
                                                       OL MM, OL IN
                                                       OL–MM, OL–IN             Digital Video
                                                                                ESCON
                                                                                Fast Ethernet
                                                                                FDDI
                                          #4           OH MM, OH IN
                                                       OH–MM, OH–IN             Fiber Channel            In conjunction with this clients on
                                                                                FICON                    module#4, the module#2 cannot be
                                                                                                                  ,
                                                                                Gigabit Ethernet         used
                                                       OL MM, OL IN
                                                       OL–MM, OL–IN             Digital Video
                                                                                ESCON
                                                                                Fast Ethernet
                                                                                FDDI
                                          #2                                                             OH–MM, OH–I cannot be configured
                                                                                                         in module#2
                                                       OL MM, OL IN
                                                       OL–MM, OL–IN             Digital Video
                                                                                ESCON
                                                                                Fast Ethernet
                                                                                FDDI
1AA 00014 0004 (9007) A4 – ALICE 04.10




                                         ED      03

                                                                                                      3AL 91669 AA AA                    296 / 706


                                                                                                                 706
[2]   4 x ANY inserted in not enhanced slot (3031 and 3233)

                                                                                                  In ’H.S.’ slot, the same connectivity is based on one NGI link per type (i.e. ’H’ / ’X’ / ’L’); with a total
                                                                                                  connection bandwidth of 622 Mb/s per slot; then, the equipment of the port in two ’H.S.’ slots, allows
not permitted without written authorization from Alcatel.




                                                                                                  the user to use up to 1.2 Gb/s throughput. In Figure 164. , the client allocation, concerning Gb
  All rights reserved. Passing on and copying of this
  document, use and communication of its contents




                                                                                                  Ethernet, Fiber Channel, FICON and the relationship with NGI links available for connecting Matrix
                                                                                                  card, are showed.




                                                                                                                                  Client allocation inside 4xANY board                             Links
                                                                                                                                                                                   AU–4            towards
                                                                                                                                                                                optimization        MATRIX
                                                                                                           AU4 #0                                                  AU4 #0         GE,
                                                                                             Modules AU4 #1                                        GE,             AU4 #1         FC,
                                                                                            configured AU4 #2                                                                                    NGI link #0
                                                                                                                                    ESCON,                         AU4 #2         FICON
                                                                                                       AU4 #3          FE, FDDI       DV           FC,             AU4 #3
                                                                                                       AU4 #4                                                      AU4 #4       AU4’s
                                                                                                       AU4 #5                                     FICON            AU4 #5         not            NGI link #1
                                                                                             #1 #3                                                                                                  not
                                                                                                       AU4 #6          FE, FDDI     ESCON,                         AU4 #6       available         available
                                                                                                       AU4 #7                         DV                           AU4 #7
                                                                                                       AU4 #8                       ESCON,                         AU4 #8         GE,
                                                                                                #2 #4      AU4 #9 FE, FDDI             DV          GE,             AU4 #9         FC,
                                                                                                                                                                                                 NGI link #2
                                                                                                           AU4 #10                                                 AU4 #10        FICON
                                                                                                           AU4 #11                                 FC,             AU4 #11
                                                                                                           AU4 #12 FE, FDDI         ESCON,                         AU4 #12       AU4’s
                                                                                                           AU4 #13                     DV          FICON           AU4 #13        not            NGI link #3
                                                                                                                                                                                                    not
                                                                                                           AU4 #14                                                 AU4 #14       available        available
                                                                                                           AU4 #15                                                 AU4 #15


                                                                                                                Figure 164. Client allocation grid in “HS slots” with GE/FC/FICON


                                                                                                  In Figure 165. , the ’optimized’ client allocation, concerning Fast Ethernet, FDDI, ESCON, Digital
                                                                                                  Video, , and the relationship with NGI links available for connecting Matrix card, are showed.
                                                  1AA 00014 0004 (9007) A4 – ALICE 04.10




                                                                                           ED       03

                                                                                                                                                               3AL 91669 AA AA                          297 / 706


                                                                                                                                                                              706
Client allocation inside 4xANY board                            Links
                                                                                                                           AU–4             towards
                                                                                                                        optimization         MATRIX
                                                                                                                     FE,
                                                        AU4 #0




                                                                                                                                                            not permitted without written authorization from Alcatel.
                                                                                                         AU4 #0      FDDI     ESCON




                                                                                                                                                              All rights reserved. Passing on and copying of this
                                                                                                                                                              document, use and communication of its contents
                                           Modules AU4 #1                                 GE,            AU4 #1                DV
                                          configured AU4 #2                                                                               NGI link #0
                                                                           ESCON,                        AU4 #2               ESCON

                                                     AU4 #3       FE, FDDI   DV           FC,            AU4 #3      FE,
                                                                                                                     FDDI
                                                                                                                               DV

                                                     AU4 #4                                              AU4 #4         AU4’s
                                            #1 #3    AU4 #5                             FICON            AU4 #5           not             NGI link #1
                                                                                                                                             not
                                                        AU4 #6    FE, FDDI ESCON,                        AU4 #6         available          available
                                                        AU4 #7               DV                          AU4 #7
                                                        AU4 #8             ESCON,                        AU4 #8               ESCON
                                              #2 #4                                                                  FE,
                                                        AU4 #9 FE, FDDI    DV             GE,            AU4 #9      FDDI
                                                                                                                               DV
                                                                                                                     FE,
                                                                                                                                          NGI link #2
                                                        AU4 #10                                          AU4 #10     FDDI     ESCON
                                                        AU4 #11                           FC,            AU4 #11               DV

                                                        AU4 #12 FE, FDDI ESCON,                          AU4 #12            AU4’s
                                                        AU4 #13                DV       FICON            AU4 #13             not          NGI link #3
                                                                                                                                             not
                                                        AU4 #14                                          AU4 #14         available         available
                                                        AU4 #15                                          AU4 #15



                                                          Figure 165. Client allocation grid in “HS slots” with FE/FDDI/ESCON/DV




                                          Consequently, module configuration allowed are as reported in the following Figure 166.


                                                      FE, FDDI,            FE, FDDI,                                                  GE, FC,
                                                      ESCON, DV            ESCON, DV                       Not eq.                    FICON,
                                               #1                    #3                             #1                        #3
                                                      Not eq.              Not eq.                                                    Not eq.



                                                      FE, FDDI,           FE, FDDI,                        Not eq.                    Not eq.
                                               #2     ESCON, DV     #4    ESCON, DV                 #2                        #4
                                                      Not eq.             Not eq.


                                                                      Figure 166. module configuration in “HS” slots
1AA 00014 0004 (9007) A4 – ALICE 04.10




                                         ED      03

                                                                                                      3AL 91669 AA AA                           298 / 706


                                                                                                                       706
Same considerations of Figure 166. are showed in Table 43.

                                                                                            Table 43. Modules configuration in “HS” slot
                                                                                                Module         Module type            Client configured          Configuration Constraints
not permitted without written authorization from Alcatel.




                                                                                                number                                   by operator
  All rights reserved. Passing on and copying of this
  document, use and communication of its contents




                                                                                            #3           OH MM, OH–I
                                                                                                         OH–MM, OH I               Fiber Channel             In conjunction with this clients on
                                                                                                                                   FICON                     module#3, all other 3 modules cannot
                                                                                                                                                                      ,
                                                                                                                                   Gigabit Ethernet          be used
                                                                                                         OL–MM, OL–IN
                                                                                                         OL MM, OL IN              Digital Video
                                                                                                                                   ESCON
                                                                                                                                   Fast Ethernet
                                                                                                                                   FDDI
                                                                                            #1                                                               OH–MM, OH–I cannot be configured
                                                                                                                                                             in module#1
                                                                                                         OL MM, OL IN
                                                                                                         OL–MM, OL–IN              Digital Video
                                                                                                                                   ESCON
                                                                                                                                   Fast Ethernet
                                                                                                                                   FDDI
                                                                                            #4                                                               OH MM OH I cannot be configured
                                                                                                                                                             OH–MM, OH–I
                                                                                                                                                             in module#4
                                                                                                                                                             i    d l #4
                                                                                                         OL–MM, OL–IN
                                                                                                         OL MM, OL IN              Digital Video
                                                                                                                                   ESCON
                                                                                                                                   Fast Ethernet
                                                                                                                                   FDDI
                                                                                            #2                                                               OH–MM, OH–I cannot be configured
                                                                                                                                                             in module#2
                                                                                                         OL MM, OL IN
                                                                                                         OL–MM, OL–IN              Digital Video
                                                                                                                                   ESCON
                                                                                                                                   Fast Ethernet
                                                                                                                                   FDDI
                                                  1AA 00014 0004 (9007) A4 – ALICE 04.10




                                                                                           ED      03

                                                                                                                                                          3AL 91669 AA AA                    299 / 706


                                                                                                                                                                      706
3.11 Coarse WDM sub–system

                                          The following items are considered:




                                                                                                                                                           not permitted without written authorization from Alcatel.
                                          –    STM16 colored port (2 two slots wide) to be equipped in “Basic area” and supporting the 8 channels




                                                                                                                                                             All rights reserved. Passing on and copying of this
                                                                                                                                                             document, use and communication of its contents
                                               ’CWDM’ ITU–T grid;

                                          –    COADM 1ch unit (2 two slots wide) to be equipped in “Access area”, supporting the 8 channels
                                               ’CWDM” ITU–T grid;

                                          –    COADM 2ch unit (2 two slots wide) to be equipped in “Access area”, supporting the 8 channels
                                               ’CWDM” ITU–T grid;

                                          –    MUX/DEMUX 8ch unit (2 two slots wide) to be equipped in “Access area”, supporting the 8 channels
                                               ’CWDM” ITU–T grid;

                                          –    Double channel ’multirate’ Transponder unit (100 Mb/s B 2.7 Gb/s) (one slot wide) to be equipped
                                               in every slot of “Basic area”, supporting both wavelength assignment function (B/W to ’col’) and
                                               wavelength regeneration function (’colored’ to ’colored’) and performing the transparent transport of
                                               the following ’client’ signals:

                                               •        FDDI, (not operative in current release)

                                               •        Fast Ethernet, (not operative in current release)

                                               •        STM1/OC3, (not operative in current release)

                                               •        ESCON, (not operative in current release)

                                               •        Digital Video, (not operative in current release)

                                               •        STM4/OC12, (not operative in current release)

                                               •        Fiber Channel, (not operative in current release)

                                               •        FICON, (not operative in current release)

                                               •        Gb Ethernet, (not operative in current release)

                                               •        2 Fiber Channel, (not operative in current release)

                                               •        STM16/OC48,

                                               •        2 Gb Ethernet, (not operative in current release)

                                               •        STM16 w/ FEC (not operative in current release)
1AA 00014 0004 (9007) A4 – ALICE 04.10




                                         ED        03

                                                                                                            3AL 91669 AA AA                    300 / 706


                                                                                                                      706
706
301 / 706                                                       3AL 91669 AA AA
                                                                                                                                                                                                                                          03      ED
                                                                                                                                                                                                                                                       1AA 00014 0004 (9007) A4 – ALICE 04.10




                                                      Figure 167. COADM functionality: example of equipment shelf
      22 23 24 25 26 27 28 29 30 31 32 33 34 35 36 37 38 39 40 41
        ÖÖ ÖÁ Á
          Ö
        ÖÖÖÖÖÁÁÁ
          Ö ÖÁ Á                                                                                 ÊÊ ÔÔÔ
                                                                                                 ÊÊ ÔÔÔ ÔÔ
                                                                                                         Ô
        ÖÖÖÖÖÁÁÁ
          Ö ÖÁ Á
        ÖÖÖÖÖÁÁÁ
          ÖÖÖÖÁÁÁ
              ÖÁ Á                                                                               ÊÊ ÔÔÔ Ô
                                                                                                 ÊÊ ÔÔÔ ÔÔ
                                                                                                         ÔÔ
        ÖÖ ÖÁ                                                                                    ÊÊ ÔÔÔ  Ô
                                                                                                                                                                                                                Basic




        ÖÖÖÖÖÁÁÁ
          Ö ÖÁ Á                                                                                 ÊÊ ÔÔÔ ÔÔ
                                                                                                                         Port HS



                                                                                       TPD




                                                      Port HS
                                                                                      Port HS




        ÖÖÖÖÖÁÁÁ
          Ö ÖÁ Á                                                                                 ÊÊ ÔÔÔ ÔÔ
                                            4 X ANY
                                                                 SMT–16 ”col”
                                                                                                                                                                  Port LS–HS

                                                                                                                                          SMT–16 ”col”




                               Port LS–HS
                                                                                     Port LS–HS
                                                                                                                                                                                                       EQUICO




        ÖÖÖÖÖÁÁÁ
          Ö ÖÁ Á                                                                                 ÊÊ ÔÔÔ ÔÔ
                                                                                                                                                                                                                Area




                                                                                Port LS Spare – HS
                                                                                                                                                                                     MATRIX A (main)




                                                                                                           STM–16 –BW




            MATRIX B (spare)
        ÖÖÖÖÖÁÁÁ
          Ö ÖÁ Á
        ÖÖÖÖÖÁÁÁ
          Ö ÖÁ Á                                                                                 ÊÊ ÔÔÔ Ô
                                                                                                 ÊÊ ÔÔÔ ÔÔ
                                                                                                         Ô
        ÖÖÖÖÖÁÁÁ
          Ö ÖÁ Á
        ÖÖÖÖÖÁÁÁ
          Ö ÖÁ Á                                                                                 ÊÊ ÔÔÔ Ô
                                                                                                 ÊÊ ÔÔÔ ÔÔ
                                                                                                         ÔÔ
       ÖÖÖÖÖÖÁÁÁ
        ÖÖÖÖÁÁÁÁ
        ÖÖ ÖÁ Á
          ÖÖÁÖ ÁÁ                                                                                ÊÊÊÔÔÔÔÔÔ
                                                                                                  Ê Ô ÔÔ Ô
       ÖÖ Ö Ö Ö Á Á
        ÖÖÖÁÁ   Á
       ÖÖ Ö Ö Ö Á Á
        ÖÖÖÁÁ   Á                                                                                 Ê Ê ÔÔ Ô ÔÔ Ô Ô
                                                                                                    Ô Ô Ô ÔÔ
                                                                                                  Ê Ê ÔÔ Ô ÔÔ Ô Ô
                                                                                                    Ô Ô Ô ÔÔ
       ÖÖ Ö Ö Ö Á Á
        ÖÖÖÁÁ   Á                                                                                 Ê Ê ÔÔ Ô ÔÔ Ô Ô
                                                                                                    Ô Ô Ô ÔÔ
                                                                                                                                                                                                                Access




       ÖÖ Ö Ö Ö Á Á
        ÖÖÖÁÁ   Á
       ÖÖ Ö Ö Ö Á Á
        ÖÖÖÁÁ   Á                                                                                 Ê Ê ÔÔ Ô ÔÔ Ô Ô
                                                                                                    Ô Ô Ô ÔÔ
                                                                                                  Ê Ê ÔÔ Ô ÔÔ Ô Ô
                                                                                                    Ô Ô Ô ÔÔ
                                                                                                                          COADM 1/2 ch.




      Access Card LS
                                                                                                                                                                     COADM 1/2 ch.
                                                                                                                                                                                         Access Card LS

       ÖÖ Ö Ö Ö Á Á
        ÖÖÖÁÁ   Á                                                                                 Ê Ê ÔÔ Ô ÔÔ Ô Ô
                                                                                                    Ô Ô Ô ÔÔ

                                                                                                 Access Card LS/HS
                                                                                                           CONGI A


              CONGI B
                                                                                       SERVICE
                                                                                                                                                                                                                Area




      Access Card LS/HS
      Access Card LS/HS
      Access Card LS/HS
      Access Card LS/HS
      Access Card LS/HS
      Access Card LS/HS
      Access Card LS/HS
      Access Card LS/HS
                                                                                                   Access Card LS/HS
                                                                                                                                              Access Card LS/HS
                                                                                                                                                                                         Access Card LS/HS
       ÖÖ Ö Ö Ö Á Á
        ÖÖÖÁÁ   Á                                                                                 Ê Ê ÔÔ Ô ÔÔ Ô Ô
                                                                                                    Ô Ô Ô ÔÔ
       ÖÖ Ö Ö Ö Á Á
        ÖÖÖÁÁ   Á                                                                                 Ê Ê ÔÔ Ô ÔÔ Ô Ô
                                                                                                    Ô Ô Ô ÔÔ                                                                                                             for Ring application
       ÖÖ Ö Ö Ö Á Á
        ÖÖÖÁÁ   Á                                                                                 Ê Ê ÔÔ Ô ÔÔ Ô Ô
                                                                                                    Ô Ô Ô ÔÔ                                                                                                             COADM 1/2 CHANNELS
       ÖÖ Ö Ö Ö Á Á
        ÖÖÖÖÁÁ
          ÖÖÁÁ  Á                                                                                 Ê Ê ÔÔ Ô ÔÔ Ô Ô
                                                                                                    ÔÔÔ Ô ÔÔ Ô Ô
                                                                                                       Ô Ô ÔÔ                                                                                                            Equipment example with
       ÖÖÖÖÁÁ
        Ö
        ÖÖÖÖÁÁ
          ÖÖÁÁ  Á
       ÖÖ Ö Ö Ö Á Á
                Á                                                                                 ÊÊ Ô Ô Ô Ô
                                                                                                    Ô
                                                                                                  Ê Ê ÔÔ Ô ÔÔ Ô Ô
                                                                                                    ÔÔÔ Ô ÔÔ Ô Ô
                                                                                                       Ô Ô ÔÔ
      9 10 11 12 13 14 15 16 17 18 19 20 21                                                                         1 2 3 4 5 6 7 8
    equipment is supposed to be limited to one shelf only.
    to network with limited traffic demand (supported by 1 or 2 wavelengths). For this kind of use, also the
                                                                                                                                                                                                                                                                               document, use and communication of its contents
                                                                                                                                                                                                                                                                               All rights reserved. Passing on and copying of this




    The example below reported, shows the equipment with COADM 1(2) channels unit, as for NE’s belonging
                                                                                                                                                                                                                                                                             not permitted without written authorization from Alcatel.



                                                                                 The shelf layout of resulting equipment is showed in the following figure.
                                                                                                                                                                                                                         3.11.1 Equipment facilities
1AA 00014 0004 (9007) A4 – ALICE 04.10




                           ED
                                                                                                                                                                                                                                                                                                                                         Basic Area          Access Area           Basic Area                                                                    Access Area
                                                                                                                                                                                                                                                                                                                                            EQUICO            Access Card LS            EQUICO                                                                    Access Card LS




                           03
                                                                                                                                                                                                                                                                                                                                         MATRIX A (main)      Access Card LS/HS     MATRIX A (main)                                                               Access Card LS/HS
                                                                                                                                                                                                                                                                                                                                                              Access Card LS/HS                                                                                   MUX / DEMUX
                                                                                                                                                                                                                                                                                                                                          Port LS–HS          Access Card LS/HS      Port LS–HS                                                                   8 Channels




                                                                                                                                                                                                                                                                             Ô
                                                                                                                                                                                                                                                                             Ô
                                                                                                                                                                                                                                                                             Ô
                                                                                                                                                                                                                                                                             ÔÔ
                                                                                                                                                                                                                                                                             Ô
                                                                                                                                                                                                                                                                             Ô
                                                                                                                                                                                                                                                                             Ô
                                                                                                                                                                                                                                                                             Ô
                                                                                                                                                                                                                                                                             Ô
                                                                                                                                                                                                                                                                             Ô
                                                                                                                                                                                                                                                                             Ô
                                                                                                                                                                                                                                                                             Ô
                                                                                                                                                                                                                                                                             Ô
                                                                                                                                                                                                                                                                             ÔÔ
                                                                                                                                                                                                                                                                                                                                         SMT–16 ”col”         Access Card LS/HS     SMT–16 ”col”                                                                  Access Card LS/HS
                                                                                                                                                                                                                                                                           Ô Ô ÔÔ
                                                                                                                                                                                                                                                                           Ô Ô ÔÔ
                                                                                                                                                                                                                                                                                                                                                              Access Card LS/HS                                                                                    MUX / DEMUX




                                                                                                                                                                                                                                                                         ÔÔÔÔÔÔ
                                                                                                                                                                                                                                                                                                                                          Port HS             Access Card LS/HS      Port HS                                                                       8 Channels




                                                                                                                                                                                                                                                                       Ô ÔÔ
                                                                                                                                                                                                                                                                       ÔÔÔÔÔÔÔ
                                                                                                                                                                                                                                                                       ÔÔÔÔÔÔÔ
                                                                                                                                                                                                                                                                       ÔÔÔÔÔÔÔ
                                                                                                                                                                                                                                                                       ÔÔÔÔÔÔÔ
                                                                                                                                                                                                                                                                       ÔÔÔÔÔÔÔ
                                                                                                                                                                                                                                                                       ÔÔÔÔÔÔÔ
                                                                                                                                                                                                                                                                       ÔÔÔÔÔÔÔ
                                                                                                                                                                                                                                                                       ÔÔÔÔÔÔÔÔ
                                                                                                                                                                                                                                                                       Ô Ô
                                                                                                                                                                                                                                                                       Ô ÔÔ
                                                                                                                                                                                                                                                                       Ô Ô Ô ÔÔ
                                                                                                                                                                                                                                                                       ÔÔÔÔÔÔÔÔ
                                                                                                                                                                                                                                                                       Ô
                                                                                                                                                                                                                                                                       ÔÔÔÔÔÔÔÔ
                                                                                                                                                                                                                                                                       Ô Ô Ô ÔÔ
                                                                                                                                                                                                                                                                       Ô Ô Ô ÔÔ


                                                                                                                                                                                                                                                                                                                                        SMT–16 ”col”          Access Card LS/HS     SMT–16 ”col”                                                                  Access Card LS/HS




                                                                                                                                                                                                                                                                      ÔÔÔÔÔ
                                                                                                                                                                                                                                                                      ÔÔÔÔÔÔ
                                                                                                                                                                                                                                                                      ÔÔÔÔÔÔ
                                                                                                                                                                                                                                                                      ÔÔÔÔÔÔ
                                                                                                                                                                                                                                                                      ÔÔÔÔÔ
                                                                                                                                                                                                                                                                      ÔÔÔÔÔÔ
                                                                                                                                                                                                                                                                      ÔÔÔÔÔÔ
                                                                                                                                                                                                                                                                      ÔÔÔÔÔÔ
                                                                                                                                                                                                                                                                      ÊÊÔÔÔÔÔÔ
                                                                                                                                                                                                                                                                      ÊÊ Ô Ô Ô Ô Ô Ô Ô
                                                                                                                                                                                                                                                                      ÊÊ Ô Ô Ô Ô Ô Ô Ô
                                                                                                                                                                                                                                                                      ÊÊ Ô Ô Ô Ô Ô Ô Ô
                                                                                                                                                                                                                                                                      ÊÊ Ô Ô Ô Ô Ô Ô Ô
                                                                                                                                                                                                                                                                      ÊÊ Ô Ô Ô Ô Ô Ô Ô
                                                                                                                                                                                                                                                                      ÊÊ Ô Ô Ô Ô Ô Ô Ô
                                                                                                                                                                                                                                                                      ÊÊ Ô Ô Ô Ô Ô Ô Ô
                                                                                                                                                                                                                                                                      ÊÊ Ô Ô Ô Ô Ô Ô Ô
                                                                                                                                                                                                                                                                      ÔÔÔÔÔ
                                                                                                                                                                                                                                                                      ÔÔÔÔÔÔ
                                                                                                                                                                                                                                                                      ÔÔÔÔÔÔ
                                                                                                                                                                                                                                                                      ÔÔÔÔÔÔ
                                                                                                                                                                                                                                                                      ÔÔÔÔÔÔ
                                                                                                                                                                                                                                                                      ÔÔÔÔÔÔ
                                                                                                                                                                                                                                                                      ÔÔÔÔÔÔ
                                                                                                                                                                                                                                                                      ÔÔÔÔÔÔÔÔ
                                                                                                                                                                                                                                                                      ÊÊ Ô Ô Ô Ô
                                                                                                                                                                                                                                                                      ÊÊÔÔÔÔÔÔÔ
                                                                                                                                                                                                                                                                      ÊÊÔÔÔÔÔÔÔ
                                                                                                                                                                                                                                                                      ÊÊÔÔÔÔÔÔÔ
                                                                                                                                                                                                                                                                      ÊÊ Ô Ô Ô Ô
                                                                                                                                                                                                                                                                      ÊÊÔÔÔÔÔÔÔ
                                                                                                                                                                                                                                                                      ÊÊÔÔÔÔÔÔÔ
                                                                                                                                                                                                                                                                      ÊÊÔÔÔÔÔÔÔ


                                                                                                                                                                                                                                                                                                                                                              Access Card LS/HS                                                                                  Access Card LS/HS
                                                                                                                                                                                                                                                                                                                                           Port LS–HS              CONGI A         Port LS–HS                                                                          CONGI A
                                                                                                                                                                                                                                                                                                                                            Port HS                                   Port HS
                                                                                                                                                                                                                                                                                                                                                                   SERVICE                                                                                             SERVICE
                                                                                                                                                                                                                                                                                                                                        Port LS Spare – HS                        Port LS Spare – HS
                                                                                                                                                                                                                                                                                                                                          Port LS–HS               CONGI B          Port LS–HS                                                                         CONGI B
                                                                                                                                                                                                                                                                                                                                                              Access Card LS/HS                                                                                   Access Card LS/HS
                                                                                                                                                                                                                                                                                                                                         SMT–16 ”col”         Access Card LS/HS    SMT–16 ”col”                                                                   Access Card LS/HS
                                                                                                                                                                                                                                                                                                                                                              Access Card LS/HS                                                                                   Access Card LS/HS
                                                                                                                                                                                                                                                                                                                                          Port HS                                    Port HS




                                                                                                                                                                                                                                                                              ÖÁ Á
                                                                                                                                                                                                                                                                                                                                                              Access Card LS/HS                                                                                   Access Card LS/HS
                                                                                                                                                                                                                                                                                                                                         SMT–16 ”col”         Access Card LS/HS     SMT–16 ”col”                                                                  Access Card LS/HS




                                                                                                                                                                                                                                                                            Á
                                                                                                                                                                                                                                                                            Á
                                                                                                                                                                                                                                                                            Á
                                                                                                                                                                                                                                                                            Á
                                                                                                                                                                                                                                                                            Á
                                                                                                                                                                                                                                                                            Á
                                                                                                                                                                                                                                                                            Á
                                                                                                                                                                                                                                                                            ÁÁÁ
                                                                                                                                                                                                                                                                            Á
                                                                                                                                                                                                                                                                            ÁÁÁ
                                                                                                                                                                                                                                                                            ÁÁÁ
                                                                                                                                                                                                                                                                            Á
                                                                                                                                                                                                                                                                            Á




                                                                                                                                                                                                                                                                                                                                                              Access Card LS/HS                                                                                   Access Card LS/HS




                                                                                                                                                                                                                                                                          Á
                                                                                                                                                                                                                                                                          Á ÖÁ Á
                                                                                                                                                                                                                                                                          Á ÖÁ Á
                                                                                                                                                                                                                                                                          ÁÁÁ Ö ÁÁ Á
                                                                                                                                                                                                                                                                          Á ÖÁ Á
                                                                                                                                                                                                                                                                          Á ÖÁ Á
                                                                                                                                                                                                                                                                          ÁÁ Ö Á Á
                                                                                                                                                                                                                                                                          ÖÖÁÁ
                                                                                                                                                                                                                                                                          Á ÖÁ Á
                                                                                                                                                                                                                                                                          Á ÖÁ Á
                                                                                                                                                                                                                                                                          Á ÖÁ Á
                                                                                                                                                                                                                                                                          Á ÖÁ Á
                                                                                                                                                                                                                                                                          Á ÖÁ Á
                                                                                                                                                                                                                                                                          ÁÁ Ö Á Á
                                                                                                                                                                                                                                                                          ÁÁ Ö Á Á
                                                                                                                                                                                                                                                                          ÖÖÁÁ
                                                                                                                                                                                                                                                                          ÖÖÁÁ




                                                                                                                                                                                                                                                                                                                                          Port LS–HS                                 Port LS–HS
                                                                                                                                                                                                                                                                                                                                                              Access Card LS/HS                                                                                   Access Card LS/HS




                                                                                                                                                                                                                                                                        ÖÖ Ö Á Á
                                                                                                                                                                                                                                                                        Ö Ö ÁÁ Ö ÁÁ Á
                                                                                                                                                                                                                                                                        Ö Ö ÁÁ Ö ÁÁ Á
                                                                                                                                                                                                                                                                        Ö Ö ÁÁ Ö ÁÁ Á
                                                                                                                                                                                                                                                                        ÖÁ
                                                                                                                                                                                                                                                                        Ö Ö ÁÁ Ö ÁÁ Á
                                                                                                                                                                                                                                                                        Ö Ö ÁÁ Ö ÁÁ Á
                                                                                                                                                                                                                                                                        Ö Ö ÁÁ Ö ÁÁ Á
                                                                                                                                                                                                                                                                        ÖÖÁÖ Á Á
                                                                                                                                                                                                                                                                        ÖÖÖÁÁ
                                                                                                                                                                                                                                                                        ÖÖÖÁÁ
                                                                                                                                                                                                                                                                        ÖÖÖÁÁ
                                                                                                                                                                                                                                                                        ÖÖÖÁÁ
                                                                                                                                                                                                                                                                        ÖÖÖÁÁ
                                                                                                                                                                                                                                                                        ÖÖÖÁÁ
                                                                                                                                                                                                                                                                        ÖÖÖÁÁ
                                                                                                                                                                                                                                                                        ÖÖ Ö Á Á Á
                                                                                                                                                                                                                                                                        ÖÁ
                                                                                                                                                                                                                                                                        Ö Ö ÁÁ Ö ÁÁ Á
                                                                                                                                                                                                                                                                        Ö Ö ÁÁ Ö ÁÁ Á
                                                                                                                                                                                                                                                                        Ö Ö ÁÁ Ö ÁÁ Á
                                                                                                                                                                                                                                                                        Ö Ö ÁÁ Ö ÁÁ Á
                                                                                                                                                                                                                                                                        Ö Ö ÁÁ Ö ÁÁ Á
                                                                                                                                                                                                                                                                        Ö Ö ÁÁ Ö ÁÁ Á
                                                                                                                                                                                                                                                                        Ö Ö Á Á Ö ÁÁ Á
                                                                                                                                                                                                                                                                        ÖÖÁÖ Á Á
                                                                                                                                                                                                                                                                        ÖÖÖÁÁ
                                                                                                                                                                                                                                                                        ÖÖÖÁÁ
                                                                                                                                                                                                                                                                        ÖÖ Ö Á Á Á
                                                                                                                                                                                                                                                                        Ö Á
                                                                                                                                                                                                                                                                        ÖÖ Ö Á Á Á
                                                                                                                                                                                                                                                                        ÖÖÖÁÁ
                                                                                                                                                                                                                                                                        ÖÖÖÁÁ




                                                                                                                                                                                                                                                                                                                                         MATRIX B (spare)                           MATRIX B (spare)
                                                                                                                                                                                                                                                                                                                                                              Access Card LS/HS                                                                                   Access Card LS/HS




                                                                                                                                                                                                                                                                      Ö Ö Ö Ö Á Ö ÁÁ Á
                                                                                                                                                                                                                                                                      ÖÖ Ö Ö Á Á Á
                                                                                                                                                                                                                                                                      ÖÖ Ö Ö Á Á Á
                                                                                                                                                                                                                                                                      ÖÖ Ö Ö Á Á Á
                                                                                                                                                                                                                                                                      ÖÖ Ö Ö Á Á Á
                                                                                                                                                                                                                                                                      ÖÖ Ö Ö Á Á Á
                                                                                                                                                                                                                                                                      ÖÖ Ö Ö Á Á Á
                                                                                                                                                                                                                                                                      ÖÖ Ö Ö Á Á Á
                                                                                                                                                                                                                                                                      ÖÖ Ö Ö Á Á Á
                                                                                                                                                                                                                                                                      Ö Ö Ö Ö Á Ö ÁÁ Á
                                                                                                                                                                                                                                                                      ÖÖ Ö Ö Á Á Á
                                                                                                                                                                                                                                                                      ÖÖ Ö Ö Á Á Á
                                                                                                                                                                                                                                                                      ÖÖ Ö Ö Á Á Á
                                                                                                                                                                                                                                                                      ÖÖÖÖ
                                                                                                                                                                                                                                                                      ÖÖ Ö Ö Á Á Á
                                                                                                                                                                                                                                                                      ÖÖ Ö Ö Á Á Á
                                                                                                                                                                                                                                                                      ÖÖ Ö Ö Á Á Á




                                                                                                                                                                                                                                                                                                                                                              Access Card LS                                                                                      Access Card LS




                                               interface, 4xANY, double TPD, etc.) is the same in both equipment facilities.




706
                                                                                                                                                                                                                                                                                                                                                                                                                                                                                      A further example, shows the equipment with” MUX/DEMUX 8 channels units”.




         3AL 91669 AA AA
                                                                                                                                                            are then required in order to host the needed amount of STM16 ’CWDM’ interfaces.
                                                                                                                                                                                                                                                                      Figure 168. MUX/DEMUX functionality: example of shelf equipment
                                                                                                                                                                                                                                                                                                                                                                                            REQUIRED)
                                                                                                                                                                                                                                                                                                                                                                                                                                        handling 4 CWDM
                                                                                                                                                                                                                                                                                                                                                                                                                                        Equipment example with




                                                                                                                                                                                                                                                                                                                                                                                            (2 SEPARATE SHELVES
                                                                                                                                                                                                                                                                                                                                                                                                                  FOR RING APPLICATON
                                                                                                                                                                                                                                                                                                                                                                                                                                        MUX/DEMUX 8 Channels




                                               The capability to host within the single shelf, the items required for ’OADM’ application (STM16 ’colored’
                                                                                                                                                            In this case 4 wavelengths are supposed to be terminated by the node in ’ring’ application; two shelves




         302 / 706
                                                                                                                                                                                                                                                                                                                                                                                    All rights reserved. Passing on and copying of this
                                                                                                                                                                                                                                                                                                                                                                                    document, use and communication of its contents
                                                                                                                                                                                                                                                                                                                                                                                  not permitted without written authorization from Alcatel.
3.11.2 Functional description

                                                                                            1660SM with WDM signal flow is functionally based, both in ’ring’ and ’linear’ application, on three
                                                                                            directions:
not permitted without written authorization from Alcatel.
  All rights reserved. Passing on and copying of this
  document, use and communication of its contents




                                                                                                    1660SM                                                                 1660SM function
                                                                                                  interfacing




                                                                                                                Figure 169. 1660SM signal flow diagram with WDM application


                                                                                            [1]   “client” signals groomed by SDH matrix and carried by ’CWDM’ wavelengths;

                                                                                            [2]   “client” signals not groomed by SDH matrix and carried, transparently, by ’CWDM” wavelengths
                                                                                                  (wavelength assignment on B/W signals);

                                                                                            [3]   “server” signals not groomed by SDH matrix and regenerated on same or different wavelength.
                                                  1AA 00014 0004 (9007) A4 – ALICE 04.10




                                                                                           ED       03

                                                                                                                                                       3AL 91669 AA AA                     303 / 706


                                                                                                                                                                    706
3.11.3 “Ring” node functional scheme

                                          In the following, different examples of 1660SM (WDM application) configured as a ’ring’ node are showed.




                                                                                                                                                         not permitted without written authorization from Alcatel.
                                          In every hypothesis, all the items involved (represented in gray color) are hosted in a 1660SM shelf.




                                                                                                                                                           All rights reserved. Passing on and copying of this
                                                                                                                                                           document, use and communication of its contents
                                                         Figure 170. 1660SM (WDM application) ’ring’ node functional scheme (1)


                                          Specifically, the node represented in Figure 170. terminates on each side, two channels on STM 16
                                          ’colored’ interfaces. The wavelengths multi/demultiplexing is supposed to be performed by MUX/DEMUX
                                          8 channels
1AA 00014 0004 (9007) A4 – ALICE 04.10




                                                         Figure 171. 1660SM (WDM application) ’ring’ node functional scheme (2)




                                         ED      03

                                                                                                       3AL 91669 AA AA                       304 / 706


                                                                                                                     706
In Figure 171. the node realizes the wavelengths termination by using also ’Double channel transponder’
                                                                                            unit.

                                                                                            Optical multi/demultiplexing is, anyway, performed through MUX/DEMUX card.
not permitted without written authorization from Alcatel.
  All rights reserved. Passing on and copying of this
  document, use and communication of its contents




                                                                                            Channels terminated into STM16 interfaces can be processed and cross–connected by SDH blocks till
                                                                                            the LO granularity; while channels terminated into ’Transponder’ are not groomed at any level but either
                                                                                            adapted to the transmission technique or recovered from line degradation.

                                                                                            Next Figure 172. and Figure 173. , show the functionality of a ’ring’ node using COADM 1 (2) ch. for
                                                                                            wavelengths multi/demultiplexing.




                                                                                                           Figure 172. 1660SM (WDM application) ’ring’ node functional scheme (3)
                                                  1AA 00014 0004 (9007) A4 – ALICE 04.10




                                                                                           ED      03

                                                                                                                                                         3AL 91669 AA AA                       305 / 706


                                                                                                                                                                       706
not permitted without written authorization from Alcatel.
                                                                                                                                                            All rights reserved. Passing on and copying of this
                                                                                                                                                            document, use and communication of its contents
                                                         Figure 173. 1660SM (WDM application) ’ring’ node functional scheme (4)


                                          It can be noticed that there is no difference with respect the use of MUX/DEMUX device as regards the
                                          processing of terminated channels (both in SDH matrix and in ’Transponder’ unit); as a difference, the
                                          COADM structure include a specific link for by–passing those channels of the grid not locally terminated.
1AA 00014 0004 (9007) A4 – ALICE 04.10




                                         ED      03

                                                                                                        3AL 91669 AA AA                       306 / 706


                                                                                                                      706
3.11.4 “Terminal” node functional scheme

                                                                                            As already considered for ’ring’ application, the following figures shows the functionality of 1660SM (WDM
                                                                                            application) configured as the end of a ’linear’ network (i.e. point–to–point connection).
not permitted without written authorization from Alcatel.
  All rights reserved. Passing on and copying of this
  document, use and communication of its contents




                                                                                            Both cases of MUX/DEMUX unit (Figure 174. ) and COADM unit (Figure 175. ) used in ’end’ node are
                                                                                            depicted.




                                                                                                      Figure 174. 1660SM (WDM application)’end’ node functional scheme (Mux/Demux)


                                                                                            Also in this application all the physical parts involved (showed in gray color) are hosted in 1660SM shelf.

                                                                                            No difference, with respect termination channels functionality, already depicted for ’ring’ application,
                                                                                            exists.
                                                  1AA 00014 0004 (9007) A4 – ALICE 04.10




                                                                                           ED      03

                                                                                                                                                           3AL 91669 AA AA                        307 / 706


                                                                                                                                                                         706
1AA 00014 0004 (9007) A4 – ALICE 04.10




                           ED
                           03




706
         3AL 91669 AA AA
                                               Figure 175. 1660SM (WDM application) ’end’ node functional scheme (COADM)




         308 / 706
                                                                                                                             All rights reserved. Passing on and copying of this
                                                                                                                             document, use and communication of its contents
                                                                                                                           not permitted without written authorization from Alcatel.
3.11.5 Optical span design

                                                                                            The aim of this paragraph is defining the optical performances of 1660SM based on CWDM technology.
                                                                                            The optical performances definition bases on the optical characteristics related to CWDM devices
not permitted without written authorization from Alcatel.




                                                                                            supported by the equipment (Transceivers, Mux/Demux, OADM) and on the fiber cable characteristics
  All rights reserved. Passing on and copying of this
  document, use and communication of its contents




                                                                                            supposed.

                                                                                            The CWDM technology is characterized by channel spacing wider than Dense WDM and allows to realize
                                                                                            cost–effective applications, through a combination of un–cooled lasers (huge λ deviation versus
                                                                                            temperature range, e.g. 8 nm), relaxed laser wavelength selection tolerances (e.g. ± 2 nm) and wide
                                                                                            pass–band filters (e.g. 14 nm) inside the optical passive functions.

                                                                                            The following paragraphs concern:

                                                                                            [1]   CWDM channels used
                                                                                            [2]   the optical functions characteristics in terms of structures and insertion losses ( Mux/Demux/OADM
                                                                                                  optical operations: structures and insertion losses);
                                                                                            [3]   the fiber attenuation coefficient and fiber chromatic dispersion profile
                                                                                            [4]   the transceiver optical characteristics necessary for power budget calculation



                                                                                            [1] CWDM channels table

                                                                                            The set of wavelengths used in the 1660SM equipment is a subset of the nominal central wavelengths
                                                                                            grid defined in the ITU–T G.694.2 Recommendation for coarse WDM systems. The complete CWDM
                                                                                            wavelengths grid range is from 1270 nm to 1610 nm with spacing of 20 nm. This spacing is the trade–off
                                                                                            between the coarse technological aspects and the need to maximize the number of channels available.

                                                                                            Table 44. CWDM channels grid supported by 1660SM

                                                                                                Nominal central wavelengths (nm)
                                                                                                  used in the CWDM 1660SM

                                                                                                              1470

                                                                                                              1490

                                                                                                              1510

                                                                                                              1530

                                                                                                              1550

                                                                                                              1570

                                                                                                              1590

                                                                                                              1610
                                                  1AA 00014 0004 (9007) A4 – ALICE 04.10




                                                                                           ED       03

                                                                                                                                                            3AL 91669 AA AA                    309 / 706


                                                                                                                                                                             706
[2] Mux/Demux/OADM optical operations: structures and insertion losses

                                          1660SM supports the following WDM functions:




                                                                                                                                                           not permitted without written authorization from Alcatel.
                                          –    multiplexing and demultiplexing of 8 CWDM channels without ’channels pass–through’ link through




                                                                                                                                                             All rights reserved. Passing on and copying of this
                                                                                                                                                             document, use and communication of its contents
                                               COMDX8;

                                          –    multiplexing and demultiplexing of 2 CWDM channels with ’channels pass–through’ link through
                                               COADM2;

                                          –    multiplexing and demultiplexing of 1 CWDM channel with ’channels pass–through’ link through
                                               COADM1.

                                          Figure 176. shows a generic application of the optical functions listed above with the definitions used in
                                          the following paragraphs.

                                          Table 45. shows the maximum insertion losses (dB) between:

                                          –    demux ’In’ and generic channel ’Drop’;

                                          –    generic channel ’Add’ and mux ’Out’;

                                          –    demux ’In and mux ’Out’ (’Pass–through’ connection).

                                          Note –   Channel loop insertion–loss is given by adding demux ’In’ and generic channel ’Drop’ to generic
                                          channel ’Add’ and mux ’Out’.

                                                                                      Pass–through
                                                                             Demux




                                                   Fiber                                                                              Fiber
                                                                                                               Mux




                                                                In                                                        Out
                                                                                            Loop




                                                                                     Drop          Add

                                                West                                                                                 East
                                                                                        Pass–through
                                                                                                               Demux




                                                 Fiber
                                                                            Mux




                                                             Out                            Loop                                In     Fiber




                                                                                     Add           Drop
                                                                       Board #1                              Board #2
1AA 00014 0004 (9007) A4 – ALICE 04.10




                                                                           Figure 176. Passive optical operation




                                         ED      03

                                                                                                          3AL 91669 AA AA                      310 / 706


                                                                                                                       706
Note –    Insertion loss values related to ’In – Drop’ channel and ’Pass–through’ includes an assumed
                                                                                            0.5 dB insertion loss due to ’CWDM LOS detection stage’ equipped in Mux/Demux/OADM boards

                                                                                            Note –   Contribution of Chromatic Dispersion related to Mux/Demux/OADM optical operations has
not permitted without written authorization from Alcatel.




                                                                                            been considered equals 0 ps/nm (range currently considered in devices specification is ± 30 ps/nm).
  All rights reserved. Passing on and copying of this
  document, use and communication of its contents




                                                                                            Table 45. Boards insertion loss

                                                                                                 Optical function                 Add Ch. Out insertion Loss (dB)             Pass.–th
                                                                                                                                          Channels (um)                       I.L. (dB)

                                                                                                                         1.47 1.49 1.51 1.53 1.55 1.57 1.59 1.61

                                                                                            MUX (COMDX8)                1.05 1.35 1.65 1.95 2.25 2.55 2.85 3.15

                                                                                            COADM2                      1.55 1.55 1.55 1.55 1.55 1.55 1.55 1.55 2.5

                                                                                            COADM1                      1.25 1.25 1.25 1.25 1.25 1.25 1.25 1.25 2.1



                                                                                                 Optical function                In – Drop Ch. Insertion Loss (dB)            Pass.–th
                                                                                                                                          Channels (um)                       I.L. (dB)

                                                                                                                        1.47 1.49 1.51 1.53 1.55 1.57 1.59 1.61

                                                                                            DEMUX (COMDX8)              1.05 3.15 2.85 2.55 2.25 1.95 1.65 1.35

                                                                                            COADM2                      1.55 1.55 1.55 1.55 1.55 1.55 1.55 1.55 2.5

                                                                                            COADM1                      1.25 1.25 1.25 1.25 1.25 1.25 1.25 1.25 2.1


                                                                                            Figure 177. , Figure 178. , Figure 179. highlight the ’Insertion loss’ values as regards COMDX8,
                                                                                            COADM2, COADM1.



                                                                                            In the 8 ch.s Mux/Demux operation (COMDX8), the specific equalization (to be considered for device
                                                                                            implementation) of the channel loop ’Insertion loss’ versus channels, can be noticed: the result is a
                                                                                            constant channel loop insertion loss from 1.49 to 1.61 um wavelength, while a minor value occurs at 1.47
                                                                                            um.

                                                                                            This solution allows to optimize ’span length’ performance, considering both ’typical’ attenuation profile
                                                                                            of the Standard SMF, wavelength and number of intermediate nodes within a referenced span: the benefits
                                                                                            are in terms of possible longer distances between the nodes or greater power margins between the optical
                                                                                            interfaces.

                                                                                            In 2 ch.s Mux/Demux operation (COADM2) the channel loop insertion loss has the same value for every
                                                                                            couple of wavelengths.
                                                  1AA 00014 0004 (9007) A4 – ALICE 04.10




                                                                                           ED      03

                                                                                                                                                          3AL 91669 AA AA                        311 / 706


                                                                                                                                                                        706
1.05     2.1     1.05
                                                                           3.15             1.35




                                                                                                                                                  not permitted without written authorization from Alcatel.
                                                                           2.85             1.65




                                                                                                                                                    All rights reserved. Passing on and copying of this
                                                                                                                                                    document, use and communication of its contents
                                                                                                                              Fiber




                                                                  Demux
                                              Fiber     In                 2.55             1.95                  Out




                                                                                                       Mux
                                                                           2.25     5.5     2.25
                                                                           1.95             2.55
                                                                           1.65             2.85
                                                                           1.35             3.15


                                              West                                                                           East
                                                                            1.05 2.1        1.05
                                                                            1.35            3.15
                                                                            1.65            2.85




                                                                                                       Demux
                                              Fiber   Out                   1.95            2.55                        In    Fiber
                                                                 Mux




                                                                            2.25 5.5        2.25
                                                                            2.55            1.95
                                                                            2.85            1.65
                                                                            3.15            1.35


                                                             Board #1                                 Board #2


                                                                 Figure 177. COMDX8 insertion loss


                                                                             1.25    2.5     1.25

                                                                              1.55 3.1 1.55
                                                                   Demux




                                              Fiber     In                                                              Out       Fiber
                                                                                                        Mux




                                                                              1.55          1.55




                                              West                                                                           East
                                                                             1.25     2.5    1.25


                                                                              1.55 3.1 1.55
                                                                                                        Demux




                                              Fiber   Out                                                               In        Fiber
                                                                  Mux




                                                                              1.55          1.55




                                                             Board #1                                 Board #2
1AA 00014 0004 (9007) A4 – ALICE 04.10




                                                                 Figure 178. COADM2 insertion loss




                                         ED   03

                                                                                                   3AL 91669 AA AA                    312 / 706


                                                                                                                706
1.05 2.1     1.05




                                                                                                                                 Demux
                                                                                                                                                                                                Fiber
not permitted without written authorization from Alcatel.




                                                                                                    Fiber          In                      1.25 2.5    1.25                        Out




                                                                                                                                                                    Mux
  All rights reserved. Passing on and copying of this
  document, use and communication of its contents




                                                                                                   West                                                                                 East
                                                                                                                                           1.05 2.1    1.05




                                                                                                                                                                    Demux
                                                                                                    Fiber        Out                      1.25 2.5     1.25                        In
                                                                                                                                Mux                                                             Fiber




                                                                                                                           Board #1                              Board #2

                                                                                                                               Figure 179. COADM1 insertion loss


                                                                                            [3] Fiber Technical Data

                                                                                            The referenced fiber for span length evaluation is the Standard Single Mode (SSMF) ITU–T G. 652.

                                                                                            The parameters in Table 46. and they are based on data coming from ITU–T G.957 Recommendation.
                                                                                            The column ’Typical Attenuation Coefficient’ includes losses due to installation splices, repair splices, and
                                                                                            the operating temperature range.
                                                                                            The column ’Maximum Attenuation Coefficient’ is obtained by considering a maximum attenuation
                                                                                            coefficient of about 0.3 dB/Km1. in the 1500 ÷ 580 nm and, in general, assuming a +30% tolerance over
                                                                                            the whole wavelength range supported by the equipment.

                                                                                            Table 46. Fiber technical data

                                                                                                Lambda        Typical Attenuation              Max. Attenuation             Max. Chromatic Dispersion
                                                                                                 (um)         Coefficient (dB/Km)             Coefficient (dB/Km)            Coefficient (ps/nm/Km)
                                                                                                 1.47                   0.28                          0.36                              13.10
                                                                                                 1.49                   0.24                          0.31                              14.50
                                                                                                 1.51                   0.22                          0.29                              15.80
                                                                                                 1.53                   0.21                          0.27                              17.30
                                                                                                 1.55                   0.21                          0.27                              18.50
                                                                                                 1.57                   0.22                          0.28                              19.60
                                                                                                 1.59                   0.22                          0.29                              20.50
                                                                                                 1.61                   0.23                          0.30                              21.50
                                                  1AA 00014 0004 (9007) A4 – ALICE 04.10




                                                                                            1. The 0.3 dB/Km value is in compliance with the system calculation purposes indicated in the ITU–T
                                                                                            G.957 Recommendation.

                                                                                           ED      03

                                                                                                                                                              3AL 91669 AA AA                       313 / 706


                                                                                                                                                                            706
[4] Line transceivers and optical interface power budget (Tx–Rx)

                                          The optical interfaces considered for power budget, span power budget and span length calculation have
                                          the main optical characteristics showed in Table 47.




                                                                                                                                                       not permitted without written authorization from Alcatel.
                                                                                                                                                         All rights reserved. Passing on and copying of this
                                                                                                                                                         document, use and communication of its contents
                                          These optical interfaces are realized through ’2R’ transceivers integrated in SFP MSA device.

                                          Three specific devices allows to achieve the best ’performance/cost’ ratio, matching specific network
                                          characteristics.

                                          The two modules are:

                                          –    SFP with PIN detection, consistent with span length around 40 Km (called hereafter BRONZE
                                               version);

                                          –    ’standard’ SFP with APD detection, consistent with span length around 70 Km (called hereafter
                                               SILVER version);

                                          Table 47. Optical transceiver characteristics

                                                            PARAMETER               Unit   Symbol            BRONZE        SILVER   REFERENCE

                                         Transmitter    Output Optical power       dBm      POUT      Min.       0           0
                                                               (EOL)
                                                                                                      Typ.

                                                                                                      Max.       5           5

                                                        Chromatic dispersion        ps/    D*Km       Min.     1000         1600
                                                                                    nm

                                          Receiver            Average Rx           dBm     RSENS      Max.      –18         –28           1
                                                       Sensitivity@OC–48+FEC

                                                        Maximum input power        dBm      PMAX      Min.      –3           –9

                                                         Optical Path Penalty       dB                Max.       1           2


                                          REFERENCE:

                                          1 – Worst–case extinction ratio (8.2dB). Measured with a PRBS 223–1 test pattern, @2.67Gb/s,
                                          BER10–12, EOL.
1AA 00014 0004 (9007) A4 – ALICE 04.10




                                         ED      03

                                                                                                      3AL 91669 AA AA                      314 / 706


                                                                                                                     706
3.12 Controller sub–system
                                                                                            (See Figure 180. on page 316)

                                                                                            The 1660SM control sub–system is based on a two level model :
not permitted without written authorization from Alcatel.
  All rights reserved. Passing on and copying of this
  document, use and communication of its contents




                                                                                            –    Equipment Controller (EC) implemented by the EQUICOE (PQ2/EQC) card.
                                                                                            –    Shelf Controller (SC) implemented as part of the MATRIXE card.

                                                                                            The EC provides the HW resources (physical interfaces) and the SW functionalities (protocol stack)
                                                                                            required for the communication between NE and Management system ( OS, craft terminal, etc).
                                                                                            It performs as well all the SW functions related to the control and management activities like info–model
                                                                                            processing, event reporting and logging, equipment data base management, SW downloading and
                                                                                            management, etc.
                                                                                            To support these activities, the EC function requires a non volatile mass storage device (flash card).
                                                                                            The SC provide the resources to support the SW functions related to the control and management
                                                                                            operation of the boards. To perform its functions, the SC directly interfaces the ASICS on the board
                                                                                            implementing the SDH functions for data collection (faults or alarm event detections, performance
                                                                                            monitoring data) and configuration provisioning.
                                                                                            As the SC is involved in critical activities ( for instance EPS ) , is 1+1 protected.

                                                                                            Internal bus
                                                                                            For the controller sub–system the following busses are defined:

                                                                                            –    ”Management bus” that allows:

                                                                                                 •        connection between SC and boards for configuration data provisioning
                                                                                                 •        remote inventory data acquisition
                                                                                                 •        data collection ( alarms ) and commands handling (ex. loops)

                                                                                            –    “ISSB bus” used for communication among the Equipment Controller, the Shelf Controllers and
                                                                                                 the Local Microprocessor (present for example on ISA board).

                                                                                            External interfaces toward Craft Terminal, OS and Mediation Device

                                                                                            F interface : available from the EC function for connection to a local Craft Terminal; the electrical interface
                                                                                            and connector are provided by the EQUICOE card.
                                                                                            The standard implementation of the physical layer for the F interface consists of an RS–232 UART port
                                                                                            accessible from the EQUICOE card front panel.

                                                                                            USB interface :The USB interface is foreseen as an alternative option for connection to external PC
                                                                                            supporting the Craft Terminal function; it is currently not operative.
                                                                                            QECC interface: is a TMN related communication interface based on the use of the Embedded
                                                                                            Communication Channels available in the SOH portion of the SDH frame. Through the QECC interface
                                                                                            the 1660SM can exchange management messages with a remote OS.
                                                                                            In the 1660SM up to three full duplex ECC channels can be terminated from each SDH interface: one
                                                                                            DCC_M at 576 kbit/s, one DCC_R at 192 Kbit/s and one DCC_P 64 Kbit/s(F2, F3 bytes of VC4 ).
                                                                                            QAUX interface: is provided as an additional TMN communication interface for message exchange
                                                                                            between the NE and a Remote OS station based on the use of a 2 Mbit/s proprietary protocol.
                                                                                            QMD interface: a Q2/RQ2 mediation function interface is provided to connect the 1660SM to non–SDH
                                                                                            NEs; both the master mode and slave mode operations are supported.
                                                  1AA 00014 0004 (9007) A4 – ALICE 04.10




                                                                                            The RS–485 interface and the cable connector are provided on the CONGI card.




                                                                                           ED        03

                                                                                                                                                             3AL 91669 AA AA                         315 / 706


                                                                                                                                                                            706
QB interface: it is dedicated to an OS station connection. QB3 options is supported for the connection
                                          to a LAN through a 10BASE2 or a 10BASET interface; the physical interfaces are provided by CONGI
                                          card.




                                                                                                                                                                     not permitted without written authorization from Alcatel.
                                          RE / HK interface: this interface consists of parallel I/O signals used for remote alarms and for




                                                                                                                                                                       All rights reserved. Passing on and copying of this
                                                                                                                                                                       document, use and communication of its contents
                                          housekeeping signals.
                                          The relevant electrical interfaces are placed on the two CONGI cards, and are controlled by the EC
                                          function through parallel I/O ports.

                                          RA interface: it is dedicated to send commands toward the rack to light up the relevant lamps.

                                                                                                                                          REMOTE
                                              Rack leds           NON SDH       OPERATION                                                OPERATION
                                                                 EQUIPMENT       SYSTEM                                                   SYSTEM

                                                                                             Remote andHousekeeping Alarm


                                                                                QB
                                                                                                                                         QAUX
                                                          RA      QMD
                                                                                          RE/HK       RE/HK


                                                                    EXTERNAL                         EXTERNAL                       EXTERNAL
                                                                   INTERFACE                        INTERFACE                      INTERFACE

                                                                    CONGI a                           CONGI b                       SERVICE




                                                    Local                                                              Management BUS
                                                                      F
                                               Craft Terminal

                                                                  USB                                      SC                           SC
                                                                    not operative       EC

                                                          QECC                                                 ISSB



                                                                             FLASH
                                                                             CARD

                                                                               PQ2/EQC                   MATRIX a                  MATRIX b




                                                                                                     Management BUS




                                                                                                                       Local                   Access
                                                                STM–1                                             Microprocessor               Modules
                                                                 STM–1
                                                                                                                      ISA units
1AA 00014 0004 (9007) A4 – ALICE 04.10




                                                               SDH units               PDH units

                                                                                    Figure 180. 1660SM Control Sub–system


                                         ED        03

                                                                                                                      3AL 91669 AA AA                    316 / 706


                                                                                                                                  706
3.12.1 Network management interfaces
                                                                                            (See Figure 181. on page 318 and Figure 182. on page 318)

                                                                                            The management of the equipment is realized by :
not permitted without written authorization from Alcatel.
  All rights reserved. Passing on and copying of this
  document, use and communication of its contents




                                                                                                 •        a Craft Terminal (CT).

                                                                                                 •        an Operations System (OS) made up of one or more Workstation, whose function is widened
                                                                                                          to networks management. Further it permits the connection to the Telecommunications
                                                                                                          Management Network (TMN).

                                                                                            Figure 181. on page 318 illustrates an example of management architecture of the equipment.

                                                                                            The Craft Terminal interface is an EIA–RS232 type (F interface). It can be:

                                                                                            –    local, connecting the Craft Terminal via the F interface.

                                                                                            –    remote, from another SDH equipment or SDH gateway of the network where a Craft Terminal is
                                                                                                 connected (to the F interface), addressing the actual equipment. In this case the management
                                                                                                 information is transported by the optical network, utilizing DCC bytes (Qecc link), or routed by a LAN.
                                                                                                 When Remote Craft Terminal option is used, a max of 32 equipments are manageable by means of
                                                                                                 one F interface. This equipment can address and manage remote SDH nodes by means of this
                                                                                                 functionality.

                                                                                            Interface QB3 permits to establish connection with the OS; the management information can be
                                                                                            transported by the optical network, utilizing DCC bytes (Qecc protocol) or by a dedicated LAN network.

                                                                                            It supports dual addressing to OS, allowing OS redundancy protection.

                                                                                            The connection mode is indicated in the following (see Figure 182. on page 318).The Equipment
                                                                                            Controller EC ( physically on the EQUICOE unit) transfers messages between QB3 and DCC.
                                                                                            To forward TMN messages towards other NE’s, the Equipment Controller uses the QECC bus connected
                                                                                            with the STM–1 ports.
                                                                                            In this way the messages are transmitted on D1:D12 bytes of STM (DCC). The connected NE extracts
                                                                                            the messages from these bytes and sends them to the Equipment Controller.

                                                                                            In the selected NE the Equipment Controller uses the MANAGEMENT BUS to exchange data with the
                                                                                            units.
                                                                                            This data is then transferred towards the Operative System via the STM–1 DCC. In all the NE not involved
                                                                                            the Equipment Controller lets through the DCC between the two opposite STM–1 port (STM–1 port A and
                                                                                            STM–1 port B in the example of Figure 182. on page 318).
                                                  1AA 00014 0004 (9007) A4 – ALICE 04.10




                                                                                           ED        03

                                                                                                                                                             3AL 91669 AA AA                       317 / 706


                                                                                                                                                                          706
LAN



                                                                   OPERATION                                              1660SM                             OPERATION
                                                                    SYSTEM                                               GATEWAY                              SYSTEM




                                                                                                                                                                                     not permitted without written authorization from Alcatel.
                                                                                                                                                                                       All rights reserved. Passing on and copying of this
                                                                                                                                                                                       document, use and communication of its contents
                                                                               LAN
                                                                                                            LAN               DCN             LAN
                                                                                                          BRIDGES                           BRIDGES

                                                             QB3
                                                          1660SM    F     CRAFT           1660SM     F                                                  1660SM    F
                                                         GATEWAY         TERMINAL        GATEWAY


                                              DCC                       DCC

                                                                                                                                                       DCC
                                              1660SM                1660SM               1660SM      F
                                                NE                    NE                   NE



                                                                          F



                                                                    CRAFT
                                                F                  TERMINAL                              DCN : DATA COMMUNICATION NETWORK




                                                                             Figure 181. 1660SM general management architecture



                                                                                         OPERATION
                                                                                          SYSTEM

                                                                                                   LAN


                                                                                                                              QB3




                                                                                                                       CONGI




                                                                                            STM–1                        EC                   STM–1
                                                                                            port A                                            port B
                                                                                                               QECC                 QECC



                                                     QECC BUS                   NE
                                                                    STM–1                                           MANAGEMENT BUS
                                                                    port B

                                                                                          NE ( 1660SM–GATEWAY)
                                                                        MANAGEMENT
                                                                            BUS
                                                              E
                                                              C




                                                                    STM–1
                                                                    port A
1AA 00014 0004 (9007) A4 – ALICE 04.10




                                                                                     Figure 182. Connection Mode for TMN



                                         ED         03

                                                                                                                         3AL 91669 AA AA                                 318 / 706


                                                                                                                                            706
3.12.2 ATM/IP/MPLS over SDH Management

                                                                                            The management of SDH equipments is organized as required by the 7–layers ISO/OSI protocol stack,
                                                                                            while the ATM/MPLS equipments are usually managed by means of SNMP (Simple Network Management
not permitted without written authorization from Alcatel.




                                                                                            Protocol), that is an application of the TCP/IP reference model.
  All rights reserved. Passing on and copying of this
  document, use and communication of its contents




                                                                                            By carrying the data traffic (ATM,MPLS, Ethernet) over the SDH network structures there is the need to
                                                                                            manage together and contemporarily SDH and ATM/MPLS equipments; this function is accomplished by
                                                                                            means of the encapsulation of SNMP messages inside the OSI layers (”IP over OSI tunneling”). In this
                                                                                            way the ATM/MPLS management information is transported over the existing SDH networks.

                                                                                            The various protocols relations are illustrated in Figure 183. on page 319.

                                                                                            An example of ATM/IP/MPLS/SDH network management is shown in Figure 184. on page 320.
                                                                                            In this example, the OS enters the network management messaging over an Ethernet link (IEEE–802.3
                                                                                            protocol) of a Gateway NE (GNE); here the messages are transported over the optical Qecc links by
                                                                                            means of the LAPD protocol; at the remote managed nodes, the messages are acknowledged as
                                                                                            belonging to:

                                                                                                 •        OSI reference model, for SDH management

                                                                                                 •        TCP/IP (SNMP) reference model, for IP/ATM management.




                                                                                                                                          Application            Lay7

                                                                                                                                          Presentation           Lay6

                                                                                                                           SNMP             Session              Lay5     ISO/OSI protocols
                                                                                                          Internet
                                                                                                          protocols        TCP           Transport (TP4)         Lay4

                                                                                                                               IP           Network
                                                                                                                                             (CLNP)              Lay3


                                                                                                                                           3
                                                                                                                           4                       2         1


                                                                                                TMN protocols            Ethernet        LAPD                    Lay2
                                                                                                   (QB3)                                                                    TMN protocols
                                                                                                                           QB3            ECC                    Lay1         (Qecc)




                                                                                                            1): OSI stack for SDH management (Qecc interface)
                                                                                                            2): IP over OSI tunneling for IP/ATM management (Qecc interface)

                                                                                                            3): OSI stack for SDH management (Qb3 interface)

                                                                                                            4): IP over CLNP tunneling for IP/ATM management (GNE entry from OS, IEEE–802.3)
                                                  1AA 00014 0004 (9007) A4 – ALICE 04.10




                                                                                                                      Figure 183. Protocol stack for SDH/ATM management



                                                                                           ED        03

                                                                                                                                                           3AL 91669 AA AA                    319 / 706


                                                                                                                                                                          706
not permitted without written authorization from Alcatel.
                                                                                                                                                                            All rights reserved. Passing on and copying of this
                                                                                                                                                                            document, use and communication of its contents
                                                                                  SDH (OSI)  ATM/IP/MPLS (SNMP)
                                                                       OS
                                                                                                          TMN
                                                                                                             QB3
                                                                                                          802.3

                                                                                  QECC                    LAPD             QECC

                                                                                                     Gateway NE
                                                                                                          (GNE)
                                                        F
                                              CT                        OSI
                                                                LAPD                                                                                      F
                                                                                    SDH+ATM/IP/MPLS                     SDH NE     LAPD         OSI
                                                                        SNMP
                                                                                            NE

                                                                       QECC                                                             QECC

                                                            F                                             SDH+ATM/MPLS
                                               CT                                   SDH NE                                                OSI
                                                                 LAPD       OSI                                                                       F
                                                                                                                   NE            LAPD
                                                                                                                                          SNMP


                                                                            QECC

                                                                                                                   QECC
                                                                                            LAPD


                                                                                                   SNMP
                                                                                      OSI                     F

                                                                                   SDH+ATM/IP/MPLS
                                                                                             NE
1AA 00014 0004 (9007) A4 – ALICE 04.10




                                                    Figure 184. Example of management of a network with SDH and ATM/IP/MPLS traffic




                                         ED        03

                                                                                                                    3AL 91669 AA AA                           320 / 706


                                                                                                                                 706
3.13 Protection sub–system

                                                                                            The types of protections are:
not permitted without written authorization from Alcatel.




                                                                                                 •        Equipment protection (EPS)
  All rights reserved. Passing on and copying of this
  document, use and communication of its contents




                                                                                                          The EPS protection is supported on the 1660SM equipment for the following cards :


                                                                                                              Equipment Boards        Protection Scheme         Number of protec-             Mode
                                                                                                                                                                  tion schemes

                                                                                                          MATRIXE                              1+1                        1               Not revertive

                                                                                                          Low Speed ports :             N+1 (N max = 6)                   1                 Revertive
                                                                                                              – 63x2Mbit/s

                                                                                                          High Speed electrical        N+1 (N max=15)                  1 to 8               Revertive
                                                                                                          ports :
                                                                                                               – 4xSTM–1 elect.
                                                                                                               – 16xSTM–1 elect.
                                                                                                               – 3x34/45Mbit/s

                                                                                                               ATM matrix 4x4                  1+1                        2               Not revertive

                                                                                                               ATM matrix 8X8                  1+1                        2               Not revertive

                                                                                                                   ISA ES16                    1+1                        4               Not revertive

                                                                                                          MPLS boards
                                                                                                          –  PR_EA      Matrix                 1+1                        2               Not revertive
                                                                                                             4xEthernet
                                                                                                          –  PR_EA      Matrix                 1+1                        2               Not revertive
                                                                                                             1xGB–Ethernet

                                                                                                          N.B.       Note that for the LS and HS ports, the protection scheme 1+1 is a particular case
                                                                                                                     of an 1+N EPS protection scheme (is then revertive).


                                                                                                 •        Network protections:

                                                                                                          –    MSP (Multiple Section linear trail Protection)

                                                                                                               •    1+1 linear single–ended
                                                                                                               •    1+1 linear dual–ended
                                                                                                               •    1 : N linear dual–ended

                                                                                                          –    SNCP/I and SNCP/N
                                                                                                               It is used on ring, linear and mesh network topology. Switching occurs on the path,
                                                                                                               selecting (Rx side) the signal transmitted to both Tx A and Tx B ( A and B are two different
                                                                                                               directions) sides.

                                                                                                          –    Drop  Continue
                                                                                                               It is an architecture to connect sub–networks, in order to improve traffic availability.
                                                  1AA 00014 0004 (9007) A4 – ALICE 04.10




                                                                                                          –    Collapsed dual node ring interconnection
                                                                                                               It is an architecture to connect sub–networks, in order to improve traffic availability with
                                                                                                               hardware resource reduction (two nodes collapse in one node).


                                                                                           ED        03

                                                                                                                                                                3AL 91669 AA AA                           321 / 706


                                                                                                                                                                                706
–    Collapsed single node ring interconnection
                                                              It is an architecture to connect sub–networks, in order to improve traffic availability with
                                                              hardware resource reduction (four nodes collapse in one node).




                                                                                                                                                                 not permitted without written authorization from Alcatel.
                                                                                                                                                                   All rights reserved. Passing on and copying of this
                                                                                                                                                                   document, use and communication of its contents
                                                         –    2F MS–SPRING, 2 fibres Multiple Section Shared Protection

                                          The switching information is also indicated on the Craft Terminal screen.




                                          3.13.1 EPS Protections

                                          [1]   Matrix card protection

                                          The positions of main and spare MATRICES are fixed :

                                                •        Slot 23 : MATRIXE main

                                                •        Slot 40 : MATRIXE spare

                                          [2]   Low Speed (LS) port protection
                                                (See Figure 185. on page 323)

                                          As Low Speed ports (LS) are intended the 2 Mbit/s speed ports . The Low speed port can manage up
                                          to 63 x 2 Mbit/s port.

                                          The LS ports are connected in a fixed way to the pertaining access cards (refer to para 2.3 on page 110)
                                          using point–to–point connections.

                                          To connect the 63 2 Mbit/s streams 3 access cards are needed : twenty one bidirectional links are used
                                          for each connection between LS port and LS access card.

                                          The spare LS port is connected with all the access cards using point–to–multipoint connections.

                                          Only one protection group N+1 revertive can be created because the spare port card must be in a fixed
                                          position :

                                                •        Slot 32 : spare card

                                          The switches to select between main links and protection links are located on the access cards and
                                          managed by a microprocessor. The switch is activated in case of failure.

                                          Figure 185. on page 323 shows the connection between main ports, spare card and access card in case
                                          of 63 x 2 Mbit/s port.
1AA 00014 0004 (9007) A4 – ALICE 04.10




                                         ED         03

                                                                                                              3AL 91669 AA AA                        322 / 706


                                                                                                                            706
63 x 2 Mbit/s
                                                                                                                              ACCESS CARDS
                                                                                           MAIN PORT CARDS
not permitted without written authorization from Alcatel.




                                                                                                              21 main links                            21 protection links
  All rights reserved. Passing on and copying of this
  document, use and communication of its contents




                                                                                                ÉÉÉÉÉ                                    SLOT 1

                                                                                                                                       SLOT 2
                                                                                            MainÉÉÉÉÉ
                                                                                                ÉÉÉÉÉ                                 SLOT 3
                                                                                           Slot 24
                                                                                                ÉÉÉÉÉ
                                                                                                ÉÉÉÉÉ                         2 Mbit/s from/to DDF
                                                                                                                                         SLOT 4

                                                                                            Main
                                                                                                ÉÉÉÉÉ
                                                                                                ÉÉÉÉÉ                                  SLOT 5

                                                                                                                                      SLOT 6
                                                                                           Slot 27
                                                                                                ÉÉÉÉÉ
                                                                                                ÉÉÉÉÉ
                                                                                                                              2 Mbit/s from/to DDF

                                                                                                                                        SLOT 7

                                                                                            Main
                                                                                                ÉÉÉÉÉ
                                                                                                ÉÉÉÉÉ                                 SLOT 8

                                                                                           Slot 30                                    SLOT9
                                                                                                ÉÉÉÉÉ
                                                                                                ÉÉÉÉÉ
                                                                                                                              2 Mbit/s from/to DDF
                                                                                                                                      SLOT 13

                                                                                            Main
                                                                                                ÉÉÉÉÉ
                                                                                                ÉÉÉÉÉ                                SLOT 14

                                                                                           Slot 33                                  SLOT 15
                                                                                                ÉÉÉÉÉ
                                                                                                ÉÉÉÉÉ
                                                                                                                              2 Mbit/s from/to DDF

                                                                                                                                      SLOT 16

                                                                                            Main
                                                                                                ÉÉÉÉÉ
                                                                                                ÉÉÉÉÉ                                SLOT 17

                                                                                           Slot 36                                  SLOT 18
                                                                                                ÉÉÉÉÉ
                                                                                                ÉÉÉÉÉ                                                                    63 x 2 Mbit/s
                                                                                                                                                                       SPARE PORT CARD
                                                                                                                              2 Mbit/s from/to DDF
                                                                                                ÉÉÉÉÉ                                 SLOT 19
                                                                                                                                                                         ÎÎÎÎ      Spare
                                                                                            Main
                                                                                                ÉÉÉÉÉ                                SLOT 20                             ÎÎÎÎ      Slot 32
                                                                                                ÉÉÉÉÉ
                                                                                           Slot 39
                                                                                                ÉÉÉÉÉ                               SLOT 21                              ÎÎÎÎ
                                                                                                                                                                         ÎÎÎÎ
                                                                                                ÉÉÉÉÉ
                                                                                                                              2 Mbit/s from/to DDF
                                                  1AA 00014 0004 (9007) A4 – ALICE 04.10




                                                                                                                    Figure 185. Low Speed Link Connections




                                                                                           ED        03

                                                                                                                                                     3AL 91669 AA AA                323 / 706


                                                                                                                                                                 706
[3]    High Speed (HS) port protection
                                                 (See Figure 186. on page 324 and Figure 187. on page 326)

                                          As High Speed ports (HS) are intended the 34 Mbit/s , 45 Mbit/s and 155 Mbit/s speed ports.




                                                                                                                                                                                                                                                                                             not permitted without written authorization from Alcatel.
                                          Up to 16 HS ports can be housed in the basic area.




                                                                                                                                                                                                                                                                                               All rights reserved. Passing on and copying of this
                                                                                                                                                                                                                                                                                               document, use and communication of its contents
                                          For the electrical HS ports the corresponding access cards have to be put in the access area with fixed
                                          relations (refer to para 2.3 on page 110 ).

                                          More than one protection group N+1 revertive can be created , depending on the equipment configuration.
                                          For each group N + 1 protected group the revertive mode is supported.

                                          The spare card position can be assigned in a flexible way . The only constraint are the following :

                                                 •        the access card corresponding to the protecting card must be an HPROT card
                                                 •        the HPROT card has to be plugged at the left side of the access card group
                                                 •        the main/spare ports have to be adjacent.
                                                 •        the protecting card has to be plugged at the left side of the protected group of ports
                                                 •        the protecting/protected group of ports have to be of the same type. The only exception is for
                                                          the 3x34/3x45 port card : it can be a protecting card for both 3x34 or 3x45 port card i.e. a mixed
                                                          group of ports can be protected by the same spare card.

                                          Figure 186. on page 324 gives some examples of EPS protection scheme.
                                                                   1 2 3 4 5 6 7 8                                                              9 10 11 12 13 14 15 16 17 18 19 20 21
                                                              ÖÖÖÖÖÁÁÁ
                                                               ÖÖ Ö Ö Á Á Á
                                                                 ÖÖÁÁÁ
                                                              ÖÖÖÖÖÁÁÁ
                                                               ÖÖÖÁÁÁ           ÊÊÊÔÔÔÔÔ
                                                                                 ÊÊ Ô Ô Ô Ô Ô
                                                                                  ÔÔÔÔÔ
                                                                                    ÔÔÔÔ
                                                                                ÊÊÊÔÔÔÔÔ
                                                                                 ÊÔÔÔÔÔ
                                                                                    Ô
                                                                access card 21 x 2 Mbit/s
                                                                access card 21 x 2 Mbit/s
                                                                access card 21 x 2 Mbit/s
                                                                access card 21 x 2 Mbit/s
                                                                access card 21 x 2 Mbit/s
                                                                access card 21 x 2 Mbit/s




                                                                                                                                                                                                                    access card 3 x 34 Mbit/s
                                                                                                                                                                                                                    access card 3 x 45 Mbit/s
                                                                                                                                                                                                                    access card 3 x 45 Mbit/s
                                              Access
                                                              ÖÖÖÖÖÁÁÁ
                                                               ÖÖÖÁÁÁ           ÊÊÊÔÔÔÔÔ
                                                                                 ÊÔÔÔÔÔ
                                                                                    Ô
                                                                                                                       access card 4 x STM1




                                                                                                                                                                                                                    access card 4 x STM1
                                                                                                                                                                                                                    access card 4 x STM1


                                              Area
                                                              ÖÖÖÖÖÁÁÁ
                                                               ÖÖÖÁÁÁ           ÊÊÊÔÔÔÔÔ
                                                                                 ÊÔÔÔÔÔ
                                                                                    Ô
                                                                                                                                                                     SERVICE
                                                                                                                                                                                               CONGI B
                                                                                                                                                         CONGI A




                                                                                                                                                                                                                            HPROT



                                                                                                                                                                                                                            HPROT
                                                                                                                               HPROT




                                                              ÖÖÖÖÖÁÁÁ
                                                               ÖÖÖÁÁÁ
                                                              ÖÖÖÖÖÁÁÁ
                                                               ÖÖÖÁÁÁ           ÊÊÊÔÔÔÔÔ
                                                                                 ÊÔÔÔÔÔ
                                                                                    Ô
                                                                                ÊÊÊÔÔÔÔÔ
                                                                                 ÊÔÔÔÔÔ
                                                                                    Ô
                                                              ÖÖÖÖÖÁÁÁ
                                                               ÖÖÖÁÁÁ
                                                              ÖÖÖÖÖÁÁÁ
                                                               ÖÖÖÁÁÁ           ÊÊÊÔÔÔÔÔ
                                                                                 ÊÔÔÔÔÔ
                                                                                    Ô
                                                                                ÊÊÊÔÔÔÔÔ
                                                                                 ÊÔÔÔÔÔ
                                                                                    Ô
                                                              ÖÖÖÖÁÁÁ
                                                               Ö                 Ê Ô
                                                                                ÊÊÔÔ
                                                              ÖÖÖÖÖÖÁÁÁÔÊÊÊÊÔÔÔÔÔÔ
                                                               ÖÖÖÖÁÖÁÔ ÊÊÔÊÔÔÔÔ
                                                                 Ö Ö Ö ÖÁ Á
                                                                   ÖÁÁÁ Á        ÊÔÔÔÔ
                                                                 ÖÖÖÖÁÁÁÔÊÊÊÔÔ ÔÔ
                                                                   ÖÖÖÖÁÁÔÊÊÊÔÔ ÔÔ
                                                                     Ö ÖÁ Á Ô Ê
                                                                        ÁÁÔ Ê
                                                                                                                                         port 4 x STM 1 electrical
                                                                                                                                         port 4 x STM 1 electrical




                                                                                                                                                                                                                                  port 3x34 / 45 switchable
                                                                                                                                                                                                                                  port 3x34 / 45 switchable
                                                                                                                                                                                                                                  port 3x34 / 45 switchable
                                                                                                                                                                                                                                  port 3x34 / 45 switchable
                                                                                                                                                                         port 63 x 2 Mbit/s (spare)
                                                                                                                                                                                                      port 4 x STM 1 electrical
                                                                                                                                                                                                      port 4 x STM 1 electrical
                                                                                                                                                                                                      port 4 x STM 1 electrical




                                                                 ÖÖÖÖÖÁÁÔÊÊÊÔÔ ÔÔ
                                                                   Ö Ö ÖÁ Á Ô Ê
                                                                        Á
                                                                                                                                                                                                                                                              MATRIX B (spare)
                                                                          MATRIX A (main)

                                                                                            port 63 x 2 Mbit/s



                                                                                                                 port 63 x 2 Mbit/s




                                                                   Ö Á
                                                                 ÖÖÖÖÖ
                                                                PQ2/EQC




                                                Basic            ÖÖÖÖÁÁÁÔÊÊÊÔÔ ÔÔ
                                                                   ÖÖÖÖÁÁÔÊÊÊÔÔ ÔÔ
                                                                     Ö ÖÁ Á Ô Ê
                                                                        ÁÁÔ Ê
                                                Area
                                                                 ÖÖÖÖÖÁÁÔÊÊÊÔÔ ÔÔ
                                                                   Ö Ö ÖÖ Á Ô Ê
                                                                        Á
                                                                 ÖÖÖÖÁÁÁÔÊÊÊÔÔ ÔÔ
                                                                   Ö Ö ÖÁ Á Ô Ê
                                                                        Á
                                                                   Ö Á
                                                                 ÖÖÖÖÖ
                                                                 ÖÖÖÖÁÁÁÔÊÊÊÔÔ ÔÔ
                                                                   ÖÖÖÖÁÁÔÊÊÊÔÔ ÔÔ
                                                                     Ö ÖÁ Á Ô Ê
                                                                        ÁÁÔ Ê
                                                                 ÖÖÖÖÖÁÁÔÊÊÊÔÔ ÔÔ
                                                                   Ö Ö ÖÁ Á Ô Ê
                                                                        Á
                                                                   Ö Á
                                                                 ÖÖÖÖÖ
                                                                 22 23 24 25 26 27 28 29 30 31 32 33 34 35 36 37 38 39 40 41


                                                                                                        Figure 186. Example of EPS protection schemes
1AA 00014 0004 (9007) A4 – ALICE 04.10




                                         ED          03

                                                                                                                                                                                                                         3AL 91669 AA AA                                         324 / 706


                                                                                                                                                                                                                                                       706
Manual Switch and force switch commands can be given via software by the user to activate the spare
                                                                                            cards.
                                                                                            The protections status is reported to the EC.
not permitted without written authorization from Alcatel.




                                                                                            Figure 187. on page 326 shows an example of High Speed connections for the 2+1 protection.
  All rights reserved. Passing on and copying of this
  document, use and communication of its contents




                                                                                            Each access card is connected also with the previous one and with the next one; in this way N+1 protection
                                                                                            is provided using HPROT card in last position at the left side of the access cards pertaining to the protected
                                                                                            port group.

                                                                                            Each electrical High Speed port can manage up to 4 HS streams.

                                                                                            Input side ( from the access module point of view)

                                                                                            The CMI encoded signal coming from the line and connected to the access card is NRZ decoded. The
                                                                                            clock CK is extracted from the data. By means of the back panel connections , NRZ data and CK are
                                                                                            forwarded to the pertaining main port and to the spare port.
                                                                                            Moreover NRZ data and Clock are sent to the next access card if present to perform N +1 protection.
                                                                                            The spare port should not be devoted to a specific main port therefore a distributed switch matrix (on every
                                                                                            access card ) is used to allows the signal to gain the spare port.
                                                                                            The command criteria for the distributed switch matrix comes from the matrix unit via serial interface.

                                                                                            Output side ( from the access module point of view )

                                                                                            The signal , coming from Main and Spare ports via back panel connections , is coded into CMI format.
                                                                                            The spare port is not devoted to a specific main port, therefore the signal transmitted from the spare is
                                                                                            distributed to all access cards involved in the protection scheme. The connections are functionally
                                                                                            point–to–multipoint but physically every access card realizes a point –to–point connection towards the
                                                                                            previous and the next access card using a buffer to decouple and regenerate the signal.



                                                                                            Hardware failures types

                                                                                            The hardware failures causing automatic EPS protection switch can be grouped as :

                                                                                            –    failures causing the internal equipment link loss as powering KO, Clock loss, card missing (referred
                                                                                                 as LOS/LOF)

                                                                                            –    failures causing traffic loss (the internal link is preserved) as for instance unlocked oscillator, optical
                                                                                                 module defective, electrical interface defective and so on.

                                                                                            –    failures not causing traffic loss nor internal link loss but causing loss of management as ISBP failure
                                                                                                 or SPI failure.

                                                                                            Moreover some failures can cause equipment malfunctioning ( as remote inventory fault, laser degrade,
                                                                                            loss of DC/DC synchronism ).
                                                                                            These hardware faults are signalled to the management system and do not provokes an automatic switch.

                                                                                            Figure 188. on page 327 shows an example of 16X STM1 High Speed connections for the 3+1 protection.
                                                                                            The protection scheme operation for 16xSTM–1 is similar to the above described for 3x34 Mb/s, 3x45 Mb/s
                                                                                            and 4xSTM–1 boards, with the exception that the signals exchanged among the board are at 1.66 Gbit/s
                                                                                            (Input/Output SERDES bit rate).
                                                  1AA 00014 0004 (9007) A4 – ALICE 04.10




                                                                                           ED      03

                                                                                                                                                              3AL 91669 AA AA                         325 / 706


                                                                                                                                                                            706
1AA 00014 0004 (9007) A4 – ALICE 04.10




                           ED
                           03
                                                                                                                                                   Input             Output                                                         Input             Output
                                                                                                                              NEXT                                                                      PREVIOUS


                                                                                                                                                               CMI                                                           CMI                CMI
                                                                                                                                            CMI



                                                                                                                                                                                                                                          CMI
                                                                                                                                                                                                                                                            CMI




                                                                                                                                                         CMI
                                                                                                                                                                           CMI
                                                                                                                                                                                                                                    NRZ
                                                                                                                                                                                                                                                      NRZ




                                                                                                                                                   NRZ
                                                                                                                                                                     NRZ
                                                                                                                                  MAIN                                                                      MAIN
                                                                                                     HPROT                    ACCESS CARD                                                               ACCESS CARD

                                                                                                                                                                                          NRZ–CK                                                                       NRZ–CK
                                                                                                                     NRZ–CK
                                                                                                                                                                                                                             MUX




                                                                                                                                            MUX
                                                                                                                                                                                                                   MUX




                                                                                                                                     MUX
                                                                                                                                                                     MUX                                                                              MUX




                                                                                                                                            Buf.                                                                             Buf.                                      NRZ–CK
                                                                                                                                                                                          NRZ–CK
                                                                                                                     NRZ–CK
                                                                                                                                            Buf.                                                                             Buf.



                                                                                                                                                         MUX                                                                              MUX




706
         3AL 91669 AA AA
                                                                                                                                             NRZ–CK                              NRZ–CK                                       NRZ–CK                              NRZ–CK




                                    Figure 187. High Speed connections (3x34, 3x45, 4x155 Mbit/s)
                                                                                                     NRZ–CK NRZ–CK


                                                                                                                                                          MAIN PORT                                                                        MAIN PORT
                                                                                                    SPARE PORT




         326 / 706
                                                                                                                                                                                                     All rights reserved. Passing on and copying of this
                                                                                                                                                                                                     document, use and communication of its contents
                                                                                                                                                                                                   not permitted without written authorization from Alcatel.
All rights reserved. Passing on and copying of this
                                                                                                                                                                             document, use and communication of its contents
                                                                                                                                                                           not permitted without written authorization from Alcatel.
      1AA 00014 0004 (9007) A4 – ALICE 04.10




                           ED
                           03
                                                                                                  16 x STM1 electrical EPS protection scheme (example)


                                                                                                                                   1               16                  1                     16                     1                  16




                                                                                                         HPROT
                                                                                                                     Spare Path           STM–1          Spare Path            STM–1                 Spare Path            STM–1
                                                                                                                                       Mapper/Demapper                      Mapper/Demapper                             Mapper/Demapper

                                                                                                                                               ACCESS                                   ACCESS                                  ACCESS
                                                                                                                                              CARD N+1                                  CARD N                                  CARD N–1

                                                                                                                                   SERDES                                   SERDES                                      SERDES
                                                                                       CK 19.44
                                                                                                                     Spare Path                      Spare Path
                                                                                       MHz                                                                                                   Spare Path




                                                                                                          SERDES                       SERDES                               SERDES                                   SERDES
                                                                                                                        CK 19.44                            CK 19.44                                 CK 19.44
                                                                                                                        MHz                                 MHz                                      MHz




                                       Figure 188. High Speed connections (16xSTM–1)




706
         3AL 91669 AA AA
                                                                                                           SPARE                                                                                                      FAULTY
                                                                                                         PORT CARD                 PORT CARD                                PORT CARD                               PORT CARD
                                                                                                                                      N+1                                      N                                        N–1




         327 / 706
[4]    ATM MATRIX (ATM4x4, ATM4X4V2 , ATM4X4D3 and ATM8x8) protection

                                          (see Figure 189. on page 329)




                                                                                                                                                           not permitted without written authorization from Alcatel.
                                          N.B.            The following description is applicable to ATM4x4, ATM4X4V2, ATM4X4D3 and ATM8x8




                                                                                                                                                             All rights reserved. Passing on and copying of this
                                                                                                                                                             document, use and communication of its contents
                                                          boards; unless otherwise specified.

                                          The ATM MATRIX boards can be protected in 1+1 equipment protection scheme.
                                          In this configuration the ATM MATRIX and all indirect interfaces connected to it are protected against ATM
                                          module failure.
                                          This does not apply to the local STM–1 interfaces of the ATM4x4 board.
                                          In this configuration when the working ATM matrix fails the spare becomes active and the indirect
                                          interfaces are rerouted to it.
                                          The traffic from the local interface of the ATM4x4 board is lost.

                                          The following ATM protection group can be created:

                                                      ATM board type                Max. number of protection                   Mode
                                                                                            groups
                                                              ATM4x4                             2                        1+1 not revertive
                                                           ATM4x4V2                              2                        1+1 not revertive
                                                           ATM4x4D3                              2                        1+1 not revertive
                                                              ATM8x8                             2                        1+1 not revertive

                                          The spare card position can be assigned in a flexible way; no restrictions for position of main and spare
                                          ATM MATRIX board are present.

                                          Figure 189. on page 329 gives some examples of EPS protection scheme.

                                          The ATM MATRIX is managed by SDH EC, SC, Platform and ATM EC. In outline the management can
                                          be divided in:

                                                 •        SDH side Management: involving SDH EC, SC and Platform, it mainly applies to the Equipment
                                                          Domain of ATM MATRIX board.
                                                          In particular:

                                                          –    SDH EC: management of Equipment Protection Groups and interface towards the SDH
                                                               Network Management System (e. g. creation of Protection Schemes, operator
                                                               commands, autoswitch notifications)

                                                          –    SC/ Platform: management of HW

                                                 •        ATM side Management: involving ATM EC, it mainly applies to the ATM Transmission Domain
                                                          of ATM MATRIX board.

                                          Figure 190. on page 330 represent the messages exchanged between the EC (on the PQ2/EQC board)
                                          and the ATM MATRIX boards in protection group.
1AA 00014 0004 (9007) A4 – ALICE 04.10




                                         ED          03

                                                                                                           3AL 91669 AA AA                     328 / 706


                                                                                                                        706
1660SM
not permitted without written authorization from Alcatel.




                                                                                                                                                                                                                                                                   EXAMPLE #1
  All rights reserved. Passing on and copying of this
  document, use and communication of its contents




                                                                                                                                                                                           SERVICE
                                                                                                                                                                                                     CONGI B
                                                                                                                                                                           CONGI A
                                                                                                                                                                                                                                                    Protection    Board      Slot #    Slot #
                                                                                                                                                                                                                                                     group #      Type    board main board spare


                                                                                              1 2 3 4 5 6 7 8                                                             9 10 11 12 13 14 15 16 17 18 19 20 21
                                                                                                                                                                                                                                                   ÔÔÔÔ
                                                                                                                                                                                                                                                   ÔÔÔÔ 1
                                                                                                                                                                                                                                                                  ATM
                                                                                                                                                                                                                                                                 MATRIX      25          24
                                                                                                                                                                                                                                                                  4X4
                                                                                                                ÁÁÁÁÑÑÁÁÁÁÔÔÔ
                                                                                                                 ÁÁÁÑÑÁÁÁÁÔÔÔ
                                                                                                                 ÁÁÑÑ Á Á  Ô                                                                                                                       ÔÔÔÔ
                                                                                                                                                                                                                                                   ÁÁÁÁ           ATM
                                                                                                                                                                                                                                                        2        MATRIX     30 31       28 29
                                                                                                                       Spare




                                                                                                                                                         Spare
                                                                                                                       Main




                                                                                                                                                                              Main

                                                                                                                ÁÁÁÁÑÑÁÁÁÁÔÔÔ
                                                                                                                 Á ÁÑÑ Á Á
                                                                                                                 ÁÁÑÑ Á Á  Ô                                                                                                                       ÁÁÁÁ            8x8




                                                                                                                                                                                                                                MATRIX B (spare)
                                                                                                     MATRIX A (main)




                                                                                                                ÁÁÁÁÑÑÁÁÁÁÔÔÔ
                                                                                                                 Á ÁÑÑ Á Á
                                                                                                                 Á         Ô                                                                                                                       ÁÁÁÁ
                                                                                           PQ2/EQC




                                                                                                                       ATM MATRIX 4X4
                                                                                                                       ATM MATRIX 4X4




                                                                                                                                                         ATM MATRIX 8x8

                                                                                                                                                                              ATM MATRIX 8x8




                                                                                                                ÁÁÁÁÑÑÁÁÁÁÔÔÔ
                                                                                                                 Á ÁÑÑ Á Á
                                                                                                                 Á         Ô
                                                                                                                ÁÁÁÁÑÑÁÁÁÁÔÔÔ
                                                                                                                ÁÁÁÁÑÑÁÁÁÁÔÔÔ
                                                                                                                 Á
                                                                                                                 Á ÁÑÑ Á Á
                                                                                                                 Á ÁÑÑ Á Á
                                                                                                                 Á         Ô
                                                                                                                           Ô
                                                                                                                ÁÁÁÁÑÑÁÁÁÁÔÔÔ
                                                                                                                 Á ÁÑÑ Á Á
                                                                                                                 Á         Ô
                                                                                                                ÁÁÁÁÑÑÁÁÁÁÔÔÔ
                                                                                                                 Á ÁÑÑ Á Á
                                                                                                                 Á
                                                                                                                 Á
                                                                                                                ÁÁ
                                                                                                                 Á         Ô
                                                                                                                           Ô
                                                                                            22 23 24 25 26 27 28 29 30 31 32 33 34 35 36 37 38 39 40 41




                                                                                                                                                                           1660SM

                                                                                                                                                                                                                                                                   EXAMPLE #2
                                                                                                                                                                                           SERVICE
                                                                                                                                                                                                     CONGI B
                                                                                                                                                                           CONGI A




                                                                                                                                                                                                                                                    Protection    Board      Slot #    Slot #
                                                                                                                                                                                                                                                     group #      Type    board main board spare


                                                                                                                                                                                                         ÔÔÔÔ                                                     ATM
                                                                                              1 2 3 4 5 6 7 8                                                             9 10 11 12 13 14 15 16 17 18 19 20 21                                         1        MATRIX      27          24


                                                                                                                ÔÔ                      ÁÁÔ
                                                                                                                                          Á
                                                                                                                                                                                                         ÔÔÔÔ
                                                                                                                                                                                                         ÁÁÁÁ ÁÁÁ Á Á Ñ                                           4X4
                                                                                                                                                                                                                                                                  ATM
                                                                                                                                                                                                                ÁÁÑ
                                                                                                                                                                                                         ÁÁÁÁ ÁÁÁ Á Á Ñ                                 2                   38 39       28 29
                                                                                                                       Spare




                                                                                                                                                         Spare




                                                                                                                                                                                                                                                                 MATRIX
                                                                                                                                        Main




                                                                                                                                                                                                               Main




                                                                                                                ÔÔ                                                                                                                                                 8x8

                                                                                                                                        ÁÁÁ
                                                                                                                                        ÁÁÔ                                                                     ÁÁÑ
                                                                                                                                                                                                         ÁÁÁÁ ÁÁÁ Á Á Ñ
                                                                                                                                                                                                                                MATRIX B (spare)
                                                                                                     MATRIX A (main)




                                                                                                                ÔÔ                        Á
                                                                                                                                          Ô                                                                     ÁÁÁÑ
                                                                                                                                                                                                                  ÁÑ
                                                                                           PQ2/EQC


                                                                                                                       ATM MATRIX 4X4


                                                                                                                                        ATM MATRIX 4X4

                                                                                                                                                         ATM MATRIX 8x8




                                                                                                                                                                                                               ATM MATRIX 8x8




                                                                                                                ÔÔ                      ÁÁÔ
                                                                                                                                          Á                                                                   ÁÁÁ Á Ñ
                                                                                                                                                                                                                Á
                                                                                                                ÔÔ
                                                                                                                ÔÔ                      ÁÁÔ
                                                                                                                                          Á
                                                                                                                                        ÁÁÔ
                                                                                                                                          Á                                                                   ÁÁÁ Á Á Ñ
                                                                                                                                                                                                                ÁÁÁÑ
                                                                                                                                                                                                                  ÁÑ
                                                                                                                                                                                                              ÁÁÁ Á Á Ñ
                                                                                                                                                                                                                ÁÁÑ
                                                                                                                ÔÔ
                                                                                                                ÔÔ                      ÁÁÔ
                                                                                                                                          Á
                                                                                                                                        ÁÁÔ
                                                                                                                                          Á                                                                   ÁÁÁ Á Á Ñ
                                                                                                                                                                                                                ÁÁÑ
                                                                                                                                                                                                              ÁÁÁ Á ÑÑ
                                                                                                                                                                                                                ÁÁÑ
                                                                                            22 23 24 25 26 27 28 29 30 31 32 33 34 35 36 37 38 39 40 41
                                                                                                                ÔÔ                      ÁÁÔ
                                                                                                                                          Á                                                                     Á
                                                  1AA 00014 0004 (9007) A4 – ALICE 04.10




                                                                                                                                                         Figure 189. Examples of ATM MATRIX EPS protection scheme




                                                                                           ED                          03

                                                                                                                                                                                                                                                    3AL 91669 AA AA                        329 / 706


                                                                                                                                                                                                                                                                   706
706
                                                            330 / 706                  3AL 91669 AA AA
                                                                                                                                                      03        ED
                                                                                                                                                                     1AA 00014 0004 (9007) A4 – ALICE 04.10




                                                                        Figure 190. Messages exchanged between the EC and the ISA–ATM boards in EPS group
                                                                                       boards
                                                                                       towards both ATM MATRIX
                                                                                       (including PNNI messages)
                                                                                       The SC bridges traffic
                                                             ÏÏÏÏÏÏÏÏÏÏÏÏÏÏÏÏÏÏÏÏÏÏÏÏ
                                                             ÏÏÏÏÏÏÏÏÏÏÏÏÏÏÏÏÏÏÏÏÏÏÏÏÏÏÏ
                                                                                 ÏÏÏÏÏ
                                                                                ÏÏÏÏÏÏÏÏ
                                                             ÏÏÏÏÏÏÏÏÏÏÏÏÏÏÏÏÏÏÏÏÏÏÏÏ
                                                                                ÏÏÏÏÏ
                                                                                 ÏÏÏÏ
                                                                                ÏÏÏÏÏÏ                                         ATM traffic
                                                             ÏÏÏÏÏÏÏÏÏÏÏÏÏÏÏÏÏÏÏÏÏÏÏÏÏÏÏ
                                                                                ÏÏÏÏÏÏ
                                                                                 ÏÏÏÏ
                                                                                ÏÏÏÏÏÏ
                                                                                ÏÏÏÏÏÏ
                                                                                ÏÏÏÏÏ
                                                                                 ÏÏÏÏ                                           carrying
                                                                                  Traffic (including PNNI protocol)
                                                             ÏÏÏÏÏÏÏÏÏÏÏÏÏÏÏÏÏÏÏÏÏÏÏÏÏÏÏ                                       SDH ports
                                                             ÏÏÏÏÏÏÏÏÏÏÏÏÏÏÏÏÏÏÏÏÏÏÏÏÏÏÏ
                                                                                ÏÏÏÏÏ
                                                                                 ÏÏÏÏ
                                                             ÏÏÏÏÏÏÏÏÏÏÏÏÏÏÏÏÏÏÏÏÏÏÏÏÏÏÏ
                                                                                ÏÏÏÏÏÏÏÏ
                                                             ÏÏÏÏÏÏÏÏÏÏÏÏÏÏÏÏÏÏÏÏÏÏÏÏÏÏÏ
                                                             ÏÏÏÏÏÏÏÏÏÏÏÏÏÏÏÏÏÏÏÏÏÏÏÏÏÏÏ
                                                             ÏÏÏÏÏÏÏÏÏÏÏÏÏÏÏÏÏÏÏÏÏÏÏÏÏÏÏ
                                                                        Agent
                                                             ÏÏÏÏÏÏÏÏÏÏÏÏÏÏÏÏÏÏÏÏÏÏÏÏÏÏÏ            Agent
                                                                                 spare
                                                             ÏÏÏÏÏÏÏÏÏÏÏÏÏÏÏÏÏÏÏÏÏÏÏÏÏÏÏ                         main                ATM MATRIX
                                                                                ATM MATRIX                       ATM MATRIX          towards the Spare
                                                             ÏÏÏÏÏÏÏÏÏÏÏÏÏÏÏÏÏÏÏÏÏÏÏÏÏÏÏ
                                                             ÏÏÏÏÏÏÏÏÏÏÏÏÏÏÏÏÏÏÏÏÏÏÏÏÏÏÏ                                             ATM NMS massages
                                                                                                                                      in charge of forwarding
                                                             ÏÏÏÏÏÏÏÏÏÏÏÏÏÏÏÏÏÏÏÏÏÏÏÏÏÏÏ                                             The main ATM MATRIX is
                                                             ÏÏÏÏÏÏÏÏÏÏÏÏÏÏÏÏÏÏÏÏÏÏÏÏÏÏÏ
                                                             ÏÏÏÏÏÏÏÏÏÏÏÏÏÏÏÏÏÏÏÏÏÏÏÏÏÏÏ                    EC           SC
                                                             ÏÏÏÏÏÏÏÏÏÏÏÏÏÏÏÏÏÏÏÏÏÏÏÏÏÏÏ
                                                             ÏÏÏÏÏÏÏÏÏÏÏÏÏÏÏÏÏÏÏÏÏÏÏÏÏÏÏ              PQ2/EQC            MATRIXN
                                                             ÏÏÏÏÏÏÏÏÏÏÏÏÏÏÏÏÏÏÏÏÏÏÏÏÏÏÏ                                             1660SM
                                                             ÏÏÏÏÏÏÏÏÏÏÏÏÏÏÏÏÏÏÏÏÏÏÏÏÏÏÏ
                                                                    and dynamic data are aligned
                                                                    NMS and PNNI), their static
                                                                    the same messages (from
                                                                    Since both the agents receive
                                                                                                            NMS




  document, use and communication of its contents
  All rights reserved. Passing on and copying of this

not permitted without written authorization from Alcatel.
[5]   MPLS (PR_EA) ports protection

                                                                                            (see Figure 191. on page 332)
not permitted without written authorization from Alcatel.




                                                                                            The MPLS boards (PR_EA MATRIX 4xETHERNET, PR_EA MATRIX 1xGIGABIT ETHERNET) can be
  All rights reserved. Passing on and copying of this
  document, use and communication of its contents




                                                                                            protected in 1+1 equipment protection scheme (EPS) against board failure.
                                                                                            The 1+1 EPS cannot be applied to the local interfaces (4xethernet, gigabit ethernet). In case of failure the
                                                                                            traffic carried by the ethernet local ports will be lost.

                                                                                            In this configuration when the working PR_EA Matrix...board fails the spare becomes active and the
                                                                                            indirect interfaces are rerouted to it.
                                                                                            The traffic from the ethernet local interface is lost.

                                                                                            Only one protection group 1+1 not revertive can be created, depending on the equipment configuration.

                                                                                            The spare card position can be assigned in a flexible way; no restrictions for position of main and spare
                                                                                            PR_EA boards are present.

                                                                                            The 1+1 EPS protection scheme of PR_EA boards is the same of ATM boards one.
                                                                                            Figure 191. on page 332 gives some examples of EPS protection scheme.

                                                                                            The PR_EA EPS is managed by SDH EC, SC, Platform and PR_EA EC. In outline the management can
                                                                                            be divided in:

                                                                                                  •        SDH side Management: involving SDH EC, SC and Platform, it mainly applies to the Equipment
                                                                                                           Domain of the PR_EA... board.
                                                                                                           In particular:

                                                                                                           –   SDH EC: management of Equipment Protection Groups and interface towards the SDH
                                                                                                               Network Management System (e. g. creation of Protection Schemes, operator
                                                                                                               commands, autoswitch notifications)

                                                                                                           –   SC/ Platform: management of HW

                                                                                                  •        MPLS side Management: involving PR_EA... EC, it mainly applies to the MPLS Transmission
                                                                                                           Domain of the PR_EA... board.

                                                                                            Figure 192. on page 333 represents the messages exchanged between the EC (on the PQ2/EQC board)
                                                                                            and the PR_EA Matrix... boards in protection group.
                                                  1AA 00014 0004 (9007) A4 – ALICE 04.10




                                                                                           ED         03

                                                                                                                                                            3AL 91669 AA AA                        331 / 706


                                                                                                                                                                          706
1660SM




                                                                                                                                                                                                           not permitted without written authorization from Alcatel.
                                                                                                                                                                       EXAMPLE #1




                                                                                                                                                                                                             All rights reserved. Passing on and copying of this
                                                                                                                                                                                                             document, use and communication of its contents
                                                                                                              SERVICE
                                                                                                                        CONGI B
                                                                                                    CONGI A
                                                                                                                                                        Protection    Board      Slot #    Slot #
                                                                                                                                                         group #      Type    board main board spare


                                           1 2 3 4 5 6 7 8                                         9 10 11 12 13 14 15 16 17 18 19 20 21
                                                                                                                                                        ÔÔÔ
                                                                                                                                                        ÔÔÔ 1
                                                                                                                                                                     PR_EA
                                                                                                                                                                     MATRIX      25          24

                                                           ÁÁÁÁÑÁÁÁÁÁÔÔÔ
                                                            ÁÁÁÑÁÁÁÁÁÔÔÔ
                                                              ÁÑÑ ÁÁÁÁ Ô                                                                                ÔÔÔ
                                                                     Spare
                                                                     Main




                                                           ÁÁÁÁÑÁÁÁÁÁÔÔÔ
                                                            ÁÁÑÑ ÁÁÁÁ Ô

                                                                                                                                     MATRIX B (spare)
                                                   MATRIX A (main)




                                                           ÁÁÁÁÑÁÁÁÁÁÔÔÔ
                                                            ÁÁÑÑ ÁÁÁÁ Ô
                                         PQ2/EQC




                                                           ÁÁÁÁÑÁÁÁÁÁÔÔÔ
                                                            ÁÁÑÑ ÁÁÁÁ Ô
                                                                     PR_EA MATRIX
                                                                     PR_EA MATRIX




                                                           ÁÁÁÁÑÁÁÁÁÁÔÔÔ
                                                            ÁÁÑÑ ÁÁÁÁ Ô
                                                           ÁÁÁÁÑÁÁÁÁÁÔÔÔ
                                                            ÁÁÑÑ ÁÁÁÁ Ô
                                                           ÁÁÁÁÑÁÁÁÁÁÔÔÔ
                                                            ÁÁÑÑ ÁÁÁÁ Ô
                                                           ÁÁÁÁÑÁÁÁÁÁÔÔÔ
                                                            ÁÁÑÑ ÁÁÁÁ Ô
                                                           ÁÁÁÑÑ ÁÁÁÁ Ô
                                                            Á
                                          22 23 24 25 26 27 28 29 30 31 32 33 34 35 36 37 38 39 40 41




                                                                                                    1660SM

                                                                                                                                                                       EXAMPLE #2
                                                                                                              SERVICE
                                                                                                                        CONGI B
                                                                                                    CONGI A




                                                                                                                                                        Protection    Board      Slot #    Slot #
                                                                                                                                                         group #      Type    board main board spare


                                           1 2 3 4 5 6 7 8                                         9 10 11 12 13 14 15 16 17 18 19 20 21
                                                                                                                                                        ÔÔÔ
                                                                                                                                                        ÔÔÔ 1        PR_EA
                                                                                                                                                                     MATRIX
                                                                                                                                                                                 27          24


                                                           ÔÔ                       ÁÔ
                                                                                    ÔÔ                                    ÁÁ Á Á Ñ
                                                                                                                           ÁÁÁÑ
                                                                                                                           ÁÁÑ
                                                                     Spare


                                                                                    Main




                                                           ÔÔ                       ÁÔ
                                                                                    Ô                                     ÁÁ Á Á Ñ
                                                                                                                          ÁÁ Á Á Ñ
                                                                                                                           Á ÁÑ
                                                                                                                           Á
                                                                                                                                     MATRIX B (spare)
                                                   MATRIX A (main)
                                         PQ2/EQC




                                                           ÔÔ
                                                           ÔÔ                       ÁÔ
                                                                                    Ô
                                                                                    Ô
                                                                                    Á                                      Á ÁÑ
                                                                                                                           ÁÁÑ
                                                                                                                           Á
                                                                                                                          ÁÁ
                                                                                                                           Á
                                                                                    PR_EA MATRIX
                                                                     PR_EA MATRIX




                                                           ÔÔ
                                                           ÔÔ                       ÁÔ
                                                                                    ÔÔ
                                                                                    ÁÔ
                                                                                    Ô                                     ÁÁ Á Á Ñ
                                                                                                                           ÁÁÁÑ
                                                                                                                           ÁÁÑ
                                                                                                                          ÁÁ Á Á Ñ
                                                                                                                           Á ÁÑ
                                                                                                                           ÁÁÑ
                                                           ÔÔ
                                                           ÔÔ                       ÁÔ
                                                                                    Ô
                                                                                    ÁÔ
                                                                                    Ô                                     ÁÁ Á Á Ñ
                                                                                                                           Á ÁÑ
                                                                                                                           Á
                                                                                                                          ÁÁ Á ÑÑ
                                                                                                                           Á
                                                                                                                           Á
                                          22 23 24 25 26 27 28 29 30 31 32 33 34 35 36 37 38 39 40 41
                                                           ÔÔ                       Ô
                                                                                    Á                                      Á
                                                                                                                          ÁÁ
                                                                                                                           Á
1AA 00014 0004 (9007) A4 – ALICE 04.10




                                                                                       Figure 191. Examples of MPLS (PR_EA..) boards protection scheme




                                         ED                          03

                                                                                                                                                        3AL 91669 AA AA                        332 / 706


                                                                                                                                                                       706
706
333 / 706                   3AL 91669 AA AA
                                                                                          03        ED
                                                                                                         1AA 00014 0004 (9007) A4 – ALICE 04.10




        Figure 192. Messages exchanged between EC and ISA–PR_EA Matrix... boards in EPS group
                               PR_EA Matrix
                               towards both the
                               The SC bridges traffic
ÏÏÏÏÏÏÏÏÏÏÏÏÏÏÏÏÏÏÏÏÏÏÏÏ
ÏÏÏÏÏÏÏÏÏÏÏÏÏÏÏÏÏÏÏÏÏÏÏÏÏÏÏ
                    ÏÏÏÏÏ
                   ÏÏÏÏÏÏÏÏ
ÏÏÏÏÏÏÏÏÏÏÏÏÏÏÏÏÏÏÏÏÏÏÏÏ
                   ÏÏÏÏÏ
                    ÏÏÏÏ
                   ÏÏÏÏÏÏ                                          MPLS traffic
ÏÏÏÏÏÏÏÏÏÏÏÏÏÏÏÏÏÏÏÏÏÏÏÏÏÏÏ
                   ÏÏÏÏÏÏ
                    ÏÏÏÏ
                   ÏÏÏÏÏÏ
                   ÏÏÏÏÏÏ
                   ÏÏÏÏÏ
                    ÏÏÏÏ                                            carrying
ÏÏÏÏÏÏÏÏÏÏÏÏÏÏÏÏÏÏÏÏÏÏÏÏÏÏÏ                      Traffic           SDH ports
ÏÏÏÏÏÏÏÏÏÏÏÏÏÏÏÏÏÏÏÏÏÏÏÏÏÏÏ
                   ÏÏÏÏÏ
                    ÏÏÏÏ
ÏÏÏÏÏÏÏÏÏÏÏÏÏÏÏÏÏÏÏÏÏÏÏÏÏÏÏ
                   ÏÏÏÏÏÏÏÏ
ÏÏÏÏÏÏÏÏÏÏÏÏÏÏÏÏÏÏÏÏÏÏÏÏÏÏÏ
ÏÏÏÏÏÏÏÏÏÏÏÏÏÏÏÏÏÏÏÏÏÏÏÏÏÏÏ
ÏÏÏÏÏÏÏÏÏÏÏÏÏÏÏÏÏÏÏÏÏÏÏÏÏÏÏ
            Agent
ÏÏÏÏÏÏÏÏÏÏÏÏÏÏÏÏÏÏÏÏÏÏÏÏÏÏÏ              Agent
                    spare
ÏÏÏÏÏÏÏÏÏÏÏÏÏÏÏÏÏÏÏÏÏÏÏÏÏÏÏ                         main                 PR_EA Matrix
                    PR_EA Matrix                    PR_EA Matrix         towards the Spare
ÏÏÏÏÏÏÏÏÏÏÏÏÏÏÏÏÏÏÏÏÏÏÏÏÏÏÏ
ÏÏÏÏÏÏÏÏÏÏÏÏÏÏÏÏÏÏÏÏÏÏÏÏÏÏÏ                                              MPLS NMS messages
                                                                          in charge of forwarding
ÏÏÏÏÏÏÏÏÏÏÏÏÏÏÏÏÏÏÏÏÏÏÏÏÏÏÏ
ÏÏÏÏÏÏÏÏÏÏÏÏÏÏÏÏÏÏÏÏÏÏÏÏÏÏÏ                                              The main PR_EA Matrix is
ÏÏÏÏÏÏÏÏÏÏÏÏÏÏÏÏÏÏÏÏÏÏÏÏÏÏÏ                      EC           SC
ÏÏÏÏÏÏÏÏÏÏÏÏÏÏÏÏÏÏÏÏÏÏÏÏÏÏÏ
ÏÏÏÏÏÏÏÏÏÏÏÏÏÏÏÏÏÏÏÏÏÏÏÏÏÏÏ                PQ2/EQC            MATRIXN
ÏÏÏÏÏÏÏÏÏÏÏÏÏÏÏÏÏÏÏÏÏÏÏÏÏÏÏ                                              1660SM
ÏÏÏÏÏÏÏÏÏÏÏÏÏÏÏÏÏÏÏÏÏÏÏÏÏÏÏ
      are aligned.
      their static and dinamic data
      the same messages from NMS,
      Since both the agents receive
                                                 NMS
                                                                                                                                 document, use and communication of its contents
                                                                                                                                 All rights reserved. Passing on and copying of this

                                                                                                                               not permitted without written authorization from Alcatel.
[6]   ISA ES–16 ports protection

                                          ISA ES–16 board supports the EPS protection scheme as well as ISA ATM and ISA PR_EA boards.




                                                                                                                                                              not permitted without written authorization from Alcatel.
                                          The EPS protection scheme is 1+1, where the main and spare positions are assigned by




                                                                                                                                                                All rights reserved. Passing on and copying of this
                                                                                                                                                                document, use and communication of its contents
                                          managementsystem in a flexible way (Note).

                                          Note: The board main and the board spare have to be configured on throughput equivalent slot (i.e. both
                                          not enhanced slots or both enhanced slots).

                                          The characteristics of the protection scheme: the switching type is unidirectional (single–ended), the
                                          operation type is Not Revertive (this means that WTR time is not applicable), the external commands are:
                                          Manual Switch working, Manual Switch spare, and Clear. The command Lockout of spare is not provided,
                                          as well Force switch working and Force Switch spare.

                                          The access cards (Fast Ethernet and Gigabit Ethernet) are not protected by the EPS protection scheme,
                                          this means if the board switches the Ethernet traffic carried by the local physical interfaces is lost, unless
                                          a protection scheme is configured on the client side like dual attach protocol for the Gigabit Ethernet
                                          interfaces.
1AA 00014 0004 (9007) A4 – ALICE 04.10




                                         ED      03

                                                                                                           3AL 91669 AA AA                        334 / 706


                                                                                                                         706
3.13.2 MS linear trail Protection (1+1 linear APS)

                                                                                            (See Figure 193. page 336 and Figure 194. page 336)
not permitted without written authorization from Alcatel.




                                                                                            The MS Linear Trail Protection is a 1+1 linear APS (single ended/dual ended) line protection for STM–N
  All rights reserved. Passing on and copying of this
  document, use and communication of its contents




                                                                                            synchronous interfaces only.

                                                                                            Switching might be caused by line failure or hardware faulty on another system connected to the one being
                                                                                            considered.
                                                                                            The switching criteria are : Loss of Signal, Loss of frame, MS–AIS, Excessive BER and, with software
                                                                                            setting, Signal Degrade.

                                                                                            Note that each STM–1 electrical stream can be protected by an optical stream and vice versa.

                                                                                            This feature permits a 1+1 protection in a linear link, where a path signal is protected by another dedicated
                                                                                            path which carries the same signal. The protection can be set both in single and in dual ended mode.
                                                                                            In single ended mode the protection is accomplished by switching only the signal affected by the failure.
                                                                                            In dual ended mode the protection is accomplished by switching both the affected and the unaffected
                                                                                            signals.
                                                                                            The switching signalling is carried over the APS channel (K1 and K2 bytes), using the K–byte protocol.

                                                                                            Figure 193. page 336 shows an example of linear single ended 1+1 protection, and the case of signal
                                                                                            switching after an unidirectional failure on the main link (FERF=Far End Receive Failure, APS=Automatic
                                                                                            Protection Switching). Note: the FERF signal is actually called MS–RDI =Remote Defect Indication.

                                                                                            Figure 194. page 336 shows an example of linear dual ended 1+1 protection, and the case of signal
                                                                                            switching after an unidirectional failure on the main link.

                                                                                            Table 48. shows the MSP protection schemes for the STM–N port cards for the 1660 SM .

                                                                                            Table 48. MSP protection schemes



                                                                                                                                    Protec-
                                                                                                      Protected Entity               tion        Mode         Features                  Notes
                                                                                                                                    Status

                                                                                                                                                                             Each STM–1 stream
                                                                                             STM–1 of 4xSTM–1 elect/opt port                              unidirectional/bi-
                                                                                                                                                                             can be protected by an
                                                                                                                                                not re-
                                                                                                                                                    re                  stan
                                                                                                                                                           directional stan-
                                                                                                                                      1+1                                    electrical or optical
                                                                                                                                                vertive   dard (K1–K2 pro-
                                                                                                                                                                             stream of the same port
                                                                                             STM–1 of 4xSTM–1 electrical port                                    tocol)
                                                                                                                                                                             or of another port.

                                                                                                     STM–4 optical port                                   unidirectional/bi-
                                                                                                                                                not re-
                                                                                                                                                    re     directional stan-
                                                                                                                                                                        stan
                                                                                                                                      1+1
                                                                                                                                                vertive   dard (K1–K2 pro-
                                                                                                    STM–16 optical port                                          tocol)


                                                                                            The standard Linear Multiplex Section 1+1 with K1–K2 protocol compliant whit ITU–T G.841
                                                  1AA 00014 0004 (9007) A4 – ALICE 04.10




                                                                                           ED      03

                                                                                                                                                            3AL 91669 AA AA                         335 / 706


                                                                                                                                                                          706
Single ended 1+1




                                                                                                                                                                    not permitted without written authorization from Alcatel.
                                                                                                                                       1




                                                                                                                                                                      All rights reserved. Passing on and copying of this
                                                                                                                                                                      document, use and communication of its contents
                                                                        MAIN                                            MAIN
                                                                                                                                           2


                                                              1
                                                                       SPARE                                            SPARE
                                                                  2
                                                                                         a) Normal conditions


                                                                                                            APS                                SWITCH
                                                                                                                                       1
                                                                        MAIN                                            MAIN
                                                                                                                                       2
                                                                                    FERF

                                                              1
                                                                       SPARE                                            SPARE
                                                              2

                                                                                        b) Unidirectional failure




                                                                       Figure 193. Linear 1+1 single ended protection



                                               Dual ended 1+1


                                                                                                                                   1
                                                                      MAIN                                            MAIN
                                                                                                                                   2


                                                       1
                                                                      SPARE                                           SPARE
                                                          2

                                                                                     a) Normal conditions


                                                                                                         APS
                                                                                                                                   1 SWITCH
                                                                      MAIN                                            MAIN
                                                                                                                                   2
                                                                                  APS

                                                      1
                                                                      SPARE                                           SPARE
                                              SWITCH 2

                                                                                    b) Unidirectional failure




                                                                        Figure 194. Linear 1+1 dual ended protection
1AA 00014 0004 (9007) A4 – ALICE 04.10




                                         ED   03

                                                                                                                3AL 91669 AA AA                         336 / 706


                                                                                                                             706
3.13.3 MS linear trail Protection (1:N linear dual–ended APS)

                                                                                            1:N (N= 15 max.) linear protection without extra traffic.
not permitted without written authorization from Alcatel.




                                                                                            One section is used as spare resource to protect one of the N main sections when in failure.
  All rights reserved. Passing on and copying of this
  document, use and communication of its contents




                                                                                            The implementation is compliant with the G841 7.1 clause MSP protocol compatible with the 1:N MSP
                                                                                            operation..

                                                                                            Only revertive mode is supported.

                                                                                            Fixed WTR is supported of 5 minutes .

                                                                                            When the protection section is not in use, null signal is indicated on both sent K1 and K2 bytes. The
                                                                                            operation switch is bi–directional, which means that both Tx side and Rx side switch will occur (using K1/K2
                                                                                            messages) in compliant with the G841 protocol operations.

                                                                                            In this mechanism the priority can be assigned to the main resource so that in case of double failure the
                                                                                            high priority traffic is restored.

                                                                                            This protection protects against transmission failures (LOS, LOF, MS_AIS) or section degradation
                                                                                            (MS_SD or MS_EXBER) or HW failure, which affects the traffic.

                                                                                            Protection takes place within 50ms.

                                                                                            Different physical interfaces can be mixed in the same MSP protection group: e.g. at STM–1 level the
                                                                                            feature is applicable at both electrical and optical ports.

                                                                                            Operator command are according G.841 and the following one are supported:

                                                                                            –    Manual to protection: to switch from protected (main resource)) to protecting unit (Spare resource).
                                                                                                 This command is Y if no failure is present on protecting unit;

                                                                                            –    Force to protection:to switch from protected (main resource)) to protecting unit (Spare resource).
                                                                                                 This command is Y if no failure is present on protecting unit;

                                                                                            –    Lockout: the protection is locked, the traffic is managed by protected unit independently of its status,
                                                                                                 in failure or not in failure;

                                                                                            –    Clear: release command which is active;

                                                                                            –    Clear WTR: supported;

                                                                                            –    Exercise : not supported
                                                  1AA 00014 0004 (9007) A4 – ALICE 04.10




                                                                                           ED      03

                                                                                                                                                            3AL 91669 AA AA                        337 / 706


                                                                                                                                                                          706
Dual ended 1:N without extratraffic


                                                           1                                                                     1




                                                                                                                                                          not permitted without written authorization from Alcatel.
                                                                                                                                                            All rights reserved. Passing on and copying of this
                                                                                                                                                            document, use and communication of its contents
                                                           2                                                                     2
                                                                    MAIN                                          MAIN
                                                           1                                                                     1

                                                           2              #1                                            #1
                                                                                                                                 2



                                                           1                                                                     1

                                                           2                                                                     2
                                                                    MAIN                                          MAIN
                                                           1                                                                     1

                                                           2              #N                                            #N       2




                                                                   SPARE                                          SPARE
                                                                                   a) Normal conditions




                                                       1                                                                     1

                                                       2                                                                     2
                                                                  MAIN                                          MAIN
                                                       1                                                                     1
                                                                     #1                                            #1
                                                       2                                                                     2

                                                                                                Link failure

                                              SWITCH                                                                                 SWITCH
                                                       1                                                                     1

                                                       2                                                                     2
                                                                  MAIN                                          MAIN
                                              SWITCH   1                                                                     1       SWITCH

                                                                     #N                                            #N
                                                       2                                                                     2




                                                                 SPARE                                          SPARE
                                                                                  b) Failure conditions



                                                                 Figure 195. MSP Linear 1:N Dual–Ended protection
1AA 00014 0004 (9007) A4 – ALICE 04.10




                                         ED      03

                                                                                                          3AL 91669 AA AA                     338 / 706


                                                                                                                       706
3.13.4 SNCP (Sub–Network Connection Protection)
                                                                                            (See Figure 196. on page 340 and Figure 197. on page 341)

                                                                                            Subnetwork Network Connection protection is a dedicated protection mechanism that can be used to
not permitted without written authorization from Alcatel.




                                                                                            protect a path (e.g. that portion where two separate path segments are available) or the full end–to–end
  All rights reserved. Passing on and copying of this
  document, use and communication of its contents




                                                                                            path. It may be applied at any path layer in a layered network.
                                                                                            Two types of SNCP are possible:
                                                                                                 •        SNCP/I (Inherent monitoring) that switches on SSF criteria (AU–AIS and AU–LOP).
                                                                                                 •        SNCP/N (Non–intrusive monitoring) where POH is monitored by the POM enable before the
                                                                                                          matrix. The switches criteria are SSF and one or more of ExBER, TIM, UNEQ, SD; in this case
                                                                                                          the same selection must be made on each N.E. of the ring.
                                                                                            SNCP is employed on ring networks on which several equipments have been installed.
                                                                                            It can be also employed in Linear or Meshed network topology.
                                                                                            Two operating mode can be selected for single VC SNCP:

                                                                                                 •        revertive (the signal is switched back into the working channel, after recovery of the fault)
                                                                                                          In the revertive operation the ”Wait time to restore” (WTR) is fixed at 5 min.
                                                                                                 •        not revertive
                                                                                            As illustrated in the example shown in Figure 196. on page 340 several equipment (numbered 1 to 5) are
                                                                                            ring–connected on a looped path.
                                                                                            Each of the equipment on the node is bidirectionally connected (Side A and Side B). One of the two
                                                                                            directions represent the main path (clockwise).The opposite direction will utilize a second fiber line for the
                                                                                            spare traffic (counter clockwise).
                                                                                            The SNCP automatic protection intervenes upon detecting path failure (SSF).
                                                                                            Each transmitting signal node is permanently connected (bridge) in the main traffic direction (clockwise)
                                                                                            and in the protected traffic direction(counter clockwise).
                                                                                            The Tx signal reaches destination through two different paths thus enabling the node receiving it to select
                                                                                            the best one (switch).
                                                                                            The switching decision can be taken at the NE level (automatic switch) or at the OS level (management
                                                                                            switch).
                                                                                            The example of Figure 196. on page 340 illustrates the connection between two signals (T1, between
                                                                                            nodes 2 and 5 and T2 between nodes 1 and 4 ) and relevant input/output nodes with associated
                                                                                            pass–through.
                                                                                            Figure 197. on page 341 illustrates two examples of failures and subsequent SNCP switching
                                                                                            mechanism.
                                                                                            A failure or degrade on the main path causes to switch over to the spare one .
                                                                                            When the receiving end switches no information is sent to the corresponding Tx side to activate the
                                                                                            switching operation at the remote end. (Single ended ”switching operation)
                                                                                            To manage switching the SNCP architecture utilizes the data inherent to the Path and not to the Line.
                                                                                            Switching is in fact activated by defective operations occurring at the VCn levels (AU–AIS, AU–LOP,
                                                                                            ExBER).
                                                                                            When the path is no longer available, an AIS signal is transmitted on the same path to activate protection.
                                                                                            In this manner SNCP can protect the paths following cable break–down or failures along the fiber and
                                                                                            nodes.
                                                                                            Cable break–down concerns all the fibers it contains hence it places traffic in both directions out–of–
                                                                                            service, while a failure concerns only one fiber.
                                                                                            The units are provided with a path switching circuit (bridge + switch).
                                                  1AA 00014 0004 (9007) A4 – ALICE 04.10




                                                                                            Its enabling depends on the equipment configuration.
                                                                                            With SNCP each working path has a dedicated protection path.


                                                                                           ED        03

                                                                                                                                                               3AL 91669 AA AA                       339 / 706


                                                                                                                                                                             706
not permitted without written authorization from Alcatel.
                                                                                                                                                All rights reserved. Passing on and copying of this
                                                                                                                                                document, use and communication of its contents
                                                                                 Side B     3       Side A




                                                                                  T1, T2 Pass–through

                                                            2   Side A                                             Side B     4
                                              BRIDGE
                                                                                                                                  T2

                                          T1
                                                                      T2 Pass–through               T1 Pass–through
                                                                      T1 Drop/Ins Prot.             T2 Drop/Ins Prot.



                                               SWITCH           Side B                                             Side A
                                                                                                   COUNTER
                                                                           CLOCKWISE
                                                                                                  CLOCKWISE
                                                            1    Side A                                                       5
                                                                                                                   Side B
                                                                                                                                  T1

                                          T2                           T1 Pass–through              T2 Pass–through
                                                                       T2 Drop/Ins Prot.            T1 Drop/Ins Prot.


                                                                 Side B
                                                                                                                  Side A




                                                NOTES:
                                                On Craft Terminal, the following terminology is used:
                                                Pass–Through= Bidirectional Connection
                                                Drop/Ins Prot.= Bidirectonal Protected Connection




                                                                       Figure 196. Typical ring network with SNCP
1AA 00014 0004 (9007) A4 – ALICE 04.10




                                         ED      03

                                                                                                        3AL 91669 AA AA           340 / 706


                                                                                                                        706
Cable break              3    AU–AIS on T1,T2
not permitted without written authorization from Alcatel.
  All rights reserved. Passing on and copying of this
  document, use and communication of its contents




                                                                                                                                                                                          Switch on spare path
                                                                                                                            2                                                      4     SSF



                                                                                                  T1
                                                                                                                                                                                                        T2


                                                                                                                                       MAIN                    SPARE
                                                                                                                            1                                                             Switch on spare path
                                                                                                                                                                                   5    SSF


                                                                                                     T2
                                                                                                                                                                                                        T1




                                                                                                                                Case of cable break between nodes 2 and 3




                                                                                                                                                     3
                                                                                                 Switch on spare path
                                                                                                                        2                                                      4


                                                                                                T1
                                                                                                                                                                                                     T2

                                                                                                                SSF

                                                                                                                                      MAIN                    SPARE
                                                                                                                        1
                                                                                                                                                                               5

                                                                                                T2
                                                                                                                                                                                                     T1

                                                                                                                SSF

                                                                                                 Switch on spare path
                                                                                                                                                                                       Unidirectional failure



                                                                                                                        Case of unidirectional failure between nodes 5 and 1
                                                  1AA 00014 0004 (9007) A4 – ALICE 04.10




                                                                                                                                Figure 197. Failure examples in SNCP ring




                                                                                           ED   03

                                                                                                                                                                      3AL 91669 AA AA                            341 / 706


                                                                                                                                                                                         706
As the 1660SM equipment can manage up to 96 STM–1 equivalent streams, a max of 32 streams can
                                          be SNCP protected.

                                          In fact , to perform SNCP protection, a group of three ports must be used.




                                                                                                                                                        not permitted without written authorization from Alcatel.
                                                                                                                                                          All rights reserved. Passing on and copying of this
                                                                                                                                                          document, use and communication of its contents
                                          Table 49. on page 342 shows some examples of equipment configuration using SNCP protection. The
                                          max. port configuration for each signal hierarchy level has been taken into account.

                                          In the first column are reported the number and the type of stream to be protected .
                                          The second column reports the number and type of card to be used to protect the source.
                                          The third column reports the total number of VC that can be protected for each configuration.

                                          Table 49. Example of SNCP protected groups



                                                                                Protected stream  Protecting
                                                    Source stream                                                        # of protected signals
                                                                                           stream

                                           # of port        acronym           # of port            acronym

                                               8            4x STM–1              4                STM–16                     32 H.O VC4

                                               6           63x2 Mbit/s            2                STM–16                    378 L.O VC12

                                               6           63x2 Mbit/s            2                 STM–4                    378 L.O VC12
                                                                                  +
                                                                                  2                4xSTM–1

                                               6         3x34/45 Mbit/s           2                STM–16                     18 L.O VC3

                                               6         3 x 34/45 Mbit/s         2                 STM–4                     18 L.O VC3
                                                                                  +
                                                                                  2                4xSTM–1


                                          Figure 198. on page 343 graphically shows the SNCP protection of eight 4x STM–1 protected by 4
                                          STM–16. It is note–worthy that the 4 STM–16 can be connected with two different rings.
1AA 00014 0004 (9007) A4 – ALICE 04.10




                                         ED        03

                                                                                                       3AL 91669 AA AA                      342 / 706


                                                                                                                       706
not permitted without written authorization from Alcatel.
  All rights reserved. Passing on and copying of this
  document, use and communication of its contents




                                                                                                                                      TO RING A




                                                                                                                                                             4
                                                                                                                                 4                           4
                                                                                                 STM–16                                                                    STM–16
                                                                                                                          4                                      4
                                                                                                                     4                                               4
                                                                                                      Slot                                                                  Slot
                                                                                                                4
                                                                                                 25 + 26                                                                   28 + 29




                                                                                                               4XSTM–1         4XSTM–1        4XSTM–1      4XSTM–1



                                                                                                                Slot 24         Slot 27        Slot 30     Slot 31



                                                                                                                                          TO RING B




                                                                                                                                                             4
                                                                                                                                 4                           4
                                                                                                 STM–16                                                                    STM–16
                                                                                                                          4                                      4
                                                                                                                     4                                               4      Slot
                                                                                                      Slot
                                                                                                     34 + 35    4                                                          37 +38




                                                                                                               4XSTM–1         4XSTM–1        4XSTM–1      4XSTM–1


                                                                                                               Slot 32          Slot 33        Slot 36      Slot 39
                                                  1AA 00014 0004 (9007) A4 – ALICE 04.10




                                                                                                                              Figure 198. SNCP example


                                                                                           ED   03

                                                                                                                                                      3AL 91669 AA AA                343 / 706


                                                                                                                                                                     706
3.13.5 Drop  Continue

                                          (See from Figure 199. on page 345 to Figure 203. on page 347)




                                                                                                                                                              not permitted without written authorization from Alcatel.
                                          The Drop and Continue architecture has been implemented in the network to improve traffic availability.




                                                                                                                                                                All rights reserved. Passing on and copying of this
                                                                                                                                                                document, use and communication of its contents
                                          Drop and Continue is a way of protecting a path crossing a number of sub–networks, e.g., rings.

                                          The sub–networks should be connected through at least two nodes (so realizing two independent
                                          connections).

                                          The equipment is configured as ”DROP and CONTINUE” on each interconnection node.

                                          The subnetworks’ equipment implement the connection between two SNCP rings.

                                          The resulting architecture affords protection against multiple failures (evenly distributed one per
                                          subnetwork) tolerated without traffic loss (node failure or single cable cut).

                                          The Drop and Continue feature improves traffic availability as compared with the simple ”end–to–end
                                          SNCP”. More subnetworks are connected the further is availability increased.

                                          The Drop and Continue features simultaneously realizes the following on one node:

                                                 •        unidirectional pass–through

                                                 •        protected drop

                                                 •        insertion in one direction

                                          The achievable configurations are:

                                                 •        D/C–A INS–A (called “Normal” on Craft Terminal)

                                                 •        D/C–A INS–B (called “Inverse” on Craft Terminal)

                                          D/C stands for ”Drop and Continue”, the letter after it (A = line side” A” ) indicates the ”drop ” side (e.g.,
                                          “A” means “A main side”, and consequently the spare side is the “B” one).
                                          The end letter (INS–B or INS–A) indicates the insert side.

                                          N.B.            The letters “A” and “B” are not referred to a specific board or ports in a physical slot of
                                                          the subrack; “A” and “B” are used in the figures of this paragraph to identify a Line
                                                          direction.

                                          The ”Unidirectional pass–through” is always in the direction opposite to that of the ”insert” side (e.g., when
                                          ”INS B” the pass–through is from B side to A side).

                                          For further information refer to Figure 199. on page 345 which shows the D/C–A INS–A configuration
                                          (called “Normal” on C.T.) and Figure 200. on page 345 which shows the D/C–A INS–B configuration
                                          (called “Inverse” on C.T.).
1AA 00014 0004 (9007) A4 – ALICE 04.10




                                         ED          03

                                                                                                             3AL 91669 AA AA                      344 / 706


                                                                                                                         706
LINE PORT                       LINE PORT
                                                                                                                    SIDE A                          SIDE B
                                                                                                         Input                                             Output

                                                                                                         Output                                             Input
not permitted without written authorization from Alcatel.
  All rights reserved. Passing on and copying of this
  document, use and communication of its contents




                                                                                                                                                                         Symbol used on Craft Terminal




                                                                                                                                             PORT



                                                                                                                              Input      Output



                                                                                                             Figure 199. Drop and Continue D/C A INS A (called “Normal” on C.T.)


                                                                                                                  LINE PORT                       LINE PORT
                                                                                                                    SIDE A                          SIDE B
                                                                                                         Input                                             Output

                                                                                                         Output                                             Input




                                                                                                                                                                        Symbol used on Craft Terminal

                                                                                                                                             PORT



                                                                                                                              Input      Output



                                                                                                             Figure 200. Drop and Continue D/C A INS B (called “Inverse” on C.T.)


                                                                                            The ”Drop and Continue” featuring two connected SNCP rings (with dual node connection) is indicated
                                                                                            in Figure 201. on page 346. It shows the connection of a path signal between the two nodes 1 and 8.

                                                                                            The relevant path signal is:

                                                                                            The relevant path signal is:
                                                                                                 connected in Drop and Continue (D/C A – INS A) in nodes 3, 4, 6 and 10.
                                                                                                 connected in pass–through in nodes 2, 5, 7, 9.
                                                                                                 connected in drop/ins protection in nodes 1, 8.
                                                                                            NOTE – the following terminology is used on Craft Terminal:
                                                                                                 pass–through = Bidirectional connection
                                                                                                 drop/ins protection = Bidirectional Protected connection

                                                                                            When in normal condition, the unidirectional way of traffic from 1 to 8 is supposed to be 1 ! 2 ! 3 ! 6
                                                                                            ! 7 ! 8.

                                                                                            After a failure on the 1st ring between nodes 2 and 3 (see Figure 202. on page 347), the link direction
                                                                                            is: 1 ! 5 ! 4 ! 3 ! 6 ! 7 ! 8, with a switch on node 3.
                                                  1AA 00014 0004 (9007) A4 – ALICE 04.10




                                                                                            After a second failure on the 2nd ring between nodes 6 and 7 (see Figure 203. on page 347) the selected
                                                                                            direction on the link is: 1 ! 5 ! 4 ! 10 ! 9 ! 8. The operative switch is on node 8 and the previous
                                                                                            pass–through between nodes 4 and 3 is no more used.

                                                                                           ED      03

                                                                                                                                                           3AL 91669 AA AA                       345 / 706


                                                                                                                                                                      706
not permitted without written authorization from Alcatel.
                                                                                                                                                                                   All rights reserved. Passing on and copying of this
                                                                                                                                                                                   document, use and communication of its contents
                                                                                                1




                                                  2                                                   SNCP ring                                                  5
                                                                      D/CA INSA                                                       D/CB INS B
                                                           A Port 1            Port 2       B                         A   Port 1           Port 2        B



                                                                                                                                              INS
                                                              INS
                                                               A                                3                 4                            B



                                                                               Port 3                                     Port 3



                                                                             Port 3                                          Port 3

                                                                                                6                 10
                                                                                                                                                   INS
                                                           INS                                                                                      B
                                                            A


                                                       A   Port 1            Port 2 B                                     A Port 1               Port 2      B

                                                                 D/CA INSA                                                           D/CB INSB
                                              7                                                     SNCP ring                                                        9




                                                                                        8




                                                                                      Figure 201. Drop and Continue
1AA 00014 0004 (9007) A4 – ALICE 04.10




                                         ED       03

                                                                                                                       3AL 91669 AA AA                               346 / 706


                                                                                                                                        706
All rights reserved. Passing on and copying of this
                                                                                                                                                                                  document, use and communication of its contents
                                                                                                                                                                                not permitted without written authorization from Alcatel.
      1AA 00014 0004 (9007) A4 – ALICE 04.10




                           ED
                           03
                                                                                                                                                                                      7
                                                                                                                                                                                                                                 2




                                                                                                  7
                                                                                                                    2
                                                                                                                                                                                                         switched




                                                                                                                                                                                           6
                                                                                                                                                                                                                       3




                                                                                                       6
                                                                                                              3




                                                                                   switched
                                                                                                                                                                                                                                            1




                                                                                                                                                                                  8




                                                                                                                              1




                                                                                              8
                                                                                                                  SNCP ring




                                                                                                  SNCP ring
                                                                                                                                                                                        SNCP ring
                                                                                                                                                                                                                               SNCP ring


                                                                                                                                                                                                                      4




                                                                                                                                                                                            10




                                                                                                              4




                                                                                                      10
                                                                                                                                  Figure 202. Drop and Continue – 1st failure




                                     Figure 203. Drop and Continue – 2nd failure
                                                                                                                                                                                                                                 5




                                                                                                                                                                                      9




                                                                                                                     5




                                                                                                  9




706
         3AL 91669 AA AA
         347 / 706
3.13.6 Collapsed dual node ring interconnection

                                          (See from Figure 204. on page 349 to Figure 206. on page 350 )




                                                                                                                                                        not permitted without written authorization from Alcatel.
                                          The “Collapsed dual node ring interconnection” is a way of protecting a path crossing a number of




                                                                                                                                                          All rights reserved. Passing on and copying of this
                                                                                                                                                          document, use and communication of its contents
                                          sub–networks, e.g., rings.

                                          The sub–networks should be connected through at least two nodes (so realizing two independent
                                          connections).

                                          Respect to the configuration shown in Figure 201. on page 346 ( Drop and Continue”), “Collapsed dual
                                          node interconnection” allows a Hardware reduction, since an OMSN contains several ports and a path
                                          signal can be connected in protected mode, from a generic pot to another one, on the same equipment.

                                          The subnetworks’ equipment implement the SNCP connection.

                                          The resulting architecture affords protection against multiple failures (evenly distributed one per
                                          subnetwork) tolerated without traffic loss (node failure or single cable cut).

                                          The “Collapsed dual node ring interconnection” featuring two connected rings (with dual connection) is
                                          indicated in Figure 204. on page 349.

                                          SNCP protection is enabled throughout the equipment. When in normal condition, the unidirectional way
                                          of traffic from 1 to 8 is supposed to be 1 ! 2 ! 3 ! 6 ! 8.

                                          After a failure on the 1st ring between nodes 2 and 3 (see Figure 205. on page 350), the link direction
                                          is: 1 ! 5 ! 4 ! 3 ! 6 ! 8.

                                          Pass–through is used between nodes 4 and 3, and switch on node 3.

                                          After a second failure on the 2nd ring between nodes 3 and 6 (see Figure 206. on page 350) the selected
                                          direction on the link is: 1 ! 5 ! 4 ! 7 ! 8.

                                          The operative switch is on node 8 and the previous pass–through between nodes 4 and 3 is no more used.
1AA 00014 0004 (9007) A4 – ALICE 04.10




                                         ED      03

                                                                                                       3AL 91669 AA AA                      348 / 706


                                                                                                                    706
All rights reserved. Passing on and copying of this
                                                                                                                              document, use and communication of its contents
                                                                                                                            not permitted without written authorization from Alcatel.
      1AA 00014 0004 (9007) A4 – ALICE 04.10




                           ED
                                                                                                                                          2




                                                                                              6




                           03
                                                                                                                        3



                                                                                                          C
                                                                                                                                A




                                                                                                              Port 3
                                                                                                                                 Port 1




                                                                                          8
                                                                                                                                 Port 2




                                                                                                               Port 4
                                                                                                                                                                      1




                                                                                                          D
                                                                                                                                B
                                                                                                                                            SNCP ring




                                                                                              SNCP ring
                                                                                                          C
                                                                                                                                A




                                                                                                              Port 3
                                                                                                                                 Port 1




                                        Figure 204. Collapsed dual node interconnection




706
         3AL 91669 AA AA
                                                                                                                                 Port 2




                                                                                                               Port 4

                                                                                                          D
                                                                                                                                B




                                                                                                                        4




                                                                                              7
                                                                                                                                          5




         349 / 706
1




                                                                                                                                 not permitted without written authorization from Alcatel.
                                                                                                                                   All rights reserved. Passing on and copying of this
                                                                                                                                   document, use and communication of its contents
                                                      2                                                    5
                                                                             SNCP ring




                                                   switched    3                                 4




                                                                              SNCP ring
                                                      6                                                    7
                                                                                8




                                                     Figure 205. Collapsed dual node interconnection – 1st failure


                                                                                 1




                                                       2                                                    5
                                                                             SNCP ring




                                                                3                                    4




                                                                              SNCP ring
                                                      6                                                     7
                                                                                 8



                                                              switched
1AA 00014 0004 (9007) A4 – ALICE 04.10




                                                     Figure 206. Collapsed dual node interconnection – 2nd failure




                                         ED   03

                                                                                             3AL 91669 AA AA         350 / 706


                                                                                                          706
3.13.7 Collapsed single node ring interconnection

                                                                                            (See from Figure 207. on page 351 to Figure 209. on page 353)
not permitted without written authorization from Alcatel.




                                                                                            The “Collapsed single node ring interconnection” is a way of protecting a path crossing a number of
  All rights reserved. Passing on and copying of this
  document, use and communication of its contents




                                                                                            sub–networks, e.g., rings.

                                                                                            Respect to the configuration shown in Figure 201. on page 346 ( Drop and Continue”), “Collapsed single
                                                                                            node interconnection” allows the best Hardware reduction; as a matter of fact four nodes are collapsed
                                                                                            in one node.

                                                                                            The protection operating mode is similar to that described for the “Collapsed dual node Interconnection”
                                                                                            (see para. 3.13.6 on page 348).




                                                                                                                                 1




                                                                                                2                                       SNCP ring
                                                                                                                                                                                             4
                                                                                                                              Port 1                                         Port 2




                                                                                                                                                                                      3



                                                                                                                              Port 3                                         Port 4




                                                                                                5                                                                                           7
                                                                                                                                         SNCP ring




                                                                                                                             6
                                                  1AA 00014 0004 (9007) A4 – ALICE 04.10




                                                                                                                    Figure 207. Collapsed single node ring interconnection


                                                                                           ED       03

                                                                                                                                                         3AL 91669 AA AA                         351 / 706


                                                                                                                                                                       706
1AA 00014 0004 (9007) A4 – ALICE 04.10




                           ED
                                                                                                                                                                  2




                                                                                                                    5




                           03
                                                                                                                                        switched




                                                                                                                              Port 3
                                                                                                                                                         Port 1




                                                                                                              6
                                                                                                                                                                                               1




                                                                                                                                                                   SNCP ring




                                                                                                                  SNCP ring




706
         3AL 91669 AA AA
                                        Figure 208. Collapsed single node ring interconnection –1st failure
                                                                                                                                                         Port 2




                                                                                                                               Port 4
                                                                                                                                        3




                                                                                                                   7
                                                                                                                                                                  4




         352 / 706
                                                                                                                                                     All rights reserved. Passing on and copying of this
                                                                                                                                                     document, use and communication of its contents
                                                                                                                                                   not permitted without written authorization from Alcatel.
All rights reserved. Passing on and copying of this
                                                                                                                                                         document, use and communication of its contents
                                                                                                                                                       not permitted without written authorization from Alcatel.
      1AA 00014 0004 (9007) A4 – ALICE 04.10




                           ED
                                                                                                                                                                      2




                                                                                                                                  5




                           03
                                                                                                              switched
                                                                                                                                         Port 3
                                                                                                                                                             Port 1




                                                                                                                         6
                                                                                                                                                                                                   1




                                                                                                                                                                         SNCP ring




                                                                                                                             SNCP ring




706
         3AL 91669 AA AA
                                        Figure 209. Collapsed single node ring interconnection –2nd failure
                                                                                                                                                             Port 2




                                                                                                                                          Port 4
                                                                                                                                                   3




                                                                                                                                  7
                                                                                                                                                                      4




         353 / 706
3.13.8 MS–SPRING protection

                                          (See from Figure 210. on page 355 to Figure 215. on page 358 )




                                                                                                                                                                 not permitted without written authorization from Alcatel.
                                          The following protection MS–SPRING is supported :




                                                                                                                                                                   All rights reserved. Passing on and copying of this
                                                                                                                                                                   document, use and communication of its contents
                                          –      2 fiber MS–SPRING at STM–16

                                          –      2 fiber MS–SPRING at STM–64

                                          The supported MS–SPRING is compliant to the ITU–T Rec. G.841

                                          The MS–SPRING protection is realized in the MATRIX card.
                                          A 2 fiber MS–SPRING (Multiple Section–Shared Protection Ring ) consist of a set of NEs each equipped
                                          with a two bidirectional port , one for the clockwise and the other for the counter–clockwise. The
                                          MS–SPRING is said ”two fiber” because each pair of adjacent NEs is linked by two fibers , one for each
                                          direction.
                                          The MS SPRING protection is an alternative with respect to SNCP. While MS SPRING allows the
                                          connection at the same time on the clockwise and on the counterclockwise direction on the same AU4
                                          that can be inserted and extracted in each span, on the contrary the SNCP connection engages the same
                                          AU4 on both sides for the whole link.

                                          N.B.         In the following the 2F MS–SPRING at STM–16 will be explained; the same description can be
                                                       apllied to 2F MS–SPRING at STM–64 taking into account that 64 AU– 4 are available and that
                                                       the bandwidth is divided into two halves of equal capacity called respectively ”working” (AU4#
                                                       1 to AU4# 32) and ”protection” capacity (AU4#33 to AU4# 64).



                                          2 fiber MS–SPRING at STM–16 level
                                          The bandwidth of a 2F MS–SPRING is divided into two halves of equal capacity called respectively
                                          ”working” (AU4# 1 to AU4# 8) and ”protection” capacity (AU4#9 to AU4# 16). The AU4# 1 is protected
                                          by AU4#9 up to AU4#8 that is protected by the AU4#16. The ”working ” capacity is used to carry the ”high
                                          priority traffic”, while the ”protection” capacity can be used for ”low priority” traffic that is lost in case of
                                          failure. See Figure 210. on page355.
                                          In this release the ”low priority” connection are not managed.
                                          The MS SPRING algorithm starts as a consequence of the following Section alarms:
                                                •     LOS, LOF, MS AIS, EXBER (B2), SIGNAL DEGRADE (B2)
1AA 00014 0004 (9007) A4 – ALICE 04.10




                                         ED       03

                                                                                                             3AL 91669 AA AA                         354 / 706


                                                                                                                           706
PORT

                                                                                                                                       B       A                  B        A
not permitted without written authorization from Alcatel.
  All rights reserved. Passing on and copying of this
  document, use and communication of its contents




                                                                                                                   A                       1            2              3                      B
                                                                                                                                           6            5              4                      A
                                                                                                                   B




                                                                                                                                      A        B                A          B

                                                                                                                             WORKING CHANNELS (AU4#1 TO AU4#8)
                                                                                                                                                                                     PORT
                                                                                                                             PROTECTION CHANNELS (AU4#9 TO AU4#16)

                                                                                                                               Figure 210. 2F MS SPRING Connection


                                                                                            APS in 2–fiber MS–SPRING

                                                                                            In case of fibre break the APS for 2F MS–SPRING uses a synchronized sequence of ”bridge” and
                                                                                            ”switch” operations that modify the internal connections of the two NEs adjacent to the failure and
                                                                                            permits the ”high priority” traffic to be restored.

                                                                                            Only the NEs adjacent to the failure are interested to the ”switch” and ”bridge” functions while for all other
                                                                                            NEs the final configuration is a ”pass through” of all ”protection” (low priority) AU4s.

                                                                                            Figure 211. and Figure 212. on page 356 , Figure 213. and Figure 214. on page 357 highlight how the
                                                                                            connections are modified as a consequence of a ”bridge ” or a ”switch” operation.
                                                                                            The Bridge operation is performed on the Tx side while the Switch is performed on the Rx side.

                                                                                                 •        The ”Bridge” operation on the B side has the effect of routing the outgoing ”high priority” A
                                                                                                          traffic to the outgoing ”protection” B capacity.
                                                                                                          The Bridge function adds a connection on the opposite side and on the relevant AU protection.

                                                                                                 •        When a ”Switch” operation is working on the B side all the connections having an AU4
                                                                                                          belonging to the A working capacity as a source, are replaced by connections having the
                                                                                                          incoming B protection traffic as a source. The signals maintain the same end point connection.
                                                                                                          The Switch function replaces the incoming flow with a protection one, coming form the opposite
                                                                                                          side.

                                                                                            In the same way :

                                                                                                 •        The ”Bridge” operation on the A side has the effect of routing the outgoing ”high priority” B
                                                                                                          traffic to the outgoing ”protection” A capacity.
                                                                                                          The Bridge function adds a connection on the opposite side and on the relevant AU protection.

                                                                                                 •        When a ”Switch” operation is working on the A side all the connections having an AU4
                                                                                                          belonging to the B working capacity as a source, are replaced by connections having the
                                                                                                          incoming A protection traffic as a source. The signals maintain the same end point connection.
                                                  1AA 00014 0004 (9007) A4 – ALICE 04.10




                                                                                           ED        03

                                                                                                                                                             3AL 91669 AA AA                        355 / 706


                                                                                                                                                                               706
not permitted without written authorization from Alcatel.
                                                                                                                                 All rights reserved. Passing on and copying of this
                                                                                                                                 document, use and communication of its contents
                                                   A               B                         A                 B




                                                   A               B                         A                 B




                                                                             protection
                                                                              working


                                                       BEFORE                                         AFTER




                                                          Figure 211. Effect of a BRIDGE “B side” operation




                                                   A               B                         A                 B




                                                   A               B                         A                 B




                                                                             protection
                                                                              working


                                                       BEFORE                                         AFTER




                                                          Figure 212. Effect of a BRIDGE “A side” operation
1AA 00014 0004 (9007) A4 – ALICE 04.10




                                         ED   03

                                                                                            3AL 91669 AA AA        356 / 706


                                                                                                         706
not permitted without written authorization from Alcatel.
  All rights reserved. Passing on and copying of this
  document, use and communication of its contents




                                                                                                     A                B                        A                B




                                                                                                     A                B                        A                B




                                                                                                                               protection
                                                                                                         BEFORE                 working                 AFTER




                                                                                                             Figure 213. Effect of SWITCH “B side” operation




                                                                                                     A                B                        A                B




                                                                                                     A                B                        A                B




                                                                                                                               protection
                                                                                                         BEFORE                 working                 AFTER




                                                                                                             Figure 214. Effect of SWITCH “A side” operation
                                                  1AA 00014 0004 (9007) A4 – ALICE 04.10




                                                                                           ED   03

                                                                                                                                             3AL 91669 AA AA        357 / 706


                                                                                                                                                          706
Figure 215. on page 358 depicts the final effect of Bridge and Switch synchronized steps for traffic
                                          restoration in a network with one fault.
                                          They are carried out via a protocol that uses the K1 and K2 bytes .The failed span is replaced by the
                                          protection traffic of the span not affected by the failure.




                                                                                                                                                                          not permitted without written authorization from Alcatel.
                                                                                                                                                                            All rights reserved. Passing on and copying of this
                                                                                                                                                                            document, use and communication of its contents
                                          The K1 and K2 are exchanged between the Node that are adjacent to the failure, instead the other Nodes
                                          put K1 and K2 in passthrough.




                                                                                          SWITCH       BRIDGE
                                                                                           side A       side A                        SWITCH
                                                                   PROTECTED                                                                        BRIDGE
                                                                     SIGNAL                                                            side B
                                                                                                                                                     side B


                                                                                      B       A                       B           A




                                                              A                           1               2                   3                       B

                                                                                          6               5                   4
                                                              B                                                                                       A


                                                                           (*)                           (*)




                                                                                      A       B                        A          B

                                                                          WORKING CHANNELS

                                                                          PROTECTION CHANNELS                                           PROTECTED
                                                                                                                                          SIGNAL
                                                                          BRIDGE

                                                                          SWITCH
                                                      (*) All protection AU4 are put in Pass–through in the 5th and 6th NEs




                                                                           Figure 215. Line break recovering operations
1AA 00014 0004 (9007) A4 – ALICE 04.10




                                         ED      03

                                                                                                                    3AL 91669 AA AA                           358 / 706


                                                                                                                                        706
An example of 2F MS–SPRING is reported in Figure 216. on page 360.

                                                                                            In the example a ring of four nodes is protected with 2F MS–SPRING
not permitted without written authorization from Alcatel.




                                                                                            AU4–1 carries the traffic of the span : C–B, B–A, A–D, D–C
  All rights reserved. Passing on and copying of this
  document, use and communication of its contents




                                                                                            AU4–2 carries the traffic of the span D–B (pass–through in C)

                                                                                            AU4–9 protects AU4–1.

                                                                                            AU4–10 protects AU4–2.

                                                                                            After a failure in the section C–B, the following actions are performed on :

                                                                                                        –   node B : Streams access 1 and 2, previously drop–inserted on AU4–1 and AU4–2
                                                                                                                     “side A”, are switched respectively on AU4–9 and AU4– 10 “side B” .
                                                                                                                     In this way, C is reached through nodes A and D.

                                                                                                        –   node C:   Stream access 1, previously drop–inserted on AU4.1 “side B”, is switched on
                                                                                                                      AU4–9 “side A”.
                                                                                                                      In this way, B is reached through nodes D and A.
                                                                                                                      Rx AU4–2 “side A”, previously in pass–through on Tx AU4–2 “side B”, is looped
                                                                                                                      on Tx AU4–10 “side A”. In this way, B is reached through nodes D–A (signal
                                                                                                                      transmitted D to B).
                                                                                                                      Rx AU4–2 “side B” is no more received.
                                                                                                                      So, Rx AU4–10 “side A” is looped on the Tx AU4–2 “side A”.
                                                                                                                      In this way, the signal transmitted by node B follows the path :
                                                                                                                      A–D– C and here is looped to reaches node D again.

                                                                                                        –   nodes A and D do not switch

                                                                                            We can obtain from the example that is possible bandwidth re–used for some traffic patterns (AU4–9
                                                                                            protects four connection on AU4–1) having the same protection for some several connections (shared
                                                                                            protection).
                                                  1AA 00014 0004 (9007) A4 – ALICE 04.10




                                                                                           ED      03

                                                                                                                                                          3AL 91669 AA AA                     359 / 706


                                                                                                                                                                           706
A
                                                         D       A . AU4 1                                                     A       B : AU4 1




                                                                                                                                                                          not permitted without written authorization from Alcatel.
                                                                                                                                                                            All rights reserved. Passing on and copying of this
                                                                                                                                                                            document, use and communication of its contents
                                                                                           AU4.9–Prot. AU4.1

                                                                                       AU4.10 Prot. AU4.2

                                                                    D                                                              B




                                                                                                     C
                                                             D     C : AU4 1                                                   C        B : AU4 1




                                                                        D      B : AU4 2




                                                                                                     A



                                                                                                                  side B
                                                                               D                                           B
                                                                                                                  side A

                                                                                            side A       side B

                                                                                                     C


                                                                   C                                                               B

                                                   side A                          side B                     side A                                side B
                                                    AU4                              AU4                       AU4                                    AU4
                                                     1                                   1                      1                                         1
                                                     2                                   2                      2                                         2
                                                     9                                   9                      9                                         9
                                                    10                                  10                     10                                        10




                                                    1                                  1                          1                                     1
                                                    2                                  2                          2                                     2
                                                    9                                  9                          9                                     9
                                                    10                                 10                         10                                    10




                                                                       1                                                       1          2
1AA 00014 0004 (9007) A4 – ALICE 04.10




                                                                   Figure 216. 2F MS–SPRING example of operation


                                         ED   03

                                                                                                                       3AL 91669 AA AA                        360 / 706


                                                                                                                                        706
SQUELCHING FUNCTION

                                                                                            The Squelching function is activated when a node that carries Drop/Insert streams, remains isolated
                                                                                            because of a double failure.
not permitted without written authorization from Alcatel.
  All rights reserved. Passing on and copying of this
  document, use and communication of its contents




                                                                                            In this case to avoid misconnections on the AU4 involved in MS SPRING protection, an AIS signal will be
                                                                                            inserted on Low Priority streams transmitted from the nodes adjacent to the isolated one. See Figure 217.

                                                                                            Before Node 2 isolation because of the double failure , the following connections were active using the
                                                                                            AU4#1

                                                                                            –       Stream between Port 3 and Port 1

                                                                                            –       Stream between Port 2 and Port 4

                                                                                            After a second failure, the Nodes adjacent to the isolated Node 2 send AIS on the Low Priority traffic
                                                                                            (AU4#9) by means of the Squelching function thus avoiding the misconnection between Port 3 and Port
                                                                                            4.

                                                                                            If the Squelch function were not active, the MS SPRING algorithm would activate the Bridge and Switch
                                                                                            functions on the nodes adjacent to Node 2 thus misconnecting Port 3 and Port 4 using AU4#9 as
                                                                                            protection. In virtue of squelching function the nodes adjacent to isolated Node 2 send AIS on Low Priority
                                                                                            AU4#9 avoiding in this way the misconnection between Port 3 and Port 4 in this case.
                                                                                            After the failure has been removed, a similar reverse sequence of operations on the NEs adjacent to the
                                                                                            recovered span will be activated. The reverse procedure can start after a step programmable WTR.




                                                                                                           PORT 3                                     PORT 1       PORT 2                                 PORT 4


                                                                                                                         AU4 #1                 AU4 #1                      AU4 #1             AU4 #1
                                                                                                                           B                      A                           B                  A
                                                                                                               BRIDGE                                                                                     SWITCH
                                                                                                                side A                                                                                     side B

                                                                                                1         SWITCH
                                                                                                                                                               2                                                        3
                                                                                                           side A                                                                                             BRIDGE
                                                                                                                                                                                                               side B


                                                                                                                                      (SF/SD)                                        (SF/SD)                            B
                                                                                                A
                                                                                                                            AIS ON                                                                                      AIS ON
                                                                                                                            AU4 # 9                                                                                     AU4# 9
                                                                                                                                                               5                                               4
                                                                                                B
                                                                                                                                                                                                                        A
                                                                                                            AIS ON                                          AIS ON                                        AIS ON
                                                                                                            AU4 # 9                                         AU4 # 9                                       AU4 # 9
                                                                                                          PASS–THROUGH                                                                                  PASS–THROUGH
                                                                                                6                                                        PASS–THROUGH




                                                                                                                           A                      B                          A                 B


                                                                                                                                                   WORKING CHANNELS

                                                                                                                                                  PROTECTION CHANNELS



                                                                                                                               Figure 217. Squelching on isolated Node connection
                                                  1AA 00014 0004 (9007) A4 – ALICE 04.10




                                                                                           ED        03

                                                                                                                                                                               3AL 91669 AA AA                              361 / 706


                                                                                                                                                                                               706
MS – SPRING Interworking

                                          When a 2f MS–SPRING is interconnected with another ring (either SNCP/I or MS–SPRING), the
                                          interconnection of the two is performed by connecting two nodes per ring with HVC connections, as shown




                                                                                                                                                         not permitted without written authorization from Alcatel.
                                          in Figure 218. on page362.




                                                                                                                                                           All rights reserved. Passing on and copying of this
                                                                                                                                                           document, use and communication of its contents
                                          Each VC4 that has to cross the ring boundary (only HVC level ring interconnections are considered here)
                                          must be output by two nodes, one of which, the Primary Service Node (PSN) drops it and continues to the
                                          Secondary Service Node (SSN). In the opposite direction, the SSN inserts a copy of the VC4 into the ring
                                          and the PSN selects by means the Primary Node Service Selector function, between the VC4 coming
                                          from the SSN and the VC4 that can be locally inserted by means an STM–1 Tributary. The selection is
                                          made on the Path–AIS basis (AU–AIS).

                                          The protection mechanism works on the hypothesis that the other ring selects one of the two versions
                                          of the incoming VC4 and transmits two identical copies of the VC4 towards the PSN and the SSN ( this
                                          is guaranteed if the other ring is an MS–SPRING or an SNCP ring).

                                          Note that the PSN and the SSN need not to be adjacent and need not to be the same for all of the VC4
                                          that cross the ring boundary: i.e. each crossing VC4 has two associated nodes that act as PSN and SSN.




                                                                                         2F MS – SPRING



                                                                             side A
                                                                                                                side B
                                                                                         side B      side A
                                                                                                                                   Secondary
                                                                                  SS                                                Service
                                                                                                                                     Node
                                                            Primary
                                                            Service
                                                                            side A        side B     side A       side B
                                                             Node




                                                                                       SNCP or MS–SPRING




                                                SS = Service Selector
1AA 00014 0004 (9007) A4 – ALICE 04.10




                                                        Figure 218. MS SPRING Drop and Continue, Insert Continues (protected)



                                         ED      03

                                                                                                       3AL 91669 AA AA                       362 / 706


                                                                                                                     706
3.14 Synchronizing sub–system

                                                                                            (See Figure 219. on page 364)
not permitted without written authorization from Alcatel.




                                                                                            The Equipment synchronization function is performed by the MATRIXE card.
  All rights reserved. Passing on and copying of this
  document, use and communication of its contents




                                                                                            Through the SETS (Synchronous Equipment Timing Source ) implemented on the matrix, the
                                                                                            synchronization signals are distributed to the equipment ports.

                                                                                            The working modes:

                                                                                                 •        locked
                                                                                                 •        holdover
                                                                                                 •        free running

                                                                                            are compliant to the ITU–T G.810, G.812 and G.813 Recommendations.

                                                                                            A PLL is present that maintains locked the System clock to the one selected as a input in case the
                                                                                            equipment works in the ”locked” mode.

                                                                                            An oscillator at 10Mhz high stability is present to guarantees an holdover or free running working mode
                                                                                            compliant to the ITU–T Recs.

                                                                                            Synchronization sources

                                                                                            The MATRIXE unit can select its reference signal among one of the following clocks :

                                                                                                 •        T1 : 2.048 Mhz clock extracted from the STM–N signals
                                                                                                 •   T2 : 2.048 Mhz clock extracted from the PDH signals coming from the 2 Mbit/s plesiochronous
                                                                                                     ports
                                                                                                 The maximum number of T1 + T2 reference clocks is 6.

                                                                                                 •   T3 or T6 (software selectable) : respectively a 2.048 Mhz clock or 2.048 Mbit/s signal coming
                                                                                                     from an external synchronization source ( from SERVICE card that inserts the SSM algorithm)
                                                                                                 The T3/T6 clocks are two ( i.e. T3a, T3b or T6a, T6b).

                                                                                            Automatic selection of one of these sources is achieved using quality (SSM algorithm) or priority criteria.
                                                                                            Switching between the references also depend on the alarm condition detected on the signals.

                                                                                            Generated Clocks

                                                                                            The MATRIXE card implements also the SETG (Synchronous Equipment Timing Generation) function.
                                                                                            It generates the following clocks :

                                                                                                 •        T0 : it is a system clock at 622 Mhz derived from a local oscillator. It can be locked to one of the
                                                                                                          T1, T2 or T3/T6 clock references .
                                                                                                          The clock at 622 Mhz is sent to all the port cards.
                                                                                                          In case of ”free running working mode” , it can be locked to a clock at 10 Mhz generated by
                                                                                                          another high stability local oscillator ( ± 4.6 ppm accuracy); the unit operate in this mode when
                                                                                                          no valid synchronism signals are present nor Hold–over reference values are stored.

                                                                                                          With regard to ”Hold–over”, the unit hold the last valid reference with a max. shift of 1 ppm/day
                                                                                                          (or 0.37 ppm/day) unit. This operating mode is associated with thee loss of references selected
                                                  1AA 00014 0004 (9007) A4 – ALICE 04.10




                                                                                                          by the operator.
                                                                                                          The reference quality level utilized to generate T0 is inserted on the SSMB of the STM–N signals
                                                                                                          outputting the equipment.

                                                                                           ED        03

                                                                                                                                                                3AL 91669 AA AA                         363 / 706


                                                                                                                                                                               706
•        T4 or T5: the first is a synchronizing clock at 2.048 Mhz , the second is a 2 Mbit/s synchronizing
                                                        signal ; the selection between the two signals is made via software and the result is sent towards
                                                        the external. T4 or T5 is obtained from a digital PLL that can be locked to any of the T1/T2
                                                        references and can be squelched. This clock is sent to the SERVICE card that inserts the SSM




                                                                                                                                                                                        not permitted without written authorization from Alcatel.
                                                        algorithm and generates the clock standard format to be output from the system.




                                                                                                                                                                                          All rights reserved. Passing on and copying of this
                                                                                                                                                                                          document, use and communication of its contents
                                                        The T4/T5 clocks are two (i.e. T4a, T4b or T5a, T5b).

                                          The ”don’t use” criteria is sent to the ”NEi clock” which had supplied the synch. reference to obtain the
                                          T0. This operation is carry out to prevent the ”timing reference” synchronizing the supplier NEi (timing
                                          loop).

                                          Other synchronizing signals generated by the MATRIXE

                                          The MATRIXE generates the following synchronisms for internal use :
                                               •        CK38Mhz : it is derived from the system clock and it is distributed to the ports and to the
                                                        SERVICE and EQUICOE cards. Its frequence is 38 MHz
                                               •        MFSY : it is the multiframe synchronism at 500 Hz, obtained from the ck 38MHz. It is distributed
                                                        to all the ports and to SERVICE and PQ2/EQC cards.
                                               •        SY1S : it is a one second synchronism used on the MATRIXE for the Performance Monitoring
                                                        calculation.
                                          As the MATRIXE is redundant, the synchronization function is redundant as well. The synchronization
                                          system guarantees the Hitless switch because the two MATRIXE works in a Master–Slave mode. In order
                                          to maintain locked and in phase the two G.A. some signal are exchange on the SYNC BUS.
                                                                          T0       T4a, T4b/ T5a, T5b                                           T0         T4a, T4b/ T5a, T5b
                                                                     ck622 MHz      ck2Mhz/ 2Mbit/s                                        ck622 MHz        ck2Mhz/ 2Mbit/s
                                                                    (to the ports)   (to SERVICE)                                         (to the ports)     (to SERVICE)

                                           ÏÏÏÏÏÏÏÏÏÏÏÏÏÏ
                                                   MATRIXE (a)
                                           ÏÏÏÏÏÏÏÏÏÏÏÏÏÏ                                                      ÏÏÏÏÏÏÏÏÏÏÏÏÏÏ
                                                                                                                      MATRIXE (b)
                                                                                                               ÏÏÏÏÏÏÏÏÏÏÏÏÏÏ
                                           ÏÏÏÏÏÏÏÏÏÏÏÏÏÏ
                                           ÏÏÏÏÏÏÏÏÏÏÏÏÏÏ       VCXO
                                                               622Mhz
                                                                                                               ÏÏÏÏÏÏÏÏÏÏÏÏÏÏ
                                                                                                               ÏÏÏÏÏÏÏÏÏÏÏÏÏÏ           VCXO
                                                                                                                                       622Mhz
                                           ÏÏÏÏÏÏÏÏÏÏÏÏÏÏ
                                           ÏÏÏÏÏÏÏÏÏÏÏÏÏÏ                                                      ÏÏÏÏÏÏÏÏÏÏÏÏÏÏ
                                                                                                               ÏÏÏÏÏÏÏÏÏÏÏÏÏÏ
                                           ÏÏÏÏÏÏÏÏÏÏÏÏÏÏ
                                           ÏÏÏÏÏÏÏÏÏÏÏÏÏÏ                                                      ÏÏÏÏÏÏÏÏÏÏÏÏÏÏ
                                                                                                               ÏÏÏÏÏÏÏÏÏÏÏÏÏÏ
                                           ÏÏÏÏÏÏÏÏÏÏÏÏÏÏ
                                           ÏÏÏÏÏÏÏÏÏÏÏÏÏÏ      phase          digital
                                                                                                               ÏÏÏÏÏÏÏÏÏÏÏÏÏÏ
                                                                                                               ÏÏÏÏÏÏÏÏÏÏÏÏÏÏ          phase        digital
                                                               comp.           PLL                                                     comp.         PLL
                                           ÏÏÏÏÏÏÏÏÏÏÏÏÏÏ
                                           ÏÏÏÏÏÏÏÏÏÏÏÏÏÏ                                                      ÏÏÏÏÏÏÏÏÏÏÏÏÏÏ
                                                                                                               ÏÏÏÏÏÏÏÏÏÏÏÏÏÏ
                                                                       SETG                              SYNC BUS                              SETG
                                           ÏÏÏÏÏÏÏÏÏÏÏÏÏÏ
                                           ÏÏÏÏÏÏÏÏÏÏÏÏÏÏ              SETS
                                                                                                               ÏÏÏÏÏÏÏÏÏÏÏÏÏÏ
                                                                                                               ÏÏÏÏÏÏÏÏÏÏÏÏÏÏ                  SETS
                                                                                                 OCXO               OCXO
                                           ÏÏÏÏÏÏÏÏÏÏÏÏÏÏ
                                                        G.A.
                                           ÏÏÏÏÏÏÏÏÏÏÏÏÏÏ                                        10Mhz         ÏÏÏÏÏÏÏÏÏÏÏÏÏÏ
                                                                                                                    10Mhz
                                                                                                               ÏÏÏÏÏÏÏÏÏÏÏÏÏÏ                      G.A.


                                           ÏÏÏÏÏÏÏÏÏÏÏÏÏÏ
                                           ÏÏÏÏÏÏÏÏÏÏÏÏÏÏ                                                      ÏÏÏÏÏÏÏÏÏÏÏÏÏÏ
                                                                                                               ÏÏÏÏÏÏÏÏÏÏÏÏÏÏ
                                                                       sy1s                                                                 sy1s
                                           ÏÏÏÏÏÏÏÏÏÏÏÏÏÏ                                                      ÏÏÏÏÏÏÏÏÏÏÏÏÏÏ
1AA 00014 0004 (9007) A4 – ALICE 04.10




                                                    Ck38 mfsy                           T3a , T3b/ T6a, T6b              T1,T2                              mfsy Ck38
                                                                                          ck2Mhz/ 2Mbit/s               ck2Mhz
                                                   (to the ports)                                                                                          (to the ports)
                                                                                         (from SERVICE)             (from the ports)

                                                                          Figure 219. Synchronization function : block diagram

                                         ED        03

                                                                                                                         3AL 91669 AA AA                                    364 / 706


                                                                                                                                        706
3.15 Auxiliary and DCC sub–system

                                                                                            (See Figure 220. on page366)
not permitted without written authorization from Alcatel.




                                                                                            The SDH standard offers a considerable quantity of service channels in the Section Overhead bytes
  All rights reserved. Passing on and copying of this
  document, use and communication of its contents




                                                                                            (SOH) and Path Overhead bytes (POH) of the Synchronous frame. These bytes are used for alignment,
                                                                                            parity check, network management operations, performance monitoring.

                                                                                            Part of them are also used for user data and speech channels and are interface toward the STM–N port
                                                                                            through SERVICE unit.

                                                                                            SERVICE unit realize the analog speech by–pass between two ports and can also establish a connection
                                                                                            with external telephone set.

                                                                                            The SERVICE unit can be used as required:

                                                                                            –    to externally access the service interface

                                                                                            –    to connect the external access point to the SOH and POH bytes of the units (termination)

                                                                                            –    to allows SOH and POH bytes to pass through the various units.

                                                                                            The external access point of the unit are:

                                                                                            –    one local operator’s set for speech connection useful for service communication in the network.
                                                                                                 The following types of connections are possible:
                                                                                                 •    between two station (selective call)
                                                                                                 •    among three stations (multi–selective call)
                                                                                                 •    omnibus call
                                                                                                 For more details see para 4.53 on page 577.

                                                                                            –    Engineering order wire extensions

                                                                                            –    four V11 data channels

                                                                                            –    four RS232 data channels

                                                                                            –    four 64 Kbit/s G.703 data channels

                                                                                            –    two 2 Mbit/s G.703 data channel

                                                                                            On the SERVICE units a not blocking matrix is present to perform SOH and POH bytes cross connections
                                                                                            The matrix cross connect the RS232, V11, and G.703 data channels.

                                                                                            The matrix also receives:

                                                                                            –    DCC bidirectional link from PQ2/EQC (DCC–A) and STM–N port.

                                                                                            –    AUX bidirectional link from STM ports
                                                  1AA 00014 0004 (9007) A4 – ALICE 04.10




                                                                                           ED      03

                                                                                                                                                        3AL 91669 AA AA                      365 / 706


                                                                                                                                                                      706
not permitted without written authorization from Alcatel.
                                                                                                                                                          All rights reserved. Passing on and copying of this
                                                                                                                                                          document, use and communication of its contents
                                                   STM–N port                      STM–N port                                 STM–N port

                                                      G.A.                             G.A.                                       G.A.
                                                    DCC/AUX                          DCC/AUX                                    DCC/AUX
                                                   EXTRACTION                       EXTRACTION                                 EXTRACTION




                                                                     QAUX

                                                                                            QAUX    DCC BUS A
                                                         DCC BUS A




                                              PQ2/EQC                       SERVICE




                                                        DCC
                                                                        DCC A
                                                    MANAGEMENT



                                                                                   INTERFACES




                                                                                                         Engineering Order Wire Extension

                                                                                                   2 x 2 Mbit/s G.703

                                                                                               4 x V11

                                                                                      4 x RS232

                                                                                4 X G.703
                                                                                64 Kbit/s




                                                                     Figure 220. AUX and DCC management
1AA 00014 0004 (9007) A4 – ALICE 04.10




                                         ED   03

                                                                                                         3AL 91669 AA AA                    366 / 706


                                                                                                                        706
3.16 Power supply sub–system

                                                                                            (See Figure 221. on page 369)
not permitted without written authorization from Alcatel.




                                                                                            The power architecture for 1660SM equipment is distributed : the two CONGI ( called “a” and “b” in
  All rights reserved. Passing on and copying of this
  document, use and communication of its contents




                                                                                            Figure 221. on page 369) provide the +Batt and –Batt to the other cards by selecting the highest voltage
                                                                                            supplied by the two station batteries.

                                                                                            One or more DC/DC converter may be present on the cards to generate the voltages required to feed
                                                                                            the electronic circuits present on the board itself : ASICS, FPGA, optical modules and so on .

                                                                                            In order to avoid EMI problems, all the DC/DC converters are synchronized with a synchronization clock
                                                                                            at 288 MHz derived from the on board G.A.

                                                                                            The major advantages of the distributed architecture are:

                                                                                            –    the skill to generate , through the secondary converters, a number of independent, different end –use
                                                                                                 voltage or functions from the high voltage distribution bus (usually 48V)

                                                                                            –    the faults will affect only the board associated to the damaged converter in case of overvoltages or
                                                                                                 short circuits.

                                                                                            –    the skill to contain all that influential signals that do not cause system malfunction, but which may
                                                                                                 cause problem with system performance, such as conducted and radiated noises, caused by
                                                                                                 high–frequency clock or rapid transitions, by adding on board EMI filter.

                                                                                            The power supply sub–system has been subdivided in two levels:

                                                                                            –    Input Power Stage

                                                                                            –    Distributed Power Stage

                                                                                            INPUT POWER STAGE

                                                                                            Figure 221. on page 369 shows the equipment input power stage housed on the two CONGI cards.
                                                                                            It can be subdivided in three main block:

                                                                                            a)   Main power block

                                                                                                 It is used to select the input voltage of the system and to supply a surge protection.
                                                                                                 It contains an EMI filter to permit the equipment to be reliable in presence of external EMI
                                                                                                 interferences and to limit the internally generated EMI.
                                                                                                 The voltages coming from the two station batteries, are applied to both CONGI boards by means
                                                                                                 of the power connector located on the unit front panel ( ex. +BATT A –BATT A to CONGI “a” and
                                                                                                 +BATT B –BATT B to CONGI “b” ).
                                                                                                 The + Batt can be connected to a mechanical ground through a strap setting.

                                                                                                 CONGI “a” and CONGI “b” cards can therefore select which of the two station batteries provides the
                                                                                                 highest supply.
                                                                                                 The selected voltages are ORed and sent to the equipment cards (+BATT and –BATT).
                                                  1AA 00014 0004 (9007) A4 – ALICE 04.10




                                                                                           ED      03

                                                                                                                                                          3AL 91669 AA AA                        367 / 706


                                                                                                                                                                        706
b)   Protection Circuit

                                               The protection circuits are present in the CONGI cards and in all the boards where a DC/DC
                                               converter is required i.e. input stage and distributed power stages . It is an interface between +BATT




                                                                                                                                                                    not permitted without written authorization from Alcatel.
                                               – BATT and the DC/DC converter.




                                                                                                                                                                      All rights reserved. Passing on and copying of this
                                                                                                                                                                      document, use and communication of its contents
                                               It provides the following functions:

                                               •        It insulated the DC/DC converter in case of input short circuit . Fuses are fitted in order to prevent
                                                        a failed unit from shortening the input bus. In fact a input short circuit failure can cause severe
                                                        fluctuations on the input power of the other DC/DC converters.

                                               •        It implements a start–up and an inrush current limiting system in order to provide controlled
                                                        charge–up for the input hold–up capacitor and therefore it prevents a current surge at the
                                                        module input when the board is plugged in.

                                               •        It insulated the DC/DC converter in case of input voltage lower than 33 V.

                                          c)   DC/DC 3.3 V block

                                               A DC/DC converter generates a +3.3 voltage used to power the ”RIBUS I/F” interface.
                                               For the function performed by the ”RIBUS I/F” interface see paragraph 3.17 Remote Inventory
                                               Sub–system on page 370.

                                          DISTRIBUTED POWER STAGE

                                          All the boards receive the +BATT –BATT voltages generated by the input stage and the +3.3 V voltage
                                          to power the ”RIBUS I/F” interface if it is present on the card.

                                          A DC/DC converter generates the +3.3 or 5.2 voltages required to power the card.
                                          As mentioned before the DC/DC converter is preceded by the protection circuit.
                                          A divider circuit provides the frequency necessary to synchronize the DC/DC converter.
                                          On the board can also be present step–down converters to generate other voltages when necessary.
1AA 00014 0004 (9007) A4 – ALICE 04.10




                                         ED        03

                                                                                                                3AL 91669 AA AA                         368 / 706


                                                                                                                              706
CONGI
                                                                                            + Batt_A                                   ”a”
                                                                                                                    MAIN POWER
                                                                                            – Batt_A                  BLOCK
not permitted without written authorization from Alcatel.




                                                                                                  +3.3 V                                      + Batt
  All rights reserved. Passing on and copying of this
  document, use and communication of its contents




                                                                                                            DC/DC        PROTECTION
                                                                                                                           CIRCUIT
                                                                                                            3.3 V          BLOCK              – Batt

                                                                                                              Input power Stage



                                                                                                                                      CONGI
                                                                                            + Batt_B                                   ”b”    + Batt
                                                                                                                    MAIN POWER                                        Distributed power stage
                                                                                            – Batt_B                   BLOCK                  – Batt
                                                                                                                                                                      BOARD 1
                                                                                                 +3.3 V                                                                                  DC/DC
                                                                                                                         PROTECTION                                                    Converter
                                                                                                            DC/DC




                                                                                                                                                                                 – input +



                                                                                                                                                                                                  – output +
                                                                                                                           CIRCUIT                     PROTECTION                                              + 3.3 V
                                                                                                            3.3 V          BLOCK
                                                                                                                                                         CIRCUIT




                                                                                                                                                                                                                                              ACCESS CARD
                                                                                                                                                                                                                            BOARD CIRCUIT
                                                                                                               Input power Stage
                                                                                                                                                                                             Synch

                                                                                                                                                         SELECTOR
                                                                                                                                                             +                           DC/DC
                                                                                                                                                          DIVISOR
                                                                                                                                                                                        Converter
                                                                                                                                                        Sync




                                                                                                                                                                                 – input +



                                                                                                                                                                                                  – output +
                                                                                                                                                                  G.A.                                         +/– 5.2 V


                                                                                                                                                          RIBUS
                                                                                                                                                           I/F                                Synch




                                                                                                                                                                      BOARD2
                                                                                                                                                                                        DC/DC
                                                                                                                                                                                      Converter




                                                                                                                                                                                 – input +



                                                                                                                                                                                                 – output +
                                                                                                                                                                                                               + 3.3 V
                                                                                                                                                       PROTECTION
                                                                                                                                                         CIRCUIT




                                                                                                                                                                                                                           BOARD CIRCUIT



                                                                                                                                                                                                                                              ACCESS CARD
                                                                                                                                                                                                                 or
                                                                                                                                                                                             Synch             +/– 5.2 V

                                                                                                                                                                SELECTOR
                                                                                                                                                                    +
                                                                                                                                                                 DIVISOR
                                                                                                                                                               Sync
                                                                                                                                                                          G.A.


                                                                                                                                                          RIBUS
                                                                                                                                                           I/F



                                                                                                                                                                      BOARDn
                                                                                                                                                                                        DC/DC
                                                                                                                                                                                      Converter
                                                                                                                                                                                 – input +



                                                                                                                                                                                                 – output +




                                                                                                                                                                                                               + 3.3 V
                                                                                                                                                       PROTECTION
                                                                                                                                                         CIRCUIT
                                                                                                                                                                                                                           BOARD CIRCUIT



                                                                                                                                                                                                                                              ACCESS CARD
                                                                                                                                                                                                                 or
                                                                                                                                                                                             Synch             +/– 5.2 V

                                                                                                                                                               SELECTOR
                                                                                                                                                                   +
                                                                                                                                                                DIVISOR
                                                                                                                                                           Sync
                                                                                                                                                                         G.A.


                                                                                                                                                          RIBUS
                                                                                                                                                           I/F




                                                                                                           Figure 221. 1660SM –Input power stage and distributed power supply
                                                  1AA 00014 0004 (9007) A4 – ALICE 04.10




                                                                                           ED      03

                                                                                                                                                       3AL 91669 AA AA                                                                      369 / 706


                                                                                                                                                                                706
3.17 Remote inventory Sub–system

                                          (See Figure 222. on page 370).




                                                                                                                                                             not permitted without written authorization from Alcatel.
                                          The Remote Inventory functions permits the operator to retrieve information about any card or module




                                                                                                                                                               All rights reserved. Passing on and copying of this
                                                                                                                                                               document, use and communication of its contents
                                          present on the equipment.
                                          The available information is: construction date, code number, maker name, Card–type, etc. (see details
                                          in the Operator Handbook).
                                          The Remote Inventory function is present in all the cards and modules or intra–card modules.

                                          The relevant data are transported by a serial link (named RIBUS in the figure) that connects all cards or
                                          modules of the equipment.
                                          The block ”RIBUS–I/F” of figure implements the interface of the serial link with the remote inventory device
                                          (named RI in the figure). Further it manages the slot identifier (ID) and the card type (CType). The CType
                                          information is contained on the RI device.
                                          The RI can be also present on some sub–modules assembled on the board (such as optical–electrical
                                          modules, micro–controllers and so on).
                                          This block can also manage the visual indications of the board (LEDs) and some I/O parallel
                                          commands/contacts/alarms that can eventually be transferred by means of the RIBUS link.




                                                                             RIBUS
                                                                     RI       I/F




                                                                   SHELF                    RIBUS
                                                                CONTROLLER



                                                       MATRIX

                                                                                                                Generic Board (or Module)
                                                                                                                    Board
                                                                                                            X     Indications

                                                                                                          RIBUS                 Board
                                                                 EQUIPMENT                                 I/F
                                                                CONTROLLER                                                       RI
                                                                                                    ID
                                                                                                            .
                                                                                                            .
                                                                                                            .




                                                                                                         Board I/O               Intracard
                                                                               RIBUS                                              Module
                                                                       RI       I/F
                                                       PQ2/EQC                                                                    Module
                                                                                                                                    RI

                                                                                                                         .
                                                                                                                         .
                                                                                                                         .




                                                                          Figure 222. Remote Inventory sub–system
1AA 00014 0004 (9007) A4 – ALICE 04.10




                                         ED      03

                                                                                                          3AL 91669 AA AA                        370 / 706


                                                                                                                          706
3.18 Frames Structure

                                                                                            The SDH Standard offers a considerable quantity of service channels in the Section OverHead (SOH)
                                                                                            bytes of the frame. These bytes are used for section maintenance (frame alignment, parity check, network
not permitted without written authorization from Alcatel.




                                                                                            management operations, auxiliary communications, etc.).
  All rights reserved. Passing on and copying of this
  document, use and communication of its contents




                                                                                            For reader’s convenience, the structures of some SDH frames involved in the equipment are reported in
                                                                                            the following pages. Reference specifications: ITU–T G.707




                                                                                                                                                                                                                  139 264
                                                                                                                                                     x1                                                    C-4     kbit/s

                                                                                                      xN             x1
                                                                                           ÉÉÉÑÑÑÑÑÑ
                                                                                            STM-N
                                                                                           ÉÉÉÑÑÑÑÑÑ       AUG             AU-4   .....
                                                                                                                                           VC-4
                                                                                                                                                          x3

                                                                                              ÑÑÑÑÑÑ                                                                    x1
                                                                                                                                                                               ÉÉÉÉ TU-3   ......
                                                                                                                                                                                                    VC-3   C-3
                                                                                                                                                                                                                  44736
                                                                                                                                                                                                                   kb/s
                                                                                                                                                     ÑÑÑÑ
                                                                                                                                                     ÑÑÑÑ  TUG-3
                                                                                                                                                                   x7
                                                                                                                                                                               ÉÉÉÉ
                                                                                                                                                                               ÉÉÉÉ                               34368
                                                                                                                                                                                                                   kb/s
                                                                                                                     x3


                                                                                                                                                                               x3

                                                                                                                            AU-3          ......
                                                                                                                                                   VC-3
                                                                                                                                                                   ÉÉÉ ÑÑÑ
                                                                                                                                                                    TUG-2
                                                                                                                                                                   ÉÉÉ ÑÑÑ          TU-12 ......VC-12      C-12   2048
                                                                                                                                                                                                                  kbit/s




                                                                                             ÍÍ
                                                                                             ÍÍ       Pointer processing

                                                                                                      Multiplexing
                                                                                                 ..... Aligning
                                                                                                      Mapping
                                                                                                                                                                                    AU3/TU3 CONVERSION




                                                                                                            Figure 223. 1660SM: SDH multiplexing structure and AU–3/TU–3 conversion
                                                  1AA 00014 0004 (9007) A4 – ALICE 04.10




                                                                                           ED      03

                                                                                                                                                                             3AL 91669 AA AA                       371 / 706


                                                                                                                                                                                           706
8 bit
                                                   VC–12

                                                            POH of VC–12      V5          V5 = THE BYTE PROVIDES THE FUNCTIONS OF ERROR
                                                                                               CHECKING, SIGNAL LABEL AND PATH STATUS OF THE VC–12
                                                                  G




                                                                                                                                                                               not permitted without written authorization from Alcatel.
                                                                  W                       G = rrrrrrrr (r = BIT INTERVAL FOR FIXED JUSTIFICATION)




                                                                                                                                                                                 All rights reserved. Passing on and copying of this
                                                                                                                                                                                 document, use and communication of its contents
                                                                                          W = iiiiiiii (i = 2.048 Mbit/s TRIBUTARY BIT)
                                              125 us             W             32 byte    J2 =USED TO TRANSMIT REPETITIVELY A LOW ORDER PATH
                                                                                              ACCESS POINT IDENTIFIER SO THAT A PATH RECEIVING
                                                                                              TERMINAL CAN VERIFY ITS CONTINUED CONNECTION
                                                                  W
                                                                                              TO THE INTENDED TRANSMITTER. A 16–BYTE FRAME IS
                                                                                              DEFINED FOR THE TRANSMISSION OF PATH ACCESS
                                                                  G                           POINT IDENTIFIERS.
                                                                  J2
                                                                                          C1, C2 = JUSTIFICATION SIGNALLING BIT
                                                           C1 C2o o o r r
                                                                  W                       o = OVERHEAD BITS

                                                                                          S1, S2 = NEGATIVE AND POSITIVE JUSTIFICATION
                                              125 us              W            32 byte
                                                                                                   OPPORTUNITY REFERRED TO SIGNALLINGS C1 AND C2
                                                                                          N2 =THIS BYTE IS ALLOCATED TO PROVIDE A TANDEM
                                                                                              CONNECTION MONITORING (TCM) FUNCTION
                                                                  W
                                                                                          K4 =THIS BYTE ARE ALLOCATED FOR APS SIGNALLING
                                                                  G                           FOR PROTECTION AT LOWER ORDER PATH LEVEL
                                                                 N2
                                                           C1 C2o o o r r
                                                                  W



                                              125 us              W            32 byte
                                                                                                        V5 STRUCTURE:
                                                                                                           b1       b2   b3    b4         b5      b6    b7    b8
                                                                  W
                                                                  G                                                       R      R
                                                                                                                                               SIGNAL          R
                                                                                                                BIP–2     E      F                             D
                                                                 K4                                                       I      I             LABEL
                                                                                                                                                               I
                                                           C1 C2r r r r S1
                                                           S2 i i i i i i i
                                                                  W                                      N2 STRUCTURE:

                                              125 us                                                       b1       b2   b3    b4         b5      b6    b7    b8
                                                                  W            31 bytes                                                                 TC–APId,
                                                                                                                              Incoming
                                                                                                                BIP–2     1    AIS       TC–REI   OEI   TC–RDI,
                                                                                                                                                          ODI,
                                                                                                                                                        reserved
                                                                  W
                                                                  G


                                         POH STRUCTURE (V5) :                                          N2 STRUCTURE:
                                         – 2 BITS TO ESTIMATE THE BER THROUGH THE BIP–2               – 2 BITS ARE USED AS AN EVEN BIP–2 FOR THE
                                           ENCODING PROCEDURE PERFORMED ON THE PREVIOUS                TANDEM CONNECTION
                                           VIRTUAL CONTAINER (THE FIRST AND SECOND BITS OF            – BIT 3 IS FIXED TO 1
                                           BIP–2 CONSTITUTE THE PARITY BIT OF ODD AND EVEN
                                           ORDER BITS)                                                – BIT 4 OPERATES AS AN ”INCOMING AIS” INDICATOR
                                         – 1 BIT TO INDICATE (TO THE REMOTE TERMINAL) THE             – BIT 5 OPERATES AS THE TC–REI OF THE TANDEM
                                           RESULT OF THE BER ESTIMATION DETECTED ON THE                 CONNECTION TO INDICATE ERRORED BLOCKS
                                           OPPOSITE DIRECTION: VALUES 0 AND 1 OF BIT FEBE               CAUSED WITHIN THE TANDEM CONNECTION
                                           (FAR END BLOCK ERROR), (actually named REI)                   – BIT 6 OPERATES AS THE OEI (OUTGOING ERROR
                                           RESPECTIVELY INDICATE ABSENCE OF VIOLATION AND               INDICATING) TO INDICATE ERRORED BLOCKS OF
                                           PRESENCE OF ONE OR TWO VIOLATIONS OF THE                        THE EGRESSING VC–n
                                           PARITY LIMITS ESTABLISHED BY BIP–2
                                                                                                        – BIT 7 AND 8 OPERATE IN A 76 MULTIFRAME AS:
                                         – 1 BIT TO CHECK THE PATH TRACE THROUGH AN                        – THE ACCESS POINT IDENTIFIER OF THE TANDEM
                                            APPROPRIATE PROTOCOL                                             CONNECTION (TC–APId);
                                           (RFI: path Remote Failure Inication)                            – THE TC–RDI, INDICATING TO THE FAR END THAT
                                         – 3 BITS PRESETTABLE FOR THE SIGNAL LABEL                           DEFECT HAVE BEEEN DETECTED WITHIN THE
                                                                                                             TANDEM CONNECTION AT THE NEAR END
                                         – 1 BIT FOR THE FERF (FAR END RECEIVE FAILURE)                      TANDEM CONNECTION SINK;
                                           ALARM INDICATION (actual RDI)                                   – THE ODI, INDICATING TO THE FAR END THAT
                                                                                                             TU–AIS HAS BEEN INSERTED AT THE TC–sink
                                                                                                             INTO THE EGRESSING TU–n DUE TO DEFECT
                                                                                                             BEFORE OR WITHIN THE TANDEM CONNECTION;
1AA 00014 0004 (9007) A4 – ALICE 04.10




                                                                                                           – RESERVED CAPACITY (FOR FUTURE USE)


                                                           Figure 224. VC–12 Structure (asynchronous mapping of 2048 Kbit/s)


                                         ED      03

                                                                                                            3AL 91669 AA AA                                        372 / 706


                                                                                                                              706
not permitted without written authorization from Alcatel.
  All rights reserved. Passing on and copying of this
  document, use and communication of its contents




                                                                                                     TU–12
                                                                                                              ÉÉÉÉÉ
                                                                                                              ÉÉÉÉÉ
                                                                                                              ÉÉÉÉÉ
                                                                                                                 V1

                                                                                                              ÉÉÉÉÉ
                                                                                                     125 us   ÉÉÉÉÉ
                                                                                                              ÉÉÉÉÉ
                                                                                                              ÉÉÉÉÉ            35 byts

                                                                                                              ÉÉÉÉÉ
                                                                                                              ÉÉÉÉÉ
                                                                                                              ÉÉÉÉÉ
                                                                                                              ÉÉÉÉÉ
                                                                                                                 V2
                                                                                                                  0
                                                                                                                  1
                                                                                                     125 us




                                                                                                                                         NEGATIVE
                                                                                                                  34                     JUSTIFICATION OPPORTUNITY
                                                                                                                 V3
                                                                                                                  35                      POSITIVE
                                                                                                                                         JUSTIFICATION OPPORTUNITY


                                                                                                     125 us




                                                                                                                  69
                                                                                                                 V4
                                                                                                                  70


                                                                                                     125 us




                                                                                                                 104
                                                                                                                 ÇÇÇÇÇ
                                                                                                                  ÇÇÇÇ
                                                                                                                 V1 ÇÇ                    BYTES BELONGING TO
                                                                                                              ÉÉ ÇÇÇÇ
                                                                                                                  Ç
                                                                                                                 105                      THE PREVIOUS TU–12


                                                                                                     125 us
                                                                                                              ÇÇ
                                                                                                              ÇÇ                          BYTES BELONGING TO
                                                                                                                                         THE SUBSEQUENT TU–12




                                                                                                                 139
                                                                                                                 ÇÇÇÇÇ
                                                                                                                  ÇÇÇÇ
                                                                                                                 V2
                                                                                                                    ÇÇ
                                                                                                                 ÇÇÇÇ
                                                                                                                  Ç
                                                  1AA 00014 0004 (9007) A4 – ALICE 04.10




                                                                                                               Figure 225. TU–12 Structure




                                                                                           ED   03

                                                                                                                                         3AL 91669 AA AA             373 / 706


                                                                                                                                                          706
85 bytes


                                                                        J1
                                                                        B3




                                                                                                                                                                not permitted without written authorization from Alcatel.
                                                                        C2




                                                                                                                                                                  All rights reserved. Passing on and copying of this
                                                                                                                                                                  document, use and communication of its contents
                                                                        G1
                                                                                                                          VC–3
                                                             9 rows     F2
                                                                                             C–3
                                                                        H4
                                                                        F3
                                                                        K3
                                                                        N1
                                                                          POH OF VC–3



                                          POH STRUCTURE:

                                              •        J1 (path trace) utilized to transmit in a cyclic mode a 64–octet configuration in order to check
                                                       the connection continuity.
                                              •        B3 resulting from the BIP–8 performed on the previous VC–3, before the scrambler. PM and
                                                       ex–BER supported at VC3 terminations.
                                              •        C2 (signal label) = the configurations are utilized to indicate if VC–3 is equipped or not, or the
                                                       payload structure. SLM and UNEQ supported at VC3 – TTP.
                                              •        G1 (path status) utilized to transmit information on the link status to the remote terminal. PM
                                                       near end / far end supported at LVC terminations. It contains:
                                                       –    four bits for the REI (Remote Error Indication) (ex FEBE=Far End Block Error) indication,
                                                            where the decimal numbers 0–8 indicate the number of violations of BIP–8 (the illegal
                                                            values 9 to 15 indicate absence of errors);
                                                       –    one bit for the RDI (Remote Defect Indication), (ex FERF= Far End Receiving Failure) and
                                                            other three digits not utilized.
                                              •        F2, F3: bytes utilized for the transportation of two user data channels via the AUX connections.
                                              •        H4: position indicator of inner lower order payloads, as a multiframe indicator.
                                              •        K3: for APS signalling (Automatic Protection Switching).
                                              •        N1: Network Operator byte, for Tandem Connection Monitoring (TCM).

                                                                                    Figure 226. VC–3 structure



                                                                                           86 bytes


                                                                        H1
                                                                        H2
                                                                        H3
                                                                         S                 VC–3                          TU – 3
                                                               9 rows    T                PAYLOAD
                                                                         U
                                                                         F
                                                                         F
                                                                         I
                                                                         N
                                                                         G




                                              •        H1,H2,H3: TU–3 Pointer

                                                                                    Figure 227. TU–3 structure
1AA 00014 0004 (9007) A4 – ALICE 04.10




                                         ED       03

                                                                                                            3AL 91669 AA AA                         374 / 706


                                                                                                                          706
261 bytes

                                                                                                                         J1
not permitted without written authorization from Alcatel.
  All rights reserved. Passing on and copying of this
  document, use and communication of its contents




                                                                                                                        B3
                                                                                                                        C2
                                                                                                                        G1                     C–4
                                                                                                            9 rows      F2                      or                              VC–4
                                                                                                                        H4                VC4 PAYLOAD
                                                                                                                        F3
                                                                                                                        K3
                                                                                                                        N1




                                                                                                                  POH of VC–4



                                                                                                J1     (path trace) utilized to transmit in a cyclic mode a 64–octet configuration in order to check the
                                                                                                       connection continuity.

                                                                                                B3 resulting from the BIP–8 performed on the previous VC–4, before the scrambler.

                                                                                                C2 (signal label) the configurations are utilized to indicate if VC–4 is equipped or not or the
                                                                                                   payload structure.

                                                                                                G1 (path status) utilized to transmit information on the link status to the remote terminal.
                                                                                                   –    four bits contain the FEBE Tx (Far End Block Error) signal, where the decimal numbers
                                                                                                        0–8 indicate the number of violations of BIP–8 (the illegal values 9 to 15 indicate absence
                                                                                                        of errors);
                                                                                                   –    one bit to carry the FERF Tx alarm signal and three unused bits.

                                                                                                F2     (path user channel) utilized to transmit and cross connect a data channel received from the
                                                                                                       SERVICE unit.

                                                                                                H4 (position indicator) multiframe indicator (utilized for the payloads structured through TUG)
                                                                                                   which indicates the subframe of each multiframe.

                                                                                                F3     (path user channel) utilized to transmit and cross connect a data channel received from the
                                                                                                       SERVICE.

                                                                                                K3 Higher Order Protection (HOP), not operative in current release.

                                                                                                N1 network operator byte (for Tandem Connection Protocol)



                                                                                                                       Figure 228. VC–4 Structure and POH byte contents
                                                  1AA 00014 0004 (9007) A4 – ALICE 04.10




                                                                                           ED     03

                                                                                                                                                            3AL 91669 AA AA                        375 / 706


                                                                                                                                                                          706
9 COLUMNS (Bytes)                      261 COLUMNS (bytes)


                                                         A1    A1    A1    A2    A2   A2   J0




                                                                                                                                                             not permitted without written authorization from Alcatel.
                                              RSOH       B1                E1              F1




                                                                                                                                                               All rights reserved. Passing on and copying of this
                                                                                                                                                               document, use and communication of its contents
                                                         D1                D2              D3

                                                                          AU pointer(s)                          STM–1
                                                                                                                PAYLOAD




                                                                                                                                        9 rows
                                                         B2    B2    B2    K1              K2

                                                         D4                D5              D6

                                              MSOH       D7                D8              D9

                                                         D10               D11             D12

                                                         S1                           M1   E2




                                               A1 – A2 The six octets of type A1=11110110 and A2=00101000 constitute the alignment word.
                                               J0       Regenerator Section Trace.
                                               B1       This octet resulting from the BIP–8 procedure performed on the previous frame at the
                                                        scrambler output, is inserted into the current frame before scrambling; it is utilized to
                                                        estimate the BER in the regenerator section.
                                               B2       These three octets, resulting from the BIP–Nx24 encoding performed on the previous
                                                        frame without the first three rows of SOH, are inserted into the current frame before
                                                        scrambling; they are not estimated again in the repeaters because they are utilized to
                                                        estimate the BER between multiplexer.
                                               E1 – E2 (orderwire, EOW) Are utilized for service telephone communication between regenerators
                                                        (E1) and between muldex and muldex (E2).
                                               D1 ÷ D3 Are utilized as a 192 Kbit/s channel for data communication (DCC=Data Communication
                                                        Channel) between regenerates in the TMN network.
                                               D4 ÷ D12 Are utilized as a 576 Kbit/s channel for data communication (DCC) between multiplexers
                                                        in the TMN network.
                                               F1       (user channel) Is utilized to transmits a data channel received from SERVICE unit (for
                                                        service and maintenance).
                                               K1 – K2 Are utilized for APS indications (Automatic Protection Switching); the last three K2 bits
                                                        (b6÷b8) are used like MS–RDI multiplex section remote indication for FERF and AIS
                                                        alarms between the multiplexers.
                                               S1       Indicates synchronization status (b5÷b8) of sync. path status.
                                               M1       Indicates MS–REI Far–end Block Errors (FEBE) for the multiplex section.

                                                      Notes:
                                                      –   bytes marked with X are reserved for national use.
                                                      –   all unmarked bytes are reserved for future international standardization (for media
                                                          dependent, additional national use and other purposes).
                                                      –   bytes marked with ∆ is a Media Dependent byte: not operative.
                                                      –   bytes marked with • are not scrambled (like the whole first row).
1AA 00014 0004 (9007) A4 – ALICE 04.10




                                                                       Figure 229. STM–1 structure and SOH byte contents




                                         ED      03

                                                                                                        3AL 91669 AA AA                          376 / 706


                                                                                                                     706
36 bytes

                                                                                                     A1 A1 A1 A1 A1 A1 A1 A1 A1 A1 A1 A1 A2 A2 A2 A2 A2 A2 A2 A2 A2 A2 A2 A2 J0 Z0 Z0 Z0




                                                                                                                                                                                                                                          RSOH
not permitted without written authorization from Alcatel.
  All rights reserved. Passing on and copying of this
  document, use and communication of its contents




                                                                                                     B1                                       E1                                           F1

                                                                                                     D1                                       D2                                           D3
                                                                                           9 rows




                                                                                                                                                              AU pointer(s)

                                                                                                     B2 B2 B2 B2 B2 B2 B2 B2 B2 B2 B2 B2 K1                                                K2




                                                                                                                                                                                                                                          MSOH
                                                                                                     D4                                       D5                                           D6

                                                                                                     D7                                       D8                                           D9

                                                                                                     D10                                      D11                                          D12

                                                                                                     S1                                                  M1                                E2


                                                                                                           1            261               1                    261              1                261             1             261
                                                                                            1         9                          1    9                               1     9                            1   9
                                                                                                                  #1                                #2                                #3                               #4


                                                                                                                 AUG                            AUG                                  AUG                              AUG

                                                                                                       RSOH         1234,1234,.....
                                                                                                    1234,1234,1....

                                                                                                          MSOH
                                                                                                                                                                                                                     ....1234,1234.

                                                                                                                                                                      4 x 261
                                                                                                           4x9
                                                                                                                                                                     STM–4


                                                                                                          A1 – A2  Alignment word A1=11110110, A2=00101000. Utilizes all slots of the four STM–1.
                                                                                                          J0       Regenerator Section Trace.
                                                                                                          Z0       (Spare) These bytes are reserved for future international standardization.
                                                                                                          B1       BIP–8 calculation result on the previous frame (after scrambling).
                                                                                                                   Utilized to assess error rate between regenerators. Uses slot of first STM–1.
                                                                                                          E1       For EOW operations between regenerators. Uses slot of first STM–1.
                                                                                                          F1       Available for the user (data from SERVICE unit). Uses slot of first STM–1.
                                                                                                          D1 ÷ D3 Are used for 192 Kbit/s channel for DCC on TMN network. Uses slot of first STM–1.
                                                                                                          B2       Result of BIP–Nx24 calculation on previous frame exempt of three RSOH rows.
                                                                                                                   Used to assess error rate between multiplexers. Uses all slots.
                                                                                                          K1 – K2 For 1+1 MS Trail Linear Protection indications and FERF, AIS alarms.
                                                                                                                   Uses slot of first STM–1.
                                                                                                          D4 ÷ D12 Are used for 576 Kbit/s channel for DCC on TMN network. Uses slot of first STM–1.
                                                                                                          S1       Indicates synchronization status (b5÷b8) of sync. path status. Uses slot of first STM–1.
                                                                                                          E2       For EOW operations between multiplexers. Uses slot of first STM–1.
                                                                                                          M1       Indicates section FEBE (STM4). Uses slot of third STM–1.

                                                                                                                 Notes:
                                                                                                                 –   bytes marked with X are reserved for national use.
                                                                                                                 –   all unmarked bytes are reserved for future international standardization (for media
                                                                                                                     dependent, additional national use and other purposes).
                                                                                                                 –   bytes marked with S are not scrambled (like the whole first row).
                                                  1AA 00014 0004 (9007) A4 – ALICE 04.10




                                                                                                                               Figure 230. STM–4 structure and SOH byte contents



                                                                                           ED               03

                                                                                                                                                                                    3AL 91669 AA AA                                   377 / 706


                                                                                                                                                                                                       706
144 bytes

                                                   A1        A1      A1   A1       A1       A1       A2    A2    A2     A2       A2       A2   J0    Z0




                                                                                                                                                                                           RSOH
                                                   B1                                                E1                                        F1




                                                                                                                                                                                                  not permitted without written authorization from Alcatel.
                                                   D1                                                D2                                        D3




                                                                                                                                                                                                    All rights reserved. Passing on and copying of this
                                                                                                                                                                                                    document, use and communication of its contents
                                                                                                                 AU pointer(s)
                                          9 rows




                                                   B2        B2      B2   B2       B2       B2       K1                                        K2
                                                   D4                                                D5                                        D6




                                                                                                                                                                                           MSOH
                                                   D7                                                D8                                        D9
                                                   D10                                               D11                                       D12
                                                   S1                                                                                          E2




                                                                                                           M1


                                                             1             261                       1            261                     1          261                1             261

                                              1          9                              1        9                           1        9                         1   9
                                                                     #1                                    #2                                  #3                            #16


                                                                    AUG                                    AUG                                 AUG                          AUG

                                                             RSOH              123.....1516,123...1516,.......

                                                   12...16,12...16,...

                                                             MSOH
                                                                                                                                                                123.....1516,123...1516.


                                                              16 x 9                                                         16 x 261
                                                                                                                             STM–16

                                                    A1 – A2  Alignment word A1=11110110, A2=00101000. Utilizes all slots of the sixteen STM–1.
                                                    J0       Regenerator Section Trace.
                                                    Z0       (Spare) These bytes are reserved for future international standardization.
                                                    B1       BIP–8 calculation result on the previous frame (after scrambling).
                                                             Utilized to assess error rate between regenerators. Uses slot of first STM–1.
                                                    E1       For EOW operations between regenerators. Uses slot of first STM–1.
                                                    F1       Available for the user (data from SERVICE unit). Uses slot of first STM–1.
                                                    D1 ÷ D3 Are used for 192 Kbit/s channel for DCC on TMN network. Uses slot of first STM–1.
                                                    B2       Result of BIP–Nx24 calculation on previous frame except of three RSOH rows.
                                                             Used to assess error rate between multiplexers. Uses all slots.
                                                    K1 – K2 For APS indications and FERF, AIS alarms. Uses slot of first STM–1.
                                                    D4 ÷ D12 Are used for 576 Kbit/s channel for DCC on TMN network. Uses slot of first STM–1.
                                                    S1       Indicates synchronism status. Uses slot of first STM–1.
                                                    E2       For EOW operations between multiplexers. Uses slot of first STM–1.
                                                    M1       Indicates section FEBE (STM–16). Uses slot of third STM–1.

                                                                 Notes:
                                                                 –   bytes marked with X are reserved for national use.
                                                                 –   all unmarked bytes are reserved for future international standardization (for media
                                                                     dependent, additional national use and other purposes).
1AA 00014 0004 (9007) A4 – ALICE 04.10




                                                                 –   bytes marked with S are not scrambled (like the whole first row).

                                                                               Figure 231. Structure of STM–16 and SOH bytes contents



                                         ED              03

                                                                                                                                          3AL 91669 AA AA                             378 / 706


                                                                                                                                                          706
576 bytes

                                                                                                     A1        A1      A1   A1       A1       A1       A2    A2    A2      A2       A2       A2   J0    Z0




                                                                                                                                                                                                                                                RSOH
                                                                                                     B1                                                E1                                         F1
not permitted without written authorization from Alcatel.




                                                                                                     D1                                                D2                                         D3
  All rights reserved. Passing on and copying of this
  document, use and communication of its contents




                                                                                                                                                                        AU pointer(s)
                                                                                            9 rows




                                                                                                     B2        B2      B2   B2       B2       B2       K1                                         K2
                                                                                                     D4                                                D5                                         D6




                                                                                                                                                                                                                                                MSOH
                                                                                                     D7                                                D8                                         D9
                                                                                                     D10                                               D11                                        D12
                                                                                                     S1                                                                                           E2




                                                                                                                                                             M1


                                                                                                               1             261                       1            261                      1          261                 1             261

                                                                                                1          9                              1        9                            1        9                         1    9
                                                                                                                       #1                                    #2                                   #3                             #64


                                                                                                                      AUG                                    AUG                                  AUG                           AUG

                                                                                                               RSOH              123.....6364,123.....6364,.....

                                                                                                     12...64,12...64,..

                                                                                                               MSOH
                                                                                                                                                                                                                   123.....6364,123.....6364.


                                                                                                                64 x 9                                                          64 x 261
                                                                                                                                                                                STM–64

                                                                                                      A1–A2    Alignment word A1=11110110, A2=00101000. Utilizes all slots.
                                                                                                      J0       Regenerator Section Trace.
                                                                                                      Z0       (Spare) These bytes are reserved for future international standardization.
                                                                                                      B1       BIP–8 calculation result on the previous frame (after scrambling).
                                                                                                               Utilized to assess error rate between regenerators. Uses slot of first STM–1.
                                                                                                      E1       For EOW operations between regenerators. Uses slot of first STM–1.
                                                                                                      F1       Available for the user (data from SERVICE unit). Uses slot of first STM–1.
                                                                                                      D1 ÷ D3 Are used for 192 Kbit/s channel for DCC on TMN network. Uses slot of first STM–1.
                                                                                                      B2       Result of BIP–Nx24 calculation on previous frame except of three RSOH rows.
                                                                                                               Used to assess error rate between multiplexers. Uses all slots.
                                                                                                      K1 – K2 For APS indications and FERF, AIS alarms. Uses slot of first STM–1.
                                                                                                      D4 ÷ D12 Are used for 576 Kbit/s channel for DCC on TMN network. Uses slot of first STM–1.
                                                                                                      S1       Indicates synchronism status. Uses slot of first STM–1.
                                                                                                      E2       For EOW operations between multiplexers. Uses slot of first STM–1.
                                                                                                      M1       Indicates section FEBE (STM–64). Uses slot of third STM–1.

                                                                                                                   Notes:
                                                                                                                   –   bytes marked with X are reserved for national use
                                                                                                                   –   all unmarked bytes are reserved for future international standardization (for media
                                                                                                                       dipendent, additional national use and other purposes)
                                                  1AA 00014 0004 (9007) A4 – ALICE 04.10




                                                                                                                   –   bytes marked with S are not scrambled (like the whole first row)

                                                                                                                                    Figure 232. STM–64 structure and SOH byte contents


                                                                                           ED              03

                                                                                                                                                                                             3AL 91669 AA AA                              379 / 706


                                                                                                                                                                                                             706
3.18.1 Synchronous 2048 Kb/s frames

                                          The synchronous 2048 Kb/s signal is structured on a 256–bits frame, numbered 1 to 256; it is composed
                                          by 32 time slots (TS), numbered 0 to 31 (TS0 to TS31), each time slot containing 8 bits. The frame




                                                                                                                                                               not permitted without written authorization from Alcatel.
                                          repetition rate is 8000 Hz (time period 125 µs).




                                                                                                                                                                 All rights reserved. Passing on and copying of this
                                                                                                                                                                 document, use and communication of its contents
                                          TS0 is used as the OverHead of the frame, for purposes as: frame alignment, error integrity check,
                                          messaging, etc.

                                          The following figure shows the allocation of bits 1 to 8 (i.e. Time Slot 0, TS0) in the basic frame structure
                                          of synchronous 2Mb/s signal.
                                          The frames contain, alternatively, the 7–bits frame–alignment–signal (FAS = 0011011, bits 2 to 8).
                                          Refer to ITU–T G.704 rec. for details information.




                                                                   Bit
                                                                number
                                                                               1           2         3          4      5         6     7       8
                                              Alternate
                                              frames
                                                                              Si           0         0          1      1         0     1       1
                                              Frame containing the
                                              frame alignment signal
                                                                            Note 1                       Frame alignment signal

                                                                              Si           1         A         Sa4     Sa5       Sa6   Sa7    Sa8
                                              Frame not containing the
                                              frame alignment signal
                                                                            Note 1     Note 2     Note 3                     Note 4




                                          Note 1 – Si = bits reserved for international use. One specific use is for multi–frame alignment and for
                                                   CRC–4 procedure: see Figure 234.

                                          Note 2 – this bit is fixed at 1 to assist in avoiding simulations of the frame alignment signal.

                                          Note 3 – A = Remote Alarm Indication (RAI).
                                                   In undisturbed operation, set to 0; in alarm condition, set to 1.

                                          Note 4 – Sa4 to Sa8 are used for point–to–point specific messaging.

                                                             Figure 233. Synchronous 2048 Kb/s signal: basic frame overhead
1AA 00014 0004 (9007) A4 – ALICE 04.10




                                         ED      03

                                                                                                            3AL 91669 AA AA                        380 / 706


                                                                                                                           706
The following figure shows the allocation of bits 1 to 8 (i.e. Time Slot 0, TS0) in the CRC–4 Multiframe
                                                                                            structure of synchronous 2Mb/s signal. CRC–4 is the abbreviation for Cyclic Redundant Check–4, a signal
                                                                                            elaboration procedure to check the error integrity.
                                                                                            Each CRC–4 multiframe, which is composed of 16 frames numbered 0 to 15, is divided into two 8–frame
not permitted without written authorization from Alcatel.




                                                                                            sub–multiframes (SMF), designated SMF–I and SMF–II which signify their respective order of occurrence
  All rights reserved. Passing on and copying of this
  document, use and communication of its contents




                                                                                            within the CRC–4 multiframe structure. Each sub–multiframe duration is 1 ms, rated 1000 Hz. The SMF
                                                                                            is the CRC–4 block size (i.e. 2048 bits).
                                                                                            Refer to ITU–T G.704 rec. for details information.



                                                                                                                 Sub–multiframe     Frame                    Bits 1 to 8 of the frame
                                                                                                                    (SMF)           number
                                                                                                                                                 1       2     3     4     5      6      7     8

                                                                                                                                       0        C1       0    0      1     1      0      1     1
                                                                                                                                       1        MF       1    A    Sa4   Sa5     Sa6    Sa7   Sa8
                                                                                                                                                     1
                                                                                                                                       2        C2       0    0      1     1      0      1     1
                                                                                                                                       3        MF       1    A    Sa4   Sa5     Sa6    Sa7   Sa8
                                                                                                                        Ι                            2
                                                                                                                                       4        C3       0    0      1     1      0      1     1
                                                                                                                                       5        MF       1    A    Sa4   Sa5     Sa6    Sa7   Sa8
                                                                                                                                                     3
                                                                                                                                       6        C4       0    0      1     1      0      1     1
                                                                                                                                       7        MF       1    A    Sa4   Sa5     Sa6    Sa7   Sa8
                                                                                                                                                     4
                                                                                                   Multiframe
                                                                                                                                       8        C1       0    0      1     1      0      1     1
                                                                                                                                       9        MF       1    A    Sa4   Sa5     Sa6    Sa7   Sa8
                                                                                                                                                     5
                                                                                                                                      10        C2       0    0      1     1      0      1     1
                                                                                                                                      11        MF       1    A    Sa4   Sa5     Sa6    Sa7   Sa8
                                                                                                                        ΙΙ                           6
                                                                                                                                      12        C3       0    0      1     1      0      1     1
                                                                                                                                      13        E        1    A    Sa4   Sa5     Sa6    Sa7   Sa8
                                                                                                                                      14        C4       0    0      1     1      0      1     1
                                                                                                                                      15        E        1    A    Sa4   Sa5     Sa6    Sa7   Sa8




                                                                                            Note 1 – E = Remote Error Indication (REI) .
                                                                                                     In undisturbed operation, set to 1; in alarm condition, set to 0.

                                                                                            Note 2 – Sa4 to Sa8 are used for point–to–point specific messaging.

                                                                                            Note 3 – C1 to C4 = Cyclic Redundant Check–4 bits.

                                                                                            Note 4 – A = Remote Alarm Indication (RAI).
                                                                                                     In undisturbed operation, set to 0; in alarm condition, set to 1.

                                                                                            Note 5 – MF1 to MF6 = Multiframe Alignment Signal (MAS = 001011).

                                                                                                           Figure 234. Synchronous 2048 Kb/s signal: CRC–4 multiframe overhead
                                                  1AA 00014 0004 (9007) A4 – ALICE 04.10




                                                                                           ED      03

                                                                                                                                                             3AL 91669 AA AA                        381 / 706


                                                                                                                                                                           706
3.18.1.1 Organization of ISDN – PRA frames

                                          For each direction of transmission the following functions are provided by the synchronous ISDN–PRA
                                          2048 Kb/s frames (refer to recommendation ETS 300 233):




                                                                                                                                                            not permitted without written authorization from Alcatel.
                                                                                                                                                              All rights reserved. Passing on and copying of this
                                                                                                                                                              document, use and communication of its contents
                                              30 time slots at 64 kb/s (numbered 1 to 15 and 17 to 31) for the transport of any appropriate allocation
                                              of the B, H0 and H1 channels.

                                              1 time slot at 64 kb/s (numbered 16) for the transport of a D channel.

                                              1 time slot at 64 kb/s (numbered 0) for frame alignment, multiframe alignment, CRC–4 procedure and
                                              maintenance (rec. G.704).

                                          3.18.1.2 ISDN – PRA communication channels

                                          The communication channels transported by the ISDN–PRA (Integrated Services Digital Network –
                                          Primary Rate Access) signal are the following:

                                          –   B–channel
                                              it is rated 64 kb/s, as defined in ITU–T Rec. I.412; it permits the allocation of up to 30 independent
                                              B–channels over the 2Mb/s synchronous frame.

                                          –   H0–channel
                                              it is rated 384 kb/s, as defined in ITU–T Rec. I.412; it permits the allocation of up to 5 independent
                                              H0–channels over the 2Mb/s synchronous frame.

                                          –   H1–channel
                                              it is rated 1920 kb/s, as defined in ITU–T Rec. I.412; it permits the allocation of one H1–channel over
                                              the 2Mb/s synchronous frame.

                                          –   D–channel
                                              it is rated 64 kb/s, as defined in ITU–T Rec. I.412.
1AA 00014 0004 (9007) A4 – ALICE 04.10




                                         ED     03

                                                                                                         3AL 91669 AA AA                        382 / 706


                                                                                                                       706
3.18.2 ATM cells mapping into SDH/PDH frames
not permitted without written authorization from Alcatel.




                                                                                                                                                V5
  All rights reserved. Passing on and copying of this
  document, use and communication of its contents




                                                                                                                                              34 D Bytes


                                                                                                                                                J2

                                                                                                                                              34 D Bytes
                                                                                                                           140
                                                                                                                          bytes
                                                                                                                                                N2

                                                                                                                                              34 D Bytes

                                                                                                                                                K4

                                                                                                                                              34 D Bytes


                                                                                                                                               500us
                                                                                                                                     D Data


                                                                                                                         Figure 235. Mapping of ATM cells into VC12




                                                                                                       J1                    ÉÉ
                                                                                                                             ÉÉ                      ÉÉ
                                                                                                                                                     ÉÉ
                                                                                                       B3
                                                                                                       C2
                                                                                                       G1
                                                                                                                                                                            VC–4/VC–3
                                                                                                       F2
                                                                                                       H4

                                                                                                       F3

                                                                                                       K3
                                                                                                       N1
                                                                                                                             ÉÉ
                                                                                                                             ÉÉ                      ÉÉ
                                                                                                                                                     ÉÉ
                                                                                                                         VC–4/VC–3 POH

                                                                                                            ATM Cell

                                                                                                       ÉÉ
                                                                                                       ÉÉ   53 octets
                                                  1AA 00014 0004 (9007) A4 – ALICE 04.10




                                                                                                                        Figure 236. Mapping of ATM cells into VC4/VC3


                                                                                           ED     03

                                                                                                                                                       3AL 91669 AA AA                  383 / 706


                                                                                                                                                                      706
TS0                                                       TS16: Reserved for signalling

                                                                                        256 bits / 125 µs




                                                                                                                                                                             not permitted without written authorization from Alcatel.
                                                                                                                                                                               All rights reserved. Passing on and copying of this
                                                                                                                                                                               document, use and communication of its contents
                                                         ÇÇ ÇÇÇ                  Header
                                                         ÇÇ ÇÇÇ
                                                            ÇÇÇ ÇÇ
                                                            ÇÇÇ ÇÇHeader
                                                                                                                ÇÇÇ ÇÇ
                                                                                                                ÇÇÇ ÇÇ                          Header


                                                                                                                     Ç Ç Ç ÇÇÇ
                                                                                                                            Header
                                                                                                                     Ç Ç Ç ÇÇÇ
                                                                                  ATM cell mapping field: 30 octets (TS1 : TS15 and TS17 : TS31)


                                              Provides F3 OAM functions:
                                              – Detection of loss of frame alignement
                                              –Performance monitoring (CRC–4)
                                              – Transmission of FERF and LOC
                                                                                                    Ç Ç ÇÇÇ
                                                                                                  ATM
                                                                                                  cell
                                                                                                    Ç Ç ÇÇÇ      Header
                                              –Performance reporting

                                                                                                                                  53 octets




                                                                        Figure 237. Mapping of ATM cells into 2048 kb/s frame



                                                                                                               59 octets

                                                                                ÇÇÇ
                                                             ÇÇ                 ÇÇÇÇÇ
                                                                                  ÇÇÇ
                                                                                  Ç ÇÇÇ
                                                             Ç Ç ÇÇ
                                                               ÇÇÇ
                                                               Ç ÇÇÇ                 ÇÇÇ
                                                                    ÇÇÇ ÇÇÇ
                                                                                                                                                        9 rows




                                                                        Ç Ç Ç ÇÇÇ
                                                                            ÇÇÇÇ
                                                                            Ç ÇÇÇÇ
                                                             ÇÇ                 ÇÇÇÇ ÇÇ Ç
                                                                                    ÇÇÇÇ
                                                                                     ÇÇ
                                                                ATM cells
                                                                           ÇÇÇ
                                                                           ÇÇÇ
                                                                                                            53 octets

                                                                    Overhead octet
1AA 00014 0004 (9007) A4 – ALICE 04.10




                                                                        Figure 238. Mapping of ATM cells into 34368 kb/s frame




                                         ED         03

                                                                                                                            3AL 91669 AA AA                      384 / 706


                                                                                                                                              706
4 UNITS DESCRIPTION

                                                                                            In the following paragraphs are inserted the detailed information of each unit and subunit of the equipment.
not permitted without written authorization from Alcatel.
  All rights reserved. Passing on and copying of this
  document, use and communication of its contents




                                                                                            4.1 21 x 2 Mbit/s access card (A21E1)
                                                                                            (See Figure 239. on page 386)

                                                                                            The 21 x2 Mbit/s access card provides the connections from back panel to the external line and viceversa
                                                                                            for 21 PDH signals. According to the type of line impedance (75 Ohm or 120 Ohm) and electrical
                                                                                            characteristics different types of access card are available.
                                                                                            In the following a generic description of the access card is given:
                                                                                            INPUT side
                                                                                            Under normal operating condition, the signal received from the line is sent to the 63 x 2 Mbit/s “main” port
                                                                                            card.
                                                                                            Under alarm condition, the signal received from the line is switched towards the “spare” port card. The
                                                                                            switching command SEL is received from the RIBUS I/F block.
                                                                                            A protection block is present to protect the incoming signal against spikes ( G.703).
                                                                                            OUTPUT side
                                                                                            The two signals received from the “main” and “spare” port cards 63 x 2 Mbit/s are sent to a selector.
                                                                                            The SEL command, received from the RIBUS I/F block, select the signal to sent to the line


                                                                                            Remote inventory
                                                                                            The RIBUS I/F is present to read/write inventory data as code, series number, construction data present
                                                                                            on the RI (see para. 3.17 on page 370 for details).
                                                                                            Power supply

                                                                                            The access card receive the +3.3 Vdc provided by the CONGI units.
                                                  1AA 00014 0004 (9007) A4 – ALICE 04.10




                                                                                           ED      03

                                                                                                                                                            3AL 91669 AA AA                        385 / 706


                                                                                                                                                                          706
not permitted without written authorization from Alcatel.
                                                                                                                                                                     All rights reserved. Passing on and copying of this
                                                                                                                                                                     document, use and communication of its contents
                                                      Input–1                                                                        TO MAIN PORT
                                          INPUT               SPIKE
                                          FROM LINE         PROTECTION
                                                                                                                                     TO SPARE PORT

                                                                                         SEL

                                                      Output–1
                                          OUTPUT              SPIKE                                                                  FROM MAIN PORT
                                          TO LINE           PROTECTION                                                               FROM SPARE PORT

                                                                                        SEL




                                                      Input–21                                                                       TO MAIN PORT
                                          INPUT                   SPIKE
                                          FROM LINE             PROTECTION
                                                                                                                                     TO SPARE PORT

                                                                                         SEL

                                                      Output–21
                                          OUTPUT                  SPIKE                                                              FROM MAIN PORT
                                          TO LINE               PROTECTION                                                           FROM SPARE PORT

                                                                                               SEL

                                                                                         SEL
                                                                                                     FAIL




                                                                   REMOTE                 RIBUS                        RIBUS
                                                                 INVENTORY                  IF                                         TO/FROM
                                                                                                                       CMISS            MATRIXE




                                                                                                            +3.3 Vdc       F
                                                                                                                                     FROM CONGI
                                                       21 x 2 MBIT/S ACCESS CARD




                                                                      Figure 239. 21 x 2 access card – Block diagram
1AA 00014 0004 (9007) A4 – ALICE 04.10




                                         ED     03

                                                                                                                 3AL 91669 AA AA                       386 / 706


                                                                                                                               706
4.2 3 X 34 Mbit/s access card (A3E3)

                                                                                            ( See Figure 240. on page 388)
not permitted without written authorization from Alcatel.




                                                                                            The 3 x 34 Mbit/s access card provides the connections from back–panel to the external signals and vice
  All rights reserved. Passing on and copying of this
  document, use and communication of its contents




                                                                                            versa for three PDH 75 ohm signals in compliance with the ITU–T G.703 rec.

                                                                                            The following functions are implemented :

                                                                                            –    Signal decoding, encoding and LOS alarm management
                                                                                            –    Protection towards spare cards
                                                                                            –    local and remote loopback
                                                                                            –    control and inventory functions
                                                                                            –    power supply

                                                                                            INPUT side

                                                                                            From the HDB3 signal received from the line the clock is recovered and the data are retimed and sent to
                                                                                            a decoder (NRZ format). LOS alarm is generated if no signal is detected.
                                                                                            In normal condition the backplane provides to send the signal to the main card .
                                                                                            The access card manages the EPS protection of the 3x34/45 port card; two mux by means of dedicated
                                                                                            command (SEL) coming from the RIBUS I/F block, sends to spare card Signal and LOS of actual or
                                                                                            previously access card.


                                                                                            OUTPUT side

                                                                                            On the output side the access card receives the NRZ data and clock from the main and spare port card.
                                                                                            By means of a mux in normal condition the signal coming from the main port card is then HDB3 encoded
                                                                                            and sent to the line.
                                                                                            When EPS is active, the RIBUS I/F block send a command (SEL) to the mux; in this case the signal coming
                                                                                            from the spare card is selected and sent toward the encoder.
                                                                                            The received clock and NRZ data from spare card are sent also to the next access card to perform EPS
                                                                                            protection.

                                                                                            Loopback functions

                                                                                            The access card provides line loopback and internal loopback.
                                                                                            When line loop is active the input signal coming from the line (DR) is sent back ,through a mux , to the
                                                                                            output signal performing line loopback.
                                                                                            When internal loop is active, the signal coming from the encoder (DT) is sent, through a mux, to the
                                                                                            decoder thus realizing the local loopback function.

                                                                                            Control section

                                                                                            The commands to drive the MUXs involved in EPS protection (SEL) and the loopback functions (LINE
                                                                                            LOOP and INT LOOP) are generated by the RIBUS I/F block that performs also remote inventory and card
                                                                                            status operations (FAIL).

                                                                                            Power Supply

                                                                                            The access card receive the following voltage:

                                                                                            –    +3.3 Vdc from CONGI to supply the RIBUS I/F block
                                                  1AA 00014 0004 (9007) A4 – ALICE 04.10




                                                                                            –    + 3.3 Vdc from the relevant Port Card; through an on board DC/DC converter is generated a + 5.3
                                                                                                 Vdc starting from the +3.3 Vdc.



                                                                                           ED      03

                                                                                                                                                         3AL 91669 AA AA                       387 / 706


                                                                                                                                                                       706
CK
                                         SIGNAL INPUT 1      EQUALIZER                                DECODER
                                         FROM COAX                                                    HDB3/NRZ                                                       TO MAIN CARD




                                                                                                                                                                                                  not permitted without written authorization from Alcatel.
                                                             RETIMER
                                         HDB3




                                                                                                                                                                                                    All rights reserved. Passing on and copying of this
                                                                                                                                                                                                    document, use and communication of its contents
                                                                                DR

                                                                                                 DT
                                          DATA FROM
                                          PREVIOUSLY                                                                                           MUX                   TO SPARE CARD
                                         ACCESS CARD


                                                                                                                                                                     LOS TO MAIN CARD
                                                                                     LOS

                                          LOS FROM                                                                                             MUX                   LOS TO SPARE CARD
                                          PREVIOUSLY
                                          ACCESS CARD
                                                             ACCESS 1 – Input side                                                              SEL
                                                                          DR

                                                                                     DT




                                         SIGNAL OUTPUT 1
                                         TO COAX              PULSE          LOOP                       ENCODER                               MUX                    FROM MAIN CARD
                                         HDB3                 SHAPER         MUX                        NRZ/HDB3
                                                                                     LINE LOOP
                                                                          INT LOOP




                                         TO NEXT
                                         ACCESS CARD
                                                                                                                                              MUX                    FROM SPARE CARD




                                                             ACCESS 1 –Output side
                                                                                                                                               SEL




                                                               ACCESS 2




                                                               ACCESS 3
                                                                                                                         LINE LOOP
                                                                                                              INT LOOP



                                                                                                                                     SEL




                                                                                                                                                           CMISS
                                                                                                       FAIL




                                                                                                                                                                        TO/FROM
                                                                         REMOTE                                RIBUS                                    RIBUS
                                                                                                                                                                         MATRIXE
                                                                       INVENTORY                               I/F
                                                                                                                                           +3.3 Vdc              F
                                                                                                                                                                      FROM CONGI
                                                                                                          +5.3 Vdc                                    +3.3 Vdc
                                                                                                                                     DC/DC                                FROM
                                                                                                                                                                     RELEVANT PORT CARD
                                                           3 X 34 ACCESS CARD
                                                                                                              +3.3 Vdc
1AA 00014 0004 (9007) A4 – ALICE 04.10




                                                                  Figure 240. 3 x 34 access card block diagram



                                         ED     03

                                                                                                                                      3AL 91669 AA AA                                 388 / 706


                                                                                                                                                             706
4.3 3 X 45 Mbit/s access card (A3T3)

                                                                                            ( See Figure 241. on page 390)
not permitted without written authorization from Alcatel.




                                                                                            The 3 x 45 Mbit/s access card provides the connections from back–panel to the external signals and vice
  All rights reserved. Passing on and copying of this
  document, use and communication of its contents




                                                                                            versa for three PDH 75 ohm signals in compliance with the ITU–T G.703 rec.

                                                                                            The following functions are implemented :

                                                                                            –    Signal decoding, encoding and LOS alarm management
                                                                                            –    Protection towards spare cards
                                                                                            –    local and remote loopback
                                                                                            –    control and inventory functions
                                                                                            –    power supply

                                                                                            INPUT side

                                                                                            From the B3ZS signal received from the line the clock is recovered and the data are retimed and sent to
                                                                                            a decoder (NRZ format). LOS alarm is generated if no signal is detected.
                                                                                            In normal condition the backplane provides to send the signal to the main card .
                                                                                            The access card manages the EPS protection of the 3x34/45 port card; two mux by means of dedicated
                                                                                            command (SEL) coming from the RIBUS I/F block, sends to spare card Signal and LOS of actual or
                                                                                            previously access card.

                                                                                            OUTPUT side

                                                                                            On the output side the access card receives the NRZ data and clock from the main and spare port card.
                                                                                            By means of a mux in normal condition the signal coming from the main port card is then B3ZS encoded
                                                                                            and sent to the line.
                                                                                            When EPS is active, the RIBUS I/F block send a command (SEL) to the mux; in this case the signal coming
                                                                                            from the spare card is selected and sent toward the encoder.
                                                                                            The received clock and NRZ data from spare card are sent also to the next access card to perform EPS
                                                                                            protection.

                                                                                            Loopback functions

                                                                                            The access card provides line loopback and internal loopback .
                                                                                            When line loop is active the input signal coming from the line (DR) is sent back ,through a mux , to the
                                                                                            output signal performing line loopback.
                                                                                            When internal loop is active, the signal coming from the encoder (DT) is sent, through a mux, to the
                                                                                            decoder thus realizing the local loopback function.

                                                                                            Control section

                                                                                            The commands to drive the MUXs involved in EPS protection (SEL) and the loopback functions (LINE
                                                                                            LOOP and INT LOOP) are generated by the RIBUS I/F block that performs also remote inventory and card
                                                                                            status operations (FAIL).

                                                                                            Power Supply

                                                                                            The access card receive the following voltage:

                                                                                            –    +3.3 Vdc from CONGI to supply the RIBUS I/F block
                                                                                            –    + 3.3 Vdc from the relevant Port Card; through an on board DC/DC converter is generated a + 5.3
                                                  1AA 00014 0004 (9007) A4 – ALICE 04.10




                                                                                                 Vdc starting from the +3.3 Vdc.




                                                                                           ED      03

                                                                                                                                                         3AL 91669 AA AA                       389 / 706


                                                                                                                                                                       706
CK
                                          SIGNAL INPUT 1      EQUALIZER                              DECODER
                                          FROM COAX                                                  B3ZS/NRZ                                                         TO MAIN CARD
                                                              RETIMER
                                          B3ZS




                                                                                                                                                                                                  not permitted without written authorization from Alcatel.
                                                                                      DR
                                                                                               DT




                                                                                                                                                                                                    All rights reserved. Passing on and copying of this
                                                                                                                                                                                                    document, use and communication of its contents
                                           DATA FROM
                                           PREVIOUSLY                                                                                           MUX                   TO SPARE CARD
                                          ACCESS CARD


                                                                                                                                                                      LOS TO MAIN CARD
                                                                                      LOS

                                              LOS FROM                                                                                          MUX                   LOS TO SPARE CARD
                                              PREVIOUSLY
                                              ACCESS CARD
                                                              ACCESS 1 – Input side
                                                                                                                                                 SEL
                                                                           DR

                                                                                         DT




                                         SIGNAL OUTPUT 1
                                           TO COAX             PULSE           LOOP                        ENCODER                              MUX                   FROM MAIN CARD
                                            B3ZS               SHAPER          MUX                         NRZ/B3ZS
                                                                                       LINE LOOP
                                                                           INT LOOP




                                          TO NEXT
                                          ACCESS CARD
                                                                                                                                                MUX                  FROM SPARE CARD



                                                              ACCESS 1 –Output side
                                                                                                                                                SEL




                                                                ACCESS 2




                                                                ACCESS 3
                                                                                                                         LINE LOOP
                                                                                                              INT LOOP




                                                                                                                                                           CMISS
                                                                                                                                      SEL
                                                                                                    FAIL




                                                                                                                                                                         TO/FROM
                                                                                                                                                                         MATRIXE
                                                                          REMOTE                                     RIBUS                             RIBUS
                                                                        INVENTORY                                    I/F

                                                                                                                                     +3.3 Vdc              F
                                                                                                                                                                      FROM CONGI
                                                                                                     +5.3 Vdc                                   +3.3 Vdc
                                                                                                                             DC/DC                                     FROM
                                                                                                                                                                     RELEVANT PORT CARD
                                                                                                           +3.3 Vdc
                                                            3 X 45 ACCESS CARD
1AA 00014 0004 (9007) A4 – ALICE 04.10




                                                                  Figure 241. 3 x 45 access card block diagram



                                         ED       03

                                                                                                                                     3AL 91669 AA AA                                  390 / 706


                                                                                                                                                               706
4.4 2 x 140/STM–1 O/E adapter (A2S1)

                                                                                            (See Figure 242. on page 392)
not permitted without written authorization from Alcatel.




                                                                                            The A2S1 access card can house two independent modules that can be both electrical , both optical or
  All rights reserved. Passing on and copying of this
  document, use and communication of its contents




                                                                                            a mix of the two.

                                                                                            For the description of the electrical module see paragraph 4.15 on page 425.

                                                                                            For the description of the optical module see paragraph 4.16 on page 427.

                                                                                            The access card houses also the RIBUS I/F block the function of which is described on para.3.17 on
                                                                                            page 370 and the Remote inventory.

                                                                                            Control section

                                                                                            The RIBUS I/F block is present to read/write inventory data as code, series number, construction data
                                                                                            implemented on the REMOTE INVENTORY block.
                                                                                            It also send and receive the following signal:

                                                                                            –    FAIL: unit faulty

                                                                                            –    CMISS1, CMISS2: card missing respectively of the upper and lower “electrical or optical module”

                                                                                            –    INT LOOP1, INT LOOP2: Internal Loop command respectively for the upper and lower “electrical
                                                                                                 or optical module”

                                                                                            –    LINE LOOP1, LINE LOOP2: Line Loop command respectively for the upper and lower “electrical
                                                                                                 or optical module”

                                                                                            Power Supply

                                                                                            The access card receive the following voltage:

                                                                                            –    +3.3 Vdc from CONGI to supply the RIBUS I/F block
                                                                                            –    + 3.3 Vdc and + 5.2 Vdc from the relevant Port Card;
                                                  1AA 00014 0004 (9007) A4 – ALICE 04.10




                                                                                           ED      03

                                                                                                                                                        3AL 91669 AA AA                     391 / 706


                                                                                                                                                                        706
not permitted without written authorization from Alcatel.
                                                                                                                                                                                                                         All rights reserved. Passing on and copying of this
                                                                                                                                                                                                                         document, use and communication of its contents
                                                                                              INT LOOP1
                                                                                              LINE LOOP1
                                                                                              CMISS1
                                          INPUT
                                                                                                      RI
                                                             ELECTRICAL                                                                                                                       LOS
                                                                OR
                                              LINE1           OPTICAL                                                                                                                         LASER DEG
                                                              MODULE                                                                                                                          LASER FAIL
                                          OUTPUT                                                                                                                                              LASER SHUT DOWN
                                                                                                                             DATA AND CLOCK                                                   TO/FROM
                                                                                                                                                                                              PORT CARD




                                                       +3.3 Vdc   +3.3 Vdc (Vs)   +5.2 VDC


                                                                                              INT LOOP2
                                                                                              LINE LOOP2
                                                                                              CMISS2
                                          INPUT
                                                                                                      RI
                                                             ELECTRICAL                                                                                                                       LOS
                                                                OR
                                              LINE2           OPTICAL                                                                                                                         LASER DEG
                                                              MODULE
                                                                                                                                                                                              LASER FAIL
                                          OUTPUT
                                                                                                                                                                                              LASER SHUT DOWN
                                                                                                                             DATA AND CLOCK                                                   TO/FROM
                                                                                                                                                                                              PORT CARD




                                                       +3.3 Vdc   +3.3 Vdc (Vs)   +5.2 VDC
                                                                                                                                                 LINE LOOP1
                                                                                                                                                              LINE LOOP2
                                                                                                                         INT LOOP1
                                                                                                                                     INT LOOP2
                                                                                                      CMISS1
                                                                                                               CMISS2




                                                                                                                                                                              CMISS
                                                                                               FAIL




                                                                                                                                                                                                    TO/FROM
                                                                                  RI                                                                                                                 MATRIXE
                                                             REMOTE                                                     RIBUS
                                                                                                                                                                                 RIBUS
                                                           INVENTORY                                                    I/F

                                                                                                                                          +3.3 Vdc (Vs)                          F
                                                                                             +3.3 Vdc (Vs)                                                                                   FROM CONGI
                                                                                                                                                                   +3.3 Vdc
                                                                                                                                                                                              FROM
                                                                                                                                                                   +5.2 Vdc                 RELEVANT PORT CARD
                                                        2 X 140/STM–1 O/E ADAPTER




                                                          Figure 242. 2 x 140/STM–1 O/E adapter (access card) block diagram
1AA 00014 0004 (9007) A4 – ALICE 04.10




                                         ED       03

                                                                                                                                                                    3AL 91669 AA AA                        392 / 706


                                                                                                                                                                                      706
4.5 4 x STM–1 electrical access card (A4ES1)

                                                                                            (See Figure 243. on page 394)
not permitted without written authorization from Alcatel.




                                                                                            The A4ES1 access card is placed in the access area and allows the connection to the line coaxial cable
  All rights reserved. Passing on and copying of this
  document, use and communication of its contents




                                                                                            for the High Speed port cards 4x STM1.

                                                                                            INPUT side

                                                                                            On the input side the signal CMI coming from the coaxial cable, is equalized , decoded into NRZ code and
                                                                                            forwarded to main electrical port card.
                                                                                            The command criteria SWITCH coming from the RIBUS I/F block can select the MUX in order to send
                                                                                            toward the Spare card the local stream .
                                                                                            The LOS alarm, if present, is sent to the main board. The same alarm can also be sent ,through a MUX,
                                                                                            toward the spare card if the SWITCH command is active .


                                                                                            OUTPUT side

                                                                                            On the output side, the signal coming from the Main card, is coded into CMI code and then sent toward
                                                                                            the coaxial cable.
                                                                                            When EPS is active, the RIBUS I/F block send a command (SWITCH) to the MUX; in this case the signal
                                                                                            coming from the Spare card is selected and sent toward the encoder NRZ/CMI.

                                                                                            Control section

                                                                                            The RIBUS I/F block is present to read/write inventory data as code, series number, construction data
                                                                                            implemented on the RI.
                                                                                            It also send the following command:

                                                                                            –    INT LOOP1 … INT LOOP4: Internal Loop commands for channels from 1 to 4

                                                                                            –    LINE LOOP1 … LINE LOOP4: Line Loop commands for channels from 1 to 4

                                                                                            –    SWITCH allows EPS facility

                                                                                            On the front cover plate a red/green led is available for card fail alarm indication.

                                                                                            Power Supply

                                                                                            The access card receive the following voltage:

                                                                                            –    +3.3 Vdc from CONGI to supply the RIBUS I/F block
                                                                                            –    + 3.3 Vdc from the relevant Port Card;
                                                  1AA 00014 0004 (9007) A4 – ALICE 04.10




                                                                                           ED      03

                                                                                                                                                            3AL 91669 AA AA                    393 / 706


                                                                                                                                                                          706
CMI                                                         LOS
                                               CMI                 PLL
                                              INPUT                                                                                                  TO MAIN CARD
                                                                                  NRZ                                                        NRZ




                                                                                                                                                                                not permitted without written authorization from Alcatel.
                                                                                  DR




                                                                                                                                                                                  All rights reserved. Passing on and copying of this
                                                                                                                                                                                  document, use and communication of its contents
                                                                                                                                             NRZ     TO SPARE CARD
                                                                                                             MUX
                                                                                       DT

                                                                                                           SWITCH
                                                                                            INT LOOP1
                                                                                                                                             NRZ     FROM PREVIOUSLY
                                                                                                                                             LOS     ACCESS CARD

                                                                                                              MUX                            LOS     TO SPARE CARD

                                                          ACCESS 1 – Input side                            SWITCH




                                                                                        DR
                                                                                                   DT

                                                                     CMI                                                                     NRZ     FROM MAIN CARD
                                           CMI            Mask
                                          OUTPUT         Adapter      NRZ                    PLL        MUX                                  NRZ     FROM SPARE CARD


                                                                                                      SWITCH                                 NRZ     TO NEXT
                                                                                LINE LOOP1                                                           ACCESS CARD



                                                         ACCESS 1 – Output side

                                               CMI
                                              INPUT

                                           CMI            ACCESS 2
                                          OUTPUT

                                               CMI
                                              INPUT

                                                          ACCESS 3
                                            CMI
                                          OUTPUT
                                            CMI
                                           INPUT

                                                          ACCESS 4
                                           CMI
                                          OUTPUT
                                                                                 LINE LOOP1
                                                                                 LINE LOOP2
                                                                                 LINE LOOP3
                                                                                 LINE LOOP4
                                                                                 INT LOOP1
                                                                                 INT LOOP2
                                                                                 INT LOOP3
                                                                                 INT LOOP4




                                                                                                              SWITCH




                                                                                                                              CMISS
                                                                         FAIL




                                                                                                                                                      TO/FROM
                                                                                                                                                       MATRIXE
                                                         REMOTE                               RIBUS                            RIBUS
                                                       INVENTORY                               I/F
                                                                                                        +3.3 Vdc               F
                                                                                                                                                    FROM CONGI
                                                                                                                   +3.3 Vdc
                                                                                                                                                     FROM
                                                                                                                   +5.2 VDC                        RELEVANT PORT CARD
                                                       4 X STM–1 ELECTRICAL ACCESS CARD
1AA 00014 0004 (9007) A4 – ALICE 04.10




                                                               Figure 243. 4 x STM–1 access card block diagram




                                         ED       03

                                                                                                                   3AL 91669 AA AA                                  394 / 706


                                                                                                                                       706
4.6 Optical Access 12xSTM–1 (A12OS1E or A12OS1SE)

                                                                                            (Refer to Figure 244. on page 397)
not permitted without written authorization from Alcatel.




                                                                                            NOTE: the optical access card A12OS1E functinal description can be applied also to the A12OS1SE
  All rights reserved. Passing on and copying of this
  document, use and communication of its contents




                                                                                            access card. The only difference between the two boards is the mechanical dimension; as a matter of fact
                                                                                            A12OS1E is two slot wide instead of one slot wide of the A12OS1SE.

                                                                                            The A12OS1E is 12 X STM–1 Access Card that provides 12 X 155 Mbps STM–1 interface from external
                                                                                            line to the backplane and vice versa, for both Short–haul and Long–haul applications.

                                                                                            The P16S1–4E card along with A12OS1E card allows the transport of 16 optical STM1 streams by means
                                                                                            of 16 SFP optical transceivers. On the P16S1–4E card there are four of 16 SFP transceivers, while in the
                                                                                            A12OS1E card there are the other 12 SFP MSA compliant Transceivers

                                                                                            The Card recovers Data and Clock from the Optical input and passes them to the onboard “STM–1
                                                                                            MAPPER/DEMAPPER” block. .

                                                                                            The “STM–1 MAPPER/DEMAPPER” block makes customized frame and send it to serializer block
                                                                                            SERDES that passes the data to the backplane.

                                                                                            Remote inventory is provided by on the board using RIBUS I/F device RIBUS bus. It also contains circuitry
                                                                                            for management, configuration, and control of onboard devices through backplane RIBUS bus.



                                                                                            Following is the list of main features of A12OS1E Card:

                                                                                            SFP Optical Transceiver :

                                                                                            –    Provides 12 X 155 M bits/sec STM–1 Optical Transmit  Receive line side Interface for both
                                                                                                 short–haul and Long–haul applications. The Optical interface is provided by Small Form factor
                                                                                                 Pluggable (SFP) Duplex–LC Transceivers, compliant with MultiSource Agreement (MSA)

                                                                                            –    Provides LOS and LASER FAULT status information. Also, the LASER can be switched ON/OFF
                                                                                                 by controlling the signal LASER OFF.

                                                                                            –    Provides EEPROM for identification information of the SFP Transceiver, which describes the
                                                                                                 transceiver’s capabilities, standard interfaces, manufacturer and other information.

                                                                                            Clock  Data Recovery :

                                                                                            –    Provides Clock recovery for the 12 incoming STM–1 streams.

                                                                                            Data adaptation for backplane (“STM–1 MAPPER/DEMAPPER” block):

                                                                                            –    Multiplex pair of 155 M bits/sec STM–1 data streams from “CLOCK AND DATA RECOVERY” block
                                                                                                 to 414 M bits/sec customised data stream and send it to SERDES.

                                                                                            –    In transmit path, de–multiplex 414 M bits/sec customised data stream from SERDES to pair of 155
                                                                                                 M bits/sec STM–1 data streams and send it to SFP.

                                                                                            SERDES:

                                                                                            Serialise data from the STM–1 MAPPER/DEMAPPER” block and send to the back plane interface at 1.6G
                                                  1AA 00014 0004 (9007) A4 – ALICE 04.10




                                                                                            rate.




                                                                                           ED      03

                                                                                                                                                          3AL 91669 AA AA                       395 / 706


                                                                                                                                                                        706
In the transmit path, De–serialise data from Backplane and send it to the STM–1 MAPPER/DEMAPPER”
                                          block.




                                                                                                                                                          not permitted without written authorization from Alcatel.
                                                                                                                                                            All rights reserved. Passing on and copying of this
                                                                                                                                                            document, use and communication of its contents
                                          Control and Status signal processing:

                                          RIBUS I/F provides for power up status/configuration. Also, generation and monitoring of various status
                                          and control signals are done through the ports of RIBUS I/F like read remote inventory data from the
                                          EEPROM

                                          Timing Circuitry

                                          Provides a 19.44 MHz crystal oscillator and a 1:13 clock buffer for providing Reference clocks for the 12
                                          “Clock  Data Recovery” block.

                                          Provides timing circuitry, which includes 622 MHz VCXO and associated circuits for external clock
                                          generation and PLL function

                                          LEDs

                                          Provides one board STATUS LED (refer to Figure 68. on page 157)

                                          Power Supply

                                          The access card receive the following voltage:

                                          –    +3.3 Vdc from CONGI to supply the RIBUS I/F block

                                          –    48/60 Vdc from CONGI and generates throught on board DC/DC converters the following voltage:

                                               •        3.3 Vdc
                                               •        2.5 Vdc
                                               •        1.8 Vdc
                                               •        1.5 Vdc
1AA 00014 0004 (9007) A4 – ALICE 04.10




                                         ED        03

                                                                                                        3AL 91669 AA AA                       396 / 706


                                                                                                                      706
CK1              TIMING
                                                                                                                                                                                           CIRCUITRY
                                                                                                                                                                                                       CK19 MHz
not permitted without written authorization from Alcatel.




                                                                                                                                                                                              1:13
  All rights reserved. Passing on and copying of this
  document, use and communication of its contents




                                                                                                                                                                            CK12




                                                                                            Optical                                                STM–1
                                                                                            Input/                                                   #1
                                                                                            Output                 laser fault (LF)
                                                                                              1                1
                                                                                                                   laser off (LOFF)




                                                                                                                                                                                                                       P16S1–4E board
                                                                                                               2




                                                                                                                                                                                                                         from lelevant
                                                                                                        SFP    3    LOS
                                                                                                      MODULE
                                                                                                                         DATA  CK
                                                                                                                         RECOVERY
                                                                                                                                                                    8x414 Mb/s
                                                                                                                                                                   Data and alarms

                                                                                                                                                 MAPPER/DEMAPPER
                                                                                                                            CK1
                                                                                                                                                                                                       2x1.66 Gb/s
                                                                                                                                                    STM–1                                  SERDES




                                                                                                                                                                          1.8V
                                                                                                                                                                                       DC/DC
                                                                                                                                                                          1.5V
                                                                                                                                                                          1.2V       CONVERTER
                                                                                            Optical                laser fault (LF)
                                                                                                               1
                                                                                            Input/                 laser off (LOFF)
                                                                                            Output             2
                                                                                                        SFP




                                                                                                                                                                                                                     CONGI A  B
                                                                                            12                 3    LOS                                                            3.3 V         DC/DC
                                                                                                      MODULE
                                                                                                                                                                                               CONVERTER 48/60 V




                                                                                                                                                                                                                       FROM
                                                                                                                         DATA  CK                   STM–1
                                                                                                                                                      #12                                          
                                                                                                                         RECOVERY
                                                                                                                                                                                               PROTECTION

                                                                                                                         CK12

                                                                                                                                      Configuration
                                                                                                                                           
                                                                                                                                        Status



                                                                                                                                                                                                                          MAIN AND SPARE
                                                                                                                                                                                                                               MATRIXE




                                                                                                                                                                                                          CMISS
                                                                                                                              Remote
                                                                                                                             Inventory                               ID
                                                                                                                                                       RIBUS                           RIBUS
                                                                                                                                                         I/F

                                                                                                                                       Unit
                                                                                                                                                                                                                        CONGI A  B




                                                                                                                                                                                                F      + 3.3 Vdc
                                                                                                                                       Failure
                                                                                                                                                                                                                          FROM




                                                                                                      12xSTM–1 OPTICAL ACCES CARD
                                                  1AA 00014 0004 (9007) A4 – ALICE 04.10




                                                                                                      Figure 244. 12 x STM–1 optical access card block diagram (A12OS1E or A12OS1SE )




                                                                                           ED         03

                                                                                                                                                                             3AL 91669 AA AA                          397 / 706


                                                                                                                                                                                              706
4.7 Electrical Access 16xSTM–1 (A16ES1E)

                                          (Refer to Figure 245. on page 400)




                                                                                                                                                          not permitted without written authorization from Alcatel.
                                          The A16ES1E board is 16 X STM–1 Access Card that provides line interface at STM–1 rate of 155 Mbps




                                                                                                                                                            All rights reserved. Passing on and copying of this
                                                                                                                                                            document, use and communication of its contents
                                          for 16 electrical signals using RF coaxial connectors. .

                                          The Card contains devices which recovers Data and Clock from the input and performs LOS detection,
                                          equalization, encoding and decoding functions.

                                          The data and control signals are processed by “STM–1 MAPPER/DEMAPPER” block and passed on to
                                          the Backplane interface through serializer SERDES device.

                                          Remote inventory is provided on the board using RIBUS I/F device that read data from an EEPROM.

                                          Following is the list of main features of A16ES1E Electrical Access Card:

                                          Electrical line interface at STM–1 rate for 16 electrical signals.

                                          Provides 16 X 155 Mbps STM–1 Electrical Transmit  Receive line side Interface. The interface is provided
                                          by RF coaxial connectors.

                                          Clock  Data Recovery

                                          This block provides Automatic equalization, Clock and data recovery and LOS detection for the 16
                                          incoming STM–1 Scrambled CMI encoded data streams.

                                          Data adaptation for backplane (“STM–1 MAPPER/DEMAPPER” block):

                                          The recovered data and LOS signals are provided to the “STM–1 MAPPER/DEMAPPER” block that
                                          combines pair of STM–1 signal into a signal of data rate 414 Mbps.

                                          The 414 Mbps signals are further processed by the SERDES device which serializes four such signals
                                          into a signal of data rate 1.6 Gbps.

                                          The reverse path interface for the data is also provided through the “STM–1 MAPPER/DEMAPPER” block.

                                          Clock  Data Recovery :

                                          Provides Clock recovery for the 16 incoming STM–1 streams.

                                          Data adaptation for backplane (“STM–1 MAPPER/DEMAPPER” block):

                                          Multiplex pair of 155 M bits/sec STM–1 data streams from “CLOCK AND DATA RECOVERY” block to 414
                                          Mbits/sec customised data stream and send it to SERDES.

                                          In transmit path, de–multiplex 414 M bits/sec customised data stream from SERDES to pair of 155
                                          Mbits/sec STM–1 data streams and send it to SFP.

                                          SERDES:

                                          Serialise data from the STM–1 MAPPER/DEMAPPER” block and send to the back plane interface at
                                          1.6Gb/s rate.

                                          In the transmit path, De–serialise data from Backplane and send it to the STM–1 MAPPER/DEMAPPER”
1AA 00014 0004 (9007) A4 – ALICE 04.10




                                          block.

                                          SERDES device processes the data from/to neighbouring Access Cards at 1.6 Gbps involved in an EPS
                                          scheme (refer to paragraph 3.13.1 on page 322 for details).

                                         ED      03

                                                                                                        3AL 91669 AA AA                       398 / 706


                                                                                                                      706
Control and Status signal processing:

                                                                                            RIBUS I/F provides for power up status/configuration. Also, generation and monitoring of various status
                                                                                            and control signals are done through the ports of RIBUS I/F like read remote inventory data from the
not permitted without written authorization from Alcatel.




                                                                                            EEPROM
  All rights reserved. Passing on and copying of this
  document, use and communication of its contents




                                                                                            Timing Circuitry

                                                                                            Provides timing circuitry, which includes 622 MHz VCXO and associated circuits for external clock
                                                                                            generation and PLL function

                                                                                            LEDs

                                                                                            Provides one board STATUS LED (refer to Figure 68. on page 157)

                                                                                            Power Supply

                                                                                            The access card receive the following voltage:

                                                                                            –    +3.3 Vdc from CONGI to supply the RIBUS I/F block

                                                                                            –    48/60 Vdc from CONGI and generates throught on board DC/DC converters the following voltage:

                                                                                                 •        3.3 Vdc
                                                                                                 •        2.5 Vdc
                                                                                                 •        1.8 Vdc
                                                                                                 •        1.5 Vdc
                                                  1AA 00014 0004 (9007) A4 – ALICE 04.10




                                                                                           ED        03

                                                                                                                                                         3AL 91669 AA AA                      399 / 706


                                                                                                                                                                      706
P16S1–4E board
                                                                                                                                                                 from/to relevant
                                                                                                                                             CK19 MHz




                                                                                                                                                                                        not permitted without written authorization from Alcatel.
                                                                                                       622 MHz




                                                                                                                                                                                          All rights reserved. Passing on and copying of this
                                                                                                                                                                                          document, use and communication of its contents
                                                                                                         OSC




                                                                                                                                                                ACCESS CARD
                                                                                                                                                                from/to previous
                                                                                                                                                  2x1.66 Gb/s
                                                                  LOS

                                                                                       STM–1
                                                                                         #1                  16x414 Mhz
                                                                          Data                              Data and alarms
                                                               DATA  CK
                                                               RECOVERY Ck




                                                                                                                                                                  P16S1–4E board
                                          Electrical   Line




                                                                                                                                                                  from/to relevant
                                          Input/       I/F                                                                                     2x1.66 Gb/s
                                          Output       #1               Data
                                            1                                                                                  SERDES

                                                                                     MAPPER/DEMAPPER
                                                                                         STM–1




                                                                                                                                                                 ACCESS CARD
                                                                                                                                                                   from/to next
                                                                                                                                               2x1.66 Gb/s




                                                                  LOS
                                                                                                                      1.8V
                                                                                                                                DC/DC
                                                                                                                      1.5V
                                                                                                                      1.2V    CONVERTER

                                                                          Data
                                                                DATA  CK




                                                                                                                                                                 CONGI A  B
                                                                                                                             3.3 V     DC/DC
                                                                RECOVERY Ck                                                          CONVERTER 48/60 V




                                                                                                                                                                   FROM
                                          Electrical   Line                              STM–1
                                          Input/       I/F                                                                               
                                          Output       #16                                #16
                                                                         Data                                                        PROTECTION
                                          16



                                                                          Configuration
                                                                               
                                                                            Status
                                                                                                                                                                       MAIN AND SPARE
                                                                                                                                                                            MATRIXE




                                                                                                                                                     CMISS
                                                                     Remote
                                                                    Inventory                                    ID
                                                                                           RIBUS                                 RIBUS
                                                                                             I/F

                                                                           Unit
                                                                                                                                                                    CONGI A  B




                                                                                                                                         F        + 3.3 Vdc
                                                                           Failure
                                                                                                                                                                      FROM




                                                       16xSTM–1 ELECTRICAL ACCESS CARD
1AA 00014 0004 (9007) A4 – ALICE 04.10




                                                       Figure 245. 16 x STM–1 electrical access card block diagram (A16ES1E)




                                         ED       03

                                                                                                                         3AL 91669 AA AA                           400 / 706


                                                                                                                                     706
4.8 High Speed protection access card (HPROT)

                                                                                            (See Figure 246. on page 402)
not permitted without written authorization from Alcatel.




                                                                                            The HPROT access card is used to realize EPS protection for High Speed ports. It realizes the connection
  All rights reserved. Passing on and copying of this
  document, use and communication of its contents




                                                                                            between the Access Cards and Spare HS Port if protection request. See para 3.13.1 on page 322 for
                                                                                            details.
                                                                                            It receives the signals coming from the access card via back panel .

                                                                                            Control section

                                                                                            The RIBUS I/F block is present to read/write inventory data as code, series number, construction data
                                                                                            implemented on the RI.

                                                                                            Power Supply

                                                                                            The access card receive the following voltage:

                                                                                            –    +3.3 Vdc from CONGI to supply the RIBUS I/F block
                                                                                            –    + 3.3 Vdc from the relevant Port Card;

                                                                                            On the front cover plate a red/green led is available for card fail alarm indication.
                                                  1AA 00014 0004 (9007) A4 – ALICE 04.10




                                                                                           ED      03

                                                                                                                                                            3AL 91669 AA AA                    401 / 706


                                                                                                                                                                          706
not permitted without written authorization from Alcatel.
                                                                                                                                                      All rights reserved. Passing on and copying of this
                                                                                                                                                      document, use and communication of its contents
                                                         NRZ                                             NRZ
                                              FROM       CK                                              CK              TO
                                              PREVIOUS   NRZ                                             NRZ        SPARE HSBOARD
                                              ACCESS     CK                                              CK
                                              CARD       LOS                                             LOS




                                                         NRZ                                             NRZ
                                              FROM       CK                                              CK
                                              PREVIOUS   NRZ                                             NRZ             TO
                                              ACCESS                                                                SPARE HSBOARD
                                                         CK                                              CK
                                              CARD       LOS                                             LOS




                                                         NRZ                                             NRZ
                                              FROM       CK                                              CK
                                              PREVIOUS   NRZ                                             NRZ             TO
                                              ACCESS                                                                SPARE HSBOARD
                                                         CK                                              CK
                                              CARD       LOS                                             LOS




                                                         NRZ                                             NRZ
                                              FROM       CK                                              CK
                                              PREVIOUS   NRZ                                             NRZ             TO
                                              ACCESS                                                     CK         SPARE HSBOARD
                                                         CK
                                              CARD       LOS                                             LOS
                                                                                 FAIL




                                                                                                                          TO/FROM
                                                                     REMOTE             RIBUS             RIBUS            MATRIXE
                                                                   INVENTORY             I/F
                                                                                          +3.3 Vdc F
                                                                                                           FROM CONGI
                                                                                            +3.3 Vdc
                                                                                                           FROM         RELEVANT PORT CARD


                                                                     HPROT ACCESS CARD
1AA 00014 0004 (9007) A4 – ALICE 04.10




                                                               Figure 246. HPROT access card block diagram




                                         ED    03

                                                                                                   3AL 91669 AA AA                      402 / 706


                                                                                                                  706
4.9 ISA – Ethernet access card (ETH–ATX)

                                                                                            (See Figure 247. on page 404)
not permitted without written authorization from Alcatel.




                                                                                            The ETH–ATX access card is placed in the access area and is able to provide 14 x 10 /100 Mb/s Ethernet
  All rights reserved. Passing on and copying of this
  document, use and communication of its contents




                                                                                            Interfaces to allows LAN to LAN connection.
                                                                                            On the ETH–ATX access card only the physical interface function is implemented, so it must be used
                                                                                            in conjunction with the relevant ETHERNET port where the signal is processed in order to be transported
                                                                                            in a SDH VCx.
                                                                                            In the following a generic description of the access card is given:
                                                                                            INPUT side

                                                                                            The 14 Ethernet flows coming from the line are sent to 14 transformer to implement the crossover
                                                                                            functionality.

                                                                                            Subsequently the Ethernet flows are managed by the “Self Rate Adapting” block. This block at start–up
                                                                                            auto–negotiate the maximum rate accepted by the interface (10Mbit/s, 100 Mbit/s, Half duplex, Full
                                                                                            duplex) and after having processed the signal, data are sent through a serializer (PISO  SIPO block) to
                                                                                            the relevant Ethernet port.
                                                                                            The Rate interface (10Mbit/s, 100 Mbit/s, Half duplex, Full duplex) can also be forced by the
                                                                                            Microcontroller present on the relevant ETHERNET PORT through the “Rate Adapting Forced Rate”
                                                                                            command.

                                                                                            A VCX0 is present on the board to deliver a 125 MHz clock to the “Self Rate Adapting” block.
                                                                                            OUTPUT side

                                                                                            The complementary operation described in the “Input side” are performed.

                                                                                            Control section

                                                                                            The RIBUS I/F block is present to read/write inventory data as code, serial number, construction data
                                                                                            implemented on the RI and also send programming info to the “Self Rate Adapting” block.

                                                                                            Power Supply

                                                                                            The access card receive the following voltage:

                                                                                            –    +3.3 Vdc from CONGI to supply the RIBUS I/F block
                                                                                            –    48/60 Vdc from the CONGI;

                                                                                            On the front cover plate 14 10BASE T connectors and a red/green led are available; the last gives fail
                                                                                            alarm indication for the access card.
                                                  1AA 00014 0004 (9007) A4 – ALICE 04.10




                                                                                           ED      03

                                                                                                                                                           3AL 91669 AA AA                     403 / 706


                                                                                                                                                                       706
not permitted without written authorization from Alcatel.
                                                                                                                                                                                                                          All rights reserved. Passing on and copying of this
                                                                                                                                                                                                                          document, use and communication of its contents
                                                                                                                        Rate adapting
                                                                                     VCX0                               forced settings
                                                                                       125MHz

                                                                          1   ÎÎÎ
                                                                              ÎÎÎ




                                                                                                                                                                                          ETHERNET PORT
                                                                              ÎÎÎ
                                                                              ÎÎÎ




                                                                                                                                                                                                          10/100 Mb/s
                                          ETHERNET INTERFACE 10 BASE T




                                                                          2




                                                                                                                                                                                             from/to
                                                                              ÎÎÎ
                                                                              ÎÎÎ
                                                                                     SELF RATE ADAPTING
                                                                                                                                             1.2 Gb/s DATA
                                                                                            Full–duplex
                                                                                            Half–duplex                            SIPO
                                                                                             10 Mbit/s                               
                                                                         13   ÎÎÎ
                                                                              ÎÎÎ
                                                                                            100 Mbit/s
                                                                                                                                   PISO



                                                                         14
                                                                              ÎÎÎ
                                                                              ÎÎÎ
                                                                              ÎÎÎ
                                                                              ÎÎÎ                          Program




                                                                                                                                                                               MATRIXE MAIN AND SPARE
                                                                                                                                                      CMISS




                                                                                                                                                                         from/to
                                                                                                           Remote
                                                                                                          Inventory
                                                                                                                                                     RIBUS
                                                                                                                                  RIBUS     ID
                                                                                                                                   I/F           F    +3.3 Vdc
                                                                                                                     Unit
                                                                                                                     Failure
                                                                                                                                                                 FROM CONGI




                                                                                                                3.3 V
                                                                                                                                 DC/DC           48/60 V
                                                                                                                2,5 V          CONVERTERS




                                                                               ETHERNET ACCESS




                                                                                        Figure 247. Ethernet Access –Block Diagram
1AA 00014 0004 (9007) A4 – ALICE 04.10




                                         ED                              03

                                                                                                                                3AL 91669 AA AA                                                         404 / 706


                                                                                                                                            706
4.10 ISA – Gigabit Ethernet access Card (GETH–AG)

                                                                                            (See Figure 248. on page 407)
not permitted without written authorization from Alcatel.




                                                                                            The GETH–AG access card is placed in the access area and can be equipped with up to 4 “Optical
  All rights reserved. Passing on and copying of this
  document, use and communication of its contents




                                                                                            Transceiver modules at 1.25 Gb/s” providing Gigabit Ethernet Interfaces to allows LAN to LAN
                                                                                            connection.

                                                                                            For the description of the optical module refer to paragraph 4.19 on page 430.

                                                                                            On the GETH–AG access card only the physical interface and some control functions are implemented,
                                                                                            so it must be used in conjunction with the ETHERNET or GIGABIT ETHERNET port where the signal
                                                                                            is processed in order to be transported in a SDH VCx.
                                                                                            Refer to paragraph 3.8.5.2 for details on ethernet architecture in 1660SM.
                                                                                            In the following a generic description of the access card is given:
                                                                                            INPUT side

                                                                                            The four Gigabit Ethernet flows coming from the “Optical Transceiver “ (DATA#1...DATA#4) are sent to
                                                                                            a block that performs the following functionality according to IEEE 802.3:

                                                                                            –    Physical Coding Sublayer (PCS);allows to couple the Gigabit Media Independent Interface (GMII)
                                                                                                 and the Physical Media Attachment (PMA).
                                                                                                 The functions performed are:

                                                                                                 •        Serializer/de–serializer

                                                                                                 •        8B/10B coding ; 8 data bits are coded in a 10 data bits.

                                                                                            –    Auto–negotiation; negotiation of common data service functions with the device on the other end of
                                                                                                 the link.

                                                                                            –    Gigabit Media Independent Interface (GMII)

                                                                                            Subsequently the four 1.25 Gb/s Ethernet flows are sent towards the relevant “Ethernet port” or “Gigabit
                                                                                            Ethernet port” where the signals will be processed and mapped onto SDH–VC

                                                                                            A VCX0 is present on the board to deliver a 125 MHz clock .
                                                                                            OUTPUT side

                                                                                            The complementary operation described in the “Input side” are performed.

                                                                                            Control section

                                                                                            The RIBUS I/F block is present to read/write inventory data as code, serial number, construction data
                                                                                            implemented on the Remote Inventory and also send programming info to the “Alarms  Remote Inventory
                                                                                            Management” block.
                                                                                            On the front cover plate a red/green led is available giving fail alarm indication for the access card.
                                                                                            The presence of the Optical Transceiver modules is detected by the RIBUS I/F block by means of the
                                                                                            SI1...SI4 signals.
                                                  1AA 00014 0004 (9007) A4 – ALICE 04.10




                                                                                           ED        03

                                                                                                                                                             3AL 91669 AA AA                   405 / 706


                                                                                                                                                                       706
Alarms  Remote inventory Management

                                          This block manage the alarms and commands receive/sent by/to the Optical Transceiver modules (LOS,
                                          LASER FAIL, LASER SHUTDOWN). Also the Optical Transceiver modules Remote inventory data are




                                                                                                                                                           not permitted without written authorization from Alcatel.
                                          read through the RI1.....RI4 signals (for example the laser type). Further all this data are sent via ISFB




                                                                                                                                                             All rights reserved. Passing on and copying of this
                                                                                                                                                             document, use and communication of its contents
                                          bus to the relevant port card and than to the Shelf Controller on the MATRIX card where are processed.

                                          The Alarms  Remote Inventory Management block is configurated by the RIBUS I/F; an external
                                          configuration interface is also available on the board, but the use is for Alcatel personnel only.

                                          Power Supply

                                          The access card receive the following voltage:

                                          –    +3.3 Vdc (Vs) from CONGI to supply the RIBUS I/F block
                                          –    48/60 Vdc from the CONGI;

                                          A DC/DC converter generates the following voltages starting from the station battery:

                                          –    3.3 Vdc
                                          –    2.5 Vdc
                                          –    1.8 Vdc
1AA 00014 0004 (9007) A4 – ALICE 04.10




                                         ED      03

                                                                                                        3AL 91669 AA AA                        406 / 706


                                                                                                                      706
+3.3 Vdc
                                                                                                                                                                        125 MHz                                              125 MHz
                                                                                                                                    SI1                                  OSC.
                                                                                                 INPUT       OPTICAL                RI1
not permitted without written authorization from Alcatel.




                                                                                                             MODULE
  All rights reserved. Passing on and copying of this
  document, use and communication of its contents




                                                                                                Line #1                             LOS               *1
                                                                                                           1000BASE–SX              LASER FAIL
                                                                                                                                    LASER SD                                    Reset
                                                                                                           1000BASE–LX
                                                                                                OUTPUT     1000BASE–ZX




                                                                                                                                                                                                                                                                         ETHERNET PORT 10/100 Mb/s

                                                                                                                                                                                                                                                                           GIGABIT ETHERNET PORT
                                                                                                                              DATA #1                                                                                                   #1
                                                                                                                                                                                              PCS sublayer




                                                                                                                                                                                                                                                 4X 1.2 Gbit/s to/from
                                                                                                                                                                                        ( Serializer/Deserializer                       #2
                                                                                                                                                                                        8B/10B Coding/Decoding    )




                                                                                                                                                                                                                                                                                     or
                                                                                                                                                                                                                                        #3
                                                                                                                                   +3.3 Vdc                                                  GMI Interface
                                                                                                                                   SI2                                                      Autonegotiation                             #4
                                                                                                INPUT        OPTICAL               RI2
                                                                                                             MODULE
                                                                                                                                   LOS                *2
                                                                                                Line #2                            LASER FAIL
                                                                                                           1000BASE–SX                                                               3.3 Vdc
                                                                                                                                   LASER SD
                                                                                                           1000BASE–LX                                                               2.5 Vdc                       DC/DC




                                                                                                                                                                                                                                                                         CONGI
                                                                                                                                                                                                                                                                         FROM
                                                                                                OUTPUT     1000BASE–ZX        DATA #2                                                                             Converters           48/60 V
                                                                                                                                                                                        1,8Vdc


                                                                                                                                                                                            Internal use only
                                                                                                                                   +3.3 Vdc
                                                                                                                                                                                          SERIAL                              EXT.
                                                                                                             OPTICAL               SI3                                                  CONFIGURAT.                          CONF.
                                                                                                INPUT        MODULE                RI3                                                    PROM                                 INT:

                                                                                                           1000BASE–SX             LOS


                                                                                                                                                                                                 CONFIGURATION
                                                                                                Line #3                                                *3
                                                                                                           1000BASE–LX             LASER FAIL
                                                                                                                                   LASER SD
                                                                                                           1000BASE–ZX
                                                                                                OUTPUT
                                                                                                                              DATA #3
                                                                                                                       (*)




                                                                                                                                                                                                                                                                         ETHERNET PORT 10/100 Mb/s

                                                                                                                                                                                                                                                                          GIGABIT ETHERNET PORT
                                                                                                                                                                                   *1
                                                                                                                                   +3.3 Vdc                                        *2
                                                                                                                                   SI4                                             *3          Alarms                                 ISFB
                                                                                                INPUT
                                                                                                             OPTICAL               RI4


                                                                                                                                                                                                                                               to/from
                                                                                                                                                                                            Remote Inventory




                                                                                                                                                                                                                                                                                    or
                                                                                                             MODULE                                                                *4
                                                                                                Line #4                            LOS                                      RI1               Mangement
                                                                                                            1000BASE–SX                               *4
                                                                                                                                   LASER FAIL                               RI2
                                                                                                            1000BASE–LX            LASER SD                                 RI3
                                                                                                OUTPUT      1000BASE–ZX                                                     RI4
                                                                                                                              DATA #4
                                                                                                                                                                                                  CONFIGURATION




                                                                                                                        (*)
                                                                                                                                                                        RESET
                                                                                                                                               SI1
                                                                                                                                                     SI2

                                                                                                                                                            SI3
                                                                                                                                                                  SI4




                                                                                                                                                                                                                             CMISS

                                                                                                                                                                                                                                              TO/FROM
                                                                                                                 REMOTE                                                                                                                        MATRIXE
                                                                                                               INVENTORY                                                RIBUS                                                 RIBUS
                                                                                                                                     FAIL                               I/F


                                                                                                                                                                                  +3.3 Vdc (Vs)                          F
                                                                                                                                                +3.3 Vdc (Vs)                                                                           FROM CONGI

                                                                                                              ISA– GIGABIT ETHERNET ACCESS
                                                  1AA 00014 0004 (9007) A4 – ALICE 04.10




                                                                                                  Note: not used if the ”Gigabit Ethernet access” is used in conjunction with the ”Ethernet Port” (ETH–MB)



                                                                                                                      Figure 248. Gigabit Ethernet Access card –Block Diagram

                                                                                           ED        03

                                                                                                                                                                                   3AL 91669 AA AA                                                                           407 / 706


                                                                                                                                                                                                                   706
4.11 ISA –16 FEA–PR Fast Ethernet Access Card

                                          The 16FEA–PR access card provides 16 * 10/100 Mbit/s interfaces for use with the ISA–PR port card.




                                                                                                                                                                                         not permitted without written authorization from Alcatel.
                                          The 16FEA–PR card occupies 2 Access slots within the chassis.




                                                                                                                                                                                           All rights reserved. Passing on and copying of this
                                                                                                                                                                                           document, use and communication of its contents
                                          This section provides a generic description of the 16FEA–PR Access Card.

                                          Functional Overview

                                          The primary function of the 16FEA–PR access card is to physically terminate client 10/100 Fast Ethernet
                                          interfaces. Traffic received from these interfaces is validated, processed and passed to the ISA–PR port
                                          card for transmission over the network. Traffic received from the packet ring is processed in the access
                                          card and delivered to the correct customer port in a valid packet format.

                                          The card itself comprises two sub–cards:

                                               •        Base Card: provides control and packet processing functions
                                               •        ”Phy” (or Physical) card: which provides the physical interfaces and connectors


                                                                         PHY CARD

                                               BP connector 0                        BP connector 0




                                                                                                                                                                    Timing
                                                                         BP Serdes               Tx 1.25GBps x 3ch

                                                                                        Rx 1.25GBps x 3ch
                                                                                                                                    FPGA                               nP
                                                                                                                                                                   SE2PROM
                                                                                                                                                    HOST
                                                                                                                                                    Manag
                                                                                                                   CONT
                                                                                                                      DATA
                                                                                                                                                            CONT
                                                                                                 RGGI




                                                                                                                               ADDRESS
                                                                                                RGGI
                                                         Packet Memory




                                                                           ADDR            Network Processor:                     Rx
                                                                                                                                   Tx
                                                                             DATA
                                                                                           Validation
                                                                                                                                 DATA       Search Memory
                                                                             CONT
                                                                                           Frame classification,               ADDRESS
                                                                                           editing and buffering                 CONT




                                                                                                                                                      Base Card
                                                                                                                 PHY
                                                                                                                       Manag
                                                                                                          SMII
                                                                                         SMII




                                                                                        FE PHY               FE PHY
                                                                                                                                           POWER
                                                                                            0                    1




                                                                                       8 x RJ45                     8 x RJ45                 PHY CARD
                                                                                      connectors                   connectors
1AA 00014 0004 (9007) A4 – ALICE 04.10




                                                                               Figure 249. 16FEA–PR Card Functional Block Diagram

                                         ED        03

                                                                                                                                           3AL 91669 AA AA                   408 / 706


                                                                                                                                                            706
Data Path – Ingress
                                                                                            The 16 physical Ethernet interfaces are hosted by a network processor embedded on the access card.

                                                                                            Incoming packets are validated according to:
not permitted without written authorization from Alcatel.
  All rights reserved. Passing on and copying of this
  document, use and communication of its contents




                                                                                                 •        Correct Packet Format; Ethernet frame format as per IEEE 802.3 including:
                                                                                                               •    802.3
                                                                                                               •    802.1Q
                                                                                                               •    Multiple stacked VLAN
                                                                                                               •    Ethernet frame encapsulating MPLS payload (e.g. According to the Martini draft)

                                                                                                 •        Packet Size
                                                                                                              •     Minimum – 64 Bytes
                                                                                                              •     Maximum – 1600 Bytes

                                                                                                 •        Valid CRC

                                                                                            The network processor processes only valid frames and discards the invalid frames. The first stage of
                                                                                            processing is packet classification. Frame classification is used to identify:–

                                                                                                 •        The service to which this frame belongs. Frame destination or set of destinations depends on
                                                                                                          the service type. This is defined in the provisioning process.
                                                                                                 •        Identify the frame priority. This will determine the precedence and delay with which it will be
                                                                                                          forwarded to the ISA–PR port card. Frames will be classified into one of three available CoS
                                                                                                          (Class of Service) queues defined as high, medium or low.

                                                                                            For further information with regard to service definitions and QoS mechanisms in the ISA–PR, please refer
                                                                                            to 3.7 on page 245 and 4.35 on page 508.

                                                                                            Following frame classification, the network processor performs frame editing. Frame editing refers to the
                                                                                            appending or swapping of a tag for identification purposes. The following functions are currently
                                                                                            supported.

                                                                                                 •        Append MPLS tag to identify the service and priority to which the frame belongs. This
                                                                                                          information is used by other network elements in network – always
                                                                                                 •        Strip Martini header – optional
                                                                                                 •        Append, Swap or Strip VLAN – optional

                                                                                            The network processor forwards validated and edited frames to the port card (ISA–PR) for transmission
                                                                                            to the destination access cards. Payload information is passed between the access card and port card
                                                                                            via two 1Gbps backplane channels.

                                                                                            Data Path – Egress
                                                                                            The first part of the egress process takes part on the port card. For further details, please refer to 4.35
                                                                                            on page 508.

                                                                                            Frames that have been designated for deliveries to client ports are delivered from the port card to the
                                                                                            relevant access card over two 1Gbps backplane channels.

                                                                                            The network processor handles the buffering of frames until they can be forwarded over the appropriate
                                                                                            Ethernet interface. Delivery of frames is according to bandwidth availability and frame priority.

                                                                                            Prior to emitting a frame network processor applies frame editing as follows:
                                                  1AA 00014 0004 (9007) A4 – ALICE 04.10




                                                                                                 •        Strip MPLS tag, which has been used to identify the service and priority to which the frame
                                                                                                          belongs at the ring – always
                                                                                                 •        Append Martini header – optional

                                                                                           ED        03

                                                                                                                                                              3AL 91669 AA AA                       409 / 706


                                                                                                                                                                           706
Performance Monitoring
                                          The 16FEA–PR card maintains performance monitoring counters at both Port and Queue levels. At the
                                          Port level these are standard Ethernet counters. At the Queue level these are discard counters.




                                                                                                                                                          not permitted without written authorization from Alcatel.
                                          Control




                                                                                                                                                            All rights reserved. Passing on and copying of this
                                                                                                                                                            document, use and communication of its contents
                                          The 16FEA–PR card is managed via a controller hosted on the ISA–PR port card.
                                          The control bus can be used to read inventory information such as serial number, construction information
                                           date of manufacture.
                                          On the front plate, two LEDs give alarm indication for the card as specified in the table below.

                                          Table 50. 16FEA–PR card LEDs designation

                                              LED name           State                                  Alarm / Status
                                                                              ON = Minor
                                                 OK            YELLOW
                                                                              Blinking 50/50 = maintenance in progress (loopbacks...)
                                                                              ON = Major/Critical
                                                                              Blinking 50/50 = during the POST (Power On Self Test) failure. On
                                                 OK                 RED       POST completion the LED will change its color according to the card
                                                                              status afterwards
                                                                              Blinking 20/80 = card mismatch
                                                                              ON = OK Status
                                                 OK             GREEN         Blinking 50/50 = during init
                                                                              Blinking 20/80 = card is unassigned, i.e. not yet approved by NMS
                                                 OK                 OFF       the card is not powered
                                               Active           GREEN         ON = the card is powered
                                               Active               OFF       the card is not powered


                                          Physical Interfaces
                                          The 16FEA–PR access card front view is shown in Figure 74. on page 163.
                                          Each of the interfaces is fully standards compliant to IEEE 802.3 offering 10/100 Base–TX physical
                                          interconnection and a choice of the full range transmission modes (10/100 Mbit/s, Full/Half Duplex, Fixed
                                          or Auto negotiation transmit mode)
                                          A full listing of the interface characteristics can be found in section 5.5.2 on page 611.

                                          Each Ethernet interface has LED indications specified in the table below.

                                          Table 51. 16FEA–PR interface LED designation

                                                 LED                 State                                 Designation

                                          Link                Green               Link up

                                          Link                Off                 Link down

                                          Activity            Yellow              RX/TX in process

                                          Activity            Off                 Link silent


                                          Power
1AA 00014 0004 (9007) A4 – ALICE 04.10




                                          The access module receives a 7v DC supply from the port card, which is used to power the components.
                                          Other voltages required are generated on the card itself.
                                          The power consumption of the 16FEA–PR Fast Ethernet Access card is 23 Watts.


                                         ED      03

                                                                                                        3AL 91669 AA AA                       410 / 706


                                                                                                                      706
4.12 ISA – 2 GBA–PR Fast Ethernet Access Card

                                                                                            The 2GBA–PR access card provides 2 * Gbit/s interfaces for use with the ISA–PR port card.
not permitted without written authorization from Alcatel.




                                                                                            The 2GBA–PR card occupies 2 Access slots within the chassis.
  All rights reserved. Passing on and copying of this
  document, use and communication of its contents




                                                                                            The card itself comprises two sub–cards:

                                                                                                 •        Base Card which provides control and packet processing functions
                                                                                                 •        ”Phy” (or Physical interface) card which provides the physical interfaces and connectors

                                                                                            This section provides a generic description of the 2GBA–PR Access Card.

                                                                                            Functional Overview

                                                                                            The primary function of the 2GBA–PR access card is to physically terminate client Ethernet interfaces.
                                                                                            Traffic received from these interfaces is validated, processed and passed to the ISA–PR port card for
                                                                                            transmission over the network. Traffic received from the packet ring is processed in the access card and
                                                                                            delivered to the correct customer port in a valid packet format.

                                                                                                                            PHY CARD

                                                                                                 BP connector 0                        BP connector 0



                                                                                                                                                                      Base Card
                                                                                                                                                                                                                           Timing
                                                                                                                           BP Serdes                Tx 1.25GBps x 3ch

                                                                                                                                          Rx 1.25GBps x 3ch
                                                                                                                                                                                           FPGA                               nP
                                                                                                                                                                                                                          SE2PROM
                                                                                                                                                                                                           HOST
                                                                                                                                                                                                           Manag
                                                                                                                                                                          CONT
                                                                                                                                                                             DATA
                                                                                                                                                                                                                   CONT
                                                                                                                                                   RGGI




                                                                                                                                                                                      ADDRESS
                                                                                                                                                  RGGI




                                                                                                                             ADDR
                                                                                                           Packet Memory




                                                                                                                                                  network Processor:                     Rx
                                                                                                                                                                                          Tx
                                                                                                                              DATA
                                                                                                                                                  Validation
                                                                                                                                                                                         DATA
                                                                                                                             CONT                 Frame classification,                  ADDRESS          Search Memory
                                                                                                                                                  editing and buffering                  CONT
                                                                                                                                                                        PHY
                                                                                                                                                                              Manag
                                                                                                                                                               SMII
                                                                                                                                           SMII




                                                                                                                                                                                                 POWER
                                                                                                                                                  OPTIC




                                                                                                                                                                OPTIC




                                                                                                                                                                                               PHY CARD
                                                  1AA 00014 0004 (9007) A4 – ALICE 04.10




                                                                                                                                  Figure 250. 2GBA–PR Card Functional Block Diagram

                                                                                            The 2 GbE interfaces are hosted by a network processor embedded on the access card.

                                                                                           ED        03

                                                                                                                                                                                                    3AL 91669 AA AA                 411 / 706


                                                                                                                                                                                                                   706
Data Path – Ingress

                                          Incoming packets are validated according to:

                                               •




                                                                                                                                                              not permitted without written authorization from Alcatel.
                                                        Correct Packet Format; Ethernet frame format as per IEEE 802.3 including:




                                                                                                                                                                All rights reserved. Passing on and copying of this
                                                                                                                                                                document, use and communication of its contents
                                                             •    802.3
                                                             •    802.1Q
                                                             •    Multiple stacked VLAN
                                                             •    Ethernet frame encapsulating MPLS payload (e.g. According to the Martini draft)

                                               •        Packet Size
                                                            •     Minimum – 64 Bytes
                                                            •     Maximum – 1600 Bytes

                                               •        Valid CRC

                                          The network processor processes only valid frames and discards the invalid frames. The first stage of
                                          processing is packet classification. Frame classification is used to identify:–

                                               •        The service to which this frame belongs. Frame destination or set of destinations depends on
                                                        the service type. This is defined in the provisioning process.
                                               •        Identify the frame priority. This will determine the precedence and delay with which it will be
                                                        forwarded to the ISA–PR port card. Frames will be classified into one of three available CoS
                                                        (Class of Service) queues defined as high, medium or low.

                                          For further information with regard to service definitions and QoS mechanisms in the ISA–PR, please refer
                                          to 3.7 on page 245 and 4.35 on page 508.

                                          Following frame classification, the network processor performs frame editing. Frame editing refers to the
                                          appending or swapping of a tag for identification purposes. The following functions are currently
                                          supported.

                                               •        Append MPLS tag to identify the service and priority to which the frame belongs. This
                                                        information is used by other network elements in network – always
                                               •        Strip Martini header – optional
                                               •        Append, Swap or Strip VLAN – optional

                                          The network processor forwards validated and edited frames to the port card (ISA–PR) for transmission
                                          to the destination access cards. Payload information is passed between the access card and port card
                                          via two 1Gbps backplane channels.

                                          Data Path – Egress
                                          The first part of the egress process takes part on the port card. For further details, please refer to and
                                          4.35 on page 508.

                                          Frames that have been designated for delivery to client ports are delivered from the port card to the
                                          relevant access card over two 1Gbps backplane channels.

                                          The network processor handles the buffering of frames until they can be forwarded over the appropriate
                                          Ethernet interface. Delivery of frames is according to bandwidth availability and frame priority.

                                          Prior to emitting a frame network processor applies frame editing as follows:

                                               •        Strip MPLS tag, which has been used to identify the service and priority to which the frame
1AA 00014 0004 (9007) A4 – ALICE 04.10




                                                        belongs at the ring – always
                                               •        Append Martini header – optional



                                         ED        03

                                                                                                            3AL 91669 AA AA                       412 / 706


                                                                                                                         706
Performance Monitoring
                                                                                            The 16FEA–PR card maintains performance monitoring counters at both Port and Queue levels. At the
                                                                                            Port level these are standard Ethernet counters. At the Queue level these are discard counters.
not permitted without written authorization from Alcatel.




                                                                                            Control
  All rights reserved. Passing on and copying of this
  document, use and communication of its contents




                                                                                            The 2GBA–PR card is managed via a controller hosted on the ISA–PR port card.

                                                                                            The control bus can be used to read inventory information such as serial number, construction information
                                                                                             date of manufacture.
                                                                                            On the front plate, two LEDs give an alarm indication for the card as specified in the table below.

                                                                                            Table 52. 2GBA–PR card LED designation

                                                                                                LED name           State                                     Alarm / Status
                                                                                                                                   ON = Minor
                                                                                                   OK            YELLOW
                                                                                                                                   Blinking 50/50 = maintenance in progress (loopbacks...)
                                                                                                                                   ON = Major/Critical
                                                                                                                                   Blinking 50/50 = during the POST (Power On Self Test) failure. On
                                                                                                   OK              RED             POST completion the LED will change its color according to the card
                                                                                                                                   status afterwards
                                                                                                                                   Blinking 20/80 = card mismatch
                                                                                                                                   ON = OK Status
                                                                                                   OK             GREEN            Blinking 50/50 = during init
                                                                                                                                   Blinking 20/80 = card is unassigned, i.e. not yet approved by NMS
                                                                                                   OK              OFF             the card is not powered
                                                                                                 Active           GREEN            ON = the card is powered
                                                                                                 Active            OFF             the card is not powered


                                                                                            Physical Interfaces
                                                                                            The 2GBA–PR access card front view is shown in Figure 73. on page 162

                                                                                            A full listing of the interface characteristics can be found in section 5.5.3 on page 611.
                                                                                            There are two Ethernet interfaces available which offer a standards compliant Optical Gigabit Ethernet.
                                                                                            Small form factor pluggable connectors enable the support of both 1000–Base–LX and 1000–Base–SX
                                                                                            standards.

                                                                                            Each Ethernet interface has LED indications specified in the table below

                                                                                            Table 53. 2GBA–PR interface LED designation

                                                                                                 LED name                  State                                  Designation

                                                                                            Link                Green                       Link up

                                                                                            Link                red                         Any port related alarm


                                                                                            Power

                                                                                            The access module receives a 7v DC supply from the port card, which is used to power the components.
                                                  1AA 00014 0004 (9007) A4 – ALICE 04.10




                                                                                            Other voltages required are generated on the card itself.
                                                                                            The power consumption of the 2GBA–PR Fast Ethernet Access card is 22 Watts.



                                                                                           ED       03

                                                                                                                                                             3AL 91669 AA AA                      413 / 706


                                                                                                                                                                          706
4.13 Optical booster (BST10, BST15, BST17)

                                          The Booster unit is utilized when it is necessary to get longer span; it is intended for long haul applications,
                                          increasing link budget.




                                                                                                                                                                not permitted without written authorization from Alcatel.
                                          Up to eight Booster units can be inserted in the Access Area of 1660SM equipment.




                                                                                                                                                                  All rights reserved. Passing on and copying of this
                                                                                                                                                                  document, use and communication of its contents
                                          The Booster can differ by output optical power values: +10 dBm, +15 dBm and +17dBm (minimum).
                                          The optical connectors FC/PC or SC/PC are accessible on the unit’s front coverplate.

                                          The unit provide a non–regenerative direct optical amplification (i.e. without any intermediate
                                          optical/electrical conversion) in the 1550 nm window.
                                          The optical signal transmitted from the port to the Booster, is amplified and then transmitted towards the
                                          external line.

                                          The interconnection between Booster and port is realized on the unit front optical connectors by means
                                          of supplied optical cable.

                                          In addition to the main function the unit will provide the following features:

                                               •        Built in WDM coupler ;
                                               •        Operation monitoring and alarm generation;
                                               •        Analogue to digital converters for operating parameters measurement;
                                               •        Built in protection capabilities to address optical safety issues;
                                               •        Front panel led indicators for status and fault monitoring;
                                               •        Management of Automatic Laser Shutdown (ALS) according to ITU–T G.664 recommendation.

                                          Three optical connectors on the front panel of the unit will be used for (see Figure 251. on page 414):

                                               •        Input of not amplified signal from optical port;
                                               •        Output of amplified signal + supervision signal (not amplified) to line.




                                                                                                         booster                                  from
                                                                                                         module                                   port
                                           to                                     +     WDM
                                           line                                         coupler




                                                                                                                     BOOSTER




                                                                                                                                       optical connector
                                                                                                                                       FC/PC or SC/PC


                                                                            Figure 251. BSTxx – optical block diagram
1AA 00014 0004 (9007) A4 – ALICE 04.10




                                         ED        03

                                                                                                             3AL 91669 AA AA                        414 / 706


                                                                                                                           706
The unit has the following building blocks (see Figure 252. on page 417).
                                                                                            Power and reference circuitry

                                                                                            The unit has a direct power supply from battery voltage on backplane: nominal value in the range –48 V
not permitted without written authorization from Alcatel.
  All rights reserved. Passing on and copying of this




                                                                                            to –60 V.
  document, use and communication of its contents




                                                                                            Devoted to:
                                                                                                 •        Input of main power supply with fault protecting circuitry
                                                                                                 •        DC/DC conversion from battery voltage to 5.2 V and 3.3 V main on board power supplies (with
                                                                                                          fault protecting circuitry and synchronizing oscillator)
                                                                                                 •        DC/DC conversion from 5.2 V and 3.3 V main power supplies to –5.2 V, +2.5 V, –3.3 V auxiliary
                                                                                                          power supplies (with overvoltage protecting circuitry)
                                                                                                 •        Voltage reference generation
                                                                                                 •        Power supplies alarm detection
                                                                                            Compact OFA module

                                                                                            Optical fibre amplifier module, an hybrid module of the Alcatel Optronics 1900 OFA family, acting as optical
                                                                                            gain device with built–in input and output power monitoring photodiodes.
                                                                                            Main components are:
                                                                                                 •        Photodiode for monitoring of input power (fed by a coupler extracting a small fraction of light
                                                                                                          from the main optical path)
                                                                                                 •        Input optical isolator (preventing pump power and amplified spontaneous emission to exit from
                                                                                                          input port)
                                                                                                 •        A length of Erbium doped active fibre
                                                                                                 •        Pump laser (operating at 980 nm) to generate optical pumping power
                                                                                                 •        A WDM coupler to insert pumping power into active fibre
                                                                                                 •        Output optical isolator to prevent external reflections (assuring stable operation of the OFA)
                                                                                                 •        Photodiode for monitoring of output power (fed by a coupler extracting a small fraction of light
                                                                                                          from the main optical path)
                                                                                            Control block

                                                                                            Mixed analogue and digital circuitry (with a DSP microprocessor) devoted to control:
                                                                                                 •        Pump laser temperature
                                                                                                          It should be stabilized in a small range around nominal value; the thermistor in OFA module is
                                                                                                          used for temperature sensing of the laser, and a Thermo Electric Cooler/Heater (TECH) driven
                                                                                                          by a current source/sink circuit is used for temperature control.
                                                                                                          DSP processor can monitor TECH current via a sensing resistor, a differential amplifier and A/D
                                                                                                          converter.
                                                                                                 •        Optical output power
                                                                                                          It should be stabilized around target value +10 dBm; output photodiode in OFA module is used
                                                                                                          for sensing of output power, and the current of pump laser is adjusted consequently. Moreover
                                                                                                          input power to OFA module is monitored via input photodiode, a transimpedance amplifier and
                                                                                                          A/D converter.
                                                                                            Main functions of the block are:
                                                                                                 •        Conditioning (i.e. level adjusting, buffering, and so on) of analogue signals from sensors internal
                                                                                                          or external to OFA module
                                                                                                 •        Analogue to digital conversion of the conditioned signals
                                                  1AA 00014 0004 (9007) A4 – ALICE 04.10




                                                                                                 •        Digital implementation of control logic in DSP microprocessor, to generate control signals
                                                                                                 •        Digital to analogue conversion of control signals towards current sources
                                                                                                 •        Current source circuits toward OFA module (laser diode current and TECH current)


                                                                                           ED        03

                                                                                                                                                                3AL 91669 AA AA                        415 / 706


                                                                                                                                                                              706
Information processing

                                          Information about state of the board is mainly processed by the DSP.
                                          The main processes are:




                                                                                                                                                                  not permitted without written authorization from Alcatel.
                                               •




                                                                                                                                                                    All rights reserved. Passing on and copying of this
                                                        Alarm detection




                                                                                                                                                                    document, use and communication of its contents
                                                        Alarms related to optical signal or OFA module are detected and processed by DSP; a few
                                                        alarms related to HW in the board are detected by dedicated circuitry. All alarms are made
                                                        available to external interface block.
                                               •        Measurement collection
                                                        Measures of optical and electrical parameters are collected by DSP and made available to
                                                        external interface block.
                                               •        Configuration and provisioning management
                                                        Configuration and provisioning information from shelf controller via external interfaces are
                                                        managed mainly by DSP.

                                          External interfaces

                                          The following interfaces will be implemented:
                                               •        Serial peripheral and inventory (SPI)
                                                        The SPI bus will be used by the main shelf controller to acquire remote inventory data; the same
                                                        bus is used by the main shelf controller to interface DSP processor. Data transfer over the SPI
                                                        bus is controlled by the main shelf controller; the other cards operate as slaves.
                                                        The SPI bus is duplicated on each shelf: each slave card is connected to both the main and the
                                                        spare SC processor through a dedicated bus.
                                                        The Optical Booster houses also the RIBUS I/F block the function of which is described on
                                                        paragraph 3.17 on page 370 and the Remote Inventory.
                                               •        Unit led interface
                                                        Two led are on the front panel of the unit:
                                                        –     a bicolor red/green led acting as:
                                                              •     red: internal failure indication;
                                                              •     green: active unit indication;
                                                        –     a yellow led acting as shutdown indication (i.e. no amplification of optical signal).

                                          Optical safety and shutdown handler block

                                          Since optical power levels emitted by the booster can damage the human eye, the unit will have to be
                                          compatible with IEC standards 825–1 and 825–2, intended to protect users against optical radiation.
                                          As protection mechanism, in the event of potential danger, an automatic shutdown will be supported.
                                          Automatic shutdown will be implemented in the case of:

                                               •        Cover open (according enable from shelf controller)
                                               •        Loss of input signal

                                          A single section automatic laser shutdown procedure will be implemented according G.664
                                          recommendation; a shutdown command will be sent also to optical service unit as a consequence of
                                          detection of loss of input signal in preamplifier and optical service unit. Restart pulses (time duration not
                                          higher than 400 ms) will be implemented by the booster (both automatically and manually).
1AA 00014 0004 (9007) A4 – ALICE 04.10




                                         ED        03

                                                                                                              3AL 91669 AA AA                         416 / 706


                                                                                                                            706
not permitted without written authorization from Alcatel.
  All rights reserved. Passing on and copying of this
  document, use and communication of its contents




                                                                                                                                                    OFA module

                                                                                                                   INPUT             INPUT            WDM         ERBIUM          OUTPUT         OUTPUT
                                                                                                                  MONITOR          ISOLATOR         COUPLER       DOPED          ISOLATOR        MONITOR
                                                                                                                                                                   FIBER
                                                                                                FROM                                                                                                            TO
                                                                                                PORT                                                                                                           LINE



                                                                                                                   IP           PUMP                              AUTOMATIC                 OP
                                                                                                                             TEMPERATURE              PUMP          POWER
                                                                                                                               CONTROL               LASER         CONTROL



                                                                                                                                   TEMP.                             I PUMP


                                                                                                                          COVER          LASER
                                                                                                                         REMOVAL       SHUTDOWN
                                                                                                                                                                     D/A conv.           A/D conv.
                                                                                                                           COPEN           LOS IN   SD

                                                                                                             IP
                                                                                                             OP            ALARMS                                               DSP
                                                                                                                         GENERATION                      ALARMS
                                                                                                          I PUMP
                                                                                                                                                                           alarms  control
                                                                                                          TEMP.


                                                                                                            control block

                                                                                                                                       PW ALM



                                                                                                                                                   5V
                                                                                                        –48/–60         POWER SUPPLY
                                                                                                                           BLOCK                   3,3V
                                                                                                                                                +2,5V
                                                                                                                                                                                         COPEN
                                                                                                                                                                    FAIL




                                                                                                                                                                                    SD



                                                                                                                                                REMOTE                         RIBUS
                                                                                                                                                                                                       RIBUS
                                                                                                                                              INVENTORY                        I/F
                                                                                                                                                                                                               to/from
                                                                                                                                                                                                               MATRIX

                                                                                                        OPTICAL BOOSTER card
                                                  1AA 00014 0004 (9007) A4 – ALICE 04.10




                                                                                                                                   Figure 252. BSTxx – card block diagram




                                                                                           ED      03

                                                                                                                                                                            3AL 91669 AA AA                       417 / 706


                                                                                                                                                                                            706
4.14 Optical 2.5 Gbit/s Preamplifier (PR16)
                                          (See Figure 253. on page 423 and Figure 254. on page 424)




                                                                                                                                                              not permitted without written authorization from Alcatel.
                                          General features




                                                                                                                                                                All rights reserved. Passing on and copying of this
                                                                                                                                                                document, use and communication of its contents
                                          The unit will provide a non–regenerative direct optical amplification before the receive host system (i.e.
                                          without any optical–to–electrical–conversion) in the 1550 nm window.

                                          Target: output power level provisionable at –13.5 dBm.

                                          It is intended for single channel applications, its output goes to a STM–16 port (RX) L16.2 JE3–CH34
                                          interface, increasing link budget.
                                          No WDM applications are provided.

                                          In addition to the main function the unit will provide the following features:

                                               •        operation monitoring and alarm generation
                                               •        analogue to digital converters for operating parameters measurement
                                               •        built in protection capabilities to address optical safety issues
                                               •        front panel led indicators for status and fault monitoring
                                               •        management of Automatic Laser Shutdown (ALS) according to ITU–T G.664 Rec.
                                               •        on–line SW download (i.e. in–field download of new DSP SW releases without affecting the
                                                        optical signal)

                                          Two optical connectors on the front panel of the unit will be used for:

                                               •        input of not amplified signal
                                               •        output of amplified signal

                                          Two LED will show:

                                               •        a green/red LED: proper working in the system (or download in progress)
                                               •        a yellow LED: shutdown monitor to valuate laser current state

                                          For the description of this unit refer to Figure 253. on page 423 and Figure 254. on page 424.

                                          The unit has the following building blocks.


                                          Power and reference circuitry

                                          Devoted to:

                                               •        input of main power supply (DC battery voltage at 48/60 V nominal value), with fault protecting
                                                        circuitry;
                                               •        DC/DC conversion from battery voltage to 5.2 V and 3.8 V main on board power supplies (with
                                                        fault protecting circuitry and synchronising oscillator);
                                               •        DC/DC conversion from 5.2 V and 3.8 V main power supplies to –5.2 V, +15V, –15 V auxiliary
                                                        power supplies (with overvoltage protecting circuitry);
                                               •        voltage reference generation;
                                               •        power supplies alarm detection.
1AA 00014 0004 (9007) A4 – ALICE 04.10




                                         ED        03

                                                                                                            3AL 91669 AA AA                       418 / 706


                                                                                                                           706
Compact OFA module (EDFA)

                                                                                            Optical fibre amplifier module, is an hybrid module of the Alcatel Optronics 1900 OFA family acting as
                                                                                            optical gain device with built–in output power monitoring photodiode.
not permitted without written authorization from Alcatel.
  All rights reserved. Passing on and copying of this
  document, use and communication of its contents




                                                                                            Main components are:

                                                                                                 •        input optical splitter (90/100) to tap out of the module a fraction of the input power;
                                                                                                 •        photodiode for monitoring the output power (fed by a coupler extracting a small fraction of light
                                                                                                          from the main optical path);
                                                                                                 •        input optical isolator (preventing pump power and amplified spontaneous emission to exit from
                                                                                                          input port);
                                                                                                 •        a length of Erbium doped active fibre;
                                                                                                 •        pump laser (operating at 980 nm) to generate optical pumping power;
                                                                                                 •        a WDM coupler to insert pumping power into active fibre;
                                                                                                 •        output optical isolator to prevent external reflections (assuring stable operation of the OFA).


                                                                                            Optical Power Monitoring (OPM)

                                                                                            On a doughter board plugged in the OFA module are positioned the input power monitor photodiode and
                                                                                            a “tap–detector”, used to detect the output power level. The photodiode currents are locally transduced
                                                                                            in voltage signals by log amplifiers.

                                                                                            The output of the OFA goes directly to an optical passband filter, used to suppress the ASE noise outside
                                                                                            the transmitting band. The ouput of the filter goes to the output connector passing through a
                                                                                            coupler+photodiode for monitoring the power level.


                                                                                            Control block

                                                                                            Mixed analogue and digital circuitry (with a DSP microprocessor) devoted to control:

                                                                                                 •        Pump laser temperature.
                                                                                                          Pump laser temperature should be stabilised in a small range around nominal value; the
                                                                                                          thermistor in OFA module is used for temperature sensing of the laser, and a Thermo Electric
                                                                                                          Cooler/Heater (TECH) driven by a current source/sink circuit is used for temperature control.
                                                                                                          DSP processor can monitor TECH current via a sensing resistor, a differential amplifier and A/D
                                                                                                          converter.

                                                                                                 •        Optical output power.
                                                                                                          Output power is stabilised at –13.5 dBm; external tap photodiode is used for sensing of output
                                                                                                          power, and the current of pump laser is adjusted consequently. Moreover input power to OFA
                                                                                                          module is monitored via input photodiode, a log amplifier to give a wide dynamic range of 50
                                                                                                          dB, and A/D converter.

                                                                                            Main functions of the block are:

                                                                                                 •        conditioning (i.e. level adjusting, buffering, and so on) of analogue signals from sensors internal
                                                                                                          or external to OFA module;
                                                                                                 •        analogue to digital conversion of the conditioned signals;
                                                                                                 •        digital implementation of control logic in DSP microprocessor, to generate control signals;
                                                                                                 •        digital to analogue conversion of control signals towards current sources;
                                                  1AA 00014 0004 (9007) A4 – ALICE 04.10




                                                                                                 •        current source circuits toward OFA module (laser diode current and TECH current).




                                                                                           ED        03

                                                                                                                                                                3AL 91669 AA AA                        419 / 706


                                                                                                                                                                              706
Information processing

                                          Information about state of the board is mainly processed by the DSP.




                                                                                                                                                                 not permitted without written authorization from Alcatel.
                                          The main processes are:




                                                                                                                                                                   All rights reserved. Passing on and copying of this
                                                                                                                                                                   document, use and communication of its contents
                                               •        Alarm detection.
                                                        Alarms related to optical signal or OFA module are detected and processed by DSP; a few
                                                        alarms related to HW in the board are detected by dedicated circuitry. All alarms are made
                                                        available to external interface block.

                                               •        Measurement collection.
                                                        Measures of optical and electrical parameters are collected by DSP and made available to
                                                        external interface block.

                                               •        Configuration and provisioning management.
                                                        Configuration and provisioning information from shelf controller via external interfaces are
                                                        managed mainly by DSP.


                                          External interfaces

                                          The following interfaces will be implemented:

                                               •        Serial peripheral and Inventory Bus (SPI).
                                                        The SPI bus will be used by the main shelf controller to acquire remote inventory data; the same
                                                        bus is used by the main shelf controller to interface DSP processor. Data transfer over the SPI
                                                        bus is controlled by the main shelf controller; the other cards operate as slaves.
                                                        The SPI bus is duplicated on each shelf: each slave card is connected to both the main and the
                                                        spare SC processor through a dedicated bus.

                                               •        Unit LED interface.
                                                        Two LEDs are on the front panel of the unit:
                                                        –    A bicolor red/green LED acting as:
                                                             •    Red: internal failure indication
                                                             •    Green: active unit indication
                                                        –    A yellow LED acting as shutdown indication (i.e. no amplification of optical signal).


                                          Optical safety and shutdown handler block

                                          Since optical power levels emitted by the preamplifier can damage the human eye, the unit will have to
                                          be compatible with IEC standards, intended to protect users against optical radiation.

                                          As protection mechanism, in the event of potential danger, an automatic shutdown will be supported.
                                          Automatic shutdown will be implemented in the case of:

                                               •        cover open (according enable from shelf controller)
                                               •        loss of input signal

                                          A single section automatic laser shutdown procedure will be implemented according G.664 Rec.
                                          Restart pulses (time duration not higher than 300 ms) will be implemented.
1AA 00014 0004 (9007) A4 – ALICE 04.10




                                         ED        03

                                                                                                            3AL 91669 AA AA                          420 / 706


                                                                                                                          706
Optical interfaces parameters

                                                                                            Main items are:

                                                                                                 •
not permitted without written authorization from Alcatel.




                                                                                                          FC/PC or SC/PC optical connectors
  All rights reserved. Passing on and copying of this
  document, use and communication of its contents




                                                                                                 •        Wavelength bandwidth (main signal):        1530 to 1565 nm
                                                                                                 •        Input power: –38 dBm to –18 dBm            (@ BER ≤ 10E–10)
                                                                                                 •        Output power: –14 dBm                      (to be connected to a JE3–CH34 optical receiver)


                                                                                            Measures

                                                                                            A measure of the following analogue parameters will be available to operator (by craft terminal or operating
                                                                                            system) via shelf controller and equipment controller:

                                                                                                 •        Pin: optical power at the input connector
                                                                                                 •        Pout: optical power at the output connector
                                                                                                 •        Rel_Ip: relative I_pump; percentage ratio of actual I_Pump to I_Pump measured at begin of life


                                                                                            Alarms

                                                                                            The following alarm flags will be available to network operator (by craft terminal or operating system) via
                                                                                            shelf controller and equipment controller:

                                                                                                 •        ILoS: Input Loss of Signal: loss of power on input connector.
                                                                                                          Activation threshold –44 dBm, deactivation threshold –42 dBm; threshold accuracy ±0.5 dBm
                                                                                                          Activation/deactivation time: 10 ms max
                                                                                                          Consequent actions: shutdown of pump laser and stop of the filter control
                                                                                                          Classification: external urgent alarm

                                                                                                 •        Ideg: Input Degrade: low power on input connector.
                                                                                                          Activation threshold –41 dBm, deactivation threshold –40.5 dBm; threshold accuracy ±0.5 dBm
                                                                                                          Activation/deactivation time: 50 ms max
                                                                                                          Consequent actions: none
                                                                                                          Classification: external not urgent alarm
                                                                                                          Masked by IloS.

                                                                                                 •        LaserDeg: Laser Degrade: logic “or” of relative and absolute degrade:
                                                                                                          –     relative degrade: actual pump current higher than 1.2 * pump current measured at begin
                                                                                                                of life;
                                                                                                          –     absolute degrade: actual pump current higher than warning threshold level.
                                                                                                          Activation/deactivation time: 10 sec max
                                                                                                          Consequent actions: none
                                                                                                          Classification: internal not urgent alarm
                                                                                                          Traffic not affected
                                                                                                          Actions required to operator: unit replacing (preventive maintenance)
                                                                                                          Masked by Input deg

                                                                                                 •        HW Fail: Logic “or” (at the shelf controller level) of the following alarms:
                                                                                                          –    Ex_Pout
                                                                                                          –    Ex_Ipump
                                                                                                          –    Ex_ITEC
                                                  1AA 00014 0004 (9007) A4 – ALICE 04.10




                                                                                                          –    Wr_Vref
                                                                                                          Consequent actions: none
                                                                                                          Classification: internal urgent alarm


                                                                                           ED        03

                                                                                                                                                               3AL 91669 AA AA                     421 / 706


                                                                                                                                                                             706
Traffic will be affected
                                                        Actions required to operator: quick unit replacing

                                               •        PW Fail: Power supply/reference voltage circuits failures.




                                                                                                                                                          not permitted without written authorization from Alcatel.
                                                        Consequent actions: shutdown of pump laser and TECH




                                                                                                                                                            All rights reserved. Passing on and copying of this
                                                                                                                                                            document, use and communication of its contents
                                                        Classification: internal urgent alarm
                                                        Traffic affected
                                                        Actions required to operator: unit replacing

                                               •        PuShd: Pump Shutdown: pump laser off (zero current)

                                               •        Cover_Op: Cover Open: access fibre protective cover removed
                                                        May force or not pump shutdown (according CoREn configuration control)


                                          SPI Interface

                                          The main interface between preamplifier unit and shelf controller is the standard SPI serial bus.

                                          This interface is managed on the board by the Spider ASIC, acting as Slave Interface and signal buffer;
                                          some pins of the Spider are used as I/O parallel ports.

                                          On the internal SPI bus two other devices are connected:

                                               •        serial EEPROM for remote inventory informations
                                               •        DSP microprocessor

                                          A direct connection between shelf controller and DSP microprocessor (or serial EEPROM) can be
                                          established by Spider (acting as chip select decoder, electrical interface and protocol adapter).
1AA 00014 0004 (9007) A4 – ALICE 04.10




                                         ED        03

                                                                                                             3AL 91669 AA AA                  422 / 706


                                                                                                                       706
All rights reserved. Passing on and copying of this
                                                                                                                                                  document, use and communication of its contents
                                                                                                                                                not permitted without written authorization from Alcatel.
      1AA 00014 0004 (9007) A4 – ALICE 04.10




                           ED
                                                                                                        to




                           03
                                                                                                                                                                line




                                                                                                        port
                                                                                                                                                                from




                                                                                                                                        Ipump

                                                                                                                                        Itech




                                                                                          Filter–CH34
                                                                                                                                       Temp
                                                                                                                                                                                 EDFA gain block




                                       Figure 253. PR16 optical path and control signal
                                                                                                                                 OPM




                                                                                                               PR16 main board




706
         3AL 91669 AA AA
         423 / 706
not permitted without written authorization from Alcatel.
                                                                                                                                                                                      All rights reserved. Passing on and copying of this
                                                                                                                                                                                      document, use and communication of its contents
                                           OUTPUT
                                         To STM–16 PORT)

                                                                                                     DATA  CONTROL
                                                                                                                                  FLASH
                                                                                 General                                          MEMORY


                                           INPUT            gain block type      Purpose     Shutdown
                                         (From Line)                               I/O
                                                            cover open                                                                   VREF



                                                                                                                                                       I_Pump
                                                                                           ok alim
                                                                          VREF
                                                                                                                                             D/A

                                                                                                                   DSP                 CONVERTER
                                                                P_out                                                                                   I_TEC
                                                            Thermistor
                                                               I_Pump               A/D
                                                             I_TEC_N             CONVERTER
                                                             I_TEC_P
                                                                  P_in


                                                                                                                Config. 
                                                                                                                 Status                            Management
                                                                                                                                                      Bus
                                                                                                                         M–BUS
                                                                                                                         Driver
                                                                                                     Shutdown




                                                                                                                                                                   MAIN AND SPARE
                                                                                                                       Bus–OFF




                                                                                                                                                                       MATRIXE
                                                                                                                                                                      FROM/TO
                                                                                                                                              Remote
                                                                                                          SHUTDOWN                           Inventory

                                                                              300 KHz
                                                                                                                                                        CMISS
                                                                                OSC                                            RIBUS
                                                                                                           cover open
                                                                                                                                 I/F
                                                                                              ok alim                                                  RIBUS
                                                                   5V
                                                                                                           ok alim
                                                                  –5 V                                                                        F        + 3.3 Vdc
                                                                                                                                                                    CONGI A  B




                                                                 3.3 V      DC/DC
                                                                                                                                                                      FROM




                                                                                                                   Unit                 ID
                                                                         CONVERTERS
                                                                –3.3 V                                             Failure
                                                                                                                                                  48/60 V
                                                                 2.5 V




                                                              OPTICAL PREAMPLIFIER 2.5 GB/S (PR16)
1AA 00014 0004 (9007) A4 – ALICE 04.10




                                                                                   Figure 254. PR16 card block diagram




                                          ED           03

                                                                                                                             3AL 91669 AA AA                       424 / 706


                                                                                                                                       706
4.15 Electrical module (ICMI)

                                                                                            (See Figure 255. on page 426 )
not permitted without written authorization from Alcatel.




                                                                                            The electrical module can be housed in the Access card A2S1 and port cards P4E4N ,P4S1N, .
  All rights reserved. Passing on and copying of this
  document, use and communication of its contents




                                                                                            Up to two modules can be housed in each card.
                                                                                            The module contains :

                                                                                            –    a CMI interface (CMI/NRZ decoder and NRZ/CMI encoder)

                                                                                            –    a Remote Inventory block



                                                                                            CMI interface

                                                                                            INPUT side: the CMI electrical signal coming from the line is equalized and NRZ decoded (clock + data).
                                                                                            The LOS alarm is revealed.

                                                                                            OUTPUT side: the NRZ signal coming from the port (data + clock) is CMI coded to be sent to the line.



                                                                                            Loop functions

                                                                                            The module receive also the following commands:

                                                                                            –    INT LOOP: Internal Loop ; when active, the signal coming from the port card (DT) is sent back, thus
                                                                                                 realizing the loop.
                                                                                            –    LINE LOOP: Line loop; when active the input signal coming from the line (DR) is sent back to the
                                                                                                 output signal.

                                                                                            Remote inventory

                                                                                            The Remote inventory is implemented on an E2PROM . Inventory data as code, series number,
                                                                                            construction date are stored inside the E2PROM and can be read by the RIBUS I/F block (see para.3.17
                                                                                            on page 370) of the board in which the module is inserted.

                                                                                            Power Supply

                                                                                            The Electrical module receive the following voltage:

                                                                                            –    +3.3 Vdc from the relevant board in which is inserted
                                                                                            –    + 3.3 Vdc (Vs) from the relevant board in which is inserted and used to supply the Remote Inventory
                                                                                                 block
                                                  1AA 00014 0004 (9007) A4 – ALICE 04.10




                                                                                           ED      03

                                                                                                                                                         3AL 91669 AA AA                       425 / 706


                                                                                                                                                                       706
not permitted without written authorization from Alcatel.
                                                                                                                                                                 All rights reserved. Passing on and copying of this
                                                                                                                                                                 document, use and communication of its contents
                                                                                                                         LOS
                                                   Coax Input                         CMI
                                                                        RETIMER                                          DATA+CLOCK Rx
                                                                                       NRZ
                                                                                       DR
                                                                                                                         INT LOOP1
                                                                                             DT

                                                                    Input side




                                                                                                  DR
                                                                                                          DT

                                                   Coax output                         CMI
                                                                             Mask                                        DATA+CLOCK Tx
                                                                            Adapter     NRZ
                                                                                                                         LINE LOOP1

                                                                    Output side


                                                                                                               CMISSn




                                                                                                  Remote          RI
                                                                                                                                   to RIBUS I/F block
                                                                                                  Inventory
                                                                                                                        +3.3 Vdc (Vs)

                                                                   ELECTRICAL MODULE                                    +3.3 Vdc




                                                                 Figure 255. STM–1 Electrical module –block diagram
1AA 00014 0004 (9007) A4 – ALICE 04.10




                                         ED   03

                                                                                                       3AL 91669 AA AA                             426 / 706


                                                                                                                   706
4.16 STM–1 optical modules

                                                                                            (See Figure 256. on page 427)
not permitted without written authorization from Alcatel.




                                                                                            The STM–1 optical modules are the optical physical accesses for the STM–1 card. Different optical
  All rights reserved. Passing on and copying of this
  document, use and communication of its contents




                                                                                            modules are available according to the connector type used (FC/PC, SC/PC or LC), wave length ( IS–1.1,
                                                                                            L–1.1, L–1.2, L–1.2JE) and source type [Single–Mode and Multi–Mode (MM1)]. For details on Optical
                                                                                            Characteristics refer to Table 66. on page 628)
                                                                                            Input side : the optical signal is converted in an electrical signal and level adapted to be sent to the port
                                                                                            card (data + clock); on the receive side a LOS alarm can be detected.
                                                                                            Output side : the electrical signal coming from the port card (data + clock) is level adapted, converted
                                                                                            in an optical signal and sent to the line . The Tx optical module send and receive also the following signals:

                                                                                            –      LASER FAIL
                                                                                            –      LASER DEGRADE
                                                                                            –      LASER SHUTDOWN
                                                                                            Remote inventory

                                                                                            The Remote inventory is implemented on an E2PROM . Inventory data as code, series number,
                                                                                            construction date are stored inside the E2PROM and can be read by the RIBUS I/F block (see para.3.17
                                                                                            on page 370) of the board in which the module is inserted.
                                                                                            Power Supply

                                                                                            The Electrical module receive the following voltage:

                                                                                            –      +3.3 Vdc from the relevant board in which is inserted
                                                                                            –      + 3.3 Vdc (Vs) from the relevant board in which is inserted and used to supply the Remote Inventory
                                                                                                   block


                                                                                                                                                EDR
                                                                                                OPTICAL                                                     LEVEL                        DATA+CLOCK RX
                                                                                                                               STM–1
                                                                                                INPUT                           INPUT           ECKR      ADAPTER
                                                                                                                               OPTICAL
                                                                                                                               MODULE
                                                                                                                                                                                        LOS


                                                                                             OPTICAL                                              EDT
                                                                                             OUTPUT                                               ECT       LEVEL                       DATA +CLOCK TX
                                                                                                                              STM–1                        ADAPTER
                                                                                                                              OUTPUT
                                                                                                                              OPTICAL                                                  LASER FAIL
                                                                                                                              MODULE
                                                                                                                                                                                       LASER DEGRADE
                                                                                                                                                                                       LASER SHUTDOWN

                                                                                                                      Laser Restart                        Remote        RI               to RIBUS I/F bus
                                                                                                                                                           Inventory
                                                                                                                                                                                    +3.3 Vdc (Vs)

                                                                                                                                                                                    +3.3 Vdc

                                                                                                                       STM–1                                           CMISSn
                                                  1AA 00014 0004 (9007) A4 – ALICE 04.10




                                                                                                                       OPTICAL MODULE



                                                                                                                       Figure 256. STM–1 Optical module – block diagram

                                                                                           ED        03

                                                                                                                                                             3AL 91669 AA AA                             427 / 706


                                                                                                                                                                              706
4.17 STM–4 optical modules

                                          See Figure 257. on page 428.




                                                                                                                                                        not permitted without written authorization from Alcatel.
                                          The STM–4 optical modules are the optical physical accesses for the STM–4 card (only for 4 x STM–4




                                                                                                                                                          All rights reserved. Passing on and copying of this
                                                                                                                                                          document, use and communication of its contents
                                          port, P4S4N).

                                          Different optical modules are available according to the connector type used (FC/PC, SC/PC or LC) and
                                          wavelength (IS–4.1, L–4.1, L–4.2).
                                          For details on Optical Characteristics refer to Table 67. on page 630.

                                          The optical module can be housed in the Access cards A2S4 and in the port card P4S4N.
                                          Up to two modules can be housed in A2S4 and P4S4N.

                                          Each module contains two optical components (Tx and Rx), two level adapter, the remote inventory and
                                          the Laser reset button.




                                              OPTICAL
                                              INPUT
                                                                  ÌÌÌÌÌÌÌ
                                                                  ÌÌÌÌÌÌÌRX
                                                                                          EDR
                                                                                                                             DATA IN
                                                                                                    Level
                                                                         Optical Module
                                                                  ÌÌÌÌÌÌÌ                 ECKR     Adapter                   CLOCK IN
                                                                  ÌÌÌÌÌÌÌ
                                                                                                                             LOS




                                                                  ÌÌÌÌÌÌÌ
                                                                  ÌÌÌÌÌÌÌ
                                                                                            EDT
                                                                                            ECT       Level
                                                                                                                             DATA OUT

                                           OPTICAL                                                   Adapter                 CLOCK OUT
                                                                         TX
                                           OUTPUT
                                                                  ÌÌÌÌÌÌÌ
                                                                  ÌÌÌÌÌÌÌOptical Module


                                                                  ÌÌÌÌÌÌÌ                                                   Laser Fail
                                                                   Laser Restart                                             Laser deg.


                                                                                                                             Shutdown



                                                                                                     Remote                   to RIBUS I/F bus
                                                                                                     Inventory



                                                                   STM–4 Optical module
1AA 00014 0004 (9007) A4 – ALICE 04.10




                                                                    Figure 257. STM–4 optical module block diagram




                                         ED       03

                                                                                                      3AL 91669 AA AA                       428 / 706


                                                                                                                   706
4.18 4 x ANY plug–in modules

                                                                                            The 4 x ANY plug–in optical modules are the optical physical accesses for the 4xANY HOST C card.
                                                                                            Different optical modules are available according to the wavelenght and signal type to be transported
not permitted without written authorization from Alcatel.




                                                                                            (refer to Chapter 2.2.1 page 98)
  All rights reserved. Passing on and copying of this
  document, use and communication of its contents




                                                                                            For the block diagram description refer the 4xANY HOST–C card (paragraph 4.45 on page 549 ).
                                                                                            The relationship between client signal to be transported and plug–in module type is reported on Table 40.
                                                                                            page 293.
                                                  1AA 00014 0004 (9007) A4 – ALICE 04.10




                                                                                           ED      03

                                                                                                                                                          3AL 91669 AA AA                       429 / 706


                                                                                                                                                                        706
4.19 SFP optical modules: 1000B and 100B

                                          (Refer to Figure 258. on page 431)




                                                                                                                                                               not permitted without written authorization from Alcatel.
                                          Two types of SFP optical modules are foreseen in current release




                                                                                                                                                                 All rights reserved. Passing on and copying of this
                                                                                                                                                                 document, use and communication of its contents
                                          –    the 1000B optical module, providing 1000Base–SX, 1000Base–LX and 1000Base–ZX interfaces
                                          –    the 100B optical module, providing the 10/100Base–FX interface.

                                          The 1000B optical module, provides the optical physical access for the (see Figure 80. on page 169)
                                          –   GigaBit Ethernet port card, GETH–MB
                                          –   Gigabit Ethernet Access Card, GETH–AG, used in conjunction with the ETH–MB
                                          –   PR_EA MATRIX 1 x GIGABIT ETHERNET port card, PREA1GBE
                                          –   Ethernet Switch port card, ES4–8FE.

                                          The 100B optical module, provides the optical physical access for the (see Figure 80. on page 169)
                                          –   Ethernet Switch port card (ES1–8FX).

                                          These modules implement the PMD (Physical Medium Dependent) and the PMA (Physical Media
                                          Attachment Sublayer) functions according to IEE 802.3.

                                          Each module contains on transmitter side an automatic optical output power control circuit, a laser driver
                                          and a laser diode module.
                                          The transmitter is based on an uncooled DFB laser.
                                          The laser safety class for the complete integrated module is CLASS 1 according to IEC 60825 2001 Edition.
                                          It can manage command for TX disable and provides TX Fault alarm.
                                          Depending on the SFP type, the optical access is compatible with
                                          –     a single mode fiber (9/125 µm) or
                                          –     multi mode fiber (50/125 µm or 62,5/125 µm)
                                          with standard LC optical connector.
                                          TX Fault indicates a laser fault of some kind. The Transmitter is not disabled when TX Fault signal is active.
                                          Tx Disable is an input that is used to shut down the transmitter optical output.

                                          On receiver side each module contains a PIN or APD photodetector (according to the module type) for
                                          light to electrical current conversion and a limiting amplifier.
                                          The photo detected current is amplified by a an electrical circuit which delivers two complementary data
                                          signals.
                                          The module provides LOS alarm (Loss of input Power Signal alarm). This output signal indicates the
                                          received optical power is below the worst–case receiver sensitivity (as defined by the standard in use).
                                          Depending on the SFP type, the optical access is compatible with
                                          –      a single mode fiber (9/125 µm) or
                                          –      multi mode fiber (50/125 µm or 62,5/125 µm)
                                          with standard LC optical connector.
                                          Remote inventory

                                          The Transceiver has an EEPROM inside to provide Remote Inventory, containing information about
                                          transceiver’s capabilities, standard interfaces, manufacturer, code, series number, construction date etc.
                                          These information are read by the “Alarms and Remote Inventory Management” block (see para.3.17 on
                                          page 370) of the board in which the module is inserted.

                                          Digital diagnostic monitoring (DDM) is an SFP function supporting analog parameters measurements as
                                          temperature, laser bias, laser power. It is an optional feature: the availability information is present in the
                                          SFP remote inventory.
1AA 00014 0004 (9007) A4 – ALICE 04.10




                                          Power Supply

                                          The Electrical module receives the +3.3 Vdc from the relevant board in which is inserted.

                                         ED      03

                                                                                                           3AL 91669 AA AA                         430 / 706


                                                                                                                          706
To board
                                                                                                 processing                              TRANSMITTER
                                                                                                                                                                              LC
not permitted without written authorization from Alcatel.




                                                                                                                                                PIN     Laser
  All rights reserved. Passing on and copying of this
  document, use and communication of its contents




                                                                                                                                                        diode                  Optical output



                                                                                                DATA+
                                                                                                                                                        LASER
                                                                                                 Electrical DATA                                        DRIVER
                                                                                                DATA–



                                                                                                                         APC                                                        TX Fault



                                                                                                                                                                                   TX Disable




                                                                                                                                                                     Remote Inventory / DDM
                                                                                                                                EEPROM




                                                                                                                                           µP


                                                                                                                                           RECEIVER


                                                                                                DATA+                                                                         LC
                                                                                                                                Main                  PRE     PIN*
                                                                                                 Electrical DATA               Amplifier                                           Optical input
                                                                                                DATA–


                                                                                                                                                                                       LOS



                                                                                                                                     SFP Optical Module



                                                                                                * PIN or APD according to the SFP type




                                                                                                                   Figure 258. SFP optical modules general block diagram
                                                  1AA 00014 0004 (9007) A4 – ALICE 04.10




                                                                                           ED     03

                                                                                                                                                            3AL 91669 AA AA                     431 / 706


                                                                                                                                                                      706
4.20 63 x 2 Mbit/s port card (P63E1)

                                          (See Figure 259. on page 434)




                                                                                                                                                                not permitted without written authorization from Alcatel.
                                          The P63E1 is a bidirectional unit which interfaces 63 plesiochronous 2048 kbit/s signals and the




                                                                                                                                                                  All rights reserved. Passing on and copying of this
                                                                                                                                                                  document, use and communication of its contents
                                          STM4–BPF signal (BPF=backpanel format).
                                          Due to the backpanel format (STM4–BPF or STM4*), the 63 plesiochronous 2 Mbit/s signals that can be
                                          housed in an STM–1 frame, are dropped / inserted in the AU4#1 of the STM–4* frame.
                                          The unit is composed by the following blocks:

                                          –    (G.A.)
                                               G.A. is an ASIC (or Gate Array) that maps 63 2Mbit/s streams into an STM–1 frame as required by
                                               ITU–T G.783 Rec.
                                               As the backpanel format for data exchange between 63 x 2 Mbit/s and Matrix card is STM–4*, the
                                               2 Mbit/s streams are inserted/extracted on the AU4 #1 of the STM–4* frame.

                                               INPUT side

                                               •        PPI (E12_TT_Sk and E12/P12x_A_Sk): This block provides the electrical interface between
                                                        the physical transmission medium and the internal unit format. The received 2048 kb/s line
                                                        signal is HDB3 coded. A decoder on the physical interface decodes the signal to NRZ (non
                                                        return–to–zero) format.

                                               •        LPA (S12/P12x_A_So) :            This block adapts user data for transport in the synchronous
                                                        domain. For asynchronous user data, lower order path adaptation involves bit justification. The
                                                        2.048 Mbit/s is inserted into a C–12 container (by means of asynchronous mapping), which is
                                                        synchronized (stuffing) with the correspondent TU–12.
                                                             •    V5[5–7]: Signal label insertion in the byte V5[5–7].

                                               •        LPT (S12_TT_So) : The LPT function creates a VC–12 by generating and adding POH to a
                                                        C–12. The POH formats are defined in Recommendations G.708 and G.709.
                                                            •    J2:      trail trace identifier is generated.
                                                            •    V5[1,2]: BIP–2 is calculated and transmitted.
                                                            •    V5[3]:   the number of errors is encoded in REI.
                                                            •    V5[8]:   RDI indication is inserted.

                                               •        LTCT So :       This block performs Tandem Connection Termination and Adaptation Source
                                                        functions, according to ITU and ETSI standards, on Low Path tributaries. It inserts into incoming
                                                        Low order VC the N2 byte, and performs BIP–2 parity compensation for that byte insertion. The
                                                        inserted N2 is composed by remote signalling, incoming error count, APId.

                                               •        STM4–BPF I/F () :
                                                        The STM–1 equivalent signal is multiplexed into the Back–Panel STM4* equivalent signal.
                                                        The signal is sent to the ”Main” and ”Spare” MATRIX cards .

                                               OUTPUT side

                                               •        EPS :
                                                        This block select one of the two signal source provided by the MATRIX cards ”Main” and ”Spare”

                                               •        STM4–BPF I/F () :
1AA 00014 0004 (9007) A4 – ALICE 04.10




                                                        The STM–1 equivalent signal is demultiplexed from the Back–Panel STM4* equivalent signal.




                                         ED        03

                                                                                                             3AL 91669 AA AA                        432 / 706


                                                                                                                           706
•        LTCT Sk :       This block performs Tandem Connection Monitoring / Termination and
                                                                                                         Adaptation Sink functions, according to ITU and ETSI standards, on Low Path tributaries
                                                                                                         (configuration choice between Monitoring and Termination is by preset). It extracts from
                                                                                                         incoming Low order VC the BIP–2 parity and N2 byte, and then operates alignment, detection
not permitted without written authorization from Alcatel.




                                                                                                         and correlation of alarms, error check. When Termination function is configured, it also modifies
  All rights reserved. Passing on and copying of this
  document, use and communication of its contents




                                                                                                         data flow by N2 byte overriding, AIS insertion, generation of remote signalling.

                                                                                                •        LPT (S12_TT_Sk): The LPT function terminates and processes the POH to determine the
                                                                                                         status of the defined path attributes.
                                                                                                              •     J2:       trail trace identifier is recovered –– TIM detection.
                                                                                                              •     V5[1,2]: BIP–2 is recovered –– Ex–BER, Signal Degrade alarm
                                                                                                              •     V5[3]:    REI bit is recovered and the derived performance primitives is reported.
                                                                                                              •     V5[8]:    RDI information is recovered and reported.
                                                                                                              •     AIS or SSF detection –– SSF alarm

                                                                                                •        LPA (S12/P12x_A_Sk): It extracts the VC12–POH and processes the TU12 pointer.
                                                                                                             •    V5[5–7]: Signal label detection in the byte V5[5–7] –– Signal label Mismatch
                                                                                                                  detection
                                                                                                             •    AIS or SSF is applied if Signal label Mismatch is detected

                                                                                                •        PPI (E12/P12x_A_So and E12_TT_So):This block provides the interface between the
                                                                                                         internal unit format and the physical transmission medium. It encodes into HDB3 code the signal
                                                                                                         to be sent on line.

                                                                                                Other functions implemented are :

                                                                                                •        Clock Reference Selection Block (on G.A): provides six 2 MHz clock links towards the
                                                                                                         MATRIX cards for synchronization purposes. The selection among the 63 flows is made via
                                                                                                         software.

                                                                                                •        TIMING (on G.A): receives the reference clock (38.88 MHz) and synchronism pulse (500 Hz)
                                                                                                         from the MATRIX cards and extracts the local clocks used by the G.A.
                                                                                                         The Tx clock is locked, by means of a PLL to the system clock or, when in free running, to a local
                                                                                                         oscillator with a +–50ppm drift: (51 MHz OSC) block.

                                                                                                •        RIBUS I/F
                                                                                                         This block is used to read/write from/to the ”RIBUS” stream, to control the LED on the unit, to
                                                                                                         release the Management–bus in case of power failure, and to use the remote inventory. It is
                                                                                                         powered by the + 3.3 Vdc supply by CONGI boards.

                                                                                                •        REMOTE INVENTORY
                                                                                                         It is the memory containing the board information, for identification purposes (see para. 3.17
                                                                                                         on page 370 for details).

                                                                                                •        M–BUS Driver
                                                                                                         It drives the input–output gates of the Management–bus. These drivers can be disabled (by
                                                                                                         the Bus–OFF signal) in case of power failure.

                                                                                                •        DC/DC CONVERTER
                                                                                                         It converts the 48/60 V power supply to the 3.3 V used to supply all the components in the board.
                                                                                                         The DC/DC converter is synchronized with a synchronization clock at 288 MHz (signal
                                                                                                         Power–Sync, generated by G.A.) in order to avoid EMI problems.
                                                  1AA 00014 0004 (9007) A4 – ALICE 04.10




                                                                                                •        STEP DOWN
                                                                                                         It uses the 3.3 V power supply from DC/DC Converter block to obtain the 2.5 V used to power
                                                                                                         the Gate Array (G.A.).

                                                                                           ED       03

                                                                                                                                                              3AL 91669 AA AA                         433 / 706


                                                                                                                                                                            706
not permitted without written authorization from Alcatel.
                                                                                                                                                                                                     All rights reserved. Passing on and copying of this
                                                                                                                                                                                                     document, use and communication of its contents
                                                         2Mb/s
                                                         inputs      ÎÎÎÎÎÎÎÎÎÎÎÎÎÎÎÎÎÎÎÎ
                                                                                  2Mb/s #1
                                                                     ÎÎÎÎÎÎÎÎÎÎÎÎÎÎÎÎÎÎÎÎ
                                                                                ÎÎÎÎÎÎÎÎÎÎÎÎÎÎ                                                    Input side

                                                                                                                        LTCT
                                                                #1
                                                                           PPI
                                                                           sink
                                                                                           LPA
                                                                                ÎÎÎÎÎÎÎÎÎÎÎÎÎ
                                                                     ÎÎÎÎÎÎÎÎÎÎÎÎÎÎÎÎÎÎÎ  source
                                                                                           .
                                                                                                           LPT
                                                                                                           source      source


                                                                     ÎÎÎÎÎÎÎÎÎÎÎÎÎÎÎÎÎÎÎÎ
                                                                     ÎÎÎÎÎÎÎÎÎÎÎÎÎÎÎÎÎÎÎÎ
                                                                               ckr1        .
                                                                                           .
                                                                                           .        ckrx
                                                                                                                                         .
                                          Access Card




                                                                                           .
                                                                                ÎÎÎÎÎÎÎÎÎÎÎÎÎÎ
                                                                                           .                                             .
                                                                                                                                         .        STM4
                                                                                           .                                             .




                                                                                                                                                                               Main and Spare
                                                                                                                                                   BPF
                                                                                           .
                                              from




                                                                                           .




                                                                                                                                                                                 MATRIXE
                                                                     ÎÎÎÎÎÎÎÎÎÎÎÎÎÎÎÎÎÎÎÎ                                                          I/F
                                                                                           .
                                                                                           .
                                                                                           .




                                                                                                                                                                                     to
                                                                     Î Î Î Î Î ÎÎÎÎÎÎÎÎÎÎÎÎÎÎÎ
                                                                     ÎÎÎÎÎÎÎÎÎÎÎÎÎÎÎÎÎÎÎ
                                                                     ÎÎÎÎÎ
                                                                     ÎÎÎÎÎÎÎÎÎÎÎÎÎÎÎÎÎÎÎÎ
                                                                                       2Mb/s #63                                    ckr1          Clock
                                                               #63                                                                               Reference            6x
                                                                                                                                    ckr63
                                                                     ÎÎÎÎÎ         ÎÎÎÎÎÎÎÎÎ
                                                                     ÎÎÎÎÎÎÎÎÎÎÎÎÎÎÎÎÎÎÎÎ
                                                                               ckr63                ckrx                                         Selection

                                                      2Mb/s
                                                     outputs
                                                                     ÎÎÎÎÎÎÎÎÎÎÎÎÎÎÎÎÎÎÎÎ
                                                                     ÎÎÎÎÎ
                                                                     Î Î Î Î Î ÎÎÎÎÎÎÎÎÎÎÎÎÎÎÎ
                                                                                  2Mb/s #1
                                                                     ÎÎÎÎÎÎÎÎÎÎÎÎÎÎÎÎÎÎÎÎ
                                                                                   ÎÎÎÎÎÎÎÎÎÎ                                                    Output side

                                                                            PPI           LPA              LPT          LTCT
                                                                #1   ÎÎÎÎÎÎÎÎÎÎÎÎÎÎÎÎÎÎÎÎ
                                                                          source
                                                                                ÎÎÎÎÎÎÎÎÎÎÎÎÎ
                                                                     ÎÎÎÎÎÎÎÎÎÎÎÎÎÎÎÎÎÎÎÎ sink
                                                                                ÎÎÎÎÎÎÎÎÎÎÎÎÎ              sink          sink
                                                 Access Card




                                                                               cktx          ckt1
                                                                     ÎÎÎÎÎÎÎÎÎÎÎÎÎÎÎÎÎÎÎÎ      .
                                                                                               .
                                                                                               .
                                                                                               .                                   .
                                          to




                                                                     ÎÎÎÎÎÎÎÎÎÎÎÎÎÎÎÎÎÎÎÎ      .
                                                                                               .                                   .
                                                                                                                                   .
                                                                                                                                          STM4
                                                                                                                                                         EPS
                                                                                               .
                                                                                               .
                                                                                                                                           BPF
                                                                                                                                           I/F
                                                                     ÎÎÎÎÎÎÎÎÎÎÎÎÎÎÎÎÎÎÎÎ      .




                                                                                                                                                                               Main and Spare
                                                                                                                                                                                   MATRIXE
                                                               #63
                                                                     ÎÎÎÎÎÎÎÎÎÎÎÎÎÎÎÎÎÎÎÎ
                                                                                   ÎÎÎÎÎÎÎÎÎ
                                                                                       2Mb/s #63




                                                                                                                                                                                     from
                                                                     ÎÎÎÎÎÎÎÎÎÎÎÎÎÎÎÎÎÎÎÎ
                                                                               cktxÎÎÎÎÎÎÎÎÎ
                                                                     ÎÎÎÎÎ ÎÎÎÎÎÎÎÎÎÎÎÎ    ckt63
                                                                                                                                   ckt1          ckt63
                                                                                                                  Local Clocks
                                                                                                                                                          ck–system a
                                                                                                           ckrx                        TIMING             ck–system b
                                                                      G.A.                                 cktx


                                                                                                                                                         Config.  Status
                                                                                       Power                         2.5 V        51MHz
                                                                                        Sync
                                                                                                            STEP                  OSC             M–BUS
                                                                                                            DOWN                                  Driver
                                                                                                                                                                  Management
                                                                     48/60 V             DC/DC                                                                      Bus
                                                 CONGI A  B




                                                                                         CONV.
                                                                                                           3.3 V
                                          from




                                                                                                                                             Bus–OFF               CMISS
                                                                                                                                                                               MATRIXE
                                                                                                                                                                               to/from




                                                                           F           + 3.3 Vdc



                                                                                                                              Remote
                                                                                                                             Inventory
                                                                                                                                                   RIBUS             RIBUS
                                                                                                                                                     I/F

                                                                          63 x 2 MBIT/S PORT CARD                                      Unit                          ID
                                                                                                                                       Failure




                                                                                        Figure 259. 63 x 2 Mbit/s card – Block Diagram
1AA 00014 0004 (9007) A4 – ALICE 04.10




                                         ED                    03

                                                                                                                                    3AL 91669 AA AA                                    434 / 706


                                                                                                                                                           706
4.21 63 x 2 Mbit/s / G703 / ISDN–PRA port card ( P63E1N–M4)

                                                                                            (See Figure 260. on page 438).
not permitted without written authorization from Alcatel.




                                                                                            The 63 x 2 Mbit/s /G.703/ISDN–PRA port is similar to the basic 63 x 2 Mbit/s port, described in the previous
  All rights reserved. Passing on and copying of this
  document, use and communication of its contents




                                                                                            paragraph 4.20 on page 432, with the difference that the present board implements also the NT
                                                                                            functionality on ISDN Primary Rate Access (PRA) and the “Retiming function” on the 2 Mbit/s interfaces.

                                                                                            The Retiming function applies the Equipment Clock to the outgoing 2Mb/s signal that therefore becomes
                                                                                            synchronized with the SDH network synchronization reference .

                                                                                            The additional circuit that allows this implementation consists in an elastic buffer that is able to absorb the
                                                                                            jitter and wander that is transferred to the PDH signal when SDH pointer justification occurs.

                                                                                            This feature is programmable via SW, in order to include or exclude the Retiming for each single port. The
                                                                                            same P63E1N unit can mix ports that apply or not the retiming.

                                                                                            In this paragraph is reported the description of the NT ISDN–PRA function, all the other blocks
                                                                                            functionalities are described in the previous paragraph 4.20 on page 432.

                                                                                            The ISDN–PRA (Integrated Services Digital Network – Primary Rate Access) is a facility to carry a number
                                                                                            of synchronous digital communication channels to the user over a 2048 kbit/s structured signal; the
                                                                                            ISDN–PRA structure is defined in recommendation ETS 300 233. The sample frames are reported in
                                                                                            paragraph 3.18.1, page 380 up to para. 3.18.1.2, page 382.
                                                                                            The 2048 kbit/s signals can be structured or non–structured: in this latter case, the PRA functionality must
                                                                                            be disabled from Craft–Terminal. The selection among structured/non–structured and
                                                                                            basic–frame/multiframe options is achieved by means of Craft–Terminal, for individual signals.
                                                                                            It performs standard PRA functionality as well as some custom Leased Line functions (settable from C.T.).

                                                                                            Figure 261. on page 439 illustrates the NT ISDN–PRA block, that performs the following functions:

                                                                                            UPSTREAM DIRECTION
                                                                                            (from user to SDH network: incoming signal SY2Min, outgoing signal UP2Mout)

                                                                                            –    Loopback2: by means of command LB2, sent by the controller, or detected in the Sa6 message
                                                                                                 coming from the SDH network (UP2Min signal); this command sends back to the source the
                                                                                                 upstream signal.

                                                                                            –    AIS Detection: the AIS alarm (AIS2M) is detected after the reception of 512 bits containing less than
                                                                                                 3 zeroes.

                                                                                            –    Frame Alignment (FA): it performs basic–frame and multi–frame alignment according to ITU–T
                                                                                                 G.706, presettable from the controller (commands BF and MF); the LOF2M alarm is declared in case
                                                                                                 of non alignment .

                                                                                            –    Failure Condition: the Failure Condition FC2M alarm is the “OR” of LOS2M, LOF2M , AIS2M alarms.

                                                                                            –    REI alarm detection (E): the REI2M alarm is detected if E=0.

                                                                                            –    RAI alarm detection (A): the RAI2M alarm is detected if active for 5 consecutive frames.

                                                                                            –    Data Error detection (CRC–4): errors integrity check on the incoming data, according to CRC–4
                                                                                                 procedure (Cyclic Redundancy Check), as defined in G.706. In case of errors, the alarm ERR2M is
                                                                                                 arised.
                                                  1AA 00014 0004 (9007) A4 – ALICE 04.10




                                                                                           ED      03

                                                                                                                                                             3AL 91669 AA AA                         435 / 706


                                                                                                                                                                            706
–   E bit insertion (E): the outgoing E bit is set to 0 when
                                              •    a failure condition (FCU) is detected on signal from SDH network (UP2Min);
                                              •    errors (ERRU) are detected on data from SDH network (UP2Min);
                                              •    the E insertion may be inhibited from controller, in this case E=1.




                                                                                                                                                            not permitted without written authorization from Alcatel.
                                              •    E=1 in other cases.




                                                                                                                                                              All rights reserved. Passing on and copying of this
                                                                                                                                                              document, use and communication of its contents
                                          –   A bit insertion (A): the outgoing A bit is set to
                                              •    ’0’ when a failure condition (FC2M) is detected on signal from user (SY2Min);
                                              •    ’1’ when Loopback2 (LB2) is activated;
                                              •    passed transparently in other cases;
                                              •    the A bit may be forced from controller.
                                              •    set to ’1’ (*) when a failure condition (FCU) is detected on signal from SDH network (UP2Min);
                                                   N.B.         (*): this option is enabled only in case of Leased Line applications;

                                          –   Sa5, Sa6 Messages:
                                              •    the outgoing Sa6 message is inserted in 4 Sa6 bits of 4 consecutive frames, with the following
                                                   significance (listed in order of their priority/severity):
                                                   –     1000 –– power fail
                                                   –     1111 –– SSF or AUXPU/AISU on signal from SDH network (UP2Min);
                                                   –     1110 –– LOFU on signal from SDH network (UP2Min);
                                                   –     1100 –– FC2M on signal from user (SY2Min);
                                                   –     0000 –– loopback2 (LB2) activated
                                                   –     0001 –– alarm REI2M from user
                                                   –     0010 –– CRC–4 errors (ERR2M) from user
                                                   –     0011 –– simultaneous occurrence of both previous (REI2M and ERR2M)
                                                   –     0011 –– only basic–frame alignment on SY2Min signal, when in automatic search
                                                   –     0000 –– normal operations.
                                              •    the outgoing Sa5 bit is set to:
                                                   –     ’0’ –– when loopback2 (LB2) is activated
                                                   –     ’1’ –– in other cases.

                                          –   CRC–4 bits insertion: the CRC–4 on data is performed and the result is inserted on bits C1 to C4,
                                              according to G.706.

                                          –   Frame Word insertion (FW): the basic–frame and multi–frame alignment words are inserted on the
                                              frame.

                                          –   Substituted Frames insertion: the substituted frames are inserted, in case of occurrence of a failure
                                              condition (FC2M) on incoming signal from user.
                                              N.B.       Substituted frame is a frame with Sa4, Sa5, Sa7, Sa8 as well as all the bits in time slots
                                                         1 to 31 set to ’1’, and with A bit set to ’0’.

                                          DOWNSTREAM DIRECTION
                                          (from SDH network to user: incoming signal UP2Min, outgoing signal SY2Mout)

                                          –   Loopback–RX: by means of command LB–RX, sent by the controller; this command sends back to
                                              the source the downstream signal.

                                          –   AIS Detection: the AIS alarm (AISU) is detected after the reception of 512 bits containing less than
                                              3 zeroes.

                                          –   AUXP Detection: the AUXPU alarm is detected after the reception of 512 bits containing the pattern
                                              ...010101... with less than 3 deviation from the pattern itself. It can be enabled from the controller.
1AA 00014 0004 (9007) A4 – ALICE 04.10




                                          –   Frame Alignment (FA): it performs basic–frame and multi–frame alignment according to ITU–T
                                              G.706, presettable from the controller (commands BF and MF); the LOFU alarm is declared in case
                                              of non alignment.

                                         ED     03

                                                                                                         3AL 91669 AA AA                        436 / 706


                                                                                                                       706
–    Failure Condition: the Failure Condition FCU alarm is the “OR” of SSF, LOFU , AISU, AUXPU alarms.
                                                                                                 N.B.      SSF =Server Signal Fail, from upstream.

                                                                                            –    REI alarm detection (E): the REIU alarm is detected if E=0.
not permitted without written authorization from Alcatel.
  All rights reserved. Passing on and copying of this
  document, use and communication of its contents




                                                                                            –    RAI alarm detection (A): the RAIU alarm is detected if active for 5 consecutive frames.

                                                                                            –    Sa6: the Sa6 bit is read for every 4 consecutive frames, to check the presence of the loopback2
                                                                                                 command, when 4XSa6=1010, for 8 consecutive times.

                                                                                            –    Data Error detection (CRC–4): errors integrity check on the incoming data, according to CRC–4
                                                                                                 procedure (Cyclic Redundancy Check), as defined in G.706. In case of errors, the alarm ERRU is
                                                                                                 arised.

                                                                                            –    A* insertion: the A bit is
                                                                                                 •    passed transparently in standard applications
                                                                                                 •    set to ’1’ (*) when a failure condition (FC2M) is detected on signal from user (SY2Min);
                                                                                                 •    set to ’1’ (*) when forced from the controller;
                                                                                                      N.B.         (*): this option is enabled only in case of Leased Line applications.

                                                                                            –    E bit insertion (E): the outgoing E bit is set to 0 when
                                                                                                 •    a failure condition (FC2M) is detected on signal from user (SY2Min);
                                                                                                 •    errors (ERR2M) are detected on data from user (SY2Min);
                                                                                                 •    the E insertion may be inhibited from controller, in this case E=1.
                                                                                                 •    E=1 in other cases.
                                                                                                 •    set to ’0’ (*) when Power Fail alarm (PWF) is active;
                                                                                                      N.B.         (*): this option is enabled only in case of Leased Line applications.

                                                                                            –    Sa4* insertion: the bits Sa4 to Sa8 are passed transparently in standard applications,
                                                                                                 •   Sa4 is set to ’0’ (*) when Power Fail alarm (PWF) is active, passed transparently otherwise.
                                                                                                     N.B.       (*): this option is enabled only in case of Leased Line applications.

                                                                                            –    CRC–4 bits insertion: the CRC–4 on data is performed and the result is inserted on bits C1 to C4,
                                                                                                 according to G.706.

                                                                                            –    Frame Word insertion (FW): the basic–frame and multi–frame alignment words are inserted on the
                                                                                                 frame.

                                                                                            –    AIS insertion: a continuous bitstream of all ’ONES’ is inserted, in case of occurrence of
                                                                                                 •    force command from the controller;
                                                                                                 •    a failure condition (FCU) on signal from SDH network (UP2Min);
                                                                                                 •    (*) a failure condition (FC2M) on signal from user (SY2Min).
                                                                                                      N.B.        (*): this option is enabled only in case of Leased Line applications.



                                                                                            ALARMS, STATUS AND COMMANDS CONVEYED FROM/TO CONTROLLER
                                                                                            Every alarm, status and errors counting results are reported to the controller, for monitoring purposes:

                                                                                            –    LOS, REI, RAI, FC, ERR(CRC–4), SSF detected either in upstream and in downstream signal
                                                                                                 directions
                                                                                                 N.B.       LOS = Loss of user Signal; SSF= upstream Server Signal Fail.

                                                                                            The controller sends the following commands, in order to enable the relevant functions:
                                                  1AA 00014 0004 (9007) A4 – ALICE 04.10




                                                                                            –    LB–2, LB–RX, BF, MF, ForceA, InhibitE, etc.
                                                                                                 N.B.    BF= Basic Frame; MF = Multi Frame.



                                                                                           ED      03

                                                                                                                                                            3AL 91669 AA AA                      437 / 706


                                                                                                                                                                          706
not permitted without written authorization from Alcatel.
                                                                                                                                                                                                         All rights reserved. Passing on and copying of this
                                                                                                                                                                                                         document, use and communication of its contents
                                                         2Mb/s
                                                                     ÎÎÎÎÎÎÎÎÎÎÎÎÎÎÎÎÎÎÎÎ
                                                                               ÎÎÎÎÎÎÎÎÎÎÎÎÎÎ
                                                                                2Mb/s #1
                                                                                                                                                         Input side

                                                         inputs      ÎÎÎÎÎÎÎÎÎÎÎÎÎÎÎÎÎÎÎÎ
                                                                               ÎÎÎÎÎÎÎÎÎÎÎÎÎÎÎ
                                                                                 ÎÎÎÎÎÎÎÎÎÎÎÎÎ
                                                                     ÎÎÎÎÎÎÎÎÎÎÎÎÎÎÎÎÎÎÎÎ
                                                                               ÎÎÎÎÎÎÎÎÎÎÎÎÎÎ
                                                                                                      2 Mb/s
                                                                                                      POM
                                                                                          NT
                                                                           PPI          ISDN          LPA            LPT         LTCT
                                                                #1   ÎÎÎÎÎÎÎÎÎÎÎÎÎÎÎÎÎÎÎ
                                                                           sinkÎ         PRA
                                                                                        source
                                                                                                     source         source      source        .
                                                                                                                                              .
                                                                     ÎÎÎÎÎÎÎÎÎÎÎÎÎÎÎÎÎÎÎÎ
                                                                               ÎÎÎÎÎÎÎÎÎÎÎÎÎÎ
                                                                                            .                                                 .
                                          Access Card




                                                                     ÎÎÎÎÎÎÎÎÎÎÎÎÎÎÎÎÎÎÎÎ   .
                                                                               ÎÎÎÎÎÎÎÎÎÎÎÎÎÎÎ
                                                                               ckr1         .              ckrx                                       STM4
                                                                                                                                              .




                                                                                                                                                                                   Main and Spare
                                                                                            .
                                                                                            .                                                          BPF
                                              from




                                                                                                                                                                                      MATRIXE
                                                                     ÎÎÎÎÎÎÎÎÎÎÎÎÎÎÎÎÎÎÎÎ   .
                                                                                            .                                                          I/F
                                                                                            .
                                                                                            .




                                                                                                                                                                                         to
                                                                     Î Î Î Î Î ÎÎÎÎÎÎÎÎÎÎÎÎÎÎÎ
                                                                     ÎÎÎÎÎÎÎÎÎÎÎÎÎÎÎÎÎÎÎ
                                                                     ÎÎÎÎÎ
                                                                     ÎÎÎÎÎÎÎÎÎÎÎÎÎÎÎÎÎÎÎÎ
                                                                                       2Mb/s #63                                         ckr1         Clock
                                                               #63                                                                                   Reference            6x
                                                                                                                                         ckr63
                                                                     ÎÎÎÎÎ         ÎÎÎÎÎÎÎÎÎÎ
                                                                     ÎÎÎÎÎÎÎÎÎÎÎÎÎÎÎÎÎÎÎÎ
                                                                               ckr63                ckrx                                             Selection

                                                                     ÎÎÎÎÎ
                                                                     ÎÎÎÎÎ         ÎÎÎÎÎÎÎÎÎÎ
                                                                                 2Mb/s #1
                                                                                                                                                      Output side
                                                      2Mb/s
                                                     outputs
                                                                               ÎÎÎÎÎÎÎÎÎÎÎÎÎÎ
                                                                               ÎÎÎÎÎÎÎÎÎÎÎÎÎÎ
                                                                                                           2 Mb/s
                                                                                                           POM
                                                                                          NT
                                                                            PPI         ISDN          LPA             LPT       LTCT
                                                                #1             ÎÎÎÎÎÎÎÎÎÎÎÎÎÎ
                                                                                         PRA          sink            sink      sink
                                                 Access Card




                                                                          source         sink
                                                                               ÎÎÎÎÎÎÎÎÎÎÎÎÎÎ                                                 .
                                          to




                                                                               ÎÎÎÎÎÎÎÎÎÎÎÎÎÎ   .
                                                                                                .                                             .
                                                                                                                                              .
                                                                                                                                                  STM4
                                                                                                                                                   BPF        EPS
                                                                               cktx             .
                                                                                                .
                                                                                                           ckt1                                    I/F
                                                                                                .
                                                                                                .




                                                                                                                                                                                   Main and Spare
                                                                                   ÎÎÎÎÎÎÎÎÎÎ


                                                                                                                                                                                      MATRIXE
                                                                                       2Mb/s #63




                                                                                                                                                                                         from
                                                               #63
                                                                               cktx
                                                                                   ÎÎÎÎÎÎÎÎÎÎ
                                                                                            ckt63
                                                                                                                                       ckt1          ckt63
                                                                                                                    Local Clocks
                                                                                                                                                              ck–system a
                                                                                                                                          TIMING
                                                                      G.A.                                   ckrx
                                                                                                             cktx
                                                                                                                                                              ck–system b



                                                                                                                                                             Config.  Status
                                                                                       Power                            2.5 V          51MHz
                                                                                        Sync
                                                                                                              STEP                     OSC            M–BUS
                                                                                                              DOWN                                    Driver
                                                                                                                                                                      Management
                                                                     48/60 V             DC/DC                                                                          Bus
                                                CONGI A  B




                                                                                         CONV.
                                                                                                              3.3 V
                                                   from




                                                                                                                                                  Bus–OFF              CMISS
                                                                                                                                                                                   MATRIXE
                                                                                                                                                                                   to/from




                                                                           F           + 3.3 Vdc



                                                                                                                                 Remote
                                                                                                                                Inventory
                                                                                                                                                         RIBUS           RIBUS
                                                                                                                                                           I/F

                                                                          63 x 2 MBIT/S PORT CARD                                        Unit                            ID
                                                                                                                                         Failure




                                                                                Figure 260. 63 x 2 Mbit/s G.703/ISDN–PRA, Block Diagram
1AA 00014 0004 (9007) A4 – ALICE 04.10




                                         ED                    03

                                                                                                                                         3AL 91669 AA AA                                   438 / 706


                                                                                                                                                               706
All rights reserved. Passing on and copying of this
                                                                                                                                                                                                                                      document, use and communication of its contents
                                                                                                                                                                                                                                    not permitted without written authorization from Alcatel.
      1AA 00014 0004 (9007) A4 – ALICE 04.10




                           ED
                                                                                                 To User (downstream)
                                                                                                                                                                                                                                                                                    To SDH Network (upstream)




                           03
                                                                                                                                     BF MF
                                                                                                    SY2Min
                                                                                                                                        FA                                   CRC–4                 +        +                +                      +            +                             UP2Mout

                                                                                                                              AIS                     E               A              ERR2M
                                                                                                                                          LOF2M                                                    E        A           Sa5, Sa6            CRC–4               FW
                                                                                                                                                                                                                        Messages                                                 FC2M
                                                                                                                               AIS 2M                                                                            (*)
                                                                                                                LB 2                                 REI 2M      RAI2M
                                                                                                                                                                                                   FCU           FCU                                                    SUBST
                                                                                                                                                                                                                                                                       FRAMES
                                                                                                                                                  FC 2M                                       ERR U       FC2M
                                                                                                    LOS2M

                                                                                                                                                                                                                                                                          FC U
                                                                                                   PWF

                                                                                                                                                                            ERR2M
                                                                                                              FCU (*)                                                                                                                                    LOFu                                       SSF
                                                                                                                      FC2M
                                                                                                                                                          PWF             PWF        FC 2M    FC 2M                    LB2         RAIU     REIU                 AUXPu
                                                                                                                                                                (*)       (*)                    (*)
                                                                                                                                                                                                                                                                             AISu
                                                                                                                        AIS   FW             CRC–4            Sa4*               E            A*                       Sa6         A         E                  AUXP      AIS
                                                                                                                                                                                                                                                                                        LBRX
                                                                                                                                                                                                           ERR U
                                                                                                   SY2Mout
                                                                                                                              +         +                      +                 +             +           CRC–4                                        FA                                       UP2Min


                                                                                                                                                                                                                                                    BF MF



                                                                                                                              FC2M      REI 2M    RAI2M ERR
                                                                                                                                                            2M            FC U        REI U   RAIU       ERR U    LB         BF        MF




                                                                                                                                                                          ALARMS  STATUS
                                                                                                                                                               CONVEYED FROM/TO CONTROLLER




706
         3AL 91669 AA AA
                                                                                                          FROM/TO




                                       Figure 261. Functional Diagram of the NT ISDN–PRA block
                                                                                                        CONTROLLER
                                                                                                           EQUICO




         439 / 706
4.22 3 x 34/45 Mbit/s port card (P3E3T3)

                                          (See Figure 262. on page 442)




                                                                                                                                                          not permitted without written authorization from Alcatel.
                                          The P3E3T3 port card is a bidirectional interface from/to three PDH streams at 34 Mbit/s or at 45 Mbit/s




                                                                                                                                                            All rights reserved. Passing on and copying of this
                                                                                                                                                            document, use and communication of its contents
                                          switchable and the STM4–BPF (BPF=backpanel format ).

                                          Due to the back panel format, the 3 plesiochronous 34 or 45 Mbit/s signals that can be housed in an STM–1
                                          frame, are dropped/inserted in the AU4#4 of the STM–4 frame.
                                          It realizes the functions required by the ITU–T G.783 rec. i.e. :

                                               •        maps the payload into a C–3
                                               •        add/extracts the VC3 POH
                                               •        processes the TU3 pointer
                                               •        adapts the VC3 to the VC4
                                               •        assembles/disassembles the STM–1 format

                                          The SDH functions are preformed by four Gate Array, one for each port and one that is common to the
                                          three ports:

                                          –    34/45 Mbit/s interface

                                          The G.A. performs a fully bidirectional interface for a 34 Mbit/s PDH flow or for a 45 Mbit/s PDH flow in
                                          compliance with the ITU–T G.783.
                                          A G.A. can manage only one stream, therefore three G.A. are necessary to process the 3 streams on the
                                          port card.
                                          The PPI functions is performed by the access card ( two separated according to the bit rate) according
                                          to the ITU–T G.703 Rec.

                                          INPUT side

                                               •        LPA (S3/P3_A_So)
                                                        Asynchronous mapping of 3x34 /45 Mbit/s into the VC–3
                                                        C2 insertion

                                               •        LPT ( S3_TT_So)

                                                        J1 path trace insertion
                                                        G1 (path status) insertion : REI and RDI insertion
                                                        B3 calculation and insertion (VC3, BIP8)
                                                        F2 and F3 bytes insertion (coming from OH bus and DCC bus)

                                               •        LTCA (Low order tandem connection adaptation)

                                                        Frame start signal generation on VC_AIS detection

                                               •        LTCT (Low order tandem connection termination)

                                                        N1processing and insertion (TC–RDI, REI, ODI, OEI ..)
1AA 00014 0004 (9007) A4 – ALICE 04.10




                                         ED        03

                                                                                                          3AL 91669 AA AA                     440 / 706


                                                                                                                      706
OUTPUT side
                                                                                                •        LPA (S3/P3_A_Sk)
                                                                                                         VC3 demapping and desynchronization
not permitted without written authorization from Alcatel.




                                                                                                         C2 monitoring
  All rights reserved. Passing on and copying of this
  document, use and communication of its contents




                                                                                                         AIS generation

                                                                                                •        LPT ( S3_TT_Sk)
                                                                                                         LP–TIM detection (J1 monitoring)
                                                                                                         LP–SLM and UNEQ detection (C2 monitoring)
                                                                                                         RDI detection
                                                                                                         REI recovery
                                                                                                         B3 BIP–8 count and error detection
                                                                                                         F2 and F3 bytes extraction and sending to AUX* bus and DCC* bus

                                                                                                •        LTCA (Low order tandem connection adaptation)
                                                                                                         Invalid frame start condition restoration

                                                                                                •        LTCT (Low order tandem connection termination)
                                                                                                         N1 monitoring and processing
                                                                                                         B3 insertion (VC–3 BIP–8 compensation )

                                                                                            –   STM–4  timing G.A.
                                                                                                The G.A. provides the following functions:
                                                                                                •        to connect the three ”34/45 Mbit/s interface” to the backpanel . In fact the frame format leaving
                                                                                                         the ”34/45 Mbit/s interface” is a 4 wire bus at 38.88 Mbit/s while the backpanel format is
                                                                                                         STM–4*.
                                                                                                •        Timing: it receives the 622 MHz System clock from the two MATRIX and generates the clock
                                                                                                         at 38.88 MHz for the ”34/45 MBit/s interface”.

                                                                                            Other functions implemented are :

                                                                                                •        RIBUS I/F
                                                                                                         This block is used to read/write from/to the ”RIBUS” stream, to control the LED on the unit, to
                                                                                                         release the Management–bus in case of power failure, and to use the remote inventory. It is
                                                                                                         powered by the + 3.3 Vdc supply by CONGI boards.
                                                                                                •        REMOTE INVENTORY
                                                                                                         It is the memory containing the board information, for identification purposes (see para. 3.17
                                                                                                         on page 370 for details).
                                                                                                •        M–BUS Driver
                                                                                                         It drives the input–output gates of the Management–bus. These drivers can be disabled (by
                                                                                                         the Bus–OFF signal) in case of power failure.
                                                                                                         DC/DC CONVERTER
                                                                                                         It converts the 48/60 V power supply to the 3.3 V used to supply all the components in the board.
                                                                                                         The DC/DC converter is synchronized with a synchronization clock at 288 MHz (signal
                                                                                                         Power–Sync, generated by G.A.) in order to avoid EMI problems.
                                                                                                •        STEP DOWN
                                                                                                         It uses the 3.3 V power supply from DC/DC Converter block to obtain the 2.5 V used to power
                                                                                                         the Gate Array (G.A.).
                                                  1AA 00014 0004 (9007) A4 – ALICE 04.10




                                                                                           ED       03

                                                                                                                                                              3AL 91669 AA AA                        441 / 706


                                                                                                                                                                            706
AUX DCC                                                                                  DCC




                                                                                                                                                                                                Main and Spare
                                                                                                         CK 38.88
                                                                                                                                                                                     AUX




                                                                                                                                                                                                  MATRIXE
                                                                 34/45 Mb/s #3




                                                                                                                                                                                                                 not permitted without written authorization from Alcatel.
                                                                                                                                                                                                  To/From




                                                                                                                                                                                                                   All rights reserved. Passing on and copying of this
                                                                                                                                                                                                                   document, use and communication of its contents
                                                       Data IN                                                Input side
                                                                    LPA          LPT      LTCA    LTCT          AU4
                                                        LOS                                                   ASSEMBLY                                                    STM4
                                         Access Card




                                                                                                                               4 X 38.88 Mbit/s
                                           From/To




                                                                                                                                                                          BPF 622 Mbit/s
                                                                                                                                                                           I/F

                                                                                                              Output side
                                                                                                                                                                     STM–4  TIMING




                                                                                                                                                                                               Main and Spare
                                              Data OUT                                                                                                                    G.A.
                                                                    LPA          LPT      LTCA    LTCT         AU4




                                                                                                                                                                                                 MATRIXE
                                                                                                              DISASS.




                                                                                                                                                                                                   From
                                                                                                                                     CK 38.88
                                                                                                                                                                          TIMING CK syst.
                                                                                            AUX DCC
                                                                                                         CK 38.88
                                                                 34/45 Mb/s #2
                                                       Data IN                                                Input side
                                                                    LPA          LPT      LTCA    LTCT          AU4
                                         Access Card




                                                         LOS                                                  ASSEMBLY                                                             Power
                                           From/To




                                                                                                                                                                                   Sync



                                                                                                              Output side
                                              Data OUT                                                                                                    3.3 V                DC/DC 48/60 V
                                                                    LPA          LPT      LTCA    LTCT         AU4
                                                                                                              DISASS.                                                          CONV.




                                                                                                                                                                                                CONGI A  B
                                                                                            AUX DCC                                                       2.5 V STEP




                                                                                                                                                                                                    from
                                                                                                         CK 38.88                                               DOWN
                                                                 34/45 Mb/s #1

                                                       Data IN                                                Input side
                                                                                                                                                                           + 3.3 Vdc       F
                                                                                                                                         Configuration and Status




                                                         LOS        LPA          LPT      LTCA    LTCT          AU4
                                                                                                              ASSEMBLY
                                         Access Card
                                           From/To




                                                                                                              Output side
                                              Data OUT
                                                                    LPA          LPT      LTCA    LTCT         AU4
                                                                                                              DISASS.




                                                                                                                                                                       Management bus
                                                                                                                                     M–BUS
                                                                                                                                                                                               Main and Spare




                                                                                                                                     Driver
                                                                                                                                                                                                  MATRIXE




                                                                                                                           Unit                                                      CMISS
                                                                                                                                                                                                 To/From




                                                                                                                           Failure
                                                                                                                                         Bus–off
                                                                                                                                                                                 RIBUS
                                                                                                              REMOTE                 RIBUS
                                                                                                             INVENTORY                                                    Id
                                                                    3 x 34/45 MBIT/S PORT CARD                                        I/F
                                                                                                                                                                     + 3.3 Vdc




                                                                                       Figure 262. 3x34/45 port card –Block diagram
1AA 00014 0004 (9007) A4 – ALICE 04.10




                                         ED                03

                                                                                                                            3AL 91669 AA AA                                                       442 / 706


                                                                                                                                                                    706
4.23 4 x STM–1 electrical/optical port card (P4S1N)

                                                                                            (See Figure 263. on page 447 )
not permitted without written authorization from Alcatel.




                                                                                            The 4 x STM–1 port processes up to four STM–1 streams. A max. of two electrical or optical modules can
  All rights reserved. Passing on and copying of this
  document, use and communication of its contents




                                                                                            be housed on the card to give physical access to the STM–1 signal. The remaining two physical accesses
                                                                                            are on the relevant access card .

                                                                                            The SDH functions required to manage STM–1 signal are implemented by the G.A. mounted on the board.
                                                                                            It interfaces the two MATRIX card via backpanel.

                                                                                            Referring to the ITU–T G.783 Recommendation , the G.A. performs the following functions :

                                                                                            –    TTF

                                                                                            –    HOA

                                                                                            –    LPOM /LSUT (the last is not available in this release)

                                                                                            –    HPOM /HSUT (the last is not available in this release)

                                                                                            Cross connection functions (MSP, HPC and LPC) are performed by the two MATRIX boards (working in
                                                                                            1+1 configuration).

                                                                                            The TTF block is connected to the MATRIX boards (main and spare) through 1+1 bidirectional links at
                                                                                            622 Mbit/s , STM–4 equivalent capacity.

                                                                                            HOA block is connected both to the HPC matrices and to the LPC matrices on the two MATRIX boards
                                                                                            through a couple of 1+1 links at 622 MBit/s working in protection, STM–4 equivalent capacity.
                                                                                            Backpanel interface supply a system–clock to the G.A. internal circuits.

                                                                                            In the following block description, the new naming convention of the G.783 is reported. Refer to para. 3.3.4
                                                                                            on page 206 for details.

                                                                                            The G.A. send and receive four STM–1 signals (data + clock) at 155 Mbit/s to/from each SPI.
                                                                                            An external LOS is received from each input line interface.
                                                                                            Each optical transmitter provides its status by means of two input signals: Laser Degrade and Laser
                                                                                            Failure.

                                                                                            The ALS algorithm is hardware implemented : the G.A. provides the Laser shut Down command (LASER
                                                                                            OFF).

                                                                                            In the following will be described the signal processing of only one STM–1 interface; the other three
                                                                                            interfaces process the signal in the same way.

                                                                                            The PISO  SIPO (Parallel–In Serial–Out; Serial–in Parallel–out) blocks allow the unit to interface with
                                                                                            the back panel at of 622 Mbit/s bit rate, mapping the STM–1 signals over a STM–4 internal equivalent
                                                                                            frame.

                                                                                            TTF BLOCK ( SPI, RST, MST, MSA)

                                                                                            This block performs the Transport Terminal Functions (sink on Input side, source on Output side) for
                                                                                            STM–1 signals.

                                                                                            TTF block provides the T1 timing references at 2 MHz , derived from the STM–1 input signals.
                                                  1AA 00014 0004 (9007) A4 – ALICE 04.10




                                                                                           ED      03

                                                                                                                                                            3AL 91669 AA AA                        443 / 706


                                                                                                                                                                          706
INPUT side : from line to MSP block on MATRIX

                                              SPI (OSn/RSn_A_Sk) : it descramblers the incoming signal , counts the OOF and reveals the LOF
                                              alarm.




                                                                                                                                                        not permitted without written authorization from Alcatel.
                                                                                                                                                          All rights reserved. Passing on and copying of this
                                                                                                                                                          document, use and communication of its contents
                                              RST (RSn_TT_Sk) : performs frame alignment detection (A1, A2) , regenerator section trace
                                              recovery (J0) and mismatch detection, BIP–8 Errored Block count. J0 is not managed in this release.

                                              MST (MSn_TT_Sk) : performs BIP–24 errored block count, MS–REI recovery, MS–RDI and MS–AIS
                                              detection. TSD is applied in case of MS–DEG (signal degrade), TSF is applied if MS–AIS is detected.

                                              MSA (MSn/Sn_A_Sk) : performs AU4 pointer interpretation, LOP and AIS detection, pointer
                                              justification.

                                              Moreover the following functions are performed on the Rx side :

                                              SOH BYTE extraction (Rx side): DCC bytes (DCCR D1–D3 and DCCM D4–D12) are dropped and
                                              serialized in a DCC frame. Two DCC frames are generated working in 1+1 protection.

                                          OUTPUT side : from MATRIX to line

                                              MSA (Ms/Sn_A_So) : it performs AUG assembly, AU–4 pointer generation, AU–AIS generation.

                                              MST (MSn_TT_So) : it performs BIP–24 calculation and insertion, MS–REI MS–RDI and MS–AIS
                                              insertion.

                                              RST (RSn_TT_So) : it performs frame alignment insertion, regenerator section path trace insertion,
                                              BIP–8 calculation and insertion.

                                              SOH BYTE insertion (Tx side): DCC bytes (DCCR D1–D3 and DCCM D4–D12) coming from the
                                              DCC frames are inserted into the SOH section.

                                              SPI (OSn/RSn_A_So) :it scramblers the outgoing signals and insert AIS in alarm condition.

                                          HOA BLOCK (HPT, HPA)

                                          From HPC matrix to LPC matrix

                                              HPT (Sn_TT_Sk) : path trace information is recovered, REI information is recovered, HP–RDI and
                                              UNEQ are detected, VC4 BIP–8 errored count block. TSF is applied if SSF or UNEQ or TIM or AIS
                                              is detected.
                                              TSD is applied if a condition of signal degrade is detected.

                                              Moreover :

                                              F2 F3 byte extraction (Rx side) : both F2 and F3 bytes are extracted from the received flow and
                                              serialized on a DCC frame .

                                              N1 byte extraction (Rx side) : for the network Tandem Connection Termination  Monitoring
                                              function (TCT/TCM).

                                              HPA (Sn/Sm_A_Sk) : VC–4 disassembly, TU pointer interpretation, LOP and TU–AIS detection,
                                              HP–SLM and LOM detection.
1AA 00014 0004 (9007) A4 – ALICE 04.10




                                         ED     03

                                                                                                      3AL 91669 AA AA                       444 / 706


                                                                                                                    706
From LPC matrix to HPC matrix

                                                                                                HPA (Sn/Sm_A_So) : VC4 assembly, TU pointer generation, TU–AIS generation , signal label
                                                                                                insertion,
not permitted without written authorization from Alcatel.
  All rights reserved. Passing on and copying of this
  document, use and communication of its contents




                                                                                                HPT (Sn_TT_So) : path trace identification insertion, RDI and REI indications insertion, VC–4 BIP–8
                                                                                                calculation and insertion.

                                                                                                Moreover:

                                                                                                F2 and F3 byte insertion (Tx side) : F2/F3 bytes are inserted on the DCC frame

                                                                                                N1 byte insertion (Tx side) : for the network Tandem Connection Termination  Monitoring function
                                                                                                (TCT/TCM).

                                                                                            The G.A. provides also the HSUT, HPOM, (alternative) and LSUT, LPOM functions (alternative) both in
                                                                                            Rx and Tx side.

                                                                                            The main task of HSUT are:

                                                                                                RX side (from MSA to HPC matrix):

                                                                                                •        path trace information recovery
                                                                                                •        REI recovery
                                                                                                •        HP–RDI detection (path status monitoring
                                                                                                •        UNEQ and VC–AIS detection (signal label monitoring)
                                                                                                •        VC4 BIP–8 Errored Block count

                                                                                                Tx side: (from HPC matrix to MSA)

                                                                                                •        generation of an unequipped container
                                                                                                •        ”unequipped” insertion, trail trace identifier generation
                                                                                                •        RDI and /or REI information generation
                                                                                                •        VC–4 BIP–8 calculation and insertion

                                                                                            The main task of HPOM are:

                                                                                                RX and TX side:

                                                                                                •        signal termination
                                                                                                •        J1 path recovering
                                                                                                •        REI information recovering
                                                                                                •        HP–RDI detection (path status monitoring
                                                                                                •        UNEQ and VC–AIS detection (signal label monitoring)
                                                                                                •        VC4 BIP–8 Errored Block count
                                                                                                •        TSF is generated in case of SSF , UNEQ, TIM , AIS . TSD is generated in case of SD

                                                                                            The main tasks of LSUT are :

                                                                                                RX side (from HPA to LPC matrix):

                                                                                                •        recovering of VC–m unequipped signal label
                                                                                                •        path trace recovering
                                                                                                •        BIP–2 recovery
                                                  1AA 00014 0004 (9007) A4 – ALICE 04.10




                                                                                                •        REI and RDI recovery




                                                                                           ED       03

                                                                                                                                                               3AL 91669 AA AA                445 / 706


                                                                                                                                                                         706
Tx side (from LPC matrix to HPA ):

                                              •        insertion of VC–m unequipped signal label
                                              •        path trace insertion




                                                                                                                                                             not permitted without written authorization from Alcatel.
                                              •        BIP–2 insertion




                                                                                                                                                               All rights reserved. Passing on and copying of this
                                                                                                                                                               document, use and communication of its contents
                                              •        REI and RDI insertion

                                              LSUT is used to monitor unequipped path trails .

                                          The main tasks of LPOM are :

                                              •        trace identifier monitoring
                                              •        RDI and REI recovering and deriving for performance primitives
                                              •        signal label monitoring
                                              •        VC–m BIP–2 errored block count

                                              LPOM is used for performance monitoring purposes.

                                          Other functions implemented are :

                                              •        RIBUS I/F
                                                       This block is used to read/write from/to the ”RIBUS” stream, to control the LED on the unit, to
                                                       release the Management–bus in case of power failure, and to use the remote inventory. RIBUS
                                                       I/F is powered by the + 3.3 Vdc supply by CONGI boards.

                                              •        REMOTE INVENTORY
                                                       It is the memory containing the board information, for identification purposes (see para. 3.17
                                                       on page 370 for details).

                                              •        M–BUS Driver
                                                       It drives the input–output gates of the Management–bus. These drivers can be disabled (by
                                                       the Bus–OFF signal) in case of power failure.

                                                       DC/DC CONVERTERS

                                                       This block converts the 48/60 V power supply 3.3 V and 2.5 V used to supply all the components
                                                       in the board.
                                                       The DC/DC converter is synchronized with a synchronization clock at 300 MHz (signal
                                                       Power–Sync, generated by G.A.) in order to avoid EMI problems.
1AA 00014 0004 (9007) A4 – ALICE 04.10




                                         ED       03

                                                                                                           3AL 91669 AA AA                       446 / 706


                                                                                                                        706
System–clock a

                                                                                                                                                                   G.A.                 (1a)
                                                                                                                                                                                                             System–clock b

                                                                                                                                                                                                PISO         to/from HPC matrix
                                                                                                                                                                                        (1b)                      (X Link)
not permitted without written authorization from Alcatel.




                                                                                                                                                                                        (1c)    SIPO




                                                                                                                                                                                                                                  MAIN AND SPARE
                                                                                                              1st INTERFACE
  All rights reserved. Passing on and copying of this
  document, use and communication of its contents




                                                                                                                                                        HPT                             (1d)




                                                                                                                                                                                                                                      MATRIXE
                                                                                                                                             HOA
                                                                                                                                                                                        (2a)
                                                                                                                                                       HPA                                                   to/from LPC matrix
                                                                                                                                                                                                PISO               (L link)
                                                                                                                                                                                        (2b)      
                                                                                                                                                                             LPOM       (2c)    SIPO
                                                                                                                                                                             LSUT       (2d)
                                                                                                                                                                              (*)
                                                                                                                                                       F2, F3                                                     T1

                                                                                                            Optical or Electrical                                            HPOM       (3a)                   to/from
                                                                                            Optical                                                           TTF                                             HPC matrix
                                                                                                             Plug–in Module                                                  HSUT       (3b)    PISO
                                                                                            Input/                                                                             (*)                            (H Link)
                                                                                            Output                                                                                      (3c)
                                                                                                                              STM–1                                                             SIPO
                                                                                               1                                       RST              MST       MSA                   (3d)
                                                                                                                  SPI      LOS
                                                                                                                          LASER D.  DCCR                 DCCM                           (4a)
                                                                                                                                    RSOH                 MSOH                                   PISO               DCC
                                                                                                                          LASER F.                                                      (4b)      
                                                                                                                          LASER OFF                                                     (4c)    SIPO
                                                                                                                                                                                        (4d)




                                                                                                                                                                                                                                  FROM/TO
                                                                                                                                                                                                                                  SERVICE
                                                                                                                                                                                        (5a)
                                                                                                                                                                                                PISO             AUX
                                                                                                                                                                F2, F3                  (5b)      
                                                                                                                                                                                        (5c)    SIPO
                                                                                            Optical                                                                                     (5d)
                                                                                            Input/
                                                                                            Output                                                                                      (1b)
                                                                                               2               2nd INTERFACE                                                            (2b)
                                                                                                                                                                                        (3b)
                                                                                                                                                                                        (4b)
                                                                                            Optical                                                                                     (5b)                      T1
                                                                                            Input/
                                                                                            Output                                                                                      (1c)
                                                                                               3                                                                                        (2c)




                                                                                                                                                                                                                                  MAIN AND SPARE
                                                                                                                                                      3 rd INTERFACE
                                                                                                                SPI                                                                     (3c)
                                                                                                                ( )




                                                                                                                                                                                                                                      MATRIXE
                                                                                                                                                                                        (4c)
                                                                                            Optical                                                                                     (5c)                      T1
                                                                                            Input/
                                                                                            Output                                                                                      (1d)
                                                                                               4                                                      4 th INTERFACE                    (2d)
                                                                                                               SPI                                                                      (3d)
                                                                                                               ( )                                                                      (4d)
                                                                                                                                                                                        (5d)                      T1


                                                                                                                                                                         Config. 
                                                                                                                                                                          Status                              Management




                                                                                                                                                                                                                                  MAIN AND SPARE
                                                                                                                                                   622 MHz                                                       Bus
                                                                                                                                                     OSC                       M–BUS


                                                                                                                                                                                                                                      MATRIXE
                                                                                                                                                                                                                                     FROM/TO
                                                                                                                                                                               Driver
                                                                                                                                                                                                               CMISS
                                                                                                                                                                                      Bus–OFF
                                                                                                                                                         Remote                                               RIBUS
                                                                                                                                                        Inventory

                                                                                                                                                                                RIBUS          ID
                                                                                                                                              Power                               I/F
                                                                                                                                              Sync
                                                                                                                                                                                                    F         +3.3 Vdc
                                                                                                                                                                                                                                  CONGI A  B




                                                                                                                                                                   Unit
                                                                                                                                                                   Failure
                                                                                                                                    3.3 V
                                                                                                                                                                                                                                    FROM




                                                                                                                                               DC/DC                                                           48/60 V
                                                                                                                                    2.5 V   CONVERTERS
                                                                                                           ACCESS
                                                                                                            CARD                                       4 x STM–1 ELECTRICAL/OPTICAL PORT
                                                                                                 Notes:
                                                                                                  (*) –      HSUT and LSUT are not available in the current release
                                                                                                  ( )–        THE ” SPI” ASSOCIATED TO THE 3rd AND 4th INTERFACES ARE PHISICALLY ON THE ACCESS CARD
                                                  1AA 00014 0004 (9007) A4 – ALICE 04.10




                                                                                                                            Figure 263. 4 x STM–1 Electrical/Optical port block diagram




                                                                                           ED         03

                                                                                                                                                                                     3AL 91669 AA AA                                     447 / 706


                                                                                                                                                                                                       706
4.24 4 X 140/STM1 switchable O/E port card (P4E4N)

                                          (See Figure 264. on page 453 and Figure 265. on page 454)




                                                                                                                                                             not permitted without written authorization from Alcatel.
                                          The 4 X 140/STM1 switchable O/E port card is a bidirectional unit which interfaces up to four




                                                                                                                                                               All rights reserved. Passing on and copying of this
                                                                                                                                                               document, use and communication of its contents
                                          plesiochronous 140 Mbit/s (E4) or Synchronous 155 Mbit/s (STM–1) with STM4–BPF (BPF=backpanel
                                          format ).
                                          The choice among the two possible different interfaces is flexible and mixed configuration are allowed.
                                          For each P4E4N port card there are four electrical (75 Ohm) or optical module( Short and Long Haul) ;two
                                          of the four module are hosted directly on the port card , the other two are hosted in the relevant access
                                          card (A2S1).

                                          The description that follows explains the two operating mode of each interface (140 Mbit/s PDH or 155
                                          Mbit/s SDH) on the port card.

                                          155 Mbit/s STM–1

                                          The SDH functions required to manage STM–1 signal are implemented by the G.A. mounted on the board.
                                          It interfaces the two MATRIX cards via backpanel.
                                          The “Mapper/Demapper 140–PDH/155–STM–1” block is internally by–passed through the EN 140/155
                                          signal when the interface is programmed as 155 Mbit/s.
                                          Referring to the ITU–T G.783 Recommendation , the G.A. performs the following functions :

                                          –    TTF
                                          –    HOA
                                          –    LPOM /LSUT (the last is not available in this release)
                                          –    HPOM /HSUT (the last is not available in this release)

                                          Cross connection functions (MSP, HPC and LPC) are performed by the matrices present on the two
                                          MATRIX boards (working in 1+1 configuration).

                                          The TTF block is connected to the MATRIX boards (main and spare) through 1+1 bidirectional links at
                                          622 Mbit/s , STM–4 equivalent capacity.

                                          HOA block is connected both to the HPC matrices and to the LPC matrices on the two MATRIX boards
                                          through a couple of 1+1 links at 622 MBit/s working in protection, STM–4 equivalent capacity.
                                          Backpanel interface supply a system–clock to the G.A. internal circuits.

                                          In the following block description, the new naming convention of the G.783 is reported. Refer to para. 3.3.4
                                          on page 206 for details.

                                          The G.A. send and receive four STM–1 signals (data + clock) at 155 Mbit/s to/from each SPI.
                                          An external LOS is received from each input line interface.
                                          Each optical transmitter provides its status by means of two input signals: Laser Degrade and Laser
                                          Failure.
                                          The ALS algorithm is hardware implemented : the G.A. provides the Laser shut Down command (LASER
                                          OFF).
                                          In the following will be described the signal processing of only one STM–1 interface; the other three
                                          interfaces process the signal in the same way.
1AA 00014 0004 (9007) A4 – ALICE 04.10




                                          The PISO  SIPO (Parallel–In Serial–Out; Serial–in Parallel–out) blocks allow the unit to interface with
                                          the back panel at of 622 Mbit/s bit rate, mapping the STM–1 signals over a STM–4 internal equivalent
                                          frame.


                                         ED      03

                                                                                                          3AL 91669 AA AA                        448 / 706


                                                                                                                        706
TTF BLOCK ( SPI, RST, MST, MSA)

                                                                                            This block performs the Transport Terminal Functions (sink on Input side, source on Output side) for
                                                                                            STM–1 signals.
not permitted without written authorization from Alcatel.
  All rights reserved. Passing on and copying of this
  document, use and communication of its contents




                                                                                            TTF block provides the T1 timing references at 2 MHz , derived from the STM–1 input signals.

                                                                                            INPUT side : from line to MSP block on MATRIX

                                                                                                 SPI (OSn/RSn_A_Sk) : it descramblers the incoming signal , counts the OOF and reveals the LOF
                                                                                                 alarm.

                                                                                                 RST (RSn_TT_Sk) : performs frame alignment detection (A1, A2) , regenerator section trace
                                                                                                 recovery (J0) and mismatch detection, BIP–8 Errored Block count. J0 is not managed in this release.

                                                                                                 MST (MSn_TT_Sk) : performs BIP–24 errored block count, MS–REI recovery, MS–RDI and MS–AIS
                                                                                                 detection. TSD is applied in case of MS–DEG (signal degrade), TSF is applied if MS–AIS is detected.

                                                                                                 MSA (MSn/Sn_A_Sk) : performs AU4 pointer interpretation, LOP and AIS detection, pointer
                                                                                                 justification.

                                                                                                 Moreover the following functions are performed on the Rx side :

                                                                                                 SOH BYTE extraction (Rx side): DCC bytes (DCCR D1–D3 and DCCM D4–D12) are dropped and
                                                                                                 serialized in a DCC frame. Two DCC frames are generated working in 1+1 protection.

                                                                                            OUTPUT side : from MATRIX to line

                                                                                                 MSA (Ms/Sn_A_So) : it performs AUG assembly, AU–4 pointer generation, AU–AIS generation.

                                                                                                 MST (MSn_TT_So) : it performs BIP–24 calculation and insertion, MS–REI MS–RDI and MS–AIS
                                                                                                 insertion.

                                                                                                 RST (RSn_TT_So) : it performs frame alignment insertion, regenerator section path trace insertion,
                                                                                                 BIP–8 calculation and insertion.

                                                                                                 SOH BYTE insertion (Tx side): DCC bytes (DCCR D1–D3 and DCCM D4–D12) coming from the
                                                                                                 DCC frames are inserted into the SOH section.

                                                                                                 SPI (OSn/RSn_A_So) :it scramblers the outgoing signals and insert AIS in alarm condition.

                                                                                            HOA BLOCK (HPT, HPA)

                                                                                            From HPC matrix to LPC matrix

                                                                                                 HPT (Sn_TT_Sk) : path trace information is recovered, REI information is recovered, HP–RDI and
                                                                                                 UNEQ are detected, VC4 BIP–8 errored count block. TSF is applied if SSF or UNEQ or TIM or AIS
                                                                                                 is detected.
                                                                                                 TSD is applied if a condition of signal degrade is detected.

                                                                                                 Moreover :

                                                                                                 F2 F3 byte extraction (Rx side) : both F2 and F3 bytes are extracted from the received flow and
                                                                                                 serialized on a DCC frame .

                                                                                                 N1 byte extraction (Rx side) : for the network Tandem Connection Termination  Monitoring
                                                                                                 function (TCT/TCM).
                                                  1AA 00014 0004 (9007) A4 – ALICE 04.10




                                                                                                 HPA (Sn/Sm_A_Sk) : VC–4 disassembly, TU pointer interpretation, LOP and TU–AIS detection,
                                                                                                 HP–SLM and LOM detection.


                                                                                           ED      03

                                                                                                                                                         3AL 91669 AA AA                       449 / 706


                                                                                                                                                                       706
From LPC matrix to HPC matrix

                                              HPA (Sn/Sm_A_So) : VC4 assembly, TU pointer generation, TU–AIS generation , signal label
                                              insertion,




                                                                                                                                                        not permitted without written authorization from Alcatel.
                                                                                                                                                          All rights reserved. Passing on and copying of this
                                                                                                                                                          document, use and communication of its contents
                                              HPT (Sn_TT_So) : path trace identification insertion, RDI and REI indications insertion, VC–4 BIP–8
                                              calculation and insertion.

                                              Moreover:

                                              F2 and F3 byte insertion (Tx side) : F2/F3 bytes are inserted on the DCC frame

                                              N1 byte insertion (Tx side) : for the network Tandem Connection Termination  Monitoring function
                                              (TCT/TCM).

                                          The G.A. provides also the HSUT, HPOM, (alternative) and LSUT, LPOM functions (alternative) both in
                                          Rx and Tx side.

                                          The main task of HSUT are:

                                              RX side (from MSA to HPC matrix):

                                              •        path trace information recovery
                                              •        REI recovery
                                              •        HP–RDI detection (path status monitoring
                                              •        UNEQ and VC–AIS detection (signal label monitoring)
                                              •        VC4 BIP–8 Errored Block count

                                              Tx side: (from HPC matrix to MSA)

                                              •        generation of an unequipped container
                                              •        ”unequipped” insertion, trail trace identifier generation
                                              •        RDI and /or REI information generation
                                              •        VC–4 BIP–8 calculation and insertion

                                          The main task of HPOM are:

                                              RX and TX side:

                                              •        signal termination
                                              •        J1 path recovering
                                              •        REI information recovering
                                              •        HP–RDI detection (path status monitoring
                                              •        UNEQ and VC–AIS detection (signal label monitoring)
                                              •        VC4 BIP–8 Errored Block count
                                              •        TSF is generated in case of SSF , UNEQ, TIM , AIS . TSD is generated in case of SD

                                          The main tasks of LSUT are :

                                              RX side (from HPA to LPC matrix):

                                              •        recovering of VC–m unequipped signal label
                                              •        path trace recovering
                                              •        BIP–2 recovery
1AA 00014 0004 (9007) A4 – ALICE 04.10




                                              •        REI and RDI recovery




                                         ED       03

                                                                                                             3AL 91669 AA AA                450 / 706


                                                                                                                       706
Tx side (from LPC matrix to HPA ):

                                                                                                 •        insertion of VC–m unequipped signal label
                                                                                                 •        path trace insertion
not permitted without written authorization from Alcatel.




                                                                                                 •        BIP–2 insertion
  All rights reserved. Passing on and copying of this
  document, use and communication of its contents




                                                                                                 •        REI and RDI insertion

                                                                                                 LSUT is used to monitor unequipped path trails .

                                                                                            The main tasks of LPOM are :

                                                                                                 •        trace identifier monitoring
                                                                                                 •        RDI and REI recovering and deriving for performance primitives
                                                                                                 •        signal label monitoring
                                                                                                 •        VC–m BIP–2 errored block count

                                                                                                 LPOM is used for performance monitoring purposes.



                                                                                            140 Mbit/s PDH

                                                                                            The functions required to manage 140 Mbit/s PDH signal are implemented by the “Mapper/Demapper
                                                                                            140–PDH/155–STM–1” block and G.A. mounted on the board. The last interfaces the two matrix on the
                                                                                            MATRIX cards via backpanel.

                                                                                            INPUT side : from line to MSP block on MATRIX

                                                                                            The circuits concerned are:

                                                                                                 PPI (E4_TT_Sk and E4/P4s_A_Sk) : it interfaces the line extracting the timing, decoding data and
                                                                                                 AIS detecting. It is also performed the PDH LOS processing. The Data flow is than sent to the LPA
                                                                                                 block after a serial to parallel conversion (SIPO).

                                                                                                 LPA (S4/P4s_A_So)
                                                                                                 The 140 Mbit/s plesiochronous stream is inserted in a C4 container to be adapted so as to be
                                                                                                 transported into the synchronous network.

                                                                                                 HPT (S4_TT_So)
                                                                                                 The Virtual Container (VC4) is formatted.
                                                                                                 The VC4 is structured so that its octets are distributed within a 125 msec. interval (i.e., one STM–1
                                                                                                 period), and consists of the C4 container and POH. The latter containing nine octets equally
                                                                                                 distributed within the frame. Figure 228. on page 375 depicts the structure of a VC4 and of the POH
                                                                                                 bytes: J1, B3. C2, G1, F2, H4, Z3–Z5. Bytes F2, Z3–Z5 .

                                                                                                 PG ( Pointer Generator)
                                                                                                 A fixed pointer value is inserted in the AUOH to structure the AU4 signal.

                                                                                                 MST and RST
                                                                                                 This two functions are necessary to create a proprietary STM–1 signal in order to interface the
                                                                                                 “Mapper/Demapper 140–PDH/155–STM–1” block with the G.A. Data are sent to the G.A. in a serial
                                                                                                 way through the PISO block.
                                                                                                  In the G.A. the complementary function are made (RST, MST, MSA).
                                                  1AA 00014 0004 (9007) A4 – ALICE 04.10




                                                                                           ED        03

                                                                                                                                                           3AL 91669 AA AA                       451 / 706


                                                                                                                                                                           706
OUTPUT side : from MATRIX to line

                                          The circuits concerned are:




                                                                                                                                                             not permitted without written authorization from Alcatel.
                                               MSA (inside the G.A.): It performs AUG assembly, AU–4 pointer generation, AU–AIS generation




                                                                                                                                                               All rights reserved. Passing on and copying of this
                                                                                                                                                               document, use and communication of its contents
                                               MST and RST (inside the G.A.):this two functions are necessary to create a STM–1 signal in order
                                               to interface the G.A with the “Mapper/Demapper 140–PDH/155–STM–1” block .
                                               Data are sent from G.A. to Mapper/Demapper 140–PDH/155–STM–1” block in serial way and than
                                               converted in parallel through a SIPO.

                                               ALIGNER: it searches the frame alignment word and checks the alignment conditions.

                                               HPT ( S4_TT_Sk): Extracts the POH bytes from the VC4 structure and manages them accordingly
                                               (see Figure 228. on page 375).

                                               LPA (S4/P4s_ASk)
                                               Restructures the 140 Mbit/s PDH signal by extracting it from Container C4 . The signal is than sent
                                               in serial way (through PISO) to the PPI block.

                                               PPI (E4/P4s_A_So and E4_TT_So ) : it convert the internal signal code to the line code.



                                          Other functions implemented are :

                                               •        RIBUS I/F
                                                        This block is used to:

                                                        –    read/write from/to the ”RIBUS” stream
                                                        –    control the LED on the unit
                                                        –    to release the Management–bus in case of power failure
                                                        –    read remote inventory data
                                                        –    enable 155Mbit/ or 140 Mbit/s operating mode ( EN 140/155) separately
                                                        –    send Internal Loop and External Loop commands to each interface separately

                                                        RIBUS I/F is powered by the + 3.3 Vdc supply by CONGI boards.

                                               •        REMOTE INVENTORY
                                                        It is the memory containing the board information, for identification purposes (see para. 3.17
                                                        on page 370 for details).

                                               •        M–BUS Driver
                                                        It drives the input–output gates of the Management–bus. These drivers can be disabled (by
                                                        the Bus–OFF signal) in case of power failure.

                                                        DC/DC CONVERTERS

                                                        This block converts the 48/60 V power supply 5V, 3.3 V, 2.5 V and 1.8 V used to supply all the
                                                        components in the board.
                                                        The DC/DC converter is synchronized with a synchronization clock at 300 MHz (signal
                                                        Power–Sync, generated by G.A.) in order to avoid EMI problems.
1AA 00014 0004 (9007) A4 – ALICE 04.10




                                         ED        03

                                                                                                           3AL 91669 AA AA                       452 / 706


                                                                                                                         706
System–clock a
                                                                                                                                                                  G.A.                                        System–clock b
                                                                                                                                                                                            (1a)             to/from HPC matrix
                                                                                                                                                                                            (1b)
                                                                                                                                                                                                    PISO           (X Link)
                                                                                                                                                          HOA                                         




                                                                                                                                                                                                                                      MAIN AND SPARE
not permitted without written authorization from Alcatel.




                                                                                                                                                                                            (1c)    SIPO
                                                                                                                                1st INTERFACE
  All rights reserved. Passing on and copying of this
  document, use and communication of its contents




                                                                                                                                                               HPT                          (1d)




                                                                                                                                                                                                                                          MATRIXE
                                                                                                                                                                                            (2a)             to/from LPC matrix
                                                                                                                    Int.                                      HPA                                   PISO           (L link)
                                                                                                                                                                                            (2b)      
                                                                                                                    Loop                                                      LPOM (*)      (2c)    SIPO
                                                                                                             Line                                                             LSUT          (2d)
                                                                                                             Loop
                                                                                                                                 EN 140/155                                   HPOM                             T1
                                                                                                                                                              F2, F3
                                                                                                                                                                              HSUT(*)
                                                                                             O/E                                                                                            (3a)                to/from
                                                                                            Input/            O/E LOS                                   LOS      TTF                                           HPC matrix
                                                                                                                                                                                            (3b)    PISO        (H Link)
                                                                                            Output           Module                                                                         (3c)      
                                                                                              1                               MAPPER/DEMAPPER    Data                                               SIPO
                                                                                                                       Data   140–PDH/155–STM1
                                                                                                                                                        RST     MST        MSA              (3d)
                                                                                                               SPI
                                                                                                                or
                                                                                                               PPI                                       DCCR          DCCM                 (4a)
                                                                                                                       LASER D.                          RSOH          MSOH                 (4b)
                                                                                                                                                                                                    PISO
                                                                                                                                                                                                                   DCC
                                                                                                                       LASER F.                                                             (4c)    SIPO




                                                                                                                                                                                                                                      FROM/TO
                                                                                                                                                                                                                                      SERVICE
                                                                                                                                                                                            (4d)
                                                                                                                       LASER OFF
                                                                                                                                                                                            (5a)
                                                                                                                                                                                            (5b)
                                                                                                                                                                                                    PISO
                                                                                                                                                                                                      
                                                                                                                                                                                                                 AUX
                                                                                             O/E                                                                  F2, F3                    (5c)    SIPO
                                                                                            Input/                                                                                          (5d)
                                                                                            Output
                                                                                              2                                                                                             (1b)
                                                                                                                                                                                            (2b)
                                                                                                                                                         2nd INTERFACE                      (3b)
                                                                                             O/E                              EN 140/155                                                    (4b)
                                                                                            Input/                                                                                          (5b)                    T1
                                                                                            Output
                                                                                              3                                                                                             (1c)




                                                                                                                                                                                                                                      MAIN AND SPARE
                                                                                                             SPI                                                                            (2c)
                                                                                                                                                         3 rd INTERFACE




                                                                                                                                                                                                                                           MATRIXE
                                                                                                             ( )                                                                            (3c)
                                                                                             O/E                                                                                            (4c)
                                                                                            Input/                            EN 140/155                                                    (5c)                    T1
                                                                                            Output
                                                                                              4                                                                                             (1d)
                                                                                                             SPI                                         4 th INTERFACE                     (2d)
                                                                                                             ( )                                                                            (3d)
                                                                                                                                                                                            (4d)
                                                                                                                              EN 140/155                                                                            T1
                                                                                                                                                                                            (5d)



                                                                                                                                                                        Config. 
                                                                                                                                                                         Status




                                                                                                                                                                                                                                  MAIN AND SPARE
                                                                                                                                                        622 MHz                          Management
                                                                                                                                                                                            Bus
                                                                                                                                                          OSC                    M–BUS


                                                                                                                                                                                                                                     MATRIXE
                                                                                                                                                                                                                                     FROM/TO
                                                                                                                                       Power                                     Driver
                                                                                                                                       Sync.
                                                                                                                                                                Remote                                         CMISS
                                                                                                                                                               Inventory              Bus–OFF

                                                                                                                                                                                                             RIBUS
                                                                                                                                                         EN 140/155 1–4             RIBUS
                                                                                                                                                                                      I/F               ID
                                                                                                                                                          Line Loop 1–4
                                                                                                                                                                                                                                       FROM CONGI




                                                                                                                               1.8 V                                                                F         +3.3 Vdc
                                                                                                                                                          Int. Loop 1–4
                                                                                                                                 5V
                                                                                                                                          DC/DC          Unit failure                                        48/60 V
                                                                                                                               3.3 V
                                                                                                                                       CONVERTERS
                                                                                                                               2.5 V
                                                                                                        ACCESS
                                                                                                         CARD                                      4 X 140/STM–1 ELECTRICAL/OPTICAL PORT
                                                                                                 Notes:
                                                                                                     (*) –    HSUT and LSUT are not available in the current release
                                                                                                     ( )–     THE ” SPI” ASSOCIATED TO THE 3rd AND 4th INTERFACES ARE PHISICALLY ON THE ACCESS CARD
                                                  1AA 00014 0004 (9007) A4 – ALICE 04.10




                                                                                                                      Figure 264. 4 x 140/STM–1 Electrical / Optical port block diagram




                                                                                           ED        03

                                                                                                                                                                               3AL 91669 AA AA                                      453 / 706


                                                                                                                                                                                                   706
not permitted without written authorization from Alcatel.
                                                                                                                                                                              All rights reserved. Passing on and copying of this
                                                                                                                                                                              document, use and communication of its contents
                                                                                                                                        EN 140/155



                                                         MAPPER/DEMAPPER
                                                         140–PDH/155–STM1                                                  EN 140/155

                                                                                                                                                              DATA
                                                                         155 Mbit/s                                                                           to G.A.
                                                                                                                                                     PISO
                                          Data In                        LPA
                                                         SIPO           Insert        HPT          Pointer           MST    RST
                                                                       into C4                    Generation



                                                            PDH AIS
                                                            Detector                C3,B3
                                                                                                                                                              TO
                                                                                                                                                              G.A.
                                                                                                                                           SDH LOS
                                              LOS
                                                                       PDH LOS
                                                                       processing

                                                          EN 140/155
                                                                                                           OH
                                                                                                       MANAGEMENT




                                                                                                                                                              DATA
                                          Data Out                                    LPA                                                                   from G.A.
                                                                                                          HPT               ALIGNER              SIPO
                                                                                   140 Mbit/s        POH EXTRACTION
                                                         PISO                    Reconstruction


                                                                                                        155 Mbit/s

                                                                  EN 140/155




                                                                Figure 265. Mapper /Demapper 140–PDH / 155–STM1 block diagram
1AA 00014 0004 (9007) A4 – ALICE 04.10




                                         ED         03

                                                                                                                       3AL 91669 AA AA                          454 / 706


                                                                                                                                  706
4.25 4 x STM–1 port (P4ES1N)

                                                                                            (See Figure 266. on page 459 )
not permitted without written authorization from Alcatel.




                                                                                            The 4 x STM–1 port processes up to four STM–1 streams. The physical accesses to the four STM–1
  All rights reserved. Passing on and copying of this
  document, use and communication of its contents




                                                                                            signals are available on the relevant access card.

                                                                                            The SDH functions required to manage STM–1 signal are implemented by the G.A. mounted on the board.
                                                                                            It interfaces the two MATRIX card via backpanel.

                                                                                            Referring to the ITU–T G.783 Recommendation , the G.A. performs the following functions :

                                                                                            –    TTF

                                                                                            –    HOA

                                                                                            –    LPOM /LSUT (the last is not available in this release)

                                                                                            –    HPOM /HSUT (the last is not available in this release)

                                                                                            Cross connection functions (MSP, HPC and LPC) are performed by the two MATRIX boards (working in
                                                                                            1+1 configuration).

                                                                                            The TTF block is connected to the MATRIX boards (main and spare) through 1+1 bidirectional links at
                                                                                            622 Mbit/s , STM–4 equivalent capacity.

                                                                                            HOA block is connected both to the HPC matrices and to the LPC matrices on the two MATRIX board
                                                                                            through a couple of 1+1 links at 622 MBit/s working in protection, STM–4 equivalent capacity.
                                                                                            Backpanel interface supply a system–clock to the G.A. internal circuits.

                                                                                            In the following block description, the new naming convention of the G.783 is reported. Refer to para. 3.3.4
                                                                                            on page 206 for details.

                                                                                            The G.A. send and receive four STM–1 signals (data + clock) at 155 Mbit/s to/from each SPI.
                                                                                            An external LOS is received from each input line interface.

                                                                                            In the following will be described the signal processing of only one STM–1 interface; the other three
                                                                                            interfaces process the signal in the same way.
                                                                                            The PISO  SIPO (Parallel–In Serial–Out; Serial–in Parallel–out) blocks allow the unit to interface with
                                                                                            the back panel at of 622 Mbit/s bit rate, mapping the STM–1 signals over a STM–4 internal equivalent
                                                                                            frame.

                                                                                            TTF BLOCK ( SPI, RST, MST, MSA)

                                                                                            This block performs the Transport Terminal Functions (sink on Input side, source on Output side) for
                                                                                            STM–1 signals.

                                                                                            TTF block provides the T1 timing references at 2 MHz , derived from the STM–1 input signals.
                                                  1AA 00014 0004 (9007) A4 – ALICE 04.10




                                                                                           ED      03

                                                                                                                                                            3AL 91669 AA AA                        455 / 706


                                                                                                                                                                          706
INPUT side : from line to MSP block on MATRIX

                                              SPI (OSn/RSn_A_Sk) : it descramblers the incoming signal , counts the OOF and reveals the LOF
                                              alarm.




                                                                                                                                                        not permitted without written authorization from Alcatel.
                                                                                                                                                          All rights reserved. Passing on and copying of this
                                                                                                                                                          document, use and communication of its contents
                                              RST (RSn_TT_Sk) : performs frame alignment detection (A1, A2) , regenerator section trace
                                              recovery (J0) and mismatch detection, BIP–8 Errored Block count. J0 is not managed in this release.

                                              MST (MSn_TT_Sk) : performs BIP–24 errored block count, MS–REI recovery, MS–RDI and MS–AIS
                                              detection. TSD is applied in case of MS–DEG (signal degrade), TSF is applied if MS–AIS is detected.

                                              MSA (MSn/Sn_A_Sk) : performs AU4 pointer interpretation, LOP and AIS detection, pointer
                                              justification.

                                              Moreover the following functions are performed on the Rx side :

                                              SOH BYTE extraction (Rx side): DCC bytes (DCCR D1–D3 and DCCM D4–D12) are dropped and
                                              serialized in a DCC frame. Two DCC frames are generated working in 1+1 protection.

                                          OUTPUT side : from MATRIX to line

                                              MSA (Ms/Sn_A_So) : it performs AUG assembly, AU–4 pointer generation, AU–AIS generation.

                                              MST (MSn_TT_So) : it performs BIP–24 calculation and insertion, MS–REI MS–RDI and MS–AIS
                                              insertion.

                                              RST (RSn_TT_So) : it performs frame alignment insertion, regenerator section path trace insertion,
                                              BIP–8 calculation and insertion.

                                              SOH BYTE insertion (Tx side): DCC bytes (DCCR D1–D3 and DCCM D4–D12) coming from the
                                              DCC frames are inserted into the SOH section.

                                              SPI (OSn/RSn_A_So) :it scramblers the outgoing signals and insert AIS in alarm condition.




                                          HOA BLOCK (HPT, HPA)

                                          From HPC matrix to LPC matrix

                                              HPT (Sn_TT_Sk) : path trace information is recovered, REI information is recovered, HP–RDI and
                                              UNEQ are detected, VC4 BIP–8 errored count block. TSF is applied if SSF or UNEQ or TIM or AIS
                                              is detected.
                                              TSD is applied if a condition of signal degrade is detected.

                                              Moreover :

                                              F2 F3 byte extraction (Rx side) : both F2 and F3 bytes are extracted from the received flow and
                                              serialized on a DCC frame .

                                              N1 byte extraction (Rx side) : for the network Tandem Connection Termination  Monitoring
                                              function (TCT/TCM).

                                              HPA (Sn/Sm_A_Sk) : VC–4 disassembly, TU pointer interpretation, LOP and TU–AIS detection,
1AA 00014 0004 (9007) A4 – ALICE 04.10




                                              HP–SLM and LOM detection.




                                         ED     03

                                                                                                      3AL 91669 AA AA                       456 / 706


                                                                                                                    706
From LPC matrix to HPC matrix

                                                                                                HPA (Sn/Sm_A_So) : VC4 assembly, TU pointer generation, TU–AIS generation , signal label
                                                                                                insertion,
not permitted without written authorization from Alcatel.
  All rights reserved. Passing on and copying of this
  document, use and communication of its contents




                                                                                                HPT (Sn_TT_So) : path trace identification insertion, RDI and REI indications insertion, VC–4 BIP–8
                                                                                                calculation and insertion.

                                                                                                Moreover:

                                                                                                F2 and F3 byte insertion (Tx side) : F2/F3 bytes are inserted on the DCC frame

                                                                                                N1 byte insertion (Tx side) : for the network Tandem Connection Termination  Monitoring function
                                                                                                (TCT/TCM).

                                                                                            The G.A. provides also the HSUT, HPOM, (alternative) and LSUT, LPOM functions (alternative) both in
                                                                                            Rx and Tx side.

                                                                                            The main task of HSUT are:

                                                                                                RX side (from MSA to HPC matrix):

                                                                                                •        path trace information recovery
                                                                                                •        REI recovery
                                                                                                •        HP–RDI detection (path status monitoring
                                                                                                •        UNEQ and VC–AIS detection (signal label monitoring)
                                                                                                •        VC4 BIP–8 Errored Block count

                                                                                                Tx side: (from HPC matrix to MSA)

                                                                                                •        generation of an unequipped container
                                                                                                •        ”unequipped” insertion, trail trace identifier generation
                                                                                                •        RDI and /or REI information generation
                                                                                                •        VC–4 BIP–8 calculation and insertion

                                                                                            The main task of HPOM are:

                                                                                                RX and TX side:

                                                                                                •        signal termination
                                                                                                •        J1 path recovering
                                                                                                •        REI information recovering
                                                                                                •        HP–RDI detection (path status monitoring
                                                                                                •        UNEQ and VC–AIS detection (signal label monitoring)
                                                                                                •        VC4 BIP–8 Errored Block count
                                                                                                •        TSF is generated in case of SSF , UNEQ, TIM , AIS . TSD is generated in case of SD

                                                                                            The main tasks of LSUT are :

                                                                                                RX side (from HPA to LPC matrix):

                                                                                                •        recovering of VC–m unequipped signal label
                                                                                                •        path trace recovering
                                                                                                •        BIP–2 recovery
                                                  1AA 00014 0004 (9007) A4 – ALICE 04.10




                                                                                                •        REI and RDI recovery




                                                                                           ED       03

                                                                                                                                                               3AL 91669 AA AA                457 / 706


                                                                                                                                                                         706
Tx side (from LPC matrix to HPA ):

                                              •        insertion of VC–m unequipped signal label
                                              •        path trace insertion




                                                                                                                                                             not permitted without written authorization from Alcatel.
                                              •        BIP–2 insertion




                                                                                                                                                               All rights reserved. Passing on and copying of this
                                                                                                                                                               document, use and communication of its contents
                                              •        REI and RDI insertion

                                              LSUT is used to monitor unequipped path trails .

                                          The main tasks of LPOM are :

                                              •        trace identifier monitoring
                                              •        RDI and REI recovering and deriving for performance primitives
                                              •        signal label monitoring
                                              •        VC–m BIP–2 errored block count

                                              LPOM is used for performance monitoring purposes.

                                          Other functions implemented are :

                                              •        RIBUS I/F
                                                       This block is used to read/write from/to the ”RIBUS” stream, to control the LED on the unit, to
                                                       release the Management–bus in case of power failure, and to use the remote inventory. RIBUS
                                                       I/F is powered by the + 3.3 Vdc supply by CONGI boards.

                                              •        REMOTE INVENTORY
                                                       It is the memory containing the board information, for identification purposes (see para. 3.17
                                                       on page 370 for details).

                                              •        M–BUS Driver
                                                       It drives the input–output gates of the Management–bus. These drivers can be disabled (by
                                                       the Bus–OFF signal) in case of power failure.

                                                       DC/DC CONVERTERS

                                                       This block converts the 48/60 V power supply 3.3 V and 2.5 V used to supply all the components
                                                       in the board.
                                                       The DC/DC converter is synchronized with a synchronization clock at 300 MHz (signal
                                                       Power–Sync, generated by G.A.) in order to avoid EMI problems.
1AA 00014 0004 (9007) A4 – ALICE 04.10




                                         ED       03

                                                                                                           3AL 91669 AA AA                       458 / 706


                                                                                                                        706
System–clock a

                                                                                                                                                             G.A.                  (1a)
                                                                                                                                                                                                  System–clock b

                                                                                                                                         1st INTERFACE                                     PISO   to/from HPC matrix
                                                                                                                                                                                   (1b)                (X Link)
not permitted without written authorization from Alcatel.




                                                                                                                                                                                   (1c)    SIPO




                                                                                                                                                                                                                           MAIN AND SPARE
  All rights reserved. Passing on and copying of this




                                                                                                                                                     HPT
  document, use and communication of its contents




                                                                                                                                                                                   (1d)




                                                                                                                                                                                                                                MATRIXE
                                                                                                                                         HOA
                                                                                                                                                                                   (2a)           to/from LPC matrix
                                                                                                                                                     HPA                                   PISO         (L Link)
                                                                                                                                                                                   (2b)      
                                                                                                                                                                        LPOM       (2c)    SIPO
                                                                                                                                                                        LSUT       (2d)
                                                                                                                                                                         (*)                          T1
                                                                                                                                                   F2, F3
                                                                                                                                                                                                     to/from
                                                                                            Optical                                                        TTF          HPOM       (3a)             HPC matrix
                                                                                                                                                                        HSUT       (3b)    PISO      (H Link)
                                                                                            Input/                                                                       (*)                 
                                                                                            Output                                                                                 (3c)
                                                                                                                     STM–1                                                                 SIPO
                                                                                              1                                             RST      MST     MSA                   (3d)
                                                                                                              SPI     LOS
                                                                                                                                                                                   (4a)
                                                                                                                                         DCCR          DCCM                                PISO      DCC
                                                                                                                                         RSOH          MSOH                        (4b)      
                                                                                                                                                                                   (4c)    SIPO




                                                                                                                                                                                                                           FROM/TO
                                                                                                                                                                                                                           SERVICE
                                                                                                                                                                                   (4d)
                                                                                                                                                                                   (5a)
                                                                                                                                                                                           PISO
                                                                                                                                                                                   (5b)             AUX
                                                                                                                                                        F2, F3                     (5c)    SIPO
                                                                                            Optical                                                                                (5d)
                                                                                            Input/
                                                                                            Output
                                                                                              2                                                   2nd INTERFACE                    (1b)
                                                                                                              SPI                                                                  (2b)
                                                                                                                                                                                   (3b)
                                                                                                                                                                                   (4b)
                                                                                            Optical                                                                                (5b)               T1
                                                                                            Input/
                                                                                            Output                                                                                 (1c)
                                                                                              3                                                                                    (2c)
                                                                                                                                                  3 rd INTERFACE




                                                                                                                                                                                                                           MAIN AND SPARE
                                                                                                              SPI                                                                  (3c)




                                                                                                                                                                                                                                MATRIXE
                                                                                                                                                                                   (4c)
                                                                                            Optical                                                                                (5c)                T1
                                                                                            Input/
                                                                                            Output                                                                                 (1d)
                                                                                              4                                                   4 th INTERFACE                   (2d)
                                                                                                                                                                                   (3d)
                                                                                                              SPI                                                                  (4d)
                                                                                                                                                                                   (5d)                T1

                                                                                                                                                                   Config. 
                                                                                                                                                                    Status                        Management
                                                                                                                                                  622 MHz                                            Bus
                                                                                                                                                    OSC                  M–BUS




                                                                                                                                                                                                                       MAIN AND SPARE
                                                                                                                                                                         Driver


                                                                                                                                                                                                                           MATRIXE
                                                                                                                                                                                                   CMISS
                                                                                                                                                                                                                          FROM/TO
                                                                                                                                                                               Bus–OFF
                                                                                                                                                      Remote
                                                                                                                                                     Inventory                        ID
                                                                                                                                                                           RIBUS                  RIBUS
                                                                                                                                             Power                           I/F
                                                                                                                                             Sync                                                 + 3.3 Vdc
                                                                                                                                                                                            F
                                                                                                                                                                                                                        CONGI A  B




                                                                                                                                                             Unit
                                                                                                                                                             Failure
                                                                                                                                                                                                                          FROM




                                                                                                                                 3.3 V                                                             48/60 V
                                                                                                                                          DC/DC
                                                                                                                                 2.5 V CONVERTERS

                                                                                                          ACCESS
                                                                                                           CARD                                                  4 x STM–1 ELECTRICAL PORT
                                                                                                  Notes:
                                                                                                      (*) –     HSUT and LSUT are not available in the current release
                                                  1AA 00014 0004 (9007) A4 – ALICE 04.10




                                                                                                                             Figure 266. 4 x STM–1 Electrical port block diagram




                                                                                           ED         03

                                                                                                                                                                           3AL 91669 AA AA                                459 / 706


                                                                                                                                                                                           706
4.26 Port 16xSTM1 – 4xSTM4 (P16S1–4E)

                                          (Refer to Figure 267. on page 462)




                                                                                                                                                             not permitted without written authorization from Alcatel.
                                          General




                                                                                                                                                               All rights reserved. Passing on and copying of this
                                                                                                                                                               document, use and communication of its contents
                                          The board P16S1–4E provides either 4 STM–4 optical interfaces or 16 STM–1 Optical/Electrical interfaces
                                          (along with the Optical/Electrical Access Board) (refer to Figure 91. on page 189).

                                          The P16S1–4E board along with A12OS1E Optical Access board allows the transport of 16 optical STM1
                                          streams by means of 16 SFP optical transceivers.

                                          On the P16S1–4E there are four of 16 SFP transceivers, while in the A12OS1E card there are the other
                                          12 transceivers.

                                          On the P16S1–4E board the SFP transceivers can work at both the bit rate of 155 and 622 Mb/s for both
                                          Short Haul and Long Haul applications.

                                          The P16S1–4E board along with the A16ES1E Electrical Access card allows the transport of 16 electrical
                                          STM–1 streams. All the 16 electrical line interface devices are present in the A16ES1E board.

                                          Description

                                          The main features of P16S1–4E board are:

                                          [1]   Provides four SFP transceivers for optical interface as per ITU–T G.957.

                                                The Small Form–factor Pluggable (SFP) fiber optic Transceiver is used to interface the P16S1–4E
                                                board to single mode fiber optic cables.
                                                The SFP is hot pluggable and compliant with Multi–Source Agreement (MSA). The cage and the
                                                connector will be mounted on the board, and the optical module will be plugged into it. There are four
                                                SFP modules present on the P16S1–4E board, which provide optical interface to either four STM–1
                                                or four STM–4 tributaries.
                                                The SFPs take in optical data and give electrical signals to the “DATA  CLOCK RECOVERY” block.
                                                The SFP module is interfaced with the “MAPPER/DEMAPPER STM–1/STM–4”; The interface
                                                consists of control and alarm signals namely LASER FAULT, LASER OFF, LOS.

                                          [2]   Provides four devices for Clock and Data recovery. Data and clock are then sent to
                                                “MAPPER/DEMAPPER STM–1/STM–4” block.

                                          [3]   Provides a “MAPPER/DEMAPPER STM–1/STM–4” which interfaces the on–board clock and data
                                                streams and those obtained from the Access cards at 1.6 Gb/s via “SERDES” block to the overhead
                                                termination ”TTF+HOA” and vice versa.

                                          [4]   Provides four ”TTF+HOA” blocks, which perform trail termination sourcing/sinking functions, and
                                                adaptation functions for sixteen STM–1/ four STM–4 streams. ”TTF+HOA” blocks also inserts and
                                                extracts the DCC and AUX channels from the payload. These are given to/from the backplane
                                                through the “DCC MANAGEMENT” block.
                                                For details information about TTF and HOA block refer to the PAES1N board description on
                                                paragraph 4.25 page 455.

                                          [5]   Provides three blocks so as to:

                                                •        Process data from/to the on board ”TTF+HOA” blocks to/from NGI interface at the back plane
1AA 00014 0004 (9007) A4 – ALICE 04.10




                                                         towards Matrix A and B at 2.5Gbps rate (DATA BACK PLANE INTERFACE ).

                                                •        Process data from /to the Access Cards at 1.6Gbps rate (SERDES).


                                         ED         03

                                                                                                          3AL 91669 AA AA                        460 / 706


                                                                                                                        706
[6]   Provides RIBUS device for power up status/configuration. Also, generation and monitoring of various
                                                                                                  status and control signals are done through the ports of RIBUS.

                                                                                            [7]   Provides device to control and configure the two “DATA BACK PLANE INTERFACE” blocks through
not permitted without written authorization from Alcatel.




                                                                                                  the SPI bus and process DCC and AUX channels at the backplane.
  All rights reserved. Passing on and copying of this
  document, use and communication of its contents




                                                                                            [8]   Provide EEPROM for storing the configuration data.

                                                                                            [9]   Generates all the required voltages of 3.3V, 2.5V, 1.8V, 1.5V and 1.2V and provides circuitry for
                                                                                                  monitoring these voltages.

                                                                                            [10] Provides timing circuitry, which includes 622 MHz VCXO and associated circuits for external clock
                                                                                                 generation and PLL function.

                                                                                            [11] Provides one bicolour LED and a laser restart switch (the last drives both the optical interfaces on
                                                                                                 board and on access card)

                                                                                            Other functions implemented are :

                                                                                                  •        RIBUS I/F
                                                                                                           This block is used to read/write from/to the ”RIBUS” stream, to control the LED on the unit, to
                                                                                                           release the Management–bus in case of power failure, and to use the remote inventory. RIBUS
                                                                                                           I/F is powered by the + 3.3 Vdc supply by CONGI boards.

                                                                                                  •        REMOTE INVENTORY
                                                                                                           It is the memory containing the board information, for identification purposes (see para. 3.17
                                                                                                           on page 370 for details).
                                                  1AA 00014 0004 (9007) A4 – ALICE 04.10




                                                                                           ED         03

                                                                                                                                                               3AL 91669 AA AA                       461 / 706


                                                                                                                                                                            706
8x414 Mb/s              Data and alarms
                                                                                                                                                          SERDES            2x1.66 Gb/s




                                                                                                                                                                                                 ACCESS CARDS
                                                                                                                                                                                            from/to
                                                                                                              Laser Restart




                                                                                                                                                                                                                not permitted without written authorization from Alcatel.
                                                                                                                                                                                                                  All rights reserved. Passing on and copying of this
                                                                                                                                                                                                                  document, use and communication of its contents
                                                                                                                                                           (*)
                                                                                                                                                                              CK19 MHz


                                                                                                                                                          TIMING         System–clock a
                                                                                                                              622.08 MHz
                                                                                                                                                                         System–clock b
                                          Optical                                                   STM–1               CLK 38.88 MHz                CIRCUITRY




                                                                                                                                                                                             MAIN AND SPARE
                                          Input/                                                      #1




                                                                                                                                                                                                  MATRIXE
                                          Output                    laser fault (LF)                                           MFSYNC
                                            1                 1
                                                              2     laser off (LOFF)
                                                      SFP     3      LOS                                                                                                  DATA
                                                    MODULE                                                                             TTF
                                                                          DATA  CK                                                                                    BACK–PLANE
                                                                          RECOVERY                                                     HOA                              INTERFACE
                                          Optical
                                                                                                                                          x4
                                          Input/             LF
                                          Output             LOFF
                                                                                                  MAPPER/DEMAPPER

                                            2                LOS                                                                                                                 (*)
                                                                                                                                       TTF
                                                                                                     STM–1/STM–4

                                                                         DATA  CK




                                                                                                                                                                                          FROM/TO
                                                      SFP




                                                                                                                                                                                          SERVICE
                                                     MODULE              RECOVERY                                                                                       DCC/AUX
                                                                                                                                       HOA                            MANAGEMENT
                                                                                                                                             x4

                                                                                                                                                                               (*)
                                          Optical           LF
                                          Input/                                                                                       TTF
                                                            LOFF
                                          Output




                                                                                                                                                                                          MAIN AND SPARE
                                                            LOS
                                            3                                                                                          HOA                                DATA




                                                                                                                                                                                               MATRIXE
                                                      SFP                 DATA  CK
                                                     MODULE               RECOVERY                                                           x4                        BACK–PLANE
                                                                                                                                                                        INTERFACE
                                          Optical                                                                                      TTF
                                                            LF
                                          Input/            LOFF
                                          Output            LOS                                                                        HOA                                     (*)
                                            4                                                         STM–1
                                                      SFP                 DATA  CK                                                          x4
                                                     MODULE               RECOVERY                     #16

                                                                                                                                 (*)

                                                                                                                                   1.8V
                                                                                                                                                    DC/DC
                                                                                                                                   1.5V
                                                                                       Configuration                                              CONVERTER
                                                                                                                                   1.2V



                                                                                                                                                                                             CONGI A  B
                                                                                            
                                                                                         Status                                                                                                FROM
                                                                                                                                                  3.3 V             DC/DC
                                                                                                                                                                  CONVERTER 48/60 V
                                                                                                                                                  2.5 V               
                                                                                                                                                                  PROTECTION
                                                                                                    M–BUS
                                                                                                    Driver
                                                                                                                                                                                             MAIN AND SPARE




                                                                                                                                          Management
                                                                                                                                                                                                  MATRIXE




                                                                                                                                             Bus
                                                                                                                    Bus–OFF                                                    CMISS
                                                                               Remote
                                                                              Inventory                                   ID
                                                                                                        RIBUS                                        RIBUS
                                                                                                          I/F

                                                                                        Unit
                                                                                                                                                                                           CONGI A  B




                                                                                                                                                                  F         + 3.3 Vdc
                                                                                        Failure
                                                                                                                                                                                             FROM




                                                         16xSTM–1 – 4XSTM–4 PORT
1AA 00014 0004 (9007) A4 – ALICE 04.10




                                                                       Figure 267. 16x STM–1 – 4x STM–4 port block diagram




                                         ED         03

                                                                                                                                       3AL 91669 AA AA                                    462 / 706


                                                                                                                                                                 706
4.27 4 x OC3 AU3/TU3 CONVERSION port (P4OC3)

                                                                                            (Refer to Figure 268. on page 469)
not permitted without written authorization from Alcatel.




                                                                                            This board can manage up to 4 x OC–3 (SONET) streams.
  All rights reserved. Passing on and copying of this
  document, use and communication of its contents




                                                                                            The board hosts up to 2 interfaces into the front panel, which can be equipped with Electrical (ICMI) or
                                                                                            Optical plug–in modules (IS–1.1, IL–1.1, IL–1.2, MM1). The other two interfaces can be hosted in the
                                                                                            Access area using the A2S1 access card.
                                                                                            Each combination of electrical/optical modules can be equipped in the same board.

                                                                                            On OC–3 interface the Sonet mapping is manage so the RS and MS sections are terminated, the 3 AU3
                                                                                            are processed to extract or insert the 3 VC3.

                                                                                            This unit performs the AU3/TU3 conversion , which allows the transport in SDH network of Sonet VC3
                                                                                            traffic.

                                                                                            The conversion is performed on OC–3 interface: the 3 VC3 are extracted then re–mapping in SDH VC4
                                                                                            container and this container is passed to the matrix where it is managed as a structured VC4.

                                                                                            Figure 223. on page 371 depicts the AU3/TU3 conversion mechanism achieved by 4xOC3 board.

                                                                                            The Sonet interface (OC3) have not to be configured as Synchronization source. The OH byte of RS and
                                                                                            MS section are managed according SDH ITU standard. The configuration is done by Craft Terminal or
                                                                                            Network Management.

                                                                                            No EPS is supported by this board.
                                                                                            The description of the board has been divided in two parts; the first is the “AU3/TU3 conversion block”
                                                                                            thath implement the SONET functionality, the second is the “G.A.” that implement the SDH functionality.



                                                                                            AU3/TU3 conversion block

                                                                                            The functions required to manage OC3 signal are implemented by the “AU3/TU3 conversion block that
                                                                                            interface the G.A. mounted on the board. The last interfaces the two matrix on the MATRIX cards via
                                                                                            backpanel.

                                                                                            INPUT side : from plug–in module to G.A.

                                                                                            The circuits concerned are:

                                                                                                 SIPO :this block performs the Serial to Parallel conversion (SIPO) of the SONET STS3/OC3 (155
                                                                                                 Mb/s) serial stream coming from the line.

                                                                                                 ALIGNER (SDH/SONET standard Frame Aligner)
                                                                                                 The Frame Aligner Word (FAW) estracted by the incoming frame is inserted by the MST/RST* source
                                                                                                 function into the outgoing frame: in this way G.A. is able to detect a possible OOF (Out Of Frame)
                                                                                                 condition as well.

                                                                                                 RST/MST Sk
                                                                                                 This block performs:

                                                                                                 •        Standard SDH/SONET Descrambler
                                                  1AA 00014 0004 (9007) A4 – ALICE 04.10




                                                                                                 •        extraction of all SOH bytes of the SONET stream that are inserted in RST/MST* source
                                                                                                          functions to be processed by G.A.
                                                                                                 •        B1 and B2 calculation and checking in order to send error information downstream


                                                                                           ED        03

                                                                                                                                                         3AL 91669 AA AA                       463 / 706


                                                                                                                                                                       706
AU3–TU3 Rx

                                               The AU3 to TU3 conversion block contains:

                                               •




                                                                                                                                                               not permitted without written authorization from Alcatel.
                                                        time–division Pointer Interpreter of the 3 AU3s




                                                                                                                                                                 All rights reserved. Passing on and copying of this
                                                                                                                                                                 document, use and communication of its contents
                                               •        Pointer buffer
                                               •        Pointer Generator of the 3 TU3 multiplexed inside the AU4
                                               •        Pointer Generator of the AU4

                                               HPT* So
                                               This block performs:

                                               •        calculation and insertion of B3 byte in AU4 POH
                                               •        insertion of C2 byte in AU4 POH

                                               MST/RST* So
                                               This block performs:

                                               •        insertion of extracted and stored SOH bytes
                                               •        compensation of B1 and B2 bytes by usage of error information collected by RST/MST sink
                                                        function

                                               PISO: this block performs the        Parallel to Serial conversion (PISO) of the SDH STM–1 stream
                                               towards G.A.

                                          On the Input side the LOS alarm is buffered and sent to the G.A.



                                          OUTPUT side : from G.A. to Plug–in module

                                               SIPO :this block performs the Serial to Parallel conversion (SIPO) of the SDH STM–1 stream coming
                                               from G.A.

                                               ALIGNER*
                                               Alignement to SDH STM–1 stream coming from G.A. is performed

                                               RST/MST* Sk
                                               This block performs:
                                               •    extraction of all SOH bytes of the SDH stream that are inserted in RST/MST source functions
                                               •    B1 calculation and checking for internal use.

                                               HPT* Sk
                                               It implements the “Path Label Mismatch“ algorithm;
                                               the C2 byte from the incoming AU4 frame is extracted and its content is written into a register. If the
                                               value is different than expected, a “Path Label Mismatch” alarm is raised

                                               AU3–TU3 Tx:

                                               •        Pointer Interpreter of the AU4
                                               •        time–division Pointer Interpreter of the 3 TU3s
                                               •        Pointer buffer
                                               •        Pointer Generator of the 3 AU3 multiplexed inside the OC3
                                               •        pointer justifications and buffer overflow alarms are reported Equipment Controller (EC)
1AA 00014 0004 (9007) A4 – ALICE 04.10




                                         ED        03

                                                                                                           3AL 91669 AA AA                         464 / 706


                                                                                                                        706
MST/RST So
                                                                                                 This block performs:

                                                                                                 •        insertion of extracted and stored SOH bytes
not permitted without written authorization from Alcatel.




                                                                                                 •        calculation and insertion of B1 and B2 bytes
  All rights reserved. Passing on and copying of this
  document, use and communication of its contents




                                                                                                 •        standard SONET scrambler

                                                                                                 PISO: this block performs the Parallel to Serial conversion (PISO) of the SONET STS3/OC3 stream
                                                                                                 towards the line.




                                                                                            G.A. (Gate Array)

                                                                                            The SDH functions are implemented by the G.A. mounted on the board. It interfaces the two MATRIX
                                                                                            cards via backpanel.
                                                                                            Referring to the ITU–T G.783 Recommendation , the G.A. performs the following functions :

                                                                                            –    TTF
                                                                                            –    HOA
                                                                                            –    LPOM /LSUT (the last is not available in this release)
                                                                                            –    HPOM /HSUT (the last is not available in this release)

                                                                                            Cross connection functions (MSP, HPC and LPC) are performed by the matrices present on the two
                                                                                            MATRIX boards (working in 1+1 configuration).

                                                                                            The TTF block is connected to the MATRIX boards (main and spare) through 1+1 bidirectional links at
                                                                                            622 Mbit/s , STM–4 equivalent capacity.

                                                                                            HOA block is connected both to the HPC matrices and to the LPC matrices on the two MATRIX boards
                                                                                            through a couple of 1+1 links at 622 MBit/s working in protection, STM–4 equivalent capacity.
                                                                                            Backpanel interface supply a system–clock to the G.A. internal circuits.

                                                                                            In the following block description, the new naming convention of the G.783 is reported. Refer to para. 3.3.4
                                                                                            on page 206 for details.

                                                                                            The G.A. send and receive four signals (data + clock) to/from the four “AU3/TU3 CONVERSION block”
                                                                                            An external LOS is received from each input line interface.
                                                                                            Each optical transmitter provides its status by means of two input signals: Laser Degrade and Laser
                                                                                            Failure.
                                                                                            The ALS algorithm is hardware implemented : the G.A. provides the Laser shut Down command (LASER
                                                                                            OFF).
                                                                                            In the following will be described the signal processing of only one signal from/to “AU3/TU3 CONVERSION
                                                                                            block”; the other three interfaces process the signal in the same way.
                                                                                            The PISO  SIPO (Parallel–In Serial–Out; Serial–in Parallel–out) blocks allow the unit to interface with
                                                                                            the back panel at of 622 Mbit/s bit rate, mapping the signals over a STM–4 internal equivalent frame.
                                                  1AA 00014 0004 (9007) A4 – ALICE 04.10




                                                                                           ED        03

                                                                                                                                                            3AL 91669 AA AA                        465 / 706


                                                                                                                                                                          706
TTF BLOCK ( SPI*, RST, MST, MSA)

                                          This block performs the Transport Terminal Functions (sink on Input side, source on Output side) for the
                                          155 Mbit/s signals.




                                                                                                                                                         not permitted without written authorization from Alcatel.
                                                                                                                                                           All rights reserved. Passing on and copying of this
                                                                                                                                                           document, use and communication of its contents
                                          INPUT side : from line to MSP block on MATRIX

                                               SPI* (OSn/RSn_A_Sk) : it descramblers the incoming signal , counts the OOF and reveals the LOF
                                               alarm.

                                               RST (RSn_TT_Sk) : performs frame alignment detection (A1, A2) , regenerator section trace
                                               recovery (J0) and mismatch detection, BIP–8 Errored Block count. J0 is not managed in this release.

                                               MST (MSn_TT_Sk) : performs BIP–24 errored block count, MS–REI recovery, MS–RDI and MS–AIS
                                               detection. TSD is applied in case of MS–DEG (signal degrade), TSF is applied if MS–AIS is detected.

                                               MSA (MSn/Sn_A_Sk) : performs AU4 pointer interpretation, LOP and AIS detection, pointer
                                               justification.

                                               Moreover the following functions are performed on the Rx side :

                                               SOH BYTE extraction (Rx side): DCC bytes (DCCR D1–D3 and DCCM D4–D12) are dropped and
                                               serialized in a DCC frame. Two DCC frames are generated working in 1+1 protection.

                                          OUTPUT side : from MATRIX to line

                                               MSA (Ms/Sn_A_So) : it performs AUG assembly, AU–4 pointer generation, AU–AIS generation.

                                               MST (MSn_TT_So) : it performs BIP–24 calculation and insertion, MS–REI MS–RDI and MS–AIS
                                               insertion.

                                               RST (RSn_TT_So) : it performs frame alignment insertion, regenerator section path trace insertion,
                                               BIP–8 calculation and insertion.

                                               SOH BYTE insertion (Tx side): DCC bytes (DCCR D1–D3 and DCCM D4–D12) coming from the
                                               DCC frames are inserted into the SOH section.

                                               SPI* (OSn/RSn_A_So) :it scramblers the outgoing signals and insert AIS in alarm condition.

                                          HOA BLOCK (HPT, HPA)

                                          From HPC matrix to LPC matrix

                                               HPT (Sn_TT_Sk) : path trace information is recovered, REI information is recovered, HP–RDI and
                                               UNEQ are detected, VC4 BIP–8 errored count block. TSF is applied if SSF or UNEQ or TIM or AIS
                                               is detected.
                                               TSD is applied if a condition of signal degrade is detected.

                                               Moreover :

                                               F2 F3 byte extraction (Rx side) : both F2 and F3 bytes are extracted from the received flow and
                                               serialized on a DCC frame .

                                               N1 byte extraction (Rx side) : for the network Tandem Connection Termination  Monitoring
                                               function (TCT/TCM).

                                               HPA (Sn/Sm_A_Sk) : VC–4 disassembly, TU pointer interpretation, LOP and TU–AIS detection,
1AA 00014 0004 (9007) A4 – ALICE 04.10




                                               HP–SLM and LOM detection.




                                         ED      03

                                                                                                       3AL 91669 AA AA                       466 / 706


                                                                                                                     706
From LPC matrix to HPC matrix

                                                                                                HPA (Sn/Sm_A_So) : VC4 assembly, TU pointer generation, TU–AIS generation , signal label
                                                                                                insertion,
not permitted without written authorization from Alcatel.
  All rights reserved. Passing on and copying of this
  document, use and communication of its contents




                                                                                                HPT (Sn_TT_So) : path trace identification insertion, RDI and REI indications insertion, VC–4 BIP–8
                                                                                                calculation and insertion.

                                                                                                Moreover:

                                                                                                F2 and F3 byte insertion (Tx side) : F2/F3 bytes are inserted on the DCC frame

                                                                                                N1 byte insertion (Tx side) : for the network Tandem Connection Termination  Monitoring function
                                                                                                (TCT/TCM).

                                                                                            The G.A. provides also the HSUT, HPOM, (alternative) and LSUT, LPOM functions (alternative) both in
                                                                                            Rx and Tx side.

                                                                                            The main task of HSUT are:

                                                                                                RX side (from MSA to HPC matrix):

                                                                                                •        path trace information recovery
                                                                                                •        REI recovery
                                                                                                •        HP–RDI detection (path status monitoring
                                                                                                •        UNEQ and VC–AIS detection (signal label monitoring)
                                                                                                •        VC4 BIP–8 Errored Block count

                                                                                                Tx side: (from HPC matrix to MSA)

                                                                                                •        generation of an unequipped container
                                                                                                •        ”unequipped” insertion, trail trace identifier generation
                                                                                                •        RDI and /or REI information generation
                                                                                                •        VC–4 BIP–8 calculation and insertion

                                                                                            The main task of HPOM are:

                                                                                                RX and TX side:

                                                                                                •        signal termination
                                                                                                •        J1 path recovering
                                                                                                •        REI information recovering
                                                                                                •        HP–RDI detection (path status monitoring
                                                                                                •        UNEQ and VC–AIS detection (signal label monitoring)
                                                                                                •        VC4 BIP–8 Errored Block count
                                                                                                •        TSF is generated in case of SSF , UNEQ, TIM , AIS . TSD is generated in case of SD

                                                                                            The main tasks of LSUT are :

                                                                                                RX side (from HPA to LPC matrix):

                                                                                                •        recovering of VC–m unequipped signal label
                                                                                                •        path trace recovering
                                                                                                •        BIP–2 recovery
                                                  1AA 00014 0004 (9007) A4 – ALICE 04.10




                                                                                                •        REI and RDI recovery




                                                                                           ED       03

                                                                                                                                                               3AL 91669 AA AA                467 / 706


                                                                                                                                                                         706
Tx side (from LPC matrix to HPA ):

                                              •        insertion of VC–m unequipped signal label
                                              •        path trace insertion




                                                                                                                                                            not permitted without written authorization from Alcatel.
                                              •        BIP–2 insertion




                                                                                                                                                              All rights reserved. Passing on and copying of this
                                                                                                                                                              document, use and communication of its contents
                                              •        REI and RDI insertion

                                              LSUT is used to monitor unequipped path trails .

                                          The main tasks of LPOM are :

                                              •        trace identifier monitoring
                                              •        RDI and REI recovering and deriving for performance primitives
                                              •        signal label monitoring
                                              •        VC–m BIP–2 errored block count

                                              LPOM is used for performance monitoring purposes.



                                          Other functions implemented are :

                                              •        RIBUS I/F
                                                       This block is used to:

                                                       –    read/write from/to the ”RIBUS” stream
                                                       –    control the LED on the unit
                                                       –    to release the Management–bus in case of power failure
                                                       –    read remote inventory data
                                                       –    send Internal Loop and External Loop commands to each interface separately

                                                       RIBUS I/F is powered by the + 3.3 Vdc supply by CONGI boards.

                                              •        REMOTE INVENTORY
                                                       It is the memory containing the board information, for identification purposes (see para. 3.17
                                                       on page 370 for details).

                                              •        M–BUS Driver
                                                       It drives the input–output gates of the Management–bus. These drivers can be disabled (by
                                                       the Bus–OFF signal) in case of power failure.

                                                       DC/DC CONVERTERS

                                                       This block converts the 48/60 V power supply 5V, 3.3 V, 2.5 V and 1.8 V used to supply all the
                                                       components in the board.
                                                       The DC/DC converter is synchronized with a synchronization clock at 300 MHz (signal
                                                       Power–Sync, generated by G.A.) in order to avoid EMI problems.
1AA 00014 0004 (9007) A4 – ALICE 04.10




                                         ED       03

                                                                                                          3AL 91669 AA AA                       468 / 706


                                                                                                                        706
System–clock a
                                                                                                                                                                 G.A.                                          System–clock b
                                                                                                                                                                                             (1a)             to/from HPC matrix
                                                                                                                                                                                             (1b)
                                                                                                                                                                                                     PISO           (X Link)
                                                                                                                                                           HOA                                         




                                                                                                                                                                                                                                       MAIN AND SPARE
not permitted without written authorization from Alcatel.




                                                                                                                                                                                             (1c)    SIPO
                                                                                                                     1st INTERFACE
  All rights reserved. Passing on and copying of this
  document, use and communication of its contents




                                                                                                                                                             HPT                             (1d)




                                                                                                                                                                                                                                           MATRIX
                                                                                                                                                                                             (2a)             to/from LPC matrix
                                                                                                                    Int.                                     HPA                                     PISO           (L link)
                                                                                                                                                                                             (2b)      
                                                                                                                    Loop                                                    LPOM (*)         (2c)    SIPO
                                                                                                             Line                                                           LSUT             (2d)
                                                                                                             Loop
                                                                                                                                                            F2, F3          HPOM
                                                                                                                                                                            HSUT(*)
                                                                                             O/E                                                                                             (3a)                to/from
                                                                                            Input/            O/E LOS                             LOS            TTF                                            HPC matrix
                                                                                                                                                                                             (3b)    PISO        (H Link)
                                                                                            Output           Module            AUE/TU3                                                       (3c)      
                                                                                              1                                            Data                                                      SIPO
                                                                                                                       Data   CONVERSION          SPI*   RST     MST      MSA                (3d)
                                                                                                               SPI               block
                                                                                                                                                          DCCR       DCCM                    (4a)
                                                                                                                       LASER D.                           RSOH       MSOH                    (4b)
                                                                                                                                                                                                     PISO
                                                                                                                                                                                                                   DCC
                                                                                                                       LASER F.                                                              (4c)    SIPO




                                                                                                                                                                                                                                       FROM/TO
                                                                                                                                                                                                                                       SERVICE
                                                                                                                                                                                             (4d)
                                                                                                                       LASER OFF
                                                                                                                                                                                             (5a)
                                                                                                                                                                                             (5b)
                                                                                                                                                                                                     PISO
                                                                                                                                                                                                       
                                                                                                                                                                                                                  AUX
                                                                                             O/E                                                                 F2, F3                      (5c)    SIPO
                                                                                            Input/                                                                                           (5d)
                                                                                            Output
                                                                                              2                                                                                              (1b)
                                                                                                                                                                                             (2b)
                                                                                                                                                         2nd INTERFACE                       (3b)
                                                                                             O/E                                                                                             (4b)
                                                                                            Input/                                                                                           (5b)
                                                                                            Output
                                                                                              3                                                                                              (1c)
                                                                                                             SPI                                                                             (2c)
                                                                                                             ( )                                         3 rd INTERFACE                      (3c)
                                                                                             O/E                                                                                             (4c)
                                                                                            Input/                                                                                           (5c)
                                                                                            Output
                                                                                              4                                                                                              (1d)
                                                                                                             SPI                                         4 th INTERFACE                      (2d)
                                                                                                             ( )                                                                             (3d)
                                                                                                                                                                                             (4d)
                                                                                                                                                                                             (5d)



                                                                                                                                                                         Config. 
                                                                                                                                                                          Status




                                                                                                                                                                                                                                   MAIN AND SPARE
                                                                                                                                                         622 MHz                        Management
                                                                                                                                                                                           Bus
                                                                                                                                                           OSC                  M–BUS

                                                                                                                                                                                                                                      FROM/TO
                                                                                                                                                                                                                                      MATRIX
                                                                                                                                         Power                                  Driver
                                                                                                                                         Sync.
                                                                                                                                                              Remote                                            CMISS
                                                                                                                                                             Inventory                 Bus–OFF

                                                                                                                                                                                                              RIBUS
                                                                                                                                                                                     RIBUS
                                                                                                                                                                                       I/F               ID
                                                                                                                                                          Line Loop 1–4
                                                                                                                                                                                                                                        FROM CONGI




                                                                                                                               1.8 V                                                                 F         +3.3 Vdc
                                                                                                                                                          Int. Loop 1–4
                                                                                                                                 5V
                                                                                                                                            DC/DC         Unit failure                                        48/60 V
                                                                                                                               3.3 V
                                                                                                                                         CONVERTERS
                                                                                                                               2.5 V
                                                                                                        ACCESS
                                                                                                         CARD                                              4xOC3 AU3/TU3 CONVERSION PORT
                                                                                                 Notes:
                                                                                                     (*) –    HSUT and LSUT are not available in the current release
                                                                                                     ( )–     THE ” SPI” ASSOCIATED TO THE 3rd AND 4th INTERFACES ARE PHISICALLY ON THE ACCESS CARD
                                                  1AA 00014 0004 (9007) A4 – ALICE 04.10




                                                                                                                              Figure 268. 4 x OC3 AU3/TU3 conversion port(P40C3)




                                                                                           ED        03

                                                                                                                                                                              3AL 91669 AA AA                                        469 / 706


                                                                                                                                                                                                    706
AU3/TU3 CONVERSION block




                                                                                                                                                                            not permitted without written authorization from Alcatel.
                                                                                                                                                                              All rights reserved. Passing on and copying of this
                                                                                                                                                                              document, use and communication of its contents
                                                                                 RSOH bytes

                                                                                     MSOH bytes          SOH
                                                                                                        BYPASS


                                                                                                        B1 error for compensation

                                          Data                                                            B2 error for compensation
                                          from                  OOF
                                          plug–in
                                                                                                      AU3–TU3 Rx                                               DATA
                                          module
                                                         SIPO    Aligner                        PI PB PG          PG                                          to G.A.
                                                                             RST     MST                                   HPT*       MST*     RST*    PISO
                                                                              sk      sk       AU3    TU3        AU4*       So         So       So



                                                                                                                           B3, C2

                                              LOS                                                                                                             LOS
                                                                                                 LOS
                                                                                              BUFFERING


                                                                                                                         RSOH bytes
                                                                                                   SOH            MSOH bytes
                                                                                                  BYPASS


                                          Data
                                          to                                                                                                                  DATA
                                          plug–in                                                    TU3–AU3 Tx                                               from
                                          module                                                                                                              G.A.
                                                                RST        MST                 PG         PI  PI          MST*      RST*     Aligner   SIPO
                                                     PISO                                             PB TU3 AU4
                                                                 So         So                 AU3                         sk        sk         *




                                                                                                     C2 check
                                                                                                                HPT*
                                                                                                                 Sk
1AA 00014 0004 (9007) A4 – ALICE 04.10




                                                                                   Figure 269. AU3/TU3 conversion block




                                         ED         03

                                                                                                                        3AL 91669 AA AA                         470 / 706


                                                                                                                                      706
4.28 STM–4 optical ports

                                                                                            (See Figure 270. on page475)
not permitted without written authorization from Alcatel.




                                                                                            The STM–4 port processes an optical STM–4 stream.
  All rights reserved. Passing on and copying of this
  document, use and communication of its contents




                                                                                            Different STM–4 optical port are available according to the connector type (FC/PC or SC/PC) and wave
                                                                                            length (S–4.1, L–4.1, L–4.1JE, L–4.2 and L–4.2JE); in the following a generic description is given.

                                                                                            The SDH functions required to manage STM–4 signal are implemented by the G.A. mounted on the board.
                                                                                            It interfaces the two MATRIX boards via backpanel.

                                                                                            Referring to the ITU–T G.783 recommendation, the G.A. performs the following functions :

                                                                                            –    TTF

                                                                                            –    HOA

                                                                                            –    LPOM /LSUT (the last is not available in this release)

                                                                                            –    HPOM /HSUT (the last is not available in this release)

                                                                                            Cross connection functions (MSP, HPC and LPC) are performed by the two MATRIX boards (working in
                                                                                            1+1 configuration).

                                                                                            The TTF block is connected to the two MATRIX boards through 1+1 bidirectional links at 622 Mbit/s ,
                                                                                            STM–4 equivalent capacity.

                                                                                            HOA block is connected both to the HPC matrices and to the LPC matrices on the two MATRIX boards
                                                                                            through a couple of 1+1 links at 622 MBit/s working in protection, STM–4 equivalent capacity.
                                                                                            Backpanel interface supply a system–clock to the G.A. internal circuits.

                                                                                            In the following block description, the new naming convention of the G.783 is reported. Refer to para. 3.3.4
                                                                                            on page 206 for details.

                                                                                            The G.A. send and receive one STM–4 signal (data + clock) at 622 Mbit/s to/from the SPI
                                                                                            The SPI can detect an external LOS from the input line .
                                                                                            The optical transmitter provides to the G.A. its status by means of two input signals: Laser Degrade and
                                                                                            Laser Failure.

                                                                                            The ALS algorithm is hardware implemented and the G.A. provides the Laser shut Down command.

                                                                                            On the front panel of the unit a push–button is available for manual laser restart.

                                                                                            TTF BLOCK (SPI, RST, MST, MSA)

                                                                                            This block performs the Transport Terminal Functions (sink on Input side, source on Output side) for the
                                                                                            STM–4 signal.

                                                                                            TTF block provides the T1 timing references at 2 MHz , derived from the STM–4 input signals

                                                                                            INPUT side : from line to MSP MATRIX

                                                                                                 SPI (OSn/RSn_A_Sk) : it descramblers the incoming signal , counts the OOF and reveals the LOF
                                                                                                 alarm.
                                                  1AA 00014 0004 (9007) A4 – ALICE 04.10




                                                                                                 RST (RSn_TT_Sk) : performs frame alignment detection (A1, A2) , regenerator section trace
                                                                                                 recovery (J0) and mismatch detection, BIP–8 Errored Block count.


                                                                                           ED      03

                                                                                                                                                            3AL 91669 AA AA                        471 / 706


                                                                                                                                                                          706
MST (MSn_TT_Sk) : performs BIP–24 errored block count, MS–REI recovery, MS–RDI and MS–AIS
                                              detection. TSD is applied in case of MS–DEG (signal degrade), TSF is applied if MS–AIS is detected.

                                              MSA (MSn/Sn_A_Sk) : performs AU4’s pointer interpretation, LOP and AIS detection, pointer




                                                                                                                                                         not permitted without written authorization from Alcatel.
                                              justification.




                                                                                                                                                           All rights reserved. Passing on and copying of this
                                                                                                                                                           document, use and communication of its contents
                                              Moreover the following functions are performed on the Rx side :

                                              SOH BYTE extraction (Rx side): DCC bytes (DCCR D1–D3 and DCCM D4–D12) are dropped and
                                              serialized in a DCC frame. Two DCC frames are generated working in 1+1 protection.

                                              TP byte insertion (Rx side) : since the cross connection functions are centralized , for protection
                                              purpose TSD (Trail Signal Degrade) and TSF (Trail Signal Failure) are transmitted towards the two
                                              MATRIX board.

                                              K BYTES insertion and extraction (Rx side) : this block provides the in–band transmission of
                                              K1,K2, bytes towards the MATRIX board. For each of the 4 STM–1 streams, the bytes are extracted
                                              form the line when a TSF is received and transmitted towards the two MATRIX board.

                                          OUTPUT side : from MATRIX to line

                                              MSA (Ms/Sn_A_So) : it performs AUG assembly, AU–4 pointer generation, AU–AIS generation.
                                              The four AUG structure are byte interleaved in the STM–4 structure with fixed phase relationship vs.
                                              the same multiple signal.

                                              MST (MSn_TT_So) : it performs BIP–24 calculation and insertion, MS–REI MS–RDI and MS–AIS
                                              insertion.

                                              RST (RSn_TT_So) : it performs frame alignment insertion, regenerator section path trace insertion,
                                              BIP–8 calculation and insertion.

                                              SOH BYTE insertion (Tx side): DCC bytes (DCCR D1–D3 and DCCM D4–D12) coming from the
                                              DCC frames are inserted into the SOH section.

                                              K BYTES insertion and extraction (Tx side) : K1, K2 bytes are extracted from the frame coming
                                              from backpanel and re–inserted on the same output line frame .

                                          HOA BLOCK (HPT, HPA)

                                          From HPC matrix to LPC matrix

                                              HPT (Sn_TT_Sk) : path trace information is recovered, REI information is recovered, HP–RDI and
                                              UNEQ are detected, VC4 BIP–8 errored count block. TSF is applied if SSF or UNEQ or TIM or AIS
                                              is detected.
                                              TSD is applied if a condition of signal degrade is detected.

                                              Moreover :

                                              F2 F3 byte extraction (Rx side) : both F2 and F3 bytes are extracted from the received flow and
                                              serialized on a DCC frame .

                                              N1 byte extraction (Rx side) : for the network Tandem Connection Termination  Monitoring
                                              function (TCT/TCM).
1AA 00014 0004 (9007) A4 – ALICE 04.10




                                              HPA (Sn/Sm_A_Sk) : VC–4 disassembly, TU pointer interpretation, LOP and TU–AIS detection,
                                              HP–SLM and LOM detection.




                                         ED     03

                                                                                                       3AL 91669 AA AA                       472 / 706


                                                                                                                    706
From LPC matrix to HPC matrix

                                                                                                HPA (Sn/Sm_A_So) : VC4 assembly, TU pointer generation, TU–AIS generation , signal label
                                                                                                insertion,
not permitted without written authorization from Alcatel.
  All rights reserved. Passing on and copying of this
  document, use and communication of its contents




                                                                                                HPT (Sn_TT_So) : path trace identification insertion, RDI and REI indications insertion, VC–4 BIP–8
                                                                                                calculation and insertion.

                                                                                                Moreover:

                                                                                                F2 and F3 byte insertion (Tx side) : F2/F3 bytes are inserted on the DCC frame

                                                                                                N1 byte insertion (Tx side) : for the network Tandem Connection Termination  Monitoring function
                                                                                                (TCT/TCM).

                                                                                            The G.A. provides also the HSUT, HPOM, (alternative) and LSUT, LPOM functions (alternative) both in
                                                                                            Rx and Tx side.

                                                                                            The main task of HSUT are:

                                                                                                RX side (from MSA to HPC matrix):

                                                                                                •        path trace information recovery
                                                                                                •        REI recovery
                                                                                                •        HP–RDI detection (path status monitoring
                                                                                                •        UNEQ and VC–AIS detection (signal label monitoring)
                                                                                                •        VC4 BIP–8 Errored Block count

                                                                                                Tx side: (from HPC matrix to MSA)

                                                                                                •        generation of an unequipped container
                                                                                                •        ”unequipped” insertion, trail trace identifier generation
                                                                                                •        RDI and /or REI information generation
                                                                                                •        VC–4 BIP–8 calculation and insertion

                                                                                            The main task of HPOM are:

                                                                                                RX and TX side:

                                                                                                •        signal termination
                                                                                                •        J1 path recovering
                                                                                                •        REI information recovering
                                                                                                •        HP–RDI detection (path status monitoring
                                                                                                •        UNEQ and VC–AIS detection (signal label monitoring)
                                                                                                •        VC4 BIP–8 Errored Block count
                                                                                                •        TSF is generated in case of SSF , UNEQ, TIM , AIS . TSD is generated in case of SD

                                                                                            The main tasks of LSUT are :

                                                                                                RX side (from HPA to LPC matrix):

                                                                                                •        recovering of VC–m unequipped signal label
                                                                                                •        path trace recovering
                                                                                                •        BIP–2 recovery
                                                  1AA 00014 0004 (9007) A4 – ALICE 04.10




                                                                                                •        REI and RDI recovery




                                                                                           ED       03

                                                                                                                                                               3AL 91669 AA AA                473 / 706


                                                                                                                                                                         706
Tx side (from LPC matrix to HPA ):

                                              •        insertion of VC–m unequipped signal label
                                              •        path trace insertion




                                                                                                                                                             not permitted without written authorization from Alcatel.
                                              •        BIP–2 insertion




                                                                                                                                                               All rights reserved. Passing on and copying of this
                                                                                                                                                               document, use and communication of its contents
                                              •        REI and RDI insertion

                                              LSUT is used to monitor unequipped path trails .

                                          The main tasks of LPOM are :

                                              •        trace identifier monitoring
                                              •        RDI and REI recovering and deriving for performance primitives
                                              •        signal label monitoring
                                              •        VC–m BIP–2 errored block count

                                              LPOM is used for performance monitoring purposes.

                                          Other functions implemented are :

                                              •        RIBUS I/F
                                                       This block is used to read/write from/to the ”RIBUS” stream, to control the LED on the unit, to
                                                       release the Management–bus in case of power failure, and to use the remote inventory. RIBUS
                                                       I/F is powered by the + 3.3 Vdc supply by CONGI boards.

                                              •        REMOTE INVENTORY
                                                       It is the memory containing the board information, for identification purposes (see para. 3.17
                                                       on page 370 for details).

                                              •        M–BUS Driver
                                                       It drives the input–output gates of the Management–bus. These drivers can be disabled (by
                                                       the Bus–OFF signal) in case of power failure.

                                                       DC/DC CONVERTERS
                                                       This block converts the 48/60 V power supply to the following voltages:

                                              •        3.3 V and 2.5 V used to supply all the components in the board.

                                              •        –5.2 V to supply the optical module
                                                       The DC/DC converter is synchronized with a synchronization clock at 300 MHz (signal
                                                       Power–Sync, generated by G.A.) in order to avoid EMI problems.
1AA 00014 0004 (9007) A4 – ALICE 04.10




                                         ED       03

                                                                                                           3AL 91669 AA AA                       474 / 706


                                                                                                                         706
System–clock a
                                                                                                                                                                                              System–clock b
not permitted without written authorization from Alcatel.




                                                                                                                                                                                                         G.A.
  All rights reserved. Passing on and copying of this
  document, use and communication of its contents




                                                                                                                                                                                            to/from HPC matrix
                                                                                                                                                                                                  (X Link)
                                                                                                                                                                      HPT
                                                                                                                                                        HOA                                  to/from LPC matrix




                                                                                                                                                                                                                      MAIN AND SPARE
                                                                                                                                                                      HPA                          (L Link)




                                                                                                                                                                                                                          MATRIXE
                                                                                                                                                                                                                         FROM/TO
                                                                                                                                                                     F2, F3                        LPOM
                                                                                                                                                                                                   LSUT
                                                                                                                                                                                                     (*)
                                                                                                                                                                                  HPOM
                                                                                                                                                                                  HSUT
                                                                                                           OPTICAL                                                                  (*)
                                                                                           OPTICAL                                                       TTF                                          to/from
                                                                                                          INTERFACE
                                                                                           INPUT/                                                                                                    HPC matrix
                                                                                           OUPUT                          STM–4       K1,K2                                                           (H Link)
                                                                                                                                     Tx side      RST    MST                           K1,K2,TP
                                                                                                                                                                  MSA
                                                                                                              SPI   LOS              Insertion                                          Rx side
                                                                                                                    LASER D.                                                           Insertion
                                                                                                                    LASER F.                DCCR              DCCM
                                                                                                                                            RSOH              MSOH                                           T1
                                                                                                                    LASER OFF

                                                                                                                                                                                                             DCC




                                                                                                                                                                                                                            FROM/TO
                                                                                                                                                                                                                            SERVICE
                                                                                                                                                                                                             AUX
                                                                                                                                                                                               F2, F3
                                                                                                                                                                   Config.  Status
                                                                                                                                                                                                     Management
                                                                                                                                                                                    M–BUS              Bus
                                                                                                                                  622 MHz
                                                                                                                                                              Laser Restart         Driver
                                                                                                                                    OSC




                                                                                                                                                                                                                      MAIN AND SPARE
                                                                                                                                                                                                             CMISS




                                                                                                                                                                                                                          MATRIXE
                                                                                                                                                                                                                         FROM/TO
                                                                                                                                                                                          Bus–OFF

                                                                                                                                                                Remote
                                                                                                                                                               Inventory                            RIBUS
                                                                                                                                                                                      RIBUS
                                                                                                                                                                                        I/F

                                                                                                                                                                        Unit                        ID
                                                                                                                                                 Power                  Failure
                                                                                                                                                                                                                      CONGI A  B
                                                                                                                                                 Sync                                                      +3.3 Vdc     FROM


                                                                                                                           –5.2 V
                                                                                                                            3.3 V              DC/DC                                               48/60 V
                                                                                                                            2.5 V           CONVERTERS




                                                                                                                                  STM–4 OPTICAL PORT



                                                                                                     Notes:
                                                                                                      (*) –   HSUT and LSUT are not available in the current release



                                                                                                                                     Figure 270. STM–4 –block diagram
                                                  1AA 00014 0004 (9007) A4 – ALICE 04.10




                                                                                           ED        03

                                                                                                                                                                           3AL 91669 AA AA                              475 / 706


                                                                                                                                                                                             706
4.29 4 x STM–4 optical port (P4S4N)

                                          Note: this board does not support Low Order traffic termination




                                                                                                                                                         not permitted without written authorization from Alcatel.
                                          The 4 x STM–4 port can processes up to four STM–4 streams but only two can be terminated so only two




                                                                                                                                                           All rights reserved. Passing on and copying of this
                                                                                                                                                           document, use and communication of its contents
                                          can be used.

                                          A maximum of two optical modules can be housed on the card to give physical access to the STM–4 signal.

                                          The SDH functions required to manage STM–4 signal are implemented by the GAs mounted on the board.
                                          It interfaces the two MATRIXE cards via backpanel.

                                          For simplicity the following description is related only to one of the four STM–4 interfaces that can be
                                          process by the card .

                                          Referring to the ITU–T G.783 Rec., the GA performs the following functions: TTF and HPOM / HSUT .

                                          Cross connection functions (MSP, HPC) are performed by the two MATRIXE boards (working in 1+1
                                          configuration).

                                          The TTF block is connected to the two MATRIXE boards through 1+1 bidirectional links at 622 Mbit/s,
                                          STM–4 equivalent capacity.

                                          In the following block description, the new naming convention of the G.783 is reported.

                                          The G.A. send and receive STM–4 signals (data + clock) at 622 Mbit/s to/from the SPI.
                                          The SPI can detect an external LOS from the input line.
                                          The optical transmitter provides to the G.A. its status by means of two input signals: Laser Degrade and
                                          Laser Failure.
1AA 00014 0004 (9007) A4 – ALICE 04.10




                                         ED      03

                                                                                                       3AL 91669 AA AA                       476 / 706


                                                                                                                     706
TTF BLOCK (SPI, RST, MST, MSA)

                                                                                            This block performs the Transport Terminal Functions (sink on Rx side, source on Tx side) for the STM–4
                                                                                            signal.
not permitted without written authorization from Alcatel.
  All rights reserved. Passing on and copying of this
  document, use and communication of its contents




                                                                                            TTF block provides the T1 timing references at 2 MHz, derived from the STM–4 input signals.

                                                                                            INPUT side : from line to MSP MATRIX

                                                                                                 SPI (OSn/RSn_A_Sk) : it descramblers the incoming signal, counts the OOF and reveals the LOF
                                                                                                 alarm.

                                                                                                 RST (RSn_TT_Sk) : performs frame alignment detection (A1, A2), regenerator section trace
                                                                                                 recovery (J0) and mismatch detection, BIP–8 Errored Block count.

                                                                                                 MST (MSn_TT_Sk) : performs BIP–24 errored block count, MS–REI recovery, MS–RDI and MS–AIS
                                                                                                 detection. TSD is applied in case of MS–DEG (signal degrade), TSF is applied if MS–AIS is detected.

                                                                                                 MSA (MSn/Sn_A_Sk) : performs AU4’s pointer interpretation, LOP and AIS detection, pointer
                                                                                                 justification.

                                                                                                 Moreover the following functions are performed on the Rx side:

                                                                                                 SOH BYTE extraction (Rx side) : DCC bytes (DCCR D1 B D3 and DCCM D4 B D12) are dropped
                                                                                                 and serialized in a DCC frame. Two DCC frames are generated working in 1+1 protection.

                                                                                                 TP byte insertion (Rx side) : since the cross connection functions are centralized, for protection
                                                                                                 purpose TSD (Trail Signal Degrade) and TSF (Trail Signal Failure) are transmitted towards the two
                                                                                                 HCMATRIX boards.

                                                                                                 K BYTES insertion and extraction (Rx side) : this block provides the in–band transmission of K1,
                                                                                                 K2, bytes towards the MATRIXE board. For each of the 4 STM–1 streams, the bytes are extracted
                                                                                                 form the line when a TSF is received and they are overwritten into the SOH section.

                                                                                            OUTPUT side : from MATRIX to line

                                                                                                 MSA (Ms/Sn_A_So) : it performs AUG assembly, AU–4 pointer generation, AU–AIS generation.
                                                                                                 The four AUG structure are byte interleaved in the STM–4 structure with fixed phase relationship vs.
                                                                                                 the same multiple signal.

                                                                                                 MST (MSn_TT_So) : it performs BIP–24 calculation and insertion, MS–REI MS–RDI and MS–AIS
                                                                                                 insertion.

                                                                                                 RST (RSn_TT_So) : it performs frame alignment insertion, regenerator section path trace insertion,
                                                                                                 BIP–8 calculation and insertion.

                                                                                                 SOH BYTE insertion (Tx side) : DCC bytes (DCCR D1 B           D3 and DCCM D4 B        D12) coming
                                                                                                 from the DCC frames are inserted into the SOH section.

                                                                                                 K BYTES insertion and extraction (Tx side) : K1, K2 bytes are extracted from the frame coming
                                                                                                 from backpanel and re–inserted on the same output line frame.
                                                  1AA 00014 0004 (9007) A4 – ALICE 04.10




                                                                                           ED      03

                                                                                                                                                          3AL 91669 AA AA                       477 / 706


                                                                                                                                                                       706
HPOM, HSUT block

                                          The GA provides also the HSUT, HPOM (alternative) both in RX and TX side.




                                                                                                                                                      not permitted without written authorization from Alcatel.
                                          The main task of HSUT are:




                                                                                                                                                        All rights reserved. Passing on and copying of this
                                                                                                                                                        document, use and communication of its contents
                                              RX side (from MSA to HPC matrix):

                                              •        path trace information recovery
                                              •        REI recovery
                                              •        HP–RDI detection (path status monitoring
                                              •        UNEQ and VC–AIS detection (signal label monitoring)
                                              •        VC4 BIP–8 Errored Block count

                                              TX side (from HPC matrix to MSA):

                                              •        generation of an unequipped container
                                              •        ”unequipped” insertion, trail trace identifier generation
                                              •        RDI and /or REI information generation
                                              •        VC–4 BIP–8 calculation and insertion

                                          The main task of HPOM are:

                                              RX and TX side:

                                              •        signal termination
                                              •        J1 path recovering
                                              •        REI information recovering
                                              •        HP–RDI detection (path status monitoring
                                              •        UNEQ and VC–AIS detection (signal label monitoring)
                                              •        VC4 BIP–8 Errored Block count
                                              •        TSF is generated in case of SSF, UNEQ, TIM, AIS. TSD is generated in case of SD.
1AA 00014 0004 (9007) A4 – ALICE 04.10




                                         ED       03

                                                                                                             3AL 91669 AA AA              478 / 706


                                                                                                                       706
Other functions

                                                                                            Other functions implemented are:

                                                                                                •
not permitted without written authorization from Alcatel.




                                                                                                         RIBUS I/F
  All rights reserved. Passing on and copying of this
  document, use and communication of its contents




                                                                                                         This block is used to read/write from/to the ”RIBUS” stream, to control the LED on the unit, to
                                                                                                         release the Management–bus in case of power failure, and to use the remote inventory.

                                                                                                •        REMOTE INVENTORY
                                                                                                         It is the memory containing the board information, for identification purposes (see para. 3.17
                                                                                                         on page 370 for details).

                                                                                                •        M–BUS Driver
                                                                                                         It drives the input–output gates of the Management–bus. These drivers can be disabled (by the
                                                                                                         Bus–OFF signal) in case of power failure.

                                                                                                •        DC/DC CONVERTERS
                                                                                                         This block converts the –48/–60 V power supply to the following voltages:

                                                                                                              •    3.3V and 2.5V used to supply all the components in the board

                                                                                                              •    –5.2Vto supply the optical module

                                                                                                         The DC/DC converter is synchronized with a synchronization clock at 300 MHz (signal
                                                                                                         Power–Sync, generated by GA) in order to avoid EMI problems.
                                                  1AA 00014 0004 (9007) A4 – ALICE 04.10




                                                                                           ED       03

                                                                                                                                                             3AL 91669 AA AA                       479 / 706


                                                                                                                                                                          706
System–clock a
                                                                                                                                     System–clock b




                                                                                                                                                                                        not permitted without written authorization from Alcatel.
                                                                                                                                                                                          All rights reserved. Passing on and copying of this
                                                                                                                                                                                          document, use and communication of its contents
                                                                                                                                                                       MAIN AND SPARE
                                                                                                         G.A.            HPOM




                                                                                                                                                                          MATRIX
                                                                                                                         HSUT




                                                                                                                                                                          from/to
                                         OPTICAL     OPTICAL                                    TTF #1
                                         INPUT/     INTERFACE
                                                                                                                                                        to/from
                                         OUPUT
                                                                                                                              .
                                                                STM–4        K1,K2                                                                     HPC matrix
                                           #1                               Tx side      RST    MST      MSA                      K1,K2,TP
                                                        SPI   LOS           Insertion                                              Rx side
                                                              LASER D.                                                            Insertion
                                                              LASER F.            DCCR           DCCM
                                         OPTICAL                                  RSOH           MSOH
                                         INPUT/
                                         OUPUT
                                           #2

                                                                                                         TTF #2

                                                                                                  TTF #3 (not used)
                                                                                                  TTF #4 (not used)
                                                                                                                                                 DCC




                                                                                                                                                               SERVICE
                                                                                                                                                               from/to
                                                                                                          Config.  Status
                                                                                                                                          Management
                                                                                                                         M–BUS              Bus
                                                                        622 MHz
                                                                                                   Laser Restart         Driver
                                                                          OSC




                                                                                                                                                                       MAIN AND SPARE
                                                                                                                                                                          MATRIX
                                                                                                                                                                          from/to
                                                                                                                               Bus–OFF

                                                                                                     Remote
                                                                                                    Inventory                            RIBUS
                                                                                                                             RIBUS
                                                                                                                               I/F

                                                                                                               Unit                      ID
                                                                                        Power                  Failure
                                                                                        Sync
                                                                                                                                                                CONGI A  B



                                                                 –5.2 V
                                                                  3.3 V                                                                48/60 V
                                                                                                                                                                  from




                                                                                     DC/DC
                                                                    2.5 V         CONVERTERS




                                                                                                                4xSTM–4 OPTICAL PORT




                                                                         Figure 271. 4xSTM–4 optical port block diagram
1AA 00014 0004 (9007) A4 – ALICE 04.10




                                          ED       03

                                                                                                                     3AL 91669 AA AA                            480 / 706


                                                                                                                                       706
4.30 ISA – ATM MATRIX 4X4 (ATM4X4)

                                                                                            (See Figure 272. on page 487)
not permitted without written authorization from Alcatel.




                                                                                            This unit realize an ATM switching matrix with a total bandwidth of 622Mbit/s.
  All rights reserved. Passing on and copying of this
  document, use and communication of its contents




                                                                                            The board is able to manage up to 16 LT where LT is a physical or logical channel where is mapped an
                                                                                            ATM flow (E1, E3, VC12, VC3, VC4).
                                                                                            On the board a local STM–1 access carrying an unstructured VC4 is managed.

                                                                                            The card perform the following functions:

                                                                                            [1]   SDH signal processing

                                                                                            [2]   ATM signal processing

                                                                                            [3]   MATRIX

                                                                                            [4]   MICROPROCESSOR

                                                                                            [5]   Common part

                                                                                            [1] SDH signal processing

                                                                                            One STM–1 interface is available on the card. The stream can be optical or electrical according to the
                                                                                            modules available (electrical–STM1 or optical–STM1) inserted into the front cover cavity of the ATM
                                                                                            MATRIX 4X4.
                                                                                            The proprietary function of ”Bidirectional working on single fiber” is provided, by presetting. This function
                                                                                            uses the BMD (bad media dependent) byte. The BMD alarm is considered as an external LOS.
                                                                                            The ALS algorithm is provided by hardware implementation (Laser–Shut–Down command).
                                                                                            The line–interface (SPI) is performed by the pluggable module (line–module).
                                                                                            LOS, Laser–Degrade, Laser–fail alarms and Laser–Shut–Down commands are comprised in the
                                                                                            AlarmsCommands group in the figure.
                                                                                            The SDH functions required to manage STM–1 signals are:

                                                                                            –     SPI, RST, MST, MSA
                                                                                            –     HPT, LPT and LPA.
                                                                                            –     SOH bytes

                                                                                            Cross connection functions (MSP, HPC and LPC) are performed by the matrices present on the two
                                                                                            MATRIXE board (working in 1+1 configuration).

                                                                                            The MSA block is connected to the MATRIXE boards (main and spare) through 1+1 bidirectional links
                                                                                            at 622 Mbit/s , STM–4 equivalent capacity.

                                                                                            SPI, RST, MST, MSA BLOCK

                                                                                            These blocks performs the Transport Terminal Functions (sink on Rx side, source on Tx side) for STM–1
                                                                                            signals.
                                                  1AA 00014 0004 (9007) A4 – ALICE 04.10




                                                                                           ED      03

                                                                                                                                                            3AL 91669 AA AA                         481 / 706


                                                                                                                                                                          706
Rx side : from line to MSP matrix on the MATRIXE board

                                               SPI (OSn/RSn_A_Sk) : it descramblers the incoming signal , counts the OOF and reveals the LOF
                                               alarm.




                                                                                                                                                            not permitted without written authorization from Alcatel.
                                                                                                                                                              All rights reserved. Passing on and copying of this
                                                                                                                                                              document, use and communication of its contents
                                               RST (RSn_TT_Sk) : performs frame alignment detection (A1, A2) , regenerator section trace
                                               recovery (J0) and mismatch detection, BIP–8 Errored Block count. J0 is not managed in this release.

                                               MST (MSn_TT_Sk) : performs BIP–24 errored block count, MS–REI recovery, MS–RDI and MS–AIS
                                               detection. TSD is applied in case of MS–DEG (signal degrade), TSF is applied if MS–AIS is detected.

                                               MSA (MSn/Sn_A_Sk) : performs AU4 pointer interpretation, LOP and AIS detection, pointer
                                               justification.

                                               Moreover the following functions are performed on the Rx side :

                                               SOH BYTE extraction (Rx side): DCC bytes (DCCR D1–D3 and DCCM D4–D12) are dropped and
                                               serialized in a DCC frame. Two DCC frames are generated working in 1+1 protection.

                                          Tx side : from matrix on the MATRIXE to line

                                               MSA (Ms/Sn_A_So) : it performs AUG assembly, AU–4 pointer generation, AU–AIS generation.

                                               MST (MSn_TT_So) : it performs BIP–24 calculation and insertion, MS–REI MS–RDI and MS–AIS
                                               insertion.

                                               RST (RSn_TT_So) : it performs frame alignment insertion, regenerator section path trace insertion,
                                               BIP–8 calculation and insertion.

                                               SOH BYTE insertion (Tx side): DCC bytes (DCCR D1–D3 and DCCM D4–D12) coming from the
                                               DCC frames are inserted into the SOH section.

                                               SPI (OSn/RSn_A_So) :it scramblers the outgoing signals and insert AIS in alarm condition.



                                          HPT, LPT and LPA blocks

                                          Two data stream at frequency of 622 MHz are connected to the block called SWITCH in Figure 272.
                                          on page 487, one coming from HPC matrix ( L link) and one from LPC matrix (X link).

                                          Rx side: from matrix on MATRIXE to LPA or HPT

                                          The task of the SWITCH block is to select one of the two busses coming from the matrices according to
                                          the type of signal to be connected ( L if is structured or X if unstructured).

                                          If the signal is structured the incoming signal (L Link) is sent through the SWITCH to the LPT and LPA
                                          block.

                                               •        LPT (S12_TT_Sk): The LPT function terminates and processes the POH to determine the
                                                        status of the defined path attributes.
                                                             •     J2:       trail trace identifier is recovered –– TIM detection.
                                                             •     V5[1,2]: BIP–2 is recovered –– Ex–BER, Signal Degrade alarm
                                                             •     V5[3]:    REI bit is recovered and the derived performance primitives is reported.
                                                             •     V5[8]:    RDI information is recovered and reported.
1AA 00014 0004 (9007) A4 – ALICE 04.10




                                                             •     AIS or SSF detection –– SSF alarm




                                         ED        03

                                                                                                           3AL 91669 AA AA                      482 / 706


                                                                                                                        706
•        LPA (S12/P12x_A_Sk): It extracts the VC12–POH and processes the TU12 pointer.
                                                                                                              •    V5[5–7]: Signal label detection in the byte V5[5–7] –– Signal label Mismatch
                                                                                                                   detection
                                                                                                              •    AIS or SSF is applied if Signal label Mismatch is detected
not permitted without written authorization from Alcatel.
  All rights reserved. Passing on and copying of this
  document, use and communication of its contents




                                                                                            If the signal is unstructured the incoming signal (L Link) is sent through the SWITCH to the HPT block.

                                                                                                          HPT (Sn_TT_Sk) : path trace information is recovered, REI information is recovered, HP–RDI
                                                                                                          and UNEQ are detected, VC4 BIP–8 errored count block. TSF is applied if SSF or UNEQ or TIM
                                                                                                          or AIS is detected.
                                                                                                          TSD is applied if a condition of signal degrade is detected.
                                                                                                          N1 byte extraction (Rx side): for the network Tandem Connection Termination  Monitoring
                                                                                                          function (TCT/TCM).



                                                                                            Tx side: from LPA or HPT to matrix on MATRIXE

                                                                                            The task of the SWITCH block is to sent the signal coming from HPT or LPT block towards the matrices
                                                                                            on the MATRIXE. The selection is made according to the type of signal to be connected ( L if is structured
                                                                                            or X if unstructured).

                                                                                            If the signal is structured the datas coming from ATM MAPPING block are sent through the LPT and LPA
                                                                                            blocks towards the SWITCH block.

                                                                                                 •        LPA (S12/P12x_A_So) :            This block adapts user data for transport in the synchronous
                                                                                                          domain. For asynchronous user data, lower order path adaptation involves bit justification. The
                                                                                                          2.048 Mbit/s is inserted into a C–12 container (by means of asynchronous mapping), which is
                                                                                                          synchronized (stuffing) with the correspondent TU–12.
                                                                                                               •    V5[5–7]: Signal label insertion in the byte V5[5–7].

                                                                                                 •        LPT (S12_TT_So) : The LPT function creates a VC–12 by generating and adding POH to a
                                                                                                          C–12. The POH formats are defined in Recommendations G.708 and G.709.
                                                                                                              •    J2:      trail trace identifier is generated.
                                                                                                              •    V5[1,2]: BIP–2 is calculated and transmitted.
                                                                                                              •    V5[3]:   the number of errors is encoded in REI.
                                                                                                              •    V5[8]:   RDI indication is inserted.

                                                                                            If the signal is unstructured the datas coming from ATM MAPPING block are sent through the HPT block
                                                                                            to the SWITCH block.

                                                                                                          HPT (Sn_TT_So) : path trace identification insertion, RDI and REI indications insertion, VC–4
                                                                                                          BIP–8 calculation and insertion, signal label insertion.
                                                                                                          N1 byte insertion (Tx side): for the network Tandem Connection Termination  Monitoring
                                                                                                          function (TCT/TCM).



                                                                                            HPOM, HSUT BLOCK (HSUT is not operative in this release)

                                                                                                 HPOM performs the monitoring of an equipped path while HSUT performs the termination of an
                                                                                                 unequipped path.
                                                                                                 From HPOM and HSUT are recovered :
                                                  1AA 00014 0004 (9007) A4 – ALICE 04.10




                                                                                                 •        the primitives used for Performance Monitoring (Errored block count, Defect seconds)
                                                                                                 •        switching criteria for SNCP/N protection
                                                                                                 The two functions are alternative.

                                                                                           ED        03

                                                                                                                                                              3AL 91669 AA AA                       483 / 706


                                                                                                                                                                           706
HPOM (Higher order path overhead monitoring)

                                              Snm_TT_Sk : signal termination , J1 path recovering , REI information recovering, HP–RDI
                                              detection (path status monitoring) , UNEQ and VC–AIS detection (signal label monitoring), VC4




                                                                                                                                                          not permitted without written authorization from Alcatel.
                                              BIP–8 Errored Block count. TSF is generated in case of SSF , UNEQ, TIM , AIS . TSD is generated




                                                                                                                                                            All rights reserved. Passing on and copying of this
                                                                                                                                                            document, use and communication of its contents
                                              in case of SD.

                                              HSUT (Higher order Supervisory Unequipped termination)

                                              Sns_TT_Sk : path trace information recovery, REI recovery, HP–RDI detection (path status
                                              monitoring), UNEQ and VC–AIS detection (signal label monitoring), VC4 BIP–8 Errored Block count.

                                              Sns_TT_So : generation of an unequipped container , ”unequipped” insertion, trail trace identifier
                                              generation, RDI and /or REI information generation, VC–4 BIP–8 calculation and insertion.



                                          [2] ATM signal processing

                                          RX side from SDH to MATRIX:

                                          –   ATM DEMAPPING: this block extract the ATM cells from the transmission path payload E1, E3, VC3,
                                              VC4, VC4c; ATM DEMAPPING BLOCK receive the E1 and E3 frames contained in VC3 and VC4
                                              payload for the processing performed in the equipment boards.

                                          –   CELL DELINEATION : cell delineation is the process which allow the identification of the cell
                                              boundaries. It is performed on the cell stream extracted from the PDH/SDH frames

                                          –   DESCRAMBLER:for SDH and PDH the information field of each cell is descrambled with a self
                                              synchronizing scrambler polynomial; descrambler is enable for a number of bit s equal to the length
                                              of the information field, and again disabled for the following assumed header.

                                          –   HEC VERIFICATION AND CORRECTION: in this block HEC field in the cell header is checked; HEC
                                              is used to achieved cell delineation.
                                              The algorithm used can recover a single–bit error or detect headers with single and multi–bit errors.

                                          –   CELLs DECOUPLING: idle cells are extracted from the cell stream. Idle cells has been inserted in
                                              the far end adaptation source function to reach the synchronous container capacity.

                                          –   HEADER VERIFICATION: this function verifies that the first four octets of the ATM cell header are
                                              recognizable as being a valid header pattern. Cells with unrecognized header patterns are discarded.
                                              An indication of invalid header cell discard event is provided to the microprocessor interface where
                                              are counted.

                                          –   UPC/NPC:this function (policing) checks that the incoming traffic from a VPC is not violating the
                                              agreed traffic contract.
                                              UPC (User Parameter Control) and NPC (Network Parameter Control) perform the same function
                                              but in different parts of the network (respectively at User Network Interface and Network Node
                                              Interface )

                                          –   OAM: operations and maintenance function is done by using dedicated cells. Typically function are
                                              cells monitoring, cells reporting, faults localization etc.

                                          –   HEADER TRANSLATION: this block performs on each virtual connection an header translation
1AA 00014 0004 (9007) A4 – ALICE 04.10




                                              which consist in a conversion of the external identification number (LTI/VPI/VCI) into an an internal
                                              identification number for the user to network direction




                                         ED     03

                                                                                                       3AL 91669 AA AA                        484 / 706


                                                                                                                     706
–   CONGESTION MANAGEMENT is the block that in the event of congestion is responsible to assure
                                                                                                that cell with loss priority will be discarded before than cell with high priority.

                                                                                            –   TRAFFIC SHAPING:this function enhances the utilization of the buffer and matrix providing better
not permitted without written authorization from Alcatel.




                                                                                                switch performance, especially for burst data.
  All rights reserved. Passing on and copying of this
  document, use and communication of its contents




                                                                                            TX side from MATRIX to SDH:

                                                                                            –   RATE REDUCTION: The purpose of this block is to smooth the average 622 Mbits/s traffic entering
                                                                                                with bursts up to 1,2 Gb/s. This function uses four waiting queues, called Rate Reduction FIFOs, used
                                                                                                to manage four priority levels fixed on a per connection basis. They are written at 1,2 Gbits/s and read
                                                                                                at 622 Mbits/s.

                                                                                            –   MULTICAST: it is a replication function of the incoming cell towards n outgoing directions; a new
                                                                                                connection identifier is used for each replication.

                                                                                            –   ROUTING:The purpose of this function is to guide the cells towards their target LT

                                                                                            –   CONGESTION MANAGEMENT: is the block that in the event of congestion is responsible to assure
                                                                                                that cell with loss priority will be discarded before than cell with high priority.

                                                                                            –   TRAFFIC SHAPING: the traffic shaping function modifies the characteristics of cells stream in a VCP
                                                                                                in order to improve network efficiency. It allows for meeting traffic contract at the egress of the
                                                                                                equipment. The shaping function can correct the Cell Delay Variation generated by the buffer and
                                                                                                the matrix.

                                                                                            –   HEADER TRANSLATION:this block performs on each virtual connection an header translation which
                                                                                                consist in a conversion of the internal identification number into the external identification number
                                                                                                (LTI/VPI/VCI)for the network to user direction.

                                                                                            –   OAM:operations and maintenance function is done by using dedicated cells.

                                                                                            –   CELLs RATE DECOUPLING: idle cells are inserted into cell stream to match the rate of the container.

                                                                                            –   HEC PROCESSING: the Header Error Control value is calculated on the entire ATM cell header and
                                                                                                inserted in the appropriate field.

                                                                                            –   SCRAMBLER: information field of each cell is scrambled in order to improve security and robustness
                                                                                                of the HEC cell delineation mechanism. In addition it helps randomizing the data in the information
                                                                                                field for possible improvement of the transmission performance.

                                                                                            –   ATM MAPPING: the cell stream is inserted into transmission path payload E1, E3, VC3, VC4, VC4c;
                                                                                                the E1 and E3 frames are sent to the output of the board mapped in VC12 and VC3 payload because
                                                                                                of the processing that will be done in the equipment boards.
                                                  1AA 00014 0004 (9007) A4 – ALICE 04.10




                                                                                           ED     03

                                                                                                                                                           3AL 91669 AA AA                        485 / 706


                                                                                                                                                                         706
[3] MATRIX

                                          The matrix is in charged of cross connect the incoming and outgoing cells according to the information
                                          received by the microprocessor. In case of Soft Permanent Virtual Connection ( Soft–PVC) the P–NNI




                                                                                                                                                              not permitted without written authorization from Alcatel.
                                          signalling is supported.




                                                                                                                                                                All rights reserved. Passing on and copying of this
                                                                                                                                                                document, use and communication of its contents
                                          [4] MICROPROCESSOR

                                          The microprocessor present on the board performs the following functionality:

                                          –    configuration, alarm and status gathering of the ATM devices present on the board

                                          –    handling of the signalling packet receive from the matrix in case of Soft–PVC

                                          –    communication with the EC on the EQUICO (SNMP Link); using this channel performance and
                                               management date are encapsulated and sent to the EC and from there to the Craft Terminal or O.S.

                                          All the LEDS (except that for Unit–Failure) are driven by the microprocessor.

                                          The maeaning of the LEDs and Push–Button is reported in Figure 272. on page 487.

                                          [5] Common part

                                               •        RIBUS I/F
                                                        This block is used to read/write from/to the ”RIBUS” stream, to control the LED on the unit, to
                                                        release the Management–bus in case of power failure, and to use the remote inventory. RIBUS
                                                        I/F is powered by the + 3.3 Vdc supply by CONGI boards.

                                               •        REMOTE INVENTORY
                                                        It is the memory containing the board information, for identification purposes (see para. 3.17
                                                        on page 370 for details).

                                               •        M–BUS Driver
                                                        It drives the input–output gates of the Management–bus. These drivers can be disabled (by
                                                        the Bus–OFF signal) in case of power failure.

                                                        DC/DC CONVERTERS
                                                        Starting from the 48/60 V power supply the following voltages are generated:

                                                        –     + 5 Vdc used by the optical module
                                                        –    +1.5 Vdc, –3.3 Vdc, –3.3 Vdc, –3.3 Vdc, +2.5 Vdc used to supply all the components
                                                             in the board.
1AA 00014 0004 (9007) A4 – ALICE 04.10




                                         ED        03

                                                                                                            3AL 91669 AA AA                       486 / 706


                                                                                                                         706
AUX                 from/to

                                                                                           L
                                                                                                 ÉÉÉÉ
                                                                                                 ÉÉÉÉ           LASER D.
                                                                                                                LASER F.
                                                                                                                                                                           RSOH, MSOH, F2, F3                  SOH
                                                                                                                                                                                                               bytes
                                                                                                                                                                                                                System clock a
                                                                                                                                                                                                                                                SERVICE
                                                                                           I          E/O       LASER OFF
                                                                                                                                                                                                                System clock b
                                                                                           N
                                                                                                 ÉÉÉÉ                                                                     HPOM
not permitted without written authorization from Alcatel.




                                                                                           E                                                                             HSUT(*)
  All rights reserved. Passing on and copying of this
  document, use and communication of its contents




                                                                                           I/O   ÉÉÉÉ
                                                                                                 ÉÉÉÉ
                                                                                                     MODULE STM–1 (D+CK)

                                                                                                                    LOS
                                                                                                                                     RST            MST       MSA
                                                                                                                                                                                                                                       H




                                                                                                                                                                                                                                                                MATRIX MAIN AND SPARE
                                                                                                                                                                                                                 HPT
                                                                                                 ÉÉÉÉ             622 MHz
                                                                                                                    OSC
                                                                                                                                   DCCR             DCCM
                                                                                                                                   RSOH             MSOH
                                                                                                                                                                                                             LPT




                                                                                                                                                                                                                                                          from/to
                                                                                                     ÉÉ
                                                                                                     ÉÉ
                                                                                                     ÉÉ
                                                                                                     ÉÉ
                                                                                                     ÉÉ                                                            Struct/unstruct            LPA                                          L

                                                                                                      CELLs RATE                                             ATM                                   Struct/unstruct
                                                                                                                          HEC              SCRAMBLER                                                                            S
                                                                                                      DECOUPLING       PROCESSING                           MAPPING                                                             W
                                                                                                                                                                                                                                I
                                                                                                                                            HEC                                                                                 T
                                                                                                       HEADER           CELLs                                                     CELL               ATM                        C          X
                                                                                                                                        VERIFICATION DESCRAMBLER
                                                                                                     VERIFICATION    DECOUPLING                                                DELINEATION        DEMAPPING                     H
                                                                                                                                        CORRECTION




                                                                                                            UPC/NPC                      HEADER                    CONGESTION              TRAFFIC
                                                                                                                            OAM
                                                                                                                                       TRANSLATION                 MANAGEMENT              SHAPING                          SPATIAL
                                                                                                                                                                                                                            MATRIX


                                                                                                                                         HEADER                TRAFFIC         CONGESTION
                                                                                                                            OAM                                                                     ROUTING
                                                                                                                                       TRANSLATION             SHAPING         MANAGEMENT


                                                                                                                                                                     MULTICAST               RATE
                                                                                                                                                                                           REDUCTION
                                                                                                        ÉÉ
                                                                                                        ÉÉ
                                                                                                        ÉÉ
                                                                                                        ÉÉ
                                                                                                        ÉÉ                                          ÉÉ É
                                                                                                                                                     É
                                                                                                                                                     É
                                                                                                                                                    ÉÉ                                                   SDRAM


                                                                                                                                                                                                          FLASH
                                                                                                                            LEDS(X5)                                                                      EPROM


                                                                                                                            LED TEST                                                                PNNI Signalling
                                                                                                                                                           MICROPROCESSOR

                                                                                                                                                                                                                                                     EQUICO
                                                                                                                                                                                                                                    SNMP
                                                                                                                                                                                                                                                     from/to
                                                                                                                              RESET


                                                                                                               Configuration  Status (ATM)
                                                                                                                                           ÉÉ É
                                                                                                                                            ÉÉ
                                                                                                                                            É
                                                                                                                                           ÉÉ
                                                                                                                                            É                                                                           Management
                                                                                                                                                                                                                           Bus
                                                                                                                                                                                                                                                                MATRIX MAIN AND SPARE

                                                                                                                                                                                                      M–BUS
                                                                                                            Configuration  Status (SDH)
                                                                                                                                                                                                      Driver
                                                                                                                                                                                                                                                          from/to




                                                                                                                                                                                                                                 CMISS
                                                                                                                                                                                                           Bus–OFF
                                                                                                                                                                                Remote                                              RIBUS
                                                                                                                                                                               Inventory
                                                                                                                                              5V
                                                                                                                                                                                                       RIBUS           ID
                                                                                                                                            1.5 V
                                                                                                                                                                                                        I/F
                                                                                                                                                                                                                                                  FROM CONGI




                                                                                                                                                                                                                            F   +3.3 Vdc
                                                                                                                                                                                        Unit
                                                                                                                                           – 3.3V          DC/DC                        Failure
                                                                                                    ATM MATRIX 4X4                                   CONVERTERS
                                                                                                                                           3.3 V                                                                             48/60 V
                                                                                                                                           2.5 V
                                                  1AA 00014 0004 (9007) A4 – ALICE 04.10




                                                                                                                                    Figure 272. ATM 4X4 card – Block diagram



                                                                                               ED     03

                                                                                                                                                                                     3AL 91669 AA AA                                           487 / 706


                                                                                                                                                                                                     706
4.31 ISA – ATM MATRIX 4X4 ENHANCED (ATM4X4D3)

                                          The functional description of the board is similar to ISA ATM4X4V2 (refer to paragraph 4.32); the only
                                          differences between the two boards is the number of TPs managed.




                                                                                                                                                       not permitted without written authorization from Alcatel.
                                                                                                                                                         All rights reserved. Passing on and copying of this
                                                                                                                                                         document, use and communication of its contents
                                          As a matter of fact ATM4X4D3 board can manage up to 16 TPs among E1, E3, VC12, VC3, VC4, T3,
                                          E1 IMA group.


                                          4.32 ISA – ATM MATRIX 4X4 ENHANCED (ATM4X4V2)

                                          (See Figure 273. on page and 493 )

                                          This unit realize an ATM switching matrix with a total bandwidth of 622Mbit/s.
                                          The board is able to manage up to 252 LT where LT is a physical or logical channel where is mapped an
                                          ATM flow (E1, E3, VC12, VC3, VC4, T3, E1 IMA group)
                                          On the board a local STM–1 access carrying an unstructured VC4 is managed.

                                          The card perform the following functions:

                                          [1]   SDH signal processing

                                          [2]   ATM signal processing

                                          [3]   MATRIX

                                          [4]   MICROPROCESSOR

                                          [5]   Common part

                                          [1] SDH signal processing
                                          The SDH functions required are:

                                                HPT, LPT and LPA.
                                          –     SOH bytes

                                          Cross connection functions (MSP, HPC and LPC) are performed by the matrices present on the two
                                          MATRIXN board (working in 1+1 configuration).

                                          The MSA block is connected to the MATRIXN boards (main and spare) through 1+1 bidirectional links
                                          at 622 Mbit/s , STM–4 equivalent capacity.



                                          HPT, LPT and LPA blocks

                                          Two data stream at frequency of 622 MHz are connected to the block called SWITCH in Figure 272.
                                          on page 487, one coming from HPC matrix ( H link) and one from LPC matrix (L link).

                                          Rx side: from matrix on MATRIXN to LPA or HPT

                                          The task of the SWITCH block is to select one of the two busses coming from the matrices according to
                                          the type of signal to be connected ( L if is structured or H if unstructured).

                                          If the signal is structured the incoming signal (L Link) is sent through the SWITCH to the LPT and LPA
1AA 00014 0004 (9007) A4 – ALICE 04.10




                                          block.




                                         ED      03

                                                                                                      3AL 91669 AA AA                      488 / 706


                                                                                                                   706
•        LPT (S12_TT_Sk): The LPT function terminates and processes the POH to determine the
                                                                                                          status of the defined path attributes.
                                                                                                               •     J2:       trail trace identifier is recovered –– TIM detection.
                                                                                                               •     V5[1,2]: BIP–2 is recovered –– Ex–BER, Signal Degrade alarm
not permitted without written authorization from Alcatel.




                                                                                                               •     V5[3]:    REI bit is recovered and the derived performance primitives is reported.
  All rights reserved. Passing on and copying of this
  document, use and communication of its contents




                                                                                                               •     V5[8]:    RDI information is recovered and reported.
                                                                                                               •     AIS or SSF detection –– SSF alarm

                                                                                                 •        LPA (S12/P12x_A_Sk): It extracts the VC12–POH and processes the TU12 pointer.
                                                                                                              •    V5[5–7]: Signal label detection in the byte V5[5–7] –– Signal label Mismatch
                                                                                                                   detection
                                                                                                              •    AIS or SSF is applied if Signal label Mismatch is detected

                                                                                            If the signal is unstructured the incoming signal (H Link) is sent through the SWITCH to the HPT block.

                                                                                                          HPT (Sn_TT_Sk) : path trace information is recovered, REI information is recovered, HP–RDI
                                                                                                          and UNEQ are detected, VC4 BIP–8 errored count block. TSF is applied if SSF or UNEQ or TIM
                                                                                                          or AIS is detected.
                                                                                                          TSD is applied if a condition of signal degrade is detected.
                                                                                                          N1 byte extraction (Rx side): for the network Tandem Connection Termination  Monitoring
                                                                                                          function (TCT/TCM).



                                                                                            Tx side: from LPA or HPT to matrix on MATRIXN

                                                                                            The task of the SWITCH block is to sent the signal coming from HPT or LPT block towards the matrices
                                                                                            on the MATRIXN. The selection is made according to the type of signal to be connected ( L if is structured
                                                                                            or H if unstructured).

                                                                                            If the signal is structured the datas coming from ATM MAPPING block are sent through the LPT and LPA
                                                                                            blocks towards the SWITCH block.

                                                                                                 •        LPA (S12/P12x_A_So) :            This block adapts user data for transport in the synchronous
                                                                                                          domain. For asynchronous user data, lower order path adaptation involves bit justification. The
                                                                                                          2.048 Mbit/s is inserted into a C–12 container (by means of asynchronous mapping), which is
                                                                                                          synchronized (stuffing) with the correspondent TU–12.
                                                                                                               •    V5[5–7]: Signal label insertion in the byte V5[5–7].

                                                                                                 •        LPT (S12_TT_So) : The LPT function creates a VC–12 by generating and adding POH to a
                                                                                                          C–12. The POH formats are defined in Recommendations G.708 and G.709.
                                                                                                              •    J2:      trail trace identifier is generated.
                                                                                                              •    V5[1,2]: BIP–2 is calculated and transmitted.
                                                                                                              •    V5[3]:   the number of errors is encoded in REI.
                                                                                                              •    V5[8]:   RDI indication is inserted.

                                                                                            If the signal is unstructured the datas coming from ATM MAPPING block are sent through the HPT block
                                                                                            to the SWITCH block.

                                                                                                          HPT (Sn_TT_So) : path trace identification insertion, RDI and REI indications insertion, VC–4
                                                                                                          BIP–8 calculation and insertion, signal label insertion.
                                                                                                          N1 byte insertion (Tx side): for the network Tandem Connection Termination  Monitoring
                                                                                                          function (TCT/TCM).
                                                  1AA 00014 0004 (9007) A4 – ALICE 04.10




                                                                                            HPOM, HSUT BLOCK (HSUT is not operative in this release)

                                                                                           ED        03

                                                                                                                                                              3AL 91669 AA AA                       489 / 706


                                                                                                                                                                           706
HPOM performs the monitoring of an equipped path while HSUT performs the termination of an
                                              unequipped path.
                                              From HPOM and HSUT are recovered :




                                                                                                                                                          not permitted without written authorization from Alcatel.
                                              •        the primitives used for Performance Monitoring (Errored block count, Defect seconds)




                                                                                                                                                            All rights reserved. Passing on and copying of this
                                                                                                                                                            document, use and communication of its contents
                                              •        switching criteria for SNCP/N protection
                                              The two functions are alternative.

                                              HPOM (Higher order path overhead monitoring)

                                              Snm_TT_Sk : signal termination , J1 path recovering , REI information recovering, HP–RDI
                                              detection (path status monitoring) , UNEQ and VC–AIS detection (signal label monitoring), VC4
                                              BIP–8 Errored Block count. TSF is generated in case of SSF , UNEQ, TIM , AIS . TSD is generated
                                              in case of SD.

                                              HSUT (Higher order Supervisory Unequipped termination)

                                              Sns_TT_Sk : path trace information recovery, REI recovery, HP–RDI detection (path status
                                              monitoring), UNEQ and VC–AIS detection (signal label monitoring), VC4 BIP–8 Errored Block count.

                                              Sns_TT_So : generation of an unequipped container , ”unequipped” insertion, trail trace identifier
                                              generation, RDI and /or REI information generation, VC–4 BIP–8 calculation and insertion.



                                          [2] ATM signal processing

                                          RX side from SDH to MATRIX:

                                          –   ATM DEMAPPING: this block extract the ATM cells from the transmission path payload E1, E3, VC3,
                                              VC4, VC4c; ATM DEMAPPING BLOCK receive the E1 and E3 frames contained in VC3 and VC4
                                              payload for the processing performed in the equipment boards.

                                          –   CELL DELINEATION : cell delineation is the process which allow the identification of the cell
                                              boundaries. It is performed on the cell stream extracted from the PDH/SDH frames

                                          –   DESCRAMBLER:for SDH and PDH the information field of each cell is descrambled with a self
                                              synchronizing scrambler polynomial; descrambler is enable for a number of bit s equal to the length
                                              of the information field, and again disabled for the following assumed header.

                                          –   HEC VERIFICATION AND CORRECTION: in this block HEC field in the cell header is checked; HEC
                                              is used to achieved cell delineation.
                                              The algorithm used can recover a single–bit error or detect headers with single and multi–bit errors.

                                          –   CELLs DECOUPLING: idle cells are extracted from the cell stream. Idle cells has been inserted in
                                              the far end adaptation source function to reach the synchronous container capacity.

                                          –   IMA (Inverse Multiplexing over ATM) RX: NxE1 stream are bundled in a single high speed cell stream;
                                              E1 stream are collected in a cyclical fashion among physical links preserving sequence( for details
                                              on IMA refer to AF–PHY–0086.001).

                                          –   HEADER VERIFICATION: this function verifies that the first four octets of the ATM cell header are
                                              recognizable as being a valid header pattern. Cells with unrecognized header patterns are discarded.
                                              An indication of invalid header cell discard event is provided to the microprocessor interface where
1AA 00014 0004 (9007) A4 – ALICE 04.10




                                              are counted.




                                         ED       03

                                                                                                        3AL 91669 AA AA                       490 / 706


                                                                                                                      706
–   UPC/NPC:this function (policing) checks that the incoming traffic from a VPC is not violating the
                                                                                                agreed traffic contract.
                                                                                                UPC (User Parameter Control) and NPC (Network Parameter Control) perform the same function
                                                                                                but in different parts of the network (respectively at User Network Interface and Network Node
not permitted without written authorization from Alcatel.




                                                                                                Interface )
  All rights reserved. Passing on and copying of this
  document, use and communication of its contents




                                                                                            –   OAM: operations and maintenance function is done by using dedicated cells. Typically function are
                                                                                                cells monitoring, cells reporting, faults localization etc.

                                                                                            –   HEADER TRANSLATION: this block performs on each virtual connection an header translation
                                                                                                which consist in a conversion of the external identification number (LTI/VPI/VCI) into an an internal
                                                                                                identification number for the user to network direction

                                                                                            –   CONGESTION MANAGEMENT is the block that in the event of congestion is responsible to assure
                                                                                                that cell with loss priority will be discarded before than cell with high priority.

                                                                                            –   TRAFFIC SHAPING:this function enhances the utilization of the buffer and matrix providing better
                                                                                                switch performance, especially for burst data.



                                                                                            TX side from MATRIX to SDH:

                                                                                            –   RATE REDUCTION: The purpose of this block is to smooth the average 622 Mbits/s traffic entering
                                                                                                with bursts up to 1,2 Gb/s. This function uses four waiting queues, called Rate Reduction FIFOs, used
                                                                                                to manage four priority levels fixed on a per connection basis. They are written at 1,2 Gbits/s and read
                                                                                                at 622 Mbits/s.

                                                                                            –   MULTICAST: it is a replication function of the incoming cell towards n outgoing directions; a new
                                                                                                connection identifier is used for each replication (not operative in current release).

                                                                                            –   ROUTING:The purpose of this function is to guide the cells towards their target LT

                                                                                            –   CONGESTION MANAGEMENT: is the block that in the event of congestion is responsible to assure
                                                                                                that cell with loss priority will be discarded before than cell with high priority.

                                                                                            –   TRAFFIC SHAPING: the traffic shaping function modifies the characteristics of cells stream in a VCP
                                                                                                in order to improve network efficiency. It allows for meeting traffic contract at the egress of the
                                                                                                equipment. The shaping function can correct the Cell Delay Variation generated by the buffer and
                                                                                                the matrix.

                                                                                            –   HEADER TRANSLATION:this block performs on each virtual connection an header translation which
                                                                                                consist in a conversion of the internal identification number into the external identification number
                                                                                                (LTI/VPI/VCI)for the network to user direction.

                                                                                            –   OAM:operations and maintenance function is done by using dedicated cells.

                                                                                            –   CELLs RATE DECOUPLING: idle cells are inserted into cell stream to match the rate of the container.

                                                                                            –   IMA (Inverse Multiplexing over ATM) TX: high speed stream of ATM cells is broken up in the multiple
                                                                                                E1 links( for details on IMA refer to AF–PHY–0086.001)

                                                                                            –   HEC PROCESSING: the Header Error Control value is calculated on the entire ATM cell header and
                                                                                                inserted in the appropriate field.
                                                  1AA 00014 0004 (9007) A4 – ALICE 04.10




                                                                                            –   SCRAMBLER: information field of each cell is scrambled in order to improve security and robustness
                                                                                                of the HEC cell delineation mechanism. In addition it helps randomizing the data in the information
                                                                                                field for possible improvement of the transmission performance.

                                                                                           ED     03

                                                                                                                                                           3AL 91669 AA AA                        491 / 706


                                                                                                                                                                         706
–    ATM MAPPING: the cell stream is inserted into transmission path payload E1, E3, VC3, VC4, VC4c;
                                               the E1 and E3 frames are sent to the output of the board mapped in VC12 and VC3 payload because
                                               of the processing that will be done in the equipment boards.




                                                                                                                                                              not permitted without written authorization from Alcatel.
                                          [3] MATRIX




                                                                                                                                                                All rights reserved. Passing on and copying of this
                                                                                                                                                                document, use and communication of its contents
                                          The matrix is in charged of cross connect the incoming and outgoing cells according to the information
                                          received by the microprocessor. In case of Soft Permanent Virtual Connection ( Soft–PVC) the P–NNI
                                          signalling is supported.

                                          [4] MICROPROCESSOR

                                          The microprocessor present on the board performs the following functionality:

                                          –    configuration, alarm and status gathering of the ATM devices present on the board

                                          –    handling of the signalling packet receive from the matrix in case of Soft–PVC

                                          –    communication with the EC on the EQUICO (SNMP Link); using this channel performance and
                                               management date are encapsulated and sent to the EC and from there to the Craft Terminal or O.S.

                                          All the LEDS (except that for Unit–Failure) are driven by the microprocessor.

                                          The maeaning of the LEDs and Push–Button is reported in Figure 272. on page 487.

                                          [5] Common part

                                               •        RIBUS I/F
                                                        This block is used to read/write from/to the ”RIBUS” stream, to control the LED on the unit, to
                                                        release the Management–bus in case of power failure, and to use the remote inventory. RIBUS
                                                        I/F is powered by the + 3.3 Vdc supply by CONGI boards.

                                               •        REMOTE INVENTORY
                                                        It is the memory containing the board information, for identification purposes (see para. 3.17
                                                        on page 370 for details).

                                               •        M–BUS Driver
                                                        It drives the input–output gates of the Management–bus. These drivers can be disabled (by
                                                        the Bus–OFF signal) in case of power failure.

                                                        DC/DC CONVERTERS
                                                        Starting from the 48/60 V power supply the following voltages are generated:

                                                        –    +1.5 Vdc, +3.3 Vdc, , +2.5 Vdc used to supply all the components in the board.
1AA 00014 0004 (9007) A4 – ALICE 04.10




                                         ED        03

                                                                                                            3AL 91669 AA AA                       492 / 706


                                                                                                                         706
IMA TX

                                                                                                   FILLING CELL      IMA FRAME          ICP CELL        CELL STREAM
                                                                                                    INSERTION       GENERATION         INSERTION          SPLITTING                                             HPT




                                                                                                                                                                                                                               622 MHz
not permitted without written authorization from Alcatel.




                                                                                                                                                                                                                                 OSC
  All rights reserved. Passing on and copying of this
  document, use and communication of its contents




                                                                                                                                                                                                            LPT
                                                                                                                      É
                                                                                                                      É
                                                                                                                      ÉÉ
                                                                                                          IMA TX
                                                                                                                      É
                                                                                                                                                                                                                                         L




                                                                                                                                                                                                                                                              MATRIX MAIN AND SPARE
                                                                                                                                                                 Struct/unstruct            LPA

                                                                                                   CELLs RATE                                               ATM                                   Struct/unstruct
                                                                                                                          HEC              SCRAMBLER                                                                           S
                                                                                                   DECOUPLING          PROCESSING                          MAPPING                                                             W




                                                                                                                                                                                                                                                        from/to
                                                                                                                                                                                                                               I
                                                                                                                                            HEC                                                                                T
                                                                                                    HEADER             CELLs                                                    CELL                ATM                        C         H
                                                                                                                                        VERIFICATION DESCRAMBLER
                                                                                                  VERIFICATION      DECOUPLING                                               DELINEATION         DEMAPPING                     H
                                                                                                                                        CORRECTION


                                                                                                           IMA RX


                                                                                                                                         HEADER                  CONGESTION              TRAFFIC                           SPATIAL
                                                                                                             UPC/NPC       OAM                                                                                             MATRIX
                                                                                                                                       TRANSLATION               MANAGEMENT              SHAPING


                                                                                                                                         HEADER                TRAFFIC       CONGESTION
                                                                                                                           OAM                                                                     ROUTING
                                                                                                                                       TRANSLATION             SHAPING       MANAGEMENT


                                                                                                                                                                   MULTICAST               RATE
                                                                                                                                                                                         REDUCTION




                                                                                                 IMA RX
                                                                                                     FILLING CELL        INVALID CELL               ICP CELL           IMA           CELL STREAM
                                                                                                          DISCARD          DISCARD                  REMOVE            SYNC          RECONSTUCTION




                                                                                                                                                                                                        SDRAM


                                                                                                                                                                                                         FLASH
                                                                                                                            LEDS(X5)                                                                     EPROM


                                                                                                                           LED TEST                      MICROPROCESSOR                            PNNI Signalling




                                                                                                                                                                                                                                                   EQUICO
                                                                                                                                                                                                                                   SNMP
                                                                                                                                                                                                                                                   from/to
                                                                                                                              RESET


                                                                                                               Configuration  Status (ATM)
                                                                                                                                           ÉÉ É
                                                                                                                                            ÉÉ
                                                                                                                                            É
                                                                                                                                           ÉÉ
                                                                                                                                            É                                                                          Management
                                                                                                                                                                                                                          Bus
                                                                                                                                                                                                                                                              MATRIX MAIN AND SPARE

                                                                                                                                                                                                     M–BUS
                                                                                                            Configuration  Status (SDH)
                                                                                                                                                                                                     Driver
                                                                                                                                                                                                                                                        from/to




                                                                                                                                                                                                                                 CMISS
                                                                                                                                                                                                          Bus–OFF
                                                                                                                                                                              Remote                                               RIBUS
                                                                                                                                                                             Inventory
                                                                                                                                              5V
                                                                                                                                                                                                      RIBUS           ID
                                                                                                                                            1.5 V
                                                                                                                                                                                                       I/F
                                                                                                                                                                                                                                                FROM CONGI




                                                                                                                                                                                                                           F    +3.3 Vdc
                                                                                                                                                                                       Unit
                                                                                                                                           – 3.3V        DC/DC                         Failure
                                                                                                 ATM MATRIX 4X4                                       CONVERTERS
                                                                                                                                           3.3 V                                                                            48/60 V
                                                                                                                                           2.5 V
                                                  1AA 00014 0004 (9007) A4 – ALICE 04.10




                                                                                                                                   Figure 273. ATM4X4V2 card – Block diagram



                                                                                           ED        03

                                                                                                                                                                                   3AL 91669 AA AA                                           493 / 706


                                                                                                                                                                                                    706
4.33 ISA – ATM MATRIX 8X8 (ATM8X8)

                                          (See Figure 274. on page 499 and Figure 275. on page 500)




                                                                                                                                                             not permitted without written authorization from Alcatel.
                                          This unit realize an ATM switching matrix with a total bandwidth of 1.2 Gbit/s. As a matter of fact the unit




                                                                                                                                                               All rights reserved. Passing on and copying of this
                                                                                                                                                               document, use and communication of its contents
                                          is two slot wide and it is connected with the SDH Matrix (MATRIXE) through two link at 622 Mbit/s.

                                          The block diagram of the board has been been divided in two part depicted in Figure 274. on page 499
                                          and Figure 275. on page 500; the part A describe the common part (microprocessor, led, DC/DC
                                          converter) and the signal processing (ATM and SDH) of the first 622Mbit/s link, the part B describe the
                                          signal processing (ATM and SDH) of the second 622Mbit/s link.

                                          The board is able to manage up to 32 LT where LT is a physical or logical channel where is mapped an
                                          ATM flow (E1, E3, VC12, VC3, VC4 and VC4–4c).

                                          The card perform the following function:

                                          [1]   SDH signal processing

                                          [2]   ATM signal processing

                                          [3]   MATRIX

                                          [4]   MICROPROCESSOR

                                          [5]   Common part

                                          [1] SDH signal processing
                                          The SDH functions are:

                                          –     HPT

                                          –     LPT and LPA.

                                          Cross connection functions (MSP, HPC and LPC) are performed by the matrices present on the two
                                          MATRIXE board (working in 1+1 configuration).

                                          HPT, LPT and LPA blocks

                                          Two data stream at frequency of 622 MHz are connected to the block called SWITCH in Figure 274. on
                                          page 499 , one coming from HPC matrix ( L link) and one from LPC matrix (X link); the same description
                                          can be applied to Figure 275. on page 500 that depict the part B of the board.

                                          Rx side: from matrix on MATRIXE to LPA or HPT

                                          The task of the SWITCH block is to select one of the two busses coming from the matrices according to
                                          the type of signal to be connected ( L if is structured or X if unstructured).

                                          If the signal is structured the incoming signal (L Link) is sent through the SWITCH to the LPT and LPA
                                          block.

                                                •        LPT (S12_TT_Sk): The LPT function terminates and processes the POH to determine the
                                                         status of the defined path attributes.
                                                              •     J2:       trail trace identifier is recovered –– TIM detection.
1AA 00014 0004 (9007) A4 – ALICE 04.10




                                                              •     V5[1,2]: BIP–2 is recovered –– Ex–BER, Signal Degrade alarm
                                                              •     V5[3]:    REI bit is recovered and the derived performance primitives is reported.
                                                              •     V5[8]:    RDI information is recovered and reported.
                                                              •     AIS or SSF detection –– SSF alarm

                                         ED         03

                                                                                                            3AL 91669 AA AA                      494 / 706


                                                                                                                         706
•        LPA (S12/P12x_A_Sk): It extracts the VC12–POH and processes the TU12 pointer.
                                                                                                              •    V5[5–7]: Signal label detection in the byte V5[5–7] –– Signal label Mismatch
                                                                                                                   detection
                                                                                                              •    AIS or SSF is applied if Signal label Mismatch is detected
not permitted without written authorization from Alcatel.
  All rights reserved. Passing on and copying of this
  document, use and communication of its contents




                                                                                            If the signal is unstructured the incoming signal (L Link) is sent through the SWITCH to the HPT block.

                                                                                                          HPT (Sn_TT_Sk) : path trace information is recovered, REI information is recovered, HP–RDI
                                                                                                          and UNEQ are detected, VC4 BIP–8 errored count block. TSF is applied if SSF or UNEQ or TIM
                                                                                                          or AIS is detected.
                                                                                                          TSD is applied if a condition of signal degrade is detected.
                                                                                                          N1 byte extraction (Rx side): for the network Tandem Connection Termination  Monitoring
                                                                                                          function (TCT/TCM).



                                                                                            Tx side: from LPA or HPT to matrix on MATRIXE

                                                                                            The task of the SWITCH block is to sent the signal coming from HPT or LPT block towards the matrices
                                                                                            on the MATRIXE. The selection is made according to the type of signal to be connected ( L if is structured
                                                                                            or X if unstructured).

                                                                                            If the signal is structured the datas coming from ATM MAPPING block are sent through the LPT and LPA
                                                                                            blocks towards the SWITCH block.

                                                                                                 •        LPA (S12/P12x_A_So) :            This block adapts user data for transport in the synchronous
                                                                                                          domain. For asynchronous user data, lower order path adaptation involves bit justification. The
                                                                                                          2.048 Mbit/s is inserted into a C–12 container (by means of asynchronous mapping), which is
                                                                                                          synchronized (stuffing) with the correspondent TU–12.
                                                                                                               •    V5[5–7]: Signal label insertion in the byte V5[5–7].

                                                                                                 •        LPT (S12_TT_So) : The LPT function creates a VC–12 by generating and adding POH to a
                                                                                                          C–12. The POH formats are defined in Recommendations G.708 and G.709.
                                                                                                              •    J2:      trail trace identifier is generated.
                                                                                                              •    V5[1,2]: BIP–2 is calculated and transmitted.
                                                                                                              •    V5[3]:   the number of errors is encoded in REI.
                                                                                                              •    V5[8]:   RDI indication is inserted.

                                                                                            If the signal is unstructured the datas coming from ATM MAPPING block are sent through the HPT block
                                                                                            to the SWITCH block.

                                                                                                          HPT (Sn_TT_So) : path trace identification insertion, RDI and REI indications insertion, VC–4
                                                                                                          BIP–8 calculation and insertion, signal label insertion.
                                                                                                          N1 byte insertion (Tx side): for the network Tandem Connection Termination  Monitoring
                                                                                                          function (TCT/TCM).
                                                  1AA 00014 0004 (9007) A4 – ALICE 04.10




                                                                                           ED        03

                                                                                                                                                              3AL 91669 AA AA                       495 / 706


                                                                                                                                                                           706
[2] ATM signal processing

                                          N.B.          The description that follows can be applied to both Figure 274. on page 499 and Figure 275.
                                                        on page 500




                                                                                                                                                             not permitted without written authorization from Alcatel.
                                                                                                                                                               All rights reserved. Passing on and copying of this
                                                                                                                                                               document, use and communication of its contents
                                          RX side from SDH to MATRIX:

                                          –      ATM DEMAPPING: this block extract the ATM cells from the transmission path payload E1, E3, VC3,
                                                 VC4, VC4c; ATM DEMAPPING BLOCK receive the E1 and E3 frames contained in VC3 and VC4
                                                 payload for the processing performed in the equipment boards.

                                          –      CELL DELINEATION : cell delineation is the process which allow the identification of the cell
                                                 boundaries. It is performed on the cell stream extracted from the PDH/SDH frames

                                          –      DESCRAMBLER:for SDH and PDH the information field of each cell is descrambled with a self
                                                 synchronizing scrambler polynomial; descrambler is enable for a number of bit s equal to the length
                                                 of the information field, and again disabled for the following assumed header.

                                          –      HEC VERIFICATION AND CORRECTION: in this block HEC field in the cell header is checked; HEC
                                                 is used to achieved cell delineation.
                                                 The algorithm used can recover a single–bit error or detect headers with single and multi–bit errors.

                                          –      CELLs DECOUPLING: idle cells are extracted from the cell stream. Idle cells has been inserted in
                                                 the far end adaptation source function to reach the synchronous container capacity.

                                          –      HEADER VERIFICATION: this function verifies that the first four octets of the ATM cell header are
                                                 recognizable as being a valid header pattern. Cells with unrecognized header patterns are discarded.
                                                 An indication of invalid header cell discard event is provided to the microprocessor interface where
                                                 are counted.

                                          –      UPC/NPC:this function (policing) checks that the incoming traffic from a VPC is not violating the
                                                 agreed traffic contract.
                                                 UPC (User Parameter Control) and NPC (Network Parameter Control) perform the same function
                                                 but in different parts of the network (respectively at User Network Interface and Network Node
                                                 Interface )

                                          –      OAM: operations and maintenance function is done by using dedicated cells. Typically function are
                                                 cells monitoring, cells reporting, faults localization etc.

                                          –      HEADER TRANSLATION: this block performs on each virtual connection an header translation
                                                 which consist in a conversion of the external identification number (LTI/VPI/VCI) into an an internal
                                                 identification number for the user to network direction

                                          –      CONGESTION MANAGEMENT is the block that in the event of congestion is responsible to assure
                                                 that cell with loss priority will be discarded before than cell with high priority.

                                          –      TRAFFIC SHAPING:this function enhances the utilization of the buffer and matrix providing better
                                                 switch performance, especially for burst data.
1AA 00014 0004 (9007) A4 – ALICE 04.10




                                         ED        03

                                                                                                          3AL 91669 AA AA                        496 / 706


                                                                                                                        706
TX side from MATRIX to SDH:

                                                                                            –   RATE REDUCTION: The purpose of this block is to smooth the average 622 Mbits/s traffic entering
                                                                                                with bursts up to 1,2 Gb/s. This function uses four waiting queues, called Rate Reduction FIFOs, used
not permitted without written authorization from Alcatel.




                                                                                                to manage four priority levels fixed on a per connection basis. They are written at 1,2 Gbits/s and read
  All rights reserved. Passing on and copying of this
  document, use and communication of its contents




                                                                                                at 622 Mbits/s.

                                                                                            –   MULTICAST: it is a replication function of the incoming cell towards n outgoing directions; a new
                                                                                                connection identifier is used for each replication.

                                                                                            –   ROUTING:The purpose of this function is to guide the cells towards their target LT

                                                                                            –   CONGESTION MANAGEMENT: is the block that in the event of congestion is responsible to assure
                                                                                                that cell with loss priority will be discarded before than cell with high priority.

                                                                                            –   TRAFFIC SHAPING: the traffic shaping function modifies the characteristics of cells stream in a VCP
                                                                                                in order to improve network efficiency. It allows for meeting traffic contract at the egress of the
                                                                                                equipment. The shaping function can correct the Cell Delay Variation generated by the buffer and
                                                                                                the matrix.

                                                                                            –   HEADER TRANSLATION:this block performs on each virtual connection an header translation which
                                                                                                consist in a conversion of the internal identification number into the external identification number
                                                                                                (LTI/VPI/VCI)for the network to user direction.

                                                                                            –   OAM:operations and maintenance function is done by using dedicated cells.

                                                                                            –   CELLs RATE DECOUPLING: idle cells are inserted into cell stream to match the rate of the container.

                                                                                            –   HEC PROCESSING: the Header Error Control value is calculated on the entire ATM cell header and
                                                                                                inserted in the appropriate field.

                                                                                            –   SCRAMBLER: information field of each cell is scrambled in order to improve security and robustness
                                                                                                of the HEC cell delineation mechanism. In addition it helps randomizing the data in the information
                                                                                                field for possible improvement of the transmission performance.

                                                                                            –   ATM MAPPING: the cell stream is inserted into transmission path payload E1, E3, VC3, VC4, VC4c;
                                                                                                the E1 and E3 frames are sent to the output of the board mapped in VC12 and VC3 payload because
                                                                                                of the processing that will be done in the equipment boards.
                                                  1AA 00014 0004 (9007) A4 – ALICE 04.10




                                                                                           ED     03

                                                                                                                                                           3AL 91669 AA AA                        497 / 706


                                                                                                                                                                         706
[3] MATRIX

                                          The matrix is in charged of cross connect the incoming and outgoing cells according to the information
                                          received by the microprocessor. In case of Soft Permanent Virtual Connection ( Soft–PVC) the P–NNI




                                                                                                                                                              not permitted without written authorization from Alcatel.
                                          signalling is supported.




                                                                                                                                                                All rights reserved. Passing on and copying of this
                                                                                                                                                                document, use and communication of its contents
                                          [4] MICROPROCESSOR

                                          The microprocessor present on the board performs the following functionality:

                                          –    configuration, alarm and status gathering of the ATM devices present on the board

                                          –    handling of the signalling packet receive from the matrix in case of Soft–PVC

                                          –    communication with the EC on the PQ2/EQC (SNMP Link); using this channel performance and
                                               management date are encapsulated and sent to the EC and from there to the Craft Terminal or O.S.

                                          All the LEDS (except that for Unit–Failure) are driven by the microprocessor.

                                          The maeaning of the LEDs and Push–Button is reported in Figure 272. on page 487.

                                          [5] Common part

                                               •        RIBUS I/F
                                                        This block is used to read/write from/to the ”RIBUS” stream, to control the LED on the unit, to
                                                        release the Management–bus in case of power failure, and to use the remote inventory. RIBUS
                                                        I/F is powered by the + 3.3 Vdc supply by CONGI boards.

                                               •        REMOTE INVENTORY
                                                        It is the memory containing the board information, for identification purposes (see para. 3.17
                                                        on page 370 for details).

                                               •        M–BUS Driver
                                                        It drives the input–output gates of the Management–bus. These drivers can be disabled (by
                                                        the Bus–OFF signal) in case of power failure.

                                                        DC/DC CONVERTERS
                                                        Starting from the 48/60 V power supply the following voltages are generated:

                                                        –     + 5 Vdc used by the optical module
                                                        –    +1.5 Vdc, –3.3 Vdc, –3.3 Vdc, –3.3 Vdc, +2.5 Vdc used to supply all the components
                                                             in the board.
1AA 00014 0004 (9007) A4 – ALICE 04.10




                                         ED        03

                                                                                                            3AL 91669 AA AA                       498 / 706


                                                                                                                         706
System clock a
                                                                                                                                                                                                         System clock b
not permitted without written authorization from Alcatel.
  All rights reserved. Passing on and copying of this
  document, use and communication of its contents




                                                                                                                                                                                                             HPT




                                                                                                                                                                                                                                                         MATRIXE MAIN AND SPARE
                                                                                                                                                 622 MHz
                                                                                                                                                   OSC
                                                                                                                                                                                                      LPT




                                                                                                                                                                                                                                                   from/to
                                                                                                 ÉÉ
                                                                                                 ÉÉ
                                                                                                 ÉÉ
                                                                                                 ÉÉ                                                                                                                                 L
                                                                                                                                                           Struct/unstruct              LPA

                                                                                                  CELLs RATE                                        ATM                                     Struct/unstruct
                                                                                                                      HEC            SCRAMBLER                                                                              S
                                                                                                  DECOUPLING       PROCESSING                      MAPPING                                                                  W
                                                                                                                                                                                                                            I
                                                                                                                                        HEC                                                                                 T
                                                                                                   HEADER            CELLs                                                CELL                ATM                           C       X
                                                                                                                                    VERIFICATION DESCRAMBLER
                                                                                                 VERIFICATION     DECOUPLING                                           DELINEATION         DEMAPPING                        H
                                                                                                                                    CORRECTION




                                                                                                   UPC/NPC        OAM
                                                                                                                             HEADER                CONGESTION                 TRAFFIC
                                                                                                                                                                                               ÏÏ
                                                                                                                                                                                               ÏÏ
                                                                                                                           TRANSLATION             MANAGEMENT                 SHAPING                         SPATIAL
                                                                                                                                                                                                              MATRIX
                                                                                                                                                                                               ÏÏ
                                                                                                                                                                                               ÏÏ
                                                                                                                              HEADER             TRAFFIC         CONGESTION
                                                                                                                  OAM                                                                ROUTING
                                                                                                                            TRANSLATION          SHAPING         MANAGEMENT                    ÏÏ
                                                                                                                   ÉÉ                                MULTICAST                 RATE
                                                                                                                                                                                               ÏÏ
                                                                                                                  ÉÉÉÉÉÉÉ
                                                                                                                  ÉÉÉÉÉÉÉ
                                                                                                                    É É
                                                                                                                  ÉÉÉ É
                                                                                                                  É É
                                                                                                                                                                             REDUCTION         ÏÏ
                                                                                                                                                                                               ÏÏ
                                                                                                                           SDRAM                                                               ÏÏ
                                                                                                                                                                                           PNNI Signalling
                                                                                                                                                                                               ÏÏ
                                                                                                                            FLASH
                                                                                                                          ÉÉEPROM                                                              Ï Ï ÏÏÏÏÏ
                                                                                                                                                                                               ÏÏÏÏÏÏÏSee Figure 275.
                                                                                                       LED TEST
                                                                                                                        LEDS(X5)                                                               ÏÏÏÏÏÏÏ
                                                                                                                                                                                               ÏÏÏÏÏÏÏon page 500
                                                                                                                                                 MICROPROCESSOR
                                                                                                    RESET
                                                                                                                                                                                               ÏÏ
                                                                                                    ÉÉ É É
                                                                                                     ÉÉÉ
                                                                                                     ÉÉ
                                                                                                                                                                                                                                              PQ2/EQC
                                                                                                    Configuration  Status (ATM)
                                                                                                                                                                                                                                SNMP

                                                                                                                                                                                                                                               from/to
                                                                                                    ÉÉ É
                                                                                                     É
                                                                                                     ÉÉ
                                                                                                    ÏÉÏÏÏÏÏÏÏÏ
                                                                                                     ÏÏÏÏÏÏÏÏÏ
                                                                                                    ÏÏ See Figure 275. on page 500
                                                                                                                                                                                                                    Management
                                                                                                                                                                                                                       Bus
                                                                                                                                                                                                                                                         MATRIXE MAIN AND SPARE

                                                                                                                                                                                                M–BUS
                                                                                                    Configuration  Status (SDH)
                                                                                                                                                                                                Driver
                                                                                                                                                                                                                                                   from/to




                                                                                                                                                                                                                            CMISS
                                                                                                                                                                                                     Bus–OFF
                                                                                                                                                                        Remote                                                  RIBUS
                                                                                                                                                                       Inventory
                                                                                                                                       5V
                                                                                                                                                                                                RIBUS              ID
                                                                                                                                      1.5 V
                                                                                                                                                                                                 I/F
                                                                                                                                                                                                                                           FROM CONGI




                                                                                                                                                                                                                        F   +3.3 Vdc
                                                                                                                                                                                 Unit
                                                                                                                                     – 3.3V      DC/DC                           Failure
                                                                                                ATM MATRIX 8x8                                CONVERTERS
                                                                                                                                      3.3 V                                                                             48/60 V
                                                                                                    (part A)                          2.5 V
                                                  1AA 00014 0004 (9007) A4 – ALICE 04.10




                                                                                                                           Figure 274. ATM 8X8 card – Block diagram part A



                                                                                           ED     03

                                                                                                                                                                             3AL 91669 AA AA                                            499 / 706


                                                                                                                                                                                               706
not permitted without written authorization from Alcatel.
                                                                                                                                                                                                              All rights reserved. Passing on and copying of this
                                                                                                                                                                                                              document, use and communication of its contents
                                                                                                                                                 System clock a
                                                                                                                                                 System clock b



                                                                                                                                                  HPT




                                                                                                                                                                                   MATRIXE MAIN AND SPARE
                                                                                             622 MHz
                                                                                               OSC
                                                                                                                                              LPT




                                                                                                                                                                             from/to
                                              ÉÉ
                                              ÉÉ
                                              ÉÉ
                                              ÉÉ                                                                                                                    L
                                                                                                       Struct/unstruct           LPA

                                                CELLs RATE                                       ATM                                Struct/unstruct
                                                                   HEC         SCRAMBLER                                                                        S
                                                DECOUPLING      PROCESSING                      MAPPING                                                         W
                                                                                                                                                                I
                                                                                  HEC                                                                           T
                                                 HEADER          CELLs                                                CELL           ATM                        C   X
                                                                              VERIFICATION DESCRAMBLER
                                               VERIFICATION   DECOUPLING                                           DELINEATION    DEMAPPING                     H
                                                                              CORRECTION




                                                      UPC/NPC                  HEADER                CONGESTION              TRAFFIC
                                                                  OAM
                                                                             TRANSLATION             MANAGEMENT              SHAPING



                                                                               HEADER               TRAFFIC        CONGESTION
                                                                   OAM                                                                 ROUTING
                                                                             TRANSLATION            SHAPING        MANAGEMENT


                                                                                                          MULTICAST            RATE
                                                 ÉÉ                                                                          REDUCTION

                                                 ÉÉ
                                                 É
                                                 ÉÉ
                                                 ÉÉ                                    ÉÉ É
                                                                                        ÉÉ
                                                                                        É
                                                                                        É
                                                                                       ÉÉ
                                                                                        É
                                                                                                     ÏÏÏÏÏÏÏÏÏÏÏ
                                                                                                     ÏÏÏÏÏÏÏÏÏÏÏ
                                                                           Configuration  Status (ATM)                                               to /from
                                                                                                     ÏÏÏÏÏÏÏÏÏÏÏ É É
                                                                                                               ÉÉ
                                                                                                     ÏÏÏÏÏÏÏÏÏÏÏ                                      SPATIAL
                                                                                                                                                      MATRIX

                                                                                                     ÏÏÏÏÏÏÏÏÏÏÏ
                                                                                                     ÏÏÏÏÏÏÏÏÏÏÏ                 See Figure 274.
                                                                                                                                 on page 499
                                                                                                     ÏÏÏÏÏÏÏÏÏÏÏ
                                                                           Configuration  Status (SDH)
                                                                                                     ÏÏÏÏÏÏÏÏÏÏÏ
                                                                                                     ÏÏÏÏÏÏÏÏÏÏÏ
                                                                                                     ÏÏÏÏÏÏÏÏÏÏÏ
                                              ATM MATRIX 8x8
                                                  (part B)
1AA 00014 0004 (9007) A4 – ALICE 04.10




                                                                      Figure 275. ATM 8X8 card – Block diagram part B




                                         ED     03

                                                                                                                         3AL 91669 AA AA                                500 / 706


                                                                                                                                       706
4.34 ISA–Packet Ring Edge Aggregator Unit (PREA1GBE, PREA4ETH)

                                                                                            (See Figure 277. on page 507.)
not permitted without written authorization from Alcatel.




                                                                                            There are two types of PR_EA:
  All rights reserved. Passing on and copying of this
  document, use and communication of its contents




                                                                                            a)   in the first version (PREA4ETH), it hosts a 4 x 10/100 BaseT Fast Ethernet module and the total
                                                                                                 traffic throughput is 1 Gb/s, in which 622Mb/s are contributed by the SDH matrix, and 400 Mb/s
                                                                                                 contributed by the 4 Fast Ethernet local ports.

                                                                                            b)   in the second version (PREA1GBE), it hosts a 1 x 1Gigabit Ethernet module and the total traffic
                                                                                                 throughput is 1.8 Gb/s, in which 622Mb/s are contributed by the SDH matrix, and 1.25 Gb/s
                                                                                                 contributed by the GbEthernet local port.

                                                                                            The unit allows the management of packets data services over Ethernet and their transportation over the
                                                                                            SDH network. The ethernet packets are labelled and then mapped onto SDH frames via PPP/HDLC
                                                                                            framing. The ethernet access is possible either local and remote, this latter via GFP/SDH framing; ethernet
                                                                                            links can be type E, FE, GE (10Mb/s, 100Mb/s, 1Gb/s).

                                                                                            The SDH containers used for data transportation are VC–12, VC–3, VC–4.

                                                                                            The MPLS traffic can be connected to 63 logical ports.

                                                                                            The functions implemented on the board are the following:

                                                                                            4 x Ethernet Module (case of MPLS+4FE board):

                                                                                            –    It implements four Ethernet transceiver interfaces, compliant to IEEE 802.3 standard, Carrier Sense
                                                                                                 Multiple Access with Collision Detection (CSMA/CD), that can be connected to Local Area Networks
                                                                                                 (LAN) conveying data packets over Ethernet.
                                                                                                 The interface type is 10/100Base–T, operating at rates 10 or 100Mb/s, using baseband
                                                                                                 communication on a twisted pair cable, connected by means of RJ45 connector.
                                                                                                 Its main functions are:
                                                                                                 •     line isolation
                                                                                                 •     operations auto–negotiation, about the following options: 10Mbps or 100Mbps, full–duplex
                                                                                                 •     receive data and clock recovery, transmit pulse shaping
                                                                                                 •     carrier sensing for collision detection
                                                                                                 •     transmission conflicts management.

                                                                                            1 x GigaEthernet Module (case of MPLS+1GE board):

                                                                                            –    It is a pluggable, small–form factor pluggable module (SFP), implementing the optical to electric
                                                                                                 conversion, and viceversa, to accomplish a full–duplex Gigabit Ethernet interface at 1.25 Gb/s, as
                                                                                                 specified in IEEE802.3. For its description refer to para. 4.19, page 430 (”Gbit Eth. i/f Module”).
                                                  1AA 00014 0004 (9007) A4 – ALICE 04.10




                                                                                           ED      03

                                                                                                                                                           3AL 91669 AA AA                        501 / 706


                                                                                                                                                                         706
SDH termination:

                                          –   SWITCH: The task of the SWITCH block is to send the signals coming from HPT or LPT block
                                              towards the matrices on the MATRIX unit. The selection is made according to the type of signal to




                                                                                                                                                            not permitted without written authorization from Alcatel.
                                              be connected (L if it is structured, X if unstructured). The “L” signals are sent to LPT – LPA blocks,




                                                                                                                                                              All rights reserved. Passing on and copying of this
                                                                                                                                                              document, use and communication of its contents
                                              the “X” to the HPT.

                                          –   HPT: this block adds/removes the high order POH bytes to the C–4 unstructured payloads (bulks).

                                          –   LPT: The LPT function terminates a VC–12 or a VC–3 by adding or removing the relevant POH bytes
                                              to a C–12 or a C–3.

                                          –   LPA: This block adapts the low order payloads C12 or C3 to the higher order containers used for
                                              transportation in the SDH (TU–12 or TU–3). The adaptation includes timing synchronization and
                                              frame offset with pointers movements.

                                          –   Struct/Unstr: this selector sends the bulk signals (unstructured) to HPT, while the structured signals
                                              are sent to LPA–LPT.

                                          Framing:

                                          –   PREAMBLE: it provides to remove (toward MPLS direction) the “preamble” and
                                              “start–of–frame–delimiter” fields from the ethernet MAC 802.3 header (Medium Access Control), and
                                              to reinsert them toward ethernet direction; then it recalculates the FCS value. ( Moreover it decodes
                                              the “Tag” fields of the MAC client header (if present): 802.1p and 802.1q, to read the user priority and
                                              the VLAN identifier. The in/out ethernet data are 2–bit paralleled at 50Mb/s in case of E or FE; 8–bit
                                              at 125 Mb/s in case of GE.

                                          –   BUF: it is a buffer in which the ethernet data are written by means of a smooth ethernet clock, as they
                                              are ready, and are then read by the MPLS mapper (PUSH). In case that the buffer is near to full the
                                              mechanism of flow–control is started, in order to slow down the ethernet data source.

                                          –   PUSH: it provides to “push in” the first label to the ethernet packet (the second label is pushed by the
                                              MPLS router), after having inspected the ethernet header, identified the destination and the class of
                                              service. It classifies the packets according to the 802.1p/q “VLAN–Tag” and “User Priority” fields, if
                                              configured. Depending on the type of decoded ethernet SLA (Service Level Agreement) the stream
                                              can be associated with one of three types of QoS (Quality of Service): Best Effort bandwidth
                                              (BE–BW), or Min–BW with regulated bursts, or Guaranted constant BW.

                                          –   POP: It provides to “pop out” the label from the packet, returning the bare ethernet frame.

                                          –   GFP: it provides to deassemble (toward MPLS direction) the GFP frames (Generic Framing
                                              Procedure), removing the GFP header, and to assemble them toward SDH direction. It supports
                                              un–concatenated ethernet frames over unstructured VC4 payloads.

                                          –   HDLC: it provides (refer to rec. RFC 1662 and RFC 2615):
                                              •  to deassemble (MPLS direction) the HDLC frames (High–Level Data Link Control), removing
                                                 the HDLC header, and to assemble them in SDH direction;
                                              •  FCS calculation (Frame Check Sequence);
                                              •  byte stuffing/destuffing: flag sequence or other header octets are encoded by a 2–octet
                                                 sequence, in the data field, in order to avoid erroneous simulations of the header;
                                              •  inter–frame filling, by means of the “flag–sequence” (hex 0x7e) repetition;
                                              •  X^43 +1 data scrambling/descrambling.
1AA 00014 0004 (9007) A4 – ALICE 04.10




                                         ED     03

                                                                                                         3AL 91669 AA AA                        502 / 706


                                                                                                                       706
–   PPP: it provides to deassemble (in MPLS direction) the PPP frames (Point–to–Point Protocol),
                                                                                                removing the PPP header, and to assemble them in SDH direction. It carries out, optionally, the
                                                                                                “Martini encapsulation”, removing the FCS field from the ethernet frame and inserting a checksum
                                                                                                value for the MPLS packet.
not permitted without written authorization from Alcatel.
  All rights reserved. Passing on and copying of this
  document, use and communication of its contents




                                                                                            –   A: this block provides to adapt the serial bus from the back–panel bus format to the intra–board bus
                                                                                                format, for SNMP messaging between the microprocessor and the EC (equipment controller), for
                                                                                                MPLS network configuration.

                                                                                            –   SMAP: it provides, toward MPLS direction, to “unload” the data packets from the SDH frames, and
                                                                                                to “load” them in SDH direction; the packets are then switched toward GFP or HDLC processing,
                                                                                                according to the logical ports configurations.

                                                                                            MPLS Router:

                                                                                                It performs the routing functions by looking the top MPLS label, it can forward the packets streams
                                                                                                to up to 63 SDH or ethernet ports.
                                                                                                In the MPLS network, it provides to inspect the top label of the MPLS packet in order to identify the
                                                                                                incoming FEC and LSP; if possible, it aggregates the packet to other packets streams on a common
                                                                                                path, then it selects the forwarding to a next hop by swapping the top label.
                                                                                                At the edge of the MPLS network (originating node), on receiving packets from the local or remote
                                                                                                ethernet interfaces, it provides to push the top label reporting information for the routing procedure
                                                                                                (LSP and FEC).
                                                                                                At the edge of the MPLS network (destination node), on receiving packets from the network, it
                                                                                                provides to pop out the top label and drops them to the destination end port.
                                                                                                At the beginning of a packets stream introduction, the microcontroller starts the RSVP–TE signalling
                                                                                                (Resource Reservation Protocol – Traffic Engineered Tunnel) in order to search and establish a path
                                                                                                with a certain band capacity and a given priority, between the destination and the source node; this
                                                                                                path can be treated as a tunnel and is called LSP (Label Switched Path); once the LSP has been
                                                                                                established, the RSVP signalling finishes and starts the Label Distribution Protocol (LDP) signalling,
                                                                                                that informs all the nodes of the network to maintain the label bindings for the relevant established
                                                                                                LSP. The RSVP and LDP signalling are in–band communications between the local and remote
                                                                                                microcontrollers.
                                                  1AA 00014 0004 (9007) A4 – ALICE 04.10




                                                                                           ED     03

                                                                                                                                                          3AL 91669 AA AA                        503 / 706


                                                                                                                                                                        706
Queuing management:

                                          –   It provides to monitor the load of traffic in the local router, and to take measures for preventing the
                                              congestions, supported by the intra–board microcontroller, such as: management of many different




                                                                                                                                                               not permitted without written authorization from Alcatel.
                                              queues and relative priorities, packets queuing, packets discarding, packets lifetime management,




                                                                                                                                                                 All rights reserved. Passing on and copying of this
                                                                                                                                                                 document, use and communication of its contents
                                              etc. It implements, mainly, for this function, the following mechanisms:
                                              •     256 queues for each “logical” port (the logical ports number is 63)
                                              •     scheduling, by means of HOL or WC–WFQ or WNC–WFQ methods
                                              •     congestion avoidance via W–RED method (Weighed–Random Early Discarding): in
                                                    occurrence of congestion conditions signals, a random packets discarding is started, in order
                                                    to prevent the traffic worsening.
                                              •     The priority management is based on the ethernet SLA (Service Level Agreement), by means
                                                    of CIR and PIR values of the traffic contract.
                                              •     Three types of QoS (Quality of Service) are available: Best Effort bandwidth (BE–BW), Min–BW
                                                    with regulated bursts, Guaranted constant BW.
                                              •     A “Dual–Rate Leaky–Bucket” police mechanism is used (it can be seen as two cascaded leaky
                                                    buckets, the first based on PIR value, the second on CIR).
                                              •     In case of congestion, only the low priority traffic will be cut–off, while the high priority traffic
                                                    maintains the guaranted BW.
                                              •     The Best–Effort traffic deployed in ring topology can be associated to a “Fixed Share” of the total
                                                    available band, or to a “VariableProportional Share”. In case of congestion the BE excess
                                                    traffic will be cut–off via W–RED.
                                              •     Packets shorter than the minimum ethernet frame are silently discarded. Packets longer than
                                                    the maximum frame are silently discarded. The discarded packets are counted by the PM
                                                    function.
                                              •     Note: the priority and the BW parameters are marked on the first label, at the “PUSH1” function
                                                    of the ingress node.

                                          Microprocessor:

                                          –   It is a local microcontroller managing and supporting the MPLS functionalities, such as:
                                                     The RSVP–TE and LDP communications between the destination and the origination nodes,
                                                     in order to establish the routing and the LSP tunnelling.
                                                     Management of communications with the EC and the network Operations System (OS), by
                                                     means of SNMP (Simple Network Management Protocol) messaging, for MPLS network
                                                     configuration.
                                                     Configuration of the MPLS functions implemented by the devices on the board, by means of
                                                     ICMP (Internet Control Message Protocol) messaging.
                                                     Collection of alarms and status of the MPLS functions.
                                                     Management of the Performance Monitoring (PM) function for MPLS.
                                                     Management of Multicast traffic.
                                                     Management of OSPF (Open Shortest Path First) routing (not operative).
                                                     Furthermore it aids the congestion control function, supporting the “Queuing Manager”
                                                     Communications with the EC, by means of the ISSB–EC bus, for software data transfer.
                                                     It is provided with relevant SDRAM and Flash EPROM devices, for data and software storage.
1AA 00014 0004 (9007) A4 – ALICE 04.10




                                         ED     03

                                                                                                           3AL 91669 AA AA                         504 / 706


                                                                                                                         706
Other functions implemented on the board are:

                                                                                                •        RIBUS I/F
                                                                                                         This block is used to read/write from/to the ”RIBUS” serial stream, to control the LED on the unit,
not permitted without written authorization from Alcatel.




                                                                                                         to release the Management–bus in case of power failure, and to use the remote inventory.
  All rights reserved. Passing on and copying of this
  document, use and communication of its contents




                                                                                                         RIBUS I/F is powered by the + 3.3 VS supplied by the rear access panel.

                                                                                                •        REMOTE INVENTORY
                                                                                                         It is the memory containing the board information, for identification purposes (see para. 3.17
                                                                                                         on page 370 for details about Remote Inventory information).

                                                                                                •        M–BUS Driver
                                                                                                         It drives the input–output gates of the parallel Management–bus. These drivers can be disabled
                                                                                                         (by the Bus–OFF signal) in case of power failure.

                                                                                                         DC/DC CONVERTERS

                                                                                                         This block converts the 48/60 V power supply, to obtain the voltages used to supply all the
                                                                                                         components in the board.
                                                                                                         The DC/DC converter is synchronized with a synchronization clock at 300 MHz (signal
                                                                                                         Power–Sync, generated by the SDH asic) in order to avoid EMI problems.

                                                                                                •        LEDS and Push–buttons
                                                                                                         The board presents, on its front panel, some LEDS and push–buttons; the meaning of these
                                                                                                         LEDs and Push–Buttons is reported in Figure 52. page 141. and Figure 53. page 142.

                                                                                                •        Buses
                                                                                                         The main buses on the board are:
                                                                                                         SNMP: serial bus to carry SNMP (Simple Network Management Protocol) messages between
                                                                                                         the EC and the intra board controller, for information about MPLS network configuration. This
                                                                                                         link is implemented by means of the DCC–EC bus from EC on EQUICO unit.
                                                                                                         ISSB–EC: Intra–Shelf–Serial–Bus from the EC, to communicate software data (download,
                                                                                                         etc.).
                                                                                                         ISSB–SPARE: serial bus to the spare MPLS unit (if any) to communicate EPS information (.
                                                                                                         SDH–CS: from the EC, after derivation from the parallel “Management–bus” (M–bus), for
                                                                                                         configuration and status information of SDH components.
                                                                                                         MPLS–CS: from microprocessor, for configuration and status information of MPLS
                                                                                                         components, it conveys ICMP packets.
                                                                                                         RIBUS: serial bus from the SC (shelf controller on MATRIX unit), to communicate inventory and
                                                                                                         peripheral data.
                                                                                                         M–BUS: called also ISPB (Intra Shelf Parallel Bus), from the SC (shelf controller on MATRIX
                                                                                                         unit), to communicate data about asics configuration, SDH alarms collection, etc.
                                                  1AA 00014 0004 (9007) A4 – ALICE 04.10




                                                                                           ED       03

                                                                                                                                                               3AL 91669 AA AA                        505 / 706


                                                                                                                                                                             706
RSOH, MSOH, F2, F3               SOH           AUX              from/to
                                                                                                                                                                                      bytes                         SERVICE
                                                                                                                                                 HPOM
                                                                                                                                                 HSUT                               System clock (T0)




                                                                                                                                                                                                                                                                not permitted without written authorization from Alcatel.
                                                                                                                                                                                                                                                                  All rights reserved. Passing on and copying of this
                                                                                                                                                                                                                                                                  document, use and communication of its contents
                                                                                                              RST             MST       MSA

                                                                                                                                                                                        HPT                         H
                                                                                         622 MHz
                                                                                                             DCCR            DCCM
                                                                                           OSC




                                                                                                                                                                                                                             MATRIXE main and spare
                                                                                                             RSOH            MSOH
                                         10/100 Mb/s FAST ETHERNET




                                                                                                                                                                                    LPT




                                                                                                                                                                                                                                      from/to
                                                                                               SDH–CS
                                                                          4 x FE
                                                                                    2@50Mb/s
                                                                                                                               SDH–CS

                                                                                           PREAMBLE                                                                    LPA                                          X
                                                                                                                               GFP



                                                                                                                                        SMAP
                                                                                                   BUF                                                                                                 S
                                                                                                                        PPP    HDLC                                                                    W
                                                                                                                                                                                                       I
                                                                                                                                                     Struct/unstruct                                   T
                                                                                                                               GFP                                                                     C            L
                                                                                                                                        SMAP
                                                                                                                                                                                                       H
                                                                                                                              HDLC

                                                                                                                               PPP     A
                                                                                     POP   POP
                                                                                                             PUSH PUSH




                                                                                                                                                                                                                          PQ2/EQC
                                                                                                                                                                                                                           from/to
                                                                                        QUEUING                      MPLS                                    SNMP                                       SNMP
                                                                                                                                           MPLS–CS
                                                                                      MANAGEMENT                    ROUTER




                                                                                                                                                                               SDRAM
                                                                                        MPLS–CS                     MPLS–CS




                                                                                                                                                                                                                          SPARE MPLS UNIT
                                                                                                                                                                               FLASH
                                                                                                                                                                               EPROM
                                                                                                                                                                                                      (EPS)
                                                                                               Configuration  Status
                                                                                                                                                                       ÀÀÀÀÀÀÀÀÀÀ
                                                                                                                                                                                                                             from/to
                                                                                                                                                                                                   ISSB–SPARE
                                                                                               for MPLS (MPLS–CS)
                                                                                                                                                                       ÀÀÀÀÀÀÀÀÀÀ
                                                                                                                                     MICROPROCESSOR

                                                                                                     RESTART                                                                                           ISSB–EC                         MATRIXE MAIN AND SPARE
                                                                                                                                                                       ÀÀÀÀÀÀÀÀÀÀÀ
                                                                                                                                                                       ÀÀÀÀÀÀÀÀÀÀÀ             Management
                                                                                                                                                                                                                             from/to




                                                                                                                                                                                                Bus (ISPB)
                                                                                        Configuration  Status                                                               M–BUS
                                                                                         for SDH (SDH–CS)                                                                    Driver
                                                                                                                                                                                                         CMISS
                                                                                                                                                                                   Bus–OFF
                                                                                                                                                         Remote                                            RIBUS
                                                                                                                                                        Inventory
                                                                                                                        5V
                                                                                                                    1.8 V                                                    RIBUS            ID
                                                                                                                                                                              I/F                  F    +3.3 Vdc
                                                                                                                                     DC/DC                        Unit
                                                                                                                                                                                                                        CONGI




                                                                                                                    3.3 V
                                                                                                                                                                                                                        FROM




                                                                                                                               CONVERTERS                         Failure
                                                                                                                    2.5 V                                                                           48/60 V



                                                                          MPLS + 4 x FAST ETHERNET
1AA 00014 0004 (9007) A4 – ALICE 04.10




                                                                                                   Figure 276. MPLS+4FE Unit (PREA4ETH) – Block diagram



                                                                     ED        03

                                                                                                                                                           3AL 91669 AA AA                                         506 / 706


                                                                                                                                                                             706
SOH          AUX              from/to
                                                                                                                                                                                              RSOH, MSOH, F2, F3
                                                                                                                                                                                                                                bytes                        SERVICE
                                                                                                                                                                                              HPOM
                                                                                                                                                                                              HSUT                            System clock (T0)
not permitted without written authorization from Alcatel.
  All rights reserved. Passing on and copying of this
  document, use and communication of its contents




                                                                                                                                                          RST            MST      MSA

                                                                                                                                                                                                                                  HPT                         H
                                                                                                                                      622 MHz
                                                                                                                                                        DCCR            DCCM
                                                                                                                                        OSC
                                                                                                                                                        RSOH            MSOH




                                                                                                                                                                                                                                                                      MATRIXE mainand spare
                                                                                           1 GIGABIT ETHERNET I/O




                                                                                                                                                                                                                              LPT




                                                                                                                                                                                                                                                                               from/to
                                                                                                                                          SDH–CS
                                                                                                                         1 x GBE
                                                                                                                                   8@125Mb/s                             SDH–CS

                                                                                                                                         PREAMBLE                                                                LPA                                          X
                                                                                                                                                                           GFP




                                                                                                                                                                                  SMAP
                                                                                                                                                BUF                                                                                              S
                                                                                                                                                                   PPP    HDLC                                                                   W
                                                                                                                                                                                                                                                 I
                                                                                                                                                                                               Struct/unstruct                                   T
                                                                                                                                                                          GFP                                                                    C            L


                                                                                                                                                                                  SMAP
                                                                                                                                                                                                                                                 H
                                                                                                                                                                          HDLC

                                                                                                                                                                          PPP     A
                                                                                                                                   POP   POP
                                                                                                                                                         PUSH PUSH




                                                                                                                                                                                                                                                                  PQ2/EQC
                                                                                                                                                                                                                                                                   from/to
                                                                                                                                      QUEUING                    MPLS                                  SNMP
                                                                                                                                                                                         MPLS–CS
                                                                                                                                    MANAGEMENT                  ROUTER                                                                            SNMP




                                                                                                                                                                                                                         SDRAM
                                                                                                                                      MPLS–CS                   MPLS–CS

                                                                                                                                                                                                                         FLASH




                                                                                                                                                                                                                                                                  SPARE MPLS UNIT
                                                                                                                                                                                                                         EPROM
                                                                                                                                                                                                                                                (EPS)
                                                                                                                                          Configuration  Status
                                                                                                                                                                                                                                             ISSB–SPARE




                                                                                                                                                                                                                                                                     from/to
                                                                                                                                          for MPLS (MPLS–CS)
                                                                                                                                                                                                          ÀÀÀÀÀÀÀÀÀÀÀ
                                                                                                                                                                               MICROPROCESSOR

                                                                                                                                                 RESTART                                                                                         ISSB–EC
                                                                                                                                                                                                          ÀÀÀÀÀÀÀÀÀÀÀ
                                                                                                                                                                                                                                                                       MATRIXE mainand spare
                                                                                                                                                                                                          ÀÀÀÀÀÀÀÀÀÀÀ                    Management
                                                                                                                                                                                                                                          Bus (ISPB)
                                                                                                                                                                                                                                                                             from/to


                                                                                                                                      Configuration  Status                                                           M–BUS
                                                                                                                                       for SDH (SDH–CS)                                                                Driver
                                                                                                                                                                                                                                                   CMISS
                                                                                                                                                                                                                             Bus–OFF
                                                                                                                                                                                                    Remote                                           RIBUS
                                                                                                                                                                                                   Inventory
                                                                                                                                                                   5V
                                                                                                                                                                1.8 V                                                  RIBUS            ID
                                                                                                                                                                                                                        I/F                  F    +3.3 Vdc
                                                                                                                                                                               DC/DC                        Unit
                                                                                                                                                                3.3 V                                       Failure
                                                                                                                                                                                                                                                                  CONGI




                                                                                                                                                                          CONVERTERS
                                                                                                                                                                                                                                                                  FROM




                                                                                                                                                                2.5 V                                                                         48/60 V



                                                                                                                         MPLS + 1 x GIGABIT ETHERNET
                                                  1AA 00014 0004 (9007) A4 – ALICE 04.10




                                                                                                                                             Figure 277. MPLS+1GbE Unit (PREA1GBE) – Block diagram


                                                                                                                    ED      03

                                                                                                                                                                                                     3AL 91669 AA AA                                         507 / 706


                                                                                                                                                                                                                       706
4.35 ISA – Packet Ring unit (ISA–PR)

                                          The role of the ISA–PR functionality inside 1660SM is to provide a shared carrier–class Ethernet Packet
                                          Ring embedded either physically or logically into the SDH infrastructure, in a flexible manner over SDH




                                                                                                                                                                                                              not permitted without written authorization from Alcatel.
                                          Virtual Containers.




                                                                                                                                                                                                                All rights reserved. Passing on and copying of this
                                                                                                                                                                                                                document, use and communication of its contents
                                          The ISA–PR Packet Ring transports and aggregates Metro Ethernet traffic within a metro access or metro
                                          core SDH access ring/rings, all packet traffic is statistically multiplexed, with multiple Classes of Services
                                          and guaranteed QoS support (according to the defined SLA).

                                          The ISA–PR port card is used in conjunction with the 16FEA–PR and 2GBA–PR Access cards.

                                          These Access cards are described in para. 4.11 at page 408 and 4.12 at page 4.12 respectively.

                                          Functional Overview

                                          The diagram below shows the main functional blocks of the ISA–PR port card and interconnections to the
                                          access cards
                                                                                                     I2C bus


                                                                                     RI                                    GigaBit
                                                                                     RI            GMII       GMII         Ethernet
                                                                                                                                                                      RI    MII1   MII16       FE
                                                                                                                           Access
                                                                                     RI                                                                                                      Access
                                                                                                                            Card                                                              Card
                                                                                                            NP                                                                     NP

                                                                                              RGGI                    RGGI
                                                                                                                                                                           RGGI            RGGI

                                                                                                   AC (Access chip)
                                                                                                                                                                                   AC
                                                                                                                                       1G(Ser)
                                                                                                                                                   1GHost
                                                                                          1GHOST




                                                 Craft Terminal  NMS
                                                                                                   1GData
                                                                                                            1GData




                                                                                                                                 1G(Ser)                   1G(Ser)
                                                                                                                                                      1G(Ser)              1G(Ser)         1G(Ser)


                                                                                          Octal SerDes                                             GMII
                                                             Host          Host                                                                                       Octal SerDes
                                                                                                                                                   GMII
                                                                                     1G      1G 1G 1G
                                                                                                                      1G

                                                                                                                            1G




                                                RI                                                                               Port
                                                                  Unit
                                                                  Led
                                                                                                   BT–Stratix2                   Card
                                                         BU
                                                        param                          6G(in) HSI 4G(eg)
                                                        SRAM
                                                                                                                     CI Map      Mac
                                                       Bu Policer/
                                                                                                                     SRAM        I/F
                                                       Stratix1
                                                        Channel          Policer
                                                       Scheduler
                                                                                          BM–Stratix1
                                                           Channel
                                                           Table   Scheduler
                                                                                                   ATI 32 (2.4G)
                                                                                      ADM – OC12/OC48
                                                           PM
                                                          param                           Stratix2
                                                                                                                     Utopia 32bits
                                                                                                                      2Phy(4)
                                                      EDC Daughter                                      Framer
                                                        Board                                           TADM
                                                                                                                                       Power        – Batt / Ground
                                                                                                                                                      from Congi
                                                                                   Optical transceiver Modules
1AA 00014 0004 (9007) A4 – ALICE 04.10




                                                                                          STM4 line signals



                                                                                      Figure 278. PR unit functional block diagram

                                         ED      03

                                                                                                                                                 3AL 91669 AA AA                                  508 / 706


                                                                                                                                                                706
The main functional blocks of the ISA–PR port card are as follows:

                                                                                                 •        Optical transceivers – Physical ring interfaces: STM–4.

                                                                                                 •
not permitted without written authorization from Alcatel.




                                                                                                          Framer ADM – Provides the SDH framing.
  All rights reserved. Passing on and copying of this
  document, use and communication of its contents




                                                                                                 •        ADM (Add Drop Multiplexer) – Extracts traffic to be dropped in this port card, and merges
                                                                                                          traffic received from the access cards with through traffic on the ring.

                                                                                                 •        Bandwidth Management – This block incorporates SLA control  policing and buffer
                                                                                                          management. It is this block that determines the precedence and delay with which packets are
                                                                                                          forwarded to/from the ring.

                                                                                                 •        Host – System controller responsible for the local management of the ISA–PR port card and
                                                                                                          access cards. The host communicates with the different elements of the ISA–PR series via
                                                                                                          dedicated control paths. Loss of a host card through a fault does not affect the delivery of
                                                                                                          customer traffic. The host card can communicate via one of two interfaces:

                                                                                                          –    External Ethernet interface presented on the faceplate of the ISA–PR port card.

                                                                                                          –    Internal Ethernet interface transported in the payload of the packet ring; used for in band
                                                                                                               communication between network elements and between network elements and the NMS.

                                                                                                 •        EDC (Extended Differential Delay) – The EDC block is implemented on a daughter board. The
                                                                                                          block is essential to meet various SDH underlay Route Diversity scenarios (Route Diversity
                                                                                                          refers to SDH signal delivery across more than one fiber in parallel).

                                                                                            Data Path Access to Port
                                                                                            The port card receives classified and edited frames from the Network Processor block on the access card.
                                                                                            These incoming frames are presented to the bandwidth management block for processing.

                                                                                            The bandwidth management block performs:

                                                                                                 Frame Policing and Marking (crucial component in providing MEF compliant services).
                                                                                                 Frame marking refers to the method whereby some frames may be marked for possible discard.
                                                                                                 Under congestion conditions only these frames will be considered for discard.

                                                                                                 Buffer Management, i.e. frame storage in memory in the proper order till it is forwarded.

                                                                                                 Scheduled frame forwarding to the various destinations subject to bandwidth availability, priorities,
                                                                                                 Load Balancing considerations etc. Note that all destinations are possible, i.e. Ring interfaces at the
                                                                                                 Trunk card, Ethernet interfaces at a Line card, any combination thereof.

                                                                                                 Buffer Management may discard frames in course of Policing.

                                                                                            The next stage is the ADM block where through traffic from the ring is merged with traffic generated within
                                                                                            this system. Frames are forwarded according to priority criteria to the Framer.
                                                                                            The Framer maintains the Ring interfaces and maps the frames onto them.
                                                  1AA 00014 0004 (9007) A4 – ALICE 04.10




                                                                                           ED        03

                                                                                                                                                              3AL 91669 AA AA                        509 / 706


                                                                                                                                                                            706
Data Path Port to Access
                                          The ISA–PR port card receives ring traffic over the SDH optical interfaces. The framer, which hosts the
                                          Ring interfaces, recovers and validates the frames and forwards them to ADM




                                                                                                                                                          not permitted without written authorization from Alcatel.
                                          The ADM looks up the network tag (MPLS) makes a decision according to the following criteria:–




                                                                                                                                                            All rights reserved. Passing on and copying of this
                                                                                                                                                            document, use and communication of its contents
                                               •        Drop
                                               •        Drop  forward
                                               •        Forward
                                               •        Discard decision.

                                          All frames that are due to be forwarded on the ring are merged with locally generated frames.

                                          All frames that are dropped from the ring are forwarded to the bandwidth management block.

                                          The bandwidth management block buffers the frames till they can be forwarded to the Access cards,
                                          subject to bandwidth availability, congestion conditions and frame priorities.

                                          Control

                                          The ISA–PR port card is managed via the host controller housed on the port card itself.

                                          The control bus can be used to read inventory information such as serial number, construction information
                                           date of manufacture.

                                          LEDs on the ISA–PR faceplate provide indications as specified in the table below.

                                          Table 54. PR unit LED designation



                                          LED name                  State                                   Alarm / Status

                                                                                  ON = Minor
                                               OK                 YELLOW
                                                                                  Blinking 50/50 = maintenance in progress (loopbacks...)

                                                                                  ON = Major/Critical alarms on ISA–PR or Slot alarms in Access
                                                                                  Card or Major transmission alarms on Access Card. Access card
                                                                                  slot alarms stand for: Card Mismatch, Card Unassigned Card
                                                                                  failure on POST (Power On Self Test)
                                               OK                   RED
                                                                                  Blinking 50/50 = during the POST (Power On Self Test) failure.
                                                                                  On POST completion the LED will change its color according to
                                                                                  the card status afterwards
                                                                                  Blinking 20/80 = card mismatch

                                                                                  ON = OK Status
                                               OK                  GREEN          Blinking 50/50 = ISA–PR in initialization process (following
                                                                                  power–on or reset)

                                               OK                   OFF           the card is not powered

                                              Active               GREEN          ON = the card is powered

                                              Active                OFF           the card is not powered
1AA 00014 0004 (9007) A4 – ALICE 04.10




                                         ED        03

                                                                                                        3AL 91669 AA AA                       510 / 706


                                                                                                                      706
Physical Interfaces

                                                                                            The faceplate for the ISA–PR port module (shown in Figure 54. on page 143) presents the following
                                                                                            connectors:
not permitted without written authorization from Alcatel.
  All rights reserved. Passing on and copying of this
  document, use and communication of its contents




                                                                                                 SFP optical connections for SDH ring interfaces. The interfaces are designated W1 and W2 for West
                                                                                                 ring interface and E1 and E2 for East ring interface

                                                                                                 RS232 – RJ45 connector, allows for connection of a local console interface for use by a qualified
                                                                                                 engineer for debug purposes

                                                                                                 Eth (Ethernet Management interface) – RJ45 connector, enables local connection to the web based
                                                                                                 craft interface. This interface can also be used to connect to the NMS (Network Management
                                                                                                 System) via a data communications network (DCN).

                                                                                            Power

                                                                                            The ISA–PR port module receives 48v DC from the backplane and converts to lower voltages for local use.
                                                                                            The power consumption of the ISA–PR port module is 50 Watts.
                                                  1AA 00014 0004 (9007) A4 – ALICE 04.10




                                                                                           ED       03

                                                                                                                                                         3AL 91669 AA AA                      511 / 706


                                                                                                                                                                      706
4.36 STM–16 optical port (two slots wide)

                                          (See Figure 279. on page 517)




                                                                                                                                                                not permitted without written authorization from Alcatel.
                                          The description is applicable to all the STM–16 optical ports of this release; up to four STM–16 optical port




                                                                                                                                                                  All rights reserved. Passing on and copying of this
                                                                                                                                                                  document, use and communication of its contents
                                          can be inserted in 1660SM.

                                          The units can be distinguished by letters L, S and I defining their dependance on optical components used
                                          for Long distance, Short distance or Intra Office.
                                          The Input/output unit optical connectors can be accessed from the unit’s front coverplate. The units which
                                           operate in the second window are indicated with 16.1, those operating in the third window with 16.2.

                                          The units are identified by the type of connector used SFF, FC/PC or SC/PC or SC/SPC connectors.

                                          The units identified by JE (Joint engineering) have better optical characteristics, typically for the dispersion
                                          values and sensitivity (see Table 68. on page 631).
                                          The STM–16 with ”192.3 to 195.7” indication (also defined ”colored”), are used when interfaced with WDM
                                          equipment. That number indicates the central frequency (in Thz) of the carrier optical signal, related to the
                                          wavelength.
                                          These sixteen units are independently characterized by different wavelength.
                                          The WDM equipment must receive up to sixteen different wavelength signals from sixteen different
                                          STM–16 optical port.

                                          The SDH functions required to manage STM–16 signal are implemented by four G.A. ( G.A#1 to G.A.#4
                                          in Figure 279. on page 517) mounted on the board. They interface the two MATRIX boards via backpanel.

                                          Another G.A. (G.A.#5 in Figure 279. on page 517) is present with MUX/DEMUX and loop functions. This
                                          G.A. interface the line side with one stream at 2488 Mbit/s an the equipment side with four stream at 622
                                          Mbit/s.
                                          Two types of loops are possible inside G.A.#5:

                                               •        Line loop
                                               •        Internal loop

                                          Referring to the ITU–T G.783 recommendation, the four G.A. performs the following functions :

                                          –    TTF (only the G.A. #1 )

                                          –    HOA (all G.A. from 1 to 4)

                                          –    LPOM /LSUT (all G.A. from 1 to 4). The last is not available in this release

                                          –    HPOM /HSUT ( only the G.A.#1). The last is not available in this release

                                          Cross connection functions (MSP, HPC and LPC) are performed by the two MATRIX boards (working in
                                          1+1 configuration).

                                          The TTF block is connected to the two MATRIX boards through four bidirectional links at 622 Mbit/s in
                                          1+1 configuration (H link).

                                          HOA block is connected both to the HPC matrices and to the LPC matrices on the two MATRIX boards
                                          through two bidirectional link at 622 MBit/s each in 1+1 configuration (”X link” and “L link” respectively)
                                          .
                                          Backpanel interface supply a system–clock (SYST CK) to the G.A. internal circuits
1AA 00014 0004 (9007) A4 – ALICE 04.10




                                         ED        03

                                                                                                            3AL 91669 AA AA                         512 / 706


                                                                                                                           706
In the following block description, the new naming convention of the G.783 is reported. Refer to para. 3.3.4
                                                                                            on page 206 for details.

                                                                                            The G.A.#1 send and receive four 622 Mbit/s signal (data + clock) to/from the G.A.#5
not permitted without written authorization from Alcatel.
  All rights reserved. Passing on and copying of this
  document, use and communication of its contents




                                                                                            The SPI can detect an external LOS from the input line .
                                                                                            The optical transmitter provides to the G.A. its status by means of two input signals: Laser Degrade and
                                                                                            Laser Failure.

                                                                                            The ALS algorithm is hardware implemented and the G.A. provides           the Laser shut Down command
                                                                                            (LASER OFF).

                                                                                            On the front panel of the unit a push–button is available for manual laser restart.

                                                                                            TTF BLOCK (SPI, RST, MST, MSA)

                                                                                            This block performs the Transport Terminal Functions (sink on Input side, source on Output side) for the
                                                                                            STM–16 signal.

                                                                                            TTF block provides the T1 timing references at 2 MHz , derived from the STM–16 input signals

                                                                                            INPUT side : from line to MSP MATRIX

                                                                                                 SPI (OSn/RSn_A_Sk) : it descramblers the incoming signal , counts the OOF and reveals the LOF
                                                                                                 alarm.

                                                                                                 RST (RSn_TT_Sk) : performs frame alignment detection (A1, A2) , regenerator section trace
                                                                                                 recovery (J0) and mismatch detection, BIP–8 Errored Block count.

                                                                                                 MST (MSn_TT_Sk) : performs BIP–24 errored block count, MS–REI recovery, MS–RDI and MS–AIS
                                                                                                 detection. TSD is applied in case of MS–DEG (signal degrade), TSF is applied if MS–AIS is detected.

                                                                                                 MSA (MSn/Sn_A_Sk) : performs AU4’s pointer interpretation, LOP and AIS detection, pointer
                                                                                                 justification. Sixteen MSA blocks are present.

                                                                                                 Moreover the following functions are performed on the Input side :

                                                                                                 SOH BYTE extraction (Rx side): DCC bytes (DCCR D1–D3 and DCCM D4–D12) are dropped and
                                                                                                 serialized in a DCC frame. Two DCC frames are generated working in 1+1 protection.

                                                                                                 TP byte insertion (Rx side) : since the cross connection functions are centralized , for protection
                                                                                                 purpose TSD (Trail Signal Degrade) and TSF (Trail Signal Failure) are transmitted towards the two
                                                                                                 MATRIX board.

                                                                                                 K BYTES insertion and extraction (Rx side) : this block provides the in–band transmission of
                                                                                                 K1,K2, bytes towards the MATRIX board. The bytes are extracted from the line when a TSF is
                                                                                                 received and they are transmitted towards the two MATRIX board.
                                                  1AA 00014 0004 (9007) A4 – ALICE 04.10




                                                                                           ED      03

                                                                                                                                                            3AL 91669 AA AA                        513 / 706


                                                                                                                                                                          706
OUTPUT side : from MATRIX to line

                                              MSA (Ms/Sn_A_So) : it performs AUG assembly, AU–4 pointer generation, AU–AIS generation.
                                              The sixteen AU4 structure are byte interleaved in the STM–16 structure with fixed phase relationship




                                                                                                                                                         not permitted without written authorization from Alcatel.
                                              vs. the same multiple signal.




                                                                                                                                                           All rights reserved. Passing on and copying of this
                                                                                                                                                           document, use and communication of its contents
                                              MST (MSn_TT_So) : it performs BIP–24 calculation and insertion, MS–REI MS–RDI and MS–AIS
                                              insertion.

                                              RST (RSn_TT_So) : it performs frame alignment insertion, regenerator section path trace insertion,
                                              BIP–8 calculation and insertion.

                                              SOH BYTE insertion (Tx side): DCC bytes (DCCR D1–D3 and DCCM D4–D12) coming from the
                                              DCC frames are inserted into the SOH section.

                                              K BYTES insertion and extraction (Tx side) : K1, K2 bytes are extracted from the frame coming
                                              from backpanel and re–inserted on the same output line frame .

                                          HOA BLOCK (HPT, HPA)

                                          From HPC matrix to LPC matrix

                                              HPT (Sn_TT_Sk) : path trace information is recovered, REI information is recovered, HP–RDI and
                                              UNEQ are detected, VC4 BIP–8 errored count block. TSF is applied if SSF or UNEQ or TIM or AIS
                                              is detected.
                                              TSD is applied if a condition of signal degrade is detected.

                                              Moreover :

                                              F2 F3 byte extraction (Rx side) : both F2 and F3 bytes are extracted from the received flow and
                                              serialized on a DCC frame .

                                              N1 byte extraction (Rx side) : for the network Tandem Connection Termination  Monitoring
                                              function (TCT/TCM).

                                              HPA (Sn/Sm_A_Sk) : VC–4 disassembly, TU pointer interpretation, LOP and TU–AIS detection,
                                              HP–SLM and LOM detection.

                                          From LPC matrix to HPC matrix

                                              HPA (Sn/Sm_A_So) : VC4 assembly, TU pointer generation, TU–AIS generation , signal label
                                              insertion,

                                              HPT (Sn_TT_So) : path trace identification insertion, RDI and REI indications insertion, VC–4 BIP–8
                                              calculation and insertion.

                                              Moreover:

                                              F2 and F3 byte insertion (Tx side) : F2/F3 bytes are inserted on the DCC frame

                                              N1 byte insertion (Tx side) : for the network Tandem Connection Termination  Monitoring function
                                              (TCT/TCM).
1AA 00014 0004 (9007) A4 – ALICE 04.10




                                         ED     03

                                                                                                       3AL 91669 AA AA                       514 / 706


                                                                                                                    706
The G.A. provides also the HSUT, HPOM, (alternative) and LSUT, LPOM functions (alternative) both in
                                                                                            Rx and Tx side.

                                                                                            The main task of HSUT are:
not permitted without written authorization from Alcatel.
  All rights reserved. Passing on and copying of this
  document, use and communication of its contents




                                                                                                RX side (from MSA to HPC matrix):

                                                                                                •        path trace information recovery
                                                                                                •        REI recovery
                                                                                                •        HP–RDI detection (path status monitoring
                                                                                                •        UNEQ and VC–AIS detection (signal label monitoring)
                                                                                                •        VC4 BIP–8 Errored Block count

                                                                                                Tx side: (from HPC matrix to MSA)

                                                                                                •        generation of an unequipped container
                                                                                                •        ”unequipped” insertion, trail trace identifier generation
                                                                                                •        RDI and /or REI information generation
                                                                                                •        VC–4 BIP–8 calculation and insertion

                                                                                            The main task of HPOM are:

                                                                                                RX and TX side:

                                                                                                •        signal termination
                                                                                                •        J1 path recovering
                                                                                                •        REI information recovering
                                                                                                •        HP–RDI detection (path status monitoring
                                                                                                •        UNEQ and VC–AIS detection (signal label monitoring)
                                                                                                •        VC4 BIP–8 Errored Block count
                                                                                                •        TSF is generated in case of SSF , UNEQ, TIM , AIS . TSD is generated in case of SD

                                                                                            The main tasks of LSUT are :

                                                                                                RX side (from HPA to LPC matrix):

                                                                                                •        recovering of VC–m unequipped signal label
                                                                                                •        path trace recovering
                                                                                                •        BIP–2 recovery
                                                                                                •        REI and RDI recovery

                                                                                                Tx side (from LPC matrix to HPA ):

                                                                                                •        insertion of VC–m unequipped signal label
                                                                                                •        path trace insertion
                                                                                                •        BIP–2 insertion
                                                                                                •        REI and RDI insertion

                                                                                                LSUT is used to monitor unequipped path trails .

                                                                                            The main tasks of LPOM are :

                                                                                                •        trace identifier monitoring
                                                                                                •        RDI and REI recovering and deriving for performance primitives
                                                                                                •        signal label monitoring
                                                  1AA 00014 0004 (9007) A4 – ALICE 04.10




                                                                                                •        VC–m BIP–2 errored block count

                                                                                                LPOM is used for performance monitoring purposes.


                                                                                           ED       03

                                                                                                                                                               3AL 91669 AA AA                515 / 706


                                                                                                                                                                          706
Other functions implemented are :

                                              •        RIBUS I/F
                                                       This block is used to:




                                                                                                                                                             not permitted without written authorization from Alcatel.
                                                                                                                                                               All rights reserved. Passing on and copying of this
                                                                                                                                                               document, use and communication of its contents
                                                       –   read/write from/to the ”RIBUS” stream
                                                       –   control the LED on the unit
                                                       –   release the Management–bus in case of power failure
                                                       –   read remote inventory data.
                                                       RIBUS I/F is powered by the + 3.3 Vdc supply by CONGI boards.

                                              •        TONE MODULATOR MANAGEMENT

                                                       This block is used by the STM–16 optical port with ”192.3 to 195.7” indication. In this block
                                                       is present a”WDM tone generator”, which starting from the data written in the remote inventory,
                                                       fix the appropriate wavelength transmitted to the WDM equipment.

                                              •        REMOTE INVENTORY
                                                       It is the memory containing the board information, for identification purposes (see para. 3.17
                                                       on page 370 for details) and additional data for operation of the board in WDM application.

                                              •        M–BUS Driver
                                                       It drives the input–output gates of the Management–bus. These drivers can be disabled (by
                                                       the Bus–OFF signal) in case of power failure.

                                              •        DC/DC CONVERTERS

                                                       This block converts the 48/60 V power supply to the following voltages:

                                                       –    + 2.5 V
                                                       –    + 3.3 V
                                                       –    –5V
                                                       –    +5V

                                                       The DC/DC converter is synchronized with a synchronization clock at 300 MHz (signal Power
                                                       Sync) , generated by G.A.#1) in order to avoid EMI problems.
1AA 00014 0004 (9007) A4 – ALICE 04.10




                                         ED       03

                                                                                                           3AL 91669 AA AA                       516 / 706


                                                                                                                        706
622 MHz                                                                      SYST CK A/B
                                                                                                                                                                                        OSC                G.A.#1                                                       T1
                                                                                                                                                                                                                                                         to/from
                                                                                                                                                               Laser Restart                                                                            HPC matrix ( X link)
                                                                                                                                                                                                                                      HPT
not permitted without written authorization from Alcatel.




                                                                                                                                                                                       CK Power Sync                         HOA                          to/from
  All rights reserved. Passing on and copying of this
  document, use and communication of its contents




                                                                                                                                                                                                                                                         LPC matrix     (L link)
                                                                                                                                                                                                                                      HPA




                                                                                                                                                                                                                                                                                                  main and spare
                                                                                                                                                                        2488 Mbit/s       4 x 622 Mbit/s
                                                                                                                                                                                                                                                                  LPOM (*)
                                                                                           OPTICAL
                                                                                                                                                                                     G.A.#5                    TTF
                                                                                                                                                                                                                                                                   LSUT
                                                                                           INPUT/                                                                                                                                    F2, F3      HPOM (*)




                                                                                                                                                                                                                                                                                                 from/to
                                                                                           OUPUT
                                                                                                                                                                                        MUX                                                      HSUT                   to/from
                                                                                                                                                                O/E SPI                   /                 K1,K2                                                      HPC matrix




                                                                                                                                                                                                                                                                                           MATRIXE
                                                                                                                                                                                       DEMUX                                                                            (H link)
                                                                                                                                                                                                           Tx side     RST    MST          MSA          K1,K2,TP
                                                                                                                                                                                                           Insertion
                                                                                                                                                                                                                                                         Rx side        to/from
                                                                                                                                                                                                                                                        Insertion      HPC matrix
                                                                                                                                                                                                                 DCCR DCCM                                              (H link)
                                                                                                                                                                                                                 RSOH MSOH                 MSA
                                                                                                                                                                           Line loop                                                                 to/from
                                                                                                                                                                                                                                                    HPC matrix            (H link)
                                                                                                                                                                               Internal loop                                               MSA
                                                                                                                                                                                         LOS                                                         to/from
                                                                                                                                                                                                                                                    HPC matrix            (H link)
                                                                                                                                                                                         LASER D.                                          MSA
                                                                                                                                                                                         LASER F.                                                                             DCC
                                                                                                                                                                                         LASER OFF                                                                                       from/to
                                                                                                                                                                                                                                                                              AUX       PQ2/EQC
                                                                                                                                                                                                                                                                 F2, F3                  from/to
                                                                                                                                                               Tone                                                                                                                     SERVICE
                                                                                                                                                                                                                                                                 SYST CK A/B




                                                                                                                                                                                                                                                                                            from/to MATRIXE
                                                                                                                                                                                                                                                                                             main and spare
                                                                                                                                                                                                           G.A.#2                                     to/from
                                                                                                                                                                                                                                                     HPC matrix ( X link)
                                                                                                                                                                                                                                      HPT
                                                                                                                                                                                                                             HOA                      to/from
                                                                                                                                                                                                                                                     LPC matrix (L link)
                                                                                                                                                                                                     CK                               HPA

                                                                                                                                                                                                                                                                 LPOM (*)
                                                                                                                                                                                                                                                                  LSUT                   from/to
                                                                                                                                                                                                                                     F2, F3                                   AUX       SERVICE
                                                                                                                                                                                                                                                                  F2, F3




                                                                                                                                                                                                                                                                                            from/to MATRIXE
                                                                                                                                                                                                                                                                 SYST CK A/B




                                                                                                                                                                                                                                                                                             main and spare
                                                                                                                                                                                                           G.A.#3                                     to/from
                                                                                                                                                                                                                                                     HPC matrix ( X link)
                                                                                                                                                                                                     CK                               HPT
                                                                                                                                                                                                                             HOA                       to/from
                                                                                             Notes: (*) – HSUT and LSUT are not operative in current release




                                                                                                                                                                                                                                                      LPC matrix (L link)
                                                                                                                                                                                                                                      HPA

                                                                                                                                                                   Tone                                                                                          LPOM (*)
                                                                                                                                                                                                                                                                  LSUT                   from/to
                                                                                                                                                                                                                                     F2, F3                                             SERVICE
                                                                                                                                                                                                                                                                  F2, F3      AUX


                                                                                                                                                                                                                                                                                             from/to MATRIXE
                                                                                                                                                                                                                                                                  SYST CK A/B
                                                                                                                                                                 Tone
                                                                                                                                                                                                                                                                                              main and spare
                                                                                                                                                                modulator                                  G.A.#4                                      to/from
                                                                                                                                                               management                                                                             HPC matrix ( X link)
                                                                                                                                                                                                     CK                                HPT
                                                                                                                                                                                                                             HOA                       to/from
                                                                                                                                                                                M–BUS                                                                 LPC matrix (L link)
                                                                                                                                                                                                                                       HPA
                                                                                                                                                                                Driver
                                                                                                                                                                Remote                                                                                           LPOM (*)
                                                                                                                                                               Inventory                                                                                          LSUT                  from/to
                                                                                                                                                                                    Bus–OFF                                                                                            SERVICE
                                                                                                                                                                                                                                     F2, F3                                   AUX
                                                                                                                                                                                                                                                                  F2, F3
                                                                                                                                                                                                ID                     Management Bus
                                                                                                                                                               Line loop         RIBUS
                                                                                                                                                               Internal loop       I/F                                                                           RIBUS
                                                                                                                                                                                                                                   2.5 V                              Power Sync
                                                                                                                                                                                               +3.3 Vdc
                                                                                                                                                                                                                                   3.3 V            DC/DC             48/60 V
                                                                                                                                                                   Unit                                                              5V          CONVERTERS
                                                                                                                                                                   Failure                                                                                                                 from
                                                                                                                                                                                       STM–16 OPTICAL PORT                         –5 V                                     +3.3 Vdc      CONGI
                                                  1AA 00014 0004 (9007) A4 – ALICE 04.10




                                                                                                                                                                                               Figure 279. STM–16 optical port block diagram



                                                                                                    ED                                                           03

                                                                                                                                                                                                                                      3AL 91669 AA AA                                  517 / 706


                                                                                                                                                                                                                                                      706
4.37 STM–16 optical slim port (one slot wide)

                                          (See Figure 280. on page 523)




                                                                                                                                                            not permitted without written authorization from Alcatel.
                                          The description is applicable to all the STM–16 optical “slim” ports of this release; up to sixteen STM–16




                                                                                                                                                              All rights reserved. Passing on and copying of this
                                                                                                                                                              document, use and communication of its contents
                                          optical port can be inserted in 1660SM.

                                          The units can be distinguished by letters S (S–16.1) and I (the last is not available in current release)
                                          defining their dependance on optical components used for Short distance or Intra Office; the units operate
                                          in the second window
                                          The Input/output optical connectors can be accessed from the unit’s front coverplate.; as a matter of fact
                                          the unit must be equipped with a SFP plug–in optical module where the fiber cable is connected.
                                          The WDM equipment must receive up to sixteen different wavelength signals from sixteen different
                                          STM–16 optical port.

                                          The SDH functions required to manage STM–16 signal are implemented by four G.A. ( G.A#1 to G.A.#4
                                          in Figure 279. on page 517) mounted on the board. They interface the two MATRIX boards (via
                                          backpanel) through a SERDES device (serializer/deserializer) the task of wich is to serialize the 622Mbit/s
                                          signals (coming from the four G.A). into few 2.5 Gbit/s signals (one for each link H, L, X).

                                          Another G.A. (G.A.#5 in Figure 279. on page 517) is present with MUX/DEMUX and loop functions. This
                                          G.A. interface the line side with one stream at 2488 Mbit/s an the equipment side with four stream at 622
                                          Mbit/s.
                                          Two types of loops are possible inside G.A.#5:

                                               •        Line loop
                                               •        Internal loop

                                          Referring to the ITU–T G.783 recommendation, the four G.A. performs the following functions :

                                          –    TTF (only the G.A. #1 )

                                          –    HOA (all G.A. from 1 to 4)

                                          –    LPOM /LSUT (all G.A. from 1 to 4). The last is not available in this release

                                          –    HPOM /HSUT ( only the G.A.#1). The last is not available in this release

                                          Cross connection functions (MSP, HPC and LPC) are performed by the two MATRIX boards (working in
                                          1+1 configuration).

                                          The TTF block is connected to the two MATRIX boards through four bidirectional links at 622 Mbit/s in
                                          1+1 configuration (H link).

                                          HOA block is connected both to the HPC and LPC matrices on the two MATRIX boards via SERDES
                                          device through bidirectional link at 2.5 Gbit/s 1+1 configuration (”X link” and “L link” respectively) .
                                          Backpanel interface supply a system–clock (SYST CK) to the G.A. internal circuits
1AA 00014 0004 (9007) A4 – ALICE 04.10




                                         ED        03

                                                                                                         3AL 91669 AA AA                        518 / 706


                                                                                                                       706
In the following block description, the new naming convention of the G.783 is reported. Refer to para. 3.3.4
                                                                                            on page 206 for details.

                                                                                            The G.A.#1 send and receive four 622 Mbit/s signal (data + clock) to/from the G.A.#5
not permitted without written authorization from Alcatel.
  All rights reserved. Passing on and copying of this
  document, use and communication of its contents




                                                                                            The SPI can detect an external LOS from the input line .
                                                                                            The optical transmitter provides to the G.A. its status by Laser Failure signal.

                                                                                            The ALS algorithm is hardware implemented and the G.A. provides           the Laser shut Down command
                                                                                            (LASER OFF).

                                                                                            On the front panel of the unit a push–button is available for manual laser restart.

                                                                                            TTF BLOCK (SPI, RST, MST, MSA)

                                                                                            This block performs the Transport Terminal Functions (sink on Input side, source on Output side) for the
                                                                                            STM–16 signal.

                                                                                            TTF block provides the T1 timing references at 2 MHz , derived from the STM–16 input signals

                                                                                            INPUT side : from line to MSP MATRIX

                                                                                                 SPI (OSn/RSn_A_Sk) : it descramblers the incoming signal , counts the OOF and reveals the LOF
                                                                                                 alarm.

                                                                                                 RST (RSn_TT_Sk) : performs frame alignment detection (A1, A2) , regenerator section trace
                                                                                                 recovery (J0) and mismatch detection, BIP–8 Errored Block count.

                                                                                                 MST (MSn_TT_Sk) : performs BIP–24 errored block count, MS–REI recovery, MS–RDI and MS–AIS
                                                                                                 detection. TSD is applied in case of MS–DEG (signal degrade), TSF is applied if MS–AIS is detected.

                                                                                                 MSA (MSn/Sn_A_Sk) : performs AU4’s pointer interpretation, LOP and AIS detection, pointer
                                                                                                 justification. Sixteen MSA blocks are present.

                                                                                                 Moreover the following functions are performed on the Input side :

                                                                                                 SOH BYTE extraction (Rx side): DCC bytes (DCCR D1–D3 and DCCM D4–D12) are dropped and
                                                                                                 serialized in a DCC frame. Two DCC frames are generated working in 1+1 protection.

                                                                                                 TP byte insertion (Rx side) : since the cross connection functions are centralized , for protection
                                                                                                 purpose TSD (Trail Signal Degrade) and TSF (Trail Signal Failure) are transmitted towards the two
                                                                                                 MATRIX board.

                                                                                                 K BYTES insertion and extraction (Rx side) : this block provides the in–band transmission of
                                                                                                 K1,K2, bytes towards the MATRIX board. The bytes are extracted from the line when a TSF is
                                                                                                 received and they are transmitted towards the two MATRIX board.
                                                  1AA 00014 0004 (9007) A4 – ALICE 04.10




                                                                                           ED      03

                                                                                                                                                            3AL 91669 AA AA                        519 / 706


                                                                                                                                                                          706
OUTPUT side : from MATRIX to line

                                              MSA (Ms/Sn_A_So) : it performs AUG assembly, AU–4 pointer generation, AU–AIS generation.
                                              The sixteen AU4 structure are byte interleaved in the STM–16 structure with fixed phase relationship




                                                                                                                                                         not permitted without written authorization from Alcatel.
                                              vs. the same multiple signal.




                                                                                                                                                           All rights reserved. Passing on and copying of this
                                                                                                                                                           document, use and communication of its contents
                                              MST (MSn_TT_So) : it performs BIP–24 calculation and insertion, MS–REI MS–RDI and MS–AIS
                                              insertion.

                                              RST (RSn_TT_So) : it performs frame alignment insertion, regenerator section path trace insertion,
                                              BIP–8 calculation and insertion.

                                              SOH BYTE insertion (Tx side): DCC bytes (DCCR D1–D3 and DCCM D4–D12) coming from the
                                              DCC frames are inserted into the SOH section.

                                              K BYTES insertion and extraction (Tx side) : K1, K2 bytes are extracted from the frame coming
                                              from backpanel and re–inserted on the same output line frame .

                                          HOA BLOCK (HPT, HPA)

                                          From HPC matrix to LPC matrix

                                              HPT (Sn_TT_Sk) : path trace information is recovered, REI information is recovered, HP–RDI and
                                              UNEQ are detected, VC4 BIP–8 errored count block. TSF is applied if SSF or UNEQ or TIM or AIS
                                              is detected.
                                              TSD is applied if a condition of signal degrade is detected.

                                              Moreover :

                                              F2 F3 byte extraction (Rx side) : both F2 and F3 bytes are extracted from the received flow and
                                              serialized on a DCC frame .

                                              N1 byte extraction (Rx side) : for the network Tandem Connection Termination  Monitoring
                                              function (TCT/TCM).

                                              HPA (Sn/Sm_A_Sk) : VC–4 disassembly, TU pointer interpretation, LOP and TU–AIS detection,
                                              HP–SLM and LOM detection.

                                          From LPC matrix to HPC matrix

                                              HPA (Sn/Sm_A_So) : VC4 assembly, TU pointer generation, TU–AIS generation , signal label
                                              insertion,

                                              HPT (Sn_TT_So) : path trace identification insertion, RDI and REI indications insertion, VC–4 BIP–8
                                              calculation and insertion.

                                              Moreover:

                                              F2 and F3 byte insertion (Tx side) : F2/F3 bytes are inserted on the DCC frame

                                              N1 byte insertion (Tx side) : for the network Tandem Connection Termination  Monitoring function
                                              (TCT/TCM).
1AA 00014 0004 (9007) A4 – ALICE 04.10




                                         ED     03

                                                                                                       3AL 91669 AA AA                       520 / 706


                                                                                                                    706
The G.A. provides also the HSUT, HPOM, (alternative) and LSUT, LPOM functions (alternative) both in
                                                                                            Rx and Tx side.

                                                                                            The main task of HSUT are:
not permitted without written authorization from Alcatel.
  All rights reserved. Passing on and copying of this
  document, use and communication of its contents




                                                                                                RX side (from MSA to HPC matrix):

                                                                                                •        path trace information recovery
                                                                                                •        REI recovery
                                                                                                •        HP–RDI detection (path status monitoring
                                                                                                •        UNEQ and VC–AIS detection (signal label monitoring)
                                                                                                •        VC4 BIP–8 Errored Block count

                                                                                                Tx side: (from HPC matrix to MSA)

                                                                                                •        generation of an unequipped container
                                                                                                •        ”unequipped” insertion, trail trace identifier generation
                                                                                                •        RDI and /or REI information generation
                                                                                                •        VC–4 BIP–8 calculation and insertion

                                                                                            The main task of HPOM are:

                                                                                                RX and TX side:

                                                                                                •        signal termination
                                                                                                •        J1 path recovering
                                                                                                •        REI information recovering
                                                                                                •        HP–RDI detection (path status monitoring
                                                                                                •        UNEQ and VC–AIS detection (signal label monitoring)
                                                                                                •        VC4 BIP–8 Errored Block count
                                                                                                •        TSF is generated in case of SSF , UNEQ, TIM , AIS . TSD is generated in case of SD

                                                                                            The main tasks of LSUT are :

                                                                                                RX side (from HPA to LPC matrix):

                                                                                                •        recovering of VC–m unequipped signal label
                                                                                                •        path trace recovering
                                                                                                •        BIP–2 recovery
                                                                                                •        REI and RDI recovery

                                                                                                Tx side (from LPC matrix to HPA ):

                                                                                                •        insertion of VC–m unequipped signal label
                                                                                                •        path trace insertion
                                                                                                •        BIP–2 insertion
                                                                                                •        REI and RDI insertion

                                                                                                LSUT is used to monitor unequipped path trails .

                                                                                            The main tasks of LPOM are :

                                                                                                •        trace identifier monitoring
                                                                                                •        RDI and REI recovering and deriving for performance primitives
                                                                                                •        signal label monitoring
                                                  1AA 00014 0004 (9007) A4 – ALICE 04.10




                                                                                                •        VC–m BIP–2 errored block count

                                                                                                LPOM is used for performance monitoring purposes.


                                                                                           ED       03

                                                                                                                                                               3AL 91669 AA AA                521 / 706


                                                                                                                                                                          706
Other functions implemented are :

                                              •        RIBUS I/F
                                                       This block is used to:




                                                                                                                                                            not permitted without written authorization from Alcatel.
                                                                                                                                                              All rights reserved. Passing on and copying of this
                                                                                                                                                              document, use and communication of its contents
                                                       –   read/write from/to the ”RIBUS” stream
                                                       –   control the LED on the unit
                                                       –   control the SERDES SETTINGS device (sending configuration etc.)
                                                       –   release the Management–bus in case of power failure
                                                       –   read remote inventory data.
                                                       RIBUS I/F is powered by the + 3.3 Vdc supply by CONGI boards.

                                              •        REMOTE INVENTORY
                                                       It is the memory containing the board information, for identification purposes (see para. 3.17
                                                       on page 370 for details)

                                              •        M–BUS Driver
                                                       It drives the input–output gates of the Management–bus. These drivers can be disabled (by
                                                       the Bus–OFF signal) in case of power failure.

                                              •        DC/DC CONVERTERS

                                                       This block converts the 48/60 V power supply to the following voltages:

                                                       –    + 2.5 V
                                                       –    + 3.3 V
                                                       –    1.8 V
                                                       –    1.2 V

                                                       The DC/DC converter is synchronized with a synchronization clock at 300 MHz (signal Power
                                                       Sync) , generated by G.A.#1) in order to avoid EMI problems.
1AA 00014 0004 (9007) A4 – ALICE 04.10




                                         ED       03

                                                                                                          3AL 91669 AA AA                       522 / 706


                                                                                                                        706
T1
                                                                                                                                                                                    622 MHz
                                                                                                                                                                                                                                                                  SYST CK A/B
                                                                                                                                                                                     OSC                 G.A.#1
                                                                                                                                                                                                                                              to/from
                                                                                                                                                                   Laser Restart                                                             HPC matrix( X link)
                                                                                                                                                                                                                            HPT
not permitted without written authorization from Alcatel.




                                                                                                                                                                                      CKPower Sync                                            to/from




                                                                                                                                                                                                                                                                                         main and spare
                                                                                                                                                                                                                   HOA
  All rights reserved. Passing on and copying of this
  document, use and communication of its contents




                                                                                                                                                                                                                                             LPC matrix (L link)
                                                                                                                                                                                                                            HPA
                                                                                                                                                                        2488 Mbit/s 4 x 622 Mbit/s
                                                                                                                                                                                                                                                      LPOM(*)
                                                                                           OPTICAL
                                                                                                                                                                                    G.A.#5                  TTF
                                                                                                                                                                                                                                                      LSUT
                                                                                                                                                                                                                                                                           (H link)
                                                                                           INPUT/                                                                                                                          F2, F3
                                                                                           OUPUT                                                                                                                                       HPOM(*)
                                                                                                                                                                                     MUX                                               HSUT              to/from        S




                                                                                                                                                                                                                                                                                         from/to MATRIXE
                                                                                                                                                                    O/E SPI            /                  K1,K2                                         HPC matrix      E (L link)
                                                                                                                                                                                    DEMUX                                                                (H link)       R
                                                                                                                                                                                                         Tx side RST MST                                                D
                                                                                                                                                                                                                                 MSA         K1,K2,TP                   E ( X link)
                                                                                                                                                                                                         Insertion
                                                                                                                                                                                                                                              Rx side   to/from         S
                                                                                                                                                                                                                                             Insertion HPC matrix
                                                                                                                                                                                                            DCCR DCCM                                   (H link)
                                                                                                                                                                                                            RSOH MSOH            MSA
                                                                                                                                                                          Line loop                                                       to/from
                                                                                                                                                                                                                                         HPC matrix       (H link)
                                                                                                                                                                              Internal loop                                      MSA
                                                                                                                                                                                        LOS                                               to/from
                                                                                                                                                                                                                                         HPC matrix        (H link)
                                                                                                                                                                                                                                 MSA
                                                                                                                                                                                        LASER F.
                                                                                                                                                                                        LASER OFF                                                                DCC             from/to
                                                                                                                                                                                                                                                                                 PQ2/EQC
                                                                                                                                                                                                                                                    F2, F3      AUX

                                                                                                                                                                                                                                                    SYST CK A/B
                                                                                                                                                                                                         G.A.#2                            to/from
                                                                                                                                                                                                                                          HPC matrix ( X link)
                                                                                                                                                                                                                            HPT
                                                                                                                                                                                                                   HOA                     to/from
                                                                                                                                                                                                                                          LPC matrix (L link)
                                                                                                                                                                                                 CK                         HPA

                                                                                                                                                                                                                                                      LPOM (*)
                                                                                                                                                                                                                                                      LSUT
                                                                                                                                                                                                                           F2, F3
                                                                                                                                                                                                                                                      F2, F3 AUX

                                                                                                                                                                                                                                                    SYST CK A/B
                                                                                                                                                                                                         G.A.#3                            to/from
                                                                                                                                                                                                                                          HPC matrix( X link)




                                                                                                                                                                                                                                                                                      SERVICE
                                                                                                                                                                                                                            HPT




                                                                                                                                                                                                                                                                                       from/to
                                                                                                                                                                                                 CK                                         to/from
                                                                                                                                                                                                                   HOA
                                                                                                Notes: (*) – HSUT and LSUT are not operative in current release




                                                                                                                                                                                                                                           LPC matrix(L link)
                                                                                                                                                                                                                            HPA

                                                                                                                                                                                                                                                      LPOM(*)
                                                                                                                                                                                                                                                      LSUT
                                                                                                                                                                                                                           F2, F3
                                                                                                                                                                                                                                                      F2, F3 AUX
                                                                                                                                                                    SERDES                                                                         SYST CK A/B
                                                                                                                                                                    SETTINGS                                                               to/from
                                                                                                                                                                                                         G.A.#4                           HPC matrix( X link)
                                                                                                                                                                                                  CK                        HPT
                                                                                                                                                                                                                   HOA                      to/from
                                                                                                                                                                               M–BUS                                                       LPC matrix(L link)
                                                                                                                                                                                                                            HPA
                                                                                                                                                                               Driver
                                                                                                                                                                    Remote                                                                            LPOM (*)
                                                                                                                                                                   Inventory                                                                          LSUT
                                                                                                                                                                                    Bus–OFF
                                                                                                                                                                                                                           F2, F3
                                                                                                                                                                                                                                                      F2, F3 AUX
                                                                                                                                                                                                ID                  Management Bus
                                                                                                                                                                   Line loop    RIBUS
                                                                                                                                                                  Internal loop   I/F                                                               RIBUS                        from/to
                                                                                                                                                                                                                                                                                 MATRIXE
                                                                                                                                                                                                                         2.5 V                        Power Sync                   main
                                                                                                                                                                                              +3.3 Vdc
                                                                                                                                                                                                                                                                                and spare
                                                                                                                                                                                                                        3.3 V             DC/DC         48/60 V
                                                                                                                                                                       Unit                                             1.8 V          CONVERTERS                                 from
                                                                                                                                                                       Failure STM–16         OPTICAL SLIM PORT                                            +3.3 Vdc
                                                                                                                                                                                                                        1.2 V                                                    CONGI
                                                  1AA 00014 0004 (9007) A4 – ALICE 04.10




                                                                                                                                                                                                 Figure 280. STM–16 slim port block diagram



                                                                                           ED                                                                     03

                                                                                                                                                                                                                                       3AL 91669 AA AA                                523 / 706


                                                                                                                                                                                                                                                       706
4.38 STM–64 optical port

                                          (Refer to Figure 281. on page 526)




                                                                                                                                                                  not permitted without written authorization from Alcatel.
                                          Function of this unit is to be the STM–64 Port (9.95328 Gbit/s bit rate) of 1660SM system. It connects, via




                                                                                                                                                                    All rights reserved. Passing on and copying of this
                                                                                                                                                                    document, use and communication of its contents
                                          optical fibers, the system to the Transmission Network.

                                          The units can be distinguished by letters I, S and L defining their dependance on optical components used
                                          for Intra Office distance (links up to 2 Km), Short distance (links up to 40 Km) or Long distance .
                                          The Input/output unit optical connectors can be accessed from the unit’s front coverplate. The unit
                                          operating in the third window is indicated with 64.2.

                                          The units are identified by the type of connector used, FC/PC connectors.

                                          On the front panel of the unit a push–button is available for manual laser restart.

                                          The dimensions of this unit is two slots wide.

                                          The Physical layer, the Regeneration section and multiplex section layer are terminated/ generated in this
                                          board, and also the Multiplex section adaptation is processed.

                                          The interface can support 64 x VC4 containers or 16 x VC4–4c containers or 4 x VC4– 16c containers or
                                          1 x VC4–64c container. High Order and Low Order VC processing is carried out by the board.

                                          The whole line capacity (up to 64 AU4s) are managed by matrix at HO level; half capacity (up to 32 AU4s)
                                          of the whole line capacity is managed by matrix at LO level.

                                          The SDH functions required to manage STM–64 signal are implemented by nine G.A. ( G.A#1 for TTF
                                          function and from G.A.#2 to G.A.#9 for LVC function ) mounted on the board. The board interfaces the
                                          two MATRIX boards via backpanel with links at 2.5 Gbit/s.



                                          RX side functions

                                               •        Optical to electrical conversion at 9.95328 Gbit/s bit rate; at the input side are also detected the
                                                        following alarms:

                                                        –    LOS (Loss Of Signal)
                                                        –    LASER DERADE
                                                        –    LASER FAIL

                                               •        Demultiplexing from 9.95328 Gbit/s to 16 x 622 Mbit/s by means of a 1:16 DEMUX device;

                                               •        Demultiplexing from 16 x 622 Mbit/s to 32 x 311 Mbit/s by means of a 1:2 DEMUX device in order
                                                        to interface the G.A.#1.

                                               •        TTF function (RST Sink, MST Sink, 64 x SA,). These functions are performed by GA #1

                                               •        Serializer: SERDES block serialize the signal coming from G.A.#1 to G.A.#9 and interface the
                                                        two MATRIXE boards with links at 2.5 Gibit/s (H, L, X links).

                                               •        LVC (lower order path ) function: us above mentioned 8 G.A. ( G.A.#2 to G.A.#9 ) are present
                                                        in order to process the SDH signal at low order level.
1AA 00014 0004 (9007) A4 – ALICE 04.10




                                                        Up to 32 VC–4 max. can be structured at low order by means of Craft Terminal or O.S settings
                                                        LVC are connected to the two MATRIX via SERDES device.




                                         ED        03

                                                                                                              3AL 91669 AA AA                         524 / 706


                                                                                                                             706
TX side functions

                                                                                                •        Serializer: SERDES block de–serialize the signal coming from the two MATRIXE (H, L, X links
                                                                                                         at 2.5 Gibit/s ) into 16x622 Mb/s signals forwarded to G.A.#1 – G.A.#9.
not permitted without written authorization from Alcatel.
  All rights reserved. Passing on and copying of this
  document, use and communication of its contents




                                                                                                •        TTF function (64 x SA, MST Source, RST Source ). These functions are performed by GA #1

                                                                                                •        LVC (lower order path ) function: us above mentioned 8 G.A. ( G.A.#2 to G.A.#9 ) are present
                                                                                                         in order to process the SDH signal at low order level.

                                                                                                •        Multiplexing from 32 x 311 Mbit/s to 16 x 622 Mbit/s by means of a 2:1 MUX device

                                                                                                •        Multiplexing from 16 x 622 Mbit/s to 9.95328 Gbit/s by means of a 16:1 MUX device;

                                                                                                •        Electrical to Optical conversion at 9.95328 Gbit/s bit rate; at the output side the command
                                                                                                         LASER OFF , switch off the LASER

                                                                                            Other functions implemented are :

                                                                                                •        RIBUS I/F
                                                                                                         This block is used to:

                                                                                                         –   read/write from/to the ”RIBUS” stream
                                                                                                         –   control the LED on the unit
                                                                                                         –   control the SERDES SETTINGS device (sending configuration etc.)
                                                                                                         –   release the Management–bus in case of power failure
                                                                                                         –   read remote inventory data.
                                                                                                         RIBUS I/F is powered by the + 3.3 Vdc supply by CONGI boards.

                                                                                                •        REMOTE INVENTORY
                                                                                                         It is the memory containing the board information, for identification purposes (see para. 3.17
                                                                                                         on page 370 for details)

                                                                                                •        M–BUS Driver
                                                                                                         It drives the input–output gates of the Management–bus. These drivers can be disabled (by
                                                                                                         the Bus–OFF signal) in case of power failure.

                                                                                                •        DC/DC CONVERTERS

                                                                                                         This block converts the 48/60 V power supply to the following voltages:
                                                                                                         –    + 3.3 V
                                                                                                         –    1.8 V
                                                                                                         –    1.7 V
                                                  1AA 00014 0004 (9007) A4 – ALICE 04.10




                                                                                           ED       03

                                                                                                                                                            3AL 91669 AA AA                       525 / 706


                                                                                                                                                                          706
G.A.#9
                                                                                                                                    16x




                                                                                                                                                                                                     not permitted without written authorization from Alcatel.
                                                                                                                                  622Mb/s




                                                                                                                                                                                                       All rights reserved. Passing on and copying of this
                                                                                                                                                                                                       document, use and communication of its contents
                                                                                          G.A.#2
                                                                                         LVC
                                                                                     PROCESSING
                                                                                                                                                            #4
                                                                                        LVC                                                               #3
                                                                                        LVC                                                            #2
                                                                                        LVC
                                                                                                                                                     #1
                                                                                        LVC
                                                                                                           Laser Restart                                         (H link)
                                                                     LOS
                                                                      LASER D.
                                                                        LASER F.




                                                                                                                                                                            MATRIXE main and spare
                                                                                      CKR
                                                                                                                                                                 (L link)
                                                                                  16x                      32x      G.A.#1                  SERDES




                                                                                                                                                                                    from/to
                                         INPUT                                  622Mb/s DEMUX            311 Mb/s
                                                      O/E     CKR      1:16
                                                                      DEMUX               1:2                         TTF

                                                                                                                                                                 ( X link)
                                                                                  16x                      32x
                                                                    16:1        622Mb/s       MUX        311 Mb/s
                                                      O/E                                                             TTF
                                                                    MUX                        2:1
                                         OUPUT



                                                                  LASER OFF                                   CK



                                                                                                            622 MHz
                                                                                                                             LP Filter
                                                                                                             OSC

                                                                                                                                                 SERDES
                                                                   M–BUS                                                                         SETTINGS
                                                                   Driver
                                                   Remote
                                                  Inventory
                                                                      Bus–OFF

                                                                                ID                                  Management Bus
                                                                    RIBUS
                                                                      I/F                                                                RIBUS



                                                        Unit
                                                        Failure


                                                                                                3.3 V
                                                                                                                     DC/DC          48/60 V
                                                                                                 1.8 V         CONVERTERS                                          from
                                                                                                                                          +3.3 Vdc                CONGI
                                                                                                1.7 V




                                                      STM–64 Optical Port
1AA 00014 0004 (9007) A4 – ALICE 04.10




                                                                           Figure 281. STM–64 optical port block diagram




                                         ED      03

                                                                                                                      3AL 91669 AA AA                                  526 / 706


                                                                                                                                          706
4.39 ISA – Ethernet/Fast Ethernet port (ETH–MB)

                                                                                            (See Figure 282. on page 530)
not permitted without written authorization from Alcatel.




                                                                                            The ETHERNET–PORT is a new unit able to process twenty–five (10/100 Mbit/s) Ethernet and fast
  All rights reserved. Passing on and copying of this
  document, use and communication of its contents




                                                                                            Ethernet streams and to map them towards the SDH world.

                                                                                            The Ethernet frames are inserted into a GFP (Generic Framing Procedure) packet which is a universal
                                                                                            container for data traffic.

                                                                                            The unit is able to execute a RATE ADAPTING action, hence it is able to cross–connect a 10/100Mbit/s
                                                                                            ETHERNET stream towards an SDH virtual container of any dimension (VC12, VC3, VC4).

                                                                                            The Ethernet unit is able to memorize all the frames composing the incoming 10Mbit/s signal in a pseudo
                                                                                            hard disk made up of eight RAM (1Mx18bit) memories to be forwarded to the selected VCx.

                                                                                            Should the memories be filled up without emptying them in the Vcx, a flow control intervenes. The latter
                                                                                            is able to communicate to the Ethernet transmitter to reduce or interrupt the frame transmission up to
                                                                                            recovering the stable condition of the archived frames versus the ones sent over the SDH VC.

                                                                                            All the write and read operations occur at the 125 Mhz frequency in order to reduce the risk of memory
                                                                                            stuffing.

                                                                                            The same operation will also be executed on the Tx side, i.e. the frames contained in the SDH virtual
                                                                                            containers will pass in the RAMs before to be forwarded to the outgoing Ethernet stream.

                                                                                            The ETH–ATX access port can be utilized in order to supply the highest number of Ethernet ports; it is
                                                                                            provided only with a physical Ethernet interface facing with the ETHERNET–PORT (ETH–MB) via
                                                                                            backpanel as regards the management and cross–connection functions towards the SDH world.

                                                                                            In this manner 11 interfaces are made available on the ETHERNET–PORT and 14 interfaces are made
                                                                                            available on the ETHERNET ACCESS for a total amount of 25 10/100Mbit/s streams.

                                                                                            The ETH–MB can also be used in conjunction with the Gigabit Access card GETH–AG in order to process
                                                                                            two 1.25 Gbit/s Ethernet stream and eleven 10/100 Mbit/s Ethernet stream (not in current release)).

                                                                                            In the following is described the signal processing in the Ethernet line ––– SDH matrix (placed on the
                                                                                            MATRIX unit) direction. On the opposite side are performed the complementary functions.
                                                  1AA 00014 0004 (9007) A4 – ALICE 04.10




                                                                                           ED      03

                                                                                                                                                         3AL 91669 AA AA                       527 / 706


                                                                                                                                                                       706
The functions implemented on the board are the following:

                                          –    Ethernet frames processing:

                                               •




                                                                                                                                                                 not permitted without written authorization from Alcatel.
                                                        SELF RATE ADAPTING and interfacing with the line:




                                                                                                                                                                   All rights reserved. Passing on and copying of this
                                                                                                                                                                   document, use and communication of its contents
                                                        The Ethernet streams come into the unit via eleven connectors RJ45 on the front–cover, just
                                                        after there are the transformers to realize the crossover function.

                                                        The inner part of the line interface comprises the “Self Rate Adapting” block, which is able to
                                                        perform the physical processing of the 10/100 Mbit/s signals.
                                                        At the start–up, this block is automatically able to select the max. rate accepted by the remote
                                                        station; it is however possible to force all the configurations (full–duplex, half–duplex, 10Mbit/s
                                                         100Mbit/s) by means of the check signal “Rate Adapting forced settings” coming from the
                                                        Microcontroller on the board.

                                                        The “Self Rate Adapting” block requires a 125 MHz reference clock (supplied by a VCXO) in
                                                        order to be able to process the input and output signals.

                                                        The signals are sent to the “Retiming” block after having been processed.

                                               •        RETIMING:

                                                        The eleven Tx and Rx serial streams together with the clock and synchronism are retimed with
                                                        the system clock to absorb phase differences (if any) with the clock recovered from the data.

                                               •        GFP:

                                                        The function of this block is to prepare the Ethernet frames to be mapped towards the SDH world
                                                        by means of GFP encapsulation (see para. 3.8 on page 263 for details) thus guaranteeing the
                                                        possibility to utilize any type of VCx virtual container.

                                                        The “GFP” block” is connected to 8 SSRAM memory pads to create the pseudo hard disk
                                                        functionality and to 3 external memories (Management memories) where are stored all the
                                                        information required to perform the connections towards the VCx.

                                               •        MICROCONTROLLER:

                                                        The Microcontroller can set all the operation settings of the “Self Rate Adapting” block present
                                                        on the ETH–MB board and the one on the ETH–ATX access unit. Moreover the Microcontroller
                                                        can configure the “GFP” block cross–connections.

                                                        The program executed by the microcontroller to perform the various processes resides in two
                                                        SRAM memories and in one FLASH memory on the board.

                                               •        SIPO  PISO:

                                                        These blocks are used to parallel the 1.25Gbit/s streams received from the access port and then
                                                        processed like the signals recovered from the 11 line interfaces on the same board. In fact, the
                                                        14 streams have been serialized by obtaining two 1.25Gbit/s links in order to connect 14
                                                        Ethernet streams on the access board via the backpanel.
                                                        The 1.25Gbit/s streams are also utilized to connect the Ethernet port (ETH–MB) with the Gigabit
                                                        Access card (GETH–AG).
1AA 00014 0004 (9007) A4 – ALICE 04.10




                                         ED        03

                                                                                                              3AL 91669 AA AA                        528 / 706


                                                                                                                            706
•        VCXO:

                                                                                                         On the unit is present a VCXO supplying a 125MHz clock to all the logics processing the
                                                                                                         Ethernet signal.
not permitted without written authorization from Alcatel.
  All rights reserved. Passing on and copying of this
  document, use and communication of its contents




                                                                                            –   SDH termination:

                                                                                                •        SWITCH: The task of the SWITCH block is to send the signals coming from HPT or LPT block
                                                                                                         towards the matrix on the MATRIX board. The selection is made according to the type of signal
                                                                                                         to be connected (L if it is structured, X if unstructured). The “L” signals are sent to LPT – LPA
                                                                                                         blocks, the “X” to the HPT.

                                                                                                •        HPT: this block adds/removes the high order POH bytes to the C–4 unstructured payloads
                                                                                                         (bulks).

                                                                                                •        LPT: The LPT function terminates a VC–12 or a VC–3 by adding or removing the relevant POH
                                                                                                         bytes to a C–12 or a C–3.

                                                                                                •        LPA: This block adapts the low order payloads C12 or C3 to the higher order containers used
                                                                                                         for transportation in the SDH (TU–12 or TU–3). The adaptation includes timing synchronization
                                                                                                         and frame offset with pointers movements.

                                                                                                •        Struct/Unstr: this selector sends the bulk signals (unstructured) to HPT, while the structured
                                                                                                         signals are sent to LPA–LPT.

                                                                                            –   Other functions implemented on the board are:

                                                                                                •        RIBUS I/F
                                                                                                         This block is used to read/write from/to the ”RIBUS” serial stream, to control the LED on the unit,
                                                                                                         to release the Management–bus in case of power failure, and to use the remote inventory.
                                                                                                         RIBUS I/F is powered by the + 3.3 VS supplied by the CONGI

                                                                                                •        REMOTE INVENTORY
                                                                                                         It is the memory containing the board information, for identification purposes (see para. 3.17
                                                                                                         on page 370 for details about Remote Inventory information).

                                                                                                •        M–BUS Driver
                                                                                                         It drives the input–output gates of the serial Management–bus. These drivers can be disabled
                                                                                                         (by the Bus–OFF signal) in case of power failure.

                                                                                                •        DC/DC CONVERTERS
                                                                                                         This block converts the 48/60 V power supply, to obtain the voltages used to supply all the
                                                                                                         components in the board.
                                                                                                         The DC/DC converter is synchronized with a synchronization clock at 300 MHz (signal
                                                                                                         Power–Sync, generated by the SDH asic) in order to avoid EMI problems.

                                                                                                •        LEDS
                                                                                                         The board presents on its front panel one LED the meaning of which is reported in Figure 46.
                                                                                                         on page 135.

                                                                                                •        Buses
                                                                                                         The main buses on the board are:
                                                                                                         ISSB–EC: serial bus from the EC, to communicate software data (download, etc.).
                                                                                                         SDH–CS: from the EC, after derivation from the serial “Management–bus”, for configuration
                                                                                                         and status information of SDH components.
                                                  1AA 00014 0004 (9007) A4 – ALICE 04.10




                                                                                                         RIBUS: serial bus from the SC (shelf controller on MATRIX unit), to communicate inventory and
                                                                                                         peripheral data.



                                                                                           ED       03

                                                                                                                                                               3AL 91669 AA AA                        529 / 706


                                                                                                                                                                             706
622 MHz                                                    System clock a
                                                                                                                                                                                            System clock b
                                                                                                                                   OSC




                                                                                                                                                                                                                                                                         not permitted without written authorization from Alcatel.
                                                                                                                                                                                                                                                                           All rights reserved. Passing on and copying of this
                                                                                                                                                                                                                                                                           document, use and communication of its contents
                                                                                                                                   SDH–CS                                                    HPT




                                                                                                                                                                                                                                                MATRIXE MAIN AND SPARE
                                                                                                                                                                                         LPT




                                                                                                                                                                                                                                          from/to
                                                                                                                         SDH–CS

                                                                                                                         Power Sync.                                      LPA                                            X
                                                                                               VCX0
                                                                                                                                                                                                             S
                                                                                                                                                                                                             W
                                                                                                    125MHz                                                                                                   I
                                                                                                                                                Struct/unstruct                                              T
                                                                                                                                                                                                             C           L
                                                                                                                                                                                                             H
                                                                         1
                                                                              ÎÎÎ
                                                                              ÎÎÎ
                                                                              ÎÎÎ
                                         ETHERNET INTERFACE 10 BASE T




                                                                         2
                                                                                             SELF RATE                             System clock                       Management
                                                                                                                                                                                            Configuration
                                                                              ÎÎÎ
                                                                              ÎÎÎ            ADAPTING
                                                                                                                                                                        Memory                  É
                                                                                                                                                                                                É
                                                                                                                                                                                                É
                                                                                                                                                                                                É
                                                                                              Full–duplex                                                                          GFP
                                                                                                                       Data+Ck                                                   Generic
                                                                                              Half–duplex
                                                                                                                                                                                 Framing
                                                                         11   ÎÎÎ
                                                                              ÎÎÎ
                                                                                               10 Mbit/s
                                                                                              100 Mbit/s                             RETIMING
                                                                                                                                                                                Procedure


                                                                                                                                                                      8
                                                                              ÎÎÎ
                                                                              (not used)
                                                                                                                                                                  1
                                                                         12   ÎÎÎ                                                                                                RAM




                                                                                                                                                                                                                                      ACCESS CARD
                                                                              ÎÎÎ                                                                                                 SIPO
                                                                                                                                                                                                        1,2 Gb/s DATA




                                                                                                                                                                                                                                        from/to
                                                                              ÎÎÎ                  Rate adapting
                                                                                                                                                                                    
                                                                                                                                                                                  PISO
                                                                                                   forced settings


                                                                                           SDRAM
                                                                                                                                                           É Configuration
                                                                                                                                                                                                             ISSB–EC                      PQ2/EQC
                                                                                                                                                                                                                                           from/to
                                                                                                                            MICROPROCESSOR      ÀÀÀÀÀÀÀÀÀÀÀÉÀÀ
                                                                                                                                                           ÉÀÀ
                                                                                                                                                           ÀÉÉ
                                                                                                                                                ÀÀÀÀÀÀÀÀÀÀÀÀ
                                                                                           FLASH
                                                                                           EPROM                                                                                                    Management
                                                                                                                                                                                                                                                MATRIXE MAIN AND SPARE




                                                                                                                                                                                                    Bus (ISPB)
                                                                                                                                                                                 M–BUS
                                                                                                   Configuration  Status                                                        Driver
                                                                                                    for SDH (SDH–CS)                                                                                           CMISS
                                                                                                                                                                                                                                          from/to




                                                                                                                                  Power Sync.
                                                                                                                                                                                       Bus–OFF
                                                                                                                                                    Remote
                                                                                                                                                   Inventory
                                                                                                                                                                                                             RIBUS
                                                                                                                                                                                                   ID
                                                                                                                 1.8V                                                             RIBUS
                                                                                                                                                                                                                             FROM CONGI




                                                                                                                                                                                   I/F                   F    +3.3 Vdc
                                                                                                               3.3 V         DC/DC                           Unit
                                                                                                                          CONVERTERS                         Failure
                                                                                                               2.5 V
                                                                                                                                                                                                         48/60 V
                                                                               ETHERNET PORT

                                                                                                    Figure 282. ETHERNET port (ETH–MB) – Block diagram
1AA 00014 0004 (9007) A4 – ALICE 04.10




                                                                        ED      03

                                                                                                                                                           3AL 91669 AA AA                                                   530 / 706


                                                                                                                                                                                     706
4.40 ISA –Giga Ethernet Main Board (GETH–MB)

                                                                                            (See Figure 283. on page 534).
not permitted without written authorization from Alcatel.




                                                                                            This unit allows the management of Giga–bit Ethernet data and their transportation over the SDH network.
  All rights reserved. Passing on and copying of this
  document, use and communication of its contents




                                                                                            The connections to the Ethernet network are accomplished by means of 8 full–duplex ethernet optical
                                                                                            interfaces, type 1000Base–LX , 1000Base–SX, 1000Base–ZX , of which four are located on the front of
                                                                                            the board, and four are on the GigaEthernet Access Unit; the giga–ethernet links operate at rates up to
                                                                                            1.25Gb/s, with data–rate auto–negotiation option, connected by means of LC–Duplex fiber connectors.

                                                                                            The SDH container used for Ethernet data transportation is VC–4.
                                                                                            The eight Ethernet channels can be connected to 8 SDH logical ports at VC4 rate.

                                                                                            The main functions implemented on the board are the following:
                                                                                            GbEth i/f
                                                                                            SIPOPISOa
                                                                                            SIPOPISOb
                                                                                            ETH–GFP
                                                                                            TABLES MEM
                                                                                            GFP–SDH
                                                                                            ALIGNMENT BUFFER
                                                                                            SDH–BP
                                                                                            Microprocessor
                                                                                            RIBUS i/f  Remote Inventory
                                                                                            DC/DC Converters.

                                                                                            GbEth I/F:
                                                                                                four of these blocks are located on the unit; it is a small–form factor pluggable (SFP) module,
                                                                                                implementing the optical to electric conversion, and viceversa, to accomplish a full–duplex Gigabit
                                                                                                Ethernet interface at 1.25 Gb/s, as specified in IEEE802.3. For its description refer to para. 4.19,
                                                                                                page 430 (”Gbit Eth. i/f Module” 1000B–LX, 1000B–SX, 1000B–ZX).

                                                                                            SIPOPISO:
                                                                                                two of these blocks are located on the unit: SIPOPISOa serves the four Gigabit data afferent the
                                                                                                optical interfaces on the present board, while SIPOPISOb serves the four Gigabit data afferent the
                                                                                                access board. The SIPOPISO block receives four ethernet differential signals at a rate of 1.25Gb/s
                                                                                                and parallels each of them on ten wires at 125Mb/s rate; viceversa, in the opposite direction, it
                                                                                                receives each gigabit signal on a parallel flow on 10–bits basis and serializes it. It accomplishes the
                                                                                                PCS and PMA functions specified by the IEEE802.3:
                                                                                                •    receive clock recovery
                                                                                                •    data serialization/deserialization
                                                                                                •    encoding/decoding of octets data to/from ten–bits code–groups (8b/10b)
                                                                                                •    managing of the auto–negotiation process.

                                                                                            ETH–GFP:
                                                                                               this is an integrated circuit that accomplishes the data passage from ethernet frames to GFP (Generic
                                                                                               Framing Procedure) frames and viceversa. Every function contained in it is repeated 8 times, in order
                                                                                               to process the 8 ethernet signals. The ethernet MAC frame structure is illustrated in Figure 120. page
                                                                                               238 and is detailed in rec. IEEE 802.3. The GFP frame structure is illustrated in para. 3.8, page 263,
                                                                                               and is detailed in rec.ITU–T G.7041.
                                                                                               Its main functions are:
                                                                                               NOTE: the functions are here described only in the direction from Ethernet to GFP, in the opposite
                                                  1AA 00014 0004 (9007) A4 – ALICE 04.10




                                                                                               direction they are opposite and specular.
                                                                                               •      ETH: it provides to acknowledge the boundaries of the ethernet frames as specified in rec. IEEE
                                                                                                      802.3. The octets relevant to ethernet Preamble and Start–Of–Frame Delimiter are discarded.


                                                                                           ED      03

                                                                                                                                                           3AL 91669 AA AA                        531 / 706


                                                                                                                                                                         706
•        SIL: it provides to acknowledge the ethernet inter–frames silences and to discard them. In this
                                                        way the useful data only are transferred to the subsequent data buffer.
                                               •        BUFF: it is a buffer in which the ethernet data are written by means of a smooth ethernet clock,
                                                        as they are ready, and then are read by the GFP mapper. In case that the buffer is near to full




                                                                                                                                                               not permitted without written authorization from Alcatel.
                                                        the mechanism of flow–control is started, in order to slow down the remote ethernet data source.




                                                                                                                                                                 All rights reserved. Passing on and copying of this
                                                                                                                                                                 document, use and communication of its contents
                                               •        GFP: it is the GFP mapper. The data are drawn from the buffer at 155Mb/s rate; possible gaps
                                                        between ethernet encapsulated frames are filled with Inter–Packet Gaps (IPG).

                                          TABLES MEM:
                                             this is a memory storing some tables of data relevant to: routing, delays of the queues and delays
                                             of the links, destinations of the ethernet signals, etc.

                                          GFP–SDH:
                                             this is an integrated circuit that accomplishes the data passage from GFP frames to SDH frames and
                                             viceversa. Every function contained in it is repeated 8 times, in order to process the 8 afferent signals.
                                             Its main functions are:
                                             NOTE: the functions are here described only in the direction from GFP to SDH, in the opposite
                                             direction they are opposite and specular.
                                             •      LPA: it provides to map, directly, the GFP data into an SDH higher order unstructured C4
                                                    container.
                                             •      HPT: this block adds the higher order POH bytes to the C–4 payload (bulk); it accomplishes only
                                                    a reduced HPT, since the complete function is implemented on the SDH–BP macro–block.
                                             •      XCVC: it implements the Cross–Connection (routing) and the Virtual Concatenation of the
                                                    encapsulated ethernet signals. The Virtual Concatenation consists in the distribution of the
                                                    bytes flow of a single ethernet signal, by bytes de–interleaving, over several, concatenated VC4
                                                    signals; the virtual concatenation can be done over 2 or 4 or 7 VC4’s.
                                             •      MSA, MST, RST: they accomplish only reduced SDH functions for the STM1 signal, since they
                                                    are used here only for intra–board framing purposes;

                                          ALIGNMENT BUFFER:
                                              this is a buffer storing the data, needed in the case of virtual concatenation: since different VC4’s can
                                              have different delays, they must be memorized to be aligned; the maximum tolerable delay difference
                                              is 250msec.

                                          SDH–BP:
                                             this is an integrated circuit that accomplishes the data passage from STM1 frames to VC4 frames
                                             for the BackPanel format and viceversa. Two of these macro–blocks are located on the board, in
                                             order to process the 8 afferent signals, since each of them can process 4 stm1 signals. Every function
                                             contained in it is repeated 4 times.
                                             Its main functions are:
                                             NOTE: the functions are here described only in the direction toward the back panel, in the opposite
                                             direction they are opposite and specular.
                                             •     RST, MST, MSA: these are standard SDH functions for the STM1 signal, their function is
                                                   reduced since they are used here only for intra–board framing purposes;
                                             •     HPT: this block adds the higher order POH bytes to the C–4 payload (bulk);
                                             •     4:11:4 : this is a parallel–to–serial converter, in direction towards the backpanel, and a
                                                   serial–to–parallel converter, in direction from the backpanel; the backpanel signal format is
                                                   STM4–like, at 622 Mb/s rate. The backpanel signal is split in two: the first (D1a and D2a) going
                                                   to the main MATRIX Unit and the second (D1b and D2b) to the spare MATRIX Unit
1AA 00014 0004 (9007) A4 – ALICE 04.10




                                         ED        03

                                                                                                            3AL 91669 AA AA                        532 / 706


                                                                                                                          706
VCXO25MHz:
                                                                                               It generates a 25 Mhz frequency and, by means of a x5 multiplier, the 125 MHz ethernet transmitter
                                                                                               reference clock.
not permitted without written authorization from Alcatel.




                                                                                            622MHz PLL:
  All rights reserved. Passing on and copying of this
  document, use and communication of its contents




                                                                                                It is a phase locked loop generating the 622 Mhz reference clock for timing the downstream data
                                                                                                toward the ethernet interfaces.


                                                                                            Microprocessor:
                                                                                                It is a microcontroller (NIOS type) controlling and supporting the Ethernet functionalities, such as:
                                                                                                configuration, alarms and states collections, performances monitoring, communications with the
                                                                                                Shelf Controller (SC, on MATRIX unit) and with the OS, etc. It communicates with the SC by means
                                                                                                of the configuration bus for SDH functions (SDH–CS), coming from the Management bus ISPB (intra
                                                                                                shelf parallel bus). It is provided with relevant devices SDRAM (for data memory) and Flash EPROM
                                                                                                (for program memory).

                                                                                            The other functions implemented on the board are:

                                                                                                 •        RIBUS I/F
                                                                                                          This block is used to read/write from/to the ”RIBUS” serial stream (SPI: serial peripheral
                                                                                                          inventory), to control the LED on the unit, to release the Management–bus in case of power
                                                                                                          failure, and to use the remote inventory. RIBUS I/F is powered by the + 3.3 VS supplied by the
                                                                                                          rear access panel.

                                                                                                 •        REMOTE INVENTORY
                                                                                                          It is the memory containing the board information, for identification purposes (see para. 3.17
                                                                                                          on page 370 for details).

                                                                                                 •        M–BUS Driver
                                                                                                          It drives the input–output gates of the Management–bus (ISPB: intra–shelf parallel bus). These
                                                                                                          drivers can be disabled (by the Bus–OFF signal) in case of power failure.

                                                                                                          DC/DC CONVERTERS
                                                                                                          This block converts the 48/60 V power supply, to obtain the voltages used to supply all the
                                                                                                          components in the board.
                                                                                                          The DC/DC converter is synchronized with a synchronization clock at 300 MHz (signal
                                                                                                          Power–Sync, generated by the SDH asic) in order to avoid EMI problems.

                                                                                                 •        LEDS and Push–buttons
                                                                                                          The board presents, on its front panel, one LED, the use and meaning of the LED and of the
                                                                                                          frontal connectors is reported in Figure 47. on page 136.

                                                                                                 •        Buses
                                                                                                          The main buses on the board are:
                                                                                                          SDH–CS: from the SC (shelf controller), after derivation from the “Management–bus” (M–bus),
                                                                                                          for configuration and status information of SDH components.
                                                                                                          ETH–CS: from microprocessor, for configuration and status information of the Ethernet
                                                                                                          functions.
                                                                                                          RIBUS: also called SPI (serial peripheral bus), from the SC (shelf controller on MATRIX unit),
                                                                                                          to communicate inventory and peripheral data.
                                                                                                          M–BUS: called also ISPB (Intra Shelf Parallel Bus), from the SC (shelf controller on MATRIX
                                                  1AA 00014 0004 (9007) A4 – ALICE 04.10




                                                                                                          unit), to communicate data about SDH asics and traffic configuration, SDH alarms collection,
                                                                                                          performance monitoring, etc.




                                                                                           ED        03

                                                                                                                                                             3AL 91669 AA AA                       533 / 706


                                                                                                                                                                           706
155MHz
                                                                                                                                                        :4               622 MHz                    System clock (T0a, T0b)
                                                                                                                                                                            PLL
                                                                                                                                                       622MHz                                                    2




                                                                                                                                                                                                                                                           MATRIXE mainand spare
                                                                                                                              SDH–CS                                                                             2   D1a
                                                                SDH–CS




                                                                                                                                                                                                                                                                                   not permitted without written authorization from Alcatel.
                                                                                                                                                                                              4:1                2   D1b




                                                                                                                                                                                                                                                                                     All rights reserved. Passing on and copying of this
                                                                                                                                                                                                                                                                                     document, use and communication of its contents
                                                                                                                                                                                                                                      from/to
                                                                                                                      155MHz                            RST        MST      MSA      HPT
                                                                                                                                        2x4
                                                                                                                                                                                              1:4

                                                                  LPA                                                                                                                                            2   D2a
                                                                                HPT                      MSA      MST     RST                                                              SDH–BP        1
                                                       2x8
                                                                                                                                  2x8                                                                            2   D2b

                                                                                      XC  VC                                          2x4
                                                                                                                                   @155Mb/s                                                   SDH–BP         2
                                                                                                                     GFP–SDH                                                                                         @622Mb/s
                                                               125MHz
                                                                                  ALIGNMENT                                                                  PowerSync.
                                                                                    BUFFER




                                               @1.25Gb/s                                                                               ETH–GFP         125MHz        155MHz
                                                                                                       SIPO           2x40@125Mb/s
                                                           GbEth I/F            2x4
                                               2x4                                                       
                                                                                                       PISO a                              ETH     SIL
                                                                       1                                             2x40@125Mb/s                               BUFF        GFP
                                                                                                                                                                                       2x8@155Mb/s
                                                                           2
                                                                           3                           125MHz
                                                                            4

                                                                                                                                        ETH–CS                 TABLES
                                                             125MHz                                   125MHz                                                    MEM

                                                                                              x5




                                                                                                                                                                                                                                GbEth Access Module
                                                                                                                                                                           125MHz
                                                                                      VCX0
                                                                                      25MHz




                                                                                                                                                                                                                           from/to
                                                                                                                                                                              SIPO          2x4 @1.25Gb/s
                                                                                                                                                                                
                                                                                                                                                                              PISO b




                                                                                 Configuration for Eth.
                                                                                                        ETH–CS


                                                               SDRAM                                                     MICROPROCESSOR
                                                                                                                                  (NIOS)
                                                                FLASH
                                                                EPROM                                                                                                                          Management
                                                                                                                                                                                                                                                      MATRIXE mainand spare



                                                                                                                                                                                               Bus (ISPB)
                                                                                 Configuration  Status                                                                      M–BUS
                                                                                   for SDH (SDH–CS)                                                                           Driver
                                                                                                                                                                                                        CMISS
                                                                                                                                                                                                                                     from/to




                                                                                                                                                                                    Bus–OFF
                                                                                                                 PowerSync.                       Remote
                                                                                                                                                 Inventory
                                                                                  internal voltages




                                                                                                           1.5V                                                                                     RIBUS (SPI)
                                                                                                                                                                                              ID
                                                                                                           1.8V                                                               RIBUS
                                                                                                                                                                               I/F                  F   +3.3 Vdc
                                                                                                                          DC/DC                                Unit
                                                                                                          3.3 V
                                                                                                                                                                                                                       CONGI




                                                                                                                      CONVERTERS                               Failure
                                                                                                                                                                                                                       from




                                                                                                          2.5 V                                                                                     48/60 V



                                              Gigabit Ethernet Unit

                                                                                                      Figure 283. Gigabit Ethernet Unit – Block diagram
1AA 00014 0004 (9007) A4 – ALICE 04.10




                                         ED       03

                                                                                                                                                             3AL 91669 AA AA                                           534 / 706


                                                                                                                                                                                   706
4.41 ISA– Ethernet switch (ES1–8FE)

                                                                                            The board ISA–ES1–8FE mainly works as a LAN switching, and in particular it provides the service of
                                                                                            connecting two LANs as a point to point connection between two routers or switches through an SDH
not permitted without written authorization from Alcatel.




                                                                                            network.
  All rights reserved. Passing on and copying of this
  document, use and communication of its contents




                                                                                            The connections to the Ethernet network are accomplished by means of eight local 10/100 Base T
                                                                                            ethernet interfaces located on the front of the board, and eight ethernet over SDH interfaces through
                                                                                            back–panel.

                                                                                            The SDH container used for Ethernet data transportation are VC–4, VC–3, VC–12, VC3XV and VC12XV.

                                                                                            The main functions implemented on the board are the following:

                                                                                            [1]   Ethernet Physical interface

                                                                                            [2]   Ethernet Switch module

                                                                                            [3]   Ethernet Mapper (GFP/LAPS)

                                                                                            [4]   Bus converter

                                                                                            [5]   SDH interfacing to Back Panel (TTF and LVC)

                                                                                            [6]   Microprocessor

                                                                                            [7]   RIBUS interface

                                                                                            [8]   Power supply



                                                                                            [1] Ethernet Physical interface

                                                                                            This block supports the eight 10/100 Mbit/s ports. The 10/100 Mbit/s Ethernet MAC block is IEEE 802.3,
                                                                                            802.3x and 802.3ac compliant and supports Full Duplex/Half Duplex for 10/100 Mbit/s Ethernet MAC
                                                                                            (MAC implements the IEEE 802.3 MAC Control layer and PAUSE operation for flow control) mode of
                                                                                            operation.

                                                                                            In addition, 3 LED interface are provided for each port to reflect current status.

                                                                                            [2] Ethernet Switch module

                                                                                            In ISA ES1–8FE board, 16FE ports are used, in which 8 of them for 100BASE–T line side interface, while
                                                                                            other 8 for SDH mapper.

                                                                                            The basic functions supported are following listed:

                                                                                                  •        MAC based forwarding and autolearning
                                                                                                  •        VLAN based forwarding
                                                                                                  •        802.1Q VLAN add/remove/swap
                                                                                                  •        Stacked VLAN (802.1Q format) add/remove/swap
                                                                                                  •        Multicast/Broadcast
                                                                                                  •        802.3x flow control
                                                                                                  •        802.1Q Priority bits management for queuing, WFQ scheduling
                                                                                                  •
                                                  1AA 00014 0004 (9007) A4 – ALICE 04.10




                                                                                                           Policing and bandwidth allocation




                                                                                           ED         03

                                                                                                                                                            3AL 91669 AA AA                  535 / 706


                                                                                                                                                                          706
[3] Ethernet Mapping over SDH (GFP/LAPS)

                                          Ethernet packets are encapsulated and mapped into SDH frames for transmission. Ethernet mapper
                                          supports 8 independent channels for EOS encapsulation.




                                                                                                                                                             not permitted without written authorization from Alcatel.
                                                                                                                                                               All rights reserved. Passing on and copying of this
                                                                                                                                                               document, use and communication of its contents
                                          Each channel can be mapped with multi SDH containers with appropriate bandwidth, such as
                                          VC12s/VT1.5, VC3s/STS–1s, or VC4s/STS–3c.

                                          Both high order and low order concatenation are supported, moreover, virtual concatenation with LCAS
                                          (Link Capacity Adjustment Scheme) providesr customer with powerful dynamic bandwidth adjustment
                                          scheme to fit various needs.

                                          Basic feature list as follows:

                                               •        Multi encapsulation mode supported:

                                                        –   GFP Generic Framing Procedure (ITU–T G.7041)

                                                        –   LAPS Link Access Procedure SDH (ITU–T X.86/X.85)

                                                        –   BCP PPP Bridge Control Protocol (RFC 1662/2878)

                                               •        Low order/High order Contiguous and Virtual Concatenation supported

                                               •        Container supported:

                                                        –   VC12–xv (x = 1 to 63)

                                                        –   VC3–xv (x = 1 to 3)

                                               •        Differential delay compensation = 48 ms

                                          [4] Bus converter

                                          The task of the Bus converter is to translate 19 Mb/s A/D bus to 155 Mb/s data stream.

                                          [5] SDH interfacing with Back Panel (TTF and LVC)

                                          The TTF block is connected to the two central boards (MATRIXN) through 1 +1 links @622 Mbit/s in LVDS.

                                          TTF (Transport Terminal Function) block provides SDH termination for Regenerator Section and Multiplex
                                          Section.

                                          The LVC block is connected both to the HPC matrices and to the LPC matrices on the MATRIXN card
                                          through couple of 1+1 links @ 622 MBit/s working in protection, LVDS format, STM–4 equivalent capacity.

                                          LVC circuits perform the HOA function (Higher Order Assembler) and the Lower Order functions LTCM
                                          or LTCT sink, LPOM or LSUT sink, LSUT source and LTC source up to 4 STM1 equivalent.

                                          [6] Microprocessor

                                               It is a microcontroller controlling and supporting the Ethernet functionalities, such as: configuration,
                                               alarms and states collections, performances monitoring, communications with the Shelf Controller
                                               (SC, on MATRIX unit) and with the OS, etc. It communicates with the SC by means of the
                                               configuration bus for SDH functions (SDH–CS), coming from the Management bus ISPB (intra shelf
1AA 00014 0004 (9007) A4 – ALICE 04.10




                                               parallel bus). It is provided with relevant devices SDRAM (for data memory) and Flash EPROM (for
                                               program memory).




                                         ED        03

                                                                                                          3AL 91669 AA AA                        536 / 706


                                                                                                                        706
[7] RIBUS interface

                                                                                            This block is used to read/write from/to the ”RIBUS” serial stream (SPI: serial peripheral inventory), to
                                                                                            control the LED on the unit, to release the Management–bus in case of power failure, and to use the remote
not permitted without written authorization from Alcatel.




                                                                                            inventory. RIBUS I/F is powered by the + 3.3 VS supplied by the rear access panel.
  All rights reserved. Passing on and copying of this
  document, use and communication of its contents




                                                                                            The following information/alarms coming from the boards are collected and sent to EQUICO:

                                                                                            –    Card type and slot identification

                                                                                            –    Alim alarm : it arises in case of card power failure

                                                                                            –    ISPB control: it disables the card access to the ISPB bus in case of board power failure or incase of
                                                                                                 generic board failure.

                                                                                            –    LED control: it commands the on/off status of the green/red INT LED present on each card.

                                                                                            Moreover the component permits to read/write the remote inventory.

                                                                                            [8] Power supply

                                                                                            This block converts the 48/60 V power supply, to obtain the voltages used to supply all the components
                                                                                            in the board.

                                                                                            Ethernet card internally uses five different power voltages.

                                                                                            The following voltages are needed: +3.3V , +2.5V, +1.8V, +1.5V, +3.3VS.

                                                                                            The other functions implemented on the board are:

                                                                                                 •        REMOTE INVENTORY
                                                                                                          It is the memory containing the board information, for identification purposes (see para. 3.17
                                                                                                          on page 370 for details).

                                                                                                 •        M–BUS Driver
                                                                                                          It drives the input–output gates of the Management–bus (ISPB: intra–shelf parallel bus). These
                                                                                                          drivers can be disabled (by the Bus–OFF signal) in case of power failure.

                                                                                                          DC/DC CONVERTERS

                                                                                                 •        LEDS and Push–buttons
                                                                                                          The board presents, on its front panel, nine LEDs, the use and meaning of the LED and of the
                                                                                                          frontal connectors is reported in Figure 47. on page 136.
                                                  1AA 00014 0004 (9007) A4 – ALICE 04.10




                                                                                           ED        03

                                                                                                                                                             3AL 91669 AA AA                       537 / 706


                                                                                                                                                                           706
MATRIX MAIN AND SPARE
                                                                                                                                               System clock a




                                                                                                                                                                                                                                   not permitted without written authorization from Alcatel.
                                                                                                                                                      System clock b




                                                                                                                                                                                                                                     All rights reserved. Passing on and copying of this
                                                                                                                                                                                                                                     document, use and communication of its contents
                                                                                                                                                     Link H          1+1
                                                                                                                             TTF




                                                                                                                                                                                           from/to
                                                                                                   BUS                                               Link X          1+1
                                                                                              CONVERTER
                                                                                                                             LVC                     Link L          1+1




                                                                                   1               8




                                              1
                                                  ÎÎ
                                                  ÎÎ
                                                                                                                                              From/to SDRAM



                                                                                       Ethernet                  Ethernet Switch
                                                                                                                                                 Ethernet
                                                                                       Physical
                                                                                                                                                  Mapper
                                                                                       Interface                    Module
                                                                                                                                                (GFP, LAPS)

                                              8
                                                  ÎÎ
                                                  ÎÎ                                                                                             Configuration  Status




                                                                                                                                                                                      EQUICO
                                                                                                                                                                                       from/to
                                                          RESTART                                                                                                     SNMP


                                                                                                       MICROPROCESSOR
                                                       SDRAM
                                                                                                                                                                                                 MATRIX MAIN AND SPARE
                                                       FLASH
                                                       EPROM                                                                                                     Management
                                                                                                                                                                 Bus (ISPB)
                                                                                                                                                M–BUS
                                                                                                                                                 Driver
                                                                                                                                                                           CMISS
                                                                                                                                                                                       from/to




                                                                                                                                                     Bus–OFF
                                                                                             PowerSync.                  Remote
                                                                                                                        Inventory
                                                               internal voltages




                                                                                          1.5V                                                                       RIBUS (SPI)
                                                                                                                                                                ID
                                                                                          1.8V                                                   RIBUS
                                                                                                                                                  I/F                F     +3.3 Vdc
                                                                                                         DC/DC                      Unit
                                                                                         3.3 V
                                                                                                                                                                                       CONGI




                                                                                                   CONVERTERS                       Failure
                                                                                                                                                                                       from




                                                                                         2.5 V                                                                       48/60 V



                                                   ISA ES1–8FE unit
1AA 00014 0004 (9007) A4 – ALICE 04.10




                                                                                              Figure 284. ISA ES1–8FE block diagram




                                         ED       03

                                                                                                                                       3AL 91669 AA AA                                      538 / 706


                                                                                                                                                          706
4.42 ISA– Ethernet switch (ES1–8FX)

                                                                                            The description of the board is similar to the ISA ES1–8FE (refer to paragraph 4.41 on page 535) taking
                                                                                            into account that ISA ES1–8FX has eight 100 Base FX Optical SFP module instead of 10/100 Base T.
not permitted without written authorization from Alcatel.
  All rights reserved. Passing on and copying of this
  document, use and communication of its contents




                                                                                            4.43 ISA– Ethernet switch (ES4–8FE)

                                                                                            The board ISA–ES4–8FE mainly works as a LAN switching and as gateway from the Ethernet traffic
                                                                                            towards the SDH network.
                                                                                            In particular it provides the service of connecting two LANs and can be applied mainly in three scenario:

                                                                                            [1]   Point to point application where a point to point connection is set–up between two routers or switches
                                                                                                  through an SDH network.

                                                                                            [2]   Ring application where local interfaces add/drop Ethernet traffic on a ring of virtual concatenated
                                                                                                  paths in the SDH network.

                                                                                            [3]   HUB application where several switches or routers convey traffic towards a single machine (for
                                                                                                  example POP router)

                                                                                            The connections to the Ethernet network are accomplished by means of 8 local 10/100 Base T ethernet
                                                                                            interfaces located on the front of the board, and 16 ethernet over SDH interfaces through back–panel
                                                                                            which has a 622 Mbit/s equivalent throughput.
                                                                                            The front panel hosts also one Small Form factor Pluggable module supporting a Gigabit Ethernet
                                                                                            interface, the ninth local interface.

                                                                                            The SDH container used for Ethernet data transportation are VC–4, VC4XV (only when Gbit Ethernet
                                                                                            interface will be managed) VC–3, VC–12, VC3XV and VC12XV.

                                                                                            The main functions implemented on the board are the following:

                                                                                            [1]   Ethernet Physical interface

                                                                                            [2]   Ethernet Switch module

                                                                                            [3]   Ethernet Mapper (GFP/LAPS)

                                                                                            [4]   SDH interfacing to Back Panel (TTF and LVC)

                                                                                            [5]   Local Microprocessor

                                                                                            [6]   RIBUS interface

                                                                                            [7]   Power supply


                                                                                            [1] Ethernet Physical interface

                                                                                            This block supports the eight 10/100 Mbit/s ports. The 10/100 Mbit/s Ethernet MAC block is IEEE 802.3,
                                                                                            802.3x and 802.3ac compliant and supports Full Duplex only for 10/100 Mbit/s Ethernet MAC (MAC
                                                                                            implements the IEEE 802.3 MAC Control layer and PAUSE operation for flow control) mode of operation;
                                                                                            autonegotiation is also supported.
                                                  1AA 00014 0004 (9007) A4 – ALICE 04.10




                                                                                           ED       03

                                                                                                                                                            3AL 91669 AA AA                        539 / 706


                                                                                                                                                                          706
[2] Ethernet Switch module

                                          In ISA ES4–8FE board, 25 ports are used, in which 8 of them for 100BASE–T line side interface, one for
                                          1000Base SX, LX, ZX while other 16 for SDH mapper.




                                                                                                                                                         not permitted without written authorization from Alcatel.
                                                                                                                                                           All rights reserved. Passing on and copying of this
                                                                                                                                                           document, use and communication of its contents
                                          The basic functions supported are following listed:

                                               •        MAC based forwarding and autolearning
                                               •        VLAN based forwarding
                                               •        802.1Q VLAN add/remove/swap
                                               •        Stacked VLAN (802.1Q format) add/remove/swap
                                               •        Multicast/Broadcast
                                               •        802.3x flow control
                                               •        802.1Q Priority bits management for queuing, WFQ scheduling
                                               •        Policing and bandwidth allocation

                                          [3] Ethernet Mapping over SDH (GFP/LAPS)

                                          Ethernet packets are encapsulated and mapped into SDH frames for transmission. Ethernet mapper
                                          supports 16 independent channels for EOS (Ethernet Over SDH) encapsulation.

                                          Each channel can be mapped with multi SDH containers with appropriate bandwidth, such as VC12,
                                          VC12XV, VC3, VC3XV, VC4 or VC4XV (with local Gb Ethernet interface)

                                          Both high order and low order concatenation are supported, moreover, virtual concatenation with LCAS
                                          (Link Capacity Adjustment Scheme) provides customer with powerful dynamic bandwidth adjustment
                                          scheme to fit various needs.

                                          Basic feature list as follows:

                                               •        Multi encapsulation mode supported:

                                                        –   GFP Generic Framing Procedure (ITU–T G.7041)

                                                        –   LAPS Link Access Procedure SDH (ITU–T X.86/X.85)

                                                        –   BCP PPP Bridge Control Protocol (RFC 1662/2878)

                                               •        Low order/High order Contiguous and Virtual Concatenation supported

                                               •        XV Container supported:
                                                        According to the port configuration two different operation mode are available for ISA
                                                        ES–4–8FE as explained in the table below:


                                                                  XV type                               XV container supported

                                                                                         SMII operating mode           GMII operating mode

                                                                 VC12–xv                      (x = 1 to 50)                  (x = 1 to 63)

                                                                  VC3–xv                      (x = 1 to 2)                   (x = 1 to 12)

                                                                  VC4–xv                          (x = 1 )                   (x = 1 to 4 )
1AA 00014 0004 (9007) A4 – ALICE 04.10




                                                        The choice between SMII or GMII operation is made via Craft Terminal.

                                               •        Differential delay compensation = 48 ms


                                         ED        03

                                                                                                             3AL 91669 AA AA                 540 / 706


                                                                                                                       706
[5] SDH interfacing with Back Panel (TTF and LVC)

                                                                                            The TTF block is connected to the two central boards (MATRIXN) through 1 +1 links @622 Mbit/s in LVDS.
not permitted without written authorization from Alcatel.




                                                                                            TTF (Transport Terminal Function) block provides SDH termination for Regenerator Section and Multiplex
  All rights reserved. Passing on and copying of this
  document, use and communication of its contents




                                                                                            Section.

                                                                                            The LVC block is connected both to the HPC matrices and to the LPC matrices on the MATRIXN card
                                                                                            through couple of 1+1 links @ 622 MBit/s working in protection, LVDS format, STM–4 equivalent capacity.

                                                                                            LVC circuits perform the HOA function (Higher Order Assembler) and the Lower Order functions LTCM
                                                                                            or LTCT sink, LPOM or LSUT sink, LSUT source and LTC source up to 4 STM1 equivalent.

                                                                                            [6] Local Microprocessor

                                                                                            It controls and supports the Ethernet functionalities (Ethernet Physical Interface, Ethernet Switch Module
                                                                                            and Ethernet Mapper): configuration, alarms and states collections, performances monitoring,
                                                                                            communications with the OS (SNMP).
                                                                                            The microprocessor is provided with relevant devices SDRAM (for data memory), Flash EPROM (for
                                                                                            program memory) and Compact Flash.
                                                                                            External Shelf Controller (SC) controls SDH related circuits by ISPB bus.

                                                                                            [7] RIBUS interface

                                                                                            This block is used to read/write from/to the ”RIBUS” serial stream (SPI: serial peripheral inventory), to
                                                                                            control the LED on the unit, to release the Management–bus in case of power failure, and to use the remote
                                                                                            inventory. RIBUS I/F is powered by the + 3.3 VS supplied by the rear access panel.

                                                                                            The following information/alarms coming from the boards are collected and sent to EQUICO:

                                                                                            –    Card type and slot identification

                                                                                            –    Alim alarm : it arises in case of card power failure

                                                                                            –    ISPB control: it disables the card access to the ISPB bus in case of board power failure or incase of
                                                                                                 generic board failure.

                                                                                            –    LED control: it commands the on/off status of the green/red INT LED present on each card.

                                                                                            Moreover the component permits to read/write the remote inventory.

                                                                                            [8] Power supply

                                                                                            This block converts the 48/60 V power supply, to obtain the voltages used to supply all the components
                                                                                            in the board.

                                                                                            Ethernet card internally uses five different power voltages.

                                                                                            The following voltages are needed: +3.3V , +2.5V, +1.8V, +1.5V, +3.3VS.
                                                  1AA 00014 0004 (9007) A4 – ALICE 04.10




                                                                                           ED      03

                                                                                                                                                           3AL 91669 AA AA                       541 / 706


                                                                                                                                                                        706
The other functions implemented on the board are:

                                              •        REMOTE INVENTORY
                                                       It is the memory containing the board information, for identification purposes (see para. 3.17




                                                                                                                                                             not permitted without written authorization from Alcatel.
                                                       on page 370 for details).




                                                                                                                                                               All rights reserved. Passing on and copying of this
                                                                                                                                                               document, use and communication of its contents
                                              •        M–BUS Driver
                                                       It drives the input–output gates of the Management–bus (ISPB: intra–shelf parallel bus). These
                                                       drivers can be disabled (by the Bus–OFF signal) in case of power failure.

                                                       DC/DC CONVERTERS

                                              •        LEDS and Push–buttons
                                                       The board presents, on its front panel, one LED, the meaning of which is reported in Figure 48.
                                                       on page 137.
                                                       A push–button for the microprocessor restart is present on the front of the unit.
1AA 00014 0004 (9007) A4 – ALICE 04.10




                                         ED       03

                                                                                                           3AL 91669 AA AA                       542 / 706


                                                                                                                         706
System clock a




                                                                                                                                                                                                                                                                                                       MATRIX MAIN AND SPARE
not permitted without written authorization from Alcatel.




                                                                                                                                                                                                                                                  System clock b
  All rights reserved. Passing on and copying of this
  document, use and communication of its contents




                                                                                                                                                                                                                                                   Link H          1+1
                                                                                                                                                                                                                        TTF




                                                                                                                                                                                                                                                                                       from/to
                                                                                                                                                                                                                                                   Link X          1+1

                                                                                                                                                                                                                        LVC                        Link L          1+1
                                                                                            ETHERNET INTERFACE 10 /100 BASE T




                                                                                                                                                                                                               4XSTM–1


                                                                                                                                                                                                                                          From/to SDRAM
                                                                                                                                1
                                                                                                                                    ÎÎÎ
                                                                                                                                    ÎÎÎ                                                    1XSMII                        2xSMII
                                                                                                                                                                                       (8 Fast Ethernet)                  (16 FE)
                                                                                                                                                                                                            Ethernet                         Ethernet
                                                                                                                                                                          Ethernet
                                                                                                                                                                          Physical                                                            Mapper
                                                                                                                                                                                                            Switch
                                                                                                                                                                                                                                            (GFP, LAPS)
                                                                                                                                                                          Interface                                      2xGMII
                                                                                                                                                                                                            Module
                                                                                                                                8                                                         2XGMII                         (2 GB E)
                                                                                                                                     ÎÎÎ
                                                                                                                                     ÎÎÎ                                                (1 Gbit Ethernet)


                                                                                                                                     not used
                                                                                           GIGABIT ETH
                                                                                             Interface




                                                                                                                                1   ÎÎÎ  SFP
                                                                                                                                                                                                                                             IBM




                                                                                                                                                                                                                                                            ISPB
                                                                                                                                         module
                                                                                                                                    ÎÎÎ
                                                                                                                                                                                                                          PCI




                                                                                                                                                                                                                                                                                   EQUICO
                                                                                                                                                                                                                                                                                    from/to
                                                                                                                                                                                                                                                                     SNMP
                                                                                                                                                  RESTART


                                                                                                                                          SDRAM
                                                                                                                                                                                             MICROPROCESSOR                                CONTROL
                                                                                                                                                                                                                                             BUS
                                                                                                                                                                                                                                            BRIDGE
                                                                                                                                          FLASH




                                                                                                                                                                                                                                                                                              MATRIX MAIN AND SPARE
                                                                                                                                          EPROM

                                                                                                                                                                                                                                                                     Management
                                                                                                                                                         CPLD                                                                                                        Bus (ISPB)
                                                                                                                                                                                                                                            M–BUS
                                                                                                                                         COMPACT                                                                                             Driver
                                                                                                                                                                                                                                                                         CMISS
                                                                                                                                                                                                                                                                                    from/to



                                                                                                                                          FLASH
                                                                                                                                                                                                                                                   Bus–OFF
                                                                                                                                                                                                                      Remote
                                                                                                                                                      internal voltages




                                                                                                                                                                                                                     Inventory
                                                                                                                                                                                1.5V                                                                                 RIBUS (SPI)
                                                                                                                                                                                                                                                               ID
                                                                                                                                                                                 1.8V                                                        RIBUS
                                                                                                                                                                                                                                              I/F                   F +3.3 Vdc
                                                                                                                                                                                             DC/DC                              Unit
                                                                                                                                                                               3.3 V
                                                                                                                                                                                                                                                                                   CONGI




                                                                                                                                                                                          CONVERTERS                            Failure
                                                                                                                                                                                                                                                                                   from




                                                                                                                                                                               2.5 V                                                                                48/60 V


                                                                                                                                         ISA ES4–8FE




                                                                                                                                                                                        Figure 285. ISA ES4–8FE block diagram
                                                  1AA 00014 0004 (9007) A4 – ALICE 04.10




                                                                                           ED                                       03

                                                                                                                                                                                                                                          3AL 91669 AA AA                                                                      543 / 706


                                                                                                                                                                                                                                                               706
4.44 ISA ES–16

                                          (Refer to Figure 286. on page 548)




                                                                                                                                                             not permitted without written authorization from Alcatel.
                                          ISA ES16 unit has a throughput towards the SDH network of 2.5 Gbit/s and it hasn’t any local Ethernet




                                                                                                                                                               All rights reserved. Passing on and copying of this
                                                                                                                                                               document, use and communication of its contents
                                          interfaces on the front pane (stand–alone operation)l. The board is able to manage local Ethernet
                                          interfaces, but it has to be equipped together with the access card, which has to be plugged into the Access
                                          Area.

                                          The Access Card, which can be used in conjunction with ISA ES–16 are:

                                          –    14x Fast Ethernet access card for providing 14 FE local interface;

                                          –    Gigabit Ethernet Access Card for providing up to four Gigabit Ethernet Local interfaces with SFP
                                               optical plugs, which can be 1000B– SX/LX/ZX.

                                          Note: independently of the configured Ethernet local interfaces, the maximum number of ports towards
                                          SDH network (managed by Q3) is 64, while the number of ports of the switch can be increased up to 78
                                          if the Fast Ethernet Access Card is applied or up to 68 if the Gigabit/s Access Card is applied.
                                          The management and control of those local interfaces is in charge of SNMP.

                                          The board mainly works as a LAN switching and as a gateway from the Ethernet traffic towards the SDH
                                          network.

                                          In particular the board can be used mainly for providing three services:

                                          –    Virtual Private Line: point to point application where a point to point is set–up between two routers
                                               or switches through a SDH network: the ISA ES–16 can be directly connected to the customer using
                                               the local interface of the Access Cards, or the connection to the customers can be remotized using
                                               for istance the Fast Ethernet Boards.

                                          –    Virtual Private LAN service: multipoint to multipoint application, where each port of the customer can
                                               be connected to every other ports of its virtual private LAN. The forwarding of the Ethernet flows is
                                               based on proper classification process taking into account the SLA and the load of the network local
                                               interfaces. The topology exploiting this application could be for example a ring topology where the
                                               customer local or remote interface add/drop Ethernet traffic on a ring of (virtual) paths in the SDH
                                               network. In this way ISA ES–16 work as switch distributed in the network.

                                          –    Broadband access service (hub application scenario) where several switches or routers convey
                                               traffic towards a single machine (for example a POP router).

                                          The Ethernet traffic, opportunely mapped in the SDH transport structures, is then sent towards the SDH
                                          Matrix through the back–plane which has STM–16 equivalent throughput. This represents the maximum
                                          throughput of the board which depends also by the subrack slot.

                                          The Ethernet frames can be mapped in different types of SDH Virtual Containers (according the chooses
                                          of the operator) using the Frame based GFP (Generic Frame Procedure) protocol, LAPS (Link Access
                                          Procedure– SDH) protocol or PPP (Point to Point protocol) protocol over HDLS (High level Data Link
                                          Control).

                                          The board is able to forward frames on port numbering, VLAN tag, priority coding, MAC Destination
                                          address, but also on MPLS (Multi Protocol Label Switching) label; It supports the Martini encapsulation
                                          for transporting the VLAN tagged Ethernet frames into MPLS network.
1AA 00014 0004 (9007) A4 – ALICE 04.10




                                         ED      03

                                                                                                          3AL 91669 AA AA                        544 / 706


                                                                                                                        706
Main functionalities:

                                                                                            –    4.5 Gbit/s layer 2 switching
not permitted without written authorization from Alcatel.




                                                                                            –    SDH capabilities:
  All rights reserved. Passing on and copying of this
  document, use and communication of its contents




                                                                                                 •        STM16 Ho/STM4 LO

                                                                                                 •        virtual concatenation: up to 64 VCG groups

                                                                                                 •        hitless LCAS (Link Capacity Adjustment Scheme)



                                                                                            –    Protocol support:

                                                                                                 •        POS (Packet Over SDH)

                                                                                                 •        GFP

                                                                                                 •        IEEE 802.3 Ethernet (10/100 or GBE)

                                                                                            –    Switching based on:

                                                                                                 •        Stacked VLAN

                                                                                                 •        MPLS

                                                                                                 •        MAC learning

                                                                                            –    HW support for EPS:

                                                                                            –    Ethernet access through FE access module or GBE acc module



                                                                                            ISA ES 16 is a single height module that fits in any port slot 1660SM equipment. The equivalent backplane
                                                                                            capacity is 1xSTM4 in normal slot or 2xSTM4 in enhanced slots

                                                                                            Local data access are available through access slot equipped with 14xFE access card or 4xGBE access
                                                                                            card.

                                                                                            When attached to 4xGBE access card the input traffic must be reduced in order not to overflow the fabric:
                                                                                            in such a case backplane traffic is not affected, while GBE traffic can be reduced by means of 802.3 flow
                                                                                            control protocol (pause frames).

                                                                                            ISA ES–16 board supports the EPS protection scheme 1+1 where the main and spare position are
                                                                                            assigned by management system in a flexible way (refer to paragraph 3.13.1 on page 322 for details).

                                                                                            Data enter ES16 embedded in SDH streams by the matrixes and as Ethernet frames from Access Cards.

                                                                                            Data connection with Matrixes is realized with MUX/DEMUX and G.A. block.

                                                                                            MUX/DEMUX is connected to main and enhanced NGI ports supporting data up to 4 equivalent STM1
                                                                                            in normal slot and 8xSTM1 in enhanced slot.
                                                  1AA 00014 0004 (9007) A4 – ALICE 04.10




                                                                                            MUX/DEMUX is configured to talk to G.A block in 16xSTM1 mode; G.A. block generates a STM16 stream
                                                                                            to “VCG management block” that handles up to 64 VCGs (Virtual Concatenation Group) with LCAS
                                                                                            protocol; also terminates layer 2.5 on each group (GFP, LAPS and POS)..


                                                                                           ED        03

                                                                                                                                                           3AL 91669 AA AA                      545 / 706


                                                                                                                                                                        706
Although “VCG management block” can transport several type of layer 2 or 3 formats, foreseeable
                                          applications of ISA ES16 only calls for transport of Ethernet and MPLS frames.

                                          Extracted frames are sent for further processing to “ETHERNET Mapper” block the function of which are:




                                                                                                                                                           not permitted without written authorization from Alcatel.
                                                                                                                                                             All rights reserved. Passing on and copying of this
                                                                                                                                                             document, use and communication of its contents
                                          –    Serial link alignment

                                          –    frame delineation

                                          –    storing of frames entering from SPI3 and access card and forwarding to AD FPGA

                                          –    reassembling of ethernet frames received from AD FPGA and forwarding to Access card

                                          –    format adaptation of segments coming from AD directed to Calla48

                                          ISA ES16 UNIT is connected to FE or GE “access card” directly by “ETHERNET Mapper” block.

                                          “Ethernet Mapper” block interfaces to “Layer 2 processing” block through 2 monodirectional 13 LVDS links
                                          bus at 450 Mbps.

                                          In Rx direction full packet are transferred across the interface. Each packet is prepended with a control
                                          word carrying indications of input port, length and other service information.

                                          In Tx direction, segments of up to 128 bytes are transferred across the interface: “Ethernet Mapper” block
                                          dispatches data to Ethernet reassembling circuitry or to “VCG management” block.

                                          Ethernet packets are processed by “Layer 2 processing” block to:

                                          –    decode protocol header, up to eight nested protocols or MPLS labels can be extracted

                                          –    search flow and session to which the packet belong

                                          –    policing the streams according to session parameters

                                          –    monitor the traffic with inflow and outflow counters

                                          –    schedule forwarding of packets

                                          –    encapsulation of outgoing packets

                                          Output port, encapsulation and assigned quality of service of outgoing packets depend on a subset of
                                          input port, VLAN tags, MAC address and MPLS labels. “Layer 2 processing” block and the local
                                          microprocessor cooperates in dynamically learning and obsoleting MAC addresses.

                                          Local Microprocessor

                                          It controls and supports the Ethernet functionalities (Ethernet Physical Interface, Ethernet Switch Module
                                          and Ethernet Mapper): configuration, alarms and states collections, performances monitoring,
                                          communications with the OS (SNMP).
                                          The microprocessor is provided with relevant devices SDRAM (for data memory), Flash EPROM (for
                                          program memory) and Compact Flash.
                                          External Shelf Controller (SC) controls SDH related circuits by ISPB bus.
1AA 00014 0004 (9007) A4 – ALICE 04.10




                                         ED      03

                                                                                                        3AL 91669 AA AA                        546 / 706


                                                                                                                      706
RIBUS interface

                                                                                            This block is used to read/write from/to the ”RIBUS” serial stream (SPI: serial peripheral inventory), to
                                                                                            control the LED on the unit, to release the Management–bus in case of power failure, and to use the remote
not permitted without written authorization from Alcatel.




                                                                                            inventory. RIBUS I/F is powered by the + 3.3 VS supplied by the rear access panel.
  All rights reserved. Passing on and copying of this
  document, use and communication of its contents




                                                                                            The following information/alarms coming from the boards are collected and sent to PQ2/EQC:

                                                                                            –    Card type and slot identification

                                                                                            –    Alim alarm : it arises in case of card power failure

                                                                                            –    ISPB control: it disables the card access to the ISPB bus in case of board power failure or incase of
                                                                                                 generic board failure.

                                                                                            –    LED control: it commands the on/off status of the green/red INT LED present on each card.

                                                                                            Moreover the component permits to read/write the remote inventory.

                                                                                            The other functions implemented on the board are:

                                                                                                 •        REMOTE INVENTORY
                                                                                                          It is the memory containing the board information, for identification purposes (see para. 3.17
                                                                                                          on page 370 for details).

                                                                                                 •        M–BUS Driver
                                                                                                          It drives the input–output gates of the Management–bus (ISPB: intra–shelf parallel bus). These
                                                                                                          drivers can be disabled (by the Bus–OFF signal) in case of power failure.

                                                                                                          DC/DC CONVERTERS

                                                                                                          Starting from the 48 dc supplyed by CONGI unit with the aids of internal DC/DC converter, are
                                                                                                          generated the following voltage:

                                                                                                          –    3.3 Vdc
                                                                                                          –    2.5 Vdc
                                                                                                          –    1.8 Vdc
                                                                                                          –    1.5 Vdc
                                                                                                          –    1.2 Vdc

                                                                                                 •        LEDS and Push–buttons
                                                                                                          The board presents, on its front panel, one LED, the meaning of which is reported in Figure 48.
                                                                                                          on page 137.
                                                  1AA 00014 0004 (9007) A4 – ALICE 04.10




                                                                                           ED        03

                                                                                                                                                              3AL 91669 AA AA                       547 / 706


                                                                                                                                                                            706
ACCESS CARD
                                                                                                                                                                     1,2 Gb/s DATA
                                                                                                                                                    SIPO




                                                                                                                                                                                                                                             not permitted without written authorization from Alcatel.
                                                                                                                                                                                                    from/to
                                                                                                                                                      




                                                                                                                                                                                                                                               All rights reserved. Passing on and copying of this
                                                                                                                                                                                                                                               document, use and communication of its contents
                                                                                                                                                    PISO




                                                                                                                                                           System clock a
                                                                                                                            G.A.                                  System clock b
                                                                                                                                                                Link L      1+1
                                                                                                                                 LVC




                                                                                                                                                                                                                     MATRIX MAIN AND SPARE
                                                                                                                                                                               Link H 1+1
                                                                                Ethernet                  VCG                                                  MUX/
                                               LAYER 2




                                                                                                                                                                                                        from/to
                                              Processing                        Mapper                                           TTF                          DEMUX            Link X   1+1
                                                                                                     management




                                                                                                                                                           EPS–ISSB
                                                           RESTART




                                                                                                                                                                                                        EQUICO
                                                                                                                                                                                                         from/to
                                                                                                                                                                     SNMP

                                                    SDRAM
                                                                                                MICROPROCESSOR
                                                                                                                                       Bus (ISPB)
                                                                                                                    PCI




                                                    FLASH
                                                    EPROM




                                                    COMPACT
                                                     FLASH                                                        CONTROL
                                                                                                                    BUS
                                                                                                                   BRIDGE                                                                                MATRIX MAIN AND SPARE
                                                                                                                                                                 Management
                                                                                                                                                                 Bus (ISPB)
                                                                                                                                          M–BUS
                                                                                                                                           Driver
                                                                                             PowerSync.                                                                  CMISS
                                                                                                                                                                                              from/to




                                                                                                                                                     Bus–OFF
                                                                                  1.2V
                                                            internal voltages




                                                                                                                 Remote
                                                                                                                Inventory
                                                                                   1.5V                                                                              RIBUS (SPI)
                                                                                                                                                                ID
                                                                                                DC/DC                                        RIBUS
                                                                                   1.8V
                                                                                            CONVERTERS                                        I/F                    F   +3.3 Vdc
                                                                                                                            Unit
                                                                                  3.3 V
                                                                                                                                                                                              CONGI




                                                                                                                            Failure
                                                                                                                                                                                              from




                                                                                  2.5 V                                                                              48/60 V



                                                   ISA ES16
1AA 00014 0004 (9007) A4 – ALICE 04.10




                                                                                          Figure 286. ISA ES16 unit block diagram




                                         ED   03

                                                                                                                                3AL 91669 AA AA                                                         548 / 706


                                                                                                                                                           706
4.45 4 X ANY HOST C card

                                                                                            (Refer to Figure 287. on page 553)
not permitted without written authorization from Alcatel.




                                                                                            This port realizes the mapping of up to 4 “client” signals, into an equivalent bandwidth up to 16 AU4’s; the
  All rights reserved. Passing on and copying of this
  document, use and communication of its contents




                                                                                            client allocation depends on the operative bitrate of client signal to be mapped, so as the availability of
                                                                                            16 AU4’s (rather than 8 AU4’s) is related to the type of slot used for the board equipment (refer to paragraph
                                                                                            3.10 on page 293 for details).

                                                                                            AU4’s carrying ’client’ signals mapped can be, then, cross–connected at HO level by MATRIX card.

                                                                                            ’Client’ interfacing is performed through specific ’pluggable’ modules.

                                                                                            Serial data provided by client modules is then processed by the “primary and secondary 2xANY“ blocks
                                                                                            in order to realize a ’bit–per–bit’ mapping of client signals supported, that result, after each block
                                                                                            processing, ’virtually concatenated’ into an 8xSTM1 bandwidth.

                                                                                            A specific FPGA interfaces the two “primary and secondary 2xANY“ blocks performing ’client mapping’
                                                                                            and then provides the whole SDH chain of functions from HPT to RST; this device allows also the
                                                                                            optimization of client allocation into the available 8xSTM1’s, when equipped in ’H.S.’ slots (refer to
                                                                                            paragraph 3.10 on page 293 for details).

                                                                                            The data signal is, then, exchanged to MATRIX card, through the G.A. block operating as electrical
                                                                                            interface: equivalent STM16 is received (transmitted) from FPGA block and provided (received) to
                                                                                            MATRIX card with NGI framed format (X, L, H links in Figure 287. )

                                                                                            Note – TTF blocks supported by FPGA and G.A block are used only for interface purpose. An internal
                                                                                            oscillator (VCXO 622.08 Mb/s) is hosted in order to handle CRU EPS events (phisically on MATRIX unit)
                                                                                            with no impact on ’client’ traffic transmitted to line.



                                                                                            TX SIDE

                                                                                            –    4 X ANY module blocks: the client receiver interface regenerates the incoming client signal and
                                                                                                 recovers the relative timing; the interface characteristics are related to client type (refer to paragraph
                                                                                                 5.7 on page 619). Line loopback commands for each interface are received by “Alarms and Control”
                                                                                                 block.

                                                                                            –    Primary and Secondary 2xANY blocks: inside theese blocks the HPA function is performed; more
                                                                                                 in details:

                                                                                                 •        client clock adaptation
                                                                                                 •        virtual concatenation
                                                                                                 •        C2 insertion

                                                                                            –    HPT block:

                                                                                                 HPT source is performed for all VC–4 in FPGA block; the following function are performed:

                                                                                                 •        B3: Bit interleaved parity (BIP–8) is computed over all bits of the previous VC–4 and placed in
                                                                                                          B3 byte position.
                                                                                                 •        G1[1–4]: The number of errors indicated in RI_REI (remote error indication extracted in HPT
                                                                                                          sk) is encoded in the REI (bits 1 to 4 of the G1 byte)
                                                  1AA 00014 0004 (9007) A4 – ALICE 04.10




                                                                                                 •        G1[5]: When there is an active RI_RDI (remote defect indication extracted in HPT sk), the RDI
                                                                                                          indication will be sent in bit 5 of G1 byte. Upon termination of the above conditions, the RDI
                                                                                                          indication will be removed.


                                                                                           ED        03

                                                                                                                                                              3AL 91669 AA AA                        549 / 706


                                                                                                                                                                            706
–   MSA block: it performs 16 POINTER GENERATOR functions in parallel, according to ITU and ETSI,
                                              on an AU–4 mapping basis.

                                          –   MST block: it is located in FPGA and performs Multiplex Section Termination Source:




                                                                                                                                                                not permitted without written authorization from Alcatel.
                                                                                                                                                                  All rights reserved. Passing on and copying of this
                                                                                                                                                                  document, use and communication of its contents
                                              •        K2 byte is also processed for RDI insertion. RDI is inserted according to sink function
                                                       consequent actions;
                                              •        S1: Byte S1 is inserted;
                                              •        B2: The error monitoring byte B2 is allocated in the STM–16 for a multiplex section bit
                                                       error–monitoring function. This function is a bit interleaved parity (BIP–24) code using even
                                                       parity as defined in Recommendation G.707. The BIP–24 is computed over all bits (except
                                                       those in the RSOH bytes) of the previous STM–16 frame and placed in the 3x16 respective B2
                                                       byte positions of the current STM–16 frame.
                                              •        M1: The number of errors detected by monitoring B2 in the sink side is passed to the source
                                                       side via the aREI and is encoded in the MS–REI (byte M1) according to 9.2.2.12/G.707.

                                          –   RST block: FPGA block implements the RST source functions listed here below.

                                              •        B1: The error monitoring byte B1 is allocated in the STM–16 for a regenerator section bit error
                                                       monitoring function. This function is a bit interleaved parity 8 (BIP–8) code using even parity as
                                                       defined in Recommendation G.707. The BIP–8 is computed over all bits of the previous
                                                       STM–16 frame the RSn_CP after scrambling. The result is placed in byte B1 position of the
                                                       RSOH before scrambling.
                                              •        A1, A2: Frame alignment bytes A1 and A2 (3 x 16 of each) are generated and inserted in the
                                                       first row of the RSOH.
                                              •        Scrambling is performed according to Recommendation G.707, which excludes the first row of
                                                       the STM–16 RSOH (9x16 bytes, including the A1, A2, J0 and bytes reserved for national use
                                                       or future international standardization) from scrambling.



                                          TX SIDE

                                          –   RST block: FPGA block implements the RST sink functions listed here below.

                                              •        The STM–16 frame alignment process is performed according to G.783 Recommendation.
                                              •        After the recovery of the frame phase start the received signal is descramblered using the
                                                       generator polynomial specified in G.707 Recommendation.
                                              •        B1 check is performed. Even bit parity is computed for each bit ”n” of every byte of the preceding
                                                       scrambled STM–16 frame and compared with bit ”n” of B1 recovered from the current frame
                                                       in order to detect errored blocks

                                          –   MST block: it is located in FPGA block and the function performed are listed below;

                                              •        B2: The 3 x 16 error monitoring B2 bytes are recovered from the MSOH. A BIP–24–16 code is
                                                       computed for the STM–16 frame. The computed BIP–24–16 value for the current frame is
                                                       compared with the recovered B2 bytes from the following frame and errors are reported .
                                                       B2 Errored Block events happened during the last second are reported in an “Alarms and
                                                       controls” block register.
                                                       B2 Errored Block is also used to calculate total number of errored blocks.
                                              •        M1: MS–REI information is decoded according to G.707 from byte M1 and reported as a 1
                                                       second count
                                                       MS–REI Errored Block events happened during the last second are reported in an “Alarms and
1AA 00014 0004 (9007) A4 – ALICE 04.10




                                                       controls” block register.
                                                       MS–REI indication is also used to calculate total number of remote errored block.
                                              •        K2: MS AIS detection

                                         ED       03

                                                                                                            3AL 91669 AA AA                         550 / 706


                                                                                                                          706
–   MSA block: pointer detection process.
                                                                                                The pointer interpreter can detect two defect conditions:

                                                                                                •        Loss Of Pointer (LOP);
not permitted without written authorization from Alcatel.




                                                                                                •        AU–AIS.
  All rights reserved. Passing on and copying of this
  document, use and communication of its contents




                                                                                                If either of these defect conditions are detected, then a logical all–ones (AIS) signal is generated

                                                                                            –   HPT block:

                                                                                                •        B3: The error monitoring byte B3 is recovered. BIP–8 is computed for the VC–4 frame. The
                                                                                                         computed BIP–8 value for the current frame is compared with the recovered B3 byte from the
                                                                                                         following frame.
                                                                                                         The process for detecting excessive errors and signal degrade is described in ITU–T
                                                                                                         Reccomandation. G.806.
                                                                                                         B3 Errored Block event happened during the last second of VC–4 #0 are reported in “Alarms
                                                                                                         and controls” block register.
                                                                                                         B3 Errored Block of VC–4 #0 are also used to calculate total number of errored block.
                                                                                                •        G1[1–4]: The REI is recovered and the derived performance primitives is reported for
                                                                                                         processing.
                                                                                                •        G1[5]: The RDI defect is processed as described in ITU–T Reccomandation. G.806.
                                                                                                •        C2: Unequipped defect is detected (refer to G.783)

                                                                                            –   HPA block:

                                                                                                The following function are performed:

                                                                                                •        C2 extraction: Byte C2 is recovered from VC–4 #0. If a dPLM is detected (see ITU–T G.806),
                                                                                                         then it will be reported in an “Alarms and controls” block register.

                                                                                                •        H4 extraction: Multiframe indicator is derived from the H4 byte. The received H4 value is
                                                                                                         compared to the next expected value in the multiframe sequence. The H4 value is assumed to
                                                                                                         be in phase when it is coincident with the expected value. If several H4 values are received
                                                                                                         consecutively not as expected but correctly in sequence with a different part of the multiframe
                                                                                                         sequence, then subsequent H4 values will be expected to follow this new alignment. If several
                                                                                                         H4 values are received consecutively not correctly in sequence with any part of the multiframe
                                                                                                         sequence, then a loss of multiframe (LOM) event is reported. When several H4 values have
                                                                                                         been received consecutively correctly in sequence with part of the multiframe sequence, then
                                                                                                         the event will be ended and subsequent H4 values will be expected to follow the new alignment.

                                                                                                •        extraction of payload from packetsand process the heaer content

                                                                                                •        automatic client based band and latency preset

                                                                                                •        client clock adaptation
                                                  1AA 00014 0004 (9007) A4 – ALICE 04.10




                                                                                           ED       03

                                                                                                                                                             3AL 91669 AA AA                       551 / 706


                                                                                                                                                                          706
The other functions implemented on the board are:

                                              •        RIBUS I/F
                                                       This block is used to read/write from/to the ”RIBUS” serial stream (SPI: serial peripheral




                                                                                                                                                            not permitted without written authorization from Alcatel.
                                                       inventory), to control the LED on the unit, to release the Management–bus in case of power




                                                                                                                                                              All rights reserved. Passing on and copying of this
                                                                                                                                                              document, use and communication of its contents
                                                       failure, and to use the remote inventory. RIBUS I/F is powered by the + 3.3 VS supplied by the
                                                       rear access panel.

                                              •        REMOTE INVENTORY
                                                       It is the memory containing the board information, for identification purposes (see para. 3.17
                                                       on page 370 for details).

                                              •        M–BUS Driver
                                                       It drives the input–output gates of the Management–bus (ISPB: intra–shelf parallel bus). These
                                                       drivers can be disabled (by the Bus–OFF signal) in case of power failure.

                                                       DC/DC CONVERTERS
                                                       This block converts the 48/60 V power supply, to obtain the voltages used to supply all the
                                                       components in the board.

                                              •        LEDS and Push–buttons
                                                       The board presents, on its front panel, one LED, the use and meaning of the LED and of the
                                                       frontal connectors is reported in Figure 47. on page 136.

                                              •        Alarms and Controls
                                                       This block collect the alarm detected on the board and also sends conabds like loopacks.

                                              •        Buses
                                                       The main buses on the board are:
                                                       RIBUS: also called SPI (serial peripheral bus), from the SC (shelf controller on MATRIX unit),
                                                       to communicate inventory and peripheral data.
                                                       M–BUS: called also ISPB (Intra Shelf Parallel Bus), from the SC (shelf controller on MATRIX
                                                       unit), to communicate data about SDH asics and traffic configuration, SDH alarms collection,
                                                       performance monitoring, etc.
1AA 00014 0004 (9007) A4 – ALICE 04.10




                                         ED       03

                                                                                                          3AL 91669 AA AA                       552 / 706


                                                                                                                        706
not permitted without written authorization from Alcatel.
  All rights reserved. Passing on and copying of this
  document, use and communication of its contents




                                                                                                                                                                               VCXO
                                                                                                          4xANY module             Primary 2XANY                               622.08
                                                                                            Client            #1
                                                                                            #1

                                                                                                                        #1                HPA
                                                                                                                                         Vitual                        FPGA                            G.A.
                                                                                                                                      Concatenation                                                                               X
                                                                                                          4xANY module
                                                                                           Client               #3
                                                                                           #3                                                                                  FRAMER

                                                                                                                        #3
                                                                                                                                                Ï
                                                                                                                                                Ï            HPT     MSA       MST/RST
                                                                                                                                                                                  (*)
                                                                                                                                                                                                       TTF
                                                                                                                                                                                                              (*)
                                                                                                                                                                                                                                  L



                                                                                                          4xANY module
                                                                                                                                                Ï
                                                                                                                                                Ï                                                                                 H
                                                                                           Client                                  Secondary 2xANY
                                                                                           #2                   #2
                                                                                                                                                                                                                      System clock a




                                                                                                                                                                                                                                                 MATRIX MAIN AND SPARE
                                                                                                                        #2                HPA
                                                                                                                                         Vitual
                                                                                                                                                               ÏÏ
                                                                                                                                                                Ï                                                     System clock b
                                                                                                                                      Concatenation             Ï
                                                                                                                                                               ÏÏ




                                                                                                                                                                                                                                       from/to
                                                                                           Client
                                                                                           #4
                                                                                                                                                ÏÏ
                                                                                                                                                 Ï                                                            Ï
                                                                                                                                                                                                              Ï
                                                                                                                                                                                                              Ï
                                                                                                                        #4
                                                                                                                                                 Ï
                                                                                                                                                ÏÏ                                   Internal STM–16
                                                                                                                                                                                         Frame
                                                                                                                                                                                                              Ï     CMISS




                                                                                                                                                               Configuration  Status                    Management
                                                                                                                                                                                                         Bus (ISPB)


                                                                                                                                          CDR
                                                                                                                                                                    ÏÏÏÏ
                                                                                                                                                                     ÏÏÏ
                                                                                                                                                                    ÏÏ Ï
                                                                                                                                                                     Ï Ï
                                                                                                                                                                                        M–BUS
                                                                                                                                                                                        Driver
                                                                                                                      CLIENT
                                                                                                                     PHYSICAL                                                                Bus–OFF
                                                                                                                     INTERFACE                                      Remote                                          RIBUS
                                                                                                                                                                   Inventory
                                                                                                                     4xANY module #4                                                                    ID
                                                                                                                         details                                                         RIBUS
                                                                                                                                                                                          I/F                 F             +3.3 Vdc
                                                                                                                                                                           Unit
                                                                                                                                                                           Failure



                                                                                                                                                                         #1
                                                                                                                                                                                        ALARMS
                                                                                                                                                                         #2
                                                                                                                                                                                           
                                                                                                                                                                         #3                                                            CONGI
                                                                                                                                                                                                                                        from

                                                                                                                                                                         #4           CONTROLS



                                                                                                                                       1.8V

                                                                                                                                      3.3 V        DC/DC
                                                                                                                                                CONVERTERS
                                                                                                                                      2.5 V
                                                                                                                                      1.5 V




                                                                                                 (*)– TTF blocks are used only for interface purpose
                                                  1AA 00014 0004 (9007) A4 – ALICE 04.10




                                                                                                                              Figure 287. 4 x ANY HOST C card block diagram




                                                                                           ED        03

                                                                                                                                                                         3AL 91669 AA AA                                          553 / 706


                                                                                                                                                                                            706
4.46 COADM1

                                          (Refer to Figure 288. on page 555)




                                                                                                                                                            not permitted without written authorization from Alcatel.
                                          The COADM1 board is two slots wide and can be plugged in every slot of the Access Area without




                                                                                                                                                              All rights reserved. Passing on and copying of this
                                                                                                                                                              document, use and communication of its contents
                                          constraint.

                                          COADM 1 channel unit realizes wavelengths multi–demultiplexing allowing to add/drop 1 ch out of the 8
                                          supported according to CWDM grid and the pass–through of remaining WDM channels not terminated.

                                          One specific item per ITU–T channel is foreseen:

                                          –    1470 nm.
                                          –    1490 nm.
                                          –    1510 nm.
                                          –    1530 nm.
                                          –    1550 nm.
                                          –    1570 nm.
                                          –    1590 nm.
                                          –    1610 nm.

                                          The functionality of the board has to be considered for ring application, and performing ’one side’ channel
                                          termination: thus, two separate boards are required at a node of the ring in order to achieve the complete
                                          OADM functionality.

                                          Actual OADM functionality is based on specific devices performing mux/demux functionality as regards
                                          the channel to be locally terminated (by specific add/drop port) and supporting both bidirectional WDM
                                          ports for ’network connection’ and bidirectional WDM ports for ’pass–through’ connection (to/from
                                          opposite OADM board).

                                          ’Loss of Signal’ detection on CWDM optical signal received is is not managed.

                                          The wavelength, which is added/dropped in COADM1, is specified in one of the additional fields of the
                                          board Remote Inventory.

                                          The configuration of the COADM1 requires the operator to specify the added/dropped wavelength.

                                          The operator has to connect the bundle of pass–through channels between two COADM1 boards
                                          (respectively on west and east side of the NE).

                                          Note –   The bundle of a COADM1 cannot be connected to the bundle of another COADM1 with different
                                          added/dropped wavelength.

                                          Remote inventory is handled by a dedicated EEPROM carrying the inventory code associated to the
                                          optical device; the communication towards Shelf Controller is performed by ’RIBUS block” through ’SPI’
                                          bus.
1AA 00014 0004 (9007) A4 – ALICE 04.10




                                         ED      03

                                                                                                         3AL 91669 AA AA                        554 / 706


                                                                                                                       706
not permitted without written authorization from Alcatel.
  All rights reserved. Passing on and copying of this
  document, use and communication of its contents




                                                                                                         To/From
                                                                                                         colored port
                                                                                                         or
                                                                                                         transponder                                                                              CWDM
                                                                                                                        λx   1xx0
                                                                                                                                                                                                 output signal
                                                                                                CWDM
                                                                                                λgrid – λx

                                                                                                                                OADM
                                                                                                                        λx   1xx0                                                                 CWDM
                                                                                                                                                                                                 input signal
                                                                                                CWDM
                                                                                                λgrid – λx

                                                                                                                                                               LOS
                                                                                                                                                             DETECTION
                                                                                                                                                                                 LOS HANDLING
                                                                                                            To/From
                                                                                                            OADM
                                                                                                            opposite
                                                                                                            side

                                                                                                                                         Remote Inventory

                                                                                                                                                 EEPROM        RIBUS
                                                                                                                                                                                   COADM1 unit


                                                                                                                                                                       SPI bus




                                                                                                                                                     TO / FROM Shelf Controller
                                                                                                                                                            on MATRIX board
                                                  1AA 00014 0004 (9007) A4 – ALICE 04.10




                                                                                                                             Figure 288. COADM1 unit block diagram


                                                                                           ED       03

                                                                                                                                                               3AL 91669 AA AA                           555 / 706


                                                                                                                                                                                    706
4.47 COADM2

                                          (Refer to Figure 289. on page 557)




                                                                                                                                                            not permitted without written authorization from Alcatel.
                                          The COADM2 board is two slots wide and can be plugged in every slot of the Access Area without




                                                                                                                                                              All rights reserved. Passing on and copying of this
                                                                                                                                                              document, use and communication of its contents
                                          constraint.

                                          OADM 2ch board realizes wavelengths multi–demultiplexing allowing to add/drop 2 ch out of the 8
                                          supported according to CWDM grid and the pass–through of remaining WDM channels not terminated.

                                          Four specific items are foreseen, considering to support the termination of two adjacent wavelengths per
                                          item:

                                          –    1470 – 1490 nm;

                                          –    1510 – 1530 nm;

                                          –    1550 – 1570 nm;

                                          –    1590 – 1610 nm.

                                          The functionality of the board has to be considered for ring application, and performing ’one side’ channel
                                          termination: thus, two separate boards are required at a node of the ring in order to achieve the complete
                                          OADM functionality.

                                          Actual OADM functionality is based on specific devices performing mux/demux functionality as regards
                                          the two channels to be locally terminated (by specific add/drop port) and supporting both bidirectional
                                          WDM ports for ’network connection’ and bidirectional WDM ports for ’pass–through’ connection (to/from
                                          opposite OADM board).

                                          ’Loss of Signal’ detection on CWDM optical signal received is not managed.

                                          The two wavelengths, which are added/dropped in COADM2, are specified by the content of the additional
                                          fields of the board Remote Inventory.

                                          The configuration of the COADM2 requires the operator to specify the added/dropped wavelengths.

                                          The operator has to connect the bundle of pass–through channels between two COADM2 boards
                                          (respectively on west and east side of the NE).

                                          Note 1 – The bundle of a COADM2 cannot be connected to the bundle of a COADM1.

                                          Note 2 – The bundle of a COADM2 cannot be connected to the bundle of another COADM2 with different
                                          added/dropped wavelengths.

                                          Remote inventory is handled by a dedicated EEPROM carrying the inventory code associated to the
                                          optical device; the communication towards Shelf Controller is performed by ’RIBUS block through ’SPI’
                                          bus.
1AA 00014 0004 (9007) A4 – ALICE 04.10




                                         ED      03

                                                                                                         3AL 91669 AA AA                        556 / 706


                                                                                                                       706
not permitted without written authorization from Alcatel.
  All rights reserved. Passing on and copying of this
  document, use and communication of its contents




                                                                                                       To/From
                                                                                                       colored port
                                                                                                       or
                                                                                                       transponder                                                                            CWDM
                                                                                                                      λx   1xx0
                                                                                                                                                                                             output signal
                                                                                                CWDM                  λy   1xx0

                                                                                                λgrid – λx–λy

                                                                                                                              OADM
                                                                                                                      λx   1xx0                                                               CWDM
                                                                                                                                                                                             input signal
                                                                                                CWDM                  λy   1xx0
                                                                                                λgrid – λx–λy

                                                                                                                                                           LOS
                                                                                                                                                         DETECTION
                                                                                                                                                                             LOS HANDLING
                                                                                                          To/From
                                                                                                          OADM
                                                                                                          opposite
                                                                                                          side

                                                                                                                                     Remote Inventory

                                                                                                                                             EEPROM        RIBUS
                                                                                                                                                                               COADM2 unit


                                                                                                                                                                   SPI bus




                                                                                                                                                TO / FROM Shelf Controller
                                                                                                                                                        on MATRIX board




                                                                                                                           Figure 289. COADM2 block diagram
                                                  1AA 00014 0004 (9007) A4 – ALICE 04.10




                                                                                           ED     03

                                                                                                                                                          3AL 91669 AA AA                           557 / 706


                                                                                                                                                                               706
4.48 COMDX8

                                          (Refer to Figure 290. on page 559)




                                                                                                                                                          not permitted without written authorization from Alcatel.
                                          MUX/DEMUX 8ch board realizes wavelengths multi–demultiplexing on the whole group of 8 CWDM




                                                                                                                                                            All rights reserved. Passing on and copying of this
                                                                                                                                                            document, use and communication of its contents
                                          channels supported. One item is, then, foreseen.

                                          The functionality of the board can be considered both for linear and ring application; contrary to OADM
                                          board, no ’pass–through’ link is provided, then pass–through of wavelengths not terminated must be
                                          realized on each single wavelength.

                                          In ’ring’ application, the board performs ’one side’ channels termination: thus, two separate boards are
                                          required at a node of the ring in order to achieve the complete OADM functionality.

                                          ’Loss of Signal’ detection on CWDM optical signal received is not managed.

                                          The COMDX8 board is two slots wide and can be plugged in every slot of the Access Area without
                                          constraint.

                                          Specific devices performs mux/demux functionality as regards the whole group of 8 channels to be locally
                                          terminated (by specific add/drop port).

                                          Bidirectional WDM ports for ’network connection’ are also supported.

                                          Remote inventory is handled by a dedicated EEPROM carrying the inventory code associated to the
                                          optical device; the communication towards Shelf Controller is performed by ’RIBUS block“ through ’SPI’
                                          bus.

                                          The functionality of ’Loss of signal’ received on CWDM input of ’passive’ boards is handled as showed
                                          in the following Figure 290.

                                          An optical splitter is used in order to provide a low percentage of CWDM power level received to a
                                          detection stage including a large bandwidth photodetector and the specific HW for the generation of a LOS
                                          primitive.

                                          LOS alarm is reported through ’RIBUS block’ towards Shelf Controller on MATRIX unit.
1AA 00014 0004 (9007) A4 – ALICE 04.10




                                         ED      03

                                                                                                        3AL 91669 AA AA                       558 / 706


                                                                                                                      706
not permitted without written authorization from Alcatel.
  All rights reserved. Passing on and copying of this
  document, use and communication of its contents




                                                                                                                         λ1   1470
                                                                                                                         λ2   1490                                                              CWDM
                                                                                                                         λ3   1510
                                                                                                OUTPUT CHANNELS               1530
                                                                                                (from colored port or
                                                                                                                         λ4          MUX
                                                                                                                              1550
                                                                                                Transponder interface)
                                                                                                                         λ5   1570
                                                                                                                         λ6   1610
                                                                                                                         λ7   1590
                                                                                                                         λ8
                                                                                                                         λ1   1470
                                                                                                                         λ2   1490
                                                                                                                         λ3   1510
                                                                                                                                                            LOS HANDLING                        CWDM
                                                                                                INPUT CHANNELS
                                                                                                                         λ4   1530
                                                                                                                                                               Optical Splitter
                                                                                                                                                                                               input signal
                                                                                                (to colored port or                  DEMUX
                                                                                                                         λ5   1550
                                                                                                Transponder interface)
                                                                                                                         λ6   1570

                                                                                                                         λ7   1610
                                                                                                                              1590
                                                                                                                         λ8                                                  LOS
                                                                                                                                                                                                 x% of
                                                                                                                                                                         DETECTION               CWDM Rx
                                                                                                                                                                                                 signal
                                                                                                                                                                                  LOS alarm

                                                                                                                              MUX/DEMUX8 unit      Remote Inventory

                                                                                                                                                           EEPROM            RIBUS




                                                                                                                                                                                     SPI bus




                                                                                                                                                             TO / FROM Shelf Controller
                                                                                                                                                                      on MATRIX board
                                                  1AA 00014 0004 (9007) A4 – ALICE 04.10




                                                                                                  Figure 290. MUX/DEMUX8 (COMDX8) block diagram and LOS detection in ’passive’ boards




                                                                                           ED        03

                                                                                                                                                    3AL 91669 AA AA                                      559 / 706


                                                                                                                                                                         706
4.49 2xCH Transponder SFP without optics (COWLA2)

                                          (Refer to Figure 291. on page 564)




                                                                                                                                                           not permitted without written authorization from Alcatel.
                                          This board realizes the function of double multi–rate transponder–regenerator in CWDM network.




                                                                                                                                                             All rights reserved. Passing on and copying of this
                                                                                                                                                             document, use and communication of its contents
                                          Double because it has two channels, multi–rate because it can handle various kinds of standard signals,
                                          transponder–regenerator because it can work both as transponder and as regenerator.

                                          Each channel of COWLA2 is constituted of two bi–directional optical interfaces on which is realized ’3R’
                                          functionality (Re–amplification, Reshaping and Retiming). When working as transponder the optical
                                          interfaces of the COWLA2 channel are one ’BW’ and one colored, so wavelength assignment is
                                          performed. On the contrary if both optical interfaces of the channel are colored, COWLA2 works as
                                          regenerator. Double ’BW’ optical interface configuration, regenerator ’BW’, isn’t foreseen because not
                                          applicable in the 1660SM (with CWDM unit) network scenarios.

                                          Colored interfaces, ’server or WDM domain’, are input–output of others equipment resident boards; these
                                          perform Coarse Wavelength Division Multiplexing using optical multiplexer–demultiplexer or Optical
                                          Add–Drop Multiplexer passive components. ’BW’ lines, ’client domain’, are typically connected toward
                                          remote generic ’BW’ clients.

                                          COWLA2 unit supports the following signal types:

                                          –    FDDI (125 Mb/s);                not operative in current release
                                          –    Fast Ethernet (125 Mb/s);       not operative in current release
                                          –    STM1/OC3;                       not operative in current release
                                          –    Escon (200 Mb/s);               not operative in current release
                                          –    Digital Video (270 Mb/s);       not operative in current release
                                          –    STM4/OC12;                      not operative in current release
                                          –    Fiber Channel (1.0625 Gb/s);    not operative in current release
                                          –    FICON (1.0625 Gb/s);            not operative in current release
                                          –    Gb Ethernet (1.25 Gb/s);        not operative in current release
                                          –    2 Fiber Channel (2.125 Gb/s);   not operative in current release
                                          –    STM16/OC48;
                                          –    2 Gb Ethernet (2.5 Gb/s);       not operative in current release
                                          –    STM16 w/ FEC (2.667 Gb/s).      not operative in current release

                                          In case of SDH services the board performs the management of Regeneration Section overhead on Rx
                                          direction. For all others standard signals only ’3R’ functionality is foreseen without protocol specific
                                          handling.

                                          For all protocols optical LOS and URU alarms are generated.

                                          In case of optical LOS on Rx interface, Automatic Laser Shut down procedure is activated in the
                                          correspondent Tx side; at the same time laser shutdown or generic AIS insertion is done in the transponder
                                          channel Tx direction.

                                          When non–SDH services are configured, COWLA2 performs only ’3R’ functionality; signal is transparently
                                          regenerated without protocol specific management.

                                          In case of SDH services, besides ’3R’ regeneration, the following functionalities are realized on received
                                          side:
1AA 00014 0004 (9007) A4 – ALICE 04.10




                                          –    alignment on received A1, A2 byte and generation of relative LOF alarm

                                          –    received section trace identifier byte J0 extraction and generation of relative TIM alarm. J0
                                               management is configurable as one repeated byte or as 16 byte modality (15 byte + CRC–7)

                                         ED      03

                                                                                                        3AL 91669 AA AA                        560 / 706


                                                                                                                      706
–    received error monitoring byte B1 extraction and manipulation (RS non intrusive monitoring).
                                                                                                 Performance monitoring computation is done in order to produce DEG and LOWBER alarms.
                                                                                                 Primitive parameters are passed to Shelf Controller that computes PM handling.
not permitted without written authorization from Alcatel.




                                                                                            –    RS–AIS (MS–AIS with J0 bit at all ’1’, Alcatel proprietary alarm) detection on the incoming signal and
  All rights reserved. Passing on and copying of this
  document, use and communication of its contents




                                                                                                 generation of relative RS–AIS alarm.

                                                                                            2xCh transponder SFP is a one slot wide plug–in unit constituted by a front panel and a Printed circuit
                                                                                            Board Assembly (PBA).

                                                                                            On the front panel are available four connectors for optical lines access and a multi–color LED used as
                                                                                            visual indicator for card failure alarm and in–service/standby card operating status.

                                                                                            Block diagram of COWLA2 unit is reported in Figure 291.

                                                                                            Power supplies for all board components are produced from battery interface through DC/DC converts
                                                                                            modules.

                                                                                            Optical received signal O Rxm (1 = m = 4) is converted into electrical format, D Rxm, from SFPm
                                                                                            photo–detector receiver. This block accomplishes re–amplification and reshaping.

                                                                                            Electrical received signal, D Rxm, enters into any–rate deserializer Dxm that realizes signal retiming and
                                                                                            1 to 16 de–serialization.

                                                                                            Received de–serialized signals, Dpn Rxm (1 = n = 16, 1 = m = 4) and clock, Ckp Rxm, go into FPGA.

                                                                                            FPGA component, basing on configuration provisioning, cross–connect a 16 bit parallel data input, Dpn
                                                                                            Rxm, with a 16 bit parallel data output, Dpn Txm. In case of SDH service it’s done received regenerator
                                                                                            section overhead bytes management.

                                                                                            Parallel signals, Dpn Txm, and clock, Ckp Txm, are sent to the any–rate serializer Mxm that carries out
                                                                                            16 to 1 data multiplexing.

                                                                                            Multiplexed signal, D Txm, enters into SFPm laser transmitter that produces the optical output signal O
                                                                                            Txm.

                                                                                            The bi–directional optical to optical path described above constitutes one transponder channel.

                                                                                            FPGA registers are configured from Shelf Controller using ISPB bus.

                                                                                            FPGA manages programming and alarms of SFPs and any–rate serializers–deserializers through
                                                                                            dedicated serial I2C bus interfaces and parallel input–output.

                                                                                            PLLs VCXO loop filter blocks are a constituent part of deserializers’s Clock and Data Recovery circuits
                                                                                            and of serializers’s Clock Multiplier Unit. They provide appropriate clock reference for
                                                                                            serializer–deserializer components.

                                                                                            Configuration device (Config Device) contains the program image that is downloaded into FPGA after
                                                                                            power–on.

                                                                                            Board remote inventory information are contained in RI EEPROM, a serial non–volatile memory
                                                                                            accessible via SPI bus.

                                                                                            RIBUS block basically it reads or writes general input–output for commands activation or alarms
                                                  1AA 00014 0004 (9007) A4 – ALICE 04.10




                                                                                            acquisition and pilots on–board SPI slave bus. RIBUS is controlled from SC through SPI back–plane bus.

                                                                                            In the following various COWLA2 blocks will be described.



                                                                                           ED      03

                                                                                                                                                           3AL 91669 AA AA                        561 / 706


                                                                                                                                                                         706
SFP OPTICAL MODULE

                                          SFP optical module is a pluggable fiber optic transceiver that arises from a Multi–Source Agreement.




                                                                                                                                                              not permitted without written authorization from Alcatel.
                                          Optical wavelength could be BW or colored conform to CWDM grid. Line bit–rate could be single speed




                                                                                                                                                                All rights reserved. Passing on and copying of this
                                                                                                                                                                document, use and communication of its contents
                                          or multi–rate.

                                          On COWLA2 it’s for now foreseen the use of mono–mode, multi–rate BW or multi–rate 8 wavelength
                                          colored SFP, capable of maximum span budget of about 80 Km.

                                          Photo detector transceiver and laser transmitter achieve respectively optical to electrical and electrical to
                                          optical conversion;

                                          In addition there are some configuration and alarm pins:

                                          –    Tx fault indicates a laser fault

                                          –    LOS specifies an optical loss of signal

                                          –    Presence reflects the insertion–extraction of the module

                                          –    Tx disable when set shuts down the laser

                                          –    Rate select is an optional command for data rate select for multi–rate transceiver.

                                          These signals are input–output of FPGA and can be read–written using dedicated registers. Tx disable
                                          and LOS are used by FPGA for ALS functionality.

                                          Tx disable, LOS and Presence are also connected to RIBUS block for testing or future utilization.

                                          SFP module includes a 512 bytes serial EEPROM, that contains inventory and vendor specific
                                          information. This EEPROM can be read and written via ISPB bus.



                                          SERIALIZER/DESERIALIZER



                                          “Deserializer” main functions are clock recovery, data re–sampling and 1 to 16 de–serialization over a
                                          continuous bit–rate from 30 Mb/s up to 3.2 Gb/s.

                                          “Serializer” main functions are data re–timing and 16 to 1 serialization over a continuous bit–rate from 30
                                          Mb/s up to 3.2 Gb/s.
1AA 00014 0004 (9007) A4 – ALICE 04.10




                                         ED      03

                                                                                                          3AL 91669 AA AA                         562 / 706


                                                                                                                        706
FPGA

                                                                                            Its main functions are:
not permitted without written authorization from Alcatel.




                                                                                            –    flexible any rate data channel cross connection
  All rights reserved. Passing on and copying of this
  document, use and communication of its contents




                                                                                            –    E–SNCP/I (for all services) E–SNCP/N (for SDH services) protection schemes toward client or server
                                                                                                 domain

                                                                                            –    Automatic Laser Shut down procedure implementation

                                                                                            –    STMn Regenerator Section bytes termination for SDH services

                                                                                            –    laser shut down or generic AIS insertion on Tx transponder channel direction when a LOS is detected
                                                                                                 on Rx side

                                                                                            –    SFP and serializer/deserializer management by ISPB.



                                                                                            DC/DC CONVERTERS

                                                                                            Power supply block produces the required on board supplies starting from 48 V ± 20 % battery input . All
                                                                                            components work with 3.3 V voltage except FPGA that requires also 1.5 V.



                                                                                            ISPB BUS

                                                                                            By mean of ISPB the Shelf Controller (SC) can load proper configuration setting within FPGA internal
                                                                                            register, monitor the current status and alarms, collect data for performance monitoring and so on.



                                                                                            RIBUS block

                                                                                            This block is used to read/write from/to the ”RIBUS” serial stream (SPI: serial peripheral inventory), to
                                                                                            control the LED on the unit, to release the Management–bus in case of power failure, and to use the remote
                                                                                            inventory. RIBUS I/F is powered by the + 3.3 VS supplied by the rear access panel.



                                                                                            REMOTE INVENTORY

                                                                                            It is the memory containing the board information, for identification purposes (see para. 3.17 on page 370
                                                                                            for details).
                                                  1AA 00014 0004 (9007) A4 – ALICE 04.10




                                                                                           ED      03

                                                                                                                                                          3AL 91669 AA AA                        563 / 706


                                                                                                                                                                        706
not permitted without written authorization from Alcatel.
                                          O Rx 1                                 D Rx 1




                                                                                                                                                                                                   All rights reserved. Passing on and copying of this
                                                                                                                                                                                                   document, use and communication of its contents
                                                                                                                                                      FPGA
                                          O Tx 1
                                                           SFP #1                              SERIALIZER
                                                          MODULE D Tx 1
                                                                                               DESERIALIZER

                                                                                          #1




                                                                                                                   CROSS–CONNECTION MATRIX
                                          O Rx 2                                 D Rx 2
                                          O Tx 2           SFP #2 D Tx 2                       SERIALIZER
                                                          MODULE
                                                                                               DESERIALIZER

                                                                                          #2




                                                                                                                   STMn RS Sink
                                          O Rx 3                                 D Rx 3




                                                                                                                   GENERIC AIS
                                          O Tx 3           SFP #3                              SERIALIZER
                                                          MODULE D Tx 3
                                                                                               DESERIALIZER

                                                                                          #3
                                          O Rx 4                                 D Rx 4
                                          O Tx 4           SFP #4                D Tx 4
                                                                                               SERIALIZER
                                                          MODULE
                                                                                               DESERIALIZER

                                                                                          #4
                                                                                                              #1
                                                                                                                    ALARMS
                                                                                                              #2
                                                                                                                               
                                                                                                              #3
                                                                                                              #4   CONTROLS


                                                                                                                    ÏÏÏ
                                                                                                                      Ï          Configuration  Status

                                                                                                                                                              Management
                                                                                                                      Ï                      M–BUS
                                                                                                                                                              Bus (ISPB)
                                                                                                                    ÏÏ
                                                                                                                    ÏÏ
                                                                                                                    Ï                        Driver

                                                                                                                                                 Bus–OFF
                                                                                                                                                             RIBUS(SPI)

                                                                                                                                                             ID
                                                                                                                                             RIBUS
                                                                                                                                              I/F                 F           +3.3 Vdc
                                                                                                                   Unit
                                                                                                                   Failure


                                                                                                                                          Remote                      CMISS
                                                             internal voltages




                                                                                                                                         Inventory
                                                                                 1.5V


                                                                                              DC/DC
                                                                                 3.3 V
                                                                                                                                                                                CONGI




                                                                                           CONVERTERS
                                                                                                                                                                                from




                                                        2XCH TRANSPONDER SFP W/O OPTICS
1AA 00014 0004 (9007) A4 – ALICE 04.10




                                                           Figure 291. 2xCH Transponder SFP Without optics COWLA2




                                         ED        03

                                                                                                                      3AL 91669 AA AA                                                564 / 706


                                                                                                                                                      706
4.50 PQ2/EQC card

                                                                                            (See Figure 292. on page 567 )
not permitted without written authorization from Alcatel.




                                                                                            The PQ2/EQC unit through the Equipment Controller (EC) manage:
  All rights reserved. Passing on and copying of this
  document, use and communication of its contents




                                                                                                 •        local dialog with a personal computer (F interface RS 232)

                                                                                                 •        local dialog with a personal computer (USB interface; not operative in current release)

                                                                                                 •        dialog with the Operation System for Network Management operation through Q3 and DCC
                                                                                                          interface

                                                                                                 •        dialog with a remote Operation System for Network Management operation through interface
                                                                                                          QAUX .

                                                                                                 •        dialog with the external equipment for Network Management operations through Interface Q2
                                                                                                          (Mediation Device Function)

                                                                                                 •        remote alarms (RE) , alarms criteria towards the rack lamps (RA), housekeeping alarms (HK)
                                                                                                          and front cover led

                                                                                                 •        ISSB bus

                                                                                            The EC performs as well all the SW functions related to the control and management activities like
                                                                                            info–model processing, event reporting and logging, equipment data base management, SW
                                                                                            downloading and management, etc.
                                                                                            To support its activities the EC function requires a non volatile mass storage device (FLASH CARD), boot
                                                                                            memory (FEPROM) and RAM memory.

                                                                                            F interface:

                                                                                            It is used for connection to a local Craft Terminal; The standard implementation of the physical layer for
                                                                                            the F interface consists of an RS–232 UART port accessible from the PQ2/EQC card front panel

                                                                                            USB interface

                                                                                            The USB interface is foreseen as an alternative option for connection to external PC supporting the Craft
                                                                                            Terminal function; it is currently not operative.

                                                                                            Q3 interface:

                                                                                            It is dedicated to an OS station connection through Local Access Network (LAN); QB3 requires a 10BASE2
                                                                                            or a 10BASET interface that is physical provided by CONGI card

                                                                                            DCC interface:

                                                                                            It is a TMN related communication interface based on the use of the Embedded Communication Channels
                                                                                            available in the SOH portion of the SDH frame. Through the QECC interface the 1660SM can exchange
                                                                                            management messages with a remote OS.
                                                                                            In the 1660SM up to three full duplex ECC channels can be terminated from each SDH interface: one
                                                                                            DCC_M at 576 kbit/s, one DCC_R at 192 Kbit/s and one DCC_P 64 Kbit/s (F2, F3 bytes of VC4 ).
                                                  1AA 00014 0004 (9007) A4 – ALICE 04.10




                                                                                           ED        03

                                                                                                                                                             3AL 91669 AA AA                        565 / 706


                                                                                                                                                                           706
QAUX interface:

                                          It is provided as an additional TMN communication interface for message exchange between the NE and
                                          a Remote OS station based on the use of a 2 Mbit/s proprietary protocol. It can be physically terminated




                                                                                                                                                             not permitted without written authorization from Alcatel.
                                          on a 2 Mbit/s auxiliary channel on the SERVICE card.




                                                                                                                                                               All rights reserved. Passing on and copying of this
                                                                                                                                                               document, use and communication of its contents
                                          Q2 interface:

                                          A mediation function interface is provided to connect the 1660SM to non–SDH network element
                                          The RS–485 interface and the cable connector are provided on the CONGI card.

                                          RE, RA, HK and leds interface:

                                          RE consists of parallel I/O signals used for remote alarms that can be accessed on the CONGI card
                                          RA is dedicated to send commands toward the rack to light up the relevant lamps.; the physical interface
                                          is available on the CONGI card.
                                          By pressing a push button is possible to store an alarm;
                                          HK consist of parallel I/O signals used to handle housekeeping signals (for example alarms received from
                                          Fans Subrack, open door etc.); In this way they can be supervised by Craft Terminal. The physical
                                          interface is available on the CONGI card.
                                          The Equipment Controller also drive the leds present on the front cover to display alarms or status
                                          indication concerning the equipment ; for the meaning of the leds see para 2.4 on page 123.
                                          By pressing a push button present on the PQ2/EQC front cover is possible to check the efficiency of the
                                          leds.

                                          ISSB bus:

                                          It is an high performance bus supporting communication among the EC function, the SC function on the
                                          MATRIX and Local Microprocessor present on the ATM board.

                                          Other functions implemented are :

                                               •        RESET PUSH–BUTTON used for EC reset.

                                               •        RIBUS I/F
                                                        This block control the LED on the unit and is also used by the Shelf Controller on the MATRIX
                                                        to read the remote inventory data though the ”RIBUS” .
                                                        RIBUS I/F is powered by the + 3.3 Vdc supply by CONGI boards.

                                               •        REMOTE INVENTORY
                                                        It is the memory containing the board information, for identification purposes (see para. 3.17
                                                        on page 370 for details).

                                                        DC/DC CONVERTERS
                                                        This block converts the 48/60 V power supply to secondary voltages necessary for the circuits
                                                        on the board:
                                                        +3.3 V and + 2.5 V used to supply all the components in the board.
1AA 00014 0004 (9007) A4 – ALICE 04.10




                                         ED        03

                                                                                                           3AL 91669 AA AA                       566 / 706


                                                                                                                         706
not permitted without written authorization from Alcatel.
  All rights reserved. Passing on and copying of this
  document, use and communication of its contents




                                                                                              To/From
                                                                                                                 F
                                                                                              Craft
                                                                                                             INTERFACE
                                                                                              Terminal


                                                                                              NOT                                                                DCC                DCC
                                                                                                                USB                                                                         To/from
                                                                                           OPERATIVE                                                          MANAGEMENT                    STM–N port
                                                                                                            INTERFACE




                                                                                                                                                             Q2
                                                                                                                                                                                               To/from
                                                                                                                                                             Q3
                                                                                                                                                                                               CONGI
                                                                                                                              EC                            QAUX
                                                                                                          Reset                                                                               To/from
                                                                                                                                                                                              SERVICE
                                                                                                                                                            ISSB
                                                                                                                                                                                               To/from
                                                                                                                                                                                             MATRIXE main
                                                                                                                                                                                               and spare,
                                                                                                                                                                                              ATM board

                                                                                                                                   Lamp test
                                                                                                                                                                         Remote alarms
                                                                                                                                                                    RE
                                                                                                                                                 REMOTE ALARMS
                                                                                                                                                                  Rack alarms                    To/from
                                                                                                                                                   RACK LAMPS
                                                                                                           FEPROM                                              RA                                CONGI
                                                                                                                                                  HOUSEKEEPING    Housekeeping
                                                                                                                                Alarm storing         LEDS
                                                                                                                                                               HK
                                                                                                           RAM                                       MANAGEMENT



                                                                                                           FLASH
                                                                                                           CARD                                       front cover leds
                                                                                                                                          Remote
                                                                                                                                         Inventory                                          From/to
                                                                                                                                                                     RIBUS
                                                                                                                                                                                            MATRIXE
                                                                                                                                                            RIBUS          ID             main and spare
                                                                                                                                                              I/F
                                                                                                                                                                     +3.3 Vdc
                                                                                                                                                Unit
                                                                                                                                                Failure
                                                                                                                                                                                              from
                                                                                                                                 3.3 V                                                       CONGI A  B
                                                                                                                                                  DC/DC                         48/60 V
                                                                                                         EQUICO                  2.5 V
                                                                                                                                               CONVERTERS




                                                                                                                   Figure 292. 1660SM PQ2/EQC Card Block Diagram
                                                  1AA 00014 0004 (9007) A4 – ALICE 04.10




                                                                                           ED       03

                                                                                                                                                          3AL 91669 AA AA                       567 / 706


                                                                                                                                                                     706
4.51 MATRIXE card

                                          (See Figure 293. on page 571)




                                                                                                                                                          not permitted without written authorization from Alcatel.
                                          The MATRIXE card used in the 1660 SM equipment performs different functions :




                                                                                                                                                            All rights reserved. Passing on and copying of this
                                                                                                                                                            document, use and communication of its contents
                                               •        connections between ports (ATM matrix included)

                                               •        equipment synchronization functions

                                               •        Shelf Controller functions

                                               •        performance monitoring collection

                                               •        power supply

                                               •        remote inventory

                                          As the MATRIXE is in 1+1 redundant configuration, all the functions realized by the unit are redundant as
                                          well.

                                          CONNECTIONS

                                          The connections between MATRIXE and ports are realized by means of links at 2.5 Gbit/s (link X, link
                                          L and link H in Figure 293. on page 571)

                                          On the MATRIXE are implemented the following SDH functions to realize the connections :

                                          •    MSP (Multiplex Section Protection)
                                               It performs the Multiplex Section Protection (linear and MS–PRING) according to the MSP algorithm
                                               result.
                                               Refer to para 3.13.2 on page 335 for details on MSP linear protection.

                                          •    AU4 squelching
                                               It is used to avoid mis–connections when the MS–SPRING protection is active. For each incoming
                                               and outgoing AU4 , should be possible to insert AIS.

                                          •    SNCP (Sub–Network Connection Protection)
                                               It performs the Sub–Network Connection Protections, in case of SNCP–ring network configuration,
                                               switching from A to B path signals (A and B are two generic transmission side).
                                               SNCP is of types HO–SNCP (for VC4 path signals) and LO–SNCP (for VC3 ,VC12, etc. path
                                               signals).
                                               It can be SNCP/I and SNCP/N (not operative in current release);
                                               Refer to para 3.13.4 on page 339 for details on SNCP protection

                                          •    HPC (High order Path Connection)
                                               This block acts as connection matrix, supporting cross–connection for a max of 384x384 STM1
                                               equivalent signals at VC–4 level.

                                          •    LPC (Low order Path Connection)
                                               This block acts as connection matrix, supporting cross–connection for a max of 256x256 STM1
                                               equivalent signals at VC–12 level.
1AA 00014 0004 (9007) A4 – ALICE 04.10




                                         ED        03

                                                                                                          3AL 91669 AA AA                     568 / 706


                                                                                                                      706
EQUIPMENT SYNCHRONIZATION

                                                                                            The equipment synchronization is realized by the SETS function (Synchronous Equipment Timing
                                                                                            Source) that distributes to each equipment port the pertaining synchronization signals.
not permitted without written authorization from Alcatel.
  All rights reserved. Passing on and copying of this
  document, use and communication of its contents




                                                                                            A high stability oscillator at 10MHz is present to guarantee an holdover or free running working mode
                                                                                            compliant to the ITU–T Recs.

                                                                                            The clock reference working modes can be: locked, hold over and free running.

                                                                                            When working in locked mode , the SETS block can select its reference signal among (the selection is
                                                                                            accomplished by means of the software and craft terminal):

                                                                                                 •        timing reference signals coming from the SDH ports (T1 )
                                                                                                 •        2 MHz signal coming from the PDH ports (T2 )
                                                                                                 •        2 MHz clocks (T3) or 2 Mbit/s signals (T6) coming from the SERVICE card
                                                                                                          The T3/T6 clocks are two (i.e. T3a, T3b or T6a, T6b).

                                                                                            The SETG block (Synchronous Equipment Timing Generation) generates :

                                                                                                 •        a system clock T0 (at 622.08 MHz) locked to the selected reference (T1, T2, T3/T6) and
                                                                                                          distributed to the equipment.
                                                                                                 •        CK38Mhz : it is derived from the system clock (T0) and is distributed to all the ports. Its
                                                                                                          frequency is 38.88 MHz.
                                                                                                 •        MFSY : it is the multiframe synchronism at 500 Hz, obtained from the ck38MHz. It is distributed
                                                                                                          to all the ports.
                                                                                                 •        a 2 MHz clock T4 or a 2 Mbit/s signal T5 used as synchronization clock towards the external,
                                                                                                          accessible from the SERVICE board.
                                                                                                          The T4/T5 clocks are two (T4a, T4b and T5a, T5b).

                                                                                            For a detailed description of the synchronization subsystem refer to para 3.14 at page 363.

                                                                                            SHELF CONTROLLER FUNCTIONS

                                                                                            The MATRIXE houses the circuitry necessary to realize the Shelf Controller.

                                                                                            The SC provide the resources to support the SW functions related to the control and management
                                                                                            operation of the boards. To perform its functions, the SC directly interfaces the ASICS on the board
                                                                                            implementing the SDH functions for data collection (faults or alarm event detections, performance
                                                                                            monitoring data) and configuration provisioning.
                                                                                            As the SC is involved in critical activities ( for instance EPS ) , is 1+1 protected.

                                                                                            The internal interfaces supporting SC element for communication tasks are:

                                                                                            –    Management –Bus. It is a parallel bus connecting the SC processor to all the transport Asics located
                                                                                                 on the traffic cards to provide communications among the units and the Controller, for management
                                                                                                 of the units (management of payload processing functions).

                                                                                            –    ISSB : Intra Shelf Serial Bus is a serial bus for communication among SC, EC (on the PQ2/EQC
                                                                                                 card) and , if present, other processor in the Shelf.

                                                                                            –    RIBUS . It is a serial bus connecting the SC processor to the serially interfaced devices called
                                                                                                 RIBUS–I/F, located on each board for simple read or write operations, for communications about
                                                                                                 Remote Inventory, cards failure, bus releasing.
                                                  1AA 00014 0004 (9007) A4 – ALICE 04.10




                                                                                                 RIBUS I/F is powered by the + 3.3 Vdc supply by CONGI boards.
                                                                                            A push–button is present to reset the SC.


                                                                                           ED        03

                                                                                                                                                              3AL 91669 AA AA                       569 / 706


                                                                                                                                                                           706
For a detailed description of the Controller refer to para 3.12 on page 315, where the control subsystem
                                          is described.

                                          PERFORMANCE MONITORING COLLECTION




                                                                                                                                                             not permitted without written authorization from Alcatel.
                                                                                                                                                               All rights reserved. Passing on and copying of this
                                                                                                                                                               document, use and communication of its contents
                                          The “Performance Monitoring Management” block housed on the MATRIXE card realizes Performance
                                          Monitoring functionalities; it collects and stores the data ( Defect seconds and Errored blocks) coming from
                                          all the flows.

                                          The Performance monitoring can be made at :

                                               •        Adaptation and Regeneration section
                                               •        Multiplex section
                                               •        Multiplex section adaptation
                                               •        HSUT and LSUT
                                               •        HPOM and LPOM
                                               •        HPT and LPT

                                          POWER SUPPLY

                                          The unit receives via backpanel connectors the –48V coming from CONGI boards.

                                          The DC/DC converter present on the board generates the following voltage:

                                               •        + 3.3 V
                                               •        + 2.5 V
                                               •        +1.8 V
                                               •        +1.6 V

                                          The Remote–Inventory and RIBUS–I/F blocks are powered by the 3.3 V power service coming from the
                                          CONGI boards .

                                          REMOTE INVENTORY

                                          It is the memory used to maintain the board history and data.

                                          For more details about the Remote Inventory function refer to para 3.17 on page 370.
1AA 00014 0004 (9007) A4 – ALICE 04.10




                                         ED        03

                                                                                                          3AL 91669 AA AA                        570 / 706


                                                                                                                        706
not permitted without written authorization from Alcatel.
  All rights reserved. Passing on and copying of this
  document, use and communication of its contents




                                                                                                                      PERFORMANCE
                                                                                                                       MONITORING
                                                                                                                       MANAGEMENT



                                                                                                                               MATRIX
                                                                                                                                                          LPC                 Link L
                                                                                                                                      MSP

                                                                                                                       SNCP                                                             from/to all
                                                                                                                                    AU4                                       Link H    port cards
                                                                                                                                 Squelcing                HPC
                                                                                                                                                                              Link X


                                                                                                                                                                             T2
                                                                                                                                                      Timing               T1 (port)   from ports
                                                                                                                                                   Synchronization
                                                                                                                         T0                            (SETS)                T3a/T6a
                                                                                                                                 10MHz                                       T3b/T6b
                                                                                                                                 OSC                      SETG
                                                                                                                                                                                         to/from
                                                                                                Reset                                                                        T4a/T5a    SERVICE
                                                                                                                                                                             T4b/T5b


                                                                                                                                                                            MFSY
                                                                                                                                                    T0                      CK38          to ports
                                                                                                                                                                             T0



                                                                                                        SC           Management bus                               Management bus
                                                                                                                                                   M–BUS
                                                                                                                                                   Driver
                                                                                                                FLASH                              Bus                                    From/to
                                                                                                                                                   OFF
                                                                                                                EPROM                                                                   spare MATRIXE
                                                                                                                (1 Mb)
                                                                                                                                 Remote                            +3.3 Vdc               and ports
                                                                                                                                Inventory
                                                                                                                                                         RIBUS              RIBUS
                                                                                                                                                           I/F
                                                                                                                                         Unit
                                                                                                                                         Failure                    ID
                                                                                                             RIBUS
                                                                                                                                             ISSB                                          From/to
                                                                                                                                                                                        spare MATRIXE
                                                                                                                                                                                         and PQ2/EQC

                                                                                                                       3.3 V
                                                                                                                                                                         48/60 V
                                                                                                                       2.5 V          DC/DC
                                                                                                                                                                                          from CONGI A  B
                                                                                                                       1.8 V       CONVERTERS                             +3.3 Vdc
                                                                                                 MATRIX                1.6 V
                                                  1AA 00014 0004 (9007) A4 – ALICE 04.10




                                                                                                                       Figure 293. MATRIXE card block diagram




                                                                                           ED    03

                                                                                                                                                                3AL 91669 AA AA                       571 / 706


                                                                                                                                                                                  706
4.52 CONGI card

                                          (See Figure 294. on page 576)




                                                                                                                                                           not permitted without written authorization from Alcatel.
                                          The 1660SM equipment can house two CONGI cards, referred as CONGI A main (slot 10) and CONGI




                                                                                                                                                             All rights reserved. Passing on and copying of this
                                                                                                                                                             document, use and communication of its contents
                                          B (slot 12).
                                          They are not intended as main and spare : each card provides a set of functions . Both units are necessary
                                          to provide the complete set.

                                          CONGI A can be used as stand alone but in this case only a subset of interfaces can be used .

                                          Table 55. reports the interfaces present on each CONGI card.

                                          Table 55. CONGI A and CONGI B interfaces

                                                          CONGI A (slot 10)                                    CONGI B (slot 12)

                                           POWER                                               POWER

                                           Housekeeping  Remote Alarms (a subset)             Housekeeping  Remote Alarms ( a subset)

                                           Rack lamps (R/M)                                    Not used

                                           QMD (Q2)                                            Not used

                                           Q3 10 base 2                                        Not used

                                           Q3 10 base T                                        Not used

                                           INT led                                             INT led


                                          The main functions performed by the unit are:

                                          [1]   Input power stage

                                          [2]   AND/OR and Remote Alarms

                                          [3]   Housekeeping interface (only on CONGI in slot 10)

                                          [4]   R/M interface (only on CONGI in slot 10)

                                          [5]   QMD interface (only on CONGI in slot 10)

                                          [6]   RIMMEL interface

                                          [7]   Q3/QB3 interface (only on CONGI in slot 10)

                                          [8]   Remote inventory
1AA 00014 0004 (9007) A4 – ALICE 04.10




                                         ED       03

                                                                                                         3AL 91669 AA AA                       572 / 706


                                                                                                                      706
[1] Input power stage

                                                                                            This circuit decouples the power station battery .
                                                                                            It contains the ”Main Power block” with two fuses, EMI input filters, a ”protection circuit block” , a ”step
not permitted without written authorization from Alcatel.




                                                                                            up converter” to provide –9 V and a DC/DC converter to provide the +3.3 V to the RIBUS I/F block ( see
  All rights reserved. Passing on and copying of this
  document, use and communication of its contents




                                                                                            para. 3.17 on page 370 for details ). In case of fuse broken an alarm is generated (FUSE)2.

                                                                                            A solder strap is present to provide the main power (48V) in modality “two wires” (if +Vbatt is connected
                                                                                            to ground or “three wire” (if + Vbatt is not connected to ground) in order to obtain a DC/I decoupling system.

                                                                                            [2] AND/OR and Remote Alarms

                                                                                            The circuit generates the remote alarms and lights up the the Rack lamps in case of station battery fault.

                                                                                            It is powered from the 3.3Vdc power from the service battery and uses it to control the station battery. In
                                                                                            case of loss of 3.3 Vdc a PWANDOR alarm is generated.

                                                                                            The AND/OR circuit monitors the station battery and provides an alarm (BAT FAIL) in case the voltage
                                                                                            level decreases more than 20 % of the nominal value. If BAT FAIL alarm of the CONGI in slot 10 or the
                                                                                            same alarm of the CONGI in slot 12 are present , the ORALIM alarm is generated and set to the PQ2/EQC
                                                                                            card.

                                                                                            Table 56. on page 573 and Table 57. on page 574 report a brief description of the alarms provided by
                                                                                            the AND/OR block respectively on CONGI in slot 10 and CONGI in slot 12 . They are all Electronic Ground
                                                                                            contacts (GND = alarm, OPEN = no alarm) sent towards the housekeeping and remote alarms connector.

                                                                                            Table 56. Remote alarm provided by the AND/OR block available on CONGI in slot 10

                                                                                                   ACRONYM                                              DESCRIPTION
                                                                                            T*TOR                     Fault or loss of one station battery .
                                                                                                                      It concurs to generate NURG, T*NURG and RNURG (it can be stored)
                                                                                            T*AND                     Fault or loss of both batteries stations. It concurs to generate T*URG and RURG (it
                                                                                                                      can be stored).
                                                                                            T*INT                     It indicates an internal alarm. It is received from PQ2/EQC
                                                                                            T*URG                     It indicates an urgent alarm. It is provided from PQ2/EQC
                                                                                            T*NURG                    It indicates a not urgent alarm. It is received from PQ2/EQC


                                                                                            N.B.         On the Craft Terminal (C.T.) and on the Operation System (O.S). application the T*URG, and
                                                                                                         T* NURG remote alarm are named in a different way; the relation between this two terminology
                                                                                                         is explained in Table 77. on page 650.
                                                  1AA 00014 0004 (9007) A4 – ALICE 04.10




                                                                                            2. For the right management of the FUSE alarm refer to MAINTENANCE section of the METRO
                                                                                            OMSN C.T Operator’s Handbook. As a matter of fact some setting must be checked when two CONGI
                                                                                            with different Factory code / ANV suffix are equipped in the subrack.

                                                                                           ED       03

                                                                                                                                                             3AL 91669 AA AA                        573 / 706


                                                                                                                                                                           706
Table 57. Remote alarm provided by the AND/OR block available on CONGI in slot 12

                                                 ACRONYM                                               DESCRIPTION
                                          T*TORC                     It indicates a loss of +3.3V generated by the on board DC/DC converter of one




                                                                                                                                                            not permitted without written authorization from Alcatel.
                                                                     CONGI card.




                                                                                                                                                              All rights reserved. Passing on and copying of this
                                                                                                                                                              document, use and communication of its contents
                                          T*IND                      Indeterminate alarm synthesis. Indicate synthesis of alarms not associated to other
                                                                     severity (not used)
                                          T*TUP                      It indicates an PQ2/EQC microprocessor fault (it can be stored)
                                          T*TANC                     It indicates loss of + 3.3 V generated by the on board DC/DC converters of both
                                                                     CONGI cards (it can be stored).
                                          LOSQ2                      It indicates loss of communication with the Operation System (not used)


                                          [3] Housekeeping interface

                                          Two Housekeeping operating mode are supported for CONGI unit:

                                          –      CONGI unit preset 2 wire provide 6 inputs and 2 outputs contacts suitable for customer purpose.

                                          –      CONGI unit preset 3 wire provide 4 inputs and 2 outputs contacts suitable for customer purpose.

                                          [4] R/M interface
                                          It is used to connect the rack lamps and incoming call signal.
                                          Table 58. Rack lamps signals

                                                        ACRONYM                                              FUNCTION
                                          T*RATTD                             alarms storing
                                          T*RURG                              urgent alarm
                                          T*RNURG                             not urgent alarm
                                          T*CH                                incoming call
                                          T*TOR                               absence of one battery
                                          N.B.          On the Craft Terminal (C.T.) and on the Operation System (O.S). application the T*RURG, and
                                                        T* RNURG remote alarm sent toward the rack lamp are named in a different way; the relation
                                                        between this two terminology is explained in Table 77. on page 650.

                                          [5] QMD interface
                                          It is a RS–485 interface that allows the dialogue between the NE (EC function) and a non SDH equipment.
                                          In this case the NE acts as a mediation device.

                                          [6] RIMMEL interface

                                          This block provide a serial communication interface with the FANS Shelf in order to receive information
                                          like presence of fans unit, fan alarms, fans unit remote inventory etc. (for details about connection with
                                          FANS Shelf refer to Installation Handbook).
                                          “Rimmel block” is also connected with the Shelf Controller (housed on the MATRIXE) and Equipment
                                          Controller (housed on the PQ2/EQC) in order to:

                                          –      manage the HOUSEKEEPING contact

                                          –      provisioning remote alarm
1AA 00014 0004 (9007) A4 – ALICE 04.10




                                          –      read the 2/3 wire operating mode



                                         ED        03

                                                                                                           3AL 91669 AA AA                      574 / 706


                                                                                                                        706
[7] Q3/QB3 interface
                                                                                            The Q3/QB3 interface on CONGI is used for OS connection. Two connectors are available :

                                                                                            –    2 BNC for 10 Base 2 connection type
not permitted without written authorization from Alcatel.
  All rights reserved. Passing on and copying of this
  document, use and communication of its contents




                                                                                            –    RJ45 for 10 base T connection type.

                                                                                            The Coaxial Transceiver Interface (CTI) circuit performs the driver/receiver interface between the Q3/QB3
                                                                                            coaxial cable ( BNC) and the universal ethernet adapter (AUI).
                                                                                            The purpose of the AUI adapter is to adapt the signal, coming from the Equipment Controller on the
                                                                                            PQ2/EQC, to the LAN interface. It is directly connected to the RJ45 connector or through CTI to BNC
                                                                                            connector.



                                                                                            [8] Remote inventory
                                                                                            It is the memory used to maintain the board history and communication and routing data relevant to the
                                                                                            NE ;Remote Inventory activity is managed by the RIBUS I/F block as described on para. 3.17 on page
                                                                                            370.
                                                  1AA 00014 0004 (9007) A4 – ALICE 04.10




                                                                                           ED      03

                                                                                                                                                          3AL 91669 AA AA                       575 / 706


                                                                                                                                                                        706
2/3 wire mode                                 Input Power Stage

                                                 + Batt_A            Fuse     MAIN                                                     – Batt




                                                                                                                                                                              not permitted without written authorization from Alcatel.
                                                                                          EMI




                                                                                                                                                                                All rights reserved. Passing on and copying of this
                                                                                                                                                                                document, use and communication of its contents
                                          Station                             POWER                                                                    TO ALL
                                                                                                                                        +Batt
                                          battery – Batt_A    Fuse            BLOCK      FILTER                                                       BOARDS
                                                                                                                         STEP UP
                                                                                                           –9V          CONVERTER

                                                                                                        PROTECTION                                +3.3Vdc
                                                                                                                            DC/DC                       TO ALL
                                                                                                          CICUIT             3.3 V
                                                                                                          BLOCK                                        BOARDS
                                                                                              to
                                                                                           RIBUS I/F
                                                                                                                                         Fuse
                                                                                                                                                     To    PQ2/EQC
                                                                               48V                                                     BAT FAIL
                                                                                                                                                     To other CONGI

                                                                                     20%                                           PWANDOR           To PQ2/EQC



                                                                                                                                       OR ALIM
                                          RACK LAMPS                                              OR                                                  To PQ2/EQC
                                                                R/M                                                                    BAT FAIL          From
                                                                                                                                                     other CONGI
                                                                                             AND/OR                                                       alarms from
                                                                                                                 URG, NURG, LOSQ2, INT, UP


                                         HOUSEKEEPING                REMOTE ALARM
                                          AND REMOTE          6/4 HOUSKEEPING_IN                                                        HK–IN
                                           ALARM
                                                               2 HOUSKEEPING_OUT                                                        HK–OUT              to/from
                                                                                                       RIMMEL                                               PQ2/EQC
                                          FANS unit
                                                                                                                                                              and
                                                             FANS management                                                                                MATRIXE
                                                                                                                             Serial Link



                                           NON SDH
                                          EQUIPMENT            QMD                                                                                    to/from
                                                                                                                                   M                 PQ2/EQC
                                                             INTERFACE              TRANSCEIVER                                    U
                                                                (Q2)                                                               X                 not used


                                          OPERATION                           –9V
                                           SYSTEM                                       COAX
                                                                                    TRANSCEIVER
                                                             10BASE2                 INTERFACE
                                                                                        (CTI)             UNIVERSAL                                  to/from
                                                                                                          ETHERNET                       M           PQ2/EQC
                                                             10BASET                                      INTERFACE                      U
                                                                                                           ADAPTER                       X            not used
                                                                 Q3                                          (AUI)
                                                             INTERFACE


                                                                                                                        +3.3 Vdc
                                                                                                                 FAIL




                                                                                     Remote                RIBUS                                       to/from
                                                                                                                                        RIBUS         MATRIXE
                                                                                     Inventory               I/F
                                                                                                                                         CMISS       main and spare
                                                               CONGI
1AA 00014 0004 (9007) A4 – ALICE 04.10




                                                                               Figure 294. CONGI – Block diagram



                                         ED      03

                                                                                                                 3AL 91669 AA AA                                  576 / 706


                                                                                                                                   706
4.53 SERVICE card

                                                                                            (See Figure 295. on page 582)
not permitted without written authorization from Alcatel.




                                                                                            The SERVICE card provides the following functions :
  All rights reserved. Passing on and copying of this
  document, use and communication of its contents




                                                                                            [1]   AUX (auxiliary) channels management

                                                                                            [2]   Input/output clock management

                                                                                            [3]   EOW channels management

                                                                                            [4]   POWER SUPPLY for internal board use.

                                                                                            [1] AUX channels management

                                                                                            It provides :

                                                                                            –     four G.703 64 Kbit/s channels, ITU–T G.703 compliant

                                                                                            –     four V11 channels , every one composed by data input, data output and clock

                                                                                            –     four RS–232 channels

                                                                                            –     two 2 Mbit/s G.703 signals that can be used as auxiliary channels

                                                                                            All the electrical interfaces are managed by the Matrix present on the unit.

                                                                                            [2] Input/Output clock management

                                                                                            Function performed:

                                                                                            –     the unit can receives up to two 2 MHz clock (T3a and T3b) or up to two 2Mbit/s signals (T6a and T6b)
                                                                                                  that could be used to synchronize the N.E. The unit provide software programmability to switch
                                                                                                  between the two mode.

                                                                                            –     the unit provides up to two 2 MHz clock (T4a and T4b) or up to two 2Mbit/s signals (T5a and T5b)
                                                                                                  that can be used by another N.E. for synchronism purpose. The unit provide software
                                                                                                  programmability to switch between the two mode.

                                                                                            [3] EOW management

                                                                                            The EOW channels allows to realize two different connections types:

                                                                                            a)    between two stations (selective call)

                                                                                            b)    omnibus call (one station is connected with all the other

                                                                                            To this purpose a telephone jack is present on the unit front panel.

                                                                                            Two extension channels with different connectors (RJ45 and RJ11) are available to establish a connection
                                                                                            with an external telephone set.

                                                                                            Moreover the channel on RJ11 can be used to establish a connection with an external telephone network
                                                                                            (future application).
                                                                                            The ”Omnibus call” is identified with ”00”.
                                                  1AA 00014 0004 (9007) A4 – ALICE 04.10




                                                                                           ED       03

                                                                                                                                                              3AL 91669 AA AA                    577 / 706


                                                                                                                                                                           706
Two LEDs L1 and L2 indicate the line status according to the type of call . Table 59. on page 578 and
                                          Table 60. on page 578 show the L1 and L2 LEDs meaning for a selective/multiple call and for the omnibus
                                          call.




                                                                                                                                                          not permitted without written authorization from Alcatel.
                                          Table 59. L1, L2 LEDs status for selective call




                                                                                                                                                            All rights reserved. Passing on and copying of this
                                                                                                                                                            document, use and communication of its contents
                                                   STATUS                 CALLING PARTY           CALLED PARTY               THIRD PARTY
                                                                            L1           L2         L1           L2           L1         L2
                                                                         (green)      (yellow)   (green)      (yellow)     (green)    (yellow)
                                          Line engaged                     ON             ––       ON           ––          ON           ––
                                          Selective call                   ON             ––        F           ––          ON           ––
                                          Replay to selective call         ON             ––       ON           ––          ON           ––
                                          Third party inclusion            ON             ––       ON           ––          ON           ––
                                          Third party inclusion            ON           ON         ON           ––          ON           ––
                                          allowed
                                          Third party selection            ON           ON         ON           ––           F           ––
                                          ended
                                          Reply to third party             ON             ––       ON           ––          ON           ––
                                          Clear third party                ON             ––       ON           ––          ON           ––
                                          Clear forward                    ON             ––       ON           ––           ––          ––
                                          Clear back                       ON             ––       ON           ––           ––          ––

                                          Table 60. L1, L2 LEDs status for omnibus call
                                                   STATUS                 CALLING PARTY           CALLED PARTY             NO ANSWER FROM
                                                                                                     REPLY                  CALLED PARTY
                                                                            L1           L2         L1           L2           L1         L2
                                                                         (green)      (yellow)   (green)      (yellow)     (green)    (yellow)
                                          Line engaged                     ON             ––       ON           ––          ON           ––
                                          Omnibus call                     ON             ––        F            F           F            F
                                          T  60 seconds                   ON             ––       ON            F           F            F
                                          An answer at least
                                          T  60 seconds                   ON             ––       ON           ON           F            F
                                          Called party inclusion
                                          T  60 seconds                   ON             ––       ON            F          ON            F
                                          An answer at least
                                          T  60 seconds                   ON             ––       ON           ON          ON            F
                                          Called party inclusion
                                          Third party exclusion            ON             ––       ON            F          ON            F
                                          Clear back                       ON             ––       ON            F          ON            F
                                          Clear forward                    ––             ––        ––          ––           ––          ––


                                          LEGENDA
1AA 00014 0004 (9007) A4 – ALICE 04.10




                                          ON : LED on fixed
                                          –– : LED off
                                          F    : LED flashing

                                         ED      03

                                                                                                         3AL 91669 AA AA                      578 / 706


                                                                                                                     706
Selective call

                                                                                            The connection between two stations is made when the operator selects the service area desired and the
                                                                                            phone number of the station to call.
not permitted without written authorization from Alcatel.




                                                                                            The logical sequence of the main operations about the connection is the following:
  All rights reserved. Passing on and copying of this
  document, use and communication of its contents




                                                                                                 1)     Manual selection of the zone where we want to call, pushing Selection Button. The relative
                                                                                                        Zone’s Led will show the selection (ORANGE color).

                                                                                                 2)     Verify the state of the line in the zone:

                                                                                                        –    Leds L1 and L2 show the state of the line

                                                                                                        –    Free or Engaged Tone are sent to the Phone

                                                                                                 3)     If the line is free and the Inclusion Button is pushed, the phone will be linked to the Party Line
                                                                                                        of the selected zone and the zone becomes engaged. The Green Led L1 will be ON on all
                                                                                                        stations of the zone.

                                                                                                 4)     Selection of the phone number on the keyboard telephone handset

                                                                                                 5)     Recognize call on called station

                                                                                                        The called station recognize the phone number and the consequent action is that the led L1
                                                                                                        (Green) will flash and the buzzer will ring.

                                                                                                 6)     Start of the conversation

                                                                                                        When the user hangs on the phone the conversation shall start In this condition the buzzer will
                                                                                                        be off and the led L1 (green) will be on.

                                                                                                 7)     End of the conversation

                                                                                                        The connection will finish when the caller or the called user will hang off the phone making free
                                                                                                        the zone.
                                                  1AA 00014 0004 (9007) A4 – ALICE 04.10




                                                                                           ED      03

                                                                                                                                                             3AL 91669 AA AA                         579 / 706


                                                                                                                                                                           706
Omnibus call

                                          The Omnibus connection between one station and all the others in one zone is made when the operator
                                          selects the service area desired and the Omnibus call phone number ’00’.




                                                                                                                                                                   not permitted without written authorization from Alcatel.
                                          The logical sequence of the main operations about the connection is the following:




                                                                                                                                                                     All rights reserved. Passing on and copying of this
                                                                                                                                                                     document, use and communication of its contents
                                               1)       Manual selection of the zone where we want to call, pushing Selection Button. The relative
                                                        Zone’s Led will show the selection (ORANGE color).

                                               2)       Verify the state of the line in the zone:

                                                        –    Leds L1 and L2 show the state of the line
                                                        –    Free or Engaged Tone are sent to the Phone

                                               3)       If the line is free and the Inclusion Button is pushed, the phone will be linked to the Party Line
                                                        of the selectioned zone that becomes engaged. The Green Led L1 will be ON on all stations
                                                        of the zone.

                                               4)       Selection of the phone number that is 00 for an Omnibus call.

                                               5)       Recognize call on called station the leds L1 (Green) and L2 (Yellow) will flash and the buzzer
                                                        will ring.

                                               6)       Start of the conversation

                                                        When the called users hang on the phone the conversation shall start. In this situation the
                                                        buzzer will be off, led L1 will be on (green) and led L2 will be flashing (yellow). During the
                                                        conversation, the caller talks and all the other users listen to, but if any of the other users press
                                                        the Inclusion Button they shall talk in the Omnibus Call while the button remains pressed.

                                               7)       End of the conversation

                                                        The connection will finish when the caller will hang off the phone making free the line.
                                                        In the Omnibus call when the users called want to finish the listening, they hang off the phone.

                                          Matrix

                                          The Matrix:

                                          –   receives / transmits data from /to the electrical interfaces (G.703, V11, RS–232, 2 Mbit/s, 2Mhz)

                                          –   receives configurations data from ”Management Bus”

                                          –   receives/transmits a serial signal from/to the digital party line (serial port)

                                          –   receives /transmits data (SOH bytes) from/to the STM–N ports and PQ2/EQC and realize cross
                                              connections.

                                          –   receives clock and synchronism from the MATRIXE
1AA 00014 0004 (9007) A4 – ALICE 04.10




                                         ED        03

                                                                                                               3AL 91669 AA AA                         580 / 706


                                                                                                                              706
Digital party line

                                                                                            The function performed by the Digital Party Line are:
not permitted without written authorization from Alcatel.




                                                                                            –    manages the information coming from the SOH matrix
  All rights reserved. Passing on and copying of this
  document, use and communication of its contents




                                                                                            –    detects DTMF code coming from the different channels
                                                                                            –    party line
                                                                                            –    manages LEDs , buzzer , push buttons and speech extensions present on the card front unit
                                                                                            –    receives configuration information from the ”Management Bus”

                                                                                            AD/DA

                                                                                            This block is a voice–band audio processor and perform the transmit encoding (A/D conversion) and
                                                                                            receive decoding (D/A conversion) together with transmit and receive filtering for voice–band
                                                                                            communication systems.

                                                                                            Other functions implemented are :

                                                                                                 •        RIBUS I/F
                                                                                                          This block is used to read/write from/to the ”RIBUS” stream, to control the LED on the unit, to
                                                                                                          release the Management–bus in case of power failure, and to use the remote inventory:
                                                                                                 •        REMOTE INVENTORY
                                                                                                          It is the memory containing the board information, for identification purposes (see para. 3.17
                                                                                                          on page 370 for details).
                                                                                                 •        M–BUS Driver
                                                                                                          It drives the input–output gates of the Management–bus. These drivers can be disabled (by
                                                                                                          the Bus–OFF signal) in case of power failure.

                                                                                            [4] POWER SUPPLY

                                                                                            The unit receives via backpanel connectors the –48V coming from CONGI boards.

                                                                                            The DC/DC converter present on the board generates the following voltage:

                                                                                                 •        + 3.3 V
                                                                                                 •        + 2.5 V to supply the party line and the SOH Matrix
                                                                                                 •        – 9 V to supply the phone

                                                                                            The Remote–Inventory and RIBUS–I/F blocks are powered by the 3.3 V power service coming from the
                                                                                            CONGI boards .
                                                  1AA 00014 0004 (9007) A4 – ALICE 04.10




                                                                                           ED        03

                                                                                                                                                              3AL 91669 AA AA                       581 / 706


                                                                                                                                                                           706
not permitted without written authorization from Alcatel.
                                              2 x 2 Mbit/s




                                                                                                                                                                                All rights reserved. Passing on and copying of this
                                                                                                                                                                                document, use and communication of its contents
                                                                 T3a/T6a      G.703                                                         AUX              to/from
                                          2 x 2MHz input         T3b/T6b                                                                                   STM–N ports
                                                                                                                                            QAUX
                                                                 T4a/T5a
                                                                                                               OH                                              to/from
                                         2 x 2MHz output         T4b/T5b                                                                     DCC
                                                                                                              MATRIX                                          PQ2/EQC
                                                                                                                                                T3
                                              4 x 64 Kbit/s                   G.703                                                             T4

                                                                                                                                          ck system A
                                                                                                                                          ck system A
                                                   4 x V.11                    V.11

                                                                                                                                        51 MHz

                                                4 x RS232                    RS–232

                                                                                                    Serial
                                                                                                    Port          2.5 V
                                                                                L1 L2 Z1      Z8
                                                                                                                                    Config.  Status           to/from
                                                                                                                                                               MATRIXE
                                                                 Buzzer                                                                                      main and spare
                                                                 zone                                                                        Management
                                                                 selection                            DIGITAL                                   Bus
                                                                 line                                 PARTY                   M–BUS
                                                                 reset                                LINE                    Driver
                                                                 line
                                                                 seizure

                                                                                       RAM                                Bus–OFF
                                                    RJ11
                                                External Phone               AD/DA                                                                 RIBUS
                                                   extension                                                  Remote                RIBUS
                                                                                                             Inventory               I/F
                                                   RJ45
                                                External Phone               AD/DA
                                                  extension                                                                                     FAULT

                                                  Telephone                  AD/DA



                                                                      –9V


                                                                                                                                      3.3 Vdc
                                                                                                                                                                   from
                                                                                      3.3 V                                           48/60 V                   CONGI A B
                                                                                      2.5 V           DC/DC
                                                                                                   CONVERTERS
                                                                                      –9 V




                                                                                                    SERVICE




                                                                               Figure 295. SERVICE block diagram
1AA 00014 0004 (9007) A4 – ALICE 04.10




                                         ED         03

                                                                                                                   3AL 91669 AA AA                               582 / 706


                                                                                                                                     706
4.54 FAN SHELF 19” AND RELEVANT FAN UNIT

                                                                                            (See Figure 296. on page 585 and Figure 297. on page 586)
not permitted without written authorization from Alcatel.




                                                                                            The FANS SHELF 19” is composed by a mechanical structure and a back–plane.
  All rights reserved. Passing on and copying of this
  document, use and communication of its contents




                                                                                            The Fan Shelf is used to prevent high temperature inside the 1660SM equipment and must be equipped
                                                                                            with four FAN UNIT FOR FAN SHELF 19” and two FILTERS (DUST FILTER FOR FAN SHELF 19 or
                                                                                            METALLIC FAN GRID).

                                                                                            In the lower part of the shelf are present 5 connectors the meaning of which is explained in Figure 84. on
                                                                                            page 173.

                                                                                            Each FANS UNIT is composed by four fans and some electronic circuits necessary to:

                                                                                                 •        fans and alarms management

                                                                                                 •        filter management

                                                                                                 •        remote inventory

                                                                                                 •        power supply




                                                                                            FANS ALARM MANAGEMENT

                                                                                            The core of the FAN UNIT FOR FAN SHELF is the “Fan Controller” that perform the following functionality:

                                                                                            –    FAN power supply:at the start up the control of FANS is distributed in sharing mode, so the max
                                                                                                 current value is reduced at only one FAN at a time.

                                                                                            –    FAN control: the sensing criteria is integrated in order to have an alarm if almost one fan is out of order.
                                                                                                 If an alarm is present (FAN AL1, FAN AL2, FAN AL3, FAN AL4) because a fan is temporary out of
                                                                                                 order, the Fan controller try every 8 sec. to restart the fan.

                                                                                            –    Temperature sensor: an external sensor generate an alarm (TEMP AL) when the temperature
                                                                                                 exceed 55_ C.

                                                                                            –    Remote inventory: through this interface the fan controller read the information stored in the flash
                                                                                                 EPROM.

                                                                                            –    LED control: the meaning of the led is reported in Figure 84. on page 173.

                                                                                            –    Serial Alarms Interface: the FAN controller reports the alarm on a serial link toward the CONGI board
                                                                                                 in order to transfer the information to the Shelf Controller on the MATRIXE.



                                                                                            The Fans controller generate an alarm called ALM_URG B #n if at least one fan is faulty or the 12Vdc is
                                                                                            not present.
                                                  1AA 00014 0004 (9007) A4 – ALICE 04.10




                                                                                           ED        03

                                                                                                                                                              3AL 91669 AA AA                          583 / 706


                                                                                                                                                                             706
FILTER

                                          Two filters are present at the bottom of the fan shelf in order to prevent dusty problem at cooled circuit.
                                          This filter could not be removed permanently because the bottom grid performs the function of anti–fire




                                                                                                                                                            not permitted without written authorization from Alcatel.
                                          protection.




                                                                                                                                                              All rights reserved. Passing on and copying of this
                                                                                                                                                              document, use and communication of its contents
                                          Two electro–mechanical sensor checks if the filters has been removed from the Shelf. These information
                                          (FILTER AL1 and FILTER AL2) are than reported to the fan controller of each FAN UNIT FOR FAN SHELF
                                          19”.
                                          Dust Filter and Metallic Fan Grid are alternative parts.

                                          REMOTE INVENTORY

                                          It is a flash EPROM where are stored information about the unit like construction date, code number, maker
                                          name, Card–type, etc.

                                          POWER SUPPLY

                                          The main power supply is coming from two connectors: power supply “A” and power supply “B” coming
                                          from station battery.
                                          The voltage value for both battery is : 48 o 60 Vdc ± 20% 3A max; in case of failure an alarm is generated
                                          (AL BAT_A, AL BAT_B)

                                          A DC/DC converter on the unit provides the 12V necessary to power the FANs. Another DC/DC converter
                                          provides the 3.3V power supply voltage from which through a serial regulator is derived a 2.5 V.

                                          If one of the above secondary voltage are not present , is generated an alarm (PSU ALM #n).
1AA 00014 0004 (9007) A4 – ALICE 04.10




                                         ED      03

                                                                                                         3AL 91669 AA AA                        584 / 706


                                                                                                                       706
not permitted without written authorization from Alcatel.
  All rights reserved. Passing on and copying of this
  document, use and communication of its contents




                                                                                            BATTERY A                                                                 PSU ALM #3
                                                                                                                                              ÏÏÏÏÏÏÏÏ
                                                                                                                                              ÏÏÏÏÏÏÏÏ                PSU ALM #2           PSU ALM




                                                                                                                                    SLOT ID
                                                                                            BATTERY B                                                                                 1
                                                                                                                                                                                     _
                                                                                                                                                                      PSU ALM #1
                                                                                                                                              ÏÏÏÏÏÏÏÏ
                                                                                                                                                   FAN UNIT           PSU ALM #0




                                                                                                                                                                                                     Housekeeping
                                                                                                                                BATTERY A
                                                                                                                                              ÏÏÏÏÏÏÏÏ
                                                                                                                                               FOR FAN SHELF 19”




                                                                                                                                                                                                       CONGI
                                                                                                                                              ÏÏÏÏÏÏÏÏ




                                                                                                                                                                                                          to
                                                                                                                                BATTERY B
                                                                                                                                                     #0
                                                                                                                                FILTER AL1
                                                                                                                                              ÏÏÏÏÏÏÏÏ
                                                                                                                                              ÏÏÏÏÏÏÏÏ
                                                                                                                                                                      ALM_URG_B #0


                                                                                                     ÏÏ
                                                                                                     ÏÏ                         FILTER AL2

                                                                                                                                              ÏÏÏÏÏÏÏÏ
                                                                                                                                                                      ALM_URG_B #1

                                                                                                                                                                      ALM_URG_B #2
                                                                                                                                                                                      1
                                                                                                                                                                                     _
                                                                                                                                                                                           ALM_URG



                                                                                                                                                                      ALM_URG_B #3
                                                                                                     ÏÏ                                       ÏÏÏÏÏÏÏÏ
                                                                                                                                   SLOT ID




                                                                                                     ÏÏ F                                     ÏÏÏÏÏÏÏÏ
                                                                                                        I   S                                      FAN UNIT
                                                                                                                                                                     PSU ALM #1
                                                                                                    ÌÌ Ï
                                                                                                     ÏÏ
                                                                                                     Ï
                                                                                                    ÌÌ ÏL
                                                                                                        T
                                                                                                            E
                                                                                                            N
                                                                                                            S
                                                                                                                FILTER AL1
                                                                                                                                 BATTERY A
                                                                                                                                              ÏÏÏÏÏÏÏÏ
                                                                                                                                               FOR FAN SHELF 19”
                                                                                                                                              ÏÏÏÏÏÏÏÏ               ALM_URG_B #1
                                                                                                            O                    BATTERY B
                                                                                                        E   R                                        #1
                                                                                                     Ï
                                                                                                    ÌÌ Ï
                                                                                                     ÏÏ
                                                                                                        R
                                                                                                                                 FILTER AL1
                                                                                                                                              ÏÏÏÏÏÏÏÏ
                                                                                                                                              ÏÏÏÏÏÏÏÏ
                                                                                                                                 FILTER AL2
                                                                                                        1
                                                                                                     ÏÏ
                                                                                                     ÏÏ                                       ÏÏÏÏÏÏÏÏ
                                                                                                     Ï
                                                                                                                                              ÏÏÏÏÏÏÏÏ
                                                                                                                                    SLOT ID




                                                                                                                                              ÏÏÏÏÏÏÏÏ
                                                                                                                                                   FAN UNIT
                                                                                                     ÏÏ
                                                                                                     ÏÏ                         BATTERY A
                                                                                                                                              ÏÏÏÏÏÏÏÏ
                                                                                                                                               FOR FAN SHELF 19”
                                                                                                                                              ÏÏÏÏÏÏÏÏ
                                                                                                                                                                     PSU ALM #2


                                                                                                                                BATTERY B                            ALM_URG_B #2
                                                                                                                                                     #2
                                                                                                     ÏÏ
                                                                                                     ÏÏ F
                                                                                                                                FILTER AL1
                                                                                                                                              ÏÏÏÏÏÏÏÏ
                                                                                                                                              ÏÏÏÏÏÏÏÏ
                                                                                                        I   S
                                                                                                                                FILTER AL2
                                                                                                    ÌÌ Ï
                                                                                                     ÏÏ
                                                                                                     Ï
                                                                                                    ÌÌ ÏL
                                                                                                        T
                                                                                                            E
                                                                                                            N
                                                                                                            S
                                                                                                                FILTER AL2                    ÏÏÏÏÏÏÏÏ
                                                                                                        E
                                                                                                            O                                 ÏÏÏÏÏÏÏÏ
                                                                                                                                    SLOT ID




                                                                                                            R
                                                                                                     Ï
                                                                                                    ÌÌ Ï
                                                                                                     Ï
                                                                                                        R                                     ÏÏÏÏÏÏÏÏ
                                                                                                     ÏÏ 2
                                                                                                                                 BATTERY A
                                                                                                                                              ÏÏÏÏÏÏÏÏ
                                                                                                                                                   FAN UNIT
                                                                                                                                               FOR FAN SHELF 19”
                                                                                                                                              ÏÏÏÏÏÏÏÏ              PSU ALM #3


                                                                                                                                 BATTERY B                          ALM_URG_B #3
                                                                                                     ÏÏ                                              #3
                                                                                                                                              ÏÏÏÏÏÏÏÏ
                                                                                                     ÏÏ                          FILTER AL1
                                                                                                                                 FILTER AL2
                                                                                                                                              ÏÏÏÏÏÏÏÏ
                                                                                                                                              ÏÏÏÏÏÏÏÏ
                                                                                                                                              ÏÏÏÏÏÏÏÏ
                                                                                                                                   FAN SHELF 19”
                                                  1AA 00014 0004 (9007) A4 – ALICE 04.10




                                                                                                                             Figure 296. Fans shelf 19” general block diagram




                                                                                           ED      03

                                                                                                                                                              3AL 91669 AA AA                           585 / 706


                                                                                                                                                                             706
706
                                                            586 / 706                         3AL 91669 AA AA
                                                                                                                                                                                                                                                                     03   ED
                                                                                                 Figure 297. Fans unit for fan shelf 19” block diagram
                                                                                                                                                                                                                                                                               1AA 00014 0004 (9007) A4 – ALICE 04.10




                                                                                ÏÏÏÏÏÏÏÏÏÏÏÏÏÏÏÏÏÏÏÏÏÏÏ
                                                                                    FAN UNIT FOR FAN SHELF19”
                                                                                ÏÏÏÏÏÏÏÏÏÏÏÏÏÏÏÏÏÏÏÏÏÏÏ
                                                                                ÏÏÏÏÏÏÏÏÏÏÏÏÏÏÏÏÏÏÏÏÏÏÏ
                                                                CONGI unit      ÏÏÏÏÏÏÏÏÏÏÏÏÏÏÏÏÏÏÏÏÏÏÏ
                                                                     to              FANS MANAGEMENT
                                                                                ÏÏÏÏÏÏÏÏÏÏÏÏÏÏÏÏÏÏÏÏÏÏÏ                                                     NOT USED
                                                                                ÏÏÏÏÏÏÏÏÏÏÏÏÏÏÏÏÏÏÏÏÏÏÏ
                                                                                                                                                                    B                                A
                                                                                ÏÏÏÏÏÏÏÏÏÏÏÏÏÏÏÏÏÏÏÏÏÏÏ                                                        INTERFACE                        INTERFACE
                                                                                                                                                                 ALARM                            ALARM
                                                                    NOT USED
                                                                                ÏÏÏÏÏÏÏÏÏÏÏÏÏÏÏÏÏÏÏÏÏÏÏ
                                                                                          AL_FAN
                                                                                                                                                                 SERIAL                           SERIAL
                                                                                                            _      AL_FAN
                                                                 ALM_URG_B
                                                                                ÏÏÏÏÏÏÏÏÏÏÏÏÏÏÏÏÏÏÏÏÏÏÏ      1
                                                                                                                   AL_12V
                                                                                ÏÏÏÏÏÏÏÏÏÏÏÏÏÏÏÏÏÏÏÏÏÏÏ                                                                                                                           ALARM          FILTER AL2
                                                                     NOT USED
                                                                                ÏÏÏÏÏÏÏÏÏÏÏÏÏÏÏÏÏÏÏÏÏÏÏ
                                                                                    ALM_URG_A                                                               FANS CONTROLLER
                                                                                                                                                                                                                                  FILTER         FILTER AL1
                                                                                ÏÏÏÏÏÏÏÏÏÏÏÏÏÏÏÏÏÏÏÏÏÏÏ
                                                                                ÏÏÏÏÏÏÏÏÏÏÏÏÏÏÏÏÏÏÏÏÏÏÏ
                                                                                                   LED
                                                                                                                  ALARM                           SENSOR
                                                                                                                  POWER                                                                      FANS CONTROL
                                                                                                                                                                                                                                                               SLOT ID




                                                                                                                                                FAULTY FANS
                                                                                ÏÏÏÏÏÏÏÏÏÏÏÏÏÏÏÏÏÏÏÏÏÏÏ
                                                                                    INVENTORY
                                                                                     REMOTE
                                                                                ÏÏÏÏÏÏÏÏÏÏÏÏÏÏÏÏÏÏÏÏÏÏÏ
                                                                                ÏÏÏÏÏÏÏÏÏÏÏÏÏÏÏÏÏÏÏÏÏÏÏ
                                                                                                                                                                                               FAN
                                                                                                                                                                                                           FAN
                                                                                                                                                                                                                       FAN
                                                                                                                                                                                                                                   FAN




                                                                                                                                                                                              control 4
                                                                                                                                                                                                          control 3
                                                                                                                                                                                                                      control 2
                                                                                                                                                                                                                                  control 1




                                                                                                                                                                                FAN AL1




                                                                                                                                                  FAN AL4
                                                                                                                                                            FAN AL3
                                                                                                                                                                      FAN AL2




                                                                                                                                       AL_12V




                                                                                ÏÏÏÏÏÏÏÏÏÏÏÏÏÏÏÏÏÏÏÏÏÏÏ
                                                                                                                   ALBAT_B
                                                                                                                             ALBAT_A




                                                                                      SENSOR
                                                                                    TEMPERATURE
                                                                                ÏÏÏÏÏÏÏÏÏÏÏÏÏÏÏÏÏÏÏÏÏÏÏ TEMP_AL
                                                                                ÏÏÏÏÏÏÏÏÏÏÏÏÏÏÏÏÏÏÏÏÏÏÏ
                                                                                ÏÏÏÏÏÏÏÏÏÏÏÏÏÏÏÏÏÏÏÏÏÏÏ
                                                                                ÏÏÏÏÏÏÏÏÏÏÏÏÏÏÏÏÏÏÏÏÏÏÏ            + 12 V                                   + 12 V                                        + 12 V                                + 12 V
                                                                                ÏÏÏÏÏÏÏÏÏÏÏÏÏÏÏÏÏÏÏÏÏÏÏ
                                                                                ÏÏÏÏÏÏÏÏÏÏÏÏÏÏÏÏÏÏÏÏÏÏÏ
                                                                                ÏÏÏÏÏÏÏÏÏÏÏÏÏÏÏÏÏÏÏÏÏÏÏ  FAN AL4                           FAN AL3                                        FAN AL2                                 FAN AL1
                                                                                ÏÏÏÏÏÏÏÏÏÏÏÏÏÏÏÏÏÏÏÏÏÏÏ
                                                                                ÏÏÏÏÏÏÏÏÏÏÏÏÏÏÏÏÏÏÏÏÏÏÏ
                                                                                ÏÏÏÏÏÏÏÏÏÏÏÏÏÏÏÏÏÏÏÏÏÏÏ
                                                                                                                  FANS4                              FANS3                                       FANS2                                        FANS1
                                                                                ÏÏÏÏÏÏÏÏÏÏÏÏÏÏÏÏÏÏÏÏÏÏÏ
                                                                                ÏÏÏÏÏÏÏÏÏÏÏÏÏÏÏÏÏÏÏÏÏÏÏ
                                                                                ÏÏÏÏÏÏÏÏÏÏÏÏÏÏÏÏÏÏÏÏÏÏÏ
                                                                                ÏÏÏÏÏÏÏÏÏÏÏÏÏÏÏÏÏÏÏÏÏÏÏ                                                                                                                              ALBAT_B
                                                                                                                                         REGULATOR
                                                                                      M   R                                               SERIAL
                                                                                              +2.5 V
                                                                                      R   E                       +2.5 V                                                                          Converter
                                                                                ÏÏÏÏÏÏÏÏÏÏÏÏÏÏÏÏÏÏÏÏÏÏÏ
                                                                                      A   W                                                           +3.3 V                                       DC/DC
                                                                                                                                                                                                                                                              BATTERY B
                                                                          PSU ALM     L   O   +3.3 V
                                                                                ÏÏÏÏÏÏÏÏÏÏÏÏÏÏÏÏÏÏÏÏÏÏÏ
                                                                                      A   P                                                                                                       Converter
                                                                                                                                       +12 V                                                                                                                  BATTERY A
                                                                                                                                                                                                   DC/DC
                                                                                ÏÏÏÏÏÏÏÏÏÏÏÏÏÏÏÏÏÏÏÏÏÏÏ
                                                                                                +12 V                                                                                                                                ALBAT_A
                                                                                                                                                AL_12V
                                                                                ÏÏÏÏÏÏÏÏÏÏÏÏÏÏÏÏÏÏÏÏÏÏÏ
                                                                                ÏÏÏÏÏÏÏÏÏÏÏÏÏÏÏÏÏÏÏÏÏÏÏ
                                                                                ÏÏÏÏÏÏÏÏÏÏÏÏÏÏÏÏÏÏÏÏÏÏÏ




  document, use and communication of its contents
  All rights reserved. Passing on and copying of this

not permitted without written authorization from Alcatel.
4.55 ASSEMBLED FANS UNIT

                                                                                            (See Figure 298. on page 588 and Figure 299. on page 589)
not permitted without written authorization from Alcatel.




                                                                                            The ASSEMBLED FANS UNIT must be inserted in the “1660SM SUBRACK WITH FANS SHELF” in order
  All rights reserved. Passing on and copying of this
  document, use and communication of its contents




                                                                                            to prevent high temperature inside the equipment.

                                                                                            In the “1660SM SUBRACK WITH FANS SHELF” can be equipped up to two ASSEMBLED FANS UNIT
                                                                                            and one FILTER.

                                                                                            In the lower part of the “1660SM SUBRACK WITH FANS SHELF” are present 2 connectors on the left
                                                                                            (1st battery voltage and alarms) and one connector on the right (2nd battery voltage)

                                                                                            Each ASSEMBLED FANS UNIT is composed by six fans and some electronic circuits necessary to:

                                                                                                 •        fans and alarms management

                                                                                                 •        remote inventory

                                                                                                 •        power supply



                                                                                            FANS ALARM MANAGEMENT

                                                                                            The core of the unit is the “Fan Controller” that perform the following functionality:

                                                                                            –    FAN power supply:at the start up the control of FANS is distributed in sharing mode, so the max
                                                                                                 current value is reduced at only one FAN at a time.

                                                                                            –    FAN control: the sensing criteria is integrated in order to have an alarm if almost one fan is out of order.
                                                                                                 If an alarm is present (FAN AL1, FAN AL2, FAN AL3, FAN AL4, FAN AL5, FAN AL6) because a fan
                                                                                                 is temporary out of order, the Fan controller try every 8 sec. to restart the fan.

                                                                                            –    Temperature sensor: an external sensor generate an alarm (TEMP AL) when the temperature
                                                                                                 exceed 55_ C.

                                                                                            –    Remote inventory: through this interface the fan controller read the information stored in the flash
                                                                                                 EPROM.

                                                                                            –    LED control: the meaning of the led is reported in Figure 85. on page 174.

                                                                                            –    Serial Alarms Interface: the FAN controller reports the alarm on a serial link toward the CONGI board
                                                                                                 in order to transfer the information to the Shelf Controller on the MATRIXE.

                                                                                            The Fans controller generate an alarm called ALM_URG B #n if at least one fan is faulty or the 12Vdc is
                                                                                            not present.

                                                                                            REMOTE INVENTORY

                                                                                            It is a flash EPROM where are stored information about the unit like construction date, code number, maker
                                                                                            name, Card–type, etc.
                                                  1AA 00014 0004 (9007) A4 – ALICE 04.10




                                                                                           ED        03

                                                                                                                                                              3AL 91669 AA AA                          587 / 706


                                                                                                                                                                             706
POWER SUPPLY

                                          The main power supply is coming from two connectors: power supply “A” and power supply “B” coming
                                          from station battery.




                                                                                                                                                                not permitted without written authorization from Alcatel.
                                          The voltage value for both battery is : 48 or 60 Vdc ± 20% 3A max; in case of failure an alarm is generated




                                                                                                                                                                  All rights reserved. Passing on and copying of this
                                                                                                                                                                  document, use and communication of its contents
                                          (AL BAT_A, AL BAT_B)

                                          A DC/DC converter on the unit provides the 12V necessary to power the FANs. A step down converter
                                          provides the 3.3V power supply voltage.

                                          If one of the above secondary voltage are not present , is generated an alarm (PSU ALM #n).

                                          FILTER

                                          One filter is present at the bottom of the “1660SM SUBRACK WITH FANS SHELF” in order to prevent
                                          dusty problem at cooled circuit. This filter could not be removed permanently because the bottom grid
                                          performs the function of anti–fire protection.
                                          Dust Filter and Metallic Fan Grid are alternative parts.




                                                                                                                 PSU ALM #1
                                                                                       ÏÏÏÏÏÏÏÏÏ                                      PSU ALM
                                                                             SLOT ID




                                                                                                                                 1
                                                                                                                                _
                                                                                       ÏÏÏÏÏÏÏÏÏ
                                                                                       ÏÏÏÏÏÏÏÏÏ
                                                                                       ASSEBLED FANS UNIT        PSU ALM #0




                                                                                                                                                Housekeeping
                                          BATTERY A                      BATTERY A
                                                                                       ÏÏÏÏÏÏÏÏÏ

                                                                                                                                                  CONGI
                                          BATTERY B




                                                                                                                                                     to
                                                                         BATTERY B
                                                                                       ÏÏÏÏÏÏÏÏÏ#0
                                                                                                                 ALM_URG_B #0
                                                                                       ÏÏÏÏÏÏÏÏÏ
                                                                                       ÏÏÏÏÏÏÏÏÏ                                 1
                                                                                                                                _
                                                                                                                                      ALM_URG



                                                                                       ÏÏÏÏÏÏÏÏÏ
                                                                                       ÏÏÏÏÏÏÏÏÏ                 ALM_URG_B #1
                                                                            SLOT ID




                                                                                       ÏÏÏÏÏÏÏÏÏ
                                                                                       ÏÏÏÏÏÏÏÏÏ                 PSU ALM #1
                                                                                       ASSEBLED FANS UNIT
                                                                         BATTERY A
                                                                         BATTERY B
                                                                                       ÏÏÏÏÏÏÏÏÏ                 ALM_URG_B #1
                                                                                       ÏÏÏÏÏÏÏÏÏ
                                                                                       ÏÏÏÏÏÏÏÏÏ
                                                                                                #1


                                                                                       ÏÏÏÏÏÏÏÏÏ
                                                                                       ÏÏÏÏÏÏÏÏÏ       Back Panel

                                                      Figure 298. Assembled Fans unit power supply and alarms general block diagram
1AA 00014 0004 (9007) A4 – ALICE 04.10




                                         ED      03

                                                                                                         3AL 91669 AA AA                            588 / 706


                                                                                                                        706
706
589 / 706                          3AL 91669 AA AA
                                                                                                                                                              03   ED
                                          Figure 299. Assembled Fans unit block diagram
                                                                                                                                                                        1AA 00014 0004 (9007) A4 – ALICE 04.10




                    ÏÏÏÏÏÏÏÏÏÏÏÏÏÏÏÏÏÏÏÏÏÏÏ
                                   ASSEMBLED FANS UNT
                    ÏÏÏÏÏÏÏÏÏÏÏÏÏÏÏÏÏÏÏÏÏÏÏ
                    ÏÏÏÏÏÏÏÏÏÏÏÏÏÏÏÏÏÏÏÏÏÏÏ
    CONGI unit      ÏÏÏÏÏÏÏÏÏÏÏÏÏÏÏÏÏÏÏÏÏÏÏ
         to              FANS MANAGEMENT
                    ÏÏÏÏÏÏÏÏÏÏÏÏÏÏÏÏÏÏÏÏÏÏÏ                                                     NOT USED
                    ÏÏÏÏÏÏÏÏÏÏÏÏÏÏÏÏÏÏÏÏÏÏÏ
                                                                                                      B                A
                    ÏÏÏÏÏÏÏÏÏÏÏÏÏÏÏÏÏÏÏÏÏÏÏ                                                      INTERFACE        INTERFACE
                                                                                                   ALARM            ALARM
        NOT USED
                    ÏÏÏÏÏÏÏÏÏÏÏÏÏÏÏÏÏÏÏÏÏÏÏ
                              AL_FAN
                                                                                                   SERIAL           SERIAL
                                                _      AL_FAN
     ALM_URG_B
                    ÏÏÏÏÏÏÏÏÏÏÏÏÏÏÏÏÏÏÏÏÏÏÏ      1
                                                      AL_12V
                    ÏÏÏÏÏÏÏÏÏÏÏÏÏÏÏÏÏÏÏÏÏÏÏ
         NOT USED
                    ÏÏÏÏÏÏÏÏÏÏÏÏÏÏÏÏÏÏÏÏÏÏÏ
                        ALM_URG_A                                                               FANS CONTROLLER
                    ÏÏÏÏÏÏÏÏÏÏÏÏÏÏÏÏÏÏÏÏÏÏÏ
                    ÏÏÏÏÏÏÏÏÏÏÏÏÏÏÏÏÏÏÏÏÏÏÏ
                                       LED
                                                      ALARM                           SENSOR
                                                      POWER                                                         FANS CONTROL
                                                                                                                                                        SLOT ID




                                                                                    FAULTY FANS
                    ÏÏÏÏÏÏÏÏÏÏÏÏÏÏÏÏÏÏÏÏÏÏÏ
                        INVENTORY
                         REMOTE
                    ÏÏÏÏÏÏÏÏÏÏÏÏÏÏÏÏÏÏÏÏÏÏÏ
                    ÏÏÏÏÏÏÏÏÏÏÏÏÏÏÏÏÏÏÏÏÏÏÏ
                                                                                                                 FAN
                                                                                                                                 FAN




                                                                                                                control 6
                                                                                                                                control 1




                                                                                                      FAN AL1




                                                                                      FAN AL6



                                                                           AL_12V




                    ÏÏÏÏÏÏÏÏÏÏÏÏÏÏÏÏÏÏÏÏÏÏÏ
                                                       ALBAT_B
                                                                 ALBAT_A




                          SENSOR
                        TEMPERATURE
                    ÏÏÏÏÏÏÏÏÏÏÏÏÏÏÏÏÏÏÏÏÏÏÏ TEMP_AL
                    ÏÏÏÏÏÏÏÏÏÏÏÏÏÏÏÏÏÏÏÏÏÏÏ
                    ÏÏÏÏÏÏÏÏÏÏÏÏÏÏÏÏÏÏÏÏÏÏÏ
                                   + 12 V
                    ÏÏÏÏÏÏÏÏÏÏÏÏÏÏÏÏÏÏÏÏÏÏÏ                                                                                                   + 12 V
                    ÏÏÏÏÏÏÏÏÏÏÏÏÏÏÏÏÏÏÏÏÏÏÏ
                    ÏÏÏÏÏÏÏÏÏÏÏÏÏÏÏÏÏÏÏÏÏÏÏ
                         FAN AL6
                    ÏÏÏÏÏÏÏÏÏÏÏÏÏÏÏÏÏÏÏÏÏÏÏ                                                                                     FAN AL1
                    ÏÏÏÏÏÏÏÏÏÏÏÏÏÏÏÏÏÏÏÏÏÏÏ
                    ÏÏÏÏÏÏÏÏÏÏÏÏÏÏÏÏÏÏÏÏÏÏÏ
                    ÏÏÏÏÏÏÏÏÏÏÏÏÏÏÏÏÏÏÏÏÏÏÏ
                                  FANS6                                                                                                     FANS1
                    ÏÏÏÏÏÏÏÏÏÏÏÏÏÏÏÏÏÏÏÏÏÏÏ
                    ÏÏÏÏÏÏÏÏÏÏÏÏÏÏÏÏÏÏÏÏÏÏÏ
                    ÏÏÏÏÏÏÏÏÏÏÏÏÏÏÏÏÏÏÏÏÏÏÏ
                    ÏÏÏÏÏÏÏÏÏÏÏÏÏÏÏÏÏÏÏÏÏÏÏ                                +3.3 V
                                                                                                  DOWN
                                                                                                  STEP                             ALBAT_B
                          M   R
                          R   E
                    ÏÏÏÏÏÏÏÏÏÏÏÏÏÏÏÏÏÏÏÏÏÏÏ
                          A   W    +3.3 V
                                                                                                                    Converter
                                                                                                                                                       BATTERY B
              PSU ALM     L   O
                    ÏÏÏÏÏÏÏÏÏÏÏÏÏÏÏÏÏÏÏÏÏÏÏ                                +12 V
                          A   P                                                                                      DC/DC
                                    +12 V                                                                                                              BATTERY A
                    ÏÏÏÏÏÏÏÏÏÏÏÏÏÏÏÏÏÏÏÏÏÏÏ                                         AL_12V                                         ALBAT_A
                    ÏÏÏÏÏÏÏÏÏÏÏÏÏÏÏÏÏÏÏÏÏÏÏ
                    ÏÏÏÏÏÏÏÏÏÏÏÏÏÏÏÏÏÏÏÏÏÏÏ
                    ÏÏÏÏÏÏÏÏÏÏÏÏÏÏÏÏÏÏÏÏÏÏÏ
                                                                                                                                                                                                document, use and communication of its contents
                                                                                                                                                                                                All rights reserved. Passing on and copying of this

                                                                                                                                                                                              not permitted without written authorization from Alcatel.
1AA 00014 0004 (9007) A4 – ALICE 04.10




                           ED
                           03




706
         3AL 91669 AA AA
         590 / 706
                                                 All rights reserved. Passing on and copying of this
                                                 document, use and communication of its contents
                                               not permitted without written authorization from Alcatel.
5 TECHNICAL SPECIFICATIONS

                                                                                            Data indicated in the handbook must be considered as standard values
                                                                                            Data indicated in the contract must be considered as guaranteed values
not permitted without written authorization from Alcatel.
  All rights reserved. Passing on and copying of this
  document, use and communication of its contents




                                                                                            5.1 General characteristics
                                                                                            Optical Line bit rate                            SDH:  155.520 Mbit/s (STM–1)
                                                                                                                                                   622.080 Mbit/s (STM–4)
                                                                                                                                                   2488.320 Mbit/s (STM–16)
                                                                                                                                                   9953.280 Mbit/s (STM–64)
                                                                                                                                             SONET:155.520 Mbit/s (OC–3)
                                                                                                                                                   622.080 Mbit/s (OC12)


                                                                                            Electrical Line bit rate                         SDH: 155.520 Mbit/s (STM–1)
                                                                                                                                             SONET:155.520 Mbit/s (OC–3)
                                                                                                                                             PDH: 139.264 Mbit/s (PDH)

                                                                                            Type of optical fiber                            Single mode according to ITU–TG.652, G.654
                                                                                                                                             and Multimode G.651.

                                                                                            Wave length                                      See Table 66. on page 628, Table 67. on page
                                                                                                                                             630, Table 68. on page 631 and Table 69. on
                                                                                                                                             page 633 .

                                                                                            Span length                                      Depending on fiber type and and optical power
                                                                                                                                             budget reported in Table 66. on page 628,
                                                                                                                                             Table 67. on page 630, Table 68. on page 631
                                                                                                                                             and Table 69. on page 633 .

                                                                                            Application types                                TM and ADM in protected and unprotected linear
                                                                                                                                             links and rings
                                                                                                                                             DXC (64 STM–1 equivalent port at VC12 level)

                                                                                            Applied standards                                ITU–T G.703 for electrical interfaces
                                                                                                                                             TU–T G.707 for SDH frame and multiplexing
                                                                                                                                             structure
                                                                                                                                             ITU–T G.957 and G.958 for optical interfaces
                                                                                                                                             ITU–T G.821 and G.826 for transmission quality
                                                                                                                                             ITU–T G813 for synchronization
                                                                                                                                             ITU–T G.783 and G.841 for network protection
                                                                                                                                             architectures
                                                                                                                                             ITU–T G.784 and G.774 for system management
                                                                                                                                             functions
                                                                                                                                             ITU–T G.662 and G.663 for optical amplification
                                                  1AA 00014 0004 (9007) A4 – ALICE 04.10




                                                                                           ED     03

                                                                                                                                                      3AL 91669 AA AA                   591 / 706


                                                                                                                                                                     706
Max quantity of each interface per shelf      378 x 2Mbit/s interfaces;
                                                                                        48 x 34 or 45 Mbit/s interfaces;
                                                                                        64 x 140Mbit/s interfaces;




                                                                                                                                                    not permitted without written authorization from Alcatel.
                                                                                        256 x STM–1 electrical or optical interfaces;




                                                                                                                                                      All rights reserved. Passing on and copying of this
                                                                                                                                                      document, use and communication of its contents
                                                                                        64 x STM–4 optical interfaces;
                                                                                        16 x STM–16 optical interfaces;
                                                                                        4 x STM–64 optical interfaces;
                                                                                        300 x Ethernet 10/100 BaseT;
                                                                                        64 x Ethernet 1000 Base SX/LX;


                                          Add–Drop and Cross connect features

                                          Cross–Connections capacity                    (256 x 256) STM1 equivalent ports at VC12 and
                                                                                        VC3 levels
                                                                                        (384 x 384) STM–1 equivalent ports at VC–4
                                                                                        level.
                                          Cross connect features                        1660SM has a symmetrical architecture. All traf-
                                                                                        fic port (PDH SDH) of the same type have the
                                                                                        same functionality and behavior and there is no
                                                                                        inherent split between tributaries and aggregates.
                                                                                        This means that it is possible the allocation of the
                                                                                        PDH and VCi signals into every port.
                                                                                        Connection of concatenated AU4–4c among
                                                                                        STM4, STM–16, STM–64 ports is supported

                                          Transmission delay                         125 µs maximum for any traffic pathway

                                          Protections

                                          Network protection                         SNCP/I and SNCP/N
                                                                                     Drop  Continue
                                                                                     Single ended 1+1 MSP
                                                                                     Dual ended 1+1 MSP
                                                                                     Dual ended 1:N MSP
                                                                                     2 fiber MS–SPRING at STM–16 and STM–64 inter-
                                                                                     faces
                                                                                     Collapsed single–node interconnection
                                                                                     Collapsed dual–node interconnection

                                          Equipment protection                       1 + 1 MATRIX and Timing EPS
                                                                                     1+1 ATM MATRIX (4X4 and 8x8) EPS
                                                                                     1+1 PR_EA MATRIX EPS
                                                                                     1+1 ISA ES–16 EPS
                                                                                     N +1 63x2 Mbit/s EPS (N= 6 max)
                                                                                     N + 1 3 x34 Mbit/s EPS (N= 15 max)
                                                                                     N + 1 3 x 45 Mbit/s EPS (N= 15 max)
                                                                                     N + 1 4 x STM–1 Electrical EPS (N= 15 max)
                                                                                     N + 1 16 x STM–1 Electrical EPS (N= 15 max)
1AA 00014 0004 (9007) A4 – ALICE 04.10




                                         ED     03

                                                                                                 3AL 91669 AA AA                        592 / 706


                                                                                                               706
Management
                                                                                            interface

                                                                                            Local:                Craft Interface        RS232 PC compatible SUB–D 9 pins at 38 Kbit/s
not permitted without written authorization from Alcatel.




                                                                                                                  (Personal Computer)
  All rights reserved. Passing on and copying of this
  document, use and communication of its contents




                                                                                            Remote:               Craft Interface        RS232 PC compatible SUB–D 9 pins at 38 Kbit/s;
                                                                                                                  (Personal Computer)    it handles up to 31 NEs via DCC (D4 – D12 and/or
                                                                                                                                         D1–D3)

                                                                                            Remote:               Transmission Manage-   G.773 QB3 10 base 2 and 10 base T
                                                                                                                  ment Network (TMN)
                                                                                                                  interface

                                                                                                                  Information Model      According to ITU–T (G.774) and ETSI specification

                                                                                            Remote:               Management             Q2 (synchronous, bit rate = 19.2 kb/s)
                                                                                                                  messaging              RQ2 (asynchronous, bit rates = 1.2–2.4–4.8–9.6
                                                                                                                  with Alcatel Non–SDH   kb/s)
                                                                                                                  equipments
                                                                                                                  (Alcatel proprietary
                                                                                                                  protocol)

                                                                                            Protocol                                     According to ITU–T G.774 and ETSI rec. ISO–OSI
                                                                                            Stack/Information                            7–layers reference model.
                                                                                            Model messages                               The ATM/IP functions are organized according to
                                                                                                                                         TCP/IP reference model; they are managed by
                                                                                                                                         means of SNMP protocol tunneling over OSI layers




                                                                                            Dual addressing to                           It allows O.S. redundancy
                                                                                            O.S.


                                                                                            Operation processes

                                                                                            Configuration and provisioning               Equipment, ports, add–drop, cross–connect,syn-
                                                                                                                                         chronization, protection, MCF (Message Commu-
                                                                                                                                         nications Function), SEMF (Synchronous Equipment
                                                                                                                                         Management Function) OH connection

                                                                                            Software download                            It is made locally as well as remotely on non volatile
                                                                                                                                         memories without traffic interruption

                                                                                            Performance monitoring                       According to G.784, G.826 and G.821.

                                                                                            Unit and Equipment acknowledgement           Through Remote Inventory
                                                                                                                                         (Company id, Unit Type, Unit Part Number, Serial
                                                                                                                                         Part Number , Software Part Number etc.)
                                                                                                                                         For detail refer to Operator Handbook.

                                                                                            Security                                     Password, operator profile, back–up for programs
                                                                                                                                         and data
                                                  1AA 00014 0004 (9007) A4 – ALICE 04.10




                                                                                           ED        03

                                                                                                                                                     3AL 91669 AA AA                        593 / 706


                                                                                                                                                                   706
Output Housekeeping signals (CPO) and         By electronic relay contacts to be connected to ex-
                                          Remote Alarms                                 ternal negative voltage:

                                          Max. guaranteed current with closed condition 50 mA




                                                                                                                                                     not permitted without written authorization from Alcatel.
                                                                                                                                                       All rights reserved. Passing on and copying of this
                                                                                                                                                       document, use and communication of its contents
                                          Voltage drops vs. ground with closed condi-   –2 V ÷ 0 V
                                          tion

                                          Max. allowed voltage with open condition      –72 V

                                          Input Housekeeping signals (CPI)

                                          Max. guaranteed current with closed condition 3 mA

                                          Voltage drops vs. ground with closed condi-   –2 V ÷ 0 V
                                          tion

                                          Max. allowed voltage with open condition      –72 V

                                          Clock characteristics

                                          Selectable input clock                        2048 KHz from 2 Mbit/s port (T2)
                                                                                        2048 kHz external synch clock (2 input, T3a and
                                                                                        T3b) or 2048 Mbit/s external synch (2 input, T6a
                                                                                        and T6b)
                                                                                        STM–N ports (T1)

                                          No. of selected clock (normal mode)           6 max.

                                          Synchronization output                        2048 kHz G.703 (2 output, T4a and T4b) or 2048
                                                                                        Mbit/s (2 output T5a and T5b)

                                          Operational modes                             Locked to reference
                                                                                        Free–run mode ±4.6 ppm (PLL without reference)
                                                                                        Holdover mode drift 0.37 ppm max./day ( PLL with
                                                                                        stored frequency for more than half an hour,with no
                                                                                        selected input frequency)


                                          Synchronization selection                     Priority and SSM algorithm


                                          Protection against lighting surges            TNV1 (Telecommunication Network Voltage) for
                                                                                        21 x 2 Mbit/s K20 access module

                                          Additional features:

                                          VCi Signal Label management
                                          Programmable alarms severity
                                          VC–4, VC–3 and VC–12 Tandem Connection Termination  Monitoring (TCT/TCM)
                                          J0 – Section Trace Management
                                          J1/J2 Lower Order Path Trace Management (VC–12 and VC–3)
1AA 00014 0004 (9007) A4 – ALICE 04.10




                                         ED     03

                                                                                                     3AL 91669 AA AA                     594 / 706


                                                                                                                 706
5.1.1 Optical Safety

                                                                                            5.1.1.1 Optical Safety compliance with European Norms
not permitted without written authorization from Alcatel.




                                                                                            Compliancy to Optical Safety Norms is declared in that the equipment satisfies standardized Norms:
  All rights reserved. Passing on and copying of this
  document, use and communication of its contents




                                                                                                 •        EN 60825–1 ed.1994 + A11 ed.1996+A2 ed.2001

                                                                                                 •        IEC 60825–1 ed.1993 + A2 ed. 2001 (1999)

                                                                                                 •        EN 60825–2 ed.2000

                                                                                                 •        IEC 60825–2 ed.2000
                                                  1AA 00014 0004 (9007) A4 – ALICE 04.10




                                                                                           ED        03

                                                                                                                                                        3AL 91669 AA AA                     595 / 706


                                                                                                                                                                     706
5.1.1.2 Hazard Level classification

                                          The HAZARD LEVEL classification of the different optical interfaces is given in Table 61. on page 596.




                                                                                                                                                       not permitted without written authorization from Alcatel.
                                          The hazard level can be assigned in accordance with the requirements of:




                                                                                                                                                         All rights reserved. Passing on and copying of this
                                                                                                                                                         document, use and communication of its contents
                                          –     IEC 60825–1 (1993) + Am. 1 (1997) and IEC 60825–2 (1993) + Am. 1 (1997)

                                                or

                                          –     IEC 60825–1 (1998) + Am. 2 (2001) and IEC 60825–2 (2000)

                                          Table 61. Hazard level classification of different optical interfaces

                                               UNIT/PORT/ACRONYM                          OPTICAL INTERFACE                   HAZARD LEVEL
                                                          STM–1                     S–1.1 (short haul)                              1
                                                          STM–1                     L–1.1 (long haul)                            3A ; 1M
                                                          STM–1                     L–1.2 (long haul)                            3A ; 1M
                                                          STM–1                     L–1.2JE1 (long haul)                         3A ; 1M
                                                          STM–1                     MM1                                          3A ; 1M

                                                          STM–4                     S–4.1 (short haul)                              1
                                                          STM–4                     L–4.1 (long haul)                            3A ; 1M
                                                          STM–4                     L–4.2 (long haul)                            3A ; 1M

                                                          STM–16                    S–16.1 (short haul)                          3A ; 1M
                                                          STM–16                    L–16.1 (long haul)                           3A ; 1M
                                                          STM–16                    L–16.2 (long haul)                           3A ; 1M
                                                          STM–16                    L–16.2JE2 (long haul)                        3A ; 1M
                                                          STM–16                    L–16.2JE3 (long haul)                        3A ; 1M
                                                          STM–16                    I–16.1 (Intra Office)                           1
                                                          STM–16                    L–16.2 colored port 16C 6400/12800             1M
                                                          STM–64                    I–64.1                                          1
                                                          STM–64                    S64.2b                                         1M
                                                          STM–64                    L64.2b                                         1M

                                                          BST10                                                                    1M
                                                          BST15                                                                    1M
                                                          BST17                                                                    1M
                                                           PR16                                                                     1
                                              OPTO TRX 1.25GBE SFP–LX               1000B–LX                                        1
                                              OPTO TRX 1.25GBE SFP–SX               1000B–SX                                        1
                                              OPTO TRX 1.25GBE SFP–ZX               1000B–ZX                                        1

                                                          ISA–PR                    S–4.1 (short haul)                              1
1AA 00014 0004 (9007) A4 – ALICE 04.10




                                         ED          03

                                                                                                            3AL 91669 AA AA                596 / 706


                                                                                                                      706
5.1.1.3 Location type

                                                                                            The equipment shall be installed in “restricted locations” (industrial and commercial premises) or
                                                                                            “controlled locations” (optical cable ducts and switching centers).
not permitted without written authorization from Alcatel.
  All rights reserved. Passing on and copying of this
  document, use and communication of its contents




                                                                                            5.1.1.4 Incorporated laser sources characteristics

                                                                                            Output optical interfaces data: the wavelength and the maximum optical power at the output connector
                                                                                            of incorporated laser sources is given in Table 66. on page 628, Table 67. on page 630, Table 68. on
                                                                                            page 631 and Table 69. on page on 633 .

                                                                                            5.1.1.5 Optical Safety Labelling

                                                                                            The labels reported below are put during factory settings, except those (explanatory) concerning the
                                                                                            STM–1 ports. In this case the labels are placed in a plastic bag and provided together with the module.
                                                                                            The customer shall affix the label on the fibre protection cover of P4E4N, P4S1N units or A2S1 adapter
                                                                                            depending on the particular interface of the module (STM–1 port). In the following description it is specified
                                                                                            when the label shall be affixed by the customer.

                                                                                            The optical interfaces which have HAZARD LEVEL 1 (see Table 61. on page 596) carry the following
                                                                                            explanatory label:




                                                                                            The label is put on the fibre protection cover of the following ports:

                                                                                                 •        STM–1 PORT with S–1.1 interface (P4E4N, P4S1N units or A2S1 adapter – affixed by the
                                                                                                          customer)
                                                                                                 •        STM–4 PORT with S–4.1 interface
                                                                                                 •        STM–16 PORT with S–16.1 interface
                                                                                                 •        STM–16 PORT with I–16.1 interface

                                                                                            The optical interfaces which have HAZARD LEVEL 3A (see Table 61. on page 596) carry the hazard
                                                                                            symbol label:




                                                                                            The label is affixed near the optical connectors on the front plate of the following interfaces:

                                                                                                 •        L–1.1 (STM–1 PORT)
                                                                                                 •        L–1.2 (STM–1 PORT)
                                                                                                 •        L–1.2JE1 (STM–1 PORT)
                                                                                                 •        L–4.1 (STM–4 PORT)
                                                                                                 •        L–4.2 (STM–4 PORT)
                                                                                                 •        S–16.1 (STM–16 PORT)
                                                                                                 •        L–16.1 (STM–16 PORT)
                                                                                                 •        L–16.2 (STM–16 PORT)
                                                                                                 •        L–16.2JE2 (STM–16 PORT)
                                                  1AA 00014 0004 (9007) A4 – ALICE 04.10




                                                                                                 •        L–16.2JE3 (STM–16 PORT)
                                                                                                 •        L–16.2 (STM–16 colored PORT 6400/12800)



                                                                                           ED        03

                                                                                                                                                             3AL 91669 AA AA                        597 / 706


                                                                                                                                                                           706
The optical interfaces which have HAZARD LEVEL 3A (see Table 61. on page 596) and operate at 2nd
                                          window, carry the following explanatory label (a multilanguage label kit is also provided):

                                                                                                      INVISIBLE LASER RADIATION




                                                                                                                                                          not permitted without written authorization from Alcatel.
                                                                          CAUTION




                                                                                                                                                            All rights reserved. Passing on and copying of this
                                                                                                        DO NOT STARE INTO BEAM OR VIEW




                                                                                                                                                            document, use and communication of its contents
                                                                 LASER RADIATION WHEN OPEN            DIRECTLY WITH OPTICAL INSTRUMENTS
                                                                    DO NOT STARE INTO BEAM OR VIEW      CLASS 3A LASER PRODUCT
                                                                  DIRECTLY WITH OPTICAL INSTRUMENTS   P.MAX=31mW,    = 1300 nm IEC 825 1993




                                          The label is affixed on the fibre protection cover of the following ports:

                                               •        STM–1 PORT with L–1.1 interface (P4E4N, P4S1N units or A2S1 adapter – affixed by the
                                                        customer)
                                               •        STM–4 PORT with L–4.1 interface
                                               •        STM–16 PORT with L–16.1 interface



                                          The optical interfaces which have HAZARD LEVEL 3A (see Table 61. on page 596) and operate at 3rd
                                          window, carry the following explanatory label (a multilanguage label kit is also provided):

                                                                                                      INVISIBLE LASER RADIATION
                                                                          CAUTION                       DO NOT STARE INTO BEAM OR VIEW
                                                                 LASER RADIATION WHEN OPEN            DIRECTLY WITH OPTICAL INSTRUMENTS
                                                                    DO NOT STARE INTO BEAM OR VIEW      CLASS 3A LASER PRODUCT
                                                                  DIRECTLY WITH OPTICAL INSTRUMENTS   P.MAX=50 mW,   = 1550 nm IEC 825 1993




                                          The label is put on the fibre protection cover of the following ports:

                                               •        STM–1 PORT with L–1.2 interface (P4E4N, P4S1N units or A2S1 adapter – affixed by the
                                                        customer)
                                               •        STM–1 PORT with L–1.2JE1 interface (P4E4N, P4S1N units or A2S1 adapter – affixed by the
                                                        customer)
                                               •        STM–4 PORT with L–4.2 interface
                                               •        STM–16 PORT with L–16.2 interface
                                               •        STM–16 PORT with L–16.2JE2 interface
                                               •        STM–16 PORT with L–16.2JE3 interface
                                               •        STM–16 colored PORT 6400/12800

                                          The optical interfaces which have HAZARD LEVEL 1M (see Table 61. on page 596) and operate at 2nd
                                          window, carry the following explanatory label (a multilanguage label kit is also provided):




                                          The label is affixed on the fibre protection cover of the following ports:

                                               •        STM–1 PORT with L–1.1 interface (P4E4N, P4S1N units or A2S1 adapter – affixed by the
                                                        customer)
                                               •        STM–4 PORT with L–4.1 interface
1AA 00014 0004 (9007) A4 – ALICE 04.10




                                               •        STM–16 PORT with L–16.1 interface




                                         ED        03

                                                                                                              3AL 91669 AA AA                 598 / 706


                                                                                                                               706
The optical interfaces which have HAZARD LEVEL 1M and operate at 3rd window (see Table 61. on page
                                                                                            596), carry the following explanatory label (a multilanguage label kit is also provided):
not permitted without written authorization from Alcatel.
  All rights reserved. Passing on and copying of this
  document, use and communication of its contents




                                                                                            The label is affixed on the fibre protection cover of the following parts:

                                                                                                   •        STM–1 PORT with L–1.2 interface (P4E4N, P4S1N units or A2S1 adapter – affixed by the
                                                                                                            customer)
                                                                                                   •        STM–1 PORT with L–1.2JE1 interface (P4E4N, P4S1N units or A2S1 adapter – affixed by the
                                                                                                            customer)
                                                                                                   •        STM–4 PORT with L–4.2 interface
                                                                                                   •        STM–16 PORT with L–16.2 interface
                                                                                                   •        STM–16 PORT with L–16.2JE2 interface
                                                                                                   •        STM–16 PORT with L–16.2JE3 interface
                                                                                                   •        STM–16 colored PORT 6400/12800

                                                                                            The multilanguage label kit, for STM–1 ports, is placed in the same plastic bag provided together with the
                                                                                            module where explanatory labels (in English language), above mentioned, are put.

                                                                                            For all other ports (STM–4 and STM–16), the multilanguage label kit is inserted in the pre–package.

                                                                                            The multilanguage label kit contains a set of label that reproduce the same (explanatory) above depicted
                                                                                            in the following languages:

                                                                                                   •        Italian
                                                                                                   •        Francaise
                                                                                                   •        Spanish
                                                                                                   •        German

                                                                                            The customer, to its own discretion, may stick the labels with appropriate language upon the pre–existing
                                                                                            ones or, in case of STM–1 ports, directly on the fibre protection cover of P4E4N, P4S1N units or A2S1
                                                                                            adapter.

                                                                                            N.B.            As an aid to identify the right label to be affixed to an optical module (HAZARD LEVEL 1,
                                                                                                            HAZARD LEVEL 3A 2nd window, HAZARD LEVEL 3A 3rd window, HAZARD LEVEL 1M 1st
                                                                                                            window, HAZARD LEVEL 1M 2nd window, HAZARD LEVEL 1M 3rd window) refer to paragraph
                                                                                                            2.2 on page 86 where is reported the relationship between the Part number (ex. 3AL
                                                                                                            78815AA––) and the interface type (ex. S–1.1) and then refer to Table 61. on page 596 where
                                                                                                            is reported the relationship between the interface type (ex. S–1.1) and the Hazard Level.
                                                  1AA 00014 0004 (9007) A4 – ALICE 04.10




                                                                                           ED          03

                                                                                                                                                             3AL 91669 AA AA                      599 / 706


                                                                                                                                                                           706
5.1.1.6 Aperture and fiber connectors

                                          The locations of apertures and fibre connectors are reported on topographical drawings of units front view
                                          and access cards front view in paragraph 2.4 on page 123.




                                                                                                                                                             not permitted without written authorization from Alcatel.
                                                                                                                                                               All rights reserved. Passing on and copying of this
                                                                                                                                                               document, use and communication of its contents
                                          5.1.1.7 Engineering design features

                                          In normal operating conditions, unless intentional manumission, the laser radiation is never accessible.

                                          The laser beam is launched in optical fibre through an appropriate connector that totally shuts up the laser
                                          radiation. Moreover a plastic cover is fitted upon optical connectors by means of screws.

                                          In case of cable fibre break, to minimize exposure times, ALS procedure according to ITU–T G.958 Rec.
                                          is implemented either on STM–1 port or on STM–4 and STM–16 ports.

                                          ALS timing are not longer than maximum specified in G.958.



                                          5.1.1.8 Optical Safety instruction

                                          The safety instructions for proper assembly, maintenance, and safe use including clear warning
                                          concerning precautions to avoid possible exposure to hazardous laser radiation, are reported in para. 2.2
                                          on page 29 thru 36 and more specifically in para.2.2.4.2 on page 33.


                                          5.1.2 Electrical Safety

                                          Safety status of the connections                   TNV2 (Telecommunication Network Voltage) for
                                          with other equipments                              Remote Alarms, Housekeeping Alarms (CPO, CPI),
                                                                                             Rack Lamp (RM)
                                                                                             SELV (Safety Extra Low Voltage) for all the other

                                          5.1.2.1 Electrical Safety compliance with European Norms

                                          Compliancy to Electrical Safety Norms is declared in that the equipment satisfies standardized Norms :

                                               •        IEC 60950–1 ed.2001

                                               •        EN 60950–1 ed.2001

                                          5.1.2.2 Electrical Safety Labelling

                                          The labels reproduced in para.2.2.3.1 on page 31 are affixed during factory settings.

                                          5.1.2.3 Electrical Safety instructions

                                          The safety instructions for proper assembly, maintenance, and safe use including clear warning
                                          concerning precautions to avoid possible exposure to hazardous voltages, are reported in para. 2.2 on
                                          pages 29 thru 36 and more specifically in para.2.2.3.2 on page 31.
1AA 00014 0004 (9007) A4 – ALICE 04.10




                                         ED        03

                                                                                                          3AL 91669 AA AA                        600 / 706


                                                                                                                        706
5.2 Electrical interface characteristics

                                                                                            5.2.1 21 X 2 Mbit/s 75 Ohm electrical characteristics (A21E1)
not permitted without written authorization from Alcatel.
  All rights reserved. Passing on and copying of this
  document, use and communication of its contents




                                                                                            Type of interface                                   Electrical according to ITU–T Rec. G.703

                                                                                            Bit rate                                            2048 Kbit/s  50 ppm

                                                                                            No. of channels                                     21

                                                                                            Code                                                HDB3

                                                                                            Signal amplitude                                    2.37 Vp on 75 Ohm unbalance

                                                                                            Attenuation                                         0 to 6 dB at 1024 Khz with law    f

                                                                                            Return loss                                         w12 dB 51–102 kHz
                                                                                                                                                w18 dB 102–2048 kHz
                                                                                                                                                w14 dB 2048–3072 kHz

                                                                                            Pulse shape                                         See ITU–T Rec. G.703



                                                                                            5.2.2 21 X 2 Mbit/s 120 Ohm electrical characteristics (A21E1)

                                                                                            The electrical characteristics are the same of para 5.2.1 on page 601 except for:

                                                                                            Signal amplitude                                    3 Vp on 120 Ohm balance



                                                                                            5.2.3 21 X 2 Mbit/s 120 Ohm K20 electrical characteristics (A21E1)

                                                                                            The electrical characteristics are the same of para 5.2.2 on page 601 except for:

                                                                                            Protection against lighting surges                  According to ITU–T Rec. K20



                                                                                            5.2.4 3 X 34 Mbit/s electrical characteristics (A3E3)

                                                                                            Type of interface                                   Electrical, according to ITU–T Rec. G703

                                                                                            Bit Rate                                            34368 Kbit/s  20 ppm

                                                                                            No. of tributaries                                  3

                                                                                            Code                                                HDB3

                                                                                            Signal amplitude                                    1Vp/75ohms

                                                                                            Attenuation accepted on the incoming signal         0–12dB at 17.184kHz with law pf

                                                                                            Return loss                                         w12 dB 860–1720 kHz
                                                  1AA 00014 0004 (9007) A4 – ALICE 04.10




                                                                                                                                                w18 dB 1720–34368 kHz
                                                                                                                                                w14 dB 34368–51550 kHz

                                                                                            Pulse shape                                         as per Fig.17 of ITU–T Rec. G.703

                                                                                           ED      03

                                                                                                                                                        3AL 91669 AA AA                    601 / 706


                                                                                                                                                                      706
5.2.5 3 X 45 Mbit/s electrical characteristics (A3T3)

                                          Type of interface                                    Electrical, according to ITU–T Rec. G703 and to
                                                                                               ANSI TS 102 Rec.




                                                                                                                                                       not permitted without written authorization from Alcatel.
                                                                                                                                                         All rights reserved. Passing on and copying of this
                                                                                                                                                         document, use and communication of its contents
                                          Bit rate                                             44.736 Kbit/s  20ppm

                                          No. of tributaries                                   3

                                          Code                                                 B3ZS

                                          Signal amplitude                                     According to ITU–T Rec. G.703 par.5.8 and ANSI
                                                                                               T1 102 Rec, Tab.5

                                          Attenuation accepted on the incoming signal          According to ANSI T1 102, Annex A2.5

                                          Pulse shape                                          as per Fig.14 of ITU–T Rec. G.703 or per Fig.14
                                                                                               of ANSI T1 102 Rec.

                                          5.2.6 STM–1 electrical characteristics (A4 ES1 and ICMI)

                                          Type of interface                                    ITU–T Rec. G.703 compliant

                                          Bit rate                                             155 520 Kbit/s  20 ppm

                                          Code                                                 CMI

                                          Attenuation accepted on the incoming signal          0–12.7 dB at 78 Mhz with law       f

                                          Return loss                                          w15 dB at 8–240 Mhz

                                          Pulse shape                                          See ITU–T Rec. G.703

                                          5.2.7 140 Mbit/s electrical characteristics (ICMI)

                                          Type of interface                                    ITU–T Rec. G.703 compliant

                                          Bit rate                                             139264 Kbit/s  15 ppm

                                          Code                                                 CMI

                                          Attenuation accepted on the incoming signal          0–12 dB at 70 Mhz with law     f

                                          Return loss                                          w15 dB at 7–210 Mhz

                                          Pulse shape                                          See ITU–T Rec. G.703
1AA 00014 0004 (9007) A4 – ALICE 04.10




                                         ED      03

                                                                                                       3AL 91669 AA AA                     602 / 706


                                                                                                                    706
5.2.8 Engineering Order Wire characteristics (SERVICE)

                                                                                            Speech Channel Interface                       Front–panel telephone jack
                                                                                            Handset Impedance                              600 ohms
not permitted without written authorization from Alcatel.
  All rights reserved. Passing on and copying of this
  document, use and communication of its contents




                                                                                            Bandwidth                                      300 to 3400 Hz
                                                                                            Handset Operating current                      18 mA
                                                                                            Input Tx gain                                  –4/0/0 dB
                                                                                            Output Rx gain                                 0/–7/0dB
                                                                                            Signalling                                     DTMF compliant with ITU–T Rec. Q.23

                                                                                            Analog EOW Extension
                                                                                            Impedance                                      600 ohms
                                                                                            Bandwidth                                      300–3400 Hz
                                                                                            Tx level                                       0 dBr ±0.5 dB
                                                                                            Rx level                                       0 dBr ±0.5 dB

                                                                                            5.2.9 AUX channels characteristics (SERVICE)

                                                                                            Externally accessible data channel             4 x 64 Kbit/s, G.703 codirectional (Rx synchro-
                                                                                            (OH bytes termination is Software program-     nized)
                                                                                            mable)                                         4 x 64 Kbit/s V11
                                                                                                                                           4 x 9600 baud RS232
                                                                                                                                           2 x 2 Mbit/s G.703

                                                                                            64 Kbit/s (Rx synchronized) G.703
                                                                                            Bit rate                                       64 Kbit/s
                                                                                            Timing signals                                 64 Kbit/s and 8 kHz coding style embedded
                                                                                            Bearer                                         Two balanced pairs (120 ohms): one per route
                                                                                            Coding style                                   According to ITU–T Rec. G.703 codirectional
                                                                                            Outgoing pulse shape                           See ITU–T Rec. G.703
                                                                                            Output Interface characteristics               See ITU–T Rec. G.703
                                                                                            Incoming Interface characteristics             as per the outgoing interface but modified by the
                                                                                                                                           characteristics of the interconnection pair.
                                                                                                                                           The input circuit can accept an 0 – 3 dB (128
                                                                                                                                           KHz)
                                                  1AA 00014 0004 (9007) A4 – ALICE 04.10




                                                                                           ED      03

                                                                                                                                                       3AL 91669 AA AA                   603 / 706


                                                                                                                                                                 706
V11 64Kbit/s contradirectional interface

                                          Type                                        electrical, according to ITU–T Rec. V11




                                                                                                                                            not permitted without written authorization from Alcatel.
                                          Receivers




                                                                                                                                              All rights reserved. Passing on and copying of this
                                                                                                                                              document, use and communication of its contents
                                          Input impedance                              6 Kohms

                                          Rx levels                                   ”1” or ”OFF”  –0.3 V
                                                                                      ”0” or ”ON”  +0.3 V

                                          Drivers

                                          Differential output                         2 V (Min.)

                                          Use: intrabuilding connections



                                          RS–232 oversampled interface 9600 Kb/s

                                          Bit rate                                    9600 kb/s

                                          Mode                                        RS–232 Tx  Rx data only

                                          Electrical levels                           24 Vpp

                                          Use : intrabuilding connections


                                          2 Mb/s G.703 /G.704 AUX channel interface

                                          Electrical                                  according to G.703 (75 Ohm or 120 Ohm using a
                                                                                      special cable)


                                          Attenuation                                 0 to 6 dB

                                          Return loss                                 w12 dB 51–102 kHz
                                                                                      w18 dB 102–2048 kHz
                                                                                      w14 dB 2048–3072 kHz

                                          Pulse shape                                 See ITU–T Rec. G.703
1AA 00014 0004 (9007) A4 – ALICE 04.10




                                         ED      03

                                                                                               3AL 91669 AA AA                  604 / 706


                                                                                                              706
5.3 ATM interface characteristics

                                                                                            5.3.1 ATM matrix 4x4 switching capability (ATM4X4)
not permitted without written authorization from Alcatel.
  All rights reserved. Passing on and copying of this
  document, use and communication of its contents




                                                                                            Throughput towards backpanel                    622 Mbit/s

                                                                                            Switching capability                            VC and VP switching

                                                                                            PDH containers                                  E1, E3

                                                                                            SDH containers                                  VC–12, VC–3, VC–4

                                                                                            Local port                                      VC–4

                                                                                            Port number                                     16 (any combination)

                                                                                            Connections                                     4000 max (VC or VP) unidirectional

                                                                                            VC/VP connection                                Hard and Soft VCC/VPC

                                                                                            Policing                                        UPC and NPC (VC/VP)

                                                                                            Shaping                                         Input and Output (VC/VP)

                                                                                            Congestion management                           SCD, EPD, TPD

                                                                                            OAM                                             AIS, RDI, CC

                                                                                            Signalling                                      PNNI


                                                                                            Table 62. ATM4X4 board: configurable TPs type and max, number
                                                                                            Board         max. TPs   VC4–4C     VC4     VC3        VC12     E1      E3     T3    E1
                                                                                            acronym       number                                                                 IMA
                                                                                            ATM4X4        16         No         Yes     Yes        Yes      Yes     Yes    No    No
                                                  1AA 00014 0004 (9007) A4 – ALICE 04.10




                                                                                           ED     03

                                                                                                                                                     3AL 91669 AA AA                  605 / 706


                                                                                                                                                                   706
5.3.2 ATM matrix 4x4V2 switching capability (ATM4X4V2)


                                           Throughput towards backpanel                                  622 Mbit/s




                                                                                                                                                             not permitted without written authorization from Alcatel.
                                           Switching capability                                          VC and VP switching




                                                                                                                                                               All rights reserved. Passing on and copying of this
                                                                                                                                                               document, use and communication of its contents
                                           PDH containers                                                E1, E3,T3

                                           SDH containers                                                VC12, VC3, VC4

                                           IMA(**) multiplexing                                          E1 from 1 to 8 channels

                                           Port number                                                   252 (any combination)

                                           Connections                                                   4000 max (VC or VP) unidirectional

                                           VC/VP connection                                              Hard and Soft VCC/VPC

                                           Policing                                                      UPC and NPC (VC/VP)

                                           Shaping                                                       Input and Output (VC/VP)

                                           Congestion management                                         SCD, EPD, TPD

                                           OAM                                                           AIS, RDI, CC

                                           Signalling                                                    PNNI


                                          Table 63. ATM4X4V2 board: configurable TPs type and max, number
                                           Board              max. TPs       VC4–4C          VC4       VC3      VC12     E1        E3    T3    E1
                                           acronym            number                                                                           IMA
                                           ATM4X4V2           252            No              Yes       Yes      Yes      Yes       Yes   Yes   Yes

                                          (**) For detailed information about IMA refer to AF–PHY–0086.001
1AA 00014 0004 (9007) A4 – ALICE 04.10




                                         ED       03

                                                                                                                 3AL 91669 AA AA                 606 / 706


                                                                                                                               706
5.3.3 ATM matrix 4x4 D3 switching capability (ATM4X4D3)


                                                                                             Throughput towards backpanel                                 622 Mbit/s
not permitted without written authorization from Alcatel.




                                                                                             Switching capability                                         VC and VP switching
  All rights reserved. Passing on and copying of this
  document, use and communication of its contents




                                                                                             PDH containers                                               E1, E3,T3

                                                                                             SDH containers                                               VC12, VC3, VC4

                                                                                             IMA(**) multiplexing                                         E1 from 1 to 8 channels

                                                                                             Port number                                                  16 (any combination)

                                                                                             Connections                                                  4000 max (VC or VP) unidirectional

                                                                                             VC/VP connection                                             Hard and Soft VCC/VPC

                                                                                             Policing                                                     UPC and NPC (VC/VP)

                                                                                             Shaping                                                      Input and Output (VC/VP)

                                                                                             Congestion management                                        SCD, EPD, TPD

                                                                                             OAM                                                          AIS, RDI, CC

                                                                                             Signalling                                                   PNNI


                                                                                            Table 64. ATM4X4D3 board: configurable TPs type and max, number
                                                                                             Board              max. TPs       VC4–4C          VC4       VC3     VC12     E1        E3    T3    E1
                                                                                             acronym            number                                                                          IMA
                                                                                             ATM4X4D3           16             No              Yes       Yes     Yes      Yes       Yes   Yes   Yes

                                                                                            (**) For deatailed information about IMA refer to AF–PHY–0086.001
                                                  1AA 00014 0004 (9007) A4 – ALICE 04.10




                                                                                           ED       03

                                                                                                                                                                  3AL 91669 AA AA                 607 / 706


                                                                                                                                                                                 706
5.3.4 ATM matrix 8x8 switching capability (ATM8X8)


                                          Throughput towards backpanel                    1.2 Gbit/s




                                                                                                                                                not permitted without written authorization from Alcatel.
                                          Switching capability                            VC and VP switching




                                                                                                                                                  All rights reserved. Passing on and copying of this
                                                                                                                                                  document, use and communication of its contents
                                          PDH containers                                  E1, E3

                                          SDH containers                                  VC–12, VC–3, VC–4, VC4–4c

                                          Local port                                      No

                                          Port number                                     32 (any combination)

                                          Connections                                     8000 max (VC or VP) unidirectional

                                          VC/VP connection                                Hard and Soft VCC/VPC

                                          Policing                                        UPC and NPC (VC/VP)

                                          Shaping                                         Input and Output (VC/VP)

                                          Congestion management                           SCD, EPD, TPD

                                          OAM                                             AIS, RDI, CC

                                          Signalling                                      PNNI


                                          Table 65. ATM8X8 board: configurable TPs type and max, number
                                          Board         max. TPs   VC4–4C     VC4     VC3        VC12     E1      E3     T3    E1
                                          acronym       number                                                                 IMA
                                          ATM8X8        32         Yes        Yes     Yes        Yes      Yes     Yes    No    No
1AA 00014 0004 (9007) A4 – ALICE 04.10




                                         ED     03

                                                                                                   3AL 91669 AA AA                  608 / 706


                                                                                                                 706
5.4 PR_EA characteristics and MPLS data traffic management (PREA4ETH,
                                                                                            PREA1GBE)
not permitted without written authorization from Alcatel.




                                                                                            Throughput                          600 Mbit/s (with STM1 i/f)
  All rights reserved. Passing on and copying of this
  document, use and communication of its contents




                                                                                                                                1000 Mb/s (with 4xFE i/f)
                                                                                                                                1800 Mb/s (with 1xGbE i/f)

                                                                                            PDH containers (not operative)      E1, E3

                                                                                            Ethernet frames                     MAC 802.3, optionally “tagged” with 802.1p/q fields
                                                                                                                                (user priority and VLAN identifier)
                                                                                                                                Martini Encapsulation: optional

                                                                                            SDH containers                      VC–12,  VC–3,          VC–4     (POS      framing,
                                                                                                                                SDH/HDLC/PPP)

                                                                                            Local SDH port                      unstruct. VC–4, on opt. STM–1 (POS framing)

                                                                                            Local Ethernet ports                4 x 10/100Base–T
                                                                                                                                1 x1000Base–LX , 1 x 1000Base–SX or
                                                                                                                                1 x 1000Base–ZX

                                                                                            Remote Ethernet ports               unstruct. VC–4, un–concatenated ethernet frames
                                                                                                                                over SDH (SDH/GFP framing)

                                                                                            Logical Ports number                63 (any combination)

                                                                                            Managed protocols                   SNMP,TMN messaging inside DCN

                                                                                            Congestion management               W–RED (Weighed–Random Early Discard)
                                                                                                                                Cut–off on low priority traffic only

                                                                                            Quality of Service (QoS)            Best Effort bandwidth (BE–BW)
                                                                                                                                Min–BW with regulated bursts
                                                                                                                                Guaranted constant BW

                                                                                            Police mechanism                    Dual–Rate Leaky–Bucket, based on PIR and CIR
                                                                                                                                values of the traffic contract

                                                                                            Scheduling                          HOL and WC–WFQ methods
                                                  1AA 00014 0004 (9007) A4 – ALICE 04.10




                                                                                           ED     03

                                                                                                                                         3AL 91669 AA AA                       609 / 706


                                                                                                                                                       706
5.5 PR characteristics

                                          5.5.1 ISA–PR port card interface characteristics




                                                                                                                                                        not permitted without written authorization from Alcatel.
                                                                                                                                                          All rights reserved. Passing on and copying of this
                                                                                                                                                          document, use and communication of its contents
                                          Type of interface                                  Plug–in SFP Optical module at 622.080 Mbps
                                                                                             (STM–4/OC–12), for up to 40 Km; see Table 67.
                                                                                             on page 630 for the optical characteristics

                                          STM–4 / OC–12 ports                                4 : 2 east + 2 west

                                          Throughput towards backpanel                       6.5 Gbps

                                          Ethernet frames                                    MAC 802.3, optionally “tagged” with 802.1p/q fields
                                                                                             (Ethernet frame priority and VLAN identifier).
                                                                                             Martini Encapsulation

                                          SDH containers                                     SDH VC–4 Virtual Concatenation (VC–4–nv):
                                                                                             VC–4–4v, VC–4–6v, VC4–8v, VC–4–4c

                                          Managed Ethernet ports (located on access cards) 32 x 10/100Base–T
                                                                                           4 x1000Base–LX/SX/ZX
                                                                                           2 x1000Base–LX/SX/ZX and 16 x 10/100Base–T

                                          Managed protocols                                  SNMP V2c, NMS messaging in Band

                                          Quality of Service (QoS) SLAs                      Best Effort bandwidth
                                                                                             Regulated bandwidth
                                                                                             Guaranted bandwidth

                                          Cabling                                            Optical fiber

                                          Connector                                          LC/PC on SFP (Small Formfactor Pluggable)
                                                                                             module
1AA 00014 0004 (9007) A4 – ALICE 04.10




                                         ED     03

                                                                                                      3AL 91669 AA AA                       610 / 706


                                                                                                                     706
5.5.2 16FEA–PR access card interface characteristics

                                                                                            Type of interface                              Electrical, compliant to IEEE–802.3 standard,
                                                                                                                                           10/100 Base–Tx
not permitted without written authorization from Alcatel.
  All rights reserved. Passing on and copying of this
  document, use and communication of its contents




                                                                                            Transmit operations                            Auto–negotiation options:
                                                                                                                                           10Mbps, 100Mbps, full–duplex, flow control

                                                                                            Bit rate                                       Autosensing: 10 Mb/s and 100 Mb/s

                                                                                            Provisioning Granularity                       100 Kbit/s

                                                                                            Signal amplitude, coding, attenuation, pulse   According to IEEE–802.3 standard,
                                                                                            shape, return loss                             10Base–T and 100Base–T

                                                                                            Port number                                    16 per access card used in conjunction with PR
                                                                                                                                           port card

                                                                                            Cabling                                        Twisted–pair, as per IEEE–802.3 rec.

                                                                                            Connector                                      RJ45


                                                                                            5.5.3 2GBA–PR access card interface characteristics

                                                                                            Type of interface                              Plug–in Optical module 1000Base–LX or
                                                                                                                                           1000Base–SX, 1000Base–ZX

                                                                                            Transmit operations                            Full–duplex, FlowControl

                                                                                            Bit rate                                       1000 Mb/s

                                                                                            Provisioning Granularity                       100 Kbit/s

                                                                                            Tx and Rx Optical characteristics              According to IEEE–802.3 standard,
                                                                                                                                           1000Base–LX, 1000Base–SX and 1000Base–ZX

                                                                                            Port number                                    2 per access card used in conjunction with PR port
                                                                                                                                           card

                                                                                            Cabling                                        Optical fiber

                                                                                            Connector                                      SFP (Small Formfactor Pluggable)
                                                  1AA 00014 0004 (9007) A4 – ALICE 04.10




                                                                                           ED     03

                                                                                                                                                    3AL 91669 AA AA                        611 / 706


                                                                                                                                                                 706
5.6 ETHERNET interface characteristics

                                          5.6.1 Ethernet 10/100Base–T interface characteristics (ETH–MB + ETH–ATX)




                                                                                                                                                   not permitted without written authorization from Alcatel.
                                                                                                                                                     All rights reserved. Passing on and copying of this
                                                                                                                                                     document, use and communication of its contents
                                          Type of interface                              Electrical, full compliant to IEEE–802.3 standard,
                                                                                         10Base–T and 100Base–T

                                          Transmit operations                            Auto–negotiation options:
                                                                                         10Mbps, 100Mbps, full–duplex

                                          Bit rate                                       Autosensing: 10 Mb/s and 100 Mb/s

                                          Signal amplitude, coding, attenuation, pulse   According to IEEE–802.3 standard, 10Base–T
                                          shape, return loss                             and 100Base–T


                                          Throughput towards backpanel (ports card)      622 Mbit/s

                                          SDH containers                                 VC–12, VC–3, VC–4

                                          Port number                                    11 on the ports card
                                                                                         14 on the access card

                                          Cabling                                        Twisted–pair, as per IEEE–802.3 rec.

                                          Connector                                      RJ45
1AA 00014 0004 (9007) A4 – ALICE 04.10




                                         ED     03

                                                                                                  3AL 91669 AA AA                      612 / 706


                                                                                                                 706
5.6.2 Ethernet switch port card characteristics (ES1–8FE)

                                                                                            Type of interface                               10 / 100 Base T
not permitted without written authorization from Alcatel.




                                                                                            Local Ethernet ports number                     8 per each ports card
  All rights reserved. Passing on and copying of this
  document, use and communication of its contents




                                                                                            Ethernet over SDH ports number                  8

                                                                                            VC termination max.                             VC–12 = 63
                                                                                                                                            VC–3 = 3

                                                                                            Number of VCGs ETH over SDH                     VC–12 = 8
                                                                                                                                            VC – 3 = 3

                                                                                            VCs per VCG max.                                VC–12 = 21
                                                                                                                                            VC –3 = 3

                                                                                            VC comp. delay                                  64 ms

                                                                                            Mapping to SDH                                  GFP–F
                                                                                                                                            LAPS

                                                                                            Class forwarding criteria per port              according to 802.1 Q (outer VLAN)
                                                                                                                                            according to 802.1 p
                                                                                                                                            according to 802.3 MAC DA

                                                                                            Look up tables number                           VLAN–ids = 1 K
                                                                                                                                            MAC addresses = 8K

                                                                                            Multicast                                       Ethernet

                                                                                            VLAN capabilities                               cVLAN (802.1 D)
                                                                                                                                            pVLAN (SVLAN)

                                                                                            CoS                                             Guaranteed
                                                                                                                                            Best Effort

                                                                                            Policer                                         Metering – token–bucket
                                                                                                                                            Marking – 3 colors
                                                                                                                                            Dropping – out of profile

                                                                                            Scheduler                                       Head of line – 4 piorities
                                                                                                                                            Deficit Round Robin

                                                                                            Spanning tree                                   802.1d
                                                                                                                                            802.1 w
                                                                                                                                            802.1s

                                                                                            Performance ethernet counter                    yes
                                                  1AA 00014 0004 (9007) A4 – ALICE 04.10




                                                                                           ED     03

                                                                                                                                                       3AL 91669 AA AA          613 / 706


                                                                                                                                                                    706
5.6.3 Ethernet switch port card characteristics (ES1–8FX)

                                          Type of interface                               100 Base FX




                                                                                                                                             not permitted without written authorization from Alcatel.
                                          Local Ethernet ports number                     8 per each ports card




                                                                                                                                               All rights reserved. Passing on and copying of this
                                                                                                                                               document, use and communication of its contents
                                          Ethernet over SDH ports number                  8

                                          VC termination max.                             VC–12 = 63
                                                                                          VC–3 = 3

                                          Number of VCGs ETH over SDH                     VC–12 = 8
                                                                                          VC – 3 = 3
                                                                                          VC – 4 = 1

                                          VCs per VCG max.                                VC–12 = 21
                                                                                          VC –3 = 3
                                                                                          VC –4 = 1

                                          VC comp. delay                                  48 ms

                                          Mapping to SDH                                  GFP–F
                                                                                          LAPS

                                          Class forwarding criteria per port              according to 802.1 Q (outer VLAN)
                                                                                          according to 802.1 p
                                                                                          according to 802.3 MAC DA

                                          Look up tables number                           VLAN–ids = 1 K
                                                                                          MAC addresses = 8K

                                          Multicast                                       Ethernet

                                          VLAN capabilities                               VLAN (802.1 Q)
                                                                                          pVLAN (802.1ad)

                                          CoS                                             Guaranteed
                                                                                          Best Effort

                                          Policer                                         Metering – single rate token–bucket
                                                                                          Dropping – tail drop

                                          Scheduler                                       Queues/port = 3
                                                                                          Queuing = Strict Priority

                                          Spanning tree                                   802.1d
                                                                                          802.1 w
                                                                                          802.1s

                                          Performance ethernet counter                    yes
1AA 00014 0004 (9007) A4 – ALICE 04.10




                                         ED     03

                                                                                                     3AL 91669 AA AA             614 / 706


                                                                                                                  706
5.6.4 Ethernet switch port card characteristics (ES4–8FE)

                                                                                            Type of interface                               10 / 100 Base T
                                                                                                                                            1000 Base SX/LX/ZX SFP
not permitted without written authorization from Alcatel.
  All rights reserved. Passing on and copying of this
  document, use and communication of its contents




                                                                                            Local Ethernet ports number                     eight 10 / 100 Base T and one1000 Base SX/LX/
                                                                                                                                            ZX SFP per each port card.

                                                                                            Ethernet over SDH ports number                  16 (SMII mode), 2 (GMII mode)

                                                                                            VC termination max.                             VC–12 = 252
                                                                                                                                            VC–3 = 12
                                                                                                                                            VC–4 = 4

                                                                                            Number of VCGs ETH over SDH                     VC–12 = 16 (SMII), 2 (GMII)
                                                                                                                                            VC – 3 = 12 (SMII), 2 (GMII)
                                                                                                                                            VC – 4 = 4 (SMII), 2 GMII)

                                                                                            VCs per VCG max.                                VC–12 = 50 (SMII), 63 (GMII)
                                                                                                                                            VC –3 = 2 (SMII), 12 (GMII)
                                                                                                                                            VC –4 = 1 (SMII), 4 (GMII)

                                                                                            VC comp. delay                                  48 ms

                                                                                            Mapping to SDH                                  GFP–F
                                                                                                                                            LAPS

                                                                                            Class forwarding criteria per port              according to 802.1 Q (outer VLAN)
                                                                                                                                            according to 802.1 p
                                                                                                                                            according to 802.3 MAC DA

                                                                                            Look up tables number                           VLAN–ids = 1 K
                                                                                                                                            MAC addresses = 8K

                                                                                            Multicast                                       Ethernet

                                                                                            VLAN capabilities                               cVLAN (802.1 D)
                                                                                                                                            pVLAN (SVLAN)

                                                                                            CoS                                             Guaranteed
                                                                                                                                            Best Effort

                                                                                            Policer                                         Metering – token–bucket
                                                                                                                                            Marking – 3 colors
                                                                                                                                            Dropping – out of profile

                                                                                            Scheduler                                       Head of line – 4 piorities
                                                                                                                                            Deficit Round Robin

                                                                                            Spanning tree                                   802.1d
                                                                                                                                            802.1 w
                                                                                                                                            802.1s
                                                  1AA 00014 0004 (9007) A4 – ALICE 04.10




                                                                                            Performance ethernet counter                    yes




                                                                                           ED     03

                                                                                                                                                       3AL 91669 AA AA                615 / 706


                                                                                                                                                                   706
5.6.5 Ethernet switch port card characteristics (ISA ES–16)

                                          Local Ethernet ports                            none




                                                                                                                                           not permitted without written authorization from Alcatel.
                                          Ethernet over SDH ports number                  64




                                                                                                                                             All rights reserved. Passing on and copying of this
                                                                                                                                             document, use and communication of its contents
                                          VC termination max.                             VC–12 = 252
                                                                                          VC–3 = 12
                                                                                          VC–4 = 16

                                          Number of VCGs ETH over SDH                     VC–12 = 64
                                                                                          VC – 3 = 12
                                                                                          VC–4 = 16

                                          VCs per VCG max.                                VC–12 = 21
                                                                                          VC –3 = 3
                                                                                          VC – 4 = 8

                                          VC comp. delay                                  64 ms

                                          Mapping to SDH                                  GFP–F
                                                                                          HDLC/PPP
                                                                                          LAPS

                                          Class forwarding criteria per port              according to 802.1 Q (outer VLAN)
                                                                                          according to 802.1 p
                                                                                          according to 802.3 MAC DA
                                                                                          MPLS + exp. bits

                                          Look up tables number                           VLAN–ids = up to 64 K
                                                                                          MAC addresses = up to 64K
                                                                                          MPLS labels = up to 64K

                                          Multicast                                       Ethernet
                                                                                          MPLS

                                          MPLS capability                                 Martini enc.
                                                                                          MPLS

                                          VLAN capabilities                               cVLAN (802.1 D)
                                                                                          pVLAN (SVLAN) (push, pop, swap)

                                          CoS                                             Guaranteed
                                                                                          Regulated
                                                                                          Best Effort

                                          Policer                                         Metering – token–bucket dual rate
                                                                                          Marking – 3 colors
                                                                                          Dropping – out of profile

                                          Scheduler                                       Head of line – 8 piorities
1AA 00014 0004 (9007) A4 – ALICE 04.10




                                                                                          Deficit Round Robin




                                         ED     03

                                                                                                     3AL 91669 AA AA           616 / 706


                                                                                                                 706
Congestion Avoidance                          RED per queue


                                                                                            Spanning tree                                 802.1d
not permitted without written authorization from Alcatel.
  All rights reserved. Passing on and copying of this
  document, use and communication of its contents




                                                                                                                                          802.1 w
                                                                                                                                          802.1s

                                                                                            Performance ethernet counter                  yes

                                                                                            MPLS counter                                  yes


                                                                                            5.6.6 Access Card Gigabit Ethernet interfaces characteristics (GETH–AG)

                                                                                            Type of interface                             Plug–in Optical module 1000Base–LX or
                                                                                                                                          1000Base–SX or 1000 Base–ZX


                                                                                            Transmit operations                           Full–duplex, Flow Control


                                                                                            Bit rate                                      1.25 Gb/s

                                                                                            Tx and Rx Optical characteristics             According to IEEE–802.3 standard,
                                                                                                                                          1000Base–LX, 1000Base–SX and 1000Base–
                                                                                                                                          ZX (refer to Table 71. on page 636, Table 72. on
                                                                                                                                          page 637 and Table 73. on page 638 for details)

                                                                                            SDH containers                                VC–4xV

                                                                                            Ports number                                  2 on the access card if used in conjunction with
                                                                                                                                          ETH–MB

                                                                                            Cabling                                       Optical fibre

                                                                                            Connector                                     LC–Duplex SFP (Small Formfactor Pluggable)
                                                  1AA 00014 0004 (9007) A4 – ALICE 04.10




                                                                                           ED     03

                                                                                                                                                    3AL 91669 AA AA                   617 / 706


                                                                                                                                                               706
5.6.7 Gigabit Ethernet ports card interfaces characteristics (GETH–MB)

                                          Type of interface                              lug–in Optical module 1000Base–LX or
                                                                                         1000Base–SX or 1000 Base ZX




                                                                                                                                                 not permitted without written authorization from Alcatel.
                                                                                                                                                   All rights reserved. Passing on and copying of this
                                                                                                                                                   document, use and communication of its contents
                                          Transmit operations                            Full–duplex, Flow Control

                                          Bit rate                                       1.25 Gb/s

                                          Throughput towards backpanel (ports card)      2 x 622 Mbit/s

                                          Tx and Rx Optical characteristics              According to IEEE–802.3 standard,
                                                                                         1000Base–LX, 1000Base–SX and 1000Base–
                                                                                         ZX (refer to Table 71. on page 636, Table 72. on
                                                                                         page 637 and Table 73. on page 638 for details)

                                          SDH containers                                 VC–4xV

                                          Local Gigabit Ethernet ports number            8 per each ports card

                                          Cabling                                        Optical fibre

                                          Connector                                      LC–Duplex SFP (Small Formfactor Pluggable)
1AA 00014 0004 (9007) A4 – ALICE 04.10




                                         ED     03

                                                                                                  3AL 91669 AA AA                    618 / 706


                                                                                                                 706
5.7 4 x ANY clients characteristics

                                                                                            The interface characteristics are related to client type according to the following paragraphs
not permitted without written authorization from Alcatel.
  All rights reserved. Passing on and copying of this
  document, use and communication of its contents




                                                                                            5.7.1 Gigabit Ethernet LX

                                                                                            The interface is according to IEEE g.802.3 1000Base–LX (clause 38.4)

                                                                                            INPUT SIDE

                                                                                            ·    Bit Rate                             1250 Mb/s
                                                                                            ·    Bit Rate Tolerance                   ±100 ppm
                                                                                            ·    Optical Connector                    LC
                                                                                            ·    Receive Sensitivity                  – 20 dBm max.
                                                                                            ·    Stressed Receive Sensitivity         –14.4 dBm
                                                                                            ·    Max Receive Optical Power            –3 dBm max.
                                                                                            ·    Opt. Operating Wavelength            1270 nm min., 1355 nm max
                                                                                            ·    Opt. Return Loss of Receiver         12 dB min.
                                                                                            ·    Opt. Modulation Amplitude            15 µW min., 1000 µW max.
                                                                                            ·    Signal detect – Asserted             –20 dBm max. , –30 dBm +Hyst. min.
                                                                                            ·    Signal detect – Clearing             –30 dBm min (avg.)
                                                                                            ·    Hysteresis                           0.5 dB min.
                                                                                            ·    Signal detect Assert Time             100 µs (excepted SPI access time)
                                                                                            ·    Signal detect Clearing Time           100 µs (excepted SPI access time)


                                                                                            N.B.: GE flow control is not implemented.



                                                                                            OUTPUT SIDE

                                                                                            ·    Bit Rate                             1250 Mb/s
                                                                                            ·    Bit Rate Accuracy                    ±100 ppm
                                                                                            ·    Optical Connector                    LC
                                                                                            ·    Laser Type                           Class 1 laser safety
                                                                                            ·    Launched Optical Power               –11.0 dBm min., –3 dBm max (avg.) 10 µm SMF
                                                                                                                                      –11.5 dBm min., –3 dBm max (avg.) 50 µm MMF
                                                                                                                                      –11.5 dBm min., –3 dBm max (avg.) 62.5 µm MMF
                                                                                            ·    Opt. Center Wavelength               1270 nm min., 1355 nm max
                                                                                            ·    Operating Range                      2 m B 550 m (MMF 62.5 µm)
                                                                                                                                      2 m B 550 m (MMF 50 µm)
                                                                                                                                      2 m B 5000 m (SMF 9 µm)
                                                                                            ·    Opt. Spectral Width (∆λRMS)          4 nm max.
                                                                                            ·    Opt. Extinction ratio                9 dB min
                                                                                            ·    Opt. Modulation Amplitude            189 µW min.
                                                                                            ·    Opt. Rise/Fall time (tr/tf)          260 ps max (20% B 80%)
                                                                                            ·    Relative Intensity Noise             –116 dB/Hz max.
                                                                                            ·    Deterministic Jitter                 0.200 UI max.
                                                  1AA 00014 0004 (9007) A4 – ALICE 04.10




                                                                                           ED      03

                                                                                                                                                          3AL 91669 AA AA                    619 / 706


                                                                                                                                                                        706
5.7.2 Gigabit Ethernet SX

                                          The interface is according to IEEE g.802.3 1000Base–SX




                                                                                                                                               not permitted without written authorization from Alcatel.
                                          INPUT SIDE




                                                                                                                                                 All rights reserved. Passing on and copying of this
                                                                                                                                                 document, use and communication of its contents
                                          ·    Bit Rate                           1250 Mb/s
                                          ·    Bit Rate Tolerance                 ± 100 ppm
                                          ·    Optical Connector                  LC
                                          ·    Receive Sensitivity                – 17 dBm max.
                                          ·    Max Receive Optical Power          – 0 dBm max.
                                          ·    Opt. Operating Wavelength          770 nm min., 860 nm max
                                          ·    Opt. Return Loss of Receiver       12 dB min.
                                          ·    Opt. Modulation Amplitude          15 µW min., 1000 µW max.
                                          ·    Signal detect – Asserted           –17 dBm max. , –30 dBm +Hyst. min.
                                          ·    Signal detect – Clearing           –30 dBm min (avg.)
                                          ·    Hysteresis                         1.5 dB min.
                                          ·    Signal detect Assert Time           100 µs (excepted SPI access time)
                                          ·    Signal detect Clearing Time         350µs (excepted SPI access time)

                                          N.B.: GE flow control is not implemented.



                                          OUTPUT SIDE

                                          ·    Bit Rate                           1250 Mb/s
                                          ·    Bit Rate Accuracy                  ±100 ppm
                                          ·    Optical Connector                  LC
                                          ·    Laser Type                         Class 1 laser safety
                                          ·    Launched Optical Power             –9.5 dBm min., –1.5 dBm max (avg.) 50 µm MMF
                                                                                  –9.5 dBm min., –1.5 dBm max (avg.) 62.5 µm MMF
                                          ·    Opt. Center Wavelength             830 nm min., 860 nm max
                                          ·    Opt. Extinction ratio              9 dB min
                                          ·    Opt. Modulation Amplitude          189 µW min.
                                          ·    Opt. Rise/Fall time (tr/tf)        260 ps max (20% B 80%)
                                          ·    Relative Intensity Noise           –116 dB/Hz max.
                                          ·    Deterministic Jitter               0.200 UI max.
1AA 00014 0004 (9007) A4 – ALICE 04.10




                                         ED      03

                                                                                                    3AL 91669 AA AA                620 / 706


                                                                                                                706
5.7.3 Fiber Channel 100–SM–LL–I

                                                                                            The FC I/F is compliant to Ansi x3.230 standard (100–SM–LL–I).
not permitted without written authorization from Alcatel.




                                                                                            INPUT SIDE
  All rights reserved. Passing on and copying of this
  document, use and communication of its contents




                                                                                            ·   Bit Rate                                1062.5 Mb/s
                                                                                            ·   Bit Rate Tolerance                      ±100 ppm
                                                                                            ·   Optical Connector                       LC
                                                                                            ·   Receive Sensitivity                     –20 dBm max.
                                                                                            ·   Stressed Receive Sensitivity            –14.4 dBm
                                                                                            ·   Max Receive Optical Power               –3 dBm max.
                                                                                            ·   Opt. Operating Wavelength               1270 nm min., 1355 nm max
                                                                                            ·   Opt. Return Loss of Receiver            12 dB min.
                                                                                            ·   Opt. Modulation Amplitude               15 µW min., 1000 µW max.
                                                                                            ·   Signal detect – Asserted                –20 dBm max. , –30 dBm +Hyst. min.
                                                                                            ·   Signal detect – Clearing                –30 dBm min (avg.)
                                                                                            ·   Hysteresis                              0.5 dB min.
                                                                                            ·   Signal detect Assert Time                100 µs (excepted SPI access time)
                                                                                            ·   Signal detect Clearing Time              100 µs (excepted SPI access time)



                                                                                            OUTPUT SIDE

                                                                                            ·   Bit Rate                                1062.5 Mb/s
                                                                                            ·   Bit Rate Accuracy                       ±100 ppm
                                                                                            ·   Optical Connector                       LC
                                                                                            ·   Laser Type                              Class 1 laser safety
                                                                                            ·   Launched Optical Power                  –12.0 dBm min., –3 dBm max (avg.) 9 µm SMF
                                                                                            ·   Operating Range                         2 m B2 Km
                                                                                            ·   Fiber Core Diameter                     9 µm
                                                                                            ·   Opt. Center Wavelength                  1270 nm min., 1355 nm max
                                                                                            ·   Opt. Spectral Width (∆λRMS)             4 nm max.
                                                                                            ·   Opt. Extinction ratio                   9 dB min
                                                                                            ·   Opt. Modulation Amplitude               189 µW min.
                                                                                            ·   Opt. Rise/Fall time (tr/tf)             260 ps max (20%B80%)
                                                                                            ·   Relative Intensity Noise                –116 dB/Hz max.
                                                                                            ·   Deterministic Jitter                    0.200 UI max.
                                                  1AA 00014 0004 (9007) A4 – ALICE 04.10




                                                                                           ED     03

                                                                                                                                                      3AL 91669 AA AA                621 / 706


                                                                                                                                                                  706
5.7.4 Fiber Channel 100–M5–SL–I

                                          The FC I/F is compliant to Ansi x3.230 standard (100–M5–SL–I) except where specified.




                                                                                                                                               not permitted without written authorization from Alcatel.
                                          INPUT SIDE




                                                                                                                                                 All rights reserved. Passing on and copying of this
                                                                                                                                                 document, use and communication of its contents
                                          ·   Bit Rate                                1062.5 Mb/s
                                          ·   Bit Rate Tolerance                      ±100 ppm
                                          ·   Optical Connector                       LC
                                          ·   Receive Sensitivity                     –13 dBm max.
                                          ·   Max Received Optical Power              –1.5 dBm max.
                                          ·   Opt. Operating Wavelength               770 nm min., 860 nm max
                                          ·   Opt. Return Loss of Receiver            12 dB min.
                                          ·   Opt. Modulation Amplitude               15 µW min., 1000 µW max.
                                          ·   Signal detect – Asserted                –17 dBm max. , –30 dBm +Hyst. min.
                                          ·   Signal detect – Clearing                –30 dBm min (avg.)
                                          ·   Hysteresis                              1.5 dB min.
                                          ·   Signal detect Assert Time                100 µs (excepted SPI access time)
                                          ·   Signal detect Clearing Time              350 µs (excepted SPI access time)



                                          OUTPUT SIDE

                                          ·   Bit Rate                                1062.5 Mb/s
                                          ·   Bit Rate Accuracy                       ±100 ppm
                                          ·   Optical Connector                       LC
                                          ·   Laser Type                              Class 1 laser safety
                                          ·   Launched Optical Power                  –9.5 dBm min., –1.5 dBm max (avg.) 50 µm MMF
                                                                                      –9.5 dBm min., –1.5 dBm max (avg.) 62.5 µm MMF
                                          ·   Opt. Center Wavelength                  830 nm min., 860 nm max
                                          ·   RMS spectral width (max)                4 nm max.
                                          ·   Opt. Extinction ratio                   9 dB min
                                          ·   Opt. Modulation Amplitude               189 µW min.
                                          ·   Opt. Rise/Fall time (tr/tf)             260 ps max (20%  80%)
                                          ·   Relative Intensity Noise                –116 dB/Hz max.
                                          ·   Deterministic Jitter                    0.200 UI max.
1AA 00014 0004 (9007) A4 – ALICE 04.10




                                         ED     03

                                                                                                    3AL 91669 AA AA                622 / 706


                                                                                                                 706
5.7.5 Fast Ethernet (100BASE FX)/FDDI

                                                                                            FDDI and Fast Ethernet I/F is compliant to ANSI x3.184–1993 and IEEE 802.3 except where specified.
not permitted without written authorization from Alcatel.




                                                                                            INPUT SIDE
  All rights reserved. Passing on and copying of this
  document, use and communication of its contents




                                                                                            ·    Bit Rate                                 125 Mb/s
                                                                                            ·    Bit Rate Tolerance                       ±100 ppm
                                                                                            ·    Optical Connector                        LC
                                                                                            ·    Receive Sensitivity                      – 28 dBm max.
                                                                                            ·    Max. Receive Optical Power               –8 dBm min. (avg.)
                                                                                            ·    Opt. Operating Wavelength                1270 nm min., 1360 nm max
                                                                                            ·    Opt. Return Loss of Receiver             12.5 dB min.
                                                                                            ·    Signal detect – Asserted                 –31 dBm max., –42 dBm + Hyst. min. ;
                                                                                            ·    Signal detect – Clearing                 –42 dBm min (avg.)
                                                                                            ·    Hysteresis                               1 dB min. B 3 dB max.
                                                                                            ·    Signal detect Assert Time                 100 µs (excepted SPI access time)
                                                                                            ·    Signal detect Clearing Time               350 µs (excepted SPI access time)



                                                                                            OUTPUT SIDE

                                                                                            ·    Bit Rate                                 125 Mb/s
                                                                                            ·    Bit Rate Accuracy                        ±100 ppm
                                                                                            ·    Optical Connector                        LC
                                                                                            ·    Laser Type                               Class 1 laser safety
                                                                                            ·    Launched Optical Power                   –15 dBm min., –8 dBm max (avg.)
                                                                                            ·    Opt. Center Wavelength                   1274 nm min., 1356 nm max
                                                                                            ·    Opt. Spectral Width (∆λRMS)              2.5 nm max.
                                                                                            ·    Opt. Extinction ratio                    8.2 dB min
                                                                                            ·    Optical Rise/Fall Time (tr/tf)           1.5 ns max. (20% B 80%)
                                                                                            ·    Relative Intensity Noise (RIN)           125 dB/Hz nom., –112 dB/Hz max.


                                                                                            N.B. :The Client Transmit Port provides a different ”Launched Optical Power” level than what required by
                                                                                            the FDDI  FE standards:
                                                                                                                                            – MMF         : –20 dBm B –14 dBm
                                                                                                                                            – SMF Cat I : –20 dBm B –14 dBm
                                                                                                                                            – SMF Cat II : 4 dBm B 0 dBm
                                                  1AA 00014 0004 (9007) A4 – ALICE 04.10




                                                                                           ED      03

                                                                                                                                                         3AL 91669 AA AA                       623 / 706


                                                                                                                                                                       706
5.7.6 ESCON

                                          ESCON I/F is compliant to IBM SA–0394–03




                                                                                                                                                        not permitted without written authorization from Alcatel.
                                          INPUT SIDE




                                                                                                                                                          All rights reserved. Passing on and copying of this
                                                                                                                                                          document, use and communication of its contents
                                          ·    Bit Rate                                 200 Mb/s
                                          ·    Bit Rate Tolerance                       ±100 ppm
                                          ·    Optical Connector                        LC
                                          ·    Receive Sensitivity                      – 28 dBm max.
                                          ·    Max. Receive Optical Power               –8 dBm min. (avg.)
                                          ·    Opt. Operating Wavelength                1270 nm min., 1360 nm max
                                          ·    Opt. Return Loss of Receiver             12.5 dB min.
                                          ·    Signal detect – Asserted                 –31 dBm max., –42 dBm + Hyst. min.
                                          ·    Signal detect – Clearing                 –42 dBm min (avg.)
                                          ·    Hysteresis                               1 dB min. B 3 dB max.
                                          ·    Signal detect Assert Time                 100 µs (excepted SPI access time)
                                          ·    Signal detect Clearing Time               350 µs (excepted SPI access time)



                                          OUTPUT SIDE

                                          ·    Bit Rate                                 200 Mb/s
                                          ·    Bit Rate Accuracy                        ±100 ppm
                                          ·    Optical Connector                        LC
                                          ·    Laser Type                               Class 1 laser safety
                                          ·    Launched Optical Power                   –15 dBm min., –8 dBm max (avg.)
                                          ·    Opt. Center Wavelength                   1274 nm min., 1356 nm max
                                          ·    Opt. Spectral Width (∆λRMS)              2.5 nm max.
                                          ·    Opt. Extinction ratio                    8.2 dB min
                                          ·    Optical Rise/Fall Time (tr/tf)           1.5 ns max. (20% B 80%)
                                          ·    Relative Intensity Noise (RIN)           125 dB/Hz nom., –112 dB/Hz max.


                                          N.B. The Client Transmit Port provides a different ”Launched Optical Power” level than what required by
                                          the ESCON standard:
                                                                                         –MMPL : –20 dBm B –15 dBm
                                                                                         –SMPL : –4 dBm B –0 dBm


                                          The bit rate accuracy required by ESCON standard is ±200 ppm
1AA 00014 0004 (9007) A4 – ALICE 04.10




                                         ED      03

                                                                                                       3AL 91669 AA AA                      624 / 706


                                                                                                                    706
5.7.7 Digital Video

                                                                                            Digital Video I/F is compliant to ITU–R Rec. BT.656–4, BT1363–1 and BT1367.
not permitted without written authorization from Alcatel.




                                                                                            INPUT SIDE
  All rights reserved. Passing on and copying of this
  document, use and communication of its contents




                                                                                            ·    Bit Rate                                 270 Mb/s
                                                                                            ·    Bit Rate Tolerance                       100 ppm
                                                                                            ·    Optical Connector                        LC
                                                                                            ·    Receive Sensitivity                      – 28 dBm max.
                                                                                            ·    Max. Receive Optical Power               –8 dBm min. (avg.)
                                                                                            ·    Opt. Operating Wavelength                1270 nm min., 1360 nm max
                                                                                            ·    Signal detect – Asserted                 –31 dBm max., –42 dBm + Hyst. min.
                                                                                            ·    Opt. Return Loss of Receiver             12.5 dB min.
                                                                                            ·    Signal detect – Clearing                 –42 dBm min (avg.)
                                                                                            ·    Hysteresis                               1 dB min. B 3 dB max.
                                                                                            ·    Signal detect Assert Time                 100 µs (excepted SPI access time)
                                                                                            ·    Signal detect Clearing Time               350 µs (excepted SPI access time)



                                                                                            OUTPUT SIDE

                                                                                            ·    Bit Rate                                 270 Mb/s
                                                                                            ·    Bit Rate Accuracy                         100 ppm
                                                                                            ·    Optical Connector                        LC
                                                                                            ·    Laser Type                               Class 1 laser safety
                                                                                            ·    Launched Optical Power                   –15 dBm min., –8 dBm max (avg.)
                                                                                            ·    Opt. Center Wavelength                   1274 nm min., 1356 nm max
                                                                                            ·    Opt. Spectral Width (∆λRMS)              2.5 nm max.
                                                                                            ·    Opt. Extinction ratio                    8.2 dB min
                                                                                            ·    Optical Rise/Fall Time (tr/tf)           1.5 ns max. (20% B 80%)
                                                                                            ·    Relative Intensity Noise (RIN)           125 dB/Hz nom., –112 dB/Hz max.
                                                                                            ·    Output jitter                            0.2 UIpp (10 Hz– 27 MHz)


                                                                                            N.B: The Client Transmit Port provides a different ”Launched Optical Power” level than what required by
                                                                                            the DV standards:
                                                                                                                                           –MM: –12 dBm B –7.5 dBm
                                                                                                                                           –SM: –12 dBm B –7.5 dBm
                                                  1AA 00014 0004 (9007) A4 – ALICE 04.10




                                                                                           ED      03

                                                                                                                                                         3AL 91669 AA AA                      625 / 706


                                                                                                                                                                      706
5.8 Optical interface characteristics

                                          STM–1 optical characteristics:




                                                                                                                                                   not permitted without written authorization from Alcatel.
                                                                                                                                                     All rights reserved. Passing on and copying of this
                                                                                                                                                     document, use and communication of its contents
                                          Types of optical interfaces                     S–1.1, L–1.1, L–1.2 or L–1.2JE, MM1
                                                                                          Characteristics are given in Table 66. on page 628.

                                          Optical connectors                              SC/PC or FC/PC (alternative units)

                                          Pulse shape                                     See ITU–T G.957



                                          STM–4 optical characteristics:

                                          Types of optical interfaces                     S–4.1, L–4.1 , L–4.2
                                                                                          Characteristics are given in Table 67. on page 630

                                          Optical connectors                              SC/PC or FC/PC (alternative units)

                                          Pulse shape                                     See ITU–T G.957


                                          STM–16 optical characteristics:

                                          Types of optical interfaces                     I–16.1, S–16.1, L.16–1, L.16–2 , L.16–2 JE2,
                                                                                          L.16–2JE3, Characteristics are given in Table 68. at
                                                                                          page 631.
                                                                                          The ”second generation” optical interface character-
                                                                                          istics are given in Table 16 which applies for HM1
                                                                                          Optical Units.

                                          Optical connectors                              SC/PC, FC/PC, SFF, SFP (alternative units)

                                          Pulse shape                                     See ITU–T G.957


                                          STM–64 optical characteristics:


                                          Types of optical interfaces                     I–64.1, S–64.2b, L–64.2b

                                          Optical connectors                              SC/PC

                                          Pulse shape                                     See ITU–T G.957


                                              GigaBit Ethernet Optical characteristics   Interface type: 1000B–SX, 1000B–LX ,1000B–ZX
                                                                                         Characteristics are given in Table 71. on page 636,
                                                                                         Table 72. on page 637 and Table 73. on page 638
                                                                                         Optical connectors: LC/PC on SFP (Small Formfactor
                                                                                         Pluggable) module
                                                                                         Pulse shape: see IEEE 802.3
1AA 00014 0004 (9007) A4 – ALICE 04.10




                                         ED       03

                                                                                                   3AL 91669 AA AA                     626 / 706


                                                                                                                706
Booster
                                                                                            (Optical Fiber Amplifier) characteristics:

                                                                                            Types of Booster                               BST10 (+10 dBm), BST15 (+15 dBm) and BST17
not permitted without written authorization from Alcatel.




                                                                                                                                           (+17 dBm).
  All rights reserved. Passing on and copying of this
  document, use and communication of its contents




                                                                                                                                           Characteristics are given in Table 74. on page 639

                                                                                            Optical connectors                             SC/PC or FC/PC (alternative units)



                                                                                            Optical Preamplifier (PR16) characteristics:

                                                                                            Optical connectors                             SC/PC or FC/PC (alternative units)

                                                                                            Wavelength bandwidth (main signal):            1530 to 1565 nm

                                                                                            Input power:                                   –37 dBm to –18 dBm

                                                                                            Output power:                                  –15 dBm
                                                  1AA 00014 0004 (9007) A4 – ALICE 04.10




                                                                                           ED     03

                                                                                                                                                   3AL 91669 AA AA                     627 / 706


                                                                                                                                                                706
Table 66. Parameters specified for STM–1 Optical Interface

                                                      CHARACTERISTICS               UNIT                           VALUES

                                                       DIGITAL SIGNAL                             STM–1 according to G.707 and G.958




                                                                                                                                                      not permitted without written authorization from Alcatel.
                                                                                    Kbit/s




                                                                                                                                                        All rights reserved. Passing on and copying of this
                                                       Nominal bit rate                                        155520




                                                                                                                                                        document, use and communication of its contents
                                                                                               S–1.1         L–1.1          L–1.2     L–1.2 JE1
                                          Application code (Table 1/G.957)
                                                                                                                                        nb1

                                          Operating wavelength range                 nm      1261–1360 1280–1335 1480–1580 1530–1560
                                          TRANSMITTER AT REFERENCE
                                          POINT S
                                          Source type                                        SLM/MLM       SLM/MLM          SLM         SLM

                                          Spectral characteristics

                                                 maximum RMS width                  nm          7.7          4               –          –
                                                 maximum –20 dB width               nm          –            –               1          1
                                                 minimum side mode
                                                                                      dB         –            –              30          30
                                                  suppression ratio

                                          Mean launched power

                                                 maximum                            dBm         –8           0               0          0
                                                 minimum                            dBm        –15           –5             –5          –4

                                          Minimum extinction ratio                    dB         8.2          10             10          10
                                          OPTICAL PATH BETWEEN S AND R
                                          Attenuation range                           dB        0–12        10–28           10–28      10–29

                                          Maximum dispersion                        ps/nm       100          250            1900        3200

                                          Minimum optical return loss of cable
                                                                                      dB         NA           NA             20          20
                                          plant at S, including any connectors

                                          Maximum discrete reflectance between
                                                                                      dB         NA           NA             –25        –25
                                          S and R
                                          RECEIVER AT REFERENCE POINT R
                                          Type of detector                                    In Ga As     In Ga As        In Ga As   In Ga As
                                                                                                 PIN          PIN             PIN        PIN

                                          Mean received power at BER= 1E–10
                                          •    Minimum (sensitivity)                 dBm        –28          –34             –34        –34
                                          •    Maximum (overload)                    dBm         –8          –10             –10        –10

                                          Maximum optical path penalty                dB         1            1               1          1
                                          Maximum reflectance of receiver mea-
                                                                                      dB        –14          –14             –25        –25
                                          sured at R
1AA 00014 0004 (9007) A4 – ALICE 04.10




                                          nb1: To be used with Optical Boosters up to +15 dBm on G652 and G653 fibre
                                          N.A = not applicable
                                          table continue


                                         ED      03

                                                                                                       3AL 91669 AA AA                    628 / 706


                                                                                                                     706
CHARACTERISTICS            UNIT                   VALUES
                                                                                                                                              STM–1 according to G.707 and
                                                                                                         DIGITAL SIGNAL
                                                                                                                                                         G.958
                                                                                                         Nominal bit rate
not permitted without written authorization from Alcatel.




                                                                                                                                   Kbit/s               155520
  All rights reserved. Passing on and copying of this
  document, use and communication of its contents




                                                                                            Application (ALCATEL code)                        MM–1

                                                                                            Operating wavelength range              nm      1270–1360

                                                                                            TRANSMITTER AT REFERENCE
                                                                                            POINT S
                                                                                            Source type                                       SLM
                                                                                            Spectral characteristics
                                                                                                    maximum RMS width              nm          –
                                                                                                    maximum –20 dB width           nm          1
                                                                                                    minimum side mode
                                                                                                                                    dB         30
                                                                                                     suppression ratio
                                                                                            Mean launched power
                                                                                                    maximum                       dBm         –14
                                                                                                    minimum                       dBm         –19
                                                                                            Minimum extinction ratio                dB         10

                                                                                            OPTICAL PATH BETWEEN S AND R
                                                                                            Attenuation range                       dB        0–10
                                                                                            Maximum dispersion                     ps/nm       NA
                                                                                            Minimum optical return loss of cable
                                                                                                                                    dB         NA
                                                                                            plant at S, including any connectors
                                                                                            Maximum discrete reflectance between
                                                                                                                                    dB         NA
                                                                                            S and R

                                                                                            RECEIVER AT REFERENCE POINT R
                                                                                            Type of detector                                 In Ga As
                                                                                                                                                PIN
                                                                                            Minimum sensitivity (BER 10–10)        dBm         –30
                                                                                            Minimum overload                       dBm         –14
                                                                                            Maximum optical path penalty            dB        1 (a)
                                                                                            Maximum reflectance of receiver mea-
                                                                                                                                    dB         –14
                                                                                            sured at R
                                                                                            NOTES: a= with max 3 Km of multimode fibre 50/125 um G.651
                                                                                                   NA= not applicable

                                                                                            end of table.
                                                  1AA 00014 0004 (9007) A4 – ALICE 04.10




                                                                                           ED      03

                                                                                                                                                      3AL 91669 AA AA        629 / 706


                                                                                                                                                                706
Table 67. Parameters specified for STM–4 Optical Interface

                                                      CHARACTERISTICS                UNIT                            VALUES

                                                       DIGITAL SIGNAL                               STM–4 according to G.707 and G.958




                                                                                                                                                        not permitted without written authorization from Alcatel.
                                                                                     Kbit/s




                                                                                                                                                          All rights reserved. Passing on and copying of this
                                                       Nominal bit rate                                          622.080




                                                                                                                                                          document, use and communication of its contents
                                                                                                S–4.1         L–4.1          L–4.2      L–4.2 JE
                                          Application code (Table 1/G.957)
                                                                                                               nb3                      nb1, nb2
                                          Operating wavelength range                  nm      1274–1356 1280–1335 1480–1580 1530–1560
                                          TRANSMITTER AT REFERENCE
                                          POINT S
                                          Source type                                            MLM           SLM           SLM          SLM

                                          Spectral characteristics

                                                 maximum RMS width                   nm          2.5            –             –            –
                                                 maximum –20 dB width                nm           –             1             1           0.6
                                                 minimum side mode
                                                                                      dB           –            30            30           30
                                                  suppression ratio
                                          Mean launched power

                                                 maximum                            dBm          –8            +2            +2           +2
                                                 minimum                            dBm          –15           –3            –3           –3
                                          Minimum extinction ratio                    dB          8.2           10            10           10
                                          OPTICAL PATH BETWEEN S AND R
                                          Attenuation range                           dB         0–12         10–24          10–24       10–27
                                          Maximum dispersion                         ps/nm        84           250           1900         3200
                                          Minimum optical return loss of cable
                                                                                      dB          14            20            24           24
                                          plant at S, including any connectors
                                          Maximum discrete reflectance between
                                                                                      dB          –20          –25            –27          –27
                                          S and R
                                          RECEIVER AT REFERENCE POINT R
                                          Type of detector                                     In Ga As      In Ga As       In Ga As    In Ga As
                                                                                                  PIN           PIN            PIN         PIN
                                          Mean received power at BER= 1E–10
                                          •    Minimum (sensitivity)                 dBm          –28          –28            –28          –32
                                          •    Maximum (overload)                    dBm          –8            –8            –8           –8
                                          Maximum optical path penalty                dB           1             1             1            2
                                          Maximum reflectance of receiver mea-
                                                                                      dB          –20          –20            –27          –27
                                          sured at R

                                          nb1: Suitable for interworking with the L–4.2JE of the ADM product family with max dispersion 2400 ps/nm;
                                          on this application the attenuation range is 10–28 dB.
                                          nb2: For long distance applications and additionally suitable to be used with Optical Boosters up to +15
1AA 00014 0004 (9007) A4 – ALICE 04.10




                                          dBm on G652 and G653 fibre.
                                          nb3: Suitable for interworking with L–4.1 of ADM product family. In this application the power budget is
                                          10–24 dBm, 250 ps/nm dispersion.


                                         ED      03

                                                                                                        3AL 91669 AA AA                     630 / 706


                                                                                                                      706
Table 68. STM–16 Optical interfaces (Single Channel)

                                                                                                               CHARACTERISTICS                              UNIT                VALUES
                                                                                           DIGITAL SIGNAL                                                            STM–16 according to G.707
not permitted without written authorization from Alcatel.




                                                                                           Nominal bit rate                                                 Kb/s            and G.958
  All rights reserved. Passing on and copying of this
  document, use and communication of its contents




                                                                                                                                                                             2488320
                                                                                           Application code                                                          S–16.1      L–16.1       L–16.2

                                                                                           Operating wavelength range                                               1270–1360   1280–1335   1500–1580

                                                                                           TRANSMITTER AT REFERENCE POINT S
                                                                                           Source type                                                                SLM         SLM         SLM
                                                                                           Spectral characteristics
                                                                                           – maximum RMS width                                               nm        –           –           –
                                                                                           – maximum –20 dB width                                            nm        1           1           1
                                                                                           – minimum side mode suppression ratio                             dB        30          30          30
                                                                                           Mean launched power
                                                                                           – maximum                                                        dBm        0           +2          +2
                                                                                           – minimum                                                        dBm        –5          –2          –2
                                                                                           Minimum extinction ratio                                          dB       8.2         8.2          8.2
                                                                                           OPTICAL PATH BETWEEN S AND R
                                                                                           Attenuation range                                                 dB      0–12        10–24       10–24
                                                                                           Maximum dispersion                                               ps/nm    100          250        1600
                                                                                           Minimum optical return loss of cable plant at S, including any    dB        24          24          24
                                                                                           connectors
                                                                                           Maximum discrete reflectance between S and R                      dB       –27         –27         –27
                                                                                           RECEIVER AT REF. R
                                                                                           Type of detector                                                          InGaAs      InGaAs      InGaAs
                                                                                                                                                                       PIN         APD         APD

                                                                                           Mean received power at
                                                                                           BER= 1E10–10
                                                                                           •     Minimum (sensitivity)                                      dBm       –18         –27         –28
                                                                                           •     Maximum (overload)                                         dBm        0          –8          –8
                                                                                           Maximum optical path penalty                                      dB        1           1            2
                                                                                           Maximum reflectance of receiver measured at R                     dB       –27         –27         –27

                                                                                                                                                                                        Table Continue
                                                  1AA 00014 0004 (9007) A4 – ALICE 04.10




                                                                                           ED        03

                                                                                                                                                            3AL 91669 AA AA                         631 / 706


                                                                                                                                                                         706
CHARACTERISTICS                      UNIT                            VALUES
                                         DIGITAL SIGNAL                                               STM–16 according to G.707 and G.958
                                         Nominal bit rate                                 Kb/s                     2488320




                                                                                                                                                                 not permitted without written authorization from Alcatel.
                                                                                                                                                                   All rights reserved. Passing on and copying of this
                                                                                                                                                                   document, use and communication of its contents
                                         Application code                                         L–16.2JE1    L–16.2 JE2    L–16.2 JE3     I–16.1
                                                                                                     nb2          nb1             nb3
                                         Operating wavelength range                               1530–1560     1550–1560    1550–1560    1266–1360

                                         TRANSMITTER AT REFERENCE POINT S
                                         Source type                                                SLM        SLM–ILM SLM–ILM             MLM
                                         Spectral characteristics
                                         – maximum RMS width                               nm         –            –               –          4
                                         – maximum –20 dB width                            nm        0.5          0.2             0.2         –
                                         – minimum side mode suppression ratio             dB        30           30              30          –
                                         Mean launched power
                                         – maximum                                        dBm        +4            +2             +2        –3
                                         – minimum                                        dBm        +1            –3             –3        –10
                                         Minimum extinction ratio                          dB        8.2          8.2             8.2        8.2
                                         OPTICAL PATH BETWEEN S AND R
                                         Attenuation range                                dB        13–28        nb1              nb3       0–7
                                         Maximum dispersion                              ps/nm      1900         3200             4000      12


                                         Minimum optical return loss of cable plant at     dB         24           24             24         27
                                         S, including any connectors
                                         Maximum discrete reflectance between S            dB        –27          –27             –27       –27
                                         and R
                                         RECEIVER AT REF. R
                                         Type of detector                                           InGaAs       InGaAs       InGaAs       InGaAs
                                                                                                      APD          APD          APD          APD

                                         Mean received power at
                                         BER= 1E10–10
                                         •    Minimum (sensitivity)                       dBm        –29          –29             nb3       –18
                                         •    Maximum (overload)                          dBm        –9           –9               –9       –3
                                         Maximum optical path penalty                      dB         2            1               1          1
                                         Maximum reflectance of receiver measured          dB        –27          –27             –27       –27
                                         at R
                                         nb1: to be used with booster amplifier on G.652 fiber; attenuation range according to the specific 1664OA
                                         power budget
                                         nb2: To be used with booster amplifier up to + 15dBm on G653 fiber; or in stand alone configuration
                                         nb3: To be used with booster in conjunction with the 1664OA preamplifier on G.652 and G.653 fiber;
                                         attenuation range according to the 1664OA characteristics. Suitable for submarine application too, in
                                         conjunction with Alcatel booster/preamplifier: specific reference value of max dispersion at 5400 ps/nm with
                                         optical path penalty 2 dB.
1AA 00014 0004 (9007) A4 – ALICE 04.10




                                                                                                                                          End of table




                                         ED       03

                                                                                                             3AL 91669 AA AA                         632 / 706


                                                                                                                            706
Table 69. STM–16 Optical interfaces (Multi Channel)


                                                                                                           CHARACTERISTICS                           UNIT                     VALUES
not permitted without written authorization from Alcatel.




                                                                                           DIGITAL SIGNAL                                                      STM–16 according to G.707 and G.958
  All rights reserved. Passing on and copying of this
  document, use and communication of its contents




                                                                                           Nominal bit rate                                          Kb/s                   2488320
                                                                                           Application code                                                      16 x L.16.2JE      16 x L.16.2JE
                                                                                                                                                                  6400 ps/nm        12800 ps/nm
                                                                                           TRANSMITTER AT REFERENCE POINT S
                                                                                           Central operating wavelength                              nm            see nb1               see nb1
                                                                                           Source type                                                               ILM                  ILM
                                                                                           Spectral characteristics
                                                                                           – maximum RMS width                                       nm                –                   –
                                                                                           – maximum –20 dB width                                    nm               0.2                 0.1
                                                                                           – minimum side mode suppression ratio                     dB               30                  30
                                                                                           Mean launched power
                                                                                           – maximum                                                 dBm              +2                   +2
                                                                                           – minimum                                                 dBm              –3                   –3
                                                                                           Minimum extinction ratio                                  dB               8.2                 8.2
                                                                                           OPTICAL PATH BETWEEN S AND R
                                                                                           Max loss budget                                        dB               see nb2              see nb2
                                                                                           Loss limited distance                                  Km               see nb2              see nb2
                                                                                           Maximum chromatic dispersion                          ps/nm              6400                 12800
                                                                                           Dispersion limited distance                               Km              320                  640
                                                                                           Minimum ORL at S (including connectors)                   dB               24                   24
                                                                                           Total average PMD (1st order)                             ps               40                   40
                                                                                           RECEIVER AT REFERENCE POINT R
                                                                                           Operating wavelength range                                             1530–1561            1530–1561
                                                                                           Type of detector                                                      InGaAs APD            InGaAs APD
                                                                                           OSNR                                                dBm/0.1nm              19                   19
                                                                                           Mean received power at BER= 1E10–10
                                                                                           •     Minimum (sensitivity)                               dBm             –23                  –23
                                                                                           •     Maximum (overload)                                  dBm             –10                  –10

                                                                                           Maximum reflectance of receiver measured at R             dB              –27                  –27
                                                                                           nb1 : One of the following 16 coloured transmitter according to the ITU–T standard G.692 (ex G.MCS):
                                                                                                •   8 “Red” wavelengths (nm):1547.72 / 15493.2 / 1550.92 / 1552.52 / 1554.13 / 1555.75 / 1557.36 /
                                                                                                    1558.98
                                                                                                •   8 “Blue” wavelengths (nm):1531.90 / 1533.47 / 1535.04 / 1536.61 / 1538.19 / 1539.77 / 1541.35 /
                                                                                                    1542.94
                                                                                                Laser transmission at 100 Ghz grid space allows compatibility with 32 channel systems
                                                                                           nb2 : According to the WDM system specs
                                                  1AA 00014 0004 (9007) A4 – ALICE 04.10




                                                                                           ED         03

                                                                                                                                                            3AL 91669 AA AA                     633 / 706


                                                                                                                                                                       706
Table 70. Parameters specified for STM–64 optical interfaces (Single Channel)


                                                       CHARACTERISTICS                     UNIT                  VALUES




                                                                                                                                             not permitted without written authorization from Alcatel.
                                                          DIGITAL SIGNAL                              STM–64 according to




                                                                                                                                               All rights reserved. Passing on and copying of this
                                                                                                                                               document, use and communication of its contents
                                                                                                       G.707, G.958, G.691
                                                          Nominal bit rate                 Kbit/s          9,953,280
                                          Application code                                            S–64.2b         I–64.1
                                          Operating wavelength range                        nm       1530÷1565      1290÷1330
                                          TRANSMITTER at reference point S
                                          Source type                                                 EA–ILM              SLM
                                          Spectral characteristics:
                                              – maximum spectral power density           mW/MHz          n.a              n.a.
                                              – maximum –20 dB width                        nm          t.b.d.             1
                                              – minimum side mode suppression ratio         dB           30               30
                                              – chirp parameter                           radians       n.a.              n.a.
                                          Mean launch power:
                                              – maximum                                    dBm           +2               –1
                                              – minimum                                    dBm           –1               –6
                                          Minimum extinction ratio                          dB           8.2               6
                                          OPTICAL PATH between S and R
                                          Attenuation range                                 dB          3÷11              0÷4
                                          Chromatic dispersion:
                                              – maximum                                    ps/nm        800               6.6
                                              – minimum                                    ps/nm        n.a.              n.a.
                                          Passive dispersion compensation:
                                              – maximum                                    ps/nm        n.a.              n.a.
                                              – minimum                                    ps/nm        n.a.              n.a.
                                          Maximum DGD                                      ps/nm         30               30
                                          Minimum ORL at S (including connectors)           dB           24               14
                                          RECEIVER at reference point R
                                                                  Type of detector                      PIN               PIN
                                          Mean received power:
                                          (@ BER= 10–12 and OSNR=19 dB/0.1 nm)
                                            – minimum (sensitivity)                        dBm          –14               –11
                                              – maximum (overload)                         dBm           –1               –1
                                          Maximum optical path penalty                      dB            2                1
                                          Maxim. reflectance of receiver measured at R      dB          –27               –14


                                          t.b.d.= to be defined
                                          n.a. = not applicable
1AA 00014 0004 (9007) A4 – ALICE 04.10




                                         ED      03

                                                                                                     3AL 91669 AA AA             634 / 706


                                                                                                                    706
CHARACTERISTICS                   UNIT                       VALUES
                                                                                                            DIGITAL SIGNAL                                       STM–64 according to
                                                                                                                                                                  G.707, G.958, G.691
not permitted without written authorization from Alcatel.




                                                                                                            Nominal bit rate               Kbit/s                     9,953,280
  All rights reserved. Passing on and copying of this
  document, use and communication of its contents




                                                                                                                                                      L–64.2b                         L–62.2b
                                                                                                                                                                       L–64.2b
                                                                                                                                                     “Reduced”                      “Extended”
                                                                                            Application code                                                         with Booster
                                                                                                                                                      (refer to                       (refer to
                                                                                                                                                                        +10 dB
                                                                                                                                                     para. 5.8.3)                   para. 5.8.2)
                                                                                            Operating wavelength range                       nm      1530÷1565        1530÷1565     1530÷1565
                                                                                            TRANSMITTER at reference point S
                                                                                            Source type                                               EA–ILM           EA–ILM         EA–LIM
                                                                                            Spectral characteristics:
                                                                                                – maximum spectral power density           mW/MHz        n.a               n.a.          n.a.
                                                                                                – maximum –20 dB width                       nm         t.b.d.          t.b.d.          t.b.d.
                                                                                                – minimum side mode suppression ratio        dB         t.b.d.          t.b.d.          t.b.d.
                                                                                                – chirp parameter                          radians       n.a.              n.a.          n.a.
                                                                                            Mean launch power:
                                                                                                – maximum                                   dBm          +3            +12 (*)          +13
                                                                                                – minimum                                   dBm           0            +10 (*)          +10
                                                                                            Minimum extinction ratio                         dB          8.2               8.2           ––
                                                                                            OPTICAL PATH between S and R
                                                                                            Attenuation range                                dB         0÷16            13÷22           16÷28
                                                                                            Chromatic dispersion:
                                                                                                – maximum                                   ps/nm       1200            1600            2000
                                                                                                – minimum                                   ps/nm        n.a.              n.a.          n.a.
                                                                                            Passive dispersion compensation:
                                                                                                                                                                                    400 (By 20
                                                                                                – maximum                                   ps/nm        n.a.              n.a.
                                                                                                                                                                                      DCU)
                                                                                                – minimum                                   ps/nm        n.a.              n.a.         ––
                                                                                            Maximum DGD                                     ps/nm        30                30            ––
                                                                                            Minimum ORL at S (including connectors)          dB          24                24            ––
                                                                                            RECEIVER at reference point R
                                                                                                                    Type of detector                     PIN               PIN           PIN
                                                                                            Mean received power:
                                                                                            (@ BER= 10–12 and OSNR=19 dB/0.1 nm)
                                                                                              – minimum (sensitivity)                       dBm        –16 (**)            –14           –18
                                                                                                – maximum (overload)                        dBm          +3                –1            –3
                                                                                            Maximum optical path penalty                     dB          n.a.               2            n.a.
                                                                                            Maxim. reflectance of receiver measured at R     dB          –27               –27           ––


                                                                                            t.b.d.= to be defined
                                                                                            n.a. = not applicable

                                                                                            (*) – Achived with 10 dB Booster
                                                  1AA 00014 0004 (9007) A4 – ALICE 04.10




                                                                                            (**) – With fiber




                                                                                           ED       03

                                                                                                                                                     3AL 91669 AA AA                             635 / 706


                                                                                                                                                                     706
Table 71. Parameters specified for 1000B–SX Optical Interface


                                                   CHARACTERISTICS                                    VALUES




                                                                                                                                                   not permitted without written authorization from Alcatel.
                                                      DIGITAL SIGNAL                      GBE interface according to IEEE 802.3




                                                                                                                                                     All rights reserved. Passing on and copying of this
                                                                                                                                                     document, use and communication of its contents
                                                      Nominal bit rate           Gbps                  1.250 Gbps
                                          Application code                                 1000B–SX
                                                          TX SIDE                UNIT    CONDITIONS          MIN          MAX
                                          Output optical power                   dBm           –             –9.5         –4.0
                                          Output optical power BOL
                                                                                 dBm           –             –8.5         –4.0
                                          (25ºC, nominal power supply)
                                          Operating wavelength range              nm           –              820          860
                                          ∆λ rms                                  nm           –               –          0.85
                                          Relative Intensity Noise              dB/Hz          –               –          –117
                                                          RX SIDE
                                          Type of detector                                                IN Ga As PIN
                                          Sensitivity                            dBm            *              –          –18.0
                                          Sensitivity BOL
                                                                                 dBm            *              –          –19.0
                                          (25ºC, nominal power supply)
                                                                                           See IEEE                   –12.5 (62.5µm)
                                          Stressed Receiver Sensitivity          dBm                           –
                                                                                            802.3                      –13.5 (50µm)
                                          Maximum input optical power            dBm           –               –            0
                                          Maximum input optical power BOL
                                                                                 dBm           –               –          +1.0
                                          (25ºC, nominal power supply)
                                          Operating wavelength range              nm           –              770          860
                                          Loss of signal – Assert Pin            dBm           –              –30         –18.0
                                          Loss of signal – Deassert Pin          dBm           –              –30         –17.0
                                          LOS Hysteresis                          dB           –               1           4.0
                                          Data Output Rise/Fall time              ps           –               –           250
                                          * With fiber:    550 m MMF 50 µm (500 MHz Km @ 850nm)
                                                           500 m MMF 50 µm (400 MHz Km @ 850nm)
                                                           275 m MMF 62.5 µm (200 MHz Km @ 850nm)
                                                           220 m MMF 62.5 µm (160 MHz Km @ 850nm)
1AA 00014 0004 (9007) A4 – ALICE 04.10




                                         ED      03

                                                                                                     3AL 91669 AA AA                   636 / 706


                                                                                                                    706
Table 72. Parameters specified for 1000B–LX Optical Interface


                                                                                                     CHARACTERISTICS                                    VALUES
not permitted without written authorization from Alcatel.




                                                                                                        DIGITAL SIGNAL                      GBE interface according to IEEE 802.3
  All rights reserved. Passing on and copying of this
  document, use and communication of its contents




                                                                                                        Nominal bit rate           Gbps                  1.250 Gbps
                                                                                            Application code                                 1000B–LX
                                                                                                            TX SIDE                UNIT    CONDITIONS          MIN           MAX
                                                                                            Output optical power (SMF)             dBm            –            –11.0         –3.0
                                                                                            Output optical power BOL (SMF)
                                                                                                                                   dBm            –            –10.0         –3.0
                                                                                            (25ºC, nominal power supply)
                                                                                            Output optical power on MMF 50 
                                                                                                                                   dBm            –            –11.5         –3.0
                                                                                            62.5µm
                                                                                            Output optical power BOL on MMF
                                                                                            50  62.5µm (25ºC, nominal power       dBm            –            –10.5         –3.0
                                                                                            supply)
                                                                                            Operating wavelength range              nm            –            1270          1355
                                                                                            ∆λ rms                                  nm            –              –            4.0
                                                                                            Relative Intensity Noise               dB/Hz          –              –           –120
                                                                                                            RX SIDE
                                                                                            Type of detector                                                IN Ga As PIN
                                                                                            Sensitivity                            dBm            *              –           –20.0
                                                                                            Sensitivity BOL
                                                                                                                                   dBm            *              –           –21.0
                                                                                            (25ºC, nominal power supply)
                                                                                                                                             See IEEE
                                                                                            Stressed Receiver Sensitivity          dBm                           –           –14.4
                                                                                                                                              802.3
                                                                                            Maximum input optical power            dBm            –              –           –3.0
                                                                                            Maximum input optical power BOL
                                                                                                                                   dBm            –              –           –2.0
                                                                                            (25ºC, nominal power supply)
                                                                                            Operating wavelength range              nm            –            1270          1355
                                                                                            Loss of signal – Assert Pin            dBm            –             –30          –21.0
                                                                                            Loss of signal – Deassert Pin          dBm            –             –30          –20.0
                                                                                            LOS Hysteresis                          dB            –              1            4.0
                                                                                            Data Output Rise/Fall time              ps            –              –           175
                                                                                            * With fiber:    550 m MMF 50 µm (400 MHz Km @ 1300nm)
                                                                                                             550 m MMF 62.5 µm (500 MHz Km @ 1300nm)
                                                                                                             5000 m SMF 10 µm
                                                  1AA 00014 0004 (9007) A4 – ALICE 04.10




                                                                                           ED      03

                                                                                                                                                       3AL 91669 AA AA               637 / 706


                                                                                                                                                                       706
Table 73. Parameters specified for 1000B–ZX Optical Interface


                                                   CHARACTERISTICS                                   VALUES




                                                                                                                                                  not permitted without written authorization from Alcatel.
                                                      DIGITAL SIGNAL                      GBE interface according to IEEE 802.3




                                                                                                                                                    All rights reserved. Passing on and copying of this
                                                                                                                                                    document, use and communication of its contents
                                                      Nominal bit rate           Gbps                  1.250 Gbps
                                          Application code                                                1000B–ZX
                                                          TX SIDE                UNIT    CONDITIONS         MIN            MAX
                                          Output optical power (SMF)             dBm            –           0.0            + 5.0
                                          Operating wavelength range              nm            –          1540            1570
                                          ∆λ rms                                  nm            –            –              1.0
                                                          RX SIDE
                                          Sensitivity
                                          Pmin1                                  dBm                         –            –24.0 (*)
                                          Pmin2                                                              –           –22.0 (**)
                                          Overload                               dBm            –            0               –
                                          Operating wavelength range              nm            –          1540            1570
                                          Loss of signal – Assert Pin            dBm            –           –30            –24.5
                                          Loss of signal – Deassert Pin          dBm            –          –29.5           –24.0
                                          LOS Hysteresis                          dB            –           0.5             6.0
                                          Reflectance                             ps            –            –             –12.0
                                          (*) – Conditions:
                                                  BER=10^–12
                                                 Measured at 1250 Mbps, PRBS 2^7–1, NRZ
                                                 back to back

                                          (**) – Conditions:
                                                   BER=10^–12
                                                 Measured at 1250 Mbps, PRBS 2^7–1, NRZ
                                                 with fiber
1AA 00014 0004 (9007) A4 – ALICE 04.10




                                         ED      03

                                                                                                     3AL 91669 AA AA                  638 / 706


                                                                                                                   706
Table 74. Parameters specified for Optical Booster



                                                                                                            CHARACTERISTICS                  UNIT                 VALUES
not permitted without written authorization from Alcatel.
  All rights reserved. Passing on and copying of this
  document, use and communication of its contents




                                                                                                                      BOOSTER                          + 10 dBm   + 15 dBm     + 17 dBm

                                                                                                   Maximum Output power                          dBm     +12            + 17     + 19

                                                                                                   Minimum Output power                          dBm     +10            + 15     + 17

                                                                                                   Maximum Input power                           dBm     +4             +4       +4

                                                                                                   Minimum Input power                           dBm     –6             –6       –6

                                                                                                   Polarization Depending Gain                   dB                  0.5

                                                                                                   Reverse ASE power level                       dBm                ≤ –20

                                                                                                   Input Optical Return Loss (ORL)               dBm                ≥ 27

                                                                                                   Pump Leakage to Input                         dBm                ≤ –36

                                                                                                   Pump Leakage to Output                        dBm              ≤ Pout–30

                                                                                                   Maximum ORL tolerable at Input                dB                  27

                                                                                                   Power Wavelength Bandwidth                    nm               1530÷1565
                                                  1AA 00014 0004 (9007) A4 – ALICE 04.10




                                                                                           ED      03

                                                                                                                                                       3AL 91669 AA AA                  639 / 706


                                                                                                                                                                  706
5.8.1 Example of a link using 1660SM with L–16.2 JE2 Port and 15 dBm Booster

                                                                    Booster
                                           Ï Ï ÏÏÏÏÏÏ                                                                       ÏÏÏÏÏÏ   STM16




                                                                                                                                                            not permitted without written authorization from Alcatel.
                                                 STM16




                                                                                                                                                              All rights reserved. Passing on and copying of this
                                                                                                                                                              document, use and communication of its contents
                                           Ï Ï ÏÏÏÏÏÏ
                                                  Port                                                                      ÏÏÏÏÏÏ    Port
                                           Ï Ï ÏÏÏÏÏÏ                                                                       ÏÏÏÏÏÏ
                                                                Booster     S                                       R
                                                                Input

                                                      min –6dBm           15dBm                                 –29dBm
                                                      max 4dBm            17dBm                                 –9dBm


                                                                                     SPECIFICATIONS

                                          Maximum chromatic dispersion                                                           3200 (ps/nm)

                                          Optical fiber used                                                                        G.652

                                          – fiber attenuation                                                                    0.25 dB/km

                                          – chromatic dispersion of the fiber                                                    18 ps/nm/km

                                          – penalty                                                                                 1 dB

                                          Attenuation range
                                                                                                                                    26 dB
                                               min = +17–(–9)
                                                                                                                                    43 dB
                                               max = +15 –(–29)–1

                                          Minimum span length (26dB/0.25)                                                          104 Km

                                          Maximum span length
                                                                                                                                   172 Km
                                          (due to the attenuation (sensitivity: 43/0.25

                                          Following there are the formulas to calculate the minimum and maximum span length. The maximum
                                          length can be limited by the receiver sensitivity or by the maximum chromatic dispersion, whichever is
                                          most restrictive; the minimum length is limited by the receiver overload.
                                          The optical interface characteristics are deduced from Table 68. on page 631 depending on the type of
                                          interface.
                                          The optical fiber characteristics are reported in rec. ITU–T G.957.

                                               Span attenuation range:
                                                        Min Atten.= (max Tx Power)–(min. Rx Overload)=+17–(–9)=26dB
                                                        Max Atten.= (minTx Power)–(min. Rx Sensitivity)–(penalty)=+15–(–29)–21=43 dB

                                               Minimum span length (for overload) = (Min Att.)/(fiber att.)=26/0.25=104 Km
                                               Maximum span length (for sensitivity) = (Max Att.)/(fiber att.)=43/0.25=172 Km
                                               Maximum span length (for dispersion) = (Max dispers.)/(fiber disp.)=3200/18=177.7 Km

                                          Thus the maximum fiber span length is limited for attenuation (sensitivity): 172 Km,
1AA 00014 0004 (9007) A4 – ALICE 04.10




                                          while the minimum span to avoid overload problems should be 104 Km.




                                         ED      03

                                                                                                        3AL 91669 AA AA                         640 / 706


                                                                                                                     706
5.8.2 Example of a link using 1660SM with L–64.2b “Extended”

                                                                                            The L–64.2B extended application described here below is suitable to cover span with attenuation range
                                                                                            (S–R) up to 28 dB, including optical path penalty (2dB). The performances of this application (max.
not permitted without written authorization from Alcatel.




                                                                                            attenuation range and max. chromatic dispersion) is between the ones of L64.2b and V64.2. Although it
  All rights reserved. Passing on and copying of this
  document, use and communication of its contents




                                                                                            is not part of standard ITU–T applications, it could be used for some customer specific cases.

                                                                                            The solution is based on usage of BW interfaces of 1660SM (“STM 64 PORT L– 64.2 B FC” card), DCU
                                                                                            (Optical Compensation Device), and booster.

                                                                                            Figure 300. below shows the network block diagram for implementing the application (parameters have
                                                                                            to be considered EOL):


                                                                                                                                                  Booster
                                                                                                                                            Pin max.: +4
                                                                                                                        = 3.5/5 dB
                                                                                                                          DCU
                                                                                                                                                  ÏÏÏ
                                                                                           ÏÏÏÏÏÏ1660SM
                                                                                                L64.2b Port
                                                                                           ÏÏÏÏÏÏ                  ÏÏÏÏÏ
                                                                                                                   ÏÏÏÏÏ  20
                                                                                                                                                  ÏÏÏ
                                                                                                                                                    +10
                                                                                                                                                  ÏÏÏ                          ÏÏÏÏÏÏ
                                                                                                                                                                                 1660SM
                                                                                                                                                                                L64.2b Port
                                                                                                                                                                               ÏÏÏÏÏÏ
                                                                                                   (Tx)                (400ps/nm)                                                  (Rx)
                                                                                           ÏÏÏÏÏÏ
                                                                                           ÏÏÏÏÏÏ                  ÏÏÏÏÏ
                                                                                                                   ÏÏÏÏÏ
                                                                                                                                                  ÏÏÏ
                                                                                                                                              Pin min.: –6
                                                                                                                                                                               ÏÏÏÏÏÏ
                                                                                                                                                                               ÏÏÏÏÏÏ
                                                                                                                                                          MPI–S            MPI–R

                                                                                                                 Max: +3             Max: – 0.5                   28 dBm
                                                                                                                 Min: 0              Min: –5

                                                                                                                                                          max+13dBm        max–3dBm
                                                                                                                                                          min +10dBm       min –18dBm




                                                                                                              Figure 300. Example of a link using 1660SM with L–64.2b “Extended”


                                                                                            The L–64.2B Extended application is suitable for transmission with G.652, G.653 and G.655 fibers. Find
                                                                                            below main specifications:

                                                                                            –     Wavelength: 1530–1565;

                                                                                            –     Attenuation Range [S–R]: 16–28 dB (optical path penalty included – if needed, attenuation range
                                                                                                  can be extended via optical attenuators);

                                                                                            –     Maximum supported dispersion: 2000 ps/nm (achievable through 20km–400ps/nm dispersion
                                                                                                  compensation DCU).

                                                                                            –See Table 75. for the relevant optical parameters
                                                  1AA 00014 0004 (9007) A4 – ALICE 04.10




                                                                                           ED       03

                                                                                                                                                             3AL 91669 AA AA                 641 / 706


                                                                                                                                                                       706
Table 75. L–64.2b “Extended” characteristics



                                                                  Application Code                        Unit         L–64.2b Extended




                                                                                                                                                   not permitted without written authorization from Alcatel.
                                                                                                                                                     All rights reserved. Passing on and copying of this
                                                                                                                                                     document, use and communication of its contents
                                          Transmitter at Reference Point MPI–S/S’

                                          Operating wavelength                                            nm             1530 – 1565

                                          Mean launch power:

                                          – maximum                                                       dBm                13

                                          – minimum                                                       dBm                10

                                          Spectral characteristics

                                          Main optical path, MPI–S to MPI–R

                                          Attenuation range

                                          – maximum                                                       dB                 28

                                          – minimum                                                       dB                 16

                                          Max. chromatic dispersion                                      ps/nm              +2000

                                          Passive dispersion conpensation                                            By 20 DCU (400ps/nm)

                                          Receiver at reference point MPI–R/R’

                                          Minimum received power @ BER= 10–12

                                          Minimum (sensitivity)                                           dBm                –18

                                          Maximum (overload)                                              dBm                –3


                                          (*) This application is based on the use of an external +10 dBm booster.
1AA 00014 0004 (9007) A4 – ALICE 04.10




                                         ED     03

                                                                                                   3AL 91669 AA AA                     642 / 706


                                                                                                                 706
5.8.3 Example of a link using 1660SM with L–64.2b “Reduced”

                                                                                                                ÏÏÏÏÏ
                                                                                                                 1660SM
                                                                                                                ÏÏÏÏÏ                             ÏÏÏÏÏÏ
                                                                                                                                                      1660SM
                                                                                                                                                  ÏÏÏÏÏÏ
                                                                                                                                                     L64.2b Port
not permitted without written authorization from Alcatel.




                                                                                                                L64.2b Port
  All rights reserved. Passing on and copying of this
  document, use and communication of its contents




                                                                                                                ÏÏÏÏÏ
                                                                                                                   (Tx)
                                                                                                                ÏÏÏÏÏ                             ÏÏÏÏÏÏ
                                                                                                                                                  ÏÏÏÏÏÏ(Rx)



                                                                                                                               MPI–S            MPI–R

                                                                                                                                       16 dBm


                                                                                                                               max+3 dBm
                                                                                                                               min 0 dBm        min – 16 dBm

                                                                                                            Figure 301. Example of a link using 1660SM with L–64.2b “Reduced”


                                                                                            Table 76. L–64.2b “Reduced” characteristics

                                                                                                                  Application Code                          Unit         L–64.2b Reduced

                                                                                            Transmitter at Reference Point MPI–S/S’
                                                                                            Operating wavelength                                             nm            1530 – 1565
                                                                                            Mean launch power:
                                                                                            – maximum                                                       dBm                  +3
                                                                                            – minimum                                                       dBm                   0
                                                                                            Minimum extinction ratio (ER)                                    dB                  8.2
                                                                                            Main optical path, MPI–S to MPI–R
                                                                                            Attenuation range
                                                                                            – maximum                                                        dB                  16
                                                                                            – minimum                                                        dB                   0
                                                                                            Max. chromatic dispersion                                      ps/nm                + 1200
                                                                                            Maximum DGD                                                      ps                  30
                                                                                            Minimum ORL at S                                                 dB                  24
                                                                                            Receiver at reference point MPI–R/R’
                                                                                            Minimum received power @ BER= 10–12
                                                                                            Minimum (sensitivity) with fiber                                dBm                  –16
                                                                                            Maximum (overload)                                              dBm                  +3
                                                                                            Maxim. reflectance between S and R                               dB                  – 27
                                                                                            Maximum optical path penalty                                                         n.a.
                                                  1AA 00014 0004 (9007) A4 – ALICE 04.10




                                                                                           ED      03

                                                                                                                                                     3AL 91669 AA AA                     643 / 706


                                                                                                                                                                   706
5.9 Coarse WDM subsystem units characteristics

                                          5.9.1 COADM–1 Channel




                                                                                                                                                  not permitted without written authorization from Alcatel.
                                                                                                                                                    All rights reserved. Passing on and copying of this
                                                                                                                                                    document, use and communication of its contents
                                          General Characteristics

                                          Number of channels that can be add/drop per        One channel among the following λ:
                                          unit:                                             1470 nm, 1490 nm, 1510 nm, 1530 nm,
                                                                                              1550 nm, 1570 nm, 1590 nm, 1610 nm

                                          Connector type                                                MU horizontal

                                          Pass–through Insertion Loss (dB)                                      2.1


                                                             Pass–through
                                                         ÂÂ
                                                         ÂÂ
                                                         ÂÂ          ÂÂ
                                                                     ÂÂ
                                                                     ÂÂ
                                                         ÂÂ
                                                         ÂÂ
                                                         ÂÂ
                                                         ÂÂ
                                                                     ÂÂ
                                                                     ÂÂ
                                                                     ÂÂ
                                                                     ÂÂ
                                                         Â
                                                         ÂÂ           Â
                                                                     ÂÂ
                                          Demux side specification

                                                                                        In–Drop Ch. Insertion         Channels (nm)
                                                           In – Drop Ch.
                                                                                              Loss (dB)
                                                                ÂÂ
                                                                ÂÂ
                                                                ÂÂ
                                                                ÂÂ
                                                                                                1.25
                                                                                                1.25
                                                                                                                        1470 nm
                                                                                                                        1490 nm
                                              CWDM line In
                                                                ÂÂ
                                                                ÂÂ
                                                                ÂÂ
                                                                ÂÂ                              1.25                    1510 nm
                                                                                                1.25                    1530 nm
                                                                ÂÂ
                                                                ÂÂ
                                                                ÂÂ
                                                                ÂÂ                              1.25                    1550 nm
                                                                                                1.25                    1570 nm
                                                                                                1.25                    1590 nm
                                                                       DROP Ch
                                                                            Ch.
                                                                                                1.25                    1610 nm
                                          Mux side specificaton

                                                                                        Add Ch.– Out Insertion        Channels (nm)
                                                             ADD Ch. –Out                    Loss (dB)

                                                                                                1.25                    1470 nm
                                                                ÂÂ
                                                                ÂÂ
                                                                ÂÂ
                                                                ÂÂ    CWDM Line OUT
                                                                                                1.25                    1490 nm

                                                                ÂÂ
                                                                ÂÂ                              1.25                    1510 nm
                                                                ÂÂ
                                                                ÂÂ
                                                                ÂÂ
                                                                ÂÂ
                                                                                                1.25                    1530 nm
                                                                                                1.25                    1550 nm
                                                                 Â
                                                                ÂÂ                              1.25                    1570 nm
1AA 00014 0004 (9007) A4 – ALICE 04.10




                                                                                                1.25                    1590 nm
                                                      ADD Ch
                                                          Ch.
                                                                                                1.25                    1610 nm



                                         ED      03

                                                                                                3AL 91669 AA AA                       644 / 706


                                                                                                            706
5.9.2 COADM–2 Channels

                                                                                            General Characteristics
not permitted without written authorization from Alcatel.




                                                                                            Number of channels that can be add/drop per   Two channels among the following λ:
  All rights reserved. Passing on and copying of this
  document, use and communication of its contents




                                                                                            unit:                                           1470 – 1490 nm
                                                                                                                                            1510 – 1530 nm
                                                                                                                                            1550 – 1570 nm
                                                                                                                                            1590 – 1610 nm


                                                                                            Connector type                                                MU horizontal

                                                                                            Pass–through Insertion Loss (dB)                                      2.5


                                                                                                               Pass–through

                                                                                                           ÂÂ
                                                                                                           ÂÂ
                                                                                                           ÂÂ        ÂÂÂ
                                                                                                                     ÂÂÂ
                                                                                                                     ÂÂÂ
                                                                                                           ÂÂ
                                                                                                           ÂÂ
                                                                                                           Â
                                                                                                           ÂÂ        ÂÂÂ
                                                                                                                      ÂÂ
                                                                                                                     ÂÂÂ
                                                                                                                     ÂÂÂ
                                                                                                                      ÂÂ
                                                                                                           Â
                                                                                            Demux side specification

                                                                                                                                          In–Drop Ch. Insertion         Channels (nm)
                                                                                                             In – Drop Ch.
                                                                                                                                                Loss (dB)
                                                                                                               ÂÂÂ
                                                                                                                 Â
                                                                                                               ÂÂÂ
                                                                                                               ÂÂÂ
                                                                                                                 Â                                 1.55                   1470 nm

                                                                                                CWDM line In                                       1.55                   1490 nm
                                                                                                               ÂÂÂ
                                                                                                               ÂÂÂ
                                                                                                               ÂÂÂ
                                                                                                               ÂÂÂ                                 1.55                   1510 nm

                                                                                                               ÂÂ
                                                                                                               ÂÂÂ                                 1.55                   1530 nm
                                                                                                               Â
                                                                                                               ÂÂ                                  1.55                   1550 nm
                                                                                                               Â
                                                                                                               ÂÂÂ                                 1.55                   1570 nm
                                                                                                                                                   1.55                   1590 nm
                                                                                                                         DROP Ch
                                                                                                                              Ch.
                                                                                                                                                   1.55                   1610 nm
                                                                                            Mux side specificaton

                                                                                                                                          Add Ch.– Out Insertion        Channels (nm)
                                                                                                               ADD Ch. –Out                    Loss (dB)

                                                                                                                   Â                               1.55                   1470 nm
                                                                                                                  ÂÂ
                                                                                                                   Â
                                                                                                                  ÂÂ
                                                                                                                  ÂÂ    CWDM
                                                                                                                        CWDM Line OUT
                                                                                                                                                   1.55                   1490 nm
                                                                                                                                                   1.55                   1510 nm
                                                                                                                  ÂÂ
                                                                                                                  ÂÂ
                                                                                                                  ÂÂ
                                                                                                                  ÂÂ                               1.55                   1530 nm

                                                                                                                  ÂÂ                               1.55                   1550 nm
                                                                                                                   Â
                                                                                                                  ÂÂ                               1.55                   1570 nm
                                                  1AA 00014 0004 (9007) A4 – ALICE 04.10




                                                                                                                                                   1.55                   1590 nm
                                                                                                        ADD Ch
                                                                                                            Ch.
                                                                                                                                                   1.55                   1610 nm


                                                                                           ED      03

                                                                                                                                                  3AL 91669 AA AA                       645 / 706


                                                                                                                                                              706
5.9.3 MUX/DEMUX 8 Channels

                                          General Characteristics




                                                                                                                                               not permitted without written authorization from Alcatel.
                                          Channels number                                                      8




                                                                                                                                                 All rights reserved. Passing on and copying of this
                                                                                                                                                 document, use and communication of its contents
                                          Channels wavelenght                             1470 nm, 1490 nm, 1510 nm, 1530 nm,
                                                                                           1550 nm, 1570 nm, 1590 nm, 1610 nm

                                          Connector type                                              MU horizontal

                                          Demux side specification

                                                                                      In–Drop Ch. Insertion        Channels (nm)
                                                           In – Drop Ch.
                                                                                            Loss (dB)
                                                                ÂÂ
                                                                ÂÂ
                                                                ÂÂ                            1.05                    1470 nm

                                              CWDM line In                                    3.15                    1490 nm
                                                                ÂÂ
                                                                ÂÂ
                                                                ÂÂ
                                                                ÂÂ                            2.85                    1510 nm
                                                                                              2.55                    1530 nm
                                                                ÂÂ
                                                                ÂÂ
                                                                ÂÂ
                                                                ÂÂ                            2.25                    1550 nm
                                                                                              1.95                    1570 nm
                                                                                              1.65                    1590 nm
                                                                       DROP Ch
                                                                            Ch.
                                                                                              1.35                    1610 nm
                                          Mux side specificaton

                                                                                      Add Ch.– Out Insertion       Channels (nm)
                                                             ADD Ch. –Out                  Loss (dB)

                                                                                              1.05                    1470 nm
                                                                ÂÂ
                                                                ÂÂ
                                                                ÂÂ
                                                                ÂÂ                            1.35                    1490 nm
                                                                      CWDM Line OUT
                                                                ÂÂ
                                                                ÂÂ                            1.65                    1510 nm
                                                                ÂÂ
                                                                ÂÂ
                                                                ÂÂ
                                                                ÂÂ                            1.95                    1530 nm
                                                                                              2.25                    1550 nm
                                                                 Â
                                                                ÂÂ                            2.55                    1570 nm
                                                                                              2.85                    1590 nm
                                                      ADD Ch
                                                          Ch.
                                                                                              3.15                    1610 nm
1AA 00014 0004 (9007) A4 – ALICE 04.10




                                         ED      03

                                                                                              3AL 91669 AA AA                      646 / 706


                                                                                                          706
5.9.4 2 Channels TRANSPONDER SFP without optical modulle

                                                                                            General Characteristics
not permitted without written authorization from Alcatel.




                                                                                            Optical interface characteristics: Refer to paragraph 5.9.5 on page 647
  All rights reserved. Passing on and copying of this
  document, use and communication of its contents




                                                                                            Optical module type:             SFP (APD or PIN) plug–in module
                                                                                            Bit rate client side             2488.320 Mbps : STM–16 / OC–48
                                                                                                                             2500 Mbps: 2 Gbit Ethernet (not operative in current release)
                                                                                                                             2.667 Gbps: STM–16 w/FEC (not operative in current release)
                                                                                                                             2125.00 Mbps: 2 Fiber Channel (not operative in current release)
                                                                                                                             1250 Mbps: Gbit Ethernet (not operative in current release)
                                                                                                                             1062.5 Mbps: FICON (not operative in current release)
                                                                                                                             1062.5 Mbps: Fiber Channel (not operative in current release)
                                                                                                                             622.080 Mbps: STM–4/OC12 (not operative in current release)
                                                                                                                             270 Mbps: Digital Video (not operative in current release)
                                                                                                                             200 Mbps: Escon (not operative in current release)
                                                                                                                             155.520 Mbps: STM–1/OC3 (not operative in current release)
                                                                                                                             125 Mbps: Fast Ethernet (not operative in current release)
                                                                                                                             125 Mbps: FDDI (not operative in current release)


                                                                                            5.9.5 CWDM optical PLUGIN

                                                                                            SFP module type                    CWDM Silver                    CWDM Bronze
                                                                                            Detector type                            APD                              PIN
                                                                                            Addressed wavelength (nm)            1470,1490,1510,1530,1550,1570,1590,1610
                                                                                            Min. launched power (dBm)                 0                                0
                                                                                            Max launched power (dBm)                  5                                5
                                                                                            Allowed bitrates                125 Mbps to 2.7 Gbps            125 Mbps to 2.7 Gbps
                                                                                            Min. extinction ratio (dB)               8.2                              8.2
                                                                                            Max. –20dB bandwidth (nm)                 1                                1
                                                                                            Minimum SMSR (dB)                         30                               30
                                                                                            Chromatic disp. (p
                                                                                                         p (ps/nm)
                                                                                                                 )           1600          1610 nm (λ)       1000           1610 nm (λ)
                                                                                                                             1600          1590 nm (λ)       900            1590 nm (λ)
                                                                                                                             1500          1570 nm (λ)       900            1570 nm (λ)
                                                                                                                             1400          1550 nm (λ)       900            1550 nm (λ)
                                                                                                                             1400          1530 nm (λ)       800            1530 nm (λ)
                                                                                                                             1300          1510 nm (λ)       800            1510 nm (λ)
                                                                                                                             1200          1490 nm (λ)       700            1490 nm (λ)
                                                                                                                             1100          1470 nm (λ)       700            1470 nm (λ)
                                                                                            Minimum sensitivity (dBm)                –28                              –18
                                                                                            Minimum overload (dBm)                    –9                               –3
                                                                                            Max optic. path penalty (dB)              2                                1
                                                  1AA 00014 0004 (9007) A4 – ALICE 04.10




                                                                                            Max receiver reflect. (dB)               –27                              –27
                                                                                            Optical connector (Tx/Rx)                 LC                              LC



                                                                                           ED      03

                                                                                                                                                         3AL 91669 AA AA                   647 / 706


                                                                                                                                                                      706
SFP module type               S–16.1        L–16.1             L–16.2

                                          Addressed wavelength (nm)    1270–1360   1280–1335           1500–1580
                                          Min. launched power (dBm)       –5            –2                 –2




                                                                                                                                  not permitted without written authorization from Alcatel.
                                                                                                                                    All rights reserved. Passing on and copying of this
                                                                                                                                    document, use and communication of its contents
                                          Max launched power (dBm)         0            +2                 +2
                                          Allowed bitrates (Mbps)       2488320     2488320             2488320
                                          Min. extinction ratio (dB)      8.2          8.2                8.2
                                          Minimum sensitivity (dBm)       –18          –27                –28
                                          Minimum overload (dBm)          –3       not available      not available
                                          Max receiver reflect. (dB)      –27          –27                –27
                                          Optical connector (Tx/Rx)       LC            LC                 LC
1AA 00014 0004 (9007) A4 – ALICE 04.10




                                         ED      03

                                                                                               3AL 91669 AA AA        648 / 706


                                                                                                         706
5.10 Power Supply characteristics

                                                                                            Input Voltage                                       48/60 Vdc  20%
not permitted without written authorization from Alcatel.
  All rights reserved. Passing on and copying of this
  document, use and communication of its contents




                                                                                            Input current                                       25 A max

                                                                                            Power supply interface                              according to ETS 300132–2



                                                                                            5.10.1 Power consumption

                                                                                            The Alcatel 1660SM is designed for low power consumption. Developing new components with very high
                                                                                            integration density and low voltage supply leads to a significant reduction of power consumption.

                                                                                            Depending on the number and type of I/O ports the power consumption may vary in a wide range.

                                                                                            Some configurations figures are provided below:

                                                                                                •        STM–64 node subtending 1xSTM–16 ring and 1 STM–4 ring with 189x2Mb/s tributaries: 500W

                                                                                                •        STM–64 node subtending 2xSTM–16 rings with 16xGbE interfaces: 690W
                                                  1AA 00014 0004 (9007) A4 – ALICE 04.10




                                                                                           ED       03

                                                                                                                                                        3AL 91669 AA AA                     649 / 706


                                                                                                                                                                    706
5.11 Alarm Characteristics

                                          Units Alarms:




                                                                                                                                                           not permitted without written authorization from Alcatel.
                                          Each port card or access card of the equipment is provided with a bicolor LED (green/red) on the front




                                                                                                                                                             All rights reserved. Passing on and copying of this
                                                                                                                                                             document, use and communication of its contents
                                          coverplate.

                                          This LED indicates:

                                          –      when red, internal failure
                                          –      when green, in service unit

                                          ATM MATRIX Alarms:

                                          All the alarm detected on the unit are related to the ATM traffic management; on the front are present
                                          optical indication (LEDs) with the following meaning:

                                                 •        Red LED (3): detection of an MAJOR or CRITICAL (URGENT) alarm
                                                 •        Red LED (4): detection of a MINOR (NOT URGENT) alarm
                                                 •        Yellow LED (5): alarm condition ATTENDED
                                                 •        Yellow LED (6): detection of an ABNORMAL operative condition.
                                                 •        Yellow LED (7): detection of an WARNING (INDICATIVE) alarm

                                          Refer to Figure 43. on 132 where the front view of the unit and the led locations are illustrated.

                                          Centralized Equipment Alarms:

                                          All the alarms detected on the units (except ATM matrix board) are collected by the EQUICO unit which
                                          will deliver centralized optical indications (by means of LEDs on its front coverplate). Specifically:

                                                 •        Red LED (4): detection of an MAJOR (URGENT) alarm
                                                 •        Red LED (5): detection of a MINOR (NOT URGENT) alarm
                                                 •        Yellow LED (6): alarm condition ATTENDED
                                                 •        Yellow LED (7): detection of an ABNORMAL operative condition. Type: active loopbacks,
                                                          forcing the unit into service, laser forced ON or OFF, try to restore after ALS
                                                 •        Yellow LED (8): detection of an WARNING (INDICATIVE) alarm

                                          Refer to para. 2.4 , page 123, where the front view of each unit and the LED locations are illustrated.

                                          N.B.            On the Craft Terminal (C.T.) and on the Operation System (O.S). application the URGENT
                                                          (URG), NOT URGENT (NURG) and INDICATIVE alarm are named in a different way; the
                                                          relation between this two terminology is explained in Table 77. on page 650.

                                          Table 77. Relation between Alarm severity terminology displayed on C.T./O.S. and alarm severity
                                          terminology used for the EQUICO leds and CONGI remote alarm connector pins.

                                              Alarm severity terminology on C.T. and O.S.          Alarm severity terminology used for EQUICO
                                                                                                   leds and for CONGI remote alarm connector
                                                                                                                       pins

                                                               CRITICAL or MAJOR                               URG , T*URG, T*RURG,

                                                                     MINOR                                   NURG, , T*NURG, T*RNURG
1AA 00014 0004 (9007) A4 – ALICE 04.10




                                                                   WARNING                                            INDICATIVE

                                                           INDETERMINATE (not used)                                        ––


                                         ED          03

                                                                                                         3AL 91669 AA AA                       650 / 706


                                                                                                                       706
Rack lamps and Remote Alarms:

                                                                                            Some equipment alarms are carried to a connector, for customer applications, such as lighting–up of alarm
                                                                                            lamps (rack–lamps) or to drive a custom–alarms interface. Rack alarm and Remote Alarm are physically
not permitted without written authorization from Alcatel.




                                                                                            available on the CONGI board connectors. The available alarms are the following:
  All rights reserved. Passing on and copying of this
  document, use and communication of its contents




                                                                                            Rack lamps alarms:

                                                                                                 •        T*RURG: urgent alarm (see Table 77. on page 650 for the C.T. terminology)
                                                                                                 •        T*RNURG: not urgent alarm (see Table 77. on page 650 for the C.T. terminology)
                                                                                                 •        T*RATTD: alarm storing
                                                                                            Remote alarms:
                                                                                                Remote alarms delivered by CONGI in slot 10:

                                                                                                 •        T*URG: detection of an urgent alarm (from Controller) (see Table 77. on page 650 for the C.T.
                                                                                                          terminology)
                                                                                                 •        T*NURG: detection of a non–urgent alarm (from Controller) (see Table 77. on page 650 for
                                                                                                          the C.T. terminology)
                                                                                                 •        T*INT: detection of an Internal alarm (from Controller)
                                                                                                 •        T*AND: loss of both battery station
                                                                                                 •        T*OR : fault or loss of one battery station

                                                                                                 Remote alarms delivered by CONGI in slot 12:

                                                                                                 •        T*TORC: It indicates a loss of +3.3V generated by the on board DC/DC converter of one
                                                                                                 •                   CONGI card.
                                                                                                 •        T*IND: Indeterminate alarm. It indicates synthesis of alarms not associated to the other severity
                                                                                                          (not used)
                                                                                                 •        T*TUP: It indicates aN EQUICO microprocessor fault
                                                                                                 •        T*TANC: It indicates loss of + 3.3 V generated by the on board DC/DC converters of both
                                                                                                          CONGI cards (it can be stored).
                                                                                                 •        LOSQ2 : It indicates loss of communication with the Mediation Device (not used).
                                                  1AA 00014 0004 (9007) A4 – ALICE 04.10




                                                                                           ED        03

                                                                                                                                                               3AL 91669 AA AA                        651 / 706


                                                                                                                                                                             706
HouseKeeping Alarms/Commands:

                                          According to CONGI units settings two operative mode are available:




                                                                                                                                                        not permitted without written authorization from Alcatel.
                                          –    2 wires mode




                                                                                                                                                          All rights reserved. Passing on and copying of this
                                                                                                                                                          document, use and communication of its contents
                                               Four output (CPO) and 12 input (CPI) contacts for house–keeping alarms or commands are available
                                               on the CONGI board connector, for customer applications The available house–keeping contacts are
                                               the following:

                                               •        HK–OUT 1 to 4: outgoing contacts
                                               •        HK–IN 1 to 12: Incoming contacts

                                          –    3 wires mode:

                                               Four output (CPO) and eight input (CPI) contacts for house–keeping alarms or commands are
                                               available on the CONGI board connector, for customer applications The available house–keeping
                                               contacts are the following:

                                               •        HK–OUT 1 to 4: outgoing contacts
                                               •        HK–IN 1 to 8: Incoming contacts

                                          Alarm Attending:

                                          The detected SDH units alarm condition can be stored through push–button (10) on the EQUICO unit
                                          (Attended).
                                          This operation will turn OFF the general red LED (4) and will light up the yellow LED (6) on the EQUICO
                                          unit (Attended); The attended command is also sent to the rack lamps (if present) through the CONGI
                                          board.

                                          Trouble–shooting:

                                          The 1660SM equipment has been designed to dialog with a Personal Computer (PC) in order to service,
                                          activate and trouble–shoot the equipment.
                                          Trouble–shoot procedure for the equipment and details of the alarms for each card and relevant
                                          indications are described in the Operator’s Handbook.

                                          Connection with the PC is achieved through connector (2) available on the EQUICO board.

                                          The unit can be connected to an Operations System associated to the Transmission Management
                                          Network in order to execute operations similar to those carried out by the PC.

                                          Characteristics of the cited remote alarms and Housekeeping contacts interface (EM type) are inserted
                                          in Chapter 5.1 on page 591.
1AA 00014 0004 (9007) A4 – ALICE 04.10




                                         ED        03

                                                                                                       3AL 91669 AA AA                      652 / 706


                                                                                                                    706
5.12 Mechanical characteristics

                                                                                            5.12.1 1660SM subrack without fans
not permitted without written authorization from Alcatel.
  All rights reserved. Passing on and copying of this
  document, use and communication of its contents




                                                                                            Mechanical compatibility                ETSI ETS/E3, S9

                                                                                            Equipment size                          482 mm Wide x 650 mm High x 280 Deep

                                                                                            Subrack size                            482 mm Wide x 650 mm High x 250 Deep

                                                                                            Board size                              265 mm High x 213 mm Deep

                                                                                            Equipment weight                        35 Kg

                                                                                            Cooling                                 Fans in additional subrack

                                                                                            Rack cabling                            Vertical between rack and subrack front access

                                                                                            Electrical Connectors                   IEC 603/DIN 41612, IEC 807 (Sub–D)

                                                                                                                                    IEC 169–1 (coax. 1.0/2.3), BNC 50 Ω, RJ45, RJ11

                                                                                            Back–to–back installation               Yes



                                                                                            5.12.2 1660SM subrack with fans shelf


                                                                                            Mechanical compatibility                ETSI ETS/E3, S9

                                                                                            Equipment size                          482 mm Wide x 750 mm High x 280 Deep

                                                                                            Subrack size                            482 mm Wide x 750 mm High x 250 Deep

                                                                                            Board size                              265 mm High x 213 mm Deep

                                                                                            Equipment weight                        38 Kg

                                                                                            Cooling                                 Integrated Fans

                                                                                            Rack cabling                            Vertical between rack and subrack front access

                                                                                            Electrical Connectors                   IEC 603/DIN 41612, EC 807 (Sub–D)

                                                                                                                                    IEC 169–1 (coax. 1.0/2.3), BNC 50 Ω, RJ45, RJ11

                                                                                            Back–to–back installation               Yes



                                                                                            5.12.3 Fans shelf 19”


                                                                                            Mechanical compatibility                ETSI ETS/E3, S9

                                                                                            Equipment size                          482 mm Wide x 100 mm High x 280 Deep
                                                  1AA 00014 0004 (9007) A4 – ALICE 04.10




                                                                                            Equipment weight                        6,1 Kg



                                                                                           ED     03

                                                                                                                                             3AL 91669 AA AA                    653 / 706


                                                                                                                                                         706
5.13 Environmental conditions

                                          Main environmental aspects of Alcatel products are:




                                                                                                                                                        not permitted without written authorization from Alcatel.
                                          –    energy consumption during manufacturing and use,




                                                                                                                                                          All rights reserved. Passing on and copying of this
                                                                                                                                                          document, use and communication of its contents
                                          –    materials harmfulness and recyclability,

                                          –    emissions to air, water or soil related to the manufacturing and the use of the product,

                                          –    electromagnetic (EM) emissions,

                                          –    value recovery at the product end of life.


                                          5.13.1 Electromagnetic Compatibility (EMC) norms

                                          The CE markings printed on the product denote compliancy with the following Directives:

                                               •        89/336/EEC of May 3rd, 1989 (EMC directives), amended:

                                                        –   by the 92/31/EEC Directive issued on April 28th, 1992

                                                        –   by the 93/68/EEC Directive issued on July 22nd, 1993

                                          Compliancy to the above Directives is declared, when the equipment is installed as for the manifacturer
                                          handbooks, according to the following European Norms:

                                               •        EN 300 386 (V1.3.1), environment “Telecommunication Center”



                                               WARNING

                                               This is a class A product EN55022. In domestic, residential and light industry environments, this
                                               product may cause radio interference in which case the user may be required to take adequate
                                               measures.

                                          5.13.1.1 Electromagnetic Compatibility (EMC) condition

                                          For the EMC condition see also paragraph 3.1 on page 37.
1AA 00014 0004 (9007) A4 – ALICE 04.10




                                         ED        03

                                                                                                        3AL 91669 AA AA                     654 / 706


                                                                                                                      706
5.13.2 Waste from Electrical and Electronic Equipment (WEEE)



                                                                                            The marking       printed on the subrack (refer to Figure 1. on page 41 and Table 12. on page 40)
not permitted without written authorization from Alcatel.
  All rights reserved. Passing on and copying of this




                                                                                            denotes compliancy with the Directive 2002/96/EC On Waste of Electrical and Electronic Equipment.
  document, use and communication of its contents




                                                                                            The general principle is the producer responsibility in the management of the products he puts on the
                                                                                            market when discarded by the owner. The producer responsibility now covers the end of life of the products
                                                                                            sold.

                                                                                            The European directive is effective in a country once transposed. The starting date for the producer
                                                                                            responsibility for the European text is 13th August 2005.

                                                                                            All Alcatel products fall under in Category 3 of Annex 1A of the WEEE directive (Directive 2002/96/ EC)
                                                                                            i.e. ”IT and Telecommunication equipment” under item ”other products transmitting sound, images or other
                                                                                            information by telecommunications.”

                                                                                            Alcatel products fall under WEEE directive name: ”Other product or equipment of transmitting sound,
                                                                                            images or other information by telecommunications” in Annex 1B.

                                                                                            This mark will not cause any responsibility as all responsibilities will be defined by contract.


                                                                                            5.13.3 Acoustical noise

                                                                                            The acoustical noise level of the product complies with:

                                                                                                 •        ETS 300 753 Environmental Class 3.1 for attended telecommunication equipment rooms
                                                                                                          (maximum sound level 7.2 bels)
                                                  1AA 00014 0004 (9007) A4 – ALICE 04.10




                                                                                           ED        03

                                                                                                                                                            3AL 91669 AA AA                      655 / 706


                                                                                                                                                                          706
5.13.4 Climatic for operating conditions

                                          The Equipment meets the requirements of ETSI Standard with use of fans housed in an external subrack.
                                          The functionality of the 1660SM Equipment, Vs. Temperature, is in compliance with :




                                                                                                                                                             not permitted without written authorization from Alcatel.
                                                                                                                                                               All rights reserved. Passing on and copying of this
                                                                                                                                                               document, use and communication of its contents
                                               ETS 300 019–1–3 :1992 , class 3.2.

                                               Class 3.2:      Partly temperature–controlled locations.
                                                               (see climatogram on Figure 302. on page 657)



                                          5.13.4.1 Class 3.2: partly Temperature controlled locations

                                          This applies to locations:

                                          –    where installed equipment may be exposed to solar radiation and heat radiation. They may also be
                                               exposed to movements of the surrounding air due to draughts in buildings, e.g. through open
                                               windows. They may be subjected to condensed water and to water from sources other than rain and
                                               icing. They are not subjected to precipitation;

                                          –    where mould growth or attacks by animals, except termites, may occur;

                                          –    with normal levels of contaminants experienced in urban areas with industrial activities scattered
                                               over the whole area and/or with heavy traffic;

                                          –    In close proximity to sources of sand or dust;

                                          –    with vibration of low significance, e.g. for products fastened to light supporting structures subjected
                                               to negligible vibrations.

                                          The conditions of this class may be found in :

                                          –    entrances and staircases of buildings;

                                          –    garages;

                                          –    cellars;

                                          –    certain workshops;

                                          –    buildings in factories and industrial process plants;

                                          –    unattended equipment stations;

                                          –    certain telecommunication buildings;

                                          –    ordinary storage rooms for frost resistant products and farm buildings, ect.
1AA 00014 0004 (9007) A4 – ALICE 04.10




                                         ED      03

                                                                                                          3AL 91669 AA AA                        656 / 706


                                                                                                                        706
All rights reserved. Passing on and copying of this
                                                                                                                                         document, use and communication of its contents
                                                                                                                                       not permitted without written authorization from Alcatel.
      1AA 00014 0004 (9007) A4 – ALICE 04.10




                           ED
                           03
                                                                                                                                 5




706
         3AL 91669 AA AA
                                               Figure 302. Climatogram for Class 3.2 : Partly temperature controlled locations
                                                                                                                                 95
                                                                                                                                      29




         657 / 706
5.13.5 Storage

                                          The 1660SM equipment meet the following requirements Vs. Storage :




                                                                                                                                                        not permitted without written authorization from Alcatel.
                                               ETS 300 019–1–1 : 1992, class 1.2




                                                                                                                                                          All rights reserved. Passing on and copying of this
                                                                                                                                                          document, use and communication of its contents
                                          Class 1.2 : weatherprotected, not temper. controlled storage location.

                                          This class applies to weatherprotected storage having neither temperature nor humidity control. The
                                          location may have openings directly to the open air, i.e., it may be only partly weatherproofed. The
                                          climatogram is shown on Figure 303. on page 659.

                                          This class applies to storage locations :

                                          –    where equipment may be exposed to solar radiation and temporarily to heat radiation: They may also
                                               be exposed to movements of the surrounding air due to draughts, e.g. through doors, windows or
                                               other openings. They may be subjected to condensed water, dripping water and to icing. They may
                                               also be subjected to limited wind–driven precipitation including snow;

                                          –    where mould growth or attacks by animals, except termites, may occur;

                                          –    with normal levels of contaminants experienced in urban areas with industrial activities scattered
                                               over the whole area, ad/or with heavy traffic;

                                          –    in areas with sources of sand or dust, including urban areas;

                                          –    with vibration of low significance and insignificant shock.

                                          The conditions of this class may occur in :

                                          –    unattended buildings ;

                                          –    some entrances of buildings ;

                                          –    some garages and shacks.
1AA 00014 0004 (9007) A4 – ALICE 04.10




                                         ED      03

                                                                                                         3AL 91669 AA AA                    658 / 706


                                                                                                                    706
All rights reserved. Passing on and copying of this
                                                                                                                                      document, use and communication of its contents
                                                                                                                                    not permitted without written authorization from Alcatel.
      1AA 00014 0004 (9007) A4 – ALICE 04.10




                           ED
                           03




706
         3AL 91669 AA AA
                                               Figure 303. Climatogram for Class 1.2: not temperature controlled storage location
                                                                                                                                            29




         659 / 706
5.13.6 Transportation

                                          The 1660SM equipment meets the following requirements Vs. transportation :




                                                                                                                                                                  not permitted without written authorization from Alcatel.
                                                                                                                                                                    All rights reserved. Passing on and copying of this
                                                                                                                                                                    document, use and communication of its contents
                                               ETS 300 019–1–2 : 1992, class 2.2


                                          Class 2.2 : Careful transportation (see Table 78. on page 661 ).

                                          This class applies to transportation where special cars has been taken e.g. with respect to low temperature
                                          and handling.

                                          Class 2.2 covers the condition of class 2.1. In addition class 2.2 includes transportation in all types of lorries
                                          and trailers in areas with well–developed road system.

                                          It also includes transportation by ship and by train specially designed, shock–reducing buffers. Manual
                                          loading and unloading of to 20 Kg is included.

                                          Extension of extreme low temperature during transportation is permitted for the 1660SM equipment in its
                                          standard packing :

                                               AT –40° C for 72 Hours maximum

                                          without damaging the Optical interfaces.
1AA 00014 0004 (9007) A4 – ALICE 04.10




                                         ED       03

                                                                                                             3AL 91669 AA AA                          660 / 706


                                                                                                                            706
Table 78. Transportation climatic



                                                                                                         Environmental parameter                      Unit      2.1 and 2.2          2.3
not permitted without written authorization from Alcatel.
  All rights reserved. Passing on and copying of this
  document, use and communication of its contents




                                                                                             (A) low temperature air                                   °C          – 25             – 40

                                                                                                   high temperature, air        in    unventilated
                                                                                             (B)                                                       °C          + 70             + 70
                                                                                                   enclosures (NOTE 1)

                                                                                                   high temperature, air in ventilated enclosures
                                                                                             (C)                                                       °C          + 40             + 40
                                                                                                   or outdoor air (NOTE 2)

                                                                                             (D) change of temperature air/air       (NOTE 3)          °C        –25 / +30        –40 / +30

                                                                                             (E) change of temperature air/water       (NOTE 3)        °C         +40 / +5        +40 / +5

                                                                                                   relative humidity, not combined with rapid          %            95              95
                                                                                             (F)
                                                                                                   temperature changes                                 °C           +40             +45

                                                                                                 relative humidity, combined with rapid                %            95               95
                                                                                             (G) temperature changes air/air, at high relative
                                                                                                 humidity (NOTE 3 , 6)                                 °C        –25 / +30        –40 / +30

                                                                                                 absolute humidity, combined with rapid               g/m3          60               60
                                                                                             (H) temperature changes : air/air at high water
                                                                                                 content (NOTE 4)                                      °C        +70 / +15        +70 / +15

                                                                                             (I)   low air pressure                                   KPa           70               70

                                                                                             (J)   change of air pressure                            KPa/min        no               no

                                                                                             (K) movement of the surrounding medium, air              m/s           20               20

                                                                                             (L)   precipitation rain                                mm/min     6 (NOTE 7)            6

                                                                                             (M) radiation, solar                                     W/m2         1120             1120

                                                                                             (N) radiation, heat                                      W/m2          600             600

                                                                                             (O) water from sources other than rain (NOTE 5)          m/s       1 (NOTE 7)            1

                                                                                             (P) wetness                                              none       conditions of wet surfaces


                                                                                            Notes on next page.
                                                  1AA 00014 0004 (9007) A4 – ALICE 04.10




                                                                                           ED      03

                                                                                                                                                         3AL 91669 AA AA                      661 / 706


                                                                                                                                                                    706
Notes to Table 78. :


                                          NOTE 1 :        The high temperature of the surfaces of a product may be influenced by both the
                                                          surrounding air temperature, given here, and the solar radiation through a window or




                                                                                                                                                        not permitted without written authorization from Alcatel.
                                                                                                                                                          All rights reserved. Passing on and copying of this
                                                                                                                                                          document, use and communication of its contents
                                                          another opening.

                                          NOTE 2 :        The high temperature of the surface of a product is influenced by the surrounding air
                                                          temperature, given here, and the solar radiation defined below.

                                          NOTE 3 :        A direct transfer of the product between the two given temperature is presumed.

                                          NOTE 4 :        The product is assumed to be subjected to a rapid decrease of temperature only (no
                                                          rapid increase). The figures of water content apply to temperatures down to the
                                                          dew–point; at lower temperatures the relative humidity is assumed to be approximately
                                                          100 %.

                                          NOTE 5 :        The figure indicates the velocity of water and not the height of water accumulated.

                                          NOTE 6 :        Occurrence of condensation.

                                          NOTE 7 :        For short duration only.
1AA 00014 0004 (9007) A4 – ALICE 04.10




                                         ED      03

                                                                                                       3AL 91669 AA AA                      662 / 706


                                                                                                                    706
All rights reserved. Passing on and copying of this
                                                               document, use and communication of its contents
                                                             not permitted without written authorization from Alcatel.
      1AA 00014 0004 (9007) A4 – ALICE 04.10




                           ED
                           03




706
         3AL 91669 AA AA
                                               MAINTENANCE




         663 / 706
1AA 00014 0004 (9007) A4 – ALICE 04.10




                           ED
                           03




706
         3AL 91669 AA AA
         664 / 706
                                                 All rights reserved. Passing on and copying of this
                                                 document, use and communication of its contents
                                               not permitted without written authorization from Alcatel.
6 MAINTENANCE


                                                                                                             ATTENTION                               EMC NORMS
not permitted without written authorization from Alcatel.
  All rights reserved. Passing on and copying of this
  document, use and communication of its contents




                                                                                                WHEN CARRYING OUT THE GIVEN OPERATIONS OBSERVE THE NORMS STATED IN PARA.
                                                                                                                             3.1.3 ON PAGE 38


                                                                                            6.1 General safety rules


                                                                                                                 SAFETY RULES


                                                                                                                 Carefully observe the front–panel warning labels prior to working on optical
                                                                                                                 connections while the equipment is in–service.

                                                                                                                 Should it be necessary to cut off power during the maintenance phase, proceed
                                                                                                                 to switch off the power supply units as well as cut off power station upstream
                                                                                                                 (rack or station distribution frame)



                                                                                                                 SAFETY RULES


                                                                                                                 A TNV–2 (battery) voltage could be present on “R/M interface connector” (cable
                                                                                                                 side); do not touch the pins when unplugged .

                                                                                                                 DANGER: Possibility of personal injury. Short circuiting, low-voltage,
                                                                                                                 low-impedance, dc circuits can cause severe arcing that can result in burns
                                                                                                                 and/or eye damage. Remove rings, watches, and other metal jewelry before
                                                                                                                 working with primary circuits. Exercise caution to avoid shorting power input
                                                                                                                 terminals.



                                                                                                                 SAFETY RULES

                                                                                                                 DANGER: Possibility of eyes damage: read carefully and strictly observe the
                                                                                                                 rules pointed out in para.2.2.4.2 on page 33.
                                                  1AA 00014 0004 (9007) A4 – ALICE 04.10




                                                                                           ED      03

                                                                                                                                                    3AL 91669 AA AA                       665 / 706


                                                                                                                                                                  706
6.2 General rules

                                               •        Check that the equipment is operating with all the shields properly positioned (dummy covers,
                                                        ESD connector protections, etc)




                                                                                                                                                              not permitted without written authorization from Alcatel.
                                                                                                                                                                All rights reserved. Passing on and copying of this
                                                                                                                                                                document, use and communication of its contents
                                               •        In order to reduce the risk of damage the electrostatic sensitive devices, is mandatory to use
                                                        the elasticized band (around the wrist) and the coiled cord joined connect with the ground rack
                                                        during the touching of the equipment


                                          6.3 Maintenance Aspects

                                          Maintenance consists of a set of operations which maintain or bring back the assembly to optimum
                                          operating conditions in a very short time, with the aim of obtaining maximum operational availability.

                                          Maintenance is classified as:

                                               •        ROUTINE

                                               •        CORRECTIVE


                                          6.4 Instruments And Accessories

                                          There is a local terminal (PC) which permits to display all the alarms and manages the Equipment.
                                          The relative processing is described in the operator’s handbook.

                                          Where TMN is implemented, an Operation System displays alarms and manages all the connected
                                          Equipments of the network. Refer to the relevant handbooks.

                                          The need of special tools and accessories to perform possible routine and corrective maintenance
                                          procedures is described inside the procedures themselves.
1AA 00014 0004 (9007) A4 – ALICE 04.10




                                         ED        03

                                                                                                            3AL 91669 AA AA                       666 / 706


                                                                                                                         706
6.5 Routine Maintenance

                                                                                            Routine maintenance is a periodic set of measurements and checks. This maintenance discovers those
                                                                                            devices whose function has deteriorated with time and therefore need adjustment or replacement.
not permitted without written authorization from Alcatel.
  All rights reserved. Passing on and copying of this
  document, use and communication of its contents




                                                                                            Typically, digital equipment requires no routine maintenance.

                                                                                            The equipment allows to assess the quality of the connection links for SECTION and PATH o counting the
                                                                                            errored events and obtaining performance data.

                                                                                            The Performance Monitoring Application, described in the Operator’s Handbook, allows this function.



                                                                                            6.5.1 Routine maintenance every three months

                                                                                            According to the filter type It is suggested to carry out the following operations every three months:

                                                                                            –    Metallic filter cleaning

                                                                                            –    Dust filter substitution




                                                                                            6.5.1.1 Metallic filter cleaning

                                                                                                               Metallic Filter cleaning

                                                                                                            (caution to avoid equipment damage)

                                                                                                            WARNING: BEFORE INSTALLING OR REMOVING THE METALLIC FILTER , CHECK
                                                                                                            THAT THE PROTECTIVE ADHESIVE FILM HAS BEEN REMOVED.



                                                                                                                       SAFETY RULES

                                                                                                                       DANGER: Possibility of personal injury. Personal injury can be caused by
                                                                                                                       rotating fans.

                                                                                                                       •    Replace the “Metallic filter” from the “FANS Shelf” or from the “Mechanical
                                                                                                                            Structure with Integrated Fans” as follow :

                                                                                                                            –     unscrew the screws that ensure the Metallic filter to the shelf
                                                                                                                            –     extract the Metallic filter
                                                                                                                            –     clean the metallic filter removing the dust
                                                                                                                            –     Insert and ensure the “Metallic filter” to the shelf using the relevant
                                                                                                                                  screw

                                                                                            Note: the period of one three months is only indicative; according to the environmental conditions could
                                                                                            be necessary to reduce this period.
                                                  1AA 00014 0004 (9007) A4 – ALICE 04.10




                                                                                           ED      03

                                                                                                                                                            3AL 91669 AA AA                        667 / 706


                                                                                                                                                                          706
6.5.1.2 Dust filter substitution

                                                            Dust Filter SUBSTITUTION




                                                                                                                                                           not permitted without written authorization from Alcatel.
                                                         (caution to avoid equipment damage)




                                                                                                                                                             All rights reserved. Passing on and copying of this
                                                                                                                                                             document, use and communication of its contents
                                                         WARNING: BEFORE INSTALLING OR REMOVING THE DUST FILTER , CHECK THAT
                                                         THE PROTECTIVE ADHESIVE FILM HAS BEEN REMOVED.



                                                                    SAFETY RULES

                                                                    DANGER: Possibility of personal injury. Personal injury can be caused by
                                                                    rotating fans.

                                                                    •    Replace the “Dust filter” from the “FANS Shelf” or from the “Mechanical
                                                                         Structure with Integrated Fans” as follow :
                                                                         –     unscrew the screws that ensure the dust filter to the shelf
                                                                         –     extract the Dust filter
                                                                         –     insert the new Dust filter
                                                                         –     ensure the “Dust filter” to the shelf using the relevant screw

                                          Note: It is suggested to replace the filter every 3 months; this period is indicative and must be verified
                                          according to the environmental conditions.
1AA 00014 0004 (9007) A4 – ALICE 04.10




                                         ED      03

                                                                                                        3AL 91669 AA AA                        668 / 706


                                                                                                                      706
6.5.2 Routine maintenance every year

                                                                                            It is suggested to carry out the following operations yearly:

                                                                                                 •
not permitted without written authorization from Alcatel.




                                                                                                          power cables check
  All rights reserved. Passing on and copying of this
  document, use and communication of its contents




                                                                                            6.5.2.1 Power cables check



                                                                                                                         SAFETY RULES

                                                                                                                         DANGER: Possibility of personal injury. Personal injury can be caused by
                                                                                                                         –48 V dc.

                                                                                                                         DANGER: Possibility of personal injury. Short circuiting, low-voltage,
                                                                                                                         low-impedance, dc circuits can cause severe arcing that can result in burns
                                                                                                                         and/or eye damage. Remove rings, watches, and other metal jewelry before
                                                                                                                         working with primary circuits. Exercise caution to avoid shorting power input
                                                                                                                         terminals.

                                                                                            Make these operations:

                                                                                                 •        Check that the power cable is perfectly safety grounded.

                                                                                                 •        Make sure that the subrack has been tightly fastened to the rack with screws, to guarantee
                                                                                                          grounding (the rack is connected to the station ground).

                                                                                            Note: the period of one year is only indicative; according to the environmental conditions could be
                                                                                            necessary to reduce this period.




                                                                                            6.5.3 Routine Maintenance every five year

                                                                                            It is suggested the replacement of each FANS UNIT equipped in the Fans Subrack or in the “Mechanical
                                                                                            Structure with Integrated Fans” after five years of working.

                                                                                            For the substitution refer to the sequences shown in paragraph 6.6.1 on page 670.
                                                  1AA 00014 0004 (9007) A4 – ALICE 04.10




                                                                                           ED        03

                                                                                                                                                            3AL 91669 AA AA                      669 / 706


                                                                                                                                                                         706
6.6 Corrective Maintenance (Trouble/Shooting)

                                          Since the Troubleshooting procedure is carried out with the use of the Craft Terminal , please refer ,for
                                          details, to the Maintenance Section of the Operator’s Handbook.




                                                                                                                                                                not permitted without written authorization from Alcatel.
                                                                                                                                                                  All rights reserved. Passing on and copying of this
                                                                                                                                                                  document, use and communication of its contents
                                                                FIXING THE UNITS (AND MODULES) INTO THE SUBRACK

                                          (caution to avoid equipment damage)
                                                    The screw tightening torque for fixing the units (and modules, if any and if fixed by screws) into
                                                    the subrack must be:

                                                                      2.8 kg x cm (0.28 Newton x m)  10 %
                                                        Exceeding this value may result in screw breaking.


                                          6.6.1 Fan unit substitution



                                                                        SAFETY RULES

                                                                        DANGER: Possibility of personal injury. Personal injury can be caused by
                                                                        –48 V dc.

                                                                        DANGER: Possibility of personal injury. Short circuiting, low-voltage,
                                                                        low-impedance, dc circuits can cause severe arcing that can result in burns
                                                                        and/or eye damage. Remove rings, watches, and other metal jewelry before
                                                                        working with primary circuits. Exercise caution to avoid shorting power input
                                                                        terminals.

                                          When an ALM_URG alarm is displayed on C.T or O.S. ( associated to an Housekeeping alarm) it means
                                          that at least one fan is broken, so it is necessary to replace the “FAN unit” involved.
                                          These alarm indications are also displayed on the Fans front panel.

                                          –    with the “FANS Shelf”

                                               •        unscrew the screws that ensure the Fan unit to the fans shelf
                                               •        extract the Fan unit from the Fan shelf by means the extractors kit, using the central hole under
                                                        the led
                                               •        insert the new Fan unit into the Fan shelf
                                               •        ensure the Fan unit to the “FAN shelf“ using the relevant screw

                                          –    with the “Mechanical Structure with Integrated Fans”

                                               •        unscrew the screws that ensure the Fan unit to the fans shelf
                                               •        extract the Fan unit from the shelf by means the two card lever
                                               •        insert the new Fan unit into the Fan shelf
                                               •        ensure the Fan unit to the “FAN shelf“ using the relevant screw
1AA 00014 0004 (9007) A4 – ALICE 04.10




                                         ED        03

                                                                                                             3AL 91669 AA AA                        670 / 706


                                                                                                                           706
6.7 Set of spare parts

                                                                                            6.7.1 Suggested Spare Parts
not permitted without written authorization from Alcatel.
  All rights reserved. Passing on and copying of this
  document, use and communication of its contents




                                                                                            The overall number of spares depends on Customer requirements, and should be based on the average
                                                                                            amount of transmission circuits available to be accounted for not only during MTBF but also during MTTR;
                                                                                            the latter depending on the amount of spare parts available.
                                                                                            The set of spare parts is inclusive of a minimum number of spares for each type of replaceable plug–in
                                                                                            unit (see unit list in Chapter 2 on page 83).


                                                                                            6.7.2 General rules on spare parts management

                                                                                            Before storing the spare units make sure that they are working by inserting them in an operating equipment
                                                                                            It is suggested to periodically check those spare units have not been utilized for over a year.
                                                                                            If the spare parts and the equipment are stored in the same environment, make sure that the spare parts
                                                                                            are placed in cabinets to safeguard them from dust and damp.
                                                                                            Moreover, they should also be well grounded to avoid electrostatic discharges.

                                                                                            If the spare parts are stored in another room, or have to be moved from another place, building or site,
                                                                                            make sure that the following is observed:

                                                                                            –    the spare parts must be wrapped in anti–static and padded envelopes;

                                                                                            –    the spare parts must not touch wet surfaces or chemical agents that might damage them             (e.g.
                                                                                                 , gas);

                                                                                            –    if during transport the temperature is lower than that of the room where they had been kept, make
                                                                                                 sure that before using them they pass a certain period in a climatic chamber to prevent thermal
                                                                                                 shocks and/or the possibility of steaming up.

                                                                                                        When replacing a unit/sub–unit, make sure that the spare unit/sub–unit is set exactly as the
                                                                                                        replaced one. For the presettings procedures see section HARDWARE SETTING
                                                                                                        DOCUMENTATION.



                                                                                            6.7.3 Particular rules on spare parts management

                                                                                            Whenever some units with flash-memories are common to different kinds of equipment or to different
                                                                                            versions of the same type of equipment, it is possible to maintain one spare part only: this allows spare
                                                                                            part stock saving, even though software downloading will be necessary when the software loaded into the
                                                                                            unit (program part or data part) is different from that necessary in the equipment where the spare unit must
                                                                                            be used.
                                                                                            At the end of the commissioning phase or after an equipment data change, it is suggested to save the
                                                                                            equipment data, e.g. on floppy disk, and store this floppy disk in the spare part stock pointing out the
                                                                                            equipment it refers to.


                                                                                            6.8 Repair Form

                                                                                            To facilitate operation, data on the faulty unit must be reported on the form shown in Figure 304. on page
                                                                                            672.
                                                  1AA 00014 0004 (9007) A4 – ALICE 04.10




                                                                                            The repair form must be filled–in with as much data as possible and returned to ALCATEL together with
                                                                                            the faulty unit.


                                                                                           ED      03

                                                                                                                                                            3AL 91669 AA AA                        671 / 706


                                                                                                                                                                          706
ALCATE L
                                                                                                                                              REPAIR FORM
                                                                                                    Fill in this form and affix it to the faulty unit to be returned to Alcatel




                                                                                                                                                                                                                                  not permitted without written authorization from Alcatel.
                                                                                                           CUSTOMER NAME                                                 ORDER NUMBER/CONTRACT NUMBER




                                                                                                                                                                                                                                    All rights reserved. Passing on and copying of this
                                                                                                                                                                                                                                    document, use and communication of its contents
                                                                                                                 SITE                                                        BRANCH/UNIT/COUNTRY



                                                                                             SYSTEM/EQUIPMENT                            PRODUCT RELEASE                   EQUIPMENT SOFTWARE PART NUMBER



                                                                                                       STATION/RACK                                        SUBRACK                                        SLOT
                                          TO BE FILLED IN BY THE SENDER




                                                                                                               MNEMONIC                                                        ALCATEL PART NUMBER




                                                                                                        SERIAL NUMBER                                                    FAULTY UNIT SOFTWARE VERSION




                                                                                      FAULT PHASE                                        REASON FOR REPAIR                                 PRESUMED CAUSE

                                                                                   INSTALLATION /                        CLEAR FAULT                 DROP IN PERFORMANCE               INTERNAL
                                                                                   TURN ON

                                                                                                                                                                                                    LIGHTNING
                                                                                   OPERATION                             INTERMITTENT FAULT          UPGRADE/QUALITY ALERT
                                                                                                                                                                                       EXTERNAL     AIR COND.


                                                                                   MAINTENANCE                           TEMPERATURE FAULT                                                          OTHER


                                                                                                                                  DATE                                          NAME OF SENDER
                                                                                   FAULT STILL PRESENT
                                                                                   AFTER REPAIR


                                                                                                                                                COMMENTS




                                                                                                      PROCESSING                                                      FAULTS DETECTED
                                          TO BE FILLED IN BY THE REPAIR OPERATOR




                                                                                   NO FAULTS FOUND                      UPGRADE                  SOLDERING /           COMPONENT                  ADJUSTMENT
                                                                                                                                                 WIRING
                                                                                                           A                              I                    C                          F–L                    P

                                                                                   STANDARD REPAIRING               NOT REPAIRABLE               MECHANICAL            PRINTED                    DIRT
                                                                                                                    (REJECTED)                                         CIRCUIT BOARD
                                                                                                           B–D                           M                     V1                         V1                     V2
                                                                                                                    SUBSTITUTED
                                                                                   QUALITY ALERT                                                                       CORROSION                  OTHER
                                                                                                           I                             S–X                                              V3
                                                                                                                              NOTE : LETTERS ARE FOR FACTORY USE

                                                                                                                                                COMMENTS




                                                                                           DATE                         REPAIRING NUMBER            REPAIRING CENTRE               NAME OF REPAIR OPERATOR
1AA 00014 0004 (9007) A4 – ALICE 04.10




                                                                                                                                       Figure 304. Repair form




                                         ED                                          03

                                                                                                                                                                    3AL 91669 AA AA                                   672 / 706


                                                                                                                                                                                   706
All rights reserved. Passing on and copying of this
                                                                           document, use and communication of its contents
                                                                         not permitted without written authorization from Alcatel.
      1AA 00014 0004 (9007) A4 – ALICE 04.10




                           ED
                           03




706
         3AL 91669 AA AA
                                               DISMANTLING  RECYCLING




         673 / 706
1AA 00014 0004 (9007) A4 – ALICE 04.10




                           ED
                           03




706
         3AL 91669 AA AA
         674 / 706
                                                 All rights reserved. Passing on and copying of this
                                                 document, use and communication of its contents
                                               not permitted without written authorization from Alcatel.
7 DISMANTLING  RECYCLING

                                                                                            7.1 WEEE general information
not permitted without written authorization from Alcatel.
  All rights reserved. Passing on and copying of this
  document, use and communication of its contents




                                                                                            According to the European directive (2002/96/EC) Waste Electric and Electronic Equipment, from August
                                                                                            13th 2005 the ”producer” of the equipment being sold, unless otherwise specified in the contract with the
                                                                                            Customer, is resposible for collecting and treating Electrical and Electronic Equipment.

                                                                                            Equipment put on the market after August 13th 2005 have a label (refer to paragraph 3.4 on page 40)
                                                                                            affixed on the product. The presence of the black label indicates the product has been put on the market
                                                                                            after after August 13th 2005.



                                                                                            In next paragraphs is given a description example of how to disassemble an equipment; the same principle
                                                                                            can be applied to all the subracks and units composing the equipment.


                                                                                            The unit chosen for disassembly is one of the most complex.


                                                                                            –    Paragraph 7.2 describes the equipment disassembly; in detail:

                                                                                                 •        paragraph 7.2.1 on page 676 lists the tools necessary for disassembly

                                                                                                 •        paragraph 7.2.2 on page 677 describes the subrack disassembly

                                                                                                 •        paragraph 7.2.3 on page 684 describes the unit disassembly

                                                                                                 •        paragraph 7.2.4 on page 694 describes the procedure to apply in order to manage Hazardous
                                                                                                          materials and components (example battery)


                                                                                            –    Paragraph 7.3 on page 696 reports the ECO declaration info.
                                                  1AA 00014 0004 (9007) A4 – ALICE 04.10




                                                                                           ED        03

                                                                                                                                                           3AL 91669 AA AA                      675 / 706


                                                                                                                                                                         706
7.2 How to disassembly equipment

                                          This equipment is designed for easy disassembly, by using screws and rivets for mechanical assembly
                                          of subracks and modules. The variety of screw types is minimized.




                                                                                                                                                      not permitted without written authorization from Alcatel.
                                                                                                                                                        All rights reserved. Passing on and copying of this
                                                                                                                                                        document, use and communication of its contents
                                          Tools necessary for subrack and units disassembly are reported in paragraph 7.2.1.

                                          The disassembly process depends on the respective recycling methods and can be derived from the
                                          delivered assembly instructions of the product.

                                          These guidelinesare not mandatory.
                                          They are given in order to optimize the disassembling process and material recovery as whole.


                                          7.2.1 Tools necessary for disassembly

                                          The following tools are necessary for unit disassembly:

                                          –    # T9 TORX screw driver

                                          –    # T20 TORX screw driver

                                          –    Crosshead screwdriver

                                          –    Wrench #

                                          –    Scissors

                                          –    Protection gloves
1AA 00014 0004 (9007) A4 – ALICE 04.10




                                         ED      03

                                                                                                     3AL 91669 AA AA                      676 / 706


                                                                                                                   706
7.2.2 Subrack disassembly

                                                                                            In Figure 305. on page 677 is shown an example of subrack.
not permitted without written authorization from Alcatel.




                                                                                            The same rules can be applied to the specific equipment to be dismantled.
  All rights reserved. Passing on and copying of this
  document, use and communication of its contents




                                                                                            In order to disassemble the subrack first remove the boards eventually present, included termination bus.




                                                                                                         SUBRACK FRONT VIEW                                    SUBRACK REAR VIEW




                                                                                                                            Figure 305. Subrack front and rear view
                                                  1AA 00014 0004 (9007) A4 – ALICE 04.10




                                                                                           ED      03

                                                                                                                                                          3AL 91669 AA AA                       677 / 706


                                                                                                                                                                        706
Procedure:

                                          –   Remove the two screws (A) in order to disassemble the handle as reported in Figure 306. on page
                                              678.




                                                                                                                                                          not permitted without written authorization from Alcatel.
                                                                                                                                                            All rights reserved. Passing on and copying of this
                                                                                                                                                            document, use and communication of its contents
                                          –   Repeat the same procedure on the other handle.

                                          –   Separate the two plastic blocks of the handle as reported in Figure 306. on page 678.




                                                            A




                                                            A




                                                                                                                                      plastic block


                                                     plastic block




                                                                     Figure 306. Handle removing and disassembly
1AA 00014 0004 (9007) A4 – ALICE 04.10




                                         ED     03

                                                                                                     3AL 91669 AA AA                          678 / 706


                                                                                                                   706
–   Unscrew all the screws present on rear cover as reported in Figure 307. (dashed lines) on page 679.

                                                                                            –   Remove the rear cover in order to access the subrack Back Panel.
not permitted without written authorization from Alcatel.
  All rights reserved. Passing on and copying of this
  document, use and communication of its contents




                                                                                                                              Figure 307. Rear cover removing
                                                  1AA 00014 0004 (9007) A4 – ALICE 04.10




                                                                                           ED     03

                                                                                                                                                        3AL 91669 AA AA                       679 / 706


                                                                                                                                                                      706
–   Unscrew all the screws fastening the Back Panel to the mechanical structure of the subrack as
                                              indicated in Figure 308. on page 680 (dashed line).

                                          –   Remove the Back Panel from the subrack mechanical structure.




                                                                                                                                                  not permitted without written authorization from Alcatel.
                                                                                                                                                    All rights reserved. Passing on and copying of this
                                                                                                                                                    document, use and communication of its contents
1AA 00014 0004 (9007) A4 – ALICE 04.10




                                                                          Figure 308. Back Panel removing


                                         ED    03

                                                                                                   3AL 91669 AA AA                    680 / 706


                                                                                                                706
–   Remove the upper and lower guides from the subrack access area by unscrewing the relevant
                                                                                                screws as indicated in Figure 309. on page 681.
not permitted without written authorization from Alcatel.
  All rights reserved. Passing on and copying of this
  document, use and communication of its contents




                                                                                                                                                          Upper and Lower guides
                                                                                                ACCESS AREA


                                                                                                              BASIC AREA
                                                  1AA 00014 0004 (9007) A4 – ALICE 04.10




                                                                                                                           Figure 309. Upper and lower guides plane removing




                                                                                           ED       03

                                                                                                                                                            3AL 91669 AA AA         681 / 706


                                                                                                                                                                         706
–   Remove the side wall by unscrewing the relevant screw as indicated in Figure 310. on page 682.

                                          –   Remove the two contact springs from the side wall as indicated in Figure 311. on page 683 (refer to
                                              paragraph 7.2.4 on page 694 for info about hazardous parts dismantling).




                                                                                                                                                        not permitted without written authorization from Alcatel.
                                                                                                                                                          All rights reserved. Passing on and copying of this
                                                                                                                                                          document, use and communication of its contents
1AA 00014 0004 (9007) A4 – ALICE 04.10




                                                                             Figure 310. Side wall removing




                                         ED     03

                                                                                                      3AL 91669 AA AA                       682 / 706


                                                                                                                    706
–      Remove the two guides of the “basic area” and the two optical fiber ducts by pulling them out as
                                                                                                   indicated in Figure 311. on page 683.

                                                                                            –      Unscrew all the screws present on the other “side wall” in order to complete the subrack disassembly.
not permitted without written authorization from Alcatel.
  All rights reserved. Passing on and copying of this




                                                                                                                        Optical fiber duct
  document, use and communication of its contents




                                                                                                                                              Optical fiber duct




                                                                                                      guides         guides




                                                                                                                                                                                        contact spring




                                                                                                contact spring
                                                  1AA 00014 0004 (9007) A4 – ALICE 04.10




                                                                                                                 Figure 311. Optical fiber duct, guides and contact spring removing


                                                                                           ED        03

                                                                                                                                                            3AL 91669 AA AA                        683 / 706


                                                                                                                                                                          706
7.2.3 Unit disassembly




                                                                                                                                                      not permitted without written authorization from Alcatel.
                                          Procedure:




                                                                                                                                                        All rights reserved. Passing on and copying of this
                                                                                                                                                        document, use and communication of its contents
                                          –   Remove twe two screws (A) from the side coverplate as indicated in Figure 312. on page 684.




                                                                       A




                                                                        A




                                                                           Figure 312. Side coverplate removal


                                          –   Remove the screws (B) that fix the two levers and subsequently pull out them from the front plate
                                              as indicated in Figure 313. on page 685.
1AA 00014 0004 (9007) A4 – ALICE 04.10




                                         ED     03

                                                                                                     3AL 91669 AA AA                      684 / 706


                                                                                                                  706
not permitted without written authorization from Alcatel.




                                                                                                                                    B
  All rights reserved. Passing on and copying of this
  document, use and communication of its contents




                                                                                                                                        B




                                                                                                                               Figure 313. Levers removal
                                                  1AA 00014 0004 (9007) A4 – ALICE 04.10




                                                                                            –   Unscrew and extract the two optical connectors (C) as indicated Figure 314. on page 686.

                                                                                            –   Remove the screw (D) fixing the connectors support as indicated in Figure 314. on page 686.


                                                                                           ED     03

                                                                                                                                                      3AL 91669 AA AA                      685 / 706


                                                                                                                                                                   706
1AA 00014 0004 (9007) A4 – ALICE 04.10




                                                                                                                                                                                                                            –




                           ED
                                                                                                                                                                        686.




                           03
                                                                                                    C
                                                                                                        D




                                               Figure 314. Optical connectors support removal




706
                                                                                                E




         3AL 91669 AA AA
                                                                                                                                                                        Rotate the connectors support (E) and pull it sidely to be removed as indicated Figure 314. on page




         686 / 706
                                                                                                              All rights reserved. Passing on and copying of this
                                                                                                              document, use and communication of its contents
                                                                                                            not permitted without written authorization from Alcatel.
–   Remove the two screws (F) from the side coverplate as indicated in Figure 315. on page 687.

                                                                                            –   Extract from the top the contact spring (G) as indicated in Figure 315. on page 687 (refer to
                                                                                                paragraph 7.2.4 on page 694 for info about hazardous parts dismantling).
not permitted without written authorization from Alcatel.
  All rights reserved. Passing on and copying of this
  document, use and communication of its contents




                                                                                            –   Extract the fibers from the cavity (H) as indicated in Figure 315. on page 687.




                                                                                                                                             F
                                                                                                                                                                      G




                                                                                                                                      F




                                                                                                                                                                                  H
                                                  1AA 00014 0004 (9007) A4 – ALICE 04.10




                                                                                                                  Figure 315. Side coverplate and contact spring removal


                                                                                           ED     03

                                                                                                                                                        3AL 91669 AA AA                   687 / 706


                                                                                                                                                                      706
–   Disconnect the two flat cables (M) as indicated in Figure 316. on page 688.

                                          –   Unscrew (L) connectors with the aid of a wrench as indicated Figure 316. on page 688.




                                                                                                                                                      not permitted without written authorization from Alcatel.
                                          –   Remove the fibers (N) from supports pulling them out Figure 316. on page 688.




                                                                                                                                                        All rights reserved. Passing on and copying of this
                                                                                                                                                        document, use and communication of its contents
                                          –   Remove the two screws (O) on the other side of the board that fixes the dissipator to the Printed
                                              Circuit Board (PCB) as indicated in Figure 317. on page 689.

                                          –   The dissipator can now be removed (refer to Figure 318. on page 690).




                                                                          L    L                          L         L         L




                                                                M                                                                     L




                                                                                        M




                                                                 N
                                                                                                          N
1AA 00014 0004 (9007) A4 – ALICE 04.10




                                                                        Figure 316. Internal connectors removal




                                         ED     03

                                                                                                     3AL 91669 AA AA                      688 / 706


                                                                                                                  706
not permitted without written authorization from Alcatel.
  All rights reserved. Passing on and copying of this
  document, use and communication of its contents




                                                                                                 O




                                                                                                                                Figure 317. Dissipator removal


                                                                                            –   Remove the screws (P) from dissipator as indicated in Figure 318. on page 690.

                                                                                            –   Now the two modules on the other side of the dissipator are free to be removed (refer to Figure 320.
                                                                                                on page 691);

                                                                                                       Pay attention during modules removal because of white conductive paste (refer to paragraph
                                                                                                       7.2.4 on page 694 for info about hazardous parts dismantling).


                                                                                            –   Remove the plastic part (X) in Figure 319. on page 690 by unscrewing the screw present on the rear
                                                                                                side of the dissipator.
                                                  1AA 00014 0004 (9007) A4 – ALICE 04.10




                                                                                           ED     03

                                                                                                                                                         3AL 91669 AA AA                       689 / 706


                                                                                                                                                                       706
P             P




                                                                                                                                                           not permitted without written authorization from Alcatel.
                                                                                                                                                             All rights reserved. Passing on and copying of this
                                                                                                                                                             document, use and communication of its contents
                                                                                                                        P
                                                                                                   P



                                                                                                       P
                                                                                    P                                              P
                                                                                                           P




                                                                      Figure 318. Modules removal from dissipator


                                          –   Remove the screws (Q) and (R) that fix the daugther board and pull it out from the mother board (refer
                                              to Figure 319. on page 690).



                                                             MOTHER BOARD                                              R

                                                         DAUGHTER BOARD



                                                                                          Q
                                                                                                           Q



                                                                                                                        R



                                                                                                                                         X
1AA 00014 0004 (9007) A4 – ALICE 04.10




                                                                           Figure 319. Daughter boad removal


                                         ED     03

                                                                                                           3AL 91669 AA AA                     690 / 706


                                                                                                                      706
–   Cutaway golded connector (S) from daughter board (refer to Figure 320. on page 691)
not permitted without written authorization from Alcatel.
  All rights reserved. Passing on and copying of this
  document, use and communication of its contents




                                                                                                                                        S




                                                                                                                           Figure 320. Gold connector removal


                                                                                            –   Remove all internal cables as indicated in Figure 321. on page 692. To remove cables it is enough
                                                                                                to pull them out from their support.
                                                  1AA 00014 0004 (9007) A4 – ALICE 04.10




                                                                                           ED     03

                                                                                                                                                       3AL 91669 AA AA                      691 / 706


                                                                                                                                                                    706
not permitted without written authorization from Alcatel.
                                                                                                                                                           All rights reserved. Passing on and copying of this
                                                                                                                                                           document, use and communication of its contents
                                                                           Figure 321. Internal cables removal


                                          –   Remove screws (T) that fix the metal support to the mother board as indicated in Figure 322. on page
                                              693.

                                          –   Remove the metal support.

                                          –   Cutaway the golded connector (U) from mother board.
1AA 00014 0004 (9007) A4 – ALICE 04.10




                                         ED     03

                                                                                                       3AL 91669 AA AA                       692 / 706


                                                                                                                    706
All rights reserved. Passing on and copying of this
                                                                                                               document, use and communication of its contents
                                                                                                             not permitted without written authorization from Alcatel.
      1AA 00014 0004 (9007) A4 – ALICE 04.10




                           ED
                           03
                                                                                                                                                              T




                                                                                                         T
                                                                                                                                 T




                                                                                     Metal support




                                       Figure 322. Connector metal support removal




706
         3AL 91669 AA AA
                                                                                                     U




         693 / 706
7.2.4 Hazardous materials and components

                                          Table 79. on page 694 lists the presence or not of hazardous substance/components.




                                                                                                                                                             not permitted without written authorization from Alcatel.
                                          Note: The system cabling is designed for reduced halogen content. All the traffic cabling is fully PVC free.




                                                                                                                                                               All rights reserved. Passing on and copying of this
                                                                                                                                                               document, use and communication of its contents
                                          Table 79. List of hazardous materials and components present in the equipment

                                                      Materials/substances                Presence                         Where
                                                                                            in the
                                                                                         equipment

                                          Batteries External                                  NO
                                          (Mercury/NiCad/Lithium/Other)

                                          Batteries Internal                                  NO
                                          (Mercury/NiCad/Lithium/Other)

                                          Mercury                                             NO

                                          Cadmium                                             NO

                                          Capacitors with PCB’s

                                          Capacitors with substances of concern +             NO
                                          height  25 mm, diameter  25 mm or pro-
                                          portionately similar volume

                                          Gas discharge lamps                                 NO

                                          Mercury containing Backlighting lamps               NO

                                          Plastic containing brominated flame retar-          NO
                                          dants other than in Printed Circuit Assem-
                                          blies

                                          Liquid Crystal Displays with a surface              NO
                                          greater than 100 cm2

                                          Asbestos                                            NO

                                          Refractory ceramic fibres                           NO

                                          Thermal conductive paste                           YES         In all units where dissipators are present a
                                                                                                         withe thermal conductive paste is used in
                                                                                                         between mechanical parts.
                                                                                                         In Figure 319. on page 690 an example is
                                                                                                         shown.
                                                                                                         Note: protective plastic gloves must be
                                                                                                         used in order to avoid contact between
                                                                                                         hands and thermal conductive paste.
                                                                                                         Pay attention to avoid contact of thermal
                                                                                                         conductive paste with eyes.

                                          Radio–active substances                             NO
1AA 00014 0004 (9007) A4 – ALICE 04.10




                                          Beryllium Oxide                                     NO




                                         ED      03

                                                                                                          3AL 91669 AA AA                        694 / 706


                                                                                                                        706
Materials/substances               Presence                    Where
                                                                                                                                            in the
                                                                                                                                         equipment
not permitted without written authorization from Alcatel.
  All rights reserved. Passing on and copying of this
  document, use and communication of its contents




                                                                                            Other forms of Beryllium                       YES       Refer to Figure 311. on page 683 and
                                                                                                                                                     Figure 315. on page 687 point G.
                                                                                                                                                     Note: Copper–beryllium contact spring
                                                                                                                                                     must be separated from other material and
                                                                                                                                                     must be fused in a specific regulated envi-
                                                                                                                                                     ronment.

                                                                                            Pressure volume                                 NO

                                                                                            Liquids Volume                                  NO

                                                                                            Gasses Volume                                   NO

                                                                                            ”Hidden” mechanical springs or other            NO
                                                                                            equivalent parts

                                                                                            Ozone depleting substances, according to        NO
                                                                                            those categories that are already banned
                                                                                            in the Montreal protocol

                                                                                            Chloroparaffins with chain length 10–13 C       NO
                                                                                            atoms, chlorination greater than 50% con-
                                                                                            tained in mechanical plastic parts heavier
                                                                                            than 25g,

                                                                                            Lead contained in mechanical parts heavi-       NO
                                                                                            er than 25g,

                                                                                            Polychlorinated biphenyls (PCB) or po-          NO
                                                                                            lychlorinated terphenyls (PCT),

                                                                                            Polybrominated biphenyl’s and their             NO
                                                                                            ethers (CAS no. 32534–81–9, CAS no.
                                                                                            32536–52–0, CAS no 1163–19–5, CAS
                                                                                            no. 13654–09–6) contained in mechanical
                                                                                            parts heavier than 25g, in concentrations
                                                                                            exceeding the natural background levels.
                                                  1AA 00014 0004 (9007) A4 – ALICE 04.10




                                                                                           ED     03

                                                                                                                                                     3AL 91669 AA AA                        695 / 706


                                                                                                                                                                   706
7.3 Eco declaration

                                          1660SM is an STM–1/4/16/64 MultiService Node for transmission and cross–connection of a wide range
                                          of traditional PDH and SDH signals as well as packed based data flows. It can operate as a multi Terminal




                                                                                                                                                                not permitted without written authorization from Alcatel.
                                          or Add/Drop Multiplexer. Moreover the system can be configured as a small cross–connect with a matrix




                                                                                                                                                                  All rights reserved. Passing on and copying of this
                                                                                                                                                                  document, use and communication of its contents
                                          size of up to 384x384 STM–1 equivalent at the Hight Order VC level and 256x256 STM–1 equivalent at
                                          the Low Order VC level.

                                          New STM–64 Long Haul optical interfaces with external booster are provided in this SW release.



                                          Key features

                                          Refer to paragraph 5.1 on page 591 “General Characteristics”



                                          Weight and Dimensional Characteristics

                                          Refer to paragraph 5.12 on page 653



                                          EXTENSION OF SYSTEM LIFETIME

                                          The product is designed to ensure an outstanding quality of services through very high traffic transmission,
                                          connection and protection performances and minimum service interruption.

                                          The life utility is at least 5 years. This means that maintenance will be assured for at least 5 years.

                                          The system architecture facilitates future extensibility and upgradability:

                                               •        On–site configuration changes as for example the extension of the node traffic capacity without
                                                        re–cabling of interconnections.

                                               •        Implementation of new features and functionalities by remote Software download.

                                          The terms and conditions of warranty, service availability and spare parts availability are individually
                                          agreed between Alcatel and the Customer and are part of the relevant contractual commitments.



                                          POWER CONSUMPTION

                                          Refer to paragraph 5.10.1 on page 649.



                                          RADIO FREQUENCY EMISSION

                                          Regarding compliance with radio frequency emission requirements refer to paragraph 5.13.1 on page
                                          654.
1AA 00014 0004 (9007) A4 – ALICE 04.10




                                          ACOUSTICAL NOISE

                                          Refer to paragraph 5.13.3 on page 655


                                         ED        03

                                                                                                            3AL 91669 AA AA                         696 / 706


                                                                                                                         706
MATERIALS

                                                                                            Refer to Table 79. on page 694 for details.
not permitted without written authorization from Alcatel.




                                                                                            DISASSEMBLY
  All rights reserved. Passing on and copying of this
  document, use and communication of its contents




                                                                                            Refer to paragraph 7.2 on page 676.

                                                                                            BATTERIES

                                                                                            The product requires no backup batteries.

                                                                                            PACKAGING

                                                                                            The packaging of this Alcatel equiment complies with the directive 94/62/EEC concerning packaging and
                                                                                            packaging waste. Depending on the means of transportatio,n the racks are packed in a cardboard or
                                                                                            wooden box, which can easily be recycled after use. Environmentally harmful materials are not used for
                                                                                            packaging. The packaging materials are marked according to ISO 11 469. If required by the Customer and
                                                                                            agreed by both parties, Alcatel can take care of the proper disposal of all packaging materials.

                                                                                            For details refer to” Installation Handbook”.

                                                                                            TAKE BACK INFORMATION

                                                                                            On request of customers, Alcatel can take care of the take back of depreciated equipment and of the
                                                                                            ecological safe and appropriate disposal under conditions to be agreed.

                                                                                            For that purpose Alcatel co–operates with qualified companies.

                                                                                            DOCUMENTATION

                                                                                            In order to reduce paper consumption for Customer Documentation, Alcatel delivers the Generic
                                                                                            Customer Documentation on a CD–ROM. The CD–ROM contains interactive HW Descriptions, SW
                                                                                            Descriptions, Functional Descriptions, Maintenance Manuals and User Guides. This allows the operator
                                                                                            to put the documentation on a server accessible by all relevant people in the organization without any
                                                                                            additional paper copies.
                                                  1AA 00014 0004 (9007) A4 – ALICE 04.10




                                                                                           ED      03

                                                                                                                                                        3AL 91669 AA AA                      697 / 706


                                                                                                                                                                     706
1AA 00014 0004 (9007) A4 – ALICE 04.10




                           ED
                           03




706
         3AL 91669 AA AA
         698 / 706
                                                 All rights reserved. Passing on and copying of this
                                                 document, use and communication of its contents
                                               not permitted without written authorization from Alcatel.
All rights reserved. Passing on and copying of this
                                                                                  document, use and communication of its contents
                                                                                not permitted without written authorization from Alcatel.
      1AA 00014 0004 (9007) A4 – ALICE 04.10




                           ED
                           03




706
         3AL 91669 AA AA
                                               HARDWARE SETTING DOCUMENTATION




         699 / 706
1AA 00014 0004 (9007) A4 – ALICE 04.10




                           ED
                           03




706
         3AL 91669 AA AA
         700 / 706
                                                 All rights reserved. Passing on and copying of this
                                                 document, use and communication of its contents
                                               not permitted without written authorization from Alcatel.
UNITS DOCUMENTATION LIST

                                                                                            This section contains the documents sheets to refer to for unit/sub–unit hardware setting options. The list
                                                                                            of the enclosed documents is given in Table 81. on page 704, according to the ANV part number.
not permitted without written authorization from Alcatel.
  All rights reserved. Passing on and copying of this
  document, use and communication of its contents




                                                                                            TABLE EXPLANATION:

                                                                                            –      UNIT IDENTIFICATION P/Ns AND CHANGE STATUS

                                                                                                   Each unit or sub-unit is distinguished by:

                                                                                                   •        a dual Part No.:

                                                                                                            –    Factory P/N (4xx.xxx.xxx x)

                                                                                                            –    ANV P/N (xxx.xxxxx xx) (NOTE)

                                                                                                            NOTE      The last two ANV-P/N letters (in the following stated as ’suffix’) stand for a ”feasible
                                                                                                                      alternative”, they might differentiate two units eventhough still functionally
                                                                                                                      compatible. For this reason the indicated ANV P/N does not include the last two
                                                                                                                      letters.
                                                                                                                      For example : the units having P/Ns ”3AL–34065–AAAA” and ”3AL–34065–AABA”
                                                                                                                      are functionally compatible and, as regards to hardware settings, the MSxxx
                                                                                                                      document (described hereafter) 3AL–34065–AAAA-MSxxx is applicable for both.

                                                                                                   •        and by a pair of design  production series (change status):

                                                                                                            –    CS, associated to the Factory P/N (4xx.xxx.xxx x)

                                                                                                            –    ICS, associated to ANV P/N (xxx.xxxxx xx)

                                                                                                            The following table shows an example of correspondence between ”FACTORY P/N + CS” and
                                                                                                            ”ANV P/N + ICS”

                                                                                            Table 80. Example of correspondence between CS and ’suffix + ICS’


                                                                                            N.B.            The P/Ns used in this example have no correspondence with those of the actual equipment part
                                                                                                            list!


                                                                                                                               FACTORY CODE                 ANV CODE

                                                                                                                                  P/N          CS            P/N            ICS

                                                                                                                               487.156.612     01    3AL 34422 AA AA         01

                                                                                                                               487.156.612     02    3AL 34422 AA AB         01

                                                                                                                               487.156.612     03    3AL 34422 AA AC         01


                                                                                                            In this example you can see that the production series is identified only by the CS as far as the
                                                                                                            Factory code is concerned, and by the ’suffix + ICS’ if the ANV code is referred to.

                                                                                                            Some of the possible positions of the label indicating the unit’s P/Ns and CS–ICS are illustrated
                                                  1AA 00014 0004 (9007) A4 – ALICE 04.10




                                                                                                            in para. 3.4 on page 40.




                                                                                           ED          03

                                                                                                                                                                 3AL 91669 AA AA                        701 / 706


                                                                                                                                                                               706
–   CROSS–REFERENCE

                                              •        Id.           Unit alphabetical notation. It indicates the unit containing one or more subunits.
                                              •        App.          It reports the unit notation (Id) to which the sub–unit belongs.




                                                                                                                                                                 not permitted without written authorization from Alcatel.
                                                                                                                                                                   All rights reserved. Passing on and copying of this
                                                                                                                                                                   document, use and communication of its contents
                                              The HARDWARE SETTINGS can be executed after having checked all the sub–units belonging to
                                              a unit, by considering the above cited cross–reference, and by using the presetting documents
                                              indicated in Table 81. page 704 and presented in the following point.

                                          –   ENCLOSED DOCUMENTS
                                              For each type of unit or sub-unit having customizing setting options, the document
                                                                                           ”ANV P/N”–MSxxx
                                              is annexed to this handbook (in the case of Documentation on CD-ROM the MSxxx documents may
                                              be given in a CD-ROM different from that containing this Technical Handbook).

                                              The MSxxx documents are enclosed in numerical order. The Edition of the enclosed MSxxx
                                              document is the highest available on the date on which the Technical Handbook is assembled.
                                              Use of the document MSxxx:
                                              •        MSxxx means ”document for hardware presetting options” (the MSxxx document’s Part No.
                                                       is as that of the unit or sub-unit and its MS acronym defines type).
                                                       The xxx part of MSxxx is relevant to ANV internal identification codes.
                                              •        As the Customer may have to manage many units of the same type (same P/N) but with different
                                                       CS–ICS, the document MSxxx describes with possible different chapters the different setting
                                                       options, according to all the possible CSs–ICSs. For this purpose, a table at the beginning of
                                                       document (PREFACE) indicates the chapter to be used according to the CS or the
                                                       corresponding ’suffix + ICS’, taking into account that:
                                                       –      a change of the production series does not necessarily imply a change in the setting
                                                              options;
                                                              a change of the ANV P/N suffix does not imply a new MSxxx document;
                                                       –      the CS, SUFFIX and ICS must be meant as:
                                                              •    from specified CS, SUFFIX or ICS (included)
                                                              •    to next CS, SUFFIX or ICS (excluded) if listed
                                                       –      the sequence of CSs is increasing from alphanumeric to numeric (e.g. CS=A0 is lower
                                                              than CS=01).
                                                       Each chapter contains:
                                                       –      one or more tables defining the relationship between the functions achievable and the
                                                              setting options to make;
                                                       –      the unit layout drawing which shows the exact location of all the setting options.


                                                              N.B.                       IDENTIFIES PIN 1 OF COMPONENT

                                                              N.B.        When necessary to make ”TC” Hardware Settings fitted on the rear side of the
                                                                          board, remove the protective cover plate present on the same rear side and
                                                                          replace it at the end of the operation
                                                       The setting options described in the documents MSxxx must be used according to
                                                       3AL377470001 (962.000.022 F) MSxxx document, inserted in Table 81. on page 704, which
                                                       shows the ’ON’ (closed) position of microswitches.
1AA 00014 0004 (9007) A4 – ALICE 04.10




                                                       Those setting options that on the table are indicated by the caption For factory use only should
                                                       never be modified.



                                         ED       03

                                                                                                               3AL 91669 AA AA                       702 / 706


                                                                                                                             706
EXAMPLE

                                                                                            N.B.        The P/Ns used in this example have no correspondence with those of the actual equipment part
                                                                                                        list!
not permitted without written authorization from Alcatel.
  All rights reserved. Passing on and copying of this
  document, use and communication of its contents




                                                                                                        Taking into account the same unit of Table 80. on page 701:


                                                                                                                           FACTORY CODE                   ANV CODE

                                                                                                                               P/N         CS              P/N            ICS

                                                                                                                          487.156.612       01     3AL 34422 AAAA             01

                                                                                                                          487.156.612       02     3AL 34422 AAAB             01

                                                                                                                          487.156.612       03     3AL 34422 AAAC             01


                                                                                                        and supposing that the setting options valid for CS=01 are equal to those for CS=02, but change
                                                                                                        for CS=03, the table at the beginning of the document 3AL 34422 AAAA MSZZQ will be:

                                                                                                                            FACTORY P/N                                   ANV P/N
                                                                                                                         CODICE DI FABBRICA                             CODICE ANV
                                                                                                   CHAPTER
                                                                                                   CAPITOLO                     FROM CS                   FROM SUFFIX                FROM ICS
                                                                                                                                 DA CS                    DA SUFFISSO                 DA ICS

                                                                                                          1                          01                          ––AA                   01

                                                                                                          2                          03                          ––AC                   01


                                                                                                        If you have the unit identified by one of this identification data:


                                                                                                                           FACTORY CODE                   ANV CODE

                                                                                                                               P/N         CS              P/N            ICS

                                                                                                                          487.156.612       01     3AL 34422 AAAA             01

                                                                                                                          487.156.612       02     3AL 34422 AAAB             01


                                                                                                        you will use Chapter 1 of document 3AL 34422 AAAA MSZZQ



                                                                                                        If you have the unit identified by one of this identification data:


                                                                                                                           FACTORY CODE                   ANV CODE

                                                                                                                               P/N         CS              P/N            ICS

                                                                                                                          487.156.612       03     3AL 34422 AAAC             01
                                                  1AA 00014 0004 (9007) A4 – ALICE 04.10




                                                                                                                          487.156.612       04     3AL 34422 AAAD             01


                                                                                                        you will use Chapter 2 of document 3AL 34422 AAAA MSZZQ

                                                                                           ED      03

                                                                                                                                                               3AL 91669 AA AA                    703 / 706


                                                                                                                                                                               706
Table 81. Hardware presetting documentation

                                                        The edition of the documents (listed in this table) that are physically enclosed in the handbook is
                                                        the highest available when this handbook is assembled. The edition of enclosed documents is




                                                                                                                                                                 not permitted without written authorization from Alcatel.
                                                        not specified in this table.




                                                                                                                                                                   All rights reserved. Passing on and copying of this
                                                                                                                                                                   document, use and communication of its contents
                                                                                                                                        Document
                                                                                                                 ANV P/N
                                              Id                    NAME                         App                                   for hardware
                                                                                                               (Factory P/N)
                                                                                                                                        presetting
                                                                                                             3AL 78830 AD––          3AL 78830 AAAG
                                              a    Control and general interface
                                                                                                                                         MSZZQ
                                                                                                              3AL 78836AA––
                                              b    EQUICO E
                                                                                                              (411.102506 Z)
                                                                                                              3AL 81277AA––          3AL 81277 AAAA
                                                   PQ2 Equipment controller                        b
                                                                                                               (487.151.011)             MSZZQ
                                                                                                             3AL 79093 AA––
                                              c    ATM MATRIX 4x4                                                                             –
                                                                                                              (411.101.035 J)
                                                                                                              3AL89917 AA––
                                              d    ATM MATRIX D3                                                                              –
                                                                                                                 ––.––.––
                                                                                                             3AL 81185 AA––
                                              e    ATM MATRIX 4x4 ENHANCED                                                                    –
                                                                                                             (411.102.475 Z)
                                                                                                              3AL79094 AA––
                                              f    ATM MATRIX 8x8                                                                             –
                                                                                                              (411.101.036 K)
                                                                                                             3AL 79631 AA––
                                              g    PR_EA MATRIX 4XETH                                                                         –
                                                                                                             (411.101.281 W)
                                                                                                             3AL 79752 AA––
                                              h    PR_EA MATRIX 1XSTM1 Plug in                                                                –
                                                                                                             (411.101.407 V)
                                                                                                             3AL 81275 AA––
                                              i    PR_EA MATRIX 1XGB–ETH                                                                      –
                                                                                                             (411.102.505 Y)
                                              j    ISA–ES1 8FE BOARD                                         3AL 98128 AA––                   –
                                              k    ISA–ES1 8FX BOARD (SFP)                                    3AL98150AA––                    –
                                              l    ISA–ES4 8FE + 1GE BOARD                                    3AL 81879AA––                   –
                                              m    ISA–ES16 BOARD                                            3AL 81915 AA––                   –
                                                                                                             3AL 37747 0001          3AL 37747 0001
                                                   Microswitches ”ON” position
                                                                                                             (962.000.022 F)            MSZZQ

                                                                                                             3AL 79202 AA––          3AL 79202 AAAA
                                                   ATM MATRIX 8x8                                   f
                                                                                                             (487.156.804 W)             MSZZQ

                                                                                                             3AL 79425 AA––          3AL 79425 AAAA
                                                   NETWORK PROCESSOR 2                           g, h, i
                                                                                                              (483.100.252 )             MSZZQ
                                                                                                             3AL 80481 AA––          3AL 80481 AAAA
                                                   ATM MATRIX 4x4                                  c
                                                                                                             (487.156.138 Z)             MSZZQ
1AA 00014 0004 (9007) A4 – ALICE 04.10




                                                                                                             3AL 81183 AA––          3AL 81183 AAAA
                                                   ATM MATRIX 4x4 ENHANCED                        e, d
                                                                                                              (487.156.274)              MSZZQ




                                         ED        03

                                                                                                              3AL 91669 AA AA                        704 / 706


                                                                                                                            706
Document
                                                                                                                                      ANV P/N
                                                                                                Id               NAME         App                      for hardware
                                                                                                                                    (Factory P/N)
                                                                                                                                                        presetting
not permitted without written authorization from Alcatel.




                                                                                                                                                      3AL81878AAAA
  All rights reserved. Passing on and copying of this
  document, use and communication of its contents




                                                                                                     L2 ETHERNET PORT BOARD    l    3AL81878AA––
                                                                                                                                                         MSZZQ
                                                                                                                                                      3AL81916AAAA
                                                                                                     PBA–ISA–PREA V2          m     3AL81916AA––
                                                                                                                                                         MSZZQ
                                                                                                                                                      3AL98127AAAA
                                                                                                     PBA–ISA FE V2–155         j    3AL98127AA––
                                                                                                                                                         MSZZQ
                                                                                                                                                      3AL98149AAAA
                                                                                                     PBA–ES1–8FX               k    3AL98149AA––
                                                                                                                                                         MSZZQ
                                                  1AA 00014 0004 (9007) A4 – ALICE 04.10




                                                                                           ED        03

                                                                                                                                    3AL 91669 AA AA               705 / 706


                                                                                                                                               706
1AA 00014 0004 (9007) A4 – ALICE 04.10




                           ED
                           03
                                END OF DOCUMENT




706
         3AL 91669 AA AA
         706 / 706
                                                    All rights reserved. Passing on and copying of this
                                                    document, use and communication of its contents
                                                  not permitted without written authorization from Alcatel.

1660 S M Tec R5

  • 1.
    Technical Handbook Alcatel 1660SM STM 64 Multiservice Metro Node 1660SM Rel. 5.2 Version B 3AL 91669 AAAA Ed.03
  • 2.
  • 3.
    1660SM REL.5.2 TECHNICALHANDBOOK not permitted without written authorization from Alcatel. All rights reserved. Passing on and copying of this document, use and communication of its contents TABLE OF CONTENTS LIST OF FIGURES AND TABLES . . . . . . . . . . . . . . . . . . . . . . . . . . . . . . . . . . . . . . . . . . . . . . . . . . . . . . . 7 HANDBOOK GUIDE . . . . . . . . . . . . . . . . . . . . . . . . . . . . . . . . . . . . . . . . . . . . . . . . . . . . . . . . . . . . . . . . . . 15 1 HANDBOOK STRUCTURE AND CONFIGURATION CHECK . . . . . . . . . . . . . . . . . . . . . . . . . . . . 17 1.1 General information . . . . . . . . . . . . . . . . . . . . . . . . . . . . . . . . . . . . . . . . . . . . . . . . . . . . . . . . . . . . 17 1.2 Handbook applicability . . . . . . . . . . . . . . . . . . . . . . . . . . . . . . . . . . . . . . . . . . . . . . . . . . . . . . . . . 17 1.3 Product-release handbooks . . . . . . . . . . . . . . . . . . . . . . . . . . . . . . . . . . . . . . . . . . . . . . . . . . . . 18 1.4 Handbook Structure . . . . . . . . . . . . . . . . . . . . . . . . . . . . . . . . . . . . . . . . . . . . . . . . . . . . . . . . . . . . 24 1.5 Handbook Configuration Check . . . . . . . . . . . . . . . . . . . . . . . . . . . . . . . . . . . . . . . . . . . . . . . . . 25 1.5.1 List of the editions and of modified parts . . . . . . . . . . . . . . . . . . . . . . . . . . . . . . . . . . . . . . . 25 1.5.2 Notes on Ed.01 . . . . . . . . . . . . . . . . . . . . . . . . . . . . . . . . . . . . . . . . . . . . . . . . . . . . . . . . . . . . . 26 1.5.3 Notes on Ed.02 . . . . . . . . . . . . . . . . . . . . . . . . . . . . . . . . . . . . . . . . . . . . . . . . . . . . . . . . . . . . . 26 1.5.4 Notes on Ed.03 . . . . . . . . . . . . . . . . . . . . . . . . . . . . . . . . . . . . . . . . . . . . . . . . . . . . . . . . . . . . . 26 2 SAFETY NORMS AND LABELS . . . . . . . . . . . . . . . . . . . . . . . . . . . . . . . . . . . . . . . . . . . . . . . . . . . . . 27 2.1 First aid for electric shock . . . . . . . . . . . . . . . . . . . . . . . . . . . . . . . . . . . . . . . . . . . . . . . . . . . . . . 27 2.2 Safety Rules . . . . . . . . . . . . . . . . . . . . . . . . . . . . . . . . . . . . . . . . . . . . . . . . . . . . . . . . . . . . . . . . . . . 29 2.2.1 General Rules . . . . . . . . . . . . . . . . . . . . . . . . . . . . . . . . . . . . . . . . . . . . . . . . . . . . . . . . . . . . . . 29 2.2.2 Labels Indicating Danger, Forbiddance, Command . . . . . . . . . . . . . . . . . . . . . . . . . . . . . . 30 2.2.3 Dangerous Electrical Voltages . . . . . . . . . . . . . . . . . . . . . . . . . . . . . . . . . . . . . . . . . . . . . . . . 31 2.2.4 Harmful Optical Signals . . . . . . . . . . . . . . . . . . . . . . . . . . . . . . . . . . . . . . . . . . . . . . . . . . . . . . 32 2.2.5 Risks of Explosions . . . . . . . . . . . . . . . . . . . . . . . . . . . . . . . . . . . . . . . . . . . . . . . . . . . . . . . . . . 34 2.2.6 Moving Mechanical Parts . . . . . . . . . . . . . . . . . . . . . . . . . . . . . . . . . . . . . . . . . . . . . . . . . . . . . 34 2.2.7 Heat–radiating Mechanical Parts . . . . . . . . . . . . . . . . . . . . . . . . . . . . . . . . . . . . . . . . . . . . . . 35 2.2.8 Specific safety rules in this handbook . . . . . . . . . . . . . . . . . . . . . . . . . . . . . . . . . . . . . . . . . . 36 3 OTHER NORMS AND LABELS . . . . . . . . . . . . . . . . . . . . . . . . . . . . . . . . . . . . . . . . . . . . . . . . . . . . . . 37 3.1 Electromagnetic Compatibility . . . . . . . . . . . . . . . . . . . . . . . . . . . . . . . . . . . . . . . . . . . . . . . . . . 37 3.1.1 General Norms – Installation . . . . . . . . . . . . . . . . . . . . . . . . . . . . . . . . . . . . . . . . . . . . . . . . . . 37 3.1.2 General Norms – Turn–up & Commissioning, Operation . . . . . . . . . . . . . . . . . . . . . . . . . . 38 3.1.3 General Norms – Maintenance . . . . . . . . . . . . . . . . . . . . . . . . . . . . . . . . . . . . . . . . . . . . . . . . 38 3.2 Electrostatic Dischargers (ESD) . . . . . . . . . . . . . . . . . . . . . . . . . . . . . . . . . . . . . . . . . . . . . . . . . 39 3.3 Suggestions, notes and cautions . . . . . . . . . . . . . . . . . . . . . . . . . . . . . . . . . . . . . . . . . . . . . . . 40 3.4 Labels affixed to the Equipment . . . . . . . . . . . . . . . . . . . . . . . . . . . . . . . . . . . . . . . . . . . . . . . . . 40 03 051118 ECR 25074 M.SEVERI ITAVE P. GHELFI ITAVE S. MAGGIO – C. FAVERO 02 050414 ECR 23081 J. MIR ITAVE P. GHELFI ITAVE S. MAGGIO – C. FAVERO 01 041112 J. MIR ITAVE P. GHELFI ITAVE S. MAGGIO – C. FAVERO ED DATE CHANGE NOTE APPRAISAL AUTHORITY ORIGINATOR 1AA 00014 0004 (9007) A4 – ALICE 04.10 1660SM REL. 5.2 Version B TECHNICAL HANDBOOK ED 03 3AL 91669 AA AA 1 / 706 706
  • 4.
    4 LIST OFABBREVIATIONS . . . . . . . . . . . . . . . . . . . . . . . . . . . . . . . . . . . . . . . . . . . . . . . . . . . . . . . . . . 51 5 GENERAL ON ALCATEL CUSTOMER DOCUMENTATION . . . . . . . . . . . . . . . . . . . . . . . . . . . . . . 57 5.1 Products, product-releases, versions and Customer Documentation . . . . . . . . . . . . . . 57 not permitted without written authorization from Alcatel. 5.2 Handbook supply to Customers . . . . . . . . . . . . . . . . . . . . . . . . . . . . . . . . . . . . . . . . . . . . . . . . . 57 All rights reserved. Passing on and copying of this document, use and communication of its contents 5.3 Aims of standard Customer Documentation . . . . . . . . . . . . . . . . . . . . . . . . . . . . . . . . . . . . . 57 5.4 Handbook Updating . . . . . . . . . . . . . . . . . . . . . . . . . . . . . . . . . . . . . . . . . . . . . . . . . . . . . . . . . . . . 58 5.4.1 Changes introduced in the same product-release (same handbook P/N) . . . . . . . . . . . . 58 5.4.2 Changes due to new product version . . . . . . . . . . . . . . . . . . . . . . . . . . . . . . . . . . . . . . . . . . 58 5.5 Customer documentation on CD–ROM . . . . . . . . . . . . . . . . . . . . . . . . . . . . . . . . . . . . . . . . . . 59 5.5.1 Contents, creation and production of a CD–ROM . . . . . . . . . . . . . . . . . . . . . . . . . . . . . . . . 59 5.5.2 Use of the CD–ROM . . . . . . . . . . . . . . . . . . . . . . . . . . . . . . . . . . . . . . . . . . . . . . . . . . . . . . . . . 60 5.5.3 CD–ROM identification . . . . . . . . . . . . . . . . . . . . . . . . . . . . . . . . . . . . . . . . . . . . . . . . . . . . . . . 60 5.5.4 CD–ROM updating . . . . . . . . . . . . . . . . . . . . . . . . . . . . . . . . . . . . . . . . . . . . . . . . . . . . . . . . . . 60 DESCRIPTIONS . . . . . . . . . . . . . . . . . . . . . . . . . . . . . . . . . . . . . . . . . . . . . . . . . . . . . . . . . . . . . . . . . . . . . . 61 1 GENERAL . . . . . . . . . . . . . . . . . . . . . . . . . . . . . . . . . . . . . . . . . . . . . . . . . . . . . . . . . . . . . . . . . . . . . . . . . 63 1.1 Introduction to the equipment . . . . . . . . . . . . . . . . . . . . . . . . . . . . . . . . . . . . . . . . . . . . . . . . . . 63 1.2 Insertion of the equipment into the network . . . . . . . . . . . . . . . . . . . . . . . . . . . . . . . . . . . . . . 71 1.2.1 Configuration . . . . . . . . . . . . . . . . . . . . . . . . . . . . . . . . . . . . . . . . . . . . . . . . . . . . . . . . . . . . . . . 71 1.2.2 Application . . . . . . . . . . . . . . . . . . . . . . . . . . . . . . . . . . . . . . . . . . . . . . . . . . . . . . . . . . . . . . . . . 72 1.2.3 SDH / CWDM integration in “ring” network . . . . . . . . . . . . . . . . . . . . . . . . . . . . . . . . . . . . . . 75 1.2.4 SDH / CWDM integration in “linear” network . . . . . . . . . . . . . . . . . . . . . . . . . . . . . . . . . . . . 79 1.2.5 Network protection . . . . . . . . . . . . . . . . . . . . . . . . . . . . . . . . . . . . . . . . . . . . . . . . . . . . . . . . . . 81 2 PHYSICAL CONFIGURATION . . . . . . . . . . . . . . . . . . . . . . . . . . . . . . . . . . . . . . . . . . . . . . . . . . . . . . . 83 2.1 Equipment front view . . . . . . . . . . . . . . . . . . . . . . . . . . . . . . . . . . . . . . . . . . . . . . . . . . . . . . . . . . 84 2.1.1 1660SM Shelf “without fans” front view (SR60M) . . . . . . . . . . . . . . . . . . . . . . . . . . . . . . . 84 2.1.2 19” Fans subrack front view (SRFAN) . . . . . . . . . . . . . . . . . . . . . . . . . . . . . . . . . . . . . . . . . . 84 2.1.3 1660SM Shelf “with fans” front view . . . . . . . . . . . . . . . . . . . . . . . . . . . . . . . . . . . . . . . . . . 85 2.2 Part list . . . . . . . . . . . . . . . . . . . . . . . . . . . . . . . . . . . . . . . . . . . . . . . . . . . . . . . . . . . . . . . . . . . . . . . 86 2.2.1 Equipment Shelf part list . . . . . . . . . . . . . . . . . . . . . . . . . . . . . . . . . . . . . . . . . . . . . . . . . . . . . 87 2.2.2 Fans Subrack 19” part list . . . . . . . . . . . . . . . . . . . . . . . . . . . . . . . . . . . . . . . . . . . . . . . . . . . . 104 2.2.3 Explanatory notes . . . . . . . . . . . . . . . . . . . . . . . . . . . . . . . . . . . . . . . . . . . . . . . . . . . . . . . . . . . 105 2.3 Relationship between Port Card and Access Card . . . . . . . . . . . . . . . . . . . . . . . . . . . . . . . . 110 2.4 Units front view . . . . . . . . . . . . . . . . . . . . . . . . . . . . . . . . . . . . . . . . . . . . . . . . . . . . . . . . . . . . . . . . 123 2.4.1 Port cards front view . . . . . . . . . . . . . . . . . . . . . . . . . . . . . . . . . . . . . . . . . . . . . . . . . . . . . . . . . 124 2.4.2 Access cards front view . . . . . . . . . . . . . . . . . . . . . . . . . . . . . . . . . . . . . . . . . . . . . . . . . . . . . . 150 2.4.3 FAN subrack cover front view . . . . . . . . . . . . . . . . . . . . . . . . . . . . . . . . . . . . . . . . . . . . . . . . . 173 2.4.4 Assembled Fans unit . . . . . . . . . . . . . . . . . . . . . . . . . . . . . . . . . . . . . . . . . . . . . . . . . . . . . . . . 174 3 FUNCTIONAL DESCRIPTION . . . . . . . . . . . . . . . . . . . . . . . . . . . . . . . . . . . . . . . . . . . . . . . . . . . . . . . . 175 3.1 General description . . . . . . . . . . . . . . . . . . . . . . . . . . . . . . . . . . . . . . . . . . . . . . . . . . . . . . . . . . . . 175 3.2 Connections sub–system . . . . . . . . . . . . . . . . . . . . . . . . . . . . . . . . . . . . . . . . . . . . . . . . . . . . . . . 198 3.3 SIGNAL MANAGEMENT SUB–SYSTEM . . . . . . . . . . . . . . . . . . . . . . . . . . . . . . . . . . . . . . . . . . 200 3.3.1 Signal management referred to ”G.783 1994” . . . . . . . . . . . . . . . . . . . . . . . . . . . . . . . . . . . 200 3.3.2 SDH port signal management . . . . . . . . . . . . . . . . . . . . . . . . . . . . . . . . . . . . . . . . . . . . . . . . 201 3.3.3 PDH port signal management . . . . . . . . . . . . . . . . . . . . . . . . . . . . . . . . . . . . . . . . . . . . . . . . 204 3.3.4 SIGNAL MANAGEMENT referred to ”G. 783” . . . . . . . . . . . . . . . . . . . . . . . . . . . . . . . . . . . 206 3.3.5 ATOMIC FUNCTION NAMING CONVENTIONS . . . . . . . . . . . . . . . . . . . . . . . . . . . . . . . . . 206 3.3.6 SDH PORT FUNCTIONAL BLOCKS . . . . . . . . . . . . . . . . . . . . . . . . . . . . . . . . . . . . . . . . . . . 207 1AA 00014 0004 (9007) A4 – ALICE 04.10 3.3.7 PDH PORT FUNCTIONAL BLOCKS . . . . . . . . . . . . . . . . . . . . . . . . . . . . . . . . . . . . . . . . . . . 217 3.4 ISA (Integrated Service Adapter) introduction . . . . . . . . . . . . . . . . . . . . . . . . . . . . . . . . . . . . 223 3.5 ISA – ATM management sub–system . . . . . . . . . . . . . . . . . . . . . . . . . . . . . . . . . . . . . . . . . . . . 225 ED 03 3AL 91669 AA AA 2 / 706 706
  • 5.
    3.5.1 ATM (Asynchronous Transfer Mode) basic . . . . . . . . . . . . . . . . . . . . . . . . . . . . . . . . . . . . 225 3.5.2 ATM in1660SM . . . . . . . . . . . . . . . . . . . . . . . . . . . . . . . . . . . . . . . . . . . . . . . . . . . . . . . . . . . . . 229 3.6 ISA – PR_EA (MPLS) sub–system . . . . . . . . . . . . . . . . . . . . . . . . . . . . . . . . . . . . . . . . . . . . . . . 234 3.6.1 PR_EA (MPLS) generalities . . . . . . . . . . . . . . . . . . . . . . . . . . . . . . . . . . . . . . . . . . . . . . . . . . 234 not permitted without written authorization from Alcatel. 3.6.2 PR_EA (MPLS) service in 1660SM equipment . . . . . . . . . . . . . . . . . . . . . . . . . . . . . . . . . . 241 All rights reserved. Passing on and copying of this document, use and communication of its contents 3.7 ISA – PR Subsystem . . . . . . . . . . . . . . . . . . . . . . . . . . . . . . . . . . . . . . . . . . . . . . . . . . . . . . . . . . . 245 3.7.1 PR Generalities . . . . . . . . . . . . . . . . . . . . . . . . . . . . . . . . . . . . . . . . . . . . . . . . . . . . . . . . . . . . . 245 3.7.2 PR in 1660SM . . . . . . . . . . . . . . . . . . . . . . . . . . . . . . . . . . . . . . . . . . . . . . . . . . . . . . . . . . . . . . 246 3.8 ISA – ETHERNET management sub–system . . . . . . . . . . . . . . . . . . . . . . . . . . . . . . . . . . . . . 263 3.8.1 LAN to LAN transport service . . . . . . . . . . . . . . . . . . . . . . . . . . . . . . . . . . . . . . . . . . . . . . . . . 263 3.8.2 LAN to LAN functional description . . . . . . . . . . . . . . . . . . . . . . . . . . . . . . . . . . . . . . . . . . . . . 264 3.8.3 Main features description . . . . . . . . . . . . . . . . . . . . . . . . . . . . . . . . . . . . . . . . . . . . . . . . . . . . . 265 3.8.4 Technical specification . . . . . . . . . . . . . . . . . . . . . . . . . . . . . . . . . . . . . . . . . . . . . . . . . . . . . . . 273 3.8.5 Ethernet boards . . . . . . . . . . . . . . . . . . . . . . . . . . . . . . . . . . . . . . . . . . . . . . . . . . . . . . . . . . . . . 275 3.9 ISA – ES (Ethernet Switch) . . . . . . . . . . . . . . . . . . . . . . . . . . . . . . . . . . . . . . . . . . . . . . . . . . . . . . 281 3.9.1 General . . . . . . . . . . . . . . . . . . . . . . . . . . . . . . . . . . . . . . . . . . . . . . . . . . . . . . . . . . . . . . . . . . . . 281 3.9.2 ISA–ES series modules . . . . . . . . . . . . . . . . . . . . . . . . . . . . . . . . . . . . . . . . . . . . . . . . . . . . . . 284 3.10 4 x ANY HOST C subsystem . . . . . . . . . . . . . . . . . . . . . . . . . . . . . . . . . . . . . . . . . . . . . . . . . . . 293 3.11 Coarse WDM sub–system . . . . . . . . . . . . . . . . . . . . . . . . . . . . . . . . . . . . . . . . . . . . . . . . . . . . . 300 3.11.1 Equipment facilities . . . . . . . . . . . . . . . . . . . . . . . . . . . . . . . . . . . . . . . . . . . . . . . . . . . . . . . . . 301 3.11.2 Functional description . . . . . . . . . . . . . . . . . . . . . . . . . . . . . . . . . . . . . . . . . . . . . . . . . . . . . . 303 3.11.3 “Ring” node functional scheme . . . . . . . . . . . . . . . . . . . . . . . . . . . . . . . . . . . . . . . . . . . . . . . 304 3.11.4 “Terminal” node functional scheme . . . . . . . . . . . . . . . . . . . . . . . . . . . . . . . . . . . . . . . . . . . 307 3.11.5 Optical span design . . . . . . . . . . . . . . . . . . . . . . . . . . . . . . . . . . . . . . . . . . . . . . . . . . . . . . . . 309 3.12 Controller sub–system . . . . . . . . . . . . . . . . . . . . . . . . . . . . . . . . . . . . . . . . . . . . . . . . . . . . . . . . 315 3.12.1 Network management interfaces . . . . . . . . . . . . . . . . . . . . . . . . . . . . . . . . . . . . . . . . . . . . . 317 3.12.2 ATM/IP/MPLS over SDH Management . . . . . . . . . . . . . . . . . . . . . . . . . . . . . . . . . . . . . . . . 319 3.13 Protection sub–system . . . . . . . . . . . . . . . . . . . . . . . . . . . . . . . . . . . . . . . . . . . . . . . . . . . . . . . . 321 3.13.1 EPS Protections . . . . . . . . . . . . . . . . . . . . . . . . . . . . . . . . . . . . . . . . . . . . . . . . . . . . . . . . . . . 322 3.13.2 MS linear trail Protection (1+1 linear APS) . . . . . . . . . . . . . . . . . . . . . . . . . . . . . . . . . . . . . 335 3.13.3 MS linear trail Protection (1:N linear dual–ended APS) . . . . . . . . . . . . . . . . . . . . . . . . . . 337 3.13.4 SNCP (Sub–Network Connection Protection) . . . . . . . . . . . . . . . . . . . . . . . . . . . . . . . . . . 339 3.13.5 Drop & Continue . . . . . . . . . . . . . . . . . . . . . . . . . . . . . . . . . . . . . . . . . . . . . . . . . . . . . . . . . . . 344 3.13.6 Collapsed dual node ring interconnection . . . . . . . . . . . . . . . . . . . . . . . . . . . . . . . . . . . . . 348 3.13.7 Collapsed single node ring interconnection . . . . . . . . . . . . . . . . . . . . . . . . . . . . . . . . . . . . 351 3.13.8 MS–SPRING protection . . . . . . . . . . . . . . . . . . . . . . . . . . . . . . . . . . . . . . . . . . . . . . . . . . . . . 354 3.14 Synchronizing sub–system . . . . . . . . . . . . . . . . . . . . . . . . . . . . . . . . . . . . . . . . . . . . . . . . . . . . 363 3.15 Auxiliary and DCC sub–system . . . . . . . . . . . . . . . . . . . . . . . . . . . . . . . . . . . . . . . . . . . . . . . . 365 3.16 Power supply sub–system . . . . . . . . . . . . . . . . . . . . . . . . . . . . . . . . . . . . . . . . . . . . . . . . . . . . . 367 3.17 Remote inventory Sub–system . . . . . . . . . . . . . . . . . . . . . . . . . . . . . . . . . . . . . . . . . . . . . . . . 370 3.18 Frames Structure . . . . . . . . . . . . . . . . . . . . . . . . . . . . . . . . . . . . . . . . . . . . . . . . . . . . . . . . . . . . . 371 3.18.1 Synchronous 2048 Kb/s frames . . . . . . . . . . . . . . . . . . . . . . . . . . . . . . . . . . . . . . . . . . . . . . 380 3.18.2 ATM cells mapping into SDH/PDH frames . . . . . . . . . . . . . . . . . . . . . . . . . . . . . . . . . . . . . 383 4 UNITS DESCRIPTION . . . . . . . . . . . . . . . . . . . . . . . . . . . . . . . . . . . . . . . . . . . . . . . . . . . . . . . . . . . . . . 385 4.1 21 x 2 Mbit/s access card (A21E1) . . . . . . . . . . . . . . . . . . . . . . . . . . . . . . . . . . . . . . . . . . . . . . . 385 4.2 3 X 34 Mbit/s access card (A3E3) . . . . . . . . . . . . . . . . . . . . . . . . . . . . . . . . . . . . . . . . . . . . . . . . 387 4.3 3 X 45 Mbit/s access card (A3T3) . . . . . . . . . . . . . . . . . . . . . . . . . . . . . . . . . . . . . . . . . . . . . . . . 389 4.4 2 x 140/STM–1 O/E adapter (A2S1) . . . . . . . . . . . . . . . . . . . . . . . . . . . . . . . . . . . . . . . . . . . . . . 391 4.5 4 x STM–1 electrical access card (A4ES1) . . . . . . . . . . . . . . . . . . . . . . . . . . . . . . . . . . . . . . . . 393 4.6 Optical Access 12xSTM–1 (A12OS1E or A12OS1SE) . . . . . . . . . . . . . . . . . . . . . . . . . . . . . . 395 1AA 00014 0004 (9007) A4 – ALICE 04.10 4.7 Electrical Access 16xSTM–1 (A16ES1E) . . . . . . . . . . . . . . . . . . . . . . . . . . . . . . . . . . . . . . . . . 398 4.8 High Speed protection access card (HPROT) . . . . . . . . . . . . . . . . . . . . . . . . . . . . . . . . . . . . 401 4.9 ISA – Ethernet access card (ETH–ATX) . . . . . . . . . . . . . . . . . . . . . . . . . . . . . . . . . . . . . . . . . . 403 ED 03 3AL 91669 AA AA 3 / 706 706
  • 6.
    4.10 ISA – Gigabit Ethernet access Card (GETH–AG) . . . . . . . . . . . . . . . . . . . . . . . . . . . . . . . . . 405 4.11 ISA –16 FEA–PR Fast Ethernet Access Card . . . . . . . . . . . . . . . . . . . . . . . . . . . . . . . . . . . . 408 4.12 ISA – 2 GBA–PR Fast Ethernet Access Card . . . . . . . . . . . . . . . . . . . . . . . . . . . . . . . . . . . . 411 4.13 Optical booster (BST10, BST15, BST17) . . . . . . . . . . . . . . . . . . . . . . . . . . . . . . . . . . . . . . . . 414 not permitted without written authorization from Alcatel. 4.14 Optical 2.5 Gbit/s Preamplifier (PR16) . . . . . . . . . . . . . . . . . . . . . . . . . . . . . . . . . . . . . . . . . . 418 All rights reserved. Passing on and copying of this document, use and communication of its contents 4.15 Electrical module (ICMI) . . . . . . . . . . . . . . . . . . . . . . . . . . . . . . . . . . . . . . . . . . . . . . . . . . . . . . . 425 4.16 STM–1 optical modules . . . . . . . . . . . . . . . . . . . . . . . . . . . . . . . . . . . . . . . . . . . . . . . . . . . . . . . 427 4.17 STM–4 optical modules . . . . . . . . . . . . . . . . . . . . . . . . . . . . . . . . . . . . . . . . . . . . . . . . . . . . . . . 428 4.18 4 x ANY plug–in modules . . . . . . . . . . . . . . . . . . . . . . . . . . . . . . . . . . . . . . . . . . . . . . . . . . . . . . 429 4.19 SFP optical modules: 1000B and 100B . . . . . . . . . . . . . . . . . . . . . . . . . . . . . . . . . . . . . . . . . 430 4.20 63 x 2 Mbit/s port card (P63E1) . . . . . . . . . . . . . . . . . . . . . . . . . . . . . . . . . . . . . . . . . . . . . . . . 432 4.21 63 x 2 Mbit/s / G703 / ISDN–PRA port card ( P63E1N–M4) . . . . . . . . . . . . . . . . . . . . . . . . 435 4.22 3 x 34/45 Mbit/s port card (P3E3T3) . . . . . . . . . . . . . . . . . . . . . . . . . . . . . . . . . . . . . . . . . . . . . 440 4.23 4 x STM–1 electrical/optical port card (P4S1N) . . . . . . . . . . . . . . . . . . . . . . . . . . . . . . . . . . 443 4.24 4 X 140/STM1 switchable O/E port card (P4E4N) . . . . . . . . . . . . . . . . . . . . . . . . . . . . . . . . . 448 4.25 4 x STM–1 port (P4ES1N) . . . . . . . . . . . . . . . . . . . . . . . . . . . . . . . . . . . . . . . . . . . . . . . . . . . . . . 455 4.26 Port 16xSTM1 – 4xSTM4 (P16S1–4E) . . . . . . . . . . . . . . . . . . . . . . . . . . . . . . . . . . . . . . . . . . . 460 4.27 4 x OC3 AU3/TU3 CONVERSION port (P4OC3) . . . . . . . . . . . . . . . . . . . . . . . . . . . . . . . . . . 463 4.28 STM–4 optical ports . . . . . . . . . . . . . . . . . . . . . . . . . . . . . . . . . . . . . . . . . . . . . . . . . . . . . . . . . . . 471 4.29 4 x STM–4 optical port (P4S4N) . . . . . . . . . . . . . . . . . . . . . . . . . . . . . . . . . . . . . . . . . . . . . . . . 476 4.30 ISA – ATM MATRIX 4X4 (ATM4X4) . . . . . . . . . . . . . . . . . . . . . . . . . . . . . . . . . . . . . . . . . . . . . . 481 4.31 ISA – ATM MATRIX 4X4 ENHANCED (ATM4X4D3) . . . . . . . . . . . . . . . . . . . . . . . . . . . . . . . . 488 4.32 ISA – ATM MATRIX 4X4 ENHANCED (ATM4X4V2) . . . . . . . . . . . . . . . . . . . . . . . . . . . . . . . . 488 4.33 ISA – ATM MATRIX 8X8 (ATM8X8) . . . . . . . . . . . . . . . . . . . . . . . . . . . . . . . . . . . . . . . . . . . . . . 494 4.34 ISA–Packet Ring Edge Aggregator Unit (PREA1GBE, PREA4ETH) . . . . . . . . . . . . . . . 501 4.35 ISA – Packet Ring unit (ISA–PR) . . . . . . . . . . . . . . . . . . . . . . . . . . . . . . . . . . . . . . . . . . . . . . . 508 4.36 STM–16 optical port (two slots wide) . . . . . . . . . . . . . . . . . . . . . . . . . . . . . . . . . . . . . . . . . . . 512 4.37 STM–16 optical slim port (one slot wide) . . . . . . . . . . . . . . . . . . . . . . . . . . . . . . . . . . . . . . . 518 4.38 STM–64 optical port . . . . . . . . . . . . . . . . . . . . . . . . . . . . . . . . . . . . . . . . . . . . . . . . . . . . . . . . . . 524 4.39 ISA – Ethernet/Fast Ethernet port (ETH–MB) . . . . . . . . . . . . . . . . . . . . . . . . . . . . . . . . . . . . 527 4.40 ISA –Giga Ethernet Main Board (GETH–MB) . . . . . . . . . . . . . . . . . . . . . . . . . . . . . . . . . . . . 531 4.41 ISA– Ethernet switch (ES1–8FE) . . . . . . . . . . . . . . . . . . . . . . . . . . . . . . . . . . . . . . . . . . . . . . . 535 4.42 ISA– Ethernet switch (ES1–8FX) . . . . . . . . . . . . . . . . . . . . . . . . . . . . . . . . . . . . . . . . . . . . . . . 539 4.43 ISA– Ethernet switch (ES4–8FE) . . . . . . . . . . . . . . . . . . . . . . . . . . . . . . . . . . . . . . . . . . . . . . . 539 4.44 ISA ES–16 . . . . . . . . . . . . . . . . . . . . . . . . . . . . . . . . . . . . . . . . . . . . . . . . . . . . . . . . . . . . . . . . . . . . 544 4.45 4 X ANY HOST C card . . . . . . . . . . . . . . . . . . . . . . . . . . . . . . . . . . . . . . . . . . . . . . . . . . . . . . . . . 549 4.46 COADM1 . . . . . . . . . . . . . . . . . . . . . . . . . . . . . . . . . . . . . . . . . . . . . . . . . . . . . . . . . . . . . . . . . . . . . 554 4.47 COADM2 . . . . . . . . . . . . . . . . . . . . . . . . . . . . . . . . . . . . . . . . . . . . . . . . . . . . . . . . . . . . . . . . . . . . . 556 4.48 COMDX8 . . . . . . . . . . . . . . . . . . . . . . . . . . . . . . . . . . . . . . . . . . . . . . . . . . . . . . . . . . . . . . . . . . . . . 558 4.49 2xCH Transponder SFP without optics (COWLA2) . . . . . . . . . . . . . . . . . . . . . . . . . . . . . . 560 4.50 PQ2/EQC card . . . . . . . . . . . . . . . . . . . . . . . . . . . . . . . . . . . . . . . . . . . . . . . . . . . . . . . . . . . . . . . . 565 4.51 MatrixE card . . . . . . . . . . . . . . . . . . . . . . . . . . . . . . . . . . . . . . . . . . . . . . . . . . . . . . . . . . . . . . . . . . 568 4.52 CONGI card . . . . . . . . . . . . . . . . . . . . . . . . . . . . . . . . . . . . . . . . . . . . . . . . . . . . . . . . . . . . . . . . . . 572 4.53 SERVICE card . . . . . . . . . . . . . . . . . . . . . . . . . . . . . . . . . . . . . . . . . . . . . . . . . . . . . . . . . . . . . . . . 577 4.54 FAN SHELF 19” AND RELEVANT FAN UNIT . . . . . . . . . . . . . . . . . . . . . . . . . . . . . . . . . . . . . 583 4.55 ASSEMBLED FANS UNIT . . . . . . . . . . . . . . . . . . . . . . . . . . . . . . . . . . . . . . . . . . . . . . . . . . . . . . 587 5 TECHNICAL SPECIFICATIONS . . . . . . . . . . . . . . . . . . . . . . . . . . . . . . . . . . . . . . . . . . . . . . . . . . . . . . 591 5.1 General characteristics . . . . . . . . . . . . . . . . . . . . . . . . . . . . . . . . . . . . . . . . . . . . . . . . . . . . . . . . . 591 5.1.1 Optical Safety . . . . . . . . . . . . . . . . . . . . . . . . . . . . . . . . . . . . . . . . . . . . . . . . . . . . . . . . . . . . . . 595 5.1.2 Electrical Safety . . . . . . . . . . . . . . . . . . . . . . . . . . . . . . . . . . . . . . . . . . . . . . . . . . . . . . . . . . . . . 600 1AA 00014 0004 (9007) A4 – ALICE 04.10 5.2 Electrical interface characteristics . . . . . . . . . . . . . . . . . . . . . . . . . . . . . . . . . . . . . . . . . . . . . . 601 5.2.1 21 X 2 Mbit/s 75 Ohm electrical characteristics (A21E1) . . . . . . . . . . . . . . . . . . . . . . . . . . 601 5.2.2 21 X 2 Mbit/s 120 Ohm electrical characteristics (A21E1) . . . . . . . . . . . . . . . . . . . . . . . . . 601 ED 03 3AL 91669 AA AA 4 / 706 706
  • 7.
    5.2.3 21 X2 Mbit/s 120 Ohm K20 electrical characteristics (A21E1) . . . . . . . . . . . . . . . . . . . . . 601 5.2.4 3 X 34 Mbit/s electrical characteristics (A3E3) . . . . . . . . . . . . . . . . . . . . . . . . . . . . . . . . . . 601 5.2.5 3 X 45 Mbit/s electrical characteristics (A3T3) . . . . . . . . . . . . . . . . . . . . . . . . . . . . . . . . . . 602 5.2.6 STM–1 electrical characteristics (A4 ES1 and ICMI) . . . . . . . . . . . . . . . . . . . . . . . . . . . . . 602 not permitted without written authorization from Alcatel. 5.2.7 140 Mbit/s electrical characteristics (ICMI) . . . . . . . . . . . . . . . . . . . . . . . . . . . . . . . . . . . . . . 602 All rights reserved. Passing on and copying of this document, use and communication of its contents 5.2.8 Engineering Order Wire characteristics (SERVICE) . . . . . . . . . . . . . . . . . . . . . . . . . . . . . . 603 5.2.9 AUX channels characteristics (SERVICE) . . . . . . . . . . . . . . . . . . . . . . . . . . . . . . . . . . . . . . 603 5.3 ATM interface characteristics . . . . . . . . . . . . . . . . . . . . . . . . . . . . . . . . . . . . . . . . . . . . . . . . . . 605 5.3.1 ATM matrix 4x4 switching capability (ATM4X4) . . . . . . . . . . . . . . . . . . . . . . . . . . . . . . . . . . 605 5.3.2 ATM matrix 4x4V2 switching capability (ATM4X4V2) . . . . . . . . . . . . . . . . . . . . . . . . . . . . . 606 5.3.3 ATM matrix 4x4 D3 switching capability (ATM4X4D3) . . . . . . . . . . . . . . . . . . . . . . . . . . . . 607 5.3.4 ATM matrix 8x8 switching capability (ATM8X8) . . . . . . . . . . . . . . . . . . . . . . . . . . . . . . . . . . 608 5.4 PR_EA characteristics and MPLS data traffic management (PREA4ETH, PREA1GBE) 609 5.5 PR characteristics . . . . . . . . . . . . . . . . . . . . . . . . . . . . . . . . . . . . . . . . . . . . . . . . . . . . . . . . . . . . . 610 5.5.1 ISA–PR port card interface characteristics . . . . . . . . . . . . . . . . . . . . . . . . . . . . . . . . . . . . . . 610 5.5.2 16FEA–PR access card interface characteristics . . . . . . . . . . . . . . . . . . . . . . . . . . . . . . . . 611 5.5.3 2GBA–PR access card interface characteristics . . . . . . . . . . . . . . . . . . . . . . . . . . . . . . . . . 611 5.6 ETHERNET interface characteristics . . . . . . . . . . . . . . . . . . . . . . . . . . . . . . . . . . . . . . . . . . . . 612 5.6.1 Ethernet 10/100Base–T interface characteristics (ETH–MB + ETH–ATX) . . . . . . . . . . 612 5.6.2 Ethernet switch port card characteristics (ES1–8FE) . . . . . . . . . . . . . . . . . . . . . . . . . . . . . 613 5.6.3 Ethernet switch port card characteristics (ES1–8FX) . . . . . . . . . . . . . . . . . . . . . . . . . . . . . 614 5.6.4 Ethernet switch port card characteristics (ES4–8FE) . . . . . . . . . . . . . . . . . . . . . . . . . . . . . 615 5.6.5 Ethernet switch port card characteristics (ISA ES–16) . . . . . . . . . . . . . . . . . . . . . . . . . . . . 616 5.6.6 Access Card Gigabit Ethernet interfaces characteristics (GETH–AG) . . . . . . . . . . . . . . 617 5.6.7 Gigabit Ethernet ports card interfaces characteristics (GETH–MB) . . . . . . . . . . . . . . . . . 618 5.7 4 x ANY clients characteristics . . . . . . . . . . . . . . . . . . . . . . . . . . . . . . . . . . . . . . . . . . . . . . . . . . 619 5.7.1 Gigabit Ethernet LX . . . . . . . . . . . . . . . . . . . . . . . . . . . . . . . . . . . . . . . . . . . . . . . . . . . . . . . . . 619 5.7.2 Gigabit Ethernet SX . . . . . . . . . . . . . . . . . . . . . . . . . . . . . . . . . . . . . . . . . . . . . . . . . . . . . . . . . 620 5.7.3 Fiber Channel 100–SM–LL–I . . . . . . . . . . . . . . . . . . . . . . . . . . . . . . . . . . . . . . . . . . . . . . . . . 621 5.7.4 Fiber Channel 100–M5–SL–I . . . . . . . . . . . . . . . . . . . . . . . . . . . . . . . . . . . . . . . . . . . . . . . . . 622 5.7.5 Fast Ethernet (100BASE FX)/FDDI . . . . . . . . . . . . . . . . . . . . . . . . . . . . . . . . . . . . . . . . . . . . 623 5.7.6 ESCON . . . . . . . . . . . . . . . . . . . . . . . . . . . . . . . . . . . . . . . . . . . . . . . . . . . . . . . . . . . . . . . . . . . . 624 5.7.7 Digital Video . . . . . . . . . . . . . . . . . . . . . . . . . . . . . . . . . . . . . . . . . . . . . . . . . . . . . . . . . . . . . . . . 625 5.8 Optical interface characteristics . . . . . . . . . . . . . . . . . . . . . . . . . . . . . . . . . . . . . . . . . . . . . . . . 626 5.8.1 Example of a link using 1660SM with L–16.2 JE2 Port and 15 dBm Booster . . . . . . . . 640 5.8.2 Example of a link using 1660SM with L–64.2b “Extended” . . . . . . . . . . . . . . . . . . . . . . . . 641 5.8.3 Example of a link using 1660SM with L–64.2b “Reduced” . . . . . . . . . . . . . . . . . . . . . . . . 643 5.9 Coarse WDM subsystem units characteristics . . . . . . . . . . . . . . . . . . . . . . . . . . . . . . . . . . . 644 5.9.1 COADM–1 Channel . . . . . . . . . . . . . . . . . . . . . . . . . . . . . . . . . . . . . . . . . . . . . . . . . . . . . . . . . 644 5.9.2 COADM–2 Channels . . . . . . . . . . . . . . . . . . . . . . . . . . . . . . . . . . . . . . . . . . . . . . . . . . . . . . . . 645 5.9.3 MUX/DEMUX 8 Channels . . . . . . . . . . . . . . . . . . . . . . . . . . . . . . . . . . . . . . . . . . . . . . . . . . . . 646 5.9.4 2 Channels TRANSPONDER SFP without optical modulle . . . . . . . . . . . . . . . . . . . . . . . . 647 5.9.5 CWDM optical PLUGIN . . . . . . . . . . . . . . . . . . . . . . . . . . . . . . . . . . . . . . . . . . . . . . . . . . . . . . 647 5.10 Power Supply characteristics . . . . . . . . . . . . . . . . . . . . . . . . . . . . . . . . . . . . . . . . . . . . . . . . . . 649 5.10.1 Power consumption . . . . . . . . . . . . . . . . . . . . . . . . . . . . . . . . . . . . . . . . . . . . . . . . . . . . . . . . 649 5.11 Alarm Characteristics . . . . . . . . . . . . . . . . . . . . . . . . . . . . . . . . . . . . . . . . . . . . . . . . . . . . . . . . . 650 5.12 Mechanical characteristics . . . . . . . . . . . . . . . . . . . . . . . . . . . . . . . . . . . . . . . . . . . . . . . . . . . . 653 5.12.1 1660SM subrack without fans . . . . . . . . . . . . . . . . . . . . . . . . . . . . . . . . . . . . . . . . . . . . . . . . 653 5.12.2 1660SM subrack with fans shelf . . . . . . . . . . . . . . . . . . . . . . . . . . . . . . . . . . . . . . . . . . . . . . 653 5.12.3 Fans shelf 19” . . . . . . . . . . . . . . . . . . . . . . . . . . . . . . . . . . . . . . . . . . . . . . . . . . . . . . . . . . . . . 653 1AA 00014 0004 (9007) A4 – ALICE 04.10 5.13 Environmental conditions . . . . . . . . . . . . . . . . . . . . . . . . . . . . . . . . . . . . . . . . . . . . . . . . . . . . . 654 5.13.1 Electromagnetic Compatibility (EMC) norms . . . . . . . . . . . . . . . . . . . . . . . . . . . . . . . . . . . 654 5.13.2 Waste from Electrical and Electronic Equipment (WEEE) . . . . . . . . . . . . . . . . . . . . . . . 655 5.13.3 Acoustical noise . . . . . . . . . . . . . . . . . . . . . . . . . . . . . . . . . . . . . . . . . . . . . . . . . . . . . . . . . . . 655 ED 03 3AL 91669 AA AA 5 / 706 706
  • 8.
    5.13.4 Climatic foroperating conditions . . . . . . . . . . . . . . . . . . . . . . . . . . . . . . . . . . . . . . . . . . . . . 656 5.13.5 Storage . . . . . . . . . . . . . . . . . . . . . . . . . . . . . . . . . . . . . . . . . . . . . . . . . . . . . . . . . . . . . . . . . . . 658 5.13.6 Transportation . . . . . . . . . . . . . . . . . . . . . . . . . . . . . . . . . . . . . . . . . . . . . . . . . . . . . . . . . . . . . 660 not permitted without written authorization from Alcatel. MAINTENANCE . . . . . . . . . . . . . . . . . . . . . . . . . . . . . . . . . . . . . . . . . . . . . . . . . . . . . . . . . . . . . . . . . . . . . . 663 All rights reserved. Passing on and copying of this document, use and communication of its contents 6 MAINTENANCE . . . . . . . . . . . . . . . . . . . . . . . . . . . . . . . . . . . . . . . . . . . . . . . . . . . . . . . . . . . . . . . . . . . . 665 6.1 General safety rules . . . . . . . . . . . . . . . . . . . . . . . . . . . . . . . . . . . . . . . . . . . . . . . . . . . . . . . . . . . . 665 6.2 General rules . . . . . . . . . . . . . . . . . . . . . . . . . . . . . . . . . . . . . . . . . . . . . . . . . . . . . . . . . . . . . . . . . . 666 6.3 Maintenance Aspects . . . . . . . . . . . . . . . . . . . . . . . . . . . . . . . . . . . . . . . . . . . . . . . . . . . . . . . . . . 666 6.4 Instruments And Accessories . . . . . . . . . . . . . . . . . . . . . . . . . . . . . . . . . . . . . . . . . . . . . . . . . . . 666 6.5 Routine Maintenance . . . . . . . . . . . . . . . . . . . . . . . . . . . . . . . . . . . . . . . . . . . . . . . . . . . . . . . . . . . 667 6.5.1 Routine maintenance every three months . . . . . . . . . . . . . . . . . . . . . . . . . . . . . . . . . . . . . . 667 6.5.2 Routine maintenance every year . . . . . . . . . . . . . . . . . . . . . . . . . . . . . . . . . . . . . . . . . . . . . . 669 6.5.3 Routine Maintenance every five year . . . . . . . . . . . . . . . . . . . . . . . . . . . . . . . . . . . . . . . . . . 669 6.6 Corrective Maintenance (Trouble/Shooting) . . . . . . . . . . . . . . . . . . . . . . . . . . . . . . . . . . . . . . 670 6.6.1 Fan unit substitution . . . . . . . . . . . . . . . . . . . . . . . . . . . . . . . . . . . . . . . . . . . . . . . . . . . . . . . . . 670 6.7 Set of spare parts . . . . . . . . . . . . . . . . . . . . . . . . . . . . . . . . . . . . . . . . . . . . . . . . . . . . . . . . . . . . . . 671 6.7.1 Suggested Spare Parts . . . . . . . . . . . . . . . . . . . . . . . . . . . . . . . . . . . . . . . . . . . . . . . . . . . . . . 671 6.7.2 General rules on spare parts management . . . . . . . . . . . . . . . . . . . . . . . . . . . . . . . . . . . . . 671 6.7.3 Particular rules on spare parts management . . . . . . . . . . . . . . . . . . . . . . . . . . . . . . . . . . . . 671 6.8 Repair Form . . . . . . . . . . . . . . . . . . . . . . . . . . . . . . . . . . . . . . . . . . . . . . . . . . . . . . . . . . . . . . . . . . . 671 DISMANTLING & RECYCLING . . . . . . . . . . . . . . . . . . . . . . . . . . . . . . . . . . . . . . . . . . . . . . . . . . . . . . . . . 673 7 DISMANTLING & RECYCLING . . . . . . . . . . . . . . . . . . . . . . . . . . . . . . . . . . . . . . . . . . . . . . . . . . . . . . . 675 7.1 WEEE general information . . . . . . . . . . . . . . . . . . . . . . . . . . . . . . . . . . . . . . . . . . . . . . . . . . . . . . 675 7.2 How to disassembly equipment . . . . . . . . . . . . . . . . . . . . . . . . . . . . . . . . . . . . . . . . . . . . . . . . . 676 7.2.1 Tools necessary for disassembly . . . . . . . . . . . . . . . . . . . . . . . . . . . . . . . . . . . . . . . . . . . . . . 676 7.2.2 Subrack disassembly . . . . . . . . . . . . . . . . . . . . . . . . . . . . . . . . . . . . . . . . . . . . . . . . . . . . . . . . 677 7.2.3 Unit disassembly . . . . . . . . . . . . . . . . . . . . . . . . . . . . . . . . . . . . . . . . . . . . . . . . . . . . . . . . . . . . 684 7.2.4 Hazardous materials and components . . . . . . . . . . . . . . . . . . . . . . . . . . . . . . . . . . . . . . . . . 694 7.3 Eco declaration . . . . . . . . . . . . . . . . . . . . . . . . . . . . . . . . . . . . . . . . . . . . . . . . . . . . . . . . . . . . . . . . 696 HARDWARE SETTING DOCUMENTATION . . . . . . . . . . . . . . . . . . . . . . . . . . . . . . . . . . . . . . . . . . . . . . 699 UNITS DOCUMENTATION LIST . . . . . . . . . . . . . . . . . . . . . . . . . . . . . . . . . . . . . . . . . . . . . . . . . . . . . . . . 701 1AA 00014 0004 (9007) A4 – ALICE 04.10 ED 03 3AL 91669 AA AA 6 / 706 706
  • 9.
    LIST OF FIGURESAND TABLES FIGURES not permitted without written authorization from Alcatel. Figure 1. Subrack label . . . . . . . . . . . . . . . . . . . . . . . . . . . . . . . . . . . . . . . . . . . . . . . . . . . . . . . . . . . . . . . . 41 All rights reserved. Passing on and copying of this document, use and communication of its contents Figure 2. Subrack label . . . . . . . . . . . . . . . . . . . . . . . . . . . . . . . . . . . . . . . . . . . . . . . . . . . . . . . . . . . . . . . . 42 Figure 3. Subrack label . . . . . . . . . . . . . . . . . . . . . . . . . . . . . . . . . . . . . . . . . . . . . . . . . . . . . . . . . . . . . . . . 43 Figure 4. Labels on units with standard cover plate . . . . . . . . . . . . . . . . . . . . . . . . . . . . . . . . . . . . . . . 44 Figure 5. Modules label . . . . . . . . . . . . . . . . . . . . . . . . . . . . . . . . . . . . . . . . . . . . . . . . . . . . . . . . . . . . . . . . 45 Figure 6. Internal label for Printed Board Assembly . . . . . . . . . . . . . . . . . . . . . . . . . . . . . . . . . . . . . . . . 46 Figure 7. Back panels internal label . . . . . . . . . . . . . . . . . . . . . . . . . . . . . . . . . . . . . . . . . . . . . . . . . . . . . . 47 Figure 8. Label specifying item not on catalogue (P/N. and serial number) . . . . . . . . . . . . . . . . . . . . 48 Figure 9. Label specifying item on catalogue (P/N. and serial number) . . . . . . . . . . . . . . . . . . . . . . . 48 Figure 10. Item identification labels – item on catalog . . . . . . . . . . . . . . . . . . . . . . . . . . . . . . . . . . . . . . 49 Figure 11. Label identifying the equipment (example) . . . . . . . . . . . . . . . . . . . . . . . . . . . . . . . . . . . . . . 49 Figure 12. CE label . . . . . . . . . . . . . . . . . . . . . . . . . . . . . . . . . . . . . . . . . . . . . . . . . . . . . . . . . . . . . . . . . . . . 50 Figure 13. WEEE label . . . . . . . . . . . . . . . . . . . . . . . . . . . . . . . . . . . . . . . . . . . . . . . . . . . . . . . . . . . . . . . . . 50 Figure 14. Example of SDH/DATA/CWDM integration in “metro area” . . . . . . . . . . . . . . . . . . . . . . . . 67 Figure 15. Example of ATM Transport management . . . . . . . . . . . . . . . . . . . . . . . . . . . . . . . . . . . . . . . 68 Figure 16. ISA–PR Deployment Scenario . . . . . . . . . . . . . . . . . . . . . . . . . . . . . . . . . . . . . . . . . . . . . . . . . 69 Figure 17. Ethernet service application . . . . . . . . . . . . . . . . . . . . . . . . . . . . . . . . . . . . . . . . . . . . . . . . . . . 70 Figure 18. Terminal multiplexer . . . . . . . . . . . . . . . . . . . . . . . . . . . . . . . . . . . . . . . . . . . . . . . . . . . . . . . . . . 71 Figure 19. Add/Drop Multiplexer . . . . . . . . . . . . . . . . . . . . . . . . . . . . . . . . . . . . . . . . . . . . . . . . . . . . . . . . . 71 Figure 20. ”HUB” STM–1 . . . . . . . . . . . . . . . . . . . . . . . . . . . . . . . . . . . . . . . . . . . . . . . . . . . . . . . . . . . . . . . 72 Figure 21. Point–to–point links . . . . . . . . . . . . . . . . . . . . . . . . . . . . . . . . . . . . . . . . . . . . . . . . . . . . . . . . . . 72 Figure 22. Linear drop–insert . . . . . . . . . . . . . . . . . . . . . . . . . . . . . . . . . . . . . . . . . . . . . . . . . . . . . . . . . . . 73 Figure 23. Ring structure . . . . . . . . . . . . . . . . . . . . . . . . . . . . . . . . . . . . . . . . . . . . . . . . . . . . . . . . . . . . . . . 73 Figure 24. Meshed topology . . . . . . . . . . . . . . . . . . . . . . . . . . . . . . . . . . . . . . . . . . . . . . . . . . . . . . . . . . . . 74 Figure 25. SDH/CWDM integration in “ring” with COADM units . . . . . . . . . . . . . . . . . . . . . . . . . . . . . . 75 Figure 26. SDH/CWDM integration in “ring” with COADM unit: detailed view . . . . . . . . . . . . . . . . . . 76 Figure 27. SDH/CWDM integration in “ring” with MUX/DEMUX unit . . . . . . . . . . . . . . . . . . . . . . . . . . 77 Figure 28. SDH/CWDM integration in “ring” with MUX/DEMUX unit: detailed view . . . . . . . . . . . . . . 78 Figure 29. SDH/CWDM integration in “linear” network . . . . . . . . . . . . . . . . . . . . . . . . . . . . . . . . . . . . . . 79 Figure 30. SDH/CWDM integration in “linear” network (MUX/DEMUX): detailed view . . . . . . . . . . . 79 Figure 31. SDH/CWDM integration in “linear” network (COADM unit): detailed view . . . . . . . . . . . . 80 Figure 32. 1660SM units positioning in “SR60M” subrack . . . . . . . . . . . . . . . . . . . . . . . . . . . . . . . . . . . 84 Figure 33. 19” Fans subrack unit slots . . . . . . . . . . . . . . . . . . . . . . . . . . . . . . . . . . . . . . . . . . . . . . . . . . . 84 Figure 34. 1660SM units positioning in 1660 subrack with fans . . . . . . . . . . . . . . . . . . . . . . . . . . . . . 85 Figure 35. PDH, SDH electrical ports front view . . . . . . . . . . . . . . . . . . . . . . . . . . . . . . . . . . . . . . . . . . . 124 Figure 36. 4 x STM–1, 4 x OC3 port : front view . . . . . . . . . . . . . . . . . . . . . . . . . . . . . . . . . . . . . . . . . . 125 Figure 37. 16xSTM–1 – 4xSTM–4 port front view . . . . . . . . . . . . . . . . . . . . . . . . . . . . . . . . . . . . . . . . . . 126 Figure 38. STM–4 optical port front view . . . . . . . . . . . . . . . . . . . . . . . . . . . . . . . . . . . . . . . . . . . . . . . . . 127 Figure 39. 4 x STM–4 port card – front view . . . . . . . . . . . . . . . . . . . . . . . . . . . . . . . . . . . . . . . . . . . . . . 128 Figure 40. STM–16 optical front view . . . . . . . . . . . . . . . . . . . . . . . . . . . . . . . . . . . . . . . . . . . . . . . . . . . . 129 Figure 41. I–16 PORT SFF (intra–office) . . . . . . . . . . . . . . . . . . . . . . . . . . . . . . . . . . . . . . . . . . . . . . . . . 130 Figure 42. STM–16 SFP SLIM port optical front view . . . . . . . . . . . . . . . . . . . . . . . . . . . . . . . . . . . . . . . 131 Figure 43. ATM 4X4 and ATM 4X4V2 card – front view . . . . . . . . . . . . . . . . . . . . . . . . . . . . . . . . . . . . . 132 Figure 44. ATM 8X8 card – front view . . . . . . . . . . . . . . . . . . . . . . . . . . . . . . . . . . . . . . . . . . . . . . . . . . . . 133 Figure 45. STM–64 optical port front view . . . . . . . . . . . . . . . . . . . . . . . . . . . . . . . . . . . . . . . . . . . . . . . . 134 Figure 46. ISA – Ethernet port front view . . . . . . . . . . . . . . . . . . . . . . . . . . . . . . . . . . . . . . . . . . . . . . . . . 135 Figure 47. ISA– Gigabit ETHERNET board . . . . . . . . . . . . . . . . . . . . . . . . . . . . . . . . . . . . . . . . . . . . . . . 136 1AA 00014 0004 (9007) A4 – ALICE 04.10 Figure 48. ISA – ES4–8FE port front view . . . . . . . . . . . . . . . . . . . . . . . . . . . . . . . . . . . . . . . . . . . . . . . . 137 Figure 49. ISA – ES1–8FE port front view . . . . . . . . . . . . . . . . . . . . . . . . . . . . . . . . . . . . . . . . . . . . . . . . 138 Figure 50. ISA ES1–8FX front view . . . . . . . . . . . . . . . . . . . . . . . . . . . . . . . . . . . . . . . . . . . . . . . . . . . . . . 139 ED 03 3AL 91669 AA AA 7 / 706 706
  • 10.
    Figure 51. ISAES–16 front view . . . . . . . . . . . . . . . . . . . . . . . . . . . . . . . . . . . . . . . . . . . . . . . . . . . . . . . . . 140 Figure 52. ISA– PRE_EA Matrix 4x Ethernet . . . . . . . . . . . . . . . . . . . . . . . . . . . . . . . . . . . . . . . . . . . . . . 141 Figure 53. ISA– PRE_EA Matrix 1 x GB–ETH . . . . . . . . . . . . . . . . . . . . . . . . . . . . . . . . . . . . . . . . . . . . . 142 Figure 54. ISA– PR Matrix 4x4STM4 PLUG–IN . . . . . . . . . . . . . . . . . . . . . . . . . . . . . . . . . . . . . . . . . . . 143 not permitted without written authorization from Alcatel. Figure 55. COWLA2 front view . . . . . . . . . . . . . . . . . . . . . . . . . . . . . . . . . . . . . . . . . . . . . . . . . . . . . . . . . . 144 All rights reserved. Passing on and copying of this document, use and communication of its contents Figure 56. 4xANY Host C . . . . . . . . . . . . . . . . . . . . . . . . . . . . . . . . . . . . . . . . . . . . . . . . . . . . . . . . . . . . . . . 145 Figure 57. MATRIXE card . . . . . . . . . . . . . . . . . . . . . . . . . . . . . . . . . . . . . . . . . . . . . . . . . . . . . . . . . . . . . . 146 Figure 58. EQUICO (PQ2/EQC) . . . . . . . . . . . . . . . . . . . . . . . . . . . . . . . . . . . . . . . . . . . . . . . . . . . . . . . . . 147 Figure 59. Control and General interface . . . . . . . . . . . . . . . . . . . . . . . . . . . . . . . . . . . . . . . . . . . . . . . . . 148 Figure 60. SERVICE interface . . . . . . . . . . . . . . . . . . . . . . . . . . . . . . . . . . . . . . . . . . . . . . . . . . . . . . . . . . 149 Figure 61. 21 x 2 Mbit/s 75 ohm access card 1.0/2.3 connectors . . . . . . . . . . . . . . . . . . . . . . . . . . . . . 150 Figure 62. 21 X 2 Mbit/s 120 Ohm access card . . . . . . . . . . . . . . . . . . . . . . . . . . . . . . . . . . . . . . . . . . . . 151 Figure 63. 3 X 34 Mbit/s 75 ohm access card . . . . . . . . . . . . . . . . . . . . . . . . . . . . . . . . . . . . . . . . . . . . . 152 Figure 64. 3 X 45 Mbit/s 75 ohm access card . . . . . . . . . . . . . . . . . . . . . . . . . . . . . . . . . . . . . . . . . . . . . 153 Figure 65. 4 X STM–1 access card . . . . . . . . . . . . . . . . . . . . . . . . . . . . . . . . . . . . . . . . . . . . . . . . . . . . . . 154 Figure 66. High Speed protection – front view . . . . . . . . . . . . . . . . . . . . . . . . . . . . . . . . . . . . . . . . . . . . . 155 Figure 67. 2 x 140/STM–1 O/E adapter (access card)– front view . . . . . . . . . . . . . . . . . . . . . . . . . . . . 156 Figure 68. Optical access 12xSTM1 unit front view . . . . . . . . . . . . . . . . . . . . . . . . . . . . . . . . . . . . . . . . 157 Figure 69. Optical access 12xSTM1 SLIM unit front view . . . . . . . . . . . . . . . . . . . . . . . . . . . . . . . . . . . 158 Figure 70. Electrical access 16xSTM1 unit front view . . . . . . . . . . . . . . . . . . . . . . . . . . . . . . . . . . . . . . 159 Figure 71. ISA – Ethernet access front view . . . . . . . . . . . . . . . . . . . . . . . . . . . . . . . . . . . . . . . . . . . . . . 160 Figure 72. ISA – Gigabit Ethernet access card front view . . . . . . . . . . . . . . . . . . . . . . . . . . . . . . . . . . . 161 Figure 73. ISA PR 2XGBE 1000 access card front view . . . . . . . . . . . . . . . . . . . . . . . . . . . . . . . . . . . . 162 Figure 74. ISA PR16XETH 10/100 access card front view . . . . . . . . . . . . . . . . . . . . . . . . . . . . . . . . . . 163 Figure 75. COADM1 front view . . . . . . . . . . . . . . . . . . . . . . . . . . . . . . . . . . . . . . . . . . . . . . . . . . . . . . . . . . 164 Figure 76. COADM2 front view . . . . . . . . . . . . . . . . . . . . . . . . . . . . . . . . . . . . . . . . . . . . . . . . . . . . . . . . . . 165 Figure 77. COMDX8 front view . . . . . . . . . . . . . . . . . . . . . . . . . . . . . . . . . . . . . . . . . . . . . . . . . . . . . . . . . . 166 Figure 78. STM–1/STM–4 optical module front view . . . . . . . . . . . . . . . . . . . . . . . . . . . . . . . . . . . . . . . 167 Figure 79. STM–1 or 140 Mbit/s electrical module front view . . . . . . . . . . . . . . . . . . . . . . . . . . . . . . . . 168 Figure 80. Relationship between SFP modules and housing boards . . . . . . . . . . . . . . . . . . . . . . . . . . 169 Figure 81. 4XANY plug–in module . . . . . . . . . . . . . . . . . . . . . . . . . . . . . . . . . . . . . . . . . . . . . . . . . . . . . . . 170 Figure 82. Optical Booster card front view . . . . . . . . . . . . . . . . . . . . . . . . . . . . . . . . . . . . . . . . . . . . . . . . 171 Figure 83. PREAMPLIFIER 2.5 GB/S front view . . . . . . . . . . . . . . . . . . . . . . . . . . . . . . . . . . . . . . . . . . 172 Figure 84. 19” Fans subrack cover front view . . . . . . . . . . . . . . . . . . . . . . . . . . . . . . . . . . . . . . . . . . . . . 173 Figure 85. Assembled Fans unit front view . . . . . . . . . . . . . . . . . . . . . . . . . . . . . . . . . . . . . . . . . . . . . . . . 174 Figure 86. LOI block diagram . . . . . . . . . . . . . . . . . . . . . . . . . . . . . . . . . . . . . . . . . . . . . . . . . . . . . . . . . . . 175 Figure 87. HOI block diagram . . . . . . . . . . . . . . . . . . . . . . . . . . . . . . . . . . . . . . . . . . . . . . . . . . . . . . . . . . . 176 Figure 88. TTF and HOA block diagram . . . . . . . . . . . . . . . . . . . . . . . . . . . . . . . . . . . . . . . . . . . . . . . . . . 176 Figure 89. 1660SM Block diagram – ( SDH and PDH boards) . . . . . . . . . . . . . . . . . . . . . . . . . . . . . . . 187 Figure 90. 1660SM Block diagram – (SDH and PDH boards) . . . . . . . . . . . . . . . . . . . . . . . . . . . . . . . . 188 Figure 91. 1660SM Block diagram – (SDH boards) . . . . . . . . . . . . . . . . . . . . . . . . . . . . . . . . . . . . . . . 189 Figure 92. 1660SM Block diagram – (SONET and 4xANY HOSTC boards) . . . . . . . . . . . . . . . . . . . 190 Figure 93. 1660SM Block diagram – (CWDM boards) . . . . . . . . . . . . . . . . . . . . . . . . . . . . . . . . . . . . . 191 Figure 94. 1660SM Block diagram – (CWDM boards) . . . . . . . . . . . . . . . . . . . . . . . . . . . . . . . . . . . . . 192 Figure 95. 1660SM Block diagram – ( Common units and ISA boards) . . . . . . . . . . . . . . . . . . . . . . . 193 Figure 96. 1660SM Block diagram – (ISA boards) . . . . . . . . . . . . . . . . . . . . . . . . . . . . . . . . . . . . . . . . . 194 Figure 97. 1660SM Block diagram – (ISA – ES boards) . . . . . . . . . . . . . . . . . . . . . . . . . . . . . . . . . . . 195 Figure 98. 1660SM Block diagram – (ISA – ETHERNET boards) . . . . . . . . . . . . . . . . . . . . . . . . . . . 196 Figure 99. 1660SM Block diagram – (ISA–PR board) . . . . . . . . . . . . . . . . . . . . . . . . . . . . . . . . . . . . . . 197 Figure 100. MATRIXE– Cross connection management . . . . . . . . . . . . . . . . . . . . . . . . . . . . . . . . . . . . 199 1AA 00014 0004 (9007) A4 – ALICE 04.10 Figure 101. SDH signal management block diagram . . . . . . . . . . . . . . . . . . . . . . . . . . . . . . . . . . . . . . . 203 Figure 102. 2Mbit/s, 34 Mbit/s, 45 Mbit/s signal management block diagram . . . . . . . . . . . . . . . . . . 204 Figure 103. 140Mbit/s signal management block diagram . . . . . . . . . . . . . . . . . . . . . . . . . . . . . . . . . . . 205 Figure 104. 1660SM Block Diagram: signal management (SDH port) . . . . . . . . . . . . . . . . . . . . . . . . 216 ED 03 3AL 91669 AA AA 8 / 706 706
  • 11.
    Figure 105. 1660SMBlock Diagram: signal management ( 2Mbit/s PDH ports) . . . . . . . . . . . . . . . 218 Figure 106. 1660SM Block Diagram: signal management ( 34 Mbit/s and 45 Mbit/s PDH ports) . 220 Figure 107. 1660SM Block Diagram: signal management ( 140 Mbit/s PDH ports) . . . . . . . . . . . . 222 Figure 108. Example of technology convergency with ISA boards in OMSN . . . . . . . . . . . . . . . . . . . 224 not permitted without written authorization from Alcatel. Figure 109. Relationship between the VC, the VP and the TP . . . . . . . . . . . . . . . . . . . . . . . . . . . . . . . 225 All rights reserved. Passing on and copying of this document, use and communication of its contents Figure 110. Basic format of an ATM cell . . . . . . . . . . . . . . . . . . . . . . . . . . . . . . . . . . . . . . . . . . . . . . . . . . 226 Figure 111. ATM network interface . . . . . . . . . . . . . . . . . . . . . . . . . . . . . . . . . . . . . . . . . . . . . . . . . . . . . . . 227 Figure 112. UNI and NNI ATM cell header and payload . . . . . . . . . . . . . . . . . . . . . . . . . . . . . . . . . . . . 228 Figure 113. 1660SM with ATM Matrix architecture . . . . . . . . . . . . . . . . . . . . . . . . . . . . . . . . . . . . . . . . . 232 Figure 114. Leased line service versus Data transport service . . . . . . . . . . . . . . . . . . . . . . . . . . . . . . . 233 Figure 115. MPLS subsystem, protocol stacking . . . . . . . . . . . . . . . . . . . . . . . . . . . . . . . . . . . . . . . . . . . 235 Figure 116. Framing for MPLS . . . . . . . . . . . . . . . . . . . . . . . . . . . . . . . . . . . . . . . . . . . . . . . . . . . . . . . . . . 236 Figure 117. MPLS label format . . . . . . . . . . . . . . . . . . . . . . . . . . . . . . . . . . . . . . . . . . . . . . . . . . . . . . . . . . 237 Figure 118. PPP frame . . . . . . . . . . . . . . . . . . . . . . . . . . . . . . . . . . . . . . . . . . . . . . . . . . . . . . . . . . . . . . . . . 237 Figure 119. HDLC frame with PPP encapsulation . . . . . . . . . . . . . . . . . . . . . . . . . . . . . . . . . . . . . . . . . . 237 Figure 120. Ethernet MAC 802.3 frame format . . . . . . . . . . . . . . . . . . . . . . . . . . . . . . . . . . . . . . . . . . . . 238 Figure 121. Ethernet “Tagged” MAC 802.3 frame format . . . . . . . . . . . . . . . . . . . . . . . . . . . . . . . . . . . . 238 Figure 122. Ethernet frame format for “MPLS over Ethernet” . . . . . . . . . . . . . . . . . . . . . . . . . . . . . . . . 238 Figure 123. MPLS Tunnelling Example . . . . . . . . . . . . . . . . . . . . . . . . . . . . . . . . . . . . . . . . . . . . . . . . . . . 239 Figure 124. Generic MPLS aggregation scheme . . . . . . . . . . . . . . . . . . . . . . . . . . . . . . . . . . . . . . . . . . . 240 Figure 125. MPLS subsystem . . . . . . . . . . . . . . . . . . . . . . . . . . . . . . . . . . . . . . . . . . . . . . . . . . . . . . . . . . . 244 Figure 126. ISA–PR Sub–System Architecture (Overlay Mode) . . . . . . . . . . . . . . . . . . . . . . . . . . . . . . 247 Figure 127. ISA–PR Sub–System Architecture (Independent Mode) . . . . . . . . . . . . . . . . . . . . . . . . . 247 Figure 128. Traffic flow and processing in 1660 SM . . . . . . . . . . . . . . . . . . . . . . . . . . . . . . . . . . . . . . . . 250 Figure 129. ISA–PR Policing . . . . . . . . . . . . . . . . . . . . . . . . . . . . . . . . . . . . . . . . . . . . . . . . . . . . . . . . . . . . 253 Figure 130. ISA–PR Traffic Management Overview . . . . . . . . . . . . . . . . . . . . . . . . . . . . . . . . . . . . . . . . 255 Figure 131. Channels . . . . . . . . . . . . . . . . . . . . . . . . . . . . . . . . . . . . . . . . . . . . . . . . . . . . . . . . . . . . . . . . . . 257 Figure 132. Bottlenecks . . . . . . . . . . . . . . . . . . . . . . . . . . . . . . . . . . . . . . . . . . . . . . . . . . . . . . . . . . . . . . . . 258 Figure 133. RPR protection mechanism . . . . . . . . . . . . . . . . . . . . . . . . . . . . . . . . . . . . . . . . . . . . . . . . . . 259 Figure 134. Packet protection (and QoS assurance) in multiring network : MPLS over RPR . . . . . 260 Figure 135. Customer Edge Dual Homing . . . . . . . . . . . . . . . . . . . . . . . . . . . . . . . . . . . . . . . . . . . . . . . . 261 Figure 136. Relationship with other ISA Cards . . . . . . . . . . . . . . . . . . . . . . . . . . . . . . . . . . . . . . . . . . . . 262 Figure 137. Example of an Ethernet stream transport through a SDH network . . . . . . . . . . . . . . . . . 263 Figure 138. LAN to LAN service block diagram . . . . . . . . . . . . . . . . . . . . . . . . . . . . . . . . . . . . . . . . . . . . 264 Figure 139. GFP frame format . . . . . . . . . . . . . . . . . . . . . . . . . . . . . . . . . . . . . . . . . . . . . . . . . . . . . . . . . . 266 Figure 140. GFP encapsulation of the MAC frames . . . . . . . . . . . . . . . . . . . . . . . . . . . . . . . . . . . . . . . . 268 Figure 141. Flow control mechanism: input control . . . . . . . . . . . . . . . . . . . . . . . . . . . . . . . . . . . . . . . . . 269 Figure 142. Flow control mechanism: output control . . . . . . . . . . . . . . . . . . . . . . . . . . . . . . . . . . . . . . . 270 Figure 143. Flow control mechanism: External control . . . . . . . . . . . . . . . . . . . . . . . . . . . . . . . . . . . . . . 271 Figure 144. Messages dispatching via Virtual Concatenation . . . . . . . . . . . . . . . . . . . . . . . . . . . . . . . . 271 Figure 145. Messages dispatching via Packet Concatenation . . . . . . . . . . . . . . . . . . . . . . . . . . . . . . . 272 Figure 146. Board Ethernet 10/100: System architecture . . . . . . . . . . . . . . . . . . . . . . . . . . . . . . . . . . . 276 Figure 147. Example of Ethernet service application . . . . . . . . . . . . . . . . . . . . . . . . . . . . . . . . . . . . . . . 277 Figure 148. Gigabit Ethernet System architecture: Gigabit access with Fast Ethernet board . . . . . 279 Figure 149. Gigabit Ethernet System architecture:Gigabit Ethernet main board . . . . . . . . . . . . . . . . 280 Figure 150. Ethernet Private Line service . . . . . . . . . . . . . . . . . . . . . . . . . . . . . . . . . . . . . . . . . . . . . . . . . 281 Figure 151. Ethernet Virtual Private Line service . . . . . . . . . . . . . . . . . . . . . . . . . . . . . . . . . . . . . . . . . . . 282 Figure 152. Ethernet Virtual LAN . . . . . . . . . . . . . . . . . . . . . . . . . . . . . . . . . . . . . . . . . . . . . . . . . . . . . . . . 282 Figure 153. Broadband Access service . . . . . . . . . . . . . . . . . . . . . . . . . . . . . . . . . . . . . . . . . . . . . . . . . . . 283 Figure 154. ISA–ES access port . . . . . . . . . . . . . . . . . . . . . . . . . . . . . . . . . . . . . . . . . . . . . . . . . . . . . . . . . 285 1AA 00014 0004 (9007) A4 – ALICE 04.10 Figure 155. Traffic flow and processing in ISA–ES series . . . . . . . . . . . . . . . . . . . . . . . . . . . . . . . . . . . 286 Figure 156. ISA–ES series ports . . . . . . . . . . . . . . . . . . . . . . . . . . . . . . . . . . . . . . . . . . . . . . . . . . . . . . . . 286 Figure 157. ISA–ES series traffic parameters . . . . . . . . . . . . . . . . . . . . . . . . . . . . . . . . . . . . . . . . . . . . . 288 Figure 158. WRED Congestion avoidance mechanisms . . . . . . . . . . . . . . . . . . . . . . . . . . . . . . . . . . . . 290 ED 03 3AL 91669 AA AA 9 / 706 706
  • 12.
    Figure 159. ISA–ESseries operational modes . . . . . . . . . . . . . . . . . . . . . . . . . . . . . . . . . . . . . . . . . . . . 291 Figure 160. Ethernet Multiplexing Function . . . . . . . . . . . . . . . . . . . . . . . . . . . . . . . . . . . . . . . . . . . . . . . 291 Figure 161. Multiple customers on a single NNI . . . . . . . . . . . . . . . . . . . . . . . . . . . . . . . . . . . . . . . . . . . 292 Figure 162. 4xANY HOST–C: Client allocation grid in “enhanced” slot . . . . . . . . . . . . . . . . . . . . . . . . 295 not permitted without written authorization from Alcatel. Figure 163. 4xANY HOST–C: module configuration in “enhanced” slot . . . . . . . . . . . . . . . . . . . . . . . 295 All rights reserved. Passing on and copying of this document, use and communication of its contents Figure 164. Client allocation grid in “HS slots” with GE/FC/FICON . . . . . . . . . . . . . . . . . . . . . . . . . . . 297 Figure 165. Client allocation grid in “HS slots” with FE/FDDI/ESCON/DV . . . . . . . . . . . . . . . . . . . . . 298 Figure 166. module configuration in “HS” slots . . . . . . . . . . . . . . . . . . . . . . . . . . . . . . . . . . . . . . . . . . . . 298 Figure 167. COADM functionality: example of equipment shelf . . . . . . . . . . . . . . . . . . . . . . . . . . . . . . 301 Figure 168. MUX/DEMUX functionality: example of shelf equipment . . . . . . . . . . . . . . . . . . . . . . . . . 302 Figure 169. 1660SM signal flow diagram with WDM application . . . . . . . . . . . . . . . . . . . . . . . . . . . . 303 Figure 170. 1660SM (WDM application) ’ring’ node functional scheme (1) . . . . . . . . . . . . . . . . . . . . 304 Figure 171. 1660SM (WDM application) ’ring’ node functional scheme (2) . . . . . . . . . . . . . . . . . . . . 304 Figure 172. 1660SM (WDM application) ’ring’ node functional scheme (3) . . . . . . . . . . . . . . . . . . . . 305 Figure 173. 1660SM (WDM application) ’ring’ node functional scheme (4) . . . . . . . . . . . . . . . . . . . . 306 Figure 174. 1660SM (WDM application)’end’ node functional scheme (Mux/Demux) . . . . . . . . . . . 307 Figure 175. 1660SM (WDM application) ’end’ node functional scheme (COADM) . . . . . . . . . . . . . . 308 Figure 176. Passive optical operation . . . . . . . . . . . . . . . . . . . . . . . . . . . . . . . . . . . . . . . . . . . . . . . . . . . . 310 Figure 177. COMDX8 insertion loss . . . . . . . . . . . . . . . . . . . . . . . . . . . . . . . . . . . . . . . . . . . . . . . . . . . . . 312 Figure 178. COADM2 insertion loss . . . . . . . . . . . . . . . . . . . . . . . . . . . . . . . . . . . . . . . . . . . . . . . . . . . . . 312 Figure 179. COADM1 insertion loss . . . . . . . . . . . . . . . . . . . . . . . . . . . . . . . . . . . . . . . . . . . . . . . . . . . . . 313 Figure 180. 1660SM Control Sub–system . . . . . . . . . . . . . . . . . . . . . . . . . . . . . . . . . . . . . . . . . . . . . . . . 316 Figure 181. 1660SM general management architecture . . . . . . . . . . . . . . . . . . . . . . . . . . . . . . . . . . . . 318 Figure 182. Connection Mode for TMN . . . . . . . . . . . . . . . . . . . . . . . . . . . . . . . . . . . . . . . . . . . . . . . . . . . 318 Figure 183. Protocol stack for SDH/ATM management . . . . . . . . . . . . . . . . . . . . . . . . . . . . . . . . . . . . . 319 Figure 184. Example of management of a network with SDH and ATM/IP/MPLS traffic . . . . . . . . . 320 Figure 185. Low Speed Link Connections . . . . . . . . . . . . . . . . . . . . . . . . . . . . . . . . . . . . . . . . . . . . . . . . 323 Figure 186. Example of EPS protection schemes . . . . . . . . . . . . . . . . . . . . . . . . . . . . . . . . . . . . . . . . . . 324 Figure 187. High Speed connections (3x34, 3x45, 4x155 Mbit/s) . . . . . . . . . . . . . . . . . . . . . . . . . . . . 326 Figure 188. High Speed connections (16xSTM–1) . . . . . . . . . . . . . . . . . . . . . . . . . . . . . . . . . . . . . . . . . 327 Figure 189. Examples of ATM MATRIX EPS protection scheme . . . . . . . . . . . . . . . . . . . . . . . . . . . . 329 Figure 190. Messages exchanged between the EC and the ISA–ATM boards in EPS group . . . . . 330 Figure 191. Examples of MPLS (PR_EA..) boards protection scheme . . . . . . . . . . . . . . . . . . . . . . . . 332 Figure 192. Messages exchanged between EC and ISA–PR_EA Matrix... boards in EPS group . 333 Figure 193. Linear 1+1 single ended protection . . . . . . . . . . . . . . . . . . . . . . . . . . . . . . . . . . . . . . . . . . . . 336 Figure 194. Linear 1+1 dual ended protection . . . . . . . . . . . . . . . . . . . . . . . . . . . . . . . . . . . . . . . . . . . . . 336 Figure 195. MSP Linear 1:N Dual–Ended protection . . . . . . . . . . . . . . . . . . . . . . . . . . . . . . . . . . . . . . . 338 Figure 196. Typical ring network with SNCP . . . . . . . . . . . . . . . . . . . . . . . . . . . . . . . . . . . . . . . . . . . . . . 340 Figure 197. Failure examples in SNCP ring . . . . . . . . . . . . . . . . . . . . . . . . . . . . . . . . . . . . . . . . . . . . . . . 341 Figure 198. SNCP example . . . . . . . . . . . . . . . . . . . . . . . . . . . . . . . . . . . . . . . . . . . . . . . . . . . . . . . . . . . . . 343 Figure 199. Drop and Continue D/C A INS A (called “Normal” on C.T.) . . . . . . . . . . . . . . . . . . . . . . . 345 Figure 200. Drop and Continue D/C A INS B (called “Inverse” on C.T.) . . . . . . . . . . . . . . . . . . . . . . . 345 Figure 201. Drop and Continue . . . . . . . . . . . . . . . . . . . . . . . . . . . . . . . . . . . . . . . . . . . . . . . . . . . . . . . . . 346 Figure 202. Drop and Continue – 1st failure . . . . . . . . . . . . . . . . . . . . . . . . . . . . . . . . . . . . . . . . . . . . . . . 347 Figure 203. Drop and Continue – 2nd failure . . . . . . . . . . . . . . . . . . . . . . . . . . . . . . . . . . . . . . . . . . . . . . 347 Figure 204. Collapsed dual node interconnection . . . . . . . . . . . . . . . . . . . . . . . . . . . . . . . . . . . . . . . . . . 349 Figure 205. Collapsed dual node interconnection – 1st failure . . . . . . . . . . . . . . . . . . . . . . . . . . . . . . . 350 Figure 206. Collapsed dual node interconnection – 2nd failure . . . . . . . . . . . . . . . . . . . . . . . . . . . . . . 350 Figure 207. Collapsed single node ring interconnection . . . . . . . . . . . . . . . . . . . . . . . . . . . . . . . . . . . . . 351 Figure 208. Collapsed single node ring interconnection –1st failure . . . . . . . . . . . . . . . . . . . . . . . . . . 352 1AA 00014 0004 (9007) A4 – ALICE 04.10 Figure 209. Collapsed single node ring interconnection –2nd failure . . . . . . . . . . . . . . . . . . . . . . . . . . 353 Figure 210. 2F MS SPRING Connection . . . . . . . . . . . . . . . . . . . . . . . . . . . . . . . . . . . . . . . . . . . . . . . . . 355 Figure 211. Effect of a BRIDGE “B side” operation . . . . . . . . . . . . . . . . . . . . . . . . . . . . . . . . . . . . . . . . . 356 Figure 212. Effect of a BRIDGE “A side” operation . . . . . . . . . . . . . . . . . . . . . . . . . . . . . . . . . . . . . . . . . 356 ED 03 3AL 91669 AA AA 10 / 706 706
  • 13.
    Figure 213. Effectof SWITCH “B side” operation . . . . . . . . . . . . . . . . . . . . . . . . . . . . . . . . . . . . . . . . . . 357 Figure 214. Effect of SWITCH “A side” operation . . . . . . . . . . . . . . . . . . . . . . . . . . . . . . . . . . . . . . . . . . 357 Figure 215. Line break recovering operations . . . . . . . . . . . . . . . . . . . . . . . . . . . . . . . . . . . . . . . . . . . . . 358 Figure 216. 2F MS–SPRING example of operation . . . . . . . . . . . . . . . . . . . . . . . . . . . . . . . . . . . . . . . . 360 not permitted without written authorization from Alcatel. Figure 217. Squelching on isolated Node connection . . . . . . . . . . . . . . . . . . . . . . . . . . . . . . . . . . . . . . . 361 All rights reserved. Passing on and copying of this document, use and communication of its contents Figure 218. MS SPRING Drop and Continue, Insert Continues (protected) . . . . . . . . . . . . . . . . . . . 362 Figure 219. Synchronization function : block diagram . . . . . . . . . . . . . . . . . . . . . . . . . . . . . . . . . . . . . . 364 Figure 220. AUX and DCC management . . . . . . . . . . . . . . . . . . . . . . . . . . . . . . . . . . . . . . . . . . . . . . . . . 366 Figure 221. 1660SM –Input power stage and distributed power supply . . . . . . . . . . . . . . . . . . . . . . . 369 Figure 222. Remote Inventory sub–system . . . . . . . . . . . . . . . . . . . . . . . . . . . . . . . . . . . . . . . . . . . . . . . 370 Figure 223. 1660SM: SDH multiplexing structure and AU–3/TU–3 conversion . . . . . . . . . . . . . . . . . 371 Figure 224. VC–12 Structure (asynchronous mapping of 2048 Kbit/s) . . . . . . . . . . . . . . . . . . . . . . . . 372 Figure 225. TU–12 Structure . . . . . . . . . . . . . . . . . . . . . . . . . . . . . . . . . . . . . . . . . . . . . . . . . . . . . . . . . . . . 373 Figure 226. VC–3 structure . . . . . . . . . . . . . . . . . . . . . . . . . . . . . . . . . . . . . . . . . . . . . . . . . . . . . . . . . . . . . 374 Figure 227. TU–3 structure . . . . . . . . . . . . . . . . . . . . . . . . . . . . . . . . . . . . . . . . . . . . . . . . . . . . . . . . . . . . . 374 Figure 228. VC–4 Structure and POH byte contents . . . . . . . . . . . . . . . . . . . . . . . . . . . . . . . . . . . . . . . 375 Figure 229. STM–1 structure and SOH byte contents . . . . . . . . . . . . . . . . . . . . . . . . . . . . . . . . . . . . . . 376 Figure 230. STM–4 structure and SOH byte contents . . . . . . . . . . . . . . . . . . . . . . . . . . . . . . . . . . . . . . 377 Figure 231. Structure of STM–16 and SOH bytes contents . . . . . . . . . . . . . . . . . . . . . . . . . . . . . . . . . . 378 Figure 232. STM–64 structure and SOH byte contents . . . . . . . . . . . . . . . . . . . . . . . . . . . . . . . . . . . . . 379 Figure 233. Synchronous 2048 Kb/s signal: basic frame overhead . . . . . . . . . . . . . . . . . . . . . . . . . . . 380 Figure 234. Synchronous 2048 Kb/s signal: CRC–4 multiframe overhead . . . . . . . . . . . . . . . . . . . . . 381 Figure 235. Mapping of ATM cells into VC12 . . . . . . . . . . . . . . . . . . . . . . . . . . . . . . . . . . . . . . . . . . . . . . 383 Figure 236. Mapping of ATM cells into VC4/VC3 . . . . . . . . . . . . . . . . . . . . . . . . . . . . . . . . . . . . . . . . . . . 383 Figure 237. Mapping of ATM cells into 2048 kb/s frame . . . . . . . . . . . . . . . . . . . . . . . . . . . . . . . . . . . . 384 Figure 238. Mapping of ATM cells into 34368 kb/s frame . . . . . . . . . . . . . . . . . . . . . . . . . . . . . . . . . . . 384 Figure 239. 21 x 2 access card – Block diagram . . . . . . . . . . . . . . . . . . . . . . . . . . . . . . . . . . . . . . . . . . . 386 Figure 240. 3 x 34 access card block diagram . . . . . . . . . . . . . . . . . . . . . . . . . . . . . . . . . . . . . . . . . . . . 388 Figure 241. 3 x 45 access card block diagram . . . . . . . . . . . . . . . . . . . . . . . . . . . . . . . . . . . . . . . . . . . . 390 Figure 242. 2 x 140/STM–1 O/E adapter (access card) block diagram . . . . . . . . . . . . . . . . . . . . . . . 392 Figure 243. 4 x STM–1 access card block diagram . . . . . . . . . . . . . . . . . . . . . . . . . . . . . . . . . . . . . . . . 394 Figure 244. 12 x STM–1 optical access card block diagram (A12OS1E or A12OS1SE ) . . . . . . . . 397 Figure 245. 16 x STM–1 electrical access card block diagram (A16ES1E) . . . . . . . . . . . . . . . . . . . . 400 Figure 246. HPROT access card block diagram . . . . . . . . . . . . . . . . . . . . . . . . . . . . . . . . . . . . . . . . . . . 402 Figure 247. Ethernet Access –Block Diagram . . . . . . . . . . . . . . . . . . . . . . . . . . . . . . . . . . . . . . . . . . . . . 404 Figure 248. Gigabit Ethernet Access card –Block Diagram . . . . . . . . . . . . . . . . . . . . . . . . . . . . . . . . . . 407 Figure 249. 16FEA–PR Card Functional Block Diagram . . . . . . . . . . . . . . . . . . . . . . . . . . . . . . . . . . . . 408 Figure 250. 2GBA–PR Card Functional Block Diagram . . . . . . . . . . . . . . . . . . . . . . . . . . . . . . . . . . . . . 411 Figure 251. BSTxx – optical block diagram . . . . . . . . . . . . . . . . . . . . . . . . . . . . . . . . . . . . . . . . . . . . . . . 414 Figure 252. BSTxx – card block diagram . . . . . . . . . . . . . . . . . . . . . . . . . . . . . . . . . . . . . . . . . . . . . . . . . 417 Figure 253. PR16 optical path and control signal . . . . . . . . . . . . . . . . . . . . . . . . . . . . . . . . . . . . . . . . . . 423 Figure 254. PR16 card block diagram . . . . . . . . . . . . . . . . . . . . . . . . . . . . . . . . . . . . . . . . . . . . . . . . . . . . 424 Figure 255. STM–1 Electrical module –block diagram . . . . . . . . . . . . . . . . . . . . . . . . . . . . . . . . . . . . . . 426 Figure 256. STM–1 Optical module – block diagram . . . . . . . . . . . . . . . . . . . . . . . . . . . . . . . . . . . . . . . 427 Figure 257. STM–4 optical module block diagram . . . . . . . . . . . . . . . . . . . . . . . . . . . . . . . . . . . . . . . . . 428 Figure 258. SFP optical modules general block diagram . . . . . . . . . . . . . . . . . . . . . . . . . . . . . . . . . . . . 431 Figure 259. 63 x 2 Mbit/s card – Block Diagram . . . . . . . . . . . . . . . . . . . . . . . . . . . . . . . . . . . . . . . . . . . 434 Figure 260. 63 x 2 Mbit/s G.703/ISDN–PRA, Block Diagram . . . . . . . . . . . . . . . . . . . . . . . . . . . . . . . . 438 Figure 261. Functional Diagram of the NT ISDN–PRA block . . . . . . . . . . . . . . . . . . . . . . . . . . . . . . . . 439 Figure 262. 3x34/45 port card –Block diagram . . . . . . . . . . . . . . . . . . . . . . . . . . . . . . . . . . . . . . . . . . . . 442 1AA 00014 0004 (9007) A4 – ALICE 04.10 Figure 263. 4 x STM–1 Electrical/Optical port block diagram . . . . . . . . . . . . . . . . . . . . . . . . . . . . . . . . 447 Figure 264. 4 x 140/STM–1 Electrical / Optical port block diagram . . . . . . . . . . . . . . . . . . . . . . . . . . . 453 Figure 265. Mapper /Demapper 140–PDH / 155–STM1 block diagram . . . . . . . . . . . . . . . . . . . . . . . 454 Figure 266. 4 x STM–1 Electrical port block diagram . . . . . . . . . . . . . . . . . . . . . . . . . . . . . . . . . . . . . . . 459 ED 03 3AL 91669 AA AA 11 / 706 706
  • 14.
    Figure 267. 16xSTM–1 – 4x STM–4 port block diagram . . . . . . . . . . . . . . . . . . . . . . . . . . . . . . . . . . . . 462 Figure 268. 4 x OC3 AU3/TU3 conversion port(P40C3) . . . . . . . . . . . . . . . . . . . . . . . . . . . . . . . . . . . . 469 Figure 269. AU3/TU3 conversion block . . . . . . . . . . . . . . . . . . . . . . . . . . . . . . . . . . . . . . . . . . . . . . . . . . . 470 Figure 270. STM–4 –block diagram . . . . . . . . . . . . . . . . . . . . . . . . . . . . . . . . . . . . . . . . . . . . . . . . . . . . . . 475 not permitted without written authorization from Alcatel. Figure 271. 4xSTM–4 optical port block diagram . . . . . . . . . . . . . . . . . . . . . . . . . . . . . . . . . . . . . . . . . . 480 All rights reserved. Passing on and copying of this document, use and communication of its contents Figure 272. ATM 4X4 card – Block diagram . . . . . . . . . . . . . . . . . . . . . . . . . . . . . . . . . . . . . . . . . . . . . . . 487 Figure 273. ATM4X4V2 card – Block diagram . . . . . . . . . . . . . . . . . . . . . . . . . . . . . . . . . . . . . . . . . . . . . 493 Figure 274. ATM 8X8 card – Block diagram part A . . . . . . . . . . . . . . . . . . . . . . . . . . . . . . . . . . . . . . . . . 499 Figure 275. ATM 8X8 card – Block diagram part B . . . . . . . . . . . . . . . . . . . . . . . . . . . . . . . . . . . . . . . . . 500 Figure 276. MPLS+4FE Unit (PREA4ETH) – Block diagram . . . . . . . . . . . . . . . . . . . . . . . . . . . . . . . . . 506 Figure 277. MPLS+1GbE Unit (PREA1GBE) – Block diagram . . . . . . . . . . . . . . . . . . . . . . . . . . . . . . . 507 Figure 278. PR unit functional block diagram . . . . . . . . . . . . . . . . . . . . . . . . . . . . . . . . . . . . . . . . . . . . . . 508 Figure 279. STM–16 optical port block diagram . . . . . . . . . . . . . . . . . . . . . . . . . . . . . . . . . . . . . . . . . . . 517 Figure 280. STM–16 slim port block diagram . . . . . . . . . . . . . . . . . . . . . . . . . . . . . . . . . . . . . . . . . . . . . . 523 Figure 281. STM–64 optical port block diagram . . . . . . . . . . . . . . . . . . . . . . . . . . . . . . . . . . . . . . . . . . . 526 Figure 282. ETHERNET port (ETH–MB) – Block diagram . . . . . . . . . . . . . . . . . . . . . . . . . . . . . . . . . . . 530 Figure 283. Gigabit Ethernet Unit – Block diagram . . . . . . . . . . . . . . . . . . . . . . . . . . . . . . . . . . . . . . . . . 534 Figure 284. ISA ES1–8FE block diagram . . . . . . . . . . . . . . . . . . . . . . . . . . . . . . . . . . . . . . . . . . . . . . . . . 538 Figure 285. ISA ES4–8FE block diagram . . . . . . . . . . . . . . . . . . . . . . . . . . . . . . . . . . . . . . . . . . . . . . . . . 543 Figure 286. ISA ES16 unit block diagram . . . . . . . . . . . . . . . . . . . . . . . . . . . . . . . . . . . . . . . . . . . . . . . . . 548 Figure 287. 4 x ANY HOST C card block diagram . . . . . . . . . . . . . . . . . . . . . . . . . . . . . . . . . . . . . . . . . 553 Figure 288. COADM1 unit block diagram . . . . . . . . . . . . . . . . . . . . . . . . . . . . . . . . . . . . . . . . . . . . . . . . . 555 Figure 289. COADM2 block diagram . . . . . . . . . . . . . . . . . . . . . . . . . . . . . . . . . . . . . . . . . . . . . . . . . . . . . 557 Figure 290. MUX/DEMUX8 (COMDX8) block diagram and LOS detection in ’passive’ boards . . . 559 Figure 291. 2xCH Transponder SFP Without optics COWLA2 . . . . . . . . . . . . . . . . . . . . . . . . . . . . . . . 564 Figure 292. 1660SM PQ2/EQC Card Block Diagram . . . . . . . . . . . . . . . . . . . . . . . . . . . . . . . . . . . . . . . 567 Figure 293. MATRIXE card block diagram . . . . . . . . . . . . . . . . . . . . . . . . . . . . . . . . . . . . . . . . . . . . . . . . 571 Figure 294. CONGI – Block diagram . . . . . . . . . . . . . . . . . . . . . . . . . . . . . . . . . . . . . . . . . . . . . . . . . . . . . 576 Figure 295. SERVICE block diagram . . . . . . . . . . . . . . . . . . . . . . . . . . . . . . . . . . . . . . . . . . . . . . . . . . . . . 582 Figure 296. Fans shelf 19” general block diagram . . . . . . . . . . . . . . . . . . . . . . . . . . . . . . . . . . . . . . . . . 585 Figure 297. Fans unit for fan shelf 19” block diagram . . . . . . . . . . . . . . . . . . . . . . . . . . . . . . . . . . . . . . . 586 Figure 298. Assembled Fans unit power supply and alarms general block diagram . . . . . . . . . . . . . 588 Figure 299. Assembled Fans unit block diagram . . . . . . . . . . . . . . . . . . . . . . . . . . . . . . . . . . . . . . . . . . . 589 Figure 300. Example of a link using 1660SM with L–64.2b “Extended” . . . . . . . . . . . . . . . . . . . . . . . 641 Figure 301. Example of a link using 1660SM with L–64.2b “Reduced” . . . . . . . . . . . . . . . . . . . . . . . . 643 Figure 302. Climatogram for Class 3.2 : Partly temperature controlled locations . . . . . . . . . . . . . . . 657 Figure 303. Climatogram for Class 1.2: not temperature controlled storage location . . . . . . . . . . . . 659 Figure 304. Repair form . . . . . . . . . . . . . . . . . . . . . . . . . . . . . . . . . . . . . . . . . . . . . . . . . . . . . . . . . . . . . . . . 672 Figure 305. Subrack front and rear view . . . . . . . . . . . . . . . . . . . . . . . . . . . . . . . . . . . . . . . . . . . . . . . . . . 677 Figure 306. Handle removing and disassembly . . . . . . . . . . . . . . . . . . . . . . . . . . . . . . . . . . . . . . . . . . . . 678 Figure 307. Rear cover removing . . . . . . . . . . . . . . . . . . . . . . . . . . . . . . . . . . . . . . . . . . . . . . . . . . . . . . . . 679 Figure 308. Back Panel removing . . . . . . . . . . . . . . . . . . . . . . . . . . . . . . . . . . . . . . . . . . . . . . . . . . . . . . . 680 Figure 309. Upper and lower guides plane removing . . . . . . . . . . . . . . . . . . . . . . . . . . . . . . . . . . . . . . . 681 Figure 310. Side wall removing . . . . . . . . . . . . . . . . . . . . . . . . . . . . . . . . . . . . . . . . . . . . . . . . . . . . . . . . . . 682 Figure 311. Optical fiber duct, guides and contact spring removing . . . . . . . . . . . . . . . . . . . . . . . . . . . 683 Figure 312. Side coverplate removal . . . . . . . . . . . . . . . . . . . . . . . . . . . . . . . . . . . . . . . . . . . . . . . . . . . . . 684 Figure 313. Levers removal . . . . . . . . . . . . . . . . . . . . . . . . . . . . . . . . . . . . . . . . . . . . . . . . . . . . . . . . . . . . . 685 Figure 314. Optical connectors support removal . . . . . . . . . . . . . . . . . . . . . . . . . . . . . . . . . . . . . . . . . . . 686 Figure 315. Side coverplate and contact spring removal . . . . . . . . . . . . . . . . . . . . . . . . . . . . . . . . . . . 687 Figure 316. Internal connectors removal . . . . . . . . . . . . . . . . . . . . . . . . . . . . . . . . . . . . . . . . . . . . . . . . . . 688 1AA 00014 0004 (9007) A4 – ALICE 04.10 Figure 317. Dissipator removal . . . . . . . . . . . . . . . . . . . . . . . . . . . . . . . . . . . . . . . . . . . . . . . . . . . . . . . . . . 689 Figure 318. Modules removal from dissipator . . . . . . . . . . . . . . . . . . . . . . . . . . . . . . . . . . . . . . . . . . . . . 690 Figure 319. Daughter boad removal . . . . . . . . . . . . . . . . . . . . . . . . . . . . . . . . . . . . . . . . . . . . . . . . . . . . . 690 Figure 320. Gold connector removal . . . . . . . . . . . . . . . . . . . . . . . . . . . . . . . . . . . . . . . . . . . . . . . . . . . . . 691 ED 03 3AL 91669 AA AA 12 / 706 706
  • 15.
    Figure 321. Internalcables removal . . . . . . . . . . . . . . . . . . . . . . . . . . . . . . . . . . . . . . . . . . . . . . . . . . . . . . 692 Figure 322. Connector metal support removal . . . . . . . . . . . . . . . . . . . . . . . . . . . . . . . . . . . . . . . . . . . . . 693 TABLES not permitted without written authorization from Alcatel. Table 1. Handbooks related to the specific product hardware . . . . . . . . . . . . . . . . . . . . . . . . . . . . . . . . 18 All rights reserved. Passing on and copying of this document, use and communication of its contents Table 2. Handbooks related to the specific product SW management and local product control . . 18 Table 3. Handbooks related to ATM specific product SW . . . . . . . . . . . . . . . . . . . . . . . . . . . . . . . . . . . 19 Table 4. Handbooks related to PR_EA specific product SW . . . . . . . . . . . . . . . . . . . . . . . . . . . . . . . . . 19 Table 5. Handbooks related to PR specific product SW . . . . . . . . . . . . . . . . . . . . . . . . . . . . . . . . . . . . . 19 Table 6. Handbooks related to ISA ES specific product SW . . . . . . . . . . . . . . . . . . . . . . . . . . . . . . . . . 20 Table 7. Handbooks common to Alcatel Network Elements using 1320CT platform . . . . . . . . . . . . 21 Table 8. Optional handbooks common to 16xxSM . . . . . . . . . . . . . . . . . . . . . . . . . . . . . . . . . . . . . . . . . 22 Table 9. Documentation on CD–ROM . . . . . . . . . . . . . . . . . . . . . . . . . . . . . . . . . . . . . . . . . . . . . . . . . . . . 22 Table 10. Handbook configuration check . . . . . . . . . . . . . . . . . . . . . . . . . . . . . . . . . . . . . . . . . . . . . . . . . 25 Table 11. IEC 950 –Table 16: Overtemperature limits, Part 2 . . . . . . . . . . . . . . . . . . . . . . . . . . . . . . . . 35 Table 12. Label references . . . . . . . . . . . . . . . . . . . . . . . . . . . . . . . . . . . . . . . . . . . . . . . . . . . . . . . . . . . . . 40 Table 13. List of Abbreviations . . . . . . . . . . . . . . . . . . . . . . . . . . . . . . . . . . . . . . . . . . . . . . . . . . . . . . . . . . 51 Table 14. Network application versus configuration modes . . . . . . . . . . . . . . . . . . . . . . . . . . . . . . . . . 81 Table 15. Main part list . . . . . . . . . . . . . . . . . . . . . . . . . . . . . . . . . . . . . . . . . . . . . . . . . . . . . . . . . . . . . . . . . 87 Table 16. Accessories list . . . . . . . . . . . . . . . . . . . . . . . . . . . . . . . . . . . . . . . . . . . . . . . . . . . . . . . . . . . . . . . 102 Table 17. Fans Subrack 19” part list . . . . . . . . . . . . . . . . . . . . . . . . . . . . . . . . . . . . . . . . . . . . . . . . . . . . . 104 Table 18. Explanatory notes . . . . . . . . . . . . . . . . . . . . . . . . . . . . . . . . . . . . . . . . . . . . . . . . . . . . . . . . . . . . 105 Table 19. Relationship between P63E1, P63E1N–M4 (63 X 2 Mbit/s unit) port card and A21E1 access card . . . . . . . . . . . . . . . . . . . . . . . . . . . . . . . . . . . . . . . . . . . . . . . . . . . . . . . . . . . . . . . . . . . . . . . . . . . . . . . . . 110 Table 20. Relationship between P3E3T3 (3X34/45 Mbit/s Switchable unit) port card and A3E3 access card (3X34 Mbit/s) . . . . . . . . . . . . . . . . . . . . . . . . . . . . . . . . . . . . . . . . . . . . . . . . . . . . . . . . . . . . . . . . . . . . . 111 Table 21. Relationship between P3E3T3 (3X34/45 Mbit/s Switchable unit) port card and A3T3 access card (3X45 Mbit/s) . . . . . . . . . . . . . . . . . . . . . . . . . . . . . . . . . . . . . . . . . . . . . . . . . . . . . . . . . . . . . . . . . . . . . 112 Table 22. Relationship between P4S1N, P4E4N, P4OC3 port card and A2S1 access card . . . . 113 Table 23. Relationship between P16S1–4E port card and A12OS1E access card . . . . . . . . . . . . 114 Table 24. Relationship between P16S1–4E port card and A12OS1SE access card . . . . . . . . . . . 115 Table 25. Relationship between P16S1–4E port card and A16ES1E access card . . . . . . . . . . . . . 116 Table 26. Relationship between P4ES1N (4xSTM–1 Electrical) port card and A4ES1 access card. 117 Table 27. Relationship between ETH–MB (11x10/100 Mb/s Ethernet) port card and ETH–ATX access card. . . . . . . . . . . . . . . . . . . . . . . . . . . . . . . . . . . . . . . . . . . . . . . . . . . . . . . . . . . . . . . . . . . . . . . . . . . . . . . . . . 118 Table 28. Relationship between ETH–MB (10/100Mb) port card and GETH–AG (1.25 Gb/s) access card. . . . . . . . . . . . . . . . . . . . . . . . . . . . . . . . . . . . . . . . . . . . . . . . . . . . . . . . . . . . . . . . . . . . . . . . . . . . . . . . . . 119 Table 29. Relationship between ISA ES–16 port card and and ETH–ATX access card. . . . . . . . . . 120 Table 30. Relationship between ISA ES–16 port card and and GETH–AG access card. . . . . . . . . . 121 Table 31. Relationship between ISA–PR port card and 16FEA–PR or 2GBA–PR access cards. . . 122 Table 32. Interfaces acceding to the MPLS functions . . . . . . . . . . . . . . . . . . . . . . . . . . . . . . . . . . . . . . . 178 Table 33. Sub–systems & involved cards . . . . . . . . . . . . . . . . . . . . . . . . . . . . . . . . . . . . . . . . . . . . . . . . . 185 Table 34. High Order/Low Order connections for 1660SM . . . . . . . . . . . . . . . . . . . . . . . . . . . . . . . . . . 198 Table 35. ATM transport network layered model . . . . . . . . . . . . . . . . . . . . . . . . . . . . . . . . . . . . . . . . . . . 225 Table 36. ATM traffic contracts. . . . . . . . . . . . . . . . . . . . . . . . . . . . . . . . . . . . . . . . . . . . . . . . . . . . . . . . . . . 230 Table 37. MPLS layer stack over SDH . . . . . . . . . . . . . . . . . . . . . . . . . . . . . . . . . . . . . . . . . . . . . . . . . . . . 234 Table 38. MPLS layer stack over ETHERNET . . . . . . . . . . . . . . . . . . . . . . . . . . . . . . . . . . . . . . . . . . . . . 234 Table 39. Interfaces acceding to the MPLS functions . . . . . . . . . . . . . . . . . . . . . . . . . . . . . . . . . . . . . . . 241 Table 40. Relationship between 4xANY optical modules and client type . . . . . . . . . . . . . . . . . . . . . . 293 Table 41. 4xANY HOST C client type . . . . . . . . . . . . . . . . . . . . . . . . . . . . . . . . . . . . . . . . . . . . . . . . . . . . 294 Table 42. Modules configuration in “Enhanced HS” slot . . . . . . . . . . . . . . . . . . . . . . . . . . . . . . . . . . . . . 296 1AA 00014 0004 (9007) A4 – ALICE 04.10 Table 43. Modules configuration in “HS” slot . . . . . . . . . . . . . . . . . . . . . . . . . . . . . . . . . . . . . . . . . . . . . . 299 Table 44. CWDM channels grid supported by 1660SM . . . . . . . . . . . . . . . . . . . . . . . . . . . . . . . . . . . . . 309 Table 45. Boards insertion loss . . . . . . . . . . . . . . . . . . . . . . . . . . . . . . . . . . . . . . . . . . . . . . . . . . . . . . . . . . 311 ED 03 3AL 91669 AA AA 13 / 706 706
  • 16.
    Table 46. Fibertechnical data . . . . . . . . . . . . . . . . . . . . . . . . . . . . . . . . . . . . . . . . . . . . . . . . . . . . . . . . . . . 313 Table 47. Optical transceiver characteristics . . . . . . . . . . . . . . . . . . . . . . . . . . . . . . . . . . . . . . . . . . . . . . 314 Table 48. MSP protection schemes . . . . . . . . . . . . . . . . . . . . . . . . . . . . . . . . . . . . . . . . . . . . . . . . . . . . . . 335 Table 49. Example of SNCP protected groups . . . . . . . . . . . . . . . . . . . . . . . . . . . . . . . . . . . . . . . . . . . . . 342 not permitted without written authorization from Alcatel. Table 50. 16FEA–PR card LEDs designation . . . . . . . . . . . . . . . . . . . . . . . . . . . . . . . . . . . . . . . . . . . . . . 410 All rights reserved. Passing on and copying of this document, use and communication of its contents Table 51. 16FEA–PR interface LED designation . . . . . . . . . . . . . . . . . . . . . . . . . . . . . . . . . . . . . . . . . . . 410 Table 52. 2GBA–PR card LED designation . . . . . . . . . . . . . . . . . . . . . . . . . . . . . . . . . . . . . . . . . . . . . . . 413 Table 53. 2GBA–PR interface LED designation . . . . . . . . . . . . . . . . . . . . . . . . . . . . . . . . . . . . . . . . . . . . 413 Table 54. PR unit LED designation . . . . . . . . . . . . . . . . . . . . . . . . . . . . . . . . . . . . . . . . . . . . . . . . . . . . . . . 510 Table 55. CONGI A and CONGI B interfaces . . . . . . . . . . . . . . . . . . . . . . . . . . . . . . . . . . . . . . . . . . . . . . 572 Table 56. Remote alarm provided by the AND/OR block available on CONGI in slot 10 . . . . . . . . . 573 Table 57. Remote alarm provided by the AND/OR block available on CONGI in slot 12 . . . . . . . . . 574 Table 58. Rack lamps signals . . . . . . . . . . . . . . . . . . . . . . . . . . . . . . . . . . . . . . . . . . . . . . . . . . . . . . . . . . . 574 Table 59. L1, L2 LEDs status for selective call . . . . . . . . . . . . . . . . . . . . . . . . . . . . . . . . . . . . . . . . . . . . . 578 Table 60. L1, L2 LEDs status for omnibus call . . . . . . . . . . . . . . . . . . . . . . . . . . . . . . . . . . . . . . . . . . . . . 578 Table 61. Hazard level classification of different optical interfaces . . . . . . . . . . . . . . . . . . . . . . . . . . . . 596 Table 62. ATM4X4 board: configurable TPs type and max, number . . . . . . . . . . . . . . . . . . . . . . . . . . 605 Table 63. ATM4X4V2 board: configurable TPs type and max, number . . . . . . . . . . . . . . . . . . . . . . . . 606 Table 64. ATM4X4D3 board: configurable TPs type and max, number . . . . . . . . . . . . . . . . . . . . . . . . 607 Table 65. ATM8X8 board: configurable TPs type and max, number . . . . . . . . . . . . . . . . . . . . . . . . . . 608 Table 66. Parameters specified for STM–1 Optical Interface . . . . . . . . . . . . . . . . . . . . . . . . . . . . . . . . 628 Table 67. Parameters specified for STM–4 Optical Interface . . . . . . . . . . . . . . . . . . . . . . . . . . . . . . . . 630 Table 68. STM–16 Optical interfaces (Single Channel) . . . . . . . . . . . . . . . . . . . . . . . . . . . . . . . . . . . . . 631 Table 69. STM–16 Optical interfaces (Multi Channel) . . . . . . . . . . . . . . . . . . . . . . . . . . . . . . . . . . . . . . . 633 Table 70. Parameters specified for STM–64 optical interfaces (Single Channel) . . . . . . . . . . . . . . . 634 Table 71. Parameters specified for 1000B–SX Optical Interface . . . . . . . . . . . . . . . . . . . . . . . . . . . . . 636 Table 72. Parameters specified for 1000B–LX Optical Interface . . . . . . . . . . . . . . . . . . . . . . . . . . . . . . 637 Table 73. Parameters specified for 1000B–ZX Optical Interface . . . . . . . . . . . . . . . . . . . . . . . . . . . . . 638 Table 74. Parameters specified for Optical Booster . . . . . . . . . . . . . . . . . . . . . . . . . . . . . . . . . . . . . . . . 639 Table 75. L–64.2b “Extended” characteristics . . . . . . . . . . . . . . . . . . . . . . . . . . . . . . . . . . . . . . . . . . . . 642 Table 76. L–64.2b “Reduced” characteristics . . . . . . . . . . . . . . . . . . . . . . . . . . . . . . . . . . . . . . . . . . . . . . 643 Table 77. Relation between Alarm severity terminology displayed on C.T./O.S. and alarm severity ter- minology used for the EQUICO leds and CONGI remote alarm connector pins. . . . . . . . . . . . . . . 650 Table 78. Transportation climatic . . . . . . . . . . . . . . . . . . . . . . . . . . . . . . . . . . . . . . . . . . . . . . . . . . . . . . . . 661 Table 79. List of hazardous materials and components present in the equipment . . . . . . . . . . . . . . 694 Table 80. Example of correspondence between CS and ’suffix + ICS’ . . . . . . . . . . . . . . . . . . . . . . . . 701 Table 81. Hardware presetting documentation . . . . . . . . . . . . . . . . . . . . . . . . . . . . . . . . . . . . . . . . . . . . . 704 1AA 00014 0004 (9007) A4 – ALICE 04.10 ED 03 3AL 91669 AA AA 14 / 706 706
  • 17.
    All rights reserved.Passing on and copying of this document, use and communication of its contents not permitted without written authorization from Alcatel. 1AA 00014 0004 (9007) A4 – ALICE 04.10 ED 03 706 3AL 91669 AA AA HANDBOOK GUIDE 15 / 706
  • 18.
    1AA 00014 0004(9007) A4 – ALICE 04.10 ED 03 706 3AL 91669 AA AA 16 / 706 All rights reserved. Passing on and copying of this document, use and communication of its contents not permitted without written authorization from Alcatel.
  • 19.
    1 HANDBOOK STRUCTUREAND CONFIGURATION CHECK 1.1 General information not permitted without written authorization from Alcatel. All rights reserved. Passing on and copying of this document, use and communication of its contents WARNING ALCATEL makes no warranty of any kind with regards to this manual, and specifically disclaims the implied warranties of merchantability and fitness for a particular purpose. ALCATEL will not be liable for errors contained herein or for damages, whether direct, indirect, consequential, incidental, or special, in connection with the furnishing, performance, or use of this material. NOTICE The product specification and/or performance levels contained in this document are for information purposes only and are subject to change without notice. They do not represent any obligation on the part of ALCATEL. COPYRIGHT NOTIFICATION The technical information of this manual is the property of ALCATEL and must not be copied, reproduced or disclosed to a third party without written consent. 1.2 Handbook applicability This handbook applies to the following product-releases: PRODUCT ANV P/N FACTORY P/N 1660SM 3AL 36301 AAAA 521.203.300 PRODUCT RELEASE VERSION ANV P/N FACTORY P/N 1660SM 5.2 3AL 81407 ACAA ––.––.–– 1AA 00014 0004 (9007) A4 – ALICE 04.10 ED 03 3AL 91669 AA AA 17 / 706 706
  • 20.
    1.3 Product-release handbooks The list of handbooks given here below is valid on the issue date of this Handbook and can be changed without any obligation for ALCATEL to update it in this Handbook. not permitted without written authorization from Alcatel. All rights reserved. Passing on and copying of this document, use and communication of its contents Some of the handbooks listed here below may not be available on the issue date of this Handbook. The standard Customer Documentation in the English language for the equipment whose product-release-version is stated in para.1.2 on page 17 consists of the following handbooks: Table 1. Handbooks related to the specific product hardware THIS REF HANDBOOK ANV Part No. HDBK 1660SM Rel.5.2 3AL 91669 AAAA Technical Handbook [1] Provide information regarding Equipment description, Maintenance , Hardware setting documentation 1660SM Rel.5.2 3AL 91669 BAAA Installation Handbook [2] Provide information regarding Equipment Installation, according to A–Installation Engineering Department rules. 1660SM Rel.5.2 3AL91669 CAAA Turnup & Commissionig Handbook [3] Provide information regarding Equipment Turn–On, Test and Operation, according to A–Installation Engineering Department rules. Table 2. Handbooks related to the specific product SW management and local product control THIS REF HANDBOOK ANV Part No. HDBK or note Metro OMSN Rel.4.4/5.2 3AL 91670 AAAA CT Operator’s Handbook [4] Provides 1660SM “SDH” Craft Terminal screens and operational procedures 1AA 00014 0004 (9007) A4 – ALICE 04.10 ED 03 3AL 91669 AA AA 18 / 706 706
  • 21.
    Table 3. Handbooksrelated to ATM specific product SW THIS REF HANDBOOK ANV Part No. HDBK not permitted without written authorization from Alcatel. or note All rights reserved. Passing on and copying of this document, use and communication of its contents ATM Rel.1.2 [5] 3AL 80814 AAAA Operator’s Handbook ATM Rel.2.0 [6] 3AL 81826 AAAA Operator’s Handbook ATM Rel.2.1 [7] 3AL 89777 AAAA Operator’s Handbook ATM Rel.2.2 [8] 3AL 91714 AAAA Operator’s Handbook Provides ATM Craft Terminal screens and operational procedures Table 4. Handbooks related to PR_EA specific product SW THIS REF HANDBOOK ANV Part No. HDBK or note PR_EA Rel.1.1 [9] 3AL 81062 BAAA Operator’s Handbook Provides PR_EA Terminal screens and operational procedures Table 5. Handbooks related to PR specific product SW THIS REF HANDBOOK ANV Part No. HDBK or note PR Rel.1.0 [10] 3AL 81771 AAAA Operator’s Handbook PR Rel.1.1 [11] 3AL 91658 AAAA Operator’s Handbook PR Rel.1.2 [12] 3AL 91715 AAAA Operator’s Handbook Provides PR Craft Terminal screens and operational procedures 1AA 00014 0004 (9007) A4 – ALICE 04.10 ED 03 3AL 91669 AA AA 19 / 706 706
  • 22.
    Table 6. Handbooksrelated to ISA ES specific product SW THIS REF HANDBOOK ANV Part No. not permitted without written authorization from Alcatel. HDBK All rights reserved. Passing on and copying of this document, use and communication of its contents or note ES1 Rel.1.0 [13] 3AL 89872 AAAA Operator’s Handbook ES1/ES4 Rel.1.1 [14] 3AL 89871 AAAA Operator’s Handbook ES1/ES4 Rel.1.2 [15] 3AL91804 AAAA Operator’s Handbook ES16 Rel.2.0 [16] 3AL 89870 AAAA Operator’s Handbook ES16 Rel.2.1 [17] 3AL 91716 AAAA Operator’s Handbook Provides ISA–ES Craft Terminal screens and operational procedures 1AA 00014 0004 (9007) A4 – ALICE 04.10 ED 03 3AL 91669 AA AA 20 / 706 706
  • 23.
    Table 7. Handbookscommon to Alcatel Network Elements using 1320CT platform FACTORY THIS REF HANDBOOK ANV Part No. Part No. HDBK not permitted without written authorization from Alcatel. All rights reserved. Passing on and copying of this document, use and communication of its contents 1320CT 3.x 3AL 79551 AAAA 957.140.042 N Basic Operator’s Handbook [18] Provides general information and operational procedures common to all 1320CT (Craft terminal) of Alcatel InfoModel Network Elements. 1330AS Rel.6.5 3AL 88876 AAAA –––––––– Operator’s Handbook Provides detailed information and operational procedures regarding the alarm [19] Surveillance software embedded in the 1320CT software package. Information about Historical Alarms an Network Element Symbols Management ( Physical Network Management) are not valid for Craft Terminal. They are only used by Network Management. ELB Rel.2.x Operator’s Handbook 3AL 88877 AAAA –––––––– [20] Provide detailed information and operational procedures regarding the Event Log Browser software embedded in the 1320CT software package. 1AA 00014 0004 (9007) A4 – ALICE 04.10 ED 03 3AL 91669 AA AA 21 / 706 706
  • 24.
    Table 8. Optionalhandbooks common to 16xxSM FACTORY THIS REF HANDBOOK ANV Part No. Part No. HDBK not permitted without written authorization from Alcatel. All rights reserved. Passing on and copying of this document, use and communication of its contents S9–16xxSM 3AL 78901 AAAA 955.100.692 N System Installation Handbook [21] Provides general installation rules necessary to install the Optinex family equipment in the S9 Rack. Optinex RACK–16xxSM 3AL 38207 AAAA 955.110.202 L System Installation Handbook [22] Provides general installation rules necessary to install the Optinex family equipment in the Optinex Rack. N.B. Handbooks REF. [21] and [22] are available only on paper support Table 9. Documentation on CD–ROM See para. 5.5 on page 59 REF CD–ROM TITLE ANV Part No. FACTORY Part No. 1660SM Rel.5.2 CD–ROM–DOC EN 3AL 91671 AAAA ––.––.–– [23] Contains, in electronic format, the following handbooks: REF. [1] to [4] 1320CT 3.x BASIC CD–ROM–DOC EN 3AL 79552 AAAA 417.100.032 [24] Contains, in electronic format, the following handbooks: REF. [18] to [20] ATM 1.2 CD–ROM–DOC EN 3AL 80815 AAAA ––.––.–– [25] Contains, in electronic format, the following handbooks: REF. [5] ATM 2.0 CD–ROM–DOC EN 3AL 81829 AAAA ––.––.–– [26] Contains, in electronic format, the following handbook: REF. [6] ATM 2.1 CD–ROM–DOC EN 3AL 89778 AAAA ––.––.–– [27] Contains, in electronic format, the following handbooks: REF. [7] ATM 2.2 CD–ROM–DOC EN 3AL 91717 AAAA ––.––.–– 1AA 00014 0004 (9007) A4 – ALICE 04.10 [28] Contains, in electronic format, the following handbooks: REF. [8] ED 03 3AL 91669 AA AA 22 / 706 706
  • 25.
    REF CD–ROM TITLE ANV Part No. FACTORY Part No. PR_EA 1.1 CD–ROM–DOC EN 3AL 81063 BAAA ––.––.–– not permitted without written authorization from Alcatel. [29] All rights reserved. Passing on and copying of this document, use and communication of its contents Contains, in electronic format, the following handbook: REF. [9] PR 1.0 CD–ROM–DOC EN 3AL 81769 AAAA ––.––.–– [30] Contains, in electronic format, the following handbook: REF. [10] PR 1.1 CD–ROM–DOC EN 3AL 91659 AAAA ––.––.–– [31] Contains, in electronic format, the following handbooks: REF. [11] PR 1.2 CD–ROM–DOC EN 3AL 91718 AAAA ––.––.–– [32] Contains, in electronic format, the following handbooks: REF. [12] ES1 1.0 CD–ROM–DOC EN 3AL 89875 AAAA ––.––.–– [33] Contains, in electronic format, the following handbooks: REF. [13] ES1/ES4 1.1 CD–ROM–DOC EN 3AL 89874 AAAA ––.––.–– [34] Contains, in electronic format, the following handbooks: REF. [14] ES1/ES4 1.2 CD–ROM–DOC EN 3AL91805 AAAA ––.––.–– [35] Contains, in electronic format, the following handbooks: REF. [15] ES16 2.0 CD–ROM–DOC EN 3AL 89873 AAAA ––.––.–– [36] Contains, in electronic format, the following handbooks: REF. [16] ES16 2.1 CD–ROM–DOC EN 3AL 91719 AAAA ––.––.–– [37] Contains, in electronic format, the following handbooks: REF. [17] 1AA 00014 0004 (9007) A4 – ALICE 04.10 ED 03 3AL 91669 AA AA 23 / 706 706
  • 26.
    1.4 Handbook Structure This handbook has been edited according to the Alcatel standardized “drawing–up guides” complying with such suggestion. not permitted without written authorization from Alcatel. All rights reserved. Passing on and copying of this document, use and communication of its contents This handbook is divided into the following main topics as described in the table of contents: HANDBOOK GUIDE: It contains general information on safety norms, EMC and type of labels that might be affixed to the equipment. Furthermore, it describes the handbook structure and the customer documentation. The abbreviation list is supplied too. DESCRIPTION: It contains all the equipment’s general and detailed system features including its application in the telecommunication network. Furthermore, it supplies the equipment description and specifications (i.e., system, mechanical,electrical and/or optical). MAINTENANCE: It contains all the details for periodic checks, fault location and repair procedures and restore to normal operation through the withdrawal of faulty units and their replacement with spares (*) DISMANTLING & RECYLING It contains information for subrack/units dismantling and recycling and list of hazardous materials. APPENDICES: Section envisaged (but not necessarily included) to describe possible alternative unit. HARDWARE SETTING It encloses the documents related to unit hardware setting DOCUMENTATION: operations, if envisaged. ANNEXES: Section envisaged (but not necessarily included) containing additional documentation or general information on other topics not inherent to the chapters making up the handbook. (*) If the equipment is software integrated and man–machine interfaced (through a PCD, PC, Work Station or other external processing/displaying system) the maintenance carried out with such system is described in the Operator’s Handbook (see para.1.3 on page 18 ) 1AA 00014 0004 (9007) A4 – ALICE 04.10 ED 03 3AL 91669 AA AA 24 / 706 706
  • 27.
    1.5 Handbook ConfigurationCheck 1.5.1 List of the editions and of modified parts not permitted without written authorization from Alcatel. All rights reserved. Passing on and copying of this document, use and communication of its contents The following table indicates the handbook parts new and modified with respect to the previous edition. Legenda n = new part p =proposal part m = modified part PR =proposal edition Table 10. Handbook configuration check EDITION 01 02 03 04 05 06 DESCRIPTION n 1. GENERAL n 2. PHYSICAL CONFIGURATION n m m 3. FUNCTIONAL DESCRIPTION n m 4. UNITS DESCRIPTION n m m 5. TECHNICAL SPECIFICATION n m m MAINTENANCE n 6. MAINTENANCE n DISMANTLING & RECYCLING n 7. n APPENDICES Nothing envisaged HARDWARE SETTING DOCUMENTATION n Unit documentation list n m ANNEXES Nothing envisaged Note: the edition of the enclosed documents (sections HARDWARE SETTING DOCUMENTATION and ANNEXES) is not subjected to configuration check. 1AA 00014 0004 (9007) A4 – ALICE 04.10 ED 03 3AL 91669 AA AA 25 / 706 706
  • 28.
    1.5.2 Notes onEd.01 Ed.01 created on June 2004 is the first validated and officially released issue of this Handbook. not permitted without written authorization from Alcatel. All rights reserved. Passing on and copying of this document, use and communication of its contents 1.5.3 Notes on Ed.02 Ed.02 created on April 2005 has been edited for: – New Hardware setting document (MSZZQ) has been added – Correction of CWDM units characteristics – A12OS1SE access cad added. 1.5.4 Notes on Ed.03 Ed.03 created on September 2005 has been edited for: – Dismantling & Recycling procedures introduction – Added new STM64 PORT XFP – Added new Optical Modules LC – Added new SFP “DDM” module – Added 16xSTM1 High Speed Protection module – Added Optical Compensation Device – Correction on ISA PR_EA figures about data frame structure – Correction for COADM “Loss of signal” detection not managed – Editing corrections 1AA 00014 0004 (9007) A4 – ALICE 04.10 ED 03 3AL 91669 AA AA 26 / 706 706
  • 29.
    2 SAFETY NORMSAND LABELS 2.1 First aid for electric shock not permitted without written authorization from Alcatel. All rights reserved. Passing on and copying of this document, use and communication of its contents Do not touch the patient with bare hands until the circuit has been opened. Open the circuit by switching off the line switches. If that is not possible, protect yourself with dry material and free the patient from the conductor. ARTIFICIAL RESPIRATION It is important to start mouth to mouth resuscitation at once and seek medical help immediately. TREATMENT OF BURNS This treatment should be used after the patient has regained consciousness. It can also be employed while the artificial respiration is being applied (in this case there should be at least two persons present). WARNING: • Do not attempt to remove his clothing from the burnt parts; • Apply dry gauze on the burns; • Do not apply ointments or other oily substances. 1AA 00014 0004 (9007) A4 – ALICE 04.10 ED 03 3AL 91669 AA AA 27 / 706 706
  • 30.
    Mouth to mouthresuscitation method Lay the patient supine with his arms parallel with the body, if the patient is laying not permitted without written authorization from Alcatel. 1 on an inclined plane, make sure that his stomach is slightly lower than his chest. All rights reserved. Passing on and copying of this document, use and communication of its contents Open the patient’s mouth and check that there are no extraneous bodies in his mouth (dentures, chewing–gum etc.), Kneel beside the patient level with his head. Put a hand under the patient’s head and one under 2 his neck (see fig.) Lift the patient’s head and let it recline backwards as far as possible Shift the hand from the patient’s neck to is chin: place your thumb between his chin and his mouth, the index along his jawbone, and keep the 3 other fingers closed together (see fig.). While performing these operations take a good supply of oxygen by taking deep breaths with your mouth open. With your thumb between the patient’s chin and 4 mouth keep his lips together and blow into his nasal cavities (see fig.) While performing these operations observe if the patient’s chest rises (see fig.) If not it is possible that his nose is blocked: in that case open the patient’s mouth as much as possible by pressing on his chin with your hand, place your lips around 5 his mouth and blow into his oral cavity. Observe if the patient’s chest heaves. This second method can be used instead of the first even when the patient’s nose is kept closed by pressing the nostrils together using the hand you were holding his head with. The patient’s head must be kept sloping backwards as much as possible. 6 Start with ten rapid expirations, hence continue at a rate of twelve/fifteen expirations per minute. Go on like this until the patient has regained consciousness, or until a doctor has ascertained his death. 1AA 00014 0004 (9007) A4 – ALICE 04.10 ED 03 3AL 91669 AA AA 28 / 706 706
  • 31.
    2.2 Safety Rules 2.2.1 General Rules not permitted without written authorization from Alcatel. All rights reserved. Passing on and copying of this document, use and communication of its contents • Before carrying out any installation, turn–up & commissioning, operation and maintenance operations carefully read the relevant Handbook and chapters. • Observe safety rules – When equipment is operating nobody is allowed to have access inside on the equipment parts which are protected with Cover Plate Shields removable with tools – In case of absolute need to have access inside, on the equipment parts when it is operating this is allowed exclusively to service personnel, where for Service Personnel or Technical assistance is meant : ”personnel which has adequate Technical Knowledge and experience necessary to be aware of the danger that he might find in carrying out an operation and of the necessary measurements to reduce danger to minimum for him and for others”. The Service Personnel can only replace the faulty units with spare parts. The Service Personnel is not allowed to repair: hence the access to the parts no specified is not permitted. The keys and/or the tools used to open doors, hinged covers to remove parts which give access to compartments in which are present high dangerous voltages must belong exclusively to the service personnel. – For the eventual cleaning of the external parts of the equipment, absolutely do not use any inflammable substance or substances which in some way may alter the markings, inscriptions ect. – It is recommended to use a slightly wet cleaning cloth. • The Safety Rules stated in the handbook describe the operations and/or precautions to observe to safeguard service personnel during the working phases and to guarantee equipment safety, i.e., not exposing persons, animals, things to the risk of being injured/damaged. • Whenever the safety protection features have been impaired, REMOVE POWER. To cut off power proceed to switch off the power supply units as well as cut off power station upstream (rack or station distribution frame). • The safety rules described at the beginning of the handbook are distinguished by the following symbol and statement: SAFETY RULES 1AA 00014 0004 (9007) A4 – ALICE 04.10 ED 03 3AL 91669 AA AA 29 / 706 706
  • 32.
    2.2.2 Labels IndicatingDanger, Forbiddance, Command It is of utmost importance to follow the instructions printed on the labels affixed to the units and assemblies. not permitted without written authorization from Alcatel. The labels are fully compliant with International Norms ISO 3846–1984. The symbols or statements are All rights reserved. Passing on and copying of this document, use and communication of its contents enclosed in geometric shapes: ISO 3864–1984. CONTAINS A SYMBOL STATEMENT INDICATES FORBIDDANCE (WHITE BACKGROUND WHIT RED RIM–BLACK SYMBOL OR STATEMENT) IT IS A COMMAND (BLUE BACKGROUND–WHITE SYMBOL OR STATEMENT). CONTAINS A SYMBOL INDICATES WARNING OR DANGER (YELLOW BACKGROUND–BLACK SYMBOL AND RIM) CONTAINS A STATEMENT PROVIDING INFORMATION OR INSTRUCTION. (YELLOW BACKGROUND–BLACK STATEMENT AND RIM) The labels have been affixed to indicate a dangerous condition. They may contain any standard–known symbol or any statement necessary to safeguard users and service personnel against the most common ones, specifically: • dangerous electrical voltages • harmful optical signals • risk of explosion • moving mechanical parts • heat–radiating mechanical parts Pay attention to the information stated in the following, and proceed as instructed 1AA 00014 0004 (9007) A4 – ALICE 04.10 ED 03 3AL 91669 AA AA 30 / 706 706
  • 33.
    The symbols presentedin para.2.2.3 through 2.2.7 are all the possible symbols that could be present on Alcatel equipment, but are not all necessarily present on the equipment this handbook refers to. not permitted without written authorization from Alcatel. All rights reserved. Passing on and copying of this document, use and communication of its contents 2.2.3 Dangerous Electrical Voltages 2.2.3.1 Labelling The following warning label is affixed next to dangerous voltages (>42.4 Vp; >60 Vdc). If it is a Class 1 equipment connected to mains, then the label associated to it will state that the equipment will have to be grounded before connecting it to the power supply voltage, e.g.: WARNING ! Ground protect the equipment before connecting it to mains Make sure that power has been cut off before disconnecting ground protec- tion. 2.2.3.2 Electrical safety: general rules DANGER! Possibility of personal injury: carefully observe the specific procedures for installation / turn–up and commissioning / maintenance of equipment parts where a.c. or d.c. power is present, described in the relevant installation / turn–up and commissioning / maintenance documents and the following general rules: a) Personal injury can be caused by –48 V dc (or by 220 V ac if envisaged in the equipment). Avoid touching powered terminals with any exposed part of your body. b) Short circuiting, low-voltage, low-impedance, dc circuits can cause severe arcing that can result in burns and/or eye damage. Remove rings, watches, and other metal jewelry before working with primary circuits. Exercise caution to avoid shorting power input terminals. 1AA 00014 0004 (9007) A4 – ALICE 04.10 2.2.3.3 Electrical safety: equipment specific data Refer to para.5.1.2 on page 600. ED 03 3AL 91669 AA AA 31 / 706 706
  • 34.
    2.2.4 Harmful OpticalSignals 2.2.4.1 Labelling not permitted without written authorization from Alcatel. If the assembly or unit is fitted with a LASER, the labels must comply with the IEC 60825–1 and –2 All rights reserved. Passing on and copying of this document, use and communication of its contents International Norms. The symbol indicates the presence of a LASER beam. Danger level is stated within a rectangular label: If the LASER is a Hazard Level 1, 1M product, the label depicting the symbol within a triangle is not compulsory. If the LASER is a Hazard Level 3A product, the label depicting the symbol within a triangle is compulsory. NOTE: the equipment may be provided with labels of a type other than the illustrated one (reason: previous standard). The rectangular shaped label bears all the information needed, i.e.: • LASER class • Power emitted • Wave length • Ref. Norm • Precautionary measures taken depend on LASER class • Indications given on openings, panels and safety interlockers 1AA 00014 0004 (9007) A4 – ALICE 04.10 exemple of power and lenght values ED 03 3AL 91669 AA AA 32 / 706 706
  • 35.
    2.2.4.2 Optical safety:general rules On handling optical equipments or units or cables always check that laser labels are properly affixed and that the system complies with applicable optical standards. not permitted without written authorization from Alcatel. All rights reserved. Passing on and copying of this document, use and communication of its contents DANGER! Possibility of eyes damage: invisible infrared radiations emitted by the fiber optic transmitters can cause eyes damages. Carefully observe the specific procedures for installation / turn–up and commissioning / maintenance of units containing laser devices or cables transporting optical signals, described in the relevant installation / turn–up and commissioning / maintenance documents and the following general rules: a) Laser radiation is not visible by the naked eye or with laser safety glasses. Although it cannot be seen, laser radiation may be present. b) Never look directly into an unterminated fiber optic connector or into a broken optical fiber cable, unless it is absolutely known that no laser radiation is present. c) Never look at an optical fiber splice, cable or connector, unless it is absolutely known that no laser radiation is present. d) All optical connectors, terminating either fibers and transmitters/receivers, are provided with protective covers that must always be used, as soon as possible, when any optical link is disconnected for installation/test/maintenance purposes or whatever operation. e) Never look directly into an unterminated fiber optic connector or into a broken optical fiber cable by means of magnifiers/microscopes, unless it is absolutely known that no laser radiation is present. A magnifier/microscope greatly increases the damage hazard to the eyes. f) Never point an unterminated optical fiber splice, cable or connector to other persons, unless it is absolutely known that no laser radiation is present. g) Always remove electrical power from near and far optical transmitters before disconnecting optical links between the transmitter and the receiver. h) Wearing of laser safety goggles or eyes shields is recommended for every person working on optical devices, whenever the above listed rules cannot be followed. 2.2.4.3 Optical safety: equipment specific data Refer to paragraph 5.1.1 on page 595 . 1AA 00014 0004 (9007) A4 – ALICE 04.10 ED 03 3AL 91669 AA AA 33 / 706 706
  • 36.
    2.2.5 Risks ofExplosions 2.2.5.1 Labelling and safety instructions not permitted without written authorization from Alcatel. This risk is present when batteries are used, and it is signalled by the following label: All rights reserved. Passing on and copying of this document, use and communication of its contents Therefore, slits or apertures are made to let air circulate freely and allow dangerous gasses to downflow (battery–emitted hydrogen). A 417–IEC–5641 Norm. compliant label is affixed next to it indicating that the openings must not be covered up. 2.2.6 Moving Mechanical Parts The following warning label is affixed next to fans or other moving mechanical parts: Before carrying out any maintenance operation see that all the moving mechanical parts have been stopped. 1AA 00014 0004 (9007) A4 – ALICE 04.10 ED 03 3AL 91669 AA AA 34 / 706 706
  • 37.
    2.2.7 Heat–radiating MechanicalParts The presence of heat–radiating mechanical parts is indicated by the following warning label in compliancy with IEC 417 Norm, Fig.5041: not permitted without written authorization from Alcatel. All rights reserved. Passing on and copying of this document, use and communication of its contents As stated by IEC 950 Norm., para.1.4.7 mechanical parts which carry the above pictured label and that could inadvertently be touched, have a temperature T established by the following formula: (T–Tamb) (DTmax + 25° – Tmra) where: T Temperature of the mechanical part measured at ambient temperature Tamb. Tamb Ambient temperature during the test DTmax Value defined by IEC 60950 Norm, Table 16 part 2a, para.5.1, and specified in the table below. Tmra The maximum room ambient temperature permitted by the equipment specification or 25°C, whichever is greater. Table 11. IEC 950 –Table 16: Overtemperature limits, Part 2 Maximum overtemperature (°C ) Operator–accessible parts Glass, Plastic, Metal porcelain rubber Handle knob, ect., held or touched 35 45 60 for short periods Handles, knobs, ect., regularly held 30 40 50 Outer surface of the equipment that 45 55 70 can be touched Inner surface of the equipment that 45 55 70 can be touched DANGER! Possibility of personal injury: carefully observe the specific procedures for installation / turn–up and commissioning / maintenance of equipment parts where heat–radiating mechanical parts are present, described in the relevant installation / turn–up and commissioning / maintenance documents and the following general rule: 1AA 00014 0004 (9007) A4 – ALICE 04.10 a) Personal injury can be caused by heat. Avoid touching powered terminals with any exposed part of your body. ED 03 3AL 91669 AA AA 35 / 706 706
  • 38.
    2.2.8 Specific safetyrules in this handbook • The safety rules are specified in the following chapters: not permitted without written authorization from Alcatel. – Chapter 6 paragraph 6.1 on page 665 All rights reserved. Passing on and copying of this document, use and communication of its contents – Chapter 6 paragraph 6.5.2.1 on page 669 – Chapter 6 paragraph 6.6.1 on page 670 1AA 00014 0004 (9007) A4 – ALICE 04.10 ED 03 3AL 91669 AA AA 36 / 706 706
  • 39.
    3 OTHER NORMSAND LABELS 3.1 Electromagnetic Compatibility not permitted without written authorization from Alcatel. All rights reserved. Passing on and copying of this document, use and communication of its contents The equipment’s EMC norms depend on the type of installation being carried out (cable termination, grounding etc.,) and on the operating conditions (equipment, setting options of the electrical/electronic units, presence of dummy covers, etc.). • Before starting any installation, turn–up commissioning, operation and maintenance work refer to the relevant Handbook and chapters. • The norms set down to guarantee EMC compatibility, are distinguished inside this handbook by the symbol and term: ATTENTION EMC NORMS. 3.1.1 General Norms – Installation • All connections (towards the external source of the equipment) made with shielded cables use only cables and connectors suggested in this technical handbook or in the relevant Plant Documentation, or those specified in the Customer’s”Installation Norms.” (or similar documents) • Shielded cables must be suitably terminated • Install filters outside the equipment as required • Ground connect the equipment utilizing a conductor with proper dia. and impedance • Mount shields (if utilized), previously positioned during the installation phase, but not before having cleaned and degreased it. • Before inserting the shielded unit proceed to clean and degrease all peripheral surfaces (contact springs and connection points, etc.) • Screw fasten the units to the subrack. • To correctly install EMC compatible equipment follow the instructions given. 1AA 00014 0004 (9007) A4 – ALICE 04.10 ED 03 3AL 91669 AA AA 37 / 706 706
  • 40.
    3.1.2 General Norms– Turn–up Commissioning, Operation • Preset the electrical units as required to guarantee EMC compatibility • not permitted without written authorization from Alcatel. Check that the equipment is operating with all the shields properly positioned (dummy covers, All rights reserved. Passing on and copying of this document, use and communication of its contents ESD connector protections, etc.) • To properly use EMC compatible equipment observe the information given 3.1.3 General Norms – Maintenance • Before inserting the shielded unit, which will replace the faulty or modified unit, proceed to clean and degrease all peripheral surfaces (contact springs and connection points, etc.) • Clean the dummy covers of the spare units as well. • Screw fasten the units to the subrack. 1AA 00014 0004 (9007) A4 – ALICE 04.10 ED 03 3AL 91669 AA AA 38 / 706 706
  • 41.
    3.2 Electrostatic Dischargers(ESD) Before removing the ESD protections from the monitors, connectors etc., observe the precautionary measures stated. Make sure that the ESD protections have been replaced and after having terminated not permitted without written authorization from Alcatel. the maintenance and monitoring operations. All rights reserved. Passing on and copying of this document, use and communication of its contents Most electronic devices are sensitive to electrostatic dischargers, to this concern the following warning labels have been affixed: Observe the precautionary measures stated when having to touch the electronic parts during the installation/maintenance phases. Workers are supplied with antistatic protection devices consisting of: ELASTICIZED BAND COILED CORD • an elasticized band worn around the wrist • a coiled cord connected to the elasticized band and to the stud on the subrack. 1AA 00014 0004 (9007) A4 – ALICE 04.10 ED 03 3AL 91669 AA AA 39 / 706 706
  • 42.
    3.3 Suggestions, notesand cautions Suggestions and special notes are marked by the following symbol: not permitted without written authorization from Alcatel. Suggestion or note.... All rights reserved. Passing on and copying of this document, use and communication of its contents Cautions to avoid possible equipment damage are marked by the following symbol: TITLE... (caution to avoid equipment damage) statement.... 3.4 Labels affixed to the Equipment This chapter indicates the positions and the information contained on the identification and serial labels affixed to the equipment. Figure 1. thru’ Figure 7. illustrate the most common positions of the labels on the units, modules and subracks. Figure 8. thru’ Figure 13. illustrate the information (e.g., identification and serial No.) printed on the labels. The table below relates the ref. numbers stated on the figures to the labels used. Labelling depicted hereafter is for indicative purposes and could be changed without any notice. Table 12. Label references Ref. No. Name of Label 1 label specifying item not on catalogue (P/N. and serial number) 2 label specifying item on catalogue (P/N. and serial number) Refer to Figure 9. on page 48 3 item identification label – item on catalog Refer to Figure 10. on page 49 4 label identifying the equipment Refer to Figure 11. on page 49 5 label identifying compliancy with CE and WEEE Directives. Refer to Figure 12. and Figure 13. on page 50 On contract basis, customized labels can be affixed to the equipment. Standard labels can be affixed to any position on the equipment, as required by the Customer. However, for each of the above are applied the rules defined by each individual Customer. 1AA 00014 0004 (9007) A4 – ALICE 04.10 ED 03 3AL 91669 AA AA 40 / 706 706
  • 43.
    All rights reserved.Passing on and copying of this document, use and communication of its contents not permitted without written authorization from Alcatel. 1AA 00014 0004 (9007) A4 – ALICE 04.10 ED 4 03 Figure 1. Subrack label 2 ABCD NOTE : The above reference numbers are detailed on Table 12. on page 40 706 3AL 91669 AA AA 5 41 / 706
  • 44.
    1AA 00014 0004(9007) A4 – ALICE 04.10 ED 03 ABC Figure 2. Subrack label 2 NOTE : The above reference numbers are detailed on Table 12. on page 40 706 3AL 91669 AA AA 42 / 706 All rights reserved. Passing on and copying of this document, use and communication of its contents not permitted without written authorization from Alcatel.
  • 45.
    All rights reserved.Passing on and copying of this document, use and communication of its contents not permitted without written authorization from Alcatel. 1AA 00014 0004 (9007) A4 – ALICE 04.10 ED 03 NB.1 2 NB.1 = The label is present on the support side ABC Figure 3. Subrack label NOTE : The above reference numbers are detailed on Table 12. on page 40 706 3AL 91669 AA AA 43 / 706
  • 46.
    1AA 00014 0004(9007) A4 – ALICE 04.10 ED 03 ABC xxxxxx xxxxxx xxxxxxxxx 2 NOTE : The above reference numbers are detailed on Table 12. on page 40 Figure 4. Labels on units with standard cover plate 706 3AL 91669 AA AA 3 44 / 706 All rights reserved. Passing on and copying of this document, use and communication of its contents not permitted without written authorization from Alcatel.
  • 47.
    All rights reserved.Passing on and copying of this document, use and communication of its contents not permitted without written authorization from Alcatel. 1AA 00014 0004 (9007) A4 – ALICE 04.10 ED 03 ABC Figure 5. Modules label NOTE : The above reference numbers are detailed on Table 12. on page 40 706 3AL 91669 AA AA 2 45 / 706
  • 48.
    not permitted withoutwritten authorization from Alcatel. All rights reserved. Passing on and copying of this document, use and communication of its contents NB.1 1 ABC NB.1 = The label is present on the p.c.s. component side NOTE : The above reference numbers are detailed on Table 12. on page 40 Figure 6. Internal label for Printed Board Assembly 1AA 00014 0004 (9007) A4 – ALICE 04.10 ED 03 3AL 91669 AA AA 46 / 706 706
  • 49.
    not permitted withoutwritten authorization from Alcatel. All rights reserved. Passing on and copying of this document, use and communication of its contents NB.1 ABC 1 NB. 1 = The label is present on p.c.s. components side or rear side on the empty spaces. NOTE : The above reference numbers are detailed on Table 12. on page 40 1AA 00014 0004 (9007) A4 – ALICE 04.10 Figure 7. Back panels internal label ED 03 3AL 91669 AA AA 47 / 706 706
  • 50.
    FACTORY P/N +CS FACTORY SERIAL NUMBER not permitted without written authorization from Alcatel. All rights reserved. Passing on and copying of this document, use and communication of its contents SERIAL NUMBER BAR CODE (format 128; Module = 0,166; EN 799; Subset B/C) Figure 8. Label specifying item not on catalogue (P/N. and serial number) ANV ITEM PART NUMBER + space + ICS ALCATEL FACTORY PART ANV ITEM PART NUMBER + ICS BAR CODE NUMBER + SPACE + CS (format ALFA 39 (+ * start, stop); Module = 0,166; Ratio = 2) ACRONYM SERIAL NUMBER BAR CODE SERIAL NUMBER (format ALFA 39 (+ * start, stop); Module = 0,166; Ratio = 2) Figure 9. Label specifying item on catalogue (P/N. and serial number) 1AA 00014 0004 (9007) A4 – ALICE 04.10 ED 03 3AL 91669 AA AA 48 / 706 706
  • 51.
    not permitted withoutwritten authorization from Alcatel. FREQUENCY ACRONYM All rights reserved. Passing on and copying of this document, use and communication of its contents (Optional) ANV ITEM PART NUMBER Figure 10. Item identification labels – item on catalog EQUIPMENT NAME Figure 11. Label identifying the equipment (example) 1AA 00014 0004 (9007) A4 – ALICE 04.10 ED 03 3AL 91669 AA AA 49 / 706 706
  • 52.
    1AA 00014 0004(9007) A4 – ALICE 04.10 ED 03 equipment. Figure 12. CE label Figure 13. WEEE label 706 3AL 91669 AA AA Warning: CE and WEEE symbols can be in the same label or in different position of the 50 / 706 All rights reserved. Passing on and copying of this document, use and communication of its contents not permitted without written authorization from Alcatel.
  • 53.
    4 LIST OFABBREVIATIONS Table 13. List of Abbreviations not permitted without written authorization from Alcatel. All rights reserved. Passing on and copying of this document, use and communication of its contents ABBREVIATION MEANING ABIL Enabling ABN Abnormal ADM Add/Drop Multiplexer AIS Alarm indication Signal ALS Automatic Laser Shutdown APD Avalanche Photodiode APS Automatic Protection Switching AND Alarm on both station batteries ANSI American National Standards International ASIC Application Specific Integrated Circuit ATM Asynchronous Transfer Module ATTD Attended (alarm storing) AU Administrative Unit AUG Administrative Unit Group AUOH AU Pointer AUX Auxiliary AU4 Administrative unit – level 4 BATT Battery BER Bit Error Rate BIP Bit Interleaved Parity BNC Bayonet Not Coupling C Storing command CE European Conformity CO Central Office CPE Customer premises equipment 1AA 00014 0004 (9007) A4 – ALICE 04.10 CT Craft Terminal CMI Code Mark Inversion ED 03 3AL 91669 AA AA 51 / 706 706
  • 54.
    ABBREVIATION MEANING COAX Coaxial not permitted without written authorization from Alcatel. CPI Incoming parallel contacts All rights reserved. Passing on and copying of this document, use and communication of its contents CPO Outgoing parallel contacts Central Processing Unit (referred to Controller equipment unit CPU or Microprocessor) C12/C3/C4 1st, 3rd and 4th level container DC Direct Current DCC Data Communication Channel DCE Data Circuit Terminating Equipment DCU Optical Compensation Device DPLL Digital Phase Locked Loop DTE Data Terminal Equipment EBU European Broadcasting Union EC Equipment Controller ECC Embedded Control Channel ECMA Standardizing information and communication system (Formerly ”European Computer Manufacturers Association”). ECT Equipment Craft Terminal EMC Electromagnetic compatibility EMI Electromagnetic interference EOW Engineering Order Wire EPS Equipment Protection Switching ESD Electrostatic discharges ETSI European Telecommunication Standards Institute E2PROM Electrically erasable programmable read only memory F Interface F (for Craft Terminal) or Fuse FEBE Far End Block Error FEPROM Flesh Electrically erasable programmable read only memory FERF Far End Receive Failure 1AA 00014 0004 (9007) A4 – ALICE 04.10 FPGA Field Programmable Gate Array GA Gate Array ED 03 3AL 91669 AA AA 52 / 706 706
  • 55.
    ABBREVIATION MEANING GND Ground not permitted without written authorization from Alcatel. HDBK Handbook All rights reserved. Passing on and copying of this document, use and communication of its contents HDB3 High Density Bipolar Code HIGHREFL High Optical reflections HOA High Order Adaptation HOI High Order Interface HPC High order Path Connection HPT Higher Order Path Termination HPOM High order Path Overhead Monitoring HSUT High order Supervisory Unequipped Termination HW Hardware ICS Item Change Status ID Identification signals IEC International Electrotechnical Committee IEEE Institute of Electrical and Electronic Engineering IN Input IND Indicative alarm INT Internal Local Alarms IP Internet Protocol ISO International Organism for standardization International Telecommunication Union–Telecommunication ITU–T (*) Sector JE1 Joint Engineering LAN Local Area Network LDSSHUT Command for ALS LED Light emitting diode LOF Loss of alignment LOI Low Order Interface LOM Loss Of Multiframe 1AA 00014 0004 (9007) A4 – ALICE 04.10 LOP Loss Of Pointer ED 03 3AL 91669 AA AA 53 / 706 706
  • 56.
    ABBREVIATION MEANING LOS Loss of signal not permitted without written authorization from Alcatel. LPA Lower order path adaption All rights reserved. Passing on and copying of this document, use and communication of its contents LPC Lower order path connection LPOM Lower Order Path Monitoring Lower order path termination or Loopback equipment side LPT (local) LSUT Lower order Supervisory Unequipped Termination M Tagblock or Alarm storing MCF Message Communication Function MLM Multi Longitudinal mode MSA Multiplex section adaptation MSOH Multiplex Section Overhead MSP Multiplex section protection MST Multiplex section termination NRZ No return to zero NURG Not urgent alarm OH–BUS Dedicated housekeeping stream OMSN Optinex MultiService Node OOF Out Of Frame OR Logic sum/Loss of only one station battery OS Operating system OUT Output P/S Parallel/Serial converter PC Personal Computer PDH Plesiochronous Digital Hierarchy PFAIL Power supply failure PI Physical interface PJE Pointer Justification Event PPI Plesiochronous Physical interface 1AA 00014 0004 (9007) A4 – ALICE 04.10 POH Path Overhead ED 03 3AL 91669 AA AA 54 / 706 706
  • 57.
    ABBREVIATION MEANING PMMF Physical Machine Management Function not permitted without written authorization from Alcatel. PPS Path Protection Switching All rights reserved. Passing on and copying of this document, use and communication of its contents PRBS Pseudo Random Binary Signal PR_EA Packet Ring Edge Aggregator PWALM Power supply alarm PWANDOR ANDOR/3 failure TMN Interface with B2 protocol. Interface towards plesiochro- Q2/QB2 nous equipment Q3/QB3 TMN Interface with B3 protocol. Interface towards TMN R Reset command /General alarm RAI Remote Alarm Indication RECC Recommendation RAM Random Access Memory RDI Remote Defect Indication REI Remote Error Indication RCK Received clock REF Reference REL Release RIBUS Remote Inventory BUS RMS Root Mean Square Not urgent Alarm command. Lights up the relative rack red RNURG LED RSOH Regenerator Section Overhead RST Regenerator Section Termination RURG Urgent Alarm command. Lights up the relative rack red LED Rx Reception SC Shelf Controller SDH Synchronous Digital Hierarchy SETG Synchronous Equipment Timing Generation function 1AA 00014 0004 (9007) A4 – ALICE 04.10 SLM Single Longitudinal Mode SM Single Mode/Synchronous Mux ED 03 3AL 91669 AA AA 55 / 706 706
  • 58.
    ABBREVIATION MEANING SNCP/I (** ) Subnetwork Connection Protection Inherent not permitted without written authorization from Alcatel. SOH Section Overhead All rights reserved. Passing on and copying of this document, use and communication of its contents S/P Serial/Parallel Converter SPI Synchronous Physical Interface SSF Server Signal Fail SQ Squelch STM–0/STM–1 Synchronous Transport Module, levels 0 etc. SW Software TANC Remote alarm due to failure of all power supply units TD Layout drawing TIM Trace Identifier Mismatch TMN Telecommunication Management Network TOR Remote alarm indicating loss of one of the station batteries TORC Remote alarm due to a faulty/missing power supply unit TSD Trail Signal Degrade TSF Trail Signal Fail TTF Transport Terminal Function TUG2/3 Tributary unit group, level 2,3 TUOH Tributary Unit Overhead TUP/UP Equipment Controller remote alarm TU12/TU3 Tributary unit level 12, 3 TX Transmission URG Urgent VCXO/VCO Voltage controlled oscillator VC12/VC3/VC4 Virtual Container, levels 12,3,4 VMMF Virtual Machine Management Function WAN Wide Access Network NOTES – (*) Owing to change of name all documents issued by the two ITU committees (CCIR ND name, 1AA 00014 0004 (9007) A4 – ALICE 04.10 CCITT) in 1992 (and in some cases even before then) are classified as ITU–R and ITU–T, respectively respectively. (**) Substitutes PPS ED 03 3AL 91669 AA AA 56 / 706 706
  • 59.
    5 GENERAL ONALCATEL CUSTOMER DOCUMENTATION 5.1 Products, product-releases, versions and Customer Documentation not permitted without written authorization from Alcatel. All rights reserved. Passing on and copying of this document, use and communication of its contents A ”product” is defined by the network hierarchical level where it can be inserted and by the whole of performance and services for which it is meant. A ”product” evolves through successive ”product-releases” which are the real products marketed for their delivery at a certain ”product-release” availability date. So, a ”product–release” defines a set of hardware components and a software package which, as a whole, identify the possible network applications and the equipment performance which the specific ”product-release” has been designed, engineered and marketed for. In some cases a ”product-release” has further development steps, named ”versions”, that are born to improve or add some performance (mainly software) with respect to the previous version, or for bug fixing purposes. A ”product-release” has its own standard Customer Documentation, composed by one or more handbooks. A new ”version” of a ”product-release” may or may not produce a change in the status of the Customer Documentation set, as described in para. 5.4 on page 58. 5.2 Handbook supply to Customers Handbooks are not automatically delivered together with the equipment they refer to. The number of handbooks per type to be supplied must be decided at contract level. 5.3 Aims of standard Customer Documentation Standard Customer Documentation, referred to hereafter, must be always meant as plant-independent. Plant-dependent documentation, if envisaged by the contract, is subjected to commercial criteria as far as contents, formats and supply conditions are concerned (plant-dependent documentation is not described here). Standard hardware and software documentation is meant to give the Customer personnel the possibility and the information necessary for installing, commissioning, operating and maintaining the equipment according to Alcatel–Telecom Laboratory design choices. In particular: the contents of the handbooks associated to the software applications focus on the explanation of the man-machine interface and of the operating procedures allowed by it; maintenance is described down to faulty PCB location and replacement. Consequently, no supply to the Customers of design documentation (like PCB hardware design and production documents and files, software source programs, programming tools, etc.) is envisaged. The handbooks concerning hardware (usually the ”Technical Handbook”) and software (usually the ”Operator’s Handbook”) are kept separate in that any product changes do not necessarily concern their contents. For example, only the Technical Handbook might be revised because of hardware configuration changes (e.g., replacing a unit with one having different P/N but the same function). 1AA 00014 0004 (9007) A4 – ALICE 04.10 On the other hand, the Operator’s Handbook is updated because of a new software version but which does not concern the Technical Handbook as long as it does not imply hardware modifications. However, both types of handbooks can be updated to improve contents, correct mistakes, etc.. ED 03 3AL 91669 AA AA 57 / 706 706
  • 60.
    5.4 Handbook Updating The handbooks associated to the ”product–release” are listed in para.1.3 on page 18. not permitted without written authorization from Alcatel. Each handbook is identified by: All rights reserved. Passing on and copying of this document, use and communication of its contents – the name of the ”product-release” (and ”version” when the handbook is applicable to the versions starting from it, but not to the previous ones), – the handbook name, – the handbook P/N, – the handbook edition (usually first edition=01), – the handbook issue date. The date on the handbook does not refer to the date of print but to the date on which the handbook source file has been completed and released for the production. 5.4.1 Changes introduced in the same product-release (same handbook P/N) The edition and date of issue might change on future handbook versions for the following reasons: – only the date changes (pointed out in the Table of Contents) when modifications are made to the editorial system not changing the technical contents of the handbook. – the edition, hence the date, is changed because modifications made concern technical contents. In this case: • the chapters modified with respect to the previous edition are listed in Table 10. on page 25.; • in affected chapters, revision bars on the left of the page indicate modifications in text and drawings. Changes concerning the technical contents of the handbook cause the edition number increase (e.g. from Ed.01 to Ed.02). Slight changes (e.g. for corrections) maintain the same edition but with the addition of a version character (e.g. from Ed.02 to Ed.02A). Version character can be used for draft or proposal editions. NOTES FOR HANDBOOKS RELEVANT TO SOFTWARE APPLICATIONS Handbooks relevant to software applications (typically the Operator’s Handbooks) are not modified unless the new software ”version” distributed to Customers implies man–machine interface changes or in case of slight modifications not affecting the understanding of the explained procedures. Moreover, should the screen prints included in the handbook contain the product-release’s ”version” marking, they are not replaced in the handbooks related to a subsequent version, if the screen contents are unchanged. 5.4.1.1 Supplying updated handbooks to Customers Supplying updated handbooks to Customers who have already received previous issues is submitted to commercial criteria. By updated handbook delivery it is meant the supply of a complete copy of the handbook new issue (supplying errata–corrige sheets is not envisaged). 1AA 00014 0004 (9007) A4 – ALICE 04.10 5.4.2 Changes due to new product version A new product version changes the handbook P/N and the edition starts from 01. In this case the modified parts of the handbook are not listed. ED 03 3AL 91669 AA AA 58 / 706 706
  • 61.
    5.5 Customer documentationon CD–ROM In the following by ’CD–ROM’ it is meant ’Customer Documentation on CD–ROM’ not permitted without written authorization from Alcatel. All rights reserved. Passing on and copying of this document, use and communication of its contents 5.5.1 Contents, creation and production of a CD–ROM In most cases, a CD–ROM contains in read–only eletronic format the documentation of one product–release(–version) and for a certain language. In some other cases, the same CD–ROM can contain the documentation of different product–release(–version)s for a certain language. As a general rule: – CD–ROMs for Network Management products do not contain: • the Installation Guides • the documentation of system optional features that Customers could not buy from Alcatel together with the main applicative SW. – CD–ROMs for Network Elements products do not contain: • the documentation of system optional features (e.g. System Installation Handbooks related to racks that Customers could not buy from Alcatel together with the main equipment). A CD–ROM is obtained collecting various handbooks and documents in .pdf format. Bookmarks and hyperlinks make the navigation easier. No additional information is added to each handbook, so that the documentation present in the CD–ROMs is exactly the same the Customer would receive on paper. The files processed in this way are added to files/images for managing purpose and a master CD–ROM is recorded. Suitable checks are made in order to have a virus–free product. After a complete functional check, the CD–ROM image is electronically transferred to the archive of the Production Department, so that the CD–ROM can be produced and delivered to Customers. 1AA 00014 0004 (9007) A4 – ALICE 04.10 ED 03 3AL 91669 AA AA 59 / 706 706
  • 62.
    5.5.2 Use ofthe CD–ROM The CD–ROM can be used both in PC and Unix WS environments. The CD–ROM starts automatically with autorun and hyperlinks from the opened “Index” document permit not permitted without written authorization from Alcatel. All rights reserved. Passing on and copying of this document, use and communication of its contents to visualize the .pdf handbooks Other hyperlinks permit to get, from the Technical handbooks, the specific .pdf setting documents. In order to open the .pdf documents Adobe Acrobat Reader Version 4.0 (minimum) must have been installed on the platform. The CD–ROM doesn’t contain the Adobe Acrobat Reader program. The Customer is in charge of getting and installing it. ReadMe info is present on the CD–ROM to this purpose. Then the Customer is allowed to read the handbooks on the PC/WS screen, using the navigation and zooming tools included in the tool, and to print selected parts of the documentation through a local printer. 5.5.3 CD–ROM identification Each CD–ROM is identified: 1) by the following external identifiers, that are printed on the CD–ROM upper surface: – the name of the ”product–release(s)” (and ”version” if applicable) – a writing indicating the language(s), – the CD–ROM P/N (Factory P/N and ANV P/N), – the CD–ROM edition (usually first edition=01) 2) and, internally, by the list of the source handbooks and documents (P/Ns and editions) by whose collection and processing the CD–ROM itself has been created. 5.5.4 CD–ROM updating The list of source handbook/document P/Ns–editions indicated in previous para. 5.5.3 point 2 ) , in association with the CD–ROM’s own P/N–edition, is also loaded in the Alcatel–Information–System as a structured list. Whenever a new edition of any of such handbooks/documents is released in the Alcatel archive system, a check in the Alcatel–Information–System is made to identify the list of CD–ROMs that must be updated to include the new editions of these handbooks/documents. This causes the planning and creation of a new edition of the CD–ROM. Updating of CD–ROMs always follows, with a certain delay, the updating of the single handbooks composing the collection. 1AA 00014 0004 (9007) A4 – ALICE 04.10 ED 03 3AL 91669 AA AA 60 / 706 706
  • 63.
    All rights reserved.Passing on and copying of this document, use and communication of its contents not permitted without written authorization from Alcatel. 1AA 00014 0004 (9007) A4 – ALICE 04.10 ED 03 706 3AL 91669 AA AA DESCRIPTIONS 61 / 706
  • 64.
    1AA 00014 0004(9007) A4 – ALICE 04.10 ED 03 706 3AL 91669 AA AA 62 / 706 All rights reserved. Passing on and copying of this document, use and communication of its contents not permitted without written authorization from Alcatel.
  • 65.
    1 GENERAL 1.1 Introduction to the equipment not permitted without written authorization from Alcatel. All rights reserved. Passing on and copying of this document, use and communication of its contents The Alcatel 1660SM is a synchronous Optical Multi Service Node (OMSN); it complies with the Synchronous Digital Hierarchy (SDH) defined in ITU–T Recommendation G.707. The integration of SDH and WDM technology represents the chance to enhance the network capacity with no impact on the starting physical means (i.e. fibers): the presence of a wavelength grid allows the user to multiply the capacity with limited costs, if compared to the cable laying; on the other side the SDH network (specifically configured with OMSN’s equipment) represents the most flexible and reliable way to handle different types of clients, both TDM and data. The availability of Coarse WDM technology in the 1660SM matches a second driver for network integration, i.e. ’cost reduction’. CWDM optical devices represent a cost effective solution, if compared to the Dense WDM technology and fit most of the network scenarios in area ’metro’(refer to Figure 14. on page 67). 1660SM, makes available up to 8 channels for traffic transport according the ITU –T G.694.2 wavelength grid: 1470 – 1490 – 1510 – 1530 – 1550 – 1570 – 1590 – 1610 nm. The 1660SM with CWDM technology fulfits both ’ring’ and ’linear’ applications (refer to paragraph 1.2.3 on page 75 and paragraph 1.2.4 on page 79). Compatible with existing plesiochronous systems as well as with the installed SDH networks, the 1660SM is a transmission equipment operating at 155 (STM–1), 622(STM–4), 2488(STM–16) and 9953 (STM–64) Mbit/s bit rates. It can be configured as a Multiple Line Terminal Multiplexers or as a Multiple Add/Drop Multiplexers or mini cross connect for applications in linear links, network rings and meshed networks. A wide range of ports can be added/dropped/connected by the equipment according to the traffic type to be managed: – 2.048 Mbit/s signal (with asynchronous mapping) Processing of unstructured and structured (ISDN–PRA) 2Mb/s signal. – 34/45 Mbit/s – STM–1 Electrical/Optical – STM–4 Optical Signal – STM–16 Optical Signal – STM–64 Optical Signal – OC3 Electrical/Optical – A mixing of SDH and Data Services is possible by inserting the 4xANY board in the 1660SM subrack. It allows to multiplex in the time domain up to 4 client signals into one single 2.5Gb/s optical channel (server signal). Server STM–16 signal is connected to SDH matrix through 1660SM backpanel. Multiplexing scheme delivers a fully compliant SDH frame. The signal can hence be directly connected to a SDH ADM/DXC without requiring prior de–concentration. The clients signals can be independently handled among the following types: 1AA 00014 0004 (9007) A4 – ALICE 04.10 • Fast Ethernet • FDDI (125Mbps) ED 03 3AL 91669 AA AA 63 / 706 706
  • 66.
    ESCON (200Mbps) • Digital Video (270Mbps) • Fiber Channel (1.0625Gbps) • FICON (1.0625Gbps) not permitted without written authorization from Alcatel. • Gigabit Ethernet (1.25Gbps) All rights reserved. Passing on and copying of this document, use and communication of its contents – ISA (Integrated Service Adapter) Alcatel’s Integrated Service Adapter (ISA) series of plug–in cards are specially designed to enhance the optical transport network by adding data–aware features that are easy to introduce, allowing carriers to efficiently and cost–effectively aggregate, switch and transport the expanding amount of data services in their metropolitan network. 1660SM equipped with ISA plug–in cards give telecom operators a new generation modular platform for multi–service SDH transport and further strengthen Alcatel’s leading position in the supply of optical multi–technology transmission networks. The ISA system is modular and the plug–ins can be chosen according to the specific application the 1660SM needs to manage; the following ISA boards are available: • ISA–ATM (Asynchronous Transfer Module); the ATM cells, mapped into SDH G707 payloads (VC4, VC4–C, VC3, VC12) or PDH G704/G832/G804 frames (E1, E3), can be processed, routed and switched, using the dedicated unit. Such functionalities are particularly useful in urban and local access ring to consolidate data traffic from different users onto the same SDH Virtual Containers, thereby optimizing the utilization of transmission bandwidth (see Figure 15. on page 68). • ISA–PR_EA (Packet Ring Edge Aggregator) also called MPLS (Multi Protocol Label Switching); the packets data services of level 3 of the protocol stack, transported over Ethernet, are routed into the SDH network by means of MPLS labels. Topology can be either meshed or ring networks. It is expecially made as interface aggregator. • ISA–PR (Packet Ring); the packets data services of level 3 of the protocol stack, transported over Ethernet, are routed into the SDH network by means of MPLS labels. PR is for ring network topology, with dedicated data protector scheme. The role of PR functionality is to provide a shared carrier–class Ethernet Packet Ring either embedded physically into the SDH infrastructure, in which case the embedded Packet Ring is provided in a flexible manner over SDH Virtual Containers (VC–4–Xv), or alternatively the PR can be connected directly to independent fibers to create a Packet Ring over single or dual STM4. PR Deployment Scenario is presented on Figure 16. on page 69. • ISA–Ethernet: the ethernet MAC frames are accessed at 10/100BaseT format, and then mapped into SDH G707 payloads (VC4, VC3, VC12); they can be transparently linked, point–to–point, in the SDH network to allow LAN to LAN connections as depicted in the example of Figure 17. on page 70. If the customer has N sites to be interconnected, each Customer Box uses N–1 Point to Point Ethernet interfaces. Ethernet frames are mapped over a SDH VC using Generic Framing Procedure encapsulation. As SDH Network is transparent, the customer Boxes see them as directly connected in a mesh. • ISA–Gbit/s Ethernet: the ethernet signals are accessed at 1.25Gb/s over optical fiber medium, and then mapped into SDH G707 payloads VC4; they can be transparently linked, point–to–point, in the SDH network to allow LAN to LAN connections as depicted in the 1AA 00014 0004 (9007) A4 – ALICE 04.10 example of Figure 17. on page 70 If the customer has N sites to be interconnected, each Customer Box uses N–1 Point to Point Ethernet interfaces. ED 03 3AL 91669 AA AA 64 / 706 706
  • 67.
    Ethernet frames aremapped over a SDH VC using Generic Framing Procedure encapsulation. As SDH Network is transparent, the customer Boxes see them as directly connected in a mesh. • ISA–ES (Ethernet Switching). not permitted without written authorization from Alcatel. All rights reserved. Passing on and copying of this document, use and communication of its contents ISA–ES series modules provide ETH 10/100/1000 interfaces connectivity for LAN based clients premises inside the metro area. Beyond mapping ETH flows onto the SDH metro network by means of standard mechanisms (as specified in ITU G.7071, ITU G.7042 and ITU G.707) the ISA–ES series cards introduce wire speed classifying, policing and scheduling capability empowered by carrier class Ethernet switching engine. Per customer traffic flow management with low bandwidth granularity, segregation and QoS are just few of the value added arguments that these series of modules offer to the carrier operators at a competitive price. When 1660SM is used as Add/Drop Multiplexer, mixed STM–N ports can be used in the same configuration thus allowing to manage in the same equipment and at the same time STM–1 , STM–4, STM–16 and STM–64 rings (multiring). A large variety of STM–N optical plug–in modules operating at 1300 nm and 1550 nm is available to cover short and long haul systems. Dedicated optical interfaces are also available to inter–work with boosters and optical pre–amplifiers at all STM–N levels. 1660SM also features “coloured” STM–16 interfaces for direct interworking with WDM equipment without intermediate wavelength adapters. All the electrical units (traffic ports) and the common units can be optionally EPS protected with different modularity (1+1; 1+N with 1 v N v15 as far as regards the traffic ports ): – The EPS protection of the High Speed electrical traffic units ( 34 Mbit/s, 45 Mbit/s and155 Mbit/s) is implemented using a dedicated access module. – The EPS protection of the ATM/PR_EA units is implemented. – The EPS protection of the ISA–ES16 units is implemented. According to the network topology, network protection mechanisms are provided: – Single ended and dual ended MSP (Multiplex Section Protection) can be implemented at any STM–N level. – MS–SPRing (Multiple Section Shared Protection Ring) on two fibers bidirectional rings can be implemented at STM–16 level. A centralized matrix implements the cross–connect function and can be protected in 1+1 EPS scheme. The maximum matrix cross connection capability can be 256x256 STM–1 equivalent port at VC–12 / VC–3 level + 384x384 equivalent port at VC–4 level. A wide auxiliary capacity, in accordance with SDH standards, is available for embedded services. An Engineering Order Wire channel, with DTMF signalling, can be accessed by a microtelephone for maintenance facility. The clock reference function, housed in the centralized unit (MATRIX), synchronizes the 1660SM and provides generation and distribution of a synchronism clock. The distributed clock can be locked to an 1AA 00014 0004 (9007) A4 – ALICE 04.10 external 2MHz or 2Mbit/s source, to any STM–N or 2Mbit/s tributary signal. The SSM (Synchronization Status Message) and priority algorithms are supported. ED 03 3AL 91669 AA AA 65 / 706 706
  • 68.
    The Equipment Controllerfunction provides unit configuration and collects unit alarms, statuses and performance monitoring data. A Local software download facility is available in order to update the complete software of the control subsystem. not permitted without written authorization from Alcatel. Traffic ports have no on–board processor and may be reused from one equipment to another or retrieve All rights reserved. Passing on and copying of this document, use and communication of its contents from stocks with no worries about software version. The system can be managed either by a Personal Computer through the F interface or by a Network Management System through the Q interface. Moreover, the 1660SM can work as a Mediation Device for Alcatel NE accessible through Q2/RQ2 interface. In this way, it can be possible to transport information about alarms and configurations of PDH and/or Access Systems to/from a centralized TMN using the standard SDH DCC network. A DC/DC converter, located on each board, guarantees the powering of the system. The distribution of Power Supplies inherently guarantees protection. Other functionalities : • Bidirectional Transmission For the Optinex 1660SM optical interface a bidirectional transmission on single fiber function is implemented, using an external passive optical coupler. • Remote Equipment Control This function allows a centralized management system for small SDH networks, similar to that offered by an OS. That means that it is possible to perform management functionalities , from one of the NEs of the network, toward the other NEs (up to 31), like configuration modification and remote control. • Dual OS O.S. Spare is foreseen to protect the Main one. 1AA 00014 0004 (9007) A4 – ALICE 04.10 ED 03 3AL 91669 AA AA 66 / 706 706
  • 69.
    not permitted withoutwritten authorization from Alcatel. All rights reserved. Passing on and copying of this document, use and communication of its contents Link: up to 100 Km Metro Access Ring PACKET VC–4/3/12 Core CWDM CWDM OMSN Metro G OMSN 2.5/nx2.5G CWDM network Metro VC–4/3/12 CWDM OMSN PACKET 2.5/nx2.5G CWDM VC–4/3/12 PACKET VC–4/3/12 network CWDM Metro Core PACKET Ring/Mesh Metro Edge SDH@STM–16 CWDM Ring (up to 100–X Km) 1–N x STM–16 E1/DS1 1–N x STM–16 E3/DS3 10/100/GbE E1/DS1 E3/DS3 STM–n/10GbE 10/100/GbE E1/DS1 STM–n/10GbE E3/DS3 E/FE 1AA 00014 0004 (9007) A4 – ALICE 04.10 Figure 14. Example of SDH/DATA/CWDM integration in “metro area” ED 03 3AL 91669 AA AA 67 / 706 706
  • 70.
    1AA 00014 0004(9007) A4 – ALICE 04.10 ED SDH Interfaces: 1640FOX TDM ATM PR_EA 03 1660SM PDH Interfaces: TDM ATM ÌÑ ÑÑ ÑÑ PR_EA Ethernet: ÌÌÌÌ ÌÌÌÌ ÌÌÑÌ 1650SMC 10/100 Base T Consolidated bandwidth Full Duplex 1000 BASE –LX 1000 BASE –SX ÓÔÑ ÑÑ ÓÔ ÓÓ Ó SDH Network ÌÌÌ ÌÌÌ Ô ÌÌÌ Ó ÌÌÌ Ó Ñ ÑÑ ÑÓ ÑÓ ÓÔ ÌÔ ÌÔ ÌÌÌÌ ÌÌÌÌ ÌÌÌÌ ÌÌÌÌ ÌÌÓÌ ÌÌÓÌ ÌÌÌÌ ÌÌÌÌ ÌÌÌÌ Ñ ÌÌÌÌ Ñ ÌÌÌÌ 1650SMC 1640FOX 1640FOX Bandwidth control: – ATMM QoS ATM Switch Figure 15. Example of ATM Transport management Traffic engineering: 706 3AL 91669 AA AA MPLS Routing ATM switching ÌÌÌÌ ÌÌÌÌ ÌÌÌÌ 1640FOX 68 / 706 All rights reserved. Passing on and copying of this document, use and communication of its contents not permitted without written authorization from Alcatel.
  • 71.
    not permitted withoutwritten authorization from Alcatel. All rights reserved. Passing on and copying of this document, use and communication of its contents Legend : 1660SM with ISA –PR – Ethernet/IP Customer Switch/Router Core Hand –off of aggregated packet L3 Router traffic to core network 1640FOX GbE Overlay MPLS Packet Ring created over VC –4–Xv STM16 SDH Ring Bandwidth 1650 Fe or GbE 1640FOX ISA –PR does not have to 1640FOX be installed in all ring End –to–end Metro nodes Ethernet Service created with QoS/SLA 1AA 00014 0004 (9007) A4 – ALICE 04.10 Figure 16. ISA–PR Deployment Scenario ED 03 3AL 91669 AA AA 69 / 706 706
  • 72.
    1AA 00014 0004(9007) A4 – ALICE 04.10 ED 03 Ethernet frames are mapped in SDH VC–12. VC–3, VC–4 Site to Site Traffic is mapped on a dedicated SDH VC SDH RING NETWORK Figure 17. Ethernet service application 706 Legenda: 3AL 91669 AA AA SDH level The LAN to LAN Customer box: protection board is present either LAN Switch or Router only at each terminating node 1660SM with LAN to LAN board 70 / 706 All rights reserved. Passing on and copying of this document, use and communication of its contents not permitted without written authorization from Alcatel.
  • 73.
    1.2 Insertion ofthe equipment into the network The 1660SM equipment belongs to the Alcatel Optinex family product, compliant with the SDH Synchronous Digital Hierarchy defined by the ITU–T Recs. not permitted without written authorization from Alcatel. The equipment 1660SM can be utilized in local, regional and metropolitan networks configured for All rights reserved. Passing on and copying of this document, use and communication of its contents standard plesiochronous or synchronous systems. The product can be suitably employed on linear, ring and hub networks and on protected or unprotected line links. The equipment applications depends on the different types of networks available. 1.2.1 Configuration • Terminal multiplexer (see Figure 18. ). The NE is provided with an STM–N (with N=1÷64 ) a station interface (eventually stand–by too) to be connected to a Digital Electronic Cross–Connect or to a higher hierarchical line system. SDH PORT PDH PORTS NE SDH PORT (SPARE) Figure 18. Terminal multiplexer • Add/Drop Multiplexer ( see Figure 19. ) The NE can be programmed to drop (insert) signals from (into) the STM–N (with N=1÷64 ) stream. Part of the signal pass–through between the line sides, defined A and B in Figure 19. on page 71. SDH PORT SDH PORT Side A NE Side B SDH PORT SDH PORT (SPARE) (SPARE) SDH, PDH PORTS Figure 19. Add/Drop Multiplexer 1AA 00014 0004 (9007) A4 – ALICE 04.10 ED 03 3AL 91669 AA AA 71 / 706 706
  • 74.
    ”HUB” STM–N (see Figure 20. ) The NE permits to drop/insert STM–N tributaries into a multiple stream and then branch them off in HUB structures. not permitted without written authorization from Alcatel. All rights reserved. Passing on and copying of this document, use and communication of its contents SDH PORT SDH PORT NE SDH PORT SDH PORT (SPARE) (SPARE) SDH PORT Figure 20. ”HUB” STM–1 • Mixed Configuration The NE can handle in the same node all the previously configuration thus performing a mixed configuration. 1.2.2 Application For each of the above configurations different network topologies may be used. The most important network topologies are: Point to Point Linear Ring and multiring topology Meshed topology • Point–to–point link (see Figure 21. ) In this case the NE can be connected to another multiplexer through the line SDH PORT SDH PORT PDH PORTS NE NE PDH PORTS SDH PORT SDH PORT SPARE SPARE Figure 21. Point–to–point links 1AA 00014 0004 (9007) A4 – ALICE 04.10 ED 03 3AL 91669 AA AA 72 / 706 706
  • 75.
    Linear Drop–insert (see Figure 22. ) The NE can be programmed to drop (insert) PDH and SDH ports from (into) the STM–N (with N=1÷64 ) stream or terminate PDH ports not permitted without written authorization from Alcatel. All rights reserved. Passing on and copying of this document, use and communication of its contents SDH PORT SDH PORT SDH PORT NE NE NE NE SPARE SPARE SPARE PDH PORTS PDH PORTS SDH AND PDH SDH AND PDH PORTS PORTS Figure 22. Linear drop–insert • Ring structure (see Figure 23. ) The drop–insert function permits to realize ring structures. The VC can be automatically rerouted if the optical splice breaks down or one of the equipment nodes fails SDH AND PDH PORTS NE STM–4 STM–4 RING 1 SDH AND PDH SDH AND PDH NE NE PORTS SDH AND PDH PORTS PORTS STM–4 STM–4 NE STM–1 STM–1 PDH PORTS SDH AND PDH SDH AND PDH NE NE PORTS PORTS RING 2 STM–1 NE STM–1 SDH AND PDH 1AA 00014 0004 (9007) A4 – ALICE 04.10 PORTS Figure 23. Ring structure ED 03 3AL 91669 AA AA 73 / 706 706
  • 76.
    Meshed Topology (see Figure 24. on page 74) The Meshed topology may be used in case of collection of traffic in peripheral nodes or customer premises sites. 1+1 line protection may be used to protect against line failure and, not permitted without written authorization from Alcatel. in some cases, node failure could be protected using dual hub topology too. For this type of All rights reserved. Passing on and copying of this document, use and communication of its contents network topologies the mini digital cross connect system is very useful and SNCP/I is used. PDH PORT NE SDH AND PDH STM–N STM–N PORTS PDH PORT STM–1 STM–1 NE RING NE NE PDH PORT NE STM–N STM–N PDH PORT NE STM–N SDH AND PDH PORTS STM–N NE STM–N STM–N PDH PORT NE STM–N NE RING NE PDH PORT SDH AND PDH PORTS STM–N STM–N NE PDH PORT Figure 24. Meshed topology 1AA 00014 0004 (9007) A4 – ALICE 04.10 ED 03 3AL 91669 AA AA 74 / 706 706
  • 77.
    1.2.3 SDH /CWDM integration in “ring” network NOTE: in this paragraph and in the following 1.2.4 on page 79 , 1660SM equipped with Coarse WDM units will be called 1660OADM. not permitted without written authorization from Alcatel. All rights reserved. Passing on and copying of this document, use and communication of its contents • COADM 1 (2) channel; • MUX/DEMUX 8 channels. The use of COADM unit for interfacing WDM ring, allows the operator to duplicate/triplicate the starting network capacity based on a ’single optical channel’ provided by ’pure’ STM–N interfaces. Figure 25. SDH/CWDM integration in “ring” with COADM units According to the amount of traffic to be handled at a node of the ring, 1(2) channels (λx, λy) out of the 8 specified by ITU–T grid are added/dropped in order to be handled by 1660SM; the remaining channels possibly not terminated, are by–passed, from one side to the opposite one of the node (W to E, E to W) through a specific link (at WDM level) between COADM’s units. 1AA 00014 0004 (9007) A4 – ALICE 04.10 COADM unit is specifically devoted to application in a ’ring’ network (due to WDM pass–through link) and requires the use of two separate units respectively for West side interfacing and East side interfacing. ED 03 3AL 91669 AA AA 75 / 706 706
  • 78.
    In Figure 25.the representation of a ’ring’ network using COADM as ring interface is provided; while in Figure 26. the functional parts related to each node of the ring are detailed. not permitted without written authorization from Alcatel. All rights reserved. Passing on and copying of this document, use and communication of its contents Figure 26. SDH/CWDM integration in “ring” with COADM unit: detailed view In the showed example, ’added/dropped’ wavelengths ( λ1, λ2, ) are terminated by STM16 ’CWDM’ interfaces operating in compliance with the ITU–T grid. Traffic streams terminated are, then, cross–connected at SDH level and made available to the relevant ’client’ interfaces (SDH/PDH/MPLS/Ethernet). The use of MUX/DEMUX unit for interfacing WDM ring, allows the operator to terminate the whole pool of optical channels available. MUX/DEMUX unit is required when the traffic matrix is larger than the capacity provided by COADM 1(2) channel/s. The application in a ’ring’ network, requires the use of two MUX/DEMUX units respectively for West side interfacing and East side interfacing. 1AA 00014 0004 (9007) A4 – ALICE 04.10 ED 03 3AL 91669 AA AA 76 / 706 706
  • 79.
    not permitted withoutwritten authorization from Alcatel. All rights reserved. Passing on and copying of this document, use and communication of its contents Figure 27. SDH/CWDM integration in “ring” with MUX/DEMUX unit Up to 8 channels may be added/dropped at a node of the ring, according to the amount of traffic to be terminated; while wavelengths not terminated at a node, are by–passed, from one side to the opposite one of the node (W to E, E to W) through a specific link (at channel level) between MUX/DEMUX units. In Figure 27. the representation of a ’ring’ network using MUX/DEMUX as ring interfaces is provided. In Figure 28. the functional parts related to each node of the ring are detailed. 1AA 00014 0004 (9007) A4 – ALICE 04.10 ED 03 3AL 91669 AA AA 77 / 706 706
  • 80.
    not permitted withoutwritten authorization from Alcatel. All rights reserved. Passing on and copying of this document, use and communication of its contents Figure 28. SDH/CWDM integration in “ring” with MUX/DEMUX unit: detailed view In the showed example, 4 wavelengths ( λ1, λ2, λ3, λ4, ) are ’added/dropped’ at a generic node, then terminated by STM16 ’CWDM’ interfaces operating in compliance with the ITU–T grid. As for previous COADM application, traffic streams terminated are cross–connected at SDH level and made available to the relevant ’client’ interfaces (SDH/PDH/MPLS/Ethernet). 1AA 00014 0004 (9007) A4 – ALICE 04.10 ED 03 3AL 91669 AA AA 78 / 706 706
  • 81.
    1.2.4 SDH /CWDM integration in “linear” network The use of 16660SM with “Coarse WDM units” in linear network is properly based on MUX/DEMUX unit deployment. not permitted without written authorization from Alcatel. All rights reserved. Passing on and copying of this document, use and communication of its contents As, already seen for ’ring’ application, the use of MUX/DEMUX allows the termination of 8 available channels. Nevertheless, the use of COADMn unit may be considered for those network scenarios whose traffic demand is satisfied by 1 or 2 wavelengths. Figure 29. SDH/CWDM integration in “linear” network Figure 29. shows a ’linear’ network application for 1660SM. In Figure 30. a detailed vision of a node in this kind of network is also provided; wavelength multi/ demultiplexing is supposed to be performed by MUX/DEMUX unit. Figure 30. SDH/CWDM integration in “linear” network (MUX/DEMUX): detailed view In the showed example, the whole pool of 8 wavelengths is terminated at the end of the link by STM16 1AA 00014 0004 (9007) A4 – ALICE 04.10 ’CWDM’ interfaces operating in compliance with the ITU–T grid: two shelves are considered in order to allow the equipment of ’colored’ interfaces needed. ED 03 3AL 91669 AA AA 79 / 706 706
  • 82.
    In Figure 8,the possible use of an COADM unit for wavelength multi/demultiplexing is considered; for this functionality, COADM ’pass–through’ link is not used. not permitted without written authorization from Alcatel. All rights reserved. Passing on and copying of this document, use and communication of its contents Figure 31. SDH/CWDM integration in “linear” network (COADM unit): detailed view 1AA 00014 0004 (9007) A4 – ALICE 04.10 ED 03 3AL 91669 AA AA 80 / 706 706
  • 83.
    1.2.5 Network protection The relationship between the network application with their own protection and the configuration modes is summed up in Table 14. on page 81. not permitted without written authorization from Alcatel. All rights reserved. Passing on and copying of this document, use and communication of its contents Table 14. Network application versus configuration modes Network Protection NE Configuration Network application Scheme TM ADM Point to Point MSP Linear MSP Ring SNCP Hub and Meshed MSP SNCP 1AA 00014 0004 (9007) A4 – ALICE 04.10 ED 03 3AL 91669 AA AA 81 / 706 706
  • 84.
    1AA 00014 0004(9007) A4 – ALICE 04.10 ED 03 706 3AL 91669 AA AA 82 / 706 All rights reserved. Passing on and copying of this document, use and communication of its contents not permitted without written authorization from Alcatel.
  • 85.
    2 PHYSICAL CONFIGURATION In all this document, three types of cards will be distinguished : not permitted without written authorization from Alcatel. All rights reserved. Passing on and copying of this document, use and communication of its contents • access card : it is a board containing the signal physical interfaces ( electrical connectors) • ports card : it is the board that performs the SDH elaboration of the signal • module (electrical or optical) : It is a particular plug–in card ( of small dimensions ) that is inserted on the front panel of some particular boards. This Chapter illustrates the physical structure, layout and composition, coding and partition of the Equipment and Fans subrack. EQUIPMENT: The Equipment Shelf front view is illustrated in Figure 32. on page 84 (“SR60M” subrack) and in Figure 34. on page 85 (1660 subrack with fans). 1660SM is composed of one shelf containing 21 slots in the access area and 20 slots in the basic area. The two areas are located on different “lines” inside the shelf. The main part code and partition are listed in Table 15. on page 87. The accessories codes and partition are listed in Table 16. on page 102. For the relationship between access cards and port cards refer to paragraph 2.3 on page 110. FANS SUBRACKS: The Fans subracks front view is illustrated in Figure 33. on page 84. The main part code and partition are listed in Table 17. on page 104. NOTES: The explanatory notes are reported in Table 18. on page 105. UNITS FRONT VIEW: For the units front view refer to para 2.4 on page 123. N.B. Table 15. on page 87 contains the units of current equipment release. Units belonging to previous equipment releases/versions (e.g. for configuration updating) are not here listed but still supported, if compatible with the current one. (For eventual units belonging to previous equipment releases/versions refer to the relative Technical Handbook). N.B. The Personal Computer (Craft Terminal) utilized for Initial Turn–on and Maintenance operations is not listed as an item of the equipment, but it can be supplied by Alcatel. See Operator’s Handbook for PC hardware configuration. 1AA 00014 0004 (9007) A4 – ALICE 04.10 ED 03 3AL 91669 AA AA 83 / 706 706
  • 86.
    1AA 00014 0004(9007) A4 – ALICE 04.10 ED I E S S E A R A C C A E S A R A C A B 03 W = mm width 1 ACCESS LS W20 22 W20 PQ2/EQC SLOT 0 2 ACCESS LS – HS W20 W35 MATRIXE A 23 TBUS 3 ACCESS LS – HS W20 24 W20 PORT LS – HS W20 4 ACCESS LS – HS SLOT 1 W20 PORT ENHANCED – HS W20 5 ACCESS LS – HS 2.1 Equipment front view Left side W20 PORT ENHANCED – HS W20 6 ACCESS LS – HS W20 SLOT 4 PORT LS – HS W20 7 ACCESS LS – HS W20 25 26 27 28 PORT ENHANCED – HS W20 8 ACCESS LS – HS W20 2.1.2 19” Fans subrack front view (SRFAN) PORT ENHANCED – HS W20 ACCESS LS – HS W20 PORT LS – HS 9 10 CONGI A W20 W20 PORT HS 11 SERVICE W30 W20 PORT LS SPARE – HS 2.1.1 1660SM Shelf “without fans” front view (SR60M) W20 PORT LS – HS CONGI B W20 ACCESS LS – HS W20 SLOT 2 W20 PORT ENHANCED – HS W20 PORT ENHANCED – HS ACCESS LS – HS W20 Figure 33. 19” Fans subrack unit slots ACCESS LS – HS W20 W20 PORT LS – HS SLOT 3 ACCESS LS – HS W20 W20 PORT ENHANCED – HS W20 706 W20 PORT ENHANCED – HS ACCESS LS – HS 3AL 91669 AA AA Figure 32. 1660SM units positioning in “SR60M” subrack Right side ACCESS LS – HS W20 SLOT 5 29 30 31 32 33 34 35 36 37 38 39 W20 PORT LS – HS ACCESS LS – HS W20 40 W35 TBUS MATRIXE B ACCESS LS – HS W20 W20 41 ACCESS LS W20 12 13 14 15 16 17 18 19 20 21 84 / 706 All rights reserved. Passing on and copying of this document, use and communication of its contents not permitted without written authorization from Alcatel.
  • 87.
    All rights reserved.Passing on and copying of this document, use and communication of its contents not permitted without written authorization from Alcatel. 1AA 00014 0004 (9007) A4 – ALICE 04.10 ED I F E S E S E S S E A R A N A A R A C A B A R A C C A 03 1 W20 ACCESS LS 22 W20 PQ2/EQC 2 W20 ACCESS LS – HS W = mm width MATRIXE A 23 W35 TBUS 3 W20 ACCESS LS – HS 24 W20 PORT LS – HS W20 4 ACCESS LS – HS W20 PORT ENHANCED – HS W20 5 ACCESS LS – HS W20 PORT ENHANCED – HS W20 6 ACCESS LS – HS W20 PORT LS – HS W20 7 ACCESS LS – HS W20 25 26 27 28 F1 PORT ENHANCED – HS W20 8 ACCESS LS – HS W20 PORT ENHANCED – HS 2.1.3 1660SM Shelf “with fans” front view W20 ACCESS LS – HS F2 W20 PORT LS – HS 9 10 W20 CONGI A W20 PORT HS 11 W30 SERVICE W20 PORT LS SPARE – HS W20 PORT LS – HS W20 CONGI B PORT ENHANCED – HS W20 ACCESS LS – HS W20 PORT ENHANCED – HS W20 ACCESS LS – HS W20 FILTER W20 ACCESS LS – HS W20 PORT LS – HS W20 ACCESS LS – HS W20 PORT ENHANCED – HS W20 706 PORT ENHANCED – HS ACCESS LS – HS 3AL 91669 AA AA W20 W20 ACCESS LS – HS 29 30 31 32 33 34 35 36 37 38 39 PORT LS – HS Figure 34. 1660SM units positioning in 1660 subrack with fans W20 W20 ACCESS LS – HS 40 W35 TBUS MATRIXE B W20 ACCESS LS – HS W20 41 W20 ACCESS LS 12 13 14 15 16 17 18 19 20 21 85 / 706
  • 88.
    2.2 Part list In the tables of the following paragraphs are listed, named and coded the items and units making up the Equipment Shelf (see para. 2.2.1 on page 87) and Fans subrack (see para 2.2.2 on page 104). not permitted without written authorization from Alcatel. Furthermore, for any item the position and the maximum quantity that can be allocated inside the subracks All rights reserved. Passing on and copying of this document, use and communication of its contents are indicated too. Such tables report the following information : • Item Name • The ”Acronym” identifying the units is silk–screen printed on the front cover plate. The same Acronym, not provided with the point (e.g. L–4.1 becomes L–41), is used by the Craft Terminal to distinguish the unit. There is in exception to this rule for the P3E3T3; the unit is identified as P3E3T3 on the front cover plate and as P3E3/T3 on the Craft Terminal. • Factory and ANV part numbers (e.g. 411.XXX.XXX ; 3ALXXXXX XXXX) • Maximum quantity • Position of the unit inside the equipment. Refer to Figure 32. at page 84 for slot numbering. • Number of explanatory notes Table 18. on page 105 (see para 2.2.3 on page 105) reports all the explanatory notes . 1AA 00014 0004 (9007) A4 – ALICE 04.10 ED 03 3AL 91669 AA AA 86 / 706 706
  • 89.
    2.2.1 Equipment Shelfpart list Table 15. Main part list not permitted without written authorization from Alcatel. All rights reserved. Passing on and copying of this document, use and communication of its contents ANV Part Number Max. NAME ACRONYM SLOT NOTES (Factory Part Number) Qty 1660SM MECHANICAL STRUCTURE “without” integrated Fans subrack (SR60M) Refer to Figure 32. on page 84 3AL 78834 AA–– 1660SM SHELF – 1 (593.155.059E) It contains: 3AL 79157 AA–– 1660SM SHELF SR60M 1 – 2 (593.155.073 U) 1660SM MECHANICAL STRUCTURE “with” integrated Fans subrack Refer to Figure 34. on page 85 1660SM SUBRACK WITH –– 3AL 89794AB–– – 3 FANS It contains: 1660SM SUBRACK AND –– 8DG 15205 AA–– 1 – 2 FAN It contains: METALLIC FAN GRID FOR 3AL 89559 AA–– –– 1 FILTER 4 ASSEMBLED FANS UNIT –– ASSEMBLED FANS UNIT –– 3AL 89561AB–– 2 F1, F2 DUST FILTER FOR 8DG 15264 AA–– –– 1 FILTER 4 ASSEMBLED FANS UNIT –– Parts contained in the subracks 3AL 79088 AC–– TERMINATION BUS/2 TBUS 2 23, 40 5 (487.166.408 B) SFP EXTRACTOR 3AL 81728 AA–– 1 –– 6 OPTICAL COMPENSATION DEVICE LOW LOSS SMF C + 1AB 210830005 –– 1 –– 7 BAND DCM–20KM –– LOW SPEED PORTS (PDH) 8 3AL 79092 AA–– 24, 27, 63x2 MBIT/S PORT 1.0/2.3 P63E1 9 (474.166.425 V ) 1AA 00014 0004 (9007) A4 – ALICE 04.10 30, 32, 7 63x2 MBIT/S G703/ISDN– 3AL 79092AC–– 33, 36, 9 P63E1N–M4 39 PRA–FS PORT (474.166.046 C) 10 ED 03 3AL 91669 AA AA 87 / 706 706
  • 90.
    ANV Part Number Max. NAME ACRONYM SLOT NOTES (Factory Part Number) Qty not permitted without written authorization from Alcatel. HIGH SPEED PORTS (PDH) 11 All rights reserved. Passing on and copying of this document, use and communication of its contents 3AL 78864 AA–– 3x34/45 MBIT/S SWIT. PORT P3E3T3 16 24 to 39 12 (474.156.339L) HIGH SPEED PORTS : STM–1 (SDH) and 140 Mbit/s (PDH) 13 4 x STM–1 ELECTRICAL 3AL 78823 AA–– P4ES1N 14 PORT/1 (474.166.423T) 4 X 140/STM1 SWITCH. O/E 3AL 79263 AA–– 15 P4E4N 16 24 to 39 PORT/1 (474.156.371L) 16 3AL 78821 BA–– 4x STM–1 PORT/1 P4S1N 16 (474.156.375 Q) 16xSTM1 – 4xSTM4 P16S1–4E 3AL89668 AA–– 16 24 to 39 17 HIGH SPEED PORTS : OC3 (SONET) 4 x OC3 AU3/TU3 CONV. 3AL 81736 AA–– P4OC3 16 24 to 39 16 PORT (474.156.186 U) 4 x ANY CONCENTRATOR 25+26 28+29 3AL 81635 AA–– 34+35 4 x ANY HOST C 4XANYC 6 18 (411.102.533 K) 37+38 30+31 32+33 1AA 00014 0004 (9007) A4 – ALICE 04.10 ED 03 3AL 91669 AA AA 88 / 706 706
  • 91.
    ANV Part Number Max. NAME ACRONYM SLOT NOTES (Factory Part Number) Qty not permitted without written authorization from Alcatel. HIGH SPEED PORTS : STM–4 (SDH) 13 All rights reserved. Passing on and copying of this document, use and communication of its contents 3AL 78856 BA–– S–4.1 PORT/1 FC/PC S–4.1N (474.156.376 R) 3AL 78856 BB–– S–4.1 PORT/1 SC/PC S–4.1N (474.156.377 J) 3AL 78856 BC–– L–4.1 PORT/1 FC/PC L–4.1 N (474.156.378 T) 19 16 24 to 39 3AL 78856 BD–– 20 L–4.1 PORT/1 SC/PC L–4.1 N (474.156.379 U) 3AL 78856 BE–– L–4.2 PORT/1 FC/PC L–4.2N (474.156.380 J) 3AL 78856 BF–– L–4.2 PORT/1 SC/PC L–4.2N (474.156.381 F) 25,26, 3AL 79176 AA–– 28,29, 4 x STM–4 PORT P4S4N 4 21 411.101.062 V 34,35, 37,38 1AA 00014 0004 (9007) A4 – ALICE 04.10 ED 03 3AL 91669 AA AA 89 / 706 706
  • 92.
    ANV Part Number Max. NAME ACRONYM SLOT NOTES (Factory Part Number) Qty not permitted without written authorization from Alcatel. HIGH SPEED PORTS : STM–16 (SDH) 13 All rights reserved. Passing on and copying of this document, use and communication of its contents 3AL 78894 CA–– S–16.1 PORT FC/PC/16C S–16.1ND (411.101.308 R) 3AL 78895 CA–– S–16.1 PORT SC /16C S–16.1ND (411.101.309 J) 3AL 78896 CA–– 25+26 L–16.1 PORT FC/PC/16C L–16.1ND (411.101.310 E) 28+29 19 4 3AL 78897 CA–– 34+35 20 L–16.1 PORT SC/16C L–16.1ND 37+38 22 (411.101.311 T) 3AL 78898 CA–– L–16.2 PORT FC/PC/16C L–16.2ND (411.101.312 U) 3AL 78899 CA–– L–16.2 PORT SC/16C L–16.2ND (411.101.313 V) 3AL 79029 CA–– L–16.2 JE2 PORT FC/PC/16C L–16.2ND (411.101.316 Y) 3AL 79029 CB–– L–16.2 JE2 PORT SC/PC/16C L–16.2ND 25+26 19 (411.101.317 Z) 4 28+29 20 L–16.2 JE3 PORT FC/PC/16C 3AL 79030 DA–– 34+35 23 L–16.2ND 37+38 22 CH34 (411.102.549 B) L–16.2 JE3 PORT SC/PC/16C 3AL 79030 DB–– L–16.2ND CH34 (411.102.550 G) 25+26 19 I–16.1 PORT /SFF 3AL 80881AA–– 28+29 I–16.1ND 4 22 (Intra office) (411.102.022 N) 34+35 24 37+38 3AL 81289 AA–– STM–16 SLIM PORT UP/SFP O–16ES 16 24 to 39 25 (411.102.508 B) (Table continues) 1AA 00014 0004 (9007) A4 – ALICE 04.10 ED 03 3AL 91669 AA AA 90 / 706 706
  • 93.
    ANV Part Number Max. NAME ACRONYM (Factory Part Num- SLOT NOTES Qty ber) not permitted without written authorization from Alcatel. All rights reserved. Passing on and copying of this document, use and communication of its contents STM16 195.7 PORT 6400 3AL 79187 BA–– L–16.2ND SC/PC/16C (411.101.320 G) STM16 195.5 PORT 6400 3AL 79187 BB–– L–16.2ND SC/PC/16C (411.101.321 V) STM16 195.3 PORT 6400 3AL 79187 BC–– L–16.2ND SC/PC/16C (411.101.322 W) STM16 195.1 PORT 6400 3AL 79187 BD–– 25+26 19 L–16.2ND SC/PC/16C (411.101.323 X) 4 28+29 22 STM16 194.9 PORT 6400 3AL 79187 BE–– 34+35 26 L–16.2ND 37+38 SC/PC/16C (411.101.324 Y) STM16 194.7 PORT 6400 3AL 79187 BF–– L–16.2ND SC/PC/16C (411.101.325 Z) STM16 194.5 PORT 6400 3AL 79187 BG–– L–16.2ND SC/PC/16C (411.101.326 S) STM16 194.3 PORT 6400 3AL 79187 BH–– L–16.2ND SC/PC/16C (411.101.327 T) STM16 193.7 PORT 6400 3AL 79187 BL–– L–16.2ND SC/PC/16C (411.101.328 C) STM16 193.5 PORT 6400 3AL 79187 BM–– L–16.2ND SC/PC/16C (411.101.329 D) STM16 193.3 PORT 6400 3AL 79187 BN–– L–16.2ND SC/PC/16C (411.101.330 A) STM16 193.1 PORT 6400 3AL 79187 BP–– 25+26 L–16.2ND 19 SC/PC/16C (411.101.331 X) 28+29 4 22 STM16 192.9 PORT 6400 3AL 79187 BQ–– 34+35 L–16.2ND 27 SC/PC/16C (411.101.332 Y) 37+38 STM16 192.7 PORT 6400 3AL 79187 BR–– L–16.2ND SC/PC/16C (411.101.333 Z) STM16 192.5 PORT 6400 3AL 79187 BS–– L–16.2ND SC/PC/16C (411.101.334 S) STM16 192.3 PORT 6400 3AL 79187 BT–– L–16.2ND SC/PC/16C (411.101.335 T) (Table continues) 1AA 00014 0004 (9007) A4 – ALICE 04.10 ED 03 3AL 91669 AA AA 91 / 706 706
  • 94.
    ANV Part Number Max. NAME ACRONYM (Factory Part Num- SLOT NOTES Qty ber) not permitted without written authorization from Alcatel. All rights reserved. Passing on and copying of this document, use and communication of its contents STM16 195.7 PORT 12800 3AL 79188 BA–– L–16.2ND SC/PC/16C (411.101.336 U) STM16 195.5 PORT 12800 3AL 79188 BB–– L–16.2ND SC/PC/16C (411.101.337V) STM16 195.3 PORT 12800 3AL 79188 BC–– L–16.2ND SC/PC/16C (411.101.338 E) STM16 195.1 PORT 12800 3AL 79188 BD–– 25+26 L–16.2ND 19 SC/PC/16C (411.101.339 F) 28+29 4 22 STM16 194.9 PORT 12800 3AL 79188 BE–– 34+35 L–16.2ND 26 SC/PC/16C (411.101.340 L) 37+38 STM16 194.7 PORT 12800 3AL 79188 BF–– L–16.2ND SC/PC/16C (411.101.341 H) STM16 194.5 PORT 12800 3AL 79188 BG–– L–16.2ND SC/PC/16C (411.101.342 A) STM16 194.3 PORT 12800 3AL 79188 BH–– L–16.2ND SC/PC/16C (411.101.343 B) STM16 193.7 PORT 12800 3AL 79188 BL–– L–16.2ND SC/PC/16C (411.101.344 C) STM16 193.5 PORT 12800 3AL 79188 BM–– L–16.2ND SC/PC/16C (411.101.345 D) STM16 193.3 PORT 12800 3AL 79188 BN–– L–16.2ND SC/PC/16C (411.101.346 E) STM16 193.1 PORT 12800 3AL 79188 BP–– 25+26 L–16.2ND 19 SC/PC/16C (411.101.347 F) 28+29 4 22 STM16 192.9 PORT 12800 3AL 79188 BQ–– 34+35 L–16.2ND 27 SC/PC/16C (411.101.348 Q) 37+38 STM16 192.7 PORT 12800 3AL 79188 BR–– L–16.2ND SC/PC/16C (411.101.349 R) STM16 192.5 PORT 12800 3AL 79188 BS–– L–16.2ND SC/PC/16C (411.101.350N) STM16 192.3 PORT 12800 3AL 79188 BT–– L–16.2ND SC/PC/16C (411.101.351 B) HIGH SPEED PORTS : STM–64 (SDH) STM 64 PORT 3AL 80802 AA–– S–642E S–64.2E FC (474.156.064 C) STM 64 PORT 3AL 80802 AB–– L–642E L– 64.2 B FC ––.––.–– 25+26 STM 64 PORT 3AL 81249 AA–– 28+29 I–641E 4 28 I 64.1E FC (474.156.158 P) 34+35 STM 64 PORT 3AL 91884 AA–– 37+38 S–642E XFP S–64.2 FC ––.––.–– STM 64 PORT 3AL 91885 AA–– I–641E 1AA 00014 0004 (9007) A4 – ALICE 04.10 XFP I–64.1 FC ––.––.–– ED 03 3AL 91669 AA AA 92 / 706 706
  • 95.
    ANV Part Number Max. NAME ACRONYM (Factory Part Num- SLOT NOTES Qty ber) not permitted without written authorization from Alcatel. All rights reserved. Passing on and copying of this document, use and communication of its contents ISA – ETHERNET PORT 3AL 80407 AA–– 29 ETHERNET PORT ETH–MB 6 24 to 39 (474.156.038 A) 3AL 80702 AB–– GIGABIT ETHERNET PORT/2 GETH–MB 8 24 to 39 30 ––.––.–– ISA – ATM PARTS 3AL 79093 AA–– ATM MATRIX 4X4 ATM4X4 31 (411.101.035 J) ATM MATRIX 4X4 3AL 81185 AA–– 24 to 39 ATM4X4V2 32 ENHANCED (411.102.475 Z) 4 3AL 89917 AA–– ATM MATRIX 4X4 D3 ATM4X4D3 33 ––.––.–– 3AL 79094 AA–– ATM MATRIX 8X8 ATM8X8 24 to 38 34 (411.101.036 K) ISA – PR_EA PARTS PR_EA MATRIX 3AL 79631 AA–– PREA4ETH 4 24 to 39 35 4X ETHERNET (411.101.281 W) PR_EA MATRIX 3AL 81275 AA–– PREA1GBE 4 24 to 39 36 1XGB–ETH (411.102.505 Y) ISA – PR PARTS PR MATRIX 3AL 89677 AA–– ISA–PR 3 25 to 38 37 4X4 STM4 PLUG–IN ––.––.–– ISA – ES PARTS 3AL 98128AA–– ISA–ES1 8FE ES1–8FE 8 24 to 39 ––.––.–– 3AL 98150AA–– ISA–ES1 8FX ES1–8FX 8 24 to 39 38 ––.––.–– 3AL81879 AA–– ISA–ES4 8FE +1GE ES4–8FE 8 24 to 39 39 (474.156.195 V) 3AL81915 AA–– ISA–ES16 BOARD ISA–ES16 8 24 to 39 ––.––.–– CWDM PORTS 1AA 00014 0004 (9007) A4 – ALICE 04.10 2xCH TRANSPONDER SFP 3AL 81427 AA–– COWLA2 16 24 to 39 40 W/O OPTICS (411.102.520 S) ED 03 3AL 91669 AA AA 93 / 706 706
  • 96.
    ANV Part Number Max. NAME ACRONYM SLOT NOTES (Factory Part Number) Qty not permitted without written authorization from Alcatel. LS (LOW SPEED) ACCESS CARDS All rights reserved. Passing on and copying of this document, use and communication of its contents 21x2 MBIT/S PROT. 75 OHM 3AL78831AA–– A21E1 1.0/2.3 (474.156.323C) 41 3AL78832AA–– 1 to 9, 21x2 MBIT/S PROT. 120 OHM A21E1 18 (474.156.324D) 13 to 21 21x2 MBIT/S PROT. 120 OHM 3AL 79163 AA–– A21E1 41, 42 K20 (474.156.366 P) HS (HIGH SPEED) ACCESS CARDS 3AL78865AB–– 3x34 MBIT/S 75 OHM A3E3 43 (474.156.181 X) 3AL78866AB–– 2 to 9, 3x45 MBIT/S 75 OHM A3T3 16 44 (474.156.182 Y) 13 to 20 4xSTM–1 ELECTRICAL 75 3AL78835AA–– A4ES1 45 OHM (474.156.325E) 3AL 78849 AA–– 2 to 9, HIGH SPEED PROTECTION HPROT 8 46 (474.156.127 Y) 13 to 20 16xSTM1 HIGH SPEED 3AL 36306 AA–– 2 to 9, HPROT 8 47 PROTECTION ––.––.–– 13 to 20 3AL78818AA–– 2 to 9, 2x140/STM–1 O/E ADAPTER A2S1 16 48 (474.166.421Z) 13 to 20 OPTICAL ACCESS 2 to 8, A120S1E 3AL 89669 AA–– 8 49,50 12xSTM1 13 to 20 OPTICAL ACCESS 2 to 9, A120S1SE 3AL 91880 AA–– 16 12xSTM1 SLIM 13 to 20 ELECTRICAL ACCESS 2 to 9, A16ES1E 3AL 89670 AA–– 16 50 16xSTM1 13 to 20 ISA – ETHERNET ACCESS CARDS 3AL 80404 AA–– ETHERNET ACCESS ETH–ATX 6 51 (474.156.039 B) 2 to 9, GIGABIT ETHERNET 3AL 80411 AB–– 13 to 20 GETH–AG 8 52 ACCESS/2 ISA – PR ACCESS CARDS ISA–PR 16XETH 10/100 3AL 89678 AA–– 16FEA–PR 6 ACCESS ––.––.–– 1 to 9, 53 1AA 00014 0004 (9007) A4 – ALICE 04.10 ISA–PR 2XGBE 1000 3AL 89679 AA–– 13 to 21 2 GBA–PR 6 54 ACCESS PLUG–IN ––.––.–– ED 03 3AL 91669 AA AA 94 / 706 706
  • 97.
    ANV Part Number Max. NAME ACRONYM SLOT NOTES (Factory Part Number) Qty not permitted without written authorization from Alcatel. CONTROL AND GENERAL INTERFACE All rights reserved. Passing on and copying of this document, use and communication of its contents CONTROL AND GENERAL CONGI 3AL78830AD–– 2 10, 12 55, INTERFACE SERVICE 3AL78817AA–– SERVICES I/F SERVICE 1 11 56 (411.100.704R) BOOSTER AND PREAMPLIFIER OMSN BOOSTER +10dBm 3AL 78962 AA–– BST10 FC/PC (411.100.902 G) OMSN BOOSTER +10dBm 3AL 78962 BA–– BST10 SC/PC (411.101.245 H) OMSN BOOSTER +15dBm 3AL 78962 AC–– BST15 FC/PC (411.100.904 A) 2 to 8 OMSN BOOSTER +15dBm 3AL 78962 BC–– 13 to 19 BST15 SC/PC (411.101.247 B) 8 57 OMSN BOOSTER +17dBm 3AL 78962 AD–– BST17 FC/PC (411.100.905 B) OMSN BOOSTER +17dBm 3AL 78962 BD–– BST17 SC/PC (411.101.248 L) PREAMPLIFIER 2.5 GB/S 3AL 78963 AD–– PR16 SC/PC CH34 (411. 102.557 T) 2 to 8 PREAMPLIFIER 2.5 GB/S 3AL 78963 AC–– 13 to 19 PR16 FC/PC CH34 (411.102.558 C) (Table continues) 1AA 00014 0004 (9007) A4 – ALICE 04.10 ED 03 3AL 91669 AA AA 95 / 706 706
  • 98.
    ANV Part Number Max. NAME ACRONYM SLOT NOTES (Factory Part Number) Qty not permitted without written authorization from Alcatel. CWDM CONNECTION MODULES All rights reserved. Passing on and copying of this document, use and communication of its contents 3AL 81344 AA–– COADM 1 CH (1470) COADM1 (411.102.513P) 3AL 81344 AB–– COADM 1 CH (1490) COADM1 (411.102.542 U) 3AL 81344 AC–– COADM 1 CH (1510) COADM1 (411.102.543 V) 3AL 81344 AD–– COADM 1 CH (1530) COADM1 (411.102.544 W) 3AL 81344 AE–– COADM 1 CH (1550) COADM1 (411.102.545 X) 3AL 81344 AF–– COADM 1 CH (1570) COADM1 (411.102.546 Y) 1 to 8 8 3AL 81344 AG–– 13 to 20 COADM 1 CH (1590) COADM1 57 (411.102.547 Z) 3AL 81344 AH–– COADM 1 CH (1610) COADM1 (411.102.548 A) 3AL 81346 AA–– COADM 2 CH (1470–1490) COADM2 (411.102.541 R) 3AL 81346 AB–– COADM 2 CH (1510–1530) COADM2 (411.102.539 Z) 3AL 81346 AC–– COADM 2 CH (1550–1570) COADM2 (411.102.540 E) 3AL 81346 AD–– COADM 2 CH (1590–1610) COADM2 (411.102.541 T) 3AL 81348 AA–– 1 to 8 MUX – DEMUX 8 CH. COMDX8 8 (411.102.517 K) 13 to 20 1AA 00014 0004 (9007) A4 – ALICE 04.10 ED 03 3AL 91669 AA AA 96 / 706 706
  • 99.
    ANV Part Number Max. NAME ACRONYM SLOT NOTES (Factory Part Number) Qty not permitted without written authorization from Alcatel. STM–1 MODULES All rights reserved. Passing on and copying of this document, use and communication of its contents 3AL78815AA–– S–1.1 OPT. INTERF. FC/PC IS–1.1 (474.166.420 C) 3AL 78815 AB–– S–1.1 OPT. INTERF. SC/PC IS–1.1 (474.166.424 U) 3AL78838AA–– L–1.1 OPT. INTERF. FC/PC IL–1.1 (474.156.326 F) 3AL 78838 AB–– L–1.1 OPT. INTERF. SC/PC IL–1.1 (474.156.352 R) 3AL78839AA–– 58,59 L–1.2 OPT. INTERF. FC/PC IL–1.2 (474.156.327 G) 3AL 78839 AB–– L–1.2 OPT. INTERF. SC/PC IL–1.2 (474.156.353 J) 3AL 91790 AA–– 64 –– S–1.1 OPT. INTERF. LC IS–1.1 –––––––– 3AL 91791 AA–– L–1.1 OPT. INTERF. LC IL–1.1 –––––––– 3AL 91792 AA–– L–1.2 OPT. INTERF. LC IL–1.2 –––––––– 3AL78840AA–– L–1.2 JE OPT. INTERF. FC/PC IL–1.2 (474.156.328 R) 58,59,60 58 59 60 3AL 78840 AB–– L–1.2 JE OPT. INTERF. SC/PC IL–1.2 (474.156.354 K) 140/155 ELECTRICAL 3AL37558AB–– ICMI 61 INTERFACE (474.156.346 K) STM–1 MULTIMODE OPT 3AL 80741 AA–– MM1 58 SC/PC (474.166.035 Z) 1AA 00014 0004 (9007) A4 – ALICE 04.10 ED 03 3AL 91669 AA AA 97 / 706 706
  • 100.
    ANV Part Number Max. NAME ACRONYM SLOT NOTES (Factory Part Number) Qty not permitted without written authorization from Alcatel. STM–4 MODULES All rights reserved. Passing on and copying of this document, use and communication of its contents S–4.1 OPTICAL INTERF. 3AL 79340 AA–– FC/PC 474.156.372 M S–4.1 OPTICAL INTERF. 3AL 79451 AA–– IS–4.1 SC/PC 474.156.384 A 3AL 91793 AA–– S–4.1 OPTICAL INTERF. LC –––––––– L–4.1 OPTICAL INTERF. 3AL 79452 AA–– FC/PC 474.156.385 B L–4.1 OPTICAL INTERF. 3AL 79452 AB–– IL–4.1 8 –– 62 SC/PC 474.156.386 C 3AL 91794 AA–– L–4.1 OPTICAL INTERF. LC –––––––– L–4.2 OPTICAL INTERF. 3AL 79453 AA–– FC/PC 474.156.387 D L–4.2 OPTICAL INTERF. 3AL 79453 AB–– IL–4.2 SC/PC 474.156.388 N 3AL 71975 AA–– L–4.2 OPTICAL INTERF. LC –––––––– 4xANY MODULES 4 X ANY HS PLUG–IN 1310 3AL 81616 AA–– Refer to OH–I 12 63 (OH–I) (474.156.178 K) Figure 56. 4 X ANY LS PLUG–IN 1310 3AL 81617 AA–– Refer to OL–IN 24 64 (OL–I) (474.156.179 L) Figure 56. 3AL81613 AA–– Refer to 4 X ANY HS PLUG–IN 850 OH–MM 12 63 (474.156.175 G) Figure 56. 3AL81615 AA–– Refer to 4 X ANY LS PLUG–IN 850 OL–MM 24 64 (474.156.177 A) Figure 56. 1AA 00014 0004 (9007) A4 – ALICE 04.10 ED 03 3AL 91669 AA AA 98 / 706 706
  • 101.
    ANV Part Number Max. NAME ACRONYM SLOT NOTES (Factory Part Number) Qty not permitted without written authorization from Alcatel. ETHERNET “SFP” OPTICAL MODULES All rights reserved. Passing on and copying of this document, use and communication of its contents OPTO TRX 1.25GBE SFP 1AB 18728 0001 –– 1000B–LX OPTO TRX 1.25GBE SFP 1AB 18728 0002 –– 1000B–SX 65 1000B 64 OPTO TRX 1.25GBE SFP 66 1AB 18728 0028 –– 1000B–ZX OPTO TRX SFP 1.25GBE SX 1AB 187280033 –– DDM STM–1 “SFP” OPTICAL MODULES S S–1.1 OPTO TRX SFP S–1.1 or 1AB 194670001 256 –– 100B OPTO TRX SFP L–1.1 65 SL–1.1 1AB 194670002 256 –– PLUGIN OPTO TRX SFP L–1.2 SL–1.2 1AB 194670003 256 –– –40 +85 C LC STM4 “SFP” OPTICAL MODULES TRX SFP S–4.1 SS–4.1 1AB 196360001 32 –– TRX SFP L–4.1 SL–4.1 1AB 196360003 32 –– –40 +85 C LC 65 TRX SFP L–4.2 SL–4.2 1AB 196360002 32 –– –40 +85 C LC STM–16 “SFP” OPTICAL MODULES (Black and White) OPTO TRX SFP S–16.1 SS–161 1AB 19637 0001 OPTO TRX SFP L–16.1 SL–161 1AB 19637 0004 16 –– 65 OPTO TRX SFP L–16.2 SL–162 1AB 19637 0003 1AA 00014 0004 (9007) A4 – ALICE 04.10 ED 03 3AL 91669 AA AA 99 / 706 706
  • 102.
    ANV Part Number Max. NAME ACRONYM SLOT NOTES (Factory Part Number) Qty not permitted without written authorization from Alcatel. CWDM “SFP” OPTICAL MODULES (Colored) All rights reserved. Passing on and copying of this document, use and communication of its contents CWDM 1470 NM SS–162C 1AB 19634 0001 PIN PLUGIN CWDM 1490 NM SS–162C 1AB 19634 0002 PIN PLUGIN CWDM 1510 NM SS–162C 1AB 19634 0003 PIN PLUGIN CWDM 1530 NM SS–162C 1AB 19634 0004 PIN PLUGIN 16 –– 65 CWDM 1550 NM SS–162C 1AB 19634 0005 PIN PLUGIN CWDM 1570 NM SS–162C 1AB 19634 0006 PIN PLUGIN CWDM 1590 NM SS–162C 1AB 19634 0007 PIN PLUGIN CWDM 1610 NM SS–162C 1AB19634 0008 PIN PLUGIN CWDM 1470 NM SL–162C 1AB19635 0001 APD PLUGIN CWDM 1490 NM SL–162C 1AB19635 0002 APD PLUGIN CWDM 1510 NM SL–162C 1AB19635 0003 APD PLUGIN CWDM 1530 NM SL–162C 1AB19635 0004 APD PLUGIN 16 –– 65 CWDM 1550 NM SL–162C 1AB19635 0005 APD PLUGIN CWDM 1570 NM SL–162C 1AB19635 0006 APD PLUGIN CWDM 1590 NM SL–162C 1AB19635 0007 APD PLUGIN CWDM 1610 NM SL–162C 1AB19635 0008 APD PLUGIN 1AA 00014 0004 (9007) A4 – ALICE 04.10 ED 03 3AL 91669 AA AA 100 / 706 706
  • 103.
    ANV Part Number Max. NAME ACRONYM SLOT NOTES (Factory Part Number) Qty not permitted without written authorization from Alcatel. CONTROLLER All rights reserved. Passing on and copying of this document, use and communication of its contents 3AL78836AB–– EQUICO E PQ2/EQC 1 22 67 (411.102.506 Z) MATRIX 3AL81072 AA–– MATRIX ENHANCED MATRIXE 2 23,40 68 (411.102.032 Q) FLASH CARD FLASH CARD 256 MB 1AB 17634 0002 MEM–DEV 1 –– 69 –20/85° C –––– 1AA 00014 0004 (9007) A4 – ALICE 04.10 ED 03 3AL 91669 AA AA 101 / 706 706
  • 104.
    Table 16. Accessorieslist ANV Part Number Max. NAME ACRONYM SLOT NOTES (Factory Part Number) Qty not permitted without written authorization from Alcatel. All rights reserved. Passing on and copying of this document, use and communication of its contents EQUIPMENT ACCESSORIES 3AN49397AA–– 70 DUMMY PLATE W20 –– 32 –– (299.701.587 J) 3AN49399AA–– 71 DUMMY PLATE W30 –– 1 –– (299.701.590 Z) 3AN49400AA–– 72 DUMMY PLATE W35 –– 1 –– (299.701.591 N) 1AF00398AA–– TELEPHONE HANDSET –– 1 –– 73 (013.200.016A) 3AL91653AA–– INST. KIT X 1660SM R5 –– 1 –– 74 ––.––.–– 3CA 08540 AA–– 19” / 21” ADAPTER KIT –– 1 –– 75 (299.701.597 L) CAPS ESD COMMON PART 3AL 79266 AA–– –– 1 –– OMSN (299.701.877 U) 3AL 79267 AA–– CAPS ESD 1.0/2.3 OMSN –– 38 –– 76 (299.701.878 D) 3AL 79268 AA–– CAPS ESD SUB/D OMSN –– 6 –– (299.701.879 E) 40A 72V CIRCUIT 1AB16271 0015 –– 2 –– 77 BREAKER 40A CIRCUIT 1AB02438 0031 –– 2 –– 78 BREAKER S9 RACK 1AB 162710003 4A 72Vdc CIRCUIT BREAKER –– 2 –– 79 (001.791.353 R) CASE EMC 1.0/2.3 FOR 3AL 80915 AA–– –– 64 –– 80 CABLE 3.6 mm (298.701.209 N) 120 OHM KIT FOR CABLE 3AN 50125 AA–– –– 2 –– 81 SUPPORT (299.701.063 X) 1AB 07984 0025 SM JUMPER FC/PC 1,35 MT –– 16 –– 82 1AB 08001 0065 SM JUMPER SC/PC 1,35 MT –– JUMPER SM MU/SPC FC/ 1AB 217410045 SPC (1,35 m) –– 1 83 JUMPER SM MU/SPC SC/ 1AB 217420046 SPC (1,35 m) –– KIT T_BUS UPGRADE FOR 3AL 81202 AA –– 1 –– 84 1AA 00014 0004 (9007) A4 – ALICE 04.10 ISA APPLICATION (299.701.228 H) KIT–CABLING ETHERNET –– 3AL 81639 AA–– 1 –– 85 ED 03 3AL 91669 AA AA 102 / 706 706
  • 105.
    ANV Part Number Max. NAME ACRONYM SLOT NOTES (Factory Part Number) Qty not permitted without written authorization from Alcatel. KIT SM/MM 50 um 3AL 81465 AA–– All rights reserved. Passing on and copying of this document, use and communication of its contents –– 64 –– 86 PATCH CORD (299.701.237 S) KIT SM/MM 62.5 um 3AL 81466 AA–– –– 64 –– 86 PATCH CORD (299.701.2378B) 120 OHM NEW 3AL80834 AA–– –– 54 –– 87 CONNECTOR KIT (299.701.066 S) 1.0/2.3 COAXIAL 1AB061220003 –– 764 –– 88 CONNECTOR (3mm) (040.144.001N) MALE CONNECTOR 1.0/2.3 1AB 00972 0049 –– 128 –– 89 (3.6 mm) 1.0/2.3 MALE COAXIAL 1AB158340001 –– 8 –– 90 CONNECTOR BALUN (040.144.010J) CONNECTORS RJ45 M8 –– 1AB 07461 0019 300 –– 91 WIRES ITC CAT.6 SPARE PARTS 3AL 79088 AC–– TERMINATION BUS/2 TBUS 1 – (487.166.408 B) 3AL 79497 AA–– EXTRACTORS KIT –– 1 –– (299.701.341 A) SFP MODULE PLUG–IN –– 3AL 81728 AA–– 1 –– 92 TOOL SOFTWARE 93 (End of table) 1AA 00014 0004 (9007) A4 – ALICE 04.10 ED 03 3AL 91669 AA AA 103 / 706 706
  • 106.
    2.2.2 Fans Subrack19” part list Refer to Figure 33. on page 84. not permitted without written authorization from Alcatel. All rights reserved. Passing on and copying of this document, use and communication of its contents Table 17. Fans Subrack 19” part list ANV Part Number Max. NAME ACRONYM SLOT NOTES (Factory Part Number) Qty MECHANICAL STRUCTURE 3AL79773AA–– FANS SHELF 19” SRFAN 1 – 94 (593.153.008 A) ACCESSORIES FAN UNIT FOR FAN SHELF 3AL 79772 AA–– FAN 4 0,1,2,3 19” (411.101.423 L) METALLIC FAN GRID –– 3AL 81812 AA–– 2 4.5 DUST FILTER FOR FAN 3AL 80371 AA–– 95 –– 2 4,5 SHELF 19” (299.908.007 Y) (End of table) 1AA 00014 0004 (9007) A4 – ALICE 04.10 ED 03 3AL 91669 AA AA 104 / 706 706
  • 107.
    2.2.3 Explanatory notes Table 18. Explanatory notes Note Explanation not permitted without written authorization from Alcatel. All rights reserved. Passing on and copying of this document, use and communication of its contents The subrack must be install in the Rack together with the FANS SHELF 19” and the relevant 1 fans units. 2 It is the main shelf of the equipment, also with the back panel 3 The subrack also hosts two fans units in the lower two slots of the mechanical structure. 4 Filters used as alternative in the 1660SM SUBRACK AND FAN. 5 Mandatory unit. Used to provide voltage logical reference to all Control and Auxiliary bus. 6 Extractors used to remove the SFP module. To be used for “STM 64 PORT L– 64.2 B FC” extended application to cover span with 7 attenuation range (S–R) up to 28 dB, see para. 5.8.2 on page 641. Must be provided also relevant jumpers. 8 As Low Speed ports are intended the 2 Mbit/s speed ports To be used with the LS access cards. Three access cards are needed to fully connect the port’s 9 channel. The P63E1, P63E1N–M4 spare port must be inserted in slot 32. The board supports the NT functionality, performance monitoring, Retiminig and Frame Slip 10 functionalities. 11 As High Speed PDH ports are intended the 34 Mbit/s and the 45 Mbit/s ports The same board can be used as 3x34 Mbit/s or 3x45Mbit/s but its corresponding access cards 12 are separated (i.e A3E3 for 3x34 Mbit/s and A3T3 for 3x45 Mbit/s) 13 As High Speed SDH ports are intended STM–1, STM–4, STM–16, STM–64 ports 14 The port needs an access card with 4 STM–1 electrical interfaces 15 Each port of this board can be configured as 140 Mbit/s or STM–1. The port needs four (electrical or optical) modules to reach the maximum capability of four channels. Two modules have to be inserted on the card front panel and two on the correspond- 16 ing access card 2 x STM–1 front panel (A2S1). Notice that different kind of access module (elec- trical and optical, also of different characteristic and connectors) can be inserted in the port card or in the access card The unit has 4 cavity on the front panel that can be equipped with up to 4 STM4 SFP modules or up to 4 STM1 SFP modules. The unit can be used in conjuction with the relevant access card 17 in order to provide up to 12 STM1 optical ports (A12OS1E) or up to 16 STM1 electrical ports (A16ES1E). Refer to Figure 80. on page 169 for relationship between SFP modules and rele- vant Housing board. The unit is two slot wide and it can house up to 4 optical modules (OH–I, OL–IN, OH–MM, OL– 18 MM). For details about the max. board capabilty refer to paragraph 3.10 on page 293. 19 The ports does not need access card 20 Ports supplied with different connectors types 1AA 00014 0004 (9007) A4 – ALICE 04.10 ED 03 3AL 91669 AA AA 105 / 706 706
  • 108.
    Note Explanation Note: this board does not support Low Order traffic termination The board is used in conjunction with ISA–PR board. not permitted without written authorization from Alcatel. 21 Two modules have to be inserted on the card front panel. All rights reserved. Passing on and copying of this document, use and communication of its contents Notice that different kind of STM–4 modules (also of different characteristic and connectors) can be inserted in the port card . 22 STM–16 port is two slot wide 23 Ports to be used with the Booster The board is used to interconnect distances less than approximately 2Km (intra–office applica- 24 tion) The unit is one slot wide and must be equipped with SFP optical module. Refer to Figure 80. 25 on page 169 for relationship between SFP modules and relevant Housing board. 26 Port used as input for the WDM equipment (blue band) 27 Port used as input for the WDM equipment (red band) 28 The unit is two slot wide. 29 The board has #11 RJ45 interfaces The board can be equipped with up to four 1.25 Gbit/s Modules. Refer to Figure 80. on page 30 169 for relationship between SFP modules and relevant Housing board. The unit provides a STM–1 interface on the front coverplate. It manages up to 16 ports configurable as: SDH VC–4, SDH VC–3, SDH VC–12, PDH 34M, 31 PDH 2M. The max throughput towards backpanel is 622 Mbit/s. The unit supports the PNNI. It manages up to 252 ports configurable as: SDH VC–4, SDH VC–3, SDH VC–12, PDH 45M, PDH 34M, PDH 2M. 32 The max throughput towards backpanel is 622 Mbit/s. The unit supports the IMA. It manages up to 16 ports configurable as: SDH VC–4, SDH VC–3, SDH VC–12, PDH 45M, PDH 34M, PDH 2M. 33 The max throughput towards backpanel is 622 Mbit/s. The unit supports the IMA. The board is two slot wide It manages up to 16+16 ports configurable as: SDH VC–4, SDH VC4–C, SDH VC–3, SDH 34 VC–12, PDH 45M, PDH 34M, PDH 2M. The max throughput towards backpanel is 1.2 Gbit/s. The unit supports the PNNI. With a max. data throughput of 1Gb/s, it allows the transportation of MPLS packets over SDH, 35 their routing, and the traffic congestion management. It hosts, further, 4x 10/100BaseT interfaces carring MPLS over ethernet. With a max. data throughput of 1.6 Gb/s, it allows the transportation of MPLS packets over SDH, their routing, and the traffic congestion management. 36 Refer to Figure 80. on page 169 for relationship between SFP modules and relevant Housing 1AA 00014 0004 (9007) A4 – ALICE 04.10 board. ED 03 3AL 91669 AA AA 106 / 706 706
  • 109.
    Note Explanation The board is two slot wide With a max. data throughput of 6.5 Gb/s data throughput, it allows the transportation of ethernet not permitted without written authorization from Alcatel. packets over SDH, their routing, and the traffic congestion management. All rights reserved. Passing on and copying of this document, use and communication of its contents 37 It hosts four STM4 optical modules interfacing physical line (Refer to Figure 80. on page 169 for relationship between SFP modules and relevant Housing board). Two access cards max are used for each PR board. Mixed access cards configuration are al- lowed. The unit must be equipped with SFP optical module (Refer to Figure 80. on page 169 for rela- 38 tionship between SFP modules and relevant Housing board). The unit can be equipped with one 1.25 Gbit/s Modules (Refer to Figure 80. on page 169 for 39 relationship between SFP modules and relevant Housing board). This module is not operative in current release. The board must be equipped with SFP optical module “colored” (1470 – 1610 nm) or “Black and White”. The max. number of SFP module per board is equal to four. 40 Refer to Figure 80. on page 169 for relationship between SFP modules and relevant Housing board. Protected LS access card . Allow the bidirectional connection of up to twenty–one 2 Mbit/s 41 channels. To be used in EPS protected configurations. 42 Compliant with ITU K20 norms HS access card dedicated to the 3x34 port. Allows the bidirectional connection of up to three 43 34 Mbit/s channels. HS access card dedicated to the 3x45 port. Allows the bidirectional connection of up to three 44 45 Mbit/s channels. HS access card to be used for the 4 x STM–1 electrical port. Allows the bidirectional connection 45 of up to 4 channels To be used in an EPS protection scheme as access card for the HS electrical spare port 46 (3x34 Mbit/s, 3x45 Mbit/s and 4x155 Mbit/s) To be used in an EPS protection scheme as access card for the HS electrical spare port 47 16x 155 Mbit/s 48 The access card needs up to 2 optical or electrical modules to be inserted inside The unit can be equipped with up to 12 SFP STM1 optical modules S–1.1. 49 Refer to Figure 80. on page 169 for relationship between SFP modules and relevant Housing board. 50 To be used in conjuction with P16S1–4E. 51 The board has #14 RJ45 interfaces. The board can be used in conjunction with the ETH–MB. If used in conjunction with ETH–MB the access card provides up to two Gigabit Ethernet Inter- face; in this configuration only the two upper interfaces present on the access card can be used 52 for Gbit Ethernet application. For details on slot position refer to Table 28. on page 119. The access card can be equipped with SFP Optical module. Refer to Figure 80. on page 169 for relationship between SFP modules and relevant Housing board. 1AA 00014 0004 (9007) A4 – ALICE 04.10 The board has 16 RJ45 interfaces at 10/100 Mbit/s. 53 It is used in conjunction with the ISA–PR Card for data access. ED 03 3AL 91669 AA AA 107 / 706 706
  • 110.
    Note Explanation The board has 2 plug–in interfaces at 1 Gbit/s (Refer to Figure 80. on page 169 for relationship 54 between SFP modules and relevant Housing board) not permitted without written authorization from Alcatel. It is used in conjunction with the ISA–PR Card for data access. All rights reserved. Passing on and copying of this document, use and communication of its contents A max of two Control and General interfaces can be used. It delivers two voltage levels to all the cards. 55 It provides external connectors for housekeepings, remote alarms, rack lamps, Q interface, LAN interface. If two CONGI cards are inserted, they provide different interfaces. 56 Provides the connectors for the auxiliary , EOW channels and the synchronization interfaces. 57 The board is two slot wide Up to 2 of these modules are inserted on the following cards : P4E4N, P4S1N and A2S1 to real- ize optical connections for a maximum of 2 STM–1 channels. 58 Only one of these modules can be inserted in the ATM matrix 4X4. With the MM1 module must be ordered also the specific patch cord in order to reach the multi- mode charachteistics (50um patch cord or 62 um patch cord). 59 Optical modules supplied with different connectors. 60 Optical modules to be used with the Booster Up to 2 of these modules are inserted on the following cards : P4E4N, P4S1N and A2S1 to real- 61 ize electrical connections for a maximum of 2 STM–1 or 140 Mbit/s channels . Only one of these modules can be inserted in the ATM matrix 4X4. Up of 2 of these modules are inserted on the P4S4N card to realize optical connections for a 62 maximum of 2 STM–4 channels (one for module).Optical modules supplied with different con- nectors. 63 Used for: Fiber Channel, FICON, Gigabit Ethernet 64 Used for: Fast Ethernet, FDDI, ESCON, Digital Video. Refer to Figure 80. on page 169 for relationship between SFP modules and relevant Housing 65 board. Due to access limitation only two of this modules can be equipped when GETH–AG is used in 66 conjunction with ETH–MB. 67 Equipment Controller card provides the F interface for the Craft Terminal connection Two MATRIX cards can be used in a 1+1 protected EPS configuration. The card performs con- 68 nection and cross–connection functionalities and moreover synchronization functionalities. 69 It contains the equipment data base . To be used for running “SDH” and “ATM” software It is essential to insert the relevant dummy plates on the spaces left by the port or access mod- 70 ules units not supplied in order to obtain the EMI/EMC performances. 71 Dummy plate for unequipped SERVICES I/F unit 72 Dummy plate for unequipped MATRIX unit 73 Optional telephone handset associated to the SERVICES I/F card. 74 It is necessary when Optinex rack is employed 1AA 00014 0004 (9007) A4 – ALICE 04.10 75 Mechanical adaptor utilized to insert the subrack in “21” rack. ED 03 3AL 91669 AA AA 108 / 706 706
  • 111.
    Note Explanation Protection cups to be used to respect the ESD precaution. At the end of the installation phase 76 all the connectors not used for cabling must be covered with the relevant “protection caps” not permitted without written authorization from Alcatel. All rights reserved. Passing on and copying of this document, use and communication of its contents 77 To be used with CONGI 3AL78830AD––. 78 To be used with S9 Rack. 79 To be used in Optinex rack (TRU) to power the Fan Shelf 80 To be used for EMC performance. One for each 140/155 ELECTRICAL INTERFACE (ICMI) 81 To be installed when 120 Ohm connector are used for 2Mbit/s signals. Must be provided with optical boosters in order to perform connection with STM–4 or STM–16 82 ports. Must be provided between “Optical Compensation Device” and “STM 64 PORT L– 64.2B 83 FC” card. 84 Upgrade for ATM functionality. Cable duct to be used during the installation phase. It allows the electrical cables separation 85 from the optical cables. 86 Must be used in conjunction with “STM–1 MULTIMODE OPT SC/PC” Optical Module 87 Every kit contains #1 connectors for 7x2 Mbit/s interface 120 Ohm 88 To be used for the 2 Mbit/s connections and for the synchronism on SERVICES I/F card. 89 To be used for the 34/45 Mbit/s and STM–1 electrical connections 90 To be used only with SERVICES I/F port card. It allows the 75/120 Ohm conversion. 91 To be used with the relevant cable in the installation phase for ethernet port connection 92 To be used to remove the fiber cable from port connector 93 Details concerning the software P/N are given in the Operator’s Handbook. The subrack (with relevant fans units and filter) must be install in the Rack together with the 94 1660SM SUBRACK “SR60M” 95 Filters used as alternative in the Fans shelf 19” (End of table) 1AA 00014 0004 (9007) A4 – ALICE 04.10 ED 03 3AL 91669 AA AA 109 / 706 706
  • 112.
    2.3 Relationship betweenPort Card and Access Card Table 19. Relationship between P63E1, P63E1N–M4 (63 X 2 Mbit/s unit) port card and A21E1 access card not permitted without written authorization from Alcatel. All rights reserved. Passing on and copying of this document, use and communication of its contents Port Card acronym Port Card Slot Access Card acronym Access Card Slot A21E1 1 (CH. 1–21) 24 A21E1 2 (CH. 22–42) A21E1 3 (CH. 43–63) A21E1 4 (CH. 1–21) 27 A21E1 5 (CH. 22–42) A21E1 6 (CH. 43–63) A21E1 7 (CH. 1–21) 30 A21E1 8 (CH. 22–42) A21E1 9 (CH. 43–63) P63E1, P63E1N–M4 32 (spare) –––––– –––––– A21E1 13 (CH. 1–21) 33 A21E1 14 (CH. 22–42) A21E1 15 (CH. 43–63) A21E1 16 (CH. 1–21) 36 A21E1 17 (CH. 22–42) A21E1 18 (CH. 43–63) A21E1 19 (CH. 1–21) 39 A21E1 20 (CH. 22–42) A21E1 21 (CH. 43–63) 1AA 00014 0004 (9007) A4 – ALICE 04.10 ED 03 3AL 91669 AA AA 110 / 706 706
  • 113.
    Table 20. Relationshipbetween P3E3T3 (3X34/45 Mbit/s Switchable unit) port card and A3E3 access card (3X34 Mbit/s) Port Card acronym Port Card Slot Access Card acronym Access Card Slot not permitted without written authorization from Alcatel. All rights reserved. Passing on and copying of this document, use and communication of its contents P3E3T3 24 A3E3 2 (CH. 1–3) P3E3T3 25 A3E3 3 (CH. 1–3) P3E3T3 26 A3E3 4 (CH. 1–3) P3E3T3 27 A3E3 5 (CH. 1–3) P3E3T3 28 A3E3 6 (CH. 1–3) P3E3T3 29 A3E3 7 (CH. 1–3) P3E3T3 30 A3E3 8 (CH. 1–3) P3E3T3 31 A3E3 9 (CH. 1–3) P3E3T3 32 A3E3 13 (CH. 1–3) P3E3T3 33 A3E3 14 (CH. 1–3) P3E3T3 34 A3E3 15 (CH. 1–3) P3E3T3 35 A3E3 16 (CH. 1–3) P3E3T3 36 A3E3 17 (CH. 1–3) P3E3T3 37 A3E3 18 (CH. 1–3) P3E3T3 38 A3E3 19 (CH. 1–3) P3E3T3 39 A3E3 20 (CH. 1–3) One or more 1+N (N ≤15) EPS revertive protection scheme can be created (for more detail see point [3] of para. 3.13.1 on page 322). In case of EPS configuration the following configuration rules must be respected: – Insert the protecting port card in a slot at the most left of of the protected port cards group. – Insert the special protection access card (HPROT) associated to the protecting port card following the rule reported in Table 20. on page 111 ( for example if the “protecting port card” has been inserted in slot 24, the ” protection access card HPROT” must be inserted in slot 2). The max. number of EPS groups is 8 i.e. 8 cards each protected 1+1 revertive. For each group a HPROT access card is required therefore the max number of HPROT access cards is 8. 1AA 00014 0004 (9007) A4 – ALICE 04.10 ED 03 3AL 91669 AA AA 111 / 706 706
  • 114.
    Table 21. Relationshipbetween P3E3T3 (3X34/45 Mbit/s Switchable unit) port card and A3T3 access card (3X45 Mbit/s) Port Card acronym Port Card Slot Access Card acronym Access Card Slot not permitted without written authorization from Alcatel. All rights reserved. Passing on and copying of this document, use and communication of its contents P3E3T3 24 A3T3 2 (CH. 1–3) P3E3T3 25 A3T3 3 (CH. 1–3) P3E3T3 26 A3T3 4 (CH. 1–3) P3E3T3 27 A3T3 5 (CH. 1–3) P3E3T3 28 A3T3 6 (CH. 1–3) P3E3T3 29 A3T3 7 (CH. 1–3) P3E3T3 30 A3T3 8 (CH. 1–3) P3E3T3 31 A3T3 9 (CH. 1–3) P3E3T3 32 A3T3 13 (CH. 1–3) P3E3T3 33 A3T3 14 (CH. 1–3) P3E3T3 34 A3T3 15 (CH. 1–3) P3E3T3 35 A3T3 16 (CH. 1–3) P3E3T3 36 A3T3 17 (CH. 1–3) P3E3T3 37 A3T3 18 (CH. 1–3) P3E3T3 38 A3T3 19 (CH. 1–3) P3E3T3 39 A3T3 20 (CH. 1–3) One or more 1+N (N ≤15) EPS revertive protection scheme can be created (for more detail see point [3] of para. 3.13.1 on page 322). In case of EPS configuration the following configuration rules must be respected: – Insert the protecting port card in a slot at the most left of of the protected port cards group. – Insert the special protection access card (HPROT) associated to the protecting port card following the rule reported in Table 20. on page 111 ( for example if the “protecting port card” has been inserted in slot 24, the ” protection access card HPROT” must be inserted in slot 2). The max. number of EPS groups is 8 i.e. 8 cards each protected 1+1 revertive. For each group a HPROT access card is required therefore the max number of HPROT access cards is 8. 1AA 00014 0004 (9007) A4 – ALICE 04.10 ED 03 3AL 91669 AA AA 112 / 706 706
  • 115.
    Table 22. Relationshipbetween P4S1N, P4E4N, P4OC3 port card and A2S1 access card Port Card acronym Port Card Slot Access Card acronym Access Card Slot P4E4N, P4S1N, P4OC3 24 A2S1 2 (CH. 3–4) not permitted without written authorization from Alcatel. All rights reserved. Passing on and copying of this document, use and communication of its contents (CH. 1–2) P4E4N, P4S1N, P4OC3 25 A2S1 3 (CH. 3–4) (CH. 1–2) P4E4N, P4S1N, P4OC3 26 A2S1 4 (CH. 3–4) (CH. 1–2) P4E4N, P4S1N, P4OC3 27 A2S1 5 (CH. 3–4) (CH. 1–2) P4E4N, P4S1N, P4OC3 28 A2S1 6 (CH. 3–4) (CH. 1–2) P4E4N, P4S1N, P4OC3 29 A2S1 7 (CH. 3–4) (CH. 1–2) P4E4N, P4S1N, P4OC3 30 A2S1 8 (CH. 3–4) (CH. 1–2) P4E4N, P4S1N, P4OC3 31 A2S1 9 (CH. 3–4) (CH. 1–2) P4E4N, P4S1N, P4OC3 32 A2S1 13 (CH. 3–4) (CH. 1–2) P4E4N, P4S1N, P4OC3 33 A2S1 14 (CH. 3–4) (CH. 1–2) P4E4N, P4S1N, P4OC3 34 A2S1 15 (CH. 3–4) (CH. 1–2) P4E4N, P4S1N, P4OC3 35 A2S1 16 (CH. 3–4) (CH. 1–2) P4E4N, P4S1N, P4OC3 36 A2S1 17 (CH. 3–4) (CH. 1–2) P4E4N, P4S1N, P4OC3 37 A2S1 18 (CH. 3–4) (CH. 1–2) P4E4N, P4S1N, P4OC3 38 A2S1 19 (CH. 3–4) (CH. 1–2) P4E4N, P4S1N, P4OC3 39 A2S1 20 (CH. 3–4) (CH. 1–2) 1AA 00014 0004 (9007) A4 – ALICE 04.10 ED 03 3AL 91669 AA AA 113 / 706 706
  • 116.
    Table 23. Relationshipbetween P16S1–4E port card and A12OS1E access card Port Card acronym Port Card Slot Access Card acronym Access Card Slot not permitted without written authorization from Alcatel. P16S1–4E 24 A12OS1E 2+3 All rights reserved. Passing on and copying of this document, use and communication of its contents (CH. 1–4) (CH. 5 –16) P16S1–4E 25 A12OS1E 3+4 (CH. 1–4) (CH. 5 –16) P16S1–4E 26 A12OS1E 4+5 (CH. 1–4) (CH. 5 –16) P16S1–4E 27 A12OS1E 5+6 (CH. 1–4) (CH. 5 –16) P16S1–4E 28 A12OS1E 6+7 (CH. 1–4) (CH. 5 –16) P16S1–4E 29 A12OS1E 7+8 (CH. 1–4) (CH. 5 –16) P16S1–4E 30 A12OS1E 8+9 (CH. 1–4) (CH. 5 –16) P16S1–4E 31 A12OS1E ––––––––– (CH. 1–4) P16S1–4E 32 A12OS1E 13+14 (CH. 1–4) (CH. 5 –16) P16S1–4E 33 A12OS1E 14+15 (CH. 1–4) (CH. 5 –16) P16S1–4E 34 A12OS1E 15+16 (CH. 1–4) (CH. 5 –16) P16S1–4E 35 A12OS1E 16+17 (CH. 1–4) (CH. 5 –16) P16S1–4E 36 A12OS1E 17+18 (CH. 1–4) (CH. 5 –16) P16S1–4E 37 A12OS1E 18 +19 (CH. 1–4) (CH. 5 –16) P16S1–4E 38 A12OS1E 19 +20 (CH. 1–4) (CH. 5 –16) P16S1–4E 39 A12OS1E ––––––––– (CH. 1–4) 1AA 00014 0004 (9007) A4 – ALICE 04.10 ED 03 3AL 91669 AA AA 114 / 706 706
  • 117.
    Table 24. Relationshipbetween P16S1–4E port card and A12OS1SE access card Port Card acronym Port Card Slot Access Card acronym Access Card Slot not permitted without written authorization from Alcatel. P16S1–4E 24 A12OS1SE 2 All rights reserved. Passing on and copying of this document, use and communication of its contents (CH. 1–4) (CH. 5 –16) P16S1–4E 25 A12OS1SE 3 (CH. 1–4) (CH. 5 –16) P16S1–4E 26 A12OS1SE 4 (CH. 1–4) (CH. 5 –16) P16S1–4E 27 A12OS1SE 5 (CH. 1–4) (CH. 5 –16) P16S1–4E 28 A12OS1SE 6 (CH. 1–4) (CH. 5 –16) P16S1–4E 29 A12OS1SE 7 (CH. 1–4) (CH. 5 –16) P16S1–4E 30 A12OS1SE 8 (CH. 1–4) (CH. 5 –16) P16S1–4E 31 A12OS1SE 9 (CH. 1–4) (CH. 5 –16) P16S1–4E 32 A12OS1SE 13 (CH. 1–4) (CH. 5 –16) P16S1–4E 33 A12OS1SE 14 (CH. 1–4) (CH. 5 –16) P16S1–4E 34 A12OS1SE 15 (CH. 1–4) (CH. 5 –16) P16S1–4E 35 A12OS1SE 16 (CH. 1–4) (CH. 5 –16) P16S1–4E 36 A12OS1SE 17 (CH. 1–4) (CH. 5 –16) P16S1–4E 37 A12OS1SE 18 (CH. 1–4) (CH. 5 –16) P16S1–4E 38 A12OS1SE 19 (CH. 1–4) (CH. 5 –16) P16S1–4E 39 A12OS1SE 20 (CH. 1–4) (CH. 5 –16) 1AA 00014 0004 (9007) A4 – ALICE 04.10 ED 03 3AL 91669 AA AA 115 / 706 706
  • 118.
    Table 25. Relationshipbetween P16S1–4E port card and A16ES1E access card Port Card acronym Port Card Slot Access Card acronym Access Card Slot not permitted without written authorization from Alcatel. P16S1–4E 24 A16ES1E 2 (CH. 1 – 16) All rights reserved. Passing on and copying of this document, use and communication of its contents P16S1–4E 25 A16ES1E 3 (CH. 1 – 16) P16S1–4E 26 A16ES1E 4 (CH. 1 – 16) P16S1–4E 27 A16ES1E 5 (CH. 1 – 16) P16S1–4E 28 A16ES1E 6 (CH. 1 – 16) P16S1–4E 29 A16ES1E 7 (CH. 1 – 16) P16S1–4E 30 A16ES1E 8 (CH. 1 – 16) P16S1–4E 31 A16ES1E 9 (CH. 1 – 16) P16S1–4E 32 A16ES1E 13 (CH. 1 – 16) P16S1–4E 33 A16ES1E 14 (CH. 1 – 16) P16S1–4E 34 A16ES1E 15 (CH. 1 – 16) P16S1–4E 35 A16ES1E 16 (CH. 1 – 16) P16S1–4E 36 A16ES1E 17 (CH. 1 – 16) P16S1–4E 37 A16ES1E 18 (CH. 1 – 16) P16S1–4E 38 A16ES1E 19 (CH. 1 – 16) P16S1–4E 39 A16ES1E 20 (CH. 1 – 16) One or more 1+N (N ≤15) EPS revertive protection scheme can be created (for more detail see point [3] of para. 3.13.1 on page 322). In case of EPS configuration the following configuration rules must be respected: – Insert the protecting port card in a slot at the most left of of the protected port cards group. – Insert the special protection access card (HPROT) associated to the protecting port card following the rule reported in Table 25. on page 116 ( for example if the “protecting port card” has been inserted in slot 24, the ” protection access card HPROT” must be inserted in slot 2). The max. number of EPS groups is 8 i.e. 8 cards each protected 1+1 revertive. For each group a HPROT access card is required therefore the max number of HPROT access cards is 8. 1AA 00014 0004 (9007) A4 – ALICE 04.10 ED 03 3AL 91669 AA AA 116 / 706 706
  • 119.
    Table 26. Relationshipbetween P4ES1N (4xSTM–1 Electrical) port card and A4ES1 access card. Port Card acronym Port Card Slot Access Card acronym Access Card Slot P4ES1N 24 A4ES1 2 (CH. 1 to 4) not permitted without written authorization from Alcatel. All rights reserved. Passing on and copying of this document, use and communication of its contents P4ES1N 25 A4ES1 3 (CH. 1 to 4) P4ES1N 26 A4ES1 4 (CH. 1 to 4) P4ES1N 27 A4ES1 5 (CH. 1 to 4) P4ES1N 28 A4ES1 6 (CH. 1 to 4) P4ES1N 29 A4ES1 7 (CH. 1 to 4) P4ES1N 30 A4ES1 8 (CH. 1 to 4) P4ES1N 31 A4ES1 9 (CH. 1 to 4) P4ES1N 32 A4ES1 13 (CH. 1 to 4) P4ES1N 33 A4ES1 14 (CH. 1 to 4) P4ES1N 34 A4ES1 15 (CH. 1 to 4) P4ES1N 35 A4ES1 16 (CH. 1 to 4) P4ES1N 36 A4ES1 17 (CH. 1 to 4) P4ES1N 37 A4ES1 18 (CH. 1 to 4) P4ES1N 38 A4ES1 19 (CH. 1 to 4) P4ES1N 39 A4ES1 20 (CH. 1 to 4) One or more 1+N (N ≤15) EPS revertive protection scheme can be created (for more detail see point [3] of para. 3.13.1 on page 322). In case of EPS configuration the following configuration rules must be respected: – Insert the protecting port card in a slot at the most left of of the protected port cards group. – Insert the special protection access card (HPROT) associated to the protecting port card following the rule reported in Table 20. on page 111 ( for example if the “protecting port card” has been inserted in slot 24, the ” protection access card HPROT” must be inserted in slot 2). The max. number of EPS groups is 8 i.e. 8 cards each protected 1+1 revertive. For each group a HPROT access card is required therefore the max number of HPROT access cards is 8. The STM–4 and STM–16 high speed port card does not need Access Card because the physical termination of the channel is on the port itself. 1AA 00014 0004 (9007) A4 – ALICE 04.10 ED 03 3AL 91669 AA AA 117 / 706 706
  • 120.
    Table 27. Relationshipbetween ETH–MB (11x10/100 Mb/s Ethernet) port card and ETH–ATX access card. Port Card acronym Port Card Slot Access Card acronym Access Card Slot not permitted without written authorization from Alcatel. All rights reserved. Passing on and copying of this document, use and communication of its contents ETH–MB (CH. 1 to 11) 24 ETH–ATX 2 (CH. 12 to 25) ETH–MB (CH. 1 to 11) 25 ETH–ATX 3 (CH. 12 to 25) ETH–MB (CH. 1 to 11) 26 ETH–ATX 4 (CH. 12 to 25) ETH–MB (CH. 1 to 11) 27 ETH–ATX 5 (CH. 12 to 25) ETH–MB (CH. 1 to 11) 28 ETH–ATX 6 (CH. 12 to 25) ETH–MB (CH. 1 to 11) 29 ETH–ATX 7 (CH. 12 to 25) ETH–MB (CH. 1 to 11) 30 ETH–ATX 8 (CH. 12 to 25) ETH–MB (CH. 1 to 11) 31 ETH–ATX 9 (CH. 12 to 25) ETH–MB (CH. 1 to 11) 32 ETH–ATX 13 (CH. 12 to 25) ETH–MB (CH. 1 to 11) 33 ETH–ATX 14 (CH. 12 to 25) ETH–MB (CH. 1 to 11) 34 ETH–ATX 15 (CH. 12 to 25) ETH–MB (CH. 1 to 11) 35 ETH–ATX 16 (CH. 12 to 25) ETH–MB (CH. 1 to 11) 36 ETH–ATX 17 (CH. 12 to 25) ETH–MB (CH. 1 to 11) 37 ETH–ATX 18 (CH. 12 to 25) ETH–MB (CH. 1 to 11) 38 ETH–ATX 19 (CH. 12 to 25) ETH–MB (CH. 1 to 11) 39 ETH–ATX 20 (CH. 12 to 25) 1AA 00014 0004 (9007) A4 – ALICE 04.10 ED 03 3AL 91669 AA AA 118 / 706 706
  • 121.
    Table 28. Relationshipbetween ETH–MB (10/100Mb) port card and GETH–AG (1.25 Gb/s) access card. Port Card acronym Port Card Slot Access Card acronym Access Card Slot (N.B.) not permitted without written authorization from Alcatel. All rights reserved. Passing on and copying of this document, use and communication of its contents ETH–MB 24 GETH–AG 2 (10/100 Mb CH.1 to 11) (Gigabit CH. 1 and 2) ETH–MB 25 GETH–AG 3 (10/100 Mb CH.1 to 11) (Gigabit CH. 1 and 2) ETH–MB 26 GETH–AG 4 (10/100 Mb CH.1 to 11) (Gigabit CH. 1 and 2) ETH–MB 27 GETH–AG 5 (10/100 Mb CH.1 to 11) (Gigabit CH. 1 and 2) ETH–MB 28 GETH–AG 6 (10/100 Mb CH.1 to 11) (Gigabit CH. 1 and 2) ETH–MB 29 GETH–AG 7 (10/100 Mb CH.1 to 11) (Gigabit CH. 1 and 2) ETH–MB 30 GETH–AG 8 (10/100 Mb CH.1 to 11) (Gigabit CH. 1 and 2) ETH–MB 31 GETH–AG 9 (10/100 Mb CH.1 to 11) (Gigabit CH. 1 and 2) ETH–MB 32 GETH–AG 13 (10/100 Mb CH.1 to 11) (Gigabit CH. 1 and 2) ETH–MB 33 GETH–AG 14 (10/100 Mb CH.1 to 11) (Gigabit CH. 1 and 2) ETH–MB 34 GETH–AG 15 (10/100 Mb CH.1 to 11) (Gigabit CH. 1 and 2) ETH–MB 35 GETH–AG 16 (10/100 Mb CH.1 to 11) (Gigabit CH. 1 and 2) ETH–MB 36 GETH–AG 17 (10/100 Mb CH.1 to 11) (Gigabit CH. 1 and 2) ETH–MB 37 GETH–AG 18 (10/100 Mb CH.1 to 11) (Gigabit CH. 1 and 2) ETH–MB 38 GETH–AG 19 (10/100 Mb CH.1 to 11) (Gigabit CH. 1 and 2) ETH–MB 39 GETH–AG 20 (10/100 Mb CH.1 to 11) (Gigabit CH. 1 and 2) N.B. The following channels are made available (max quantity) when GETH–AG is used in conjunction with ETH–MB: – up to two Gigabit Ethernet interface on the access card GETH–AG;in this configuration only the two upper interfaces present on the access card can be used for Gbit Ethernet application. – up to eleven 10/100 Mbit Ethernet interfaces on the ETH–MB. 1AA 00014 0004 (9007) A4 – ALICE 04.10 ED 03 3AL 91669 AA AA 119 / 706 706
  • 122.
    Table 29. Relationshipbetween ISA ES–16 port card and and ETH–ATX access card. Port Card acronym Port Card Slot Access Card acronym Access Card Slot not permitted without written authorization from Alcatel. ISA ES–16 24 ETH–ATX 2 All rights reserved. Passing on and copying of this document, use and communication of its contents ISA ES–16 25 ETH–ATX 3 ISA ES–16 26 ETH–ATX 4 ISA ES–16 27 ETH–ATX 5 ISA ES–16 28 ETH–ATX 6 ISA ES–16 29 ETH–ATX 7 ISA ES–16 30 ETH–ATX 8 ISA ES–16 31 ETH–ATX 9 ISA ES–16 32 ETH–ATX 13 ISA ES–16 33 ETH–ATX 14 ISA ES–16 34 ETH–ATX 15 ISA ES–16 35 ETH–ATX 16 ISA ES–16 36 ETH–ATX 17 ISA ES–16 37 ETH–ATX 18 ISA ES–16 38 ETH–ATX 19 ISA ES–16 39 ETH–ATX 20 1AA 00014 0004 (9007) A4 – ALICE 04.10 ED 03 3AL 91669 AA AA 120 / 706 706
  • 123.
    Table 30. Relationshipbetween ISA ES–16 port card and and GETH–AG access card. Port Card acronym Port Card Slot Access Card acronym Access Card Slot not permitted without written authorization from Alcatel. ISA ES–16 24 GETH–AG 2 All rights reserved. Passing on and copying of this document, use and communication of its contents ISA ES–16 25 GETH–AG 3 ISA ES–16 26 GETH–AG 4 ISA ES–16 27 GETH–AG 5 ISA ES–16 28 GETH–AG 6 ISA ES–16 29 GETH–AG 7 ISA ES–16 30 GETH–AG 8 ISA ES–16 31 GETH–AG 9 ISA ES–16 32 GETH–AG 13 ISA ES–16 33 GETH–AG 14 ISA ES–16 34 GETH–AG 15 ISA ES–16 35 GETH–AG 16 ISA ES–16 36 GETH–AG 17 ISA ES–16 37 GETH–AG 18 ISA ES–16 38 GETH–AG 19 ISA ES–16 39 GETH–AG 20 1AA 00014 0004 (9007) A4 – ALICE 04.10 ED 03 3AL 91669 AA AA 121 / 706 706
  • 124.
    Table 31. Relationshipbetween ISA–PR port card and 16FEA–PR or 2GBA–PR access cards. Port Card acro- Port Card Slot Access Card Access Card Slot nym acronym not permitted without written authorization from Alcatel. All rights reserved. Passing on and copying of this document, use and communication of its contents ISA–PR 25–26 16FEA–PR or 2 –3 left 2GBA–PR 3–4 middle 4–5 right ISA–PR 26–27 16FEA–PR or 3–4 left 2GBA–PR 4–5 middle 5–6 right ISA–PR 27–28 16FEA–PR or 4–5 left 2GBA–PR 5–6 middle 6–7 right ISA–PR 28–29 16FEA–PR or 5–6 left 2GBA–PR 6–7 middle 7–8 right ISA–PR 29–30 16FEA–PR or 6–7 left 2GBA–PR 7–8 middle 8–9 right ISA–PR 30–31 16FEA–PR or 7–8 left 2GBA–PR 8–9 middle 9 – 10 right ISA–PR 31–32 16FEA–PR or 8–9 left 2GBA–PR 9 – 10 middle 13 –14 right ISA–PR 32–33 16FEA–PR or 12 – 13 left 2GBA–PR 13 – 14 middle 14 – 15 right ISA–PR 33–34 16FEA–PR or 13 – 14 left 2GBA–PR 14 – 15 middle 15 – 16 right ISA–PR 34–35 16FEA–PR or 14 – 15 left 2GBA–PR 15 – 16 middle 16 – 17 right ISA–PR 35–36 16FEA–PR or 15 – 16 left 2GBA–PR 16 – 17 middle 17 – 18 right ISA–PR 36–37 16FEA–PR or 16 – 17 left 2GBA–PR 17 – 18 middle 18 –19 right ISA–PR 37–38 16FEA–PR or 17 – 18 left 2GBA–PR 18 – 19 middle 19 – 20 right ISA–PR 38–39 16FEA–PR or 18 – 19 left 1AA 00014 0004 (9007) A4 – ALICE 04.10 2GBA–PR 19 – 20 middle 20 – 21 right ED 03 3AL 91669 AA AA 122 / 706 706
  • 125.
    2.4 Units frontview The following paragraph show the access points (LEDs, switches etc.) present on each unit together with legenda and meaning. not permitted without written authorization from Alcatel. All rights reserved. Passing on and copying of this document, use and communication of its contents More in detail: Paragraph 2.4.1 on page 124 shows the Port cards front view Paragraph 2.4.2 on page 150 shows the Access cards front view Paragraph 2.4.3 on page 173 shows the Fans subrack cover front view 1AA 00014 0004 (9007) A4 – ALICE 04.10 ED 03 3AL 91669 AA AA 123 / 706 706
  • 126.
    2.4.1 Port cardsfront view not permitted without written authorization from Alcatel. All rights reserved. Passing on and copying of this document, use and communication of its contents ACRONYM SLOTS P63E1 24,27,30,32,33,36,39 P63E1N–M4 24,27,30,32,33,36,39 P3E3T3 24 to 39 P4ES1N 24 to 39 LEGENDA 3AL XXXXX AA (1) Multicolor LED: (1) xxxxxx Red led – local unit alarm Green led – in service unit Orange led –unit in Stand–by (EPS schema) 1AA 00014 0004 (9007) A4 – ALICE 04.10 Figure 35. PDH, SDH electrical ports front view ED 03 3AL 91669 AA AA 124 / 706 706
  • 127.
    ACRONYM SLOTS not permitted without written authorization from Alcatel. All rights reserved. Passing on and copying of this document, use and communication of its contents P4S1N 24 to 39 P4E4N 24 to 39 P4OC3 24 to 39 ÑÑÑ ÑÑÑ ÑÑÑ ÑÑÑ ÑÑÑ ÑÑÑ (1) ÑÑÑ ÑÑÑ ÑÑÑ ÑÑÑ ÑÑÑ ÑÑÑ ÑÑÑ ÑÑÑ ÑÑÑ ÑÑÑ ÑÑÑ (2) ÑÑÑ ÑÑÑ ÑÑÑ ÑÑÑ LEGENDA ÑÑÑ ÑÑÑ (1) Channel # 1 (N.B.) (2) Channel # 2 (N.B.) (3) Bicolor LED: 3AL XXXXX AA Red led – local unit alarm (3) xxxxxx Green led – in service unit N.B.– The unit can be equipped with electrical or optical modules (see Figure 78. and Figure 79. ) 1AA 00014 0004 (9007) A4 – ALICE 04.10 Figure 36. 4 x STM–1, 4 x OC3 port : front view ED 03 3AL 91669 AA AA 125 / 706 706
  • 128.
    ACRONYM SLOTS not permitted without written authorization from Alcatel. All rights reserved. Passing on and copying of this document, use and communication of its contents P16S1–4E 24 to 39 (1) OUTPUT (2) (3) INPUT (4) (5) LEGENDA (1 to 4): are cavity for STM–1 / STM–4 SFP optical modules (Refer to Figure 80. on page 169) (6) (5): Laser restart key (6) Bicolor LED: Red led – Local unit alarm Green led – in service unit 1AA 00014 0004 (9007) A4 – ALICE 04.10 Figure 37. 16xSTM–1 – 4xSTM–4 port front view ED 03 3AL 91669 AA AA 126 / 706 706
  • 129.
    FC/PC SC/PC ACRONYM SLOTS not permitted without written authorization from Alcatel. All rights reserved. Passing on and copying of this document, use and communication of its contents S–4.1N 24 to 39 L–4.1N 24 to 39 L–4.2N 24 to 39 (2) (2) INPUT INPUT OUTPUT OUTPUT LEGENDA (1) Laser restart Key (1) (1) (2) Channel #1 (3) Bicolor LED: Red led – Local unit alarm 3AL XXXXX AA 3AL XXXXX AA Green led – in service unit (3) (3) xxxxxx xxxxxx 1AA 00014 0004 (9007) A4 – ALICE 04.10 Figure 38. STM–4 optical port front view ED 03 3AL 91669 AA AA 127 / 706 706
  • 130.
    not permitted withoutwritten authorization from Alcatel. ACRONYM SLOTS All rights reserved. Passing on and copying of this document, use and communication of its contents P4S4N 25–26 28–29 34–35 37–38 (1) (2) LEGENDA: (1) Channel # 1 (see NOTE) (2) Channel # 2 (see NOTE) (3) Bicolor LED: Red led – local unit alarm 3AL XXXXX AA Green led – in service unit (3) NOTE: the unit can be equipped with optical modules (see Figure 78. on page 167). 1AA 00014 0004 (9007) A4 – ALICE 04.10 Figure 39. 4 x STM–4 port card – front view ED 03 3AL 91669 AA AA 128 / 706 706
  • 131.
    FC/PC SC/PC ACRONYM SLOTS not permitted without written authorization from Alcatel. All rights reserved. Passing on and copying of this document, use and communication of its contents 25+26 S–16.1ND 28+29 34+35 37+38 (1) (1) 25+26 28+29 L–16.1ND 34+35 37+38 25+26 INPUT 28+29 OUTPUT L–16.2ND 34+35 37+38 INPUT OUTPUT (2) (2) LEGENDA (1) Laser restart Key (2) Channel #1 3AL XXXXX AA 3AL XXXXX AA (3) (3) xxxxxx xxxxxx (3) Bicolor LED: xxxx xxxx Red led – Local unit alarm Green led – in service unit 1AA 00014 0004 (9007) A4 – ALICE 04.10 Figure 40. STM–16 optical front view ED 03 3AL 91669 AA AA 129 / 706 706
  • 132.
    ACRONYM SLOTS not permitted without written authorization from Alcatel. All rights reserved. Passing on and copying of this document, use and communication of its contents 25+26 I –16.1ND 28+29 34+35 37+38 (1) OUTPUT INPUT (2) LEGENDA (1) Laser restart Key (2) Channel #1 (3) Bicolor LED: Red led – Local unit alarm 3AL XXXXX AA xxxxxx Green led – in service unit xxxx (3) 1AA 00014 0004 (9007) A4 – ALICE 04.10 Figure 41. I–16 PORT SFF (intra–office) ED 03 3AL 91669 AA AA 130 / 706 706
  • 133.
    not permitted withoutwritten authorization from Alcatel. ACRONYM SLOTS All rights reserved. Passing on and copying of this document, use and communication of its contents O–16ES 24 to 39 (2) OUTPUT INPUT Note: the cavities must be equipped with SFP modules (refer to Figure 80. on page 169) (1) LEGENDA (3) (1) Laser restart Key (2) Optical Channel (3) Bicolor LED: Red led – Local unit alarm Green led – in service unit 1AA 00014 0004 (9007) A4 – ALICE 04.10 Figure 42. STM–16 SFP SLIM port optical front view ED 03 3AL 91669 AA AA 131 / 706 706
  • 134.
    ATM4X4V2 ATM4X4 ATM4X4D3 not permitted without written authorization from Alcatel. ACRONYM SLOTS All rights reserved. Passing on and copying of this document, use and communication of its contents ATM4X4 (1) ATM4X4V2 24–39 ATM4X4D3 (2) LEGENDA (3) (4) (1) Reset command Key (5) (2) Channel #1 (N.B.) (6) (3) Red LED – Urgent Alarm (Critical or Major) (7) (4) (8) (1) Red LED – Not Urgent alarm (Minor) (5) Yellow LED – Alarm storing (Attended) (6) Yellow LED – Abnormal condition (9) (7) Yellow LED – Indicative Alarm (Warning) (8) Lamp test push–button (9) Factory use only 3AL XXXXX AA 3AL XXXXX AA (10) Multicolor LED: xxxxxx xxxxxx Red led – local unit alarm (INT) (10) Green led – in service unit Orange led –unit in Stand–by (EPS schema) N.B.– The ATM4X4 unit can be equipped with electrical or optical STM–1 modules (see 1AA 00014 0004 (9007) A4 – ALICE 04.10 Figure 78. and Figure 79. ) Figure 43. ATM 4X4 and ATM 4X4V2 card – front view ED 03 3AL 91669 AA AA 132 / 706 706
  • 135.
    ACRONYM SLOTS not permitted without written authorization from Alcatel. All rights reserved. Passing on and copying of this document, use and communication of its contents ATM8x8 24 – 38 (1) LEGENDA (1) Reset command Key (2) (2) Red LED – Urgent Alarm (Critical or Major) (3) (4) (3) Red LED – Not Urgent alarm (Minor) (5) (4) (6) Yellow LED – Alarm storing (Attended) (7) (5) Yellow LED – Abnormal condition (8) (6) Yellow LED – Indicative Alarm (Warning) (7) Lamp test push–button (8) Factory use only (9) (9) Multicolor LED: Red led – local unit alarm (INT) Green led – in service unit Orange led –unit in Stand–by (EPS schema) Figure 44. ATM 8X8 card – front view 1AA 00014 0004 (9007) A4 – ALICE 04.10 ED 03 3AL 91669 AA AA 133 / 706 706
  • 136.
    not permitted withoutwritten authorization from Alcatel. ACRONYM SLOTS All rights reserved. Passing on and copying of this document, use and communication of its contents S–642E I–641E 24 to 39 L–642E (1) (2) INPUT OUTPUT LEGENDA (1) Laser restart Key (2) Channel #1 (3) Bicolor LED: (3) Red led – Local unit alarm Green led – in service unit 1AA 00014 0004 (9007) A4 – ALICE 04.10 Figure 45. STM–64 optical port front view ED 03 3AL 91669 AA AA 134 / 706 706
  • 137.
    ACRONYM SLOTS not permitted without written authorization from Alcatel. All rights reserved. Passing on and copying of this document, use and communication of its contents ETH–MB 24 to 39 (1) (2) (3) (4) (5) (6) (7) (8) (9) (10) (11) Not used (12) LEGENDA (1) to (11) Ethernet Channels (13) (13) Bicolor LED Red led – Local unit alarm Green led – in service unit 1AA 00014 0004 (9007) A4 – ALICE 04.10 Figure 46. ISA – Ethernet port front view ED 03 3AL 91669 AA AA 135 / 706 706
  • 138.
    ACRONYM SLOTS not permitted without written authorization from Alcatel. All rights reserved. Passing on and copying of this document, use and communication of its contents GETH–MB 24 to 39 OUTPUT (1) INPUT (2) (3) (4) (6) LEGENDA (1) to (4) are Gigabit Ethernet channels Note: the cavities must be equipped with Ethernet Optical Modules (refer toFigure 80. on page 169) (5) (6): Factory use only (5) Bicolor LED: Red led – Local unit alarm Green led – in service unit 1AA 00014 0004 (9007) A4 – ALICE 04.10 Figure 47. ISA– Gigabit ETHERNET board ED 03 3AL 91669 AA AA 136 / 706 706
  • 139.
    ACRONYM SLOTS not permitted without written authorization from Alcatel. All rights reserved. Passing on and copying of this document, use and communication of its contents ES4–8FE 24 to 39 (11) OUTPUT (10) INPUT (9) (1) Note: the cavities must be equipped with (2) SFP modules (refer toFigure 80. on page 169) (3) (4) (5) (6) LEGENDA (7) (1) to (8) 10/100 Ethernet channels (8) (9) Gigabit Ethernet channel SFP (10) Factory use only (12) (11) Microprocessor restart Key (12) Bicolor LED: Red led – Local unit alarm Green led – in service unit Figure 48. ISA – ES4–8FE port front view 1AA 00014 0004 (9007) A4 – ALICE 04.10 ED 03 3AL 91669 AA AA 137 / 706 706
  • 140.
    ACRONYM SLOTS not permitted without written authorization from Alcatel. All rights reserved. Passing on and copying of this document, use and communication of its contents ES1–8FE 24 to 39 (1) 1 (2) 2 (3) 3 (4) 4 RJ45 connectors (5) 5 (6) 6 (7) 7 (8) 8 12 (9) 34 56 78 LEGENDA (1) to (8) Ethernet channels (10) (9) Channel status indicators: DBG yellow : active channel yellow blinking: channel with traffic (11) (10) Not used (11) Microprocessor restart Key (12) (12) Bicolor LED: Red led – Local unit alarm Green led – in service unit 1AA 00014 0004 (9007) A4 – ALICE 04.10 Figure 49. ISA – ES1–8FE port front view ED 03 3AL 91669 AA AA 138 / 706 706
  • 141.
    ACRONYM SLOTS not permitted without written authorization from Alcatel. All rights reserved. Passing on and copying of this document, use and communication of its contents ES1–8FX 24 to 39 (1) (2) OUTPUT (3) (4) INPUT (5) (6) (7) (8) LEGENDA (9) (1): Reset button (2 to 9): are cavity for Fast Ethernet optical SFP modules (Refer to Figure 80. on page 169) (10) (10) Bicolor LED: Red led – Local unit alarm Green led – in service unit 1AA 00014 0004 (9007) A4 – ALICE 04.10 Figure 50. ISA ES1–8FX front view ED 03 3AL 91669 AA AA 139 / 706 706
  • 142.
    not permitted withoutwritten authorization from Alcatel. All rights reserved. Passing on and copying of this document, use and communication of its contents ACRONYM SLOTS ISA–ES16 24 to 39 (1) MAJ (2) MIN (3) uP (4) (5) ETH (6) LEGENDA (7) (1) Microprocessor reset key (2) Red LED – Urgent Alarm (Major) RS232 (3) Yellow LED – Not Urgent alarm (Minor) not used in current release (4) Microprocessor bicolor LED (5) LED indicating the Ethernet port status (factory use only) (6) Ethernet debugger port (factory use only) (7) RS232 port (factory use only) (8) Bicolor LED: Red led – Local unit alarm (8) Green led – in service unit 1AA 00014 0004 (9007) A4 – ALICE 04.10 Figure 51. ISA ES–16 front view ED 03 3AL 91669 AA AA 140 / 706 706
  • 143.
    not permitted withoutwritten authorization from Alcatel. All rights reserved. Passing on and copying of this document, use and communication of its contents ACRONYM SLOTS PREA4ETH 24 to 39 (1) (2) (3) (4) EthPort63 (5) EthPort62 RJ45 connectors (6) EthPort61 LEGENDA (1) Factory use only (7) EthPort60 (2) Microprocessor restart Key (3) Not used (4) to (7) Ethernet cahnnels (8) (8) Bicolor LED Red led – Local unit alarm Green led – in service unit 1AA 00014 0004 (9007) A4 – ALICE 04.10 Figure 52. ISA– PRE_EA Matrix 4x Ethernet ED 03 3AL 91669 AA AA 141 / 706 706
  • 144.
    not permitted withoutwritten authorization from Alcatel. All rights reserved. Passing on and copying of this document, use and communication of its contents ACRONYM SLOTS PREA1GBE 24 to 39 (1) (2) (3) (4) LEGENDA (1) Factoy use only (2) Microprocessor restart Key (3) Not used (4) The slot can be equipped with SFP Gigabit Ethernet optical (5) module, see Figure 80. on page 169 (5) Bicolor LED Red led – Local unit alarm Green led – in service unit 1AA 00014 0004 (9007) A4 – ALICE 04.10 Figure 53. ISA– PRE_EA Matrix 1 x GB–ETH ED 03 3AL 91669 AA AA 142 / 706 706
  • 145.
    ACRONYM SLOTS not permitted without written authorization from Alcatel. OUTPUT All rights reserved. Passing on and copying of this document, use and communication of its contents ISA–PR 25 to 38 INPUT LEGENDA (1) (1) to (4) SFP optical connections for STM4 SDH ring interface. From top to bottom W1, W2 for West ring interface, (2) E1, E2 for East ring interface. Note: the cavities must be equipped with STM4 optical modules (refer to Figure 80. on page 169) In the figure the four modules are included (3) (5) OK led Red led – Major / critical alarm (Major alarm on ISA–PR (4) or slot alarms in access card or Major transmis– sion alarms on access card. Access card slot alarms stand for: Card Mismatch, Card unassigned, Card Failure on POST _ Power On Self Test) Red led blinking 50/50 – during POST failure (Power On Self Test) Red led blinking 20/80 – Card Mismatch Yellow led – Minor alarm (5) Yellow led blinking 50/50 – Maintenance in progress (loopbacks..) Green led – OK status (no alarms) Green led blinking 50/50 – ISA–PR is in initialization process (6) (following power–on or reset) Led OFF – card not powered (7) (6) ETH– Ethernet management interface RJ45 connector For local Craft Terminal or Network Management System connections (7) RS 232 – RJ45 connector For internal factory use (8) (8) Microprocessor restart key (9) (9) Active led Led OFF – card not powered Green led – card is powered 1AA 00014 0004 (9007) A4 – ALICE 04.10 Figure 54. ISA– PR Matrix 4x4STM4 PLUG–IN ED 03 3AL 91669 AA AA 143 / 706 706
  • 146.
    not permitted withoutwritten authorization from Alcatel. ACRONYM SLOTS All rights reserved. Passing on and copying of this document, use and communication of its contents COWLA2 24 to 39 (1) 1st Channel (2) (3) 2nd Channel (4) LEGENDA (1) Slot for ”Black White or ”Colored” SFP module (2) Slot for ”Black White” or ”Colored” SFP module (3) Slot for ”Black White” or ”Colored” SFP module (4) Slot for ”Black White” or ”Colored” SFP module Note: the cavities must be equipped with (5) SFP modules (refer toFigure 80. on page 169) (5) Active led Red led – Local unit alarm Green led – in service unit 1AA 00014 0004 (9007) A4 – ALICE 04.10 Figure 55. COWLA2 front view ED 03 3AL 91669 AA AA 144 / 706 706
  • 147.
    ACRONYM SLOTS not permitted without written authorization from Alcatel. All rights reserved. Passing on and copying of this document, use and communication of its contents 25+26 28+29 4XANYC 34+35 37+38 32+33 (3) (1) LEGENDA: (1) Channel #1 (Low speed 4XANY acronym modules: OL–IN, OL–MM) (4) (2) Channel #2 (Low speed 4XANY acronym modules: OL–IN, OL–MM) (3) Channel #3 (Low speed 4XANY acronym modules: OL–IN, OL–MM OR (2) High speed 4XANY acronym modules: OH–I, OH–MM) (4) Channel #4 (Low speed 4XANY acronym modules: OL–IN, OL–MM OR High speed 4XANY acronym modules: OH–I, OH–MM) (5) Bicolor LED: (5) Red led – local unit alarm Green led – in service unit Note: The allowed mixed configuration are reported on paragraph 3.10 on page 293 1AA 00014 0004 (9007) A4 – ALICE 04.10 Figure 56. 4xANY Host C ED 03 3AL 91669 AA AA 145 / 706 706
  • 148.
    ACRONYM SLOTS not permitted without written authorization from Alcatel. All rights reserved. Passing on and copying of this document, use and communication of its contents MATRIXE 23,40 (2) LEGENDA (1) Reset command key (1) (2) RJ45 for factory use only (3) (3) Multicolor LED: Red led – Local unit alarm Green led – in service unit Orange led – unit in Stand–by (EPS schema) 1AA 00014 0004 (9007) A4 – ALICE 04.10 Figure 57. MATRIXE card ED 03 3AL 91669 AA AA 146 / 706 706
  • 149.
    ACRONYM SLOTS not permitted without written authorization from Alcatel. All rights reserved. Passing on and copying of this document, use and communication of its contents PQ2/EQC 22 (1) (2a) (2) LEGENDA (1) Reset command key (3) (2) Personal Computer Connector (F interface RS–232) (2a) Personal Computer Connector (USB interface) (not operative in current release) (4) (3) RJ45 for factory use only (5) (4) Red LED – Urgent Alarm (Critical or Major) (6) (5) Red LED – Not Urgent ( Minor) (7) (6) Yellow LED – Alarm storing (Attended) (8) (7) Yellow LED – Abnormal condition (8) Yellow LED – Indicative Alarm (Warning) (9) (9) Lamp test push–button (10) Alarm storing push–botton (Attended) (11) Green LED – When on it means active unit (10) (11) (12) Bicolor LED: 3AL XXXXX AA (12) xxxxxx Red led – Local unit alarm Green led – in service unit 1AA 00014 0004 (9007) A4 – ALICE 04.10 Figure 58. EQUICO (PQ2/EQC) ED 03 3AL 91669 AA AA 147 / 706 706
  • 150.
    ACRONYM SLOTS not permitted without written authorization from Alcatel. All rights reserved. Passing on and copying of this document, use and communication of its contents CONGI 10, 12 (1) (2) (3) (4) LEGENDA (1) Power (2) Housekeeping and remote alarm (3) Rack lamps (not used on CONGI in slot 12) (5) (4) QMD (Q2) (not used on CONGI in slot 12) (5) I/O BNC for Q3 10 base 2 (not used on CONGI in slot 12) (6) RJ45 for Q3 10 base T (not used on CONGI in slot 12) (6) (7) Bicolor LED: Red led – local unit alarm 3AL XXXXX AA Green led – in service unit (7) xxxxxx 1AA 00014 0004 (9007) A4 – ALICE 04.10 Figure 59. Control and General interface ED 03 3AL 91669 AA AA 148 / 706 706
  • 151.
    ACRONYM SLOTS not permitted without written authorization from Alcatel. All rights reserved. Passing on and copying of this document, use and communication of its contents SERVICE 11 J1 J5 J2 J6 (1) J3 J7 J4 J8 LEGENDA (1) I/O auxiliary 2 Mbit/s Channels G.703 J1 – 2 Mbit/s Channel Output 1 J2 – 2 Mbit/s Channel Input 1 J5 – 2Mbit/s Channel Output 2 (2) J6 – 2Mbit/s Channel Input 2 I/O 2 MHz Synchronous interfaces J3 – 2 MHz Output 1 (T4A) or 2 Mbit/s Output (T5A) J4 – 2 MHz Input 1 (T3A) or 2 Mbit/s Input (T6A) J7 – 2 MHz Output 2 (T4B) or 2 Mbit/s Output (T5B) J8 – 2 MHz Input 2 (T3B) or 2 Mbit/s Input (T6B) (2) Auxiliary channels: (3) 4 channel RS–232 4 channel V.11 64 Kbit/s 4 channel G.703 64 Kbit/s (4) (3) Four wire telephone extension point (RJ45) (4) Four wire telephone extension point (5) (RJ11) (5) Z1–Z8 EOW zone selection LEDs (N.B.1) (6) L1 L2 (6) L1–L2 LEDS status for selective call (N.B.2) (7) (8) (7) Telephone jack (9) (8) Line seizure Key (10) (9) EOW zone selection (N.B.1) 3AL XXXXX AA (10) Reset command Key (11) xxxxxx (11) Bicolor LED: Red led – local unit alarm Green led – in service unit N.B.1 Only one Zone is operative. 1AA 00014 0004 (9007) A4 – ALICE 04.10 N.B.2 For details see Table 59. on page 578 and Table 60. on page 578 Figure 60. SERVICE interface ED 03 3AL 91669 AA AA 149 / 706 706
  • 152.
    2.4.2 Access cardsfront view not permitted without written authorization from Alcatel. All rights reserved. Passing on and copying of this document, use and communication of its contents ACRONYM SLOTS A21E1 1 to 9,13 to21 (1) (2) (3) (4) (5) (6) (7) (8) (9) (10) (11) (12) (13) (14) (15) (16) (17) (18) LEGENDA (19) (20) (1) – (21) 2 Mbit/s data signals (21) (22) Bicolor LED: 3AL XXXXX AA Red led – local unit alarm (INT) INPUT OUTPUT xxxxxx Green led – in service unit (22) 1AA 00014 0004 (9007) A4 – ALICE 04.10 Figure 61. 21 x 2 Mbit/s 75 ohm access card 1.0/2.3 connectors ED 03 3AL 91669 AA AA 150 / 706 706
  • 153.
    ACRONYM SLOTS not permitted without written authorization from Alcatel. All rights reserved. Passing on and copying of this document, use and communication of its contents A21E1 1 to 9,13 to21 (1) (2) LEGENDA (3) (1) Channels # 1 to 7 connector (2) Channels # 8 to 14 connector (3) Channels #15 to 21 connector (4) Bicolor LED: 3AL XXXXX AA (4) xxxxxx Red led – local unit alarm (INT) Green led – in service unit 1AA 00014 0004 (9007) A4 – ALICE 04.10 Figure 62. 21 X 2 Mbit/s 120 Ohm access card ED 03 3AL 91669 AA AA 151 / 706 706
  • 154.
    ACRONYM SLOTS not permitted without written authorization from Alcatel. All rights reserved. Passing on and copying of this document, use and communication of its contents A3E3 2 to 9, 13 to 20 INPUT (1) OUTPUT INPUT (2) OUTPUT INPUT (3) OUTPUT LEGENDA (1) Channel #1 (2) Channel #2 (3) Channel #3 (4) Bicolor LED: 3AL XXXXX AA Red led – local unit alarm (INT) (4) xxxxxx Green led – in service unit 1AA 00014 0004 (9007) A4 – ALICE 04.10 Figure 63. 3 X 34 Mbit/s 75 ohm access card ED 03 3AL 91669 AA AA 152 / 706 706
  • 155.
    ACRONYM SLOTS not permitted without written authorization from Alcatel. All rights reserved. Passing on and copying of this document, use and communication of its contents A3T3 2 to 9, 13 to 20 INPUT (1) OUTPUT INPUT (2) OUTPUT INPUT (3) OUTPUT LEGENDA (1) Channel #1 (2) Channel #2 (3) Channel #3 (4) Bicolor LED: 3AL XXXXX AA Red led – local unit alarm (INT) (4) xxxxxx Green led – in service unit 1AA 00014 0004 (9007) A4 – ALICE 04.10 Figure 64. 3 X 45 Mbit/s 75 ohm access card ED 03 3AL 91669 AA AA 153 / 706 706
  • 156.
    ACRONYM SLOTS not permitted without written authorization from Alcatel. All rights reserved. Passing on and copying of this document, use and communication of its contents A4ES1 2 to 9, 13 to20 INPUT (1) OUTPUT INPUT (2) OUTPUT INPUT (3) OUTPUT LEGENDA INPUT (4) (1) Channel #1 OUTPUT (2) Channel #2 (3) Channel #3 (4) Channel #4 3AL XXXXX AA (5) xxxxxx (5) Bicolor LED: Red led – local unit alarm (INT) Green led – in service unit 1AA 00014 0004 (9007) A4 – ALICE 04.10 Figure 65. 4 X STM–1 access card ED 03 3AL 91669 AA AA 154 / 706 706
  • 157.
    All rights reserved.Passing on and copying of this document, use and communication of its contents not permitted without written authorization from Alcatel. 1AA 00014 0004 (9007) A4 – ALICE 04.10 ED (1) 03 HPROT LEGENDA ACRONYM Bicolor LED: SLOTS Red led – local unit alarm Green led – in service unit 2 to 9, 13 to20 Figure 66. High Speed protection – front view 706 xxxxxx 3AL 91669 AA AA 3AL XXXXX AA (1) 155 / 706
  • 158.
    ACRONYM SLOTS not permitted without written authorization from Alcatel. All rights reserved. Passing on and copying of this document, use and communication of its contents A2S1 2 to 9, 13 to20 (1) (2) LEGENDA (1) Channel #3 (N.B.) (2) Channel #4 (N.B.) 3AL XXXXX AA (3) Bicolor LED: (3) xxxxxx Red led – local unit alarm (INT) Green led – in service unit N.B.– The unit can be equipped with electrical or optical modules (see Figure 78. and Figure 79. ) 1AA 00014 0004 (9007) A4 – ALICE 04.10 Figure 67. 2 x 140/STM–1 O/E adapter (access card)– front view ED 03 3AL 91669 AA AA 156 / 706 706
  • 159.
    ACRONYM SLOTS A12OS1E 2 to 8, 13 to 20 not permitted without written authorization from Alcatel. All rights reserved. Passing on and copying of this document, use and communication of its contents OUTPUT INPUT (1) LEGENDA (1): are cavity for STM–1 SFP optical modules; 12 channels can be managed (Refer to Figure 80. on page 169) (2): Bicolor LED: 3AL XXXXX AA Red led – Local unit alarm (2) xxxxxx Green led – in service unit 1AA 00014 0004 (9007) A4 – ALICE 04.10 Figure 68. Optical access 12xSTM1 unit front view ED 03 3AL 91669 AA AA 157 / 706 706
  • 160.
    ACRONYM SLOTS A12OS1SE 2 to 9, 13 to20 not permitted without written authorization from Alcatel. All rights reserved. Passing on and copying of this document, use and communication of its contents OUTPUT INPUT (1) LEGENDA (1): are cavity for STM–1 SFP optical modules; 12 channels can be managed (Refer to Figure 80. on page 169) (2): Bicolor LED: 3AL XXXXX AA Red led – Local unit alarm (2) xxxxxx Green led – in service unit 1AA 00014 0004 (9007) A4 – ALICE 04.10 Figure 69. Optical access 12xSTM1 SLIM unit front view ED 03 3AL 91669 AA AA 158 / 706 706
  • 161.
    ACRONYM SLOTS A16ES1E 2 to 9, 13 to20 not permitted without written authorization from Alcatel. All rights reserved. Passing on and copying of this document, use and communication of its contents (1) (2) (3) (4) (5) (6) (7) (8) (9) (10) (11) (12) (13) (14) (15) (16) INPUT OUTPUT LEGENDA (1) to (16): STM–1 input output electrical channels 3AL XXXXX AA (2): Bicolor LED: (2) xxxxxx Red led – Local unit alarm Green led – in service unit 1AA 00014 0004 (9007) A4 – ALICE 04.10 Figure 70. Electrical access 16xSTM1 unit front view ED 03 3AL 91669 AA AA 159 / 706 706
  • 162.
    ACRONYM SLOTS not permitted without written authorization from Alcatel. All rights reserved. Passing on and copying of this document, use and communication of its contents ETH–ATX 2 to 9, 13 to20 (1) (2) (3) (4) (5) (6) (7) (8) (9) (10) (11) (12) (13) (14) LEGENDA (15) (1) to (14) Ethernet channels (15) Bicolor LED Red led – Local unit alarm Green led – in service unit 1AA 00014 0004 (9007) A4 – ALICE 04.10 Figure 71. ISA – Ethernet access front view ED 03 3AL 91669 AA AA 160 / 706 706
  • 163.
    ACRONYM SLOTS not permitted without written authorization from Alcatel. All rights reserved. Passing on and copying of this document, use and communication of its contents GETH–AG 2 to 9, 13 to20 OUTPUT INPUT (1) (2) (3) (4) LEGENDA (1) to (4) are Gigabit Ethernet channels Note: the cavities must be equipped with Ethernet Optical Modules (refer to Figure 80. on page 169) (5) Only the two upper cavities can be equipped when the GHETH–AG is used in cojunction with ETH–MB (5) Bicolor LED Red led – Local unit alarm Green led – in service unit 1AA 00014 0004 (9007) A4 – ALICE 04.10 Figure 72. ISA – Gigabit Ethernet access card front view ED 03 3AL 91669 AA AA 161 / 706 706
  • 164.
    ACRONYM SLOTS not permitted without written authorization from Alcatel. 2GBA–PR 2 to 8 All rights reserved. Passing on and copying of this document, use and communication of its contents 13 to 20 OUTPUT INPUT LEGENDA (1) and (2) are Gigabit ethernet channels Note: the cavities must be equipped with Ethernet Optical Modules (refer toFigure 80. on page 169) In the figure the two modules are included (3) and (4) Link led, one for each ethernet channel Red led – any port related alarm Green led – link up (1) (5) OK led Red led – Major / critical alarm Red led blinking 50/50 – during POST (Power On Self Test) failure (2) Red led blinking 20/80 – Card Mismatch Yellow led – Minor alarm Yellow led blinking 50/50 – maintenance Green led – OK status (no alarms) (3) Green led blinking 50/50 – during init (4) Green led blinking 20/80 – Card is Unassigned (i.e.not yet approved by NMS) (5) Led OFF – card not powered (6) (6) Active led Led OFF – card not powered Green led – card is powered 1AA 00014 0004 (9007) A4 – ALICE 04.10 Figure 73. ISA PR 2XGBE 1000 access card front view ED 03 3AL 91669 AA AA 162 / 706 706
  • 165.
    (2) not permitted withoutwritten authorization from Alcatel. ACRONYM SLOTS All rights reserved. Passing on and copying of this document, use and communication of its contents 2 to 8 (3) 16FEA–PR 13 to 20 LEGENDA (1) 16 x 10/100 fast ethernet channels (2) Link led, one for each channel Green led – link up Led off – link down (3) Activity led, one for each ethernet channel Yellow led – Rx/Tx in progress (1) Led off – link silent (4) OK led Red led – Major / critical alarm Red led blinking 50/50 – during POST (Power On Self Test) failure Red led blinking 20/80 – Card Mismatch Yellow led – Minor alarm Yellow led blinking 50/50 – maintenance Green led – OK status (no alarms) Green led blinking 50/50 – during init Green led blinking 20/80 – Card is Unassigned (i.e.not yet approved by NMS) Led OFF – card not powered (5) Active led (4) Led OFF – card not powered Green led – card is powered (5) 1AA 00014 0004 (9007) A4 – ALICE 04.10 Figure 74. ISA PR16XETH 10/100 access card front view ED 03 3AL 91669 AA AA 163 / 706 706
  • 166.
    ACRONYM SLOTS not permitted without written authorization from Alcatel. All rights reserved. Passing on and copying of this document, use and communication of its contents COADM1 1 to 8 13 to 20 (1) (2) LEGENDA (3) (1) Line Side Fiber Connectors (2) Add/Drop Channel Fiber Connectors (4) (3) Pass–through Fiber Connectors (4) Bicolor LED Red led – Local unit alarm Green led – in service unit 1AA 00014 0004 (9007) A4 – ALICE 04.10 Figure 75. COADM1 front view ED 03 3AL 91669 AA AA 164 / 706 706
  • 167.
    ACRONYM SLOTS not permitted without written authorization from Alcatel. All rights reserved. Passing on and copying of this document, use and communication of its contents COADM2 1 to 8 13 to 20 (1) (3) (2) LEGENDA (4) (1) Line Side Fiber Connectors (2) Add/Drop Channel #1 Fiber Connectors (3) Add/Drop Channel #2 Fiber Connectors (4) Pass–through Fiber Connectors (5) (5) Bicolor LED Red led – Local unit alarm Green led – in service unit 1AA 00014 0004 (9007) A4 – ALICE 04.10 Figure 76. COADM2 front view ED 03 3AL 91669 AA AA 165 / 706 706
  • 168.
    ACRONYM SLOTS not permitted without written authorization from Alcatel. All rights reserved. Passing on and copying of this document, use and communication of its contents COMDX8 1 to 8 13 to 20 (1) (2) (3) (4) (5) LEGENDA (6) (7) (1) Line Side Fiber Connectors (2) Channel 1470 nm Fiber Connectors (3) Channel 1490 nm Fiber Connectors (4) Channel 1510 nm Fiber Connectors (8) (9) (5) Channel 1530 nm Fiber Connectors (6) Channel 1550 nm Fiber Connectors (7) Channel 1570 nm Fiber Connectors (8) Channel 1590 nm Fiber Connectors (10) (9) Channel 1610 nm Fiber Connectors (10) Bicolor LED Red led – Local unit alarm Green led – in service unit 1AA 00014 0004 (9007) A4 – ALICE 04.10 Figure 77. COMDX8 front view ED 03 3AL 91669 AA AA 166 / 706 706
  • 169.
    STM–1 module EQUIPPED acronym on CARDS not permitted without written authorization from Alcatel. IS–1.1 SC/PC All rights reserved. Passing on and copying of this document, use and communication of its contents P4S1N IL–1.1 P4E4N ATM4X4 IL–1.2 A2S1 INPUT P4OC3 OUTPUT MM1 (SC/PC only) STM–4 module EQUIPPED acronym on CARDS Laser restart key IS–4.1 P4S4N IL–4.1 IL–4.2 FC/PC LC INPUT Laser restart key OUTPUT INPUT OUTPUT Laser restart key 1AA 00014 0004 (9007) A4 – ALICE 04.10 Figure 78. STM–1/STM–4 optical module front view ED 03 3AL 91669 AA AA 167 / 706 706
  • 170.
    1AA 00014 0004(9007) A4 – ALICE 04.10 ED 03 ICMI ACRONYM A2S1 P4E4N P4S1N P4OC3 ATM4X4 EQUIPPED ON PORTS INPUT OUTPUT 706 3AL 91669 AA AA Figure 79. STM–1 or 140 Mbit/s electrical module front view 168 / 706 All rights reserved. Passing on and copying of this document, use and communication of its contents not permitted without written authorization from Alcatel.
  • 171.
    SFP MODULE EQUIPPED ON ACRONYM PORT/ACCESS GETH–MB not permitted without written authorization from Alcatel. All rights reserved. Passing on and copying of this document, use and communication of its contents GETH–AG 1000B ES4–8FE 2GBA–PR PREA1GBE 100B ES1–8FX SS–161 SL–161 O–16ES SL–162 COWLA2 SS–162C SL–162C SS–41 ISA–PR SL–4.1 P16S1–4E SFP Module SL–4.2 SS–11 P16S1–4E OUTPUT SL–11 A12OS1E A12OS1SE SL–12 INPUT Optical cables 1AA 00014 0004 (9007) A4 – ALICE 04.10 Figure 80. Relationship between SFP modules and housing boards ED 03 3AL 91669 AA AA 169 / 706 706
  • 172.
    1AA 00014 0004(9007) A4 – ALICE 04.10 ED 03 OH–I acronym OL–IN OL–MM OH–MM INPUT OUTPUT 4XANYC 4XANY modules EQUIPPED on CARDS Figure 81. 4XANY plug–in module 706 3AL 91669 AA AA 170 / 706 All rights reserved. Passing on and copying of this document, use and communication of its contents not permitted without written authorization from Alcatel.
  • 173.
    ACRONYM SLOTS SC/PC FC/PC not permitted without written authorization from Alcatel. 2 to 8 INPUT All rights reserved. Passing on and copying of this BST10 document, use and communication of its contents 13 to 19 OUTPUT 2 to 8 BST15 13 to 19 2 to 8 BST17 13 to 19 (2) (2) INPUT OUTPUT (1) (1) LEGENDA: (1) Cover remove (2) IN / OUT Main Signal (3) Yellow LED: active Shut Down (4) Bicolor LED: (3) (3) Red led – Local unit alarm (4) (4) Green led – in service unit Figure 82. Optical Booster card front view 1AA 00014 0004 (9007) A4 – ALICE 04.10 ED 03 3AL 91669 AA AA 171 / 706 706
  • 174.
    ACRONYM SLOTS SC/PC FC/PC not permitted without written authorization from Alcatel. 2 to 8 All rights reserved. Passing on and copying of this PR16 document, use and communication of its contents 13 to 19 INPUT OUTPUT INPUT OUTPUT (1) (1) (2) LEGENDA: (2) (1) Cover remove (2) IN / OUT Main Signal Not used Not used (3) Yellow LED: active Shut Down (4) Bicolor LED: (3) (3) Red led – Local unit alarm (4) (4) Green led – in service unit Figure 83. PREAMPLIFIER 2.5 GB/S front view 1AA 00014 0004 (9007) A4 – ALICE 04.10 ED 03 3AL 91669 AA AA 172 / 706 706
  • 175.
    2.4.3 FAN subrackcover front view not permitted without written authorization from Alcatel. All rights reserved. Passing on and copying of this document, use and communication of its contents (1) (2) (4) (5) (6) (3) LEGENDA (1) MULTICOLOR LED: Red led – local unit alarm Orange led – temperature major than 55 C Green led – in service unit (2) Battery A connector (3) Battery B connector (4) Not used (5) Alarms connector for 1660SM (6) Not used 1AA 00014 0004 (9007) A4 – ALICE 04.10 Figure 84. 19” Fans subrack cover front view ED 03 3AL 91669 AA AA 173 / 706 706
  • 176.
    2.4.4 Assembled Fansunit not permitted without written authorization from Alcatel. All rights reserved. Passing on and copying of this document, use and communication of its contents (1) (2) (1) MULTICOLOR LED: Red led – local unit alarm Orange led – temperature major than 55 C Green led – in service unit (2) Not used Figure 85. Assembled Fans unit front view 1AA 00014 0004 (9007) A4 – ALICE 04.10 ED 03 3AL 91669 AA AA 174 / 706 706
  • 177.
    3 FUNCTIONAL DESCRIPTION 3.1 General description not permitted without written authorization from Alcatel. All rights reserved. Passing on and copying of this document, use and communication of its contents From Figure 89. on page 187 to Figure 96. on page 194 illustrates, in block diagram form, the units employed in the 1660SM and the general operating functions: • EQUICOE unit (also called PQ2/EQC) The unit provides the following functionality: – Equipment Controller (EC) function – F interface for Local Craft Terminal – USB interface for Local Craft Terminal (not operative in current release) – Communication with the Operation System (O.S) through different interface (DCC, QB3 etc.) • MATRIXE unit The unit provides the following functionality: – Matrix that performs HPC, LPC and protection functions – Synchronization functions – Shelf Controller (SC) function • 2 or 34/45 Mbit/s PDH Electrical unit Different PDH Electrical unit are available: – ”2 Mbit/s PDH Electrical unit” provides the interface for the asynchronous mapping G.703 2 Mbit/s signals into SDH VC12s. Each unit supports 63 interface. The unit is the same for 75 Ω and 120 Ω. applications; impedance match is performed at the “access card” level. – ”34 Mbit/s / 45 Mbit/s unit” provides the interface for the asynchronous mapping of G.703 34 Mbit/s or 45 Mbit/s signals into SDH VC–3s. Each unit supports 3 interface . The selection of the working mode (3 x 34 Mb/s or 3 x 45 Mb/s) is controlled via software. Two different access module are used for the 34 Mb/s and 45 Mb/s applications. For both units the Lower Order Interface (LOI) block includes PPI (physically on the Access Card), LPA, LPT functionality (see Figure 86. on page 175 and Figure 89. on page 187) LOI PPI LPA LPT 1AA 00014 0004 (9007) A4 – ALICE 04.10 Figure 86. LOI block diagram ED 03 3AL 91669 AA AA 175 / 706 706
  • 178.
    4 x 140 Electrical or 155 Mbit/s E/O unit The unit provide four 140 PDH electrical or 155 Mbit/s STM–1 Electrical/Optical interfaces. The selection of the working mode (per port) is controlled via software: not permitted without written authorization from Alcatel. – When the 140 Mbit/s mode is selected, the port provides an interface for the asynchronous All rights reserved. Passing on and copying of this document, use and communication of its contents mapping of G.703 140 Mbit/s signals into SDH VC–4. The functions performed in the High Order Interface (HOI) block are: PPI (Physically on the Access Card), LPA, HPT(see Figure 87. on page 176 and Figure 89. on page 187. Two of the four PPI blocks are present on the board, the other two are on the Access Card. HOI PPI LPA HPT Figure 87. HOI block diagram – When the 155 Mbit/s STM–1 mode is selected, the VC–4 can either be unstructured or structured into lower order VCs. The functions performed are TTF and HOA (see Figure 88. on page 176). Two of the four SPI blocks are present on the board, the other two are on the Access Card. TTF SPI RST MST MSP MSA HOA HPT HPA Figure 88. TTF and HOA block diagram • 4 x155 Mbit/s Electrical/Optical unit The unit provides four bidirectional STM–1 electrical or optical interfaces. For each STM–1, the VC–4 can either be unstructured or structured into lower order VCs. The function performed are TTF and HOA ( see Figure 88. on page 176 and Figure 89. on page 187.). Two of the four SPI blocks are present on the board, the other two are on the Access Card. Any combination of electrical or optical (short or long haul) is possible on the same unit. • 4 x155 Mbit/s Electrical unit The unit provides four bidirectional STM–1 electrical interfaces. The four SPI blocks are available on Access Card. For each STM–1, the VC–4 can either be unstructured or structured into lower order VCs. The function performed are TTF and HOA ( see Figure 88. on page 176 and Figure 89. on page 187.). 1AA 00014 0004 (9007) A4 – ALICE 04.10 ED 03 3AL 91669 AA AA 176 / 706 706
  • 179.
    16 x155 Mbit/s Electrical/Optical – 4xSTM–4 unit The board P16S1–4E provides either 4 STM–4 optical interfaces or 16 STM–1 Optical/Electrical interfaces (along with the Optical/Electrical Access Board) (refer to not permitted without written authorization from Alcatel. Figure 91. on page 189). All rights reserved. Passing on and copying of this document, use and communication of its contents The P16S1–4E board along with A12OS1E or A12OS1SE Optical Access board allows the transport of 16 optical STM1 streams by means of 16 SFP optical transceivers. On the P16S1–4E there are four of 16 SFP transceivers, while in the A12OS1E card there are the other 12 transceivers. On the P16S1–4E board the SFP transceivers can work at both the bit rate of 155 and 622 Mb/s for both Short Haul and Long Haul applications. The P16S1–4E board along with the A16ES1E Electrical Access card allows the transport of 16 electrical STM–1 streams. All the 16 electrical line interface devices are present in the A16ES1E board. • 1 X STM–4 Optical unit The 1 x STM–4 optical unit provide one STM–4 optical interface; the function performed are TTF and HOA. Several short and long haul types are available. • 1 X STM–16 optical unit The 1 x STM–16 optical unit provide one STM–16 optical interface (on front panel); the function performed are TTF and HOA. Several short and long haul types are available. “Colored” versions are available for direct interworking with WDM equipment without intermediate wavelength adapters. STM–16 SLIM short haul port are also available (one slot wide) • 1 X STM–64 optical unit The 1 x STM–64 optical unit provide one STM–64 optical interface (on front panel); the function performed are TTF and HOA. Short haul and intra–office interface types are available. • 4 X OC3 AU3/TU3 Conversion unit This board can manage up to 4 x OC–3 (SONET) streams. The board hosts up to 2 interfaces into the front panel. The other two interfaces can be hosted in the Access area using the relevant access card that must be equipped in the slot associated to the corresponding traffic unit slot (refer to Table 22. on page 113). Each combination of interfaces (electrical, S.1.1,L.1.1,..) can be equipped in the same board. On OC–3 interface the Sonet mapping is mange so the RS and MS sections are terminated, the 3 AU3 are processed to extract or insert the 3 VC3. This unit performs the AU3/TU3 conversion , which allows the transport in SDH network of Sonet VC3 traffic. The conversion is performed on OC–3 interface: the 3 VC3 are extracted then re–mapped in SDH VC4 container and this container is passed to the matrix where it is managed as a structured VC4. The OH byte of RS and MS section are managed according SDH ITU standard. 1AA 00014 0004 (9007) A4 – ALICE 04.10 ED 03 3AL 91669 AA AA 177 / 706 706
  • 180.
    ISA – ATM4X4, ATM4X4V2, ATM4X4D3 Three boards types are available: not permitted without written authorization from Alcatel. – ATM4X4 with a max. number of 16 TPs configurable among SDH VC4, SDH VC3, SDH All rights reserved. Passing on and copying of this document, use and communication of its contents VC12, PDH 2M and PDH 34M. – ATM4X4V2 with a max number. of 252 TPs configurable among SDH VC4, SDH VC3, SDH VC12, PDH 2M, PDH 34M and PDH 45M. – ATM4X4D3 with a max number. of 16 TPs configurable among SDH VC4, SDH VC3, SDH VC12, PDH 2M, PDH 34M and PDH 45M. They are a one slot wide boards that integrate an ATM switch functionality. Only the ATM4X4 BOARD also includes a STM–1 local access port on the front panel. For both throughput capacity towards backpanel is 622 Mbit/s. ATM traffic control functions, such as “Shaping” and “Policing” (which are needed to avoid network congestion) are supported. • ISA – ATM MATRIX 8X8 It is a two slot wide board that integrate an ATM switch functionality. 16+16 TPs are configurable among SDH VC4,SDH VC4–C, SDH VC3, SDH VC12, PDH 2M and PDH 34M. The throughput capacity is 1.2 Gbit/s. ATM traffic control functions, such as “Shaping” and “Policing” (which are needed to avoid network congestion) are supported. • ISA – PR_EA MATRIX 1660SM can host two types of PR_EA matrix (generically ISA PR_EA board): – in the first version, it hosts a 4 x 10/100 BaseT Fast Ethernet module and the total traffic throughput is 1 Gb/s, in which 622Mb/s are contributed by the SDH matrix, and 400 Mb/s contributed by the 4 Fast Ethernet local ports. – in the second version, it hosts a 1 x 1Gigabit Ethernet module and the total traffic throughput is 1.8 Gb/s, in which 622Mb/s are contributed by the SDH matrix, and 1.25 Gb/s contributed by the Gb Ethernet local port. The following table summarizes the interfaces that can accede to the MPLS functions: Table 32. Interfaces acceding to the MPLS functions TYPE OF INTERFACE CONTAINER NOTES SDH VC–12, VC–3, VC–4 PDH E1, E3, T3 not available in current rel. Ethernet (E, FE, GE) MAC 802.3 also “802.1p/q Tagged” 1AA 00014 0004 (9007) A4 – ALICE 04.10 ED 03 3AL 91669 AA AA 178 / 706 706
  • 181.
    ISA – PR MATRIX 1660SM can host PR matrix (generically ISA–PR board) and relevant access cards: not permitted without written authorization from Alcatel. It provides a shared carrier–class Ethernet Packet Ring embedded, in a flexible manner over SDH All rights reserved. Passing on and copying of this document, use and communication of its contents VCs (with VC–4–nv framing), either physically or logically into the SDH infrastructure. The ISA–PR is a Layer 2 MPLS–based statistical packet switch with Ethernet and GBE interfaces operating a Resilient Packet Ring transported over multiple STM–4 standard interfaces. The ISA–PR port card is a RPR switch with four STM–4 interfaces providing 6.5 Gbps packet throughput with a provisionable trunk capacity of 1.2 Gbps both in East and West directions. On its front plate a RJ45 connector provides the connection toward the Local Craft Terminal or the Operation System. The following table summarizes the interfaces that can accede to the PR functions: TYPE OF INTERFACE CONTAINER NOTES SDH VC–4 Ethernet (E, FE, GE) MAC 802.3 also “802.1p/q Tagged” Two access card types are availale (also in mixed configuration): – 16 FEA–PR – Fast ETHERNET access card 10/100 Ethernet Access card supporting sixteen (16) 10/100 Fast Ethernet interfaces. Up to four 16FEA–PR access cards can be equipped. – 2 GBA–PR – GigaBit Ethernet access card GigaBit Ethernet Access card supporting two (2) GigaBit Ethernet interfaces. • ISA – Fast ETHERNET unit The unit is able to provide 25 x 10/100 Mb/s Ethernet interfaces to allow LAN–to–LAN connections. In the main port are provided 11 connectors on the front panel of the unit. The main port can be used in conjunction with the relevant access module (ETH–ATX) which is able to provide 14 additional 10/100 Mb/s Ethernet interfaces. Ethernet frames are mapped over an SDH VC (VC–12, VC–3, VC–4) with a max. throughput of 622 Mbt/s toward the backplane. Each physical interface can independently be mapped into the relevant VC according to the required bit rate. N.B. The Fast Ethernet unit 10/100 Mb/s can be also used in conjunction with the Gigabit Ethernet Access card (GETH–AG); in this configuration the Fast Ethernet unit can handle the following interfaces: – two Gbit Ethernet interfaces (on the access card GETH–AG); Ethernet frames are mapped over a single SDH VC–4. 1AA 00014 0004 (9007) A4 – ALICE 04.10 – 11 Interfaces 10/100 Mb/s Ethernet interfaces (on the Main board) ED 03 3AL 91669 AA AA 179 / 706 706
  • 182.
    ISA – Gigabit ETHERNET unit The unit is able to manage 4 Gigabit Ethernet interfaces on the main board. • ISA ES1–8FE, ISA ES1–8FX and ISA ES4–8FE not permitted without written authorization from Alcatel. All rights reserved. Passing on and copying of this document, use and communication of its contents The boards mainly work as a LAN switching, and in particular they provide the service of connecting two LANs as point to point connection between two routers or switches through a SDH network. ISA ES1–8FE and ISA ES4–8FE units have eight 10/100 Mbit/s Ethernet interfaces on the front panel; the Ethernet traffic, opportunely mapped in the SDH transport structures, is then sent toward the SDH matrix via the back plane with a STM–1 equivalent throughput . ES1–8FX board has eight Small Form factor Pluggeable module supporting optical Fast Ethernet Interfaces on the front panel. ES4–8FE board has also one Small Form factor Pluggeable module supporting a Gigabit Ethernet Interface on the front panel. ISA–ES1 and ISA ES4 series module can classify ETH traffic according to a wide set of standard specified criteria in order to provide a feature reach set of capability. Each classified traffic is referred as a classified flow. Classification criteria are the following: – Port (Physical ETH or ETH over SDH) – IEEE 802.1Q (VLAN tagging) – IEEE 802.1p (ETH frame priority) – IEEE 802.3 Source/Destination MAC address (also according to IEEE 802.1ad) Hereafter are reported the available trunking capacity: – ISA–ES1 has 1 VC–4 of bandwidth available – ISA–ES4 has 4 VC–4 of bandwidth available • ISA ES16 As for ISA ES1 and ISA ES4 the boards ISA ES16 mainly work as a LAN switching, and in particular they provide the service of connecting two LANs as point to point connection between two routers or switches through a SDH network. ISA–ES16 is a port less card that can use specific access modules: – 14 x FE access module: 14 x Fast Ethernet ports (10/100 Base T) – 4 x GE access module: 4 x GB Ethernet ports with SFP plugs ISA ES16 Classification criteria are the following: – Port (Physical ETH or ETH over SDH) – IEEE 802.1Q (VLAN tagging) – IEEE 802.1p (ETH frame priority) – IEEE 802.3 Source/Destination MAC address (also according to IEEE 802.1ad) – MPLS label (according to IETF Martini draft ETH over MPLS) – IP–TOS/DSCP fields 1AA 00014 0004 (9007) A4 – ALICE 04.10 Hereafter are reported the available trunking capacity: – ISA–ES16 has up to 16 VC–4 of bandwidth available ED 03 3AL 91669 AA AA 180 / 706 706
  • 183.
    Double channel multirate transponder (COWLA2) unit This unit realizes both the ’wavelength assignment’ and the ’wavelength regeneration’ on the 2 separate channels supported, according to the type of optical interface (’colored’ CWDM or not permitted without written authorization from Alcatel. BW) equipped. All rights reserved. Passing on and copying of this document, use and communication of its contents Pluggable CoarseWDM/BW SFP optical modules are equipped in order to allow maximum flexibility in channel configuration. 8 possible Coarse WDM modules with SFP transceiver are available with a throughput up to 2.5Gb/s. CWDM transceiver are ITU–T grid compliant (1470–1490–1510– 1530–1550–1570–1590–1610 nm). The configuration of COWLA2 requires the operator to specify for each module the transported client signal and if the module is colored or BW. The transponder unit supports the ’3R’ functionality for the following signal types: – FDDI (125 Mb/s); not operative in current release – Fast Ethernet (125 Mb/s); not operative in current release – STM1/OC3; not operative in current release – Escon (200 Mb/s); not operative in current release – Digital Video (270 Mb/s); not operative in current release – STM4/OC12; not operative in current release – Fiber Channel (1.0625 Gb/s); not operative in current release – FICON (1.0625 Gb/s); not operative in current release – Gb Ethernet (1.25 Gb/s); not operative in current release – 2 Fiber Channel (2.125 Gb/s); not operative in current release – STM16/OC48; – 2 Gb Ethernet (2.5 Gb/s); not operative in current release – STM16 w/ FEC (2.667 Gb/s) not operative in current release • OADM1 (COADM1) unit COADM1 unit realizes wavelengths multi–demultiplexing allowing to add/drop 1 channel out of the 8 supported according to CWDM grid and the pass–through of remaining WDM channels not terminated. One specific item per ITU–T channel is foreseen: 1470 – 1490 – 1510 – 1530 – 1550 – 1570 – 1590 – 1610 nm. The functionality of the board has to be considered for ring application, and performing ’one side’ channel termination: thus, two separate boards are required at a node of the ring in order to achieve the complete OADM functionality. ’Loss of Signal’ detection on CWDM optical signal received is not managed. 1AA 00014 0004 (9007) A4 – ALICE 04.10 ED 03 3AL 91669 AA AA 181 / 706 706
  • 184.
    OADM2 (COADM2) unit COADM2 board realizes wavelengths multi–demultiplexing allowing to add/drop 2 channels out of the 8 supported according to CWDM grid and the pass–through of remaining WDM channels not permitted without written authorization from Alcatel. not terminated. All rights reserved. Passing on and copying of this document, use and communication of its contents Four specific items are foreseen, considering to support the termination of two adjacent wavelengths per item: – 1470 – 1490 nm; – 1510 – 1530 nm; – 1550 – 1570 nm; – 1590 – 1610 nm. The functionality of the board has to be considered for ring application, and performing ’one side’ channel termination: thus, two separate boards are required at a node of the ring in order to achieve the complete OADM functionality. ’Loss of Signal’ detection on CWDM optical signal received is not managed. • Mux/Demux 8 ch (COMDX8) unit MUX/DEMUX board realizes wavelengths multi–demultiplexing on the whole group of 8 CWDM channels supported. 8 CWDM ITU–T grid compliant filters are equipped on the MUX/DEMUX module: 1470, 1490, 1510, 1530, 1550, 1570, 1590, 1610 nm. The functionality of the board can be considered both for linear and ring application; contrary to COADMn boards, no ’pass–through’ link is provided, then pass–through of wavelengths not terminated must be realized on each single wavelength. In ’ring’ application, the board performs ’one side’ channels termination: thus, two separate boards are required at a node of the ring in order to achieve the complete functionality. ’Loss of Signal’ detection on CWDM optical signal received is not managed. • 4 x ANY HOST C unit The 4xANY board is a Time Division Multiplexer concentrator that performs a bidirectional interface between up to 4 clients data and the MATRIX board (via backpanel) through up to 16 VC–4. A mixing of SDH and Data Services is possible. Multiplexing scheme delivers a fully compliant SDH frame. The board is two slot wide and can be plugged in the enhanced slot( 2526, 2829, 3435, 3738) and not enhanced slot (3031, 3233). 1AA 00014 0004 (9007) A4 – ALICE 04.10 ED 03 3AL 91669 AA AA 182 / 706 706
  • 185.
    Up to 4client signals can be independently handled among the following types (for details and restriction refer to paragraph 3.10 on page 293) : • Fast Ethernet not permitted without written authorization from Alcatel. All rights reserved. Passing on and copying of this document, use and communication of its contents • FDDI (125Mbps) • ESCON (200Mbps) • Digital Video (270Mbps) • Fiber Channel (1.0625Gbps) • FICON (1.0625Gbps) • Gigabit Ethernet (1.25Gbps) • SERVICE unit The unit provides the following functionality: – Auxiliary channels – Engineering Order Wire (EOW) – 2 MHz Input/Output • CONGI unit The unit provides the following functionality: – Power Supply – QB3 Interface – Housekeeping and remote alarm – Q2/RQ2 interface • Access Cards They provides the physical interface for the different types of signals • Protection Card The unit allows the EPS protection for 34/45Mbit/s and 155 Mbit/s electrical unit. • BOOSTER To improve the span length of STM–N interfaces for single channel application, the Optical booster unit can be used. This unit can be plug–in in the access area. Three integrated boosters are available, according to the relevant gain values: 10dbm, 15dBm and 17dBm. • OPTICAL PREAMPLIFIER This unit can be plug–in in the access area. It is used in conjunction with the optical booster to 1AA 00014 0004 (9007) A4 – ALICE 04.10 improve the span length of STM–16 interfaces for single channel application. ED 03 3AL 91669 AA AA 183 / 706 706
  • 186.
    The functions carriedout by the unit can be splitted into the following sub–systems: [1] Connections sub–system (see paragraph 3.2 on page 198) not permitted without written authorization from Alcatel. [2] Signal management sub–system (see paragraph 3.3 on page 200) All rights reserved. Passing on and copying of this document, use and communication of its contents [3] ISA (Integrated Service Adapter) sub–system ( refer to paragraph 3.4 on page 223) [4] 4xANY HOST C subs–system (see paragraph 3.10 on page 293) [5] Coarse WDM sub–system (refer to paragraph 3.11 on page 300) [6] Controller sub–system (see paragraph 3.12 on page 315) [7] Protection sub–system (see paragraph 3.13 on page 321) [8] Synchronization sub–system (see paragraph 3.14 on page 363) [9] Auxiliary sub–system (see paragraph 3.15 on page 365) [10] Power supply sub–system (see paragraph 3.16 on page 367) [11] Remote inventory sub–system (see paragraph 3.17 on page 370) On the following paragraphs a detailed description of each sub–system is given. Each logical function does not correspond necessarily to a physical card but can be distributed over more than one card. On the other side, one card can house more than one function. For each sub–system the list of the involved cards and a brief abstract of the function detailed on the following paragraphs is reported in Table 33. on page 185. Notice that the On Board Power Supply (DC/DC converter in Figure 89. on page 187) is present on each card and that the Controller function is centralized ( EC and SC). 1AA 00014 0004 (9007) A4 – ALICE 04.10 ED 03 3AL 91669 AA AA 184 / 706 706
  • 187.
    Table 33. Sub–systems involved cards Sub–system Card involved Short description Connections MATRIXE and ports On the para. is explained how the signal is not permitted without written authorization from Alcatel. managed between the port and the MATRIXE All rights reserved. Passing on and copying of this document, use and communication of its contents Signal management all the ports (LS and HS) On the para. it is explained how the PDH, SDH Access Modules and SONET signals are elaborated on the ports. The description in compliancy with the G.783 ITU–T Rec. On the paragraph are explained the ATM, ISA boards, relevant access ISA boards manage- Ethernet/Fast Ethernet/Gigabit Ethernet, MPLS, modules and ment PR, connections types supported by the SDH MATRIX system. 4xANY HOST C and On the paragraph are explained the 4xANY 4xANY management SDH MATRIX HOST C connections types supported by the system. COADM1, COADM2, On the paragraph is explained the integration of Coarse WDM COMDX8, COWLA2 WDM tecnology inside the 1660SM in order to and SFP modules enhance the network capacity. Controller EQUICOE and MATRIXE The control system is centralized. The EQUICOE performs the Equipment Controller (EC) function and the MATRIXE perform the Shelf Controller (SC) function. all the ports (LS and HS) The following network protection are explained: – linear MSP Network- – MS SPRING protections – SNCP/I and SNCP/N (among VC–4 only) – Drop Continue + insertion SNCP – Collapsed single–node ring interconnection – Collapsed dual–node ring interconnection The MATRIXE card manages all the protections. 63x2 Mbit/s port (N+1) The SC on the MATRIXE card controls the EPS protections. Protection 3x34/45 Mbit/s port (N+1) 4xSTM–1 electrical port (N+1) 16xSTM–1 electrical port (N+1) Equipment ISA–ATM MATRIX (1+1) protections PR_EA MATRIX (1+1) ISA–ES 16 (1+1) CONGI (power supply only) MATRIXE 1AA 00014 0004 (9007) A4 – ALICE 04.10 HPROT ED 03 3AL 91669 AA AA 185 / 706 706
  • 188.
    Sub–system Card involved Short description Synchronization MATRIXE The MATRIXE performs the synchronization function therefore distributing the clock and not permitted without written authorization from Alcatel. synchronisms to all the equipment cards. All rights reserved. Passing on and copying of this document, use and communication of its contents Auxiliary HS ports, SERVICE, On the para. is explained how the OH bytes EQUICOE (DCC, EOW and AUX channels) are managed. Power supply all the cards, CONGI The powering is distributed over the all equip- ment cards. The CONGI cards provides the 48 V and the service 3.3 V to power each card. Remote Inventory all the cards, access card and On the para. is explained the Remote Inventory modules architecture 1AA 00014 0004 (9007) A4 – ALICE 04.10 ED 03 3AL 91669 AA AA 186 / 706 706
  • 189.
    not permitted withoutwritten authorization from Alcatel. All rights reserved. Passing on and copying of this document, use and communication of its contents SPARE Prot. Link 63 x 2 Mbit/s PDH Electrical unit MAIN Access cards T2 line clock T∅ LOI G.703 Electrical Sw Data Interfaces –Batt/Gnd DC/DC Control Converter Vcc W Prot. Vcc W Control 3 x 34/45 Mbit/s PDH Electrical unit PROT. Access cards CARD TO/FROM MATRIX Prot. Prot. See Figure 95. Link Link OH Electrical T∅ LOI G.703 Data Interfaces –Batt/Gnd DC/DC Control Converter Vcc X Vcc X Control 4 x 155 Mbit/s electrical unit PROT. Access cards CARD Control HOA TTF SPI Data T∅ Prot. Prot. Link Link Electrical T1 Interfaces DCC OH DC/DC HOA TTF SPI Converter –Batt/Gnd Vcc Y Vcc Y Control 1AA 00014 0004 (9007) A4 – ALICE 04.10 Figure 89. 1660SM Block diagram – ( SDH and PDH boards) ED 03 3AL 91669 AA AA 187 / 706 706
  • 190.
    4 x 140Mb/s el.–155 E/O Mbit/s unit not permitted without written authorization from Alcatel. –Batt/Gnd All rights reserved. Passing on and copying of this document, use and communication of its contents DC/DC Control Converter 140 Mbit/s HOI PPI T∅ Vcc Z STM–1 T1 HOA TTF SPI DCC STM–1 Optical/ OH HOA TTF SPI Electrical Interfaces Data TTF SPI STM–1 HOA Access card Booster TO/FROM MATRIX See Figure 95. Vcc Z Control 4 x 155 E/O Mbit/s unit –Batt/Gnd DC/DC TTF Booster Control Converter SPI STM–1 HOA T∅ Vcc Z STM–1 T1 HOA TTF SPI DCC STM–1 SPI Optical/ OH HOA TTF STM–1 Electrical Data HOA TTF SPI Interfaces Access card Vcc Z Control 1 x STM–4 SDH unit –Batt/Gnd 1 x STM–16 SDH unit DC/DC Control Converter (*) T∅ T1 Preamplifier DCC TTF SPI Optical STM–4/STM–16 Interfaces Data HOA OH Booster –Batt/Gnd DC/DC 1 x STM–64 SDH unit Control Converter T∅ T1 Optical DCC TTF SPI Interfaces STM–64 Data HOA OH Booster (*) – Only for STM–16 1AA 00014 0004 (9007) A4 – ALICE 04.10 Figure 90. 1660SM Block diagram – (SDH and PDH boards) ED 03 3AL 91669 AA AA 188 / 706 706
  • 191.
    16 x 155E/O – 4xSTM–4 Optical Mbit/s unit –Batt/Gnd #1 STM–1 DC/DC TTF Converter SPI not permitted without written authorization from Alcatel. HOA All rights reserved. Passing on and copying of this document, use and communication of its contents Vcc Z Optical Control STM–1 Interfaces #4 T∅ HOA TTF SPI T1 DCC Access card OH STM–1 HOA TTF #5 SPI Optical STM–1 Interfaces #16 SPI HOA TTF Data TO/FROM MATRIX See Figure 95. OR Vcc Z Control 16 x 155 E/O – 4xSTM–4 Optical Mbit/s unit –Batt/Gnd DC/DC Access card STM–1 Converter HOA TTF #1 SPI Vcc Z Control STM–1 T∅ HOA TTF #4 SPI T1 Electrical DCC OH STM–1 Interfaces HOA TTF #10 SPI STM–1 HOA TTF #16 SPI Data OR Vcc Z Control 16 x 155 E/O – 4xSTM–4 Optical Mbit/s unit –Batt/Gnd DC/DC #1 Converter #1 STM–4 TTF SPI Vcc Z HOA Optical Control STM–4 #4 Interfaces #4 T∅ HOA TTF SPI T1 DCC OH #5 HOA TTF not used Data HOA TTF #16 1AA 00014 0004 (9007) A4 – ALICE 04.10 Figure 91. 1660SM Block diagram – (SDH boards) ED 03 3AL 91669 AA AA 189 / 706 706
  • 192.
    4 x OC3AU3/TU3 CONV. unit –Batt/Gnd not permitted without written authorization from Alcatel. DC/DC All rights reserved. Passing on and copying of this document, use and communication of its contents Control Converter OC3 AU3/TU3 conv. SPI T∅ Vcc Z OC3 AU3/TU3 conv. SPI DCC OC3 OH AU3/TU3 conversion SPI Optical/ Electrical Interfaces Data AU3/TU3 conversion SPI OC3 Access card Vcc Z Control TO/FROM MATRIX See Figure 95. 4 x ANY HOST C unit –Batt/Gnd DC/DC Converter Control ÏÏÏÏÏÏÏ ÏÏÏÏÏÏÏ CDR T∅ RX ÏÏÏÏÏÏÏ Low speed signals: TX ÏÏÏÏÏÏÏ Fast Ethernet Opt. module #1 FDDI 2xAny ÏÏÏÏÏÏÏ ESCON ÏÏÏÏÏÏÏ CDR ÏÏÏÏÏÏÏ RX Digital Video FDDI TX Data STM–16 ÏÏÏÏÏÏÏ Opt. module #2 ÏÏÏÏÏÏÏ Mapper ÏÏÏÏÏÏÏ Low speed signals: ÏÏÏÏÏÏÏ CDR ÏÏÏÏÏÏÏ RX TX Fast Ethernet FDDI ÏÏÏÏÏÏÏ Opt. module #3 ESCON 2xAny ÏÏÏÏÏÏÏ Digital Video FDDI ÏÏÏÏÏÏÏ CDR RX High speed signals: ÏÏÏÏÏÏÏ TX Fiber Channel ÏÏÏÏÏÏÏ Opt. module #4 ÏÏÏÏÏÏÏ FICON Gigabit Ethernet 1AA 00014 0004 (9007) A4 – ALICE 04.10 Figure 92. 1660SM Block diagram – (SONET and 4xANY HOSTC boards) ED 03 3AL 91669 AA AA 190 / 706 706
  • 193.
    DOUBLE MULTIRATE TRANSPONDERunit CK not permitted without written authorization from Alcatel. Multirate Rx1 Mx SFP module SFP module Data All rights reserved. Passing on and copying of this document, use and communication of its contents CDR Data Rx1 Data Rx3 Recovery BW CWDM Data Rx2 TVC TVC Data Data Rx4 Recovery CK Multirate CK Rx 1:4 Data Rx 1:4 Rx3 CDR BW or CWDM BW or CWDM SFP module Data SFP module Multirate CK Recovery CDR Rx2 CWDM CWDM TVC TVC Data CK Multirate RS RS Rx4 CDR Recovery monitor monitor #1 #2 Alarm/Control Interface Remote Inventory EEPROM RIBUS SPI bus ISPB bus λ1 1470 output signal λ2 1490 CWDM 1510 λ3 OUTPUT CHANNELS 1530 (from colored port or λ4 MUX Transponder interface) 1550 λ5 1570 λ6 1610 λ7 1590 λ8 λ1 1470 λ2 1490 LOS HANDLING INPUT CHANNELS λ3 1510 CWDM input signal (to colored port or λ4 1530 Transponder interface) DEMUX λ5 1550 λ6 1570 λ7 1610 1590 λ8 LOS DETECTION MUX/DEMUX8 unit Remote Inventory EEPROM RIBUS SPI bus 1AA 00014 0004 (9007) A4 – ALICE 04.10 Figure 93. 1660SM Block diagram – (CWDM boards) ED 03 3AL 91669 AA AA 191 / 706 706
  • 194.
    To/From colored port or transponder CWDM λx 1xx0 not permitted without written authorization from Alcatel. output signal All rights reserved. Passing on and copying of this CWDM document, use and communication of its contents λgrid – λx OADM λx 1xx0 CWDM input signal CWDM λgrid – λx LOS DETECTION LOS HANDLING To/From OADM opposite side Remote Inventory EEPROM RIBUS COADM1 unit SPI bus To/From colored port or transponder CWDM λx 1xx0 output signal CWDM λy 1xx0 λgrid – λx–λy OADM λx 1xx0 CWDM input signal CWDM λy 1xx0 λgrid – λx–λy LOS DETECTION LOS HANDLING To/From OADM opposite side Remote Inventory EEPROM RIBUS COADM2 unit SPI bus 1AA 00014 0004 (9007) A4 – ALICE 04.10 Figure 94. 1660SM Block diagram – (CWDM boards) ED 03 3AL 91669 AA AA 192 / 706 706
  • 195.
    ISA boards not permittedwithout written authorization from Alcatel. See from Figure 96. on page 194 to Figure 98. on page 196 All rights reserved. Passing on and copying of this document, use and communication of its contents Data 2 1 Data Data See Figure 89. and Figure 90. TO/FROM SDH matrix PORT (HPC–LPC) See Figure 89. and Figure 90. T∅ SERVICE unit –Batt/Gnd DC/DC T1 Converter MATRIXE RS232 Aux RS232 T2 TO/FROM PORT Synchronization T3/T6 a OH OH G.703 Aux 2Mbit/s ports add/drop T3/T6 b G.703 Aux 64kbit/s T4/T5 a Control V.11 Aux 64kbit/s T4/T5 b Control Voice ext. Digital Control DCC Party Local phone EQUICOE add/drop Line Aux ext. T3/T6 a T3a/T6a_ext. T3/T6 b T3b/T6b_ext. Shelf T4/T5 a G.703 –Batt/Gnd DC/DC Controller T4a/T5a_ext. Converter T4/T5 b T4b/T5b_ext. SC/EC Control Control b CONGI unit EQUICOE Remote alarms Housekeeping –Batt/Gnd DC/DC Converter USB –Batt/Gnd Filter Interface Power B Vcc DC/DC Equipment F Controller a Control CONGI unit Interface QB3 Remote alarms leds Housekeeping Rack lamps ports DCC Q2 add/drop –Batt/Gnd Filter SERVICE Vcc DC/DC Power A 1AA 00014 0004 (9007) A4 – ALICE 04.10 Figure 95. 1660SM Block diagram – ( Common units and ISA boards) ED 03 3AL 91669 AA AA 193 / 706 706
  • 196.
    ISA – ATMMATRIX –Batt/Gnd DC/DC Converter Control not permitted without written authorization from Alcatel. All rights reserved. Passing on and copying of this document, use and communication of its contents Traffic Policing CELL and SWITCHING Shapimg T∅ ATM ENGINE Data Optical/Electrical SDH TERMINATION Interface STM–1 E/O STM–1 LOCAL PORT MODULE (*) TO/FROM MATRIX See Figure 95. ISA – PR_EA MATRIX 1GBPS 1 X GB ETHERNET Gigabit Ethernet Optical Interfaces –Batt/Gnd DC/DC Control Converter 1000 BASE–SX / LX /ZX T∅ OPTICAL MODULE #1 Data MPLS ENGINE 1000 BASE–SX/LX/ZX ISA – PR_EA MATRIX 4X ETHERNET –Batt/Gnd DC/DC 10/100 Mbit/s Base T Control Converter ETHERNET #1 Ethernet Interface 1 T∅ ETHERNET #2 ETHERNET #3 Data MPLS ENGINE ETHERNET #4 4 NOTE: (*) – Available only on ATM MATRIX 4X4 1AA 00014 0004 (9007) A4 – ALICE 04.10 Figure 96. 1660SM Block diagram – (ISA boards) ED 03 3AL 91669 AA AA 194 / 706 706
  • 197.
    Gigabit Ethernet OpticalInterfaces 1000 BASE–SX / LX /ZX Physical See Figure 95. Interface ISA – ES1 not permitted without written authorization from Alcatel. All rights reserved. Passing on and copying of this document, use and communication of its contents Control GBit ETH. ISA – ES4 T∅ (*) Physical TO/FROM MATRIX Interface 1 10/100 Mbit/s Base T ETH. 1 Ethernet Interfaces 100 Mbit/s Base FX Data SDH Ethernet frame Ethernet mapping into switcher framer or SDH VC 8 ETH. 8 –Batt/Gnd DC/DC Converter (*) GIGABIT ETHERNET interface is available only on ES4–8FE board; it is not supported in current release 10/100 Mbit/s Base T Ethernet Interfaces ETHERNET #1 1 See Figure 95. ISA – ES16 Control T∅ ETHERNET #14 14 10/100 ETH Access card TO/FROM MATRIX Data SDH Ethernet frame Ethernet mapping into switcher framer Gigabit Ethernet Optical Interfaces SDH VC Gigabit Ethernet 1000 BASE–SX / LX / ZX Access card OPTICAL MODULE #1 1 1000 BASE–SX/LX/ZX –Batt/Gnd DC/DC Converter OPTICAL MODULE #2 4 1000 BASE–SX/LX/ZX 1AA 00014 0004 (9007) A4 – ALICE 04.10 Figure 97. 1660SM Block diagram – (ISA – ES boards) ED 03 3AL 91669 AA AA 195 / 706 706
  • 198.
    Ethernet Interfaces 10/100 Mbit/s Base T ISA – ETHERNET not permitted without written authorization from Alcatel. ETHERNET #1 1 Control All rights reserved. Passing on and copying of this PORT (10/100 Mb/s) document, use and communication of its contents T∅ 11 ETHERNET #11 Ethernet frame Data mapping into Ethernet Interfaces SDH VC ETHERNET #1 1 10/100 Mbit/s Base T See Figure 95. ETHERNET #14 14 –Batt/Gnd DC/DC Converter Access card 10/100 Mbit/s Base T Ethernet Interfaces ISA – ETHERNET PORT 1 Control ETHERNET #1 (10/100 Mb/s) TO/FROM MATRIX T∅ 11 ETHERNET #11 Ethernet frame mapping into Data SDH VC Gigabit Ethernet Optical Interfaces OPTICAL MODULE #1 1 1000 BASE–SX / LX / ZX 1000 BASE–SX /LX/ZX OPTICAL MODULE #2 2 1000 BASE–SX /LX/ZX –Batt/Gnd DC/DC Converter Gigabit Ethernet Access card ISA – GBIT Control ETHERNET PORT Gigabit Ethernet Optical Interfaces T∅ 1000 BASE–SX / LX / ZX OPTICAL MODULE #1 1 Ethernet frame 1000 BASE–SX /LX/ZX Data mapping into SDH VCxc OPTICAL MODULE #4 4 1000 BASE–SX /LX/ZX DC/DC Converter 1AA 00014 0004 (9007) A4 – ALICE 04.10 Figure 98. 1660SM Block diagram – (ISA – ETHERNET boards) ED 03 3AL 91669 AA AA 196 / 706 706
  • 199.
    not permitted withoutwritten authorization from Alcatel. All rights reserved. Passing on and copying of this document, use and communication of its contents Ethernet Interfaces 10/100 Mbit/s Base T 16FEA–PR ISA – PR MATRIX Access card TO/FROM STM4 LINE OR PORT CARD 1 ETHERNET #1 NETWORK PROCESSOR 16 STM4 1 ETHERNET #16 STM4 2 MPLS ENGINE STM4 FRAME INTERFACE STM4 3 TRAFFIC Gigabit Ethernet Optical Interfaces STM4 4 MANAGEMENT OPTICAL MODULE #1 1 1000 BASE–SX / LX / ZX 1000 BASE–SX /LX/ZX NETWORK PROCESSOR –Batt/Gnd OPTICAL MODULE #2 DC/DC 2 from Congi Converter 1000 BASE–SX /LX/ZX 2 GBA–PR Control PR Access card from/to Matrix Controller Craft Terminal RJ45 or NMS 1AA 00014 0004 (9007) A4 – ALICE 04.10 Figure 99. 1660SM Block diagram – (ISA–PR board) ED 03 3AL 91669 AA AA 197 / 706 706
  • 200.
    3.2 Connections sub–system This sub–system allows connections between any SDH, SONET, PDH or ISA (Integrated Service Adapter) ports not permitted without written authorization from Alcatel. All rights reserved. Passing on and copying of this document, use and communication of its contents The connections can be realized at VC–12, VC–3, and VC–4 level using a not blocking matrix present on the MATRIXE unit. Several types of connections may be established, such as: • Unidirectional Point to Point • Unidirectional Point to Multipoint • Bidirectional Point to Point Cross–connection function can be considered within two layers: HO Layer and LO layer. Refer to Figure 100. on page 199. The maximum matrix cross connection capability can be 256x256 STM–1 equivalent port at VC–12 / VC–3 level + 384x384 equivalent port at VC–4 level. The following table illustrates the connections for each unit: Table 34. High Order/Low Order connections for 1660SM STM–1, STM–4, STM–16, OC3 140 Mbit/s 34 Mbit/s 2 Mbit/s STM–64 ports ports ports 45 Mbit/s ports ports PORTS Struc- AU–4 TU–3 TU–12 AU–3 VC–4 VC–3 VC–12 ture STM–1, AU–4 Yes – – – Yes – – STM–4, TU–3 – Yes – Yes – Yes – STM–16 TU–12 – – Yes – – – Yes OC3 AU–3 – Yes – Yes – – – 140 Mbit/s VC–4 Yes – – – Yes – – 34Mbit/s 45Mbit/s VC–3 – Yes – – – Yes – 2Mbit/s VC–12 – – Yes – – – Yes The above connections allows the 1660SM to realize Multi Line Terminal configuration, Add/Drop configuration and Mini Cross–Connect configurations in linear links, rings, and mashed network as describe in Chapter 1 on page 63. AU4–4C and AU4–16C concatenated signals can also be cross connected between any STM–4 and STM–16 ports. 1AA 00014 0004 (9007) A4 – ALICE 04.10 ED 03 3AL 91669 AA AA 198 / 706 706
  • 201.
    (equivalent STM–1 streams) notpermitted without written authorization from Alcatel. 128 256 4x STM–64 Tx All rights reserved. Passing on and copying of this 8x STM–16 Tx document, use and communication of its contents port port 128 256 8x STM–16 Rx 4x STM–64 Rx port port MATRIXE MSP MSP 128x 256x 128 256 384 384 HPC 640x 640 256 256 LPC 256 256x 256 HOA sk HOA sk LVC 256 LVC LOI so LOI so port port 1AA 00014 0004 (9007) A4 – ALICE 04.10 Figure 100. MATRIXE– Cross connection management ED 03 3AL 91669 AA AA 199 / 706 706
  • 202.
    3.3 SIGNAL MANAGEMENTSUB–SYSTEM 3.3.1 Signal management referred to ”G.783 1994” not permitted without written authorization from Alcatel. All rights reserved. Passing on and copying of this document, use and communication of its contents In the next paragraphs will be explained the SDH and PDH port signal management. The functional blocks in this description are similar to that utilized in the Craft Terminal application. For each port the description is subdivided in two part: – Signal management from Side B (high bit rate signal) to Side A (low bit rate signal). – Signal management from Side A (low bit rate signal) to Side B (high bit rate signal). Anyway a signal may not transit through all the functional blocks (e.g. from side A to side B) but it comes back to the source side by means of the matrix (LPC, HPC) thus realizing a cross connection. 1AA 00014 0004 (9007) A4 – ALICE 04.10 ED 03 3AL 91669 AA AA 200 / 706 706
  • 203.
    3.3.2 SDH portsignal management (For STM –N see Figure 101. on page 203) Side B to Side A description: not permitted without written authorization from Alcatel. • All rights reserved. Passing on and copying of this SPI (Synchronous Physical Interface) document, use and communication of its contents It interface the physical transmission medium, regenerates and decodes line signal and detect the LOF alarm. • RST (Regenerator Section Termination) It manages the section overhead bytes for the Regeneration Section; it performed frame alignment detection, regenerator section trace recovery and mismatch detection, B1 BIP–8 errored block count. • MST (Multiplex Section Termination) It manages the section overhead bytes for the Multiplexing section; performs BIP–24 errored block count, MS–REI recovery, MS–RDI and MS–AIS detection. • MSP (Multiplex Section Protection) and MSPC (Multiplex Section Protection Connection) It provides protection for the STM–N signal against failures within a multiplex section, by using a bit oriented protocol for the MSP bytes K1,K2 and P, B1. • MSA (Multiplex Section Adaptation) It performs AU4 pointer interpretation, LOP and AIS detection, pointer justification. • HPOM (High Order Path Overhead Monitoring) It monitors the higher order VC–n for errors, and recover the trail termination status. it extract the payload independent overhead bytes J1, G1, B3. • HPC (High Order Path connection) This function assign higher order VCs of level n at its input port to higher order VCs of level n at its output port. • HSUT (Higher Order Supervisory Unequipped Termination) It performs the termination of an unequipped path recovering path trace information, REI and detecting HP–RDI (Path status monitoring),VC4 BIP–8 Errored Block count. • HPT (High Order Path Termination) This function recover the trail termination status. It extract the payload independent overhead bytes/bits (J1, G1, B3) from the VCn layer ; • HPA (High Order Path Adaptation) This functions provide VC–4 disassembly TU pointer interpretation, LOP and TU–AIS detection; • LPOM (Lower Order Path Monitor) • LPC (Low Order Path Connection) It assigns lower order VCs of level m at its input ports to lower order VCs of level m at its output ports. The process does not affect the nature of the characteristic information of the signal. • LSUT (Lower Order Supervisory Unequipped Termination) It is used to monitor unequipped path trace, recovering VC–m unequipped signal label, BIP–2 recovery. 1AA 00014 0004 (9007) A4 – ALICE 04.10 ED 03 3AL 91669 AA AA 201 / 706 706
  • 204.
    Side A toSide B description: • LSUT (Lower Order Supervisory Unequipped Termination) It is used to monitor unequipped path trails; it inserts VC–m unequipped signal label, path not permitted without written authorization from Alcatel. trace, BIP–2, REI and RDI. All rights reserved. Passing on and copying of this document, use and communication of its contents • LPC (Low Order Path Connection) It assigns lower order VCs of level m at its input ports to lower order VCs of level m at its output ports. The process does not affect the nature of the characteristic information of the signal. • LPOM (Lower Order Path Monitor) It is used for performance monitoring purpose and for lower order SNCP/n. • HPA (High Order Path Adaptation) This function provides VC–4 assembly, TU pointer generator, TU–AIS. • HPT (High Order Path Termination) It performs path trace identification insertion, RDI and REI insertion VC–4 BIP–8 calculation and insertion, signal label insertion. • HPOM (High Order Path Overhead Monitoring) It monitors the higher order VC–4 for errors, and recover the trail termination status. it extract the payload independent overhead bytes J1, G1, B3. • HPC (High Order Path connection) This function assign higher order VCs of level n at its input port to higher order VCs of level n at its output port. • HSUT (Higher Order Supervisory Unequipped Termination) It generates and inserts an unequipped container, trail trace identifier, RDI and REI, VC–4 BIP–8. • MSA (Multiplex Section Adaptation) It performs AUG assembly, AU–4 pointer generation, AU–AIS generation • MSP (Multiplex Section Protection) and MSPC (Multiplex Section Protection Connection) It provides protection for the STM–N signal against failures within a multiplex section, by using a bit oriented protocol for the MSP bytes K1,K2 and P, B1. • MST (Multiplex Section Termination) It performs BIP–24 calculation and insertion, MS–REI, MS–RDI and MS–AIS insertion. • RST (Regenerator Section Termination) It performs frame alignment insertion , regenerator section path trace insertion BIP–8 (B1) calculation and insertion. • SPI (Synchronous Physical Interface) Signal conditioning for transmission medium 1AA 00014 0004 (9007) A4 – ALICE 04.10 ED 03 3AL 91669 AA AA 202 / 706 706
  • 205.
    Side A not permittedwithout written authorization from Alcatel. To point Y1 From point Y2 All rights reserved. Passing on and copying of this document, use and communication of its contents Figure 102. Figure 102. X1 X2 Low Order LSUT LSUT Path Layer LPC LPOM LPOM HPA HPA HPT HPT High To point W1 From point W2 Order Figure 103. Figure 103. Path HSUT Layer HSUT Z1 Z2 HPC HPOM HPOM MSA MSA Multiplex MSP MSPC MSP Section Layer MST MST Regenerator RST RST Section Layer SPI SPI SDH Physical Layer Side B 1AA 00014 0004 (9007) A4 – ALICE 04.10 Figure 101. SDH signal management block diagram ED 03 3AL 91669 AA AA 203 / 706 706
  • 206.
    3.3.3 PDH portsignal management Ports managed are: 2Mbit/s (mapped into VC–12), 34Mbit/s (VC–3), 45Mbit/s (VC–3) and 140Mbit/s (VC–4). The following functions are associated with each PDH port. not permitted without written authorization from Alcatel. All rights reserved. Passing on and copying of this document, use and communication of its contents 2Mbit/s, 34 Mbit/s and 45 Mbit/s port management ( See Figure 102. on page 204 ) Side B to Side A description: • PPI This block provides the interface between the physical transmission medium and the internal unit format. The received line signal is HDB3 coded. A decoder on the physical interface decodes the signal to NRZ (no return–to–zero) format. • LPA This block adapts user data for transport in the synchronous domain. For asynchronous user data, lower order path adaptation involves bit justification. The 2.048 Mbit/s is inserted into a VC–12, which is synchronized (stuffing) with the correspondent TU–12. The 34 Mbit/s or 45 Mbit/s is inserted into a VC–3, which is synchronized with the correspondent TU–3. • LPT For the 2.048 Mbit/s the LPT function creates a VC–12 by generating and adding POH to a C–12. The POH formats are defined in Recommendations G.708 and G.709. For the 34 Mbit/s and 45 Mbit/s the LPT functions creates a VC–3 by generating and adding POH to a C–3. Side A to Side B description: • LPT The LPT function terminates and processes the POH to determine the status of the defined path attributes. • LPA It extracts the POH from the VC–12 (2 Mbit/s) or VC–3 (34 Mbit/s and 45 Mbit/s) . • PPI This block provides the interface between the internal unit format and the physical transmission medium. It encodes HDB3 the signal to be sent on line. Side B PPI PPI LPA LPA LPT LPT Y1 Y2 From point X1 To point X2 Figure 101. Figure 101. Side A 1AA 00014 0004 (9007) A4 – ALICE 04.10 Figure 102. 2Mbit/s, 34 Mbit/s, 45 Mbit/s signal management block diagram ED 03 3AL 91669 AA AA 204 / 706 706
  • 207.
    140 Mbit/s portmanagement ( See Figure 103. on page 205 ) Side B to Side A description: not permitted without written authorization from Alcatel. All rights reserved. Passing on and copying of this document, use and communication of its contents • PPI This block provides the interface between the physical transmission medium and the internal unit format. The received line signal is CMI coded. A decoder on the physical interface decodes the signal to NRZ (no return–to–zero) format. • LPA The 140 Mbit/s plesiochronous stream is inserted in a C4 container to be adapted so as to be transported into the synchronous network. • HPT The Virtual Container (VC–4) is formatted. The VC–4 is structured so that its octets are distributed within a 125 µs. interval and consist of the C4 container and POH. Side A to Side B description: • HPT The HPT extract and processes the POH to determine the status of the defined path attributes. • LPA It extracts the 140 Mbit/s signal from the container C4 . • PPI This block provides the interface between the internal unit format and the physical transmission medium. It encodes CMI the signal to be sent on line. Side B PPI PPI LPA LPA HPT HPT w1 w2 From point Z1 To point Z2 Figure 101. Figure 101. Side A Figure 103. 140Mbit/s signal management block diagram 1AA 00014 0004 (9007) A4 – ALICE 04.10 ED 03 3AL 91669 AA AA 205 / 706 706
  • 208.
    3.3.4 SIGNAL MANAGEMENTreferred to ”G. 783” The ITU–T G.783 Recommendation describe the SDH characteristic in terms of atomic functions. This paragraph has been introduced as an aid to the understanding of the terms used for the Termination not permitted without written authorization from Alcatel. Point (T.P.). These TPs can be accessed and managed by the operator for performance monitoring All rights reserved. Passing on and copying of this document, use and communication of its contents purpose . In the following will be explained the atomic functions naming conventions and the signal processing in the SDH and PDH port . 3.3.5 ATOMIC FUNCTION NAMING CONVENTIONS Each characteristic layer of the SDH network is splitted into different atomic functions : – trail termination function : • Source (So): additional information is added to the characteristic information to allow trail monitoring. • Sink (Sk): the information related to the trail monitoring is extracted If a signal fail condition of the associated data signal is detected, a TSF signal is generated to inform the next downstream function. TSF is use in the HPOM (Snm) function to drive the SNCP/MSP protection. – adaptation function : • Source (So):the characteristic information is adapted from the client to the server layer • Sink (Sk): the characteristic information is adapted from the server to the client layer The processes present in an adaptation function can be : encoding, rate changing, alignment, justification, multiplexing. If a signal fail condition of the associated data signal is detected, a SSF signal is generated to inform the next downstream function. – connection function : it represents the connection functions inside the network ( link connection, sub–network network connection) and it is performed by the matrix functional block Each atomic function is represented by a different symbol and named as follow: – trail termination TT : triangle Sink Source naming rules: layer_TT[ _direction] example: OSn_TT[ _Sk] – adaptation A : trapezium Sink Source naming rules: layer/client layer_A[direction] example: OSn/RSn_A[Sk] 1AA 00014 0004 (9007) A4 – ALICE 04.10 – connection C: circle or ellipse naming rules: layer_C example: Sm_C ED 03 3AL 91669 AA AA 206 / 706 706
  • 209.
    3.3.6 SDH PORTFUNCTIONAL BLOCKS (For STM–N port refer to Figure 104. on page 216) not permitted without written authorization from Alcatel. The received signal is either electrical STM–1 CMI coded (ITU–T G.703 Rec.) or optical STM–N (ITU–T All rights reserved. Passing on and copying of this document, use and communication of its contents G.957 Rec.). The SDH frame format is compliant with ITU_T G.707 Rec. In this paragraph will be explained the SDH and PDH port signal management referred to atomic function. For each port the description is subdivided in two part: – Signal management from Side B (high bit rate signal) to Side A (low bit rate signal). – Signal management from Side A (low bit rate signal) to Side B (high bit rate signal). Side B to Side A description: a) SDH Physical layer (SPI) It is the interface between the physical transmission medium and the Regeneration Section. The function performed are describe below: • Optical or Electrical Section layer Trail Termination: OSn_TT_Sk or ESn_TT_Sk • input LOS detection. • Optical or Electrical Section layer Adaptation to Regenerator Section layer: OSn/RSn_A_Sk and ESn/Rsn_A_Sk • descrambler. • A1, A2: frame alignment detection. • OOF count and LOF detection. • AIS or SSF insertion if LOF is detected b) Regenerator Section layer (RST) • Regenerator Section layer Trail Termination: RSn_TT_Sk • J0: regenerator section trace recovery and mismatch detection (TIM) (not managed in this release) • B1: BIP–8 Errored Block count: even bit parity is computed and compared with B1 recovered from the current frame. • AIS insertion if TIM is detected • Regenerator Section layer to Multiplex Section layer Adaptation: RSn/MSn_A_Sk • AIS insertion on AIS detection 1AA 00014 0004 (9007) A4 – ALICE 04.10 ED 03 3AL 91669 AA AA 207 / 706 706
  • 210.
    c) Multiplex Section layer : • Multiplex Section layer Trail Termination (MST): MSn_TT_Sk • not permitted without written authorization from Alcatel. B2: BIP–24N Errored Block count ––Ex–BER, Signal Degrade alarm All rights reserved. Passing on and copying of this document, use and communication of its contents • M1: MS–REI recovery. • K2[6–8]: MS–RDI detection. • K2[6–8]: MS–AIS detection. • Multiplex Section Sub–layer Protection function (MSP): – Multiplex Section layer to the Multiplex Section Protection Sub–layer Adaptation: MSn/MSnP_A_Sk • the K1–K2 information (APS protocol) is recovered . • AIS or SSF insertion – Multiplex Section Protection Sub–layer Trail Termination: MSnP_TT_Sk • AIS or SSF detection • TSF insertion (on SSF detection) • Multiplex Section layer Adaptation to the High Order Path layer (MSA): MSn/Sn_A_Sk • AU–4 Pointer interpreter. • LOP detection • AU–AIS detection • AIS or SSF insertion (on LOP and AU–AIS detection) • PJE (Pointer Justification Event) count. d) High Order Path layer: • High Order Path Overhead Monitoring Function (HPOM) – High Order Path Overhead Trail Termination: Snm_TT_Sk • J1: Path Trace information is recovered. • G1[1–4]: The REI information is recovered. • G1[5]: Path Status monitoring –– HP–RDI detection. • C2: Signal Label Monitoring –– UNEQ and VC–AIS detection. • B3: VC–4 BIP–8 Errored Block Count –– Ex–BER and Signal Degrade alarm • TSF insertion • TSD insertion TSF and TSD are used for SNCP switch • High Order Supervisory Unequipped Termination – High Order Supervisory Unequipped Trail Termination (HSUT): Sns_TT_Sk • J1: Path Trace information is recovered. • G1[1–4]: The REI information is recovered. • G1[5]: Path Status monitoring ––HP–RDI detection. • C2: Signal Label Monitoring –– UNEQ and VC–AIS detection. • B3: VC–4 BIP–8 Errored Block Count. 1AA 00014 0004 (9007) A4 – ALICE 04.10 ED 03 3AL 91669 AA AA 208 / 706 706
  • 211.
    High Order Path Tandem Connection Trail Termination (according to Option 2 TC described in Recc. ITU–T G.707) – High Order Path Tandem Connection Termination (HTCT): SnD_TT_Sk not permitted without written authorization from Alcatel. All rights reserved. Passing on and copying of this document, use and communication of its contents • N1[1–4]: VC–4 BIP–8 extraction and EDC calculation. • N1[8][73]: RDI extraction. • N1[5]: REI extraction. • N1[7][74]: ODI extraction (Outgoing Defect Indication). • N1[6]: OEI extraction (Outgoing Error Indication) • N1[7–8]: extraction from the multiframed channel N1[7–8] of: FAS (Frame Alignment Signal) in frames 1 to 8. trace identifier in frames 9 to 72. TC RDI and ODI in frames 73 to 76. • B3: BIP–8 compensation. • High Order Path Tandem Connection Adaptation (according to Option 2 TC described in Recc. ITU–T G.707) – High Order Path Tandem Connection Adaptation (HTCA): SnD/Sn_A_Sk this function will restore the invalid Frame Start condition if that existed at the iput of the tandem connection. AIS insertion. • High Order Path Tandem Connection Monitoring (according to Option 2 TC described in Recc. ITU–T G.707) – High Order Path Tandem Connection Monitoring (HTCM): SnDm_TT_Sk • N1[1–4]: VC–4 BIP–8 extraction and EDC calculation. • N1[8][73]: RDI extraction. • N1[5]: REI extraction. • N1[7][74]: ODI extraction (Outgoing Defect Indication). • N1[6]: OEI extraction (Outgoing Error Indication) • N1[7–8]: extraction from the multiframed channel N1[7–8] of: FAS (Frame Alignment Signal) in frames 1 to 8. trace identifier in frames 9 to 72. TC RDI and ODI in frames 73 to 76. 1AA 00014 0004 (9007) A4 – ALICE 04.10 ED 03 3AL 91669 AA AA 209 / 706 706
  • 212.
    High Order Path layer Trail Termination Function (HPT): Sn_TT_Sk • J1: Path Trace information is recovered –– TIM detection. • G1[1–4]: The REI information is recovered. not permitted without written authorization from Alcatel. • G1[5]: Path Status monitoring ––HP–RDI detection. All rights reserved. Passing on and copying of this document, use and communication of its contents • C2: UNEQ detection. • B3: VC–4 BIP–8 Errored Block Count –– Ex–BER, Signal Degrade alarm • High Order Path layer Adaptation to Low Order Path layer (HPA): Sn/Sm_A_Sk • VC–4 disassembly. • TU pointer interpretation. • LOP detection. • TU–AIS detection. • C2: HP–SLM (signal label mismatch) detection. • H4: LOM (Loss of Multiframe) detection. e) Low Order Path layer: • Low Order Path Overhead Monitoring Function (LPOM) – Low Order Path Overhead Trail Termination: Smm_TT_Sk • J2: Trace Identifier Monitoring. • V5[8]: RDI information is recovered and reported. • V5[3]: REI bit is recovered and the derived performance primitives are reported. • V5[5–7]: Signal Label Monitoring –– VC–AIS detection. • V5[1,2]: VC–m BIP–2 Errored Block Count ––Ex–BER, Signal Degrade alarm • AIS or SSF detection––SSF alarm • TSF insertion (used for SNCP switch) • Low Order Supervisory Unequipped Termination (LSUT) – Low Order Supervisory Unequipped Trail Termination: Sms_TT_Sk • V5[5–7]: signal label is recovered from the VC–m. 000 (unequipped) is expected. • J2: trail trace identifier is recovered. • V5[1,2]: BIP–2 is recovered. • V5[3]: REI bit is recovered and the derived performance primitives is reported. • V5[8]: RDI information is recovered and reported. 1AA 00014 0004 (9007) A4 – ALICE 04.10 ED 03 3AL 91669 AA AA 210 / 706 706
  • 213.
    Low Order Path Tandem Connection Trail Termination (according to Option 2 TC described in Recc. ITU–T G.707) – Low Order Path Tandem Connection Termination (LTCT): SmD_TT_Sk not permitted without written authorization from Alcatel. All rights reserved. Passing on and copying of this document, use and communication of its contents • N2[1–2]: VC–12 BIP–2 extraction and EDC calculation. • N2[8][73]: RDI extraction. • N2[5]: REI extraction. • N2[7][74]: ODI extraction (Outgoing Defect Indication). • N2[6]: OEI extraction (Outgoing Error Indication) • N2[7–8]: extraction from the multiframed channel N2[7–8] of: FAS (Frame Alignment Signal) in frames 1 to 8. trace identifier in frames 9 to 72. TC RDI and ODI in frames 73 to 76. • N2[4]: AIS detection • V5[1–2]: BIP–2 compensation. • Low Order Path Tandem Connection Adaptation (according to Option 2 TC described in Recc. ITU–T G.707) – Low Order Path Tandem Connection Adaptation (LTCA): SmD/Sm_A_Sk this function will restore the invalid Frame Start condition if that existed at the iput of the tandem connection. AIS insertion. • Low Order Path Tandem Connection Monitoring (according to Option 2 TC described in Recc. ITU–T G.707) – Low Order Path Tandem Connection Monitoring (LTCM): SnDm_TT_Sk • N2[1–2]: VC–12 BIP–2 extraction and EDC calculation. • N2[8][73]: RDI extraction. • N2[5]: REI extraction. • N2[7][74]: ODI extraction (Outgoing Defect Indication). • N2[6]: OEI extraction (Outgoing Error Indication) • N2[7–8]: extraction from the multiframed channel N2[7–8] of: FAS (Frame Alignment Signal) in frames 1 to 8. trace identifier in frames 9 to 72. TC RDI and ODI in frames 73 to 76. • N2[4]: AIS detection 1AA 00014 0004 (9007) A4 – ALICE 04.10 ED 03 3AL 91669 AA AA 211 / 706 706
  • 214.
    Side A toSide B description: a) Low Order Path layer: • not permitted without written authorization from Alcatel. Low Order Supervisory Unequipped Termination (LSUT) All rights reserved. Passing on and copying of this document, use and communication of its contents – Low Order Supervisory Unequipped Trail Termination: Sms_TT_So • V5[5–7]: signal label 000 (unequipped) is inserted in the VC–m. • J2: trail trace identifier is generated. • V5[1,2]: BIP–2 is calculated and transmitted. • V5[3]: the number of errors is encoded in REI. • V5[8]: RDI indication is inserted. • Low Order Path Overhead Monitoring Function (LPOM) – Low Order Path Overhead Trail Termination: Smm_TT_Sk • J2: Trace Identifier Monitoring. • V5[8]: RDI information is recovered and reported. • V5[3]: REI bit is recovered and the derived performance primitives are reported. • V5[5–7]: Signal Label Monitoring –– VC–AIS detection. • V5[1,2]: VC–m BIP–2 Errored Block Count –– Ex–BER, Signal Degrade alarm • Low Order Path Tandem Connection Adaptation (according to Option 2 TC described in Recc. ITU–T G.707) – Low Order Path Tandem Connection Adaptation (LTCA): SmD/Sm_A_Sk this function will restore the invalid Frame Start condition if that existed at the iput of the tandem connection. AIS insertion. • Low Order Path Tandem Connection Trail Termination (according to Option 2 TC described in Recc. ITU–T G.707) – Low Order Path Tandem Connection Termination (LTCT): SmD_TT_So • N2[8][73]: RDI insertion • N2[5]: REI insertion • N2[7][74]: ODI insertion (Outgoing Defect Indication) • N2[6]: OEI insertion (Outgoing Error Indication) • N2[7–8]: insertion in the multiframed channel N1[7 –8] of: FAS (Frame Alignment Signal) in frames 1 to 8 trace identifier in frames 9 to 72 TC RDI and ODI in frames 73 to 76 • N2[1–2]: BIP–2 calculation and insertion • V5[1–2]: BIP–2 compensation 1AA 00014 0004 (9007) A4 – ALICE 04.10 ED 03 3AL 91669 AA AA 212 / 706 706
  • 215.
    Low Order Path Tandem Connection Monitoring (according to Option 2 TC described in Recc. ITU–T G.707) – Low Order Path Tandem Connection Monitoring (LTCM): SnDm_TT_Sk not permitted without written authorization from Alcatel. All rights reserved. Passing on and copying of this document, use and communication of its contents • N2[1–2]: VC–12 BIP–2 extraction and EDC calculation. • N2[8][73]: RDI extraction. • N2[5]: REI extraction. • N2[7][74]: ODI extraction (Outgoing Defect Indication). • N2[6]: OEI extraction (Outgoing Error Indication) • N2[7–8]: extraction from the multiframed channel N2[7–8] of: FAS (Frame Alignment Signal) in frames 1 to 8. trace identifier in frames 9 to 72. TC RDI and ODI in frames 73 to 76. • N2[4]: AIS detection b) High Order Path layer: • Low Order Path layer to High Order Path layer Adaptation (HPA): Sn/Sm_A_So • VC–4 assembly. • TU pointer generator. • TU–AIS generator. • C2: Signal label insertion. • H4: Multiframe indicator • High Order Path layer Trail Termination Function (HPT): Sn_TT_So • J1: path trace identifier is inserted. • G1: insertion of RDI[5] and/or REI[1–4] information. • B3: VC–4 Bip–8 calculation and insertion. • High Order Path Overhead Monitoring Function – High Order Path Overhead Trail Termination (HPOM): Snm_TT_Sk • J1: Path Trace information is recovered. • G1[1–4]: The REI information is recovered. • G1[5]: Path Status monitoring –– HP–RDI detection. • C2: Signal Label Monitoring –– UNEQ and VC–AIS detection. • B3: VC–4 BIP–8 Errored Block Count. • AIS or SSF detection –– SSF alarm 1AA 00014 0004 (9007) A4 – ALICE 04.10 ED 03 3AL 91669 AA AA 213 / 706 706
  • 216.
    High Order Supervisory Unequipped Trail Termination (HSUT): Sns_TT_So • Generation of an unequipped container and frame offset. • C2: “unequipped” insertion. not permitted without written authorization from Alcatel. • J1: trail trace identifier is generated. All rights reserved. Passing on and copying of this document, use and communication of its contents • G1: insertion of RDI and/or REI information. • B3: VC–4 Bip–8 calculation and insertion. • High Order Path Tandem Connection Adaptation (according to Option 2 TC described in Recc. ITU–T G.707) – High Order Path Tandem Connection Adaptation (HTCA): SnD_A_So this function will replace the incoming Frame Start signal by a local generated one if all–ONEs VC is received. • High Order Path Tandem Connection Trail Termination (according to Option 2 TC described in Recc. ITU–T G.707) – High Order Path Tandem Connection Termination (HTCT): SnD_TT_So • N1[8][73]: RDI insertion • N1[5]: REI insertion • N1[7][74]: ODI insertion (Outgoing Defect Indication) • N1[6]: OEI insertion (Outgoing Error Indication) • N1[7–8]: insertion in the multiframed channel N1[7 –8] of: FAS (Frame Alignment Signal) in frames 1 to 8 trace identifier in frames 9 to 72 TC RDI and ODI in frames 73 to 76 • N1[1–4]: BIP–8 calculation and insertion • B3: BIP–8 compensation • High Order Path Tandem Connection Monitoring (according to Option 2 TC described in Recc. ITU–T G.707) – High Order Path Tandem Connection Monitoring (HTCM): SnDm_TT_Sk • N1[1–4]: VC–4 BIP–8 extraction and EDC calculation. • N1[8][73]: RDI extraction. • N1[5]: REI extraction. • N1[7][74]: ODI extraction (Outgoing Defect Indication). • N1[6]: OEI extraction (Outgoing Error Indication) • N1[7–8]: extraction from the multiframed channel N1[7–8] of: FAS (Frame Alignment Signal) in frames 1 to 8. trace identifier in frames 9 to 72. TC RDI and ODI in frames 73 to 76. 1AA 00014 0004 (9007) A4 – ALICE 04.10 ED 03 3AL 91669 AA AA 214 / 706 706
  • 217.
    c) Multiplex Section layer: • Multiplex Section layer Adaptation to the High Order Path layer (MSA): MSn/Sn_A_So • not permitted without written authorization from Alcatel. AUG assembly and byte interleaving. All rights reserved. Passing on and copying of this document, use and communication of its contents • AU–4 Pointer generator. • AU–AIS generator. • Multiplex Section Sub–layer Protection function (MSP) – Multiplex Section Protection Sub–layer Termination: MSnP_TT_So • no information is inserted. – Multiplex Section layer Adaptation to the Multiplex Section Protection Sub–layer: MSn/MSnP_A_So • generation of K1–K2 information (APS protocol). • Multiplex Section layer Trail Termination: MSn_TT_So • B2: BIP–24N calculation and insertion. • M1: MS–REI insertion. • K2[6–8]: MS–RDI insertion. • K2[6–8]: MS–AIS insertion. d) Regenerator Section layer (RST) • Multiplex Section layer to Regenerator Section layer Adaptation : RSn/MSn_A_So • RS–AIS insertion. • Regenerator Section layer Trail Termination: RSn_TT_So • A1, A2: frame alignment insertion. • J0: regenerator section trace insertion (not managed in this release) • B1: BIP–8 calculation and insertion. e) SDH Physical layer (SPI) It is the interface between Regeneration Section and the physical transmission medium. The function performed are describe below: • Optical or Electrical Section layer Adaptation to Regenerator Section layer: OSn/RSn_A_So and ESn/Rsn_A_So: • scrambler. • AIS generator (on LOS or LOF). • Optical or Electrical Section layer Trail Termination: OSn_TT _So or ESn_TT _So • signal conditioning for transmission medium (e.g. electrical/optical conversion etc.) 1AA 00014 0004 (9007) A4 – ALICE 04.10 ED 03 3AL 91669 AA AA 215 / 706 706
  • 218.
    Side A Low LTCA To point Y1 From point Y2 LTCA Order SmD/Sm Figure 105. Figure 105. SmD/Sm Path Figure 106. Figure 106. Layer not permitted without written authorization from Alcatel. X2 All rights reserved. Passing on and copying of this X1 document, use and communication of its contents LPOM LTCM LTCT LSUT LSUT LTCT LTCM LPOM Smm SmDm SmD Sms SmD SmDm Smm Sms Sm LPC HPA HPA High Order HTCA Sn/Sm Sn/Sm Path SnD/Sn Layer HTCA HPT HPT SnD/Sn Sn Sn HTCT HPOM To point W1 From point W2 HPOM HSUT Figure 107. Figure 107. HSUT HTCT Snd Snm Sns Z1 Z2 Sns Snm Snd Sn HPC HTCM SnDm HTCM SnDm MSA MSA (*) MSn/Sn MSn/Sn (*) MSnP MSnP Multiplex MSP MSP Section MSnPC Layer MSn/MSnP MSn/MSnP MSn MSn MST MST RSn/MSn RSn/MSn Regeneration Section RST RST Layer RSn RSn OSn/RSn or ESn/RSn OSn/RSn or ESn/RSn SDH Physical Layer SPI OSn or ESn OSn or ESn SPI Side B (*) – 1,4,16,64 MSn/Sn are multiplied in STM–n 1AA 00014 0004 (9007) A4 – ALICE 04.10 Figure 104. 1660SM Block Diagram: signal management (SDH port) ED 03 3AL 91669 AA AA 216 / 706 706
  • 219.
    3.3.7 PDH PORTFUNCTIONAL BLOCKS In LC–NG PDH Low Order ports managed are 2Mbit/s (mapped into VC–12), 34Mbit/s (VC–3), 45Mbit/s (VC–3) and 140Mbit/s (VC–4). The following functions are associated with each PDH port. not permitted without written authorization from Alcatel. 2 MBIT/S PORT MANAGEMENT All rights reserved. Passing on and copying of this document, use and communication of its contents (See Figure 105. on page 218 ) Side B to Side A description: a) Low Order Path layer: • Low Order Path layer Trail Termination Function (LPT): S12_TT_Sk • J2: trail trace identifier is recovered –– TIM detection. • V5[1,2]: BIP–2 is recovered –– Ex–BER, Signal Degrade alarm • V5[3]: REI bit is recovered and the derived performance primitives is reported. • V5[8]: RDI information is recovered and reported. • AIS or SSF detection –– SSF alarm • Low Order Path layer Adaptation to PDH Section layer (LPA): S12/P12x_A_Sk or S12/P12s_A_Sk • V5[5–7]: Signal label detection in the byte V5[5–7] –– Signal label Mismatch detection • AIS or SSF is applied if Signal label Mismatch is detected b) Electrical PDH Physical Section layer (PPI) • Adaptation to PDH section layer: E12/P12x_A_So or E12/P12s_A_So • It convert the internal signal code to the line code. • Trail Termination: E12_TT_So • signal conditioning for transmission medium ( e.g. electrical level, etc.) Side A to Side B description: a) Electrical PDH Physical Section layer (PPI) • Trail Termination: E12_TT_Sk • input LOS detection. • AIS insertion if LOS is detected • PDH physical adaptation layer: E12/P12x_A_Sk or E12/P12s_A_Sk • timing is extracted. • data are decoded. • AIS insertion if LOF or AIS is detected. b) Low Order Path layer: • PDH Section layer to Low Order Path layer Adaptation (LPA): S12/P12x_A_So or S12/P12s_A_So • V5[5–7]: Signal label insertion in the byte V5[5–7]. • Low Order Path layer Trail Termination function (LPT): S12_TT_So • J2: trail trace identifier is generated. 1AA 00014 0004 (9007) A4 – ALICE 04.10 • V5[1,2]: BIP–2 is calculated and transmitted. • V5[3]: the number of errors is encoded in REI. • V5[8]: RDI indication is inserted. ED 03 3AL 91669 AA AA 217 / 706 706
  • 220.
    not permitted withoutwritten authorization from Alcatel. All rights reserved. Passing on and copying of this document, use and communication of its contents Side A PPI PPI E12 E12 E12/P12 E12/P12 LPA LPA S12/P12 S12/P12 Low Order Path Layer LPT LPT S12 S12 Y1 Y2 From point X1 To point X2 Figure 104. Figure 104. Side B 1AA 00014 0004 (9007) A4 – ALICE 04.10 Figure 105. 1660SM Block Diagram: signal management ( 2Mbit/s PDH ports) ED 03 3AL 91669 AA AA 218 / 706 706
  • 221.
    34 MBIT/S AND45 MBIT/S PORT MANAGEMENT (See Figure 106. on page220 ) not permitted without written authorization from Alcatel. Side B to Side A description: All rights reserved. Passing on and copying of this document, use and communication of its contents a) Low Order Path layer: • Low Order Path layer Trail Termination Function (LPT): S3_TT_Sk • J1: Path Trace information is recovered –– TIM detection. • G1[1–4]: The REI information is recovered. • G1[5]: Path Status monitoring ––HP–RDI detection. • C2: UNEQ detection. • B3: VC–3 BIP–8 Errored Block Count –– Ex–BER, Signal Degrade • SSF detection –– SSF alarm • Low Order Path layer Adaptation to PDH Section layer (LPA): S3/P3x_A_Sk or S3/P3s_A_Sk • C2: Signal label detection in the byte C2 – Signal label Mismatch detection. • AIS or SSF is applied if TSF or Signal label Mismatch is detected b) Electrical PDH Physical Section layer (PPI) • Adaptation to PDH section layer: E3/P3x_A_So or E3/P3s_A_So • It convert the internal signal code to the line code (HDB3) • Trail Termination: E3_TT_So • signal conditioning for transmission medium ( e.g. electrical level, etc.). Side A to Side B description: a) Electrical PDH Physical Section layer (PPI) • Trail Termination: E3_TT_Sk • Input LOS detection. • PDH physical Adaptation layer: E3/P3x_A_Sk or E3/P3s_A_Sk • timing is extracted. • data are decoded. • AIS detection and insertion. • LOF detection (only in case of E3/P3x_A_Sk) b) Low Order Path layer: • PDH Section layer to Low Order Path layer Adaptation (LPA): S3/P3x_A_So or S3/P3s_A_So • The signal label is inserted in C2 • Low Order Path layer Trail Termination Function (LPT): S3_TT_So 1AA 00014 0004 (9007) A4 – ALICE 04.10 • J1: path trace identifier is inserted. • G1: insertion of RDI[5] and/or REI[1–4] information. • B3: VC–3 Bip–8 calculation and insertion. ED 03 3AL 91669 AA AA 219 / 706 706
  • 222.
    not permitted withoutwritten authorization from Alcatel. All rights reserved. Passing on and copying of this document, use and communication of its contents Side A PPI PPI E3 E3 E3/P3 E3/P3 LPA LPA S3/P3 Low Order Path S3/P3 Layer LPT LPT S3 S3 Y1 Y2 From point X1 To point X2 Figure 104. Figure 104. Side B 1AA 00014 0004 (9007) A4 – ALICE 04.10 Figure 106. 1660SM Block Diagram: signal management ( 34 Mbit/s and 45 Mbit/s PDH ports) ED 03 3AL 91669 AA AA 220 / 706 706
  • 223.
    140 MBIT/S PORTMANAGEMENT (See Figure 107. on page 222) not permitted without written authorization from Alcatel. Side B to Side A description: All rights reserved. Passing on and copying of this document, use and communication of its contents a) High Order Path layer: • High Order Path layer Trail Termination Function (HPT): S4_TT_Sk • J1: Path Trace information is recovered –– TIM detection. • G1[1–4]: The REI information is recovered. • G1[5]: Path Status monitoring ––HP–RDI detection. • C2: UNEQ detection. • B3: VC–4 BIP–8 Errored Block Count–– Ex–BER, Signal Degrade alarm • SSF detection –– SSF alarm • Low Order Path layer Adaptation to PDH Section layer (LPA): S4/P4x_A_Sk or S4/P4s_A_Sk • C2: Signal label detection in the byte C2 – Signal label Mismatch detection. • AIS or SSF is applied if TSF or Signal label Mismatch is detected b) Electrical PDH Physical Section layer (PPI) • Adaptation to PDH section layer:E4/P4x_A_So or E4/P4s_A_So • It convert the internal signal code to the line code (CMI) • Trail Termination: E4_TT_So • signal conditioning for transmission medium ( e.g. electrical level, etc.). Side A to Side B description: a) Electrical PDH Physical Section layer (PPI) • Trail Termination: E4_TT_Sk • Input LOS detection. • PDH physical Adaptation layer: E4/P4x_A_Sk or E4/P4s_A_Sk • timing is extracted. • data are decoded. • AIS detection and insertion. • LOF detection (only in case of E4/P4x_A_Sk) b) Low Order Path layer: • PDH Section layer to Low Order Path layer Adaptation (LPA): S4/P4x_A_So or S4/P4s_A_So • The signal label is inserted in C2 • High Order Path layer Trail Termination Function (HPT): S4_TT_So 1AA 00014 0004 (9007) A4 – ALICE 04.10 • J1: path trace identifier is inserted. • G1: insertion of RDI[5] and/or REI[1–4] information. • B3: VC–4 Bip–8 calculation and insertion. ED 03 3AL 91669 AA AA 221 / 706 706
  • 224.
    not permitted withoutwritten authorization from Alcatel. All rights reserved. Passing on and copying of this document, use and communication of its contents Side A PPI PPI E4 E4 E4/P4 E4/P4 LPA LPA S4/P4 S4/P4 High Order Path Layer HPT HPT S4 S4 W1 W2 From point Z1 To point Z2 Figure 104. Figure 104. Side B Figure 107. 1660SM Block Diagram: signal management ( 140 Mbit/s PDH ports) 1AA 00014 0004 (9007) A4 – ALICE 04.10 ED 03 3AL 91669 AA AA 222 / 706 706
  • 225.
    3.4 ISA (IntegratedService Adapter) introduction Today’s metropolitan and regional optical transmission networks need the flexibility to support new and existing services. not permitted without written authorization from Alcatel. As new data services overcome traditional voice services in terms of global traffic volume, All rights reserved. Passing on and copying of this document, use and communication of its contents telecommunication operators face a host of challenges. These include finding the optimal solution with the bandwidth to handle increasing data traffic, keeping infrastructure updating investments to a minimum and protecting their high revenues on traditional voice services. Whereas core networks have to provide traffic with huge bandwidth capacity, metro and regional networks need to focus on better aggregating traffic with refined dimensioning and improved network resource allocation. Integrated ”data–aware” features distributed along the optical transmission nodes of today’s metro networks enable multi–service and multi–technology transmission of data services. They optimize the network infrastructure and bandwidth allocation, giving carriers the twofold benefit of reducing the need for extra investments in dedicated data equipment and safeguarding their high revenues on traditional voice services. Alcatel’s Integrated Service Adapter (ISA) series of plug–in cards are specially designed for the Optical Multi–Service Nodes (OMSN) family (1660SM is part of this family) . They enhance the optical transport network by adding data–aware features that are easy to introduce, allowing carriers to efficiently and cost–effectively aggregate, switch and transport the expanding amount of data services in their metropolitan network. 1660SM equipped with ISA plug–in cards give telecom operators a new generation modular platform for multi–service SDH transport and further strengthen Alcatel’s leading position in the supply of optical multi–technology transmission networks. Whenever and wherever it is needed in the metro network, OMSNs extend their multi–service functionality by integrating ISA plug–in ATM switching and Ethernet/Gigabit Ethernet rate–adaptive transport capabilities into a single optical network element efficiently and cost–effectively. The ISA plug–ins bring metro networks the switching intelligence needed to aggregate and groom mixes of different packet–based data protocols and traditional TDM services (refer to Figure 108. on page 224). ATM and Ethernet ISA cards are able to provide services such as ATM Virtual Private Networks, Broadband Virtual Leased Lines and TLS. The OMSN product family allows operators of SDH transport networks to introduce a wide variety of data managed services including top–level differentiated QoS capabilities, variable service rates and traffic congestion management. Different types of ISA cards can be easily and quickly plugged into 1660SM. The system is modular and the plug–ins can be chosen according to the specific application the optical multi–service equipment needs to manage. In the following will be explained the different ISA boards type and their application in the network: – ISA – ATM (Asynchronous Transfer Mode) refer to paragraph 3.5 on page 225. – ISA – PR_EA (Packet Ring Edge Aggregator) refer to paragraph 3.6 on page 234 – ISA – PR (Packet Ring) refer to paragraph 3.7 on page 245 – ISA – ETHERNET/FAST ETHERNET/GIGABIT ETHERNET refer to paragraph 3.8 on page 263 1AA 00014 0004 (9007) A4 – ALICE 04.10 – ISA – ES (Ethernet Switch) refer to paragraph 3.9 on page 281 ED 03 3AL 91669 AA AA 223 / 706 706
  • 226.
    not permitted withoutwritten authorization from Alcatel. All rights reserved. Passing on and copying of this document, use and communication of its contents SAN ISP1 UMTS ISP2 RNC DWDM ATM POS Radio ATM LMDS Optical Ring Eth DWDM/ MSN O OMSN Enterprise DWDM ATM DSL CORE GbE DSL EDGE Residential ACCESS Enterprise 1AA 00014 0004 (9007) A4 – ALICE 04.10 Figure 108. Example of technology convergency with ISA boards in OMSN ED 03 3AL 91669 AA AA 224 / 706 706
  • 227.
    3.5 ISA –ATM management sub–system 3.5.1 ATM ( Asynchronous Transfer Mode) basic not permitted without written authorization from Alcatel. All rights reserved. Passing on and copying of this document, use and communication of its contents Asynchronous Transfer Mode (ATM) is an International Telecommunication Union Telecommunication Standardization Sector (ITU–T) standard for cell relay wherein information for multiple service types, such as voice, video, or data, is conveyed in small, fixed–size cells. ATM networks are connection oriented. This chapter provides summaries of ATM protocols, services, and operation. According to ITU–T Recommendation I.311, an ATM transport network has two layers: the ATM layer and the physical layer as shown in Table 35. . Table 35. ATM transport network layered model Higher layer ATM layer VC (Virtual Channel) level VP (Virtual Path) level ATM Transport network Physical Layer Transmission Path Level Transmission Media Level The ATM layer is subdivided into two levels: the VP level and the VC level. The relations between the Virtual Channel, the Virtual Path and the Transmission Path are shown in Figure 109. on page 225. ÔÔÔÔÔÔÔÔÔÔÔÔÔÔ ÔÔÔÔÔÔÔÔÔÔÔÔÔÔ VC VP VP VC ÔÔÔÔÔÔÔÔÔÔÔÔÔÔ ÔÔÔÔÔÔÔÔÔÔÔÔÔÔ VC VP VP VC Transmission Path VC VP ÔÔÔÔÔÔÔÔÔÔÔÔÔÔ ÔÔÔÔÔÔÔÔÔÔÔÔÔÔ VP VC ÔÔÔÔÔÔÔÔÔÔÔÔÔÔ ÔÔÔÔÔÔÔÔÔÔÔÔÔÔ Figure 109. Relationship between the VC, the VP and the TP 1AA 00014 0004 (9007) A4 – ALICE 04.10 ED 03 3AL 91669 AA AA 225 / 706 706
  • 228.
    ATM transfers informationin fixed –size unit called cells ; each cell consist of 53 octets, or bytes. The first 5 bytes contain cell–header information and the remaining 48 contain the “payload” (user information). Figure 110. on page 226 illustrates the basic format of an ATM cell. not permitted without written authorization from Alcatel. All rights reserved. Passing on and copying of this document, use and communication of its contents 8 Bits HEADER (5 bytes) 53 Bytes PAYLOAD (48 bytes) Figure 110. Basic format of an ATM cell An ATM network is made up of an ATM switch and ATM endpoints. An ATM switch is responsible for cell transit through an ATM network. An ATM switch accepts the incoming cell from an ATM endpoint or another ATM switch. It then reads and updates the cell–header information and quickly switches the cell to an output interface toward its destination. An ATM endpoint (or end system) contains an ATM network interface adapter. Examples of ATM endpoints are workstations, routers etc. An ATM network consists of a set of ATM switches interconnected by point–to–point ATM links or interfaces. ATM switches support two primary types of interfaces: UNI and NNI. The UNI connects ATM end systems (such as hosts and routers) to an ATM switch. The NNI connects two ATM switches. Depending on whether the switch is owned and located at the customers premises or publicly owned and operated by the telephone company, UNI and NNI can be further subdivided into public and private UNIs and NNIs. A private UNI connects an ATM endpoint and a private ATM switch. Its public counterpart connects an ATM endpoint or private switch to a public switch. A private NNI connects two ATM switches within the same private organization. A public one connects two ATM switches within the same public organization (see Figure 111. on page 227). 1AA 00014 0004 (9007) A4 – ALICE 04.10 ED 03 3AL 91669 AA AA 226 / 706 706
  • 229.
    All rights reserved.Passing on and copying of this document, use and communication of its contents not permitted without written authorization from Alcatel. 1AA 00014 0004 (9007) A4 – ALICE 04.10 ED 03 ATM Switch Private UNI ATM Switch UNI Private ATM Network Pivate NNI Public UNI UNI Figure 111. ATM network interface 706 ATM 3AL 91669 AA AA Switch Public NNI UNI ATM Switch Public ATM Network 227 / 706
  • 230.
    An ATM cellheader can be one of two formats: UNI or the NNI. The UNI header is used for communication between ATM endpoints and ATM switches in private ATM networks. The NNI header is used for communication between ATM switches. Figure 112. on page 228 depicts the basic ATM cell format, the ATM UNI cell–header format, and the ATM NNI cell–header format. not permitted without written authorization from Alcatel. All rights reserved. Passing on and copying of this document, use and communication of its contents 8 Bits 8 Bits HEADER (5 Bytes) GFC VPI VPI VPI VCI VCI PT CLP PT CLP HEC HEC 53 Bytes PAYLOAD (48 Bytes) ATM UNI cell ATM NNI cell GFC (Generic Flow Control) Generic Flow Control field permits multiplexing the transmission of several terminals on the same user interface. It is used for the traffic from the users to the network VPI/VCI (Virtual Path Identifier / Virtual Channel Identifier) The VPI/VCI field contains 24 bits on the UNI interface and 28 bits on the NNI interface. The VPI field is 8 to 12 Bits, allowing 256 to 4096 virtual paths. Each path can consist of 64.000 VCIs. VPI/VCI identifies the next destination of a cell as it passes through a series of ATM switches on the way to its destination. PT (Payload Type) Payload Type field id used to indicate different types of payload for OAM. It also indicates ”end of packet” wich is used with ATM Adaptation Layer 5 CLP (Cell Loss Priority) Cell Loss Priority bit is used for buffer managementin conjunction with congestion control If it is set to 1, then the cell within a buffer could be discarded. When the CLP bit is set to 0, the cell could not be discarded HEC (Header Error Control) Header Error Control field allows to either correct single bit errors or detect multiple bit errors. If multiple bit errors are detected the cell is dropped. 1AA 00014 0004 (9007) A4 – ALICE 04.10 Figure 112. UNI and NNI ATM cell header and payload ED 03 3AL 91669 AA AA 228 / 706 706
  • 231.
    3.5.2 ATM in1660SM Optinex 1660SM can integrate ATM switch functionality through dedicated plug–in board. Three ATM switch boards are available: not permitted without written authorization from Alcatel. All rights reserved. Passing on and copying of this document, use and communication of its contents – ATM MATRIX 4X4 that provide a 622 Mb/s throughput (4xSTM–1 equivalent capacity); this board includes a local STM–1 access port on the front panel. Up to 16 TPs can be configured among VC–4, VC–3, VC12, E3 and E1. – ATM MATRIX 4X4V2 that provide a 622 Mb/s throughput (4xSTM–1 equivalent capacity); Up to 252 TPs can be configured among VC–4, VC4–C, VC–3, VC12, E3 and E1. – ATM MATRIX 8X8 that provide a 1.2 Gb/s throughput (8xSTM–1 equivalent capacity) Up to 32 TPs can be configured among VC–4, VC4–C, VC–3, VC12, E3 and E1. If more capacity is needed more than one ATM board in a single 1660SM can be used. The overall ATM Switch functional model is compliant to ITU–T I.731, I.732, ETSI EN 300 417–1–1/2–1, af–tm–0010.002. The board provide ATM traffic control functions, such as shaping (Input and Output) and policing (UPC, NPC) which are needed to avoid network congestion (SCD, EPD, TPD). The standard PDH and SDH ports of 1660SM can be used to transport ATM traffic streams. The ATM traffic can be mapped on the VC–12, VC–3, VC–4 and VC–4–4c SDH Virtual Containers and on E1, E3 PDH signals, in accordance with relevant ITU–T recommendations (G.804 and G.832 for ATM over PDH and G.707 for ATM over SDH). The following ATM connection types are supported: • Permanent Virtual Connections (PVCs): Virtual Path Connections (VPCs) and Virtual Channel Connections (VCCs ) provisioned by the TMN. • Switched Virtual Connections (SVCs): VPCs or VCCs set–up end–to–end in real–time by signaling procedures. Virtual Channel Connections (VCC) can be transparently tunnelled via a Hard or Soft VP tunnel. (Note: UNI signalling is not supported). Two instances of Permanent Virtual Connections (PVCs) are defined on network level: • Hard PVC: Virtual Path Connections (VPC) and Virtual Channel Connections (VCC); it is a PVC established/released upon a request initiated by a management request procedure (all the nodes involved by the connections need to be configured by the Network Management). • Soft PVC: Virtual Path Connections (Soft–VPC) and Virtual Channel Connections (Soft–VCC). The P–NNI signalling and routing is supported according to af–pnni–0055.000, af–pnni–0066.000 and af–pnni–0081.000. In the scope of Soft–PVC the two connecting points contiguous to the connection end–points are defined as calling end–point and called end–point: the former is responsible to start the signaling process in order to establish the Soft–PVC and to restore the connection in case of failures. It is provisioned by the ATM–OS only in the calling and called endpoints and setup by means of a signaling protocol, e.g. the PNNI, in all the other intermediate connecting points as if it is a SVC. The routing of the soft–PVC is done by the calling endpoint by means of the PNNI Routing Algorithm presenting every ATM board together with some network topology knowledge. 1AA 00014 0004 (9007) A4 – ALICE 04.10 ED 03 3AL 91669 AA AA 229 / 706 706
  • 232.
    3.5.2.1 ATM pointto point and point to multipoint connections Uni–directional and bi–directional point–to–point ATM connections (VPC and VCC) are supported. Uni–directional (for broadcast or dropcontinue usages) point–to–multipoint ATM connections (VPC and not permitted without written authorization from Alcatel. VCC) are also supported. All rights reserved. Passing on and copying of this document, use and communication of its contents The uni–directional point–to–multipoint ATM connection is supported via the Spatial (cell copy to different interfaces) and Logical (cell copy to different flows on the same interface) Multicast feature of the ATM switch. 3.5.2.2 ATM traffic management According to ITU–T I.358 terminology (ATM–Forum TM4.1) the following ATM Transfer Capabilities (ATC) are supported on all connections (see Table 36. on page 230). Table 36. ATM traffic contracts. ATM ITU–T Traffic type QoS class FORUM parameter parameter CBR DBR class 1 PCR0+1, CDVTPCR CTD, CDV, CLR0+1 –– DBR class 2 PCR0+1, CDVTPCR CLR0+1 UBR DBR class U PCR0+1, CDVTPCR –– rt–VBR.1 SBR.1 class 1 PCR0+1, CDVTPCR, CTD, CDV, CLR0+1 SCR0+1, CDVTSCR nrt–VBR.1 SBR.1 class 2 PCR0+1, CDVTPCR, CLR0+1 SCR0+1, CDVTSCR nrt–VBR.2 SBR.2 class 3 PCR0+1, CDVTPCR, CLR0 SCR0+1, CDVTSCR nrt–VBR.3 SBR.3 class 3 PCR0+1, CDVTPCR, CLR0 SCR0+1, CDVTSCR GFR.2 GFR.2 PCR0+1, CDVTPCR, minimum CLR/FLR for MCR0, MBS, MFL high priority cells/frame Notes: PCR: Peak Cell Rate CDVT: Cell Delay Variation Tolerance SCR: Sustainable Bit Rate MCR: Minimum Cell Rate MBS: Maximum Burst Size CLR: Cell Loss Ratio ATC and example of applications CBR (Constant Bit Rate) / DBR (Deterministic Bit Rate): Static amount of bandwidth that has to be reserved. Used for real–time application very sensitive to cell delay variation like circuit emulation, video and voice at constant rate. VBR (Variable Bit Rate ) / SBR ( Statical Bit Rate): – Real Time ( rt ): those listed above but at variable rate – Non –real–time ( nrt ) with bursty traffic: Banking transactions, Frame Relay services UBR (Unspecified Bit Rate): Non real–time application, best effort: Banking transactions, World Wide Web (WWW) E–mail, LAN interconnection 1AA 00014 0004 (9007) A4 – ALICE 04.10 GFR (Guaranteed Frame Rate) : Non –real–time application with minimum throughput guarantee. Traffic sent beyond this rate ( extra traf- fic) will receive fair share of resource. ED 03 3AL 91669 AA AA 230 / 706 706
  • 233.
    The traffic contractis used as input to the Connection Admission Control (CAC) or Global CAC (GCAC) for Soft–PVC in order to accept/reject the ATM connection. Usage Parameter Control (UPC) can be performed at User–Network Interface (UNI) while Network not permitted without written authorization from Alcatel. Parameter Control (NPC) can be performed at Network–Network Interface (NNI) or Inter–Carrier Interface All rights reserved. Passing on and copying of this document, use and communication of its contents (ICI); UPC/NPC can be performed at VP and VC level. Input Shaping can be performed in order to guarantee that incoming traffic is coherent with the resource allocation performed by the CAC. Output Shaping can be performed in order to guarantee that outgoing VPC is coherent with the resource allocation performed by the CAC when several VCC are multiplexed in the outgoing VPC. Congestion control and queues management are performed and alarms are generated accordingly. Traffic and Congestion management is according to ITU–T I.371, ATM Forum af–tm–0056.000. 3.5.2.3 ATM OAM F4 and F5 flows The ATM Switch board support the following OAM functionality at F4 (VP level) and F5 (VC level): • Fault Management functions supported for all the supported ATM connections are Alarm Indication Signal / Remote Defect Indication (AIS/RDI), Continuity Check (CC) defects and Loop–back. Defects and possible subsequent failures are detected and reported. • Performance Management (PM) functions are Forward Monitoring and reporting. The supported ATM cell transfer outcomes are successful cell transfer, tagged cell transfer, errored cells, lost cells, mis–inserted cells and severely errored cell–block. The supported ATM performance parameters are Cell Loss Ratio, Cell mis–insertion Rate, Severely Errored Cell Block Ratio, Cell Transfer Delay, and Cell Delay Variation; moreover, the availability/unavailability status and parameters and the Severely Errored Second are determined. • Activation and De–activation of Performance Management (PM) and Continuity Check (CC) are supported. • Cell Insertion, extraction, non–intrusive monitoring and loop–back functions and the related processing can be performed at F4 and F5 levels depending on the setting of VPC/VCC end–points and segment end–points before and after the ATM Switching Matrix. • OAM is performed according to ITU–T I.610. Performance and Availability according to I.356 and I.357. 3.5.2.4 ATM Virtual Path Group Protection (VPG) The ATM VPG Protection is supported (on Hard–PVC) in order to facilitate fast ATM layer protection switching in cases where the under–laying SDH protection mechanism is not used. The uni–directional and bi–directional 1+1 and 1:1 VPG protection schemes are supported to allow high–priority traffic protection eventually dropping in 1:1 scheme the low–priority traffic. The Signal Fail is used as a switching trigger mechanism. VPG Protection follows ITU–T I.630. 3.5.2.5 ATM switching modules architecture The ATM switch is cascaded to the SDH matrix via back–panel connection (see Figure 113. on page 232) 1AA 00014 0004 (9007) A4 – ALICE 04.10 In a given node, SDH VCs or PDH flows carrying ATM cells that do not require switching in the ATM layer, at virtual path (VP) / virtual channel (VC) can be cross–connected transparently by the SDH matrix directly, without unnecessarily loading the ATM switch (pass through functionality). ED 03 3AL 91669 AA AA 231 / 706 706
  • 234.
    not permitted withoutwritten authorization from Alcatel. All rights reserved. Passing on and copying of this document, use and communication of its contents OMSN Port Pass–through OMSN Port traffic RX TX STM– STM–4 STM– STM–4 TX RX SDH OMSN Port Xconnection OMSN Port RX TX STM– STM–1 STM– STM–1 TX RX Traffic consolidation OMSN Port OMSN Port RX TX STM– STM–1 SDH MATRIX STM– STM–1 TX RX OMSN Port RX –Cell switching STM– STM–1 TX SDH termination Local Port (*) ATM TX STM– STM– 1 Traffic policing and ENGINE RX port shaping – ATM Matrix NOTES: (*) Available only on ATM MATRIX 4X4 Figure 113. 1660SM with ATM Matrix architecture 1AA 00014 0004 (9007) A4 – ALICE 04.10 ED 03 3AL 91669 AA AA 232 / 706 706
  • 235.
    3.5.2.6 ATM switchingmodules application The main application of the ATM board is to consolidate ATM traffic collected from different sources onto shared SDH VCs (virtual containers) in STM–n rings and to switch the ATM traffic, as needed at VP and not permitted without written authorization from Alcatel. /or VC level, into the network. All rights reserved. Passing on and copying of this document, use and communication of its contents Wasted bandwidth SDH circuits E3 E3 E3 E3 E3 SDH VC–4 [3 X VC–3] E3 ADM ADM Free bandwidth Data flows Consolidation E3 E3 E3 STM–1 E3 SDH VC–4 [3 X VC–3] E1 1660SM 1660SM ATM board Figure 114. Leased line service versus Data transport service Typical applications of the atm board concept are ADSL, UMTS and LMDS metropolitan networks. In all those scenarios the Provider can take great advantage of the distributed switching functionality for optimizing the transmission resources avoiding wasting capacity not effectively used by the paying traffic. The switch can also be used in FTTB scenarios and as CPE where a mix of TDM and ATM services in the 1AA 00014 0004 (9007) A4 – ALICE 04.10 same box results in benefits for both the Provider and the Customers. ED 03 3AL 91669 AA AA 233 / 706 706
  • 236.
    3.6 ISA –PR_EA (MPLS) sub–system 3.6.1 PR_EA (MPLS) generalities not permitted without written authorization from Alcatel. All rights reserved. Passing on and copying of this document, use and communication of its contents The MPLS (Multi Protocol Label Switching) technique is used in Alcatel transport systems in order to distribute and route data packets originated by the network layer (level 3 of the protocol stack) and encapsulated into the Ethernet 802.3 frame; it can be seen as a “server” layer for the Ethernet “client” layer (called “MPLS over SDH”). The data may also be “MPLS–packed” at the network edge, and transported over Ethernet; this transport modality is called “MPLS over Ethernet”. MPLS operates at the level 2 of the protocol stack and uses the SDH as its physical layer to transport and aggregate the various streams of data packets (MPLS over SDH); see Table 37. on page 234. The “MPLS over Ethernet” layering is illustrated in Table 38. page 234. The MPLS technique consists of binding one or more “Labels” to the packets, in this way permitting the forwarding of a packet to the other nodes of the network without inspecting the level 3 header, only the look up of the attached label(s) is needed. The classification of the incoming packets are performed only once, at the edge of the MPLS network; the inner MPLS routers have only to select the “next hop” to which forwarding the incoming packets, by looking the top label. PR_EA (Packet Ring Edge Aggregator) is an Alcatel mark indicating a system that is able to aggregate, at the edge of the MPLS network (ring topology), many mpls packets communications. It is a “path oriented” connectionless service; all the packets belonging to the same stream and assigned to the same class of service are all treated the same way by a router. In other words, when they enter the network, the packets are assigned to a “Forwarding Equivalence Class” (FEC); the subsequent packets with the same destination and the same quality of service are assigned to the same FEC; also other packets belonging to different streams can be assigned to the same FEC, in this way aggregating various packets streams to a common path. This common path is called LSP (Label Switched Path) and can be treated by the intermediate nodes as a tunnel. The intermediate inner nodes have in charge the only forwarding of the packets, and all the incoming packets within the same LSP will be forwarded toward the same direction. For more information about MPLS refer to RFC_3031, RFC_3032, RFC_3209, RFC_3270, ITU–T_ Y1311, etc. 3 NETWORK any network “packetized” data service ETHERNET 2 DATA LINK MPLS 1 PHYSICAL SDH Table 37. MPLS layer stack over SDH 3 NETWORK any network “packetized” data service 2 DATA LINK MPLS 1 PHYSICAL ETHERNET 1AA 00014 0004 (9007) A4 – ALICE 04.10 Table 38. MPLS layer stack over ETHERNET ED 03 3AL 91669 AA AA 234 / 706 706
  • 237.
    The Alcatel MPLSsystem can manage packets data streams transported over “local” Ethernet FE or GE (Fast Ethernet, Gigabit Ethernet) and “remotized” ethernet over GFP/SDH; the packets are identified and classified with a first label (by inspecting the ethernet frame header), marked again by the label switching router with a second label, and then sent into the MPLS network, aggregated and encapsulated into not permitted without written authorization from Alcatel. PPP/HDLC/SDH frames. All rights reserved. Passing on and copying of this document, use and communication of its contents If coming from the MPLS network, the packets can be terminated towards the ethernet ports or routed towards other routers, if possible they are also aggregated into a common FEC; the routing operation is performed by the swapping of the top label. The protocol stacking is illustrated in the figure below (Figure 115. ). The MPLS framing among the various protocols is illustrated in Figure 116. A generic example of MPLS tunnelling is illustrated in Figure 123. page 239. A generic scheme of MPLS classification and aggregation is illustrated in Figure 124. page 240. The protocol stacking is illustrated in the figure below (Figure 115. ). The MPLS framing among the various protocols is illustrated in Figure 116. The label and frames formats are illustrated in Figure 117. , Figure 118. , Figure 119. , Figure 120. ; the GFP frame is reported in the “Ethernet” description, para. 3.8.3.1, page 265. 3 any 3 any 3 any 2 Eth Eth Eth 2 3 any 1 FE or GE MPLS MPLS Eth local 2 MPLS FE,GE 2 MPLS Ethernet CI PPP Proc. MPLS HDLC 1 SDH MPLS SDH/HDLC MPLS 3 any over 3 any ROUTING Proc. SDH 2 Eth 2 Eth GFP MPLS 1 SDH remote SDH/GFP CI Ethernet Proc. over SDH CLASSIFICATION IDENTIFICATION Figure 115. MPLS subsystem, protocol stacking 1AA 00014 0004 (9007) A4 – ALICE 04.10 ED 03 3AL 91669 AA AA 235 / 706 706
  • 238.
    Ethernet PRE FS DA SA DFL Ethernet Payload FCS not permitted without written authorization from Alcatel. All rights reserved. Passing on and copying of this document, use and communication of its contents DA SA DFL Ethernet Payload FCS Ethernet Packet GFP GFP Header Ethernet Packet Ethernet Packet Label Label Ethernet Packet MPLS 1 2 Labelled Packet (MPLS) PPP PPP Header MPLS packet PPP PAD HDLC Flag Addr Control PPP frame FCS HDLC frame SDH VC4 or VC3 or VC12 frame POH SDH payload GFP frame SDH VC4 or VC3 or VC12 frame POH SDH payload 1AA 00014 0004 (9007) A4 – ALICE 04.10 Figure 116. Framing for MPLS ED 03 3AL 91669 AA AA 236 / 706 706
  • 239.
    A generic MPLSlabel is illustrated below (refer to RFC 3032): 0 1 2 3 not permitted without written authorization from Alcatel. All rights reserved. Passing on and copying of this 0 1 2 3 4 5 6 7 8 9 0 1 2 3 4 5 6 7 8 9 0 1 2 3 4 5 6 7 8 9 0 1 document, use and communication of its contents Label Exp S TTL Label: Label Value (20 bits) Exp: Experimental (3 bits) S: Bottom of Stack (1 bit) TTL: Time To Live (8 bits) Figure 117. MPLS label format Protocol Information Padding 8/16 bits a* b* a* + b* = 1500 Figure 118. PPP frame Flag Address Control 01111110 11111111 00000011 PPP FRAME FCS Flag Inter–Frame–Fill 16/32 bits 011111110 or next Address 1AA 00014 0004 (9007) A4 – ALICE 04.10 Figure 119. HDLC frame with PPP encapsulation ED 03 3AL 91669 AA AA 237 / 706 706
  • 240.
    Preamble FS Dest. Add. Source Addr. DFL ( 7 bytes) (1) (6) (6) (2) not permitted without written authorization from Alcatel. All rights reserved. Passing on and copying of this document, use and communication of its contents Data + Pad FCS (46 to 1500) (4) FS=start of frame delimiter; DFL=length of data field; FCS= frame checksum Figure 120. Ethernet MAC 802.3 frame format PR FS DA SA 1Q TCI L/T (7B) (1) (6) (6) (2) (2) (2) Data + Pad FCS (46 to1500) (4) PR: preamble FS: Frame Start DA: Dastination Address SA: Source Address 1Q: 802.1Q field (a constant fixed value) TCI: Tag Control Information= (3bits:user priority 802.1p)+(1bit:CFI)+(12 bits: VLAN identifier 802.1q); CFI : Canonical Field Identifier L/T: MAC client Lenght/Type Figure 121. Ethernet “Tagged” MAC 802.3 frame format +–––––+––––+––––+––––+–––––+––––+–––––+ | PRE | FS | DA | SA | L/T |MPLS Label| |(7B) |(1) | (6)| (6)| (2) | (4) | +–––––+––––+––––+––––+–––––+––––+–––––+ +––––––––––––––––––––––––+–––––––––+–––––+ | Data + Pad | FCS | | (46 to 1500) | (4) | +––––––––––––––––––––––––+–––––––––+–––––+ 1AA 00014 0004 (9007) A4 – ALICE 04.10 PRE: preamble; FS: Frame Start; DA: Destination Addr.; SA: Source Addr. L/T: MAC client Length/Type; Figure 122. Ethernet frame format for “MPLS over Ethernet” ED 03 3AL 91669 AA AA 238 / 706 706
  • 241.
    All rights reserved.Passing on and copying of this document, use and communication of its contents not permitted without written authorization from Alcatel. 1AA 00014 0004 (9007) A4 – ALICE 04.10 ED Originating Transport Transit Transport Terminating Point Network Point Network Point 03 SDH Network SDH Network SDH XC SDH XC SDH XC SDH XC ETH Port Ethernet ETH Port PPP Port PPP Port PPP Port PPP Port (Rate) Ethernet Data (Rate) (Rate) (Rate) (Rate) (Rate) Data MPLS Port MPLS Port MPLS Port MPLS Port HEAD TRANSIT TAIL OuterTunnel OuterTunnel OuterTunnel (Label + TD) (Label + TD) (Label + TD) HEAD TAIL InnerTunnel InnerTunnel (Label + TD) (Label + TD) InFlow OutFlow InFlow OutFlow Figure 123. MPLS Tunnelling Example (TD) (TD) Classifier (Priority) 706 3AL 91669 AA AA (VLAN) ETS XC ETS XC – MPLS TUNNELLING EXAMPLE – 239 / 706
  • 242.
    Classifier not permitted without written authorization from Alcatel. All rights reserved. Passing on and copying of this VLAN#1 document, use and communication of its contents C . . . ETS Flow InnerTunnel (label) C . . VLAN#i Local or Remote Ethernet ETH . . . . Port OUTER TUNNEL MPLS PPP MPLS . . C VLAN#m (label) Port Port over SDH . . . . ETS Flow InnerTunnel . (label) C . . . Local or Remote Ethernet VLAN#n . . ETH InnerTunnel C ETS Flow Port VLAN#1...n (label) . . Local or Remote . Ethernet VLAN#1...n ETH InnerTunnel C ETS Flow . . Port . (label) . . . OUTER Local or Remote Ethernet . . . TUNNEL (label) ETH VLAN#1...n InnerTunnel C ETS Flow Port (label) – GENERIC CLASSIFICATION AND AGGREGATION SCHEME AT AN ORIGINATING EDGE NODE – NOTE: 1) at the terminating edge node the scheme is specular 2) at the intermediate MPLS nodes, only the outer tunnel is processed 3) the VLAN links may be speciffied individually or by a range, and may be addressed to a single or more ETSFlows Figure 124. Generic MPLS aggregation scheme 1AA 00014 0004 (9007) A4 – ALICE 04.10 ED 03 3AL 91669 AA AA 240 / 706 706
  • 243.
    3.6.2 PR_EA (MPLS)service in 1660SM equipment The PR_EA (MPLS) subsystem permits the circulation and relevant traffic management of the MPLS data packets through the SDH network. not permitted without written authorization from Alcatel. The system allows the management of packet data services over Ethernet and their transportation over All rights reserved. Passing on and copying of this document, use and communication of its contents the SDH network. The packets may be originated by any “packetized” service operating at level 3 of the protocol stack. The ethernet packets are labelled and then mapped onto SDH frames via PPP/HDLC framing. In substance it performs the MPLS functions: classification, routing, aggregation of data packets. Locally, at the network edge, the packets are received and delivered over ethernet links or over “remotized” ethernet ports via GFP/SDH encapsulation; the ethernet links can be type E, FE, GE (10Mb/s, 100Mb/s, 1Gb/s). The ethernet frames can be either “standard” as in Figure 120. or “802.1 Tagged” as in Figure 121. The packets streams aggregation permits the use of one single interface per site, into a VPN (Virtual Private Network) context, when several remote sites of the same VPN are connected between them, passing through the MPLS network. The MPLS traffic can be routed over 63 logical ports. The ethernet SLA (Service Level Agreement) is managed by means of three types of QoS (Quality of Service): Best Effort bandwidth (BE–BW), or Min–BW with regulated bursts, or Guaranteed constant BW. The classification is based on 802.1p/q fields (up to 4096 VLAN identifiers and up to 8 priority values) of the “Tagged MAC frame”, if present, otherwise it is automatically defined by the system. Furthermore it provides the traffic congestion control. This is based upon 256 queues per “logical” port, scheduled by means of HOL (Head Of Line) or WC–WFQ or WNC–WFQ (Work Conservative or Work Non Conservative – Weighed Fair Queuing) methods. The congestion avoidance is based upon the W–RED (Weighed – Random Early Discarding) method. The police function is accomplished by a “Dual–Rate Leaky–Bucket”, based on PIR (Peak Information Rate) and CIR (Committed Information Rate) values of the traffic contract. “Fixed Share” or “VariableProportional Share” options are possible for Best–Effort traffic deployed in ring topology. The MPLS functions are implemented on PR_EA units that can be inserted into the 1660SM. There are two versions of PR_EA board: – the first version, it hosts a 4 x 10/100 BaseT Fast Ethernet module and the total traffic throughput is 1 Gb/s, in which 622Mb/s are contributed by the SDH matrix, and 400 Mb/s contributed by the 4 Fast Ethernet local ports. – the second version, it hosts a 1 x 1Gigabit Ethernet module and the total traffic throughput is 1.8 Gb/s, in which 622Mb/s are contributed by the SDH matrix, and 1.25 Gb/s contributed by the GbEthernet local port. The following table summarizes the interfaces that can accede to the MPLS functions: TYPE OF INTERFACE CONTAINER NOTES SDH VC–12, VC–3, VC–4 PDH E1, E3, T3 not available in current rel. Ethernet (E, FE, GE) MAC 802.3 also “802.1p/q Tagged” Table 39. Interfaces acceding to the MPLS functions 1AA 00014 0004 (9007) A4 – ALICE 04.10 This subsystem is illustrated in Figure 125. page 244. The description of the MPLS unit functional blocks is hereinafter reported; for the description of the blocks belonging to the other units refer to their dedicated paragraphs of this handbook. ED 03 3AL 91669 AA AA 241 / 706 706
  • 244.
    The following arethe main functional blocks implemented in the PR_EA Unit: • SDH–MAP It provides to deassemble the SDH virtual containers (toward MPLS direction), removing the not permitted without written authorization from Alcatel. SDH OverHead, and to assemble them toward SDH direction, thus “loading” and “unloading” All rights reserved. Passing on and copying of this document, use and communication of its contents the packets to/from the SDH frames (refer to ITU–T rec. G.707); the packets are then switched toward GFP or HDLC processing, according to the logical ports configurations. • HDLC It provides: to deassemble (toward MPLS direction) the HDLC frames (High–Level Data Link Control), removing the HDLC header; and to assemble them toward SDH direction; to scrambler/descrambler the data; byte stuffing/destuffing. The HDLC frame format is reported in Figure 119. page 237 (refer to rec. RFC 1662 and RFC 2615). • PPP It provides to deassemble (toward MPLS direction) the PPP frames (Point–to–Point Protocol), removing the PPP header, and to assemble them toward SDH direction; the PPP frame format is reported in Figure 118. page 237 (refer to rec. RFC 1661). The “Martini Encapsulation” can be configured for the MPLS packets (substitution of ethernet “FCS” field with an error check value consistent with the entire labelled packet). • GFP It provides to deassemble (toward MPLS direction) the GFP frames (Generic Framing Procedure), removing the GFP header, and to assemble them toward SDH direction; the GFP frame format is reported in para. 3.8, page 263 (refer to rec. ITU–T G7041). It supports un–concatenated ethernet frames over unstructured VC4 payloads. • PUSH1 It provides to “push in” the first label to the ethernet packet, after having inspected the ethernet header, identified the destination and the class of service. It classifies the packets by decoding the 802.1p/q “User Priority” and “VLAN–Tag” fields. Depending on the type of decoded or negotiated ethernet SLA (Service Level Agreement), the stream can be associated with one of three types of QoS (Quality of Service): Best Effort bandwidth (BE–BW), or Min–BW with regulated bursts, or Guaranted constant BW. The label format is reported in Figure 117. page 237 (refer to rec. RFC 3032). • POP1 It provides to “pop out” the label from the ethernet packet. • PREAMBLE It provides to remove (toward MPLS direction) the “preamble” and “start–of–frame–delimiter” fields from the ethernet MAC 802.3 header (Medium Access Control), and to re–insert them toward ethernet direction. Moreover it decodes the “Tag” fields of the MAC client header: 802.1p and 802.1q. The ethernet FCS value is calculated too. The MAC frame is illustrated in Figure 120. page 238 and Figure 121. page 238 (refer also to rec. IEEE 802.3). • LOCAL PORT This block represents a module that is mounted on the board and, according to the the module, it distinguishes the type of unit. The three possible types of module are: 4xFE: it contains 4 Fast Ethernet transceiver interfaces type 10/100Base–T, each interface allowing a local connection to a LAN at auto–negotiable rates 10 or 100 Mb/s. 1AA 00014 0004 (9007) A4 – ALICE 04.10 1xGbE: it contains 1 small–form Gigabit Ethernet optical transceiver, implementing the optical/electric conversion and a full–duplex Gigabit Ethernet interface at 1.25 Gb/s, as specified in IEEE–802.3. ED 03 3AL 91669 AA AA 242 / 706 706
  • 245.
    QUEUING MANAGER It provides to monitor the load of traffic in the local router, and to take measures for preventing the congestions, supported by the intra–board MPLS microcontroller. The priority management is based on the ethernet SLA (Service Level Agreement), three types of QoS (Quality of Service) not permitted without written authorization from Alcatel. are available: Best Effort bandwidth (BE–BW), Min–BW with regulated bursts, Guaranted All rights reserved. Passing on and copying of this document, use and communication of its contents constant BW. The traffic management is based upon 256 queues per “logical” port (63 available logical ports); scheduled by means of HOL or WC–WFQ or WNC–WFQ methods; congestion avoidance via W–RED method; police service by means of CIR and PIR parameters: a “Dual–Rate Leaky–Bucket” police mechanism is used (it can be seen as two cascaded leaky buckets, the first based on PIR value, the second on CIR). In case of congestion, only the low priority traffic will be cut–off, while the high priority traffic maintains the guaranted BW. The Best–Effort traffic deployed in ring topology can be associated to a “Fixed Share” of the total available band, or to a “VariableProportional Share”. In case of congestion the BE excess traffic will be cut–off via W–RED. Packets shorter than the minimum ethernet frame are silently discarded. Packets longer than the maximum frame are silently discarded. The discarded packets are counted by the PM function. Note: the priority and the BW parameters (classification) are marked on the first label, at the “PUSH1” function of the ingress node. • MPLS ROUTING It performs, supported by the local microcontroller, the routing functions by looking the top MPLS label; it can forward the packets streams to up to 63 SDH or ethernet ports. In the MPLS network, it provides to inspect the top label of the MPLS packet in order to identify the incoming FEC and LSP; if possible, it aggregates the packet to other packets streams on a common path, then it selects the forwarding to a next hop by swapping the top label. At the edge of the MPLS network (originating node), on receiving packets from the local or remote ethernet interfaces, it provides to push the top label reporting information for the routing procedure (LSP and FEC). At the edge of the MPLS network (destination node), on receiving packets from the network, it provides to pop out the top label and drops them to the destination end port. At the beginning of a packets stream introduction, the microcontroller starts the RSVP–TE signalling (Resource Reservation Protocol – Traffic Engineered Tunnel) in order to search and establish a path with a certain band capacity and a given priority, between the destination and the source node; this path can be treated as a tunnel and is called LSP (Label Switched Path); once the LSP has been established, the RSVP signalling finishes and starts the Label Distribution Protocol (LDP) signalling, that informs all the nodes of the network to maintain the label bindings for the relevant established LSP. The RSVP and LDP signalling are in–band communications between the local and remote microcontrollers. • MPLS CONTROLLER It is a local microcontroller managing and supporting the MPLS functionalities, such as: The RSVP–TE and LDP communications between the destination and the origination nodes, in order to establish the routing and the LSP tunnelling. Management of communications with the network Operations System (OS), by means of SNMP (Simple Network Management Protocol) messaging for MPLS network configuration. Configuration of the MPLS functions implemented by the devices on the board, by means of ICMP (Internet Control Message Protocol) messaging. Collection of alarms and status of the MPLS functions. Management of the Performance Monitoring (PM) function for MPLS. Management of Multicast traffic. 1AA 00014 0004 (9007) A4 – ALICE 04.10 Management of OSPF (Open Shortest Path First) routing (not operative). Furthermore it aids the congestion control function, supporting the “Queuing Manager”. ED 03 3AL 91669 AA AA 243 / 706 706
  • 246.
    MPLS Unit not permitted without written authorization from Alcatel. All rights reserved. Passing on and copying of this document, use and communication of its contents MPLS CONTROLLER QUEUING MANAGER MPLS ROUTING PUSH1 PPP POP1 PPP POP1 PUSH1 LOCAL PORT GFP HDLC GFP HDLC ETH PREAMBLE local 4xFE access or 1xGbE SDH SDH–MAP SDH unit MATRIX unit SDH unit MPLS SDH MPLS over SDH SDH over SDH PORTS CONNECTION PORTS SDH sc PQ2/EQC unit EC PDH SDH FE GbE UNITS UNITS UNITS UNITS MPLS over PDH over SDH over FE over GbE NOTES: 1) FE = Fast Ethernet 10/100Mb/s; GbE = Gigabit Ethernet 1.25Gb/s 2) 4xFE or 1xGbE local ports are alternative and are mounted on three different boards 3) MPLS over PDH is not available in current release Figure 125. MPLS subsystem 1AA 00014 0004 (9007) A4 – ALICE 04.10 ED 03 3AL 91669 AA AA 244 / 706 706
  • 247.
    3.7 ISA –PR Subsystem 3.7.1 PR Generalities not permitted without written authorization from Alcatel. All rights reserved. Passing on and copying of this document, use and communication of its contents The role of the ISA–PR (Internetworking Services Architecture – Packet Ring) functionality inside 1660SM is to provide a shared carrier–class Ethernet Packet Ring: • embedded physically into the SDH infrastructure, in which case the embedded Packet Ring is provided in a flexible manner over SDH Virtual Containers (VC–4–Xv) or alternatively • connected directly to independent fibers to create a Packet Ring over single or dual STM4. ISA–PR Deployment Scenario is presented on next Figure 16. ISA–PR aggregates and transports Metro Ethernet traffic within a metro access or metro core SDH access ring/rings, all packet traffic is statistically multiplexed, with multiple Classes of Services and guaranteed QoS support (according to the defined SLA). The ISA–PR is effectively an Ethernet Add–Drop Multiplexer (ADM) sub–system, which operates as a embedded Overlay ”Packet–Ring” transported over an 1660SM SDH ring at flexible rates. The ISA–PR provides a number of primary functions including: – Statistical sharing of ring bandwidth between Metro Ethernet ports/services (including spatial reuse) to ensure maximum bandwidth efficiency – Aggregates Ethernet traffic from multiple edge Ethernet ports (e.g. other ISA–Eth, ISA–PR_EA cards) onto GbE uplinks at the central gateway node – Traffic Management at the customer and flow level • Three distinct classes of service to cater for different application requirements. • Enforceable customer SLA’s (Service Level Agreement) – Supports point–to–point, point–to–multipoint and multipoint connections, enabling the delivery of basic and value–added Metro Ethernet services – Provides multiple physical Ethernet access interfaces (10/100Mbps and GbE interfaces) to both customer and core network devices 1AA 00014 0004 (9007) A4 – ALICE 04.10 ED 03 3AL 91669 AA AA 245 / 706 706
  • 248.
    3.7.2 PR in1660SM The ISA–PR is a self contained, independent sub–system operating in the OMSN 1660SM chassis, it is not connected to the rest of the node from a system perspective except for the drawing of power from the not permitted without written authorization from Alcatel. backplane; (i.e. in order to function it requires only the Congi card to be present in the chassis) All rights reserved. Passing on and copying of this document, use and communication of its contents The ISA–PR Sub–System can operate in two embedded ring modes: ”Overlay” and ”Independent”. • In Overlay mode ISA–PR sub–systems communicates via external cabling into the 1660 switch matrix cards and shares fiber with other traffic (TDM, ATM). See Figure 126. • In Independent mode the ISA–PR nodes connects directly to a dedicated fiber ring, thus creating a standalone packet ring. See Figure 127. Overlay mode is typically used to integrate into an existing SDH Ring or where additional fiber pairs are not available, which requires the provision of STM4 cards to connect the ISA–PR subsystem into the matrix. Independent mode is useful when the availability of additional fiber pairs and/or the requirement for data only transmission makes creating a standalone ring a viable option. There are currently three card variants that make up the ISA–PR sub–system: 1) ISA–PR – Port card: four STM–4 interfaces are supported which connect either into the 1660SM Matrix via STM–4 port cards (overlay mode) or directly over dark fiber or DWDM layer (independent mode). 2) 16FEA–PR – 10/100 Ethernet Access card –: sixteen (16) 10/100 FE (Fast Ethernet) interfaces are supported. 3) 2GBA–PR – 2 Gigabit Ethernet Access card –: up to two (2) GbE (Gigabit Ethernet) interfaces are supported All optical interfaces are based on SFP optical transceiver modules. A single Port card must be installed working in conjunction with one or two Access cards; Possible access interface combinations are: • 16 or 32 x 100BaseTX • 16 x 100BaseT + 2 x GbE • 2 or 4 GbE An ISA–block diagram is also presented in Figure 99. on page 197 1AA 00014 0004 (9007) A4 – ALICE 04.10 ED 03 3AL 91669 AA AA 246 / 706 706
  • 249.
    Three 1.25 Gb/sBackplane Bus Connections connect Access cards to Port Card (one bus for control signals) not permitted without written authorization from Alcatel. Upto 2 Access Cards All rights reserved. Passing on and copying of this document, use and communication of its contents Ethernet 10/100 per Port card Single or Dual STM 4 Output of or 1000 Mb/s Ports ISA PR Port card is cable via optic fibre to STM 4 tributary card(s). MPLS Packet Ring Framing format is VC–4–Xv ISA – PR ISA – PR ISA PR Access Card Port Card ISA – Access Cards: PR Card or GbE FE Card *16 x 10/100 Ethernet TX * 2 x 1000 GbE SFP To Ring Dual SDH SDH Trib Card Port STM–4 Matrix Trib Card Figure 126. ISA–PR Sub–System Architecture (Overlay Mode) Three 1.25 Gb/s Backplane Bus Connections connect Access cards to Port Card (one bus for control signals) Upto 2 Access Cards per Port card Ethernet 10/100 or 1000 Mb/s Ports – ISA – PR ISA PR ISA – PR Access Card Access Port Card Port VC –4–Xv Card or GbE FE Card Packet Ring ISA PR Access Cards: *16 x 10/100 Ethernet TX * 2 x 1000 GbE SFP – Single (or Dual) STM 4 Output of ISA PR Port card is directly to fibre pair to create an data Packet Ring. MPLS Packet Ring Framing format is VC–4Xv over STM4 1AA 00014 0004 (9007) A4 – ALICE 04.10 Figure 127. ISA–PR Sub–System Architecture (Independent Mode) ED 03 3AL 91669 AA AA 247 / 706 706
  • 250.
    1 ) ISA–PRPort card The ISA–PR Port Card supports up to four STM–4 interfaces and it works in conjunction with one or two Access cards plugged into the correspondent access slots, as depicted in next Figure 126. and Figure 127. Each ISA–PR port card requires two chassis slots. not permitted without written authorization from Alcatel. The ISA–PR may be plugged into any PORT slot in the 1660SM, apart from the slots dedicated to All rights reserved. Passing on and copying of this document, use and communication of its contents Controller and Switch cards. Multiple ISA–PR sub–systems may be installed in a single 1660SM system. The STM–4 pluggable module, which can be plugged, independently into each port on the ISA–PR PORT card and provides a range of options for the physical interfaces; they are named Small Formfactor Pluggable (SFP) Transceivers and they can be considered as independent items hardware, in fact they have an own Remote Inventory. At the moment the type of Small Form–Factor Pluggable Transceivers provided is: STM–4 Short Haul optical interface (approx 2kms) – SS–4.1 2 ) 16FEA–PR Access card: Sixteen (16) 10/100 Fast Ethernet interfaces are supported. The 16FEA–PR board supports sixteen 10/100 TX (copper RJ45) Ethernet interfaces on this access card which work in conjunction with the ISA–PR Port card plugged into the correspondent port slot, by adding a second 16FEA–PR card up to thirty two 10/100 interfaces may be supported per ISA–PR sub–system. The 16FEA–PR may be plugged into any Access slot in the 1660SM, apart from slots dedicated to common cards; e.g. Congi. 3 ) 2GBA–PR Access card: Two (2) GBE interfaces are supported (via SFP optical modules) The 2GBA–PR board supports two 1000 SX/LX/ZX Ethernet interfaces on this access card which work in conjunction with the ISA–PR Port card plugged into the correspondent port slot, by adding a second 2GBA–PR card up to four GbE interfaces may be support per ISA–PR sub–system. The 2GBA–PR may be plugged into any Access slot in the 1660SM, apart from slots dedicated to common cards. The GbE interfaces are Provided via a pluggable module, which can be plugged, independently into each port on the 2GBA–PR access card and provides a range of options for the physical interface;, in fact they have an own Remote Inventory. At the moment three types of SFP Transceivers are provided: GbE Long Haul optical interface 1000BASE–LX, extended 10km reach GbE Short Haul optical interface 1000BASE–SX, 500m reach 1000BASE–ZX, 80 Km reach ISA–PR supports up to 100 milliseconds of differential delay between Virtual Concatenation timeslots. The ISA–PR port card and Access cards (2GBA–PR and 16FEA–PR) communicate over the 1660SM backplane using three 1.25Gb/s communication channels. The ISA–PR port card connects the virtual Packet Ring into the SDH physical ring using external optical cabling to one or more STM–4 interface modules installed in the 1660SM system (Note: it is possible that these connections could be to another 16xx system). 1AA 00014 0004 (9007) A4 – ALICE 04.10 ED 03 3AL 91669 AA AA 248 / 706 706
  • 251.
    Main functional aspectsof the ISA–PR: 1660SM when equipped with ISA–PR sub–system will allow point–to–point and multipoint–to–multipoint Metro Ethernet connections between routers or switches through SDH, as depicted Figure 16. The Packet Ring maps Ethernet over MPLS over POS and shares the bandwidth between hundreds of not permitted without written authorization from Alcatel. Ethernet traffic flows according to the defined SLA. All rights reserved. Passing on and copying of this document, use and communication of its contents The bandwidth in this Packet Ring may, and likely will, be oversubscribed; hence sophisticated traffic management functions are provided to ensure the service SLAs are adhered to. All the Ethernet access connectors are on the front panel of the 2GBA–PR and 16FEA–PR cards. A full–blown configuration constitutes two or three cards. An ISA–PR Port card and at least one of either an 2GBA–PR and/or 16FEA–PR Access card, which provide various combinations of 10/100 and GbE interfaces. ISA–PR ”Overlay” Packet Ring provides: • Layer 1 – STM–4 (or dual STM–4) • Layer ”1.5” – MPLS over PPP/HDLC Packet Ring multiplexed over VC–4–4v, VC–4–6v and VC–4–8v • Ring protection is executed at the overlay L1.5 level • Ring operational modes: Uni–directional and [future] Bi–directional The ISA–PR Ethernet Packet Ring bandwidth is constructed from a virtually concatenated SDH path in the form VC–4–xv (where x=4, 6, 8). This Packet Ring provides sub–50ms protection by employing packet wrapping to ensure restoration or traffic under ring or node failure conditions. The ISA–PR board provides the operator with the flexibility to provision the mapping between the ISA–PR port STM–4 interfaces and the SDH Ring; in this way the operator can choose the mapping which he thinks more appropriate: ISA–PR provides the following concatenation options over a single STM–4 interface: • VC–4–4c over a single STM–4 interface • VC–4–4v over a single STM–4 interface ISA–PR provides the following concatenation options over dual STM–4 physical interfaces: • VC–4–6v over two STM–4 interfaces • VC–4–8v over two STM–4 interfaces Ethernet frames arriving onto the ports of an 2GBA–PR and 16FEA–PR Access card are firstly classified to determine priority and destination, placed in the appropriate priority queue and then mapped, according to SLA rules, into the Packet Ring via the ISA–PR Port card – the mapping used is Ethernet/MPLS/POS/SDH. The output of the ISA–PR port card uses either two or four STM–4 optical outputs, which are connected externally (via optical cable) into one or more 1660 SM STM–4 tributary cards toward the SDH matrix, then through the back–Plane and finally out onto the physical SDH ring as an overlay embedded Packet Ring. 1AA 00014 0004 (9007) A4 – ALICE 04.10 ED 03 3AL 91669 AA AA 249 / 706 706
  • 252.
    ISA–PR Traffic Management ISA–PR supports Ethernet traffic management, fully compliant with the MEF specifications. The basic concepts for the ISA–PR traffic management at all tributary ports are described in the following and not permitted without written authorization from Alcatel. depicted in Figure 128. and Figure 130. All rights reserved. Passing on and copying of this document, use and communication of its contents Figure 128. provides a high level overview of the traffic flow and processing in the ISA–PR series modules. The figure depicts the traffic flow from ingress node to egress node – left to right, and load balancing control flow – right to left. The pipeline is composed of some main processing steps that are described in the next. INGRESS NODE EGRESS NODE Load Balancing Local feedback Network–wide feedback Network Buffer Buffer Network Policer Shaper ADM RING ADM Processor Manager Manager Processor Classifier – Limits in- Buffers Regu- Adds in- Extracts Switches Editor of Determines gress BW and lates gress traf- “drop” traffic egress packet EVC CoS. according switches traffic fic into the from the ring. traffic headers. Editor of pack- to SLA ingress flow into ring Classifier – Layer 2 et headers. and BW traffic the ring Determines based func- Layer 2 based availability EVC QoS tionality. functionality. Figure 128. Traffic flow and processing in 1660 SM 1AA 00014 0004 (9007) A4 – ALICE 04.10 ED 03 3AL 91669 AA AA 250 / 706 706
  • 253.
    3.7.2.1 Ingress processing Classification not permitted without written authorization from Alcatel. Every packet entering through a tributary port is classified to identify the EVC it belongs to, and its CoS. All rights reserved. Passing on and copying of this document, use and communication of its contents Classification may occasionally result in a decision to discard the packet because it is not valid or does not belong to any of the provisioned EVCs; i.e. a misrouted packet. Validation Incoming packets are validated according to: – Correct Packet Format; Ethernet frame format as per IEEE 802.3 including • 802.3 • 802.1Q • Multiple stacked VLAN • Ethernet frame encapsulating MPLS payload (e.g. According to the Martini draft) – Packet Size • Minimum – 64 Bytes • Maximum – 1574 Bytes – Valid CRC. EVC ISA–PR can be provisioned to use the following criteria to determine the EVC, used to forward the packet: – Input access Port – IEEE 802.1Q (VLAN tagging) – Destination MAC address – MPLS pseudo–wire label (according to IETF Martini draft ETH over MPLS) with Tri–Color marking (L–LSP mode) – Combinations of the above; e.g. Port + MPLS + VLAN Priority indications, discussed below, may not be used to determine the EVC. They are used to determine the order in which packets are forwarded across the EVC. COS Packet classification by CoS is required to differentiate between customer applications. For example, a videoconference over IP carried over the Ethernet network will require low delay through the network. At the other extreme, applications such as web browsing, are fairly tolerant to delay. Such applications also exibit uneven traffic distribution over time and are therefore more suitable for statistical multiplexing. ISA–PR implements three CoS: High, Medium and Low. Delay and Delay Variation, associated with each CoS, may be customized using 1354BM–PR NMS; e.g. by setting a limit for total delay sensitive traffic. 1354BM–PR default parameters address typical use of these CoS: • High – Delay sensitive applications; e.g. VoIP • Medium – moderately Delay sensitive applications; e.g. interface Client – Server • Low – Delay insensitive applications; e.g. e–mail. 1AA 00014 0004 (9007) A4 – ALICE 04.10 ED 03 3AL 91669 AA AA 251 / 706 706
  • 254.
    ISA–PR may beprovisioned to use the following criteria to determine the CoS of the packet: • 802.1p – IP TOS/DiffServ not permitted without written authorization from Alcatel. – MPLS Exp All rights reserved. Passing on and copying of this document, use and communication of its contents – MPLS Tricolor scheme. – Fixed CoS; i.e. independent of any indication within the packet. The rationale for using the Fixed CoS criterion is mostly Customer Equipment inability to support any of the other criteria. Layer 2 Based Functionality Layer 2 Based FunctionalityI herein refers to any decisions, based on MAC address. This includes: • identifying the EVC, when provisioned to an E–LAN service • selective processing of Layer 2 control protocols. Both functions above are tightly related to MEF service standards. When provisioned to an E–LAN service, ISA–PR learns the MAC address of the connected equipment and forwards packets accordingly. Layer 2 control protocols are identified using the standard MAC addresses. Selective processing allows 1354BM–PR to provision ISA–PR to either block; i.e. discard the control protocol packets or tunnel; i.e. forward them. The most useful example is blocking the Spanning Tree at an interface to ISP. Editing Editing is not functionally associated with Classification. It is described here because ISA–PR implements Editing by Network Processor, which also implements Classification. On Classification completion packet may be optionally edited to modify its header/s. Supported packet editing options are: • append VLAN • swap VLAN • strip VLAN • strip MPLS The rationale for header editing is needed to mediate between different paradigms, usde by the connecting networks; e.g.between MPLS and Q–in–Q paradigms; as well as potential tag uniqueness challenges, when certain values are already in use and therefore require swap to another value. Classifier is able to process any blend of ingress packet lenghts at wire–speed. Under no circumnstances will it discard a packet due to inability to process it. On classification completion Classifier forwards valid packets to the Policer, along with their EVC and CoS identifiers and the MPLS label identifying the EVC across the ring. 1AA 00014 0004 (9007) A4 – ALICE 04.10 ED 03 3AL 91669 AA AA 252 / 706 706
  • 255.
    Policing ISA–PR implements policing to enforce traffic parameters as contracted between the customer and the provider. Policing supports all the three modules specified by MEF; i.e. policing per: not permitted without written authorization from Alcatel. • UNI All rights reserved. Passing on and copying of this document, use and communication of its contents • EVC • EVC.CoS The standard set of attributes for each of the model is above is • CIR (committed information rate) • CBS (committed burst size) • EIR (excess information rate) • EBS (excess burst size) The outcome of policing is colour marking of the packet. The effect of this marking is as follows • green packets are delivered unconditionally • yellow packets are delivered only if the network has available resources • red packets are discarded. Figure 129. depicts the policing function. – CIR = committer information rate Burst window size (bytes) – CBS = burst window size at the CIR – EIR = excess information rate PBS – EBS = burst window size at the EIR Yellow EBS CBS EIR Green Rate (bps) CIR PIR Figure 129. ISA–PR Policing This policing scheme decouples BW profile; i.e. CIR vs. EIR, from CoS. This allows to fix for every application the mix of attributes it needs. Some examples: • client/server applications – CIR 0, EIR = 0, CoS = Medium • voice – CIR 0, EIR = 0, CoS = High • broadcast TV – CIR 0, EIR = 0, CoS = Low • residential internet access – CIR 0, EIR = 0, CoS = Low • VPN for multiple applications – CIR 0, EIR = 0, CoS = High/Medium/Low (derived from priority indication within the packet) In addition to the standard settind ISA–PR implements a proprietary bunding feature. The use of bunding is optional and does not contradict any of the MEF applications. It improves the performance of the per EVC policing by protecting a higher CoS traffic from undesirable effects of bursts of lower CoS traffic. This allows the customer to better utilise his bandwith by using a single service for all of his VPN applications. Policing attributes the granularity 1AA 00014 0004 (9007) A4 – ALICE 04.10 • CIR, EIR – 100 Kbps • CBS, EBS – 1 Kbyte Policed packets are passed to the Buffer Manager which places them at appropriate queue/s. ED 03 3AL 91669 AA AA 253 / 706 706
  • 256.
    Buffer Management Buffer Management maintains packet memory, structured into multiple queues each queue serving a particular destination and CoS; i.e. three queues per destination. not permitted without written authorization from Alcatel. It also maintains various queue fill level thresholds to maintain priorization between CoS, prevent any All rights reserved. Passing on and copying of this document, use and communication of its contents queue from monopolizing the memory and provide triggers for load balancing. Load balancing packets are issued after a fixed number of yellow bytes is delivered from a channel. Upon reaching the first stress level, indicated by queue depth increasing beyond a threshold, buffer management issues a stress signal to local policers that is increasing in queue depth. Upon reaching a higher threshold it starts discarding the yellow packets. Upon reaching a yet higher threshold, which indicates maximum queue occupancy, it discards all arriving packets. Shaping Shaping controls the rate and the order at which packets are injected into the ring. The total Bandwidth per destination may be determined to either wide NMS as fixed number or dynamically changed by the load balancing mechanism. Selection between the two modes is performed by NMS. The bandwidth per destination is shared between the various queues in decreasing CoS order; i.e. High packets are forwarded first, Medium next and Low last. ADM The ADM function maps packets into the synchronous SDH payload. The applicable payloads are VC4–4v, VC4–5v, VC4–6v, VC4–7v, VC4–8v. 1AA 00014 0004 (9007) A4 – ALICE 04.10 ED 03 3AL 91669 AA AA 254 / 706 706
  • 257.
    Ingress summary Figure 130. summarises ingress processing. not permitted without written authorization from Alcatel. All rights reserved. Passing on and copying of this document, use and communication of its contents MEF policer CIR EIR Discard Packets output to ring: Packets are output onto the ring into the appropriate Virtual trunk (VT) for the CoS Destination node/port Packet analysis(B): Policing: Packets are put into queues MEF policing with CIR+ based on header priority and SDH EIR SLS. Either per UNI destination port out Per EVC Queues Packet analysis(A): Per EVC.CoS Destination A NN proprietary bundling Classified by service Based on header and High port info Medium Packet Labeling Low Martini Labels are stripped, and internal MPLS Labels are added Scheduler Destination B High Medium Low Aggregate SDH Stress Shapers in Queue filling feedback Similar to R.E.D Access card Port card NP Policer BM ADM Figure 130. ISA–PR Traffic Management Overview Every packet is assigned an identifier detailing customer, SLA and traffic flow. i.e. where is the packet to be delivered, which priority is the packet given internally. These classified or tagged packets are then managed at wire speed, creating a breakthrough in service agility. Service providers can now market and deliver differentiated services – and importantly, more than one data service per customer interface – to hundreds of customers over a single, shared fibre or wavelength of capacity. ISA–PR functions as a Layer 2 device, so the Ethernet connectivity it provides is transparent to the customer. Therefore any L2 protocol used by the customer, such as spanning tree, can be delivered unaffected, unless explicitly provisioned to filter them out. Sophisticated traffic–engineering algorithms ensure that, on a per–flow, per–node and per–ring basis, all SLAs configured on all network elements are met. 1AA 00014 0004 (9007) A4 – ALICE 04.10 ED 03 3AL 91669 AA AA 255 / 706 706
  • 258.
    3.7.2.2 Egress processing Egress processing is much simpler than Ingress processing. It involves no extensive classification and no policing. not permitted without written authorization from Alcatel. All rights reserved. Passing on and copying of this document, use and communication of its contents ADM The ADM function selectively drops packets into the node, based on their MPLS labels and identifiers their EVC and CoS. Per packet decision by ADM may result in either: – drop – drop and forward – forward – discard. Buffer Management Buffer management maintains packet memory, structured into queues, each queue serving a 1Gbps interface between Port and Access card and CoS; i.e. three queues per every one of the 4 interfaces. It also maintains various queue fill level thresholds to maintain prioritisation between CoS, prevent any queue from monopolizing the memory and provide triggers for load balancing. Upon reaching the load balancing threshold buffer management issues a flow control packet. Upon reaching a higher threshold it starts discarding the yellow packets. Upon reaching a yet higher threshold, which indicates maximum queue occupancy it discards all arriving packets. Buffer Management forwards packets to the Access cards as long as the interface between the cards is free to do so; i.e. without any shaping. Editing Egress Editing may be provisioned to append an MPLS header, if any of the Ethernet ports on that Access card is configured as a Martini interface. Editing is applied by the Network Processor. L2 Switching Egress L2 Switching comprises MAC based filtering and MAC learning. L2 Switching is applied by the Network Processor. Egress Buffering Egress Buffer Management maintains packet memory, structured into queues, each queue serving an Ethernet port and CoS; i.e. three queues per every one of the 16 Fast Ethernet in ISA–16FEA card or 2 Gigabit Ethernet in ISA–2GBA card. Egress Buffer Management forwards packets across the Ethernet ports as long as the interface between the ports are available; no failure and no flow control applied by the connected device. Egress Buffering is applied by the Network Processor. 1AA 00014 0004 (9007) A4 – ALICE 04.10 ED 03 3AL 91669 AA AA 256 / 706 706
  • 259.
    Load Balancing In order to prevent congestion in the ring each ISA–PR monitors the traffic, identifies congestion conditions, communicates its status to other ISA–PR and responds to congestion reports by other not permitted without written authorization from Alcatel. ISA–PR. This set of functions is collectively referred to as ”Load Balancing”. All rights reserved. Passing on and copying of this document, use and communication of its contents Both ADM and Buffer Manager participate in Load Balancing. Communicating the congestion status is done using OAM–like packets, called LB–OAM. Each ISA–PR generates LB–OAM packets that traverse all the paths, originating at that ISA–PR. While traversing the ring LB–OAM packets are stamped with the congestion levels of the bottlenecks encountered in the path. At the end of the path the packets are sent back to their source ISA–PR. In response to the congestion in the path, the originating ISA–PR adjusts the channel BW in order to reduce the load of traffic in congested bottlenecks. Adjusting the channel BW takes into account the relative SLA satisfaction of the affected services and hence achieves fairness. Channels Channels are virtual pipes that aggregate traffic in the ring. Each channel aggregates traffic that originates from a single ISA–PR and goes to one or more destinations. The total BW of the services in a channel is limited by the channel BW. The originating ISA–PR controls the BW of each channel. Traffic management uses channels to adjust ring traffic so the total forwarded traffic does not exceed the available resources in any point in the ring. In case of congestion the BW of channels that contribute to the congestion will be reduced and the congestion will be relieved. Reducing the bandwidth of a channel will cause the originating network element to forward less traffic through the services of that channel. The reduction in bandwidth will take into consideration the SLA of services in the channel and maintain fairness between customers. Traffic in the physical network is divided into channels. Each channel carries traffic of multiple services. Figure 131. Channels 1AA 00014 0004 (9007) A4 – ALICE 04.10 ED 03 3AL 91669 AA AA 257 / 706 706
  • 260.
    Bottlenecks Each ISA–PR monitors the traffic traversing it on a number of ”bottlenecks”. Bottlenecks are convergence points in the ring that might be congested when traffic load increases. not permitted without written authorization from Alcatel. There are both Ingress and Egress bottlenecks. All rights reserved. Passing on and copying of this document, use and communication of its contents Figure 132. Bottlenecks Congestion Indications Whenever a bottleneck is congested the node will notify the other nodes in the ring of the congestion by sending a ”congestion indication”. The congestion indication reports the location of the congestion. In reaction, each node reduces the allocated bandwidth to the channels that send traffic toward the congested bottleneck, thereby relieving the congestion. In case of severe congestion, the congested network element will send repeating congestion indications causing larger bandwidth reduction in the relevant channels. Fairness Even in times of congestion on the ring, the ISA–PR assures that – CIR is not affected – EIR is affected in a fair manner Reduction will be relative to the amount of BW the customer bought. Maintaining fairness will be done by balancing the level of ”satisfaction” of channels in the network. The level of satisfaction of a channel represents the difference between the amount of forwarded EIR traffic and the amount of conforming EIR traffic, submitted by the customers. ”Non–conforming” traffic; i.e. traffic exceeding SLA BW, is marked Red by the Policer and not taken into consideration for ”satisfaction” purposes. The load balancing mechanism increases the BW of channels, which are more affected by the traffic load while reducing BW of other channels, which are more ”satisfied”. The bandwidth of each channel will be reduced whenever it gets a congestion indication. If a congestion indication is not received during a period of time the channel bandwidth will be increased. 1AA 00014 0004 (9007) A4 – ALICE 04.10 ED 03 3AL 91669 AA AA 258 / 706 706
  • 261.
    3.7.2.3 Protection sub–system The following protection mechanisms are provided: – native packet ring protection, refer to point [1] on page 259 not permitted without written authorization from Alcatel. All rights reserved. Passing on and copying of this document, use and communication of its contents – Dual Attach, refer to point [2] on page 260. – Customer Edge (CE) Dual Homing, refer to point [3] on page 261. [1] Packet ring protection The packet protection is provided by the MPLS–based Resilient Packet Ring (RPR) technology, via “Wrapping” mechanism (see Figure 133. on page 259). RPR is currently being standardized by the IEEE 802.17 Working Group and specifies a technology for packet–based transport in ring topologies defining special functions that offer fast fault location and trigger fast switchover at packet level. RPR is used to optimize and manage the portion of bandwidth dedicated to packet traffic in SDH networks. An RPR topology consists of two counter rotating fiber rings (or portion of SDH fiber rings bandwidth) in which multiple nodes share the whole bandwidth (see Figure 133. on page 259) Negotiation for bandwidth occurs among the nodes through specific fairness mechanism that guarantees fair bandwidth allocation for customer traffic per each node. Nodes can send packets to other nodes either by utilizing unicast (point–to–point) or multicast (multipoint) destinations, which enables multipoint Ethernet VPN and Ethernet aggregation services be implemented over RPR. When sending a packet, the node determines which ring direction to use, so the spans in the opposite direction remains free for other customer traffic sent by other nodes. A packet traveling on the ring is stripped by the destination node. This means that the packet does not use all the ring bandwidth but only the span that it requires to go from source to destination. This features is called “spatial reuse” as the bandwidth of the other span of the ring can be used by other paying traffic. RPR protection protocol provides sub–50msec resilience for traffic in case of fiber or node failure. Specific control packets are exchanged among the nodes to keep the ring constantly monitored. “Wrapping” mechanisms is provided for packet protection switch accomplished by merging the frames destined at the failed segment, into payload destined at the opposite direction by node adjacent to the failed segment. Additionally, RPR provides ring–wide QoS assurance mechanisms and three different CoS. 1660SM 1660SM Figure 133. RPR protection mechanism 1AA 00014 0004 (9007) A4 – ALICE 04.10 ED 03 3AL 91669 AA AA 259 / 706 706
  • 262.
    MPLS–based RPR technology. To extend the packet protection (and end–to–end QoS...) to a multiring network, it is necessary to put MPLS as the “upper layer” on top of RPR. MPLS provides the technology to handle traffic in multiring networks thus ensuring end–to–end resilience and QoS for carrier–class Ethernet services across such not permitted without written authorization from Alcatel. a network. All rights reserved. Passing on and copying of this document, use and communication of its contents In Figure 134. each ring is responsible of providing RPR protection while the MPLS upper layer working on top of RPR guarantees end–to–end resilience and networking. This is achieved by using two techniques: – Martini MPLS encapsulation – Dual attach protection (described in the following paragraph [2]) The Martini MPLS encapsulation is used to provide an end–to–end reliable support to Ethernet networking. It specifies a technique by which Layer 2 Protocol Data Units (PDUs) such as Ethernet may be tunneled through an MPLS enabled network. End–to–end Ethernet connectivity relations are transported over specific MPLS Label Switched Paths (LSPs) that are switched through the network. This allows for the provisioning of multiple, segregated customer networks over the Service Provider infrastructure, creating a Virtual Private Network (VPN) for each customer. 1660SM 1660SM Figure 134. Packet protection (and QoS assurance) in multiring network : MPLS over RPR [2] Dual Attach protection Refer to Figure 134. and Figure 23. on page 73. The Dual Attach protection is a redundant connection to another ring or hub providing aggregate protection. It offers a mechanism that expands the protection capabilities of RPR to multi–ring architectures enabling network–wide resilience. Two RPR rings are interconnected in two points (nodes) so that networking is resilient to both node and link failures. In addition, dual attach allows for multiple node or link failures across multiple RPR structures. Considering Figure 134. , if either Node A fails or the link between Node A and the other ring fails, Node B can forward packets to the other ring through its attachment keeping QoS and SLA levels unaltered. 1AA 00014 0004 (9007) A4 – ALICE 04.10 ED 03 3AL 91669 AA AA 260 / 706 706
  • 263.
    [3] Customer Edge (CE) Dual Homing protection The CE dual homing consists in a CE connection to two nodes in a ring for protection of the access interfaces. not permitted without written authorization from Alcatel. This protection is described in the following Figure 135. and in Figure 23. on page 73 All rights reserved. Passing on and copying of this document, use and communication of its contents 1660SM 1660SM 1660SM 1660SM 1660SM 1660SM 1660SM Figure 135. Customer Edge Dual Homing 1AA 00014 0004 (9007) A4 – ALICE 04.10 ED 03 3AL 91669 AA AA 261 / 706 706
  • 264.
    3.7.2.4 Alcatel ISACard Interworking ISA–PR supports interworking with other OMSN’s portfolio’s ISA card types as for the following Figure 136. not permitted without written authorization from Alcatel. All rights reserved. Passing on and copying of this document, use and communication of its contents Core Core MPLS Router Switch/Router FX, FE FX, FE GbE GbE Beo atw yr Nks Beos a tr yw Nk ISA PR ISA PR EMX3660 Overlay 1660SM Packet Ring SDH VC–4–Xv Beos a tr yw Nk Ring Beo a t rs yw Nk Beos a tr yw Nk Beo a t rs yw Nk ISA PR ISA PR CO ISA PR ISA PR GbE GbE GbE FE ISA ISA PR_EAw ISA PR_EA Bo aw yr N ek ts Bo ar yk Nes t PR_EA Br aw yo Ns ek t 1650 STM–n 1650 Ring 1640 FE/GbE 16x0 Bo aw yr N ek ts Bo aw yr Nek ts Bo aw yrs Nek t Bo aw yr N ek ts Bo aw yr Ns ek t Bo aw yr N ek ts 1640 ISA GbE ISA GbE Br aw yo Ns ek t ISA Eth ISA Eth ISA Eth ISA Eth FE FE FE GbE ISA Eth FE GbE CE FE Figure 136. Relationship with other ISA Cards Inter–working with the following ISA cards is supported: – ISA Eth – ISA GbE – ISA PR_EA The ISA–PR is designed to be deployed in conjunction with ISA Eth, ISA GbE and ISA PR_EA cards deployed in OMSN node types. Customer deployment will often involve the use of some or all of these ISA card types in an ”overlay” network, which may consist of point–to–point links, aggregation functions and Packet Rings. The ISA–PR_EA card is used to aggregate different ETH traffic flow, while guaranteeing per flow QoS, coming from ISA–Eth or ISA–Gbe into GBE interface that can be connected to the ISA–PR. Customer segregation and traffic management is provided by MPLS traffic segregation on the link between the two ISA–PR and ISA–PR_EA cards. The ISA PR_EA cards attaching to the ISA PR may utilize Dual Attach for protection. 1AA 00014 0004 (9007) A4 – ALICE 04.10 ED 03 3AL 91669 AA AA 262 / 706 706
  • 265.
    3.8 ISA –ETHERNET management sub–system 3.8.1 LAN to LAN transport service not permitted without written authorization from Alcatel. All rights reserved. Passing on and copying of this document, use and communication of its contents OMSNs can be equipped with Ethernet units to allow LAN to LAN service as a point to point connection between two routers or switches through a SDH network, as depicted Figure 147. on page 277. The board acts as a gateway towards the SDH network. In order to guarantee the end to end transparency each Ethernet stream/interface of the board is mapped in a specific SDH VC (by means of “GFP” encapsulation algorithms, according to ITU–T G.7041 Rec.) performing a one to one Ethernet traffic mapping into the SDH network. A transport network based on OMSNs equipment provides flexible link service among remote LANs carrying Ethernet traffic, as shown on Figure 137. OMSN STM–N OMSN STM–N STM–N STM–N OMSN OMSN Ethernet Ethernet LAN A over OMSN STM–N over LAN B SDH SDH STM–N STM–N STM–N STM–N OMSN OMSN STM–N Figure 137. Example of an Ethernet stream transport through a SDH network – Transparency The Ethernet frames are forwarded to the output port with no protocol termination. This cause no impact on service management architecture due to transport network insertion – Low latency The transport network provides a very low end–to–end delay; the removal of storeforward need in the intermediate nodes using continuous data flow is another consequence of transparency – High availability The LAN–to–LAN service makes use of the same resources and infrastructures of the other transported services (ATM, MPLS, PDH and SDH streams...); so availability is very high – High quality All the features of the transport network, like very low BER, synchronization, alarms management, 1AA 00014 0004 (9007) A4 – ALICE 04.10 performance monitoring, protection mechanisms, ... are used providing so high quality service. ED 03 3AL 91669 AA AA 263 / 706 706
  • 266.
    3.8.2 LAN toLAN functional description The functional block diagram of a LAN to LAN service is shown in Figure 138. The client sink termination function adapts the client interface; all the payload frames received are stored not permitted without written authorization from Alcatel. into input buffer queue. All rights reserved. Passing on and copying of this document, use and communication of its contents The source SDH adaptation function draws the frames from the memory emptying the cluster and making it available again; then maps the frame into SDH Virtual Container applying the GFP encapsulation procedure. SDH paths are considered as traffic pipes carrying a continuous data flow. At the output port the dual operation is performed: the output buffer queue is written with payload frames received from SDH line and then the client source termination draws from memory and forwards these frames to the client according to the interface characteristics. Input buffer size = 80 frames Output buffer size = 80 frames, without concatenation 528 frames, VC–3 concatenation (N x VC–3) 2064 frames, VC–12 concatenation (N x VC–12) Port A Port B Client SDH SDH pipe – A to B SDH Client sink source sink source input output Client buffer Bidir. SDH pipe buffer Client A (N x path) B Client SDH SDH pipe – B to A SDH Client source sink source sink output input buffer buffer Figure 138. LAN to LAN service block diagram Three types of Ethernet interfaces are provided – 10 Mbit/s – Ethernet – 100 Mbit/s – Fast Ethernet – 1000 Mbit/s – Giga Ethernet 1AA 00014 0004 (9007) A4 – ALICE 04.10 ED 03 3AL 91669 AA AA 264 / 706 706
  • 267.
    Different Ethernet interfacestypes can be used at the termination ends: e.g. an Ethernet client interface in one side and a Fast Ethernet one in the other side. A SDH pipe can be configured as not permitted without written authorization from Alcatel. – a single SDH path or All rights reserved. Passing on and copying of this document, use and communication of its contents – a concatenation of paths: • N x VC–12 • N x VC–3 • N x VC–4 Depending on client types and SDH pipe a bandwith limit can occur. A flow control mechanism is used to adapt the client rate to the transport pipe. 3.8.3 Main features description 3.8.3.1 Encapsulation All the types of client – Ethernet – Fast Ethernet – GigaBit Ethernet are mapped into SDH Virtual Containers using encapsulation algorithms for variable lenght packets, according to ITU–T G.7041 Recommendation “Generic framing procedure (GFP)”. GFP has been adopted to solve the incompatibility between the Ethernet traffic, based on discontinuous data, and the SDH traffic needing a continuous data stream. GFP is able to map lenght–variable data. The Ethernet frames are GFP encapsulated, to be then mapped into SDH Virtual Containers. In this application the client signals are Ethernet MAC (PDU oriented) type. The GFP encapsulation is shown on Figure 140. on page 268. For each pipe three different GFP frame formats can be configured, as shown on Figure 139. on page 266: – GFP without FCS – GFP with FCS – Extended GFP. 1AA 00014 0004 (9007) A4 – ALICE 04.10 ED 03 3AL 91669 AA AA 265 / 706 706
  • 268.
    not permitted withoutwritten authorization from Alcatel. All rights reserved. Passing on and copying of this document, use and communication of its contents PLI PLI PLI PLI Core PLI PLI Core Header Header cHEC cHEC cHEC cHEC cHEC cHEC PTI+PFI+EXI PTI+PFI+EXI TYPE UPI Payload UPI Path Status tHEC Header tHEC Circuit Status tHEC tHEC Circuit Status Payload Header Ethernet data Ethernet data Link Status Ethernet data Ethernet data Link Status Ethernet data Ethernet data pcHEC Client Payload pcHEC Field Ethernet data Ethernet data Ethernet data Client Ethernet data Ethernet data Payload pFCS Field FCS pFCS Field pFCS pFCS Ethernet data GFP without FCS GFP with FCS Extended GFP 1AA 00014 0004 (9007) A4 – ALICE 04.10 Figure 139. GFP frame format ED 03 3AL 91669 AA AA 266 / 706 706
  • 269.
    According to thetype, the GFP frame format consists of a Core Header, a Payload Header, a Client Payload field and FCS field. The Core Header, made up of 4 octets, supports frame delineation procedures and essential data link not permitted without written authorization from Alcatel. operations functions independent of the higher layer PDUs (Protocol Data Unit). All rights reserved. Passing on and copying of this document, use and communication of its contents The GFP Core Header consists of the following fields – PLI: it is the PDU Length Indicator field 16 bits length, containing a binary number representing the number of octets in the GFP Payload Area. Zero length means no payload area, i.e. idle frame; this is intended for use as a filler frame for the adaptation process – cHEC: it is the Core Header Error Control field 16 bits lenght, containing a CRC–16 generated sequence that protects the integrity of the contents of the Core Header by enabling both single–bit error correction and multi–bit error detection. The Payload Header, is a variable–length area, made up of – 4 octets in GFP without FCS and GFP with FCS frame format – 8 octects in Extended GFP frame format, provides payload information like GFP type; when Extended GFP is used this area provides also information used in Packet Concatenation. According to the frame format, in the following are described the various types of fields: – GFP without FCS and GFP with FCS frame format • the first two octects constitute the GFP type field of the Payload Header, indicating the content and format of the GFP Payload field. The Type field distinguishes between services in a multi–service environment. This field consists of – PTI, Payload Type Identifier, a 3–bit field • PTI=0 for GFP user frame conveying client data • PTI=1 for GFP user frame conveying far–end Client Signal Fail indications – PFI, Payload FCS Indicator, 1–bit field • PFI=0, Payload FCS is present • PFI=1, Payload FCS is absent – EXI, Extension Header Identifier, 4–bit field – UPI, Used Payload Identifier, 8–bit field • tHEC: the 3rd and 4th octets constitute the Type Header Error Control field containing a CRC–16 generated sequence that protects the integrity of the contents of the Type Field by bit error detection. – Extended GFP • the first octect is made up of the TYPE fields that provides format and frame type • from 2nd to 6th octet the information about Path Status, Circuit Status and Link Status are given • in the last two octets, the FCS type information are given, in pcFCS fields. The Payload Field contains the Ethernet frames; this variable–length area may include from 64 to 1574 bytes. The client user/control PDU is always transferred into the GFP Payload field as an octet–aligned packet stream. The payload Frame Check Sequence (pFCS) is an optional field, 4–bytes long. If selected, it’s a frame check sequence containing a CRC–32 sequence used to detect any packet corruption inside the transport network. 1AA 00014 0004 (9007) A4 – ALICE 04.10 ED 03 3AL 91669 AA AA 267 / 706 706
  • 270.
    Ethernet MAC frame GFP frame Octets Octets not permitted without written authorization from Alcatel. 7 Preamble 4 Core Header All rights reserved. Passing on and copying of this document, use and communication of its contents 1 Start of frame delimiter 4 8 Payload Header 6 Destination Address (DA) 6 Source Address (SA) Client 2 Lenght/Type Payload MAC client data Field Pad Frame check 4 sequence (FCS) Bit # 1 2 3 4 5 6 7 8 1 2 3 4 5 6 7 8 Ethernet MAC Frame fields: – Preamble: the preamble is a 7–octet field that is used to allow the PLS (Physical Signaling) circuitry to reach its steady–state synchronization with the received frame’s timing. – Start of Frame Delimiter: the SFD field is the sequence 10101011. It immediately follows the preamble pattern and indicates the start of a frame. – Destination Address (DA): the Destination Address field specifies the station(s) for which the frame is intended. – Source Address (SA): the Source Address field specifies the station sending the frame. – Length/Type: this two–octet field takes one of two meanings, depending on its numeric value: – If the value of this field is less than or equal to the value of max Valid Frame, then the Length/Type field indicates the number of MAC client data octets contained in the subsequent data field of the frame (Length interpretation). – If the value of this field is greater than or equal to 1536 decimal (equal to 0600 hexa- decimal), then the Length/Type field indicates the nature of the MAC client protocol (Type interpretation). The Length and Type interpretations of this field are mutually exclusive. – MAC client data and PAD: The data field contains a sequence of n octets; full data transparency is pro- vided. If the length of the data field is less than the minimum required for proper operation of the protocol, a PAD field (a sequence of octets) will be added at the end of the data field but prior to the FCS field. – Frame check sequence (FCS): a cyclic redundancy check (CRC) is used by the trnsmit and receive algo- rithms tp generate a CRC value for the FCS field. The frame check sequence (FCS) field contains a 4–octet (32–bit) cyclic redundancy check (CRC) value. This value is computed as a function of the con- tents of the source address, destination address, lenght, LLC data and Pad (that are all the fields except 1AA 00014 0004 (9007) A4 – ALICE 04.10 the preamble, SFD, FCS and extension). Figure 140. GFP encapsulation of the MAC frames ED 03 3AL 91669 AA AA 268 / 706 706
  • 271.
    3.8.3.2 Flow control To avoid buffer saturation probems at the termination end, flow management is very important. When an excessive traffic is received, a control mechanism can be used to slow down the transmitter avoiding a not permitted without written authorization from Alcatel. packets loss. All rights reserved. Passing on and copying of this document, use and communication of its contents Three different control options are used: – input control – output control – external control. In the following the relative actions are described. As you can see from Figure 141. on page 269, the input control is performed at the input port; it is always enabled regardless the GFP type. When the input buffer of Port A crosses a fixed threshold of 48 frames, a pause request is sent back to the transmitter; no input frame is thrown away till 80 frames filling occurence. The pause request message is defined in IEEE 802.3x; the transmitter is asked to be paused for 32 quanta. The transmitter will be re–qualified (pause request stopped) when the input buffer of Port A crosses the 44 frames threshold. Client Port A Port B Client A B Client SDH 3 x VC–12 SDH Client sink source sink source output input buffer 100 buffer Bidir. SDH pipe 100 Mbps (N x path) Mbps pause request Client SDH 3 x VC–12 SDH Client source sink source sink + control+ output buffer input data flow buffer Figure 141. Flow control mechanism: input control 1AA 00014 0004 (9007) A4 – ALICE 04.10 ED 03 3AL 91669 AA AA 269 / 706 706
  • 272.
    As you cansee from Figure 142. on page 270, the output control is performed at the output port only when Extended GFP is used. When the output buffer of Port B crosses a fixed threshold of – 272 frames, when VC–3 concatenation is used (N x VC–3) – 1040 frames, when VC–12 concatenation is used (N x VC–12) not permitted without written authorization from Alcatel. a flow control action is performed to reduce the traffic received from the SDH network: a pause request All rights reserved. Passing on and copying of this document, use and communication of its contents is sent back to the SDH source of Port B and then, by means of the SDH pipe, to the SDH source of Port A. This fact could cause the queue filling of the input buffer of the Port A: in this case the input control previously described is applied. The transmitter will be re–qualified (pause request stopped) when the input buffer of Port B crosses the – 240 frames threshold, when VC–3 concatenation is used (N x VC–3) – 1008 frames threshold, when VC–12 concatenation is used (N x VC–12) If the received client throughput is higher than SDH pipe capacity, idle frames are sent to fill the SDH virtual container. Client Port A Port B Client A B Client SDH 1 x VC–3 SDH Client sink source sink source pause request input output 100 buffer Bidir. SDH pipe buffer 10 Mbps (N x path) control+ Mbps pause request data flow + Client SDH 1 x VC–3 SDH Client source sink source sink output buffer input buffer Figure 142. Flow control mechanism: output control See Figure 143. on page 271. The external control is performed at the output port. When a pause activity is requested from the external client, the output transmitter is stopped for the relative period. The external control is planned for future releases. This fact could cause first the queue filling of the output buffer of Port B activating the output control previously described, and then the queue filling of the input buffer of Port A activating the input control. 1AA 00014 0004 (9007) A4 – ALICE 04.10 ED 03 3AL 91669 AA AA 270 / 706 706
  • 273.
    Client A Port A Port B Client B Client SDH 1 x VC–3 SDH Client Client Client not permitted without written authorization from Alcatel. sink source sink source sink source All rights reserved. Passing on and copying of this document, use and communication of its contents pause request 100 input Bidir. SDH pipe output 10/100 output buffer buffer buffer Mbps (N x path) Mbps pause request Client SDH 1 x VC–3 SDH Client Client Client source sink source sink source sink + output input control+ input buffer buffer buffer data flow Figure 143. Flow control mechanism: External control 3.8.3.3 Concatenation Two different VC–n concatenation mechanisms are employed in OMSN Lan to Lan transport service: – Virtual Concatenation for VC–4 concatenation in Gigabit Ethernet clients – Packet Concatenation for VC–12 and VC–3 concatenation in Ethernet/Fast Ethernet clients In both cases differential delay of the network is compensated at path Termination Sink. When Virtual Concatenation is used each Ethernet frame is sent by dispatching one byte per VC in rotation mode. Thus the message to be transmitted by means of the SDH network is splitted byte per byte among the paths making up the Pipe. The Virtual Concatenation Termination feature is according to ITU–T G.707 and G.783 Recs. Transmission Network 33 2 11 VC–4 Client A Client B 33 2 21 VC–4 Message Message Message Message Message Message 3 2 1 3 2 1 33 2 21 1AA 00014 0004 (9007) A4 – ALICE 04.10 VC–4 Figure 144. Messages dispatching via Virtual Concatenation ED 03 3AL 91669 AA AA 271 / 706 706
  • 274.
    When the PacketConcatenation is used, each Ethernet frame is not shared among different paths (VCs) of a certain pipe as in Virtual Concatenation mode; but each message is dispatched on a single path/VC of a certain pipe. When a failure occurs inside the network, unavailable paths are not used and traffic is kept by using the not permitted without written authorization from Alcatel. remaining available paths. All rights reserved. Passing on and copying of this document, use and communication of its contents The bandwidth can be increased/decreased with no impact on traffic (hitless link adjustment). Obviously the messages can be sent through different ways and have to be realigned in reception to restore the proper sequence. Transmission Network Message 1 VC–12 or VC–3 Client A Client B Message 2 VC–12 or VC–3 Message Message Message Message Message Message 3 2 1 3 2 1 Message 3 VC–12 or VC–3 Figure 145. Messages dispatching via Packet Concatenation 1AA 00014 0004 (9007) A4 – ALICE 04.10 ED 03 3AL 91669 AA AA 272 / 706 706
  • 275.
    3.8.4 Technical specification Latency data not permitted without written authorization from Alcatel. [1] GigaBit Ethernet board latency All rights reserved. Passing on and copying of this document, use and communication of its contents • 1 x VC–4 – 64 bytes = 205 µs – 512 bytes = 201 µs – 1518 bytes = 193 µs [2] Fast Ethernet board latency • 1 x VC–4 – 64 bytes = 101 µs – 512 bytes = 125 µs – 1518 bytes = 178 µs • 1 x VC–3 – 64 bytes = 72 µs – 512 bytes = 147 µs – 1518 bytes = 317 µs • 1 x VC–12 – 64 bytes = 517 µs – 512 bytes = 2108 µs – 1518 bytes = 5841 µs • 2 x VC–3 – 64 bytes = 277 µs – 512 bytes = 1462 µs – 1518 bytes = 3997 µs • 8 x VC–12 – 64 bytes = 657 µs – 512 bytes = 3452 µs – 1518 bytes = 5824 µs 1AA 00014 0004 (9007) A4 – ALICE 04.10 ED 03 3AL 91669 AA AA 273 / 706 706
  • 276.
    Herebelow is givenan example of the end to end delay; it is the sum of the following values: – physical line delay = 5 µs/Km – delay for each OMSN pass through = 5 10 µs/NE – latency. not permitted without written authorization from Alcatel. All rights reserved. Passing on and copying of this document, use and communication of its contents In a 1000 Km long network (5us/Km) and made up of 100 OMSNs equipment (5 10 µs/NE) using a Fast Ethernet board 8 x VC–12 / 512 bytes mapped, the end to end delay is equal to: (1000 Km x 5 µs) + (100 x 10 µs) + 3452 µs = 9452 µs Allowed differential delay in case of concatenation VC–12 concatenation = 35 ms VC–3 concatenation = 3 ms VC–4 concatenation = 256 ms 1AA 00014 0004 (9007) A4 – ALICE 04.10 ED 03 3AL 91669 AA AA 274 / 706 706
  • 277.
    3.8.5 Ethernet boards Two types of ETHERNET boards are foreseen for 1660SM : not permitted without written authorization from Alcatel. – 10/100 Mb/s Ethernet unit (refer to paragraph 3.8.5.1 on page 275) All rights reserved. Passing on and copying of this document, use and communication of its contents – Gbit Ethernet (rate adaptive) unit (refer to paragraph 3.8.5.2 on page 279) 3.8.5.1 10/100 Mbit/s Ethernet unit 1660SM can also be equipped with 10/100 Mb/s Ethernet unit to allow LAN to LAN connections as a point to point connection between two routers or switches through an SDH network, as depicted Figure 147. on page 277. The board acts as a gateway towards the SDH network. If the customer has N sites to be interconnected, each Customer Box uses N–1 Point to Point Ethernet interfaces. The 10 or 100 Mb/s Ethernet traffic flows are mapped into VC12, VC3, or VC4 SDH transport structures, more precisely each Ethernet traffic interface of the board is mapped in a specific VCn (n=12, 3, 4), one to one Ethernet traffic mapping in the SDH network is performed, in order to guarantee the transparency end to end. In fact the Ethernet traffic is transported transparently in the SDH Network and it is terminated in the ADMs nodes where Ethernet traffic is dropped towards switches or routers without terminating the Ethernet frames. Mapping Ethernet flow inside VC–12/3/4 implies a compression of the total available bandwidth of the physical ethernet protocol. The IEEE802.3 is the standard algorithm used to adapt each customer flow inside an independent VC. Main functional aspects: Ethernet frames are mapped over a SDH VC using Generic Framing Procedure (GFP) encapsulation (see Figure 140. on page 268, and Recc. ITU–T G. 7041 for details). All the Ethernet access connectors are on the front panel of the unit. The architecture of the board is represented in Figure 146. on page 276. It is constituted by two cards, an access card that provides 14 Ethernet interfaces 10BaseT or 100BaseT, and a main board that provides 11 Ethernet interfaces 10BaseT or 100BaseT (the physical connector is always the same). The Ethernet traffic, opportunely mapped in the SDH transport structures, is then sent toward the SDH matrix through the back–Plane which has 4 STM–1 equivalent throughput. – The board allows the mapping provisioning between the Ethernet (10 Mbit) or Fast Ethernet (100 Mbit) interfaces and the SDH VC as follows: • Ethernet interface to a single: – VC–12 or – VC–3; • Fast Ethernet interfaces to a single: – VC–12 or – VC–3 – VC–4 The back–Panel can support a maximum throughput of 622 Mb/s divided in 4 STM–1 1AA 00014 0004 (9007) A4 – ALICE 04.10 flows. This constitutes a constraint respect to, for example, a configuration of the board with 25 Fast Ethernet interfaces mapped into 25 VC–4 (not possible because overcome the throughput). ED 03 3AL 91669 AA AA 275 / 706 706
  • 278.
    This is atypical problem of resource allocation where in one side there are up to 25 VC–n transport structures on the other side there are 4 tubes of STM–1 capacity, and the Operator has to find the mapping VCn–tube which best fits the available resources (622 Mbit/s). not permitted without written authorization from Alcatel. Summarizing, the operator first provisions the board defining the interface types, second All rights reserved. Passing on and copying of this document, use and communication of its contents he creates the VCx defining in the mapping between the interface and VC, since the relationship between interface and VC is one to one. More complex is the association between the VC–n and STM–1 back–Plane flow in order to best fit the resources. – One Ethernet Interface is mapped in one SDH VC: no grooming of Ethernet frames in the SDH network – No Virtual Concatenation of Lower Order SDH VCs – Protection occurs at SDH level Figure 146. Board Ethernet 10/100: System architecture 1AA 00014 0004 (9007) A4 – ALICE 04.10 ED 03 3AL 91669 AA AA 276 / 706 706
  • 279.
    All rights reserved.Passing on and copying of this document, use and communication of its contents not permitted without written authorization from Alcatel. 1AA 00014 0004 (9007) A4 – ALICE 04.10 ED 03 Ethernet frames are mapped in SDH VC–12. VC–3, VC–4 Site to Site Traffic is mapped on a dedicated SDH VC SDH RING NETWORK Figure 147. Example of Ethernet service application 706 Legenda: 3AL 91669 AA AA SDH level The LAN to LAN Customer box: protection board is present either LAN Switch or Router only at each terminating node 1660SM with LAN to LAN board 277 / 706
  • 280.
    Ethernet MAC Frameand GFP Frame fields: – Preamble: the preamble is a 7–octet field that is used to allow the PLS (Physical Signaling) circuitry to reach its steady–state synchronization with the received frame’s timing. not permitted without written authorization from Alcatel. All rights reserved. Passing on and copying of this document, use and communication of its contents – Start of Frame Delimiter: the SFD field is the sequence 10101011. It immediately follows the preamble pattern and indicates the start of a frame. – Destination Address (DA): the Destination Address field specifies the station(s) for which the frame is intended. – Source Address (SA): the Source Address field specifies the station sending the frame. – Length/Type: this two–octet field takes one of two meanings, depending on its numeric value: – If the value of this field is less than or equal to the value of max Valid Frame, then the Length/Type field indicates the number of MAC client data octets contained in the subsequent data field of the frame (Length interpretation). – If the value of this field is greater than or equal to 1536 decimal (equal to 0600 hexadecimal), then the Length/Type field indicates the nature of the MAC client protocol (Type interpretation). The Length and Type interpretations of this field are mutually exclusive. – MAC client data and PAD: The data field contains a sequence of n octets; full data transparency is provided. If the length of the data field is less than the minimum required for proper operation of the protocol, a PAD field (a sequence of octets) will be added at the end of the data field but prior to the FCS field. – Frame check Sequence (FCS): a cyclic redundancy check (CRC) is used by the transmit and receive algorithms to generate a CRC value for the FCS field. The frame check sequence (FCS) field contains a 4–octet (32–bit) cyclic redundancy check (CRC) value. This value is computed as a function of the contents of the source address, destination address, length, LLC data and pad (that is, all fields except the preamble, SFD, FCS, and extension). – PLI: the two–octet PLI field contains a binary number representing the number of octets in the GFP Payload Area. – cHEC: the two–octet Core Header Error Control field contains a CRC–16 generated sequence that protects the integrity of the contents of the Core Header by enabling both single–bit error correction and multi–bit error detection. – Type: the GFP Type field is a mandatory 2–octet field of the Payload Header that indicates the content and format of the GFP Payload field – tHEC: The two–octet Type Header Error Control field contains a CRC–16 generated sequence that protects the integrity of the contents of the Type Field by enabling both single–bit error correction and multi–bit error detection. – GFP Extension Header: a 0–to–60 octets extended field that supports technology specific data link headers such as virtual link identifiers, source/destination addresses, port numbers, Class of Service, extended header error control, etc. – GFP Payload: The GFP Payload Area consists of all octets in the GFP frame after the GFP Core Header. This variable length area may include from 4 to 65 535 octets. 1AA 00014 0004 (9007) A4 – ALICE 04.10 ED 03 3AL 91669 AA AA 278 / 706 706
  • 281.
    3.8.5.2 Gbit Ethernet(rate adaptive) unit The task of the Gigabit Ethernet functionality inside 1660SM is to carry Gigabit Ethernet packets over SDH Virtual Containers. It can be achieved in two different ways using : not permitted without written authorization from Alcatel. All rights reserved. Passing on and copying of this document, use and communication of its contents [1] “Gigabit Access card” + “10/100 Mbit Ethernet board”: only two Gigabit interfaces are supported. [2] “Gigabit Ethernet rate adaptive board”: up to 4 Gigabit interfaces are supported. [1] “Gigabit Access card” + “10/100 Mbit Ethernet board” This functionality is achieved using the 10/100 Mbit/s Ethernet board (Fast Ethernet) in conjunction with the Gigabit Ethernet Access Card as depicted in Figure 148. The function performed by the Access card is the interfacing on one side with the 1 Gigabit line and on the other side with the 10/100 Mbit/s Ethernet board ( where the signal is processed) through two 1.2 Gbit/s serial busses. Only two of the four interfaces ( pluggable module alternatively 1000 BASE–LX , 1000 BASE–SX, 1000 BASE–ZX) on the Gigabit Access card can be used . Gigabit interface are mapped through Generic Frame Protocol in one VC–4. with a compression ratio of 1:7; 802.3 Ethernet Flow Control is supported. The Ethernet traffic mapped in the SDH transport structures, is then sent toward the SDH matrix through the back–Plane which has 4 STM–1 equivalent throughput. In the configuration depicted in Figure 148. the 10/100 Mbit Ethernet interfaces present on the ETHERNET board can also be used taking into account the limit of the backplane. Gigabit Eth 1 Gigabit Eth Gigabit not used Access Card not used 4 2 x 1.2 Gibit/s busses (through backplane) 10/100 Mbit Eth 1 10/100 ETHERNET SDH SDH Matrix Port BOARD 10/100 Mbit Eth 10/100 Mbit Eth 11 Backplane : 622 Mbit/s throughput 1AA 00014 0004 (9007) A4 – ALICE 04.10 Figure 148. Gigabit Ethernet System architecture: Gigabit access with Fast Ethernet board ED 03 3AL 91669 AA AA 279 / 706 706
  • 282.
    [2] “Gigabit Ethernetrate adaptive board” The board, named Gb Ethernet with GFP mapping (mnemonic label GETH–MB), supports up to four Gb Ethernet interfaces in the main boards depicted in the following Figure 149. not permitted without written authorization from Alcatel. All rights reserved. Passing on and copying of this document, use and communication of its contents Ethernet Modules: 1000 Base LX 1000 Base SX 1000 Base ZX Gbit ETH Main board 1660SM (Slot not Enhanced) Figure 149. Gigabit Ethernet System architecture:Gigabit Ethernet main board The Gb Ethernet interfaces (pluggable module) plugged in main board, are named Small Formfactor Pluggable (SFP) Transceivers and they can be considered as independent items hardware, in fact they have an own Remote Inventory. At the moment three types of Small Formfactor Pluggable Transceivers are provided: 1. Gb Ethernet Long Haul optical interface 1000BASE–LX 2. Gb Ethernet Short Haul optical interface 1000BASE–SX 3. Gb Ethernetl optical interface 1000BASE–ZX Each Gb Ethernet interface can be mapped through the Generic Frame Protocol (GFP) into 1, 2, 3, 4, 5, 6 or 7 VC4s. The mapping determines the rate of compression of the data throughput that can be respectively from 1:7 to 1:1. As for the Fast Ethernet this compression is allowed thanks to the flow control algorithm and considering the Ethernet traffic profile is typically bursty and the mean throughput is less than the peak rate. If the board is into an enhanced slot of 1660SM the back panel throughput is of 1.2 Gb/s instead of 622Mb/s, this determines that the maximum number of VC–4 mappable to the Gb/s Ethernet Interfaces is 8 instead of 4. This, for example, allows the transparent (without compression) transport of a Gb Ethernet interface into the SDH network. In order to provide for the Gb Ethernet a rate compression less than 1/7, more than one VC4 can be used to transport the Ethernet traffic, until a maximum of 7 VC4 where the transparent transport is obtained, in fact 7 times 150Mb/s (VC4 payload rate) is 1050Mb/s. Note, if no compression is configured (i.e. mapping on 7 VC4s), also another Gb/s interface can be mapped on a single VC4 (maximum compression level), in order to use all the backpanel bandwidth (8 VC–4 equivalent). The possibility of configuring more VC–4s, referring to the same client, is obtained by High Order virtual 1AA 00014 0004 (9007) A4 – ALICE 04.10 concatenation, where the level, the number of VC4s virtual concatenated, is provisioned by the operator. ED 03 3AL 91669 AA AA 280 / 706 706
  • 283.
    3.9 ISA –ES (Ethernet Switch) 3.9.1 General not permitted without written authorization from Alcatel. All rights reserved. Passing on and copying of this document, use and communication of its contents Today’s evolving telecommunications services environment is highly competitive. There is a growing demand from Enterprise customers for simple, wide–area Broadband Data services which meet their needs for plentiful, competitively priced and flexible connectivity. Historically the success of Ethernet as the predominate technology within the Enterprise infrastructure, has been driven by very low capital and operational costs, the high degree of flexibility offered by the technology and importantly its easy of use – the plug and play model. Thus enterprises are now looking for data services outside of the building (in the WAN), which match the Ethernet technology used internally for LAN based services, without the need for expensive conversion equipment. These new services offered by the public network in the Wide Area are referred to a Metro Ethernet services. Similarly network operators and service providers are looking to new services like Metro Ethernet in order to develop new high–value revenue streams. An example of which is enhancing basic Ethernet connectivity this through the use of value added capabilities such as Layer 2 VPNs and multiple Qualities of Service (QoS) per connection. Deployment of Ethernet as a simplistic point–to–point technology will only result in canalization of existing Leased Line, Frame Relay and ATM based services. Only through the provision of Value–Added Services (VAS) of basic Ethernet connectivity to provide differentiation will Metro Ethernet services deliver incremental revenues and ultimately profitability. The ISA–ES series modules can deliver a full set of Ethernet services that are described in the next points [1] to [4]. [1] Ethernet Private Line EPLine service connects two ports of a client between each other in a transparent fashion (using transparent mode). Traffic originating from one Customer Port is forwarded to the other one without any filtering and maximum level of security possible (physical segregation through different SDH infrastructure). The service emulates an Ethernet ”wire” which actual bandwidth is determined by the SLA and by network load. EPLine does not require MAC learning or MAC–based forwarding. Figure 150. Ethernet Private Line service 1AA 00014 0004 (9007) A4 – ALICE 04.10 ED 03 3AL 91669 AA AA 281 / 706 706
  • 284.
    [2] Ethernet Virtual Private Line EVP–Line service connects two ports of a client between each other (using bridging mode). not permitted without written authorization from Alcatel. Traffic originating from one Customer Port is classified and forwarded accordingly to the other end. All rights reserved. Passing on and copying of this document, use and communication of its contents The service emulates an Ethernet ”wire” which actual bandwidth is determined by the SLA and by network load. Thanks to the available Eth Multiplexing Function provided by the ISA–ES series modules, different Virtual Private Line services can be defined on the same UNI belonging to different applications and with different QoS SLA. EVPLine adopts MAC learning and MAC–based forwarding according to the need. Figure 151. Ethernet Virtual Private Line service [3] Ethernet Virtual LAN EVP–LAN service connects two or more ports of a client between each other (using bridging mode). Traffic originating from one Customer Port is classified and forwarded accordingly to the other end. The service emulates an Ethernet LAN which actual bandwidth is determined by the SLA and by network load. EVP–LAN adopts MAC learning and MAC–based forwarding with aging timeout. 1AA 00014 0004 (9007) A4 – ALICE 04.10 Figure 152. Ethernet Virtual LAN ED 03 3AL 91669 AA AA 282 / 706 706
  • 285.
    [4] Broadband access In this service, a number of customers are connected to a common Aggregate Port (e.g. typically connected to an ISP point of presence) Traffic is only delivered from individual Customer Ports to the not permitted without written authorization from Alcatel. Aggregate Port. All rights reserved. Passing on and copying of this document, use and communication of its contents Broadband Access can distinguish between various customers’ traffic at the Aggregate Port using VLAN tags. For each customer that is attached to the BA service it is possible to define a specific QoS SLA. Figure 153. Broadband Access service 1AA 00014 0004 (9007) A4 – ALICE 04.10 ED 03 3AL 91669 AA AA 283 / 706 706
  • 286.
    3.9.2 ISA–ES seriesmodules ISA–ES series modules provide ETH 10/100/1000 interfaces connectivity for LAN based clients premises inside the metro area. not permitted without written authorization from Alcatel. All rights reserved. Passing on and copying of this document, use and communication of its contents Beyond mapping ETH flows onto the SDH metro network by means of standard mechanisms (as specified in ITU G.7071, ITU G.7042 and ITU G.707) the ISA–ES series cards introduce wire speed classifying, policing and scheduling capability empowered by carrier class Ethernet switching engine. Per customer traffic flow management with low bandwidth granularity, segregation and QoS are just few of the value added arguments that these series of modules offer to the carrier operators at a competitive price. ISA–ES series is composed by: – ISA–ES1 module – ISA–ES4 module – ISA–ES16 module The ISA–ES series modules are modules that can be plugged according to the bandwidth and interface count demand inside the OMSN product family. Some of the resources available in the SDH infrastructure can be utilized in order to realize a converged multi service network into which different streams (e.g. TDM, ETH, ATM) can travel together in fat big pipes reducing capital and operational expenses for the operator. The major benefits that can be experienced utilizing an ISA–ES card in the SDH networks are: – Interfaces cost reduction – Bandwidth policing according to clients needs and operator’s policy The interface cost reduction is achieved thanks to the native ETH interfaces provided from the equipment that allow a cost effective replacement of useless and expensive up–link ports an external devices to connect to the public network (e.g. POS (Packet Over SDH/SONET) or FR uplinks). This leads to an infrastructure’s optimization for the operator and an induced cost reduction for the end–user devices. Furthermore bandwidth can be allocated and consequently controlled by the operator (through CIR, PIR and burstiness specification) to the end users in accordance with the real need, independently from the (physical) interface type used case by case. Operators are, as such, enabled to offer more services with enhanced flexibility and granularity, optimizing the bandwidth through the SDH network and opening new value added services from a common set of equipments being the technology TDM, ATM or ETH. As for the other ISA modules the ISA–ES series modules are connected to the main SDH matrix via specific back–panel wires. The capacity available from the card to the back panel gives the overall card trunking capacity that is available for traffic to flow from and to the SDH resources (e.g. SDH ports that carry ETH traffic into SDH VC). 1AA 00014 0004 (9007) A4 – ALICE 04.10 ED 03 3AL 91669 AA AA 284 / 706 706
  • 287.
    The number tothe right of the ISA–ES series card gives that amount in VC–4 equivalents. Hereafter are reported the available trunking capacity for each of the ISA_ES series cards: – ISA–ES1 has 1 VC–4 of bandwidth available not permitted without written authorization from Alcatel. All rights reserved. Passing on and copying of this document, use and communication of its contents – ISA–ES4 has 4 VC–4 of bandwidth available – SA–ES16 has up to 16 VC–4 of bandwidth available Each of the ISA–ES series modules has specific ETH access ports and SDH trunks. – ETH access ports may reside on the card itself of may be provided through other access cards. – SDH trunks are connections (SDH VCs) through the back panel to the SDH matrix and to SDH ports (STM–n). ETH access ports on the ES series modules are: – ISA–ES1 8FE has 8 Ethernet ports (10/100 Base T) on the front of the card – ISA–ES1 8FX has 8 Ethernet ports (100 Base FX) on the front of the card – ISA–ES4 8FE+1GE has 8 Ethernet ports (10/100 Base T) and 1 GB Ethernet port (1000 Base SX/LX/ZX SFP) on the front of the card – ISA–ES16 is a port less card that can use specific access modules: • 14 x FE access module: 14 x Fast Ethernet ports (10/100 Base T) • 4 x GE access module: 4 x GB Ethernet ports with SFP plugs (Optical SX, LX, ZX) Different ISA–ES series modules can be equipped in the same equipment. In this case it is also possible to realize back–to–back trunking between them via specific cross connections inside the SDH matrix (without the need of cabling). Traffic can flow between two or more cards and the amount of it can be specified according to the need (refer to Figure 154. on page 285). ISA–ES1 ISA–ES16 Access card SDH 1AA 00014 0004 (9007) A4 – ALICE 04.10 Figure 154. ISA–ES access port ED 03 3AL 91669 AA AA 285 / 706 706
  • 288.
    Figure 155. providesan high level overview of the traffic flow and processing in the ISA–ES series modules. The pipeline is composed of five main processing steps that are described in the next paragraphs. not permitted without written authorization from Alcatel. All rights reserved. Passing on and copying of this document, use and communication of its contents De–mapping Classifier Policer Forwarding Scheduler Mapping Encap packet frame mapping Header PIR Ports + De– assembly reassembly ? = = CIR Bridge Frame/packet Figure 155. Traffic flow and processing in ISA–ES series [1] Mapping ISA–ES series modules are a family of Ethernet switching modules that provides native ETH access to an SDH infrastructure. Beyond just providing the physical ETH connectivity this family of modules has a full carrier class set of functionality for optimal and efficient handling of ETH traffic flows with QoS. An ISA–ES module receives and sends ETH traffic through two kinds of ports (refer to Figure 156. ): • ETH physical interfaces (10/100 Base T, 100 BASE FX or 1000 Base SX/LX/ZX) • ETH over SDH (also referred as trunk ports) These ports are connected to a carrier class Ethernet switching engine that processes each flow and takes care of the frame forwarding. Eth Eth I/O Switch ETH Back ETH Over SDH Panel ports ports N x VC Figure 156. ISA–ES series ports 1AA 00014 0004 (9007) A4 – ALICE 04.10 ED 03 3AL 91669 AA AA 286 / 706 706
  • 289.
    The following standardsapply to ETH physical ports: • IEEE 802.3 10BASE–T Ethernet (twisted–pair copper) • not permitted without written authorization from Alcatel. IEEE 802.3u 100BASE–TX Fast Ethernet (twisted–pair copper) All rights reserved. Passing on and copying of this document, use and communication of its contents • IEEE 802.1z (Gigabit Ethernet) • ANSI/IEEE 802.3 Auto–negotiation • IEEE 802.3x Flow Control • Data transfer rate from client equipment is limited in accordance with the specified traffic characteristics by the standard IEEE 802.3x flow control mechanism. Flow control frames are used to prevent congestion of the network that may cause packet discarding at the egress of the network; the flow control mechanism stops the client source until the bandwidth allocated to the service is able to absorb the extra traffic. The result is that no packets are lost even in case of congestion. Flow control can be disabled according to the operator’s choice. The following standards apply to the ETH over SDH ports: • ITU–T G.7041 GFP (Generic Framing Procedure) • ITU–T G.7042 LCAS (Link Connection Adjustment Scheme) • G.707 (SDH VC Virtual Concatenation at Low and High Order VC–12, VC–3 and VC–4 nv) The Ethernet mapping scheme on the trunk ports adheres to the Generic Framing Procedure (ITU–T G. 7041). The Ethernet traffic, opportunely mapped in the SDH transport structures, is then sent by the trunk ports toward the SDH matrix from the back–plane and than to the corresponding SDH port. A trunk port is realized by a bundle of SDH VCs (VC–12, VC–3, VC–4) grouped together according to ITU–T G.707 (Virtual Conc) and ITU–T G.7042 (LCAS). The bandwidth of the trunk port in normal operational mode corresponds to the available bandwidth of the grouped VCs (e.g. 5xVC–12 equals 10 Mbps). 1AA 00014 0004 (9007) A4 – ALICE 04.10 ED 03 3AL 91669 AA AA 287 / 706 706
  • 290.
    [2] Traffic classification ISA–ES series module can classify ETH traffic according to a wide set of standard specified criteria in order to provide a feature reach set of capability. not permitted without written authorization from Alcatel. All rights reserved. Passing on and copying of this document, use and communication of its contents Each classified traffic is referred in the next paragraphs as a classified flow. Classification criteria are the following: • Port (Physical ETH or ETH over SDH) • IEEE 802.1Q (VLAN tagging) • IEEE 802.1p (ETH frame priority) • IEEE 802.3 Source/Destination MAC address (also according to IEEE 802.1ad) The ISA–ES16 module expands the classification criteria by means of also supporting: • MPLS label (according to IETF Martini draft ETH over MPLS) • IP–TOS/DSCP fields [3] Policing and metering traffic with QoS ISA–ES series modules allow service providers and carrier operators to specify per flow traffic QoS. ETH flows quality of service is enforced at the ingress of the network and inside the network by traffic conformance check made by the policing function. Policing is performed by means of a token bucket algorithm (dual rate on the ISA–ES16). Traffic QoS is specified by a set of parameters that control its max, mean rate and the relative burst window size in bytes. Policing parameters are specified per classified flow according to: CIR = committer information rate CBS = burst window size at the CIR PIR = excess information rate PBS = burst window size at the PIR Burst window size (bytes) PBS Yellow EBS CBS EIR Green Rate (bps) CIR PIR 1AA 00014 0004 (9007) A4 – ALICE 04.10 Figure 157. ISA–ES series traffic parameters ED 03 3AL 91669 AA AA 288 / 706 706
  • 291.
    Through the specificationof per flow traffic parameters the ISA–ES series modules can support the following SLAs: a) Guaranteed SLA not permitted without written authorization from Alcatel. All rights reserved. Passing on and copying of this document, use and communication of its contents Typically serves High priority traffic for mission critical applications that require loss–less delivery and minimal delay. Guaranteed SLA denotes BW (CIR = PIR 0 in 100Kbps increments), which is always available regardless of any congestion conditions. Traffic delivered using Guaranteed BW, is policed to the CIR value with a burst window equal to the CBS. Guaranteed traffic is always composed of green packets and gets the highest priority in the processing chain. b) Regulated SLA Typically serves Medium priority traffic, which relies on transport layer protocol (per OSI stack) to recover from occasional loss and requires moderate delay; e.g. client–server applications. Regulated SLA denotes BW (PIR CIR 0 in 100Kbps increments), which may be overbooked per network operator’s overbooking policy. The portion of bandwidth between CIR and PIR (aka EIR) may therefore be partially available under congestion conditions. This SLA is available only from the ISA–ES16 card. Regulated traffic is composed of green and yellow (Excess of CIR) packets. c) Best–Effort SLA Typically serves Low priority traffic, which relies on transport layer protocol (per OSI stack) to recover from loss and tolerates large delay; e.g. email and file transfer applications. Best Effort denotes BW (PIR CIR = 0 in 100Kbps increments), which may or may not be available per network operator’s reservation for Best Effort policy. It may therefore be unavailable under congestion conditions. Regulated traffic is composed of yellow packets. [4] Congestion avoidance and Scheduling Congestion avoidance techniques serve to anticipate and avoid network congestion conditions wile maximizing network utilization and good–put of the traffic flows. Congestion avoidance in ISA–ES series modules is based on a combination of Tail Dropping and WRED (Random Early Detection); these techniques are designed to provide preferential treatment for premium (CIR) class traffic under congestion situations while concurrently maximizing network throughput and capacity utilization and minimizing packet loss and delay. a) Tail drop Tail drop treats all traffic equally and does not differentiate between classes of service. Queues fill during periods of congestion. When the output queue is full and tail drop is in effect, packets are 1AA 00014 0004 (9007) A4 – ALICE 04.10 dropped until the congestion is eliminated and the queue is no longer full. ED 03 3AL 91669 AA AA 289 / 706 706
  • 292.
    b) WRED The packet drop probability is based on the minimum threshold, maximum threshold, and mark probability denominator. not permitted without written authorization from Alcatel. All rights reserved. Passing on and copying of this document, use and communication of its contents When the average queue depth is above the minimum threshold, RED starts dropping packets. The rate of packet drop increases linearly as the average queue size increases until the average queue size reaches the maximum threshold. The mark probability denominator is the fraction of packets dropped when the average queue depth is at the maximum threshold. For example, if the denominator is 512, one out of every 512 packets is dropped when the average queue is at the maximum threshold. When the average queue size is above the maximum threshold, all packets are dropped. WRED is applied to yellow packets (Regulated (traffic beyond CIR) and Best Effort traffic quality). 1 Mark probability 0 Minimum Maximum threshold threshold Average queue size Figure 158. WRED Congestion avoidance mechanisms c) Scheduling Scheduling of packets is performed on egress ports combining HOL (FIFO queue) and DRR (Deficit Round Robin) queues. HOL is used for Guaranteed traffic that gets highest priority. DRR is applied to Regulated and Best Effort traffic 1AA 00014 0004 (9007) A4 – ALICE 04.10 ED 03 3AL 91669 AA AA 290 / 706 706
  • 293.
    [5] Switching and forwarding ISA–ES series modules are based onto a carrier class Ethernet switching engine with auto learning bridges according to IEEE 802.1ad. not permitted without written authorization from Alcatel. All rights reserved. Passing on and copying of this document, use and communication of its contents This engine is either wire speed performing (all the functions are performed in hw) and highly flexible and configurable. On a per port basis it can be used in two modes: Transparent mode: the engine forwards all the traffic incoming from one port to another without inspection at the specified rate. Bridging mode with Stacked VLAN capability: a group of configured ports (ETH phy or ETH over SDH) are bridged together with MAC auto learning function according to IEEE 802.1ad. Transparent Mode Eth Back Panel I/O N x VC–4 Bridge Mode Figure 159. ISA–ES series operational modes a) Multiple service per UNI port ISA–ES series modules allow multiple services to be deployed from a single UNI Ethernet port. Thanks to the Ethernet Multiplexing Function capability different traffics can coexist on the same port and be differentiated between them by the classification process thus get the desired QoS per flow. CUSTOMER SITE B CUSTOMER SITE C ETH UNI EMF CUSTOMER SITE A CUSTOMER SITE D 1AA 00014 0004 (9007) A4 – ALICE 04.10 Figure 160. Ethernet Multiplexing Function ED 03 3AL 91669 AA AA 291 / 706 706
  • 294.
    b) Multiple customers per NNI port The ISA–ES series modules allow a single NNI interface to be used for different customers while guaranteeing high levels of segregation, security and per customer QoS ability. not permitted without written authorization from Alcatel. All rights reserved. Passing on and copying of this document, use and communication of its contents ISA–ES series modules allow ETH frames to be tagged before being sent at the NNI interface. The modules have full VLAN tag agility in the sense that VLAN tags can be pushed, swapped and popped by the cards. The provider is able to add its own tags to the customer flows in order to segregate different customers inside common network resources. This taggagility functionality allow service providers to spread the capital expenditures among different customers and as a consequence to offer highly competitive price levels for the offered services to their customers. CUSTOMER A CUSTOMER B ETH UNI SVLAN 1 SVLAN 2 SVLAN 3 CUSTOMER C Figure 161. Multiple customers on a single NNI c) Customer traffic Isolation All ISA–ES series modules ports and services provide customer traffic isolation, such that traffic belonging to a given customer is isolated from traffic of any other customer using an identical or different service. d) Customer Address Space Isolation All ISA–ES series modules ports and services provide isolation customer of customer specific addresses, such that VLAN tags and MAC addresses belonging to a given customer are isolated from VLAN tags and MAC addresses of any other customer using an identical or different service. e) VLAN Uniqueness VLAN at the access interfaces need not be unique. Same value can be used at different ports of the same node or at different nodes. The guarantee of VLAN uniqueness within a port in the ISA PR EA comes from the encapsulation of the Ethernet frames in MPLS LSP’s that segregate Ethernet traffic. 1AA 00014 0004 (9007) A4 – ALICE 04.10 ED 03 3AL 91669 AA AA 292 / 706 706
  • 295.
    3.10 4 xANY HOST C subsystem The unit is able to perform time division multiplex/demultiplex of client channels. The client streams are mapped in 16 virtually concatenated VC–4s according to a proprietary–mapping algorithm. Provisioning not permitted without written authorization from Alcatel. parameters and alarm collection are managed through two control interfaces. All rights reserved. Passing on and copying of this document, use and communication of its contents The board has a highly modular fabric consisting of a housing card that can accommodate up to 4 modules, one for each aggregated traffic. The client data rates that the module can manage are reporte in Table 40. : Table 40. Relationship between 4xANY optical modules and client type Client type Bit rate Associated module Type Wavelenght Acronym Fast Ethernet @125 Mb/sec Low Speed p 1310 nm OL–IN 850 nm OL–MM FDDI @125 Mb/sec Low Speed p 1310 nm OL–IN 850 nm OL–MM ESCON @200 Mb/sec Low Speed p 1310 nm OL–IN 850 nm OL–MM Digital Video g @270 Mb/sec Low Speed p 1310 nm OL–IN 850 nm OL–MM Fiber Channel @1.0625 Gb/sec High Speed g p 1310 nm OH–IN 850 nm OH–MM FICON @1.0625 Gb/sec High Speed g p 1310 nm OH–IN 850 nm OH–MM Gigabit Ethernet g @1.25 Gb/sec High Speed g p 1310 nm OH–IN 850 nm OH–MM The 4xANYC modules configuration requires the operator to specify the client type to be transported on each module. The Table 41. below reports the number of VC–4 istantiated for managing a data stream of each client type 1AA 00014 0004 (9007) A4 – ALICE 04.10 ED 03 3AL 91669 AA AA 293 / 706 706
  • 296.
    Table 41. 4xANYHOST C client type Client type Number of istantiated VC4 not permitted without written authorization from Alcatel. All rights reserved. Passing on and copying of this document, use and communication of its contents Fiber Channel 8 FICON 8 Gigabit Ethernet 8 Digital Video 2 ESCON 2 Fast Ethernet 1 FDDI 1 The max throughput made available by the 4xANY HOSTC port is STM16 (2.5 Gb/s). The capability to handle the whole throughput in terms of cross–connectivity depends on the equipment of the port in “Enhanced H.S slots” rather than in “H.S. slots” of 1660SM shelf as explained on points [1] and [2]. Insertion of the board across hybrid slot (“Enhanced H.S slots” + “H.S. slots”) is not allowed. [1] 4 x ANY inserted in enhanced slot (2526, 2829, 3435, 3738) In ’Enhanced H.S.’ slot, the connection port –matrix can exploit two NGI links per type (i.e. 2 ’H’ / 2 ’X’ / 2 ’L” links), each one operating at 622 Mb/s (equivalent 4xSTM1’s), with a total connection bandwidth of 1.2 Gb/s per slot; then, the port equipped in two ’Enhanced’ slots, allows the user to use up to 2.5 Gb/s throughput according to the client allocation grid showed in Figure 162. 1AA 00014 0004 (9007) A4 – ALICE 04.10 ED 03 3AL 91669 AA AA 294 / 706 706
  • 297.
    Modules Links towards configured Client allocation inside 4xANY board MATRIX AU4 #0 AU4 #1 GE, NGI link #0 not permitted without written authorization from Alcatel. AU4 #2 All rights reserved. Passing on and copying of this document, use and communication of its contents ESCON, DV AU4 #3 FE, FDDI FC, AU4 #4 #1 #3 AU4 #5 FICON NGI link #1 AU4 #6 FE, FDDI ESCON, DV AU4 #7 AU4 #8 ESCON, DV #2 #4 AU4 #9 FE, FDDI GE, NGI link #2 AU4 #10 AU4 #11 FC, AU4 #12 AU4 #13 FE, FDDI FICON ESCON, DV NGI link #3 AU4 #14 AU4 #15 Figure 162. 4xANY HOST–C: Client allocation grid in “enhanced” slot Consequently, module configuration allowed are as reported in the following Figure 163. FE, FDDI, FE, FDDI, GE, FC, ESCON, DV ESCON, DV Not eq. FICON, #1 #3 #1 #3 Not eq. Not eq. Not eq. FE, FDDI, FE, FDDI, FE, FDDI, FE, FDDI, #2 ESCON, DV #4 ESCON, DV #2 ESCON, DV #4 ESCON, DV Not eq. Not eq. Not eq. Not eq. FE, FDDI, FE, FDDI, GE, FC, #1 ESCON, DV #3 ESCON, DV #1 Not eq. #3 FICON, Not eq. Not eq. Not eq. GE, FC, GE, FC, #2 Not eq. #4 FICON, #2 Not eq. #4 FICON, Not eq. Not eq. Figure 163. 4xANY HOST–C: module configuration in “enhanced” slot 1AA 00014 0004 (9007) A4 – ALICE 04.10 Same considerations of Figure 163. are showed in Table 42. : ED 03 3AL 91669 AA AA 295 / 706 706
  • 298.
    Table 42. Modulesconfiguration in “Enhanced HS” slot Module Module type Client configured Configuration Constraints number by operator not permitted without written authorization from Alcatel. #3 OH MM, OH IN OH–MM, OH–IN Fiber Channel In conjunction with this clients on All rights reserved. Passing on and copying of this document, use and communication of its contents FICON module#3, the module#1cannot be , Gigabit Ethernet used OL MM, OL IN OL–MM, OL–IN Digital Video ESCON Fast Ethernet FDDI #1 OH–MM, OH–I cannot be configured in module#1 OL MM, OL IN OL–MM, OL–IN Digital Video ESCON Fast Ethernet FDDI #4 OH MM, OH IN OH–MM, OH–IN Fiber Channel In conjunction with this clients on FICON module#4, the module#2 cannot be , Gigabit Ethernet used OL MM, OL IN OL–MM, OL–IN Digital Video ESCON Fast Ethernet FDDI #2 OH–MM, OH–I cannot be configured in module#2 OL MM, OL IN OL–MM, OL–IN Digital Video ESCON Fast Ethernet FDDI 1AA 00014 0004 (9007) A4 – ALICE 04.10 ED 03 3AL 91669 AA AA 296 / 706 706
  • 299.
    [2] 4 x ANY inserted in not enhanced slot (3031 and 3233) In ’H.S.’ slot, the same connectivity is based on one NGI link per type (i.e. ’H’ / ’X’ / ’L’); with a total connection bandwidth of 622 Mb/s per slot; then, the equipment of the port in two ’H.S.’ slots, allows not permitted without written authorization from Alcatel. the user to use up to 1.2 Gb/s throughput. In Figure 164. , the client allocation, concerning Gb All rights reserved. Passing on and copying of this document, use and communication of its contents Ethernet, Fiber Channel, FICON and the relationship with NGI links available for connecting Matrix card, are showed. Client allocation inside 4xANY board Links AU–4 towards optimization MATRIX AU4 #0 AU4 #0 GE, Modules AU4 #1 GE, AU4 #1 FC, configured AU4 #2 NGI link #0 ESCON, AU4 #2 FICON AU4 #3 FE, FDDI DV FC, AU4 #3 AU4 #4 AU4 #4 AU4’s AU4 #5 FICON AU4 #5 not NGI link #1 #1 #3 not AU4 #6 FE, FDDI ESCON, AU4 #6 available available AU4 #7 DV AU4 #7 AU4 #8 ESCON, AU4 #8 GE, #2 #4 AU4 #9 FE, FDDI DV GE, AU4 #9 FC, NGI link #2 AU4 #10 AU4 #10 FICON AU4 #11 FC, AU4 #11 AU4 #12 FE, FDDI ESCON, AU4 #12 AU4’s AU4 #13 DV FICON AU4 #13 not NGI link #3 not AU4 #14 AU4 #14 available available AU4 #15 AU4 #15 Figure 164. Client allocation grid in “HS slots” with GE/FC/FICON In Figure 165. , the ’optimized’ client allocation, concerning Fast Ethernet, FDDI, ESCON, Digital Video, , and the relationship with NGI links available for connecting Matrix card, are showed. 1AA 00014 0004 (9007) A4 – ALICE 04.10 ED 03 3AL 91669 AA AA 297 / 706 706
  • 300.
    Client allocation inside4xANY board Links AU–4 towards optimization MATRIX FE, AU4 #0 not permitted without written authorization from Alcatel. AU4 #0 FDDI ESCON All rights reserved. Passing on and copying of this document, use and communication of its contents Modules AU4 #1 GE, AU4 #1 DV configured AU4 #2 NGI link #0 ESCON, AU4 #2 ESCON AU4 #3 FE, FDDI DV FC, AU4 #3 FE, FDDI DV AU4 #4 AU4 #4 AU4’s #1 #3 AU4 #5 FICON AU4 #5 not NGI link #1 not AU4 #6 FE, FDDI ESCON, AU4 #6 available available AU4 #7 DV AU4 #7 AU4 #8 ESCON, AU4 #8 ESCON #2 #4 FE, AU4 #9 FE, FDDI DV GE, AU4 #9 FDDI DV FE, NGI link #2 AU4 #10 AU4 #10 FDDI ESCON AU4 #11 FC, AU4 #11 DV AU4 #12 FE, FDDI ESCON, AU4 #12 AU4’s AU4 #13 DV FICON AU4 #13 not NGI link #3 not AU4 #14 AU4 #14 available available AU4 #15 AU4 #15 Figure 165. Client allocation grid in “HS slots” with FE/FDDI/ESCON/DV Consequently, module configuration allowed are as reported in the following Figure 166. FE, FDDI, FE, FDDI, GE, FC, ESCON, DV ESCON, DV Not eq. FICON, #1 #3 #1 #3 Not eq. Not eq. Not eq. FE, FDDI, FE, FDDI, Not eq. Not eq. #2 ESCON, DV #4 ESCON, DV #2 #4 Not eq. Not eq. Figure 166. module configuration in “HS” slots 1AA 00014 0004 (9007) A4 – ALICE 04.10 ED 03 3AL 91669 AA AA 298 / 706 706
  • 301.
    Same considerations ofFigure 166. are showed in Table 43. Table 43. Modules configuration in “HS” slot Module Module type Client configured Configuration Constraints not permitted without written authorization from Alcatel. number by operator All rights reserved. Passing on and copying of this document, use and communication of its contents #3 OH MM, OH–I OH–MM, OH I Fiber Channel In conjunction with this clients on FICON module#3, all other 3 modules cannot , Gigabit Ethernet be used OL–MM, OL–IN OL MM, OL IN Digital Video ESCON Fast Ethernet FDDI #1 OH–MM, OH–I cannot be configured in module#1 OL MM, OL IN OL–MM, OL–IN Digital Video ESCON Fast Ethernet FDDI #4 OH MM OH I cannot be configured OH–MM, OH–I in module#4 i d l #4 OL–MM, OL–IN OL MM, OL IN Digital Video ESCON Fast Ethernet FDDI #2 OH–MM, OH–I cannot be configured in module#2 OL MM, OL IN OL–MM, OL–IN Digital Video ESCON Fast Ethernet FDDI 1AA 00014 0004 (9007) A4 – ALICE 04.10 ED 03 3AL 91669 AA AA 299 / 706 706
  • 302.
    3.11 Coarse WDMsub–system The following items are considered: not permitted without written authorization from Alcatel. – STM16 colored port (2 two slots wide) to be equipped in “Basic area” and supporting the 8 channels All rights reserved. Passing on and copying of this document, use and communication of its contents ’CWDM’ ITU–T grid; – COADM 1ch unit (2 two slots wide) to be equipped in “Access area”, supporting the 8 channels ’CWDM” ITU–T grid; – COADM 2ch unit (2 two slots wide) to be equipped in “Access area”, supporting the 8 channels ’CWDM” ITU–T grid; – MUX/DEMUX 8ch unit (2 two slots wide) to be equipped in “Access area”, supporting the 8 channels ’CWDM” ITU–T grid; – Double channel ’multirate’ Transponder unit (100 Mb/s B 2.7 Gb/s) (one slot wide) to be equipped in every slot of “Basic area”, supporting both wavelength assignment function (B/W to ’col’) and wavelength regeneration function (’colored’ to ’colored’) and performing the transparent transport of the following ’client’ signals: • FDDI, (not operative in current release) • Fast Ethernet, (not operative in current release) • STM1/OC3, (not operative in current release) • ESCON, (not operative in current release) • Digital Video, (not operative in current release) • STM4/OC12, (not operative in current release) • Fiber Channel, (not operative in current release) • FICON, (not operative in current release) • Gb Ethernet, (not operative in current release) • 2 Fiber Channel, (not operative in current release) • STM16/OC48, • 2 Gb Ethernet, (not operative in current release) • STM16 w/ FEC (not operative in current release) 1AA 00014 0004 (9007) A4 – ALICE 04.10 ED 03 3AL 91669 AA AA 300 / 706 706
  • 303.
    706 301 / 706 3AL 91669 AA AA 03 ED 1AA 00014 0004 (9007) A4 – ALICE 04.10 Figure 167. COADM functionality: example of equipment shelf 22 23 24 25 26 27 28 29 30 31 32 33 34 35 36 37 38 39 40 41 ÖÖ ÖÁ Á Ö ÖÖÖÖÖÁÁÁ Ö ÖÁ Á ÊÊ ÔÔÔ ÊÊ ÔÔÔ ÔÔ Ô ÖÖÖÖÖÁÁÁ Ö ÖÁ Á ÖÖÖÖÖÁÁÁ ÖÖÖÖÁÁÁ ÖÁ Á ÊÊ ÔÔÔ Ô ÊÊ ÔÔÔ ÔÔ ÔÔ ÖÖ ÖÁ ÊÊ ÔÔÔ Ô Basic ÖÖÖÖÖÁÁÁ Ö ÖÁ Á ÊÊ ÔÔÔ ÔÔ Port HS TPD Port HS Port HS ÖÖÖÖÖÁÁÁ Ö ÖÁ Á ÊÊ ÔÔÔ ÔÔ 4 X ANY SMT–16 ”col” Port LS–HS SMT–16 ”col” Port LS–HS Port LS–HS EQUICO ÖÖÖÖÖÁÁÁ Ö ÖÁ Á ÊÊ ÔÔÔ ÔÔ Area Port LS Spare – HS MATRIX A (main) STM–16 –BW MATRIX B (spare) ÖÖÖÖÖÁÁÁ Ö ÖÁ Á ÖÖÖÖÖÁÁÁ Ö ÖÁ Á ÊÊ ÔÔÔ Ô ÊÊ ÔÔÔ ÔÔ Ô ÖÖÖÖÖÁÁÁ Ö ÖÁ Á ÖÖÖÖÖÁÁÁ Ö ÖÁ Á ÊÊ ÔÔÔ Ô ÊÊ ÔÔÔ ÔÔ ÔÔ ÖÖÖÖÖÖÁÁÁ ÖÖÖÖÁÁÁÁ ÖÖ ÖÁ Á ÖÖÁÖ ÁÁ ÊÊÊÔÔÔÔÔÔ Ê Ô ÔÔ Ô ÖÖ Ö Ö Ö Á Á ÖÖÖÁÁ Á ÖÖ Ö Ö Ö Á Á ÖÖÖÁÁ Á Ê Ê ÔÔ Ô ÔÔ Ô Ô Ô Ô Ô ÔÔ Ê Ê ÔÔ Ô ÔÔ Ô Ô Ô Ô Ô ÔÔ ÖÖ Ö Ö Ö Á Á ÖÖÖÁÁ Á Ê Ê ÔÔ Ô ÔÔ Ô Ô Ô Ô Ô ÔÔ Access ÖÖ Ö Ö Ö Á Á ÖÖÖÁÁ Á ÖÖ Ö Ö Ö Á Á ÖÖÖÁÁ Á Ê Ê ÔÔ Ô ÔÔ Ô Ô Ô Ô Ô ÔÔ Ê Ê ÔÔ Ô ÔÔ Ô Ô Ô Ô Ô ÔÔ COADM 1/2 ch. Access Card LS COADM 1/2 ch. Access Card LS ÖÖ Ö Ö Ö Á Á ÖÖÖÁÁ Á Ê Ê ÔÔ Ô ÔÔ Ô Ô Ô Ô Ô ÔÔ Access Card LS/HS CONGI A CONGI B SERVICE Area Access Card LS/HS Access Card LS/HS Access Card LS/HS Access Card LS/HS Access Card LS/HS Access Card LS/HS Access Card LS/HS Access Card LS/HS Access Card LS/HS Access Card LS/HS Access Card LS/HS ÖÖ Ö Ö Ö Á Á ÖÖÖÁÁ Á Ê Ê ÔÔ Ô ÔÔ Ô Ô Ô Ô Ô ÔÔ ÖÖ Ö Ö Ö Á Á ÖÖÖÁÁ Á Ê Ê ÔÔ Ô ÔÔ Ô Ô Ô Ô Ô ÔÔ for Ring application ÖÖ Ö Ö Ö Á Á ÖÖÖÁÁ Á Ê Ê ÔÔ Ô ÔÔ Ô Ô Ô Ô Ô ÔÔ COADM 1/2 CHANNELS ÖÖ Ö Ö Ö Á Á ÖÖÖÖÁÁ ÖÖÁÁ Á Ê Ê ÔÔ Ô ÔÔ Ô Ô ÔÔÔ Ô ÔÔ Ô Ô Ô Ô ÔÔ Equipment example with ÖÖÖÖÁÁ Ö ÖÖÖÖÁÁ ÖÖÁÁ Á ÖÖ Ö Ö Ö Á Á Á ÊÊ Ô Ô Ô Ô Ô Ê Ê ÔÔ Ô ÔÔ Ô Ô ÔÔÔ Ô ÔÔ Ô Ô Ô Ô ÔÔ 9 10 11 12 13 14 15 16 17 18 19 20 21 1 2 3 4 5 6 7 8 equipment is supposed to be limited to one shelf only. to network with limited traffic demand (supported by 1 or 2 wavelengths). For this kind of use, also the document, use and communication of its contents All rights reserved. Passing on and copying of this The example below reported, shows the equipment with COADM 1(2) channels unit, as for NE’s belonging not permitted without written authorization from Alcatel. The shelf layout of resulting equipment is showed in the following figure. 3.11.1 Equipment facilities
  • 304.
    1AA 00014 0004(9007) A4 – ALICE 04.10 ED Basic Area Access Area Basic Area Access Area EQUICO Access Card LS EQUICO Access Card LS 03 MATRIX A (main) Access Card LS/HS MATRIX A (main) Access Card LS/HS Access Card LS/HS MUX / DEMUX Port LS–HS Access Card LS/HS Port LS–HS 8 Channels Ô Ô Ô ÔÔ Ô Ô Ô Ô Ô Ô Ô Ô Ô ÔÔ SMT–16 ”col” Access Card LS/HS SMT–16 ”col” Access Card LS/HS Ô Ô ÔÔ Ô Ô ÔÔ Access Card LS/HS MUX / DEMUX ÔÔÔÔÔÔ Port HS Access Card LS/HS Port HS 8 Channels Ô ÔÔ ÔÔÔÔÔÔÔ ÔÔÔÔÔÔÔ ÔÔÔÔÔÔÔ ÔÔÔÔÔÔÔ ÔÔÔÔÔÔÔ ÔÔÔÔÔÔÔ ÔÔÔÔÔÔÔ ÔÔÔÔÔÔÔÔ Ô Ô Ô ÔÔ Ô Ô Ô ÔÔ ÔÔÔÔÔÔÔÔ Ô ÔÔÔÔÔÔÔÔ Ô Ô Ô ÔÔ Ô Ô Ô ÔÔ SMT–16 ”col” Access Card LS/HS SMT–16 ”col” Access Card LS/HS ÔÔÔÔÔ ÔÔÔÔÔÔ ÔÔÔÔÔÔ ÔÔÔÔÔÔ ÔÔÔÔÔ ÔÔÔÔÔÔ ÔÔÔÔÔÔ ÔÔÔÔÔÔ ÊÊÔÔÔÔÔÔ ÊÊ Ô Ô Ô Ô Ô Ô Ô ÊÊ Ô Ô Ô Ô Ô Ô Ô ÊÊ Ô Ô Ô Ô Ô Ô Ô ÊÊ Ô Ô Ô Ô Ô Ô Ô ÊÊ Ô Ô Ô Ô Ô Ô Ô ÊÊ Ô Ô Ô Ô Ô Ô Ô ÊÊ Ô Ô Ô Ô Ô Ô Ô ÊÊ Ô Ô Ô Ô Ô Ô Ô ÔÔÔÔÔ ÔÔÔÔÔÔ ÔÔÔÔÔÔ ÔÔÔÔÔÔ ÔÔÔÔÔÔ ÔÔÔÔÔÔ ÔÔÔÔÔÔ ÔÔÔÔÔÔÔÔ ÊÊ Ô Ô Ô Ô ÊÊÔÔÔÔÔÔÔ ÊÊÔÔÔÔÔÔÔ ÊÊÔÔÔÔÔÔÔ ÊÊ Ô Ô Ô Ô ÊÊÔÔÔÔÔÔÔ ÊÊÔÔÔÔÔÔÔ ÊÊÔÔÔÔÔÔÔ Access Card LS/HS Access Card LS/HS Port LS–HS CONGI A Port LS–HS CONGI A Port HS Port HS SERVICE SERVICE Port LS Spare – HS Port LS Spare – HS Port LS–HS CONGI B Port LS–HS CONGI B Access Card LS/HS Access Card LS/HS SMT–16 ”col” Access Card LS/HS SMT–16 ”col” Access Card LS/HS Access Card LS/HS Access Card LS/HS Port HS Port HS ÖÁ Á Access Card LS/HS Access Card LS/HS SMT–16 ”col” Access Card LS/HS SMT–16 ”col” Access Card LS/HS Á Á Á Á Á Á Á ÁÁÁ Á ÁÁÁ ÁÁÁ Á Á Access Card LS/HS Access Card LS/HS Á Á ÖÁ Á Á ÖÁ Á ÁÁÁ Ö ÁÁ Á Á ÖÁ Á Á ÖÁ Á ÁÁ Ö Á Á ÖÖÁÁ Á ÖÁ Á Á ÖÁ Á Á ÖÁ Á Á ÖÁ Á Á ÖÁ Á ÁÁ Ö Á Á ÁÁ Ö Á Á ÖÖÁÁ ÖÖÁÁ Port LS–HS Port LS–HS Access Card LS/HS Access Card LS/HS ÖÖ Ö Á Á Ö Ö ÁÁ Ö ÁÁ Á Ö Ö ÁÁ Ö ÁÁ Á Ö Ö ÁÁ Ö ÁÁ Á ÖÁ Ö Ö ÁÁ Ö ÁÁ Á Ö Ö ÁÁ Ö ÁÁ Á Ö Ö ÁÁ Ö ÁÁ Á ÖÖÁÖ Á Á ÖÖÖÁÁ ÖÖÖÁÁ ÖÖÖÁÁ ÖÖÖÁÁ ÖÖÖÁÁ ÖÖÖÁÁ ÖÖÖÁÁ ÖÖ Ö Á Á Á ÖÁ Ö Ö ÁÁ Ö ÁÁ Á Ö Ö ÁÁ Ö ÁÁ Á Ö Ö ÁÁ Ö ÁÁ Á Ö Ö ÁÁ Ö ÁÁ Á Ö Ö ÁÁ Ö ÁÁ Á Ö Ö ÁÁ Ö ÁÁ Á Ö Ö Á Á Ö ÁÁ Á ÖÖÁÖ Á Á ÖÖÖÁÁ ÖÖÖÁÁ ÖÖ Ö Á Á Á Ö Á ÖÖ Ö Á Á Á ÖÖÖÁÁ ÖÖÖÁÁ MATRIX B (spare) MATRIX B (spare) Access Card LS/HS Access Card LS/HS Ö Ö Ö Ö Á Ö ÁÁ Á ÖÖ Ö Ö Á Á Á ÖÖ Ö Ö Á Á Á ÖÖ Ö Ö Á Á Á ÖÖ Ö Ö Á Á Á ÖÖ Ö Ö Á Á Á ÖÖ Ö Ö Á Á Á ÖÖ Ö Ö Á Á Á ÖÖ Ö Ö Á Á Á Ö Ö Ö Ö Á Ö ÁÁ Á ÖÖ Ö Ö Á Á Á ÖÖ Ö Ö Á Á Á ÖÖ Ö Ö Á Á Á ÖÖÖÖ ÖÖ Ö Ö Á Á Á ÖÖ Ö Ö Á Á Á ÖÖ Ö Ö Á Á Á Access Card LS Access Card LS interface, 4xANY, double TPD, etc.) is the same in both equipment facilities. 706 A further example, shows the equipment with” MUX/DEMUX 8 channels units”. 3AL 91669 AA AA are then required in order to host the needed amount of STM16 ’CWDM’ interfaces. Figure 168. MUX/DEMUX functionality: example of shelf equipment REQUIRED) handling 4 CWDM Equipment example with (2 SEPARATE SHELVES FOR RING APPLICATON MUX/DEMUX 8 Channels The capability to host within the single shelf, the items required for ’OADM’ application (STM16 ’colored’ In this case 4 wavelengths are supposed to be terminated by the node in ’ring’ application; two shelves 302 / 706 All rights reserved. Passing on and copying of this document, use and communication of its contents not permitted without written authorization from Alcatel.
  • 305.
    3.11.2 Functional description 1660SM with WDM signal flow is functionally based, both in ’ring’ and ’linear’ application, on three directions: not permitted without written authorization from Alcatel. All rights reserved. Passing on and copying of this document, use and communication of its contents 1660SM 1660SM function interfacing Figure 169. 1660SM signal flow diagram with WDM application [1] “client” signals groomed by SDH matrix and carried by ’CWDM’ wavelengths; [2] “client” signals not groomed by SDH matrix and carried, transparently, by ’CWDM” wavelengths (wavelength assignment on B/W signals); [3] “server” signals not groomed by SDH matrix and regenerated on same or different wavelength. 1AA 00014 0004 (9007) A4 – ALICE 04.10 ED 03 3AL 91669 AA AA 303 / 706 706
  • 306.
    3.11.3 “Ring” nodefunctional scheme In the following, different examples of 1660SM (WDM application) configured as a ’ring’ node are showed. not permitted without written authorization from Alcatel. In every hypothesis, all the items involved (represented in gray color) are hosted in a 1660SM shelf. All rights reserved. Passing on and copying of this document, use and communication of its contents Figure 170. 1660SM (WDM application) ’ring’ node functional scheme (1) Specifically, the node represented in Figure 170. terminates on each side, two channels on STM 16 ’colored’ interfaces. The wavelengths multi/demultiplexing is supposed to be performed by MUX/DEMUX 8 channels 1AA 00014 0004 (9007) A4 – ALICE 04.10 Figure 171. 1660SM (WDM application) ’ring’ node functional scheme (2) ED 03 3AL 91669 AA AA 304 / 706 706
  • 307.
    In Figure 171.the node realizes the wavelengths termination by using also ’Double channel transponder’ unit. Optical multi/demultiplexing is, anyway, performed through MUX/DEMUX card. not permitted without written authorization from Alcatel. All rights reserved. Passing on and copying of this document, use and communication of its contents Channels terminated into STM16 interfaces can be processed and cross–connected by SDH blocks till the LO granularity; while channels terminated into ’Transponder’ are not groomed at any level but either adapted to the transmission technique or recovered from line degradation. Next Figure 172. and Figure 173. , show the functionality of a ’ring’ node using COADM 1 (2) ch. for wavelengths multi/demultiplexing. Figure 172. 1660SM (WDM application) ’ring’ node functional scheme (3) 1AA 00014 0004 (9007) A4 – ALICE 04.10 ED 03 3AL 91669 AA AA 305 / 706 706
  • 308.
    not permitted withoutwritten authorization from Alcatel. All rights reserved. Passing on and copying of this document, use and communication of its contents Figure 173. 1660SM (WDM application) ’ring’ node functional scheme (4) It can be noticed that there is no difference with respect the use of MUX/DEMUX device as regards the processing of terminated channels (both in SDH matrix and in ’Transponder’ unit); as a difference, the COADM structure include a specific link for by–passing those channels of the grid not locally terminated. 1AA 00014 0004 (9007) A4 – ALICE 04.10 ED 03 3AL 91669 AA AA 306 / 706 706
  • 309.
    3.11.4 “Terminal” nodefunctional scheme As already considered for ’ring’ application, the following figures shows the functionality of 1660SM (WDM application) configured as the end of a ’linear’ network (i.e. point–to–point connection). not permitted without written authorization from Alcatel. All rights reserved. Passing on and copying of this document, use and communication of its contents Both cases of MUX/DEMUX unit (Figure 174. ) and COADM unit (Figure 175. ) used in ’end’ node are depicted. Figure 174. 1660SM (WDM application)’end’ node functional scheme (Mux/Demux) Also in this application all the physical parts involved (showed in gray color) are hosted in 1660SM shelf. No difference, with respect termination channels functionality, already depicted for ’ring’ application, exists. 1AA 00014 0004 (9007) A4 – ALICE 04.10 ED 03 3AL 91669 AA AA 307 / 706 706
  • 310.
    1AA 00014 0004(9007) A4 – ALICE 04.10 ED 03 706 3AL 91669 AA AA Figure 175. 1660SM (WDM application) ’end’ node functional scheme (COADM) 308 / 706 All rights reserved. Passing on and copying of this document, use and communication of its contents not permitted without written authorization from Alcatel.
  • 311.
    3.11.5 Optical spandesign The aim of this paragraph is defining the optical performances of 1660SM based on CWDM technology. The optical performances definition bases on the optical characteristics related to CWDM devices not permitted without written authorization from Alcatel. supported by the equipment (Transceivers, Mux/Demux, OADM) and on the fiber cable characteristics All rights reserved. Passing on and copying of this document, use and communication of its contents supposed. The CWDM technology is characterized by channel spacing wider than Dense WDM and allows to realize cost–effective applications, through a combination of un–cooled lasers (huge λ deviation versus temperature range, e.g. 8 nm), relaxed laser wavelength selection tolerances (e.g. ± 2 nm) and wide pass–band filters (e.g. 14 nm) inside the optical passive functions. The following paragraphs concern: [1] CWDM channels used [2] the optical functions characteristics in terms of structures and insertion losses ( Mux/Demux/OADM optical operations: structures and insertion losses); [3] the fiber attenuation coefficient and fiber chromatic dispersion profile [4] the transceiver optical characteristics necessary for power budget calculation [1] CWDM channels table The set of wavelengths used in the 1660SM equipment is a subset of the nominal central wavelengths grid defined in the ITU–T G.694.2 Recommendation for coarse WDM systems. The complete CWDM wavelengths grid range is from 1270 nm to 1610 nm with spacing of 20 nm. This spacing is the trade–off between the coarse technological aspects and the need to maximize the number of channels available. Table 44. CWDM channels grid supported by 1660SM Nominal central wavelengths (nm) used in the CWDM 1660SM 1470 1490 1510 1530 1550 1570 1590 1610 1AA 00014 0004 (9007) A4 – ALICE 04.10 ED 03 3AL 91669 AA AA 309 / 706 706
  • 312.
    [2] Mux/Demux/OADM opticaloperations: structures and insertion losses 1660SM supports the following WDM functions: not permitted without written authorization from Alcatel. – multiplexing and demultiplexing of 8 CWDM channels without ’channels pass–through’ link through All rights reserved. Passing on and copying of this document, use and communication of its contents COMDX8; – multiplexing and demultiplexing of 2 CWDM channels with ’channels pass–through’ link through COADM2; – multiplexing and demultiplexing of 1 CWDM channel with ’channels pass–through’ link through COADM1. Figure 176. shows a generic application of the optical functions listed above with the definitions used in the following paragraphs. Table 45. shows the maximum insertion losses (dB) between: – demux ’In’ and generic channel ’Drop’; – generic channel ’Add’ and mux ’Out’; – demux ’In and mux ’Out’ (’Pass–through’ connection). Note – Channel loop insertion–loss is given by adding demux ’In’ and generic channel ’Drop’ to generic channel ’Add’ and mux ’Out’. Pass–through Demux Fiber Fiber Mux In Out Loop Drop Add West East Pass–through Demux Fiber Mux Out Loop In Fiber Add Drop Board #1 Board #2 1AA 00014 0004 (9007) A4 – ALICE 04.10 Figure 176. Passive optical operation ED 03 3AL 91669 AA AA 310 / 706 706
  • 313.
    Note – Insertion loss values related to ’In – Drop’ channel and ’Pass–through’ includes an assumed 0.5 dB insertion loss due to ’CWDM LOS detection stage’ equipped in Mux/Demux/OADM boards Note – Contribution of Chromatic Dispersion related to Mux/Demux/OADM optical operations has not permitted without written authorization from Alcatel. been considered equals 0 ps/nm (range currently considered in devices specification is ± 30 ps/nm). All rights reserved. Passing on and copying of this document, use and communication of its contents Table 45. Boards insertion loss Optical function Add Ch. Out insertion Loss (dB) Pass.–th Channels (um) I.L. (dB) 1.47 1.49 1.51 1.53 1.55 1.57 1.59 1.61 MUX (COMDX8) 1.05 1.35 1.65 1.95 2.25 2.55 2.85 3.15 COADM2 1.55 1.55 1.55 1.55 1.55 1.55 1.55 1.55 2.5 COADM1 1.25 1.25 1.25 1.25 1.25 1.25 1.25 1.25 2.1 Optical function In – Drop Ch. Insertion Loss (dB) Pass.–th Channels (um) I.L. (dB) 1.47 1.49 1.51 1.53 1.55 1.57 1.59 1.61 DEMUX (COMDX8) 1.05 3.15 2.85 2.55 2.25 1.95 1.65 1.35 COADM2 1.55 1.55 1.55 1.55 1.55 1.55 1.55 1.55 2.5 COADM1 1.25 1.25 1.25 1.25 1.25 1.25 1.25 1.25 2.1 Figure 177. , Figure 178. , Figure 179. highlight the ’Insertion loss’ values as regards COMDX8, COADM2, COADM1. In the 8 ch.s Mux/Demux operation (COMDX8), the specific equalization (to be considered for device implementation) of the channel loop ’Insertion loss’ versus channels, can be noticed: the result is a constant channel loop insertion loss from 1.49 to 1.61 um wavelength, while a minor value occurs at 1.47 um. This solution allows to optimize ’span length’ performance, considering both ’typical’ attenuation profile of the Standard SMF, wavelength and number of intermediate nodes within a referenced span: the benefits are in terms of possible longer distances between the nodes or greater power margins between the optical interfaces. In 2 ch.s Mux/Demux operation (COADM2) the channel loop insertion loss has the same value for every couple of wavelengths. 1AA 00014 0004 (9007) A4 – ALICE 04.10 ED 03 3AL 91669 AA AA 311 / 706 706
  • 314.
    1.05 2.1 1.05 3.15 1.35 not permitted without written authorization from Alcatel. 2.85 1.65 All rights reserved. Passing on and copying of this document, use and communication of its contents Fiber Demux Fiber In 2.55 1.95 Out Mux 2.25 5.5 2.25 1.95 2.55 1.65 2.85 1.35 3.15 West East 1.05 2.1 1.05 1.35 3.15 1.65 2.85 Demux Fiber Out 1.95 2.55 In Fiber Mux 2.25 5.5 2.25 2.55 1.95 2.85 1.65 3.15 1.35 Board #1 Board #2 Figure 177. COMDX8 insertion loss 1.25 2.5 1.25 1.55 3.1 1.55 Demux Fiber In Out Fiber Mux 1.55 1.55 West East 1.25 2.5 1.25 1.55 3.1 1.55 Demux Fiber Out In Fiber Mux 1.55 1.55 Board #1 Board #2 1AA 00014 0004 (9007) A4 – ALICE 04.10 Figure 178. COADM2 insertion loss ED 03 3AL 91669 AA AA 312 / 706 706
  • 315.
    1.05 2.1 1.05 Demux Fiber not permitted without written authorization from Alcatel. Fiber In 1.25 2.5 1.25 Out Mux All rights reserved. Passing on and copying of this document, use and communication of its contents West East 1.05 2.1 1.05 Demux Fiber Out 1.25 2.5 1.25 In Mux Fiber Board #1 Board #2 Figure 179. COADM1 insertion loss [3] Fiber Technical Data The referenced fiber for span length evaluation is the Standard Single Mode (SSMF) ITU–T G. 652. The parameters in Table 46. and they are based on data coming from ITU–T G.957 Recommendation. The column ’Typical Attenuation Coefficient’ includes losses due to installation splices, repair splices, and the operating temperature range. The column ’Maximum Attenuation Coefficient’ is obtained by considering a maximum attenuation coefficient of about 0.3 dB/Km1. in the 1500 ÷ 580 nm and, in general, assuming a +30% tolerance over the whole wavelength range supported by the equipment. Table 46. Fiber technical data Lambda Typical Attenuation Max. Attenuation Max. Chromatic Dispersion (um) Coefficient (dB/Km) Coefficient (dB/Km) Coefficient (ps/nm/Km) 1.47 0.28 0.36 13.10 1.49 0.24 0.31 14.50 1.51 0.22 0.29 15.80 1.53 0.21 0.27 17.30 1.55 0.21 0.27 18.50 1.57 0.22 0.28 19.60 1.59 0.22 0.29 20.50 1.61 0.23 0.30 21.50 1AA 00014 0004 (9007) A4 – ALICE 04.10 1. The 0.3 dB/Km value is in compliance with the system calculation purposes indicated in the ITU–T G.957 Recommendation. ED 03 3AL 91669 AA AA 313 / 706 706
  • 316.
    [4] Line transceiversand optical interface power budget (Tx–Rx) The optical interfaces considered for power budget, span power budget and span length calculation have the main optical characteristics showed in Table 47. not permitted without written authorization from Alcatel. All rights reserved. Passing on and copying of this document, use and communication of its contents These optical interfaces are realized through ’2R’ transceivers integrated in SFP MSA device. Three specific devices allows to achieve the best ’performance/cost’ ratio, matching specific network characteristics. The two modules are: – SFP with PIN detection, consistent with span length around 40 Km (called hereafter BRONZE version); – ’standard’ SFP with APD detection, consistent with span length around 70 Km (called hereafter SILVER version); Table 47. Optical transceiver characteristics PARAMETER Unit Symbol BRONZE SILVER REFERENCE Transmitter Output Optical power dBm POUT Min. 0 0 (EOL) Typ. Max. 5 5 Chromatic dispersion ps/ D*Km Min. 1000 1600 nm Receiver Average Rx dBm RSENS Max. –18 –28 1 Sensitivity@OC–48+FEC Maximum input power dBm PMAX Min. –3 –9 Optical Path Penalty dB Max. 1 2 REFERENCE: 1 – Worst–case extinction ratio (8.2dB). Measured with a PRBS 223–1 test pattern, @2.67Gb/s, BER10–12, EOL. 1AA 00014 0004 (9007) A4 – ALICE 04.10 ED 03 3AL 91669 AA AA 314 / 706 706
  • 317.
    3.12 Controller sub–system (See Figure 180. on page 316) The 1660SM control sub–system is based on a two level model : not permitted without written authorization from Alcatel. All rights reserved. Passing on and copying of this document, use and communication of its contents – Equipment Controller (EC) implemented by the EQUICOE (PQ2/EQC) card. – Shelf Controller (SC) implemented as part of the MATRIXE card. The EC provides the HW resources (physical interfaces) and the SW functionalities (protocol stack) required for the communication between NE and Management system ( OS, craft terminal, etc). It performs as well all the SW functions related to the control and management activities like info–model processing, event reporting and logging, equipment data base management, SW downloading and management, etc. To support these activities, the EC function requires a non volatile mass storage device (flash card). The SC provide the resources to support the SW functions related to the control and management operation of the boards. To perform its functions, the SC directly interfaces the ASICS on the board implementing the SDH functions for data collection (faults or alarm event detections, performance monitoring data) and configuration provisioning. As the SC is involved in critical activities ( for instance EPS ) , is 1+1 protected. Internal bus For the controller sub–system the following busses are defined: – ”Management bus” that allows: • connection between SC and boards for configuration data provisioning • remote inventory data acquisition • data collection ( alarms ) and commands handling (ex. loops) – “ISSB bus” used for communication among the Equipment Controller, the Shelf Controllers and the Local Microprocessor (present for example on ISA board). External interfaces toward Craft Terminal, OS and Mediation Device F interface : available from the EC function for connection to a local Craft Terminal; the electrical interface and connector are provided by the EQUICOE card. The standard implementation of the physical layer for the F interface consists of an RS–232 UART port accessible from the EQUICOE card front panel. USB interface :The USB interface is foreseen as an alternative option for connection to external PC supporting the Craft Terminal function; it is currently not operative. QECC interface: is a TMN related communication interface based on the use of the Embedded Communication Channels available in the SOH portion of the SDH frame. Through the QECC interface the 1660SM can exchange management messages with a remote OS. In the 1660SM up to three full duplex ECC channels can be terminated from each SDH interface: one DCC_M at 576 kbit/s, one DCC_R at 192 Kbit/s and one DCC_P 64 Kbit/s(F2, F3 bytes of VC4 ). QAUX interface: is provided as an additional TMN communication interface for message exchange between the NE and a Remote OS station based on the use of a 2 Mbit/s proprietary protocol. QMD interface: a Q2/RQ2 mediation function interface is provided to connect the 1660SM to non–SDH NEs; both the master mode and slave mode operations are supported. 1AA 00014 0004 (9007) A4 – ALICE 04.10 The RS–485 interface and the cable connector are provided on the CONGI card. ED 03 3AL 91669 AA AA 315 / 706 706
  • 318.
    QB interface: itis dedicated to an OS station connection. QB3 options is supported for the connection to a LAN through a 10BASE2 or a 10BASET interface; the physical interfaces are provided by CONGI card. not permitted without written authorization from Alcatel. RE / HK interface: this interface consists of parallel I/O signals used for remote alarms and for All rights reserved. Passing on and copying of this document, use and communication of its contents housekeeping signals. The relevant electrical interfaces are placed on the two CONGI cards, and are controlled by the EC function through parallel I/O ports. RA interface: it is dedicated to send commands toward the rack to light up the relevant lamps. REMOTE Rack leds NON SDH OPERATION OPERATION EQUIPMENT SYSTEM SYSTEM Remote andHousekeeping Alarm QB QAUX RA QMD RE/HK RE/HK EXTERNAL EXTERNAL EXTERNAL INTERFACE INTERFACE INTERFACE CONGI a CONGI b SERVICE Local Management BUS F Craft Terminal USB SC SC not operative EC QECC ISSB FLASH CARD PQ2/EQC MATRIX a MATRIX b Management BUS Local Access STM–1 Microprocessor Modules STM–1 ISA units 1AA 00014 0004 (9007) A4 – ALICE 04.10 SDH units PDH units Figure 180. 1660SM Control Sub–system ED 03 3AL 91669 AA AA 316 / 706 706
  • 319.
    3.12.1 Network managementinterfaces (See Figure 181. on page 318 and Figure 182. on page 318) The management of the equipment is realized by : not permitted without written authorization from Alcatel. All rights reserved. Passing on and copying of this document, use and communication of its contents • a Craft Terminal (CT). • an Operations System (OS) made up of one or more Workstation, whose function is widened to networks management. Further it permits the connection to the Telecommunications Management Network (TMN). Figure 181. on page 318 illustrates an example of management architecture of the equipment. The Craft Terminal interface is an EIA–RS232 type (F interface). It can be: – local, connecting the Craft Terminal via the F interface. – remote, from another SDH equipment or SDH gateway of the network where a Craft Terminal is connected (to the F interface), addressing the actual equipment. In this case the management information is transported by the optical network, utilizing DCC bytes (Qecc link), or routed by a LAN. When Remote Craft Terminal option is used, a max of 32 equipments are manageable by means of one F interface. This equipment can address and manage remote SDH nodes by means of this functionality. Interface QB3 permits to establish connection with the OS; the management information can be transported by the optical network, utilizing DCC bytes (Qecc protocol) or by a dedicated LAN network. It supports dual addressing to OS, allowing OS redundancy protection. The connection mode is indicated in the following (see Figure 182. on page 318).The Equipment Controller EC ( physically on the EQUICOE unit) transfers messages between QB3 and DCC. To forward TMN messages towards other NE’s, the Equipment Controller uses the QECC bus connected with the STM–1 ports. In this way the messages are transmitted on D1:D12 bytes of STM (DCC). The connected NE extracts the messages from these bytes and sends them to the Equipment Controller. In the selected NE the Equipment Controller uses the MANAGEMENT BUS to exchange data with the units. This data is then transferred towards the Operative System via the STM–1 DCC. In all the NE not involved the Equipment Controller lets through the DCC between the two opposite STM–1 port (STM–1 port A and STM–1 port B in the example of Figure 182. on page 318). 1AA 00014 0004 (9007) A4 – ALICE 04.10 ED 03 3AL 91669 AA AA 317 / 706 706
  • 320.
    LAN OPERATION 1660SM OPERATION SYSTEM GATEWAY SYSTEM not permitted without written authorization from Alcatel. All rights reserved. Passing on and copying of this document, use and communication of its contents LAN LAN DCN LAN BRIDGES BRIDGES QB3 1660SM F CRAFT 1660SM F 1660SM F GATEWAY TERMINAL GATEWAY DCC DCC DCC 1660SM 1660SM 1660SM F NE NE NE F CRAFT F TERMINAL DCN : DATA COMMUNICATION NETWORK Figure 181. 1660SM general management architecture OPERATION SYSTEM LAN QB3 CONGI STM–1 EC STM–1 port A port B QECC QECC QECC BUS NE STM–1 MANAGEMENT BUS port B NE ( 1660SM–GATEWAY) MANAGEMENT BUS E C STM–1 port A 1AA 00014 0004 (9007) A4 – ALICE 04.10 Figure 182. Connection Mode for TMN ED 03 3AL 91669 AA AA 318 / 706 706
  • 321.
    3.12.2 ATM/IP/MPLS overSDH Management The management of SDH equipments is organized as required by the 7–layers ISO/OSI protocol stack, while the ATM/MPLS equipments are usually managed by means of SNMP (Simple Network Management not permitted without written authorization from Alcatel. Protocol), that is an application of the TCP/IP reference model. All rights reserved. Passing on and copying of this document, use and communication of its contents By carrying the data traffic (ATM,MPLS, Ethernet) over the SDH network structures there is the need to manage together and contemporarily SDH and ATM/MPLS equipments; this function is accomplished by means of the encapsulation of SNMP messages inside the OSI layers (”IP over OSI tunneling”). In this way the ATM/MPLS management information is transported over the existing SDH networks. The various protocols relations are illustrated in Figure 183. on page 319. An example of ATM/IP/MPLS/SDH network management is shown in Figure 184. on page 320. In this example, the OS enters the network management messaging over an Ethernet link (IEEE–802.3 protocol) of a Gateway NE (GNE); here the messages are transported over the optical Qecc links by means of the LAPD protocol; at the remote managed nodes, the messages are acknowledged as belonging to: • OSI reference model, for SDH management • TCP/IP (SNMP) reference model, for IP/ATM management. Application Lay7 Presentation Lay6 SNMP Session Lay5 ISO/OSI protocols Internet protocols TCP Transport (TP4) Lay4 IP Network (CLNP) Lay3 3 4 2 1 TMN protocols Ethernet LAPD Lay2 (QB3) TMN protocols QB3 ECC Lay1 (Qecc) 1): OSI stack for SDH management (Qecc interface) 2): IP over OSI tunneling for IP/ATM management (Qecc interface) 3): OSI stack for SDH management (Qb3 interface) 4): IP over CLNP tunneling for IP/ATM management (GNE entry from OS, IEEE–802.3) 1AA 00014 0004 (9007) A4 – ALICE 04.10 Figure 183. Protocol stack for SDH/ATM management ED 03 3AL 91669 AA AA 319 / 706 706
  • 322.
    not permitted withoutwritten authorization from Alcatel. All rights reserved. Passing on and copying of this document, use and communication of its contents SDH (OSI) ATM/IP/MPLS (SNMP) OS TMN QB3 802.3 QECC LAPD QECC Gateway NE (GNE) F CT OSI LAPD F SDH+ATM/IP/MPLS SDH NE LAPD OSI SNMP NE QECC QECC F SDH+ATM/MPLS CT SDH NE OSI LAPD OSI F NE LAPD SNMP QECC QECC LAPD SNMP OSI F SDH+ATM/IP/MPLS NE 1AA 00014 0004 (9007) A4 – ALICE 04.10 Figure 184. Example of management of a network with SDH and ATM/IP/MPLS traffic ED 03 3AL 91669 AA AA 320 / 706 706
  • 323.
    3.13 Protection sub–system The types of protections are: not permitted without written authorization from Alcatel. • Equipment protection (EPS) All rights reserved. Passing on and copying of this document, use and communication of its contents The EPS protection is supported on the 1660SM equipment for the following cards : Equipment Boards Protection Scheme Number of protec- Mode tion schemes MATRIXE 1+1 1 Not revertive Low Speed ports : N+1 (N max = 6) 1 Revertive – 63x2Mbit/s High Speed electrical N+1 (N max=15) 1 to 8 Revertive ports : – 4xSTM–1 elect. – 16xSTM–1 elect. – 3x34/45Mbit/s ATM matrix 4x4 1+1 2 Not revertive ATM matrix 8X8 1+1 2 Not revertive ISA ES16 1+1 4 Not revertive MPLS boards – PR_EA Matrix 1+1 2 Not revertive 4xEthernet – PR_EA Matrix 1+1 2 Not revertive 1xGB–Ethernet N.B. Note that for the LS and HS ports, the protection scheme 1+1 is a particular case of an 1+N EPS protection scheme (is then revertive). • Network protections: – MSP (Multiple Section linear trail Protection) • 1+1 linear single–ended • 1+1 linear dual–ended • 1 : N linear dual–ended – SNCP/I and SNCP/N It is used on ring, linear and mesh network topology. Switching occurs on the path, selecting (Rx side) the signal transmitted to both Tx A and Tx B ( A and B are two different directions) sides. – Drop Continue It is an architecture to connect sub–networks, in order to improve traffic availability. 1AA 00014 0004 (9007) A4 – ALICE 04.10 – Collapsed dual node ring interconnection It is an architecture to connect sub–networks, in order to improve traffic availability with hardware resource reduction (two nodes collapse in one node). ED 03 3AL 91669 AA AA 321 / 706 706
  • 324.
    Collapsed single node ring interconnection It is an architecture to connect sub–networks, in order to improve traffic availability with hardware resource reduction (four nodes collapse in one node). not permitted without written authorization from Alcatel. All rights reserved. Passing on and copying of this document, use and communication of its contents – 2F MS–SPRING, 2 fibres Multiple Section Shared Protection The switching information is also indicated on the Craft Terminal screen. 3.13.1 EPS Protections [1] Matrix card protection The positions of main and spare MATRICES are fixed : • Slot 23 : MATRIXE main • Slot 40 : MATRIXE spare [2] Low Speed (LS) port protection (See Figure 185. on page 323) As Low Speed ports (LS) are intended the 2 Mbit/s speed ports . The Low speed port can manage up to 63 x 2 Mbit/s port. The LS ports are connected in a fixed way to the pertaining access cards (refer to para 2.3 on page 110) using point–to–point connections. To connect the 63 2 Mbit/s streams 3 access cards are needed : twenty one bidirectional links are used for each connection between LS port and LS access card. The spare LS port is connected with all the access cards using point–to–multipoint connections. Only one protection group N+1 revertive can be created because the spare port card must be in a fixed position : • Slot 32 : spare card The switches to select between main links and protection links are located on the access cards and managed by a microprocessor. The switch is activated in case of failure. Figure 185. on page 323 shows the connection between main ports, spare card and access card in case of 63 x 2 Mbit/s port. 1AA 00014 0004 (9007) A4 – ALICE 04.10 ED 03 3AL 91669 AA AA 322 / 706 706
  • 325.
    63 x 2Mbit/s ACCESS CARDS MAIN PORT CARDS not permitted without written authorization from Alcatel. 21 main links 21 protection links All rights reserved. Passing on and copying of this document, use and communication of its contents ÉÉÉÉÉ SLOT 1 SLOT 2 MainÉÉÉÉÉ ÉÉÉÉÉ SLOT 3 Slot 24 ÉÉÉÉÉ ÉÉÉÉÉ 2 Mbit/s from/to DDF SLOT 4 Main ÉÉÉÉÉ ÉÉÉÉÉ SLOT 5 SLOT 6 Slot 27 ÉÉÉÉÉ ÉÉÉÉÉ 2 Mbit/s from/to DDF SLOT 7 Main ÉÉÉÉÉ ÉÉÉÉÉ SLOT 8 Slot 30 SLOT9 ÉÉÉÉÉ ÉÉÉÉÉ 2 Mbit/s from/to DDF SLOT 13 Main ÉÉÉÉÉ ÉÉÉÉÉ SLOT 14 Slot 33 SLOT 15 ÉÉÉÉÉ ÉÉÉÉÉ 2 Mbit/s from/to DDF SLOT 16 Main ÉÉÉÉÉ ÉÉÉÉÉ SLOT 17 Slot 36 SLOT 18 ÉÉÉÉÉ ÉÉÉÉÉ 63 x 2 Mbit/s SPARE PORT CARD 2 Mbit/s from/to DDF ÉÉÉÉÉ SLOT 19 ÎÎÎÎ Spare Main ÉÉÉÉÉ SLOT 20 ÎÎÎÎ Slot 32 ÉÉÉÉÉ Slot 39 ÉÉÉÉÉ SLOT 21 ÎÎÎÎ ÎÎÎÎ ÉÉÉÉÉ 2 Mbit/s from/to DDF 1AA 00014 0004 (9007) A4 – ALICE 04.10 Figure 185. Low Speed Link Connections ED 03 3AL 91669 AA AA 323 / 706 706
  • 326.
    [3] High Speed (HS) port protection (See Figure 186. on page 324 and Figure 187. on page 326) As High Speed ports (HS) are intended the 34 Mbit/s , 45 Mbit/s and 155 Mbit/s speed ports. not permitted without written authorization from Alcatel. Up to 16 HS ports can be housed in the basic area. All rights reserved. Passing on and copying of this document, use and communication of its contents For the electrical HS ports the corresponding access cards have to be put in the access area with fixed relations (refer to para 2.3 on page 110 ). More than one protection group N+1 revertive can be created , depending on the equipment configuration. For each group N + 1 protected group the revertive mode is supported. The spare card position can be assigned in a flexible way . The only constraint are the following : • the access card corresponding to the protecting card must be an HPROT card • the HPROT card has to be plugged at the left side of the access card group • the main/spare ports have to be adjacent. • the protecting card has to be plugged at the left side of the protected group of ports • the protecting/protected group of ports have to be of the same type. The only exception is for the 3x34/3x45 port card : it can be a protecting card for both 3x34 or 3x45 port card i.e. a mixed group of ports can be protected by the same spare card. Figure 186. on page 324 gives some examples of EPS protection scheme. 1 2 3 4 5 6 7 8 9 10 11 12 13 14 15 16 17 18 19 20 21 ÖÖÖÖÖÁÁÁ ÖÖ Ö Ö Á Á Á ÖÖÁÁÁ ÖÖÖÖÖÁÁÁ ÖÖÖÁÁÁ ÊÊÊÔÔÔÔÔ ÊÊ Ô Ô Ô Ô Ô ÔÔÔÔÔ ÔÔÔÔ ÊÊÊÔÔÔÔÔ ÊÔÔÔÔÔ Ô access card 21 x 2 Mbit/s access card 21 x 2 Mbit/s access card 21 x 2 Mbit/s access card 21 x 2 Mbit/s access card 21 x 2 Mbit/s access card 21 x 2 Mbit/s access card 3 x 34 Mbit/s access card 3 x 45 Mbit/s access card 3 x 45 Mbit/s Access ÖÖÖÖÖÁÁÁ ÖÖÖÁÁÁ ÊÊÊÔÔÔÔÔ ÊÔÔÔÔÔ Ô access card 4 x STM1 access card 4 x STM1 access card 4 x STM1 Area ÖÖÖÖÖÁÁÁ ÖÖÖÁÁÁ ÊÊÊÔÔÔÔÔ ÊÔÔÔÔÔ Ô SERVICE CONGI B CONGI A HPROT HPROT HPROT ÖÖÖÖÖÁÁÁ ÖÖÖÁÁÁ ÖÖÖÖÖÁÁÁ ÖÖÖÁÁÁ ÊÊÊÔÔÔÔÔ ÊÔÔÔÔÔ Ô ÊÊÊÔÔÔÔÔ ÊÔÔÔÔÔ Ô ÖÖÖÖÖÁÁÁ ÖÖÖÁÁÁ ÖÖÖÖÖÁÁÁ ÖÖÖÁÁÁ ÊÊÊÔÔÔÔÔ ÊÔÔÔÔÔ Ô ÊÊÊÔÔÔÔÔ ÊÔÔÔÔÔ Ô ÖÖÖÖÁÁÁ Ö Ê Ô ÊÊÔÔ ÖÖÖÖÖÖÁÁÁÔÊÊÊÊÔÔÔÔÔÔ ÖÖÖÖÁÖÁÔ ÊÊÔÊÔÔÔÔ Ö Ö Ö ÖÁ Á ÖÁÁÁ Á ÊÔÔÔÔ ÖÖÖÖÁÁÁÔÊÊÊÔÔ ÔÔ ÖÖÖÖÁÁÔÊÊÊÔÔ ÔÔ Ö ÖÁ Á Ô Ê ÁÁÔ Ê port 4 x STM 1 electrical port 4 x STM 1 electrical port 3x34 / 45 switchable port 3x34 / 45 switchable port 3x34 / 45 switchable port 3x34 / 45 switchable port 63 x 2 Mbit/s (spare) port 4 x STM 1 electrical port 4 x STM 1 electrical port 4 x STM 1 electrical ÖÖÖÖÖÁÁÔÊÊÊÔÔ ÔÔ Ö Ö ÖÁ Á Ô Ê Á MATRIX B (spare) MATRIX A (main) port 63 x 2 Mbit/s port 63 x 2 Mbit/s Ö Á ÖÖÖÖÖ PQ2/EQC Basic ÖÖÖÖÁÁÁÔÊÊÊÔÔ ÔÔ ÖÖÖÖÁÁÔÊÊÊÔÔ ÔÔ Ö ÖÁ Á Ô Ê ÁÁÔ Ê Area ÖÖÖÖÖÁÁÔÊÊÊÔÔ ÔÔ Ö Ö ÖÖ Á Ô Ê Á ÖÖÖÖÁÁÁÔÊÊÊÔÔ ÔÔ Ö Ö ÖÁ Á Ô Ê Á Ö Á ÖÖÖÖÖ ÖÖÖÖÁÁÁÔÊÊÊÔÔ ÔÔ ÖÖÖÖÁÁÔÊÊÊÔÔ ÔÔ Ö ÖÁ Á Ô Ê ÁÁÔ Ê ÖÖÖÖÖÁÁÔÊÊÊÔÔ ÔÔ Ö Ö ÖÁ Á Ô Ê Á Ö Á ÖÖÖÖÖ 22 23 24 25 26 27 28 29 30 31 32 33 34 35 36 37 38 39 40 41 Figure 186. Example of EPS protection schemes 1AA 00014 0004 (9007) A4 – ALICE 04.10 ED 03 3AL 91669 AA AA 324 / 706 706
  • 327.
    Manual Switch andforce switch commands can be given via software by the user to activate the spare cards. The protections status is reported to the EC. not permitted without written authorization from Alcatel. Figure 187. on page 326 shows an example of High Speed connections for the 2+1 protection. All rights reserved. Passing on and copying of this document, use and communication of its contents Each access card is connected also with the previous one and with the next one; in this way N+1 protection is provided using HPROT card in last position at the left side of the access cards pertaining to the protected port group. Each electrical High Speed port can manage up to 4 HS streams. Input side ( from the access module point of view) The CMI encoded signal coming from the line and connected to the access card is NRZ decoded. The clock CK is extracted from the data. By means of the back panel connections , NRZ data and CK are forwarded to the pertaining main port and to the spare port. Moreover NRZ data and Clock are sent to the next access card if present to perform N +1 protection. The spare port should not be devoted to a specific main port therefore a distributed switch matrix (on every access card ) is used to allows the signal to gain the spare port. The command criteria for the distributed switch matrix comes from the matrix unit via serial interface. Output side ( from the access module point of view ) The signal , coming from Main and Spare ports via back panel connections , is coded into CMI format. The spare port is not devoted to a specific main port, therefore the signal transmitted from the spare is distributed to all access cards involved in the protection scheme. The connections are functionally point–to–multipoint but physically every access card realizes a point –to–point connection towards the previous and the next access card using a buffer to decouple and regenerate the signal. Hardware failures types The hardware failures causing automatic EPS protection switch can be grouped as : – failures causing the internal equipment link loss as powering KO, Clock loss, card missing (referred as LOS/LOF) – failures causing traffic loss (the internal link is preserved) as for instance unlocked oscillator, optical module defective, electrical interface defective and so on. – failures not causing traffic loss nor internal link loss but causing loss of management as ISBP failure or SPI failure. Moreover some failures can cause equipment malfunctioning ( as remote inventory fault, laser degrade, loss of DC/DC synchronism ). These hardware faults are signalled to the management system and do not provokes an automatic switch. Figure 188. on page 327 shows an example of 16X STM1 High Speed connections for the 3+1 protection. The protection scheme operation for 16xSTM–1 is similar to the above described for 3x34 Mb/s, 3x45 Mb/s and 4xSTM–1 boards, with the exception that the signals exchanged among the board are at 1.66 Gbit/s (Input/Output SERDES bit rate). 1AA 00014 0004 (9007) A4 – ALICE 04.10 ED 03 3AL 91669 AA AA 325 / 706 706
  • 328.
    1AA 00014 0004(9007) A4 – ALICE 04.10 ED 03 Input Output Input Output NEXT PREVIOUS CMI CMI CMI CMI CMI CMI CMI CMI NRZ NRZ NRZ NRZ MAIN MAIN HPROT ACCESS CARD ACCESS CARD NRZ–CK NRZ–CK NRZ–CK MUX MUX MUX MUX MUX MUX Buf. Buf. NRZ–CK NRZ–CK NRZ–CK Buf. Buf. MUX MUX 706 3AL 91669 AA AA NRZ–CK NRZ–CK NRZ–CK NRZ–CK Figure 187. High Speed connections (3x34, 3x45, 4x155 Mbit/s) NRZ–CK NRZ–CK MAIN PORT MAIN PORT SPARE PORT 326 / 706 All rights reserved. Passing on and copying of this document, use and communication of its contents not permitted without written authorization from Alcatel.
  • 329.
    All rights reserved.Passing on and copying of this document, use and communication of its contents not permitted without written authorization from Alcatel. 1AA 00014 0004 (9007) A4 – ALICE 04.10 ED 03 16 x STM1 electrical EPS protection scheme (example) 1 16 1 16 1 16 HPROT Spare Path STM–1 Spare Path STM–1 Spare Path STM–1 Mapper/Demapper Mapper/Demapper Mapper/Demapper ACCESS ACCESS ACCESS CARD N+1 CARD N CARD N–1 SERDES SERDES SERDES CK 19.44 Spare Path Spare Path MHz Spare Path SERDES SERDES SERDES SERDES CK 19.44 CK 19.44 CK 19.44 MHz MHz MHz Figure 188. High Speed connections (16xSTM–1) 706 3AL 91669 AA AA SPARE FAULTY PORT CARD PORT CARD PORT CARD PORT CARD N+1 N N–1 327 / 706
  • 330.
    [4] ATM MATRIX (ATM4x4, ATM4X4V2 , ATM4X4D3 and ATM8x8) protection (see Figure 189. on page 329) not permitted without written authorization from Alcatel. N.B. The following description is applicable to ATM4x4, ATM4X4V2, ATM4X4D3 and ATM8x8 All rights reserved. Passing on and copying of this document, use and communication of its contents boards; unless otherwise specified. The ATM MATRIX boards can be protected in 1+1 equipment protection scheme. In this configuration the ATM MATRIX and all indirect interfaces connected to it are protected against ATM module failure. This does not apply to the local STM–1 interfaces of the ATM4x4 board. In this configuration when the working ATM matrix fails the spare becomes active and the indirect interfaces are rerouted to it. The traffic from the local interface of the ATM4x4 board is lost. The following ATM protection group can be created: ATM board type Max. number of protection Mode groups ATM4x4 2 1+1 not revertive ATM4x4V2 2 1+1 not revertive ATM4x4D3 2 1+1 not revertive ATM8x8 2 1+1 not revertive The spare card position can be assigned in a flexible way; no restrictions for position of main and spare ATM MATRIX board are present. Figure 189. on page 329 gives some examples of EPS protection scheme. The ATM MATRIX is managed by SDH EC, SC, Platform and ATM EC. In outline the management can be divided in: • SDH side Management: involving SDH EC, SC and Platform, it mainly applies to the Equipment Domain of ATM MATRIX board. In particular: – SDH EC: management of Equipment Protection Groups and interface towards the SDH Network Management System (e. g. creation of Protection Schemes, operator commands, autoswitch notifications) – SC/ Platform: management of HW • ATM side Management: involving ATM EC, it mainly applies to the ATM Transmission Domain of ATM MATRIX board. Figure 190. on page 330 represent the messages exchanged between the EC (on the PQ2/EQC board) and the ATM MATRIX boards in protection group. 1AA 00014 0004 (9007) A4 – ALICE 04.10 ED 03 3AL 91669 AA AA 328 / 706 706
  • 331.
    1660SM not permitted withoutwritten authorization from Alcatel. EXAMPLE #1 All rights reserved. Passing on and copying of this document, use and communication of its contents SERVICE CONGI B CONGI A Protection Board Slot # Slot # group # Type board main board spare 1 2 3 4 5 6 7 8 9 10 11 12 13 14 15 16 17 18 19 20 21 ÔÔÔÔ ÔÔÔÔ 1 ATM MATRIX 25 24 4X4 ÁÁÁÁÑÑÁÁÁÁÔÔÔ ÁÁÁÑÑÁÁÁÁÔÔÔ ÁÁÑÑ Á Á Ô ÔÔÔÔ ÁÁÁÁ ATM 2 MATRIX 30 31 28 29 Spare Spare Main Main ÁÁÁÁÑÑÁÁÁÁÔÔÔ Á ÁÑÑ Á Á ÁÁÑÑ Á Á Ô ÁÁÁÁ 8x8 MATRIX B (spare) MATRIX A (main) ÁÁÁÁÑÑÁÁÁÁÔÔÔ Á ÁÑÑ Á Á Á Ô ÁÁÁÁ PQ2/EQC ATM MATRIX 4X4 ATM MATRIX 4X4 ATM MATRIX 8x8 ATM MATRIX 8x8 ÁÁÁÁÑÑÁÁÁÁÔÔÔ Á ÁÑÑ Á Á Á Ô ÁÁÁÁÑÑÁÁÁÁÔÔÔ ÁÁÁÁÑÑÁÁÁÁÔÔÔ Á Á ÁÑÑ Á Á Á ÁÑÑ Á Á Á Ô Ô ÁÁÁÁÑÑÁÁÁÁÔÔÔ Á ÁÑÑ Á Á Á Ô ÁÁÁÁÑÑÁÁÁÁÔÔÔ Á ÁÑÑ Á Á Á Á ÁÁ Á Ô Ô 22 23 24 25 26 27 28 29 30 31 32 33 34 35 36 37 38 39 40 41 1660SM EXAMPLE #2 SERVICE CONGI B CONGI A Protection Board Slot # Slot # group # Type board main board spare ÔÔÔÔ ATM 1 2 3 4 5 6 7 8 9 10 11 12 13 14 15 16 17 18 19 20 21 1 MATRIX 27 24 ÔÔ ÁÁÔ Á ÔÔÔÔ ÁÁÁÁ ÁÁÁ Á Á Ñ 4X4 ATM ÁÁÑ ÁÁÁÁ ÁÁÁ Á Á Ñ 2 38 39 28 29 Spare Spare MATRIX Main Main ÔÔ 8x8 ÁÁÁ ÁÁÔ ÁÁÑ ÁÁÁÁ ÁÁÁ Á Á Ñ MATRIX B (spare) MATRIX A (main) ÔÔ Á Ô ÁÁÁÑ ÁÑ PQ2/EQC ATM MATRIX 4X4 ATM MATRIX 4X4 ATM MATRIX 8x8 ATM MATRIX 8x8 ÔÔ ÁÁÔ Á ÁÁÁ Á Ñ Á ÔÔ ÔÔ ÁÁÔ Á ÁÁÔ Á ÁÁÁ Á Á Ñ ÁÁÁÑ ÁÑ ÁÁÁ Á Á Ñ ÁÁÑ ÔÔ ÔÔ ÁÁÔ Á ÁÁÔ Á ÁÁÁ Á Á Ñ ÁÁÑ ÁÁÁ Á ÑÑ ÁÁÑ 22 23 24 25 26 27 28 29 30 31 32 33 34 35 36 37 38 39 40 41 ÔÔ ÁÁÔ Á Á 1AA 00014 0004 (9007) A4 – ALICE 04.10 Figure 189. Examples of ATM MATRIX EPS protection scheme ED 03 3AL 91669 AA AA 329 / 706 706
  • 332.
    706 330 / 706 3AL 91669 AA AA 03 ED 1AA 00014 0004 (9007) A4 – ALICE 04.10 Figure 190. Messages exchanged between the EC and the ISA–ATM boards in EPS group boards towards both ATM MATRIX (including PNNI messages) The SC bridges traffic ÏÏÏÏÏÏÏÏÏÏÏÏÏÏÏÏÏÏÏÏÏÏÏÏ ÏÏÏÏÏÏÏÏÏÏÏÏÏÏÏÏÏÏÏÏÏÏÏÏÏÏÏ ÏÏÏÏÏ ÏÏÏÏÏÏÏÏ ÏÏÏÏÏÏÏÏÏÏÏÏÏÏÏÏÏÏÏÏÏÏÏÏ ÏÏÏÏÏ ÏÏÏÏ ÏÏÏÏÏÏ ATM traffic ÏÏÏÏÏÏÏÏÏÏÏÏÏÏÏÏÏÏÏÏÏÏÏÏÏÏÏ ÏÏÏÏÏÏ ÏÏÏÏ ÏÏÏÏÏÏ ÏÏÏÏÏÏ ÏÏÏÏÏ ÏÏÏÏ carrying Traffic (including PNNI protocol) ÏÏÏÏÏÏÏÏÏÏÏÏÏÏÏÏÏÏÏÏÏÏÏÏÏÏÏ SDH ports ÏÏÏÏÏÏÏÏÏÏÏÏÏÏÏÏÏÏÏÏÏÏÏÏÏÏÏ ÏÏÏÏÏ ÏÏÏÏ ÏÏÏÏÏÏÏÏÏÏÏÏÏÏÏÏÏÏÏÏÏÏÏÏÏÏÏ ÏÏÏÏÏÏÏÏ ÏÏÏÏÏÏÏÏÏÏÏÏÏÏÏÏÏÏÏÏÏÏÏÏÏÏÏ ÏÏÏÏÏÏÏÏÏÏÏÏÏÏÏÏÏÏÏÏÏÏÏÏÏÏÏ ÏÏÏÏÏÏÏÏÏÏÏÏÏÏÏÏÏÏÏÏÏÏÏÏÏÏÏ Agent ÏÏÏÏÏÏÏÏÏÏÏÏÏÏÏÏÏÏÏÏÏÏÏÏÏÏÏ Agent spare ÏÏÏÏÏÏÏÏÏÏÏÏÏÏÏÏÏÏÏÏÏÏÏÏÏÏÏ main ATM MATRIX ATM MATRIX ATM MATRIX towards the Spare ÏÏÏÏÏÏÏÏÏÏÏÏÏÏÏÏÏÏÏÏÏÏÏÏÏÏÏ ÏÏÏÏÏÏÏÏÏÏÏÏÏÏÏÏÏÏÏÏÏÏÏÏÏÏÏ ATM NMS massages in charge of forwarding ÏÏÏÏÏÏÏÏÏÏÏÏÏÏÏÏÏÏÏÏÏÏÏÏÏÏÏ The main ATM MATRIX is ÏÏÏÏÏÏÏÏÏÏÏÏÏÏÏÏÏÏÏÏÏÏÏÏÏÏÏ ÏÏÏÏÏÏÏÏÏÏÏÏÏÏÏÏÏÏÏÏÏÏÏÏÏÏÏ EC SC ÏÏÏÏÏÏÏÏÏÏÏÏÏÏÏÏÏÏÏÏÏÏÏÏÏÏÏ ÏÏÏÏÏÏÏÏÏÏÏÏÏÏÏÏÏÏÏÏÏÏÏÏÏÏÏ PQ2/EQC MATRIXN ÏÏÏÏÏÏÏÏÏÏÏÏÏÏÏÏÏÏÏÏÏÏÏÏÏÏÏ 1660SM ÏÏÏÏÏÏÏÏÏÏÏÏÏÏÏÏÏÏÏÏÏÏÏÏÏÏÏ and dynamic data are aligned NMS and PNNI), their static the same messages (from Since both the agents receive NMS document, use and communication of its contents All rights reserved. Passing on and copying of this not permitted without written authorization from Alcatel.
  • 333.
    [5] MPLS (PR_EA) ports protection (see Figure 191. on page 332) not permitted without written authorization from Alcatel. The MPLS boards (PR_EA MATRIX 4xETHERNET, PR_EA MATRIX 1xGIGABIT ETHERNET) can be All rights reserved. Passing on and copying of this document, use and communication of its contents protected in 1+1 equipment protection scheme (EPS) against board failure. The 1+1 EPS cannot be applied to the local interfaces (4xethernet, gigabit ethernet). In case of failure the traffic carried by the ethernet local ports will be lost. In this configuration when the working PR_EA Matrix...board fails the spare becomes active and the indirect interfaces are rerouted to it. The traffic from the ethernet local interface is lost. Only one protection group 1+1 not revertive can be created, depending on the equipment configuration. The spare card position can be assigned in a flexible way; no restrictions for position of main and spare PR_EA boards are present. The 1+1 EPS protection scheme of PR_EA boards is the same of ATM boards one. Figure 191. on page 332 gives some examples of EPS protection scheme. The PR_EA EPS is managed by SDH EC, SC, Platform and PR_EA EC. In outline the management can be divided in: • SDH side Management: involving SDH EC, SC and Platform, it mainly applies to the Equipment Domain of the PR_EA... board. In particular: – SDH EC: management of Equipment Protection Groups and interface towards the SDH Network Management System (e. g. creation of Protection Schemes, operator commands, autoswitch notifications) – SC/ Platform: management of HW • MPLS side Management: involving PR_EA... EC, it mainly applies to the MPLS Transmission Domain of the PR_EA... board. Figure 192. on page 333 represents the messages exchanged between the EC (on the PQ2/EQC board) and the PR_EA Matrix... boards in protection group. 1AA 00014 0004 (9007) A4 – ALICE 04.10 ED 03 3AL 91669 AA AA 331 / 706 706
  • 334.
    1660SM not permitted without written authorization from Alcatel. EXAMPLE #1 All rights reserved. Passing on and copying of this document, use and communication of its contents SERVICE CONGI B CONGI A Protection Board Slot # Slot # group # Type board main board spare 1 2 3 4 5 6 7 8 9 10 11 12 13 14 15 16 17 18 19 20 21 ÔÔÔ ÔÔÔ 1 PR_EA MATRIX 25 24 ÁÁÁÁÑÁÁÁÁÁÔÔÔ ÁÁÁÑÁÁÁÁÁÔÔÔ ÁÑÑ ÁÁÁÁ Ô ÔÔÔ Spare Main ÁÁÁÁÑÁÁÁÁÁÔÔÔ ÁÁÑÑ ÁÁÁÁ Ô MATRIX B (spare) MATRIX A (main) ÁÁÁÁÑÁÁÁÁÁÔÔÔ ÁÁÑÑ ÁÁÁÁ Ô PQ2/EQC ÁÁÁÁÑÁÁÁÁÁÔÔÔ ÁÁÑÑ ÁÁÁÁ Ô PR_EA MATRIX PR_EA MATRIX ÁÁÁÁÑÁÁÁÁÁÔÔÔ ÁÁÑÑ ÁÁÁÁ Ô ÁÁÁÁÑÁÁÁÁÁÔÔÔ ÁÁÑÑ ÁÁÁÁ Ô ÁÁÁÁÑÁÁÁÁÁÔÔÔ ÁÁÑÑ ÁÁÁÁ Ô ÁÁÁÁÑÁÁÁÁÁÔÔÔ ÁÁÑÑ ÁÁÁÁ Ô ÁÁÁÑÑ ÁÁÁÁ Ô Á 22 23 24 25 26 27 28 29 30 31 32 33 34 35 36 37 38 39 40 41 1660SM EXAMPLE #2 SERVICE CONGI B CONGI A Protection Board Slot # Slot # group # Type board main board spare 1 2 3 4 5 6 7 8 9 10 11 12 13 14 15 16 17 18 19 20 21 ÔÔÔ ÔÔÔ 1 PR_EA MATRIX 27 24 ÔÔ ÁÔ ÔÔ ÁÁ Á Á Ñ ÁÁÁÑ ÁÁÑ Spare Main ÔÔ ÁÔ Ô ÁÁ Á Á Ñ ÁÁ Á Á Ñ Á ÁÑ Á MATRIX B (spare) MATRIX A (main) PQ2/EQC ÔÔ ÔÔ ÁÔ Ô Ô Á Á ÁÑ ÁÁÑ Á ÁÁ Á PR_EA MATRIX PR_EA MATRIX ÔÔ ÔÔ ÁÔ ÔÔ ÁÔ Ô ÁÁ Á Á Ñ ÁÁÁÑ ÁÁÑ ÁÁ Á Á Ñ Á ÁÑ ÁÁÑ ÔÔ ÔÔ ÁÔ Ô ÁÔ Ô ÁÁ Á Á Ñ Á ÁÑ Á ÁÁ Á ÑÑ Á Á 22 23 24 25 26 27 28 29 30 31 32 33 34 35 36 37 38 39 40 41 ÔÔ Ô Á Á ÁÁ Á 1AA 00014 0004 (9007) A4 – ALICE 04.10 Figure 191. Examples of MPLS (PR_EA..) boards protection scheme ED 03 3AL 91669 AA AA 332 / 706 706
  • 335.
    706 333 / 706 3AL 91669 AA AA 03 ED 1AA 00014 0004 (9007) A4 – ALICE 04.10 Figure 192. Messages exchanged between EC and ISA–PR_EA Matrix... boards in EPS group PR_EA Matrix towards both the The SC bridges traffic ÏÏÏÏÏÏÏÏÏÏÏÏÏÏÏÏÏÏÏÏÏÏÏÏ ÏÏÏÏÏÏÏÏÏÏÏÏÏÏÏÏÏÏÏÏÏÏÏÏÏÏÏ ÏÏÏÏÏ ÏÏÏÏÏÏÏÏ ÏÏÏÏÏÏÏÏÏÏÏÏÏÏÏÏÏÏÏÏÏÏÏÏ ÏÏÏÏÏ ÏÏÏÏ ÏÏÏÏÏÏ MPLS traffic ÏÏÏÏÏÏÏÏÏÏÏÏÏÏÏÏÏÏÏÏÏÏÏÏÏÏÏ ÏÏÏÏÏÏ ÏÏÏÏ ÏÏÏÏÏÏ ÏÏÏÏÏÏ ÏÏÏÏÏ ÏÏÏÏ carrying ÏÏÏÏÏÏÏÏÏÏÏÏÏÏÏÏÏÏÏÏÏÏÏÏÏÏÏ Traffic SDH ports ÏÏÏÏÏÏÏÏÏÏÏÏÏÏÏÏÏÏÏÏÏÏÏÏÏÏÏ ÏÏÏÏÏ ÏÏÏÏ ÏÏÏÏÏÏÏÏÏÏÏÏÏÏÏÏÏÏÏÏÏÏÏÏÏÏÏ ÏÏÏÏÏÏÏÏ ÏÏÏÏÏÏÏÏÏÏÏÏÏÏÏÏÏÏÏÏÏÏÏÏÏÏÏ ÏÏÏÏÏÏÏÏÏÏÏÏÏÏÏÏÏÏÏÏÏÏÏÏÏÏÏ ÏÏÏÏÏÏÏÏÏÏÏÏÏÏÏÏÏÏÏÏÏÏÏÏÏÏÏ Agent ÏÏÏÏÏÏÏÏÏÏÏÏÏÏÏÏÏÏÏÏÏÏÏÏÏÏÏ Agent spare ÏÏÏÏÏÏÏÏÏÏÏÏÏÏÏÏÏÏÏÏÏÏÏÏÏÏÏ main PR_EA Matrix PR_EA Matrix PR_EA Matrix towards the Spare ÏÏÏÏÏÏÏÏÏÏÏÏÏÏÏÏÏÏÏÏÏÏÏÏÏÏÏ ÏÏÏÏÏÏÏÏÏÏÏÏÏÏÏÏÏÏÏÏÏÏÏÏÏÏÏ MPLS NMS messages in charge of forwarding ÏÏÏÏÏÏÏÏÏÏÏÏÏÏÏÏÏÏÏÏÏÏÏÏÏÏÏ ÏÏÏÏÏÏÏÏÏÏÏÏÏÏÏÏÏÏÏÏÏÏÏÏÏÏÏ The main PR_EA Matrix is ÏÏÏÏÏÏÏÏÏÏÏÏÏÏÏÏÏÏÏÏÏÏÏÏÏÏÏ EC SC ÏÏÏÏÏÏÏÏÏÏÏÏÏÏÏÏÏÏÏÏÏÏÏÏÏÏÏ ÏÏÏÏÏÏÏÏÏÏÏÏÏÏÏÏÏÏÏÏÏÏÏÏÏÏÏ PQ2/EQC MATRIXN ÏÏÏÏÏÏÏÏÏÏÏÏÏÏÏÏÏÏÏÏÏÏÏÏÏÏÏ 1660SM ÏÏÏÏÏÏÏÏÏÏÏÏÏÏÏÏÏÏÏÏÏÏÏÏÏÏÏ are aligned. their static and dinamic data the same messages from NMS, Since both the agents receive NMS document, use and communication of its contents All rights reserved. Passing on and copying of this not permitted without written authorization from Alcatel.
  • 336.
    [6] ISA ES–16 ports protection ISA ES–16 board supports the EPS protection scheme as well as ISA ATM and ISA PR_EA boards. not permitted without written authorization from Alcatel. The EPS protection scheme is 1+1, where the main and spare positions are assigned by All rights reserved. Passing on and copying of this document, use and communication of its contents managementsystem in a flexible way (Note). Note: The board main and the board spare have to be configured on throughput equivalent slot (i.e. both not enhanced slots or both enhanced slots). The characteristics of the protection scheme: the switching type is unidirectional (single–ended), the operation type is Not Revertive (this means that WTR time is not applicable), the external commands are: Manual Switch working, Manual Switch spare, and Clear. The command Lockout of spare is not provided, as well Force switch working and Force Switch spare. The access cards (Fast Ethernet and Gigabit Ethernet) are not protected by the EPS protection scheme, this means if the board switches the Ethernet traffic carried by the local physical interfaces is lost, unless a protection scheme is configured on the client side like dual attach protocol for the Gigabit Ethernet interfaces. 1AA 00014 0004 (9007) A4 – ALICE 04.10 ED 03 3AL 91669 AA AA 334 / 706 706
  • 337.
    3.13.2 MS lineartrail Protection (1+1 linear APS) (See Figure 193. page 336 and Figure 194. page 336) not permitted without written authorization from Alcatel. The MS Linear Trail Protection is a 1+1 linear APS (single ended/dual ended) line protection for STM–N All rights reserved. Passing on and copying of this document, use and communication of its contents synchronous interfaces only. Switching might be caused by line failure or hardware faulty on another system connected to the one being considered. The switching criteria are : Loss of Signal, Loss of frame, MS–AIS, Excessive BER and, with software setting, Signal Degrade. Note that each STM–1 electrical stream can be protected by an optical stream and vice versa. This feature permits a 1+1 protection in a linear link, where a path signal is protected by another dedicated path which carries the same signal. The protection can be set both in single and in dual ended mode. In single ended mode the protection is accomplished by switching only the signal affected by the failure. In dual ended mode the protection is accomplished by switching both the affected and the unaffected signals. The switching signalling is carried over the APS channel (K1 and K2 bytes), using the K–byte protocol. Figure 193. page 336 shows an example of linear single ended 1+1 protection, and the case of signal switching after an unidirectional failure on the main link (FERF=Far End Receive Failure, APS=Automatic Protection Switching). Note: the FERF signal is actually called MS–RDI =Remote Defect Indication. Figure 194. page 336 shows an example of linear dual ended 1+1 protection, and the case of signal switching after an unidirectional failure on the main link. Table 48. shows the MSP protection schemes for the STM–N port cards for the 1660 SM . Table 48. MSP protection schemes Protec- Protected Entity tion Mode Features Notes Status Each STM–1 stream STM–1 of 4xSTM–1 elect/opt port unidirectional/bi- can be protected by an not re- re stan directional stan- 1+1 electrical or optical vertive dard (K1–K2 pro- stream of the same port STM–1 of 4xSTM–1 electrical port tocol) or of another port. STM–4 optical port unidirectional/bi- not re- re directional stan- stan 1+1 vertive dard (K1–K2 pro- STM–16 optical port tocol) The standard Linear Multiplex Section 1+1 with K1–K2 protocol compliant whit ITU–T G.841 1AA 00014 0004 (9007) A4 – ALICE 04.10 ED 03 3AL 91669 AA AA 335 / 706 706
  • 338.
    Single ended 1+1 not permitted without written authorization from Alcatel. 1 All rights reserved. Passing on and copying of this document, use and communication of its contents MAIN MAIN 2 1 SPARE SPARE 2 a) Normal conditions APS SWITCH 1 MAIN MAIN 2 FERF 1 SPARE SPARE 2 b) Unidirectional failure Figure 193. Linear 1+1 single ended protection Dual ended 1+1 1 MAIN MAIN 2 1 SPARE SPARE 2 a) Normal conditions APS 1 SWITCH MAIN MAIN 2 APS 1 SPARE SPARE SWITCH 2 b) Unidirectional failure Figure 194. Linear 1+1 dual ended protection 1AA 00014 0004 (9007) A4 – ALICE 04.10 ED 03 3AL 91669 AA AA 336 / 706 706
  • 339.
    3.13.3 MS lineartrail Protection (1:N linear dual–ended APS) 1:N (N= 15 max.) linear protection without extra traffic. not permitted without written authorization from Alcatel. One section is used as spare resource to protect one of the N main sections when in failure. All rights reserved. Passing on and copying of this document, use and communication of its contents The implementation is compliant with the G841 7.1 clause MSP protocol compatible with the 1:N MSP operation.. Only revertive mode is supported. Fixed WTR is supported of 5 minutes . When the protection section is not in use, null signal is indicated on both sent K1 and K2 bytes. The operation switch is bi–directional, which means that both Tx side and Rx side switch will occur (using K1/K2 messages) in compliant with the G841 protocol operations. In this mechanism the priority can be assigned to the main resource so that in case of double failure the high priority traffic is restored. This protection protects against transmission failures (LOS, LOF, MS_AIS) or section degradation (MS_SD or MS_EXBER) or HW failure, which affects the traffic. Protection takes place within 50ms. Different physical interfaces can be mixed in the same MSP protection group: e.g. at STM–1 level the feature is applicable at both electrical and optical ports. Operator command are according G.841 and the following one are supported: – Manual to protection: to switch from protected (main resource)) to protecting unit (Spare resource). This command is Y if no failure is present on protecting unit; – Force to protection:to switch from protected (main resource)) to protecting unit (Spare resource). This command is Y if no failure is present on protecting unit; – Lockout: the protection is locked, the traffic is managed by protected unit independently of its status, in failure or not in failure; – Clear: release command which is active; – Clear WTR: supported; – Exercise : not supported 1AA 00014 0004 (9007) A4 – ALICE 04.10 ED 03 3AL 91669 AA AA 337 / 706 706
  • 340.
    Dual ended 1:Nwithout extratraffic 1 1 not permitted without written authorization from Alcatel. All rights reserved. Passing on and copying of this document, use and communication of its contents 2 2 MAIN MAIN 1 1 2 #1 #1 2 1 1 2 2 MAIN MAIN 1 1 2 #N #N 2 SPARE SPARE a) Normal conditions 1 1 2 2 MAIN MAIN 1 1 #1 #1 2 2 Link failure SWITCH SWITCH 1 1 2 2 MAIN MAIN SWITCH 1 1 SWITCH #N #N 2 2 SPARE SPARE b) Failure conditions Figure 195. MSP Linear 1:N Dual–Ended protection 1AA 00014 0004 (9007) A4 – ALICE 04.10 ED 03 3AL 91669 AA AA 338 / 706 706
  • 341.
    3.13.4 SNCP (Sub–NetworkConnection Protection) (See Figure 196. on page 340 and Figure 197. on page 341) Subnetwork Network Connection protection is a dedicated protection mechanism that can be used to not permitted without written authorization from Alcatel. protect a path (e.g. that portion where two separate path segments are available) or the full end–to–end All rights reserved. Passing on and copying of this document, use and communication of its contents path. It may be applied at any path layer in a layered network. Two types of SNCP are possible: • SNCP/I (Inherent monitoring) that switches on SSF criteria (AU–AIS and AU–LOP). • SNCP/N (Non–intrusive monitoring) where POH is monitored by the POM enable before the matrix. The switches criteria are SSF and one or more of ExBER, TIM, UNEQ, SD; in this case the same selection must be made on each N.E. of the ring. SNCP is employed on ring networks on which several equipments have been installed. It can be also employed in Linear or Meshed network topology. Two operating mode can be selected for single VC SNCP: • revertive (the signal is switched back into the working channel, after recovery of the fault) In the revertive operation the ”Wait time to restore” (WTR) is fixed at 5 min. • not revertive As illustrated in the example shown in Figure 196. on page 340 several equipment (numbered 1 to 5) are ring–connected on a looped path. Each of the equipment on the node is bidirectionally connected (Side A and Side B). One of the two directions represent the main path (clockwise).The opposite direction will utilize a second fiber line for the spare traffic (counter clockwise). The SNCP automatic protection intervenes upon detecting path failure (SSF). Each transmitting signal node is permanently connected (bridge) in the main traffic direction (clockwise) and in the protected traffic direction(counter clockwise). The Tx signal reaches destination through two different paths thus enabling the node receiving it to select the best one (switch). The switching decision can be taken at the NE level (automatic switch) or at the OS level (management switch). The example of Figure 196. on page 340 illustrates the connection between two signals (T1, between nodes 2 and 5 and T2 between nodes 1 and 4 ) and relevant input/output nodes with associated pass–through. Figure 197. on page 341 illustrates two examples of failures and subsequent SNCP switching mechanism. A failure or degrade on the main path causes to switch over to the spare one . When the receiving end switches no information is sent to the corresponding Tx side to activate the switching operation at the remote end. (Single ended ”switching operation) To manage switching the SNCP architecture utilizes the data inherent to the Path and not to the Line. Switching is in fact activated by defective operations occurring at the VCn levels (AU–AIS, AU–LOP, ExBER). When the path is no longer available, an AIS signal is transmitted on the same path to activate protection. In this manner SNCP can protect the paths following cable break–down or failures along the fiber and nodes. Cable break–down concerns all the fibers it contains hence it places traffic in both directions out–of– service, while a failure concerns only one fiber. The units are provided with a path switching circuit (bridge + switch). 1AA 00014 0004 (9007) A4 – ALICE 04.10 Its enabling depends on the equipment configuration. With SNCP each working path has a dedicated protection path. ED 03 3AL 91669 AA AA 339 / 706 706
  • 342.
    not permitted withoutwritten authorization from Alcatel. All rights reserved. Passing on and copying of this document, use and communication of its contents Side B 3 Side A T1, T2 Pass–through 2 Side A Side B 4 BRIDGE T2 T1 T2 Pass–through T1 Pass–through T1 Drop/Ins Prot. T2 Drop/Ins Prot. SWITCH Side B Side A COUNTER CLOCKWISE CLOCKWISE 1 Side A 5 Side B T1 T2 T1 Pass–through T2 Pass–through T2 Drop/Ins Prot. T1 Drop/Ins Prot. Side B Side A NOTES: On Craft Terminal, the following terminology is used: Pass–Through= Bidirectional Connection Drop/Ins Prot.= Bidirectonal Protected Connection Figure 196. Typical ring network with SNCP 1AA 00014 0004 (9007) A4 – ALICE 04.10 ED 03 3AL 91669 AA AA 340 / 706 706
  • 343.
    Cable break 3 AU–AIS on T1,T2 not permitted without written authorization from Alcatel. All rights reserved. Passing on and copying of this document, use and communication of its contents Switch on spare path 2 4 SSF T1 T2 MAIN SPARE 1 Switch on spare path 5 SSF T2 T1 Case of cable break between nodes 2 and 3 3 Switch on spare path 2 4 T1 T2 SSF MAIN SPARE 1 5 T2 T1 SSF Switch on spare path Unidirectional failure Case of unidirectional failure between nodes 5 and 1 1AA 00014 0004 (9007) A4 – ALICE 04.10 Figure 197. Failure examples in SNCP ring ED 03 3AL 91669 AA AA 341 / 706 706
  • 344.
    As the 1660SMequipment can manage up to 96 STM–1 equivalent streams, a max of 32 streams can be SNCP protected. In fact , to perform SNCP protection, a group of three ports must be used. not permitted without written authorization from Alcatel. All rights reserved. Passing on and copying of this document, use and communication of its contents Table 49. on page 342 shows some examples of equipment configuration using SNCP protection. The max. port configuration for each signal hierarchy level has been taken into account. In the first column are reported the number and the type of stream to be protected . The second column reports the number and type of card to be used to protect the source. The third column reports the total number of VC that can be protected for each configuration. Table 49. Example of SNCP protected groups Protected stream Protecting Source stream # of protected signals stream # of port acronym # of port acronym 8 4x STM–1 4 STM–16 32 H.O VC4 6 63x2 Mbit/s 2 STM–16 378 L.O VC12 6 63x2 Mbit/s 2 STM–4 378 L.O VC12 + 2 4xSTM–1 6 3x34/45 Mbit/s 2 STM–16 18 L.O VC3 6 3 x 34/45 Mbit/s 2 STM–4 18 L.O VC3 + 2 4xSTM–1 Figure 198. on page 343 graphically shows the SNCP protection of eight 4x STM–1 protected by 4 STM–16. It is note–worthy that the 4 STM–16 can be connected with two different rings. 1AA 00014 0004 (9007) A4 – ALICE 04.10 ED 03 3AL 91669 AA AA 342 / 706 706
  • 345.
    not permitted withoutwritten authorization from Alcatel. All rights reserved. Passing on and copying of this document, use and communication of its contents TO RING A 4 4 4 STM–16 STM–16 4 4 4 4 Slot Slot 4 25 + 26 28 + 29 4XSTM–1 4XSTM–1 4XSTM–1 4XSTM–1 Slot 24 Slot 27 Slot 30 Slot 31 TO RING B 4 4 4 STM–16 STM–16 4 4 4 4 Slot Slot 34 + 35 4 37 +38 4XSTM–1 4XSTM–1 4XSTM–1 4XSTM–1 Slot 32 Slot 33 Slot 36 Slot 39 1AA 00014 0004 (9007) A4 – ALICE 04.10 Figure 198. SNCP example ED 03 3AL 91669 AA AA 343 / 706 706
  • 346.
    3.13.5 Drop Continue (See from Figure 199. on page 345 to Figure 203. on page 347) not permitted without written authorization from Alcatel. The Drop and Continue architecture has been implemented in the network to improve traffic availability. All rights reserved. Passing on and copying of this document, use and communication of its contents Drop and Continue is a way of protecting a path crossing a number of sub–networks, e.g., rings. The sub–networks should be connected through at least two nodes (so realizing two independent connections). The equipment is configured as ”DROP and CONTINUE” on each interconnection node. The subnetworks’ equipment implement the connection between two SNCP rings. The resulting architecture affords protection against multiple failures (evenly distributed one per subnetwork) tolerated without traffic loss (node failure or single cable cut). The Drop and Continue feature improves traffic availability as compared with the simple ”end–to–end SNCP”. More subnetworks are connected the further is availability increased. The Drop and Continue features simultaneously realizes the following on one node: • unidirectional pass–through • protected drop • insertion in one direction The achievable configurations are: • D/C–A INS–A (called “Normal” on Craft Terminal) • D/C–A INS–B (called “Inverse” on Craft Terminal) D/C stands for ”Drop and Continue”, the letter after it (A = line side” A” ) indicates the ”drop ” side (e.g., “A” means “A main side”, and consequently the spare side is the “B” one). The end letter (INS–B or INS–A) indicates the insert side. N.B. The letters “A” and “B” are not referred to a specific board or ports in a physical slot of the subrack; “A” and “B” are used in the figures of this paragraph to identify a Line direction. The ”Unidirectional pass–through” is always in the direction opposite to that of the ”insert” side (e.g., when ”INS B” the pass–through is from B side to A side). For further information refer to Figure 199. on page 345 which shows the D/C–A INS–A configuration (called “Normal” on C.T.) and Figure 200. on page 345 which shows the D/C–A INS–B configuration (called “Inverse” on C.T.). 1AA 00014 0004 (9007) A4 – ALICE 04.10 ED 03 3AL 91669 AA AA 344 / 706 706
  • 347.
    LINE PORT LINE PORT SIDE A SIDE B Input Output Output Input not permitted without written authorization from Alcatel. All rights reserved. Passing on and copying of this document, use and communication of its contents Symbol used on Craft Terminal PORT Input Output Figure 199. Drop and Continue D/C A INS A (called “Normal” on C.T.) LINE PORT LINE PORT SIDE A SIDE B Input Output Output Input Symbol used on Craft Terminal PORT Input Output Figure 200. Drop and Continue D/C A INS B (called “Inverse” on C.T.) The ”Drop and Continue” featuring two connected SNCP rings (with dual node connection) is indicated in Figure 201. on page 346. It shows the connection of a path signal between the two nodes 1 and 8. The relevant path signal is: The relevant path signal is: connected in Drop and Continue (D/C A – INS A) in nodes 3, 4, 6 and 10. connected in pass–through in nodes 2, 5, 7, 9. connected in drop/ins protection in nodes 1, 8. NOTE – the following terminology is used on Craft Terminal: pass–through = Bidirectional connection drop/ins protection = Bidirectional Protected connection When in normal condition, the unidirectional way of traffic from 1 to 8 is supposed to be 1 ! 2 ! 3 ! 6 ! 7 ! 8. After a failure on the 1st ring between nodes 2 and 3 (see Figure 202. on page 347), the link direction is: 1 ! 5 ! 4 ! 3 ! 6 ! 7 ! 8, with a switch on node 3. 1AA 00014 0004 (9007) A4 – ALICE 04.10 After a second failure on the 2nd ring between nodes 6 and 7 (see Figure 203. on page 347) the selected direction on the link is: 1 ! 5 ! 4 ! 10 ! 9 ! 8. The operative switch is on node 8 and the previous pass–through between nodes 4 and 3 is no more used. ED 03 3AL 91669 AA AA 345 / 706 706
  • 348.
    not permitted withoutwritten authorization from Alcatel. All rights reserved. Passing on and copying of this document, use and communication of its contents 1 2 SNCP ring 5 D/CA INSA D/CB INS B A Port 1 Port 2 B A Port 1 Port 2 B INS INS A 3 4 B Port 3 Port 3 Port 3 Port 3 6 10 INS INS B A A Port 1 Port 2 B A Port 1 Port 2 B D/CA INSA D/CB INSB 7 SNCP ring 9 8 Figure 201. Drop and Continue 1AA 00014 0004 (9007) A4 – ALICE 04.10 ED 03 3AL 91669 AA AA 346 / 706 706
  • 349.
    All rights reserved.Passing on and copying of this document, use and communication of its contents not permitted without written authorization from Alcatel. 1AA 00014 0004 (9007) A4 – ALICE 04.10 ED 03 7 2 7 2 switched 6 3 6 3 switched 1 8 1 8 SNCP ring SNCP ring SNCP ring SNCP ring 4 10 4 10 Figure 202. Drop and Continue – 1st failure Figure 203. Drop and Continue – 2nd failure 5 9 5 9 706 3AL 91669 AA AA 347 / 706
  • 350.
    3.13.6 Collapsed dualnode ring interconnection (See from Figure 204. on page 349 to Figure 206. on page 350 ) not permitted without written authorization from Alcatel. The “Collapsed dual node ring interconnection” is a way of protecting a path crossing a number of All rights reserved. Passing on and copying of this document, use and communication of its contents sub–networks, e.g., rings. The sub–networks should be connected through at least two nodes (so realizing two independent connections). Respect to the configuration shown in Figure 201. on page 346 ( Drop and Continue”), “Collapsed dual node interconnection” allows a Hardware reduction, since an OMSN contains several ports and a path signal can be connected in protected mode, from a generic pot to another one, on the same equipment. The subnetworks’ equipment implement the SNCP connection. The resulting architecture affords protection against multiple failures (evenly distributed one per subnetwork) tolerated without traffic loss (node failure or single cable cut). The “Collapsed dual node ring interconnection” featuring two connected rings (with dual connection) is indicated in Figure 204. on page 349. SNCP protection is enabled throughout the equipment. When in normal condition, the unidirectional way of traffic from 1 to 8 is supposed to be 1 ! 2 ! 3 ! 6 ! 8. After a failure on the 1st ring between nodes 2 and 3 (see Figure 205. on page 350), the link direction is: 1 ! 5 ! 4 ! 3 ! 6 ! 8. Pass–through is used between nodes 4 and 3, and switch on node 3. After a second failure on the 2nd ring between nodes 3 and 6 (see Figure 206. on page 350) the selected direction on the link is: 1 ! 5 ! 4 ! 7 ! 8. The operative switch is on node 8 and the previous pass–through between nodes 4 and 3 is no more used. 1AA 00014 0004 (9007) A4 – ALICE 04.10 ED 03 3AL 91669 AA AA 348 / 706 706
  • 351.
    All rights reserved.Passing on and copying of this document, use and communication of its contents not permitted without written authorization from Alcatel. 1AA 00014 0004 (9007) A4 – ALICE 04.10 ED 2 6 03 3 C A Port 3 Port 1 8 Port 2 Port 4 1 D B SNCP ring SNCP ring C A Port 3 Port 1 Figure 204. Collapsed dual node interconnection 706 3AL 91669 AA AA Port 2 Port 4 D B 4 7 5 349 / 706
  • 352.
    1 not permitted without written authorization from Alcatel. All rights reserved. Passing on and copying of this document, use and communication of its contents 2 5 SNCP ring switched 3 4 SNCP ring 6 7 8 Figure 205. Collapsed dual node interconnection – 1st failure 1 2 5 SNCP ring 3 4 SNCP ring 6 7 8 switched 1AA 00014 0004 (9007) A4 – ALICE 04.10 Figure 206. Collapsed dual node interconnection – 2nd failure ED 03 3AL 91669 AA AA 350 / 706 706
  • 353.
    3.13.7 Collapsed singlenode ring interconnection (See from Figure 207. on page 351 to Figure 209. on page 353) not permitted without written authorization from Alcatel. The “Collapsed single node ring interconnection” is a way of protecting a path crossing a number of All rights reserved. Passing on and copying of this document, use and communication of its contents sub–networks, e.g., rings. Respect to the configuration shown in Figure 201. on page 346 ( Drop and Continue”), “Collapsed single node interconnection” allows the best Hardware reduction; as a matter of fact four nodes are collapsed in one node. The protection operating mode is similar to that described for the “Collapsed dual node Interconnection” (see para. 3.13.6 on page 348). 1 2 SNCP ring 4 Port 1 Port 2 3 Port 3 Port 4 5 7 SNCP ring 6 1AA 00014 0004 (9007) A4 – ALICE 04.10 Figure 207. Collapsed single node ring interconnection ED 03 3AL 91669 AA AA 351 / 706 706
  • 354.
    1AA 00014 0004(9007) A4 – ALICE 04.10 ED 2 5 03 switched Port 3 Port 1 6 1 SNCP ring SNCP ring 706 3AL 91669 AA AA Figure 208. Collapsed single node ring interconnection –1st failure Port 2 Port 4 3 7 4 352 / 706 All rights reserved. Passing on and copying of this document, use and communication of its contents not permitted without written authorization from Alcatel.
  • 355.
    All rights reserved.Passing on and copying of this document, use and communication of its contents not permitted without written authorization from Alcatel. 1AA 00014 0004 (9007) A4 – ALICE 04.10 ED 2 5 03 switched Port 3 Port 1 6 1 SNCP ring SNCP ring 706 3AL 91669 AA AA Figure 209. Collapsed single node ring interconnection –2nd failure Port 2 Port 4 3 7 4 353 / 706
  • 356.
    3.13.8 MS–SPRING protection (See from Figure 210. on page 355 to Figure 215. on page 358 ) not permitted without written authorization from Alcatel. The following protection MS–SPRING is supported : All rights reserved. Passing on and copying of this document, use and communication of its contents – 2 fiber MS–SPRING at STM–16 – 2 fiber MS–SPRING at STM–64 The supported MS–SPRING is compliant to the ITU–T Rec. G.841 The MS–SPRING protection is realized in the MATRIX card. A 2 fiber MS–SPRING (Multiple Section–Shared Protection Ring ) consist of a set of NEs each equipped with a two bidirectional port , one for the clockwise and the other for the counter–clockwise. The MS–SPRING is said ”two fiber” because each pair of adjacent NEs is linked by two fibers , one for each direction. The MS SPRING protection is an alternative with respect to SNCP. While MS SPRING allows the connection at the same time on the clockwise and on the counterclockwise direction on the same AU4 that can be inserted and extracted in each span, on the contrary the SNCP connection engages the same AU4 on both sides for the whole link. N.B. In the following the 2F MS–SPRING at STM–16 will be explained; the same description can be apllied to 2F MS–SPRING at STM–64 taking into account that 64 AU– 4 are available and that the bandwidth is divided into two halves of equal capacity called respectively ”working” (AU4# 1 to AU4# 32) and ”protection” capacity (AU4#33 to AU4# 64). 2 fiber MS–SPRING at STM–16 level The bandwidth of a 2F MS–SPRING is divided into two halves of equal capacity called respectively ”working” (AU4# 1 to AU4# 8) and ”protection” capacity (AU4#9 to AU4# 16). The AU4# 1 is protected by AU4#9 up to AU4#8 that is protected by the AU4#16. The ”working ” capacity is used to carry the ”high priority traffic”, while the ”protection” capacity can be used for ”low priority” traffic that is lost in case of failure. See Figure 210. on page355. In this release the ”low priority” connection are not managed. The MS SPRING algorithm starts as a consequence of the following Section alarms: • LOS, LOF, MS AIS, EXBER (B2), SIGNAL DEGRADE (B2) 1AA 00014 0004 (9007) A4 – ALICE 04.10 ED 03 3AL 91669 AA AA 354 / 706 706
  • 357.
    PORT B A B A not permitted without written authorization from Alcatel. All rights reserved. Passing on and copying of this document, use and communication of its contents A 1 2 3 B 6 5 4 A B A B A B WORKING CHANNELS (AU4#1 TO AU4#8) PORT PROTECTION CHANNELS (AU4#9 TO AU4#16) Figure 210. 2F MS SPRING Connection APS in 2–fiber MS–SPRING In case of fibre break the APS for 2F MS–SPRING uses a synchronized sequence of ”bridge” and ”switch” operations that modify the internal connections of the two NEs adjacent to the failure and permits the ”high priority” traffic to be restored. Only the NEs adjacent to the failure are interested to the ”switch” and ”bridge” functions while for all other NEs the final configuration is a ”pass through” of all ”protection” (low priority) AU4s. Figure 211. and Figure 212. on page 356 , Figure 213. and Figure 214. on page 357 highlight how the connections are modified as a consequence of a ”bridge ” or a ”switch” operation. The Bridge operation is performed on the Tx side while the Switch is performed on the Rx side. • The ”Bridge” operation on the B side has the effect of routing the outgoing ”high priority” A traffic to the outgoing ”protection” B capacity. The Bridge function adds a connection on the opposite side and on the relevant AU protection. • When a ”Switch” operation is working on the B side all the connections having an AU4 belonging to the A working capacity as a source, are replaced by connections having the incoming B protection traffic as a source. The signals maintain the same end point connection. The Switch function replaces the incoming flow with a protection one, coming form the opposite side. In the same way : • The ”Bridge” operation on the A side has the effect of routing the outgoing ”high priority” B traffic to the outgoing ”protection” A capacity. The Bridge function adds a connection on the opposite side and on the relevant AU protection. • When a ”Switch” operation is working on the A side all the connections having an AU4 belonging to the B working capacity as a source, are replaced by connections having the incoming A protection traffic as a source. The signals maintain the same end point connection. 1AA 00014 0004 (9007) A4 – ALICE 04.10 ED 03 3AL 91669 AA AA 355 / 706 706
  • 358.
    not permitted withoutwritten authorization from Alcatel. All rights reserved. Passing on and copying of this document, use and communication of its contents A B A B A B A B protection working BEFORE AFTER Figure 211. Effect of a BRIDGE “B side” operation A B A B A B A B protection working BEFORE AFTER Figure 212. Effect of a BRIDGE “A side” operation 1AA 00014 0004 (9007) A4 – ALICE 04.10 ED 03 3AL 91669 AA AA 356 / 706 706
  • 359.
    not permitted withoutwritten authorization from Alcatel. All rights reserved. Passing on and copying of this document, use and communication of its contents A B A B A B A B protection BEFORE working AFTER Figure 213. Effect of SWITCH “B side” operation A B A B A B A B protection BEFORE working AFTER Figure 214. Effect of SWITCH “A side” operation 1AA 00014 0004 (9007) A4 – ALICE 04.10 ED 03 3AL 91669 AA AA 357 / 706 706
  • 360.
    Figure 215. onpage 358 depicts the final effect of Bridge and Switch synchronized steps for traffic restoration in a network with one fault. They are carried out via a protocol that uses the K1 and K2 bytes .The failed span is replaced by the protection traffic of the span not affected by the failure. not permitted without written authorization from Alcatel. All rights reserved. Passing on and copying of this document, use and communication of its contents The K1 and K2 are exchanged between the Node that are adjacent to the failure, instead the other Nodes put K1 and K2 in passthrough. SWITCH BRIDGE side A side A SWITCH PROTECTED BRIDGE SIGNAL side B side B B A B A A 1 2 3 B 6 5 4 B A (*) (*) A B A B WORKING CHANNELS PROTECTION CHANNELS PROTECTED SIGNAL BRIDGE SWITCH (*) All protection AU4 are put in Pass–through in the 5th and 6th NEs Figure 215. Line break recovering operations 1AA 00014 0004 (9007) A4 – ALICE 04.10 ED 03 3AL 91669 AA AA 358 / 706 706
  • 361.
    An example of2F MS–SPRING is reported in Figure 216. on page 360. In the example a ring of four nodes is protected with 2F MS–SPRING not permitted without written authorization from Alcatel. AU4–1 carries the traffic of the span : C–B, B–A, A–D, D–C All rights reserved. Passing on and copying of this document, use and communication of its contents AU4–2 carries the traffic of the span D–B (pass–through in C) AU4–9 protects AU4–1. AU4–10 protects AU4–2. After a failure in the section C–B, the following actions are performed on : – node B : Streams access 1 and 2, previously drop–inserted on AU4–1 and AU4–2 “side A”, are switched respectively on AU4–9 and AU4– 10 “side B” . In this way, C is reached through nodes A and D. – node C: Stream access 1, previously drop–inserted on AU4.1 “side B”, is switched on AU4–9 “side A”. In this way, B is reached through nodes D and A. Rx AU4–2 “side A”, previously in pass–through on Tx AU4–2 “side B”, is looped on Tx AU4–10 “side A”. In this way, B is reached through nodes D–A (signal transmitted D to B). Rx AU4–2 “side B” is no more received. So, Rx AU4–10 “side A” is looped on the Tx AU4–2 “side A”. In this way, the signal transmitted by node B follows the path : A–D– C and here is looped to reaches node D again. – nodes A and D do not switch We can obtain from the example that is possible bandwidth re–used for some traffic patterns (AU4–9 protects four connection on AU4–1) having the same protection for some several connections (shared protection). 1AA 00014 0004 (9007) A4 – ALICE 04.10 ED 03 3AL 91669 AA AA 359 / 706 706
  • 362.
    A D A . AU4 1 A B : AU4 1 not permitted without written authorization from Alcatel. All rights reserved. Passing on and copying of this document, use and communication of its contents AU4.9–Prot. AU4.1 AU4.10 Prot. AU4.2 D B C D C : AU4 1 C B : AU4 1 D B : AU4 2 A side B D B side A side A side B C C B side A side B side A side B AU4 AU4 AU4 AU4 1 1 1 1 2 2 2 2 9 9 9 9 10 10 10 10 1 1 1 1 2 2 2 2 9 9 9 9 10 10 10 10 1 1 2 1AA 00014 0004 (9007) A4 – ALICE 04.10 Figure 216. 2F MS–SPRING example of operation ED 03 3AL 91669 AA AA 360 / 706 706
  • 363.
    SQUELCHING FUNCTION The Squelching function is activated when a node that carries Drop/Insert streams, remains isolated because of a double failure. not permitted without written authorization from Alcatel. All rights reserved. Passing on and copying of this document, use and communication of its contents In this case to avoid misconnections on the AU4 involved in MS SPRING protection, an AIS signal will be inserted on Low Priority streams transmitted from the nodes adjacent to the isolated one. See Figure 217. Before Node 2 isolation because of the double failure , the following connections were active using the AU4#1 – Stream between Port 3 and Port 1 – Stream between Port 2 and Port 4 After a second failure, the Nodes adjacent to the isolated Node 2 send AIS on the Low Priority traffic (AU4#9) by means of the Squelching function thus avoiding the misconnection between Port 3 and Port 4. If the Squelch function were not active, the MS SPRING algorithm would activate the Bridge and Switch functions on the nodes adjacent to Node 2 thus misconnecting Port 3 and Port 4 using AU4#9 as protection. In virtue of squelching function the nodes adjacent to isolated Node 2 send AIS on Low Priority AU4#9 avoiding in this way the misconnection between Port 3 and Port 4 in this case. After the failure has been removed, a similar reverse sequence of operations on the NEs adjacent to the recovered span will be activated. The reverse procedure can start after a step programmable WTR. PORT 3 PORT 1 PORT 2 PORT 4 AU4 #1 AU4 #1 AU4 #1 AU4 #1 B A B A BRIDGE SWITCH side A side B 1 SWITCH 2 3 side A BRIDGE side B (SF/SD) (SF/SD) B A AIS ON AIS ON AU4 # 9 AU4# 9 5 4 B A AIS ON AIS ON AIS ON AU4 # 9 AU4 # 9 AU4 # 9 PASS–THROUGH PASS–THROUGH 6 PASS–THROUGH A B A B WORKING CHANNELS PROTECTION CHANNELS Figure 217. Squelching on isolated Node connection 1AA 00014 0004 (9007) A4 – ALICE 04.10 ED 03 3AL 91669 AA AA 361 / 706 706
  • 364.
    MS – SPRINGInterworking When a 2f MS–SPRING is interconnected with another ring (either SNCP/I or MS–SPRING), the interconnection of the two is performed by connecting two nodes per ring with HVC connections, as shown not permitted without written authorization from Alcatel. in Figure 218. on page362. All rights reserved. Passing on and copying of this document, use and communication of its contents Each VC4 that has to cross the ring boundary (only HVC level ring interconnections are considered here) must be output by two nodes, one of which, the Primary Service Node (PSN) drops it and continues to the Secondary Service Node (SSN). In the opposite direction, the SSN inserts a copy of the VC4 into the ring and the PSN selects by means the Primary Node Service Selector function, between the VC4 coming from the SSN and the VC4 that can be locally inserted by means an STM–1 Tributary. The selection is made on the Path–AIS basis (AU–AIS). The protection mechanism works on the hypothesis that the other ring selects one of the two versions of the incoming VC4 and transmits two identical copies of the VC4 towards the PSN and the SSN ( this is guaranteed if the other ring is an MS–SPRING or an SNCP ring). Note that the PSN and the SSN need not to be adjacent and need not to be the same for all of the VC4 that cross the ring boundary: i.e. each crossing VC4 has two associated nodes that act as PSN and SSN. 2F MS – SPRING side A side B side B side A Secondary SS Service Node Primary Service side A side B side A side B Node SNCP or MS–SPRING SS = Service Selector 1AA 00014 0004 (9007) A4 – ALICE 04.10 Figure 218. MS SPRING Drop and Continue, Insert Continues (protected) ED 03 3AL 91669 AA AA 362 / 706 706
  • 365.
    3.14 Synchronizing sub–system (See Figure 219. on page 364) not permitted without written authorization from Alcatel. The Equipment synchronization function is performed by the MATRIXE card. All rights reserved. Passing on and copying of this document, use and communication of its contents Through the SETS (Synchronous Equipment Timing Source ) implemented on the matrix, the synchronization signals are distributed to the equipment ports. The working modes: • locked • holdover • free running are compliant to the ITU–T G.810, G.812 and G.813 Recommendations. A PLL is present that maintains locked the System clock to the one selected as a input in case the equipment works in the ”locked” mode. An oscillator at 10Mhz high stability is present to guarantees an holdover or free running working mode compliant to the ITU–T Recs. Synchronization sources The MATRIXE unit can select its reference signal among one of the following clocks : • T1 : 2.048 Mhz clock extracted from the STM–N signals • T2 : 2.048 Mhz clock extracted from the PDH signals coming from the 2 Mbit/s plesiochronous ports The maximum number of T1 + T2 reference clocks is 6. • T3 or T6 (software selectable) : respectively a 2.048 Mhz clock or 2.048 Mbit/s signal coming from an external synchronization source ( from SERVICE card that inserts the SSM algorithm) The T3/T6 clocks are two ( i.e. T3a, T3b or T6a, T6b). Automatic selection of one of these sources is achieved using quality (SSM algorithm) or priority criteria. Switching between the references also depend on the alarm condition detected on the signals. Generated Clocks The MATRIXE card implements also the SETG (Synchronous Equipment Timing Generation) function. It generates the following clocks : • T0 : it is a system clock at 622 Mhz derived from a local oscillator. It can be locked to one of the T1, T2 or T3/T6 clock references . The clock at 622 Mhz is sent to all the port cards. In case of ”free running working mode” , it can be locked to a clock at 10 Mhz generated by another high stability local oscillator ( ± 4.6 ppm accuracy); the unit operate in this mode when no valid synchronism signals are present nor Hold–over reference values are stored. With regard to ”Hold–over”, the unit hold the last valid reference with a max. shift of 1 ppm/day (or 0.37 ppm/day) unit. This operating mode is associated with thee loss of references selected 1AA 00014 0004 (9007) A4 – ALICE 04.10 by the operator. The reference quality level utilized to generate T0 is inserted on the SSMB of the STM–N signals outputting the equipment. ED 03 3AL 91669 AA AA 363 / 706 706
  • 366.
    T4 or T5: the first is a synchronizing clock at 2.048 Mhz , the second is a 2 Mbit/s synchronizing signal ; the selection between the two signals is made via software and the result is sent towards the external. T4 or T5 is obtained from a digital PLL that can be locked to any of the T1/T2 references and can be squelched. This clock is sent to the SERVICE card that inserts the SSM not permitted without written authorization from Alcatel. algorithm and generates the clock standard format to be output from the system. All rights reserved. Passing on and copying of this document, use and communication of its contents The T4/T5 clocks are two (i.e. T4a, T4b or T5a, T5b). The ”don’t use” criteria is sent to the ”NEi clock” which had supplied the synch. reference to obtain the T0. This operation is carry out to prevent the ”timing reference” synchronizing the supplier NEi (timing loop). Other synchronizing signals generated by the MATRIXE The MATRIXE generates the following synchronisms for internal use : • CK38Mhz : it is derived from the system clock and it is distributed to the ports and to the SERVICE and EQUICOE cards. Its frequence is 38 MHz • MFSY : it is the multiframe synchronism at 500 Hz, obtained from the ck 38MHz. It is distributed to all the ports and to SERVICE and PQ2/EQC cards. • SY1S : it is a one second synchronism used on the MATRIXE for the Performance Monitoring calculation. As the MATRIXE is redundant, the synchronization function is redundant as well. The synchronization system guarantees the Hitless switch because the two MATRIXE works in a Master–Slave mode. In order to maintain locked and in phase the two G.A. some signal are exchange on the SYNC BUS. T0 T4a, T4b/ T5a, T5b T0 T4a, T4b/ T5a, T5b ck622 MHz ck2Mhz/ 2Mbit/s ck622 MHz ck2Mhz/ 2Mbit/s (to the ports) (to SERVICE) (to the ports) (to SERVICE) ÏÏÏÏÏÏÏÏÏÏÏÏÏÏ MATRIXE (a) ÏÏÏÏÏÏÏÏÏÏÏÏÏÏ ÏÏÏÏÏÏÏÏÏÏÏÏÏÏ MATRIXE (b) ÏÏÏÏÏÏÏÏÏÏÏÏÏÏ ÏÏÏÏÏÏÏÏÏÏÏÏÏÏ ÏÏÏÏÏÏÏÏÏÏÏÏÏÏ VCXO 622Mhz ÏÏÏÏÏÏÏÏÏÏÏÏÏÏ ÏÏÏÏÏÏÏÏÏÏÏÏÏÏ VCXO 622Mhz ÏÏÏÏÏÏÏÏÏÏÏÏÏÏ ÏÏÏÏÏÏÏÏÏÏÏÏÏÏ ÏÏÏÏÏÏÏÏÏÏÏÏÏÏ ÏÏÏÏÏÏÏÏÏÏÏÏÏÏ ÏÏÏÏÏÏÏÏÏÏÏÏÏÏ ÏÏÏÏÏÏÏÏÏÏÏÏÏÏ ÏÏÏÏÏÏÏÏÏÏÏÏÏÏ ÏÏÏÏÏÏÏÏÏÏÏÏÏÏ ÏÏÏÏÏÏÏÏÏÏÏÏÏÏ ÏÏÏÏÏÏÏÏÏÏÏÏÏÏ phase digital ÏÏÏÏÏÏÏÏÏÏÏÏÏÏ ÏÏÏÏÏÏÏÏÏÏÏÏÏÏ phase digital comp. PLL comp. PLL ÏÏÏÏÏÏÏÏÏÏÏÏÏÏ ÏÏÏÏÏÏÏÏÏÏÏÏÏÏ ÏÏÏÏÏÏÏÏÏÏÏÏÏÏ ÏÏÏÏÏÏÏÏÏÏÏÏÏÏ SETG SYNC BUS SETG ÏÏÏÏÏÏÏÏÏÏÏÏÏÏ ÏÏÏÏÏÏÏÏÏÏÏÏÏÏ SETS ÏÏÏÏÏÏÏÏÏÏÏÏÏÏ ÏÏÏÏÏÏÏÏÏÏÏÏÏÏ SETS OCXO OCXO ÏÏÏÏÏÏÏÏÏÏÏÏÏÏ G.A. ÏÏÏÏÏÏÏÏÏÏÏÏÏÏ 10Mhz ÏÏÏÏÏÏÏÏÏÏÏÏÏÏ 10Mhz ÏÏÏÏÏÏÏÏÏÏÏÏÏÏ G.A. ÏÏÏÏÏÏÏÏÏÏÏÏÏÏ ÏÏÏÏÏÏÏÏÏÏÏÏÏÏ ÏÏÏÏÏÏÏÏÏÏÏÏÏÏ ÏÏÏÏÏÏÏÏÏÏÏÏÏÏ sy1s sy1s ÏÏÏÏÏÏÏÏÏÏÏÏÏÏ ÏÏÏÏÏÏÏÏÏÏÏÏÏÏ 1AA 00014 0004 (9007) A4 – ALICE 04.10 Ck38 mfsy T3a , T3b/ T6a, T6b T1,T2 mfsy Ck38 ck2Mhz/ 2Mbit/s ck2Mhz (to the ports) (to the ports) (from SERVICE) (from the ports) Figure 219. Synchronization function : block diagram ED 03 3AL 91669 AA AA 364 / 706 706
  • 367.
    3.15 Auxiliary andDCC sub–system (See Figure 220. on page366) not permitted without written authorization from Alcatel. The SDH standard offers a considerable quantity of service channels in the Section Overhead bytes All rights reserved. Passing on and copying of this document, use and communication of its contents (SOH) and Path Overhead bytes (POH) of the Synchronous frame. These bytes are used for alignment, parity check, network management operations, performance monitoring. Part of them are also used for user data and speech channels and are interface toward the STM–N port through SERVICE unit. SERVICE unit realize the analog speech by–pass between two ports and can also establish a connection with external telephone set. The SERVICE unit can be used as required: – to externally access the service interface – to connect the external access point to the SOH and POH bytes of the units (termination) – to allows SOH and POH bytes to pass through the various units. The external access point of the unit are: – one local operator’s set for speech connection useful for service communication in the network. The following types of connections are possible: • between two station (selective call) • among three stations (multi–selective call) • omnibus call For more details see para 4.53 on page 577. – Engineering order wire extensions – four V11 data channels – four RS232 data channels – four 64 Kbit/s G.703 data channels – two 2 Mbit/s G.703 data channel On the SERVICE units a not blocking matrix is present to perform SOH and POH bytes cross connections The matrix cross connect the RS232, V11, and G.703 data channels. The matrix also receives: – DCC bidirectional link from PQ2/EQC (DCC–A) and STM–N port. – AUX bidirectional link from STM ports 1AA 00014 0004 (9007) A4 – ALICE 04.10 ED 03 3AL 91669 AA AA 365 / 706 706
  • 368.
    not permitted withoutwritten authorization from Alcatel. All rights reserved. Passing on and copying of this document, use and communication of its contents STM–N port STM–N port STM–N port G.A. G.A. G.A. DCC/AUX DCC/AUX DCC/AUX EXTRACTION EXTRACTION EXTRACTION QAUX QAUX DCC BUS A DCC BUS A PQ2/EQC SERVICE DCC DCC A MANAGEMENT INTERFACES Engineering Order Wire Extension 2 x 2 Mbit/s G.703 4 x V11 4 x RS232 4 X G.703 64 Kbit/s Figure 220. AUX and DCC management 1AA 00014 0004 (9007) A4 – ALICE 04.10 ED 03 3AL 91669 AA AA 366 / 706 706
  • 369.
    3.16 Power supplysub–system (See Figure 221. on page 369) not permitted without written authorization from Alcatel. The power architecture for 1660SM equipment is distributed : the two CONGI ( called “a” and “b” in All rights reserved. Passing on and copying of this document, use and communication of its contents Figure 221. on page 369) provide the +Batt and –Batt to the other cards by selecting the highest voltage supplied by the two station batteries. One or more DC/DC converter may be present on the cards to generate the voltages required to feed the electronic circuits present on the board itself : ASICS, FPGA, optical modules and so on . In order to avoid EMI problems, all the DC/DC converters are synchronized with a synchronization clock at 288 MHz derived from the on board G.A. The major advantages of the distributed architecture are: – the skill to generate , through the secondary converters, a number of independent, different end –use voltage or functions from the high voltage distribution bus (usually 48V) – the faults will affect only the board associated to the damaged converter in case of overvoltages or short circuits. – the skill to contain all that influential signals that do not cause system malfunction, but which may cause problem with system performance, such as conducted and radiated noises, caused by high–frequency clock or rapid transitions, by adding on board EMI filter. The power supply sub–system has been subdivided in two levels: – Input Power Stage – Distributed Power Stage INPUT POWER STAGE Figure 221. on page 369 shows the equipment input power stage housed on the two CONGI cards. It can be subdivided in three main block: a) Main power block It is used to select the input voltage of the system and to supply a surge protection. It contains an EMI filter to permit the equipment to be reliable in presence of external EMI interferences and to limit the internally generated EMI. The voltages coming from the two station batteries, are applied to both CONGI boards by means of the power connector located on the unit front panel ( ex. +BATT A –BATT A to CONGI “a” and +BATT B –BATT B to CONGI “b” ). The + Batt can be connected to a mechanical ground through a strap setting. CONGI “a” and CONGI “b” cards can therefore select which of the two station batteries provides the highest supply. The selected voltages are ORed and sent to the equipment cards (+BATT and –BATT). 1AA 00014 0004 (9007) A4 – ALICE 04.10 ED 03 3AL 91669 AA AA 367 / 706 706
  • 370.
    b) Protection Circuit The protection circuits are present in the CONGI cards and in all the boards where a DC/DC converter is required i.e. input stage and distributed power stages . It is an interface between +BATT not permitted without written authorization from Alcatel. – BATT and the DC/DC converter. All rights reserved. Passing on and copying of this document, use and communication of its contents It provides the following functions: • It insulated the DC/DC converter in case of input short circuit . Fuses are fitted in order to prevent a failed unit from shortening the input bus. In fact a input short circuit failure can cause severe fluctuations on the input power of the other DC/DC converters. • It implements a start–up and an inrush current limiting system in order to provide controlled charge–up for the input hold–up capacitor and therefore it prevents a current surge at the module input when the board is plugged in. • It insulated the DC/DC converter in case of input voltage lower than 33 V. c) DC/DC 3.3 V block A DC/DC converter generates a +3.3 voltage used to power the ”RIBUS I/F” interface. For the function performed by the ”RIBUS I/F” interface see paragraph 3.17 Remote Inventory Sub–system on page 370. DISTRIBUTED POWER STAGE All the boards receive the +BATT –BATT voltages generated by the input stage and the +3.3 V voltage to power the ”RIBUS I/F” interface if it is present on the card. A DC/DC converter generates the +3.3 or 5.2 voltages required to power the card. As mentioned before the DC/DC converter is preceded by the protection circuit. A divider circuit provides the frequency necessary to synchronize the DC/DC converter. On the board can also be present step–down converters to generate other voltages when necessary. 1AA 00014 0004 (9007) A4 – ALICE 04.10 ED 03 3AL 91669 AA AA 368 / 706 706
  • 371.
    CONGI + Batt_A ”a” MAIN POWER – Batt_A BLOCK not permitted without written authorization from Alcatel. +3.3 V + Batt All rights reserved. Passing on and copying of this document, use and communication of its contents DC/DC PROTECTION CIRCUIT 3.3 V BLOCK – Batt Input power Stage CONGI + Batt_B ”b” + Batt MAIN POWER Distributed power stage – Batt_B BLOCK – Batt BOARD 1 +3.3 V DC/DC PROTECTION Converter DC/DC – input + – output + CIRCUIT PROTECTION + 3.3 V 3.3 V BLOCK CIRCUIT ACCESS CARD BOARD CIRCUIT Input power Stage Synch SELECTOR + DC/DC DIVISOR Converter Sync – input + – output + G.A. +/– 5.2 V RIBUS I/F Synch BOARD2 DC/DC Converter – input + – output + + 3.3 V PROTECTION CIRCUIT BOARD CIRCUIT ACCESS CARD or Synch +/– 5.2 V SELECTOR + DIVISOR Sync G.A. RIBUS I/F BOARDn DC/DC Converter – input + – output + + 3.3 V PROTECTION CIRCUIT BOARD CIRCUIT ACCESS CARD or Synch +/– 5.2 V SELECTOR + DIVISOR Sync G.A. RIBUS I/F Figure 221. 1660SM –Input power stage and distributed power supply 1AA 00014 0004 (9007) A4 – ALICE 04.10 ED 03 3AL 91669 AA AA 369 / 706 706
  • 372.
    3.17 Remote inventorySub–system (See Figure 222. on page 370). not permitted without written authorization from Alcatel. The Remote Inventory functions permits the operator to retrieve information about any card or module All rights reserved. Passing on and copying of this document, use and communication of its contents present on the equipment. The available information is: construction date, code number, maker name, Card–type, etc. (see details in the Operator Handbook). The Remote Inventory function is present in all the cards and modules or intra–card modules. The relevant data are transported by a serial link (named RIBUS in the figure) that connects all cards or modules of the equipment. The block ”RIBUS–I/F” of figure implements the interface of the serial link with the remote inventory device (named RI in the figure). Further it manages the slot identifier (ID) and the card type (CType). The CType information is contained on the RI device. The RI can be also present on some sub–modules assembled on the board (such as optical–electrical modules, micro–controllers and so on). This block can also manage the visual indications of the board (LEDs) and some I/O parallel commands/contacts/alarms that can eventually be transferred by means of the RIBUS link. RIBUS RI I/F SHELF RIBUS CONTROLLER MATRIX Generic Board (or Module) Board X Indications RIBUS Board EQUIPMENT I/F CONTROLLER RI ID . . . Board I/O Intracard RIBUS Module RI I/F PQ2/EQC Module RI . . . Figure 222. Remote Inventory sub–system 1AA 00014 0004 (9007) A4 – ALICE 04.10 ED 03 3AL 91669 AA AA 370 / 706 706
  • 373.
    3.18 Frames Structure The SDH Standard offers a considerable quantity of service channels in the Section OverHead (SOH) bytes of the frame. These bytes are used for section maintenance (frame alignment, parity check, network not permitted without written authorization from Alcatel. management operations, auxiliary communications, etc.). All rights reserved. Passing on and copying of this document, use and communication of its contents For reader’s convenience, the structures of some SDH frames involved in the equipment are reported in the following pages. Reference specifications: ITU–T G.707 139 264 x1 C-4 kbit/s xN x1 ÉÉÉÑÑÑÑÑÑ STM-N ÉÉÉÑÑÑÑÑÑ AUG AU-4 ..... VC-4 x3 ÑÑÑÑÑÑ x1 ÉÉÉÉ TU-3 ...... VC-3 C-3 44736 kb/s ÑÑÑÑ ÑÑÑÑ TUG-3 x7 ÉÉÉÉ ÉÉÉÉ 34368 kb/s x3 x3 AU-3 ...... VC-3 ÉÉÉ ÑÑÑ TUG-2 ÉÉÉ ÑÑÑ TU-12 ......VC-12 C-12 2048 kbit/s ÍÍ ÍÍ Pointer processing Multiplexing ..... Aligning Mapping AU3/TU3 CONVERSION Figure 223. 1660SM: SDH multiplexing structure and AU–3/TU–3 conversion 1AA 00014 0004 (9007) A4 – ALICE 04.10 ED 03 3AL 91669 AA AA 371 / 706 706
  • 374.
    8 bit VC–12 POH of VC–12 V5 V5 = THE BYTE PROVIDES THE FUNCTIONS OF ERROR CHECKING, SIGNAL LABEL AND PATH STATUS OF THE VC–12 G not permitted without written authorization from Alcatel. W G = rrrrrrrr (r = BIT INTERVAL FOR FIXED JUSTIFICATION) All rights reserved. Passing on and copying of this document, use and communication of its contents W = iiiiiiii (i = 2.048 Mbit/s TRIBUTARY BIT) 125 us W 32 byte J2 =USED TO TRANSMIT REPETITIVELY A LOW ORDER PATH ACCESS POINT IDENTIFIER SO THAT A PATH RECEIVING TERMINAL CAN VERIFY ITS CONTINUED CONNECTION W TO THE INTENDED TRANSMITTER. A 16–BYTE FRAME IS DEFINED FOR THE TRANSMISSION OF PATH ACCESS G POINT IDENTIFIERS. J2 C1, C2 = JUSTIFICATION SIGNALLING BIT C1 C2o o o r r W o = OVERHEAD BITS S1, S2 = NEGATIVE AND POSITIVE JUSTIFICATION 125 us W 32 byte OPPORTUNITY REFERRED TO SIGNALLINGS C1 AND C2 N2 =THIS BYTE IS ALLOCATED TO PROVIDE A TANDEM CONNECTION MONITORING (TCM) FUNCTION W K4 =THIS BYTE ARE ALLOCATED FOR APS SIGNALLING G FOR PROTECTION AT LOWER ORDER PATH LEVEL N2 C1 C2o o o r r W 125 us W 32 byte V5 STRUCTURE: b1 b2 b3 b4 b5 b6 b7 b8 W G R R SIGNAL R BIP–2 E F D K4 I I LABEL I C1 C2r r r r S1 S2 i i i i i i i W N2 STRUCTURE: 125 us b1 b2 b3 b4 b5 b6 b7 b8 W 31 bytes TC–APId, Incoming BIP–2 1 AIS TC–REI OEI TC–RDI, ODI, reserved W G POH STRUCTURE (V5) : N2 STRUCTURE: – 2 BITS TO ESTIMATE THE BER THROUGH THE BIP–2 – 2 BITS ARE USED AS AN EVEN BIP–2 FOR THE ENCODING PROCEDURE PERFORMED ON THE PREVIOUS TANDEM CONNECTION VIRTUAL CONTAINER (THE FIRST AND SECOND BITS OF – BIT 3 IS FIXED TO 1 BIP–2 CONSTITUTE THE PARITY BIT OF ODD AND EVEN ORDER BITS) – BIT 4 OPERATES AS AN ”INCOMING AIS” INDICATOR – 1 BIT TO INDICATE (TO THE REMOTE TERMINAL) THE – BIT 5 OPERATES AS THE TC–REI OF THE TANDEM RESULT OF THE BER ESTIMATION DETECTED ON THE CONNECTION TO INDICATE ERRORED BLOCKS OPPOSITE DIRECTION: VALUES 0 AND 1 OF BIT FEBE CAUSED WITHIN THE TANDEM CONNECTION (FAR END BLOCK ERROR), (actually named REI) – BIT 6 OPERATES AS THE OEI (OUTGOING ERROR RESPECTIVELY INDICATE ABSENCE OF VIOLATION AND INDICATING) TO INDICATE ERRORED BLOCKS OF PRESENCE OF ONE OR TWO VIOLATIONS OF THE THE EGRESSING VC–n PARITY LIMITS ESTABLISHED BY BIP–2 – BIT 7 AND 8 OPERATE IN A 76 MULTIFRAME AS: – 1 BIT TO CHECK THE PATH TRACE THROUGH AN – THE ACCESS POINT IDENTIFIER OF THE TANDEM APPROPRIATE PROTOCOL CONNECTION (TC–APId); (RFI: path Remote Failure Inication) – THE TC–RDI, INDICATING TO THE FAR END THAT – 3 BITS PRESETTABLE FOR THE SIGNAL LABEL DEFECT HAVE BEEEN DETECTED WITHIN THE TANDEM CONNECTION AT THE NEAR END – 1 BIT FOR THE FERF (FAR END RECEIVE FAILURE) TANDEM CONNECTION SINK; ALARM INDICATION (actual RDI) – THE ODI, INDICATING TO THE FAR END THAT TU–AIS HAS BEEN INSERTED AT THE TC–sink INTO THE EGRESSING TU–n DUE TO DEFECT BEFORE OR WITHIN THE TANDEM CONNECTION; 1AA 00014 0004 (9007) A4 – ALICE 04.10 – RESERVED CAPACITY (FOR FUTURE USE) Figure 224. VC–12 Structure (asynchronous mapping of 2048 Kbit/s) ED 03 3AL 91669 AA AA 372 / 706 706
  • 375.
    not permitted withoutwritten authorization from Alcatel. All rights reserved. Passing on and copying of this document, use and communication of its contents TU–12 ÉÉÉÉÉ ÉÉÉÉÉ ÉÉÉÉÉ V1 ÉÉÉÉÉ 125 us ÉÉÉÉÉ ÉÉÉÉÉ ÉÉÉÉÉ 35 byts ÉÉÉÉÉ ÉÉÉÉÉ ÉÉÉÉÉ ÉÉÉÉÉ V2 0 1 125 us NEGATIVE 34 JUSTIFICATION OPPORTUNITY V3 35 POSITIVE JUSTIFICATION OPPORTUNITY 125 us 69 V4 70 125 us 104 ÇÇÇÇÇ ÇÇÇÇ V1 ÇÇ BYTES BELONGING TO ÉÉ ÇÇÇÇ Ç 105 THE PREVIOUS TU–12 125 us ÇÇ ÇÇ BYTES BELONGING TO THE SUBSEQUENT TU–12 139 ÇÇÇÇÇ ÇÇÇÇ V2 ÇÇ ÇÇÇÇ Ç 1AA 00014 0004 (9007) A4 – ALICE 04.10 Figure 225. TU–12 Structure ED 03 3AL 91669 AA AA 373 / 706 706
  • 376.
    85 bytes J1 B3 not permitted without written authorization from Alcatel. C2 All rights reserved. Passing on and copying of this document, use and communication of its contents G1 VC–3 9 rows F2 C–3 H4 F3 K3 N1 POH OF VC–3 POH STRUCTURE: • J1 (path trace) utilized to transmit in a cyclic mode a 64–octet configuration in order to check the connection continuity. • B3 resulting from the BIP–8 performed on the previous VC–3, before the scrambler. PM and ex–BER supported at VC3 terminations. • C2 (signal label) = the configurations are utilized to indicate if VC–3 is equipped or not, or the payload structure. SLM and UNEQ supported at VC3 – TTP. • G1 (path status) utilized to transmit information on the link status to the remote terminal. PM near end / far end supported at LVC terminations. It contains: – four bits for the REI (Remote Error Indication) (ex FEBE=Far End Block Error) indication, where the decimal numbers 0–8 indicate the number of violations of BIP–8 (the illegal values 9 to 15 indicate absence of errors); – one bit for the RDI (Remote Defect Indication), (ex FERF= Far End Receiving Failure) and other three digits not utilized. • F2, F3: bytes utilized for the transportation of two user data channels via the AUX connections. • H4: position indicator of inner lower order payloads, as a multiframe indicator. • K3: for APS signalling (Automatic Protection Switching). • N1: Network Operator byte, for Tandem Connection Monitoring (TCM). Figure 226. VC–3 structure 86 bytes H1 H2 H3 S VC–3 TU – 3 9 rows T PAYLOAD U F F I N G • H1,H2,H3: TU–3 Pointer Figure 227. TU–3 structure 1AA 00014 0004 (9007) A4 – ALICE 04.10 ED 03 3AL 91669 AA AA 374 / 706 706
  • 377.
    261 bytes J1 not permitted without written authorization from Alcatel. All rights reserved. Passing on and copying of this document, use and communication of its contents B3 C2 G1 C–4 9 rows F2 or VC–4 H4 VC4 PAYLOAD F3 K3 N1 POH of VC–4 J1 (path trace) utilized to transmit in a cyclic mode a 64–octet configuration in order to check the connection continuity. B3 resulting from the BIP–8 performed on the previous VC–4, before the scrambler. C2 (signal label) the configurations are utilized to indicate if VC–4 is equipped or not or the payload structure. G1 (path status) utilized to transmit information on the link status to the remote terminal. – four bits contain the FEBE Tx (Far End Block Error) signal, where the decimal numbers 0–8 indicate the number of violations of BIP–8 (the illegal values 9 to 15 indicate absence of errors); – one bit to carry the FERF Tx alarm signal and three unused bits. F2 (path user channel) utilized to transmit and cross connect a data channel received from the SERVICE unit. H4 (position indicator) multiframe indicator (utilized for the payloads structured through TUG) which indicates the subframe of each multiframe. F3 (path user channel) utilized to transmit and cross connect a data channel received from the SERVICE. K3 Higher Order Protection (HOP), not operative in current release. N1 network operator byte (for Tandem Connection Protocol) Figure 228. VC–4 Structure and POH byte contents 1AA 00014 0004 (9007) A4 – ALICE 04.10 ED 03 3AL 91669 AA AA 375 / 706 706
  • 378.
    9 COLUMNS (Bytes) 261 COLUMNS (bytes) A1 A1 A1 A2 A2 A2 J0 not permitted without written authorization from Alcatel. RSOH B1 E1 F1 All rights reserved. Passing on and copying of this document, use and communication of its contents D1 D2 D3 AU pointer(s) STM–1 PAYLOAD 9 rows B2 B2 B2 K1 K2 D4 D5 D6 MSOH D7 D8 D9 D10 D11 D12 S1 M1 E2 A1 – A2 The six octets of type A1=11110110 and A2=00101000 constitute the alignment word. J0 Regenerator Section Trace. B1 This octet resulting from the BIP–8 procedure performed on the previous frame at the scrambler output, is inserted into the current frame before scrambling; it is utilized to estimate the BER in the regenerator section. B2 These three octets, resulting from the BIP–Nx24 encoding performed on the previous frame without the first three rows of SOH, are inserted into the current frame before scrambling; they are not estimated again in the repeaters because they are utilized to estimate the BER between multiplexer. E1 – E2 (orderwire, EOW) Are utilized for service telephone communication between regenerators (E1) and between muldex and muldex (E2). D1 ÷ D3 Are utilized as a 192 Kbit/s channel for data communication (DCC=Data Communication Channel) between regenerates in the TMN network. D4 ÷ D12 Are utilized as a 576 Kbit/s channel for data communication (DCC) between multiplexers in the TMN network. F1 (user channel) Is utilized to transmits a data channel received from SERVICE unit (for service and maintenance). K1 – K2 Are utilized for APS indications (Automatic Protection Switching); the last three K2 bits (b6÷b8) are used like MS–RDI multiplex section remote indication for FERF and AIS alarms between the multiplexers. S1 Indicates synchronization status (b5÷b8) of sync. path status. M1 Indicates MS–REI Far–end Block Errors (FEBE) for the multiplex section. Notes: – bytes marked with X are reserved for national use. – all unmarked bytes are reserved for future international standardization (for media dependent, additional national use and other purposes). – bytes marked with ∆ is a Media Dependent byte: not operative. – bytes marked with • are not scrambled (like the whole first row). 1AA 00014 0004 (9007) A4 – ALICE 04.10 Figure 229. STM–1 structure and SOH byte contents ED 03 3AL 91669 AA AA 376 / 706 706
  • 379.
    36 bytes A1 A1 A1 A1 A1 A1 A1 A1 A1 A1 A1 A1 A2 A2 A2 A2 A2 A2 A2 A2 A2 A2 A2 A2 J0 Z0 Z0 Z0 RSOH not permitted without written authorization from Alcatel. All rights reserved. Passing on and copying of this document, use and communication of its contents B1 E1 F1 D1 D2 D3 9 rows AU pointer(s) B2 B2 B2 B2 B2 B2 B2 B2 B2 B2 B2 B2 K1 K2 MSOH D4 D5 D6 D7 D8 D9 D10 D11 D12 S1 M1 E2 1 261 1 261 1 261 1 261 1 9 1 9 1 9 1 9 #1 #2 #3 #4 AUG AUG AUG AUG RSOH 1234,1234,..... 1234,1234,1.... MSOH ....1234,1234. 4 x 261 4x9 STM–4 A1 – A2 Alignment word A1=11110110, A2=00101000. Utilizes all slots of the four STM–1. J0 Regenerator Section Trace. Z0 (Spare) These bytes are reserved for future international standardization. B1 BIP–8 calculation result on the previous frame (after scrambling). Utilized to assess error rate between regenerators. Uses slot of first STM–1. E1 For EOW operations between regenerators. Uses slot of first STM–1. F1 Available for the user (data from SERVICE unit). Uses slot of first STM–1. D1 ÷ D3 Are used for 192 Kbit/s channel for DCC on TMN network. Uses slot of first STM–1. B2 Result of BIP–Nx24 calculation on previous frame exempt of three RSOH rows. Used to assess error rate between multiplexers. Uses all slots. K1 – K2 For 1+1 MS Trail Linear Protection indications and FERF, AIS alarms. Uses slot of first STM–1. D4 ÷ D12 Are used for 576 Kbit/s channel for DCC on TMN network. Uses slot of first STM–1. S1 Indicates synchronization status (b5÷b8) of sync. path status. Uses slot of first STM–1. E2 For EOW operations between multiplexers. Uses slot of first STM–1. M1 Indicates section FEBE (STM4). Uses slot of third STM–1. Notes: – bytes marked with X are reserved for national use. – all unmarked bytes are reserved for future international standardization (for media dependent, additional national use and other purposes). – bytes marked with S are not scrambled (like the whole first row). 1AA 00014 0004 (9007) A4 – ALICE 04.10 Figure 230. STM–4 structure and SOH byte contents ED 03 3AL 91669 AA AA 377 / 706 706
  • 380.
    144 bytes A1 A1 A1 A1 A1 A1 A2 A2 A2 A2 A2 A2 J0 Z0 RSOH B1 E1 F1 not permitted without written authorization from Alcatel. D1 D2 D3 All rights reserved. Passing on and copying of this document, use and communication of its contents AU pointer(s) 9 rows B2 B2 B2 B2 B2 B2 K1 K2 D4 D5 D6 MSOH D7 D8 D9 D10 D11 D12 S1 E2 M1 1 261 1 261 1 261 1 261 1 9 1 9 1 9 1 9 #1 #2 #3 #16 AUG AUG AUG AUG RSOH 123.....1516,123...1516,....... 12...16,12...16,... MSOH 123.....1516,123...1516. 16 x 9 16 x 261 STM–16 A1 – A2 Alignment word A1=11110110, A2=00101000. Utilizes all slots of the sixteen STM–1. J0 Regenerator Section Trace. Z0 (Spare) These bytes are reserved for future international standardization. B1 BIP–8 calculation result on the previous frame (after scrambling). Utilized to assess error rate between regenerators. Uses slot of first STM–1. E1 For EOW operations between regenerators. Uses slot of first STM–1. F1 Available for the user (data from SERVICE unit). Uses slot of first STM–1. D1 ÷ D3 Are used for 192 Kbit/s channel for DCC on TMN network. Uses slot of first STM–1. B2 Result of BIP–Nx24 calculation on previous frame except of three RSOH rows. Used to assess error rate between multiplexers. Uses all slots. K1 – K2 For APS indications and FERF, AIS alarms. Uses slot of first STM–1. D4 ÷ D12 Are used for 576 Kbit/s channel for DCC on TMN network. Uses slot of first STM–1. S1 Indicates synchronism status. Uses slot of first STM–1. E2 For EOW operations between multiplexers. Uses slot of first STM–1. M1 Indicates section FEBE (STM–16). Uses slot of third STM–1. Notes: – bytes marked with X are reserved for national use. – all unmarked bytes are reserved for future international standardization (for media dependent, additional national use and other purposes). 1AA 00014 0004 (9007) A4 – ALICE 04.10 – bytes marked with S are not scrambled (like the whole first row). Figure 231. Structure of STM–16 and SOH bytes contents ED 03 3AL 91669 AA AA 378 / 706 706
  • 381.
    576 bytes A1 A1 A1 A1 A1 A1 A2 A2 A2 A2 A2 A2 J0 Z0 RSOH B1 E1 F1 not permitted without written authorization from Alcatel. D1 D2 D3 All rights reserved. Passing on and copying of this document, use and communication of its contents AU pointer(s) 9 rows B2 B2 B2 B2 B2 B2 K1 K2 D4 D5 D6 MSOH D7 D8 D9 D10 D11 D12 S1 E2 M1 1 261 1 261 1 261 1 261 1 9 1 9 1 9 1 9 #1 #2 #3 #64 AUG AUG AUG AUG RSOH 123.....6364,123.....6364,..... 12...64,12...64,.. MSOH 123.....6364,123.....6364. 64 x 9 64 x 261 STM–64 A1–A2 Alignment word A1=11110110, A2=00101000. Utilizes all slots. J0 Regenerator Section Trace. Z0 (Spare) These bytes are reserved for future international standardization. B1 BIP–8 calculation result on the previous frame (after scrambling). Utilized to assess error rate between regenerators. Uses slot of first STM–1. E1 For EOW operations between regenerators. Uses slot of first STM–1. F1 Available for the user (data from SERVICE unit). Uses slot of first STM–1. D1 ÷ D3 Are used for 192 Kbit/s channel for DCC on TMN network. Uses slot of first STM–1. B2 Result of BIP–Nx24 calculation on previous frame except of three RSOH rows. Used to assess error rate between multiplexers. Uses all slots. K1 – K2 For APS indications and FERF, AIS alarms. Uses slot of first STM–1. D4 ÷ D12 Are used for 576 Kbit/s channel for DCC on TMN network. Uses slot of first STM–1. S1 Indicates synchronism status. Uses slot of first STM–1. E2 For EOW operations between multiplexers. Uses slot of first STM–1. M1 Indicates section FEBE (STM–64). Uses slot of third STM–1. Notes: – bytes marked with X are reserved for national use – all unmarked bytes are reserved for future international standardization (for media dipendent, additional national use and other purposes) 1AA 00014 0004 (9007) A4 – ALICE 04.10 – bytes marked with S are not scrambled (like the whole first row) Figure 232. STM–64 structure and SOH byte contents ED 03 3AL 91669 AA AA 379 / 706 706
  • 382.
    3.18.1 Synchronous 2048Kb/s frames The synchronous 2048 Kb/s signal is structured on a 256–bits frame, numbered 1 to 256; it is composed by 32 time slots (TS), numbered 0 to 31 (TS0 to TS31), each time slot containing 8 bits. The frame not permitted without written authorization from Alcatel. repetition rate is 8000 Hz (time period 125 µs). All rights reserved. Passing on and copying of this document, use and communication of its contents TS0 is used as the OverHead of the frame, for purposes as: frame alignment, error integrity check, messaging, etc. The following figure shows the allocation of bits 1 to 8 (i.e. Time Slot 0, TS0) in the basic frame structure of synchronous 2Mb/s signal. The frames contain, alternatively, the 7–bits frame–alignment–signal (FAS = 0011011, bits 2 to 8). Refer to ITU–T G.704 rec. for details information. Bit number 1 2 3 4 5 6 7 8 Alternate frames Si 0 0 1 1 0 1 1 Frame containing the frame alignment signal Note 1 Frame alignment signal Si 1 A Sa4 Sa5 Sa6 Sa7 Sa8 Frame not containing the frame alignment signal Note 1 Note 2 Note 3 Note 4 Note 1 – Si = bits reserved for international use. One specific use is for multi–frame alignment and for CRC–4 procedure: see Figure 234. Note 2 – this bit is fixed at 1 to assist in avoiding simulations of the frame alignment signal. Note 3 – A = Remote Alarm Indication (RAI). In undisturbed operation, set to 0; in alarm condition, set to 1. Note 4 – Sa4 to Sa8 are used for point–to–point specific messaging. Figure 233. Synchronous 2048 Kb/s signal: basic frame overhead 1AA 00014 0004 (9007) A4 – ALICE 04.10 ED 03 3AL 91669 AA AA 380 / 706 706
  • 383.
    The following figureshows the allocation of bits 1 to 8 (i.e. Time Slot 0, TS0) in the CRC–4 Multiframe structure of synchronous 2Mb/s signal. CRC–4 is the abbreviation for Cyclic Redundant Check–4, a signal elaboration procedure to check the error integrity. Each CRC–4 multiframe, which is composed of 16 frames numbered 0 to 15, is divided into two 8–frame not permitted without written authorization from Alcatel. sub–multiframes (SMF), designated SMF–I and SMF–II which signify their respective order of occurrence All rights reserved. Passing on and copying of this document, use and communication of its contents within the CRC–4 multiframe structure. Each sub–multiframe duration is 1 ms, rated 1000 Hz. The SMF is the CRC–4 block size (i.e. 2048 bits). Refer to ITU–T G.704 rec. for details information. Sub–multiframe Frame Bits 1 to 8 of the frame (SMF) number 1 2 3 4 5 6 7 8 0 C1 0 0 1 1 0 1 1 1 MF 1 A Sa4 Sa5 Sa6 Sa7 Sa8 1 2 C2 0 0 1 1 0 1 1 3 MF 1 A Sa4 Sa5 Sa6 Sa7 Sa8 Ι 2 4 C3 0 0 1 1 0 1 1 5 MF 1 A Sa4 Sa5 Sa6 Sa7 Sa8 3 6 C4 0 0 1 1 0 1 1 7 MF 1 A Sa4 Sa5 Sa6 Sa7 Sa8 4 Multiframe 8 C1 0 0 1 1 0 1 1 9 MF 1 A Sa4 Sa5 Sa6 Sa7 Sa8 5 10 C2 0 0 1 1 0 1 1 11 MF 1 A Sa4 Sa5 Sa6 Sa7 Sa8 ΙΙ 6 12 C3 0 0 1 1 0 1 1 13 E 1 A Sa4 Sa5 Sa6 Sa7 Sa8 14 C4 0 0 1 1 0 1 1 15 E 1 A Sa4 Sa5 Sa6 Sa7 Sa8 Note 1 – E = Remote Error Indication (REI) . In undisturbed operation, set to 1; in alarm condition, set to 0. Note 2 – Sa4 to Sa8 are used for point–to–point specific messaging. Note 3 – C1 to C4 = Cyclic Redundant Check–4 bits. Note 4 – A = Remote Alarm Indication (RAI). In undisturbed operation, set to 0; in alarm condition, set to 1. Note 5 – MF1 to MF6 = Multiframe Alignment Signal (MAS = 001011). Figure 234. Synchronous 2048 Kb/s signal: CRC–4 multiframe overhead 1AA 00014 0004 (9007) A4 – ALICE 04.10 ED 03 3AL 91669 AA AA 381 / 706 706
  • 384.
    3.18.1.1 Organization ofISDN – PRA frames For each direction of transmission the following functions are provided by the synchronous ISDN–PRA 2048 Kb/s frames (refer to recommendation ETS 300 233): not permitted without written authorization from Alcatel. All rights reserved. Passing on and copying of this document, use and communication of its contents 30 time slots at 64 kb/s (numbered 1 to 15 and 17 to 31) for the transport of any appropriate allocation of the B, H0 and H1 channels. 1 time slot at 64 kb/s (numbered 16) for the transport of a D channel. 1 time slot at 64 kb/s (numbered 0) for frame alignment, multiframe alignment, CRC–4 procedure and maintenance (rec. G.704). 3.18.1.2 ISDN – PRA communication channels The communication channels transported by the ISDN–PRA (Integrated Services Digital Network – Primary Rate Access) signal are the following: – B–channel it is rated 64 kb/s, as defined in ITU–T Rec. I.412; it permits the allocation of up to 30 independent B–channels over the 2Mb/s synchronous frame. – H0–channel it is rated 384 kb/s, as defined in ITU–T Rec. I.412; it permits the allocation of up to 5 independent H0–channels over the 2Mb/s synchronous frame. – H1–channel it is rated 1920 kb/s, as defined in ITU–T Rec. I.412; it permits the allocation of one H1–channel over the 2Mb/s synchronous frame. – D–channel it is rated 64 kb/s, as defined in ITU–T Rec. I.412. 1AA 00014 0004 (9007) A4 – ALICE 04.10 ED 03 3AL 91669 AA AA 382 / 706 706
  • 385.
    3.18.2 ATM cellsmapping into SDH/PDH frames not permitted without written authorization from Alcatel. V5 All rights reserved. Passing on and copying of this document, use and communication of its contents 34 D Bytes J2 34 D Bytes 140 bytes N2 34 D Bytes K4 34 D Bytes 500us D Data Figure 235. Mapping of ATM cells into VC12 J1 ÉÉ ÉÉ ÉÉ ÉÉ B3 C2 G1 VC–4/VC–3 F2 H4 F3 K3 N1 ÉÉ ÉÉ ÉÉ ÉÉ VC–4/VC–3 POH ATM Cell ÉÉ ÉÉ 53 octets 1AA 00014 0004 (9007) A4 – ALICE 04.10 Figure 236. Mapping of ATM cells into VC4/VC3 ED 03 3AL 91669 AA AA 383 / 706 706
  • 386.
    TS0 TS16: Reserved for signalling 256 bits / 125 µs not permitted without written authorization from Alcatel. All rights reserved. Passing on and copying of this document, use and communication of its contents ÇÇ ÇÇÇ Header ÇÇ ÇÇÇ ÇÇÇ ÇÇ ÇÇÇ ÇÇHeader ÇÇÇ ÇÇ ÇÇÇ ÇÇ Header Ç Ç Ç ÇÇÇ Header Ç Ç Ç ÇÇÇ ATM cell mapping field: 30 octets (TS1 : TS15 and TS17 : TS31) Provides F3 OAM functions: – Detection of loss of frame alignement –Performance monitoring (CRC–4) – Transmission of FERF and LOC Ç Ç ÇÇÇ ATM cell Ç Ç ÇÇÇ Header –Performance reporting 53 octets Figure 237. Mapping of ATM cells into 2048 kb/s frame 59 octets ÇÇÇ ÇÇ ÇÇÇÇÇ ÇÇÇ Ç ÇÇÇ Ç Ç ÇÇ ÇÇÇ Ç ÇÇÇ ÇÇÇ ÇÇÇ ÇÇÇ 9 rows Ç Ç Ç ÇÇÇ ÇÇÇÇ Ç ÇÇÇÇ ÇÇ ÇÇÇÇ ÇÇ Ç ÇÇÇÇ ÇÇ ATM cells ÇÇÇ ÇÇÇ 53 octets Overhead octet 1AA 00014 0004 (9007) A4 – ALICE 04.10 Figure 238. Mapping of ATM cells into 34368 kb/s frame ED 03 3AL 91669 AA AA 384 / 706 706
  • 387.
    4 UNITS DESCRIPTION In the following paragraphs are inserted the detailed information of each unit and subunit of the equipment. not permitted without written authorization from Alcatel. All rights reserved. Passing on and copying of this document, use and communication of its contents 4.1 21 x 2 Mbit/s access card (A21E1) (See Figure 239. on page 386) The 21 x2 Mbit/s access card provides the connections from back panel to the external line and viceversa for 21 PDH signals. According to the type of line impedance (75 Ohm or 120 Ohm) and electrical characteristics different types of access card are available. In the following a generic description of the access card is given: INPUT side Under normal operating condition, the signal received from the line is sent to the 63 x 2 Mbit/s “main” port card. Under alarm condition, the signal received from the line is switched towards the “spare” port card. The switching command SEL is received from the RIBUS I/F block. A protection block is present to protect the incoming signal against spikes ( G.703). OUTPUT side The two signals received from the “main” and “spare” port cards 63 x 2 Mbit/s are sent to a selector. The SEL command, received from the RIBUS I/F block, select the signal to sent to the line Remote inventory The RIBUS I/F is present to read/write inventory data as code, series number, construction data present on the RI (see para. 3.17 on page 370 for details). Power supply The access card receive the +3.3 Vdc provided by the CONGI units. 1AA 00014 0004 (9007) A4 – ALICE 04.10 ED 03 3AL 91669 AA AA 385 / 706 706
  • 388.
    not permitted withoutwritten authorization from Alcatel. All rights reserved. Passing on and copying of this document, use and communication of its contents Input–1 TO MAIN PORT INPUT SPIKE FROM LINE PROTECTION TO SPARE PORT SEL Output–1 OUTPUT SPIKE FROM MAIN PORT TO LINE PROTECTION FROM SPARE PORT SEL Input–21 TO MAIN PORT INPUT SPIKE FROM LINE PROTECTION TO SPARE PORT SEL Output–21 OUTPUT SPIKE FROM MAIN PORT TO LINE PROTECTION FROM SPARE PORT SEL SEL FAIL REMOTE RIBUS RIBUS INVENTORY IF TO/FROM CMISS MATRIXE +3.3 Vdc F FROM CONGI 21 x 2 MBIT/S ACCESS CARD Figure 239. 21 x 2 access card – Block diagram 1AA 00014 0004 (9007) A4 – ALICE 04.10 ED 03 3AL 91669 AA AA 386 / 706 706
  • 389.
    4.2 3 X34 Mbit/s access card (A3E3) ( See Figure 240. on page 388) not permitted without written authorization from Alcatel. The 3 x 34 Mbit/s access card provides the connections from back–panel to the external signals and vice All rights reserved. Passing on and copying of this document, use and communication of its contents versa for three PDH 75 ohm signals in compliance with the ITU–T G.703 rec. The following functions are implemented : – Signal decoding, encoding and LOS alarm management – Protection towards spare cards – local and remote loopback – control and inventory functions – power supply INPUT side From the HDB3 signal received from the line the clock is recovered and the data are retimed and sent to a decoder (NRZ format). LOS alarm is generated if no signal is detected. In normal condition the backplane provides to send the signal to the main card . The access card manages the EPS protection of the 3x34/45 port card; two mux by means of dedicated command (SEL) coming from the RIBUS I/F block, sends to spare card Signal and LOS of actual or previously access card. OUTPUT side On the output side the access card receives the NRZ data and clock from the main and spare port card. By means of a mux in normal condition the signal coming from the main port card is then HDB3 encoded and sent to the line. When EPS is active, the RIBUS I/F block send a command (SEL) to the mux; in this case the signal coming from the spare card is selected and sent toward the encoder. The received clock and NRZ data from spare card are sent also to the next access card to perform EPS protection. Loopback functions The access card provides line loopback and internal loopback. When line loop is active the input signal coming from the line (DR) is sent back ,through a mux , to the output signal performing line loopback. When internal loop is active, the signal coming from the encoder (DT) is sent, through a mux, to the decoder thus realizing the local loopback function. Control section The commands to drive the MUXs involved in EPS protection (SEL) and the loopback functions (LINE LOOP and INT LOOP) are generated by the RIBUS I/F block that performs also remote inventory and card status operations (FAIL). Power Supply The access card receive the following voltage: – +3.3 Vdc from CONGI to supply the RIBUS I/F block 1AA 00014 0004 (9007) A4 – ALICE 04.10 – + 3.3 Vdc from the relevant Port Card; through an on board DC/DC converter is generated a + 5.3 Vdc starting from the +3.3 Vdc. ED 03 3AL 91669 AA AA 387 / 706 706
  • 390.
    CK SIGNAL INPUT 1 EQUALIZER DECODER FROM COAX HDB3/NRZ TO MAIN CARD not permitted without written authorization from Alcatel. RETIMER HDB3 All rights reserved. Passing on and copying of this document, use and communication of its contents DR DT DATA FROM PREVIOUSLY MUX TO SPARE CARD ACCESS CARD LOS TO MAIN CARD LOS LOS FROM MUX LOS TO SPARE CARD PREVIOUSLY ACCESS CARD ACCESS 1 – Input side SEL DR DT SIGNAL OUTPUT 1 TO COAX PULSE LOOP ENCODER MUX FROM MAIN CARD HDB3 SHAPER MUX NRZ/HDB3 LINE LOOP INT LOOP TO NEXT ACCESS CARD MUX FROM SPARE CARD ACCESS 1 –Output side SEL ACCESS 2 ACCESS 3 LINE LOOP INT LOOP SEL CMISS FAIL TO/FROM REMOTE RIBUS RIBUS MATRIXE INVENTORY I/F +3.3 Vdc F FROM CONGI +5.3 Vdc +3.3 Vdc DC/DC FROM RELEVANT PORT CARD 3 X 34 ACCESS CARD +3.3 Vdc 1AA 00014 0004 (9007) A4 – ALICE 04.10 Figure 240. 3 x 34 access card block diagram ED 03 3AL 91669 AA AA 388 / 706 706
  • 391.
    4.3 3 X45 Mbit/s access card (A3T3) ( See Figure 241. on page 390) not permitted without written authorization from Alcatel. The 3 x 45 Mbit/s access card provides the connections from back–panel to the external signals and vice All rights reserved. Passing on and copying of this document, use and communication of its contents versa for three PDH 75 ohm signals in compliance with the ITU–T G.703 rec. The following functions are implemented : – Signal decoding, encoding and LOS alarm management – Protection towards spare cards – local and remote loopback – control and inventory functions – power supply INPUT side From the B3ZS signal received from the line the clock is recovered and the data are retimed and sent to a decoder (NRZ format). LOS alarm is generated if no signal is detected. In normal condition the backplane provides to send the signal to the main card . The access card manages the EPS protection of the 3x34/45 port card; two mux by means of dedicated command (SEL) coming from the RIBUS I/F block, sends to spare card Signal and LOS of actual or previously access card. OUTPUT side On the output side the access card receives the NRZ data and clock from the main and spare port card. By means of a mux in normal condition the signal coming from the main port card is then B3ZS encoded and sent to the line. When EPS is active, the RIBUS I/F block send a command (SEL) to the mux; in this case the signal coming from the spare card is selected and sent toward the encoder. The received clock and NRZ data from spare card are sent also to the next access card to perform EPS protection. Loopback functions The access card provides line loopback and internal loopback . When line loop is active the input signal coming from the line (DR) is sent back ,through a mux , to the output signal performing line loopback. When internal loop is active, the signal coming from the encoder (DT) is sent, through a mux, to the decoder thus realizing the local loopback function. Control section The commands to drive the MUXs involved in EPS protection (SEL) and the loopback functions (LINE LOOP and INT LOOP) are generated by the RIBUS I/F block that performs also remote inventory and card status operations (FAIL). Power Supply The access card receive the following voltage: – +3.3 Vdc from CONGI to supply the RIBUS I/F block – + 3.3 Vdc from the relevant Port Card; through an on board DC/DC converter is generated a + 5.3 1AA 00014 0004 (9007) A4 – ALICE 04.10 Vdc starting from the +3.3 Vdc. ED 03 3AL 91669 AA AA 389 / 706 706
  • 392.
    CK SIGNAL INPUT 1 EQUALIZER DECODER FROM COAX B3ZS/NRZ TO MAIN CARD RETIMER B3ZS not permitted without written authorization from Alcatel. DR DT All rights reserved. Passing on and copying of this document, use and communication of its contents DATA FROM PREVIOUSLY MUX TO SPARE CARD ACCESS CARD LOS TO MAIN CARD LOS LOS FROM MUX LOS TO SPARE CARD PREVIOUSLY ACCESS CARD ACCESS 1 – Input side SEL DR DT SIGNAL OUTPUT 1 TO COAX PULSE LOOP ENCODER MUX FROM MAIN CARD B3ZS SHAPER MUX NRZ/B3ZS LINE LOOP INT LOOP TO NEXT ACCESS CARD MUX FROM SPARE CARD ACCESS 1 –Output side SEL ACCESS 2 ACCESS 3 LINE LOOP INT LOOP CMISS SEL FAIL TO/FROM MATRIXE REMOTE RIBUS RIBUS INVENTORY I/F +3.3 Vdc F FROM CONGI +5.3 Vdc +3.3 Vdc DC/DC FROM RELEVANT PORT CARD +3.3 Vdc 3 X 45 ACCESS CARD 1AA 00014 0004 (9007) A4 – ALICE 04.10 Figure 241. 3 x 45 access card block diagram ED 03 3AL 91669 AA AA 390 / 706 706
  • 393.
    4.4 2 x140/STM–1 O/E adapter (A2S1) (See Figure 242. on page 392) not permitted without written authorization from Alcatel. The A2S1 access card can house two independent modules that can be both electrical , both optical or All rights reserved. Passing on and copying of this document, use and communication of its contents a mix of the two. For the description of the electrical module see paragraph 4.15 on page 425. For the description of the optical module see paragraph 4.16 on page 427. The access card houses also the RIBUS I/F block the function of which is described on para.3.17 on page 370 and the Remote inventory. Control section The RIBUS I/F block is present to read/write inventory data as code, series number, construction data implemented on the REMOTE INVENTORY block. It also send and receive the following signal: – FAIL: unit faulty – CMISS1, CMISS2: card missing respectively of the upper and lower “electrical or optical module” – INT LOOP1, INT LOOP2: Internal Loop command respectively for the upper and lower “electrical or optical module” – LINE LOOP1, LINE LOOP2: Line Loop command respectively for the upper and lower “electrical or optical module” Power Supply The access card receive the following voltage: – +3.3 Vdc from CONGI to supply the RIBUS I/F block – + 3.3 Vdc and + 5.2 Vdc from the relevant Port Card; 1AA 00014 0004 (9007) A4 – ALICE 04.10 ED 03 3AL 91669 AA AA 391 / 706 706
  • 394.
    not permitted withoutwritten authorization from Alcatel. All rights reserved. Passing on and copying of this document, use and communication of its contents INT LOOP1 LINE LOOP1 CMISS1 INPUT RI ELECTRICAL LOS OR LINE1 OPTICAL LASER DEG MODULE LASER FAIL OUTPUT LASER SHUT DOWN DATA AND CLOCK TO/FROM PORT CARD +3.3 Vdc +3.3 Vdc (Vs) +5.2 VDC INT LOOP2 LINE LOOP2 CMISS2 INPUT RI ELECTRICAL LOS OR LINE2 OPTICAL LASER DEG MODULE LASER FAIL OUTPUT LASER SHUT DOWN DATA AND CLOCK TO/FROM PORT CARD +3.3 Vdc +3.3 Vdc (Vs) +5.2 VDC LINE LOOP1 LINE LOOP2 INT LOOP1 INT LOOP2 CMISS1 CMISS2 CMISS FAIL TO/FROM RI MATRIXE REMOTE RIBUS RIBUS INVENTORY I/F +3.3 Vdc (Vs) F +3.3 Vdc (Vs) FROM CONGI +3.3 Vdc FROM +5.2 Vdc RELEVANT PORT CARD 2 X 140/STM–1 O/E ADAPTER Figure 242. 2 x 140/STM–1 O/E adapter (access card) block diagram 1AA 00014 0004 (9007) A4 – ALICE 04.10 ED 03 3AL 91669 AA AA 392 / 706 706
  • 395.
    4.5 4 xSTM–1 electrical access card (A4ES1) (See Figure 243. on page 394) not permitted without written authorization from Alcatel. The A4ES1 access card is placed in the access area and allows the connection to the line coaxial cable All rights reserved. Passing on and copying of this document, use and communication of its contents for the High Speed port cards 4x STM1. INPUT side On the input side the signal CMI coming from the coaxial cable, is equalized , decoded into NRZ code and forwarded to main electrical port card. The command criteria SWITCH coming from the RIBUS I/F block can select the MUX in order to send toward the Spare card the local stream . The LOS alarm, if present, is sent to the main board. The same alarm can also be sent ,through a MUX, toward the spare card if the SWITCH command is active . OUTPUT side On the output side, the signal coming from the Main card, is coded into CMI code and then sent toward the coaxial cable. When EPS is active, the RIBUS I/F block send a command (SWITCH) to the MUX; in this case the signal coming from the Spare card is selected and sent toward the encoder NRZ/CMI. Control section The RIBUS I/F block is present to read/write inventory data as code, series number, construction data implemented on the RI. It also send the following command: – INT LOOP1 … INT LOOP4: Internal Loop commands for channels from 1 to 4 – LINE LOOP1 … LINE LOOP4: Line Loop commands for channels from 1 to 4 – SWITCH allows EPS facility On the front cover plate a red/green led is available for card fail alarm indication. Power Supply The access card receive the following voltage: – +3.3 Vdc from CONGI to supply the RIBUS I/F block – + 3.3 Vdc from the relevant Port Card; 1AA 00014 0004 (9007) A4 – ALICE 04.10 ED 03 3AL 91669 AA AA 393 / 706 706
  • 396.
    CMI LOS CMI PLL INPUT TO MAIN CARD NRZ NRZ not permitted without written authorization from Alcatel. DR All rights reserved. Passing on and copying of this document, use and communication of its contents NRZ TO SPARE CARD MUX DT SWITCH INT LOOP1 NRZ FROM PREVIOUSLY LOS ACCESS CARD MUX LOS TO SPARE CARD ACCESS 1 – Input side SWITCH DR DT CMI NRZ FROM MAIN CARD CMI Mask OUTPUT Adapter NRZ PLL MUX NRZ FROM SPARE CARD SWITCH NRZ TO NEXT LINE LOOP1 ACCESS CARD ACCESS 1 – Output side CMI INPUT CMI ACCESS 2 OUTPUT CMI INPUT ACCESS 3 CMI OUTPUT CMI INPUT ACCESS 4 CMI OUTPUT LINE LOOP1 LINE LOOP2 LINE LOOP3 LINE LOOP4 INT LOOP1 INT LOOP2 INT LOOP3 INT LOOP4 SWITCH CMISS FAIL TO/FROM MATRIXE REMOTE RIBUS RIBUS INVENTORY I/F +3.3 Vdc F FROM CONGI +3.3 Vdc FROM +5.2 VDC RELEVANT PORT CARD 4 X STM–1 ELECTRICAL ACCESS CARD 1AA 00014 0004 (9007) A4 – ALICE 04.10 Figure 243. 4 x STM–1 access card block diagram ED 03 3AL 91669 AA AA 394 / 706 706
  • 397.
    4.6 Optical Access12xSTM–1 (A12OS1E or A12OS1SE) (Refer to Figure 244. on page 397) not permitted without written authorization from Alcatel. NOTE: the optical access card A12OS1E functinal description can be applied also to the A12OS1SE All rights reserved. Passing on and copying of this document, use and communication of its contents access card. The only difference between the two boards is the mechanical dimension; as a matter of fact A12OS1E is two slot wide instead of one slot wide of the A12OS1SE. The A12OS1E is 12 X STM–1 Access Card that provides 12 X 155 Mbps STM–1 interface from external line to the backplane and vice versa, for both Short–haul and Long–haul applications. The P16S1–4E card along with A12OS1E card allows the transport of 16 optical STM1 streams by means of 16 SFP optical transceivers. On the P16S1–4E card there are four of 16 SFP transceivers, while in the A12OS1E card there are the other 12 SFP MSA compliant Transceivers The Card recovers Data and Clock from the Optical input and passes them to the onboard “STM–1 MAPPER/DEMAPPER” block. . The “STM–1 MAPPER/DEMAPPER” block makes customized frame and send it to serializer block SERDES that passes the data to the backplane. Remote inventory is provided by on the board using RIBUS I/F device RIBUS bus. It also contains circuitry for management, configuration, and control of onboard devices through backplane RIBUS bus. Following is the list of main features of A12OS1E Card: SFP Optical Transceiver : – Provides 12 X 155 M bits/sec STM–1 Optical Transmit Receive line side Interface for both short–haul and Long–haul applications. The Optical interface is provided by Small Form factor Pluggable (SFP) Duplex–LC Transceivers, compliant with MultiSource Agreement (MSA) – Provides LOS and LASER FAULT status information. Also, the LASER can be switched ON/OFF by controlling the signal LASER OFF. – Provides EEPROM for identification information of the SFP Transceiver, which describes the transceiver’s capabilities, standard interfaces, manufacturer and other information. Clock Data Recovery : – Provides Clock recovery for the 12 incoming STM–1 streams. Data adaptation for backplane (“STM–1 MAPPER/DEMAPPER” block): – Multiplex pair of 155 M bits/sec STM–1 data streams from “CLOCK AND DATA RECOVERY” block to 414 M bits/sec customised data stream and send it to SERDES. – In transmit path, de–multiplex 414 M bits/sec customised data stream from SERDES to pair of 155 M bits/sec STM–1 data streams and send it to SFP. SERDES: Serialise data from the STM–1 MAPPER/DEMAPPER” block and send to the back plane interface at 1.6G 1AA 00014 0004 (9007) A4 – ALICE 04.10 rate. ED 03 3AL 91669 AA AA 395 / 706 706
  • 398.
    In the transmitpath, De–serialise data from Backplane and send it to the STM–1 MAPPER/DEMAPPER” block. not permitted without written authorization from Alcatel. All rights reserved. Passing on and copying of this document, use and communication of its contents Control and Status signal processing: RIBUS I/F provides for power up status/configuration. Also, generation and monitoring of various status and control signals are done through the ports of RIBUS I/F like read remote inventory data from the EEPROM Timing Circuitry Provides a 19.44 MHz crystal oscillator and a 1:13 clock buffer for providing Reference clocks for the 12 “Clock Data Recovery” block. Provides timing circuitry, which includes 622 MHz VCXO and associated circuits for external clock generation and PLL function LEDs Provides one board STATUS LED (refer to Figure 68. on page 157) Power Supply The access card receive the following voltage: – +3.3 Vdc from CONGI to supply the RIBUS I/F block – 48/60 Vdc from CONGI and generates throught on board DC/DC converters the following voltage: • 3.3 Vdc • 2.5 Vdc • 1.8 Vdc • 1.5 Vdc 1AA 00014 0004 (9007) A4 – ALICE 04.10 ED 03 3AL 91669 AA AA 396 / 706 706
  • 399.
    CK1 TIMING CIRCUITRY CK19 MHz not permitted without written authorization from Alcatel. 1:13 All rights reserved. Passing on and copying of this document, use and communication of its contents CK12 Optical STM–1 Input/ #1 Output laser fault (LF) 1 1 laser off (LOFF) P16S1–4E board 2 from lelevant SFP 3 LOS MODULE DATA CK RECOVERY 8x414 Mb/s Data and alarms MAPPER/DEMAPPER CK1 2x1.66 Gb/s STM–1 SERDES 1.8V DC/DC 1.5V 1.2V CONVERTER Optical laser fault (LF) 1 Input/ laser off (LOFF) Output 2 SFP CONGI A B 12 3 LOS 3.3 V DC/DC MODULE CONVERTER 48/60 V FROM DATA CK STM–1 #12 RECOVERY PROTECTION CK12 Configuration Status MAIN AND SPARE MATRIXE CMISS Remote Inventory ID RIBUS RIBUS I/F Unit CONGI A B F + 3.3 Vdc Failure FROM 12xSTM–1 OPTICAL ACCES CARD 1AA 00014 0004 (9007) A4 – ALICE 04.10 Figure 244. 12 x STM–1 optical access card block diagram (A12OS1E or A12OS1SE ) ED 03 3AL 91669 AA AA 397 / 706 706
  • 400.
    4.7 Electrical Access16xSTM–1 (A16ES1E) (Refer to Figure 245. on page 400) not permitted without written authorization from Alcatel. The A16ES1E board is 16 X STM–1 Access Card that provides line interface at STM–1 rate of 155 Mbps All rights reserved. Passing on and copying of this document, use and communication of its contents for 16 electrical signals using RF coaxial connectors. . The Card contains devices which recovers Data and Clock from the input and performs LOS detection, equalization, encoding and decoding functions. The data and control signals are processed by “STM–1 MAPPER/DEMAPPER” block and passed on to the Backplane interface through serializer SERDES device. Remote inventory is provided on the board using RIBUS I/F device that read data from an EEPROM. Following is the list of main features of A16ES1E Electrical Access Card: Electrical line interface at STM–1 rate for 16 electrical signals. Provides 16 X 155 Mbps STM–1 Electrical Transmit Receive line side Interface. The interface is provided by RF coaxial connectors. Clock Data Recovery This block provides Automatic equalization, Clock and data recovery and LOS detection for the 16 incoming STM–1 Scrambled CMI encoded data streams. Data adaptation for backplane (“STM–1 MAPPER/DEMAPPER” block): The recovered data and LOS signals are provided to the “STM–1 MAPPER/DEMAPPER” block that combines pair of STM–1 signal into a signal of data rate 414 Mbps. The 414 Mbps signals are further processed by the SERDES device which serializes four such signals into a signal of data rate 1.6 Gbps. The reverse path interface for the data is also provided through the “STM–1 MAPPER/DEMAPPER” block. Clock Data Recovery : Provides Clock recovery for the 16 incoming STM–1 streams. Data adaptation for backplane (“STM–1 MAPPER/DEMAPPER” block): Multiplex pair of 155 M bits/sec STM–1 data streams from “CLOCK AND DATA RECOVERY” block to 414 Mbits/sec customised data stream and send it to SERDES. In transmit path, de–multiplex 414 M bits/sec customised data stream from SERDES to pair of 155 Mbits/sec STM–1 data streams and send it to SFP. SERDES: Serialise data from the STM–1 MAPPER/DEMAPPER” block and send to the back plane interface at 1.6Gb/s rate. In the transmit path, De–serialise data from Backplane and send it to the STM–1 MAPPER/DEMAPPER” 1AA 00014 0004 (9007) A4 – ALICE 04.10 block. SERDES device processes the data from/to neighbouring Access Cards at 1.6 Gbps involved in an EPS scheme (refer to paragraph 3.13.1 on page 322 for details). ED 03 3AL 91669 AA AA 398 / 706 706
  • 401.
    Control and Statussignal processing: RIBUS I/F provides for power up status/configuration. Also, generation and monitoring of various status and control signals are done through the ports of RIBUS I/F like read remote inventory data from the not permitted without written authorization from Alcatel. EEPROM All rights reserved. Passing on and copying of this document, use and communication of its contents Timing Circuitry Provides timing circuitry, which includes 622 MHz VCXO and associated circuits for external clock generation and PLL function LEDs Provides one board STATUS LED (refer to Figure 68. on page 157) Power Supply The access card receive the following voltage: – +3.3 Vdc from CONGI to supply the RIBUS I/F block – 48/60 Vdc from CONGI and generates throught on board DC/DC converters the following voltage: • 3.3 Vdc • 2.5 Vdc • 1.8 Vdc • 1.5 Vdc 1AA 00014 0004 (9007) A4 – ALICE 04.10 ED 03 3AL 91669 AA AA 399 / 706 706
  • 402.
    P16S1–4E board from/to relevant CK19 MHz not permitted without written authorization from Alcatel. 622 MHz All rights reserved. Passing on and copying of this document, use and communication of its contents OSC ACCESS CARD from/to previous 2x1.66 Gb/s LOS STM–1 #1 16x414 Mhz Data Data and alarms DATA CK RECOVERY Ck P16S1–4E board Electrical Line from/to relevant Input/ I/F 2x1.66 Gb/s Output #1 Data 1 SERDES MAPPER/DEMAPPER STM–1 ACCESS CARD from/to next 2x1.66 Gb/s LOS 1.8V DC/DC 1.5V 1.2V CONVERTER Data DATA CK CONGI A B 3.3 V DC/DC RECOVERY Ck CONVERTER 48/60 V FROM Electrical Line STM–1 Input/ I/F Output #16 #16 Data PROTECTION 16 Configuration Status MAIN AND SPARE MATRIXE CMISS Remote Inventory ID RIBUS RIBUS I/F Unit CONGI A B F + 3.3 Vdc Failure FROM 16xSTM–1 ELECTRICAL ACCESS CARD 1AA 00014 0004 (9007) A4 – ALICE 04.10 Figure 245. 16 x STM–1 electrical access card block diagram (A16ES1E) ED 03 3AL 91669 AA AA 400 / 706 706
  • 403.
    4.8 High Speedprotection access card (HPROT) (See Figure 246. on page 402) not permitted without written authorization from Alcatel. The HPROT access card is used to realize EPS protection for High Speed ports. It realizes the connection All rights reserved. Passing on and copying of this document, use and communication of its contents between the Access Cards and Spare HS Port if protection request. See para 3.13.1 on page 322 for details. It receives the signals coming from the access card via back panel . Control section The RIBUS I/F block is present to read/write inventory data as code, series number, construction data implemented on the RI. Power Supply The access card receive the following voltage: – +3.3 Vdc from CONGI to supply the RIBUS I/F block – + 3.3 Vdc from the relevant Port Card; On the front cover plate a red/green led is available for card fail alarm indication. 1AA 00014 0004 (9007) A4 – ALICE 04.10 ED 03 3AL 91669 AA AA 401 / 706 706
  • 404.
    not permitted withoutwritten authorization from Alcatel. All rights reserved. Passing on and copying of this document, use and communication of its contents NRZ NRZ FROM CK CK TO PREVIOUS NRZ NRZ SPARE HSBOARD ACCESS CK CK CARD LOS LOS NRZ NRZ FROM CK CK PREVIOUS NRZ NRZ TO ACCESS SPARE HSBOARD CK CK CARD LOS LOS NRZ NRZ FROM CK CK PREVIOUS NRZ NRZ TO ACCESS SPARE HSBOARD CK CK CARD LOS LOS NRZ NRZ FROM CK CK PREVIOUS NRZ NRZ TO ACCESS CK SPARE HSBOARD CK CARD LOS LOS FAIL TO/FROM REMOTE RIBUS RIBUS MATRIXE INVENTORY I/F +3.3 Vdc F FROM CONGI +3.3 Vdc FROM RELEVANT PORT CARD HPROT ACCESS CARD 1AA 00014 0004 (9007) A4 – ALICE 04.10 Figure 246. HPROT access card block diagram ED 03 3AL 91669 AA AA 402 / 706 706
  • 405.
    4.9 ISA –Ethernet access card (ETH–ATX) (See Figure 247. on page 404) not permitted without written authorization from Alcatel. The ETH–ATX access card is placed in the access area and is able to provide 14 x 10 /100 Mb/s Ethernet All rights reserved. Passing on and copying of this document, use and communication of its contents Interfaces to allows LAN to LAN connection. On the ETH–ATX access card only the physical interface function is implemented, so it must be used in conjunction with the relevant ETHERNET port where the signal is processed in order to be transported in a SDH VCx. In the following a generic description of the access card is given: INPUT side The 14 Ethernet flows coming from the line are sent to 14 transformer to implement the crossover functionality. Subsequently the Ethernet flows are managed by the “Self Rate Adapting” block. This block at start–up auto–negotiate the maximum rate accepted by the interface (10Mbit/s, 100 Mbit/s, Half duplex, Full duplex) and after having processed the signal, data are sent through a serializer (PISO SIPO block) to the relevant Ethernet port. The Rate interface (10Mbit/s, 100 Mbit/s, Half duplex, Full duplex) can also be forced by the Microcontroller present on the relevant ETHERNET PORT through the “Rate Adapting Forced Rate” command. A VCX0 is present on the board to deliver a 125 MHz clock to the “Self Rate Adapting” block. OUTPUT side The complementary operation described in the “Input side” are performed. Control section The RIBUS I/F block is present to read/write inventory data as code, serial number, construction data implemented on the RI and also send programming info to the “Self Rate Adapting” block. Power Supply The access card receive the following voltage: – +3.3 Vdc from CONGI to supply the RIBUS I/F block – 48/60 Vdc from the CONGI; On the front cover plate 14 10BASE T connectors and a red/green led are available; the last gives fail alarm indication for the access card. 1AA 00014 0004 (9007) A4 – ALICE 04.10 ED 03 3AL 91669 AA AA 403 / 706 706
  • 406.
    not permitted withoutwritten authorization from Alcatel. All rights reserved. Passing on and copying of this document, use and communication of its contents Rate adapting VCX0 forced settings 125MHz 1 ÎÎÎ ÎÎÎ ETHERNET PORT ÎÎÎ ÎÎÎ 10/100 Mb/s ETHERNET INTERFACE 10 BASE T 2 from/to ÎÎÎ ÎÎÎ SELF RATE ADAPTING 1.2 Gb/s DATA Full–duplex Half–duplex SIPO 10 Mbit/s 13 ÎÎÎ ÎÎÎ 100 Mbit/s PISO 14 ÎÎÎ ÎÎÎ ÎÎÎ ÎÎÎ Program MATRIXE MAIN AND SPARE CMISS from/to Remote Inventory RIBUS RIBUS ID I/F F +3.3 Vdc Unit Failure FROM CONGI 3.3 V DC/DC 48/60 V 2,5 V CONVERTERS ETHERNET ACCESS Figure 247. Ethernet Access –Block Diagram 1AA 00014 0004 (9007) A4 – ALICE 04.10 ED 03 3AL 91669 AA AA 404 / 706 706
  • 407.
    4.10 ISA –Gigabit Ethernet access Card (GETH–AG) (See Figure 248. on page 407) not permitted without written authorization from Alcatel. The GETH–AG access card is placed in the access area and can be equipped with up to 4 “Optical All rights reserved. Passing on and copying of this document, use and communication of its contents Transceiver modules at 1.25 Gb/s” providing Gigabit Ethernet Interfaces to allows LAN to LAN connection. For the description of the optical module refer to paragraph 4.19 on page 430. On the GETH–AG access card only the physical interface and some control functions are implemented, so it must be used in conjunction with the ETHERNET or GIGABIT ETHERNET port where the signal is processed in order to be transported in a SDH VCx. Refer to paragraph 3.8.5.2 for details on ethernet architecture in 1660SM. In the following a generic description of the access card is given: INPUT side The four Gigabit Ethernet flows coming from the “Optical Transceiver “ (DATA#1...DATA#4) are sent to a block that performs the following functionality according to IEEE 802.3: – Physical Coding Sublayer (PCS);allows to couple the Gigabit Media Independent Interface (GMII) and the Physical Media Attachment (PMA). The functions performed are: • Serializer/de–serializer • 8B/10B coding ; 8 data bits are coded in a 10 data bits. – Auto–negotiation; negotiation of common data service functions with the device on the other end of the link. – Gigabit Media Independent Interface (GMII) Subsequently the four 1.25 Gb/s Ethernet flows are sent towards the relevant “Ethernet port” or “Gigabit Ethernet port” where the signals will be processed and mapped onto SDH–VC A VCX0 is present on the board to deliver a 125 MHz clock . OUTPUT side The complementary operation described in the “Input side” are performed. Control section The RIBUS I/F block is present to read/write inventory data as code, serial number, construction data implemented on the Remote Inventory and also send programming info to the “Alarms Remote Inventory Management” block. On the front cover plate a red/green led is available giving fail alarm indication for the access card. The presence of the Optical Transceiver modules is detected by the RIBUS I/F block by means of the SI1...SI4 signals. 1AA 00014 0004 (9007) A4 – ALICE 04.10 ED 03 3AL 91669 AA AA 405 / 706 706
  • 408.
    Alarms Remoteinventory Management This block manage the alarms and commands receive/sent by/to the Optical Transceiver modules (LOS, LASER FAIL, LASER SHUTDOWN). Also the Optical Transceiver modules Remote inventory data are not permitted without written authorization from Alcatel. read through the RI1.....RI4 signals (for example the laser type). Further all this data are sent via ISFB All rights reserved. Passing on and copying of this document, use and communication of its contents bus to the relevant port card and than to the Shelf Controller on the MATRIX card where are processed. The Alarms Remote Inventory Management block is configurated by the RIBUS I/F; an external configuration interface is also available on the board, but the use is for Alcatel personnel only. Power Supply The access card receive the following voltage: – +3.3 Vdc (Vs) from CONGI to supply the RIBUS I/F block – 48/60 Vdc from the CONGI; A DC/DC converter generates the following voltages starting from the station battery: – 3.3 Vdc – 2.5 Vdc – 1.8 Vdc 1AA 00014 0004 (9007) A4 – ALICE 04.10 ED 03 3AL 91669 AA AA 406 / 706 706
  • 409.
    +3.3 Vdc 125 MHz 125 MHz SI1 OSC. INPUT OPTICAL RI1 not permitted without written authorization from Alcatel. MODULE All rights reserved. Passing on and copying of this document, use and communication of its contents Line #1 LOS *1 1000BASE–SX LASER FAIL LASER SD Reset 1000BASE–LX OUTPUT 1000BASE–ZX ETHERNET PORT 10/100 Mb/s GIGABIT ETHERNET PORT DATA #1 #1 PCS sublayer 4X 1.2 Gbit/s to/from ( Serializer/Deserializer #2 8B/10B Coding/Decoding ) or #3 +3.3 Vdc GMI Interface SI2 Autonegotiation #4 INPUT OPTICAL RI2 MODULE LOS *2 Line #2 LASER FAIL 1000BASE–SX 3.3 Vdc LASER SD 1000BASE–LX 2.5 Vdc DC/DC CONGI FROM OUTPUT 1000BASE–ZX DATA #2 Converters 48/60 V 1,8Vdc Internal use only +3.3 Vdc SERIAL EXT. OPTICAL SI3 CONFIGURAT. CONF. INPUT MODULE RI3 PROM INT: 1000BASE–SX LOS CONFIGURATION Line #3 *3 1000BASE–LX LASER FAIL LASER SD 1000BASE–ZX OUTPUT DATA #3 (*) ETHERNET PORT 10/100 Mb/s GIGABIT ETHERNET PORT *1 +3.3 Vdc *2 SI4 *3 Alarms ISFB INPUT OPTICAL RI4 to/from Remote Inventory or MODULE *4 Line #4 LOS RI1 Mangement 1000BASE–SX *4 LASER FAIL RI2 1000BASE–LX LASER SD RI3 OUTPUT 1000BASE–ZX RI4 DATA #4 CONFIGURATION (*) RESET SI1 SI2 SI3 SI4 CMISS TO/FROM REMOTE MATRIXE INVENTORY RIBUS RIBUS FAIL I/F +3.3 Vdc (Vs) F +3.3 Vdc (Vs) FROM CONGI ISA– GIGABIT ETHERNET ACCESS 1AA 00014 0004 (9007) A4 – ALICE 04.10 Note: not used if the ”Gigabit Ethernet access” is used in conjunction with the ”Ethernet Port” (ETH–MB) Figure 248. Gigabit Ethernet Access card –Block Diagram ED 03 3AL 91669 AA AA 407 / 706 706
  • 410.
    4.11 ISA –16FEA–PR Fast Ethernet Access Card The 16FEA–PR access card provides 16 * 10/100 Mbit/s interfaces for use with the ISA–PR port card. not permitted without written authorization from Alcatel. The 16FEA–PR card occupies 2 Access slots within the chassis. All rights reserved. Passing on and copying of this document, use and communication of its contents This section provides a generic description of the 16FEA–PR Access Card. Functional Overview The primary function of the 16FEA–PR access card is to physically terminate client 10/100 Fast Ethernet interfaces. Traffic received from these interfaces is validated, processed and passed to the ISA–PR port card for transmission over the network. Traffic received from the packet ring is processed in the access card and delivered to the correct customer port in a valid packet format. The card itself comprises two sub–cards: • Base Card: provides control and packet processing functions • ”Phy” (or Physical) card: which provides the physical interfaces and connectors PHY CARD BP connector 0 BP connector 0 Timing BP Serdes Tx 1.25GBps x 3ch Rx 1.25GBps x 3ch FPGA nP SE2PROM HOST Manag CONT DATA CONT RGGI ADDRESS RGGI Packet Memory ADDR Network Processor: Rx Tx DATA Validation DATA Search Memory CONT Frame classification, ADDRESS editing and buffering CONT Base Card PHY Manag SMII SMII FE PHY FE PHY POWER 0 1 8 x RJ45 8 x RJ45 PHY CARD connectors connectors 1AA 00014 0004 (9007) A4 – ALICE 04.10 Figure 249. 16FEA–PR Card Functional Block Diagram ED 03 3AL 91669 AA AA 408 / 706 706
  • 411.
    Data Path –Ingress The 16 physical Ethernet interfaces are hosted by a network processor embedded on the access card. Incoming packets are validated according to: not permitted without written authorization from Alcatel. All rights reserved. Passing on and copying of this document, use and communication of its contents • Correct Packet Format; Ethernet frame format as per IEEE 802.3 including: • 802.3 • 802.1Q • Multiple stacked VLAN • Ethernet frame encapsulating MPLS payload (e.g. According to the Martini draft) • Packet Size • Minimum – 64 Bytes • Maximum – 1600 Bytes • Valid CRC The network processor processes only valid frames and discards the invalid frames. The first stage of processing is packet classification. Frame classification is used to identify:– • The service to which this frame belongs. Frame destination or set of destinations depends on the service type. This is defined in the provisioning process. • Identify the frame priority. This will determine the precedence and delay with which it will be forwarded to the ISA–PR port card. Frames will be classified into one of three available CoS (Class of Service) queues defined as high, medium or low. For further information with regard to service definitions and QoS mechanisms in the ISA–PR, please refer to 3.7 on page 245 and 4.35 on page 508. Following frame classification, the network processor performs frame editing. Frame editing refers to the appending or swapping of a tag for identification purposes. The following functions are currently supported. • Append MPLS tag to identify the service and priority to which the frame belongs. This information is used by other network elements in network – always • Strip Martini header – optional • Append, Swap or Strip VLAN – optional The network processor forwards validated and edited frames to the port card (ISA–PR) for transmission to the destination access cards. Payload information is passed between the access card and port card via two 1Gbps backplane channels. Data Path – Egress The first part of the egress process takes part on the port card. For further details, please refer to 4.35 on page 508. Frames that have been designated for deliveries to client ports are delivered from the port card to the relevant access card over two 1Gbps backplane channels. The network processor handles the buffering of frames until they can be forwarded over the appropriate Ethernet interface. Delivery of frames is according to bandwidth availability and frame priority. Prior to emitting a frame network processor applies frame editing as follows: 1AA 00014 0004 (9007) A4 – ALICE 04.10 • Strip MPLS tag, which has been used to identify the service and priority to which the frame belongs at the ring – always • Append Martini header – optional ED 03 3AL 91669 AA AA 409 / 706 706
  • 412.
    Performance Monitoring The 16FEA–PR card maintains performance monitoring counters at both Port and Queue levels. At the Port level these are standard Ethernet counters. At the Queue level these are discard counters. not permitted without written authorization from Alcatel. Control All rights reserved. Passing on and copying of this document, use and communication of its contents The 16FEA–PR card is managed via a controller hosted on the ISA–PR port card. The control bus can be used to read inventory information such as serial number, construction information date of manufacture. On the front plate, two LEDs give alarm indication for the card as specified in the table below. Table 50. 16FEA–PR card LEDs designation LED name State Alarm / Status ON = Minor OK YELLOW Blinking 50/50 = maintenance in progress (loopbacks...) ON = Major/Critical Blinking 50/50 = during the POST (Power On Self Test) failure. On OK RED POST completion the LED will change its color according to the card status afterwards Blinking 20/80 = card mismatch ON = OK Status OK GREEN Blinking 50/50 = during init Blinking 20/80 = card is unassigned, i.e. not yet approved by NMS OK OFF the card is not powered Active GREEN ON = the card is powered Active OFF the card is not powered Physical Interfaces The 16FEA–PR access card front view is shown in Figure 74. on page 163. Each of the interfaces is fully standards compliant to IEEE 802.3 offering 10/100 Base–TX physical interconnection and a choice of the full range transmission modes (10/100 Mbit/s, Full/Half Duplex, Fixed or Auto negotiation transmit mode) A full listing of the interface characteristics can be found in section 5.5.2 on page 611. Each Ethernet interface has LED indications specified in the table below. Table 51. 16FEA–PR interface LED designation LED State Designation Link Green Link up Link Off Link down Activity Yellow RX/TX in process Activity Off Link silent Power 1AA 00014 0004 (9007) A4 – ALICE 04.10 The access module receives a 7v DC supply from the port card, which is used to power the components. Other voltages required are generated on the card itself. The power consumption of the 16FEA–PR Fast Ethernet Access card is 23 Watts. ED 03 3AL 91669 AA AA 410 / 706 706
  • 413.
    4.12 ISA –2 GBA–PR Fast Ethernet Access Card The 2GBA–PR access card provides 2 * Gbit/s interfaces for use with the ISA–PR port card. not permitted without written authorization from Alcatel. The 2GBA–PR card occupies 2 Access slots within the chassis. All rights reserved. Passing on and copying of this document, use and communication of its contents The card itself comprises two sub–cards: • Base Card which provides control and packet processing functions • ”Phy” (or Physical interface) card which provides the physical interfaces and connectors This section provides a generic description of the 2GBA–PR Access Card. Functional Overview The primary function of the 2GBA–PR access card is to physically terminate client Ethernet interfaces. Traffic received from these interfaces is validated, processed and passed to the ISA–PR port card for transmission over the network. Traffic received from the packet ring is processed in the access card and delivered to the correct customer port in a valid packet format. PHY CARD BP connector 0 BP connector 0 Base Card Timing BP Serdes Tx 1.25GBps x 3ch Rx 1.25GBps x 3ch FPGA nP SE2PROM HOST Manag CONT DATA CONT RGGI ADDRESS RGGI ADDR Packet Memory network Processor: Rx Tx DATA Validation DATA CONT Frame classification, ADDRESS Search Memory editing and buffering CONT PHY Manag SMII SMII POWER OPTIC OPTIC PHY CARD 1AA 00014 0004 (9007) A4 – ALICE 04.10 Figure 250. 2GBA–PR Card Functional Block Diagram The 2 GbE interfaces are hosted by a network processor embedded on the access card. ED 03 3AL 91669 AA AA 411 / 706 706
  • 414.
    Data Path –Ingress Incoming packets are validated according to: • not permitted without written authorization from Alcatel. Correct Packet Format; Ethernet frame format as per IEEE 802.3 including: All rights reserved. Passing on and copying of this document, use and communication of its contents • 802.3 • 802.1Q • Multiple stacked VLAN • Ethernet frame encapsulating MPLS payload (e.g. According to the Martini draft) • Packet Size • Minimum – 64 Bytes • Maximum – 1600 Bytes • Valid CRC The network processor processes only valid frames and discards the invalid frames. The first stage of processing is packet classification. Frame classification is used to identify:– • The service to which this frame belongs. Frame destination or set of destinations depends on the service type. This is defined in the provisioning process. • Identify the frame priority. This will determine the precedence and delay with which it will be forwarded to the ISA–PR port card. Frames will be classified into one of three available CoS (Class of Service) queues defined as high, medium or low. For further information with regard to service definitions and QoS mechanisms in the ISA–PR, please refer to 3.7 on page 245 and 4.35 on page 508. Following frame classification, the network processor performs frame editing. Frame editing refers to the appending or swapping of a tag for identification purposes. The following functions are currently supported. • Append MPLS tag to identify the service and priority to which the frame belongs. This information is used by other network elements in network – always • Strip Martini header – optional • Append, Swap or Strip VLAN – optional The network processor forwards validated and edited frames to the port card (ISA–PR) for transmission to the destination access cards. Payload information is passed between the access card and port card via two 1Gbps backplane channels. Data Path – Egress The first part of the egress process takes part on the port card. For further details, please refer to and 4.35 on page 508. Frames that have been designated for delivery to client ports are delivered from the port card to the relevant access card over two 1Gbps backplane channels. The network processor handles the buffering of frames until they can be forwarded over the appropriate Ethernet interface. Delivery of frames is according to bandwidth availability and frame priority. Prior to emitting a frame network processor applies frame editing as follows: • Strip MPLS tag, which has been used to identify the service and priority to which the frame 1AA 00014 0004 (9007) A4 – ALICE 04.10 belongs at the ring – always • Append Martini header – optional ED 03 3AL 91669 AA AA 412 / 706 706
  • 415.
    Performance Monitoring The 16FEA–PR card maintains performance monitoring counters at both Port and Queue levels. At the Port level these are standard Ethernet counters. At the Queue level these are discard counters. not permitted without written authorization from Alcatel. Control All rights reserved. Passing on and copying of this document, use and communication of its contents The 2GBA–PR card is managed via a controller hosted on the ISA–PR port card. The control bus can be used to read inventory information such as serial number, construction information date of manufacture. On the front plate, two LEDs give an alarm indication for the card as specified in the table below. Table 52. 2GBA–PR card LED designation LED name State Alarm / Status ON = Minor OK YELLOW Blinking 50/50 = maintenance in progress (loopbacks...) ON = Major/Critical Blinking 50/50 = during the POST (Power On Self Test) failure. On OK RED POST completion the LED will change its color according to the card status afterwards Blinking 20/80 = card mismatch ON = OK Status OK GREEN Blinking 50/50 = during init Blinking 20/80 = card is unassigned, i.e. not yet approved by NMS OK OFF the card is not powered Active GREEN ON = the card is powered Active OFF the card is not powered Physical Interfaces The 2GBA–PR access card front view is shown in Figure 73. on page 162 A full listing of the interface characteristics can be found in section 5.5.3 on page 611. There are two Ethernet interfaces available which offer a standards compliant Optical Gigabit Ethernet. Small form factor pluggable connectors enable the support of both 1000–Base–LX and 1000–Base–SX standards. Each Ethernet interface has LED indications specified in the table below Table 53. 2GBA–PR interface LED designation LED name State Designation Link Green Link up Link red Any port related alarm Power The access module receives a 7v DC supply from the port card, which is used to power the components. 1AA 00014 0004 (9007) A4 – ALICE 04.10 Other voltages required are generated on the card itself. The power consumption of the 2GBA–PR Fast Ethernet Access card is 22 Watts. ED 03 3AL 91669 AA AA 413 / 706 706
  • 416.
    4.13 Optical booster(BST10, BST15, BST17) The Booster unit is utilized when it is necessary to get longer span; it is intended for long haul applications, increasing link budget. not permitted without written authorization from Alcatel. Up to eight Booster units can be inserted in the Access Area of 1660SM equipment. All rights reserved. Passing on and copying of this document, use and communication of its contents The Booster can differ by output optical power values: +10 dBm, +15 dBm and +17dBm (minimum). The optical connectors FC/PC or SC/PC are accessible on the unit’s front coverplate. The unit provide a non–regenerative direct optical amplification (i.e. without any intermediate optical/electrical conversion) in the 1550 nm window. The optical signal transmitted from the port to the Booster, is amplified and then transmitted towards the external line. The interconnection between Booster and port is realized on the unit front optical connectors by means of supplied optical cable. In addition to the main function the unit will provide the following features: • Built in WDM coupler ; • Operation monitoring and alarm generation; • Analogue to digital converters for operating parameters measurement; • Built in protection capabilities to address optical safety issues; • Front panel led indicators for status and fault monitoring; • Management of Automatic Laser Shutdown (ALS) according to ITU–T G.664 recommendation. Three optical connectors on the front panel of the unit will be used for (see Figure 251. on page 414): • Input of not amplified signal from optical port; • Output of amplified signal + supervision signal (not amplified) to line. booster from module port to + WDM line coupler BOOSTER optical connector FC/PC or SC/PC Figure 251. BSTxx – optical block diagram 1AA 00014 0004 (9007) A4 – ALICE 04.10 ED 03 3AL 91669 AA AA 414 / 706 706
  • 417.
    The unit hasthe following building blocks (see Figure 252. on page 417). Power and reference circuitry The unit has a direct power supply from battery voltage on backplane: nominal value in the range –48 V not permitted without written authorization from Alcatel. All rights reserved. Passing on and copying of this to –60 V. document, use and communication of its contents Devoted to: • Input of main power supply with fault protecting circuitry • DC/DC conversion from battery voltage to 5.2 V and 3.3 V main on board power supplies (with fault protecting circuitry and synchronizing oscillator) • DC/DC conversion from 5.2 V and 3.3 V main power supplies to –5.2 V, +2.5 V, –3.3 V auxiliary power supplies (with overvoltage protecting circuitry) • Voltage reference generation • Power supplies alarm detection Compact OFA module Optical fibre amplifier module, an hybrid module of the Alcatel Optronics 1900 OFA family, acting as optical gain device with built–in input and output power monitoring photodiodes. Main components are: • Photodiode for monitoring of input power (fed by a coupler extracting a small fraction of light from the main optical path) • Input optical isolator (preventing pump power and amplified spontaneous emission to exit from input port) • A length of Erbium doped active fibre • Pump laser (operating at 980 nm) to generate optical pumping power • A WDM coupler to insert pumping power into active fibre • Output optical isolator to prevent external reflections (assuring stable operation of the OFA) • Photodiode for monitoring of output power (fed by a coupler extracting a small fraction of light from the main optical path) Control block Mixed analogue and digital circuitry (with a DSP microprocessor) devoted to control: • Pump laser temperature It should be stabilized in a small range around nominal value; the thermistor in OFA module is used for temperature sensing of the laser, and a Thermo Electric Cooler/Heater (TECH) driven by a current source/sink circuit is used for temperature control. DSP processor can monitor TECH current via a sensing resistor, a differential amplifier and A/D converter. • Optical output power It should be stabilized around target value +10 dBm; output photodiode in OFA module is used for sensing of output power, and the current of pump laser is adjusted consequently. Moreover input power to OFA module is monitored via input photodiode, a transimpedance amplifier and A/D converter. Main functions of the block are: • Conditioning (i.e. level adjusting, buffering, and so on) of analogue signals from sensors internal or external to OFA module • Analogue to digital conversion of the conditioned signals 1AA 00014 0004 (9007) A4 – ALICE 04.10 • Digital implementation of control logic in DSP microprocessor, to generate control signals • Digital to analogue conversion of control signals towards current sources • Current source circuits toward OFA module (laser diode current and TECH current) ED 03 3AL 91669 AA AA 415 / 706 706
  • 418.
    Information processing Information about state of the board is mainly processed by the DSP. The main processes are: not permitted without written authorization from Alcatel. • All rights reserved. Passing on and copying of this Alarm detection document, use and communication of its contents Alarms related to optical signal or OFA module are detected and processed by DSP; a few alarms related to HW in the board are detected by dedicated circuitry. All alarms are made available to external interface block. • Measurement collection Measures of optical and electrical parameters are collected by DSP and made available to external interface block. • Configuration and provisioning management Configuration and provisioning information from shelf controller via external interfaces are managed mainly by DSP. External interfaces The following interfaces will be implemented: • Serial peripheral and inventory (SPI) The SPI bus will be used by the main shelf controller to acquire remote inventory data; the same bus is used by the main shelf controller to interface DSP processor. Data transfer over the SPI bus is controlled by the main shelf controller; the other cards operate as slaves. The SPI bus is duplicated on each shelf: each slave card is connected to both the main and the spare SC processor through a dedicated bus. The Optical Booster houses also the RIBUS I/F block the function of which is described on paragraph 3.17 on page 370 and the Remote Inventory. • Unit led interface Two led are on the front panel of the unit: – a bicolor red/green led acting as: • red: internal failure indication; • green: active unit indication; – a yellow led acting as shutdown indication (i.e. no amplification of optical signal). Optical safety and shutdown handler block Since optical power levels emitted by the booster can damage the human eye, the unit will have to be compatible with IEC standards 825–1 and 825–2, intended to protect users against optical radiation. As protection mechanism, in the event of potential danger, an automatic shutdown will be supported. Automatic shutdown will be implemented in the case of: • Cover open (according enable from shelf controller) • Loss of input signal A single section automatic laser shutdown procedure will be implemented according G.664 recommendation; a shutdown command will be sent also to optical service unit as a consequence of detection of loss of input signal in preamplifier and optical service unit. Restart pulses (time duration not higher than 400 ms) will be implemented by the booster (both automatically and manually). 1AA 00014 0004 (9007) A4 – ALICE 04.10 ED 03 3AL 91669 AA AA 416 / 706 706
  • 419.
    not permitted withoutwritten authorization from Alcatel. All rights reserved. Passing on and copying of this document, use and communication of its contents OFA module INPUT INPUT WDM ERBIUM OUTPUT OUTPUT MONITOR ISOLATOR COUPLER DOPED ISOLATOR MONITOR FIBER FROM TO PORT LINE IP PUMP AUTOMATIC OP TEMPERATURE PUMP POWER CONTROL LASER CONTROL TEMP. I PUMP COVER LASER REMOVAL SHUTDOWN D/A conv. A/D conv. COPEN LOS IN SD IP OP ALARMS DSP GENERATION ALARMS I PUMP alarms control TEMP. control block PW ALM 5V –48/–60 POWER SUPPLY BLOCK 3,3V +2,5V COPEN FAIL SD REMOTE RIBUS RIBUS INVENTORY I/F to/from MATRIX OPTICAL BOOSTER card 1AA 00014 0004 (9007) A4 – ALICE 04.10 Figure 252. BSTxx – card block diagram ED 03 3AL 91669 AA AA 417 / 706 706
  • 420.
    4.14 Optical 2.5Gbit/s Preamplifier (PR16) (See Figure 253. on page 423 and Figure 254. on page 424) not permitted without written authorization from Alcatel. General features All rights reserved. Passing on and copying of this document, use and communication of its contents The unit will provide a non–regenerative direct optical amplification before the receive host system (i.e. without any optical–to–electrical–conversion) in the 1550 nm window. Target: output power level provisionable at –13.5 dBm. It is intended for single channel applications, its output goes to a STM–16 port (RX) L16.2 JE3–CH34 interface, increasing link budget. No WDM applications are provided. In addition to the main function the unit will provide the following features: • operation monitoring and alarm generation • analogue to digital converters for operating parameters measurement • built in protection capabilities to address optical safety issues • front panel led indicators for status and fault monitoring • management of Automatic Laser Shutdown (ALS) according to ITU–T G.664 Rec. • on–line SW download (i.e. in–field download of new DSP SW releases without affecting the optical signal) Two optical connectors on the front panel of the unit will be used for: • input of not amplified signal • output of amplified signal Two LED will show: • a green/red LED: proper working in the system (or download in progress) • a yellow LED: shutdown monitor to valuate laser current state For the description of this unit refer to Figure 253. on page 423 and Figure 254. on page 424. The unit has the following building blocks. Power and reference circuitry Devoted to: • input of main power supply (DC battery voltage at 48/60 V nominal value), with fault protecting circuitry; • DC/DC conversion from battery voltage to 5.2 V and 3.8 V main on board power supplies (with fault protecting circuitry and synchronising oscillator); • DC/DC conversion from 5.2 V and 3.8 V main power supplies to –5.2 V, +15V, –15 V auxiliary power supplies (with overvoltage protecting circuitry); • voltage reference generation; • power supplies alarm detection. 1AA 00014 0004 (9007) A4 – ALICE 04.10 ED 03 3AL 91669 AA AA 418 / 706 706
  • 421.
    Compact OFA module(EDFA) Optical fibre amplifier module, is an hybrid module of the Alcatel Optronics 1900 OFA family acting as optical gain device with built–in output power monitoring photodiode. not permitted without written authorization from Alcatel. All rights reserved. Passing on and copying of this document, use and communication of its contents Main components are: • input optical splitter (90/100) to tap out of the module a fraction of the input power; • photodiode for monitoring the output power (fed by a coupler extracting a small fraction of light from the main optical path); • input optical isolator (preventing pump power and amplified spontaneous emission to exit from input port); • a length of Erbium doped active fibre; • pump laser (operating at 980 nm) to generate optical pumping power; • a WDM coupler to insert pumping power into active fibre; • output optical isolator to prevent external reflections (assuring stable operation of the OFA). Optical Power Monitoring (OPM) On a doughter board plugged in the OFA module are positioned the input power monitor photodiode and a “tap–detector”, used to detect the output power level. The photodiode currents are locally transduced in voltage signals by log amplifiers. The output of the OFA goes directly to an optical passband filter, used to suppress the ASE noise outside the transmitting band. The ouput of the filter goes to the output connector passing through a coupler+photodiode for monitoring the power level. Control block Mixed analogue and digital circuitry (with a DSP microprocessor) devoted to control: • Pump laser temperature. Pump laser temperature should be stabilised in a small range around nominal value; the thermistor in OFA module is used for temperature sensing of the laser, and a Thermo Electric Cooler/Heater (TECH) driven by a current source/sink circuit is used for temperature control. DSP processor can monitor TECH current via a sensing resistor, a differential amplifier and A/D converter. • Optical output power. Output power is stabilised at –13.5 dBm; external tap photodiode is used for sensing of output power, and the current of pump laser is adjusted consequently. Moreover input power to OFA module is monitored via input photodiode, a log amplifier to give a wide dynamic range of 50 dB, and A/D converter. Main functions of the block are: • conditioning (i.e. level adjusting, buffering, and so on) of analogue signals from sensors internal or external to OFA module; • analogue to digital conversion of the conditioned signals; • digital implementation of control logic in DSP microprocessor, to generate control signals; • digital to analogue conversion of control signals towards current sources; 1AA 00014 0004 (9007) A4 – ALICE 04.10 • current source circuits toward OFA module (laser diode current and TECH current). ED 03 3AL 91669 AA AA 419 / 706 706
  • 422.
    Information processing Information about state of the board is mainly processed by the DSP. not permitted without written authorization from Alcatel. The main processes are: All rights reserved. Passing on and copying of this document, use and communication of its contents • Alarm detection. Alarms related to optical signal or OFA module are detected and processed by DSP; a few alarms related to HW in the board are detected by dedicated circuitry. All alarms are made available to external interface block. • Measurement collection. Measures of optical and electrical parameters are collected by DSP and made available to external interface block. • Configuration and provisioning management. Configuration and provisioning information from shelf controller via external interfaces are managed mainly by DSP. External interfaces The following interfaces will be implemented: • Serial peripheral and Inventory Bus (SPI). The SPI bus will be used by the main shelf controller to acquire remote inventory data; the same bus is used by the main shelf controller to interface DSP processor. Data transfer over the SPI bus is controlled by the main shelf controller; the other cards operate as slaves. The SPI bus is duplicated on each shelf: each slave card is connected to both the main and the spare SC processor through a dedicated bus. • Unit LED interface. Two LEDs are on the front panel of the unit: – A bicolor red/green LED acting as: • Red: internal failure indication • Green: active unit indication – A yellow LED acting as shutdown indication (i.e. no amplification of optical signal). Optical safety and shutdown handler block Since optical power levels emitted by the preamplifier can damage the human eye, the unit will have to be compatible with IEC standards, intended to protect users against optical radiation. As protection mechanism, in the event of potential danger, an automatic shutdown will be supported. Automatic shutdown will be implemented in the case of: • cover open (according enable from shelf controller) • loss of input signal A single section automatic laser shutdown procedure will be implemented according G.664 Rec. Restart pulses (time duration not higher than 300 ms) will be implemented. 1AA 00014 0004 (9007) A4 – ALICE 04.10 ED 03 3AL 91669 AA AA 420 / 706 706
  • 423.
    Optical interfaces parameters Main items are: • not permitted without written authorization from Alcatel. FC/PC or SC/PC optical connectors All rights reserved. Passing on and copying of this document, use and communication of its contents • Wavelength bandwidth (main signal): 1530 to 1565 nm • Input power: –38 dBm to –18 dBm (@ BER ≤ 10E–10) • Output power: –14 dBm (to be connected to a JE3–CH34 optical receiver) Measures A measure of the following analogue parameters will be available to operator (by craft terminal or operating system) via shelf controller and equipment controller: • Pin: optical power at the input connector • Pout: optical power at the output connector • Rel_Ip: relative I_pump; percentage ratio of actual I_Pump to I_Pump measured at begin of life Alarms The following alarm flags will be available to network operator (by craft terminal or operating system) via shelf controller and equipment controller: • ILoS: Input Loss of Signal: loss of power on input connector. Activation threshold –44 dBm, deactivation threshold –42 dBm; threshold accuracy ±0.5 dBm Activation/deactivation time: 10 ms max Consequent actions: shutdown of pump laser and stop of the filter control Classification: external urgent alarm • Ideg: Input Degrade: low power on input connector. Activation threshold –41 dBm, deactivation threshold –40.5 dBm; threshold accuracy ±0.5 dBm Activation/deactivation time: 50 ms max Consequent actions: none Classification: external not urgent alarm Masked by IloS. • LaserDeg: Laser Degrade: logic “or” of relative and absolute degrade: – relative degrade: actual pump current higher than 1.2 * pump current measured at begin of life; – absolute degrade: actual pump current higher than warning threshold level. Activation/deactivation time: 10 sec max Consequent actions: none Classification: internal not urgent alarm Traffic not affected Actions required to operator: unit replacing (preventive maintenance) Masked by Input deg • HW Fail: Logic “or” (at the shelf controller level) of the following alarms: – Ex_Pout – Ex_Ipump – Ex_ITEC 1AA 00014 0004 (9007) A4 – ALICE 04.10 – Wr_Vref Consequent actions: none Classification: internal urgent alarm ED 03 3AL 91669 AA AA 421 / 706 706
  • 424.
    Traffic will beaffected Actions required to operator: quick unit replacing • PW Fail: Power supply/reference voltage circuits failures. not permitted without written authorization from Alcatel. Consequent actions: shutdown of pump laser and TECH All rights reserved. Passing on and copying of this document, use and communication of its contents Classification: internal urgent alarm Traffic affected Actions required to operator: unit replacing • PuShd: Pump Shutdown: pump laser off (zero current) • Cover_Op: Cover Open: access fibre protective cover removed May force or not pump shutdown (according CoREn configuration control) SPI Interface The main interface between preamplifier unit and shelf controller is the standard SPI serial bus. This interface is managed on the board by the Spider ASIC, acting as Slave Interface and signal buffer; some pins of the Spider are used as I/O parallel ports. On the internal SPI bus two other devices are connected: • serial EEPROM for remote inventory informations • DSP microprocessor A direct connection between shelf controller and DSP microprocessor (or serial EEPROM) can be established by Spider (acting as chip select decoder, electrical interface and protocol adapter). 1AA 00014 0004 (9007) A4 – ALICE 04.10 ED 03 3AL 91669 AA AA 422 / 706 706
  • 425.
    All rights reserved.Passing on and copying of this document, use and communication of its contents not permitted without written authorization from Alcatel. 1AA 00014 0004 (9007) A4 – ALICE 04.10 ED to 03 line port from Ipump Itech Filter–CH34 Temp EDFA gain block Figure 253. PR16 optical path and control signal OPM PR16 main board 706 3AL 91669 AA AA 423 / 706
  • 426.
    not permitted withoutwritten authorization from Alcatel. All rights reserved. Passing on and copying of this document, use and communication of its contents OUTPUT To STM–16 PORT) DATA CONTROL FLASH General MEMORY INPUT gain block type Purpose Shutdown (From Line) I/O cover open VREF I_Pump ok alim VREF D/A DSP CONVERTER P_out I_TEC Thermistor I_Pump A/D I_TEC_N CONVERTER I_TEC_P P_in Config. Status Management Bus M–BUS Driver Shutdown MAIN AND SPARE Bus–OFF MATRIXE FROM/TO Remote SHUTDOWN Inventory 300 KHz CMISS OSC RIBUS cover open I/F ok alim RIBUS 5V ok alim –5 V F + 3.3 Vdc CONGI A B 3.3 V DC/DC FROM Unit ID CONVERTERS –3.3 V Failure 48/60 V 2.5 V OPTICAL PREAMPLIFIER 2.5 GB/S (PR16) 1AA 00014 0004 (9007) A4 – ALICE 04.10 Figure 254. PR16 card block diagram ED 03 3AL 91669 AA AA 424 / 706 706
  • 427.
    4.15 Electrical module(ICMI) (See Figure 255. on page 426 ) not permitted without written authorization from Alcatel. The electrical module can be housed in the Access card A2S1 and port cards P4E4N ,P4S1N, . All rights reserved. Passing on and copying of this document, use and communication of its contents Up to two modules can be housed in each card. The module contains : – a CMI interface (CMI/NRZ decoder and NRZ/CMI encoder) – a Remote Inventory block CMI interface INPUT side: the CMI electrical signal coming from the line is equalized and NRZ decoded (clock + data). The LOS alarm is revealed. OUTPUT side: the NRZ signal coming from the port (data + clock) is CMI coded to be sent to the line. Loop functions The module receive also the following commands: – INT LOOP: Internal Loop ; when active, the signal coming from the port card (DT) is sent back, thus realizing the loop. – LINE LOOP: Line loop; when active the input signal coming from the line (DR) is sent back to the output signal. Remote inventory The Remote inventory is implemented on an E2PROM . Inventory data as code, series number, construction date are stored inside the E2PROM and can be read by the RIBUS I/F block (see para.3.17 on page 370) of the board in which the module is inserted. Power Supply The Electrical module receive the following voltage: – +3.3 Vdc from the relevant board in which is inserted – + 3.3 Vdc (Vs) from the relevant board in which is inserted and used to supply the Remote Inventory block 1AA 00014 0004 (9007) A4 – ALICE 04.10 ED 03 3AL 91669 AA AA 425 / 706 706
  • 428.
    not permitted withoutwritten authorization from Alcatel. All rights reserved. Passing on and copying of this document, use and communication of its contents LOS Coax Input CMI RETIMER DATA+CLOCK Rx NRZ DR INT LOOP1 DT Input side DR DT Coax output CMI Mask DATA+CLOCK Tx Adapter NRZ LINE LOOP1 Output side CMISSn Remote RI to RIBUS I/F block Inventory +3.3 Vdc (Vs) ELECTRICAL MODULE +3.3 Vdc Figure 255. STM–1 Electrical module –block diagram 1AA 00014 0004 (9007) A4 – ALICE 04.10 ED 03 3AL 91669 AA AA 426 / 706 706
  • 429.
    4.16 STM–1 opticalmodules (See Figure 256. on page 427) not permitted without written authorization from Alcatel. The STM–1 optical modules are the optical physical accesses for the STM–1 card. Different optical All rights reserved. Passing on and copying of this document, use and communication of its contents modules are available according to the connector type used (FC/PC, SC/PC or LC), wave length ( IS–1.1, L–1.1, L–1.2, L–1.2JE) and source type [Single–Mode and Multi–Mode (MM1)]. For details on Optical Characteristics refer to Table 66. on page 628) Input side : the optical signal is converted in an electrical signal and level adapted to be sent to the port card (data + clock); on the receive side a LOS alarm can be detected. Output side : the electrical signal coming from the port card (data + clock) is level adapted, converted in an optical signal and sent to the line . The Tx optical module send and receive also the following signals: – LASER FAIL – LASER DEGRADE – LASER SHUTDOWN Remote inventory The Remote inventory is implemented on an E2PROM . Inventory data as code, series number, construction date are stored inside the E2PROM and can be read by the RIBUS I/F block (see para.3.17 on page 370) of the board in which the module is inserted. Power Supply The Electrical module receive the following voltage: – +3.3 Vdc from the relevant board in which is inserted – + 3.3 Vdc (Vs) from the relevant board in which is inserted and used to supply the Remote Inventory block EDR OPTICAL LEVEL DATA+CLOCK RX STM–1 INPUT INPUT ECKR ADAPTER OPTICAL MODULE LOS OPTICAL EDT OUTPUT ECT LEVEL DATA +CLOCK TX STM–1 ADAPTER OUTPUT OPTICAL LASER FAIL MODULE LASER DEGRADE LASER SHUTDOWN Laser Restart Remote RI to RIBUS I/F bus Inventory +3.3 Vdc (Vs) +3.3 Vdc STM–1 CMISSn 1AA 00014 0004 (9007) A4 – ALICE 04.10 OPTICAL MODULE Figure 256. STM–1 Optical module – block diagram ED 03 3AL 91669 AA AA 427 / 706 706
  • 430.
    4.17 STM–4 opticalmodules See Figure 257. on page 428. not permitted without written authorization from Alcatel. The STM–4 optical modules are the optical physical accesses for the STM–4 card (only for 4 x STM–4 All rights reserved. Passing on and copying of this document, use and communication of its contents port, P4S4N). Different optical modules are available according to the connector type used (FC/PC, SC/PC or LC) and wavelength (IS–4.1, L–4.1, L–4.2). For details on Optical Characteristics refer to Table 67. on page 630. The optical module can be housed in the Access cards A2S4 and in the port card P4S4N. Up to two modules can be housed in A2S4 and P4S4N. Each module contains two optical components (Tx and Rx), two level adapter, the remote inventory and the Laser reset button. OPTICAL INPUT ÌÌÌÌÌÌÌ ÌÌÌÌÌÌÌRX EDR DATA IN Level Optical Module ÌÌÌÌÌÌÌ ECKR Adapter CLOCK IN ÌÌÌÌÌÌÌ LOS ÌÌÌÌÌÌÌ ÌÌÌÌÌÌÌ EDT ECT Level DATA OUT OPTICAL Adapter CLOCK OUT TX OUTPUT ÌÌÌÌÌÌÌ ÌÌÌÌÌÌÌOptical Module ÌÌÌÌÌÌÌ Laser Fail Laser Restart Laser deg. Shutdown Remote to RIBUS I/F bus Inventory STM–4 Optical module 1AA 00014 0004 (9007) A4 – ALICE 04.10 Figure 257. STM–4 optical module block diagram ED 03 3AL 91669 AA AA 428 / 706 706
  • 431.
    4.18 4 xANY plug–in modules The 4 x ANY plug–in optical modules are the optical physical accesses for the 4xANY HOST C card. Different optical modules are available according to the wavelenght and signal type to be transported not permitted without written authorization from Alcatel. (refer to Chapter 2.2.1 page 98) All rights reserved. Passing on and copying of this document, use and communication of its contents For the block diagram description refer the 4xANY HOST–C card (paragraph 4.45 on page 549 ). The relationship between client signal to be transported and plug–in module type is reported on Table 40. page 293. 1AA 00014 0004 (9007) A4 – ALICE 04.10 ED 03 3AL 91669 AA AA 429 / 706 706
  • 432.
    4.19 SFP opticalmodules: 1000B and 100B (Refer to Figure 258. on page 431) not permitted without written authorization from Alcatel. Two types of SFP optical modules are foreseen in current release All rights reserved. Passing on and copying of this document, use and communication of its contents – the 1000B optical module, providing 1000Base–SX, 1000Base–LX and 1000Base–ZX interfaces – the 100B optical module, providing the 10/100Base–FX interface. The 1000B optical module, provides the optical physical access for the (see Figure 80. on page 169) – GigaBit Ethernet port card, GETH–MB – Gigabit Ethernet Access Card, GETH–AG, used in conjunction with the ETH–MB – PR_EA MATRIX 1 x GIGABIT ETHERNET port card, PREA1GBE – Ethernet Switch port card, ES4–8FE. The 100B optical module, provides the optical physical access for the (see Figure 80. on page 169) – Ethernet Switch port card (ES1–8FX). These modules implement the PMD (Physical Medium Dependent) and the PMA (Physical Media Attachment Sublayer) functions according to IEE 802.3. Each module contains on transmitter side an automatic optical output power control circuit, a laser driver and a laser diode module. The transmitter is based on an uncooled DFB laser. The laser safety class for the complete integrated module is CLASS 1 according to IEC 60825 2001 Edition. It can manage command for TX disable and provides TX Fault alarm. Depending on the SFP type, the optical access is compatible with – a single mode fiber (9/125 µm) or – multi mode fiber (50/125 µm or 62,5/125 µm) with standard LC optical connector. TX Fault indicates a laser fault of some kind. The Transmitter is not disabled when TX Fault signal is active. Tx Disable is an input that is used to shut down the transmitter optical output. On receiver side each module contains a PIN or APD photodetector (according to the module type) for light to electrical current conversion and a limiting amplifier. The photo detected current is amplified by a an electrical circuit which delivers two complementary data signals. The module provides LOS alarm (Loss of input Power Signal alarm). This output signal indicates the received optical power is below the worst–case receiver sensitivity (as defined by the standard in use). Depending on the SFP type, the optical access is compatible with – a single mode fiber (9/125 µm) or – multi mode fiber (50/125 µm or 62,5/125 µm) with standard LC optical connector. Remote inventory The Transceiver has an EEPROM inside to provide Remote Inventory, containing information about transceiver’s capabilities, standard interfaces, manufacturer, code, series number, construction date etc. These information are read by the “Alarms and Remote Inventory Management” block (see para.3.17 on page 370) of the board in which the module is inserted. Digital diagnostic monitoring (DDM) is an SFP function supporting analog parameters measurements as temperature, laser bias, laser power. It is an optional feature: the availability information is present in the SFP remote inventory. 1AA 00014 0004 (9007) A4 – ALICE 04.10 Power Supply The Electrical module receives the +3.3 Vdc from the relevant board in which is inserted. ED 03 3AL 91669 AA AA 430 / 706 706
  • 433.
    To board processing TRANSMITTER LC not permitted without written authorization from Alcatel. PIN Laser All rights reserved. Passing on and copying of this document, use and communication of its contents diode Optical output DATA+ LASER Electrical DATA DRIVER DATA– APC TX Fault TX Disable Remote Inventory / DDM EEPROM µP RECEIVER DATA+ LC Main PRE PIN* Electrical DATA Amplifier Optical input DATA– LOS SFP Optical Module * PIN or APD according to the SFP type Figure 258. SFP optical modules general block diagram 1AA 00014 0004 (9007) A4 – ALICE 04.10 ED 03 3AL 91669 AA AA 431 / 706 706
  • 434.
    4.20 63 x2 Mbit/s port card (P63E1) (See Figure 259. on page 434) not permitted without written authorization from Alcatel. The P63E1 is a bidirectional unit which interfaces 63 plesiochronous 2048 kbit/s signals and the All rights reserved. Passing on and copying of this document, use and communication of its contents STM4–BPF signal (BPF=backpanel format). Due to the backpanel format (STM4–BPF or STM4*), the 63 plesiochronous 2 Mbit/s signals that can be housed in an STM–1 frame, are dropped / inserted in the AU4#1 of the STM–4* frame. The unit is composed by the following blocks: – (G.A.) G.A. is an ASIC (or Gate Array) that maps 63 2Mbit/s streams into an STM–1 frame as required by ITU–T G.783 Rec. As the backpanel format for data exchange between 63 x 2 Mbit/s and Matrix card is STM–4*, the 2 Mbit/s streams are inserted/extracted on the AU4 #1 of the STM–4* frame. INPUT side • PPI (E12_TT_Sk and E12/P12x_A_Sk): This block provides the electrical interface between the physical transmission medium and the internal unit format. The received 2048 kb/s line signal is HDB3 coded. A decoder on the physical interface decodes the signal to NRZ (non return–to–zero) format. • LPA (S12/P12x_A_So) : This block adapts user data for transport in the synchronous domain. For asynchronous user data, lower order path adaptation involves bit justification. The 2.048 Mbit/s is inserted into a C–12 container (by means of asynchronous mapping), which is synchronized (stuffing) with the correspondent TU–12. • V5[5–7]: Signal label insertion in the byte V5[5–7]. • LPT (S12_TT_So) : The LPT function creates a VC–12 by generating and adding POH to a C–12. The POH formats are defined in Recommendations G.708 and G.709. • J2: trail trace identifier is generated. • V5[1,2]: BIP–2 is calculated and transmitted. • V5[3]: the number of errors is encoded in REI. • V5[8]: RDI indication is inserted. • LTCT So : This block performs Tandem Connection Termination and Adaptation Source functions, according to ITU and ETSI standards, on Low Path tributaries. It inserts into incoming Low order VC the N2 byte, and performs BIP–2 parity compensation for that byte insertion. The inserted N2 is composed by remote signalling, incoming error count, APId. • STM4–BPF I/F () : The STM–1 equivalent signal is multiplexed into the Back–Panel STM4* equivalent signal. The signal is sent to the ”Main” and ”Spare” MATRIX cards . OUTPUT side • EPS : This block select one of the two signal source provided by the MATRIX cards ”Main” and ”Spare” • STM4–BPF I/F () : 1AA 00014 0004 (9007) A4 – ALICE 04.10 The STM–1 equivalent signal is demultiplexed from the Back–Panel STM4* equivalent signal. ED 03 3AL 91669 AA AA 432 / 706 706
  • 435.
    LTCT Sk : This block performs Tandem Connection Monitoring / Termination and Adaptation Sink functions, according to ITU and ETSI standards, on Low Path tributaries (configuration choice between Monitoring and Termination is by preset). It extracts from incoming Low order VC the BIP–2 parity and N2 byte, and then operates alignment, detection not permitted without written authorization from Alcatel. and correlation of alarms, error check. When Termination function is configured, it also modifies All rights reserved. Passing on and copying of this document, use and communication of its contents data flow by N2 byte overriding, AIS insertion, generation of remote signalling. • LPT (S12_TT_Sk): The LPT function terminates and processes the POH to determine the status of the defined path attributes. • J2: trail trace identifier is recovered –– TIM detection. • V5[1,2]: BIP–2 is recovered –– Ex–BER, Signal Degrade alarm • V5[3]: REI bit is recovered and the derived performance primitives is reported. • V5[8]: RDI information is recovered and reported. • AIS or SSF detection –– SSF alarm • LPA (S12/P12x_A_Sk): It extracts the VC12–POH and processes the TU12 pointer. • V5[5–7]: Signal label detection in the byte V5[5–7] –– Signal label Mismatch detection • AIS or SSF is applied if Signal label Mismatch is detected • PPI (E12/P12x_A_So and E12_TT_So):This block provides the interface between the internal unit format and the physical transmission medium. It encodes into HDB3 code the signal to be sent on line. Other functions implemented are : • Clock Reference Selection Block (on G.A): provides six 2 MHz clock links towards the MATRIX cards for synchronization purposes. The selection among the 63 flows is made via software. • TIMING (on G.A): receives the reference clock (38.88 MHz) and synchronism pulse (500 Hz) from the MATRIX cards and extracts the local clocks used by the G.A. The Tx clock is locked, by means of a PLL to the system clock or, when in free running, to a local oscillator with a +–50ppm drift: (51 MHz OSC) block. • RIBUS I/F This block is used to read/write from/to the ”RIBUS” stream, to control the LED on the unit, to release the Management–bus in case of power failure, and to use the remote inventory. It is powered by the + 3.3 Vdc supply by CONGI boards. • REMOTE INVENTORY It is the memory containing the board information, for identification purposes (see para. 3.17 on page 370 for details). • M–BUS Driver It drives the input–output gates of the Management–bus. These drivers can be disabled (by the Bus–OFF signal) in case of power failure. • DC/DC CONVERTER It converts the 48/60 V power supply to the 3.3 V used to supply all the components in the board. The DC/DC converter is synchronized with a synchronization clock at 288 MHz (signal Power–Sync, generated by G.A.) in order to avoid EMI problems. 1AA 00014 0004 (9007) A4 – ALICE 04.10 • STEP DOWN It uses the 3.3 V power supply from DC/DC Converter block to obtain the 2.5 V used to power the Gate Array (G.A.). ED 03 3AL 91669 AA AA 433 / 706 706
  • 436.
    not permitted withoutwritten authorization from Alcatel. All rights reserved. Passing on and copying of this document, use and communication of its contents 2Mb/s inputs ÎÎÎÎÎÎÎÎÎÎÎÎÎÎÎÎÎÎÎÎ 2Mb/s #1 ÎÎÎÎÎÎÎÎÎÎÎÎÎÎÎÎÎÎÎÎ ÎÎÎÎÎÎÎÎÎÎÎÎÎÎ Input side LTCT #1 PPI sink LPA ÎÎÎÎÎÎÎÎÎÎÎÎÎ ÎÎÎÎÎÎÎÎÎÎÎÎÎÎÎÎÎÎÎ source . LPT source source ÎÎÎÎÎÎÎÎÎÎÎÎÎÎÎÎÎÎÎÎ ÎÎÎÎÎÎÎÎÎÎÎÎÎÎÎÎÎÎÎÎ ckr1 . . . ckrx . Access Card . ÎÎÎÎÎÎÎÎÎÎÎÎÎÎ . . . STM4 . . Main and Spare BPF . from . MATRIXE ÎÎÎÎÎÎÎÎÎÎÎÎÎÎÎÎÎÎÎÎ I/F . . . to Î Î Î Î Î ÎÎÎÎÎÎÎÎÎÎÎÎÎÎÎ ÎÎÎÎÎÎÎÎÎÎÎÎÎÎÎÎÎÎÎ ÎÎÎÎÎ ÎÎÎÎÎÎÎÎÎÎÎÎÎÎÎÎÎÎÎÎ 2Mb/s #63 ckr1 Clock #63 Reference 6x ckr63 ÎÎÎÎÎ ÎÎÎÎÎÎÎÎÎ ÎÎÎÎÎÎÎÎÎÎÎÎÎÎÎÎÎÎÎÎ ckr63 ckrx Selection 2Mb/s outputs ÎÎÎÎÎÎÎÎÎÎÎÎÎÎÎÎÎÎÎÎ ÎÎÎÎÎ Î Î Î Î Î ÎÎÎÎÎÎÎÎÎÎÎÎÎÎÎ 2Mb/s #1 ÎÎÎÎÎÎÎÎÎÎÎÎÎÎÎÎÎÎÎÎ ÎÎÎÎÎÎÎÎÎÎ Output side PPI LPA LPT LTCT #1 ÎÎÎÎÎÎÎÎÎÎÎÎÎÎÎÎÎÎÎÎ source ÎÎÎÎÎÎÎÎÎÎÎÎÎ ÎÎÎÎÎÎÎÎÎÎÎÎÎÎÎÎÎÎÎÎ sink ÎÎÎÎÎÎÎÎÎÎÎÎÎ sink sink Access Card cktx ckt1 ÎÎÎÎÎÎÎÎÎÎÎÎÎÎÎÎÎÎÎÎ . . . . . to ÎÎÎÎÎÎÎÎÎÎÎÎÎÎÎÎÎÎÎÎ . . . . STM4 EPS . . BPF I/F ÎÎÎÎÎÎÎÎÎÎÎÎÎÎÎÎÎÎÎÎ . Main and Spare MATRIXE #63 ÎÎÎÎÎÎÎÎÎÎÎÎÎÎÎÎÎÎÎÎ ÎÎÎÎÎÎÎÎÎ 2Mb/s #63 from ÎÎÎÎÎÎÎÎÎÎÎÎÎÎÎÎÎÎÎÎ cktxÎÎÎÎÎÎÎÎÎ ÎÎÎÎÎ ÎÎÎÎÎÎÎÎÎÎÎÎ ckt63 ckt1 ckt63 Local Clocks ck–system a ckrx TIMING ck–system b G.A. cktx Config. Status Power 2.5 V 51MHz Sync STEP OSC M–BUS DOWN Driver Management 48/60 V DC/DC Bus CONGI A B CONV. 3.3 V from Bus–OFF CMISS MATRIXE to/from F + 3.3 Vdc Remote Inventory RIBUS RIBUS I/F 63 x 2 MBIT/S PORT CARD Unit ID Failure Figure 259. 63 x 2 Mbit/s card – Block Diagram 1AA 00014 0004 (9007) A4 – ALICE 04.10 ED 03 3AL 91669 AA AA 434 / 706 706
  • 437.
    4.21 63 x2 Mbit/s / G703 / ISDN–PRA port card ( P63E1N–M4) (See Figure 260. on page 438). not permitted without written authorization from Alcatel. The 63 x 2 Mbit/s /G.703/ISDN–PRA port is similar to the basic 63 x 2 Mbit/s port, described in the previous All rights reserved. Passing on and copying of this document, use and communication of its contents paragraph 4.20 on page 432, with the difference that the present board implements also the NT functionality on ISDN Primary Rate Access (PRA) and the “Retiming function” on the 2 Mbit/s interfaces. The Retiming function applies the Equipment Clock to the outgoing 2Mb/s signal that therefore becomes synchronized with the SDH network synchronization reference . The additional circuit that allows this implementation consists in an elastic buffer that is able to absorb the jitter and wander that is transferred to the PDH signal when SDH pointer justification occurs. This feature is programmable via SW, in order to include or exclude the Retiming for each single port. The same P63E1N unit can mix ports that apply or not the retiming. In this paragraph is reported the description of the NT ISDN–PRA function, all the other blocks functionalities are described in the previous paragraph 4.20 on page 432. The ISDN–PRA (Integrated Services Digital Network – Primary Rate Access) is a facility to carry a number of synchronous digital communication channels to the user over a 2048 kbit/s structured signal; the ISDN–PRA structure is defined in recommendation ETS 300 233. The sample frames are reported in paragraph 3.18.1, page 380 up to para. 3.18.1.2, page 382. The 2048 kbit/s signals can be structured or non–structured: in this latter case, the PRA functionality must be disabled from Craft–Terminal. The selection among structured/non–structured and basic–frame/multiframe options is achieved by means of Craft–Terminal, for individual signals. It performs standard PRA functionality as well as some custom Leased Line functions (settable from C.T.). Figure 261. on page 439 illustrates the NT ISDN–PRA block, that performs the following functions: UPSTREAM DIRECTION (from user to SDH network: incoming signal SY2Min, outgoing signal UP2Mout) – Loopback2: by means of command LB2, sent by the controller, or detected in the Sa6 message coming from the SDH network (UP2Min signal); this command sends back to the source the upstream signal. – AIS Detection: the AIS alarm (AIS2M) is detected after the reception of 512 bits containing less than 3 zeroes. – Frame Alignment (FA): it performs basic–frame and multi–frame alignment according to ITU–T G.706, presettable from the controller (commands BF and MF); the LOF2M alarm is declared in case of non alignment . – Failure Condition: the Failure Condition FC2M alarm is the “OR” of LOS2M, LOF2M , AIS2M alarms. – REI alarm detection (E): the REI2M alarm is detected if E=0. – RAI alarm detection (A): the RAI2M alarm is detected if active for 5 consecutive frames. – Data Error detection (CRC–4): errors integrity check on the incoming data, according to CRC–4 procedure (Cyclic Redundancy Check), as defined in G.706. In case of errors, the alarm ERR2M is arised. 1AA 00014 0004 (9007) A4 – ALICE 04.10 ED 03 3AL 91669 AA AA 435 / 706 706
  • 438.
    E bit insertion (E): the outgoing E bit is set to 0 when • a failure condition (FCU) is detected on signal from SDH network (UP2Min); • errors (ERRU) are detected on data from SDH network (UP2Min); • the E insertion may be inhibited from controller, in this case E=1. not permitted without written authorization from Alcatel. • E=1 in other cases. All rights reserved. Passing on and copying of this document, use and communication of its contents – A bit insertion (A): the outgoing A bit is set to • ’0’ when a failure condition (FC2M) is detected on signal from user (SY2Min); • ’1’ when Loopback2 (LB2) is activated; • passed transparently in other cases; • the A bit may be forced from controller. • set to ’1’ (*) when a failure condition (FCU) is detected on signal from SDH network (UP2Min); N.B. (*): this option is enabled only in case of Leased Line applications; – Sa5, Sa6 Messages: • the outgoing Sa6 message is inserted in 4 Sa6 bits of 4 consecutive frames, with the following significance (listed in order of their priority/severity): – 1000 –– power fail – 1111 –– SSF or AUXPU/AISU on signal from SDH network (UP2Min); – 1110 –– LOFU on signal from SDH network (UP2Min); – 1100 –– FC2M on signal from user (SY2Min); – 0000 –– loopback2 (LB2) activated – 0001 –– alarm REI2M from user – 0010 –– CRC–4 errors (ERR2M) from user – 0011 –– simultaneous occurrence of both previous (REI2M and ERR2M) – 0011 –– only basic–frame alignment on SY2Min signal, when in automatic search – 0000 –– normal operations. • the outgoing Sa5 bit is set to: – ’0’ –– when loopback2 (LB2) is activated – ’1’ –– in other cases. – CRC–4 bits insertion: the CRC–4 on data is performed and the result is inserted on bits C1 to C4, according to G.706. – Frame Word insertion (FW): the basic–frame and multi–frame alignment words are inserted on the frame. – Substituted Frames insertion: the substituted frames are inserted, in case of occurrence of a failure condition (FC2M) on incoming signal from user. N.B. Substituted frame is a frame with Sa4, Sa5, Sa7, Sa8 as well as all the bits in time slots 1 to 31 set to ’1’, and with A bit set to ’0’. DOWNSTREAM DIRECTION (from SDH network to user: incoming signal UP2Min, outgoing signal SY2Mout) – Loopback–RX: by means of command LB–RX, sent by the controller; this command sends back to the source the downstream signal. – AIS Detection: the AIS alarm (AISU) is detected after the reception of 512 bits containing less than 3 zeroes. – AUXP Detection: the AUXPU alarm is detected after the reception of 512 bits containing the pattern ...010101... with less than 3 deviation from the pattern itself. It can be enabled from the controller. 1AA 00014 0004 (9007) A4 – ALICE 04.10 – Frame Alignment (FA): it performs basic–frame and multi–frame alignment according to ITU–T G.706, presettable from the controller (commands BF and MF); the LOFU alarm is declared in case of non alignment. ED 03 3AL 91669 AA AA 436 / 706 706
  • 439.
    Failure Condition: the Failure Condition FCU alarm is the “OR” of SSF, LOFU , AISU, AUXPU alarms. N.B. SSF =Server Signal Fail, from upstream. – REI alarm detection (E): the REIU alarm is detected if E=0. not permitted without written authorization from Alcatel. All rights reserved. Passing on and copying of this document, use and communication of its contents – RAI alarm detection (A): the RAIU alarm is detected if active for 5 consecutive frames. – Sa6: the Sa6 bit is read for every 4 consecutive frames, to check the presence of the loopback2 command, when 4XSa6=1010, for 8 consecutive times. – Data Error detection (CRC–4): errors integrity check on the incoming data, according to CRC–4 procedure (Cyclic Redundancy Check), as defined in G.706. In case of errors, the alarm ERRU is arised. – A* insertion: the A bit is • passed transparently in standard applications • set to ’1’ (*) when a failure condition (FC2M) is detected on signal from user (SY2Min); • set to ’1’ (*) when forced from the controller; N.B. (*): this option is enabled only in case of Leased Line applications. – E bit insertion (E): the outgoing E bit is set to 0 when • a failure condition (FC2M) is detected on signal from user (SY2Min); • errors (ERR2M) are detected on data from user (SY2Min); • the E insertion may be inhibited from controller, in this case E=1. • E=1 in other cases. • set to ’0’ (*) when Power Fail alarm (PWF) is active; N.B. (*): this option is enabled only in case of Leased Line applications. – Sa4* insertion: the bits Sa4 to Sa8 are passed transparently in standard applications, • Sa4 is set to ’0’ (*) when Power Fail alarm (PWF) is active, passed transparently otherwise. N.B. (*): this option is enabled only in case of Leased Line applications. – CRC–4 bits insertion: the CRC–4 on data is performed and the result is inserted on bits C1 to C4, according to G.706. – Frame Word insertion (FW): the basic–frame and multi–frame alignment words are inserted on the frame. – AIS insertion: a continuous bitstream of all ’ONES’ is inserted, in case of occurrence of • force command from the controller; • a failure condition (FCU) on signal from SDH network (UP2Min); • (*) a failure condition (FC2M) on signal from user (SY2Min). N.B. (*): this option is enabled only in case of Leased Line applications. ALARMS, STATUS AND COMMANDS CONVEYED FROM/TO CONTROLLER Every alarm, status and errors counting results are reported to the controller, for monitoring purposes: – LOS, REI, RAI, FC, ERR(CRC–4), SSF detected either in upstream and in downstream signal directions N.B. LOS = Loss of user Signal; SSF= upstream Server Signal Fail. The controller sends the following commands, in order to enable the relevant functions: 1AA 00014 0004 (9007) A4 – ALICE 04.10 – LB–2, LB–RX, BF, MF, ForceA, InhibitE, etc. N.B. BF= Basic Frame; MF = Multi Frame. ED 03 3AL 91669 AA AA 437 / 706 706
  • 440.
    not permitted withoutwritten authorization from Alcatel. All rights reserved. Passing on and copying of this document, use and communication of its contents 2Mb/s ÎÎÎÎÎÎÎÎÎÎÎÎÎÎÎÎÎÎÎÎ ÎÎÎÎÎÎÎÎÎÎÎÎÎÎ 2Mb/s #1 Input side inputs ÎÎÎÎÎÎÎÎÎÎÎÎÎÎÎÎÎÎÎÎ ÎÎÎÎÎÎÎÎÎÎÎÎÎÎÎ ÎÎÎÎÎÎÎÎÎÎÎÎÎ ÎÎÎÎÎÎÎÎÎÎÎÎÎÎÎÎÎÎÎÎ ÎÎÎÎÎÎÎÎÎÎÎÎÎÎ 2 Mb/s POM NT PPI ISDN LPA LPT LTCT #1 ÎÎÎÎÎÎÎÎÎÎÎÎÎÎÎÎÎÎÎ sinkÎ PRA source source source source . . ÎÎÎÎÎÎÎÎÎÎÎÎÎÎÎÎÎÎÎÎ ÎÎÎÎÎÎÎÎÎÎÎÎÎÎ . . Access Card ÎÎÎÎÎÎÎÎÎÎÎÎÎÎÎÎÎÎÎÎ . ÎÎÎÎÎÎÎÎÎÎÎÎÎÎÎ ckr1 . ckrx STM4 . Main and Spare . . BPF from MATRIXE ÎÎÎÎÎÎÎÎÎÎÎÎÎÎÎÎÎÎÎÎ . . I/F . . to Î Î Î Î Î ÎÎÎÎÎÎÎÎÎÎÎÎÎÎÎ ÎÎÎÎÎÎÎÎÎÎÎÎÎÎÎÎÎÎÎ ÎÎÎÎÎ ÎÎÎÎÎÎÎÎÎÎÎÎÎÎÎÎÎÎÎÎ 2Mb/s #63 ckr1 Clock #63 Reference 6x ckr63 ÎÎÎÎÎ ÎÎÎÎÎÎÎÎÎÎ ÎÎÎÎÎÎÎÎÎÎÎÎÎÎÎÎÎÎÎÎ ckr63 ckrx Selection ÎÎÎÎÎ ÎÎÎÎÎ ÎÎÎÎÎÎÎÎÎÎ 2Mb/s #1 Output side 2Mb/s outputs ÎÎÎÎÎÎÎÎÎÎÎÎÎÎ ÎÎÎÎÎÎÎÎÎÎÎÎÎÎ 2 Mb/s POM NT PPI ISDN LPA LPT LTCT #1 ÎÎÎÎÎÎÎÎÎÎÎÎÎÎ PRA sink sink sink Access Card source sink ÎÎÎÎÎÎÎÎÎÎÎÎÎÎ . to ÎÎÎÎÎÎÎÎÎÎÎÎÎÎ . . . . STM4 BPF EPS cktx . . ckt1 I/F . . Main and Spare ÎÎÎÎÎÎÎÎÎÎ MATRIXE 2Mb/s #63 from #63 cktx ÎÎÎÎÎÎÎÎÎÎ ckt63 ckt1 ckt63 Local Clocks ck–system a TIMING G.A. ckrx cktx ck–system b Config. Status Power 2.5 V 51MHz Sync STEP OSC M–BUS DOWN Driver Management 48/60 V DC/DC Bus CONGI A B CONV. 3.3 V from Bus–OFF CMISS MATRIXE to/from F + 3.3 Vdc Remote Inventory RIBUS RIBUS I/F 63 x 2 MBIT/S PORT CARD Unit ID Failure Figure 260. 63 x 2 Mbit/s G.703/ISDN–PRA, Block Diagram 1AA 00014 0004 (9007) A4 – ALICE 04.10 ED 03 3AL 91669 AA AA 438 / 706 706
  • 441.
    All rights reserved.Passing on and copying of this document, use and communication of its contents not permitted without written authorization from Alcatel. 1AA 00014 0004 (9007) A4 – ALICE 04.10 ED To User (downstream) To SDH Network (upstream) 03 BF MF SY2Min FA CRC–4 + + + + + UP2Mout AIS E A ERR2M LOF2M E A Sa5, Sa6 CRC–4 FW Messages FC2M AIS 2M (*) LB 2 REI 2M RAI2M FCU FCU SUBST FRAMES FC 2M ERR U FC2M LOS2M FC U PWF ERR2M FCU (*) LOFu SSF FC2M PWF PWF FC 2M FC 2M LB2 RAIU REIU AUXPu (*) (*) (*) AISu AIS FW CRC–4 Sa4* E A* Sa6 A E AUXP AIS LBRX ERR U SY2Mout + + + + + CRC–4 FA UP2Min BF MF FC2M REI 2M RAI2M ERR 2M FC U REI U RAIU ERR U LB BF MF ALARMS STATUS CONVEYED FROM/TO CONTROLLER 706 3AL 91669 AA AA FROM/TO Figure 261. Functional Diagram of the NT ISDN–PRA block CONTROLLER EQUICO 439 / 706
  • 442.
    4.22 3 x34/45 Mbit/s port card (P3E3T3) (See Figure 262. on page 442) not permitted without written authorization from Alcatel. The P3E3T3 port card is a bidirectional interface from/to three PDH streams at 34 Mbit/s or at 45 Mbit/s All rights reserved. Passing on and copying of this document, use and communication of its contents switchable and the STM4–BPF (BPF=backpanel format ). Due to the back panel format, the 3 plesiochronous 34 or 45 Mbit/s signals that can be housed in an STM–1 frame, are dropped/inserted in the AU4#4 of the STM–4 frame. It realizes the functions required by the ITU–T G.783 rec. i.e. : • maps the payload into a C–3 • add/extracts the VC3 POH • processes the TU3 pointer • adapts the VC3 to the VC4 • assembles/disassembles the STM–1 format The SDH functions are preformed by four Gate Array, one for each port and one that is common to the three ports: – 34/45 Mbit/s interface The G.A. performs a fully bidirectional interface for a 34 Mbit/s PDH flow or for a 45 Mbit/s PDH flow in compliance with the ITU–T G.783. A G.A. can manage only one stream, therefore three G.A. are necessary to process the 3 streams on the port card. The PPI functions is performed by the access card ( two separated according to the bit rate) according to the ITU–T G.703 Rec. INPUT side • LPA (S3/P3_A_So) Asynchronous mapping of 3x34 /45 Mbit/s into the VC–3 C2 insertion • LPT ( S3_TT_So) J1 path trace insertion G1 (path status) insertion : REI and RDI insertion B3 calculation and insertion (VC3, BIP8) F2 and F3 bytes insertion (coming from OH bus and DCC bus) • LTCA (Low order tandem connection adaptation) Frame start signal generation on VC_AIS detection • LTCT (Low order tandem connection termination) N1processing and insertion (TC–RDI, REI, ODI, OEI ..) 1AA 00014 0004 (9007) A4 – ALICE 04.10 ED 03 3AL 91669 AA AA 440 / 706 706
  • 443.
    OUTPUT side • LPA (S3/P3_A_Sk) VC3 demapping and desynchronization not permitted without written authorization from Alcatel. C2 monitoring All rights reserved. Passing on and copying of this document, use and communication of its contents AIS generation • LPT ( S3_TT_Sk) LP–TIM detection (J1 monitoring) LP–SLM and UNEQ detection (C2 monitoring) RDI detection REI recovery B3 BIP–8 count and error detection F2 and F3 bytes extraction and sending to AUX* bus and DCC* bus • LTCA (Low order tandem connection adaptation) Invalid frame start condition restoration • LTCT (Low order tandem connection termination) N1 monitoring and processing B3 insertion (VC–3 BIP–8 compensation ) – STM–4 timing G.A. The G.A. provides the following functions: • to connect the three ”34/45 Mbit/s interface” to the backpanel . In fact the frame format leaving the ”34/45 Mbit/s interface” is a 4 wire bus at 38.88 Mbit/s while the backpanel format is STM–4*. • Timing: it receives the 622 MHz System clock from the two MATRIX and generates the clock at 38.88 MHz for the ”34/45 MBit/s interface”. Other functions implemented are : • RIBUS I/F This block is used to read/write from/to the ”RIBUS” stream, to control the LED on the unit, to release the Management–bus in case of power failure, and to use the remote inventory. It is powered by the + 3.3 Vdc supply by CONGI boards. • REMOTE INVENTORY It is the memory containing the board information, for identification purposes (see para. 3.17 on page 370 for details). • M–BUS Driver It drives the input–output gates of the Management–bus. These drivers can be disabled (by the Bus–OFF signal) in case of power failure. DC/DC CONVERTER It converts the 48/60 V power supply to the 3.3 V used to supply all the components in the board. The DC/DC converter is synchronized with a synchronization clock at 288 MHz (signal Power–Sync, generated by G.A.) in order to avoid EMI problems. • STEP DOWN It uses the 3.3 V power supply from DC/DC Converter block to obtain the 2.5 V used to power the Gate Array (G.A.). 1AA 00014 0004 (9007) A4 – ALICE 04.10 ED 03 3AL 91669 AA AA 441 / 706 706
  • 444.
    AUX DCC DCC Main and Spare CK 38.88 AUX MATRIXE 34/45 Mb/s #3 not permitted without written authorization from Alcatel. To/From All rights reserved. Passing on and copying of this document, use and communication of its contents Data IN Input side LPA LPT LTCA LTCT AU4 LOS ASSEMBLY STM4 Access Card 4 X 38.88 Mbit/s From/To BPF 622 Mbit/s I/F Output side STM–4 TIMING Main and Spare Data OUT G.A. LPA LPT LTCA LTCT AU4 MATRIXE DISASS. From CK 38.88 TIMING CK syst. AUX DCC CK 38.88 34/45 Mb/s #2 Data IN Input side LPA LPT LTCA LTCT AU4 Access Card LOS ASSEMBLY Power From/To Sync Output side Data OUT 3.3 V DC/DC 48/60 V LPA LPT LTCA LTCT AU4 DISASS. CONV. CONGI A B AUX DCC 2.5 V STEP from CK 38.88 DOWN 34/45 Mb/s #1 Data IN Input side + 3.3 Vdc F Configuration and Status LOS LPA LPT LTCA LTCT AU4 ASSEMBLY Access Card From/To Output side Data OUT LPA LPT LTCA LTCT AU4 DISASS. Management bus M–BUS Main and Spare Driver MATRIXE Unit CMISS To/From Failure Bus–off RIBUS REMOTE RIBUS INVENTORY Id 3 x 34/45 MBIT/S PORT CARD I/F + 3.3 Vdc Figure 262. 3x34/45 port card –Block diagram 1AA 00014 0004 (9007) A4 – ALICE 04.10 ED 03 3AL 91669 AA AA 442 / 706 706
  • 445.
    4.23 4 xSTM–1 electrical/optical port card (P4S1N) (See Figure 263. on page 447 ) not permitted without written authorization from Alcatel. The 4 x STM–1 port processes up to four STM–1 streams. A max. of two electrical or optical modules can All rights reserved. Passing on and copying of this document, use and communication of its contents be housed on the card to give physical access to the STM–1 signal. The remaining two physical accesses are on the relevant access card . The SDH functions required to manage STM–1 signal are implemented by the G.A. mounted on the board. It interfaces the two MATRIX card via backpanel. Referring to the ITU–T G.783 Recommendation , the G.A. performs the following functions : – TTF – HOA – LPOM /LSUT (the last is not available in this release) – HPOM /HSUT (the last is not available in this release) Cross connection functions (MSP, HPC and LPC) are performed by the two MATRIX boards (working in 1+1 configuration). The TTF block is connected to the MATRIX boards (main and spare) through 1+1 bidirectional links at 622 Mbit/s , STM–4 equivalent capacity. HOA block is connected both to the HPC matrices and to the LPC matrices on the two MATRIX boards through a couple of 1+1 links at 622 MBit/s working in protection, STM–4 equivalent capacity. Backpanel interface supply a system–clock to the G.A. internal circuits. In the following block description, the new naming convention of the G.783 is reported. Refer to para. 3.3.4 on page 206 for details. The G.A. send and receive four STM–1 signals (data + clock) at 155 Mbit/s to/from each SPI. An external LOS is received from each input line interface. Each optical transmitter provides its status by means of two input signals: Laser Degrade and Laser Failure. The ALS algorithm is hardware implemented : the G.A. provides the Laser shut Down command (LASER OFF). In the following will be described the signal processing of only one STM–1 interface; the other three interfaces process the signal in the same way. The PISO SIPO (Parallel–In Serial–Out; Serial–in Parallel–out) blocks allow the unit to interface with the back panel at of 622 Mbit/s bit rate, mapping the STM–1 signals over a STM–4 internal equivalent frame. TTF BLOCK ( SPI, RST, MST, MSA) This block performs the Transport Terminal Functions (sink on Input side, source on Output side) for STM–1 signals. TTF block provides the T1 timing references at 2 MHz , derived from the STM–1 input signals. 1AA 00014 0004 (9007) A4 – ALICE 04.10 ED 03 3AL 91669 AA AA 443 / 706 706
  • 446.
    INPUT side :from line to MSP block on MATRIX SPI (OSn/RSn_A_Sk) : it descramblers the incoming signal , counts the OOF and reveals the LOF alarm. not permitted without written authorization from Alcatel. All rights reserved. Passing on and copying of this document, use and communication of its contents RST (RSn_TT_Sk) : performs frame alignment detection (A1, A2) , regenerator section trace recovery (J0) and mismatch detection, BIP–8 Errored Block count. J0 is not managed in this release. MST (MSn_TT_Sk) : performs BIP–24 errored block count, MS–REI recovery, MS–RDI and MS–AIS detection. TSD is applied in case of MS–DEG (signal degrade), TSF is applied if MS–AIS is detected. MSA (MSn/Sn_A_Sk) : performs AU4 pointer interpretation, LOP and AIS detection, pointer justification. Moreover the following functions are performed on the Rx side : SOH BYTE extraction (Rx side): DCC bytes (DCCR D1–D3 and DCCM D4–D12) are dropped and serialized in a DCC frame. Two DCC frames are generated working in 1+1 protection. OUTPUT side : from MATRIX to line MSA (Ms/Sn_A_So) : it performs AUG assembly, AU–4 pointer generation, AU–AIS generation. MST (MSn_TT_So) : it performs BIP–24 calculation and insertion, MS–REI MS–RDI and MS–AIS insertion. RST (RSn_TT_So) : it performs frame alignment insertion, regenerator section path trace insertion, BIP–8 calculation and insertion. SOH BYTE insertion (Tx side): DCC bytes (DCCR D1–D3 and DCCM D4–D12) coming from the DCC frames are inserted into the SOH section. SPI (OSn/RSn_A_So) :it scramblers the outgoing signals and insert AIS in alarm condition. HOA BLOCK (HPT, HPA) From HPC matrix to LPC matrix HPT (Sn_TT_Sk) : path trace information is recovered, REI information is recovered, HP–RDI and UNEQ are detected, VC4 BIP–8 errored count block. TSF is applied if SSF or UNEQ or TIM or AIS is detected. TSD is applied if a condition of signal degrade is detected. Moreover : F2 F3 byte extraction (Rx side) : both F2 and F3 bytes are extracted from the received flow and serialized on a DCC frame . N1 byte extraction (Rx side) : for the network Tandem Connection Termination Monitoring function (TCT/TCM). HPA (Sn/Sm_A_Sk) : VC–4 disassembly, TU pointer interpretation, LOP and TU–AIS detection, HP–SLM and LOM detection. 1AA 00014 0004 (9007) A4 – ALICE 04.10 ED 03 3AL 91669 AA AA 444 / 706 706
  • 447.
    From LPC matrixto HPC matrix HPA (Sn/Sm_A_So) : VC4 assembly, TU pointer generation, TU–AIS generation , signal label insertion, not permitted without written authorization from Alcatel. All rights reserved. Passing on and copying of this document, use and communication of its contents HPT (Sn_TT_So) : path trace identification insertion, RDI and REI indications insertion, VC–4 BIP–8 calculation and insertion. Moreover: F2 and F3 byte insertion (Tx side) : F2/F3 bytes are inserted on the DCC frame N1 byte insertion (Tx side) : for the network Tandem Connection Termination Monitoring function (TCT/TCM). The G.A. provides also the HSUT, HPOM, (alternative) and LSUT, LPOM functions (alternative) both in Rx and Tx side. The main task of HSUT are: RX side (from MSA to HPC matrix): • path trace information recovery • REI recovery • HP–RDI detection (path status monitoring • UNEQ and VC–AIS detection (signal label monitoring) • VC4 BIP–8 Errored Block count Tx side: (from HPC matrix to MSA) • generation of an unequipped container • ”unequipped” insertion, trail trace identifier generation • RDI and /or REI information generation • VC–4 BIP–8 calculation and insertion The main task of HPOM are: RX and TX side: • signal termination • J1 path recovering • REI information recovering • HP–RDI detection (path status monitoring • UNEQ and VC–AIS detection (signal label monitoring) • VC4 BIP–8 Errored Block count • TSF is generated in case of SSF , UNEQ, TIM , AIS . TSD is generated in case of SD The main tasks of LSUT are : RX side (from HPA to LPC matrix): • recovering of VC–m unequipped signal label • path trace recovering • BIP–2 recovery 1AA 00014 0004 (9007) A4 – ALICE 04.10 • REI and RDI recovery ED 03 3AL 91669 AA AA 445 / 706 706
  • 448.
    Tx side (fromLPC matrix to HPA ): • insertion of VC–m unequipped signal label • path trace insertion not permitted without written authorization from Alcatel. • BIP–2 insertion All rights reserved. Passing on and copying of this document, use and communication of its contents • REI and RDI insertion LSUT is used to monitor unequipped path trails . The main tasks of LPOM are : • trace identifier monitoring • RDI and REI recovering and deriving for performance primitives • signal label monitoring • VC–m BIP–2 errored block count LPOM is used for performance monitoring purposes. Other functions implemented are : • RIBUS I/F This block is used to read/write from/to the ”RIBUS” stream, to control the LED on the unit, to release the Management–bus in case of power failure, and to use the remote inventory. RIBUS I/F is powered by the + 3.3 Vdc supply by CONGI boards. • REMOTE INVENTORY It is the memory containing the board information, for identification purposes (see para. 3.17 on page 370 for details). • M–BUS Driver It drives the input–output gates of the Management–bus. These drivers can be disabled (by the Bus–OFF signal) in case of power failure. DC/DC CONVERTERS This block converts the 48/60 V power supply 3.3 V and 2.5 V used to supply all the components in the board. The DC/DC converter is synchronized with a synchronization clock at 300 MHz (signal Power–Sync, generated by G.A.) in order to avoid EMI problems. 1AA 00014 0004 (9007) A4 – ALICE 04.10 ED 03 3AL 91669 AA AA 446 / 706 706
  • 449.
    System–clock a G.A. (1a) System–clock b PISO to/from HPC matrix (1b) (X Link) not permitted without written authorization from Alcatel. (1c) SIPO MAIN AND SPARE 1st INTERFACE All rights reserved. Passing on and copying of this document, use and communication of its contents HPT (1d) MATRIXE HOA (2a) HPA to/from LPC matrix PISO (L link) (2b) LPOM (2c) SIPO LSUT (2d) (*) F2, F3 T1 Optical or Electrical HPOM (3a) to/from Optical TTF HPC matrix Plug–in Module HSUT (3b) PISO Input/ (*) (H Link) Output (3c) STM–1 SIPO 1 RST MST MSA (3d) SPI LOS LASER D. DCCR DCCM (4a) RSOH MSOH PISO DCC LASER F. (4b) LASER OFF (4c) SIPO (4d) FROM/TO SERVICE (5a) PISO AUX F2, F3 (5b) (5c) SIPO Optical (5d) Input/ Output (1b) 2 2nd INTERFACE (2b) (3b) (4b) Optical (5b) T1 Input/ Output (1c) 3 (2c) MAIN AND SPARE 3 rd INTERFACE SPI (3c) ( ) MATRIXE (4c) Optical (5c) T1 Input/ Output (1d) 4 4 th INTERFACE (2d) SPI (3d) ( ) (4d) (5d) T1 Config. Status Management MAIN AND SPARE 622 MHz Bus OSC M–BUS MATRIXE FROM/TO Driver CMISS Bus–OFF Remote RIBUS Inventory RIBUS ID Power I/F Sync F +3.3 Vdc CONGI A B Unit Failure 3.3 V FROM DC/DC 48/60 V 2.5 V CONVERTERS ACCESS CARD 4 x STM–1 ELECTRICAL/OPTICAL PORT Notes: (*) – HSUT and LSUT are not available in the current release ( )– THE ” SPI” ASSOCIATED TO THE 3rd AND 4th INTERFACES ARE PHISICALLY ON THE ACCESS CARD 1AA 00014 0004 (9007) A4 – ALICE 04.10 Figure 263. 4 x STM–1 Electrical/Optical port block diagram ED 03 3AL 91669 AA AA 447 / 706 706
  • 450.
    4.24 4 X140/STM1 switchable O/E port card (P4E4N) (See Figure 264. on page 453 and Figure 265. on page 454) not permitted without written authorization from Alcatel. The 4 X 140/STM1 switchable O/E port card is a bidirectional unit which interfaces up to four All rights reserved. Passing on and copying of this document, use and communication of its contents plesiochronous 140 Mbit/s (E4) or Synchronous 155 Mbit/s (STM–1) with STM4–BPF (BPF=backpanel format ). The choice among the two possible different interfaces is flexible and mixed configuration are allowed. For each P4E4N port card there are four electrical (75 Ohm) or optical module( Short and Long Haul) ;two of the four module are hosted directly on the port card , the other two are hosted in the relevant access card (A2S1). The description that follows explains the two operating mode of each interface (140 Mbit/s PDH or 155 Mbit/s SDH) on the port card. 155 Mbit/s STM–1 The SDH functions required to manage STM–1 signal are implemented by the G.A. mounted on the board. It interfaces the two MATRIX cards via backpanel. The “Mapper/Demapper 140–PDH/155–STM–1” block is internally by–passed through the EN 140/155 signal when the interface is programmed as 155 Mbit/s. Referring to the ITU–T G.783 Recommendation , the G.A. performs the following functions : – TTF – HOA – LPOM /LSUT (the last is not available in this release) – HPOM /HSUT (the last is not available in this release) Cross connection functions (MSP, HPC and LPC) are performed by the matrices present on the two MATRIX boards (working in 1+1 configuration). The TTF block is connected to the MATRIX boards (main and spare) through 1+1 bidirectional links at 622 Mbit/s , STM–4 equivalent capacity. HOA block is connected both to the HPC matrices and to the LPC matrices on the two MATRIX boards through a couple of 1+1 links at 622 MBit/s working in protection, STM–4 equivalent capacity. Backpanel interface supply a system–clock to the G.A. internal circuits. In the following block description, the new naming convention of the G.783 is reported. Refer to para. 3.3.4 on page 206 for details. The G.A. send and receive four STM–1 signals (data + clock) at 155 Mbit/s to/from each SPI. An external LOS is received from each input line interface. Each optical transmitter provides its status by means of two input signals: Laser Degrade and Laser Failure. The ALS algorithm is hardware implemented : the G.A. provides the Laser shut Down command (LASER OFF). In the following will be described the signal processing of only one STM–1 interface; the other three interfaces process the signal in the same way. 1AA 00014 0004 (9007) A4 – ALICE 04.10 The PISO SIPO (Parallel–In Serial–Out; Serial–in Parallel–out) blocks allow the unit to interface with the back panel at of 622 Mbit/s bit rate, mapping the STM–1 signals over a STM–4 internal equivalent frame. ED 03 3AL 91669 AA AA 448 / 706 706
  • 451.
    TTF BLOCK (SPI, RST, MST, MSA) This block performs the Transport Terminal Functions (sink on Input side, source on Output side) for STM–1 signals. not permitted without written authorization from Alcatel. All rights reserved. Passing on and copying of this document, use and communication of its contents TTF block provides the T1 timing references at 2 MHz , derived from the STM–1 input signals. INPUT side : from line to MSP block on MATRIX SPI (OSn/RSn_A_Sk) : it descramblers the incoming signal , counts the OOF and reveals the LOF alarm. RST (RSn_TT_Sk) : performs frame alignment detection (A1, A2) , regenerator section trace recovery (J0) and mismatch detection, BIP–8 Errored Block count. J0 is not managed in this release. MST (MSn_TT_Sk) : performs BIP–24 errored block count, MS–REI recovery, MS–RDI and MS–AIS detection. TSD is applied in case of MS–DEG (signal degrade), TSF is applied if MS–AIS is detected. MSA (MSn/Sn_A_Sk) : performs AU4 pointer interpretation, LOP and AIS detection, pointer justification. Moreover the following functions are performed on the Rx side : SOH BYTE extraction (Rx side): DCC bytes (DCCR D1–D3 and DCCM D4–D12) are dropped and serialized in a DCC frame. Two DCC frames are generated working in 1+1 protection. OUTPUT side : from MATRIX to line MSA (Ms/Sn_A_So) : it performs AUG assembly, AU–4 pointer generation, AU–AIS generation. MST (MSn_TT_So) : it performs BIP–24 calculation and insertion, MS–REI MS–RDI and MS–AIS insertion. RST (RSn_TT_So) : it performs frame alignment insertion, regenerator section path trace insertion, BIP–8 calculation and insertion. SOH BYTE insertion (Tx side): DCC bytes (DCCR D1–D3 and DCCM D4–D12) coming from the DCC frames are inserted into the SOH section. SPI (OSn/RSn_A_So) :it scramblers the outgoing signals and insert AIS in alarm condition. HOA BLOCK (HPT, HPA) From HPC matrix to LPC matrix HPT (Sn_TT_Sk) : path trace information is recovered, REI information is recovered, HP–RDI and UNEQ are detected, VC4 BIP–8 errored count block. TSF is applied if SSF or UNEQ or TIM or AIS is detected. TSD is applied if a condition of signal degrade is detected. Moreover : F2 F3 byte extraction (Rx side) : both F2 and F3 bytes are extracted from the received flow and serialized on a DCC frame . N1 byte extraction (Rx side) : for the network Tandem Connection Termination Monitoring function (TCT/TCM). 1AA 00014 0004 (9007) A4 – ALICE 04.10 HPA (Sn/Sm_A_Sk) : VC–4 disassembly, TU pointer interpretation, LOP and TU–AIS detection, HP–SLM and LOM detection. ED 03 3AL 91669 AA AA 449 / 706 706
  • 452.
    From LPC matrixto HPC matrix HPA (Sn/Sm_A_So) : VC4 assembly, TU pointer generation, TU–AIS generation , signal label insertion, not permitted without written authorization from Alcatel. All rights reserved. Passing on and copying of this document, use and communication of its contents HPT (Sn_TT_So) : path trace identification insertion, RDI and REI indications insertion, VC–4 BIP–8 calculation and insertion. Moreover: F2 and F3 byte insertion (Tx side) : F2/F3 bytes are inserted on the DCC frame N1 byte insertion (Tx side) : for the network Tandem Connection Termination Monitoring function (TCT/TCM). The G.A. provides also the HSUT, HPOM, (alternative) and LSUT, LPOM functions (alternative) both in Rx and Tx side. The main task of HSUT are: RX side (from MSA to HPC matrix): • path trace information recovery • REI recovery • HP–RDI detection (path status monitoring • UNEQ and VC–AIS detection (signal label monitoring) • VC4 BIP–8 Errored Block count Tx side: (from HPC matrix to MSA) • generation of an unequipped container • ”unequipped” insertion, trail trace identifier generation • RDI and /or REI information generation • VC–4 BIP–8 calculation and insertion The main task of HPOM are: RX and TX side: • signal termination • J1 path recovering • REI information recovering • HP–RDI detection (path status monitoring • UNEQ and VC–AIS detection (signal label monitoring) • VC4 BIP–8 Errored Block count • TSF is generated in case of SSF , UNEQ, TIM , AIS . TSD is generated in case of SD The main tasks of LSUT are : RX side (from HPA to LPC matrix): • recovering of VC–m unequipped signal label • path trace recovering • BIP–2 recovery 1AA 00014 0004 (9007) A4 – ALICE 04.10 • REI and RDI recovery ED 03 3AL 91669 AA AA 450 / 706 706
  • 453.
    Tx side (fromLPC matrix to HPA ): • insertion of VC–m unequipped signal label • path trace insertion not permitted without written authorization from Alcatel. • BIP–2 insertion All rights reserved. Passing on and copying of this document, use and communication of its contents • REI and RDI insertion LSUT is used to monitor unequipped path trails . The main tasks of LPOM are : • trace identifier monitoring • RDI and REI recovering and deriving for performance primitives • signal label monitoring • VC–m BIP–2 errored block count LPOM is used for performance monitoring purposes. 140 Mbit/s PDH The functions required to manage 140 Mbit/s PDH signal are implemented by the “Mapper/Demapper 140–PDH/155–STM–1” block and G.A. mounted on the board. The last interfaces the two matrix on the MATRIX cards via backpanel. INPUT side : from line to MSP block on MATRIX The circuits concerned are: PPI (E4_TT_Sk and E4/P4s_A_Sk) : it interfaces the line extracting the timing, decoding data and AIS detecting. It is also performed the PDH LOS processing. The Data flow is than sent to the LPA block after a serial to parallel conversion (SIPO). LPA (S4/P4s_A_So) The 140 Mbit/s plesiochronous stream is inserted in a C4 container to be adapted so as to be transported into the synchronous network. HPT (S4_TT_So) The Virtual Container (VC4) is formatted. The VC4 is structured so that its octets are distributed within a 125 msec. interval (i.e., one STM–1 period), and consists of the C4 container and POH. The latter containing nine octets equally distributed within the frame. Figure 228. on page 375 depicts the structure of a VC4 and of the POH bytes: J1, B3. C2, G1, F2, H4, Z3–Z5. Bytes F2, Z3–Z5 . PG ( Pointer Generator) A fixed pointer value is inserted in the AUOH to structure the AU4 signal. MST and RST This two functions are necessary to create a proprietary STM–1 signal in order to interface the “Mapper/Demapper 140–PDH/155–STM–1” block with the G.A. Data are sent to the G.A. in a serial way through the PISO block. In the G.A. the complementary function are made (RST, MST, MSA). 1AA 00014 0004 (9007) A4 – ALICE 04.10 ED 03 3AL 91669 AA AA 451 / 706 706
  • 454.
    OUTPUT side :from MATRIX to line The circuits concerned are: not permitted without written authorization from Alcatel. MSA (inside the G.A.): It performs AUG assembly, AU–4 pointer generation, AU–AIS generation All rights reserved. Passing on and copying of this document, use and communication of its contents MST and RST (inside the G.A.):this two functions are necessary to create a STM–1 signal in order to interface the G.A with the “Mapper/Demapper 140–PDH/155–STM–1” block . Data are sent from G.A. to Mapper/Demapper 140–PDH/155–STM–1” block in serial way and than converted in parallel through a SIPO. ALIGNER: it searches the frame alignment word and checks the alignment conditions. HPT ( S4_TT_Sk): Extracts the POH bytes from the VC4 structure and manages them accordingly (see Figure 228. on page 375). LPA (S4/P4s_ASk) Restructures the 140 Mbit/s PDH signal by extracting it from Container C4 . The signal is than sent in serial way (through PISO) to the PPI block. PPI (E4/P4s_A_So and E4_TT_So ) : it convert the internal signal code to the line code. Other functions implemented are : • RIBUS I/F This block is used to: – read/write from/to the ”RIBUS” stream – control the LED on the unit – to release the Management–bus in case of power failure – read remote inventory data – enable 155Mbit/ or 140 Mbit/s operating mode ( EN 140/155) separately – send Internal Loop and External Loop commands to each interface separately RIBUS I/F is powered by the + 3.3 Vdc supply by CONGI boards. • REMOTE INVENTORY It is the memory containing the board information, for identification purposes (see para. 3.17 on page 370 for details). • M–BUS Driver It drives the input–output gates of the Management–bus. These drivers can be disabled (by the Bus–OFF signal) in case of power failure. DC/DC CONVERTERS This block converts the 48/60 V power supply 5V, 3.3 V, 2.5 V and 1.8 V used to supply all the components in the board. The DC/DC converter is synchronized with a synchronization clock at 300 MHz (signal Power–Sync, generated by G.A.) in order to avoid EMI problems. 1AA 00014 0004 (9007) A4 – ALICE 04.10 ED 03 3AL 91669 AA AA 452 / 706 706
  • 455.
    System–clock a G.A. System–clock b (1a) to/from HPC matrix (1b) PISO (X Link) HOA MAIN AND SPARE not permitted without written authorization from Alcatel. (1c) SIPO 1st INTERFACE All rights reserved. Passing on and copying of this document, use and communication of its contents HPT (1d) MATRIXE (2a) to/from LPC matrix Int. HPA PISO (L link) (2b) Loop LPOM (*) (2c) SIPO Line LSUT (2d) Loop EN 140/155 HPOM T1 F2, F3 HSUT(*) O/E (3a) to/from Input/ O/E LOS LOS TTF HPC matrix (3b) PISO (H Link) Output Module (3c) 1 MAPPER/DEMAPPER Data SIPO Data 140–PDH/155–STM1 RST MST MSA (3d) SPI or PPI DCCR DCCM (4a) LASER D. RSOH MSOH (4b) PISO DCC LASER F. (4c) SIPO FROM/TO SERVICE (4d) LASER OFF (5a) (5b) PISO AUX O/E F2, F3 (5c) SIPO Input/ (5d) Output 2 (1b) (2b) 2nd INTERFACE (3b) O/E EN 140/155 (4b) Input/ (5b) T1 Output 3 (1c) MAIN AND SPARE SPI (2c) 3 rd INTERFACE MATRIXE ( ) (3c) O/E (4c) Input/ EN 140/155 (5c) T1 Output 4 (1d) SPI 4 th INTERFACE (2d) ( ) (3d) (4d) EN 140/155 T1 (5d) Config. Status MAIN AND SPARE 622 MHz Management Bus OSC M–BUS MATRIXE FROM/TO Power Driver Sync. Remote CMISS Inventory Bus–OFF RIBUS EN 140/155 1–4 RIBUS I/F ID Line Loop 1–4 FROM CONGI 1.8 V F +3.3 Vdc Int. Loop 1–4 5V DC/DC Unit failure 48/60 V 3.3 V CONVERTERS 2.5 V ACCESS CARD 4 X 140/STM–1 ELECTRICAL/OPTICAL PORT Notes: (*) – HSUT and LSUT are not available in the current release ( )– THE ” SPI” ASSOCIATED TO THE 3rd AND 4th INTERFACES ARE PHISICALLY ON THE ACCESS CARD 1AA 00014 0004 (9007) A4 – ALICE 04.10 Figure 264. 4 x 140/STM–1 Electrical / Optical port block diagram ED 03 3AL 91669 AA AA 453 / 706 706
  • 456.
    not permitted withoutwritten authorization from Alcatel. All rights reserved. Passing on and copying of this document, use and communication of its contents EN 140/155 MAPPER/DEMAPPER 140–PDH/155–STM1 EN 140/155 DATA 155 Mbit/s to G.A. PISO Data In LPA SIPO Insert HPT Pointer MST RST into C4 Generation PDH AIS Detector C3,B3 TO G.A. SDH LOS LOS PDH LOS processing EN 140/155 OH MANAGEMENT DATA Data Out LPA from G.A. HPT ALIGNER SIPO 140 Mbit/s POH EXTRACTION PISO Reconstruction 155 Mbit/s EN 140/155 Figure 265. Mapper /Demapper 140–PDH / 155–STM1 block diagram 1AA 00014 0004 (9007) A4 – ALICE 04.10 ED 03 3AL 91669 AA AA 454 / 706 706
  • 457.
    4.25 4 xSTM–1 port (P4ES1N) (See Figure 266. on page 459 ) not permitted without written authorization from Alcatel. The 4 x STM–1 port processes up to four STM–1 streams. The physical accesses to the four STM–1 All rights reserved. Passing on and copying of this document, use and communication of its contents signals are available on the relevant access card. The SDH functions required to manage STM–1 signal are implemented by the G.A. mounted on the board. It interfaces the two MATRIX card via backpanel. Referring to the ITU–T G.783 Recommendation , the G.A. performs the following functions : – TTF – HOA – LPOM /LSUT (the last is not available in this release) – HPOM /HSUT (the last is not available in this release) Cross connection functions (MSP, HPC and LPC) are performed by the two MATRIX boards (working in 1+1 configuration). The TTF block is connected to the MATRIX boards (main and spare) through 1+1 bidirectional links at 622 Mbit/s , STM–4 equivalent capacity. HOA block is connected both to the HPC matrices and to the LPC matrices on the two MATRIX board through a couple of 1+1 links at 622 MBit/s working in protection, STM–4 equivalent capacity. Backpanel interface supply a system–clock to the G.A. internal circuits. In the following block description, the new naming convention of the G.783 is reported. Refer to para. 3.3.4 on page 206 for details. The G.A. send and receive four STM–1 signals (data + clock) at 155 Mbit/s to/from each SPI. An external LOS is received from each input line interface. In the following will be described the signal processing of only one STM–1 interface; the other three interfaces process the signal in the same way. The PISO SIPO (Parallel–In Serial–Out; Serial–in Parallel–out) blocks allow the unit to interface with the back panel at of 622 Mbit/s bit rate, mapping the STM–1 signals over a STM–4 internal equivalent frame. TTF BLOCK ( SPI, RST, MST, MSA) This block performs the Transport Terminal Functions (sink on Input side, source on Output side) for STM–1 signals. TTF block provides the T1 timing references at 2 MHz , derived from the STM–1 input signals. 1AA 00014 0004 (9007) A4 – ALICE 04.10 ED 03 3AL 91669 AA AA 455 / 706 706
  • 458.
    INPUT side :from line to MSP block on MATRIX SPI (OSn/RSn_A_Sk) : it descramblers the incoming signal , counts the OOF and reveals the LOF alarm. not permitted without written authorization from Alcatel. All rights reserved. Passing on and copying of this document, use and communication of its contents RST (RSn_TT_Sk) : performs frame alignment detection (A1, A2) , regenerator section trace recovery (J0) and mismatch detection, BIP–8 Errored Block count. J0 is not managed in this release. MST (MSn_TT_Sk) : performs BIP–24 errored block count, MS–REI recovery, MS–RDI and MS–AIS detection. TSD is applied in case of MS–DEG (signal degrade), TSF is applied if MS–AIS is detected. MSA (MSn/Sn_A_Sk) : performs AU4 pointer interpretation, LOP and AIS detection, pointer justification. Moreover the following functions are performed on the Rx side : SOH BYTE extraction (Rx side): DCC bytes (DCCR D1–D3 and DCCM D4–D12) are dropped and serialized in a DCC frame. Two DCC frames are generated working in 1+1 protection. OUTPUT side : from MATRIX to line MSA (Ms/Sn_A_So) : it performs AUG assembly, AU–4 pointer generation, AU–AIS generation. MST (MSn_TT_So) : it performs BIP–24 calculation and insertion, MS–REI MS–RDI and MS–AIS insertion. RST (RSn_TT_So) : it performs frame alignment insertion, regenerator section path trace insertion, BIP–8 calculation and insertion. SOH BYTE insertion (Tx side): DCC bytes (DCCR D1–D3 and DCCM D4–D12) coming from the DCC frames are inserted into the SOH section. SPI (OSn/RSn_A_So) :it scramblers the outgoing signals and insert AIS in alarm condition. HOA BLOCK (HPT, HPA) From HPC matrix to LPC matrix HPT (Sn_TT_Sk) : path trace information is recovered, REI information is recovered, HP–RDI and UNEQ are detected, VC4 BIP–8 errored count block. TSF is applied if SSF or UNEQ or TIM or AIS is detected. TSD is applied if a condition of signal degrade is detected. Moreover : F2 F3 byte extraction (Rx side) : both F2 and F3 bytes are extracted from the received flow and serialized on a DCC frame . N1 byte extraction (Rx side) : for the network Tandem Connection Termination Monitoring function (TCT/TCM). HPA (Sn/Sm_A_Sk) : VC–4 disassembly, TU pointer interpretation, LOP and TU–AIS detection, 1AA 00014 0004 (9007) A4 – ALICE 04.10 HP–SLM and LOM detection. ED 03 3AL 91669 AA AA 456 / 706 706
  • 459.
    From LPC matrixto HPC matrix HPA (Sn/Sm_A_So) : VC4 assembly, TU pointer generation, TU–AIS generation , signal label insertion, not permitted without written authorization from Alcatel. All rights reserved. Passing on and copying of this document, use and communication of its contents HPT (Sn_TT_So) : path trace identification insertion, RDI and REI indications insertion, VC–4 BIP–8 calculation and insertion. Moreover: F2 and F3 byte insertion (Tx side) : F2/F3 bytes are inserted on the DCC frame N1 byte insertion (Tx side) : for the network Tandem Connection Termination Monitoring function (TCT/TCM). The G.A. provides also the HSUT, HPOM, (alternative) and LSUT, LPOM functions (alternative) both in Rx and Tx side. The main task of HSUT are: RX side (from MSA to HPC matrix): • path trace information recovery • REI recovery • HP–RDI detection (path status monitoring • UNEQ and VC–AIS detection (signal label monitoring) • VC4 BIP–8 Errored Block count Tx side: (from HPC matrix to MSA) • generation of an unequipped container • ”unequipped” insertion, trail trace identifier generation • RDI and /or REI information generation • VC–4 BIP–8 calculation and insertion The main task of HPOM are: RX and TX side: • signal termination • J1 path recovering • REI information recovering • HP–RDI detection (path status monitoring • UNEQ and VC–AIS detection (signal label monitoring) • VC4 BIP–8 Errored Block count • TSF is generated in case of SSF , UNEQ, TIM , AIS . TSD is generated in case of SD The main tasks of LSUT are : RX side (from HPA to LPC matrix): • recovering of VC–m unequipped signal label • path trace recovering • BIP–2 recovery 1AA 00014 0004 (9007) A4 – ALICE 04.10 • REI and RDI recovery ED 03 3AL 91669 AA AA 457 / 706 706
  • 460.
    Tx side (fromLPC matrix to HPA ): • insertion of VC–m unequipped signal label • path trace insertion not permitted without written authorization from Alcatel. • BIP–2 insertion All rights reserved. Passing on and copying of this document, use and communication of its contents • REI and RDI insertion LSUT is used to monitor unequipped path trails . The main tasks of LPOM are : • trace identifier monitoring • RDI and REI recovering and deriving for performance primitives • signal label monitoring • VC–m BIP–2 errored block count LPOM is used for performance monitoring purposes. Other functions implemented are : • RIBUS I/F This block is used to read/write from/to the ”RIBUS” stream, to control the LED on the unit, to release the Management–bus in case of power failure, and to use the remote inventory. RIBUS I/F is powered by the + 3.3 Vdc supply by CONGI boards. • REMOTE INVENTORY It is the memory containing the board information, for identification purposes (see para. 3.17 on page 370 for details). • M–BUS Driver It drives the input–output gates of the Management–bus. These drivers can be disabled (by the Bus–OFF signal) in case of power failure. DC/DC CONVERTERS This block converts the 48/60 V power supply 3.3 V and 2.5 V used to supply all the components in the board. The DC/DC converter is synchronized with a synchronization clock at 300 MHz (signal Power–Sync, generated by G.A.) in order to avoid EMI problems. 1AA 00014 0004 (9007) A4 – ALICE 04.10 ED 03 3AL 91669 AA AA 458 / 706 706
  • 461.
    System–clock a G.A. (1a) System–clock b 1st INTERFACE PISO to/from HPC matrix (1b) (X Link) not permitted without written authorization from Alcatel. (1c) SIPO MAIN AND SPARE All rights reserved. Passing on and copying of this HPT document, use and communication of its contents (1d) MATRIXE HOA (2a) to/from LPC matrix HPA PISO (L Link) (2b) LPOM (2c) SIPO LSUT (2d) (*) T1 F2, F3 to/from Optical TTF HPOM (3a) HPC matrix HSUT (3b) PISO (H Link) Input/ (*) Output (3c) STM–1 SIPO 1 RST MST MSA (3d) SPI LOS (4a) DCCR DCCM PISO DCC RSOH MSOH (4b) (4c) SIPO FROM/TO SERVICE (4d) (5a) PISO (5b) AUX F2, F3 (5c) SIPO Optical (5d) Input/ Output 2 2nd INTERFACE (1b) SPI (2b) (3b) (4b) Optical (5b) T1 Input/ Output (1c) 3 (2c) 3 rd INTERFACE MAIN AND SPARE SPI (3c) MATRIXE (4c) Optical (5c) T1 Input/ Output (1d) 4 4 th INTERFACE (2d) (3d) SPI (4d) (5d) T1 Config. Status Management 622 MHz Bus OSC M–BUS MAIN AND SPARE Driver MATRIXE CMISS FROM/TO Bus–OFF Remote Inventory ID RIBUS RIBUS Power I/F Sync + 3.3 Vdc F CONGI A B Unit Failure FROM 3.3 V 48/60 V DC/DC 2.5 V CONVERTERS ACCESS CARD 4 x STM–1 ELECTRICAL PORT Notes: (*) – HSUT and LSUT are not available in the current release 1AA 00014 0004 (9007) A4 – ALICE 04.10 Figure 266. 4 x STM–1 Electrical port block diagram ED 03 3AL 91669 AA AA 459 / 706 706
  • 462.
    4.26 Port 16xSTM1– 4xSTM4 (P16S1–4E) (Refer to Figure 267. on page 462) not permitted without written authorization from Alcatel. General All rights reserved. Passing on and copying of this document, use and communication of its contents The board P16S1–4E provides either 4 STM–4 optical interfaces or 16 STM–1 Optical/Electrical interfaces (along with the Optical/Electrical Access Board) (refer to Figure 91. on page 189). The P16S1–4E board along with A12OS1E Optical Access board allows the transport of 16 optical STM1 streams by means of 16 SFP optical transceivers. On the P16S1–4E there are four of 16 SFP transceivers, while in the A12OS1E card there are the other 12 transceivers. On the P16S1–4E board the SFP transceivers can work at both the bit rate of 155 and 622 Mb/s for both Short Haul and Long Haul applications. The P16S1–4E board along with the A16ES1E Electrical Access card allows the transport of 16 electrical STM–1 streams. All the 16 electrical line interface devices are present in the A16ES1E board. Description The main features of P16S1–4E board are: [1] Provides four SFP transceivers for optical interface as per ITU–T G.957. The Small Form–factor Pluggable (SFP) fiber optic Transceiver is used to interface the P16S1–4E board to single mode fiber optic cables. The SFP is hot pluggable and compliant with Multi–Source Agreement (MSA). The cage and the connector will be mounted on the board, and the optical module will be plugged into it. There are four SFP modules present on the P16S1–4E board, which provide optical interface to either four STM–1 or four STM–4 tributaries. The SFPs take in optical data and give electrical signals to the “DATA CLOCK RECOVERY” block. The SFP module is interfaced with the “MAPPER/DEMAPPER STM–1/STM–4”; The interface consists of control and alarm signals namely LASER FAULT, LASER OFF, LOS. [2] Provides four devices for Clock and Data recovery. Data and clock are then sent to “MAPPER/DEMAPPER STM–1/STM–4” block. [3] Provides a “MAPPER/DEMAPPER STM–1/STM–4” which interfaces the on–board clock and data streams and those obtained from the Access cards at 1.6 Gb/s via “SERDES” block to the overhead termination ”TTF+HOA” and vice versa. [4] Provides four ”TTF+HOA” blocks, which perform trail termination sourcing/sinking functions, and adaptation functions for sixteen STM–1/ four STM–4 streams. ”TTF+HOA” blocks also inserts and extracts the DCC and AUX channels from the payload. These are given to/from the backplane through the “DCC MANAGEMENT” block. For details information about TTF and HOA block refer to the PAES1N board description on paragraph 4.25 page 455. [5] Provides three blocks so as to: • Process data from/to the on board ”TTF+HOA” blocks to/from NGI interface at the back plane 1AA 00014 0004 (9007) A4 – ALICE 04.10 towards Matrix A and B at 2.5Gbps rate (DATA BACK PLANE INTERFACE ). • Process data from /to the Access Cards at 1.6Gbps rate (SERDES). ED 03 3AL 91669 AA AA 460 / 706 706
  • 463.
    [6] Provides RIBUS device for power up status/configuration. Also, generation and monitoring of various status and control signals are done through the ports of RIBUS. [7] Provides device to control and configure the two “DATA BACK PLANE INTERFACE” blocks through not permitted without written authorization from Alcatel. the SPI bus and process DCC and AUX channels at the backplane. All rights reserved. Passing on and copying of this document, use and communication of its contents [8] Provide EEPROM for storing the configuration data. [9] Generates all the required voltages of 3.3V, 2.5V, 1.8V, 1.5V and 1.2V and provides circuitry for monitoring these voltages. [10] Provides timing circuitry, which includes 622 MHz VCXO and associated circuits for external clock generation and PLL function. [11] Provides one bicolour LED and a laser restart switch (the last drives both the optical interfaces on board and on access card) Other functions implemented are : • RIBUS I/F This block is used to read/write from/to the ”RIBUS” stream, to control the LED on the unit, to release the Management–bus in case of power failure, and to use the remote inventory. RIBUS I/F is powered by the + 3.3 Vdc supply by CONGI boards. • REMOTE INVENTORY It is the memory containing the board information, for identification purposes (see para. 3.17 on page 370 for details). 1AA 00014 0004 (9007) A4 – ALICE 04.10 ED 03 3AL 91669 AA AA 461 / 706 706
  • 464.
    8x414 Mb/s Data and alarms SERDES 2x1.66 Gb/s ACCESS CARDS from/to Laser Restart not permitted without written authorization from Alcatel. All rights reserved. Passing on and copying of this document, use and communication of its contents (*) CK19 MHz TIMING System–clock a 622.08 MHz System–clock b Optical STM–1 CLK 38.88 MHz CIRCUITRY MAIN AND SPARE Input/ #1 MATRIXE Output laser fault (LF) MFSYNC 1 1 2 laser off (LOFF) SFP 3 LOS DATA MODULE TTF DATA CK BACK–PLANE RECOVERY HOA INTERFACE Optical x4 Input/ LF Output LOFF MAPPER/DEMAPPER 2 LOS (*) TTF STM–1/STM–4 DATA CK FROM/TO SFP SERVICE MODULE RECOVERY DCC/AUX HOA MANAGEMENT x4 (*) Optical LF Input/ TTF LOFF Output MAIN AND SPARE LOS 3 HOA DATA MATRIXE SFP DATA CK MODULE RECOVERY x4 BACK–PLANE INTERFACE Optical TTF LF Input/ LOFF Output LOS HOA (*) 4 STM–1 SFP DATA CK x4 MODULE RECOVERY #16 (*) 1.8V DC/DC 1.5V Configuration CONVERTER 1.2V CONGI A B Status FROM 3.3 V DC/DC CONVERTER 48/60 V 2.5 V PROTECTION M–BUS Driver MAIN AND SPARE Management MATRIXE Bus Bus–OFF CMISS Remote Inventory ID RIBUS RIBUS I/F Unit CONGI A B F + 3.3 Vdc Failure FROM 16xSTM–1 – 4XSTM–4 PORT 1AA 00014 0004 (9007) A4 – ALICE 04.10 Figure 267. 16x STM–1 – 4x STM–4 port block diagram ED 03 3AL 91669 AA AA 462 / 706 706
  • 465.
    4.27 4 xOC3 AU3/TU3 CONVERSION port (P4OC3) (Refer to Figure 268. on page 469) not permitted without written authorization from Alcatel. This board can manage up to 4 x OC–3 (SONET) streams. All rights reserved. Passing on and copying of this document, use and communication of its contents The board hosts up to 2 interfaces into the front panel, which can be equipped with Electrical (ICMI) or Optical plug–in modules (IS–1.1, IL–1.1, IL–1.2, MM1). The other two interfaces can be hosted in the Access area using the A2S1 access card. Each combination of electrical/optical modules can be equipped in the same board. On OC–3 interface the Sonet mapping is manage so the RS and MS sections are terminated, the 3 AU3 are processed to extract or insert the 3 VC3. This unit performs the AU3/TU3 conversion , which allows the transport in SDH network of Sonet VC3 traffic. The conversion is performed on OC–3 interface: the 3 VC3 are extracted then re–mapping in SDH VC4 container and this container is passed to the matrix where it is managed as a structured VC4. Figure 223. on page 371 depicts the AU3/TU3 conversion mechanism achieved by 4xOC3 board. The Sonet interface (OC3) have not to be configured as Synchronization source. The OH byte of RS and MS section are managed according SDH ITU standard. The configuration is done by Craft Terminal or Network Management. No EPS is supported by this board. The description of the board has been divided in two parts; the first is the “AU3/TU3 conversion block” thath implement the SONET functionality, the second is the “G.A.” that implement the SDH functionality. AU3/TU3 conversion block The functions required to manage OC3 signal are implemented by the “AU3/TU3 conversion block that interface the G.A. mounted on the board. The last interfaces the two matrix on the MATRIX cards via backpanel. INPUT side : from plug–in module to G.A. The circuits concerned are: SIPO :this block performs the Serial to Parallel conversion (SIPO) of the SONET STS3/OC3 (155 Mb/s) serial stream coming from the line. ALIGNER (SDH/SONET standard Frame Aligner) The Frame Aligner Word (FAW) estracted by the incoming frame is inserted by the MST/RST* source function into the outgoing frame: in this way G.A. is able to detect a possible OOF (Out Of Frame) condition as well. RST/MST Sk This block performs: • Standard SDH/SONET Descrambler 1AA 00014 0004 (9007) A4 – ALICE 04.10 • extraction of all SOH bytes of the SONET stream that are inserted in RST/MST* source functions to be processed by G.A. • B1 and B2 calculation and checking in order to send error information downstream ED 03 3AL 91669 AA AA 463 / 706 706
  • 466.
    AU3–TU3 Rx The AU3 to TU3 conversion block contains: • not permitted without written authorization from Alcatel. time–division Pointer Interpreter of the 3 AU3s All rights reserved. Passing on and copying of this document, use and communication of its contents • Pointer buffer • Pointer Generator of the 3 TU3 multiplexed inside the AU4 • Pointer Generator of the AU4 HPT* So This block performs: • calculation and insertion of B3 byte in AU4 POH • insertion of C2 byte in AU4 POH MST/RST* So This block performs: • insertion of extracted and stored SOH bytes • compensation of B1 and B2 bytes by usage of error information collected by RST/MST sink function PISO: this block performs the Parallel to Serial conversion (PISO) of the SDH STM–1 stream towards G.A. On the Input side the LOS alarm is buffered and sent to the G.A. OUTPUT side : from G.A. to Plug–in module SIPO :this block performs the Serial to Parallel conversion (SIPO) of the SDH STM–1 stream coming from G.A. ALIGNER* Alignement to SDH STM–1 stream coming from G.A. is performed RST/MST* Sk This block performs: • extraction of all SOH bytes of the SDH stream that are inserted in RST/MST source functions • B1 calculation and checking for internal use. HPT* Sk It implements the “Path Label Mismatch“ algorithm; the C2 byte from the incoming AU4 frame is extracted and its content is written into a register. If the value is different than expected, a “Path Label Mismatch” alarm is raised AU3–TU3 Tx: • Pointer Interpreter of the AU4 • time–division Pointer Interpreter of the 3 TU3s • Pointer buffer • Pointer Generator of the 3 AU3 multiplexed inside the OC3 • pointer justifications and buffer overflow alarms are reported Equipment Controller (EC) 1AA 00014 0004 (9007) A4 – ALICE 04.10 ED 03 3AL 91669 AA AA 464 / 706 706
  • 467.
    MST/RST So This block performs: • insertion of extracted and stored SOH bytes not permitted without written authorization from Alcatel. • calculation and insertion of B1 and B2 bytes All rights reserved. Passing on and copying of this document, use and communication of its contents • standard SONET scrambler PISO: this block performs the Parallel to Serial conversion (PISO) of the SONET STS3/OC3 stream towards the line. G.A. (Gate Array) The SDH functions are implemented by the G.A. mounted on the board. It interfaces the two MATRIX cards via backpanel. Referring to the ITU–T G.783 Recommendation , the G.A. performs the following functions : – TTF – HOA – LPOM /LSUT (the last is not available in this release) – HPOM /HSUT (the last is not available in this release) Cross connection functions (MSP, HPC and LPC) are performed by the matrices present on the two MATRIX boards (working in 1+1 configuration). The TTF block is connected to the MATRIX boards (main and spare) through 1+1 bidirectional links at 622 Mbit/s , STM–4 equivalent capacity. HOA block is connected both to the HPC matrices and to the LPC matrices on the two MATRIX boards through a couple of 1+1 links at 622 MBit/s working in protection, STM–4 equivalent capacity. Backpanel interface supply a system–clock to the G.A. internal circuits. In the following block description, the new naming convention of the G.783 is reported. Refer to para. 3.3.4 on page 206 for details. The G.A. send and receive four signals (data + clock) to/from the four “AU3/TU3 CONVERSION block” An external LOS is received from each input line interface. Each optical transmitter provides its status by means of two input signals: Laser Degrade and Laser Failure. The ALS algorithm is hardware implemented : the G.A. provides the Laser shut Down command (LASER OFF). In the following will be described the signal processing of only one signal from/to “AU3/TU3 CONVERSION block”; the other three interfaces process the signal in the same way. The PISO SIPO (Parallel–In Serial–Out; Serial–in Parallel–out) blocks allow the unit to interface with the back panel at of 622 Mbit/s bit rate, mapping the signals over a STM–4 internal equivalent frame. 1AA 00014 0004 (9007) A4 – ALICE 04.10 ED 03 3AL 91669 AA AA 465 / 706 706
  • 468.
    TTF BLOCK (SPI*, RST, MST, MSA) This block performs the Transport Terminal Functions (sink on Input side, source on Output side) for the 155 Mbit/s signals. not permitted without written authorization from Alcatel. All rights reserved. Passing on and copying of this document, use and communication of its contents INPUT side : from line to MSP block on MATRIX SPI* (OSn/RSn_A_Sk) : it descramblers the incoming signal , counts the OOF and reveals the LOF alarm. RST (RSn_TT_Sk) : performs frame alignment detection (A1, A2) , regenerator section trace recovery (J0) and mismatch detection, BIP–8 Errored Block count. J0 is not managed in this release. MST (MSn_TT_Sk) : performs BIP–24 errored block count, MS–REI recovery, MS–RDI and MS–AIS detection. TSD is applied in case of MS–DEG (signal degrade), TSF is applied if MS–AIS is detected. MSA (MSn/Sn_A_Sk) : performs AU4 pointer interpretation, LOP and AIS detection, pointer justification. Moreover the following functions are performed on the Rx side : SOH BYTE extraction (Rx side): DCC bytes (DCCR D1–D3 and DCCM D4–D12) are dropped and serialized in a DCC frame. Two DCC frames are generated working in 1+1 protection. OUTPUT side : from MATRIX to line MSA (Ms/Sn_A_So) : it performs AUG assembly, AU–4 pointer generation, AU–AIS generation. MST (MSn_TT_So) : it performs BIP–24 calculation and insertion, MS–REI MS–RDI and MS–AIS insertion. RST (RSn_TT_So) : it performs frame alignment insertion, regenerator section path trace insertion, BIP–8 calculation and insertion. SOH BYTE insertion (Tx side): DCC bytes (DCCR D1–D3 and DCCM D4–D12) coming from the DCC frames are inserted into the SOH section. SPI* (OSn/RSn_A_So) :it scramblers the outgoing signals and insert AIS in alarm condition. HOA BLOCK (HPT, HPA) From HPC matrix to LPC matrix HPT (Sn_TT_Sk) : path trace information is recovered, REI information is recovered, HP–RDI and UNEQ are detected, VC4 BIP–8 errored count block. TSF is applied if SSF or UNEQ or TIM or AIS is detected. TSD is applied if a condition of signal degrade is detected. Moreover : F2 F3 byte extraction (Rx side) : both F2 and F3 bytes are extracted from the received flow and serialized on a DCC frame . N1 byte extraction (Rx side) : for the network Tandem Connection Termination Monitoring function (TCT/TCM). HPA (Sn/Sm_A_Sk) : VC–4 disassembly, TU pointer interpretation, LOP and TU–AIS detection, 1AA 00014 0004 (9007) A4 – ALICE 04.10 HP–SLM and LOM detection. ED 03 3AL 91669 AA AA 466 / 706 706
  • 469.
    From LPC matrixto HPC matrix HPA (Sn/Sm_A_So) : VC4 assembly, TU pointer generation, TU–AIS generation , signal label insertion, not permitted without written authorization from Alcatel. All rights reserved. Passing on and copying of this document, use and communication of its contents HPT (Sn_TT_So) : path trace identification insertion, RDI and REI indications insertion, VC–4 BIP–8 calculation and insertion. Moreover: F2 and F3 byte insertion (Tx side) : F2/F3 bytes are inserted on the DCC frame N1 byte insertion (Tx side) : for the network Tandem Connection Termination Monitoring function (TCT/TCM). The G.A. provides also the HSUT, HPOM, (alternative) and LSUT, LPOM functions (alternative) both in Rx and Tx side. The main task of HSUT are: RX side (from MSA to HPC matrix): • path trace information recovery • REI recovery • HP–RDI detection (path status monitoring • UNEQ and VC–AIS detection (signal label monitoring) • VC4 BIP–8 Errored Block count Tx side: (from HPC matrix to MSA) • generation of an unequipped container • ”unequipped” insertion, trail trace identifier generation • RDI and /or REI information generation • VC–4 BIP–8 calculation and insertion The main task of HPOM are: RX and TX side: • signal termination • J1 path recovering • REI information recovering • HP–RDI detection (path status monitoring • UNEQ and VC–AIS detection (signal label monitoring) • VC4 BIP–8 Errored Block count • TSF is generated in case of SSF , UNEQ, TIM , AIS . TSD is generated in case of SD The main tasks of LSUT are : RX side (from HPA to LPC matrix): • recovering of VC–m unequipped signal label • path trace recovering • BIP–2 recovery 1AA 00014 0004 (9007) A4 – ALICE 04.10 • REI and RDI recovery ED 03 3AL 91669 AA AA 467 / 706 706
  • 470.
    Tx side (fromLPC matrix to HPA ): • insertion of VC–m unequipped signal label • path trace insertion not permitted without written authorization from Alcatel. • BIP–2 insertion All rights reserved. Passing on and copying of this document, use and communication of its contents • REI and RDI insertion LSUT is used to monitor unequipped path trails . The main tasks of LPOM are : • trace identifier monitoring • RDI and REI recovering and deriving for performance primitives • signal label monitoring • VC–m BIP–2 errored block count LPOM is used for performance monitoring purposes. Other functions implemented are : • RIBUS I/F This block is used to: – read/write from/to the ”RIBUS” stream – control the LED on the unit – to release the Management–bus in case of power failure – read remote inventory data – send Internal Loop and External Loop commands to each interface separately RIBUS I/F is powered by the + 3.3 Vdc supply by CONGI boards. • REMOTE INVENTORY It is the memory containing the board information, for identification purposes (see para. 3.17 on page 370 for details). • M–BUS Driver It drives the input–output gates of the Management–bus. These drivers can be disabled (by the Bus–OFF signal) in case of power failure. DC/DC CONVERTERS This block converts the 48/60 V power supply 5V, 3.3 V, 2.5 V and 1.8 V used to supply all the components in the board. The DC/DC converter is synchronized with a synchronization clock at 300 MHz (signal Power–Sync, generated by G.A.) in order to avoid EMI problems. 1AA 00014 0004 (9007) A4 – ALICE 04.10 ED 03 3AL 91669 AA AA 468 / 706 706
  • 471.
    System–clock a G.A. System–clock b (1a) to/from HPC matrix (1b) PISO (X Link) HOA MAIN AND SPARE not permitted without written authorization from Alcatel. (1c) SIPO 1st INTERFACE All rights reserved. Passing on and copying of this document, use and communication of its contents HPT (1d) MATRIX (2a) to/from LPC matrix Int. HPA PISO (L link) (2b) Loop LPOM (*) (2c) SIPO Line LSUT (2d) Loop F2, F3 HPOM HSUT(*) O/E (3a) to/from Input/ O/E LOS LOS TTF HPC matrix (3b) PISO (H Link) Output Module AUE/TU3 (3c) 1 Data SIPO Data CONVERSION SPI* RST MST MSA (3d) SPI block DCCR DCCM (4a) LASER D. RSOH MSOH (4b) PISO DCC LASER F. (4c) SIPO FROM/TO SERVICE (4d) LASER OFF (5a) (5b) PISO AUX O/E F2, F3 (5c) SIPO Input/ (5d) Output 2 (1b) (2b) 2nd INTERFACE (3b) O/E (4b) Input/ (5b) Output 3 (1c) SPI (2c) ( ) 3 rd INTERFACE (3c) O/E (4c) Input/ (5c) Output 4 (1d) SPI 4 th INTERFACE (2d) ( ) (3d) (4d) (5d) Config. Status MAIN AND SPARE 622 MHz Management Bus OSC M–BUS FROM/TO MATRIX Power Driver Sync. Remote CMISS Inventory Bus–OFF RIBUS RIBUS I/F ID Line Loop 1–4 FROM CONGI 1.8 V F +3.3 Vdc Int. Loop 1–4 5V DC/DC Unit failure 48/60 V 3.3 V CONVERTERS 2.5 V ACCESS CARD 4xOC3 AU3/TU3 CONVERSION PORT Notes: (*) – HSUT and LSUT are not available in the current release ( )– THE ” SPI” ASSOCIATED TO THE 3rd AND 4th INTERFACES ARE PHISICALLY ON THE ACCESS CARD 1AA 00014 0004 (9007) A4 – ALICE 04.10 Figure 268. 4 x OC3 AU3/TU3 conversion port(P40C3) ED 03 3AL 91669 AA AA 469 / 706 706
  • 472.
    AU3/TU3 CONVERSION block not permitted without written authorization from Alcatel. All rights reserved. Passing on and copying of this document, use and communication of its contents RSOH bytes MSOH bytes SOH BYPASS B1 error for compensation Data B2 error for compensation from OOF plug–in AU3–TU3 Rx DATA module SIPO Aligner PI PB PG PG to G.A. RST MST HPT* MST* RST* PISO sk sk AU3 TU3 AU4* So So So B3, C2 LOS LOS LOS BUFFERING RSOH bytes SOH MSOH bytes BYPASS Data to DATA plug–in TU3–AU3 Tx from module G.A. RST MST PG PI PI MST* RST* Aligner SIPO PISO PB TU3 AU4 So So AU3 sk sk * C2 check HPT* Sk 1AA 00014 0004 (9007) A4 – ALICE 04.10 Figure 269. AU3/TU3 conversion block ED 03 3AL 91669 AA AA 470 / 706 706
  • 473.
    4.28 STM–4 opticalports (See Figure 270. on page475) not permitted without written authorization from Alcatel. The STM–4 port processes an optical STM–4 stream. All rights reserved. Passing on and copying of this document, use and communication of its contents Different STM–4 optical port are available according to the connector type (FC/PC or SC/PC) and wave length (S–4.1, L–4.1, L–4.1JE, L–4.2 and L–4.2JE); in the following a generic description is given. The SDH functions required to manage STM–4 signal are implemented by the G.A. mounted on the board. It interfaces the two MATRIX boards via backpanel. Referring to the ITU–T G.783 recommendation, the G.A. performs the following functions : – TTF – HOA – LPOM /LSUT (the last is not available in this release) – HPOM /HSUT (the last is not available in this release) Cross connection functions (MSP, HPC and LPC) are performed by the two MATRIX boards (working in 1+1 configuration). The TTF block is connected to the two MATRIX boards through 1+1 bidirectional links at 622 Mbit/s , STM–4 equivalent capacity. HOA block is connected both to the HPC matrices and to the LPC matrices on the two MATRIX boards through a couple of 1+1 links at 622 MBit/s working in protection, STM–4 equivalent capacity. Backpanel interface supply a system–clock to the G.A. internal circuits. In the following block description, the new naming convention of the G.783 is reported. Refer to para. 3.3.4 on page 206 for details. The G.A. send and receive one STM–4 signal (data + clock) at 622 Mbit/s to/from the SPI The SPI can detect an external LOS from the input line . The optical transmitter provides to the G.A. its status by means of two input signals: Laser Degrade and Laser Failure. The ALS algorithm is hardware implemented and the G.A. provides the Laser shut Down command. On the front panel of the unit a push–button is available for manual laser restart. TTF BLOCK (SPI, RST, MST, MSA) This block performs the Transport Terminal Functions (sink on Input side, source on Output side) for the STM–4 signal. TTF block provides the T1 timing references at 2 MHz , derived from the STM–4 input signals INPUT side : from line to MSP MATRIX SPI (OSn/RSn_A_Sk) : it descramblers the incoming signal , counts the OOF and reveals the LOF alarm. 1AA 00014 0004 (9007) A4 – ALICE 04.10 RST (RSn_TT_Sk) : performs frame alignment detection (A1, A2) , regenerator section trace recovery (J0) and mismatch detection, BIP–8 Errored Block count. ED 03 3AL 91669 AA AA 471 / 706 706
  • 474.
    MST (MSn_TT_Sk) :performs BIP–24 errored block count, MS–REI recovery, MS–RDI and MS–AIS detection. TSD is applied in case of MS–DEG (signal degrade), TSF is applied if MS–AIS is detected. MSA (MSn/Sn_A_Sk) : performs AU4’s pointer interpretation, LOP and AIS detection, pointer not permitted without written authorization from Alcatel. justification. All rights reserved. Passing on and copying of this document, use and communication of its contents Moreover the following functions are performed on the Rx side : SOH BYTE extraction (Rx side): DCC bytes (DCCR D1–D3 and DCCM D4–D12) are dropped and serialized in a DCC frame. Two DCC frames are generated working in 1+1 protection. TP byte insertion (Rx side) : since the cross connection functions are centralized , for protection purpose TSD (Trail Signal Degrade) and TSF (Trail Signal Failure) are transmitted towards the two MATRIX board. K BYTES insertion and extraction (Rx side) : this block provides the in–band transmission of K1,K2, bytes towards the MATRIX board. For each of the 4 STM–1 streams, the bytes are extracted form the line when a TSF is received and transmitted towards the two MATRIX board. OUTPUT side : from MATRIX to line MSA (Ms/Sn_A_So) : it performs AUG assembly, AU–4 pointer generation, AU–AIS generation. The four AUG structure are byte interleaved in the STM–4 structure with fixed phase relationship vs. the same multiple signal. MST (MSn_TT_So) : it performs BIP–24 calculation and insertion, MS–REI MS–RDI and MS–AIS insertion. RST (RSn_TT_So) : it performs frame alignment insertion, regenerator section path trace insertion, BIP–8 calculation and insertion. SOH BYTE insertion (Tx side): DCC bytes (DCCR D1–D3 and DCCM D4–D12) coming from the DCC frames are inserted into the SOH section. K BYTES insertion and extraction (Tx side) : K1, K2 bytes are extracted from the frame coming from backpanel and re–inserted on the same output line frame . HOA BLOCK (HPT, HPA) From HPC matrix to LPC matrix HPT (Sn_TT_Sk) : path trace information is recovered, REI information is recovered, HP–RDI and UNEQ are detected, VC4 BIP–8 errored count block. TSF is applied if SSF or UNEQ or TIM or AIS is detected. TSD is applied if a condition of signal degrade is detected. Moreover : F2 F3 byte extraction (Rx side) : both F2 and F3 bytes are extracted from the received flow and serialized on a DCC frame . N1 byte extraction (Rx side) : for the network Tandem Connection Termination Monitoring function (TCT/TCM). 1AA 00014 0004 (9007) A4 – ALICE 04.10 HPA (Sn/Sm_A_Sk) : VC–4 disassembly, TU pointer interpretation, LOP and TU–AIS detection, HP–SLM and LOM detection. ED 03 3AL 91669 AA AA 472 / 706 706
  • 475.
    From LPC matrixto HPC matrix HPA (Sn/Sm_A_So) : VC4 assembly, TU pointer generation, TU–AIS generation , signal label insertion, not permitted without written authorization from Alcatel. All rights reserved. Passing on and copying of this document, use and communication of its contents HPT (Sn_TT_So) : path trace identification insertion, RDI and REI indications insertion, VC–4 BIP–8 calculation and insertion. Moreover: F2 and F3 byte insertion (Tx side) : F2/F3 bytes are inserted on the DCC frame N1 byte insertion (Tx side) : for the network Tandem Connection Termination Monitoring function (TCT/TCM). The G.A. provides also the HSUT, HPOM, (alternative) and LSUT, LPOM functions (alternative) both in Rx and Tx side. The main task of HSUT are: RX side (from MSA to HPC matrix): • path trace information recovery • REI recovery • HP–RDI detection (path status monitoring • UNEQ and VC–AIS detection (signal label monitoring) • VC4 BIP–8 Errored Block count Tx side: (from HPC matrix to MSA) • generation of an unequipped container • ”unequipped” insertion, trail trace identifier generation • RDI and /or REI information generation • VC–4 BIP–8 calculation and insertion The main task of HPOM are: RX and TX side: • signal termination • J1 path recovering • REI information recovering • HP–RDI detection (path status monitoring • UNEQ and VC–AIS detection (signal label monitoring) • VC4 BIP–8 Errored Block count • TSF is generated in case of SSF , UNEQ, TIM , AIS . TSD is generated in case of SD The main tasks of LSUT are : RX side (from HPA to LPC matrix): • recovering of VC–m unequipped signal label • path trace recovering • BIP–2 recovery 1AA 00014 0004 (9007) A4 – ALICE 04.10 • REI and RDI recovery ED 03 3AL 91669 AA AA 473 / 706 706
  • 476.
    Tx side (fromLPC matrix to HPA ): • insertion of VC–m unequipped signal label • path trace insertion not permitted without written authorization from Alcatel. • BIP–2 insertion All rights reserved. Passing on and copying of this document, use and communication of its contents • REI and RDI insertion LSUT is used to monitor unequipped path trails . The main tasks of LPOM are : • trace identifier monitoring • RDI and REI recovering and deriving for performance primitives • signal label monitoring • VC–m BIP–2 errored block count LPOM is used for performance monitoring purposes. Other functions implemented are : • RIBUS I/F This block is used to read/write from/to the ”RIBUS” stream, to control the LED on the unit, to release the Management–bus in case of power failure, and to use the remote inventory. RIBUS I/F is powered by the + 3.3 Vdc supply by CONGI boards. • REMOTE INVENTORY It is the memory containing the board information, for identification purposes (see para. 3.17 on page 370 for details). • M–BUS Driver It drives the input–output gates of the Management–bus. These drivers can be disabled (by the Bus–OFF signal) in case of power failure. DC/DC CONVERTERS This block converts the 48/60 V power supply to the following voltages: • 3.3 V and 2.5 V used to supply all the components in the board. • –5.2 V to supply the optical module The DC/DC converter is synchronized with a synchronization clock at 300 MHz (signal Power–Sync, generated by G.A.) in order to avoid EMI problems. 1AA 00014 0004 (9007) A4 – ALICE 04.10 ED 03 3AL 91669 AA AA 474 / 706 706
  • 477.
    System–clock a System–clock b not permitted without written authorization from Alcatel. G.A. All rights reserved. Passing on and copying of this document, use and communication of its contents to/from HPC matrix (X Link) HPT HOA to/from LPC matrix MAIN AND SPARE HPA (L Link) MATRIXE FROM/TO F2, F3 LPOM LSUT (*) HPOM HSUT OPTICAL (*) OPTICAL TTF to/from INTERFACE INPUT/ HPC matrix OUPUT STM–4 K1,K2 (H Link) Tx side RST MST K1,K2,TP MSA SPI LOS Insertion Rx side LASER D. Insertion LASER F. DCCR DCCM RSOH MSOH T1 LASER OFF DCC FROM/TO SERVICE AUX F2, F3 Config. Status Management M–BUS Bus 622 MHz Laser Restart Driver OSC MAIN AND SPARE CMISS MATRIXE FROM/TO Bus–OFF Remote Inventory RIBUS RIBUS I/F Unit ID Power Failure CONGI A B Sync +3.3 Vdc FROM –5.2 V 3.3 V DC/DC 48/60 V 2.5 V CONVERTERS STM–4 OPTICAL PORT Notes: (*) – HSUT and LSUT are not available in the current release Figure 270. STM–4 –block diagram 1AA 00014 0004 (9007) A4 – ALICE 04.10 ED 03 3AL 91669 AA AA 475 / 706 706
  • 478.
    4.29 4 xSTM–4 optical port (P4S4N) Note: this board does not support Low Order traffic termination not permitted without written authorization from Alcatel. The 4 x STM–4 port can processes up to four STM–4 streams but only two can be terminated so only two All rights reserved. Passing on and copying of this document, use and communication of its contents can be used. A maximum of two optical modules can be housed on the card to give physical access to the STM–4 signal. The SDH functions required to manage STM–4 signal are implemented by the GAs mounted on the board. It interfaces the two MATRIXE cards via backpanel. For simplicity the following description is related only to one of the four STM–4 interfaces that can be process by the card . Referring to the ITU–T G.783 Rec., the GA performs the following functions: TTF and HPOM / HSUT . Cross connection functions (MSP, HPC) are performed by the two MATRIXE boards (working in 1+1 configuration). The TTF block is connected to the two MATRIXE boards through 1+1 bidirectional links at 622 Mbit/s, STM–4 equivalent capacity. In the following block description, the new naming convention of the G.783 is reported. The G.A. send and receive STM–4 signals (data + clock) at 622 Mbit/s to/from the SPI. The SPI can detect an external LOS from the input line. The optical transmitter provides to the G.A. its status by means of two input signals: Laser Degrade and Laser Failure. 1AA 00014 0004 (9007) A4 – ALICE 04.10 ED 03 3AL 91669 AA AA 476 / 706 706
  • 479.
    TTF BLOCK (SPI,RST, MST, MSA) This block performs the Transport Terminal Functions (sink on Rx side, source on Tx side) for the STM–4 signal. not permitted without written authorization from Alcatel. All rights reserved. Passing on and copying of this document, use and communication of its contents TTF block provides the T1 timing references at 2 MHz, derived from the STM–4 input signals. INPUT side : from line to MSP MATRIX SPI (OSn/RSn_A_Sk) : it descramblers the incoming signal, counts the OOF and reveals the LOF alarm. RST (RSn_TT_Sk) : performs frame alignment detection (A1, A2), regenerator section trace recovery (J0) and mismatch detection, BIP–8 Errored Block count. MST (MSn_TT_Sk) : performs BIP–24 errored block count, MS–REI recovery, MS–RDI and MS–AIS detection. TSD is applied in case of MS–DEG (signal degrade), TSF is applied if MS–AIS is detected. MSA (MSn/Sn_A_Sk) : performs AU4’s pointer interpretation, LOP and AIS detection, pointer justification. Moreover the following functions are performed on the Rx side: SOH BYTE extraction (Rx side) : DCC bytes (DCCR D1 B D3 and DCCM D4 B D12) are dropped and serialized in a DCC frame. Two DCC frames are generated working in 1+1 protection. TP byte insertion (Rx side) : since the cross connection functions are centralized, for protection purpose TSD (Trail Signal Degrade) and TSF (Trail Signal Failure) are transmitted towards the two HCMATRIX boards. K BYTES insertion and extraction (Rx side) : this block provides the in–band transmission of K1, K2, bytes towards the MATRIXE board. For each of the 4 STM–1 streams, the bytes are extracted form the line when a TSF is received and they are overwritten into the SOH section. OUTPUT side : from MATRIX to line MSA (Ms/Sn_A_So) : it performs AUG assembly, AU–4 pointer generation, AU–AIS generation. The four AUG structure are byte interleaved in the STM–4 structure with fixed phase relationship vs. the same multiple signal. MST (MSn_TT_So) : it performs BIP–24 calculation and insertion, MS–REI MS–RDI and MS–AIS insertion. RST (RSn_TT_So) : it performs frame alignment insertion, regenerator section path trace insertion, BIP–8 calculation and insertion. SOH BYTE insertion (Tx side) : DCC bytes (DCCR D1 B D3 and DCCM D4 B D12) coming from the DCC frames are inserted into the SOH section. K BYTES insertion and extraction (Tx side) : K1, K2 bytes are extracted from the frame coming from backpanel and re–inserted on the same output line frame. 1AA 00014 0004 (9007) A4 – ALICE 04.10 ED 03 3AL 91669 AA AA 477 / 706 706
  • 480.
    HPOM, HSUT block The GA provides also the HSUT, HPOM (alternative) both in RX and TX side. not permitted without written authorization from Alcatel. The main task of HSUT are: All rights reserved. Passing on and copying of this document, use and communication of its contents RX side (from MSA to HPC matrix): • path trace information recovery • REI recovery • HP–RDI detection (path status monitoring • UNEQ and VC–AIS detection (signal label monitoring) • VC4 BIP–8 Errored Block count TX side (from HPC matrix to MSA): • generation of an unequipped container • ”unequipped” insertion, trail trace identifier generation • RDI and /or REI information generation • VC–4 BIP–8 calculation and insertion The main task of HPOM are: RX and TX side: • signal termination • J1 path recovering • REI information recovering • HP–RDI detection (path status monitoring • UNEQ and VC–AIS detection (signal label monitoring) • VC4 BIP–8 Errored Block count • TSF is generated in case of SSF, UNEQ, TIM, AIS. TSD is generated in case of SD. 1AA 00014 0004 (9007) A4 – ALICE 04.10 ED 03 3AL 91669 AA AA 478 / 706 706
  • 481.
    Other functions Other functions implemented are: • not permitted without written authorization from Alcatel. RIBUS I/F All rights reserved. Passing on and copying of this document, use and communication of its contents This block is used to read/write from/to the ”RIBUS” stream, to control the LED on the unit, to release the Management–bus in case of power failure, and to use the remote inventory. • REMOTE INVENTORY It is the memory containing the board information, for identification purposes (see para. 3.17 on page 370 for details). • M–BUS Driver It drives the input–output gates of the Management–bus. These drivers can be disabled (by the Bus–OFF signal) in case of power failure. • DC/DC CONVERTERS This block converts the –48/–60 V power supply to the following voltages: • 3.3V and 2.5V used to supply all the components in the board • –5.2Vto supply the optical module The DC/DC converter is synchronized with a synchronization clock at 300 MHz (signal Power–Sync, generated by GA) in order to avoid EMI problems. 1AA 00014 0004 (9007) A4 – ALICE 04.10 ED 03 3AL 91669 AA AA 479 / 706 706
  • 482.
    System–clock a System–clock b not permitted without written authorization from Alcatel. All rights reserved. Passing on and copying of this document, use and communication of its contents MAIN AND SPARE G.A. HPOM MATRIX HSUT from/to OPTICAL OPTICAL TTF #1 INPUT/ INTERFACE to/from OUPUT . STM–4 K1,K2 HPC matrix #1 Tx side RST MST MSA K1,K2,TP SPI LOS Insertion Rx side LASER D. Insertion LASER F. DCCR DCCM OPTICAL RSOH MSOH INPUT/ OUPUT #2 TTF #2 TTF #3 (not used) TTF #4 (not used) DCC SERVICE from/to Config. Status Management M–BUS Bus 622 MHz Laser Restart Driver OSC MAIN AND SPARE MATRIX from/to Bus–OFF Remote Inventory RIBUS RIBUS I/F Unit ID Power Failure Sync CONGI A B –5.2 V 3.3 V 48/60 V from DC/DC 2.5 V CONVERTERS 4xSTM–4 OPTICAL PORT Figure 271. 4xSTM–4 optical port block diagram 1AA 00014 0004 (9007) A4 – ALICE 04.10 ED 03 3AL 91669 AA AA 480 / 706 706
  • 483.
    4.30 ISA –ATM MATRIX 4X4 (ATM4X4) (See Figure 272. on page 487) not permitted without written authorization from Alcatel. This unit realize an ATM switching matrix with a total bandwidth of 622Mbit/s. All rights reserved. Passing on and copying of this document, use and communication of its contents The board is able to manage up to 16 LT where LT is a physical or logical channel where is mapped an ATM flow (E1, E3, VC12, VC3, VC4). On the board a local STM–1 access carrying an unstructured VC4 is managed. The card perform the following functions: [1] SDH signal processing [2] ATM signal processing [3] MATRIX [4] MICROPROCESSOR [5] Common part [1] SDH signal processing One STM–1 interface is available on the card. The stream can be optical or electrical according to the modules available (electrical–STM1 or optical–STM1) inserted into the front cover cavity of the ATM MATRIX 4X4. The proprietary function of ”Bidirectional working on single fiber” is provided, by presetting. This function uses the BMD (bad media dependent) byte. The BMD alarm is considered as an external LOS. The ALS algorithm is provided by hardware implementation (Laser–Shut–Down command). The line–interface (SPI) is performed by the pluggable module (line–module). LOS, Laser–Degrade, Laser–fail alarms and Laser–Shut–Down commands are comprised in the AlarmsCommands group in the figure. The SDH functions required to manage STM–1 signals are: – SPI, RST, MST, MSA – HPT, LPT and LPA. – SOH bytes Cross connection functions (MSP, HPC and LPC) are performed by the matrices present on the two MATRIXE board (working in 1+1 configuration). The MSA block is connected to the MATRIXE boards (main and spare) through 1+1 bidirectional links at 622 Mbit/s , STM–4 equivalent capacity. SPI, RST, MST, MSA BLOCK These blocks performs the Transport Terminal Functions (sink on Rx side, source on Tx side) for STM–1 signals. 1AA 00014 0004 (9007) A4 – ALICE 04.10 ED 03 3AL 91669 AA AA 481 / 706 706
  • 484.
    Rx side :from line to MSP matrix on the MATRIXE board SPI (OSn/RSn_A_Sk) : it descramblers the incoming signal , counts the OOF and reveals the LOF alarm. not permitted without written authorization from Alcatel. All rights reserved. Passing on and copying of this document, use and communication of its contents RST (RSn_TT_Sk) : performs frame alignment detection (A1, A2) , regenerator section trace recovery (J0) and mismatch detection, BIP–8 Errored Block count. J0 is not managed in this release. MST (MSn_TT_Sk) : performs BIP–24 errored block count, MS–REI recovery, MS–RDI and MS–AIS detection. TSD is applied in case of MS–DEG (signal degrade), TSF is applied if MS–AIS is detected. MSA (MSn/Sn_A_Sk) : performs AU4 pointer interpretation, LOP and AIS detection, pointer justification. Moreover the following functions are performed on the Rx side : SOH BYTE extraction (Rx side): DCC bytes (DCCR D1–D3 and DCCM D4–D12) are dropped and serialized in a DCC frame. Two DCC frames are generated working in 1+1 protection. Tx side : from matrix on the MATRIXE to line MSA (Ms/Sn_A_So) : it performs AUG assembly, AU–4 pointer generation, AU–AIS generation. MST (MSn_TT_So) : it performs BIP–24 calculation and insertion, MS–REI MS–RDI and MS–AIS insertion. RST (RSn_TT_So) : it performs frame alignment insertion, regenerator section path trace insertion, BIP–8 calculation and insertion. SOH BYTE insertion (Tx side): DCC bytes (DCCR D1–D3 and DCCM D4–D12) coming from the DCC frames are inserted into the SOH section. SPI (OSn/RSn_A_So) :it scramblers the outgoing signals and insert AIS in alarm condition. HPT, LPT and LPA blocks Two data stream at frequency of 622 MHz are connected to the block called SWITCH in Figure 272. on page 487, one coming from HPC matrix ( L link) and one from LPC matrix (X link). Rx side: from matrix on MATRIXE to LPA or HPT The task of the SWITCH block is to select one of the two busses coming from the matrices according to the type of signal to be connected ( L if is structured or X if unstructured). If the signal is structured the incoming signal (L Link) is sent through the SWITCH to the LPT and LPA block. • LPT (S12_TT_Sk): The LPT function terminates and processes the POH to determine the status of the defined path attributes. • J2: trail trace identifier is recovered –– TIM detection. • V5[1,2]: BIP–2 is recovered –– Ex–BER, Signal Degrade alarm • V5[3]: REI bit is recovered and the derived performance primitives is reported. • V5[8]: RDI information is recovered and reported. 1AA 00014 0004 (9007) A4 – ALICE 04.10 • AIS or SSF detection –– SSF alarm ED 03 3AL 91669 AA AA 482 / 706 706
  • 485.
    LPA (S12/P12x_A_Sk): It extracts the VC12–POH and processes the TU12 pointer. • V5[5–7]: Signal label detection in the byte V5[5–7] –– Signal label Mismatch detection • AIS or SSF is applied if Signal label Mismatch is detected not permitted without written authorization from Alcatel. All rights reserved. Passing on and copying of this document, use and communication of its contents If the signal is unstructured the incoming signal (L Link) is sent through the SWITCH to the HPT block. HPT (Sn_TT_Sk) : path trace information is recovered, REI information is recovered, HP–RDI and UNEQ are detected, VC4 BIP–8 errored count block. TSF is applied if SSF or UNEQ or TIM or AIS is detected. TSD is applied if a condition of signal degrade is detected. N1 byte extraction (Rx side): for the network Tandem Connection Termination Monitoring function (TCT/TCM). Tx side: from LPA or HPT to matrix on MATRIXE The task of the SWITCH block is to sent the signal coming from HPT or LPT block towards the matrices on the MATRIXE. The selection is made according to the type of signal to be connected ( L if is structured or X if unstructured). If the signal is structured the datas coming from ATM MAPPING block are sent through the LPT and LPA blocks towards the SWITCH block. • LPA (S12/P12x_A_So) : This block adapts user data for transport in the synchronous domain. For asynchronous user data, lower order path adaptation involves bit justification. The 2.048 Mbit/s is inserted into a C–12 container (by means of asynchronous mapping), which is synchronized (stuffing) with the correspondent TU–12. • V5[5–7]: Signal label insertion in the byte V5[5–7]. • LPT (S12_TT_So) : The LPT function creates a VC–12 by generating and adding POH to a C–12. The POH formats are defined in Recommendations G.708 and G.709. • J2: trail trace identifier is generated. • V5[1,2]: BIP–2 is calculated and transmitted. • V5[3]: the number of errors is encoded in REI. • V5[8]: RDI indication is inserted. If the signal is unstructured the datas coming from ATM MAPPING block are sent through the HPT block to the SWITCH block. HPT (Sn_TT_So) : path trace identification insertion, RDI and REI indications insertion, VC–4 BIP–8 calculation and insertion, signal label insertion. N1 byte insertion (Tx side): for the network Tandem Connection Termination Monitoring function (TCT/TCM). HPOM, HSUT BLOCK (HSUT is not operative in this release) HPOM performs the monitoring of an equipped path while HSUT performs the termination of an unequipped path. From HPOM and HSUT are recovered : 1AA 00014 0004 (9007) A4 – ALICE 04.10 • the primitives used for Performance Monitoring (Errored block count, Defect seconds) • switching criteria for SNCP/N protection The two functions are alternative. ED 03 3AL 91669 AA AA 483 / 706 706
  • 486.
    HPOM (Higher orderpath overhead monitoring) Snm_TT_Sk : signal termination , J1 path recovering , REI information recovering, HP–RDI detection (path status monitoring) , UNEQ and VC–AIS detection (signal label monitoring), VC4 not permitted without written authorization from Alcatel. BIP–8 Errored Block count. TSF is generated in case of SSF , UNEQ, TIM , AIS . TSD is generated All rights reserved. Passing on and copying of this document, use and communication of its contents in case of SD. HSUT (Higher order Supervisory Unequipped termination) Sns_TT_Sk : path trace information recovery, REI recovery, HP–RDI detection (path status monitoring), UNEQ and VC–AIS detection (signal label monitoring), VC4 BIP–8 Errored Block count. Sns_TT_So : generation of an unequipped container , ”unequipped” insertion, trail trace identifier generation, RDI and /or REI information generation, VC–4 BIP–8 calculation and insertion. [2] ATM signal processing RX side from SDH to MATRIX: – ATM DEMAPPING: this block extract the ATM cells from the transmission path payload E1, E3, VC3, VC4, VC4c; ATM DEMAPPING BLOCK receive the E1 and E3 frames contained in VC3 and VC4 payload for the processing performed in the equipment boards. – CELL DELINEATION : cell delineation is the process which allow the identification of the cell boundaries. It is performed on the cell stream extracted from the PDH/SDH frames – DESCRAMBLER:for SDH and PDH the information field of each cell is descrambled with a self synchronizing scrambler polynomial; descrambler is enable for a number of bit s equal to the length of the information field, and again disabled for the following assumed header. – HEC VERIFICATION AND CORRECTION: in this block HEC field in the cell header is checked; HEC is used to achieved cell delineation. The algorithm used can recover a single–bit error or detect headers with single and multi–bit errors. – CELLs DECOUPLING: idle cells are extracted from the cell stream. Idle cells has been inserted in the far end adaptation source function to reach the synchronous container capacity. – HEADER VERIFICATION: this function verifies that the first four octets of the ATM cell header are recognizable as being a valid header pattern. Cells with unrecognized header patterns are discarded. An indication of invalid header cell discard event is provided to the microprocessor interface where are counted. – UPC/NPC:this function (policing) checks that the incoming traffic from a VPC is not violating the agreed traffic contract. UPC (User Parameter Control) and NPC (Network Parameter Control) perform the same function but in different parts of the network (respectively at User Network Interface and Network Node Interface ) – OAM: operations and maintenance function is done by using dedicated cells. Typically function are cells monitoring, cells reporting, faults localization etc. – HEADER TRANSLATION: this block performs on each virtual connection an header translation 1AA 00014 0004 (9007) A4 – ALICE 04.10 which consist in a conversion of the external identification number (LTI/VPI/VCI) into an an internal identification number for the user to network direction ED 03 3AL 91669 AA AA 484 / 706 706
  • 487.
    CONGESTION MANAGEMENT is the block that in the event of congestion is responsible to assure that cell with loss priority will be discarded before than cell with high priority. – TRAFFIC SHAPING:this function enhances the utilization of the buffer and matrix providing better not permitted without written authorization from Alcatel. switch performance, especially for burst data. All rights reserved. Passing on and copying of this document, use and communication of its contents TX side from MATRIX to SDH: – RATE REDUCTION: The purpose of this block is to smooth the average 622 Mbits/s traffic entering with bursts up to 1,2 Gb/s. This function uses four waiting queues, called Rate Reduction FIFOs, used to manage four priority levels fixed on a per connection basis. They are written at 1,2 Gbits/s and read at 622 Mbits/s. – MULTICAST: it is a replication function of the incoming cell towards n outgoing directions; a new connection identifier is used for each replication. – ROUTING:The purpose of this function is to guide the cells towards their target LT – CONGESTION MANAGEMENT: is the block that in the event of congestion is responsible to assure that cell with loss priority will be discarded before than cell with high priority. – TRAFFIC SHAPING: the traffic shaping function modifies the characteristics of cells stream in a VCP in order to improve network efficiency. It allows for meeting traffic contract at the egress of the equipment. The shaping function can correct the Cell Delay Variation generated by the buffer and the matrix. – HEADER TRANSLATION:this block performs on each virtual connection an header translation which consist in a conversion of the internal identification number into the external identification number (LTI/VPI/VCI)for the network to user direction. – OAM:operations and maintenance function is done by using dedicated cells. – CELLs RATE DECOUPLING: idle cells are inserted into cell stream to match the rate of the container. – HEC PROCESSING: the Header Error Control value is calculated on the entire ATM cell header and inserted in the appropriate field. – SCRAMBLER: information field of each cell is scrambled in order to improve security and robustness of the HEC cell delineation mechanism. In addition it helps randomizing the data in the information field for possible improvement of the transmission performance. – ATM MAPPING: the cell stream is inserted into transmission path payload E1, E3, VC3, VC4, VC4c; the E1 and E3 frames are sent to the output of the board mapped in VC12 and VC3 payload because of the processing that will be done in the equipment boards. 1AA 00014 0004 (9007) A4 – ALICE 04.10 ED 03 3AL 91669 AA AA 485 / 706 706
  • 488.
    [3] MATRIX The matrix is in charged of cross connect the incoming and outgoing cells according to the information received by the microprocessor. In case of Soft Permanent Virtual Connection ( Soft–PVC) the P–NNI not permitted without written authorization from Alcatel. signalling is supported. All rights reserved. Passing on and copying of this document, use and communication of its contents [4] MICROPROCESSOR The microprocessor present on the board performs the following functionality: – configuration, alarm and status gathering of the ATM devices present on the board – handling of the signalling packet receive from the matrix in case of Soft–PVC – communication with the EC on the EQUICO (SNMP Link); using this channel performance and management date are encapsulated and sent to the EC and from there to the Craft Terminal or O.S. All the LEDS (except that for Unit–Failure) are driven by the microprocessor. The maeaning of the LEDs and Push–Button is reported in Figure 272. on page 487. [5] Common part • RIBUS I/F This block is used to read/write from/to the ”RIBUS” stream, to control the LED on the unit, to release the Management–bus in case of power failure, and to use the remote inventory. RIBUS I/F is powered by the + 3.3 Vdc supply by CONGI boards. • REMOTE INVENTORY It is the memory containing the board information, for identification purposes (see para. 3.17 on page 370 for details). • M–BUS Driver It drives the input–output gates of the Management–bus. These drivers can be disabled (by the Bus–OFF signal) in case of power failure. DC/DC CONVERTERS Starting from the 48/60 V power supply the following voltages are generated: – + 5 Vdc used by the optical module – +1.5 Vdc, –3.3 Vdc, –3.3 Vdc, –3.3 Vdc, +2.5 Vdc used to supply all the components in the board. 1AA 00014 0004 (9007) A4 – ALICE 04.10 ED 03 3AL 91669 AA AA 486 / 706 706
  • 489.
    AUX from/to L ÉÉÉÉ ÉÉÉÉ LASER D. LASER F. RSOH, MSOH, F2, F3 SOH bytes System clock a SERVICE I E/O LASER OFF System clock b N ÉÉÉÉ HPOM not permitted without written authorization from Alcatel. E HSUT(*) All rights reserved. Passing on and copying of this document, use and communication of its contents I/O ÉÉÉÉ ÉÉÉÉ MODULE STM–1 (D+CK) LOS RST MST MSA H MATRIX MAIN AND SPARE HPT ÉÉÉÉ 622 MHz OSC DCCR DCCM RSOH MSOH LPT from/to ÉÉ ÉÉ ÉÉ ÉÉ ÉÉ Struct/unstruct LPA L CELLs RATE ATM Struct/unstruct HEC SCRAMBLER S DECOUPLING PROCESSING MAPPING W I HEC T HEADER CELLs CELL ATM C X VERIFICATION DESCRAMBLER VERIFICATION DECOUPLING DELINEATION DEMAPPING H CORRECTION UPC/NPC HEADER CONGESTION TRAFFIC OAM TRANSLATION MANAGEMENT SHAPING SPATIAL MATRIX HEADER TRAFFIC CONGESTION OAM ROUTING TRANSLATION SHAPING MANAGEMENT MULTICAST RATE REDUCTION ÉÉ ÉÉ ÉÉ ÉÉ ÉÉ ÉÉ É É É ÉÉ SDRAM FLASH LEDS(X5) EPROM LED TEST PNNI Signalling MICROPROCESSOR EQUICO SNMP from/to RESET Configuration Status (ATM) ÉÉ É ÉÉ É ÉÉ É Management Bus MATRIX MAIN AND SPARE M–BUS Configuration Status (SDH) Driver from/to CMISS Bus–OFF Remote RIBUS Inventory 5V RIBUS ID 1.5 V I/F FROM CONGI F +3.3 Vdc Unit – 3.3V DC/DC Failure ATM MATRIX 4X4 CONVERTERS 3.3 V 48/60 V 2.5 V 1AA 00014 0004 (9007) A4 – ALICE 04.10 Figure 272. ATM 4X4 card – Block diagram ED 03 3AL 91669 AA AA 487 / 706 706
  • 490.
    4.31 ISA –ATM MATRIX 4X4 ENHANCED (ATM4X4D3) The functional description of the board is similar to ISA ATM4X4V2 (refer to paragraph 4.32); the only differences between the two boards is the number of TPs managed. not permitted without written authorization from Alcatel. All rights reserved. Passing on and copying of this document, use and communication of its contents As a matter of fact ATM4X4D3 board can manage up to 16 TPs among E1, E3, VC12, VC3, VC4, T3, E1 IMA group. 4.32 ISA – ATM MATRIX 4X4 ENHANCED (ATM4X4V2) (See Figure 273. on page and 493 ) This unit realize an ATM switching matrix with a total bandwidth of 622Mbit/s. The board is able to manage up to 252 LT where LT is a physical or logical channel where is mapped an ATM flow (E1, E3, VC12, VC3, VC4, T3, E1 IMA group) On the board a local STM–1 access carrying an unstructured VC4 is managed. The card perform the following functions: [1] SDH signal processing [2] ATM signal processing [3] MATRIX [4] MICROPROCESSOR [5] Common part [1] SDH signal processing The SDH functions required are: HPT, LPT and LPA. – SOH bytes Cross connection functions (MSP, HPC and LPC) are performed by the matrices present on the two MATRIXN board (working in 1+1 configuration). The MSA block is connected to the MATRIXN boards (main and spare) through 1+1 bidirectional links at 622 Mbit/s , STM–4 equivalent capacity. HPT, LPT and LPA blocks Two data stream at frequency of 622 MHz are connected to the block called SWITCH in Figure 272. on page 487, one coming from HPC matrix ( H link) and one from LPC matrix (L link). Rx side: from matrix on MATRIXN to LPA or HPT The task of the SWITCH block is to select one of the two busses coming from the matrices according to the type of signal to be connected ( L if is structured or H if unstructured). If the signal is structured the incoming signal (L Link) is sent through the SWITCH to the LPT and LPA 1AA 00014 0004 (9007) A4 – ALICE 04.10 block. ED 03 3AL 91669 AA AA 488 / 706 706
  • 491.
    LPT (S12_TT_Sk): The LPT function terminates and processes the POH to determine the status of the defined path attributes. • J2: trail trace identifier is recovered –– TIM detection. • V5[1,2]: BIP–2 is recovered –– Ex–BER, Signal Degrade alarm not permitted without written authorization from Alcatel. • V5[3]: REI bit is recovered and the derived performance primitives is reported. All rights reserved. Passing on and copying of this document, use and communication of its contents • V5[8]: RDI information is recovered and reported. • AIS or SSF detection –– SSF alarm • LPA (S12/P12x_A_Sk): It extracts the VC12–POH and processes the TU12 pointer. • V5[5–7]: Signal label detection in the byte V5[5–7] –– Signal label Mismatch detection • AIS or SSF is applied if Signal label Mismatch is detected If the signal is unstructured the incoming signal (H Link) is sent through the SWITCH to the HPT block. HPT (Sn_TT_Sk) : path trace information is recovered, REI information is recovered, HP–RDI and UNEQ are detected, VC4 BIP–8 errored count block. TSF is applied if SSF or UNEQ or TIM or AIS is detected. TSD is applied if a condition of signal degrade is detected. N1 byte extraction (Rx side): for the network Tandem Connection Termination Monitoring function (TCT/TCM). Tx side: from LPA or HPT to matrix on MATRIXN The task of the SWITCH block is to sent the signal coming from HPT or LPT block towards the matrices on the MATRIXN. The selection is made according to the type of signal to be connected ( L if is structured or H if unstructured). If the signal is structured the datas coming from ATM MAPPING block are sent through the LPT and LPA blocks towards the SWITCH block. • LPA (S12/P12x_A_So) : This block adapts user data for transport in the synchronous domain. For asynchronous user data, lower order path adaptation involves bit justification. The 2.048 Mbit/s is inserted into a C–12 container (by means of asynchronous mapping), which is synchronized (stuffing) with the correspondent TU–12. • V5[5–7]: Signal label insertion in the byte V5[5–7]. • LPT (S12_TT_So) : The LPT function creates a VC–12 by generating and adding POH to a C–12. The POH formats are defined in Recommendations G.708 and G.709. • J2: trail trace identifier is generated. • V5[1,2]: BIP–2 is calculated and transmitted. • V5[3]: the number of errors is encoded in REI. • V5[8]: RDI indication is inserted. If the signal is unstructured the datas coming from ATM MAPPING block are sent through the HPT block to the SWITCH block. HPT (Sn_TT_So) : path trace identification insertion, RDI and REI indications insertion, VC–4 BIP–8 calculation and insertion, signal label insertion. N1 byte insertion (Tx side): for the network Tandem Connection Termination Monitoring function (TCT/TCM). 1AA 00014 0004 (9007) A4 – ALICE 04.10 HPOM, HSUT BLOCK (HSUT is not operative in this release) ED 03 3AL 91669 AA AA 489 / 706 706
  • 492.
    HPOM performs themonitoring of an equipped path while HSUT performs the termination of an unequipped path. From HPOM and HSUT are recovered : not permitted without written authorization from Alcatel. • the primitives used for Performance Monitoring (Errored block count, Defect seconds) All rights reserved. Passing on and copying of this document, use and communication of its contents • switching criteria for SNCP/N protection The two functions are alternative. HPOM (Higher order path overhead monitoring) Snm_TT_Sk : signal termination , J1 path recovering , REI information recovering, HP–RDI detection (path status monitoring) , UNEQ and VC–AIS detection (signal label monitoring), VC4 BIP–8 Errored Block count. TSF is generated in case of SSF , UNEQ, TIM , AIS . TSD is generated in case of SD. HSUT (Higher order Supervisory Unequipped termination) Sns_TT_Sk : path trace information recovery, REI recovery, HP–RDI detection (path status monitoring), UNEQ and VC–AIS detection (signal label monitoring), VC4 BIP–8 Errored Block count. Sns_TT_So : generation of an unequipped container , ”unequipped” insertion, trail trace identifier generation, RDI and /or REI information generation, VC–4 BIP–8 calculation and insertion. [2] ATM signal processing RX side from SDH to MATRIX: – ATM DEMAPPING: this block extract the ATM cells from the transmission path payload E1, E3, VC3, VC4, VC4c; ATM DEMAPPING BLOCK receive the E1 and E3 frames contained in VC3 and VC4 payload for the processing performed in the equipment boards. – CELL DELINEATION : cell delineation is the process which allow the identification of the cell boundaries. It is performed on the cell stream extracted from the PDH/SDH frames – DESCRAMBLER:for SDH and PDH the information field of each cell is descrambled with a self synchronizing scrambler polynomial; descrambler is enable for a number of bit s equal to the length of the information field, and again disabled for the following assumed header. – HEC VERIFICATION AND CORRECTION: in this block HEC field in the cell header is checked; HEC is used to achieved cell delineation. The algorithm used can recover a single–bit error or detect headers with single and multi–bit errors. – CELLs DECOUPLING: idle cells are extracted from the cell stream. Idle cells has been inserted in the far end adaptation source function to reach the synchronous container capacity. – IMA (Inverse Multiplexing over ATM) RX: NxE1 stream are bundled in a single high speed cell stream; E1 stream are collected in a cyclical fashion among physical links preserving sequence( for details on IMA refer to AF–PHY–0086.001). – HEADER VERIFICATION: this function verifies that the first four octets of the ATM cell header are recognizable as being a valid header pattern. Cells with unrecognized header patterns are discarded. An indication of invalid header cell discard event is provided to the microprocessor interface where 1AA 00014 0004 (9007) A4 – ALICE 04.10 are counted. ED 03 3AL 91669 AA AA 490 / 706 706
  • 493.
    UPC/NPC:this function (policing) checks that the incoming traffic from a VPC is not violating the agreed traffic contract. UPC (User Parameter Control) and NPC (Network Parameter Control) perform the same function but in different parts of the network (respectively at User Network Interface and Network Node not permitted without written authorization from Alcatel. Interface ) All rights reserved. Passing on and copying of this document, use and communication of its contents – OAM: operations and maintenance function is done by using dedicated cells. Typically function are cells monitoring, cells reporting, faults localization etc. – HEADER TRANSLATION: this block performs on each virtual connection an header translation which consist in a conversion of the external identification number (LTI/VPI/VCI) into an an internal identification number for the user to network direction – CONGESTION MANAGEMENT is the block that in the event of congestion is responsible to assure that cell with loss priority will be discarded before than cell with high priority. – TRAFFIC SHAPING:this function enhances the utilization of the buffer and matrix providing better switch performance, especially for burst data. TX side from MATRIX to SDH: – RATE REDUCTION: The purpose of this block is to smooth the average 622 Mbits/s traffic entering with bursts up to 1,2 Gb/s. This function uses four waiting queues, called Rate Reduction FIFOs, used to manage four priority levels fixed on a per connection basis. They are written at 1,2 Gbits/s and read at 622 Mbits/s. – MULTICAST: it is a replication function of the incoming cell towards n outgoing directions; a new connection identifier is used for each replication (not operative in current release). – ROUTING:The purpose of this function is to guide the cells towards their target LT – CONGESTION MANAGEMENT: is the block that in the event of congestion is responsible to assure that cell with loss priority will be discarded before than cell with high priority. – TRAFFIC SHAPING: the traffic shaping function modifies the characteristics of cells stream in a VCP in order to improve network efficiency. It allows for meeting traffic contract at the egress of the equipment. The shaping function can correct the Cell Delay Variation generated by the buffer and the matrix. – HEADER TRANSLATION:this block performs on each virtual connection an header translation which consist in a conversion of the internal identification number into the external identification number (LTI/VPI/VCI)for the network to user direction. – OAM:operations and maintenance function is done by using dedicated cells. – CELLs RATE DECOUPLING: idle cells are inserted into cell stream to match the rate of the container. – IMA (Inverse Multiplexing over ATM) TX: high speed stream of ATM cells is broken up in the multiple E1 links( for details on IMA refer to AF–PHY–0086.001) – HEC PROCESSING: the Header Error Control value is calculated on the entire ATM cell header and inserted in the appropriate field. 1AA 00014 0004 (9007) A4 – ALICE 04.10 – SCRAMBLER: information field of each cell is scrambled in order to improve security and robustness of the HEC cell delineation mechanism. In addition it helps randomizing the data in the information field for possible improvement of the transmission performance. ED 03 3AL 91669 AA AA 491 / 706 706
  • 494.
    ATM MAPPING: the cell stream is inserted into transmission path payload E1, E3, VC3, VC4, VC4c; the E1 and E3 frames are sent to the output of the board mapped in VC12 and VC3 payload because of the processing that will be done in the equipment boards. not permitted without written authorization from Alcatel. [3] MATRIX All rights reserved. Passing on and copying of this document, use and communication of its contents The matrix is in charged of cross connect the incoming and outgoing cells according to the information received by the microprocessor. In case of Soft Permanent Virtual Connection ( Soft–PVC) the P–NNI signalling is supported. [4] MICROPROCESSOR The microprocessor present on the board performs the following functionality: – configuration, alarm and status gathering of the ATM devices present on the board – handling of the signalling packet receive from the matrix in case of Soft–PVC – communication with the EC on the EQUICO (SNMP Link); using this channel performance and management date are encapsulated and sent to the EC and from there to the Craft Terminal or O.S. All the LEDS (except that for Unit–Failure) are driven by the microprocessor. The maeaning of the LEDs and Push–Button is reported in Figure 272. on page 487. [5] Common part • RIBUS I/F This block is used to read/write from/to the ”RIBUS” stream, to control the LED on the unit, to release the Management–bus in case of power failure, and to use the remote inventory. RIBUS I/F is powered by the + 3.3 Vdc supply by CONGI boards. • REMOTE INVENTORY It is the memory containing the board information, for identification purposes (see para. 3.17 on page 370 for details). • M–BUS Driver It drives the input–output gates of the Management–bus. These drivers can be disabled (by the Bus–OFF signal) in case of power failure. DC/DC CONVERTERS Starting from the 48/60 V power supply the following voltages are generated: – +1.5 Vdc, +3.3 Vdc, , +2.5 Vdc used to supply all the components in the board. 1AA 00014 0004 (9007) A4 – ALICE 04.10 ED 03 3AL 91669 AA AA 492 / 706 706
  • 495.
    IMA TX FILLING CELL IMA FRAME ICP CELL CELL STREAM INSERTION GENERATION INSERTION SPLITTING HPT 622 MHz not permitted without written authorization from Alcatel. OSC All rights reserved. Passing on and copying of this document, use and communication of its contents LPT É É ÉÉ IMA TX É L MATRIX MAIN AND SPARE Struct/unstruct LPA CELLs RATE ATM Struct/unstruct HEC SCRAMBLER S DECOUPLING PROCESSING MAPPING W from/to I HEC T HEADER CELLs CELL ATM C H VERIFICATION DESCRAMBLER VERIFICATION DECOUPLING DELINEATION DEMAPPING H CORRECTION IMA RX HEADER CONGESTION TRAFFIC SPATIAL UPC/NPC OAM MATRIX TRANSLATION MANAGEMENT SHAPING HEADER TRAFFIC CONGESTION OAM ROUTING TRANSLATION SHAPING MANAGEMENT MULTICAST RATE REDUCTION IMA RX FILLING CELL INVALID CELL ICP CELL IMA CELL STREAM DISCARD DISCARD REMOVE SYNC RECONSTUCTION SDRAM FLASH LEDS(X5) EPROM LED TEST MICROPROCESSOR PNNI Signalling EQUICO SNMP from/to RESET Configuration Status (ATM) ÉÉ É ÉÉ É ÉÉ É Management Bus MATRIX MAIN AND SPARE M–BUS Configuration Status (SDH) Driver from/to CMISS Bus–OFF Remote RIBUS Inventory 5V RIBUS ID 1.5 V I/F FROM CONGI F +3.3 Vdc Unit – 3.3V DC/DC Failure ATM MATRIX 4X4 CONVERTERS 3.3 V 48/60 V 2.5 V 1AA 00014 0004 (9007) A4 – ALICE 04.10 Figure 273. ATM4X4V2 card – Block diagram ED 03 3AL 91669 AA AA 493 / 706 706
  • 496.
    4.33 ISA –ATM MATRIX 8X8 (ATM8X8) (See Figure 274. on page 499 and Figure 275. on page 500) not permitted without written authorization from Alcatel. This unit realize an ATM switching matrix with a total bandwidth of 1.2 Gbit/s. As a matter of fact the unit All rights reserved. Passing on and copying of this document, use and communication of its contents is two slot wide and it is connected with the SDH Matrix (MATRIXE) through two link at 622 Mbit/s. The block diagram of the board has been been divided in two part depicted in Figure 274. on page 499 and Figure 275. on page 500; the part A describe the common part (microprocessor, led, DC/DC converter) and the signal processing (ATM and SDH) of the first 622Mbit/s link, the part B describe the signal processing (ATM and SDH) of the second 622Mbit/s link. The board is able to manage up to 32 LT where LT is a physical or logical channel where is mapped an ATM flow (E1, E3, VC12, VC3, VC4 and VC4–4c). The card perform the following function: [1] SDH signal processing [2] ATM signal processing [3] MATRIX [4] MICROPROCESSOR [5] Common part [1] SDH signal processing The SDH functions are: – HPT – LPT and LPA. Cross connection functions (MSP, HPC and LPC) are performed by the matrices present on the two MATRIXE board (working in 1+1 configuration). HPT, LPT and LPA blocks Two data stream at frequency of 622 MHz are connected to the block called SWITCH in Figure 274. on page 499 , one coming from HPC matrix ( L link) and one from LPC matrix (X link); the same description can be applied to Figure 275. on page 500 that depict the part B of the board. Rx side: from matrix on MATRIXE to LPA or HPT The task of the SWITCH block is to select one of the two busses coming from the matrices according to the type of signal to be connected ( L if is structured or X if unstructured). If the signal is structured the incoming signal (L Link) is sent through the SWITCH to the LPT and LPA block. • LPT (S12_TT_Sk): The LPT function terminates and processes the POH to determine the status of the defined path attributes. • J2: trail trace identifier is recovered –– TIM detection. 1AA 00014 0004 (9007) A4 – ALICE 04.10 • V5[1,2]: BIP–2 is recovered –– Ex–BER, Signal Degrade alarm • V5[3]: REI bit is recovered and the derived performance primitives is reported. • V5[8]: RDI information is recovered and reported. • AIS or SSF detection –– SSF alarm ED 03 3AL 91669 AA AA 494 / 706 706
  • 497.
    LPA (S12/P12x_A_Sk): It extracts the VC12–POH and processes the TU12 pointer. • V5[5–7]: Signal label detection in the byte V5[5–7] –– Signal label Mismatch detection • AIS or SSF is applied if Signal label Mismatch is detected not permitted without written authorization from Alcatel. All rights reserved. Passing on and copying of this document, use and communication of its contents If the signal is unstructured the incoming signal (L Link) is sent through the SWITCH to the HPT block. HPT (Sn_TT_Sk) : path trace information is recovered, REI information is recovered, HP–RDI and UNEQ are detected, VC4 BIP–8 errored count block. TSF is applied if SSF or UNEQ or TIM or AIS is detected. TSD is applied if a condition of signal degrade is detected. N1 byte extraction (Rx side): for the network Tandem Connection Termination Monitoring function (TCT/TCM). Tx side: from LPA or HPT to matrix on MATRIXE The task of the SWITCH block is to sent the signal coming from HPT or LPT block towards the matrices on the MATRIXE. The selection is made according to the type of signal to be connected ( L if is structured or X if unstructured). If the signal is structured the datas coming from ATM MAPPING block are sent through the LPT and LPA blocks towards the SWITCH block. • LPA (S12/P12x_A_So) : This block adapts user data for transport in the synchronous domain. For asynchronous user data, lower order path adaptation involves bit justification. The 2.048 Mbit/s is inserted into a C–12 container (by means of asynchronous mapping), which is synchronized (stuffing) with the correspondent TU–12. • V5[5–7]: Signal label insertion in the byte V5[5–7]. • LPT (S12_TT_So) : The LPT function creates a VC–12 by generating and adding POH to a C–12. The POH formats are defined in Recommendations G.708 and G.709. • J2: trail trace identifier is generated. • V5[1,2]: BIP–2 is calculated and transmitted. • V5[3]: the number of errors is encoded in REI. • V5[8]: RDI indication is inserted. If the signal is unstructured the datas coming from ATM MAPPING block are sent through the HPT block to the SWITCH block. HPT (Sn_TT_So) : path trace identification insertion, RDI and REI indications insertion, VC–4 BIP–8 calculation and insertion, signal label insertion. N1 byte insertion (Tx side): for the network Tandem Connection Termination Monitoring function (TCT/TCM). 1AA 00014 0004 (9007) A4 – ALICE 04.10 ED 03 3AL 91669 AA AA 495 / 706 706
  • 498.
    [2] ATM signalprocessing N.B. The description that follows can be applied to both Figure 274. on page 499 and Figure 275. on page 500 not permitted without written authorization from Alcatel. All rights reserved. Passing on and copying of this document, use and communication of its contents RX side from SDH to MATRIX: – ATM DEMAPPING: this block extract the ATM cells from the transmission path payload E1, E3, VC3, VC4, VC4c; ATM DEMAPPING BLOCK receive the E1 and E3 frames contained in VC3 and VC4 payload for the processing performed in the equipment boards. – CELL DELINEATION : cell delineation is the process which allow the identification of the cell boundaries. It is performed on the cell stream extracted from the PDH/SDH frames – DESCRAMBLER:for SDH and PDH the information field of each cell is descrambled with a self synchronizing scrambler polynomial; descrambler is enable for a number of bit s equal to the length of the information field, and again disabled for the following assumed header. – HEC VERIFICATION AND CORRECTION: in this block HEC field in the cell header is checked; HEC is used to achieved cell delineation. The algorithm used can recover a single–bit error or detect headers with single and multi–bit errors. – CELLs DECOUPLING: idle cells are extracted from the cell stream. Idle cells has been inserted in the far end adaptation source function to reach the synchronous container capacity. – HEADER VERIFICATION: this function verifies that the first four octets of the ATM cell header are recognizable as being a valid header pattern. Cells with unrecognized header patterns are discarded. An indication of invalid header cell discard event is provided to the microprocessor interface where are counted. – UPC/NPC:this function (policing) checks that the incoming traffic from a VPC is not violating the agreed traffic contract. UPC (User Parameter Control) and NPC (Network Parameter Control) perform the same function but in different parts of the network (respectively at User Network Interface and Network Node Interface ) – OAM: operations and maintenance function is done by using dedicated cells. Typically function are cells monitoring, cells reporting, faults localization etc. – HEADER TRANSLATION: this block performs on each virtual connection an header translation which consist in a conversion of the external identification number (LTI/VPI/VCI) into an an internal identification number for the user to network direction – CONGESTION MANAGEMENT is the block that in the event of congestion is responsible to assure that cell with loss priority will be discarded before than cell with high priority. – TRAFFIC SHAPING:this function enhances the utilization of the buffer and matrix providing better switch performance, especially for burst data. 1AA 00014 0004 (9007) A4 – ALICE 04.10 ED 03 3AL 91669 AA AA 496 / 706 706
  • 499.
    TX side fromMATRIX to SDH: – RATE REDUCTION: The purpose of this block is to smooth the average 622 Mbits/s traffic entering with bursts up to 1,2 Gb/s. This function uses four waiting queues, called Rate Reduction FIFOs, used not permitted without written authorization from Alcatel. to manage four priority levels fixed on a per connection basis. They are written at 1,2 Gbits/s and read All rights reserved. Passing on and copying of this document, use and communication of its contents at 622 Mbits/s. – MULTICAST: it is a replication function of the incoming cell towards n outgoing directions; a new connection identifier is used for each replication. – ROUTING:The purpose of this function is to guide the cells towards their target LT – CONGESTION MANAGEMENT: is the block that in the event of congestion is responsible to assure that cell with loss priority will be discarded before than cell with high priority. – TRAFFIC SHAPING: the traffic shaping function modifies the characteristics of cells stream in a VCP in order to improve network efficiency. It allows for meeting traffic contract at the egress of the equipment. The shaping function can correct the Cell Delay Variation generated by the buffer and the matrix. – HEADER TRANSLATION:this block performs on each virtual connection an header translation which consist in a conversion of the internal identification number into the external identification number (LTI/VPI/VCI)for the network to user direction. – OAM:operations and maintenance function is done by using dedicated cells. – CELLs RATE DECOUPLING: idle cells are inserted into cell stream to match the rate of the container. – HEC PROCESSING: the Header Error Control value is calculated on the entire ATM cell header and inserted in the appropriate field. – SCRAMBLER: information field of each cell is scrambled in order to improve security and robustness of the HEC cell delineation mechanism. In addition it helps randomizing the data in the information field for possible improvement of the transmission performance. – ATM MAPPING: the cell stream is inserted into transmission path payload E1, E3, VC3, VC4, VC4c; the E1 and E3 frames are sent to the output of the board mapped in VC12 and VC3 payload because of the processing that will be done in the equipment boards. 1AA 00014 0004 (9007) A4 – ALICE 04.10 ED 03 3AL 91669 AA AA 497 / 706 706
  • 500.
    [3] MATRIX The matrix is in charged of cross connect the incoming and outgoing cells according to the information received by the microprocessor. In case of Soft Permanent Virtual Connection ( Soft–PVC) the P–NNI not permitted without written authorization from Alcatel. signalling is supported. All rights reserved. Passing on and copying of this document, use and communication of its contents [4] MICROPROCESSOR The microprocessor present on the board performs the following functionality: – configuration, alarm and status gathering of the ATM devices present on the board – handling of the signalling packet receive from the matrix in case of Soft–PVC – communication with the EC on the PQ2/EQC (SNMP Link); using this channel performance and management date are encapsulated and sent to the EC and from there to the Craft Terminal or O.S. All the LEDS (except that for Unit–Failure) are driven by the microprocessor. The maeaning of the LEDs and Push–Button is reported in Figure 272. on page 487. [5] Common part • RIBUS I/F This block is used to read/write from/to the ”RIBUS” stream, to control the LED on the unit, to release the Management–bus in case of power failure, and to use the remote inventory. RIBUS I/F is powered by the + 3.3 Vdc supply by CONGI boards. • REMOTE INVENTORY It is the memory containing the board information, for identification purposes (see para. 3.17 on page 370 for details). • M–BUS Driver It drives the input–output gates of the Management–bus. These drivers can be disabled (by the Bus–OFF signal) in case of power failure. DC/DC CONVERTERS Starting from the 48/60 V power supply the following voltages are generated: – + 5 Vdc used by the optical module – +1.5 Vdc, –3.3 Vdc, –3.3 Vdc, –3.3 Vdc, +2.5 Vdc used to supply all the components in the board. 1AA 00014 0004 (9007) A4 – ALICE 04.10 ED 03 3AL 91669 AA AA 498 / 706 706
  • 501.
    System clock a System clock b not permitted without written authorization from Alcatel. All rights reserved. Passing on and copying of this document, use and communication of its contents HPT MATRIXE MAIN AND SPARE 622 MHz OSC LPT from/to ÉÉ ÉÉ ÉÉ ÉÉ L Struct/unstruct LPA CELLs RATE ATM Struct/unstruct HEC SCRAMBLER S DECOUPLING PROCESSING MAPPING W I HEC T HEADER CELLs CELL ATM C X VERIFICATION DESCRAMBLER VERIFICATION DECOUPLING DELINEATION DEMAPPING H CORRECTION UPC/NPC OAM HEADER CONGESTION TRAFFIC ÏÏ ÏÏ TRANSLATION MANAGEMENT SHAPING SPATIAL MATRIX ÏÏ ÏÏ HEADER TRAFFIC CONGESTION OAM ROUTING TRANSLATION SHAPING MANAGEMENT ÏÏ ÉÉ MULTICAST RATE ÏÏ ÉÉÉÉÉÉÉ ÉÉÉÉÉÉÉ É É ÉÉÉ É É É REDUCTION ÏÏ ÏÏ SDRAM ÏÏ PNNI Signalling ÏÏ FLASH ÉÉEPROM Ï Ï ÏÏÏÏÏ ÏÏÏÏÏÏÏSee Figure 275. LED TEST LEDS(X5) ÏÏÏÏÏÏÏ ÏÏÏÏÏÏÏon page 500 MICROPROCESSOR RESET ÏÏ ÉÉ É É ÉÉÉ ÉÉ PQ2/EQC Configuration Status (ATM) SNMP from/to ÉÉ É É ÉÉ ÏÉÏÏÏÏÏÏÏÏ ÏÏÏÏÏÏÏÏÏ ÏÏ See Figure 275. on page 500 Management Bus MATRIXE MAIN AND SPARE M–BUS Configuration Status (SDH) Driver from/to CMISS Bus–OFF Remote RIBUS Inventory 5V RIBUS ID 1.5 V I/F FROM CONGI F +3.3 Vdc Unit – 3.3V DC/DC Failure ATM MATRIX 8x8 CONVERTERS 3.3 V 48/60 V (part A) 2.5 V 1AA 00014 0004 (9007) A4 – ALICE 04.10 Figure 274. ATM 8X8 card – Block diagram part A ED 03 3AL 91669 AA AA 499 / 706 706
  • 502.
    not permitted withoutwritten authorization from Alcatel. All rights reserved. Passing on and copying of this document, use and communication of its contents System clock a System clock b HPT MATRIXE MAIN AND SPARE 622 MHz OSC LPT from/to ÉÉ ÉÉ ÉÉ ÉÉ L Struct/unstruct LPA CELLs RATE ATM Struct/unstruct HEC SCRAMBLER S DECOUPLING PROCESSING MAPPING W I HEC T HEADER CELLs CELL ATM C X VERIFICATION DESCRAMBLER VERIFICATION DECOUPLING DELINEATION DEMAPPING H CORRECTION UPC/NPC HEADER CONGESTION TRAFFIC OAM TRANSLATION MANAGEMENT SHAPING HEADER TRAFFIC CONGESTION OAM ROUTING TRANSLATION SHAPING MANAGEMENT MULTICAST RATE ÉÉ REDUCTION ÉÉ É ÉÉ ÉÉ ÉÉ É ÉÉ É É ÉÉ É ÏÏÏÏÏÏÏÏÏÏÏ ÏÏÏÏÏÏÏÏÏÏÏ Configuration Status (ATM) to /from ÏÏÏÏÏÏÏÏÏÏÏ É É ÉÉ ÏÏÏÏÏÏÏÏÏÏÏ SPATIAL MATRIX ÏÏÏÏÏÏÏÏÏÏÏ ÏÏÏÏÏÏÏÏÏÏÏ See Figure 274. on page 499 ÏÏÏÏÏÏÏÏÏÏÏ Configuration Status (SDH) ÏÏÏÏÏÏÏÏÏÏÏ ÏÏÏÏÏÏÏÏÏÏÏ ÏÏÏÏÏÏÏÏÏÏÏ ATM MATRIX 8x8 (part B) 1AA 00014 0004 (9007) A4 – ALICE 04.10 Figure 275. ATM 8X8 card – Block diagram part B ED 03 3AL 91669 AA AA 500 / 706 706
  • 503.
    4.34 ISA–Packet RingEdge Aggregator Unit (PREA1GBE, PREA4ETH) (See Figure 277. on page 507.) not permitted without written authorization from Alcatel. There are two types of PR_EA: All rights reserved. Passing on and copying of this document, use and communication of its contents a) in the first version (PREA4ETH), it hosts a 4 x 10/100 BaseT Fast Ethernet module and the total traffic throughput is 1 Gb/s, in which 622Mb/s are contributed by the SDH matrix, and 400 Mb/s contributed by the 4 Fast Ethernet local ports. b) in the second version (PREA1GBE), it hosts a 1 x 1Gigabit Ethernet module and the total traffic throughput is 1.8 Gb/s, in which 622Mb/s are contributed by the SDH matrix, and 1.25 Gb/s contributed by the GbEthernet local port. The unit allows the management of packets data services over Ethernet and their transportation over the SDH network. The ethernet packets are labelled and then mapped onto SDH frames via PPP/HDLC framing. The ethernet access is possible either local and remote, this latter via GFP/SDH framing; ethernet links can be type E, FE, GE (10Mb/s, 100Mb/s, 1Gb/s). The SDH containers used for data transportation are VC–12, VC–3, VC–4. The MPLS traffic can be connected to 63 logical ports. The functions implemented on the board are the following: 4 x Ethernet Module (case of MPLS+4FE board): – It implements four Ethernet transceiver interfaces, compliant to IEEE 802.3 standard, Carrier Sense Multiple Access with Collision Detection (CSMA/CD), that can be connected to Local Area Networks (LAN) conveying data packets over Ethernet. The interface type is 10/100Base–T, operating at rates 10 or 100Mb/s, using baseband communication on a twisted pair cable, connected by means of RJ45 connector. Its main functions are: • line isolation • operations auto–negotiation, about the following options: 10Mbps or 100Mbps, full–duplex • receive data and clock recovery, transmit pulse shaping • carrier sensing for collision detection • transmission conflicts management. 1 x GigaEthernet Module (case of MPLS+1GE board): – It is a pluggable, small–form factor pluggable module (SFP), implementing the optical to electric conversion, and viceversa, to accomplish a full–duplex Gigabit Ethernet interface at 1.25 Gb/s, as specified in IEEE802.3. For its description refer to para. 4.19, page 430 (”Gbit Eth. i/f Module”). 1AA 00014 0004 (9007) A4 – ALICE 04.10 ED 03 3AL 91669 AA AA 501 / 706 706
  • 504.
    SDH termination: – SWITCH: The task of the SWITCH block is to send the signals coming from HPT or LPT block towards the matrices on the MATRIX unit. The selection is made according to the type of signal to not permitted without written authorization from Alcatel. be connected (L if it is structured, X if unstructured). The “L” signals are sent to LPT – LPA blocks, All rights reserved. Passing on and copying of this document, use and communication of its contents the “X” to the HPT. – HPT: this block adds/removes the high order POH bytes to the C–4 unstructured payloads (bulks). – LPT: The LPT function terminates a VC–12 or a VC–3 by adding or removing the relevant POH bytes to a C–12 or a C–3. – LPA: This block adapts the low order payloads C12 or C3 to the higher order containers used for transportation in the SDH (TU–12 or TU–3). The adaptation includes timing synchronization and frame offset with pointers movements. – Struct/Unstr: this selector sends the bulk signals (unstructured) to HPT, while the structured signals are sent to LPA–LPT. Framing: – PREAMBLE: it provides to remove (toward MPLS direction) the “preamble” and “start–of–frame–delimiter” fields from the ethernet MAC 802.3 header (Medium Access Control), and to reinsert them toward ethernet direction; then it recalculates the FCS value. ( Moreover it decodes the “Tag” fields of the MAC client header (if present): 802.1p and 802.1q, to read the user priority and the VLAN identifier. The in/out ethernet data are 2–bit paralleled at 50Mb/s in case of E or FE; 8–bit at 125 Mb/s in case of GE. – BUF: it is a buffer in which the ethernet data are written by means of a smooth ethernet clock, as they are ready, and are then read by the MPLS mapper (PUSH). In case that the buffer is near to full the mechanism of flow–control is started, in order to slow down the ethernet data source. – PUSH: it provides to “push in” the first label to the ethernet packet (the second label is pushed by the MPLS router), after having inspected the ethernet header, identified the destination and the class of service. It classifies the packets according to the 802.1p/q “VLAN–Tag” and “User Priority” fields, if configured. Depending on the type of decoded ethernet SLA (Service Level Agreement) the stream can be associated with one of three types of QoS (Quality of Service): Best Effort bandwidth (BE–BW), or Min–BW with regulated bursts, or Guaranted constant BW. – POP: It provides to “pop out” the label from the packet, returning the bare ethernet frame. – GFP: it provides to deassemble (toward MPLS direction) the GFP frames (Generic Framing Procedure), removing the GFP header, and to assemble them toward SDH direction. It supports un–concatenated ethernet frames over unstructured VC4 payloads. – HDLC: it provides (refer to rec. RFC 1662 and RFC 2615): • to deassemble (MPLS direction) the HDLC frames (High–Level Data Link Control), removing the HDLC header, and to assemble them in SDH direction; • FCS calculation (Frame Check Sequence); • byte stuffing/destuffing: flag sequence or other header octets are encoded by a 2–octet sequence, in the data field, in order to avoid erroneous simulations of the header; • inter–frame filling, by means of the “flag–sequence” (hex 0x7e) repetition; • X^43 +1 data scrambling/descrambling. 1AA 00014 0004 (9007) A4 – ALICE 04.10 ED 03 3AL 91669 AA AA 502 / 706 706
  • 505.
    PPP: it provides to deassemble (in MPLS direction) the PPP frames (Point–to–Point Protocol), removing the PPP header, and to assemble them in SDH direction. It carries out, optionally, the “Martini encapsulation”, removing the FCS field from the ethernet frame and inserting a checksum value for the MPLS packet. not permitted without written authorization from Alcatel. All rights reserved. Passing on and copying of this document, use and communication of its contents – A: this block provides to adapt the serial bus from the back–panel bus format to the intra–board bus format, for SNMP messaging between the microprocessor and the EC (equipment controller), for MPLS network configuration. – SMAP: it provides, toward MPLS direction, to “unload” the data packets from the SDH frames, and to “load” them in SDH direction; the packets are then switched toward GFP or HDLC processing, according to the logical ports configurations. MPLS Router: It performs the routing functions by looking the top MPLS label, it can forward the packets streams to up to 63 SDH or ethernet ports. In the MPLS network, it provides to inspect the top label of the MPLS packet in order to identify the incoming FEC and LSP; if possible, it aggregates the packet to other packets streams on a common path, then it selects the forwarding to a next hop by swapping the top label. At the edge of the MPLS network (originating node), on receiving packets from the local or remote ethernet interfaces, it provides to push the top label reporting information for the routing procedure (LSP and FEC). At the edge of the MPLS network (destination node), on receiving packets from the network, it provides to pop out the top label and drops them to the destination end port. At the beginning of a packets stream introduction, the microcontroller starts the RSVP–TE signalling (Resource Reservation Protocol – Traffic Engineered Tunnel) in order to search and establish a path with a certain band capacity and a given priority, between the destination and the source node; this path can be treated as a tunnel and is called LSP (Label Switched Path); once the LSP has been established, the RSVP signalling finishes and starts the Label Distribution Protocol (LDP) signalling, that informs all the nodes of the network to maintain the label bindings for the relevant established LSP. The RSVP and LDP signalling are in–band communications between the local and remote microcontrollers. 1AA 00014 0004 (9007) A4 – ALICE 04.10 ED 03 3AL 91669 AA AA 503 / 706 706
  • 506.
    Queuing management: – It provides to monitor the load of traffic in the local router, and to take measures for preventing the congestions, supported by the intra–board microcontroller, such as: management of many different not permitted without written authorization from Alcatel. queues and relative priorities, packets queuing, packets discarding, packets lifetime management, All rights reserved. Passing on and copying of this document, use and communication of its contents etc. It implements, mainly, for this function, the following mechanisms: • 256 queues for each “logical” port (the logical ports number is 63) • scheduling, by means of HOL or WC–WFQ or WNC–WFQ methods • congestion avoidance via W–RED method (Weighed–Random Early Discarding): in occurrence of congestion conditions signals, a random packets discarding is started, in order to prevent the traffic worsening. • The priority management is based on the ethernet SLA (Service Level Agreement), by means of CIR and PIR values of the traffic contract. • Three types of QoS (Quality of Service) are available: Best Effort bandwidth (BE–BW), Min–BW with regulated bursts, Guaranted constant BW. • A “Dual–Rate Leaky–Bucket” police mechanism is used (it can be seen as two cascaded leaky buckets, the first based on PIR value, the second on CIR). • In case of congestion, only the low priority traffic will be cut–off, while the high priority traffic maintains the guaranted BW. • The Best–Effort traffic deployed in ring topology can be associated to a “Fixed Share” of the total available band, or to a “VariableProportional Share”. In case of congestion the BE excess traffic will be cut–off via W–RED. • Packets shorter than the minimum ethernet frame are silently discarded. Packets longer than the maximum frame are silently discarded. The discarded packets are counted by the PM function. • Note: the priority and the BW parameters are marked on the first label, at the “PUSH1” function of the ingress node. Microprocessor: – It is a local microcontroller managing and supporting the MPLS functionalities, such as: The RSVP–TE and LDP communications between the destination and the origination nodes, in order to establish the routing and the LSP tunnelling. Management of communications with the EC and the network Operations System (OS), by means of SNMP (Simple Network Management Protocol) messaging, for MPLS network configuration. Configuration of the MPLS functions implemented by the devices on the board, by means of ICMP (Internet Control Message Protocol) messaging. Collection of alarms and status of the MPLS functions. Management of the Performance Monitoring (PM) function for MPLS. Management of Multicast traffic. Management of OSPF (Open Shortest Path First) routing (not operative). Furthermore it aids the congestion control function, supporting the “Queuing Manager” Communications with the EC, by means of the ISSB–EC bus, for software data transfer. It is provided with relevant SDRAM and Flash EPROM devices, for data and software storage. 1AA 00014 0004 (9007) A4 – ALICE 04.10 ED 03 3AL 91669 AA AA 504 / 706 706
  • 507.
    Other functions implementedon the board are: • RIBUS I/F This block is used to read/write from/to the ”RIBUS” serial stream, to control the LED on the unit, not permitted without written authorization from Alcatel. to release the Management–bus in case of power failure, and to use the remote inventory. All rights reserved. Passing on and copying of this document, use and communication of its contents RIBUS I/F is powered by the + 3.3 VS supplied by the rear access panel. • REMOTE INVENTORY It is the memory containing the board information, for identification purposes (see para. 3.17 on page 370 for details about Remote Inventory information). • M–BUS Driver It drives the input–output gates of the parallel Management–bus. These drivers can be disabled (by the Bus–OFF signal) in case of power failure. DC/DC CONVERTERS This block converts the 48/60 V power supply, to obtain the voltages used to supply all the components in the board. The DC/DC converter is synchronized with a synchronization clock at 300 MHz (signal Power–Sync, generated by the SDH asic) in order to avoid EMI problems. • LEDS and Push–buttons The board presents, on its front panel, some LEDS and push–buttons; the meaning of these LEDs and Push–Buttons is reported in Figure 52. page 141. and Figure 53. page 142. • Buses The main buses on the board are: SNMP: serial bus to carry SNMP (Simple Network Management Protocol) messages between the EC and the intra board controller, for information about MPLS network configuration. This link is implemented by means of the DCC–EC bus from EC on EQUICO unit. ISSB–EC: Intra–Shelf–Serial–Bus from the EC, to communicate software data (download, etc.). ISSB–SPARE: serial bus to the spare MPLS unit (if any) to communicate EPS information (. SDH–CS: from the EC, after derivation from the parallel “Management–bus” (M–bus), for configuration and status information of SDH components. MPLS–CS: from microprocessor, for configuration and status information of MPLS components, it conveys ICMP packets. RIBUS: serial bus from the SC (shelf controller on MATRIX unit), to communicate inventory and peripheral data. M–BUS: called also ISPB (Intra Shelf Parallel Bus), from the SC (shelf controller on MATRIX unit), to communicate data about asics configuration, SDH alarms collection, etc. 1AA 00014 0004 (9007) A4 – ALICE 04.10 ED 03 3AL 91669 AA AA 505 / 706 706
  • 508.
    RSOH, MSOH, F2,F3 SOH AUX from/to bytes SERVICE HPOM HSUT System clock (T0) not permitted without written authorization from Alcatel. All rights reserved. Passing on and copying of this document, use and communication of its contents RST MST MSA HPT H 622 MHz DCCR DCCM OSC MATRIXE main and spare RSOH MSOH 10/100 Mb/s FAST ETHERNET LPT from/to SDH–CS 4 x FE 2@50Mb/s SDH–CS PREAMBLE LPA X GFP SMAP BUF S PPP HDLC W I Struct/unstruct T GFP C L SMAP H HDLC PPP A POP POP PUSH PUSH PQ2/EQC from/to QUEUING MPLS SNMP SNMP MPLS–CS MANAGEMENT ROUTER SDRAM MPLS–CS MPLS–CS SPARE MPLS UNIT FLASH EPROM (EPS) Configuration Status ÀÀÀÀÀÀÀÀÀÀ from/to ISSB–SPARE for MPLS (MPLS–CS) ÀÀÀÀÀÀÀÀÀÀ MICROPROCESSOR RESTART ISSB–EC MATRIXE MAIN AND SPARE ÀÀÀÀÀÀÀÀÀÀÀ ÀÀÀÀÀÀÀÀÀÀÀ Management from/to Bus (ISPB) Configuration Status M–BUS for SDH (SDH–CS) Driver CMISS Bus–OFF Remote RIBUS Inventory 5V 1.8 V RIBUS ID I/F F +3.3 Vdc DC/DC Unit CONGI 3.3 V FROM CONVERTERS Failure 2.5 V 48/60 V MPLS + 4 x FAST ETHERNET 1AA 00014 0004 (9007) A4 – ALICE 04.10 Figure 276. MPLS+4FE Unit (PREA4ETH) – Block diagram ED 03 3AL 91669 AA AA 506 / 706 706
  • 509.
    SOH AUX from/to RSOH, MSOH, F2, F3 bytes SERVICE HPOM HSUT System clock (T0) not permitted without written authorization from Alcatel. All rights reserved. Passing on and copying of this document, use and communication of its contents RST MST MSA HPT H 622 MHz DCCR DCCM OSC RSOH MSOH MATRIXE mainand spare 1 GIGABIT ETHERNET I/O LPT from/to SDH–CS 1 x GBE 8@125Mb/s SDH–CS PREAMBLE LPA X GFP SMAP BUF S PPP HDLC W I Struct/unstruct T GFP C L SMAP H HDLC PPP A POP POP PUSH PUSH PQ2/EQC from/to QUEUING MPLS SNMP MPLS–CS MANAGEMENT ROUTER SNMP SDRAM MPLS–CS MPLS–CS FLASH SPARE MPLS UNIT EPROM (EPS) Configuration Status ISSB–SPARE from/to for MPLS (MPLS–CS) ÀÀÀÀÀÀÀÀÀÀÀ MICROPROCESSOR RESTART ISSB–EC ÀÀÀÀÀÀÀÀÀÀÀ MATRIXE mainand spare ÀÀÀÀÀÀÀÀÀÀÀ Management Bus (ISPB) from/to Configuration Status M–BUS for SDH (SDH–CS) Driver CMISS Bus–OFF Remote RIBUS Inventory 5V 1.8 V RIBUS ID I/F F +3.3 Vdc DC/DC Unit 3.3 V Failure CONGI CONVERTERS FROM 2.5 V 48/60 V MPLS + 1 x GIGABIT ETHERNET 1AA 00014 0004 (9007) A4 – ALICE 04.10 Figure 277. MPLS+1GbE Unit (PREA1GBE) – Block diagram ED 03 3AL 91669 AA AA 507 / 706 706
  • 510.
    4.35 ISA –Packet Ring unit (ISA–PR) The role of the ISA–PR functionality inside 1660SM is to provide a shared carrier–class Ethernet Packet Ring embedded either physically or logically into the SDH infrastructure, in a flexible manner over SDH not permitted without written authorization from Alcatel. Virtual Containers. All rights reserved. Passing on and copying of this document, use and communication of its contents The ISA–PR Packet Ring transports and aggregates Metro Ethernet traffic within a metro access or metro core SDH access ring/rings, all packet traffic is statistically multiplexed, with multiple Classes of Services and guaranteed QoS support (according to the defined SLA). The ISA–PR port card is used in conjunction with the 16FEA–PR and 2GBA–PR Access cards. These Access cards are described in para. 4.11 at page 408 and 4.12 at page 4.12 respectively. Functional Overview The diagram below shows the main functional blocks of the ISA–PR port card and interconnections to the access cards I2C bus RI GigaBit RI GMII GMII Ethernet RI MII1 MII16 FE Access RI Access Card Card NP NP RGGI RGGI RGGI RGGI AC (Access chip) AC 1G(Ser) 1GHost 1GHOST Craft Terminal NMS 1GData 1GData 1G(Ser) 1G(Ser) 1G(Ser) 1G(Ser) 1G(Ser) Octal SerDes GMII Host Host Octal SerDes GMII 1G 1G 1G 1G 1G 1G RI Port Unit Led BT–Stratix2 Card BU param 6G(in) HSI 4G(eg) SRAM CI Map Mac Bu Policer/ SRAM I/F Stratix1 Channel Policer Scheduler BM–Stratix1 Channel Table Scheduler ATI 32 (2.4G) ADM – OC12/OC48 PM param Stratix2 Utopia 32bits 2Phy(4) EDC Daughter Framer Board TADM Power – Batt / Ground from Congi Optical transceiver Modules 1AA 00014 0004 (9007) A4 – ALICE 04.10 STM4 line signals Figure 278. PR unit functional block diagram ED 03 3AL 91669 AA AA 508 / 706 706
  • 511.
    The main functionalblocks of the ISA–PR port card are as follows: • Optical transceivers – Physical ring interfaces: STM–4. • not permitted without written authorization from Alcatel. Framer ADM – Provides the SDH framing. All rights reserved. Passing on and copying of this document, use and communication of its contents • ADM (Add Drop Multiplexer) – Extracts traffic to be dropped in this port card, and merges traffic received from the access cards with through traffic on the ring. • Bandwidth Management – This block incorporates SLA control policing and buffer management. It is this block that determines the precedence and delay with which packets are forwarded to/from the ring. • Host – System controller responsible for the local management of the ISA–PR port card and access cards. The host communicates with the different elements of the ISA–PR series via dedicated control paths. Loss of a host card through a fault does not affect the delivery of customer traffic. The host card can communicate via one of two interfaces: – External Ethernet interface presented on the faceplate of the ISA–PR port card. – Internal Ethernet interface transported in the payload of the packet ring; used for in band communication between network elements and between network elements and the NMS. • EDC (Extended Differential Delay) – The EDC block is implemented on a daughter board. The block is essential to meet various SDH underlay Route Diversity scenarios (Route Diversity refers to SDH signal delivery across more than one fiber in parallel). Data Path Access to Port The port card receives classified and edited frames from the Network Processor block on the access card. These incoming frames are presented to the bandwidth management block for processing. The bandwidth management block performs: Frame Policing and Marking (crucial component in providing MEF compliant services). Frame marking refers to the method whereby some frames may be marked for possible discard. Under congestion conditions only these frames will be considered for discard. Buffer Management, i.e. frame storage in memory in the proper order till it is forwarded. Scheduled frame forwarding to the various destinations subject to bandwidth availability, priorities, Load Balancing considerations etc. Note that all destinations are possible, i.e. Ring interfaces at the Trunk card, Ethernet interfaces at a Line card, any combination thereof. Buffer Management may discard frames in course of Policing. The next stage is the ADM block where through traffic from the ring is merged with traffic generated within this system. Frames are forwarded according to priority criteria to the Framer. The Framer maintains the Ring interfaces and maps the frames onto them. 1AA 00014 0004 (9007) A4 – ALICE 04.10 ED 03 3AL 91669 AA AA 509 / 706 706
  • 512.
    Data Path Portto Access The ISA–PR port card receives ring traffic over the SDH optical interfaces. The framer, which hosts the Ring interfaces, recovers and validates the frames and forwards them to ADM not permitted without written authorization from Alcatel. The ADM looks up the network tag (MPLS) makes a decision according to the following criteria:– All rights reserved. Passing on and copying of this document, use and communication of its contents • Drop • Drop forward • Forward • Discard decision. All frames that are due to be forwarded on the ring are merged with locally generated frames. All frames that are dropped from the ring are forwarded to the bandwidth management block. The bandwidth management block buffers the frames till they can be forwarded to the Access cards, subject to bandwidth availability, congestion conditions and frame priorities. Control The ISA–PR port card is managed via the host controller housed on the port card itself. The control bus can be used to read inventory information such as serial number, construction information date of manufacture. LEDs on the ISA–PR faceplate provide indications as specified in the table below. Table 54. PR unit LED designation LED name State Alarm / Status ON = Minor OK YELLOW Blinking 50/50 = maintenance in progress (loopbacks...) ON = Major/Critical alarms on ISA–PR or Slot alarms in Access Card or Major transmission alarms on Access Card. Access card slot alarms stand for: Card Mismatch, Card Unassigned Card failure on POST (Power On Self Test) OK RED Blinking 50/50 = during the POST (Power On Self Test) failure. On POST completion the LED will change its color according to the card status afterwards Blinking 20/80 = card mismatch ON = OK Status OK GREEN Blinking 50/50 = ISA–PR in initialization process (following power–on or reset) OK OFF the card is not powered Active GREEN ON = the card is powered Active OFF the card is not powered 1AA 00014 0004 (9007) A4 – ALICE 04.10 ED 03 3AL 91669 AA AA 510 / 706 706
  • 513.
    Physical Interfaces The faceplate for the ISA–PR port module (shown in Figure 54. on page 143) presents the following connectors: not permitted without written authorization from Alcatel. All rights reserved. Passing on and copying of this document, use and communication of its contents SFP optical connections for SDH ring interfaces. The interfaces are designated W1 and W2 for West ring interface and E1 and E2 for East ring interface RS232 – RJ45 connector, allows for connection of a local console interface for use by a qualified engineer for debug purposes Eth (Ethernet Management interface) – RJ45 connector, enables local connection to the web based craft interface. This interface can also be used to connect to the NMS (Network Management System) via a data communications network (DCN). Power The ISA–PR port module receives 48v DC from the backplane and converts to lower voltages for local use. The power consumption of the ISA–PR port module is 50 Watts. 1AA 00014 0004 (9007) A4 – ALICE 04.10 ED 03 3AL 91669 AA AA 511 / 706 706
  • 514.
    4.36 STM–16 opticalport (two slots wide) (See Figure 279. on page 517) not permitted without written authorization from Alcatel. The description is applicable to all the STM–16 optical ports of this release; up to four STM–16 optical port All rights reserved. Passing on and copying of this document, use and communication of its contents can be inserted in 1660SM. The units can be distinguished by letters L, S and I defining their dependance on optical components used for Long distance, Short distance or Intra Office. The Input/output unit optical connectors can be accessed from the unit’s front coverplate. The units which operate in the second window are indicated with 16.1, those operating in the third window with 16.2. The units are identified by the type of connector used SFF, FC/PC or SC/PC or SC/SPC connectors. The units identified by JE (Joint engineering) have better optical characteristics, typically for the dispersion values and sensitivity (see Table 68. on page 631). The STM–16 with ”192.3 to 195.7” indication (also defined ”colored”), are used when interfaced with WDM equipment. That number indicates the central frequency (in Thz) of the carrier optical signal, related to the wavelength. These sixteen units are independently characterized by different wavelength. The WDM equipment must receive up to sixteen different wavelength signals from sixteen different STM–16 optical port. The SDH functions required to manage STM–16 signal are implemented by four G.A. ( G.A#1 to G.A.#4 in Figure 279. on page 517) mounted on the board. They interface the two MATRIX boards via backpanel. Another G.A. (G.A.#5 in Figure 279. on page 517) is present with MUX/DEMUX and loop functions. This G.A. interface the line side with one stream at 2488 Mbit/s an the equipment side with four stream at 622 Mbit/s. Two types of loops are possible inside G.A.#5: • Line loop • Internal loop Referring to the ITU–T G.783 recommendation, the four G.A. performs the following functions : – TTF (only the G.A. #1 ) – HOA (all G.A. from 1 to 4) – LPOM /LSUT (all G.A. from 1 to 4). The last is not available in this release – HPOM /HSUT ( only the G.A.#1). The last is not available in this release Cross connection functions (MSP, HPC and LPC) are performed by the two MATRIX boards (working in 1+1 configuration). The TTF block is connected to the two MATRIX boards through four bidirectional links at 622 Mbit/s in 1+1 configuration (H link). HOA block is connected both to the HPC matrices and to the LPC matrices on the two MATRIX boards through two bidirectional link at 622 MBit/s each in 1+1 configuration (”X link” and “L link” respectively) . Backpanel interface supply a system–clock (SYST CK) to the G.A. internal circuits 1AA 00014 0004 (9007) A4 – ALICE 04.10 ED 03 3AL 91669 AA AA 512 / 706 706
  • 515.
    In the followingblock description, the new naming convention of the G.783 is reported. Refer to para. 3.3.4 on page 206 for details. The G.A.#1 send and receive four 622 Mbit/s signal (data + clock) to/from the G.A.#5 not permitted without written authorization from Alcatel. All rights reserved. Passing on and copying of this document, use and communication of its contents The SPI can detect an external LOS from the input line . The optical transmitter provides to the G.A. its status by means of two input signals: Laser Degrade and Laser Failure. The ALS algorithm is hardware implemented and the G.A. provides the Laser shut Down command (LASER OFF). On the front panel of the unit a push–button is available for manual laser restart. TTF BLOCK (SPI, RST, MST, MSA) This block performs the Transport Terminal Functions (sink on Input side, source on Output side) for the STM–16 signal. TTF block provides the T1 timing references at 2 MHz , derived from the STM–16 input signals INPUT side : from line to MSP MATRIX SPI (OSn/RSn_A_Sk) : it descramblers the incoming signal , counts the OOF and reveals the LOF alarm. RST (RSn_TT_Sk) : performs frame alignment detection (A1, A2) , regenerator section trace recovery (J0) and mismatch detection, BIP–8 Errored Block count. MST (MSn_TT_Sk) : performs BIP–24 errored block count, MS–REI recovery, MS–RDI and MS–AIS detection. TSD is applied in case of MS–DEG (signal degrade), TSF is applied if MS–AIS is detected. MSA (MSn/Sn_A_Sk) : performs AU4’s pointer interpretation, LOP and AIS detection, pointer justification. Sixteen MSA blocks are present. Moreover the following functions are performed on the Input side : SOH BYTE extraction (Rx side): DCC bytes (DCCR D1–D3 and DCCM D4–D12) are dropped and serialized in a DCC frame. Two DCC frames are generated working in 1+1 protection. TP byte insertion (Rx side) : since the cross connection functions are centralized , for protection purpose TSD (Trail Signal Degrade) and TSF (Trail Signal Failure) are transmitted towards the two MATRIX board. K BYTES insertion and extraction (Rx side) : this block provides the in–band transmission of K1,K2, bytes towards the MATRIX board. The bytes are extracted from the line when a TSF is received and they are transmitted towards the two MATRIX board. 1AA 00014 0004 (9007) A4 – ALICE 04.10 ED 03 3AL 91669 AA AA 513 / 706 706
  • 516.
    OUTPUT side :from MATRIX to line MSA (Ms/Sn_A_So) : it performs AUG assembly, AU–4 pointer generation, AU–AIS generation. The sixteen AU4 structure are byte interleaved in the STM–16 structure with fixed phase relationship not permitted without written authorization from Alcatel. vs. the same multiple signal. All rights reserved. Passing on and copying of this document, use and communication of its contents MST (MSn_TT_So) : it performs BIP–24 calculation and insertion, MS–REI MS–RDI and MS–AIS insertion. RST (RSn_TT_So) : it performs frame alignment insertion, regenerator section path trace insertion, BIP–8 calculation and insertion. SOH BYTE insertion (Tx side): DCC bytes (DCCR D1–D3 and DCCM D4–D12) coming from the DCC frames are inserted into the SOH section. K BYTES insertion and extraction (Tx side) : K1, K2 bytes are extracted from the frame coming from backpanel and re–inserted on the same output line frame . HOA BLOCK (HPT, HPA) From HPC matrix to LPC matrix HPT (Sn_TT_Sk) : path trace information is recovered, REI information is recovered, HP–RDI and UNEQ are detected, VC4 BIP–8 errored count block. TSF is applied if SSF or UNEQ or TIM or AIS is detected. TSD is applied if a condition of signal degrade is detected. Moreover : F2 F3 byte extraction (Rx side) : both F2 and F3 bytes are extracted from the received flow and serialized on a DCC frame . N1 byte extraction (Rx side) : for the network Tandem Connection Termination Monitoring function (TCT/TCM). HPA (Sn/Sm_A_Sk) : VC–4 disassembly, TU pointer interpretation, LOP and TU–AIS detection, HP–SLM and LOM detection. From LPC matrix to HPC matrix HPA (Sn/Sm_A_So) : VC4 assembly, TU pointer generation, TU–AIS generation , signal label insertion, HPT (Sn_TT_So) : path trace identification insertion, RDI and REI indications insertion, VC–4 BIP–8 calculation and insertion. Moreover: F2 and F3 byte insertion (Tx side) : F2/F3 bytes are inserted on the DCC frame N1 byte insertion (Tx side) : for the network Tandem Connection Termination Monitoring function (TCT/TCM). 1AA 00014 0004 (9007) A4 – ALICE 04.10 ED 03 3AL 91669 AA AA 514 / 706 706
  • 517.
    The G.A. providesalso the HSUT, HPOM, (alternative) and LSUT, LPOM functions (alternative) both in Rx and Tx side. The main task of HSUT are: not permitted without written authorization from Alcatel. All rights reserved. Passing on and copying of this document, use and communication of its contents RX side (from MSA to HPC matrix): • path trace information recovery • REI recovery • HP–RDI detection (path status monitoring • UNEQ and VC–AIS detection (signal label monitoring) • VC4 BIP–8 Errored Block count Tx side: (from HPC matrix to MSA) • generation of an unequipped container • ”unequipped” insertion, trail trace identifier generation • RDI and /or REI information generation • VC–4 BIP–8 calculation and insertion The main task of HPOM are: RX and TX side: • signal termination • J1 path recovering • REI information recovering • HP–RDI detection (path status monitoring • UNEQ and VC–AIS detection (signal label monitoring) • VC4 BIP–8 Errored Block count • TSF is generated in case of SSF , UNEQ, TIM , AIS . TSD is generated in case of SD The main tasks of LSUT are : RX side (from HPA to LPC matrix): • recovering of VC–m unequipped signal label • path trace recovering • BIP–2 recovery • REI and RDI recovery Tx side (from LPC matrix to HPA ): • insertion of VC–m unequipped signal label • path trace insertion • BIP–2 insertion • REI and RDI insertion LSUT is used to monitor unequipped path trails . The main tasks of LPOM are : • trace identifier monitoring • RDI and REI recovering and deriving for performance primitives • signal label monitoring 1AA 00014 0004 (9007) A4 – ALICE 04.10 • VC–m BIP–2 errored block count LPOM is used for performance monitoring purposes. ED 03 3AL 91669 AA AA 515 / 706 706
  • 518.
    Other functions implementedare : • RIBUS I/F This block is used to: not permitted without written authorization from Alcatel. All rights reserved. Passing on and copying of this document, use and communication of its contents – read/write from/to the ”RIBUS” stream – control the LED on the unit – release the Management–bus in case of power failure – read remote inventory data. RIBUS I/F is powered by the + 3.3 Vdc supply by CONGI boards. • TONE MODULATOR MANAGEMENT This block is used by the STM–16 optical port with ”192.3 to 195.7” indication. In this block is present a”WDM tone generator”, which starting from the data written in the remote inventory, fix the appropriate wavelength transmitted to the WDM equipment. • REMOTE INVENTORY It is the memory containing the board information, for identification purposes (see para. 3.17 on page 370 for details) and additional data for operation of the board in WDM application. • M–BUS Driver It drives the input–output gates of the Management–bus. These drivers can be disabled (by the Bus–OFF signal) in case of power failure. • DC/DC CONVERTERS This block converts the 48/60 V power supply to the following voltages: – + 2.5 V – + 3.3 V – –5V – +5V The DC/DC converter is synchronized with a synchronization clock at 300 MHz (signal Power Sync) , generated by G.A.#1) in order to avoid EMI problems. 1AA 00014 0004 (9007) A4 – ALICE 04.10 ED 03 3AL 91669 AA AA 516 / 706 706
  • 519.
    622 MHz SYST CK A/B OSC G.A.#1 T1 to/from Laser Restart HPC matrix ( X link) HPT not permitted without written authorization from Alcatel. CK Power Sync HOA to/from All rights reserved. Passing on and copying of this document, use and communication of its contents LPC matrix (L link) HPA main and spare 2488 Mbit/s 4 x 622 Mbit/s LPOM (*) OPTICAL G.A.#5 TTF LSUT INPUT/ F2, F3 HPOM (*) from/to OUPUT MUX HSUT to/from O/E SPI / K1,K2 HPC matrix MATRIXE DEMUX (H link) Tx side RST MST MSA K1,K2,TP Insertion Rx side to/from Insertion HPC matrix DCCR DCCM (H link) RSOH MSOH MSA Line loop to/from HPC matrix (H link) Internal loop MSA LOS to/from HPC matrix (H link) LASER D. MSA LASER F. DCC LASER OFF from/to AUX PQ2/EQC F2, F3 from/to Tone SERVICE SYST CK A/B from/to MATRIXE main and spare G.A.#2 to/from HPC matrix ( X link) HPT HOA to/from LPC matrix (L link) CK HPA LPOM (*) LSUT from/to F2, F3 AUX SERVICE F2, F3 from/to MATRIXE SYST CK A/B main and spare G.A.#3 to/from HPC matrix ( X link) CK HPT HOA to/from Notes: (*) – HSUT and LSUT are not operative in current release LPC matrix (L link) HPA Tone LPOM (*) LSUT from/to F2, F3 SERVICE F2, F3 AUX from/to MATRIXE SYST CK A/B Tone main and spare modulator G.A.#4 to/from management HPC matrix ( X link) CK HPT HOA to/from M–BUS LPC matrix (L link) HPA Driver Remote LPOM (*) Inventory LSUT from/to Bus–OFF SERVICE F2, F3 AUX F2, F3 ID Management Bus Line loop RIBUS Internal loop I/F RIBUS 2.5 V Power Sync +3.3 Vdc 3.3 V DC/DC 48/60 V Unit 5V CONVERTERS Failure from STM–16 OPTICAL PORT –5 V +3.3 Vdc CONGI 1AA 00014 0004 (9007) A4 – ALICE 04.10 Figure 279. STM–16 optical port block diagram ED 03 3AL 91669 AA AA 517 / 706 706
  • 520.
    4.37 STM–16 opticalslim port (one slot wide) (See Figure 280. on page 523) not permitted without written authorization from Alcatel. The description is applicable to all the STM–16 optical “slim” ports of this release; up to sixteen STM–16 All rights reserved. Passing on and copying of this document, use and communication of its contents optical port can be inserted in 1660SM. The units can be distinguished by letters S (S–16.1) and I (the last is not available in current release) defining their dependance on optical components used for Short distance or Intra Office; the units operate in the second window The Input/output optical connectors can be accessed from the unit’s front coverplate.; as a matter of fact the unit must be equipped with a SFP plug–in optical module where the fiber cable is connected. The WDM equipment must receive up to sixteen different wavelength signals from sixteen different STM–16 optical port. The SDH functions required to manage STM–16 signal are implemented by four G.A. ( G.A#1 to G.A.#4 in Figure 279. on page 517) mounted on the board. They interface the two MATRIX boards (via backpanel) through a SERDES device (serializer/deserializer) the task of wich is to serialize the 622Mbit/s signals (coming from the four G.A). into few 2.5 Gbit/s signals (one for each link H, L, X). Another G.A. (G.A.#5 in Figure 279. on page 517) is present with MUX/DEMUX and loop functions. This G.A. interface the line side with one stream at 2488 Mbit/s an the equipment side with four stream at 622 Mbit/s. Two types of loops are possible inside G.A.#5: • Line loop • Internal loop Referring to the ITU–T G.783 recommendation, the four G.A. performs the following functions : – TTF (only the G.A. #1 ) – HOA (all G.A. from 1 to 4) – LPOM /LSUT (all G.A. from 1 to 4). The last is not available in this release – HPOM /HSUT ( only the G.A.#1). The last is not available in this release Cross connection functions (MSP, HPC and LPC) are performed by the two MATRIX boards (working in 1+1 configuration). The TTF block is connected to the two MATRIX boards through four bidirectional links at 622 Mbit/s in 1+1 configuration (H link). HOA block is connected both to the HPC and LPC matrices on the two MATRIX boards via SERDES device through bidirectional link at 2.5 Gbit/s 1+1 configuration (”X link” and “L link” respectively) . Backpanel interface supply a system–clock (SYST CK) to the G.A. internal circuits 1AA 00014 0004 (9007) A4 – ALICE 04.10 ED 03 3AL 91669 AA AA 518 / 706 706
  • 521.
    In the followingblock description, the new naming convention of the G.783 is reported. Refer to para. 3.3.4 on page 206 for details. The G.A.#1 send and receive four 622 Mbit/s signal (data + clock) to/from the G.A.#5 not permitted without written authorization from Alcatel. All rights reserved. Passing on and copying of this document, use and communication of its contents The SPI can detect an external LOS from the input line . The optical transmitter provides to the G.A. its status by Laser Failure signal. The ALS algorithm is hardware implemented and the G.A. provides the Laser shut Down command (LASER OFF). On the front panel of the unit a push–button is available for manual laser restart. TTF BLOCK (SPI, RST, MST, MSA) This block performs the Transport Terminal Functions (sink on Input side, source on Output side) for the STM–16 signal. TTF block provides the T1 timing references at 2 MHz , derived from the STM–16 input signals INPUT side : from line to MSP MATRIX SPI (OSn/RSn_A_Sk) : it descramblers the incoming signal , counts the OOF and reveals the LOF alarm. RST (RSn_TT_Sk) : performs frame alignment detection (A1, A2) , regenerator section trace recovery (J0) and mismatch detection, BIP–8 Errored Block count. MST (MSn_TT_Sk) : performs BIP–24 errored block count, MS–REI recovery, MS–RDI and MS–AIS detection. TSD is applied in case of MS–DEG (signal degrade), TSF is applied if MS–AIS is detected. MSA (MSn/Sn_A_Sk) : performs AU4’s pointer interpretation, LOP and AIS detection, pointer justification. Sixteen MSA blocks are present. Moreover the following functions are performed on the Input side : SOH BYTE extraction (Rx side): DCC bytes (DCCR D1–D3 and DCCM D4–D12) are dropped and serialized in a DCC frame. Two DCC frames are generated working in 1+1 protection. TP byte insertion (Rx side) : since the cross connection functions are centralized , for protection purpose TSD (Trail Signal Degrade) and TSF (Trail Signal Failure) are transmitted towards the two MATRIX board. K BYTES insertion and extraction (Rx side) : this block provides the in–band transmission of K1,K2, bytes towards the MATRIX board. The bytes are extracted from the line when a TSF is received and they are transmitted towards the two MATRIX board. 1AA 00014 0004 (9007) A4 – ALICE 04.10 ED 03 3AL 91669 AA AA 519 / 706 706
  • 522.
    OUTPUT side :from MATRIX to line MSA (Ms/Sn_A_So) : it performs AUG assembly, AU–4 pointer generation, AU–AIS generation. The sixteen AU4 structure are byte interleaved in the STM–16 structure with fixed phase relationship not permitted without written authorization from Alcatel. vs. the same multiple signal. All rights reserved. Passing on and copying of this document, use and communication of its contents MST (MSn_TT_So) : it performs BIP–24 calculation and insertion, MS–REI MS–RDI and MS–AIS insertion. RST (RSn_TT_So) : it performs frame alignment insertion, regenerator section path trace insertion, BIP–8 calculation and insertion. SOH BYTE insertion (Tx side): DCC bytes (DCCR D1–D3 and DCCM D4–D12) coming from the DCC frames are inserted into the SOH section. K BYTES insertion and extraction (Tx side) : K1, K2 bytes are extracted from the frame coming from backpanel and re–inserted on the same output line frame . HOA BLOCK (HPT, HPA) From HPC matrix to LPC matrix HPT (Sn_TT_Sk) : path trace information is recovered, REI information is recovered, HP–RDI and UNEQ are detected, VC4 BIP–8 errored count block. TSF is applied if SSF or UNEQ or TIM or AIS is detected. TSD is applied if a condition of signal degrade is detected. Moreover : F2 F3 byte extraction (Rx side) : both F2 and F3 bytes are extracted from the received flow and serialized on a DCC frame . N1 byte extraction (Rx side) : for the network Tandem Connection Termination Monitoring function (TCT/TCM). HPA (Sn/Sm_A_Sk) : VC–4 disassembly, TU pointer interpretation, LOP and TU–AIS detection, HP–SLM and LOM detection. From LPC matrix to HPC matrix HPA (Sn/Sm_A_So) : VC4 assembly, TU pointer generation, TU–AIS generation , signal label insertion, HPT (Sn_TT_So) : path trace identification insertion, RDI and REI indications insertion, VC–4 BIP–8 calculation and insertion. Moreover: F2 and F3 byte insertion (Tx side) : F2/F3 bytes are inserted on the DCC frame N1 byte insertion (Tx side) : for the network Tandem Connection Termination Monitoring function (TCT/TCM). 1AA 00014 0004 (9007) A4 – ALICE 04.10 ED 03 3AL 91669 AA AA 520 / 706 706
  • 523.
    The G.A. providesalso the HSUT, HPOM, (alternative) and LSUT, LPOM functions (alternative) both in Rx and Tx side. The main task of HSUT are: not permitted without written authorization from Alcatel. All rights reserved. Passing on and copying of this document, use and communication of its contents RX side (from MSA to HPC matrix): • path trace information recovery • REI recovery • HP–RDI detection (path status monitoring • UNEQ and VC–AIS detection (signal label monitoring) • VC4 BIP–8 Errored Block count Tx side: (from HPC matrix to MSA) • generation of an unequipped container • ”unequipped” insertion, trail trace identifier generation • RDI and /or REI information generation • VC–4 BIP–8 calculation and insertion The main task of HPOM are: RX and TX side: • signal termination • J1 path recovering • REI information recovering • HP–RDI detection (path status monitoring • UNEQ and VC–AIS detection (signal label monitoring) • VC4 BIP–8 Errored Block count • TSF is generated in case of SSF , UNEQ, TIM , AIS . TSD is generated in case of SD The main tasks of LSUT are : RX side (from HPA to LPC matrix): • recovering of VC–m unequipped signal label • path trace recovering • BIP–2 recovery • REI and RDI recovery Tx side (from LPC matrix to HPA ): • insertion of VC–m unequipped signal label • path trace insertion • BIP–2 insertion • REI and RDI insertion LSUT is used to monitor unequipped path trails . The main tasks of LPOM are : • trace identifier monitoring • RDI and REI recovering and deriving for performance primitives • signal label monitoring 1AA 00014 0004 (9007) A4 – ALICE 04.10 • VC–m BIP–2 errored block count LPOM is used for performance monitoring purposes. ED 03 3AL 91669 AA AA 521 / 706 706
  • 524.
    Other functions implementedare : • RIBUS I/F This block is used to: not permitted without written authorization from Alcatel. All rights reserved. Passing on and copying of this document, use and communication of its contents – read/write from/to the ”RIBUS” stream – control the LED on the unit – control the SERDES SETTINGS device (sending configuration etc.) – release the Management–bus in case of power failure – read remote inventory data. RIBUS I/F is powered by the + 3.3 Vdc supply by CONGI boards. • REMOTE INVENTORY It is the memory containing the board information, for identification purposes (see para. 3.17 on page 370 for details) • M–BUS Driver It drives the input–output gates of the Management–bus. These drivers can be disabled (by the Bus–OFF signal) in case of power failure. • DC/DC CONVERTERS This block converts the 48/60 V power supply to the following voltages: – + 2.5 V – + 3.3 V – 1.8 V – 1.2 V The DC/DC converter is synchronized with a synchronization clock at 300 MHz (signal Power Sync) , generated by G.A.#1) in order to avoid EMI problems. 1AA 00014 0004 (9007) A4 – ALICE 04.10 ED 03 3AL 91669 AA AA 522 / 706 706
  • 525.
    T1 622 MHz SYST CK A/B OSC G.A.#1 to/from Laser Restart HPC matrix( X link) HPT not permitted without written authorization from Alcatel. CKPower Sync to/from main and spare HOA All rights reserved. Passing on and copying of this document, use and communication of its contents LPC matrix (L link) HPA 2488 Mbit/s 4 x 622 Mbit/s LPOM(*) OPTICAL G.A.#5 TTF LSUT (H link) INPUT/ F2, F3 OUPUT HPOM(*) MUX HSUT to/from S from/to MATRIXE O/E SPI / K1,K2 HPC matrix E (L link) DEMUX (H link) R Tx side RST MST D MSA K1,K2,TP E ( X link) Insertion Rx side to/from S Insertion HPC matrix DCCR DCCM (H link) RSOH MSOH MSA Line loop to/from HPC matrix (H link) Internal loop MSA LOS to/from HPC matrix (H link) MSA LASER F. LASER OFF DCC from/to PQ2/EQC F2, F3 AUX SYST CK A/B G.A.#2 to/from HPC matrix ( X link) HPT HOA to/from LPC matrix (L link) CK HPA LPOM (*) LSUT F2, F3 F2, F3 AUX SYST CK A/B G.A.#3 to/from HPC matrix( X link) SERVICE HPT from/to CK to/from HOA Notes: (*) – HSUT and LSUT are not operative in current release LPC matrix(L link) HPA LPOM(*) LSUT F2, F3 F2, F3 AUX SERDES SYST CK A/B SETTINGS to/from G.A.#4 HPC matrix( X link) CK HPT HOA to/from M–BUS LPC matrix(L link) HPA Driver Remote LPOM (*) Inventory LSUT Bus–OFF F2, F3 F2, F3 AUX ID Management Bus Line loop RIBUS Internal loop I/F RIBUS from/to MATRIXE 2.5 V Power Sync main +3.3 Vdc and spare 3.3 V DC/DC 48/60 V Unit 1.8 V CONVERTERS from Failure STM–16 OPTICAL SLIM PORT +3.3 Vdc 1.2 V CONGI 1AA 00014 0004 (9007) A4 – ALICE 04.10 Figure 280. STM–16 slim port block diagram ED 03 3AL 91669 AA AA 523 / 706 706
  • 526.
    4.38 STM–64 opticalport (Refer to Figure 281. on page 526) not permitted without written authorization from Alcatel. Function of this unit is to be the STM–64 Port (9.95328 Gbit/s bit rate) of 1660SM system. It connects, via All rights reserved. Passing on and copying of this document, use and communication of its contents optical fibers, the system to the Transmission Network. The units can be distinguished by letters I, S and L defining their dependance on optical components used for Intra Office distance (links up to 2 Km), Short distance (links up to 40 Km) or Long distance . The Input/output unit optical connectors can be accessed from the unit’s front coverplate. The unit operating in the third window is indicated with 64.2. The units are identified by the type of connector used, FC/PC connectors. On the front panel of the unit a push–button is available for manual laser restart. The dimensions of this unit is two slots wide. The Physical layer, the Regeneration section and multiplex section layer are terminated/ generated in this board, and also the Multiplex section adaptation is processed. The interface can support 64 x VC4 containers or 16 x VC4–4c containers or 4 x VC4– 16c containers or 1 x VC4–64c container. High Order and Low Order VC processing is carried out by the board. The whole line capacity (up to 64 AU4s) are managed by matrix at HO level; half capacity (up to 32 AU4s) of the whole line capacity is managed by matrix at LO level. The SDH functions required to manage STM–64 signal are implemented by nine G.A. ( G.A#1 for TTF function and from G.A.#2 to G.A.#9 for LVC function ) mounted on the board. The board interfaces the two MATRIX boards via backpanel with links at 2.5 Gbit/s. RX side functions • Optical to electrical conversion at 9.95328 Gbit/s bit rate; at the input side are also detected the following alarms: – LOS (Loss Of Signal) – LASER DERADE – LASER FAIL • Demultiplexing from 9.95328 Gbit/s to 16 x 622 Mbit/s by means of a 1:16 DEMUX device; • Demultiplexing from 16 x 622 Mbit/s to 32 x 311 Mbit/s by means of a 1:2 DEMUX device in order to interface the G.A.#1. • TTF function (RST Sink, MST Sink, 64 x SA,). These functions are performed by GA #1 • Serializer: SERDES block serialize the signal coming from G.A.#1 to G.A.#9 and interface the two MATRIXE boards with links at 2.5 Gibit/s (H, L, X links). • LVC (lower order path ) function: us above mentioned 8 G.A. ( G.A.#2 to G.A.#9 ) are present in order to process the SDH signal at low order level. 1AA 00014 0004 (9007) A4 – ALICE 04.10 Up to 32 VC–4 max. can be structured at low order by means of Craft Terminal or O.S settings LVC are connected to the two MATRIX via SERDES device. ED 03 3AL 91669 AA AA 524 / 706 706
  • 527.
    TX side functions • Serializer: SERDES block de–serialize the signal coming from the two MATRIXE (H, L, X links at 2.5 Gibit/s ) into 16x622 Mb/s signals forwarded to G.A.#1 – G.A.#9. not permitted without written authorization from Alcatel. All rights reserved. Passing on and copying of this document, use and communication of its contents • TTF function (64 x SA, MST Source, RST Source ). These functions are performed by GA #1 • LVC (lower order path ) function: us above mentioned 8 G.A. ( G.A.#2 to G.A.#9 ) are present in order to process the SDH signal at low order level. • Multiplexing from 32 x 311 Mbit/s to 16 x 622 Mbit/s by means of a 2:1 MUX device • Multiplexing from 16 x 622 Mbit/s to 9.95328 Gbit/s by means of a 16:1 MUX device; • Electrical to Optical conversion at 9.95328 Gbit/s bit rate; at the output side the command LASER OFF , switch off the LASER Other functions implemented are : • RIBUS I/F This block is used to: – read/write from/to the ”RIBUS” stream – control the LED on the unit – control the SERDES SETTINGS device (sending configuration etc.) – release the Management–bus in case of power failure – read remote inventory data. RIBUS I/F is powered by the + 3.3 Vdc supply by CONGI boards. • REMOTE INVENTORY It is the memory containing the board information, for identification purposes (see para. 3.17 on page 370 for details) • M–BUS Driver It drives the input–output gates of the Management–bus. These drivers can be disabled (by the Bus–OFF signal) in case of power failure. • DC/DC CONVERTERS This block converts the 48/60 V power supply to the following voltages: – + 3.3 V – 1.8 V – 1.7 V 1AA 00014 0004 (9007) A4 – ALICE 04.10 ED 03 3AL 91669 AA AA 525 / 706 706
  • 528.
    G.A.#9 16x not permitted without written authorization from Alcatel. 622Mb/s All rights reserved. Passing on and copying of this document, use and communication of its contents G.A.#2 LVC PROCESSING #4 LVC #3 LVC #2 LVC #1 LVC Laser Restart (H link) LOS LASER D. LASER F. MATRIXE main and spare CKR (L link) 16x 32x G.A.#1 SERDES from/to INPUT 622Mb/s DEMUX 311 Mb/s O/E CKR 1:16 DEMUX 1:2 TTF ( X link) 16x 32x 16:1 622Mb/s MUX 311 Mb/s O/E TTF MUX 2:1 OUPUT LASER OFF CK 622 MHz LP Filter OSC SERDES M–BUS SETTINGS Driver Remote Inventory Bus–OFF ID Management Bus RIBUS I/F RIBUS Unit Failure 3.3 V DC/DC 48/60 V 1.8 V CONVERTERS from +3.3 Vdc CONGI 1.7 V STM–64 Optical Port 1AA 00014 0004 (9007) A4 – ALICE 04.10 Figure 281. STM–64 optical port block diagram ED 03 3AL 91669 AA AA 526 / 706 706
  • 529.
    4.39 ISA –Ethernet/Fast Ethernet port (ETH–MB) (See Figure 282. on page 530) not permitted without written authorization from Alcatel. The ETHERNET–PORT is a new unit able to process twenty–five (10/100 Mbit/s) Ethernet and fast All rights reserved. Passing on and copying of this document, use and communication of its contents Ethernet streams and to map them towards the SDH world. The Ethernet frames are inserted into a GFP (Generic Framing Procedure) packet which is a universal container for data traffic. The unit is able to execute a RATE ADAPTING action, hence it is able to cross–connect a 10/100Mbit/s ETHERNET stream towards an SDH virtual container of any dimension (VC12, VC3, VC4). The Ethernet unit is able to memorize all the frames composing the incoming 10Mbit/s signal in a pseudo hard disk made up of eight RAM (1Mx18bit) memories to be forwarded to the selected VCx. Should the memories be filled up without emptying them in the Vcx, a flow control intervenes. The latter is able to communicate to the Ethernet transmitter to reduce or interrupt the frame transmission up to recovering the stable condition of the archived frames versus the ones sent over the SDH VC. All the write and read operations occur at the 125 Mhz frequency in order to reduce the risk of memory stuffing. The same operation will also be executed on the Tx side, i.e. the frames contained in the SDH virtual containers will pass in the RAMs before to be forwarded to the outgoing Ethernet stream. The ETH–ATX access port can be utilized in order to supply the highest number of Ethernet ports; it is provided only with a physical Ethernet interface facing with the ETHERNET–PORT (ETH–MB) via backpanel as regards the management and cross–connection functions towards the SDH world. In this manner 11 interfaces are made available on the ETHERNET–PORT and 14 interfaces are made available on the ETHERNET ACCESS for a total amount of 25 10/100Mbit/s streams. The ETH–MB can also be used in conjunction with the Gigabit Access card GETH–AG in order to process two 1.25 Gbit/s Ethernet stream and eleven 10/100 Mbit/s Ethernet stream (not in current release)). In the following is described the signal processing in the Ethernet line ––– SDH matrix (placed on the MATRIX unit) direction. On the opposite side are performed the complementary functions. 1AA 00014 0004 (9007) A4 – ALICE 04.10 ED 03 3AL 91669 AA AA 527 / 706 706
  • 530.
    The functions implementedon the board are the following: – Ethernet frames processing: • not permitted without written authorization from Alcatel. SELF RATE ADAPTING and interfacing with the line: All rights reserved. Passing on and copying of this document, use and communication of its contents The Ethernet streams come into the unit via eleven connectors RJ45 on the front–cover, just after there are the transformers to realize the crossover function. The inner part of the line interface comprises the “Self Rate Adapting” block, which is able to perform the physical processing of the 10/100 Mbit/s signals. At the start–up, this block is automatically able to select the max. rate accepted by the remote station; it is however possible to force all the configurations (full–duplex, half–duplex, 10Mbit/s 100Mbit/s) by means of the check signal “Rate Adapting forced settings” coming from the Microcontroller on the board. The “Self Rate Adapting” block requires a 125 MHz reference clock (supplied by a VCXO) in order to be able to process the input and output signals. The signals are sent to the “Retiming” block after having been processed. • RETIMING: The eleven Tx and Rx serial streams together with the clock and synchronism are retimed with the system clock to absorb phase differences (if any) with the clock recovered from the data. • GFP: The function of this block is to prepare the Ethernet frames to be mapped towards the SDH world by means of GFP encapsulation (see para. 3.8 on page 263 for details) thus guaranteeing the possibility to utilize any type of VCx virtual container. The “GFP” block” is connected to 8 SSRAM memory pads to create the pseudo hard disk functionality and to 3 external memories (Management memories) where are stored all the information required to perform the connections towards the VCx. • MICROCONTROLLER: The Microcontroller can set all the operation settings of the “Self Rate Adapting” block present on the ETH–MB board and the one on the ETH–ATX access unit. Moreover the Microcontroller can configure the “GFP” block cross–connections. The program executed by the microcontroller to perform the various processes resides in two SRAM memories and in one FLASH memory on the board. • SIPO PISO: These blocks are used to parallel the 1.25Gbit/s streams received from the access port and then processed like the signals recovered from the 11 line interfaces on the same board. In fact, the 14 streams have been serialized by obtaining two 1.25Gbit/s links in order to connect 14 Ethernet streams on the access board via the backpanel. The 1.25Gbit/s streams are also utilized to connect the Ethernet port (ETH–MB) with the Gigabit Access card (GETH–AG). 1AA 00014 0004 (9007) A4 – ALICE 04.10 ED 03 3AL 91669 AA AA 528 / 706 706
  • 531.
    VCXO: On the unit is present a VCXO supplying a 125MHz clock to all the logics processing the Ethernet signal. not permitted without written authorization from Alcatel. All rights reserved. Passing on and copying of this document, use and communication of its contents – SDH termination: • SWITCH: The task of the SWITCH block is to send the signals coming from HPT or LPT block towards the matrix on the MATRIX board. The selection is made according to the type of signal to be connected (L if it is structured, X if unstructured). The “L” signals are sent to LPT – LPA blocks, the “X” to the HPT. • HPT: this block adds/removes the high order POH bytes to the C–4 unstructured payloads (bulks). • LPT: The LPT function terminates a VC–12 or a VC–3 by adding or removing the relevant POH bytes to a C–12 or a C–3. • LPA: This block adapts the low order payloads C12 or C3 to the higher order containers used for transportation in the SDH (TU–12 or TU–3). The adaptation includes timing synchronization and frame offset with pointers movements. • Struct/Unstr: this selector sends the bulk signals (unstructured) to HPT, while the structured signals are sent to LPA–LPT. – Other functions implemented on the board are: • RIBUS I/F This block is used to read/write from/to the ”RIBUS” serial stream, to control the LED on the unit, to release the Management–bus in case of power failure, and to use the remote inventory. RIBUS I/F is powered by the + 3.3 VS supplied by the CONGI • REMOTE INVENTORY It is the memory containing the board information, for identification purposes (see para. 3.17 on page 370 for details about Remote Inventory information). • M–BUS Driver It drives the input–output gates of the serial Management–bus. These drivers can be disabled (by the Bus–OFF signal) in case of power failure. • DC/DC CONVERTERS This block converts the 48/60 V power supply, to obtain the voltages used to supply all the components in the board. The DC/DC converter is synchronized with a synchronization clock at 300 MHz (signal Power–Sync, generated by the SDH asic) in order to avoid EMI problems. • LEDS The board presents on its front panel one LED the meaning of which is reported in Figure 46. on page 135. • Buses The main buses on the board are: ISSB–EC: serial bus from the EC, to communicate software data (download, etc.). SDH–CS: from the EC, after derivation from the serial “Management–bus”, for configuration and status information of SDH components. 1AA 00014 0004 (9007) A4 – ALICE 04.10 RIBUS: serial bus from the SC (shelf controller on MATRIX unit), to communicate inventory and peripheral data. ED 03 3AL 91669 AA AA 529 / 706 706
  • 532.
    622 MHz System clock a System clock b OSC not permitted without written authorization from Alcatel. All rights reserved. Passing on and copying of this document, use and communication of its contents SDH–CS HPT MATRIXE MAIN AND SPARE LPT from/to SDH–CS Power Sync. LPA X VCX0 S W 125MHz I Struct/unstruct T C L H 1 ÎÎÎ ÎÎÎ ÎÎÎ ETHERNET INTERFACE 10 BASE T 2 SELF RATE System clock Management Configuration ÎÎÎ ÎÎÎ ADAPTING Memory É É É É Full–duplex GFP Data+Ck Generic Half–duplex Framing 11 ÎÎÎ ÎÎÎ 10 Mbit/s 100 Mbit/s RETIMING Procedure 8 ÎÎÎ (not used) 1 12 ÎÎÎ RAM ACCESS CARD ÎÎÎ SIPO 1,2 Gb/s DATA from/to ÎÎÎ Rate adapting PISO forced settings SDRAM É Configuration ISSB–EC PQ2/EQC from/to MICROPROCESSOR ÀÀÀÀÀÀÀÀÀÀÀÉÀÀ ÉÀÀ ÀÉÉ ÀÀÀÀÀÀÀÀÀÀÀÀ FLASH EPROM Management MATRIXE MAIN AND SPARE Bus (ISPB) M–BUS Configuration Status Driver for SDH (SDH–CS) CMISS from/to Power Sync. Bus–OFF Remote Inventory RIBUS ID 1.8V RIBUS FROM CONGI I/F F +3.3 Vdc 3.3 V DC/DC Unit CONVERTERS Failure 2.5 V 48/60 V ETHERNET PORT Figure 282. ETHERNET port (ETH–MB) – Block diagram 1AA 00014 0004 (9007) A4 – ALICE 04.10 ED 03 3AL 91669 AA AA 530 / 706 706
  • 533.
    4.40 ISA –GigaEthernet Main Board (GETH–MB) (See Figure 283. on page 534). not permitted without written authorization from Alcatel. This unit allows the management of Giga–bit Ethernet data and their transportation over the SDH network. All rights reserved. Passing on and copying of this document, use and communication of its contents The connections to the Ethernet network are accomplished by means of 8 full–duplex ethernet optical interfaces, type 1000Base–LX , 1000Base–SX, 1000Base–ZX , of which four are located on the front of the board, and four are on the GigaEthernet Access Unit; the giga–ethernet links operate at rates up to 1.25Gb/s, with data–rate auto–negotiation option, connected by means of LC–Duplex fiber connectors. The SDH container used for Ethernet data transportation is VC–4. The eight Ethernet channels can be connected to 8 SDH logical ports at VC4 rate. The main functions implemented on the board are the following: GbEth i/f SIPOPISOa SIPOPISOb ETH–GFP TABLES MEM GFP–SDH ALIGNMENT BUFFER SDH–BP Microprocessor RIBUS i/f Remote Inventory DC/DC Converters. GbEth I/F: four of these blocks are located on the unit; it is a small–form factor pluggable (SFP) module, implementing the optical to electric conversion, and viceversa, to accomplish a full–duplex Gigabit Ethernet interface at 1.25 Gb/s, as specified in IEEE802.3. For its description refer to para. 4.19, page 430 (”Gbit Eth. i/f Module” 1000B–LX, 1000B–SX, 1000B–ZX). SIPOPISO: two of these blocks are located on the unit: SIPOPISOa serves the four Gigabit data afferent the optical interfaces on the present board, while SIPOPISOb serves the four Gigabit data afferent the access board. The SIPOPISO block receives four ethernet differential signals at a rate of 1.25Gb/s and parallels each of them on ten wires at 125Mb/s rate; viceversa, in the opposite direction, it receives each gigabit signal on a parallel flow on 10–bits basis and serializes it. It accomplishes the PCS and PMA functions specified by the IEEE802.3: • receive clock recovery • data serialization/deserialization • encoding/decoding of octets data to/from ten–bits code–groups (8b/10b) • managing of the auto–negotiation process. ETH–GFP: this is an integrated circuit that accomplishes the data passage from ethernet frames to GFP (Generic Framing Procedure) frames and viceversa. Every function contained in it is repeated 8 times, in order to process the 8 ethernet signals. The ethernet MAC frame structure is illustrated in Figure 120. page 238 and is detailed in rec. IEEE 802.3. The GFP frame structure is illustrated in para. 3.8, page 263, and is detailed in rec.ITU–T G.7041. Its main functions are: NOTE: the functions are here described only in the direction from Ethernet to GFP, in the opposite 1AA 00014 0004 (9007) A4 – ALICE 04.10 direction they are opposite and specular. • ETH: it provides to acknowledge the boundaries of the ethernet frames as specified in rec. IEEE 802.3. The octets relevant to ethernet Preamble and Start–Of–Frame Delimiter are discarded. ED 03 3AL 91669 AA AA 531 / 706 706
  • 534.
    SIL: it provides to acknowledge the ethernet inter–frames silences and to discard them. In this way the useful data only are transferred to the subsequent data buffer. • BUFF: it is a buffer in which the ethernet data are written by means of a smooth ethernet clock, as they are ready, and then are read by the GFP mapper. In case that the buffer is near to full not permitted without written authorization from Alcatel. the mechanism of flow–control is started, in order to slow down the remote ethernet data source. All rights reserved. Passing on and copying of this document, use and communication of its contents • GFP: it is the GFP mapper. The data are drawn from the buffer at 155Mb/s rate; possible gaps between ethernet encapsulated frames are filled with Inter–Packet Gaps (IPG). TABLES MEM: this is a memory storing some tables of data relevant to: routing, delays of the queues and delays of the links, destinations of the ethernet signals, etc. GFP–SDH: this is an integrated circuit that accomplishes the data passage from GFP frames to SDH frames and viceversa. Every function contained in it is repeated 8 times, in order to process the 8 afferent signals. Its main functions are: NOTE: the functions are here described only in the direction from GFP to SDH, in the opposite direction they are opposite and specular. • LPA: it provides to map, directly, the GFP data into an SDH higher order unstructured C4 container. • HPT: this block adds the higher order POH bytes to the C–4 payload (bulk); it accomplishes only a reduced HPT, since the complete function is implemented on the SDH–BP macro–block. • XCVC: it implements the Cross–Connection (routing) and the Virtual Concatenation of the encapsulated ethernet signals. The Virtual Concatenation consists in the distribution of the bytes flow of a single ethernet signal, by bytes de–interleaving, over several, concatenated VC4 signals; the virtual concatenation can be done over 2 or 4 or 7 VC4’s. • MSA, MST, RST: they accomplish only reduced SDH functions for the STM1 signal, since they are used here only for intra–board framing purposes; ALIGNMENT BUFFER: this is a buffer storing the data, needed in the case of virtual concatenation: since different VC4’s can have different delays, they must be memorized to be aligned; the maximum tolerable delay difference is 250msec. SDH–BP: this is an integrated circuit that accomplishes the data passage from STM1 frames to VC4 frames for the BackPanel format and viceversa. Two of these macro–blocks are located on the board, in order to process the 8 afferent signals, since each of them can process 4 stm1 signals. Every function contained in it is repeated 4 times. Its main functions are: NOTE: the functions are here described only in the direction toward the back panel, in the opposite direction they are opposite and specular. • RST, MST, MSA: these are standard SDH functions for the STM1 signal, their function is reduced since they are used here only for intra–board framing purposes; • HPT: this block adds the higher order POH bytes to the C–4 payload (bulk); • 4:11:4 : this is a parallel–to–serial converter, in direction towards the backpanel, and a serial–to–parallel converter, in direction from the backpanel; the backpanel signal format is STM4–like, at 622 Mb/s rate. The backpanel signal is split in two: the first (D1a and D2a) going to the main MATRIX Unit and the second (D1b and D2b) to the spare MATRIX Unit 1AA 00014 0004 (9007) A4 – ALICE 04.10 ED 03 3AL 91669 AA AA 532 / 706 706
  • 535.
    VCXO25MHz: It generates a 25 Mhz frequency and, by means of a x5 multiplier, the 125 MHz ethernet transmitter reference clock. not permitted without written authorization from Alcatel. 622MHz PLL: All rights reserved. Passing on and copying of this document, use and communication of its contents It is a phase locked loop generating the 622 Mhz reference clock for timing the downstream data toward the ethernet interfaces. Microprocessor: It is a microcontroller (NIOS type) controlling and supporting the Ethernet functionalities, such as: configuration, alarms and states collections, performances monitoring, communications with the Shelf Controller (SC, on MATRIX unit) and with the OS, etc. It communicates with the SC by means of the configuration bus for SDH functions (SDH–CS), coming from the Management bus ISPB (intra shelf parallel bus). It is provided with relevant devices SDRAM (for data memory) and Flash EPROM (for program memory). The other functions implemented on the board are: • RIBUS I/F This block is used to read/write from/to the ”RIBUS” serial stream (SPI: serial peripheral inventory), to control the LED on the unit, to release the Management–bus in case of power failure, and to use the remote inventory. RIBUS I/F is powered by the + 3.3 VS supplied by the rear access panel. • REMOTE INVENTORY It is the memory containing the board information, for identification purposes (see para. 3.17 on page 370 for details). • M–BUS Driver It drives the input–output gates of the Management–bus (ISPB: intra–shelf parallel bus). These drivers can be disabled (by the Bus–OFF signal) in case of power failure. DC/DC CONVERTERS This block converts the 48/60 V power supply, to obtain the voltages used to supply all the components in the board. The DC/DC converter is synchronized with a synchronization clock at 300 MHz (signal Power–Sync, generated by the SDH asic) in order to avoid EMI problems. • LEDS and Push–buttons The board presents, on its front panel, one LED, the use and meaning of the LED and of the frontal connectors is reported in Figure 47. on page 136. • Buses The main buses on the board are: SDH–CS: from the SC (shelf controller), after derivation from the “Management–bus” (M–bus), for configuration and status information of SDH components. ETH–CS: from microprocessor, for configuration and status information of the Ethernet functions. RIBUS: also called SPI (serial peripheral bus), from the SC (shelf controller on MATRIX unit), to communicate inventory and peripheral data. M–BUS: called also ISPB (Intra Shelf Parallel Bus), from the SC (shelf controller on MATRIX 1AA 00014 0004 (9007) A4 – ALICE 04.10 unit), to communicate data about SDH asics and traffic configuration, SDH alarms collection, performance monitoring, etc. ED 03 3AL 91669 AA AA 533 / 706 706
  • 536.
    155MHz :4 622 MHz System clock (T0a, T0b) PLL 622MHz 2 MATRIXE mainand spare SDH–CS 2 D1a SDH–CS not permitted without written authorization from Alcatel. 4:1 2 D1b All rights reserved. Passing on and copying of this document, use and communication of its contents from/to 155MHz RST MST MSA HPT 2x4 1:4 LPA 2 D2a HPT MSA MST RST SDH–BP 1 2x8 2x8 2 D2b XC VC 2x4 @155Mb/s SDH–BP 2 GFP–SDH @622Mb/s 125MHz ALIGNMENT PowerSync. BUFFER @1.25Gb/s ETH–GFP 125MHz 155MHz SIPO 2x40@125Mb/s GbEth I/F 2x4 2x4 PISO a ETH SIL 1 2x40@125Mb/s BUFF GFP 2x8@155Mb/s 2 3 125MHz 4 ETH–CS TABLES 125MHz 125MHz MEM x5 GbEth Access Module 125MHz VCX0 25MHz from/to SIPO 2x4 @1.25Gb/s PISO b Configuration for Eth. ETH–CS SDRAM MICROPROCESSOR (NIOS) FLASH EPROM Management MATRIXE mainand spare Bus (ISPB) Configuration Status M–BUS for SDH (SDH–CS) Driver CMISS from/to Bus–OFF PowerSync. Remote Inventory internal voltages 1.5V RIBUS (SPI) ID 1.8V RIBUS I/F F +3.3 Vdc DC/DC Unit 3.3 V CONGI CONVERTERS Failure from 2.5 V 48/60 V Gigabit Ethernet Unit Figure 283. Gigabit Ethernet Unit – Block diagram 1AA 00014 0004 (9007) A4 – ALICE 04.10 ED 03 3AL 91669 AA AA 534 / 706 706
  • 537.
    4.41 ISA– Ethernetswitch (ES1–8FE) The board ISA–ES1–8FE mainly works as a LAN switching, and in particular it provides the service of connecting two LANs as a point to point connection between two routers or switches through an SDH not permitted without written authorization from Alcatel. network. All rights reserved. Passing on and copying of this document, use and communication of its contents The connections to the Ethernet network are accomplished by means of eight local 10/100 Base T ethernet interfaces located on the front of the board, and eight ethernet over SDH interfaces through back–panel. The SDH container used for Ethernet data transportation are VC–4, VC–3, VC–12, VC3XV and VC12XV. The main functions implemented on the board are the following: [1] Ethernet Physical interface [2] Ethernet Switch module [3] Ethernet Mapper (GFP/LAPS) [4] Bus converter [5] SDH interfacing to Back Panel (TTF and LVC) [6] Microprocessor [7] RIBUS interface [8] Power supply [1] Ethernet Physical interface This block supports the eight 10/100 Mbit/s ports. The 10/100 Mbit/s Ethernet MAC block is IEEE 802.3, 802.3x and 802.3ac compliant and supports Full Duplex/Half Duplex for 10/100 Mbit/s Ethernet MAC (MAC implements the IEEE 802.3 MAC Control layer and PAUSE operation for flow control) mode of operation. In addition, 3 LED interface are provided for each port to reflect current status. [2] Ethernet Switch module In ISA ES1–8FE board, 16FE ports are used, in which 8 of them for 100BASE–T line side interface, while other 8 for SDH mapper. The basic functions supported are following listed: • MAC based forwarding and autolearning • VLAN based forwarding • 802.1Q VLAN add/remove/swap • Stacked VLAN (802.1Q format) add/remove/swap • Multicast/Broadcast • 802.3x flow control • 802.1Q Priority bits management for queuing, WFQ scheduling • 1AA 00014 0004 (9007) A4 – ALICE 04.10 Policing and bandwidth allocation ED 03 3AL 91669 AA AA 535 / 706 706
  • 538.
    [3] Ethernet Mappingover SDH (GFP/LAPS) Ethernet packets are encapsulated and mapped into SDH frames for transmission. Ethernet mapper supports 8 independent channels for EOS encapsulation. not permitted without written authorization from Alcatel. All rights reserved. Passing on and copying of this document, use and communication of its contents Each channel can be mapped with multi SDH containers with appropriate bandwidth, such as VC12s/VT1.5, VC3s/STS–1s, or VC4s/STS–3c. Both high order and low order concatenation are supported, moreover, virtual concatenation with LCAS (Link Capacity Adjustment Scheme) providesr customer with powerful dynamic bandwidth adjustment scheme to fit various needs. Basic feature list as follows: • Multi encapsulation mode supported: – GFP Generic Framing Procedure (ITU–T G.7041) – LAPS Link Access Procedure SDH (ITU–T X.86/X.85) – BCP PPP Bridge Control Protocol (RFC 1662/2878) • Low order/High order Contiguous and Virtual Concatenation supported • Container supported: – VC12–xv (x = 1 to 63) – VC3–xv (x = 1 to 3) • Differential delay compensation = 48 ms [4] Bus converter The task of the Bus converter is to translate 19 Mb/s A/D bus to 155 Mb/s data stream. [5] SDH interfacing with Back Panel (TTF and LVC) The TTF block is connected to the two central boards (MATRIXN) through 1 +1 links @622 Mbit/s in LVDS. TTF (Transport Terminal Function) block provides SDH termination for Regenerator Section and Multiplex Section. The LVC block is connected both to the HPC matrices and to the LPC matrices on the MATRIXN card through couple of 1+1 links @ 622 MBit/s working in protection, LVDS format, STM–4 equivalent capacity. LVC circuits perform the HOA function (Higher Order Assembler) and the Lower Order functions LTCM or LTCT sink, LPOM or LSUT sink, LSUT source and LTC source up to 4 STM1 equivalent. [6] Microprocessor It is a microcontroller controlling and supporting the Ethernet functionalities, such as: configuration, alarms and states collections, performances monitoring, communications with the Shelf Controller (SC, on MATRIX unit) and with the OS, etc. It communicates with the SC by means of the configuration bus for SDH functions (SDH–CS), coming from the Management bus ISPB (intra shelf 1AA 00014 0004 (9007) A4 – ALICE 04.10 parallel bus). It is provided with relevant devices SDRAM (for data memory) and Flash EPROM (for program memory). ED 03 3AL 91669 AA AA 536 / 706 706
  • 539.
    [7] RIBUS interface This block is used to read/write from/to the ”RIBUS” serial stream (SPI: serial peripheral inventory), to control the LED on the unit, to release the Management–bus in case of power failure, and to use the remote not permitted without written authorization from Alcatel. inventory. RIBUS I/F is powered by the + 3.3 VS supplied by the rear access panel. All rights reserved. Passing on and copying of this document, use and communication of its contents The following information/alarms coming from the boards are collected and sent to EQUICO: – Card type and slot identification – Alim alarm : it arises in case of card power failure – ISPB control: it disables the card access to the ISPB bus in case of board power failure or incase of generic board failure. – LED control: it commands the on/off status of the green/red INT LED present on each card. Moreover the component permits to read/write the remote inventory. [8] Power supply This block converts the 48/60 V power supply, to obtain the voltages used to supply all the components in the board. Ethernet card internally uses five different power voltages. The following voltages are needed: +3.3V , +2.5V, +1.8V, +1.5V, +3.3VS. The other functions implemented on the board are: • REMOTE INVENTORY It is the memory containing the board information, for identification purposes (see para. 3.17 on page 370 for details). • M–BUS Driver It drives the input–output gates of the Management–bus (ISPB: intra–shelf parallel bus). These drivers can be disabled (by the Bus–OFF signal) in case of power failure. DC/DC CONVERTERS • LEDS and Push–buttons The board presents, on its front panel, nine LEDs, the use and meaning of the LED and of the frontal connectors is reported in Figure 47. on page 136. 1AA 00014 0004 (9007) A4 – ALICE 04.10 ED 03 3AL 91669 AA AA 537 / 706 706
  • 540.
    MATRIX MAIN ANDSPARE System clock a not permitted without written authorization from Alcatel. System clock b All rights reserved. Passing on and copying of this document, use and communication of its contents Link H 1+1 TTF from/to BUS Link X 1+1 CONVERTER LVC Link L 1+1 1 8 1 ÎÎ ÎÎ From/to SDRAM Ethernet Ethernet Switch Ethernet Physical Mapper Interface Module (GFP, LAPS) 8 ÎÎ ÎÎ Configuration Status EQUICO from/to RESTART SNMP MICROPROCESSOR SDRAM MATRIX MAIN AND SPARE FLASH EPROM Management Bus (ISPB) M–BUS Driver CMISS from/to Bus–OFF PowerSync. Remote Inventory internal voltages 1.5V RIBUS (SPI) ID 1.8V RIBUS I/F F +3.3 Vdc DC/DC Unit 3.3 V CONGI CONVERTERS Failure from 2.5 V 48/60 V ISA ES1–8FE unit 1AA 00014 0004 (9007) A4 – ALICE 04.10 Figure 284. ISA ES1–8FE block diagram ED 03 3AL 91669 AA AA 538 / 706 706
  • 541.
    4.42 ISA– Ethernetswitch (ES1–8FX) The description of the board is similar to the ISA ES1–8FE (refer to paragraph 4.41 on page 535) taking into account that ISA ES1–8FX has eight 100 Base FX Optical SFP module instead of 10/100 Base T. not permitted without written authorization from Alcatel. All rights reserved. Passing on and copying of this document, use and communication of its contents 4.43 ISA– Ethernet switch (ES4–8FE) The board ISA–ES4–8FE mainly works as a LAN switching and as gateway from the Ethernet traffic towards the SDH network. In particular it provides the service of connecting two LANs and can be applied mainly in three scenario: [1] Point to point application where a point to point connection is set–up between two routers or switches through an SDH network. [2] Ring application where local interfaces add/drop Ethernet traffic on a ring of virtual concatenated paths in the SDH network. [3] HUB application where several switches or routers convey traffic towards a single machine (for example POP router) The connections to the Ethernet network are accomplished by means of 8 local 10/100 Base T ethernet interfaces located on the front of the board, and 16 ethernet over SDH interfaces through back–panel which has a 622 Mbit/s equivalent throughput. The front panel hosts also one Small Form factor Pluggable module supporting a Gigabit Ethernet interface, the ninth local interface. The SDH container used for Ethernet data transportation are VC–4, VC4XV (only when Gbit Ethernet interface will be managed) VC–3, VC–12, VC3XV and VC12XV. The main functions implemented on the board are the following: [1] Ethernet Physical interface [2] Ethernet Switch module [3] Ethernet Mapper (GFP/LAPS) [4] SDH interfacing to Back Panel (TTF and LVC) [5] Local Microprocessor [6] RIBUS interface [7] Power supply [1] Ethernet Physical interface This block supports the eight 10/100 Mbit/s ports. The 10/100 Mbit/s Ethernet MAC block is IEEE 802.3, 802.3x and 802.3ac compliant and supports Full Duplex only for 10/100 Mbit/s Ethernet MAC (MAC implements the IEEE 802.3 MAC Control layer and PAUSE operation for flow control) mode of operation; autonegotiation is also supported. 1AA 00014 0004 (9007) A4 – ALICE 04.10 ED 03 3AL 91669 AA AA 539 / 706 706
  • 542.
    [2] Ethernet Switchmodule In ISA ES4–8FE board, 25 ports are used, in which 8 of them for 100BASE–T line side interface, one for 1000Base SX, LX, ZX while other 16 for SDH mapper. not permitted without written authorization from Alcatel. All rights reserved. Passing on and copying of this document, use and communication of its contents The basic functions supported are following listed: • MAC based forwarding and autolearning • VLAN based forwarding • 802.1Q VLAN add/remove/swap • Stacked VLAN (802.1Q format) add/remove/swap • Multicast/Broadcast • 802.3x flow control • 802.1Q Priority bits management for queuing, WFQ scheduling • Policing and bandwidth allocation [3] Ethernet Mapping over SDH (GFP/LAPS) Ethernet packets are encapsulated and mapped into SDH frames for transmission. Ethernet mapper supports 16 independent channels for EOS (Ethernet Over SDH) encapsulation. Each channel can be mapped with multi SDH containers with appropriate bandwidth, such as VC12, VC12XV, VC3, VC3XV, VC4 or VC4XV (with local Gb Ethernet interface) Both high order and low order concatenation are supported, moreover, virtual concatenation with LCAS (Link Capacity Adjustment Scheme) provides customer with powerful dynamic bandwidth adjustment scheme to fit various needs. Basic feature list as follows: • Multi encapsulation mode supported: – GFP Generic Framing Procedure (ITU–T G.7041) – LAPS Link Access Procedure SDH (ITU–T X.86/X.85) – BCP PPP Bridge Control Protocol (RFC 1662/2878) • Low order/High order Contiguous and Virtual Concatenation supported • XV Container supported: According to the port configuration two different operation mode are available for ISA ES–4–8FE as explained in the table below: XV type XV container supported SMII operating mode GMII operating mode VC12–xv (x = 1 to 50) (x = 1 to 63) VC3–xv (x = 1 to 2) (x = 1 to 12) VC4–xv (x = 1 ) (x = 1 to 4 ) 1AA 00014 0004 (9007) A4 – ALICE 04.10 The choice between SMII or GMII operation is made via Craft Terminal. • Differential delay compensation = 48 ms ED 03 3AL 91669 AA AA 540 / 706 706
  • 543.
    [5] SDH interfacingwith Back Panel (TTF and LVC) The TTF block is connected to the two central boards (MATRIXN) through 1 +1 links @622 Mbit/s in LVDS. not permitted without written authorization from Alcatel. TTF (Transport Terminal Function) block provides SDH termination for Regenerator Section and Multiplex All rights reserved. Passing on and copying of this document, use and communication of its contents Section. The LVC block is connected both to the HPC matrices and to the LPC matrices on the MATRIXN card through couple of 1+1 links @ 622 MBit/s working in protection, LVDS format, STM–4 equivalent capacity. LVC circuits perform the HOA function (Higher Order Assembler) and the Lower Order functions LTCM or LTCT sink, LPOM or LSUT sink, LSUT source and LTC source up to 4 STM1 equivalent. [6] Local Microprocessor It controls and supports the Ethernet functionalities (Ethernet Physical Interface, Ethernet Switch Module and Ethernet Mapper): configuration, alarms and states collections, performances monitoring, communications with the OS (SNMP). The microprocessor is provided with relevant devices SDRAM (for data memory), Flash EPROM (for program memory) and Compact Flash. External Shelf Controller (SC) controls SDH related circuits by ISPB bus. [7] RIBUS interface This block is used to read/write from/to the ”RIBUS” serial stream (SPI: serial peripheral inventory), to control the LED on the unit, to release the Management–bus in case of power failure, and to use the remote inventory. RIBUS I/F is powered by the + 3.3 VS supplied by the rear access panel. The following information/alarms coming from the boards are collected and sent to EQUICO: – Card type and slot identification – Alim alarm : it arises in case of card power failure – ISPB control: it disables the card access to the ISPB bus in case of board power failure or incase of generic board failure. – LED control: it commands the on/off status of the green/red INT LED present on each card. Moreover the component permits to read/write the remote inventory. [8] Power supply This block converts the 48/60 V power supply, to obtain the voltages used to supply all the components in the board. Ethernet card internally uses five different power voltages. The following voltages are needed: +3.3V , +2.5V, +1.8V, +1.5V, +3.3VS. 1AA 00014 0004 (9007) A4 – ALICE 04.10 ED 03 3AL 91669 AA AA 541 / 706 706
  • 544.
    The other functionsimplemented on the board are: • REMOTE INVENTORY It is the memory containing the board information, for identification purposes (see para. 3.17 not permitted without written authorization from Alcatel. on page 370 for details). All rights reserved. Passing on and copying of this document, use and communication of its contents • M–BUS Driver It drives the input–output gates of the Management–bus (ISPB: intra–shelf parallel bus). These drivers can be disabled (by the Bus–OFF signal) in case of power failure. DC/DC CONVERTERS • LEDS and Push–buttons The board presents, on its front panel, one LED, the meaning of which is reported in Figure 48. on page 137. A push–button for the microprocessor restart is present on the front of the unit. 1AA 00014 0004 (9007) A4 – ALICE 04.10 ED 03 3AL 91669 AA AA 542 / 706 706
  • 545.
    System clock a MATRIX MAIN AND SPARE not permitted without written authorization from Alcatel. System clock b All rights reserved. Passing on and copying of this document, use and communication of its contents Link H 1+1 TTF from/to Link X 1+1 LVC Link L 1+1 ETHERNET INTERFACE 10 /100 BASE T 4XSTM–1 From/to SDRAM 1 ÎÎÎ ÎÎÎ 1XSMII 2xSMII (8 Fast Ethernet) (16 FE) Ethernet Ethernet Ethernet Physical Mapper Switch (GFP, LAPS) Interface 2xGMII Module 8 2XGMII (2 GB E) ÎÎÎ ÎÎÎ (1 Gbit Ethernet) not used GIGABIT ETH Interface 1 ÎÎÎ SFP IBM ISPB module ÎÎÎ PCI EQUICO from/to SNMP RESTART SDRAM MICROPROCESSOR CONTROL BUS BRIDGE FLASH MATRIX MAIN AND SPARE EPROM Management CPLD Bus (ISPB) M–BUS COMPACT Driver CMISS from/to FLASH Bus–OFF Remote internal voltages Inventory 1.5V RIBUS (SPI) ID 1.8V RIBUS I/F F +3.3 Vdc DC/DC Unit 3.3 V CONGI CONVERTERS Failure from 2.5 V 48/60 V ISA ES4–8FE Figure 285. ISA ES4–8FE block diagram 1AA 00014 0004 (9007) A4 – ALICE 04.10 ED 03 3AL 91669 AA AA 543 / 706 706
  • 546.
    4.44 ISA ES–16 (Refer to Figure 286. on page 548) not permitted without written authorization from Alcatel. ISA ES16 unit has a throughput towards the SDH network of 2.5 Gbit/s and it hasn’t any local Ethernet All rights reserved. Passing on and copying of this document, use and communication of its contents interfaces on the front pane (stand–alone operation)l. The board is able to manage local Ethernet interfaces, but it has to be equipped together with the access card, which has to be plugged into the Access Area. The Access Card, which can be used in conjunction with ISA ES–16 are: – 14x Fast Ethernet access card for providing 14 FE local interface; – Gigabit Ethernet Access Card for providing up to four Gigabit Ethernet Local interfaces with SFP optical plugs, which can be 1000B– SX/LX/ZX. Note: independently of the configured Ethernet local interfaces, the maximum number of ports towards SDH network (managed by Q3) is 64, while the number of ports of the switch can be increased up to 78 if the Fast Ethernet Access Card is applied or up to 68 if the Gigabit/s Access Card is applied. The management and control of those local interfaces is in charge of SNMP. The board mainly works as a LAN switching and as a gateway from the Ethernet traffic towards the SDH network. In particular the board can be used mainly for providing three services: – Virtual Private Line: point to point application where a point to point is set–up between two routers or switches through a SDH network: the ISA ES–16 can be directly connected to the customer using the local interface of the Access Cards, or the connection to the customers can be remotized using for istance the Fast Ethernet Boards. – Virtual Private LAN service: multipoint to multipoint application, where each port of the customer can be connected to every other ports of its virtual private LAN. The forwarding of the Ethernet flows is based on proper classification process taking into account the SLA and the load of the network local interfaces. The topology exploiting this application could be for example a ring topology where the customer local or remote interface add/drop Ethernet traffic on a ring of (virtual) paths in the SDH network. In this way ISA ES–16 work as switch distributed in the network. – Broadband access service (hub application scenario) where several switches or routers convey traffic towards a single machine (for example a POP router). The Ethernet traffic, opportunely mapped in the SDH transport structures, is then sent towards the SDH Matrix through the back–plane which has STM–16 equivalent throughput. This represents the maximum throughput of the board which depends also by the subrack slot. The Ethernet frames can be mapped in different types of SDH Virtual Containers (according the chooses of the operator) using the Frame based GFP (Generic Frame Procedure) protocol, LAPS (Link Access Procedure– SDH) protocol or PPP (Point to Point protocol) protocol over HDLS (High level Data Link Control). The board is able to forward frames on port numbering, VLAN tag, priority coding, MAC Destination address, but also on MPLS (Multi Protocol Label Switching) label; It supports the Martini encapsulation for transporting the VLAN tagged Ethernet frames into MPLS network. 1AA 00014 0004 (9007) A4 – ALICE 04.10 ED 03 3AL 91669 AA AA 544 / 706 706
  • 547.
    Main functionalities: – 4.5 Gbit/s layer 2 switching not permitted without written authorization from Alcatel. – SDH capabilities: All rights reserved. Passing on and copying of this document, use and communication of its contents • STM16 Ho/STM4 LO • virtual concatenation: up to 64 VCG groups • hitless LCAS (Link Capacity Adjustment Scheme) – Protocol support: • POS (Packet Over SDH) • GFP • IEEE 802.3 Ethernet (10/100 or GBE) – Switching based on: • Stacked VLAN • MPLS • MAC learning – HW support for EPS: – Ethernet access through FE access module or GBE acc module ISA ES 16 is a single height module that fits in any port slot 1660SM equipment. The equivalent backplane capacity is 1xSTM4 in normal slot or 2xSTM4 in enhanced slots Local data access are available through access slot equipped with 14xFE access card or 4xGBE access card. When attached to 4xGBE access card the input traffic must be reduced in order not to overflow the fabric: in such a case backplane traffic is not affected, while GBE traffic can be reduced by means of 802.3 flow control protocol (pause frames). ISA ES–16 board supports the EPS protection scheme 1+1 where the main and spare position are assigned by management system in a flexible way (refer to paragraph 3.13.1 on page 322 for details). Data enter ES16 embedded in SDH streams by the matrixes and as Ethernet frames from Access Cards. Data connection with Matrixes is realized with MUX/DEMUX and G.A. block. MUX/DEMUX is connected to main and enhanced NGI ports supporting data up to 4 equivalent STM1 in normal slot and 8xSTM1 in enhanced slot. 1AA 00014 0004 (9007) A4 – ALICE 04.10 MUX/DEMUX is configured to talk to G.A block in 16xSTM1 mode; G.A. block generates a STM16 stream to “VCG management block” that handles up to 64 VCGs (Virtual Concatenation Group) with LCAS protocol; also terminates layer 2.5 on each group (GFP, LAPS and POS).. ED 03 3AL 91669 AA AA 545 / 706 706
  • 548.
    Although “VCG managementblock” can transport several type of layer 2 or 3 formats, foreseeable applications of ISA ES16 only calls for transport of Ethernet and MPLS frames. Extracted frames are sent for further processing to “ETHERNET Mapper” block the function of which are: not permitted without written authorization from Alcatel. All rights reserved. Passing on and copying of this document, use and communication of its contents – Serial link alignment – frame delineation – storing of frames entering from SPI3 and access card and forwarding to AD FPGA – reassembling of ethernet frames received from AD FPGA and forwarding to Access card – format adaptation of segments coming from AD directed to Calla48 ISA ES16 UNIT is connected to FE or GE “access card” directly by “ETHERNET Mapper” block. “Ethernet Mapper” block interfaces to “Layer 2 processing” block through 2 monodirectional 13 LVDS links bus at 450 Mbps. In Rx direction full packet are transferred across the interface. Each packet is prepended with a control word carrying indications of input port, length and other service information. In Tx direction, segments of up to 128 bytes are transferred across the interface: “Ethernet Mapper” block dispatches data to Ethernet reassembling circuitry or to “VCG management” block. Ethernet packets are processed by “Layer 2 processing” block to: – decode protocol header, up to eight nested protocols or MPLS labels can be extracted – search flow and session to which the packet belong – policing the streams according to session parameters – monitor the traffic with inflow and outflow counters – schedule forwarding of packets – encapsulation of outgoing packets Output port, encapsulation and assigned quality of service of outgoing packets depend on a subset of input port, VLAN tags, MAC address and MPLS labels. “Layer 2 processing” block and the local microprocessor cooperates in dynamically learning and obsoleting MAC addresses. Local Microprocessor It controls and supports the Ethernet functionalities (Ethernet Physical Interface, Ethernet Switch Module and Ethernet Mapper): configuration, alarms and states collections, performances monitoring, communications with the OS (SNMP). The microprocessor is provided with relevant devices SDRAM (for data memory), Flash EPROM (for program memory) and Compact Flash. External Shelf Controller (SC) controls SDH related circuits by ISPB bus. 1AA 00014 0004 (9007) A4 – ALICE 04.10 ED 03 3AL 91669 AA AA 546 / 706 706
  • 549.
    RIBUS interface This block is used to read/write from/to the ”RIBUS” serial stream (SPI: serial peripheral inventory), to control the LED on the unit, to release the Management–bus in case of power failure, and to use the remote not permitted without written authorization from Alcatel. inventory. RIBUS I/F is powered by the + 3.3 VS supplied by the rear access panel. All rights reserved. Passing on and copying of this document, use and communication of its contents The following information/alarms coming from the boards are collected and sent to PQ2/EQC: – Card type and slot identification – Alim alarm : it arises in case of card power failure – ISPB control: it disables the card access to the ISPB bus in case of board power failure or incase of generic board failure. – LED control: it commands the on/off status of the green/red INT LED present on each card. Moreover the component permits to read/write the remote inventory. The other functions implemented on the board are: • REMOTE INVENTORY It is the memory containing the board information, for identification purposes (see para. 3.17 on page 370 for details). • M–BUS Driver It drives the input–output gates of the Management–bus (ISPB: intra–shelf parallel bus). These drivers can be disabled (by the Bus–OFF signal) in case of power failure. DC/DC CONVERTERS Starting from the 48 dc supplyed by CONGI unit with the aids of internal DC/DC converter, are generated the following voltage: – 3.3 Vdc – 2.5 Vdc – 1.8 Vdc – 1.5 Vdc – 1.2 Vdc • LEDS and Push–buttons The board presents, on its front panel, one LED, the meaning of which is reported in Figure 48. on page 137. 1AA 00014 0004 (9007) A4 – ALICE 04.10 ED 03 3AL 91669 AA AA 547 / 706 706
  • 550.
    ACCESS CARD 1,2 Gb/s DATA SIPO not permitted without written authorization from Alcatel. from/to All rights reserved. Passing on and copying of this document, use and communication of its contents PISO System clock a G.A. System clock b Link L 1+1 LVC MATRIX MAIN AND SPARE Link H 1+1 Ethernet VCG MUX/ LAYER 2 from/to Processing Mapper TTF DEMUX Link X 1+1 management EPS–ISSB RESTART EQUICO from/to SNMP SDRAM MICROPROCESSOR Bus (ISPB) PCI FLASH EPROM COMPACT FLASH CONTROL BUS BRIDGE MATRIX MAIN AND SPARE Management Bus (ISPB) M–BUS Driver PowerSync. CMISS from/to Bus–OFF 1.2V internal voltages Remote Inventory 1.5V RIBUS (SPI) ID DC/DC RIBUS 1.8V CONVERTERS I/F F +3.3 Vdc Unit 3.3 V CONGI Failure from 2.5 V 48/60 V ISA ES16 1AA 00014 0004 (9007) A4 – ALICE 04.10 Figure 286. ISA ES16 unit block diagram ED 03 3AL 91669 AA AA 548 / 706 706
  • 551.
    4.45 4 XANY HOST C card (Refer to Figure 287. on page 553) not permitted without written authorization from Alcatel. This port realizes the mapping of up to 4 “client” signals, into an equivalent bandwidth up to 16 AU4’s; the All rights reserved. Passing on and copying of this document, use and communication of its contents client allocation depends on the operative bitrate of client signal to be mapped, so as the availability of 16 AU4’s (rather than 8 AU4’s) is related to the type of slot used for the board equipment (refer to paragraph 3.10 on page 293 for details). AU4’s carrying ’client’ signals mapped can be, then, cross–connected at HO level by MATRIX card. ’Client’ interfacing is performed through specific ’pluggable’ modules. Serial data provided by client modules is then processed by the “primary and secondary 2xANY“ blocks in order to realize a ’bit–per–bit’ mapping of client signals supported, that result, after each block processing, ’virtually concatenated’ into an 8xSTM1 bandwidth. A specific FPGA interfaces the two “primary and secondary 2xANY“ blocks performing ’client mapping’ and then provides the whole SDH chain of functions from HPT to RST; this device allows also the optimization of client allocation into the available 8xSTM1’s, when equipped in ’H.S.’ slots (refer to paragraph 3.10 on page 293 for details). The data signal is, then, exchanged to MATRIX card, through the G.A. block operating as electrical interface: equivalent STM16 is received (transmitted) from FPGA block and provided (received) to MATRIX card with NGI framed format (X, L, H links in Figure 287. ) Note – TTF blocks supported by FPGA and G.A block are used only for interface purpose. An internal oscillator (VCXO 622.08 Mb/s) is hosted in order to handle CRU EPS events (phisically on MATRIX unit) with no impact on ’client’ traffic transmitted to line. TX SIDE – 4 X ANY module blocks: the client receiver interface regenerates the incoming client signal and recovers the relative timing; the interface characteristics are related to client type (refer to paragraph 5.7 on page 619). Line loopback commands for each interface are received by “Alarms and Control” block. – Primary and Secondary 2xANY blocks: inside theese blocks the HPA function is performed; more in details: • client clock adaptation • virtual concatenation • C2 insertion – HPT block: HPT source is performed for all VC–4 in FPGA block; the following function are performed: • B3: Bit interleaved parity (BIP–8) is computed over all bits of the previous VC–4 and placed in B3 byte position. • G1[1–4]: The number of errors indicated in RI_REI (remote error indication extracted in HPT sk) is encoded in the REI (bits 1 to 4 of the G1 byte) 1AA 00014 0004 (9007) A4 – ALICE 04.10 • G1[5]: When there is an active RI_RDI (remote defect indication extracted in HPT sk), the RDI indication will be sent in bit 5 of G1 byte. Upon termination of the above conditions, the RDI indication will be removed. ED 03 3AL 91669 AA AA 549 / 706 706
  • 552.
    MSA block: it performs 16 POINTER GENERATOR functions in parallel, according to ITU and ETSI, on an AU–4 mapping basis. – MST block: it is located in FPGA and performs Multiplex Section Termination Source: not permitted without written authorization from Alcatel. All rights reserved. Passing on and copying of this document, use and communication of its contents • K2 byte is also processed for RDI insertion. RDI is inserted according to sink function consequent actions; • S1: Byte S1 is inserted; • B2: The error monitoring byte B2 is allocated in the STM–16 for a multiplex section bit error–monitoring function. This function is a bit interleaved parity (BIP–24) code using even parity as defined in Recommendation G.707. The BIP–24 is computed over all bits (except those in the RSOH bytes) of the previous STM–16 frame and placed in the 3x16 respective B2 byte positions of the current STM–16 frame. • M1: The number of errors detected by monitoring B2 in the sink side is passed to the source side via the aREI and is encoded in the MS–REI (byte M1) according to 9.2.2.12/G.707. – RST block: FPGA block implements the RST source functions listed here below. • B1: The error monitoring byte B1 is allocated in the STM–16 for a regenerator section bit error monitoring function. This function is a bit interleaved parity 8 (BIP–8) code using even parity as defined in Recommendation G.707. The BIP–8 is computed over all bits of the previous STM–16 frame the RSn_CP after scrambling. The result is placed in byte B1 position of the RSOH before scrambling. • A1, A2: Frame alignment bytes A1 and A2 (3 x 16 of each) are generated and inserted in the first row of the RSOH. • Scrambling is performed according to Recommendation G.707, which excludes the first row of the STM–16 RSOH (9x16 bytes, including the A1, A2, J0 and bytes reserved for national use or future international standardization) from scrambling. TX SIDE – RST block: FPGA block implements the RST sink functions listed here below. • The STM–16 frame alignment process is performed according to G.783 Recommendation. • After the recovery of the frame phase start the received signal is descramblered using the generator polynomial specified in G.707 Recommendation. • B1 check is performed. Even bit parity is computed for each bit ”n” of every byte of the preceding scrambled STM–16 frame and compared with bit ”n” of B1 recovered from the current frame in order to detect errored blocks – MST block: it is located in FPGA block and the function performed are listed below; • B2: The 3 x 16 error monitoring B2 bytes are recovered from the MSOH. A BIP–24–16 code is computed for the STM–16 frame. The computed BIP–24–16 value for the current frame is compared with the recovered B2 bytes from the following frame and errors are reported . B2 Errored Block events happened during the last second are reported in an “Alarms and controls” block register. B2 Errored Block is also used to calculate total number of errored blocks. • M1: MS–REI information is decoded according to G.707 from byte M1 and reported as a 1 second count MS–REI Errored Block events happened during the last second are reported in an “Alarms and 1AA 00014 0004 (9007) A4 – ALICE 04.10 controls” block register. MS–REI indication is also used to calculate total number of remote errored block. • K2: MS AIS detection ED 03 3AL 91669 AA AA 550 / 706 706
  • 553.
    MSA block: pointer detection process. The pointer interpreter can detect two defect conditions: • Loss Of Pointer (LOP); not permitted without written authorization from Alcatel. • AU–AIS. All rights reserved. Passing on and copying of this document, use and communication of its contents If either of these defect conditions are detected, then a logical all–ones (AIS) signal is generated – HPT block: • B3: The error monitoring byte B3 is recovered. BIP–8 is computed for the VC–4 frame. The computed BIP–8 value for the current frame is compared with the recovered B3 byte from the following frame. The process for detecting excessive errors and signal degrade is described in ITU–T Reccomandation. G.806. B3 Errored Block event happened during the last second of VC–4 #0 are reported in “Alarms and controls” block register. B3 Errored Block of VC–4 #0 are also used to calculate total number of errored block. • G1[1–4]: The REI is recovered and the derived performance primitives is reported for processing. • G1[5]: The RDI defect is processed as described in ITU–T Reccomandation. G.806. • C2: Unequipped defect is detected (refer to G.783) – HPA block: The following function are performed: • C2 extraction: Byte C2 is recovered from VC–4 #0. If a dPLM is detected (see ITU–T G.806), then it will be reported in an “Alarms and controls” block register. • H4 extraction: Multiframe indicator is derived from the H4 byte. The received H4 value is compared to the next expected value in the multiframe sequence. The H4 value is assumed to be in phase when it is coincident with the expected value. If several H4 values are received consecutively not as expected but correctly in sequence with a different part of the multiframe sequence, then subsequent H4 values will be expected to follow this new alignment. If several H4 values are received consecutively not correctly in sequence with any part of the multiframe sequence, then a loss of multiframe (LOM) event is reported. When several H4 values have been received consecutively correctly in sequence with part of the multiframe sequence, then the event will be ended and subsequent H4 values will be expected to follow the new alignment. • extraction of payload from packetsand process the heaer content • automatic client based band and latency preset • client clock adaptation 1AA 00014 0004 (9007) A4 – ALICE 04.10 ED 03 3AL 91669 AA AA 551 / 706 706
  • 554.
    The other functionsimplemented on the board are: • RIBUS I/F This block is used to read/write from/to the ”RIBUS” serial stream (SPI: serial peripheral not permitted without written authorization from Alcatel. inventory), to control the LED on the unit, to release the Management–bus in case of power All rights reserved. Passing on and copying of this document, use and communication of its contents failure, and to use the remote inventory. RIBUS I/F is powered by the + 3.3 VS supplied by the rear access panel. • REMOTE INVENTORY It is the memory containing the board information, for identification purposes (see para. 3.17 on page 370 for details). • M–BUS Driver It drives the input–output gates of the Management–bus (ISPB: intra–shelf parallel bus). These drivers can be disabled (by the Bus–OFF signal) in case of power failure. DC/DC CONVERTERS This block converts the 48/60 V power supply, to obtain the voltages used to supply all the components in the board. • LEDS and Push–buttons The board presents, on its front panel, one LED, the use and meaning of the LED and of the frontal connectors is reported in Figure 47. on page 136. • Alarms and Controls This block collect the alarm detected on the board and also sends conabds like loopacks. • Buses The main buses on the board are: RIBUS: also called SPI (serial peripheral bus), from the SC (shelf controller on MATRIX unit), to communicate inventory and peripheral data. M–BUS: called also ISPB (Intra Shelf Parallel Bus), from the SC (shelf controller on MATRIX unit), to communicate data about SDH asics and traffic configuration, SDH alarms collection, performance monitoring, etc. 1AA 00014 0004 (9007) A4 – ALICE 04.10 ED 03 3AL 91669 AA AA 552 / 706 706
  • 555.
    not permitted withoutwritten authorization from Alcatel. All rights reserved. Passing on and copying of this document, use and communication of its contents VCXO 4xANY module Primary 2XANY 622.08 Client #1 #1 #1 HPA Vitual FPGA G.A. Concatenation X 4xANY module Client #3 #3 FRAMER #3 Ï Ï HPT MSA MST/RST (*) TTF (*) L 4xANY module Ï Ï H Client Secondary 2xANY #2 #2 System clock a MATRIX MAIN AND SPARE #2 HPA Vitual ÏÏ Ï System clock b Concatenation Ï ÏÏ from/to Client #4 ÏÏ Ï Ï Ï Ï #4 Ï ÏÏ Internal STM–16 Frame Ï CMISS Configuration Status Management Bus (ISPB) CDR ÏÏÏÏ ÏÏÏ ÏÏ Ï Ï Ï M–BUS Driver CLIENT PHYSICAL Bus–OFF INTERFACE Remote RIBUS Inventory 4xANY module #4 ID details RIBUS I/F F +3.3 Vdc Unit Failure #1 ALARMS #2 #3 CONGI from #4 CONTROLS 1.8V 3.3 V DC/DC CONVERTERS 2.5 V 1.5 V (*)– TTF blocks are used only for interface purpose 1AA 00014 0004 (9007) A4 – ALICE 04.10 Figure 287. 4 x ANY HOST C card block diagram ED 03 3AL 91669 AA AA 553 / 706 706
  • 556.
    4.46 COADM1 (Refer to Figure 288. on page 555) not permitted without written authorization from Alcatel. The COADM1 board is two slots wide and can be plugged in every slot of the Access Area without All rights reserved. Passing on and copying of this document, use and communication of its contents constraint. COADM 1 channel unit realizes wavelengths multi–demultiplexing allowing to add/drop 1 ch out of the 8 supported according to CWDM grid and the pass–through of remaining WDM channels not terminated. One specific item per ITU–T channel is foreseen: – 1470 nm. – 1490 nm. – 1510 nm. – 1530 nm. – 1550 nm. – 1570 nm. – 1590 nm. – 1610 nm. The functionality of the board has to be considered for ring application, and performing ’one side’ channel termination: thus, two separate boards are required at a node of the ring in order to achieve the complete OADM functionality. Actual OADM functionality is based on specific devices performing mux/demux functionality as regards the channel to be locally terminated (by specific add/drop port) and supporting both bidirectional WDM ports for ’network connection’ and bidirectional WDM ports for ’pass–through’ connection (to/from opposite OADM board). ’Loss of Signal’ detection on CWDM optical signal received is is not managed. The wavelength, which is added/dropped in COADM1, is specified in one of the additional fields of the board Remote Inventory. The configuration of the COADM1 requires the operator to specify the added/dropped wavelength. The operator has to connect the bundle of pass–through channels between two COADM1 boards (respectively on west and east side of the NE). Note – The bundle of a COADM1 cannot be connected to the bundle of another COADM1 with different added/dropped wavelength. Remote inventory is handled by a dedicated EEPROM carrying the inventory code associated to the optical device; the communication towards Shelf Controller is performed by ’RIBUS block” through ’SPI’ bus. 1AA 00014 0004 (9007) A4 – ALICE 04.10 ED 03 3AL 91669 AA AA 554 / 706 706
  • 557.
    not permitted withoutwritten authorization from Alcatel. All rights reserved. Passing on and copying of this document, use and communication of its contents To/From colored port or transponder CWDM λx 1xx0 output signal CWDM λgrid – λx OADM λx 1xx0 CWDM input signal CWDM λgrid – λx LOS DETECTION LOS HANDLING To/From OADM opposite side Remote Inventory EEPROM RIBUS COADM1 unit SPI bus TO / FROM Shelf Controller on MATRIX board 1AA 00014 0004 (9007) A4 – ALICE 04.10 Figure 288. COADM1 unit block diagram ED 03 3AL 91669 AA AA 555 / 706 706
  • 558.
    4.47 COADM2 (Refer to Figure 289. on page 557) not permitted without written authorization from Alcatel. The COADM2 board is two slots wide and can be plugged in every slot of the Access Area without All rights reserved. Passing on and copying of this document, use and communication of its contents constraint. OADM 2ch board realizes wavelengths multi–demultiplexing allowing to add/drop 2 ch out of the 8 supported according to CWDM grid and the pass–through of remaining WDM channels not terminated. Four specific items are foreseen, considering to support the termination of two adjacent wavelengths per item: – 1470 – 1490 nm; – 1510 – 1530 nm; – 1550 – 1570 nm; – 1590 – 1610 nm. The functionality of the board has to be considered for ring application, and performing ’one side’ channel termination: thus, two separate boards are required at a node of the ring in order to achieve the complete OADM functionality. Actual OADM functionality is based on specific devices performing mux/demux functionality as regards the two channels to be locally terminated (by specific add/drop port) and supporting both bidirectional WDM ports for ’network connection’ and bidirectional WDM ports for ’pass–through’ connection (to/from opposite OADM board). ’Loss of Signal’ detection on CWDM optical signal received is not managed. The two wavelengths, which are added/dropped in COADM2, are specified by the content of the additional fields of the board Remote Inventory. The configuration of the COADM2 requires the operator to specify the added/dropped wavelengths. The operator has to connect the bundle of pass–through channels between two COADM2 boards (respectively on west and east side of the NE). Note 1 – The bundle of a COADM2 cannot be connected to the bundle of a COADM1. Note 2 – The bundle of a COADM2 cannot be connected to the bundle of another COADM2 with different added/dropped wavelengths. Remote inventory is handled by a dedicated EEPROM carrying the inventory code associated to the optical device; the communication towards Shelf Controller is performed by ’RIBUS block through ’SPI’ bus. 1AA 00014 0004 (9007) A4 – ALICE 04.10 ED 03 3AL 91669 AA AA 556 / 706 706
  • 559.
    not permitted withoutwritten authorization from Alcatel. All rights reserved. Passing on and copying of this document, use and communication of its contents To/From colored port or transponder CWDM λx 1xx0 output signal CWDM λy 1xx0 λgrid – λx–λy OADM λx 1xx0 CWDM input signal CWDM λy 1xx0 λgrid – λx–λy LOS DETECTION LOS HANDLING To/From OADM opposite side Remote Inventory EEPROM RIBUS COADM2 unit SPI bus TO / FROM Shelf Controller on MATRIX board Figure 289. COADM2 block diagram 1AA 00014 0004 (9007) A4 – ALICE 04.10 ED 03 3AL 91669 AA AA 557 / 706 706
  • 560.
    4.48 COMDX8 (Refer to Figure 290. on page 559) not permitted without written authorization from Alcatel. MUX/DEMUX 8ch board realizes wavelengths multi–demultiplexing on the whole group of 8 CWDM All rights reserved. Passing on and copying of this document, use and communication of its contents channels supported. One item is, then, foreseen. The functionality of the board can be considered both for linear and ring application; contrary to OADM board, no ’pass–through’ link is provided, then pass–through of wavelengths not terminated must be realized on each single wavelength. In ’ring’ application, the board performs ’one side’ channels termination: thus, two separate boards are required at a node of the ring in order to achieve the complete OADM functionality. ’Loss of Signal’ detection on CWDM optical signal received is not managed. The COMDX8 board is two slots wide and can be plugged in every slot of the Access Area without constraint. Specific devices performs mux/demux functionality as regards the whole group of 8 channels to be locally terminated (by specific add/drop port). Bidirectional WDM ports for ’network connection’ are also supported. Remote inventory is handled by a dedicated EEPROM carrying the inventory code associated to the optical device; the communication towards Shelf Controller is performed by ’RIBUS block“ through ’SPI’ bus. The functionality of ’Loss of signal’ received on CWDM input of ’passive’ boards is handled as showed in the following Figure 290. An optical splitter is used in order to provide a low percentage of CWDM power level received to a detection stage including a large bandwidth photodetector and the specific HW for the generation of a LOS primitive. LOS alarm is reported through ’RIBUS block’ towards Shelf Controller on MATRIX unit. 1AA 00014 0004 (9007) A4 – ALICE 04.10 ED 03 3AL 91669 AA AA 558 / 706 706
  • 561.
    not permitted withoutwritten authorization from Alcatel. All rights reserved. Passing on and copying of this document, use and communication of its contents λ1 1470 λ2 1490 CWDM λ3 1510 OUTPUT CHANNELS 1530 (from colored port or λ4 MUX 1550 Transponder interface) λ5 1570 λ6 1610 λ7 1590 λ8 λ1 1470 λ2 1490 λ3 1510 LOS HANDLING CWDM INPUT CHANNELS λ4 1530 Optical Splitter input signal (to colored port or DEMUX λ5 1550 Transponder interface) λ6 1570 λ7 1610 1590 λ8 LOS x% of DETECTION CWDM Rx signal LOS alarm MUX/DEMUX8 unit Remote Inventory EEPROM RIBUS SPI bus TO / FROM Shelf Controller on MATRIX board 1AA 00014 0004 (9007) A4 – ALICE 04.10 Figure 290. MUX/DEMUX8 (COMDX8) block diagram and LOS detection in ’passive’ boards ED 03 3AL 91669 AA AA 559 / 706 706
  • 562.
    4.49 2xCH TransponderSFP without optics (COWLA2) (Refer to Figure 291. on page 564) not permitted without written authorization from Alcatel. This board realizes the function of double multi–rate transponder–regenerator in CWDM network. All rights reserved. Passing on and copying of this document, use and communication of its contents Double because it has two channels, multi–rate because it can handle various kinds of standard signals, transponder–regenerator because it can work both as transponder and as regenerator. Each channel of COWLA2 is constituted of two bi–directional optical interfaces on which is realized ’3R’ functionality (Re–amplification, Reshaping and Retiming). When working as transponder the optical interfaces of the COWLA2 channel are one ’BW’ and one colored, so wavelength assignment is performed. On the contrary if both optical interfaces of the channel are colored, COWLA2 works as regenerator. Double ’BW’ optical interface configuration, regenerator ’BW’, isn’t foreseen because not applicable in the 1660SM (with CWDM unit) network scenarios. Colored interfaces, ’server or WDM domain’, are input–output of others equipment resident boards; these perform Coarse Wavelength Division Multiplexing using optical multiplexer–demultiplexer or Optical Add–Drop Multiplexer passive components. ’BW’ lines, ’client domain’, are typically connected toward remote generic ’BW’ clients. COWLA2 unit supports the following signal types: – FDDI (125 Mb/s); not operative in current release – Fast Ethernet (125 Mb/s); not operative in current release – STM1/OC3; not operative in current release – Escon (200 Mb/s); not operative in current release – Digital Video (270 Mb/s); not operative in current release – STM4/OC12; not operative in current release – Fiber Channel (1.0625 Gb/s); not operative in current release – FICON (1.0625 Gb/s); not operative in current release – Gb Ethernet (1.25 Gb/s); not operative in current release – 2 Fiber Channel (2.125 Gb/s); not operative in current release – STM16/OC48; – 2 Gb Ethernet (2.5 Gb/s); not operative in current release – STM16 w/ FEC (2.667 Gb/s). not operative in current release In case of SDH services the board performs the management of Regeneration Section overhead on Rx direction. For all others standard signals only ’3R’ functionality is foreseen without protocol specific handling. For all protocols optical LOS and URU alarms are generated. In case of optical LOS on Rx interface, Automatic Laser Shut down procedure is activated in the correspondent Tx side; at the same time laser shutdown or generic AIS insertion is done in the transponder channel Tx direction. When non–SDH services are configured, COWLA2 performs only ’3R’ functionality; signal is transparently regenerated without protocol specific management. In case of SDH services, besides ’3R’ regeneration, the following functionalities are realized on received side: 1AA 00014 0004 (9007) A4 – ALICE 04.10 – alignment on received A1, A2 byte and generation of relative LOF alarm – received section trace identifier byte J0 extraction and generation of relative TIM alarm. J0 management is configurable as one repeated byte or as 16 byte modality (15 byte + CRC–7) ED 03 3AL 91669 AA AA 560 / 706 706
  • 563.
    received error monitoring byte B1 extraction and manipulation (RS non intrusive monitoring). Performance monitoring computation is done in order to produce DEG and LOWBER alarms. Primitive parameters are passed to Shelf Controller that computes PM handling. not permitted without written authorization from Alcatel. – RS–AIS (MS–AIS with J0 bit at all ’1’, Alcatel proprietary alarm) detection on the incoming signal and All rights reserved. Passing on and copying of this document, use and communication of its contents generation of relative RS–AIS alarm. 2xCh transponder SFP is a one slot wide plug–in unit constituted by a front panel and a Printed circuit Board Assembly (PBA). On the front panel are available four connectors for optical lines access and a multi–color LED used as visual indicator for card failure alarm and in–service/standby card operating status. Block diagram of COWLA2 unit is reported in Figure 291. Power supplies for all board components are produced from battery interface through DC/DC converts modules. Optical received signal O Rxm (1 = m = 4) is converted into electrical format, D Rxm, from SFPm photo–detector receiver. This block accomplishes re–amplification and reshaping. Electrical received signal, D Rxm, enters into any–rate deserializer Dxm that realizes signal retiming and 1 to 16 de–serialization. Received de–serialized signals, Dpn Rxm (1 = n = 16, 1 = m = 4) and clock, Ckp Rxm, go into FPGA. FPGA component, basing on configuration provisioning, cross–connect a 16 bit parallel data input, Dpn Rxm, with a 16 bit parallel data output, Dpn Txm. In case of SDH service it’s done received regenerator section overhead bytes management. Parallel signals, Dpn Txm, and clock, Ckp Txm, are sent to the any–rate serializer Mxm that carries out 16 to 1 data multiplexing. Multiplexed signal, D Txm, enters into SFPm laser transmitter that produces the optical output signal O Txm. The bi–directional optical to optical path described above constitutes one transponder channel. FPGA registers are configured from Shelf Controller using ISPB bus. FPGA manages programming and alarms of SFPs and any–rate serializers–deserializers through dedicated serial I2C bus interfaces and parallel input–output. PLLs VCXO loop filter blocks are a constituent part of deserializers’s Clock and Data Recovery circuits and of serializers’s Clock Multiplier Unit. They provide appropriate clock reference for serializer–deserializer components. Configuration device (Config Device) contains the program image that is downloaded into FPGA after power–on. Board remote inventory information are contained in RI EEPROM, a serial non–volatile memory accessible via SPI bus. RIBUS block basically it reads or writes general input–output for commands activation or alarms 1AA 00014 0004 (9007) A4 – ALICE 04.10 acquisition and pilots on–board SPI slave bus. RIBUS is controlled from SC through SPI back–plane bus. In the following various COWLA2 blocks will be described. ED 03 3AL 91669 AA AA 561 / 706 706
  • 564.
    SFP OPTICAL MODULE SFP optical module is a pluggable fiber optic transceiver that arises from a Multi–Source Agreement. not permitted without written authorization from Alcatel. Optical wavelength could be BW or colored conform to CWDM grid. Line bit–rate could be single speed All rights reserved. Passing on and copying of this document, use and communication of its contents or multi–rate. On COWLA2 it’s for now foreseen the use of mono–mode, multi–rate BW or multi–rate 8 wavelength colored SFP, capable of maximum span budget of about 80 Km. Photo detector transceiver and laser transmitter achieve respectively optical to electrical and electrical to optical conversion; In addition there are some configuration and alarm pins: – Tx fault indicates a laser fault – LOS specifies an optical loss of signal – Presence reflects the insertion–extraction of the module – Tx disable when set shuts down the laser – Rate select is an optional command for data rate select for multi–rate transceiver. These signals are input–output of FPGA and can be read–written using dedicated registers. Tx disable and LOS are used by FPGA for ALS functionality. Tx disable, LOS and Presence are also connected to RIBUS block for testing or future utilization. SFP module includes a 512 bytes serial EEPROM, that contains inventory and vendor specific information. This EEPROM can be read and written via ISPB bus. SERIALIZER/DESERIALIZER “Deserializer” main functions are clock recovery, data re–sampling and 1 to 16 de–serialization over a continuous bit–rate from 30 Mb/s up to 3.2 Gb/s. “Serializer” main functions are data re–timing and 16 to 1 serialization over a continuous bit–rate from 30 Mb/s up to 3.2 Gb/s. 1AA 00014 0004 (9007) A4 – ALICE 04.10 ED 03 3AL 91669 AA AA 562 / 706 706
  • 565.
    FPGA Its main functions are: not permitted without written authorization from Alcatel. – flexible any rate data channel cross connection All rights reserved. Passing on and copying of this document, use and communication of its contents – E–SNCP/I (for all services) E–SNCP/N (for SDH services) protection schemes toward client or server domain – Automatic Laser Shut down procedure implementation – STMn Regenerator Section bytes termination for SDH services – laser shut down or generic AIS insertion on Tx transponder channel direction when a LOS is detected on Rx side – SFP and serializer/deserializer management by ISPB. DC/DC CONVERTERS Power supply block produces the required on board supplies starting from 48 V ± 20 % battery input . All components work with 3.3 V voltage except FPGA that requires also 1.5 V. ISPB BUS By mean of ISPB the Shelf Controller (SC) can load proper configuration setting within FPGA internal register, monitor the current status and alarms, collect data for performance monitoring and so on. RIBUS block This block is used to read/write from/to the ”RIBUS” serial stream (SPI: serial peripheral inventory), to control the LED on the unit, to release the Management–bus in case of power failure, and to use the remote inventory. RIBUS I/F is powered by the + 3.3 VS supplied by the rear access panel. REMOTE INVENTORY It is the memory containing the board information, for identification purposes (see para. 3.17 on page 370 for details). 1AA 00014 0004 (9007) A4 – ALICE 04.10 ED 03 3AL 91669 AA AA 563 / 706 706
  • 566.
    not permitted withoutwritten authorization from Alcatel. O Rx 1 D Rx 1 All rights reserved. Passing on and copying of this document, use and communication of its contents FPGA O Tx 1 SFP #1 SERIALIZER MODULE D Tx 1 DESERIALIZER #1 CROSS–CONNECTION MATRIX O Rx 2 D Rx 2 O Tx 2 SFP #2 D Tx 2 SERIALIZER MODULE DESERIALIZER #2 STMn RS Sink O Rx 3 D Rx 3 GENERIC AIS O Tx 3 SFP #3 SERIALIZER MODULE D Tx 3 DESERIALIZER #3 O Rx 4 D Rx 4 O Tx 4 SFP #4 D Tx 4 SERIALIZER MODULE DESERIALIZER #4 #1 ALARMS #2 #3 #4 CONTROLS ÏÏÏ Ï Configuration Status Management Ï M–BUS Bus (ISPB) ÏÏ ÏÏ Ï Driver Bus–OFF RIBUS(SPI) ID RIBUS I/F F +3.3 Vdc Unit Failure Remote CMISS internal voltages Inventory 1.5V DC/DC 3.3 V CONGI CONVERTERS from 2XCH TRANSPONDER SFP W/O OPTICS 1AA 00014 0004 (9007) A4 – ALICE 04.10 Figure 291. 2xCH Transponder SFP Without optics COWLA2 ED 03 3AL 91669 AA AA 564 / 706 706
  • 567.
    4.50 PQ2/EQC card (See Figure 292. on page 567 ) not permitted without written authorization from Alcatel. The PQ2/EQC unit through the Equipment Controller (EC) manage: All rights reserved. Passing on and copying of this document, use and communication of its contents • local dialog with a personal computer (F interface RS 232) • local dialog with a personal computer (USB interface; not operative in current release) • dialog with the Operation System for Network Management operation through Q3 and DCC interface • dialog with a remote Operation System for Network Management operation through interface QAUX . • dialog with the external equipment for Network Management operations through Interface Q2 (Mediation Device Function) • remote alarms (RE) , alarms criteria towards the rack lamps (RA), housekeeping alarms (HK) and front cover led • ISSB bus The EC performs as well all the SW functions related to the control and management activities like info–model processing, event reporting and logging, equipment data base management, SW downloading and management, etc. To support its activities the EC function requires a non volatile mass storage device (FLASH CARD), boot memory (FEPROM) and RAM memory. F interface: It is used for connection to a local Craft Terminal; The standard implementation of the physical layer for the F interface consists of an RS–232 UART port accessible from the PQ2/EQC card front panel USB interface The USB interface is foreseen as an alternative option for connection to external PC supporting the Craft Terminal function; it is currently not operative. Q3 interface: It is dedicated to an OS station connection through Local Access Network (LAN); QB3 requires a 10BASE2 or a 10BASET interface that is physical provided by CONGI card DCC interface: It is a TMN related communication interface based on the use of the Embedded Communication Channels available in the SOH portion of the SDH frame. Through the QECC interface the 1660SM can exchange management messages with a remote OS. In the 1660SM up to three full duplex ECC channels can be terminated from each SDH interface: one DCC_M at 576 kbit/s, one DCC_R at 192 Kbit/s and one DCC_P 64 Kbit/s (F2, F3 bytes of VC4 ). 1AA 00014 0004 (9007) A4 – ALICE 04.10 ED 03 3AL 91669 AA AA 565 / 706 706
  • 568.
    QAUX interface: It is provided as an additional TMN communication interface for message exchange between the NE and a Remote OS station based on the use of a 2 Mbit/s proprietary protocol. It can be physically terminated not permitted without written authorization from Alcatel. on a 2 Mbit/s auxiliary channel on the SERVICE card. All rights reserved. Passing on and copying of this document, use and communication of its contents Q2 interface: A mediation function interface is provided to connect the 1660SM to non–SDH network element The RS–485 interface and the cable connector are provided on the CONGI card. RE, RA, HK and leds interface: RE consists of parallel I/O signals used for remote alarms that can be accessed on the CONGI card RA is dedicated to send commands toward the rack to light up the relevant lamps.; the physical interface is available on the CONGI card. By pressing a push button is possible to store an alarm; HK consist of parallel I/O signals used to handle housekeeping signals (for example alarms received from Fans Subrack, open door etc.); In this way they can be supervised by Craft Terminal. The physical interface is available on the CONGI card. The Equipment Controller also drive the leds present on the front cover to display alarms or status indication concerning the equipment ; for the meaning of the leds see para 2.4 on page 123. By pressing a push button present on the PQ2/EQC front cover is possible to check the efficiency of the leds. ISSB bus: It is an high performance bus supporting communication among the EC function, the SC function on the MATRIX and Local Microprocessor present on the ATM board. Other functions implemented are : • RESET PUSH–BUTTON used for EC reset. • RIBUS I/F This block control the LED on the unit and is also used by the Shelf Controller on the MATRIX to read the remote inventory data though the ”RIBUS” . RIBUS I/F is powered by the + 3.3 Vdc supply by CONGI boards. • REMOTE INVENTORY It is the memory containing the board information, for identification purposes (see para. 3.17 on page 370 for details). DC/DC CONVERTERS This block converts the 48/60 V power supply to secondary voltages necessary for the circuits on the board: +3.3 V and + 2.5 V used to supply all the components in the board. 1AA 00014 0004 (9007) A4 – ALICE 04.10 ED 03 3AL 91669 AA AA 566 / 706 706
  • 569.
    not permitted withoutwritten authorization from Alcatel. All rights reserved. Passing on and copying of this document, use and communication of its contents To/From F Craft INTERFACE Terminal NOT DCC DCC USB To/from OPERATIVE MANAGEMENT STM–N port INTERFACE Q2 To/from Q3 CONGI EC QAUX Reset To/from SERVICE ISSB To/from MATRIXE main and spare, ATM board Lamp test Remote alarms RE REMOTE ALARMS Rack alarms To/from RACK LAMPS FEPROM RA CONGI HOUSEKEEPING Housekeeping Alarm storing LEDS HK RAM MANAGEMENT FLASH CARD front cover leds Remote Inventory From/to RIBUS MATRIXE RIBUS ID main and spare I/F +3.3 Vdc Unit Failure from 3.3 V CONGI A B DC/DC 48/60 V EQUICO 2.5 V CONVERTERS Figure 292. 1660SM PQ2/EQC Card Block Diagram 1AA 00014 0004 (9007) A4 – ALICE 04.10 ED 03 3AL 91669 AA AA 567 / 706 706
  • 570.
    4.51 MATRIXE card (See Figure 293. on page 571) not permitted without written authorization from Alcatel. The MATRIXE card used in the 1660 SM equipment performs different functions : All rights reserved. Passing on and copying of this document, use and communication of its contents • connections between ports (ATM matrix included) • equipment synchronization functions • Shelf Controller functions • performance monitoring collection • power supply • remote inventory As the MATRIXE is in 1+1 redundant configuration, all the functions realized by the unit are redundant as well. CONNECTIONS The connections between MATRIXE and ports are realized by means of links at 2.5 Gbit/s (link X, link L and link H in Figure 293. on page 571) On the MATRIXE are implemented the following SDH functions to realize the connections : • MSP (Multiplex Section Protection) It performs the Multiplex Section Protection (linear and MS–PRING) according to the MSP algorithm result. Refer to para 3.13.2 on page 335 for details on MSP linear protection. • AU4 squelching It is used to avoid mis–connections when the MS–SPRING protection is active. For each incoming and outgoing AU4 , should be possible to insert AIS. • SNCP (Sub–Network Connection Protection) It performs the Sub–Network Connection Protections, in case of SNCP–ring network configuration, switching from A to B path signals (A and B are two generic transmission side). SNCP is of types HO–SNCP (for VC4 path signals) and LO–SNCP (for VC3 ,VC12, etc. path signals). It can be SNCP/I and SNCP/N (not operative in current release); Refer to para 3.13.4 on page 339 for details on SNCP protection • HPC (High order Path Connection) This block acts as connection matrix, supporting cross–connection for a max of 384x384 STM1 equivalent signals at VC–4 level. • LPC (Low order Path Connection) This block acts as connection matrix, supporting cross–connection for a max of 256x256 STM1 equivalent signals at VC–12 level. 1AA 00014 0004 (9007) A4 – ALICE 04.10 ED 03 3AL 91669 AA AA 568 / 706 706
  • 571.
    EQUIPMENT SYNCHRONIZATION The equipment synchronization is realized by the SETS function (Synchronous Equipment Timing Source) that distributes to each equipment port the pertaining synchronization signals. not permitted without written authorization from Alcatel. All rights reserved. Passing on and copying of this document, use and communication of its contents A high stability oscillator at 10MHz is present to guarantee an holdover or free running working mode compliant to the ITU–T Recs. The clock reference working modes can be: locked, hold over and free running. When working in locked mode , the SETS block can select its reference signal among (the selection is accomplished by means of the software and craft terminal): • timing reference signals coming from the SDH ports (T1 ) • 2 MHz signal coming from the PDH ports (T2 ) • 2 MHz clocks (T3) or 2 Mbit/s signals (T6) coming from the SERVICE card The T3/T6 clocks are two (i.e. T3a, T3b or T6a, T6b). The SETG block (Synchronous Equipment Timing Generation) generates : • a system clock T0 (at 622.08 MHz) locked to the selected reference (T1, T2, T3/T6) and distributed to the equipment. • CK38Mhz : it is derived from the system clock (T0) and is distributed to all the ports. Its frequency is 38.88 MHz. • MFSY : it is the multiframe synchronism at 500 Hz, obtained from the ck38MHz. It is distributed to all the ports. • a 2 MHz clock T4 or a 2 Mbit/s signal T5 used as synchronization clock towards the external, accessible from the SERVICE board. The T4/T5 clocks are two (T4a, T4b and T5a, T5b). For a detailed description of the synchronization subsystem refer to para 3.14 at page 363. SHELF CONTROLLER FUNCTIONS The MATRIXE houses the circuitry necessary to realize the Shelf Controller. The SC provide the resources to support the SW functions related to the control and management operation of the boards. To perform its functions, the SC directly interfaces the ASICS on the board implementing the SDH functions for data collection (faults or alarm event detections, performance monitoring data) and configuration provisioning. As the SC is involved in critical activities ( for instance EPS ) , is 1+1 protected. The internal interfaces supporting SC element for communication tasks are: – Management –Bus. It is a parallel bus connecting the SC processor to all the transport Asics located on the traffic cards to provide communications among the units and the Controller, for management of the units (management of payload processing functions). – ISSB : Intra Shelf Serial Bus is a serial bus for communication among SC, EC (on the PQ2/EQC card) and , if present, other processor in the Shelf. – RIBUS . It is a serial bus connecting the SC processor to the serially interfaced devices called RIBUS–I/F, located on each board for simple read or write operations, for communications about Remote Inventory, cards failure, bus releasing. 1AA 00014 0004 (9007) A4 – ALICE 04.10 RIBUS I/F is powered by the + 3.3 Vdc supply by CONGI boards. A push–button is present to reset the SC. ED 03 3AL 91669 AA AA 569 / 706 706
  • 572.
    For a detaileddescription of the Controller refer to para 3.12 on page 315, where the control subsystem is described. PERFORMANCE MONITORING COLLECTION not permitted without written authorization from Alcatel. All rights reserved. Passing on and copying of this document, use and communication of its contents The “Performance Monitoring Management” block housed on the MATRIXE card realizes Performance Monitoring functionalities; it collects and stores the data ( Defect seconds and Errored blocks) coming from all the flows. The Performance monitoring can be made at : • Adaptation and Regeneration section • Multiplex section • Multiplex section adaptation • HSUT and LSUT • HPOM and LPOM • HPT and LPT POWER SUPPLY The unit receives via backpanel connectors the –48V coming from CONGI boards. The DC/DC converter present on the board generates the following voltage: • + 3.3 V • + 2.5 V • +1.8 V • +1.6 V The Remote–Inventory and RIBUS–I/F blocks are powered by the 3.3 V power service coming from the CONGI boards . REMOTE INVENTORY It is the memory used to maintain the board history and data. For more details about the Remote Inventory function refer to para 3.17 on page 370. 1AA 00014 0004 (9007) A4 – ALICE 04.10 ED 03 3AL 91669 AA AA 570 / 706 706
  • 573.
    not permitted withoutwritten authorization from Alcatel. All rights reserved. Passing on and copying of this document, use and communication of its contents PERFORMANCE MONITORING MANAGEMENT MATRIX LPC Link L MSP SNCP from/to all AU4 Link H port cards Squelcing HPC Link X T2 Timing T1 (port) from ports Synchronization T0 (SETS) T3a/T6a 10MHz T3b/T6b OSC SETG to/from Reset T4a/T5a SERVICE T4b/T5b MFSY T0 CK38 to ports T0 SC Management bus Management bus M–BUS Driver FLASH Bus From/to OFF EPROM spare MATRIXE (1 Mb) Remote +3.3 Vdc and ports Inventory RIBUS RIBUS I/F Unit Failure ID RIBUS ISSB From/to spare MATRIXE and PQ2/EQC 3.3 V 48/60 V 2.5 V DC/DC from CONGI A B 1.8 V CONVERTERS +3.3 Vdc MATRIX 1.6 V 1AA 00014 0004 (9007) A4 – ALICE 04.10 Figure 293. MATRIXE card block diagram ED 03 3AL 91669 AA AA 571 / 706 706
  • 574.
    4.52 CONGI card (See Figure 294. on page 576) not permitted without written authorization from Alcatel. The 1660SM equipment can house two CONGI cards, referred as CONGI A main (slot 10) and CONGI All rights reserved. Passing on and copying of this document, use and communication of its contents B (slot 12). They are not intended as main and spare : each card provides a set of functions . Both units are necessary to provide the complete set. CONGI A can be used as stand alone but in this case only a subset of interfaces can be used . Table 55. reports the interfaces present on each CONGI card. Table 55. CONGI A and CONGI B interfaces CONGI A (slot 10) CONGI B (slot 12) POWER POWER Housekeeping Remote Alarms (a subset) Housekeeping Remote Alarms ( a subset) Rack lamps (R/M) Not used QMD (Q2) Not used Q3 10 base 2 Not used Q3 10 base T Not used INT led INT led The main functions performed by the unit are: [1] Input power stage [2] AND/OR and Remote Alarms [3] Housekeeping interface (only on CONGI in slot 10) [4] R/M interface (only on CONGI in slot 10) [5] QMD interface (only on CONGI in slot 10) [6] RIMMEL interface [7] Q3/QB3 interface (only on CONGI in slot 10) [8] Remote inventory 1AA 00014 0004 (9007) A4 – ALICE 04.10 ED 03 3AL 91669 AA AA 572 / 706 706
  • 575.
    [1] Input powerstage This circuit decouples the power station battery . It contains the ”Main Power block” with two fuses, EMI input filters, a ”protection circuit block” , a ”step not permitted without written authorization from Alcatel. up converter” to provide –9 V and a DC/DC converter to provide the +3.3 V to the RIBUS I/F block ( see All rights reserved. Passing on and copying of this document, use and communication of its contents para. 3.17 on page 370 for details ). In case of fuse broken an alarm is generated (FUSE)2. A solder strap is present to provide the main power (48V) in modality “two wires” (if +Vbatt is connected to ground or “three wire” (if + Vbatt is not connected to ground) in order to obtain a DC/I decoupling system. [2] AND/OR and Remote Alarms The circuit generates the remote alarms and lights up the the Rack lamps in case of station battery fault. It is powered from the 3.3Vdc power from the service battery and uses it to control the station battery. In case of loss of 3.3 Vdc a PWANDOR alarm is generated. The AND/OR circuit monitors the station battery and provides an alarm (BAT FAIL) in case the voltage level decreases more than 20 % of the nominal value. If BAT FAIL alarm of the CONGI in slot 10 or the same alarm of the CONGI in slot 12 are present , the ORALIM alarm is generated and set to the PQ2/EQC card. Table 56. on page 573 and Table 57. on page 574 report a brief description of the alarms provided by the AND/OR block respectively on CONGI in slot 10 and CONGI in slot 12 . They are all Electronic Ground contacts (GND = alarm, OPEN = no alarm) sent towards the housekeeping and remote alarms connector. Table 56. Remote alarm provided by the AND/OR block available on CONGI in slot 10 ACRONYM DESCRIPTION T*TOR Fault or loss of one station battery . It concurs to generate NURG, T*NURG and RNURG (it can be stored) T*AND Fault or loss of both batteries stations. It concurs to generate T*URG and RURG (it can be stored). T*INT It indicates an internal alarm. It is received from PQ2/EQC T*URG It indicates an urgent alarm. It is provided from PQ2/EQC T*NURG It indicates a not urgent alarm. It is received from PQ2/EQC N.B. On the Craft Terminal (C.T.) and on the Operation System (O.S). application the T*URG, and T* NURG remote alarm are named in a different way; the relation between this two terminology is explained in Table 77. on page 650. 1AA 00014 0004 (9007) A4 – ALICE 04.10 2. For the right management of the FUSE alarm refer to MAINTENANCE section of the METRO OMSN C.T Operator’s Handbook. As a matter of fact some setting must be checked when two CONGI with different Factory code / ANV suffix are equipped in the subrack. ED 03 3AL 91669 AA AA 573 / 706 706
  • 576.
    Table 57. Remotealarm provided by the AND/OR block available on CONGI in slot 12 ACRONYM DESCRIPTION T*TORC It indicates a loss of +3.3V generated by the on board DC/DC converter of one not permitted without written authorization from Alcatel. CONGI card. All rights reserved. Passing on and copying of this document, use and communication of its contents T*IND Indeterminate alarm synthesis. Indicate synthesis of alarms not associated to other severity (not used) T*TUP It indicates an PQ2/EQC microprocessor fault (it can be stored) T*TANC It indicates loss of + 3.3 V generated by the on board DC/DC converters of both CONGI cards (it can be stored). LOSQ2 It indicates loss of communication with the Operation System (not used) [3] Housekeeping interface Two Housekeeping operating mode are supported for CONGI unit: – CONGI unit preset 2 wire provide 6 inputs and 2 outputs contacts suitable for customer purpose. – CONGI unit preset 3 wire provide 4 inputs and 2 outputs contacts suitable for customer purpose. [4] R/M interface It is used to connect the rack lamps and incoming call signal. Table 58. Rack lamps signals ACRONYM FUNCTION T*RATTD alarms storing T*RURG urgent alarm T*RNURG not urgent alarm T*CH incoming call T*TOR absence of one battery N.B. On the Craft Terminal (C.T.) and on the Operation System (O.S). application the T*RURG, and T* RNURG remote alarm sent toward the rack lamp are named in a different way; the relation between this two terminology is explained in Table 77. on page 650. [5] QMD interface It is a RS–485 interface that allows the dialogue between the NE (EC function) and a non SDH equipment. In this case the NE acts as a mediation device. [6] RIMMEL interface This block provide a serial communication interface with the FANS Shelf in order to receive information like presence of fans unit, fan alarms, fans unit remote inventory etc. (for details about connection with FANS Shelf refer to Installation Handbook). “Rimmel block” is also connected with the Shelf Controller (housed on the MATRIXE) and Equipment Controller (housed on the PQ2/EQC) in order to: – manage the HOUSEKEEPING contact – provisioning remote alarm 1AA 00014 0004 (9007) A4 – ALICE 04.10 – read the 2/3 wire operating mode ED 03 3AL 91669 AA AA 574 / 706 706
  • 577.
    [7] Q3/QB3 interface The Q3/QB3 interface on CONGI is used for OS connection. Two connectors are available : – 2 BNC for 10 Base 2 connection type not permitted without written authorization from Alcatel. All rights reserved. Passing on and copying of this document, use and communication of its contents – RJ45 for 10 base T connection type. The Coaxial Transceiver Interface (CTI) circuit performs the driver/receiver interface between the Q3/QB3 coaxial cable ( BNC) and the universal ethernet adapter (AUI). The purpose of the AUI adapter is to adapt the signal, coming from the Equipment Controller on the PQ2/EQC, to the LAN interface. It is directly connected to the RJ45 connector or through CTI to BNC connector. [8] Remote inventory It is the memory used to maintain the board history and communication and routing data relevant to the NE ;Remote Inventory activity is managed by the RIBUS I/F block as described on para. 3.17 on page 370. 1AA 00014 0004 (9007) A4 – ALICE 04.10 ED 03 3AL 91669 AA AA 575 / 706 706
  • 578.
    2/3 wire mode Input Power Stage + Batt_A Fuse MAIN – Batt not permitted without written authorization from Alcatel. EMI All rights reserved. Passing on and copying of this document, use and communication of its contents Station POWER TO ALL +Batt battery – Batt_A Fuse BLOCK FILTER BOARDS STEP UP –9V CONVERTER PROTECTION +3.3Vdc DC/DC TO ALL CICUIT 3.3 V BLOCK BOARDS to RIBUS I/F Fuse To PQ2/EQC 48V BAT FAIL To other CONGI 20% PWANDOR To PQ2/EQC OR ALIM RACK LAMPS OR To PQ2/EQC R/M BAT FAIL From other CONGI AND/OR alarms from URG, NURG, LOSQ2, INT, UP HOUSEKEEPING REMOTE ALARM AND REMOTE 6/4 HOUSKEEPING_IN HK–IN ALARM 2 HOUSKEEPING_OUT HK–OUT to/from RIMMEL PQ2/EQC FANS unit and FANS management MATRIXE Serial Link NON SDH EQUIPMENT QMD to/from M PQ2/EQC INTERFACE TRANSCEIVER U (Q2) X not used OPERATION –9V SYSTEM COAX TRANSCEIVER 10BASE2 INTERFACE (CTI) UNIVERSAL to/from ETHERNET M PQ2/EQC 10BASET INTERFACE U ADAPTER X not used Q3 (AUI) INTERFACE +3.3 Vdc FAIL Remote RIBUS to/from RIBUS MATRIXE Inventory I/F CMISS main and spare CONGI 1AA 00014 0004 (9007) A4 – ALICE 04.10 Figure 294. CONGI – Block diagram ED 03 3AL 91669 AA AA 576 / 706 706
  • 579.
    4.53 SERVICE card (See Figure 295. on page 582) not permitted without written authorization from Alcatel. The SERVICE card provides the following functions : All rights reserved. Passing on and copying of this document, use and communication of its contents [1] AUX (auxiliary) channels management [2] Input/output clock management [3] EOW channels management [4] POWER SUPPLY for internal board use. [1] AUX channels management It provides : – four G.703 64 Kbit/s channels, ITU–T G.703 compliant – four V11 channels , every one composed by data input, data output and clock – four RS–232 channels – two 2 Mbit/s G.703 signals that can be used as auxiliary channels All the electrical interfaces are managed by the Matrix present on the unit. [2] Input/Output clock management Function performed: – the unit can receives up to two 2 MHz clock (T3a and T3b) or up to two 2Mbit/s signals (T6a and T6b) that could be used to synchronize the N.E. The unit provide software programmability to switch between the two mode. – the unit provides up to two 2 MHz clock (T4a and T4b) or up to two 2Mbit/s signals (T5a and T5b) that can be used by another N.E. for synchronism purpose. The unit provide software programmability to switch between the two mode. [3] EOW management The EOW channels allows to realize two different connections types: a) between two stations (selective call) b) omnibus call (one station is connected with all the other To this purpose a telephone jack is present on the unit front panel. Two extension channels with different connectors (RJ45 and RJ11) are available to establish a connection with an external telephone set. Moreover the channel on RJ11 can be used to establish a connection with an external telephone network (future application). The ”Omnibus call” is identified with ”00”. 1AA 00014 0004 (9007) A4 – ALICE 04.10 ED 03 3AL 91669 AA AA 577 / 706 706
  • 580.
    Two LEDs L1and L2 indicate the line status according to the type of call . Table 59. on page 578 and Table 60. on page 578 show the L1 and L2 LEDs meaning for a selective/multiple call and for the omnibus call. not permitted without written authorization from Alcatel. Table 59. L1, L2 LEDs status for selective call All rights reserved. Passing on and copying of this document, use and communication of its contents STATUS CALLING PARTY CALLED PARTY THIRD PARTY L1 L2 L1 L2 L1 L2 (green) (yellow) (green) (yellow) (green) (yellow) Line engaged ON –– ON –– ON –– Selective call ON –– F –– ON –– Replay to selective call ON –– ON –– ON –– Third party inclusion ON –– ON –– ON –– Third party inclusion ON ON ON –– ON –– allowed Third party selection ON ON ON –– F –– ended Reply to third party ON –– ON –– ON –– Clear third party ON –– ON –– ON –– Clear forward ON –– ON –– –– –– Clear back ON –– ON –– –– –– Table 60. L1, L2 LEDs status for omnibus call STATUS CALLING PARTY CALLED PARTY NO ANSWER FROM REPLY CALLED PARTY L1 L2 L1 L2 L1 L2 (green) (yellow) (green) (yellow) (green) (yellow) Line engaged ON –– ON –– ON –– Omnibus call ON –– F F F F T 60 seconds ON –– ON F F F An answer at least T 60 seconds ON –– ON ON F F Called party inclusion T 60 seconds ON –– ON F ON F An answer at least T 60 seconds ON –– ON ON ON F Called party inclusion Third party exclusion ON –– ON F ON F Clear back ON –– ON F ON F Clear forward –– –– –– –– –– –– LEGENDA 1AA 00014 0004 (9007) A4 – ALICE 04.10 ON : LED on fixed –– : LED off F : LED flashing ED 03 3AL 91669 AA AA 578 / 706 706
  • 581.
    Selective call The connection between two stations is made when the operator selects the service area desired and the phone number of the station to call. not permitted without written authorization from Alcatel. The logical sequence of the main operations about the connection is the following: All rights reserved. Passing on and copying of this document, use and communication of its contents 1) Manual selection of the zone where we want to call, pushing Selection Button. The relative Zone’s Led will show the selection (ORANGE color). 2) Verify the state of the line in the zone: – Leds L1 and L2 show the state of the line – Free or Engaged Tone are sent to the Phone 3) If the line is free and the Inclusion Button is pushed, the phone will be linked to the Party Line of the selected zone and the zone becomes engaged. The Green Led L1 will be ON on all stations of the zone. 4) Selection of the phone number on the keyboard telephone handset 5) Recognize call on called station The called station recognize the phone number and the consequent action is that the led L1 (Green) will flash and the buzzer will ring. 6) Start of the conversation When the user hangs on the phone the conversation shall start In this condition the buzzer will be off and the led L1 (green) will be on. 7) End of the conversation The connection will finish when the caller or the called user will hang off the phone making free the zone. 1AA 00014 0004 (9007) A4 – ALICE 04.10 ED 03 3AL 91669 AA AA 579 / 706 706
  • 582.
    Omnibus call The Omnibus connection between one station and all the others in one zone is made when the operator selects the service area desired and the Omnibus call phone number ’00’. not permitted without written authorization from Alcatel. The logical sequence of the main operations about the connection is the following: All rights reserved. Passing on and copying of this document, use and communication of its contents 1) Manual selection of the zone where we want to call, pushing Selection Button. The relative Zone’s Led will show the selection (ORANGE color). 2) Verify the state of the line in the zone: – Leds L1 and L2 show the state of the line – Free or Engaged Tone are sent to the Phone 3) If the line is free and the Inclusion Button is pushed, the phone will be linked to the Party Line of the selectioned zone that becomes engaged. The Green Led L1 will be ON on all stations of the zone. 4) Selection of the phone number that is 00 for an Omnibus call. 5) Recognize call on called station the leds L1 (Green) and L2 (Yellow) will flash and the buzzer will ring. 6) Start of the conversation When the called users hang on the phone the conversation shall start. In this situation the buzzer will be off, led L1 will be on (green) and led L2 will be flashing (yellow). During the conversation, the caller talks and all the other users listen to, but if any of the other users press the Inclusion Button they shall talk in the Omnibus Call while the button remains pressed. 7) End of the conversation The connection will finish when the caller will hang off the phone making free the line. In the Omnibus call when the users called want to finish the listening, they hang off the phone. Matrix The Matrix: – receives / transmits data from /to the electrical interfaces (G.703, V11, RS–232, 2 Mbit/s, 2Mhz) – receives configurations data from ”Management Bus” – receives/transmits a serial signal from/to the digital party line (serial port) – receives /transmits data (SOH bytes) from/to the STM–N ports and PQ2/EQC and realize cross connections. – receives clock and synchronism from the MATRIXE 1AA 00014 0004 (9007) A4 – ALICE 04.10 ED 03 3AL 91669 AA AA 580 / 706 706
  • 583.
    Digital party line The function performed by the Digital Party Line are: not permitted without written authorization from Alcatel. – manages the information coming from the SOH matrix All rights reserved. Passing on and copying of this document, use and communication of its contents – detects DTMF code coming from the different channels – party line – manages LEDs , buzzer , push buttons and speech extensions present on the card front unit – receives configuration information from the ”Management Bus” AD/DA This block is a voice–band audio processor and perform the transmit encoding (A/D conversion) and receive decoding (D/A conversion) together with transmit and receive filtering for voice–band communication systems. Other functions implemented are : • RIBUS I/F This block is used to read/write from/to the ”RIBUS” stream, to control the LED on the unit, to release the Management–bus in case of power failure, and to use the remote inventory: • REMOTE INVENTORY It is the memory containing the board information, for identification purposes (see para. 3.17 on page 370 for details). • M–BUS Driver It drives the input–output gates of the Management–bus. These drivers can be disabled (by the Bus–OFF signal) in case of power failure. [4] POWER SUPPLY The unit receives via backpanel connectors the –48V coming from CONGI boards. The DC/DC converter present on the board generates the following voltage: • + 3.3 V • + 2.5 V to supply the party line and the SOH Matrix • – 9 V to supply the phone The Remote–Inventory and RIBUS–I/F blocks are powered by the 3.3 V power service coming from the CONGI boards . 1AA 00014 0004 (9007) A4 – ALICE 04.10 ED 03 3AL 91669 AA AA 581 / 706 706
  • 584.
    not permitted withoutwritten authorization from Alcatel. 2 x 2 Mbit/s All rights reserved. Passing on and copying of this document, use and communication of its contents T3a/T6a G.703 AUX to/from 2 x 2MHz input T3b/T6b STM–N ports QAUX T4a/T5a OH to/from 2 x 2MHz output T4b/T5b DCC MATRIX PQ2/EQC T3 4 x 64 Kbit/s G.703 T4 ck system A ck system A 4 x V.11 V.11 51 MHz 4 x RS232 RS–232 Serial Port 2.5 V L1 L2 Z1 Z8 Config. Status to/from MATRIXE Buzzer main and spare zone Management selection DIGITAL Bus line PARTY M–BUS reset LINE Driver line seizure RAM Bus–OFF RJ11 External Phone AD/DA RIBUS extension Remote RIBUS Inventory I/F RJ45 External Phone AD/DA extension FAULT Telephone AD/DA –9V 3.3 Vdc from 3.3 V 48/60 V CONGI A B 2.5 V DC/DC CONVERTERS –9 V SERVICE Figure 295. SERVICE block diagram 1AA 00014 0004 (9007) A4 – ALICE 04.10 ED 03 3AL 91669 AA AA 582 / 706 706
  • 585.
    4.54 FAN SHELF19” AND RELEVANT FAN UNIT (See Figure 296. on page 585 and Figure 297. on page 586) not permitted without written authorization from Alcatel. The FANS SHELF 19” is composed by a mechanical structure and a back–plane. All rights reserved. Passing on and copying of this document, use and communication of its contents The Fan Shelf is used to prevent high temperature inside the 1660SM equipment and must be equipped with four FAN UNIT FOR FAN SHELF 19” and two FILTERS (DUST FILTER FOR FAN SHELF 19 or METALLIC FAN GRID). In the lower part of the shelf are present 5 connectors the meaning of which is explained in Figure 84. on page 173. Each FANS UNIT is composed by four fans and some electronic circuits necessary to: • fans and alarms management • filter management • remote inventory • power supply FANS ALARM MANAGEMENT The core of the FAN UNIT FOR FAN SHELF is the “Fan Controller” that perform the following functionality: – FAN power supply:at the start up the control of FANS is distributed in sharing mode, so the max current value is reduced at only one FAN at a time. – FAN control: the sensing criteria is integrated in order to have an alarm if almost one fan is out of order. If an alarm is present (FAN AL1, FAN AL2, FAN AL3, FAN AL4) because a fan is temporary out of order, the Fan controller try every 8 sec. to restart the fan. – Temperature sensor: an external sensor generate an alarm (TEMP AL) when the temperature exceed 55_ C. – Remote inventory: through this interface the fan controller read the information stored in the flash EPROM. – LED control: the meaning of the led is reported in Figure 84. on page 173. – Serial Alarms Interface: the FAN controller reports the alarm on a serial link toward the CONGI board in order to transfer the information to the Shelf Controller on the MATRIXE. The Fans controller generate an alarm called ALM_URG B #n if at least one fan is faulty or the 12Vdc is not present. 1AA 00014 0004 (9007) A4 – ALICE 04.10 ED 03 3AL 91669 AA AA 583 / 706 706
  • 586.
    FILTER Two filters are present at the bottom of the fan shelf in order to prevent dusty problem at cooled circuit. This filter could not be removed permanently because the bottom grid performs the function of anti–fire not permitted without written authorization from Alcatel. protection. All rights reserved. Passing on and copying of this document, use and communication of its contents Two electro–mechanical sensor checks if the filters has been removed from the Shelf. These information (FILTER AL1 and FILTER AL2) are than reported to the fan controller of each FAN UNIT FOR FAN SHELF 19”. Dust Filter and Metallic Fan Grid are alternative parts. REMOTE INVENTORY It is a flash EPROM where are stored information about the unit like construction date, code number, maker name, Card–type, etc. POWER SUPPLY The main power supply is coming from two connectors: power supply “A” and power supply “B” coming from station battery. The voltage value for both battery is : 48 o 60 Vdc ± 20% 3A max; in case of failure an alarm is generated (AL BAT_A, AL BAT_B) A DC/DC converter on the unit provides the 12V necessary to power the FANs. Another DC/DC converter provides the 3.3V power supply voltage from which through a serial regulator is derived a 2.5 V. If one of the above secondary voltage are not present , is generated an alarm (PSU ALM #n). 1AA 00014 0004 (9007) A4 – ALICE 04.10 ED 03 3AL 91669 AA AA 584 / 706 706
  • 587.
    not permitted withoutwritten authorization from Alcatel. All rights reserved. Passing on and copying of this document, use and communication of its contents BATTERY A PSU ALM #3 ÏÏÏÏÏÏÏÏ ÏÏÏÏÏÏÏÏ PSU ALM #2 PSU ALM SLOT ID BATTERY B 1 _ PSU ALM #1 ÏÏÏÏÏÏÏÏ FAN UNIT PSU ALM #0 Housekeeping BATTERY A ÏÏÏÏÏÏÏÏ FOR FAN SHELF 19” CONGI ÏÏÏÏÏÏÏÏ to BATTERY B #0 FILTER AL1 ÏÏÏÏÏÏÏÏ ÏÏÏÏÏÏÏÏ ALM_URG_B #0 ÏÏ ÏÏ FILTER AL2 ÏÏÏÏÏÏÏÏ ALM_URG_B #1 ALM_URG_B #2 1 _ ALM_URG ALM_URG_B #3 ÏÏ ÏÏÏÏÏÏÏÏ SLOT ID ÏÏ F ÏÏÏÏÏÏÏÏ I S FAN UNIT PSU ALM #1 ÌÌ Ï ÏÏ Ï ÌÌ ÏL T E N S FILTER AL1 BATTERY A ÏÏÏÏÏÏÏÏ FOR FAN SHELF 19” ÏÏÏÏÏÏÏÏ ALM_URG_B #1 O BATTERY B E R #1 Ï ÌÌ Ï ÏÏ R FILTER AL1 ÏÏÏÏÏÏÏÏ ÏÏÏÏÏÏÏÏ FILTER AL2 1 ÏÏ ÏÏ ÏÏÏÏÏÏÏÏ Ï ÏÏÏÏÏÏÏÏ SLOT ID ÏÏÏÏÏÏÏÏ FAN UNIT ÏÏ ÏÏ BATTERY A ÏÏÏÏÏÏÏÏ FOR FAN SHELF 19” ÏÏÏÏÏÏÏÏ PSU ALM #2 BATTERY B ALM_URG_B #2 #2 ÏÏ ÏÏ F FILTER AL1 ÏÏÏÏÏÏÏÏ ÏÏÏÏÏÏÏÏ I S FILTER AL2 ÌÌ Ï ÏÏ Ï ÌÌ ÏL T E N S FILTER AL2 ÏÏÏÏÏÏÏÏ E O ÏÏÏÏÏÏÏÏ SLOT ID R Ï ÌÌ Ï Ï R ÏÏÏÏÏÏÏÏ ÏÏ 2 BATTERY A ÏÏÏÏÏÏÏÏ FAN UNIT FOR FAN SHELF 19” ÏÏÏÏÏÏÏÏ PSU ALM #3 BATTERY B ALM_URG_B #3 ÏÏ #3 ÏÏÏÏÏÏÏÏ ÏÏ FILTER AL1 FILTER AL2 ÏÏÏÏÏÏÏÏ ÏÏÏÏÏÏÏÏ ÏÏÏÏÏÏÏÏ FAN SHELF 19” 1AA 00014 0004 (9007) A4 – ALICE 04.10 Figure 296. Fans shelf 19” general block diagram ED 03 3AL 91669 AA AA 585 / 706 706
  • 588.
    706 586 / 706 3AL 91669 AA AA 03 ED Figure 297. Fans unit for fan shelf 19” block diagram 1AA 00014 0004 (9007) A4 – ALICE 04.10 ÏÏÏÏÏÏÏÏÏÏÏÏÏÏÏÏÏÏÏÏÏÏÏ FAN UNIT FOR FAN SHELF19” ÏÏÏÏÏÏÏÏÏÏÏÏÏÏÏÏÏÏÏÏÏÏÏ ÏÏÏÏÏÏÏÏÏÏÏÏÏÏÏÏÏÏÏÏÏÏÏ CONGI unit ÏÏÏÏÏÏÏÏÏÏÏÏÏÏÏÏÏÏÏÏÏÏÏ to FANS MANAGEMENT ÏÏÏÏÏÏÏÏÏÏÏÏÏÏÏÏÏÏÏÏÏÏÏ NOT USED ÏÏÏÏÏÏÏÏÏÏÏÏÏÏÏÏÏÏÏÏÏÏÏ B A ÏÏÏÏÏÏÏÏÏÏÏÏÏÏÏÏÏÏÏÏÏÏÏ INTERFACE INTERFACE ALARM ALARM NOT USED ÏÏÏÏÏÏÏÏÏÏÏÏÏÏÏÏÏÏÏÏÏÏÏ AL_FAN SERIAL SERIAL _ AL_FAN ALM_URG_B ÏÏÏÏÏÏÏÏÏÏÏÏÏÏÏÏÏÏÏÏÏÏÏ 1 AL_12V ÏÏÏÏÏÏÏÏÏÏÏÏÏÏÏÏÏÏÏÏÏÏÏ ALARM FILTER AL2 NOT USED ÏÏÏÏÏÏÏÏÏÏÏÏÏÏÏÏÏÏÏÏÏÏÏ ALM_URG_A FANS CONTROLLER FILTER FILTER AL1 ÏÏÏÏÏÏÏÏÏÏÏÏÏÏÏÏÏÏÏÏÏÏÏ ÏÏÏÏÏÏÏÏÏÏÏÏÏÏÏÏÏÏÏÏÏÏÏ LED ALARM SENSOR POWER FANS CONTROL SLOT ID FAULTY FANS ÏÏÏÏÏÏÏÏÏÏÏÏÏÏÏÏÏÏÏÏÏÏÏ INVENTORY REMOTE ÏÏÏÏÏÏÏÏÏÏÏÏÏÏÏÏÏÏÏÏÏÏÏ ÏÏÏÏÏÏÏÏÏÏÏÏÏÏÏÏÏÏÏÏÏÏÏ FAN FAN FAN FAN control 4 control 3 control 2 control 1 FAN AL1 FAN AL4 FAN AL3 FAN AL2 AL_12V ÏÏÏÏÏÏÏÏÏÏÏÏÏÏÏÏÏÏÏÏÏÏÏ ALBAT_B ALBAT_A SENSOR TEMPERATURE ÏÏÏÏÏÏÏÏÏÏÏÏÏÏÏÏÏÏÏÏÏÏÏ TEMP_AL ÏÏÏÏÏÏÏÏÏÏÏÏÏÏÏÏÏÏÏÏÏÏÏ ÏÏÏÏÏÏÏÏÏÏÏÏÏÏÏÏÏÏÏÏÏÏÏ ÏÏÏÏÏÏÏÏÏÏÏÏÏÏÏÏÏÏÏÏÏÏÏ + 12 V + 12 V + 12 V + 12 V ÏÏÏÏÏÏÏÏÏÏÏÏÏÏÏÏÏÏÏÏÏÏÏ ÏÏÏÏÏÏÏÏÏÏÏÏÏÏÏÏÏÏÏÏÏÏÏ ÏÏÏÏÏÏÏÏÏÏÏÏÏÏÏÏÏÏÏÏÏÏÏ FAN AL4 FAN AL3 FAN AL2 FAN AL1 ÏÏÏÏÏÏÏÏÏÏÏÏÏÏÏÏÏÏÏÏÏÏÏ ÏÏÏÏÏÏÏÏÏÏÏÏÏÏÏÏÏÏÏÏÏÏÏ ÏÏÏÏÏÏÏÏÏÏÏÏÏÏÏÏÏÏÏÏÏÏÏ FANS4 FANS3 FANS2 FANS1 ÏÏÏÏÏÏÏÏÏÏÏÏÏÏÏÏÏÏÏÏÏÏÏ ÏÏÏÏÏÏÏÏÏÏÏÏÏÏÏÏÏÏÏÏÏÏÏ ÏÏÏÏÏÏÏÏÏÏÏÏÏÏÏÏÏÏÏÏÏÏÏ ÏÏÏÏÏÏÏÏÏÏÏÏÏÏÏÏÏÏÏÏÏÏÏ ALBAT_B REGULATOR M R SERIAL +2.5 V R E +2.5 V Converter ÏÏÏÏÏÏÏÏÏÏÏÏÏÏÏÏÏÏÏÏÏÏÏ A W +3.3 V DC/DC BATTERY B PSU ALM L O +3.3 V ÏÏÏÏÏÏÏÏÏÏÏÏÏÏÏÏÏÏÏÏÏÏÏ A P Converter +12 V BATTERY A DC/DC ÏÏÏÏÏÏÏÏÏÏÏÏÏÏÏÏÏÏÏÏÏÏÏ +12 V ALBAT_A AL_12V ÏÏÏÏÏÏÏÏÏÏÏÏÏÏÏÏÏÏÏÏÏÏÏ ÏÏÏÏÏÏÏÏÏÏÏÏÏÏÏÏÏÏÏÏÏÏÏ ÏÏÏÏÏÏÏÏÏÏÏÏÏÏÏÏÏÏÏÏÏÏÏ document, use and communication of its contents All rights reserved. Passing on and copying of this not permitted without written authorization from Alcatel.
  • 589.
    4.55 ASSEMBLED FANSUNIT (See Figure 298. on page 588 and Figure 299. on page 589) not permitted without written authorization from Alcatel. The ASSEMBLED FANS UNIT must be inserted in the “1660SM SUBRACK WITH FANS SHELF” in order All rights reserved. Passing on and copying of this document, use and communication of its contents to prevent high temperature inside the equipment. In the “1660SM SUBRACK WITH FANS SHELF” can be equipped up to two ASSEMBLED FANS UNIT and one FILTER. In the lower part of the “1660SM SUBRACK WITH FANS SHELF” are present 2 connectors on the left (1st battery voltage and alarms) and one connector on the right (2nd battery voltage) Each ASSEMBLED FANS UNIT is composed by six fans and some electronic circuits necessary to: • fans and alarms management • remote inventory • power supply FANS ALARM MANAGEMENT The core of the unit is the “Fan Controller” that perform the following functionality: – FAN power supply:at the start up the control of FANS is distributed in sharing mode, so the max current value is reduced at only one FAN at a time. – FAN control: the sensing criteria is integrated in order to have an alarm if almost one fan is out of order. If an alarm is present (FAN AL1, FAN AL2, FAN AL3, FAN AL4, FAN AL5, FAN AL6) because a fan is temporary out of order, the Fan controller try every 8 sec. to restart the fan. – Temperature sensor: an external sensor generate an alarm (TEMP AL) when the temperature exceed 55_ C. – Remote inventory: through this interface the fan controller read the information stored in the flash EPROM. – LED control: the meaning of the led is reported in Figure 85. on page 174. – Serial Alarms Interface: the FAN controller reports the alarm on a serial link toward the CONGI board in order to transfer the information to the Shelf Controller on the MATRIXE. The Fans controller generate an alarm called ALM_URG B #n if at least one fan is faulty or the 12Vdc is not present. REMOTE INVENTORY It is a flash EPROM where are stored information about the unit like construction date, code number, maker name, Card–type, etc. 1AA 00014 0004 (9007) A4 – ALICE 04.10 ED 03 3AL 91669 AA AA 587 / 706 706
  • 590.
    POWER SUPPLY The main power supply is coming from two connectors: power supply “A” and power supply “B” coming from station battery. not permitted without written authorization from Alcatel. The voltage value for both battery is : 48 or 60 Vdc ± 20% 3A max; in case of failure an alarm is generated All rights reserved. Passing on and copying of this document, use and communication of its contents (AL BAT_A, AL BAT_B) A DC/DC converter on the unit provides the 12V necessary to power the FANs. A step down converter provides the 3.3V power supply voltage. If one of the above secondary voltage are not present , is generated an alarm (PSU ALM #n). FILTER One filter is present at the bottom of the “1660SM SUBRACK WITH FANS SHELF” in order to prevent dusty problem at cooled circuit. This filter could not be removed permanently because the bottom grid performs the function of anti–fire protection. Dust Filter and Metallic Fan Grid are alternative parts. PSU ALM #1 ÏÏÏÏÏÏÏÏÏ PSU ALM SLOT ID 1 _ ÏÏÏÏÏÏÏÏÏ ÏÏÏÏÏÏÏÏÏ ASSEBLED FANS UNIT PSU ALM #0 Housekeeping BATTERY A BATTERY A ÏÏÏÏÏÏÏÏÏ CONGI BATTERY B to BATTERY B ÏÏÏÏÏÏÏÏÏ#0 ALM_URG_B #0 ÏÏÏÏÏÏÏÏÏ ÏÏÏÏÏÏÏÏÏ 1 _ ALM_URG ÏÏÏÏÏÏÏÏÏ ÏÏÏÏÏÏÏÏÏ ALM_URG_B #1 SLOT ID ÏÏÏÏÏÏÏÏÏ ÏÏÏÏÏÏÏÏÏ PSU ALM #1 ASSEBLED FANS UNIT BATTERY A BATTERY B ÏÏÏÏÏÏÏÏÏ ALM_URG_B #1 ÏÏÏÏÏÏÏÏÏ ÏÏÏÏÏÏÏÏÏ #1 ÏÏÏÏÏÏÏÏÏ ÏÏÏÏÏÏÏÏÏ Back Panel Figure 298. Assembled Fans unit power supply and alarms general block diagram 1AA 00014 0004 (9007) A4 – ALICE 04.10 ED 03 3AL 91669 AA AA 588 / 706 706
  • 591.
    706 589 / 706 3AL 91669 AA AA 03 ED Figure 299. Assembled Fans unit block diagram 1AA 00014 0004 (9007) A4 – ALICE 04.10 ÏÏÏÏÏÏÏÏÏÏÏÏÏÏÏÏÏÏÏÏÏÏÏ ASSEMBLED FANS UNT ÏÏÏÏÏÏÏÏÏÏÏÏÏÏÏÏÏÏÏÏÏÏÏ ÏÏÏÏÏÏÏÏÏÏÏÏÏÏÏÏÏÏÏÏÏÏÏ CONGI unit ÏÏÏÏÏÏÏÏÏÏÏÏÏÏÏÏÏÏÏÏÏÏÏ to FANS MANAGEMENT ÏÏÏÏÏÏÏÏÏÏÏÏÏÏÏÏÏÏÏÏÏÏÏ NOT USED ÏÏÏÏÏÏÏÏÏÏÏÏÏÏÏÏÏÏÏÏÏÏÏ B A ÏÏÏÏÏÏÏÏÏÏÏÏÏÏÏÏÏÏÏÏÏÏÏ INTERFACE INTERFACE ALARM ALARM NOT USED ÏÏÏÏÏÏÏÏÏÏÏÏÏÏÏÏÏÏÏÏÏÏÏ AL_FAN SERIAL SERIAL _ AL_FAN ALM_URG_B ÏÏÏÏÏÏÏÏÏÏÏÏÏÏÏÏÏÏÏÏÏÏÏ 1 AL_12V ÏÏÏÏÏÏÏÏÏÏÏÏÏÏÏÏÏÏÏÏÏÏÏ NOT USED ÏÏÏÏÏÏÏÏÏÏÏÏÏÏÏÏÏÏÏÏÏÏÏ ALM_URG_A FANS CONTROLLER ÏÏÏÏÏÏÏÏÏÏÏÏÏÏÏÏÏÏÏÏÏÏÏ ÏÏÏÏÏÏÏÏÏÏÏÏÏÏÏÏÏÏÏÏÏÏÏ LED ALARM SENSOR POWER FANS CONTROL SLOT ID FAULTY FANS ÏÏÏÏÏÏÏÏÏÏÏÏÏÏÏÏÏÏÏÏÏÏÏ INVENTORY REMOTE ÏÏÏÏÏÏÏÏÏÏÏÏÏÏÏÏÏÏÏÏÏÏÏ ÏÏÏÏÏÏÏÏÏÏÏÏÏÏÏÏÏÏÏÏÏÏÏ FAN FAN control 6 control 1 FAN AL1 FAN AL6 AL_12V ÏÏÏÏÏÏÏÏÏÏÏÏÏÏÏÏÏÏÏÏÏÏÏ ALBAT_B ALBAT_A SENSOR TEMPERATURE ÏÏÏÏÏÏÏÏÏÏÏÏÏÏÏÏÏÏÏÏÏÏÏ TEMP_AL ÏÏÏÏÏÏÏÏÏÏÏÏÏÏÏÏÏÏÏÏÏÏÏ ÏÏÏÏÏÏÏÏÏÏÏÏÏÏÏÏÏÏÏÏÏÏÏ + 12 V ÏÏÏÏÏÏÏÏÏÏÏÏÏÏÏÏÏÏÏÏÏÏÏ + 12 V ÏÏÏÏÏÏÏÏÏÏÏÏÏÏÏÏÏÏÏÏÏÏÏ ÏÏÏÏÏÏÏÏÏÏÏÏÏÏÏÏÏÏÏÏÏÏÏ FAN AL6 ÏÏÏÏÏÏÏÏÏÏÏÏÏÏÏÏÏÏÏÏÏÏÏ FAN AL1 ÏÏÏÏÏÏÏÏÏÏÏÏÏÏÏÏÏÏÏÏÏÏÏ ÏÏÏÏÏÏÏÏÏÏÏÏÏÏÏÏÏÏÏÏÏÏÏ ÏÏÏÏÏÏÏÏÏÏÏÏÏÏÏÏÏÏÏÏÏÏÏ FANS6 FANS1 ÏÏÏÏÏÏÏÏÏÏÏÏÏÏÏÏÏÏÏÏÏÏÏ ÏÏÏÏÏÏÏÏÏÏÏÏÏÏÏÏÏÏÏÏÏÏÏ ÏÏÏÏÏÏÏÏÏÏÏÏÏÏÏÏÏÏÏÏÏÏÏ ÏÏÏÏÏÏÏÏÏÏÏÏÏÏÏÏÏÏÏÏÏÏÏ +3.3 V DOWN STEP ALBAT_B M R R E ÏÏÏÏÏÏÏÏÏÏÏÏÏÏÏÏÏÏÏÏÏÏÏ A W +3.3 V Converter BATTERY B PSU ALM L O ÏÏÏÏÏÏÏÏÏÏÏÏÏÏÏÏÏÏÏÏÏÏÏ +12 V A P DC/DC +12 V BATTERY A ÏÏÏÏÏÏÏÏÏÏÏÏÏÏÏÏÏÏÏÏÏÏÏ AL_12V ALBAT_A ÏÏÏÏÏÏÏÏÏÏÏÏÏÏÏÏÏÏÏÏÏÏÏ ÏÏÏÏÏÏÏÏÏÏÏÏÏÏÏÏÏÏÏÏÏÏÏ ÏÏÏÏÏÏÏÏÏÏÏÏÏÏÏÏÏÏÏÏÏÏÏ document, use and communication of its contents All rights reserved. Passing on and copying of this not permitted without written authorization from Alcatel.
  • 592.
    1AA 00014 0004(9007) A4 – ALICE 04.10 ED 03 706 3AL 91669 AA AA 590 / 706 All rights reserved. Passing on and copying of this document, use and communication of its contents not permitted without written authorization from Alcatel.
  • 593.
    5 TECHNICAL SPECIFICATIONS Data indicated in the handbook must be considered as standard values Data indicated in the contract must be considered as guaranteed values not permitted without written authorization from Alcatel. All rights reserved. Passing on and copying of this document, use and communication of its contents 5.1 General characteristics Optical Line bit rate SDH: 155.520 Mbit/s (STM–1) 622.080 Mbit/s (STM–4) 2488.320 Mbit/s (STM–16) 9953.280 Mbit/s (STM–64) SONET:155.520 Mbit/s (OC–3) 622.080 Mbit/s (OC12) Electrical Line bit rate SDH: 155.520 Mbit/s (STM–1) SONET:155.520 Mbit/s (OC–3) PDH: 139.264 Mbit/s (PDH) Type of optical fiber Single mode according to ITU–TG.652, G.654 and Multimode G.651. Wave length See Table 66. on page 628, Table 67. on page 630, Table 68. on page 631 and Table 69. on page 633 . Span length Depending on fiber type and and optical power budget reported in Table 66. on page 628, Table 67. on page 630, Table 68. on page 631 and Table 69. on page 633 . Application types TM and ADM in protected and unprotected linear links and rings DXC (64 STM–1 equivalent port at VC12 level) Applied standards ITU–T G.703 for electrical interfaces TU–T G.707 for SDH frame and multiplexing structure ITU–T G.957 and G.958 for optical interfaces ITU–T G.821 and G.826 for transmission quality ITU–T G813 for synchronization ITU–T G.783 and G.841 for network protection architectures ITU–T G.784 and G.774 for system management functions ITU–T G.662 and G.663 for optical amplification 1AA 00014 0004 (9007) A4 – ALICE 04.10 ED 03 3AL 91669 AA AA 591 / 706 706
  • 594.
    Max quantity ofeach interface per shelf 378 x 2Mbit/s interfaces; 48 x 34 or 45 Mbit/s interfaces; 64 x 140Mbit/s interfaces; not permitted without written authorization from Alcatel. 256 x STM–1 electrical or optical interfaces; All rights reserved. Passing on and copying of this document, use and communication of its contents 64 x STM–4 optical interfaces; 16 x STM–16 optical interfaces; 4 x STM–64 optical interfaces; 300 x Ethernet 10/100 BaseT; 64 x Ethernet 1000 Base SX/LX; Add–Drop and Cross connect features Cross–Connections capacity (256 x 256) STM1 equivalent ports at VC12 and VC3 levels (384 x 384) STM–1 equivalent ports at VC–4 level. Cross connect features 1660SM has a symmetrical architecture. All traf- fic port (PDH SDH) of the same type have the same functionality and behavior and there is no inherent split between tributaries and aggregates. This means that it is possible the allocation of the PDH and VCi signals into every port. Connection of concatenated AU4–4c among STM4, STM–16, STM–64 ports is supported Transmission delay 125 µs maximum for any traffic pathway Protections Network protection SNCP/I and SNCP/N Drop Continue Single ended 1+1 MSP Dual ended 1+1 MSP Dual ended 1:N MSP 2 fiber MS–SPRING at STM–16 and STM–64 inter- faces Collapsed single–node interconnection Collapsed dual–node interconnection Equipment protection 1 + 1 MATRIX and Timing EPS 1+1 ATM MATRIX (4X4 and 8x8) EPS 1+1 PR_EA MATRIX EPS 1+1 ISA ES–16 EPS N +1 63x2 Mbit/s EPS (N= 6 max) N + 1 3 x34 Mbit/s EPS (N= 15 max) N + 1 3 x 45 Mbit/s EPS (N= 15 max) N + 1 4 x STM–1 Electrical EPS (N= 15 max) N + 1 16 x STM–1 Electrical EPS (N= 15 max) 1AA 00014 0004 (9007) A4 – ALICE 04.10 ED 03 3AL 91669 AA AA 592 / 706 706
  • 595.
    Management interface Local: Craft Interface RS232 PC compatible SUB–D 9 pins at 38 Kbit/s not permitted without written authorization from Alcatel. (Personal Computer) All rights reserved. Passing on and copying of this document, use and communication of its contents Remote: Craft Interface RS232 PC compatible SUB–D 9 pins at 38 Kbit/s; (Personal Computer) it handles up to 31 NEs via DCC (D4 – D12 and/or D1–D3) Remote: Transmission Manage- G.773 QB3 10 base 2 and 10 base T ment Network (TMN) interface Information Model According to ITU–T (G.774) and ETSI specification Remote: Management Q2 (synchronous, bit rate = 19.2 kb/s) messaging RQ2 (asynchronous, bit rates = 1.2–2.4–4.8–9.6 with Alcatel Non–SDH kb/s) equipments (Alcatel proprietary protocol) Protocol According to ITU–T G.774 and ETSI rec. ISO–OSI Stack/Information 7–layers reference model. Model messages The ATM/IP functions are organized according to TCP/IP reference model; they are managed by means of SNMP protocol tunneling over OSI layers Dual addressing to It allows O.S. redundancy O.S. Operation processes Configuration and provisioning Equipment, ports, add–drop, cross–connect,syn- chronization, protection, MCF (Message Commu- nications Function), SEMF (Synchronous Equipment Management Function) OH connection Software download It is made locally as well as remotely on non volatile memories without traffic interruption Performance monitoring According to G.784, G.826 and G.821. Unit and Equipment acknowledgement Through Remote Inventory (Company id, Unit Type, Unit Part Number, Serial Part Number , Software Part Number etc.) For detail refer to Operator Handbook. Security Password, operator profile, back–up for programs and data 1AA 00014 0004 (9007) A4 – ALICE 04.10 ED 03 3AL 91669 AA AA 593 / 706 706
  • 596.
    Output Housekeeping signals(CPO) and By electronic relay contacts to be connected to ex- Remote Alarms ternal negative voltage: Max. guaranteed current with closed condition 50 mA not permitted without written authorization from Alcatel. All rights reserved. Passing on and copying of this document, use and communication of its contents Voltage drops vs. ground with closed condi- –2 V ÷ 0 V tion Max. allowed voltage with open condition –72 V Input Housekeeping signals (CPI) Max. guaranteed current with closed condition 3 mA Voltage drops vs. ground with closed condi- –2 V ÷ 0 V tion Max. allowed voltage with open condition –72 V Clock characteristics Selectable input clock 2048 KHz from 2 Mbit/s port (T2) 2048 kHz external synch clock (2 input, T3a and T3b) or 2048 Mbit/s external synch (2 input, T6a and T6b) STM–N ports (T1) No. of selected clock (normal mode) 6 max. Synchronization output 2048 kHz G.703 (2 output, T4a and T4b) or 2048 Mbit/s (2 output T5a and T5b) Operational modes Locked to reference Free–run mode ±4.6 ppm (PLL without reference) Holdover mode drift 0.37 ppm max./day ( PLL with stored frequency for more than half an hour,with no selected input frequency) Synchronization selection Priority and SSM algorithm Protection against lighting surges TNV1 (Telecommunication Network Voltage) for 21 x 2 Mbit/s K20 access module Additional features: VCi Signal Label management Programmable alarms severity VC–4, VC–3 and VC–12 Tandem Connection Termination Monitoring (TCT/TCM) J0 – Section Trace Management J1/J2 Lower Order Path Trace Management (VC–12 and VC–3) 1AA 00014 0004 (9007) A4 – ALICE 04.10 ED 03 3AL 91669 AA AA 594 / 706 706
  • 597.
    5.1.1 Optical Safety 5.1.1.1 Optical Safety compliance with European Norms not permitted without written authorization from Alcatel. Compliancy to Optical Safety Norms is declared in that the equipment satisfies standardized Norms: All rights reserved. Passing on and copying of this document, use and communication of its contents • EN 60825–1 ed.1994 + A11 ed.1996+A2 ed.2001 • IEC 60825–1 ed.1993 + A2 ed. 2001 (1999) • EN 60825–2 ed.2000 • IEC 60825–2 ed.2000 1AA 00014 0004 (9007) A4 – ALICE 04.10 ED 03 3AL 91669 AA AA 595 / 706 706
  • 598.
    5.1.1.2 Hazard Levelclassification The HAZARD LEVEL classification of the different optical interfaces is given in Table 61. on page 596. not permitted without written authorization from Alcatel. The hazard level can be assigned in accordance with the requirements of: All rights reserved. Passing on and copying of this document, use and communication of its contents – IEC 60825–1 (1993) + Am. 1 (1997) and IEC 60825–2 (1993) + Am. 1 (1997) or – IEC 60825–1 (1998) + Am. 2 (2001) and IEC 60825–2 (2000) Table 61. Hazard level classification of different optical interfaces UNIT/PORT/ACRONYM OPTICAL INTERFACE HAZARD LEVEL STM–1 S–1.1 (short haul) 1 STM–1 L–1.1 (long haul) 3A ; 1M STM–1 L–1.2 (long haul) 3A ; 1M STM–1 L–1.2JE1 (long haul) 3A ; 1M STM–1 MM1 3A ; 1M STM–4 S–4.1 (short haul) 1 STM–4 L–4.1 (long haul) 3A ; 1M STM–4 L–4.2 (long haul) 3A ; 1M STM–16 S–16.1 (short haul) 3A ; 1M STM–16 L–16.1 (long haul) 3A ; 1M STM–16 L–16.2 (long haul) 3A ; 1M STM–16 L–16.2JE2 (long haul) 3A ; 1M STM–16 L–16.2JE3 (long haul) 3A ; 1M STM–16 I–16.1 (Intra Office) 1 STM–16 L–16.2 colored port 16C 6400/12800 1M STM–64 I–64.1 1 STM–64 S64.2b 1M STM–64 L64.2b 1M BST10 1M BST15 1M BST17 1M PR16 1 OPTO TRX 1.25GBE SFP–LX 1000B–LX 1 OPTO TRX 1.25GBE SFP–SX 1000B–SX 1 OPTO TRX 1.25GBE SFP–ZX 1000B–ZX 1 ISA–PR S–4.1 (short haul) 1 1AA 00014 0004 (9007) A4 – ALICE 04.10 ED 03 3AL 91669 AA AA 596 / 706 706
  • 599.
    5.1.1.3 Location type The equipment shall be installed in “restricted locations” (industrial and commercial premises) or “controlled locations” (optical cable ducts and switching centers). not permitted without written authorization from Alcatel. All rights reserved. Passing on and copying of this document, use and communication of its contents 5.1.1.4 Incorporated laser sources characteristics Output optical interfaces data: the wavelength and the maximum optical power at the output connector of incorporated laser sources is given in Table 66. on page 628, Table 67. on page 630, Table 68. on page 631 and Table 69. on page on 633 . 5.1.1.5 Optical Safety Labelling The labels reported below are put during factory settings, except those (explanatory) concerning the STM–1 ports. In this case the labels are placed in a plastic bag and provided together with the module. The customer shall affix the label on the fibre protection cover of P4E4N, P4S1N units or A2S1 adapter depending on the particular interface of the module (STM–1 port). In the following description it is specified when the label shall be affixed by the customer. The optical interfaces which have HAZARD LEVEL 1 (see Table 61. on page 596) carry the following explanatory label: The label is put on the fibre protection cover of the following ports: • STM–1 PORT with S–1.1 interface (P4E4N, P4S1N units or A2S1 adapter – affixed by the customer) • STM–4 PORT with S–4.1 interface • STM–16 PORT with S–16.1 interface • STM–16 PORT with I–16.1 interface The optical interfaces which have HAZARD LEVEL 3A (see Table 61. on page 596) carry the hazard symbol label: The label is affixed near the optical connectors on the front plate of the following interfaces: • L–1.1 (STM–1 PORT) • L–1.2 (STM–1 PORT) • L–1.2JE1 (STM–1 PORT) • L–4.1 (STM–4 PORT) • L–4.2 (STM–4 PORT) • S–16.1 (STM–16 PORT) • L–16.1 (STM–16 PORT) • L–16.2 (STM–16 PORT) • L–16.2JE2 (STM–16 PORT) 1AA 00014 0004 (9007) A4 – ALICE 04.10 • L–16.2JE3 (STM–16 PORT) • L–16.2 (STM–16 colored PORT 6400/12800) ED 03 3AL 91669 AA AA 597 / 706 706
  • 600.
    The optical interfaceswhich have HAZARD LEVEL 3A (see Table 61. on page 596) and operate at 2nd window, carry the following explanatory label (a multilanguage label kit is also provided): INVISIBLE LASER RADIATION not permitted without written authorization from Alcatel. CAUTION All rights reserved. Passing on and copying of this DO NOT STARE INTO BEAM OR VIEW document, use and communication of its contents LASER RADIATION WHEN OPEN DIRECTLY WITH OPTICAL INSTRUMENTS DO NOT STARE INTO BEAM OR VIEW CLASS 3A LASER PRODUCT DIRECTLY WITH OPTICAL INSTRUMENTS P.MAX=31mW, = 1300 nm IEC 825 1993 The label is affixed on the fibre protection cover of the following ports: • STM–1 PORT with L–1.1 interface (P4E4N, P4S1N units or A2S1 adapter – affixed by the customer) • STM–4 PORT with L–4.1 interface • STM–16 PORT with L–16.1 interface The optical interfaces which have HAZARD LEVEL 3A (see Table 61. on page 596) and operate at 3rd window, carry the following explanatory label (a multilanguage label kit is also provided): INVISIBLE LASER RADIATION CAUTION DO NOT STARE INTO BEAM OR VIEW LASER RADIATION WHEN OPEN DIRECTLY WITH OPTICAL INSTRUMENTS DO NOT STARE INTO BEAM OR VIEW CLASS 3A LASER PRODUCT DIRECTLY WITH OPTICAL INSTRUMENTS P.MAX=50 mW, = 1550 nm IEC 825 1993 The label is put on the fibre protection cover of the following ports: • STM–1 PORT with L–1.2 interface (P4E4N, P4S1N units or A2S1 adapter – affixed by the customer) • STM–1 PORT with L–1.2JE1 interface (P4E4N, P4S1N units or A2S1 adapter – affixed by the customer) • STM–4 PORT with L–4.2 interface • STM–16 PORT with L–16.2 interface • STM–16 PORT with L–16.2JE2 interface • STM–16 PORT with L–16.2JE3 interface • STM–16 colored PORT 6400/12800 The optical interfaces which have HAZARD LEVEL 1M (see Table 61. on page 596) and operate at 2nd window, carry the following explanatory label (a multilanguage label kit is also provided): The label is affixed on the fibre protection cover of the following ports: • STM–1 PORT with L–1.1 interface (P4E4N, P4S1N units or A2S1 adapter – affixed by the customer) • STM–4 PORT with L–4.1 interface 1AA 00014 0004 (9007) A4 – ALICE 04.10 • STM–16 PORT with L–16.1 interface ED 03 3AL 91669 AA AA 598 / 706 706
  • 601.
    The optical interfaceswhich have HAZARD LEVEL 1M and operate at 3rd window (see Table 61. on page 596), carry the following explanatory label (a multilanguage label kit is also provided): not permitted without written authorization from Alcatel. All rights reserved. Passing on and copying of this document, use and communication of its contents The label is affixed on the fibre protection cover of the following parts: • STM–1 PORT with L–1.2 interface (P4E4N, P4S1N units or A2S1 adapter – affixed by the customer) • STM–1 PORT with L–1.2JE1 interface (P4E4N, P4S1N units or A2S1 adapter – affixed by the customer) • STM–4 PORT with L–4.2 interface • STM–16 PORT with L–16.2 interface • STM–16 PORT with L–16.2JE2 interface • STM–16 PORT with L–16.2JE3 interface • STM–16 colored PORT 6400/12800 The multilanguage label kit, for STM–1 ports, is placed in the same plastic bag provided together with the module where explanatory labels (in English language), above mentioned, are put. For all other ports (STM–4 and STM–16), the multilanguage label kit is inserted in the pre–package. The multilanguage label kit contains a set of label that reproduce the same (explanatory) above depicted in the following languages: • Italian • Francaise • Spanish • German The customer, to its own discretion, may stick the labels with appropriate language upon the pre–existing ones or, in case of STM–1 ports, directly on the fibre protection cover of P4E4N, P4S1N units or A2S1 adapter. N.B. As an aid to identify the right label to be affixed to an optical module (HAZARD LEVEL 1, HAZARD LEVEL 3A 2nd window, HAZARD LEVEL 3A 3rd window, HAZARD LEVEL 1M 1st window, HAZARD LEVEL 1M 2nd window, HAZARD LEVEL 1M 3rd window) refer to paragraph 2.2 on page 86 where is reported the relationship between the Part number (ex. 3AL 78815AA––) and the interface type (ex. S–1.1) and then refer to Table 61. on page 596 where is reported the relationship between the interface type (ex. S–1.1) and the Hazard Level. 1AA 00014 0004 (9007) A4 – ALICE 04.10 ED 03 3AL 91669 AA AA 599 / 706 706
  • 602.
    5.1.1.6 Aperture andfiber connectors The locations of apertures and fibre connectors are reported on topographical drawings of units front view and access cards front view in paragraph 2.4 on page 123. not permitted without written authorization from Alcatel. All rights reserved. Passing on and copying of this document, use and communication of its contents 5.1.1.7 Engineering design features In normal operating conditions, unless intentional manumission, the laser radiation is never accessible. The laser beam is launched in optical fibre through an appropriate connector that totally shuts up the laser radiation. Moreover a plastic cover is fitted upon optical connectors by means of screws. In case of cable fibre break, to minimize exposure times, ALS procedure according to ITU–T G.958 Rec. is implemented either on STM–1 port or on STM–4 and STM–16 ports. ALS timing are not longer than maximum specified in G.958. 5.1.1.8 Optical Safety instruction The safety instructions for proper assembly, maintenance, and safe use including clear warning concerning precautions to avoid possible exposure to hazardous laser radiation, are reported in para. 2.2 on page 29 thru 36 and more specifically in para.2.2.4.2 on page 33. 5.1.2 Electrical Safety Safety status of the connections TNV2 (Telecommunication Network Voltage) for with other equipments Remote Alarms, Housekeeping Alarms (CPO, CPI), Rack Lamp (RM) SELV (Safety Extra Low Voltage) for all the other 5.1.2.1 Electrical Safety compliance with European Norms Compliancy to Electrical Safety Norms is declared in that the equipment satisfies standardized Norms : • IEC 60950–1 ed.2001 • EN 60950–1 ed.2001 5.1.2.2 Electrical Safety Labelling The labels reproduced in para.2.2.3.1 on page 31 are affixed during factory settings. 5.1.2.3 Electrical Safety instructions The safety instructions for proper assembly, maintenance, and safe use including clear warning concerning precautions to avoid possible exposure to hazardous voltages, are reported in para. 2.2 on pages 29 thru 36 and more specifically in para.2.2.3.2 on page 31. 1AA 00014 0004 (9007) A4 – ALICE 04.10 ED 03 3AL 91669 AA AA 600 / 706 706
  • 603.
    5.2 Electrical interfacecharacteristics 5.2.1 21 X 2 Mbit/s 75 Ohm electrical characteristics (A21E1) not permitted without written authorization from Alcatel. All rights reserved. Passing on and copying of this document, use and communication of its contents Type of interface Electrical according to ITU–T Rec. G.703 Bit rate 2048 Kbit/s 50 ppm No. of channels 21 Code HDB3 Signal amplitude 2.37 Vp on 75 Ohm unbalance Attenuation 0 to 6 dB at 1024 Khz with law f Return loss w12 dB 51–102 kHz w18 dB 102–2048 kHz w14 dB 2048–3072 kHz Pulse shape See ITU–T Rec. G.703 5.2.2 21 X 2 Mbit/s 120 Ohm electrical characteristics (A21E1) The electrical characteristics are the same of para 5.2.1 on page 601 except for: Signal amplitude 3 Vp on 120 Ohm balance 5.2.3 21 X 2 Mbit/s 120 Ohm K20 electrical characteristics (A21E1) The electrical characteristics are the same of para 5.2.2 on page 601 except for: Protection against lighting surges According to ITU–T Rec. K20 5.2.4 3 X 34 Mbit/s electrical characteristics (A3E3) Type of interface Electrical, according to ITU–T Rec. G703 Bit Rate 34368 Kbit/s 20 ppm No. of tributaries 3 Code HDB3 Signal amplitude 1Vp/75ohms Attenuation accepted on the incoming signal 0–12dB at 17.184kHz with law pf Return loss w12 dB 860–1720 kHz 1AA 00014 0004 (9007) A4 – ALICE 04.10 w18 dB 1720–34368 kHz w14 dB 34368–51550 kHz Pulse shape as per Fig.17 of ITU–T Rec. G.703 ED 03 3AL 91669 AA AA 601 / 706 706
  • 604.
    5.2.5 3 X45 Mbit/s electrical characteristics (A3T3) Type of interface Electrical, according to ITU–T Rec. G703 and to ANSI TS 102 Rec. not permitted without written authorization from Alcatel. All rights reserved. Passing on and copying of this document, use and communication of its contents Bit rate 44.736 Kbit/s 20ppm No. of tributaries 3 Code B3ZS Signal amplitude According to ITU–T Rec. G.703 par.5.8 and ANSI T1 102 Rec, Tab.5 Attenuation accepted on the incoming signal According to ANSI T1 102, Annex A2.5 Pulse shape as per Fig.14 of ITU–T Rec. G.703 or per Fig.14 of ANSI T1 102 Rec. 5.2.6 STM–1 electrical characteristics (A4 ES1 and ICMI) Type of interface ITU–T Rec. G.703 compliant Bit rate 155 520 Kbit/s 20 ppm Code CMI Attenuation accepted on the incoming signal 0–12.7 dB at 78 Mhz with law f Return loss w15 dB at 8–240 Mhz Pulse shape See ITU–T Rec. G.703 5.2.7 140 Mbit/s electrical characteristics (ICMI) Type of interface ITU–T Rec. G.703 compliant Bit rate 139264 Kbit/s 15 ppm Code CMI Attenuation accepted on the incoming signal 0–12 dB at 70 Mhz with law f Return loss w15 dB at 7–210 Mhz Pulse shape See ITU–T Rec. G.703 1AA 00014 0004 (9007) A4 – ALICE 04.10 ED 03 3AL 91669 AA AA 602 / 706 706
  • 605.
    5.2.8 Engineering OrderWire characteristics (SERVICE) Speech Channel Interface Front–panel telephone jack Handset Impedance 600 ohms not permitted without written authorization from Alcatel. All rights reserved. Passing on and copying of this document, use and communication of its contents Bandwidth 300 to 3400 Hz Handset Operating current 18 mA Input Tx gain –4/0/0 dB Output Rx gain 0/–7/0dB Signalling DTMF compliant with ITU–T Rec. Q.23 Analog EOW Extension Impedance 600 ohms Bandwidth 300–3400 Hz Tx level 0 dBr ±0.5 dB Rx level 0 dBr ±0.5 dB 5.2.9 AUX channels characteristics (SERVICE) Externally accessible data channel 4 x 64 Kbit/s, G.703 codirectional (Rx synchro- (OH bytes termination is Software program- nized) mable) 4 x 64 Kbit/s V11 4 x 9600 baud RS232 2 x 2 Mbit/s G.703 64 Kbit/s (Rx synchronized) G.703 Bit rate 64 Kbit/s Timing signals 64 Kbit/s and 8 kHz coding style embedded Bearer Two balanced pairs (120 ohms): one per route Coding style According to ITU–T Rec. G.703 codirectional Outgoing pulse shape See ITU–T Rec. G.703 Output Interface characteristics See ITU–T Rec. G.703 Incoming Interface characteristics as per the outgoing interface but modified by the characteristics of the interconnection pair. The input circuit can accept an 0 – 3 dB (128 KHz) 1AA 00014 0004 (9007) A4 – ALICE 04.10 ED 03 3AL 91669 AA AA 603 / 706 706
  • 606.
    V11 64Kbit/s contradirectionalinterface Type electrical, according to ITU–T Rec. V11 not permitted without written authorization from Alcatel. Receivers All rights reserved. Passing on and copying of this document, use and communication of its contents Input impedance 6 Kohms Rx levels ”1” or ”OFF” –0.3 V ”0” or ”ON” +0.3 V Drivers Differential output 2 V (Min.) Use: intrabuilding connections RS–232 oversampled interface 9600 Kb/s Bit rate 9600 kb/s Mode RS–232 Tx Rx data only Electrical levels 24 Vpp Use : intrabuilding connections 2 Mb/s G.703 /G.704 AUX channel interface Electrical according to G.703 (75 Ohm or 120 Ohm using a special cable) Attenuation 0 to 6 dB Return loss w12 dB 51–102 kHz w18 dB 102–2048 kHz w14 dB 2048–3072 kHz Pulse shape See ITU–T Rec. G.703 1AA 00014 0004 (9007) A4 – ALICE 04.10 ED 03 3AL 91669 AA AA 604 / 706 706
  • 607.
    5.3 ATM interfacecharacteristics 5.3.1 ATM matrix 4x4 switching capability (ATM4X4) not permitted without written authorization from Alcatel. All rights reserved. Passing on and copying of this document, use and communication of its contents Throughput towards backpanel 622 Mbit/s Switching capability VC and VP switching PDH containers E1, E3 SDH containers VC–12, VC–3, VC–4 Local port VC–4 Port number 16 (any combination) Connections 4000 max (VC or VP) unidirectional VC/VP connection Hard and Soft VCC/VPC Policing UPC and NPC (VC/VP) Shaping Input and Output (VC/VP) Congestion management SCD, EPD, TPD OAM AIS, RDI, CC Signalling PNNI Table 62. ATM4X4 board: configurable TPs type and max, number Board max. TPs VC4–4C VC4 VC3 VC12 E1 E3 T3 E1 acronym number IMA ATM4X4 16 No Yes Yes Yes Yes Yes No No 1AA 00014 0004 (9007) A4 – ALICE 04.10 ED 03 3AL 91669 AA AA 605 / 706 706
  • 608.
    5.3.2 ATM matrix4x4V2 switching capability (ATM4X4V2) Throughput towards backpanel 622 Mbit/s not permitted without written authorization from Alcatel. Switching capability VC and VP switching All rights reserved. Passing on and copying of this document, use and communication of its contents PDH containers E1, E3,T3 SDH containers VC12, VC3, VC4 IMA(**) multiplexing E1 from 1 to 8 channels Port number 252 (any combination) Connections 4000 max (VC or VP) unidirectional VC/VP connection Hard and Soft VCC/VPC Policing UPC and NPC (VC/VP) Shaping Input and Output (VC/VP) Congestion management SCD, EPD, TPD OAM AIS, RDI, CC Signalling PNNI Table 63. ATM4X4V2 board: configurable TPs type and max, number Board max. TPs VC4–4C VC4 VC3 VC12 E1 E3 T3 E1 acronym number IMA ATM4X4V2 252 No Yes Yes Yes Yes Yes Yes Yes (**) For detailed information about IMA refer to AF–PHY–0086.001 1AA 00014 0004 (9007) A4 – ALICE 04.10 ED 03 3AL 91669 AA AA 606 / 706 706
  • 609.
    5.3.3 ATM matrix4x4 D3 switching capability (ATM4X4D3) Throughput towards backpanel 622 Mbit/s not permitted without written authorization from Alcatel. Switching capability VC and VP switching All rights reserved. Passing on and copying of this document, use and communication of its contents PDH containers E1, E3,T3 SDH containers VC12, VC3, VC4 IMA(**) multiplexing E1 from 1 to 8 channels Port number 16 (any combination) Connections 4000 max (VC or VP) unidirectional VC/VP connection Hard and Soft VCC/VPC Policing UPC and NPC (VC/VP) Shaping Input and Output (VC/VP) Congestion management SCD, EPD, TPD OAM AIS, RDI, CC Signalling PNNI Table 64. ATM4X4D3 board: configurable TPs type and max, number Board max. TPs VC4–4C VC4 VC3 VC12 E1 E3 T3 E1 acronym number IMA ATM4X4D3 16 No Yes Yes Yes Yes Yes Yes Yes (**) For deatailed information about IMA refer to AF–PHY–0086.001 1AA 00014 0004 (9007) A4 – ALICE 04.10 ED 03 3AL 91669 AA AA 607 / 706 706
  • 610.
    5.3.4 ATM matrix8x8 switching capability (ATM8X8) Throughput towards backpanel 1.2 Gbit/s not permitted without written authorization from Alcatel. Switching capability VC and VP switching All rights reserved. Passing on and copying of this document, use and communication of its contents PDH containers E1, E3 SDH containers VC–12, VC–3, VC–4, VC4–4c Local port No Port number 32 (any combination) Connections 8000 max (VC or VP) unidirectional VC/VP connection Hard and Soft VCC/VPC Policing UPC and NPC (VC/VP) Shaping Input and Output (VC/VP) Congestion management SCD, EPD, TPD OAM AIS, RDI, CC Signalling PNNI Table 65. ATM8X8 board: configurable TPs type and max, number Board max. TPs VC4–4C VC4 VC3 VC12 E1 E3 T3 E1 acronym number IMA ATM8X8 32 Yes Yes Yes Yes Yes Yes No No 1AA 00014 0004 (9007) A4 – ALICE 04.10 ED 03 3AL 91669 AA AA 608 / 706 706
  • 611.
    5.4 PR_EA characteristicsand MPLS data traffic management (PREA4ETH, PREA1GBE) not permitted without written authorization from Alcatel. Throughput 600 Mbit/s (with STM1 i/f) All rights reserved. Passing on and copying of this document, use and communication of its contents 1000 Mb/s (with 4xFE i/f) 1800 Mb/s (with 1xGbE i/f) PDH containers (not operative) E1, E3 Ethernet frames MAC 802.3, optionally “tagged” with 802.1p/q fields (user priority and VLAN identifier) Martini Encapsulation: optional SDH containers VC–12, VC–3, VC–4 (POS framing, SDH/HDLC/PPP) Local SDH port unstruct. VC–4, on opt. STM–1 (POS framing) Local Ethernet ports 4 x 10/100Base–T 1 x1000Base–LX , 1 x 1000Base–SX or 1 x 1000Base–ZX Remote Ethernet ports unstruct. VC–4, un–concatenated ethernet frames over SDH (SDH/GFP framing) Logical Ports number 63 (any combination) Managed protocols SNMP,TMN messaging inside DCN Congestion management W–RED (Weighed–Random Early Discard) Cut–off on low priority traffic only Quality of Service (QoS) Best Effort bandwidth (BE–BW) Min–BW with regulated bursts Guaranted constant BW Police mechanism Dual–Rate Leaky–Bucket, based on PIR and CIR values of the traffic contract Scheduling HOL and WC–WFQ methods 1AA 00014 0004 (9007) A4 – ALICE 04.10 ED 03 3AL 91669 AA AA 609 / 706 706
  • 612.
    5.5 PR characteristics 5.5.1 ISA–PR port card interface characteristics not permitted without written authorization from Alcatel. All rights reserved. Passing on and copying of this document, use and communication of its contents Type of interface Plug–in SFP Optical module at 622.080 Mbps (STM–4/OC–12), for up to 40 Km; see Table 67. on page 630 for the optical characteristics STM–4 / OC–12 ports 4 : 2 east + 2 west Throughput towards backpanel 6.5 Gbps Ethernet frames MAC 802.3, optionally “tagged” with 802.1p/q fields (Ethernet frame priority and VLAN identifier). Martini Encapsulation SDH containers SDH VC–4 Virtual Concatenation (VC–4–nv): VC–4–4v, VC–4–6v, VC4–8v, VC–4–4c Managed Ethernet ports (located on access cards) 32 x 10/100Base–T 4 x1000Base–LX/SX/ZX 2 x1000Base–LX/SX/ZX and 16 x 10/100Base–T Managed protocols SNMP V2c, NMS messaging in Band Quality of Service (QoS) SLAs Best Effort bandwidth Regulated bandwidth Guaranted bandwidth Cabling Optical fiber Connector LC/PC on SFP (Small Formfactor Pluggable) module 1AA 00014 0004 (9007) A4 – ALICE 04.10 ED 03 3AL 91669 AA AA 610 / 706 706
  • 613.
    5.5.2 16FEA–PR accesscard interface characteristics Type of interface Electrical, compliant to IEEE–802.3 standard, 10/100 Base–Tx not permitted without written authorization from Alcatel. All rights reserved. Passing on and copying of this document, use and communication of its contents Transmit operations Auto–negotiation options: 10Mbps, 100Mbps, full–duplex, flow control Bit rate Autosensing: 10 Mb/s and 100 Mb/s Provisioning Granularity 100 Kbit/s Signal amplitude, coding, attenuation, pulse According to IEEE–802.3 standard, shape, return loss 10Base–T and 100Base–T Port number 16 per access card used in conjunction with PR port card Cabling Twisted–pair, as per IEEE–802.3 rec. Connector RJ45 5.5.3 2GBA–PR access card interface characteristics Type of interface Plug–in Optical module 1000Base–LX or 1000Base–SX, 1000Base–ZX Transmit operations Full–duplex, FlowControl Bit rate 1000 Mb/s Provisioning Granularity 100 Kbit/s Tx and Rx Optical characteristics According to IEEE–802.3 standard, 1000Base–LX, 1000Base–SX and 1000Base–ZX Port number 2 per access card used in conjunction with PR port card Cabling Optical fiber Connector SFP (Small Formfactor Pluggable) 1AA 00014 0004 (9007) A4 – ALICE 04.10 ED 03 3AL 91669 AA AA 611 / 706 706
  • 614.
    5.6 ETHERNET interfacecharacteristics 5.6.1 Ethernet 10/100Base–T interface characteristics (ETH–MB + ETH–ATX) not permitted without written authorization from Alcatel. All rights reserved. Passing on and copying of this document, use and communication of its contents Type of interface Electrical, full compliant to IEEE–802.3 standard, 10Base–T and 100Base–T Transmit operations Auto–negotiation options: 10Mbps, 100Mbps, full–duplex Bit rate Autosensing: 10 Mb/s and 100 Mb/s Signal amplitude, coding, attenuation, pulse According to IEEE–802.3 standard, 10Base–T shape, return loss and 100Base–T Throughput towards backpanel (ports card) 622 Mbit/s SDH containers VC–12, VC–3, VC–4 Port number 11 on the ports card 14 on the access card Cabling Twisted–pair, as per IEEE–802.3 rec. Connector RJ45 1AA 00014 0004 (9007) A4 – ALICE 04.10 ED 03 3AL 91669 AA AA 612 / 706 706
  • 615.
    5.6.2 Ethernet switchport card characteristics (ES1–8FE) Type of interface 10 / 100 Base T not permitted without written authorization from Alcatel. Local Ethernet ports number 8 per each ports card All rights reserved. Passing on and copying of this document, use and communication of its contents Ethernet over SDH ports number 8 VC termination max. VC–12 = 63 VC–3 = 3 Number of VCGs ETH over SDH VC–12 = 8 VC – 3 = 3 VCs per VCG max. VC–12 = 21 VC –3 = 3 VC comp. delay 64 ms Mapping to SDH GFP–F LAPS Class forwarding criteria per port according to 802.1 Q (outer VLAN) according to 802.1 p according to 802.3 MAC DA Look up tables number VLAN–ids = 1 K MAC addresses = 8K Multicast Ethernet VLAN capabilities cVLAN (802.1 D) pVLAN (SVLAN) CoS Guaranteed Best Effort Policer Metering – token–bucket Marking – 3 colors Dropping – out of profile Scheduler Head of line – 4 piorities Deficit Round Robin Spanning tree 802.1d 802.1 w 802.1s Performance ethernet counter yes 1AA 00014 0004 (9007) A4 – ALICE 04.10 ED 03 3AL 91669 AA AA 613 / 706 706
  • 616.
    5.6.3 Ethernet switchport card characteristics (ES1–8FX) Type of interface 100 Base FX not permitted without written authorization from Alcatel. Local Ethernet ports number 8 per each ports card All rights reserved. Passing on and copying of this document, use and communication of its contents Ethernet over SDH ports number 8 VC termination max. VC–12 = 63 VC–3 = 3 Number of VCGs ETH over SDH VC–12 = 8 VC – 3 = 3 VC – 4 = 1 VCs per VCG max. VC–12 = 21 VC –3 = 3 VC –4 = 1 VC comp. delay 48 ms Mapping to SDH GFP–F LAPS Class forwarding criteria per port according to 802.1 Q (outer VLAN) according to 802.1 p according to 802.3 MAC DA Look up tables number VLAN–ids = 1 K MAC addresses = 8K Multicast Ethernet VLAN capabilities VLAN (802.1 Q) pVLAN (802.1ad) CoS Guaranteed Best Effort Policer Metering – single rate token–bucket Dropping – tail drop Scheduler Queues/port = 3 Queuing = Strict Priority Spanning tree 802.1d 802.1 w 802.1s Performance ethernet counter yes 1AA 00014 0004 (9007) A4 – ALICE 04.10 ED 03 3AL 91669 AA AA 614 / 706 706
  • 617.
    5.6.4 Ethernet switchport card characteristics (ES4–8FE) Type of interface 10 / 100 Base T 1000 Base SX/LX/ZX SFP not permitted without written authorization from Alcatel. All rights reserved. Passing on and copying of this document, use and communication of its contents Local Ethernet ports number eight 10 / 100 Base T and one1000 Base SX/LX/ ZX SFP per each port card. Ethernet over SDH ports number 16 (SMII mode), 2 (GMII mode) VC termination max. VC–12 = 252 VC–3 = 12 VC–4 = 4 Number of VCGs ETH over SDH VC–12 = 16 (SMII), 2 (GMII) VC – 3 = 12 (SMII), 2 (GMII) VC – 4 = 4 (SMII), 2 GMII) VCs per VCG max. VC–12 = 50 (SMII), 63 (GMII) VC –3 = 2 (SMII), 12 (GMII) VC –4 = 1 (SMII), 4 (GMII) VC comp. delay 48 ms Mapping to SDH GFP–F LAPS Class forwarding criteria per port according to 802.1 Q (outer VLAN) according to 802.1 p according to 802.3 MAC DA Look up tables number VLAN–ids = 1 K MAC addresses = 8K Multicast Ethernet VLAN capabilities cVLAN (802.1 D) pVLAN (SVLAN) CoS Guaranteed Best Effort Policer Metering – token–bucket Marking – 3 colors Dropping – out of profile Scheduler Head of line – 4 piorities Deficit Round Robin Spanning tree 802.1d 802.1 w 802.1s 1AA 00014 0004 (9007) A4 – ALICE 04.10 Performance ethernet counter yes ED 03 3AL 91669 AA AA 615 / 706 706
  • 618.
    5.6.5 Ethernet switchport card characteristics (ISA ES–16) Local Ethernet ports none not permitted without written authorization from Alcatel. Ethernet over SDH ports number 64 All rights reserved. Passing on and copying of this document, use and communication of its contents VC termination max. VC–12 = 252 VC–3 = 12 VC–4 = 16 Number of VCGs ETH over SDH VC–12 = 64 VC – 3 = 12 VC–4 = 16 VCs per VCG max. VC–12 = 21 VC –3 = 3 VC – 4 = 8 VC comp. delay 64 ms Mapping to SDH GFP–F HDLC/PPP LAPS Class forwarding criteria per port according to 802.1 Q (outer VLAN) according to 802.1 p according to 802.3 MAC DA MPLS + exp. bits Look up tables number VLAN–ids = up to 64 K MAC addresses = up to 64K MPLS labels = up to 64K Multicast Ethernet MPLS MPLS capability Martini enc. MPLS VLAN capabilities cVLAN (802.1 D) pVLAN (SVLAN) (push, pop, swap) CoS Guaranteed Regulated Best Effort Policer Metering – token–bucket dual rate Marking – 3 colors Dropping – out of profile Scheduler Head of line – 8 piorities 1AA 00014 0004 (9007) A4 – ALICE 04.10 Deficit Round Robin ED 03 3AL 91669 AA AA 616 / 706 706
  • 619.
    Congestion Avoidance RED per queue Spanning tree 802.1d not permitted without written authorization from Alcatel. All rights reserved. Passing on and copying of this document, use and communication of its contents 802.1 w 802.1s Performance ethernet counter yes MPLS counter yes 5.6.6 Access Card Gigabit Ethernet interfaces characteristics (GETH–AG) Type of interface Plug–in Optical module 1000Base–LX or 1000Base–SX or 1000 Base–ZX Transmit operations Full–duplex, Flow Control Bit rate 1.25 Gb/s Tx and Rx Optical characteristics According to IEEE–802.3 standard, 1000Base–LX, 1000Base–SX and 1000Base– ZX (refer to Table 71. on page 636, Table 72. on page 637 and Table 73. on page 638 for details) SDH containers VC–4xV Ports number 2 on the access card if used in conjunction with ETH–MB Cabling Optical fibre Connector LC–Duplex SFP (Small Formfactor Pluggable) 1AA 00014 0004 (9007) A4 – ALICE 04.10 ED 03 3AL 91669 AA AA 617 / 706 706
  • 620.
    5.6.7 Gigabit Ethernetports card interfaces characteristics (GETH–MB) Type of interface lug–in Optical module 1000Base–LX or 1000Base–SX or 1000 Base ZX not permitted without written authorization from Alcatel. All rights reserved. Passing on and copying of this document, use and communication of its contents Transmit operations Full–duplex, Flow Control Bit rate 1.25 Gb/s Throughput towards backpanel (ports card) 2 x 622 Mbit/s Tx and Rx Optical characteristics According to IEEE–802.3 standard, 1000Base–LX, 1000Base–SX and 1000Base– ZX (refer to Table 71. on page 636, Table 72. on page 637 and Table 73. on page 638 for details) SDH containers VC–4xV Local Gigabit Ethernet ports number 8 per each ports card Cabling Optical fibre Connector LC–Duplex SFP (Small Formfactor Pluggable) 1AA 00014 0004 (9007) A4 – ALICE 04.10 ED 03 3AL 91669 AA AA 618 / 706 706
  • 621.
    5.7 4 xANY clients characteristics The interface characteristics are related to client type according to the following paragraphs not permitted without written authorization from Alcatel. All rights reserved. Passing on and copying of this document, use and communication of its contents 5.7.1 Gigabit Ethernet LX The interface is according to IEEE g.802.3 1000Base–LX (clause 38.4) INPUT SIDE · Bit Rate 1250 Mb/s · Bit Rate Tolerance ±100 ppm · Optical Connector LC · Receive Sensitivity – 20 dBm max. · Stressed Receive Sensitivity –14.4 dBm · Max Receive Optical Power –3 dBm max. · Opt. Operating Wavelength 1270 nm min., 1355 nm max · Opt. Return Loss of Receiver 12 dB min. · Opt. Modulation Amplitude 15 µW min., 1000 µW max. · Signal detect – Asserted –20 dBm max. , –30 dBm +Hyst. min. · Signal detect – Clearing –30 dBm min (avg.) · Hysteresis 0.5 dB min. · Signal detect Assert Time 100 µs (excepted SPI access time) · Signal detect Clearing Time 100 µs (excepted SPI access time) N.B.: GE flow control is not implemented. OUTPUT SIDE · Bit Rate 1250 Mb/s · Bit Rate Accuracy ±100 ppm · Optical Connector LC · Laser Type Class 1 laser safety · Launched Optical Power –11.0 dBm min., –3 dBm max (avg.) 10 µm SMF –11.5 dBm min., –3 dBm max (avg.) 50 µm MMF –11.5 dBm min., –3 dBm max (avg.) 62.5 µm MMF · Opt. Center Wavelength 1270 nm min., 1355 nm max · Operating Range 2 m B 550 m (MMF 62.5 µm) 2 m B 550 m (MMF 50 µm) 2 m B 5000 m (SMF 9 µm) · Opt. Spectral Width (∆λRMS) 4 nm max. · Opt. Extinction ratio 9 dB min · Opt. Modulation Amplitude 189 µW min. · Opt. Rise/Fall time (tr/tf) 260 ps max (20% B 80%) · Relative Intensity Noise –116 dB/Hz max. · Deterministic Jitter 0.200 UI max. 1AA 00014 0004 (9007) A4 – ALICE 04.10 ED 03 3AL 91669 AA AA 619 / 706 706
  • 622.
    5.7.2 Gigabit EthernetSX The interface is according to IEEE g.802.3 1000Base–SX not permitted without written authorization from Alcatel. INPUT SIDE All rights reserved. Passing on and copying of this document, use and communication of its contents · Bit Rate 1250 Mb/s · Bit Rate Tolerance ± 100 ppm · Optical Connector LC · Receive Sensitivity – 17 dBm max. · Max Receive Optical Power – 0 dBm max. · Opt. Operating Wavelength 770 nm min., 860 nm max · Opt. Return Loss of Receiver 12 dB min. · Opt. Modulation Amplitude 15 µW min., 1000 µW max. · Signal detect – Asserted –17 dBm max. , –30 dBm +Hyst. min. · Signal detect – Clearing –30 dBm min (avg.) · Hysteresis 1.5 dB min. · Signal detect Assert Time 100 µs (excepted SPI access time) · Signal detect Clearing Time 350µs (excepted SPI access time) N.B.: GE flow control is not implemented. OUTPUT SIDE · Bit Rate 1250 Mb/s · Bit Rate Accuracy ±100 ppm · Optical Connector LC · Laser Type Class 1 laser safety · Launched Optical Power –9.5 dBm min., –1.5 dBm max (avg.) 50 µm MMF –9.5 dBm min., –1.5 dBm max (avg.) 62.5 µm MMF · Opt. Center Wavelength 830 nm min., 860 nm max · Opt. Extinction ratio 9 dB min · Opt. Modulation Amplitude 189 µW min. · Opt. Rise/Fall time (tr/tf) 260 ps max (20% B 80%) · Relative Intensity Noise –116 dB/Hz max. · Deterministic Jitter 0.200 UI max. 1AA 00014 0004 (9007) A4 – ALICE 04.10 ED 03 3AL 91669 AA AA 620 / 706 706
  • 623.
    5.7.3 Fiber Channel100–SM–LL–I The FC I/F is compliant to Ansi x3.230 standard (100–SM–LL–I). not permitted without written authorization from Alcatel. INPUT SIDE All rights reserved. Passing on and copying of this document, use and communication of its contents · Bit Rate 1062.5 Mb/s · Bit Rate Tolerance ±100 ppm · Optical Connector LC · Receive Sensitivity –20 dBm max. · Stressed Receive Sensitivity –14.4 dBm · Max Receive Optical Power –3 dBm max. · Opt. Operating Wavelength 1270 nm min., 1355 nm max · Opt. Return Loss of Receiver 12 dB min. · Opt. Modulation Amplitude 15 µW min., 1000 µW max. · Signal detect – Asserted –20 dBm max. , –30 dBm +Hyst. min. · Signal detect – Clearing –30 dBm min (avg.) · Hysteresis 0.5 dB min. · Signal detect Assert Time 100 µs (excepted SPI access time) · Signal detect Clearing Time 100 µs (excepted SPI access time) OUTPUT SIDE · Bit Rate 1062.5 Mb/s · Bit Rate Accuracy ±100 ppm · Optical Connector LC · Laser Type Class 1 laser safety · Launched Optical Power –12.0 dBm min., –3 dBm max (avg.) 9 µm SMF · Operating Range 2 m B2 Km · Fiber Core Diameter 9 µm · Opt. Center Wavelength 1270 nm min., 1355 nm max · Opt. Spectral Width (∆λRMS) 4 nm max. · Opt. Extinction ratio 9 dB min · Opt. Modulation Amplitude 189 µW min. · Opt. Rise/Fall time (tr/tf) 260 ps max (20%B80%) · Relative Intensity Noise –116 dB/Hz max. · Deterministic Jitter 0.200 UI max. 1AA 00014 0004 (9007) A4 – ALICE 04.10 ED 03 3AL 91669 AA AA 621 / 706 706
  • 624.
    5.7.4 Fiber Channel100–M5–SL–I The FC I/F is compliant to Ansi x3.230 standard (100–M5–SL–I) except where specified. not permitted without written authorization from Alcatel. INPUT SIDE All rights reserved. Passing on and copying of this document, use and communication of its contents · Bit Rate 1062.5 Mb/s · Bit Rate Tolerance ±100 ppm · Optical Connector LC · Receive Sensitivity –13 dBm max. · Max Received Optical Power –1.5 dBm max. · Opt. Operating Wavelength 770 nm min., 860 nm max · Opt. Return Loss of Receiver 12 dB min. · Opt. Modulation Amplitude 15 µW min., 1000 µW max. · Signal detect – Asserted –17 dBm max. , –30 dBm +Hyst. min. · Signal detect – Clearing –30 dBm min (avg.) · Hysteresis 1.5 dB min. · Signal detect Assert Time 100 µs (excepted SPI access time) · Signal detect Clearing Time 350 µs (excepted SPI access time) OUTPUT SIDE · Bit Rate 1062.5 Mb/s · Bit Rate Accuracy ±100 ppm · Optical Connector LC · Laser Type Class 1 laser safety · Launched Optical Power –9.5 dBm min., –1.5 dBm max (avg.) 50 µm MMF –9.5 dBm min., –1.5 dBm max (avg.) 62.5 µm MMF · Opt. Center Wavelength 830 nm min., 860 nm max · RMS spectral width (max) 4 nm max. · Opt. Extinction ratio 9 dB min · Opt. Modulation Amplitude 189 µW min. · Opt. Rise/Fall time (tr/tf) 260 ps max (20% 80%) · Relative Intensity Noise –116 dB/Hz max. · Deterministic Jitter 0.200 UI max. 1AA 00014 0004 (9007) A4 – ALICE 04.10 ED 03 3AL 91669 AA AA 622 / 706 706
  • 625.
    5.7.5 Fast Ethernet(100BASE FX)/FDDI FDDI and Fast Ethernet I/F is compliant to ANSI x3.184–1993 and IEEE 802.3 except where specified. not permitted without written authorization from Alcatel. INPUT SIDE All rights reserved. Passing on and copying of this document, use and communication of its contents · Bit Rate 125 Mb/s · Bit Rate Tolerance ±100 ppm · Optical Connector LC · Receive Sensitivity – 28 dBm max. · Max. Receive Optical Power –8 dBm min. (avg.) · Opt. Operating Wavelength 1270 nm min., 1360 nm max · Opt. Return Loss of Receiver 12.5 dB min. · Signal detect – Asserted –31 dBm max., –42 dBm + Hyst. min. ; · Signal detect – Clearing –42 dBm min (avg.) · Hysteresis 1 dB min. B 3 dB max. · Signal detect Assert Time 100 µs (excepted SPI access time) · Signal detect Clearing Time 350 µs (excepted SPI access time) OUTPUT SIDE · Bit Rate 125 Mb/s · Bit Rate Accuracy ±100 ppm · Optical Connector LC · Laser Type Class 1 laser safety · Launched Optical Power –15 dBm min., –8 dBm max (avg.) · Opt. Center Wavelength 1274 nm min., 1356 nm max · Opt. Spectral Width (∆λRMS) 2.5 nm max. · Opt. Extinction ratio 8.2 dB min · Optical Rise/Fall Time (tr/tf) 1.5 ns max. (20% B 80%) · Relative Intensity Noise (RIN) 125 dB/Hz nom., –112 dB/Hz max. N.B. :The Client Transmit Port provides a different ”Launched Optical Power” level than what required by the FDDI FE standards: – MMF : –20 dBm B –14 dBm – SMF Cat I : –20 dBm B –14 dBm – SMF Cat II : 4 dBm B 0 dBm 1AA 00014 0004 (9007) A4 – ALICE 04.10 ED 03 3AL 91669 AA AA 623 / 706 706
  • 626.
    5.7.6 ESCON ESCON I/F is compliant to IBM SA–0394–03 not permitted without written authorization from Alcatel. INPUT SIDE All rights reserved. Passing on and copying of this document, use and communication of its contents · Bit Rate 200 Mb/s · Bit Rate Tolerance ±100 ppm · Optical Connector LC · Receive Sensitivity – 28 dBm max. · Max. Receive Optical Power –8 dBm min. (avg.) · Opt. Operating Wavelength 1270 nm min., 1360 nm max · Opt. Return Loss of Receiver 12.5 dB min. · Signal detect – Asserted –31 dBm max., –42 dBm + Hyst. min. · Signal detect – Clearing –42 dBm min (avg.) · Hysteresis 1 dB min. B 3 dB max. · Signal detect Assert Time 100 µs (excepted SPI access time) · Signal detect Clearing Time 350 µs (excepted SPI access time) OUTPUT SIDE · Bit Rate 200 Mb/s · Bit Rate Accuracy ±100 ppm · Optical Connector LC · Laser Type Class 1 laser safety · Launched Optical Power –15 dBm min., –8 dBm max (avg.) · Opt. Center Wavelength 1274 nm min., 1356 nm max · Opt. Spectral Width (∆λRMS) 2.5 nm max. · Opt. Extinction ratio 8.2 dB min · Optical Rise/Fall Time (tr/tf) 1.5 ns max. (20% B 80%) · Relative Intensity Noise (RIN) 125 dB/Hz nom., –112 dB/Hz max. N.B. The Client Transmit Port provides a different ”Launched Optical Power” level than what required by the ESCON standard: –MMPL : –20 dBm B –15 dBm –SMPL : –4 dBm B –0 dBm The bit rate accuracy required by ESCON standard is ±200 ppm 1AA 00014 0004 (9007) A4 – ALICE 04.10 ED 03 3AL 91669 AA AA 624 / 706 706
  • 627.
    5.7.7 Digital Video Digital Video I/F is compliant to ITU–R Rec. BT.656–4, BT1363–1 and BT1367. not permitted without written authorization from Alcatel. INPUT SIDE All rights reserved. Passing on and copying of this document, use and communication of its contents · Bit Rate 270 Mb/s · Bit Rate Tolerance 100 ppm · Optical Connector LC · Receive Sensitivity – 28 dBm max. · Max. Receive Optical Power –8 dBm min. (avg.) · Opt. Operating Wavelength 1270 nm min., 1360 nm max · Signal detect – Asserted –31 dBm max., –42 dBm + Hyst. min. · Opt. Return Loss of Receiver 12.5 dB min. · Signal detect – Clearing –42 dBm min (avg.) · Hysteresis 1 dB min. B 3 dB max. · Signal detect Assert Time 100 µs (excepted SPI access time) · Signal detect Clearing Time 350 µs (excepted SPI access time) OUTPUT SIDE · Bit Rate 270 Mb/s · Bit Rate Accuracy 100 ppm · Optical Connector LC · Laser Type Class 1 laser safety · Launched Optical Power –15 dBm min., –8 dBm max (avg.) · Opt. Center Wavelength 1274 nm min., 1356 nm max · Opt. Spectral Width (∆λRMS) 2.5 nm max. · Opt. Extinction ratio 8.2 dB min · Optical Rise/Fall Time (tr/tf) 1.5 ns max. (20% B 80%) · Relative Intensity Noise (RIN) 125 dB/Hz nom., –112 dB/Hz max. · Output jitter 0.2 UIpp (10 Hz– 27 MHz) N.B: The Client Transmit Port provides a different ”Launched Optical Power” level than what required by the DV standards: –MM: –12 dBm B –7.5 dBm –SM: –12 dBm B –7.5 dBm 1AA 00014 0004 (9007) A4 – ALICE 04.10 ED 03 3AL 91669 AA AA 625 / 706 706
  • 628.
    5.8 Optical interfacecharacteristics STM–1 optical characteristics: not permitted without written authorization from Alcatel. All rights reserved. Passing on and copying of this document, use and communication of its contents Types of optical interfaces S–1.1, L–1.1, L–1.2 or L–1.2JE, MM1 Characteristics are given in Table 66. on page 628. Optical connectors SC/PC or FC/PC (alternative units) Pulse shape See ITU–T G.957 STM–4 optical characteristics: Types of optical interfaces S–4.1, L–4.1 , L–4.2 Characteristics are given in Table 67. on page 630 Optical connectors SC/PC or FC/PC (alternative units) Pulse shape See ITU–T G.957 STM–16 optical characteristics: Types of optical interfaces I–16.1, S–16.1, L.16–1, L.16–2 , L.16–2 JE2, L.16–2JE3, Characteristics are given in Table 68. at page 631. The ”second generation” optical interface character- istics are given in Table 16 which applies for HM1 Optical Units. Optical connectors SC/PC, FC/PC, SFF, SFP (alternative units) Pulse shape See ITU–T G.957 STM–64 optical characteristics: Types of optical interfaces I–64.1, S–64.2b, L–64.2b Optical connectors SC/PC Pulse shape See ITU–T G.957 GigaBit Ethernet Optical characteristics Interface type: 1000B–SX, 1000B–LX ,1000B–ZX Characteristics are given in Table 71. on page 636, Table 72. on page 637 and Table 73. on page 638 Optical connectors: LC/PC on SFP (Small Formfactor Pluggable) module Pulse shape: see IEEE 802.3 1AA 00014 0004 (9007) A4 – ALICE 04.10 ED 03 3AL 91669 AA AA 626 / 706 706
  • 629.
    Booster (Optical Fiber Amplifier) characteristics: Types of Booster BST10 (+10 dBm), BST15 (+15 dBm) and BST17 not permitted without written authorization from Alcatel. (+17 dBm). All rights reserved. Passing on and copying of this document, use and communication of its contents Characteristics are given in Table 74. on page 639 Optical connectors SC/PC or FC/PC (alternative units) Optical Preamplifier (PR16) characteristics: Optical connectors SC/PC or FC/PC (alternative units) Wavelength bandwidth (main signal): 1530 to 1565 nm Input power: –37 dBm to –18 dBm Output power: –15 dBm 1AA 00014 0004 (9007) A4 – ALICE 04.10 ED 03 3AL 91669 AA AA 627 / 706 706
  • 630.
    Table 66. Parametersspecified for STM–1 Optical Interface CHARACTERISTICS UNIT VALUES DIGITAL SIGNAL STM–1 according to G.707 and G.958 not permitted without written authorization from Alcatel. Kbit/s All rights reserved. Passing on and copying of this Nominal bit rate 155520 document, use and communication of its contents S–1.1 L–1.1 L–1.2 L–1.2 JE1 Application code (Table 1/G.957) nb1 Operating wavelength range nm 1261–1360 1280–1335 1480–1580 1530–1560 TRANSMITTER AT REFERENCE POINT S Source type SLM/MLM SLM/MLM SLM SLM Spectral characteristics maximum RMS width nm 7.7 4 – – maximum –20 dB width nm – – 1 1 minimum side mode dB – – 30 30 suppression ratio Mean launched power maximum dBm –8 0 0 0 minimum dBm –15 –5 –5 –4 Minimum extinction ratio dB 8.2 10 10 10 OPTICAL PATH BETWEEN S AND R Attenuation range dB 0–12 10–28 10–28 10–29 Maximum dispersion ps/nm 100 250 1900 3200 Minimum optical return loss of cable dB NA NA 20 20 plant at S, including any connectors Maximum discrete reflectance between dB NA NA –25 –25 S and R RECEIVER AT REFERENCE POINT R Type of detector In Ga As In Ga As In Ga As In Ga As PIN PIN PIN PIN Mean received power at BER= 1E–10 • Minimum (sensitivity) dBm –28 –34 –34 –34 • Maximum (overload) dBm –8 –10 –10 –10 Maximum optical path penalty dB 1 1 1 1 Maximum reflectance of receiver mea- dB –14 –14 –25 –25 sured at R 1AA 00014 0004 (9007) A4 – ALICE 04.10 nb1: To be used with Optical Boosters up to +15 dBm on G652 and G653 fibre N.A = not applicable table continue ED 03 3AL 91669 AA AA 628 / 706 706
  • 631.
    CHARACTERISTICS UNIT VALUES STM–1 according to G.707 and DIGITAL SIGNAL G.958 Nominal bit rate not permitted without written authorization from Alcatel. Kbit/s 155520 All rights reserved. Passing on and copying of this document, use and communication of its contents Application (ALCATEL code) MM–1 Operating wavelength range nm 1270–1360 TRANSMITTER AT REFERENCE POINT S Source type SLM Spectral characteristics maximum RMS width nm – maximum –20 dB width nm 1 minimum side mode dB 30 suppression ratio Mean launched power maximum dBm –14 minimum dBm –19 Minimum extinction ratio dB 10 OPTICAL PATH BETWEEN S AND R Attenuation range dB 0–10 Maximum dispersion ps/nm NA Minimum optical return loss of cable dB NA plant at S, including any connectors Maximum discrete reflectance between dB NA S and R RECEIVER AT REFERENCE POINT R Type of detector In Ga As PIN Minimum sensitivity (BER 10–10) dBm –30 Minimum overload dBm –14 Maximum optical path penalty dB 1 (a) Maximum reflectance of receiver mea- dB –14 sured at R NOTES: a= with max 3 Km of multimode fibre 50/125 um G.651 NA= not applicable end of table. 1AA 00014 0004 (9007) A4 – ALICE 04.10 ED 03 3AL 91669 AA AA 629 / 706 706
  • 632.
    Table 67. Parametersspecified for STM–4 Optical Interface CHARACTERISTICS UNIT VALUES DIGITAL SIGNAL STM–4 according to G.707 and G.958 not permitted without written authorization from Alcatel. Kbit/s All rights reserved. Passing on and copying of this Nominal bit rate 622.080 document, use and communication of its contents S–4.1 L–4.1 L–4.2 L–4.2 JE Application code (Table 1/G.957) nb3 nb1, nb2 Operating wavelength range nm 1274–1356 1280–1335 1480–1580 1530–1560 TRANSMITTER AT REFERENCE POINT S Source type MLM SLM SLM SLM Spectral characteristics maximum RMS width nm 2.5 – – – maximum –20 dB width nm – 1 1 0.6 minimum side mode dB – 30 30 30 suppression ratio Mean launched power maximum dBm –8 +2 +2 +2 minimum dBm –15 –3 –3 –3 Minimum extinction ratio dB 8.2 10 10 10 OPTICAL PATH BETWEEN S AND R Attenuation range dB 0–12 10–24 10–24 10–27 Maximum dispersion ps/nm 84 250 1900 3200 Minimum optical return loss of cable dB 14 20 24 24 plant at S, including any connectors Maximum discrete reflectance between dB –20 –25 –27 –27 S and R RECEIVER AT REFERENCE POINT R Type of detector In Ga As In Ga As In Ga As In Ga As PIN PIN PIN PIN Mean received power at BER= 1E–10 • Minimum (sensitivity) dBm –28 –28 –28 –32 • Maximum (overload) dBm –8 –8 –8 –8 Maximum optical path penalty dB 1 1 1 2 Maximum reflectance of receiver mea- dB –20 –20 –27 –27 sured at R nb1: Suitable for interworking with the L–4.2JE of the ADM product family with max dispersion 2400 ps/nm; on this application the attenuation range is 10–28 dB. nb2: For long distance applications and additionally suitable to be used with Optical Boosters up to +15 1AA 00014 0004 (9007) A4 – ALICE 04.10 dBm on G652 and G653 fibre. nb3: Suitable for interworking with L–4.1 of ADM product family. In this application the power budget is 10–24 dBm, 250 ps/nm dispersion. ED 03 3AL 91669 AA AA 630 / 706 706
  • 633.
    Table 68. STM–16Optical interfaces (Single Channel) CHARACTERISTICS UNIT VALUES DIGITAL SIGNAL STM–16 according to G.707 not permitted without written authorization from Alcatel. Nominal bit rate Kb/s and G.958 All rights reserved. Passing on and copying of this document, use and communication of its contents 2488320 Application code S–16.1 L–16.1 L–16.2 Operating wavelength range 1270–1360 1280–1335 1500–1580 TRANSMITTER AT REFERENCE POINT S Source type SLM SLM SLM Spectral characteristics – maximum RMS width nm – – – – maximum –20 dB width nm 1 1 1 – minimum side mode suppression ratio dB 30 30 30 Mean launched power – maximum dBm 0 +2 +2 – minimum dBm –5 –2 –2 Minimum extinction ratio dB 8.2 8.2 8.2 OPTICAL PATH BETWEEN S AND R Attenuation range dB 0–12 10–24 10–24 Maximum dispersion ps/nm 100 250 1600 Minimum optical return loss of cable plant at S, including any dB 24 24 24 connectors Maximum discrete reflectance between S and R dB –27 –27 –27 RECEIVER AT REF. R Type of detector InGaAs InGaAs InGaAs PIN APD APD Mean received power at BER= 1E10–10 • Minimum (sensitivity) dBm –18 –27 –28 • Maximum (overload) dBm 0 –8 –8 Maximum optical path penalty dB 1 1 2 Maximum reflectance of receiver measured at R dB –27 –27 –27 Table Continue 1AA 00014 0004 (9007) A4 – ALICE 04.10 ED 03 3AL 91669 AA AA 631 / 706 706
  • 634.
    CHARACTERISTICS UNIT VALUES DIGITAL SIGNAL STM–16 according to G.707 and G.958 Nominal bit rate Kb/s 2488320 not permitted without written authorization from Alcatel. All rights reserved. Passing on and copying of this document, use and communication of its contents Application code L–16.2JE1 L–16.2 JE2 L–16.2 JE3 I–16.1 nb2 nb1 nb3 Operating wavelength range 1530–1560 1550–1560 1550–1560 1266–1360 TRANSMITTER AT REFERENCE POINT S Source type SLM SLM–ILM SLM–ILM MLM Spectral characteristics – maximum RMS width nm – – – 4 – maximum –20 dB width nm 0.5 0.2 0.2 – – minimum side mode suppression ratio dB 30 30 30 – Mean launched power – maximum dBm +4 +2 +2 –3 – minimum dBm +1 –3 –3 –10 Minimum extinction ratio dB 8.2 8.2 8.2 8.2 OPTICAL PATH BETWEEN S AND R Attenuation range dB 13–28 nb1 nb3 0–7 Maximum dispersion ps/nm 1900 3200 4000 12 Minimum optical return loss of cable plant at dB 24 24 24 27 S, including any connectors Maximum discrete reflectance between S dB –27 –27 –27 –27 and R RECEIVER AT REF. R Type of detector InGaAs InGaAs InGaAs InGaAs APD APD APD APD Mean received power at BER= 1E10–10 • Minimum (sensitivity) dBm –29 –29 nb3 –18 • Maximum (overload) dBm –9 –9 –9 –3 Maximum optical path penalty dB 2 1 1 1 Maximum reflectance of receiver measured dB –27 –27 –27 –27 at R nb1: to be used with booster amplifier on G.652 fiber; attenuation range according to the specific 1664OA power budget nb2: To be used with booster amplifier up to + 15dBm on G653 fiber; or in stand alone configuration nb3: To be used with booster in conjunction with the 1664OA preamplifier on G.652 and G.653 fiber; attenuation range according to the 1664OA characteristics. Suitable for submarine application too, in conjunction with Alcatel booster/preamplifier: specific reference value of max dispersion at 5400 ps/nm with optical path penalty 2 dB. 1AA 00014 0004 (9007) A4 – ALICE 04.10 End of table ED 03 3AL 91669 AA AA 632 / 706 706
  • 635.
    Table 69. STM–16Optical interfaces (Multi Channel) CHARACTERISTICS UNIT VALUES not permitted without written authorization from Alcatel. DIGITAL SIGNAL STM–16 according to G.707 and G.958 All rights reserved. Passing on and copying of this document, use and communication of its contents Nominal bit rate Kb/s 2488320 Application code 16 x L.16.2JE 16 x L.16.2JE 6400 ps/nm 12800 ps/nm TRANSMITTER AT REFERENCE POINT S Central operating wavelength nm see nb1 see nb1 Source type ILM ILM Spectral characteristics – maximum RMS width nm – – – maximum –20 dB width nm 0.2 0.1 – minimum side mode suppression ratio dB 30 30 Mean launched power – maximum dBm +2 +2 – minimum dBm –3 –3 Minimum extinction ratio dB 8.2 8.2 OPTICAL PATH BETWEEN S AND R Max loss budget dB see nb2 see nb2 Loss limited distance Km see nb2 see nb2 Maximum chromatic dispersion ps/nm 6400 12800 Dispersion limited distance Km 320 640 Minimum ORL at S (including connectors) dB 24 24 Total average PMD (1st order) ps 40 40 RECEIVER AT REFERENCE POINT R Operating wavelength range 1530–1561 1530–1561 Type of detector InGaAs APD InGaAs APD OSNR dBm/0.1nm 19 19 Mean received power at BER= 1E10–10 • Minimum (sensitivity) dBm –23 –23 • Maximum (overload) dBm –10 –10 Maximum reflectance of receiver measured at R dB –27 –27 nb1 : One of the following 16 coloured transmitter according to the ITU–T standard G.692 (ex G.MCS): • 8 “Red” wavelengths (nm):1547.72 / 15493.2 / 1550.92 / 1552.52 / 1554.13 / 1555.75 / 1557.36 / 1558.98 • 8 “Blue” wavelengths (nm):1531.90 / 1533.47 / 1535.04 / 1536.61 / 1538.19 / 1539.77 / 1541.35 / 1542.94 Laser transmission at 100 Ghz grid space allows compatibility with 32 channel systems nb2 : According to the WDM system specs 1AA 00014 0004 (9007) A4 – ALICE 04.10 ED 03 3AL 91669 AA AA 633 / 706 706
  • 636.
    Table 70. Parametersspecified for STM–64 optical interfaces (Single Channel) CHARACTERISTICS UNIT VALUES not permitted without written authorization from Alcatel. DIGITAL SIGNAL STM–64 according to All rights reserved. Passing on and copying of this document, use and communication of its contents G.707, G.958, G.691 Nominal bit rate Kbit/s 9,953,280 Application code S–64.2b I–64.1 Operating wavelength range nm 1530÷1565 1290÷1330 TRANSMITTER at reference point S Source type EA–ILM SLM Spectral characteristics: – maximum spectral power density mW/MHz n.a n.a. – maximum –20 dB width nm t.b.d. 1 – minimum side mode suppression ratio dB 30 30 – chirp parameter radians n.a. n.a. Mean launch power: – maximum dBm +2 –1 – minimum dBm –1 –6 Minimum extinction ratio dB 8.2 6 OPTICAL PATH between S and R Attenuation range dB 3÷11 0÷4 Chromatic dispersion: – maximum ps/nm 800 6.6 – minimum ps/nm n.a. n.a. Passive dispersion compensation: – maximum ps/nm n.a. n.a. – minimum ps/nm n.a. n.a. Maximum DGD ps/nm 30 30 Minimum ORL at S (including connectors) dB 24 14 RECEIVER at reference point R Type of detector PIN PIN Mean received power: (@ BER= 10–12 and OSNR=19 dB/0.1 nm) – minimum (sensitivity) dBm –14 –11 – maximum (overload) dBm –1 –1 Maximum optical path penalty dB 2 1 Maxim. reflectance of receiver measured at R dB –27 –14 t.b.d.= to be defined n.a. = not applicable 1AA 00014 0004 (9007) A4 – ALICE 04.10 ED 03 3AL 91669 AA AA 634 / 706 706
  • 637.
    CHARACTERISTICS UNIT VALUES DIGITAL SIGNAL STM–64 according to G.707, G.958, G.691 not permitted without written authorization from Alcatel. Nominal bit rate Kbit/s 9,953,280 All rights reserved. Passing on and copying of this document, use and communication of its contents L–64.2b L–62.2b L–64.2b “Reduced” “Extended” Application code with Booster (refer to (refer to +10 dB para. 5.8.3) para. 5.8.2) Operating wavelength range nm 1530÷1565 1530÷1565 1530÷1565 TRANSMITTER at reference point S Source type EA–ILM EA–ILM EA–LIM Spectral characteristics: – maximum spectral power density mW/MHz n.a n.a. n.a. – maximum –20 dB width nm t.b.d. t.b.d. t.b.d. – minimum side mode suppression ratio dB t.b.d. t.b.d. t.b.d. – chirp parameter radians n.a. n.a. n.a. Mean launch power: – maximum dBm +3 +12 (*) +13 – minimum dBm 0 +10 (*) +10 Minimum extinction ratio dB 8.2 8.2 –– OPTICAL PATH between S and R Attenuation range dB 0÷16 13÷22 16÷28 Chromatic dispersion: – maximum ps/nm 1200 1600 2000 – minimum ps/nm n.a. n.a. n.a. Passive dispersion compensation: 400 (By 20 – maximum ps/nm n.a. n.a. DCU) – minimum ps/nm n.a. n.a. –– Maximum DGD ps/nm 30 30 –– Minimum ORL at S (including connectors) dB 24 24 –– RECEIVER at reference point R Type of detector PIN PIN PIN Mean received power: (@ BER= 10–12 and OSNR=19 dB/0.1 nm) – minimum (sensitivity) dBm –16 (**) –14 –18 – maximum (overload) dBm +3 –1 –3 Maximum optical path penalty dB n.a. 2 n.a. Maxim. reflectance of receiver measured at R dB –27 –27 –– t.b.d.= to be defined n.a. = not applicable (*) – Achived with 10 dB Booster 1AA 00014 0004 (9007) A4 – ALICE 04.10 (**) – With fiber ED 03 3AL 91669 AA AA 635 / 706 706
  • 638.
    Table 71. Parametersspecified for 1000B–SX Optical Interface CHARACTERISTICS VALUES not permitted without written authorization from Alcatel. DIGITAL SIGNAL GBE interface according to IEEE 802.3 All rights reserved. Passing on and copying of this document, use and communication of its contents Nominal bit rate Gbps 1.250 Gbps Application code 1000B–SX TX SIDE UNIT CONDITIONS MIN MAX Output optical power dBm – –9.5 –4.0 Output optical power BOL dBm – –8.5 –4.0 (25ºC, nominal power supply) Operating wavelength range nm – 820 860 ∆λ rms nm – – 0.85 Relative Intensity Noise dB/Hz – – –117 RX SIDE Type of detector IN Ga As PIN Sensitivity dBm * – –18.0 Sensitivity BOL dBm * – –19.0 (25ºC, nominal power supply) See IEEE –12.5 (62.5µm) Stressed Receiver Sensitivity dBm – 802.3 –13.5 (50µm) Maximum input optical power dBm – – 0 Maximum input optical power BOL dBm – – +1.0 (25ºC, nominal power supply) Operating wavelength range nm – 770 860 Loss of signal – Assert Pin dBm – –30 –18.0 Loss of signal – Deassert Pin dBm – –30 –17.0 LOS Hysteresis dB – 1 4.0 Data Output Rise/Fall time ps – – 250 * With fiber: 550 m MMF 50 µm (500 MHz Km @ 850nm) 500 m MMF 50 µm (400 MHz Km @ 850nm) 275 m MMF 62.5 µm (200 MHz Km @ 850nm) 220 m MMF 62.5 µm (160 MHz Km @ 850nm) 1AA 00014 0004 (9007) A4 – ALICE 04.10 ED 03 3AL 91669 AA AA 636 / 706 706
  • 639.
    Table 72. Parametersspecified for 1000B–LX Optical Interface CHARACTERISTICS VALUES not permitted without written authorization from Alcatel. DIGITAL SIGNAL GBE interface according to IEEE 802.3 All rights reserved. Passing on and copying of this document, use and communication of its contents Nominal bit rate Gbps 1.250 Gbps Application code 1000B–LX TX SIDE UNIT CONDITIONS MIN MAX Output optical power (SMF) dBm – –11.0 –3.0 Output optical power BOL (SMF) dBm – –10.0 –3.0 (25ºC, nominal power supply) Output optical power on MMF 50 dBm – –11.5 –3.0 62.5µm Output optical power BOL on MMF 50 62.5µm (25ºC, nominal power dBm – –10.5 –3.0 supply) Operating wavelength range nm – 1270 1355 ∆λ rms nm – – 4.0 Relative Intensity Noise dB/Hz – – –120 RX SIDE Type of detector IN Ga As PIN Sensitivity dBm * – –20.0 Sensitivity BOL dBm * – –21.0 (25ºC, nominal power supply) See IEEE Stressed Receiver Sensitivity dBm – –14.4 802.3 Maximum input optical power dBm – – –3.0 Maximum input optical power BOL dBm – – –2.0 (25ºC, nominal power supply) Operating wavelength range nm – 1270 1355 Loss of signal – Assert Pin dBm – –30 –21.0 Loss of signal – Deassert Pin dBm – –30 –20.0 LOS Hysteresis dB – 1 4.0 Data Output Rise/Fall time ps – – 175 * With fiber: 550 m MMF 50 µm (400 MHz Km @ 1300nm) 550 m MMF 62.5 µm (500 MHz Km @ 1300nm) 5000 m SMF 10 µm 1AA 00014 0004 (9007) A4 – ALICE 04.10 ED 03 3AL 91669 AA AA 637 / 706 706
  • 640.
    Table 73. Parametersspecified for 1000B–ZX Optical Interface CHARACTERISTICS VALUES not permitted without written authorization from Alcatel. DIGITAL SIGNAL GBE interface according to IEEE 802.3 All rights reserved. Passing on and copying of this document, use and communication of its contents Nominal bit rate Gbps 1.250 Gbps Application code 1000B–ZX TX SIDE UNIT CONDITIONS MIN MAX Output optical power (SMF) dBm – 0.0 + 5.0 Operating wavelength range nm – 1540 1570 ∆λ rms nm – – 1.0 RX SIDE Sensitivity Pmin1 dBm – –24.0 (*) Pmin2 – –22.0 (**) Overload dBm – 0 – Operating wavelength range nm – 1540 1570 Loss of signal – Assert Pin dBm – –30 –24.5 Loss of signal – Deassert Pin dBm – –29.5 –24.0 LOS Hysteresis dB – 0.5 6.0 Reflectance ps – – –12.0 (*) – Conditions: BER=10^–12 Measured at 1250 Mbps, PRBS 2^7–1, NRZ back to back (**) – Conditions: BER=10^–12 Measured at 1250 Mbps, PRBS 2^7–1, NRZ with fiber 1AA 00014 0004 (9007) A4 – ALICE 04.10 ED 03 3AL 91669 AA AA 638 / 706 706
  • 641.
    Table 74. Parametersspecified for Optical Booster CHARACTERISTICS UNIT VALUES not permitted without written authorization from Alcatel. All rights reserved. Passing on and copying of this document, use and communication of its contents BOOSTER + 10 dBm + 15 dBm + 17 dBm Maximum Output power dBm +12 + 17 + 19 Minimum Output power dBm +10 + 15 + 17 Maximum Input power dBm +4 +4 +4 Minimum Input power dBm –6 –6 –6 Polarization Depending Gain dB 0.5 Reverse ASE power level dBm ≤ –20 Input Optical Return Loss (ORL) dBm ≥ 27 Pump Leakage to Input dBm ≤ –36 Pump Leakage to Output dBm ≤ Pout–30 Maximum ORL tolerable at Input dB 27 Power Wavelength Bandwidth nm 1530÷1565 1AA 00014 0004 (9007) A4 – ALICE 04.10 ED 03 3AL 91669 AA AA 639 / 706 706
  • 642.
    5.8.1 Example ofa link using 1660SM with L–16.2 JE2 Port and 15 dBm Booster Booster Ï Ï ÏÏÏÏÏÏ ÏÏÏÏÏÏ STM16 not permitted without written authorization from Alcatel. STM16 All rights reserved. Passing on and copying of this document, use and communication of its contents Ï Ï ÏÏÏÏÏÏ Port ÏÏÏÏÏÏ Port Ï Ï ÏÏÏÏÏÏ ÏÏÏÏÏÏ Booster S R Input min –6dBm 15dBm –29dBm max 4dBm 17dBm –9dBm SPECIFICATIONS Maximum chromatic dispersion 3200 (ps/nm) Optical fiber used G.652 – fiber attenuation 0.25 dB/km – chromatic dispersion of the fiber 18 ps/nm/km – penalty 1 dB Attenuation range 26 dB min = +17–(–9) 43 dB max = +15 –(–29)–1 Minimum span length (26dB/0.25) 104 Km Maximum span length 172 Km (due to the attenuation (sensitivity: 43/0.25 Following there are the formulas to calculate the minimum and maximum span length. The maximum length can be limited by the receiver sensitivity or by the maximum chromatic dispersion, whichever is most restrictive; the minimum length is limited by the receiver overload. The optical interface characteristics are deduced from Table 68. on page 631 depending on the type of interface. The optical fiber characteristics are reported in rec. ITU–T G.957. Span attenuation range: Min Atten.= (max Tx Power)–(min. Rx Overload)=+17–(–9)=26dB Max Atten.= (minTx Power)–(min. Rx Sensitivity)–(penalty)=+15–(–29)–21=43 dB Minimum span length (for overload) = (Min Att.)/(fiber att.)=26/0.25=104 Km Maximum span length (for sensitivity) = (Max Att.)/(fiber att.)=43/0.25=172 Km Maximum span length (for dispersion) = (Max dispers.)/(fiber disp.)=3200/18=177.7 Km Thus the maximum fiber span length is limited for attenuation (sensitivity): 172 Km, 1AA 00014 0004 (9007) A4 – ALICE 04.10 while the minimum span to avoid overload problems should be 104 Km. ED 03 3AL 91669 AA AA 640 / 706 706
  • 643.
    5.8.2 Example ofa link using 1660SM with L–64.2b “Extended” The L–64.2B extended application described here below is suitable to cover span with attenuation range (S–R) up to 28 dB, including optical path penalty (2dB). The performances of this application (max. not permitted without written authorization from Alcatel. attenuation range and max. chromatic dispersion) is between the ones of L64.2b and V64.2. Although it All rights reserved. Passing on and copying of this document, use and communication of its contents is not part of standard ITU–T applications, it could be used for some customer specific cases. The solution is based on usage of BW interfaces of 1660SM (“STM 64 PORT L– 64.2 B FC” card), DCU (Optical Compensation Device), and booster. Figure 300. below shows the network block diagram for implementing the application (parameters have to be considered EOL): Booster Pin max.: +4 = 3.5/5 dB DCU ÏÏÏ ÏÏÏÏÏÏ1660SM L64.2b Port ÏÏÏÏÏÏ ÏÏÏÏÏ ÏÏÏÏÏ 20 ÏÏÏ +10 ÏÏÏ ÏÏÏÏÏÏ 1660SM L64.2b Port ÏÏÏÏÏÏ (Tx) (400ps/nm) (Rx) ÏÏÏÏÏÏ ÏÏÏÏÏÏ ÏÏÏÏÏ ÏÏÏÏÏ ÏÏÏ Pin min.: –6 ÏÏÏÏÏÏ ÏÏÏÏÏÏ MPI–S MPI–R Max: +3 Max: – 0.5 28 dBm Min: 0 Min: –5 max+13dBm max–3dBm min +10dBm min –18dBm Figure 300. Example of a link using 1660SM with L–64.2b “Extended” The L–64.2B Extended application is suitable for transmission with G.652, G.653 and G.655 fibers. Find below main specifications: – Wavelength: 1530–1565; – Attenuation Range [S–R]: 16–28 dB (optical path penalty included – if needed, attenuation range can be extended via optical attenuators); – Maximum supported dispersion: 2000 ps/nm (achievable through 20km–400ps/nm dispersion compensation DCU). –See Table 75. for the relevant optical parameters 1AA 00014 0004 (9007) A4 – ALICE 04.10 ED 03 3AL 91669 AA AA 641 / 706 706
  • 644.
    Table 75. L–64.2b“Extended” characteristics Application Code Unit L–64.2b Extended not permitted without written authorization from Alcatel. All rights reserved. Passing on and copying of this document, use and communication of its contents Transmitter at Reference Point MPI–S/S’ Operating wavelength nm 1530 – 1565 Mean launch power: – maximum dBm 13 – minimum dBm 10 Spectral characteristics Main optical path, MPI–S to MPI–R Attenuation range – maximum dB 28 – minimum dB 16 Max. chromatic dispersion ps/nm +2000 Passive dispersion conpensation By 20 DCU (400ps/nm) Receiver at reference point MPI–R/R’ Minimum received power @ BER= 10–12 Minimum (sensitivity) dBm –18 Maximum (overload) dBm –3 (*) This application is based on the use of an external +10 dBm booster. 1AA 00014 0004 (9007) A4 – ALICE 04.10 ED 03 3AL 91669 AA AA 642 / 706 706
  • 645.
    5.8.3 Example ofa link using 1660SM with L–64.2b “Reduced” ÏÏÏÏÏ 1660SM ÏÏÏÏÏ ÏÏÏÏÏÏ 1660SM ÏÏÏÏÏÏ L64.2b Port not permitted without written authorization from Alcatel. L64.2b Port All rights reserved. Passing on and copying of this document, use and communication of its contents ÏÏÏÏÏ (Tx) ÏÏÏÏÏ ÏÏÏÏÏÏ ÏÏÏÏÏÏ(Rx) MPI–S MPI–R 16 dBm max+3 dBm min 0 dBm min – 16 dBm Figure 301. Example of a link using 1660SM with L–64.2b “Reduced” Table 76. L–64.2b “Reduced” characteristics Application Code Unit L–64.2b Reduced Transmitter at Reference Point MPI–S/S’ Operating wavelength nm 1530 – 1565 Mean launch power: – maximum dBm +3 – minimum dBm 0 Minimum extinction ratio (ER) dB 8.2 Main optical path, MPI–S to MPI–R Attenuation range – maximum dB 16 – minimum dB 0 Max. chromatic dispersion ps/nm + 1200 Maximum DGD ps 30 Minimum ORL at S dB 24 Receiver at reference point MPI–R/R’ Minimum received power @ BER= 10–12 Minimum (sensitivity) with fiber dBm –16 Maximum (overload) dBm +3 Maxim. reflectance between S and R dB – 27 Maximum optical path penalty n.a. 1AA 00014 0004 (9007) A4 – ALICE 04.10 ED 03 3AL 91669 AA AA 643 / 706 706
  • 646.
    5.9 Coarse WDMsubsystem units characteristics 5.9.1 COADM–1 Channel not permitted without written authorization from Alcatel. All rights reserved. Passing on and copying of this document, use and communication of its contents General Characteristics Number of channels that can be add/drop per One channel among the following λ: unit: 1470 nm, 1490 nm, 1510 nm, 1530 nm, 1550 nm, 1570 nm, 1590 nm, 1610 nm Connector type MU horizontal Pass–through Insertion Loss (dB) 2.1 Pass–through                Â  Â Demux side specification In–Drop Ch. Insertion Channels (nm) In – Drop Ch. Loss (dB)     1.25 1.25 1470 nm 1490 nm CWDM line In     1.25 1510 nm 1.25 1530 nm     1.25 1550 nm 1.25 1570 nm 1.25 1590 nm DROP Ch Ch. 1.25 1610 nm Mux side specificaton Add Ch.– Out Insertion Channels (nm) ADD Ch. –Out Loss (dB) 1.25 1470 nm     CWDM Line OUT 1.25 1490 nm   1.25 1510 nm     1.25 1530 nm 1.25 1550 nm  Â 1.25 1570 nm 1AA 00014 0004 (9007) A4 – ALICE 04.10 1.25 1590 nm ADD Ch Ch. 1.25 1610 nm ED 03 3AL 91669 AA AA 644 / 706 706
  • 647.
    5.9.2 COADM–2 Channels General Characteristics not permitted without written authorization from Alcatel. Number of channels that can be add/drop per Two channels among the following λ: All rights reserved. Passing on and copying of this document, use and communication of its contents unit: 1470 – 1490 nm 1510 – 1530 nm 1550 – 1570 nm 1590 – 1610 nm Connector type MU horizontal Pass–through Insertion Loss (dB) 2.5 Pass–through    Â Â Â    Â Â  Â Â   Demux side specification In–Drop Ch. Insertion Channels (nm) In – Drop Ch. Loss (dB)   Â Â  1.55 1470 nm CWDM line In 1.55 1490 nm     1.55 1510 nm  Â 1.55 1530 nm  Â 1.55 1550 nm  Â 1.55 1570 nm 1.55 1590 nm DROP Ch Ch. 1.55 1610 nm Mux side specificaton Add Ch.– Out Insertion Channels (nm) ADD Ch. –Out Loss (dB)  1.55 1470 nm   Â Â CWDM CWDM Line OUT 1.55 1490 nm 1.55 1510 nm     1.55 1530 nm  1.55 1550 nm  Â 1.55 1570 nm 1AA 00014 0004 (9007) A4 – ALICE 04.10 1.55 1590 nm ADD Ch Ch. 1.55 1610 nm ED 03 3AL 91669 AA AA 645 / 706 706
  • 648.
    5.9.3 MUX/DEMUX 8Channels General Characteristics not permitted without written authorization from Alcatel. Channels number 8 All rights reserved. Passing on and copying of this document, use and communication of its contents Channels wavelenght 1470 nm, 1490 nm, 1510 nm, 1530 nm, 1550 nm, 1570 nm, 1590 nm, 1610 nm Connector type MU horizontal Demux side specification In–Drop Ch. Insertion Channels (nm) In – Drop Ch. Loss (dB)    1.05 1470 nm CWDM line In 3.15 1490 nm     2.85 1510 nm 2.55 1530 nm     2.25 1550 nm 1.95 1570 nm 1.65 1590 nm DROP Ch Ch. 1.35 1610 nm Mux side specificaton Add Ch.– Out Insertion Channels (nm) ADD Ch. –Out Loss (dB) 1.05 1470 nm     1.35 1490 nm CWDM Line OUT   1.65 1510 nm     1.95 1530 nm 2.25 1550 nm  Â 2.55 1570 nm 2.85 1590 nm ADD Ch Ch. 3.15 1610 nm 1AA 00014 0004 (9007) A4 – ALICE 04.10 ED 03 3AL 91669 AA AA 646 / 706 706
  • 649.
    5.9.4 2 ChannelsTRANSPONDER SFP without optical modulle General Characteristics not permitted without written authorization from Alcatel. Optical interface characteristics: Refer to paragraph 5.9.5 on page 647 All rights reserved. Passing on and copying of this document, use and communication of its contents Optical module type: SFP (APD or PIN) plug–in module Bit rate client side 2488.320 Mbps : STM–16 / OC–48 2500 Mbps: 2 Gbit Ethernet (not operative in current release) 2.667 Gbps: STM–16 w/FEC (not operative in current release) 2125.00 Mbps: 2 Fiber Channel (not operative in current release) 1250 Mbps: Gbit Ethernet (not operative in current release) 1062.5 Mbps: FICON (not operative in current release) 1062.5 Mbps: Fiber Channel (not operative in current release) 622.080 Mbps: STM–4/OC12 (not operative in current release) 270 Mbps: Digital Video (not operative in current release) 200 Mbps: Escon (not operative in current release) 155.520 Mbps: STM–1/OC3 (not operative in current release) 125 Mbps: Fast Ethernet (not operative in current release) 125 Mbps: FDDI (not operative in current release) 5.9.5 CWDM optical PLUGIN SFP module type CWDM Silver CWDM Bronze Detector type APD PIN Addressed wavelength (nm) 1470,1490,1510,1530,1550,1570,1590,1610 Min. launched power (dBm) 0 0 Max launched power (dBm) 5 5 Allowed bitrates 125 Mbps to 2.7 Gbps 125 Mbps to 2.7 Gbps Min. extinction ratio (dB) 8.2 8.2 Max. –20dB bandwidth (nm) 1 1 Minimum SMSR (dB) 30 30 Chromatic disp. (p p (ps/nm) ) 1600 1610 nm (λ) 1000 1610 nm (λ) 1600 1590 nm (λ) 900 1590 nm (λ) 1500 1570 nm (λ) 900 1570 nm (λ) 1400 1550 nm (λ) 900 1550 nm (λ) 1400 1530 nm (λ) 800 1530 nm (λ) 1300 1510 nm (λ) 800 1510 nm (λ) 1200 1490 nm (λ) 700 1490 nm (λ) 1100 1470 nm (λ) 700 1470 nm (λ) Minimum sensitivity (dBm) –28 –18 Minimum overload (dBm) –9 –3 Max optic. path penalty (dB) 2 1 1AA 00014 0004 (9007) A4 – ALICE 04.10 Max receiver reflect. (dB) –27 –27 Optical connector (Tx/Rx) LC LC ED 03 3AL 91669 AA AA 647 / 706 706
  • 650.
    SFP module type S–16.1 L–16.1 L–16.2 Addressed wavelength (nm) 1270–1360 1280–1335 1500–1580 Min. launched power (dBm) –5 –2 –2 not permitted without written authorization from Alcatel. All rights reserved. Passing on and copying of this document, use and communication of its contents Max launched power (dBm) 0 +2 +2 Allowed bitrates (Mbps) 2488320 2488320 2488320 Min. extinction ratio (dB) 8.2 8.2 8.2 Minimum sensitivity (dBm) –18 –27 –28 Minimum overload (dBm) –3 not available not available Max receiver reflect. (dB) –27 –27 –27 Optical connector (Tx/Rx) LC LC LC 1AA 00014 0004 (9007) A4 – ALICE 04.10 ED 03 3AL 91669 AA AA 648 / 706 706
  • 651.
    5.10 Power Supplycharacteristics Input Voltage 48/60 Vdc 20% not permitted without written authorization from Alcatel. All rights reserved. Passing on and copying of this document, use and communication of its contents Input current 25 A max Power supply interface according to ETS 300132–2 5.10.1 Power consumption The Alcatel 1660SM is designed for low power consumption. Developing new components with very high integration density and low voltage supply leads to a significant reduction of power consumption. Depending on the number and type of I/O ports the power consumption may vary in a wide range. Some configurations figures are provided below: • STM–64 node subtending 1xSTM–16 ring and 1 STM–4 ring with 189x2Mb/s tributaries: 500W • STM–64 node subtending 2xSTM–16 rings with 16xGbE interfaces: 690W 1AA 00014 0004 (9007) A4 – ALICE 04.10 ED 03 3AL 91669 AA AA 649 / 706 706
  • 652.
    5.11 Alarm Characteristics Units Alarms: not permitted without written authorization from Alcatel. Each port card or access card of the equipment is provided with a bicolor LED (green/red) on the front All rights reserved. Passing on and copying of this document, use and communication of its contents coverplate. This LED indicates: – when red, internal failure – when green, in service unit ATM MATRIX Alarms: All the alarm detected on the unit are related to the ATM traffic management; on the front are present optical indication (LEDs) with the following meaning: • Red LED (3): detection of an MAJOR or CRITICAL (URGENT) alarm • Red LED (4): detection of a MINOR (NOT URGENT) alarm • Yellow LED (5): alarm condition ATTENDED • Yellow LED (6): detection of an ABNORMAL operative condition. • Yellow LED (7): detection of an WARNING (INDICATIVE) alarm Refer to Figure 43. on 132 where the front view of the unit and the led locations are illustrated. Centralized Equipment Alarms: All the alarms detected on the units (except ATM matrix board) are collected by the EQUICO unit which will deliver centralized optical indications (by means of LEDs on its front coverplate). Specifically: • Red LED (4): detection of an MAJOR (URGENT) alarm • Red LED (5): detection of a MINOR (NOT URGENT) alarm • Yellow LED (6): alarm condition ATTENDED • Yellow LED (7): detection of an ABNORMAL operative condition. Type: active loopbacks, forcing the unit into service, laser forced ON or OFF, try to restore after ALS • Yellow LED (8): detection of an WARNING (INDICATIVE) alarm Refer to para. 2.4 , page 123, where the front view of each unit and the LED locations are illustrated. N.B. On the Craft Terminal (C.T.) and on the Operation System (O.S). application the URGENT (URG), NOT URGENT (NURG) and INDICATIVE alarm are named in a different way; the relation between this two terminology is explained in Table 77. on page 650. Table 77. Relation between Alarm severity terminology displayed on C.T./O.S. and alarm severity terminology used for the EQUICO leds and CONGI remote alarm connector pins. Alarm severity terminology on C.T. and O.S. Alarm severity terminology used for EQUICO leds and for CONGI remote alarm connector pins CRITICAL or MAJOR URG , T*URG, T*RURG, MINOR NURG, , T*NURG, T*RNURG 1AA 00014 0004 (9007) A4 – ALICE 04.10 WARNING INDICATIVE INDETERMINATE (not used) –– ED 03 3AL 91669 AA AA 650 / 706 706
  • 653.
    Rack lamps andRemote Alarms: Some equipment alarms are carried to a connector, for customer applications, such as lighting–up of alarm lamps (rack–lamps) or to drive a custom–alarms interface. Rack alarm and Remote Alarm are physically not permitted without written authorization from Alcatel. available on the CONGI board connectors. The available alarms are the following: All rights reserved. Passing on and copying of this document, use and communication of its contents Rack lamps alarms: • T*RURG: urgent alarm (see Table 77. on page 650 for the C.T. terminology) • T*RNURG: not urgent alarm (see Table 77. on page 650 for the C.T. terminology) • T*RATTD: alarm storing Remote alarms: Remote alarms delivered by CONGI in slot 10: • T*URG: detection of an urgent alarm (from Controller) (see Table 77. on page 650 for the C.T. terminology) • T*NURG: detection of a non–urgent alarm (from Controller) (see Table 77. on page 650 for the C.T. terminology) • T*INT: detection of an Internal alarm (from Controller) • T*AND: loss of both battery station • T*OR : fault or loss of one battery station Remote alarms delivered by CONGI in slot 12: • T*TORC: It indicates a loss of +3.3V generated by the on board DC/DC converter of one • CONGI card. • T*IND: Indeterminate alarm. It indicates synthesis of alarms not associated to the other severity (not used) • T*TUP: It indicates aN EQUICO microprocessor fault • T*TANC: It indicates loss of + 3.3 V generated by the on board DC/DC converters of both CONGI cards (it can be stored). • LOSQ2 : It indicates loss of communication with the Mediation Device (not used). 1AA 00014 0004 (9007) A4 – ALICE 04.10 ED 03 3AL 91669 AA AA 651 / 706 706
  • 654.
    HouseKeeping Alarms/Commands: According to CONGI units settings two operative mode are available: not permitted without written authorization from Alcatel. – 2 wires mode All rights reserved. Passing on and copying of this document, use and communication of its contents Four output (CPO) and 12 input (CPI) contacts for house–keeping alarms or commands are available on the CONGI board connector, for customer applications The available house–keeping contacts are the following: • HK–OUT 1 to 4: outgoing contacts • HK–IN 1 to 12: Incoming contacts – 3 wires mode: Four output (CPO) and eight input (CPI) contacts for house–keeping alarms or commands are available on the CONGI board connector, for customer applications The available house–keeping contacts are the following: • HK–OUT 1 to 4: outgoing contacts • HK–IN 1 to 8: Incoming contacts Alarm Attending: The detected SDH units alarm condition can be stored through push–button (10) on the EQUICO unit (Attended). This operation will turn OFF the general red LED (4) and will light up the yellow LED (6) on the EQUICO unit (Attended); The attended command is also sent to the rack lamps (if present) through the CONGI board. Trouble–shooting: The 1660SM equipment has been designed to dialog with a Personal Computer (PC) in order to service, activate and trouble–shoot the equipment. Trouble–shoot procedure for the equipment and details of the alarms for each card and relevant indications are described in the Operator’s Handbook. Connection with the PC is achieved through connector (2) available on the EQUICO board. The unit can be connected to an Operations System associated to the Transmission Management Network in order to execute operations similar to those carried out by the PC. Characteristics of the cited remote alarms and Housekeeping contacts interface (EM type) are inserted in Chapter 5.1 on page 591. 1AA 00014 0004 (9007) A4 – ALICE 04.10 ED 03 3AL 91669 AA AA 652 / 706 706
  • 655.
    5.12 Mechanical characteristics 5.12.1 1660SM subrack without fans not permitted without written authorization from Alcatel. All rights reserved. Passing on and copying of this document, use and communication of its contents Mechanical compatibility ETSI ETS/E3, S9 Equipment size 482 mm Wide x 650 mm High x 280 Deep Subrack size 482 mm Wide x 650 mm High x 250 Deep Board size 265 mm High x 213 mm Deep Equipment weight 35 Kg Cooling Fans in additional subrack Rack cabling Vertical between rack and subrack front access Electrical Connectors IEC 603/DIN 41612, IEC 807 (Sub–D) IEC 169–1 (coax. 1.0/2.3), BNC 50 Ω, RJ45, RJ11 Back–to–back installation Yes 5.12.2 1660SM subrack with fans shelf Mechanical compatibility ETSI ETS/E3, S9 Equipment size 482 mm Wide x 750 mm High x 280 Deep Subrack size 482 mm Wide x 750 mm High x 250 Deep Board size 265 mm High x 213 mm Deep Equipment weight 38 Kg Cooling Integrated Fans Rack cabling Vertical between rack and subrack front access Electrical Connectors IEC 603/DIN 41612, EC 807 (Sub–D) IEC 169–1 (coax. 1.0/2.3), BNC 50 Ω, RJ45, RJ11 Back–to–back installation Yes 5.12.3 Fans shelf 19” Mechanical compatibility ETSI ETS/E3, S9 Equipment size 482 mm Wide x 100 mm High x 280 Deep 1AA 00014 0004 (9007) A4 – ALICE 04.10 Equipment weight 6,1 Kg ED 03 3AL 91669 AA AA 653 / 706 706
  • 656.
    5.13 Environmental conditions Main environmental aspects of Alcatel products are: not permitted without written authorization from Alcatel. – energy consumption during manufacturing and use, All rights reserved. Passing on and copying of this document, use and communication of its contents – materials harmfulness and recyclability, – emissions to air, water or soil related to the manufacturing and the use of the product, – electromagnetic (EM) emissions, – value recovery at the product end of life. 5.13.1 Electromagnetic Compatibility (EMC) norms The CE markings printed on the product denote compliancy with the following Directives: • 89/336/EEC of May 3rd, 1989 (EMC directives), amended: – by the 92/31/EEC Directive issued on April 28th, 1992 – by the 93/68/EEC Directive issued on July 22nd, 1993 Compliancy to the above Directives is declared, when the equipment is installed as for the manifacturer handbooks, according to the following European Norms: • EN 300 386 (V1.3.1), environment “Telecommunication Center” WARNING This is a class A product EN55022. In domestic, residential and light industry environments, this product may cause radio interference in which case the user may be required to take adequate measures. 5.13.1.1 Electromagnetic Compatibility (EMC) condition For the EMC condition see also paragraph 3.1 on page 37. 1AA 00014 0004 (9007) A4 – ALICE 04.10 ED 03 3AL 91669 AA AA 654 / 706 706
  • 657.
    5.13.2 Waste fromElectrical and Electronic Equipment (WEEE) The marking printed on the subrack (refer to Figure 1. on page 41 and Table 12. on page 40) not permitted without written authorization from Alcatel. All rights reserved. Passing on and copying of this denotes compliancy with the Directive 2002/96/EC On Waste of Electrical and Electronic Equipment. document, use and communication of its contents The general principle is the producer responsibility in the management of the products he puts on the market when discarded by the owner. The producer responsibility now covers the end of life of the products sold. The European directive is effective in a country once transposed. The starting date for the producer responsibility for the European text is 13th August 2005. All Alcatel products fall under in Category 3 of Annex 1A of the WEEE directive (Directive 2002/96/ EC) i.e. ”IT and Telecommunication equipment” under item ”other products transmitting sound, images or other information by telecommunications.” Alcatel products fall under WEEE directive name: ”Other product or equipment of transmitting sound, images or other information by telecommunications” in Annex 1B. This mark will not cause any responsibility as all responsibilities will be defined by contract. 5.13.3 Acoustical noise The acoustical noise level of the product complies with: • ETS 300 753 Environmental Class 3.1 for attended telecommunication equipment rooms (maximum sound level 7.2 bels) 1AA 00014 0004 (9007) A4 – ALICE 04.10 ED 03 3AL 91669 AA AA 655 / 706 706
  • 658.
    5.13.4 Climatic foroperating conditions The Equipment meets the requirements of ETSI Standard with use of fans housed in an external subrack. The functionality of the 1660SM Equipment, Vs. Temperature, is in compliance with : not permitted without written authorization from Alcatel. All rights reserved. Passing on and copying of this document, use and communication of its contents ETS 300 019–1–3 :1992 , class 3.2. Class 3.2: Partly temperature–controlled locations. (see climatogram on Figure 302. on page 657) 5.13.4.1 Class 3.2: partly Temperature controlled locations This applies to locations: – where installed equipment may be exposed to solar radiation and heat radiation. They may also be exposed to movements of the surrounding air due to draughts in buildings, e.g. through open windows. They may be subjected to condensed water and to water from sources other than rain and icing. They are not subjected to precipitation; – where mould growth or attacks by animals, except termites, may occur; – with normal levels of contaminants experienced in urban areas with industrial activities scattered over the whole area and/or with heavy traffic; – In close proximity to sources of sand or dust; – with vibration of low significance, e.g. for products fastened to light supporting structures subjected to negligible vibrations. The conditions of this class may be found in : – entrances and staircases of buildings; – garages; – cellars; – certain workshops; – buildings in factories and industrial process plants; – unattended equipment stations; – certain telecommunication buildings; – ordinary storage rooms for frost resistant products and farm buildings, ect. 1AA 00014 0004 (9007) A4 – ALICE 04.10 ED 03 3AL 91669 AA AA 656 / 706 706
  • 659.
    All rights reserved.Passing on and copying of this document, use and communication of its contents not permitted without written authorization from Alcatel. 1AA 00014 0004 (9007) A4 – ALICE 04.10 ED 03 5 706 3AL 91669 AA AA Figure 302. Climatogram for Class 3.2 : Partly temperature controlled locations 95 29 657 / 706
  • 660.
    5.13.5 Storage The 1660SM equipment meet the following requirements Vs. Storage : not permitted without written authorization from Alcatel. ETS 300 019–1–1 : 1992, class 1.2 All rights reserved. Passing on and copying of this document, use and communication of its contents Class 1.2 : weatherprotected, not temper. controlled storage location. This class applies to weatherprotected storage having neither temperature nor humidity control. The location may have openings directly to the open air, i.e., it may be only partly weatherproofed. The climatogram is shown on Figure 303. on page 659. This class applies to storage locations : – where equipment may be exposed to solar radiation and temporarily to heat radiation: They may also be exposed to movements of the surrounding air due to draughts, e.g. through doors, windows or other openings. They may be subjected to condensed water, dripping water and to icing. They may also be subjected to limited wind–driven precipitation including snow; – where mould growth or attacks by animals, except termites, may occur; – with normal levels of contaminants experienced in urban areas with industrial activities scattered over the whole area, ad/or with heavy traffic; – in areas with sources of sand or dust, including urban areas; – with vibration of low significance and insignificant shock. The conditions of this class may occur in : – unattended buildings ; – some entrances of buildings ; – some garages and shacks. 1AA 00014 0004 (9007) A4 – ALICE 04.10 ED 03 3AL 91669 AA AA 658 / 706 706
  • 661.
    All rights reserved.Passing on and copying of this document, use and communication of its contents not permitted without written authorization from Alcatel. 1AA 00014 0004 (9007) A4 – ALICE 04.10 ED 03 706 3AL 91669 AA AA Figure 303. Climatogram for Class 1.2: not temperature controlled storage location 29 659 / 706
  • 662.
    5.13.6 Transportation The 1660SM equipment meets the following requirements Vs. transportation : not permitted without written authorization from Alcatel. All rights reserved. Passing on and copying of this document, use and communication of its contents ETS 300 019–1–2 : 1992, class 2.2 Class 2.2 : Careful transportation (see Table 78. on page 661 ). This class applies to transportation where special cars has been taken e.g. with respect to low temperature and handling. Class 2.2 covers the condition of class 2.1. In addition class 2.2 includes transportation in all types of lorries and trailers in areas with well–developed road system. It also includes transportation by ship and by train specially designed, shock–reducing buffers. Manual loading and unloading of to 20 Kg is included. Extension of extreme low temperature during transportation is permitted for the 1660SM equipment in its standard packing : AT –40° C for 72 Hours maximum without damaging the Optical interfaces. 1AA 00014 0004 (9007) A4 – ALICE 04.10 ED 03 3AL 91669 AA AA 660 / 706 706
  • 663.
    Table 78. Transportationclimatic Environmental parameter Unit 2.1 and 2.2 2.3 not permitted without written authorization from Alcatel. All rights reserved. Passing on and copying of this document, use and communication of its contents (A) low temperature air °C – 25 – 40 high temperature, air in unventilated (B) °C + 70 + 70 enclosures (NOTE 1) high temperature, air in ventilated enclosures (C) °C + 40 + 40 or outdoor air (NOTE 2) (D) change of temperature air/air (NOTE 3) °C –25 / +30 –40 / +30 (E) change of temperature air/water (NOTE 3) °C +40 / +5 +40 / +5 relative humidity, not combined with rapid % 95 95 (F) temperature changes °C +40 +45 relative humidity, combined with rapid % 95 95 (G) temperature changes air/air, at high relative humidity (NOTE 3 , 6) °C –25 / +30 –40 / +30 absolute humidity, combined with rapid g/m3 60 60 (H) temperature changes : air/air at high water content (NOTE 4) °C +70 / +15 +70 / +15 (I) low air pressure KPa 70 70 (J) change of air pressure KPa/min no no (K) movement of the surrounding medium, air m/s 20 20 (L) precipitation rain mm/min 6 (NOTE 7) 6 (M) radiation, solar W/m2 1120 1120 (N) radiation, heat W/m2 600 600 (O) water from sources other than rain (NOTE 5) m/s 1 (NOTE 7) 1 (P) wetness none conditions of wet surfaces Notes on next page. 1AA 00014 0004 (9007) A4 – ALICE 04.10 ED 03 3AL 91669 AA AA 661 / 706 706
  • 664.
    Notes to Table78. : NOTE 1 : The high temperature of the surfaces of a product may be influenced by both the surrounding air temperature, given here, and the solar radiation through a window or not permitted without written authorization from Alcatel. All rights reserved. Passing on and copying of this document, use and communication of its contents another opening. NOTE 2 : The high temperature of the surface of a product is influenced by the surrounding air temperature, given here, and the solar radiation defined below. NOTE 3 : A direct transfer of the product between the two given temperature is presumed. NOTE 4 : The product is assumed to be subjected to a rapid decrease of temperature only (no rapid increase). The figures of water content apply to temperatures down to the dew–point; at lower temperatures the relative humidity is assumed to be approximately 100 %. NOTE 5 : The figure indicates the velocity of water and not the height of water accumulated. NOTE 6 : Occurrence of condensation. NOTE 7 : For short duration only. 1AA 00014 0004 (9007) A4 – ALICE 04.10 ED 03 3AL 91669 AA AA 662 / 706 706
  • 665.
    All rights reserved.Passing on and copying of this document, use and communication of its contents not permitted without written authorization from Alcatel. 1AA 00014 0004 (9007) A4 – ALICE 04.10 ED 03 706 3AL 91669 AA AA MAINTENANCE 663 / 706
  • 666.
    1AA 00014 0004(9007) A4 – ALICE 04.10 ED 03 706 3AL 91669 AA AA 664 / 706 All rights reserved. Passing on and copying of this document, use and communication of its contents not permitted without written authorization from Alcatel.
  • 667.
    6 MAINTENANCE ATTENTION EMC NORMS not permitted without written authorization from Alcatel. All rights reserved. Passing on and copying of this document, use and communication of its contents WHEN CARRYING OUT THE GIVEN OPERATIONS OBSERVE THE NORMS STATED IN PARA. 3.1.3 ON PAGE 38 6.1 General safety rules SAFETY RULES Carefully observe the front–panel warning labels prior to working on optical connections while the equipment is in–service. Should it be necessary to cut off power during the maintenance phase, proceed to switch off the power supply units as well as cut off power station upstream (rack or station distribution frame) SAFETY RULES A TNV–2 (battery) voltage could be present on “R/M interface connector” (cable side); do not touch the pins when unplugged . DANGER: Possibility of personal injury. Short circuiting, low-voltage, low-impedance, dc circuits can cause severe arcing that can result in burns and/or eye damage. Remove rings, watches, and other metal jewelry before working with primary circuits. Exercise caution to avoid shorting power input terminals. SAFETY RULES DANGER: Possibility of eyes damage: read carefully and strictly observe the rules pointed out in para.2.2.4.2 on page 33. 1AA 00014 0004 (9007) A4 – ALICE 04.10 ED 03 3AL 91669 AA AA 665 / 706 706
  • 668.
    6.2 General rules • Check that the equipment is operating with all the shields properly positioned (dummy covers, ESD connector protections, etc) not permitted without written authorization from Alcatel. All rights reserved. Passing on and copying of this document, use and communication of its contents • In order to reduce the risk of damage the electrostatic sensitive devices, is mandatory to use the elasticized band (around the wrist) and the coiled cord joined connect with the ground rack during the touching of the equipment 6.3 Maintenance Aspects Maintenance consists of a set of operations which maintain or bring back the assembly to optimum operating conditions in a very short time, with the aim of obtaining maximum operational availability. Maintenance is classified as: • ROUTINE • CORRECTIVE 6.4 Instruments And Accessories There is a local terminal (PC) which permits to display all the alarms and manages the Equipment. The relative processing is described in the operator’s handbook. Where TMN is implemented, an Operation System displays alarms and manages all the connected Equipments of the network. Refer to the relevant handbooks. The need of special tools and accessories to perform possible routine and corrective maintenance procedures is described inside the procedures themselves. 1AA 00014 0004 (9007) A4 – ALICE 04.10 ED 03 3AL 91669 AA AA 666 / 706 706
  • 669.
    6.5 Routine Maintenance Routine maintenance is a periodic set of measurements and checks. This maintenance discovers those devices whose function has deteriorated with time and therefore need adjustment or replacement. not permitted without written authorization from Alcatel. All rights reserved. Passing on and copying of this document, use and communication of its contents Typically, digital equipment requires no routine maintenance. The equipment allows to assess the quality of the connection links for SECTION and PATH o counting the errored events and obtaining performance data. The Performance Monitoring Application, described in the Operator’s Handbook, allows this function. 6.5.1 Routine maintenance every three months According to the filter type It is suggested to carry out the following operations every three months: – Metallic filter cleaning – Dust filter substitution 6.5.1.1 Metallic filter cleaning Metallic Filter cleaning (caution to avoid equipment damage) WARNING: BEFORE INSTALLING OR REMOVING THE METALLIC FILTER , CHECK THAT THE PROTECTIVE ADHESIVE FILM HAS BEEN REMOVED. SAFETY RULES DANGER: Possibility of personal injury. Personal injury can be caused by rotating fans. • Replace the “Metallic filter” from the “FANS Shelf” or from the “Mechanical Structure with Integrated Fans” as follow : – unscrew the screws that ensure the Metallic filter to the shelf – extract the Metallic filter – clean the metallic filter removing the dust – Insert and ensure the “Metallic filter” to the shelf using the relevant screw Note: the period of one three months is only indicative; according to the environmental conditions could be necessary to reduce this period. 1AA 00014 0004 (9007) A4 – ALICE 04.10 ED 03 3AL 91669 AA AA 667 / 706 706
  • 670.
    6.5.1.2 Dust filtersubstitution Dust Filter SUBSTITUTION not permitted without written authorization from Alcatel. (caution to avoid equipment damage) All rights reserved. Passing on and copying of this document, use and communication of its contents WARNING: BEFORE INSTALLING OR REMOVING THE DUST FILTER , CHECK THAT THE PROTECTIVE ADHESIVE FILM HAS BEEN REMOVED. SAFETY RULES DANGER: Possibility of personal injury. Personal injury can be caused by rotating fans. • Replace the “Dust filter” from the “FANS Shelf” or from the “Mechanical Structure with Integrated Fans” as follow : – unscrew the screws that ensure the dust filter to the shelf – extract the Dust filter – insert the new Dust filter – ensure the “Dust filter” to the shelf using the relevant screw Note: It is suggested to replace the filter every 3 months; this period is indicative and must be verified according to the environmental conditions. 1AA 00014 0004 (9007) A4 – ALICE 04.10 ED 03 3AL 91669 AA AA 668 / 706 706
  • 671.
    6.5.2 Routine maintenanceevery year It is suggested to carry out the following operations yearly: • not permitted without written authorization from Alcatel. power cables check All rights reserved. Passing on and copying of this document, use and communication of its contents 6.5.2.1 Power cables check SAFETY RULES DANGER: Possibility of personal injury. Personal injury can be caused by –48 V dc. DANGER: Possibility of personal injury. Short circuiting, low-voltage, low-impedance, dc circuits can cause severe arcing that can result in burns and/or eye damage. Remove rings, watches, and other metal jewelry before working with primary circuits. Exercise caution to avoid shorting power input terminals. Make these operations: • Check that the power cable is perfectly safety grounded. • Make sure that the subrack has been tightly fastened to the rack with screws, to guarantee grounding (the rack is connected to the station ground). Note: the period of one year is only indicative; according to the environmental conditions could be necessary to reduce this period. 6.5.3 Routine Maintenance every five year It is suggested the replacement of each FANS UNIT equipped in the Fans Subrack or in the “Mechanical Structure with Integrated Fans” after five years of working. For the substitution refer to the sequences shown in paragraph 6.6.1 on page 670. 1AA 00014 0004 (9007) A4 – ALICE 04.10 ED 03 3AL 91669 AA AA 669 / 706 706
  • 672.
    6.6 Corrective Maintenance(Trouble/Shooting) Since the Troubleshooting procedure is carried out with the use of the Craft Terminal , please refer ,for details, to the Maintenance Section of the Operator’s Handbook. not permitted without written authorization from Alcatel. All rights reserved. Passing on and copying of this document, use and communication of its contents FIXING THE UNITS (AND MODULES) INTO THE SUBRACK (caution to avoid equipment damage) The screw tightening torque for fixing the units (and modules, if any and if fixed by screws) into the subrack must be: 2.8 kg x cm (0.28 Newton x m) 10 % Exceeding this value may result in screw breaking. 6.6.1 Fan unit substitution SAFETY RULES DANGER: Possibility of personal injury. Personal injury can be caused by –48 V dc. DANGER: Possibility of personal injury. Short circuiting, low-voltage, low-impedance, dc circuits can cause severe arcing that can result in burns and/or eye damage. Remove rings, watches, and other metal jewelry before working with primary circuits. Exercise caution to avoid shorting power input terminals. When an ALM_URG alarm is displayed on C.T or O.S. ( associated to an Housekeeping alarm) it means that at least one fan is broken, so it is necessary to replace the “FAN unit” involved. These alarm indications are also displayed on the Fans front panel. – with the “FANS Shelf” • unscrew the screws that ensure the Fan unit to the fans shelf • extract the Fan unit from the Fan shelf by means the extractors kit, using the central hole under the led • insert the new Fan unit into the Fan shelf • ensure the Fan unit to the “FAN shelf“ using the relevant screw – with the “Mechanical Structure with Integrated Fans” • unscrew the screws that ensure the Fan unit to the fans shelf • extract the Fan unit from the shelf by means the two card lever • insert the new Fan unit into the Fan shelf • ensure the Fan unit to the “FAN shelf“ using the relevant screw 1AA 00014 0004 (9007) A4 – ALICE 04.10 ED 03 3AL 91669 AA AA 670 / 706 706
  • 673.
    6.7 Set ofspare parts 6.7.1 Suggested Spare Parts not permitted without written authorization from Alcatel. All rights reserved. Passing on and copying of this document, use and communication of its contents The overall number of spares depends on Customer requirements, and should be based on the average amount of transmission circuits available to be accounted for not only during MTBF but also during MTTR; the latter depending on the amount of spare parts available. The set of spare parts is inclusive of a minimum number of spares for each type of replaceable plug–in unit (see unit list in Chapter 2 on page 83). 6.7.2 General rules on spare parts management Before storing the spare units make sure that they are working by inserting them in an operating equipment It is suggested to periodically check those spare units have not been utilized for over a year. If the spare parts and the equipment are stored in the same environment, make sure that the spare parts are placed in cabinets to safeguard them from dust and damp. Moreover, they should also be well grounded to avoid electrostatic discharges. If the spare parts are stored in another room, or have to be moved from another place, building or site, make sure that the following is observed: – the spare parts must be wrapped in anti–static and padded envelopes; – the spare parts must not touch wet surfaces or chemical agents that might damage them (e.g. , gas); – if during transport the temperature is lower than that of the room where they had been kept, make sure that before using them they pass a certain period in a climatic chamber to prevent thermal shocks and/or the possibility of steaming up. When replacing a unit/sub–unit, make sure that the spare unit/sub–unit is set exactly as the replaced one. For the presettings procedures see section HARDWARE SETTING DOCUMENTATION. 6.7.3 Particular rules on spare parts management Whenever some units with flash-memories are common to different kinds of equipment or to different versions of the same type of equipment, it is possible to maintain one spare part only: this allows spare part stock saving, even though software downloading will be necessary when the software loaded into the unit (program part or data part) is different from that necessary in the equipment where the spare unit must be used. At the end of the commissioning phase or after an equipment data change, it is suggested to save the equipment data, e.g. on floppy disk, and store this floppy disk in the spare part stock pointing out the equipment it refers to. 6.8 Repair Form To facilitate operation, data on the faulty unit must be reported on the form shown in Figure 304. on page 672. 1AA 00014 0004 (9007) A4 – ALICE 04.10 The repair form must be filled–in with as much data as possible and returned to ALCATEL together with the faulty unit. ED 03 3AL 91669 AA AA 671 / 706 706
  • 674.
    ALCATE L REPAIR FORM Fill in this form and affix it to the faulty unit to be returned to Alcatel not permitted without written authorization from Alcatel. CUSTOMER NAME ORDER NUMBER/CONTRACT NUMBER All rights reserved. Passing on and copying of this document, use and communication of its contents SITE BRANCH/UNIT/COUNTRY SYSTEM/EQUIPMENT PRODUCT RELEASE EQUIPMENT SOFTWARE PART NUMBER STATION/RACK SUBRACK SLOT TO BE FILLED IN BY THE SENDER MNEMONIC ALCATEL PART NUMBER SERIAL NUMBER FAULTY UNIT SOFTWARE VERSION FAULT PHASE REASON FOR REPAIR PRESUMED CAUSE INSTALLATION / CLEAR FAULT DROP IN PERFORMANCE INTERNAL TURN ON LIGHTNING OPERATION INTERMITTENT FAULT UPGRADE/QUALITY ALERT EXTERNAL AIR COND. MAINTENANCE TEMPERATURE FAULT OTHER DATE NAME OF SENDER FAULT STILL PRESENT AFTER REPAIR COMMENTS PROCESSING FAULTS DETECTED TO BE FILLED IN BY THE REPAIR OPERATOR NO FAULTS FOUND UPGRADE SOLDERING / COMPONENT ADJUSTMENT WIRING A I C F–L P STANDARD REPAIRING NOT REPAIRABLE MECHANICAL PRINTED DIRT (REJECTED) CIRCUIT BOARD B–D M V1 V1 V2 SUBSTITUTED QUALITY ALERT CORROSION OTHER I S–X V3 NOTE : LETTERS ARE FOR FACTORY USE COMMENTS DATE REPAIRING NUMBER REPAIRING CENTRE NAME OF REPAIR OPERATOR 1AA 00014 0004 (9007) A4 – ALICE 04.10 Figure 304. Repair form ED 03 3AL 91669 AA AA 672 / 706 706
  • 675.
    All rights reserved.Passing on and copying of this document, use and communication of its contents not permitted without written authorization from Alcatel. 1AA 00014 0004 (9007) A4 – ALICE 04.10 ED 03 706 3AL 91669 AA AA DISMANTLING RECYCLING 673 / 706
  • 676.
    1AA 00014 0004(9007) A4 – ALICE 04.10 ED 03 706 3AL 91669 AA AA 674 / 706 All rights reserved. Passing on and copying of this document, use and communication of its contents not permitted without written authorization from Alcatel.
  • 677.
    7 DISMANTLING RECYCLING 7.1 WEEE general information not permitted without written authorization from Alcatel. All rights reserved. Passing on and copying of this document, use and communication of its contents According to the European directive (2002/96/EC) Waste Electric and Electronic Equipment, from August 13th 2005 the ”producer” of the equipment being sold, unless otherwise specified in the contract with the Customer, is resposible for collecting and treating Electrical and Electronic Equipment. Equipment put on the market after August 13th 2005 have a label (refer to paragraph 3.4 on page 40) affixed on the product. The presence of the black label indicates the product has been put on the market after after August 13th 2005. In next paragraphs is given a description example of how to disassemble an equipment; the same principle can be applied to all the subracks and units composing the equipment. The unit chosen for disassembly is one of the most complex. – Paragraph 7.2 describes the equipment disassembly; in detail: • paragraph 7.2.1 on page 676 lists the tools necessary for disassembly • paragraph 7.2.2 on page 677 describes the subrack disassembly • paragraph 7.2.3 on page 684 describes the unit disassembly • paragraph 7.2.4 on page 694 describes the procedure to apply in order to manage Hazardous materials and components (example battery) – Paragraph 7.3 on page 696 reports the ECO declaration info. 1AA 00014 0004 (9007) A4 – ALICE 04.10 ED 03 3AL 91669 AA AA 675 / 706 706
  • 678.
    7.2 How todisassembly equipment This equipment is designed for easy disassembly, by using screws and rivets for mechanical assembly of subracks and modules. The variety of screw types is minimized. not permitted without written authorization from Alcatel. All rights reserved. Passing on and copying of this document, use and communication of its contents Tools necessary for subrack and units disassembly are reported in paragraph 7.2.1. The disassembly process depends on the respective recycling methods and can be derived from the delivered assembly instructions of the product. These guidelinesare not mandatory. They are given in order to optimize the disassembling process and material recovery as whole. 7.2.1 Tools necessary for disassembly The following tools are necessary for unit disassembly: – # T9 TORX screw driver – # T20 TORX screw driver – Crosshead screwdriver – Wrench # – Scissors – Protection gloves 1AA 00014 0004 (9007) A4 – ALICE 04.10 ED 03 3AL 91669 AA AA 676 / 706 706
  • 679.
    7.2.2 Subrack disassembly In Figure 305. on page 677 is shown an example of subrack. not permitted without written authorization from Alcatel. The same rules can be applied to the specific equipment to be dismantled. All rights reserved. Passing on and copying of this document, use and communication of its contents In order to disassemble the subrack first remove the boards eventually present, included termination bus. SUBRACK FRONT VIEW SUBRACK REAR VIEW Figure 305. Subrack front and rear view 1AA 00014 0004 (9007) A4 – ALICE 04.10 ED 03 3AL 91669 AA AA 677 / 706 706
  • 680.
    Procedure: – Remove the two screws (A) in order to disassemble the handle as reported in Figure 306. on page 678. not permitted without written authorization from Alcatel. All rights reserved. Passing on and copying of this document, use and communication of its contents – Repeat the same procedure on the other handle. – Separate the two plastic blocks of the handle as reported in Figure 306. on page 678. A A plastic block plastic block Figure 306. Handle removing and disassembly 1AA 00014 0004 (9007) A4 – ALICE 04.10 ED 03 3AL 91669 AA AA 678 / 706 706
  • 681.
    Unscrew all the screws present on rear cover as reported in Figure 307. (dashed lines) on page 679. – Remove the rear cover in order to access the subrack Back Panel. not permitted without written authorization from Alcatel. All rights reserved. Passing on and copying of this document, use and communication of its contents Figure 307. Rear cover removing 1AA 00014 0004 (9007) A4 – ALICE 04.10 ED 03 3AL 91669 AA AA 679 / 706 706
  • 682.
    Unscrew all the screws fastening the Back Panel to the mechanical structure of the subrack as indicated in Figure 308. on page 680 (dashed line). – Remove the Back Panel from the subrack mechanical structure. not permitted without written authorization from Alcatel. All rights reserved. Passing on and copying of this document, use and communication of its contents 1AA 00014 0004 (9007) A4 – ALICE 04.10 Figure 308. Back Panel removing ED 03 3AL 91669 AA AA 680 / 706 706
  • 683.
    Remove the upper and lower guides from the subrack access area by unscrewing the relevant screws as indicated in Figure 309. on page 681. not permitted without written authorization from Alcatel. All rights reserved. Passing on and copying of this document, use and communication of its contents Upper and Lower guides ACCESS AREA BASIC AREA 1AA 00014 0004 (9007) A4 – ALICE 04.10 Figure 309. Upper and lower guides plane removing ED 03 3AL 91669 AA AA 681 / 706 706
  • 684.
    Remove the side wall by unscrewing the relevant screw as indicated in Figure 310. on page 682. – Remove the two contact springs from the side wall as indicated in Figure 311. on page 683 (refer to paragraph 7.2.4 on page 694 for info about hazardous parts dismantling). not permitted without written authorization from Alcatel. All rights reserved. Passing on and copying of this document, use and communication of its contents 1AA 00014 0004 (9007) A4 – ALICE 04.10 Figure 310. Side wall removing ED 03 3AL 91669 AA AA 682 / 706 706
  • 685.
    Remove the two guides of the “basic area” and the two optical fiber ducts by pulling them out as indicated in Figure 311. on page 683. – Unscrew all the screws present on the other “side wall” in order to complete the subrack disassembly. not permitted without written authorization from Alcatel. All rights reserved. Passing on and copying of this Optical fiber duct document, use and communication of its contents Optical fiber duct guides guides contact spring contact spring 1AA 00014 0004 (9007) A4 – ALICE 04.10 Figure 311. Optical fiber duct, guides and contact spring removing ED 03 3AL 91669 AA AA 683 / 706 706
  • 686.
    7.2.3 Unit disassembly not permitted without written authorization from Alcatel. Procedure: All rights reserved. Passing on and copying of this document, use and communication of its contents – Remove twe two screws (A) from the side coverplate as indicated in Figure 312. on page 684. A A Figure 312. Side coverplate removal – Remove the screws (B) that fix the two levers and subsequently pull out them from the front plate as indicated in Figure 313. on page 685. 1AA 00014 0004 (9007) A4 – ALICE 04.10 ED 03 3AL 91669 AA AA 684 / 706 706
  • 687.
    not permitted withoutwritten authorization from Alcatel. B All rights reserved. Passing on and copying of this document, use and communication of its contents B Figure 313. Levers removal 1AA 00014 0004 (9007) A4 – ALICE 04.10 – Unscrew and extract the two optical connectors (C) as indicated Figure 314. on page 686. – Remove the screw (D) fixing the connectors support as indicated in Figure 314. on page 686. ED 03 3AL 91669 AA AA 685 / 706 706
  • 688.
    1AA 00014 0004(9007) A4 – ALICE 04.10 – ED 686. 03 C D Figure 314. Optical connectors support removal 706 E 3AL 91669 AA AA Rotate the connectors support (E) and pull it sidely to be removed as indicated Figure 314. on page 686 / 706 All rights reserved. Passing on and copying of this document, use and communication of its contents not permitted without written authorization from Alcatel.
  • 689.
    Remove the two screws (F) from the side coverplate as indicated in Figure 315. on page 687. – Extract from the top the contact spring (G) as indicated in Figure 315. on page 687 (refer to paragraph 7.2.4 on page 694 for info about hazardous parts dismantling). not permitted without written authorization from Alcatel. All rights reserved. Passing on and copying of this document, use and communication of its contents – Extract the fibers from the cavity (H) as indicated in Figure 315. on page 687. F G F H 1AA 00014 0004 (9007) A4 – ALICE 04.10 Figure 315. Side coverplate and contact spring removal ED 03 3AL 91669 AA AA 687 / 706 706
  • 690.
    Disconnect the two flat cables (M) as indicated in Figure 316. on page 688. – Unscrew (L) connectors with the aid of a wrench as indicated Figure 316. on page 688. not permitted without written authorization from Alcatel. – Remove the fibers (N) from supports pulling them out Figure 316. on page 688. All rights reserved. Passing on and copying of this document, use and communication of its contents – Remove the two screws (O) on the other side of the board that fixes the dissipator to the Printed Circuit Board (PCB) as indicated in Figure 317. on page 689. – The dissipator can now be removed (refer to Figure 318. on page 690). L L L L L M L M N N 1AA 00014 0004 (9007) A4 – ALICE 04.10 Figure 316. Internal connectors removal ED 03 3AL 91669 AA AA 688 / 706 706
  • 691.
    not permitted withoutwritten authorization from Alcatel. All rights reserved. Passing on and copying of this document, use and communication of its contents O Figure 317. Dissipator removal – Remove the screws (P) from dissipator as indicated in Figure 318. on page 690. – Now the two modules on the other side of the dissipator are free to be removed (refer to Figure 320. on page 691); Pay attention during modules removal because of white conductive paste (refer to paragraph 7.2.4 on page 694 for info about hazardous parts dismantling). – Remove the plastic part (X) in Figure 319. on page 690 by unscrewing the screw present on the rear side of the dissipator. 1AA 00014 0004 (9007) A4 – ALICE 04.10 ED 03 3AL 91669 AA AA 689 / 706 706
  • 692.
    P P not permitted without written authorization from Alcatel. All rights reserved. Passing on and copying of this document, use and communication of its contents P P P P P P Figure 318. Modules removal from dissipator – Remove the screws (Q) and (R) that fix the daugther board and pull it out from the mother board (refer to Figure 319. on page 690). MOTHER BOARD R DAUGHTER BOARD Q Q R X 1AA 00014 0004 (9007) A4 – ALICE 04.10 Figure 319. Daughter boad removal ED 03 3AL 91669 AA AA 690 / 706 706
  • 693.
    Cutaway golded connector (S) from daughter board (refer to Figure 320. on page 691) not permitted without written authorization from Alcatel. All rights reserved. Passing on and copying of this document, use and communication of its contents S Figure 320. Gold connector removal – Remove all internal cables as indicated in Figure 321. on page 692. To remove cables it is enough to pull them out from their support. 1AA 00014 0004 (9007) A4 – ALICE 04.10 ED 03 3AL 91669 AA AA 691 / 706 706
  • 694.
    not permitted withoutwritten authorization from Alcatel. All rights reserved. Passing on and copying of this document, use and communication of its contents Figure 321. Internal cables removal – Remove screws (T) that fix the metal support to the mother board as indicated in Figure 322. on page 693. – Remove the metal support. – Cutaway the golded connector (U) from mother board. 1AA 00014 0004 (9007) A4 – ALICE 04.10 ED 03 3AL 91669 AA AA 692 / 706 706
  • 695.
    All rights reserved.Passing on and copying of this document, use and communication of its contents not permitted without written authorization from Alcatel. 1AA 00014 0004 (9007) A4 – ALICE 04.10 ED 03 T T T Metal support Figure 322. Connector metal support removal 706 3AL 91669 AA AA U 693 / 706
  • 696.
    7.2.4 Hazardous materialsand components Table 79. on page 694 lists the presence or not of hazardous substance/components. not permitted without written authorization from Alcatel. Note: The system cabling is designed for reduced halogen content. All the traffic cabling is fully PVC free. All rights reserved. Passing on and copying of this document, use and communication of its contents Table 79. List of hazardous materials and components present in the equipment Materials/substances Presence Where in the equipment Batteries External NO (Mercury/NiCad/Lithium/Other) Batteries Internal NO (Mercury/NiCad/Lithium/Other) Mercury NO Cadmium NO Capacitors with PCB’s Capacitors with substances of concern + NO height 25 mm, diameter 25 mm or pro- portionately similar volume Gas discharge lamps NO Mercury containing Backlighting lamps NO Plastic containing brominated flame retar- NO dants other than in Printed Circuit Assem- blies Liquid Crystal Displays with a surface NO greater than 100 cm2 Asbestos NO Refractory ceramic fibres NO Thermal conductive paste YES In all units where dissipators are present a withe thermal conductive paste is used in between mechanical parts. In Figure 319. on page 690 an example is shown. Note: protective plastic gloves must be used in order to avoid contact between hands and thermal conductive paste. Pay attention to avoid contact of thermal conductive paste with eyes. Radio–active substances NO 1AA 00014 0004 (9007) A4 – ALICE 04.10 Beryllium Oxide NO ED 03 3AL 91669 AA AA 694 / 706 706
  • 697.
    Materials/substances Presence Where in the equipment not permitted without written authorization from Alcatel. All rights reserved. Passing on and copying of this document, use and communication of its contents Other forms of Beryllium YES Refer to Figure 311. on page 683 and Figure 315. on page 687 point G. Note: Copper–beryllium contact spring must be separated from other material and must be fused in a specific regulated envi- ronment. Pressure volume NO Liquids Volume NO Gasses Volume NO ”Hidden” mechanical springs or other NO equivalent parts Ozone depleting substances, according to NO those categories that are already banned in the Montreal protocol Chloroparaffins with chain length 10–13 C NO atoms, chlorination greater than 50% con- tained in mechanical plastic parts heavier than 25g, Lead contained in mechanical parts heavi- NO er than 25g, Polychlorinated biphenyls (PCB) or po- NO lychlorinated terphenyls (PCT), Polybrominated biphenyl’s and their NO ethers (CAS no. 32534–81–9, CAS no. 32536–52–0, CAS no 1163–19–5, CAS no. 13654–09–6) contained in mechanical parts heavier than 25g, in concentrations exceeding the natural background levels. 1AA 00014 0004 (9007) A4 – ALICE 04.10 ED 03 3AL 91669 AA AA 695 / 706 706
  • 698.
    7.3 Eco declaration 1660SM is an STM–1/4/16/64 MultiService Node for transmission and cross–connection of a wide range of traditional PDH and SDH signals as well as packed based data flows. It can operate as a multi Terminal not permitted without written authorization from Alcatel. or Add/Drop Multiplexer. Moreover the system can be configured as a small cross–connect with a matrix All rights reserved. Passing on and copying of this document, use and communication of its contents size of up to 384x384 STM–1 equivalent at the Hight Order VC level and 256x256 STM–1 equivalent at the Low Order VC level. New STM–64 Long Haul optical interfaces with external booster are provided in this SW release. Key features Refer to paragraph 5.1 on page 591 “General Characteristics” Weight and Dimensional Characteristics Refer to paragraph 5.12 on page 653 EXTENSION OF SYSTEM LIFETIME The product is designed to ensure an outstanding quality of services through very high traffic transmission, connection and protection performances and minimum service interruption. The life utility is at least 5 years. This means that maintenance will be assured for at least 5 years. The system architecture facilitates future extensibility and upgradability: • On–site configuration changes as for example the extension of the node traffic capacity without re–cabling of interconnections. • Implementation of new features and functionalities by remote Software download. The terms and conditions of warranty, service availability and spare parts availability are individually agreed between Alcatel and the Customer and are part of the relevant contractual commitments. POWER CONSUMPTION Refer to paragraph 5.10.1 on page 649. RADIO FREQUENCY EMISSION Regarding compliance with radio frequency emission requirements refer to paragraph 5.13.1 on page 654. 1AA 00014 0004 (9007) A4 – ALICE 04.10 ACOUSTICAL NOISE Refer to paragraph 5.13.3 on page 655 ED 03 3AL 91669 AA AA 696 / 706 706
  • 699.
    MATERIALS Refer to Table 79. on page 694 for details. not permitted without written authorization from Alcatel. DISASSEMBLY All rights reserved. Passing on and copying of this document, use and communication of its contents Refer to paragraph 7.2 on page 676. BATTERIES The product requires no backup batteries. PACKAGING The packaging of this Alcatel equiment complies with the directive 94/62/EEC concerning packaging and packaging waste. Depending on the means of transportatio,n the racks are packed in a cardboard or wooden box, which can easily be recycled after use. Environmentally harmful materials are not used for packaging. The packaging materials are marked according to ISO 11 469. If required by the Customer and agreed by both parties, Alcatel can take care of the proper disposal of all packaging materials. For details refer to” Installation Handbook”. TAKE BACK INFORMATION On request of customers, Alcatel can take care of the take back of depreciated equipment and of the ecological safe and appropriate disposal under conditions to be agreed. For that purpose Alcatel co–operates with qualified companies. DOCUMENTATION In order to reduce paper consumption for Customer Documentation, Alcatel delivers the Generic Customer Documentation on a CD–ROM. The CD–ROM contains interactive HW Descriptions, SW Descriptions, Functional Descriptions, Maintenance Manuals and User Guides. This allows the operator to put the documentation on a server accessible by all relevant people in the organization without any additional paper copies. 1AA 00014 0004 (9007) A4 – ALICE 04.10 ED 03 3AL 91669 AA AA 697 / 706 706
  • 700.
    1AA 00014 0004(9007) A4 – ALICE 04.10 ED 03 706 3AL 91669 AA AA 698 / 706 All rights reserved. Passing on and copying of this document, use and communication of its contents not permitted without written authorization from Alcatel.
  • 701.
    All rights reserved.Passing on and copying of this document, use and communication of its contents not permitted without written authorization from Alcatel. 1AA 00014 0004 (9007) A4 – ALICE 04.10 ED 03 706 3AL 91669 AA AA HARDWARE SETTING DOCUMENTATION 699 / 706
  • 702.
    1AA 00014 0004(9007) A4 – ALICE 04.10 ED 03 706 3AL 91669 AA AA 700 / 706 All rights reserved. Passing on and copying of this document, use and communication of its contents not permitted without written authorization from Alcatel.
  • 703.
    UNITS DOCUMENTATION LIST This section contains the documents sheets to refer to for unit/sub–unit hardware setting options. The list of the enclosed documents is given in Table 81. on page 704, according to the ANV part number. not permitted without written authorization from Alcatel. All rights reserved. Passing on and copying of this document, use and communication of its contents TABLE EXPLANATION: – UNIT IDENTIFICATION P/Ns AND CHANGE STATUS Each unit or sub-unit is distinguished by: • a dual Part No.: – Factory P/N (4xx.xxx.xxx x) – ANV P/N (xxx.xxxxx xx) (NOTE) NOTE The last two ANV-P/N letters (in the following stated as ’suffix’) stand for a ”feasible alternative”, they might differentiate two units eventhough still functionally compatible. For this reason the indicated ANV P/N does not include the last two letters. For example : the units having P/Ns ”3AL–34065–AAAA” and ”3AL–34065–AABA” are functionally compatible and, as regards to hardware settings, the MSxxx document (described hereafter) 3AL–34065–AAAA-MSxxx is applicable for both. • and by a pair of design production series (change status): – CS, associated to the Factory P/N (4xx.xxx.xxx x) – ICS, associated to ANV P/N (xxx.xxxxx xx) The following table shows an example of correspondence between ”FACTORY P/N + CS” and ”ANV P/N + ICS” Table 80. Example of correspondence between CS and ’suffix + ICS’ N.B. The P/Ns used in this example have no correspondence with those of the actual equipment part list! FACTORY CODE ANV CODE P/N CS P/N ICS 487.156.612 01 3AL 34422 AA AA 01 487.156.612 02 3AL 34422 AA AB 01 487.156.612 03 3AL 34422 AA AC 01 In this example you can see that the production series is identified only by the CS as far as the Factory code is concerned, and by the ’suffix + ICS’ if the ANV code is referred to. Some of the possible positions of the label indicating the unit’s P/Ns and CS–ICS are illustrated 1AA 00014 0004 (9007) A4 – ALICE 04.10 in para. 3.4 on page 40. ED 03 3AL 91669 AA AA 701 / 706 706
  • 704.
    CROSS–REFERENCE • Id. Unit alphabetical notation. It indicates the unit containing one or more subunits. • App. It reports the unit notation (Id) to which the sub–unit belongs. not permitted without written authorization from Alcatel. All rights reserved. Passing on and copying of this document, use and communication of its contents The HARDWARE SETTINGS can be executed after having checked all the sub–units belonging to a unit, by considering the above cited cross–reference, and by using the presetting documents indicated in Table 81. page 704 and presented in the following point. – ENCLOSED DOCUMENTS For each type of unit or sub-unit having customizing setting options, the document ”ANV P/N”–MSxxx is annexed to this handbook (in the case of Documentation on CD-ROM the MSxxx documents may be given in a CD-ROM different from that containing this Technical Handbook). The MSxxx documents are enclosed in numerical order. The Edition of the enclosed MSxxx document is the highest available on the date on which the Technical Handbook is assembled. Use of the document MSxxx: • MSxxx means ”document for hardware presetting options” (the MSxxx document’s Part No. is as that of the unit or sub-unit and its MS acronym defines type). The xxx part of MSxxx is relevant to ANV internal identification codes. • As the Customer may have to manage many units of the same type (same P/N) but with different CS–ICS, the document MSxxx describes with possible different chapters the different setting options, according to all the possible CSs–ICSs. For this purpose, a table at the beginning of document (PREFACE) indicates the chapter to be used according to the CS or the corresponding ’suffix + ICS’, taking into account that: – a change of the production series does not necessarily imply a change in the setting options; a change of the ANV P/N suffix does not imply a new MSxxx document; – the CS, SUFFIX and ICS must be meant as: • from specified CS, SUFFIX or ICS (included) • to next CS, SUFFIX or ICS (excluded) if listed – the sequence of CSs is increasing from alphanumeric to numeric (e.g. CS=A0 is lower than CS=01). Each chapter contains: – one or more tables defining the relationship between the functions achievable and the setting options to make; – the unit layout drawing which shows the exact location of all the setting options. N.B. IDENTIFIES PIN 1 OF COMPONENT N.B. When necessary to make ”TC” Hardware Settings fitted on the rear side of the board, remove the protective cover plate present on the same rear side and replace it at the end of the operation The setting options described in the documents MSxxx must be used according to 3AL377470001 (962.000.022 F) MSxxx document, inserted in Table 81. on page 704, which shows the ’ON’ (closed) position of microswitches. 1AA 00014 0004 (9007) A4 – ALICE 04.10 Those setting options that on the table are indicated by the caption For factory use only should never be modified. ED 03 3AL 91669 AA AA 702 / 706 706
  • 705.
    EXAMPLE N.B. The P/Ns used in this example have no correspondence with those of the actual equipment part list! not permitted without written authorization from Alcatel. All rights reserved. Passing on and copying of this document, use and communication of its contents Taking into account the same unit of Table 80. on page 701: FACTORY CODE ANV CODE P/N CS P/N ICS 487.156.612 01 3AL 34422 AAAA 01 487.156.612 02 3AL 34422 AAAB 01 487.156.612 03 3AL 34422 AAAC 01 and supposing that the setting options valid for CS=01 are equal to those for CS=02, but change for CS=03, the table at the beginning of the document 3AL 34422 AAAA MSZZQ will be: FACTORY P/N ANV P/N CODICE DI FABBRICA CODICE ANV CHAPTER CAPITOLO FROM CS FROM SUFFIX FROM ICS DA CS DA SUFFISSO DA ICS 1 01 ––AA 01 2 03 ––AC 01 If you have the unit identified by one of this identification data: FACTORY CODE ANV CODE P/N CS P/N ICS 487.156.612 01 3AL 34422 AAAA 01 487.156.612 02 3AL 34422 AAAB 01 you will use Chapter 1 of document 3AL 34422 AAAA MSZZQ If you have the unit identified by one of this identification data: FACTORY CODE ANV CODE P/N CS P/N ICS 487.156.612 03 3AL 34422 AAAC 01 1AA 00014 0004 (9007) A4 – ALICE 04.10 487.156.612 04 3AL 34422 AAAD 01 you will use Chapter 2 of document 3AL 34422 AAAA MSZZQ ED 03 3AL 91669 AA AA 703 / 706 706
  • 706.
    Table 81. Hardwarepresetting documentation The edition of the documents (listed in this table) that are physically enclosed in the handbook is the highest available when this handbook is assembled. The edition of enclosed documents is not permitted without written authorization from Alcatel. not specified in this table. All rights reserved. Passing on and copying of this document, use and communication of its contents Document ANV P/N Id NAME App for hardware (Factory P/N) presetting 3AL 78830 AD–– 3AL 78830 AAAG a Control and general interface MSZZQ 3AL 78836AA–– b EQUICO E (411.102506 Z) 3AL 81277AA–– 3AL 81277 AAAA PQ2 Equipment controller b (487.151.011) MSZZQ 3AL 79093 AA–– c ATM MATRIX 4x4 – (411.101.035 J) 3AL89917 AA–– d ATM MATRIX D3 – ––.––.–– 3AL 81185 AA–– e ATM MATRIX 4x4 ENHANCED – (411.102.475 Z) 3AL79094 AA–– f ATM MATRIX 8x8 – (411.101.036 K) 3AL 79631 AA–– g PR_EA MATRIX 4XETH – (411.101.281 W) 3AL 79752 AA–– h PR_EA MATRIX 1XSTM1 Plug in – (411.101.407 V) 3AL 81275 AA–– i PR_EA MATRIX 1XGB–ETH – (411.102.505 Y) j ISA–ES1 8FE BOARD 3AL 98128 AA–– – k ISA–ES1 8FX BOARD (SFP) 3AL98150AA–– – l ISA–ES4 8FE + 1GE BOARD 3AL 81879AA–– – m ISA–ES16 BOARD 3AL 81915 AA–– – 3AL 37747 0001 3AL 37747 0001 Microswitches ”ON” position (962.000.022 F) MSZZQ 3AL 79202 AA–– 3AL 79202 AAAA ATM MATRIX 8x8 f (487.156.804 W) MSZZQ 3AL 79425 AA–– 3AL 79425 AAAA NETWORK PROCESSOR 2 g, h, i (483.100.252 ) MSZZQ 3AL 80481 AA–– 3AL 80481 AAAA ATM MATRIX 4x4 c (487.156.138 Z) MSZZQ 1AA 00014 0004 (9007) A4 – ALICE 04.10 3AL 81183 AA–– 3AL 81183 AAAA ATM MATRIX 4x4 ENHANCED e, d (487.156.274) MSZZQ ED 03 3AL 91669 AA AA 704 / 706 706
  • 707.
    Document ANV P/N Id NAME App for hardware (Factory P/N) presetting not permitted without written authorization from Alcatel. 3AL81878AAAA All rights reserved. Passing on and copying of this document, use and communication of its contents L2 ETHERNET PORT BOARD l 3AL81878AA–– MSZZQ 3AL81916AAAA PBA–ISA–PREA V2 m 3AL81916AA–– MSZZQ 3AL98127AAAA PBA–ISA FE V2–155 j 3AL98127AA–– MSZZQ 3AL98149AAAA PBA–ES1–8FX k 3AL98149AA–– MSZZQ 1AA 00014 0004 (9007) A4 – ALICE 04.10 ED 03 3AL 91669 AA AA 705 / 706 706
  • 708.
    1AA 00014 0004(9007) A4 – ALICE 04.10 ED 03 END OF DOCUMENT 706 3AL 91669 AA AA 706 / 706 All rights reserved. Passing on and copying of this document, use and communication of its contents not permitted without written authorization from Alcatel.