PRESENTED BY:
Yogendra Singh Shekhawat
Mechanical engineering
P.G.I Jaipur
A PRESENTATION ON PRACTICAL
TRAINING AT
KOTA SUPER THERMAL POWER STATION
 It was established in 1973
It is located at the left bank of the CHAMBAL River at the upstream of KOTA
BAIRAJ
 1st
& 2nd
units are of 110 MW each.
 3rd
,4th
&5th
units are of 210 MW .
 6th
& 7 unit of 195 MW.
 Total generation capacity =1240MW
 1st
& 2nd
units are of 110 MW each.
 3rd
,4th
&5th
units are of 210 MW .
 6th
& 7 unit of 195 MW.
 Total generation capacity =1240MW
1.Availability of large amount of water.
2.Location at broad gauge Delhi-Mumbai railway.
3.Concentration of load.
4.Constant water supply.
5.Transmission and grid sub station are quit near.
Favorable conditions:-
INDIA’S 63% of the power is contributed by thermal power
stations.
K.S.T.P.S. is a coal fired power station.
Pulverized coal burnt inside the boiler.
In water tubes convert water into steam.
Superheated steam falls on the turbine bladder then move
the rotator.
A steam plant works on the RANKINE CYCLE.
By the generator produce electrical energy.
Now at the step up transformer increases the a.c. voltage .
The ash is dumped in pits.
The flue gases discharged through chimney.
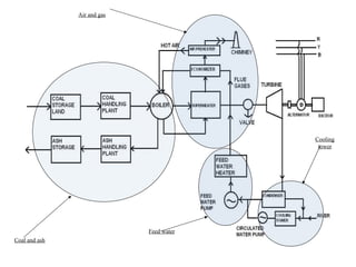
• Coal and Ash
• Air and gas
• Feed water and steam
• Cooling water
FUEL USED : 1.COAL:from Bharat cooking coal ltd. Dhanbad
& South eastern coal field ltd. Bilaspur.
2.OIL : High speed diesel;(to start boiler furnace)
Coal and ash
Air and gas
Feed water
Cooling
tower
Coal Handling
Coal is supplied
Through rail
Track by own trains
By wagon tripler
The coal is drawn
Into underground hopper
By means of two
Belts coal is transferred
To the Conveyer
Now coal is transferred to
Crushing house and
stored
to bunkers
Now coal is fed to Mills
Where coal is
Crushed in pulverized
form
Coal is taken
to Coal nozzle
In wind box assembly
From nozzle
coal Is
discharged to
furnace
Pressure filter removes undisclosed impurities from
raw water.
Carbon filter removes excess chlorine from clarified
water.
D.M. plant removes dissolved impurities from clarified
water.
Conductivity ,pH & silica content of this water must be
checked time to time.
D.M. water must be in the ratio of 1:8
Boiler :- A apparatus where water is being converted into steam
* Boiler Auxileries- To increase efficiency
1. Economiser
2. Air Preheater
3. Boiler Drum
The water in the tube of boiler get vaporized
by heat energy & steam is generated
4. Furnace
5. Super heater
Super
heater
stack
Air from atmosphere
I.D.F.
furnace economizer Air preheater
F.D.F.
E.S.P.
Boiler
tubes
Boiler
drum
Super heaters
& reheater
economiser
condenser
FWP
turbine
DM water plant
Steam is passed
through
nozzle
Steam now
falls on
Turbine blade
moves
the turbine
Parts of Turbine
A.) Nozzle B.) Blade C.) Rotor shaft
Flow chart
for turbine
• The rotor shaft is made of
steel, blade is fixed on it
• Steam is entered from left and
right inlets
• HP,IP,LP turbine is used
• Steam is recycled
GENERATOR:
TWO POLE TYPE; WITH CYLINDRICAL
ROTOR
• BASIC PRINCIPLE :FARADAY’s LOW OF
MAGNETIC INDUCTION
MECHANICAL
ENERGY
ELECTRICAL
ENERGY
ASH HANDLING PLANT
• ASH are of two types:-
1. BOTTOM ASH – Received in HOPPERS
2.FLY ASH – Received in ESP
• Ash is discharged in the form of slurry
through pipe line
• Ash is used in the manufacturing of bricks &
flowerpots
ESP is mostly used for removing the suspended particles from the
flue gases.
ESP is a device which utilizes electric force to own task.
The motor operated hammer is used for removed deposited
particles.
CONTROL ROOM
Turbine desk
Fan control
desk Fuel control
desk
Generator
control
desk
Steam pressure &
control desk
SCADA FOR CONTROL ROOM
 KSTPS is matter of pride for RVUN ltd.
 Practical training at KSTPS provides better visualization
of small & hedge machinery
 KSTPS has many awards for its excellent performance
ConclusionConclusion
Training Report, Thermal Power Plant Report, KSTPS Report
Training Report, Thermal Power Plant Report, KSTPS Report

Training Report, Thermal Power Plant Report, KSTPS Report

  • 1.
    PRESENTED BY: Yogendra SinghShekhawat Mechanical engineering P.G.I Jaipur A PRESENTATION ON PRACTICAL TRAINING AT KOTA SUPER THERMAL POWER STATION
  • 2.
     It wasestablished in 1973 It is located at the left bank of the CHAMBAL River at the upstream of KOTA BAIRAJ  1st & 2nd units are of 110 MW each.  3rd ,4th &5th units are of 210 MW .  6th & 7 unit of 195 MW.  Total generation capacity =1240MW  1st & 2nd units are of 110 MW each.  3rd ,4th &5th units are of 210 MW .  6th & 7 unit of 195 MW.  Total generation capacity =1240MW 1.Availability of large amount of water. 2.Location at broad gauge Delhi-Mumbai railway. 3.Concentration of load. 4.Constant water supply. 5.Transmission and grid sub station are quit near. Favorable conditions:-
  • 3.
    INDIA’S 63% ofthe power is contributed by thermal power stations. K.S.T.P.S. is a coal fired power station. Pulverized coal burnt inside the boiler. In water tubes convert water into steam. Superheated steam falls on the turbine bladder then move the rotator. A steam plant works on the RANKINE CYCLE. By the generator produce electrical energy. Now at the step up transformer increases the a.c. voltage . The ash is dumped in pits. The flue gases discharged through chimney.
  • 5.
    • Coal andAsh • Air and gas • Feed water and steam • Cooling water FUEL USED : 1.COAL:from Bharat cooking coal ltd. Dhanbad & South eastern coal field ltd. Bilaspur. 2.OIL : High speed diesel;(to start boiler furnace)
  • 6.
    Coal and ash Airand gas Feed water Cooling tower
  • 7.
    Coal Handling Coal issupplied Through rail Track by own trains By wagon tripler The coal is drawn Into underground hopper By means of two Belts coal is transferred To the Conveyer Now coal is transferred to Crushing house and stored to bunkers Now coal is fed to Mills Where coal is Crushed in pulverized form Coal is taken to Coal nozzle In wind box assembly From nozzle coal Is discharged to furnace
  • 8.
    Pressure filter removesundisclosed impurities from raw water. Carbon filter removes excess chlorine from clarified water. D.M. plant removes dissolved impurities from clarified water. Conductivity ,pH & silica content of this water must be checked time to time. D.M. water must be in the ratio of 1:8
  • 9.
    Boiler :- Aapparatus where water is being converted into steam * Boiler Auxileries- To increase efficiency 1. Economiser 2. Air Preheater 3. Boiler Drum The water in the tube of boiler get vaporized by heat energy & steam is generated 4. Furnace 5. Super heater
  • 10.
    Super heater stack Air from atmosphere I.D.F. furnaceeconomizer Air preheater F.D.F. E.S.P.
  • 11.
  • 12.
    Steam is passed through nozzle Steamnow falls on Turbine blade moves the turbine Parts of Turbine A.) Nozzle B.) Blade C.) Rotor shaft Flow chart for turbine • The rotor shaft is made of steel, blade is fixed on it • Steam is entered from left and right inlets • HP,IP,LP turbine is used • Steam is recycled
  • 13.
    GENERATOR: TWO POLE TYPE;WITH CYLINDRICAL ROTOR • BASIC PRINCIPLE :FARADAY’s LOW OF MAGNETIC INDUCTION MECHANICAL ENERGY ELECTRICAL ENERGY
  • 14.
    ASH HANDLING PLANT •ASH are of two types:- 1. BOTTOM ASH – Received in HOPPERS 2.FLY ASH – Received in ESP • Ash is discharged in the form of slurry through pipe line • Ash is used in the manufacturing of bricks & flowerpots
  • 15.
    ESP is mostlyused for removing the suspended particles from the flue gases. ESP is a device which utilizes electric force to own task. The motor operated hammer is used for removed deposited particles.
  • 17.
    CONTROL ROOM Turbine desk Fancontrol desk Fuel control desk Generator control desk Steam pressure & control desk
  • 18.
  • 19.
     KSTPS ismatter of pride for RVUN ltd.  Practical training at KSTPS provides better visualization of small & hedge machinery  KSTPS has many awards for its excellent performance ConclusionConclusion

Editor's Notes