Page 1 of 11
REPORT ON
Generation of SAWTOOTH WAVEFORMS
Submitted by:-
Amit kumar Parshad (EEE/14/1103)
Lalit Balayan (EEE/14/1104)
Nitish Kumar (EEE/14/1105)
Department of Electrical and Electronic Engineering
SHRI BALWANT INSTITUTE OF TECHNOLOGY
Approved by AICTE, Min of HRD, Gov of India & DTE, Govt of Haryana
Affiliated to DCR University of Science and Technology, Murthal, Sonepat
Meeru Road (Pallri), Near DPS, Sonepat-131001, Haryana
Page 2 of 11
ABSTRACT:-
To get sawtooth waveform, we design a simple circuit which name is SIMPLE SAWTOOTH WAVEFORM
GENERATOR, which is the combination of some electronics & electric components are: IC 7404 (hex
inverter) for frequency up to 100K HZ, a Transistor (BF192) to amplify and switch electronic signals and
electrical power, a Capacitor (4.7µF) (10 V), a Resistor (22kΩ), the frequency can be change by changing
the product of R & C, Connecting wires for connect the circuit elements and for input and output, and we also
use a PCB which provide us base to fix the circuit elements on them & sold them and the other equipments are
also use to finished the work like Soldering Iron, Paste, Wire Cutter and CRO machine for test output to see
SAWTOOTH waveform .
After completed the basic work of sawtooth waveform generator like Designing the circuit and jointing
the all circuit elements according to the designed circuit, then we give the 5 V DC power supply from the input
terminal of the circuit, which is also shown in the circuit diagram and then the circuit begin working ,
Let us suppose the input of gate 1 is at logic ‘0’ state and output of gate 3 and 4 are at ‘1’ and ‘0’
respectively. The transistor T1 is off and capacitor C gets charged through R. When it is charge to a voltage
equal to logic ‘1’, than all gate output change and T1 is ‘on’, resulting in quick discharge of stored charge in C
through it. So, the input voltage of gate 1 becomes ‘0’ again and the next cycle starts.
After above process we finally get sawtooth waveform like
On CRO machine display, for this experiments we use R as 22kΩ, C
as 4.7µF (10V), the value of R & C are affect the out of the circuit.
Page 3 of 11
CERTIFICATE
This is to certify that the Bridge Course entitled as SIMPLE SAWTOOTH WAVE FORMS GENERATOR
and submitted by AMIT KUMAR PRASHAD having Roll No EEE/14/1103, NITISH KUMAR having Roll
No EEE/14/1105, LALIT BALAYAN having Roll No EEE/14/1104, embodies the bonafide work done by
them under my supervision. Their conduct and behavior is satisfactory.
Signature of the Supervisor
Place: SBIT, SONEPAT
Date:
Page 4 of 11
TABLE OF CONTENTS
1. INTRODUCTION……………………………………………………………………...............6
 Sawtooth waveform ……………………………………………………………………………............................6
 Triangular waveform ……………………………………………………………………………………………..6
2. DESCRIPTION…………………………………………………………………………..........7
 Simple sawtooth wave form …………………………………………………………………………...................7
 Method 2 ……………………………………………………………………………………………....................8
 Application ………………………………………………………………………………………….....................9
3. CONCLUSION……………………………………………………………………………….10
4. REFERENCES………………………………………………………………………………..11
Page 5 of 11
LIST OF FIGURES
1. Fig.(1) Saw tooth waveform ...…………………………………………………………………….……………..6
2. Fig.(2) Triangular waveform ……………………………………………………………………….…................6
3. Fig(3) Simple sawtooth waveform generator ……………………………………………………..…...................7
4. Fig(4) Alternate Simple sawtooth waveform generator …………………………………………………...…......8
5. Fig (5) Final Circuit ………………………….…………………………………………………………..….......10
6. Fig(6) Final sawtooth wave on CRO……………………………………………………………………..….......10
Page 6 of 11
1. INTRODUCTION
1.1- Saw tooth wave generator:
Many people often get confused between saw tooth wave and a triangular wave.
1.2- Saw tooth waveform:-
Saw tooth waveform is a type of linear non sinusoidal waveform with a triangular shape in which the rise time
and fall time are different.
Fig.1 Sawtooth waveform
1.3- Triangular waveform:-
A pure triangular waveform is is also linear, non sinusoidal and have a triangular shape but it has equal rise and
fall times. The saw tooth waveform can also be called an asymmetric triangular wave.
The graphical representation of a triangular and sawtooth waveform is shown in the figure below. T1 is
assumed to be the rise time and T2 is assumed to be the fall time.
Fig.2 Triangular waveform
Like triangular waveforms, sawtooth waveforms are also used in applications like thyristor (SCR, triac etc)
switching, sampling, tone/frequency generation, modulation etc.
Page 7 of 11
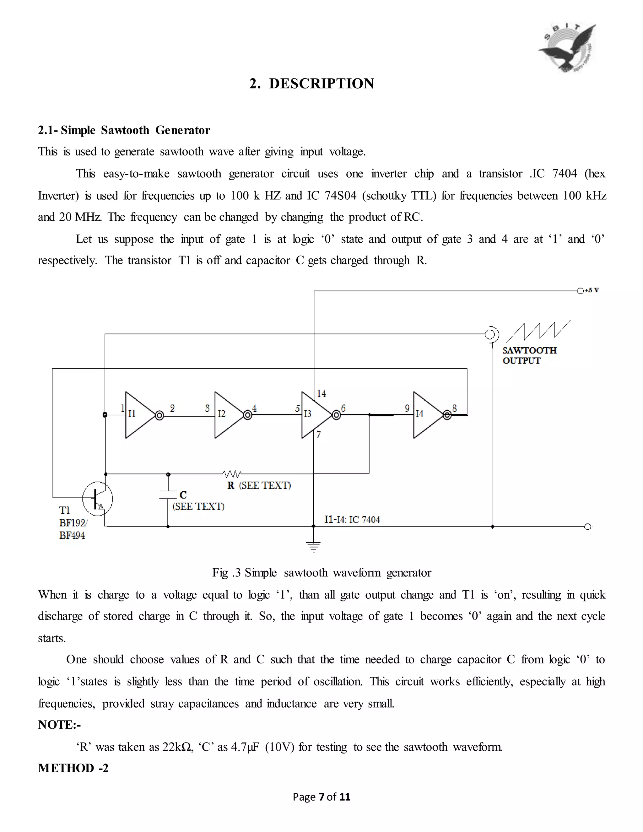
2. DESCRIPTION
2.1- Simple Sawtooth Generator
This is used to generate sawtooth wave after giving input voltage.
This easy-to-make sawtooth generator circuit uses one inverter chip and a transistor .IC 7404 (hex
Inverter) is used for frequencies up to 100 k HZ and IC 74S04 (schottky TTL) for frequencies between 100 kHz
and 20 MHz. The frequency can be changed by changing the product of RC.
Let us suppose the input of gate 1 is at logic ‘0’ state and output of gate 3 and 4 are at ‘1’ and ‘0’
respectively. The transistor T1 is off and capacitor C gets charged through R.
Fig .3 Simple sawtooth waveform generator
When it is charge to a voltage equal to logic ‘1’, than all gate output change and T1 is ‘on’, resulting in quick
discharge of stored charge in C through it. So, the input voltage of gate 1 becomes ‘0’ again and the next cycle
starts.
One should choose values of R and C such that the time needed to charge capacitor C from logic ‘0’ to
logic ‘1’states is slightly less than the time period of oscillation. This circuit works efficiently, especially at high
frequencies, provided stray capacitances and inductance are very small.
NOTE:-
‘R’ was taken as 22kΩ, ‘C’ as 4.7µF (10V) for testing to see the sawtooth waveform.
METHOD -2
Page 8 of 11
2.2-Sawtooth wave generator using NE555 timer and uA741 Opamp.
Sawtooth waveforms can be generated by integrating square waves with unequal rise and fall times
(asymmetrical square waves). The circuit shown below shows a setup for generating sawtooth wave. Here an
NE555 timer IC is used for generating the assymmetric square wave and opamp integrator based on uA741 is
used for integrating the assymmetric square wave. The circuit diagram is shown below.
Fig 4: Alternate circuit digram for Sawtooth wave generator.
Here the IC NE555 is wired as a stable multi vibrator with unequal ON and OFF times. The resistor R1, R2 and
capacitor C2 sets the ON and OFF time periods. The value of these components are so selected that the OFF
time is less than 10% of the ON times. The asymmetric square wave is available at pin 3 of the IC. The working
of the a stable multi vibrator is given below.
When the power supply is switched ON, capacitor C1 starts charging through resistors R1 and R2. When the
voltage across C1 is above 2/3Vcc the upper comparator inside the NE555 swings to positive saturation and this
triggers the internal flip-flop. This makes the output (pin 3) of the timer low. Now the capacitor C1 starts to
discharge through resistor R2 into pin 7 of the IC. When the voltage across capacitor C1 becomes less than
1/3Vcc, the lower comparator inside the IC switches to positive saturation and this again triggers the internal
flip-flop. As a result the output of the timer (pin 3) goes low. This action is repeated and the result will be a
square wave at pin 3 of the NE555.
The charging time period (ON time) is given by the equation
Page 9 of 11
T1= 0.69(R1+R2)C1
And the discharging time period (OFF time) is given by the equation
T2=0.69R2C1.
NE555 as astable multivibrator for a better understanding on NE555 based astable multivibrators.
The assymmetric square wave obtained at the output of NE555 is integrated by the inverting active integrator
based on opamp IC uA741. Resistors R3 and R4 sets the gain of the opamp integrator. Resistor R4 in
conjunction with capacitor C3 sets the bandwidth. Since the integrator is wired in inverting mode, the sawtooth
wavform falls when the timer output is high and rises when the timer output is low. Read this article: Triangular
wave generator for a better understanding on opamp integrators.
2.3- APPLICATIONS
 Sawtooth waves are known for their use in music. The sawtooth and square waves are common starting points
used to create sounds with subtractive analog and virtual analog music synthesizers.
 The sawtooth wave is the form of the vertical and horizontal deflection signals used to generate a raster on
CRT-based television or monitor screens. Oscilloscopes also use a sawtooth wave for their horizontal
deflection, though they typically use electrostatic deflection.
 On the wave's "ramp", the magnetic field produced by the deflection yoke drags the electron beam across the
face of the CRT, creating a scan line.
 On the wave's "cliff", the magnetic field suddenly collapses, causing the electron beam to return to its resting
position as quickly as possible.
 The voltage applied to the deflection yoke is adjusted by various means (transformers, capacitors, center-tapped
windings) so that the half-way voltage on the sawtooth's cliff is at the zero mark, meaning that a negative
voltage will cause deflection in one direction, and a positive voltage deflection in the other; thus, a center-
mounted deflection yoke can use the whole screen area to depict a traceThe vertical deflection system operates
the same way as the horizontal, though at a much lower frequency (59.94 Hz on NTSC, 50 Hz for PAL and
SECAM).
 The ramp portion of the wave must appear as a straight line. If otherwise, it indicates that the voltage isn't
increasing linearly and therefore that the magnetic field produced by the deflection yoke is not linear. As a
result, the electron beam will accelerate during the non-linear portions. This would result in a television image
"squished" in the direction of the non-linearity. Extreme cases will show marked brightness increases, since the
electron beam spends more time on that side of the picture.
Page 10 of 11
3. CONCLUSION
 Sawtooth waves are known for their use in music. The sawtooth and square waves are common starting points
used to create sounds with subtractive analog and virtual analog music synthesizers.
 The sawtooth wave is the form of the vertical and horizontal deflection signals used to generate a raster on
CRT-based television or monitor screens. Oscilloscopes also use a sawtooth wave for their horizontal
deflection, though they typically use electrostatic deflection.
Final output
Fig .5 Final sawtooth waveform generator
Fig 6: Sawtooth waveform generated on CRO
Page 11 of 11
4. REFERENCE
 Electronic Project
 www.electroniccircuit.com
 "Fourier Series-Triangle Wave - from Wolfram MathWorld". Mathworld.wolfram.com

Report on sawtooth wave generator

  • 1.
    Page 1 of11 REPORT ON Generation of SAWTOOTH WAVEFORMS Submitted by:- Amit kumar Parshad (EEE/14/1103) Lalit Balayan (EEE/14/1104) Nitish Kumar (EEE/14/1105) Department of Electrical and Electronic Engineering SHRI BALWANT INSTITUTE OF TECHNOLOGY Approved by AICTE, Min of HRD, Gov of India & DTE, Govt of Haryana Affiliated to DCR University of Science and Technology, Murthal, Sonepat Meeru Road (Pallri), Near DPS, Sonepat-131001, Haryana
  • 2.
    Page 2 of11 ABSTRACT:- To get sawtooth waveform, we design a simple circuit which name is SIMPLE SAWTOOTH WAVEFORM GENERATOR, which is the combination of some electronics & electric components are: IC 7404 (hex inverter) for frequency up to 100K HZ, a Transistor (BF192) to amplify and switch electronic signals and electrical power, a Capacitor (4.7µF) (10 V), a Resistor (22kΩ), the frequency can be change by changing the product of R & C, Connecting wires for connect the circuit elements and for input and output, and we also use a PCB which provide us base to fix the circuit elements on them & sold them and the other equipments are also use to finished the work like Soldering Iron, Paste, Wire Cutter and CRO machine for test output to see SAWTOOTH waveform . After completed the basic work of sawtooth waveform generator like Designing the circuit and jointing the all circuit elements according to the designed circuit, then we give the 5 V DC power supply from the input terminal of the circuit, which is also shown in the circuit diagram and then the circuit begin working , Let us suppose the input of gate 1 is at logic ‘0’ state and output of gate 3 and 4 are at ‘1’ and ‘0’ respectively. The transistor T1 is off and capacitor C gets charged through R. When it is charge to a voltage equal to logic ‘1’, than all gate output change and T1 is ‘on’, resulting in quick discharge of stored charge in C through it. So, the input voltage of gate 1 becomes ‘0’ again and the next cycle starts. After above process we finally get sawtooth waveform like On CRO machine display, for this experiments we use R as 22kΩ, C as 4.7µF (10V), the value of R & C are affect the out of the circuit.
  • 3.
    Page 3 of11 CERTIFICATE This is to certify that the Bridge Course entitled as SIMPLE SAWTOOTH WAVE FORMS GENERATOR and submitted by AMIT KUMAR PRASHAD having Roll No EEE/14/1103, NITISH KUMAR having Roll No EEE/14/1105, LALIT BALAYAN having Roll No EEE/14/1104, embodies the bonafide work done by them under my supervision. Their conduct and behavior is satisfactory. Signature of the Supervisor Place: SBIT, SONEPAT Date:
  • 4.
    Page 4 of11 TABLE OF CONTENTS 1. INTRODUCTION……………………………………………………………………...............6  Sawtooth waveform ……………………………………………………………………………............................6  Triangular waveform ……………………………………………………………………………………………..6 2. DESCRIPTION…………………………………………………………………………..........7  Simple sawtooth wave form …………………………………………………………………………...................7  Method 2 ……………………………………………………………………………………………....................8  Application ………………………………………………………………………………………….....................9 3. CONCLUSION……………………………………………………………………………….10 4. REFERENCES………………………………………………………………………………..11
  • 5.
    Page 5 of11 LIST OF FIGURES 1. Fig.(1) Saw tooth waveform ...…………………………………………………………………….……………..6 2. Fig.(2) Triangular waveform ……………………………………………………………………….…................6 3. Fig(3) Simple sawtooth waveform generator ……………………………………………………..…...................7 4. Fig(4) Alternate Simple sawtooth waveform generator …………………………………………………...…......8 5. Fig (5) Final Circuit ………………………….…………………………………………………………..….......10 6. Fig(6) Final sawtooth wave on CRO……………………………………………………………………..….......10
  • 6.
    Page 6 of11 1. INTRODUCTION 1.1- Saw tooth wave generator: Many people often get confused between saw tooth wave and a triangular wave. 1.2- Saw tooth waveform:- Saw tooth waveform is a type of linear non sinusoidal waveform with a triangular shape in which the rise time and fall time are different. Fig.1 Sawtooth waveform 1.3- Triangular waveform:- A pure triangular waveform is is also linear, non sinusoidal and have a triangular shape but it has equal rise and fall times. The saw tooth waveform can also be called an asymmetric triangular wave. The graphical representation of a triangular and sawtooth waveform is shown in the figure below. T1 is assumed to be the rise time and T2 is assumed to be the fall time. Fig.2 Triangular waveform Like triangular waveforms, sawtooth waveforms are also used in applications like thyristor (SCR, triac etc) switching, sampling, tone/frequency generation, modulation etc.
  • 7.
    Page 7 of11 2. DESCRIPTION 2.1- Simple Sawtooth Generator This is used to generate sawtooth wave after giving input voltage. This easy-to-make sawtooth generator circuit uses one inverter chip and a transistor .IC 7404 (hex Inverter) is used for frequencies up to 100 k HZ and IC 74S04 (schottky TTL) for frequencies between 100 kHz and 20 MHz. The frequency can be changed by changing the product of RC. Let us suppose the input of gate 1 is at logic ‘0’ state and output of gate 3 and 4 are at ‘1’ and ‘0’ respectively. The transistor T1 is off and capacitor C gets charged through R. Fig .3 Simple sawtooth waveform generator When it is charge to a voltage equal to logic ‘1’, than all gate output change and T1 is ‘on’, resulting in quick discharge of stored charge in C through it. So, the input voltage of gate 1 becomes ‘0’ again and the next cycle starts. One should choose values of R and C such that the time needed to charge capacitor C from logic ‘0’ to logic ‘1’states is slightly less than the time period of oscillation. This circuit works efficiently, especially at high frequencies, provided stray capacitances and inductance are very small. NOTE:- ‘R’ was taken as 22kΩ, ‘C’ as 4.7µF (10V) for testing to see the sawtooth waveform. METHOD -2
  • 8.
    Page 8 of11 2.2-Sawtooth wave generator using NE555 timer and uA741 Opamp. Sawtooth waveforms can be generated by integrating square waves with unequal rise and fall times (asymmetrical square waves). The circuit shown below shows a setup for generating sawtooth wave. Here an NE555 timer IC is used for generating the assymmetric square wave and opamp integrator based on uA741 is used for integrating the assymmetric square wave. The circuit diagram is shown below. Fig 4: Alternate circuit digram for Sawtooth wave generator. Here the IC NE555 is wired as a stable multi vibrator with unequal ON and OFF times. The resistor R1, R2 and capacitor C2 sets the ON and OFF time periods. The value of these components are so selected that the OFF time is less than 10% of the ON times. The asymmetric square wave is available at pin 3 of the IC. The working of the a stable multi vibrator is given below. When the power supply is switched ON, capacitor C1 starts charging through resistors R1 and R2. When the voltage across C1 is above 2/3Vcc the upper comparator inside the NE555 swings to positive saturation and this triggers the internal flip-flop. This makes the output (pin 3) of the timer low. Now the capacitor C1 starts to discharge through resistor R2 into pin 7 of the IC. When the voltage across capacitor C1 becomes less than 1/3Vcc, the lower comparator inside the IC switches to positive saturation and this again triggers the internal flip-flop. As a result the output of the timer (pin 3) goes low. This action is repeated and the result will be a square wave at pin 3 of the NE555. The charging time period (ON time) is given by the equation
  • 9.
    Page 9 of11 T1= 0.69(R1+R2)C1 And the discharging time period (OFF time) is given by the equation T2=0.69R2C1. NE555 as astable multivibrator for a better understanding on NE555 based astable multivibrators. The assymmetric square wave obtained at the output of NE555 is integrated by the inverting active integrator based on opamp IC uA741. Resistors R3 and R4 sets the gain of the opamp integrator. Resistor R4 in conjunction with capacitor C3 sets the bandwidth. Since the integrator is wired in inverting mode, the sawtooth wavform falls when the timer output is high and rises when the timer output is low. Read this article: Triangular wave generator for a better understanding on opamp integrators. 2.3- APPLICATIONS  Sawtooth waves are known for their use in music. The sawtooth and square waves are common starting points used to create sounds with subtractive analog and virtual analog music synthesizers.  The sawtooth wave is the form of the vertical and horizontal deflection signals used to generate a raster on CRT-based television or monitor screens. Oscilloscopes also use a sawtooth wave for their horizontal deflection, though they typically use electrostatic deflection.  On the wave's "ramp", the magnetic field produced by the deflection yoke drags the electron beam across the face of the CRT, creating a scan line.  On the wave's "cliff", the magnetic field suddenly collapses, causing the electron beam to return to its resting position as quickly as possible.  The voltage applied to the deflection yoke is adjusted by various means (transformers, capacitors, center-tapped windings) so that the half-way voltage on the sawtooth's cliff is at the zero mark, meaning that a negative voltage will cause deflection in one direction, and a positive voltage deflection in the other; thus, a center- mounted deflection yoke can use the whole screen area to depict a traceThe vertical deflection system operates the same way as the horizontal, though at a much lower frequency (59.94 Hz on NTSC, 50 Hz for PAL and SECAM).  The ramp portion of the wave must appear as a straight line. If otherwise, it indicates that the voltage isn't increasing linearly and therefore that the magnetic field produced by the deflection yoke is not linear. As a result, the electron beam will accelerate during the non-linear portions. This would result in a television image "squished" in the direction of the non-linearity. Extreme cases will show marked brightness increases, since the electron beam spends more time on that side of the picture.
  • 10.
    Page 10 of11 3. CONCLUSION  Sawtooth waves are known for their use in music. The sawtooth and square waves are common starting points used to create sounds with subtractive analog and virtual analog music synthesizers.  The sawtooth wave is the form of the vertical and horizontal deflection signals used to generate a raster on CRT-based television or monitor screens. Oscilloscopes also use a sawtooth wave for their horizontal deflection, though they typically use electrostatic deflection. Final output Fig .5 Final sawtooth waveform generator Fig 6: Sawtooth waveform generated on CRO
  • 11.
    Page 11 of11 4. REFERENCE  Electronic Project  www.electroniccircuit.com  "Fourier Series-Triangle Wave - from Wolfram MathWorld". Mathworld.wolfram.com