Cell Phone Operated Vehicle
Department of ECE, CEC Benjanapadavu 1
CHAPTER 1
INTRODUCTION
In this project, the robot is controlled by a mobile phone that makes a call to the mobile
phone attached to the robot. In the course of a call, if any button is pressed, a tone
corresponding to the button pressed is heard at the other end of the call. This tone is called
dual-tone multiple-frequency (DTMF) tone. The robot perceives this DTMF tone with the
help of the phone stacked in the robot
The received tone is processed by the microcontroller with the help of DTMF decoder
MT8870 .The decoder decodes the DTMF tone into its equivalent binary digit and this binary
number is sent to the microcontroller. The microcontroller is pre programmed to take a
decision for any given input and outputs its decision to motor drivers in order to drive the
motors for forward or backward motion or a turn. The mobile that makes a call to the mobile
phone stacked in the robot acts as a remote. So this simple robotic project does not require
the construction of receiver and transmitter units.
1.1 LITERATURE SURVEY
The First Remote Control Vehicle / Precision Guided Weapon:
This propeller –driven radio controlled boat, built by Nikola Tesla in 1898, is the
original prototype of all modern-day uninhabited aerial vehicles and precision guided
weapons. In fact, all remotely operated vehicles in air, land or sea. Powered by lead-
acid batteries and an electric drive motor, the vessel was designed to be maneuvered
alongside target using instructions received from a wireless remote-control
transmitter. Once in position, a command would be sent to detonate an explosive
charge contained within the boat‟s forward compartment. The weapon‟s guidance
system incorporated a secure communications link between the pilot‟s controller and
the surface-running torpedo in an effort to assure that control could be maintained
even in the presence of electronic countermeasures. To learn more about tesla‟s
system for secure wireless communications and his pioneering implementation of the
Cell Phone Operated Vehicle
Department of ECE, CEC Benjanapadavu 2
electronic logic-gate circuit read „Nikola Tesla-Guided Weapons & Computer
Technology‟, Tesla Presents Series Part 3, with commentary by Leland Anderson.
Use Of Remote Controlled Vehicles During World War II:
During World War II European Theater the U.S. Air Force experimented with three
basic forms radio-control guided weapons. In each case, The weapon would be
directed to its target by a crew member on a control plane. The first weapon was
essentially a standard bomb fitted with steering controls. The next evolution involved
The fitting of a bomb to a glider airframe, one version, the GB-4 having a TV camera
to assist the controller with targeting. The third class of guided weapon was the
remote controlled B-17.
It‟s known that Germany deployed a number of more advanced guided strike
weapons that saw combat before either the V-1 or V-2. They were the radio-
controlled Henschel‟s Hs 293A and Ruhrstahl‟s SD1400X, known as “Firtz X,” both
air-launched, primarily against ships at sea.
Cell Phone Operated Vehicle
Department of ECE, CEC Benjanapadavu 3
SYSTEM REQUIREMENTS
Cell Phone Operated Vehicle
Department of ECE, CEC Benjanapadavu 4
CHAPTER 2
SYSTEM REQUIREMENTS:
2.1 HARDWARE REQUIREMENTS:
2.1.1 LM358 AMPLIFIER:
Description:
The LM158 series consists of two independent, high gain, internally frequency compensated
operational amplifiers which were designed specifically to operate from a single power
supply over a wide range of voltages. Operation from split power supplies is also possible
and the low power supply current drain is independent of the magnitude of the power supply
voltage. Application areas include transducer amplifiers, dc gain blocks and all the
conventional op amp circuits. Which now can be more easily implemented in single power
supply systems. For example, the LM158 series can be directly operated off of the standard
+5V power supply voltage which is used in digital systems and will easily provide the
required interface electronics without requiring the additional ±15V power supplies.
The LM358 and LM2904 are available in a chip sized package (8-Bump DSBGA) using TI's
DSBGA package technology.
Fig 2.1: LM358 Operational Amplifier
Cell Phone Operated Vehicle
Department of ECE, CEC Benjanapadavu 5
2.1.2 DUAL-TONE MULTI-FREQUENCY (DTMF):
DTMF is a generic communication term for touch tone (a Registered Trademark of AT&T).
The tones produced when dialing on the keypad on the phone could be used to represent the
digits, and a separate tone is used for each digit. However, there is always a chance that a
random sound will be on the same frequency which will trip up the system. It was suggested
that if two tones were used to represent a digit, the likelihood of a false signal occurring is
ruled out. This is the basis of using dual tone in DTMF communications. DTMF dialing uses
a keypad with 12/16 buttons. Each key pressed on the phone generates two tones of specific
frequencies, so a voice or a random signal cannot imitate the tones. One tone is generated
from a high frequency group of tones and the other from low frequency group. The
frequencies generated on pressing different phone.
Features:
• Complete DTMF Receiver
• Low power consumption
• Internal gain setting amplifier
• Adjustable guard time
• Central office quality
Applications
• Receiver system for British Telecom (BT) or CEPT Spec (MT8870D
• Paging systems
• Repeater systems/mobile radio
• Credit card systems
• Remote control
• Personal computers
• Telephone answering machine
Cell Phone Operated Vehicle
Department of ECE, CEC Benjanapadavu 6
Description:
An MT8870 series DTMF decoder is used here. The MT8870D/MT8870D-1 is a complete
DTMF receiver integrating both the band split filter and digital decoder functions. The filter
section uses switched capacitor techniques.
Fig 2.3: DTMF Keypad Frequencies(With Sound Clips)
There are four frequencies associated with the four rows, and three frequencies associated
with the three columns. Each key then specifies two frequencies. The DTMF signal for that
key is the sum of two sinusoidal waves, one at each frequency. So for example, the digit '4'
translates into a sound with two tones, one at 770 Hz. and the other at 1209 Hz.
2.1.2 H-BRIDGE:
An H-bridge is an arrangement of transistors that allows a circuit full control over a standard
electric DC motor. That is, with an H-bridge a microcontroller, logic chip, or remote control
can electronically command the motor to go forward, reverse, brake, and coast.
The basic H-bridge that is a good choice for most robots (including BEAM robots) and
portable gadgets. This H-bridge can operate from a power source as low as two nearly-
exhausted 'AAA' batteries (2.2V) all the way up to a fresh 9V battery (9.6V).
The H-bridge circuit (below) looks complicated at first glance, but it is really just four copies
of a resistor + transistor + diode.
Cell Phone Operated Vehicle
Department of ECE, CEC Benjanapadavu 7
Fig 2.4: Schematic of a bipolar transistor h-bridge circuit to drive a DC motor
There are many different ways to draw the circuitry, but the above wiring diagram matches
the model of most H-bridges.
Q1, Q3: These are NPN transistors. They connect the motor to ground (negative terminal of
the battery).
Q2, Q4: These are PNP transistors. They connect the motor to +2.2V to +9.6V (positive
terminal of the battery).
R1-R4: These resistors prevent too much current from passing through the base (labeled B)
control pin of the transistor. The resistor value of 1 kiloohm (1kΩ) was chosen to provide
enough current to fully turn on (saturate) the transistor. A higher resistance would waste less
power, but might cause the motor to receive less power. A lower resistance would waste
more power, but wouldn't likely provide better performance for motors running on consumer
batteries.
Cell Phone Operated Vehicle
Department of ECE, CEC Benjanapadavu 8
D1-D4: Diodes provide a safe path for the motor energy to be dispersed or returned to the
battery when the motor is commanded to coast or stop.
M1: This is a direct-current (DC) motor. These are very common. And can find them in
surplus stores online or in salvaged toys. The motor should have only two wires. Measure the
resistance of the two motor wires using a multimeter. If it is much less than 5 ohms, then the
transistor parts listed in this article are too weak to power the motor.
Controlling the H-bridge motor driver
The resistors are the inputs that control the H-bridge. By connecting a resistor to either
+VDC or GND, it turns on or off the corresponding transistor. (+VDC is the positive end of
the battery. GND is the negative end of the battery.) When a particular pair of transistors is
turned on, the motor does something.
Table 2.1:Controlling H-Bridge
Command R1 R2 R3 R4
Coast/Roll/Off: GND or
disconnected
+VDC or
disconnected
GND or
disconnected
+VDC or
disconnected
Forward: GND or
disconnected
GND +VDC +VDC or
disconnected
Reverse: +VDC +VDC or
disconnected
GND or
disconnected
GND
Brake/Slow
Down:
+VDC +VDC or
disconnected
+VDC +VDC or
disconnected
Since there are 4 resistors, there are actually sixteen possible ways this circuit can be
commanded. Never apply +VDC to R1 and GND to R2 at the same time.
Never apply +VDC to R3 and GND to R4 at the same time, Battery get short circuited.
As for the other parts, the resistors (R1-R4) in the H-bridge can be almost any brand,
material, or wattage. The maximum current passing through them will be about 9 mA, so
Cell Phone Operated Vehicle
Department of ECE, CEC Benjanapadavu 9
wattage isn't a concern. Also, the resistance doesn't have to be exactly 1000 ohms, so
precision isn't a concern.
The diodes (D1-D4) can be any of the commonly used parts: 1N914, 1N4001, or 1N5817.
The 1N5817 is superior, and This type of motor driver is used, The motor driver circuit is
laid out on a solderless breadboard in the photograph below. The only tricky part is to note
the orientation of the transistors. The top transistors (Q4 and Q2) are flat-side down. The
bottom transistors (Q3 and Q1) are flat-side up.
Fig 2.5: Bipolar transistor H-Bridge motor driver circuit on a solderless breadboard.
Connect the positive end of a battery to the very top row of the board (+VDC). Connect the
negative end of a battery to the very bottom row of the board (+GND).
To try it out, connect a wire from GND to the right-side of R2. Then, connect a wire from
+VDC to the left-side of R3. The motor should spin forward.
Cell Phone Operated Vehicle
Department of ECE, CEC Benjanapadavu 10
2.1.3 DC MOTOR:
A DC motor relies on the fact that like magnet poles repel and unlike magnetic poles attract
each other. A coil of wire with a current running through it generates an electromagnetic field
aligned with the center of the coil. By switching the current on or off in a coil its magnet field
can be switched on or off or by switching the direction of the current in the coil the direction
of the generated magnetic field can be switched 180°. A simple DC motor typically has a
stationary set of magnets in the stator and an armature with a series of two or more windings
of wire wrapped in insulated stack slots around iron pole pieces (called stack teeth) with the
ends of the wires terminating on a commutator. The armature includes the mounting bearings
that keep it in the center of the motor and the power shaft of the motor and the commutator
connections. The winding in the armature continues to loop all the way around the armature
and uses either single or parallel conductors (wires), and can circle several times around the
stack teeth. The total amount of current sent to the coil, the coil's size and what it's wrapped
around dictate the strength of the electromagnetic field created. The sequence of turning a
particular coil on or off dictates what direction the effective electromagnetic fields are
pointed. By turning on and off coils in sequence a rotating magnetic field can be created.
These rotating magnetic fields interact with the magnetic fields of the magnets (permanent or
electromagnets) in the stationary part of the motor (stator) to create a force on the armature
which causes it to rotate. In some DC motor designs the stator fields use electromagnets to
create their magnetic fields which allow greater control over the motor. At high power levels,
DC motors are almost always cooled using forced air.
The commutator allows each armature coil to be activated in turn. The current in the coil is
typically supplied via two brushes that make moving contact with the commutator. Now,
some brushless DC motors have electronics that switch the DC current to each coil on and off
and have no brushes to wear out or create sparks.
Different number of stator and armature fields as well as how they are connected provide
different inherent speed/torque regulation characteristics. The speed of a DC motor can be
controlled by changing the voltage applied to the armature. The introduction of variable
resistance in the armature circuit or field circuit allowed speed control. Modern DC motors
Cell Phone Operated Vehicle
Department of ECE, CEC Benjanapadavu 11
are often controlled by power electronics systems which adjust the voltage by "chopping" the
DC current into on and off cycles which have an effective lower voltage.
Since the series-wound DC motor develops its highest torque at low speed, it is often used in
traction applications such as electric locomotives, and trams. The DC motor was the
mainstay of electric traction drives on both electric and diesel-electric locomotives, street-
cars/trams and diesel electric drilling rigs for many years.
If external power is applied to a DC motor it acts as a DC generator, a dynamo. This feature
is used to slow down and recharge batteries on hybrid car and electric cars or to return
electricity back to the electric grid used on a street car or electric powered train line when
they slow down. This process is called regenerative braking on hybrid and electric cars. In
diesel electric locomotives they also use their DC motors as generators to slow down but
dissipate the energy in resistor stacks. Newer designs are adding large battery packs to
recapture some of this energy.
Fig 2.6: DC Geared motor(100 rpm)
2.1.4 REGULATED POWER SUPPLY:
Description:
The MC78XX/LM78XX/MC78XXA series of three terminal positive regulators are available
in the TO-220/D-PAK package and with several fixed output voltages, making them useful in
a wide range of applications. Each type employs internal current limiting, thermal shut down
Cell Phone Operated Vehicle
Department of ECE, CEC Benjanapadavu 12
and safe operating area protection, making it essentially indestructible. If adequate heat
sinking is provided, they can deliver over 1A output current. Although designed primarily as
fixed voltage regulators, these devices can be used with external components to obtain
adjustable voltages and currents
Fig 2.7: Pin Diagram Of 7805
Features
Output Current up to 1A
Output Voltages of 5
Thermal Overload Protection
Short Circuit Protection
Output Transistor Safe Operating Area Protection
Fig 2.8:Circuit diagram of Regulated power Supply
Cell Phone Operated Vehicle
Department of ECE, CEC Benjanapadavu 13
2.1.5 MICROCONTROLLER:
Fig 2.9: Pin Diagram of Pic 16f872
Cell Phone Operated Vehicle
Department of ECE, CEC Benjanapadavu 14
Table 2.1: Pin Out Description
Cell Phone Operated Vehicle
Department of ECE, CEC Benjanapadavu 15
Cell Phone Operated Vehicle
Department of ECE, CEC Benjanapadavu 16
Memory Organization:
There are three memory blocks in the PIC16F872. The Program Memory and Data Memory
have separate buses so that concurrent access can occur. Additional information on device
memory may be found in the PICmicro™ Mid-Range Reference Manual(DS33023).
Program Memory Organization:
The PIC16F872 has a 13-bit program counter capable of addressing an 8K word x 14 bit
program memory space. The PIC16F872 device actually has 2K words of FLASH program
memory. Accessing a location above the physically implemented address will cause a
wraparound. The RESET vector is at 0000h and the interrupt vector is at 0004h.
Fig 2.10: PIC16F872 Program Memory Map And Stack
Cell Phone Operated Vehicle
Department of ECE, CEC Benjanapadavu 17
Data Memory Organization:
The data memory is partitioned into multiple banks which contain the General Purpose
Registers and the Special Function Registers. Bits RP1 (STATUS<6>) and RP0
(STATUS<5>) are the bank select bits.
Table 2.2: Representing Banks
RP1:RP0 Bank
00 0
01 1
10 2
11 3
Each bank extends up to 7Fh (128 bytes). The lower locations of each bank are reserved for
the Special Function Registers. Above the Special Function Registers are General Purpose
Registers, implemented as static RAM. All implemented banks contain Special Function
Registers. Some frequently used Special Function Registers from one bank may be mirrored
in another bank for code reduction and quicker access.
High Performance Risc Cpu:
Only 35 single word instructions to learn
All single cycle instructions except for program branches, which are two-cycle
Operating speed: DC - 20 MHz clock input DC - 200 ns instruction cycle
2K x 14 words of FLASH Program Memory
128 bytes of Data Memory (RAM)
64 bytes of EEPROM Data Memory
Pinout compatible to the PIC16C72A
Interrupt capability (up to 10 sources)
Eight level deep hardware stack
Direct, Indirect and Relative Addressing modes
Cell Phone Operated Vehicle
Department of ECE, CEC Benjanapadavu 18
Peripheral Features:
• High Sink/Source Current: 25 mA
• Timer0: 8-bit timer/counter with 8-bit prescaler
• Timer1: 16-bit timer/counter with prescaler, can be incremented during SLEEP via
external crystal/clock
• Timer2: 8-bit timer/counter with 8-bit period register, prescaler and postscaler
• One Capture, Compare, PWM module
o Capture is 16-bit, max. resolution is 12.5 ns
o Compare is 16-bit, max. resolution is 200 ns
o PWM max. resolution is 10-bit
• 10-bit, 5-channel Analog-to-Digital converter (A/D)
• Synchronous Serial Port (SSP) with SPI™ (Master mode) and I2C™ (Master/Slave)
• Brown-out detection circuitry for Brown-out Reset (BOR)
Cmos Technology:
• Low power, high speed CMOS FLASH/EEPRO technology
• Wide operating voltage range: 2.0V to 5.5V
• Fully static design
• Commercial, Industrial and Extended temperature ranges
• Low power consumption:
o < 2 mA typical @ 5V, 4 MHz
o 20 μA typical @ 3V, 32 kHz
o < 1 μA typical standby current
Special Microcontroller Features:
• Power-on Reset (POR), Power-up Timer (PWRT) and Oscillator Start-up Timer
(OST)
• Watchdog Timer (WDT) with its own on-chip RC oscillator for reliable operation
• Programmable code protection
• Power saving SLEEP mode
• Selectable oscillator options
Cell Phone Operated Vehicle
Department of ECE, CEC Benjanapadavu 19
• In-Circuit Serial Programming™ (ICSP™) via two pins
• Single 5V In-Circuit Serial Programming capability
• In-Circuit Debugging via two pins
• Processor read/write access to program memory
Device Overview:
This document contains device specific information about the PIC16F872 microcontroller.
Additional information may be found in the PICmicro™ Mid-Rang Reference Manual
(DS33023), which may be obtained from local Microchip Sales Representative or
downloaded from the Microchip website. The Reference Manual should be considered a
complementary document to this data sheet, and is highly recommended reading for a better
understanding of the device architecture and operation of the peripheral modules. The block
diagram of the PIC16F872 architecture is shown in Figure 2.11. A pinout description is
provided in Table 2.3
Table 2.3: Key Features of The Pic 16F872
Cell Phone Operated Vehicle
Department of ECE, CEC Benjanapadavu 20
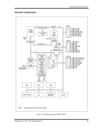
Internal Architecture:
Fig 2.11: internal architecture of PIC16F872
Cell Phone Operated Vehicle
Department of ECE, CEC Benjanapadavu 21
2.2 SOFTWARE REQUIREMENTS:
2.2.1 DIP TRACE :
Dip trace is EDA software for creating schematic diagrams and printed circuit boards. The
first version of Dip Trace was released in August, 2004. The latest version as of March 2013
is Dip Trace version 2.3.1. The interface and tutorials are multi-lingual (currently English,
Czech, Russian and Turkish). In January of 2011, Parallax switched from Eagle to Dip
Trace for developing its printed circuit boards.
2.2.2 µVISION KEIL:
The µVision IDE from Keil combines project management, make facilities, source code
editing, program debugging, and complete simulation in one powerful environment. The
µVision development platform is easy-to-use and helping you quickly create embedded
programs that work. The µVision editor and debugger are integrated in a single application
that provides a seamless embedded project development environment.
Fig 2.9: Working with µvision Keil
Cell Phone Operated Vehicle
Department of ECE, CEC Benjanapadavu 22
2.2.3 FLASH MAGIC:
NXP Semiconductors produce a range of Microcontrollers that feature both on-chip Flash
memory and the ability to be reprogrammed using In-System Programming technology.
Flash Magic is Windows software from the Embedded Systems Academy that allows easy
access to all the ISP features provided by the devices. These features include:
· Erasing the Flash memory (individual blocks or the whole device)
· Programming the Flash memory
· Modifying the Boot Vector and Status Byte
· Reading Flash memory
· Performing a blank check on a section of Flash memory
· Reading the signature bytes
· Reading and writing the security bits
· Direct load of a new baud rate (high speed communications)
· Sending commands to place device in Bootloader mode
Flash Magic provides a clear and simple user interface to these features and more as
described in the following sections. Under Windows, only one application may have access
the COM Port at any one time, preventing other applications from using the COM Port. Flash
Magic only obtains access to the selected COM Port when ISP operations are being
performed. This means that other applications that need to use the COM Port, such as
debugging tools, may be used while Flash Magic is loaded. Note that in this manual third
party Compilers are listed alphabetically. No preferences are indicated or implied.
Fig 2.10: Working with Flash Magic
Cell Phone Operated Vehicle
Department of ECE, CEC Benjanapadavu 23
PROJECT IMPLEMENTATION
Cell Phone Operated Vehicle
Department of ECE, CEC Benjanapadavu 24
CHAPTER 3
PROJECT IMPLEMENTATION:
3.1 BLOCK DIAGRAM:
Fig 3.1: Block Diagram
The robot is so controlled by a mobile phone that makes a call to the mobile phone attached
to the robot. In the course of a call, if any button is pressed, a tone corresponding to the
button pressed is heard at the other end of the call. This tone is called „dual tone multiple
frequency‟ (DTMF) tone. The robot perceives this DTMF tone with the help of the phone
stacked in the robot. The amplifier is used to amplify the received DTMF signal. The
receiver tone is processed by 8051microcontroller with the help of a DTMF decoder
CM8870. The decoder decodes the DTMF tone into its equivalent binary digit and this binary
number is sent to the microcontroller. The microcontroller is preprogrammed to take a
decision for any given input and outputs its decision to motor drivers in order to drive the
motors for forward or backward motion or a turn. The mobile that makes a call to the mobile
phone stacked in the robot acts as a remote.
Cell Phone Operated Vehicle
Department of ECE, CEC Benjanapadavu 25
. 3.2 FLOW CHART:
Fig 3.2: Operational Flow chart
Cell Phone Operated Vehicle
Department of ECE, CEC Benjanapadavu 26
3.4 APPLICATIONS:
Scientific :
Remote control vehicles have various scientific uses including hazardous environments,
working in the deep ocean , and space exploration. The majority of the probes to the other
planets in our solar system have been remote control vehicles, although some of the more
recent ones were partially autonomous. The sophistication of these devices has fueled greater
debate on the need for manned spaceflight and exploration. The Voyager I spacecraft is the
first craft of any kind to leave the solar system. The Martian explorers Spirit and Opportunity
have provided continuous data about the surface of Mars since January 3, 2004.
Military and Law Enforcement:
Military usage of remotely controlled military vehicles dates back to the first half of 20th
century. Soviet Red Army used remotely controlled Teletanks during 1930s in the Winter
War and early stage of World War II. There were also remotely controlled cutters and
experimental remotely controlled planes in the Red Army.
Remote control vehicles are used in law enforcement and military engagements for some
of the same reasons. The exposure to hazards is mitigated to the person who operates the
vehicle from a location of relative safety. Remote controlled vehicles are used by many
police department bomb-squads to defuse or detonate explosives. See Dragon Runner,
Military robot.
Unmanned Aerial Vehicles (UAVs) have undergone a dramatic evolution in capability in
the past decade. Early UAV's were capable of reconnaissance missions alone and then only
with a limited range. Current UAV's can hover around possible targets until they are
positively identified before releasing their payload of weaponry. Backpack sized UAV's
will provide ground troops with over the horizon surveillance capabilities.
Search and Rescue:
UAVs will likely play an increased role in search and rescue in the United States. Slowly
other European countries (even some developing nations) are thinking about making use of
Cell Phone Operated Vehicle
Department of ECE, CEC Benjanapadavu 27
these vehicles in case of natural calamities & emergencies. This can be a great asset to save
lives of both people along with soldiers in case of terrorist attacks like the one happened in
26 Nov, 2008 in Mumbai, India. The loss of military personnel can be largely reduced by
using these advanced methods. This was demonstrated by the successful use of UAVs during
the 2008 hurricanes that struck Louisiana and Texas.
Recreation And Hobby:
See Radio-controlled model. Small scale remote control vehicles have long been popular
among hobbyists. These remote controlled vehicles span a wide range in terms of price and
sophistication. There are many types of radio controlled vehicles. These include on-road
cars, off-road trucks, boats, airplanes, and even helicopters. The "robots" now popular in
television shows such as Robot Wars, are a recent extension of this hobby (these vehicles do
not meet the classical definition of a robot; they are remotely controlled by a human). Radio-
controlled submarine also exist.
Cell Phone Operated Vehicle
Department of ECE, CEC Benjanapadavu 28
CONCLUSION & FUTURE SCOPE
Cell Phone Operated Vehicle
Department of ECE, CEC Benjanapadavu 29
CONCLUSION:
The primary purpose of the mobile phone operated land rover with DTMF decoder is to
know the information in the places where we cannot move. The robot perceives the DTMF
tone with the help of the phone stacked in the robot. It provides the advantage of robust
control, working range as large as coverage area of service provider.
FUTURE SCOPE
IR Sensors:
IR sensors can be used to automatically detect & avoid obstacles if the robot goes beyond
line of sight. This avoids damage to the vehicle if we are maneuvering it from a distant place.
Password Protection:
Project can be modified in order to password protect the robot so that it can be operated only
if correct password is entered. Either cell phone should be password protected or necessary
modification should be made in the assembly language code. This introduces conditioned
access & increases security to a great extent.
Alarm Phone Dialer:
By replacing DTMF Decoder IC CM8870 by a 'DTMF Transceiver IC‟ CM8880, DTMF
tones can be generated from the robot. So, a project called 'Alarm Phone Dialer' can be built
which will generate necessary alarms for something that is desired to be monitored (usually
by triggering a relay). For example, a high water alarm, low temperature alarm, opening of
back window, garage door, etc.
When the system is activated it will call a number of programmed numbers to let the user
know the alarm has been activated. This would be great to get alerts of alarm conditions from
home when user is at work.
Cell Phone Operated Vehicle
Department of ECE, CEC Benjanapadavu 30
REFERENCES
Cell Phone Operated Vehicle
Department of ECE, CEC Benjanapadavu 31
REFERENCES:
[1] “The 8051 Microcontroller and Embedded Systems” By Muhammad Ali Mazidi and
Janice Gillispie Mazidi. Pearson Education.
[2] S. Chemishkian, “Building smart services for smart home”, Proceedings of IEEE
4thInternational Workshop on Networked Appliances, 2011 pp: 2 15 -224.s
[3] R. Sharma, K. Kumar, and S. Viq, “DTMF Based Remote Control System,” IEEE
International Conference ICIT 2006, pp. 2380 -2383, December 2006.
[4] R.C. Luo, T.M. Chen, and C.C. Yih, “Intelligent autonomous mobile robot
control through the Internet,”IEEE InternationalSymposium ISIE 2000, vol. 1, pp. 6-11,
December 2000
[5] G. Arangurenss, L. Nozal, A. Blazquez, and J. Arias, "Remote control of sensors and
actuators by GSM", IEEE 2002 28th Annual Conference of the Industrial Electronics Society
IECON 02, vol. , 5-8 Nov. 2002,pp.2306 – 2310

Pro final rep

  • 1.
    Cell Phone OperatedVehicle Department of ECE, CEC Benjanapadavu 1 CHAPTER 1 INTRODUCTION In this project, the robot is controlled by a mobile phone that makes a call to the mobile phone attached to the robot. In the course of a call, if any button is pressed, a tone corresponding to the button pressed is heard at the other end of the call. This tone is called dual-tone multiple-frequency (DTMF) tone. The robot perceives this DTMF tone with the help of the phone stacked in the robot The received tone is processed by the microcontroller with the help of DTMF decoder MT8870 .The decoder decodes the DTMF tone into its equivalent binary digit and this binary number is sent to the microcontroller. The microcontroller is pre programmed to take a decision for any given input and outputs its decision to motor drivers in order to drive the motors for forward or backward motion or a turn. The mobile that makes a call to the mobile phone stacked in the robot acts as a remote. So this simple robotic project does not require the construction of receiver and transmitter units. 1.1 LITERATURE SURVEY The First Remote Control Vehicle / Precision Guided Weapon: This propeller –driven radio controlled boat, built by Nikola Tesla in 1898, is the original prototype of all modern-day uninhabited aerial vehicles and precision guided weapons. In fact, all remotely operated vehicles in air, land or sea. Powered by lead- acid batteries and an electric drive motor, the vessel was designed to be maneuvered alongside target using instructions received from a wireless remote-control transmitter. Once in position, a command would be sent to detonate an explosive charge contained within the boat‟s forward compartment. The weapon‟s guidance system incorporated a secure communications link between the pilot‟s controller and the surface-running torpedo in an effort to assure that control could be maintained even in the presence of electronic countermeasures. To learn more about tesla‟s system for secure wireless communications and his pioneering implementation of the
  • 2.
    Cell Phone OperatedVehicle Department of ECE, CEC Benjanapadavu 2 electronic logic-gate circuit read „Nikola Tesla-Guided Weapons & Computer Technology‟, Tesla Presents Series Part 3, with commentary by Leland Anderson. Use Of Remote Controlled Vehicles During World War II: During World War II European Theater the U.S. Air Force experimented with three basic forms radio-control guided weapons. In each case, The weapon would be directed to its target by a crew member on a control plane. The first weapon was essentially a standard bomb fitted with steering controls. The next evolution involved The fitting of a bomb to a glider airframe, one version, the GB-4 having a TV camera to assist the controller with targeting. The third class of guided weapon was the remote controlled B-17. It‟s known that Germany deployed a number of more advanced guided strike weapons that saw combat before either the V-1 or V-2. They were the radio- controlled Henschel‟s Hs 293A and Ruhrstahl‟s SD1400X, known as “Firtz X,” both air-launched, primarily against ships at sea.
  • 3.
    Cell Phone OperatedVehicle Department of ECE, CEC Benjanapadavu 3 SYSTEM REQUIREMENTS
  • 4.
    Cell Phone OperatedVehicle Department of ECE, CEC Benjanapadavu 4 CHAPTER 2 SYSTEM REQUIREMENTS: 2.1 HARDWARE REQUIREMENTS: 2.1.1 LM358 AMPLIFIER: Description: The LM158 series consists of two independent, high gain, internally frequency compensated operational amplifiers which were designed specifically to operate from a single power supply over a wide range of voltages. Operation from split power supplies is also possible and the low power supply current drain is independent of the magnitude of the power supply voltage. Application areas include transducer amplifiers, dc gain blocks and all the conventional op amp circuits. Which now can be more easily implemented in single power supply systems. For example, the LM158 series can be directly operated off of the standard +5V power supply voltage which is used in digital systems and will easily provide the required interface electronics without requiring the additional ±15V power supplies. The LM358 and LM2904 are available in a chip sized package (8-Bump DSBGA) using TI's DSBGA package technology. Fig 2.1: LM358 Operational Amplifier
  • 5.
    Cell Phone OperatedVehicle Department of ECE, CEC Benjanapadavu 5 2.1.2 DUAL-TONE MULTI-FREQUENCY (DTMF): DTMF is a generic communication term for touch tone (a Registered Trademark of AT&T). The tones produced when dialing on the keypad on the phone could be used to represent the digits, and a separate tone is used for each digit. However, there is always a chance that a random sound will be on the same frequency which will trip up the system. It was suggested that if two tones were used to represent a digit, the likelihood of a false signal occurring is ruled out. This is the basis of using dual tone in DTMF communications. DTMF dialing uses a keypad with 12/16 buttons. Each key pressed on the phone generates two tones of specific frequencies, so a voice or a random signal cannot imitate the tones. One tone is generated from a high frequency group of tones and the other from low frequency group. The frequencies generated on pressing different phone. Features: • Complete DTMF Receiver • Low power consumption • Internal gain setting amplifier • Adjustable guard time • Central office quality Applications • Receiver system for British Telecom (BT) or CEPT Spec (MT8870D • Paging systems • Repeater systems/mobile radio • Credit card systems • Remote control • Personal computers • Telephone answering machine
  • 6.
    Cell Phone OperatedVehicle Department of ECE, CEC Benjanapadavu 6 Description: An MT8870 series DTMF decoder is used here. The MT8870D/MT8870D-1 is a complete DTMF receiver integrating both the band split filter and digital decoder functions. The filter section uses switched capacitor techniques. Fig 2.3: DTMF Keypad Frequencies(With Sound Clips) There are four frequencies associated with the four rows, and three frequencies associated with the three columns. Each key then specifies two frequencies. The DTMF signal for that key is the sum of two sinusoidal waves, one at each frequency. So for example, the digit '4' translates into a sound with two tones, one at 770 Hz. and the other at 1209 Hz. 2.1.2 H-BRIDGE: An H-bridge is an arrangement of transistors that allows a circuit full control over a standard electric DC motor. That is, with an H-bridge a microcontroller, logic chip, or remote control can electronically command the motor to go forward, reverse, brake, and coast. The basic H-bridge that is a good choice for most robots (including BEAM robots) and portable gadgets. This H-bridge can operate from a power source as low as two nearly- exhausted 'AAA' batteries (2.2V) all the way up to a fresh 9V battery (9.6V). The H-bridge circuit (below) looks complicated at first glance, but it is really just four copies of a resistor + transistor + diode.
  • 7.
    Cell Phone OperatedVehicle Department of ECE, CEC Benjanapadavu 7 Fig 2.4: Schematic of a bipolar transistor h-bridge circuit to drive a DC motor There are many different ways to draw the circuitry, but the above wiring diagram matches the model of most H-bridges. Q1, Q3: These are NPN transistors. They connect the motor to ground (negative terminal of the battery). Q2, Q4: These are PNP transistors. They connect the motor to +2.2V to +9.6V (positive terminal of the battery). R1-R4: These resistors prevent too much current from passing through the base (labeled B) control pin of the transistor. The resistor value of 1 kiloohm (1kΩ) was chosen to provide enough current to fully turn on (saturate) the transistor. A higher resistance would waste less power, but might cause the motor to receive less power. A lower resistance would waste more power, but wouldn't likely provide better performance for motors running on consumer batteries.
  • 8.
    Cell Phone OperatedVehicle Department of ECE, CEC Benjanapadavu 8 D1-D4: Diodes provide a safe path for the motor energy to be dispersed or returned to the battery when the motor is commanded to coast or stop. M1: This is a direct-current (DC) motor. These are very common. And can find them in surplus stores online or in salvaged toys. The motor should have only two wires. Measure the resistance of the two motor wires using a multimeter. If it is much less than 5 ohms, then the transistor parts listed in this article are too weak to power the motor. Controlling the H-bridge motor driver The resistors are the inputs that control the H-bridge. By connecting a resistor to either +VDC or GND, it turns on or off the corresponding transistor. (+VDC is the positive end of the battery. GND is the negative end of the battery.) When a particular pair of transistors is turned on, the motor does something. Table 2.1:Controlling H-Bridge Command R1 R2 R3 R4 Coast/Roll/Off: GND or disconnected +VDC or disconnected GND or disconnected +VDC or disconnected Forward: GND or disconnected GND +VDC +VDC or disconnected Reverse: +VDC +VDC or disconnected GND or disconnected GND Brake/Slow Down: +VDC +VDC or disconnected +VDC +VDC or disconnected Since there are 4 resistors, there are actually sixteen possible ways this circuit can be commanded. Never apply +VDC to R1 and GND to R2 at the same time. Never apply +VDC to R3 and GND to R4 at the same time, Battery get short circuited. As for the other parts, the resistors (R1-R4) in the H-bridge can be almost any brand, material, or wattage. The maximum current passing through them will be about 9 mA, so
  • 9.
    Cell Phone OperatedVehicle Department of ECE, CEC Benjanapadavu 9 wattage isn't a concern. Also, the resistance doesn't have to be exactly 1000 ohms, so precision isn't a concern. The diodes (D1-D4) can be any of the commonly used parts: 1N914, 1N4001, or 1N5817. The 1N5817 is superior, and This type of motor driver is used, The motor driver circuit is laid out on a solderless breadboard in the photograph below. The only tricky part is to note the orientation of the transistors. The top transistors (Q4 and Q2) are flat-side down. The bottom transistors (Q3 and Q1) are flat-side up. Fig 2.5: Bipolar transistor H-Bridge motor driver circuit on a solderless breadboard. Connect the positive end of a battery to the very top row of the board (+VDC). Connect the negative end of a battery to the very bottom row of the board (+GND). To try it out, connect a wire from GND to the right-side of R2. Then, connect a wire from +VDC to the left-side of R3. The motor should spin forward.
  • 10.
    Cell Phone OperatedVehicle Department of ECE, CEC Benjanapadavu 10 2.1.3 DC MOTOR: A DC motor relies on the fact that like magnet poles repel and unlike magnetic poles attract each other. A coil of wire with a current running through it generates an electromagnetic field aligned with the center of the coil. By switching the current on or off in a coil its magnet field can be switched on or off or by switching the direction of the current in the coil the direction of the generated magnetic field can be switched 180°. A simple DC motor typically has a stationary set of magnets in the stator and an armature with a series of two or more windings of wire wrapped in insulated stack slots around iron pole pieces (called stack teeth) with the ends of the wires terminating on a commutator. The armature includes the mounting bearings that keep it in the center of the motor and the power shaft of the motor and the commutator connections. The winding in the armature continues to loop all the way around the armature and uses either single or parallel conductors (wires), and can circle several times around the stack teeth. The total amount of current sent to the coil, the coil's size and what it's wrapped around dictate the strength of the electromagnetic field created. The sequence of turning a particular coil on or off dictates what direction the effective electromagnetic fields are pointed. By turning on and off coils in sequence a rotating magnetic field can be created. These rotating magnetic fields interact with the magnetic fields of the magnets (permanent or electromagnets) in the stationary part of the motor (stator) to create a force on the armature which causes it to rotate. In some DC motor designs the stator fields use electromagnets to create their magnetic fields which allow greater control over the motor. At high power levels, DC motors are almost always cooled using forced air. The commutator allows each armature coil to be activated in turn. The current in the coil is typically supplied via two brushes that make moving contact with the commutator. Now, some brushless DC motors have electronics that switch the DC current to each coil on and off and have no brushes to wear out or create sparks. Different number of stator and armature fields as well as how they are connected provide different inherent speed/torque regulation characteristics. The speed of a DC motor can be controlled by changing the voltage applied to the armature. The introduction of variable resistance in the armature circuit or field circuit allowed speed control. Modern DC motors
  • 11.
    Cell Phone OperatedVehicle Department of ECE, CEC Benjanapadavu 11 are often controlled by power electronics systems which adjust the voltage by "chopping" the DC current into on and off cycles which have an effective lower voltage. Since the series-wound DC motor develops its highest torque at low speed, it is often used in traction applications such as electric locomotives, and trams. The DC motor was the mainstay of electric traction drives on both electric and diesel-electric locomotives, street- cars/trams and diesel electric drilling rigs for many years. If external power is applied to a DC motor it acts as a DC generator, a dynamo. This feature is used to slow down and recharge batteries on hybrid car and electric cars or to return electricity back to the electric grid used on a street car or electric powered train line when they slow down. This process is called regenerative braking on hybrid and electric cars. In diesel electric locomotives they also use their DC motors as generators to slow down but dissipate the energy in resistor stacks. Newer designs are adding large battery packs to recapture some of this energy. Fig 2.6: DC Geared motor(100 rpm) 2.1.4 REGULATED POWER SUPPLY: Description: The MC78XX/LM78XX/MC78XXA series of three terminal positive regulators are available in the TO-220/D-PAK package and with several fixed output voltages, making them useful in a wide range of applications. Each type employs internal current limiting, thermal shut down
  • 12.
    Cell Phone OperatedVehicle Department of ECE, CEC Benjanapadavu 12 and safe operating area protection, making it essentially indestructible. If adequate heat sinking is provided, they can deliver over 1A output current. Although designed primarily as fixed voltage regulators, these devices can be used with external components to obtain adjustable voltages and currents Fig 2.7: Pin Diagram Of 7805 Features Output Current up to 1A Output Voltages of 5 Thermal Overload Protection Short Circuit Protection Output Transistor Safe Operating Area Protection Fig 2.8:Circuit diagram of Regulated power Supply
  • 13.
    Cell Phone OperatedVehicle Department of ECE, CEC Benjanapadavu 13 2.1.5 MICROCONTROLLER: Fig 2.9: Pin Diagram of Pic 16f872
  • 14.
    Cell Phone OperatedVehicle Department of ECE, CEC Benjanapadavu 14 Table 2.1: Pin Out Description
  • 15.
    Cell Phone OperatedVehicle Department of ECE, CEC Benjanapadavu 15
  • 16.
    Cell Phone OperatedVehicle Department of ECE, CEC Benjanapadavu 16 Memory Organization: There are three memory blocks in the PIC16F872. The Program Memory and Data Memory have separate buses so that concurrent access can occur. Additional information on device memory may be found in the PICmicro™ Mid-Range Reference Manual(DS33023). Program Memory Organization: The PIC16F872 has a 13-bit program counter capable of addressing an 8K word x 14 bit program memory space. The PIC16F872 device actually has 2K words of FLASH program memory. Accessing a location above the physically implemented address will cause a wraparound. The RESET vector is at 0000h and the interrupt vector is at 0004h. Fig 2.10: PIC16F872 Program Memory Map And Stack
  • 17.
    Cell Phone OperatedVehicle Department of ECE, CEC Benjanapadavu 17 Data Memory Organization: The data memory is partitioned into multiple banks which contain the General Purpose Registers and the Special Function Registers. Bits RP1 (STATUS<6>) and RP0 (STATUS<5>) are the bank select bits. Table 2.2: Representing Banks RP1:RP0 Bank 00 0 01 1 10 2 11 3 Each bank extends up to 7Fh (128 bytes). The lower locations of each bank are reserved for the Special Function Registers. Above the Special Function Registers are General Purpose Registers, implemented as static RAM. All implemented banks contain Special Function Registers. Some frequently used Special Function Registers from one bank may be mirrored in another bank for code reduction and quicker access. High Performance Risc Cpu: Only 35 single word instructions to learn All single cycle instructions except for program branches, which are two-cycle Operating speed: DC - 20 MHz clock input DC - 200 ns instruction cycle 2K x 14 words of FLASH Program Memory 128 bytes of Data Memory (RAM) 64 bytes of EEPROM Data Memory Pinout compatible to the PIC16C72A Interrupt capability (up to 10 sources) Eight level deep hardware stack Direct, Indirect and Relative Addressing modes
  • 18.
    Cell Phone OperatedVehicle Department of ECE, CEC Benjanapadavu 18 Peripheral Features: • High Sink/Source Current: 25 mA • Timer0: 8-bit timer/counter with 8-bit prescaler • Timer1: 16-bit timer/counter with prescaler, can be incremented during SLEEP via external crystal/clock • Timer2: 8-bit timer/counter with 8-bit period register, prescaler and postscaler • One Capture, Compare, PWM module o Capture is 16-bit, max. resolution is 12.5 ns o Compare is 16-bit, max. resolution is 200 ns o PWM max. resolution is 10-bit • 10-bit, 5-channel Analog-to-Digital converter (A/D) • Synchronous Serial Port (SSP) with SPI™ (Master mode) and I2C™ (Master/Slave) • Brown-out detection circuitry for Brown-out Reset (BOR) Cmos Technology: • Low power, high speed CMOS FLASH/EEPRO technology • Wide operating voltage range: 2.0V to 5.5V • Fully static design • Commercial, Industrial and Extended temperature ranges • Low power consumption: o < 2 mA typical @ 5V, 4 MHz o 20 μA typical @ 3V, 32 kHz o < 1 μA typical standby current Special Microcontroller Features: • Power-on Reset (POR), Power-up Timer (PWRT) and Oscillator Start-up Timer (OST) • Watchdog Timer (WDT) with its own on-chip RC oscillator for reliable operation • Programmable code protection • Power saving SLEEP mode • Selectable oscillator options
  • 19.
    Cell Phone OperatedVehicle Department of ECE, CEC Benjanapadavu 19 • In-Circuit Serial Programming™ (ICSP™) via two pins • Single 5V In-Circuit Serial Programming capability • In-Circuit Debugging via two pins • Processor read/write access to program memory Device Overview: This document contains device specific information about the PIC16F872 microcontroller. Additional information may be found in the PICmicro™ Mid-Rang Reference Manual (DS33023), which may be obtained from local Microchip Sales Representative or downloaded from the Microchip website. The Reference Manual should be considered a complementary document to this data sheet, and is highly recommended reading for a better understanding of the device architecture and operation of the peripheral modules. The block diagram of the PIC16F872 architecture is shown in Figure 2.11. A pinout description is provided in Table 2.3 Table 2.3: Key Features of The Pic 16F872
  • 20.
    Cell Phone OperatedVehicle Department of ECE, CEC Benjanapadavu 20 Internal Architecture: Fig 2.11: internal architecture of PIC16F872
  • 21.
    Cell Phone OperatedVehicle Department of ECE, CEC Benjanapadavu 21 2.2 SOFTWARE REQUIREMENTS: 2.2.1 DIP TRACE : Dip trace is EDA software for creating schematic diagrams and printed circuit boards. The first version of Dip Trace was released in August, 2004. The latest version as of March 2013 is Dip Trace version 2.3.1. The interface and tutorials are multi-lingual (currently English, Czech, Russian and Turkish). In January of 2011, Parallax switched from Eagle to Dip Trace for developing its printed circuit boards. 2.2.2 µVISION KEIL: The µVision IDE from Keil combines project management, make facilities, source code editing, program debugging, and complete simulation in one powerful environment. The µVision development platform is easy-to-use and helping you quickly create embedded programs that work. The µVision editor and debugger are integrated in a single application that provides a seamless embedded project development environment. Fig 2.9: Working with µvision Keil
  • 22.
    Cell Phone OperatedVehicle Department of ECE, CEC Benjanapadavu 22 2.2.3 FLASH MAGIC: NXP Semiconductors produce a range of Microcontrollers that feature both on-chip Flash memory and the ability to be reprogrammed using In-System Programming technology. Flash Magic is Windows software from the Embedded Systems Academy that allows easy access to all the ISP features provided by the devices. These features include: · Erasing the Flash memory (individual blocks or the whole device) · Programming the Flash memory · Modifying the Boot Vector and Status Byte · Reading Flash memory · Performing a blank check on a section of Flash memory · Reading the signature bytes · Reading and writing the security bits · Direct load of a new baud rate (high speed communications) · Sending commands to place device in Bootloader mode Flash Magic provides a clear and simple user interface to these features and more as described in the following sections. Under Windows, only one application may have access the COM Port at any one time, preventing other applications from using the COM Port. Flash Magic only obtains access to the selected COM Port when ISP operations are being performed. This means that other applications that need to use the COM Port, such as debugging tools, may be used while Flash Magic is loaded. Note that in this manual third party Compilers are listed alphabetically. No preferences are indicated or implied. Fig 2.10: Working with Flash Magic
  • 23.
    Cell Phone OperatedVehicle Department of ECE, CEC Benjanapadavu 23 PROJECT IMPLEMENTATION
  • 24.
    Cell Phone OperatedVehicle Department of ECE, CEC Benjanapadavu 24 CHAPTER 3 PROJECT IMPLEMENTATION: 3.1 BLOCK DIAGRAM: Fig 3.1: Block Diagram The robot is so controlled by a mobile phone that makes a call to the mobile phone attached to the robot. In the course of a call, if any button is pressed, a tone corresponding to the button pressed is heard at the other end of the call. This tone is called „dual tone multiple frequency‟ (DTMF) tone. The robot perceives this DTMF tone with the help of the phone stacked in the robot. The amplifier is used to amplify the received DTMF signal. The receiver tone is processed by 8051microcontroller with the help of a DTMF decoder CM8870. The decoder decodes the DTMF tone into its equivalent binary digit and this binary number is sent to the microcontroller. The microcontroller is preprogrammed to take a decision for any given input and outputs its decision to motor drivers in order to drive the motors for forward or backward motion or a turn. The mobile that makes a call to the mobile phone stacked in the robot acts as a remote.
  • 25.
    Cell Phone OperatedVehicle Department of ECE, CEC Benjanapadavu 25 . 3.2 FLOW CHART: Fig 3.2: Operational Flow chart
  • 26.
    Cell Phone OperatedVehicle Department of ECE, CEC Benjanapadavu 26 3.4 APPLICATIONS: Scientific : Remote control vehicles have various scientific uses including hazardous environments, working in the deep ocean , and space exploration. The majority of the probes to the other planets in our solar system have been remote control vehicles, although some of the more recent ones were partially autonomous. The sophistication of these devices has fueled greater debate on the need for manned spaceflight and exploration. The Voyager I spacecraft is the first craft of any kind to leave the solar system. The Martian explorers Spirit and Opportunity have provided continuous data about the surface of Mars since January 3, 2004. Military and Law Enforcement: Military usage of remotely controlled military vehicles dates back to the first half of 20th century. Soviet Red Army used remotely controlled Teletanks during 1930s in the Winter War and early stage of World War II. There were also remotely controlled cutters and experimental remotely controlled planes in the Red Army. Remote control vehicles are used in law enforcement and military engagements for some of the same reasons. The exposure to hazards is mitigated to the person who operates the vehicle from a location of relative safety. Remote controlled vehicles are used by many police department bomb-squads to defuse or detonate explosives. See Dragon Runner, Military robot. Unmanned Aerial Vehicles (UAVs) have undergone a dramatic evolution in capability in the past decade. Early UAV's were capable of reconnaissance missions alone and then only with a limited range. Current UAV's can hover around possible targets until they are positively identified before releasing their payload of weaponry. Backpack sized UAV's will provide ground troops with over the horizon surveillance capabilities. Search and Rescue: UAVs will likely play an increased role in search and rescue in the United States. Slowly other European countries (even some developing nations) are thinking about making use of
  • 27.
    Cell Phone OperatedVehicle Department of ECE, CEC Benjanapadavu 27 these vehicles in case of natural calamities & emergencies. This can be a great asset to save lives of both people along with soldiers in case of terrorist attacks like the one happened in 26 Nov, 2008 in Mumbai, India. The loss of military personnel can be largely reduced by using these advanced methods. This was demonstrated by the successful use of UAVs during the 2008 hurricanes that struck Louisiana and Texas. Recreation And Hobby: See Radio-controlled model. Small scale remote control vehicles have long been popular among hobbyists. These remote controlled vehicles span a wide range in terms of price and sophistication. There are many types of radio controlled vehicles. These include on-road cars, off-road trucks, boats, airplanes, and even helicopters. The "robots" now popular in television shows such as Robot Wars, are a recent extension of this hobby (these vehicles do not meet the classical definition of a robot; they are remotely controlled by a human). Radio- controlled submarine also exist.
  • 28.
    Cell Phone OperatedVehicle Department of ECE, CEC Benjanapadavu 28 CONCLUSION & FUTURE SCOPE
  • 29.
    Cell Phone OperatedVehicle Department of ECE, CEC Benjanapadavu 29 CONCLUSION: The primary purpose of the mobile phone operated land rover with DTMF decoder is to know the information in the places where we cannot move. The robot perceives the DTMF tone with the help of the phone stacked in the robot. It provides the advantage of robust control, working range as large as coverage area of service provider. FUTURE SCOPE IR Sensors: IR sensors can be used to automatically detect & avoid obstacles if the robot goes beyond line of sight. This avoids damage to the vehicle if we are maneuvering it from a distant place. Password Protection: Project can be modified in order to password protect the robot so that it can be operated only if correct password is entered. Either cell phone should be password protected or necessary modification should be made in the assembly language code. This introduces conditioned access & increases security to a great extent. Alarm Phone Dialer: By replacing DTMF Decoder IC CM8870 by a 'DTMF Transceiver IC‟ CM8880, DTMF tones can be generated from the robot. So, a project called 'Alarm Phone Dialer' can be built which will generate necessary alarms for something that is desired to be monitored (usually by triggering a relay). For example, a high water alarm, low temperature alarm, opening of back window, garage door, etc. When the system is activated it will call a number of programmed numbers to let the user know the alarm has been activated. This would be great to get alerts of alarm conditions from home when user is at work.
  • 30.
    Cell Phone OperatedVehicle Department of ECE, CEC Benjanapadavu 30 REFERENCES
  • 31.
    Cell Phone OperatedVehicle Department of ECE, CEC Benjanapadavu 31 REFERENCES: [1] “The 8051 Microcontroller and Embedded Systems” By Muhammad Ali Mazidi and Janice Gillispie Mazidi. Pearson Education. [2] S. Chemishkian, “Building smart services for smart home”, Proceedings of IEEE 4thInternational Workshop on Networked Appliances, 2011 pp: 2 15 -224.s [3] R. Sharma, K. Kumar, and S. Viq, “DTMF Based Remote Control System,” IEEE International Conference ICIT 2006, pp. 2380 -2383, December 2006. [4] R.C. Luo, T.M. Chen, and C.C. Yih, “Intelligent autonomous mobile robot control through the Internet,”IEEE InternationalSymposium ISIE 2000, vol. 1, pp. 6-11, December 2000 [5] G. Arangurenss, L. Nozal, A. Blazquez, and J. Arias, "Remote control of sensors and actuators by GSM", IEEE 2002 28th Annual Conference of the Industrial Electronics Society IECON 02, vol. , 5-8 Nov. 2002,pp.2306 – 2310