PRACTICAL 
RADIO TELEMETRY 
SYSTEMS 
FOR INDUSTRY 
PRACTICAL RADIO TELEMETRY SYSTEMS 
FOR INDUSTRY 
REV
5 
Data Communications for Radio 
Telemetry Systems 
5.1 RS-232 (ITU-T V.24 ) 
5.1.1 Introduction 
The TIA-232 Interface Standard was developed for a single purpose, clearly stated in its title, and 
defines the ‘Interface between Data Terminal Equipment (DTE) and Data Communications Equipment 
(DCE) Employing Serial Binary Data Interchange’. 
It was issued in USA in 1969 by the Engineering Department of the EIA, in cooperation with Bell 
Laboratories and the leading manufacturers of communications equipment, to clearly define the 
interface requirements when connecting data terminals to the Bell telephone system. The latest revision 
is TIA-232-F (1997). 
Commonly this standard is referred to as RS-232 meaning ‘Recommended Standard’, and this 
convention will be followed in this manual. 
The TIA-232 standard consists of 3 major parts, which define Electrical signal characteristics, 
interface mechanical characteristics and functional description of the interchange circuits. 
5.1.2 Electrical Signal Characteristics 
The RS-232 interface standard is designed for the connection of two devices called DTEs and DCEs. 
DTEs (Data Terminal Equipment) such as computers transmit data on pin 2 and receive data on pin 3 
(on a 25 pin connector) whilst DCEs (Data Circuit-Terminating Equipment, formerly referred to as 
Data Communications Equipment) such as modems transmit data on pin 3 and receive data on pin 2 
(on a 25 pin connector).
68 Practical Radio Telemetry Systems for Industry 
Figure 5.1 
Connections Between the DTE and DCE 
At the RS-232 receiver, the following signal voltage levels are specified: 
Voltage Between 
Logic 0 
+ 3V 
and 
+ 25V 
Logic 1 
- 3V 
and 
- 25V 
Undefined 
- 3V 
and 
+ 3V 
Table 5.1 
RS-232 Receiver Voltages 
Similarly the RS-232 transmitter has to produce a slightly higher voltage level in the range of +5 volts 
to +25 volts and -5 volts to -25 volts to overcome the voltage drop along the line. In practice most 
transmitters operate at voltages between 5 volts and 12 volts. 
The RS-232 standard defines 25 electrical connections, which are each described later. The electrical 
connections are divided into four groups viz.: 
• Data Lines 
• Control Lines 
• Timing Lines 
• Special Secondary Functions 
The Data Lines are used for the transfer of data. Pins 2 and 3 are used for this purpose. Data flow is 
designated from the perspective of the DTE interface. Hence the ‘transmit line’, on which the DTE 
transmits (and the DCE receives), is associated with pin 2 at the DTE end and pin 2 at the DCE end. 
This is for a 25 pin connector, and for a 9 pin connector these two pins are reversed i.e. pin 3 is used 
for transmission. The ‘Receive line’, on which the DTE receives (and the DCE transmits), is associated 
with pin 3 at the DTE end and pin 3 at the DCE end. This is for a 25 pin connector. Pin 7 (on a 25 pin
Data Communications for Radio Telemetry Systems 69 
connector) is the common return line for the Transmit and Receive data lines. On a 9 pin connector the 
return line is on pin 5. 
The Control Lines are used for interactive device control, commonly known as ‘hardware 
handshaking’ and regulate the way in which data flows across the interface. The four most commonly 
used control lines are as follows: 
• RTS - Request To Send 
• CTS - Clear To Send 
• DSR - Data Set Ready (or DCE Ready in RS-232-D/E) 
• DTR - Data Terminal Ready (or DTE Ready in RS-232-D/E) 
Note that the handshake lines operate in the opposite voltage sense to the data lines. When a control 
line is active (logic=1), the voltage is in the range +3 to +25 Volts and when deactivated (logic=0), the 
voltage is zero or negative. The typical structure of the data frame, used for RS-232 applications, is as 
follows. The first bit is the start bit (logical 0), followed by the data bits, with the least significant bit 
first. The data bits may be in a packet of 5, 6, 7 or 8 bits. After the last data bit, there is an optional 
parity bit (even, odd or none) followed by a stop bit. Finally there are 1 or 2 stop bits (logical 1).. 
The capacitance in the connecting cable limits the maximum distance of transmission under RS-232 to 
a typical distance of 15 m (or 2500 pF). Excessive capacitance distorts the clean digital signal. 
5.1.3 Interface Mechanical Characteristics 
Although not specified by RS-232, the DB-25 connector (25-pin, D-type) has become so closely 
associated with RS-232 that it is the de facto standard. The DB-9 connector (9-pin, D-type) is also 
commonly used. The pin allocations commonly used with the DB-9 and DB-25 connectors are shown 
in Appendix B. The pin allocation for the DB-9 connector is not quite the same as the DB-25; but is as 
follows: 
• Data Transmit : Pin 3 
• Data Receive : Pin 2 
• Signal Common : Pin 5 
5.1.4 Functional Description of the Interchange Circuits 
The EIA circuit functions are defined, with reference to the DTE, as follows: 
• Pin 1 - Protective Ground (Shield) 
A connection is seldom made between the protective ground pins at each end. Their 
purpose is to prevent hazardous voltages, by ensuring that the DTE and DCE chassis are at 
the same potential at both ends. But, there is a danger that a path could be established for 
circulating earth currents. So, usually the cable shield is connected at one end only. 
• Pin 2 - Transmitted Data (TxD) 
This line carries serial data from Pin 2 on the DTE to Pin 2 on the DCE. The line is held at 
MARK (or a negative voltage) during periods of line idle. 
• Pin 3 - Received Data (RxD) 
This line carries serial data from Pin 3 on the DCE to Pin 3 on the DTE. 
• Pin 4 - Request to Send (RTS) 
See Clear to Send.
70 Practical Radio Telemetry Systems for Industry 
• Pin 5 - Clear to Send (CTS) 
When a half duplex modem is receiving, the DTE keeps RTS inhibited. When it becomes 
the DTEs turn to transmit, it advises the modem by asserting the RTS pin. When the 
modem asserts the CTS it informs the DTE that it is now safe to send data. The procedure 
is reversed when switching from transmit to receive. 
• Pin 6 - Data Set Ready (DSR) 
This is also called DCE Ready. In the answer mode, the answer tone and the DSR are 
asserted two seconds after the telephone goes off hook. 
• Pin 7 - Signal Ground (Common) 
This is the common return line for the data transmit and receive signals. The connection, 
Pin 7 to Pin 7 between the two ends, is always made. 
• Pin 8 - Data Carrier Detect (DCD) 
This is also called the Received Line Signal Detector. Pin 8 is asserted by the modem 
when it receives a remote carrier and remains asserted for the duration of the link. 
• Pin 20 - DTE Ready (or Data Terminal Ready) 
DTE Ready enables, but does not cause, the modem to switch onto the line. In originate 
mode, DTE Ready must be asserted in order to auto dial. In answer mode, DTE Ready 
must be asserted to auto answer. 
• Pin 22 - Ring Indicator 
This pin is asserted during a ring on the line. 
• Pin 23 - Data Signal Rate Selector (DSRS) 
When two data rates are possible, the higher is selected by asserting Pin 23. 
5.1.5 The Sequence of Asynchronous Operation of the RS-232 Interface 
Asynchronous operation is arguably the more common approach when using RS-232 and will be 
examined in this section using the more complex half duplex data interchange. It should be noted that 
the half duplex description is given as it encompasses that of full duplex operation. 
Figure 5.2 gives a graphical description of the operation with the initiating user terminal (or DTE) and 
its associated modem (or DCE) on the left of the diagram and the remote computer and its modem on 
the right. 
The following sequence of steps occurs: 
• The initiating user manually dials the number of the remote computer. 
• The receiving modem asserts the ring indicator line (RI-Pin 22) in a pulsed ON/OFF 
fashion as per the ringing tone. The remote computer already has its Data Terminal Ready 
line (or DTR-Pin 20) asserted to indicate that it is ready to receive calls. (Alternatively the 
remote computer may assert the DTR line after a few rings). The remote computer then 
sets its Request to Send line (RTS-Pin 4) to ON. 
• The receiving modem then answers the telephone and transmits a carrier signal to the 
initiating end. It also asserts the DCE Ready (DSR-Pin 6) after a few seconds. 
• The initiating modem then asserts the Data Carrier Detect line (DCD-Pin 8). The initiating 
terminal asserts it’s DTR (if it is not already high). The modem then responds by asserting 
its Data Set Ready line (DSR-Pin 6). 
• The receiving modem then asserts its Clear to Send line (CTS-Pin 5) which permits the 
transfer of data from the remote computer to the initiating side.
Data Communications for Radio Telemetry Systems 71 
• Data is then transferred from the receiving DTE on Pin 2 (transmitted data) to the receiving 
modem. The receiving remote computer can then transmit a short message to indicate to 
the originating terminal that it can proceed with the data transfer. The originating modem 
transmits the data to the originating terminal on Pin 3. 
• The receiving terminal then sets its Request to Send line (RTS-Pin 4) to OFF. The 
receiving modem then sets its Clear to Send line (CTS-Pin 5 ) to OFF as well. 
• The receiving modem then switches its carrier signal OFF. 
• The originating terminal detects that the Data Carrier Detect signal has been switched OFF 
on the originating modem and then switches its RTS line to the ON state. The originating 
modem then indicates that transmission can proceed by setting its CTS line to ON. 
• Transmission of data then proceeds from the originating terminal to the remote computer. 
• When the interchange is complete, both carriers are switched OFF (and in many cases the 
DTR is set to OFF). This means that the CTS, RTS and DCE Ready (or DSR) lines are set 
to OFF. 
Note that full duplex operation requires that transmission and reception occur simultaneously. In this 
case there is no RTS/CTS interaction at either end. The RTS line and CTS line are left ON with a 
carrier to the remote computer. 
Figure 5.2 
Typical Operation of an Half Duplex RS-232 Data Interchange
72 Practical Radio Telemetry Systems for Industry 
5.1.6 Synchronous Communications 
The major difference between asynchronous and synchronous communications with modems is the 
need for timing signals. 
A synchronous modem outputs a square wave on Pin 15 of the RS-232 DB-25 connector. This Pin 15 
is called the transmit clock pin or more formally the DCE Transmitter Signal Element timing pin. This 
square wave is set to the frequency of the modem's bit rate. The attached personal computer (the DTE) 
then synchronizes its transmission of data from Pin 2 to the modem. 
There are two interchange circuits that can be employed to change the operation of the attached 
communications device. 
These are: 
• Signal Quality Detector (CG, Pin 21) 
If there is high probability of error in the received data to the modem because of poor 
signal quality this line is set to OFF. 
• Data Signal Rate Selector (CH/CI, Pin 23) 
If the signal quality detector pin indicates that the quality of the signal is unacceptable 
(i.e. it is set to OFF), the terminal may set the Pin 23 to ON to select a higher data rate; 
or OFF to select a lower data rate. This is called the CH circuit. 
If, however, the modem selects the data rate and advises the terminal on Pin 23 (ON or 
OFF), the circuit is known as circuit CI. 
5.1.7 Disadvantages of RS-232 
System designers have tended to look for alternative approaches (such as the RS-422 or RS-485 
standards) because of the following limitations of RS-232: 
• The restriction of point-to-point communications is a drawback when many devices have to 
be multi-dropped together. 
• The distance limitation (typically 15 meters) is a limitation when distances of 1000 m are 
needed. 
• The 20 kbps baud rate is too slow for many applications. 
• The voltages of -3 to -25 volts and +3 to +25 Volts are not compatible with many modern 
power supplies (in computers) of +5 and +12 volt. 
• RS-232 uses ‘unbalanced’ transmission (i.e. single wire transmission plus ground return), 
which leads to a high level of noise susceptibility. 
5.2 RS-422 
The RS-422 standard was introduced in the early 70's. It defines a ‘balanced’ (or differential) data 
communications interface using two separate wires for each signal. This permits very high data rates 
and minimizes problems with varying ground potential because the ground is not used as a voltage 
reference (in contrast to RS-232) and allows reliable serial data communication for: 
• Distances of up to 1200 m 
• Data rates of up to 10 Mbps 
However, only one line driver is permitted on a line and up to 10 line receivers can be driven by one 
line driver. The line voltages range between -2V to -6V for Logic 1 and +2V to +6V for Logic 0 (using 
terminals A and B as reference points). The line driver for the RS-422 interface produces a ±5V 
differential voltage on two wires.
Data Communications for Radio Telemetry Systems 73 
The two signaling states of the line are defined as follows: 
• When the "A" terminal of the driver is negative with respect to the "B" terminal, the line is 
in a binary 1 (Mark or Off) state. 
• When the "A" terminal of the driver is positive with respect to the "B" terminal, the line is 
in a binary 0 (Space or On) state. 
Figure 5.3 
RS-422 Balanced Line Driver Connections 
As the differential receiver is only sensitive to the difference between two signals on its inputs, 
common noise signals picked up in both wires will have little effect on the operation of the receiver. 
Differential receivers are therefore said to have good Common Mode Rejection (CMR) characteristics. 
The voltage drop along the common wire of an unbalanced system due to other signals is also 
eliminated. 
The differential voltage signal is the major feature of the RS-422 standard which allows an increase in 
speed and provides higher noise immunity. Each signal is transferred on one pair of wires and is the 
voltage difference between them. A common ground wire is preferred to aid noise rejection, but is not 
mandatory. Consequently, for a full-duplex system, 5 wires are required (with 3 wires for half duplex 
systems). 
Unfortunately the RS-422 drivers cannot be switched into a high-impedance state, therefore it cannot 
be truly ‘multi-dropped’ as is the case with RS-485. One can therefore only have one transmitter and 
multiple listeners, as in Figure 5.3, or two RS-422 devices connected in point-to-point mode (i.e. Tx to 
Rx and vice versa). 
The RS-422 standard does not specify the mechanical connections or assign pin numbers and leaves 
this aspect optional. The RS-530 for the DB-25 connector as shown in Appendix B is sometimes used. 
5.3 RS-485 
RS-485 is the most versatile of the RS interface standards. It permits a ‘multi-drop’ network 
connection on 2 wires and allows reliable serial data communication for: 
• Distances of up to 1200 m (4000 feet, the same as RS-422) 
• Data rates of up to 10 Mbps (the same as RS-422) 
• Up to 32 line drivers on the same line 
• Up to 32 line receivers on the same line
74 Practical Radio Telemetry Systems for Industry 
There can be 32 transceivers on an RS-485 network. If more than 32 devices, one would have to use 
repeaters (which is not defined in the RS-485 standard), or alternatively half-or quarter-power devices, 
which will allow 64 or 128 devices respectively. 
The differential voltages between the A and B lines are specified as: 
• –1.5 V to –6V with respect to the B line for a binary 1 (MARK or OFF) state 
• +1.5 V to +6V with respect to the B line for a binary 0 (SPACE or ON) state 
The specification does not explicitly name the wires, but they are generally referred to as A and B, 
though they are also called A(–) and B(+), or TX+ and TX–. 
The line driver for the RS-485 interface produces a ±5V differential voltage on two wires. The 
differential signaling method substantially eliminates common mode voltages induced into both the A 
and B wires and allows high-speed operation in noisy environments. 
The other major enhancement of RS-485 is that a line driver can operate in three states called tri-state 
operation: Logic 1, Logic 0 and high-impedance. 
In the high-impedance state, the line driver draws virtually no current and appears not to be present 
on the line. This is known as the ‘disabled’ state and can be initiated by a signal on a control pin on the 
line driver integrated circuit. Tri-state operation allows a multi-drop network connection and up to 32 
transmitters can be connected on the same line, although only one can be active at any one time. Each 
station in a multi-drop system must be allocated a unique address to avoid conflicting with other 
devices on the system. RS-485 includes current limiting in cases where contention does occur. 
RS-485 is very useful for systems where several instruments or controllers may be connected on the 
same line. Special care must be taken with the software to coordinate which devices on the network 
can become active. In most cases, a master terminal, such as a PC or computer, controls which 
transmitter/receiver will be active at any one time. 
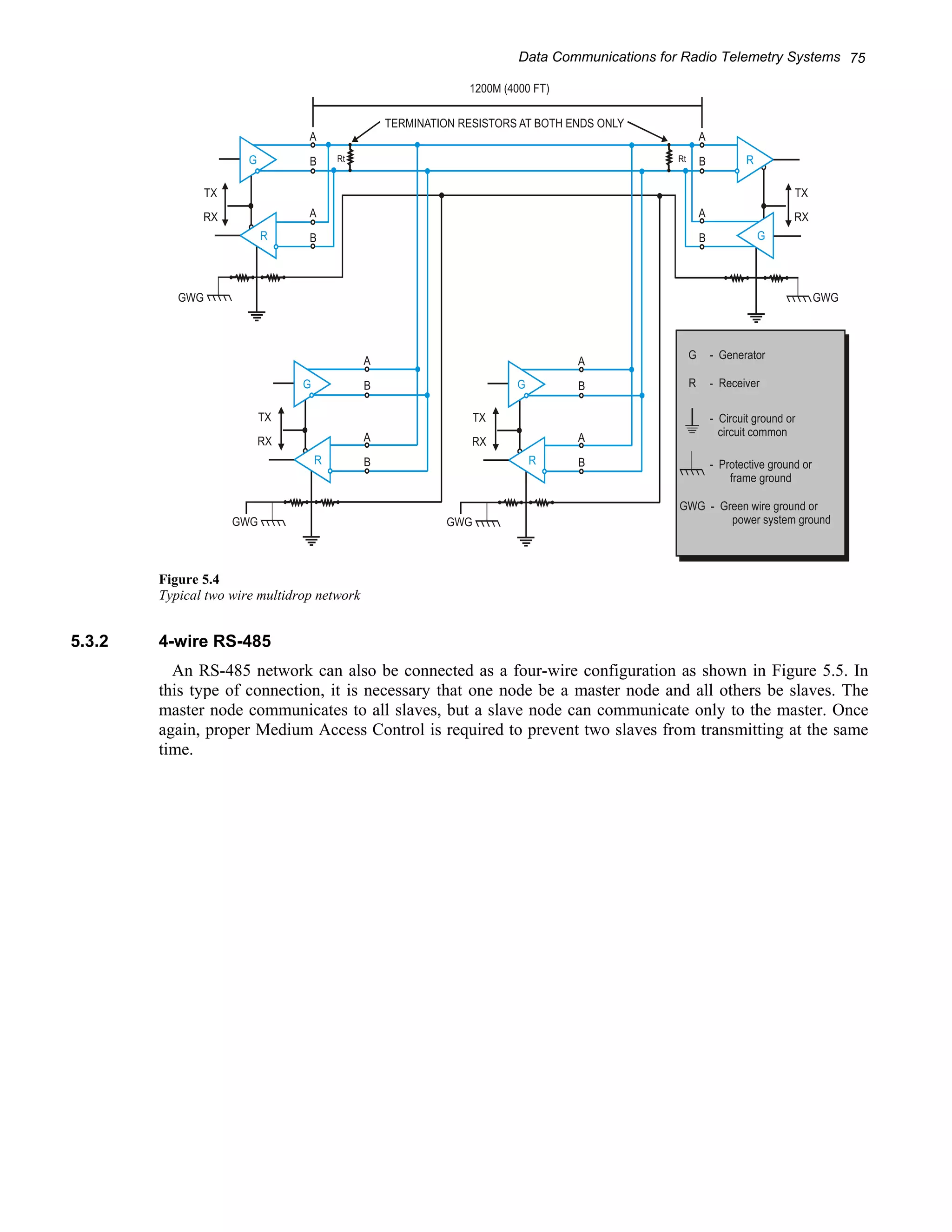
5.3.1 2-wire RS-485 
The 2-wire data transmission line does not normally require special termination at low speeds (such 
as 9600 bps) unless required by the manufacturer. On long lines, the leading and trailing edges of data 
pulses will be much sharper if terminating resistors approximately equal to the characteristic 
impedance (Z0) of the line are fitted at the extreme ends. This is indicated in Figure 5.4. For twisted 
pair systems, the resistor used is typically 120 Ω. At higher speeds (typically 1 Mbps and above) the 
terminator is indispensable. 
Figure 5.4 shows a typical two-wire multidrop network. Note that the transmission line is terminated 
on both ends of the line but not at drop points in the middle of the line. The signal ground line is also 
recommended in the case of the ground potential between the end stations is different. Common mode 
voltages beyond –7 to +12 volt can damage the transceivers.
Data Communications for Radio Telemetry Systems 75 
Figure 5.4 
Typical two wire multidrop network 
5.3.2 4-wire RS-485 
An RS-485 network can also be connected as a four-wire configuration as shown in Figure 5.5. In 
this type of connection, it is necessary that one node be a master node and all others be slaves. The 
master node communicates to all slaves, but a slave node can communicate only to the master. Once 
again, proper Medium Access Control is required to prevent two slaves from transmitting at the same 
time.
76 Practical Radio Telemetry Systems for Industry 
Figure 5.5 
Four wire network configuration 
5.3.3 Use of Bias Resistors 
During normal operation, there are periods when all RS-485 drivers are off, and the communications 
lines are in the idle, high impedance state. In this condition the lines are susceptible to noise pick-up, 
which can be interpreted as random characters on the communications line. If a specific RS-485 system 
has this problem, it should incorporate 560Ω bias resistors as indicated in Figure 5.6. These resistors 
will maintain the data lines with the B-leg always floating higher than the A-leg when the system is in 
the high impedance state. 
The ground resistors shown in figure 5.5 are recommended in the specification and should be 100 
ohms ½ watt. Their purpose is to reduce any loop currents if the earth potentials are significantly 
different. 
The bias resistors are chosen in such a way that the B line will be kept at least 200 mV HIGHER than 
the A line with no input signal (i.e. all transmitters in the high impedance state). For the purpose of the 
calculation, remember that the two 120 Ω terminating resistors appear in parallel for this purpose. This 
particular example uses bias resistors on only one node. 
Some systems employ bias resistors on all nodes, in which case the values of the bias resistors will be 
significantly higher since they appear in parallel.
Data Communications for Radio Telemetry Systems 77 
Figure 5.6 
Suggested installation of terminating and bias resistors 
5.4 Industrial Ethernet 
5.4.1 Ethernet Systems 
The term Ethernet originally referred to a LAN implementation standardized by Xerox, Digital, and 
Intel; the original DIX standard. The IEEE 802.3 group standardized operation of a CSMA/CD 
network that was functionally equivalent to the DIX II or ‘Bluebook’ Ethernet. 
Data transmission speeds of up to 100 Gbps have already been achieved (2011), though 100 Mbps 
(the IEEE 802.3u standard, also called Fast Ethernet) and 1000 Mbps (the 802.3z standard, also called 
Gigabit Ethernet) are generally used in Industrial environments, with some older 10 Mbps systems still 
in operation.. 
When the IEEE was asked to develop standards for Ethernet, Token Ring, and other networking 
technologies, DIX Ethernet was already in use. The objective of the IEEE 802 committee was to 
develop standards and rules that would be generic to all types of LANs so that data could move from 
one type of network, say Ethernet, to other type, say Token Ring. This had potential for conflict with 
the existing DIX Ethernet implementations. The ‘802’ committee was therefore careful to separate 
rules for the old and the new since it was recognized there would be a coexistence between DIX frames 
and IEEE 802.3 frames on the same LAN. 
These are the reasons why there is a difference between DIX Ethernet and IEEE 802.3 frames. 
Despite the two types of frames, we generally refer to both as ‘Ethernet’ frames. LAN cards are able to 
operate with a mix of both types.
78 Practical Radio Telemetry Systems for Industry 
5.4.2 DIX and IEEE 802.3 frames 
A frame is a packet comprising data bits. The packet format is fixed and the bits are arranged in 
sequence of groups of bytes (fields). The purpose of each field, its size, and its position in the sequence 
are all meaningful and predetermined. The fields are Preamble, Destination Address, Source Address, 
Type or Length, Data/LLC, and Frame Check Sequence, in that order. 
DIX and IEEE 802.3 frames are identical in terms of the number and length of fields. The only 
difference is in the contents of the fields and their interpretation by the stations which send and receive 
them. Ethernet interfaces therefore can send either of these frames. 
Figure 5.7 schematically shows the DIX as well as IEEE 802.3 frame structures. 
Figure 5.7 
IEEE 802.3 and DIX frames 
Preamble 
The ‘preamble’ of the frame is like the introductory remarks of a speaker. If one misses a few words 
from a preamble being delivered by a speaker, one does not lose the substance of the speech. Similarly, 
the preamble in this case is used for synchronization and to protect the rest of the frame even if some 
start-up losses occur to the signal. 
Fast Ethernet and subsequent versions have other mechanisms for avoiding signal start-up losses, but 
in their frames a preamble is retained for purposes of backward compatibility. 
Because of the synchronous communication method used, the preamble is necessary to enable all 
stations to synchronize their clocks. The Manchester encoding method used for 10 Mbps Ethernet is 
self-clocking since each bit in the frame contains the transmitting stations clock transition, which is 
used by each receiver to interpret the incoming data. 
Preamble in DIX 
Here the preamble consists of eight bytes of alternating ones and zeros, which appear as a square wave 
with Manchester encoding. The last two bits of the last byte are ‘1, 1’. These ‘1, 1’ bits signify to the 
receiving interface that the end of the preamble has occurred and those actual meaningful bits are about 
to start. 
Preamble in IEEE 802.3 
Here the preamble is divided in two parts, first one of seven bytes, and another of one byte. This one 
byte segment is called the start frame delimiter or SFD for short. Here, again, the last two bits of the 
SFD are ‘1, 1’ and with the same purpose as in the DIX standard. There is no practical difference 
between the preambles of DIX and IEEE – the difference being only semantic. 
Ethernet MAC addresses 
These addresses are also called hardware addresses or media addresses. Each Ethernet interface 
(including IEEE 802.11 wireless) needs a unique MAC address, and this is usually allocated at the 
time of manufacture. The first 24 bits of the MAC address consist of an Organizationally Unique
Data Communications for Radio Telemetry Systems 79 
Identifier (OUI), in other words a ‘manufacturer ID’, assigned to a vendor by the IEEE. This is why 
they are also called ‘vendor codes’. The Ethernet vendors combine their 24-bit OUI with a unique 24- 
bit value that they generate to create a unique 48-bit address for each Ethernet interface they build. The 
latter 24-bit value is normally issued sequentially. 
A MAC address is a sequence of six octets (bytes). The first three take the values of the three octets of 
the OUI in order. The vendor administers the last three octets. For example, the OUI AC - DE - 48 
could be used to generate the address AC-DE-48-00-00-80 
Figure 5.8 
Ethernet MAC Address structure 
Destination address 
The destination address field of 48 bits follows the preamble, and is the MAC address of the recipient. 
Each Ethernet interface on the network reads each frame at least up to the end of the destination 
address field. If the address in the field does not match its own address, then the frame is not read 
further and is discarded by the interface. 
A destination address of all ‘1’s (FF-FF-FF-FF-FF-FF) means that it is a broadcast and that the frame 
is to be read by all interfaces. 
Source address 
This is the next field in the frame after destination address field. It contains the physical address of the 
interface of the transmitting station. This field is not interpreted in any way by the Ethernet MAC 
protocol, but is provided for use of higher protocols. 
Type/length field 
This field refers to the data field of the frame. 
Type field in the DIX standard 
In the DIX standard, this field describes the type of high-level PDU information that is carried in the 
data field of the Ethernet frame. For example, the value of 0x0800 (0800 Hex) indicates that the frame 
is used to carry an IP packet. 
Length/type field in IEEE 802.3 
When the IEEE 802.3 standard was first introduced, this field was called the ‘length’ field, indicating 
the length (in bytes) of data to follow. Later on (in 1997), the standard was revised to include either a 
type specification or a length specification. 
The length field indicates how many bytes are present in the Data field, from a minimum of zero to a 
maximum of 1500. 
The most important reason for having a minimum length frame is to ensure that all transmitting 
stations can detect collisions (by comparing what they transmit with what they hear on the network) 
while they are still transmitting. To ensure this all frames must transmit for more than twice the time it 
takes a frame to reach the other end. This was only needed in the case of the old CSMA/CD collision-based 
MAC. In modern full-duplex Ethernet systems this is irrelevant. 
The data field must therefore contain a minimum 46 bytes or a maximum of 1500 bytes of actual 
data. The network protocol itself is expected to provide at least 46 bytes of data. If the data is less than
80 Practical Radio Telemetry Systems for Industry 
46 bytes, padding by dummy data is done to bring the field size to 46 bytes. Before the data in the 
frame is read, the receiving station must know which of the bytes constitute real data and which part is 
padding. Upon reception of the frame, the length field is used to determine the length of valid data in 
the data field, and the pad data is discarded. 
If the value in the length/type field is numerically less than or equal to 1500, then the field is being 
used as a length field, in which case the number in this field represents the number of data bytes in the 
data field. 
If the value in the field is numerically greater than 1536 (0x0600), then the field is being used as type 
field, in which case the hexadecimal identifier in the field is used to indicate the type of protocol data 
being carried in the data field. For example, a Type number of 0x800 (800 Hex), indicates that IP data 
is being carried by Ethernet. 
Data field 
Data field in the DIX standard 
In the DIX standard, the data field must contain a minimum of 46 bytes and a maximum of 1500 bytes 
of data. The network protocol software provides at least 46 bytes of data if needed. 
Data field in IEEE 802.3 
Here the minimum and the maximum lengths are same as for the DIX standard. The LLC protocol as 
per IEEE 802.2 may occupy some space in the data field for identifying the type of protocol data being 
carried by the frame if the type/length field is used for length information. The LLC PDU is carried in 
the first 10 bytes in the data field. 
If the number of LLC octets is less than the minimum number required for the data filed, then pad 
data octets are automatically added. On receipt of the frame, the length of meaningful data is 
determined using the length field. 
Frame Check Sequence (FCS) field 
This last field in a frame, the same in both DIX and IEEE 802.3 standards, is used to check the 
integrity of all the bits in the frame, excluding, of course, the preamble and FCS fields. A 32-bit CRC 
(cyclic redundancy check) is used to compute and check this integrity. 
5.4.3 IEEE 802.1p/Q VLAN standards and frames 
The IEEE 802.1D standard lays down norms for bridges and switches. The IEEE 802.1p standard, 
which is a part of 802.1D, provides support for traffic-class expediting and dynamic multicast filtering. 
It also provides a generic attribute registration protocol (GARP) that can be used by switches and 
stations to exchange information about various capabilities or attributes that may apply to a switch or 
port. 
The IEEE 802.1Q standard provides a vendor-independent way of implementing VLANs. A VLAN 
is a group of switch ports that behave as if they are independent switching hub. Provision of VLAN 
capabilities on a switching hub enables a network manager to allocate a particular set of switch ports to 
different VLANs. 
VLANs can now be based on the content of frames instead of just ports on the hub. There are 
proprietary frame tagging mechanisms for identifying or tagging frames in terms of which VLAN they 
belong to. The IEEE 802.1Q provides a vendor independent way of tagging Ethernet frames and 
thereby implementing VLANs. 
Here, 4 bytes of new information containing identification of the protocol and priority information 
are added after the source address field and before the length/type field. The VLAN tag header is added 
to the IEEE 802.3 frame as shown below in Figure 5.9. 
The tag header consists of two parts. The first part is the tag protocol identifier (TPID), which is a 2- 
byte field that identifies the frame as a tagged frame. For Ethernet, the value of this field is 0x8100. 
The second part is the tag control information (TCI), which is a 2-byte field. The first three bits of 
this field are used to carry priority information based on the values defined in the IEEE 802.1p
Data Communications for Radio Telemetry Systems 81 
standard. The last eleven bits carry VLAN identifier (VID) that uniquely identifies the VLAN to which 
the frame belongs (see Figure 5.9). 
802.3 Frame without VLAN tag header 
802.3 Frame with 4 byte VLAN tag header added 
Figure 5.9 
IEEE 802.1p/Q VLAN Tag header added to IEEE 802.3 frame 
802.1Q thus extends the priority-handling aspects of the IEEE 802.1p standard by providing space in 
the VLAN tag to indicate traffic priorities. 
5.4.4 Media access control for half-duplex LANs (CSMA/CD) 
It is important to understand that this is a legacy technology, and therefore only used in older (typically 
10 Mbps) Ethernet systems. It has been replaced by full duplex operation. 
The MAC protocol for half-duplex Ethernet (DIX as well as IEEE 802.3), controls the sharing of a 
single channel for communication between all stations, the transmission being in both directions on the 
same channel, but not simultaneously. 
There is no central controller on the LAN to decide about these matters. Each interface of each 
station has this protocol and plays by the same MAC rules so that there is a fair sharing of the 
communication on the channel. 
The MAC protocol for half-duplex Ethernet LANs is called CSMA/CD, or carrier sense multiple 
access/collision detection, after the manner in which the protocol manages the communication traffic. 
CSMA/CD operates as follows: 
• A station wishing to transmit listens for the absence of traffic on the bus in order to 
determine if it is idle 
• If the channel is idle, and the period of inactivity has equaled or exceeded the Interframe 
Gap (IFG), the station starts transmitting a frame immediately. 
The IFG is meant to provide recovery time for the interfaces and is equal to the time for the 
transmission of 96 bits. This is equal to 9.6 microseconds (1 microsecond = 10-6 second) for a 10 Mbps 
network. 
• If there is traffic on the bus, the station defers until the channel becomes free 
• If, after starting transmission, a collision is detected, the station will send another 32 bits of 
a jam signal. If collision is detected very early or just after the start of transmission, the 
station will transmit a preamble plus jam signal
82 Practical Radio Telemetry Systems for Industry 
• As soon as a collision is detected, two processes are invoked. These are a collision counter 
and a back-off time calculation algorithm (which is based on random number generation) 
• After sending the jam signal, the station stops transmitting and waits for a period equal to 
the back-off time (which is calculated by the aforementioned algorithm). On expiry of the 
back-off time, the station starts transmitting all over again 
• If a collision is detected once again, the whole process of backing off and re-transmitting is 
repeated, but the algorithm, which is given the collision count by the counter, increases the 
back-off time. This can go on till there are no collisions detected, or up to a maximum of 16 
consecutive attempts. 
• If the station has managed to send the preamble plus 512 bits, the station has ‘acquired’ the 
channel, and will continue to transmit until there is nothing more to transmit. If the network 
has been designed as per rules, there should be no collisions after acquiring the channel 
• The 512-bit slot time mentioned above is for 10 Mbps and 100 Mbps networks. For Gigabit 
networks, this time is increased to 512 bytes (4096 bits) although, in practice, all Gigabit 
systems are full duplex 
• On acquiring the channel the collision counter and back-off time calculation algorithm are 
turned off 
• All stations strictly follow the above rules. It is of course assumed that the network is 
designed as per rules so that all these timing rules provide the intended results 
5.4.5 Multiplexing and higher level protocols 
Several computers using different high-level protocols can use the same Ethernet network. Identifying 
which protocol is being used and carried in each data frame is called multiplexing, which allows 
placing of multiple sources of information on a single system. 
The type field was originally used for multiplexing, For example, a higher-level protocol creates a 
packet of data, and software inserts an appropriate hexadecimal value in the type field of the Ethernet 
frame. The receiving station uses this value in the type field to de-multiplex the received frame. 
The most widely used high-level protocol today is TCP/IP, which can use both type and length fields 
in the Ethernet frame. Newer high-level protocols developed after the creation of the IEEE 802.2 LLC 
use the length field and LLC mechanism for multiplexing and de-multiplexing of frames. 
5.4.6 Full-duplex transmissions 
The full-duplex mode of transmission allows simultaneous two-way communication between two 
stations, which must use point-to-point links with media such as twisted-pair or fiber optic cables to 
provide independent transmit and receive data paths. Because of the absence of CSMA/CD there can 
only be two nodes (for example an NIC and switch port) in a segment. 
Full-duplex mode doubles the bandwidth of media as compared with that of half-duplex mode. The 
maximum segment length limitation imposed by timing requirements of half-duplex mode does not 
apply to full-duplex mode. 
The IEEE specifies full-duplex mode in its 802.3x supplement (100 Mbps Ethernet) along with 
optional mechanisms for flow control, namely MAC Control and PAUSE. 
For full-duplex operation, certain requirements must be fulfilled. These include independent data 
paths for transmit and receive mode in cabling media, a point-to-point link between stations, and the 
capability and configuration of interfaces of both stations for simultaneous transmission and receipt of 
data frames. 
In full-duplex mode CSMA/CD is disabled, and stations can transmit at any time. However, the 
transmitting station still inserts an interframe gap period between its own frame transmissions, as in 
half-duplex mode, so that interfaces at each end of the link can keep up with the full frame rate. 
Although full-duplex mode theoretically doubles bandwidth, this usually does not result in a 
doubling of performance because most network protocols are designed to send data and then wait for 
an acknowledgment. This could lead to heavy traffic in one direction and negligible traffic in the return 
direction. However, a network backbone system using full-duplex links between switching hubs will
Data Communications for Radio Telemetry Systems 83 
typically carry multiple conversations between many computers and the aggregate traffic on a 
backbone system will therefore tend to be more symmetrical. 
It is essential to configure both ends of a communication link for full-duplex operation, or else 
serious data errors may result. Auto-negotiation for automatic configuration is recommended wherever 
possible. Since support for auto-negotiation is optional for most media systems, a vendor may not have 
provided for it. In such case careful manual configuration of BOTH ends of the links is necessary. One 
end obeying full duplex while the other is still on half-duplex will definitely result in loss of frames. 
5.4.7 Ethernet flow control 
Network backbone switches connected by full-duplex links can be subject to heavy traffic, sometimes 
overloading internal switching bandwidth and packet buffers, which are apportioned to switching ports. 
To prevent overloading of these limited resources, a variety of flow control mechanisms (for example 
use of a short burst of carrier signal sent by a switching hub to cause stations to stop sending data if 
buffers are full) are offered by hub vendors for use on half-duplex segments. These are not, however, 
useful on full-duplex segments. 
The IEEE has provided for optional MAC Control and PAUSE specifications in its 802.3x Full-duplex 
supplement. 
MAC control protocol 
The MAC control system provides a way for the station to receive a MAC control frame and act upon 
it. MAC control frames are identified with a type value of 0x8808. A station equipped with optional 
MAC control receives all frames using normal Ethernet MAC functions, and then passes the frames to 
the MAC control software for interpretation. If the frame contains hex value 0x8808 in the type field, 
then the software reads the frame, reads MAC control operation codes carried in the data field and 
takes action accordingly. 
MAC control frames contain operational codes (opcodes) in the first two bytes of the data field. 
PAUSE operation 
The PAUSE system of flow control uses MAC control frames to carry PAUSE commands. The opcode 
for the PAUSE command is 0x0001. 
When a station issues a PAUSE command, it sends a PAUSE frame to 48-bit MAC address of 01-80- 
C2-00-00-01. This special multicast address is reserved for use in PAUSE frames, simplifying the flow 
control process, because a frame with this address will not be forwarded to any other port of the hub, 
but will be interpreted and acted upon. The particular multicast address used is selected from a range of 
addresses that have been reserved by the IEEE 802.1D standard. 
A PAUSE frame includes the PAUSE opcode as well as the period of pause time (in the form of a 
two byte integer) being requested by the sending station. This time is the length of time for which the 
receiving station will stop transmitting data. Pause time is measured in units of ‘quanta’ where one 
quanta is equal to 512 bit times. 
Figure 5.10 shows a PAUSE frame wherein the pause time requested is 3 quantas or 1536 bit times. 
A PAUSE request provides real-time flow control between switching hubs, or even between a 
switching hub and a server, provided of course they are equipped with optional MAC control software 
and are connected by a full-duplex link.
84 Practical Radio Telemetry Systems for Industry 
Figure 5.10 
PAUSE frame with MAC control opcode and pause time 
5.4.8 Auto-negotiation 
Introduction to auto-negotiation 
Auto-negotiation involves the exchange of information between stations about their capabilities over a 
link segment and performing of automatic configuration to achieve the best possible mode of operation 
over a link. Auto-negotiation enables an Ethernet equipped computer to communicate at the highest 
speed offered by a multi-speed switching hub port. 
A switching hub capable of supporting full-duplex operation on some or all of its ports can announce 
the fact using auto-negotiation. Stations supporting full-duplex operation and connected to the hub can 
then automatically configure themselves to use the full-duplex mode when interacting with the hub. 
Automatic configuration using auto-negotiation makes it possible to have twisted-pair Ethernet 
interfaces that can support several speeds. Twisted-pair ports and interfaces can configure themselves 
to operate at a mutually acceptable speed, with or without full duplex. 
The auto-negotiation system has the following features: 
• It is designed to work over link segments only. A link segment can have only two devices 
connected to it, one at each end 
• Auto-negotiation takes place during link initialization. When a device is turned on, or an 
Ethernet cable is connected, the link is initialized by the devices at each end of the link. 
This initialization and auto-negotiation happens only once, before transmission of any data 
over the link 
• Auto-negotiation uses its own signaling system. This signaling system is designed for 
twisted-pair cabling 
Once devices connected to two ends of a link have informed each other of their capabilities, the auto-negotiation 
protocol finds the best match for transmission or the highest common denominator between 
the capabilities of the two devices. 
Parallel detection 
Auto-negotiation is optional for most media systems (except for 1000BaseT systems) because many of 
the media systems were developed before auto-negotiation was developed. Therefore, the auto-negotiation 
system has been made compatible with those devices that do not have it. If Auto-negotiation 
exists only at one end of a link, then the protocol is designed to detect this condition and 
respond by using ‘parallel detection’.
Data Communications for Radio Telemetry Systems 85 
Parallel detection can detect the media system supported at the other end and can hence set the port 
for that media system. It, however, cannot detect whether the other end supports full-duplex or not. 
Even if the other end supports full-duplex, parallel detection will set the port for half-duplex mode. 
Parallel detection is not without problems, and it is preferable for network managers to go for auto-negotiation 
on all their devices. 
5.4.9 Deterministic Ethernet 
Deployment of Ethernet in the industrial environment is increasing, but most COTS (Commercial off 
the Shelf) Ethernet components are not suitable where extreme degrees of deterministic operation, such 
as a one-millisecond repeatability with one-microsecond jitter is required. 
The idea that Ethernet systems have collisions is based on ignorance. This was ONLY the case with 
the older (typically 10 Mbps) CSMA/CD systems. 
The features that are making Ethernet deterministic are as follows: 
• Full-duplex operation is more deterministic, because CSMA/CD is irrelevant here 
• VLANs and prioritized frames (IEEE 802.1p/Q) can contribute to deterministic operation 
• Some systems such as ProfiNet use special equipment in which ‘normal’ Ethernet 
communications is interleaved with hardware timing signals 
• Some Ethernet equipment use the IEEE 1588 standard to implement highly accurate and 
synchronized clocks for deterministic operation. 
5.4.10 Industrial Ethernet 
Early Ethernet was not entirely suitable for control functions as it was primarily developed for office-type 
environments. Ethernet technology has, however, made rapid advances over the past few years. It 
has gained such widespread acceptance in Industry that it is becoming a de facto technology for OSI 
Layer 1 and 2 in Field Buses. An indication of this trend is the inclusion of Ethernet on Modbus/TCP 
(Modbus/IDA), Ethernet/IP (Rockwell Automation/ODVA), ProfiNet (PNO) and FOUNDATION 
Fieldbus HSE (Fieldbus Foundation). 
The following sections will deal with problems related to early Ethernet, and how they have been 
addressed in subsequent upgrades. 
Connectors and cabling 
Earlier industrial Ethernet systems such as the first-generation Siemens SimaticNet (Sinec-H1) were 
based on the 10Base5 configuration, and thus the connectors included screw-type N-connectors and D-type 
connectors, which are both fairly rugged. The heavy-gauge twin-screen (braided) RG-8 coaxial 
cable is also quite impervious to electrostatic interference. 
Most modern industrial Ethernet systems are, however, based on a 10BaseT/100BaseTX 
configuration and thus have to contend with RJ-45 connectors and Cat5-type UTP cable. The RJ-45 
connectors could be problematic. They are everything but rugged and are suspect when subjected to 
great temperature extremes, contact with oils and other fluids, dirt, UV radiation, EMI as well as shock, 
vibration and mechanical loading. In defense of the RJ-45 connector it must be said that it is only IP20 
rated, i.e. to be used within enclosures. 
Figure 5.11 
D-type connectors
86 Practical Radio Telemetry Systems for Industry 
As in interim measure, some manufacturers started using D-type (known also as DB or D-Subminiature) 
connectors. These are mechanically quite rugged, but are neither waterproof nor 
dustproof . They can therefore be used only in IP20 rated environments. 
Ethernet is now installed in areas that were always the domain of traditional field bus systems. These 
areas demand IP67 class protection against dirt, dust and fluids, and therefore suitable connector 
technology meeting IP67 standards have to be defined for transmission speeds up to 100 Mbps. Two 
solutions to this problem have emerged. The one is a modified RJ-45 connector while the other is an 
M12 (micro-style) connector. 
Figure 5.12 
Modified RJ-45 connector (Courtesy: Siemon) 
The use of the M12 connector in Ethernet systems is covered in standard EN 61076-2-101. The 
transmission performance of 4-pin M12 connectors for Ethernet up to 100 Mbps is comparable with, if 
not better than, standardized office-grade Ethernet products. In office environments, four-pair UTP 
cabling is common. For industrial applications two-pair cables are less expensive and easier to handle. 
Apart from installation difficulties, 8-pin M12 connectors may not meet all the electrical requirements 
described in EN 50173 or EIA/TIA-568B. 
Figure 5.13 
M12 connectors (Courtesy: RJ Field) 
Typical M12 connectors for Ethernet can accept various types of Cat5e twisted pair wiring such as 
braided or shielded wire (solid or stranded), and offer excellent protection against moisture, dust, 
corrosion, EMI, RFI, mechanical vibration and shock, UV radiation, and extreme temperatures (-40ºC 
to 75ºC). 
As far as the media is concerned, several manufacturers are producing Cat5e wiring systems using 
braided or shielded twisted pairs. An example an integrated approach to industrial Ethernet cabling is 
Lumberg's etherMATETM system, which includes both the cabling and an M12 connector system.
Data Communications for Radio Telemetry Systems 87 
Packaging 
Commercial Ethernet equipment (hubs, switches, etc) are only rated to IP20, in other words, they have 
to be deployed in enclosures for industrial applications. They are also typically rated to 40 oC. 
Additional issues relate to vibration and power supplies. 
Some manufacturers are now offering industrially-hardened switches with DIN-rail mounts, IP67 
(waterproof and dustproof) rating, industrial temperature rating (60oC), DIN-rail mounts and redundant 
power supplies. 
Figure 5.14 
IP67 Industrial grade switch (Courtesy: RJ Field) 
Electrically hardened devices are available for use in electrical substations where high levels of 
electrical interference can occur. Devices with an extended temperature rating (e.g. -40oC to +75oC) 
are also available. The specially-designed casing dissipates the heat generated by the electronics. 
Because of the sealed enclosure they are also dust-and waterproof 
Figure 5.15 
Hardened switch and power supply (Courtesy: Garrettcom)
88 Practical Radio Telemetry Systems for Industry 
Deterministic versus stochastic operation 
One of the most common complaints regarding early Ethernet was that it used CSMA/CD (a 
probabilistic method) as opposed to other automation technologies that use deterministic access 
methods such as token passing or a master-slave mechanism. The use of CSMA/CD means that it is 
impossible to guarantee delivery of a possibly critical message within a certain time. This could be due 
either to congestion on the network (often due to other less critical traffic) or to collisions with other 
frames. In office applications there is not much difference between 5 seconds and 500 milliseconds, 
but in industrial applications a millisecond counts. Industrial processes often require scans in a 5 to 20 
millisecond range, and some demanding processes could even require less than 1 millisecond. On 
10BaseT Ethernet, for example, the access time on a moderately loaded 100-station network could 
range from 10 to 100mS, which is acceptable for office applications but not for processes. 
The advent of Fast and Gigabit Ethernet, switching hubs, IEEE 802.3Q VLAN technology, IEEE 
802.3p traffic prioritization and full-duplex operation has resulted in very deterministic Ethernet 
operation and has effectively put this concern to rest for most applications. In addition, there are 
several specialized systems around that offer extremely high levels of deterministic operation, such as 
1 millisecond resolution with 1 microsecond jitter. Examples include ProfiNet HRT, Sercos III, 
EtherCAT and Ethernet EPL. 
Size and overhead of Ethernet frame 
Data link encoding efficiency is another problem, with the Ethernet frames taking up far more space 
than an equivalent DeviceNet, Profibus or FOUNDATION Fieldbus frame. If the TCP/IP protocol is 
used in addition to Ethernet, the overhead increases dramatically. The efficiency of the overall system 
is, however, more complex than simply the number of bytes transmitted on the cable and issues such as 
raw speed on the cable and the overall traffic need to be examined carefully. For example, if 2 bytes of 
data from an instrument had to be packaged in a 60-byte message (because of TCP/IP and Ethernet 
headers) this would result in an enormous overhead compared to a conventional field bus protocol. 
However, if the communications link is running at 100 Mbps or 1 Gbps with full-duplex 
communications, this puts a different light on the problem and makes the overhead issue almost 
irrelevant. 
Modern Ethernet field buses such as EtherCAT can address up to 12,000 digital I/O points in a single 
Ethernet frame, which makes the debate about Ethernet overheads somewhat meaningless. 
Noise and interference 
Due to higher electrical noise near to the industrial LANs some form of electrical shielding and 
protection is useful to minimize errors in the communication. A good choice of cable is fiber-optic 
cable. Twisted pair can be used but care should be taken to route the cables far away from any potential 
sources of noise. If twisted pair cable is selected; a good decision is to use screened twisted pair cable 
(ScTP) rather than the standard UTP. 
It should be noted here that Ethernet-based networks are installed in a wide variety of systems and 
rarely have problems reported due to reliability issues. The use of fiber ensures that there are minimal 
problems due to ground loops or electrical noise and interference. 
Partitioning of the network 
It is very important that the industrial network operates separately from that of the commercial 
network, as speed of response and real time operation are often critical attributes of an industrial 
network. An office-type network may not have the same response requirements. In addition, security is 
another concern where the industrial network is split off from the commercial networks so any 
problems in the commercial network will not affect the industrial side. 
Industrial networks are also often partitioned with routers into individual subnets for reasons of 
security, and/or segmented with bridges and switches to increase speed.
Data Communications for Radio Telemetry Systems 89 
In order to reduce network traffic some PLCs use exception reporting. This requires only changes in 
the various digital and analog parameters to be transmitted on the network. For example, if a digital 
point changes state (e.g. from ‘on’ to ‘off’), only this change would be reported. Similarly, an analog 
value could have associated with it a specified percentage change of span before reporting the new 
analog value to the master station. 
Power over Ethernet (PoE) 
Industry often expects device power to be delivered over the same cables as those used for device 
communication. Examples of such systems are DeviceNet and FOUNDATION Fieldbus. This is, 
however, not an absolute necessity as the power can be delivered separately. Profibus DP, for example, 
does not provide this feature yet it is one of the leading field buses. 
Ethernet does, however, provide the ability to deliver power on the bus. The IEEE 802.3af standard 
allows a source device (a hub or a switch) to supply a minimum of 300 mA at 48 Volts DC to each 
field device. This is in the same range as FOUNDATION Fieldbus and DeviceNet. If the hub or switch 
cannot supply the power, external power junction boxed can be placed in series with the Cat5 cable. 
The standard allows for two alternatives, namely the transmission of power over the signal pairs (1/2 
and 3/6) or the transmission of power over the unused pairs (4/5 and 7/8). Intrinsic safety issues still 
need addressing. 
A range of devices are available to support PoE. If the switch or hub is not able to supply power, a 
separate DC power supply can be used in conjunction with an ‘injector’ box to place the power on the 
line. On the receiving side, a ‘picker’ a.k.a. ‘splitter’ can be used to pick the power off the bus to power 
a legacy (non-Ethernet) device. Injectors and pickers with ratings up to 40 watts are currently available. 
Figure 5.16 
PoE splitter (Courtesy: Infomart) 
Fast and Gigabit Ethernet 
Fast Ethernet as defined in IEEE 802.3u is essentially Ethernet running at 100 Mbps. The same frame 
structure, addressing scheme and CSMA/CD access method are used as with the 10 Mbps standard. In 
addition, Fast Ethernet can also operate in full-duplex mode as opposed to CSMA/CD, which means 
that there are no collisions. 
Gigabit Ethernet is another technology that could easily be used to connect instruments and PLCs 
since 1000BaseT will run on Cat5e cabling. However its speed would probably not be fully exploited 
by the instruments for the reasons indicated above. 
Industrial Ethernet architectures for high availability 
For high-availability systems a network interface represents a Single Point of Failure (SPOF) that can 
bring the system down. There are several approaches that can be used on their own or in combination, 
depending on the amount of resilience required (and hence the cost). The cost of the additional 
investment in the system has to be weighed against the costs of any downtime.
90 Practical Radio Telemetry Systems for Industry 
For a start, the network topology could be changed to represent a switched ring. Since the Ethernet 
architecture allows an array of interconnected switches but not a ring, this configuration necessitates 
the use of a special controlling switch (redundancy manager), which controls the ring and protects the 
system against a single failure on the network. It does not, however, guard against a failure of the 
network interface on one of the network devices. The redundancy manager is basically a switch that 
‘divides’ itself in two internally (thereby breaking the loop), resulting in two halves that periodically 
check each other by sending high-priority messages around the loop to each other. 
In the architecture outlined below the Redundancy Manager represents a single point of failure in the 
ring. Weidmuller has recently introduced a solution to this problem in their ‘WI’ ring, in which the 
master function is floating, and can be passed between switches. 
Figure 5.17 
Redundant switch ring (Courtesy: Hirschmann) 
If a failure occurs anywhere on the ring, the redundancy manager becomes aware of it through a 
failure to communicate with itself, and ‘heals’ itself. 
Figure 5.18 
Redundant switch ring with failure (Courtesy: Hirschmann) 
The next level of resiliency would necessitate two network interfaces on the controller, each one 
connected to a switch on a different ring. This setup would be able to tolerate both a single network 
failure and a network interface failure.
Data Communications for Radio Telemetry Systems 91 
Figure 5.19 
Redundant switch ring with dual access to controller (Courtesy: Hirschmann) 
Ultimately one could protect the system against a total failure of one ring, connecting each port of the 
dual-homed system to a different ring. 
Figure 5.20 
Dual redundant switch ring (Courtesy: Hirschmann) 
Other factors supporting a high degree of resilience would include hot-swappable switches and NICs, 
dual-redundant power supplies and on-line diagnostic software.
92 Practical Radio Telemetry Systems for Industry

Practical Radio Telemetry Systems for Industry

  • 1.
    PRACTICAL RADIO TELEMETRY SYSTEMS FOR INDUSTRY PRACTICAL RADIO TELEMETRY SYSTEMS FOR INDUSTRY REV
  • 2.
    5 Data Communicationsfor Radio Telemetry Systems 5.1 RS-232 (ITU-T V.24 ) 5.1.1 Introduction The TIA-232 Interface Standard was developed for a single purpose, clearly stated in its title, and defines the ‘Interface between Data Terminal Equipment (DTE) and Data Communications Equipment (DCE) Employing Serial Binary Data Interchange’. It was issued in USA in 1969 by the Engineering Department of the EIA, in cooperation with Bell Laboratories and the leading manufacturers of communications equipment, to clearly define the interface requirements when connecting data terminals to the Bell telephone system. The latest revision is TIA-232-F (1997). Commonly this standard is referred to as RS-232 meaning ‘Recommended Standard’, and this convention will be followed in this manual. The TIA-232 standard consists of 3 major parts, which define Electrical signal characteristics, interface mechanical characteristics and functional description of the interchange circuits. 5.1.2 Electrical Signal Characteristics The RS-232 interface standard is designed for the connection of two devices called DTEs and DCEs. DTEs (Data Terminal Equipment) such as computers transmit data on pin 2 and receive data on pin 3 (on a 25 pin connector) whilst DCEs (Data Circuit-Terminating Equipment, formerly referred to as Data Communications Equipment) such as modems transmit data on pin 3 and receive data on pin 2 (on a 25 pin connector).
  • 3.
    68 Practical RadioTelemetry Systems for Industry Figure 5.1 Connections Between the DTE and DCE At the RS-232 receiver, the following signal voltage levels are specified: Voltage Between Logic 0 + 3V and + 25V Logic 1 - 3V and - 25V Undefined - 3V and + 3V Table 5.1 RS-232 Receiver Voltages Similarly the RS-232 transmitter has to produce a slightly higher voltage level in the range of +5 volts to +25 volts and -5 volts to -25 volts to overcome the voltage drop along the line. In practice most transmitters operate at voltages between 5 volts and 12 volts. The RS-232 standard defines 25 electrical connections, which are each described later. The electrical connections are divided into four groups viz.: • Data Lines • Control Lines • Timing Lines • Special Secondary Functions The Data Lines are used for the transfer of data. Pins 2 and 3 are used for this purpose. Data flow is designated from the perspective of the DTE interface. Hence the ‘transmit line’, on which the DTE transmits (and the DCE receives), is associated with pin 2 at the DTE end and pin 2 at the DCE end. This is for a 25 pin connector, and for a 9 pin connector these two pins are reversed i.e. pin 3 is used for transmission. The ‘Receive line’, on which the DTE receives (and the DCE transmits), is associated with pin 3 at the DTE end and pin 3 at the DCE end. This is for a 25 pin connector. Pin 7 (on a 25 pin
  • 4.
    Data Communications forRadio Telemetry Systems 69 connector) is the common return line for the Transmit and Receive data lines. On a 9 pin connector the return line is on pin 5. The Control Lines are used for interactive device control, commonly known as ‘hardware handshaking’ and regulate the way in which data flows across the interface. The four most commonly used control lines are as follows: • RTS - Request To Send • CTS - Clear To Send • DSR - Data Set Ready (or DCE Ready in RS-232-D/E) • DTR - Data Terminal Ready (or DTE Ready in RS-232-D/E) Note that the handshake lines operate in the opposite voltage sense to the data lines. When a control line is active (logic=1), the voltage is in the range +3 to +25 Volts and when deactivated (logic=0), the voltage is zero or negative. The typical structure of the data frame, used for RS-232 applications, is as follows. The first bit is the start bit (logical 0), followed by the data bits, with the least significant bit first. The data bits may be in a packet of 5, 6, 7 or 8 bits. After the last data bit, there is an optional parity bit (even, odd or none) followed by a stop bit. Finally there are 1 or 2 stop bits (logical 1).. The capacitance in the connecting cable limits the maximum distance of transmission under RS-232 to a typical distance of 15 m (or 2500 pF). Excessive capacitance distorts the clean digital signal. 5.1.3 Interface Mechanical Characteristics Although not specified by RS-232, the DB-25 connector (25-pin, D-type) has become so closely associated with RS-232 that it is the de facto standard. The DB-9 connector (9-pin, D-type) is also commonly used. The pin allocations commonly used with the DB-9 and DB-25 connectors are shown in Appendix B. The pin allocation for the DB-9 connector is not quite the same as the DB-25; but is as follows: • Data Transmit : Pin 3 • Data Receive : Pin 2 • Signal Common : Pin 5 5.1.4 Functional Description of the Interchange Circuits The EIA circuit functions are defined, with reference to the DTE, as follows: • Pin 1 - Protective Ground (Shield) A connection is seldom made between the protective ground pins at each end. Their purpose is to prevent hazardous voltages, by ensuring that the DTE and DCE chassis are at the same potential at both ends. But, there is a danger that a path could be established for circulating earth currents. So, usually the cable shield is connected at one end only. • Pin 2 - Transmitted Data (TxD) This line carries serial data from Pin 2 on the DTE to Pin 2 on the DCE. The line is held at MARK (or a negative voltage) during periods of line idle. • Pin 3 - Received Data (RxD) This line carries serial data from Pin 3 on the DCE to Pin 3 on the DTE. • Pin 4 - Request to Send (RTS) See Clear to Send.
  • 5.
    70 Practical RadioTelemetry Systems for Industry • Pin 5 - Clear to Send (CTS) When a half duplex modem is receiving, the DTE keeps RTS inhibited. When it becomes the DTEs turn to transmit, it advises the modem by asserting the RTS pin. When the modem asserts the CTS it informs the DTE that it is now safe to send data. The procedure is reversed when switching from transmit to receive. • Pin 6 - Data Set Ready (DSR) This is also called DCE Ready. In the answer mode, the answer tone and the DSR are asserted two seconds after the telephone goes off hook. • Pin 7 - Signal Ground (Common) This is the common return line for the data transmit and receive signals. The connection, Pin 7 to Pin 7 between the two ends, is always made. • Pin 8 - Data Carrier Detect (DCD) This is also called the Received Line Signal Detector. Pin 8 is asserted by the modem when it receives a remote carrier and remains asserted for the duration of the link. • Pin 20 - DTE Ready (or Data Terminal Ready) DTE Ready enables, but does not cause, the modem to switch onto the line. In originate mode, DTE Ready must be asserted in order to auto dial. In answer mode, DTE Ready must be asserted to auto answer. • Pin 22 - Ring Indicator This pin is asserted during a ring on the line. • Pin 23 - Data Signal Rate Selector (DSRS) When two data rates are possible, the higher is selected by asserting Pin 23. 5.1.5 The Sequence of Asynchronous Operation of the RS-232 Interface Asynchronous operation is arguably the more common approach when using RS-232 and will be examined in this section using the more complex half duplex data interchange. It should be noted that the half duplex description is given as it encompasses that of full duplex operation. Figure 5.2 gives a graphical description of the operation with the initiating user terminal (or DTE) and its associated modem (or DCE) on the left of the diagram and the remote computer and its modem on the right. The following sequence of steps occurs: • The initiating user manually dials the number of the remote computer. • The receiving modem asserts the ring indicator line (RI-Pin 22) in a pulsed ON/OFF fashion as per the ringing tone. The remote computer already has its Data Terminal Ready line (or DTR-Pin 20) asserted to indicate that it is ready to receive calls. (Alternatively the remote computer may assert the DTR line after a few rings). The remote computer then sets its Request to Send line (RTS-Pin 4) to ON. • The receiving modem then answers the telephone and transmits a carrier signal to the initiating end. It also asserts the DCE Ready (DSR-Pin 6) after a few seconds. • The initiating modem then asserts the Data Carrier Detect line (DCD-Pin 8). The initiating terminal asserts it’s DTR (if it is not already high). The modem then responds by asserting its Data Set Ready line (DSR-Pin 6). • The receiving modem then asserts its Clear to Send line (CTS-Pin 5) which permits the transfer of data from the remote computer to the initiating side.
  • 6.
    Data Communications forRadio Telemetry Systems 71 • Data is then transferred from the receiving DTE on Pin 2 (transmitted data) to the receiving modem. The receiving remote computer can then transmit a short message to indicate to the originating terminal that it can proceed with the data transfer. The originating modem transmits the data to the originating terminal on Pin 3. • The receiving terminal then sets its Request to Send line (RTS-Pin 4) to OFF. The receiving modem then sets its Clear to Send line (CTS-Pin 5 ) to OFF as well. • The receiving modem then switches its carrier signal OFF. • The originating terminal detects that the Data Carrier Detect signal has been switched OFF on the originating modem and then switches its RTS line to the ON state. The originating modem then indicates that transmission can proceed by setting its CTS line to ON. • Transmission of data then proceeds from the originating terminal to the remote computer. • When the interchange is complete, both carriers are switched OFF (and in many cases the DTR is set to OFF). This means that the CTS, RTS and DCE Ready (or DSR) lines are set to OFF. Note that full duplex operation requires that transmission and reception occur simultaneously. In this case there is no RTS/CTS interaction at either end. The RTS line and CTS line are left ON with a carrier to the remote computer. Figure 5.2 Typical Operation of an Half Duplex RS-232 Data Interchange
  • 7.
    72 Practical RadioTelemetry Systems for Industry 5.1.6 Synchronous Communications The major difference between asynchronous and synchronous communications with modems is the need for timing signals. A synchronous modem outputs a square wave on Pin 15 of the RS-232 DB-25 connector. This Pin 15 is called the transmit clock pin or more formally the DCE Transmitter Signal Element timing pin. This square wave is set to the frequency of the modem's bit rate. The attached personal computer (the DTE) then synchronizes its transmission of data from Pin 2 to the modem. There are two interchange circuits that can be employed to change the operation of the attached communications device. These are: • Signal Quality Detector (CG, Pin 21) If there is high probability of error in the received data to the modem because of poor signal quality this line is set to OFF. • Data Signal Rate Selector (CH/CI, Pin 23) If the signal quality detector pin indicates that the quality of the signal is unacceptable (i.e. it is set to OFF), the terminal may set the Pin 23 to ON to select a higher data rate; or OFF to select a lower data rate. This is called the CH circuit. If, however, the modem selects the data rate and advises the terminal on Pin 23 (ON or OFF), the circuit is known as circuit CI. 5.1.7 Disadvantages of RS-232 System designers have tended to look for alternative approaches (such as the RS-422 or RS-485 standards) because of the following limitations of RS-232: • The restriction of point-to-point communications is a drawback when many devices have to be multi-dropped together. • The distance limitation (typically 15 meters) is a limitation when distances of 1000 m are needed. • The 20 kbps baud rate is too slow for many applications. • The voltages of -3 to -25 volts and +3 to +25 Volts are not compatible with many modern power supplies (in computers) of +5 and +12 volt. • RS-232 uses ‘unbalanced’ transmission (i.e. single wire transmission plus ground return), which leads to a high level of noise susceptibility. 5.2 RS-422 The RS-422 standard was introduced in the early 70's. It defines a ‘balanced’ (or differential) data communications interface using two separate wires for each signal. This permits very high data rates and minimizes problems with varying ground potential because the ground is not used as a voltage reference (in contrast to RS-232) and allows reliable serial data communication for: • Distances of up to 1200 m • Data rates of up to 10 Mbps However, only one line driver is permitted on a line and up to 10 line receivers can be driven by one line driver. The line voltages range between -2V to -6V for Logic 1 and +2V to +6V for Logic 0 (using terminals A and B as reference points). The line driver for the RS-422 interface produces a ±5V differential voltage on two wires.
  • 8.
    Data Communications forRadio Telemetry Systems 73 The two signaling states of the line are defined as follows: • When the "A" terminal of the driver is negative with respect to the "B" terminal, the line is in a binary 1 (Mark or Off) state. • When the "A" terminal of the driver is positive with respect to the "B" terminal, the line is in a binary 0 (Space or On) state. Figure 5.3 RS-422 Balanced Line Driver Connections As the differential receiver is only sensitive to the difference between two signals on its inputs, common noise signals picked up in both wires will have little effect on the operation of the receiver. Differential receivers are therefore said to have good Common Mode Rejection (CMR) characteristics. The voltage drop along the common wire of an unbalanced system due to other signals is also eliminated. The differential voltage signal is the major feature of the RS-422 standard which allows an increase in speed and provides higher noise immunity. Each signal is transferred on one pair of wires and is the voltage difference between them. A common ground wire is preferred to aid noise rejection, but is not mandatory. Consequently, for a full-duplex system, 5 wires are required (with 3 wires for half duplex systems). Unfortunately the RS-422 drivers cannot be switched into a high-impedance state, therefore it cannot be truly ‘multi-dropped’ as is the case with RS-485. One can therefore only have one transmitter and multiple listeners, as in Figure 5.3, or two RS-422 devices connected in point-to-point mode (i.e. Tx to Rx and vice versa). The RS-422 standard does not specify the mechanical connections or assign pin numbers and leaves this aspect optional. The RS-530 for the DB-25 connector as shown in Appendix B is sometimes used. 5.3 RS-485 RS-485 is the most versatile of the RS interface standards. It permits a ‘multi-drop’ network connection on 2 wires and allows reliable serial data communication for: • Distances of up to 1200 m (4000 feet, the same as RS-422) • Data rates of up to 10 Mbps (the same as RS-422) • Up to 32 line drivers on the same line • Up to 32 line receivers on the same line
  • 9.
    74 Practical RadioTelemetry Systems for Industry There can be 32 transceivers on an RS-485 network. If more than 32 devices, one would have to use repeaters (which is not defined in the RS-485 standard), or alternatively half-or quarter-power devices, which will allow 64 or 128 devices respectively. The differential voltages between the A and B lines are specified as: • –1.5 V to –6V with respect to the B line for a binary 1 (MARK or OFF) state • +1.5 V to +6V with respect to the B line for a binary 0 (SPACE or ON) state The specification does not explicitly name the wires, but they are generally referred to as A and B, though they are also called A(–) and B(+), or TX+ and TX–. The line driver for the RS-485 interface produces a ±5V differential voltage on two wires. The differential signaling method substantially eliminates common mode voltages induced into both the A and B wires and allows high-speed operation in noisy environments. The other major enhancement of RS-485 is that a line driver can operate in three states called tri-state operation: Logic 1, Logic 0 and high-impedance. In the high-impedance state, the line driver draws virtually no current and appears not to be present on the line. This is known as the ‘disabled’ state and can be initiated by a signal on a control pin on the line driver integrated circuit. Tri-state operation allows a multi-drop network connection and up to 32 transmitters can be connected on the same line, although only one can be active at any one time. Each station in a multi-drop system must be allocated a unique address to avoid conflicting with other devices on the system. RS-485 includes current limiting in cases where contention does occur. RS-485 is very useful for systems where several instruments or controllers may be connected on the same line. Special care must be taken with the software to coordinate which devices on the network can become active. In most cases, a master terminal, such as a PC or computer, controls which transmitter/receiver will be active at any one time. 5.3.1 2-wire RS-485 The 2-wire data transmission line does not normally require special termination at low speeds (such as 9600 bps) unless required by the manufacturer. On long lines, the leading and trailing edges of data pulses will be much sharper if terminating resistors approximately equal to the characteristic impedance (Z0) of the line are fitted at the extreme ends. This is indicated in Figure 5.4. For twisted pair systems, the resistor used is typically 120 Ω. At higher speeds (typically 1 Mbps and above) the terminator is indispensable. Figure 5.4 shows a typical two-wire multidrop network. Note that the transmission line is terminated on both ends of the line but not at drop points in the middle of the line. The signal ground line is also recommended in the case of the ground potential between the end stations is different. Common mode voltages beyond –7 to +12 volt can damage the transceivers.
  • 10.
    Data Communications forRadio Telemetry Systems 75 Figure 5.4 Typical two wire multidrop network 5.3.2 4-wire RS-485 An RS-485 network can also be connected as a four-wire configuration as shown in Figure 5.5. In this type of connection, it is necessary that one node be a master node and all others be slaves. The master node communicates to all slaves, but a slave node can communicate only to the master. Once again, proper Medium Access Control is required to prevent two slaves from transmitting at the same time.
  • 11.
    76 Practical RadioTelemetry Systems for Industry Figure 5.5 Four wire network configuration 5.3.3 Use of Bias Resistors During normal operation, there are periods when all RS-485 drivers are off, and the communications lines are in the idle, high impedance state. In this condition the lines are susceptible to noise pick-up, which can be interpreted as random characters on the communications line. If a specific RS-485 system has this problem, it should incorporate 560Ω bias resistors as indicated in Figure 5.6. These resistors will maintain the data lines with the B-leg always floating higher than the A-leg when the system is in the high impedance state. The ground resistors shown in figure 5.5 are recommended in the specification and should be 100 ohms ½ watt. Their purpose is to reduce any loop currents if the earth potentials are significantly different. The bias resistors are chosen in such a way that the B line will be kept at least 200 mV HIGHER than the A line with no input signal (i.e. all transmitters in the high impedance state). For the purpose of the calculation, remember that the two 120 Ω terminating resistors appear in parallel for this purpose. This particular example uses bias resistors on only one node. Some systems employ bias resistors on all nodes, in which case the values of the bias resistors will be significantly higher since they appear in parallel.
  • 12.
    Data Communications forRadio Telemetry Systems 77 Figure 5.6 Suggested installation of terminating and bias resistors 5.4 Industrial Ethernet 5.4.1 Ethernet Systems The term Ethernet originally referred to a LAN implementation standardized by Xerox, Digital, and Intel; the original DIX standard. The IEEE 802.3 group standardized operation of a CSMA/CD network that was functionally equivalent to the DIX II or ‘Bluebook’ Ethernet. Data transmission speeds of up to 100 Gbps have already been achieved (2011), though 100 Mbps (the IEEE 802.3u standard, also called Fast Ethernet) and 1000 Mbps (the 802.3z standard, also called Gigabit Ethernet) are generally used in Industrial environments, with some older 10 Mbps systems still in operation.. When the IEEE was asked to develop standards for Ethernet, Token Ring, and other networking technologies, DIX Ethernet was already in use. The objective of the IEEE 802 committee was to develop standards and rules that would be generic to all types of LANs so that data could move from one type of network, say Ethernet, to other type, say Token Ring. This had potential for conflict with the existing DIX Ethernet implementations. The ‘802’ committee was therefore careful to separate rules for the old and the new since it was recognized there would be a coexistence between DIX frames and IEEE 802.3 frames on the same LAN. These are the reasons why there is a difference between DIX Ethernet and IEEE 802.3 frames. Despite the two types of frames, we generally refer to both as ‘Ethernet’ frames. LAN cards are able to operate with a mix of both types.
  • 13.
    78 Practical RadioTelemetry Systems for Industry 5.4.2 DIX and IEEE 802.3 frames A frame is a packet comprising data bits. The packet format is fixed and the bits are arranged in sequence of groups of bytes (fields). The purpose of each field, its size, and its position in the sequence are all meaningful and predetermined. The fields are Preamble, Destination Address, Source Address, Type or Length, Data/LLC, and Frame Check Sequence, in that order. DIX and IEEE 802.3 frames are identical in terms of the number and length of fields. The only difference is in the contents of the fields and their interpretation by the stations which send and receive them. Ethernet interfaces therefore can send either of these frames. Figure 5.7 schematically shows the DIX as well as IEEE 802.3 frame structures. Figure 5.7 IEEE 802.3 and DIX frames Preamble The ‘preamble’ of the frame is like the introductory remarks of a speaker. If one misses a few words from a preamble being delivered by a speaker, one does not lose the substance of the speech. Similarly, the preamble in this case is used for synchronization and to protect the rest of the frame even if some start-up losses occur to the signal. Fast Ethernet and subsequent versions have other mechanisms for avoiding signal start-up losses, but in their frames a preamble is retained for purposes of backward compatibility. Because of the synchronous communication method used, the preamble is necessary to enable all stations to synchronize their clocks. The Manchester encoding method used for 10 Mbps Ethernet is self-clocking since each bit in the frame contains the transmitting stations clock transition, which is used by each receiver to interpret the incoming data. Preamble in DIX Here the preamble consists of eight bytes of alternating ones and zeros, which appear as a square wave with Manchester encoding. The last two bits of the last byte are ‘1, 1’. These ‘1, 1’ bits signify to the receiving interface that the end of the preamble has occurred and those actual meaningful bits are about to start. Preamble in IEEE 802.3 Here the preamble is divided in two parts, first one of seven bytes, and another of one byte. This one byte segment is called the start frame delimiter or SFD for short. Here, again, the last two bits of the SFD are ‘1, 1’ and with the same purpose as in the DIX standard. There is no practical difference between the preambles of DIX and IEEE – the difference being only semantic. Ethernet MAC addresses These addresses are also called hardware addresses or media addresses. Each Ethernet interface (including IEEE 802.11 wireless) needs a unique MAC address, and this is usually allocated at the time of manufacture. The first 24 bits of the MAC address consist of an Organizationally Unique
  • 14.
    Data Communications forRadio Telemetry Systems 79 Identifier (OUI), in other words a ‘manufacturer ID’, assigned to a vendor by the IEEE. This is why they are also called ‘vendor codes’. The Ethernet vendors combine their 24-bit OUI with a unique 24- bit value that they generate to create a unique 48-bit address for each Ethernet interface they build. The latter 24-bit value is normally issued sequentially. A MAC address is a sequence of six octets (bytes). The first three take the values of the three octets of the OUI in order. The vendor administers the last three octets. For example, the OUI AC - DE - 48 could be used to generate the address AC-DE-48-00-00-80 Figure 5.8 Ethernet MAC Address structure Destination address The destination address field of 48 bits follows the preamble, and is the MAC address of the recipient. Each Ethernet interface on the network reads each frame at least up to the end of the destination address field. If the address in the field does not match its own address, then the frame is not read further and is discarded by the interface. A destination address of all ‘1’s (FF-FF-FF-FF-FF-FF) means that it is a broadcast and that the frame is to be read by all interfaces. Source address This is the next field in the frame after destination address field. It contains the physical address of the interface of the transmitting station. This field is not interpreted in any way by the Ethernet MAC protocol, but is provided for use of higher protocols. Type/length field This field refers to the data field of the frame. Type field in the DIX standard In the DIX standard, this field describes the type of high-level PDU information that is carried in the data field of the Ethernet frame. For example, the value of 0x0800 (0800 Hex) indicates that the frame is used to carry an IP packet. Length/type field in IEEE 802.3 When the IEEE 802.3 standard was first introduced, this field was called the ‘length’ field, indicating the length (in bytes) of data to follow. Later on (in 1997), the standard was revised to include either a type specification or a length specification. The length field indicates how many bytes are present in the Data field, from a minimum of zero to a maximum of 1500. The most important reason for having a minimum length frame is to ensure that all transmitting stations can detect collisions (by comparing what they transmit with what they hear on the network) while they are still transmitting. To ensure this all frames must transmit for more than twice the time it takes a frame to reach the other end. This was only needed in the case of the old CSMA/CD collision-based MAC. In modern full-duplex Ethernet systems this is irrelevant. The data field must therefore contain a minimum 46 bytes or a maximum of 1500 bytes of actual data. The network protocol itself is expected to provide at least 46 bytes of data. If the data is less than
  • 15.
    80 Practical RadioTelemetry Systems for Industry 46 bytes, padding by dummy data is done to bring the field size to 46 bytes. Before the data in the frame is read, the receiving station must know which of the bytes constitute real data and which part is padding. Upon reception of the frame, the length field is used to determine the length of valid data in the data field, and the pad data is discarded. If the value in the length/type field is numerically less than or equal to 1500, then the field is being used as a length field, in which case the number in this field represents the number of data bytes in the data field. If the value in the field is numerically greater than 1536 (0x0600), then the field is being used as type field, in which case the hexadecimal identifier in the field is used to indicate the type of protocol data being carried in the data field. For example, a Type number of 0x800 (800 Hex), indicates that IP data is being carried by Ethernet. Data field Data field in the DIX standard In the DIX standard, the data field must contain a minimum of 46 bytes and a maximum of 1500 bytes of data. The network protocol software provides at least 46 bytes of data if needed. Data field in IEEE 802.3 Here the minimum and the maximum lengths are same as for the DIX standard. The LLC protocol as per IEEE 802.2 may occupy some space in the data field for identifying the type of protocol data being carried by the frame if the type/length field is used for length information. The LLC PDU is carried in the first 10 bytes in the data field. If the number of LLC octets is less than the minimum number required for the data filed, then pad data octets are automatically added. On receipt of the frame, the length of meaningful data is determined using the length field. Frame Check Sequence (FCS) field This last field in a frame, the same in both DIX and IEEE 802.3 standards, is used to check the integrity of all the bits in the frame, excluding, of course, the preamble and FCS fields. A 32-bit CRC (cyclic redundancy check) is used to compute and check this integrity. 5.4.3 IEEE 802.1p/Q VLAN standards and frames The IEEE 802.1D standard lays down norms for bridges and switches. The IEEE 802.1p standard, which is a part of 802.1D, provides support for traffic-class expediting and dynamic multicast filtering. It also provides a generic attribute registration protocol (GARP) that can be used by switches and stations to exchange information about various capabilities or attributes that may apply to a switch or port. The IEEE 802.1Q standard provides a vendor-independent way of implementing VLANs. A VLAN is a group of switch ports that behave as if they are independent switching hub. Provision of VLAN capabilities on a switching hub enables a network manager to allocate a particular set of switch ports to different VLANs. VLANs can now be based on the content of frames instead of just ports on the hub. There are proprietary frame tagging mechanisms for identifying or tagging frames in terms of which VLAN they belong to. The IEEE 802.1Q provides a vendor independent way of tagging Ethernet frames and thereby implementing VLANs. Here, 4 bytes of new information containing identification of the protocol and priority information are added after the source address field and before the length/type field. The VLAN tag header is added to the IEEE 802.3 frame as shown below in Figure 5.9. The tag header consists of two parts. The first part is the tag protocol identifier (TPID), which is a 2- byte field that identifies the frame as a tagged frame. For Ethernet, the value of this field is 0x8100. The second part is the tag control information (TCI), which is a 2-byte field. The first three bits of this field are used to carry priority information based on the values defined in the IEEE 802.1p
  • 16.
    Data Communications forRadio Telemetry Systems 81 standard. The last eleven bits carry VLAN identifier (VID) that uniquely identifies the VLAN to which the frame belongs (see Figure 5.9). 802.3 Frame without VLAN tag header 802.3 Frame with 4 byte VLAN tag header added Figure 5.9 IEEE 802.1p/Q VLAN Tag header added to IEEE 802.3 frame 802.1Q thus extends the priority-handling aspects of the IEEE 802.1p standard by providing space in the VLAN tag to indicate traffic priorities. 5.4.4 Media access control for half-duplex LANs (CSMA/CD) It is important to understand that this is a legacy technology, and therefore only used in older (typically 10 Mbps) Ethernet systems. It has been replaced by full duplex operation. The MAC protocol for half-duplex Ethernet (DIX as well as IEEE 802.3), controls the sharing of a single channel for communication between all stations, the transmission being in both directions on the same channel, but not simultaneously. There is no central controller on the LAN to decide about these matters. Each interface of each station has this protocol and plays by the same MAC rules so that there is a fair sharing of the communication on the channel. The MAC protocol for half-duplex Ethernet LANs is called CSMA/CD, or carrier sense multiple access/collision detection, after the manner in which the protocol manages the communication traffic. CSMA/CD operates as follows: • A station wishing to transmit listens for the absence of traffic on the bus in order to determine if it is idle • If the channel is idle, and the period of inactivity has equaled or exceeded the Interframe Gap (IFG), the station starts transmitting a frame immediately. The IFG is meant to provide recovery time for the interfaces and is equal to the time for the transmission of 96 bits. This is equal to 9.6 microseconds (1 microsecond = 10-6 second) for a 10 Mbps network. • If there is traffic on the bus, the station defers until the channel becomes free • If, after starting transmission, a collision is detected, the station will send another 32 bits of a jam signal. If collision is detected very early or just after the start of transmission, the station will transmit a preamble plus jam signal
  • 17.
    82 Practical RadioTelemetry Systems for Industry • As soon as a collision is detected, two processes are invoked. These are a collision counter and a back-off time calculation algorithm (which is based on random number generation) • After sending the jam signal, the station stops transmitting and waits for a period equal to the back-off time (which is calculated by the aforementioned algorithm). On expiry of the back-off time, the station starts transmitting all over again • If a collision is detected once again, the whole process of backing off and re-transmitting is repeated, but the algorithm, which is given the collision count by the counter, increases the back-off time. This can go on till there are no collisions detected, or up to a maximum of 16 consecutive attempts. • If the station has managed to send the preamble plus 512 bits, the station has ‘acquired’ the channel, and will continue to transmit until there is nothing more to transmit. If the network has been designed as per rules, there should be no collisions after acquiring the channel • The 512-bit slot time mentioned above is for 10 Mbps and 100 Mbps networks. For Gigabit networks, this time is increased to 512 bytes (4096 bits) although, in practice, all Gigabit systems are full duplex • On acquiring the channel the collision counter and back-off time calculation algorithm are turned off • All stations strictly follow the above rules. It is of course assumed that the network is designed as per rules so that all these timing rules provide the intended results 5.4.5 Multiplexing and higher level protocols Several computers using different high-level protocols can use the same Ethernet network. Identifying which protocol is being used and carried in each data frame is called multiplexing, which allows placing of multiple sources of information on a single system. The type field was originally used for multiplexing, For example, a higher-level protocol creates a packet of data, and software inserts an appropriate hexadecimal value in the type field of the Ethernet frame. The receiving station uses this value in the type field to de-multiplex the received frame. The most widely used high-level protocol today is TCP/IP, which can use both type and length fields in the Ethernet frame. Newer high-level protocols developed after the creation of the IEEE 802.2 LLC use the length field and LLC mechanism for multiplexing and de-multiplexing of frames. 5.4.6 Full-duplex transmissions The full-duplex mode of transmission allows simultaneous two-way communication between two stations, which must use point-to-point links with media such as twisted-pair or fiber optic cables to provide independent transmit and receive data paths. Because of the absence of CSMA/CD there can only be two nodes (for example an NIC and switch port) in a segment. Full-duplex mode doubles the bandwidth of media as compared with that of half-duplex mode. The maximum segment length limitation imposed by timing requirements of half-duplex mode does not apply to full-duplex mode. The IEEE specifies full-duplex mode in its 802.3x supplement (100 Mbps Ethernet) along with optional mechanisms for flow control, namely MAC Control and PAUSE. For full-duplex operation, certain requirements must be fulfilled. These include independent data paths for transmit and receive mode in cabling media, a point-to-point link between stations, and the capability and configuration of interfaces of both stations for simultaneous transmission and receipt of data frames. In full-duplex mode CSMA/CD is disabled, and stations can transmit at any time. However, the transmitting station still inserts an interframe gap period between its own frame transmissions, as in half-duplex mode, so that interfaces at each end of the link can keep up with the full frame rate. Although full-duplex mode theoretically doubles bandwidth, this usually does not result in a doubling of performance because most network protocols are designed to send data and then wait for an acknowledgment. This could lead to heavy traffic in one direction and negligible traffic in the return direction. However, a network backbone system using full-duplex links between switching hubs will
  • 18.
    Data Communications forRadio Telemetry Systems 83 typically carry multiple conversations between many computers and the aggregate traffic on a backbone system will therefore tend to be more symmetrical. It is essential to configure both ends of a communication link for full-duplex operation, or else serious data errors may result. Auto-negotiation for automatic configuration is recommended wherever possible. Since support for auto-negotiation is optional for most media systems, a vendor may not have provided for it. In such case careful manual configuration of BOTH ends of the links is necessary. One end obeying full duplex while the other is still on half-duplex will definitely result in loss of frames. 5.4.7 Ethernet flow control Network backbone switches connected by full-duplex links can be subject to heavy traffic, sometimes overloading internal switching bandwidth and packet buffers, which are apportioned to switching ports. To prevent overloading of these limited resources, a variety of flow control mechanisms (for example use of a short burst of carrier signal sent by a switching hub to cause stations to stop sending data if buffers are full) are offered by hub vendors for use on half-duplex segments. These are not, however, useful on full-duplex segments. The IEEE has provided for optional MAC Control and PAUSE specifications in its 802.3x Full-duplex supplement. MAC control protocol The MAC control system provides a way for the station to receive a MAC control frame and act upon it. MAC control frames are identified with a type value of 0x8808. A station equipped with optional MAC control receives all frames using normal Ethernet MAC functions, and then passes the frames to the MAC control software for interpretation. If the frame contains hex value 0x8808 in the type field, then the software reads the frame, reads MAC control operation codes carried in the data field and takes action accordingly. MAC control frames contain operational codes (opcodes) in the first two bytes of the data field. PAUSE operation The PAUSE system of flow control uses MAC control frames to carry PAUSE commands. The opcode for the PAUSE command is 0x0001. When a station issues a PAUSE command, it sends a PAUSE frame to 48-bit MAC address of 01-80- C2-00-00-01. This special multicast address is reserved for use in PAUSE frames, simplifying the flow control process, because a frame with this address will not be forwarded to any other port of the hub, but will be interpreted and acted upon. The particular multicast address used is selected from a range of addresses that have been reserved by the IEEE 802.1D standard. A PAUSE frame includes the PAUSE opcode as well as the period of pause time (in the form of a two byte integer) being requested by the sending station. This time is the length of time for which the receiving station will stop transmitting data. Pause time is measured in units of ‘quanta’ where one quanta is equal to 512 bit times. Figure 5.10 shows a PAUSE frame wherein the pause time requested is 3 quantas or 1536 bit times. A PAUSE request provides real-time flow control between switching hubs, or even between a switching hub and a server, provided of course they are equipped with optional MAC control software and are connected by a full-duplex link.
  • 19.
    84 Practical RadioTelemetry Systems for Industry Figure 5.10 PAUSE frame with MAC control opcode and pause time 5.4.8 Auto-negotiation Introduction to auto-negotiation Auto-negotiation involves the exchange of information between stations about their capabilities over a link segment and performing of automatic configuration to achieve the best possible mode of operation over a link. Auto-negotiation enables an Ethernet equipped computer to communicate at the highest speed offered by a multi-speed switching hub port. A switching hub capable of supporting full-duplex operation on some or all of its ports can announce the fact using auto-negotiation. Stations supporting full-duplex operation and connected to the hub can then automatically configure themselves to use the full-duplex mode when interacting with the hub. Automatic configuration using auto-negotiation makes it possible to have twisted-pair Ethernet interfaces that can support several speeds. Twisted-pair ports and interfaces can configure themselves to operate at a mutually acceptable speed, with or without full duplex. The auto-negotiation system has the following features: • It is designed to work over link segments only. A link segment can have only two devices connected to it, one at each end • Auto-negotiation takes place during link initialization. When a device is turned on, or an Ethernet cable is connected, the link is initialized by the devices at each end of the link. This initialization and auto-negotiation happens only once, before transmission of any data over the link • Auto-negotiation uses its own signaling system. This signaling system is designed for twisted-pair cabling Once devices connected to two ends of a link have informed each other of their capabilities, the auto-negotiation protocol finds the best match for transmission or the highest common denominator between the capabilities of the two devices. Parallel detection Auto-negotiation is optional for most media systems (except for 1000BaseT systems) because many of the media systems were developed before auto-negotiation was developed. Therefore, the auto-negotiation system has been made compatible with those devices that do not have it. If Auto-negotiation exists only at one end of a link, then the protocol is designed to detect this condition and respond by using ‘parallel detection’.
  • 20.
    Data Communications forRadio Telemetry Systems 85 Parallel detection can detect the media system supported at the other end and can hence set the port for that media system. It, however, cannot detect whether the other end supports full-duplex or not. Even if the other end supports full-duplex, parallel detection will set the port for half-duplex mode. Parallel detection is not without problems, and it is preferable for network managers to go for auto-negotiation on all their devices. 5.4.9 Deterministic Ethernet Deployment of Ethernet in the industrial environment is increasing, but most COTS (Commercial off the Shelf) Ethernet components are not suitable where extreme degrees of deterministic operation, such as a one-millisecond repeatability with one-microsecond jitter is required. The idea that Ethernet systems have collisions is based on ignorance. This was ONLY the case with the older (typically 10 Mbps) CSMA/CD systems. The features that are making Ethernet deterministic are as follows: • Full-duplex operation is more deterministic, because CSMA/CD is irrelevant here • VLANs and prioritized frames (IEEE 802.1p/Q) can contribute to deterministic operation • Some systems such as ProfiNet use special equipment in which ‘normal’ Ethernet communications is interleaved with hardware timing signals • Some Ethernet equipment use the IEEE 1588 standard to implement highly accurate and synchronized clocks for deterministic operation. 5.4.10 Industrial Ethernet Early Ethernet was not entirely suitable for control functions as it was primarily developed for office-type environments. Ethernet technology has, however, made rapid advances over the past few years. It has gained such widespread acceptance in Industry that it is becoming a de facto technology for OSI Layer 1 and 2 in Field Buses. An indication of this trend is the inclusion of Ethernet on Modbus/TCP (Modbus/IDA), Ethernet/IP (Rockwell Automation/ODVA), ProfiNet (PNO) and FOUNDATION Fieldbus HSE (Fieldbus Foundation). The following sections will deal with problems related to early Ethernet, and how they have been addressed in subsequent upgrades. Connectors and cabling Earlier industrial Ethernet systems such as the first-generation Siemens SimaticNet (Sinec-H1) were based on the 10Base5 configuration, and thus the connectors included screw-type N-connectors and D-type connectors, which are both fairly rugged. The heavy-gauge twin-screen (braided) RG-8 coaxial cable is also quite impervious to electrostatic interference. Most modern industrial Ethernet systems are, however, based on a 10BaseT/100BaseTX configuration and thus have to contend with RJ-45 connectors and Cat5-type UTP cable. The RJ-45 connectors could be problematic. They are everything but rugged and are suspect when subjected to great temperature extremes, contact with oils and other fluids, dirt, UV radiation, EMI as well as shock, vibration and mechanical loading. In defense of the RJ-45 connector it must be said that it is only IP20 rated, i.e. to be used within enclosures. Figure 5.11 D-type connectors
  • 21.
    86 Practical RadioTelemetry Systems for Industry As in interim measure, some manufacturers started using D-type (known also as DB or D-Subminiature) connectors. These are mechanically quite rugged, but are neither waterproof nor dustproof . They can therefore be used only in IP20 rated environments. Ethernet is now installed in areas that were always the domain of traditional field bus systems. These areas demand IP67 class protection against dirt, dust and fluids, and therefore suitable connector technology meeting IP67 standards have to be defined for transmission speeds up to 100 Mbps. Two solutions to this problem have emerged. The one is a modified RJ-45 connector while the other is an M12 (micro-style) connector. Figure 5.12 Modified RJ-45 connector (Courtesy: Siemon) The use of the M12 connector in Ethernet systems is covered in standard EN 61076-2-101. The transmission performance of 4-pin M12 connectors for Ethernet up to 100 Mbps is comparable with, if not better than, standardized office-grade Ethernet products. In office environments, four-pair UTP cabling is common. For industrial applications two-pair cables are less expensive and easier to handle. Apart from installation difficulties, 8-pin M12 connectors may not meet all the electrical requirements described in EN 50173 or EIA/TIA-568B. Figure 5.13 M12 connectors (Courtesy: RJ Field) Typical M12 connectors for Ethernet can accept various types of Cat5e twisted pair wiring such as braided or shielded wire (solid or stranded), and offer excellent protection against moisture, dust, corrosion, EMI, RFI, mechanical vibration and shock, UV radiation, and extreme temperatures (-40ºC to 75ºC). As far as the media is concerned, several manufacturers are producing Cat5e wiring systems using braided or shielded twisted pairs. An example an integrated approach to industrial Ethernet cabling is Lumberg's etherMATETM system, which includes both the cabling and an M12 connector system.
  • 22.
    Data Communications forRadio Telemetry Systems 87 Packaging Commercial Ethernet equipment (hubs, switches, etc) are only rated to IP20, in other words, they have to be deployed in enclosures for industrial applications. They are also typically rated to 40 oC. Additional issues relate to vibration and power supplies. Some manufacturers are now offering industrially-hardened switches with DIN-rail mounts, IP67 (waterproof and dustproof) rating, industrial temperature rating (60oC), DIN-rail mounts and redundant power supplies. Figure 5.14 IP67 Industrial grade switch (Courtesy: RJ Field) Electrically hardened devices are available for use in electrical substations where high levels of electrical interference can occur. Devices with an extended temperature rating (e.g. -40oC to +75oC) are also available. The specially-designed casing dissipates the heat generated by the electronics. Because of the sealed enclosure they are also dust-and waterproof Figure 5.15 Hardened switch and power supply (Courtesy: Garrettcom)
  • 23.
    88 Practical RadioTelemetry Systems for Industry Deterministic versus stochastic operation One of the most common complaints regarding early Ethernet was that it used CSMA/CD (a probabilistic method) as opposed to other automation technologies that use deterministic access methods such as token passing or a master-slave mechanism. The use of CSMA/CD means that it is impossible to guarantee delivery of a possibly critical message within a certain time. This could be due either to congestion on the network (often due to other less critical traffic) or to collisions with other frames. In office applications there is not much difference between 5 seconds and 500 milliseconds, but in industrial applications a millisecond counts. Industrial processes often require scans in a 5 to 20 millisecond range, and some demanding processes could even require less than 1 millisecond. On 10BaseT Ethernet, for example, the access time on a moderately loaded 100-station network could range from 10 to 100mS, which is acceptable for office applications but not for processes. The advent of Fast and Gigabit Ethernet, switching hubs, IEEE 802.3Q VLAN technology, IEEE 802.3p traffic prioritization and full-duplex operation has resulted in very deterministic Ethernet operation and has effectively put this concern to rest for most applications. In addition, there are several specialized systems around that offer extremely high levels of deterministic operation, such as 1 millisecond resolution with 1 microsecond jitter. Examples include ProfiNet HRT, Sercos III, EtherCAT and Ethernet EPL. Size and overhead of Ethernet frame Data link encoding efficiency is another problem, with the Ethernet frames taking up far more space than an equivalent DeviceNet, Profibus or FOUNDATION Fieldbus frame. If the TCP/IP protocol is used in addition to Ethernet, the overhead increases dramatically. The efficiency of the overall system is, however, more complex than simply the number of bytes transmitted on the cable and issues such as raw speed on the cable and the overall traffic need to be examined carefully. For example, if 2 bytes of data from an instrument had to be packaged in a 60-byte message (because of TCP/IP and Ethernet headers) this would result in an enormous overhead compared to a conventional field bus protocol. However, if the communications link is running at 100 Mbps or 1 Gbps with full-duplex communications, this puts a different light on the problem and makes the overhead issue almost irrelevant. Modern Ethernet field buses such as EtherCAT can address up to 12,000 digital I/O points in a single Ethernet frame, which makes the debate about Ethernet overheads somewhat meaningless. Noise and interference Due to higher electrical noise near to the industrial LANs some form of electrical shielding and protection is useful to minimize errors in the communication. A good choice of cable is fiber-optic cable. Twisted pair can be used but care should be taken to route the cables far away from any potential sources of noise. If twisted pair cable is selected; a good decision is to use screened twisted pair cable (ScTP) rather than the standard UTP. It should be noted here that Ethernet-based networks are installed in a wide variety of systems and rarely have problems reported due to reliability issues. The use of fiber ensures that there are minimal problems due to ground loops or electrical noise and interference. Partitioning of the network It is very important that the industrial network operates separately from that of the commercial network, as speed of response and real time operation are often critical attributes of an industrial network. An office-type network may not have the same response requirements. In addition, security is another concern where the industrial network is split off from the commercial networks so any problems in the commercial network will not affect the industrial side. Industrial networks are also often partitioned with routers into individual subnets for reasons of security, and/or segmented with bridges and switches to increase speed.
  • 24.
    Data Communications forRadio Telemetry Systems 89 In order to reduce network traffic some PLCs use exception reporting. This requires only changes in the various digital and analog parameters to be transmitted on the network. For example, if a digital point changes state (e.g. from ‘on’ to ‘off’), only this change would be reported. Similarly, an analog value could have associated with it a specified percentage change of span before reporting the new analog value to the master station. Power over Ethernet (PoE) Industry often expects device power to be delivered over the same cables as those used for device communication. Examples of such systems are DeviceNet and FOUNDATION Fieldbus. This is, however, not an absolute necessity as the power can be delivered separately. Profibus DP, for example, does not provide this feature yet it is one of the leading field buses. Ethernet does, however, provide the ability to deliver power on the bus. The IEEE 802.3af standard allows a source device (a hub or a switch) to supply a minimum of 300 mA at 48 Volts DC to each field device. This is in the same range as FOUNDATION Fieldbus and DeviceNet. If the hub or switch cannot supply the power, external power junction boxed can be placed in series with the Cat5 cable. The standard allows for two alternatives, namely the transmission of power over the signal pairs (1/2 and 3/6) or the transmission of power over the unused pairs (4/5 and 7/8). Intrinsic safety issues still need addressing. A range of devices are available to support PoE. If the switch or hub is not able to supply power, a separate DC power supply can be used in conjunction with an ‘injector’ box to place the power on the line. On the receiving side, a ‘picker’ a.k.a. ‘splitter’ can be used to pick the power off the bus to power a legacy (non-Ethernet) device. Injectors and pickers with ratings up to 40 watts are currently available. Figure 5.16 PoE splitter (Courtesy: Infomart) Fast and Gigabit Ethernet Fast Ethernet as defined in IEEE 802.3u is essentially Ethernet running at 100 Mbps. The same frame structure, addressing scheme and CSMA/CD access method are used as with the 10 Mbps standard. In addition, Fast Ethernet can also operate in full-duplex mode as opposed to CSMA/CD, which means that there are no collisions. Gigabit Ethernet is another technology that could easily be used to connect instruments and PLCs since 1000BaseT will run on Cat5e cabling. However its speed would probably not be fully exploited by the instruments for the reasons indicated above. Industrial Ethernet architectures for high availability For high-availability systems a network interface represents a Single Point of Failure (SPOF) that can bring the system down. There are several approaches that can be used on their own or in combination, depending on the amount of resilience required (and hence the cost). The cost of the additional investment in the system has to be weighed against the costs of any downtime.
  • 25.
    90 Practical RadioTelemetry Systems for Industry For a start, the network topology could be changed to represent a switched ring. Since the Ethernet architecture allows an array of interconnected switches but not a ring, this configuration necessitates the use of a special controlling switch (redundancy manager), which controls the ring and protects the system against a single failure on the network. It does not, however, guard against a failure of the network interface on one of the network devices. The redundancy manager is basically a switch that ‘divides’ itself in two internally (thereby breaking the loop), resulting in two halves that periodically check each other by sending high-priority messages around the loop to each other. In the architecture outlined below the Redundancy Manager represents a single point of failure in the ring. Weidmuller has recently introduced a solution to this problem in their ‘WI’ ring, in which the master function is floating, and can be passed between switches. Figure 5.17 Redundant switch ring (Courtesy: Hirschmann) If a failure occurs anywhere on the ring, the redundancy manager becomes aware of it through a failure to communicate with itself, and ‘heals’ itself. Figure 5.18 Redundant switch ring with failure (Courtesy: Hirschmann) The next level of resiliency would necessitate two network interfaces on the controller, each one connected to a switch on a different ring. This setup would be able to tolerate both a single network failure and a network interface failure.
  • 26.
    Data Communications forRadio Telemetry Systems 91 Figure 5.19 Redundant switch ring with dual access to controller (Courtesy: Hirschmann) Ultimately one could protect the system against a total failure of one ring, connecting each port of the dual-homed system to a different ring. Figure 5.20 Dual redundant switch ring (Courtesy: Hirschmann) Other factors supporting a high degree of resilience would include hot-swappable switches and NICs, dual-redundant power supplies and on-line diagnostic software.
  • 27.
    92 Practical RadioTelemetry Systems for Industry