Hazop Training
Intermediate Course
iFluids Training Academy
Course contents
• What is a HAZOP Study?
• Definition of basic terms
• Risk matrix/ALARP principle
• When to Perform a HAZOP Study
• Different stages of Hazop study and
relevant Data requirement
• HAZOP STUDY - TEAM COMPOSITION
• Generally accepted rules of HAZOP
• Overall HAZOP Methodology
• Layers of protection/Safeguard
• Hierarchy of controls (with simple example)
• HAZOP Study-Example
• Relation between HAZOP and LOPA
• Brief introduction to LOPA
HAZARD AND OPERABILITY STUDY
Brainstorming,
Multidisciplinary Team
Approach
Structured Using Guide
Words
Problem Identifying Cost Effective
Basic terms definitions
HAZARD
Any thing which has
potential to cause
harm to people, asset,
Environment or/and
reputation
Risk
Risk= Frequency *
consequence
Frequency= Probability
of Event occurring
consequence= extent of
effect on people, asset,
Environment, reputation
Consequence
5
Multiple fatalities / constant breach of regulatory limits / plant outage more than a month(>
Rs. 10 crore) / International impact
4
Single fatality / short term breaches of reglatory limits / 1 week to 1 month for the unit (< Rs.
10 crore) / Major Impact. On National TV/National Press
3
More than one MTC or LTI or Health Effect/Localized Effect Has significant Impact on
Environment but no
2
one LTI or MTC or Health Effect for One Person / Minor Effect. Has Impact on Environment but
no permanent effect / 12 hrs to 48 hrs
1
Minor injury (First Aid Case) or Health Effect/Slight Effect. 100% Cleanup possible/Less than
12 hour outage for single section (within 1
Likelihood/Frequency
A
more than 100 years (never
heard of the incident)
B
once in 100 years (heard of the
incident in the industry)
C
once in 20 years (incident has
occured in the company)
D
once in 4 years (happened
several times in the company)
E
Happens more than two times
per year.
RISK ASSESSMENT MATRIX (RAM)
CONSEQUENCE LIKELIHOOD
Rating
Severity
People
Equipment
damage
Production
loss
Environment
Reputation
A B C D E
More than100
years (Never
heard of the
incident)
Once in 100
years (Heard of
Incident in
Industry)
Once in 20
years (Incident
has occurred in
Our Company)
Once in 4 years
(Happened
several times in
the Company)
More than once
in a year
5
Catastrophic
Multiple worker
fatalities /
permanent total
disabilities or single
public fatality
Extensive
damage,
prolonged loss of
production or >
Rs. 10 Crore
More than a
month of outage
for one unit
Massive effect over
a large area or
constant breach of
regulatory limits
International impact.
Adverse attention in
International media
5A 5B 5C 5D 5E
4
Major
Single worker
fatality / Permanent
disability or serious
injury to public
Major damage,
disruption to
operations or <
Rs. 10 Crore
More than one
week to one
month outage
for one unit
Major Effect, Short
term breaches of
regulatory limits
Major Impact. On
National TV /
National Press
4A 4B 4C 4D 4E
3
Serious
More than one LTI Local damage,
unit shutdown or
< Rs. 1 Crore
48 hrs. to one
week outage for
one unit
Localized effect.
Has significant
impact on
Environment but no
permanent effect
Considerable
impact. Major
concern in National
Press / Local TV
3A 3B 3C 3D 3E
2
Minor
One Loss Time
Incident (LTI)
Minor damage or
< Rs. 50 Lakhs
24 hrs. to 48
hrs. outage for
one unit
Minor effect, has
impact on
Environment but no
permanent effect
Limited impact.
Public concern in
neighborhood.
Reported in local
newspaper
2A 2B 2C 2D 2E
1
Notable
Slight injuries (First
aid case) / Short
term effect
Slight damage or
< Rs. 10 Lakhs
Less than 24
hours
Slight effect; 100%
cleanup possible
Slight impact, Public
awareness exists, no
public concern 1A 1B 1C 1D 1E
Demonstrate
ALARP
Incorporate Risk
Reduction
Measures
Manage for
Continuous
Improvement
Intolerable
Zone
ALARP PRINCIPLE
“As Low As Reasonably Practicable”
▪ Involves weighing risk against the
trouble, time and money to control
▪ Describes level to which workplace risk
is to be controlled.
▪ Not prescriptive
▪ Challenging because it requires
employers to exercise judgment.
What is Acceptable Risk?
We accept/ tolerate risk when:
1. We don’t know that it exists
2. The Risk is insignificantly low
3. When it’s worth the Risk (?)
Tools for Process Hazard Identification
What if
Analysis?
HAZOP FMEA ETA
FTA
Safety
Audit
Compliance
Audit
HAZARD AND OPERABILITY STUDY
Brainstorming,
Multidisciplinary Team
Approach
Structured Using Guide
Words
Problem Identifying Cost Effective
HAZOP STUDY - TEAM COMPOSITION
A Team Leader, an expert in the HAZOP Technique
Technical Members, for example
New Design Existing Plant
Design or Project Engineer Plant Superintendent
Process Engineer Process Supervisor (Foreman)
Commissioning Manager Maintenance Engineer
Instrument Design Engineer Instrument Engineer
Chemist Technical Engineer
HAZOP PREPLANNING ISSUES
Preplanning issues addressed in a typical refinery unit HAZOP include the
following:
Verification of as-built
conditions shown on
the P&IDs
Line segment
boundaries set;
markup of P&IDs
• P&IDs (base study
document)
• Process flow
diagrams (PFDs)
• Process description • Operating
manuals/procedures
Recording technique
(computer program or
data sheet)
determination
Arrange for system or
process briefings for
team before work
begins.
Golden Rules of HAZOP
• HAZOP does not challenge the design for normal operating conditions. All equipments are assumed to be well
designed, manufactured and properly inspected. Plant are well maintained in accordance with the standard.
• Deviations resulting from two or more independent events that occur concurrently were generally not considered
unless one of the events had a high probability rating and the consequences of the resulting event was high
• All of the valves and Blinds are assumed to be in correct position.
• shown in the P&IDs as open or closed are normally in the position shown
• Non process causes are not reviewed in HAZOP (e.g. storm, hurricane, Dropped Objects, external impacts /
Sabotage)
• Consequences are reviewed without any safeguards (No human response, No SIF, No mechanical barrier).
• Consequences are described at least up to the initial physical event (leakage, LOC, Off spec, etc.)
Golden Rules of HAZOP
• In each scenario where various degrees of severity are possible, such as the failure of a pump seal, the
maximum consequence of the event was used to determine both the likelihood and consequence.
• No escalation assessment is reviewed during the HAZOP (No F&G review, Layout, Safety distances etc.
• Manual Valve closure / Opening due to operator error should not be considered as credible
scenario.(The operator error frequency rates assume that the processes are operated by trained
operators and written instructions are followed where they are available.)
• Credit can be given to (Alarm & Operator response) only for Normal operating task.
• Credit cannot be given to (Alarm & Operator Response) for emergency response.
• Single check valve is adequate unless reverse flow may cause pressure to exceed test pressure.
• Mechanical Protection devices such as PSV / RD are expected to work.
• Operating instruction and operating manuals shall be considered as effective safeguard.
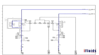
Defining the Nodes
• A NODE is the selection of one or more items of equipment as a focal point of study.
• A node could be as small as a line, a pump, a vessel or a heat exchanger or as large as an entire
process plant.
In the early method of assigning node, each of the lines entering and leaving the vessel was treated as a
separate node. The vessel itself was not treated as a separate node because it was considered to be
adequately addressed by applying deviations to the entry and exit lines.
The method of defining nodes at present day is to define compound nodes. For example, Feed piping
from a feed vessel, a centrifugal pump, a control valve set and a heat exchanger supplying a reactor
vessel would be considered as a single node.
Defining the Nodes
Greater the familiarity and confidence are with the HAZOP methodology; the node size can be
increased to include more equipment. Just as small node sizes are inefficient, very large node sizes may
also be inefficient. In general, the optimum node size can include multiple items of equipment,
provided, that they share a common function
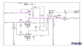
HAZOP Methodology
Guide Word – Parameter Pairs
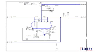
LOPA ONION-
SAFE GUARDS
PFDs for IPLs adapted from CCPS
Control
Measures
priority
What is the consequence ???
RISK ASSESSMENT MATRIX (RAM)
CONSEQUENCE LIKELIHOOD
Rating
Severity
People
Equipment
damage
Production
loss
Environment
Reputation
A B C D E
More than100
years (Never
heard of the
incident)
Once in 100
years (Heard of
Incident in
Industry)
Once in 20
years (Incident
has occurred in
Our Company)
Once in 4 years
(Happened
several times in
the Company)
More than once
in a year
5
Catastrophic
Multiple worker
fatalities /
permanent total
disabilities or single
public fatality
Extensive
damage,
prolonged loss of
production or >
Rs. 10 Crore
More than a
month of outage
for one unit
Massive effect over
a large area or
constant breach of
regulatory limits
International impact.
Adverse attention in
International media
5A 5B 5C 5D 5E
4
Major
Single worker
fatality / Permanent
disability or serious
injury to public
Major damage,
disruption to
operations or <
Rs. 10 Crore
More than one
week to one
month outage
for one unit
Major Effect, Short
term breaches of
regulatory limits
Major Impact. On
National TV /
National Press
4A 4B 4C 4D 4E
3
Serious
More than one LTI Local damage,
unit shutdown or
< Rs. 1 Crore
48 hrs. to one
week outage for
one unit
Localized effect.
Has significant
impact on
Environment but no
permanent effect
Considerable
impact. Major
concern in National
Press / Local TV
3A 3B 3C 3D 3E
2
Minor
One Loss Time
Incident (LTI)
Minor damage or
< Rs. 50 Lakhs
24 hrs. to 48
hrs. outage for
one unit
Minor effect, has
impact on
Environment but no
permanent effect
Limited impact.
Public concern in
neighborhood.
Reported in local
newspaper
2A 2B 2C 2D 2E
1
Notable
Slight injuries (First
aid case) / Short
term effect
Slight damage or
< Rs. 10 Lakhs
Less than 24
hours
Slight effect; 100%
cleanup possible
Slight impact, Public
awareness exists, no
public concern 1A 1B 1C 1D 1E
Demonstrate
ALARP
Incorporate Risk
Reduction
Measures
Manage for
Continuous
Improvement
Intolerable
Zone
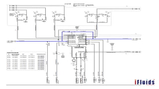
Additional PT’s with
2oo3 Logic closing XV-
100 and PV-200
XV-100
Discrepancy alarm
Low and High alarm in
Each PT’s
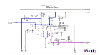
Hazop Example
HAZOP Planning and Execution
TEAM
System
Assessment
Team Activity
PLAN
Select Team
Examine System
Keywords
CLOSE OUT
Record/File
Completed
Actions
TRACK
ACTIONS
HAZOP
Review
Meeting
REPORT
Action List
HAZOP
Report
58
Relation between HAZOP and LOPA
LOPA ONION-
SAFE GUARDS
Training Academy
training@ifluids.com
info@ifluids.com

Hazop Training - Intermediate Level Course iFluids

  • 1.
  • 2.
    Course contents • Whatis a HAZOP Study? • Definition of basic terms • Risk matrix/ALARP principle • When to Perform a HAZOP Study • Different stages of Hazop study and relevant Data requirement • HAZOP STUDY - TEAM COMPOSITION • Generally accepted rules of HAZOP • Overall HAZOP Methodology • Layers of protection/Safeguard • Hierarchy of controls (with simple example) • HAZOP Study-Example • Relation between HAZOP and LOPA • Brief introduction to LOPA
  • 3.
    HAZARD AND OPERABILITYSTUDY Brainstorming, Multidisciplinary Team Approach Structured Using Guide Words Problem Identifying Cost Effective
  • 4.
    Basic terms definitions HAZARD Anything which has potential to cause harm to people, asset, Environment or/and reputation
  • 6.
    Risk Risk= Frequency * consequence Frequency=Probability of Event occurring consequence= extent of effect on people, asset, Environment, reputation
  • 7.
    Consequence 5 Multiple fatalities /constant breach of regulatory limits / plant outage more than a month(> Rs. 10 crore) / International impact 4 Single fatality / short term breaches of reglatory limits / 1 week to 1 month for the unit (< Rs. 10 crore) / Major Impact. On National TV/National Press 3 More than one MTC or LTI or Health Effect/Localized Effect Has significant Impact on Environment but no 2 one LTI or MTC or Health Effect for One Person / Minor Effect. Has Impact on Environment but no permanent effect / 12 hrs to 48 hrs 1 Minor injury (First Aid Case) or Health Effect/Slight Effect. 100% Cleanup possible/Less than 12 hour outage for single section (within 1
  • 8.
    Likelihood/Frequency A more than 100years (never heard of the incident) B once in 100 years (heard of the incident in the industry) C once in 20 years (incident has occured in the company) D once in 4 years (happened several times in the company) E Happens more than two times per year.
  • 9.
    RISK ASSESSMENT MATRIX(RAM) CONSEQUENCE LIKELIHOOD Rating Severity People Equipment damage Production loss Environment Reputation A B C D E More than100 years (Never heard of the incident) Once in 100 years (Heard of Incident in Industry) Once in 20 years (Incident has occurred in Our Company) Once in 4 years (Happened several times in the Company) More than once in a year 5 Catastrophic Multiple worker fatalities / permanent total disabilities or single public fatality Extensive damage, prolonged loss of production or > Rs. 10 Crore More than a month of outage for one unit Massive effect over a large area or constant breach of regulatory limits International impact. Adverse attention in International media 5A 5B 5C 5D 5E 4 Major Single worker fatality / Permanent disability or serious injury to public Major damage, disruption to operations or < Rs. 10 Crore More than one week to one month outage for one unit Major Effect, Short term breaches of regulatory limits Major Impact. On National TV / National Press 4A 4B 4C 4D 4E 3 Serious More than one LTI Local damage, unit shutdown or < Rs. 1 Crore 48 hrs. to one week outage for one unit Localized effect. Has significant impact on Environment but no permanent effect Considerable impact. Major concern in National Press / Local TV 3A 3B 3C 3D 3E 2 Minor One Loss Time Incident (LTI) Minor damage or < Rs. 50 Lakhs 24 hrs. to 48 hrs. outage for one unit Minor effect, has impact on Environment but no permanent effect Limited impact. Public concern in neighborhood. Reported in local newspaper 2A 2B 2C 2D 2E 1 Notable Slight injuries (First aid case) / Short term effect Slight damage or < Rs. 10 Lakhs Less than 24 hours Slight effect; 100% cleanup possible Slight impact, Public awareness exists, no public concern 1A 1B 1C 1D 1E Demonstrate ALARP Incorporate Risk Reduction Measures Manage for Continuous Improvement Intolerable Zone
  • 10.
    ALARP PRINCIPLE “As LowAs Reasonably Practicable” ▪ Involves weighing risk against the trouble, time and money to control ▪ Describes level to which workplace risk is to be controlled. ▪ Not prescriptive ▪ Challenging because it requires employers to exercise judgment. What is Acceptable Risk? We accept/ tolerate risk when: 1. We don’t know that it exists 2. The Risk is insignificantly low 3. When it’s worth the Risk (?)
  • 12.
    Tools for ProcessHazard Identification What if Analysis? HAZOP FMEA ETA FTA Safety Audit Compliance Audit
  • 13.
    HAZARD AND OPERABILITYSTUDY Brainstorming, Multidisciplinary Team Approach Structured Using Guide Words Problem Identifying Cost Effective
  • 14.
    HAZOP STUDY -TEAM COMPOSITION A Team Leader, an expert in the HAZOP Technique Technical Members, for example New Design Existing Plant Design or Project Engineer Plant Superintendent Process Engineer Process Supervisor (Foreman) Commissioning Manager Maintenance Engineer Instrument Design Engineer Instrument Engineer Chemist Technical Engineer
  • 15.
    HAZOP PREPLANNING ISSUES Preplanningissues addressed in a typical refinery unit HAZOP include the following: Verification of as-built conditions shown on the P&IDs Line segment boundaries set; markup of P&IDs • P&IDs (base study document) • Process flow diagrams (PFDs) • Process description • Operating manuals/procedures Recording technique (computer program or data sheet) determination Arrange for system or process briefings for team before work begins.
  • 16.
    Golden Rules ofHAZOP • HAZOP does not challenge the design for normal operating conditions. All equipments are assumed to be well designed, manufactured and properly inspected. Plant are well maintained in accordance with the standard. • Deviations resulting from two or more independent events that occur concurrently were generally not considered unless one of the events had a high probability rating and the consequences of the resulting event was high • All of the valves and Blinds are assumed to be in correct position. • shown in the P&IDs as open or closed are normally in the position shown • Non process causes are not reviewed in HAZOP (e.g. storm, hurricane, Dropped Objects, external impacts / Sabotage) • Consequences are reviewed without any safeguards (No human response, No SIF, No mechanical barrier). • Consequences are described at least up to the initial physical event (leakage, LOC, Off spec, etc.)
  • 17.
    Golden Rules ofHAZOP • In each scenario where various degrees of severity are possible, such as the failure of a pump seal, the maximum consequence of the event was used to determine both the likelihood and consequence. • No escalation assessment is reviewed during the HAZOP (No F&G review, Layout, Safety distances etc. • Manual Valve closure / Opening due to operator error should not be considered as credible scenario.(The operator error frequency rates assume that the processes are operated by trained operators and written instructions are followed where they are available.) • Credit can be given to (Alarm & Operator response) only for Normal operating task. • Credit cannot be given to (Alarm & Operator Response) for emergency response. • Single check valve is adequate unless reverse flow may cause pressure to exceed test pressure. • Mechanical Protection devices such as PSV / RD are expected to work. • Operating instruction and operating manuals shall be considered as effective safeguard.
  • 18.
    Defining the Nodes •A NODE is the selection of one or more items of equipment as a focal point of study. • A node could be as small as a line, a pump, a vessel or a heat exchanger or as large as an entire process plant. In the early method of assigning node, each of the lines entering and leaving the vessel was treated as a separate node. The vessel itself was not treated as a separate node because it was considered to be adequately addressed by applying deviations to the entry and exit lines. The method of defining nodes at present day is to define compound nodes. For example, Feed piping from a feed vessel, a centrifugal pump, a control valve set and a heat exchanger supplying a reactor vessel would be considered as a single node.
  • 19.
    Defining the Nodes Greaterthe familiarity and confidence are with the HAZOP methodology; the node size can be increased to include more equipment. Just as small node sizes are inefficient, very large node sizes may also be inefficient. In general, the optimum node size can include multiple items of equipment, provided, that they share a common function
  • 20.
  • 21.
    Guide Word –Parameter Pairs
  • 22.
  • 23.
    PFDs for IPLsadapted from CCPS
  • 24.
  • 27.
    What is theconsequence ???
  • 31.
    RISK ASSESSMENT MATRIX(RAM) CONSEQUENCE LIKELIHOOD Rating Severity People Equipment damage Production loss Environment Reputation A B C D E More than100 years (Never heard of the incident) Once in 100 years (Heard of Incident in Industry) Once in 20 years (Incident has occurred in Our Company) Once in 4 years (Happened several times in the Company) More than once in a year 5 Catastrophic Multiple worker fatalities / permanent total disabilities or single public fatality Extensive damage, prolonged loss of production or > Rs. 10 Crore More than a month of outage for one unit Massive effect over a large area or constant breach of regulatory limits International impact. Adverse attention in International media 5A 5B 5C 5D 5E 4 Major Single worker fatality / Permanent disability or serious injury to public Major damage, disruption to operations or < Rs. 10 Crore More than one week to one month outage for one unit Major Effect, Short term breaches of regulatory limits Major Impact. On National TV / National Press 4A 4B 4C 4D 4E 3 Serious More than one LTI Local damage, unit shutdown or < Rs. 1 Crore 48 hrs. to one week outage for one unit Localized effect. Has significant impact on Environment but no permanent effect Considerable impact. Major concern in National Press / Local TV 3A 3B 3C 3D 3E 2 Minor One Loss Time Incident (LTI) Minor damage or < Rs. 50 Lakhs 24 hrs. to 48 hrs. outage for one unit Minor effect, has impact on Environment but no permanent effect Limited impact. Public concern in neighborhood. Reported in local newspaper 2A 2B 2C 2D 2E 1 Notable Slight injuries (First aid case) / Short term effect Slight damage or < Rs. 10 Lakhs Less than 24 hours Slight effect; 100% cleanup possible Slight impact, Public awareness exists, no public concern 1A 1B 1C 1D 1E Demonstrate ALARP Incorporate Risk Reduction Measures Manage for Continuous Improvement Intolerable Zone
  • 32.
    Additional PT’s with 2oo3Logic closing XV- 100 and PV-200 XV-100 Discrepancy alarm Low and High alarm in Each PT’s
  • 33.
  • 58.
    HAZOP Planning andExecution TEAM System Assessment Team Activity PLAN Select Team Examine System Keywords CLOSE OUT Record/File Completed Actions TRACK ACTIONS HAZOP Review Meeting REPORT Action List HAZOP Report 58
  • 59.
  • 62.
  • 63.