GD&T
Course structure
Drawing Standards
• Sheet size, Border & Title block
• Scale
• Angle projections
• Projections
• Line types
• Dimensions
• Hole and thread callouts
Limits, Fits & Tolerances
• Terminologies
• Types of Tolerances
• Type of Fits
GD&T
• Definition
• Advantages
• Application
• Meaning and use of 14 geometric symbols
• Material Conditions
• Bonus tolerance
Surface Roughness
What is Engineering Drawing and its
Functions?
Lets Start: First Question.
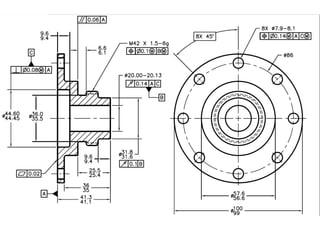
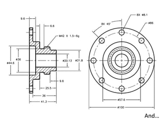
Can you read this Drawing?
And…
Geometric Dimensioning & Tolerancing
DEFINITION
GD & T is a means of dimensioning and Tolerancing a
drawing by considering the function of the part and
how this part functions with related parts.
OBJECTIVIES
Introduce Geometric Dimensioning and
Tolerancing
MMC & LMC Conditions
Bonus Tolerance
Position Vs Dimensional tolerance
Advantages
Interpret drawings with GD & T symbols
Geometric Dimensions and Tolerances
• Dimensional tolerances cannot alone control the errors in geometric features.
Hence it is necessary to specify geometrical tolerances to obtain functional
reliability and interchangeability of components.
• Functional Assembly
• Critical dimensions are assured of problem free fitment
• These geometrical inaccuracies manifests in the form of errors like circularity,
cylindricity, concentricity, straightness, flatness, parallelism etc. That is why we
have to control:
1. Size
2. Form
3. Orientation
4. location
For each Feature.
Who need GD&T
It is a industrial requirement which is equally
important for :
• Designer
• Manufacturers
• Inspectors
Common interpretation of drawings among these
people is critical to preserve design intent.
Advantages
Engineers, Designers, Quality Inspector and manufacturer should have
knowledge on GD&T. It is really important in drawing interpretation
based on application knowledge. GD&T knowledge will reduce product
design time & production cost. Some of the advantages of GD&T are
listed below.
1. Standardization of parts.
2. Product can be made in any country.
3. Only one interpretation of drawing.
4. International language for drawings
5. Manufacturing and metrology is distinctly specified.
6. More tolerance with more control then conventional method of
tolerance.
7. Neat drawings with less notes and revisions.
G D & T
WHY
• Component manufacturing, assembly and performance -
through DATUMS
• Interchangeability – JIT, Lean, 6 σ, VSM etc. etc.
Standards
ASME Y14.41-2003
ASME Y14.5
Digital Product Definition Data
Practices
Dimensioning and Tolerancing
ASME Y14.5M-2009 Dimensioning and Tolerancing 2009
ASME Y14.5.1M-1994Mathematical Definition of
Dimensioning and Tolerancing Principles
Simple Drawing
Problem was
Mil-std 1949
Established Rule #1
Unless otherwise specified, the limits of size of
an individual feature of size control the form of
the feature as well as the size.
Then Asme standards started in 1966 with
revision time to time like in 1982, 1994 and
2009. Asme Y14.5 2009 is current standard
which will be upgraded in 2017 .
G D & T
Symbols
Symbols
Feature Control Frame
How to read GD & T ?
- Location, Form, Profile, Run out or an
Orientation Tolerance
- Value of tolerance
- Bonus tolerance
- Size of feature – MMC to LMC
- Datum s
GD & T Groups
Tolerances grouped to
• Form : Controls the shape of the given feature
• Orientation : Controls both Orientation and Form
• Location : Controls position, orientation & Form
• Run Out : Control position, Orientation & Form
Hierarchy of GD & T
Location
Orientation
Form
• Location is the most general form of control. It controls
both orientation and form
• Orientation is a refinement of location. It is used when
position controls is insufficient
• Form is a refinement of orientation. It is used when
orientation control is insufficient
• Form Tol < Orientation tol < Location tol
Form Deviation
Form deviation is the deviation of a feature from its
nominal (Defined) form (Shape). The feature being
controlled may be a line on a surface, a surface or a
geometric element, e.g., an axis. Form deviations are
specified without reference to any other features.
Orientation Deviation
• An orientation deviation is a deviation from
nominal form AND orientation.
• An orientation deviation must be related to one or more
features, which are referred to as datums.
• The datums must be defined first before an orientation
tolerance can be specified.
Position Deviation
• Position deviation is controlled relative to a datum.
• A nominal position (distance & direction) is given relative to a
datum.
• The position tolerance defines the max permissible deviation
from this nominal position.
• The deviation is shown in green.
MMC
The condition in which a feature of size contains the max
amount of material with in the stated limits of size
For Holes : Min hole diameter
For Shafts : Max shaft diameter
MMC is the condition where the most part material is present at the surface,or
where the part weighs the most.
MMC - Example
LMC
The condition in which a feature of size contains the least
amount of material or the min amount of material with in
the stated limits of size.
For Holes : Max hole diameter
For Shafts : Min shaft diameter
LMC is the condition where the least part material is present at the surface, or
where the part weighs the least.
LMC - Example
RFS – Regardless of Feature
• RFS applies, with respect to the individual
tolerance, datum reference, or both, where no
modifying symbol is specified.
• MMC or LMC must be specified on the drawing
where it is required (i.e)
– RFS is the default, if no modifier is given
– The tolerance zone is not affected by the actual size of the
feature
Datum / Datum feature
Datum : A theoretical exact point, axis or plane
used as the origin from which the location or
geometric characteristics of a feature of a part
are established.
Datum features : An actual feature of a part
used to establish a datum.
Datum Reference Symbols
Datum Placement
Datum Placement
Bonus Tolerance
• It is an additional tolerance, added to the given
geometrical tolerance, based on the actual size of the
given feature.
• As the feature size departs from MMC, an increase in
the geometrical tolerance is permitted equal to the
departure. This departure is called as “BONUS”
tolerance.
• Bonus tolerance is applicable only when MMC or LMC
is indicated in the feature control frame.
Example
Degrees of Freedom (DOF)
Degrees of Freedom (DOF)
Datum’s 3-2-1 Principle
Datum A – Provides 3 point contact to locate a part
(Restrains 3 DOF – 2 Rotation & 1 Translation)
Datum’s 3-2-1 Principle
Datum B – Provides 2 point contact
(Restrains 2 DOF – 1 rotation & 1
translation)
Datum’s 3-2-1 Principle
Datum C – Provides 1 point contact
(Restrains 1 DOF – Translation)
Location Tolerance
It specifies how far an actual feature is permitted
to deviate from the perfect location given in a
drawing as related to datums or other features;
Positional Tolerance
• It defines a zone within which the center, axis
or center plane of a feature of size is permitted
to vary from true (theoretically exact) position.
• Basic dimensions establish the true position
from the specified datum features and
between interrelated features.
Positional Tolerance
Dimensional tolerence
With GD&T
Advantages of GD&T over Coordinate Dimensioning
and Tolerancing
Form Tolerance
• A form tolerance specifies how far an actual surface or feature
is permitted to deviate from the specified in a drawing;
• These mainly include:
Form Tolerance
Straightness:
A straightness tolerance specifies a tolerance zone
within which the considered element or derived
median line must lie.
Straightness can be applied to axes as well as surface elements.
Form Tolerance
Straightness: Application – Plane suface
Form Tolerance
Flatness:
A flatness tolerance specifies a tolerance defined
by two parallel planes which the surface must lie.
Flatness – Example
LIMITS, FITS AND TOLERANCES
_______________THANK
YOU

Gd&t introductory presentation

  • 2.
    GD&T Course structure Drawing Standards •Sheet size, Border & Title block • Scale • Angle projections • Projections • Line types • Dimensions • Hole and thread callouts Limits, Fits & Tolerances • Terminologies • Types of Tolerances • Type of Fits GD&T • Definition • Advantages • Application • Meaning and use of 14 geometric symbols • Material Conditions • Bonus tolerance Surface Roughness
  • 3.
    What is EngineeringDrawing and its Functions? Lets Start: First Question.
  • 5.
    Can you readthis Drawing?
  • 6.
  • 8.
    Geometric Dimensioning &Tolerancing DEFINITION GD & T is a means of dimensioning and Tolerancing a drawing by considering the function of the part and how this part functions with related parts.
  • 9.
    OBJECTIVIES Introduce Geometric Dimensioningand Tolerancing MMC & LMC Conditions Bonus Tolerance Position Vs Dimensional tolerance Advantages Interpret drawings with GD & T symbols
  • 10.
    Geometric Dimensions andTolerances • Dimensional tolerances cannot alone control the errors in geometric features. Hence it is necessary to specify geometrical tolerances to obtain functional reliability and interchangeability of components. • Functional Assembly • Critical dimensions are assured of problem free fitment • These geometrical inaccuracies manifests in the form of errors like circularity, cylindricity, concentricity, straightness, flatness, parallelism etc. That is why we have to control: 1. Size 2. Form 3. Orientation 4. location For each Feature.
  • 11.
    Who need GD&T Itis a industrial requirement which is equally important for : • Designer • Manufacturers • Inspectors Common interpretation of drawings among these people is critical to preserve design intent.
  • 12.
    Advantages Engineers, Designers, QualityInspector and manufacturer should have knowledge on GD&T. It is really important in drawing interpretation based on application knowledge. GD&T knowledge will reduce product design time & production cost. Some of the advantages of GD&T are listed below. 1. Standardization of parts. 2. Product can be made in any country. 3. Only one interpretation of drawing. 4. International language for drawings 5. Manufacturing and metrology is distinctly specified. 6. More tolerance with more control then conventional method of tolerance. 7. Neat drawings with less notes and revisions.
  • 13.
    G D &T WHY • Component manufacturing, assembly and performance - through DATUMS • Interchangeability – JIT, Lean, 6 σ, VSM etc. etc. Standards ASME Y14.41-2003 ASME Y14.5 Digital Product Definition Data Practices Dimensioning and Tolerancing ASME Y14.5M-2009 Dimensioning and Tolerancing 2009 ASME Y14.5.1M-1994Mathematical Definition of Dimensioning and Tolerancing Principles
  • 14.
  • 15.
  • 16.
    Mil-std 1949 Established Rule#1 Unless otherwise specified, the limits of size of an individual feature of size control the form of the feature as well as the size. Then Asme standards started in 1966 with revision time to time like in 1982, 1994 and 2009. Asme Y14.5 2009 is current standard which will be upgraded in 2017 .
  • 17.
    G D &T Symbols
  • 18.
  • 20.
  • 21.
    How to readGD & T ? - Location, Form, Profile, Run out or an Orientation Tolerance - Value of tolerance - Bonus tolerance - Size of feature – MMC to LMC - Datum s
  • 22.
    GD & TGroups Tolerances grouped to • Form : Controls the shape of the given feature • Orientation : Controls both Orientation and Form • Location : Controls position, orientation & Form • Run Out : Control position, Orientation & Form
  • 23.
    Hierarchy of GD& T Location Orientation Form • Location is the most general form of control. It controls both orientation and form • Orientation is a refinement of location. It is used when position controls is insufficient • Form is a refinement of orientation. It is used when orientation control is insufficient • Form Tol < Orientation tol < Location tol
  • 24.
    Form Deviation Form deviationis the deviation of a feature from its nominal (Defined) form (Shape). The feature being controlled may be a line on a surface, a surface or a geometric element, e.g., an axis. Form deviations are specified without reference to any other features.
  • 25.
    Orientation Deviation • Anorientation deviation is a deviation from nominal form AND orientation. • An orientation deviation must be related to one or more features, which are referred to as datums. • The datums must be defined first before an orientation tolerance can be specified.
  • 26.
    Position Deviation • Positiondeviation is controlled relative to a datum. • A nominal position (distance & direction) is given relative to a datum. • The position tolerance defines the max permissible deviation from this nominal position. • The deviation is shown in green.
  • 27.
    MMC The condition inwhich a feature of size contains the max amount of material with in the stated limits of size For Holes : Min hole diameter For Shafts : Max shaft diameter MMC is the condition where the most part material is present at the surface,or where the part weighs the most.
  • 28.
  • 29.
    LMC The condition inwhich a feature of size contains the least amount of material or the min amount of material with in the stated limits of size. For Holes : Max hole diameter For Shafts : Min shaft diameter LMC is the condition where the least part material is present at the surface, or where the part weighs the least.
  • 30.
  • 31.
    RFS – Regardlessof Feature • RFS applies, with respect to the individual tolerance, datum reference, or both, where no modifying symbol is specified. • MMC or LMC must be specified on the drawing where it is required (i.e) – RFS is the default, if no modifier is given – The tolerance zone is not affected by the actual size of the feature
  • 32.
    Datum / Datumfeature Datum : A theoretical exact point, axis or plane used as the origin from which the location or geometric characteristics of a feature of a part are established. Datum features : An actual feature of a part used to establish a datum.
  • 33.
  • 34.
  • 35.
  • 36.
    Bonus Tolerance • Itis an additional tolerance, added to the given geometrical tolerance, based on the actual size of the given feature. • As the feature size departs from MMC, an increase in the geometrical tolerance is permitted equal to the departure. This departure is called as “BONUS” tolerance. • Bonus tolerance is applicable only when MMC or LMC is indicated in the feature control frame.
  • 37.
  • 39.
  • 40.
  • 41.
    Datum’s 3-2-1 Principle DatumA – Provides 3 point contact to locate a part (Restrains 3 DOF – 2 Rotation & 1 Translation)
  • 42.
    Datum’s 3-2-1 Principle DatumB – Provides 2 point contact (Restrains 2 DOF – 1 rotation & 1 translation)
  • 43.
    Datum’s 3-2-1 Principle DatumC – Provides 1 point contact (Restrains 1 DOF – Translation)
  • 44.
    Location Tolerance It specifieshow far an actual feature is permitted to deviate from the perfect location given in a drawing as related to datums or other features;
  • 45.
    Positional Tolerance • Itdefines a zone within which the center, axis or center plane of a feature of size is permitted to vary from true (theoretically exact) position. • Basic dimensions establish the true position from the specified datum features and between interrelated features.
  • 46.
  • 47.
  • 48.
  • 49.
    Advantages of GD&Tover Coordinate Dimensioning and Tolerancing
  • 50.
    Form Tolerance • Aform tolerance specifies how far an actual surface or feature is permitted to deviate from the specified in a drawing; • These mainly include:
  • 51.
    Form Tolerance Straightness: A straightnesstolerance specifies a tolerance zone within which the considered element or derived median line must lie. Straightness can be applied to axes as well as surface elements.
  • 52.
  • 54.
    Form Tolerance Flatness: A flatnesstolerance specifies a tolerance defined by two parallel planes which the surface must lie.
  • 55.
  • 57.
    LIMITS, FITS ANDTOLERANCES
  • 58.