Modeling Flexible Business Processes with Business Rule Patterns Milan Milanović 1 ,  Dragan Gašević 2 , Luis Rocha 2 1 University of Belgrade, Serbia 2 Athabasca University, AB, Canada https://semtech.athabascau.ca
Motivation Modeling flexible business process Integration of rules in processes
Motivation Modeling flexible business process Integration of rules in processes Patterns for Rules in BPs [Graml et al., 2007] Control flow  decisions Control flow  decisions Rule types DR IR PrR Control flow  decisions Decision logic abstraction +     Decision node to business rule binding +     Decision with flexible input data +     Decision flexible output  +   + Data  constraints Constraints at predefined checkpoint   +   Constraints at multiple checkpoints +   Constraints enforced by external data context   +   Dynamic BP composition Business rule-based subprocess selection     + Business rule-based process composition +   +
Rule and Processes Observations Implementation focus primarily  Development complexity  Weak integration with information modeling  Questionable declarative definition of rules
To what extent can  a rule-enhanced  business process modeling language   address the observed problems  Research Objective MODELS 2009
Rule-enhanced BP modeling language Integrates BPMN2 and R2ML (EDOC 2009) Improved expressivity (BuRO 2010) A rule can be associated with a flow element Advice-like types – before, after around  Models rule-enhanced Orchestrations (CASCON 2009) Choreographies (EDOC 2010) rBPMN
Rule Modeling REWERSE I1 Rule Markup Language (R2ML) with a UML-based graphical concrete syntax MODELS 2009
REWERSE I1 Rule Markup Language Extension for Rule Models MODELS 2009 rBPMN metamodel weaving
rBPMN Example
rBPMN Example
http://code.google.com/p/rbpmneditor/
rBPMN Editor
http://code.google.com/p/rbpmneditor/wiki/Patterns
Control Flow Decisions Decision logic abstraction pattern
Data Constraints Constraints at multiple checkpoints
Data Constraints Constraints at multiple checkpoints
Data Constraints Constraints enforced by external data context
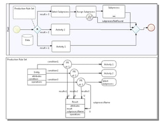
Dynamic BP Composition  Business rule-based subprocess selection
Dynamic BP Composition  Business rule-based subprocess selection
Book Store Case Study
Case Study – Book Store
Case Study – Book Store Constraints at predefined checkpoint
Case Study – Book Store Decision point abstraction pattern
Case Study – Book Store
Rules in the process Reaction rules attached to R 2
Case Study – Book Store
Case Study – Book Store Decision node to business rule binding
Case Study – Book Store
Case Study – Book Store Sub-process selection
Comparison Pattern group Pattern name Original rBPMN DR IR PrR DR IR PR RR Control flow  decisions Decision logic abstraction +     +   +   Decision node to business rule binding +     +   +   Decision with flexible input data +     +   +   Decision flexible output  +   +     +   Data  constraints Constraints at predefined checkpoint   +     +     Constraints at multiple checkpoints +     +     Constraints enforced by external data context   +     +   + Dynamic BP composition Business rule-based subprocess selection     +     +   Business rule-based process composition +   + +   +  
Systematic rules & process modeling  Same abstraction level & shared vocabularies  Declaratively expressed rules Higher potential for BP flexibility  Conclusion MODELS 2009
Formal verification of rBPMN processes Petri Nets and well-formedness Executable rBPMN  Concrete syntax  Reduction of the graphical concrete syntax Semi-structure English for rules  Controlled experiments Maintainability and usability  Future Work MODELS 2009
Thank you! Questions?  https://semtech.athabascau.ca

Modeling Flexible Business Processes with Business Rule Patterns

  • 1.
    Modeling Flexible BusinessProcesses with Business Rule Patterns Milan Milanović 1 , Dragan Gašević 2 , Luis Rocha 2 1 University of Belgrade, Serbia 2 Athabasca University, AB, Canada https://semtech.athabascau.ca
  • 2.
    Motivation Modeling flexiblebusiness process Integration of rules in processes
  • 3.
    Motivation Modeling flexiblebusiness process Integration of rules in processes Patterns for Rules in BPs [Graml et al., 2007] Control flow decisions Control flow decisions Rule types DR IR PrR Control flow decisions Decision logic abstraction +     Decision node to business rule binding +     Decision with flexible input data +     Decision flexible output +   + Data constraints Constraints at predefined checkpoint   +   Constraints at multiple checkpoints +   Constraints enforced by external data context   +   Dynamic BP composition Business rule-based subprocess selection     + Business rule-based process composition +   +
  • 4.
    Rule and ProcessesObservations Implementation focus primarily Development complexity Weak integration with information modeling Questionable declarative definition of rules
  • 5.
    To what extentcan a rule-enhanced business process modeling language address the observed problems Research Objective MODELS 2009
  • 6.
    Rule-enhanced BP modelinglanguage Integrates BPMN2 and R2ML (EDOC 2009) Improved expressivity (BuRO 2010) A rule can be associated with a flow element Advice-like types – before, after around Models rule-enhanced Orchestrations (CASCON 2009) Choreographies (EDOC 2010) rBPMN
  • 7.
    Rule Modeling REWERSEI1 Rule Markup Language (R2ML) with a UML-based graphical concrete syntax MODELS 2009
  • 8.
    REWERSE I1 RuleMarkup Language Extension for Rule Models MODELS 2009 rBPMN metamodel weaving
  • 9.
  • 10.
  • 11.
  • 12.
  • 13.
  • 14.
    Control Flow DecisionsDecision logic abstraction pattern
  • 15.
    Data Constraints Constraintsat multiple checkpoints
  • 16.
    Data Constraints Constraintsat multiple checkpoints
  • 17.
    Data Constraints Constraintsenforced by external data context
  • 18.
    Dynamic BP Composition Business rule-based subprocess selection
  • 19.
    Dynamic BP Composition Business rule-based subprocess selection
  • 20.
  • 21.
    Case Study –Book Store
  • 22.
    Case Study –Book Store Constraints at predefined checkpoint
  • 23.
    Case Study –Book Store Decision point abstraction pattern
  • 24.
    Case Study –Book Store
  • 25.
    Rules in theprocess Reaction rules attached to R 2
  • 26.
    Case Study –Book Store
  • 27.
    Case Study –Book Store Decision node to business rule binding
  • 28.
    Case Study –Book Store
  • 29.
    Case Study –Book Store Sub-process selection
  • 30.
    Comparison Pattern groupPattern name Original rBPMN DR IR PrR DR IR PR RR Control flow decisions Decision logic abstraction +     +   +   Decision node to business rule binding +     +   +   Decision with flexible input data +     +   +   Decision flexible output +   +     +   Data constraints Constraints at predefined checkpoint   +     +     Constraints at multiple checkpoints +     +     Constraints enforced by external data context   +     +   + Dynamic BP composition Business rule-based subprocess selection     +     +   Business rule-based process composition +   + +   +  
  • 31.
    Systematic rules &process modeling Same abstraction level & shared vocabularies Declaratively expressed rules Higher potential for BP flexibility Conclusion MODELS 2009
  • 32.
    Formal verification ofrBPMN processes Petri Nets and well-formedness Executable rBPMN Concrete syntax Reduction of the graphical concrete syntax Semi-structure English for rules Controlled experiments Maintainability and usability Future Work MODELS 2009
  • 33.
    Thank you! Questions? https://semtech.athabascau.ca

Editor's Notes

  • #7 BPMN -> OMG specification.