07/05/2025
ADAMA SCIENCE AND TECHNOLOGY UNIVERSITY
SCHOOL OF MECHANICAL, CHEMICALAND MATERIAL ENGINEERING
DEPARTMENT OF MECHANICAL ENGINEERING
ENGINEERING DRAWING ; MEng1102
CHAPTER-3
THEORY OF PROJECTIONS AND
MULTI-VIEW DRAWING
Prepared by:- Mr. Tamrat Moges (MSc)
Reviewed by:- Mr. Cherinet Girma (MSc)
- Mr. Idris Ilimi (MSc)
Date, 2024
CONTENTS
3.1. Introduction To Projection Theory
3.2. Basic Terms In Projection Theory
3.3. Principal Plane
3.4. Types Of Projection
3.5. Introduction To Multi-view Drawings
3.6. Projection Of Points, Lines And Planes
3.7 . Line Convention
3.8.Orthographic Projection Of Object Features
3.9.Tangencies And Intersections
3.10. View Selection Steps
3.11.Alignment Of Views
3.12. Basic Dimensioning
3.13. Summary
Reference
LEARNING OBJECTIVES
Up on completion of this Chapter you should be able to:
 Define and explain Projection theory, basic terms in it and
identify those three principal plane.
 Explain the different classifications of projection theory.
 Apply glass box method to sketch the top, front, and right
side views of an object and list those six principal views of
projection.
 Recognize and sketch the symbol for first and third angle
projection.
 Able to define multi-view drawing.
 Practice projection of points, lines and planes.
 Identify and explain line convention.
 Able to create multi-view projection with its symbols and
explain view selection steps.
2
11
15
19
3. INTRODUCTION TO
PROJECTION THEORY
3.1. PROJECTION THEORY
As we know that Engineering Drawing is the graphic
representation of the real things and idea which serves as
language to communicate graphically.
Projection theory in engineering, is a graphics representation of
3-dimensonal objects and structures on a 2-dimensional plane.
the drawing of an object is made up of a set of different views of
the object taken by the observer from different positions and
arranged to each other in a definite way by means of projection.
Theory of projection consists four main components:
 The actual object that the drawing or projection
represents
 The eye of the viewer looking at the object
 The projection plane ( Viewers drawing paper)
 Imaginary lines of sight called projectors
3.2. Basic terms Which should be known
A.Projection: is the image of an object represented /drawn
on a plane of projection/ picture plane.
B. Projector / line of projection: are an imaginary lines
that emerges from observer’s eyes and moves to contour of
an object.
C. Station point: is the location of an observer.
D. Plane of projection / picture plane: it is a plane on which the
image of an object is represented /drawn.
E. Principal plane: is the plane on which principal view of an object is
represented /drawn.
3.3. Principal plane
Here we have three principal projection planes.
A. Horizontal projection plane (H): is used to represent top
or bottom view.
B. Frontal projection plane (F): is used to represent front or
rear view.
C. Profile projection plane (P): is used to represent right or
left side view of an object.
Glass Box
One way to understand the standard arrangement of
views on the sheet of paper is to imagine (invasion) a
glass box.
If planes of projection were placed parallel to each
principal face of the object, they would form a box,
Glass Box
Glass Box
 The 45 line is called a mitre line.
 This 45 line is used as an aid in projecting views between the top and
right-side views in this example.
 All of the features established on the top view can be projected to the 45
line and then down onto the side view.
EXERCISE
 The outside observer would
see six standard views (front, rear,
top, bottom, right side, left side)
of the object through the sides
of this imaginary glass box.
3.4. PROJECTION TYPES
3.4. Types of projection: There are two main types of projection.
3.4.1. Perspective: offers the most realistic three
dimensional view of all the pictorial methods.
 Perspective sketches are visually accurate in that they
look like what we see:
Objects farther away appear smaller than those that are
closer.
•The receding lines of perspective drawings converge to
vanishing points that are located on a theoretical horizon.
•The horizon is always located at eye level.
•Objects above the horizon line are appear to be above,
and objects below the horizon appear to be below.
•Perspective drawings are often referred to as pictorial
drawing.
•Ordinary photograph we take by photo camera is a
typical example of perspective projections.
A. One point perspective projection: When drawing using
one point perspective all objects vanish to a common
point somewhere on the horizon.
B. Two Point perspective projection: the object is placed
so that one set of parallel edges is vertical and has no
vanishing point, while the two other sets each have
vanishing points.
C. Three point perspective projection: the object is placed
so that none of its principal edges is parallel to the picture
plane. Hence, each of the three sets of principal edges will
have a separate vanishing point.
3.4.2. Parallel projections
It is a projection where imaginary projection lines will not
converge as a point on the viewer’s eye.
• The projectors are parallel and do not meet.
• The observer placed at an infinite distance from the
object.
• The view formed on the picture plane is of the same
size and shape as that of the object.
•There are two main types of parallel projection
system elucidated below:
A. Orthographic projection
ORTHO means Perpendicular.

Assume that:
observer is at infinite distance and
rays or Projection lines are parallel to each other and
Perpendicular to the Plane of Projection.
•Since the projectors are perpendicular to the plane of
projection, the view is called Orthographic View and
the projection method is called Orthographic projection.
•As projectors are parallel to each other, the size of
Orthographic View of an object is equal to the actual
size of an object
Based on the object position there are two types of
orthographic projection
1. First angle projection:- the object is between the observer and
the plane of projection,
It is ISO standard and popular in Europe, Asia, and many other
countries.
 Object is situated in the
first quadrant.
2. Third angle projection:- the plane of projection is
between the observer and the object.
 It is popular in USA, and Canada.
• Object is situated in the third quadrant.
Six principal views
A.1. Axonometric projection: if the object is turned and
tilted so that the three faces are inclined to the plane of
projection is a special types of orthographic projection.
•Note that, the projectors from the object to the plane are
perpendicular to the plane.
•Depending on the angles found between the principal
projection planes, we can sub divide it into: isometric,
diametric and trimetric projection.
B. Oblique projections:- if the observer is considered to
be stationed at an infinite distance from the object, and
looking toward the object so that the projectors are parallel
to each other and oblique to the projection.
•The projector makes angle other than .
•All faces of the object are visible in a single view.
A. Cavalier Oblique drawing: is a type of oblique drawing in which
the same full scale is used along all the three axes.
B. Cabinet Oblique drawing: oblique drawing in which the scale along the
receding axis is reduced by one half.
C. General oblique drawing: is a type of oblique drawing in which the scale
along the receding axis is reduced between one half and full size e.g. three-
fourth of the true length is commonly used.
•Rays or Projectors are not Perpendicular to the Plane of
projection.
•(i.e. projectors are inclined to the plane of projection i.e.
oblique)
•Front face starts with two axes, one horizontal, vertical the
third angle usually drawn by , and .
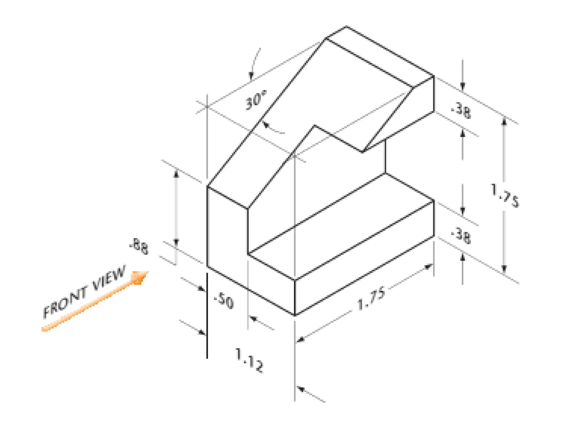
3.5. MULTI-VIEW DRAWINGS
 Are convectional projections of a three
dimensional object on a two dimensional plane.
 Multi view projection is a method by which the
exact shape of an object can be represented by
two or more separate views produced on
projection planes that are at right angles to
each other.
3.6.1. Projection of Points
3.6. Projection Of Points, Lines And Planes
X
Y
THIS QUADRANT PATTERN:
If observed along X-Y line ( In RED arrow direction)
Will exactly appear as shown on right side and hence,
it is further used to understand illustration properly.
1ST
Quad.
2nd
Quad.
3rd
Quad. 4th
Quad.
X Y
VP
HP
Observer
A
a
a’
A
a
a’
A
a
a’
X
Y
X
Y
X
Y
For Fv
For Tv
For Fv
For Tv
For Tv
For Fv
POINT A ABOVE HP
& INFRONT OF VP
POINT A IN HP
& INFRONT OF VP
POINT A ABOVE HP
& IN VP
PROJECTIONS OF A POINT IN FIRST QUADRANT.
PICTORIAL
PRESENTATION
PICTORIAL
PRESENTATION
ORTHOGRAPHIC PRESENTATIONS
OF ALL ABOVE CASES.
X Y
a
a’
VP
HP
X Y
a’
VP
HP
a X Y
a
VP
HP
a’
Fv above xy,
Tv below xy.
Fv above xy,
Tv on xy.
Fv on xy,
Tv below xy.
HP
VP
a’
a
A
POINT A IN
1ST
QUADRANT
OBSERVER
VP
HP
POINT A IN
2ND
QUADRANT
OBSERVER
a’
a
A
OBSERVER
a
a’
POINT A IN
3RD
QUADRANT
HP
VP
A
OBSERVER
a
a’
POINT A IN
4TH
QUADRANT
HP
VP
A
Point A is
Placed In
different
quadrants
and it’s Fv & Tv
are brought in
same plane for
Observer to see
clearly.
Fv is visible as
it is a view on
VP. But as Tv is
is a view on Hp,
it is rotated
downward 900
,
In clockwise
direction.The
In front part of
Hp comes below
xy line and the
part behind Vp
comes above.
Observe and
note the
process.
3.6.2. PROJECTIONS OF STRAIGHT LINES.
 Information regarding a line length.
 Position of it’s ends with HP & VP.
 It’s inclinations with HP & VP Will be Given.
AIM:- To draw it’s projections - means FV & TV.
SIMPLE CASES OF THE LINE
1. A VERTICAL LINE ( LINE PERPENDICULAR TO HP & // TO VP)
2. LINE PARALLEL TO BOTH HP & VP.
3. LINE INCLINED TO HP & PARALLEL TO VP.
4. LINE INCLINED TO VP & PARALLEL TO HP.
5. LINE INCLINED TO BOTH HP & VP.
PROJECTIONS OF STRAIGHT LINES.
X
Y
V.P.
X
Y
V.P. b’
a’
b
a
F.V.
T.V.
a b
a’
b’
B
A
TV
FV
A
B
X Y
H.P.
V.P. a’
b’
a b
Fv
Tv
X Y
H.P.
V.P.
a b
a’ b’
Fv
Tv
For Fv
For Tv
For Tv
For Fv
Fv is a vertical line
Showing True
Length &
Tv is a point.
Fv & Tv both are
// to xy
&
both show T. L.
1.
2.
A Line
perpendicular
to Hp
&
// to Vp
A Line
// to Hp
&
// to Vp
Orthographic Pattern
Orthographic Pattern
A Line inclined to Hp
and
parallel to Vp
X
Y
V.P.
A
B
b’
a’
b
a


F
.
V
.
T.V.
A Line inclined to Vp
and
parallel to Hp
Ø
V.P.
a b
a’
b’
B
A
Ø
F.V.
T.V.
X Y
H.P.
V.P.
F.V.
T.V.
a b
a’
b’

X Y
H.P.
V.P.
Ø
a
b
a’ b’
Tv
Fv
Tv inclined to xy
Fv parallel to xy.
3.
4.
Fv inclined to xy
Tv parallel to xy.
Orthographic Projections
X
Y
V.P.
For Fv
a’
b’
a b
B
A


For Tv
F
.
V
.
T.V.
X
Y
V.P.
a’
b’
a b


F
.
V
.
T.V.
For Fv
For Tv
B
A
X Y


H.P.
V.P.
a
b
FV
TV
a’
b’
A Line inclined to both
Hp and Vp
(Pictorial presentation)
5.
Note These Facts:-
Both Fv & Tv are inclined to xy.
(No view is parallel to xy)
Both Fv & Tv are reduced
lengths.
(No view shows True Length)
Orthographic Projections
Fv is seen on Vp clearly.
To see Tv clearly, HP is
rotated 900
downwards,
Hence it comes below xy.
On removal of object
i.e. Line AB
Fv as a image on Vp.
Tv as a image on Hp,
PP
VP
HP
a
b
a’
b’
a”
b”
X Y
FV
TV
LSV
A
B
a
b
a’
b’
For F.V.
For T.V.
LINE IN A PROFILE PLANE ( MEANS IN A PLANE PERPENDICULAR TO BOTH HP & VP)
Results:-
1. TV & FV both are vertical, hence arrive on one single projector.
2. It’s Side View shows True Length ( TL)
3. Sum of it’s inclinations with HP & VP equals to 900
(
4. It’s HT & VT arrive on same projector and can be easily located
From Side View.
 
+ = 900
)
ORTHOGRAPHIC PATTERN OF LINE IN PROFILE PLANE
HT
VT


3.6.3. PROJECTIONS OF PLANES
What will be given in the problem?
1. Description of the plane figure.
2. It’s position with HP and VP.
In which manner it’s position with HP & VP will be described?
1.Inclination of it’s SURFACE with one of the reference planes will be given.
2. Inclination of one of it’s EDGES with other reference plane will be given
(Hence this will be a case of an object inclined to both reference Planes.)
To draw their projections means F.V, T.V. & S.V.
What is usually asked in the problem?
HP
a 1
b 1
c 1
d 1
VP
VP
a’
d’
c’
b’
VP
a’ d’
c’
b’
For Fv
For
Tv
For F.V.
For
T.V.
For
T.V.
For F.V.
HP
a
b c
d
a1’
d1’ c1’
b1’
HP
a1
b1 c1
d1
CASE OF A RECTANGLE – OBSERVE AND NOTE ALL STEPS.
SURFACE PARALLEL TO HP
PICTORIAL PRESENTATION
SURFACE INCLINED TO HP
PICTORIAL PRESENTATION
ONE SMALL SIDE INCLINED TO VP
PICTORIAL PRESENTATION
ORTHOGRAPHIC
TV-True Shape
FV- Line // to xy
ORTHOGRAPHIC
FV- Inclined to XY
TV- Reduced Shape
ORTHOGRAPHIC
FV- Apparent Shape
TV-Previous Shape
A B C
engineering108.com
For F.V.
For
T.V.
SURFACE II TO HP & ┴ TO VP
PICTORIAL PRESENTATION
D
A
B
C
Projection of Planes
SURFACE II TO VP & ┴ TO HP
PICTORIAL PRESENTATION
Projection of Planes
For F.V.
For
T.V.
TV-True Shape
FV- Line // to xy
For F.V.
For
T.V.
SURFACE ┴ TO HP & ┴ TO VP
PICTORIAL PRESENTATION
TV-Line ┴ to xy
FV- Line to xy
D
A
B
C
Projection of Planes
.
For SV
ORTHOGRAPHIC PRESENTATION
SURFACE ┴ TO HP & ┴ TO VP
Projection of Planes
ORTHOGRAPHIC PRESENTATION
A
C’
C
A’
C’
A’B’
P.P
B’
A’
B’
B
Projection of Planes
A’ C’ B’
A’
C’
B’
A’B’
C’
V.P.
P.P.
H.P.
SURFACE ┴ TO HP & ┴ TO VP
Projection of Planes
ORTHOGRAPHIC PRESENTATION
A
C’
C
A’
C’
A’B’
P.P
A’
B’
B
B’ C’
SURFACE ┴ TO HP & ┴ TO VP
Projection of Planes
ORTHOGRAPHIC PRESENTATION
A
C’
C
A’
C’
B’
P.P
A’
B’
B
A’
B’
C’
3.7. LINE CONVENTION
 Precedence of coincide lines
 Hidden line practice .
 Center line practice
3.8.Orthographic
Projection of Object
Features
3.9.Tangencies and
Intersections
3.10. VIEW SELECTION STEPS
1. Orient the object to the best position
relative to a glass box.
2. Select the front view.
3. Select adjacent views.
STEP 1 : Orient the Object
The object should be placed in its natural position.
NO !
The object should presents its features in actual
size and shape in orthographic views.
GOOD
STEP 2 : Select a Front View
The object’s longest dimension should be presented as a
width.
Inappropriate
First choice
GOOD
Second choice
Waste more space
Inappropriate
The adjacent views that are projected from the
selected front view should appear in its natural
position.
STEP 2 : Select a Front View
STEP 2 : Select a Front View
Choose the view that have the fewest number of
hidden lines.
GOOD Inappropriate
STEP 3 : Select an Adjacent View
GOOD
Inappropriate
Inappropriate
GOOD
Choose the view that have the fewest number of
hidden lines.
Choose the minimum number of views that can
represent the major features of the object.
STEP 3 : Select an Adjacent View
Necessary
Necessary
Hole’s location can be
specified on the same view.
Difficult to
interprete.
Easy to understand
Choose the views that are suitable to a drawing
space.
STEP 3 : Select an Adjacent View
POOR
Not enough space
for dimensioning.
Choose the views that are suitable to a drawing
space.
STEP 3 : Select an Adjacent View
GOOD
Example : View selection
Shape description
Size description
F.V.
W D

W
H

D
mislead to…




F.V. & T.V. Three views F.V. & R.S.V.
H
ONE-VIEW DRAWING
Flat part having a uniform thickness.
Unnecessary These 2 views provide only information
about the part thickness !
1 Thick
ONE-VIEW DRAWING
Cylindrical-shaped part.
Unnecessary
Repeat !
Infer from CL
Unnecessary
TWO-VIEW DRAWING
There exists an identical view.
Repeat !
Unnecessary
The 3rd
view has no significant contours of the object.
TWO-VIEW DRAWING
Unnecessary
TWO-VIEW DRAWING
Unnecessary
The 3rd
view has no significant contours of the object.
3.11.Alignment of Views
The alignment and the orientation of the views
made by the first or third angle have certain
rules.
The front view, top view and bottom view are
always aligned vertically 
The front, left side, right side and rear views
are in line horizontally.
PROJECTION SYSTEMS
1. First angle system
2. Third angle system
First Quadrant
Third
Quadrant
- European country
- ISO standard
- Canada, USA,
Japan, Thailand
ORTHOGRAPHIC PROJECTION
1st
angle system 3rd
angle system
ORTHOGRAPHIC PROJECTION
1st
angle system 3rd
angle system
ORTHOGRAPHIC VIEWS
1st
angle system 3rd
angle system
Folding
line
Folding
line
Folding
line
Folding
line


ORTHOGRAPHIC VIEWS
1st
angle system 3rd
angle system
Front View
Front View
Right Side View
Right Side View
Top View
Top View
First angle system Third angle system
PROJECTION SYMBOLS
PROJECTION SYMBOLS
d 1.7d
2.2d
Suggested proportion
Comparisons
FIRST ANGLE PROJECTION THIRD ANGLE PROJECTION
R.S.V F.V
T.V
L.S.V
L.S.V F.V R.S.V
T.V
3.12. Basic Dimensioning
1. Extension lines
2. Dimension lines
3. Leader lines
4. Dimension numbers
5. Local notes
COMPONENTS
10 27
43
10 Drill, 2 Holes
R16
17
Exercises needed
for practice:
Exercises needed
for practice:
3.13.Summary
 Projection theory in engineering, is a graphics representation of 3-
dimensonal objects and structures on a 2-dimensional plane.
 One way to understand the standard arrangement of views on the
sheet of paper is to imagine (invasion) a glass box.
 Freehand sketches are made to proportion, but not necessarily to a
particular scale.
 Sketching is one of the most important skills for accurately
recording ideas.
 Isometric, oblique, and perspective are three methods used to create
pictorial sketches.
 Orthographic drawings are the result of projecting the image of a
3D object onto one of six standard planes of projection.
 Hidden lines are used to show the intersections of surfaces that are
hidden from the viewing direction.
 Centerlines are used to show the axis of symmetry for circular
features.
 If the object is placed above the horizontal plane and in front of
the vertical plane, the object is in the first angle.
 If the object to be drawn is placed below the horizontal plane and
behind the vertical plane, as in the glass box you saw earlier, the
object is said to be in the third angle.
Reference
1. Theodore J. Branoff, Interpreting Engineering Drawings, 8th Edition, 2016.
2. Edinburgh Gate Harlow, Technical Drawing with Engineering Graphics,14th
Edition, 2014.
3. David A. Madsen, David P. Madsen, Engineering Drawing & Design, 6th
Edition, 2017
4. Frederick E. Giesecke, Alva Mitchell, Henry Cecil Spencer and Cindy M.
Johnson Technical Drawing with Engineering Graphics, 15th
edition, 2016.
5. M.L. Mathur and R.S. Vaishwanar, Engineering Drawing and Graphics. 3rd
edition, Jain Brothers, 2013.
THANKS TO
GOD!!

Engineering drawing Chapter three ppt.pptx

  • 1.
    07/05/2025 ADAMA SCIENCE ANDTECHNOLOGY UNIVERSITY SCHOOL OF MECHANICAL, CHEMICALAND MATERIAL ENGINEERING DEPARTMENT OF MECHANICAL ENGINEERING ENGINEERING DRAWING ; MEng1102 CHAPTER-3 THEORY OF PROJECTIONS AND MULTI-VIEW DRAWING Prepared by:- Mr. Tamrat Moges (MSc) Reviewed by:- Mr. Cherinet Girma (MSc) - Mr. Idris Ilimi (MSc) Date, 2024
  • 2.
    CONTENTS 3.1. Introduction ToProjection Theory 3.2. Basic Terms In Projection Theory 3.3. Principal Plane 3.4. Types Of Projection 3.5. Introduction To Multi-view Drawings 3.6. Projection Of Points, Lines And Planes 3.7 . Line Convention 3.8.Orthographic Projection Of Object Features 3.9.Tangencies And Intersections 3.10. View Selection Steps 3.11.Alignment Of Views 3.12. Basic Dimensioning 3.13. Summary Reference
  • 3.
    LEARNING OBJECTIVES Up oncompletion of this Chapter you should be able to:  Define and explain Projection theory, basic terms in it and identify those three principal plane.  Explain the different classifications of projection theory.  Apply glass box method to sketch the top, front, and right side views of an object and list those six principal views of projection.  Recognize and sketch the symbol for first and third angle projection.
  • 4.
     Able todefine multi-view drawing.  Practice projection of points, lines and planes.  Identify and explain line convention.  Able to create multi-view projection with its symbols and explain view selection steps.
  • 5.
  • 6.
    3.1. PROJECTION THEORY Aswe know that Engineering Drawing is the graphic representation of the real things and idea which serves as language to communicate graphically. Projection theory in engineering, is a graphics representation of 3-dimensonal objects and structures on a 2-dimensional plane. the drawing of an object is made up of a set of different views of the object taken by the observer from different positions and arranged to each other in a definite way by means of projection.
  • 7.
    Theory of projectionconsists four main components:  The actual object that the drawing or projection represents  The eye of the viewer looking at the object  The projection plane ( Viewers drawing paper)  Imaginary lines of sight called projectors
  • 9.
    3.2. Basic termsWhich should be known A.Projection: is the image of an object represented /drawn on a plane of projection/ picture plane. B. Projector / line of projection: are an imaginary lines that emerges from observer’s eyes and moves to contour of an object. C. Station point: is the location of an observer.
  • 10.
    D. Plane ofprojection / picture plane: it is a plane on which the image of an object is represented /drawn. E. Principal plane: is the plane on which principal view of an object is represented /drawn.
  • 11.
    3.3. Principal plane Herewe have three principal projection planes. A. Horizontal projection plane (H): is used to represent top or bottom view. B. Frontal projection plane (F): is used to represent front or rear view. C. Profile projection plane (P): is used to represent right or left side view of an object.
  • 13.
    Glass Box One wayto understand the standard arrangement of views on the sheet of paper is to imagine (invasion) a glass box. If planes of projection were placed parallel to each principal face of the object, they would form a box,
  • 14.
  • 15.
  • 22.
     The 45line is called a mitre line.  This 45 line is used as an aid in projecting views between the top and right-side views in this example.  All of the features established on the top view can be projected to the 45 line and then down onto the side view.
  • 23.
  • 30.
     The outsideobserver would see six standard views (front, rear, top, bottom, right side, left side) of the object through the sides of this imaginary glass box.
  • 32.
  • 33.
    3.4. Types ofprojection: There are two main types of projection.
  • 34.
    3.4.1. Perspective: offersthe most realistic three dimensional view of all the pictorial methods.  Perspective sketches are visually accurate in that they look like what we see: Objects farther away appear smaller than those that are closer.
  • 35.
    •The receding linesof perspective drawings converge to vanishing points that are located on a theoretical horizon. •The horizon is always located at eye level. •Objects above the horizon line are appear to be above, and objects below the horizon appear to be below.
  • 36.
    •Perspective drawings areoften referred to as pictorial drawing. •Ordinary photograph we take by photo camera is a typical example of perspective projections.
  • 37.
    A. One pointperspective projection: When drawing using one point perspective all objects vanish to a common point somewhere on the horizon.
  • 38.
    B. Two Pointperspective projection: the object is placed so that one set of parallel edges is vertical and has no vanishing point, while the two other sets each have vanishing points.
  • 39.
    C. Three pointperspective projection: the object is placed so that none of its principal edges is parallel to the picture plane. Hence, each of the three sets of principal edges will have a separate vanishing point.
  • 40.
    3.4.2. Parallel projections Itis a projection where imaginary projection lines will not converge as a point on the viewer’s eye. • The projectors are parallel and do not meet. • The observer placed at an infinite distance from the object. • The view formed on the picture plane is of the same size and shape as that of the object.
  • 41.
    •There are twomain types of parallel projection system elucidated below: A. Orthographic projection ORTHO means Perpendicular.  Assume that: observer is at infinite distance and rays or Projection lines are parallel to each other and Perpendicular to the Plane of Projection.
  • 42.
    •Since the projectorsare perpendicular to the plane of projection, the view is called Orthographic View and the projection method is called Orthographic projection. •As projectors are parallel to each other, the size of Orthographic View of an object is equal to the actual size of an object
  • 44.
    Based on theobject position there are two types of orthographic projection 1. First angle projection:- the object is between the observer and the plane of projection, It is ISO standard and popular in Europe, Asia, and many other countries.  Object is situated in the first quadrant.
  • 46.
    2. Third angleprojection:- the plane of projection is between the observer and the object.  It is popular in USA, and Canada. • Object is situated in the third quadrant.
  • 52.
  • 53.
    A.1. Axonometric projection:if the object is turned and tilted so that the three faces are inclined to the plane of projection is a special types of orthographic projection.
  • 54.
    •Note that, theprojectors from the object to the plane are perpendicular to the plane. •Depending on the angles found between the principal projection planes, we can sub divide it into: isometric, diametric and trimetric projection.
  • 56.
    B. Oblique projections:-if the observer is considered to be stationed at an infinite distance from the object, and looking toward the object so that the projectors are parallel to each other and oblique to the projection. •The projector makes angle other than . •All faces of the object are visible in a single view.
  • 57.
    A. Cavalier Obliquedrawing: is a type of oblique drawing in which the same full scale is used along all the three axes. B. Cabinet Oblique drawing: oblique drawing in which the scale along the receding axis is reduced by one half.
  • 58.
    C. General obliquedrawing: is a type of oblique drawing in which the scale along the receding axis is reduced between one half and full size e.g. three- fourth of the true length is commonly used.
  • 59.
    •Rays or Projectorsare not Perpendicular to the Plane of projection. •(i.e. projectors are inclined to the plane of projection i.e. oblique)
  • 60.
    •Front face startswith two axes, one horizontal, vertical the third angle usually drawn by , and .
  • 61.
    3.5. MULTI-VIEW DRAWINGS Are convectional projections of a three dimensional object on a two dimensional plane.  Multi view projection is a method by which the exact shape of an object can be represented by two or more separate views produced on projection planes that are at right angles to each other.
  • 63.
    3.6.1. Projection ofPoints 3.6. Projection Of Points, Lines And Planes
  • 64.
    X Y THIS QUADRANT PATTERN: Ifobserved along X-Y line ( In RED arrow direction) Will exactly appear as shown on right side and hence, it is further used to understand illustration properly. 1ST Quad. 2nd Quad. 3rd Quad. 4th Quad. X Y VP HP Observer
  • 65.
    A a a’ A a a’ A a a’ X Y X Y X Y For Fv For Tv ForFv For Tv For Tv For Fv POINT A ABOVE HP & INFRONT OF VP POINT A IN HP & INFRONT OF VP POINT A ABOVE HP & IN VP PROJECTIONS OF A POINT IN FIRST QUADRANT. PICTORIAL PRESENTATION PICTORIAL PRESENTATION ORTHOGRAPHIC PRESENTATIONS OF ALL ABOVE CASES. X Y a a’ VP HP X Y a’ VP HP a X Y a VP HP a’ Fv above xy, Tv below xy. Fv above xy, Tv on xy. Fv on xy, Tv below xy.
  • 66.
    HP VP a’ a A POINT A IN 1ST QUADRANT OBSERVER VP HP POINTA IN 2ND QUADRANT OBSERVER a’ a A OBSERVER a a’ POINT A IN 3RD QUADRANT HP VP A OBSERVER a a’ POINT A IN 4TH QUADRANT HP VP A Point A is Placed In different quadrants and it’s Fv & Tv are brought in same plane for Observer to see clearly. Fv is visible as it is a view on VP. But as Tv is is a view on Hp, it is rotated downward 900 , In clockwise direction.The In front part of Hp comes below xy line and the part behind Vp comes above. Observe and note the process.
  • 67.
    3.6.2. PROJECTIONS OFSTRAIGHT LINES.  Information regarding a line length.  Position of it’s ends with HP & VP.  It’s inclinations with HP & VP Will be Given. AIM:- To draw it’s projections - means FV & TV.
  • 68.
    SIMPLE CASES OFTHE LINE 1. A VERTICAL LINE ( LINE PERPENDICULAR TO HP & // TO VP) 2. LINE PARALLEL TO BOTH HP & VP. 3. LINE INCLINED TO HP & PARALLEL TO VP. 4. LINE INCLINED TO VP & PARALLEL TO HP. 5. LINE INCLINED TO BOTH HP & VP. PROJECTIONS OF STRAIGHT LINES.
  • 69.
    X Y V.P. X Y V.P. b’ a’ b a F.V. T.V. a b a’ b’ B A TV FV A B XY H.P. V.P. a’ b’ a b Fv Tv X Y H.P. V.P. a b a’ b’ Fv Tv For Fv For Tv For Tv For Fv Fv is a vertical line Showing True Length & Tv is a point. Fv & Tv both are // to xy & both show T. L. 1. 2. A Line perpendicular to Hp & // to Vp A Line // to Hp & // to Vp Orthographic Pattern Orthographic Pattern
  • 70.
    A Line inclinedto Hp and parallel to Vp X Y V.P. A B b’ a’ b a   F . V . T.V. A Line inclined to Vp and parallel to Hp Ø V.P. a b a’ b’ B A Ø F.V. T.V. X Y H.P. V.P. F.V. T.V. a b a’ b’  X Y H.P. V.P. Ø a b a’ b’ Tv Fv Tv inclined to xy Fv parallel to xy. 3. 4. Fv inclined to xy Tv parallel to xy. Orthographic Projections
  • 71.
    X Y V.P. For Fv a’ b’ a b B A   ForTv F . V . T.V. X Y V.P. a’ b’ a b   F . V . T.V. For Fv For Tv B A X Y   H.P. V.P. a b FV TV a’ b’ A Line inclined to both Hp and Vp (Pictorial presentation) 5. Note These Facts:- Both Fv & Tv are inclined to xy. (No view is parallel to xy) Both Fv & Tv are reduced lengths. (No view shows True Length) Orthographic Projections Fv is seen on Vp clearly. To see Tv clearly, HP is rotated 900 downwards, Hence it comes below xy. On removal of object i.e. Line AB Fv as a image on Vp. Tv as a image on Hp,
  • 72.
    PP VP HP a b a’ b’ a” b” X Y FV TV LSV A B a b a’ b’ For F.V. ForT.V. LINE IN A PROFILE PLANE ( MEANS IN A PLANE PERPENDICULAR TO BOTH HP & VP) Results:- 1. TV & FV both are vertical, hence arrive on one single projector. 2. It’s Side View shows True Length ( TL) 3. Sum of it’s inclinations with HP & VP equals to 900 ( 4. It’s HT & VT arrive on same projector and can be easily located From Side View.   + = 900 ) ORTHOGRAPHIC PATTERN OF LINE IN PROFILE PLANE HT VT  
  • 73.
    3.6.3. PROJECTIONS OFPLANES What will be given in the problem? 1. Description of the plane figure. 2. It’s position with HP and VP. In which manner it’s position with HP & VP will be described? 1.Inclination of it’s SURFACE with one of the reference planes will be given. 2. Inclination of one of it’s EDGES with other reference plane will be given (Hence this will be a case of an object inclined to both reference Planes.) To draw their projections means F.V, T.V. & S.V. What is usually asked in the problem?
  • 74.
    HP a 1 b 1 c1 d 1 VP VP a’ d’ c’ b’ VP a’ d’ c’ b’ For Fv For Tv For F.V. For T.V. For T.V. For F.V. HP a b c d a1’ d1’ c1’ b1’ HP a1 b1 c1 d1 CASE OF A RECTANGLE – OBSERVE AND NOTE ALL STEPS. SURFACE PARALLEL TO HP PICTORIAL PRESENTATION SURFACE INCLINED TO HP PICTORIAL PRESENTATION ONE SMALL SIDE INCLINED TO VP PICTORIAL PRESENTATION ORTHOGRAPHIC TV-True Shape FV- Line // to xy ORTHOGRAPHIC FV- Inclined to XY TV- Reduced Shape ORTHOGRAPHIC FV- Apparent Shape TV-Previous Shape A B C engineering108.com
  • 75.
    For F.V. For T.V. SURFACE IITO HP & ┴ TO VP PICTORIAL PRESENTATION D A B C Projection of Planes
  • 76.
    SURFACE II TOVP & ┴ TO HP PICTORIAL PRESENTATION Projection of Planes For F.V. For T.V. TV-True Shape FV- Line // to xy
  • 77.
    For F.V. For T.V. SURFACE ┴TO HP & ┴ TO VP PICTORIAL PRESENTATION TV-Line ┴ to xy FV- Line to xy D A B C Projection of Planes . For SV ORTHOGRAPHIC PRESENTATION
  • 78.
    SURFACE ┴ TOHP & ┴ TO VP Projection of Planes ORTHOGRAPHIC PRESENTATION A C’ C A’ C’ A’B’ P.P B’ A’ B’ B
  • 79.
    Projection of Planes A’C’ B’ A’ C’ B’ A’B’ C’ V.P. P.P. H.P.
  • 83.
    SURFACE ┴ TOHP & ┴ TO VP Projection of Planes ORTHOGRAPHIC PRESENTATION A C’ C A’ C’ A’B’ P.P A’ B’ B B’ C’
  • 84.
    SURFACE ┴ TOHP & ┴ TO VP Projection of Planes ORTHOGRAPHIC PRESENTATION A C’ C A’ C’ B’ P.P A’ B’ B A’ B’ C’
  • 85.
    3.7. LINE CONVENTION Precedence of coincide lines  Hidden line practice .  Center line practice
  • 93.
  • 96.
  • 100.
    3.10. VIEW SELECTIONSTEPS 1. Orient the object to the best position relative to a glass box. 2. Select the front view. 3. Select adjacent views.
  • 102.
    STEP 1 :Orient the Object The object should be placed in its natural position. NO ! The object should presents its features in actual size and shape in orthographic views. GOOD
  • 103.
    STEP 2 :Select a Front View The object’s longest dimension should be presented as a width. Inappropriate First choice GOOD Second choice Waste more space
  • 104.
    Inappropriate The adjacent viewsthat are projected from the selected front view should appear in its natural position. STEP 2 : Select a Front View
  • 105.
    STEP 2 :Select a Front View Choose the view that have the fewest number of hidden lines. GOOD Inappropriate
  • 106.
    STEP 3 :Select an Adjacent View GOOD Inappropriate Inappropriate GOOD Choose the view that have the fewest number of hidden lines.
  • 107.
    Choose the minimumnumber of views that can represent the major features of the object. STEP 3 : Select an Adjacent View Necessary Necessary Hole’s location can be specified on the same view. Difficult to interprete. Easy to understand
  • 108.
    Choose the viewsthat are suitable to a drawing space. STEP 3 : Select an Adjacent View POOR Not enough space for dimensioning.
  • 109.
    Choose the viewsthat are suitable to a drawing space. STEP 3 : Select an Adjacent View GOOD
  • 111.
    Example : Viewselection Shape description Size description F.V. W D  W H  D mislead to…     F.V. & T.V. Three views F.V. & R.S.V. H
  • 112.
    ONE-VIEW DRAWING Flat parthaving a uniform thickness. Unnecessary These 2 views provide only information about the part thickness ! 1 Thick
  • 113.
  • 114.
    TWO-VIEW DRAWING There existsan identical view. Repeat ! Unnecessary
  • 115.
    The 3rd view hasno significant contours of the object. TWO-VIEW DRAWING Unnecessary
  • 116.
    TWO-VIEW DRAWING Unnecessary The 3rd viewhas no significant contours of the object.
  • 117.
    3.11.Alignment of Views Thealignment and the orientation of the views made by the first or third angle have certain rules. The front view, top view and bottom view are always aligned vertically  The front, left side, right side and rear views are in line horizontally.
  • 118.
    PROJECTION SYSTEMS 1. Firstangle system 2. Third angle system First Quadrant Third Quadrant - European country - ISO standard - Canada, USA, Japan, Thailand
  • 119.
  • 120.
  • 121.
    ORTHOGRAPHIC VIEWS 1st angle system3rd angle system Folding line Folding line Folding line Folding line  
  • 122.
    ORTHOGRAPHIC VIEWS 1st angle system3rd angle system Front View Front View Right Side View Right Side View Top View Top View
  • 123.
    First angle systemThird angle system PROJECTION SYMBOLS
  • 124.
  • 125.
    Comparisons FIRST ANGLE PROJECTIONTHIRD ANGLE PROJECTION R.S.V F.V T.V L.S.V L.S.V F.V R.S.V T.V
  • 126.
  • 127.
    1. Extension lines 2.Dimension lines 3. Leader lines 4. Dimension numbers 5. Local notes COMPONENTS 10 27 43 10 Drill, 2 Holes R16 17
  • 147.
  • 148.
  • 149.
    3.13.Summary  Projection theoryin engineering, is a graphics representation of 3- dimensonal objects and structures on a 2-dimensional plane.  One way to understand the standard arrangement of views on the sheet of paper is to imagine (invasion) a glass box.  Freehand sketches are made to proportion, but not necessarily to a particular scale.  Sketching is one of the most important skills for accurately recording ideas.  Isometric, oblique, and perspective are three methods used to create pictorial sketches.
  • 150.
     Orthographic drawingsare the result of projecting the image of a 3D object onto one of six standard planes of projection.  Hidden lines are used to show the intersections of surfaces that are hidden from the viewing direction.  Centerlines are used to show the axis of symmetry for circular features.  If the object is placed above the horizontal plane and in front of the vertical plane, the object is in the first angle.  If the object to be drawn is placed below the horizontal plane and behind the vertical plane, as in the glass box you saw earlier, the object is said to be in the third angle.
  • 151.
    Reference 1. Theodore J.Branoff, Interpreting Engineering Drawings, 8th Edition, 2016. 2. Edinburgh Gate Harlow, Technical Drawing with Engineering Graphics,14th Edition, 2014. 3. David A. Madsen, David P. Madsen, Engineering Drawing & Design, 6th Edition, 2017 4. Frederick E. Giesecke, Alva Mitchell, Henry Cecil Spencer and Cindy M. Johnson Technical Drawing with Engineering Graphics, 15th edition, 2016. 5. M.L. Mathur and R.S. Vaishwanar, Engineering Drawing and Graphics. 3rd edition, Jain Brothers, 2013.
  • 152.