PROJECTION
A method to describe shape by the process of causing an image to be
formed by rays of sight taken in a particular direction from an object to a picture
plane. Commonly used methods are
1) Orthographic Projection: If the rays are perpendicular to the picture plane,
the projection is known as Orthographic Projection.
2) Oblique Projection: If the rays are at an angle to the plane, the projection is
known as Oblique Projection.
3) Perspective Projection: If the rays are taken to a particular station point, the
projection is know as Perspective Projection.
Theory Of Orthographic Projection
Orthographic Projection
Oblique Projection
Perspective Projection
Oblique Projection Looking through the Plane
(Plane between Observer and Object)
Perspective Projection looking through the plane
(Plane between observer and object)
Orthographic Projection:
Orthographic projection is another method of projection such that these are views
of a 3D object taken at right angles to the object, in which the projectors (rays
drawn from various points on the object) are parallel to each other and
perpendicular to the plane on which the views are projected.
Theory Of Orthographic Projection
Orthographic Projection looking through the plane
(Plane between observer and object)
Theory Of Orthographic Projection
THREE BASIC VIEWS:
We will use the concept of orthographic projection to draw the three basic views
1) The front (called as elevation)
2) Top (called as plan)
3) Side views of objects
Isometric drawing is three dimensional drawing of the object.
Three Views Of an Object
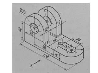
An object is a three dimensional volume enclosed within a series of
interconnected planes. Consider the object shown in the following figure.
Three Views Of an Object
.
Three Views Of an Object
.
Reference Planes/Principle Planes Of Projection
Two planes employed for the purpose of orthographic projection are
 Vertical plane (VP)
 Horizontal plane (HP)
 They intersect each other at right angle
 The line where these two planes intersect is called as reference line (xy)
There are two ways of drawing in orthographic - First Angle and Third
Angle. They differ only in the position of the top, front and side views.
Reference Planes/Principle Planes Of Projection
Procedure for Orthographic Projection
In order to draw the three views of an object
1) The drawing is divided into four zones, similar to mathematical
coordinate system.
2) Each zone contains one orthographic projection of the object.
3) The fourth zone contains the mitre/miter line, which is a line drawn at 45
degrees from the intersection of the principal plane lines.
Mitre line is placed in front of the top view of the object, in order to get the side
view (either left side or right side) of the object for transferring projectors
from top and front views.
.
Procedure for Orthographic Projection
1st angle Projections
 If the object (whose views are required) is situated in front of VP and above
HP, i.e. in the first quadrant
 This method of orthographic projection is called as the first angle projection.
 The planes are considered to be opaque in this case.
 The FV comes at the top and TV comes at the bottom after opening the planes
about the reference line xy.
Orthographic Projection (1st angle) observing the
object directly
(Object between Observer and Plane)
3rd angle Projections
 If the object (whose views are required) is situated behind the VP and below
the HP, i.e. in the third quadrant,
 This method of orthographic projection is called as the third angle projection.
 The planes are considered to be transparent in this case. The FV comes at the
bottom and TV comes at the top of the reference line xy.
The symbols used to define whether a projection is either first angle or third
angle, are shown below. Please read ND Bhatt’s chapter 8 for further study.
Orthographic Projection (3rd angle) looking through
the plane
(Plane between observer and object)
THIRD ANGLE PROJECTION METHOD
Plane of projection is always between the object and observer.
THIRD ANGLE PROJECTION METHOD
Projection of Front View
THIRD ANGLE PROJECTION METHOD
Projection of Top View
THIRD ANGLE PROJECTION METHOD
Bringing Front View and Top View in One Plane
(Always open 1st Angle by rotating the H.P. about the V.P.)
THIRD ANGLE PROJECTION METHOD
Bringing Front View and Top View in One Plane
(Always open 1st Angle by rotating the H.P. about the V.P.)
FIRST ANGLE PROJECTION METHOD
Object is always between the plane of projection and the observer.
FIRST ANGLE PROJECTION METHOD
Projection of Front View
FIRST ANGLE PROJECTION METHOD
Projection of Top View
FIRST ANGLE PROJECTION METHOD
Bringing Front View and Top View in One Plane
(Always open 1st Angle by rotating the H.P. about the V.P.)
FIRST ANGLE PROJECTION METHOD
Bringing Front View and Top View in One Plane
(Always open 1st Angle by rotating the H.P. about the V.P.)
THE SIX PRINCIPAL VIEWS
The object can be entirely surrounded by a set of six transparent planes,
each at right angles to the four adjacent to it.
• The object is in a transparent box.
• In the First Angle Projection method, the observer stands inside the box,
thus keeping the object between him and the plane of projection.
• In the Third Angle Projection method, the observer stands outside the
box, keeping the plane of projection always between him and the object.
• In the First Angle Projection method, the views are projected to the other
side of the object.
Placement of Six Views in the First Angle Projection Method
(Observe the object from inside the box)
Opening the Transparent Box to bring the six views in one plane (1st Angle)
Opening the Transparent Box to bring the six views in one plane (1st Angle)
Opening the Transparent Box to bring the six views in one plane (1st Angle)
Opening the Transparent Box to bring the six views in one plane (1st Angle)
Opening the Transparent Box to bring the six views in one plane (1st Angle)
The six views in one plane (1st Angle)
The six views in one plane (1st Angle)
The six views in one plane (1st Angle)
• In the Third Angle Projection method, the views are projected to the same
side of the object.
Placement of Six Views in the Third Angle Projection Method
(Observe the object from outside the box)
Opening the Transparent Box to bring the six views in one plane (3rd Angle)
Opening the Transparent Box to bring the six views in one plane (3rd Angle)
Opening the Transparent Box to bring the six views in one plane (3rd Angle)
Opening the Transparent Box to bring the six views in one plane (3rd Angle)
Opening the Transparent Box to bring the six views in one plane (3rd Angle)
Opening the Transparent Box to bring the six views in one plane (3rd Angle)
The Six Views in One Plane (3rd Angle)
The Six Views in One Plane (3rd Angle)
The Six Views in One Plane (3rd Angle)
USING ORTHOGRAPHIC PROJECTIONS
OBJECT ORIENTATION
An object can be drawn in several possible positions. In general the simplest
position shall be used. The object shall be positioned in such a way so that the
principal faces shall lie perpendicular to the direction of vision.
SELECTION OF VIEWS
It is important to choose the combination of views that will describe the shape
of the object in the best and most economical way. Often only two views are
necessary. However, in some case three or more views might be required to
fully describe the object. Unnecessary views shall be avoided.
VIEW SPACING
View spacing is necessary so that the drawing will be balanced within the
space provided.
Sheet no. 4 3rd Angle Projection
(Note: All dimension are in inches)
Sheet no. 4 3rd Angle Projection
(Note: All dimension are in inches)
F.V
Orthographic projection
(1st angle projection)
Ø33
4"
Ø5"
7"
1
2"
13
4"
1"
5"
8"
3"
R11
4"
R11
4"
R11
4"
1 1/4 Drill 2 Holes
Orthographic projection
 Use Enlarging scale 2:1
 (3rd angle projection)
60
Orthographic Projection Explained
• https://www.youtube.com/watch?v=KjtAAV
Kie84&list=PLzoPH-
ntAF8fxJ29_jOuXDSVoC_wyjUJ1
Link for orthographic projection of different
objects
• https://www.youtube.com/watch?v=mnQE
z_K9Xx0

Lecture 5 Orthographic Projection 19.ppt

  • 1.
    PROJECTION A method todescribe shape by the process of causing an image to be formed by rays of sight taken in a particular direction from an object to a picture plane. Commonly used methods are 1) Orthographic Projection: If the rays are perpendicular to the picture plane, the projection is known as Orthographic Projection. 2) Oblique Projection: If the rays are at an angle to the plane, the projection is known as Oblique Projection. 3) Perspective Projection: If the rays are taken to a particular station point, the projection is know as Perspective Projection. Theory Of Orthographic Projection
  • 2.
  • 3.
  • 4.
  • 5.
    Oblique Projection Lookingthrough the Plane (Plane between Observer and Object)
  • 6.
    Perspective Projection lookingthrough the plane (Plane between observer and object)
  • 7.
    Orthographic Projection: Orthographic projectionis another method of projection such that these are views of a 3D object taken at right angles to the object, in which the projectors (rays drawn from various points on the object) are parallel to each other and perpendicular to the plane on which the views are projected. Theory Of Orthographic Projection
  • 8.
    Orthographic Projection lookingthrough the plane (Plane between observer and object)
  • 9.
    Theory Of OrthographicProjection THREE BASIC VIEWS: We will use the concept of orthographic projection to draw the three basic views 1) The front (called as elevation) 2) Top (called as plan) 3) Side views of objects Isometric drawing is three dimensional drawing of the object.
  • 10.
    Three Views Ofan Object An object is a three dimensional volume enclosed within a series of interconnected planes. Consider the object shown in the following figure.
  • 11.
    Three Views Ofan Object .
  • 12.
    Three Views Ofan Object .
  • 13.
    Reference Planes/Principle PlanesOf Projection Two planes employed for the purpose of orthographic projection are  Vertical plane (VP)  Horizontal plane (HP)  They intersect each other at right angle  The line where these two planes intersect is called as reference line (xy) There are two ways of drawing in orthographic - First Angle and Third Angle. They differ only in the position of the top, front and side views.
  • 14.
  • 15.
    Procedure for OrthographicProjection In order to draw the three views of an object 1) The drawing is divided into four zones, similar to mathematical coordinate system. 2) Each zone contains one orthographic projection of the object. 3) The fourth zone contains the mitre/miter line, which is a line drawn at 45 degrees from the intersection of the principal plane lines. Mitre line is placed in front of the top view of the object, in order to get the side view (either left side or right side) of the object for transferring projectors from top and front views.
  • 16.
  • 17.
    1st angle Projections If the object (whose views are required) is situated in front of VP and above HP, i.e. in the first quadrant  This method of orthographic projection is called as the first angle projection.  The planes are considered to be opaque in this case.  The FV comes at the top and TV comes at the bottom after opening the planes about the reference line xy.
  • 18.
    Orthographic Projection (1stangle) observing the object directly (Object between Observer and Plane)
  • 19.
    3rd angle Projections If the object (whose views are required) is situated behind the VP and below the HP, i.e. in the third quadrant,  This method of orthographic projection is called as the third angle projection.  The planes are considered to be transparent in this case. The FV comes at the bottom and TV comes at the top of the reference line xy. The symbols used to define whether a projection is either first angle or third angle, are shown below. Please read ND Bhatt’s chapter 8 for further study.
  • 20.
    Orthographic Projection (3rdangle) looking through the plane (Plane between observer and object)
  • 21.
    THIRD ANGLE PROJECTIONMETHOD Plane of projection is always between the object and observer.
  • 22.
    THIRD ANGLE PROJECTIONMETHOD Projection of Front View
  • 23.
    THIRD ANGLE PROJECTIONMETHOD Projection of Top View
  • 24.
    THIRD ANGLE PROJECTIONMETHOD Bringing Front View and Top View in One Plane (Always open 1st Angle by rotating the H.P. about the V.P.)
  • 25.
    THIRD ANGLE PROJECTIONMETHOD Bringing Front View and Top View in One Plane (Always open 1st Angle by rotating the H.P. about the V.P.)
  • 26.
    FIRST ANGLE PROJECTIONMETHOD Object is always between the plane of projection and the observer.
  • 27.
    FIRST ANGLE PROJECTIONMETHOD Projection of Front View
  • 28.
    FIRST ANGLE PROJECTIONMETHOD Projection of Top View
  • 29.
    FIRST ANGLE PROJECTIONMETHOD Bringing Front View and Top View in One Plane (Always open 1st Angle by rotating the H.P. about the V.P.)
  • 30.
    FIRST ANGLE PROJECTIONMETHOD Bringing Front View and Top View in One Plane (Always open 1st Angle by rotating the H.P. about the V.P.)
  • 31.
    THE SIX PRINCIPALVIEWS The object can be entirely surrounded by a set of six transparent planes, each at right angles to the four adjacent to it.
  • 32.
    • The objectis in a transparent box. • In the First Angle Projection method, the observer stands inside the box, thus keeping the object between him and the plane of projection. • In the Third Angle Projection method, the observer stands outside the box, keeping the plane of projection always between him and the object.
  • 33.
    • In theFirst Angle Projection method, the views are projected to the other side of the object.
  • 34.
    Placement of SixViews in the First Angle Projection Method (Observe the object from inside the box)
  • 35.
    Opening the TransparentBox to bring the six views in one plane (1st Angle)
  • 36.
    Opening the TransparentBox to bring the six views in one plane (1st Angle)
  • 37.
    Opening the TransparentBox to bring the six views in one plane (1st Angle)
  • 38.
    Opening the TransparentBox to bring the six views in one plane (1st Angle)
  • 39.
    Opening the TransparentBox to bring the six views in one plane (1st Angle)
  • 40.
    The six viewsin one plane (1st Angle)
  • 41.
    The six viewsin one plane (1st Angle)
  • 42.
    The six viewsin one plane (1st Angle)
  • 43.
    • In theThird Angle Projection method, the views are projected to the same side of the object.
  • 44.
    Placement of SixViews in the Third Angle Projection Method (Observe the object from outside the box)
  • 45.
    Opening the TransparentBox to bring the six views in one plane (3rd Angle)
  • 46.
    Opening the TransparentBox to bring the six views in one plane (3rd Angle)
  • 47.
    Opening the TransparentBox to bring the six views in one plane (3rd Angle)
  • 48.
    Opening the TransparentBox to bring the six views in one plane (3rd Angle)
  • 49.
    Opening the TransparentBox to bring the six views in one plane (3rd Angle)
  • 50.
    Opening the TransparentBox to bring the six views in one plane (3rd Angle)
  • 51.
    The Six Viewsin One Plane (3rd Angle)
  • 52.
    The Six Viewsin One Plane (3rd Angle)
  • 53.
    The Six Viewsin One Plane (3rd Angle)
  • 54.
    USING ORTHOGRAPHIC PROJECTIONS OBJECTORIENTATION An object can be drawn in several possible positions. In general the simplest position shall be used. The object shall be positioned in such a way so that the principal faces shall lie perpendicular to the direction of vision. SELECTION OF VIEWS It is important to choose the combination of views that will describe the shape of the object in the best and most economical way. Often only two views are necessary. However, in some case three or more views might be required to fully describe the object. Unnecessary views shall be avoided. VIEW SPACING View spacing is necessary so that the drawing will be balanced within the space provided.
  • 55.
    Sheet no. 43rd Angle Projection (Note: All dimension are in inches)
  • 56.
    Sheet no. 43rd Angle Projection (Note: All dimension are in inches)
  • 57.
  • 58.
  • 109.
  • 110.
    Orthographic projection  UseEnlarging scale 2:1  (3rd angle projection) 60
  • 114.
    Orthographic Projection Explained •https://www.youtube.com/watch?v=KjtAAV Kie84&list=PLzoPH- ntAF8fxJ29_jOuXDSVoC_wyjUJ1 Link for orthographic projection of different objects • https://www.youtube.com/watch?v=mnQE z_K9Xx0