SVCET Page 1
CHAPTER I
INTRODUCTION
1.1 INTRODUCTION
Anti theft control system for automobiles is a project which tries to prevent the
theft of a vehicle. This system makes use of an embedded chip that has an inductive
proximity sensor, which senses the key during insertion and sends a text message to
the owner’s mobile stating that the car is being accessed. When key is inserted the
light between the photo diode and IR TX is cut, the proximity sensor senses the key
and sends message to the owner using GSM, then the unknown gets trapped in the
vehicle, the door locks are activated using motor connection, if the owner himself is
travelling then he can turn off the vibration sensor which is known only to the owner.
If the thief starts the car he can be trapped using GPS.
1.1.1 AIM OF THE PROJECT REPORT
The main purpose of this project is protecting vehicle from theft. Now a day’s
vehicle thefts are increasing rapidly. People have started to use the theft control
systems installed in their vehicles. The commercially available anti-theft vehicular
systems are very expensive. And this project is developed as low cost vehicle theft
control scheme using a microcontroller and with usage of GSM and GPS technology.
In this project we present an anti theft control system for automobiles that tries to
prevent the theft of a vehicle using GSM and GPS.
1.2 INTRODUCTION TO EMBEDDED SYSTEMS
An Embedded System is a combination of computer hardware and software, and
perhaps additional mechanical or other parts, designed to perform a specific function.
An embedded system is a microcontroller-based, software driven, reliable, real-time
control system, autonomous, or human or network interactive, operating on diverse
physical variables and in diverse environments and sold into a competitive and cost
conscious market.
An embedded system is not a computer system that is used primarily for
processing, not a software system on PC or UNIX, not a traditional business or
SVCET Page 2
scientific application. High-end embedded & lower end embedded systems. High-end
embedded system - Generally 32, 64 Bit Controllers used with OS. Examples
Personal Digital Assistant and Mobile phones etc .Lower end embedded systems -
Generally 8,16 Bit Controllers used with an minimal operating systems and hardware
layout designed for the specific purpose.
1.2.1 SYSTEM DESIGN CALLS:
Fig 1.1: Embedded system design calls
1.2.2 EMBEDDED SYSTEM DESIGN CYCLE
Fig 1.2: “V Diagram of Embedded system”
SVCET Page 3
1.2.3 CHARACTERISTICS OF EMBEDDED SYSTEM
An embedded system is any computer system hidden inside a product other
than a computer.They will encounter a number of difficulties when writing embedded
system software in addition to those we encounter when we write applications
a. Throughput – Our system may need to handle a lot of data in a short period of
time.
b. Response–Our system may need to react to events quickly
c. Testability–Setting up equipment to test embedded software can be difficult
d. Debugability–Without a screen or a keyboard, finding out what the software is
doing wrong (other than not working) is a troublesome problem
e. Reliability – embedded systems must be able to handle any situation without
human intervention
f. Memory space – Memory is limited on embedded systems, and you must
make the software and the data fit into whatever memory exists
g. Program installation – you will need special tools to get your software into
embedded systems
h. Power consumption – Portable systems must run on battery power, and the
software in these systems must conserve power
i. Processor hogs – computing that requires large amounts of CPU time can
complicate the response problem
j. Cost – Reducing the cost of the hardware is a concern in many embedded
system projects; software often operates on hardware that is barely adequate
for the job.
Embedded systems have a microprocessor/ microcontroller and a memory. Some
have a serial port or a network connection. They usually do not have keyboards,
screens or disk drives.
1.2.4 APPLICATIONS
1. Military and aerospace embedded software applications
2. Communication Applications
3. Industrial automation and process control software
4. Mastering the complexity of applications.
5. Reduction of product design time.
SVCET Page 4
1.2.5 CLASSIFICATION
 Real Time Systems.
 RTS is one which has to respond to events within a specified deadline.
 A right answer after the dead line is a wrong answer.
RTS classification
 Hard Real Time Systems
 Soft Real Time System
1. HARD REAL TIME SYSTEM
 "Hard" real-time systems have very narrow response time.
 Example: Nuclear power system, Cardiac pacemaker.
2. SOFT REAL TIME SYSTEM
 "Soft" real-time systems have reduced constrains on "lateness" but still must
operate very quickly and repeatable.
 Example: Railway reservation system – takes a few extra seconds the data
remains valid.
1.2.6 OVERVIEW OF EMBEDDED SYSTEM ARCHITECTURE
Every embedded system consists of custom-built hardware built around a
Central Processing Unit (CPU). This hardware also contains memory chips onto
which the software is loaded. The software residing on the memory chip is also called
the ‘firmware’.
The operating system runs above the hardware, and the application software
runs above the operating system. The same architecture is applicable to any computer
Fig 1.3: Various blocks of hardware
SVCET Page 5
including a desktop computer. However, there are significant differences. It is not
compulsory to have an operating system in every embedded system. For small
appliances such as remote control units, air conditioners, toys etc., there is no need for
an operating system and you can write only the software specific to that application.
For applications involving complex processing, it is advisable to have an operating
system. In such a case, you need to integrate the application software with the
operating system and then transfer the entire software on to the memory chip. Once
the software is transferred to the memory chip, the software will continue to run for a
long time you don’t need to reload new software.
Central Processing Unit
The Central Processing Unit (processor, in short) can be any of the following:
microcontroller, microprocessor or Digital Signal Processor (DSP). A micro-
controller is a low-cost processor. Its main attraction is that on the chip itself, there
will be many other components such as memory, serial communication interface,
analog to digital converter etc. So, for small applications, a micro-controller is the
best choice as the number of external components required will be very less. On the
other hand, microprocessors are more powerful, but you need to use many external
components with them. DSP is used mainly for applications in which signal
processing is involved such as audio and video processing.
Memory
The memory is categorized as Random Access Memory (RAM) and Read
Only Memory (ROM). The contents of the RAM will be erased if power is switched
off to the chip, whereas ROM retains the contents even if the power is switched off.
So, the firmware is stored in the ROM. When power is switched on, the processor
reads the ROM; the program is program is executed.
Input devices
Unlike the desktops, the input devices to an embedded system have very
limited capability. There will be no keyboard or a mouse, and hence interacting with
the embedded system is no easy task. Many embedded systems will have a small
keypad-you press one key to give a specific command. A keypad may be used to input
only the digits. Many embedded systems used in process control do not have any
input device for user interaction; they take inputs from sensors or transducers 1’fnd
produce electrical signals that are in turn fed to other systems.
SVCET Page 6
Output devices
The output devices of the embedded systems also have very limited capability.
Some embedded systems will have a few Light Emitting Diodes (LEDs) to indicate
the health status of the system modules, or for visual indication of alarms. A small
Liquid Crystal Display (LCD) may also be used to display some important
parameters.
Communication interfaces
The embedded systems may need to, interact with other embedded systems at
they may have to transmit data to a desktop. To facilitate this, the embedded systems
are provided with one or a few communication interfaces such as RS232, RS422,
RS485, Universal Serial Bus (USB), IEEE 1394, Ethernet etc.
Application-specific circuitry
Sensors, transducers, special processing and control circuitry may be required
fat an embedded system, depending on its application. This circuitry interacts with the
processor to carry out the necessary work. The entire hardware has to be given power
supply either through the 230 volts main supply or through a battery. The hardware
has to design in such a way that the power consumption is minimized.
1.2.7 APPLICATION AREAS
Nearly 99 per cent of the processors manufactured end up in embedded
systems. The embedded system market is one of the highest growth areas as these
systems are used in very market segment- consumer electronics, office automation,
industrial automation, biomedical engineering, wireless communication, data
communication, telecommunications, transportation, military and so on.
Consumer appliances
At home we use a number of embedded systems which include digital camera,
digital diary, DVD player, electronic toys, microwave oven, remote controls for TV
and air-conditioner, VCO player, video game consoles, video recorders etc. Today’s
high-tech car has about 20 embedded systems for transmission control, engine spark
control, air-conditioning, navigation etc. Even wristwatches are now becoming
embedded systems.
Office automation
The office automation products using em embedded systems are copying
machine, fax machine, key telephone, modem, printer, scanner etc.
SVCET Page 7
Industrial automation
Today a lot of industries use embedded systems for process control. These
include pharmaceutical, cement, sugar, oil exploration, nuclear energy, electricity
generation and transmission. The embedded systems for industrial use are designed to
carry out specific tasks such as monitoring the temperature, pressure, humidity,
voltage, current etc., and then take appropriate action based on the monitored levels to
control other devices or to send information to a centralized monitoring station. In
hazardous industrial environment, where human presence has to be avoided, robots
are used, which are programmed to do specific jobs. The robots are now becoming
very powerful and carry out many interesting and complicated tasks such as hardware
assembly.
Medical electronics
Almost every medical equipment in the hospital is an embedded system. These
equipments include diagnostic aids such as ECG, EEG, blood pressure measuring
devices, X-ray scanners; equipment used in blood analysis, radiation, colonoscopy,
endoscopy etc. Developments in medical electronics have paved way for more
accurate diagnosis of diseases.
Computer networking
Computer networking products such as bridges, routers, Integrated Services
Digital Networks (ISDN), Asynchronous Transfer Mode (ATM), X.25 and frame
relay switches are embedded systems which implement the necessary data
communication protocols. For example, a router interconnects two networks. The two
networks may be running different protocol stacks. The router’s function is to obtain
the data packets from incoming pores, analyze the packets and send them towards the
destination after doing necessary protocol conversion. Most networking equipments,
other than the end systems (desktop computers) we use to access the networks, are
embedded systems
Telecommunications
In the field of telecommunications, the embedded systems can be categorized
as subscriber terminals and network equipment. The subscriber terminals such as key
telephones, ISDN phones, terminal adapters, web cameras are embedded systems. The
network equipment includes multiplexers, multiple access systems, Packet
Assemblers Dissemblers (PADs), sate11ite modems etc. IP phone, IP gateway, IP
SVCET Page 8
gatekeeper etc. are the latest embedded systems that provide very low-cost voice
communication over the Internet.
Wireless technologies
Advances in mobile communications are paving way for many interesting
applications using embedded systems. The mobile phone is one of the marvels of the
last decade of the 20’h century. It is a very powerful embedded system that provides
voice communication while we are on the move. The Personal Digital Assistants and
the palmtops can now be used to access multimedia services over the Internet. Mobile
communication infrastructure such as base station controllers, mobile switching
centres are also powerful embedded systems.
Insemination
Testing and measurement are the fundamental requirements in all scientific
and engineering activities. The measuring equipment we use in laboratories to
measure parameters such as weight, temperature, pressure, humidity, voltage, current
etc. are all embedded systems. Test equipment such as oscilloscope, spectrum
analyzer, logic analyzer, protocol analyzer, radio communication test set etc. are
embedded systems built around powerful processors. Thank to miniaturization, the
test and measuring equipment are now becoming portable facilitating easy testing and
measurement in the field by field-personnel.
Security
Security of persons and information has always been a major issue. We need
to protect our homes and offices; and also the information we transmit and store.
Developing embedded systems for security applications is one of the most lucrative
businesses nowadays. Security devices at homes, offices, airports etc. for
authentication and verification are embedded systems. Encryption devices are nearly
99 per cent of the processors that are manufactured end up in embedded systems.
Finance
Financial dealing through cash and cheques are now slowly paving way for
transactions using smart cards and ATM machines. Smart card, of the size of a credit
card, has a small micro-controller and memory; and it interacts with the smart card
reader! ATM machine and acts as an electronic wallet. Smart card technology has the
capability of ushering in a cashless society. Well, the list goes on. It is no
exaggeration to say that eyes wherever you go, you can see, or at least feel, the work
of an embedded system. Embedded systems find applications in every industrial
SVCET Page 9
segment- consumer electronics, transportation, avionics, biomedical engineering,
manufacturing, process control and industrial automation, data communication,
telecommunication, defence, security etc.
SVCET Page 10
CHAPTER II
MICROCONTROLLERS
A microcontroller is a small computer on a single integrated circuit containing
a processor core, memory, and programmable input/output peripherals. Program
memory in the form of NOR flash or OTP ROM is also often included on chip, as
well as a typically small amount of RAM. Microcontrollers are designed for
embedded applications, in contrast to the microprocessors used in personal computers
or other general purpose applications.
Fig 2.1: Block diagram of microcontroller
SVCET Page 11
2.1 AT89C51
The AT89C51 is a low-power, high-performance CMOS 8-bit microcomputer
with 8kbytes of Flash programmable and erasable read only memory (PEROM). The
device is manufactured using Atmel’s high-density non-volatile memory technology
and is compatible with the industry-standard 80C51 and 80C52 instruction set and Pin
out. The on-chip Flash allows the program memory to be reprogrammed in-system or
by a conventional non-volatile memory programmer by combining a versatile 8-bit
CPU with Flash on a monolithic chip. The Atmel AT89C52 is a powerful
microcomputer which provides a highly-flexible and cost-effective solution to many
embedded control applications. The AT89C52 is a low-power, high-performance
CMOS 8-bit microcomputer with 8k bytes of Flash programmable and erasable read
only memory (PEROM).
2.1.1 FEATURES
• Compatible with MCS-51 Products
• 8K Bytes of In-System Reprogrammable Flash Memory
• Endurance: 1,000 Write/Erase Cycles
• Fully Static Operation: 0 Hz to 24 MHz
• Three-level Program Memory Lock
• 256 x 8-bit Internal RAM
• 32 Programmable I/O Lines
• Three 16-bit Timer/Counters
• Eight Interrupt Sources
• Programmable Serial Channel
• Low-power Idle and Power-down Modes
• Five vector two-level interrupt architecture
• A full duplex serial port, Six Interrupt Sources
• On-chip oscillator and clock circuitry
SVCET Page 12
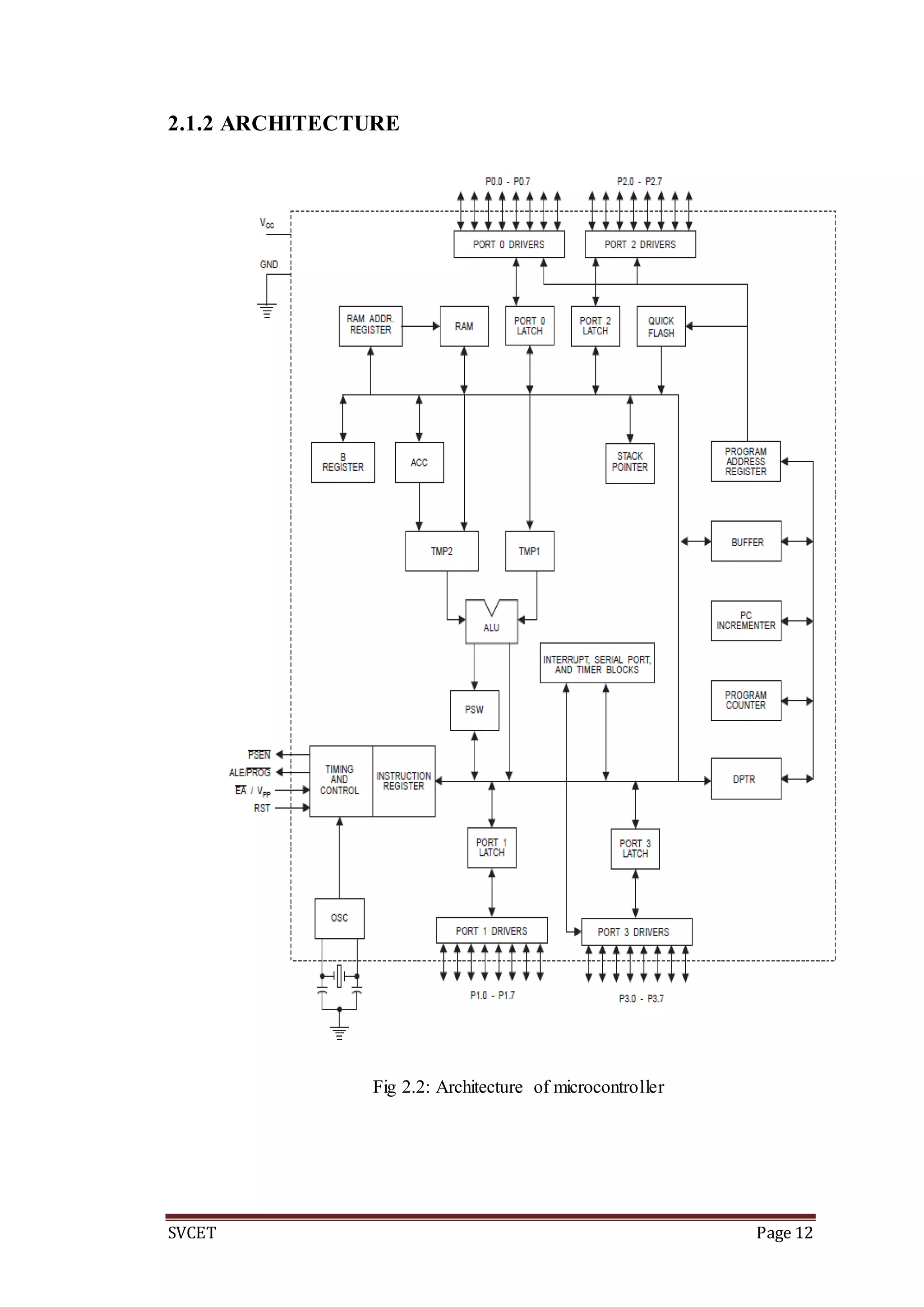
2.1.2 ARCHITECTURE
Fig 2.2: Architecture of microcontroller
SVCET Page 13
2.1.3 PIN DIAGRAM
Fig 2.3: PIN Diagram of microcontroller
2.1.4 PIN DESCRIPTION
PINS 1-8 PORT 1:
Each of these pins can be configured as input or output.
PIN 9 – RST
Logical one on this pin stops microcontroller’s operating and erases the
contents of most registers. By applying logical zero to this pin, the program starts
execution from the beginning. In other words, a positive voltage pulse on this pin
resets the microcontroller.
PINS 10-17 PORT 3:
Similar to port 1, each of these pins can serve as universal input or output.
Besides, all of them have alternative functions:
SVCET Page 14
PINS 10: RECEIVER
Serial asynchronous communication input or Serial synchronous
communication output.
Pin 11: Transmitter
Serial asynchronous communication output or Serial synchronous
communication clock output.
Pin 14:INT0
Interrupt 0 inputs
Pin 13:INT1
Interrupt 1 input
Pin 14:T0
Counter 0 clock input
Pin 15:T1
Counter 1 clock input
Pin 16: WR
Signal for writing to external (additional) RAM
Pin 17: RD
Signal for reading from external RAM
Pin 18, 19: X0, X1
Internal oscillator input and output. A quartz crystal which determines
operating frequency is usually connected to these pins. Instead of quartz crystal, the
miniature ceramics resonators can be also used for frequency stabilization. Later
versions of the microcontrollers operate at a frequency of 0 Hz up to over 50 Hz.
XTAL1
Input to the inverting oscillator amplifier and input to the internal clock operating
circuit.
XTAL2
Output from the inverting oscillator amplifier.
Oscillator Characteristics
XTAL1 and XTAL2 are the input and output, respectively, of an inverting
amplifier which can be configured for use as an on-chip oscillator, as shown in Figure
1. Either a quartz crystal or ceramic resonator may be used.
To drive the device from an external clock source, XTAL2 should be left
unconnected while XTAL1 is driven as shown in Figure 2. There are no requirements
SVCET Page 15
on the duty cycle of the external clock signal, since the input to the internal clocking
circuitry is through a divide-by-two flip-flop, but minimum and maximum voltage
high and low time specifications must be observed.
Fig 2.4: Oscillator connection 1
Fig 2.5: Oscillator connection 2
Pin 20: Ground
Signal Ground
SVCET Page 16
PINS 21-28 PORT 2:
If there is no intention to use external memory then these port pins are
configured as universal inputs/outputs. In case external memory is used then the
higher address byte, i.e. addresses A8-A15 will appear on this port. It is important to
know that even memory with capacity of 64Kb is not used ( i.e. note all bits on port
are used for memory addressing) the rest of bits are not available as inputs or outputs.
Pin 29: PSEN
Program Store Enable is the read strobe to external program memory. When
the AT89C51 is executing code from external program memory, PSEN is activated
twice each machine cycle, except that two PSEN activations are skipped during each
access to external data memory. If external ROM is used for storing program then it
has a logic-0 value every time the microcontroller reads a byte from memory.
Pin 30: ALE
Prior to each reading from external memory, the microcontroller will set the
lower address byte (A0-A7) on P0 and immediately after that activates the output
ALE. Upon receiving signal from the ALE pin, the external register (74HCT373 or
74HCT375 circuit is usually embedded) memorizes the state of P0 and uses it as an
address for memory chip. In the second part of the microcontroller’s machine cycle, a
signal on this pin stops being emitted and P0 is used now for data transmission (Data
Bus). In this way, by means of only one additional (and cheap) integrated circuit, data
multiplexing from the port is performed. This port at the same time used for data and
address transmission.
Address Latch Enable output pulse for latching the low byte of the address
during accesses to external memory. This pin is also the program pulse input (PROG)
during Flash programming. In normal operation ALE is emitted at a constant rate of
1/6 the oscillator frequency, and may be used for external timing or clocking
purposes. Note, however, that one ALE pulse is skipped during each access to
external Data Memory. If desired, ALE operation can be disabled by setting bit 0 of
SFR location 8EH. With the bit set, ALE is active only during a MOVX or MOVC
instruction. Otherwise, the pin is weakly pulled high. Setting the ALE-disable bit has
no effect if the microcontroller is in external execution mode.
SVCET Page 17
PIN 31: EA/VPP:
External Access Enable must be strapped to GND in order to enable the device to
fetch code from external program memory locations starting at 0000H up to FFFFH.
Note, however, that if lock bit 1 is programmed, EA will be internally latched on
reset. EA should be strapped to VCC for internal program executions.
By applying logic zero to this pin, P2 and P3 are used for data and address
transmission with no regard to whether there is internal memory or not. That means
that even there is a program written to the microcontroller, it will not be executed, the
program written to external ROM will be used instead. Otherwise, by applying logic
one to the EA pin, the microcontroller will use both memories, first internal and
afterwards external (if it exists), up to end of address space.
PINS 32-39 PORT 0:
Similar to port 2, if external memory is not used, these pins can be used as
universal inputs or outputs. Otherwise, P0 is configured as address output (A0-A7)
when the ALE pin is at high level (1) and as data output (Data Bus), when logic zero
(0) is applied to the ALE pin.
Pin 40: VCC
Power supply (5V) to the microcontroller.
2.2 REGISTER BANKS
The 89c51 uses 8 "R" registers which are used in many of its instructions.
These "R" registers are numbered from 0 through 7 (R0, R1, R2, R3, R4, R5, R6, and
R7). These registers are generally used to assist in manipulating values and moving
data from one memory location to another the Accumulator. Thus if the Accumulator
(A) contained the value 6 and R4 contained the value 3, the Accumulator would
contain the value 9 after this instruction was executed. However, as the memory map
shows, the "R" Register R4 is really part of Internal RAM. Specifically, R4 is address
04h. This can be see in the bright green section of the memory map. But, the 89c51
has four distinct register banks. When the 89c51 is first booted up, register bank 0
(addresses 00h through 07h) is used by default. However, your program may instruct
the 89c51 to use one of the alternate register banks; i.e., register banks 1, 2, or 3. In
this case, R4 will no longer be the same as Internal RAM address 04h. For example, if
SVCET Page 18
your program instructs the 89c51 to use register bank 3, "R" register R4 will now be
synonymous with Internal RAM address 1Ch.
The concept of register banks adds a great level of flexibility to the 89c51,
especially when dealing with interrupts (we'll talk about interrupts later). However,
always remember that the register banks really reside in the first 32 bytes of Internal
RAM.
2.2.1 BASIC REGISTERS
The Accumulator:
The Accumulator, as its name suggests, is used as a general register to
accumulate the results of a large number of instructions. It can hold an 8-bit (1-byte)
value and is the most versatile register the 89c51 has due to the sheer number of
instructions that make use of the accumulator. More than half of the 89c51’s 255
instructions manipulate or use the accumulator in some way.
The "R" registers:
The "R" registers are a set of eight registers that are named R0, R1, etc. up to
and including R7.These registers are used as auxillary registers in many operations.
To continue with the above example, perhaps you are adding 10 and 20. The original
number 10 may be stored in the Accumulator whereas the value 20 may be stored in,
say, register R4. To process the addition you would execute the command
The "B" Register:
The "B" register is very similar to the Accumulator in the sense that it may
hold an 8-bit (1-byte) value. The "B" register is only used by two 89c51 instructions:
MUL AB and DIV AB. Thus, if you want to quickly and easily multiply or divide A
by another number, you may store the other number in "B" and make use of these two
instructions. Aside from the MUL and DIV instructions, the "B" register is often used
as yet another temporary storage register much like a ninth "R" register.
2.2.2 SPECIAL FUNTION REGISTERS
A map of the on-chip memory area called the Special Function Register (SFR)
space is shown in Table 1.
Note that not all of the addresses are occupied, and unoccupied addresses may
not be implemented on the chip.
Read accesses to these addresses will in general return random data, and write
accesses will have an indeterminate effect.
SVCET Page 19
User software should not write 1s to these unlisted locations, since they may
be used in future products to invoke new feature.
. Table 2.1: Special function registers
2.3 TIMERS
The 8052 has two timers: Timer 0, Timer 1and Timer 2. They can be used
either as timers to generate a time delay or as counters to count events happening
outside the microcontroller.
SVCET Page 20
Three timers are 16-bit wide. Since the 8052 has an 8-bit architecture, each
16-bit timer is accessed as two separate registers of low byte and high byte. The
timers 1 and 2 functions are same as in 8051.
Lower byte register of Timer 0 is TL0 and higher byte is TH0. Similarly lower
byte register of Timer1 is TL1 and higher byte register is TH1.
2.3.1 TIMER MODE REGISTERS
Both timers 0 and 1 use the same register TMOD to set the various operation modes.
TMOD is an 8-bit register in which the lower 4 bits are set aside for Timer 0
and the upper 4 bits for Timer 1. In each case, the lower 2 bits are used to set the timer
mode and the upper 2 bits to specify the operation.
(MSB) Table 2.2: TMOD (LSB)
GATE
Every timer has a means of starting and stopping. Some timers do this by
software, some by hardware and some have both software and hardware controls. The
timers in the 8051 have both. The start and stop of the timer are controlled by the way
of software by the TR (timer start) bits TR0 and TR1. These instructions start and stop
the timers as long as GATE=0 in the TMOD register. The hardware way of starting
and stopping the timer by an external source is achieved by making GATE=1 in the
TMOD register.
C/T:
Timer or counter selected. Cleared for timer operation and set for counter operation.
M1 :Mode bit 1
M0 :Mode bit 0
GATE C/T M1 M0 GATE C/T M1 M0
TIMER 1 TIMER 0
SVCET Page 21
Table 2.3: Timer Modes
M1 M0 Mode Operating Mode
0 0 0 13-bit timer mode
8-bit timer/counter THx with TLx as 5-bit prescaler
0 1 1 16-bit timer mode
16-bit timer/counters THx and TLx are cascaded
1 0 2 8-bit auto reload timer/counter
THx holds a value that is to be reloaded into TLx each
time
it overflows
1 1 3 Split timer mode
Timer 2
Timer 2 is a 16-bit Timer/Counter that can operate as either a timer or an event
counter. The type of operation is selected by bit C/T2 in the SFR T2CON (shown in
Table 2). Timer 2 has three operating modes: capture, auto-reload (up or down
counting), and baud rate generator. The modes are selected by bits in T2CON, as
shown in Table 3. Timer 2 consists of two 8-bit registers, TH2 and TL2. In the Timer
function, the TL2 register is incremented every machine cycle. Since a machine cycle
consists of 12 oscillator periods, the count rate is 1/12 of the oscillator frequency
. Table 2.4: Timer 2
SVCET Page 22
In the Counter function, the register is incremented in response to a 1-to-0
transition at its corresponding external input pin, T2. In this function, the external
input is sampled during S5P2 of every machine cycle. When the samples show a high
in one cycle and a low in the next cycle, the count is incremented. The new count
value appears in the register during S3P1 of the cycle following the one in which the
transition was detected. Since two machine cycles (24 oscillator periods) are required
to recognize a 1-to-0 transition, the maximum count rate is 1/24 of the oscillator
frequency. To ensure that a given level is sampled at least once before it changes, the
level should be held for at least one full machine cycle.
Timer 2 Registers Control and status bits are contained in registers T2CON
(shown in Table 2) and T2MOD (shown in Table 4) for Timer 2. The register pair
(RCAP2H, RCAP2L) are the Capture/Reload registers for Timer 2 in 16-bit capture
mode or 16-bit auto-reload mode.
Table 2.5: timer 2
TF2:
Timer 2 overflow flag set by a Timer 2 overflow and must be cleared by
software. TF2 will not be set when either RCLK = 1 or TCLK = 1.
EXF2:
Timer 2 external flag set when either a capture or reload is caused by a
negative transition on T2EX and EXEN2 = 1. When Timer 2 interrupt is enabled,
EXF2 = 1 will cause the CPU to vector to the Timer 2 interrupt routine. EXF2 must
be cleared by software. EXF2 does not cause an interrupt in up/down counter mode
(DCEN = 1).
RCLK:
Receive clock enable. When set, causes the serial port to use Timer 2 overflow
pulses for its receive clock in serial port Modes 1 and 3. RCLK = 0 causes Timer 1
overflow to be used for the receive clock.
SVCET Page 23
TCLK:
Transmit clock enable. When set, causes the serial port to use Timer 2
overflow pulses for its transmit clock in serial port Modes 1 and 3. TCLK = 0 causes
Timer 1 overflows to be used for the transmit clock.
EXEN2:
Timer 2 external enables. When set, allows a capture or reload to occur as a
result of a negative transition on T2EX if Timer 2 is not being used to clock the serial
port. EXEN2 = 0 causes Timer 2 to ignore events at T2EX.
TR2:
Start/Stop control for Timer 2. TR2 = 1 starts the timer.
C/T2:
Timer or counter select for Timer 2. C/T2 = 0 for timer function. C/T2 = 1 for
external event counter (falling edge triggered).
CP/RL2:
Capture/Reload select. CP/RL2 = 1 causes captures to occur on negative
transitions at T2EX if EXEN2 = 1. CP/RL2= 0 causes automatic reloads to occur
when Timer 2 overflows or negative transitions occur at T2EX when EXEN2= 1.
When either RCLK or TCLK = 1, this bit is ignored and the timer is forced to auto-
reload on Timer 2 overflow.
Interrupt Registers The individual interrupt enable bits are in the IE register.
Two priorities can be set for each of the six interrupt sources in the IP register.
THE DATA POINTER (DPTR):
The Data Pointer (DPTR) is the 89c51’s only user-accessable 16-bit (2-byte)
register. The Accumulator, "R" registers, and "B" register are all 1-byte values.DPTR,
as the name suggests, is used to point to data. It is used by a number of commands
which allow the 89c51 to access external memory
The Program Counter (PC):
The Program Counter (PC) is a 2-byte address which tells the 89c51 where the
next instruction to execute is found in memory. When the 89c51 is initialized PC
always starts at 0000h and is incremented each time an instruction is executed. It is
important to note that PC isn’t always incremented by one. Since some instructions
require 2 or 3 bytes the PC will be incremented by 2 or 3 in these cases
SVCET Page 24
The Stack Pointer (SP):
The Stack Pointer, like all registers except DPTR and PC, may hold an 8-bit
(1-byte) value. The Stack Pointer is used to indicate where the next value to be
removed from the stack should be taken from. When you push a value onto the stack,
the 89c51 first increments the value of SP and then stores the value at the resulting
memory location. When you pop a value off the stack, the 89c51 returns the value
from the memory location indicated by SP, and then decrements the value of SP.
SVCET Page 25
CHAPTER III
BLOCK DIAGRAM
3.1 INTRODUCTION
The block diagram consists of microcontroller, LCD, GPS modem, GSM
modem, relay section, DC motor, proximity sensor,IR transmitter, photo diode. When
key is inserted the light between the photo diode and IR TX is cut, the proximity
sensor senses the key and sends message to the owner using GSM, then the unknown
gets trapped in the vehicle, the door locks are activated using motor connection, if the
owner himself is travelling then he can turn off the vibration sensor which is known
only to the owner. If the thief starts the car he can be trapped using GPS.
Fig 3.1: Block diagram of anti theft tracking system
MICRO CONTROLLER
In this project work system the micro-controller is plays major role. Micro-
controllers were originally used as components in complicated process-control
systems. However, because of their small size and low price, Micro-controllers are
now also being used in regulators for individual control loops. In several areas Micro-
controllers are now outperforming their analog counterparts and are cheaper as well.
SVCET Page 26
LCD: LCD is used to display the information about the current process.
Keypad Section: This section consists of a Linear Keypad. This keypad is used for
select the junctions etc. The keypad is interfaced to microcontroller which
continuously scans the keypad.
Buzzer Section: This section consists of a Buzzer. The buzzer is used to alert /
indicate the completion of process. It is sometimes used to indicate the start of the
embedded system by alerting during start-up.
GPS MODEM:
A GPS modem is used to get the signals and receive the signals from the
satellites. In this project, GPS modem get the signals from the satellites and those are
given to the microcontroller. The signals may be in the form of the coordinates; these
are represented in form of the latitudes, longitudes and altitudes.
GSM modem Section:
This section consists of a GSM modem. The modem will communicate with
microcontroller using serial communication. The modem is interfaced to
microcontroller using MAX 232, a serial driver.
Relay Section:
This section consists of an interfacing circuitry to switch ON / OFF the
system whenever any unhealthy conditions i.e. overload is detected. This circuitry
basically consists of a Relay, transistor and a protection diode. A relay is used to drive
the 230V devices.
DC Motor:
DC motor is an output for this project. And DC motor is connected to
microcontroller. And this motor controlled by the microcontroller with the respective
inputs given by us. Its speed will be varied according to the speed set by the switches.
Proximity sensor:
Proximity sensor block is used to find proximity located in the path of the
robot. It will search for landmine and if it finds, it gives logic high to microcontroller.
Photo diode IR:
SVCET Page 27
The IR LED is used as the IR transmitter, which is connected by using the
resistor logic as shown in the schematic. The IR receiver is connected by using the
transistor logic whose collector is connected to the base of the transistor. The base of
the transistor is connected to the photo diode through the resistor.
3.2 LCD-LIQUID CRYSTAL DISPLAY
Liquid Crystal Display also called as LCD is very helpful in providing user
interface as well as for debugging purpose. The most commonly used Character based
LCDs are based on Hitachi's HD44780 controller or other which are compatible with
HD44580. The most commonly used LCDs found in the market today are 1 Line, 2
Line or 4 Line LCDs which have only 1 controller and support at most of 80
characters, whereas LCDs supporting more than 80 characters make use of 2
HD44780 controllers.
3.2.1 PIN DESCRIPTION
Fig 3.2: Pin description
Table 3.1: Pin description
Pin No. Name Description
1 VSS Power supply (GND)
2 VCC Power supply (+5V)
3 VEE Contrast adjust
4 RS
0 = Instruction input
1 = Data input
5 R/W
0 = Write to LCD module
1 = Read from LCD module
SVCET Page 28
DDRAM - Display Data RAM
Display data RAM (DDRAM) stores display data represented in 8-bit
character codes. Its extended capacity is 80 X 8 bits, or 80 characters. The area in
display data RAM (DDRAM) that is not used for display can be used as general data
RAM. So whatever you send on the DDRAM is actually displayed on the LCD. For
LCDs like 1x16, only 16 characters are visible, so whatever you write after 16 chars is
written in DDRAM but is not visible to the user.
CGROM - Character Generator ROM
Now you might be thinking that when you send an ASCII value to DDRAM,
how the character is displayed on LCD? So the answer is CGROM. The character
generator ROM generates 5 x 8 dot or 5 x 10 dot character patterns from 8-bit
character codes. It can generate 208 5 x 8 dot character patterns and 32 5 x 10 dot
character patterns.
CGRAM - Character Generator RAM
As clear from the name, CGRAM area is used to create custom characters in
LCD. In the character generator RAM, the user can rewrite character patterns by
program. For 5 x 8 dots, eight character patterns can be written, and for 5 x 10 dots,
four character patterns can be written.
BF - Busy Flag
Busy Flag is a status indicator flag for LCD. When we send a command or
data to the LCD for processing, this flag is set (i.e. BF =1) and as soon as the
6 EN Enable signal
7 D0 Data bus line 0 (LSB)
8 D1 Data bus line 1
9 D2 Data bus line 2
10 D3 Data bus line 3
11 D4 Data bus line 4
12 D5 Data bus line 5
13 D6 Data bus line 6
14 D7 Data bus line 7 (MSB)
15 LED+ Back Light VCC
16 LED- Back Light GND
SVCET Page 29
instruction is executed successfully this flag is cleared (BF = 0). This is helpful in
producing and exact amount of delay for the LCD processing.
To read Busy Flag, the condition RS = 0 and R/W = 1 must be met and The
MSB of the LCD data bus (D7) act as busy flag. When BF = 1 means LCD is busy
and will not accept next command or data and BF = 0 means LCD is ready for the
next command or data to process.
Instruction Register (IR) and Data Register (DR)
There are two 8-bit registers in HD44780 controller Instruction and Data
register. Instruction register corresponds to the register where you send commands to
LCD e.g. LCD shift command, LCD clear, LCD address etc. and Data register is used
for storing data which is to be displayed on LCD.
When send the enable signal of the LCD is asserted, the data on the pins is
latched in to the data register and data is then moved automatically to the DDRAM
and hence is displayed on the LCD. Data Register is not only used for sending data to
DDRAM but also for CGRAM, the address where you want to send the data, is
decided by the instruction you send to LCD.
3.2.2 COMMANDS AND INSTRUCTION SET
Only the instruction register (IR) and the data register (DR) of the LCD can be
controlled by the MCU. Before starting the internal operation of the LCD, control
information is temporarily stored into these registers to allow interfacing with various
MCUs, which operate at different speeds, or various peripheral control devices.
There are categories of instructions that:
 Designate LCD functions, such as display format, data length, etc.
 Set internal RAM addresses
Although looking at the table you can make your own commands and test
them. Below is a brief list of useful commands which are used frequently while
working on the LCD.
SVCET Page 30
Table 3.2: LCD Commands
Table 3.3: Commands list
No. Instruction Hex Decimal
1 Function Set: 8-bit, 1 Line, 5x7 Dots 0x30 48
2 Function Set: 8-bit, 2 Line, 5x7 Dots 0x38 56
3 Function Set: 4-bit, 1 Line, 5x7 Dots 0x20 32
SVCET Page 31
4 Function Set: 4-bit, 2 Line, 5x7 Dots 0x28 40
5 Entry Mode 0x06 6
6
Display off Cursor off
(clearing display without clearing DDRAM content)
0x08 8
7 Display on Cursor on 0x0E 14
8 Display on Cursor off 0x0C 12
9 Display on Cursor blinking 0x0F 15
10 Shift entire display left 0x18 24
12 Shift entire display right 0x1C 30
13 Move cursor left by one character 0x10 16
14 Move cursor right by one character 0x14 20
15 Clear Display (also clear DDRAM content) 0x01 1
16 Set DDRAM address or cursor position on display 0x80+add 128+add
17
Set CGRAM address or set pointer to CGRAM
location
0x40+add 64+add
Sending Commands to LCD
To send commands we simply need to select the command register. Everything is
same as we have done in the initialization routine. But we will summarize the
common steps and put them in a single subroutine. Following are the steps:
 move data to LCD port
 select command register
 select write operation
 send enable signal
 wait for LCD to process the command
Sending Data to LCD
To send data we simply need to select the data register. Everything is same as the
command routine. Following are the steps:
 move data to LCD port
 select data register
 select write operation
SVCET Page 32
3.3 POWER SUPPLY
The input to the circuit is applied from the regulated power supply. The a.c. input i.e.,
230V from the mains supply is step down by the transformer to 12V and is fed to a
rectifier. The output obtained from the rectifier is a pulsating d.c voltage. So in order
to get a pure d.c voltage, the output voltage from the rectifier is fed to a filter to
remove any a.c components present even after rectification. Now, this voltage is given
to a voltage regulator to obtain a pure constant dc voltage.
Fig 3.3: Power supply
Transformer:
Usually, DC voltages are required to operate various electronic equipment and
these voltages are 5V, 9V or 12V. But these voltages cannot be obtained directly.
Thus the a.c input available at the mains supply i.e., 230V is to be brought down to
the required voltage level. This is done by a transformer. Thus, a step down
transformer is employed to decrease the voltage to a required level.
Rectifier:
The output from the transformer is fed to the rectifier. It converts A.C. into
pulsating D.C. The rectifier may be a half wave or a full wave rectifier. In this project,
a bridge rectifier is used because of its merits like good stability and full wave
rectification.
Filter:
Capacitive filter is used in this project. It removes the ripples from the output
of rectifier and smoothens the D.C. Output received from this filter is constant until
the mains voltage and load is maintained constant. However, if either of the two is
varied, D.C. voltage received at this point changes. Therefore a regulator is applied at
the output stage.
SVCET Page 33
Voltage regulator:
As the name itself implies, it regulates the input applied to it. A voltage
regulator is an electrical regulator designed to automatically maintain a constant
voltage level. In this project, power supply of 5V and 12V are required. In order to
obtain these voltage levels, 7805 and 7812 voltage regulators are to be used. The first
number 78 represents positive supply and the numbers 05, 12 represent the required
output voltage levels.
3.4 VOLTAGE REGULATOR 7805
Description:
The LM78XX/LM78XXA series of three-terminal positive regulators are
available in the TO-220/D-PAK package and with several fixed output voltages,
making them useful in a Wide range of applications. Each type employs internal
current limiting, thermal shutdown and safe operating area protection, making it
essentially indestructible. If adequate heat sinking is provided, they can deliver over
1A output Current. Although designed primarily as fixed voltage regulators, these
devices can be used with external components to obtain adjustable voltages and
currents.
Absolute Maximum Ratings:
Table 3.4: Ratings of voltage regulator
Parameter Symbol Value Unit
Input voltage(for V0+5V to 18V) V1 35 V
Thermal resistance junction cases RJC 5 C/W
Thermal resistance junction air RJA 65 C/W
Operating temperature range TOPR 0~+125 C
Storage temperature range TSTG ~65~+150 C
SVCET Page 34
Typical Performance Characteristics:
Fig 3.4: Performance characteristics of regulator
3.5 CAPACITORS
A capacitor or condenser is a passive electronic component consisting of a
pair of conductors separated by a dielectric. When a voltage potential difference exists
between the conductors, an electric field is present in the dielectric. This field stores
energy and produces a mechanical force between the plates. The effect is greatest
between wide, flat, parallel, narrowly separated conductors.
Fig 3.5: Capacitors
SVCET Page 35
3.6 RESISTORS
A resistor is a two-terminal electronic component designed to oppose an
electric current by producing a voltage drop between its terminals in proportion to the
current, that is, in accordance with Ohm's law:
V = IR
Resistors are used as part of electrical networks and electronic circuits. They
are extremely commonplace in most electronic equipment. Practical resistors can be
made of various compounds and films, as well as resistance wire (wire made of a
high-resistivity alloy, such as nickel/chrome).
Fig 3.6: Resistors
The primary characteristics of resistors are their resistance and the power they
can dissipate. Other characteristics include temperature coefficient, noise, and
inductance. Less well-known is critical resistance, the value below which power
dissipation limits the maximum permitted current flow, and above which the limit is
applied voltage. Critical resistance depends upon the materials constituting the
resistor as well as its physical dimensions; it's determined by design.
3.7 IR UNIT
This sensor consists of IR transmitter and receivers on a single plain.Where
Infrared (IR) radiation is part of the electromagnetic spectrum, which includes radio
waves, microwaves, visible light, and ultraviolet light, as well as gamma rays and X-
rays. The IR range falls between the visible portion of the spectrum and radio waves.
IR wavelengths are usually expressed in microns, with the lR spectrum extending
from 0.7 to 1000microns.
SVCET Page 36
PRINCIPE:
Transmitter and receiver are incorporated in a single housing. The modulated
infrared light of the transmitter strikes the object to be detected and is reflected in a
diffuse way. Part of the reflected light strikes the receiver and starts the switching
operation. The two states – i.e. reflection received or no reflection – are used to
determine the presence or absence of an object in the sensing range. This system
safely detects all objects that have sufficient reflection. For objects with a very bad
degree of reflection (matt black rough surfaces) the use of diffuse reflection sensors
for short ranges or with background suppression is recommended.
Fig 3.7: Photo transmitter
Fig 3.8: Receiver characteristics
Sensitivity setting - Diffuse reflection sensors
For diffuse reflection sensors with sensitivity setting the sensitivity should always
be set to maximum independent of the required range in order to achieve the highest
possible operational safety. Only in the case of interfering backgrounds (walls,
SVCET Page 37
machine parts) could it be necessary to reduce the range.
Diffuse reflection sensors for short ranges
Short-range diffuse type sensors are diffuse reflection sensors which have been
specifically designed for short ranges. Light and dark objects are almost equally
detectable within the set sensing range.
Fig 3.9: Diffuse reflection sensors for short ranges
Short-range diffuse types have high excess gains which allow usage even under
extreme environmental conditions (e.g. dust, mist etc.). Objects outside the range are
not detected.
3.9 RELAYS
Relay is an electrically operated switch. Current flowing through the coil of
the relay creates a magnetic field which attracts a lever and changes the switch
contacts. The coil current can be on or off so relays have two switch positions and
they are double throw (changeover) switches.
Fig 3.10: Relay
Relays allow one circuit to switch a second circuit which can be completely
separate from the first. For example a low voltage battery circuit can use a relay to
switch a 230V AC mains circuit. There is no electrical connection inside the relay
between the two circuits; the link is magnetic and mechanical.
SVCET Page 38
Fig 3.11: Relay 2
The coil of a relay passes a relatively large current, typically 30mA for a 12V
relay, but it can be as much as 100mA for relays designed to operate from lower
voltages. Most ICs (chips) cannot provide this current and a transistor is usually used
to amplify the small IC current to the larger value required for the relay coil. The
maximum output current for the popular 555 timer IC is 200mA so these devices can
supply relay coils directly without amplification.
Fig 3.12: The relay switch connections COM, NC and NO
 COM = Common, always connect to this, it is the moving part of the switch.
 NC = Normally Closed, COM is connected to this when the relay coil is off.
 NO = Normally Open, COM is connected to this when the relay coil is on.
 Connect to COM and NO if you want the switched circuit to be on when the
relay coil is on.
 Connect to COM and NC if you want the switched circuit to be on when the
relay coil is off.
SVCET Page 39
Protection diodes for relays
Transistors and ICs (chips) must be protected from the brief high voltage 'spike'
produced when the relay coil is switched off. The diagram shows how a signal diode
(eg 1N4148) is connected across the relay coil to provide this protection. Note that the
diode is connected 'backwards' so that it will normally not conduct. Conduction only
occurs when the relay coil is switched off, at this moment current tries to continue
flowing through the coil and it is harmlessly diverted through the diode. Without the
diode no current could flow and the coil would produce a damaging high voltage
'spike' in its attempt to keep the current flowing.
Advantages of relays:
 Relays can switch AC and DC, transistors can only switch DC.
 Relays can switch high voltages, transistors cannot.
 Relays are a better choice for switching large currents (> 5A).
 Relays can switch many contacts at once.
Applications: Cassette, CD Player, CD-ROM, VCD, DVD, DV-ROM .
SVCET Page 40
CHAPTER IV
GLOBAL SYSTEM FOR MOBILE COMMUNICATION
Originally Groupe Spécial Mobile, is a standard set developed by
the European Telecommunications Standards Institute (ETSI) to describe technologies
for second generation (2G) digital cellular networks. Developed as a replacement for
first generation (1G) analog cellular networks, the GSM standard originally described
a digital, circuit switched network optimized for full duplex voice telephony. The
standard was expanded over time to include first circuit switched data transport, then
packet data transport via GPRS (General Packet Radio services). Packet data
transmission speeds were later increased via EDGE (Enhanced Data rates for GSM
Evolution). The GSM standard is more improved after the development of third
generation (3G) UMTS standard developed by the 3GPP. GSM networks will evolve
further as they begin to incorporate fourth generation (4G) LTE Advanced standards.
"GSM" is a trademark owned by the GSM Association.
4.2 GSM CARRIER FREQUENCIES
GSM networks operate in a number of different carrier frequency ranges
(separated into GSM frequency ranges for 2G and UMTS frequency bands for 3G),
with most 2G GSM networks operating in the 900 MHz or 1800 MHz bands. Where
these bands were already allocated, the 850 MHz and 1900 MHz bands were used
instead (for example in Canada and the United States). In rare cases the 400 and
450 MHz frequency bands are assigned in some countries because they were
previously used for first-generation systems. Most 3G networks in Europe operate in
the 2100 MHz frequency band.
Regardless of the frequency selected by an operator, it is divided
into timeslots for individual phones to use. This allows eight full-rate or sixteen half-
rate speech channels per radio frequency. These eight radio timeslots (or
eight burst periods) are grouped into a TDMA frame. Half rate channels use alternate
frames in the same timeslot. The channel data rate for all 8 channels is 270.833 Kbit/s,
and the frame duration is 4.615 ms.The transmission power in the handset is limited to
a maximum of 2 watts in GSM850/900 and 1 watt in GSM1800/1900.
SVCET Page 41
4.3 VOICE CODECS
GSM has used a variety of voice codecs to squeeze 3.1 kHz audio into
between 6.5 and 13 Kbit/s. Originally, two codecs, named after the types of data
channel they were allocated, were used, called Half Rate (6.5 Kbit/s) and Full
Rate (13 kbit/s). These used a system based upon linear predictive coding (LPC). In
addition to being efficient with bitrates, these codecs also made it easier to identify
more important parts of the audio, allowing the air interface layer to prioritize and
better protect these parts of the signal.
GSM was further enhanced in 1997[8] with the Enhanced Full Rate (EFR)
codec, a 12.2 Kbit/s codec that uses a full rate channel. Finally, with the development
of UMTS, EFR was refactored into a variable-rate codec called AMR-Narrowband,
which is high quality and robust against interference when used on full rate channels,
and less robust but still relatively high quality when used in good radio conditions on
half-rate channels.
4.4 NETWORK STRUCTURE
The network is structured into a number of discrete sections:
 The Base Station Subsystem (the base stations and their controllers).
 The Network and Switching Subsystem (the part of the network most similar to a
fixed network). This is sometimes also just called the core network.
 The GPRS Core Network (the optional part which allows packet based Internet
connections).
Fig 4.1: Structure of GSM network
SVCET Page 42
4.5 SUBSCRIBER IDENTITY MODULE (SIM)
One of the key features of GSM is the Subscriber Identity Module, commonly
known as a SIM card. The SIM is a detachable smart card containing the user's
subscription information and phone book. This allows the user to retain his or her
information after switching handsets. Alternatively, the user can also change operators
while retaining the handset simply by changing the SIM. Some operators will block
this by allowing the phone to use only a single SIM, or only a SIM issued by them;
this practice is known as SIM locking.
4.6 PHONE LOCKING
Sometimes mobile network operators restrict handsets that they sell for use
with their own network. This is called locking and is implemented by a software
feature of the phone. Because the purchase price of the mobile phone to the consumer
may be subsidized with revenue from subscriptions, operators must recoup this
investment before a subscriber terminates service. A subscriber may usually contact
the provider to remove the lock for a fee, utilize private services to remove the lock,
or make use of free or fee-based software and websites to unlock the handset
themselves.
Insome countries
(e.g., Bangladesh,Brazil, Chile, HongKong, India, Lebanon, Malaysia, Pakistan, Sing
apore) all phones are sold unlocked. In others (e.g., Finland, Singapore) it is unlawful
for operators to offer any form of subsidy on a phone's price.
4.7 GSM SERVICE SECURITY
GSM was designed with a moderate level of service security. The system was
designed to authenticate the subscriber using a pre-shared key and challenge-
response. Communications between the subscriber and the base station can be
encrypted. The development of Introduces an optional Universal Subscriber Identity
Module (USIM), that uses a longer authentication key to give greater security, as well
as mutually authenticating the network and the user – whereas GSM only
authenticates the user to the network (and not vice versa). The security model
therefore offers confidentiality and authentication, but limited authorization
capabilities, and no non-repudiation.
SVCET Page 43
GSM uses several cryptographic algorithms for security.
The A5/1 and A5/2 stream ciphers are used for ensuring over-the-air voice privacy.
A5/1 was developed first and is a stronger algorithm used within Europe and the
United States; A5/2 is weaker and used in other countries. Serious weaknesses have
been found in both algorithms: it is possible to break A5/2 in real-time with a cipher
text-only attack, and in January 2007, The Hacker's Choice started the A5/1 cracking
project with plans to use FPGAs that allow A5/1 to be broken with a rainbow table
attack. The system supports multiple algorithms so operators may replace that cipher
with a stronger one.
On 28 December 2009 German computer engineer Karsten Nohl announced
that he had cracked the A5/1 cipher. According to Nohl, he developed a number
of rainbow tables (static values which reduce the time needed to carry out an attack)
and have found new sources for known. He also said that it is possible to build "a full
GSM interceptor from open source components" but that they had not done so
because of legal concerns. An update by Nancy Owano on Dec. 27, 2011 on
PhysOrg.com quotes Nohl as a "security expert", and details these concerns:
Nohl said that he was able to intercept voice and text conversations by
impersonating another user to listen to their voice mails or make calls or send text
messages. Even more troubling was that he was able to pull this off using a seven-
year-old Motorola cell phone and decryption software available free off the Internet.
GSM was also mentioned in a Reuters story "Hackers say to publish emails
stolen from Stratfor" on Yahoo! News.
New attacks have been observed that take advantage of poor security
implementations, architecture and development for smart phone applications. Some
wiretapping and eavesdropping techniques hijack the audio input and output
providing an opportunity for a 3rd party to listen in to the conversation. At present
such attacks often come in the form of a Trojan, malware or a virus and might be
detected by security software.
GSM uses General Packet Radio Service (GPRS) for data transmissions like
browsing the web. The most commonly deployed GPRS and EDGE ciphers were
publicly broken in 2011, and the evidence indicates that they were once again
intentionally left weak by the mobile industry designers.
SVCET Page 44
The researchers revealed flaws in the commonly used GEA/1 and GEA/2
ciphers and published the open source "gprs decode" software for sniffing
GPRS/EDGE networks. They also noted that some carriers don't encrypt the data at
all (i.e. using GEA/0) in order to detect the use of traffic or protocols they don't like,
e.g. Skype, leaving their customers unprotected. GEA/3 seems to remain relatively
hard to break and is said to be in use on some more modern networks. If used
with USIM to prevent connections to fake base stations and downgrade attacks, users
will be protected in the medium term, though migration to 128-bit GEA/4 is still
recommended.
But since GEA/0, GEA/1 and GEA/2 are widely deployed, applications should
use SSL/TLS for sensitive data, as they would on wi-finetworks.
4.8GSM OPEN SOURCE SOFTWARE
Several open-source software projects exist that provide certain GSM features:
GSM daemon by Openmoko, BTS develops a station, The GSM Software
Project aims to build a GSM analyzer for less than $1000Osmocom BB developers
intend to replace the proprietary baseband GSM stack with a free software
implementation.
Issues with patents and open source
Patents remain a problem for any open-source GSM implementation, because
it is not possible for GNU or any other free software distributor to guarantee
immunity from all lawsuits by the patent holders against the users. Furthermore new
features are being added to the standard all the time which means they have patent
protection for a number of years.
The original GSM implementations from 1991 are now entirely free of patent
encumbrances and it is expected that Open BTS will be able to implement features of
that initial specification without limit and that as patents subsequently expire, those
features can be added into the open source version. As of 2011, there have been no
law suits against users of Open BTS over GSM use.
International Mobile Subscriber Identity (IMSI)
 MSISDN Mobile Subscriber ISDN Number
 Handoff
SVCET Page 45
 Visitors Location Register (VLR)
 Um interface
 GSM-R (GSM-Railway)
 GSM services
 Cell Broadcast
 GSM localization
 Multimedia Messaging Service (MMS)
 NITZ Network Identity and Time Zone
 Wireless Application Protocol (WAP)
 Network simulation Simulation of GSM networks
 Standards
 Comparison of mobile phone standards
 GEO-Mobile Radio Interface
 Intelligent Network
 Parlay X
 RRLP – Radio Resource Location Protocol
 GSM 03.48 – Security mechanisms for the SIM application toolkit
 RTP audio video profile
 Enhanced Network Selection (ENS)
SVCET Page 46
CHAPTER V
GPS-GLOBAL POSITIONING SYSTEM
The Global Positioning System, usually called GPS, is the only fully-
functional satellite navigation system(allow small electronic devices to determine
their location (Longitude, Latitude, and Altitude) in within a few meters using time
signals transmitted along a line of sight by radio from satellites. Receivers on the
ground with a fixed position can also be used to calculate the precise time as a
reference for scientific experiments.
GPS has become a vital global utility, indispensable for modern navigation on
land, sea, and air around the world, as well as an important tool for map-making and
land surveying. GPS also provides an extremely precise time reference, required for
telecommunications and some scientific research, including the study of earthquakes.
GPS receivers can also gauge altitude and speed with a very high degree of accuracy.
The GPS project was developed in 1973 to overcome the limitations of
previous navigation systems, integrating ideas from several predecessors, including a
number of classified engineering design studies from the 1960s. GPS was created and
realized by the U.S. Department of Defense (DOD) and was originally run with
24 satellites. It became fully operational in 1994.
5.1 WORKING OF GPS
GPS works like this:
A minimum of 24 GPS satellites are in orbit at 20,200 kilometers (12,600
miles) above the Earth. The satellites are spaced so that from any point on Earth, at
least four satellites will be above the horizon.
Each satellite contains a simple computer, atomic clocks, and various radios.
With an understanding of its own orbit and the clock, the satellite continually
broadcasts its changing position and time. The satellites use their on-board atomic
clocks to keep precise time, but are otherwise very simple and unsophisticated when
compared to other modern spacecraft.
A GPS receiver "knows" the location of the satellites. By estimating how far
away a satellite is, the receiver also "knows" it is located somewhere on the surface of
SVCET Page 47
an imaginary sphere centered at the satellite. It then determines the sizes of several
spheres, one for each satellite. The receiver is located where these spheres intersect.
Fig 5.1: Determining position of object in GPS
1- Satellite's position is determined relative to the Earth.
2- Location on Earth is located relative to the satellite.
3- THEN the Location's position on the Earth can be determined from the VECTOR
sum of the other two measurements. All measurements must are done to such a
precision that the location on the Earth is known to within 15 m.
Fig 5.2: Calculation of distance
The distance from the satellite is determined by the time it takes for a radio wave to
reach the site from the satellite.
SVCET Page 48
Distance = (speed of light) x (time of flight)
This is very simple but there are a few difficulties:
The receiver clock is not exactly synchronized with the satellite clock so the time
of flight will be imprecise. The satellite and receiver are in different velocity reference
frames and gravitational regimes.
The speed of light is 300,000 km/s in a vacuum. However, while traveling through
the Earth Ionosphere and Troposphere, the radio waves travel at slightly slower
speeds.
The location is a vector and must also include direction. In order to do this,
distances from several satellites are required. This is called triangulation. We wish to
find our latitude, longitude and height above the center of the Earth. These are three
different numbers and would require distances to three different satellites
Time for the signal to reach GPS receiver is determined. Distance is computed by
multiplying by the speed of light. Distance from two satellites defines 2 points (in 2
dimensional space.The distance from a third satellite narrows the location to an “error
triangle.”Assume the error in each of our measurements is a constant, k.Solve for k,
so that the “error triangle” is as small as possible.
Fig 5.3: Calculation of triangulation point
SVCET Page 49
5.2 STRUCTURE
Fig 5.4: Segments of GPS
The current GPS consists of three major segments. These are the space
segment (SS), a control segment (CS), and a user segment (US).The U.S. Air Force
develops, maintains, and operates the space and control segments. GPS
satellites broadcast signals from space, and each GPS receiver uses these signals to
calculate its three-dimensional location (latitude, longitude, and altitude) and the
current time.
The space segment is composed of 24 to 32 satellites in medium Earth
orbit and also includes the payload adapters to the boosters required to launch them
into orbit. The control segment is composed of a master control station, an alternate
master control station, and a host of dedicated and shared ground antennas and
monitor stations. The user segment is composed of hundreds of thousands of U.S. and
allied military users of the secure GPS Precise Positioning Service and tens of
Usersegment
Groundantennas
Control segment
Master station Monitor station
Space segment
SVCET Page 50
millions of civil, commercial, and scientific users of the Standard Positioning Service
(see GPS navigation devices).
5.3 SPACE SEGMENT
Fig 5.5: Space segment
The space segment (SS) is composed of the orbiting GPS satellites or Space
Vehicles (SV) in GPS parlance. The GPS design originally called for 24 SVs, eight
each in three approximately circular orbits, but this was modified to six orbital planes
with four satellites each. The orbits are centered on the Earth, not rotating with the
Earth, but instead fixed with respect to the distant stars. The six orbit planes have
approximately 55° inclination (tilt relative to Earth's equator) and are separated by
60° right ascension of the ascending node (angle along the equator from a reference
point to the orbit's intersection). The orbital period is one-half a sidereal day, i.e. 11
hours and 58 minutes. The orbits are arranged so that at least six satellites are always
within line of sight from almost everywhere on Earth's surface. The result of this
objective is that the four satellites are not evenly spaced (90 degrees) apart within
each orbit. In general terms, the angular difference between satellites in each orbit is
30, 105, 120, and 105 degrees apart which, of course, sum to 360 degrees.
5.4 CONTROL SEGMENT
The control segment is composed of
1. A master control station (MCS),
2. An alternate master control station,
3. Four dedicated ground antennas and
4. Six dedicated monitor stations
SVCET Page 51
Fig 5.6: Control segment
The MCS can also access U.S. Air Force Satellite Control Network (AFSCN)
ground antennas (for additional command and control capability) and NGA (National
Geospatial-Intelligence Agency) monitor stations. The flight paths of the satellites are
tracked by dedicated U.S. Air Force monitoring stations
in Hawaii, Kwajalein, Ascension Island, Diego Garcia, Colorado Springs,
Colorado and Cape Canaveral, along with shared NGA monitor stations operated in
England, Argentina, Ecuador, Bahrain, Australia and Washington DC.
The tracking information is sent to the Air Force Space Command MCS
at Schriever Air Force Base 25 km (16 mi) ESE of Colorado Springs, which is
operated by the 2nd Space Operations Squadron (2 SOPS) of the U.S. Air Force. Then
2 SOPS contacts each GPS satellite regularly with a navigational update using
dedicated or shared (AFSCN) ground antennas (GPS dedicated ground antennas are
located at Kwajalein, Ascension Island, Diego Garcia, and Cape Canaveral).
These updates synchronize the atomic clocks on board the satellites to within a
few nanoseconds of each other, and adjust the ephemeris of each satellite's internal
orbital model. The updates are created by a Kalman filter that uses inputs from the
ground monitoring stations, space weather information, and various other inputs.
The Operation Control Segment (OCS) currently serves as the control segment of
record. It provides the operational capability that supports global GPS users and keeps
the GPS system operational and performing within specification.
OCS successfully replaced the legacy 1970’s-era mainframe computer at
Schriever Air Force Base in September 2007. After installation, the system helped
enable upgrades and provide a foundation for a new security architecture that
supported the U.S. armed forces. OCS will continue to be the ground control system
of record until the new segment, Next Generation GPS Operation Control
System (OCX), is fully developed and functional.
SVCET Page 52
5.5 USER SEGMENT
The user segment is composed of hundreds of thousands of U.S. and allied
military users of the secure GPS Precise Positioning Service, and tens of millions of
civil, commercial and scientific users of the Standard Positioning Service.
Fig 5.7: User segment
In general, GPS receivers are composed of an antenna, tuned to the
frequencies transmitted by the satellites, receiver-processors, and a highly stable clock
(often a crystal oscillator). They may also include a display for providing location and
speed information to the user. A receiver is often described by its number of channels:
this signifies how many satellites it can monitor simultaneously. Originally limited to
four or five, this has progressively increased over the years so that, as of 2007,
receivers typically have between 12 and 20 channels.
Fig 5.8: User segment 2
GPS receivers may include an input for differential corrections, using
the RTCM SC-104 format. This is typically in the form of an RS-232 port at
4,800 bit/s speed. Data is actually sent at a much lower rate, which limits the accuracy
of the signal sent using RTCM. Receivers with internal DGPS receivers can
SVCET Page 53
outperform those using external RTCM data. As of 2006, even low-cost units
commonly include Wide Area Augmentation System (WAAS) receivers.
Many GPS receivers can relay position data to a PC or other device using
the NMEA 0183 protocol. Although this protocol is officially defined by the National
Marine Electronics Association (NMEA references to this protocol have been
compiled from public records, allowing open source tools like gpsd to read the
protocol without violating intellectual property laws.
Other proprietary protocols exist as well, such as
the SiRF and MTK protocols. Receivers can interface with other devices using
methods including a serial connection, USB, or Bluetooth.
SVCET Page 54
CHAPTER VI
SERIAL COMMUNICATION
Computers transfer data in two ways: parallel and serial. In parallel data
transfers, often 8 or more lines are used to transfer data to a device that is only a few
feet away. Although a lot of data can be transferred in a short amount of time by using
many wires in parallel, the distance cannot be great. To transfer to a device located
many meters away, the serial method is best suitable.
In serial communication, the data is sent one bit at a time. The 8051 has serial
communication capability built into it, thereby making possible fast data transfer
using only a few wires.
The fact that serial communication uses a single data line instead of the 8-bit
data line instead of the 8-bit data line of parallel communication not only makes it
cheaper but also enables two computers located in two different cities to communicate
over the telephone.
The main requirements for serial communication are:
1. Microcontroller
2. PC
3. RS 232 cable
4. MAX 232 IC
5. HyperTerminal
6.1 ASYNCHRONOUS AND SYNCHRONOUS SERIAL
COMMUNICATION
Serial data communication uses two methods, asynchronous and synchronous.
The synchronous method transfers a block of data at a time, while the asynchronous
method transfers a single byte at a time. With synchronous communications, the two
devices initially synchronize themselves to each other, and then continually send
characters to stay in sync. Even when data is not really being sent, a constant flow of
bits allows each device to know where the other is at any given time. That is, each
character that is sent is either actual data or an idle character. Synchronous
communications allows faster data transfer rates than asynchronous methods, because
additional bits to mark the beginning and end of each data byte are not required. The
SVCET Page 55
serial ports on IBM-style PCs are asynchronous devices and therefore only support
asynchronous serial communications.
Asynchronous means "no synchronization", and thus does not require sending
and receiving idle characters. However, the beginning and end of each byte of data
must be identified by start and stop bits. The start bit indicates when the data byte is
about to begin and the stop bit signals when it ends. The requirement to send these
additional two bits causes asynchronous communication to be slightly slower than
synchronous however it has the advantage that the processor does not have to deal
with the additional idle characters.
There are special IC chips made by many manufacturers for serial data
communications. These chips are commonly referred to as UART(universal
asynchronous receiver-transmitter) and USART(universal synchronous-asynchronous
receiver-transmitter). The 8051 has a built-in UART.
In the asynchronous method, the data such as ASCII characters are packed
between a start and a stop bit. The start bit is always one bit, but the stop bit can be
one or two bits. The start bit is always a 0 (low) and stop bit (s) is 1 (high). This is
called framing.
The rate of data transfer in serial data communication is stated as bps (bits per
second). Another widely used terminology for bps is baud rate. The data transfer rate
of a given computer system depends on communication ports incorporated into that
system. And in asynchronous serial data communication, this baud rate is generally
limited to 100,000bps. The baud rate is fixed to 9600bps in order to interface with the
microcontroller using a crystal of 11.0592 MHz.
6.2 RS232 CABLE
To allow compatibility among data communication equipment, an interfacing
standard called RS232 is used. Since the standard was set long before the advent of
the TTL logic family, its input and output voltage levels are not TTL compatible. For
this reason, to connect any RS232 to a microcontroller system, voltage converters
such as MAX232 are used to convert the TTL logic levels to the RS232 voltage levels
and vice versa.
6.3 MAX 232
Max232 IC is a specialized circuit which makes standard voltages as required
by RS232 standards. This IC provides best noise rejection and very reliable against
SVCET Page 56
discharges and short circuits. MAX232 IC chips are commonly referred to as line
drivers.
To ensure data transfer between PC and microcontroller, the baud rate and
voltage levels of Microcontroller and PC should be the same. The voltage levels of
microcontroller are logic1 and logic 0 i.e., logic 1 is +5V and logic 0 is 0V. But for
PC, RS232 voltage levels are considered and they are: logic 1 is taken as -3V to -25V
and logic 0 as +3V to +25V. So, in order to equal these voltage levels, MAX232 IC is
used. Thus this IC converts RS232 voltage levels to microcontroller voltage levels
and vice versa.
Fig 6.1: MAX232 IC
6.3 SCON (serial control) registers
The SCON register is an 8-bit register used to program the start bit, stop bit
and data bits of data framing.
Table 6.1: SCON
SM0 SM1 SM2 REN TB8 RB8 TI RI
SM0 SM1 SM2 REN TB8 RB8 TI RI
SVCET Page 57
Table 6.2: SCON types and modes
SM0 SCON.7 Serial port mode specifier
SM1 SCON.6 Serial port mode specifier
SM2 SCON.5 Used for multiprocessor communication
REN SCON.4 Set/cleared by software to enable/disable
reception
TB8 SCON.3 Not widely used
RB8 SCON.2 Not widely used
TI SCON.1 Transmit interrupt flag. Set by hardware at the
beginning of the stop bit in mode 1. Must be
cleared by software.
RI SCON.0 Receive interrupt flag. Set by hardware at the
beginning of the stop bit in mode 1. Must be
cleared by software.
SM0 SM1
0 0 Serial Mode 0
0 1 Serial Mode 1, 8-bit data, 1 stop bit, 1 start bit
1 0 Serial Mode 2
1 1 Serial Mode 3
SVCET Page 58
Of the four serial modes, only mode 1 is widely used. In the SCON register,
when serial mode 1 is chosen, the data framing is 8 bits, 1 stop bit and 1 start bit,
which makes it compatible with the COM port of IBM/ compatible PC’s. And the
most important is serial mode 1 allows the baud rate to be variable and is set by Timer
1 of the 8051. In serial mode 1, for each character a total of 10 bits are transferred,
where the first bit is the start bit, followed by 8 bits of data and finally 1 stop bit.
SVCET Page 59
CHAPTER VII
KEIL SOFTWARE
Keil development tools for the 8051 Microcontroller Architecture support
every level of software developer from the professional applications engineer to the
student just learning about embedded software development. The industry-standard
Keil C Compilers, Macro Assemblers, Debuggers, Real-time Kernels, Single-board
Computers, and Emulators support all 8051 derivatives and help you get.
7.1 SIMULATION
The µVision Simulator allows you to debug programs using only your PC
using simulation drivers provided by Keil and various third-party developers. A good
simulation environment, like µVision, does much more than simply simulate the
instruction set of a microcontroller — it simulates your entire target system including
interrupts, start up code, on-chip peripherals, external signals, and I/O. This software
is used for execution of microcontroller programs. Keil development tools for the
MC architecture support every level of software developer from the professional
applications engineer to the student just learning about embedded software
development. The industry-standard keil C compilers, macro assemblers, debuggers,
real, time Kernels, Single-board computers and emulators support all microcontroller
derivatives and help you to get more projects completed on schedule. The keil
software development tools are designed to solve the complex Problems facing
embedded software developers.
When starting a new project, simply select the microcontroller you the device
database and the µvision IDE sets all compiler, assembler, linker, and memory
options for you. Numerous example programs are included to help you get started
with the most popular embedded AVR devices. The keil µ Vision debugger accurately
simulates on-chip peripherals (PC, CAN, UART, SPI, Interrupts, I/Oports,A/D
converter, D/A converter and PWM modules)of your AVR device. Simulation helps
you understand h/w configurations and avoids time wasted on setup problems.
Additionally, with simulation, you can write and test applications before target h/w is
available.
SVCET Page 60
Click on the Keil uVision Icon on Desktop.The following fig will appear
Fig 7.1: Keil software step1
1. Click on the Project menu from the title bar
Then Click on New Project
Fig 7.2: Keil software step2
2. Save the Project by typing suitable project name with no extension in u r own folder
sited in either C: or D:
SVCET Page 61
Fig 7.3: Keil software step3
Then Click on save button above.
3. Select the component for u r project. i.e. Atmel……
4. Click on the + Symbol beside of Atmel
Fig 7.4: Keil software step4
5. Select AT89C52 as shown below
SVCET Page 62
Fig 7.5: Keil software step5
6. Then Click on “OK”
7. The Following fig will appear
Fig 7.6: Keil software step6
SVCET Page 63
8. Then Click either YES or NO………mostly “NO”
9. Now your project is ready to USE
10. Now double click on the Target1, you would get another option “Source group 1” as
shown in next page.
Fig 7.7: Keil software step7
11. Click on the file option from menu bar and select “new”
Fig 7.8: Keil software step8
SVCET Page 64
12. The next screen will be as shown in next page, and just maximize it by double
clicking on its blue boarder.
Fig 7.9: Keil software step9
13. Now start writing program in either in “C” or “ASM”
14. For a program written in Assembly, then save it with extension “. asm” and for “C”
based program save it with extension “ .C”
Fig 7.10: Keil software step1
SVCET Page 65
15. The next screen will be as shown in next page, and just maximize it by double
clicking on its blue boarder.
16. Now right click on Source group 1 and click on “Add files to Group Source”
Fig 7.11: Keil software step11
17. Now you will get another window, on which by default “C” files will appear.
Fig 7.12: Keil software step12
Now select as per your file extension given while saving the file
18. Click only one time on option “ADD”
19. Now Press function key F7 to compile. Any error will appear if so happen.
SVCET Page 66
Fig 7.13: Keil software step13
20. If the file contains no error, then press Control+F5 simultaneously.
21. The new window is as follows
Fig 7.14: Keil software step14
22. Then Click “OK”
23. Now Click on the Peripherals from menu bar, and check your required port as shown
in fig below
SVCET Page 67
Fig 7.15: Keil software step15
24. Drag the port a side and click in the program file.
Fig 7.16: Keil software step16
25. Now keep Pressing function key “F11” slowly and observe.
You are running your program successfully.
SVCET Page 68
CHAPTER VIII
SOFTWARE DESCRIPTION
8. 1SOURCE CODE
************* MODULES:
MAIN SECTION:
LPC2148 Microcontroller
LCD(4-bit data ) RS-P1.16,EN-P1.17,DATA -P1.18-P1.19
GSM (UART0)
GPS (UART1)
keys (3) P1,22-P1.24
1. Ir-Photodiode P0.16
Proximity P0.17
Motor P0.19
Ignition Key p0.20
****************/
/************************** HEADER FILES
************************************/
#include <LPC214X.H>
#include "lcd.h"
#include "UART.h"
#include <string.h>
/************************** PIN CONNECTIONS
***********************************/
#define photodiode (1<<16) //P0.16
#define proximity (1<<17)
#define buzzer (1<<18) // Buzzer declaration of pin no 18 of PORT0
#define motor (1<<19)
#define key (1<<20)
/************** PIN DECLARATIONS ****************/
#define inc (1<<22) //P1.22
SVCET Page 69
#define dec (1<<2)
#define ent (1<<24)
unsigned char c[20],a[5],i,f1,f2;
unsigned char d[50],j,fg1,fg2;
unsigned char m,n,ti[10],lt[15],lg[15];
unsigned char flag,f,x,b[20],k,numr[15],loc,z;
unsigned char phno[]="+919160508552"; // owner no
unsigned char phno1[]="+919494971169"; // police no
///*********** GSM Interrupt service routine program *******//
void gsm (void) __irq
{
unsigned char temp,IIR;
while((IIR=(U0IIR & 0x01))==0)
{
temp=U0RBR;
c[i++]=temp;
break;
}
}
///*********** GPS Interrupt service routine program *******//
void gps (void) __irq
{
unsigned char temp,IIR;
while((IIR=(U1IIR & 0x01))==0)
{
temp=U1RBR;
if(fg1==1){d[j++]=temp;if(j==45){d[j]='0';fg2=1;} }
if(temp=='$'){j=0;fg1=1;}
break;
SVCET Page 70
}
}
/* KEY PAD SCAN FUNCTION*/
unsigned char keyscan(unsigned char loc)
{
unsigned char temp=0;
while((IOPIN1 & 0x01000000)!=0x00)
{
if((IOPIN1 & 0x00400000)==0x00)
{
delay(1000);
while((IOPIN1 & 0x00400000)==0x00);
delay(10);
if(temp>=9)
{
temp=9;
}
else
{
temp++;
}
}
if((IOPIN1 & 0x00800000)==0x00)
{
delay(1000);
while((IOPIN1 & 0x00800000)==0x00);
delay(10);
if(temp<=0)
{
temp=0;
}
else
{
temp--;
SVCET Page 71
}
}
lcdcmd(loc);
lcddata(temp+0x30);
}
delay(1000);
while((IOPIN1 & 0x01000000)==0x00);
delay(300);
return temp;
}
/************* MESSAGE SENDING **************/
void message(unsigned char *ph)
{
gsmint();
gpsint();
lcdclear();
disp_loc(0x80,"SENDING SMS...");
serial0("AT+CMGS=");
serial_char0(0x22);serial0(ph);serial_char0(0x22);
serial_char0(0x0d);
delay(2000);
serial0("VEHICLE IS GOING TO BE THEFTED, IS AT LOCATION");
serial0("LT:");
serial0(lt);
serial0("LG:");
serial0(lg);
serial_char0(0x1A);
disp_loc(0x80,"SENDING SENDED...");
delay(10000);
}
void msg1(void)
{
SVCET Page 72
gsmint();
lcdclear();
disp_loc(0x80,"SENDING SMS...");
serial0("AT+CMGS=");
serial_char0(0x22);serial0(phno);serial_char0(0x22);
serial_char0(0x0d);
delay(2000);
serial0("YOUR VEHICLE IS GOING TO BE ACESSED");
serial_char0(0x1A);
disp_loc(0x80,"SENDING SENDED...");
delay(10000);
}
/************************** MAIN FUNCTION
*************************************/
int main( void )
{
unsigned int mask1,mask2,count,chk_flag;
/************ LCDINTILISATIONS *****************/
lcdint();
disp_loc(0x80," WELCOME TO ");
disp_loc(0xc0," THE PROJECT ");
delay(5000);
PINSEL1=0x15400000;
serialint0();
VICIntEnable=0x40;
U0IER=0x01;
VICVectAddr0=(unsigned)gsm;
VICVectCntl0=0x26;
serialint1();
VICIntEnable|=0x80;
U1IER=0x01;
VICVectAddr1=(unsigned)gps;
VICVectCntl1=0x27;
gsmint();
SVCET Page 73
gpsint();
IODIR0=0x00f00000;
IOPIN0=0x00ff0000;
IOSET0=0x00ff0000;
IODIR0|=buzzer;
IODIR0|=motor;
IOCLR0=motor;
IOCLR0=buzzer;
count=0;
lcdclear();
disp_loc(0x80," WELCOME TO ");
disp_loc(0xc0," THE PROJECT ");
while(1)
{
mask1=IOPIN0 & 0x00010000; //photodiode
mask2=IOPIN0 & 0x00020000; //proximity
if((mask1==0) &&(mask2==0))
{
msg1();
lcdclear();
disp_loc(0x80,"ENTER PASSWORD");
p1: delay(100);
a[0]=keyscan(0xc0)+0x30;
a[1]=keyscan(0xc1)+0x30;
a[2]=keyscan(0xc2)+0x30;
a[3]='0';
delay(100);
disp_loc(0x80,"PASSWORD ENTERED");
delay(100);
if(!(strcmp(a,"123")))
{
delay(200);
lcdclear();
SVCET Page 74
disp_loc(0x80,"AUTHENTICATION");
disp_loc(0xc0," SUCCEED ");
p3: delay(500);
chk_flag=0;
while(chk_flag==0)
{
if(IOPIN0 ==((IOPIN0 &
0xff0fffff)|(0x00E00000)))
{
IOSET0=motor;
}
else
{
IOCLR0=motor;
}
mask1=IOPIN0 & 0x00010000; //photodiode
mask2=IOPIN0 & 0x00020000; //proximity
if((mask1!=0) &&(mask2!=0))
{
chk_flag=1;
}
}
lcdclear();
disp_loc(0x80," WELCOME TO ");
disp_loc(0xc0," THE PROJECT ");
}
else
{
count++;
IOSET0=buzzer;
disp_loc(0xc0,"WRONG PASSWORD");
delay(500);
SVCET Page 75
IOCLR0=buzzer;
if(count>=3)
{
count=0;
lcdclear();
message(phno);
message(phno1);
lcdclear();
disp_loc(0x80," THE VEHICLE ");
disp_loc(0xc0," ACESS DENIED ");
delay(5000);
lcdclear();
disp_loc(0x80," ENTER SECRETE ");
p2: disp_loc(0xc0," KEY:");
delay(100);
a[0]=keyscan(0xc5)+0x30;
a[1]=keyscan(0xc6)+0x30;
a[2]=keyscan(0xc7)+0x30;
a[3]='0';
delay(100);
if(!(strcmp(a,"456")))
{
delay(200);
lcdclear();
disp_loc(0x80,"AUTHENTICATION");
disp_loc(0xc0," SUCCEED ");
goto p3;
}
else
{
IOSET0=buzzer;
lcdclear();
SVCET Page 76
disp_loc(0x80,"REENTER SECRETE
");
delay(100);
IOCLR0=buzzer;
goto p2;
}
}
else
{
lcdclear();
disp_loc(0x80,"REENTER PASSWORD");
goto p1;
}
}
}
}
}
SVCET Page 77
RESULTS
Hence the project is designed in such a way so as to protect the vehicle from being
theft, using the modules namely,
a. GSM-Global system for mobiles
b. GPS-Global positioning system
c. Microcontroller
Softwares used are
a. Keil software
b. Embedded C
c. GSM Open source software
d. GPS HyperTerminal software
ADVANTAGES
• Protects vehicle from theft.
• Low cost vehicle theft control scheme.
• The message is sent to the police and the owner about the unauthorized usage.
• The GPS used here tracks the location and sends the information.
• It leaves no choice for the thief to escape.
• The second lock system is available only with the owner, hence a total control
over the vehicle is established.
• Flexible operation.
• Postion can be easily identified.
SVCET Page 78
CONCLUSIONS
The project “Anti Theft Control System Design Using Embedded system” has
been successfully designed and tested. It has been developed by integrating features
of all the hardware components used. Presence of every module has been reasoned out
and placed carefully thus contributing to the best working of the unit.
FUTURE ENHANCEMENT:
The whole system can be made more compact and flexible. All the modules
and sensing system can be brought under a single chip and System-On- Chip (SOC)
for anti-theft control can be designed.
SVCET Page 79
REFERENCES
 M. Gianluigi, G. Italiano, GSM and GPRS performance of IPSEC.
 Microcontroller by Mazidi.
 Microcontroller 8051 by Kenneth Ayala.
 Raj Kamal “Embedded Systems – architecture , programming and
Design “Second Edition 2009.
 Anti Theft Control System available at the market.
 http://www.unitracking.com/howitworks.html
 http//www.gpsuser.pdf.
 http://www.erols.com/dlwilson/gpscomp.htm
 Www. Wikipedia .com.

edited doc

  • 1.
    SVCET Page 1 CHAPTERI INTRODUCTION 1.1 INTRODUCTION Anti theft control system for automobiles is a project which tries to prevent the theft of a vehicle. This system makes use of an embedded chip that has an inductive proximity sensor, which senses the key during insertion and sends a text message to the owner’s mobile stating that the car is being accessed. When key is inserted the light between the photo diode and IR TX is cut, the proximity sensor senses the key and sends message to the owner using GSM, then the unknown gets trapped in the vehicle, the door locks are activated using motor connection, if the owner himself is travelling then he can turn off the vibration sensor which is known only to the owner. If the thief starts the car he can be trapped using GPS. 1.1.1 AIM OF THE PROJECT REPORT The main purpose of this project is protecting vehicle from theft. Now a day’s vehicle thefts are increasing rapidly. People have started to use the theft control systems installed in their vehicles. The commercially available anti-theft vehicular systems are very expensive. And this project is developed as low cost vehicle theft control scheme using a microcontroller and with usage of GSM and GPS technology. In this project we present an anti theft control system for automobiles that tries to prevent the theft of a vehicle using GSM and GPS. 1.2 INTRODUCTION TO EMBEDDED SYSTEMS An Embedded System is a combination of computer hardware and software, and perhaps additional mechanical or other parts, designed to perform a specific function. An embedded system is a microcontroller-based, software driven, reliable, real-time control system, autonomous, or human or network interactive, operating on diverse physical variables and in diverse environments and sold into a competitive and cost conscious market. An embedded system is not a computer system that is used primarily for processing, not a software system on PC or UNIX, not a traditional business or
  • 2.
    SVCET Page 2 scientificapplication. High-end embedded & lower end embedded systems. High-end embedded system - Generally 32, 64 Bit Controllers used with OS. Examples Personal Digital Assistant and Mobile phones etc .Lower end embedded systems - Generally 8,16 Bit Controllers used with an minimal operating systems and hardware layout designed for the specific purpose. 1.2.1 SYSTEM DESIGN CALLS: Fig 1.1: Embedded system design calls 1.2.2 EMBEDDED SYSTEM DESIGN CYCLE Fig 1.2: “V Diagram of Embedded system”
  • 3.
    SVCET Page 3 1.2.3CHARACTERISTICS OF EMBEDDED SYSTEM An embedded system is any computer system hidden inside a product other than a computer.They will encounter a number of difficulties when writing embedded system software in addition to those we encounter when we write applications a. Throughput – Our system may need to handle a lot of data in a short period of time. b. Response–Our system may need to react to events quickly c. Testability–Setting up equipment to test embedded software can be difficult d. Debugability–Without a screen or a keyboard, finding out what the software is doing wrong (other than not working) is a troublesome problem e. Reliability – embedded systems must be able to handle any situation without human intervention f. Memory space – Memory is limited on embedded systems, and you must make the software and the data fit into whatever memory exists g. Program installation – you will need special tools to get your software into embedded systems h. Power consumption – Portable systems must run on battery power, and the software in these systems must conserve power i. Processor hogs – computing that requires large amounts of CPU time can complicate the response problem j. Cost – Reducing the cost of the hardware is a concern in many embedded system projects; software often operates on hardware that is barely adequate for the job. Embedded systems have a microprocessor/ microcontroller and a memory. Some have a serial port or a network connection. They usually do not have keyboards, screens or disk drives. 1.2.4 APPLICATIONS 1. Military and aerospace embedded software applications 2. Communication Applications 3. Industrial automation and process control software 4. Mastering the complexity of applications. 5. Reduction of product design time.
  • 4.
    SVCET Page 4 1.2.5CLASSIFICATION  Real Time Systems.  RTS is one which has to respond to events within a specified deadline.  A right answer after the dead line is a wrong answer. RTS classification  Hard Real Time Systems  Soft Real Time System 1. HARD REAL TIME SYSTEM  "Hard" real-time systems have very narrow response time.  Example: Nuclear power system, Cardiac pacemaker. 2. SOFT REAL TIME SYSTEM  "Soft" real-time systems have reduced constrains on "lateness" but still must operate very quickly and repeatable.  Example: Railway reservation system – takes a few extra seconds the data remains valid. 1.2.6 OVERVIEW OF EMBEDDED SYSTEM ARCHITECTURE Every embedded system consists of custom-built hardware built around a Central Processing Unit (CPU). This hardware also contains memory chips onto which the software is loaded. The software residing on the memory chip is also called the ‘firmware’. The operating system runs above the hardware, and the application software runs above the operating system. The same architecture is applicable to any computer Fig 1.3: Various blocks of hardware
  • 5.
    SVCET Page 5 includinga desktop computer. However, there are significant differences. It is not compulsory to have an operating system in every embedded system. For small appliances such as remote control units, air conditioners, toys etc., there is no need for an operating system and you can write only the software specific to that application. For applications involving complex processing, it is advisable to have an operating system. In such a case, you need to integrate the application software with the operating system and then transfer the entire software on to the memory chip. Once the software is transferred to the memory chip, the software will continue to run for a long time you don’t need to reload new software. Central Processing Unit The Central Processing Unit (processor, in short) can be any of the following: microcontroller, microprocessor or Digital Signal Processor (DSP). A micro- controller is a low-cost processor. Its main attraction is that on the chip itself, there will be many other components such as memory, serial communication interface, analog to digital converter etc. So, for small applications, a micro-controller is the best choice as the number of external components required will be very less. On the other hand, microprocessors are more powerful, but you need to use many external components with them. DSP is used mainly for applications in which signal processing is involved such as audio and video processing. Memory The memory is categorized as Random Access Memory (RAM) and Read Only Memory (ROM). The contents of the RAM will be erased if power is switched off to the chip, whereas ROM retains the contents even if the power is switched off. So, the firmware is stored in the ROM. When power is switched on, the processor reads the ROM; the program is program is executed. Input devices Unlike the desktops, the input devices to an embedded system have very limited capability. There will be no keyboard or a mouse, and hence interacting with the embedded system is no easy task. Many embedded systems will have a small keypad-you press one key to give a specific command. A keypad may be used to input only the digits. Many embedded systems used in process control do not have any input device for user interaction; they take inputs from sensors or transducers 1’fnd produce electrical signals that are in turn fed to other systems.
  • 6.
    SVCET Page 6 Outputdevices The output devices of the embedded systems also have very limited capability. Some embedded systems will have a few Light Emitting Diodes (LEDs) to indicate the health status of the system modules, or for visual indication of alarms. A small Liquid Crystal Display (LCD) may also be used to display some important parameters. Communication interfaces The embedded systems may need to, interact with other embedded systems at they may have to transmit data to a desktop. To facilitate this, the embedded systems are provided with one or a few communication interfaces such as RS232, RS422, RS485, Universal Serial Bus (USB), IEEE 1394, Ethernet etc. Application-specific circuitry Sensors, transducers, special processing and control circuitry may be required fat an embedded system, depending on its application. This circuitry interacts with the processor to carry out the necessary work. The entire hardware has to be given power supply either through the 230 volts main supply or through a battery. The hardware has to design in such a way that the power consumption is minimized. 1.2.7 APPLICATION AREAS Nearly 99 per cent of the processors manufactured end up in embedded systems. The embedded system market is one of the highest growth areas as these systems are used in very market segment- consumer electronics, office automation, industrial automation, biomedical engineering, wireless communication, data communication, telecommunications, transportation, military and so on. Consumer appliances At home we use a number of embedded systems which include digital camera, digital diary, DVD player, electronic toys, microwave oven, remote controls for TV and air-conditioner, VCO player, video game consoles, video recorders etc. Today’s high-tech car has about 20 embedded systems for transmission control, engine spark control, air-conditioning, navigation etc. Even wristwatches are now becoming embedded systems. Office automation The office automation products using em embedded systems are copying machine, fax machine, key telephone, modem, printer, scanner etc.
  • 7.
    SVCET Page 7 Industrialautomation Today a lot of industries use embedded systems for process control. These include pharmaceutical, cement, sugar, oil exploration, nuclear energy, electricity generation and transmission. The embedded systems for industrial use are designed to carry out specific tasks such as monitoring the temperature, pressure, humidity, voltage, current etc., and then take appropriate action based on the monitored levels to control other devices or to send information to a centralized monitoring station. In hazardous industrial environment, where human presence has to be avoided, robots are used, which are programmed to do specific jobs. The robots are now becoming very powerful and carry out many interesting and complicated tasks such as hardware assembly. Medical electronics Almost every medical equipment in the hospital is an embedded system. These equipments include diagnostic aids such as ECG, EEG, blood pressure measuring devices, X-ray scanners; equipment used in blood analysis, radiation, colonoscopy, endoscopy etc. Developments in medical electronics have paved way for more accurate diagnosis of diseases. Computer networking Computer networking products such as bridges, routers, Integrated Services Digital Networks (ISDN), Asynchronous Transfer Mode (ATM), X.25 and frame relay switches are embedded systems which implement the necessary data communication protocols. For example, a router interconnects two networks. The two networks may be running different protocol stacks. The router’s function is to obtain the data packets from incoming pores, analyze the packets and send them towards the destination after doing necessary protocol conversion. Most networking equipments, other than the end systems (desktop computers) we use to access the networks, are embedded systems Telecommunications In the field of telecommunications, the embedded systems can be categorized as subscriber terminals and network equipment. The subscriber terminals such as key telephones, ISDN phones, terminal adapters, web cameras are embedded systems. The network equipment includes multiplexers, multiple access systems, Packet Assemblers Dissemblers (PADs), sate11ite modems etc. IP phone, IP gateway, IP
  • 8.
    SVCET Page 8 gatekeeperetc. are the latest embedded systems that provide very low-cost voice communication over the Internet. Wireless technologies Advances in mobile communications are paving way for many interesting applications using embedded systems. The mobile phone is one of the marvels of the last decade of the 20’h century. It is a very powerful embedded system that provides voice communication while we are on the move. The Personal Digital Assistants and the palmtops can now be used to access multimedia services over the Internet. Mobile communication infrastructure such as base station controllers, mobile switching centres are also powerful embedded systems. Insemination Testing and measurement are the fundamental requirements in all scientific and engineering activities. The measuring equipment we use in laboratories to measure parameters such as weight, temperature, pressure, humidity, voltage, current etc. are all embedded systems. Test equipment such as oscilloscope, spectrum analyzer, logic analyzer, protocol analyzer, radio communication test set etc. are embedded systems built around powerful processors. Thank to miniaturization, the test and measuring equipment are now becoming portable facilitating easy testing and measurement in the field by field-personnel. Security Security of persons and information has always been a major issue. We need to protect our homes and offices; and also the information we transmit and store. Developing embedded systems for security applications is one of the most lucrative businesses nowadays. Security devices at homes, offices, airports etc. for authentication and verification are embedded systems. Encryption devices are nearly 99 per cent of the processors that are manufactured end up in embedded systems. Finance Financial dealing through cash and cheques are now slowly paving way for transactions using smart cards and ATM machines. Smart card, of the size of a credit card, has a small micro-controller and memory; and it interacts with the smart card reader! ATM machine and acts as an electronic wallet. Smart card technology has the capability of ushering in a cashless society. Well, the list goes on. It is no exaggeration to say that eyes wherever you go, you can see, or at least feel, the work of an embedded system. Embedded systems find applications in every industrial
  • 9.
    SVCET Page 9 segment-consumer electronics, transportation, avionics, biomedical engineering, manufacturing, process control and industrial automation, data communication, telecommunication, defence, security etc.
  • 10.
    SVCET Page 10 CHAPTERII MICROCONTROLLERS A microcontroller is a small computer on a single integrated circuit containing a processor core, memory, and programmable input/output peripherals. Program memory in the form of NOR flash or OTP ROM is also often included on chip, as well as a typically small amount of RAM. Microcontrollers are designed for embedded applications, in contrast to the microprocessors used in personal computers or other general purpose applications. Fig 2.1: Block diagram of microcontroller
  • 11.
    SVCET Page 11 2.1AT89C51 The AT89C51 is a low-power, high-performance CMOS 8-bit microcomputer with 8kbytes of Flash programmable and erasable read only memory (PEROM). The device is manufactured using Atmel’s high-density non-volatile memory technology and is compatible with the industry-standard 80C51 and 80C52 instruction set and Pin out. The on-chip Flash allows the program memory to be reprogrammed in-system or by a conventional non-volatile memory programmer by combining a versatile 8-bit CPU with Flash on a monolithic chip. The Atmel AT89C52 is a powerful microcomputer which provides a highly-flexible and cost-effective solution to many embedded control applications. The AT89C52 is a low-power, high-performance CMOS 8-bit microcomputer with 8k bytes of Flash programmable and erasable read only memory (PEROM). 2.1.1 FEATURES • Compatible with MCS-51 Products • 8K Bytes of In-System Reprogrammable Flash Memory • Endurance: 1,000 Write/Erase Cycles • Fully Static Operation: 0 Hz to 24 MHz • Three-level Program Memory Lock • 256 x 8-bit Internal RAM • 32 Programmable I/O Lines • Three 16-bit Timer/Counters • Eight Interrupt Sources • Programmable Serial Channel • Low-power Idle and Power-down Modes • Five vector two-level interrupt architecture • A full duplex serial port, Six Interrupt Sources • On-chip oscillator and clock circuitry
  • 12.
    SVCET Page 12 2.1.2ARCHITECTURE Fig 2.2: Architecture of microcontroller
  • 13.
    SVCET Page 13 2.1.3PIN DIAGRAM Fig 2.3: PIN Diagram of microcontroller 2.1.4 PIN DESCRIPTION PINS 1-8 PORT 1: Each of these pins can be configured as input or output. PIN 9 – RST Logical one on this pin stops microcontroller’s operating and erases the contents of most registers. By applying logical zero to this pin, the program starts execution from the beginning. In other words, a positive voltage pulse on this pin resets the microcontroller. PINS 10-17 PORT 3: Similar to port 1, each of these pins can serve as universal input or output. Besides, all of them have alternative functions:
  • 14.
    SVCET Page 14 PINS10: RECEIVER Serial asynchronous communication input or Serial synchronous communication output. Pin 11: Transmitter Serial asynchronous communication output or Serial synchronous communication clock output. Pin 14:INT0 Interrupt 0 inputs Pin 13:INT1 Interrupt 1 input Pin 14:T0 Counter 0 clock input Pin 15:T1 Counter 1 clock input Pin 16: WR Signal for writing to external (additional) RAM Pin 17: RD Signal for reading from external RAM Pin 18, 19: X0, X1 Internal oscillator input and output. A quartz crystal which determines operating frequency is usually connected to these pins. Instead of quartz crystal, the miniature ceramics resonators can be also used for frequency stabilization. Later versions of the microcontrollers operate at a frequency of 0 Hz up to over 50 Hz. XTAL1 Input to the inverting oscillator amplifier and input to the internal clock operating circuit. XTAL2 Output from the inverting oscillator amplifier. Oscillator Characteristics XTAL1 and XTAL2 are the input and output, respectively, of an inverting amplifier which can be configured for use as an on-chip oscillator, as shown in Figure 1. Either a quartz crystal or ceramic resonator may be used. To drive the device from an external clock source, XTAL2 should be left unconnected while XTAL1 is driven as shown in Figure 2. There are no requirements
  • 15.
    SVCET Page 15 onthe duty cycle of the external clock signal, since the input to the internal clocking circuitry is through a divide-by-two flip-flop, but minimum and maximum voltage high and low time specifications must be observed. Fig 2.4: Oscillator connection 1 Fig 2.5: Oscillator connection 2 Pin 20: Ground Signal Ground
  • 16.
    SVCET Page 16 PINS21-28 PORT 2: If there is no intention to use external memory then these port pins are configured as universal inputs/outputs. In case external memory is used then the higher address byte, i.e. addresses A8-A15 will appear on this port. It is important to know that even memory with capacity of 64Kb is not used ( i.e. note all bits on port are used for memory addressing) the rest of bits are not available as inputs or outputs. Pin 29: PSEN Program Store Enable is the read strobe to external program memory. When the AT89C51 is executing code from external program memory, PSEN is activated twice each machine cycle, except that two PSEN activations are skipped during each access to external data memory. If external ROM is used for storing program then it has a logic-0 value every time the microcontroller reads a byte from memory. Pin 30: ALE Prior to each reading from external memory, the microcontroller will set the lower address byte (A0-A7) on P0 and immediately after that activates the output ALE. Upon receiving signal from the ALE pin, the external register (74HCT373 or 74HCT375 circuit is usually embedded) memorizes the state of P0 and uses it as an address for memory chip. In the second part of the microcontroller’s machine cycle, a signal on this pin stops being emitted and P0 is used now for data transmission (Data Bus). In this way, by means of only one additional (and cheap) integrated circuit, data multiplexing from the port is performed. This port at the same time used for data and address transmission. Address Latch Enable output pulse for latching the low byte of the address during accesses to external memory. This pin is also the program pulse input (PROG) during Flash programming. In normal operation ALE is emitted at a constant rate of 1/6 the oscillator frequency, and may be used for external timing or clocking purposes. Note, however, that one ALE pulse is skipped during each access to external Data Memory. If desired, ALE operation can be disabled by setting bit 0 of SFR location 8EH. With the bit set, ALE is active only during a MOVX or MOVC instruction. Otherwise, the pin is weakly pulled high. Setting the ALE-disable bit has no effect if the microcontroller is in external execution mode.
  • 17.
    SVCET Page 17 PIN31: EA/VPP: External Access Enable must be strapped to GND in order to enable the device to fetch code from external program memory locations starting at 0000H up to FFFFH. Note, however, that if lock bit 1 is programmed, EA will be internally latched on reset. EA should be strapped to VCC for internal program executions. By applying logic zero to this pin, P2 and P3 are used for data and address transmission with no regard to whether there is internal memory or not. That means that even there is a program written to the microcontroller, it will not be executed, the program written to external ROM will be used instead. Otherwise, by applying logic one to the EA pin, the microcontroller will use both memories, first internal and afterwards external (if it exists), up to end of address space. PINS 32-39 PORT 0: Similar to port 2, if external memory is not used, these pins can be used as universal inputs or outputs. Otherwise, P0 is configured as address output (A0-A7) when the ALE pin is at high level (1) and as data output (Data Bus), when logic zero (0) is applied to the ALE pin. Pin 40: VCC Power supply (5V) to the microcontroller. 2.2 REGISTER BANKS The 89c51 uses 8 "R" registers which are used in many of its instructions. These "R" registers are numbered from 0 through 7 (R0, R1, R2, R3, R4, R5, R6, and R7). These registers are generally used to assist in manipulating values and moving data from one memory location to another the Accumulator. Thus if the Accumulator (A) contained the value 6 and R4 contained the value 3, the Accumulator would contain the value 9 after this instruction was executed. However, as the memory map shows, the "R" Register R4 is really part of Internal RAM. Specifically, R4 is address 04h. This can be see in the bright green section of the memory map. But, the 89c51 has four distinct register banks. When the 89c51 is first booted up, register bank 0 (addresses 00h through 07h) is used by default. However, your program may instruct the 89c51 to use one of the alternate register banks; i.e., register banks 1, 2, or 3. In this case, R4 will no longer be the same as Internal RAM address 04h. For example, if
  • 18.
    SVCET Page 18 yourprogram instructs the 89c51 to use register bank 3, "R" register R4 will now be synonymous with Internal RAM address 1Ch. The concept of register banks adds a great level of flexibility to the 89c51, especially when dealing with interrupts (we'll talk about interrupts later). However, always remember that the register banks really reside in the first 32 bytes of Internal RAM. 2.2.1 BASIC REGISTERS The Accumulator: The Accumulator, as its name suggests, is used as a general register to accumulate the results of a large number of instructions. It can hold an 8-bit (1-byte) value and is the most versatile register the 89c51 has due to the sheer number of instructions that make use of the accumulator. More than half of the 89c51’s 255 instructions manipulate or use the accumulator in some way. The "R" registers: The "R" registers are a set of eight registers that are named R0, R1, etc. up to and including R7.These registers are used as auxillary registers in many operations. To continue with the above example, perhaps you are adding 10 and 20. The original number 10 may be stored in the Accumulator whereas the value 20 may be stored in, say, register R4. To process the addition you would execute the command The "B" Register: The "B" register is very similar to the Accumulator in the sense that it may hold an 8-bit (1-byte) value. The "B" register is only used by two 89c51 instructions: MUL AB and DIV AB. Thus, if you want to quickly and easily multiply or divide A by another number, you may store the other number in "B" and make use of these two instructions. Aside from the MUL and DIV instructions, the "B" register is often used as yet another temporary storage register much like a ninth "R" register. 2.2.2 SPECIAL FUNTION REGISTERS A map of the on-chip memory area called the Special Function Register (SFR) space is shown in Table 1. Note that not all of the addresses are occupied, and unoccupied addresses may not be implemented on the chip. Read accesses to these addresses will in general return random data, and write accesses will have an indeterminate effect.
  • 19.
    SVCET Page 19 Usersoftware should not write 1s to these unlisted locations, since they may be used in future products to invoke new feature. . Table 2.1: Special function registers 2.3 TIMERS The 8052 has two timers: Timer 0, Timer 1and Timer 2. They can be used either as timers to generate a time delay or as counters to count events happening outside the microcontroller.
  • 20.
    SVCET Page 20 Threetimers are 16-bit wide. Since the 8052 has an 8-bit architecture, each 16-bit timer is accessed as two separate registers of low byte and high byte. The timers 1 and 2 functions are same as in 8051. Lower byte register of Timer 0 is TL0 and higher byte is TH0. Similarly lower byte register of Timer1 is TL1 and higher byte register is TH1. 2.3.1 TIMER MODE REGISTERS Both timers 0 and 1 use the same register TMOD to set the various operation modes. TMOD is an 8-bit register in which the lower 4 bits are set aside for Timer 0 and the upper 4 bits for Timer 1. In each case, the lower 2 bits are used to set the timer mode and the upper 2 bits to specify the operation. (MSB) Table 2.2: TMOD (LSB) GATE Every timer has a means of starting and stopping. Some timers do this by software, some by hardware and some have both software and hardware controls. The timers in the 8051 have both. The start and stop of the timer are controlled by the way of software by the TR (timer start) bits TR0 and TR1. These instructions start and stop the timers as long as GATE=0 in the TMOD register. The hardware way of starting and stopping the timer by an external source is achieved by making GATE=1 in the TMOD register. C/T: Timer or counter selected. Cleared for timer operation and set for counter operation. M1 :Mode bit 1 M0 :Mode bit 0 GATE C/T M1 M0 GATE C/T M1 M0 TIMER 1 TIMER 0
  • 21.
    SVCET Page 21 Table2.3: Timer Modes M1 M0 Mode Operating Mode 0 0 0 13-bit timer mode 8-bit timer/counter THx with TLx as 5-bit prescaler 0 1 1 16-bit timer mode 16-bit timer/counters THx and TLx are cascaded 1 0 2 8-bit auto reload timer/counter THx holds a value that is to be reloaded into TLx each time it overflows 1 1 3 Split timer mode Timer 2 Timer 2 is a 16-bit Timer/Counter that can operate as either a timer or an event counter. The type of operation is selected by bit C/T2 in the SFR T2CON (shown in Table 2). Timer 2 has three operating modes: capture, auto-reload (up or down counting), and baud rate generator. The modes are selected by bits in T2CON, as shown in Table 3. Timer 2 consists of two 8-bit registers, TH2 and TL2. In the Timer function, the TL2 register is incremented every machine cycle. Since a machine cycle consists of 12 oscillator periods, the count rate is 1/12 of the oscillator frequency . Table 2.4: Timer 2
  • 22.
    SVCET Page 22 Inthe Counter function, the register is incremented in response to a 1-to-0 transition at its corresponding external input pin, T2. In this function, the external input is sampled during S5P2 of every machine cycle. When the samples show a high in one cycle and a low in the next cycle, the count is incremented. The new count value appears in the register during S3P1 of the cycle following the one in which the transition was detected. Since two machine cycles (24 oscillator periods) are required to recognize a 1-to-0 transition, the maximum count rate is 1/24 of the oscillator frequency. To ensure that a given level is sampled at least once before it changes, the level should be held for at least one full machine cycle. Timer 2 Registers Control and status bits are contained in registers T2CON (shown in Table 2) and T2MOD (shown in Table 4) for Timer 2. The register pair (RCAP2H, RCAP2L) are the Capture/Reload registers for Timer 2 in 16-bit capture mode or 16-bit auto-reload mode. Table 2.5: timer 2 TF2: Timer 2 overflow flag set by a Timer 2 overflow and must be cleared by software. TF2 will not be set when either RCLK = 1 or TCLK = 1. EXF2: Timer 2 external flag set when either a capture or reload is caused by a negative transition on T2EX and EXEN2 = 1. When Timer 2 interrupt is enabled, EXF2 = 1 will cause the CPU to vector to the Timer 2 interrupt routine. EXF2 must be cleared by software. EXF2 does not cause an interrupt in up/down counter mode (DCEN = 1). RCLK: Receive clock enable. When set, causes the serial port to use Timer 2 overflow pulses for its receive clock in serial port Modes 1 and 3. RCLK = 0 causes Timer 1 overflow to be used for the receive clock.
  • 23.
    SVCET Page 23 TCLK: Transmitclock enable. When set, causes the serial port to use Timer 2 overflow pulses for its transmit clock in serial port Modes 1 and 3. TCLK = 0 causes Timer 1 overflows to be used for the transmit clock. EXEN2: Timer 2 external enables. When set, allows a capture or reload to occur as a result of a negative transition on T2EX if Timer 2 is not being used to clock the serial port. EXEN2 = 0 causes Timer 2 to ignore events at T2EX. TR2: Start/Stop control for Timer 2. TR2 = 1 starts the timer. C/T2: Timer or counter select for Timer 2. C/T2 = 0 for timer function. C/T2 = 1 for external event counter (falling edge triggered). CP/RL2: Capture/Reload select. CP/RL2 = 1 causes captures to occur on negative transitions at T2EX if EXEN2 = 1. CP/RL2= 0 causes automatic reloads to occur when Timer 2 overflows or negative transitions occur at T2EX when EXEN2= 1. When either RCLK or TCLK = 1, this bit is ignored and the timer is forced to auto- reload on Timer 2 overflow. Interrupt Registers The individual interrupt enable bits are in the IE register. Two priorities can be set for each of the six interrupt sources in the IP register. THE DATA POINTER (DPTR): The Data Pointer (DPTR) is the 89c51’s only user-accessable 16-bit (2-byte) register. The Accumulator, "R" registers, and "B" register are all 1-byte values.DPTR, as the name suggests, is used to point to data. It is used by a number of commands which allow the 89c51 to access external memory The Program Counter (PC): The Program Counter (PC) is a 2-byte address which tells the 89c51 where the next instruction to execute is found in memory. When the 89c51 is initialized PC always starts at 0000h and is incremented each time an instruction is executed. It is important to note that PC isn’t always incremented by one. Since some instructions require 2 or 3 bytes the PC will be incremented by 2 or 3 in these cases
  • 24.
    SVCET Page 24 TheStack Pointer (SP): The Stack Pointer, like all registers except DPTR and PC, may hold an 8-bit (1-byte) value. The Stack Pointer is used to indicate where the next value to be removed from the stack should be taken from. When you push a value onto the stack, the 89c51 first increments the value of SP and then stores the value at the resulting memory location. When you pop a value off the stack, the 89c51 returns the value from the memory location indicated by SP, and then decrements the value of SP.
  • 25.
    SVCET Page 25 CHAPTERIII BLOCK DIAGRAM 3.1 INTRODUCTION The block diagram consists of microcontroller, LCD, GPS modem, GSM modem, relay section, DC motor, proximity sensor,IR transmitter, photo diode. When key is inserted the light between the photo diode and IR TX is cut, the proximity sensor senses the key and sends message to the owner using GSM, then the unknown gets trapped in the vehicle, the door locks are activated using motor connection, if the owner himself is travelling then he can turn off the vibration sensor which is known only to the owner. If the thief starts the car he can be trapped using GPS. Fig 3.1: Block diagram of anti theft tracking system MICRO CONTROLLER In this project work system the micro-controller is plays major role. Micro- controllers were originally used as components in complicated process-control systems. However, because of their small size and low price, Micro-controllers are now also being used in regulators for individual control loops. In several areas Micro- controllers are now outperforming their analog counterparts and are cheaper as well.
  • 26.
    SVCET Page 26 LCD:LCD is used to display the information about the current process. Keypad Section: This section consists of a Linear Keypad. This keypad is used for select the junctions etc. The keypad is interfaced to microcontroller which continuously scans the keypad. Buzzer Section: This section consists of a Buzzer. The buzzer is used to alert / indicate the completion of process. It is sometimes used to indicate the start of the embedded system by alerting during start-up. GPS MODEM: A GPS modem is used to get the signals and receive the signals from the satellites. In this project, GPS modem get the signals from the satellites and those are given to the microcontroller. The signals may be in the form of the coordinates; these are represented in form of the latitudes, longitudes and altitudes. GSM modem Section: This section consists of a GSM modem. The modem will communicate with microcontroller using serial communication. The modem is interfaced to microcontroller using MAX 232, a serial driver. Relay Section: This section consists of an interfacing circuitry to switch ON / OFF the system whenever any unhealthy conditions i.e. overload is detected. This circuitry basically consists of a Relay, transistor and a protection diode. A relay is used to drive the 230V devices. DC Motor: DC motor is an output for this project. And DC motor is connected to microcontroller. And this motor controlled by the microcontroller with the respective inputs given by us. Its speed will be varied according to the speed set by the switches. Proximity sensor: Proximity sensor block is used to find proximity located in the path of the robot. It will search for landmine and if it finds, it gives logic high to microcontroller. Photo diode IR:
  • 27.
    SVCET Page 27 TheIR LED is used as the IR transmitter, which is connected by using the resistor logic as shown in the schematic. The IR receiver is connected by using the transistor logic whose collector is connected to the base of the transistor. The base of the transistor is connected to the photo diode through the resistor. 3.2 LCD-LIQUID CRYSTAL DISPLAY Liquid Crystal Display also called as LCD is very helpful in providing user interface as well as for debugging purpose. The most commonly used Character based LCDs are based on Hitachi's HD44780 controller or other which are compatible with HD44580. The most commonly used LCDs found in the market today are 1 Line, 2 Line or 4 Line LCDs which have only 1 controller and support at most of 80 characters, whereas LCDs supporting more than 80 characters make use of 2 HD44780 controllers. 3.2.1 PIN DESCRIPTION Fig 3.2: Pin description Table 3.1: Pin description Pin No. Name Description 1 VSS Power supply (GND) 2 VCC Power supply (+5V) 3 VEE Contrast adjust 4 RS 0 = Instruction input 1 = Data input 5 R/W 0 = Write to LCD module 1 = Read from LCD module
  • 28.
    SVCET Page 28 DDRAM- Display Data RAM Display data RAM (DDRAM) stores display data represented in 8-bit character codes. Its extended capacity is 80 X 8 bits, or 80 characters. The area in display data RAM (DDRAM) that is not used for display can be used as general data RAM. So whatever you send on the DDRAM is actually displayed on the LCD. For LCDs like 1x16, only 16 characters are visible, so whatever you write after 16 chars is written in DDRAM but is not visible to the user. CGROM - Character Generator ROM Now you might be thinking that when you send an ASCII value to DDRAM, how the character is displayed on LCD? So the answer is CGROM. The character generator ROM generates 5 x 8 dot or 5 x 10 dot character patterns from 8-bit character codes. It can generate 208 5 x 8 dot character patterns and 32 5 x 10 dot character patterns. CGRAM - Character Generator RAM As clear from the name, CGRAM area is used to create custom characters in LCD. In the character generator RAM, the user can rewrite character patterns by program. For 5 x 8 dots, eight character patterns can be written, and for 5 x 10 dots, four character patterns can be written. BF - Busy Flag Busy Flag is a status indicator flag for LCD. When we send a command or data to the LCD for processing, this flag is set (i.e. BF =1) and as soon as the 6 EN Enable signal 7 D0 Data bus line 0 (LSB) 8 D1 Data bus line 1 9 D2 Data bus line 2 10 D3 Data bus line 3 11 D4 Data bus line 4 12 D5 Data bus line 5 13 D6 Data bus line 6 14 D7 Data bus line 7 (MSB) 15 LED+ Back Light VCC 16 LED- Back Light GND
  • 29.
    SVCET Page 29 instructionis executed successfully this flag is cleared (BF = 0). This is helpful in producing and exact amount of delay for the LCD processing. To read Busy Flag, the condition RS = 0 and R/W = 1 must be met and The MSB of the LCD data bus (D7) act as busy flag. When BF = 1 means LCD is busy and will not accept next command or data and BF = 0 means LCD is ready for the next command or data to process. Instruction Register (IR) and Data Register (DR) There are two 8-bit registers in HD44780 controller Instruction and Data register. Instruction register corresponds to the register where you send commands to LCD e.g. LCD shift command, LCD clear, LCD address etc. and Data register is used for storing data which is to be displayed on LCD. When send the enable signal of the LCD is asserted, the data on the pins is latched in to the data register and data is then moved automatically to the DDRAM and hence is displayed on the LCD. Data Register is not only used for sending data to DDRAM but also for CGRAM, the address where you want to send the data, is decided by the instruction you send to LCD. 3.2.2 COMMANDS AND INSTRUCTION SET Only the instruction register (IR) and the data register (DR) of the LCD can be controlled by the MCU. Before starting the internal operation of the LCD, control information is temporarily stored into these registers to allow interfacing with various MCUs, which operate at different speeds, or various peripheral control devices. There are categories of instructions that:  Designate LCD functions, such as display format, data length, etc.  Set internal RAM addresses Although looking at the table you can make your own commands and test them. Below is a brief list of useful commands which are used frequently while working on the LCD.
  • 30.
    SVCET Page 30 Table3.2: LCD Commands Table 3.3: Commands list No. Instruction Hex Decimal 1 Function Set: 8-bit, 1 Line, 5x7 Dots 0x30 48 2 Function Set: 8-bit, 2 Line, 5x7 Dots 0x38 56 3 Function Set: 4-bit, 1 Line, 5x7 Dots 0x20 32
  • 31.
    SVCET Page 31 4Function Set: 4-bit, 2 Line, 5x7 Dots 0x28 40 5 Entry Mode 0x06 6 6 Display off Cursor off (clearing display without clearing DDRAM content) 0x08 8 7 Display on Cursor on 0x0E 14 8 Display on Cursor off 0x0C 12 9 Display on Cursor blinking 0x0F 15 10 Shift entire display left 0x18 24 12 Shift entire display right 0x1C 30 13 Move cursor left by one character 0x10 16 14 Move cursor right by one character 0x14 20 15 Clear Display (also clear DDRAM content) 0x01 1 16 Set DDRAM address or cursor position on display 0x80+add 128+add 17 Set CGRAM address or set pointer to CGRAM location 0x40+add 64+add Sending Commands to LCD To send commands we simply need to select the command register. Everything is same as we have done in the initialization routine. But we will summarize the common steps and put them in a single subroutine. Following are the steps:  move data to LCD port  select command register  select write operation  send enable signal  wait for LCD to process the command Sending Data to LCD To send data we simply need to select the data register. Everything is same as the command routine. Following are the steps:  move data to LCD port  select data register  select write operation
  • 32.
    SVCET Page 32 3.3POWER SUPPLY The input to the circuit is applied from the regulated power supply. The a.c. input i.e., 230V from the mains supply is step down by the transformer to 12V and is fed to a rectifier. The output obtained from the rectifier is a pulsating d.c voltage. So in order to get a pure d.c voltage, the output voltage from the rectifier is fed to a filter to remove any a.c components present even after rectification. Now, this voltage is given to a voltage regulator to obtain a pure constant dc voltage. Fig 3.3: Power supply Transformer: Usually, DC voltages are required to operate various electronic equipment and these voltages are 5V, 9V or 12V. But these voltages cannot be obtained directly. Thus the a.c input available at the mains supply i.e., 230V is to be brought down to the required voltage level. This is done by a transformer. Thus, a step down transformer is employed to decrease the voltage to a required level. Rectifier: The output from the transformer is fed to the rectifier. It converts A.C. into pulsating D.C. The rectifier may be a half wave or a full wave rectifier. In this project, a bridge rectifier is used because of its merits like good stability and full wave rectification. Filter: Capacitive filter is used in this project. It removes the ripples from the output of rectifier and smoothens the D.C. Output received from this filter is constant until the mains voltage and load is maintained constant. However, if either of the two is varied, D.C. voltage received at this point changes. Therefore a regulator is applied at the output stage.
  • 33.
    SVCET Page 33 Voltageregulator: As the name itself implies, it regulates the input applied to it. A voltage regulator is an electrical regulator designed to automatically maintain a constant voltage level. In this project, power supply of 5V and 12V are required. In order to obtain these voltage levels, 7805 and 7812 voltage regulators are to be used. The first number 78 represents positive supply and the numbers 05, 12 represent the required output voltage levels. 3.4 VOLTAGE REGULATOR 7805 Description: The LM78XX/LM78XXA series of three-terminal positive regulators are available in the TO-220/D-PAK package and with several fixed output voltages, making them useful in a Wide range of applications. Each type employs internal current limiting, thermal shutdown and safe operating area protection, making it essentially indestructible. If adequate heat sinking is provided, they can deliver over 1A output Current. Although designed primarily as fixed voltage regulators, these devices can be used with external components to obtain adjustable voltages and currents. Absolute Maximum Ratings: Table 3.4: Ratings of voltage regulator Parameter Symbol Value Unit Input voltage(for V0+5V to 18V) V1 35 V Thermal resistance junction cases RJC 5 C/W Thermal resistance junction air RJA 65 C/W Operating temperature range TOPR 0~+125 C Storage temperature range TSTG ~65~+150 C
  • 34.
    SVCET Page 34 TypicalPerformance Characteristics: Fig 3.4: Performance characteristics of regulator 3.5 CAPACITORS A capacitor or condenser is a passive electronic component consisting of a pair of conductors separated by a dielectric. When a voltage potential difference exists between the conductors, an electric field is present in the dielectric. This field stores energy and produces a mechanical force between the plates. The effect is greatest between wide, flat, parallel, narrowly separated conductors. Fig 3.5: Capacitors
  • 35.
    SVCET Page 35 3.6RESISTORS A resistor is a two-terminal electronic component designed to oppose an electric current by producing a voltage drop between its terminals in proportion to the current, that is, in accordance with Ohm's law: V = IR Resistors are used as part of electrical networks and electronic circuits. They are extremely commonplace in most electronic equipment. Practical resistors can be made of various compounds and films, as well as resistance wire (wire made of a high-resistivity alloy, such as nickel/chrome). Fig 3.6: Resistors The primary characteristics of resistors are their resistance and the power they can dissipate. Other characteristics include temperature coefficient, noise, and inductance. Less well-known is critical resistance, the value below which power dissipation limits the maximum permitted current flow, and above which the limit is applied voltage. Critical resistance depends upon the materials constituting the resistor as well as its physical dimensions; it's determined by design. 3.7 IR UNIT This sensor consists of IR transmitter and receivers on a single plain.Where Infrared (IR) radiation is part of the electromagnetic spectrum, which includes radio waves, microwaves, visible light, and ultraviolet light, as well as gamma rays and X- rays. The IR range falls between the visible portion of the spectrum and radio waves. IR wavelengths are usually expressed in microns, with the lR spectrum extending from 0.7 to 1000microns.
  • 36.
    SVCET Page 36 PRINCIPE: Transmitterand receiver are incorporated in a single housing. The modulated infrared light of the transmitter strikes the object to be detected and is reflected in a diffuse way. Part of the reflected light strikes the receiver and starts the switching operation. The two states – i.e. reflection received or no reflection – are used to determine the presence or absence of an object in the sensing range. This system safely detects all objects that have sufficient reflection. For objects with a very bad degree of reflection (matt black rough surfaces) the use of diffuse reflection sensors for short ranges or with background suppression is recommended. Fig 3.7: Photo transmitter Fig 3.8: Receiver characteristics Sensitivity setting - Diffuse reflection sensors For diffuse reflection sensors with sensitivity setting the sensitivity should always be set to maximum independent of the required range in order to achieve the highest possible operational safety. Only in the case of interfering backgrounds (walls,
  • 37.
    SVCET Page 37 machineparts) could it be necessary to reduce the range. Diffuse reflection sensors for short ranges Short-range diffuse type sensors are diffuse reflection sensors which have been specifically designed for short ranges. Light and dark objects are almost equally detectable within the set sensing range. Fig 3.9: Diffuse reflection sensors for short ranges Short-range diffuse types have high excess gains which allow usage even under extreme environmental conditions (e.g. dust, mist etc.). Objects outside the range are not detected. 3.9 RELAYS Relay is an electrically operated switch. Current flowing through the coil of the relay creates a magnetic field which attracts a lever and changes the switch contacts. The coil current can be on or off so relays have two switch positions and they are double throw (changeover) switches. Fig 3.10: Relay Relays allow one circuit to switch a second circuit which can be completely separate from the first. For example a low voltage battery circuit can use a relay to switch a 230V AC mains circuit. There is no electrical connection inside the relay between the two circuits; the link is magnetic and mechanical.
  • 38.
    SVCET Page 38 Fig3.11: Relay 2 The coil of a relay passes a relatively large current, typically 30mA for a 12V relay, but it can be as much as 100mA for relays designed to operate from lower voltages. Most ICs (chips) cannot provide this current and a transistor is usually used to amplify the small IC current to the larger value required for the relay coil. The maximum output current for the popular 555 timer IC is 200mA so these devices can supply relay coils directly without amplification. Fig 3.12: The relay switch connections COM, NC and NO  COM = Common, always connect to this, it is the moving part of the switch.  NC = Normally Closed, COM is connected to this when the relay coil is off.  NO = Normally Open, COM is connected to this when the relay coil is on.  Connect to COM and NO if you want the switched circuit to be on when the relay coil is on.  Connect to COM and NC if you want the switched circuit to be on when the relay coil is off.
  • 39.
    SVCET Page 39 Protectiondiodes for relays Transistors and ICs (chips) must be protected from the brief high voltage 'spike' produced when the relay coil is switched off. The diagram shows how a signal diode (eg 1N4148) is connected across the relay coil to provide this protection. Note that the diode is connected 'backwards' so that it will normally not conduct. Conduction only occurs when the relay coil is switched off, at this moment current tries to continue flowing through the coil and it is harmlessly diverted through the diode. Without the diode no current could flow and the coil would produce a damaging high voltage 'spike' in its attempt to keep the current flowing. Advantages of relays:  Relays can switch AC and DC, transistors can only switch DC.  Relays can switch high voltages, transistors cannot.  Relays are a better choice for switching large currents (> 5A).  Relays can switch many contacts at once. Applications: Cassette, CD Player, CD-ROM, VCD, DVD, DV-ROM .
  • 40.
    SVCET Page 40 CHAPTERIV GLOBAL SYSTEM FOR MOBILE COMMUNICATION Originally Groupe Spécial Mobile, is a standard set developed by the European Telecommunications Standards Institute (ETSI) to describe technologies for second generation (2G) digital cellular networks. Developed as a replacement for first generation (1G) analog cellular networks, the GSM standard originally described a digital, circuit switched network optimized for full duplex voice telephony. The standard was expanded over time to include first circuit switched data transport, then packet data transport via GPRS (General Packet Radio services). Packet data transmission speeds were later increased via EDGE (Enhanced Data rates for GSM Evolution). The GSM standard is more improved after the development of third generation (3G) UMTS standard developed by the 3GPP. GSM networks will evolve further as they begin to incorporate fourth generation (4G) LTE Advanced standards. "GSM" is a trademark owned by the GSM Association. 4.2 GSM CARRIER FREQUENCIES GSM networks operate in a number of different carrier frequency ranges (separated into GSM frequency ranges for 2G and UMTS frequency bands for 3G), with most 2G GSM networks operating in the 900 MHz or 1800 MHz bands. Where these bands were already allocated, the 850 MHz and 1900 MHz bands were used instead (for example in Canada and the United States). In rare cases the 400 and 450 MHz frequency bands are assigned in some countries because they were previously used for first-generation systems. Most 3G networks in Europe operate in the 2100 MHz frequency band. Regardless of the frequency selected by an operator, it is divided into timeslots for individual phones to use. This allows eight full-rate or sixteen half- rate speech channels per radio frequency. These eight radio timeslots (or eight burst periods) are grouped into a TDMA frame. Half rate channels use alternate frames in the same timeslot. The channel data rate for all 8 channels is 270.833 Kbit/s, and the frame duration is 4.615 ms.The transmission power in the handset is limited to a maximum of 2 watts in GSM850/900 and 1 watt in GSM1800/1900.
  • 41.
    SVCET Page 41 4.3VOICE CODECS GSM has used a variety of voice codecs to squeeze 3.1 kHz audio into between 6.5 and 13 Kbit/s. Originally, two codecs, named after the types of data channel they were allocated, were used, called Half Rate (6.5 Kbit/s) and Full Rate (13 kbit/s). These used a system based upon linear predictive coding (LPC). In addition to being efficient with bitrates, these codecs also made it easier to identify more important parts of the audio, allowing the air interface layer to prioritize and better protect these parts of the signal. GSM was further enhanced in 1997[8] with the Enhanced Full Rate (EFR) codec, a 12.2 Kbit/s codec that uses a full rate channel. Finally, with the development of UMTS, EFR was refactored into a variable-rate codec called AMR-Narrowband, which is high quality and robust against interference when used on full rate channels, and less robust but still relatively high quality when used in good radio conditions on half-rate channels. 4.4 NETWORK STRUCTURE The network is structured into a number of discrete sections:  The Base Station Subsystem (the base stations and their controllers).  The Network and Switching Subsystem (the part of the network most similar to a fixed network). This is sometimes also just called the core network.  The GPRS Core Network (the optional part which allows packet based Internet connections). Fig 4.1: Structure of GSM network
  • 42.
    SVCET Page 42 4.5SUBSCRIBER IDENTITY MODULE (SIM) One of the key features of GSM is the Subscriber Identity Module, commonly known as a SIM card. The SIM is a detachable smart card containing the user's subscription information and phone book. This allows the user to retain his or her information after switching handsets. Alternatively, the user can also change operators while retaining the handset simply by changing the SIM. Some operators will block this by allowing the phone to use only a single SIM, or only a SIM issued by them; this practice is known as SIM locking. 4.6 PHONE LOCKING Sometimes mobile network operators restrict handsets that they sell for use with their own network. This is called locking and is implemented by a software feature of the phone. Because the purchase price of the mobile phone to the consumer may be subsidized with revenue from subscriptions, operators must recoup this investment before a subscriber terminates service. A subscriber may usually contact the provider to remove the lock for a fee, utilize private services to remove the lock, or make use of free or fee-based software and websites to unlock the handset themselves. Insome countries (e.g., Bangladesh,Brazil, Chile, HongKong, India, Lebanon, Malaysia, Pakistan, Sing apore) all phones are sold unlocked. In others (e.g., Finland, Singapore) it is unlawful for operators to offer any form of subsidy on a phone's price. 4.7 GSM SERVICE SECURITY GSM was designed with a moderate level of service security. The system was designed to authenticate the subscriber using a pre-shared key and challenge- response. Communications between the subscriber and the base station can be encrypted. The development of Introduces an optional Universal Subscriber Identity Module (USIM), that uses a longer authentication key to give greater security, as well as mutually authenticating the network and the user – whereas GSM only authenticates the user to the network (and not vice versa). The security model therefore offers confidentiality and authentication, but limited authorization capabilities, and no non-repudiation.
  • 43.
    SVCET Page 43 GSMuses several cryptographic algorithms for security. The A5/1 and A5/2 stream ciphers are used for ensuring over-the-air voice privacy. A5/1 was developed first and is a stronger algorithm used within Europe and the United States; A5/2 is weaker and used in other countries. Serious weaknesses have been found in both algorithms: it is possible to break A5/2 in real-time with a cipher text-only attack, and in January 2007, The Hacker's Choice started the A5/1 cracking project with plans to use FPGAs that allow A5/1 to be broken with a rainbow table attack. The system supports multiple algorithms so operators may replace that cipher with a stronger one. On 28 December 2009 German computer engineer Karsten Nohl announced that he had cracked the A5/1 cipher. According to Nohl, he developed a number of rainbow tables (static values which reduce the time needed to carry out an attack) and have found new sources for known. He also said that it is possible to build "a full GSM interceptor from open source components" but that they had not done so because of legal concerns. An update by Nancy Owano on Dec. 27, 2011 on PhysOrg.com quotes Nohl as a "security expert", and details these concerns: Nohl said that he was able to intercept voice and text conversations by impersonating another user to listen to their voice mails or make calls or send text messages. Even more troubling was that he was able to pull this off using a seven- year-old Motorola cell phone and decryption software available free off the Internet. GSM was also mentioned in a Reuters story "Hackers say to publish emails stolen from Stratfor" on Yahoo! News. New attacks have been observed that take advantage of poor security implementations, architecture and development for smart phone applications. Some wiretapping and eavesdropping techniques hijack the audio input and output providing an opportunity for a 3rd party to listen in to the conversation. At present such attacks often come in the form of a Trojan, malware or a virus and might be detected by security software. GSM uses General Packet Radio Service (GPRS) for data transmissions like browsing the web. The most commonly deployed GPRS and EDGE ciphers were publicly broken in 2011, and the evidence indicates that they were once again intentionally left weak by the mobile industry designers.
  • 44.
    SVCET Page 44 Theresearchers revealed flaws in the commonly used GEA/1 and GEA/2 ciphers and published the open source "gprs decode" software for sniffing GPRS/EDGE networks. They also noted that some carriers don't encrypt the data at all (i.e. using GEA/0) in order to detect the use of traffic or protocols they don't like, e.g. Skype, leaving their customers unprotected. GEA/3 seems to remain relatively hard to break and is said to be in use on some more modern networks. If used with USIM to prevent connections to fake base stations and downgrade attacks, users will be protected in the medium term, though migration to 128-bit GEA/4 is still recommended. But since GEA/0, GEA/1 and GEA/2 are widely deployed, applications should use SSL/TLS for sensitive data, as they would on wi-finetworks. 4.8GSM OPEN SOURCE SOFTWARE Several open-source software projects exist that provide certain GSM features: GSM daemon by Openmoko, BTS develops a station, The GSM Software Project aims to build a GSM analyzer for less than $1000Osmocom BB developers intend to replace the proprietary baseband GSM stack with a free software implementation. Issues with patents and open source Patents remain a problem for any open-source GSM implementation, because it is not possible for GNU or any other free software distributor to guarantee immunity from all lawsuits by the patent holders against the users. Furthermore new features are being added to the standard all the time which means they have patent protection for a number of years. The original GSM implementations from 1991 are now entirely free of patent encumbrances and it is expected that Open BTS will be able to implement features of that initial specification without limit and that as patents subsequently expire, those features can be added into the open source version. As of 2011, there have been no law suits against users of Open BTS over GSM use. International Mobile Subscriber Identity (IMSI)  MSISDN Mobile Subscriber ISDN Number  Handoff
  • 45.
    SVCET Page 45 Visitors Location Register (VLR)  Um interface  GSM-R (GSM-Railway)  GSM services  Cell Broadcast  GSM localization  Multimedia Messaging Service (MMS)  NITZ Network Identity and Time Zone  Wireless Application Protocol (WAP)  Network simulation Simulation of GSM networks  Standards  Comparison of mobile phone standards  GEO-Mobile Radio Interface  Intelligent Network  Parlay X  RRLP – Radio Resource Location Protocol  GSM 03.48 – Security mechanisms for the SIM application toolkit  RTP audio video profile  Enhanced Network Selection (ENS)
  • 46.
    SVCET Page 46 CHAPTERV GPS-GLOBAL POSITIONING SYSTEM The Global Positioning System, usually called GPS, is the only fully- functional satellite navigation system(allow small electronic devices to determine their location (Longitude, Latitude, and Altitude) in within a few meters using time signals transmitted along a line of sight by radio from satellites. Receivers on the ground with a fixed position can also be used to calculate the precise time as a reference for scientific experiments. GPS has become a vital global utility, indispensable for modern navigation on land, sea, and air around the world, as well as an important tool for map-making and land surveying. GPS also provides an extremely precise time reference, required for telecommunications and some scientific research, including the study of earthquakes. GPS receivers can also gauge altitude and speed with a very high degree of accuracy. The GPS project was developed in 1973 to overcome the limitations of previous navigation systems, integrating ideas from several predecessors, including a number of classified engineering design studies from the 1960s. GPS was created and realized by the U.S. Department of Defense (DOD) and was originally run with 24 satellites. It became fully operational in 1994. 5.1 WORKING OF GPS GPS works like this: A minimum of 24 GPS satellites are in orbit at 20,200 kilometers (12,600 miles) above the Earth. The satellites are spaced so that from any point on Earth, at least four satellites will be above the horizon. Each satellite contains a simple computer, atomic clocks, and various radios. With an understanding of its own orbit and the clock, the satellite continually broadcasts its changing position and time. The satellites use their on-board atomic clocks to keep precise time, but are otherwise very simple and unsophisticated when compared to other modern spacecraft. A GPS receiver "knows" the location of the satellites. By estimating how far away a satellite is, the receiver also "knows" it is located somewhere on the surface of
  • 47.
    SVCET Page 47 animaginary sphere centered at the satellite. It then determines the sizes of several spheres, one for each satellite. The receiver is located where these spheres intersect. Fig 5.1: Determining position of object in GPS 1- Satellite's position is determined relative to the Earth. 2- Location on Earth is located relative to the satellite. 3- THEN the Location's position on the Earth can be determined from the VECTOR sum of the other two measurements. All measurements must are done to such a precision that the location on the Earth is known to within 15 m. Fig 5.2: Calculation of distance The distance from the satellite is determined by the time it takes for a radio wave to reach the site from the satellite.
  • 48.
    SVCET Page 48 Distance= (speed of light) x (time of flight) This is very simple but there are a few difficulties: The receiver clock is not exactly synchronized with the satellite clock so the time of flight will be imprecise. The satellite and receiver are in different velocity reference frames and gravitational regimes. The speed of light is 300,000 km/s in a vacuum. However, while traveling through the Earth Ionosphere and Troposphere, the radio waves travel at slightly slower speeds. The location is a vector and must also include direction. In order to do this, distances from several satellites are required. This is called triangulation. We wish to find our latitude, longitude and height above the center of the Earth. These are three different numbers and would require distances to three different satellites Time for the signal to reach GPS receiver is determined. Distance is computed by multiplying by the speed of light. Distance from two satellites defines 2 points (in 2 dimensional space.The distance from a third satellite narrows the location to an “error triangle.”Assume the error in each of our measurements is a constant, k.Solve for k, so that the “error triangle” is as small as possible. Fig 5.3: Calculation of triangulation point
  • 49.
    SVCET Page 49 5.2STRUCTURE Fig 5.4: Segments of GPS The current GPS consists of three major segments. These are the space segment (SS), a control segment (CS), and a user segment (US).The U.S. Air Force develops, maintains, and operates the space and control segments. GPS satellites broadcast signals from space, and each GPS receiver uses these signals to calculate its three-dimensional location (latitude, longitude, and altitude) and the current time. The space segment is composed of 24 to 32 satellites in medium Earth orbit and also includes the payload adapters to the boosters required to launch them into orbit. The control segment is composed of a master control station, an alternate master control station, and a host of dedicated and shared ground antennas and monitor stations. The user segment is composed of hundreds of thousands of U.S. and allied military users of the secure GPS Precise Positioning Service and tens of Usersegment Groundantennas Control segment Master station Monitor station Space segment
  • 50.
    SVCET Page 50 millionsof civil, commercial, and scientific users of the Standard Positioning Service (see GPS navigation devices). 5.3 SPACE SEGMENT Fig 5.5: Space segment The space segment (SS) is composed of the orbiting GPS satellites or Space Vehicles (SV) in GPS parlance. The GPS design originally called for 24 SVs, eight each in three approximately circular orbits, but this was modified to six orbital planes with four satellites each. The orbits are centered on the Earth, not rotating with the Earth, but instead fixed with respect to the distant stars. The six orbit planes have approximately 55° inclination (tilt relative to Earth's equator) and are separated by 60° right ascension of the ascending node (angle along the equator from a reference point to the orbit's intersection). The orbital period is one-half a sidereal day, i.e. 11 hours and 58 minutes. The orbits are arranged so that at least six satellites are always within line of sight from almost everywhere on Earth's surface. The result of this objective is that the four satellites are not evenly spaced (90 degrees) apart within each orbit. In general terms, the angular difference between satellites in each orbit is 30, 105, 120, and 105 degrees apart which, of course, sum to 360 degrees. 5.4 CONTROL SEGMENT The control segment is composed of 1. A master control station (MCS), 2. An alternate master control station, 3. Four dedicated ground antennas and 4. Six dedicated monitor stations
  • 51.
    SVCET Page 51 Fig5.6: Control segment The MCS can also access U.S. Air Force Satellite Control Network (AFSCN) ground antennas (for additional command and control capability) and NGA (National Geospatial-Intelligence Agency) monitor stations. The flight paths of the satellites are tracked by dedicated U.S. Air Force monitoring stations in Hawaii, Kwajalein, Ascension Island, Diego Garcia, Colorado Springs, Colorado and Cape Canaveral, along with shared NGA monitor stations operated in England, Argentina, Ecuador, Bahrain, Australia and Washington DC. The tracking information is sent to the Air Force Space Command MCS at Schriever Air Force Base 25 km (16 mi) ESE of Colorado Springs, which is operated by the 2nd Space Operations Squadron (2 SOPS) of the U.S. Air Force. Then 2 SOPS contacts each GPS satellite regularly with a navigational update using dedicated or shared (AFSCN) ground antennas (GPS dedicated ground antennas are located at Kwajalein, Ascension Island, Diego Garcia, and Cape Canaveral). These updates synchronize the atomic clocks on board the satellites to within a few nanoseconds of each other, and adjust the ephemeris of each satellite's internal orbital model. The updates are created by a Kalman filter that uses inputs from the ground monitoring stations, space weather information, and various other inputs. The Operation Control Segment (OCS) currently serves as the control segment of record. It provides the operational capability that supports global GPS users and keeps the GPS system operational and performing within specification. OCS successfully replaced the legacy 1970’s-era mainframe computer at Schriever Air Force Base in September 2007. After installation, the system helped enable upgrades and provide a foundation for a new security architecture that supported the U.S. armed forces. OCS will continue to be the ground control system of record until the new segment, Next Generation GPS Operation Control System (OCX), is fully developed and functional.
  • 52.
    SVCET Page 52 5.5USER SEGMENT The user segment is composed of hundreds of thousands of U.S. and allied military users of the secure GPS Precise Positioning Service, and tens of millions of civil, commercial and scientific users of the Standard Positioning Service. Fig 5.7: User segment In general, GPS receivers are composed of an antenna, tuned to the frequencies transmitted by the satellites, receiver-processors, and a highly stable clock (often a crystal oscillator). They may also include a display for providing location and speed information to the user. A receiver is often described by its number of channels: this signifies how many satellites it can monitor simultaneously. Originally limited to four or five, this has progressively increased over the years so that, as of 2007, receivers typically have between 12 and 20 channels. Fig 5.8: User segment 2 GPS receivers may include an input for differential corrections, using the RTCM SC-104 format. This is typically in the form of an RS-232 port at 4,800 bit/s speed. Data is actually sent at a much lower rate, which limits the accuracy of the signal sent using RTCM. Receivers with internal DGPS receivers can
  • 53.
    SVCET Page 53 outperformthose using external RTCM data. As of 2006, even low-cost units commonly include Wide Area Augmentation System (WAAS) receivers. Many GPS receivers can relay position data to a PC or other device using the NMEA 0183 protocol. Although this protocol is officially defined by the National Marine Electronics Association (NMEA references to this protocol have been compiled from public records, allowing open source tools like gpsd to read the protocol without violating intellectual property laws. Other proprietary protocols exist as well, such as the SiRF and MTK protocols. Receivers can interface with other devices using methods including a serial connection, USB, or Bluetooth.
  • 54.
    SVCET Page 54 CHAPTERVI SERIAL COMMUNICATION Computers transfer data in two ways: parallel and serial. In parallel data transfers, often 8 or more lines are used to transfer data to a device that is only a few feet away. Although a lot of data can be transferred in a short amount of time by using many wires in parallel, the distance cannot be great. To transfer to a device located many meters away, the serial method is best suitable. In serial communication, the data is sent one bit at a time. The 8051 has serial communication capability built into it, thereby making possible fast data transfer using only a few wires. The fact that serial communication uses a single data line instead of the 8-bit data line instead of the 8-bit data line of parallel communication not only makes it cheaper but also enables two computers located in two different cities to communicate over the telephone. The main requirements for serial communication are: 1. Microcontroller 2. PC 3. RS 232 cable 4. MAX 232 IC 5. HyperTerminal 6.1 ASYNCHRONOUS AND SYNCHRONOUS SERIAL COMMUNICATION Serial data communication uses two methods, asynchronous and synchronous. The synchronous method transfers a block of data at a time, while the asynchronous method transfers a single byte at a time. With synchronous communications, the two devices initially synchronize themselves to each other, and then continually send characters to stay in sync. Even when data is not really being sent, a constant flow of bits allows each device to know where the other is at any given time. That is, each character that is sent is either actual data or an idle character. Synchronous communications allows faster data transfer rates than asynchronous methods, because additional bits to mark the beginning and end of each data byte are not required. The
  • 55.
    SVCET Page 55 serialports on IBM-style PCs are asynchronous devices and therefore only support asynchronous serial communications. Asynchronous means "no synchronization", and thus does not require sending and receiving idle characters. However, the beginning and end of each byte of data must be identified by start and stop bits. The start bit indicates when the data byte is about to begin and the stop bit signals when it ends. The requirement to send these additional two bits causes asynchronous communication to be slightly slower than synchronous however it has the advantage that the processor does not have to deal with the additional idle characters. There are special IC chips made by many manufacturers for serial data communications. These chips are commonly referred to as UART(universal asynchronous receiver-transmitter) and USART(universal synchronous-asynchronous receiver-transmitter). The 8051 has a built-in UART. In the asynchronous method, the data such as ASCII characters are packed between a start and a stop bit. The start bit is always one bit, but the stop bit can be one or two bits. The start bit is always a 0 (low) and stop bit (s) is 1 (high). This is called framing. The rate of data transfer in serial data communication is stated as bps (bits per second). Another widely used terminology for bps is baud rate. The data transfer rate of a given computer system depends on communication ports incorporated into that system. And in asynchronous serial data communication, this baud rate is generally limited to 100,000bps. The baud rate is fixed to 9600bps in order to interface with the microcontroller using a crystal of 11.0592 MHz. 6.2 RS232 CABLE To allow compatibility among data communication equipment, an interfacing standard called RS232 is used. Since the standard was set long before the advent of the TTL logic family, its input and output voltage levels are not TTL compatible. For this reason, to connect any RS232 to a microcontroller system, voltage converters such as MAX232 are used to convert the TTL logic levels to the RS232 voltage levels and vice versa. 6.3 MAX 232 Max232 IC is a specialized circuit which makes standard voltages as required by RS232 standards. This IC provides best noise rejection and very reliable against
  • 56.
    SVCET Page 56 dischargesand short circuits. MAX232 IC chips are commonly referred to as line drivers. To ensure data transfer between PC and microcontroller, the baud rate and voltage levels of Microcontroller and PC should be the same. The voltage levels of microcontroller are logic1 and logic 0 i.e., logic 1 is +5V and logic 0 is 0V. But for PC, RS232 voltage levels are considered and they are: logic 1 is taken as -3V to -25V and logic 0 as +3V to +25V. So, in order to equal these voltage levels, MAX232 IC is used. Thus this IC converts RS232 voltage levels to microcontroller voltage levels and vice versa. Fig 6.1: MAX232 IC 6.3 SCON (serial control) registers The SCON register is an 8-bit register used to program the start bit, stop bit and data bits of data framing. Table 6.1: SCON SM0 SM1 SM2 REN TB8 RB8 TI RI SM0 SM1 SM2 REN TB8 RB8 TI RI
  • 57.
    SVCET Page 57 Table6.2: SCON types and modes SM0 SCON.7 Serial port mode specifier SM1 SCON.6 Serial port mode specifier SM2 SCON.5 Used for multiprocessor communication REN SCON.4 Set/cleared by software to enable/disable reception TB8 SCON.3 Not widely used RB8 SCON.2 Not widely used TI SCON.1 Transmit interrupt flag. Set by hardware at the beginning of the stop bit in mode 1. Must be cleared by software. RI SCON.0 Receive interrupt flag. Set by hardware at the beginning of the stop bit in mode 1. Must be cleared by software. SM0 SM1 0 0 Serial Mode 0 0 1 Serial Mode 1, 8-bit data, 1 stop bit, 1 start bit 1 0 Serial Mode 2 1 1 Serial Mode 3
  • 58.
    SVCET Page 58 Ofthe four serial modes, only mode 1 is widely used. In the SCON register, when serial mode 1 is chosen, the data framing is 8 bits, 1 stop bit and 1 start bit, which makes it compatible with the COM port of IBM/ compatible PC’s. And the most important is serial mode 1 allows the baud rate to be variable and is set by Timer 1 of the 8051. In serial mode 1, for each character a total of 10 bits are transferred, where the first bit is the start bit, followed by 8 bits of data and finally 1 stop bit.
  • 59.
    SVCET Page 59 CHAPTERVII KEIL SOFTWARE Keil development tools for the 8051 Microcontroller Architecture support every level of software developer from the professional applications engineer to the student just learning about embedded software development. The industry-standard Keil C Compilers, Macro Assemblers, Debuggers, Real-time Kernels, Single-board Computers, and Emulators support all 8051 derivatives and help you get. 7.1 SIMULATION The µVision Simulator allows you to debug programs using only your PC using simulation drivers provided by Keil and various third-party developers. A good simulation environment, like µVision, does much more than simply simulate the instruction set of a microcontroller — it simulates your entire target system including interrupts, start up code, on-chip peripherals, external signals, and I/O. This software is used for execution of microcontroller programs. Keil development tools for the MC architecture support every level of software developer from the professional applications engineer to the student just learning about embedded software development. The industry-standard keil C compilers, macro assemblers, debuggers, real, time Kernels, Single-board computers and emulators support all microcontroller derivatives and help you to get more projects completed on schedule. The keil software development tools are designed to solve the complex Problems facing embedded software developers. When starting a new project, simply select the microcontroller you the device database and the µvision IDE sets all compiler, assembler, linker, and memory options for you. Numerous example programs are included to help you get started with the most popular embedded AVR devices. The keil µ Vision debugger accurately simulates on-chip peripherals (PC, CAN, UART, SPI, Interrupts, I/Oports,A/D converter, D/A converter and PWM modules)of your AVR device. Simulation helps you understand h/w configurations and avoids time wasted on setup problems. Additionally, with simulation, you can write and test applications before target h/w is available.
  • 60.
    SVCET Page 60 Clickon the Keil uVision Icon on Desktop.The following fig will appear Fig 7.1: Keil software step1 1. Click on the Project menu from the title bar Then Click on New Project Fig 7.2: Keil software step2 2. Save the Project by typing suitable project name with no extension in u r own folder sited in either C: or D:
  • 61.
    SVCET Page 61 Fig7.3: Keil software step3 Then Click on save button above. 3. Select the component for u r project. i.e. Atmel…… 4. Click on the + Symbol beside of Atmel Fig 7.4: Keil software step4 5. Select AT89C52 as shown below
  • 62.
    SVCET Page 62 Fig7.5: Keil software step5 6. Then Click on “OK” 7. The Following fig will appear Fig 7.6: Keil software step6
  • 63.
    SVCET Page 63 8.Then Click either YES or NO………mostly “NO” 9. Now your project is ready to USE 10. Now double click on the Target1, you would get another option “Source group 1” as shown in next page. Fig 7.7: Keil software step7 11. Click on the file option from menu bar and select “new” Fig 7.8: Keil software step8
  • 64.
    SVCET Page 64 12.The next screen will be as shown in next page, and just maximize it by double clicking on its blue boarder. Fig 7.9: Keil software step9 13. Now start writing program in either in “C” or “ASM” 14. For a program written in Assembly, then save it with extension “. asm” and for “C” based program save it with extension “ .C” Fig 7.10: Keil software step1
  • 65.
    SVCET Page 65 15.The next screen will be as shown in next page, and just maximize it by double clicking on its blue boarder. 16. Now right click on Source group 1 and click on “Add files to Group Source” Fig 7.11: Keil software step11 17. Now you will get another window, on which by default “C” files will appear. Fig 7.12: Keil software step12 Now select as per your file extension given while saving the file 18. Click only one time on option “ADD” 19. Now Press function key F7 to compile. Any error will appear if so happen.
  • 66.
    SVCET Page 66 Fig7.13: Keil software step13 20. If the file contains no error, then press Control+F5 simultaneously. 21. The new window is as follows Fig 7.14: Keil software step14 22. Then Click “OK” 23. Now Click on the Peripherals from menu bar, and check your required port as shown in fig below
  • 67.
    SVCET Page 67 Fig7.15: Keil software step15 24. Drag the port a side and click in the program file. Fig 7.16: Keil software step16 25. Now keep Pressing function key “F11” slowly and observe. You are running your program successfully.
  • 68.
    SVCET Page 68 CHAPTERVIII SOFTWARE DESCRIPTION 8. 1SOURCE CODE ************* MODULES: MAIN SECTION: LPC2148 Microcontroller LCD(4-bit data ) RS-P1.16,EN-P1.17,DATA -P1.18-P1.19 GSM (UART0) GPS (UART1) keys (3) P1,22-P1.24 1. Ir-Photodiode P0.16 Proximity P0.17 Motor P0.19 Ignition Key p0.20 ****************/ /************************** HEADER FILES ************************************/ #include <LPC214X.H> #include "lcd.h" #include "UART.h" #include <string.h> /************************** PIN CONNECTIONS ***********************************/ #define photodiode (1<<16) //P0.16 #define proximity (1<<17) #define buzzer (1<<18) // Buzzer declaration of pin no 18 of PORT0 #define motor (1<<19) #define key (1<<20) /************** PIN DECLARATIONS ****************/ #define inc (1<<22) //P1.22
  • 69.
    SVCET Page 69 #definedec (1<<2) #define ent (1<<24) unsigned char c[20],a[5],i,f1,f2; unsigned char d[50],j,fg1,fg2; unsigned char m,n,ti[10],lt[15],lg[15]; unsigned char flag,f,x,b[20],k,numr[15],loc,z; unsigned char phno[]="+919160508552"; // owner no unsigned char phno1[]="+919494971169"; // police no ///*********** GSM Interrupt service routine program *******// void gsm (void) __irq { unsigned char temp,IIR; while((IIR=(U0IIR & 0x01))==0) { temp=U0RBR; c[i++]=temp; break; } } ///*********** GPS Interrupt service routine program *******// void gps (void) __irq { unsigned char temp,IIR; while((IIR=(U1IIR & 0x01))==0) { temp=U1RBR; if(fg1==1){d[j++]=temp;if(j==45){d[j]='0';fg2=1;} } if(temp=='$'){j=0;fg1=1;} break;
  • 70.
    SVCET Page 70 } } /*KEY PAD SCAN FUNCTION*/ unsigned char keyscan(unsigned char loc) { unsigned char temp=0; while((IOPIN1 & 0x01000000)!=0x00) { if((IOPIN1 & 0x00400000)==0x00) { delay(1000); while((IOPIN1 & 0x00400000)==0x00); delay(10); if(temp>=9) { temp=9; } else { temp++; } } if((IOPIN1 & 0x00800000)==0x00) { delay(1000); while((IOPIN1 & 0x00800000)==0x00); delay(10); if(temp<=0) { temp=0; } else { temp--;
  • 71.
    SVCET Page 71 } } lcdcmd(loc); lcddata(temp+0x30); } delay(1000); while((IOPIN1& 0x01000000)==0x00); delay(300); return temp; } /************* MESSAGE SENDING **************/ void message(unsigned char *ph) { gsmint(); gpsint(); lcdclear(); disp_loc(0x80,"SENDING SMS..."); serial0("AT+CMGS="); serial_char0(0x22);serial0(ph);serial_char0(0x22); serial_char0(0x0d); delay(2000); serial0("VEHICLE IS GOING TO BE THEFTED, IS AT LOCATION"); serial0("LT:"); serial0(lt); serial0("LG:"); serial0(lg); serial_char0(0x1A); disp_loc(0x80,"SENDING SENDED..."); delay(10000); } void msg1(void) {
  • 72.
    SVCET Page 72 gsmint(); lcdclear(); disp_loc(0x80,"SENDINGSMS..."); serial0("AT+CMGS="); serial_char0(0x22);serial0(phno);serial_char0(0x22); serial_char0(0x0d); delay(2000); serial0("YOUR VEHICLE IS GOING TO BE ACESSED"); serial_char0(0x1A); disp_loc(0x80,"SENDING SENDED..."); delay(10000); } /************************** MAIN FUNCTION *************************************/ int main( void ) { unsigned int mask1,mask2,count,chk_flag; /************ LCDINTILISATIONS *****************/ lcdint(); disp_loc(0x80," WELCOME TO "); disp_loc(0xc0," THE PROJECT "); delay(5000); PINSEL1=0x15400000; serialint0(); VICIntEnable=0x40; U0IER=0x01; VICVectAddr0=(unsigned)gsm; VICVectCntl0=0x26; serialint1(); VICIntEnable|=0x80; U1IER=0x01; VICVectAddr1=(unsigned)gps; VICVectCntl1=0x27; gsmint();
  • 73.
    SVCET Page 73 gpsint(); IODIR0=0x00f00000; IOPIN0=0x00ff0000; IOSET0=0x00ff0000; IODIR0|=buzzer; IODIR0|=motor; IOCLR0=motor; IOCLR0=buzzer; count=0; lcdclear(); disp_loc(0x80,"WELCOME TO "); disp_loc(0xc0," THE PROJECT "); while(1) { mask1=IOPIN0 & 0x00010000; //photodiode mask2=IOPIN0 & 0x00020000; //proximity if((mask1==0) &&(mask2==0)) { msg1(); lcdclear(); disp_loc(0x80,"ENTER PASSWORD"); p1: delay(100); a[0]=keyscan(0xc0)+0x30; a[1]=keyscan(0xc1)+0x30; a[2]=keyscan(0xc2)+0x30; a[3]='0'; delay(100); disp_loc(0x80,"PASSWORD ENTERED"); delay(100); if(!(strcmp(a,"123"))) { delay(200); lcdclear();
  • 74.
    SVCET Page 74 disp_loc(0x80,"AUTHENTICATION"); disp_loc(0xc0,"SUCCEED "); p3: delay(500); chk_flag=0; while(chk_flag==0) { if(IOPIN0 ==((IOPIN0 & 0xff0fffff)|(0x00E00000))) { IOSET0=motor; } else { IOCLR0=motor; } mask1=IOPIN0 & 0x00010000; //photodiode mask2=IOPIN0 & 0x00020000; //proximity if((mask1!=0) &&(mask2!=0)) { chk_flag=1; } } lcdclear(); disp_loc(0x80," WELCOME TO "); disp_loc(0xc0," THE PROJECT "); } else { count++; IOSET0=buzzer; disp_loc(0xc0,"WRONG PASSWORD"); delay(500);
  • 75.
    SVCET Page 75 IOCLR0=buzzer; if(count>=3) { count=0; lcdclear(); message(phno); message(phno1); lcdclear(); disp_loc(0x80,"THE VEHICLE "); disp_loc(0xc0," ACESS DENIED "); delay(5000); lcdclear(); disp_loc(0x80," ENTER SECRETE "); p2: disp_loc(0xc0," KEY:"); delay(100); a[0]=keyscan(0xc5)+0x30; a[1]=keyscan(0xc6)+0x30; a[2]=keyscan(0xc7)+0x30; a[3]='0'; delay(100); if(!(strcmp(a,"456"))) { delay(200); lcdclear(); disp_loc(0x80,"AUTHENTICATION"); disp_loc(0xc0," SUCCEED "); goto p3; } else { IOSET0=buzzer; lcdclear();
  • 76.
    SVCET Page 76 disp_loc(0x80,"REENTERSECRETE "); delay(100); IOCLR0=buzzer; goto p2; } } else { lcdclear(); disp_loc(0x80,"REENTER PASSWORD"); goto p1; } } } } }
  • 77.
    SVCET Page 77 RESULTS Hencethe project is designed in such a way so as to protect the vehicle from being theft, using the modules namely, a. GSM-Global system for mobiles b. GPS-Global positioning system c. Microcontroller Softwares used are a. Keil software b. Embedded C c. GSM Open source software d. GPS HyperTerminal software ADVANTAGES • Protects vehicle from theft. • Low cost vehicle theft control scheme. • The message is sent to the police and the owner about the unauthorized usage. • The GPS used here tracks the location and sends the information. • It leaves no choice for the thief to escape. • The second lock system is available only with the owner, hence a total control over the vehicle is established. • Flexible operation. • Postion can be easily identified.
  • 78.
    SVCET Page 78 CONCLUSIONS Theproject “Anti Theft Control System Design Using Embedded system” has been successfully designed and tested. It has been developed by integrating features of all the hardware components used. Presence of every module has been reasoned out and placed carefully thus contributing to the best working of the unit. FUTURE ENHANCEMENT: The whole system can be made more compact and flexible. All the modules and sensing system can be brought under a single chip and System-On- Chip (SOC) for anti-theft control can be designed.
  • 79.
    SVCET Page 79 REFERENCES M. Gianluigi, G. Italiano, GSM and GPRS performance of IPSEC.  Microcontroller by Mazidi.  Microcontroller 8051 by Kenneth Ayala.  Raj Kamal “Embedded Systems – architecture , programming and Design “Second Edition 2009.  Anti Theft Control System available at the market.  http://www.unitracking.com/howitworks.html  http//www.gpsuser.pdf.  http://www.erols.com/dlwilson/gpscomp.htm  Www. Wikipedia .com.