S.P.P.U. Differential Locking System
Department of Mechanical Engg. P.R.E.C. Loni
1
1. INTRODUCTION
1.1 The Transmission System's Parts and Layout
A transmission system is a rather simple looking, but complicated piece of
equipment which is present in your vehicle to do a variety of jobs. The basic of the
jobs being to provide a way to connect and disconnect the engine from the rest of the
driving mechanism which is done for starting the vehicle and for changing gears. A
typical automobile transmission train is as shown below.[1]
Fig. 1.1.(a) Automobile Transmission System
The engine is at the very front and forms the primary connecting point for the
entire system. The crankshaft is parallel to the axis of the wheel and the transmission
system basically connects to the flywheel of the engine. The drive from the engine is
routed through the flywheel first, then to the clutch and is moved on to the gearbox.
From the gearbox, a propeller shaft leads out to the far end of the vehicle, up
to the rear axle (live, in case of a rear wheel drive). The axle on which the actual drive
A clutch is basically used for connecting and disconnecting the engine from
the driving wheels, whether stationary or when the vehicle is in motion. The clutch is
engaged or disengaged by using a spring-loading mechanism (among other types,
which will be discussed) and is done using the pressure of a pedal operated by the
driver from within the driving cabin.
S.P.P.U. Differential Locking System
Department of Mechanical Engg. P.R.E.C. Loni
2
One of the most important reasons as to why the transmission system exists,
what with all this complicated set up gears and systems to leverage the power, as and
when required, between the engine and the wheels. You might want to go faster, go
slower and there are times when you need more power than most other times. How
would your car be flexible to cater to your demands if it weren’t for the transmission
systems and the gear ratios that it provides?
Engines need to be started to be able to run or operate. However, there is a
slight annoyance here. We have learnt earlier that there is an entire drive line
connected from the engine’s flywheel to the front/rear/both sets of wheels. That
means to say that there is tremendous amount of weight that the vehicle’s engine has,
attached to it.
If you need the engine to start, you would need to use a battery operated
starting motor (as is being used currently). If this starting motor where to start your
engine and given that your engine is connected to the entire driveline, it would be
prove to be impossible to start it at all. A driveline is nothing but a propeller shaft that
connects from the engine to the differential (explained later) and then finally to the
wheels.
For this reason, there is a transmission mechanism provided, starting at the
flywheel of the engine which helps you to disassociate the driveline from the engine
when you start the vehicle. This way, the engine isn’t connected to the driveline when
starting and hence the starting motor manages to do its work. [1]
S.P.P.U. Differential Locking System
Department of Mechanical Engg. P.R.E.C. Loni
3
Fig.1.1.(b) Exploded view of Fiat 124 differential assembly
As we move down the driveline, the torque of the engine is modified, stage by
stage, until it reaches the wheels where it now becomes the tractive force or the
propulsive force at the point where the wheels touch the road.
Manual transmissions, as we know, remain the same for most vehicle classes,
more or less. However, there are various special cases like Front-wheel drives, rear-
wheel drives, and all-wheel drives. Added to this, there is this fact that while
negotiating a corner, the outer wheels must rotate faster than the inner wheels and to
achieve this, there is a separate gearing called as ‘the differential” which makes that
possible ( which will be explained later)
So, in a nutshell, here are the requirements and functions of an automotive
transmission:
 Provides a way to disconnect the driveline (the mechanism leading up to the
wheels) from the engine while starting or when changing gears.
 To enable connecting the driveline back to the engine gradually, without
shocks, while moving or while the engine is operating.
 To enable leverage between the wheels and the engine.
S.P.P.U. Differential Locking System
Department of Mechanical Engg. P.R.E.C. Loni
4
 To enable the driving wheels to rotate at different speeds while taking a turn --
accomplished by a differential.
1.2 Automobile Differential Gear Train (theory of operation)
The gearing of an automobile differential is illustrated as following in final
form.
Fig 1.2 Automobile Differential Gear Train
1.3 Automobile Differential Complete Schematic
Without the "square" set of four gears in the middle of the above diagram
which yields to the figure below, both wheels turn at the same angular velocity. This
leads to problems when the car negotiates a turn
S.P.P.U. Differential Locking System
Department of Mechanical Engg. P.R.E.C. Loni
5
Fig.1.3.(a) Automobile Wheel Drive without Differential
Now imagine the differential "square" alone, as illustrated in the following
figure. It should be apparent that turning one wheel results in the opposite wheel
turning in the opposite direction at the same rate
Fig.1.3.(b) Automobile Differential Alone
This is how the automobile differential works. It only comes into play when
one wheel needs to rotate differentially with respect to its counterpart. When the car is
moving in a straight line, the differential gears do not rotate with respect to their axes.
S.P.P.U. Differential Locking System
Department of Mechanical Engg. P.R.E.C. Loni
6
When the car negotiates a turn, however, the differential allows the two wheels to
rotate differentially with respect to each other.
One problem with an automotive differential is that if one wheel is held
stationary, the counterpart wheel turns at twice its normal speed as can be seen by
examining the complete scheme of automobile differential. This can be problematic
when one wheel does not have enough traction, such as when it is in snow or mud.
The wheel without traction will spin without providing traction and the opposite
wheel will stay still so that the car does not move. This is the reason for a device
known as a "limited slip differential" or "traction control". [1]
1.4 Differential Gear Train on a Turning Car
The gear train in an automobile differential is a common application of gears,
but often misunderstood by the lay public. Here we present a simplified explanation
of how and why an automobile differential works.
The car is turning about a circle with nominal radius rn. (For this discussion,
we assume that the axis of the wheel axle for the driven (rear) wheels passes through
the turn circle center. This is typically true only for a fairly large radius of turn.)
Fig. 1.4 Turning Radius of Car
The outer wheel traverses an arc with radius ro and the inner wheel traverses an
arc with radius ri. As illustrated, the lengths of the arcs traversed are so, sn, and si. The
outer arc so is obviously larger than the inner arc si for a given traversed angle theta.
Some way of ensuring that the outer wheel is able to turn slightly faster than the inner
wheel must be ensured in order to prevent binding and slippage of the tires on the
road. For non-driven wheels which simply rotate freely independently of other
S.P.P.U. Differential Locking System
Department of Mechanical Engg. P.R.E.C. Loni
7
machinery, this is not a problem. Driven wheels connected to the engine via the
driveshaft, however, must both be turned by gearing and this gear train must allow for
differential movement of the left wheel with respect to the right wheel. This is a
difficult problem since for every turning circle the differential rotation of the left and
right wheels is different. Fortunately, the automobile differential solves this problem
with only one transmission and one drive shaft for both driven wheels.
Since s=r(THETA), the length of the arc traversed for a given theta is
proportional to the radius. Since ro is greater than rn by the same amount that ri is less
than rn, the right wheel center must travel further than the car center by the same
amount that the left wheel center must travel less further than the car center. As its
name implies, a differential allows the left and right drive wheels to turn differentially
with respect to each other. As can be seen by turning the drive wheels of a car on a
mechanic's lift, turning one drive wheel results in the opposite wheel turning at the
same rate in the opposite direction. [1]
S.P.P.U. Differential Locking System
Department of Mechanical Engg. P.R.E.C. Loni
8
1.5 Differential (Mechanical Device)
A differential is a device, usually, but not necessarily, employing gears,
capable of transmitting torque and rotation through three shafts, almost always used in
one of two ways: in one way, it receives one input and provides two outputs—this is
found in most automobiles—and in the other way, it combines two inputs to create an
output that is the sum, difference, or average, of the inputs. In automobiles and other
wheeled vehicles, the differential allows each of the driving road wheels to rotate at
different speeds.
Fig. 1.5 Cut Section of Differential of Automobile
S.P.P.U. Differential Locking System
Department of Mechanical Engg. P.R.E.C. Loni
9
1.6 Differential Cut Section
Fig. 1.6 Component OF Differential
1. I/P Shaft 2. Pinion
3. Crown wheel 4. Planet gear
5. Sun gear 6. Cage
7. RH O/P Shaft 8. LH O/P Shaft
Differential gears in an automobile's drive-train allow the driving wheels to
transmit torque, or twisting force, at different turning
Differential gears in an automobile's drive-train allow the driving wheels to
transmit torque, or twisting force, at different turning rates. Thus one wheel can
follow the longer arc around the outside of a turn while the other wheel tracks the
shorter inside arc without skidding on the road surface.
In a front-engine, rear-drive car, engine torque flows through the transmission
and drive shaft to turn the ring-and-pinion gears inside the rear-axle assembly,
powering the rear driving wheels. In a front-engine, front-drive car, the differential
S.P.P.U. Differential Locking System
Department of Mechanical Engg. P.R.E.C. Loni
10
and final drive gears are in the same housing with the transmission, mounted directly
on the engine. In both design, the drive gears work through differential gears to turn
the axle and the driving wheels.
The drive shaft ends in a pinion gear inside the differential. When the drive
shaft turns, the pinion drives a ring gear that is part of the differential housing, so that
both housing and ring gear rotate together. Inside the housing are two pinion gears
and two side gears; each side gear is connected, via an axle, to a drive wheel. When
the car drives straight ahead and the axle shafts turn at the same speed, the differential
housing rotates, but no differential action occurs. When the car negotiates a turn,
however, the differential must compensate for the difference in distance traveled by
the drive wheels. The opinions roll around the side gears, allowing the inside wheel to
turn more slowly and the outside wheel to turn more slowly and the outside wheel to
turn faster.
Free-turning gears divide torque equally between the driven wheels. If one
drive wheel is on dry pavement and the other on ice, the gears roll around inside the
housing to spin the slipping wheel at twice the ring gear's speed. Each drive wheel
gets the same slight amount of torque required to spin the slipping wheel; the car does
not move at all. Some cars have locking, or limited-slip, differentials to reduce wheel
spin by transferring some torque to the wheel with better traction.
Many vehicles now have full- or part time four-wheel-drive (4WD). Part-time
4WD cars are driven 2 WD on paved roads. Most modern 4 WD cars add an extra
differential between the front and near wheels so the front and rear driving wheels can
turn at minutely differing rates. In some vehicle with full-time 4 WD. [1] [10]
1.7 Purpose of Differential
A vehicle's wheels rotate at different speeds, mainly when turning corners.
The differential is designed to drive a pair of wheels while allowing them to rotate at
different speeds. In vehicles without a differential, such as karts, both driving wheels
are forced to rotate at the same speed, usually on a common axle driven by a simple
chain-drive mechanism. When cornering, the inner wheel needs to travel a shorter
distance than the outer wheel, so with no differential, the result is the inner wheel
spinning and/or the outer wheel dragging, and this results in difficult and
S.P.P.U. Differential Locking System
Department of Mechanical Engg. P.R.E.C. Loni
11
unpredictable handling, damage to tires and roads, and strain on (or possible failure
of) the entire drive train
Fig. 1.7 Purpose of Differentials (a)
Input torque is applied to the ring gear (blue), which turns the entire carrier
(blue). The carrier is connected to both the side gears (red and yellow) only through
the planet gear (green) (visual appearances in the diagram notwithstanding). Torque is
transmitted to the side gears through the planet gear. The planet gear revolves around
the axis of the carrier, driving the side gears. If the resistance at both wheels is equal,
the planet gear revolves without spinning about its own axis, and both wheels turn at
the same rate.
Fig. 1.7 Purpose of Differentials (b)
If the left side gear (red) encounters resistance, the planet gear (green) spins as well as
revolving, allowing the left side gear to slow down, with an equal speeding up of the
right side gear (yellow).
S.P.P.U. Differential Locking System
Department of Mechanical Engg. P.R.E.C. Loni
12
1.8 Functional description
Fig. 1.8 Functional description of Differential
The following description of a differential applies to a "traditional" rear-
wheel-drive car or truck with an "open" or limited slip differential combined with a
reduction gear set.
Torque is supplied from the engine, via the transmission, to a drive shaft
(British term: 'propeller shaft', commonly and informally abbreviated to 'prop-shaft'),
which runs to the final drive unit that contains the differential. A spiral bevel pinion
gear takes its drive from the end of the propeller shaft, and is encased within the
housing of the final drive unit. This meshes with the large spiral bevel ring gear,
known as the crown wheel. The crown wheel and pinion may mesh in hypoid
orientation, not shown. The crown wheel gear is attached to the differential carrier or
cage, which contains the 'sun' and 'planet' wheels or gears, which are a cluster of four
opposed bevel gears in perpendicular plane, so each bevel gear meshes with two
neighbours, and rotates counter to the third, that it faces and does not mesh with. The
two sun wheel gears are aligned on the same axis as the crown wheel gear, and drive
the axle half shafts connected to the vehicle's driven wheels. The other two planet
gears are aligned on a perpendicular axis which changes orientation with the ring
S.P.P.U. Differential Locking System
Department of Mechanical Engg. P.R.E.C. Loni
13
gear's rotation. In the two figures shown above, only one planet gear (green) is
illustrated, however, most automotive applications contain two opposing planet gears.
Other differential designs employ different numbers of planet gears, depending on
durability requirements. As the differential carrier rotates, the changing axis
orientation of the planet gears imparts the motion of the ring gear to the motion of the
sun gears by pushing on them rather than turning against them (that is, the same teeth
stay in the same mesh or contact position), but because the planet gears are not
restricted from turning against each other, within that motion, the sun gears can
counter-rotate relative to the ring gear and to each other under the same force (in
which case the same teeth do not stay in contact).
Thus, for example, if the car is making a turn to the right, the main crown
wheel may make 10 full rotations. During that time, the left wheel will make more
rotations because it has further to travel, and the right wheel will make fewer rotations
as it has less distance to travel. The sun gears (which drive the axle half-shafts) will
rotate in opposite directions relative to the ring gear by, say, 2 full turns each (4 full
turns relative to each other), resulting in the left wheel making 12 rotations, and the
right wheel making 8 rotations.
The rotation of the crown wheel gear is always the average of the rotations of
the side sun gears. This is why, if the driven road wheels are lifted clear of the ground
with the engine off, and the drive shaft is held (say leaving the transmission 'in gear',
preventing the ring gear from turning inside the differential), manually rotating one
driven road wheel causes the opposite road wheel to rotate in the opposite direction by
the same amount.
When the vehicle is traveling in a straight line, there will be no differential
movement of the planetary system of gears other than the minute movements
necessary to compensate for slight differences in wheel diameter, undulations in the
road (which make for a longer or shorter wheel path), etc.
S.P.P.U. Differential Locking System
Department of Mechanical Engg. P.R.E.C. Loni
14
2. LITERATURE REVIEW
Ken Gilbert,et.al [6] proposed that, when controlling the differential action
between left and right wheels during cornering or when either of the wheels spins due
to slip or bumping, cams will expand the pressure rings to press the friction plates
together, thus enabling the driving torque be transmitted to the non-spinning wheel
too for more stable driving. This differential is suitable for high powered and high
output torque vehicles also because it responds to the acceleration pedal operation
quickly.
A limited slip differential (LSD) an anti-spin is another type of traction aiding
device that uses a mechanical system that activates under centrifugal force to
positively lock the left and right spider gears together when one wheel spins a certain
amount faster than the other. This type behaves as an open differential unless one
wheel begins to spin and exceeds that threshold. While positraction units can be of
varying strength, some of them with high enough friction to cause an inside tire to
spin or outside tire to drag in turns like a spooled differential, the LSD will remain
open unless enough torque is applied to cause one wheel to lose traction and spin, at
which point it will engage. A LSD can use clutches like a posi when engaged, or may
also be a solid mechanical connection like a locker or spool. It is called limited slip
because it does just that; it limits the amount that one wheel can "slip" (spin).
A locking differential, such as ones using differential gears in normal use but
using air or electrically controlled mechanical system, which when locked allow no
difference in speed between the two wheels on the axle. They employ a mechanism
for allowing the axles to be locked relative to each other, causing both wheels to turn
at the same speed regardless of which has more traction; this is equivalent to
effectively bypassing the differential gears entirely. Other locking systems may not
even use differential gears but instead drive one wheel or both depending on torque
value and direction. Automatic mechanical lockers do allow for some differentiation
under certain load conditions, while a selectable locker typically couples both axles
with a solid mechanical connection like a spool when engaged.
Craig Taylor,et.al [9] described a high-friction 'Automatic Torque Biasing'
(ATB) differential, such as the Torsen differential, where the friction is between the
gear teeth rather than at added clutches. This applies more torque to the driven road
S.P.P.U. Differential Locking System
Department of Mechanical Engg. P.R.E.C. Loni
15
wheel with highest resistance (grip or traction) than is available at the other driven
road wheel when the limit of friction is reached at that other wheel. When tested with
the wheels off the ground, if one wheel is rotated with the differential case held, the
other wheel will still rotate in the opposite direction as for an open differential but
there with be some frictional losses and the torque will be distributed at other than
50/50. Although marketed as being "torque-sensing", it functions the same as a
limited slip differential.
A very high-friction differential, such as the ZF "sliding pins and cams" type,
so that there is locking from very high internal friction. When tested with the wheels
off the ground with torque applied to one wheel it will lock, but it is still possible for
the differential action to occur in use, albeit with considerable frictional losses, and
with the road loads at each wheel in opposite directions rather than the same (acting
with a "locking and releasing" action rather than a distributed torque).
Saleem Merkt et. al. [8] Research and design were conducted on the 2009 NC
State University Formula SAE Hybrid vehicle electric powertrain and differential.
The NCSU FH.09 vehicle utilized a series electric hybrid system to create an
electronic differential with no mechanical components connecting the two rear
wheels. Research and anal0ysis was conducted to govern the movement of the rear
wheels to allow maximum traction while allowing instant driver adjustment based on
his/her preference. The system mainly consists of two Perm PMG 132 DC permanent
magnet motors, Iotech Daqboard 1005 data acquisition, Renesas Technology micro-
controller, Hall Effect sensors, and an accelerometer.
Electronic traction control systems usually use the anti-lock braking system
(ABS) road wheel speed sensors to detect a spinning road wheel, and apply the brake
to that wheel. This progressively raises the reaction torque at that road wheel, and the
differential compensates by transmitting more torque through the other road wheel—
the one with better traction. In Volkswagen Group vehicles, this specific function is
called 'Electronic Differential Lock' (EDL).
A Spool is just what it sounds like. It may replace the spider gears within the
differential carrier, or the entire carrier. A spool locks both axle shafts together 100%
for maximum traction. This is typically only used in drag racing applications, where
S.P.P.U. Differential Locking System
Department of Mechanical Engg. P.R.E.C. Loni
16
the vehicle is to be driven in a straight line while applying tremendous torque to both
wheels.
In a four-wheel drive vehicle, a viscous coupling unit can replace a centre
differential entirely, or be used to limit slip in a conventional 'open' differential. It
works on the principle of allowing the two output shafts to counter-rotate relative to
each other, by way of a system of slotted plates that operate within a viscous fluid,
often silicone. The fluid allows slow relative movements of the shafts, such as those
caused by cornering, but will strongly resist high-speed movements, such as those
caused by a single wheel spinning. This system is similar to a limited slip differential.
S E Chocholek,et.al [7] explains the basic operating functions, various design
alternatives, and the possibilities for improving traction management provided by the
Torsen differential. A four-wheel drive (4WD) vehicle will have at least two
differentials (one in each axle for each pair of driven road wheels), and possibly a
centre differential to apportion torque between the front and rear axles. In some cases
(e.g. Lancia Delta Integrale, Porsche 964 Carrera 4 of 1989) the center differential is
an epicyclic differential (see below) to divide the torque asymmetrically, but at a
fixed rate between the front and rear axle. Other methods utilize an 'Automatic
Torque Biasing' (ATB) centre differential, such as a Torsen—which is what Audi use
in their quattro cars (with longitudinal engines).
4WD vehicles without a centre differential should not be driven on dry, paved
roads in four-wheel drive mode, as small differences in rotational speed between the
front and rear wheels cause a torque to be applied across the transmission. This
phenomenon is known as "wind-up", and can cause considerable damage to the
transmission or drive train. On loose surfaces these differences are absorbed by the
tire slippage on the road surface.
A transfer case may also incorporate a centre differential, allowing the drive
shafts to spin at different speeds. This permits the four-wheel drive vehicle to drive on
paved surfaces without experiencing "wind-up".
Sedwick et al. [11] invented a single speed epicyclic differential transmission
which allows an input shaft(12) to be connected to two output shafts (16,23) with
substantially equal torque split. The transmission includes two epicyclic gear trains
having a common annulus/sun gear (17, 18) which acts on a differentiating gear to
accommodate speed variation of the output shafts (16, 23).
S.P.P.U. Differential Locking System
Department of Mechanical Engg. P.R.E.C. Loni
17
The present invention relates to an epicyclic transmission particularly suitable for use
in vehicles, especially electrically powered vehicles, having two driving wheels.
Vehicles having two driving wheels and a single source of motive power require a
means of dividing a single drive shaft in to half shafts associated with respective
driving wheels. A differential gear is also required to accommodate relative rotation
between the driving wheels, for example on cornering. A further requirement is that
the driving torque is equally split between the driving wheels so as to avoid torque
steer, especially in front wheel drive vehicles
The invention also permits incorporation of locked or limited slip differential,
by for example fixing or controlling the speed ratio between the output shaft. This
may be done relatively easily since the output members are immediately adjacent and
on the same rotational axis. The arrangement may further include locking pawl
engage able to retain an element of the epicyclic gear train with respect to housing so
as to lock the transmission and provide a park-lock function. The pawl may for
example engage the outer ring gear.
Mr. Helmet Wiese et al. [12] investigated a spur gear differential lockable to
a limited extent and used as a differential gear for a motor vehicle. The differential
make use of the friction losses resulting from the oil flow conveyed by the teeth and
teeth gaps of the planetary gears and the sun gears or the hollow gear. For control
purposes, a cover ring is provided which may be moved into a closed position, i.e. a
sealing position, relative to the end face of the gear teeth or away there from to
throttle or release the oil flow. This is another type of differential that was used in
some early automobiles, more recently the Oldsmobile Toronado, as well as other
non-automotive applications. It consists of spur gears only.
A spur-gear differential has two equal-sized spur gears, one for each half-shaft,
with a space between them. Instead of the Bevel gear, also known as a miter gear,
assembly (the "spider") at the centre of the differential, there is a rotating carrier on
the same axis as the two shafts. Torque from a prime mover or transmission, such as
the drive shaft of a car, rotates this carrier.
Mounted in this carrier are one or more pairs of identical pinions, generally
longer than their diameters, and typically smaller than the spur gears on the individual
half-shafts. Each pinion pair rotates freely on pins supported by the carrier.
Furthermore, the pinions pairs are displaced axially, such that they mesh only for the
S.P.P.U. Differential Locking System
Department of Mechanical Engg. P.R.E.C. Loni
18
part of their length between the two spur gears, and rotate in opposite directions. The
remaining length of a given pinion meshes with the nearer spur gear on its axle.
Therefore, each pinion couples that spur gear to the other pinion, and in turn, the other
spur gear, so that when the drive shaft rotates the carrier, its relationship to the gears
for the individual wheel axles is the same as that in a bevel-gear differential.
Dr. Tomas Smetana et al. [13] proposed a relatively new technology is the
electronically-controlled 'active differential'. An electronic control unit (ECU) uses
inputs from multiple sensors, including yaw rate, steering input angle, and lateral
acceleration and adjusts the distribution of torque to compensate for undesirable
handling behaviors like under steer. Active differentials used to play a large role in
the World Rally Championship, but in the 2006 season the FIA has limited the use of
active differentials only to those drivers who have not competed in the World Rally
Championship in the last five years.
Fully integrated active differentials are used on the Ferrari F430, Mitsubishi
Lancer Evolution, and on the rear wheels in the Acura RL. A version manufactured by
ZF is also being offered on the latest Audi S4 and Audi A4.
The second constraint of the differential is passive—it is actuated by the
friction kinematics chain through the ground. The difference in torque on the road
wheels and tires (caused by turns or bumpy ground) drives the second degree of
freedom, (overcoming the torque of inner friction) to equalize the driving torque on
the tires. The sensitivity of the differential depends on the inner friction through the
second degree of freedom. All of the differentials (so called “active” and “passive”)
use clutches and brakes for restricting the second degree of freedom, so all suffer
from the same disadvantage—decreased sensitivity to a dynamically changing
environment. The sensitivity of the ECU controlled differential is also limited by the
time delay caused by sensors and the response time of the actuators.
2.1 Automobiles without differentials
Although the vast majority of automobiles in the developed world use differentials,
there are a few that do not. Several different types exist:
 Vehicles with a single driving wheel. Besides motorcycles, which are generally not
classified as automobiles, this group includes most three-wheeled cars. These were
S.P.P.U. Differential Locking System
Department of Mechanical Engg. P.R.E.C. Loni
19
quite common in Europe in the mid-20th Century, but have now become rare there.
They are still common in some areas of the developing world, such as India. Some
early four-wheeled cars also had only one driving wheel to avoid the need for a
differential. However, this arrangement led to many problems. The system was
unbalanced; the driving wheel would easily spin, etc. Because of these problems, few
such vehicles were made.
 Vehicles using two freewheels. A freewheel, as used on a pedal bicycle for
example, allows a road wheel to rotate faster than the mechanism that drives it,
allowing a cyclist to stop pedaling while going downhill. Some early automobiles had
the engine driving two freewheels, one for each driving road wheel. When the vehicle
turned, the engine would continue to drive the wheel on the inside of the curve, but
the wheel on the outside was permitted to rotate faster by its freewheel. Thus, while
turning, the vehicle had only one driving wheel.
 Vehicles with continuously variable transmissions, such as the DAF Daffodil. The
Daffodil, and other similar vehicles which were made until the 1970s by the Dutch
company DAF, had a type of transmission that used an arrangement of belts and
pulleys to provide an infinite number of gear ratios. The engine drove two separate
transmissions which ran the two driving wheels. When the vehicle turned, the two
wheels could rotate at different speeds, making the two transmissions shift to different
gear ratios, thus functionally substituting for a differential. The slower moving wheel
received more driving torque than the faster one, so the system had limited-slip
characteristics. The duplication also provided redundancy. If one belt broke, the
vehicle could still be driven.
 Vehicles with separate motors for the driving wheels. Electric cars can have a
separate motor for each driving wheel, eliminating the need for a transmission and
differential. Hybrid vehicles in which the final drive is electric can be configured
similarly.
S.P.P.U. Differential Locking System
Department of Mechanical Engg. P.R.E.C. Loni
20
2.2 SUMMARY OF LITERATURE REVIEW
A lot of work has been done in Differential with differential locking systems to
overcome the problem of loss of traction as explained in problem definition.
Various researches are done in the differential locking and they invented that
locking can be done by either modifying differential design i.e. inventing new
differential (e.g. epicyclic, Torsen, Spur) or by providing the locking mechanism (e.g.
Active) [6] [7] [11] [12] [13].
From the literature survey, it is observed that the present methods of locking have
many limitations are as follows:
Limited slip differential uses pressure plate & friction clutch arrangements for
locking, which makes complicated construction and cannot provide fully locking.
Also, since frictional forces are continuously active to resist differentiation, friction
clutches tend to wear, resulting in a deterioration of intended differential performance.
Epicyclic differential is particularly suitable for electrically powered vehicles. It uses
epicyclic gear train, which requires careful choice of gear ratios in order to ensure a
substantially equal torque split, this makes the design complicated.
The disadvantage of Spur gear differential locking method is that, the locking effect
occurs at any speed differential, a continuously existing locking effect of a certain
magnitude disadvantageously affects the driving behaviour of the vehicles. In
particular this applies to using a lockable differentials in connection with automatic
anti-locking systems for the vehicle wheels.
Active differential requires a separate actuator for locking differential. A disadvantage
of the Active differential is the low ratio between the actuator torque and the
differential torque, as well as the co-rotation of the actuator around the wheel axles.
Electronic differential locking uses the ABS with ECU for locking stability control of
vehicle. But disadvantage is that the sensitivity of the ECU controlled differential is
also limited by the time delay caused by sensors and the response time of the
actuators.
S.P.P.U. Differential Locking System
Department of Mechanical Engg. P.R.E.C. Loni
21
2.3 PROBLEM DEFINITION (NEED FOR PROJECT)
1) One undesirable side effect of a conventional differential is that it can limit traction
under less than ideal conditions.
2) The amount of traction required to propel the vehicle at any given moment depends
on the load at that instant—how heavy the vehicle is, how much drag and friction
there is, the gradient of the road, the vehicle's momentum, and so on.
3)The torque applied to each driving wheel is a result of the engine, transmission and
drive axles applying a twisting force against the resistance of the traction at that road
wheel.
4)In lower gears and thus at lower speeds, and unless the load is exceptionally high,
the drive train can supply as much torque as necessary, so the limiting factor becomes
the traction under each wheel.
5) It is therefore convenient to 0define traction as the amount of torque that can be
generated between the tire and the road surface, before the wheel starts to slip. 6)If the
torque applied to drive wheels does not exceed the threshold of traction, the vehicle
will be propelled in the desired direction; if not, then one or more wheels will simply
spin.
7)When one wheel is in slippery road or in mud ,or in snow then that wheel is
rapidly rotates and other wheel is remain stationary and wheel are not moves forward.
8)At this condition differential action is there whole power is goes to wheel in mud,
the differential works like turning moment of vehicle.
9)Avoiding this problem differential locking is very important when vehicle one
wheel is stationary and other is rotating.
S.P.P.U. Differential Locking System
Department of Mechanical Engg. P.R.E.C. Loni
22
3. PRINCIPLE OF OPERATION & WORKING
3.1 Principle of Operation
As per the principle of differential, it provides more torque and speed to the sun gear
with lesser resistance to motion. Thus if one wheel of the vehicle is on slippery
surface and the other wheel on a regular tarmac surface, the differential transmits all
torque and speed to the wheel on slippery surface, since it has lower rolling
resistance. The wheel on slippery surface keeps spinning while the other wheel on
regular surface remains stationary. Now, to provide tractive effort to the other wheel
which is on regular tarmac road surface, the differential operation should be
discontinued. This provision is provided by locking differential.
Fig.3.1 Differential locking mechanism
Locking of one sun gear to the cage ensures that the other sun gear will also rotate at
the same speed. Hence we lock the sun gear to the cage by engaging the key on the
dog ring which is mounted on the sun gear in the grooves provided on the spike
shaft.
S.P.P.U. Differential Locking System
Department of Mechanical Engg. P.R.E.C. Loni
23
3.2 Construction
Fig.3.2.(a) Project Layout
We use single phase AC motor as a prime mover. It provides rotary motion to the
input shaft of the differential by using belt and pulley arrangement. We have
replaced spike shaft by increasing its length and have provided grooves on its
head as shown in fig.3.2. Dog ring having key is mounted on cage. The shifter
mechanism moves dog ring on cage along horizontal axis for engaging the key in
the grooves on the spike shaft.
Shifter mechanism consists of DC motor, Rack and pinion and shifter connected
to the dog ring.
S.P.P.U. Differential Locking System
Department of Mechanical Engg. P.R.E.C. Loni
24
Fig.3.2.(b) Actual condition Of Locking
S.P.P.U. Differential Locking System
Department of Mechanical Engg. P.R.E.C. Loni
25
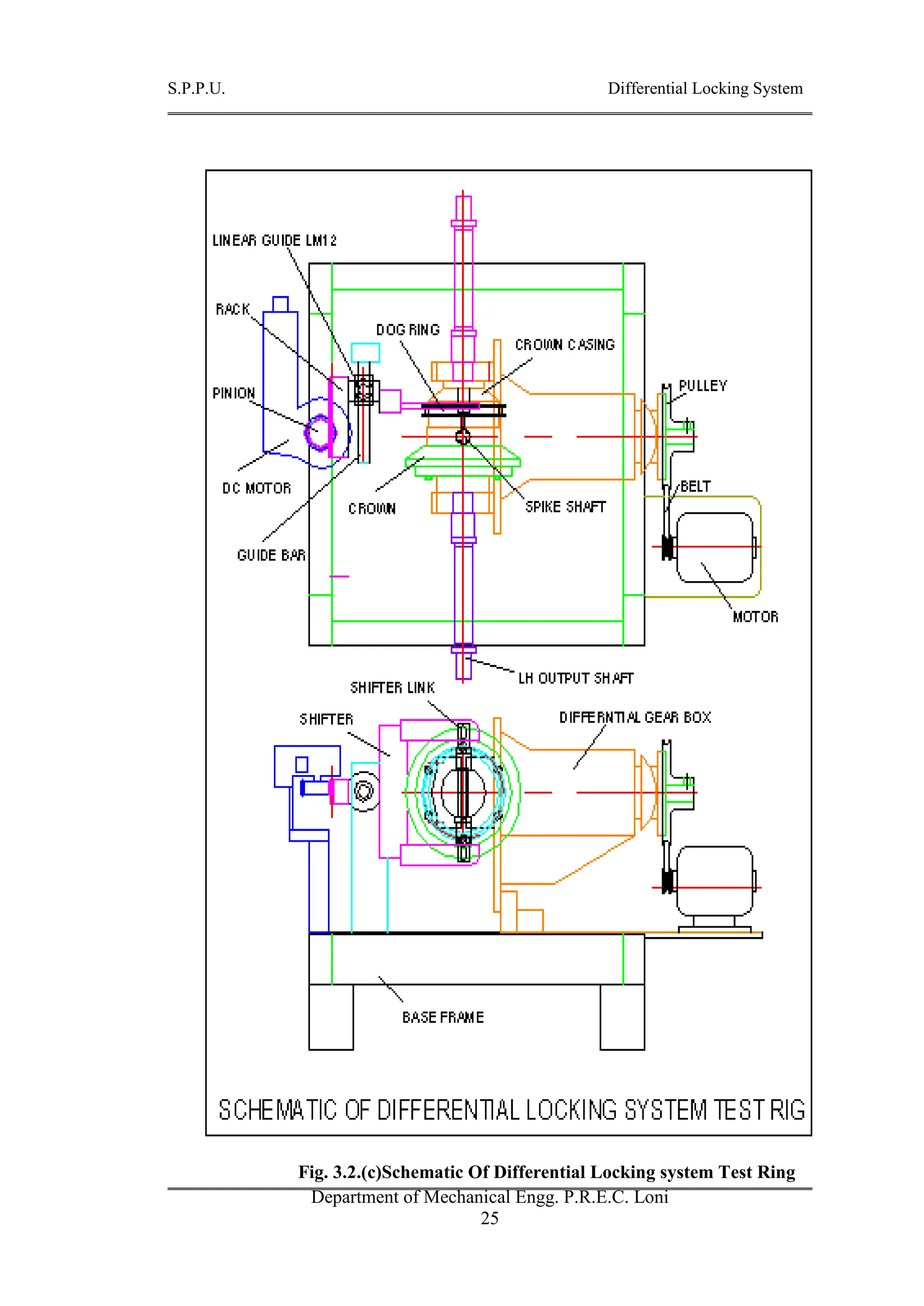
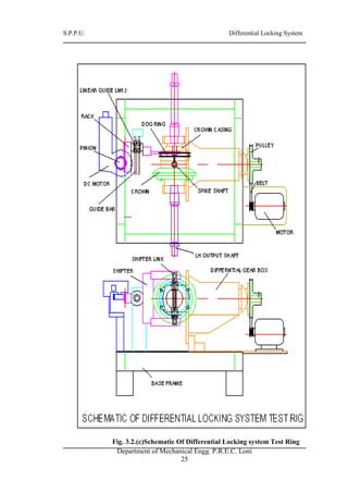
Fig. 3.2.(c)Schematic Of Differential Locking system Test Ring
S.P.P.U. Differential Locking System
Department of Mechanical Engg. P.R.E.C. Loni
26
Fig. 3.2.(d) Actual Model of Project
1. AC Power supply (230v)
2. Relay circuit
3. Transformer with rectifier (100 VA, 12v DC)
4. Direction control valve
5. DC motor
6. Shifter mechanism
7. Locking mechanism
8. Single phase AC motor
9. O/P shaft.
S.P.P.U. Differential Locking System
Department of Mechanical Engg. P.R.E.C. Loni
27
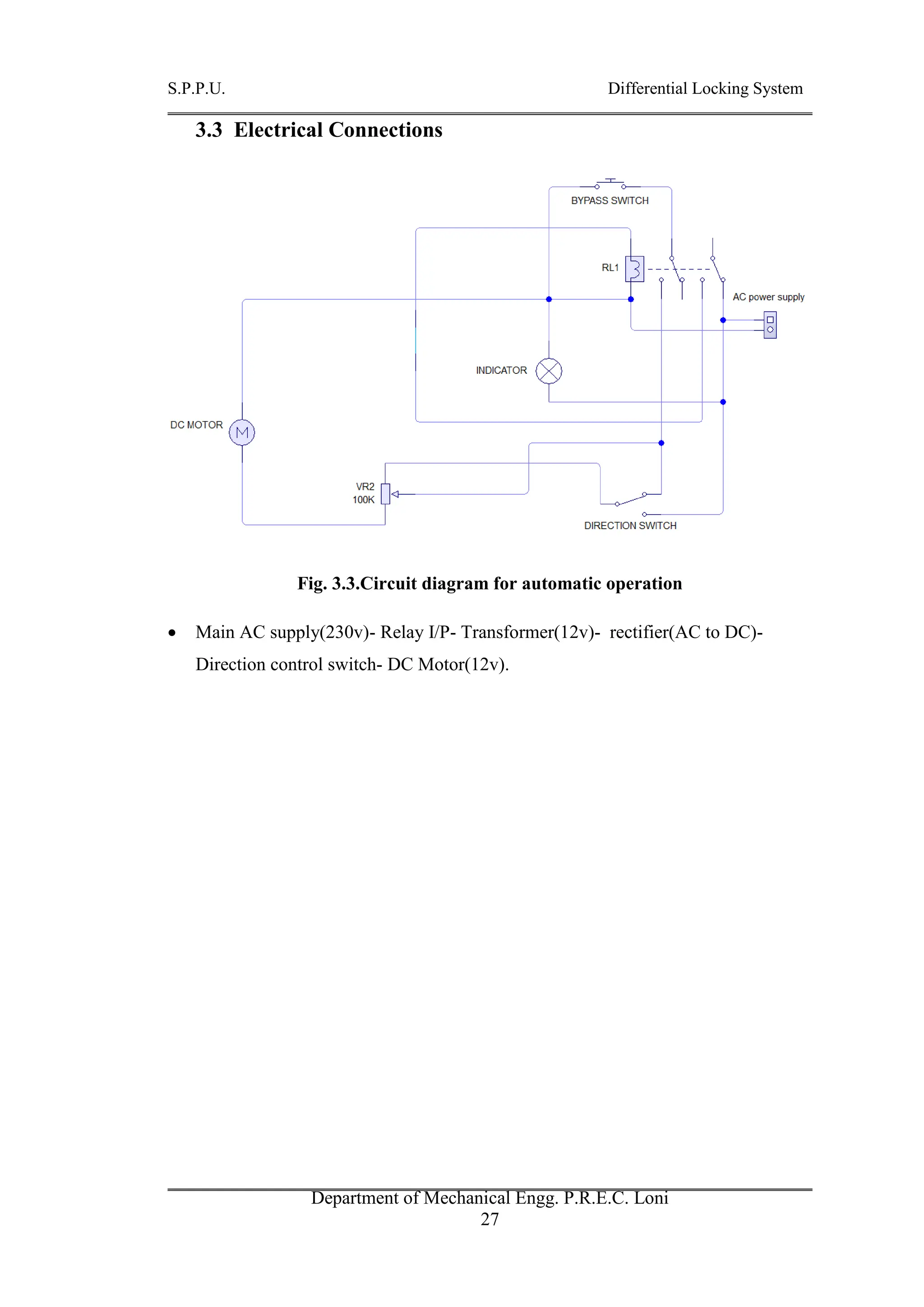
3.3 Electrical Connections
Fig. 3.3.Circuit diagram for automatic operation
 Main AC supply(230v)- Relay I/P- Transformer(12v)- rectifier(AC to DC)-
Direction control switch- DC Motor(12v).
S.P.P.U. Differential Locking System
Department of Mechanical Engg. P.R.E.C. Loni
28
3.4 Working
How Differential Locks?
Steps:
1. When one of the wheels (e.g. Rh wheel) goes in a pit or slippery condition due t o
loss in traction (friction between road and wheel) Wheel shaft stops turning.
2. As a result the LH wheel shaft speeds up to twice the transmission speed vehicle
tires cannot generate enough traction to come out of the pit.
3. DC motor pinion drives the rack and there by the shifter mechanism to the right.
4. Shifter mechanism moves the dog ring toward right and the dog teeth engage in
the spike shaft slot.
5. Engagement will lock the spike shaft …thereby the conventional differential
actions stops and both the wheel shafts get engaged in drive and thus equal power
is given to either wheels.
6. Wheels after receiving the power will pull/push the vehicle out of pit.
7. Operator moves the reversing switch to bring the dog ring back out of engagement
thus conventional differential action is restored.
S.P.P.U. Differential Locking System
Department of Mechanical Engg. P.R.E.C. Loni
29
Fig. 3.4.(a)Locking mechanism Before Engagement
Fig. 3.4.(b) Locking mechanism After Engagement
S.P.P.U. Differential Locking System
Department of Mechanical Engg. P.R.E.C. Loni
30
4. DESIGN METHODOLOGY
4.1 DESIGN OF DIFFERENTIAL LOCKING SYSTEM
In our attempt to design a special purpose machine we have adopted a very a
very careful approach, the total design work has been divided into two parts mainly;
 System design
 Mechanical design
System design mainly concerns with the various physical constraints and
ergonomics, space requirements, arrangement of various components on the main
frame of machine no of controls position of these controls ease of maintenance scope
of further improvement; height of m/c from ground etc.
In Mechanical design the components are categories in two parts.
 Design parts
 Parts to be purchased.
For design parts detail design is done and dimensions thus obtained are
compared to next highest dimension which are readily available in market this
simplifies the assembly as well as post production servicing work.
The various tolerances on work pieces are specified in the manufacturing
drawings. The process charts are prepared & passed on to the manufacturing stage.
The parts are to be purchased directly are specified & selected from standard
catalogues.
4.1.1 MOTOR SELECTION
Thus selecting a motor of the following specifications
Single phase AC motor
Commutator motor
TEFC construction
Power = 1/15hp=50 watt
Speed= 0-6000 rpm (variable)
S.P.P.U. Differential Locking System
Department of Mechanical Engg. P.R.E.C. Loni
31
Motor is a Single phase AC motor, Power 50 watt, Speed is continuously variable
from 0 to 6000 rpm. The speed of motor is variated by means of an electronic speed
variator . Motor is a commutator motor ie, the current to motor is supplied to motor
by means of carbon brushes. The power input to motor is varied by changing the
current supply to these brushes by the electronic speed variator, thereby the speed is
also is changes. Motor is foot mounted and is bolted to the motor base plate welded
to the base frame of the indexer table.
4.1.2 DESIGN OF BELT DRIVE
Selection an open belt drives using V-belt;
Reduction ratio = 4
Planning a 1 stage reduction;
A) Motor pulley ( D1)=25mm
B) Main shaft pulley ( D2)=100mm
4.1.3 INPUT DATA
INPUT POWER = 0.05KW
INPUT SPEED =1000 RPM
CENTERDISTANCE = 210 MM
MAX BELT SPEED = 1600 M/MIN = 26.67 M/SEC
GROOVE ANGLE (2  ) = 400
COEFFICIENT OF FRICTION = 0.25
BETWEEN BELT AND PULLEY
ALLOWABLE TENSILE STREES = 8 N/mm2
S.P.P.U. Differential Locking System
Department of Mechanical Engg. P.R.E.C. Loni
32
4.1.4 Section of belt section
Ref Manufacturers Catalogue
C/S SYMBOL USUAL
LOAD OF
DRIVE (KW)
NOMINAL
TOP WIDTH
W mm
NOMINAL
THICKNESS
T mm
WEIGHT
PER METER
Kgf
FZ 0.03 - 0.15 6 4 0.05
Sin  = 02M = R2-R1 = D2-D1
0102 x 2x
= 100 - 25
2 x 210
  = 10.290
Angle of lap on smaller pulley; ie; motor puller ;
0
= 180 - 2
= 180 - 2(10.29)
 = 159.42
  = 2.78c
Now;
Mass of betl /meter length =0.05 kgf
 Centrifugal Tension (Tc)= Mv2
Tc = 0.05 (26.67) 2
Tc = 35.56 N
S.P.P.U. Differential Locking System
Department of Mechanical Engg. P.R.E.C. Loni
33
4.1.5 Max Tension in belt
(T) = f all x Area
= 8 x 20
=160N/mm2
A) Tension in Tight side of belt = T1 = T-T
= 160 - 35.56
T1 = 124.4 N
B) Tension in slack side of belt = T2
2.3 log T1 =  x  x cosec 
T2
= 0.25 x 2.8 x cosec 20
log T1 = 0.86
T2
 T1 = 7.75
T2
 T2 = 16 N
POWER TRANSMITTING CAPACITY OF BELT
P = ( T2 - T2) v
= (124.24 - 16) 26.67
P = 3.13 kw
 Belt can safely tansmit 0.05 kw power
S.P.P.U. Differential Locking System
Department of Mechanical Engg. P.R.E.C. Loni
34
4.1.6 SELECTION OF BELT.
Selection of belt ‘FZ 6 x 600 ’ from std manufacturers catalogue
MAKE: HELICORD
RESULT TABLE
Table 4.1.Result Table
1. BELT SELECTED FZ 6 x 600
2. Tight side Tension T1 =124.24 N
3. Slack side Tension T2 = 16 N
4. Motor pulley did.(  D1) D1 =25 MM
5. Pulley (a) diameter (D2) D2 =100MM
S.P.P.U. Differential Locking System
Department of Mechanical Engg. P.R.E.C. Loni
35
4.1.7 DESIGN OF LH OUTPUT SHAFT.
MATERIAL SELECTION: - Ref :- PSG (1.10 & 1.12) + (1.17)
DESIGNATION ULTIMATE TENSILE
STRENGTH N/mm2
YIELD
STRENGTH,N/mm2
EN 24
800 680
ASME CODE FOR DESIGN OF SHAFT.
Since the loads on most shafts in connected machinery are not constant , it is
necessary to make proper allowance for the harmful effects of load fluctuations.
According to ASME code permissible values of shear stress may be calculated
form various relations.
fs max = 0.18 fult
= 0.18 x 800
= 144 N/mm2
OR
fs max = 0.3 fyt
=0.3 x 680
=204 N/mm
Considering minimum of the above values ;
 fs max = 144 N/mm2
Shaft is provided with key way; this will reduce its strength. Hence reducing
above value of allowable stress by 25%
 fs max = 108 N/mm2
This is the allowable valve of shear stress that can be induced in the shaft
material for safe operation.
S.P.P.U. Differential Locking System
Department of Mechanical Engg. P.R.E.C. Loni
36
TO CALCULATE INPUT TORQUE
POWER = 2  NT
60
 T = 60 x P
2 x  x N
= 60 X 50
2 X  X N
Assuming operation speed = 800 rpm.
= 60 x 50
2 x  x 800
 T = 0.5968 N.m
Assuming 100% overload.
 T design = 2 x T
= 2 x 0.5968 x 103
= 1.19 x 103
N.mm.
CHECK FOR TORSIONAL SHEAR FAILURE OF SHAFT.
Assuming minimum section diameter on input shaft = 16 mm
 d = 16 mm
Td = /16 x fs act x d3
 fs act = 16 x Td
 x d 3
= 16 x 1.19 x 10 3
 x (16) 3
 fs act = 1.47 N/mm2
As fs act < fs all
LH 0/P shaft is safe under torsional load
S.P.P.U. Differential Locking System
Department of Mechanical Engg. P.R.E.C. Loni
37
4.1.8 DESIGN OF RH OUTPUT SHAFT.
MATERIAL SELECTION: - Ref: - PSG (1.10 & 1.12) + (1.17)
DESIGNATION ULTIMATE TENSILE
STRENGTH N/mm2
YEILD
STRENGTHN/mm2
EN 24
800 680
ASME CODE FOR DESIGN OF SHAFT.
Since the loads on most shafts in connected machinery are not constant, it is
necessary to make proper allowance for the harmful effects of load fluctuations.
According to ASME code permissible values of shear stress may be calculated
form various relations.
fs max = 0.18 fult
= 0.18 x 800
= 144 N/mm2
OR
fs max = 0.3 fyt
=0.3 x 680
=204 N/mm
considering minimum of the above values ;
 fs max = 144 N/mm2
Shaft is provided with key way; this will reduce its strength. Hence reducing
above value of allowable stress by 25%
 fs max = 108 N/mm2
This is the allowable valve of shear stress that can be induced in the shaft
material for safe operation.
TO CALCULATE INPUT TORQUE
S.P.P.U. Differential Locking System
Department of Mechanical Engg. P.R.E.C. Loni
38
POWER = 2  NT
60
 T = 60 x P
2 x  x N
= 60 X 50
2 X  X N
Assuming operation speed = 800 rpm.
= 60 x 50
2 x  x 800
 T = 0.5968 N.m
Assuming 100% overload.
 T design = 2 x T
= 2 x 0.5968 x 103
= 1.19 x 103
N.mm.
CHECK FOR TORSIONAL SHEAR FAILURE OF SHAFT.
Assuming minimum section diameter on input shaft = 16 mm
 d = 16 mm
Td = /16 x fs act x d3
 fs act = 16 x Td
 x d 3
= 16 x 1.19 x 10 3
 x (16) 3
 fs act = 1.47 N/mm2
As fs act < fs all
RH 0/P shaft is safe under torsional load
S.P.P.U. Differential Locking System
Department of Mechanical Engg. P.R.E.C. Loni
39
4.1.9 DESIGN OF SPIKE SHAFT.
MATERIAL SELECTION: - Ref :- PSG (1.10 & 1.12) + (1.17)
DESIGNATION ULTIMATE TENSILE
STRENGTH N/mm2
YEILD
STRENGTHN/mm2
EN 24
800 680
ASME CODE FOR DESIGN OF SHAFT.
Since the loads on most shafts in connected machinery are not constant, it is
necessary to make proper allowance for the harmful effects of load fluctuations.
According to ASME code permissible values of shear stress may be calculated
form various relations.
fs max = 0.18 fult
= 0.18 x 800
= 144 N/mm2
OR
fs max = 0.3 fyt
= 0.3 x 680
= 204 N/mm
Considering minimum of the above values;
 fs max = 144 N/mm2
Shaft is provided with key way; this will reduce its strength. Hence reducing
above value of allowable stress by 25%.
 fs max = 108 N/mm2
This is the allowable valv1e of shear stress that can be induced in the shaft
material for safe operation.
TO CALCULATE INPUT TORQUE
POWER = 2  NT
60
 T = 60 x P
2 x  x N
S.P.P.U. Differential Locking System
Department of Mechanical Engg. P.R.E.C. Loni
40
= 60 X 50
2 X  X N
Assuming operation speed = 800 rpm.
= 60 x 50
2 x  x 800
 T = 0.5968 N.m
Assuming 100% overload.
 T design = 2 x T
= 2 x 0.5968 x 103
= 1.19 x 103
N.mm.
CHECK FOR TORSIONAL SHEAR FAILURE OF SHAFT.
Assuming minimum section diameter on input shaft = 16 mm.
 d = 16 mm
Td = /16 x fs act x d3
 fs act = 16 x Td
 x d 3
= 16 x 1.19 x 10 3
 x (16) 3
 fs act = 1.47 N/mm2
As fs act < fs all
 Spike shaft is safe under torsional load.
S.P.P.U. Differential Locking System
Department of Mechanical Engg. P.R.E.C. Loni
41
4.1.10 DESIGN OF DOG RING.
MATERIAL SELECTION:-
Ref :- (PSG 1.10, 1.12 & 1.17)
DESIGNATION TEXTILE STRENGTH
N/mm2
YEILD STRENGTH
N/mm2
EN 24 850 680
‘Dog is located on pcd 72 mm. These pins engage in the cage of the spike shaft and
act as transmission elements.
They can be designed similar to the bush pins in the bush pin type flexible
flange coupling.
‘Three pins’ transmit the entire torque;
These pins are located at PCD (Dp) = 72 mm
Tangential force on each bolt (Fb) = T
Dp x n
2
T = n x Fb x Dp
2
Now;
Shear stress = Shear force
Shear area
fs act = Fb
/4 x d2
 Fb = fs act x /4 d2
T = n x ( fs act x  x d2
) x Dp
4 2
Assuming Pin diameter = 5 mm
S.P.P.U. Differential Locking System
Department of Mechanical Engg. P.R.E.C. Loni
42
 1.19 x 103
= 1 x ( fs act x  x (5)2
) x 72
4 2
 fs act = 1.68 N/mm2
As fs act < fs all Pins are safe under shear load.
S.P.P.U. Differential Locking System
Department of Mechanical Engg. P.R.E.C. Loni
43
5. MANUFACTURING PROCESS CHARTS
Table 5.1 LH O/P SHAFT
PART NAME : LH O/P SHAFT
Sr.
No
Description of
Operation
Tools Time in minutes
Jigs &
Fixture
M/c
Tools
Cutting
Tools
Measuring
Instrument
Setting
Time
M/c
Time
Total
Time
1 Clamp stock Three
jaw
chuck
Lathe - - 20 - 20
2 Facing Both
side to total
length 140mm
Three
jaw
chuck
Lathe Facing
tool
Vernier - 5 5
3 Turning OD Ø
21 mm
through length
Turning
tool
5 10 15
4. StepTurning
OD to Ø
17mm through
length 134
Centers
supports
& carrier
Lathe Turning
tool
Vernier - 20 20
5. StepTurning
OD to Ø
14mm through
length124
Centers
supports
& carrier
Lathe Turning
tool
Vernier - 20 20
6. StepTurning
OD to Ø
12mm through
length10
Centers
supports
& carrier
Lathe Turning
tool
Vernier - 20 20
MATERIAL SPECIFICATION : EN24
RAW MATERIAL SIZE:  30X150
QUANTITY :- 02 NO’S.
QUANTITY : 01 No’s
S.P.P.U. Differential Locking System
Department of Mechanical Engg. P.R.E.C. Loni
44
Table 5.2 RH O/P SHAFT
PART NAME : RH O/P SHAFT
Sr.
No
Description
of Operation
Tools Time in minutes
Jigs &
Fixture
M/c
Tools
Cutting
Tools
Measuring
Instrument
Setting
Time
M/c
Time
Total
Time
1 Clamp stock Three
jaw
chuck
Lathe - - 20 - 20
2 Facing Both
side to total
length
140mm
Three
jaw
chuck
Lathe Facing
tool
Vernier - 5 5
3 Turning OD
Ø 21 mm
through
length
Turning
tool
5 10 15
4. StepTurning
OD to Ø
17mm
through
length 134
Centers
supports
&
carrier
Lathe Turning
tool
Vernier - 20 20
5. StepTurning
OD to Ø
14mm
through
length124
Centers
supports
&
carrier
Lathe Turning
tool
Vernier - 20 20
6. StepTurning
OD to Ø
12mm
through
length10
Centers
supports
&
carrier
Lathe Turning
tool
Vernier - 20 20
MATERIAL SPECIFICATION : EN24
RAW MATERIAL SIZE:  30X150
QUANTITY :- 02 NO’S.
QUANTITY : 01 No’s
S.P.P.U. Differential Locking System
Department of Mechanical Engg. P.R.E.C. Loni
45
Table 5.3 SPIKE SHAFT
PART NAME : SPIKE SHAFT
Sr.
No
Description of
Operation
Tools Time in minutes
Jigs &
Fixture
M/c
Tools
Cutting
Tools
Measuring
Instrument
Setting
Time
M/c
Time
Total
Time
1 Clamp stock Three
jaw
chuck
Lathe - - 20 - 20
2 Facing Both
side to total
length 94mm
Three
jaw
chuck
Lathe Facing
tool
Vernier - 5 5
3 Turning OD Ø
16 mm
through length
Turning
tool
Vernier 5 10 15
4. Perpendicular
grooves of
(6*6) mm on
its faces.
Centers
supports
& carrier
Mill Milling
cutter
Vernier 5 25 30
5. Step Turning
OD to Ø
12mm at
21mm from
both sides.
Centers
supports
& carrier
Lathe Turning
tool
Vernier - 20 20
MATERIAL SPECIFICATION : EN24
RAW MATERIAL SIZE:  30X150
QUANTITY :- 02 NO’S.
QUANTITY : 01 No’s
S.P.P.U. Differential Locking System
Department of Mechanical Engg. P.R.E.C. Loni
46
6. BILL OF MATERIALS
Table 6.1 Bill of Material
SR
NO.
PART
CODE
DESCRIPTION QTY MATERIAL
1. DLS -1 MOTOR 01 STD
2. DLS -2 BELT 01 STD
3. DLS -3 REDUCTION PULLEY 01 MS
4. DLS -4 DIFFERENTIAL 01 STD
5. DLS -5 DOG RING 01 EN24
6. DLS -6 SHIFTER LINKS 02 BRASS
7. DLS -7 SHIFTER 01 MS
8. DLS –8 SPIKE SHAFT 01 EN24
9. DLS –9 DIFFERENTIAL
HOLDER
01 MS
10. DLS–10 INDEXER BUTTONS 04 MS
11. DLS–11 LH /RH OP SHAFT 02 EN24
12. DLS–12 ELECTRONIC SPEED
VARIATOR
01 STD
13. DLS–13 ELECTRONIC RELAY 01 STD
14. DLS–15 CONTROL PANEL 01 STD
15. DLS–16 FRAME 01 MS
16. DLS–17 INCHING SWITCH 01 STD
17. DLS–18 DC MOTOR 01 STD
S.P.P.U. Differential Locking System
Department of Mechanical Engg. P.R.E.C. Loni
47
18. DLS–19 RACK 01 STD
19. DLS-20 LINEAR BRG LM-12 02 STD
20. DLS -21 PINION 01 STD
6.1 MATERIAL PROCUREMENT
Material is procured as per raw material specification and part quantity. Part
process planning is done to decide the process of manufacture and appropriate
machine for the same.
GENERAL MATERIAL USED
EN24- ALLOY STEEL
EN9- PLAIN CARBON STEEL
MS-MILD STEEL
STD - STANDARD PARTS SELECTED FROM PSG DESIGN
DATA/MANUFACTURER CATALOGUE
6.2 RAW MATERIAL COST
The total raw material cost as per the individual materials and their corresponding
rates per kg is as follows,
Total raw material cost = Rs 2000/-
6.3 MACHINING COST
Table 6.2 Machining Cost
OPERATION RATE
Rs /HR
TOTAL TIME
HRS
TOTAL
COST Rs/-
LATHE 80 10 600
MILLING 90 10 500
DRILLING 60 4 200
HOBBING - - 600
S.P.P.U. Differential Locking System
Department of Mechanical Engg. P.R.E.C. Loni
48
TOTAL 1900
6.4 MISCELLANEOUS COSTS
Table 6.3 Miscellaneous cost
OPERATION COST(Rs)
GAS CUTTER 300
SAWING 100
TOTAL 400
6.5 COST OF PURCHASED PARTS:-
Table 6.4 Cost of Purchased Parts
SR
NO.
DESCRIPTION QTY COST
1. MOTOR 01 1500
2. BELT 01 120
3. DIFFERENTIAL 01 7000
4. LINEAR BEARINGS 01 350
5. ELECTRONIC SPEED REG. 02 300
6. INCHING SWITCH 01 110
7. 16 PIN RELAY 01 270
8. DC GEARED MOTOR 01 1500
9. RACK 01 300
10. PINION 01 200
S.P.P.U. Differential Locking System
Department of Mechanical Engg. P.R.E.C. Loni
49
11. DP/DT SWITCH 01 200
The cost of purchase parts = Rs 11,820/-
6.6 TOTAL COST
TOTAL COST = Raw Material Cost +Machine Cost + Miscellaneous Cost + cost of
Purchased Parts +Overheads.
Hence the total cost of machine = Rs 16,310/-
S.P.P.U. Differential Locking System
Department of Mechanical Engg. P.R.E.C. Loni
50
ADVANTAGES AND APPLICATIONS
Advantages
1. Provide better Traction.
2. Compact Design.
3. Simple in Operation.
4. Best option for 4-wheel drive.
5. Low cost.
Applications
1. In all Automobile having Differential
2. In Transport Vehicles.
3. In Military Vehicles.
S.P.P.U. Differential Locking System
Department of Mechanical Engg. P.R.E.C. Loni
51
CONCLUSSION
Differential locking automatically provides more torque and speed to the sun
gear with lesser resistance to motion. Thus if one wheel of the vehicle is on slippery
surface and the other wheel on a regular tarmac surface, the differential transmits all
torque and speed to the wheel on slippery surface, since it has lower rolling resistance.
The wheel on slippery surface keeps spinning while the other wheel on regular
surface remains stationary. Now, to provide tractive effort to the other wheel which is
on regular tarmac road surface, the differential operation should be discontinued. This
provision is provided by the automatic system which will lock the differential
whenever the wheels of the vehicle pass through the pit or slippery road and lose its
traction to move the vehicle.
 Scope for Future work
In this project model, we had used DC motor as Actuating device for faster response
of locking, we can use solenoid operated actuator for locking & unlocking. This
actuator operated simultaneously by electrically & pneumatically. Actuator may be
small piston cylinder (pneumatic) operated by pneumatic valve (5/2, 3/2) &
electromagnetic coil for actuation. Compressed air can be obtained by In-built
compress
S.P.P.U. Differential Locking System
Department of Mechanical Engg. P.R.E.C. Loni
52
REFERENCES
[1] “Automobile Engineering Vol-1”, Kirpal Singh; Standard Publishers; 12th
Edition
2011.
[2] “Machine Design”, R.S.Khurmi, J.K.Gupta; S.Chand & Company Ltd.
[3] “Design Data- Data Book of Engineers”,compiled by PSG College of Technology
Coimbtore; Published by Kalaikathir Achchagam Coimbtore-641037,India; Edition
1978, Reprinted in May 2012.
[4] Proximity Sensors By Carlo Gavazzi.
[5] “Advances in Automobile Engineering”, Anwar Bharaat Singh; Proceeding of the
World Congress on Engineering 2008 Vol-2 WCE 2008, July 2-4,2008, London, U.K.
[6] “Limited Slip Differential (LSD) (Mechanical Type)”, Ken Gilbert;
W1860BE.book Page 9 Tuesday, January 28, 2003 11:01 PM.
[7] “The Development of a Differential for the Improvement of Traction Control”, S
E Chocholek; Gleasen corporation Rochester1998, New York, United states of
America.
[8] “Electronic Differential and Hybrid Powertrain Design for NCSU Formula
Hybrid”, Saleem Merkt; FH.2009 SAE International, North Carolina State University.
[9] “Differentials and Chassis Setup”, Craig Taylor; Taylor Race Engineering, 2010
Avenue G, Suite 914 Plano, Texas 75074.
[10] “Differential Disassembly / Assembly Instructions”, Auburn Gear; Inc. 400 East
Auburn Drvie Auburn, IN 46706-3499.
[11] “Epicyclic Differential Transmission”, sedwick, geof-frey, International publish
report no. WO2005/120877 A1, 22.12.2005, London.
[12] “Spur Gear Differential Lockable to a Limited Extent”, Mr. Helmet
Wiese,Meinsenweg,Fed; Patent no. 5,09,353, Mar24 1992, Germany.
[13] “The Active Differential for Future Drive Trains”, Dr. Tomas Smetana; Schaeffl
er SYMPOSIUM 2010.
S.P.P.U. Differential Locking System
Department of Mechanical Engg. P.R.E.C. Loni
53
APPENDIX
S.P.P.U. Differential Locking System
Department of Mechanical Engg. P.R.E.C. Loni
54

Differential_locking_system_final_2017.pdf

  • 1.
    S.P.P.U. Differential LockingSystem Department of Mechanical Engg. P.R.E.C. Loni 1 1. INTRODUCTION 1.1 The Transmission System's Parts and Layout A transmission system is a rather simple looking, but complicated piece of equipment which is present in your vehicle to do a variety of jobs. The basic of the jobs being to provide a way to connect and disconnect the engine from the rest of the driving mechanism which is done for starting the vehicle and for changing gears. A typical automobile transmission train is as shown below.[1] Fig. 1.1.(a) Automobile Transmission System The engine is at the very front and forms the primary connecting point for the entire system. The crankshaft is parallel to the axis of the wheel and the transmission system basically connects to the flywheel of the engine. The drive from the engine is routed through the flywheel first, then to the clutch and is moved on to the gearbox. From the gearbox, a propeller shaft leads out to the far end of the vehicle, up to the rear axle (live, in case of a rear wheel drive). The axle on which the actual drive A clutch is basically used for connecting and disconnecting the engine from the driving wheels, whether stationary or when the vehicle is in motion. The clutch is engaged or disengaged by using a spring-loading mechanism (among other types, which will be discussed) and is done using the pressure of a pedal operated by the driver from within the driving cabin.
  • 2.
    S.P.P.U. Differential LockingSystem Department of Mechanical Engg. P.R.E.C. Loni 2 One of the most important reasons as to why the transmission system exists, what with all this complicated set up gears and systems to leverage the power, as and when required, between the engine and the wheels. You might want to go faster, go slower and there are times when you need more power than most other times. How would your car be flexible to cater to your demands if it weren’t for the transmission systems and the gear ratios that it provides? Engines need to be started to be able to run or operate. However, there is a slight annoyance here. We have learnt earlier that there is an entire drive line connected from the engine’s flywheel to the front/rear/both sets of wheels. That means to say that there is tremendous amount of weight that the vehicle’s engine has, attached to it. If you need the engine to start, you would need to use a battery operated starting motor (as is being used currently). If this starting motor where to start your engine and given that your engine is connected to the entire driveline, it would be prove to be impossible to start it at all. A driveline is nothing but a propeller shaft that connects from the engine to the differential (explained later) and then finally to the wheels. For this reason, there is a transmission mechanism provided, starting at the flywheel of the engine which helps you to disassociate the driveline from the engine when you start the vehicle. This way, the engine isn’t connected to the driveline when starting and hence the starting motor manages to do its work. [1]
  • 3.
    S.P.P.U. Differential LockingSystem Department of Mechanical Engg. P.R.E.C. Loni 3 Fig.1.1.(b) Exploded view of Fiat 124 differential assembly As we move down the driveline, the torque of the engine is modified, stage by stage, until it reaches the wheels where it now becomes the tractive force or the propulsive force at the point where the wheels touch the road. Manual transmissions, as we know, remain the same for most vehicle classes, more or less. However, there are various special cases like Front-wheel drives, rear- wheel drives, and all-wheel drives. Added to this, there is this fact that while negotiating a corner, the outer wheels must rotate faster than the inner wheels and to achieve this, there is a separate gearing called as ‘the differential” which makes that possible ( which will be explained later) So, in a nutshell, here are the requirements and functions of an automotive transmission:  Provides a way to disconnect the driveline (the mechanism leading up to the wheels) from the engine while starting or when changing gears.  To enable connecting the driveline back to the engine gradually, without shocks, while moving or while the engine is operating.  To enable leverage between the wheels and the engine.
  • 4.
    S.P.P.U. Differential LockingSystem Department of Mechanical Engg. P.R.E.C. Loni 4  To enable the driving wheels to rotate at different speeds while taking a turn -- accomplished by a differential. 1.2 Automobile Differential Gear Train (theory of operation) The gearing of an automobile differential is illustrated as following in final form. Fig 1.2 Automobile Differential Gear Train 1.3 Automobile Differential Complete Schematic Without the "square" set of four gears in the middle of the above diagram which yields to the figure below, both wheels turn at the same angular velocity. This leads to problems when the car negotiates a turn
  • 5.
    S.P.P.U. Differential LockingSystem Department of Mechanical Engg. P.R.E.C. Loni 5 Fig.1.3.(a) Automobile Wheel Drive without Differential Now imagine the differential "square" alone, as illustrated in the following figure. It should be apparent that turning one wheel results in the opposite wheel turning in the opposite direction at the same rate Fig.1.3.(b) Automobile Differential Alone This is how the automobile differential works. It only comes into play when one wheel needs to rotate differentially with respect to its counterpart. When the car is moving in a straight line, the differential gears do not rotate with respect to their axes.
  • 6.
    S.P.P.U. Differential LockingSystem Department of Mechanical Engg. P.R.E.C. Loni 6 When the car negotiates a turn, however, the differential allows the two wheels to rotate differentially with respect to each other. One problem with an automotive differential is that if one wheel is held stationary, the counterpart wheel turns at twice its normal speed as can be seen by examining the complete scheme of automobile differential. This can be problematic when one wheel does not have enough traction, such as when it is in snow or mud. The wheel without traction will spin without providing traction and the opposite wheel will stay still so that the car does not move. This is the reason for a device known as a "limited slip differential" or "traction control". [1] 1.4 Differential Gear Train on a Turning Car The gear train in an automobile differential is a common application of gears, but often misunderstood by the lay public. Here we present a simplified explanation of how and why an automobile differential works. The car is turning about a circle with nominal radius rn. (For this discussion, we assume that the axis of the wheel axle for the driven (rear) wheels passes through the turn circle center. This is typically true only for a fairly large radius of turn.) Fig. 1.4 Turning Radius of Car The outer wheel traverses an arc with radius ro and the inner wheel traverses an arc with radius ri. As illustrated, the lengths of the arcs traversed are so, sn, and si. The outer arc so is obviously larger than the inner arc si for a given traversed angle theta. Some way of ensuring that the outer wheel is able to turn slightly faster than the inner wheel must be ensured in order to prevent binding and slippage of the tires on the road. For non-driven wheels which simply rotate freely independently of other
  • 7.
    S.P.P.U. Differential LockingSystem Department of Mechanical Engg. P.R.E.C. Loni 7 machinery, this is not a problem. Driven wheels connected to the engine via the driveshaft, however, must both be turned by gearing and this gear train must allow for differential movement of the left wheel with respect to the right wheel. This is a difficult problem since for every turning circle the differential rotation of the left and right wheels is different. Fortunately, the automobile differential solves this problem with only one transmission and one drive shaft for both driven wheels. Since s=r(THETA), the length of the arc traversed for a given theta is proportional to the radius. Since ro is greater than rn by the same amount that ri is less than rn, the right wheel center must travel further than the car center by the same amount that the left wheel center must travel less further than the car center. As its name implies, a differential allows the left and right drive wheels to turn differentially with respect to each other. As can be seen by turning the drive wheels of a car on a mechanic's lift, turning one drive wheel results in the opposite wheel turning at the same rate in the opposite direction. [1]
  • 8.
    S.P.P.U. Differential LockingSystem Department of Mechanical Engg. P.R.E.C. Loni 8 1.5 Differential (Mechanical Device) A differential is a device, usually, but not necessarily, employing gears, capable of transmitting torque and rotation through three shafts, almost always used in one of two ways: in one way, it receives one input and provides two outputs—this is found in most automobiles—and in the other way, it combines two inputs to create an output that is the sum, difference, or average, of the inputs. In automobiles and other wheeled vehicles, the differential allows each of the driving road wheels to rotate at different speeds. Fig. 1.5 Cut Section of Differential of Automobile
  • 9.
    S.P.P.U. Differential LockingSystem Department of Mechanical Engg. P.R.E.C. Loni 9 1.6 Differential Cut Section Fig. 1.6 Component OF Differential 1. I/P Shaft 2. Pinion 3. Crown wheel 4. Planet gear 5. Sun gear 6. Cage 7. RH O/P Shaft 8. LH O/P Shaft Differential gears in an automobile's drive-train allow the driving wheels to transmit torque, or twisting force, at different turning Differential gears in an automobile's drive-train allow the driving wheels to transmit torque, or twisting force, at different turning rates. Thus one wheel can follow the longer arc around the outside of a turn while the other wheel tracks the shorter inside arc without skidding on the road surface. In a front-engine, rear-drive car, engine torque flows through the transmission and drive shaft to turn the ring-and-pinion gears inside the rear-axle assembly, powering the rear driving wheels. In a front-engine, front-drive car, the differential
  • 10.
    S.P.P.U. Differential LockingSystem Department of Mechanical Engg. P.R.E.C. Loni 10 and final drive gears are in the same housing with the transmission, mounted directly on the engine. In both design, the drive gears work through differential gears to turn the axle and the driving wheels. The drive shaft ends in a pinion gear inside the differential. When the drive shaft turns, the pinion drives a ring gear that is part of the differential housing, so that both housing and ring gear rotate together. Inside the housing are two pinion gears and two side gears; each side gear is connected, via an axle, to a drive wheel. When the car drives straight ahead and the axle shafts turn at the same speed, the differential housing rotates, but no differential action occurs. When the car negotiates a turn, however, the differential must compensate for the difference in distance traveled by the drive wheels. The opinions roll around the side gears, allowing the inside wheel to turn more slowly and the outside wheel to turn more slowly and the outside wheel to turn faster. Free-turning gears divide torque equally between the driven wheels. If one drive wheel is on dry pavement and the other on ice, the gears roll around inside the housing to spin the slipping wheel at twice the ring gear's speed. Each drive wheel gets the same slight amount of torque required to spin the slipping wheel; the car does not move at all. Some cars have locking, or limited-slip, differentials to reduce wheel spin by transferring some torque to the wheel with better traction. Many vehicles now have full- or part time four-wheel-drive (4WD). Part-time 4WD cars are driven 2 WD on paved roads. Most modern 4 WD cars add an extra differential between the front and near wheels so the front and rear driving wheels can turn at minutely differing rates. In some vehicle with full-time 4 WD. [1] [10] 1.7 Purpose of Differential A vehicle's wheels rotate at different speeds, mainly when turning corners. The differential is designed to drive a pair of wheels while allowing them to rotate at different speeds. In vehicles without a differential, such as karts, both driving wheels are forced to rotate at the same speed, usually on a common axle driven by a simple chain-drive mechanism. When cornering, the inner wheel needs to travel a shorter distance than the outer wheel, so with no differential, the result is the inner wheel spinning and/or the outer wheel dragging, and this results in difficult and
  • 11.
    S.P.P.U. Differential LockingSystem Department of Mechanical Engg. P.R.E.C. Loni 11 unpredictable handling, damage to tires and roads, and strain on (or possible failure of) the entire drive train Fig. 1.7 Purpose of Differentials (a) Input torque is applied to the ring gear (blue), which turns the entire carrier (blue). The carrier is connected to both the side gears (red and yellow) only through the planet gear (green) (visual appearances in the diagram notwithstanding). Torque is transmitted to the side gears through the planet gear. The planet gear revolves around the axis of the carrier, driving the side gears. If the resistance at both wheels is equal, the planet gear revolves without spinning about its own axis, and both wheels turn at the same rate. Fig. 1.7 Purpose of Differentials (b) If the left side gear (red) encounters resistance, the planet gear (green) spins as well as revolving, allowing the left side gear to slow down, with an equal speeding up of the right side gear (yellow).
  • 12.
    S.P.P.U. Differential LockingSystem Department of Mechanical Engg. P.R.E.C. Loni 12 1.8 Functional description Fig. 1.8 Functional description of Differential The following description of a differential applies to a "traditional" rear- wheel-drive car or truck with an "open" or limited slip differential combined with a reduction gear set. Torque is supplied from the engine, via the transmission, to a drive shaft (British term: 'propeller shaft', commonly and informally abbreviated to 'prop-shaft'), which runs to the final drive unit that contains the differential. A spiral bevel pinion gear takes its drive from the end of the propeller shaft, and is encased within the housing of the final drive unit. This meshes with the large spiral bevel ring gear, known as the crown wheel. The crown wheel and pinion may mesh in hypoid orientation, not shown. The crown wheel gear is attached to the differential carrier or cage, which contains the 'sun' and 'planet' wheels or gears, which are a cluster of four opposed bevel gears in perpendicular plane, so each bevel gear meshes with two neighbours, and rotates counter to the third, that it faces and does not mesh with. The two sun wheel gears are aligned on the same axis as the crown wheel gear, and drive the axle half shafts connected to the vehicle's driven wheels. The other two planet gears are aligned on a perpendicular axis which changes orientation with the ring
  • 13.
    S.P.P.U. Differential LockingSystem Department of Mechanical Engg. P.R.E.C. Loni 13 gear's rotation. In the two figures shown above, only one planet gear (green) is illustrated, however, most automotive applications contain two opposing planet gears. Other differential designs employ different numbers of planet gears, depending on durability requirements. As the differential carrier rotates, the changing axis orientation of the planet gears imparts the motion of the ring gear to the motion of the sun gears by pushing on them rather than turning against them (that is, the same teeth stay in the same mesh or contact position), but because the planet gears are not restricted from turning against each other, within that motion, the sun gears can counter-rotate relative to the ring gear and to each other under the same force (in which case the same teeth do not stay in contact). Thus, for example, if the car is making a turn to the right, the main crown wheel may make 10 full rotations. During that time, the left wheel will make more rotations because it has further to travel, and the right wheel will make fewer rotations as it has less distance to travel. The sun gears (which drive the axle half-shafts) will rotate in opposite directions relative to the ring gear by, say, 2 full turns each (4 full turns relative to each other), resulting in the left wheel making 12 rotations, and the right wheel making 8 rotations. The rotation of the crown wheel gear is always the average of the rotations of the side sun gears. This is why, if the driven road wheels are lifted clear of the ground with the engine off, and the drive shaft is held (say leaving the transmission 'in gear', preventing the ring gear from turning inside the differential), manually rotating one driven road wheel causes the opposite road wheel to rotate in the opposite direction by the same amount. When the vehicle is traveling in a straight line, there will be no differential movement of the planetary system of gears other than the minute movements necessary to compensate for slight differences in wheel diameter, undulations in the road (which make for a longer or shorter wheel path), etc.
  • 14.
    S.P.P.U. Differential LockingSystem Department of Mechanical Engg. P.R.E.C. Loni 14 2. LITERATURE REVIEW Ken Gilbert,et.al [6] proposed that, when controlling the differential action between left and right wheels during cornering or when either of the wheels spins due to slip or bumping, cams will expand the pressure rings to press the friction plates together, thus enabling the driving torque be transmitted to the non-spinning wheel too for more stable driving. This differential is suitable for high powered and high output torque vehicles also because it responds to the acceleration pedal operation quickly. A limited slip differential (LSD) an anti-spin is another type of traction aiding device that uses a mechanical system that activates under centrifugal force to positively lock the left and right spider gears together when one wheel spins a certain amount faster than the other. This type behaves as an open differential unless one wheel begins to spin and exceeds that threshold. While positraction units can be of varying strength, some of them with high enough friction to cause an inside tire to spin or outside tire to drag in turns like a spooled differential, the LSD will remain open unless enough torque is applied to cause one wheel to lose traction and spin, at which point it will engage. A LSD can use clutches like a posi when engaged, or may also be a solid mechanical connection like a locker or spool. It is called limited slip because it does just that; it limits the amount that one wheel can "slip" (spin). A locking differential, such as ones using differential gears in normal use but using air or electrically controlled mechanical system, which when locked allow no difference in speed between the two wheels on the axle. They employ a mechanism for allowing the axles to be locked relative to each other, causing both wheels to turn at the same speed regardless of which has more traction; this is equivalent to effectively bypassing the differential gears entirely. Other locking systems may not even use differential gears but instead drive one wheel or both depending on torque value and direction. Automatic mechanical lockers do allow for some differentiation under certain load conditions, while a selectable locker typically couples both axles with a solid mechanical connection like a spool when engaged. Craig Taylor,et.al [9] described a high-friction 'Automatic Torque Biasing' (ATB) differential, such as the Torsen differential, where the friction is between the gear teeth rather than at added clutches. This applies more torque to the driven road
  • 15.
    S.P.P.U. Differential LockingSystem Department of Mechanical Engg. P.R.E.C. Loni 15 wheel with highest resistance (grip or traction) than is available at the other driven road wheel when the limit of friction is reached at that other wheel. When tested with the wheels off the ground, if one wheel is rotated with the differential case held, the other wheel will still rotate in the opposite direction as for an open differential but there with be some frictional losses and the torque will be distributed at other than 50/50. Although marketed as being "torque-sensing", it functions the same as a limited slip differential. A very high-friction differential, such as the ZF "sliding pins and cams" type, so that there is locking from very high internal friction. When tested with the wheels off the ground with torque applied to one wheel it will lock, but it is still possible for the differential action to occur in use, albeit with considerable frictional losses, and with the road loads at each wheel in opposite directions rather than the same (acting with a "locking and releasing" action rather than a distributed torque). Saleem Merkt et. al. [8] Research and design were conducted on the 2009 NC State University Formula SAE Hybrid vehicle electric powertrain and differential. The NCSU FH.09 vehicle utilized a series electric hybrid system to create an electronic differential with no mechanical components connecting the two rear wheels. Research and anal0ysis was conducted to govern the movement of the rear wheels to allow maximum traction while allowing instant driver adjustment based on his/her preference. The system mainly consists of two Perm PMG 132 DC permanent magnet motors, Iotech Daqboard 1005 data acquisition, Renesas Technology micro- controller, Hall Effect sensors, and an accelerometer. Electronic traction control systems usually use the anti-lock braking system (ABS) road wheel speed sensors to detect a spinning road wheel, and apply the brake to that wheel. This progressively raises the reaction torque at that road wheel, and the differential compensates by transmitting more torque through the other road wheel— the one with better traction. In Volkswagen Group vehicles, this specific function is called 'Electronic Differential Lock' (EDL). A Spool is just what it sounds like. It may replace the spider gears within the differential carrier, or the entire carrier. A spool locks both axle shafts together 100% for maximum traction. This is typically only used in drag racing applications, where
  • 16.
    S.P.P.U. Differential LockingSystem Department of Mechanical Engg. P.R.E.C. Loni 16 the vehicle is to be driven in a straight line while applying tremendous torque to both wheels. In a four-wheel drive vehicle, a viscous coupling unit can replace a centre differential entirely, or be used to limit slip in a conventional 'open' differential. It works on the principle of allowing the two output shafts to counter-rotate relative to each other, by way of a system of slotted plates that operate within a viscous fluid, often silicone. The fluid allows slow relative movements of the shafts, such as those caused by cornering, but will strongly resist high-speed movements, such as those caused by a single wheel spinning. This system is similar to a limited slip differential. S E Chocholek,et.al [7] explains the basic operating functions, various design alternatives, and the possibilities for improving traction management provided by the Torsen differential. A four-wheel drive (4WD) vehicle will have at least two differentials (one in each axle for each pair of driven road wheels), and possibly a centre differential to apportion torque between the front and rear axles. In some cases (e.g. Lancia Delta Integrale, Porsche 964 Carrera 4 of 1989) the center differential is an epicyclic differential (see below) to divide the torque asymmetrically, but at a fixed rate between the front and rear axle. Other methods utilize an 'Automatic Torque Biasing' (ATB) centre differential, such as a Torsen—which is what Audi use in their quattro cars (with longitudinal engines). 4WD vehicles without a centre differential should not be driven on dry, paved roads in four-wheel drive mode, as small differences in rotational speed between the front and rear wheels cause a torque to be applied across the transmission. This phenomenon is known as "wind-up", and can cause considerable damage to the transmission or drive train. On loose surfaces these differences are absorbed by the tire slippage on the road surface. A transfer case may also incorporate a centre differential, allowing the drive shafts to spin at different speeds. This permits the four-wheel drive vehicle to drive on paved surfaces without experiencing "wind-up". Sedwick et al. [11] invented a single speed epicyclic differential transmission which allows an input shaft(12) to be connected to two output shafts (16,23) with substantially equal torque split. The transmission includes two epicyclic gear trains having a common annulus/sun gear (17, 18) which acts on a differentiating gear to accommodate speed variation of the output shafts (16, 23).
  • 17.
    S.P.P.U. Differential LockingSystem Department of Mechanical Engg. P.R.E.C. Loni 17 The present invention relates to an epicyclic transmission particularly suitable for use in vehicles, especially electrically powered vehicles, having two driving wheels. Vehicles having two driving wheels and a single source of motive power require a means of dividing a single drive shaft in to half shafts associated with respective driving wheels. A differential gear is also required to accommodate relative rotation between the driving wheels, for example on cornering. A further requirement is that the driving torque is equally split between the driving wheels so as to avoid torque steer, especially in front wheel drive vehicles The invention also permits incorporation of locked or limited slip differential, by for example fixing or controlling the speed ratio between the output shaft. This may be done relatively easily since the output members are immediately adjacent and on the same rotational axis. The arrangement may further include locking pawl engage able to retain an element of the epicyclic gear train with respect to housing so as to lock the transmission and provide a park-lock function. The pawl may for example engage the outer ring gear. Mr. Helmet Wiese et al. [12] investigated a spur gear differential lockable to a limited extent and used as a differential gear for a motor vehicle. The differential make use of the friction losses resulting from the oil flow conveyed by the teeth and teeth gaps of the planetary gears and the sun gears or the hollow gear. For control purposes, a cover ring is provided which may be moved into a closed position, i.e. a sealing position, relative to the end face of the gear teeth or away there from to throttle or release the oil flow. This is another type of differential that was used in some early automobiles, more recently the Oldsmobile Toronado, as well as other non-automotive applications. It consists of spur gears only. A spur-gear differential has two equal-sized spur gears, one for each half-shaft, with a space between them. Instead of the Bevel gear, also known as a miter gear, assembly (the "spider") at the centre of the differential, there is a rotating carrier on the same axis as the two shafts. Torque from a prime mover or transmission, such as the drive shaft of a car, rotates this carrier. Mounted in this carrier are one or more pairs of identical pinions, generally longer than their diameters, and typically smaller than the spur gears on the individual half-shafts. Each pinion pair rotates freely on pins supported by the carrier. Furthermore, the pinions pairs are displaced axially, such that they mesh only for the
  • 18.
    S.P.P.U. Differential LockingSystem Department of Mechanical Engg. P.R.E.C. Loni 18 part of their length between the two spur gears, and rotate in opposite directions. The remaining length of a given pinion meshes with the nearer spur gear on its axle. Therefore, each pinion couples that spur gear to the other pinion, and in turn, the other spur gear, so that when the drive shaft rotates the carrier, its relationship to the gears for the individual wheel axles is the same as that in a bevel-gear differential. Dr. Tomas Smetana et al. [13] proposed a relatively new technology is the electronically-controlled 'active differential'. An electronic control unit (ECU) uses inputs from multiple sensors, including yaw rate, steering input angle, and lateral acceleration and adjusts the distribution of torque to compensate for undesirable handling behaviors like under steer. Active differentials used to play a large role in the World Rally Championship, but in the 2006 season the FIA has limited the use of active differentials only to those drivers who have not competed in the World Rally Championship in the last five years. Fully integrated active differentials are used on the Ferrari F430, Mitsubishi Lancer Evolution, and on the rear wheels in the Acura RL. A version manufactured by ZF is also being offered on the latest Audi S4 and Audi A4. The second constraint of the differential is passive—it is actuated by the friction kinematics chain through the ground. The difference in torque on the road wheels and tires (caused by turns or bumpy ground) drives the second degree of freedom, (overcoming the torque of inner friction) to equalize the driving torque on the tires. The sensitivity of the differential depends on the inner friction through the second degree of freedom. All of the differentials (so called “active” and “passive”) use clutches and brakes for restricting the second degree of freedom, so all suffer from the same disadvantage—decreased sensitivity to a dynamically changing environment. The sensitivity of the ECU controlled differential is also limited by the time delay caused by sensors and the response time of the actuators. 2.1 Automobiles without differentials Although the vast majority of automobiles in the developed world use differentials, there are a few that do not. Several different types exist:  Vehicles with a single driving wheel. Besides motorcycles, which are generally not classified as automobiles, this group includes most three-wheeled cars. These were
  • 19.
    S.P.P.U. Differential LockingSystem Department of Mechanical Engg. P.R.E.C. Loni 19 quite common in Europe in the mid-20th Century, but have now become rare there. They are still common in some areas of the developing world, such as India. Some early four-wheeled cars also had only one driving wheel to avoid the need for a differential. However, this arrangement led to many problems. The system was unbalanced; the driving wheel would easily spin, etc. Because of these problems, few such vehicles were made.  Vehicles using two freewheels. A freewheel, as used on a pedal bicycle for example, allows a road wheel to rotate faster than the mechanism that drives it, allowing a cyclist to stop pedaling while going downhill. Some early automobiles had the engine driving two freewheels, one for each driving road wheel. When the vehicle turned, the engine would continue to drive the wheel on the inside of the curve, but the wheel on the outside was permitted to rotate faster by its freewheel. Thus, while turning, the vehicle had only one driving wheel.  Vehicles with continuously variable transmissions, such as the DAF Daffodil. The Daffodil, and other similar vehicles which were made until the 1970s by the Dutch company DAF, had a type of transmission that used an arrangement of belts and pulleys to provide an infinite number of gear ratios. The engine drove two separate transmissions which ran the two driving wheels. When the vehicle turned, the two wheels could rotate at different speeds, making the two transmissions shift to different gear ratios, thus functionally substituting for a differential. The slower moving wheel received more driving torque than the faster one, so the system had limited-slip characteristics. The duplication also provided redundancy. If one belt broke, the vehicle could still be driven.  Vehicles with separate motors for the driving wheels. Electric cars can have a separate motor for each driving wheel, eliminating the need for a transmission and differential. Hybrid vehicles in which the final drive is electric can be configured similarly.
  • 20.
    S.P.P.U. Differential LockingSystem Department of Mechanical Engg. P.R.E.C. Loni 20 2.2 SUMMARY OF LITERATURE REVIEW A lot of work has been done in Differential with differential locking systems to overcome the problem of loss of traction as explained in problem definition. Various researches are done in the differential locking and they invented that locking can be done by either modifying differential design i.e. inventing new differential (e.g. epicyclic, Torsen, Spur) or by providing the locking mechanism (e.g. Active) [6] [7] [11] [12] [13]. From the literature survey, it is observed that the present methods of locking have many limitations are as follows: Limited slip differential uses pressure plate & friction clutch arrangements for locking, which makes complicated construction and cannot provide fully locking. Also, since frictional forces are continuously active to resist differentiation, friction clutches tend to wear, resulting in a deterioration of intended differential performance. Epicyclic differential is particularly suitable for electrically powered vehicles. It uses epicyclic gear train, which requires careful choice of gear ratios in order to ensure a substantially equal torque split, this makes the design complicated. The disadvantage of Spur gear differential locking method is that, the locking effect occurs at any speed differential, a continuously existing locking effect of a certain magnitude disadvantageously affects the driving behaviour of the vehicles. In particular this applies to using a lockable differentials in connection with automatic anti-locking systems for the vehicle wheels. Active differential requires a separate actuator for locking differential. A disadvantage of the Active differential is the low ratio between the actuator torque and the differential torque, as well as the co-rotation of the actuator around the wheel axles. Electronic differential locking uses the ABS with ECU for locking stability control of vehicle. But disadvantage is that the sensitivity of the ECU controlled differential is also limited by the time delay caused by sensors and the response time of the actuators.
  • 21.
    S.P.P.U. Differential LockingSystem Department of Mechanical Engg. P.R.E.C. Loni 21 2.3 PROBLEM DEFINITION (NEED FOR PROJECT) 1) One undesirable side effect of a conventional differential is that it can limit traction under less than ideal conditions. 2) The amount of traction required to propel the vehicle at any given moment depends on the load at that instant—how heavy the vehicle is, how much drag and friction there is, the gradient of the road, the vehicle's momentum, and so on. 3)The torque applied to each driving wheel is a result of the engine, transmission and drive axles applying a twisting force against the resistance of the traction at that road wheel. 4)In lower gears and thus at lower speeds, and unless the load is exceptionally high, the drive train can supply as much torque as necessary, so the limiting factor becomes the traction under each wheel. 5) It is therefore convenient to 0define traction as the amount of torque that can be generated between the tire and the road surface, before the wheel starts to slip. 6)If the torque applied to drive wheels does not exceed the threshold of traction, the vehicle will be propelled in the desired direction; if not, then one or more wheels will simply spin. 7)When one wheel is in slippery road or in mud ,or in snow then that wheel is rapidly rotates and other wheel is remain stationary and wheel are not moves forward. 8)At this condition differential action is there whole power is goes to wheel in mud, the differential works like turning moment of vehicle. 9)Avoiding this problem differential locking is very important when vehicle one wheel is stationary and other is rotating.
  • 22.
    S.P.P.U. Differential LockingSystem Department of Mechanical Engg. P.R.E.C. Loni 22 3. PRINCIPLE OF OPERATION & WORKING 3.1 Principle of Operation As per the principle of differential, it provides more torque and speed to the sun gear with lesser resistance to motion. Thus if one wheel of the vehicle is on slippery surface and the other wheel on a regular tarmac surface, the differential transmits all torque and speed to the wheel on slippery surface, since it has lower rolling resistance. The wheel on slippery surface keeps spinning while the other wheel on regular surface remains stationary. Now, to provide tractive effort to the other wheel which is on regular tarmac road surface, the differential operation should be discontinued. This provision is provided by locking differential. Fig.3.1 Differential locking mechanism Locking of one sun gear to the cage ensures that the other sun gear will also rotate at the same speed. Hence we lock the sun gear to the cage by engaging the key on the dog ring which is mounted on the sun gear in the grooves provided on the spike shaft.
  • 23.
    S.P.P.U. Differential LockingSystem Department of Mechanical Engg. P.R.E.C. Loni 23 3.2 Construction Fig.3.2.(a) Project Layout We use single phase AC motor as a prime mover. It provides rotary motion to the input shaft of the differential by using belt and pulley arrangement. We have replaced spike shaft by increasing its length and have provided grooves on its head as shown in fig.3.2. Dog ring having key is mounted on cage. The shifter mechanism moves dog ring on cage along horizontal axis for engaging the key in the grooves on the spike shaft. Shifter mechanism consists of DC motor, Rack and pinion and shifter connected to the dog ring.
  • 24.
    S.P.P.U. Differential LockingSystem Department of Mechanical Engg. P.R.E.C. Loni 24 Fig.3.2.(b) Actual condition Of Locking
  • 25.
    S.P.P.U. Differential LockingSystem Department of Mechanical Engg. P.R.E.C. Loni 25 Fig. 3.2.(c)Schematic Of Differential Locking system Test Ring
  • 26.
    S.P.P.U. Differential LockingSystem Department of Mechanical Engg. P.R.E.C. Loni 26 Fig. 3.2.(d) Actual Model of Project 1. AC Power supply (230v) 2. Relay circuit 3. Transformer with rectifier (100 VA, 12v DC) 4. Direction control valve 5. DC motor 6. Shifter mechanism 7. Locking mechanism 8. Single phase AC motor 9. O/P shaft.
  • 27.
    S.P.P.U. Differential LockingSystem Department of Mechanical Engg. P.R.E.C. Loni 27 3.3 Electrical Connections Fig. 3.3.Circuit diagram for automatic operation  Main AC supply(230v)- Relay I/P- Transformer(12v)- rectifier(AC to DC)- Direction control switch- DC Motor(12v).
  • 28.
    S.P.P.U. Differential LockingSystem Department of Mechanical Engg. P.R.E.C. Loni 28 3.4 Working How Differential Locks? Steps: 1. When one of the wheels (e.g. Rh wheel) goes in a pit or slippery condition due t o loss in traction (friction between road and wheel) Wheel shaft stops turning. 2. As a result the LH wheel shaft speeds up to twice the transmission speed vehicle tires cannot generate enough traction to come out of the pit. 3. DC motor pinion drives the rack and there by the shifter mechanism to the right. 4. Shifter mechanism moves the dog ring toward right and the dog teeth engage in the spike shaft slot. 5. Engagement will lock the spike shaft …thereby the conventional differential actions stops and both the wheel shafts get engaged in drive and thus equal power is given to either wheels. 6. Wheels after receiving the power will pull/push the vehicle out of pit. 7. Operator moves the reversing switch to bring the dog ring back out of engagement thus conventional differential action is restored.
  • 29.
    S.P.P.U. Differential LockingSystem Department of Mechanical Engg. P.R.E.C. Loni 29 Fig. 3.4.(a)Locking mechanism Before Engagement Fig. 3.4.(b) Locking mechanism After Engagement
  • 30.
    S.P.P.U. Differential LockingSystem Department of Mechanical Engg. P.R.E.C. Loni 30 4. DESIGN METHODOLOGY 4.1 DESIGN OF DIFFERENTIAL LOCKING SYSTEM In our attempt to design a special purpose machine we have adopted a very a very careful approach, the total design work has been divided into two parts mainly;  System design  Mechanical design System design mainly concerns with the various physical constraints and ergonomics, space requirements, arrangement of various components on the main frame of machine no of controls position of these controls ease of maintenance scope of further improvement; height of m/c from ground etc. In Mechanical design the components are categories in two parts.  Design parts  Parts to be purchased. For design parts detail design is done and dimensions thus obtained are compared to next highest dimension which are readily available in market this simplifies the assembly as well as post production servicing work. The various tolerances on work pieces are specified in the manufacturing drawings. The process charts are prepared & passed on to the manufacturing stage. The parts are to be purchased directly are specified & selected from standard catalogues. 4.1.1 MOTOR SELECTION Thus selecting a motor of the following specifications Single phase AC motor Commutator motor TEFC construction Power = 1/15hp=50 watt Speed= 0-6000 rpm (variable)
  • 31.
    S.P.P.U. Differential LockingSystem Department of Mechanical Engg. P.R.E.C. Loni 31 Motor is a Single phase AC motor, Power 50 watt, Speed is continuously variable from 0 to 6000 rpm. The speed of motor is variated by means of an electronic speed variator . Motor is a commutator motor ie, the current to motor is supplied to motor by means of carbon brushes. The power input to motor is varied by changing the current supply to these brushes by the electronic speed variator, thereby the speed is also is changes. Motor is foot mounted and is bolted to the motor base plate welded to the base frame of the indexer table. 4.1.2 DESIGN OF BELT DRIVE Selection an open belt drives using V-belt; Reduction ratio = 4 Planning a 1 stage reduction; A) Motor pulley ( D1)=25mm B) Main shaft pulley ( D2)=100mm 4.1.3 INPUT DATA INPUT POWER = 0.05KW INPUT SPEED =1000 RPM CENTERDISTANCE = 210 MM MAX BELT SPEED = 1600 M/MIN = 26.67 M/SEC GROOVE ANGLE (2  ) = 400 COEFFICIENT OF FRICTION = 0.25 BETWEEN BELT AND PULLEY ALLOWABLE TENSILE STREES = 8 N/mm2
  • 32.
    S.P.P.U. Differential LockingSystem Department of Mechanical Engg. P.R.E.C. Loni 32 4.1.4 Section of belt section Ref Manufacturers Catalogue C/S SYMBOL USUAL LOAD OF DRIVE (KW) NOMINAL TOP WIDTH W mm NOMINAL THICKNESS T mm WEIGHT PER METER Kgf FZ 0.03 - 0.15 6 4 0.05 Sin  = 02M = R2-R1 = D2-D1 0102 x 2x = 100 - 25 2 x 210   = 10.290 Angle of lap on smaller pulley; ie; motor puller ; 0 = 180 - 2 = 180 - 2(10.29)  = 159.42   = 2.78c Now; Mass of betl /meter length =0.05 kgf  Centrifugal Tension (Tc)= Mv2 Tc = 0.05 (26.67) 2 Tc = 35.56 N
  • 33.
    S.P.P.U. Differential LockingSystem Department of Mechanical Engg. P.R.E.C. Loni 33 4.1.5 Max Tension in belt (T) = f all x Area = 8 x 20 =160N/mm2 A) Tension in Tight side of belt = T1 = T-T = 160 - 35.56 T1 = 124.4 N B) Tension in slack side of belt = T2 2.3 log T1 =  x  x cosec  T2 = 0.25 x 2.8 x cosec 20 log T1 = 0.86 T2  T1 = 7.75 T2  T2 = 16 N POWER TRANSMITTING CAPACITY OF BELT P = ( T2 - T2) v = (124.24 - 16) 26.67 P = 3.13 kw  Belt can safely tansmit 0.05 kw power
  • 34.
    S.P.P.U. Differential LockingSystem Department of Mechanical Engg. P.R.E.C. Loni 34 4.1.6 SELECTION OF BELT. Selection of belt ‘FZ 6 x 600 ’ from std manufacturers catalogue MAKE: HELICORD RESULT TABLE Table 4.1.Result Table 1. BELT SELECTED FZ 6 x 600 2. Tight side Tension T1 =124.24 N 3. Slack side Tension T2 = 16 N 4. Motor pulley did.(  D1) D1 =25 MM 5. Pulley (a) diameter (D2) D2 =100MM
  • 35.
    S.P.P.U. Differential LockingSystem Department of Mechanical Engg. P.R.E.C. Loni 35 4.1.7 DESIGN OF LH OUTPUT SHAFT. MATERIAL SELECTION: - Ref :- PSG (1.10 & 1.12) + (1.17) DESIGNATION ULTIMATE TENSILE STRENGTH N/mm2 YIELD STRENGTH,N/mm2 EN 24 800 680 ASME CODE FOR DESIGN OF SHAFT. Since the loads on most shafts in connected machinery are not constant , it is necessary to make proper allowance for the harmful effects of load fluctuations. According to ASME code permissible values of shear stress may be calculated form various relations. fs max = 0.18 fult = 0.18 x 800 = 144 N/mm2 OR fs max = 0.3 fyt =0.3 x 680 =204 N/mm Considering minimum of the above values ;  fs max = 144 N/mm2 Shaft is provided with key way; this will reduce its strength. Hence reducing above value of allowable stress by 25%  fs max = 108 N/mm2 This is the allowable valve of shear stress that can be induced in the shaft material for safe operation.
  • 36.
    S.P.P.U. Differential LockingSystem Department of Mechanical Engg. P.R.E.C. Loni 36 TO CALCULATE INPUT TORQUE POWER = 2  NT 60  T = 60 x P 2 x  x N = 60 X 50 2 X  X N Assuming operation speed = 800 rpm. = 60 x 50 2 x  x 800  T = 0.5968 N.m Assuming 100% overload.  T design = 2 x T = 2 x 0.5968 x 103 = 1.19 x 103 N.mm. CHECK FOR TORSIONAL SHEAR FAILURE OF SHAFT. Assuming minimum section diameter on input shaft = 16 mm  d = 16 mm Td = /16 x fs act x d3  fs act = 16 x Td  x d 3 = 16 x 1.19 x 10 3  x (16) 3  fs act = 1.47 N/mm2 As fs act < fs all LH 0/P shaft is safe under torsional load
  • 37.
    S.P.P.U. Differential LockingSystem Department of Mechanical Engg. P.R.E.C. Loni 37 4.1.8 DESIGN OF RH OUTPUT SHAFT. MATERIAL SELECTION: - Ref: - PSG (1.10 & 1.12) + (1.17) DESIGNATION ULTIMATE TENSILE STRENGTH N/mm2 YEILD STRENGTHN/mm2 EN 24 800 680 ASME CODE FOR DESIGN OF SHAFT. Since the loads on most shafts in connected machinery are not constant, it is necessary to make proper allowance for the harmful effects of load fluctuations. According to ASME code permissible values of shear stress may be calculated form various relations. fs max = 0.18 fult = 0.18 x 800 = 144 N/mm2 OR fs max = 0.3 fyt =0.3 x 680 =204 N/mm considering minimum of the above values ;  fs max = 144 N/mm2 Shaft is provided with key way; this will reduce its strength. Hence reducing above value of allowable stress by 25%  fs max = 108 N/mm2 This is the allowable valve of shear stress that can be induced in the shaft material for safe operation. TO CALCULATE INPUT TORQUE
  • 38.
    S.P.P.U. Differential LockingSystem Department of Mechanical Engg. P.R.E.C. Loni 38 POWER = 2  NT 60  T = 60 x P 2 x  x N = 60 X 50 2 X  X N Assuming operation speed = 800 rpm. = 60 x 50 2 x  x 800  T = 0.5968 N.m Assuming 100% overload.  T design = 2 x T = 2 x 0.5968 x 103 = 1.19 x 103 N.mm. CHECK FOR TORSIONAL SHEAR FAILURE OF SHAFT. Assuming minimum section diameter on input shaft = 16 mm  d = 16 mm Td = /16 x fs act x d3  fs act = 16 x Td  x d 3 = 16 x 1.19 x 10 3  x (16) 3  fs act = 1.47 N/mm2 As fs act < fs all RH 0/P shaft is safe under torsional load
  • 39.
    S.P.P.U. Differential LockingSystem Department of Mechanical Engg. P.R.E.C. Loni 39 4.1.9 DESIGN OF SPIKE SHAFT. MATERIAL SELECTION: - Ref :- PSG (1.10 & 1.12) + (1.17) DESIGNATION ULTIMATE TENSILE STRENGTH N/mm2 YEILD STRENGTHN/mm2 EN 24 800 680 ASME CODE FOR DESIGN OF SHAFT. Since the loads on most shafts in connected machinery are not constant, it is necessary to make proper allowance for the harmful effects of load fluctuations. According to ASME code permissible values of shear stress may be calculated form various relations. fs max = 0.18 fult = 0.18 x 800 = 144 N/mm2 OR fs max = 0.3 fyt = 0.3 x 680 = 204 N/mm Considering minimum of the above values;  fs max = 144 N/mm2 Shaft is provided with key way; this will reduce its strength. Hence reducing above value of allowable stress by 25%.  fs max = 108 N/mm2 This is the allowable valv1e of shear stress that can be induced in the shaft material for safe operation. TO CALCULATE INPUT TORQUE POWER = 2  NT 60  T = 60 x P 2 x  x N
  • 40.
    S.P.P.U. Differential LockingSystem Department of Mechanical Engg. P.R.E.C. Loni 40 = 60 X 50 2 X  X N Assuming operation speed = 800 rpm. = 60 x 50 2 x  x 800  T = 0.5968 N.m Assuming 100% overload.  T design = 2 x T = 2 x 0.5968 x 103 = 1.19 x 103 N.mm. CHECK FOR TORSIONAL SHEAR FAILURE OF SHAFT. Assuming minimum section diameter on input shaft = 16 mm.  d = 16 mm Td = /16 x fs act x d3  fs act = 16 x Td  x d 3 = 16 x 1.19 x 10 3  x (16) 3  fs act = 1.47 N/mm2 As fs act < fs all  Spike shaft is safe under torsional load.
  • 41.
    S.P.P.U. Differential LockingSystem Department of Mechanical Engg. P.R.E.C. Loni 41 4.1.10 DESIGN OF DOG RING. MATERIAL SELECTION:- Ref :- (PSG 1.10, 1.12 & 1.17) DESIGNATION TEXTILE STRENGTH N/mm2 YEILD STRENGTH N/mm2 EN 24 850 680 ‘Dog is located on pcd 72 mm. These pins engage in the cage of the spike shaft and act as transmission elements. They can be designed similar to the bush pins in the bush pin type flexible flange coupling. ‘Three pins’ transmit the entire torque; These pins are located at PCD (Dp) = 72 mm Tangential force on each bolt (Fb) = T Dp x n 2 T = n x Fb x Dp 2 Now; Shear stress = Shear force Shear area fs act = Fb /4 x d2  Fb = fs act x /4 d2 T = n x ( fs act x  x d2 ) x Dp 4 2 Assuming Pin diameter = 5 mm
  • 42.
    S.P.P.U. Differential LockingSystem Department of Mechanical Engg. P.R.E.C. Loni 42  1.19 x 103 = 1 x ( fs act x  x (5)2 ) x 72 4 2  fs act = 1.68 N/mm2 As fs act < fs all Pins are safe under shear load.
  • 43.
    S.P.P.U. Differential LockingSystem Department of Mechanical Engg. P.R.E.C. Loni 43 5. MANUFACTURING PROCESS CHARTS Table 5.1 LH O/P SHAFT PART NAME : LH O/P SHAFT Sr. No Description of Operation Tools Time in minutes Jigs & Fixture M/c Tools Cutting Tools Measuring Instrument Setting Time M/c Time Total Time 1 Clamp stock Three jaw chuck Lathe - - 20 - 20 2 Facing Both side to total length 140mm Three jaw chuck Lathe Facing tool Vernier - 5 5 3 Turning OD Ø 21 mm through length Turning tool 5 10 15 4. StepTurning OD to Ø 17mm through length 134 Centers supports & carrier Lathe Turning tool Vernier - 20 20 5. StepTurning OD to Ø 14mm through length124 Centers supports & carrier Lathe Turning tool Vernier - 20 20 6. StepTurning OD to Ø 12mm through length10 Centers supports & carrier Lathe Turning tool Vernier - 20 20 MATERIAL SPECIFICATION : EN24 RAW MATERIAL SIZE:  30X150 QUANTITY :- 02 NO’S. QUANTITY : 01 No’s
  • 44.
    S.P.P.U. Differential LockingSystem Department of Mechanical Engg. P.R.E.C. Loni 44 Table 5.2 RH O/P SHAFT PART NAME : RH O/P SHAFT Sr. No Description of Operation Tools Time in minutes Jigs & Fixture M/c Tools Cutting Tools Measuring Instrument Setting Time M/c Time Total Time 1 Clamp stock Three jaw chuck Lathe - - 20 - 20 2 Facing Both side to total length 140mm Three jaw chuck Lathe Facing tool Vernier - 5 5 3 Turning OD Ø 21 mm through length Turning tool 5 10 15 4. StepTurning OD to Ø 17mm through length 134 Centers supports & carrier Lathe Turning tool Vernier - 20 20 5. StepTurning OD to Ø 14mm through length124 Centers supports & carrier Lathe Turning tool Vernier - 20 20 6. StepTurning OD to Ø 12mm through length10 Centers supports & carrier Lathe Turning tool Vernier - 20 20 MATERIAL SPECIFICATION : EN24 RAW MATERIAL SIZE:  30X150 QUANTITY :- 02 NO’S. QUANTITY : 01 No’s
  • 45.
    S.P.P.U. Differential LockingSystem Department of Mechanical Engg. P.R.E.C. Loni 45 Table 5.3 SPIKE SHAFT PART NAME : SPIKE SHAFT Sr. No Description of Operation Tools Time in minutes Jigs & Fixture M/c Tools Cutting Tools Measuring Instrument Setting Time M/c Time Total Time 1 Clamp stock Three jaw chuck Lathe - - 20 - 20 2 Facing Both side to total length 94mm Three jaw chuck Lathe Facing tool Vernier - 5 5 3 Turning OD Ø 16 mm through length Turning tool Vernier 5 10 15 4. Perpendicular grooves of (6*6) mm on its faces. Centers supports & carrier Mill Milling cutter Vernier 5 25 30 5. Step Turning OD to Ø 12mm at 21mm from both sides. Centers supports & carrier Lathe Turning tool Vernier - 20 20 MATERIAL SPECIFICATION : EN24 RAW MATERIAL SIZE:  30X150 QUANTITY :- 02 NO’S. QUANTITY : 01 No’s
  • 46.
    S.P.P.U. Differential LockingSystem Department of Mechanical Engg. P.R.E.C. Loni 46 6. BILL OF MATERIALS Table 6.1 Bill of Material SR NO. PART CODE DESCRIPTION QTY MATERIAL 1. DLS -1 MOTOR 01 STD 2. DLS -2 BELT 01 STD 3. DLS -3 REDUCTION PULLEY 01 MS 4. DLS -4 DIFFERENTIAL 01 STD 5. DLS -5 DOG RING 01 EN24 6. DLS -6 SHIFTER LINKS 02 BRASS 7. DLS -7 SHIFTER 01 MS 8. DLS –8 SPIKE SHAFT 01 EN24 9. DLS –9 DIFFERENTIAL HOLDER 01 MS 10. DLS–10 INDEXER BUTTONS 04 MS 11. DLS–11 LH /RH OP SHAFT 02 EN24 12. DLS–12 ELECTRONIC SPEED VARIATOR 01 STD 13. DLS–13 ELECTRONIC RELAY 01 STD 14. DLS–15 CONTROL PANEL 01 STD 15. DLS–16 FRAME 01 MS 16. DLS–17 INCHING SWITCH 01 STD 17. DLS–18 DC MOTOR 01 STD
  • 47.
    S.P.P.U. Differential LockingSystem Department of Mechanical Engg. P.R.E.C. Loni 47 18. DLS–19 RACK 01 STD 19. DLS-20 LINEAR BRG LM-12 02 STD 20. DLS -21 PINION 01 STD 6.1 MATERIAL PROCUREMENT Material is procured as per raw material specification and part quantity. Part process planning is done to decide the process of manufacture and appropriate machine for the same. GENERAL MATERIAL USED EN24- ALLOY STEEL EN9- PLAIN CARBON STEEL MS-MILD STEEL STD - STANDARD PARTS SELECTED FROM PSG DESIGN DATA/MANUFACTURER CATALOGUE 6.2 RAW MATERIAL COST The total raw material cost as per the individual materials and their corresponding rates per kg is as follows, Total raw material cost = Rs 2000/- 6.3 MACHINING COST Table 6.2 Machining Cost OPERATION RATE Rs /HR TOTAL TIME HRS TOTAL COST Rs/- LATHE 80 10 600 MILLING 90 10 500 DRILLING 60 4 200 HOBBING - - 600
  • 48.
    S.P.P.U. Differential LockingSystem Department of Mechanical Engg. P.R.E.C. Loni 48 TOTAL 1900 6.4 MISCELLANEOUS COSTS Table 6.3 Miscellaneous cost OPERATION COST(Rs) GAS CUTTER 300 SAWING 100 TOTAL 400 6.5 COST OF PURCHASED PARTS:- Table 6.4 Cost of Purchased Parts SR NO. DESCRIPTION QTY COST 1. MOTOR 01 1500 2. BELT 01 120 3. DIFFERENTIAL 01 7000 4. LINEAR BEARINGS 01 350 5. ELECTRONIC SPEED REG. 02 300 6. INCHING SWITCH 01 110 7. 16 PIN RELAY 01 270 8. DC GEARED MOTOR 01 1500 9. RACK 01 300 10. PINION 01 200
  • 49.
    S.P.P.U. Differential LockingSystem Department of Mechanical Engg. P.R.E.C. Loni 49 11. DP/DT SWITCH 01 200 The cost of purchase parts = Rs 11,820/- 6.6 TOTAL COST TOTAL COST = Raw Material Cost +Machine Cost + Miscellaneous Cost + cost of Purchased Parts +Overheads. Hence the total cost of machine = Rs 16,310/-
  • 50.
    S.P.P.U. Differential LockingSystem Department of Mechanical Engg. P.R.E.C. Loni 50 ADVANTAGES AND APPLICATIONS Advantages 1. Provide better Traction. 2. Compact Design. 3. Simple in Operation. 4. Best option for 4-wheel drive. 5. Low cost. Applications 1. In all Automobile having Differential 2. In Transport Vehicles. 3. In Military Vehicles.
  • 51.
    S.P.P.U. Differential LockingSystem Department of Mechanical Engg. P.R.E.C. Loni 51 CONCLUSSION Differential locking automatically provides more torque and speed to the sun gear with lesser resistance to motion. Thus if one wheel of the vehicle is on slippery surface and the other wheel on a regular tarmac surface, the differential transmits all torque and speed to the wheel on slippery surface, since it has lower rolling resistance. The wheel on slippery surface keeps spinning while the other wheel on regular surface remains stationary. Now, to provide tractive effort to the other wheel which is on regular tarmac road surface, the differential operation should be discontinued. This provision is provided by the automatic system which will lock the differential whenever the wheels of the vehicle pass through the pit or slippery road and lose its traction to move the vehicle.  Scope for Future work In this project model, we had used DC motor as Actuating device for faster response of locking, we can use solenoid operated actuator for locking & unlocking. This actuator operated simultaneously by electrically & pneumatically. Actuator may be small piston cylinder (pneumatic) operated by pneumatic valve (5/2, 3/2) & electromagnetic coil for actuation. Compressed air can be obtained by In-built compress
  • 52.
    S.P.P.U. Differential LockingSystem Department of Mechanical Engg. P.R.E.C. Loni 52 REFERENCES [1] “Automobile Engineering Vol-1”, Kirpal Singh; Standard Publishers; 12th Edition 2011. [2] “Machine Design”, R.S.Khurmi, J.K.Gupta; S.Chand & Company Ltd. [3] “Design Data- Data Book of Engineers”,compiled by PSG College of Technology Coimbtore; Published by Kalaikathir Achchagam Coimbtore-641037,India; Edition 1978, Reprinted in May 2012. [4] Proximity Sensors By Carlo Gavazzi. [5] “Advances in Automobile Engineering”, Anwar Bharaat Singh; Proceeding of the World Congress on Engineering 2008 Vol-2 WCE 2008, July 2-4,2008, London, U.K. [6] “Limited Slip Differential (LSD) (Mechanical Type)”, Ken Gilbert; W1860BE.book Page 9 Tuesday, January 28, 2003 11:01 PM. [7] “The Development of a Differential for the Improvement of Traction Control”, S E Chocholek; Gleasen corporation Rochester1998, New York, United states of America. [8] “Electronic Differential and Hybrid Powertrain Design for NCSU Formula Hybrid”, Saleem Merkt; FH.2009 SAE International, North Carolina State University. [9] “Differentials and Chassis Setup”, Craig Taylor; Taylor Race Engineering, 2010 Avenue G, Suite 914 Plano, Texas 75074. [10] “Differential Disassembly / Assembly Instructions”, Auburn Gear; Inc. 400 East Auburn Drvie Auburn, IN 46706-3499. [11] “Epicyclic Differential Transmission”, sedwick, geof-frey, International publish report no. WO2005/120877 A1, 22.12.2005, London. [12] “Spur Gear Differential Lockable to a Limited Extent”, Mr. Helmet Wiese,Meinsenweg,Fed; Patent no. 5,09,353, Mar24 1992, Germany. [13] “The Active Differential for Future Drive Trains”, Dr. Tomas Smetana; Schaeffl er SYMPOSIUM 2010.
  • 53.
    S.P.P.U. Differential LockingSystem Department of Mechanical Engg. P.R.E.C. Loni 53 APPENDIX
  • 54.
    S.P.P.U. Differential LockingSystem Department of Mechanical Engg. P.R.E.C. Loni 54