CHAPTER 1
1.1 INTRODUCTION
1.1.1 COIN INSERTION MOBILE CHARGER
This is the smart coin based mobile charging system that charges your mobile for particular amount
of time on inserting a coin. The system is to be used by shop owners, public places like railway
stations to provide mobile charging facility. So the system consists of a coin recognition module that
recognizes valid coin is found it signals the microcontroller for further action. if a valid coin is
found it signals the microcontroller and microcontroller then starts the mobile charging mechanism
providing a 5v supply through a power supply through a power supply section to the mobile phone,
now systems also needs to monitor the amount of charging to be provided .So the system can be
used for smart mobile charging at public places.
The objective of this project is inserting the coin using charge for your mobile phone in public
places. This project is very useful to people who are all using mobile phone without charging
condition in public places. In this project, who are all using mobile phones in outside of home are
office without charging condition. The coin based mobile phone charger is very useful to that person
for using coin to charge for that mobile. A sensor system is used to detect the presence of coin. It
may be of different type (IR sensor, Using LDR etc...). The coin is inserted between the transmitted
and received signal.
When a signal came from sensor unit, the microcontroller activates the charger unit for a predefined
time. After that it will reset to normal case. Driver circuit is used for provide the sufficient input
voltage of relay. The relay will on to activate the 230v charger, we will use charger to charge for our
mobile phone.
The major action in this system is controlled by transmitter section; this section consists of IR
transmitter and IR receiver. Here we need to generate IR frequency continuously. So that by using a
small tiny microcontroller frequency is produced and is connected IR receiver continuously receives
the signals from the transmitter. Whenever the light path in between IR transmitter and IR receiver
cuts by an obstacle receiver signal gives low to high pulse. By
to the IR led to generate IR light rays of 38 KHz frequency.
Connecting the receiver output to the micro controller interrupt pin, it gives interrupt to the micro
controller immediately the system gives the buzzer and sends the message to the display on LCD
display to the micro controller.
CHAPTER 2
2.1 System module
Fig:-2.1 Project Module
2.2 8051 Microcontroller
The microcontroller memory is divided into Program Memory and Data Memory. Program Memory
(ROM) is used for permanent saving program being executed, while Data Memory (RAM) is used
for temporarily storing and keeping intermediate results and variables. Depending on the model in
use (still referring to the whole 8051 microcontroller family) at most a few Kb of ROM and 128 or
256 bytes of RAM can be used. However--
All 8051 microcontrollers have 16-bit addressing bus and can address 64 kb memory. It is neither a
mistake nor a big ambition of engineers who were working on basic core development. It is a matter
of very clever memory organization which makes these controllers a real “programmer’s tidbit“.
2.2.1 Pin Diagram:
Fig:-2.2.1 PIN Diagram 8051 Microcontroller
2.2.2 PIN Description:
Pins 1-8: Port 1 Each of these pins can be configured as input or output.
Pin 9: RS Logical one on this pin stops microcontroller’s operating and erases the contents of most
registers. By applying logical zero to this pin, the program starts execution from the beginning. In
other words, a positive voltage pulse on this pin resets the microcontroller.
Pins10-17: Port 3 Similar to port 1, each of these pins can serve as universal input or output.
Besides, all of them have alternative functions:
Pin 10: RXD Serial asynchronous communication input or Serial synchronous communication
output.
Pin 11: TXD Serial asynchronous communication output or Serial synchronous communication
output.
Pin 12: INT0 Interrupt 0 input
Pin 13: INT1 Interrupt 1 input
Pin 14: T0 Counter 0 clock input
Pin 15: T1 Counter 1 clock input
Pin 16: WR Signal for writing to external (additional) RAM
Pin 17: RD Signal for reading from external RAM
Pin 18, 19: X2 X1 Internal oscillator input and output. A quartz crystal which determines operating
frequency is usually connected to these pins. Instead of quartz crystal, the miniature ceramics
resonators can be also used for frequency stabilization. Later versions of the microcontrollers
operate at a frequency of 0 Hz up to over 50 Hz.
Pin 20: GND Ground
Pin 21-28: Port 2 If there is no intention to use external memory then these port pins are configured
as universal inputs/outputs. In case external memory is used then the higher address byte, i.e.
addresses A8-A15 will appear on this port. It is important to know that even memory with capacity
of 64Kb is not used (i.e. note all bits on port are used for memory addressing) the rest of bits are not
available as inputs or outputs.
Pin 29: PSEN If external ROM is used for storing program then it has a logic-0 value every time the
microcontroller reads a byte from memory.
Pin 30: ALE Prior to each reading from external memory, the microcontroller will set the lower
address byte (A0-A7) on P0 and immediately after that activates the output ALE. Upon receiving
signal from the ALE pin, the external register (74HCT373 or 74HCT375 circuit is usually
embedded) memorizes the state of P0 and uses it as an address for memory chip. In the second part
of the microcontroller’s machine cycle, a signal on this pin stops being emitted and P0 is used
for data transmission (Data Bus). In this way, by means of only one additional (and cheap)
integrated circuit, data multiplexing from the port is performed. This port at the same time used for
data and address transmission.
Pin 31: EA By applying logic zero to this pin, P2 and P3 are used for data and address transmission
with no regard to whether there is internal memory or not. That means that even there is a program
written to the microcontroller, it will not be executed, the program written to external ROM will be
used instead. Otherwise, by applying logic one to the EA pin, the microcontroller will use both
memories, first internal and afterwards external (if it exists), up to end of address space.
Pin 32-39: Port 0 Similar to port 2, if external memory is not used, these pins can be used as
universal inputs or outputs. Otherwise, P0 is configured as address output (A0-A7) when the ALE
pin is at high level (1) and as data output (Data Bus), when logic zero (0) is applied to the ALE pin.
Pin 40: VCC Power supply
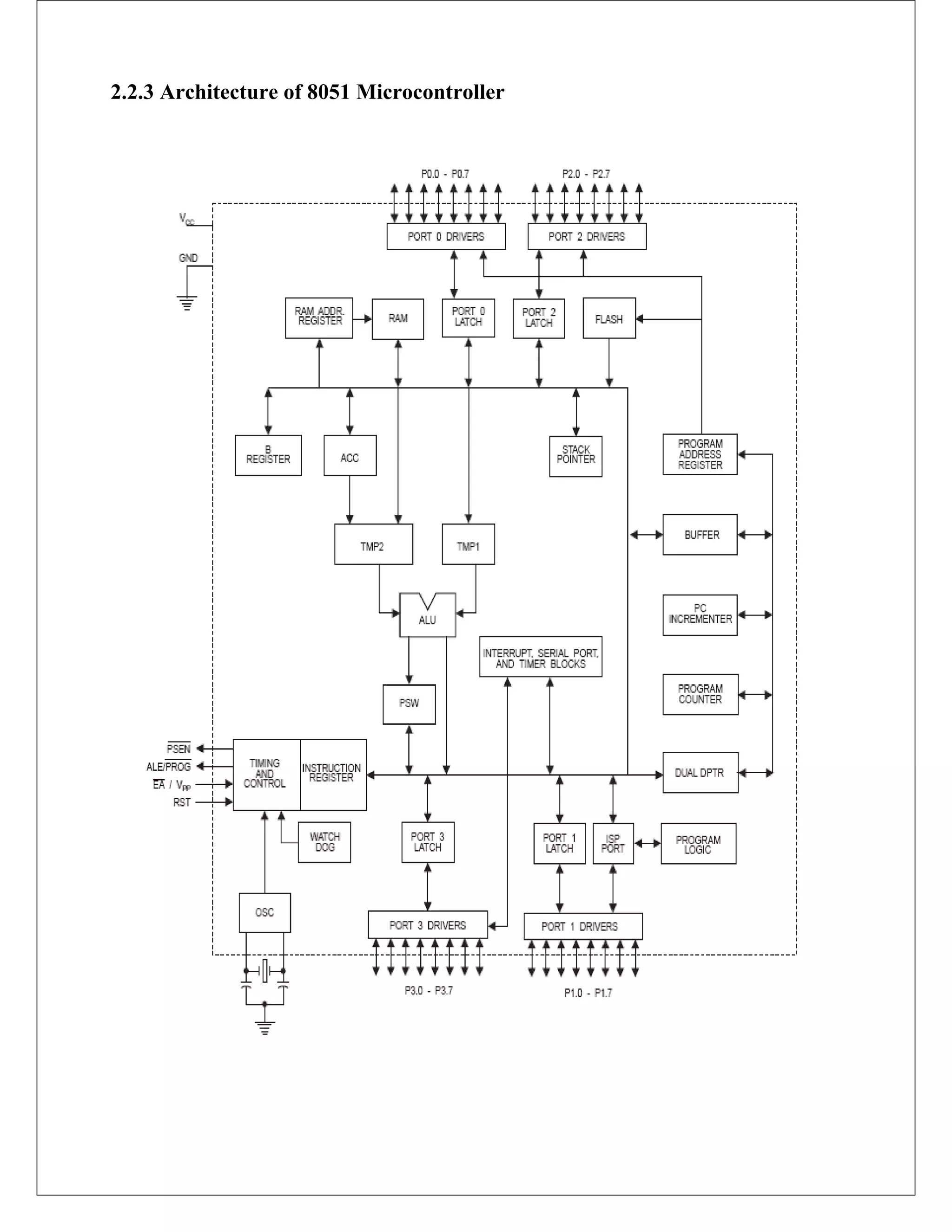
2.2.3 Architecture of 8051 Microcontroller
Fig :2.2.3 Architecture of 8051 Microcontroller
2.2.4 Block diagram:
Fig:-2.2.4 Block Diagram of 8051 Microcontroller
2.2.5 Micro Controller-AT89S52
The AT89S52 is a low-power, high-performance CMOS 8-bit microcontroller with 8K bytes of in-
system programmable Flash memory. The device is manufactured using Atmel’s high-density
nonvolatile memory technology and is compatible with the industry- standard 80C51 instruction set
and pin out.
2.2.6 Features
8K Bytes of In-System Programmable (ISP) Flash Memory
Endurance: 1000 Write/Erase Cycles
4.0V to 5.5V Operating Range
256 x 8-bit Internal RAM
32 Programmable I/O Lines
Full Duplex UART Serial Channel
Fully Static Operation: 0 Hz to 33 MHz
2.3 LCD (Liquid Crystal Display)
LCDs are available to display arbitrary images (as in a general-purpose computer display) or fixed
images which can be displayed or hidden, such as preset words, digits, and 7-segment displays as in
a digital clock. They use the same basic technology, except that arbitrary images are made up of a
large number of small pixels, while other displays have larger elements.
LCDs are used in a wide range of applications including computer monitors, televisions, instrument
panels, aircraft cockpit displays, and signage. They are common in consumer devices such as video
players, gaming devices, clocks watches, calculators, and telephones, and have replaced cathode ray
tube (CRT) displays in most applications. They are available in a wider range of screen sizes than
CRT and plasma displays, and since they do not use phosphors, they do not suffer image burn-in.
LCDs are, however, susceptible to image persistence.
The LCD screen is more energy efficient and can be disposed of more safely than a CRT. Its low
electrical power consumption enables it to be used in battery-powered electronic equipment. It is an
electronically modulated optical device made up of any number of segments filled with liquid
crystals and arrayed in front of a light source (backlight) or reflector to produce images in color or
monochrome. Liquid crystals were first discovered in 1888. By 2008, annual sales of televisions
with LCD screens exceeded sales of CRT units worldwide, and the CRT became obsolete for most
purposes.
An LCD is made with either a passive matrix or an active matrix display grid. The active matrix
LCD is also known as a thin film transistor (TFT) display. The passive matrix LCD has a grid of
conductors with pixels located at each intersection in the grid. A current is sent across two
conductors on the grid to control the light for any pixel. An active matrix has a transistor located at
each pixel intersection, requiring less current to control the luminance of a pixel. For this reason, the
current in an active matrix display can be switched on and off more frequently, improving the
screen refresh time.
2.3.1 Interfacing of LCD Display
Fig:-2.3.1 Interfacing of LCD Display
2.3.2 PIN Diagram of LCD
Fig:-2.3.2 PIN Diagram of LCD
2.3.3 Diagram of LCD Display
Fig:- 2.2.3 LCD Display
2.3.4 PIN Description of LCD
Fig:-2.3.4 PIN Description of LCD
2.4 Crystal Oscillator
A crystal oscillator is an electronic oscillator circuit that uses the mechanical resonance of a
vibrating crystal of piezoelectric material to create an electrical signal with a very precise frequency.
This frequency is commonly used to keep track of time (as in quartz wristwatches), to provide a
stable clock signal for digital integrated circuits, and to stabilize.
Frequencies far radio transmitters and receivers. The most common type of piezoelectric resonator
used is the quartz crystal, so oscillator circuits incorporating them became known as crystal
oscillators, but other piezoelectric materials including polycrystalline ceramics are used in similar
circuits.
Quartz crystals are manufactured for frequencies from a few tens of kilohertz to hundreds of
megahertz. More than two billion crystals are manufactured annually. Most are used for consumer
devices such as wristwatches, clocks, radios, computers, and cellphones. Quartz crystals are also
found inside test and measurement equipment, such as counters, signal generators, and
oscilloscopes.
Besides quartz, the other substances that exhibit the piezo-electric effect are Rochelle salt and
tourmaline. Rochelle salt exhibits the greatest piezoelectric effect, but its applications are limited to
manufacture of microphones, headsets and loudspeakers. It is because the Rochelle salt is
mechanically the weakest and strongly affected by moisture and heat. Tourmaline is most rugged
but shows the least piezo-electric effect. Quartz is a compromise between the piezoelectric effect of
Rochelle salt and the mechanical strength of tourmaline. It is inexpensive and readily available in
nature. It is mainly the quartz crystal that is used in radio-frequency (RF) oscillators.
A crystal oscillator is an electronic oscillator circuit which uses inverse piezoelectric effect, i.e.
when electric field is applied across certain materials it produces mechanical deformation. Thus it
uses mechanical resonance of a vibrating crystal of piezoelectric materiel to create an electric signal
with very precise frequency. They have high stability, quality factor, small size and low cost and
this makes them superior over other resonators like LC circuit, ceramic resonator, turning forks.
2.4.1 Diagram:
Fig:-2.4.0 crystal oscillator
Fig:-2.4.1 Quartz Crystal Oscillators
2.5 Transistor
A transistor is a semiconductor device used to amplify and switch electronic signals and electrical
power. It is composed of semiconductor material with at least three terminals for connection to an
external circuit. A voltage or current applied to one pair of the transistor's terminals changes the
current flowing through another pair of terminal.
Because the controlled (output) power can be higher than the controlling (input) power, a transistor
can amplify a signal. Today, some transistors are packaged individually, but many more are found
embedded in integrated circuits. The transistor is the fundamental building block of modern
electronic devices, and is ubiquitous in modern electronic systems. Following its development in the
early 1950s the transistor revolutionized the field of electronics, and paved the way for smaller and
cheaper radios, calculators, and computers, among other thing.
2.5.1 Diagram:
Fig:-2.5.1 Transistor
Fig:-2.5.1 Transistor configuration
2.6 Diode:
A Diode Is A Two-Terminal Electronic Component With An Asymmetric Transfer Characteristic,
With Low (Ideally Zero) Resistance To Current Flow In One Direction, And High (Ideally Infinite)
Resistance In The Other. A Semiconductor Diode, The Most Common Type Today, Is A Crystalline
Piece Of Semiconductor Material With A P-N Junction Connected To Two Electrical Terminals. A
Vacuum Tube Diode, Now Used Only In Some High-Power Technologies And By Enthusiasts, Is A
Vacuum Tube With Two Electrodes, A Plate (Anode) And Filament (Cathode).
2.6.1 Diagram:
Fig:-2.6.1 Diode
2.7 Resistor:
Resistance R is the amount of opposition to the flow of electrical current. The higher the resistance,
the more difficult it is for current to flow. The lower the resistance, the easier it is for current to
flow. Resistance is measured in units called ohms, named after German scientist and mathematician
Georg Simon Ohm.
2.7.1 Diagram:
Fig:-2.7.1 Resistor
2.7.2 Types of Resistors:
There are many thousands of different Types of Resistors and are produced in a variety of forms
because their particular characteristics and accuracy suit certain areas of application, such as
High Stability, High Voltage, High Current etc., or are used as general purpose resistors where
their characteristics are less of a problem.
All modern fixed value resistors can be classified into four broad groups,
 Carbon Composition Resistor - Made of carbon dust or graphite paste, low wattage values.
 Film or Cermet Resistor - Made from conductive metal oxide paste, very low wattage values.
 Wire-wound Resistor - Metallic bodies for heat sink mounting, very high wattage ratings.
 Semiconductor Resistor - High frequency/precision surface mount thin film technology.
Resistance Color Code: In order to identify the nominal resistance and the tolerance of a resistor,
manufacturers typically use a color band system known as the resistor color code. The electronic
color code is used to indicate the values or ratings of electronic components, usually for resistors.
The power rating is not indicated in the resistor color code and must be determined by experience
using the physical size of the resistor as a guide.
For resistors with ±5% or ±10% tolerance, the color code consists of 4 color bands.
For resistors with ±1% or ±2% tolerance, the color code consists of 5 bands.
Tight tolerance resistors may have three bands for significant figures rather than two, or an
additional band indicating temperature coefficient, in units of ppm/K.
2.7.3Application:
Resistors are used with transducers to make sensor subsystems. Transducers are electronic
components which convert energy from one form into another, where one of the forms of energy is
electrical. Microphones and switches are input transducers. Output transducers include
loudspeakers, filament lamps and LEDs.
In other circuits, resistors are used to direct current flow to particular parts of the circuit, or may be
used to determine the voltage gain of an amplifier. Resistors are used with capacitors to introduce
time delays.
Most electronic circuits require resistors to make them work properly and it is obviously important
to find out something about the different types of resistor available, and to be able to choose the
correct resistor value, in , , or M , for a particular application.
.
2.7.4Color-coding
Fig:-2.7.4 Color Coding of Resistor
2.8 Relay:
So first what are 9 a relay - a relay is most simply an electronically controlled switch. Switches
come in all types of forms and so do relays. Relays like switches can exist in SPST, SPDT, DPDT,
styles, and so forth. The first part of the word SP tells how many poles there are. SP is single pole,
DP is double pole, and you can have multiple poles. The next part is the throws. Again ST is single
throw, DT is double throw. I like to say that you have a control line in for the pole and the number
of outputs is the throw.
SPST switches are the simplest and the best example is a light switch. SPDT is like a single switch
that controls a fan and a light. DPDT is a switch that can control two lines with a throw of the switch
for instance a motor on a DPDT switch can be reversed clockwise and counter clockwise. An
important note is that you can combine two SPDT switches to form a DPDT switch and similarly do
the same with SPST to form a DPST switch. When costing your robot's parts, sometimes it better to
buy one part in volume and change the design.
2.8.1 Diagram:
Fig:-2.8.1 Spdt Relay
In the above diagram that a relay uses an electromagnet .This is a device consisting of a coil of wire
wrapped around an iron core. When electricity is applied to the coil of wire it becomes magnetic,
hence the term electromagnet. The A B and C terminals are an SPDT switch controlled by the
electromagnet. When electricity is applied to V1 and V2, the electromagnet acts upon the SPDT
switch so that the B and C terminals are connected. When the electricity is disconnected, then the A
and C terminals are connected. It is important to note that the electromagnet is magnetically linked
to the switch but the two are NOT linked electrically.
This application includes the need for voltages/amperages that your microcontroller organically
cannot provide by it. Like motor drivers - a relay circuit (which can be a motor driver in special
cases) can pulse motors on and off but without some complexity, would only control them in one
direction at a time but in some cases when you just need a simple application to go one direction, it
might be a viable solution. Usually you use relays to power high power items from an external
source of power such as a heater, a high amperage motor or fan, a chiller, a floodlight, large LED
arrays, solenoids, or objects you want to either fail open or closed such as heaters or chiller
applications if you run low on power (batteries are drained).
Relays provide the option to have devices either connected as normally open or normally closed.
This means that when power is connected to your circuit by default the gate is either closed or open.
Where the 'normally' indicates whether the relay state is tripped as true. The device will be in its
normally closed state if the power to the relay still persists if a signal is lost to the relay. A good
example of the case of a use of a failure case would be if you ran out of battery power in your
submarine, you'd want one of its last things to do would be to drop ballast of any kind to rise to the
surface.
2.9 One Important Application Is Illustrated In The Diagram Below:
Fig:-2.9.0 Starter Circuit
When the ignition key is turned all the way to the "start" position, it allows electricity to flow to the
starter solenoid (relay) which then connects the battery to the starter motor. So why do we need this
solenoid "middle man"? Couldn't we just eliminate it and connect the ignition wires to the + battery
terminal and the other wire to the starter motor? The important point here is that the electromagnet
is using a small amount of current to control a large amount of current to the starter motor.
(Remember that the electromagnet and the switch are NOT connected electrically). Have you
noticed that all of the wires (except the ignition wires) are purposely drawn with thick lines? The
reason being that some circuits (such as the starter) in a car require a tremendous amount of current.
(If you look at an automobile's battery cables, you will notice they are quite thick.) Connecting the
ignition wires to the battery and then to the starter motor would cause these thin wires to conduct
much more current than they were designed for. These wires would become very hot and the
insulation would start to smoke.
We do have a second choice. We could use thick battery cables for the ignition wires and use a
heavy duty ignition switch. This isn't very practical either. Do you think it would be easy to squeeze
cables into the steering column and to squeeze in a heavy duty ignition switch too? Therefore, the
use of a solenoid is the most practical solution.
2.10 Basic Relay Operation:
2.10.1 The Contacts
Before extending to the various types of relays, I will first explain what and how the basic relay
operates. Each relay has two mechanical parts inside. The first one is the contact(s) of the relay. The
contacts operate similarly to the contacts of a simple switch or pushbutton. You should consider the
contacts as a pair of metals like the following diagram:
Fig:-2.10.1(1) Relay function
The two terminals operate as a switch. When the contacts are in contact then the current flows from
Terminal 1 to Terminal 2. There are two types of contacts: the NO and the NC. NO stands for
Normal Open contact, while NC stands for Normal Closed contact. The Normal Open is a contact
like the one showed in the previous illustration. When the contact is still, then no current flow
through it (because it is an OPEN circuit). On the other hand, a Normal Closed contact allows the
current to flow when the contact is still. Bellow I illustrate both of these contacts.
Fig:-2.10.1(2) Relay normally Open & Closed
You may notice that the NC contact is turned upside-down compared to the NO contact. This is
done in purpose. This way, both contacts (NO and NC) will change state if a force is applied to the
left metal heading from UP to DOWN. The following animation shows how a NO contact operates
by lighting a light bulb.
Fig:-2.10.1(3) Relay OFF Condition
Fig:-2.10.1(4) Relay ON Condition
2.10.2 Interfacing Relays
Fig…. shows how to interface the Relay to microcontroller. There are 2 input channels. Each input
is connected to the triggering coil of the respective relay. There are 2 output channels that each
correspond to an input. When the input is energized, the relay turns on and the '+' output is
connected
5v to + 24v. When the relay is off, the '+' output is connected to Ground. The output is permanently
2.10.3 Diagram:
wired to Ground.
Fig:-2.10.3 Interfacing Relays
CHAPTER 3
4.1 Introduction
The objective of this project is inserting the coin using charge for your mobile phone in public
places. This project is very useful to people who are all using mobile phone without charging
condition in public places. In this project, who are all using mobile phones in outside of home are
office without charging condition. The coin based mobile phone charger is very useful to that
person for using coin to charge for that mobile. A sensor system is used to detect the presence of
coin. It may be of different type (IR sensor, Using LDR etc...). The coin is inserted between the
transmitted and received signal.
When a signal came from sensor unit, the microcontroller activates the charger unit for a predefined
time. After that it will reset to normal case. Driver circuit is used for provide the sufficient input
voltage of relay. The relay will on to activate the 230v charger, we will use charger to charge for
our mobile phone.
The major action in this system is controlled by transmitter section; this section consists of IR
transmitter and IR receiver. Here we need to generate IR frequency continuously. So that by using a
small tiny microcontroller frequency is produced and is connected to the IR led to generate IR light
rays of 38 KHz frequency.
3.1.1 Block Diagram:
Fig:-3.1.1 Block Diagram of Prepaid Charger
3.1.2 Circuit Diagram:
Fig :-3.1.2 Circuit Diagram of Prepaid Charger
3.2 IR Sensor
Infrared sensors (IR) is invisible radiant energy electromagnetic radiation with longer wavelengths
than those of visible light extending from the normal red edge of the thermal radiation emitted by
objects near from temperature is infrared. Infrared radiation was discovered in 1800 by astronomer
sir William Herschel, who discovered a type of invisible radiation in the spectrum lower in energy
then red light by, means of its effect upon a thermometer.
3.3 Working Principle:
In our vibration alarm system, we will be having
• Infra-Red sensor,
• Amplifiers,
• Comparator and
• Relay
The Infra-Red sensor is used in this circuit. If there is any interrupt between the IR LEDs, the sensor
senses and sends the corresponding electrical output signal to amplifier circuit.
The amplifier circuit results in further amplification of signals. The amplified signal is given to
comparator. The comparator compares the incoming signal with reference. If the incoming signal is
more, it operates the relay.
3.3.1 Diagram:
Fig:-3.3.1 Working of Coin Based Mobile Charger
CHAPTER 4
4.1 PCB Wizard
PCB Wizard is a strong application that can be used for designing circuit boards whether they are
single sided or double sided printed. PCB Wizard is loaded with all the necessary tools that are
needed at each step of PCB circuit designing. A large library of components has also been provided
for the ease of use in PCB designing. These components can be easily inserted into your project
and there is no need to draw them from scratch.
4.2 PCB Manufacturing Process
The PCB manufacturing process is very important for anyone involved in the electronics industry.
Printed circuit boards, PCBs, are very widely used as the basis for electronic circuits. Printed circuit
boards are used to provide the mechanical basis on which the circuit can be built. Accordingly
virtually all circuits use printed circuit boards and they are designed and used in quantities of
millions.
4.3PCB Layout
Lay out of the desired circuit is the most important in any circuit board manufacturing process. The
following points are to be observed while performing the layout of the PCB.
Sufficient space should be maintained between two components. High heat dissipation components
like high voltage resistors should be mounted at a sufficient distance from the semiconductors and
electrolytic capacitors. Components layout should make proper combination with copper side circuit
layout. Circuit copper line thickness should be decided taking into account the current drain in the
circuit.
4.3.1 PCB Lay Out Of Prepaid Charger
Fig:-4.3.1 PCB Lay Out Of Prepaid Charger
4.4 Preparation of Screen
Nylon bolting cloth (Silk screen cloth) is stretched and attached to a wooden frame. Photosensitive
chemical (silcot-6) and ammonium bicarbonate is spread on cloth and dried in total darkness. The
screen is exposed to UV light and is developed in water.
4.4.1 Printing Process
The screen is placed on suitable copper laminated sheet on copper side and circuit black printing ink
(acid resistant paint) is spread on it. After printing the PCB should be allowed to dry for at least 10
hrs. In a dust proof chamber.
4.4.2 Etching Process
Etching process requires the use of chemicals acid resistant dishes and running water supply Ferric
chloride is maximum used solution but other enchants such as ammonium per sulfate can be used.
Nitric acid can be used but in general it is not used due to poisonous fumes. The pattern prepared is
glued to the copper surface of the board using a latex type of adhesive that can be cubed after use.
The pattern is laid firmly on the copper use a very sharp knife to cut round the pattern carefully a
remove the paper corresponding to the required copper pattern areas. Then apply the resist solutions,
which can be kind of ink proportion fort the purpose maintaining smoothing clean outlines as far as
possible. While the board is drying test all the components.
Before going to next stage, check the whole gotten and cross cheek against the circuit diagram
check for any freeing matte on the copper. The etching bath should be in a galls or enamels disc. If
using crystal of ferric-chloride these should be thoroughly dissolved in water to the proportional
suggested. There should be 0.5 Lt. of water for 125 Gm. of crystal.
Water liquid should be thoroughly deflated and druid in water land; never pour down the drain. To
prevent particles of copper hindering further etching, agitate the solutions carefully be gently
twisting or rocking the tray.
The board should not be left in the bath a moment longer than is needed to remove just the right
amount of copper. In spite of there being a resist coating there is no protection against etching away
through exposed copper edges; this leads to over etching. Have running water ready so that etched
board can be removed properly and rinsed; this will hall etching immediately.
Fig:-4.4.2 The PCB Etching Process with Ferric Chloride (FeCl3) Solution
4.4.3 Drilling Process
Drilling is one of those operations that call for great care because most of the holes will be made a
very small drill. For most purposes a 1 mm drill is used Drill all holes with this size first those that
need to be larger can be easily drilled again with the appropriate lager size.
Fig:- 4.4.3 Drilling of PCB
4.4.4 Green Making
It is done with special epoxy paint and special thinner is requited for cleaning the screen. It provides
as better and also prevents frequency overlapping between the tacks at high frequency operation.
4.4.5 Thinning
It is an electroplating process (tin plating) done to increases the conductivity of the conducting
medium and to avoid oxidizing effect.
4.4.6 Component Mounting
All components are mounted at their respective position as per the components layout. Proper
precautions should be taken during mounting process.
Fig:-4.4.6 Components mounted on PCB
4.4.7 Component Assembles
From the greatest variety of electronic components available today, which runs into tens of
thousands of different types it is often a perplexing task to know which the right task for a given job
is. There should be damage such as hair line crack intuit opera on PCB that could age a serious
office on the operational ability to the completed assemble. If there are than they can and should be
repaired fiesta bye soldering a short link of bare copper wire over the affected part.
The most popular method of holding all the items is to been the wires future apart after they even
been indebted in the appropriate holes. This will hold the component in position ready for soldering.
Some components will be considerably larger than other occupying and possible partially obscuring
neighboring components. Because of this best to start by mounting the smallest first and progressing
through to the largest. Before starting make certain that no further drilling I likely to be necessary
because access may be impossible later.
Next will probably be the resistor small signal diodes of other similar size components some
capacitor are very small but it would be best to fit these after words when fitting each group of
components marks of each one on the components it’s as it is fitted and if we have to leave the job
we know where to recommence. Although transistor & integrated circuit are small items there are
good reasons for leaving the soldering of these until the last step the main pint is that these
components are sensitive to heart and is subjected to prolonged application to the soldering iron they
could be internally damaged.
All the components before mounting are rubbed with sandpaper so that oxide layer is removed
from their tips. Now they are mounted according to the components layout.
4.5 Soldering Techniques
A soldered connection ensures metal continuity. The soldering process involves: Melting of the flux
which in turn removes the oxide films on the metal to be soldered. Melting the solder which remove
the impurities. The solder partially dissolve of the metal in the connection. The solder cools and
fuses with the metal.
The soldering techniques involve knowledge of:-
Soldering iron.
Soldering wire.
Soldering procedure.
Replacing components.
Prosecutions of when using C-MOS, devices.
Knowledge of good and bad soldering joints.
4.5.1 Soldering Iron
Soldering iron is an essential tool for soldering. A. Soldering iron should give sufficient heat a melt
solder by heat transfer when the iron tip is applied to a connection to be soldered. The selection of
the soldering iron can be made as regard to its tips size shape and wattage. Soldering iron
temperature is selected and controlled according to the work to be performed. Generally two types
of soldering irons are available: Soldering Pencil and Soldering Gun.
4.5.2 Soldering Pencils
These are light weight soldering iron which can generate around 12 watts to 50 watts of heat. Too
much heat applied during soldering can damage components and peel off tracks on the circuit board
soldering. Too much heat applied during soldering can damage components and peel off tracks on
the circuit board.
4.5.3 Soldering Materials
The soldering material is used to join together two or more metals at temperatures below their
melting point. The solder alloy consists of Lead (37%) and Tin (63%). The continuous connection
between two metals joint is made by solder materials.
Most commonly used solder wire consists of 60% of Tin 40% Lead. This is in the form of a hollow
wire whose center is filled with an organic paste like material called rosin. Its melting temperature is
190 degree centigrade.
Flux is a material used to aid soldering process. Flux is needed to scratch away the small film of
oxide on the surface of metals to be soldered. This flux forms a protective film that prevents re-
oxidation while the connection is heated to the point at which the solder melts. Flux is very helpful
on old dusty, eroded joint.
4.6 Soldering Procedure
The soldering procedure involves selection of soldering iron cleaning of components to be soldered
and cleaning of the PCB to be soldered. The soldering iron should be selected according to the job
and should be powerful enough to provide heat. The tip of the soldering iron should be selected as
per the space available for soldering. The component that has to be soldered should be properly bent
and its leads should properly insert in the PCB before. If one has already identified the fault
component, then one should not try to remove or DE solder the component. The components should
simply be cut and taken out.
Soldering is a joining process wherein coalescence is produced by heating below 800°F,
using a non-ferrous filler metal with a melting point below that of the base metal. The
metals to be joined dictate the flux, solder, and heating methods to be used. Base metals
are selected for specific properties such as electrical conductivity, weight, and corrosion
resistance.
To achieve a sound soldered joint, the following should be considered:
• Joint design: They should be designed with the requirements of soldiers and their
limitations in mind.
• Pre-cleaning: The surfaces must be thoroughly cleaned to allow the solder to wet
the base metal.
• Fluxing: A flux must be provided to remove traces of surface film or oxides and to
prevent formation of oxides during the soldering operation.
• Proper fixtures or alignment of parts must be maintained to insure a sound soldered
joint.
• Heating of the base metals should be uniform or even on base metals, to insure
good penetration of the filler alloy into the joint. If a noncorrosive flux is used no
further cleaning is necessary. The use of a corrosive flux makes flux residue
removal imperative.
CHAPTER 5
Software Used:-
5.1 Introduction
5.1.1 SCH Simulation Software Version 7.0.2
This software is a easy-to-use schematic design program. Express SCH schematic design software is
just as easy-to-use as our PCB layout software, both having the same user interface. After spending
a few minutes to teach one, mastering the other takes no time at all Step 1: Select the Components
Begin your schematic by placing the components. Select the parts from the Component Manager
Dialog box. Express SCH includes a large library with hundreds of component symbols (ICs,
resistors, capacitors...) that you can use to draw your electronic circuits Step 2: Position the
Components
Drag each component to the desired location on the page. The Snap to grid feature makes it easy to
neatly align the symbols. If all of the components do not fit on a single page, add additional sheets.
All the sheets of a schematic are linked together and saved in one file Step 3: Add the Wires
now draw the wires to connect the parts together. Add each wire by clicking on a component's pin,
then dragging the wire to the pin it connects to Step 4: Edit the Schematic
making changes to a schematic is simple using standard commands such as Copy, Cut and Paste.
Rearranging the components is easy by dragging them with the mouse. Wires always stay connected
to their pins, even when you move things around Step 5: Link the Schematic and PCB
after you complete your schematic, it can be linked to your circuit board layout file. This image of
the Express PCB layout software shows how it guides you in designing your board by highlighting
in blue the pins that should be wired together.
5.2 Proteus PCB Design and Simulation Software
5.2.1 ISIS Proteus Version 2.6
Proteus is a simulation and design software tool developed by Lab center Electronics for Electrical
and Electronic circuit design. It also possess 2D CAD drawing feature. It deserves to bear the tagline
“From concept to completion”.
It is a software suite containing schematic, simulation as well as PCB designing.
ISIS is the software used to draw schematics and simulate the circuits in real time. The simulation
allows human access during run time, thus providing real time simulation.
ARES is used for PCB designing. It has the feature of viewing output in 3D view of the designed
PCB along with components.
The designer can also develop 2D drawings for the product.
5.2.2 Features
ISIS has wide range of components in its library. It has sources, signal generators, measurement
and analysis tools like oscilloscope, voltmeter, ammeter etc.., probes for real time monitoring of the
parameters of the circuit, switches, displays, loads like motors and lamps, discrete components like
resistors, capacitors, inductors, transformers, digital and analog Integrated circuits, semi-conductor
switches, relays, microcontrollers, processors, sensors etc.
ARES offers PCB designing up to 14 inner layers, with surface mount and through hole packages. It
is embedded with the foot prints of different category of components like ICs, transistors, headers,
connectors and other discrete components. It offers Auto routing and manual routing options to the
PCB Designer. The schematic drawn in the ISIS can be directly transferred ARES.
CHAPTER 6-
The program used in our project
Code:
$MOD51 rs
equ p3.1 e
equ p3.0 dl
equ p1 ORG
00H Ljmp
main ORG
0003H ISR:
mov dl,#01h
acall command
mov dl,#80h
acall command
mov dl,#'C'
acall data1 mov
dl,#'H' acall
data1 mov
dl,#'A' acall
data1 mov
dl,#'R'
acall data1
mov dl,#'G'
acall data1
mov dl,#'E'
acall data1
mov dl,#' '
acall data1
mov dl,#'Y'
acall data1
mov dl,#'O'
acall data1
mov dl,#'U'
acall data1
mov dl,#'R'
acall data1
mov dl,#' '
acall data1
mov dl,#'C'
acall data1
mov dl,#'E'
acall data1
mov dl,#'L'
acall data1
mov dl,#'L'
acall data1
SETB P3.7
ACALL DELAY
ACALL DELAY
ACALL DELAY
ACALL DELAY
ACALL DELAY
ACALL DELAY
ACALL DELAY
ACALL DELAY
ACALL DELAY
ACALL DELAY
ACALL DELAY
ACALL DELAY
ACALL DELAY1
ACALL DELAY1
ACALL DELAY1
ACALL DELAY1
ACALL DELAY1
ACALL DELAY1
mov dl,#01h
acall command
mov dl,#80h
acall command
mov dl,#'3'
acall data1 mov
dl,#'0' acall
data1 mov dl,#'
' acall data1
mov dl,#'S'
acall data1 mov
dl,#'E' acall
data1 mov
dl,#'C' acall
data1 mov dl,#'
H' acall data1
mov dl,#'R'
acall data1 mov
dl,#'E' acall
data1
mov dl,#'M'
acall data1
mov dl,#'A'
acall data1
mov dl,#'I'
acall data1
mov dl,#'N'
acall data1
mov dl,#'I'
acall data1
mov dl,#'N'
acall data1
mov dl,#'G'
acall data1
ACALL DELAY
ACALL DELAY
ACALL DELAY
CLR P3.7
RETI
mov dl,#0eh
acall command
mov dl,#06h
acall command
mov dl,#01h
acall command
mov dl,#80h
acall command
mov dl,#'I'
acall data1 mov
dl,#'N' acall
data1 mov
dl,#'S' acall
data1 mov
dl,#'E' acall
data1 mov
dl,#'R' acall
data1 mov
dl,#'T' acall
data1 mov
dl,#'I ' acall
data1 mov
dl,#'C' acall
data1
mov dl,#'O'
acall data1
mov dl,#'I'
acall data1
mov dl,#'N'
acall data1
SJMP MAIN
command:clr rs
setb e
acall delay
clr e
ret
data1: setb rs
setb e
acall delay
clr e
ret
Delay: mov
r2,#100
back1: mov
r1,#50 back2:
mov r0,#10 b
djnz r1,back2
djnz r2,back1
ret
Delay1: mov r3,#200
back11: mov r4,#250
back22: mov r5,#200
back33: djnz r5,back33
djnz r4,back22
djnz
r3,back11 ret
end
CHAPTER 7
7.1 Applications:
1. Useful to public for using coin to charge for the mobile phone in any palace.
2. It can be used for different type of mobiles.
3. It is used for emergency charging purposes.
4. It can be installed railway stations, bus stops, villages and rural areas and public places.
5. It can be installed in office and colleges for pay charging facility.
7.2 Advantages:
1. Simple and hand efficient.
2. Less expensive.
3. Reduced man power.
4. Low power consumption.
5. Installation is easy.
6. It can be useful while travelling and when we don’t have charger with us during travel.
7. Simple to operate.
7.3 Conclusion:
The coin based mobile phone charger is very useful to public for using coin to charge for the mobile
phone in any public places just like charging it normally owing to the fact that it relayed the
electricity through the coin based mobile charger needed to bring the mobile phone back to life.
A novel method of charging mobile batteries of different manufactures using solar power has been
designed and developed for rural and remote areas where the grid power is not available at any
time at any palace.
7.4 Future Enhancement:
The project can be used in the following areas:-
1. Railway station:-This type of project is used in railway station for public palace.
2. Shop:-coin based project charger is install any shop and earn money.
3. Rural areas:-This project is installing in rural areas where the power grid is not available
at any time.
4. Public Place:-This project is very useful to people who are using mobile phone without
charging condition in public places.
REFERENCE:
BOOKS:
1) Electronic devices and circuit theory.
2) Electronic projects.
3) Microelectronic circuits.
4) Electronic for you.
WEBSITES:
1) www.efyindia.com
2) www.nationalsemiconductor.com
3) www.electroprojectindia.com
4) www.alldatasheet.com
5) www.howstuffworks.com
Coin based mobile charger project report

Coin based mobile charger project report

  • 1.
    CHAPTER 1 1.1 INTRODUCTION 1.1.1COIN INSERTION MOBILE CHARGER This is the smart coin based mobile charging system that charges your mobile for particular amount of time on inserting a coin. The system is to be used by shop owners, public places like railway stations to provide mobile charging facility. So the system consists of a coin recognition module that recognizes valid coin is found it signals the microcontroller for further action. if a valid coin is found it signals the microcontroller and microcontroller then starts the mobile charging mechanism providing a 5v supply through a power supply through a power supply section to the mobile phone, now systems also needs to monitor the amount of charging to be provided .So the system can be used for smart mobile charging at public places. The objective of this project is inserting the coin using charge for your mobile phone in public places. This project is very useful to people who are all using mobile phone without charging condition in public places. In this project, who are all using mobile phones in outside of home are office without charging condition. The coin based mobile phone charger is very useful to that person for using coin to charge for that mobile. A sensor system is used to detect the presence of coin. It may be of different type (IR sensor, Using LDR etc...). The coin is inserted between the transmitted and received signal. When a signal came from sensor unit, the microcontroller activates the charger unit for a predefined time. After that it will reset to normal case. Driver circuit is used for provide the sufficient input voltage of relay. The relay will on to activate the 230v charger, we will use charger to charge for our mobile phone. The major action in this system is controlled by transmitter section; this section consists of IR transmitter and IR receiver. Here we need to generate IR frequency continuously. So that by using a small tiny microcontroller frequency is produced and is connected IR receiver continuously receives the signals from the transmitter. Whenever the light path in between IR transmitter and IR receiver cuts by an obstacle receiver signal gives low to high pulse. By to the IR led to generate IR light rays of 38 KHz frequency. Connecting the receiver output to the micro controller interrupt pin, it gives interrupt to the micro controller immediately the system gives the buzzer and sends the message to the display on LCD
  • 2.
    display to themicro controller. CHAPTER 2 2.1 System module Fig:-2.1 Project Module
  • 3.
    2.2 8051 Microcontroller Themicrocontroller memory is divided into Program Memory and Data Memory. Program Memory (ROM) is used for permanent saving program being executed, while Data Memory (RAM) is used for temporarily storing and keeping intermediate results and variables. Depending on the model in use (still referring to the whole 8051 microcontroller family) at most a few Kb of ROM and 128 or 256 bytes of RAM can be used. However-- All 8051 microcontrollers have 16-bit addressing bus and can address 64 kb memory. It is neither a mistake nor a big ambition of engineers who were working on basic core development. It is a matter of very clever memory organization which makes these controllers a real “programmer’s tidbit“. 2.2.1 Pin Diagram:
  • 4.
    Fig:-2.2.1 PIN Diagram8051 Microcontroller 2.2.2 PIN Description: Pins 1-8: Port 1 Each of these pins can be configured as input or output. Pin 9: RS Logical one on this pin stops microcontroller’s operating and erases the contents of most registers. By applying logical zero to this pin, the program starts execution from the beginning. In other words, a positive voltage pulse on this pin resets the microcontroller. Pins10-17: Port 3 Similar to port 1, each of these pins can serve as universal input or output. Besides, all of them have alternative functions: Pin 10: RXD Serial asynchronous communication input or Serial synchronous communication output. Pin 11: TXD Serial asynchronous communication output or Serial synchronous communication output. Pin 12: INT0 Interrupt 0 input Pin 13: INT1 Interrupt 1 input Pin 14: T0 Counter 0 clock input Pin 15: T1 Counter 1 clock input Pin 16: WR Signal for writing to external (additional) RAM Pin 17: RD Signal for reading from external RAM Pin 18, 19: X2 X1 Internal oscillator input and output. A quartz crystal which determines operating frequency is usually connected to these pins. Instead of quartz crystal, the miniature ceramics resonators can be also used for frequency stabilization. Later versions of the microcontrollers operate at a frequency of 0 Hz up to over 50 Hz.
  • 5.
    Pin 20: GNDGround Pin 21-28: Port 2 If there is no intention to use external memory then these port pins are configured as universal inputs/outputs. In case external memory is used then the higher address byte, i.e. addresses A8-A15 will appear on this port. It is important to know that even memory with capacity of 64Kb is not used (i.e. note all bits on port are used for memory addressing) the rest of bits are not available as inputs or outputs. Pin 29: PSEN If external ROM is used for storing program then it has a logic-0 value every time the microcontroller reads a byte from memory. Pin 30: ALE Prior to each reading from external memory, the microcontroller will set the lower address byte (A0-A7) on P0 and immediately after that activates the output ALE. Upon receiving signal from the ALE pin, the external register (74HCT373 or 74HCT375 circuit is usually embedded) memorizes the state of P0 and uses it as an address for memory chip. In the second part of the microcontroller’s machine cycle, a signal on this pin stops being emitted and P0 is used for data transmission (Data Bus). In this way, by means of only one additional (and cheap) integrated circuit, data multiplexing from the port is performed. This port at the same time used for data and address transmission. Pin 31: EA By applying logic zero to this pin, P2 and P3 are used for data and address transmission with no regard to whether there is internal memory or not. That means that even there is a program written to the microcontroller, it will not be executed, the program written to external ROM will be used instead. Otherwise, by applying logic one to the EA pin, the microcontroller will use both memories, first internal and afterwards external (if it exists), up to end of address space. Pin 32-39: Port 0 Similar to port 2, if external memory is not used, these pins can be used as universal inputs or outputs. Otherwise, P0 is configured as address output (A0-A7) when the ALE pin is at high level (1) and as data output (Data Bus), when logic zero (0) is applied to the ALE pin. Pin 40: VCC Power supply
  • 6.
    2.2.3 Architecture of8051 Microcontroller
  • 7.
    Fig :2.2.3 Architectureof 8051 Microcontroller 2.2.4 Block diagram: Fig:-2.2.4 Block Diagram of 8051 Microcontroller
  • 8.
    2.2.5 Micro Controller-AT89S52 TheAT89S52 is a low-power, high-performance CMOS 8-bit microcontroller with 8K bytes of in- system programmable Flash memory. The device is manufactured using Atmel’s high-density nonvolatile memory technology and is compatible with the industry- standard 80C51 instruction set and pin out. 2.2.6 Features 8K Bytes of In-System Programmable (ISP) Flash Memory Endurance: 1000 Write/Erase Cycles 4.0V to 5.5V Operating Range 256 x 8-bit Internal RAM 32 Programmable I/O Lines Full Duplex UART Serial Channel Fully Static Operation: 0 Hz to 33 MHz 2.3 LCD (Liquid Crystal Display) LCDs are available to display arbitrary images (as in a general-purpose computer display) or fixed images which can be displayed or hidden, such as preset words, digits, and 7-segment displays as in a digital clock. They use the same basic technology, except that arbitrary images are made up of a large number of small pixels, while other displays have larger elements. LCDs are used in a wide range of applications including computer monitors, televisions, instrument panels, aircraft cockpit displays, and signage. They are common in consumer devices such as video players, gaming devices, clocks watches, calculators, and telephones, and have replaced cathode ray tube (CRT) displays in most applications. They are available in a wider range of screen sizes than CRT and plasma displays, and since they do not use phosphors, they do not suffer image burn-in. LCDs are, however, susceptible to image persistence.
  • 9.
    The LCD screenis more energy efficient and can be disposed of more safely than a CRT. Its low electrical power consumption enables it to be used in battery-powered electronic equipment. It is an electronically modulated optical device made up of any number of segments filled with liquid crystals and arrayed in front of a light source (backlight) or reflector to produce images in color or monochrome. Liquid crystals were first discovered in 1888. By 2008, annual sales of televisions with LCD screens exceeded sales of CRT units worldwide, and the CRT became obsolete for most purposes. An LCD is made with either a passive matrix or an active matrix display grid. The active matrix LCD is also known as a thin film transistor (TFT) display. The passive matrix LCD has a grid of conductors with pixels located at each intersection in the grid. A current is sent across two conductors on the grid to control the light for any pixel. An active matrix has a transistor located at each pixel intersection, requiring less current to control the luminance of a pixel. For this reason, the current in an active matrix display can be switched on and off more frequently, improving the screen refresh time. 2.3.1 Interfacing of LCD Display
  • 10.
    Fig:-2.3.1 Interfacing ofLCD Display 2.3.2 PIN Diagram of LCD Fig:-2.3.2 PIN Diagram of LCD 2.3.3 Diagram of LCD Display Fig:- 2.2.3 LCD Display
  • 11.
    2.3.4 PIN Descriptionof LCD Fig:-2.3.4 PIN Description of LCD
  • 12.
    2.4 Crystal Oscillator Acrystal oscillator is an electronic oscillator circuit that uses the mechanical resonance of a vibrating crystal of piezoelectric material to create an electrical signal with a very precise frequency. This frequency is commonly used to keep track of time (as in quartz wristwatches), to provide a stable clock signal for digital integrated circuits, and to stabilize. Frequencies far radio transmitters and receivers. The most common type of piezoelectric resonator used is the quartz crystal, so oscillator circuits incorporating them became known as crystal oscillators, but other piezoelectric materials including polycrystalline ceramics are used in similar circuits. Quartz crystals are manufactured for frequencies from a few tens of kilohertz to hundreds of megahertz. More than two billion crystals are manufactured annually. Most are used for consumer devices such as wristwatches, clocks, radios, computers, and cellphones. Quartz crystals are also found inside test and measurement equipment, such as counters, signal generators, and oscilloscopes. Besides quartz, the other substances that exhibit the piezo-electric effect are Rochelle salt and tourmaline. Rochelle salt exhibits the greatest piezoelectric effect, but its applications are limited to manufacture of microphones, headsets and loudspeakers. It is because the Rochelle salt is mechanically the weakest and strongly affected by moisture and heat. Tourmaline is most rugged but shows the least piezo-electric effect. Quartz is a compromise between the piezoelectric effect of Rochelle salt and the mechanical strength of tourmaline. It is inexpensive and readily available in nature. It is mainly the quartz crystal that is used in radio-frequency (RF) oscillators. A crystal oscillator is an electronic oscillator circuit which uses inverse piezoelectric effect, i.e. when electric field is applied across certain materials it produces mechanical deformation. Thus it uses mechanical resonance of a vibrating crystal of piezoelectric materiel to create an electric signal
  • 13.
    with very precisefrequency. They have high stability, quality factor, small size and low cost and this makes them superior over other resonators like LC circuit, ceramic resonator, turning forks. 2.4.1 Diagram: Fig:-2.4.0 crystal oscillator Fig:-2.4.1 Quartz Crystal Oscillators
  • 14.
    2.5 Transistor A transistoris a semiconductor device used to amplify and switch electronic signals and electrical power. It is composed of semiconductor material with at least three terminals for connection to an external circuit. A voltage or current applied to one pair of the transistor's terminals changes the current flowing through another pair of terminal. Because the controlled (output) power can be higher than the controlling (input) power, a transistor can amplify a signal. Today, some transistors are packaged individually, but many more are found embedded in integrated circuits. The transistor is the fundamental building block of modern electronic devices, and is ubiquitous in modern electronic systems. Following its development in the early 1950s the transistor revolutionized the field of electronics, and paved the way for smaller and cheaper radios, calculators, and computers, among other thing. 2.5.1 Diagram: Fig:-2.5.1 Transistor
  • 15.
    Fig:-2.5.1 Transistor configuration 2.6Diode: A Diode Is A Two-Terminal Electronic Component With An Asymmetric Transfer Characteristic, With Low (Ideally Zero) Resistance To Current Flow In One Direction, And High (Ideally Infinite) Resistance In The Other. A Semiconductor Diode, The Most Common Type Today, Is A Crystalline Piece Of Semiconductor Material With A P-N Junction Connected To Two Electrical Terminals. A Vacuum Tube Diode, Now Used Only In Some High-Power Technologies And By Enthusiasts, Is A Vacuum Tube With Two Electrodes, A Plate (Anode) And Filament (Cathode). 2.6.1 Diagram: Fig:-2.6.1 Diode 2.7 Resistor:
  • 16.
    Resistance R isthe amount of opposition to the flow of electrical current. The higher the resistance, the more difficult it is for current to flow. The lower the resistance, the easier it is for current to flow. Resistance is measured in units called ohms, named after German scientist and mathematician Georg Simon Ohm. 2.7.1 Diagram: Fig:-2.7.1 Resistor 2.7.2 Types of Resistors: There are many thousands of different Types of Resistors and are produced in a variety of forms because their particular characteristics and accuracy suit certain areas of application, such as High Stability, High Voltage, High Current etc., or are used as general purpose resistors where their characteristics are less of a problem. All modern fixed value resistors can be classified into four broad groups,  Carbon Composition Resistor - Made of carbon dust or graphite paste, low wattage values.
  • 17.
     Film orCermet Resistor - Made from conductive metal oxide paste, very low wattage values.  Wire-wound Resistor - Metallic bodies for heat sink mounting, very high wattage ratings.  Semiconductor Resistor - High frequency/precision surface mount thin film technology. Resistance Color Code: In order to identify the nominal resistance and the tolerance of a resistor, manufacturers typically use a color band system known as the resistor color code. The electronic color code is used to indicate the values or ratings of electronic components, usually for resistors. The power rating is not indicated in the resistor color code and must be determined by experience using the physical size of the resistor as a guide. For resistors with ±5% or ±10% tolerance, the color code consists of 4 color bands. For resistors with ±1% or ±2% tolerance, the color code consists of 5 bands. Tight tolerance resistors may have three bands for significant figures rather than two, or an additional band indicating temperature coefficient, in units of ppm/K. 2.7.3Application: Resistors are used with transducers to make sensor subsystems. Transducers are electronic components which convert energy from one form into another, where one of the forms of energy is electrical. Microphones and switches are input transducers. Output transducers include loudspeakers, filament lamps and LEDs. In other circuits, resistors are used to direct current flow to particular parts of the circuit, or may be used to determine the voltage gain of an amplifier. Resistors are used with capacitors to introduce time delays. Most electronic circuits require resistors to make them work properly and it is obviously important to find out something about the different types of resistor available, and to be able to choose the correct resistor value, in , , or M , for a particular application. .
  • 18.
  • 19.
    So first whatare 9 a relay - a relay is most simply an electronically controlled switch. Switches come in all types of forms and so do relays. Relays like switches can exist in SPST, SPDT, DPDT, styles, and so forth. The first part of the word SP tells how many poles there are. SP is single pole, DP is double pole, and you can have multiple poles. The next part is the throws. Again ST is single throw, DT is double throw. I like to say that you have a control line in for the pole and the number of outputs is the throw. SPST switches are the simplest and the best example is a light switch. SPDT is like a single switch that controls a fan and a light. DPDT is a switch that can control two lines with a throw of the switch for instance a motor on a DPDT switch can be reversed clockwise and counter clockwise. An important note is that you can combine two SPDT switches to form a DPDT switch and similarly do the same with SPST to form a DPST switch. When costing your robot's parts, sometimes it better to buy one part in volume and change the design. 2.8.1 Diagram: Fig:-2.8.1 Spdt Relay In the above diagram that a relay uses an electromagnet .This is a device consisting of a coil of wire wrapped around an iron core. When electricity is applied to the coil of wire it becomes magnetic,
  • 20.
    hence the termelectromagnet. The A B and C terminals are an SPDT switch controlled by the electromagnet. When electricity is applied to V1 and V2, the electromagnet acts upon the SPDT switch so that the B and C terminals are connected. When the electricity is disconnected, then the A and C terminals are connected. It is important to note that the electromagnet is magnetically linked to the switch but the two are NOT linked electrically. This application includes the need for voltages/amperages that your microcontroller organically cannot provide by it. Like motor drivers - a relay circuit (which can be a motor driver in special cases) can pulse motors on and off but without some complexity, would only control them in one direction at a time but in some cases when you just need a simple application to go one direction, it might be a viable solution. Usually you use relays to power high power items from an external source of power such as a heater, a high amperage motor or fan, a chiller, a floodlight, large LED arrays, solenoids, or objects you want to either fail open or closed such as heaters or chiller applications if you run low on power (batteries are drained). Relays provide the option to have devices either connected as normally open or normally closed. This means that when power is connected to your circuit by default the gate is either closed or open. Where the 'normally' indicates whether the relay state is tripped as true. The device will be in its normally closed state if the power to the relay still persists if a signal is lost to the relay. A good example of the case of a use of a failure case would be if you ran out of battery power in your submarine, you'd want one of its last things to do would be to drop ballast of any kind to rise to the surface. 2.9 One Important Application Is Illustrated In The Diagram Below:
  • 21.
    Fig:-2.9.0 Starter Circuit Whenthe ignition key is turned all the way to the "start" position, it allows electricity to flow to the starter solenoid (relay) which then connects the battery to the starter motor. So why do we need this solenoid "middle man"? Couldn't we just eliminate it and connect the ignition wires to the + battery terminal and the other wire to the starter motor? The important point here is that the electromagnet is using a small amount of current to control a large amount of current to the starter motor. (Remember that the electromagnet and the switch are NOT connected electrically). Have you noticed that all of the wires (except the ignition wires) are purposely drawn with thick lines? The reason being that some circuits (such as the starter) in a car require a tremendous amount of current. (If you look at an automobile's battery cables, you will notice they are quite thick.) Connecting the ignition wires to the battery and then to the starter motor would cause these thin wires to conduct much more current than they were designed for. These wires would become very hot and the insulation would start to smoke. We do have a second choice. We could use thick battery cables for the ignition wires and use a heavy duty ignition switch. This isn't very practical either. Do you think it would be easy to squeeze cables into the steering column and to squeeze in a heavy duty ignition switch too? Therefore, the use of a solenoid is the most practical solution. 2.10 Basic Relay Operation: 2.10.1 The Contacts Before extending to the various types of relays, I will first explain what and how the basic relay operates. Each relay has two mechanical parts inside. The first one is the contact(s) of the relay. The contacts operate similarly to the contacts of a simple switch or pushbutton. You should consider the contacts as a pair of metals like the following diagram:
  • 22.
    Fig:-2.10.1(1) Relay function Thetwo terminals operate as a switch. When the contacts are in contact then the current flows from Terminal 1 to Terminal 2. There are two types of contacts: the NO and the NC. NO stands for Normal Open contact, while NC stands for Normal Closed contact. The Normal Open is a contact like the one showed in the previous illustration. When the contact is still, then no current flow through it (because it is an OPEN circuit). On the other hand, a Normal Closed contact allows the current to flow when the contact is still. Bellow I illustrate both of these contacts. Fig:-2.10.1(2) Relay normally Open & Closed You may notice that the NC contact is turned upside-down compared to the NO contact. This is done in purpose. This way, both contacts (NO and NC) will change state if a force is applied to the left metal heading from UP to DOWN. The following animation shows how a NO contact operates by lighting a light bulb.
  • 23.
    Fig:-2.10.1(3) Relay OFFCondition Fig:-2.10.1(4) Relay ON Condition 2.10.2 Interfacing Relays Fig…. shows how to interface the Relay to microcontroller. There are 2 input channels. Each input is connected to the triggering coil of the respective relay. There are 2 output channels that each correspond to an input. When the input is energized, the relay turns on and the '+' output is connected 5v to + 24v. When the relay is off, the '+' output is connected to Ground. The output is permanently 2.10.3 Diagram: wired to Ground.
  • 24.
    Fig:-2.10.3 Interfacing Relays CHAPTER3 4.1 Introduction The objective of this project is inserting the coin using charge for your mobile phone in public places. This project is very useful to people who are all using mobile phone without charging condition in public places. In this project, who are all using mobile phones in outside of home are office without charging condition. The coin based mobile phone charger is very useful to that person for using coin to charge for that mobile. A sensor system is used to detect the presence of coin. It may be of different type (IR sensor, Using LDR etc...). The coin is inserted between the transmitted and received signal. When a signal came from sensor unit, the microcontroller activates the charger unit for a predefined time. After that it will reset to normal case. Driver circuit is used for provide the sufficient input voltage of relay. The relay will on to activate the 230v charger, we will use charger to charge for our mobile phone.
  • 25.
    The major actionin this system is controlled by transmitter section; this section consists of IR transmitter and IR receiver. Here we need to generate IR frequency continuously. So that by using a small tiny microcontroller frequency is produced and is connected to the IR led to generate IR light rays of 38 KHz frequency. 3.1.1 Block Diagram:
  • 26.
    Fig:-3.1.1 Block Diagramof Prepaid Charger 3.1.2 Circuit Diagram:
  • 27.
    Fig :-3.1.2 CircuitDiagram of Prepaid Charger 3.2 IR Sensor Infrared sensors (IR) is invisible radiant energy electromagnetic radiation with longer wavelengths than those of visible light extending from the normal red edge of the thermal radiation emitted by objects near from temperature is infrared. Infrared radiation was discovered in 1800 by astronomer sir William Herschel, who discovered a type of invisible radiation in the spectrum lower in energy then red light by, means of its effect upon a thermometer. 3.3 Working Principle: In our vibration alarm system, we will be having • Infra-Red sensor, • Amplifiers, • Comparator and • Relay The Infra-Red sensor is used in this circuit. If there is any interrupt between the IR LEDs, the sensor senses and sends the corresponding electrical output signal to amplifier circuit. The amplifier circuit results in further amplification of signals. The amplified signal is given to comparator. The comparator compares the incoming signal with reference. If the incoming signal is more, it operates the relay. 3.3.1 Diagram:
  • 28.
    Fig:-3.3.1 Working ofCoin Based Mobile Charger CHAPTER 4 4.1 PCB Wizard PCB Wizard is a strong application that can be used for designing circuit boards whether they are single sided or double sided printed. PCB Wizard is loaded with all the necessary tools that are needed at each step of PCB circuit designing. A large library of components has also been provided for the ease of use in PCB designing. These components can be easily inserted into your project and there is no need to draw them from scratch. 4.2 PCB Manufacturing Process
  • 29.
    The PCB manufacturingprocess is very important for anyone involved in the electronics industry. Printed circuit boards, PCBs, are very widely used as the basis for electronic circuits. Printed circuit boards are used to provide the mechanical basis on which the circuit can be built. Accordingly virtually all circuits use printed circuit boards and they are designed and used in quantities of millions. 4.3PCB Layout Lay out of the desired circuit is the most important in any circuit board manufacturing process. The following points are to be observed while performing the layout of the PCB. Sufficient space should be maintained between two components. High heat dissipation components like high voltage resistors should be mounted at a sufficient distance from the semiconductors and electrolytic capacitors. Components layout should make proper combination with copper side circuit layout. Circuit copper line thickness should be decided taking into account the current drain in the circuit. 4.3.1 PCB Lay Out Of Prepaid Charger
  • 30.
    Fig:-4.3.1 PCB LayOut Of Prepaid Charger
  • 31.
    4.4 Preparation ofScreen Nylon bolting cloth (Silk screen cloth) is stretched and attached to a wooden frame. Photosensitive chemical (silcot-6) and ammonium bicarbonate is spread on cloth and dried in total darkness. The screen is exposed to UV light and is developed in water. 4.4.1 Printing Process The screen is placed on suitable copper laminated sheet on copper side and circuit black printing ink (acid resistant paint) is spread on it. After printing the PCB should be allowed to dry for at least 10 hrs. In a dust proof chamber. 4.4.2 Etching Process Etching process requires the use of chemicals acid resistant dishes and running water supply Ferric chloride is maximum used solution but other enchants such as ammonium per sulfate can be used. Nitric acid can be used but in general it is not used due to poisonous fumes. The pattern prepared is glued to the copper surface of the board using a latex type of adhesive that can be cubed after use. The pattern is laid firmly on the copper use a very sharp knife to cut round the pattern carefully a remove the paper corresponding to the required copper pattern areas. Then apply the resist solutions, which can be kind of ink proportion fort the purpose maintaining smoothing clean outlines as far as possible. While the board is drying test all the components. Before going to next stage, check the whole gotten and cross cheek against the circuit diagram check for any freeing matte on the copper. The etching bath should be in a galls or enamels disc. If using crystal of ferric-chloride these should be thoroughly dissolved in water to the proportional suggested. There should be 0.5 Lt. of water for 125 Gm. of crystal. Water liquid should be thoroughly deflated and druid in water land; never pour down the drain. To prevent particles of copper hindering further etching, agitate the solutions carefully be gently twisting or rocking the tray. The board should not be left in the bath a moment longer than is needed to remove just the right amount of copper. In spite of there being a resist coating there is no protection against etching away through exposed copper edges; this leads to over etching. Have running water ready so that etched
  • 32.
    board can beremoved properly and rinsed; this will hall etching immediately. Fig:-4.4.2 The PCB Etching Process with Ferric Chloride (FeCl3) Solution 4.4.3 Drilling Process Drilling is one of those operations that call for great care because most of the holes will be made a very small drill. For most purposes a 1 mm drill is used Drill all holes with this size first those that need to be larger can be easily drilled again with the appropriate lager size.
  • 33.
    Fig:- 4.4.3 Drillingof PCB 4.4.4 Green Making It is done with special epoxy paint and special thinner is requited for cleaning the screen. It provides as better and also prevents frequency overlapping between the tacks at high frequency operation. 4.4.5 Thinning It is an electroplating process (tin plating) done to increases the conductivity of the conducting medium and to avoid oxidizing effect. 4.4.6 Component Mounting All components are mounted at their respective position as per the components layout. Proper precautions should be taken during mounting process. Fig:-4.4.6 Components mounted on PCB
  • 34.
    4.4.7 Component Assembles Fromthe greatest variety of electronic components available today, which runs into tens of thousands of different types it is often a perplexing task to know which the right task for a given job is. There should be damage such as hair line crack intuit opera on PCB that could age a serious office on the operational ability to the completed assemble. If there are than they can and should be repaired fiesta bye soldering a short link of bare copper wire over the affected part. The most popular method of holding all the items is to been the wires future apart after they even been indebted in the appropriate holes. This will hold the component in position ready for soldering. Some components will be considerably larger than other occupying and possible partially obscuring neighboring components. Because of this best to start by mounting the smallest first and progressing through to the largest. Before starting make certain that no further drilling I likely to be necessary because access may be impossible later. Next will probably be the resistor small signal diodes of other similar size components some capacitor are very small but it would be best to fit these after words when fitting each group of components marks of each one on the components it’s as it is fitted and if we have to leave the job we know where to recommence. Although transistor & integrated circuit are small items there are good reasons for leaving the soldering of these until the last step the main pint is that these components are sensitive to heart and is subjected to prolonged application to the soldering iron they could be internally damaged. All the components before mounting are rubbed with sandpaper so that oxide layer is removed from their tips. Now they are mounted according to the components layout. 4.5 Soldering Techniques A soldered connection ensures metal continuity. The soldering process involves: Melting of the flux
  • 35.
    which in turnremoves the oxide films on the metal to be soldered. Melting the solder which remove the impurities. The solder partially dissolve of the metal in the connection. The solder cools and fuses with the metal. The soldering techniques involve knowledge of:- Soldering iron. Soldering wire. Soldering procedure. Replacing components. Prosecutions of when using C-MOS, devices. Knowledge of good and bad soldering joints. 4.5.1 Soldering Iron Soldering iron is an essential tool for soldering. A. Soldering iron should give sufficient heat a melt solder by heat transfer when the iron tip is applied to a connection to be soldered. The selection of the soldering iron can be made as regard to its tips size shape and wattage. Soldering iron temperature is selected and controlled according to the work to be performed. Generally two types of soldering irons are available: Soldering Pencil and Soldering Gun. 4.5.2 Soldering Pencils These are light weight soldering iron which can generate around 12 watts to 50 watts of heat. Too much heat applied during soldering can damage components and peel off tracks on the circuit board soldering. Too much heat applied during soldering can damage components and peel off tracks on the circuit board. 4.5.3 Soldering Materials The soldering material is used to join together two or more metals at temperatures below their melting point. The solder alloy consists of Lead (37%) and Tin (63%). The continuous connection between two metals joint is made by solder materials. Most commonly used solder wire consists of 60% of Tin 40% Lead. This is in the form of a hollow wire whose center is filled with an organic paste like material called rosin. Its melting temperature is 190 degree centigrade.
  • 36.
    Flux is amaterial used to aid soldering process. Flux is needed to scratch away the small film of oxide on the surface of metals to be soldered. This flux forms a protective film that prevents re- oxidation while the connection is heated to the point at which the solder melts. Flux is very helpful on old dusty, eroded joint. 4.6 Soldering Procedure The soldering procedure involves selection of soldering iron cleaning of components to be soldered and cleaning of the PCB to be soldered. The soldering iron should be selected according to the job and should be powerful enough to provide heat. The tip of the soldering iron should be selected as per the space available for soldering. The component that has to be soldered should be properly bent and its leads should properly insert in the PCB before. If one has already identified the fault component, then one should not try to remove or DE solder the component. The components should simply be cut and taken out. Soldering is a joining process wherein coalescence is produced by heating below 800°F, using a non-ferrous filler metal with a melting point below that of the base metal. The metals to be joined dictate the flux, solder, and heating methods to be used. Base metals are selected for specific properties such as electrical conductivity, weight, and corrosion resistance. To achieve a sound soldered joint, the following should be considered: • Joint design: They should be designed with the requirements of soldiers and their limitations in mind. • Pre-cleaning: The surfaces must be thoroughly cleaned to allow the solder to wet the base metal. • Fluxing: A flux must be provided to remove traces of surface film or oxides and to prevent formation of oxides during the soldering operation. • Proper fixtures or alignment of parts must be maintained to insure a sound soldered joint. • Heating of the base metals should be uniform or even on base metals, to insure good penetration of the filler alloy into the joint. If a noncorrosive flux is used no further cleaning is necessary. The use of a corrosive flux makes flux residue
  • 37.
    removal imperative. CHAPTER 5 SoftwareUsed:- 5.1 Introduction 5.1.1 SCH Simulation Software Version 7.0.2 This software is a easy-to-use schematic design program. Express SCH schematic design software is just as easy-to-use as our PCB layout software, both having the same user interface. After spending a few minutes to teach one, mastering the other takes no time at all Step 1: Select the Components Begin your schematic by placing the components. Select the parts from the Component Manager Dialog box. Express SCH includes a large library with hundreds of component symbols (ICs, resistors, capacitors...) that you can use to draw your electronic circuits Step 2: Position the Components Drag each component to the desired location on the page. The Snap to grid feature makes it easy to neatly align the symbols. If all of the components do not fit on a single page, add additional sheets. All the sheets of a schematic are linked together and saved in one file Step 3: Add the Wires now draw the wires to connect the parts together. Add each wire by clicking on a component's pin, then dragging the wire to the pin it connects to Step 4: Edit the Schematic making changes to a schematic is simple using standard commands such as Copy, Cut and Paste. Rearranging the components is easy by dragging them with the mouse. Wires always stay connected to their pins, even when you move things around Step 5: Link the Schematic and PCB after you complete your schematic, it can be linked to your circuit board layout file. This image of the Express PCB layout software shows how it guides you in designing your board by highlighting in blue the pins that should be wired together.
  • 39.
    5.2 Proteus PCBDesign and Simulation Software 5.2.1 ISIS Proteus Version 2.6 Proteus is a simulation and design software tool developed by Lab center Electronics for Electrical and Electronic circuit design. It also possess 2D CAD drawing feature. It deserves to bear the tagline “From concept to completion”. It is a software suite containing schematic, simulation as well as PCB designing. ISIS is the software used to draw schematics and simulate the circuits in real time. The simulation allows human access during run time, thus providing real time simulation. ARES is used for PCB designing. It has the feature of viewing output in 3D view of the designed PCB along with components. The designer can also develop 2D drawings for the product. 5.2.2 Features ISIS has wide range of components in its library. It has sources, signal generators, measurement and analysis tools like oscilloscope, voltmeter, ammeter etc.., probes for real time monitoring of the parameters of the circuit, switches, displays, loads like motors and lamps, discrete components like resistors, capacitors, inductors, transformers, digital and analog Integrated circuits, semi-conductor switches, relays, microcontrollers, processors, sensors etc. ARES offers PCB designing up to 14 inner layers, with surface mount and through hole packages. It is embedded with the foot prints of different category of components like ICs, transistors, headers, connectors and other discrete components. It offers Auto routing and manual routing options to the PCB Designer. The schematic drawn in the ISIS can be directly transferred ARES.
  • 40.
    CHAPTER 6- The programused in our project Code: $MOD51 rs equ p3.1 e equ p3.0 dl equ p1 ORG 00H Ljmp main ORG 0003H ISR: mov dl,#01h acall command mov dl,#80h acall command mov dl,#'C' acall data1 mov dl,#'H' acall data1 mov dl,#'A' acall data1 mov dl,#'R' acall data1 mov dl,#'G' acall data1
  • 41.
    mov dl,#'E' acall data1 movdl,#' ' acall data1 mov dl,#'Y' acall data1 mov dl,#'O' acall data1 mov dl,#'U' acall data1 mov dl,#'R' acall data1 mov dl,#' ' acall data1 mov dl,#'C' acall data1 mov dl,#'E' acall data1 mov dl,#'L' acall data1 mov dl,#'L' acall data1 SETB P3.7 ACALL DELAY ACALL DELAY
  • 42.
    ACALL DELAY ACALL DELAY ACALLDELAY ACALL DELAY ACALL DELAY ACALL DELAY ACALL DELAY ACALL DELAY ACALL DELAY ACALL DELAY ACALL DELAY1 ACALL DELAY1 ACALL DELAY1 ACALL DELAY1 ACALL DELAY1 ACALL DELAY1 mov dl,#01h acall command mov dl,#80h acall command mov dl,#'3' acall data1 mov dl,#'0' acall data1 mov dl,#'
  • 43.
    ' acall data1 movdl,#'S' acall data1 mov dl,#'E' acall data1 mov dl,#'C' acall data1 mov dl,#' H' acall data1 mov dl,#'R' acall data1 mov dl,#'E' acall data1 mov dl,#'M' acall data1 mov dl,#'A' acall data1 mov dl,#'I' acall data1 mov dl,#'N' acall data1 mov dl,#'I' acall data1 mov dl,#'N' acall data1 mov dl,#'G' acall data1
  • 44.
    ACALL DELAY ACALL DELAY ACALLDELAY CLR P3.7 RETI mov dl,#0eh acall command mov dl,#06h acall command mov dl,#01h acall command mov dl,#80h acall command mov dl,#'I' acall data1 mov dl,#'N' acall data1 mov dl,#'S' acall data1 mov dl,#'E' acall data1 mov dl,#'R' acall data1 mov dl,#'T' acall data1 mov
  • 45.
    dl,#'I ' acall data1mov dl,#'C' acall data1 mov dl,#'O' acall data1 mov dl,#'I' acall data1 mov dl,#'N' acall data1 SJMP MAIN command:clr rs setb e acall delay clr e ret data1: setb rs setb e acall delay clr e ret Delay: mov r2,#100 back1: mov r1,#50 back2:
  • 46.
    mov r0,#10 b djnzr1,back2 djnz r2,back1 ret Delay1: mov r3,#200 back11: mov r4,#250 back22: mov r5,#200 back33: djnz r5,back33 djnz r4,back22 djnz r3,back11 ret end
  • 47.
    CHAPTER 7 7.1 Applications: 1.Useful to public for using coin to charge for the mobile phone in any palace. 2. It can be used for different type of mobiles. 3. It is used for emergency charging purposes. 4. It can be installed railway stations, bus stops, villages and rural areas and public places. 5. It can be installed in office and colleges for pay charging facility. 7.2 Advantages: 1. Simple and hand efficient. 2. Less expensive. 3. Reduced man power. 4. Low power consumption. 5. Installation is easy. 6. It can be useful while travelling and when we don’t have charger with us during travel. 7. Simple to operate. 7.3 Conclusion: The coin based mobile phone charger is very useful to public for using coin to charge for the mobile phone in any public places just like charging it normally owing to the fact that it relayed the electricity through the coin based mobile charger needed to bring the mobile phone back to life. A novel method of charging mobile batteries of different manufactures using solar power has been designed and developed for rural and remote areas where the grid power is not available at any time at any palace. 7.4 Future Enhancement: The project can be used in the following areas:- 1. Railway station:-This type of project is used in railway station for public palace. 2. Shop:-coin based project charger is install any shop and earn money. 3. Rural areas:-This project is installing in rural areas where the power grid is not available at any time. 4. Public Place:-This project is very useful to people who are using mobile phone without charging condition in public places.
  • 48.
    REFERENCE: BOOKS: 1) Electronic devicesand circuit theory. 2) Electronic projects. 3) Microelectronic circuits. 4) Electronic for you. WEBSITES: 1) www.efyindia.com 2) www.nationalsemiconductor.com 3) www.electroprojectindia.com 4) www.alldatasheet.com 5) www.howstuffworks.com