TECHNICAL MANUAL 
No. 9-2320-208-20P 
TM 9-2320-208-20P 
HEADQUARTERS 
DEPARTMENT OF THE ARMY 
WASHINGTON. D.C. 20025 24 January 1966 
ORGANIZATIONAL REPAIR PARTS AND SPECIAL TOOLS 
FOR 
TRUCK, UTILITY: 1/4-TON 4 X 4, M38Al AND M38AIC 
AND 
TRUCK, AMBULANCE: FRONT LINE, 1/4-TON 4 X 4, M170 
SECTION 1. 
VISUAL GUIDE TO CONTENTS ...........•......... 
PREFACE .. " ., .. " " ., . 
Truck, Utility: 1!4-ton, 4 x 4, M38A1 - 
Left Front and Right Rear View . 
Truck, Utility: 1!4-ton, 4 x 4, M38A1C-Left 
Front and Right Rear View . . . . . . . . . . . . . . . . . 
Truck, Ambulance: Front Line, 1!4:-ton, 4 x 4, 
M170 - Left Front and Right Rear View . 
iii 
Figure Page 
1 
1,2 6 
3,4 7 
5,6 8 
SECTION II. ORGANIZATIONAL REPAIR PARTS 
GROUP 01 - ENGINE 
0100 - Engine Assembly - Exploded View 7 9 
0101 - Cylinder Head, Assembly - Exploded View. . . .. 8 10 
0105 - Engine Valve Cover and Related Parts. . . . . . .. 9 11 
0106 - Upper Vent System - Exploded View . . . . . . . .. 10 12 
0106 - Oil Filter Assembly (Fram) - Exploded View '" 11 14 
0106 - Engine Oil Pan. . . . . . . . . . . . . . . . . . . . . . .. 12 15 
0108 - Exhaust Manifold - Exploded View. . . . . . . . . .. 13 16 
GROUP 02 - CLUTCH ASSEMBLY 
0200 - Clutch Assembly - Exploded View ....•...• ". 14 17 
0202 - Clutch Linkage. . . . . . . . . . . . . . . . . . . . . . .. 15 18 
GROUP 03 - FUEL SYSTEM 
0301 - Carburetor Assembly . . • . . . . . . . . . . . . . . .. 16 20 
0302 - Fuel Pump Assembly •.•...•..•......... 17 21 
0304 - ~r Cleaner and Related Parts - Exploded View.. 18 22 
0304/ Fuel Ventilating System. . . • . . • . . . . • . . . . •. 19 25 
* This technical manual supersedes TM 9-2320-208-20P, 13 February 1959, including Cl , 
12 June 1959, and C 2, 25 April 1960
TM 9-2320-208-20P 
SECTION II. 
. II 
CONTENTS - Continued 
Figure Page 
ORGANIZATIONAL REPAIR PARTS - Continued 
GROUP 03 - FUEL SYSTEM - Continued 
0306 - Fuel Tank and Related Parts - Exploded View. •• 20 26 
0306 - Fuel Lines and Fittings. . . • . • . • . . • . • . . • •• 21 28 
0309 - Fuel Filter and Related Parts. . • . • . • • . . • • •. 20 29 
0312 - Throttle and Choke Control ••••••••.••.••• 22 30 
GROUP 04 - EXHAUST SYSTEM 
0401 - Exhaust Pipes, Mufflers and Related Parts. . . •• 23 33 
GROUP 05 - COOLING SYSTEM 
0501 - Radiator and Related Parts - Exploded View. . .. 24 34 
0503 - Radiator Hoses and Related Parts. . . • • . • • • •. 24 35 
0504 - Water Pump Assembly .•••.••.•.•••••.•. 25 36 
0505 - Fan Assembly . . . • . • . . • • . • • • • . • • • • . • .• 27 37 
GROUP 06 - ELECTRICAL SYSTEM 
0601 - Generator Assembly and Related Parts ••..••. 26 38 
0601 - Generator (Alternator), Regulator and Cables . •. 27 39 
0602 - Generator Regulator Assembly . • • . • . . • . . . .. 28 41 
0603 - starter Motor and Starter Switch •.••••...•. 29 42 
0605 - Spark Plug and Spark Plug Cable Assembly. • • •• 30 43 
0605 - Distributor Assembly • . • • • . • • . . • . • • • • • •• 31 45 
0607 - Instrument Panel . • • • • • • • • • • • • • • • • • • • •• 32 47 
0607 - Instrument Panel (M170) •• • • . • • • • • . • • • • •. 33 48 
0608 - Miscellaneous Switches, Terminals and 
Junction Boxes. • • • . • • • • . . • • • • • . • • • . . •• 41 50 
0609 - Blackout Marker Light - Exploded View. . • • . •• 34 51 
0609 - Service Headlight Assembly - Exploded View ••. 35 53 
0609 - Blackout Headlight Assembly - Exploded View. •• 36 54 
0609 - Left Service, Blackout Tail, and Stop Light 
Assembly - Exploded View. • . . • • • • . • . • • . .. 37 55 
0609 - Right Service, Blackout Tail, and stop Light 
Assembly - Exploded View. • • • . • • • • . . • . • •. 38 56 
0609 - Reel Lamp - Exploded View . • • • • • • • . • • . • •• 39 57 
0610 - Sending Units. • • • • • • • • • • • • • • • • . • • . • • •• 40 58 
0611 - Horn. . • • • • . . • • • . . • . . • • • . . • • • . • • • • •• 59 59 
0612 - Batteries and Related Parts ....•......... , 41 60 
0613 - Chassis Wiring - Non-illustrated .•..•.••.•. 62 
0617 - Trailer Couplings (Electric) - Non-illustrated. • . 66 
GROUP 07 - TRANSMISSION 
0700 - Transmission Filler Plugs. • . . . . . • . . . . . . •• 42 67 
GROUP 08 - TRANSFER ASSEMBLY 
0801 - Transfer Assembly and Related Parts • • • • . . .. 43 68 
0803 - Transfer Front Bearing Retainer and 
Shifter Shafts - Exploded View , 44 69
SECTION II. 
TM 9-2320-208-20P 
CONTENTS - Continued 
Figure Page 
ORGANIZATIONAL REPAIR PARTS - Continued 
GROUP 09 - PROPELLER AND PROPELLER SHAFTS 
0900 - Front and Rear Propeller Shaft and Related Parts 45 70 
GROUP 10 - FRONT AXLE 
1000 - Front Axle Housing - Exploded View ..•••.. " 46 72 
1002 - Front Axle Powr - Lok Differential. . . • . . . . •. 47 73 
1004 - steering Knuckle and Universal Joint - 
Exploded View. . • • . . • . • • • • . • • • . . • • . . .. 48 74 
GROUP 11 - REAR AXLE 
1100 - Rear Axle Housing and Attaching Parts ••••••• 49 76 
1102 - Rear Axle Powr - Lok Differential ••..••••.. 47 77 
GROUP 12 - BRAKES 
1201 - Handbrake Assembly. • • . • • • • • • . • . • • . • • •• 50 78 
1202 - Service Brake Assembly . . • • • • • • • . • • • • • .• 51 80 
1204 - Hydraulic Lines and Related Parts ••••.•..•• 52 82 
1204 - Brake Master Cylinder • • • • • • • • . . • • • • • • •• 53 84 
1206 - Mechanical Brake System ••••...•.•••••.• 52 85 
GROUP 13 - WHEELS 
1311 - Front Hub,Drum Assembly and Related Parts - 
Exploded View • • . • • • • . . • • • • • • • . . . • . • .• 54 86 
1311 - Rear Hub, Drum Assembly and Related Parts - 
Exploded View .••..•••••..•.•..••... " 55 89 
1311 - Wheel Assembly ....•................ " 56 90 
1313 - Tires and Tubes " 56 91 
GROUP 14 - STEERING 
1401 - Drag Link and Related Parts- ..•.....•... " 57 92 
1401 - steering Tie Rod and Related Parts· ..•.... " 58 94 
1401 - steering Controls· . . . . . . . . . . . . . . • . . . . .• 59 95 
GROUP 15 - FRAME, TOWING ATTACHMENTS AND 
DRAWBARS 
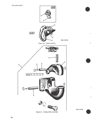
1501 - Lifting Shackles. . . . • . . • • • . . . • . • • . . . . •• 60 96 
1503 - Towing Pintle Assembly. • . • . . . . . . . . . . . . .• 61 96 
1504 - Spare Wheel Carrier Assembly .........•. " 62 99 
GROUP 16 - SPRINGS AND SHOCK ABSORBERS 
1601 - Front Springs and Related Parts. . . • . . . . . • •. 63 101 
1601 - Rear Springs and Related Parts. . • . . • . . . • . •. 64 103 
1604 - Front Shock Absorbers . . . . • • . . • • . • . . • • .. 63 104 
1605 - Front stabilizer and Related Parts. . . . • . • . • •. 65 105 
1605 - Rear stabilizer and Related Parts. . • • . . • . . •• 66 106 
iii
TM 9-2320-208-20P 
CONTENTS - Continued 
Figure Page 
SECTION II. ORGANIZATIONAL REPAIR PARTS - Continued 
GROUP 18 - CAB, BODY AND HOOD 
1801 - Windshield and Related Parts ..•...••.••••. 67 107 
1805 - Floor Plates and Related Parts ••••.•.••.••• 68 109 
1806 - Seats •......•••..••.•••••.••...•••. 69 111 
GROUP 20 - HOIST, WINCHES, CAPSTANS, WINDLASS, 
POWER CONTROL UNIT, POWER TAKEOFF 
2001 - Winch Assembly ...................... 70 112 
2001 - Winch Frame .•••••.••••••••••••.•.... 71 113 
2004 - Power-takeoff Assembly •••.•••••••.••••. 72 114 
GROUP 22 - MISCELLANEOUS BODY, CHASSIS OR 
HULL AND ACCESSORY ITEMS 
2201 - Canvas Items, Bows, and Curtains (M38Al) 73 115 
2201 - Canvas Items, Cover, and Curtains (M170) ....• 74 116 
2201 - Side Curtain and Door Assembly (M170) .••..•• 75 117 
2202 - Rear View Mirror ..................... 76 119 
2202 - Windshield Wiper Motor and Related Parts ••••• 77 121 
2210 - Identification and Data Plates .•.••...••..•. 78 122 
GROUP 47 - GAGES (Non-electrical) 
4701 - Speedometer ............. 32 123 
SECTION m. ORGANIZATIONAL TOOLS AND EQUIPMENT VEHICLE 
GROUP 26 - TOOLS AND TEST EQUIPMENT 
2604 - Special Tools •...•........••........•. 79 124 
Iv
BRAKES 
GROUP 1200 
PAGE 78 
CLUTCH ASSEMBLY 
GROUP 0200 
PAGE 17 
FUEL SYSTEM 
GROUP 0300 
PAGE 20 
TM 9-2320-208-20P 
WINCH ASSEMBLY 
GROUP 2000 
PAGE 112 
SPRINGS AND 
SHOCK ABSORBERS 
GROUP 1600 
PAGE 100, 104 
TRANSMISSION ASSEMBLY 
jJ.J.L..:!~-H__--IGROUP 0700 
PAGE 67 
PROPELLER SHAFT 
__--, GROUP 0900 
PAGE 71 
WHEEL 
GROUP 1300 
PAGE 87 
ELECTRICAL SYSTEM 
GROUP 0600 
PAGE 38 
EXHAUST SYSTEM 
GROUP 0400 
PAGE 32 
ORO E64843 
Visual guide to contents
CARBURETOR 
(Carter Model Type YS-950S) 
Maint - TM 9-1826A 
Parts - '1M 9-2320-208-20P 
VEHICLE PUBLICATIONS 
LO 9-2320-208-121 
TM 9-80141 
TM9-232Q-208-2Q> 1 
1M 9-2320-208-34p 
..."., .. _ '_'1Jo1l",U" 
, .. u ..~,.~.'- 
"""'lloTt: f,1I.11l,,1 .. 1. 
ll(llFl 1",,iL 
'•.'"we',..........' - 
~ 
- (oj;; - 
ENGINE AND CLUTCH 
(Engine, WIJI)'S-Overland, Model (MD) 
(Clutch, Borg &Beck, Type Single Plate 
cd'~ 
J~I <, ---I 
~-~!---~ 
f' ~-~lpf 
;Mr~;~'I'f;:.i (~~~ ;' 
~~( (fJ" 
"~. 
"i 
Maint - TM9-8015-1 
Parts - TM 9-2320-208-34p 
POWER TRAIN 
Maint - TM 9-8015-2 
Parts - TM 9-2320-208-34p 
FUEL PUMP 
(Model AC 1539810) 
Maint - TM 9-1828A 
Parts - TM 9-2320-208-20P 
REGULATOR 
(Autol Ite Mode I VBe 400 4 UT) 
Maint - TM 9-2920-210-34 
ELECTRICAL BRAKES 
I" Malnt - TM 9-1825B (Auto-lite) 
Maint - TM 9-8627 (Delco Remy) 
Parts - TM 9-2320-208-20P 
VISUAL PUBLICATIONS REFERENCE 
Truck, Utility: ~-Ton,4x4, M38Al-M38A1C 
Truck,Ambulance: Front line,~-Ton,4X4,M170 
ORD E~201 cj
TM 9-2320-208-20P 
SECTION I 
PREFACE 
1. GENERAL 
a. This manual is an illustrated list of all 
items required or authorized for organiza­tional 
maintenance. Items having allowances 
must be on hand or on order at all times in 
the quantities determined by paragraph 3~. 
b. For prices of the Ordnance items listed 
herein, see the appropriate supply manual of 
the SM 9-2 series, Stock List of All Items ­Price 
List.. Prices of items that are the re­sponsibility 
of Materiel Control agencies other 
than Ordnance Materiel Control may be ob­tained 
from the appropriate type-2 supply 
manuals for those services. 
c.. Additional applications of items in this 
manual are listed in the supply manuals of 
the SM 9-3 series, Stock List of Repair 
Parts Cross Reference List (XL). 
2. REQUISITION NOTES 
a. If the exact item requisitioned is not 
furnished or if other action is necessary, the 
exact nature of the action taken by the supply­ing 
agency will be indicated by standard 
symbols on prescribed forms. 
b. When requisitioning an item, the re­questing 
agency will order the listed item. 
However, the supplying agencies will take 
necessary action to issue the exhaust stock 
item until stock is exhausted, whether it be 
an individual item, kit, set, or assembly. 
3. EXPLANATION OF COLUMNS 
.2,.. Illustrations. The figure number sub­column 
identifies the illustration and the 
item number is cross-referenced directly to 
the illustration and keyed to a picture of 
the item. 
b. Source, Maintenance and Recoverable 
Code. This column lists a code that indicates 
the selection status and source of supply of 
the repair part, the lowest category of mainte­nance 
capable of installing or manufacturing 
the repair part, and the recoverability and 
expendability aspects of the repair part. An 
example of this code is P-O-R. The "p" 
indicates that the item is a mission stockage 
list repair part that is procured and stocked 
on a national program basis; the "0" indi­cates 
that the repair part is authorized to 
operator, crew and organizational maintenance 
units; and the "R" indicates the part is a 
recoverability, expendable item. When repair 
parts supply responsibility has been assigned 
to a materiel agency other than Ordnance, 
the basic number of the supplying materiel 
agency is listed in column 2a, for example, 
"11" for a Signal Materiel item. Refer to 
paragraph 9 for an explanation of all codes 
appearing in this manual. 
c. Federal Stock Number. This columnlists 
the Federal stock number assigned by the 
Cataloging Division, Armed Forces Supply 
Support Center. 
d. Description. The Federal item name 
(shown in capital letters) and any additional 
description required for supply operations 
are listed in this column. All dimensions 
listed are in inches unless otherwise specified. 
For further identification, the Materiel Control 
or manufacturer's part number is parentheti­cally 
listed at the end of each nomenclature. 
e. Unit of Issue. The Unit of Issue column 
lists the actual unit of issue for each item 
(ea, ft, etc.). 
f. Quantity Incorporated in Unit. The quan­tity 
shown in this column indicates the number 
of the listed item required for the particular 
use indicated. The quantity does not reflect 
the total quantity of the part required for the 
vehicle since that part may have other func­tional 
uses. 
g. IS-Day Maintenance Allowance Per 100 
Equipments. No quantities are listed in these 
columns. Refer to TM 9-2300-223-20P for 
allowance factors for items stocked. If an 
item appears here and is not listed in TM 
2300-223-20P it can be requisitioned as 
required for immediate use only. 
(1) This column lists an allowance factor 
which is based on the latest mortality 
data and is the estimated average 
quantity required by organizational 
maintenance to provide maintenance 
and supply support for 100 equipments 
for a 15-day period under combat 
condtions. A decimal fraction system
2 
TM 9-2320-208-20P 
is used to express the allowance 
factors. 
(2) Since the allowance factors are based 
on 100 equipments, it is necessary to 
compute the exact quantity authorized. 
This quantity is determined by use of 
a simple mathematical formula. Re­sulting 
fractional values of 0.5 or larger 
Will be rounded to the next higher whole 
number. Fractional values below 0.5 
will be rounded to the next lower whole 
number. A minimum quantity of one 
Will be authorized whenever the COm­puted 
allowance quantity is less than 
one. 
Example 1: If the number of equipments 
supported is 30, and the allowance 
factor for 100 equipments is 5.9, the 
following computation would be made: 
30 x 5.9::: 1 77 
100 . 
Since the resulting fractional value is 
larger than 0.5, the computed value will 
be rounded to the next higher whole 
number, in this case 2. 
Example 3: If the number of equip­ments 
supported is 89, and the allow­ance 
factor for 100 equipments is 3.4, 
the following computation would be 
made: 
30 x 3.4 == 3.026 
100 
In this instance, the result is rounded 
to the next lower whole number since 
the fractional value is less than 0.5 
and the echelon ,would be authorized a 
quantity of 3. 
(3) The quantitative allowances determined 
in accordance with (2) above constitute 
one prescribedloadfor a l5-dayperiod. 
Major commanders will determine the 
number of prescribed loads second 
. echelon units and organizations will 
carry. Units and organizations author­ized 
additional prescribed loads will 
utilize the computations explained in 
(2) above, but will multiply the number 
of equipments supported by the number 
of authorized prescribed loads before 
completing the computation. 
Example 1: If the number of equip­ments 
supported is 30, and the allow­ance 
factor per 100 equipments is 5.9 
and the authorized number of pre­scribed 
loads is 3, the following com­putation 
would be made: 
30 x 2 x 5.9 ::: 3 54 
100 . 
The resulting quantity is rounded to the 
next whole number, in this case 4. 
Example 2: If the number of equip­ments 
supported is 89, and the allow­ance 
factor per 100 equipments is 3.4, 
and the authorized number of pre­scribed 
loads is 3, the follOWing com­putation 
would be made: 
89 ~~ 3.4 ::: 9.079 
In this instance, the quantity authortzed 
would be rounded to 9. 
(4) Additional repair parts which may be 
required to perform organizational 
maintenance, but are not authorized 
for stockage in the prescribed load, 
are listed with no allowance factors 
shown. These parts are identified by 
an . asterisk (*) in the allowance col­umn 
and are to be requisitioned for 
immediate use only. 
4. HOW TO FIND PARTS 
This manual is arranged in a standard 
government grouping (i.e., group 01, engine; 
group 03, fuel system; group 12, brake sys­tems, 
etc.). Parts may be located if one of 
the following identifying factors is known. 
The visual table of contents (page v) lists the 
page numbers on which the assembly or part 
may be found. 
~. Major Component, Assembly or Location. 
Refer to the visual table of contents on page v 
or the table of contents on page 1. 
!,? Government Group, Function, Use, or 
Location. Refer to the table of contents (page i) 
which lists the subsections under the major 
four-digit standard government groups. The 
non-illustrated items, if any, are listed with 
closely related illustrated assemblies or 
components.
£. Nomenclature (Basic Noun Name). Refer 
to the alphabetical index on pages thru 
"d. Federal Stock Number. Refer to the Fed-eral 
stock number index on pages thru 
e. Ordnance or Manufacturer's Part Num­ber. 
Refer to the Ordnance or Manufacturer's 
Part Number Index on pages thru 
5. ATTACHING PARTS 
In some cases, non-illustrated, attaching 
and/or closely related items are listed indented 
directly below the item to which they pertain. 
6. PERTINENT PUBLICATIONS 
The following publications pertain to this 
vehicle and its components. 
LO 9-2320-208-12 
Lubrication Order for Truck, Ambulance: 
front line, l/4-ton, 4 x 4, M170 and Truck, 
Utility: 1/4-ton, 4 x 4, M38Al and M38AIC. 
TM 9-8014 
Operator and Organizational Maintenance 
Manual for Truck, Ambulance: front line, 
1/4-ton, 4 x 4, M170 and Truck, utility: 1/4­ton, 
4 x 4, M38Al and M38AIC. 
TM 9-8015-1 
Ordnance Maintenance Manual for Engine 
(Willys-Overland Model MD) and clutch for 
1/4-ton, 4 x 4, utility truck M38Al. 
TM 9-8015-2 
Ordnance Maintenance Manual for Power 
train, body and frame for 1/4-ton, 4 x 4, 
utility truck M38Al and 1/4-ton, 4 x 4, 
front line ambulance M170. 
TM 9-2320-208-34P 
Direct and General Support Maintenance 
Manual for Truck, Ambulance: front line, 
1/4-ton, 4 x 4, M170 and Truck, utility: 1/4­ton, 
4 x 4, M38Al and M38AIC. 
7. SPECIAL INFORMATION 
When there is no designation of model appli­cation 
in item nomenclature the item is sup­plied 
for all models (Gasoline and Multifuel) 
covered in this manual. When the word "gaso­line" 
appears in the item nomenclature, the 
TM 9-2320-208-20P 
item is only supplied for gasoline models 
covered in this manual. When the word "multi­fuel" 
appears in the item nomenclature, the 
item is only supplied for multifuel models 
covered in this manual. 
8. ABBREVIATIONS AND SYMBOLS 
e' Abbreviations. 
adj adjust(able)(ing) 
al-alloy .•............ . aluminum alloy 
at-oxide aluminum oxide 
alloy-S alloy steel 
amp ampere(s) 
amp-hr amperehour(s) 
anld annealed 
anodic-fin. anodic-finish 
approx approximate(ly) 
assy assembly(ies) 
b-hd . . . . . . . . . . . . . . . . . . . button head 
bdg-hd binding head 
blk black 
blunt-pt : blunt point 
br brass 
brgt bright 
btry battery 
bz bronze 
cand-bay-base .• •. candelabra bayonet base 
cap. ..... ....•..•••...... capacity 
cd- or zn-pltd .••• cadmium or zinc-plated 
cd-pltd .....••....... cadmium plated 
cham ....•..••...•..•.. chamfer(ed) 
CI ..••.......•......•.... cast iron 
ck ....•••.••.•.....•... countersunk 
ck-hd .. •......•... •• countersunk head 
cll center line 
cop copper 
cp candle power 
cr-pltd chromium plated 
cross-recess-fil-hd cross-recess-fillister 
head 
cross-recess-oval-hd .... cross-recess oval 
head 
cross-recess-pan-hd cross-recess 
pan head 
crown-hd crown head 
ctd coated 
dble " double 
dble-fil double filament 
deg degree(s) 
dia . . . . . . . . . . . . . . . . ". . . . . . diameter 
dId . . . . . . . . . . • . . . . . . . . . . . . drilled 
dld-r/c-ptn drilled for cotter pin 
dld-sq-hd drilled square head 
ea ...•...............•...... each 
ext-strong . . . . . . . . . • '.' . . . extra strong 
ext-teeth •...•. external teeth (lockwasher) 
3
TM 9-2320-208-20P 
F Fahrenheit 
Fed Federal 
Fed Spec Federal Specification 
fig figure(s) 
fil filament(s) 
fil-hd ...•............. fillister head 
fin finish 
fl flat 
fl-ck-hd ........•.. flat countersunk head 
fl-pt ..........••....•.... flat point 
gal ...•.....•...••....... gallon(s) 
gimlet-pt .••••.•.•.••••. gimlet point 
glvd ........•........... galvanized 
h ................••... height, high 
hd head 
hdls ' headless 
hex .....•...............hexagon(al) 
hex-hd . . . . . . . • . . . . . . . . . hexagon head 
hex-socket hexagon socket 
hv-duty heavy duty 
hyd . . . . . . . . . . . . . . . . . . . .. hydraulic 
id . . . . . . . . . . . . . . . . .. inside diameter 
ins insulated, insulating, insulator 
tnt-ext-teeth . . internal-external teeth 
tnt-teeth . internal teeth 
lb . . . . pound(s) 
19 . . . . . . . . . length (long) 
lh . . . . . . . . . . .. . left hand 
lht left-hand thread 
lkg . . . . . . . . . . . . . . . . . . . . . . . locking 
tow-care-s low carbon steel 
It light (weight) 
lubr Iubrtcator, lubricating, lubrication 
mach. . . . . . . . . . • . . . . . . . . .. machine 
max. . . . . . . . . . . . . . . . . . . .. maximum 
med ...........•..•...... medium 
med-carb-S medium carbon steel 
MI ..•••.••..•....••. malleable iron 
min miniature, minimum, minute 
min-bay-base ...•.•miniature bayonet base 
mm ...•.•.•... •...•.•. millimeter(s) 
mtg ••.••••••.•.•..••••• mounting(s) 
mtl ....•....•••....••...... metal 
NC .....•••.... National Coarse Thread 
neg .....•.................negative 
NF ••......•..... National Fine Thread 
ni .......•................. nickel 
ni-alloy-S nickel alloy steel 
ni-pltd nickel plated 
no number(s) 
nom nominal 
non-rvrs nonreversible 
NPT National Taper Pipe Threads 
NPTF .Nattonal Taper Pipe Threads 
(Dryseal) 
NS. . . . .. National Special Thread 
od . . . olive drab, outside diameter 
(dimension) 
4 
oval-hd oval head 
oz ounce(s) 
p-bz phosphor bronze 
pan-hd pan head 
phos-ctd phosphate coated 
pltd . . . . . . . . . . . . . . . . . . . . . . . . plated 
pos positive 
psi ........•....pounds per square inch 
rd-end ...•................ round end 
rd-hd ..•...•............ round head 
rect rectangular 
reg . • . . . . • . . . . . . . • • . • . • • . . regular 
retn ...•.•.•.....••.....• retaining 
rh . . . . . . . . . . • . • . • . . • . . . . right hand 
rtc ................•.•.... ratchet 
S ......•.................... steel 
sec ......•...............section(s) 
sgle-cond ....•........ single conductor 
sgle-contact single contact 
sgle-end ..•.............. single end 
sgle-fil single filament 
shk shank 
sh-rnet sheet metal 
sh-rnet-thd . . . .. sheet metal thread(s) 
sltd . . . . . . . . . . . . . . . . . .. slotted 
sltd-hd . . . . . . . . . . . . . slotted head 
sp-gr . . specific gravity 
sq. . . . . square 
sq-drive . square drive 
sq-end . .. square end 
sq-hd . square head 
sq-socket square socket 
std . . . . . . . . . . . . . . . . . . . . . . standard 
stght .. ........•........ " straight 
syn-ru ...•........... synthetic rubber 
tapd tapered 
tee-hdl tee handle 
temp .............•..... temperature 
thd . . . • . . . • . . • . . . . • . . . .thread(ed)(s) 
thk . . . . • . • . . . . . • . . . . . • • . thick(ness) 
tnd-bz . . . . . . • • • • . . • • . • . tinned bronze 
tnd-cop .••..•...••...•• tinned copper 
tubr ••.•.•••.•••••••••..•• tubular 
UNC ..•....•... Unified National Coarse 
UNF Unified National Fine 
v volts 
wd wide 
wi with 
wia without 
wtrprf . . . . . . . . . . . . . . . . . waterproofed 
x by (as in 2 x 4) 
zn zinc 
zn-dichromate-fin zinc dichromate finish 
zn-pltd zinc plated 
.Q. Symbols. 
f- As required. * Item available separately. ** Item available as part of 
Set or Kit.
TM 9-2320-208-20P 
9. EXPLANATION OF CODES c. Maintenance Code. 
o Organizational Maintenance. 
d. Recoverability Code. 
N Indicates a repair part that is non­expendable 
and not recoverable. 
P 
b. Source Code. 
Applied to repair parts which are high 
mortality parts procured by Materiel 
Control agencies stocked in and sup­plied 
from the materiel agency depot 
system, and authorized for' use at 
indicated categories of maintenance. 
R Applied to repair parts andassemblies 
which are economically repairable and 
when available, are furnished by supply 
on an exchange basis. 
10. MANUFACTURERS' SYMBOLS 
Former 
Symbol Symbol 
11. SUGGESTIONS AND RECOMMENDATIONS 
The direct reporting of errors, omissions 
and recommendations for improving this 
equipment manual by the individual user, is 
authorized and encouraged. DA Form 2028 
will be used for reporting these improve­ments. 
This form may be completed using 
pencil, pen or typewriter. DA Forms 2028 
will be completed by the individual using the 
manual and forwarded direct to Commanding 
General, U.S. Army Tank-Automotive Center, 
ATTN: SMOTA-MS, Warren, Michigan 48090. 
PI 
X2 
C 
Applied to repair parts which are low 
mortality parts procured by technical 
services, stocked only in and supplied 
from technical service key depots and 
authorized for installation at indicated 
maintenance echelons. 
Applied to repair parts which are not 
stocked. The indicated category of 
maintenance requiring such repair 
parts will attempt to obtain from sal­vage. 
If not obtainable from salvage, 
such repair parts will be requisitioned 
with supporting justification through 
normal supply channels. 
Applied to repair parts authorized for 
local procurement. If not obtainable 
from procurement, such repair parts 
will be requisitioned through normal 
supply channels with a supporting state­ment 
of nonavailablility from local 
procurement. 
19728 
59875 
78080 
93041 
65909 
96906 
AL 
TP 
SP 
RWM 
WO 
MS 
Manufacturer 
Electric Auto-Lite Co., The 
Thompson Products, Inc. 
Spicer Mfg. Corp. 
Ramsey Winch Mfg. Co. 
Kaiser Jeep Corp. 
Military Standard 
5
TM 9-2320-208-20P 
Figure 1. Truck, utility: 1/ 4-ton, 4%4, M38A1 - left front view 
ORD E64844 
ORD E64845 
Figure 2. Truck, utility: 1/4-too, 4%4, M38A1 - right rear view 
6
Figure 3. Truck, utility: 1/4-ton, 4x4, M38Al C - left front view 
Figure 4. Truck, utility: 1/4-ton, 4x4, M38A1C - right rear view 
TM 9-2320-208-20P 
ORD E64846 
ORDE64847 
7
8 
TM 9-2320-208-20P 
Figure 5. Truck, ambulance: front line, 1/4-ton, 4"4, M170 - left front view 
Figure 6. Truck, ambulance: front line, 1/4-ton, 4"4, M170 - right rear view 
OROE6<IB43 
OROE64849
TM 9-2320-208-20P 
III (21 (31 (4) (5) (6) (7) 
SOURCE. MAlHi IS·DAY 
IUUSi AND MAINi 
RECOVERABILITY ALW PER 
FEDERAL DESCRIPTION UNIT QTY CODE 100 EQUIP STOCK 
OF INC 
lb) lel (dl 
(a) (b) lal NO ISSUE IN (a) lbl ~ UNIT .. ~ :3 o ~ Oz15 FIG ITEM l:! Jm! o .; 
UIlD~ NO NO ~~ ~ Iii!:: ~ u ........ 
.C.o it~ ~ ~~O ~ 
Section II. ORGANIZATIONAL REPAIR PARTS 
01 ENGINE 
0100 - ENGINE ASSEMBLY (Fig. 7) 
7 3 C 0 5340-737-2551 CUSHION, MOUNTING SUPPORT: rear, w/studs, assy ea 1 
(7372551) 
P 0 5310-696-5177 NUT, ASSEMBLED WASHER: hex, ext-teeth lockwasher , ea 2 
S, cd- or zn-pltd, 3/8-24NF-2B, 9/16 w, 27/64 thk 
(271193) 
P 0 5310-050-3351 NUT, SELF-LOCKING, HEXAGON: S, cd- or zn-pltd, ea 2 
3/8-24UNF-3B, 9/16 w, 29/64 thk (critical installation) 
(503351) 
P 0 5310-582-5977 WASHER, FLAT: S, It, S, cd- or zn-chromate fin , , ea 2 
P 0 13/36 id, 13/16 od, 0.065 thk, for 3/8 screw size 
(96906-15795-214) 
7 5 C 0 5340-318-1024 MOUNT, RESILIENT: front mounting support, assy ea 2 
(8328391) 
P 0 5310-696-5175 NUT, ASSEMBLED WASHER: hex, ext-teeth lockwasher, ea 4 
S, od-or zu-pltd, 5/16-24NF-2B (271187) 
P 0 5310-044-2832 NUT, SELF-LOCKING, HEXAGON: S, cd- or zn-pltd ea 2 
huglock type, l/i-20UNF-2B, 3/4 w, 9/16 thk (442832) 
P 0 5306-012-0213 BOLT, MACHINE: low-carb-S, cd- or zn-pltd, 5/16, ea 4 
24UNF-2A x 7/8 (120213) 
P 0 5310-616-3023 WASHER, FLA T: It, S, cd- or zn-chromate-fin., 11 /32 ea 4 
id, 11/16 od, 0.065 thk, for 5/16 screw size (120393) 
P 0 5310-012-0388 WASHER, FLAT: S, CD or ZN - Pltd,.; 7/16 id, lod, 
O. 083 thk (12038$) 
ITEM 
GASKET 
COVER 
PLUG 
GROUP 
0200 
0200 
0200 
Figure 7. Engine assembly - exploded view 
2 
ORDE~O 
9
TM 9-2320-20S-20P 
l1Y (2) 131 141 IS) (6) (7) 
SOURCE. MAIHT IS-DAY 
IllUSl AND MAIMT 
RECDVERA81L1TY DESCRIPTION UNIT QTY AlW PER 
CODE 
FEDERAL 100 EQUIP 
STOCK OF INC 
lal Ib) la) Ib) Ic! Id) 
NO ISSUE IN (a) Ibl 
~ ~ UNIT '" Oz .... 
FIG ITEM 5/ 3cl i o ~ Uld~ 
o -- 
....'" 
ND NO ~~ 51 fg~ ~ u ~ ~ ~ ~~O 
01 - ENGINE - Continued 
0101 - CYLINDER HEAD AND RELATED PARTS (Fig. 8) 
8 1 P 0 R 2805-391-3103 HEAD: cylinder (8328474) ------------------------------- ea 1 
P 0 5306-286-1517 BOLT, MACHINE: 7/16-14NC x 1-11/16 (8329676) ------- ea 1 
C 0 5306-575-9792 BOLT: 7/16-14NC x 4-1/4 (8329677) ------------------ ea 12 
P 0 5306-574-8361 SCREW: 7/16-14NC x 4-5/8 (8329678) ------------------ ea 2 
P 0 5310-655-7149 WASHER, FLAT: S, cd- or zn-pltd, 15/32 id, 59/64 od, ea 11 
0.065 thk (96906-15795-216) 
8 4 PO 4730-278-3388 PLUG, PIPE: sq-hd, S, Zn-pltd, 1/8 in. (oil filter ea 3 
hole (2) and main oil gallery (1) 
NON-ILLUSTRATED ITEM 
P 0 5340-054-1402 PLUG, EXPANSION: S, 1-1/4 in. dia (cylinder block) ea 2 
(541402) 
10 
2 
3 
Figure 8. Cylinder head. assembly - exploded view 
3 
GASKET 0503 ;W 
THERMOSTAT 0503'.1; -; 
~. , IORI:?E?·{s51'i
TM 9-2320-208-20P 
11l (2) (3) (4) (5) (6) (7) 
SOUtCE, MAINT IS·DAY 
IllUST AND MAINT 
RECOVERABllITY 
FEDERAL 
. STOCK OF IN( 
(a) (b) (a) lb) (el Cd) AlW PER 
CODE DESCRIPTION UNIT QTY 100 EQUIP 
NO ISSUE IN .. (a) (bl 
5 FIG ITEM ~ UNIT Oz" 
~ =e ~ o ~ UCDg 
NO NO ~~ 
o .. 
S! !ii~ 8 I.J .. ;; ~~o := 
01 - ENGINE - Conti nued 
0105 - ENGINE VALVE COVER AND RELATED PARTS (Fig, 9) 
9 1 C 0 5330-360-7918 GASKET: valve compartment cover (,z*gas ket sets, 2805- ea 1 
025-6979 and 2805- 040-2458) (65909-63030 5) 
9 3 C 0 5330-291-9013 GASKET: valve compartment cover screw (**gasket sets, ea 2 
2805-025-6979 and 2805-040-2458) (8329873) 
9 4 C 0 53 05-774-1420 SCREW: valve compartment cover (7741420) - ------------- ea 1 
9 4 C 0 5305-774- 1421 SCRE W: valve compartment cover (5/16-18NC x 2-9/1 6) ea 1 
(65909-64509 4) 
NON-ILLUSTRATED ITEMS 
C 0 28 05- 040-2543 GASKET: r ocker arm c over (**gaske t sets , 28 05- 025- ea 1 
6979 and 28 05- 040- 2458 ) (65909-648798) 
P 0 5310- 543-2641 NUT, PLAIN, HEXAGON: S, cd- or zn- pl td, 5/16-24UN F- ea 4 
2B, 1/2 w. 3/16 thk (valve adjustment locking) (124920) 
C 0 5315-335-4710 ST UD: valve compartment cover (pear) (8329696) --------- ea 1 
2 
ORD E64852 
Figure 9. Engine valve cover and related parts 
11
TM 9-2320-208-20P 
2 
KEY 
-J- 
2 
3 
4 
56 
7 
ITEM 
CLAMP 
HOSE 
LINE 
PlPE 
VALVE 
SWIVEL 
GAGE ROD 
NIPPLE 
4 
Gl~~P 
0304 
0304 
0304 
0304 
0304 
OJ06 (oil pan) 
0304 
7 
ORO E64853 
12 
Figure 10. Upper vent system .. exploded view
TM 9-2320-208-20P 
III 121 131 141 lSI 161 171 
SOUICE, MAINT IS·DAY 
IllUST AND MAtNT 
lECOVEWILm 
FEDERAL ALW PER CODE DESCRIPTION UNn QTY 
100 EQUIP 
STOCK Of INC 
(01 Ibl (01 Ibl lel Idl 
NO ISSUE IN (a) lbl 
~ 
- ::l UNIT '" oz'" AG nEM Ii:! =c: ~ 0 ~ um~ NO NO 0 :0 ~~ ~ ~l:: - u ~~3 ~~ 
i l:l 
01 - ENGINE ~ Continued 
0106 - UPPER VENT SYSTEM (Fig. 10) 
10 8 P 0 4730-278-4557 ELBOW: hose, 90 deg, br, 1/2 in. hose, 3/8 in. male pipe ea 1 
end (rocker arm cover) (8329715) 
10 9 P 0 4730-278-2040 CLAMP, HOSE: adj (band type) external teeth, S, phos-ctd, ea. 4 
13/16 to 7/8 id (8330945) 
10 10 P 0 2805-695-1035 HOSE, PREFORMED: oil, filler pipe to air filter pipe and ea 2 
oil filler pipe to valve cover (8332675) 
19 12 [p 0 2805-040-2516 LINE ASSEMBLY: crankcase vent line (8329639) . ea 1 
Fabricated from: 
19 P 0 4710-250-9897 TUBE STEEL: cold-drawn, dble-wrapped, cop, brazed ft I 
6/16 cd, O.028 wall thk (crankcase vent line) (left) 
(80244-44-T-5319-65) 
P 0 4730-013-7398 NUT, INVERTED, TUBE COUPLING: inverted flare, S, cd- ea 2 
or zn-pltd, 5/16 od tu, O.620 overall Ig (crankcase vent 
line) (137398) 
9 2 C 0 2805-360-7927 GASKET: vent body to valve compartment cover (tr tl gas ket ea 1 
set, 2805-025-6979) (7371272) 
9 ' 5 2910-741-0836 VALVE: control assy. (7410836)---------- - ------ ------- - -_ ea 1 
9 6 ~ 0 4820-360-7930 VALVE: metering, crankcase vent line (5336400) ------- ea 1 
19 10 0 4730-542-3019 CLAMP, HOSE: S, cd- or zn-pltd, 3/4 in. (oil filler pipe ea 2 
to air cleaner control val ve vent hose) (8330945) 
If> 0 5306-283-0407 BOLT, ASSEMBLED WASHER: bex-hd, split lockwasher, ea 1 
S, cd- Or zn-pltd, 1/4-20UNC-2A x 1/2 (9409106) 
19 11 P 0 2910-321-7423 HOSE: carburetor housing tube to oil filler tube ea 1 
(8329643) 
NON-~LUSTRATEDITEMS 
If> 0 6Z19-322-35 CLIP: closed, S, cd- or zn-pltd, 9/16 of tube, hole for 3/8 ea 2 
in. bolt (eil filter line to front engine plate and oil filter 
inlet hose to water pump bolt) 
~ 0 6Z19-471-2 CLIP: fastener, type E, S, 3/16 in. (oil line to bracket)----- ea 1 
0 4730-277-6273 ELBOW. PIPE TO TUBE: br, flai-ed tube. inverted, 90 deg ea 2 
1/4 in. tube 1/8 in. male pipe end (oil filter outlet line 
used w/filter 2940-202-9653 
[> 0 4720-248-1231 HOSE, RUBBER: coolant lines, stght hv-duty, It wall 10 ft I 
temp -65 deg F, 3/16 in. id (1 ft) (air cleaner to oil filter 
p tube) (60244-33-H-565) 
0 4730-737-6246 TEE: vent line (65909-807713) -------------__________ ea 1 p 0 4720-235-1777 TUBE, RUBBER: rocker arm cover to ?il filler pipe (1 ft) ea I 
(ft) (60244-33-T~240) 
II> 0 4710-595-1824 TUBE, STEEL: cold-drawn dble-wrapped, cop brazed ea I 
1/4 od, 0.028 wall thk (80244-44-T-5319-60) 
13
TM 9-2320-208-20P 
III (2) (3) (4) (5) (6) (7) 
SOURCE, MAlNT 1S·DAY 
IllUST AND MAINT 
RECOVERABILITY UNIT QTY 
AlW PER 
FEDERAL DESCRIPTION CODE 100 EQUIP 
STOCK OF INC 
(0) lb) (0) (b) (el (d) (a) (b) NO ISSUE IN 
~ 
~ ::l UNIT 0 ozt; ~ FIG ITEM 5l !~ ! 0 
NO NO §~ Sl ~c:: ~ u - .... ~ 
uco~ 
"'0 i -J .. ~ t:;~o ~ 
01 - ENGI?E - Continued 
0106 - E?GIii:E OIL FILTER .-SSDIBL1 (Fig. 11) 
11 1 P 0 4730-289-4712 ADAPTER, STRAIGHT, PIPE TO HOSE: br, 1/8"PTF mnle ea 1 
pipe end, 3/16 id x 23/64 ad hose end, assv (oil filter 
inlet) (501648) 
11 2 P 0 2805-569-8968 LINE: flexible, oil filter inlet "8S,' (8331932) ---------------- 1 
11 3 P 0 2940-14 1-9025 FILTER, ELE~IENT, FLVID, PRESS1'RE: mil std junior €:1 1 
size, 4-1/4 din x 4-7/8 H nom s iz e II/gaskets (used "/ 
filter, 2940-202-9653) (540462) 
11 4 P 0 2940-253-7257 SPRING, HELICAL, CO~[PRESSIO?: w/ttltei- (2940-20>%53) e:1 1 
(Fram) (5308282) 
11 4 P 0 5340-360-4410 SPRING, HELIl'.-L CO~IPRESSIO?: coyer screw (use S/mter, ea 1 
2940-202-9653) (77477-25757) 
11 5 C 0 5310-262-3000 GASKET: cover screw (used II/filter, 2940-~O~-9{j53) ea 1 
(Pram) (530828 1) 
11 5 C 0 2805-770-3975 GASKET: cover screw (used w/fflter, 29·H)-:2(J~-9{j33) ca 1 
(Purolutor) (77477-25756) 
11 6 P 0 5306-298-7836 BOLT, SHOULDER: cover (used II/filter, :3~)-tO-ZOZ-HG53) (':1 1 
(Fr.uu) (5308280) 
11 7 C 0 2940-040-2626 LINE: oil filter outlet, :IS::,Y (lISC w/frltcr, 29-10-:202-9653) L';l 1 
(8332530) 
11 8 P 0 4730-289-4713 ADAPTER, STHAIGIIT, TUBE TO HOSE: iuvcrt cd n:11"(" (';1 1 
swivel, br, 3/16 tu end, 3/16 id, 2;)/G4od, hose end, 
assy (oil filter inlet) (501650) 
3 
1 
2 / 
Figure 11. Oil filter assembly - (fram} - exploded mClt' 
14
TM 9-2320-208-20P 
11I (2) (3) (4) (51 (61 (71 
SOURCE. MAI~T IS·OAY 
ILLUST AND MAIIIT 
RECOVERABlLlTY 
FEDERAL DESCRIPTION 
ALW PER 
CODE UNIT QTY 100 EQUIP 
STOCK OF INC 
FIG ITEM i UNIT .. Oz'" 
101 (b) (01 (bl lel ld) 
NO ISSUE IN (0) (bl 
~ 
5t !;i~ u .. .. .... ; := ~~o 
~ :.: !~ o ~ u ca ~ 
NO NO ~ ~ 
= ~I:: § 
o ... 
01 - ENGINE - Conti nued 
0106 - ENGINE OIL PAN (Fig. 12) 
12 1 P 0 4730-090-9235 PLUG: drain (73 51892) -------------------------------- ea 1 
12 2 P 0 5330 -543-6722 GASKET: annular, cop an d asb, rd sec, 7/8 in. nom dia ea 1 
(dra in pl ug) (* * ga sket sets , 28 05- 025-6979 an d 
2805-361- 7832 ) (105456) 
10 7 P 0 2805-537-2129 GAGE ROD, LIQUID L EVEL: w/cap (8328406) ----'--------- ea 1 
NON-ILLUSTRATED ITEMS 
P 0 4730-014-2431 INVERTED NUT, TUBE COUPLING: inverted flare, br, ea 2 
3/8-24UNF-2A, 3/16 od tu, 0,560 ove r -ull Ig (used w/ 
tube , 4720-350-9896) (142431) 
P 0 4730 -014-4307 NUT, TUBE COUPLING: flared type , short, br, 45 deg ea 2 
scat, 3/8-24UNF-2B, 5/8 ove r-all Ig, 3/16 od tu 
(us ed w/tube, 4710-595- 1824 ) (144307) 
P 0 4720 -350-9896 T UBE, STEEL: co ld -drawn, cop-ctd, dble -wrapped, br az ed, ft f 
rd, 3/16 0<1, 0.028 wal l thk (80244 - 44-T-5319-55) 
ORD E64~ 
Figure 12. Engine oil pan 
lS
Dr 9-2320-208-20P 
(l) (21 131 141 IS) (61 (71 
SOURCE, MAIHT IS·DAY 
IllUST AHD MAIHT 
RECO YERABILITY 
FEDERAL DESCRIPTION UNIT QTY 
AlW PEl 
CODE 
STOCK Of IN' 
100 EQUIP 
lol Ibl lollbl lei Id) 
NO ISSUl III 101 Ibl 
~ 
sz:::: :::; UlilT oz'" FIG ITEM 0 
'" o 1;; NO NO g ~ =~ '" UlQ~ 
~; ~ 8 :a c..c..", 
5i: ~ 
~ ~ ~~o =-.::; 
01 - ENGINE - Continued 
0108 - EXHAUST i1ANIFOLD AND RELATED PARTS (F ig. 13) 
13 1 C 0 2805 -3 91 -3093 i1Al. FOLD: exhaust, assy (8329699) -------- - - - ---------- e a 1 
13 2 C 0 2805- 211-8765 GASKET SET: .manifold (8329752) --- - --- ---------------- - ea 'I 
Composed of: 
2.1 1 GASKET, exhaus t manifold center (8329751) 
2.2 2 GASKET, exha us t manifold ends (8329750) 
1 GASKET, exha ust pipe flange (65909-634814) 
(non-illustr ated) 
13 3 P 0 530 7-011-2572 STUD, PLAIN: S, 3/8- 16UNC 9/16 x 3/S-24UNF- 2 e a 2 
5/S x 2-3/ 16 in. ove r - all ig (1l2572) 
13 4 P 0 530 7- 010-3 196 STUD, PLA IN: low- carb-S, 3/ S-16NC, 9/ 16 x 3/S-2 4NF-2 ea 3 
5/8 x 1- 9/ 16 (103196) 
13 5 P 0 5310-05 0-33 54 NUT, SELF-LOCKll"G, HEXAGON: br , 3/S- 24UNF-3B. ea 5 
9/16- ln. w, 29/ 64 in. thk (critical installation) (503354) 
5 
16 
~5 
IINCIHEIIS .12' .[!3] 
Figure 13. E%haWlt manifold - e%f/loded view 
ORD E64856
TM 9-2320-208-20P 
III (21 (31 (4) (5) (6) (7) 
SOURa, MAINT 15-0AY 
ILLUST AND MAINT 
RKOVERABILITY 
UNIT QTY 
ALW PER 
COO£ FEDERAL DESCRIPTION 100 EQUIP 
STOCK OF INC 
lal Ibl lal Ibl lei rdl NO ISSUE IN (0) (bl 
l: 
~ ::l UNIT '" oz'" AG ITEM ~ =cl S o ~ um~ NO NO ~~ ml:: ~ 8 ~ 
51 ~~c; 
;-- lSi';l 
02 - CLUTCH ASSEMBLY 
0200 - CLUTCH ASSEMBLY (Fig. 14) 
14 1 P 0 R 2520- 307- 8850 CLUTCH: pressure, pl a te, w/cover, assy (8328265)--------- ea 1 
7 1 C 0 2520-292-2128 GASKET: inspection hole cover (8328313)·------------------- ea 1 
7 2 C 0 2520-040-1888 COVER: inspection, linkage (8328310)-:---------------------- ea I 
7 4 P 0 4730-278-33 89 PLUG, PIPE: sq he, ml , glvd, 1/4 in, (103865)-------""7",----- ca I 
ORD E64857 
FIgure 14. Clutch assembly - exploded view 
17
TM 9-2320-208-20P 
10 
~L..-3 
4 
5 
6 
7 
18 
12 
9 
8 
Figure 15. Clutch linkage 
5 4 
_--3 
,92ol~> 
lI..J - I!l:JI 
ORD E64:
TM 9-2320-208-20P 
(I) (21 (31 (41 (5) (6) 171 
SOURCE. MAINT IS·DAY 
ILLUST AND MAINT 
RECOVERABllITY 
DESCRIPTION UNIT OTY 
ALW PER 
CODE FEDERAL 100 EQUIP 
STOCK OF INC 
(al lbl lal Ibl lel (dl 
NO ISSUE IN (a) (bl 
AG ITEM S ~ UNIT ~ >- Oz'" ~ a~ a .#~ UED~ 
NO NO 0 ~~ ~ ...... ~ u ~~o ; i:l 
02 - CLUTC H ASSEMBLY - Continued 
0202 - CLUTCH LINKAGE (Fi g, 15) 
15 1 P F 3110-158-6196 BEARING, BALL, THRUST: mil-std-code 999 - 13059-0000 ea 1 
sr, grooved r a ce surfac e, sgle direction, r i gid, ban ded 
od, bz or S, ferrule on id of one was he r, S, washer ove r - 
lap, 1, 5000 in , bore, 2. 8125 in , od, 0. 6250 in, H clutch 
release (710203) 
15 2 C 0 2520- 368-263 0 SPRING: release bearing ca rricr (7371366) ---------------- e a 1 
15 3 C 0 2590- 73 7- 1337 SEAL: dust, contr ol lever tub e (7371337) ------------------ ea 2 
15 4 C 0 5307-524-6557 STUD : ball, control lever tub e (5246557) ------------------- ea 2 
15 5 5330-737-1364 PAD: fclt 5/8 od, 1/4 thk (control tube) (7371364) ----------- ea 2 
15 6 C 0 2520-737-1340 RETAINER: control lever tube spr ing (7371 340) ----------- ea 2 
15 7 C 0 2540-524- 6558 SPRING: helical, co ntrol leve r tube (5246558; ._-------- ea 1 
15 8 C 0 2520- 597- 2315 SPRING: r e tr ac ting, pedal ·(8387940) ---~ - - - - - - - - - - - - - - - - - - e a 1 
15 9 P 0 53 10- 050-2242 WASHER, FLAT: S, 1-1/32 id , 1-3/4 ad, 0, 109 thk ea 3 
(pedal s haf t) (502242) 
15 10 P 0 53 15- 054-4190 PIN, STRAIGHT, HEADED: dld-f/ c-pin, c ham, S, hardened, e a 1 
cd- or zri-pltd, 5/16 dia s hank, 23/ 32 19h underhead to 
c/l of hole (control lever tub e a djus ting y oke ) (544190) 
15 11 C 0 2530-769-7454 SPRING: clutch pedal draft pad (7697454) ---~-------------- ea 1 
15 12 C 0 5330-040-2470 PAD: ~Iaft, pedal (8328436) ------------------------------ e a 1 
15 13 C 0 2540-040-2471 PAD: pe~~ (8328437) -------- .--------------------------- ea 1 
15 14 P 0 4730- 040-2472 SUPPORT: control tub e lever r el ease c able s eal (bell ea 1 
housing) (832 8439) 
15 15 P 0 4 730- 278-2 039 CLAMP, HOSE: ban d type, exter--tecth-Ioc k washer, S, ea 1 
phos-ctd, 1-1/4 in. to 1-1/2 in. id (control tube lever 
r el ease cab le seal ) (83284 35) 
15 16 C 0 2520- 692-6051 SEAL: contr ol tube lever release cable rubber e a 1 
(8332072) 
15 17 P 0 4730- 278- 2042 CLAMP, HOSE: band type, exter -itooth- Iock, 3/8 in. to ea 1 
5/8 in, id (control tube lever release cable seal) (8328434) 
15 18 C 0 254 0- 318- 0885 CABLE: tub e , c ontrol le ver (8328129) - - - --- - - - - - - - - --- - - - - e a 1 
15 19 C 0 2520- 737-2823 LEVER: control w/ tube, assy (7372 823) ------------------- ea 1 
15 20 C 0 2520- 737- 282 6 ROD: pedal shaft l ever to control tube lever (7372 826) ------- ea 1 
15 21 C 0 2540- 495 -9499 PEDAL: assy (7371 342) - - - - - - - - --- - - - - - - - - - - - - - - - - --- - - - - ea 1 
NON-ILLUSTRATED ITEM 
C 0 5310-737-5065 WASHER FLAT: pedal draft pad (65909-A6360)-------------- ea 1 
19
TM 9-2320-208-20P 
(J) (2) (31 -14) (5) (6L m 
SOURCE, MAINT IS-DAY 
lLLUST AND MAlNT 
RECOVERABILITY 
FEDERAL DESCRIPTION UNIT QTY 
AlW PER 
(Oaf 100 EQUIP 
STOCK OF INC 
(a) Ib) (a) (b) (c) (; d) 
ISSUE IN (a) (bl 
NO FIG ITEM gt:lE UNIT 'o" .>.- Oumz'g- ~ NO NO ~g 8 ~ ........ 
~ ~-' ~ "'~ =: ::::~O 
03 - FUEL SYSTEM 
0301 - CARBURETOR ASSEMBLY (Fig. 16) 
16 1 P 0 2910-294-2141 CARBURETOR: assy (8329774) ------------------------ ea 1 
C 0 5310-285-2181 NUT, PLAIN, HEXAGON: carburetor (8332520) ---------- ea 1 
P 0 5310-543-5653 NUT, PLAIN, HEXAGON: S, cd- or zn-pltd, 3/8-24UNC-- ea 1 
2B, 9/16 in. w, 21/64 in. thk (120369) 
P 0 5307-010-3196 STUD, PLAIN: low-curb-S, cd- or zn-pltd, 3/8-16NC ea 2 
9/16 x 3/8-24NF-2, 5/8 x 1- 9/16 (103196) 
16 2 P 0 2910-291-6964 GASKET: mounting (ftftkit, 2910-040-2579) (8329823) -------- ea 1 
20 
Figure 16. Carburetor assembly 
ORDE64859
TM 9-2320-208-20P 
III (2) (3) (4) (5) (6) (7) 
SOURCE. MAINT lS·DAY 
ILLUST AND MAINT 
RECOVERABILITY 
FEDERAL DESCRIPTION UNIT QTY 
ALW PER 
CODE 100 EQUIP 
STOCK OF INC 
(a) (bl (a) (b) (el (d) 
NO ISSUE IN (a) lb) 
FIG ITEM t: S UNIT 0 >- Oz>- 
~ =m iii '" Ua:l~ 
NO NO ~ ~it ! 0 I;; 
>-Q S ~~ 8 u CQ ~~o 
"'~ :; ~ 
03 - FUEL SYSTEM - Continued 
0302 - FUEL PUMP (Fig, 17) 
17 1 P 0 R 2910-547-7769 PUMP, FUEL, ENGINE: w/gasket, assy (8720569) ----------- ea 1 
C 0 5305-227-1815 BOLT: pump (8332521) ----':"---------------------------- ea 1 
C 0 5306-737-5385 BOLT, MACHINE: pump (7375385) --.------------------ ea 1 
P 0 5310-012-0214 WASHER, LOCK: split, med, S, cd- or zn-pltd, 5/16 ea 2 
screw size (120214) 
C 0 5310-741-6478 WASHER: r ectangular, fuel pump to cylinder block ea 2 
(7416478) 
17 2 C 0 2910-576-4259 GASKET: mounting (1:r1:rgasket set, 2805-025-6979 and kit, ea 2 
2910-218-1276) (5261672) 
17 3 C 0 2910-040-2537 SPACER: fuel pump to cylinder block (8329708) ------------- ea 1 
17 4 P 0 4730-040-2536 ADAPTER: breather valve (8329701) ---.----------.---------- ea 1 
4 
Figure 17. Fuel frump assembly 
2 
ORO E64860 
21
TM 9-2320-208-20P 
3 
2 
Figure 18. Air cleaner and related parts - exploded view 
22 
.ORD.E64861
TM 9-2320-208-20P 
11l (2) (3) (4) (5) (61 (71 
SOURCE. MAINT IS-DAY 
ILLUST AND MAINT 
RECOVERABILITY 
FEDERAL ALW PER 
CODE DESCRIPTION UNIT QTY 100 roUiP 
STOCK Of (01 INC Ib) (01 (bl (el (d) 
NO ISSUE IN (a) (bl 
~ ~ 
.. fiG ITEM !~ S UNIT o Oz .... NO NO ~~ ~ ..... ~~ § 8 '=" >- utQ~ o~ ~~o 
~~ ; := 
03 - FUEL SYSTEM - Continued 
0304 - AIR CLEANER AND RELATED PARTS (Fig. 18) 
18 1 C 0 R 2940-307-8855 Am CLEANER, INTAKE: assy (8329642) ------------------- ea 1 
p 0 5306-283-0405 BOLT, ASSEMBLED WASHER: hex-hd, split lockwasher, ea 4 
header-pt, S, cd- or zn-pltd, 5/16-18UNC-2A x 5/8 
(9409097) 
18 2 P 0 4730-278-2064 CLAMP, HOSE: S, cd- or zn-pltd, 2-1/4 in. (air cleaner to ea 2 
air intake pipe hose) (502922) 
18 3 C 0 4720-318-1039 HOSE: flexible (air cleaner to air intake) (65909-806186) ----- ea 1 
18 4 P 0 2910-040-2599 CLAMP: assy (8330124) ---------------------------------- ea 1 
18 5 P 0 4730-278-2061 CLAMP, HOSE: adj, band-type, S, cd- or zn-pltd, 2-7/8 to ea 1 
3-1/8 id (precleaner) (502925) 
19 9 P 0 4730-014-2427 INVERTED NUT, TUBE COUPLING: inverted flare, br. ea 2 
5/16 od tu, O. 620 overall Ig (fuel pump vacuum secton 
vent line) (142427) 
10 1 P 0 4730-278-2088 CLAMP, HOSE: adj, band-type, corr-res-S, pass-fin. ea 2 
2-5/8 in . to 2-7/8 in. id (carburetor to air cleaner pipe hose) 
(502495) 
10 2 C 0 4720-595-4387 HOSE: carburetor to air cleaner pipe (8329646)..:------------- ea 1 
10 3 P 0 4710-350-9886 LINE: carburetor ventilator, assy (8677523) ea 1 
Fabricated from: 
NUT, TUBE COUPLING: inverted flare type, 45 deg seat, ea "- 
br, 3/8-24UNF-2A, 9/16 in. overalllg, 3/16 in. od tu 
(carburetor vent line) (142431) 
TUBE, COPPER: 3/16 od, O. 035 wall thk (9-1/16 Ig) ft I 
(44-T-5080-10) 
10 4 C 0 2805-040-2619 PIPE: air cleaner to carburetor air intake, w/bracket and ea 1 
clip, assy (8677521) 
10 5 P 0 2910-741-0836 VALVE: control, assy (used on vehicle through serial no. ea 1 
23359) (7410836) 
10 6 C 0 5315-737-2554 SWIVEL: crankcase vent valve control wire (7372554) -------- ea 1 
NON-ILLUSTRATED ITEM 
P 0 4710-202-8396 TUBE, COPPER: 5/16 od, O. 035 wall thk (40-1/2 19) ft I 
(44-T-5080-20) 
23
TM 9-2320-208-20P 
<ll (21 (31 (41 (51 161 (71 
SOURCE. MAINT IS-DAY 
ILI.USl AND MAlNT 
R!COVERABILIlY DESCRIPTION UNIT Qrv 
ALW PER 
(001 FEDERAL 100 EQUIP 
STOCK OF IN( 
(al (bl (al lbl lcl (dl 
NO ISSUI IN (al lbl 
~~ ~ UNIT 0 ~ 
Oz .... 
AG ITEM e U£a~ 
~ - ;ti.... :5 NO NO ~§ 5l 0 §~ ~ ~ 
U 
~~O ; = 
03 - FUEL SYSTEM - Continued 
0304 - FUEL VENTILATING SYSTEM (Fig. 19) 
19 1 P 0 LINE ASSEMBLY: master cylinder to air cleaner (810504) ea 1 
Fabricated from: 
P 0 4730-014-2431 INVERTED NUT, TUBE COUPLING: inverted flare. br, ea 2 
3/8-24UNF-2A, 3/16 oct tu, O.560 overall 19 (142431) 
4720-350-9896 TUBE. STEEL: cold-drawn, cop-ctd, dble-wrapped, br, ft I 
rd, 3/16 od, o. 028 wall thk (80244-44-T-5319-55) 
19 2 PO LINE ASSEMBLY: air cleaner to elbow vent tube at dash ea 1 
22-1/2 in. (M38Al) (810505) 
Fabricated from: 
P 0 4730-014-2432 INVERTED NUT, TUBE COUPLING: inverted flare, br, ell 2 
7/16-24NS. 1/4 od tu, 0,560 overal1lg (142432) 
P 0 4720-350-9896 TUBE, STEEL: cold-drawn, dble-wrapped, cOP. br, 3/16 ft I 
od, 0.028 wall thk (80244-44-T-5319-76) 
19 2 P 0 LINE ASSEMBLY: air cleaner to elbow vent tube at dash ea 1 
(M170) (811441) 
Fabricated from: 
P 0 4730-014-2432 INVERTED NUT. TUBE COUPLING: inverted flare, br , ea 2 
7/16-24NS, 1/4 od tu, 0.560 overallig (142432) 
P 0 4720-350-9896 TUBE, STEEL: cold-drawn. dble-wrapped. cOP. br, 3/16 ft I 
od, 0.028 wall thk (80244-44-T-5319-76) 
19 3 P 0 LINE ASSEJliffiLY: fuel tank to elbow (l138A1) (808926) ea 2 
Fabricated from: 
P 0 4730-014-2431 INVERTED NUT. TUBE COUPLING: inverted flare, br, ea 4 
3/8-24 UNF,..2A, 3/16 oct tu, 0.560 overall Ig (142431) 
P 0 4720-350-9896 TUBING. COPPER: seamless. soft anld, size 3/16 od, ft I 
0.035 thk of wall, 30-3/4 19 (S0244-44-T-5080-10) 
19 3 P 0 LINE ASSEMBLY: fuel tank to elbow (MI70) (811403) ea 2 
Fabricated from: 
P 0 4730-014-2431 INVERTED NUT. TUBE COUPLING: inverted flare, br, ell 4 
3/8-24 UNF-2A. 3/16 oct tu, 0.560 overall Ig (142431) 
P 0 4720-350-9896 TUBING. COPPER: seamless. soft anld, size 3/16 oct, ft I 
0.035 thk of wall, 30-3/4 19 (80244-44-T-5080-10) 
19 4 P 0 ELBOW. flared tube. inverted, stght, 90 deg, br, 3/16 in. ea 1 
(fuel tank line and air cleaner line) (325200) 
19 5 P 0 LINE ASSEMBLY: bell housing tee to transfer case elbow line ea 1 
(,23-1/8 in.lg) (807495) 
Fabricated from: 
P 0 4730-014-2431 INVERTED NUT, TUBE COUPLING: inverted flare, br, ell 3 
3/8-24UNF-2A, 3/16 oct tu, 0.560 overallig (142431) 
P 0 4720-350-9896 TUBING. COPPER: seamless, soft anld, size 3/16 od, ft I 
0.035 thk of wall (80244-44-T-5080-10) 
19 6 P 0 LINE ASSEMBLY: fuel pump vacuum section to bell housing ea 1 
tee vent line 27-1/2 in. (807700) 
Fabricated from: 
PO 4730-014-4307 NUT, TUBE COUPLING: flared type, short, br, 45 deg ea 1 
seat, 3/8-24UNF-2B, 5/8 overalllg, 3/16 oct tu 
(144307) 
PO 4720-350-:9896 TUBE, STEEL: cold-drawn, cop-ctd, dble-wrapped, br, it I 
rd, 3/16 oct, 0.028 wall thk (80244-44-T-5310-55) 
24
TM 9-2320-208-20P 
(1) (2) 131 (4) lSI 161 171 
SOURCE. MAINT 15-OAY 
IllUST AND MAINT 
RECOVERABllITY 
COOE FEDERAL DESCRIPTION UNIT QTY 1A0l.0WEQI'fURIP 
STOCK OF INC 
101 Cbl k11 Cbl te) Cdl NO ISSUE IN 101 Cb) 
~ ~ 
FIG ITEM e lal;; UNIT o'" ~ 8~~ 
NO NO ~ M 1:::1 0" '" 
~& 5i~-'~ u ~ ~~(j 
a~ 
03 - FUEL SYSTEM - Continued 
0304 - FUEL VENTILATING SYSTEM - (Fig. 19) - 
Continued 
19 7 C 0 5340-704-7998 CLIP: fuel tank elbow to vent tube dash (1) (use on vehicles ea 4 
through serial no. 23359) tee to union vent tube to dash (1) 
and master cylinder vent tube to dash (1) (use on vehicles 
after serial no. 23359 through 29295) (7047998) 
10 11 C 0 4730-492-5042 NIPPLE: ventilation valve to hose (7047970) --------------- ea 1 
NON-ILLUSTRATED ITEMS 
C 0 2540-040-2514 CONTROL: dual, ventilation, assy (8329636) --------------- ea 1 
P 0 5310-703-2607 NUT: ventilation control, (7032607) .;..;.;::..-------------------- ea 1 
P 0 5975-335-2588 CONDUIT ELECTRICAL: flexible non-metallic lcom, size ft .; 
1/4 in. 100 ft coil (air cleaner to elbow vent tube at dash 
8 in. bell housing tee to transfer case elbow line 6 in. and 
fuel tank to elbow vent tube at tank 25-1/2 in. ) 
(80244-17-C-18036-50) 
KEY ITEM GROUP 
8 LINE 0605 
9 NUT 0304 (Air cleaner) 
10 CLAMP 0106 
11 HOSE 0106 
12 LINE 0106 
13 UNE 0605 
Figure 19. Fuel ventilating system 
ORD E64862 
25
TM 9-2320-208-20P 
15 
.--2 
a 
KEY ITEM GROUP -r 
-.~.. '.S(] FILTER 0309 
" ASSY. 
. fA 3 NUT 0309 
~ . .. 4 WASHER 0309 
-21 5 FILTER 0309 
ELEMENT 
6 BOLT 0309 
8 SCREW 0610 
9 WASHER 0610 
10 SENDING 0610 
UNIT 
Q'" 11 GASKET 0610 •• <I' 
till il 
o~ 
18 
20 
Figure 20. Fuel tank and related parts - e"ploded view 
26
TM 9-2320-208-20P 
III (2) (3) (4) IS) 161 m 
SOURCE, MAINT IS·DAY 
ILLUST AND MAINT 
RECOVERABILITY 
FEDERAL DESCRIPTION UNIT QTY 
ALW PER 
CODE 100 EQUIP 
STOCK OF INC 
~ FIG ITEM 5 UNIT 0.. >- 83iS 
(aJ lbl (al (bl lei (d) 
NO ISSUE IN 101 (bl 
l:l ~ :ltd" .. 
NO NO "' =ii!: a 8 lii .. 
~~ ~ .... ~ ~~o Cco "'~ ; iii 
03 - FUEL SYSTEM - Continued 
0306 - FUEL TANK AND RELATED PART (Fig. 20) 
20 2 P 0 5305-015-9592 SCREW, MACHINE: cross-reoesa-pan-hd, S, cd- or ea 5 
zn-pltd, no, 8 O.164-32NC-2A x 1/2 (159592) 
20 7 C 0 2910-735-1315 GASKET: cover plate neoprene (7351315) ------------------- ea 1 
20 12 C 0 2910-040-2575 STRAP: hold-down (8329782) ------------------------------ ea 1 
20 13 !pO 4730-278-3389 PLUG, PIPE: sq-hd, mt, glvd, 1/4 in. (drain) (81366-45- ea 1 
6075-700-003) 
20- 14 C 0 5330-285-5115 SEAL: drain plug (8330946) ------------------------------- ea 1 
20 15 P 0 27W1-120-0 WEBBING: anti-squeak, cotton, impregnated, w, 2 in. thk ft -I 
1/16 in. (tank strap) (1 ft) (ft) (24-W-l1200) 
20 16 P 0 2910-040-2506 TANK: fuel, assy (M38Al and M38AIC) ea 1 
(8329621) 
20 17 P 0 5325-737-5036 GROMMET, RUBBER: filler pipe (7375036) ----------------- ea 1 
20 18 C 0 4730-202-6063 STRAINER: filler (8329781) ------------------------------- ea 1 
20 19 C 0 2910-141-9758 CAP, FUEL TANK: filler, pressure or vent type, w/ chain, ea 1 
assy (8333722) 
20 20 P 0 5340-505-6233 CLIP, RETAINING: safety, S, cd- or zn-pltd, 3/4 in. ea 2 
overall 19 (fuel tank cap) (7975294) 
20 21 C 0 R 2910-696-0368 TANK: fuel, assy (M170) (8333277) ------------------------ ea 1 
27
TM 9-2320-208-20P 
3 
ORO E64864 
Figure 21. Fuel lines and fittings 
28
TM 9-2320-208-20P 
III (2) (3) (4) (5) (6) (7) 
SOUlCf. IdAINT IS-DAY 
IUIlST AND MAINT 
nCOVERABILITY 
DESCRIPTION UNIT QTY 
ALW PER 
COOE FEDERAL 100 EQUIP 
STOCK OF INC 
(0) Ib) (0) Ib) lel Id) 
NO ISSUE IN (0) (b) 
RG ITEM Id i UNIT o>- Oz .... 
I~ i '" vca~ NO NO ;15 o .... u '" ~;:O 
;I = 
03 - FUEL SYSTEM - Continued 
0306 - FUEL LINES AND FITTINGS (Fig. 21) 
21 1 IF 0 LINE ASSEMBLY: tee to shut-off valve, assy (M38Al. M38AIC. ea 1 
and Ml70) (7966472) 
Fabricated from: 
II> 0 4730-014-2427 INVERTED NUT, TUBE COUPLING: inverted flare, br-, ca 2 
5/16 00 tu, 0.620 overall 19 (142427) 
P 0 4710-202-8396 TUBE, COPPER: 5/16 00, O.035 In, wall thk (2 ft) ft i 
(80244-44-T-5080-20) 
21 2 II' 0 5340-321-6439 CLIP: first splash apron (1). right splash apron (1), front ea 6 
cross member (2), front floor brace (I) and front floor 
riser (1) (8329783) 
21 3 II' 0 4730-278-5277 TEE: flared tube. inverted, br, 5/16 in. tu, 1/8 in. ca 1 
(fllmale pipe side) (128275) 
21 4 If' 0 4730-014-2427 INVERTED NUT, TUBE COUPLING: inverted flare. br, ea 2 
5/16 od tu, O.620 overall 19 (elbow to tee line) 
(M38A1 and M~8A1C) (142427) 
21 5 If' 0 2910-535-7614 LINE ASSEMBLY: fuel tank to elbow (l138A1. M38A1C) ea 2 
(7966471) 
Fabricated from: 
IF 0 4730-014-2427 INVERTED NUT, TUBE COUPLING: inverted flare. br, ea 2 
5/16 od tu, O.620 overallig (use on vehicles after serial 
no, 22336) (142427) 
IP 0 4710-350-9897 TUBE. STEEL: cold-drawn. dble wrapped, cop, brazed, ft i 
5/16 od, ,028 wall thk (usc on vehicles after serial no, 
22336) (80244-44-T-5319-65) 
21 5 II' 0 LINE ASSEMBLY: fuel tank to elbow assy (M170) (79664821 ea 1 
Fabricated from: 
IP 0 4730-014-2427 INVERTED NUT. TUBE COUPLING: inverted flare, br, ea 2 
5/16 00 tu, 0,620 overall Ig (use on vehicles after serial 
no, 22336) (142427) 
II' 0 4710-350-9897 TUBE, STEEL: cold-drawn, dble wrapped, cop, brazed, ft I 
5/16 od, ,028 wall thk (use on vehicles after serial no, 
22336) (80244-44-T-5319-65) 
21 6 Jp 0 4730-288-7039 VALVE, PLUG: fuel line shut-off (7346871) ___________ ea 1 
21 7 ~ 0 2910-696-0364 LINE: flex (fuel line to fuel pump) (8331934) "- - - - - - - - - - - - - - - - - 
0 6Z19-322-51 CLIP: closed, S, cd- or zn-pltd, 5/16 00 tu hole for ea 1 
5/16 in. bolt (fuel line at water pump) (6Z1932-251) 
IP 0 4730-014-2427 INVERTED NUT, TUBE COUPLING: inverted flare, ea 2 
5/16 00 tu, 0.620 overall 19 (142427) 
NON-ILLUSTRATED ITEMS 
P 0 5975-132-9471 TUBE, FLEXIBLE, NON-METALLIC, ELECTRICAL: loom, ft I 
p size 5/16 in. (fueling 3 ft) (ft) (80244-17-C-18035-60) 
0 4730-278-3135 FITTING: flared tube, inverted, stght, 90 deg, br, 5/16 ea 1 
in w/o nuts 
0309 - FUEL FILTER AND RELATED PARTS (Fig, 20) 
20 1 0 2910-314-0770 FIL TER: fuel, assy in tank (65909-806626)------_______ ea 1 
20 3 P 0 5310-012-0361 NUT, PLAIN, HEXAGON: S, cd- or zn-plld, no, 10 ea 1 
0, 190-24NC-2B, 3/8 w, 1/8 thk (120361) 
20 4 P 0 5310-596-7686 WASHER, LOCK: split, med, S. cd- or "zn-pltd, no. 10 ea 1 
O.190 screw screw size (96906-35338-43) 
20 5 P 0 2910-735-1316 FILTER ELEMENT, FLUID, PRESSURE: fuel filter in ca 1 
tank (55168-R32-63) 
20 6 P 0 5306-696-5307 BOLT, MACHINE: rd-hd, S, cd- or zn-pltd, no. 10 ea 1 
0.190-24NC-2A x 4 (455268) 
P 0 5340-282-7532 CLAMP: closed 5/16 00 tube 3 /8 bolt (Non-illustrated) ea 1 
29
30 
TM 9-2320-208-20P 
ORO E64865 
Figure 22• Throttle and choke control
TM 9-2320-208-20P 
III (2) (3) (4) IS) (6) (7) 
SOURCE. MAINT 15·DAY 
IllUST AND MAINT 
R[COVERABIUTY 
FEDERAL DESCRIPTION UNIT OTY 
AlW PER 
CODE 100 EQUIP 
STOCK OF IHC 
(0) (b) (0) (b) (el (d) 
NO ISSUE IN (0) (bl 
FIG ITEM ~ ~ UNIT 0 >; OZ'" ~ ~ uco~ 
NO NO ffie ~ 0 ~ 
~~ ~ ~ ... e u ....'" 
.~.c ~~o ~ ~ ::;: 
03 - FUEL SYSTEM - Continued 
0312 - THROTTLE AND CHOKE CONTROL (Fig. 22) 
22 1 C 0 2910-200-5417 SPRING, HELICAL, COMPRESSION: accelerator bellcrank ea 1 
upper bracket (8329770) 
22 2 C 0 2540-737-1194" STOP: hand throttle control wire, w/screw, assy ea 1 
(7371194) 
22 3 C 0 2540-040-2563 ROD: throttle (accelerator bellcrank to carburetor) ea 1 
(8329763) 
22 4 P 0 5310-050-2243 WASHER, FLAT: plain, S, cd- or zn-pltd, 7/32 id, 3/8 od, ea 2 
O.035 thk (accelerator) (502243) 
22 5 C 0 2540-040-2569 BELLCRANK: accelerator, w/shaft, upper (8329769) -------- ea 1 
22 6 C 0 2910-322-7206 CONTROL: choke, assy(8329760) ------------------------- ea 1 
22 7 C 0 2540-318-1052 CONTROL: throttle, assy (8329761)----------------------- ea 1 
22 8 P 0 5310-696-5177 NUT, ASSEMBLED WASHER: hex, ext-teeth lockwasher, ea 1 
S, cd- Or zn-pltd, 3/8-24NF-2B, 9/16 w, 27/64 thk 
(271193) 
22 9 P 0 5310-696-5177 NUT, ASSEMBLED WASHER: hex, ext-teeth iockwasher, ea 1 
S, cd- Or zn-pltd, S/8-24NF-2B, 9/16 w, 27/64 thk 
(271193) 
22 10 C 0 2540-287-8231 PEDAL: accelerator (w/hinge and link, assy) (8329762) ------ ea 1 
22 11 C 0 2540-737-5392 REST: foot (accelerator) (73753921----7 ------------------- ea 1 
22 12 C 0 2540-040-2567 BRACKET: bellcrank (w/lever and spring, assy) ea 1 
(8329767) 
22 13 P 0 5315-059-0928 PIN, STRAIGHT, HEADED: did-fie-pin, cham, cold-fin-S, ea 1 
cd- or zn-pltd, 1/4 dia shank, 1-7/8 19h under hd to 
ell of hole (590928) 
22 14 C 0 5340-737-5114 HINGE: accelerator pedal (7375114) ----------------------- ea 1 
22 15 C 0 5340-737-1454 SPRING: accelerator pedal hinge (7371454) ----------------- ea 1 
22 16 C 0 2540-040-2564 SPRING, HELICAL, EXTENSION: return (accelerator pedal) ea 1 
(65909-806950) 
22 17 C 0 2540-040-2562 BLOCK: adjusting (throttle rod) (8329759) ------------------ ea 1 
NON-ILLUSTRATED ITEM 
P 0 5325-737-5129 GROMMET, RUBBER: split (choke control cable and throttle ea 2 
control cable dash) (7375129) 
31
TM 9-2320-208-20P 
11l 121 
SOURCE, MAlNT 
ILLUST AND 
RECOVERABILITY 
COOE 
(a) (b) (a) lb) lel (dl 
~ ~ 
FIG ITEM ~d § 
NO NO §~ 2: ~!; ~ 
;8 ~ ~ 
(31 
FEDERAL 
STOCK 
NO 
(4) 
DESCRIPTION 
04 - EXHAUST SYSTEM 
0401 - EXHAUST PIPES, MUFFLER AND RELATED PARTS 
(Fig. 23) 
(5) 
UNIT 
OF 
ISSUE 
(6) 
QTY 
INC 
IN 
UNIT 
(7) 
IS-DAY 
MAINT 
ALW PER 
100 EQUIP 
(o) (bl 
23 1 P 0 5305-576-6987 SCREW, CAP, HEXAGON HEAD: med-carb-S, cd- or 
zn-pltd, 3/8-24UNF-2A x 1-1/2 (120677) 
ea 1 
23 2 
23 3 
23 4 
C 0 
P 0 
C 0 
5330-360-7970 GASKET: exhaust pipe flange manifold end (7371390) --------- ea 
5310-050-3113 NUT, PLAIN, HEXAGON: S, seize-proof-ctd-thd (503113) --- ea 
2990-737-5077 PIPE: exhaust (7375077) ---------------------------------- ea 
1 
2 
1 
P 0 5307-010-3196 STUD, PLAIN: low-carb-S, plain fin.(103196) ----------- 
23 5 
23 6 
23 7 
23 8 
23 8 
P 0 
C 0 
P 0 
P 0 
P 0 
5310-050-3112 NUT, PLAIN, HEXAGON: S, seize-proof-ctd-thd, 5/16- 
24UNF-2B, 1/2 w, 21/64 thk (503112) 
2990-492-5480 GASKET: exhaust pipe to extension and extension to muffler 
flange (7048736) 
5306-012-1661 SCREW, CAP, HEXAGON HEAD: low-carb-S, cd- or 
zn-pltd, 5/16-24UNF-2A x 1 (121661) 
2990-040-2553 PIPE: exhaust extension, w/bracket, assy (M38Al and 
M38AIC) (8329739) 
2990-696-0369 PIPE: exhaust, extension, w/bracket, assy (M170) 
(8333278) 
ea 
ea 
ea 
ea 
ea 
4 
2 
4 
1 
1 
23 
32 
9 P 0 5340-737-1047 BRACKET: support, exhaust pipe extension (7371047) ------- ea 1
TM 9-2320-208-20P 
III (2) (3) (4) 151 161 (7J 
SOURCE. MAINT IS-DAY 
ILLUST AND MAl NT 
R£COVERABllITY 
FEDERAL DESCRIPTION UNIT OTY 
AlW PER 
CODE 
STOCK OF INC 
100 EQUIP 
(e) (b) leI (b) Ie! (dl 
NO ISSUE IN (el fbI 
AG ITEM 
:::: § UNIT ~ ~~ ~ ~E ~ o :< 8Zi 
NO NO z~ ~ ~~ § 8 :;; .... 
~~ ~ ~ ,. - 
04 - EXHAUST SYSTEM: - Continued 
0401 - EXHAUST PIPES, MUFFLER AND RELATED PARTS 
( Fi g. 23) - Continued 
23 10 C 0 252 0-040- 1885 SPAC ER: suppor t bracket to frame (65909-666619)-- - --- --- --- en 1 
23 11 C 0 2990-737-5076 MUF FLER: exhaust, w/bracket, assy (7375076) - - - - ---- - - ---- ea 1 
P 0 5310-050-3112 NUT, PLAIN, HEXAGON: S, seize-proof-ctd- thd, 3 
5/16- 24UNF-2B, 1/ 2 w, 21/64 thk (503112) 
P 0 5306- 012-1661 SCREW, CAP, HEXAGON HEAD: Iow-carb-S, cd- or en 1 
zn-pltd, 5/16-24UNF-2A x 1 (121661) 
23 12 C 0 2990-737-5075 BRACKET: muffler support clamp (7375075) ---------------- - en 1 
23 13 P 0 2990-696-0370 EXTENSION: tail pip e (M170) (8333279)---------------------- en 1 
NOTE: ITEM 13 USEDON 
MI70 VEHICLES ONLY. 
Figure 23. Exhaust pipes, muffl ers and related parts 
-f, 
ORO E64867 
33
TM 9-2320-208-20P 
11l (2) (31 (4) (5) (6) (7) 
SOURCE, MAINT IS-DAY 
ILLUST AND MAINT 
RECOVERABILITY 
FEDERAL DESCRIPTION UNIT QTY 
ALW PER 
CODE 100 EQUIP 
STOCK OF INC 
(01 (b) (a) (bl (e! (d) 
NO ISSUE IN (a) (b) 
FIG ITEM ... ~ I UNIT c; ~ 
Oz'" 
..~ ;oj ~ ~~ 
~ !ii-' u ~~o ~C> ~ ::: 
uca~ 
NO NO §~ 0 :;; 
05 - COOLING SYSTEM 
0501 - RADIATOR AND RELATED PARTS (Fig. 24») 
24 1 C 0 2930-629-0949 GASKET: filler cap fiber (5262210) ------------------------- ea 1 
24 2 C 0 2930-737-5030 CAP: filler pressure type (7375030) ----------------------- ea 1 
24 6 P 0 4820-276-9040 COCK: radiator drain (103647) ---------------------------- ea 1 
NON-ILLUSTRATED ITEMS 
P 0 6850-243-1992 ANTI-FREEZE: ethylene glycol, inhibited (cooling capacity cn f 
11-1/2 qts) (50 per cent ratio volume required for 40 
deg B. F. ) (initial requirements 5-3/4 qts per vehicle) 
P 0 6850-224-8730 ANTI-FREEZE: ethylene glycol, inhibited (50-gal. can) f 
(cooling capacity 11-1/2 qts. ) (50 per cent ratio by volume 
required for 40 deg B. F. ) (initial requirements 5-3/4 
qts, per vehicle) (80244-51C01555000) 
P 0 6850-243-1990 ANTI-FREEZE: ethylene glycol, inhibited (55-gal. drum) dr f 
(cooling capacity 11-1/2 qts) (50 per cent ratio by volume 
required for 40 deg B. F. ) (initial requirements 5-3/4 
qts per vehicle) (80244-51C01554035) 
P 0 6850-174-1806 ANTI-FREEZE: arctic type (55-gal drum) (cooling capacity dr I 
11-1/2 qts) (initial requirements 11-1/2 qts, per 
vehicle) (80244-51C01553755) 
6850-690-5561 CLEANING COMPOUND, ENGINE COOLING SYSTEM: 
P 0 6850-664-7123 INHIBITOR: rust (5-oz can) (cooling capacity 11-1/2 qts) en I 
(80244-51C01588775) 
P 0 5310-012-0370 NUT, PLAIN, HEXAGON: S, cd- or zn-pltd, 7/16-20UNF- ea 2 
2B, 5/8 W, 3/8 thk (120370) 
P 0 5310-044-6485 WASHER, FLAT: S, cd- or zn-chromate-fin., 1/2 id, ea 2 
1-5/8od, 0.083 thk (446485) 
34 
KEY 
3 
4 
5 
Figure 24. Radiator and related parts - exploded view 
ITEM 
CLAMP 
HOSE 
HOSE 
GROUP 
0503 
0503 
0503 
OROE64868
TM 9-2320-208-20P 
(l) (2) (3) (4) (5) (6) (7) 
SOURCE. MAINT IS-DAY 
IllUST AND MAINT 
RECOVERABllITY 
FEDERAL DESCRIPTION UNIT QTY 
AlW PER 
CODE 100 EQUIP 
STOCK Of INC 
(a) (bl (a) lbl (el (d) 
NO ISSUE IN (a) (b) 
; ~ UNIT C; 1< oz'" fiG ITEM ~ ~ U~~ 
NO NO !~ ~ 0 :a 
~~ ~ !;;;~ > u ~~(j 
"'0 ~ ~ ""~ 
05 - COOLING SYSTEM 
0503 - RADIATOR HOSES AND RELATED PARTS (Fig. 24) 
24 3 P 0 4730-278-2066 CLAMP, HOSE: S, cd- or zn-pltd, 1-1/2 in. (radiator inlet ea 4 
and outlet hose) (502917) 
24 4 C 0 4720-278-5058 HOSE, PREFORMED: radiator inlet moulded (8328457)----_-- ea 1 
24 5 C 0 2930-278-5042 HOSE, PREFORMED: radiator outlet, w/reinforcement, ea 1 
assy (moulded) (8328458) 
25 2 C 0 4720-769-7588 HOSE: ru 17/32 id, 4-1/4 in. (water by-pass, pump to ea 1 
cylinder head) (7697588) 
25 3 P 0 4730-278-2493 CLAMP, HOSE: S, cd- or zn-pltd, 1 in. (water pump by-pass ea 2 
hose) (502913) 
8 2 C 0 2930-699-9021 GASKET: thermostat housing (**gasket set, 2805-025-6979 ea 1 
and gasket set, 2805-040-2458) (8328456) 
8 3 P 0 6620-530-7509 THERMOSTAT: water temperature (5307509)---------------- ea 1 
35
TM 9-2320-208-20P 
(l) (2) (31 (4) (51 (61 (71 
SOURCE. MAINT IS-DAY 
ILLUST AND MAINT 
RECOVERABILITY 
DESCRIPTION UNIT QTY 
ALW PER 
CODE FEDERAL 100 EQUIP 
STOCK OF INC 
(01 (b) (a) (b) (el Cd) 
NO ISSUE IN (a) (b) 
::: ~ :::; FIG ITEM a UNIT o '" OZ'" ~.... ~ u~g 
tj NO NO ~~ ~ ~~ 8 .:; 
:..<80 a it 13 ~~o l:: 
05 - COOLING SYSTEM - Continued 
0504 - WATER PUMP ASSEMBLY (Fig. 25) 
25 1 C 0 R 2930-737-2806 PUMP: water, w/pulley, assy (7372806) ------------------- ea 1 
P 0 5306-286-1504 BOLT, ASSEMBLED WASHER: hex-hd, split lock ea 3 
washer header-pt, S, cd- or zri-pltd, 5/16-18UNC- 
2A x 7/8 (9409098) 
PO 5306-286-1472 BOLT, ASSEMBLED WASHER: hex-hd, split lock ea 1 
washer, S, cd- or zn-pltd, 5/16-18NC-2 x 2-1/2 
(455145) - 
25 4 C 0 2930-354-3772 GASKET: mounting (t'("~. gasket set, 2805-025-6979 and kit, ea 1 
2930-769-7590) (7411250) 
ORO £64869 
Figure 25. Water pumP assembly 
36
TM 9-2320-208-20P 
11l (2) (3) (4) IS) (6) (7) 
SOURCE. MAINT 15-DAY 
ILLUST AND MAINT 
RECOVERABILITY 
FEDERAL DESCRIPTION UNIT QTY 
ALW PER 
CODE 100 EQUIP STOCK Of INC (0) (b) (0) (b) (e! (d) 
NO ISSUE IN (0) (b) 
FIG ITEM ~ ~ UNIT 0 >- oz .... ~ ;:!wl :I e: um~ 
NO NO '" ~ ~~ ~ 0 .. ~~ ~ u ~~O <0 .. ii ~ ~ 
05 - COOLING SYSTEM - Continued 
0505 - FAN ASSEMBLY (Fig. 27) 
I 
27 4 P 0 2930-737-5021 BLADE: fan (7375021) ----------------------------------- ea 1 
27 5 P 0 5306-283-0408 BOLT, ASSEMBLED WASHER: hex-hd, split lockwasher, S, ea 4 
cd- or zn-pltd, 1/4-20UNC-2A x 5/8 (9409107) 
27 14 P 0 2930-141-8342 PULLEY, GROOVE: fall and water pump use w/alternator ea 1 
(2920-321-6364) (8699725) 
27 15 P 0 3030-505-5893 BELT, V: multiple, 2 matched belts, rubberized fabric, ea 1 
w/fabric cords, extreme low temp, 45-5/8 outside eire, 
7/16 in. top w, 38 deg angle (fan generator and water 
pump drive matched pair) (590897) 
27 15 P 0 3030-517-0827 BELT SET: 3 belts, alternator drive (8699837) ------------ ea 1 
25 5 C 0 2930-737-2816 PULLEY: fan and water pump twin groove (7372816) ------- ea 1 
37
TM 9-2320-208-20P 
'Ill (21 (3) (4) (51 (6) m 
SOURCE. MAINT IS-DAY 
ILLUST AND MAINT 
RECOVERABILITY 
DESCRIPTION UNIT QTY 
ALW PER 
CODE FEDERAL 100 EQUIP 
STOCK OF INC 
(a) (bl (a) (bl (e! Cd) 
NO ISSUE IN (a) (bl 
::: 5 UNIT '" oZ'" FIG ITEM ::;:: ~ is ;;; o ~ um~ NO NO $~ Sl Iii- i ou l;; ~~~~'o" .. 8 ;j !iii 
06 - ELECTRICAL SYSTEM 
0601- GENERATOR ASSEMBLY (Fig. 26) 
26 1 P 0 5315-255-0614 PIN, COTTER: S, cd- or zn-pltd, 3/32 x 1 (121224) ---------- ea 1 
26 2 P 0 5310-655-9497 NUT, SLOTTED, HEXAGON: S, cd- or zn-pltd, 1/2-20UNF- ea 1 
2B, 3/4 9/16 thk (125043) 
26 3 P 0 5310-584-5272 WASHER, LOCK: split, mad, S, cd- or zn-pltd, 112 screw ea 1 
size (96906-35338-29) 
26 4 P 0 2920-737-5071 PULLEY: drive (Auto-lite and Delco-Remy) (7375071)--------- ea 1 
26 5 P 0 R 2920-737-4750 GENERATOR, ENGINE ACCESSORY: w/o pulley, assy ea 1 
(Auto-lite) (optional w/generator, 2920-735-5736) 
(7374750) 
26 5 P OR 2920-735-5736 GENERATOR, ENGINE ACCESSORY: w/o pulley, assy ea 1 
(Delco-Remy) (optional w/generator, 6115-737-4750) 
(7355736) 
NON-ILLUSTRATED ITEMS 
P 0 5306-737-5174 BOLT, SHOULDER: mounting hex-tid, S, 7/16-20NF-3 x ea 2 
2-1/4 (Auto-lite and Delco-Remy) (7375174) 
P 0 2920-737-5388 BRACE: tension, belt (Auto-lite and Delco-Remy) (7375388) --- ea 1 
C 0 5306-360-8319 BOLT, SHOULDER: pivot, belt tension adjusting brace ea 1 
(Auto-lite and Delco-Remy) (7371188) 
C 0 5325-737-5175 INSULATOR: mounting support rubber (Auto-lite) (7375175)---- ea 2 
P 0 5310-050-3357 NUT, SELF-LOCKING, HEXAGON: S, cd- or zn-pltd, ea 2 
7/16-20UNF-3B, 5/8 w, 29/64 thk (critical installation 
mounting) (Auto-lite and Delco-Remy) (503357) 
P 0 5310-197-3316 WASHER, FLAT: it, S, cd- or zn-chromate-fin. 17/32 id, ea 1 
1-1I16od, 0.095 thk, for 1/2 SCrew size (Delco-Remy) 
(96909-15795-218) 
ORO E64870. 
2 3 4 
Figure 26. Generator assembly and related parts 
38
TM 9-2320-20S-20P 
11l (21 (3) (.j) IS) (6) (7) 
SOURCE. MAINT IS·DAY 
IUUST AND MAINT 
RECOVERABILITY 
FEDERAL DESCRIPTION 
ALW PER 
CODE 
UNIT QTY 100 EQUIP 
STOCK OF IHC 
(a) Cb) (01 (bl (el (dl 
NO ISSUE IN (01 Cb) 
l: 
FIG ITEM ::: ~ UNIT ~ oz 
~ == o 1;< u .. 
NO NO §~ = 8 .... 51 ~!:: ~ !K~ ! Ww 
40 "'~ ii "'''' 
06 - ELECTRICAL SYSTEM 
060 1 - GENERATOR (ALTERNATOR), REGULA TOR, 
AND CABLES (Fi g. 27) 
27 1 P 0 25 90-31 8-8210 CABLE: regulator to bat tery, assy (8699724) ------------- ea 1 
27 2 P 0 2590-318-8200 CABLE: rectifier to regulator , assy (8699711)------------- ea 1 
27 6 P 0 R 6130-314-0545 RECTIFIER , METALL IC: alternator , w/r e ce pta c le s, ea 1 
a s sy (7954343) 
P 0 5310-050-3275 NUT, SELF-LOCKING, HEXAGON: S, cd- or zn-pltd, ea 2 
3/ s - 16UNC- 3B, n /1 6 w, 35/ 64 thk (503275) 
27 7 P 0 2920- 562-0411 P ULL EY, GROOV E: dr ive , a s s y (869971 5) ---------------- ea 1 
27 8 P 0 R 2920- 818- 8635 GENERA TOR , ENGINE ACCESSORY: alterna tor ------------ ea 1 
(7954 720) 
27 9 P 0 5310-297-3250 NUT , PLAIN, HEXAGON: S, cd - or zri-pltd, 7/16-20UNF- ea 2 
213, 11/16 w, 3/8 thk (271506) 
27 10 P 0 5310-012- 1621 WASHER, LOCK: spIll , It, S, cd- or zn-pltd, 7/ 16 screw ea 2 
size (121621) 
2 7 n P 0 5305-285-5156 SCREW, CAP, HEXAGON HEAD: med-carb-S . cd- or ea 1 
z n- plt d, 7/16-20UNF-2A x 3- 1/2 (1 8 1680) 
27 12 P 0 5305 -01 8-1670 SCREW, CAP, HEXAGON HEAD: rned- c ar b-S, cd - or ea 1 
zn-pltd, 7/16-20UNF-2A x 1- 1/2 (181670) 
27 13 P 0 2590 -3 18-8209 CAB LE: a lternator to r ec t ifi e r , assy (8699723)- - - - ----- - -- ea 1 
KEY ITEM GROUP 
3 LEAD 0602 
4 FAN 0505 
5 BOLT 0505 
14 PULLEY 0505 
15 BELT 0505 
ORD E64871 
I' .. , 
l.~, 
1~2 
13-t ~4 
7 
15 
8 
12 
L ~11 
9/~ 
10 ~/ 
10 10 
Figure 27, Generator (a lte rnator ) r egulator and cables - exploded view 
39
TM 9-2320-208-20P 
11l (2) (3) (4) (5) (6) (7) 
SOURCE. MAINT IS-DAY 
IlLUST AND MAINT 
RECOVERABllITY 
OEseR/prION UNIT QTY 
A1.W PER 
CODE 
FEDERAL 100 EQUIP 
STOCK OF INC 
(a) tb) (01 (b) (el (dl 
NO ISSUE IN (0 1 (bl 
~ e '" UNIT o ~ Oz'" 
FIG ITEM ~ ~~ a u ca ~ 
NO NO ~~ ~ lE-' [3 8 ~ 
~~o 
~ 
== 
06 - ELECTRICAL SYSTEM - Continued 
0602 - GENERA TOR REGULATOR (Fig. 28) 
28 1 P 0 2920-953-9784 REGULATOR, ENGINE GENERATOR : 24 volt, amp (us e ea 1 
w/gen erator 2920-737-4750) (19728-VBC-4003UT) 
28 1 P 0 R 2920-800-7993 REGULATOR, ENGINE GENERATOR: alter nator, assy ea 1 
(10947439) 
28 1 P 0 R 2920-33 5-4677 REGULATOR, ENGINE GENERATOR: assy optional ea 1 
w/regulator (8689216) Del co-Rem y (8360020) 
28 2 P 0 5310-018- 7979 BOLT, INTEGRAL LOCKWASHER : hex-hd, S, cd- or ea 4 
zn- pltd, 1/ 4-20NC-2 X 3/4 (187979) 
27 3 2920-504-0676 LEAD, EL ECTRICAL: regulator to ground (al ternator) 
(35510-36924) 
Fabricate fr om: 
P 0 5940-050-6210 TERlIINAL, LUG: cable, so lderless, type A, insulation ea 1 
ear, tnd cop , no. 16-14 awg cabl e, hol e for 5/16 
s tud (506210) 
P 0 5940-020-0036 TERMINAL, LUG: wire, so lder, eyelet, dble-grip, br , ea 1 
tnd, no. 16- 14 awg wire, hol e for 1/4 screw type B 
3/16 wire opng (3Z12073-117) 
P 0 6145-705-6679 WIRE, EL ECTRICAL: l ow tension, hv-du ty, syn-ru ft If 
jacket, braided, in s plastic, na tural or syn-ru, 
sgle- cond tnd -cop, stranded, awg no. 14 0.235 
od 5-1/4 in. (ft ) (80244-15-C- 21 65-175) 
P 0 5940-050-6210 TERMINAL, LUG: wire, so lder less, rd-end tongue, ins ea 1 
grip tnd cop , no. 16 - 14 awg wi r e , hol e for 5/16 
screw (alterna tor) (50621 0) 
P 0 5940-020-0036 TERMINAL, LUG: wire, eyele t, dble-grip, br, tnd, ea 1 
no. 16 - 14 awg wire, hole for 1/4 screw typ e B 
3/16 wire opng (ground cable) (alternator) 
(3Z12073-117) 
P 0 6145-705-6679 WIRE, ELECTRICAL: low tension, hv-duty, syn-ru ft If 
ja ck et, brai ded, in s plastic, natural or syn-ru, 
s gle-cond tnd cop, s tranded, no. 14 awg 0.235 od, 
5- 1/4 in. (regulator to ground) (al ternator) 
5-1/4 in. (ft) (80244-15-C-2165-175) 
40
TM 9-2320-208-20P 
(lJ (2) (3) 141 IS) (6) (7) 
SOURCE. MAINT IS-DAY 
IlLUST AND MAINT 
RECOVUABILITY 
FEDERAL DESCRIPTION UNIT QTY 
AlW PER 
CODE 100 EQUIP 
STOCK OF INC 
101 !hI (01 lbl (Cl ldl NO ISSUE IN (0) lb) 
.. !- !: FIG ITEM d! UNIT 5 o '" oz'" ~ U~~ 
rd NO NO ~ i 5 o ... 
§ 
~~ 
u .. 
~~O 
iii l:l 
06 - ELECTRICAL SYSTEM - Continued 
0602 - GENERATOR REGULATOR (Fig. 28) - Continued 
NON-ILLUSTRATED ITEMS 
P 0 5306-019-2417 BOLT, ASSEMBLED WASHER: hex-hd, ext-teeth lockwasher, ea 4 
S, cd- or zn-pltd, 5/16-24UNF-2A x 3/4 (192417) 
P 0 5306-044-2696 BOLT, ASSEMBLED WASHER: hex-hd, split lockwasher S, ea 4 
cd- or zn-pltd, 1/4-28UNF-2A x 3/4 (442696) 
P F 6Z19-322-83 CLAMP: mounting, current and voltage regulator resistor ea 2 
(used w/regulator 2920-335-4677) (Delco-Remy) 
(6Z 1932-283) 
P 0 5310-012-0368 NUT, PLAIN, HEXAGON: S, cd- or zn-pltd, 5/16-24UNF- ea 4 
2B, 1/2 w, 17/64 thk (120368) 
~ 
~ 
Figure 28. Generator regulator assembly 
ORO E64872 
41
TM 9-2320-208-20P 
(J) (21 (31 (.4) (5) (6) 17l 
SOURCE. MAINT 15-DAY 
ILLUST AND MAINT 
RECOVERABILITY 
FEDERAL DESCRIPTION UNIT QTY 
ALW PER 
CODE 100 EQUIP 
STOCK OF INC 
(01 (bl (01 (bl tc) (dl 
NO ISSUE IN (a) (b) 
~ IE 
5 UNIT '" Oz~ 
FIG ITEM o 1;; U~~ 
0:: NO NO ~~ 51 ~ I 8 ~ 
Co ; ~~o "'~ 
06 - ELECTRICAL SYSTEM - Continued 
0603 - STARTER MOTOR AND STARTER SWITCH (Fig, 29) 
29 1 P 0 R 2920-025-9988 STARTER, ENGINE, ELECTRICAL: assy (Auto-lite) ea 1 
(8328132) 
P 0 5310-275-2049 NUT, SELF-LOCKING, HEXAGON: S, cd- or zn-pltd, ea 1 
1/2-20UNV-3B, 3/4 w, 19/32 thk (critical installation) 
(96906-20345-820C) 
P 0 5305-012-4378 SCREW, CAP, HEXAGON HEAD: low-carb-S, cd- or ea 1 
zn-pltd, 1/2-20UNF-2A x 3-1/2 (124378) 
P 0 4730-011-8831 PLUG, PIPE: sltd, hdls, br, 1/8 in. (switch housing) ea 1 
(Auto-lite) (118831) 
29 2 P 0 2920-322-9613 SWITCH ASSEMBLY, STARTER, ENGINE: Auto-lite (8328134) ea 1 
29 3 P 0 5310-044-6548 WASHER, FLAT: S, cd- or zn-pltd, 3/8 in. id, 3/4 in. ea 1 
od, 0,065 in. thk (SWitch terminal post) (Auto-lite) 
(446548) 
29 4 C 0 5330-631-3485 GASKET: switch cover (Auto-lite) (8328062) ----------------- ea 1 
29 5 P 0 2920-567-3231 GASKET: mounting (Auto-lite) (8328141) -------------------- ea 1 
~--2 
4 
ORD E64873 
Figure 29. Starter motor and starter switch 
42
TM 9-2320-208-20P 
11l (2) (3) (4) (5) (6) (7) 
SOURCE. MAINT IS-DAY 
ILLUST AND MAINT 
RECOVERABILITY 
FEDERAL DESCRIPTION UNIT QTY 
ALW PER 
CODE 100 EQUIP 
STOCK OF INC 
(a) lb) (a) (b) lel ld) 
NO ISSUE IN (a) lb) = ~ :::l FIG ITEM UNIT '" 8~ :::: ~ lila! ;; o ~ 
NO NO ~~ 
..~ ~ ~ ;-- i!~ e ; o .. 
u .. ...... 
<", : ::: 
"'''' ww 06 - ELECTRICAL SYSTEM - Continued 
0605 - SPARK PLUG AND SPARK PLUG CABLE ASSEMBL'i 
(Fig. 30) 
30 1 P 0 2920-620-3962 CABLE ASSEMBLY, POWER ELECTRICAL: spark plug ea 4 
(8741869) 
30 2 P 0 2920-835-7724 SPARK PLUG: shielded, 14 mm, res suppressor 13/16 in. ea 4 
hex, 3/8 in. reach (8357724) 
30 2 P 0 2920-726-9545 SPARK PLUG: shielded, 14 mm res suppressor 13/16 in. ea 4 
hex. 3/8 in. reach for excessive idling slow speed, 
light load operation (96906-35909-3) 
30 3 P 0 5330-359-4859 GASKET: annular, cop, oval sec, 14 mm nom dia id spark ea 4 
plug (150189) 
---'----------,..ll 
,..Qj'. t iS l H tit, it, ,-------------------------- 
ORO E64874 
Figure 30. Spark Plug and spark Plug cable assembly 
43
TM 9-2320-208-20P 
(1) (2) (31 (4) lS) (61 m 
SOURCE. MAINT IS-DAY 
ILLUST AND MAINT 
RECOVERABILITY 
DESCRIPTION UNIT QTY 
ALW-J'ER 
CODE FEDERAL 100 EQUIP 
STOCK OF INC 
(01 (b) (a) (b) lel (c!l 
NO ISSUE IN (01 (bl 
~ 
FIG ITEM l:l :::i UNIT c:: ~ 8~§ 
!iii ~lll NO NO S 0 ~ '" '" Sl ~!!i ~ ~~ u ~Sio 
.~.C> ; ~ 
06 - ELECTRICAL SYSTEM - Continued 
0605 - DISTRIBUTOR ASSEMBLY (Fig. 31) 
31 1 P 0 R 2920-294-3742 DISTRIBUTOR: w/coil, assy (Auto-lite) (7358569)------------ ea 1 
31 2 P 0 5330-050-1223 PACKING, PREFORMED: O-ring, class B, material high ea 1 
flexibility, 3/32 thk, 9/16 w, cover plug (501223) 
31 3 P 0 2920-353-7216 COVER: cap, assy (Auto-lite) (7378569)--------------------- ea 1 
31 4 P 0 5330-054-6880 PACKING, PREFORMED: O-ring, class B, material high ea 1 
flexibility, 1/8 thk, 4-1/4 id (cap cover) (546880) 
31 5 P 0 2920-353-7206 CAP, IGNITION DISTRIBUTOR: assy (Auto-lite)------------- ea 1 
(7375377) 
31 6 P 0 2920-640-7230 ROTOR, IGNITION DISTRIBUTOR: assy (Auto-lite) ---------- ea 1 
(7348578) 
31 7 P 0 2920-606-9377 PARTS KIT, DISTRIBUTOR: IGNITION: (5702525) ea t- 
Composed of: 
1 CAPACITOR (19728-IAT30760S) 
1 CLIP (19723-IG676) 
1 CONTACT SET (19728-IGP3028FS) 
31 8 P 0 2920-143-5304 CLIP: breaker lever spring (Auto-lite) (1n~:rparts kits, ea 1 
2920-606-9377 and 2920-606-9378) (19728-IG676) 
31 9 P 0 R 2920-324-0371 COIL, IGNITION: Auto-lite (8328027) ----------------------- ea 1 
31 10 P 0 4730-011-8831 PLUG, PIPE: sltd, hdls, br, 1/8 in. (base wick retainer) ea 1 
(118831) 
31 11 P 0 2920-737-5110 GASKET: mounting arm (Auto-lite) (7375110) ---------------- ea 1 
31 12 P 0 5910-328-8838 CAPACITOR: primary filter (8329784) ---------------------- ea 1 
31 13 P 0 5305-042-0447 SCREW, ASSEMBLED WASHER: rd-hd, int-teeth lock- ea 1 
washer, S, cd- or zn-pltd, no. 60, 138-32NC-2A x 3/16 
(contact points capacitor) (420447) 
31 14 P 0 5305-297-3273 SCREW, ASSEMBLED WASHER: S, cd- or zn-pltd, no. 10 ea 6 
O.190-32NF x 11/16 (cover) (594224) 
19 8 P 0 2920-698-3722 LINE: distributor to vacuum line tee, assy (8673357) ea 1 
Fabricated from: 
P 0 4730-014-2431 INVERTED NUT, TUBE COUPLING: inverted flare, br, ea 2 
3/8-23UNF-2A, 3/16 ad tu, 0.560 overallig (142431) 
P 0 4710-350-9886 TUBE, COPPER: seamless, cold-drawn, soft anld, 3/16 ft t-ad, 
0.035 wall thk (26 in.) (ft) (80244-44-T-5080-1O) 
19 13 P 0 2920-698-3721 LINE: distributor to air cleaner tube, assy (8673356) ea 1 
Fabricated from: 
P 0 4730-014-2431 INVERTED NUT, TUBE COUPLING: inverted flare, br, ea 2 
3/8-23UNF-2A, 3/16 ad tu, 0.560 overallig (142431) 
P 0 4710-350-9886 TUBE, COPPER: seamless, cold-drawn, soft anld, 3/16 ft t-ad, 
0,035 wall thk (13 in, ) (ft) (80244-44-T-5080-10) 
NON-ILLUSTRATED ITEMS 
P 0 5940-020-0027 TERMINAL, LUG: wire solder, eyelet, dble-grip, br, no. ea 1 
18 - 16 wire, hole for no, 6 screw type A (breaker lever 
to coil primary lead) (200027) 
P 0 5305-297-3273 SCREW ASSEMBLED WASHER: cover, w/lockwasher ea 6 
(Auto-lite) (19728-8X3029) 
P 0 2920-358-6840 CLAMP: primary lead retaining (Auto-lite) (19728-IAU6) ---- ea 2 
44
TM 9-2320-208-20P 
111 C21 C31 (4) (5) (61 (7) 
SOURCE. MAINT IS-DAY 
ILLUST AND MAlNT 
RECOVERABILITY 
DESCRIPTION UNIT QTY 
AlW PER 
CODE FEDERAL 100 EQUIP 
STOCK OF INC 
Cal Ch) Cal ChI Cel Cdl 
NO ISSUE IN Co) (bl 
I~ t::: =d .. o ~ ua)g 
AG ITEM t:l 5 UNIT '" oz .... 
NO NO ~ ~$ ! uo ...... ....'" 
;; ~~o 
06 - ELECTRICAL SYSTEM - Continued 
0605 - DISTRffiUTOR ASSEMBLY (Fig. 31) - Continued 
P 0 5306-019-1509 BOLT, ASSEMBLED WASHER: hex-hd, split Iockwasher ea 1 
S, plain fin. 1/4-20UNC-2A x 5/8 (191509) 
P 0 5310-194-1540 WASHER, FLAT: It, S, cd- or zn-chromate-fm. 9/32 Id, ea 1 
5/80d, 0,065 thk, for 1/4 screw size (96906-15795-210) 
P 0 5940-020-0031 TERMINAL, LUG: wire, solder, eyelet, dble-grip, br, ea 1 
cd-pltd, no, 10 screw type A (breaker lever to coil 
primary lead) (200031) 
P 0 6145-772-2204 WIRE, ELECTRICAL: low tension, hv-duty, syn-ru ft i 
jacket, braided, ins plastic, natural or syn-ru sgle 
cond, tnd cop, stranded, awg no, 16 (breaker in. ) (ft) 
(80244-15-C-2165-150) 
ORD E64875 
Figure 31. Distributor assembly
TM 9-2320-208-20P 
m (21 (3) (4) (5) (6) (7) 
SOURCE. MAINT IS-DAY 
ILLUST AND MAINT 
RECOVERABILITY 
FEDERAL DESCRIPTION UNIT QTY 
ALW PER 
CODE 
STOCK OF INC 
100 EQUIP 
(0) tb) (01 lb) (el (d) 
NO ISSUE IN (0) (bl 
r= 
fiG ITEM ~ :::l UNIT '" OZ~ 
~~ ~ im I 01;; u.:a~ 
NO NO -il: 8 ~ 
5l i~ ...... '" 
""0 ill ~~o 
,",v 
06 - ELECTRICAL SYSTEM - Continued 
0607 - INSTRUMENT PANEL (Fig. 32) 
32 1 C 0 R 6685-738-9567 GAGE, TEMPERATURE, ELECTRICAL, RESISTANCE: ea 1 
w/clamp, assy (7389567) 
P 0 5310-042-6915 NUT, PLAIN, HEXAGON: S, cd- or zri-pltd, no. 8 ea 2 
0.164-36NF-2B, 11/32 w, 1/8 thk (426915) 
P 0 5310-013-1182 WASHER LOCK: split, It, S, cd- or zn-pltd, no. 8 ea 2 
0.164 screw size (96906-35337-23) 
32 2 P 0 R 6625-335-9512 VOLTMETER: w/clamp, assy (8376377) ----------.--------- ea 1 
P 0 5310-042-6915 NUT, PLAIN, HEXAGON: S, cd- or zn-pltd, no. 8 ea 2 
O.164-36NF-2B, 11/32 w, 1/8 thk (426915) 
P 0 5310-013-1182 WASHER, LOCK: split, It, S, cd- or zn-pltd, no. 8 ----- ea 2 
32 2 P 0 6625-321-6365 VOLTMETER: assy (alternator) (70040-1501524) ----------- ea 1 
32 3 C 0 5310-752-6591 WASHER: instrument cluster (mounting plate stud) ea 4 
(7526591) 
32 4 C 0 2510-752-6596 SHIELD: instrument panel light, assy (7526596)------------ ea 2 
32 5 C 0 6220-738-4388 LENS, INDICATOR LIGHT: beam indicator light (1) and ea 3 
instrument cluster light (2) (7384388) 
32 5 P 0 6220-299-5564 LENS, INDICA TOR LIGHT: headlight beam (used wllight, ea 1 
6220-174-1375) (73331-5943677) 
32 6 P 0 6240-155-8714 LAMP, INCANDESCENT: min, 24 - 28 v, 0.17 amp ea 3 
sgle-fil, no. 313 min-bay-base, t-3-1/4 bulb, C-2F fil 
high beam indicator light (1) and instrument panel light (2) 
(used w/light, 6220-026-4761 and light, 6220-174-1375) 
(96906-25231-313) 
32 7 P 0 2590-508-4592 COVER: instrument panel light, w/socket, assy (used wi ea 2 
light, 6220-776-0412) (7384392) 
32 8 P 0 2590-693-4173 COVER: headlight high beam indicator light, wisocket, ea 1 
assy (used w/light, 6220-776-0418) (7384389) 
32 9 C F 5307-752-6594 STUD: mounting (instrument cluster circuit breaker to gage ea 1 
wiring harness) (7526594) 
32 10 P 0 5310-050-2203 WASHER, FLAT: S, cd- or zn-pltd, 21/64 id, 9/160d, ea 1 
0.031 thk (wiring harness mounting stud) (inner) (502203) 
32 11 C 0 R 6680-024-2276 INDICATOR, LIQUID QUANTITY: fuel, w/clamp, assy ea 1 
(7728852) 
P 0 5310-042-6915 NUT, PLAIN, HEXAGON: S, cd- or zn-pltd, no. 8 en 2 
O. 164-36NF-2B, 11/32 w, 1/8 thk (426915) , 
P 0 5310-013-1182 WASHER, LOCK: split, It, S, cd- or zn-pltd, no. 8 ea 2 
0.164 screw size (96906-35337-23) 
46
TM 9-2320-208-20P 
III (2) (31 (4) (5) (6) (7) 
SOURCE, MAINT IS-DAY 
ILLUST AND MAINT 
RECOVERABILITY 
FEDERAL DESCRIPTION UNIT QTY 
ALW PER 
CODE 100 EQUIP 
STOCK OF INC 
e 5 UNIT .. oz" FIG ITEM ~ i~ I o ~ U~~ 
(a) (bl (a) (bl (cl (dl 
NO ISSUE IN (al (bl 
NO NO '" 8 ~ 
~~ ~ <0 ;;-' ~~~ '"'~ ; iii 
06 - ELECTRICAL SYSTEM - Continued 
0607 - INSTRUMENT PANEL (Fig. 32) - Continued 
32 12 P 0 R 6685-335-9508 INDICA TOR, PRESSURE: oil w/clamp, assy 60 psi (used ea 1 
w/transmitter, 6685-355-9509) (7954230) 
P 0 5310-012-0614 NUT, PLAIN, HEXAGON: S, cd- or zri-pltd, no. 10 ea 2 
0.190-32NF-2B, 3/8 w, 1/8 thk (120614) 
P 0 5310-596-7686 WASHER, LOCK: split, med, S, cd- Or zn-chromate- ea 2 
fin., no. 10 0.190 screw size (96906-35338-43) 
3~ 
7 
Figure 32. Instrument panel 
5 
KEY ITEM 
13 SPEEDOMETER 
GROUP 
4701 
ORD E64876 
47
TM 9-2320-208-20P 
ORD EM877 
Figure 33. Instrument panel (MIlO) 
48
TM 9-2320-208-20P 
III 121 /31 (41 (51 (61 (7) 
SOUICE. MAINI IS·DAY 
ILLUST AND MAINI 
R!COVERABllITY DESCRIPTION UNIT QTY 
A1W PER 
CODE FEDERAL 100 EQUIP 
STOCK OF INC 
::: e: UNIT .. AG ITEM '" o >- 83iS 
(al lbl lal tbl Ie! (d) 
NO ISSUE IN (al lbl 
~ ~E I .. 
I~ o ... .. NO- NO 5t ~ 
u .. ~~o ; 
06 - EL ECTRICAL SYSTEM - Continued 
0607 - INSTRUMENT PANEL (MI70) 
(Fig. 33 ) 
33 'I P 0 5325 -753-9255 REC EPTACLE: Q2 fastener (instrument cluste r to ea 4 
i nstrument panel ) (7539255 ) 
33 2 C 0 R 6220 -776-0412 LIGHT: waterproof, ins trumen t panel, assy, 24 v (us ed on ea 2 
old type panel w/l-7/8 in hole) (7760412) 
33 2 P 0 R 6220-295- 0006 LIGHT: waterproof , instrument panel, assy, 24 v (us ed on ea 2 
on new type panel, wll in. hole) (70040-1582082) 
33 3 P 0 5310-655-9587 WASHER, FLAT: S, cd- or zn -pl td, 13/64 id, 15/ 32 od , ea 1 
0.049 thk (wiring harness mounting stud, ou ter) 
(96906-15795-208) 
33· 4 P 0 R 622 0- 174- 1375 LIGHT, INDICATOR: waterproof, headlight, hi gh beam, ea 1 
a s sy , 24 v (us ed on new type panel , w11 in. hole) 
(7358619) 
33 4 P 0 R 6220- 776-0418 LIGHT, INDICATOR: waterproof, headlight , high beam, ea 1 
assy, 24 v (us ed on old type panel, w/l- 7/8 in. hole) 
(7760418) 
33 5 P 0 5310-045-3299 WASHER, LOCK: split, med, S, cd- or zn-chr -omate- Tin , , ea 2 
no. 8 O. 164 screw size (453299) 
33 6 P 0 5305-286-1948 SCREW, MACHINE: r d-hd, S, cd- or zn- pl td, no. 8 ea 2 
O. 164-32NC-2A x 5/16 (121749) 
41 6 P a R 5930-776-0409 SWITCH, ROTA RY: ignition, wlcable and co nnectors, assy ea 1 
(7760409) 
NON- ILLUSTRATED ITEMS 
P 0 R 5930-699-9438 SWITCH, ROTARY: igniti on (8380699) ea 1 
P 0 531 0- 655-9371 NUT, PLAIN, HEXAGON: S, cd - or zn-pl td , 1/ 2-20UNF- ea 1 
2B, 3/ 4 w, 7/1 6 thk (96906-35690- 825) 
P 0 531 0-013-5629 WASHER, LOCK: ex t- teeth , S, cd - or zn-pl td, 1/2 s c r ew oa 1 
s ize (135629) 
P 0 6220-538-1088 L EVER : ignition switch (538 1088) oa 1 
P 0 2920 - 796-2655 PARTS KIT, WIRING, IGNITION SWITCH: (5702401) ea 1 
Composed of: 
1 HARNESS ASSEMBLY (868707 9) 
1 HARNESS ASSEMBLY (86870 80) 
1 CABLE, assembly (7033742 ) 
! 
1 BRACKET, assembly (connec tor (7726808) 
P 0 R 5930-307-8856 SWITCH LIGHT: (7368702) ea 1 
49
TM 9·2320-208-20P 
(J) 121 131 141 (.51 161 171 
SOURCE, MAINT IS·DAY 
IlLUST AND MAlNT 
RECOVWBllITY 
DESCRIPTION UNIT OTY 
AlW PER 
CODt FEDERAL 100 EQUIP 
STOCK OF INC 
lal Ibl lal (bl Ie! Id) 
NO ISSUE IN (al Ibl 
~ FIG ITEM Id g UNIT '" 02>- ~~ ~ o ~ ue~ NO NO /:S! o >- ~ > V <0 ~~O ~8 ~ ~ 
06 - ELECTRICAL SYSTEM - Continued 
0608 - MISCELLANEOUS SWITCHES, TERMINALS AND 
JUNCTION BOXES (Fig. 41) 
41 7 C 0 R 5930-092-9511 SWITCH, PUSH: headlight dimmer, w/cable and connecter, ea 1 
assy (7728788) 
P 0 5305-285-5278 SCREW, ASSEMBLED WASHER: croBB-receBB-pan-hd, ea 2 
int-teeth lockwasher, headen-pt, S, cd- or zn-pltd, 
1/4-20UNC-2A x 1/2 (454789) 
41 8 C 0 5930-741-2642 SWITCH, PRESSURE: stop light, air, assy (7388813) ------- ea 1 
NON-~LUSTRATEDJTEMS 
P 0 2540-953-2180 CONTROL ASSEMBLY DffiECTIONAL SIGNAL: control ea 1 
turn signal (8683933) 
P 0 2590-953-2179 BOX DISTRIBUTION: (8683529) ~------------------------- ea 1 
PI o 5945-952-3818 FLASHER. THERMAL: (7050005)------------------------- ea 1 
PI0 6240-155-8714 LAMP, INCANDESCENT: (96906-25231-313) -------------- ea 1 
P 0 5850-076-8992 LENS, SIGNAL LIGHT: lens, turn signal handle ea 1 
(77977-24-129) 
50
TM 9-2320-208-20P 
11I 121 131 (4) (5) (6) (71 
SOURCE, MAINT IS·OAY 
ILLUST AND MAINT 
RECOVElWllllTY 
FEDERAL DESCRIPTION 
ALW PER 
CODE UNIT QTY 100 EQUIP 
STOCK OF INC 
(a) lbl (al lbl Ie! (dl 
NO ISSUE IN (a) fb) 
FIG ITEM ii ~ UNIT b t=:: -Cd .. o'" ~ 83§ 
NO NO Ie~ 5=t if~: a 8 ~ '" e ~~o ~s ; l:I 
06 - ELECTRICAL SYSTEM - Continued 
0609 - BLACKOUT MARKER LIGHT (Fig. 34 ) 
34 1 C 0 6220-283-9490 LIGHT, MARKER, CLEARANCE: blackout marker, assy ea 2 
(7723899) 
P 0 5306-042-3568 BOLT, ASSEMBLED WASHER: hex-hd, ext-teeth lock- ea 2 
washer, S, cd- Or zn-pltd, 3/S-16UNC-2A x 5/8 
-(423568) 
34 2 C 0 6220-772-9791 DOOR: blackout marker light, w/Iens, assy (7729791) .- ea 2 
34 3 P 0 2590-772-9796 CONNECTOR: marker light, w/cables (7729796) ------ ea 2 
34 4 C 0 5340-737-5023 PAD: mounting, blackout marker light ru (7375023) --- ea 2 
ORO E64878 
Figure 34. Blat;koul marker light - exploded view 
51
TM 9-2320-208-20P 
(II (21 (31 (.oil (51 (6) (7) 
SOURCE. MAlNT !S·DAY 
Il lUST AND MAIHT 
RE(OVEWIllTY 
FEDERAL DESCRIPTION UNIT QTY 
AlW PfR 
CODE 
STOCK OF INC 
100EQUIP 
(0) (bl (0) (bl (el (d) 
NO ISSUE IN (01 (bl 
- !: UNIT :r0: AG IT£M ~~ ~ ~~ ~ 0: ::> ~ iii 
NO NO ~~ ffiE ~ '" Sl ~- S '" :r li '" ~ a !;g 
06 - ELECTRICAL SYSTEM - Continue d 
0609 - SERVICE HEADLIGHT ASSEMBLY (F ig. 35) 
35 1 P 0 R 6220-696-0324 HEADLIGHT : assy (8332127) - ----- --- - - --- - ---- ---- ------- ea 2 
P 0 5310 -012-0614 NUT, PLAIN, -HEXAGON: S, cd - or zn-pltd, no . 10 ea 16 
0. 190-32NF-2B, 3/8 w, 1/ 6 w, 1 /6 thk (1206 14) 
P 0 5305 - 016-0046 SCREW, MACHINE: cr osa- recesa- pan - hd , S, cd- or ea 16 
zn-pltd, no. 10 0.190-32NF-2A x 1 /2 (160046) 
P 0 5310-596-7686 WASHER, LOCK: split, med, S, cd- or zn-pltd , no. 10 ea 16 
0.190 screw s ize (96906-35338-43) 
35 2 P 0 6220-300-9908 DOOR, SERVICE HEADLIGHT : assy, headli ght, w/ ga sket, ea 2 
r ings , scr ews, spring and washers, assy (7525936) 
35 3 C 0 5340 -695-9727 RING , RETAINING: headlight lamp unit (7358582) ---- - ---- --- ea 2 
P 0 6220-512-9219 RING, ASSY: r e ta ining , headlight lamp unit (used w/Auto-lite ea 2 
headIight)(1 9728-CB17812) 
P 0 5305-735-0582 SCREW, MACHINE: headlight lamp unit r ing (23862 -924552 ) ea 6 
35 4 P 0 6220 -504-0981 LA;IIP UNIT: headlight, w/cables, assy (74183 43)---- - --- ---- ea 2 
35 5 P 0 6220 -385-7637 LAMP UNIT, HEADLIGHT: s ealed , mtl reflector, crystal ea 2 
glass lens, 24 - 28 v , dble-fil , 50 - 40 w , (45515/) 
35 5 P 0 6220-696-0249 LAMP UNIT, HEADLIGHT: sealed beam, amber colored ea 2 
lens (used on vehicles in a reas where regulations require 
the use of amber headlights) (8334009) 
35 6 P 0 5305 -695-7209 SETS CREW: head light door (7525935) ------------------- --- ea 6 
II 52
TM 9-2320-208-20P 
(1) (2) (3) (4) (5) (6) (71 
SOURCE. MAINT IS-DAY 
IllUST AND MAINT 
RECOVERABllITY 
FEDERAL DESCRIPTION UNIT QTY 
AlW PER 
CODE 
STOCK OF INC 
100 EQUIP 
(a) (b) (a) (b) (el (d) 
NO ISSUE IN (a) (bl 
~ 5 UNIT '" oz .... 
FIG ITEM ~ g~ ~ o 1;; Um~ 
NO NO ~~ o :;; 
~ ;'"'" ;; u ~~o <0 ,",v ~ l:l 
06 - ELECTRICAL SYSTEM - Continued 
0609 - SERVICE HEADLIGHT ASSEMBLY (Fig. 35) 
35 6 PO 5305-226-9267 SCREW, MACIDNE: rd-hd, S, cd- or zn-pltd, no. 10 ea 6 
O. 190-24NC-2A x 1 (headlight door) (132848) 
NON-ILLUSTRATED ITEM 
C 0 6220-737-5022 PAD: mounting, headlight rubber (7375022) ----------------- ea 2 
ORDE64879 
Figure 35. Service headlight assembly - exploded view 
S3
T1;I 9-2320-208-20P 
III (2) 131 141 151 161 171 
SOURCE. MAINT IS-DAY 
ILLUST AND MAINT 
RECOVERABILITY 
FEDERAL DESCRIPTION UNIT QTY 
ALW PER 
CODE 100 EQUIP 
STOCK OF INC 
lal lb) lal Cbl leI Cd) 
NO ISSUE IN la) lbl 
FIG ITEM 
e 5 UNIT 0 1< 8~§ 
oj NO NO ~ =~ S 0 lD '" .. 
~~ 51 iliiii~ i u S:S:o 
06 - ELECTRICAL SYSTEM - Continued 
0609 - BLACKOUT HEADLIGHT ASSEMBLY (Fig, 36) 
36 1 P 0 R 6220-776-0505 HEADLIGHT: blackout, shielded, wtrprf, 24 - 28 v, assy ea 1 
(7760505) 
36 2 P 0 6220-695-1107 DOOR, BLACKOUT HEADLIGHT: wiring and screw ea 1 
(7525940) 
P 0 5330-732-0689 GASKET: run, 2-5/64 id, 2-24/64 od, 5/32 thk ea 1 
(blackout marker light, door) (7320689) 
36 3 P 0 6220-283-9906 LAMP UNIT, HEADLIGHT BLACKOUT: sealed, shielded, ea 1 
mtl reflector, 24 - 28 v, 10 cp, w/cables and wtrprf 
connectors (573435) 
36 4 P 0 5940-705-6708 TERMINAL LUG: solderless, wtrprf, cap, cd- or zn-pltd ea 1 
no, 12 or 14 awg multi-cord cable, hole for no. 10 
screw (blackout driving light extension cable) (7056708) 
36 5 C 0 5310-350-2655 WASHER: mounting, blackout headlight (5294507) ----------- ea 1 
36 6 P 0 5310-637-9541 WASHER, LOCK; split, med, S, cd- or zn-pltd, 3/8 in. ea 2 
screw size (blackout driving light) (120382) 
36 7 C 0 6220-693-4175 CLIP, SPRING TENSION: retn (blackout driving light ea 3 
lamp unit) (7525937) 
36 8 P 0 5305-285-3952 SCREW, MACillNE: fil-hd, S, zn-chromate-fin., no. 8 ea 3 
O.164-32NC-2A x 3/8 (blackout headlight door) 
(453804) 
36 8 P 0 5305-752-5938 SCREW, MACillNE: blackout headlight door (73331-5940558)-- ea 3 
~~ 
S4 
Figure 36. Blackout headlight assembly - exploded mew
TM 9-2320-208-20P 
(11 (21 (31 (.oil (5 ) (61 (7) 
SOURCE, MAINI IS-DAY 
IUUST AND MAINI 
RECOVERABlllTY 
FEDERAL DESCRIPTION AlW PER 
CODE UNIT QTY 100 EQUIP 
STOCK OF INC 
lal lbl (al lbl lcl (d) 
NO ISSUE IN (al (bl 
~ 
FIG ITEM ::l ::l UNIT '" 8a2 
~~ 5: !d 5 0>- NO NO 5i i~ ~ '" o ... co 
;I ~ 
u .. 
~~() 
06 - ELECTRICAL SYSTEM - Continued 
0609 - LEFT SERVICE, BLACKOUT TAIL , AND STOP-L 
IGHT ASSEMBLY (Fig. 37 ) 
37 1 P 0 6220-752-6020 DOOR, ASSEMBLY TAILLIGHT: Ilan ge mtg, w/screws , ea 1 
assy (le ft stop and taillight) (7526020) 
37 2 P 0 5330-297-7106 PA CKING, PREFORMED: 2 ring, ru, 4. 093 in. id, 4-5/ 16 ea I 
in. oct, O. 135 in. thk (taill ight door ) (7320658) 
3 7 3 
P 0 6240-044-6914 LAM P, INCANDESCENT: min, 24 - 28 v , sgle-tun-rtl, ea I 
I 
no. 1683, 32 cp sgle co ntact cand- bay - ba s e , S-8 bulb 
(left taillight) (446914) 
~~ 
 OROE64BBI 
Figure 37. Left service, blackout tail, and stoplight assembly - e"ploded mew 
55
TM 9-2320-208-20P 
(l) (2) (31 (41 IS) (6) 171 
SOURCE. MAlNT 
ILLUST AND 
IS-DAY 
RECOVERABILITY 
MAINT 
CODE FEDERAL DESCRIPTION UNIT QTY 
ALW PER 
STOCK OF INC 
100 EQUIP 
t: NO ISSUE IN (a) (bl 
lal Ibl te) (b) (e) Id) 
FIG ITEM e ~ '" Oz" 
~ ~ =d UNIT 
.. o .. ", ~ 
.. u '" S:~O ~ 
NO NO ~!: 
o 1:; ucog 
~~ ~ !;;~ ~ 
06 - ELECTRICAL SYSTEM - Continued 
0609 - RIGHT SERVICE, BLACKOUT TAIL, AND STOPLIGHT 
ASSEMBLY (Fig. 38) 
38 1 P o R 6220-337-6471 STOPLIGHT, TAILLIGHT, VEHICULAR: tail, right, assy ea 1 
(8378786) 
38 P 0 5306-042-3568 BOLT, ASSEMBLED WASHER: hex-hd, ext-teeth lock-" ea 2 
washer, S, cd- or zn-pltd, 3/8-16UNC-2A x 5/8 
(423568) 
38 2 P 0 6220-752-6018 DOOR, ASSY TAILLIGHT: flange mtg, w/screws, assy ea 1 
(right stop and taillight) (7526018) 
Figure 38. Right service, blackout tail, and stoplight assembly - exploded view 
56 
ORO E64B82
TM 9-2320-208-20P 
111 (2) (3) (4) lSI (61 171 
SOURCE. MAINT IS-DAY 
IllUST AND MAINT 
RECOVERABllITY 
FEDERAL DESCRIPTION UNIT QTY 
AlW PER 
CODE 100 EQUIP 
STOCK OF INC 
(a) (b) (a) (bl Ie) Id) 
NO ISSUE IN lal (bl 
t: 
FIG ~ ITEM .<.", c:: ~ =...., UNIT o '" Oz" ~ uca~ NO NO §~ ~ ~iS uo .... st I ;~ ~~~ ~ 
06 - ELECTRICAL SYSTEM - Continued 
0609 - REEL LAMP (Fig. 39) 
39 1 P 0 6220-741-2783 LIGHT: extension w/reel (M170) (7412783) ----------------- ea 1 
39 2 P 0 6240-155-8725 LAMP, INCANDESCENT: min, 24-28 v, 21 cp, sgle-fil, ea 1 
no. 1204, dble-contact cand-bay-base, S, B bulb, 
C-2 v fil (map extension light) (M170) (193048) 
2 
ORD E64883 
Figure 39. Reel lamp - exploded view 
57
TM 9-2320-208-20P 
(ll (2) (3) (4) (5) (6) /71 
SOURCE, MAINT IS-DAY 
ILLUST AND MAINT 
RECOVERABILITY DESCRIPTION UNIT QTY 
ALW PER 
CODE FEDERAL 100 EQUIP 
STOCK OF INC 
(0) Ibl (0) (bl (cl (dl 
NO ISSUE IN (0) (b) 
S ~d 5 UNIT ('j >; oz .... 
FIG ITEM u~g 
NO NO ..~ 
t:l o _ 
~S ~ ~!S i u ~~O 
~'" ~ 06 - ELECTRICAL SYSTEM - Continued 
0610 - SENDING UNITS (Fig, 40) 
40 1 C 0 6685-738-9566 TRANSMITTER, TEMPERATURE, ELECTRICAL ea 1 
RESISTANCE: water temperature gage, assy 
(7389566) 
40 2 P 0 6620-634-8945 TRANSMITTER, PRESSURE: oil pressure gage, assy ea 1 
60 psi (used w/indicator 6685-335-9508) (7954231) 
40 3 C 0 2805-040-2529 SUPPORT: coil pressure sending unit, w/bracket, assy ea 1 
(8329686) 
40 4 P 0 5310-012-1752 WASHER, LOCK: ext-teeth, S, cd- or zn-pltd, no. 8 ea 5 
screw size (121752) 
40 5 P 0 4730-278-4506 ELBOW: pipe to tube, 90 deg, 3/16 od tube, 1/8 male pipe ea 1 
end (oil pressure sending unit) 
20 8 P 0 5305-281-1091 SCREW ASSEMBLED WASHER: w/lockwasher (8332524) ---- ea 5 
20 9 C 0 5310-737-5147 WASHER: sealing, gas gage sending unit screw (65909-807161) ea 5 
20 9 P 0 5310-753-9073 WASHER: sealing, gas gage sending unit screw copper ea 5 
(40095-A49-8839) 
20 10 P 0 6680-515-3456 UNIT: sending, fuel tank gage, assy (M38A1 and M38A1C) ea 1 
(8329687) 
20 10 P 0 6680-695-7245 UNIT: sending, fuel tank gage, assy (8333280) (M170) ------- ea 1 
20 11 C 0 2910-737-5146 GASKET: fuel tank gage sending unit (7375146) ------------- ea 1 
Figure 40. Sending units 
58
TM 9·2320-208-20P 
11l (2) (3) (4) 151 161 171 
SOURCE. MAINT IS-DAY 
IUUST AND MAINT 
RECOYERABllITY 
FEDERAL DESCRIPTION UNIT QTY 
ALW PfR 
CODE 100 EQUIP 
STOCK Of INC 
la) Ib) (al (bl lc/ Idl 
NO ISSUE IN (a) (b) 
AG IUM ~ UNIT '" oz~ 
~ i5 o ~ U~~ 
NO NO E_ ! o :;; 
;E ~ ;Si- u ~~o 
06 - ELECTRICAL SYSTEM - Continued 
0611 - HORN - (Fig. 59) 
59 5 C 0 2590-572-4206 CAP: button (7412442) ----------------------------------- ea 1 
59 6 C 0 2540-040-2625 RETAINER: button cap ·(8332518)---------- ---------------- ea 1 
59 7 PO 9510-596-3738 STEEL: machinery sae WD1020 bar, cold rolled, dia 1/8 ft II 
in. 42-11/16 in. ft (horn switch push rod H010-0420005) 
(80244-46-S7350) 
C 0 5310-333-7543 WASHER: retaining (switch push rod) (8329690) ---------- ea 1 
59 8 P 0 2530-338-1943 DISK: horn switch centering (8332677) --------------------- ca 1 
41 12 P 0 R 2590-678-6140 HORN, ELECTRICAL: automotive type, 24 volt ca 1 
(96906-51074-1) 
P 0 5305-558-3693 SCREW, CAP, HEXAGON HEAD: Iow-carb-s, cd- or e a 2 
zn-pltd, 1/4-28UNF-2A x 3/4 (horn to bracket) 
(96906-35292-6) 
P 0 5310-012-1753 WASHER, LOCK: ext-teeth, S, cd- or zn-pltd, 1/4 in. oa 2 
bolt size (horn to bracket) (121753) 
59 11 C 0 5930-096-6919 SWITCH: w/harness, assy (8329689) ---------------------- ea 1 
P 0 5310-010-7827 NUT, STAMPED: hex, 9 notch, S, cd- or zn-pltd, 3/4- ea 1 
16NF, 1-1/16 w, 0.203 thk (107827) 
NON-ILLUSTRATED ITEM 
P 0 2590-766-7722 ADAPTER KIT, HORN wmz. (8689231) ea 1 
Composed of: 
1 CABLE ASSEMBLY (8742046) 
1 CABLE ASSEMBLY (8742047) 
59
TM 9-2320-208-20P 
8 
KEY ITEM GROUP 
6 SWITCH 060? 
r DIMMER 0608 
SWITCH 
8 STOPLIGHT 0608 
SWITCH 
10 CABLE 061 
11 CLIP 0613 
12 HORN 0611 
13 FASTENER 06J3 
ORO E64885 
Figure 41. Batteries and related parts 
60
TM 9-2320-208-20P 
III (2) (3) (4) (5) (61 (7) 
SOUW. MAIHT IS·OAY 
ILLUST AND MAINT 
RECOVERABILITY 
FEDERAL DESCRIPTION UNIT QTY ALW PER 
CODE 
STOCK OF INC 
100 EQUIP 
(al (bl (al (bl lel (d) 
NO ISSUE IN (a) Ibl 
~ ~ fiG ITEM e: :i..... ! UNIT o'" 1;; UOrza~" 
NO NO ~~ i i§ ~ 8 ~ 
; i:l ~~o 
06 - ELECTRICAL SYSTEM - Continued 
0612 - BATTERIES AND HELATED PARTS (Fig. 41) 
41 1 C 0 5340-282-7521 CLAMP, LOOP: l oop type, S, cd- or zn-pltd, 5/8 in. od ea 3 
tub e, hol e for 1/4 in. bolt (positive cable to dash negative 
cable to dash and negative cable to splash apr on) (120527) 
41 2 P 0 5940 - 729-9423 TERMINAL LUG: clamp type, neg, w/3/8- 16NC-2 (bolt and ea 2 
nut for lu g typ e cable term batt ery terminal post) (507032) 
41 2 P 0 594 0-502-3729 TERMINAL, LUG: clam p type , pos, w/3/8- 16NC-2 (bolt and ea 2 
nut for lug type cable term battery terminal post) 
(96906-75004-1) 
41 2 P 0 5940- 705- 6730 TERMINAL, LUG: Wire, solderless, waterproof, sq-end ea 6 
tongue, cop, to or cd-pltd, no. 2 awg sgle conduc to r 
wir e, hole for 3/8 in. bolt ba ttery to ba ttery (2), batter y 
to ground (2) ~d battery to s tarter (2) (7056730) 
41 3 C 0 6140 - 643-0006 FRAME: hold-down, a s sy (8329 666) _______ ______ ___ ______ • ea 2 
C 0 5306 - 734-6940 BOLT: hold - down frame (7346940) ____ __________• ______ en 4 
41 4 P 0 R 6140- 057-2553 BATTERY, STORAGE: lead-acid, charged, ' dry, no. 2HN ea 2 
a utomotive servtce ,: 12 v, 6-cell, 45 arnp-br r ating, 
10- 3/16, 5- 1/4 x 8-15/16 max (57255 3) 
41 5 P 0 53 06- 050- 1924 BOLT: btry term, sq- hd, .S, ld-ctd, 5/16-18UNC-2A x 1-1/4, ea 4 
w/nut (501924) 
41 9 P 0 532 5- 011- 7965 GROMMET, RUBB ER: split, 5/ 8 id, 31/32 od x 1/16 V ea 4 
mounting groove cable (120013) 
41 14 P 0 2590-693-4226 CABLE: gener a tor to generator regulator, w/ connectors ea 1 
as sy (M170) (8333281) 
C 0 292 0- 503-4763 CABLE ASSY, SPECIAL PURPOSE, ELECTRICAL: ea 1 
generator to gene rator regulator, w/ co nnec tor s , assy 
(M38A1 and M38A1C) (83297 63) 
NON-ILLUSTRATED ITEMS 
P 0 5330- 505- 6609 RUBBER, SHEET, CELL ULAR: sponge r u, oil r esistant ft -t 
1/2 thk, 24 w (weatherstrip, battery box cover 4 ft) 
(ft) (80244-33-R-172-50) 
P 0 6810-249-9354 SULFURIC ACID, ELE CTROLYTE: sulfuric, s torage bat te ry, ea 2 
dilute electrolyte, special, sp-gr 1.280, I - I gal us 
(container for conc ent r ate d acid see snl-kl gal) 
(80244-51-A-1562-255) 
P 0 53 05- 639- 0521 THUMBSCREW: battery box door, w/washer (65909-681166)-- ea 8 
P 0 4710-289-0653 TUBE, COPPER: seamless, col d- dr awn, s oft anld, 5/8 in. ft -t 
od, O.035 in. wal l thkns 5/8 in . 19 (battery drain tray 
tub e) (80244-44-T- 5080-3 5) 
P 0 4 720-235-1778 TUBING, RUBBER: compounded, hv wall , id, 5/8 in. wall ft -t 
thickn es s 1/ 8 in. battery drain tray 24 in . batte ry drain 
t r ay , inb oard 4- l/8 in. and outboa r d 4-1/ 2 in . (it) 
(80244- 33-T-242) 
P 0 6145-805-3354 wraz, ELECTRICAL: low tension, hv-duty, syn-ru jacket, ft -t 
braided, ins pl astic , natural or syn-ru, s gle cond, tnd-c 
op s tr an de d, awg no. 26ft (ft) (80244-15-C-2165- 350) 
6'
TM 9-2320-208-20P 
11l (2) (3) (4) (5) (6) (7) 
SOURCE. MAlNT IS·DAY 
ILLUST AND MAINT 
RECOVERABILITY 
fEDERAL DESCRIPTION UNIT QTY 
ALW PER 
CODE 100 EQUIP 
STOCK OF INC 
(al lbl ta l (bl Ie! (d) NO . ISSUE IN lal lbl 
~ 
FIG ITEM tj :::> UNIT '" 8~§ a~ e Id I o 1< 
NO NO ~ ~!!: 8 ~ ~~''"" 
; ~~o 
== 
06 - ELECTRICAL SYSTEM - Contin ued 
0613 - CHASSIS WIRING (NON-ILLUSTRATED ITEMS) 
P 0 5975:-644-3156 BUSHING, ELECTRICAL CONDUCTOR: S, cd - or zn- ea 150 
chromate- fi n. , 0.260 id ,O. 180 ove rall Ig 6~n~(ki t , 5935 - 
570- 106 0) (572999) 
P 0 5340 -514-4454 BUSHING RUBBER: 30 deg cham, syn-ru, O. 745 id, I , 057 ea 2 
ad. O.663 overall 19 (s ealing eleetrieal eonnector) (**ki t, 
5935-570- 1380 ) (7527646 ) 
P 0 5340-514- 4456 BUSHING, RUBBER: 30 deg cham, syn-ru, 0.932 id , 1, 370 ea 1 
od , 0, 684 over all ig sealin g (el ectr ical connector) 
(•• kit, 5935- 57 0-1 380) (7716 699) 
P 0 5340 - 752- 7628 BUSHING, RUBBER: elec tr ic al connec tor four cable hole s, ea 1 
two O.115 in. holes, two O.130 in , hol e s, O.625 in . od 
«* *kit, 5935- 570-1380) <7782U- I 0-40817-9) 
P 0 5340-682-1743 BUSHING, RUBBER: eleo trical co nnector eight 0. 150!n, ea 1 
cable holes, 1 in. od «* *kit; 5935-570-1380) (77820- 
. 10- 40822- 23) 
P 0 5340 -772-2343 BUSHING, RUBBER: elec connector, sy n-ru, 0, 150 id, ea 1 
3/ 8 ad, 29/64 flan ge ad, 17/ 32 overall Ig (**kit, 
5935-570-1380) (7722343) 
P F CLAMP, EL ECTRICAL: foot dimmer sw itch to dash, head- ea 3 
light cable to cli p bracket and li ght switch r ear harness 
to r ear crossmember (6Z1 9- 322-39) 
C 0 534 0-282- 7521 CLAMP, LOOP: loop type, cushioned, S, cd- or zn-pltd ea 1 
5/8 in, od tube, hole for 1/4 in bolt left switch r ear 
wirin g harnes s to left side top r ear cros smembe r 
(120527) 
p 0 59 70-224- 5277 COMPOUND: insulating and s ealing, electrical connectors, ea 1 
2 oz tube (*trkit, 5935-570-1380) 
P 0 5935 -636-6876 CONTACT, ELECTRICAL: connector, female , no. 12 awg ea 50 
(**ki t , 5935-570- 1380) (7527654) 
P 0 5935 -259-3143 CONTAC T, EL ECTRICAL: connector , solderless, be ryllium ea 50 
cop, s il - pltd, cont size 16 m long, 1. 4'38 overall Ig 
(**kit, 5935-570- 1380) .(7527652 ) 
P 0 5935-752-7648 CONTAC T, ELECTRICAL: elec, so ldertess, be r yllium co p, ea 50 
sil-pl td, co nt size 16 m, 1, 047 overall 1g «* *klt,5935- 
570- 138 0) (7527648) 
P 0 5935 - 771- 6523 CONTACT, EL ECTRICAL: el ec, so lder, beryllium cop , ea 2 
s il- pl td , cont size 0. 1750 overallig <**kit, 5935-570- 
1380) (7716 523) 
P 0 5935 - 771- 6525 CONTAC T, EL ECTRICAL: elec, so lder , beryllium cop , ea 6 
sil-pl td, cont size 4, 1.438 ove r all Ig (**kit, 5935- 
570- 1380) (7716525) 
P 0 5935-491-8193 CONTAC T, ELECTRICAL: fe male co nnector, no, 16 awg ea 50 
wide bos s <* *kit, 5935-570- 138 0) (77820-10-40554) 
62
TM 9-2320-208-20P 
III (21 (3) W (5) (6) (7) 
SOURCE. MAINT IS·DAY 
IllUST AND MAINT 
RECOYERA8111TY 
FEDERAL DESCRIPTION 
ALW PER 
CODE UNIT Oll 100 EQUIP 
STOCK OF INC 
(0) Ibl (0) Ib) lei (dl 
NO ISSUE IN (0) (bl 
FIG ITEM ~ 5 UNIT 0 1;; Oz'" 
~ =d i Ual~ 
NO NO "' ~ ~$ 0 :;; 
:::::~ u ~Sio ~C> "'~ i! 
06 - ELECTRICA L SYSTEM - Continued 
0613 - CHASSIS WIRING (NON-ILLUSTRATED ITEMS) - Continue d 
p 0 9150-234-5198 CUTTING OIL : s oluble (VV-C - 846) 2-oz bottle, L- oz ea 1 
cutting oil and t -oz water ('tr 'tr ki t 5935- 570-1060) 
p 0 594 0-057-2930 F ERR ULE, ELECTRICAL CONDUCTOR: snap type, br , ea 50 
stl - pl td, 15 amp, no. 12 awg cab le (*'trkit, 5935-570- 
1060) (572930) 
P 0 5940 -057-2929 FERRULE, EL ECTRICAL CONDUCTOR: snap type, br , ea 125 
sil-pltd, 15 amp, no. 14 awg cable ('tr 'trkit, 5935-570- 
1060) (572929) 
P 0 5940- 057- 2931 FE RRULE, EL ECT RICAL CONDUCTOR: snap type, br , ea 30 
s il - pltd, 15 amp, no. 16 awg c abl e (*'trkit, 5935- 570- 
1060) (572 931) 
P 0 5330 -641-4338 GASKET: el ec tr ic al co nnector , O. 875 Id, 1. 188 w, O. 031 ea 5 
thk (**kit , 5935 -570- 1380) (7358502) 
P 0 5935-593-6442 GASKET: rubbe r , electric al co nnector 0.750 in. Id, 1. 094 e a 5 
in . sq, four O. 172 In. screw hol es (* *kit, 5935 -570- 
13 80) (77820-10-40450-12S) 
P 0 5935 -396- 0068 GASKET: rubbe r , e lectrical conne c tor 1. 000 in. i d, 1. 281 e a 5 
In. sq , four O. 172 in. screw holes (*'trki t, 5935-570- 
1380) (77820-10-40450-16S) 
P 0 5330-641-4336 GASKET: rubber , electrical connector 1. 375 in . id , 1. 625 e a 5 
in. sq, four 0.203 in . screw hole s ({:r'trki t , 5935-570-1 380) 
(77820-10-40450- 22) 
P 0 533 0-599- 6089 GASKET: rubber , electr ic al connector 1. 750 in. id, 2. 000 ea 5 
in. sq, four O. 203 in . screw holes ('tr 'tr kit, 5935-570- 
138 0) (77820-1 0- 40450- 28S) 
P 0 5935 -752-7630 GROMMET, RUBBER: electrical connector one cable hole, ea 1 
0. 3 10 in . id , 0.625 in. od (*'trkit, 5935-570-1380) 
(77820-10-40817-12) 
P 0 5325-090-5426 GROMMET, RUBBER: electrical connec tor twe lve O. 118 in. ea 2 
cable holes, 1. 360 in. od ('tr'trki t, 5935 -570- 138 0) (77820- 
10- 40828- 51S) 
C 0 5325 -631-6886 GROMMET RUBBER: electrical connector four cable hole s , e a 2 
one 0.350 in hole , one 0.225 in. ho le , two O.110 in. 
holes, 1 in . od (*'trki t , 5935-570 - 138 0) (77820-1 0- 
40822- 54) 
P 0 62 16-6 74- 6 GROMMET: wa terpr oof cable connector , no. 16 awg c abl e ea 30 
('tr'trkit, 5935- 570-1060) (621667-46) 
P 0 59 75-334- 2749 GROMMET, RUBBER: ele c tr ica l co nnec tor (three O. 268 In. ea 2 
cab le hol e s , 1 in. od) ('tr'tr ki t , 5935 -570-1380) 
(77820-1 0- 40822- 56) 
P 0 6216- 674 -2 GROMME T: waterproof cable connector, 2 no. 16 awg ea 3 
cables ('tr*kit, 5935 - 570- 1060) (621667- 42) 
P 0 6Z 16-674- 4 GROMMET: wa te rproof cable co nnector, 2 no. 12 awg ea 2 
, c ab les (* *kit, 5935-570- 1060) (6Z1667- 44) 
P 0 62 16-674-7 GROMMET: waterproof cable connec~or , no . 12 awg cab le ea 50 
' l* * ki t , 5935-570-1060) (621667 -47) 
P 0 5935-772-2344 INSERT, EL ECTRICAL CONNECTOR: electrical connecto r ea 2 
three 0.140 in . cable hol es , 0.625 in. od (**kit, 5935.- 
570- 1380) (77820- 10- 40817-1 0) 
63
TM 9-2320-208-20P 
III 
ILLUST 
(7) 
lS-DAY 
MAINT 
ALW PER 
100 EQUIP 
(0) (b) 
(6) 
QTY 
INC 
IN 
UNIT (j ~ 
8 ~ 
(5) 
UNIT 
OF 
ISSUE 
(4) 
DESCRIPTION 
(3) 
FEDERAL 
STOCK 
NO 
(2) 
SOURCE. MAINT 
AND 
RECOVERABILITY 
CODE 
(b) (0) (b) lei Id) 
1= 
e1 ~ gs a !ii-- ~ 
~ ~ 
ITEM 
NO 
(0) 
FIG 
NO 
06 - ELECTRICAL SYSTEM - Continued 
0613 - CHASSIS WIRING (NON-ll..LUSTRATEDITEMS) - Continued 
P 0 
P 0 
P 0 
P 0 
P 0 
P 0 
P 0 
P 0 
P 0 
P 0 
P 0 
P 0 
P 0 
P 0 
P 0 
P 0 
P 0 
5975- 697- 6992 
5975-333- 3 088 
59 75- 697- 6991 
5310-697-7860 
5975- 771- 6634 
5935-333- 4222 
5935-333-941 4 
5935- 772-33 09 
5340-641-8645 
5340-514-4455 
5340-514-4457 
59 35-771-6526 
5935-752-7649 
5935-752-7651 
5935- 771- 6524 
5935-368 - 4852 
5935- 491- 8194 
NUT , COUPLING, ELECTRICAL CONDill T: he x, al , cd- pl td, e a 2 
7/ 8-20NEF- 2 x 1/ 2 overall thk sh ort (*1rkit, 5935-5 70- 
13'80) (7527644) 
NUT , COUP LING, EL ECTRICAL CON DillT: 0.328 in. cable ea 2 
hole, O. 6250-24NEF-2 (~1r ki t . 5935-570-1380) 
(77820-60-37005-131) 
NUT, COUPLING, ELECTRICAL CONDillT: hex, c onne c tor , ea 2 
O. 7500-20NEF-2 (1r1rkit, 593 5-570-1380) (7527643) 
NUT: coupling, spanner, electrical co nne ct or 1. 3750-18NEF- ea 2 
2 (1r1rkit, 5935-570-(380) (77 820-10-40459-22) 
NUT COUPLING, ELECTRICAL CONDUIT : spanner, ea 4 
connector 1. 7500-18NEF-2 (1r1rkit, 5935 - 570- 138 0) 
(77820-10-40459-28) 
NUT , BUSHING RE TAINER, ELECTRICAL CONNECTOR: ea 2 
c d- pltd, 7/8-20NEF-2 x 15/16 knurled or w/8 ti ghtening 
nuts t1r1rkit, 5935 -570- 1380) 
NUT BUSHING RE TAINER ELECTRICAL CONNECTOR: ea 3 
grommet r etaining, a l, cd-pltd, 1-1/4-18NEF-2 x 1 
knurled or 470-1380) (7723308) 
NUT, BUSHING RETAINING ELECTRICAL CONNECTOR: ea 3 
al , cd-pltd, 1-5/ 8-18NEF-2 x 1 light switch harness , 
plug (1r1rkit, 5935-5 70- 1380) (7723 309) 
PACKING, PREFo'RMED: 30 deg.cham, syn-ru, oil ea 1 
resistant, blk, 0.495 Id, 0.715 od, 0.481 overalllg, F/ 
no. 17 connec tor s e aling, electric al conne c tor (1r1r kit, 
5935-570-1380) (7527647) 
PACKING , PREFORMED: 30 deg, c ham , syn-ru, oil e a 1 
r esistant, blk, 0. 620 id , 1. 057 od , O. 717 overall 19, 
F/no. 22 connector sealing, electrical connector 
(1r1rkit, 5935-570- 138 0) (771 66 96) 
PACKI NG, PREFORMED: 30 deg , ch am, syn-ru, oil ea 1 
resistant , blk, 0.682 Id , 1. 05 7 od , O. 697 overalllg, 
F/ no. 22 connector sealing, electrical c onnector 
(1r1rkit, 593 5-570- 13 80) (7716697) 
PIN: contact, el ectrical connector, male no . 8 awg (1r1rkit, ea 8 
5935- 570- 138 0) (77820-10-35531) 
PIN: contact, elec trical connector, male no. 16 awg (1r1rkit, ea 50 
570-1380) (77820-10-40553) 
PIN: contact, el e ctric al connector , male no. 16 awg wide ea 50 
boss (1r1rkit, 5935- 570- 1380) (77820-10-40555) 
PIN : electrical conne ctor , solder, tellurium cop, sil-pltd, ea 6 
0. 224 prong dia , 1. 438 overall 19 size 4 (1r1rkit, 5935 - 
570- 138 0) (771 6524) 
PIN: e le c tr ical conne ct or, solder, tellurium cop, sil-pltd, ea 2 
0.224 prong di a , 1. 43 8 overallig siz e 0 (1r1rkit, 593 5- 
57 0- 138 0) (7716 522) 
PLUG, TIP: solderless , tellurium cop. sfl-pltd, 0.0619 ea 50 
prong di a , 1.250 overall 19 size 16 m long (1r1rkit, 
5935-570-1380) (7527653) 
64
TM 9-2320-208-20P 
III (2) (3) (4) IS) (6) (7) 
SOURa. MAINT 15-DAY 
IUUST AND MAINl 
RKOVERABILITY 
UNIT err AlW PER 
CODE FEDERAL DESCRIPTION 100 EaUIP 
STOCK OF INC 
101 (b) 101 Ibl lei Idl 
NO ISSUE IN (01 IbJ 
"= AG ITEM ~ 2 UNIT '" oZ'" 
I~ I:l =d 3 o r. Ula~ 
NO NO ~ ~!S I:: 8 :a ~ ~ ~ ~o 
06 - ELECTRICAL SYSTEM - Contin ued 
0613 - CHASSIS WIRING 
(NON-ILLUSTRATED IT EII1S) - Cont inued 
P 0 5935-752-7655 PLUG, TI P: solderless, te llurium cop, sil-pHd, 0.0942 e a 50 
prong dia, 1. 438 overall Ig size 12 (**kit, 5 93 5 - 5 7 0~ 
1380) (7527655) 
P 0 5330-514-4461 RETAINER, PACKING: 30 deg-ck, al , cd-pltd, 0.516 id, ea 2 
0. 710 od , O. 082 overall ig (**ki t , 5935 -570- 138 0) 
(7527642) 
P 0 5330-514-4460 RETA INER, PACKING: 30 deg-ck, a l , cd-pl td, 0.641 id , ea 2 
1.052 od, O.143 overall lg (*il-kit, 593 5- 570- 1380) 
(7716715) 
P 0 5330-514- 4462 RETAINER, PACKING: 30 deg-ck, al, od- pl td, 0.703 id, ea 2 
1.052 od, 0.125 overall 19 (il-il-kit , 5935 - 570- 1380) 
(7716716) 
P 0 5935 -3 00-9909 SHELL: connector, S, clvd , part for female as sembly of ea 66 
water proof si ngle conductor connector 2-wire, mates 
w/ s hell, 5935 -030- 1562 douglas 6545 or eq ual (il-il-kit, 
5935-570-1060 ) 
P 0 5935-030-1564 SHELL: connector, S, glvd, part of female assembly of e a 4 
waterproof "Y" type three conductor co nnector, ma tes 
wlshell , 5935-030- 1563 (doug las mfg. div. 655 4 or equal) 
(il-il-ki t, 5935- 570-1060) 
P 0 5935-030-1563 SHELL: connector, S, glv d, part of male as s embly of ea 4 
waterproof "Y" type three co nductor , mates w./s he l l , 
5935 -030- 1564 (douglas mfg. div. 6553 or equa l ) (il-il-kit, 
5935-570- 106 0) 
P 0 5935 -030- 1562 SHELL : connector, S, gl vd, part for male assembly of e a 172 
waterproof single conductor connector (2-wire) mates 
wlshell , 5930 -030-1561 (dougl a s 6546 o r equal) (il-il-kit, 
5935 -570- 1060 ) (61257- 6546) 
P 0 5935-283-3385 SPLICE , CONDUCTOR: s nap term typ e , sgle -conductor ea 3 0 
(il-il- kit, 5935-570-1060) (81257- 6547) 
P 0 5935 -771-6527 SOCKET: contact, electrical connector, female no . 8 awg ea 8 
(il-il-d t, 5935-570-13 80) (77820- 10-3 5532 ) 
P 0 6810-264-8983 THINNER: methyl -ethyl-ketone (TT-M-261) 3 oz bottle e a 1 
(*il-kit, 5935 -570-1380) 
P 0 5330-514- 4458 WASHER, RE CESSED: gla nd, electrical conne c tor O. 953 e a 2 
id, 0.365 od, O. 144 thk (il-il-ki t, 5935 - 570- 1380) 
(7716718) 
P 0 5310-752-7640 WASHER, SPRING TENSION: S, cd-pl td , 1/2 screw size ea 5 
0.516 id, 0.656 ad, 0.040 thk 2 le aves (il-il-kit, 5935- 
570- 1380) (7527 640) 
P 0 531 0-752-7639 WASHER, SPRING TENSION : S, cd-pltd, 114 screw size en 10 
0.266 id , 0.438 od, 0.032 thk 4 le aves (il-*kit, 5935- 
570 - 138 0) (752 7639) 
P 0 53 10-771-6721 WASHER, SPRING TENSION: waved, electrical connector ea 10 
O. 766 id, O. 998 od, O. 020 thk tA*ki t, 5935 -570-1 380 ) 
(7716721) 
65
TM 9-2320-208-20P 
(J) (2) (3) (4) IS) (6) m 
SOURCE, MAlNT IS-DAY 
ILLUST AND MAINT 
RECOVERABILITY 
FEDERAL DESCRIPTION 
ALW PER 
CODE 
UNIT QTY 100 EQUIP 
(0) (0 ) (b) (el (dl STOCK Of INC 
(b) 
NO ISSUE IN (0 1 (b) 
fiG ITEM ..... ~ ~ 
~ § UNIT C5 oz o- 
NO NO ~ ..... ~ g~ ~ 0 ~ uca ~ 
z~ :> CI ~..... § u ~~O ~ 
~; .. - 
06 - ELECTRICAL SYSTEM - Continued 
0613 - RADIO SUPPRESSION (NON-ILLUSTRATED ITEMS) 
P 0 5975-322-9865 FERRULE, ELECTRICAL CONDUCTOR: tnd-cop , (fig . 41) for ea 1 
3/4 in . bra ided s trap (ground s trap) (504804) 
0613 - CHASSIS WillING HARNESS (Fig. 41) 
P 0 5340-282-7522 CLAMP, ELECTRICAL: loop type, S, phos-ctd, 5/16 od tube, e a 1 
hole for 1/ 4 bol t (137189) 
41 10 P 0 6145-772-0853 CABLE: low tension, wate r pr oof , stranded, sh ielded, no. 14 ft j 
awg, 0. 160 in . dia blackout driving li ght extension 21 in. ft 
(7720853) (80244-15- C-2165-170) 
41 11 C 0 5340 -704-7998 CL IP: blackout he adl ight harness to fender (7047998)-------- - ea 1 
~ 0 2920- 04 0- 2590 COVER: hole, auxi li a r y power recept a cl e (8329985) --------- ea 1 
41 13 P 0 5340- 049-4235 FASTENER: clip, type B, S, cd- or zn-pltd, 3/ 8 in . cable e a G 
wiring harnes s headlight cable to upper air de flec tor (2) 
light sw i tc h front wiring harnes s to fender sp la sher (3) , 
and sw itch front wiring harness to dash panel (1) (432653) 
0617 - TRAIL ER COUP LINGS (ELECTRIC ) 
(NON-ILLUSTRAT ED IT EMS) 
66 
P 0 
P 0 
P 0 
5935 - 773- 1428 COVER, TRAILER RECEPTACLE: w/hinge, assy (M38A1 
and M170) (7731428) 
5935-699-7827 CONNECTOR, RECEPTACL E, ELECTRICAL: waterproof 
inter-vehicular assy (83 762 09) 
5305-044-6609 SCREW, ASSEMBLED WASHER: altd-hex-hd, split lock­washer 
, S, cd - or zn-pl td, 1/4-20UNC-2 x 5/8 (446609) 
ea 1 
ea 1 
ea 4
TM 9-2320-208-20P 
III (21 (31 (4) (5) (6) m 
SOURCE, MAINT IS·DAY 
ILLUST AND MAINT 
RECOVERABILITY 
FEDERAL DESCRIPTION UNIT QTY 
ALW PER 
CODE 100 EQUIP 
STOCK OF INC 
I: nG oM ~ ::::; UNIT .. Oz ITEM E; ~ ~E I o ~ u'" 
(0) (h) (0) (h) k) (d) 
NO ISSUE IN (0) (h) 
NO NO o ~ 
~~ st !ii.... u .. ... ... ww ; ....." 
07 - TRANSMISSION 
0701 - TRANSlUSSION FILLER PLUGS (Fig. 42) 
42 1 C 0 47 30-737-2879 PLUG. PIPE: filler and drain 1/2 in . (7372 879)------------ <la 2 
OR[) E64886 
Figure 42. Transmission filler Plugs 
67
TM 9-2320-208-20P 
III (2) (3) (4) IS) (6) (7) 
SOURCE. MAINT IS·OAY 
ILLUST AND MAINT 
RECOVERABILITY 
FEDERAL DESCRIPTION UNIT OTY 
ALW PER 
CODE 100 EQUIP 
STOCK OF INC 
(0) (b) (a) (bl (e! (dl 
NO ISSUE IN (a) (b) 
~ 
FIG ITEM :::l UNIT '" 83i~ ~ iE 3 o ~ 
NO NO §~ 8 t; '" ~ t2;.... ~ ~~o ""0 ii !li ..~ 
08 - TRANSFER ASSEMBLY 
0801- TRANSFER ASSEMBLY AND RELATED PARTS (Fig. 43) 
43 1 C 0 2520-737-2878 GASKET: transfer case to transmission (~*gasket set, ea 1 
2520-737-5080) (7372878)' 
43 2 P 0 5310-013-1016 WASHER, FLAT: , It, S, cd- or zn-chromate- fin. ,21/32 id, ea 1 
1-5/16 od, O. 095 thk, for 5/8 screw size case support 
(131016) 
43 3 P 0 5310-655-9371 NUT, PLAIN, HEXAGON: S, cd- or zn-pltd, 1/2-29UNF-2B, ea 1 
3/4 w, 7/16 thk (96906-35690-825) 
43 4 C 0 2520-737-5082 SNUBBER: case support insulator (7375082) ---------------- ea 1 
43 5 C 0 2520-737-5081 INSULATOR: case support (7375081)------------------------ ea 1 
43 6 C 0 5310-495-9515 CUP: retaining, case support insulator (7371037) ea 1 
43 7 P 0 5310-197-3316 WASHER, FLAT: It, S, cd- or zn-cnromate-nri., 17/32 id, ea 1 
1-1/16od. 0.095 thk, for 1/2 screw size (7375153) 
43 8 C 0 5306-737-1759 BOL T SHOULDER: hex-hd, S, 1/2-20NC-3 (7371759) ------- ea 1 
43 9 C 0 4730-737-2879 PLUG, PIPE: drain and filler 1/2 in. (7372879)------------- ea 2 
2 
t~< 
'~I 
~1 
hs 
Figure 43. Transfer assembly and related parts 
68
TM 9-2320-208-20P 
III (2) (3) (41 (51 (61 (7) 
SOURCE. MAINT 15-0AY 
ILLUST AND MAINT 
RECOVERABJLlTY 
FEDERAL DESCRIPTION UNIT QTY 
ALW PER 
CODE 
STOCK OF INC 
100 EQUIP 
(a) (bl (a) (bl (e! (dl 
NO ISSUE IN (a) (b) 
FIG ITEM ~ ~d § UNIT o'" ?;; Ouczo'g" 
NO NO ~~ S( ~~ ~ 8 ~ 
<0 ~~o 
"'~ ;l =: 
08 - TRANSFER ASSEMBLY - Continued 
0803 - TRANSFER FRONT BEARING RETAINER AND 
SHIFTER SHAFTS (Fig. 44) 
44 1 P 0 5355-741-1761 KNOB: gearshift hand lever (7696491) --------------------- ea 1 
44 2 P 0 4730-050-4205 FITTING, LUBRICATION: elbow, 45 deg, hyd, 1/4-28NF-2 ea 1 
(male gearshift hand lever pivot pin) (504205) 
44 3 C 0 2520-318-1026 YOKE: w/shield, assy (8328440) ------------------------- ea 1 
C 0 5310-703-2633 NUT, HEXAGON, HUGLOCK TYPE: 3/4-16NF-2 ea 1 
(7032635) 
50 9 C 0 2520-737-1035 FLANGE PROPELLER SHAFT: companion, w/slinger, ea 1 
assy (7371035) 
cr-1 
3 
~1 
Figure 44. Transfer front bearing retainer and shifter shafts - exploded view 
ORDE64888 
69
TM 9-2320-208-20P 
Figure 45• Front and rear propeller shaft and related parts 
70
TM 9-2320-208-20P 
11l (21 131 (41 151 (61 (71 
SOURCE, MAINT IS·DAY 
ILLUST AND MAINT 
RECOVERABILITY 
FEDERAL DESCRIPTION 
ALW PER 
CODE UNIT QTY 100 EQUIP 
STOCK Of IN( 
(a) (bl (a) (bJ (e) Idl 
NO ISSUE IN (aJ (b) 
~ ~ 
fiG ITEM ~ ~ g UNIT 5 ~ Oz'" 
~ Q ~ =c:: = um ~ 
u0 ...... ~~o -<0 ~ ~ ,.~ 
NO NO ~ li~ != 
09 - PROP ELLER AND PROP ELLER SHAFTS 
0900 - FRONT.AND REAR PROPELLER SHAF TS 
AND RE LA TED PARTS (Fi g, 45) 
45 1 C 0 2520-293-5133 SHAFT: prope ller, fr ont, w/Wliversal joint, as sy ea 1 
(8328496) 
45 1 P 0 2520-692-6236 SHAFT: propeller, r ear , w/Wliversal joints, a s sy (Ml70) ea 1 
(8333283) 
45 1 C 0 252 0- 293- 5128 PROPELLER SHAFT W/UNIVEHSAL JOINTS: rear, assy e a 1 
(M38Al an d M38AlC) (832 8497) 
45 2 C 0 2520-318- 1032 YOKE: s leeve, universal joint, front, assy (8328499) - --- --- ea 1 
45 2 C 0 2520-3 18-103 1 YOKE: flange (r ear prope ller s haft to tran s fer ) ea 1 
(8328498) 
45 2 C 0 2520- 318- 1044 YOKE : sleeve (unive r s al joint, rear, assy) (8329700)-- ----- ea 1 
45 3 C 0 5330 -318- 4336 SEAL: rubber, universal joint sleeve yoke dust cap ea 1 
(8333061) 
45 4 C 0 53 10-769-7613 WASHER : split, uni ver-sal join t s leeve yoke dust cap stee l ea 1 
(7697613) 
45 5 P 0 4730-050-4203 FITTING, LUBHICATION: stght, hyd, surface check, S, ea 3 
cd-pltd, or zn-chromate-Itn .. 1/ 4-28NF-2 :nale (U joint) 
(504203) 
45 6 P 0 2520-028-3434 KIT: repair , uni versal joint (us e only afte r stock of parts ea I 
ki t (2520- 530-7544 i s exhausted) (8328494) 
Composed of: 
6, 1 4 BEARING (65909-807779) 
6,2 1 JOURNA L (65909- 807780) 
45 6, 3 5340 -174-9829 4 RING, snap, bearing (78080- 2-7-2) 
45 7 C 0 5306 - 174- 43 12 BOLT, U: uni ver-sal join t bearing (53072 99) - ------ - -------- ea 4 
45 8 P 0 53 10- 050- 3345 NUT, SELF-LOCKING, HEXA GON: S, cd- or zn- pl td, ea 8 
5/1G -24UNF-3B, 1/ 2 w, 11/ 32 thk (c riti cal in stalla ti ons) 
(U joint) (503345) 
45 9 C 0 2520 - 318-4332 SEAL: oil (uni vers al joint journal bearing) (8328495) ------ - - ea 8 
, 
7J
TM 9-2320-208-20P 
(1) (2) (3) (4) (5) (6) (7) 
SOURCE. MAINT IS-DAY 
ILLUST AND MAINT 
RECOVERABILITY 
FEDERAL DESCRIPTION UNIT QTY 
ALW PER 
CODE 100 EQUIP 
STOCK OF INC 
(0) (bl (0) (bl (c! (dl 
NO ISSUE IN (0) (b) 
~ § FIG ITEM UNIT '" 8~§ ~ g~ :3 01;; 
NO NO '" 0" '" ~::!:: ~ ...... ~ u '" c..c..", 
""co ~ :::~O 
'"'~ 
10 - FRONT AXLE 
1000 - FRONT AXLE HOUSING (Fig. 46 ) 
46 1 P 0 4730-278-3380 PLUG: pipe front axle drain (133186)---------------------- ea 2 
46 2 C 0 2520-495-7074 GASKET: cover (7371103)-------------------------------- ea 1 
ORO E64890 
FiP'lJ.Yp. 46. Front axle housing - exploded view 
72
TM 9-2320-208-20P 
(1) (2) (3) (4) (5) (6) (7) 
SOURCE. MAINT IS-DAY 
ILLUST AND MAINT 
RECOVERABILITY 
FEDERAL DESCRIPTION UNIT QTY 
ALW PER 
CODE 
STOCK OF INC 
100 EQUIP 
(a) (b) (al (b) (el (d) 
NO ISSUE IN (a) (bl 
~ !:: FIG ITEM ;t~ ~ j~ ~ UNIT 'o" i;; Oumz'g" 
NO NO ~~ ~ ~!; ~ 8 ti 
~&o Ci ~ 
~~ '" =: 
10 - FRONT AXLE - Continued 
1002 - FRONT AXLE POWR-LOK DIFFERENTIAL (Fig. 47) 
47 1 P 0 CASE, DIFFERENTIAL: less ring gear and pinion (used on ea 1 
M170 and M38Al vehicles for Marine Corps only) (924139) 
47 2 P 0 PISC AND PLATE SET, FRICTION: used on Ml70 and ea 2 
M38Al vehicles for, Marine Corps only (935891) 
47 3 P 0 RING, DIFFERENTIAL SIDE GEAR: used on M170 and M38Al ea 2 
vehicles for Marine Corps only (923005) 
47 4 P 0 GEAR SET, DIFFERENTIAL: used on M170 and M38A1 ea 2 
vehicles for Marine Corps only (935892) 
NON-ll.LUSTRATED ITEMS 
P 0 2530-656-5749 FLANGE: non-driving, w/bearing (07767-1000)-------------- ea 2 
C 0 2520-495-7112 YOKE: end, propeller shaft to bevel pinion, w/ shield, assy ea 1 
(7373121) 
GROUP 
1102 
1102 
1102 
1102 
1102 
1102 
2 
ITEM 
CASE 
DISC AND 
PLATE SET 
RING 
GEAR SET 
SPACER 
PI'" 
KEY 
1 
2 
3 
45 
6 
4 3 
3 4 
,, 
0 ' 71 5 6 5 
ORD.E64891 
Figure 47. Front axle pourr-loh 'differential - exploded view 
73
TM 9-2320-.20S-20P 
2 
4.3-. fl.r- ' 
~,--- 4.2--Yt.., 
GROUP 
1204 
illM.. 
GUARD 
-if 
.P;-~~ ~C;t~~~~i~~'~~~~ 
,q J ~ ! K:V 
8 
ORO E64892 
Figure 48• Steenng knuckle and um.versal [oint - exploded m-ew 
74
TM 9·2320-208-20P 
111 (21 (31 (41 (5) (6) m 
SOURCE. MAIHT IS·DAY 
ILLUST AND MAINT 
RECOVERABILITY 
FEDERAL DESCRIPTION 
ALW PER 
COOl UNIT QTr 100 EQUIP 
STOCK OF INC 
(a) (bl (a) (b) tel (d) NO ISSUE IN (al (bl 
~ 
FIG ITEM ~ i d 
:::l UNIT .. Oz .... 
~ o ~ umg 
NO NO ~~ i ~; 8 ti ...... 
; = ~~O 
10 - FRONT AXL E - Cont inued 
1004 - STEERING KNUCKL E AND UNIVERSAL JOINT (Fig.48 ) 
48 1 C 0 2520-737-11 10 FLANGE: drive, shaft (73711 10) ------------- - - ---------- ea 2 
48 2 P 0 2520 - 735- 1403 SHAFT: w/univers al joint, r igh t , assy (used on M170 ea 1 
vehicles thru serial no. 1442 1 and M38Al ve hicles thru 
serial no. 94054)(7351403 ) 
48 2 P 0 2520 -788- 9715 SHAFT: w/universal joi nt, right, assy (10917034-1) (us ed ea 1 
on M170 vehicles afte r serial no. 14420 and M38A1 
vehicles a fte r serial no. 94054 ) 
48 3 P 0 2520 -691-3546 SHAFT: w/universal joint , le ft , assy (7351404) - - --- - ----- - ea 1 
48 4 P 0 2530 -741-8141 PARTS KIT, STEERTNG GEAR: service fl an ge oil seal ea 1 
(7418 141) 
Composed of: 
4. 1 2530-769-6523 2 GASKET (65909-A820) 
4.2 4 SEAL, oil hal f (65909-800095) 
4. 3 4 SPHING (65 909- 800068) 
48 5 P 0 5306- 019- 24 17 BOLT, ASSEMBLED WASHER : hex-hd, ext-teeth loc k- ea 16 
washer (192417) 
48 6 P 0 4730-278-3391 PLUG, PIPE: steering kn uc kl e (7372879)----- ------- ------ ea 2 
48 7 C 0 2520-737-2872 GASKET: shaft drive fl ange (7372872) --- - - - ----------- ---- ea 2 
48 8 C 0 5306-274- 0953 BOL T, MACffiNE: flange, drive (73 72864)------ - - - - - - - - - - - - e a 12 
NON-ILLUSTRATED ITEMS 
PIO . 5305- 018- 163 7 SCREW, CAP, HEXAGON HEAD: adjusting, s teering knuckle ea 2 
(18163 7) 
C 0 2520 -737-1589 SHIM SET: cap (7371589) --- ------- --- ----------------- ea I 
Composed of: 
4 SHIM O. 003 (78080-16992-1) 
4 SHIM O. 005 (78080-16992-2) 
8 SI!IM O. 010 (78080-16992-3) 
6 SHIM 0.030 (78080 - 16992-4) 
7S
TM 9-2320-208-20P 
76 
Figure 49. Rear axle hQUsing and attaching parts 
.ORD_E64893
TM 9-2320-208-20P 
11l 
ILLUST 
la) 
AG 
NO 
(2) 
soum. MAIHT 
AND 
RECOVERABILITY 
CODE 
(3) 
FEDERAL 
STOCK 
NO 
(41 
DESCRIPTION 
11 - REAR AXLE 
1100 - REAR AXLE HOUSING AND ATTACHING PARTS (Fi g. 49) 
(5) 
UNIT 
OF 
ISSUE 
(6) 
QTY 
INC 
IN 
UNIT 
(7) 
IS·DAY 
MAINT 
ALW PER 
100 EQUIP 
(0) (b) 
ol; 
o :;; u 
49 1 
49 2 
49 3 
55 14 
P 0 
P O 
P 0 
C 0 
4730- 506-1609 FITTING, LUBRICANT, PRESSURE RELIE F: 4 psi, 2 di d ea 
hole s , S, cd- pl td or Id-ctd or zn-chromatc - fi n. ,1/8NPT 
male housing (5873 05) 
4 730-278-3380 PLUG, PIPE: sq-cocket, 3/4 in. (r ear axle housing)( 1l3186) ea 
4730-278-4724 ELBOW: inverted, 90 deg, 1/8 ad tube, 1/ 8 mal e pipe end e a 
(r ea r axle housing}(137419) 
2520-737-4987 SHAFT: left (7474987) o___________ ea 
2 
1 
SHAFT: le ft (used on veh ic les M170 and M38A1 with pwr'-Iok ea 1 
di fferential) (Marin e Corps only) (912625) (Non-illus tr a ted) 
55 14 C 0 2520 - 737-4986 SHAFT: r ight (7374986) 
SHAFT: r ig ht (used on vehicles M170 and M38A1 with 
powr- lok differenti al) (Marine Cor ps only ) (912626) 
(Non-illus tr ated) 
NON- ILLUSTRATED IT EM 
ea 
ea 
C 0 2520-347- 4546 YOKE: e nd, drive pi nion , w/shield, assy (832800 5) - ______ __ ea 
1102 - R EAR AXL E POWER- LOK DIFFERENTIAL (Fig. 4 7 ) 
47 1 
4 7 2 
47 3 
47 4 
47 5 
47 6 
P 0 
P 0 
P 0 
P 0 
P 0 
P 0 
CASE, DIF FERENTIAL: les s r in g gear and pinion (us ed On 
M170 and M38A I vehl cles for Mar ine Corps only ) (916775) 
DISC AND PLAT E SET, FRICTION: us ed on :VIl70 and 
M38Al vehic les for Marin e Cor ps only (935553) 
RING, DIFFERENTIAL SIDE GEAR: used on M170 and 
M38Al ve hicle s for Marine Corps only (921387) 
GEAR SE T DIF FERENTIAL: used on 111170 an d 1I138A1 
ve hic les for Marine Corps only (91817 9) 
SPACER, AXL E SHAF T: us ed on 111170 and M38Al ve hic les 
for Marine Corps only (912637) 
PIN, AXLE SHAFT: used on 111170 and M38A1 vehicle s fo r 
Marine Cor ps only (273936) 
ea 
e a 
e a 
ea 
ea 
e a 
2 
2 
2 
77
TM 9-2320-208-20P 
KEY ITEM 
9 FLANGE 
GROUP 
0803 
F:t"gure 50 • Handbrake assembly 
78
TM 9-2320-208-20P 
III (21 131 (41 (51 161 171 
SOURCE, MAINT 15-DAY 
ILLUST AND MAINT 
RECOVERABILITY 
FEOERAL OESCRIPTION UNIT QTY 
ALW PER 
CODE 100 EQUIP 
STOCK OF INC 
FIG ITEM ~_ i UNIT .. 8z G 
lal lbl (al lbl lcl ldJ 
NO ISSUE IN lal Ibl 
~ 
o .. 0:: ~ = o ~ ~ NO NO i~ Sl ;; z~ ~ .... u .. IS 
et~o ~ 12 - BRAKES 
1201 - HANDBRAKE ASSEMBLY~Fig. 50) 
50 1 C 0 2530-040-2507 HANDLE: assy (8329623) ------___________________________ 
ea 1 
50 2 P 0 5306-283-0411 BOLT, ASSEMBLED WASHER: hex-hd, split lockwasher ea 3 
(9409102) 
50 3 C 0 2530-040-2508 ROD: handbrake (8329626) ------------------------------- ea 1 
50 4 P 0 2530-200-5418 SPRING, HELICAL, COMPRESSION: retracting, cable ea 1 
(8329625) 
50 5 C 0 2530-040-2512 LEVER: operating, handbrake (8329633)---------__________ ea 1 
50 6 C 0 R 2530-040-2510 BRAKESHOE SET, INTERNALLY: w/lining, assy ea 1 
(8329628) 
Composed of: 
6.1 1 SHOE, inner, w/lining, assy (65909-806028) 
6.2 1 SHOE, outer, w/lining, assy (65909-806027) 
50 7 P 0 2530-040-2511 STOP: handbrake (8329630) _______________________________ 
ea 1 
50 8 P 0 2530-693-0781 CABLE: parking brake control (M170) (8333284) ----------- ea 1 
52 19 P 0 2530-040-2509 ROD: operating lever, w/spring, assy (8329627) ----------- ea 1 
52 20 C 0 2590-321-6444 SPRING, HELICAL, EXTENSION: retracting, anti-rattle ea 1 
(8330948) 
79
TM 9-2320-208-20P 
80 
5 
3.2--- 
Figure 51. Service brake assembly 
---3.2 
1.2 
I 
OROE64895
TM 9-2320-208-20P 
111 (2) (3) 141 (5) (6) m 
SOURCE. MA1N1 IS-DAY 
IUUST AND MAINT 
RECDVERABILlTY 
DESCRIPTION UNIT OTY 
ALW PER 
CODE FEDERAL 
100 EQUIP 
STOCK Of INC 
la l -Ibl Ca) Ibl lel Cd) 
NO ISSUE IN (01 (bl 
~ 
AG ITEM b i ~ti:1 i! UNIT o '" ozl- 1;; uca~ 
NO NO '" Z<:; :l o u .. 
I- F§ ~~o li1~ ~ 
i ~ 
c 12 - BRAKES - Continued 
1202 - SERVICE BRAKE ASSEMBLY (Fig. 51) 
51 1 C 0 253 0-307-8860 KIT: shoe, w/lining, assy (8329612) ea 2 
Composed of : 
1. 1 2 SHOE, front, w/lining, assy (65909- 8073 77) 
l.2 2 SHOE, rear, w/lining, assy (65909-80 7378) 
51 2 C 0 5340-200-8977 SPRING, HELICAL, EXTENSION: shoe retainer an ch or end ea 4 
(8329611) 
51 3 C 0 2530-301-7762 KIT : brakeshoe hold-down (8333105) ea 4 
Composed of : 
3. I 4 CUP (65909- 391404) 
3. 2 2 PIN (65909- 807374) 
3.3 2 SPRING (65909- 636863) 
51 !-.r- C 0 I 2530 -040-2497 ECC ENTRIC : adjusting, shoe (8329607) - - ---- --- - --- - - - - - ea 4 
51 5 C 0 2530 -918 -0602 CYLINDER: r ear wheel, assy (7324407)--- ------- ------- - ea 2 
51 5 C 0 2530-554-8776 CYLINDER: front wheel, assy (8328442) '---- - - - - - - - - - - - - - ea 2 
P 0 5306- 042-3553 BOL T, ASSEMBLED WASHER: hex- hd, ext- tee th ea 2 
Iockwasher, S, cd - or zn-pltd, 1/ 4-20UNC-2A x 
3/8 (423533) 
51 6 C 0 2530- 769- 7462 BLEEDER VALVE, HYDRAULIC: wheel cyl inder ea 4 
(7697462) 
51 7 C 0 5340- 741- 2129 SPRING HELICAL, EXTENSION: retracting, s hoe ea 4 
(7412179) 
51 8 P 0 5310-012- 0382 WASHER, LOCK: s plit, med, S, cd - Or zn-pltd, 3/8 ea 4 
screw size (120382) 
51 9 PI 10 53 10-543-5653 NUT, P LAIN, HEXAGON: S, cd- or zn-pltd , 3/8-24UNF- ea 8 
2B , 9/16 w, 21/ 64 thk (120369) 
51 10 P1 0 5306- 042-3553 BOLT, ASSEMBL ED WASHER: hex-hd, ext- te eth lock- ea 8 
washer S, cd- or zn-pltd, 1/4-20UNC-2A x 3/8 (423 553) 
55 6 C 0 2530-495-9594 GASKET: rear brake grease s linger (7697 463)- - ------ ---- - ea 4 
NON- ILLUSTRAT ED ITEM 
PlO 5310-637-9541 WASHER, LOCK: spli t, med, S, cd - or zn- pltd, 3/8 ea 4 
s crew size (96906-35338-46) 
81
TM 9-2320-208-20P 
ORllE64896 
Figure 52. Hydraulic lines and related parts 
82
TM 9-2320-208-20P 
III 
IUU~T 
(0) 
fIG 
NO 
(2) 
SOURCE, MAINT 
AND 
R£COVERABlliTY 
CODE 
(31 
FEDERAL 
STOCK 
NO 
(41 
DESCRIPTION 
12 - BRAKES - Continued 
1204 - HYDRAULIC LINES AND RELATED PARTS (Fig. 52) 
(5) 
UNIT 
Of 
ISSUE 
(6) 
QTY 
INC 
IN 
UNIT 
(7) 
IS-DAY 
MAINT 
AlW PER 
100 EQUIP 
(0) lbl 
52 1 
52 2 
3 
52 4 
52 5 
52 6 
52 7 
52 8 
52 9 
52 10 
52 11 
52 12 
48 4 
C 0 
C 0 
C 0 
P 0 
P 0 
C 0 
C 0 
C a 
C 0 
C 0 
P 0 
P 0 
C 0 
C 0 
C 0 
P 0 
P 0 
P 0 
253 0-737-2836 
5340-371-4134 
4730-014-2431 
4710-350-9886 
5340-696-0248 
5340-737-2833 
2530- 73 7-283 7 
2 530-495-8677 
4730-737-2343 
5306-018-7263 
5306-042-3555 
2530-737-2839 
253 0-737-2835 
2530-703-2625 
4730-014-2431 
5340-282-7551 
6219-471-2 
LINE: flexibly, front brake, a s sy 6 in. 19 (7372836)--------- ea 2 
CLIP, SPRING TENSION: lock flexible line to bracket e a 4 
(7735289) 
LINE: front tee to left fl exible line tube, front tee to right ea 1 
flexible line tube, master cylinder to front hose tube, 
master cylinder tube (rear), r ear tee to left wheel cylinder 
tube, rear tee to right wheel cylinder tube (8677344) 
Fabricated from: 
INVERTED NUT, TUBE, COUPLING: inverted flare, 45 ea 12 
deg seat, br, 3/8-24UNF-2A, 9/ 16 overalllg, 3/16 od tu 
front tee to left flexible line tube (2), front tee to right 
flexible line tube (2), master cyl in de r to front hose tube 
(2), master cylinder tube, roar (2), rear te e to left wheel 
cylinder tube (2) rear tee to right wheel cy l in der tube 
(2) (1424 31) 
TUBING, COPPER: 3/16 od, 0.035 wall thk, 20-1/4 Ig ft f 
CLIP: hose front axle brake line (2) and rear axle brake ea 3 
line (1) (68146-983 82) 
CLIP: closed, brak e line 5/16 in. line (7372833)------------ ea 2 
LINE: flexible, rear axle tee to ma ster cyl in de r line, a s sy ea 1 
15 in. 19 (7372 83 7) 
GASKET: flexible, brak e line tee fitting copper ea 2 
(7372 834) 
TE E: rear axle brak e line (737 2343) ---------------------- ea 1 
BOLT, ASSEMBLED WASHER: hex-hd, ext - te e th lock- ea 1 
washer , S, cd- or zn- pl td, 1/4-20UNC-2A x 7/8 
(187263) 
BOLT, ASSE lIDLED WASHER: hex-hd, ext- te e th lockwasher, e a 1 
S, cd- or zn-pltd, 1/4-20UNC-2A x 1-1/8 (423555) 
TEE: front axle crank line (7372839) ---------------------- ea 1 
LINE: flexible, front axle to fr ame, assy 11 in. 19 ea 1 
(7372835) 
GUARD: front brake flexibl e line (703 2625) ---------------- ea 2 
NON-ILLUSTRATED ITEMS 
INVERTED NUT, TUBE COUPLING: inverted flare, 45 deg ea 4 
s eat, br, 3/8-24UNF-2A, 9/16 in. cverall Ig, 3/16 in. 
od tu (142431) 
CLIP, CLOSED: 1/4 in od tub e --.------------------------ e a 2 
CLIP: fastener type E, S, 3/16 in. (side rail) (621947-12) -- e a 4 
83
TM 9-2320-208-20P 
ORD E64897 
Figure 53. Brake master cylinder 
84
TM 9-2320-208-20P 
m 121 (3) (4) (5 ) (6) (7) 
SOURCE. MAINT IS-DAY 
IlLUST AND MAIHT 
RECOVERABILITY 
FEDERAL DESCRIPTION UNIT QTY 
ALW PER 
CODE 
STOCK OF IHC 
100 EQUIP 
(0) (b) (01 (bl (e) (dl 
NO ISSUE IN loJ (bl 
I:: 
RG ITEM ... ~ ~ UNIT 0 ~ 
o z .... 
NO HO ~ ~ ~ gE a 8 :;; 
Um~ 
~ ~ .... i; ~ ~ o ~ o "' ~ ~ = 
12 - BRAKES - Continued 
1204 - BRAKE )',IASTER CYLINDER (F ig . 53 ) 
53 1 C 0 R 2530-741-6524 CYLINDER ASSEMBLY HYDRAULIC: master, assy ea 1 
(7416524) 
P 0 5306-012-2089 SCREW, CAP, HEXAGON HEAD: S, cd- or z n-pltd, ea 1 
5/16-18UNC -2A x 3 (122089) 
P 0 5310-616-3023 WASHER, FLAT: It , S, cd- or zn-chr omate - fin, 11/32 id, ea 2 
11/16 od, o. 065 t hk, fo r 5/16 screw s iz e (120393) 
PI 0 5310-012- 0214 WASHER, LOCK: s plit, med, S, cd- or zn-pltd, 5/16 ea 2 
s c r ew size (120214) 
53 2 P 0 2530-73 7- 517 6 BOOT: master cylinder (737 517 6) - - - - - - - - - - - - - - - - - - - - - - - - ea 1 
53 3 P 0 4730-090- 9245 PLUG, PIPE: vent, filler cap O. 125 (8332083)· '- - - - - - - - - - -.:- ea 1 
53 4 C 0 2530- 740-9316 GASKET: fille r cap (us e d w/cylinder, 2530-741-6524 ) ea 1 
(74 0931 6) 
53 5 P 0 2530-737-2342 FITTING : outlet (7372342 ) ------- -------------------- - - -- ea 1 
53 6 C 0 5330-209-1761 GASKET: inlet fitting bolt (5160323)---- - - - ---------------- ea 1 
53 7 C 0 4730-737-5440 BOLT: 1/2-20NF x 1-5/32 (7375440) - ------- - - - - ---------- e a 1 
NON-IL LUSTRATED IT EM 
P 0 5305 -011-1655 SCREW, TA P PING, THREAD FORMING: hex- hd, bl un t-pt, ea 6 
sh- rne t- thd, S, cd - or zn-pltd, no. 14 0.243 x 3/4 in. 
(ma s te r cylinder cover) (11 1655) 
12 06 - MECHANICA L BRAKE SYSTEM (Fig. 52) 
52 13 P 0 5306-286-1505 BOLT , ASSEMBLED WASHER: hex-hd, split lockwa sh e r , S, ea L 
cd- or zn-pltd, 5/16 - 18UNC-2A x 1- 1/4 (94091 03) 
52 14 C 0 2530- 769-7466 PAD: brake pe dal, assy (7697466)----------------- - - --- - ea I 
52 15 C 0 5330-040-2470 PA D: draft (8328436) ----- --------- --- - --- - -------- - --- ea 1 
52 16 C 0 2520-597':'2315 SP RING: r etracting, brake pedal (838 7940)---- - -------- -- ea 1 
52 17 C 0 2 53 0-769- 745 2 BRACKET: pe dal shaft re tainer, w/bushing, assy ea 1 
(7697452) 
52 18 P 0 2530-734- 0237 SHAFT: pedal, assy (7340237)---- - --------------------- ea 1 
NON-ILLUSTRATED ITEM 
P 0 5315-013-7223 PIN, COTTER: S, cd-, zn-or brgt ni -pltd, 5/32 x 1-3/8 ca 2 
pedal pad bolt (1372 23) 
85
TM 9-2320-208-20P 
NOTE: ITEMS II AND 12 ARE ALSO 
PART OF REAR HUB AND DRUM ASSEMBLY, 
FIGURE 55. 
_ORDE64898 
Figure 54. Front hub. drum assembly and related parts - exploded view 
86
TM 9-2320-208-20P 
III (2) (31 (41 (51 (6) (71 
SOURCE. MAINT IS·DAY 
ILLUST AND MAINT 
RECOVERABILITY 
FEDERAL DESCRIPTION 
ALW PER 
CODE UNIT aTY 100 EaUIP 
(al STOCK OF INC lbl la) lb) lei Cd) 
NO ISSUE IN (a) (bl 
~ 
~ ~m = um~ 
FIG ITEM ;;; ~ ~ ~ UNIT 0 ~ 
Oz .... 
NO NO ~F Si Ii; l:: 8 :0 ...... :oS ; ~ ~~O 
13 - WHEELS 
1311 - FRONT HUB DRUM ASSEMBLY AND RELATED PARTS 
(Fig. 54) 
54 1 C 0 2520-737-5143 CAP: hub (7375143) ---------------------------------------. ea 2 
54 2 C 0 2530-291-7386 PACKING, PREFORMED: front hub cap (65909-804821) ------- ea 6 
54 3 C 0 5310-769-6521 WASHER, KEY: front hub bearing nut (7696521) -------------- ea 2 
54 4 C 0 5310-769-6520 WASHER, KEY: front hub bearing (7696520) ----------------- ea 2 
54 5 P 0 3110-100-0532 CUP, TAPERED ROLLER BEARING: mil-std-code 711- ea 4 
18520-1000 sr, si no. 2 tal, 1/16 in. back face corner 
r ad, 2.8750 in. ad, 0.5000 in. 19 (706836) 
54 6 C 0 2530-352-6962 DRUM: brake (7328371) ----------------------------------- ea 2 
54 7 P 0 R 2530-693-0792 HUB: w/bearing cup, assy (8333378) ------------------------ ea 2 
54 8 P 0 5306-732-8294 BOLT RIBBED SHOULDER: rivet type, S, carburized case ea 5 
harden, 1/2-20NF-3 rolled thd lh thd hub (7328294) 
5,1 8 P 0 5306-732-8293 BOLT RIBBED SHOULDER: rivet type, S, carburized case ea 5 
harden, 1/2-20NF-3 rolled thd rh thd hub (7328293) 
v·..., 9 P 0 5330-505-6700 SEAL: oil, special type, 2-1/8 x 2. 879 x 3/8 front hub ea 2 
(8329731) 
54 10 P 0 3110-100-3526 CONE: tapered roller bearing, mil-std-code 711-18590-3000 ea 4 
includes rollers and gage, sr, 1.6250 bore, 0.6875w 
front hub (705423) 
~-1 11 
IP 
0 5305-013-3757 SCREW, MACHINE: fl-hd, S, cd- or zn-pltd, 1/4-20UNC- ea 6 
2A x 3/8 (133757) 
54 12 P 0 5310-523-2405 NUT, CONE SEAT HEXAGON: S, cyanide case hardened, ea 5 
1/2-20NF-2 rht wheel mounting hub (5232405) 
54 12 P 0 5310-264-1929 NUT, CONE SEAT HEXAGON: S, cyanide case hardened, ea 5 
parkerized, 1/2-20NF-2 lht wheel mounting hub 
(5232404) 
87
TM 9-2320-208-20P 
(l) (2) (31 (41 (5) (6) (7J 
SOURCE. MAINT IS-DAY 
IllUST AND MAINT 
RECOVERABILITY UNIT (lTV ALW PER 
FEDERAL DESCRIPTION CODE 100 EQUIP 
STOCK Of INC 
(01 (b) (a) (b) (el (dl ISSUE (a) (b) NO IN 
t:S ~ UNIT 0 oz .... fIG ITEM >- uco~ ~~ I ~i a 0 :'-" NO NO u ..... i; .~..~.o'" <0 "'~ ~ = 
13 - WHEELS - Continued 
1311 - REAR HUB, DRUM ASSEMBLY AND RELATED 
PARTS (Fig, 55) 
55 1 P 0 2530-737-4988 SEAL: oil, type mw, 1-3/8 x 2,286 x 1/4 (7374988) ___________ ea 2 
55 2 P 0 3110-100-3546 CONE TAPERED ROLLER BEARING: mtl-std-code 771 ea 2 
25877-3000 (includes rollers and cage, sr, 1. 3750 bore, 
0,9688 w shaft) (705447) 
55 3 P 0 3110-100-0551 CUP, TAPERED ROLLER BEARING: mil-std-code 711- ea 2 
25821-1000 sr , si, no. 2 tal, 1/32 corner rad, 2. 8750 ad, 
O. 7500 19 (706857) 
55 4 P 0 2520-737-4981 SHIM SET: bearing (7374981)------------------------------- ea I 
Composed of: 
4 SHIM 0, 003 (78080-20010X) 
4 SHIM 0.005 (78080-17521-2) 
2 SHIM 0.010 (78080-17521-3) 
2 SHIM 0,030 (78080-17521-4) 
55 5 C 0 2520-735-1313 RETAINER: bearing (7351313) ------------------------------ ea 2 
55 7 C 0 2530-318-4335 SEAL: oil, rear axle shaft, outer, assy (8332519)------------- ea 4 
55 8 C 0 R 12530-301-7763 HUB: rear (8333106)--------------------------------------- ea 2 
55 9 C 0 5315-282-0360 KEY, MACHINE: rear axle shaft (7375136) -----------------.- ea 2 
55 10 C 0 5310-703-2606 NUT: shaft (7032606) -------------------------------------- ea 2 
55 11 P 0 5315-059-0378 PIN, COTTER: S, cd- or zri-pltd, 1/8 x 1-1/2 rear axle 
shaft nut (590378) 
55 12 C 0 ~520-737-5143 CAP: hub (7375143)---------------------------------------- ea 2 
55 13 P 0 5306-732-8294 BOL T RIBBED SHOULDER: rivet type, S, carburized ea 5 
case harden, 1/2-20NF-3 rolled thd lh thd hub (7328294) 
55 13 P 0 5306-732-8293 BOLT RIBBED SHOULDER: rivet type, S, carburized case ea 5 
harden 1/2-20NF-3 rolled thd rh thd hub (7328293) 
88
TM 9-2320-208-20P 
III 121 (3) (41 151 161 17l 
SOURCE. MAINT 15-DAY 
ILLUST AND MAINT 
RHOVERABllITY 
FEDERAL DESCRIPTION AlW PER CODE UNIT QTY 
100 EQUIP 
STOCK OF INC 
lal lbl lal lbl ltl ld) 
NO ISSUE IN lal (b) 
~ 
FIG ITEM ~ 5eI UNIT o'" ~ Ourzc>~- 
NO NO e~ o :.. 
~~o ~ ~ ..... i; u <co ; ~ "'~ 
13 - WHEELS - Continued 
1311 - REAR HUll DRUM ASSEMBLY AND RELATED PAR TS 
PARTS (Fig. 55) 
54 11 P 0 5305-013-3757 SCREW, MACHINE: Il-hd, S , cd- or z n-p l t d , l/4-20UNC- ea 6 
2A x 3/8 (133757) 
54 12 P 0 53 10- 26 4 -l929 NUT, CONE SEAT HE XAGON: S , c yanide case har de ned, e a 5 
park e z-ize d, 1/ 2NF-2Iht wh eel mounting hub 
(5232404) 
54 12 P 0 5310- 523 -24 05 NUT, CONE SEAT HEXAGON: S, cyanide case hardene d, ea 5 
l/2-20NF-2 rhg whee l mounting hub (52 32405) 
KEY ITEM GROUP 
6 GASKET 1202 
14 SHAFT 1100 
REFER TO FIGURE 51 
13 
9 I 10 11 12 ~olJJ 
ORDE64899 
Figure 55. Rear hub, drum assembly and related parts - exploded view 
89
TM 9-2320-208-20P 
4 
90 
Figure 56. Wheel assembly 
3 
ORD E64900
TM 9-2320-208-20P 
(l) (2) (3) (4) (5) (6) (7) 
SOURCE. MAINT IS-DAY 
IllUST AND MAINT 
REmVERABllITY 
FEDERAL DESCRIPTION UNIT QTY 
AlW PER 
CODE 
STOCK OF INC 
100 EQUIP 
(a) (b) (a) lb) (el Cd) 
NO ISSUE IN (a) lb) 
FIG ITEM s: ~ ~~ ~ UNIT ~ ~ 8~2 
NO NO ~ ffiE; ~ z~ 0 l;; '" oi: ~ ~~ § u ~~() 
=~ '" - 
13 - WHEELS - Continued 
1311 - WHEEL ASSEMBLY (Fig. 56) 
56 1 P 0 2530-287-2314 WHEEL, PNEUMATIC TIRE: assy 16 x 4. 50 E safety type ea 4 
(7387807) 
56 2 P 0 R 2610-678-1363 TIRE, PNEUMATIC: It truck, 6 ply, ndcc, 7,00 - 16 ea 4 
(96906-35388-93) 
56 3 P 0 R 2610-269-7332 INNER TUBE, PNEUMATIC TIRE: It truck, 7. 00 - 16, 150 ea 4 
(96906-35392-8) 
56 4 C 0 2640-052-0944 CAP, TIRE VALVE: screwdriver type (520944) -------------- ea 4 
56 5 C 0 2640-050-1229 VALVE CORE, PNEUMATIC TIRE: (501229)---------------- ea 4 
91
TM 9-2320-208-20P 
(l) (2) (31 141 (51 (6) (71 
SOURCE. MAIHT IS·DAY 
ILLUST AND MAINT 
R.!COVEWlllTY 
FEDERAL DESCRIPTION UNIT QTY 
AlW PEl 
CODE 100 EQUIP 
STOCK OF INC 
(01 Ib) (01 (bl (el ld) 
NO ISSUE IN (0) lbl 
FIG IT£M .u S I UNIT orw 8~§ 
NO NO ~~ 
~ ~~ S !R.... 8 ~ ~~o'" ; 
14 - STEERING 
1401 - DRAG LINK AND R ELATED PARTS (Fig. 57) 
57 1 C 0 253 0-737-5182 DRAG LINK, STEERING: assy (7375182)---------- -------- ea t 
57 2 P a 253 0-737- 5186 KIT: r ep air, drag link (73751 86) --------------------------. ea 1 
Composed of: 
57 2. 1 5315-013 - 7214 2 PI N, c otler, ball s eat adjus ting plug (137214) 
2.2 1 PLUG, adjusting, ball seat axle end (72210-S5070) 
2. 3 3 SEAT , ball (72210-85069) 
2.4 2 8PRING, ball seat (72210-8514 5) 
2. 5 28EAT, ball seat spring (72210-85144) 
2. 6 2 COVER, dust (59875-14DM76) 
2. 7 1 PLUG, adjusting, ball seat gear end (44537-801265) 
2. 8 2 SHIELD, dust cover (59875-14DM120) 
57 3 P 0 4730-172-0034 FITTING, LUBRICATION: elbow, 90 de g, hyd, surface ea 1 
check, S, cd- or zn-chromate-ftn , 1! 8NPT F male (1720034) 
57 4 P 0 4730-050-420S FITTING, LUBRICATION: stght , hyd, surfa ce check, S, ea 2 
c d- or zn-chr omate - fi n. , l ! SNPTF male short 
(50420 8) 
'--. - 
2.7 
, 2.6 2.4 
2.5 
2.8 
ORO E64901 
Figure 57. Drag.link and related parts 
92
TM 9-2320-208-20P 
III 
IUUST 
(a) 
fIG 
NO 
(2) 
SOURCE. MAINT 
AND 
RECOVERABIUTY 
CODE 
(3) 
FEDERAL 
STOCK 
NO 
DESCRIPTION 
14 - STEERING - Conti nue d 
1401 - DRAG LI l'-'K AND RELATED PARTS - Continued 
NON-ILLUSTRATED ITEMS 
(5) 
UNIT 
OF 
ISSUE 
(6) 
QTY 
IHC 
IN 
UNIT 
(7) 
IS·DAY 
MAIHT 
ALW PER 
100 EQUIP 
(a) (bl 
Pl0 
Pl0 
P 0 
C 0 
P 0 
P 0 
P 0 
P 0 
C 0 
C 0 
PI 0 
P 0 
P 0 
P 0 
P 0 
C 0 
P 0 
P 0 
311 0- 112-5781 
312 0-661- 9148 
253 0- 980- 5192 
253 0-737-5183 
53 06-638-7863 
473 0-278-2067 
2530-977-0948 
3110-2 27- 3438 
2530-737-5180 
533 0- 737- 5181 
533 0- 200-6284 
253 0- 737-5179 
53 10- 737- 5178 
5310-050-3434 
5315-059-0378 
2530- 73 7- 5177 
5310-823-8803 
5330- 200- 6231 
BEARING: r oller, needle, sol-row, out er r a ce , 1-1/ 8 bor e ea 
dia, 1.375 00, 0. 500 w/steering bellerank, pivot s haft 
(use on M170 vehicles after serial no. 12320 and M38A1 
ve hicle s after ser i al no. 87062) (7121 59) 
BEARING, SLEEVE: race spacer, bellerank (use on M17 0 ea 
vehicles after serIal no. 12320 an d M38A1 vehicles 
a ft er serial no. 87062) (906397) 
BELLCRANK ASSY: steering (7971881) (us e on M170 --------- ea 
vehicle s after serial no . 12320 and M38A1 vehicles a fte r 
s erial no. 87062) 
BELLCRANK: w/ bearing and oil s eal, assy (73751 83)---- ----- e a 
BOLT, SHOULDER : belle rank pi vot (use on M170 ve hic les e a 
after serial no. 12320 and M38A l vehicle s after se rial 
no. 87062) (65909-906396) 
CLAMP : hos e (s te ering, drag link) (502916) ----------------- e a 
COLLAR, STEERING BELLCRANK SHAFT: (65909-906 294) e a 
(use on M170 vehic le s after seri al no. 12320 and M38A1 
vehicle s a fte r serial no . 87062) 
RACE , INNER NEEDLE BEARING: mil -std- e ode , 993 - ea 
45016-0000 0. 8748 bore, 1. 12 58 od, 1. 6345 ad 
(7375185) 
SEAL: dust (bellerank to bracket rubber) (7375180) -----.----- ea 
SEAL , PLAIN, ENCASED: oil (bellcrank pivot shaft ea 
be aring) (737518 1) 
SEAL , PLAIN, ENCASED: (7971767) (usc on M170 ve hicles e a 
a fte r serial no. 12320 and M38Al after serial no. 87062 ) 
SHAFT: pi vot, bellcrank (7375179) ea 
NUT, SELF-LOCKING, HEXAGON: 5/ 8-1 8 iu d, then us e e a 
nut, 5310-050-3434 and pin, 5315- 013-7204 
(7375178) 
NUT, SLOTTED, HEXAGON: S, plain fin.(503434)------- ea 
PIN , COTTER: S, cd- or zn-pltd, 1/8 x l-1/2 (590378)--- ea 
SPruNG: bellcrank to bracket dust s e al (7375177) ------------ ea 
WASHER, FLAT: S, cd-pltd, 21/32 id, 1-5/l6 od, O. 098 ea 
thk (use on M170 vehicles after serial no. 12320 and 
M38Al vehicles after serial no . 87062) (96906-27183-21) 
WASHER , NONMETALLIC: steering reel crank (7971766) ea 
(use on M170 ve hicles after serial no . 1'2323 and M38Al 
vehicles after serial no. 87062) 
2 
1 
1 
1 
4 
1 
2 
1 
1 
1 
1 
1 
93
TM 9-2320-208-20P 
III (21 (31 (41 (5) (6) (7) 
SOURCE. MAINT lS-DAY 
IUUST AND MAINT 
RECOVERABILITY 
FEDERAL 
ALW PER 
CODE DESCRIPTION UNIT QTY 100 EQUIP 
to NO ISSUE III (al I: (bl 
(a) (bl (a) (bl (c) Cdl 
STOCK OF INC 
FIG e ITEM im UNIT o~ 8~~ NO ~m ;::::!:s i !ii~ I l' ell: 
8 v ~~o 
;j 14 - STEERING - Continued 
1401 - STEERING TIE ROD AND RELATED PARTS (Fig. 58 ) 
58 1 C 0 2530-318-1049 ROD: tie, left, w/ends, assy (8329746) -------------------- ea 1 
58 2 C 0 2530-318-1050 ROD: tie, right, w/ends, assy (8329747)------------------- ea 1 
58 3 P 0 5315-255-0614 PIN, COTTER: (121224) --------------------".: ------------ ea 4 
58 4 P 0 5310-012-5250 NUT, SLOTTED, HEXAGON: (125250) -------~------------ ea 4 
58 5 C 0 2530-737-3111 SPRING: front axle tie rod (7373111) -------~--------------- ea 4 
58 6 C 0 2530-040-2621 TIE ROD END, STEERING: to bellcrank, assy lht ea 1 
(8332476) 
58 7 P 0 4730-050-4207 FITTING, LUBRICATION: elbow, 90 deg, hyd, surface ea 4 
check, S, cd- or zn-pltd, 1/4-28NF-2 (male tie rod) 
(504207) 
58 8 P 0 5310-194-0743 WASHER, LOCK: split, (end clamp screw) (120383) -------- ea 4 
58 9 C 0 2530-318-1060 END: assy rht (8332475) ._----------------------- ea 2 
58 10 P 0 5340-281-6239 CLAMP, LOOP: end, tie rod (8339741) ------------------- ea 4 
58 11 P 0 5305-018-1673 SCREW, CAP, HEXAGON HEAD: end clamp (181673)------- ea 4 
58 12 C 0 2530-318-1059 END: assy lht (8332474) --------------------------------- ea 1 
,Figure 58. steering tie rod and related Parts 
94
TM 9-2320-208-20P 
III 121 131 141 IS) (6) 171 souta. MAiNT IS·DAY 
IUUST AIID MAINT 
iECOVWllllTY 
DESCRIPTION UNIT OTY 
AlW PER 
CODI fEDERAL 100 EQUIP 
STOCK OF INC 
lal lbl lal lbl lei Idl NO ISSUE IN Cal lbl 
~ AG 5 UNIT '" Oz'" ITEM 5i !d ! o ~ U~~ 
NO NO ~~ ; 1ii!3 = 8 ~ 
~ ~ ~~o 
14 - STEERING - Continued 
1401 - STEERING CONTROLS (Fig. 59) 
59 1 C 0 2530-741-2445 ARM: pitman, w/integral ball (7412445) ---------------------- ea 1 
59 2 C 0 4730-278-3389 PLUG PIPE: steering gear housing (103866)------------------- ea 1 
59 3 C 0 2530-737-5336 WHEEL: steering, assy (7375336)---------------------------- ea 1 
59 4 C 0 5310--741-2579 NUT, SLEEVE: retaining (steering wheel) (65909-801425)------- ea 1 
59 . 9 C 0 2510-040-1860 SEAL: steering gear jacket access plate (65909-801279) -------- ea 1 
59 10 X2 0 2530-090-9242 PLUG: oU seal, w/adapter, assy (horn switch) (8329727) .- ea 1 
NON-ILLUSTRATED ITEM 
pcz 0 5340-737-5347 CLAMP: mounting (tube jacket to instrument panel) ea 1 
(65909-649995) 
KEY ITEM GROUP 
5 CAP 0611 
6 RETAINER 0611 
~. 7:.' ROD(STEEL) 0611 
s DlSK 0611 
11 ·,SWlTCti 0611 
10 ORO E64903 
,""'--~;£';;:_ - -- ".;'j._" . 
1 
jo~~ //-~ "'r~8 
~Otl~g 
Figure 59. Steering controls 
95
TM 9-2320-20S-20P 
Figure 60. Lifting shackles 
0FD E64904 
• 
96 
~ 
~ 
~.. f .•.:...j .. . ' ~4~~ 
;-!-i?' 
Figure 61. Towing Pintle assembly 
3 
o 
·0 00 E64905 
• 
.. 
•
TM 9-2320-208-20P 
(l) (2) (3) (4) (5) (6) I]) 
SOURCE. MAINT IS·DAY 
ILLUST AND MAINT 
RECOVERABILITY 
FEDERAL ALW PER 
CODE DESCRIPTION UNIT QTY 100 EQUIP 
(a) lb) (a) (b) lei (dl STOCK OF INC 
5 NO ISSUE IN lal lb) 
FIG ITEM UNIT ~ Oz .... ~ ~.... i ~ um~ 
NO NO §~ ~ ~§ 0 :a 
Cc ; U S:~O "'~ 
15 - FRAME, TOWING ATTACHMENTS AND DRAWBARS 
1501 - LIFTING SHACKLES (Fig. 60] 
60 1 P 0 5315-290-1350 CLIP: snap, lifting shackle (8332074)---------------------- ea 4 
60 2 C 0 5315-769-7490 PIN, STRAIGHT, HEADED: retaining, lifting shackle ea 4 
(7697490) 
60 3 C 0 4030-741-0838 SHACKLE: lifting front (7410838) ------------------------- ea 2 
60 4 C 0 2510-769-7512 SHACKLE: lifting, rear (7697512) ----------------------- ea 2 
60 5 C 0 2540-741-0837 BRACKET: lifting shackle, front, w/spacer, assy ea 2 
(7410837) 
~ 0 2540-040-1887 SPACER: rear lifting shackle bracket (8328264) --------- ea 2 
(non-illustrated) 
1503 - TOWING PINTLE ASSEMBLY (Fig. 61) 
61 1 P 0 2540-707-3209 PINTLE ASSEMBLY. TOWING: (7073209) ----------------- ea 1 
61 2 C 0 2540-704-4253 SPRING, HELICAL, COMPRESSION: latch lock (7044253) --- ea 1 
61 3 C 0 2540-310-1815 LOCK, SUBASSEMBLY: pintle latch (7524313) ------------- ea 1 
61 4 P 0 5315-752-4316 PIN, GROOVED, HEADLESS: retaining (pintle hook latch ea 1 
center oil groove) (7524316) 
61 5 P 0 4730-050-4203 FITTING, LUBRICATION: stght, hyd, surface check, S, ea 2 
cd-pltd or zn-chromate-fin, 1/4-28NF-2 (male end lock 
latch pin and lock bolt) (504203) 
61 6 P 0 5315-290-6132 PIN, GROOVED, HEADLESS: retaining, latch ea 1 
(7524315) 
NON-ILLUSTRATED ITEM 
C 0 2510-769-7488 SPOOL: parachute (65909-800047}------------------------ ea 4 
97
98 
TM 9-2320-208-20P 
'ORD E64906 
Figure 62. SPare wheel carrier assembly
TM 9-2320-208-20P 
(1) (2) (31 (41 (51 (61 (71 
SOURCE. MAINT 15-DAY 
IllUST AND MAINT 
RECDVERABILITY 
FEDERAL DESCRIPTION UNIT QTY 
AlW PER 
CODE 100 EQUIP 
STOCK OF INC 
(a) (bl (a) (bl {el (d) NO ISSUE IN (a) (b) 
~ ~ UNIT '" Oz .... 
NO NO ~ ~ ffiE a 0 
FIG ITEM 0 5um~ 
~~ ~ ~-' e u ~~o ~o 
"'~ ~ := 
15 - FRAME. TOWING ATTACHMENTS, AND DRAWBARS 
1504 - SPARE WHEEL CARRIER ASSEMBLY (Fig. 62) 
62 1 X2 0 2510-769-7436 BRACKET: support, assy (7697436)------------------------- ea 1 
62 2 P 0 5340-514-1812 ROD END, EXTERNALLY THREADED: spare wheel carrier ea 3 
(7974896) 
62 3 P 0 5306-042-5401 BOLT, ASSEMBLED WASHER: hex-hd, tnt-teeth lockwasher, ea 2 
header-pt, S, cd- or zn-pltd, 3/8-16UNC-2A x 1-1/2 
(bracket support) (425401) 
99
TM 9-2320-208-20P 
III 12) (3) (4) (5) 16) (7) 
soum, MAINT lS-DAY 
ILLUST AND MAINT 
RECOVERABILI1Y 
FEDERAL DESCRIPTION UNIT QTY 
ALW PER 
CODE 100 EQUIP 
STOCK OF INC 
101 (bl (al (bl lei Id) 
NO ISSUE IN 101 (bl 
~ S UNIT '" Oz'" 
RG ITEM d ~ aE 3 o ~ UUl~ 
NO NO ~§ 
o ... 
~ ~.... li u .. ~~o := 
16 - SPRINGS AND SHOCK ABSORB E RS 
1601 - FR ONT SPRTNGS AND RELATED PARTS (Fig, 63 ) 
63 5 P 0 4730-050-4203 FITTING, LUBRICATION: stght , hyd , s ur fac e check, S, e a 4 
cd- or zn -chromate-Iin. ,t!4-28NF-2 (male shackle) 
(5042 03) 
63 6 P 0 53 10- 015 -3327 NUT, SELF-LOCKING, HEXAGON: S, cd- or an-pltd, ea 4 
9/ 16 - 18UNF-3 B, 7/8 w, 11/16 thk (critic al installatio n) 
(96906-20365- 918) 
63 7 C 0 2510-693- 0780 P LATE: s ide spring .s hac kle (8333 259) ---------.---------- e a 2 
63 8 P 0 5330-699-8522 PACKING: O-ring (8333337) -------------- -------- ------- ea 4 
63 9 C 0 2510-693-0778 BEARING : bu shing type , shackle, rh thd (8332928) -----.---- ea 4 
63 10 C 0 5306- 695 - 7244 BOLT, U: r ht (83.33138) - - --- - ----- - - - - ---- - - . - - - - - - --- - - ea 2 
63 11 P 0 5306- 575-5415 BOLT , U: (8741535) --- --------------------------------- ea 3 
63 12 C a 5340-209-9376 BUMP ER, RUBBER: fr on t and rear axle (832 9600) ---------- ea 2 
63 13 P 0 5306-575-5416 BOLT, U: right (8741536) --- --------- ------------------- ea 1 
63 14 P 0 53 06-281- 1017 BOLT , MACHINE : pi vot, rear brac ke t hex- hd, 7/16-20NF- ea 2 
3 x 3 (8332529) 
63 15 P 0 It 2510-318-1068 SPRING: fr ont , w/bear ing, a s sy (M38Al and M38AIC) ea 2 
(8333767) 
63 16 P 0 R 2510 -699-7036 SPR ING: front , w/bearing, assy (M17 0) (7973980) - - - - - - - - - - - ea 2 
63 17 C 0 5310-275-3459 NUT, PLAIN, HEXAGON: U bolt 7/ 16-20N F-2 (659 09- ea 8 
339372) 
63 18 C 0 2 510-040-2495 BEARING:A bushing type, eye (8329602) - - ------------- - - --- ea 2 
63 19 C 0 5306- 737-1055 BOLT , MACHINE: w/nut, a s sy (7371 055) ------------------ ea 2 
63 20 P 0 25 10-693 -0765 CLIP: leaf, oute r (8331234) --------- - -------------------- ea 4 
63 21 C 0 25 10-693-0766 CLIP: spring le a f, intermediate, w/bolt, nut , and spacer, e a 4 
assy (833 1235) 
63 22 P 0 25 10-318- 1033 CL IP : le af, inner , w/bolt, nut a nd spacer, assy (Ml70) ea 4 
(8329601) 
63 22 C 0 2510-693-0764 CLIP : leaf, Inner, w/bolt , nut and spacer, assy ea 4 
(8331232) 
100
TM 9-2320-208-20P 
III (21 (3) (41 (5) (6) (7l 
SOURCE. MAINT IS-DAY 
IlLUST AND MAINT 
RECDVERABILITY 
FEDERAL DESCRIPTION UNIT QTY 
AlW PER 
CODE 100 EQUIP 
STOCK OF INC 
(a) (b) (a) (bl (e! (dl 
NO ISSUE IN (al (bl 
~ ~ UNIT o~ OZ'" FIG ITEM 
~w 
~ !~ 5 uco~ 
NO NO = !i;i:: ~ 8 ~ .... '" 
~e ~ :c..... 8 ~~o 
'" =: 
16 - SPRINGS AND SHOCK ABSORBERS - Continued 
1601 - FRONT SPRINGS AND 'RELATED PARTS - Continued 
NON-ILLUSTRATED ITEMS 
C 0 2510-368-4938 BEARING: bushing type, front spring bracket (7697574) - ea 2 
P 0 2510-652-6263 PARTS KIT, SPRING SHACKLE: (5702338) -------------- ea I 
Composed of: 
2 SEAL (8710805) 
2 SEAL (7697602) 
2 RETAINER (7735843) 
-KE,Y 
Figure 63. Front springs and related parts 
·~]:f5h ~ 
ABSORBER 
NUT 1604 
WASHER 1604 
BUSHING 1604 
OROE64907 
101
TM 9-2320-208-20P 
m (2) 
SOURCE. JUINT 
IUUST AND 
I£cOvtlAlllltY 
CODE 
la) Cbl lal Ib) Cel Idl 
51 § fiG ITIM ~ t:j ~al !i 
NO NO lL 1!i lE~ =: 
~e j ~ 
(31 
FEDERAL 
STOCK 
NO 
(,(1 
DESCRIPTION 
16 :... SPRINGS AND SHOCK ABSO~BERS - Continued 
1601 - REAR SPRINGS AND RELATED PARTS (Fig. 64 ) 
(51 
UNIT 
OF 
lSSUI 
161 
QTY 
INC 
tK 
UNIT 
(71 
1S-GAY 
MAINT 
AlW PER 
100 EQUIP 
Cal Cb) 
64 
64 
64 
64 
64 
64 
64 
64 
64 
64 
64 
64 
64 
64 
64 
64 
64 
64 
64 
102 
5 
6 
7 
8 
9 
10 
11 
12 
13 
14 
15 
16 
17 
18 
19 
20 
21 
21 
22 
C 0 5340-209-9376 
C 0 5306-695-7244 
5330-699-8522 
P 0 2510-737-1056 
C 0 2510-693-0778 
C 0 2510-693-0780 
P 0 5310-050-3327 
P 0 4730-050-4203 
P 0 5306-575-5414 
COR 2510-318-1069 
C 0 5306-281-1017 
C 0 2510-040-2495 
P '0 R 2510-693-0783 
P 0 5310-275-3459 
C 0 2510-693-0768 
C 0 2510-693-0769 
P 0 2510-318-1034 
C 0 2510-693-0767 
P 0 5306-695-7242 
BUMPER, RUBBER: rear axle (8329600)--~---------------­BOLT, 
U: rht(8333138) ----~------:.--------------------­PACKING: 
O-ring (8333337) ----------------------------­BRACKET: 
mounting (spring shackle rear spring, front) 
(7371056) 
BEARING: bushing type (shackle rht) (65909-809807)-------­PLATE: 
side, shackle (8333259) ---~---------------------­NUT, 
SELF-LOCKING, HEXAGON: S, cd- or zn-pltd, 
9/16-18UNF-3B, 7/8 w, 11/16 thk (critical Installation) 
(96906-20365-918) 
FITTING, LUBRICATION: stght, hyd, surface check, 
S, cd-pltd or zn-ehromate-fin, t/4-28NF-2 (male 
shackle) (504203) 
BOLT, U: (8741534) -----------------------------------­SPRING: 
rear, w/hearing , assy (M38A1 and M38A1C) 
(8333800) 
BOLT: pivot, rear bracket hex-hd, 7/16-20NF-3 x 3 
(8332529) 
BEARING: bushing type, eye (8329602) -------------- 
SPRTNG: rear, w/bearing, assy (11) leaf (M170) 
(8333288) 
NUT: U bolt hex (7371061) --,.---------------------------­CLIP: 
leaf, outer (M38A1 and M38AIC) (8331237)---------­CLIP: 
rebound, rear, intermediate, w/bolt, nut and spacer, 
assy (8331238) 
CLIP: rebound, rear, large , w/bolt, nut, and spacer 
(M170) (8329603) 
CLIP: rebound, rear, large, w/bolt, nut and spacer , 
assy (M38A1 and M38AIC) (8331236) 
BOLT: center , w/nut, assy (8331239)--------------------- 
ea 2 
ea 2 
ea 4 
ea 2 
ea 4 
ea 2. 
ea 4 
ea 4 
ea 4 
ea 2. 
ea 2 
ea 2 
ea 2 
ea 8 
ea 4 
ea 4 
e a 4 
ea . 4 
ea 2
TM 9·2320-208-20P 
III (21 (3) (.C) (5) 161 (7) 
SOURCE, MAINT IS-OAY 
IllUSl AND MAINT 
I£COVElAIlllTY 
FEDERAL DESCRIPTION UMIT QTY 
AlW PER 
CODE 100 EQUIP 
STOCK OF IMC 
(a) (b) (a) (b) (el Cd) 
NO ISSUE IN (a) (b) 
~ 
- :2 UMIT '" Qz .... 
MO NO a =~ ~ 8= ....'" 
FIG ITlM ~§ ~ !d! Q 1;; uca~ 
; ~ 
~~o 
16 - SPRINGS AND SHOCK ABSORBERS - Continued 
1601 - REAR SPRINGS AND RELATED PARTS - Continued 
NON-ILLUSTRATED ITEMS 
P 0 5340-322-9644 SPRING: coil (M38A1C) (8710782) ------------------------- ea 2 
C 0 2510-368-4938 BEARING: bushing type (rear spring bracket) (7697574) ----- ea 2 
P 0 2510-652-6263 PARTS KIT SPRING, SHACKLE: (5702338)---------------- ea 'I 
Composed of: 
2 SEAL (8710805) 
2 SEAL (7697602) 
2 RETAINER (7735843) 
OROE6490S 
3 4 5 6 
~18 
~_--16 r---22 
KEY ITEM 
SHOCK 
ABSORBER 
2 BUSHING 
3 WASHER 
4 NUT 
Figure 64. Rear springs and related parts 
103
TM 9·2320-208-20P 
111 121 131 141 (51 (61 m 
SQUitE. IUIKl IS·OAY 
ILLUST AND MAINT 
RECOVERABllITY 
FEDERAL DESCRIPTION UNIT QTY 
ALW PER 
CODE 100 EQUIP 
STOCK OF INC 
101 (b) (0) (b) lei Cd) 
NO ISSUE IN 101 (bl 
~ ~ AG ITEM UNIT o'" 1; 8~§ 
.: ~ is ~ o .. '" NO NO ~~ Sit lR .... u '" ...... '" ~ ~~o ; 
16 - SPRINGS AND SHOCK ABSORBERS - Continued 
1604 - FRONT SHOCK ABSORBERS (Fig. 63) 
63 1 C 0 2540 -318 -1057 SHOCK ABSORBER: direct actio n (fr ont assy) (M38Al and e a 2 
M38A 1C) (8330512) 
63 1 C 0 2540-693-0784 ABSORBER: s hock (fr ont a s sy) (M17 0) (833 3289) ------------ ea 2 
63 2 P 0 5310-044-283 0 NUT, SEL F- LOCKING, HEXAGON: S, cd- or zri-pltd e a 4 
(hug lock type) 7/16-20UNF-2B, 5/8 w, 29/64 thk 
(44 283 0) 
63 3 P 0 5310-582-8399 WASHER, FLAT: hv, S, cd- Or zri-chromatc - fi n, 1/2 id, e a 4 
1-1/ 4 oct, 0.083 (96906- 15795-217) 
63 4 P 0 5340-734-3032 BUSHING, RUBBER: m oun ting pin (7343032) ea 8 
1604 - REAR SnOCK ABSORBERS (Fig. 64 ) 
64 1 C 0 2540-318- 1058 SHOCK ABSORBER: di r e c t actio n, rear, assy (M38Al a nd e a 2 
M38A I e) (8330513) 
64 1 P 0 2540-693-0785 ABSORBER: s hock, r e ar , assy (MI 70) (8333290)----------- e a 2 
64 2 C 0 5340-734-3032 BUSHING, RUB BER: mount ing pi n (734303.2)------ - - - --- - -- ea 8 
64 3 P 0 5310- 582-8399 WASHER, FLA T: S, cd- or zn-ch romatc-fin, 1/ 2 id, 1-1/ 4 ea 4 
od , O. 083 thk for 7/16 scr ew s i ze (96906-157 95-217) 
64 4 P 0 5310-044-2830 NUT, SEL F-LOCKING, HEXAGON: S, cd- or zn-pltd, ea 4 
(hu glock type) 7/16-20UNF-2B, 5/8 w, 29/64 thk 
(442830) 
104
fM 9-2320-208-20P 
III (2) (31 (41 (51 (61 (7) 
SOURCt. MAIHT IS·DAY 
IllUST AND MAINT 
nCOVERABllITY 
FEDERAL DESCRIPTION UNIT QTY 
ALW PER 
CODE 
STOCK OF INC 
100 EQUIP 
Cal Ibl Cal fbI lel Cdl 
NO ISSUE IN (01 Ibl 
FIG ITEM 
~ 5 UNIT '" Oz'" 
c:: t: =d iiii o ~ uca~ 
NO NO §~ ~ 1111: a 8 ~ 
~ .... ~ Co ; iii ~:Ao ,",v 
16 - SPRINGS AND SHOCK ABSORBERS - Continued 
1605 - FRONT STABILIZER AND RELATED PARTS (Fig. 65 ) 
65 1 P 0 2530-693-0786 BAR: fr ont , w/bushing, assy (1£170) (8333291)------- ------ - ea 1 
65 2 C 0 5340-696-0372 BUSHING, RUBBER: link (M170) (8333297) ------ - - - - - - - - - -- ea 4 
65 3 C 0 5310-338- 1947 RETAINER: cushion (M170) (8333425) - - -------------------- ea 4 
65 4 P 0 53 10-012-5348 NUT , SLOTTED, HEXAGON: S, cd- or zn-pltd, 3/8-24UNF- ea 2 
2B, 9/16 w, 13/ 32 thk (125348) 
65 5 P 0 5315- 255-0614 PIN, COT TER: S, cd- or zn- pl td , 3/32 x 1 (121 224)-------- ea 2 
65 6 C 0 5340-338-1945 BUSHING: bar M170 (8333295)---------------------------- ea 2 
65 7 P 0 5306-695-7248 BOLT EYE: belt, front (M170) (8333298) ------------------- e a 2 
65 8 C 0 5340-696- 0371 BUSHING: link rubber (M170) (8333296) -------------------- ea 2 
65 9 P 0 5310-013-1016 WASHER, FLAT: It , S, cd - or zn- chromate-fin, 21/32 id , ea 2 
1-5/16od, 0.095 thk , for 5/8 screw size (131016) 
NON- ILLUSTRATED ITEM 
P 0 5315-013-7185 PIN, COT TER: S, cd- or zu- pl td, 1/ 8 x 1 (13 7185) - - - --- - - -- ea 2 
5 
4---......''I"G~1 
3--- 
2---+1 
1---~~ 
2---..... 
3---' 
5' 
1.~-'--4 
o. 3 
2--~ 
3 
7 
Figure 65. Front stabilizer and related parts 
"'----6 
ORO E64909 
lOS
TM 9-2320-20S-20P 
III (2) (3) (4) (5) (6) (7) 
SOURtE. MAINl IS·DAY 
IlLUST AND MAlNT 
RECOVERABllITY 
FEDERAL DESCRIPTION UNIT QTY 
ALW PER 
tODE 
STOCK OF INC 
100 EQUIP 
(a) (b) (a) (b) (el (d) 
NO ISSUE IN (0) (b) 
~ 
FIG ITEM l:j ::l UNIT '" Ozl- 
~ ~ i~ I o 1;; U~~ 
NO NO () I- 
~:s ~ !i-' v" '"'0 iii l:j ~~O :&~ 
16 - SPRINGS AND SHOCK ABSORBERS - Continued 
1605 - REAR STABILIZER AND RELATED PARTS (Fig. 66) 
66 1 P 0 2530-693-0787 BAR: rear, w/bushing, assy (Ml70) (8333292) ------------- ea 1 
66 2 C 0 5340-696-0372 BUSHING, RUBBER: link (MI70) (8333297) ________________ ea 4 
66 3 C 0 5310-338-1947 RETAINER: cushion (MI70) (8333425)--------------------- ea 4 
66 4 P 0 5310-012-5348 NUT, SLOTTED, HEXAGON: S, cd- or zri-pltd, 3/8-24UNF- ea 2 
2B, 9/16 w, 13/32 thk (125348) 
66 5 P 0 5315-255-0614 PIN, COTTER: S, cd- or zn-pltd, 3/32'x 1 (121224)-------- ea 2 
66 6 C 0 5340-338-1945 BUSHING: bar (MI70) (8333295) -------------------------- ea 2 
66 7 C 0 5306-699-6890 EYE-BOLT: link (rear) (8333299) ----------------------- ea 2 
66 8 C 0 5340-696-0371 BUSHING: link rubber (M170) (8333296) ----------.-------- ea 2 
66 9 P 0 5310-013-1016 WASHER, FLAT: S, It, cd- or zn-chromate-fin, 21/32 id, e, 2 
1-5/16od, 0.095 thk, 5/8 screw size (131016) ._- ...... 
1-- 
2~ 
3----- ~ 
106 
6 
Figure 66. Rear stabilizer and related parts 
6 
ORDE64910
TM 9·2320-208-20P 
(J) (2) (3) (4) IS) (6) m 
SOURCE. MAlHI IS-DAY 
IllUSI AHD MAlHI 
RECOVERABILITY 
FEDERAL DESCRIPTION 
AlW PER 
CODE UNIT QrY 100 EQUIP 
la ) (bl la ) (bl lei Cd) STOCK OF INC 
NO ISSUE IN la l lb) 
FIG IrEM 
::: § UNII '" ozl- 
~ 5 id! o ~ Uca~ 
HO NO ~ ~; ~ o :- 
~ ~ u ;; ~ ~o ~ 
18 - BODY, CAB AND HOOD 
180 1 - WINDSHIE LD AND RELATED PAR TS (F ig . 67) 
67 1 P 0 R 2510-673-2978 WINDSHIELD, ASSElffi LY, FLAT, VEHICULAR: w/glass ea 1 
(M38A1 and 11170) (8379904 ) 
67 1 X2 0 R 25 10-588-7710 WINDSHIE LD: a ssy (M38ACl) (87108 12)- - ----- - - - - - - - - --- - en 1 
67 2 C 0 251 0- 040- 2521 LOCK : windshiel d, ' assy clamping type (8329653)- - - - - - - - - - - ea 2 
67 3 C 0 5340-321-6432 BUMPER: win ds hield to hood (r ight assy) (8328465) -------- ea 1 
67 4 P 0 5340-333-6058 CL IP , END, STRAP: ball type, br , black, 1 in. (windshield ea 1 
hold - down strap) (585819) 
67 5 C 0 2510-040-247 6 CATCH: hood to windshiel d (8328468) -------------------- ea 1 
67 6 C 0 5340-321-6431 BUMP ER: windshield to hood (left assy) (8328464) ---------- ea 1 
67 7 C 0 2540-040-2523 WEATHERSTRI P : rubber (win dshiel d to cow l ) ea 1 
(83296 58) 
67 8 C 0 2510-040- 2524 WEATHERSTRIP : r ubber (winds hi el d glass) (8329659) ------ en 1 
NON- ILLUSTRATED IT EM 
P 0 8305 -263-2477 WEBBING, TEXTILE: cotton, od , hv wt, w 1 in. (hold - ft i 
down, Windshield) (1- 1/2 ft) (ft)(27-W- 918) 
Figure 67. Windshie ld and r elat ed parts 
I I 16 
INCHES _1_ 
ORD E64911 
107
TM 9-2320-208-20P 
(l) 121 131 141 lSI 161 171 
SOURCE. MAINT IS-DAY 
IlLUST AND MA/NT 
RECOVERABllITY 
FEDERAL DESCRIPTION 
AlW PER 
CODE 
UNI1 QTY 100 EQUIP 
FIG ITEM tl ~ UNI1 .. Ozo- 
leI lbl lel lbl lei ld) 
STOCK OF INC 
NO ISSUE IN leI lb l 
~ 
~~ ~ §S o ~ uca§ 
NO NO 00- 
S ~- u '" ~~o 'Co i 
~ 
,, ~ I S - BODY, CAB AND HOOD - Con tinued 
l S01 - WINDSHIEL D AND RELAT ED PARTS - Continued 
NON- IL LUSTRATED ITEMS 
C 0 2510-737-5312 CATCII: windshiel d l ocking clamp (65909-673553) --------- ea 2 
P 0 1015-219- S176 LOCK, ASSEMB LY: traveling (M3SAlC) (S403350) --------- ea 1 
P 0 5310-012-4925 NUT, PLAIN, HEXAGON: S, cd - or zn- pltd, 3/S- 24UNF- e a 1 
2B, 9/ 16 w, 7/32 thk (tr aveling l ock hook) (M38AIe) 
(96906-35691-622) 
P 0 5310-543-5653 NUT, PLAIN, HEXAGON: S, cd- or zn-pltd, 3/S-24UNF- ea 1 
2B, 9/16 in. w, 21/64 in . thk (traveling lock hook) 
(M38AIC) (120369 ) 
P 0 5310-050-347S NUT, P LAIN , WELDING: sq, S, 3/S- 16UNC-2B, 9/16 w, ea 2 
1/ 4 thk (in strument panel ) (503478) 
P 0 5310-012-525S NUT, SLOTTED, HEXAGON: S, cd- or zri- pl td, 9/16- ea 1 
lS UNF-2B, 7/8 w, 31/64 thk (traveling lock) (M3SA1C) 
(125258) 
P 0 5315-842-3651 PIN, COTTER: S, cd - or zri- pl td, 3/32 x 3/4 (tr aveling ea 2 
lock clamp an d hood pin) (M3SA1C) (590172) 
P 0 5315-012-0123 PIN, COTTER: S, cd- or zn- pl td , t / s x 1-1/ 4 (traveltng ea 1 
lock) (M38Al C) (88044-AN380-4- 5) 
P 0 25 10-769-7548 RETAINER: square nut (c owl pillar , left (2), cow l pillar, ea 9 
right (3) , and r ear cowl pillar (4) (5/16 in.) (7697548) 
P 0 5340-506- 1510 STRAP, WEBBING: 1 x 20 in . win ds hield hold- down ea 1 
(592636) 
P 0 5310- 582-5977 WASHER , FLAT : it, S, cd - or zn-chromate-fin, 13/ 32 Id, ea 2 
13/16 od , O. 065 thk, for 3/8 in. screw size (traveling 
lock clamp and lock hook) (96906-1579 5-214) 
p a 5310-012-1458 WASHER, FLAT: S, cd- or zn-pltd, 19/ 32 id , 1-3/16od, ea 1 
0.095 thk (traveling lock s upport ) (M38A1C) (121458) 
P 0 5310-725-0152 WASHER, LOCK: int-teetb, hv, S, ed - or zn- pl td , 3/8 ea 2 
bolt size (traveling lock hook) (M3SA1C) (18 0358) 
P 0 5310-018-8349 WASHER , LOCK: int- ext-tceth , S, cd- or zn-pltd, no. 6 ea 3 
screw size x O.510 in. od (windshield center canvas 
cover fas tener) (M38A1C) (178349) 
C 0 2510-040-2522 WEATHERSTRIP: r ubber, glove compartment door 0. 44 ea 1 
in. w, 32.65 19, 0.22 thk (65909-680143) 
108
TM 9-2320-208-20P 
(1l (2) (31 (41 (5) (6) (7) 
SOURCE. MAINT IS-DAY 
IllUST AND MAINT 
nCOVERABllITY 
FEDERAL DESCRIPTION UNIT QTY 
ALW PER 
CODE 100 EQUIP 
STOCK OF INC 
(a) (bl (a ) (bl lel (d) 
NO ISSUE IN (0 1 lb) 
~ ~ 
FIG ITEM i~ 5 UNIT o~ oz .... 5: ucag 
NO NO ~~ ~ ~1:: ~ 8 ~ ... ... '" 
:E~ a j- ~ ~ ~ o 
18 - BODY, CAB, AND HOOD - Continued 
1805 - FLOOR PLAT ES AND RELATED PARTS (Fig. 68 ) 
68 1 C 0 2540-769-7523 PLATE: access (engine he a te r) (7697523) ------ - ------- - - - eo. I 
68 2 C 0 2510-769-7578 COVER: drain hole (floor board transmission) (7697578) ---- eo. I 
68 3 C 0 2520-769-7519 PLATE: acce s s (transfe r case bolt) (7697519) --- ---------- e o. 1 
68 4 C 0 25 10-769-7525 COVER: front fl oor pan (lowe t w/weld nuts) (7697525) ------ eo. 1 
68 5 X2 0 25 10-737-5158 PLATE: powe r - take-off s hift boot to floor (7375158)- - - - - - - - eo. 1 
6 P 0 53 06-042-5380 BOLT, ASSEMBL ED WASHER: floo r pan drain hole c ove r eo. 2 
(425380) 
68 6 P 0 5306-042-5380 BOLT, ASSEMBLED WASHER: tr an smi s sion drain hole eo. 7 
co ve r (425380) 
68 7 C 0 2510-769-7522 COVER: inspection, floorboard (mas ter brake cylinder) eo. 1 
(7697522) 
68 8 C 0 2 530-769- 7526 PLATE: a c c es s (stee ring co lum n, w/weld nut s welded) eo. 1 
(7697526) 
68 9 X2 0 2590-741-8148 PLATE: cover (dash panel cable opening) (74181 84) _______ __ eo. 1 
2 
Figure 68. Floor plates and related parts 
6 
ORD E64912 
109
TM 9-2320-208-20P 
III (21 (3) (4) (5) (6) (7) 
SOUICE. MAIIIT IS-DAY 
IllUSl AIID MAINl 
RECOVERABlllTY 
FEDERAL DESCRIPTION UNIT QlY ALW PER 
CODE 100 EQUIP 
STOCK OF INC 
(a) (b) (a) (bl (el Cdl 
NO ISSUE IN (a) (b) = ~ :::; UNIT 0 oZ'" 
FIG ITEM 5 != ~ ~ U~~ 
110 NO ~[ 0 :- ~ !iii:: 
~ u ~~« 
::l ~~ ~~o 
18 - BODY, CAB, AND HOOD - Cont inued 
1805 - FLOOR PLATES AND RELAT ED PARTS - Conti nued 
NON-ILLUSTRATED 
C a 2520-737- 5153 BOOT: powe r - take-off gearshift leve r (inner rubber) --- -- - - ea 1 
(7375153) 
P a 2520-769-7527 BOOT: transfer case gears hif t leve r s to 000 1' board ----- -- ea 1 
(7697527) 
C a 2540 - 769-7515 BOOT: transmission gear shif t lever rubber (7697515)-- ----- ea 1 
P a 4730-278- 2062 CLAMP, HOSE : S, cd- or zn- chromate-fin. 2-3/4 in.------ - e a 1 
(gearshift lever boo t , lower) (502924) 
P 0 4730-542-3019 CLAMP, HOSE: S. cd - or zn- pltd, 3/4 in, (ge a r shif t leve r e a 1 
boo t, uppe r ) (502 911) 
C 0 25 10-769-7520 COVER: drain hol e (front 0001' pan) (7697520)_____ _________ e a 1 
PC2 0 2510-640-2550 COVER: upp er 0001' pan (front) (8329733) -------------- -- ea 1 
C a 5330-769-7521 GASKET: rubber (fr ont pan drain hole cov er) (7697521) - ---- e a 2 
C 0 5340 -040-2552 NUT: upper an d lowe r cover plates to dash and front panels ea 23 
(w/re tainer) 1/4- 20 (65909-672846) 
xz 0 2510-769-7579 PLATE: access (s teerin g jacket toe board) (7697579) ----- -- ea 2 
C 0 5340 - 769-7581 PLUG: dra in (front floor pan rubbe r) '(7697581) - - - - - - - - - - - - - ea 1 
C 0 2520 -769- 7577 ruNG: shifter lever housing cover bo ot (76975 77) - - - - - - - - - - - - ea 1 
C 0 2590-736 - 1994 SEAL: accelerato r pedal rod and powerstake-off shift ea 2 
lever (inne r r ubber) (7361994) 
C a 5330-734-8567 SEAL: transmission drain hole (fr ont 0 0 01' pan uppe r and ft 'I 
l ower , brake cy li nder inspection cover. engine 
heater s teer ing ja cket, and trans fer case bolt acce s s 
plate) (80) (It) lg (ft) (7348567) 
110
TM 9-2320-208-20P 
III (21 (31 (4) (51 (6) m 
SOURCE, MAINT IS-DAY 
ILLUST AND MAINT 
llECOVERABILITY 
FEDERAL DESCRIPTION UNIT QTY 
ALW PER 
CODE 
STOCK OF INC 
100 EQUIP 
(0) (b) (01 (b) (el ld) 
NO ISSUE IN (0) (b! 
FIG ITEM 
~ ~ UNIT .. oz .... 
..~ 
~ r=d ! 0 ~ ...... um~ 
oj 51 u <0 ~ = ~~O NO NO §~ ~~ i; 0 :;; 
18 - BODY, CA)3, AND HOOD - Continued 
1806 - SEATS (Fig. 69) 
69 1 P 0 2540-786-9237 CUSHION, SEAT, VEHICULAR: driver's and passenger's, ea 2 
front) (M38Al and M38AlC) (10885494) 
NON-ILLUSTRATED ITEMS 
P 0 5340-606-9457 HOOK: cushion spring, 1 in. Ig (retaining pin) (582944) ------ ea 4 
P 0 5315-597-7775 PIN, COTTER: S, cd- Or zn-pltd, 3/32 x 2-1/4 retaining ea 2 
pin (590169) 
C 0 5315-737-6905 PIN, STRAIGHT, HEADED: front seat hinge pivot ea 2 
(65909-677836) 
T 
. ORDE64913 
Figure 69. Seats 
111
TM 9-2320-208-20P 
(l) (21 131 (4) (5) (61 (71 
SOURCE. MAIHT IS-DAY 
IlLUST AHD MAIHT 
UCOYERABIUTY 
FEDERAL DESCRIPTION UNIT QTY 
AlW PER 
CODE 100 EQUIP 
STOCK OF INC 
(al (bl (alIbI Ie! Idl NO ISSUE IN tal lbl 
~ 
c; ,. Ozo- 
FIG ITEM ::::l UNIT := !~ ;;; 5 
u£ag 
NO NO ~§ ~ 0 ~ ~~ u ...... 
;; i:l ~ ~ O 
20 - HOISTS, WINCHES, CAPSTANS, WIl'DLASS, POWER 
CONTROL UNIT, POWER TAKEOFF 
2001 - WINCH ASSEMBLY (Fi g. 70) 
70 1 X2 0 2590-74 1-1944 WINC H: w/o-key, assy (M38Al and M38A IC ) (7411944) - - - - -- ea 1 
70 2 P 0 R 2590~741 -1799 LI NING, FR ICTION: brake worm (M38A l and M38AIC) ea 1 
(7411 799) 
70 3 P 0 4730-278-3390 PLU G PIP E: sq hd 3/8 in. (gear housing fil ter (1) and drain ea 3 
(2) (143934) 
70 4 P 0 2590-741- 1804 CABLE: w/hook , assy (M38Al and M38AIC) (7411 804) - - - -.- ea 1 
NON-ILL UST RAT ED ITEMS 
P 0 2520-741- 1950 SEAL : grease , bearing hanger (M38Al and M38AIC) ea 1 
(7411950) 
P 0 2520-741-1952 SHAFT: dr ive, long , assy (M38Al and M38A IC) (7411 952)- - - ea 1 
P 0 2590-741- 1953 SHAFT, STRAIGHT: drive , s hort, assy (M3 8Al and M38AIC) ea 1 
(7411953) 
P 0 2590-741 -1951 SHIM SET: hanger bearing (M38A1 an d M38A l C) (7411 951) - - - ea I-Composed 
of: 
2 WASHER (9304 1-149) 
P 0 2520-741-1677 JOINT: s lip, universal , assy (M38Al and M38AIC) ea 1 
(7411677) 
P 0 2520-741-1685 JOINT: universal, w/setscrew, assy (M38A l and M38A IC ) ea 1 
(7411685) 
P 0 53 15-741-1690 KEY: drive shaft (M38Al and M38A IC) (7411690) - - - - ------- ea 3 
P 0 2520-741-1687 SEAL: dr ive, s haft (M38A 1 and M38A l C) (7411687) - - - - - - - . - e a 1 
ORO E64914 
Figure 70. Winch assembly 
112
TM 9-2320-208-20P 
(1) (2) (3) (4) (5) (6) m 
SOURCE. MAINT IS-DAY 
ILLUST AND MAINT 
RECOVERABILITY 
DESCRIPTION UNIT QTY 
ALW PER 
CODE FEDERAL 100 EQUIP 
STOCK OF INC 
(a) (b) (a) lb) (el (d) 
NO ISSUE IN (a) lb) 
~~ ~ UNIT 0 Oz~ 
~ ~ NO NO §S ~ is!: ~ 0 ....~ !E~ > u 
FIG ITEM 5u~g 
.,,,,, ~ ~ ~~o "'~ 
20 - HOISTS WINCHES, CAPSTANS, WINDLASS, POWER 
CONTROL'UNIT, POWER TAKEOFF 
2001 - WINCH FRAME (Fig. 71) 
71 1 P 0 4730-050-4203 FITTING, L UBRICATING: stght, hyd, surface check. S, ea 2 
cd-pltd or zn-chromate-fin, 1/4-28NF-2 male (M38A1 
and M38A1C) (96906-15001-1) 
71 2 P 0 5305-012-2126 SCREW, CAP, HEXAGON HEAD: Iow-carb-S, cd- or ea 8 
zn-pltd, 3/8-16UNC-2A x 7/8 (122126) 
71 3 P 0 5310-637-9541 WASHER, LOCK: split, med, S, cd- or zn-pltd, 3/8 screw ea 8 
size (96906-35338-46) 
Figure 71. Winch frame 
----3 
ORO E64915 
113
TM 9-2320-208-20P 
-Ill (2) (3) (4) (5) (6) (7) 
soum. MAINT 15-DAY 
IllUST AND MAINT 
RECOVERABIlITY 
UNIT QN 
ALW PER 
FEDERAL DESCRIPTION CODE 100 EQUIP 
STOCK OF INC 
(0) (b) (0) [b) (e! Id) (0) (b) 
e: NO ISSUE IN 
UNIT '" oz'" FIG ITEM ::: ~ o 1;; um~ ~ ~= NO NO ~ ~!E ~ Uo :;; 0.0.", 
~ ..~ ::l 
-Q ~~o CQ 
20 - HOISTS, WINC HES. CAPSTANS, WINDLASS, POWER 
CONTROL UNIT, POWER TAKEO FF - Conti nued 
2004 - POWER-TAKE-OFF ASSE MBLY (Fig. 73) 
73 I P 0 R 352 0-3 18 - 1022 POWER-TAKE-OFF: assy (M38A1 and M38A1C) e a 1 
(93041-105A) 
73 2 P 0 4730-278-3390 PLUG, PIPE: sq hd, 3/8 in. (cover and housing drain) - ------ ea 2 
NON-ILLUSTRATED ITEMS 
P 0 5305-012- 0233 SCR EW, CAP, HEXAGON HEAD: S, cd- or zri-pltd, 3/8 - ea 5 
16UNC-2A x 1 (120233) 
P 0 5310-012-093 0 WASHER, LO CK: ext-teeth, S, phos-c td , 3/ 8 in. bolt size ea 5 
(120 930) 
2 
ORO E64916 
Figure 72. Power-takeoff assembly 
114
TM 9-2320-208-20P 
(1) (2) (3) (4l (5) (6) (7) 
SOURCl, MAlNT IS-DAY 
ILLUST AND MAINT 
RECOVERABILITY 
FEDERAL DESCRIPTION 
ALW PER 
CODE UNIT QTY 100 EQUIP 
STOCK OF INC 
(al tb) (a) (bl (el (d) 
NO ISSUE IN (al (b) 
s: ~ ~ 
FIG ITfM ~ a ~ UNIT :z:~ ~ ~ u :> 
NO NO ~E § - on :> '" on 02:: z~ ...., Q ~~ '" :z: ill ~~ '" § ~2 
22 - MISCELLANEOUS BODY, CHASSIS 
AND ACCESSORY ITEMS 
2201 - CANVAS ITEMS, BOWS, AND CURTAINS (M38A1) 
(Fig, 73) 
73 1 P 0 R 2510-040-2558 COVER: top, w/rear curtain, assy (M38A 1) (8329754)--------- ea 1 
73 2 P 0 2540-737-2890 BOW: top, front, assy (M38A1) (7372890) ------------------- ea 1 
73 3 P 0 2540-737-2891 BOW: top, rear, w/pivot (M38A1) (7372891) ----------------- ea 1 
73 2,3 P 0 2510-737-2889 BOW: top, w/front and rear bows, assy (M38A1) (7372889) ---- ea 1 
73 4 P 0 R 2540-699-7035 DOOR: left, assy (M38A1 and Ml70) (8677572) ---------------- ea 1 
73 4 P 0 R 2540-699-7032 DOOR: right, assy (M38A1) (8735779) ----------------------- ea 1 
73 5 P 0 R 2540-699-7034 SIDE CURTAIN, VEHICULAR: right (M38A1) (8735778)-------- ea 1 
73 5 P 0 R 2540-699-7033 SIDE CURTAIN: left (M38A1) (8735777) ---------------------- ea 1 
73 6 P 0 R 2540-737-2899 HANDLE: door, w/pin, assy (M38A1) (7372899) -------------- ea 2 
6 
r-T'f2I 
l!!2!§....J 
Figure 73. Canvas items, bows, and curtains (M38Al) 
5 
ORO E64917 
115
TM 9-2320-208-20P 
(l)~ (2) (3) (4) (5) (6) (7) 
SOURCE. MAINT IS-DAY 
ILLUST AND MAINT 
RECDVERABILITY 
FEDERAL DESCRIPTION UNIT QTY 
ALW PER 
CODE 100 EQUIP 
STOCK OF INC 
(a) (bl (a) (b) (el (d) 
NO ISSUE IN (a) (b) 
~ 
FIG el '" UNIT 0 Oz .... 
ITEM !i1 is i:; uca~ 
.. ~~ '" !;;;~ i u ~~ <0 ~ 
NO NO ., ~ 0 :;; 
~~o 
"'~ 
22 - MISCELLANEOUS BODY, CHASSIS 
AND ACCESSORY ITEMS 
2201 - CANVAS ITEMS, BOWS, AND CURTAINS (M170) 
(Fig. 74) 
74 1 P 0 R 2540-863-1027 COVER, FITTED, VEHICULAR BODY: (M170) (8728110) ---- ea 1 
74 2 P 0 R 2540-512-9137 SIDE CURTAIN, VEHICULAR: left, assy (M170) ea 1 
(8735894) 
74 3 P 0 R 2540-590-4924 SIDE CURTAIN, VEHICULAR: left door, assy (M170) ea 1 
(8735890) 
74 4 P 0 42W3-00- WASHER: 2-prong clinch base large turn-button fastnr stud, ea 30 
br, black ("common sense" type) (top cover (24) and 
rear curtain (6» (42-W-300) 
74 4 P F 42W1-00- WASHER: large turn-button fastnr eyelet, br, black ea 24 
("common sense" type) (top cover) (426696) 
2 
OROE6491B . 
Figure 74. Canvas items, cover, and curtains (M170) 
116
TM 9-2320-208-20P 
(l) (2) (3) (4) (5) (6) (7) 
SOURCE. MAINT IS-DAY 
ILlUST AND MAlNT 
RECOVERABILITY 
DESCRIPTION UNIT QTY 
AlW PER 
COOt FEDERAL 100 EQUIP 
STOCK OF INC 
(a) (bl (a) (bl (e) (dl 
NO ISSUE IN (a) (b) 
~ 5 UNIT (l ,. oz .... 
FIG ITEM ~ ~d; ~ 
U"'~ 
NO NO §~ s: ~!; ~ 0u 
~~~ 
~o ; ~ 
~~O 
"'~ 
22 - MISCELLANEOUS BODY, CHASSIS AND 
ACCESSORY ITEMS 
220 1 - SIDE CURTAIN AND DOOR ASSEMB LY (M170) 
(Fi g. 75) 
75 1 P I 0 R 2510-073-8586 DOOR ASSEMBLY, VEHICULAR: right door, assy (M170) ea 1 
(8735892) 
75 2 P 0 R 2540 -512-9144 SIDE CURTAIN, VEHICULAR: r ight door , assy (M170) ea 1 
(8735893) 
75 3 P 0 R 2540 -512- 9154 SIDE CURTAIN, VEHICULAR: right, assy (M170) ea 1 
(8735891) 
ORD E64919 
F igur e 75. Side curtain and door assembly (M170) 
117
TM 9-2320-208-20P 
(l) 
ILLUST 
(0) 
FIG 
NO 
(2) 
SOURCE. MAINT 
AND 
RECOVERABILITY 
CODE 
(3) 
FEDERAL 
STOCK 
NO 
(4) 
DESCRIPTION 
22 - MISCELLANEOUS BODY, CHASSIS 
AND ACCESSORY ITEMS 
2201 - CANVAS ITEMS, BOWS, AND CURTAINS 
NON-ILLUSTRATED ITEMS 
(5) 
UNIT 
OF 
ISSUE 
(6) 
QTY 
INC 
IN 
UNIT 
(7) 
lS-DAY 
MAINT 
ALW PER 
100 EQUIP 
(0) (bl 
8~2 
'" ~~O 
P 0 
P 0 
P 0 
P 0 
P 0 
3110-741-1673 
5340-290-7381 
4010-285-9574 
5340-333-6058 
8305-170-4956 
BEARING: ball, hanger, assy (7011 70)--------------------- ea 
BUCKLE: web strap, black, 1 in. (top hold-down strapr----- ea 11 
CHAIN, WELDLESS: safety, S, metal thk (0. 018 in. comm ft 2 
no. 00) retaining pin 1 it (ft) (M38A1) 
CLIP, END, STRAP: ball type, br , dull black, 1 in. (top ea 11 
hold-down strap) (M38A1) (585819) 
DUCK: cotton, plied yarns, 36 in. no. 8, hard (top cover) --- yd 
P 0 27F6-301-6 FASTENER: slide, conventional, non-separating, hv, sgle ea 1 
action, open top, closed-bottom, non-locking sgle pull 
non-rvrs slider, od 16 in. (M38A1) (27-F-630-16) 
P 0 5340-606-9457 HOOK: cushion spring, 1 in. 19 retainer pin (M38A1) ea 4 
(582944) 
P 0 5315-597-7775 PIN, COTTER: S, cd- or zn-pltd, 3/32 x 2-1/4 retaining ea 2 
pin (M38A1) (590169) 
P 0 5315-842-3651 PIN, COTTER: S, cd- or zn-pltd, 3/32 x 3 (retaining pin) ea 2 
(M38A1) (590172) 
P 0 5320-010-4099 RIVET, SOLID: b-hd, S, plain fin. anld, 5/16 x 1 (M38A1) ea 2 
(104099) 
C 0 5340-737-2895 ROD: side curtain (M38A1) (7372895) ---------------------- ea 2 
P 0 5305-769-7593 SCREW: thumb, top bow pivot, w/chain and ring, assy ea 2 
(M38A1) (7697593) 
P 0 5340-505-6393 STRAP: web strap buckle, end clip, 1 in. 25 19 (top bow ea 3 
(2) windshield (1))(59263 7) 
P 0 8305-263-2477 WEBBING TEXTILE: cotton, od, hv wt, w 1 in. (top cover ft t 
hold-down straps) (21 ft) (ft) 
118
TM 9-2320-208-20P 
(1) (2) (31 (4) (5) (6) (7) 
SOURCE. MAINT IS-DAY 
ILLUST AND MAtNT 
RECOVERABllITY 
FEDERAL DESCRIPTION UNIT QTY 
A1.W PU 
CODE 100 EQUIP 
STOCK OF INC 
(0) Ib) (01 (bl (e! (dl 
NO ISSUE IN (0) (b) 
AG ~ i~ ~ UNIT '" oz .... ITEM o 1;; um~ 
NO NO ~ .. ~ ~; ~ 8 ti 
~g ;; := ~~o 
22 - MISCELLANEOUS BODY, CHASSIS AND 
ACCESSORY IT EMS - Continued 
2202 - REAR VIEW llURROR (Fig. 76 ) 
76 1 P 0 2540 -952-7035 MIRROR ASSEMBLY, REAR VIEW, (96906- 53015-1)----- ---- ea 1 
76 2 P 0 2540-054- 7250 ARM REAR, VIEW MIRROR, adj (out side rear view mi rror) ea 1 
8 in. to 11 in. (H002-0547250) (547250) 
76 3 P 0 2540- 679- 4588 MIRROR ASSEMBLY, REAR VIEW, outs ide mg, 5-1/2 od, ea 1 
1/ 4-28NF-2 (shaft) (84613 13) 
2202 - REFLECTOR (NON-ILLUSTRATED) 
p 0 9905-205-2795 REFLECTOR, INDICATINO, CLEARANC E, oval frame S, e a 10 
assy (ruby lens) (96906-35387-1) 
p 0 5305 -285-5278 SCREW, ASSEMBLED WASHER, cross-reces s - pan - hd, int- ea 4 
teeth lockwashe r , he ader-pt , S, cd- or zn-pltd, 1/4- 
20UNC-2A x 1/ 2 (454789) 
- 
Figure 76. Rear view mirror 
O ROE64920 
119
TM 9-2320-208-20P 
111 (2) (31 141 (51 161 171 
SOURCE. MAINT IS-DAY 
IUUST AND MAlNT 
RECOVEWlllTY 
FEDERAL DESCRIPTION UNIT QTY 
AlW PER 
CODE 100 EQUIP 
STOCK OF INC 
(0) (bl (01 (bl (d ldl NO ISSUE IN 101 (bl 
/: 
t:l '" UNIT C5 1;; 
oz .... 
FIG ITEM :a !~ '" uco~ ! 0 :;; NO NO ~~ ~ ~~ u ~~O <0 ; "' ~ 
22 - MISCELLANEOUS BODY, CHASSIS AND 
ACCESSORY IT EMS - Continued 
2202 - WINDSHIELD WIPER MOTOR AND RELATED PARTS 
(F ig. 77) 
77 1 P 0 2540-050 -0810 ARM, WINDSHIELD WIPER: adj, olive drab , 7-1 /2 closed, ea 2 
12 extended (M38A1 and M170) (500 810) 
77 1 P 0 2540-050-0810 AHM, WINDSHIELD WIPER: adj, olive drab, 7-1 /2 closed , ea 1 
12 extended (M38A1C) (5008 10) 
77 2 P 0 2540-050- 0814 BLADE, WINDSHIE LD WIPER: 10 in. Ig (M38A1 and M170 ) ea 2 
(500814) 
77 2 P 0 2540 -050- 08 14 BLADE,WINDSHIE LD VIPER: 10 in. 19 (M38A1C) (5008 14) - - - - ea 1 
77 3 C 0 2540 -040-2596 SPACER: mounting , windshie ld wr.iper motor (65909-680787) - - ea 4 
77 4 P 0 R 2540-262-7576 MOTOR, WINDSHIELD WIPER VACUUM : 130 deg throw, ea 1 
w/mounting bolt (M38A1C) (500 844) 
77 4 P 0 R 2540 -262-7576 MOTOR, WINDSHIELD WIPER VACUUM: 130 deg throw, ea 2 
w/moun ti ng bolt (M38A1 and 11170) (500 844) 
77 5 P 0 4720 -203-2668 HOSE , RUBBER: a ir or vacuum li ne s, low te mp 65 deg F , e a f- 
7/32 in . id, 3 /32 in . wall thk (le ft wiper left line th rough 
cowl (18) in. r ight wiper at tee (1-1 /4) in. right wiper 
right line to cowl (14) in . and t ee to wiper and ce n ter 
line (8) in. (4) ft) (33-T-233) 
77 6 P 0 4710-350 -9897 TUBE, ST EEL: co ld-drawn , dble wrapped , cop, brazed, 5 /16 ea f-ad, 
0 .028 in. wall thk (windsh ield wiper) (27-1 / 2 In .) (ft) 
(80244-44-T - 5319- 65) 
77 6 P 0 4710 -595- 1824 TUBE, STEEL: co ld-drawn, dble wrppd , cop , braced, 1 /4 ea # 
ad, 0 .028 in. wall thk (rigbt windshie ld wiper (33 irr. ) le ft 
windshield wiper (33 m.) windshi eld wiper (1-1 /2 tn .) and 
windshield wiper vacuum pump to t ee (20 m . ) (ft) 
(80244-44-'1'-5319-60) 
NON- ILLUSTRAT ED IT EMS 
P 0 4730 -0 13- 73 98 NUT INVERT ED, TUBE COUP LING: in verted flare, S, cd- ea 2 
or zn - pltd , 5/16 ad tu , 0. 620 overall ig line s (137398) 
P 0 5305- 285- 5278 SCREW, ASSEMBLED WASHER: crcsa-recess-pan-hd, int ea 4 
teeth lockwasher, header- pt, S, cd- or zn-pltd, 
1 /4 -20UNC-2A x 1 / 2 (454789) 
P 0 4730-014-2432 INVERTED NUT, TUBE COUPLING: in verted fl ar e (142432) -- ea 3 
P 0 4730 -0 14 -2431 INVERTED NUT , TU BE COUPLING: inverted flare (14 2431)-- e a 2 
P 0 5310-012-0613 NUT , PLAIN, HEXAGON: S, cd - or zn -pltd , 1 / 4- 28UNF - 2B, ea 1 
7/16w, 5/32 thk (120613) 
P 0 5325 -737- 11 95 GHOMMET : rubber, spar k plug ca ble support 11 / 16 in. ea 1 
hole (65909-301 435) 
120
TM 9-2320-208-20P 
11l 121 13) (4) IS) (6 ) 17) 
SOURCt MAINT IS-DAY 
IlLUST ANO MAINT 
RECOVEWllITY 
FEDERAL DESCRIPTION 
AlW Pl:R 
CODE UNIT QTY 100 EQUIP 
STOCK OF INC 
(al (bl (a) lbl (el (dl 
NO ISSUE IN lal (bl 
RG ITEM ~ ; 
~ 5 UNIT .. :z: .. 
~ ~~; u :> 
~ won 
NO NO 
~i= 5: ~... § § :z: ill = ~ .. - !;g 
22 - MISCE LLA NEOUS BODY, CHASSIS AND 
ACCESSORY IT E1v1S - Continued 
2202 - WINDSffiELD WIPER MOTOR AND RELATED PARTS 
(Fig. 77) - Continued 
NON-ILLUSTRATED ITEMS - Continued 
P 0 5325 - 700-0997 GROMME T: rubber, windshield wiper hos e cowl ea 1 
(65909-800802) 
P 0 5305 -285- 5278 SCREW , ASSEMBLED WASHER: cross-recess- pan - hd, into e a 2 
teeth lockwasher (454789) 
P 0 4730-014-2432 NUT, TUBE COUPLING: inverted flared type, 45 deg seat e a 2 
(win dshield wiper vacuum pump to tee tub e) (142432) 
- 
= f 
2 
1 
I -=::it~ 
(j) 
~ ­rcSt# 
'.W=s'0 
3~' 
E 
~l'-= 
~ 
Figure 77. Windshield wiper motor and r elat ed paris 
ORo E64921 , 
121
TM 9-2320-208-20P 
6 
DISENGAGE FRONT AnE DAIV[ 
WHEN OPERATING ON DRY HARD 
SURFACED ROADS 
2 
---1--3 
l--_+--4 
o 
o TRUCk AIl4BUlANCE FRONT LINE 
c 
,/" TON 4 X4 M 17 0 
ORO STOCK NO G2758 83 58686 
o 
.' 0 •••' . '  -' 0 ' 01t  .", I C' , I I . .. .. . 0 
. ,. _ OOE l .0 A .. ,It 1 ....0 _ 
alIJl' .... ' .. 0 "7'~ O OAT. 0 11 _ 
e.O'" litO 0'" U Olt 0 _ 0 1 ) 0 
II  ".0"•• " "'t iP. C IIO o 
o 
PU8 l lCATlOfllS 
PARTS LIST S""l G 758 
()P{RATORS MANUAL , ... 9 801. 
"'A INnNA'pr~C[ .........UAlS 
'''''980151 '''''98015 2 o 
H( "::oPO ....~ I BL f P Ull( u Hf U, .,) I 
Ac..l N( T l,iI f "'" "'U I" II fIoA' C.f 
(HASS IS &1,,- - , f'f"" lI.;j;" -;;:;i 'I " 
R(~ 1 1';"'· • · -;; 1 1. · 
"" · ~ E"""q PT- 1~ 
o 
o 
o 
o 
5 
ORO E64922 
Figure 78. Identification and data plates 
122
TM 9-2320-20S·20P 
(l) 121 (3) (4) (5) (6) m 
SOURCE, MAlNT IS·DAY 
tLLUST AND MAINT 
RECOVERABILITY 
FEDERAL DESCRIPTION 
ALW PER 
CODE UNIT QTY 100 EQUIP 
(01 (b) (a) (bl lel (d) 
STOCK OF INC 
NO ISSUE IN (a) (b) 
FIG ITEM e: S UNIT '" oz'" 
i~ ~ iii o ,. ura~ :::~ ~ NO NO ~ '" ~; ~ o ... 
0 u .. ~~o 
=~ ~ ~ 
22 - IUSCELLANEOUS BODY, CHASSIS AND 
ACCESSORY ITE MS - Continued 
2210 - IDENTIFICATION AND DATA PLATES 
(Fig. 78) --- 
78 1 P 0 2590-298-6918 PLATE: shifting instr uction and pub lic at ion da ta (8386 440) - - --- e a 1 
78 2 P 0 259 0- 693- 423 0 PLATE, IDENTIFICATION: weight and dimension data (M170) ea 1 
(8333428) 
78 3 P 0 2590- 693- 4229 PLATE: instruction (vehicle s ervicing data) (8333427)---- ----- ea 1 
78 4 P 0 2590-693-4228 PLATE, IDENTIFICATION: vehicle (MI70) (8333426) --------- en 1 
78 5 P 0 2590 -769-7561 PLATE, IDENTIFICATION: r esponsible a gen cy (769 7561)--- - -- ea 1 
78 6 P 0 2590 -693- 423 1 PLAT E: mounting, w/ r-el ated plates , assy (8333429) - --------- en 1 
NON- ILLUSTRAT ED. ITEMS 
P 0 2590- 858-5681 PLATE INSTRUCTION: engine over haul MWO (10929991) ------ e a 1 
P 0 2540-741-2583 PLATE MOUNTING IGNITION: mounting (659 09-802634) - - - - - - ea 1 
P 0 259 0-769-7554 PLATE: in struction . dee p water fording ve nt valve ea 1 
(7697554) 
P 0 2590-858-5682 PLATE INSTRUCTION: MWO (10930014) ------ ----- --------- e a 1 
P 0 259 0-858-5683 PLATE INSTRUCTION: secondnry i tem overhaul MWO ea 1 
(10930 015) 
P 0 2590-831-6273 PLATE INSTRUCTION: secondary item overhaul, engine e a 
accessory (7996979) 
P 0 2590-831-62 71 PLATE INSTR UCTION: vehicle ove r ha ul (799 6977) --- - ------- ea 1 
P 0 2590 -769-7555 PLATE, IDE NTIFICAnON: name, pate nt and serial number e a 1 
(7697555) 
P 0 2590- 769- 7558 PLATE, IDE NTIFICAn ON: vehic le s hi pping da ta (used on e a 1 
veh ic l es wlo Winch) (65909-801804) 
P 0 2590-298-6916 PLATE, IDENTIFICAnON: (8673360)----------------------- e a 1 
p a 2590-298-6919 PLATE: data, servicing (867335 9)- ----------------- --------- e a 1 
47 - GAGES 
47 01 - SP EEDOMETER (Fig. 32) 
32 13 P o R 668 0- 776- 0396 SPE EDOMETER: a ssembly (776039 6) -------- - ----- --------- ea 1 
NON-ILLUSTRAT ED ITEMS 
C 0 5340-283-7521 CLAMP. LOOP: loop type. S. cd- or zn-pltd, 5/8 od tu ea 1 
(hole for 1/4 bolt r etaining, flexible shaft) (120527) 
C 0 668 0-832- 7565 CORE: flexible shaft, assy (us ed w/s haft , 6680-832- 7566 ) e a 1 
(7355830) 
P 0 5325 - 734-6945 GROMMET: flexible shaft dash (7346945)------- -------------- en 1 
123
TM 9-2320-208-20P 
5 
4 
1 
0~ 
ORD E64923 
Figure 79. Special tools 
124
IlLUST 
ITEM S~ 
NO ~~ 
=t::: 
(0) 
FIG 
NO 
( 2) 
SOURCE, MAiNT 
AND 
RECOVERABI L1TY 
CODE 
(b) (0 ) (b) lei (d) 
§ 
z~= ':"s 
2: ~; ~_~ 
~ - 
(3) 
FEDERAL 
STOCK 
NO 
(4 ) 
DESCRIPTION 
GROUP 26 - TOOLS AND TEST EQillPMENT 
2604 - SPECIAL TOOLS (Fig. 79) 
SECTION ill 
ORGANIZATIONAL TOOLS AND EQillPMENT VEHICLE 
TM 9-2320-208-20P 
(5) 
QUANTITY 
PER 
TOOL 
KIT 
(3 ) (bl 
KIT KIT 
A B 
P 0 
P 0 
4910-795-0305 TOOL KIT: Organizational Maintenance, Special Kit A: 
One per lettered battery, company; headquarters of units above 
battali on level; ba ttalio n headquarte r s , when battalion has a service 
co mpany (79 50305) 
4910-795-0306 TOOL KIT: Organizationa l Maintenan ce, Spe cial, Kit B: 
One per battalion and r egiment headqua rter s (excep t whe n ba tt al ion 
or regiment has a ser vice company); service company; numbered 
battery, company; an d s imilar headqua r te r s pe r for min g maintenance 
work for othe r units (7950306) 
The items listed hereunder are eornponents of the above Tool Kits 
and may be requisitioned under their in di vidual stock numbers. Stock­age 
of components of these Tool Kits whic h are duplic at ed in basic Kit s 
for other ty pe ve hicles assigne d by TOE are not required beyond actual 
need. 
The quantiti es shown in s ubcolumns 5(a ) an d 5(b) indicate the numbe r 
of component it em aIl oted to the pa rticula r Tool Kit shown . 
79 
79 
79 
1 
2 
3 
P 0 
P 0 
P 0 
5120- 034-8460 ADAPTER, P ULLER: 9/16 an d 1 dia, 1-1/4 19 (r emovin g steering 
whe el) (used w/PUL LER 5120-422-8570) (8708564) 
5120- 795- 0710 PUL LE R, WATER PUMP PULLEY: four leg, l/4-20NC, 1-7/8 center 
dis tance (water pump pulley) (7950710) 
512 0-836- 6660 P ULL ER, THREADED: 3/8-lGNC-2, 7 1g, w/1-3/8 dia , 2- 1/2 19 body 
(r emovi ng or replac ing M38A1 or M170 r ear spring bushing (8366 660) 
79 4 
79 5 
P 0 
P 0 
5 120- 592 -3673 REMOVER. TI E ROD, SHOCK ABSORBER: 18 Ig over-all (t ie rods) 
(8687082) 
5120-337- 9134 WRENCH, BOX: cyli nde r head bolt, cl os e sweep, 12 point, 1/ 2 sq­drive 
, O. 692 openi ng , 8- 1/ 16 over- al l 19 (engin e cy l in de r head bolt) 
(7084207) 
79 
79 
6 
7 
P 0 
P 0 
5 120-596- 1370 WRENCH, SOCKET: s ingle s ocket T-type, remova ble han dl e , furnish 1 
wlo han dl e 2- 1/8 hex shape sock et, 3- 1/2 nom 19 ove r -vall (front axle 
wheel bearing nut) (7081465) 
5120- 708- 0100 WRENCH, OPEN END, FIXED: double, 15 deg angle, alloy-S, 3/lG and 1 
1/4 openings (brake adjus ting) (7080100) 
125
TM 9-2320-208-20P 
SECTION IV - INDEXES 
ALPHABETICAL INDEX 
This index does not include Special Tools which are listed on page 125. Standard hardware and attaching parts 
are not included because of their common and multiple application in the supply system. 
Item Page Item Page 
ABSORBER 
Shock. . . . . . . . . . . . . . . . . . . . . . . . . .. 104 
Shock, rear . . . . • . . . . . . . . . . . . . . . .. 104 
ADAPTER 
Breather valve . . . . . . . . . . . . . . . . . . .. 21 
Kit, horn wire 59 
Puller. . . . . . . . . . . . . . . . . . . . . . . . .. 125 
Straight, pipe to hose. . . . . . . . . . . . . . .. 14 
Straight, tube to hose. . . . . . . . . . . . . . .. 14 
Am CLEANER, intake. . . . . . . . . . . . . . . . . . 23 
ANTI-FREEZE 
Arctic-type 34 
Ethylene glycol. . . . . . . . . . . . . . . . . . . .. 34 
ARM 
Pitman 95 
Rear view mirror, adj 120 
Windshield wiper 120 
BAR 
Front 105 
Rear 106 
BATTERY, storage 61 
BEARING 
Ball, hanger, assembly 118 
Ball, thrust 19 
Bushing type 100, 101, 102, 103 
Roller, needle . . . . . . . . . . . . . . . . . . . .. 93 
Sleeve 93 
BELLCRANK 
Accelerator . . . . . . . . . . . . . . . . . . . . . .. 31 
Assembly 93 
Steering 93 
BELT, multiple. . . . . . . . . . . . . . . . . . . . .. 37 
BELT SET, alternator drive .. . . . . . . . . . .. 37 
BLADE 
Fan 37 
Windshield wiper 120 
BLEEDER VALVE, hydraulic 81 
BLOCK, adjusting . . . . . . . . . . . . . . . . . . .. 31 
BOLT 
Assembled washer 13, 23, 36, 37, 41, 45, 
51, 56, 75, 79, 81, 
83, 85, 99, 109 
Battery 61 
Bellcrank pivot. . . . . . . . . . . . . . . . . . . .. 93 
Center 102 
Integral lockwasher 40 
Machine 9, 10, 21, 29, 75, 100 
Pivot .....•...•......•.......... 102 
Pump 21 
Ribbed shoulder 87, 88 
126 
BOLT - Continued 
Shoulder. . . . . . . . . . . . . . . . . . . . . . . . . 68 
Shoulder, cover. . . . . . . . . . . . . . . . . . . . 14 
Shoulder, mounting . . . . . . . . . . . . . . . . . 38 
Shoulder, pivot .. ; . . . . . . . . . . . . . . . . . 38 
U . . . . . . . . . . . . . . . . . . 71, 100, 102 
1/2-20 NF 85 
BOLT EYE, belt, front 105 
BOOT 
Gearshift lever 110 
Master cylinder 85 
Lever rubber 110 
Levers to floorboard . . . . . . 110 
BOW 
Top, front, assembly 115 
Top, rear, w/pivot . . . . . . . . . . . . . . .115 
Top, w/front and rear bows 115 
BOX DISTRIBUTION. . . . . . . . . . . . . . . .. 50 
BRACE, tension belt. . . . . . . . . . . . . . . . .. 38 
BRACKET 
Bellcrank. . . . . . . . . . . . . . . . . . . . . . .. 31 
Lifting shackle, front. . . . . . . . . . . . . . .. 97 
Mounting 102 
Muffler support clamp . . . . . . . . . . . . . .. 33 
Retainer 85 
Support, assembly. . . . . . . . . . . . . . . . .. 99 
BRAKESHOE SET, internally. . . . . . . . . . .. 79 
BUCKLE, web strap, black 118 
BUMPER 
Rubber 100, 102 
Windshield to hood, left assy 107 
Windshield to hood, right assy 107 
BUSHING 
Bar, M170 105, 106 
Electrical conductor . . . . . . . . . . . . . . .. 62 
Link rubber .105, 106 
Rubber 62 
Rubber, mounting pin 104 
CABLE 
Alternator to rectifier . . . . . . . . . . . . . .. 39 
Assembly, power electrical . . . . . . . . . .. 43 
Generator to generator regulator. . . . . . .. 62 
Parking brake control . . . . . . . . . . . . . .. 79 
Rectifier to regulator. . . . . . . . . . . . . . .. 39 
Regulator to' battery 39 
Special purpose, electrical. . . . . . . . . . .. 62 
Tube. . . . . . . . . . . . . . . . . . . . . . . . . .. 19 
W/hook 112
Page Item 
TM 9-2320-208-20P 
Page 
CAP 
Button .•..•.•.....•••...•••.•• .. 59 
Filler pressure type . . . . . . . . . • . . . . . •. 34 
Hub. . . • • • • . . . . . . . • . . . • . • • . .• 87, 88 
Ignition distributor . . . . . • • . . . . . • • • . •• 44 
Tire valve. . • • . • • . . . . • • • • • • . . . . . •. 91 
CAPACITOR, primary filter. . • • . . . . • . . .. 44 
CARBURETOR, assembly •.•• • •. •. •.... 20 
CASE , differential . • • . • • . .• • • . . . . .•. 73, 77 
CONE , tapered roller bearing •••. •• •.•• 87 , 88 
CONNECTOR 
Marker light . • . . . • . . . • . . . . • • . . . . .. 51 
Receptacle, electrical. . • . . . . • . . . • . . .. 66 
CONTACT, electrical ...•..••.••..•..• 62 
CONTROL 
Choke ...•.......••...•• • •.•.... 31 
Dual, ventilation ••.•.••....•..•.... 25 
Throttle • . . • • • . . • . . • • • . . . • • • . . • •. 31 
CATCH 
Hood to windshield ..•....••..•.•..•. 107 
Windshield locking clamp •••.•••••••.•. 108 
CHAIN, weldless, safety 118 
CLAMP 
Air cleaner . . . . • • . . . . . • • • . . . • . . . .. 23 
Assembly ••.....••..•.. •........ 23 
Band-type ••.•....•.•• .••••...•.. 19 
Closed ..••.••.•••.. •••......... 29 
Electri cal •.•.•...••..•••••••.•• 62, 66 
Hose •.....•..••..•.. ........ 93, 110 
Hose , band-type. • • . . . • . . . • • • . . .. 13, 23 
Hose , oil filler pipe ••••.. •. ....... • • 13 
Loop , end, tie rod •••.•••• • •••••..• • 94 
Loop type •. • •......•.•.. ..••61, 62, 123 
Mou nting .......•...•.. •.••••.. 41, 95 
Primar y lead retaining • . • • • • • • • • . . . .• 44 
Radio inlet and outlet hose . • • . . . . . . . . .. 35 
Water pump by-pass . . . • . . • • . . . • • . . • • 35 
CLEANING COMPOUND, en gi ne cooling s ystem . .34 
CONTROL SIGNAL , turn signal. . . • • • . . . .. 50 
CORE , fle xible shaft, assembly . • . • •...... 123 
COVER 
Cap, assembly ••.••..•...••••.••.. 44 
Drain hole ...•..••••....... • " 109, 110 
Dust. • . . • . • . . . . . . . . . . . • . . . . • • . .. 92 
Fitted, vehicular body .....•.•.•..•..• 116 
Front flo or pan .•..•.•... •••....... 109 
Hole •......••••••.......••..... 66 
Indicator li ght .•... . . . . . . . • • . • . . . .. 46 
Inspection ..•..•.••. • •.....•...•.. 109 
Inspect ion , linkage ....•••. .. ••... • " 17 
Instrument panel light. . • • • • • • • • • . • • .. 46 
Top wlrear curtain • . •...........•... 115 
Trailer receptacle . . . . • . . . . . • • . . . • .. 66 
Upper floor pan •.••.....••......... 110 
CUP 
Retaining .......•.•..•...•• ...•.. 68 
Tapered roller bearing .......•. .... 87, 88 
CLIP 
Brake lin e . . . . . . . . . . . . . . • • . . . . . . .. 83 
Br ake lin e , closed .......•• •.....•.. 83 
Breaker lever spring .. • ••.• ••.• ...• • 44 
Closed .. ..•..• . .••.... .••• • .. 13, 83 
End, s tra p ...........•........107, 118 
Fastener, type E . •..••..• ••...... 13, 83 
First splash apron •.......•.•....... 29 
Fuel tank elbow .......•........••.. 25 
Harness to fender. . . . . . . . . • . . . • • . . .• 66 
Leaf, inner ..•........••• •........ 100 
Leaf, outer .••..•.•.•.•..•.•.. 100, 102 
Rebound, rear, intermediate •..• •...... , 102 
Rebound, rear, large •.... •• ••......• 102 
Snap ....•...•...•..•... ••..•.•..• 97 
Spring leaf .••..••.••.•••••.•.••.. 100 
Spring t ension. . . . • . . • . . . . • • • • • •• 54, 83 
CLUTCH, pressure •••••...• •..••• •••• 17 
COCK, r adiator drain . •...•.•.•••.•... 34 
COIL , ig nit ion ..•.. ••• •.••. •...••••• 44 
COLLAR, steering bellcrank shaft • • • . . • • .• 93 
COMPOUND, insulating and sealing ..••..•• 62 
CONDUIT ELECTRICAL, fl exible •..•..•.. 25 
CUSHION 
Mounting support, rear . . . . . . . • • • . . . .. 9 
Seat , vehicular ......••. ••.•••.• . • • 111 
CUTTING OIL, s oluble . . . • . . . • • . . • • . • • • 63 
CYLINDER 
Assembly, hydraulic. . . . . . . . • • • • . . . .. 85 
Front wheel. . • • . . • . • . • • . . . • • • . • • .• 81 
Rear wheel .•... . . . . . . . . . • • • • • . . .• 81 
DISC AND PLATE SET, friction ... •...• 73, 77 
DISK, horn switch centering •...• • • . . . . •• 59 
DISTRIBUTOR, wlcoil • . • . . • . . . • • . . . . •. 44 
DOOR 
Assembly taillight ..• •.••• ..•••• • 55, 56 
Assembly, vehicular • • . .• . .• • •• • •• • . . 117 
Blackout headlight. . . • . . . . . . • • . . • . . .. 54 
Blackout marker light . . . . . . • . • • . . . • .. 51 
Left , assembly ....••.•.... •••. .... 115 
Right , assembly •.•••.•.•..••....... 115 
Right stop and taillight. . . . . • . . . . • . . . .. 56 
Service headlight .•..••..•.. •••••... 52 
DRAG LINK, steering. . • . . • . . . • • . . . • . .. 92 
127
rM 9-2320-20S-20P 
Item Page Item Page 
DRUM, brake 87 
DUCK, cotton 118 
ECCENTRIC, adjusting, shoe 81 
ELBOW 
Flared tube . . . . . . . . . . . . . . . . . . . . . . .. 24 
Hose, rocker arm cover. . . . . . . . . . . . . . .. 13 
Inverted , 77 
Pipe to tube 13, 58 
END 
Assembly left. . . . . . . . . . . . . . . . . . . . . .. 94 
Assembly right. . . . . . . . . . . . . . . . . . . . .. 94 
EXTENSION, tail pipe . . . . . . . . . . . . . . . . .. 33 
EYE-BOLT, link rear 106 
FASTENER 
Clip . . . . . . . . . . . . . . . . . . . . . . . . . . . .. 66 
Slide, conventional 118 
FERRULE, electrical conductor 63, 66 
FILTER 
Element, fluid, pressure 14, 29 
Fuel 29 
GASKET - Continued 
Oil seal 75 
Rubber 110 
Rubber, electrical connector 63 
Screw, valve compartment cover 11 
Set, manifold 16 
Shaft drive flange . . . . . . . . . . . . . . . . . . . . 75 
Slinger ..•.......... . ... .......... 81 
Switch cover. . . . . . . . . . . . . . . . . . . . . . . . 42 
Thermostat housing 35 
Transfer case to transmission . . . . . . . . . . . 68 
Vent body to valve compartment cover 13 
Waterproof cable connector .• . . . . . . .. . .. 63 
GEAR SET, differential 73, 77 
GENERATOR 
Alternator 39 
wlo pulley 38 
GROMMET 
Flexible shaft dash ........•....•.. " 123 
Rubber 27, 31, 61, 63, 121 
GUARD, flexible line 83 
HANDLE 
Assembly .. . . . . . . . . . . • . . . . . . . . . . . . 79 
Door, w/pin, assembly 115 
FITTING HEAD, cylinder 10 
Flared tube . . . . . . . . . . . . . . . . . . . . . . .. 29 
Lubrication 69, 71, 92, 94, 97, 100, 
102, 113 
Outlet 85 
Pressure relief . . . . . . . . . . . . . . . . . . . .. 77 
HEADLIGHT 
Assembly 
Blackout, 
........... ..........•... 52 
shielded 54 
FLANGE 
Drive, shaft. . . . . . . . . . . . . . . . . . . . . . .. 75 
Non-driving. . . . . . . . . . . . . . . . . . . . . . . . 73 
FLANGE PROPELLER SHAFT, companion . . .. 69 
FLASHER, thermal . . . . . . . . . . . . . . . . . . .. 50 
FRAME, hold-down 61 
GAGE 
Rod, liquid level 15 
Temperature, electrical resistance. . . . . . .. 46 
GASKET 
Annular 15, 43 
Blackout marker light, door . . . . . . . . . . . .. 54 
Cover 72 
Cover plate . . . . . . . . . . . . . . . . . . . . . . .. 27 
Cover, rocker arm ....... .....•.... " 11 
Cover screw . . . . . . . . . . . . . . . • . . . . . .. 14 
Cover, valve compartment .........•... , 11 
Electrical connector . . . . . . . . . . . . . • . . .. 63 
Filler cap . . . . . . . . . . . . • . . . . . . . . . . .. 85 
Filler cap fiber . ).... . . . . . . . . . . . . . . . 34 
Flexible . . . . . . . . . . . . . . . . . . . . . . . . .. 83 
Inspection hole cover. . . . . • . . . . . . . . • . •. 17 
Mounting 20, 21, 36, 42 
Mounting arm. . . . . . . . . . • . . . . . . . . . . .. 44 
128 
HINGE, accelerator pedal. . . . . . . . . . . . . . . . 31 
HOOK, cushion spring 111, 118 
HORN, electrical. ..... •.......... . .... 59 
HOSE 
Carburetor housing tube. . . . . . . . . . . . . . . . 13 
Carburetor to air cleaner pipe • . . • . • . . . .. 23 
Flexible, air cleaner 23 
Preformed " 13, 35 
Rubber. . . . . . . . . . . . . . . . . . . . . .. 35, 120 
Rubber, coolant lines ... . . . . . . . . . . . . . . 13 
HUB 
Rear ........•.........•.......... 88 
Wlbearing cup ...................•.. 87 
INDICATOR 
Fuel . .. . .. . . • . . . .• .. . . . " 46 
Pressure .•........•.• . • .....•..... 47 
INHffiITOR, rust .........•............ 34 
INNER TUBE, pneumatic tire. . . . . . . . . . . • . . 91 
INSERT, electrical connector.. •........•.. 63
Item Page Item 
TM 9-2320-208-20P 
Page 
INSULATOR 
Case support . . . . . . . . . . . . . . . . . . . . . . . 68 
Mounting support rubber .... .•...• .. ... 38 
JOINT 
Slip, universal. . . . . . . . . . . . . . . . . . . .. 112 
Universal, w/setscrew . . . . . . . . . . . . . .. 112 
KEY 
Drive shaft . . . . . . . . . . . . . . . . . . . . . .. 112 
Machine :. 88 
KIT 
Brakeshoe hold-down . .. . . . . .•. . . .. . . • 81 
Drag link, repair . . . . . . . . . . . . . . • . . . . • 92 
Repair ........... ....... ..•... ... 71 
Shoe ...........•.......... ....... 81 
KNOB, hand lever . . . . • . . . . • . • • . . . . . . . . 69 
LAMP 
Incandescent ............•.. 46, 50, 55, 57 
Unit 52 
Unit, headlight. . . . . . . . . . . . . . . . . . . . . . 52 
Unit, headlight blackout 54 
LEAD, ELECTRICAL, regulator to ground . . . . 40 
LENS 
Indicator light, beam 46 
Indicator light, headlight beam . . . . . . . . . . . 46 
Signal light . . . . . . . . . . . . . . . . 50 
LEVER 
Control ............... .••....•.... 19 
Handbrake . . . . . . . . . . . . . . . . . . . . . . . . . 79 
Ignition switch . . . . . . . . . . . . . . . . . . . . . . 49 
LINE 
Carburetor ventilator•. . ..... • •... ..... 23 
Flexible 14, 29, 83 
Oil filter outlet. . . . . . . . . . . . . . . . . . . . . . 14 
LINE ASSEMBLY 
Air cleaner to elbow vent tube 24 
Bell housing tee to transfer case elbow line 24 
Distributor to air cleaner and vacuum line . . . 44 
Fuel pump vacuum to bell housing vent line ., 24 
Fuel tank to elbow 24 
Master cylinder to air cleaner 24 
LINING, friction. . . . . . . . . . . . • . . . . . . .. 112 
LIGHT 
Extension 57 
Indicator . . • . . . . . . . . . . . . . . . . . . . . . . . 49 
Marker clearance •..... . .... ... ....• . 51 
Waterproof . . . . . . . . • . . . . . . . . . 49 
LOCK 
Assembly, traveling ....... .••...... , 108 
Subassembly.............•....•..... 97 
Windshield 107 
MANIFOLD, exhaust ...... ... .....• ..•• 16 
MffiROR 
Assembly, rear view 119 
Outside mg .. . . . . . . . . . . . . . . . . . . . .. 119 
MOTOR, windshield wiper vacuum . . . . . . . .. 120 
MOUNT, front mounting support 9 
MUFFLER, exhaust 33 
NIPPLE, ventilation valve to hose 25 
NUT 
Assembled washer 9, 31 
Bushing retainer. . . . . . . . . . . . . . . . . . . . . 64 
Carburetor.......•................. 20 
Cone seat hexagon ............. •... 87, 89 
Coupling, electrical conduit .... . •....... 64 
Inverted tube coupling ....13, 15, 23, 24, 29, 35, 
45, 83, 120 
Plain hexagon 11, 20, 29, 33, 34, 39, 
41, 46, 47, 49, 52, 68, 
81, 100, 108, 121 
Plain, welding . . . . . . . . . . . . . . . . . . . .. 108 
Self-locking, hexagon .... 9, 16, 38, 39, 42, 71 
93, 100, 102, 104, 105, 106 
Sleeve 95 
Slotted, hexagon 38, 69, 93, 94, 108 
Stamped ......•.•.. ............... 59 
Tube coupling 15, 23, 35, 121 
U-bolt hex. . . . . . . . . . . . . . . . • . . . . . .. 102 
Upper and lower cover plates . . . . . . . . . .. 110 
Ventilation control 25 
PACKING 
O-ring 100, 102 
Preformed 44, 55, 64, 87 
PAD 
Brake pedal . . . . . . . . . . . . . . . . . . . . . . . . 85 
Draft 85 
Draft, pedal. . . . . . . . . . . . . . . . . . . . . . . . 19 
Felt 19 
Mounting, blackout marker light . . . . . . . . . . 51 
Mounting, headlight rubber. . . . . . . . . . . . . . 53 
Pedal 19 
PARTS KIT 
Distributor, ignition 44 
Spring shackle 101, 103 
Steering gear ' ,' . . . . . .. 75 
Wiring, ignition switch .. . . . . . . . . . . . . . . 49 
PEDAL 
Accelerator . . . . . . . . . . . . . . . . . . . . . . . . 31 
Assembly 19 
PIN 
Axle shaft . . . . . . . . . . . . . . . . . . . . . . . . . 77 
Contact 64 
Cotter 38, 85, 88, 92, 93, 94, 
105, 106, 108, 111, 118 
Electrical connector . . . . . . . . . . . . . . . . . . 64 
Grooved, headless 97 
Straight, headed .....•.. .... 19, 31, 97, 111 
129
TM 9-2;320-208-20P 
Item Page Item Page 
PINTLE ASSEMBLY, towing .. .........•.• 97 
PIPE, air cleaner to carburetor air intake ..... 23 
PLATE 
Access, engine heater . . • • . . • . . . . . . . .. 109 
Access, steering column . . . . . . . . . . . • .. 109 
Access, steering jacket toe board . . . . . . .. 110 
Access, transfer case bolt. . • . . . . . . . . .. 109 
Cover .....•.......••............ 109 
Data ...........•.••• •••........ , 123 
Identification . . . . . . • . • . . . • • • • . . . . .• 123 
Instruction . . . . . . • . • • . . • • • . . . . . • • .• 123 
Mounting . . . . . . . . . . . . . . . . . . . . . . . .. 123 
Mounting ignition. . . . . . . . . . . . . . . . . .. 123 
Power-take-off. . . . . . . . . . • . . . . . . . . .. 109 
Responsible agency 123 
Side, shackle. • . . . . . . . . . . . . . . . . . . .. 102 
Side spring shackle . . . • . . • . . • . . . . . . .. 100 
PLUG 
Adjusting. • . . . . . . . . . . . . . . . . . . . . • . . . 92 
Axle end .•...•••.•.•..••....•.•... 92 
Drain ...........•.•..........• 15, 110 
Expansion • • . . . . . . . . . . . • . . . . . . . . . . . 10 
Oil level tube •..........•.•..•...... 95 
Pipe ... .•.•....... ..10, 17, 27, 42, 44, 68, 
75, 77, 85, 114 
Pipe front axle drain. . . . • . . . . . . . . . . . . . 72 
Tip ............ ....•........ 64, 65, 67 
W/hook .............••........... 112 
POWER-TAKE-OFF, assembly ..........• 114 
PROPELLER SHAFT W/UNIVERSAL 
JOINTS, rear 71 
PULLER 
Threaded. . . . . • . . • . . . • • • • . . . . . . . •• 125 
Water pump pulley.••••.• ••.••..•. ••• 125 
PULLEY 
Drive ................•........... 38 
Fan and water pump, twin groove • . . . • • . .• 37 
PULLEY, GROOVE 
Drive, assembly .••.....•..•.•..•.... 39 
Fan and water pump...........•....... 37 
PUMP 
Fuel, engine .•......•.•.•..•.•..... 21 
Water, w/pulley .•.....••...••.•..... 36 
RACE, inner needle bearing. •.•........... 93 
RECEPTACLE, Q2 fastener. •. • ........... 49 
RECTIFIER, metallic .....•......•••.... 39 
REFLECTOR, indicating, clearance 119 
REGULATOR, ENGINE GENERATOR 
Alternator . . . . . . . . . . • . . . . . . . . . . . . . . 40 
Assembly .......••.•.•.. . . . . . . . . • . 40 
24 - volt .........•.•. ••.•.......•. 40 
130 
REMOVER, tie rod, shock absorber . . . . . . .. 125 
REST, foot, accelerator . . . . . . . . . . . . . . . . . 31 
RETAINER 
Bearing ..............•............ 88 
Button cap . . . . . . . . . . . . . . . . . . . . . . . . . 59 
Cushion 105, 106 
Packing 65 
Square nut " 108 
Tube spring 19 
RING 
Assembly. , 52 
Cover boot, shifter lever housing. . . . . . . .. 110 
Differential side gear , 73, 77 
Retaining. . . . . . . . . . . . . . . . . . . . . . . . . . 52 
RIVET, solid . . . . . . . . . . . . . • . . . . . . . .. 118 
ROD 
End, externally threaded . . . . . . . . . . . . . . . 99 
Handbrake . . . . . . . . . . . . . . . . . . . . . . . . . 79 
Lever 79 
Pedal shaft lever to control tube lever 19 
Side curtain. . . . • . . . . . . . . . . . . . . . . .. 118 
Throttle . . . . . . . . . . • . . . . . . . . . 31 
Tie, left . . . . . . . . . . • . . . . . . . . . . . . . . . 94 
Tie, right . . . . . . . . . . . . . . . . . . . . . . . . . 94 
ROTOR, ignition distributor.. •.. .......... 44 
RUBBER, sheet, cellular . . . . . . . . . . . . . . . . 61 
SCREW 
Assembled washer 44, 50, 58, 66, 
119 , 120, 121 
Blackout headlight door .... .. •........ . 54 
Cap, hexagon head. 33, 39, 42, 59, 75, 85, 
94, 113, 114 
Cover, valve compartment .. •. .. ........ 11 
Cover, w/lockwasher 44 
Machine 23, 27, 49, 52, 53, 54, 
87, 89 
Tapping ............... . ....•...... 85 
Thumb.....•..... : ....•.......... 118 
SEAL 
Access plate ..•........ ............ 95 
Drain plug .....•........ ........... 27 
Drive, shaft. . . . . • . . . . . . . . . . . . . . . .. 112 
Dust . .........•.... ........... 19, 93 
Grease . . . . . • . . . . . . .. . . . . . . . . . . . . 112 
Oil ; 71,87,88 
Plain, encased. . . • . . . . . . . . . . . . . . . . . . 93 
Rubb er ......•..... .............19, 71 
Shift lever and accelerator pedal rod. . . . .. 110 
Transmission drain hole . . . . . . . . . . . . .. 110 
SETSCREW, headlight door 52 
SHACKLE 
Lifting, front. . . . . . . . . . . . . . . . . . . . . . . . 97 
Lifting, rear : . . . . . . . 97
Item Page Item 
TM 9-2320-208-20P 
Page 
SHAFT 
Drive ............•......•....... 112 
Left ....•...•...•..••.......•.... 77 
Pedal .................•.......... 85 
Pivot bellcrank ..........•••..•...... 93 
Propeller, front. . . . . . . • . . . . • . . . . . . . • 71 
Propeller, rear • . . . • . . . • . • . . . . . . . . . . 71 
Right ..•..............•..•.•..... 77 
Straight. . . • . . . . • . . . . . . • . • . . . . . . " 112 
W/universa! joint, left .......•...•..... 75 
W/ univer sal joint, right. .. . • • . . • • . . . . . . 75 
SHELL, connector .•......•.•.•.•••...• 65 
SHIELD 
Dust cover. . . . • . . . . . . . . . . . . . . . . • . . . 92 
Instrument panel light .....•.....••...• 46 
SHIM SET 
Bearing .....•.......•...•......•.• 89 
Cap.•....••..•...•...••.....•••.. 75 
Hanger bearing. • . . . . . . . . • . • . . . . . • •. 112 
SHOCK ABSORBER, direct action.•........ .104 
SIDE CURTAIN 
Vehicular ...•.•....•......•.••..• 115 
Vehicular, left, assy .••.......•.••. " 116 
Vehicular, left door .•...•....•.•.... 116 
Vehicular, right, assy . • • • • . • • • . . • • • .• 117 
Vehicular, right door......•. .......•. 117 
SNUBBER, insulator. . . • . . . • . . • . . • • • . . . . 68 
SOCKET, contact ..••......•..••••.••.. 65 
SPACER 
Axle shaft . • • . . • . • . . • . . . . . . • . . . . . . . 77 
Fuel pump to cylinder block .....•....... 21 
Mounting . . . • . . • • . . • • • • . • . . . • . . • •. 120 
Rear lifting shackle bracket . . • . . . . . . . • . . 97 
Support bracket to frame . • . • . . • . . . . • • . • 33 
SPARK PLUG, shielded..•.......••...••. 43 
SPLICE, conductor.............•....•.. 65 
SPOOL, parachute. . . . . . . • • . . • . . . . . . • . . 97 
SPRING 
Accelerator pedal hinge ..•...•...••..•. 31 
Ball seat. . . . . . . • . . . . . . . . . . . . . . . . . . 92 
Bellcrank to bracket dust seal. . . . . . . • • . . . 93 
Coil ...••.........•........... " 103 
Draft pad. . . . . . . . . . • . . . . . . . . • . . . . .. 19 
Front axle tie rod. . . . • • • . . • • • • • • . . •. 94 
Front, w/bearing ...•..•....•..•..... 100 
Helical compression, accelerator bellcrank •. 31 
Helical compression, cover screw. . . . • • . .• 14 
Helical compression, lock. . . . • • • • . . . • • . 97 
Helical compression, retracting • . . • . . . . . . 79 
Helical compression, with filter . . . . • . . . .. 14 
Helical control lever tube•....•.......•• 19 
Helical, extension. . . . • . . . . . . . .. 31, 79, 81 
Helical, extension, end ••..••.......... 81 
Rear, w/bearing. • • . . . . . . • . . . . . . . . .. 102 
SPRING - Continued 
Release bearing carrier. . . . . . . . . . . . . . . . 19 
Retracting. . . . . . . . . . . . . . . . . . . . .. 19, 85 
STARTER, engine, electrical 42 
STEEL, machinery 59 
STOP 
Control wire . . . . . . . . . . . . . . . . . . . . . . . 31 
Handbrake . . . . . . . . . . . . . . . . . . . . . . . . . 79 
STOPLIGHT, taillight 56 
STRAP 
Hold-down .................•....... 27 
Web strap buckle. . . . . . • . . . . . . . . . . . .. 118 
Webbing " . . . • . . . . . . . . . . . . . . . . . .. 108 
STUD 
Ball ......•.............. ........ 19 
Cover, valve compartment 11 
Mounting. . . . . . . . . . . . . . . . . . . • . .. 20, 46 
Plain 16 
SULFURIC ACID, electrolyte 61 
SUPPORT 
Bell housing ...............•.. •..... 19 
Sending unit. . . . . . . . . . . . . . . . • . . . . . . . 58 
SWITCH 
Light 49 
Pressure. . . . . . . . . . . . . . . • . . • . . . . . . . 50 
Push- ..............•... .......... 50 
Rotary- 49 
Starter, engine 42 
W/harness. . . . . . . . . . . . . . . . . • . . . . . . . 59 
SWIVEL, control wire .....••.•....•.... 23 
TANK, fuel 27 
TEE 
Brake line . . . . . . . . . . . . . . . . . . . . . . . . . 83 
Crank line . . . . . . . . . . . . . . . . . . . . . . . . . 83 
Flared tube . . . . . . . . . . . . . . . . . • . . . . . . 29 
Vent lme . 13 
TERMINAL LUG 
Cable, solderless .................•.. 40 
Clamp type 61 
Solderless 54 
Wire, eyelet . . . . . . . . . . . . . . .. 40, 44 
Wire, solder . . . . . . . . . . . . . . . . . . .. 40, 45 
Wire, solderless 40, 61 
THERMOSTAT, water temperature 35 
THINNER, methyl-ethyl-ketone 65 
THUMBSCREW, battery box door 61 
TIE ROD END, steering 94 
TIRE, pneumatic 91 
131
TM 9-2320-208-20P 
Item Page Item Page 
TOOL KIT 
Special Kit A 
Special Kit B 
125 
125 
TRANSMITTER 
Pressure 58 
Temperature, electrical 58 
TUBE 
Copper 23, 29, 44, 61 
Flex, nonmetallic 29 
Rubber ~. . . . 13 
steel, cold-drawn. 13, 15, 24, 29, 120 
Steel, crankcase vent line 13 
TUBING 
Copper .••..................... 24, 83 
Rubber 61 
WASHER - Continued 
Lock, split ..••..•.. , 21, 29, 38, 39, 46, 47, 
49, 52, 54, 58, 81, 85, 
94, 113 
Mounting, blackout headlight. 54 
Nonmetallic. . . . . . . . . . . . . . . . . . . . . . . . 93 
Pedal draft pad ....•................ 19 
Recessed. . . . . . . . . . . . . . . . . . . . • . . . . . 65 
Rectangular. . . . . . . . . . . . . . . . . . . • . . . . 21 
Retaining. . . . . . . . . . . . . . . . . . . • . . . . . . 59 
Split ............•...........•.... 71 
Spring tension . . . . . . . . . . . . . . • . . . . . . . 65 
Unit screw 58 
Unit screw, copper 58 
2-prong.....................••.. , 116 
WEATHERSTRIP, rubber 107, 108 
UNIT 
Fuel tank gage 58 
Sending unit 58 
VALVE 
Control assy. . . . . . . . . . . . . . . . . . . .. 13, 23 
Metering, crankcase vent line. . . . . . . . . . . . 13 
Plug 29 
VALVE CORE, pneumatic tire 91 
VOLTMETER 
Assembly 46 
W/ulamp 46 
WASHER 
Flat 9, 10, 19, 34, 38, 42, 
45, 46, 49, 68, 85, 93, 
104, 105, 106, 108 
Flat, plain ...............•......... 31 
Instrument cluster 46 
Key .....•........................ 87 
Large, fastener eyelet. . . . . . . . . . . . . . .. 116 
Lock, ext-teeth 23, 49, 59, 114 
Lock, tnt-ext teeth . . . . . . . . . . . . . . . . .. 108 
132 
WEBBING 
Anti-squeak ........•............... 27 
Cotton...............••...•....•. 108 
Textile 107, 118 
WHEEL 
Pneumatic tire . . . . . . . . . . . . . . . . . . . . . . 91 
Steering, assembly.. • . . . . . . . . . . . . . . . . 95 
WINCH, wlo key. . • . . . . • . . . . . . . . . . . .. 112 
WINDSHIELD 
Assembly ..... . . . . . • . . . . . . . . . . . .. 107 
Assembly, flat, vehicular ....•...... .. 107 
WillE, ELECTRICAL, low tension .. 40, 45, 61, 66 
WRENCH 
Box .........•.................. 125 
Open end, fixed '" ....•........... , 125 
Socket. . . . . . . . . . • . . . . . • • . . . . . . . .. 125 
YOKE 
End 73, 77 
Flange ., ...........•............. 71 
Sleeve ..........•..•.............. 71 
wishield. . . . . • . . . . . . . . . . . . • . . . • . . . 69
TM 9-2320-208-20P 
ORDNANCE AND MANUFACTURER'S PART NUMBER LIST 
This index is prepared in strict numerical sequence; that is, all letters or dashes prefixed, suffixed or inter­spersed 
in the numbers are disregarded. For instance: 33-T-233 is in sequence as 33233, but the complete 
number is shown in the listing. All Ordnance numbers appear without any symbol prefix. Standard hardware 
items are not included in this index because of their common application. All numbers prefixed by a series of 
5 numbers followed by a dash (e. g., 63477-FC5917) indicate a Manufacturer's or Military Standard part number. 
A cross-reference of these 5-digit numbers to their related commodity will be found in Section I - Preface under 
"Manufacturer's Symbols. " 
Part Number Page Part Number Page Part, Number Page 
27-W-918 ,107 
142427 23,29 
502242 ..••..••••..••..• 19 
33-T-233 .•.......•.... 120 
142431 •... 15,23,24,44,83,120 
502243 •.••••••.•••.••••31 
42-W-300 ........•..... 116 
142432 •..•••.••• 24,120,121 
502495 ....••.......... 23 
103196 • . . . . . . . . .. 16,20,32 
143934 •...••....... " 112 
502911 110 
103647 ............••.. 34 
144307 ..••.•••.••••• 15,24 
502913 ..•......•..... , 35 
103865 .....•.......... 17 
150189 ..•..•••..••..•• 43 
502916 . . . . • . . . . . . . . . .. 93 
103866 ..•......••..... 95 
159592 ........•....••. 23 
502917 . . . . . . . . . . . . . . .. 35 
104099 118 
160046 .......•....•... 52 
502922 ••.•••.•.••'. • • •. 23 
105456 .••...•.••.••.•. 15 
178349 ...........•.... 108 
502924 ...••.••••...••. 110 
107827 ...•...•••..•••• 59 
180358 .....••••••..••• 108 
502925 . . • • • • • • • . . • . . •• 23 
111655 ...•••••••••••.. 85 
181637 .•.••..•••••••.. 75 
503112 • . . • • • . . • . • . .. 32,33 
112572 •..••.••••.•.•.• 16 
181670 ••.••..•...•••.. 39 
503113 .....•........... 31 
113186 .•.••••••.•.•• " 77 
181673 •....•••..•...•• 94 
503275 . • • • • • . • • • • • . • •• 39 
118831 •••.••..•.••.• 42,44 
181680 ••..••.•••..•... 39 
503345 ' . • . . • • . . . • . . . .• 71 
120013 •.••••••.••..••• 61 
187263 ...•..••...••..• 83 
503351 . • • • . • . . . . • . . . •. 9 
120213 •.•.••.•.••••••.. 9 
187979 •••...••...••••. 40 
503354 . • . . • • . . • . . . . • •. 16 
120214 ..••••...••.•• 21,85 
191509 •••..•••.•••..•. 45 
503357 . • • • • • . • • . . . • . .. 38 
120233 ..••..••.•••.... 114 
192417 ..••...••..••• 41,75 
503434 . . . • • . . • • . . . • . .. 93 
120361 •...••••..••.... 29 
193048 •.•..•••••••.... 57 
503478 ..•••.••..•••... 108 
120368 .•..••.••.•..••• 41 
200027 .••••.•...•••..• 44 
504203 ..•...• ~ .71,97, 100, 102 
120369 ...•...••.• 20,81, 108 
200031 ••..•...•.•.•••. 45 
504205 . • • • . • • • • • . • . • •. 69 
120370 ••.....•..•..••• 34 
271187 . . • • . • • . • . . . • . .. 9 
504207. • . . . • • • . . . . . • .. 94 
120382 •..•••••.••••• 54,81 
271193 •.•••.••.•.•••• 9,31 
504208 . • . • • • • • • • • • • • .• 92 
120383 ...•••.•••..••.. 94 
271506 .....•••.•..•••• 39 
504804 . . • . . . • . • . • • . . .• 66 
120388 ...•...••..••...• 9 
273936 , 77 
506210 . . • . . • • . . • . . . . .• 40 
120393 •••..•.••.•.•.• 9,85 
325200 ...•........•... 24 
507032 . • • • • • • . • • • • • . •• 61 
120527 ..•.•..••.• 61,62,123 
420447 ............•..• 44 
520944 . . • • • • . . • . . . . . .. 91 
120613 '.......•........ 121 
423553 ••..••...•.••••• 81 
540462 . • • • • • . • • • . • • . .• 14 
120614 47,52 
423555 ..••••.••..•••.. 83 
541402 . • • • . . . • . . . • • . .• 10 
120677 .....••....•.... 32 
423568 .•...•.•.••••• 51,56 
544190 . . • • . • • • . . . • • . •. 19 
120930 •.••..•••••.•••. 114 
425380 •••.•••.•••••.•• 109 
546880 . • • . . • • • . • • . . . •. 44 
121224 ••.••.•• 38,94,105,106 
425401 •..•••....•...•• 99 
547250 •••••••••••••••• 119 
121458 ....•.••..•••.•• 108 
426686 ••.••..•..•.. " 116 
572553 . . • • . • • • • • . • • . .. 61 
121621 •••.•..••.•.•••• 39 
426692 .........••.. " 116 
572929 . . • • . . • • . . . . . • •• 63 
121661 .••••..•••••.••• 33 
426915 46 
572930 . • • . • • • • • • • • • . •• 63 
121749 .... : ..•........ 49 
432653 •...•......•..•• 66 
572931 . • . . • • . . . . • . . • .. 63 
121752 . . • . . . . • . . . . . . .. 58 
442696 41 
572999 . . • • . . • • • • • . • . .. 62 
121753 59 
442830 ...........•.•.. 104 
573435 . • • • . . . • • . . • . . .• 54 
122089 •••••..•••.•••.. 85 
442832 . . . . • . . . . . . . . . .. 9 
582944 •••••••.••••• 111, 118 
122126 ..•.•.••.••••••• 113 
446485 ••••••...••...•• 34 
585819 .••••••••••.. 107,118 
124378 • • . • • • • • • • • • • • •• 42 
446548 .•••••••••..••.. 42 
587305 • • . • • • • • • • • • • • .• 77 
124920 •.•••..•••..•••• 11 
446609 .•••••.•••••.... 66 
590169 ••••••..•...• 111, 118 
125043 •••••.••••••••.. 38 
446914 • • • • • • • • • . • • • . •• 55 
590172 •.•••.••••.•. 108, 118 
125250 • • . • • • . • . • • • . . •• 94 
453299 ••••••.••••..••• 49 
590378 •••.••...•.. " 88,93 
125258 .•••.••••••••••• 108 
453804 • • • • • • . . • • . . • • .. 54 
590897. • • . . • . . . • . . . • .. 37 
125348 ••..••••.•••• 105,106 
454789 ...•... 50,119,120,121 
590928 •••..••..••...•. 31 
128275 •••••..••.•..••• 29 
455145 ••.....••••••••• 36 
592636 ..•..••......... 108 
131016 •••••••••• 68,105,106 
455157 • • . . • • . . • • . . • • •. 52 
592637 .•••••.•••.••.•• 118 
132848 53 
455268 .•..•..••..••.•• 29 
594224. . . • • . . . • . • . . . •. 44 
133186 . . . . . . . . . . . . . . .. 72 
500810 ..••..••..•••.•• 120 
701170 •.••.••..•...... 118 
133757 ...........•.. 87,89 
500814 ..•..•..•.•.••.• 120 
705423. . • . . • • . . • . . • . .. 87 
135629 . • • • • • •• • . . • • • •• 49 
500844 ••.•••.•••••••.. 120 
705447. • • • • . • • • . • • . . •. 88 
137185 ••...••••.•.•... 105 
501223 ••••.•.••.•.••.••44 
706836. . • • • . • • . . • • . . .. 87 
137189 • . . • • • . . • • • • . . •• 66 
501229 •••••••••••••••••91 
706857. • • • • ... • . • • . . • .• 88 
137214 .•••..•.•..•••.. 92 
501648 ••..••..••.••.•.. 14 
710203 . • • • • . . . . • . . . • •. 19 
137223 • • • . • • • • • . • . . • •• 85 
501650 •..••..••••.••..• 14 
712159 . • • . . • • . . • . . • . .• 93 
137398 .••••.••..•..•13,120 
501924 •..••..•.•••...•.61 
807495. • . . • • . • • • . • • . .• 24 
137419 ............•.•. 77 
502203 •..•..••••..•••.•46 
807700. . • . • • . . • . . . • . .. 24 
133
TM 9-2320-208-20P 
ORDNANCE AND MANUFACTURER'S PART NUMBER LIST 
Part Number Page Part Number Page Part Number Page 
808926 • • • • • • • . • . • • • . .• 24 
810504 •••..•..•••..••• 24 
810505 •.•..••••..••••• 24 
811403 . . . . . . . . • . . . . . .. 24 
811441 . . . . . . . . . . . . . . .. 24 
906397 . • • • • • • • • • • • • • •• 93 
912625 . • • • • • • • • • • • • • •• 77 
912626 • • • • • • • • • • • • • • •• 77 
912637 . . . . . . . . .. . . . . . .. 77 
916775 . . . . . • . . . . . . • . . . 77 
918179 . . • . . . . . . . . . . . .. 77 
921387 . . . . . . . . . . . . . . .. 77 
923005 . . • . . • . . . . . . . • .. 73 
924139 ..•• • ••. •.• .. . " 73 
935553 . • • . . . . . . . . . . • .. 77 
935891 • . . . . . . . • . . . . . .. 73 
935892 • • • • • • • • • • • • • • •• 73 
1720034 ••••••••••••••• 92 
24-W-11200 •••••••••••• 27 
27-F-630-16 •••••••••••• 118 
5160323 • • • • • • • • • • • • • • • 85 
5232404 . . . . . . . . . . . .. 87,89 
5232405 .. ..........• 87,89 
5246557 ..•..•..•.••. " 19 
5246558 ••.•.•...•.. . " 19 
5261672 . • . . . . . . . . . . . .. 21 
5262210 . . . . . . . . . . . . . .. 34 
5294507 • • • • . . • • . • . . . • . 54 
5307299 . . . . . . . • . . . . . .. 71 
5307509 .•..... •.•... " 35 
5308280 . • . • • . . . . • • . • .. 14 
5308281 . . . . . • . • . . . . . .. 14 
5308282 . . . • . • . . • . . . • .. 14 
5336400 . • . . . • . • . . • . . .. 13 
5381088 . . . . . . . . . . . • . • . 49 
5702338 .....•.. ; •.. 101,103 
5702401 . . . • . . . • . . . . . .. 49 
5702525 . . . • • . • . • . . . . •. 44 
6Z1667-42 ..•..•....• •. 63 
6Z1667-44 •..••........ 63 
6Z1667-46 63 
6Z1667-47 63 
6Z1947-12 .....•...••.. 83 
7032606 . . . . . . . . . . . . . .. 88 
7032607 ....... •....... 25 
7032625 ..••..•••..•• " 83 
7032635 ••••••••••••• 69,83 
7033742 . • . • . . . . • . • • . .. 49 
7044253 . . • • . . • • . . . • . •• 97 
7047970 . • .•... ...... " 25 
7047998 .....•.••.... 25,66 
7048736 ....•..••.... " 32 
7050005 ..••.•.•.••.•.. 50 
7056708 . . • . . • . . . . . . • .. 54 
7056730 • . . • . • • . . . . • • .• 61 
7073209 ..•...•..•.•. " 97 
7080100 ..•..•. •..•.•.• 125 
7081465 .......•••.. •.. 125 
7084207 .....••....•••. 125 
7320658 .. •.•.••..•.. " 55 
7320689 . . . . . . . . . • . . . .. 54 
7324407 • • • . . • • • • • • • . .. 81 
7328293 . •...•....•.. 87,88 
7328294 . . • • . . . • . . . .. 87,88 
134 
7328371 . • . . • . . . . . . . • .. 87 
7340237 '. . . . • . . • . . • . . •. 85 
7343032 104 
7346871 ....•....... . .. 29 
7346940 . . . . . . . . . . . . • .. 61 
7346945 .•...•.•.•.. ... 123 
7348567 .•••••• • • •.• ••. 110 
7348578 . • . • • • . . . • . . . •. 44 
7351313 . . . . . . . . . . . . . .. 88 
7351315 . • . . • • . . • . . . . .. 27 
7351403 . . • . • . • . • . . . • .. 75 
7351404 • . . . • . . • . . . . . .. 75 
7351892 . . . . . . . . . . . . . .. 15 
7355736 ••.• •.. ..•..... 38 
7355830 . •..•.......... 123 
7358502 • • . . . . . • . . . . . .. 63 
7358569 • . . • • . • . . . . . . •. 44 
7358582 ••..•..•.•... " 52 
7358619 ..•.•.....•.• " 49 
7361994 ••••••••••••••• 110 
7368702 ••••••••••••••• 49 
7371035 ••• • • • • • • • • • • •• 69 
7371061 ••••••••••••••• 102 
7371037 • • • • • • • • • • • • • •• 68 
7371047 .•.....•..... " 32 
7371055 .•..•....... ... 100 
7371056 ....••.•...• •.. 102 
7371103 72 
7371110 " 75 
7371188 . . . . . . . . . . . . . .. 38 
7371194 . . • . . . . . . . . . • .. 31 
7371272 " 13 
7371337 . . . . . . . • . . . . • .. 19 
7371340 ............ • " 19 
7371342 • • • • • • • • • • • • • •• 19 
7371364 • • • • • • • • • • • • • •• 19 
7371366 • • • • • • • • • • • • • •• 19 
7371390 • • • • • • • • • • • • • •• 32 
7371454 . . . . . • . . . . . . . .. 31 
7371589 . . . . . . . . . . . . . .. 75 
7371759 ... ..•..•...•.. 68 
7372342 . . . . . • . . . . . . • .. 85 
7372343 . . . . • . . . . . . . • .. 83 
7372551 . . . . . • . • . . . . • • • 9 
7372806 ....... •..... " 36 
7372816 . . . . . • . . . . . . • .. 37 
7372823 • . . . . . . . . . . . . .• 19 
7372826 •.••••.•••••• " 19 
7372833 ..•......... . .. 83 
7372834 . . . . . . . . . • . . . .. 83 
7372835 • . • . . . • . . • • • . .• 83 
7372836 . . . . . . . . . . . . . .. 83 
7372837 . . . . • • . • . . . • . .• 83 
7372839 .. •....•....•.. 83 
7372864 • • • • . • • . . • • .• • • 75 
7372872 ' " 75 
7372878 . • . . . . . • . • . • . .. 68 
7372879 .. •••. ••••• 67,68,75 
7372889 .•.......... •.. 115 
7372890 ...•.........•• 115 
7372891 ........ .••.... 115 
7372895 • • •. .• • ••• ..... 118 
7372899 .........•..•.. 115 
7373111 . . • . . . . • . . . . . .. 94 
7373121 . . • . . • . . . . . • . . • 73 
7374750 . . . . . . . . . . . . . .. 38 
7374981 . . . . . . . . . . . . . .. 88 
7374986 . . . . . . . . . . . . . .. 77 
7374987 , . . . . . 77 
7374988 • • • • • • • • • • • • • •• 88 
7375021 • • • • • • • • • • • • • •• 37 
7375022 • . . . • . . . • • . . . . . 53 
7375023 . . . . . . . . . . . . . .. 51 
7375030 . . . . • . . . . • . . . .. 34 
7375036 • . . • . . . . . . . . . . • 27 
7375071 . . . . . . . . . . . . . .. 38 
7375075 . . . . . . . . . . . . . .. 33 
7375076 . . . . . . . . . . . • . .. 33 
7375077 . • • • . • . . • • . . . . . 32 
7375081 . . . . . . . . . . . . . .. 68 
7375082 . . . . . . . . . . . . . .. 68 
7375110 . . . . . . . • . . . . . . . 44 
7375114 . • . . . . . . . . . . . .. 31 
7375129 . . . . . . . . . • . . . •. 31 
7375136 . • . . . . • . . . . . . . . 88 
7375143 ....•....... .. 87,88 
7375146 . . . . . . . . . . . . . .. 58 
7375153 68,110 
7375158 . ...... ..... .•. 109 
7375174 38 
7375175 . . . . . . . . . . . . •. . . 38 
7371576 . . . . . . . . . . . . . .. 85 
7375177 . . . . . . . . . . . . . .. 93 
7375178 • •.•......... . , 93 
7375179 . . . . . • . . . . . . . .. 93 
7375180 , 93 
7375181 . . . . . • . . . . . . . .. 93 
7375182 , 92 
7375183 ..•.•.. •... ... , 93 
7375185 , 93 
7375186 . ..•... .•.•... , 92 
7375336 . . • . . . . . . . . . • .. 95 
7375377 • . . . . . • . . . . . . .. 44 
7375385 . . . . . . . . . . . . . .. 21 
7375388 • . . . . . . . . . . . . .• 38 
7375392 • . . • . • . . . . . . • .. 31 
7375440 . . • . . . • . . . • . • .• 85 
73785.69 . • . . . . . . . . . . • .• 44 
7384388 ..••..•.• ••... , 46 
7384389 ......• •....•. , 46 
7384392 ............•. , 46 
7387807 ....••........ , 91 
7388813 . • • • • . • • . • • . • .. 50 
7389566 .•..•..•.•.. •. , 58 
7389567 • • . . . . • . . • • • • .. 46 
7409316 . . . • • • • • • • • . . • . 85 
7410836 . ~ ..••.•.....• 13,23 
7410837 • . . . • . • . . . . . . .. 97 
7410838 ..•.... •....•. , 97 
7411250 • • • • . . • • . • . • . .. 36 
7411677 •.••.. •.... .•.. 112 
7411685 .. •.....•...... 112 
7411687 • .......•. . •..• 112 
7411690 112 
7411799 112 
7411804 112 
7411944 : 112 
7411950 112 
7411951 112 
7411952 • . •• . . . •. •. . . .• 112
ORDNANCE AND MANUFACTURER'S PART NUMBER LIST 
TM 9-2320-208-20P 
Part Number Page Part Number Page Part Number Page 
7411953 .••.•....••. • • . 112 
7412179. . • . . . . • . . . . . . • 81 
7412442 . . . • . . . . . . . . . .. 59 
7412445 . • • • . . • . . • . • • •• 95 
7412783 • • . • . . • • . . • . . •• 57 
7416478 • . • . . . • • . • . . • .. 21 
7416524 . . . . . . • . • . . . . . . 85 
7418141 . . . . . . . . . . • . . .. 75 
7418184 .. . ••. • .. ••.. . • 109 
7418343 . . . . • . . . . . . . . .. 52 
7524313 . . . . . • . . . • . . . •• 97 
7524315 . . . . . . • . . . . . . .. 97 
7524316 .•.. ......... " 97 
7525935 . . . . . . . . . . . . . .. 52 
7525936 . . . • . • • . . . . . . •. 52 
7525937 . . . . . . . . . . . . . .. 54 
7525940 . . . • . . • • . . . . . .. 54 
7526018 . . . • . . • . • . • . . •. 56 
7526020 . . . • . . • . . . . . . .. 55 
7526591 . . • . . . • • . . . . . .. 46 
7526594 . . . . . . . . . • . . . •. 46 
7526596 . . . . . . . . . . . . • . • 46 
7527639 . . • . . • . . • . . . • .. 65 
7527640 65 
7527642 . . . . . . . . . . . . . .• 65 
7527643 . . • . . . . . . . . . . . . 64 
7527644 . . . . . . • . . . . • . . . 64 
7527646 . . . . . . . . . . . . . .. 62 
7527647 . • . • • • . . • . . • . •• 64 
7527648 . . . . . . . . . . . . . •. 62 
7527652 . . . . . . . • . . . . . .. 62 
7527653 . . • . . . • . . . . . . •. 64 
7527654 • . • . . . . . . . . . . •• 62 
7527655 . . • . . . . . . • • . . .. 65 
7539255 . . • • . . . • . . . . . •. 49 
7696491 • . • . . • . . . . . • • . . 69 
7696520 • ••..••..•.• • " 87 
7696521 . . . . . . . . • . . . . • . 87 
7697436 . . • . • . . • . . . . . .. 99 
7697452 . . • . . . . . . . . . . . . 85 
7697454 . . . . . . . . . . . . . .. 19 
7697462 . . . . . . . . . . . . . .. 81 
7697463 . . . . . . • . • . . . . .. 81 
7697466 . . . . . . . . . . . . . .. 85 
7697490 . . . . . . . . . . . . . .. 97 
7697512 . . • • . . . . . . . . . .. 97 
7697515 ...•.......•. .. 110 
7697519 .....••....•.•. 109 
7697520 ... •..•.....• • • 110 
7697521 .. ............ • 110 
7697522 . • ...••..••. . .• 109 
7697523 • . . . . . . . .• • • .• . 109 
7697525 .............•. 109 
7697526 ..••...•....... 109 
7697527 .............•• 110 
7697548 ... ........... • 108 
7697554 •. . • . . . . • • . . . . . 123 
7697555 •. •..••...•..•. 123 
7697561 .... ..•..•..•.. 123 
7697574 101,103 
7697577 •..••..•..•.••• 110 
7697578 ...........••.. 109 
7697579 .. • •.•••.•••. •• 110 
7697581 ...• •...•..... . 110 
7697588 • . .•. • • . . .• •.• • 35 
7697593 . . . • . . . • . . . . .• • 118 
7697602 .....•.•... • 101,103 
7697613 .•...• .•..• .. " 71 
7716522 ..•.....•.... " 64 
7716523 •......• • •••. " 62 
7716524 . . . . . . . . . . . . . .. 64 
7716525 . . . . . . . . . . . . • .. 62 
7716696 ........ ••..• " 64 
7716697 ........ •.... " 64 
7716699 ••. . . .. . . . • . . " 62 
7716715 .•..•........ " 65 
7716716 . . • • . • . . . • • . . .. 65 
7716718 " 65 
7716721 " 65 
7722343 " 62 
7723308 • . . . . . • . • • . • • . • 64 
7723309 .•.....••.... " 64 
7723899 .......•..... " 51 
7726808 ...•.•.. •.•.. " 49 
7728788 . . . . . . . . • . . . . .• 50 
7728852 " 46 
7729791 .......••.... " 51 
7729796 ...•...•..... " 51 
7731428 . . . • . • . • . . • • . .. 66 
7735289 " 83 
7735843 ..•....• .... 101,103 
7741420 .......• . •... " 11 
7760396 123 
7760409 . . . . . . . . . . . . • " 49 
7760412 ... •.... •..•• " 49 
7760418 ........ ••..• " 49 
7760505 . . . . . . • . . . . . . .• 54 
7950305 . . • • • . . . . . . . • . . 125 
7950306 .•.•...••...•.. 125 
7950710 . • . . . . . . . . . . • . • 125 
7954230 . . . . . . . • . • . . • •. 47 
7954231 .•••.•......• " 58 
7954343 .•. • •.•.. ••. • " 39 
7954720 . . . . . . • . • . . . • .. 39 
7966471 ..•...•.•.... " 29 
7966472 .•....•...... " 29 
7966482 .....•.. •.... " 29 
7971766 . . . . . . . . . . . • . .. 93 
7971767 •. .• . • . .• . • • . " 93 
7971ilin ' . . . . . . . . • . . . . .. 93 
7973980' .......• •..•.•. 100 
7974896 • . . . . . . . • . • . . •. 99 
7975294 . . . . . • . . • . . • . •. 27 
7996977 • . . . . . . . . . . • . . . 123 · 
7996979 . . . • . . . . • . . . . . . 123 
8328005 ••• •.•.••..••• 75,77 
8328027 •....•..• •... " · 44 
8328062 .•.....• . .... " 42 
8328129 .....•....•.. " 19 
8328132 .....•... ••.. " 42 
8328134 ......... •... " 42 
8328141 • . . . . . . . . . . . . •• 42 
8328264 •. .• • ..•. .• . . " 97 
8328265 ..•.... .•.... " 17 
8328310 " 17 
8328313 • . . . . . . • • . . . • .. 17 
8328391 . • • • . • . • • . • . . •. 9 
8328406 .••.••.••.•.• " 15 
.8328434 .••... • ..•... " 19 
8328435 • . . • • •. • ••. . • " 19 · 
8328436 .....•.....••• 19,85 
8328437 • . • • • • • • • • . • . • • 19 
8328439 • . . • . . . . . . . • . •. 19 
8328440 . . . • . • . . • . . . • •• 69 
8328442 . . • • . . . . . . . . . •. 81 
8328456 . . . • . . . . . . . . . .. 35 
8328457 .. ....•...•.. " 35 
8328458 . . • . . . . . . . . . . .• 35 
8328464 107 
8328465 . . • . .. . . . . .. • . • 107 
8328468 . . . . . . • . . . . . . • . 107 
8328474 • . • • . . . • • . . . . . • 10 
8328494 . . . • . . . . . . . . . .. 71 
8328495 .. •.... ... .. . " 71 
8328496 . • . • . . . . . . . . . .. 71 
8328497 • • • • • . • . . • . • • • . 71 
8328498 • . . • . . . . . . . . . . . 71 
8328499 . . . . • . . . . . . . . . . 71 
8329600 ....•.•..... 100,102 
8329601 ... •..........• 100 
8329602 100,102 
8329603 ...• •.......... 102 
8329607 . . . . . • • . • • • . . .. 81 
8329611 . . . . . . . . . . . • . .. 81 
8329612 . . . . . . . . . . . . . .. 81 
8329621 . . . . . . . • . . . . . .. 27 
8329623 . . . . . . . . . . . . . .. 79 
8329625 . . . • . . . . . . . . . .. 79 
8329626 . . . . . . . . .. . . . .. 79 
8329627 • . . . • . . • . • . . • •. 79 
8329628 . . . . . . • • . . . . . .. 79 
8329630 . . . . . . . . . . . . . • • 79 
8329633 . . . . . . . . . . . . . •. 79 
8329636 . . • . . . . . . . . . . •• 25 
8329639 . • . • . . . . . . . . . . . 13 
8329642 . . • • . • . . . . . . . .. 23 
8329643 • . . . • • . . . . • . . .. 13 
8329646 • • . • . . • . . . . . . . • 23 
8329653 . . . . . . . . . . . . . . . lOT 
8329658 . • • . . • . . . . . . . . • 107 
8329659 . • . . • . . . . . . . . • . 107 
8329666 . • . . • . . . • . . . . . . 61 
8329676 . • . • . . . . . . . • . . . 10 
8329677 • • . • . • • . . • • . . . • 10 
8329678 . . . • . . . . • • • . . • . 10 
8329686 . . . • • . . . • . . . . •• 58 
8329687 • . . • . . . . . . . . . .. 58 
8329689 . . . . . . • . . . . . . •• 59 
8329690 . . . • . . . . . . • . . .. 59 
8329696 . • . . . • . . . . . . . .. 11 
8329699 .•.•• •• •• • • •. " 16 
8329700 . • • . . • • . . • . • . .• 71 
8329701 . • . • • . . . • . . . . • . 21 
8329708 , • • • • . . . . . . . . •. 21 
8329715 . . . • • . . • . . . . . .. 13 
8329731 . . • . . . • . . . . . . • • 87 
8329733 • . . • • • . . . . • . . . • 110 
8329736 • . . • • . • . . . • • • • . 62 
8329739 . . . • . . . . . . . . . .. 32 
8329746 • • . • . . • . . • . • . •• 94 
8329747 . . . . . • . . . . . . . . • 94 
8329750 . . . • . • . . . . . . . • • 16 
8329751 • . • • . • • • . . . . . •. 16 
8329752 . . . . . . . • . . . . . .. 16 
8329754 • . . . . • . . . . . . • .. 115 
8329759 . . . . . . • • . . . . . .. 31 
135
TM 9-2320-208-20P 
ORDNANCE AND MANUFACTURER'S PART NUMBER LIST 
Part Number Page Part Number Page Part Number Page 
8329760 . . . . . . . . . . • . . .. 31 
8329761 • . . . . . . . . . . . . .• 31 
8329762 . . . . . . . . . . . • . .. 31 
8329763 ........... •.. 31,61 
8329767 . . . . . . . . . . . . . .. 31 
8329769 . . . . . . . . . . . . . .. 31 
8329770 • . . • . . • • • . . • . .. 31 
8329774 . . . . . . . . . . . . . .. 20 
8329781 . . . • . . . . . . . . . .. 27 
8329782 • . . . • . . . . • . . . • . 27 
8329783 -, . . . .. 29 
8329784 • . . . . . . . . . . . . .. 44 
8329823 . . . . . . . . . . . . . .. 20 
8329873 . . . . . . . • . . . . . .. 11 
8329985 . . . . . . . . . . . . . .. 66 
8330124 . . . . . . . . . . . . . .. 23 
8330512 • . .• . . . . . . .•. . . 104 
8330513 • . . . . . . . . . .. . . . 104 
8330945 . . . . . . . . . . . . . .. 13 
8330946 . . . . . . . . . . . • . .. 27 
8330948 . . . • . . . . . . • . . • . 79 
8331232 .. •....... ..... 100 
8331234 100 
8331235 . . • • . . . • . . . . . . . 100 
8331236 ......•........ 102 
8331237 . . . . . . . . . . . . . • . 102 
8331238 . . . . . . . . . . . • . . . 102 
8331239 . ... • • . •...•.. . 102 
8331932 . . . . . . . . . • . • . .. 14 
8331934 . . . . . . . . . . . . . .. 29 
8332072 . . . . . . . . . . . . . .. 19 
8332074 . . . . . . . . . . . . . .. 97 
8332083 . . . . . . . . . . . . . .. 85 
8332127 . . . . . . . . . . . . . .. 52 
8332474 . . . . . . . • . • . . . .. 94 
8332475 . . . . . . . . . . . . . .. 94 
8332476 . . . . . . . . . . . . . .. 94 
8332518 • . • • . . . • . . • . . .. 59 
8332519 . . . . . . • . . . . . . .. 88 
8332520 . . . . . . . . . . . . . .. 20 
8332521 . . • . . . • . . • . • . .. 21 
8332524 . . . . . . . . . . . . • •. 58 
8332529 . . . . . . . . . . . . 100, 102 
8332530 . . . • • . • . . . . . . .. 14 
8332675 . . . . • . . • . . • . . . • 13 
8332677 . . . . • . . . . . . • . .. 59 
8332928 . . • . . • . . . . . • . . . 100 
8333061 . . . . . . . . . . . . . .. 71 
8333105 . . . . . . . . . • . . . .. 81 
8333106 . . . . . . . . . . . . . .. 88 
8333138 100,102 
8333259 100, 102 
8333277 . . . . . . • . . . . . . .. 27 
8333278 . . . . . . . . . . . . • .. 32 
8333279 . . . . . . . . . . . . . .. 33 
8333280 . . . . . . . . . . . . . .. 58 
8333281 61,62 
8333283 . . . . . . . . . . . . . .. 71 
8333284 . . . . . . . . . . . . . . . 79 
8333288 . . . . . . . . . . . • . . '. 102 
8333289 . . . . . . . . . . . . . . . 104 
8333290 . . . . . . . . . . . . . . . 104 
8333291 105 
8333292 . . . . . . . . . . . . . . . 106 
8333295 ...... .•.... 105,106 
8333296 . . . . . . . . . . . . 105, 106 
8333297 .•...•.....• 105, 106 
8333298 . . . . . . . . . . . . 100, 105 
8333299 106 
8333337 ....•.•....• 100,102 
8333378 ..•........ .. " 87 
8333425 .. ••••.••... 105,106 
8333426 ...•..•• ... •... 123 
8333427 123 
8333428 ... .. • •. ... . ... 123 
8333429 123 
8333722 . . . . . . • . . . . . . .. 27 
8333761 100 
8333767 . . • . • . . . . . • . . . . 100 
8333800 102 
8334009 . . . . . . . . . . . • . .. 52 
8339741 . • • . . . . . . . . • • . . 94 
8357724 . • . . . . • . . . . . . .. 43 
8360020 . . • . . . . • • . . . . .. 40 
8366660 . . . . . . . • . . . . . .. 125 
8376209 . . . . . . . . . . . • . .. 66 
8376377 . . . . . . . . . . . . . .. 46 
8378786 . . . . . . . . . . . . . .. 56 
8379904 .. .... ..... •. .. 107 
8380699 . . . . . . . . . . . . . .. 49 
8386440 123 
8387940 . .. , 19,85 
8403350 . . . . . . . . .. • . . • . 108 
8461313 . ..... •.. ... ..• 119 
8673356 . . . . . . • . . . . . . .. 44 
8673357 . . . • . . . . . • • • . . . 44 
8673359 . . . . . . . . • . . . . . . 123 
8673360 . . . . . . . . . . . . . . . 123 
8677344 . . . . . . . . . . . . . .. 83 
8677523 . . . . . . . . . . . . . .. 23 
8677572 . . . . • . . . . . . . • .. 115 
8683529 . • . . . . . . . . . . . .. 50 
8383933 . . . . . . . . . . . . . .. 50 
8687079 . . . . . . . . . . . . . .. 49 
8687080 . . . . . . . . . . . . . .• 49 
8687082 • . . . . . . . . . . • . . . 125 
8689231 . . . . . . . . • . . . . .. 59 
8699711 • • . . • • . . . . . . . .. 39 
8699715 . . . • . . . . . . . . . .. 39 
8699723 . . • . . • . . . . . . • . . 39 
8699724 . . . . . • • . . . . . . .. 39 
8699725 • . . • . . . . . . . • . .. 37 
8699837 . . . . . . . • . . • . • .. 37 
8708564 . . . . . . . . . . . . . . . 125 
8710782 . . . . . • . . . . . . . .. 103 
8710805 . ..... •....• 101,103 
8710812 . . . . . . . . . • . . . . . 107 
8720569 . . . . . . . . . . . . . .. 21 
8728110 ........... •... 116 
8735777 .....••.••..... 115 
8735778 . . . . . . . . . . • . . . . 115 
8735779 . •....... ...... 115 
8735890 119 
8735891 . . . . . . . . . . • . . .. 47 
8735892 . .•.. . ..... .•.. 117 
8735893 . • • . . • • . . • . • . •. 117 
8735894 ..•...•...•.••. 116 
8741534 ....•.•....•..• 102 
8741535 .•....•....... . 100 
8741536 •.............. 100 
8741869 . . . . . . . . . . . . . .. 43 
8742046 , 59 
8742047 .. ..... ..... •• , 59 
9409097 •• ..•. ..•..... , 23 
9409098 •....••.•..... , 36 
9409102 •..•.......•.. , 79 
9409103 • • • . . • • . . • • . . • • 85 
9409106 ...•.• ...... .. , 13 
9409107 . . . . • .• . . . . • . . , 37 
10885494 ....... . • ••.•• 111 
10917034 , 75 
10929991 .•..••........ 123 
10930014 ..........•.•• 123 
10930015 . ..••.• .• .. . . . 123 
10947439 ..........•..• 40 
44-T-5080-20 , 23 
6Z19-322-39 .•. . •....• • , 62 
6Z1932-251 .•........•. 29 
7Z1932-283. . . . . . . . . . . .. 41 
3Z12073-117 . . . . . . . . . . .. 40 
07767-1000 . • . • . . . . . • . .. 73 
19728-IAU6 ...•.. ...•.. , 44 
19728-IG676 . . . . . . . . . . .. 44 
19728-VBC-4003 UT . . • . . .. 40 
19728-8X3029 . . . . • • . . . .. 44 
19728-CB17812 , 52 
19728-8X3029 .. •... . ... , 44 
19728-IGP3028FS , 44 
19728-IAT30760S , 44 
23862-924552 52 
35510'"36924 . • . . . .. .• •. , 40 
40095-A49-8839 • . . . . . . . . 58 
44537-801265 . . • • . • . . • .. 92 
55168-R32-63 . . . . . . . • . .. 29 
59875-14DM76 • • . . .• • . •. 92 
59875-14DM120 ....•.. . . , 92 
65909-A820 75 
65909-A6360. . . . • . . . . . . • 19 
65909-301435 , 121 
65909-339372 . . . . . . . . . .. 100 
65909-391404 • . . . . . . . . .. 81 
65909-630305 ....•.... . , 11 
65909-634814 . . . . . . • . . .. 16 
65909-636863 . . . . . . . . . .. 81 
65909-648798 . . . . . . . . . .. 11 
65909-649955 .. • . . . . . . .. 95 
65909-666619 .•.....•.. , 33 
65909-672846 , 110 
65909-673553 , 108 
65909-677836 , 111 
65909-680143 •. • . . . . . . .. 108 
65909-680787 . •• ...• •... 120 
65909-681166 .. . . . . . . . .. 61 
65909-800047 .......•.. , 97 
65909-800068 . . . . . . . . . .. 75 
65909-800095 . . . . . . . . . . . 75 
65909-800802 . . • . . • . • . .. 121 
65909-801279 ..•..••.•. , 95 
65909-801425 •• ••..••. • . .95 
65909-801804 • . • . • • . • . .• 123 
65909-802634 •......• •. , 123 
65909-804821 . ..•..• ..•. 87 
65909-806027 ..•.. .. •... 79 
19728-7375377 . . . . . . . . . .. 44 
19728-7348578 , 44 
136
TM 9-2320-208·20P 
ORDNANCE AND MANUFACTURER'S PART NUMBER LIST 
Part Number Page Part Number Page Part Number Page 
65909-806028 79 
65909-806186 .. . . . . . . . .. 23 
65909-806626 ........•.. 29 
65909-806917 .••..•.•.•. 95 
65909-806950 .•.....•.•. 31 
65909-807374 .. 81 
65909-807377 . . . . . . . . . . . 81 
65909-807378 . . . . . . . . . .. 81 
65909-807713 13 
65909-807779 71 
65909-807780 .. . . . . . . . .. 71 
65909-807961 .•.•••••••. 58 
65909-809100 .. . . . . . . . . . 94 
65909-809807 " 102 
65909-906294 .. . . . . . . . .. 93 
65909-906396 ••••••. . . .. 93 
68146-98382 83 
70040-1501524 46 
70040-1582082 49 
7221O-S5069 . . . . . • . . . . .. 92 
72210-85070 . . . . . . . . . . .. 92 
72210-85144 . . . . . . . . . . .. 92 
72210-85145 " 92 
73331-5940558. . . . . . . . . .. 54 
73331-594367'/ . . . . . . . . . .. 46 
77477-25756 . . . . . . . . . . .. 14 
77477-25757 . . . . . . . . . . .. 14 
77820-10-35531 • . • . • • • • •. 64 
77820-10-35532 . . . . . . . . .. 65 
77820-10-40450-128. . . . . .. 63 
77820-10-40450-168 . . . . . .. 63 
77820-10-40450-22. . . . . . •. 63 
77820-10-40450-288. . . . . • . 63 
77820-10-40459-22. . . . . . .. 64 
77820-10-40459-28. . . . • . •. 64 
77820-10-40553 . . • . . • • • .. 64 
77820-10-40554 . . • . • . • . •. 62 
137 
77820-10-40555 . .. •.... " 64 
77820-10-40817-9 ......•. 62 
77820-10-40817-10 .•.... " 63 
77820-10-40817-12 .•.... " 63 
77820-10-40822-23 " 62 
77820-10-40822-54-; " 63 
77820-10-40822-56 .•.... " 63 
77820-10-40828-518 " 63 
77820-60-37005-131 " 64 
77977-24-29 ..•....••. " 50 
78080-2-7-2 • . • . . • • . . . •. 71 
78080-16992-1 •.•.•••••. 75 
78080-16992-2 •.•••••••. 75 
78080-16992-3 .••••••••. 75 
78080-16992-4 •.•.•••••• 75 
78080-17521-2 •••••••.•• 88 
78080-17521-3 •••••••••• 88 
7~080-20010X •.•.•.•••• 88 
80244-15-C-2165-150 . . . • .. 45 
80244-15-C-2165-170 " 66 
80244-15-C-2165-175 " 40 
80244-15-C-2165-350 " 61 
80244-17-C-18035-50 " 25 
80244-17-C-18035-60 29 
80244-33-T-240 .•....... 13 
80244-33-T-242 ..•...... 61 
80244-33-H-585 .•..•.... 13 
80244 -33-R-172-50 61 
80244-44-T-5080-10 •.... 24,44 
80244-44-T-5080-20 . .... " 29 
80244-44-T-5080-35 .• . . . • " 61 
80244-44-T-531O-55 " 24 
80244-44-T-5319-55 15,24 
80244-44-T-5319-60 13, 120 
80244-44-T-5319-65 ••••• 29,120 
80244-44-T-5319-76 ••••. " 24 
80244-46-87350 " 59 
80244-51C01553755. . . . . . . . 34 
80244-51C01554035. . . . . . .. 34 
80244-51COI555000. . . . . . .. 34 
80244-51COI588775. . . . . . . . 34 
B0244-51-A-1562-255 . . .. . . . 61 
B0244-T-5319-76 . . . . . . . .. 24 
81257-6547 . . . . . . . . . . . . . 65 
81366-45-6075-700-003. . . .. 27 
88044-AN380-4-5 108 
93041-105A .....••.... 114 
93041-149 •........... 112 
96906-15001 ••.......•.• 113 
96906-15795-208 • . . . • • . .. 49 
96906-15795-210 . . . . . . . .. 45 
96906-15795-214 . . . . . .. 9,108 
96906-15795-216 . . . . . . . . . 10 
96906-15795-217 104 
96906-15795-218 , 38,68 
96906-20345-820C . . . . . . .. 42 
96906-20365-918 100,102 
96906-25231-313 .. . . . .. 46,50 
96906-27183-21 . . . . . . . . . . 93 
96906-35292-6 59 
96906-35337-23 . . . . . . . . .. 46 
96906-35338-29 . . . . . . . . .. 38 
96906-35338-43.- .•... 29,47,52 
96906-35338-46 ..•..... 81,113 
96906-35338-93 .••.....• •. 91 
96906-35387-1 119 
96906-35392-8 91 
96906-35690-825 . . . . . .. 49,68 
96906-35691-622 108 
96906-35909-3 43 
96906-51074-1 59 
96906-53015-1 119 
96906-75004-1 61
TM 9-2320-208-20P 
FEDERAL STOCK NUMBER INDEX 
This index is prepared in numerical sequence to assist in locating items when only the Federal stock number 
is known . . standard hardware items having a common application in the supply system are not included in this 
index. 
Stock Number Page Stock Number Page Stock Number Page 
1015-219-8176 108 
2520-692-6236 71 
2510-040-1860 95 
2520-735-1313 88 
2510-040-2495 100, 102 
2520-735-1403 75 
2510-040-2521. . . . . . . . . .. 107 
2520-737-1035 69 
2510-040-2522. . . . . . . . . .. 108 
2520-737-1110 75 
2510-040-2524. . . . . . . . . .. 107 
2520-737-1340.~ Hi 
2510-040-2476. • . . • • . . • .• 107 
2520-737-1589 75 
2510-073-8586. • • . • • • . • •• 117 
2520-737-2823 19 
2510-318-1033. • • • • . • • • •• 100 
2520-737-2826. . . . . . . . . . . . 19 
2510-318-1034 ••••••••••• 102 
2520-737-2872 75 
2510-318-1068 •.••••.•••• 100 
2520-737-2878 68 
2510-318-1069 102 
2520-737-4981 •••••••••••• 88 
2510-368-4938 101, 103 
2520-737-4986 .•..•.•••••. 77 
2510-588-7710. . . . . . . . . .. 107 
2520-737-4987 •.••.••.•••• 77 
2510-640-2550. . . . . . . . . .. 110 
2520-737-5081. 68 
2510-652-6263 101, 103 
2520-737-5082 68 
2510-673-2978. . . . . . . . . .. 107 
2520-737-5143 87, 88 
2510-693-0764. . . . . . . . . .. 100 
2520-737-5153 110 
2510-693-0765. . . . . . . . . .. 100 
2520-741-1677. . . . . . . . . .. 112 
2510-693-0766 100 
2520-741-1685 . . . . . . . . . .. 112 
2510-693-0767. . . . . . . . . .. 102 
2520-741-1687. . . . . . . . . .. 112 
2510-693-0768. . . . . . . . . .. 102 
2520-741~1950 .... : . . . . .. 112 
2510-693-0769 102 
2520-741-1952. . . . . . . . . .. 112 
2510-693-0778 100, 102 
2520-769-7519. . . . . . . . . .. 109 
2510-693-0780 ..... ..• 100, 102 
2520-769-7527. . . . . . . . . .. 110 
2510-693-0783. . . . . . . . . .. 102 
2520-769-7577. . . . . . . . . . . 110 
2510-699-7036. . . . . . . . . .. 100 
2520-788-9715 75 
2510-737-1056 102 
2530-040-2497 81 
2510-737-2889. . . . . . . . . .. 115 
2530-040-2507 79 
2510-737-5158. . . . . . . . . .. 109 
2530-040-2508 79 
2510-737-5312. . . . . . . . . .. 108 
2530-040-2509 79 
2510-752-6596 ..... •.• .... 46 
2530-040-2510 79 
2510-769-7436 99 
2530-040-2511 79 
2510-769-7488 97 
2530-040-2512 79 
2510-769-7512 97 
2530-040-2621. 94 
2510-769-7520 . . . . . . . . . .. 110 
2530-090-9242 95 
2510-769-7522. . . . . . . . . .. 109 
2530-200-5418 79 
2510-769-7525. . . . . . . . . .. 109 
2530-287-2314 91 
2510-769-7548. . . . . . . . . .. 108 
2530-291-7386 87 
2510-769-7578. • . . . . . . . •. 109 
2530-301-7762 81 
2510-769-7579. . . . . . . . . .. 110 
2530-301-7763 ........•... 88 
2520-028-3434 .....•...... 71 
2530.,.307-8860 81 
2520-040-1885 •.......•... 33 
2530-318-1049 94 
2520-040-1888 17 
2530-318-1050 94 
2520-292-2128 17 
2530-318-1059 .. •......... 94 
2520-293-5128 ......•..... 71 
2530-318-1060 94 
2520-293-5133 71 
2530-318-4335 88 
2520-307-8850 17 
2530-338-1943 59 
2520-318-1022 114 
2530-352-6962 : 87 
2520-318-1026 69 
2530-495-8677 83 
2520-318-1031. 71 
2530-495-9594 81 
2520-318-1032 .......•.... 71 
2530-554-8776 . . . .. . . . • . . . 81 
2520-318-1044 71 
2530-656-5749 73 
2520-318-4332 71 
2530-693-0781. 79 
2520-347-4546 •.•••••.•••• 77 
2530-693-0786 105 
2520-368-2630 •••••••••••• 19 
2530-693-0787. . . . . . . . . .. Hi6 
2520-495-7074 •.•••••••••• 72 
2530-693-0792 87 
2520-495-7112,•••••••••••• 73 
2530-703-2625 •........... 83 
2520-597-2315 19, 85 
2530-734-0237 85 
2520-691-3546 ...•• ....... 75 
2530-737-2342 85 
2520-692-6051. 19 
2530-737-2835 83 
2530-737-2836 ........•.... 83 
2530-737-2837 .....•....... 83 
2530-737-2839 ......•...... 83 
2530-737-3111 94 
2530-737-4988 88 
2530-737-5176 85 
2530-737-51771· ........•... 93 
2530-737-5178' ••.••••..•••. 93 
2530-737-5179 1· •.••.•••••.• 93 
2530-737 -5180 .•.•••••.•.•. 93 
2530-737-5182 92 
2530-737-5183 93 
2530-737-5186 92 
2530-737-5336 95 
2530-740-9316 85 
2530-741-2445 95 
2530-741-6524 85 
2530-741-8141 ' 75 
2530-769-6523 75 
2530-769-7452 85 
2530-769-7454 19 
2530-769-7462 .•...•••.•.•. 81 
2530-769-7466 .....•...••.• 85 
2530-769-7526 ••.•.....•.. 109 
2530-918-0602 .•••..••••.•. 81 
2530-977-0948 ••••.•.••..•• 93 
2530-980-5192 93 
2540-040-1887 .•........... 97 
2540-040-2471 19 
2540-040-2514 25 
2540-040-2523 " 107 
2540-040-2562 ........ •. ... 31 
2540-040-2563 ....... ...•.. 31 
2540-040-2564 ........•.... 31 
2540-040-2567 31 
2540-040-2569 31 
2540-040-2596. . . . . . . . . . .. 120 
2540-040-2625 .... .•....... 59 
2540-050-0810. . • . . . . . . . •. 120 
254O~050-0814. . . . . . • . . . .. 120 
2540-054-7250. . . . . . . . . . .. 119 
2540-262-7576. . . . . . . . . . .. 120 
2540-287-8231 31 
2540-310-1815 97 
2540-318-0885 •.....•....•. 19 
2540-318-1057 .••..•.••.... 104 
2540-318-1058 , 104 
2540-495-9499. . . . . . . . . . . . . 19 
2540-512-9137 , 116 
2540-512-9144. . • • . . • . . • .• 117 
2540-512-9154 •.••.•••••. , 117 
2540-524-6558 •••••••••••.. 19 
2540-590-49241•••••••••••• 116 
2540-679-4588 , 119 
2540-693-0784 , 104 
2540-693-0785. . . . . . . . . . .. 104 
2540-699-7032 115 
2540-699-7033 115 
'2540- 699- 7034 115 
2540-699-7035 , 115 
2540 -704-4253. . . . . . . . . . . . . 97 
138
TM 9-2320-208-20P 
Stock Number Page Stock Number Page stock Number Page 
2540-707-3209 •••.•••••••• 97 
2805-569-8968 •..•..•..•.. 14 
2540-737-1194 •• ~ ••••••••• 31 
2805-695-1035 ..........•. 13 
2540-737-2889 ••••••••••• 115 
2805-770-3975. . . • . . . . . . . . 14 
2540-737-2890. . • • • . • • • •• 115 
2910-040-2506 • • • • • • • • • • •• 27 
2540-737-2891 ••••••••• " 115 
2910-040-2537 .••••••••••• 21 
2540-737-2899 " 115 
2910-040-2575 •••••••••••• 27 
2540-737-5392 31 
2910-040-2599 .••••••••••• 23 
2540-741-0837 .•.......... 97 
291O-141-975li 27 
2540-741-2583 ••....... " 123 
2910-200-5417 31 
2540-769-7515 " 110 
2910-291-69-64 20 
2540-769-7523 " 109 
2910-294-2'1,41 , .. , 20 
2540-786-9237. . . . . . . . . .. 111 
2910-314-0770 , . 29 
2540-863-1027. . . . . . . . . .• 116 
2910-318-1034 102 
2540-952-7035 " 119 
2910-321-7423 13 
2540-953-2180 .•.......•.. 50 
2910-322-7206 •••••••••••• 31 
2590-298-6916 " 123 
2910-535-7614. • • • • • • • • • •. 29 
2590-298-6918. . . . . . . • . .. 123 
2910-547-7769 •.•••••••••• 21 
25l!O-298-Q919.......•. " 123 
2910-576-4259 •••••••••••• 21 
2590-318-8200 39 
2910-696-0364 ...•........ 29 
2590-318-8209 ...•........ 39 
2010-696-0368 27 
2590-318-8210 ....•....... 39 
2910-735-1315 27 
2590-321-6444 ......•..... 79 
2910-735-1316 •...•.. ; 29 
'2590-508-4592 ......•..... 46 
2910-737-5146 58 
2590-572-4206 ....•....... 59 
2910-741-0836 13, 23 
2590-678-6140 ..........•. 59 
2920-025-9988 42 
2590-693-4173 ......••.... 46 
2920-040-2590 66 
2590-693-4226 61 
2920-143-5304 44 
2590-693-4228 " 123 
2920-294-3742 44 
2590-693-4229 .......•. " 123 
2920-322-9613, , .••... 42 
2590-693-4230. . . . . . . . . .. 123 
2920-324-0371 •••••••••••• 44 
2590-693-4231 ..........• 123 
2920-335-4677 •••••••••••• 40 
2590-736-1994. . . . . . . . . .. 110 
2)20-353-7206 .••••••••••. 44 
2590-737-1337 ........••.. 19 
2920-353-7216 •••••••••••• 44 
2590-741-1799 .•.....•. " 112 
2929-358-6840,•••••••••••• 44 
2590-741-1804 " 112 
2920-503-4763 •••••••••••• 61 
2590-741-1944 " 112 
'~920-504-0676 •••••••••••• 40 
2590-741-1951 .•...•... " 112 
J920-562-0411. ••••••••••• 39 
2590-741-1953 " 112 
2920-567-3231. .•......... 42 
2590-741-8148 " 109 
2920-606-9377 44 
2590-766-7722 ...••....... 59 
2920-620-3962 43 
2590-769-7554. . . . . . . . . •. 123 
2920-640-7230 •••••••••••• 44 
2590-769-7555 ......•.. " 123 
2920-698-3721 •••••••••••• 44 
2590-769-7558. . . . . . . . . .. 123 
2920-698-3722 •••••••••••• 44 
2590-769-7561 " 123 
2920-726-9545 •••••••••••• 43 
2590-772-9796 .•....•••... 51 
2920-735-5736 •••••••••••• 38 
2590-831-6271 ...•......• 123 
2920-737-4750 38 
2590-831-6273 123 
2920-737-5071. 38 
2590-858-5681 ...•..... " 123 
2920-737-5110 44 
2590-858-5682 " 123 
2920-737-5388 38 
2590-858-5683. . . . . . . . . .. 123 
2920-796-2655 •••••••• ~ ••• 49 
2590-953-2179 .........•.. 50 
2920-800-7993 •••••••••••• 40 
2610-269-7332 91 
2920-818-8635 •••••••••••• 39 
2610-678-1363 ..........•. 91 
2920-835-7724 •••••••••••• 43 
2640-050-1229 ..........•. 91 
2920-953':'9784 40 
2640-052-0944 ..•....•.... 91 
2930-141-8342 37 
27F6-301-6 " 118 
2930-278-5042 35 
27Wl-120-0 27 
2930-354-3772 ....•...•... 36 
27W3-845-0 •. '•••••••••• 108 
2930-629-0949 ...•........ 34 
2805-040-2516 •••••••••••• 13 
2930-699-9021. 35 
2805-040-2529 •••••••••••• 58 
2930-737-2806 ...•........ 36 
2805-040-2543 •••••••••••• 11 
2930-737-2816 37 
2805-040-2619 •........... 23 
2930-737-5021. 37 
2805-211-8765 ...•........ 16 
2930-737-5030 34 
2805-360-7927 •....•...•.. 13 
2940-040-2626. . . • . . . . . . . . 14 
2805-391-3093 .....•...... 16 
2940-141-9025 ...•........ 14 
2805-391-3103 10 
2940-253-7257 14 
2805-537-2129 ..........•• 15 
139 
2940-307-8855 •••••••••••• 23 
2990-040-2553 32 
2990-492-5480 .••••••••••• 32 
2990-696-0369 .•••.••••••• 32 
2990-696-0370 ••••••.••••• 33 
2990-737-5075 •••••••••••• 33 
2990-737-5076' ••••••••••• 33 
2990-737-5077 •••••••••••• 32 
3030-505-5893 •••••••••••• 37 
3030-517-0827~ ~ ~ .: ~ ~::::: 37 
3110-100-0532 87 
31104ioo-0551 .•.......... 88 
3110-100-352IL •.......... 87 
3110-100-3546 .•....•..... 88 
3110-112-5781. ........•.. 93 
3110-158-6196 ..•......... 19 
3110-227-3438 93 
3110-741-1673 ..•........ 118 
3120-661-9148 .....••..... 93 
4010-285-9574 118 
4030-741-0838 ...........• 97 
42W1-00 ...••...•...... 116 
42W3-00 ...•........... 116 
4710-202-8396 23, 29 
4710-250-9897 13 
4710-289-0653 61 
4710-350-9886 23, 44, 83 
4710-350-9897 29, 120 
4710-595-1824 ....•.... 13, 120 
4720-203-2668 120 
4720-235-1777 13 
4720-235-1778 " 61 
4720-248-1231. 13 
4720-278-5058 ..•......... 35 
4720-3.18-1039 ......•..... 23 
4720-350-9896. • . . . . . .. 15, 24 
4720-595-4387 ........•... 23 
4720-769-7588 ........••.. 35 
4730-011-8831 42, 44 
4730-013-7398 .....•... 13, 120 
4730-014-2427'....••. 23, 29, 35 
4730-014-2431 .. 15,24,44,83,120 
4730-014-2432 ..... 24, 120, 121 
4730-014-4307 ....•....•15, 24 
4730-040-2472 ••..•...•... 19 
4730-040-2536 21 
4730-050-4203.71,97,100,102,113 
4730-050-4205 .........•.. 69 
4730-050-4207 •••••••••••• 94 
4730-050-4208 •••••••••••• 92 
4730-090-9235 .••••••••••• 15 
4730-090-9245 •••••••••••• 85 
4730-172-0034 92 
4730-202-6063 27 
4730-277-8273 •.........•. 13 
4730-278-2039 .•.......... 19 
4730-278-2040 ...•.....•.. 13 
4730-278-2042. ',' • . . . . . . . . 19 
4730-278-2061 ..' ......••.. 23 
4730-278-2062. . . . . . . . . .. 110 
4730-278-2064 .••......... 23 
4730-278-2066 ..••........ 35 
4730-278-2067 93 
4730-278-2088 .....••.••.. 23 
4730-278-2493 .........•.. 35 
4730-278-3135 ...........• 29 
4730-278-3380 ..••..... 72, 75
Stock Number Page Stock Number Page Stock Number 
TM 9-2320-208-20P 
Page 
4730-278-3388 ••.•••••••• , 10 
4730-278-3389 •.••••" 17, 27, 95 
4730-278-3390 •••••.•• 112, 114 
4730-278-3391. ..•...•.... 75 
4730-278-4506 58 
4730-278-4557. . . • . • . . . . . . 13 
4730-278-4724 77 
4730-278-5277 ....••...... 29 
4730-288-7039 ..•......... 29 
4730-289-4712 .. .....••... 14 
4730-289-4713 14 
4730-492-5042 25 
4730-506-1609 77 
4730-542-3019 " is, no 
4730-737-2343 83 
4730-737-2879 67, 68 
4730-737-5440 85 
4730-737-6248 13 
4820-276-9040 34 
4820-360-7930 ...•...... , 13 
4910-795-0305 .•..•....• , 125 
4910-795-0306 ...•...... , 125 
5120-034-8460 .......•.. , 125 
5120-337-9134 , 125 
5120-592-3673 . . . . . . . . . . . 125 
5120-596-1370 , 125 
5120-708-0100 , 125 
5120-795-0710 , 125 
5120-836-6660 , 125 
5305-011-1655 85 
5305-012-0233 , 114 
5305-012-2126 ... ......•. 113 
5305-012-4378 42 
5305-013-3757 87, 89 
5305-015-9592 ...•........ 27 
5305-016-0046 ...•........ 52 
5305-018-1637· 75 
5305-018-1670 39 
5305-018-1673 94 
5305-042-0447 44 
5305-044-6609 66 
5305-226-9267 53 
5305-227-1815 21 
5305-281-1091 58 
5305-285-3952 ..•......... 54 
5305-285-5156 39 
5305-285-5278 50,119,120,121 
5305-286-1948 .... •....... 49 
5305-297-3273 ....•....... 44 
5305-558-3693. • • • • • • • • • •• 59 
5305-576-6987 • • • • • • • • • • •• 32 
5305-639-0521 • ~ •••••••••• 61 
5305-695-7209· . • • • • • • • • •. 52 
5305-735-0582 52 
5305-752-5938 54 
5305-769-7593 , 118 
5305-774-1420 11 
5305-774-1421 11 
5306-012-0213· . . . • • • • • • •• 9 
5306-012-1661 •••••••.•• 32, 33 
5306-012-2089· ••••••••• ,. 85 
5306-018-7263· • • • • • • . • • •• 8~ 
5306-019-1509 45 
5306-019-2417 41, 75 
5306-042-3553 81 
5306-042-3555 83 
5306-042-3568· " " 51, 56 
5306-042-5380 ........ •.. 109 
5306-042-5401 •.......... 99 
5306-044-2696 41 
5306-050-1924 61 
5306-174-4312 71 
5306-274-0953 75 
5306-281-1017 •....... 100,102 
5306-283-0405 ........•.. 23 
5306-283-0407 13 
5306-283-0408 ..••••. ... . 37 
5306-283-0411 ...•....... 79 
5306-286-1472 36 
5306-286-1504 36 
5306-286-1505 85 
5306-286-1517 .•......... 10 
5306-298-7836 ........•.. 14 
5306-360-8319 38 
5306-574-8361 ........•.. 10 
5306-575-5414 ....•...... 102 
5306-575-5415 ....•..•... 100 
5306-575-5416 100 
5306-575-9792 10 
5306-638-7863 93 
5306-695-7242 .•......... 102 
5306-695-7244 100, 102 
5306-695-7248 .•.•..•.... 105 
5306-696-5307 ..•..••.•.. 29 
5306-699-6890 ...•.....•. 106 
5306-732-8293 87,88 
5306-732-8294 ......•.. 87,88 
5306-734-6940 .••........ 61 
5306-737-1055 ....•..••.. 100 
5306-737-1759 .........•• 68 
5306-737-5174 ..........• 38 
5306-737-5385 .........•• 21 
5307-010":3196 16,20,32 
5307-011-2572 16 
5307-524-6557 .•••.. ..... 19 
5307-752-6594 .•...•..... 46 
5310-010-7827 .........•. 59 
5310-012-0213 .........•. 9 
5310-012-0214 ...••.•.. 21,85 
5310-012-0361 29 
5310-012-0368 ...•.•.•... 41 
5310-012-0370 .....••.... 34 
5310-012-0382 .•..•••••.. 81 
5310-012-0388 .••...•.•.. 9 
5310-012-0613 ......•••.. 120 
5310-012-0614 .••..•.•. 47,52 
5310-012-0930 ......•.... 114 
5310-012-1458 .......••.. 108 
5310-012-1621 ••......••• 39 
5310-012-1752 ..•........ 58 
5310-012-1753 ...••...... 59 
5310-012-4925 ........ •.. 108 
5310-012-5250 .••....••.. 94 
5310-012-5258 .•...... .. . 108 
5310-012-5348 .••••••• 105,106 
5310-013-1016 68,106 
5310-013-1182 ........••. 46 
5310-013-5629 .......•.•• 49 
5310-015-3327 ••.•....•.. 100 
5310-018-7979 .•..•...... 40 
5310-018-8349 " 108 
5310-042-6915. . • . .. • . . •. 46 
5310-044-2830 .......•... 104 
5310-044-2832. . . . . • . . . .. 9 
5310-044-6485. . . . . . . . . .. 34 
5310-044-6548. . . . . . . . . .. 42 
5310-045-3299. . . . . . . . . .. 49 
5310-050-2203. . . . . . . . . .. 46 
5310-050-2242. • . . . . . . . .. 19 
5310-050-2243. . . . . . . . . .. 31 
5310-050-3112 .....•.. , 32,33 
5310-050-3113. . . . . . . . . .. 32 
5310-050-3275 ..•...... " 39 
5310-050-3327 . •......... 102 
5310-050-3345. . . . . . . . . .. 71 
5310-050-3351. . . . . . . . . .. 9 
5310-050-3354. . . . . . . . . .. 16 
5310-050-3357 .. : . . . . . . .. 38 
5310-050-3434 ..........• . 93 
5310-050-3478 108 
5310-194-0743. . . . . . . . . .. 94 
5310-194-1540 ......•.... 45 
5310-197-3316 , 38,68 
5310-262-3000 ....•...... 14 
5310-264-1929 , 87,89 
5310-275-2049. . . . • . . . . .. 42 
5310-275-3459 ... •.... 100,102 
5310-285-2181. . . • . . . . . .. 20 
5310-297-3250. . . • . . . . • .. 39 
5310-333-7543. . . . • . . . . •. 59 
5310-338-1947 ....•... 105,106 
5310-350-2655. . • • • • . . . .. 54 
5310-495-9515 68 
5310-523-2405 ...••.•• , 87,89 
5310-543-2641. • . . . . . . . .. 11 
5310-543-5653 20,81,108 
5310-582-5977.......• , 9,108 
5310-582-8399 104 
5310-584-5272. • . . . . . . . .. 38 
5310-596-7686. . . . • . . 29,47,52 
5310-616-3023 ........•. 9,85 
5310-637-9541 54,81,113 
5310-655-7149. . . • . . . . • . . 10 
5310-655-9371. ...•.•...49,68 
5310-655-9497. • . . . . . . . .. 38 
5310-655-9587. . • • . • • . . .. 49 
5310-696-5175. • . . . . . . . .. 9 
5310-696-5177. • . . • . . . . . 9,31 
5310-697-7860. . . . . . . • • .• 64 
5310-703-2606. . • . . • . . • .. 88 
5310-703-2607. . . . • • • . . .. 25 
5310-703-2633. . . . . . . . . .. 69 
5310-725-0152 ....•....•. 108 
5310-737-5065 .. .•.••••.. 19 
5310-737-5147. . . • • . . • . .. 58 
5310-737-5178 93 
5310-741-2579. . . . • . . . . .• 95 
5310-741-6478.... "..... " 21 
5310-752-6591. . . • . . • • . .. 46 
5310-752-7639. • • • . . . • . •• 65 
5310-752-7640. . . • . . • • . .. 65 
5310-753-9073. . . • . . . • • •• 58 
5310-769-6520. . • . . . . . . •• 87 
5310-769-6521. . • . • . . . . •• 87 
5310-769-7613 .......•... 71 
5310-771-6721. . . • . . . . • .. 65 
5310-823-8803. • . . . . . . . •. 93 
140
TM 9-2320-208-20P 
Stock Number Page Stock Number Page Stock Number Page 
5315-012-0123. , , , , , , , . , ,108 
5315-013-7185 , . . . .. 105 
5315-013-7214 ,. 92 
5315-013-7223 , . . . .. 85 
5315-054-4190. , .. , ... ,. 19 
5315-059-0378. , .. , , .. ,88,93 
5315-059-0928 " 31 
5315-255-0614, .. 38,94,105,106 
5315-282-0360 , . , . .. 88 
5315-290-1350 " 97 
5315-290-6132. . . . . . . . .. 97 
5315-335-4710", .. , , ... " 11 
5315-597-7775. , .. , .. 111,118 
5315-737-2554. . . . . . . . .. 23 
5315-737-6905 111 
5315-741-1690 .. , 112 
5315-752-4316. . . . . . . . .. 97 
5315-769-7490. . . . . . . . .. 97 
5315-842-3651 108,118 
5320-010-4099. . . . . . . . .. 118 
5325-011-7965 " 61 
5325-090-5426. . . . . . . . .. 63 
5325-631-6886. . . . . . . . .. 63 
5325-700-0997. . . . . . . . .. 121 
5325-734-6945 , . .. 123 
5325-737-1195. . . . . . . . .. 120 
5325-737-5036. . . . . . . . .. 27 
5325-737-5129 .... , . . . .. 31 
5325-737-5175. . . . . . . . .. 38 
5325-753-9255. . . . . . . . .. 49 
5330-040-2470 19,85 
5330-050-1223. . . . . . . . .. 44 
5330-054-6880. . . . . . . . .. 44 
' 5330- 200- 6231 . , .. , . . . .. 93 
5330-200-6284 , 93 
5330-209-1761. , . . .. 85 
5330-285-5115. . . . . . . . .. 27 
5330-291-9013. . . . • . . . .. 11 
5330-297-7106. . . . . . . . .. 55 
5330-318-4336 , ., 71 
5330-359-4859 , . , , .. 43 
5330-360-7918. . . . . . . . .. 11 
5330-360-7970. . . . . . . . .. 32 
5330-505-6609. . . . . . . . .. 61 
5330-505-6700. . . . . . . . .. 87 
5330-514-4458. . . . . . . . .. 65 
5330-514-4460. . . . . . . . .. 65 
5330-514-4461. . . . . . . . .. 65 
5330-514-4462. . . . . . . . .. 65 
5330-543 -6722. . . . . . . . .. 15 
5330-599-6089. . . . . . . . .. 63 
5330-631-3485. . . . . . . . .. 42 
5330-641-4336 ... , . . . . .. 63 
5330-641-4338. . . . . . . . .. 63 
5330-699-8522. , ...••. 100, 102 
5330-732-0689. . . . . . . . .. 54 
5330-734-8567. . . . . . . . .. 110 
5330-737-1364. . . . . . . . .. 19 
5330-737-5181. . . . . . . . .. 93 
5330-769-7521. . , . , ,. 110 
5340-040-2552. , , ,. 110 
5340-049-4235. . . . . . . . .. 66 
5340-054-1402. . . . . . . . .. 10 
5340-174-9829. , ... , . , .. 71 
5340-200-8977. . . . . . . . .. 81 
5340-209-9376 100,102 
, 14 t 
5340-281-6239 , , , , , .. 94 
5340-282-7521 61,62 
5340-282-7522 66 
5340-282-7532 , .. , 29 
5340-282-7551 .,., , . 83 
5340-282-7552 " ,66 
5340-283-7521 .. , 123 
5340-290-7381 , 118 
5340-318-1024 , . . . . . .. 9 
5340-321-6431 '., •..... , .107 
5340-321-6432 , 107 
5340-321-6439 , . , , . , , . 29 
5340-322-9644 .. , , , 103 
5340-333-6058 107,118 
5340-338-1945 .•..... 105,106 
5340-360-4410 .......•... 14 
5340-371-4134 ' ..•....•.. 83 
5340-505-6233 .••........ 27 
5340-505-6393 ·118 
5340-506-1510 ·108 
5340-514-1812 .....•.. ; . • 99 
5340-514-4454 ....•...•.. 62 
5340-514-4455 •.......... 64 
5340-514-4456 , 62 
5340-514-4457 .....•... ,. 64 
5340-606-9457 .•..... 111, 118 
5340-641-8645 ....•.... ,. 64 
5340-682-1743 .......•.. . 62 
5340-695-9727 ....... • •.. 52 
5340-696-0248 .....•..... 83 
5340-696-0371 .•..... 105,106 
5340-696-0372 ...••.. 105,106 
5340-704-7998 •....... 25,66 
5340-734-3032 ...•...... 104 
5340-737-1047 •.......... 32 
5340-737-1454 .....•..... 31 
5340-737-2551 9 
5340-737-2833 .•...... ... 83 
5340-737-2895 .•........ 118 
5340-737-5023 .......•..• 51 
5340-737-5114 •...••... •. 31 
5340-737-5347 95 
5340-741-2179 ....•...... 81 
5340-752-7628 ...•......• 62 
5340-769-7581 .•.....• ,. 110 
5340-772-2343 62 
5355-741-1761 ..••......• 69 
5850-076-8992 .•......... 50 
5910-328-8838 ••......... 44 
5930-092-9511 ...•....•.. 50 
5930-096-6919 .....•..... 59 
5930-307-8856 ·.········,49 
5930-699-9438 .....•..•.. 49 
5930-741-2642 .........•• 50 
5930-776-0409 ....•...•.. 49 
5935-030-1562 .•..•••. • •. 65 
5935-030-1563 •..••...... 65 
5935-030-1564 ..•........ 65 
5935-259-3143 ···········62 
5935-283-3385 ·.·········65 
5935-300-9909 .•...••.•.• 65 
5935-333-4222 ".....• ·····64 
5935-333-9414 · ..• ·······64 
5935-368-4852 ···········64 
5935-396-0068 . ~ . . . . . . . . . 63 
5935-491-8193 62 
5935-491-8194 64 
5935-593-6442 63 
5935-636-6876 .....•....• 62 
5935-699-7827 66 
5935-752-7630 63 
5935-752-7648 .•......... 62 
5935-752-7649 64 
5935-752-7651 , • . . . . . 64 
5935-752-7655 65 
5935-771-6523 , •• , 62 
5935-771-6524 ....•.. , 64 
5935-771-6525 62 
5935-771-6526 64 
5935-771-6527 65 
5935-772-2344 ..........• 63 
5935-772-3309 .....•..... 64 
5935-773-1428 ....•...... 66 
5940-020-0027 .•......... 44 
5940-020-0031 45 
5940-020-0036 .......•... 40 
5940-050-6210 40 
5940-057-2929 ..•• .•. , .•. 63 
5940-057-2930 ....•...... 63 
5940-057-2931 , 63 
5940-502-3729 61 
5940-705-6708 , .•. 54 
5940-705-6730 ...•....... 61 
5940-729-9423 61 
5945-952-3818 50 
5970-224-5277 .........•. 62 
5975-132-9471 ....••..... 29 
5975-322-9865 ....•...••. 66 
5975-333-3088 64 
5975-334-2749 .•......... 63 
5975-335-2588 ....•...... 25 
5975-644-3156 62 
5975-697-6991 64 
5975-697-6992 .......•.. . 64 
5975-771-6634 64 
6Z16-674-2 63 
6Z16-674-4 .....•....... 63 
6Z16-674-6 63 
6Z16-674-7 .....•....... 63 
6Z19-322-35 .......•..... 13 
6Z19-322-51 ......•...... 29 
6Z19-322-83 .....•.. , .... 41 
6Z19-471-2 ......••... 13,83 
6130-314-0545 ·····,.····39 
6140-643-0006 ....•...... 61 
6140-057-2553 ·····.·····61 
6145-705-6679 40 
6145-772-0853 ···········66 
6145-772-2204 ...••...... 45 
6145-805-3354 61 
6220-174-1375 ...•....... 49 
6220-283-9490 ·····.·····51 
6220-283-9906 ... •....... 54 
6220-295-0006 ...•....... 49 
6220-299-5564 ···········46 
6220-300-9908 52 
6220-337-6471 .·,·· .. ·.·.56 
6220-385-7637 :·····.····52 
6220-504-0981 ···········52
Stock Number Page Stock Number Page Stock Number 
TM 9-2320-208-20P 
Page 
6220-512-9219 .•........ , 52 
6220-538-1088 ...•....•. , 49 
6220-693-4175 , 54 
6220-695-1107 ...••••... , 54 
6220-696-0249 •.•......• , 52 
6220-696-0324 ..••..•..• , 52 
6220-737-5022 .•.....••• , 53 
6220-738-4388 ' ,' 46 
6220-741-2783 , 57 
6220-752-6018 , 56 
6220-752-6020 .......•.. , 55 
6220-772-9791 , 51 
6220-776-0412 , 49 
6220-776-0418 ....•...•. , 49 
·6220- 776- 0505 .•..•..... , 54 
6240-044-6914. • . . . . . . . .. 55 
6240-155-8714 .......•. '. 46,50 
6240-155-8725 . . . . . . . • . .. 57 
6620-530-7509 .••.......' . 35 
6620-634-8945 . . . . . . . • . .. 58 
6625-321-6365·· . . . . . • . .• 46 
6625-335-9512 . . . . . . . . . .. 46 
6680-024-2276. • . • . . . . . .. 46 
6680-515-3456· • . . . . . . . .. 58 
6680-695-7245· ......•.. , 58 
6680-776-0396· .........• 123 
6680-832-7565 .•..•...... 123 
6685-335-9508· . . • . . • . . .. 47 
6685-738;'9566· . • • . . . . . .. 58 
6685-738-9567· . . . . . . . . .. 46 
6810-249-9354· • . . . . . • . .. 61 
6810-264-8983 • . . . . . • • . .. 65 
6850-174-1806· . . . . . . . . .. 34 
6850-224-8730· . . . . . . . . .. 34 
6850-243-1990· . • . . . . . . .. 34 
6850-243-1992· " • . . . . • .• 34 
6850-664-7123 . . • . . . . . . •. 34 
6'850-690-5561. . . . . . . . . .. 34 
8305-170-4956· ••........ 118 
8305-263-2477· 107,118 
9150-234-5198· . . . . . . . . •. 63 
9510-596-3738· • • . . . . . . .. 59 
9905-205-2795· •......... 119 
142 1
By Order of the Secretary of the Army: 
Official: 
J. C. LAMBERT, 
Major General, United States Army, 
The Adjutant General. 
Distribution: 
HAROLD K. JOHNSON, 
General, United States Army, 
Chief of Staff. 
To be distributed in accordance with DA Form 12-38 Organizational Maintenance 
requirements for Truck, utility: 1/4-Ton, 4x4, M38Al, M38AlC and Truck, Ambulance: 
Front Line, 1/4-Ton, 4x4, M110. 
*U. S. GOVERNMENT PRINTING OFFICE: 1966-204432/1830
Change t 
No.1 ) 
TM 9-2320-208-20P 
C 1 
HEADQUARTERS 
DEPARTMENT OF THE ARMY 
Washington, D. C., 18 May 1970 
Organizational Repair Parts and Special Tools 
TRUCK, UTILITY: V4 -Ton, 4X4, M38A1 and M38A1C 
and 
TRUCK, AMBULANCE: FRONT LINE, V4 -Ton, 4X4, M 170 
Current as of 28 April 1970 
TM9-2320-208-20P, 24 January 1966, is changed as follows: 
Page i: Add SECTION 1.1 
Prescribed Load Allowance. 
Page 1, paragraph 3g, is superseded as follows: 
g. 15-Day Maintenance Allowance Per 100 Equipments. No quantities are listed in these columns. Refer 
to Prescribed Load Allowance provided herein. 
Page 5. Insert the Prescribed Load Allowance after paragraph 11. 
12. Alphabetical Vehicle Model Codes 
The alphabetical vehicle model codes (if applicable) are as follows: 
A.. . .M38A1 
B. .M38A1 w/winch 
C. .M38AlD 
F.. . .... M 170 
G. . .. M38A1C
Section 1.1. PllESCRIBED LOADALLOWANCE 
(I) (2) (3) 
IS-Day o..anlzatlonal 
Federal .tock Detcription malntclnance allowance 
No. 
(a) (b) (e) (d) 
1·5 6·20 21·50 51·00 
GROUP 01 ENGINE 
0100 ENGINE ASSEMBLY 
5340-737-2551 Mount, Resilient 1 1 2 2 
5340-318-1024 Mount, Resilient 1 1 2 2 
5310-950·0039 Nut, Self-Locking, Hex 1 1 2 2 
5310-044·2832 Nut, Self-Locking, Hex 1 1 2 2 
0101 CRANKCASE, BLOCK, CYLINDER HEAD 
2805-870-2161 Gasket Cylinder Head 1 1 2 2 
2805-391-3103 Head Cylinder 1 1 2 2 
5306-286-1517 Bolt, Machine 1 1 2 2 
5306-575-9792 Bolt, Externally ReI 1 1 2 2 
5306·574·8361 Bolt, Externally ReI 1 1 2 2 
0105 VALVES, CAMSHAFTS AND TIMING SYSTEM 
2805-040-2543 Gasket, Cover Rocker Ann 1 1 2 2 
0106 ENGINE LUBRICATION SYSTEM 
2940·141-9025 Filter Element, Fluid 2 2 3 5 
5330-543-6722 Gasket Drain Plug Oil * * 2 2 
4730-090-9235 Plug, Machine Thread * * 2 2 
0108 MANIFOLDS 
2805-211-8765 Gasket Set *-~ * 2 2 
GROUP 02 CLUTCH 
0201 
2520-307·8850 Plate, Clutch Pressure 1 1 2 2 
GROUP 03 FUEL SYSTEM 
0301 CARBURETOR, FUEL INJECTOR 
2910-294·2141 Float, Carburetor 1 1 2 2 
2910-291-6964 Gasket * * 2 2 
0302 FUEL PUMPS 
2910-547-7769 Pump , Fuel, Engine 1 1 2 2 
0306 TANKS, LINES, FITTINGS, HEADERS 
2910·141-9758 Cap, Fuel Tank * * 2 2 
0309 FUEL FILTERS 
2910-735-1316 Filter Element, Fluid 
GROUP 04 EXHAUST SYSTEM 
0401 MUFFLER AND PIPES 
2990-696-0370 Pipe, Exhaust * * 2 2 
5330-360-7970 Gasket F * * 2 2 
2990-492-5480 Gasket * * 2 2 
2990-737-5076 Muffler, Exhaust * * 2 2 
2990-737-5077 Pipe, Exhaust * * 2 2 
2990-040·2553 Pipe Assembly A * * 2 2 
2990-040-2553 Pipe Assembly C * * 2 2 
2990-040-2553 Pipe Assembly D * * 2 2 
2990-040-2553 Pipe Assembly B * * 2 2 
2990-696-0369 Pipe, Exhaust F * * 2 2 
5310-685-3023 Nut, Plain, Hexagon * * 2 2 
5306-012·1661 Screw Cap * * 2 2 
5310·050·3113 Nut, Plain, Hexagon * * 2 2 
5310-050-3113 Nut, Plain, Hexagon * * 2 2
(I) (2) (3) 
IS-Day or,anlzatlonal 
Federal.lock Description maintenance allowance 
No. 
(a) (b) (c) (d) 
1-5 6-20 21-50 51-100 
GROUP 05 COOLING SYSTEM 
0500 
6850-243-1992 Antifreeze 2 2 4 8 
6850-224-8730 Antifreeze 2 2 3 
6850-174-1806 Antifreeze 2 
6850-690-5561 2 2 
6850-753-4967 2 3 5 
0501 RADIATOR, EVAPORATIVE COOLER OR 
HEAT EXCHANGER 
5330-599-5658 Washer, Nonmetallic * * 2 2 
0503 WATER MANIFORD, HEADERS, THERMOSTATS 
& HOUSING GASKET 
2930-699-9021 Gasket * * 2 2 
4720-278-5058 Hose, Radiator Inlet 1 1 2 2 
2930-278-5042 Hose, Preformed 1 1 2 2 
6620-530-7509 Thermostat, Flow Control 1 1 2 2 
0504 WATER PUMP 
2930-354-3772 Gasket 1 1 2 2 
2930-737-2806 Pump Assembly, Water 1 1 2 2 
0505 FAN ASSEMBLY 
3030-833-1324 1 1 2 2 
3030-517-0827 1 1 2 2 
GROUP 06 ELECTRICAL SYSTEM 
0601 GENERATOR, ALTERNATOR 
2920-818-8635 Generator, Engine AC 1 1 2 2 
6130-314-0545 Rectifier, Metallic 1 1 2 2 
2920-293-4380 Generator, Engine AC 1 1 2 2 
2920-737-4750 Generator, Engine AC 1 1 2 2 
0602 GENERATOR REGULATOR (VOLTAGE) 
2920-335-4677 Regulator, Engine GE 1 1 2 2 
2920-953-9784 Regulator, Engine GE 1 1 2 2 
2920-900-7993 Regulator, Engine GE 1 1 2 2 
2920-800-7218 Regulator, Engine Generator 1 1 2 2 
0603 STARTING MOTOR 
2920-025-9988 Starter, Engine, Electric 1 1 2 2 
2920-322-9613 Switch Assembly, Starter 1 1 2 2 
0604 
2920-294-3742 Distributor, Ignition 1 1 2 2 
2920-353-7206 Cap, Ignition Distributor * * 2 2 
5330-054-6880 Packing, Preformed 1 1 2 2 
2920-606-9377 Parts Kit, Distributor 1 1 2 2 
2920-640-7230 Rotor, Ignition Distributor * * 2 2 
0605 IGNITION COMPONENTS 
2920-620-3962 Cable Assembly, Power, Electric * * 2 2 
5330-359-4859 Gasket Spark Plug * * 2 2 
2920-726-9545 Spark Plug 2 4 7 4 
2920-287-9135 Spark Plug 2 4 7 11 
0607 INSTRUMENT OR ENGINE CONTROL PANEL 
6240-155-8725 Lamp, Incandescent * * 2 2 
6240-155-8714 Lamp, Incandescent * * 2 2 
5930-307-8856 Switch, Light * * 2 2 
5930-776-0409 1 1 2 2 
5930-699-9438 Switch, Rotary 1 1 2 2 
6625-321-6365 Meter, Arbitrary Scale 1 1 2 2 
6625-335-9512 Meter, Arbitrary Scale 1 1 2 2 
3
-- 
III (21 (31 
IS-D.y o....nization.1 
Federal stock Description maintenance allowance 
No. 
(.1 (bl (c) (d) 
1-5 6-20 21-50 51-100 
0608 MISCELLANEOUS ITEMS 
5930-092-95 I I Switch, Push * * 2 2 
6240-155-8714 Lamp, Incandescent * * 2 2 
0609 LIGHTS 
6240-0 19-0877 Lamp, Incandescent 2 2 3 5 
6240-044-69 14 Lamp, Incande scent 2 2 3 5 
6240-504-098 1 Lamp, Unit Headlight 2 2 3 5 
6240-696-0249 Lamp Incandescent * * 2 2 
622 0-283-9906 Lamp Unit Headlight 1 1 2 2 
622 0-337-6471 Stop Light, Tail Light * * 2 2 
622 0-283-9490 Light , Marker, Clearance * * 2 2 
6240-15 5-8725 Lamp Incandescent * * 2 2 
06 10 SENIDNG UNITS AND WARNING SWITCHES 
6680-695-7245 Tran smitt er, Liquid * * 2 2 
6620-634-8945 Tran smitter, Pressure * * 2 2 
6685-738-9566 Transmitt er, Temperature * * 2 2 
6680-515-3456 Tran smitter , Liquid * * 2 2 
061 2 BATIERIES, STORAGE (WET OR DRY) 
6140-057-255 8 Batt ery , Storage * * 2 2 
GROUP 09 PROPELLER AND 
PROPELLER SHAFTS 
0900 PROPELLER SHAFTS 
2520-028-34 34 Part s Kit, Universal * * 2 2 
2520-318-4332 Packing, Preformed * * 2 2 
GROUP 10 FRONT AXLE 
1003 PLANETARY OR FINAL DRIVE 
2530-307-8860 Brake Shoe Set, Internal 1 1 2 2 
2530-554-8776 Cylinder Assembly , H 1 1 2 2 
1004 STEERIN GAND LEANING WHEEL MECHANISM 
2530-74 1-8 14 1 Part s Kit , Steering * * 2 2 
1006 
2520-788-9715 Propeller Shaft with * * 2 2 
2520-735-1403 Universal Joint, Con * * 2 2 
GROUP 12 BRAKES 
1201 HAND BRAKES 
2530-040-2510 Brake Shoe Set , Int ernal * * 2 2 
2530-918-0602 Cylinder Assembly , H 1 1 2 2 
1204 HYDRAULIC BRAKE SYSTEM 
2530-741-6524 Cylind er Assembly, H 1 1 2 2 
2530-737-2835 Hose Assembly, Rubber 1 1 2 2 
2530-737-2836 Hose Assembly, Rubber 1 1 2 2 
2530-737-2837 Hose Assembly Hydraulic 1 1 2 2 
GROUP 13 WHEELS AND TRACKS 
1313 TIRES, TUBES, TIRE CHAINS 
2640-05 2-0944 Cap, Tire Valve 2 2 4 7 
2610-269-7332 Inner Tub e, Pneum atic * 2 3 5 
2610-678-1363 Tire, Pneumatic 1 3 5 
2640-050-1229 Valve Core 2 2 4 7 
GROUP 14 STEERING 
1401 MECHANICAL STEERING GEAR ASSEMBLY 
2530-737-5186 Parts Kit , Steering * * 2 2 
2530-737-518 2 Drag Link, Steering * * 2 2 
4
(I) (2) (3) 
I5-Day o..a"Jullonal 
Federal.loCk Deocrlplio" maintenance allowance 
No. 
(a) (b) (e) (d) 
1·5 6-20 21-50 51·100 
GROUP 16 SPRINGS AND SHOCK ABSORBERS 
1601 SPRINGS 
2510-699-7036 Spring Assembly, Leaf * * 2 2 
2510-318-1069 Spring Assembly, Leaf G .. * 2 2 
2510-318·1069 Spring Assembly, Leaf B * * 2 2 
2510-318-1069 Spring Assembly, Leaf C * * 2 2 
2510-318 ·1069 Spring Assembly, Leaf A * * 2 2 
2510-693 ·0783 Spring Assembly, Leaf, With * * 2 2 
1602 
2510-322-9644 Spring, Helical, Comp G 2 2 
1604 SHOCK ABSORBER EQUIPMENT 
2540-318-1057 Absorber Assembly A * * 2 2 
2540-318 -1057 Absorber Assembly G * * 2 2 
2540-318-1057 Absorber Assembly C * * 2 2 
2540-318-1057 Absorber Assembly B * * 2 2 
2540-693-0784 Shock Absorber, Dire F * * 2 2 
2540-318·1058 Absorbre Assembly A * * 2 2 
2540 -318-1058 Absorber Assembly B * * 2 2 
2540-318-1058 Absorber Assembly C * * 2 2 
2540-318-1058 Absorber Assembly G * * 2 2 
2540-693·0785 Shock Absorber, Dire F * * 2 2 
GROUP 20 HOIST, WINCH, CAPSTAN, ETC. 
2001 HOIST, CAPSTAN, ETC. 
2590-741-1804 Wire Rope Assembly * * 2 2 
GROUP 22 BODY CHASSIS OR HULL 
2202 ACCESSORY ITEMS 
2540-050-0814 Blade, Windshield Wiper 2 2 2 3 
2540-262-7576 Motor, Windshield Wiper * * 2 2 
2540-679-4588 Mirror Assembly, Rear * * 2 2 
2208 
6680-832-7565 Core Flexible Shaft * * 2 2 
6680-282-6165 Speedometer * * 2 2 
GROUP 26 TOOLS AND TEST EQUIPMENT 
2604 SPECIAL TOOLS 
5120-034·8460 Adapter Puller 1 1 2 2 
5120-795-071 0 Puller Water Pump 1 1 2 2 
5120-836-6660 Puller Threaded 1 1 2 2 
5120-592·3673 Remover Tie Rod 1 1 2 2 
5120-337·9134 Wrench Box 1 1 2 2 
5120-596 ·1370 Wrench Socket 1 1 2 2 
5120-708-0100 Wrench Open End 1 1 2 2 
GROUP 33 SPECIAL PURPOSE KITS 
3307 SPECIAL PURPOSE KITS 
2920-999-9324 Generator 1 1 2 2 
6130-314·0545 Rectifier 1 1 2 2 
2920-540-9476 Regulator 1 1 2 2 
5
By Order of the Secretary of the Army: 
Official: 
KENNETH G. WICKHAM, 
Major General, United States Army, 
The Adjutant General. 
W. C. WESTMORELAND, 
General, United States Army, 
ChiefofStaff 
Distribution: 
To be distributed in accordance with DA Form 12-38, organization al maintenance requirements for Truck, Ut ility : I~ Ton, M38A1, 
M38A1Cand Truck, Ambulance: M170. 
* u.s. GOVERNMENT PRINTING OFf'tCE: 1970-390-943/1909

TM 9-2320-208-20P

  • 2.
    TECHNICAL MANUAL No.9-2320-208-20P TM 9-2320-208-20P HEADQUARTERS DEPARTMENT OF THE ARMY WASHINGTON. D.C. 20025 24 January 1966 ORGANIZATIONAL REPAIR PARTS AND SPECIAL TOOLS FOR TRUCK, UTILITY: 1/4-TON 4 X 4, M38Al AND M38AIC AND TRUCK, AMBULANCE: FRONT LINE, 1/4-TON 4 X 4, M170 SECTION 1. VISUAL GUIDE TO CONTENTS ...........•......... PREFACE .. " ., .. " " ., . Truck, Utility: 1!4-ton, 4 x 4, M38A1 - Left Front and Right Rear View . Truck, Utility: 1!4-ton, 4 x 4, M38A1C-Left Front and Right Rear View . . . . . . . . . . . . . . . . . Truck, Ambulance: Front Line, 1!4:-ton, 4 x 4, M170 - Left Front and Right Rear View . iii Figure Page 1 1,2 6 3,4 7 5,6 8 SECTION II. ORGANIZATIONAL REPAIR PARTS GROUP 01 - ENGINE 0100 - Engine Assembly - Exploded View 7 9 0101 - Cylinder Head, Assembly - Exploded View. . . .. 8 10 0105 - Engine Valve Cover and Related Parts. . . . . . .. 9 11 0106 - Upper Vent System - Exploded View . . . . . . . .. 10 12 0106 - Oil Filter Assembly (Fram) - Exploded View '" 11 14 0106 - Engine Oil Pan. . . . . . . . . . . . . . . . . . . . . . .. 12 15 0108 - Exhaust Manifold - Exploded View. . . . . . . . . .. 13 16 GROUP 02 - CLUTCH ASSEMBLY 0200 - Clutch Assembly - Exploded View ....•...• ". 14 17 0202 - Clutch Linkage. . . . . . . . . . . . . . . . . . . . . . .. 15 18 GROUP 03 - FUEL SYSTEM 0301 - Carburetor Assembly . . • . . . . . . . . . . . . . . .. 16 20 0302 - Fuel Pump Assembly •.•...•..•......... 17 21 0304 - ~r Cleaner and Related Parts - Exploded View.. 18 22 0304/ Fuel Ventilating System. . . • . . • . . . . • . . . . •. 19 25 * This technical manual supersedes TM 9-2320-208-20P, 13 February 1959, including Cl , 12 June 1959, and C 2, 25 April 1960
  • 3.
    TM 9-2320-208-20P SECTIONII. . II CONTENTS - Continued Figure Page ORGANIZATIONAL REPAIR PARTS - Continued GROUP 03 - FUEL SYSTEM - Continued 0306 - Fuel Tank and Related Parts - Exploded View. •• 20 26 0306 - Fuel Lines and Fittings. . . • . • . • . . • . • . . • •• 21 28 0309 - Fuel Filter and Related Parts. . • . • . • • . . • • •. 20 29 0312 - Throttle and Choke Control ••••••••.••.••• 22 30 GROUP 04 - EXHAUST SYSTEM 0401 - Exhaust Pipes, Mufflers and Related Parts. . . •• 23 33 GROUP 05 - COOLING SYSTEM 0501 - Radiator and Related Parts - Exploded View. . .. 24 34 0503 - Radiator Hoses and Related Parts. . . • • . • • • •. 24 35 0504 - Water Pump Assembly .•••.••.•.•••••.•. 25 36 0505 - Fan Assembly . . . • . • . . • • . • • • • . • • • • . • .• 27 37 GROUP 06 - ELECTRICAL SYSTEM 0601 - Generator Assembly and Related Parts ••..••. 26 38 0601 - Generator (Alternator), Regulator and Cables . •. 27 39 0602 - Generator Regulator Assembly . • • . • . . • . . . .. 28 41 0603 - starter Motor and Starter Switch •.••••...•. 29 42 0605 - Spark Plug and Spark Plug Cable Assembly. • • •• 30 43 0605 - Distributor Assembly • . • • • . • • . . • . • • • • • •• 31 45 0607 - Instrument Panel . • • • • • • • • • • • • • • • • • • • •• 32 47 0607 - Instrument Panel (M170) •• • • . • • • • • . • • • • •. 33 48 0608 - Miscellaneous Switches, Terminals and Junction Boxes. • • • . • • • • . . • • • • • . • • • . . •• 41 50 0609 - Blackout Marker Light - Exploded View. . • • . •• 34 51 0609 - Service Headlight Assembly - Exploded View ••. 35 53 0609 - Blackout Headlight Assembly - Exploded View. •• 36 54 0609 - Left Service, Blackout Tail, and Stop Light Assembly - Exploded View. • . . • • • • . • . • • . .. 37 55 0609 - Right Service, Blackout Tail, and stop Light Assembly - Exploded View. • • • . • • • • . . • . • •. 38 56 0609 - Reel Lamp - Exploded View . • • • • • • • . • • . • •• 39 57 0610 - Sending Units. • • • • • • • • • • • • • • • • . • • . • • •• 40 58 0611 - Horn. . • • • • . . • • • . . • . . • • • . . • • • . • • • • •• 59 59 0612 - Batteries and Related Parts ....•......... , 41 60 0613 - Chassis Wiring - Non-illustrated .•..•.••.•. 62 0617 - Trailer Couplings (Electric) - Non-illustrated. • . 66 GROUP 07 - TRANSMISSION 0700 - Transmission Filler Plugs. • . . . . . • . . . . . . •• 42 67 GROUP 08 - TRANSFER ASSEMBLY 0801 - Transfer Assembly and Related Parts • • • • . . .. 43 68 0803 - Transfer Front Bearing Retainer and Shifter Shafts - Exploded View , 44 69
  • 4.
    SECTION II. TM9-2320-208-20P CONTENTS - Continued Figure Page ORGANIZATIONAL REPAIR PARTS - Continued GROUP 09 - PROPELLER AND PROPELLER SHAFTS 0900 - Front and Rear Propeller Shaft and Related Parts 45 70 GROUP 10 - FRONT AXLE 1000 - Front Axle Housing - Exploded View ..•••.. " 46 72 1002 - Front Axle Powr - Lok Differential. . . • . . . . •. 47 73 1004 - steering Knuckle and Universal Joint - Exploded View. . • • . . • . • • • • . • • • . . • • . . .. 48 74 GROUP 11 - REAR AXLE 1100 - Rear Axle Housing and Attaching Parts ••••••• 49 76 1102 - Rear Axle Powr - Lok Differential ••..••••.. 47 77 GROUP 12 - BRAKES 1201 - Handbrake Assembly. • • . • • • • • • . • . • • . • • •• 50 78 1202 - Service Brake Assembly . . • • • • • • • . • • • • • .• 51 80 1204 - Hydraulic Lines and Related Parts ••••.•..•• 52 82 1204 - Brake Master Cylinder • • • • • • • • . . • • • • • • •• 53 84 1206 - Mechanical Brake System ••••...•.•••••.• 52 85 GROUP 13 - WHEELS 1311 - Front Hub,Drum Assembly and Related Parts - Exploded View • • . • • • • . . • • • • • • • . . . • . • .• 54 86 1311 - Rear Hub, Drum Assembly and Related Parts - Exploded View .••..•••••..•.•..••... " 55 89 1311 - Wheel Assembly ....•................ " 56 90 1313 - Tires and Tubes " 56 91 GROUP 14 - STEERING 1401 - Drag Link and Related Parts- ..•.....•... " 57 92 1401 - steering Tie Rod and Related Parts· ..•.... " 58 94 1401 - steering Controls· . . . . . . . . . . . . . . • . . . . .• 59 95 GROUP 15 - FRAME, TOWING ATTACHMENTS AND DRAWBARS 1501 - Lifting Shackles. . . . • . . • • • . . . • . • • . . . . •• 60 96 1503 - Towing Pintle Assembly. • . • . . . . . . . . . . . . .• 61 96 1504 - Spare Wheel Carrier Assembly .........•. " 62 99 GROUP 16 - SPRINGS AND SHOCK ABSORBERS 1601 - Front Springs and Related Parts. . . • . . . . . • •. 63 101 1601 - Rear Springs and Related Parts. . • . . • . . . • . •. 64 103 1604 - Front Shock Absorbers . . . . • • . . • • . • . . • • .. 63 104 1605 - Front stabilizer and Related Parts. . . . • . • . • •. 65 105 1605 - Rear stabilizer and Related Parts. . • • . . • . . •• 66 106 iii
  • 5.
    TM 9-2320-208-20P CONTENTS- Continued Figure Page SECTION II. ORGANIZATIONAL REPAIR PARTS - Continued GROUP 18 - CAB, BODY AND HOOD 1801 - Windshield and Related Parts ..•...••.••••. 67 107 1805 - Floor Plates and Related Parts ••••.•.••.••• 68 109 1806 - Seats •......•••..••.•••••.••...•••. 69 111 GROUP 20 - HOIST, WINCHES, CAPSTANS, WINDLASS, POWER CONTROL UNIT, POWER TAKEOFF 2001 - Winch Assembly ...................... 70 112 2001 - Winch Frame .•••••.••••••••••••.•.... 71 113 2004 - Power-takeoff Assembly •••.•••••••.••••. 72 114 GROUP 22 - MISCELLANEOUS BODY, CHASSIS OR HULL AND ACCESSORY ITEMS 2201 - Canvas Items, Bows, and Curtains (M38Al) 73 115 2201 - Canvas Items, Cover, and Curtains (M170) ....• 74 116 2201 - Side Curtain and Door Assembly (M170) .••..•• 75 117 2202 - Rear View Mirror ..................... 76 119 2202 - Windshield Wiper Motor and Related Parts ••••• 77 121 2210 - Identification and Data Plates .•.••...••..•. 78 122 GROUP 47 - GAGES (Non-electrical) 4701 - Speedometer ............. 32 123 SECTION m. ORGANIZATIONAL TOOLS AND EQUIPMENT VEHICLE GROUP 26 - TOOLS AND TEST EQUIPMENT 2604 - Special Tools •...•........••........•. 79 124 Iv
  • 6.
    BRAKES GROUP 1200 PAGE 78 CLUTCH ASSEMBLY GROUP 0200 PAGE 17 FUEL SYSTEM GROUP 0300 PAGE 20 TM 9-2320-208-20P WINCH ASSEMBLY GROUP 2000 PAGE 112 SPRINGS AND SHOCK ABSORBERS GROUP 1600 PAGE 100, 104 TRANSMISSION ASSEMBLY jJ.J.L..:!~-H__--IGROUP 0700 PAGE 67 PROPELLER SHAFT __--, GROUP 0900 PAGE 71 WHEEL GROUP 1300 PAGE 87 ELECTRICAL SYSTEM GROUP 0600 PAGE 38 EXHAUST SYSTEM GROUP 0400 PAGE 32 ORO E64843 Visual guide to contents
  • 7.
    CARBURETOR (Carter ModelType YS-950S) Maint - TM 9-1826A Parts - '1M 9-2320-208-20P VEHICLE PUBLICATIONS LO 9-2320-208-121 TM 9-80141 TM9-232Q-208-2Q> 1 1M 9-2320-208-34p ..."., .. _ '_'1Jo1l",U" , .. u ..~,.~.'- """'lloTt: f,1I.11l,,1 .. 1. ll(llFl 1",,iL '•.'"we',..........' - ~ - (oj;; - ENGINE AND CLUTCH (Engine, WIJI)'S-Overland, Model (MD) (Clutch, Borg &Beck, Type Single Plate cd'~ J~I <, ---I ~-~!---~ f' ~-~lpf ;Mr~;~'I'f;:.i (~~~ ;' ~~( (fJ" "~. "i Maint - TM9-8015-1 Parts - TM 9-2320-208-34p POWER TRAIN Maint - TM 9-8015-2 Parts - TM 9-2320-208-34p FUEL PUMP (Model AC 1539810) Maint - TM 9-1828A Parts - TM 9-2320-208-20P REGULATOR (Autol Ite Mode I VBe 400 4 UT) Maint - TM 9-2920-210-34 ELECTRICAL BRAKES I" Malnt - TM 9-1825B (Auto-lite) Maint - TM 9-8627 (Delco Remy) Parts - TM 9-2320-208-20P VISUAL PUBLICATIONS REFERENCE Truck, Utility: ~-Ton,4x4, M38Al-M38A1C Truck,Ambulance: Front line,~-Ton,4X4,M170 ORD E~201 cj
  • 8.
    TM 9-2320-208-20P SECTIONI PREFACE 1. GENERAL a. This manual is an illustrated list of all items required or authorized for organiza­tional maintenance. Items having allowances must be on hand or on order at all times in the quantities determined by paragraph 3~. b. For prices of the Ordnance items listed herein, see the appropriate supply manual of the SM 9-2 series, Stock List of All Items ­Price List.. Prices of items that are the re­sponsibility of Materiel Control agencies other than Ordnance Materiel Control may be ob­tained from the appropriate type-2 supply manuals for those services. c.. Additional applications of items in this manual are listed in the supply manuals of the SM 9-3 series, Stock List of Repair Parts Cross Reference List (XL). 2. REQUISITION NOTES a. If the exact item requisitioned is not furnished or if other action is necessary, the exact nature of the action taken by the supply­ing agency will be indicated by standard symbols on prescribed forms. b. When requisitioning an item, the re­questing agency will order the listed item. However, the supplying agencies will take necessary action to issue the exhaust stock item until stock is exhausted, whether it be an individual item, kit, set, or assembly. 3. EXPLANATION OF COLUMNS .2,.. Illustrations. The figure number sub­column identifies the illustration and the item number is cross-referenced directly to the illustration and keyed to a picture of the item. b. Source, Maintenance and Recoverable Code. This column lists a code that indicates the selection status and source of supply of the repair part, the lowest category of mainte­nance capable of installing or manufacturing the repair part, and the recoverability and expendability aspects of the repair part. An example of this code is P-O-R. The "p" indicates that the item is a mission stockage list repair part that is procured and stocked on a national program basis; the "0" indi­cates that the repair part is authorized to operator, crew and organizational maintenance units; and the "R" indicates the part is a recoverability, expendable item. When repair parts supply responsibility has been assigned to a materiel agency other than Ordnance, the basic number of the supplying materiel agency is listed in column 2a, for example, "11" for a Signal Materiel item. Refer to paragraph 9 for an explanation of all codes appearing in this manual. c. Federal Stock Number. This columnlists the Federal stock number assigned by the Cataloging Division, Armed Forces Supply Support Center. d. Description. The Federal item name (shown in capital letters) and any additional description required for supply operations are listed in this column. All dimensions listed are in inches unless otherwise specified. For further identification, the Materiel Control or manufacturer's part number is parentheti­cally listed at the end of each nomenclature. e. Unit of Issue. The Unit of Issue column lists the actual unit of issue for each item (ea, ft, etc.). f. Quantity Incorporated in Unit. The quan­tity shown in this column indicates the number of the listed item required for the particular use indicated. The quantity does not reflect the total quantity of the part required for the vehicle since that part may have other func­tional uses. g. IS-Day Maintenance Allowance Per 100 Equipments. No quantities are listed in these columns. Refer to TM 9-2300-223-20P for allowance factors for items stocked. If an item appears here and is not listed in TM 2300-223-20P it can be requisitioned as required for immediate use only. (1) This column lists an allowance factor which is based on the latest mortality data and is the estimated average quantity required by organizational maintenance to provide maintenance and supply support for 100 equipments for a 15-day period under combat condtions. A decimal fraction system
  • 9.
    2 TM 9-2320-208-20P is used to express the allowance factors. (2) Since the allowance factors are based on 100 equipments, it is necessary to compute the exact quantity authorized. This quantity is determined by use of a simple mathematical formula. Re­sulting fractional values of 0.5 or larger Will be rounded to the next higher whole number. Fractional values below 0.5 will be rounded to the next lower whole number. A minimum quantity of one Will be authorized whenever the COm­puted allowance quantity is less than one. Example 1: If the number of equipments supported is 30, and the allowance factor for 100 equipments is 5.9, the following computation would be made: 30 x 5.9::: 1 77 100 . Since the resulting fractional value is larger than 0.5, the computed value will be rounded to the next higher whole number, in this case 2. Example 3: If the number of equip­ments supported is 89, and the allow­ance factor for 100 equipments is 3.4, the following computation would be made: 30 x 3.4 == 3.026 100 In this instance, the result is rounded to the next lower whole number since the fractional value is less than 0.5 and the echelon ,would be authorized a quantity of 3. (3) The quantitative allowances determined in accordance with (2) above constitute one prescribedloadfor a l5-dayperiod. Major commanders will determine the number of prescribed loads second . echelon units and organizations will carry. Units and organizations author­ized additional prescribed loads will utilize the computations explained in (2) above, but will multiply the number of equipments supported by the number of authorized prescribed loads before completing the computation. Example 1: If the number of equip­ments supported is 30, and the allow­ance factor per 100 equipments is 5.9 and the authorized number of pre­scribed loads is 3, the following com­putation would be made: 30 x 2 x 5.9 ::: 3 54 100 . The resulting quantity is rounded to the next whole number, in this case 4. Example 2: If the number of equip­ments supported is 89, and the allow­ance factor per 100 equipments is 3.4, and the authorized number of pre­scribed loads is 3, the follOWing com­putation would be made: 89 ~~ 3.4 ::: 9.079 In this instance, the quantity authortzed would be rounded to 9. (4) Additional repair parts which may be required to perform organizational maintenance, but are not authorized for stockage in the prescribed load, are listed with no allowance factors shown. These parts are identified by an . asterisk (*) in the allowance col­umn and are to be requisitioned for immediate use only. 4. HOW TO FIND PARTS This manual is arranged in a standard government grouping (i.e., group 01, engine; group 03, fuel system; group 12, brake sys­tems, etc.). Parts may be located if one of the following identifying factors is known. The visual table of contents (page v) lists the page numbers on which the assembly or part may be found. ~. Major Component, Assembly or Location. Refer to the visual table of contents on page v or the table of contents on page 1. !,? Government Group, Function, Use, or Location. Refer to the table of contents (page i) which lists the subsections under the major four-digit standard government groups. The non-illustrated items, if any, are listed with closely related illustrated assemblies or components.
  • 10.
    £. Nomenclature (BasicNoun Name). Refer to the alphabetical index on pages thru "d. Federal Stock Number. Refer to the Fed-eral stock number index on pages thru e. Ordnance or Manufacturer's Part Num­ber. Refer to the Ordnance or Manufacturer's Part Number Index on pages thru 5. ATTACHING PARTS In some cases, non-illustrated, attaching and/or closely related items are listed indented directly below the item to which they pertain. 6. PERTINENT PUBLICATIONS The following publications pertain to this vehicle and its components. LO 9-2320-208-12 Lubrication Order for Truck, Ambulance: front line, l/4-ton, 4 x 4, M170 and Truck, Utility: 1/4-ton, 4 x 4, M38Al and M38AIC. TM 9-8014 Operator and Organizational Maintenance Manual for Truck, Ambulance: front line, 1/4-ton, 4 x 4, M170 and Truck, utility: 1/4­ton, 4 x 4, M38Al and M38AIC. TM 9-8015-1 Ordnance Maintenance Manual for Engine (Willys-Overland Model MD) and clutch for 1/4-ton, 4 x 4, utility truck M38Al. TM 9-8015-2 Ordnance Maintenance Manual for Power train, body and frame for 1/4-ton, 4 x 4, utility truck M38Al and 1/4-ton, 4 x 4, front line ambulance M170. TM 9-2320-208-34P Direct and General Support Maintenance Manual for Truck, Ambulance: front line, 1/4-ton, 4 x 4, M170 and Truck, utility: 1/4­ton, 4 x 4, M38Al and M38AIC. 7. SPECIAL INFORMATION When there is no designation of model appli­cation in item nomenclature the item is sup­plied for all models (Gasoline and Multifuel) covered in this manual. When the word "gaso­line" appears in the item nomenclature, the TM 9-2320-208-20P item is only supplied for gasoline models covered in this manual. When the word "multi­fuel" appears in the item nomenclature, the item is only supplied for multifuel models covered in this manual. 8. ABBREVIATIONS AND SYMBOLS e' Abbreviations. adj adjust(able)(ing) al-alloy .•............ . aluminum alloy at-oxide aluminum oxide alloy-S alloy steel amp ampere(s) amp-hr amperehour(s) anld annealed anodic-fin. anodic-finish approx approximate(ly) assy assembly(ies) b-hd . . . . . . . . . . . . . . . . . . . button head bdg-hd binding head blk black blunt-pt : blunt point br brass brgt bright btry battery bz bronze cand-bay-base .• •. candelabra bayonet base cap. ..... ....•..•••...... capacity cd- or zn-pltd .••• cadmium or zinc-plated cd-pltd .....••....... cadmium plated cham ....•..••...•..•.. chamfer(ed) CI ..••.......•......•.... cast iron ck ....•••.••.•.....•... countersunk ck-hd .. •......•... •• countersunk head cll center line cop copper cp candle power cr-pltd chromium plated cross-recess-fil-hd cross-recess-fillister head cross-recess-oval-hd .... cross-recess oval head cross-recess-pan-hd cross-recess pan head crown-hd crown head ctd coated dble " double dble-fil double filament deg degree(s) dia . . . . . . . . . . . . . . . . ". . . . . . diameter dId . . . . . . . . . . • . . . . . . . . . . . . drilled dld-r/c-ptn drilled for cotter pin dld-sq-hd drilled square head ea ...•...............•...... each ext-strong . . . . . . . . . • '.' . . . extra strong ext-teeth •...•. external teeth (lockwasher) 3
  • 11.
    TM 9-2320-208-20P FFahrenheit Fed Federal Fed Spec Federal Specification fig figure(s) fil filament(s) fil-hd ...•............. fillister head fin finish fl flat fl-ck-hd ........•.. flat countersunk head fl-pt ..........••....•.... flat point gal ...•.....•...••....... gallon(s) gimlet-pt .••••.•.•.••••. gimlet point glvd ........•........... galvanized h ................••... height, high hd head hdls ' headless hex .....•...............hexagon(al) hex-hd . . . . . . . • . . . . . . . . . hexagon head hex-socket hexagon socket hv-duty heavy duty hyd . . . . . . . . . . . . . . . . . . . .. hydraulic id . . . . . . . . . . . . . . . . .. inside diameter ins insulated, insulating, insulator tnt-ext-teeth . . internal-external teeth tnt-teeth . internal teeth lb . . . . pound(s) 19 . . . . . . . . . length (long) lh . . . . . . . . . . .. . left hand lht left-hand thread lkg . . . . . . . . . . . . . . . . . . . . . . . locking tow-care-s low carbon steel It light (weight) lubr Iubrtcator, lubricating, lubrication mach. . . . . . . . . . • . . . . . . . . .. machine max. . . . . . . . . . . . . . . . . . . .. maximum med ...........•..•...... medium med-carb-S medium carbon steel MI ..•••.••..•....••. malleable iron min miniature, minimum, minute min-bay-base ...•.•miniature bayonet base mm ...•.•.•... •...•.•. millimeter(s) mtg ••.••••••.•.•..••••• mounting(s) mtl ....•....•••....••...... metal NC .....•••.... National Coarse Thread neg .....•.................negative NF ••......•..... National Fine Thread ni .......•................. nickel ni-alloy-S nickel alloy steel ni-pltd nickel plated no number(s) nom nominal non-rvrs nonreversible NPT National Taper Pipe Threads NPTF .Nattonal Taper Pipe Threads (Dryseal) NS. . . . .. National Special Thread od . . . olive drab, outside diameter (dimension) 4 oval-hd oval head oz ounce(s) p-bz phosphor bronze pan-hd pan head phos-ctd phosphate coated pltd . . . . . . . . . . . . . . . . . . . . . . . . plated pos positive psi ........•....pounds per square inch rd-end ...•................ round end rd-hd ..•...•............ round head rect rectangular reg . • . . . . • . . . . . . . • • . • . • • . . regular retn ...•.•.•.....••.....• retaining rh . . . . . . . . . . • . • . • . . • . . . . right hand rtc ................•.•.... ratchet S ......•.................... steel sec ......•...............section(s) sgle-cond ....•........ single conductor sgle-contact single contact sgle-end ..•.............. single end sgle-fil single filament shk shank sh-rnet sheet metal sh-rnet-thd . . . .. sheet metal thread(s) sltd . . . . . . . . . . . . . . . . . .. slotted sltd-hd . . . . . . . . . . . . . slotted head sp-gr . . specific gravity sq. . . . . square sq-drive . square drive sq-end . .. square end sq-hd . square head sq-socket square socket std . . . . . . . . . . . . . . . . . . . . . . standard stght .. ........•........ " straight syn-ru ...•........... synthetic rubber tapd tapered tee-hdl tee handle temp .............•..... temperature thd . . . • . . . • . . • . . . . • . . . .thread(ed)(s) thk . . . . • . • . . . . . • . . . . . • • . thick(ness) tnd-bz . . . . . . • • • • . . • • . • . tinned bronze tnd-cop .••..•...••...•• tinned copper tubr ••.•.•••.•••••••••..•• tubular UNC ..•....•... Unified National Coarse UNF Unified National Fine v volts wd wide wi with wia without wtrprf . . . . . . . . . . . . . . . . . waterproofed x by (as in 2 x 4) zn zinc zn-dichromate-fin zinc dichromate finish zn-pltd zinc plated .Q. Symbols. f- As required. * Item available separately. ** Item available as part of Set or Kit.
  • 12.
    TM 9-2320-208-20P 9.EXPLANATION OF CODES c. Maintenance Code. o Organizational Maintenance. d. Recoverability Code. N Indicates a repair part that is non­expendable and not recoverable. P b. Source Code. Applied to repair parts which are high mortality parts procured by Materiel Control agencies stocked in and sup­plied from the materiel agency depot system, and authorized for' use at indicated categories of maintenance. R Applied to repair parts andassemblies which are economically repairable and when available, are furnished by supply on an exchange basis. 10. MANUFACTURERS' SYMBOLS Former Symbol Symbol 11. SUGGESTIONS AND RECOMMENDATIONS The direct reporting of errors, omissions and recommendations for improving this equipment manual by the individual user, is authorized and encouraged. DA Form 2028 will be used for reporting these improve­ments. This form may be completed using pencil, pen or typewriter. DA Forms 2028 will be completed by the individual using the manual and forwarded direct to Commanding General, U.S. Army Tank-Automotive Center, ATTN: SMOTA-MS, Warren, Michigan 48090. PI X2 C Applied to repair parts which are low mortality parts procured by technical services, stocked only in and supplied from technical service key depots and authorized for installation at indicated maintenance echelons. Applied to repair parts which are not stocked. The indicated category of maintenance requiring such repair parts will attempt to obtain from sal­vage. If not obtainable from salvage, such repair parts will be requisitioned with supporting justification through normal supply channels. Applied to repair parts authorized for local procurement. If not obtainable from procurement, such repair parts will be requisitioned through normal supply channels with a supporting state­ment of nonavailablility from local procurement. 19728 59875 78080 93041 65909 96906 AL TP SP RWM WO MS Manufacturer Electric Auto-Lite Co., The Thompson Products, Inc. Spicer Mfg. Corp. Ramsey Winch Mfg. Co. Kaiser Jeep Corp. Military Standard 5
  • 13.
    TM 9-2320-208-20P Figure1. Truck, utility: 1/ 4-ton, 4%4, M38A1 - left front view ORD E64844 ORD E64845 Figure 2. Truck, utility: 1/4-too, 4%4, M38A1 - right rear view 6
  • 14.
    Figure 3. Truck,utility: 1/4-ton, 4x4, M38Al C - left front view Figure 4. Truck, utility: 1/4-ton, 4x4, M38A1C - right rear view TM 9-2320-208-20P ORD E64846 ORDE64847 7
  • 15.
    8 TM 9-2320-208-20P Figure 5. Truck, ambulance: front line, 1/4-ton, 4"4, M170 - left front view Figure 6. Truck, ambulance: front line, 1/4-ton, 4"4, M170 - right rear view OROE6<IB43 OROE64849
  • 16.
    TM 9-2320-208-20P III(21 (31 (4) (5) (6) (7) SOURCE. MAlHi IS·DAY IUUSi AND MAINi RECOVERABILITY ALW PER FEDERAL DESCRIPTION UNIT QTY CODE 100 EQUIP STOCK OF INC lb) lel (dl (a) (b) lal NO ISSUE IN (a) lbl ~ UNIT .. ~ :3 o ~ Oz15 FIG ITEM l:! Jm! o .; UIlD~ NO NO ~~ ~ Iii!:: ~ u ........ .C.o it~ ~ ~~O ~ Section II. ORGANIZATIONAL REPAIR PARTS 01 ENGINE 0100 - ENGINE ASSEMBLY (Fig. 7) 7 3 C 0 5340-737-2551 CUSHION, MOUNTING SUPPORT: rear, w/studs, assy ea 1 (7372551) P 0 5310-696-5177 NUT, ASSEMBLED WASHER: hex, ext-teeth lockwasher , ea 2 S, cd- or zn-pltd, 3/8-24NF-2B, 9/16 w, 27/64 thk (271193) P 0 5310-050-3351 NUT, SELF-LOCKING, HEXAGON: S, cd- or zn-pltd, ea 2 3/8-24UNF-3B, 9/16 w, 29/64 thk (critical installation) (503351) P 0 5310-582-5977 WASHER, FLAT: S, It, S, cd- or zn-chromate fin , , ea 2 P 0 13/36 id, 13/16 od, 0.065 thk, for 3/8 screw size (96906-15795-214) 7 5 C 0 5340-318-1024 MOUNT, RESILIENT: front mounting support, assy ea 2 (8328391) P 0 5310-696-5175 NUT, ASSEMBLED WASHER: hex, ext-teeth lockwasher, ea 4 S, od-or zu-pltd, 5/16-24NF-2B (271187) P 0 5310-044-2832 NUT, SELF-LOCKING, HEXAGON: S, cd- or zn-pltd ea 2 huglock type, l/i-20UNF-2B, 3/4 w, 9/16 thk (442832) P 0 5306-012-0213 BOLT, MACHINE: low-carb-S, cd- or zn-pltd, 5/16, ea 4 24UNF-2A x 7/8 (120213) P 0 5310-616-3023 WASHER, FLA T: It, S, cd- or zn-chromate-fin., 11 /32 ea 4 id, 11/16 od, 0.065 thk, for 5/16 screw size (120393) P 0 5310-012-0388 WASHER, FLAT: S, CD or ZN - Pltd,.; 7/16 id, lod, O. 083 thk (12038$) ITEM GASKET COVER PLUG GROUP 0200 0200 0200 Figure 7. Engine assembly - exploded view 2 ORDE~O 9
  • 17.
    TM 9-2320-20S-20P l1Y(2) 131 141 IS) (6) (7) SOURCE. MAIHT IS-DAY IllUSl AND MAIMT RECDVERA81L1TY DESCRIPTION UNIT QTY AlW PER CODE FEDERAL 100 EQUIP STOCK OF INC lal Ib) la) Ib) Ic! Id) NO ISSUE IN (a) Ibl ~ ~ UNIT '" Oz .... FIG ITEM 5/ 3cl i o ~ Uld~ o -- ....'" ND NO ~~ 51 fg~ ~ u ~ ~ ~ ~~O 01 - ENGINE - Continued 0101 - CYLINDER HEAD AND RELATED PARTS (Fig. 8) 8 1 P 0 R 2805-391-3103 HEAD: cylinder (8328474) ------------------------------- ea 1 P 0 5306-286-1517 BOLT, MACHINE: 7/16-14NC x 1-11/16 (8329676) ------- ea 1 C 0 5306-575-9792 BOLT: 7/16-14NC x 4-1/4 (8329677) ------------------ ea 12 P 0 5306-574-8361 SCREW: 7/16-14NC x 4-5/8 (8329678) ------------------ ea 2 P 0 5310-655-7149 WASHER, FLAT: S, cd- or zn-pltd, 15/32 id, 59/64 od, ea 11 0.065 thk (96906-15795-216) 8 4 PO 4730-278-3388 PLUG, PIPE: sq-hd, S, Zn-pltd, 1/8 in. (oil filter ea 3 hole (2) and main oil gallery (1) NON-ILLUSTRATED ITEM P 0 5340-054-1402 PLUG, EXPANSION: S, 1-1/4 in. dia (cylinder block) ea 2 (541402) 10 2 3 Figure 8. Cylinder head. assembly - exploded view 3 GASKET 0503 ;W THERMOSTAT 0503'.1; -; ~. , IORI:?E?·{s51'i
  • 18.
    TM 9-2320-208-20P 11l(2) (3) (4) (5) (6) (7) SOUtCE, MAINT IS·DAY IllUST AND MAINT RECOVERABllITY FEDERAL . STOCK OF IN( (a) (b) (a) lb) (el Cd) AlW PER CODE DESCRIPTION UNIT QTY 100 EQUIP NO ISSUE IN .. (a) (bl 5 FIG ITEM ~ UNIT Oz" ~ =e ~ o ~ UCDg NO NO ~~ o .. S! !ii~ 8 I.J .. ;; ~~o := 01 - ENGINE - Conti nued 0105 - ENGINE VALVE COVER AND RELATED PARTS (Fig, 9) 9 1 C 0 5330-360-7918 GASKET: valve compartment cover (,z*gas ket sets, 2805- ea 1 025-6979 and 2805- 040-2458) (65909-63030 5) 9 3 C 0 5330-291-9013 GASKET: valve compartment cover screw (**gasket sets, ea 2 2805-025-6979 and 2805-040-2458) (8329873) 9 4 C 0 53 05-774-1420 SCREW: valve compartment cover (7741420) - ------------- ea 1 9 4 C 0 5305-774- 1421 SCRE W: valve compartment cover (5/16-18NC x 2-9/1 6) ea 1 (65909-64509 4) NON-ILLUSTRATED ITEMS C 0 28 05- 040-2543 GASKET: r ocker arm c over (**gaske t sets , 28 05- 025- ea 1 6979 and 28 05- 040- 2458 ) (65909-648798) P 0 5310- 543-2641 NUT, PLAIN, HEXAGON: S, cd- or zn- pl td, 5/16-24UN F- ea 4 2B, 1/2 w. 3/16 thk (valve adjustment locking) (124920) C 0 5315-335-4710 ST UD: valve compartment cover (pear) (8329696) --------- ea 1 2 ORD E64852 Figure 9. Engine valve cover and related parts 11
  • 19.
    TM 9-2320-208-20P 2 KEY -J- 2 3 4 56 7 ITEM CLAMP HOSE LINE PlPE VALVE SWIVEL GAGE ROD NIPPLE 4 Gl~~P 0304 0304 0304 0304 0304 OJ06 (oil pan) 0304 7 ORO E64853 12 Figure 10. Upper vent system .. exploded view
  • 20.
    TM 9-2320-208-20P III121 131 141 lSI 161 171 SOUICE, MAINT IS·DAY IllUST AND MAtNT lECOVEWILm FEDERAL ALW PER CODE DESCRIPTION UNn QTY 100 EQUIP STOCK Of INC (01 Ibl (01 Ibl lel Idl NO ISSUE IN (a) lbl ~ - ::l UNIT '" oz'" AG nEM Ii:! =c: ~ 0 ~ um~ NO NO 0 :0 ~~ ~ ~l:: - u ~~3 ~~ i l:l 01 - ENGINE ~ Continued 0106 - UPPER VENT SYSTEM (Fig. 10) 10 8 P 0 4730-278-4557 ELBOW: hose, 90 deg, br, 1/2 in. hose, 3/8 in. male pipe ea 1 end (rocker arm cover) (8329715) 10 9 P 0 4730-278-2040 CLAMP, HOSE: adj (band type) external teeth, S, phos-ctd, ea. 4 13/16 to 7/8 id (8330945) 10 10 P 0 2805-695-1035 HOSE, PREFORMED: oil, filler pipe to air filter pipe and ea 2 oil filler pipe to valve cover (8332675) 19 12 [p 0 2805-040-2516 LINE ASSEMBLY: crankcase vent line (8329639) . ea 1 Fabricated from: 19 P 0 4710-250-9897 TUBE STEEL: cold-drawn, dble-wrapped, cop, brazed ft I 6/16 cd, O.028 wall thk (crankcase vent line) (left) (80244-44-T-5319-65) P 0 4730-013-7398 NUT, INVERTED, TUBE COUPLING: inverted flare, S, cd- ea 2 or zn-pltd, 5/16 od tu, O.620 overall Ig (crankcase vent line) (137398) 9 2 C 0 2805-360-7927 GASKET: vent body to valve compartment cover (tr tl gas ket ea 1 set, 2805-025-6979) (7371272) 9 ' 5 2910-741-0836 VALVE: control assy. (7410836)---------- - ------ ------- - -_ ea 1 9 6 ~ 0 4820-360-7930 VALVE: metering, crankcase vent line (5336400) ------- ea 1 19 10 0 4730-542-3019 CLAMP, HOSE: S, cd- or zn-pltd, 3/4 in. (oil filler pipe ea 2 to air cleaner control val ve vent hose) (8330945) If> 0 5306-283-0407 BOLT, ASSEMBLED WASHER: bex-hd, split lockwasher, ea 1 S, cd- Or zn-pltd, 1/4-20UNC-2A x 1/2 (9409106) 19 11 P 0 2910-321-7423 HOSE: carburetor housing tube to oil filler tube ea 1 (8329643) NON-~LUSTRATEDITEMS If> 0 6Z19-322-35 CLIP: closed, S, cd- or zn-pltd, 9/16 of tube, hole for 3/8 ea 2 in. bolt (eil filter line to front engine plate and oil filter inlet hose to water pump bolt) ~ 0 6Z19-471-2 CLIP: fastener, type E, S, 3/16 in. (oil line to bracket)----- ea 1 0 4730-277-6273 ELBOW. PIPE TO TUBE: br, flai-ed tube. inverted, 90 deg ea 2 1/4 in. tube 1/8 in. male pipe end (oil filter outlet line used w/filter 2940-202-9653 [> 0 4720-248-1231 HOSE, RUBBER: coolant lines, stght hv-duty, It wall 10 ft I temp -65 deg F, 3/16 in. id (1 ft) (air cleaner to oil filter p tube) (60244-33-H-565) 0 4730-737-6246 TEE: vent line (65909-807713) -------------__________ ea 1 p 0 4720-235-1777 TUBE, RUBBER: rocker arm cover to ?il filler pipe (1 ft) ea I (ft) (60244-33-T~240) II> 0 4710-595-1824 TUBE, STEEL: cold-drawn dble-wrapped, cop brazed ea I 1/4 od, 0.028 wall thk (80244-44-T-5319-60) 13
  • 21.
    TM 9-2320-208-20P III(2) (3) (4) (5) (6) (7) SOURCE, MAlNT 1S·DAY IllUST AND MAINT RECOVERABILITY UNIT QTY AlW PER FEDERAL DESCRIPTION CODE 100 EQUIP STOCK OF INC (0) lb) (0) (b) (el (d) (a) (b) NO ISSUE IN ~ ~ ::l UNIT 0 ozt; ~ FIG ITEM 5l !~ ! 0 NO NO §~ Sl ~c:: ~ u - .... ~ uco~ "'0 i -J .. ~ t:;~o ~ 01 - ENGI?E - Continued 0106 - E?GIii:E OIL FILTER .-SSDIBL1 (Fig. 11) 11 1 P 0 4730-289-4712 ADAPTER, STRAIGHT, PIPE TO HOSE: br, 1/8"PTF mnle ea 1 pipe end, 3/16 id x 23/64 ad hose end, assv (oil filter inlet) (501648) 11 2 P 0 2805-569-8968 LINE: flexible, oil filter inlet "8S,' (8331932) ---------------- 1 11 3 P 0 2940-14 1-9025 FILTER, ELE~IENT, FLVID, PRESS1'RE: mil std junior €:1 1 size, 4-1/4 din x 4-7/8 H nom s iz e II/gaskets (used "/ filter, 2940-202-9653) (540462) 11 4 P 0 2940-253-7257 SPRING, HELICAL, CO~[PRESSIO?: w/ttltei- (2940-20>%53) e:1 1 (Fram) (5308282) 11 4 P 0 5340-360-4410 SPRING, HELIl'.-L CO~IPRESSIO?: coyer screw (use S/mter, ea 1 2940-202-9653) (77477-25757) 11 5 C 0 5310-262-3000 GASKET: cover screw (used II/filter, 2940-~O~-9{j53) ea 1 (Pram) (530828 1) 11 5 C 0 2805-770-3975 GASKET: cover screw (used w/fflter, 29·H)-:2(J~-9{j33) ca 1 (Purolutor) (77477-25756) 11 6 P 0 5306-298-7836 BOLT, SHOULDER: cover (used II/filter, :3~)-tO-ZOZ-HG53) (':1 1 (Fr.uu) (5308280) 11 7 C 0 2940-040-2626 LINE: oil filter outlet, :IS::,Y (lISC w/frltcr, 29-10-:202-9653) L';l 1 (8332530) 11 8 P 0 4730-289-4713 ADAPTER, STHAIGIIT, TUBE TO HOSE: iuvcrt cd n:11"(" (';1 1 swivel, br, 3/16 tu end, 3/16 id, 2;)/G4od, hose end, assy (oil filter inlet) (501650) 3 1 2 / Figure 11. Oil filter assembly - (fram} - exploded mClt' 14
  • 22.
    TM 9-2320-208-20P 11I(2) (3) (4) (51 (61 (71 SOURCE. MAI~T IS·OAY ILLUST AND MAIIIT RECOVERABlLlTY FEDERAL DESCRIPTION ALW PER CODE UNIT QTY 100 EQUIP STOCK OF INC FIG ITEM i UNIT .. Oz'" 101 (b) (01 (bl lel ld) NO ISSUE IN (0) (bl ~ 5t !;i~ u .. .. .... ; := ~~o ~ :.: !~ o ~ u ca ~ NO NO ~ ~ = ~I:: § o ... 01 - ENGINE - Conti nued 0106 - ENGINE OIL PAN (Fig. 12) 12 1 P 0 4730-090-9235 PLUG: drain (73 51892) -------------------------------- ea 1 12 2 P 0 5330 -543-6722 GASKET: annular, cop an d asb, rd sec, 7/8 in. nom dia ea 1 (dra in pl ug) (* * ga sket sets , 28 05- 025-6979 an d 2805-361- 7832 ) (105456) 10 7 P 0 2805-537-2129 GAGE ROD, LIQUID L EVEL: w/cap (8328406) ----'--------- ea 1 NON-ILLUSTRATED ITEMS P 0 4730-014-2431 INVERTED NUT, TUBE COUPLING: inverted flare, br, ea 2 3/8-24UNF-2A, 3/16 od tu, 0,560 ove r -ull Ig (used w/ tube , 4720-350-9896) (142431) P 0 4730 -014-4307 NUT, TUBE COUPLING: flared type , short, br, 45 deg ea 2 scat, 3/8-24UNF-2B, 5/8 ove r-all Ig, 3/16 od tu (us ed w/tube, 4710-595- 1824 ) (144307) P 0 4720 -350-9896 T UBE, STEEL: co ld -drawn, cop-ctd, dble -wrapped, br az ed, ft f rd, 3/16 0<1, 0.028 wal l thk (80244 - 44-T-5319-55) ORD E64~ Figure 12. Engine oil pan lS
  • 23.
    Dr 9-2320-208-20P (l)(21 131 141 IS) (61 (71 SOURCE, MAIHT IS·DAY IllUST AHD MAIHT RECO YERABILITY FEDERAL DESCRIPTION UNIT QTY AlW PEl CODE STOCK Of IN' 100 EQUIP lol Ibl lollbl lei Id) NO ISSUl III 101 Ibl ~ sz:::: :::; UlilT oz'" FIG ITEM 0 '" o 1;; NO NO g ~ =~ '" UlQ~ ~; ~ 8 :a c..c..", 5i: ~ ~ ~ ~~o =-.::; 01 - ENGINE - Continued 0108 - EXHAUST i1ANIFOLD AND RELATED PARTS (F ig. 13) 13 1 C 0 2805 -3 91 -3093 i1Al. FOLD: exhaust, assy (8329699) -------- - - - ---------- e a 1 13 2 C 0 2805- 211-8765 GASKET SET: .manifold (8329752) --- - --- ---------------- - ea 'I Composed of: 2.1 1 GASKET, exhaus t manifold center (8329751) 2.2 2 GASKET, exha us t manifold ends (8329750) 1 GASKET, exha ust pipe flange (65909-634814) (non-illustr ated) 13 3 P 0 530 7-011-2572 STUD, PLAIN: S, 3/8- 16UNC 9/16 x 3/S-24UNF- 2 e a 2 5/S x 2-3/ 16 in. ove r - all ig (1l2572) 13 4 P 0 530 7- 010-3 196 STUD, PLA IN: low- carb-S, 3/ S-16NC, 9/ 16 x 3/S-2 4NF-2 ea 3 5/8 x 1- 9/ 16 (103196) 13 5 P 0 5310-05 0-33 54 NUT, SELF-LOCKll"G, HEXAGON: br , 3/S- 24UNF-3B. ea 5 9/16- ln. w, 29/ 64 in. thk (critical installation) (503354) 5 16 ~5 IINCIHEIIS .12' .[!3] Figure 13. E%haWlt manifold - e%f/loded view ORD E64856
  • 24.
    TM 9-2320-208-20P III(21 (31 (4) (5) (6) (7) SOURa, MAINT 15-0AY ILLUST AND MAINT RKOVERABILITY UNIT QTY ALW PER COO£ FEDERAL DESCRIPTION 100 EQUIP STOCK OF INC lal Ibl lal Ibl lei rdl NO ISSUE IN (0) (bl l: ~ ::l UNIT '" oz'" AG ITEM ~ =cl S o ~ um~ NO NO ~~ ml:: ~ 8 ~ 51 ~~c; ;-- lSi';l 02 - CLUTCH ASSEMBLY 0200 - CLUTCH ASSEMBLY (Fig. 14) 14 1 P 0 R 2520- 307- 8850 CLUTCH: pressure, pl a te, w/cover, assy (8328265)--------- ea 1 7 1 C 0 2520-292-2128 GASKET: inspection hole cover (8328313)·------------------- ea 1 7 2 C 0 2520-040-1888 COVER: inspection, linkage (8328310)-:---------------------- ea I 7 4 P 0 4730-278-33 89 PLUG, PIPE: sq he, ml , glvd, 1/4 in, (103865)-------""7",----- ca I ORD E64857 FIgure 14. Clutch assembly - exploded view 17
  • 25.
    TM 9-2320-208-20P 10 ~L..-3 4 5 6 7 18 12 9 8 Figure 15. Clutch linkage 5 4 _--3 ,92ol~> lI..J - I!l:JI ORD E64:
  • 26.
    TM 9-2320-208-20P (I)(21 (31 (41 (5) (6) 171 SOURCE. MAINT IS·DAY ILLUST AND MAINT RECOVERABllITY DESCRIPTION UNIT OTY ALW PER CODE FEDERAL 100 EQUIP STOCK OF INC (al lbl lal Ibl lel (dl NO ISSUE IN (a) (bl AG ITEM S ~ UNIT ~ >- Oz'" ~ a~ a .#~ UED~ NO NO 0 ~~ ~ ...... ~ u ~~o ; i:l 02 - CLUTC H ASSEMBLY - Continued 0202 - CLUTCH LINKAGE (Fi g, 15) 15 1 P F 3110-158-6196 BEARING, BALL, THRUST: mil-std-code 999 - 13059-0000 ea 1 sr, grooved r a ce surfac e, sgle direction, r i gid, ban ded od, bz or S, ferrule on id of one was he r, S, washer ove r - lap, 1, 5000 in , bore, 2. 8125 in , od, 0. 6250 in, H clutch release (710203) 15 2 C 0 2520- 368-263 0 SPRING: release bearing ca rricr (7371366) ---------------- e a 1 15 3 C 0 2590- 73 7- 1337 SEAL: dust, contr ol lever tub e (7371337) ------------------ ea 2 15 4 C 0 5307-524-6557 STUD : ball, control lever tub e (5246557) ------------------- ea 2 15 5 5330-737-1364 PAD: fclt 5/8 od, 1/4 thk (control tube) (7371364) ----------- ea 2 15 6 C 0 2520-737-1340 RETAINER: control lever tube spr ing (7371 340) ----------- ea 2 15 7 C 0 2540-524- 6558 SPRING: helical, co ntrol leve r tube (5246558; ._-------- ea 1 15 8 C 0 2520- 597- 2315 SPRING: r e tr ac ting, pedal ·(8387940) ---~ - - - - - - - - - - - - - - - - - - e a 1 15 9 P 0 53 10- 050-2242 WASHER, FLAT: S, 1-1/32 id , 1-3/4 ad, 0, 109 thk ea 3 (pedal s haf t) (502242) 15 10 P 0 53 15- 054-4190 PIN, STRAIGHT, HEADED: dld-f/ c-pin, c ham, S, hardened, e a 1 cd- or zri-pltd, 5/16 dia s hank, 23/ 32 19h underhead to c/l of hole (control lever tub e a djus ting y oke ) (544190) 15 11 C 0 2530-769-7454 SPRING: clutch pedal draft pad (7697454) ---~-------------- ea 1 15 12 C 0 5330-040-2470 PAD: ~Iaft, pedal (8328436) ------------------------------ e a 1 15 13 C 0 2540-040-2471 PAD: pe~~ (8328437) -------- .--------------------------- ea 1 15 14 P 0 4730- 040-2472 SUPPORT: control tub e lever r el ease c able s eal (bell ea 1 housing) (832 8439) 15 15 P 0 4 730- 278-2 039 CLAMP, HOSE: ban d type, exter--tecth-Ioc k washer, S, ea 1 phos-ctd, 1-1/4 in. to 1-1/2 in. id (control tube lever r el ease cab le seal ) (83284 35) 15 16 C 0 2520- 692-6051 SEAL: contr ol tube lever release cable rubber e a 1 (8332072) 15 17 P 0 4730- 278- 2042 CLAMP, HOSE: band type, exter -itooth- Iock, 3/8 in. to ea 1 5/8 in, id (control tube lever release cable seal) (8328434) 15 18 C 0 254 0- 318- 0885 CABLE: tub e , c ontrol le ver (8328129) - - - --- - - - - - - - - --- - - - - e a 1 15 19 C 0 2520- 737-2823 LEVER: control w/ tube, assy (7372 823) ------------------- ea 1 15 20 C 0 2520- 737- 282 6 ROD: pedal shaft l ever to control tube lever (7372 826) ------- ea 1 15 21 C 0 2540- 495 -9499 PEDAL: assy (7371 342) - - - - - - - - --- - - - - - - - - - - - - - - - - --- - - - - ea 1 NON-ILLUSTRATED ITEM C 0 5310-737-5065 WASHER FLAT: pedal draft pad (65909-A6360)-------------- ea 1 19
  • 27.
    TM 9-2320-208-20P (J)(2) (31 -14) (5) (6L m SOURCE, MAINT IS-DAY lLLUST AND MAlNT RECOVERABILITY FEDERAL DESCRIPTION UNIT QTY AlW PER (Oaf 100 EQUIP STOCK OF INC (a) Ib) (a) (b) (c) (; d) ISSUE IN (a) (bl NO FIG ITEM gt:lE UNIT 'o" .>.- Oumz'g- ~ NO NO ~g 8 ~ ........ ~ ~-' ~ "'~ =: ::::~O 03 - FUEL SYSTEM 0301 - CARBURETOR ASSEMBLY (Fig. 16) 16 1 P 0 2910-294-2141 CARBURETOR: assy (8329774) ------------------------ ea 1 C 0 5310-285-2181 NUT, PLAIN, HEXAGON: carburetor (8332520) ---------- ea 1 P 0 5310-543-5653 NUT, PLAIN, HEXAGON: S, cd- or zn-pltd, 3/8-24UNC-- ea 1 2B, 9/16 in. w, 21/64 in. thk (120369) P 0 5307-010-3196 STUD, PLAIN: low-curb-S, cd- or zn-pltd, 3/8-16NC ea 2 9/16 x 3/8-24NF-2, 5/8 x 1- 9/16 (103196) 16 2 P 0 2910-291-6964 GASKET: mounting (ftftkit, 2910-040-2579) (8329823) -------- ea 1 20 Figure 16. Carburetor assembly ORDE64859
  • 28.
    TM 9-2320-208-20P III(2) (3) (4) (5) (6) (7) SOURCE. MAINT lS·DAY ILLUST AND MAINT RECOVERABILITY FEDERAL DESCRIPTION UNIT QTY ALW PER CODE 100 EQUIP STOCK OF INC (a) (bl (a) (b) (el (d) NO ISSUE IN (a) lb) FIG ITEM t: S UNIT 0 >- Oz>- ~ =m iii '" Ua:l~ NO NO ~ ~it ! 0 I;; >-Q S ~~ 8 u CQ ~~o "'~ :; ~ 03 - FUEL SYSTEM - Continued 0302 - FUEL PUMP (Fig, 17) 17 1 P 0 R 2910-547-7769 PUMP, FUEL, ENGINE: w/gasket, assy (8720569) ----------- ea 1 C 0 5305-227-1815 BOLT: pump (8332521) ----':"---------------------------- ea 1 C 0 5306-737-5385 BOLT, MACHINE: pump (7375385) --.------------------ ea 1 P 0 5310-012-0214 WASHER, LOCK: split, med, S, cd- or zn-pltd, 5/16 ea 2 screw size (120214) C 0 5310-741-6478 WASHER: r ectangular, fuel pump to cylinder block ea 2 (7416478) 17 2 C 0 2910-576-4259 GASKET: mounting (1:r1:rgasket set, 2805-025-6979 and kit, ea 2 2910-218-1276) (5261672) 17 3 C 0 2910-040-2537 SPACER: fuel pump to cylinder block (8329708) ------------- ea 1 17 4 P 0 4730-040-2536 ADAPTER: breather valve (8329701) ---.----------.---------- ea 1 4 Figure 17. Fuel frump assembly 2 ORO E64860 21
  • 29.
    TM 9-2320-208-20P 3 2 Figure 18. Air cleaner and related parts - exploded view 22 .ORD.E64861
  • 30.
    TM 9-2320-208-20P 11l(2) (3) (4) (5) (61 (71 SOURCE. MAINT IS-DAY ILLUST AND MAINT RECOVERABILITY FEDERAL ALW PER CODE DESCRIPTION UNIT QTY 100 roUiP STOCK Of (01 INC Ib) (01 (bl (el (d) NO ISSUE IN (a) (bl ~ ~ .. fiG ITEM !~ S UNIT o Oz .... NO NO ~~ ~ ..... ~~ § 8 '=" >- utQ~ o~ ~~o ~~ ; := 03 - FUEL SYSTEM - Continued 0304 - AIR CLEANER AND RELATED PARTS (Fig. 18) 18 1 C 0 R 2940-307-8855 Am CLEANER, INTAKE: assy (8329642) ------------------- ea 1 p 0 5306-283-0405 BOLT, ASSEMBLED WASHER: hex-hd, split lockwasher, ea 4 header-pt, S, cd- or zn-pltd, 5/16-18UNC-2A x 5/8 (9409097) 18 2 P 0 4730-278-2064 CLAMP, HOSE: S, cd- or zn-pltd, 2-1/4 in. (air cleaner to ea 2 air intake pipe hose) (502922) 18 3 C 0 4720-318-1039 HOSE: flexible (air cleaner to air intake) (65909-806186) ----- ea 1 18 4 P 0 2910-040-2599 CLAMP: assy (8330124) ---------------------------------- ea 1 18 5 P 0 4730-278-2061 CLAMP, HOSE: adj, band-type, S, cd- or zn-pltd, 2-7/8 to ea 1 3-1/8 id (precleaner) (502925) 19 9 P 0 4730-014-2427 INVERTED NUT, TUBE COUPLING: inverted flare, br. ea 2 5/16 od tu, O. 620 overall Ig (fuel pump vacuum secton vent line) (142427) 10 1 P 0 4730-278-2088 CLAMP, HOSE: adj, band-type, corr-res-S, pass-fin. ea 2 2-5/8 in . to 2-7/8 in. id (carburetor to air cleaner pipe hose) (502495) 10 2 C 0 4720-595-4387 HOSE: carburetor to air cleaner pipe (8329646)..:------------- ea 1 10 3 P 0 4710-350-9886 LINE: carburetor ventilator, assy (8677523) ea 1 Fabricated from: NUT, TUBE COUPLING: inverted flare type, 45 deg seat, ea "- br, 3/8-24UNF-2A, 9/16 in. overalllg, 3/16 in. od tu (carburetor vent line) (142431) TUBE, COPPER: 3/16 od, O. 035 wall thk (9-1/16 Ig) ft I (44-T-5080-10) 10 4 C 0 2805-040-2619 PIPE: air cleaner to carburetor air intake, w/bracket and ea 1 clip, assy (8677521) 10 5 P 0 2910-741-0836 VALVE: control, assy (used on vehicle through serial no. ea 1 23359) (7410836) 10 6 C 0 5315-737-2554 SWIVEL: crankcase vent valve control wire (7372554) -------- ea 1 NON-ILLUSTRATED ITEM P 0 4710-202-8396 TUBE, COPPER: 5/16 od, O. 035 wall thk (40-1/2 19) ft I (44-T-5080-20) 23
  • 31.
    TM 9-2320-208-20P <ll(21 (31 (41 (51 161 (71 SOURCE. MAINT IS-DAY ILI.USl AND MAlNT R!COVERABILIlY DESCRIPTION UNIT Qrv ALW PER (001 FEDERAL 100 EQUIP STOCK OF IN( (al (bl (al lbl lcl (dl NO ISSUI IN (al lbl ~~ ~ UNIT 0 ~ Oz .... AG ITEM e U£a~ ~ - ;ti.... :5 NO NO ~§ 5l 0 §~ ~ ~ U ~~O ; = 03 - FUEL SYSTEM - Continued 0304 - FUEL VENTILATING SYSTEM (Fig. 19) 19 1 P 0 LINE ASSEMBLY: master cylinder to air cleaner (810504) ea 1 Fabricated from: P 0 4730-014-2431 INVERTED NUT, TUBE COUPLING: inverted flare. br, ea 2 3/8-24UNF-2A, 3/16 oct tu, O.560 overall 19 (142431) 4720-350-9896 TUBE. STEEL: cold-drawn, cop-ctd, dble-wrapped, br, ft I rd, 3/16 od, o. 028 wall thk (80244-44-T-5319-55) 19 2 PO LINE ASSEMBLY: air cleaner to elbow vent tube at dash ea 1 22-1/2 in. (M38Al) (810505) Fabricated from: P 0 4730-014-2432 INVERTED NUT, TUBE COUPLING: inverted flare, br, ell 2 7/16-24NS. 1/4 od tu, 0,560 overal1lg (142432) P 0 4720-350-9896 TUBE, STEEL: cold-drawn, dble-wrapped, cOP. br, 3/16 ft I od, 0.028 wall thk (80244-44-T-5319-76) 19 2 P 0 LINE ASSEMBLY: air cleaner to elbow vent tube at dash ea 1 (M170) (811441) Fabricated from: P 0 4730-014-2432 INVERTED NUT. TUBE COUPLING: inverted flare, br , ea 2 7/16-24NS, 1/4 od tu, 0.560 overallig (142432) P 0 4720-350-9896 TUBE, STEEL: cold-drawn. dble-wrapped. cOP. br, 3/16 ft I od, 0.028 wall thk (80244-44-T-5319-76) 19 3 P 0 LINE ASSEJliffiLY: fuel tank to elbow (l138A1) (808926) ea 2 Fabricated from: P 0 4730-014-2431 INVERTED NUT. TUBE COUPLING: inverted flare, br, ea 4 3/8-24 UNF,..2A, 3/16 oct tu, 0.560 overall Ig (142431) P 0 4720-350-9896 TUBING. COPPER: seamless. soft anld, size 3/16 od, ft I 0.035 thk of wall, 30-3/4 19 (S0244-44-T-5080-10) 19 3 P 0 LINE ASSEMBLY: fuel tank to elbow (MI70) (811403) ea 2 Fabricated from: P 0 4730-014-2431 INVERTED NUT. TUBE COUPLING: inverted flare, br, ell 4 3/8-24 UNF-2A. 3/16 oct tu, 0.560 overall Ig (142431) P 0 4720-350-9896 TUBING. COPPER: seamless. soft anld, size 3/16 oct, ft I 0.035 thk of wall, 30-3/4 19 (80244-44-T-5080-10) 19 4 P 0 ELBOW. flared tube. inverted, stght, 90 deg, br, 3/16 in. ea 1 (fuel tank line and air cleaner line) (325200) 19 5 P 0 LINE ASSEMBLY: bell housing tee to transfer case elbow line ea 1 (,23-1/8 in.lg) (807495) Fabricated from: P 0 4730-014-2431 INVERTED NUT, TUBE COUPLING: inverted flare, br, ell 3 3/8-24UNF-2A, 3/16 oct tu, 0.560 overallig (142431) P 0 4720-350-9896 TUBING. COPPER: seamless, soft anld, size 3/16 od, ft I 0.035 thk of wall (80244-44-T-5080-10) 19 6 P 0 LINE ASSEMBLY: fuel pump vacuum section to bell housing ea 1 tee vent line 27-1/2 in. (807700) Fabricated from: PO 4730-014-4307 NUT, TUBE COUPLING: flared type, short, br, 45 deg ea 1 seat, 3/8-24UNF-2B, 5/8 overalllg, 3/16 oct tu (144307) PO 4720-350-:9896 TUBE, STEEL: cold-drawn, cop-ctd, dble-wrapped, br, it I rd, 3/16 oct, 0.028 wall thk (80244-44-T-5310-55) 24
  • 32.
    TM 9-2320-208-20P (1)(2) 131 (4) lSI 161 171 SOURCE. MAINT 15-OAY IllUST AND MAINT RECOVERABllITY COOE FEDERAL DESCRIPTION UNIT QTY 1A0l.0WEQI'fURIP STOCK OF INC 101 Cbl k11 Cbl te) Cdl NO ISSUE IN 101 Cb) ~ ~ FIG ITEM e lal;; UNIT o'" ~ 8~~ NO NO ~ M 1:::1 0" '" ~& 5i~-'~ u ~ ~~(j a~ 03 - FUEL SYSTEM - Continued 0304 - FUEL VENTILATING SYSTEM - (Fig. 19) - Continued 19 7 C 0 5340-704-7998 CLIP: fuel tank elbow to vent tube dash (1) (use on vehicles ea 4 through serial no. 23359) tee to union vent tube to dash (1) and master cylinder vent tube to dash (1) (use on vehicles after serial no. 23359 through 29295) (7047998) 10 11 C 0 4730-492-5042 NIPPLE: ventilation valve to hose (7047970) --------------- ea 1 NON-ILLUSTRATED ITEMS C 0 2540-040-2514 CONTROL: dual, ventilation, assy (8329636) --------------- ea 1 P 0 5310-703-2607 NUT: ventilation control, (7032607) .;..;.;::..-------------------- ea 1 P 0 5975-335-2588 CONDUIT ELECTRICAL: flexible non-metallic lcom, size ft .; 1/4 in. 100 ft coil (air cleaner to elbow vent tube at dash 8 in. bell housing tee to transfer case elbow line 6 in. and fuel tank to elbow vent tube at tank 25-1/2 in. ) (80244-17-C-18036-50) KEY ITEM GROUP 8 LINE 0605 9 NUT 0304 (Air cleaner) 10 CLAMP 0106 11 HOSE 0106 12 LINE 0106 13 UNE 0605 Figure 19. Fuel ventilating system ORD E64862 25
  • 33.
    TM 9-2320-208-20P 15 .--2 a KEY ITEM GROUP -r -.~.. '.S(] FILTER 0309 " ASSY. . fA 3 NUT 0309 ~ . .. 4 WASHER 0309 -21 5 FILTER 0309 ELEMENT 6 BOLT 0309 8 SCREW 0610 9 WASHER 0610 10 SENDING 0610 UNIT Q'" 11 GASKET 0610 •• <I' till il o~ 18 20 Figure 20. Fuel tank and related parts - e"ploded view 26
  • 34.
    TM 9-2320-208-20P III(2) (3) (4) IS) 161 m SOURCE, MAINT IS·DAY ILLUST AND MAINT RECOVERABILITY FEDERAL DESCRIPTION UNIT QTY ALW PER CODE 100 EQUIP STOCK OF INC ~ FIG ITEM 5 UNIT 0.. >- 83iS (aJ lbl (al (bl lei (d) NO ISSUE IN 101 (bl l:l ~ :ltd" .. NO NO "' =ii!: a 8 lii .. ~~ ~ .... ~ ~~o Cco "'~ ; iii 03 - FUEL SYSTEM - Continued 0306 - FUEL TANK AND RELATED PART (Fig. 20) 20 2 P 0 5305-015-9592 SCREW, MACHINE: cross-reoesa-pan-hd, S, cd- or ea 5 zn-pltd, no, 8 O.164-32NC-2A x 1/2 (159592) 20 7 C 0 2910-735-1315 GASKET: cover plate neoprene (7351315) ------------------- ea 1 20 12 C 0 2910-040-2575 STRAP: hold-down (8329782) ------------------------------ ea 1 20 13 !pO 4730-278-3389 PLUG, PIPE: sq-hd, mt, glvd, 1/4 in. (drain) (81366-45- ea 1 6075-700-003) 20- 14 C 0 5330-285-5115 SEAL: drain plug (8330946) ------------------------------- ea 1 20 15 P 0 27W1-120-0 WEBBING: anti-squeak, cotton, impregnated, w, 2 in. thk ft -I 1/16 in. (tank strap) (1 ft) (ft) (24-W-l1200) 20 16 P 0 2910-040-2506 TANK: fuel, assy (M38Al and M38AIC) ea 1 (8329621) 20 17 P 0 5325-737-5036 GROMMET, RUBBER: filler pipe (7375036) ----------------- ea 1 20 18 C 0 4730-202-6063 STRAINER: filler (8329781) ------------------------------- ea 1 20 19 C 0 2910-141-9758 CAP, FUEL TANK: filler, pressure or vent type, w/ chain, ea 1 assy (8333722) 20 20 P 0 5340-505-6233 CLIP, RETAINING: safety, S, cd- or zn-pltd, 3/4 in. ea 2 overall 19 (fuel tank cap) (7975294) 20 21 C 0 R 2910-696-0368 TANK: fuel, assy (M170) (8333277) ------------------------ ea 1 27
  • 35.
    TM 9-2320-208-20P 3 ORO E64864 Figure 21. Fuel lines and fittings 28
  • 36.
    TM 9-2320-208-20P III(2) (3) (4) (5) (6) (7) SOUlCf. IdAINT IS-DAY IUIlST AND MAINT nCOVERABILITY DESCRIPTION UNIT QTY ALW PER COOE FEDERAL 100 EQUIP STOCK OF INC (0) Ib) (0) Ib) lel Id) NO ISSUE IN (0) (b) RG ITEM Id i UNIT o>- Oz .... I~ i '" vca~ NO NO ;15 o .... u '" ~;:O ;I = 03 - FUEL SYSTEM - Continued 0306 - FUEL LINES AND FITTINGS (Fig. 21) 21 1 IF 0 LINE ASSEMBLY: tee to shut-off valve, assy (M38Al. M38AIC. ea 1 and Ml70) (7966472) Fabricated from: II> 0 4730-014-2427 INVERTED NUT, TUBE COUPLING: inverted flare, br-, ca 2 5/16 00 tu, 0.620 overall 19 (142427) P 0 4710-202-8396 TUBE, COPPER: 5/16 00, O.035 In, wall thk (2 ft) ft i (80244-44-T-5080-20) 21 2 II' 0 5340-321-6439 CLIP: first splash apron (1). right splash apron (1), front ea 6 cross member (2), front floor brace (I) and front floor riser (1) (8329783) 21 3 II' 0 4730-278-5277 TEE: flared tube. inverted, br, 5/16 in. tu, 1/8 in. ca 1 (fllmale pipe side) (128275) 21 4 If' 0 4730-014-2427 INVERTED NUT, TUBE COUPLING: inverted flare. br, ea 2 5/16 od tu, O.620 overall 19 (elbow to tee line) (M38A1 and M~8A1C) (142427) 21 5 If' 0 2910-535-7614 LINE ASSEMBLY: fuel tank to elbow (l138A1. M38A1C) ea 2 (7966471) Fabricated from: IF 0 4730-014-2427 INVERTED NUT, TUBE COUPLING: inverted flare. br, ea 2 5/16 od tu, O.620 overallig (use on vehicles after serial no, 22336) (142427) IP 0 4710-350-9897 TUBE. STEEL: cold-drawn. dble wrapped, cop, brazed, ft i 5/16 od, ,028 wall thk (usc on vehicles after serial no, 22336) (80244-44-T-5319-65) 21 5 II' 0 LINE ASSEMBLY: fuel tank to elbow assy (M170) (79664821 ea 1 Fabricated from: IP 0 4730-014-2427 INVERTED NUT. TUBE COUPLING: inverted flare, br, ea 2 5/16 00 tu, 0,620 overall Ig (use on vehicles after serial no, 22336) (142427) II' 0 4710-350-9897 TUBE, STEEL: cold-drawn, dble wrapped, cop, brazed, ft I 5/16 od, ,028 wall thk (use on vehicles after serial no, 22336) (80244-44-T-5319-65) 21 6 Jp 0 4730-288-7039 VALVE, PLUG: fuel line shut-off (7346871) ___________ ea 1 21 7 ~ 0 2910-696-0364 LINE: flex (fuel line to fuel pump) (8331934) "- - - - - - - - - - - - - - - - - 0 6Z19-322-51 CLIP: closed, S, cd- or zn-pltd, 5/16 00 tu hole for ea 1 5/16 in. bolt (fuel line at water pump) (6Z1932-251) IP 0 4730-014-2427 INVERTED NUT, TUBE COUPLING: inverted flare, ea 2 5/16 00 tu, 0.620 overall 19 (142427) NON-ILLUSTRATED ITEMS P 0 5975-132-9471 TUBE, FLEXIBLE, NON-METALLIC, ELECTRICAL: loom, ft I p size 5/16 in. (fueling 3 ft) (ft) (80244-17-C-18035-60) 0 4730-278-3135 FITTING: flared tube, inverted, stght, 90 deg, br, 5/16 ea 1 in w/o nuts 0309 - FUEL FILTER AND RELATED PARTS (Fig, 20) 20 1 0 2910-314-0770 FIL TER: fuel, assy in tank (65909-806626)------_______ ea 1 20 3 P 0 5310-012-0361 NUT, PLAIN, HEXAGON: S, cd- or zn-plld, no, 10 ea 1 0, 190-24NC-2B, 3/8 w, 1/8 thk (120361) 20 4 P 0 5310-596-7686 WASHER, LOCK: split, med, S. cd- or "zn-pltd, no. 10 ea 1 O.190 screw screw size (96906-35338-43) 20 5 P 0 2910-735-1316 FILTER ELEMENT, FLUID, PRESSURE: fuel filter in ca 1 tank (55168-R32-63) 20 6 P 0 5306-696-5307 BOLT, MACHINE: rd-hd, S, cd- or zn-pltd, no. 10 ea 1 0.190-24NC-2A x 4 (455268) P 0 5340-282-7532 CLAMP: closed 5/16 00 tube 3 /8 bolt (Non-illustrated) ea 1 29
  • 37.
    30 TM 9-2320-208-20P ORO E64865 Figure 22• Throttle and choke control
  • 38.
    TM 9-2320-208-20P III(2) (3) (4) IS) (6) (7) SOURCE. MAINT 15·DAY IllUST AND MAINT R[COVERABIUTY FEDERAL DESCRIPTION UNIT OTY AlW PER CODE 100 EQUIP STOCK OF IHC (0) (b) (0) (b) (el (d) NO ISSUE IN (0) (bl FIG ITEM ~ ~ UNIT 0 >; OZ'" ~ ~ uco~ NO NO ffie ~ 0 ~ ~~ ~ ~ ... e u ....'" .~.c ~~o ~ ~ ::;: 03 - FUEL SYSTEM - Continued 0312 - THROTTLE AND CHOKE CONTROL (Fig. 22) 22 1 C 0 2910-200-5417 SPRING, HELICAL, COMPRESSION: accelerator bellcrank ea 1 upper bracket (8329770) 22 2 C 0 2540-737-1194" STOP: hand throttle control wire, w/screw, assy ea 1 (7371194) 22 3 C 0 2540-040-2563 ROD: throttle (accelerator bellcrank to carburetor) ea 1 (8329763) 22 4 P 0 5310-050-2243 WASHER, FLAT: plain, S, cd- or zn-pltd, 7/32 id, 3/8 od, ea 2 O.035 thk (accelerator) (502243) 22 5 C 0 2540-040-2569 BELLCRANK: accelerator, w/shaft, upper (8329769) -------- ea 1 22 6 C 0 2910-322-7206 CONTROL: choke, assy(8329760) ------------------------- ea 1 22 7 C 0 2540-318-1052 CONTROL: throttle, assy (8329761)----------------------- ea 1 22 8 P 0 5310-696-5177 NUT, ASSEMBLED WASHER: hex, ext-teeth lockwasher, ea 1 S, cd- Or zn-pltd, 3/8-24NF-2B, 9/16 w, 27/64 thk (271193) 22 9 P 0 5310-696-5177 NUT, ASSEMBLED WASHER: hex, ext-teeth iockwasher, ea 1 S, cd- Or zn-pltd, S/8-24NF-2B, 9/16 w, 27/64 thk (271193) 22 10 C 0 2540-287-8231 PEDAL: accelerator (w/hinge and link, assy) (8329762) ------ ea 1 22 11 C 0 2540-737-5392 REST: foot (accelerator) (73753921----7 ------------------- ea 1 22 12 C 0 2540-040-2567 BRACKET: bellcrank (w/lever and spring, assy) ea 1 (8329767) 22 13 P 0 5315-059-0928 PIN, STRAIGHT, HEADED: did-fie-pin, cham, cold-fin-S, ea 1 cd- or zn-pltd, 1/4 dia shank, 1-7/8 19h under hd to ell of hole (590928) 22 14 C 0 5340-737-5114 HINGE: accelerator pedal (7375114) ----------------------- ea 1 22 15 C 0 5340-737-1454 SPRING: accelerator pedal hinge (7371454) ----------------- ea 1 22 16 C 0 2540-040-2564 SPRING, HELICAL, EXTENSION: return (accelerator pedal) ea 1 (65909-806950) 22 17 C 0 2540-040-2562 BLOCK: adjusting (throttle rod) (8329759) ------------------ ea 1 NON-ILLUSTRATED ITEM P 0 5325-737-5129 GROMMET, RUBBER: split (choke control cable and throttle ea 2 control cable dash) (7375129) 31
  • 39.
    TM 9-2320-208-20P 11l121 SOURCE, MAlNT ILLUST AND RECOVERABILITY COOE (a) (b) (a) lb) lel (dl ~ ~ FIG ITEM ~d § NO NO §~ 2: ~!; ~ ;8 ~ ~ (31 FEDERAL STOCK NO (4) DESCRIPTION 04 - EXHAUST SYSTEM 0401 - EXHAUST PIPES, MUFFLER AND RELATED PARTS (Fig. 23) (5) UNIT OF ISSUE (6) QTY INC IN UNIT (7) IS-DAY MAINT ALW PER 100 EQUIP (o) (bl 23 1 P 0 5305-576-6987 SCREW, CAP, HEXAGON HEAD: med-carb-S, cd- or zn-pltd, 3/8-24UNF-2A x 1-1/2 (120677) ea 1 23 2 23 3 23 4 C 0 P 0 C 0 5330-360-7970 GASKET: exhaust pipe flange manifold end (7371390) --------- ea 5310-050-3113 NUT, PLAIN, HEXAGON: S, seize-proof-ctd-thd (503113) --- ea 2990-737-5077 PIPE: exhaust (7375077) ---------------------------------- ea 1 2 1 P 0 5307-010-3196 STUD, PLAIN: low-carb-S, plain fin.(103196) ----------- 23 5 23 6 23 7 23 8 23 8 P 0 C 0 P 0 P 0 P 0 5310-050-3112 NUT, PLAIN, HEXAGON: S, seize-proof-ctd-thd, 5/16- 24UNF-2B, 1/2 w, 21/64 thk (503112) 2990-492-5480 GASKET: exhaust pipe to extension and extension to muffler flange (7048736) 5306-012-1661 SCREW, CAP, HEXAGON HEAD: low-carb-S, cd- or zn-pltd, 5/16-24UNF-2A x 1 (121661) 2990-040-2553 PIPE: exhaust extension, w/bracket, assy (M38Al and M38AIC) (8329739) 2990-696-0369 PIPE: exhaust, extension, w/bracket, assy (M170) (8333278) ea ea ea ea ea 4 2 4 1 1 23 32 9 P 0 5340-737-1047 BRACKET: support, exhaust pipe extension (7371047) ------- ea 1
  • 40.
    TM 9-2320-208-20P III(2) (3) (4) 151 161 (7J SOURCE. MAINT IS-DAY ILLUST AND MAl NT R£COVERABllITY FEDERAL DESCRIPTION UNIT OTY AlW PER CODE STOCK OF INC 100 EQUIP (e) (b) leI (b) Ie! (dl NO ISSUE IN (el fbI AG ITEM :::: § UNIT ~ ~~ ~ ~E ~ o :< 8Zi NO NO z~ ~ ~~ § 8 :;; .... ~~ ~ ~ ,. - 04 - EXHAUST SYSTEM: - Continued 0401 - EXHAUST PIPES, MUFFLER AND RELATED PARTS ( Fi g. 23) - Continued 23 10 C 0 252 0-040- 1885 SPAC ER: suppor t bracket to frame (65909-666619)-- - --- --- --- en 1 23 11 C 0 2990-737-5076 MUF FLER: exhaust, w/bracket, assy (7375076) - - - - ---- - - ---- ea 1 P 0 5310-050-3112 NUT, PLAIN, HEXAGON: S, seize-proof-ctd- thd, 3 5/16- 24UNF-2B, 1/ 2 w, 21/64 thk (503112) P 0 5306- 012-1661 SCREW, CAP, HEXAGON HEAD: Iow-carb-S, cd- or en 1 zn-pltd, 5/16-24UNF-2A x 1 (121661) 23 12 C 0 2990-737-5075 BRACKET: muffler support clamp (7375075) ---------------- - en 1 23 13 P 0 2990-696-0370 EXTENSION: tail pip e (M170) (8333279)---------------------- en 1 NOTE: ITEM 13 USEDON MI70 VEHICLES ONLY. Figure 23. Exhaust pipes, muffl ers and related parts -f, ORO E64867 33
  • 41.
    TM 9-2320-208-20P 11l(2) (31 (4) (5) (6) (7) SOURCE, MAINT IS-DAY ILLUST AND MAINT RECOVERABILITY FEDERAL DESCRIPTION UNIT QTY ALW PER CODE 100 EQUIP STOCK OF INC (01 (b) (a) (bl (e! (d) NO ISSUE IN (a) (b) FIG ITEM ... ~ I UNIT c; ~ Oz'" ..~ ;oj ~ ~~ ~ !ii-' u ~~o ~C> ~ ::: uca~ NO NO §~ 0 :;; 05 - COOLING SYSTEM 0501 - RADIATOR AND RELATED PARTS (Fig. 24») 24 1 C 0 2930-629-0949 GASKET: filler cap fiber (5262210) ------------------------- ea 1 24 2 C 0 2930-737-5030 CAP: filler pressure type (7375030) ----------------------- ea 1 24 6 P 0 4820-276-9040 COCK: radiator drain (103647) ---------------------------- ea 1 NON-ILLUSTRATED ITEMS P 0 6850-243-1992 ANTI-FREEZE: ethylene glycol, inhibited (cooling capacity cn f 11-1/2 qts) (50 per cent ratio volume required for 40 deg B. F. ) (initial requirements 5-3/4 qts per vehicle) P 0 6850-224-8730 ANTI-FREEZE: ethylene glycol, inhibited (50-gal. can) f (cooling capacity 11-1/2 qts. ) (50 per cent ratio by volume required for 40 deg B. F. ) (initial requirements 5-3/4 qts, per vehicle) (80244-51C01555000) P 0 6850-243-1990 ANTI-FREEZE: ethylene glycol, inhibited (55-gal. drum) dr f (cooling capacity 11-1/2 qts) (50 per cent ratio by volume required for 40 deg B. F. ) (initial requirements 5-3/4 qts per vehicle) (80244-51C01554035) P 0 6850-174-1806 ANTI-FREEZE: arctic type (55-gal drum) (cooling capacity dr I 11-1/2 qts) (initial requirements 11-1/2 qts, per vehicle) (80244-51C01553755) 6850-690-5561 CLEANING COMPOUND, ENGINE COOLING SYSTEM: P 0 6850-664-7123 INHIBITOR: rust (5-oz can) (cooling capacity 11-1/2 qts) en I (80244-51C01588775) P 0 5310-012-0370 NUT, PLAIN, HEXAGON: S, cd- or zn-pltd, 7/16-20UNF- ea 2 2B, 5/8 W, 3/8 thk (120370) P 0 5310-044-6485 WASHER, FLAT: S, cd- or zn-chromate-fin., 1/2 id, ea 2 1-5/8od, 0.083 thk (446485) 34 KEY 3 4 5 Figure 24. Radiator and related parts - exploded view ITEM CLAMP HOSE HOSE GROUP 0503 0503 0503 OROE64868
  • 42.
    TM 9-2320-208-20P (l)(2) (3) (4) (5) (6) (7) SOURCE. MAINT IS-DAY IllUST AND MAINT RECOVERABllITY FEDERAL DESCRIPTION UNIT QTY AlW PER CODE 100 EQUIP STOCK Of INC (a) (bl (a) lbl (el (d) NO ISSUE IN (a) (b) ; ~ UNIT C; 1< oz'" fiG ITEM ~ ~ U~~ NO NO !~ ~ 0 :a ~~ ~ !;;;~ > u ~~(j "'0 ~ ~ ""~ 05 - COOLING SYSTEM 0503 - RADIATOR HOSES AND RELATED PARTS (Fig. 24) 24 3 P 0 4730-278-2066 CLAMP, HOSE: S, cd- or zn-pltd, 1-1/2 in. (radiator inlet ea 4 and outlet hose) (502917) 24 4 C 0 4720-278-5058 HOSE, PREFORMED: radiator inlet moulded (8328457)----_-- ea 1 24 5 C 0 2930-278-5042 HOSE, PREFORMED: radiator outlet, w/reinforcement, ea 1 assy (moulded) (8328458) 25 2 C 0 4720-769-7588 HOSE: ru 17/32 id, 4-1/4 in. (water by-pass, pump to ea 1 cylinder head) (7697588) 25 3 P 0 4730-278-2493 CLAMP, HOSE: S, cd- or zn-pltd, 1 in. (water pump by-pass ea 2 hose) (502913) 8 2 C 0 2930-699-9021 GASKET: thermostat housing (**gasket set, 2805-025-6979 ea 1 and gasket set, 2805-040-2458) (8328456) 8 3 P 0 6620-530-7509 THERMOSTAT: water temperature (5307509)---------------- ea 1 35
  • 43.
    TM 9-2320-208-20P (l)(2) (31 (4) (51 (61 (71 SOURCE. MAINT IS-DAY ILLUST AND MAINT RECOVERABILITY DESCRIPTION UNIT QTY ALW PER CODE FEDERAL 100 EQUIP STOCK OF INC (01 (b) (a) (b) (el Cd) NO ISSUE IN (a) (b) ::: ~ :::; FIG ITEM a UNIT o '" OZ'" ~.... ~ u~g tj NO NO ~~ ~ ~~ 8 .:; :..<80 a it 13 ~~o l:: 05 - COOLING SYSTEM - Continued 0504 - WATER PUMP ASSEMBLY (Fig. 25) 25 1 C 0 R 2930-737-2806 PUMP: water, w/pulley, assy (7372806) ------------------- ea 1 P 0 5306-286-1504 BOLT, ASSEMBLED WASHER: hex-hd, split lock ea 3 washer header-pt, S, cd- or zri-pltd, 5/16-18UNC- 2A x 7/8 (9409098) PO 5306-286-1472 BOLT, ASSEMBLED WASHER: hex-hd, split lock ea 1 washer, S, cd- or zn-pltd, 5/16-18NC-2 x 2-1/2 (455145) - 25 4 C 0 2930-354-3772 GASKET: mounting (t'("~. gasket set, 2805-025-6979 and kit, ea 1 2930-769-7590) (7411250) ORO £64869 Figure 25. Water pumP assembly 36
  • 44.
    TM 9-2320-208-20P 11l(2) (3) (4) IS) (6) (7) SOURCE. MAINT 15-DAY ILLUST AND MAINT RECOVERABILITY FEDERAL DESCRIPTION UNIT QTY ALW PER CODE 100 EQUIP STOCK Of INC (0) (b) (0) (b) (e! (d) NO ISSUE IN (0) (b) FIG ITEM ~ ~ UNIT 0 >- oz .... ~ ;:!wl :I e: um~ NO NO '" ~ ~~ ~ 0 .. ~~ ~ u ~~O <0 .. ii ~ ~ 05 - COOLING SYSTEM - Continued 0505 - FAN ASSEMBLY (Fig. 27) I 27 4 P 0 2930-737-5021 BLADE: fan (7375021) ----------------------------------- ea 1 27 5 P 0 5306-283-0408 BOLT, ASSEMBLED WASHER: hex-hd, split lockwasher, S, ea 4 cd- or zn-pltd, 1/4-20UNC-2A x 5/8 (9409107) 27 14 P 0 2930-141-8342 PULLEY, GROOVE: fall and water pump use w/alternator ea 1 (2920-321-6364) (8699725) 27 15 P 0 3030-505-5893 BELT, V: multiple, 2 matched belts, rubberized fabric, ea 1 w/fabric cords, extreme low temp, 45-5/8 outside eire, 7/16 in. top w, 38 deg angle (fan generator and water pump drive matched pair) (590897) 27 15 P 0 3030-517-0827 BELT SET: 3 belts, alternator drive (8699837) ------------ ea 1 25 5 C 0 2930-737-2816 PULLEY: fan and water pump twin groove (7372816) ------- ea 1 37
  • 45.
    TM 9-2320-208-20P 'Ill(21 (3) (4) (51 (6) m SOURCE. MAINT IS-DAY ILLUST AND MAINT RECOVERABILITY DESCRIPTION UNIT QTY ALW PER CODE FEDERAL 100 EQUIP STOCK OF INC (a) (bl (a) (bl (e! Cd) NO ISSUE IN (a) (bl ::: 5 UNIT '" oZ'" FIG ITEM ::;:: ~ is ;;; o ~ um~ NO NO $~ Sl Iii- i ou l;; ~~~~'o" .. 8 ;j !iii 06 - ELECTRICAL SYSTEM 0601- GENERATOR ASSEMBLY (Fig. 26) 26 1 P 0 5315-255-0614 PIN, COTTER: S, cd- or zn-pltd, 3/32 x 1 (121224) ---------- ea 1 26 2 P 0 5310-655-9497 NUT, SLOTTED, HEXAGON: S, cd- or zn-pltd, 1/2-20UNF- ea 1 2B, 3/4 9/16 thk (125043) 26 3 P 0 5310-584-5272 WASHER, LOCK: split, mad, S, cd- or zn-pltd, 112 screw ea 1 size (96906-35338-29) 26 4 P 0 2920-737-5071 PULLEY: drive (Auto-lite and Delco-Remy) (7375071)--------- ea 1 26 5 P 0 R 2920-737-4750 GENERATOR, ENGINE ACCESSORY: w/o pulley, assy ea 1 (Auto-lite) (optional w/generator, 2920-735-5736) (7374750) 26 5 P OR 2920-735-5736 GENERATOR, ENGINE ACCESSORY: w/o pulley, assy ea 1 (Delco-Remy) (optional w/generator, 6115-737-4750) (7355736) NON-ILLUSTRATED ITEMS P 0 5306-737-5174 BOLT, SHOULDER: mounting hex-tid, S, 7/16-20NF-3 x ea 2 2-1/4 (Auto-lite and Delco-Remy) (7375174) P 0 2920-737-5388 BRACE: tension, belt (Auto-lite and Delco-Remy) (7375388) --- ea 1 C 0 5306-360-8319 BOLT, SHOULDER: pivot, belt tension adjusting brace ea 1 (Auto-lite and Delco-Remy) (7371188) C 0 5325-737-5175 INSULATOR: mounting support rubber (Auto-lite) (7375175)---- ea 2 P 0 5310-050-3357 NUT, SELF-LOCKING, HEXAGON: S, cd- or zn-pltd, ea 2 7/16-20UNF-3B, 5/8 w, 29/64 thk (critical installation mounting) (Auto-lite and Delco-Remy) (503357) P 0 5310-197-3316 WASHER, FLAT: it, S, cd- or zn-chromate-fin. 17/32 id, ea 1 1-1I16od, 0.095 thk, for 1/2 SCrew size (Delco-Remy) (96909-15795-218) ORO E64870. 2 3 4 Figure 26. Generator assembly and related parts 38
  • 46.
    TM 9-2320-20S-20P 11l(21 (3) (.j) IS) (6) (7) SOURCE. MAINT IS·DAY IUUST AND MAINT RECOVERABILITY FEDERAL DESCRIPTION ALW PER CODE UNIT QTY 100 EQUIP STOCK OF IHC (a) Cb) (01 (bl (el (dl NO ISSUE IN (01 Cb) l: FIG ITEM ::: ~ UNIT ~ oz ~ == o 1;< u .. NO NO §~ = 8 .... 51 ~!:: ~ !K~ ! Ww 40 "'~ ii "'''' 06 - ELECTRICAL SYSTEM 060 1 - GENERATOR (ALTERNATOR), REGULA TOR, AND CABLES (Fi g. 27) 27 1 P 0 25 90-31 8-8210 CABLE: regulator to bat tery, assy (8699724) ------------- ea 1 27 2 P 0 2590-318-8200 CABLE: rectifier to regulator , assy (8699711)------------- ea 1 27 6 P 0 R 6130-314-0545 RECTIFIER , METALL IC: alternator , w/r e ce pta c le s, ea 1 a s sy (7954343) P 0 5310-050-3275 NUT, SELF-LOCKING, HEXAGON: S, cd- or zn-pltd, ea 2 3/ s - 16UNC- 3B, n /1 6 w, 35/ 64 thk (503275) 27 7 P 0 2920- 562-0411 P ULL EY, GROOV E: dr ive , a s s y (869971 5) ---------------- ea 1 27 8 P 0 R 2920- 818- 8635 GENERA TOR , ENGINE ACCESSORY: alterna tor ------------ ea 1 (7954 720) 27 9 P 0 5310-297-3250 NUT , PLAIN, HEXAGON: S, cd - or zri-pltd, 7/16-20UNF- ea 2 213, 11/16 w, 3/8 thk (271506) 27 10 P 0 5310-012- 1621 WASHER, LOCK: spIll , It, S, cd- or zn-pltd, 7/ 16 screw ea 2 size (121621) 2 7 n P 0 5305-285-5156 SCREW, CAP, HEXAGON HEAD: med-carb-S . cd- or ea 1 z n- plt d, 7/16-20UNF-2A x 3- 1/2 (1 8 1680) 27 12 P 0 5305 -01 8-1670 SCREW, CAP, HEXAGON HEAD: rned- c ar b-S, cd - or ea 1 zn-pltd, 7/16-20UNF-2A x 1- 1/2 (181670) 27 13 P 0 2590 -3 18-8209 CAB LE: a lternator to r ec t ifi e r , assy (8699723)- - - - ----- - -- ea 1 KEY ITEM GROUP 3 LEAD 0602 4 FAN 0505 5 BOLT 0505 14 PULLEY 0505 15 BELT 0505 ORD E64871 I' .. , l.~, 1~2 13-t ~4 7 15 8 12 L ~11 9/~ 10 ~/ 10 10 Figure 27, Generator (a lte rnator ) r egulator and cables - exploded view 39
  • 47.
    TM 9-2320-208-20P 11l(2) (3) (4) (5) (6) (7) SOURCE. MAINT IS-DAY IlLUST AND MAINT RECOVERABllITY OEseR/prION UNIT QTY A1.W PER CODE FEDERAL 100 EQUIP STOCK OF INC (a) tb) (01 (b) (el (dl NO ISSUE IN (0 1 (bl ~ e '" UNIT o ~ Oz'" FIG ITEM ~ ~~ a u ca ~ NO NO ~~ ~ lE-' [3 8 ~ ~~o ~ == 06 - ELECTRICAL SYSTEM - Continued 0602 - GENERA TOR REGULATOR (Fig. 28) 28 1 P 0 2920-953-9784 REGULATOR, ENGINE GENERATOR : 24 volt, amp (us e ea 1 w/gen erator 2920-737-4750) (19728-VBC-4003UT) 28 1 P 0 R 2920-800-7993 REGULATOR, ENGINE GENERATOR: alter nator, assy ea 1 (10947439) 28 1 P 0 R 2920-33 5-4677 REGULATOR, ENGINE GENERATOR: assy optional ea 1 w/regulator (8689216) Del co-Rem y (8360020) 28 2 P 0 5310-018- 7979 BOLT, INTEGRAL LOCKWASHER : hex-hd, S, cd- or ea 4 zn- pltd, 1/ 4-20NC-2 X 3/4 (187979) 27 3 2920-504-0676 LEAD, EL ECTRICAL: regulator to ground (al ternator) (35510-36924) Fabricate fr om: P 0 5940-050-6210 TERlIINAL, LUG: cable, so lderless, type A, insulation ea 1 ear, tnd cop , no. 16-14 awg cabl e, hol e for 5/16 s tud (506210) P 0 5940-020-0036 TERMINAL, LUG: wire, so lder, eyelet, dble-grip, br , ea 1 tnd, no. 16- 14 awg wire, hol e for 1/4 screw type B 3/16 wire opng (3Z12073-117) P 0 6145-705-6679 WIRE, EL ECTRICAL: l ow tension, hv-du ty, syn-ru ft If jacket, braided, in s plastic, na tural or syn-ru, sgle- cond tnd -cop, stranded, awg no. 14 0.235 od 5-1/4 in. (ft ) (80244-15-C- 21 65-175) P 0 5940-050-6210 TERMINAL, LUG: wire, so lder less, rd-end tongue, ins ea 1 grip tnd cop , no. 16 - 14 awg wi r e , hol e for 5/16 screw (alterna tor) (50621 0) P 0 5940-020-0036 TERMINAL, LUG: wire, eyele t, dble-grip, br, tnd, ea 1 no. 16 - 14 awg wire, hole for 1/4 screw typ e B 3/16 wire opng (ground cable) (alternator) (3Z12073-117) P 0 6145-705-6679 WIRE, ELECTRICAL: low tension, hv-duty, syn-ru ft If ja ck et, brai ded, in s plastic, natural or syn-ru, s gle-cond tnd cop, s tranded, no. 14 awg 0.235 od, 5- 1/4 in. (regulator to ground) (al ternator) 5-1/4 in. (ft) (80244-15-C-2165-175) 40
  • 48.
    TM 9-2320-208-20P (lJ(2) (3) 141 IS) (6) (7) SOURCE. MAINT IS-DAY IlLUST AND MAINT RECOVUABILITY FEDERAL DESCRIPTION UNIT QTY AlW PER CODE 100 EQUIP STOCK OF INC 101 !hI (01 lbl (Cl ldl NO ISSUE IN (0) lb) .. !- !: FIG ITEM d! UNIT 5 o '" oz'" ~ U~~ rd NO NO ~ i 5 o ... § ~~ u .. ~~O iii l:l 06 - ELECTRICAL SYSTEM - Continued 0602 - GENERATOR REGULATOR (Fig. 28) - Continued NON-ILLUSTRATED ITEMS P 0 5306-019-2417 BOLT, ASSEMBLED WASHER: hex-hd, ext-teeth lockwasher, ea 4 S, cd- or zn-pltd, 5/16-24UNF-2A x 3/4 (192417) P 0 5306-044-2696 BOLT, ASSEMBLED WASHER: hex-hd, split lockwasher S, ea 4 cd- or zn-pltd, 1/4-28UNF-2A x 3/4 (442696) P F 6Z19-322-83 CLAMP: mounting, current and voltage regulator resistor ea 2 (used w/regulator 2920-335-4677) (Delco-Remy) (6Z 1932-283) P 0 5310-012-0368 NUT, PLAIN, HEXAGON: S, cd- or zn-pltd, 5/16-24UNF- ea 4 2B, 1/2 w, 17/64 thk (120368) ~ ~ Figure 28. Generator regulator assembly ORO E64872 41
  • 49.
    TM 9-2320-208-20P (J)(21 (31 (.4) (5) (6) 17l SOURCE. MAINT 15-DAY ILLUST AND MAINT RECOVERABILITY FEDERAL DESCRIPTION UNIT QTY ALW PER CODE 100 EQUIP STOCK OF INC (01 (bl (01 (bl tc) (dl NO ISSUE IN (a) (b) ~ IE 5 UNIT '" Oz~ FIG ITEM o 1;; U~~ 0:: NO NO ~~ 51 ~ I 8 ~ Co ; ~~o "'~ 06 - ELECTRICAL SYSTEM - Continued 0603 - STARTER MOTOR AND STARTER SWITCH (Fig, 29) 29 1 P 0 R 2920-025-9988 STARTER, ENGINE, ELECTRICAL: assy (Auto-lite) ea 1 (8328132) P 0 5310-275-2049 NUT, SELF-LOCKING, HEXAGON: S, cd- or zn-pltd, ea 1 1/2-20UNV-3B, 3/4 w, 19/32 thk (critical installation) (96906-20345-820C) P 0 5305-012-4378 SCREW, CAP, HEXAGON HEAD: low-carb-S, cd- or ea 1 zn-pltd, 1/2-20UNF-2A x 3-1/2 (124378) P 0 4730-011-8831 PLUG, PIPE: sltd, hdls, br, 1/8 in. (switch housing) ea 1 (Auto-lite) (118831) 29 2 P 0 2920-322-9613 SWITCH ASSEMBLY, STARTER, ENGINE: Auto-lite (8328134) ea 1 29 3 P 0 5310-044-6548 WASHER, FLAT: S, cd- or zn-pltd, 3/8 in. id, 3/4 in. ea 1 od, 0,065 in. thk (SWitch terminal post) (Auto-lite) (446548) 29 4 C 0 5330-631-3485 GASKET: switch cover (Auto-lite) (8328062) ----------------- ea 1 29 5 P 0 2920-567-3231 GASKET: mounting (Auto-lite) (8328141) -------------------- ea 1 ~--2 4 ORD E64873 Figure 29. Starter motor and starter switch 42
  • 50.
    TM 9-2320-208-20P 11l(2) (3) (4) (5) (6) (7) SOURCE. MAINT IS-DAY ILLUST AND MAINT RECOVERABILITY FEDERAL DESCRIPTION UNIT QTY ALW PER CODE 100 EQUIP STOCK OF INC (a) lb) (a) (b) lel ld) NO ISSUE IN (a) lb) = ~ :::l FIG ITEM UNIT '" 8~ :::: ~ lila! ;; o ~ NO NO ~~ ..~ ~ ~ ;-- i!~ e ; o .. u .. ...... <", : ::: "'''' ww 06 - ELECTRICAL SYSTEM - Continued 0605 - SPARK PLUG AND SPARK PLUG CABLE ASSEMBL'i (Fig. 30) 30 1 P 0 2920-620-3962 CABLE ASSEMBLY, POWER ELECTRICAL: spark plug ea 4 (8741869) 30 2 P 0 2920-835-7724 SPARK PLUG: shielded, 14 mm, res suppressor 13/16 in. ea 4 hex, 3/8 in. reach (8357724) 30 2 P 0 2920-726-9545 SPARK PLUG: shielded, 14 mm res suppressor 13/16 in. ea 4 hex. 3/8 in. reach for excessive idling slow speed, light load operation (96906-35909-3) 30 3 P 0 5330-359-4859 GASKET: annular, cop, oval sec, 14 mm nom dia id spark ea 4 plug (150189) ---'----------,..ll ,..Qj'. t iS l H tit, it, ,-------------------------- ORO E64874 Figure 30. Spark Plug and spark Plug cable assembly 43
  • 51.
    TM 9-2320-208-20P (1)(2) (31 (4) lS) (61 m SOURCE. MAINT IS-DAY ILLUST AND MAINT RECOVERABILITY DESCRIPTION UNIT QTY ALW-J'ER CODE FEDERAL 100 EQUIP STOCK OF INC (01 (b) (a) (b) lel (c!l NO ISSUE IN (01 (bl ~ FIG ITEM l:l :::i UNIT c:: ~ 8~§ !iii ~lll NO NO S 0 ~ '" '" Sl ~!!i ~ ~~ u ~Sio .~.C> ; ~ 06 - ELECTRICAL SYSTEM - Continued 0605 - DISTRIBUTOR ASSEMBLY (Fig. 31) 31 1 P 0 R 2920-294-3742 DISTRIBUTOR: w/coil, assy (Auto-lite) (7358569)------------ ea 1 31 2 P 0 5330-050-1223 PACKING, PREFORMED: O-ring, class B, material high ea 1 flexibility, 3/32 thk, 9/16 w, cover plug (501223) 31 3 P 0 2920-353-7216 COVER: cap, assy (Auto-lite) (7378569)--------------------- ea 1 31 4 P 0 5330-054-6880 PACKING, PREFORMED: O-ring, class B, material high ea 1 flexibility, 1/8 thk, 4-1/4 id (cap cover) (546880) 31 5 P 0 2920-353-7206 CAP, IGNITION DISTRIBUTOR: assy (Auto-lite)------------- ea 1 (7375377) 31 6 P 0 2920-640-7230 ROTOR, IGNITION DISTRIBUTOR: assy (Auto-lite) ---------- ea 1 (7348578) 31 7 P 0 2920-606-9377 PARTS KIT, DISTRIBUTOR: IGNITION: (5702525) ea t- Composed of: 1 CAPACITOR (19728-IAT30760S) 1 CLIP (19723-IG676) 1 CONTACT SET (19728-IGP3028FS) 31 8 P 0 2920-143-5304 CLIP: breaker lever spring (Auto-lite) (1n~:rparts kits, ea 1 2920-606-9377 and 2920-606-9378) (19728-IG676) 31 9 P 0 R 2920-324-0371 COIL, IGNITION: Auto-lite (8328027) ----------------------- ea 1 31 10 P 0 4730-011-8831 PLUG, PIPE: sltd, hdls, br, 1/8 in. (base wick retainer) ea 1 (118831) 31 11 P 0 2920-737-5110 GASKET: mounting arm (Auto-lite) (7375110) ---------------- ea 1 31 12 P 0 5910-328-8838 CAPACITOR: primary filter (8329784) ---------------------- ea 1 31 13 P 0 5305-042-0447 SCREW, ASSEMBLED WASHER: rd-hd, int-teeth lock- ea 1 washer, S, cd- or zn-pltd, no. 60, 138-32NC-2A x 3/16 (contact points capacitor) (420447) 31 14 P 0 5305-297-3273 SCREW, ASSEMBLED WASHER: S, cd- or zn-pltd, no. 10 ea 6 O.190-32NF x 11/16 (cover) (594224) 19 8 P 0 2920-698-3722 LINE: distributor to vacuum line tee, assy (8673357) ea 1 Fabricated from: P 0 4730-014-2431 INVERTED NUT, TUBE COUPLING: inverted flare, br, ea 2 3/8-23UNF-2A, 3/16 ad tu, 0.560 overallig (142431) P 0 4710-350-9886 TUBE, COPPER: seamless, cold-drawn, soft anld, 3/16 ft t-ad, 0.035 wall thk (26 in.) (ft) (80244-44-T-5080-1O) 19 13 P 0 2920-698-3721 LINE: distributor to air cleaner tube, assy (8673356) ea 1 Fabricated from: P 0 4730-014-2431 INVERTED NUT, TUBE COUPLING: inverted flare, br, ea 2 3/8-23UNF-2A, 3/16 ad tu, 0.560 overallig (142431) P 0 4710-350-9886 TUBE, COPPER: seamless, cold-drawn, soft anld, 3/16 ft t-ad, 0,035 wall thk (13 in, ) (ft) (80244-44-T-5080-10) NON-ILLUSTRATED ITEMS P 0 5940-020-0027 TERMINAL, LUG: wire solder, eyelet, dble-grip, br, no. ea 1 18 - 16 wire, hole for no, 6 screw type A (breaker lever to coil primary lead) (200027) P 0 5305-297-3273 SCREW ASSEMBLED WASHER: cover, w/lockwasher ea 6 (Auto-lite) (19728-8X3029) P 0 2920-358-6840 CLAMP: primary lead retaining (Auto-lite) (19728-IAU6) ---- ea 2 44
  • 52.
    TM 9-2320-208-20P 111C21 C31 (4) (5) (61 (7) SOURCE. MAINT IS-DAY ILLUST AND MAlNT RECOVERABILITY DESCRIPTION UNIT QTY AlW PER CODE FEDERAL 100 EQUIP STOCK OF INC Cal Ch) Cal ChI Cel Cdl NO ISSUE IN Co) (bl I~ t::: =d .. o ~ ua)g AG ITEM t:l 5 UNIT '" oz .... NO NO ~ ~$ ! uo ...... ....'" ;; ~~o 06 - ELECTRICAL SYSTEM - Continued 0605 - DISTRffiUTOR ASSEMBLY (Fig. 31) - Continued P 0 5306-019-1509 BOLT, ASSEMBLED WASHER: hex-hd, split Iockwasher ea 1 S, plain fin. 1/4-20UNC-2A x 5/8 (191509) P 0 5310-194-1540 WASHER, FLAT: It, S, cd- or zn-chromate-fm. 9/32 Id, ea 1 5/80d, 0,065 thk, for 1/4 screw size (96906-15795-210) P 0 5940-020-0031 TERMINAL, LUG: wire, solder, eyelet, dble-grip, br, ea 1 cd-pltd, no, 10 screw type A (breaker lever to coil primary lead) (200031) P 0 6145-772-2204 WIRE, ELECTRICAL: low tension, hv-duty, syn-ru ft i jacket, braided, ins plastic, natural or syn-ru sgle cond, tnd cop, stranded, awg no, 16 (breaker in. ) (ft) (80244-15-C-2165-150) ORD E64875 Figure 31. Distributor assembly
  • 53.
    TM 9-2320-208-20P m(21 (3) (4) (5) (6) (7) SOURCE. MAINT IS-DAY ILLUST AND MAINT RECOVERABILITY FEDERAL DESCRIPTION UNIT QTY ALW PER CODE STOCK OF INC 100 EQUIP (0) tb) (01 lb) (el (d) NO ISSUE IN (0) (bl r= fiG ITEM ~ :::l UNIT '" OZ~ ~~ ~ im I 01;; u.:a~ NO NO -il: 8 ~ 5l i~ ...... '" ""0 ill ~~o ,",v 06 - ELECTRICAL SYSTEM - Continued 0607 - INSTRUMENT PANEL (Fig. 32) 32 1 C 0 R 6685-738-9567 GAGE, TEMPERATURE, ELECTRICAL, RESISTANCE: ea 1 w/clamp, assy (7389567) P 0 5310-042-6915 NUT, PLAIN, HEXAGON: S, cd- or zri-pltd, no. 8 ea 2 0.164-36NF-2B, 11/32 w, 1/8 thk (426915) P 0 5310-013-1182 WASHER LOCK: split, It, S, cd- or zn-pltd, no. 8 ea 2 0.164 screw size (96906-35337-23) 32 2 P 0 R 6625-335-9512 VOLTMETER: w/clamp, assy (8376377) ----------.--------- ea 1 P 0 5310-042-6915 NUT, PLAIN, HEXAGON: S, cd- or zn-pltd, no. 8 ea 2 O.164-36NF-2B, 11/32 w, 1/8 thk (426915) P 0 5310-013-1182 WASHER, LOCK: split, It, S, cd- or zn-pltd, no. 8 ----- ea 2 32 2 P 0 6625-321-6365 VOLTMETER: assy (alternator) (70040-1501524) ----------- ea 1 32 3 C 0 5310-752-6591 WASHER: instrument cluster (mounting plate stud) ea 4 (7526591) 32 4 C 0 2510-752-6596 SHIELD: instrument panel light, assy (7526596)------------ ea 2 32 5 C 0 6220-738-4388 LENS, INDICATOR LIGHT: beam indicator light (1) and ea 3 instrument cluster light (2) (7384388) 32 5 P 0 6220-299-5564 LENS, INDICA TOR LIGHT: headlight beam (used wllight, ea 1 6220-174-1375) (73331-5943677) 32 6 P 0 6240-155-8714 LAMP, INCANDESCENT: min, 24 - 28 v, 0.17 amp ea 3 sgle-fil, no. 313 min-bay-base, t-3-1/4 bulb, C-2F fil high beam indicator light (1) and instrument panel light (2) (used w/light, 6220-026-4761 and light, 6220-174-1375) (96906-25231-313) 32 7 P 0 2590-508-4592 COVER: instrument panel light, w/socket, assy (used wi ea 2 light, 6220-776-0412) (7384392) 32 8 P 0 2590-693-4173 COVER: headlight high beam indicator light, wisocket, ea 1 assy (used w/light, 6220-776-0418) (7384389) 32 9 C F 5307-752-6594 STUD: mounting (instrument cluster circuit breaker to gage ea 1 wiring harness) (7526594) 32 10 P 0 5310-050-2203 WASHER, FLAT: S, cd- or zn-pltd, 21/64 id, 9/160d, ea 1 0.031 thk (wiring harness mounting stud) (inner) (502203) 32 11 C 0 R 6680-024-2276 INDICATOR, LIQUID QUANTITY: fuel, w/clamp, assy ea 1 (7728852) P 0 5310-042-6915 NUT, PLAIN, HEXAGON: S, cd- or zn-pltd, no. 8 en 2 O. 164-36NF-2B, 11/32 w, 1/8 thk (426915) , P 0 5310-013-1182 WASHER, LOCK: split, It, S, cd- or zn-pltd, no. 8 ea 2 0.164 screw size (96906-35337-23) 46
  • 54.
    TM 9-2320-208-20P III(2) (31 (4) (5) (6) (7) SOURCE, MAINT IS-DAY ILLUST AND MAINT RECOVERABILITY FEDERAL DESCRIPTION UNIT QTY ALW PER CODE 100 EQUIP STOCK OF INC e 5 UNIT .. oz" FIG ITEM ~ i~ I o ~ U~~ (a) (bl (a) (bl (cl (dl NO ISSUE IN (al (bl NO NO '" 8 ~ ~~ ~ <0 ;;-' ~~~ '"'~ ; iii 06 - ELECTRICAL SYSTEM - Continued 0607 - INSTRUMENT PANEL (Fig. 32) - Continued 32 12 P 0 R 6685-335-9508 INDICA TOR, PRESSURE: oil w/clamp, assy 60 psi (used ea 1 w/transmitter, 6685-355-9509) (7954230) P 0 5310-012-0614 NUT, PLAIN, HEXAGON: S, cd- or zri-pltd, no. 10 ea 2 0.190-32NF-2B, 3/8 w, 1/8 thk (120614) P 0 5310-596-7686 WASHER, LOCK: split, med, S, cd- Or zn-chromate- ea 2 fin., no. 10 0.190 screw size (96906-35338-43) 3~ 7 Figure 32. Instrument panel 5 KEY ITEM 13 SPEEDOMETER GROUP 4701 ORD E64876 47
  • 55.
    TM 9-2320-208-20P ORDEM877 Figure 33. Instrument panel (MIlO) 48
  • 56.
    TM 9-2320-208-20P III121 /31 (41 (51 (61 (7) SOUICE. MAINI IS·DAY ILLUST AND MAINI R!COVERABllITY DESCRIPTION UNIT QTY A1W PER CODE FEDERAL 100 EQUIP STOCK OF INC ::: e: UNIT .. AG ITEM '" o >- 83iS (al lbl lal tbl Ie! (d) NO ISSUE IN (al lbl ~ ~E I .. I~ o ... .. NO- NO 5t ~ u .. ~~o ; 06 - EL ECTRICAL SYSTEM - Continued 0607 - INSTRUMENT PANEL (MI70) (Fig. 33 ) 33 'I P 0 5325 -753-9255 REC EPTACLE: Q2 fastener (instrument cluste r to ea 4 i nstrument panel ) (7539255 ) 33 2 C 0 R 6220 -776-0412 LIGHT: waterproof, ins trumen t panel, assy, 24 v (us ed on ea 2 old type panel w/l-7/8 in hole) (7760412) 33 2 P 0 R 6220-295- 0006 LIGHT: waterproof , instrument panel, assy, 24 v (us ed on ea 2 on new type panel, wll in. hole) (70040-1582082) 33 3 P 0 5310-655-9587 WASHER, FLAT: S, cd- or zn -pl td, 13/64 id, 15/ 32 od , ea 1 0.049 thk (wiring harness mounting stud, ou ter) (96906-15795-208) 33· 4 P 0 R 622 0- 174- 1375 LIGHT, INDICATOR: waterproof, headlight, hi gh beam, ea 1 a s sy , 24 v (us ed on new type panel , w11 in. hole) (7358619) 33 4 P 0 R 6220- 776-0418 LIGHT, INDICATOR: waterproof, headlight , high beam, ea 1 assy, 24 v (us ed on old type panel, w/l- 7/8 in. hole) (7760418) 33 5 P 0 5310-045-3299 WASHER, LOCK: split, med, S, cd- or zn-chr -omate- Tin , , ea 2 no. 8 O. 164 screw size (453299) 33 6 P 0 5305-286-1948 SCREW, MACHINE: r d-hd, S, cd- or zn- pl td, no. 8 ea 2 O. 164-32NC-2A x 5/16 (121749) 41 6 P a R 5930-776-0409 SWITCH, ROTA RY: ignition, wlcable and co nnectors, assy ea 1 (7760409) NON- ILLUSTRATED ITEMS P 0 R 5930-699-9438 SWITCH, ROTARY: igniti on (8380699) ea 1 P 0 531 0- 655-9371 NUT, PLAIN, HEXAGON: S, cd - or zn-pl td , 1/ 2-20UNF- ea 1 2B, 3/ 4 w, 7/1 6 thk (96906-35690- 825) P 0 531 0-013-5629 WASHER, LOCK: ex t- teeth , S, cd - or zn-pl td, 1/2 s c r ew oa 1 s ize (135629) P 0 6220-538-1088 L EVER : ignition switch (538 1088) oa 1 P 0 2920 - 796-2655 PARTS KIT, WIRING, IGNITION SWITCH: (5702401) ea 1 Composed of: 1 HARNESS ASSEMBLY (868707 9) 1 HARNESS ASSEMBLY (86870 80) 1 CABLE, assembly (7033742 ) ! 1 BRACKET, assembly (connec tor (7726808) P 0 R 5930-307-8856 SWITCH LIGHT: (7368702) ea 1 49
  • 57.
    TM 9·2320-208-20P (J)121 131 141 (.51 161 171 SOURCE, MAINT IS·DAY IlLUST AND MAlNT RECOVWBllITY DESCRIPTION UNIT OTY AlW PER CODt FEDERAL 100 EQUIP STOCK OF INC lal Ibl lal (bl Ie! Id) NO ISSUE IN (al Ibl ~ FIG ITEM Id g UNIT '" 02>- ~~ ~ o ~ ue~ NO NO /:S! o >- ~ > V <0 ~~O ~8 ~ ~ 06 - ELECTRICAL SYSTEM - Continued 0608 - MISCELLANEOUS SWITCHES, TERMINALS AND JUNCTION BOXES (Fig. 41) 41 7 C 0 R 5930-092-9511 SWITCH, PUSH: headlight dimmer, w/cable and connecter, ea 1 assy (7728788) P 0 5305-285-5278 SCREW, ASSEMBLED WASHER: croBB-receBB-pan-hd, ea 2 int-teeth lockwasher, headen-pt, S, cd- or zn-pltd, 1/4-20UNC-2A x 1/2 (454789) 41 8 C 0 5930-741-2642 SWITCH, PRESSURE: stop light, air, assy (7388813) ------- ea 1 NON-~LUSTRATEDJTEMS P 0 2540-953-2180 CONTROL ASSEMBLY DffiECTIONAL SIGNAL: control ea 1 turn signal (8683933) P 0 2590-953-2179 BOX DISTRIBUTION: (8683529) ~------------------------- ea 1 PI o 5945-952-3818 FLASHER. THERMAL: (7050005)------------------------- ea 1 PI0 6240-155-8714 LAMP, INCANDESCENT: (96906-25231-313) -------------- ea 1 P 0 5850-076-8992 LENS, SIGNAL LIGHT: lens, turn signal handle ea 1 (77977-24-129) 50
  • 58.
    TM 9-2320-208-20P 11I121 131 (4) (5) (6) (71 SOURCE, MAINT IS·OAY ILLUST AND MAINT RECOVElWllllTY FEDERAL DESCRIPTION ALW PER CODE UNIT QTY 100 EQUIP STOCK OF INC (a) lbl (al lbl Ie! (dl NO ISSUE IN (a) fb) FIG ITEM ii ~ UNIT b t=:: -Cd .. o'" ~ 83§ NO NO Ie~ 5=t if~: a 8 ~ '" e ~~o ~s ; l:I 06 - ELECTRICAL SYSTEM - Continued 0609 - BLACKOUT MARKER LIGHT (Fig. 34 ) 34 1 C 0 6220-283-9490 LIGHT, MARKER, CLEARANCE: blackout marker, assy ea 2 (7723899) P 0 5306-042-3568 BOLT, ASSEMBLED WASHER: hex-hd, ext-teeth lock- ea 2 washer, S, cd- Or zn-pltd, 3/S-16UNC-2A x 5/8 -(423568) 34 2 C 0 6220-772-9791 DOOR: blackout marker light, w/Iens, assy (7729791) .- ea 2 34 3 P 0 2590-772-9796 CONNECTOR: marker light, w/cables (7729796) ------ ea 2 34 4 C 0 5340-737-5023 PAD: mounting, blackout marker light ru (7375023) --- ea 2 ORO E64878 Figure 34. Blat;koul marker light - exploded view 51
  • 59.
    TM 9-2320-208-20P (II(21 (31 (.oil (51 (6) (7) SOURCE. MAlNT !S·DAY Il lUST AND MAIHT RE(OVEWIllTY FEDERAL DESCRIPTION UNIT QTY AlW PfR CODE STOCK OF INC 100EQUIP (0) (bl (0) (bl (el (d) NO ISSUE IN (01 (bl - !: UNIT :r0: AG IT£M ~~ ~ ~~ ~ 0: ::> ~ iii NO NO ~~ ffiE ~ '" Sl ~- S '" :r li '" ~ a !;g 06 - ELECTRICAL SYSTEM - Continue d 0609 - SERVICE HEADLIGHT ASSEMBLY (F ig. 35) 35 1 P 0 R 6220-696-0324 HEADLIGHT : assy (8332127) - ----- --- - - --- - ---- ---- ------- ea 2 P 0 5310 -012-0614 NUT, PLAIN, -HEXAGON: S, cd - or zn-pltd, no . 10 ea 16 0. 190-32NF-2B, 3/8 w, 1/ 6 w, 1 /6 thk (1206 14) P 0 5305 - 016-0046 SCREW, MACHINE: cr osa- recesa- pan - hd , S, cd- or ea 16 zn-pltd, no. 10 0.190-32NF-2A x 1 /2 (160046) P 0 5310-596-7686 WASHER, LOCK: split, med, S, cd- or zn-pltd , no. 10 ea 16 0.190 screw s ize (96906-35338-43) 35 2 P 0 6220-300-9908 DOOR, SERVICE HEADLIGHT : assy, headli ght, w/ ga sket, ea 2 r ings , scr ews, spring and washers, assy (7525936) 35 3 C 0 5340 -695-9727 RING , RETAINING: headlight lamp unit (7358582) ---- - ---- --- ea 2 P 0 6220-512-9219 RING, ASSY: r e ta ining , headlight lamp unit (used w/Auto-lite ea 2 headIight)(1 9728-CB17812) P 0 5305-735-0582 SCREW, MACHINE: headlight lamp unit r ing (23862 -924552 ) ea 6 35 4 P 0 6220 -504-0981 LA;IIP UNIT: headlight, w/cables, assy (74183 43)---- - --- ---- ea 2 35 5 P 0 6220 -385-7637 LAMP UNIT, HEADLIGHT: s ealed , mtl reflector, crystal ea 2 glass lens, 24 - 28 v , dble-fil , 50 - 40 w , (45515/) 35 5 P 0 6220-696-0249 LAMP UNIT, HEADLIGHT: sealed beam, amber colored ea 2 lens (used on vehicles in a reas where regulations require the use of amber headlights) (8334009) 35 6 P 0 5305 -695-7209 SETS CREW: head light door (7525935) ------------------- --- ea 6 II 52
  • 60.
    TM 9-2320-208-20P (1)(2) (3) (4) (5) (6) (71 SOURCE. MAINT IS-DAY IllUST AND MAINT RECOVERABllITY FEDERAL DESCRIPTION UNIT QTY AlW PER CODE STOCK OF INC 100 EQUIP (a) (b) (a) (b) (el (d) NO ISSUE IN (a) (bl ~ 5 UNIT '" oz .... FIG ITEM ~ g~ ~ o 1;; Um~ NO NO ~~ o :;; ~ ;'"'" ;; u ~~o <0 ,",v ~ l:l 06 - ELECTRICAL SYSTEM - Continued 0609 - SERVICE HEADLIGHT ASSEMBLY (Fig. 35) 35 6 PO 5305-226-9267 SCREW, MACIDNE: rd-hd, S, cd- or zn-pltd, no. 10 ea 6 O. 190-24NC-2A x 1 (headlight door) (132848) NON-ILLUSTRATED ITEM C 0 6220-737-5022 PAD: mounting, headlight rubber (7375022) ----------------- ea 2 ORDE64879 Figure 35. Service headlight assembly - exploded view S3
  • 61.
    T1;I 9-2320-208-20P III(2) 131 141 151 161 171 SOURCE. MAINT IS-DAY ILLUST AND MAINT RECOVERABILITY FEDERAL DESCRIPTION UNIT QTY ALW PER CODE 100 EQUIP STOCK OF INC lal lb) lal Cbl leI Cd) NO ISSUE IN la) lbl FIG ITEM e 5 UNIT 0 1< 8~§ oj NO NO ~ =~ S 0 lD '" .. ~~ 51 iliiii~ i u S:S:o 06 - ELECTRICAL SYSTEM - Continued 0609 - BLACKOUT HEADLIGHT ASSEMBLY (Fig, 36) 36 1 P 0 R 6220-776-0505 HEADLIGHT: blackout, shielded, wtrprf, 24 - 28 v, assy ea 1 (7760505) 36 2 P 0 6220-695-1107 DOOR, BLACKOUT HEADLIGHT: wiring and screw ea 1 (7525940) P 0 5330-732-0689 GASKET: run, 2-5/64 id, 2-24/64 od, 5/32 thk ea 1 (blackout marker light, door) (7320689) 36 3 P 0 6220-283-9906 LAMP UNIT, HEADLIGHT BLACKOUT: sealed, shielded, ea 1 mtl reflector, 24 - 28 v, 10 cp, w/cables and wtrprf connectors (573435) 36 4 P 0 5940-705-6708 TERMINAL LUG: solderless, wtrprf, cap, cd- or zn-pltd ea 1 no, 12 or 14 awg multi-cord cable, hole for no. 10 screw (blackout driving light extension cable) (7056708) 36 5 C 0 5310-350-2655 WASHER: mounting, blackout headlight (5294507) ----------- ea 1 36 6 P 0 5310-637-9541 WASHER, LOCK; split, med, S, cd- or zn-pltd, 3/8 in. ea 2 screw size (blackout driving light) (120382) 36 7 C 0 6220-693-4175 CLIP, SPRING TENSION: retn (blackout driving light ea 3 lamp unit) (7525937) 36 8 P 0 5305-285-3952 SCREW, MACillNE: fil-hd, S, zn-chromate-fin., no. 8 ea 3 O.164-32NC-2A x 3/8 (blackout headlight door) (453804) 36 8 P 0 5305-752-5938 SCREW, MACillNE: blackout headlight door (73331-5940558)-- ea 3 ~~ S4 Figure 36. Blackout headlight assembly - exploded mew
  • 62.
    TM 9-2320-208-20P (11(21 (31 (.oil (5 ) (61 (7) SOURCE, MAINI IS-DAY IUUST AND MAINI RECOVERABlllTY FEDERAL DESCRIPTION AlW PER CODE UNIT QTY 100 EQUIP STOCK OF INC lal lbl (al lbl lcl (d) NO ISSUE IN (al (bl ~ FIG ITEM ::l ::l UNIT '" 8a2 ~~ 5: !d 5 0>- NO NO 5i i~ ~ '" o ... co ;I ~ u .. ~~() 06 - ELECTRICAL SYSTEM - Continued 0609 - LEFT SERVICE, BLACKOUT TAIL , AND STOP-L IGHT ASSEMBLY (Fig. 37 ) 37 1 P 0 6220-752-6020 DOOR, ASSEMBLY TAILLIGHT: Ilan ge mtg, w/screws , ea 1 assy (le ft stop and taillight) (7526020) 37 2 P 0 5330-297-7106 PA CKING, PREFORMED: 2 ring, ru, 4. 093 in. id, 4-5/ 16 ea I in. oct, O. 135 in. thk (taill ight door ) (7320658) 3 7 3 P 0 6240-044-6914 LAM P, INCANDESCENT: min, 24 - 28 v , sgle-tun-rtl, ea I I no. 1683, 32 cp sgle co ntact cand- bay - ba s e , S-8 bulb (left taillight) (446914) ~~ OROE64BBI Figure 37. Left service, blackout tail, and stoplight assembly - e"ploded mew 55
  • 63.
    TM 9-2320-208-20P (l)(2) (31 (41 IS) (6) 171 SOURCE. MAlNT ILLUST AND IS-DAY RECOVERABILITY MAINT CODE FEDERAL DESCRIPTION UNIT QTY ALW PER STOCK OF INC 100 EQUIP t: NO ISSUE IN (a) (bl lal Ibl te) (b) (e) Id) FIG ITEM e ~ '" Oz" ~ ~ =d UNIT .. o .. ", ~ .. u '" S:~O ~ NO NO ~!: o 1:; ucog ~~ ~ !;;~ ~ 06 - ELECTRICAL SYSTEM - Continued 0609 - RIGHT SERVICE, BLACKOUT TAIL, AND STOPLIGHT ASSEMBLY (Fig. 38) 38 1 P o R 6220-337-6471 STOPLIGHT, TAILLIGHT, VEHICULAR: tail, right, assy ea 1 (8378786) 38 P 0 5306-042-3568 BOLT, ASSEMBLED WASHER: hex-hd, ext-teeth lock-" ea 2 washer, S, cd- or zn-pltd, 3/8-16UNC-2A x 5/8 (423568) 38 2 P 0 6220-752-6018 DOOR, ASSY TAILLIGHT: flange mtg, w/screws, assy ea 1 (right stop and taillight) (7526018) Figure 38. Right service, blackout tail, and stoplight assembly - exploded view 56 ORO E64B82
  • 64.
    TM 9-2320-208-20P 111(2) (3) (4) lSI (61 171 SOURCE. MAINT IS-DAY IllUST AND MAINT RECOVERABllITY FEDERAL DESCRIPTION UNIT QTY AlW PER CODE 100 EQUIP STOCK OF INC (a) (b) (a) (bl Ie) Id) NO ISSUE IN lal (bl t: FIG ~ ITEM .<.", c:: ~ =...., UNIT o '" Oz" ~ uca~ NO NO §~ ~ ~iS uo .... st I ;~ ~~~ ~ 06 - ELECTRICAL SYSTEM - Continued 0609 - REEL LAMP (Fig. 39) 39 1 P 0 6220-741-2783 LIGHT: extension w/reel (M170) (7412783) ----------------- ea 1 39 2 P 0 6240-155-8725 LAMP, INCANDESCENT: min, 24-28 v, 21 cp, sgle-fil, ea 1 no. 1204, dble-contact cand-bay-base, S, B bulb, C-2 v fil (map extension light) (M170) (193048) 2 ORD E64883 Figure 39. Reel lamp - exploded view 57
  • 65.
    TM 9-2320-208-20P (ll(2) (3) (4) (5) (6) /71 SOURCE, MAINT IS-DAY ILLUST AND MAINT RECOVERABILITY DESCRIPTION UNIT QTY ALW PER CODE FEDERAL 100 EQUIP STOCK OF INC (0) Ibl (0) (bl (cl (dl NO ISSUE IN (0) (b) S ~d 5 UNIT ('j >; oz .... FIG ITEM u~g NO NO ..~ t:l o _ ~S ~ ~!S i u ~~O ~'" ~ 06 - ELECTRICAL SYSTEM - Continued 0610 - SENDING UNITS (Fig, 40) 40 1 C 0 6685-738-9566 TRANSMITTER, TEMPERATURE, ELECTRICAL ea 1 RESISTANCE: water temperature gage, assy (7389566) 40 2 P 0 6620-634-8945 TRANSMITTER, PRESSURE: oil pressure gage, assy ea 1 60 psi (used w/indicator 6685-335-9508) (7954231) 40 3 C 0 2805-040-2529 SUPPORT: coil pressure sending unit, w/bracket, assy ea 1 (8329686) 40 4 P 0 5310-012-1752 WASHER, LOCK: ext-teeth, S, cd- or zn-pltd, no. 8 ea 5 screw size (121752) 40 5 P 0 4730-278-4506 ELBOW: pipe to tube, 90 deg, 3/16 od tube, 1/8 male pipe ea 1 end (oil pressure sending unit) 20 8 P 0 5305-281-1091 SCREW ASSEMBLED WASHER: w/lockwasher (8332524) ---- ea 5 20 9 C 0 5310-737-5147 WASHER: sealing, gas gage sending unit screw (65909-807161) ea 5 20 9 P 0 5310-753-9073 WASHER: sealing, gas gage sending unit screw copper ea 5 (40095-A49-8839) 20 10 P 0 6680-515-3456 UNIT: sending, fuel tank gage, assy (M38A1 and M38A1C) ea 1 (8329687) 20 10 P 0 6680-695-7245 UNIT: sending, fuel tank gage, assy (8333280) (M170) ------- ea 1 20 11 C 0 2910-737-5146 GASKET: fuel tank gage sending unit (7375146) ------------- ea 1 Figure 40. Sending units 58
  • 66.
    TM 9·2320-208-20P 11l(2) (3) (4) 151 161 171 SOURCE. MAINT IS-DAY IUUST AND MAINT RECOYERABllITY FEDERAL DESCRIPTION UNIT QTY ALW PfR CODE 100 EQUIP STOCK Of INC la) Ib) (al (bl lc/ Idl NO ISSUE IN (a) (b) AG IUM ~ UNIT '" oz~ ~ i5 o ~ U~~ NO NO E_ ! o :;; ;E ~ ;Si- u ~~o 06 - ELECTRICAL SYSTEM - Continued 0611 - HORN - (Fig. 59) 59 5 C 0 2590-572-4206 CAP: button (7412442) ----------------------------------- ea 1 59 6 C 0 2540-040-2625 RETAINER: button cap ·(8332518)---------- ---------------- ea 1 59 7 PO 9510-596-3738 STEEL: machinery sae WD1020 bar, cold rolled, dia 1/8 ft II in. 42-11/16 in. ft (horn switch push rod H010-0420005) (80244-46-S7350) C 0 5310-333-7543 WASHER: retaining (switch push rod) (8329690) ---------- ea 1 59 8 P 0 2530-338-1943 DISK: horn switch centering (8332677) --------------------- ca 1 41 12 P 0 R 2590-678-6140 HORN, ELECTRICAL: automotive type, 24 volt ca 1 (96906-51074-1) P 0 5305-558-3693 SCREW, CAP, HEXAGON HEAD: Iow-carb-s, cd- or e a 2 zn-pltd, 1/4-28UNF-2A x 3/4 (horn to bracket) (96906-35292-6) P 0 5310-012-1753 WASHER, LOCK: ext-teeth, S, cd- or zn-pltd, 1/4 in. oa 2 bolt size (horn to bracket) (121753) 59 11 C 0 5930-096-6919 SWITCH: w/harness, assy (8329689) ---------------------- ea 1 P 0 5310-010-7827 NUT, STAMPED: hex, 9 notch, S, cd- or zn-pltd, 3/4- ea 1 16NF, 1-1/16 w, 0.203 thk (107827) NON-ILLUSTRATED ITEM P 0 2590-766-7722 ADAPTER KIT, HORN wmz. (8689231) ea 1 Composed of: 1 CABLE ASSEMBLY (8742046) 1 CABLE ASSEMBLY (8742047) 59
  • 67.
    TM 9-2320-208-20P 8 KEY ITEM GROUP 6 SWITCH 060? r DIMMER 0608 SWITCH 8 STOPLIGHT 0608 SWITCH 10 CABLE 061 11 CLIP 0613 12 HORN 0611 13 FASTENER 06J3 ORO E64885 Figure 41. Batteries and related parts 60
  • 68.
    TM 9-2320-208-20P III(2) (3) (4) (5) (61 (7) SOUW. MAIHT IS·OAY ILLUST AND MAINT RECOVERABILITY FEDERAL DESCRIPTION UNIT QTY ALW PER CODE STOCK OF INC 100 EQUIP (al (bl (al (bl lel (d) NO ISSUE IN (a) Ibl ~ ~ fiG ITEM e: :i..... ! UNIT o'" 1;; UOrza~" NO NO ~~ i i§ ~ 8 ~ ; i:l ~~o 06 - ELECTRICAL SYSTEM - Continued 0612 - BATTERIES AND HELATED PARTS (Fig. 41) 41 1 C 0 5340-282-7521 CLAMP, LOOP: l oop type, S, cd- or zn-pltd, 5/8 in. od ea 3 tub e, hol e for 1/4 in. bolt (positive cable to dash negative cable to dash and negative cable to splash apr on) (120527) 41 2 P 0 5940 - 729-9423 TERMINAL LUG: clamp type, neg, w/3/8- 16NC-2 (bolt and ea 2 nut for lu g typ e cable term batt ery terminal post) (507032) 41 2 P 0 594 0-502-3729 TERMINAL, LUG: clam p type , pos, w/3/8- 16NC-2 (bolt and ea 2 nut for lug type cable term battery terminal post) (96906-75004-1) 41 2 P 0 5940- 705- 6730 TERMINAL, LUG: Wire, solderless, waterproof, sq-end ea 6 tongue, cop, to or cd-pltd, no. 2 awg sgle conduc to r wir e, hole for 3/8 in. bolt ba ttery to ba ttery (2), batter y to ground (2) ~d battery to s tarter (2) (7056730) 41 3 C 0 6140 - 643-0006 FRAME: hold-down, a s sy (8329 666) _______ ______ ___ ______ • ea 2 C 0 5306 - 734-6940 BOLT: hold - down frame (7346940) ____ __________• ______ en 4 41 4 P 0 R 6140- 057-2553 BATTERY, STORAGE: lead-acid, charged, ' dry, no. 2HN ea 2 a utomotive servtce ,: 12 v, 6-cell, 45 arnp-br r ating, 10- 3/16, 5- 1/4 x 8-15/16 max (57255 3) 41 5 P 0 53 06- 050- 1924 BOLT: btry term, sq- hd, .S, ld-ctd, 5/16-18UNC-2A x 1-1/4, ea 4 w/nut (501924) 41 9 P 0 532 5- 011- 7965 GROMMET, RUBB ER: split, 5/ 8 id, 31/32 od x 1/16 V ea 4 mounting groove cable (120013) 41 14 P 0 2590-693-4226 CABLE: gener a tor to generator regulator, w/ connectors ea 1 as sy (M170) (8333281) C 0 292 0- 503-4763 CABLE ASSY, SPECIAL PURPOSE, ELECTRICAL: ea 1 generator to gene rator regulator, w/ co nnec tor s , assy (M38A1 and M38A1C) (83297 63) NON-ILLUSTRATED ITEMS P 0 5330- 505- 6609 RUBBER, SHEET, CELL ULAR: sponge r u, oil r esistant ft -t 1/2 thk, 24 w (weatherstrip, battery box cover 4 ft) (ft) (80244-33-R-172-50) P 0 6810-249-9354 SULFURIC ACID, ELE CTROLYTE: sulfuric, s torage bat te ry, ea 2 dilute electrolyte, special, sp-gr 1.280, I - I gal us (container for conc ent r ate d acid see snl-kl gal) (80244-51-A-1562-255) P 0 53 05- 639- 0521 THUMBSCREW: battery box door, w/washer (65909-681166)-- ea 8 P 0 4710-289-0653 TUBE, COPPER: seamless, col d- dr awn, s oft anld, 5/8 in. ft -t od, O.035 in. wal l thkns 5/8 in . 19 (battery drain tray tub e) (80244-44-T- 5080-3 5) P 0 4 720-235-1778 TUBING, RUBBER: compounded, hv wall , id, 5/8 in. wall ft -t thickn es s 1/ 8 in. battery drain tray 24 in . batte ry drain t r ay , inb oard 4- l/8 in. and outboa r d 4-1/ 2 in . (it) (80244- 33-T-242) P 0 6145-805-3354 wraz, ELECTRICAL: low tension, hv-duty, syn-ru jacket, ft -t braided, ins pl astic , natural or syn-ru, s gle cond, tnd-c op s tr an de d, awg no. 26ft (ft) (80244-15-C-2165- 350) 6'
  • 69.
    TM 9-2320-208-20P 11l(2) (3) (4) (5) (6) (7) SOURCE. MAlNT IS·DAY ILLUST AND MAINT RECOVERABILITY fEDERAL DESCRIPTION UNIT QTY ALW PER CODE 100 EQUIP STOCK OF INC (al lbl ta l (bl Ie! (d) NO . ISSUE IN lal lbl ~ FIG ITEM tj :::> UNIT '" 8~§ a~ e Id I o 1< NO NO ~ ~!!: 8 ~ ~~''"" ; ~~o == 06 - ELECTRICAL SYSTEM - Contin ued 0613 - CHASSIS WIRING (NON-ILLUSTRATED ITEMS) P 0 5975:-644-3156 BUSHING, ELECTRICAL CONDUCTOR: S, cd - or zn- ea 150 chromate- fi n. , 0.260 id ,O. 180 ove rall Ig 6~n~(ki t , 5935 - 570- 106 0) (572999) P 0 5340 -514-4454 BUSHING RUBBER: 30 deg cham, syn-ru, O. 745 id, I , 057 ea 2 ad. O.663 overall 19 (s ealing eleetrieal eonnector) (**ki t, 5935-570- 1380 ) (7527646 ) P 0 5340-514- 4456 BUSHING, RUBBER: 30 deg cham, syn-ru, 0.932 id , 1, 370 ea 1 od , 0, 684 over all ig sealin g (el ectr ical connector) (•• kit, 5935- 57 0-1 380) (7716 699) P 0 5340 - 752- 7628 BUSHING, RUBBER: elec tr ic al connec tor four cable hole s, ea 1 two O.115 in. holes, two O.130 in , hol e s, O.625 in . od «* *kit, 5935- 570-1380) <7782U- I 0-40817-9) P 0 5340-682-1743 BUSHING, RUBBER: eleo trical co nnector eight 0. 150!n, ea 1 cable holes, 1 in. od «* *kit; 5935-570-1380) (77820- . 10- 40822- 23) P 0 5340 -772-2343 BUSHING, RUBBER: elec connector, sy n-ru, 0, 150 id, ea 1 3/ 8 ad, 29/64 flan ge ad, 17/ 32 overall Ig (**kit, 5935-570-1380) (7722343) P F CLAMP, EL ECTRICAL: foot dimmer sw itch to dash, head- ea 3 light cable to cli p bracket and li ght switch r ear harness to r ear crossmember (6Z1 9- 322-39) C 0 534 0-282- 7521 CLAMP, LOOP: loop type, cushioned, S, cd- or zn-pltd ea 1 5/8 in, od tube, hole for 1/4 in bolt left switch r ear wirin g harnes s to left side top r ear cros smembe r (120527) p 0 59 70-224- 5277 COMPOUND: insulating and s ealing, electrical connectors, ea 1 2 oz tube (*trkit, 5935-570-1380) P 0 5935 -636-6876 CONTACT, ELECTRICAL: connector, female , no. 12 awg ea 50 (**ki t , 5935-570- 1380) (7527654) P 0 5935 -259-3143 CONTAC T, EL ECTRICAL: connector , solderless, be ryllium ea 50 cop, s il - pltd, cont size 16 m long, 1. 4'38 overall Ig (**kit, 5935-570- 1380) .(7527652 ) P 0 5935-752-7648 CONTAC T, ELECTRICAL: elec, so ldertess, be r yllium co p, ea 50 sil-pl td, co nt size 16 m, 1, 047 overall 1g «* *klt,5935- 570- 138 0) (7527648) P 0 5935 - 771- 6523 CONTACT, EL ECTRICAL: el ec, so lder, beryllium cop , ea 2 s il- pl td , cont size 0. 1750 overallig <**kit, 5935-570- 1380) (7716 523) P 0 5935 - 771- 6525 CONTAC T, EL ECTRICAL: elec, so lder , beryllium cop , ea 6 sil-pl td, cont size 4, 1.438 ove r all Ig (**kit, 5935- 570- 1380) (7716525) P 0 5935-491-8193 CONTAC T, ELECTRICAL: fe male co nnector, no, 16 awg ea 50 wide bos s <* *kit, 5935-570- 138 0) (77820-10-40554) 62
  • 70.
    TM 9-2320-208-20P III(21 (3) W (5) (6) (7) SOURCE. MAINT IS·DAY IllUST AND MAINT RECOYERA8111TY FEDERAL DESCRIPTION ALW PER CODE UNIT Oll 100 EQUIP STOCK OF INC (0) Ibl (0) Ib) lei (dl NO ISSUE IN (0) (bl FIG ITEM ~ 5 UNIT 0 1;; Oz'" ~ =d i Ual~ NO NO "' ~ ~$ 0 :;; :::::~ u ~Sio ~C> "'~ i! 06 - ELECTRICA L SYSTEM - Continued 0613 - CHASSIS WIRING (NON-ILLUSTRATED ITEMS) - Continue d p 0 9150-234-5198 CUTTING OIL : s oluble (VV-C - 846) 2-oz bottle, L- oz ea 1 cutting oil and t -oz water ('tr 'tr ki t 5935- 570-1060) p 0 594 0-057-2930 F ERR ULE, ELECTRICAL CONDUCTOR: snap type, br , ea 50 stl - pl td, 15 amp, no. 12 awg cab le (*'trkit, 5935-570- 1060) (572930) P 0 5940 -057-2929 FERRULE, EL ECTRICAL CONDUCTOR: snap type, br , ea 125 sil-pltd, 15 amp, no. 14 awg cable ('tr 'trkit, 5935-570- 1060) (572929) P 0 5940- 057- 2931 FE RRULE, EL ECT RICAL CONDUCTOR: snap type, br , ea 30 s il - pltd, 15 amp, no. 16 awg c abl e (*'trkit, 5935- 570- 1060) (572 931) P 0 5330 -641-4338 GASKET: el ec tr ic al co nnector , O. 875 Id, 1. 188 w, O. 031 ea 5 thk (**kit , 5935 -570- 1380) (7358502) P 0 5935-593-6442 GASKET: rubbe r , electric al co nnector 0.750 in. Id, 1. 094 e a 5 in . sq, four O. 172 In. screw hol es (* *kit, 5935 -570- 13 80) (77820-10-40450-12S) P 0 5935 -396- 0068 GASKET: rubbe r , e lectrical conne c tor 1. 000 in. i d, 1. 281 e a 5 In. sq , four O. 172 in. screw holes (*'trki t, 5935-570- 1380) (77820-10-40450-16S) P 0 5330-641-4336 GASKET: rubber , electrical connector 1. 375 in . id , 1. 625 e a 5 in. sq, four 0.203 in . screw hole s ({:r'trki t , 5935-570-1 380) (77820-10-40450- 22) P 0 533 0-599- 6089 GASKET: rubber , electr ic al connector 1. 750 in. id, 2. 000 ea 5 in. sq, four O. 203 in . screw holes ('tr 'tr kit, 5935-570- 138 0) (77820-1 0- 40450- 28S) P 0 5935 -752-7630 GROMMET, RUBBER: electrical connector one cable hole, ea 1 0. 3 10 in . id , 0.625 in. od (*'trkit, 5935-570-1380) (77820-10-40817-12) P 0 5325-090-5426 GROMMET, RUBBER: electrical connec tor twe lve O. 118 in. ea 2 cable holes, 1. 360 in. od ('tr'trki t, 5935 -570- 138 0) (77820- 10- 40828- 51S) C 0 5325 -631-6886 GROMMET RUBBER: electrical connector four cable hole s , e a 2 one 0.350 in hole , one 0.225 in. ho le , two O.110 in. holes, 1 in . od (*'trki t , 5935-570 - 138 0) (77820-1 0- 40822- 54) P 0 62 16-6 74- 6 GROMMET: wa terpr oof cable connector , no. 16 awg c abl e ea 30 ('tr'trkit, 5935- 570-1060) (621667-46) P 0 59 75-334- 2749 GROMMET, RUBBER: ele c tr ica l co nnec tor (three O. 268 In. ea 2 cab le hol e s , 1 in. od) ('tr'tr ki t , 5935 -570-1380) (77820-1 0- 40822- 56) P 0 6216- 674 -2 GROMME T: waterproof cable connector, 2 no. 16 awg ea 3 cables ('tr*kit, 5935 - 570- 1060) (621667- 42) P 0 6Z 16-674- 4 GROMMET: wa te rproof cable co nnector, 2 no. 12 awg ea 2 , c ab les (* *kit, 5935-570- 1060) (6Z1667- 44) P 0 62 16-674-7 GROMMET: waterproof cable connec~or , no . 12 awg cab le ea 50 ' l* * ki t , 5935-570-1060) (621667 -47) P 0 5935-772-2344 INSERT, EL ECTRICAL CONNECTOR: electrical connecto r ea 2 three 0.140 in . cable hol es , 0.625 in. od (**kit, 5935.- 570- 1380) (77820- 10- 40817-1 0) 63
  • 71.
    TM 9-2320-208-20P III ILLUST (7) lS-DAY MAINT ALW PER 100 EQUIP (0) (b) (6) QTY INC IN UNIT (j ~ 8 ~ (5) UNIT OF ISSUE (4) DESCRIPTION (3) FEDERAL STOCK NO (2) SOURCE. MAINT AND RECOVERABILITY CODE (b) (0) (b) lei Id) 1= e1 ~ gs a !ii-- ~ ~ ~ ITEM NO (0) FIG NO 06 - ELECTRICAL SYSTEM - Continued 0613 - CHASSIS WIRING (NON-ll..LUSTRATEDITEMS) - Continued P 0 P 0 P 0 P 0 P 0 P 0 P 0 P 0 P 0 P 0 P 0 P 0 P 0 P 0 P 0 P 0 P 0 5975- 697- 6992 5975-333- 3 088 59 75- 697- 6991 5310-697-7860 5975- 771- 6634 5935-333- 4222 5935-333-941 4 5935- 772-33 09 5340-641-8645 5340-514-4455 5340-514-4457 59 35-771-6526 5935-752-7649 5935-752-7651 5935- 771- 6524 5935-368 - 4852 5935- 491- 8194 NUT , COUPLING, ELECTRICAL CONDill T: he x, al , cd- pl td, e a 2 7/ 8-20NEF- 2 x 1/ 2 overall thk sh ort (*1rkit, 5935-5 70- 13'80) (7527644) NUT , COUP LING, EL ECTRICAL CON DillT: 0.328 in. cable ea 2 hole, O. 6250-24NEF-2 (~1r ki t . 5935-570-1380) (77820-60-37005-131) NUT, COUPLING, ELECTRICAL CONDillT: hex, c onne c tor , ea 2 O. 7500-20NEF-2 (1r1rkit, 593 5-570-1380) (7527643) NUT: coupling, spanner, electrical co nne ct or 1. 3750-18NEF- ea 2 2 (1r1rkit, 5935-570-(380) (77 820-10-40459-22) NUT COUPLING, ELECTRICAL CONDUIT : spanner, ea 4 connector 1. 7500-18NEF-2 (1r1rkit, 5935 - 570- 138 0) (77820-10-40459-28) NUT , BUSHING RE TAINER, ELECTRICAL CONNECTOR: ea 2 c d- pltd, 7/8-20NEF-2 x 15/16 knurled or w/8 ti ghtening nuts t1r1rkit, 5935 -570- 1380) NUT BUSHING RE TAINER ELECTRICAL CONNECTOR: ea 3 grommet r etaining, a l, cd-pltd, 1-1/4-18NEF-2 x 1 knurled or 470-1380) (7723308) NUT, BUSHING RETAINING ELECTRICAL CONNECTOR: ea 3 al , cd-pltd, 1-5/ 8-18NEF-2 x 1 light switch harness , plug (1r1rkit, 5935-5 70- 1380) (7723 309) PACKING, PREFo'RMED: 30 deg.cham, syn-ru, oil ea 1 resistant, blk, 0.495 Id, 0.715 od, 0.481 overalllg, F/ no. 17 connec tor s e aling, electric al conne c tor (1r1r kit, 5935-570-1380) (7527647) PACKING , PREFORMED: 30 deg, c ham , syn-ru, oil e a 1 r esistant, blk, 0. 620 id , 1. 057 od , O. 717 overall 19, F/no. 22 connector sealing, electrical connector (1r1rkit, 5935-570- 138 0) (771 66 96) PACKI NG, PREFORMED: 30 deg , ch am, syn-ru, oil ea 1 resistant , blk, 0.682 Id , 1. 05 7 od , O. 697 overalllg, F/ no. 22 connector sealing, electrical c onnector (1r1rkit, 593 5-570- 13 80) (7716697) PIN: contact, el ectrical connector, male no . 8 awg (1r1rkit, ea 8 5935- 570- 138 0) (77820-10-35531) PIN: contact, elec trical connector, male no. 16 awg (1r1rkit, ea 50 570-1380) (77820-10-40553) PIN: contact, el e ctric al connector , male no. 16 awg wide ea 50 boss (1r1rkit, 5935- 570- 1380) (77820-10-40555) PIN : electrical conne ctor , solder, tellurium cop, sil-pltd, ea 6 0. 224 prong dia , 1. 438 overall 19 size 4 (1r1rkit, 5935 - 570- 138 0) (771 6524) PIN: e le c tr ical conne ct or, solder, tellurium cop, sil-pltd, ea 2 0.224 prong di a , 1. 43 8 overallig siz e 0 (1r1rkit, 593 5- 57 0- 138 0) (7716 522) PLUG, TIP: solderless , tellurium cop. sfl-pltd, 0.0619 ea 50 prong di a , 1.250 overall 19 size 16 m long (1r1rkit, 5935-570-1380) (7527653) 64
  • 72.
    TM 9-2320-208-20P III(2) (3) (4) IS) (6) (7) SOURa. MAINT 15-DAY IUUST AND MAINl RKOVERABILITY UNIT err AlW PER CODE FEDERAL DESCRIPTION 100 EaUIP STOCK OF INC 101 (b) 101 Ibl lei Idl NO ISSUE IN (01 IbJ "= AG ITEM ~ 2 UNIT '" oZ'" I~ I:l =d 3 o r. Ula~ NO NO ~ ~!S I:: 8 :a ~ ~ ~ ~o 06 - ELECTRICAL SYSTEM - Contin ued 0613 - CHASSIS WIRING (NON-ILLUSTRATED IT EII1S) - Cont inued P 0 5935-752-7655 PLUG, TI P: solderless, te llurium cop, sil-pHd, 0.0942 e a 50 prong dia, 1. 438 overall Ig size 12 (**kit, 5 93 5 - 5 7 0~ 1380) (7527655) P 0 5330-514-4461 RETAINER, PACKING: 30 deg-ck, al , cd-pltd, 0.516 id, ea 2 0. 710 od , O. 082 overall ig (**ki t , 5935 -570- 138 0) (7527642) P 0 5330-514-4460 RETA INER, PACKING: 30 deg-ck, a l , cd-pl td, 0.641 id , ea 2 1.052 od, O.143 overall lg (*il-kit, 593 5- 570- 1380) (7716715) P 0 5330-514- 4462 RETAINER, PACKING: 30 deg-ck, al, od- pl td, 0.703 id, ea 2 1.052 od, 0.125 overall 19 (il-il-kit , 5935 - 570- 1380) (7716716) P 0 5935 -3 00-9909 SHELL: connector, S, clvd , part for female as sembly of ea 66 water proof si ngle conductor connector 2-wire, mates w/ s hell, 5935 -030- 1562 douglas 6545 or eq ual (il-il-kit, 5935-570-1060 ) P 0 5935-030-1564 SHELL: connector, S, glvd, part of female assembly of e a 4 waterproof "Y" type three conductor co nnector, ma tes wlshell , 5935-030- 1563 (doug las mfg. div. 655 4 or equal) (il-il-ki t, 5935- 570-1060) P 0 5935-030-1563 SHELL: connector, S, glv d, part of male as s embly of ea 4 waterproof "Y" type three co nductor , mates w./s he l l , 5935 -030- 1564 (douglas mfg. div. 6553 or equa l ) (il-il-kit, 5935-570- 106 0) P 0 5935 -030- 1562 SHELL : connector, S, gl vd, part for male assembly of e a 172 waterproof single conductor connector (2-wire) mates wlshell , 5930 -030-1561 (dougl a s 6546 o r equal) (il-il-kit, 5935 -570- 1060 ) (61257- 6546) P 0 5935-283-3385 SPLICE , CONDUCTOR: s nap term typ e , sgle -conductor ea 3 0 (il-il- kit, 5935-570-1060) (81257- 6547) P 0 5935 -771-6527 SOCKET: contact, electrical connector, female no . 8 awg ea 8 (il-il-d t, 5935-570-13 80) (77820- 10-3 5532 ) P 0 6810-264-8983 THINNER: methyl -ethyl-ketone (TT-M-261) 3 oz bottle e a 1 (*il-kit, 5935 -570-1380) P 0 5330-514- 4458 WASHER, RE CESSED: gla nd, electrical conne c tor O. 953 e a 2 id, 0.365 od, O. 144 thk (il-il-ki t, 5935 - 570- 1380) (7716718) P 0 5310-752-7640 WASHER, SPRING TENSION: S, cd-pl td , 1/2 screw size ea 5 0.516 id, 0.656 ad, 0.040 thk 2 le aves (il-il-kit, 5935- 570- 1380) (7527 640) P 0 531 0-752-7639 WASHER, SPRING TENSION : S, cd-pltd, 114 screw size en 10 0.266 id , 0.438 od, 0.032 thk 4 le aves (il-*kit, 5935- 570 - 138 0) (752 7639) P 0 53 10-771-6721 WASHER, SPRING TENSION: waved, electrical connector ea 10 O. 766 id, O. 998 od, O. 020 thk tA*ki t, 5935 -570-1 380 ) (7716721) 65
  • 73.
    TM 9-2320-208-20P (J)(2) (3) (4) IS) (6) m SOURCE, MAlNT IS-DAY ILLUST AND MAINT RECOVERABILITY FEDERAL DESCRIPTION ALW PER CODE UNIT QTY 100 EQUIP (0) (0 ) (b) (el (dl STOCK Of INC (b) NO ISSUE IN (0 1 (b) fiG ITEM ..... ~ ~ ~ § UNIT C5 oz o- NO NO ~ ..... ~ g~ ~ 0 ~ uca ~ z~ :> CI ~..... § u ~~O ~ ~; .. - 06 - ELECTRICAL SYSTEM - Continued 0613 - RADIO SUPPRESSION (NON-ILLUSTRATED ITEMS) P 0 5975-322-9865 FERRULE, ELECTRICAL CONDUCTOR: tnd-cop , (fig . 41) for ea 1 3/4 in . bra ided s trap (ground s trap) (504804) 0613 - CHASSIS WillING HARNESS (Fig. 41) P 0 5340-282-7522 CLAMP, ELECTRICAL: loop type, S, phos-ctd, 5/16 od tube, e a 1 hole for 1/ 4 bol t (137189) 41 10 P 0 6145-772-0853 CABLE: low tension, wate r pr oof , stranded, sh ielded, no. 14 ft j awg, 0. 160 in . dia blackout driving li ght extension 21 in. ft (7720853) (80244-15- C-2165-170) 41 11 C 0 5340 -704-7998 CL IP: blackout he adl ight harness to fender (7047998)-------- - ea 1 ~ 0 2920- 04 0- 2590 COVER: hole, auxi li a r y power recept a cl e (8329985) --------- ea 1 41 13 P 0 5340- 049-4235 FASTENER: clip, type B, S, cd- or zn-pltd, 3/ 8 in . cable e a G wiring harnes s headlight cable to upper air de flec tor (2) light sw i tc h front wiring harnes s to fender sp la sher (3) , and sw itch front wiring harness to dash panel (1) (432653) 0617 - TRAIL ER COUP LINGS (ELECTRIC ) (NON-ILLUSTRAT ED IT EMS) 66 P 0 P 0 P 0 5935 - 773- 1428 COVER, TRAILER RECEPTACLE: w/hinge, assy (M38A1 and M170) (7731428) 5935-699-7827 CONNECTOR, RECEPTACL E, ELECTRICAL: waterproof inter-vehicular assy (83 762 09) 5305-044-6609 SCREW, ASSEMBLED WASHER: altd-hex-hd, split lock­washer , S, cd - or zn-pl td, 1/4-20UNC-2 x 5/8 (446609) ea 1 ea 1 ea 4
  • 74.
    TM 9-2320-208-20P III(21 (31 (4) (5) (6) m SOURCE, MAINT IS·DAY ILLUST AND MAINT RECOVERABILITY FEDERAL DESCRIPTION UNIT QTY ALW PER CODE 100 EQUIP STOCK OF INC I: nG oM ~ ::::; UNIT .. Oz ITEM E; ~ ~E I o ~ u'" (0) (h) (0) (h) k) (d) NO ISSUE IN (0) (h) NO NO o ~ ~~ st !ii.... u .. ... ... ww ; ....." 07 - TRANSMISSION 0701 - TRANSlUSSION FILLER PLUGS (Fig. 42) 42 1 C 0 47 30-737-2879 PLUG. PIPE: filler and drain 1/2 in . (7372 879)------------ <la 2 OR[) E64886 Figure 42. Transmission filler Plugs 67
  • 75.
    TM 9-2320-208-20P III(2) (3) (4) IS) (6) (7) SOURCE. MAINT IS·OAY ILLUST AND MAINT RECOVERABILITY FEDERAL DESCRIPTION UNIT OTY ALW PER CODE 100 EQUIP STOCK OF INC (0) (b) (a) (bl (e! (dl NO ISSUE IN (a) (b) ~ FIG ITEM :::l UNIT '" 83i~ ~ iE 3 o ~ NO NO §~ 8 t; '" ~ t2;.... ~ ~~o ""0 ii !li ..~ 08 - TRANSFER ASSEMBLY 0801- TRANSFER ASSEMBLY AND RELATED PARTS (Fig. 43) 43 1 C 0 2520-737-2878 GASKET: transfer case to transmission (~*gasket set, ea 1 2520-737-5080) (7372878)' 43 2 P 0 5310-013-1016 WASHER, FLAT: , It, S, cd- or zn-chromate- fin. ,21/32 id, ea 1 1-5/16 od, O. 095 thk, for 5/8 screw size case support (131016) 43 3 P 0 5310-655-9371 NUT, PLAIN, HEXAGON: S, cd- or zn-pltd, 1/2-29UNF-2B, ea 1 3/4 w, 7/16 thk (96906-35690-825) 43 4 C 0 2520-737-5082 SNUBBER: case support insulator (7375082) ---------------- ea 1 43 5 C 0 2520-737-5081 INSULATOR: case support (7375081)------------------------ ea 1 43 6 C 0 5310-495-9515 CUP: retaining, case support insulator (7371037) ea 1 43 7 P 0 5310-197-3316 WASHER, FLAT: It, S, cd- or zn-cnromate-nri., 17/32 id, ea 1 1-1/16od. 0.095 thk, for 1/2 screw size (7375153) 43 8 C 0 5306-737-1759 BOL T SHOULDER: hex-hd, S, 1/2-20NC-3 (7371759) ------- ea 1 43 9 C 0 4730-737-2879 PLUG, PIPE: drain and filler 1/2 in. (7372879)------------- ea 2 2 t~< '~I ~1 hs Figure 43. Transfer assembly and related parts 68
  • 76.
    TM 9-2320-208-20P III(2) (3) (41 (51 (61 (7) SOURCE. MAINT 15-0AY ILLUST AND MAINT RECOVERABJLlTY FEDERAL DESCRIPTION UNIT QTY ALW PER CODE STOCK OF INC 100 EQUIP (a) (bl (a) (bl (e! (dl NO ISSUE IN (a) (b) FIG ITEM ~ ~d § UNIT o'" ?;; Ouczo'g" NO NO ~~ S( ~~ ~ 8 ~ <0 ~~o "'~ ;l =: 08 - TRANSFER ASSEMBLY - Continued 0803 - TRANSFER FRONT BEARING RETAINER AND SHIFTER SHAFTS (Fig. 44) 44 1 P 0 5355-741-1761 KNOB: gearshift hand lever (7696491) --------------------- ea 1 44 2 P 0 4730-050-4205 FITTING, LUBRICATION: elbow, 45 deg, hyd, 1/4-28NF-2 ea 1 (male gearshift hand lever pivot pin) (504205) 44 3 C 0 2520-318-1026 YOKE: w/shield, assy (8328440) ------------------------- ea 1 C 0 5310-703-2633 NUT, HEXAGON, HUGLOCK TYPE: 3/4-16NF-2 ea 1 (7032635) 50 9 C 0 2520-737-1035 FLANGE PROPELLER SHAFT: companion, w/slinger, ea 1 assy (7371035) cr-1 3 ~1 Figure 44. Transfer front bearing retainer and shifter shafts - exploded view ORDE64888 69
  • 77.
    TM 9-2320-208-20P Figure45• Front and rear propeller shaft and related parts 70
  • 78.
    TM 9-2320-208-20P 11l(21 131 (41 151 (61 (71 SOURCE, MAINT IS·DAY ILLUST AND MAINT RECOVERABILITY FEDERAL DESCRIPTION ALW PER CODE UNIT QTY 100 EQUIP STOCK Of IN( (a) (bl (a) (bJ (e) Idl NO ISSUE IN (aJ (b) ~ ~ fiG ITEM ~ ~ g UNIT 5 ~ Oz'" ~ Q ~ =c:: = um ~ u0 ...... ~~o -<0 ~ ~ ,.~ NO NO ~ li~ != 09 - PROP ELLER AND PROP ELLER SHAFTS 0900 - FRONT.AND REAR PROPELLER SHAF TS AND RE LA TED PARTS (Fi g, 45) 45 1 C 0 2520-293-5133 SHAFT: prope ller, fr ont, w/Wliversal joint, as sy ea 1 (8328496) 45 1 P 0 2520-692-6236 SHAFT: propeller, r ear , w/Wliversal joints, a s sy (Ml70) ea 1 (8333283) 45 1 C 0 252 0- 293- 5128 PROPELLER SHAFT W/UNIVEHSAL JOINTS: rear, assy e a 1 (M38Al an d M38AlC) (832 8497) 45 2 C 0 2520-318- 1032 YOKE: s leeve, universal joint, front, assy (8328499) - --- --- ea 1 45 2 C 0 2520-3 18-103 1 YOKE: flange (r ear prope ller s haft to tran s fer ) ea 1 (8328498) 45 2 C 0 2520- 318- 1044 YOKE : sleeve (unive r s al joint, rear, assy) (8329700)-- ----- ea 1 45 3 C 0 5330 -318- 4336 SEAL: rubber, universal joint sleeve yoke dust cap ea 1 (8333061) 45 4 C 0 53 10-769-7613 WASHER : split, uni ver-sal join t s leeve yoke dust cap stee l ea 1 (7697613) 45 5 P 0 4730-050-4203 FITTING, LUBHICATION: stght, hyd, surface check, S, ea 3 cd-pltd, or zn-chromate-Itn .. 1/ 4-28NF-2 :nale (U joint) (504203) 45 6 P 0 2520-028-3434 KIT: repair , uni versal joint (us e only afte r stock of parts ea I ki t (2520- 530-7544 i s exhausted) (8328494) Composed of: 6, 1 4 BEARING (65909-807779) 6,2 1 JOURNA L (65909- 807780) 45 6, 3 5340 -174-9829 4 RING, snap, bearing (78080- 2-7-2) 45 7 C 0 5306 - 174- 43 12 BOLT, U: uni ver-sal join t bearing (53072 99) - ------ - -------- ea 4 45 8 P 0 53 10- 050- 3345 NUT, SELF-LOCKING, HEXA GON: S, cd- or zn- pl td, ea 8 5/1G -24UNF-3B, 1/ 2 w, 11/ 32 thk (c riti cal in stalla ti ons) (U joint) (503345) 45 9 C 0 2520 - 318-4332 SEAL: oil (uni vers al joint journal bearing) (8328495) ------ - - ea 8 , 7J
  • 79.
    TM 9-2320-208-20P (1)(2) (3) (4) (5) (6) (7) SOURCE. MAINT IS-DAY ILLUST AND MAINT RECOVERABILITY FEDERAL DESCRIPTION UNIT QTY ALW PER CODE 100 EQUIP STOCK OF INC (0) (bl (0) (bl (c! (dl NO ISSUE IN (0) (b) ~ § FIG ITEM UNIT '" 8~§ ~ g~ :3 01;; NO NO '" 0" '" ~::!:: ~ ...... ~ u '" c..c..", ""co ~ :::~O '"'~ 10 - FRONT AXLE 1000 - FRONT AXLE HOUSING (Fig. 46 ) 46 1 P 0 4730-278-3380 PLUG: pipe front axle drain (133186)---------------------- ea 2 46 2 C 0 2520-495-7074 GASKET: cover (7371103)-------------------------------- ea 1 ORO E64890 FiP'lJ.Yp. 46. Front axle housing - exploded view 72
  • 80.
    TM 9-2320-208-20P (1)(2) (3) (4) (5) (6) (7) SOURCE. MAINT IS-DAY ILLUST AND MAINT RECOVERABILITY FEDERAL DESCRIPTION UNIT QTY ALW PER CODE STOCK OF INC 100 EQUIP (a) (b) (al (b) (el (d) NO ISSUE IN (a) (bl ~ !:: FIG ITEM ;t~ ~ j~ ~ UNIT 'o" i;; Oumz'g" NO NO ~~ ~ ~!; ~ 8 ti ~&o Ci ~ ~~ '" =: 10 - FRONT AXLE - Continued 1002 - FRONT AXLE POWR-LOK DIFFERENTIAL (Fig. 47) 47 1 P 0 CASE, DIFFERENTIAL: less ring gear and pinion (used on ea 1 M170 and M38Al vehicles for Marine Corps only) (924139) 47 2 P 0 PISC AND PLATE SET, FRICTION: used on Ml70 and ea 2 M38Al vehicles for, Marine Corps only (935891) 47 3 P 0 RING, DIFFERENTIAL SIDE GEAR: used on M170 and M38Al ea 2 vehicles for Marine Corps only (923005) 47 4 P 0 GEAR SET, DIFFERENTIAL: used on M170 and M38A1 ea 2 vehicles for Marine Corps only (935892) NON-ll.LUSTRATED ITEMS P 0 2530-656-5749 FLANGE: non-driving, w/bearing (07767-1000)-------------- ea 2 C 0 2520-495-7112 YOKE: end, propeller shaft to bevel pinion, w/ shield, assy ea 1 (7373121) GROUP 1102 1102 1102 1102 1102 1102 2 ITEM CASE DISC AND PLATE SET RING GEAR SET SPACER PI'" KEY 1 2 3 45 6 4 3 3 4 ,, 0 ' 71 5 6 5 ORD.E64891 Figure 47. Front axle pourr-loh 'differential - exploded view 73
  • 81.
    TM 9-2320-.20S-20P 2 4.3-. fl.r- ' ~,--- 4.2--Yt.., GROUP 1204 illM.. GUARD -if .P;-~~ ~C;t~~~~i~~'~~~~ ,q J ~ ! K:V 8 ORO E64892 Figure 48• Steenng knuckle and um.versal [oint - exploded m-ew 74
  • 82.
    TM 9·2320-208-20P 111(21 (31 (41 (5) (6) m SOURCE. MAIHT IS·DAY ILLUST AND MAINT RECOVERABILITY FEDERAL DESCRIPTION ALW PER COOl UNIT QTr 100 EQUIP STOCK OF INC (a) (bl (a) (b) tel (d) NO ISSUE IN (al (bl ~ FIG ITEM ~ i d :::l UNIT .. Oz .... ~ o ~ umg NO NO ~~ i ~; 8 ti ...... ; = ~~O 10 - FRONT AXL E - Cont inued 1004 - STEERING KNUCKL E AND UNIVERSAL JOINT (Fig.48 ) 48 1 C 0 2520-737-11 10 FLANGE: drive, shaft (73711 10) ------------- - - ---------- ea 2 48 2 P 0 2520 - 735- 1403 SHAFT: w/univers al joint, r igh t , assy (used on M170 ea 1 vehicles thru serial no. 1442 1 and M38Al ve hicles thru serial no. 94054)(7351403 ) 48 2 P 0 2520 -788- 9715 SHAFT: w/universal joi nt, right, assy (10917034-1) (us ed ea 1 on M170 vehicles afte r serial no. 14420 and M38A1 vehicles a fte r serial no. 94054 ) 48 3 P 0 2520 -691-3546 SHAFT: w/universal joint , le ft , assy (7351404) - - --- - ----- - ea 1 48 4 P 0 2530 -741-8141 PARTS KIT, STEERTNG GEAR: service fl an ge oil seal ea 1 (7418 141) Composed of: 4. 1 2530-769-6523 2 GASKET (65909-A820) 4.2 4 SEAL, oil hal f (65909-800095) 4. 3 4 SPHING (65 909- 800068) 48 5 P 0 5306- 019- 24 17 BOLT, ASSEMBLED WASHER : hex-hd, ext-teeth loc k- ea 16 washer (192417) 48 6 P 0 4730-278-3391 PLUG, PIPE: steering kn uc kl e (7372879)----- ------- ------ ea 2 48 7 C 0 2520-737-2872 GASKET: shaft drive fl ange (7372872) --- - - - ----------- ---- ea 2 48 8 C 0 5306-274- 0953 BOL T, MACffiNE: flange, drive (73 72864)------ - - - - - - - - - - - - e a 12 NON-ILLUSTRATED ITEMS PIO . 5305- 018- 163 7 SCREW, CAP, HEXAGON HEAD: adjusting, s teering knuckle ea 2 (18163 7) C 0 2520 -737-1589 SHIM SET: cap (7371589) --- ------- --- ----------------- ea I Composed of: 4 SHIM O. 003 (78080-16992-1) 4 SHIM O. 005 (78080-16992-2) 8 SI!IM O. 010 (78080-16992-3) 6 SHIM 0.030 (78080 - 16992-4) 7S
  • 83.
    TM 9-2320-208-20P 76 Figure 49. Rear axle hQUsing and attaching parts .ORD_E64893
  • 84.
    TM 9-2320-208-20P 11l ILLUST la) AG NO (2) soum. MAIHT AND RECOVERABILITY CODE (3) FEDERAL STOCK NO (41 DESCRIPTION 11 - REAR AXLE 1100 - REAR AXLE HOUSING AND ATTACHING PARTS (Fi g. 49) (5) UNIT OF ISSUE (6) QTY INC IN UNIT (7) IS·DAY MAINT ALW PER 100 EQUIP (0) (b) ol; o :;; u 49 1 49 2 49 3 55 14 P 0 P O P 0 C 0 4730- 506-1609 FITTING, LUBRICANT, PRESSURE RELIE F: 4 psi, 2 di d ea hole s , S, cd- pl td or Id-ctd or zn-chromatc - fi n. ,1/8NPT male housing (5873 05) 4 730-278-3380 PLUG, PIPE: sq-cocket, 3/4 in. (r ear axle housing)( 1l3186) ea 4730-278-4724 ELBOW: inverted, 90 deg, 1/8 ad tube, 1/ 8 mal e pipe end e a (r ea r axle housing}(137419) 2520-737-4987 SHAFT: left (7474987) o___________ ea 2 1 SHAFT: le ft (used on veh ic les M170 and M38A1 with pwr'-Iok ea 1 di fferential) (Marin e Corps only) (912625) (Non-illus tr a ted) 55 14 C 0 2520 - 737-4986 SHAFT: r ight (7374986) SHAFT: r ig ht (used on vehicles M170 and M38A1 with powr- lok differenti al) (Marine Cor ps only ) (912626) (Non-illus tr ated) NON- ILLUSTRATED IT EM ea ea C 0 2520-347- 4546 YOKE: e nd, drive pi nion , w/shield, assy (832800 5) - ______ __ ea 1102 - R EAR AXL E POWER- LOK DIFFERENTIAL (Fig. 4 7 ) 47 1 4 7 2 47 3 47 4 47 5 47 6 P 0 P 0 P 0 P 0 P 0 P 0 CASE, DIF FERENTIAL: les s r in g gear and pinion (us ed On M170 and M38A I vehl cles for Mar ine Corps only ) (916775) DISC AND PLAT E SET, FRICTION: us ed on :VIl70 and M38Al vehic les for Marin e Cor ps only (935553) RING, DIFFERENTIAL SIDE GEAR: used on M170 and M38Al ve hicle s for Marine Corps only (921387) GEAR SE T DIF FERENTIAL: used on 111170 an d 1I138A1 ve hic les for Marine Corps only (91817 9) SPACER, AXL E SHAF T: us ed on 111170 and M38Al ve hic les for Marine Corps only (912637) PIN, AXLE SHAFT: used on 111170 and M38A1 vehicle s fo r Marine Cor ps only (273936) ea e a e a ea ea e a 2 2 2 77
  • 85.
    TM 9-2320-208-20P KEYITEM 9 FLANGE GROUP 0803 F:t"gure 50 • Handbrake assembly 78
  • 86.
    TM 9-2320-208-20P III(21 131 (41 (51 161 171 SOURCE, MAINT 15-DAY ILLUST AND MAINT RECOVERABILITY FEOERAL OESCRIPTION UNIT QTY ALW PER CODE 100 EQUIP STOCK OF INC FIG ITEM ~_ i UNIT .. 8z G lal lbl (al lbl lcl ldJ NO ISSUE IN lal Ibl ~ o .. 0:: ~ = o ~ ~ NO NO i~ Sl ;; z~ ~ .... u .. IS et~o ~ 12 - BRAKES 1201 - HANDBRAKE ASSEMBLY~Fig. 50) 50 1 C 0 2530-040-2507 HANDLE: assy (8329623) ------___________________________ ea 1 50 2 P 0 5306-283-0411 BOLT, ASSEMBLED WASHER: hex-hd, split lockwasher ea 3 (9409102) 50 3 C 0 2530-040-2508 ROD: handbrake (8329626) ------------------------------- ea 1 50 4 P 0 2530-200-5418 SPRING, HELICAL, COMPRESSION: retracting, cable ea 1 (8329625) 50 5 C 0 2530-040-2512 LEVER: operating, handbrake (8329633)---------__________ ea 1 50 6 C 0 R 2530-040-2510 BRAKESHOE SET, INTERNALLY: w/lining, assy ea 1 (8329628) Composed of: 6.1 1 SHOE, inner, w/lining, assy (65909-806028) 6.2 1 SHOE, outer, w/lining, assy (65909-806027) 50 7 P 0 2530-040-2511 STOP: handbrake (8329630) _______________________________ ea 1 50 8 P 0 2530-693-0781 CABLE: parking brake control (M170) (8333284) ----------- ea 1 52 19 P 0 2530-040-2509 ROD: operating lever, w/spring, assy (8329627) ----------- ea 1 52 20 C 0 2590-321-6444 SPRING, HELICAL, EXTENSION: retracting, anti-rattle ea 1 (8330948) 79
  • 87.
    TM 9-2320-208-20P 80 5 3.2--- Figure 51. Service brake assembly ---3.2 1.2 I OROE64895
  • 88.
    TM 9-2320-208-20P 111(2) (3) 141 (5) (6) m SOURCE. MA1N1 IS-DAY IUUST AND MAINT RECDVERABILlTY DESCRIPTION UNIT OTY ALW PER CODE FEDERAL 100 EQUIP STOCK Of INC la l -Ibl Ca) Ibl lel Cd) NO ISSUE IN (01 (bl ~ AG ITEM b i ~ti:1 i! UNIT o '" ozl- 1;; uca~ NO NO '" Z<:; :l o u .. I- F§ ~~o li1~ ~ i ~ c 12 - BRAKES - Continued 1202 - SERVICE BRAKE ASSEMBLY (Fig. 51) 51 1 C 0 253 0-307-8860 KIT: shoe, w/lining, assy (8329612) ea 2 Composed of : 1. 1 2 SHOE, front, w/lining, assy (65909- 8073 77) l.2 2 SHOE, rear, w/lining, assy (65909-80 7378) 51 2 C 0 5340-200-8977 SPRING, HELICAL, EXTENSION: shoe retainer an ch or end ea 4 (8329611) 51 3 C 0 2530-301-7762 KIT : brakeshoe hold-down (8333105) ea 4 Composed of : 3. I 4 CUP (65909- 391404) 3. 2 2 PIN (65909- 807374) 3.3 2 SPRING (65909- 636863) 51 !-.r- C 0 I 2530 -040-2497 ECC ENTRIC : adjusting, shoe (8329607) - - ---- --- - --- - - - - - ea 4 51 5 C 0 2530 -918 -0602 CYLINDER: r ear wheel, assy (7324407)--- ------- ------- - ea 2 51 5 C 0 2530-554-8776 CYLINDER: front wheel, assy (8328442) '---- - - - - - - - - - - - - - ea 2 P 0 5306- 042-3553 BOL T, ASSEMBLED WASHER: hex- hd, ext- tee th ea 2 Iockwasher, S, cd - or zn-pltd, 1/ 4-20UNC-2A x 3/8 (423533) 51 6 C 0 2530- 769- 7462 BLEEDER VALVE, HYDRAULIC: wheel cyl inder ea 4 (7697462) 51 7 C 0 5340- 741- 2129 SPRING HELICAL, EXTENSION: retracting, s hoe ea 4 (7412179) 51 8 P 0 5310-012- 0382 WASHER, LOCK: s plit, med, S, cd - Or zn-pltd, 3/8 ea 4 screw size (120382) 51 9 PI 10 53 10-543-5653 NUT, P LAIN, HEXAGON: S, cd- or zn-pltd , 3/8-24UNF- ea 8 2B , 9/16 w, 21/ 64 thk (120369) 51 10 P1 0 5306- 042-3553 BOLT, ASSEMBL ED WASHER: hex-hd, ext- te eth lock- ea 8 washer S, cd- or zn-pltd, 1/4-20UNC-2A x 3/8 (423 553) 55 6 C 0 2530-495-9594 GASKET: rear brake grease s linger (7697 463)- - ------ ---- - ea 4 NON- ILLUSTRAT ED ITEM PlO 5310-637-9541 WASHER, LOCK: spli t, med, S, cd - or zn- pltd, 3/8 ea 4 s crew size (96906-35338-46) 81
  • 89.
    TM 9-2320-208-20P ORllE64896 Figure 52. Hydraulic lines and related parts 82
  • 90.
    TM 9-2320-208-20P III IUU~T (0) fIG NO (2) SOURCE, MAINT AND R£COVERABlliTY CODE (31 FEDERAL STOCK NO (41 DESCRIPTION 12 - BRAKES - Continued 1204 - HYDRAULIC LINES AND RELATED PARTS (Fig. 52) (5) UNIT Of ISSUE (6) QTY INC IN UNIT (7) IS-DAY MAINT AlW PER 100 EQUIP (0) lbl 52 1 52 2 3 52 4 52 5 52 6 52 7 52 8 52 9 52 10 52 11 52 12 48 4 C 0 C 0 C 0 P 0 P 0 C 0 C 0 C a C 0 C 0 P 0 P 0 C 0 C 0 C 0 P 0 P 0 P 0 253 0-737-2836 5340-371-4134 4730-014-2431 4710-350-9886 5340-696-0248 5340-737-2833 2530- 73 7-283 7 2 530-495-8677 4730-737-2343 5306-018-7263 5306-042-3555 2530-737-2839 253 0-737-2835 2530-703-2625 4730-014-2431 5340-282-7551 6219-471-2 LINE: flexibly, front brake, a s sy 6 in. 19 (7372836)--------- ea 2 CLIP, SPRING TENSION: lock flexible line to bracket e a 4 (7735289) LINE: front tee to left fl exible line tube, front tee to right ea 1 flexible line tube, master cylinder to front hose tube, master cylinder tube (rear), r ear tee to left wheel cylinder tube, rear tee to right wheel cylinder tube (8677344) Fabricated from: INVERTED NUT, TUBE, COUPLING: inverted flare, 45 ea 12 deg seat, br, 3/8-24UNF-2A, 9/ 16 overalllg, 3/16 od tu front tee to left flexible line tube (2), front tee to right flexible line tube (2), master cyl in de r to front hose tube (2), master cylinder tube, roar (2), rear te e to left wheel cylinder tube (2) rear tee to right wheel cy l in der tube (2) (1424 31) TUBING, COPPER: 3/16 od, 0.035 wall thk, 20-1/4 Ig ft f CLIP: hose front axle brake line (2) and rear axle brake ea 3 line (1) (68146-983 82) CLIP: closed, brak e line 5/16 in. line (7372833)------------ ea 2 LINE: flexible, rear axle tee to ma ster cyl in de r line, a s sy ea 1 15 in. 19 (7372 83 7) GASKET: flexible, brak e line tee fitting copper ea 2 (7372 834) TE E: rear axle brak e line (737 2343) ---------------------- ea 1 BOLT, ASSEMBLED WASHER: hex-hd, ext - te e th lock- ea 1 washer , S, cd- or zn- pl td, 1/4-20UNC-2A x 7/8 (187263) BOLT, ASSE lIDLED WASHER: hex-hd, ext- te e th lockwasher, e a 1 S, cd- or zn-pltd, 1/4-20UNC-2A x 1-1/8 (423555) TEE: front axle crank line (7372839) ---------------------- ea 1 LINE: flexible, front axle to fr ame, assy 11 in. 19 ea 1 (7372835) GUARD: front brake flexibl e line (703 2625) ---------------- ea 2 NON-ILLUSTRATED ITEMS INVERTED NUT, TUBE COUPLING: inverted flare, 45 deg ea 4 s eat, br, 3/8-24UNF-2A, 9/16 in. cverall Ig, 3/16 in. od tu (142431) CLIP, CLOSED: 1/4 in od tub e --.------------------------ e a 2 CLIP: fastener type E, S, 3/16 in. (side rail) (621947-12) -- e a 4 83
  • 91.
    TM 9-2320-208-20P ORDE64897 Figure 53. Brake master cylinder 84
  • 92.
    TM 9-2320-208-20P m121 (3) (4) (5 ) (6) (7) SOURCE. MAINT IS-DAY IlLUST AND MAIHT RECOVERABILITY FEDERAL DESCRIPTION UNIT QTY ALW PER CODE STOCK OF IHC 100 EQUIP (0) (b) (01 (bl (e) (dl NO ISSUE IN loJ (bl I:: RG ITEM ... ~ ~ UNIT 0 ~ o z .... NO HO ~ ~ ~ gE a 8 :;; Um~ ~ ~ .... i; ~ ~ o ~ o "' ~ ~ = 12 - BRAKES - Continued 1204 - BRAKE )',IASTER CYLINDER (F ig . 53 ) 53 1 C 0 R 2530-741-6524 CYLINDER ASSEMBLY HYDRAULIC: master, assy ea 1 (7416524) P 0 5306-012-2089 SCREW, CAP, HEXAGON HEAD: S, cd- or z n-pltd, ea 1 5/16-18UNC -2A x 3 (122089) P 0 5310-616-3023 WASHER, FLAT: It , S, cd- or zn-chr omate - fin, 11/32 id, ea 2 11/16 od, o. 065 t hk, fo r 5/16 screw s iz e (120393) PI 0 5310-012- 0214 WASHER, LOCK: s plit, med, S, cd- or zn-pltd, 5/16 ea 2 s c r ew size (120214) 53 2 P 0 2530-73 7- 517 6 BOOT: master cylinder (737 517 6) - - - - - - - - - - - - - - - - - - - - - - - - ea 1 53 3 P 0 4730-090- 9245 PLUG, PIPE: vent, filler cap O. 125 (8332083)· '- - - - - - - - - - -.:- ea 1 53 4 C 0 2530- 740-9316 GASKET: fille r cap (us e d w/cylinder, 2530-741-6524 ) ea 1 (74 0931 6) 53 5 P 0 2530-737-2342 FITTING : outlet (7372342 ) ------- -------------------- - - -- ea 1 53 6 C 0 5330-209-1761 GASKET: inlet fitting bolt (5160323)---- - - - ---------------- ea 1 53 7 C 0 4730-737-5440 BOLT: 1/2-20NF x 1-5/32 (7375440) - ------- - - - - ---------- e a 1 NON-IL LUSTRATED IT EM P 0 5305 -011-1655 SCREW, TA P PING, THREAD FORMING: hex- hd, bl un t-pt, ea 6 sh- rne t- thd, S, cd - or zn-pltd, no. 14 0.243 x 3/4 in. (ma s te r cylinder cover) (11 1655) 12 06 - MECHANICA L BRAKE SYSTEM (Fig. 52) 52 13 P 0 5306-286-1505 BOLT , ASSEMBLED WASHER: hex-hd, split lockwa sh e r , S, ea L cd- or zn-pltd, 5/16 - 18UNC-2A x 1- 1/4 (94091 03) 52 14 C 0 2530- 769-7466 PAD: brake pe dal, assy (7697466)----------------- - - --- - ea I 52 15 C 0 5330-040-2470 PA D: draft (8328436) ----- --------- --- - --- - -------- - --- ea 1 52 16 C 0 2520-597':'2315 SP RING: r etracting, brake pedal (838 7940)---- - -------- -- ea 1 52 17 C 0 2 53 0-769- 745 2 BRACKET: pe dal shaft re tainer, w/bushing, assy ea 1 (7697452) 52 18 P 0 2530-734- 0237 SHAFT: pedal, assy (7340237)---- - --------------------- ea 1 NON-ILLUSTRATED ITEM P 0 5315-013-7223 PIN, COTTER: S, cd-, zn-or brgt ni -pltd, 5/32 x 1-3/8 ca 2 pedal pad bolt (1372 23) 85
  • 93.
    TM 9-2320-208-20P NOTE:ITEMS II AND 12 ARE ALSO PART OF REAR HUB AND DRUM ASSEMBLY, FIGURE 55. _ORDE64898 Figure 54. Front hub. drum assembly and related parts - exploded view 86
  • 94.
    TM 9-2320-208-20P III(2) (31 (41 (51 (6) (71 SOURCE. MAINT IS·DAY ILLUST AND MAINT RECOVERABILITY FEDERAL DESCRIPTION ALW PER CODE UNIT aTY 100 EaUIP (al STOCK OF INC lbl la) lb) lei Cd) NO ISSUE IN (a) (bl ~ ~ ~m = um~ FIG ITEM ;;; ~ ~ ~ UNIT 0 ~ Oz .... NO NO ~F Si Ii; l:: 8 :0 ...... :oS ; ~ ~~O 13 - WHEELS 1311 - FRONT HUB DRUM ASSEMBLY AND RELATED PARTS (Fig. 54) 54 1 C 0 2520-737-5143 CAP: hub (7375143) ---------------------------------------. ea 2 54 2 C 0 2530-291-7386 PACKING, PREFORMED: front hub cap (65909-804821) ------- ea 6 54 3 C 0 5310-769-6521 WASHER, KEY: front hub bearing nut (7696521) -------------- ea 2 54 4 C 0 5310-769-6520 WASHER, KEY: front hub bearing (7696520) ----------------- ea 2 54 5 P 0 3110-100-0532 CUP, TAPERED ROLLER BEARING: mil-std-code 711- ea 4 18520-1000 sr, si no. 2 tal, 1/16 in. back face corner r ad, 2.8750 in. ad, 0.5000 in. 19 (706836) 54 6 C 0 2530-352-6962 DRUM: brake (7328371) ----------------------------------- ea 2 54 7 P 0 R 2530-693-0792 HUB: w/bearing cup, assy (8333378) ------------------------ ea 2 54 8 P 0 5306-732-8294 BOLT RIBBED SHOULDER: rivet type, S, carburized case ea 5 harden, 1/2-20NF-3 rolled thd lh thd hub (7328294) 5,1 8 P 0 5306-732-8293 BOLT RIBBED SHOULDER: rivet type, S, carburized case ea 5 harden, 1/2-20NF-3 rolled thd rh thd hub (7328293) v·..., 9 P 0 5330-505-6700 SEAL: oil, special type, 2-1/8 x 2. 879 x 3/8 front hub ea 2 (8329731) 54 10 P 0 3110-100-3526 CONE: tapered roller bearing, mil-std-code 711-18590-3000 ea 4 includes rollers and gage, sr, 1.6250 bore, 0.6875w front hub (705423) ~-1 11 IP 0 5305-013-3757 SCREW, MACHINE: fl-hd, S, cd- or zn-pltd, 1/4-20UNC- ea 6 2A x 3/8 (133757) 54 12 P 0 5310-523-2405 NUT, CONE SEAT HEXAGON: S, cyanide case hardened, ea 5 1/2-20NF-2 rht wheel mounting hub (5232405) 54 12 P 0 5310-264-1929 NUT, CONE SEAT HEXAGON: S, cyanide case hardened, ea 5 parkerized, 1/2-20NF-2 lht wheel mounting hub (5232404) 87
  • 95.
    TM 9-2320-208-20P (l)(2) (31 (41 (5) (6) (7J SOURCE. MAINT IS-DAY IllUST AND MAINT RECOVERABILITY UNIT (lTV ALW PER FEDERAL DESCRIPTION CODE 100 EQUIP STOCK Of INC (01 (b) (a) (b) (el (dl ISSUE (a) (b) NO IN t:S ~ UNIT 0 oz .... fIG ITEM >- uco~ ~~ I ~i a 0 :'-" NO NO u ..... i; .~..~.o'" <0 "'~ ~ = 13 - WHEELS - Continued 1311 - REAR HUB, DRUM ASSEMBLY AND RELATED PARTS (Fig, 55) 55 1 P 0 2530-737-4988 SEAL: oil, type mw, 1-3/8 x 2,286 x 1/4 (7374988) ___________ ea 2 55 2 P 0 3110-100-3546 CONE TAPERED ROLLER BEARING: mtl-std-code 771 ea 2 25877-3000 (includes rollers and cage, sr, 1. 3750 bore, 0,9688 w shaft) (705447) 55 3 P 0 3110-100-0551 CUP, TAPERED ROLLER BEARING: mil-std-code 711- ea 2 25821-1000 sr , si, no. 2 tal, 1/32 corner rad, 2. 8750 ad, O. 7500 19 (706857) 55 4 P 0 2520-737-4981 SHIM SET: bearing (7374981)------------------------------- ea I Composed of: 4 SHIM 0, 003 (78080-20010X) 4 SHIM 0.005 (78080-17521-2) 2 SHIM 0.010 (78080-17521-3) 2 SHIM 0,030 (78080-17521-4) 55 5 C 0 2520-735-1313 RETAINER: bearing (7351313) ------------------------------ ea 2 55 7 C 0 2530-318-4335 SEAL: oil, rear axle shaft, outer, assy (8332519)------------- ea 4 55 8 C 0 R 12530-301-7763 HUB: rear (8333106)--------------------------------------- ea 2 55 9 C 0 5315-282-0360 KEY, MACHINE: rear axle shaft (7375136) -----------------.- ea 2 55 10 C 0 5310-703-2606 NUT: shaft (7032606) -------------------------------------- ea 2 55 11 P 0 5315-059-0378 PIN, COTTER: S, cd- or zri-pltd, 1/8 x 1-1/2 rear axle shaft nut (590378) 55 12 C 0 ~520-737-5143 CAP: hub (7375143)---------------------------------------- ea 2 55 13 P 0 5306-732-8294 BOL T RIBBED SHOULDER: rivet type, S, carburized ea 5 case harden, 1/2-20NF-3 rolled thd lh thd hub (7328294) 55 13 P 0 5306-732-8293 BOLT RIBBED SHOULDER: rivet type, S, carburized case ea 5 harden 1/2-20NF-3 rolled thd rh thd hub (7328293) 88
  • 96.
    TM 9-2320-208-20P III121 (3) (41 151 161 17l SOURCE. MAINT 15-DAY ILLUST AND MAINT RHOVERABllITY FEDERAL DESCRIPTION AlW PER CODE UNIT QTY 100 EQUIP STOCK OF INC lal lbl lal lbl ltl ld) NO ISSUE IN lal (b) ~ FIG ITEM ~ 5eI UNIT o'" ~ Ourzc>~- NO NO e~ o :.. ~~o ~ ~ ..... i; u <co ; ~ "'~ 13 - WHEELS - Continued 1311 - REAR HUll DRUM ASSEMBLY AND RELATED PAR TS PARTS (Fig. 55) 54 11 P 0 5305-013-3757 SCREW, MACHINE: Il-hd, S , cd- or z n-p l t d , l/4-20UNC- ea 6 2A x 3/8 (133757) 54 12 P 0 53 10- 26 4 -l929 NUT, CONE SEAT HE XAGON: S , c yanide case har de ned, e a 5 park e z-ize d, 1/ 2NF-2Iht wh eel mounting hub (5232404) 54 12 P 0 5310- 523 -24 05 NUT, CONE SEAT HEXAGON: S, cyanide case hardene d, ea 5 l/2-20NF-2 rhg whee l mounting hub (52 32405) KEY ITEM GROUP 6 GASKET 1202 14 SHAFT 1100 REFER TO FIGURE 51 13 9 I 10 11 12 ~olJJ ORDE64899 Figure 55. Rear hub, drum assembly and related parts - exploded view 89
  • 97.
    TM 9-2320-208-20P 4 90 Figure 56. Wheel assembly 3 ORD E64900
  • 98.
    TM 9-2320-208-20P (l)(2) (3) (4) (5) (6) (7) SOURCE. MAINT IS-DAY IllUST AND MAINT REmVERABllITY FEDERAL DESCRIPTION UNIT QTY AlW PER CODE STOCK OF INC 100 EQUIP (a) (b) (a) lb) (el Cd) NO ISSUE IN (a) lb) FIG ITEM s: ~ ~~ ~ UNIT ~ ~ 8~2 NO NO ~ ffiE; ~ z~ 0 l;; '" oi: ~ ~~ § u ~~() =~ '" - 13 - WHEELS - Continued 1311 - WHEEL ASSEMBLY (Fig. 56) 56 1 P 0 2530-287-2314 WHEEL, PNEUMATIC TIRE: assy 16 x 4. 50 E safety type ea 4 (7387807) 56 2 P 0 R 2610-678-1363 TIRE, PNEUMATIC: It truck, 6 ply, ndcc, 7,00 - 16 ea 4 (96906-35388-93) 56 3 P 0 R 2610-269-7332 INNER TUBE, PNEUMATIC TIRE: It truck, 7. 00 - 16, 150 ea 4 (96906-35392-8) 56 4 C 0 2640-052-0944 CAP, TIRE VALVE: screwdriver type (520944) -------------- ea 4 56 5 C 0 2640-050-1229 VALVE CORE, PNEUMATIC TIRE: (501229)---------------- ea 4 91
  • 99.
    TM 9-2320-208-20P (l)(2) (31 141 (51 (6) (71 SOURCE. MAIHT IS·DAY ILLUST AND MAINT R.!COVEWlllTY FEDERAL DESCRIPTION UNIT QTY AlW PEl CODE 100 EQUIP STOCK OF INC (01 Ib) (01 (bl (el ld) NO ISSUE IN (0) lbl FIG IT£M .u S I UNIT orw 8~§ NO NO ~~ ~ ~~ S !R.... 8 ~ ~~o'" ; 14 - STEERING 1401 - DRAG LINK AND R ELATED PARTS (Fig. 57) 57 1 C 0 253 0-737-5182 DRAG LINK, STEERING: assy (7375182)---------- -------- ea t 57 2 P a 253 0-737- 5186 KIT: r ep air, drag link (73751 86) --------------------------. ea 1 Composed of: 57 2. 1 5315-013 - 7214 2 PI N, c otler, ball s eat adjus ting plug (137214) 2.2 1 PLUG, adjusting, ball seat axle end (72210-S5070) 2. 3 3 SEAT , ball (72210-85069) 2.4 2 8PRING, ball seat (72210-8514 5) 2. 5 28EAT, ball seat spring (72210-85144) 2. 6 2 COVER, dust (59875-14DM76) 2. 7 1 PLUG, adjusting, ball seat gear end (44537-801265) 2. 8 2 SHIELD, dust cover (59875-14DM120) 57 3 P 0 4730-172-0034 FITTING, LUBRICATION: elbow, 90 de g, hyd, surface ea 1 check, S, cd- or zn-chromate-ftn , 1! 8NPT F male (1720034) 57 4 P 0 4730-050-420S FITTING, LUBRICATION: stght , hyd, surfa ce check, S, ea 2 c d- or zn-chr omate - fi n. , l ! SNPTF male short (50420 8) '--. - 2.7 , 2.6 2.4 2.5 2.8 ORO E64901 Figure 57. Drag.link and related parts 92
  • 100.
    TM 9-2320-208-20P III IUUST (a) fIG NO (2) SOURCE. MAINT AND RECOVERABIUTY CODE (3) FEDERAL STOCK NO DESCRIPTION 14 - STEERING - Conti nue d 1401 - DRAG LI l'-'K AND RELATED PARTS - Continued NON-ILLUSTRATED ITEMS (5) UNIT OF ISSUE (6) QTY IHC IN UNIT (7) IS·DAY MAIHT ALW PER 100 EQUIP (a) (bl Pl0 Pl0 P 0 C 0 P 0 P 0 P 0 P 0 C 0 C 0 PI 0 P 0 P 0 P 0 P 0 C 0 P 0 P 0 311 0- 112-5781 312 0-661- 9148 253 0- 980- 5192 253 0-737-5183 53 06-638-7863 473 0-278-2067 2530-977-0948 3110-2 27- 3438 2530-737-5180 533 0- 737- 5181 533 0- 200-6284 253 0- 737-5179 53 10- 737- 5178 5310-050-3434 5315-059-0378 2530- 73 7- 5177 5310-823-8803 5330- 200- 6231 BEARING: r oller, needle, sol-row, out er r a ce , 1-1/ 8 bor e ea dia, 1.375 00, 0. 500 w/steering bellerank, pivot s haft (use on M170 vehicles after serial no. 12320 and M38A1 ve hicle s after ser i al no. 87062) (7121 59) BEARING, SLEEVE: race spacer, bellerank (use on M17 0 ea vehicles after serIal no. 12320 an d M38A1 vehicles a ft er serial no. 87062) (906397) BELLCRANK ASSY: steering (7971881) (us e on M170 --------- ea vehicle s after serial no . 12320 and M38A1 vehicles a fte r s erial no. 87062) BELLCRANK: w/ bearing and oil s eal, assy (73751 83)---- ----- e a BOLT, SHOULDER : belle rank pi vot (use on M170 ve hic les e a after serial no. 12320 and M38A l vehicle s after se rial no. 87062) (65909-906396) CLAMP : hos e (s te ering, drag link) (502916) ----------------- e a COLLAR, STEERING BELLCRANK SHAFT: (65909-906 294) e a (use on M170 vehic le s after seri al no. 12320 and M38A1 vehicle s a fte r serial no . 87062) RACE , INNER NEEDLE BEARING: mil -std- e ode , 993 - ea 45016-0000 0. 8748 bore, 1. 12 58 od, 1. 6345 ad (7375185) SEAL: dust (bellerank to bracket rubber) (7375180) -----.----- ea SEAL , PLAIN, ENCASED: oil (bellcrank pivot shaft ea be aring) (737518 1) SEAL , PLAIN, ENCASED: (7971767) (usc on M170 ve hicles e a a fte r serial no. 12320 and M38Al after serial no. 87062 ) SHAFT: pi vot, bellcrank (7375179) ea NUT, SELF-LOCKING, HEXAGON: 5/ 8-1 8 iu d, then us e e a nut, 5310-050-3434 and pin, 5315- 013-7204 (7375178) NUT, SLOTTED, HEXAGON: S, plain fin.(503434)------- ea PIN , COTTER: S, cd- or zn-pltd, 1/8 x l-1/2 (590378)--- ea SPruNG: bellcrank to bracket dust s e al (7375177) ------------ ea WASHER, FLAT: S, cd-pltd, 21/32 id, 1-5/l6 od, O. 098 ea thk (use on M170 vehicles after serial no. 12320 and M38Al vehicles after serial no . 87062) (96906-27183-21) WASHER , NONMETALLIC: steering reel crank (7971766) ea (use on M170 ve hicles after serial no . 1'2323 and M38Al vehicles after serial no. 87062) 2 1 1 1 4 1 2 1 1 1 1 1 93
  • 101.
    TM 9-2320-208-20P III(21 (31 (41 (5) (6) (7) SOURCE. MAINT lS-DAY IUUST AND MAINT RECOVERABILITY FEDERAL ALW PER CODE DESCRIPTION UNIT QTY 100 EQUIP to NO ISSUE III (al I: (bl (a) (bl (a) (bl (c) Cdl STOCK OF INC FIG e ITEM im UNIT o~ 8~~ NO ~m ;::::!:s i !ii~ I l' ell: 8 v ~~o ;j 14 - STEERING - Continued 1401 - STEERING TIE ROD AND RELATED PARTS (Fig. 58 ) 58 1 C 0 2530-318-1049 ROD: tie, left, w/ends, assy (8329746) -------------------- ea 1 58 2 C 0 2530-318-1050 ROD: tie, right, w/ends, assy (8329747)------------------- ea 1 58 3 P 0 5315-255-0614 PIN, COTTER: (121224) --------------------".: ------------ ea 4 58 4 P 0 5310-012-5250 NUT, SLOTTED, HEXAGON: (125250) -------~------------ ea 4 58 5 C 0 2530-737-3111 SPRING: front axle tie rod (7373111) -------~--------------- ea 4 58 6 C 0 2530-040-2621 TIE ROD END, STEERING: to bellcrank, assy lht ea 1 (8332476) 58 7 P 0 4730-050-4207 FITTING, LUBRICATION: elbow, 90 deg, hyd, surface ea 4 check, S, cd- or zn-pltd, 1/4-28NF-2 (male tie rod) (504207) 58 8 P 0 5310-194-0743 WASHER, LOCK: split, (end clamp screw) (120383) -------- ea 4 58 9 C 0 2530-318-1060 END: assy rht (8332475) ._----------------------- ea 2 58 10 P 0 5340-281-6239 CLAMP, LOOP: end, tie rod (8339741) ------------------- ea 4 58 11 P 0 5305-018-1673 SCREW, CAP, HEXAGON HEAD: end clamp (181673)------- ea 4 58 12 C 0 2530-318-1059 END: assy lht (8332474) --------------------------------- ea 1 ,Figure 58. steering tie rod and related Parts 94
  • 102.
    TM 9-2320-208-20P III121 131 141 IS) (6) 171 souta. MAiNT IS·DAY IUUST AIID MAINT iECOVWllllTY DESCRIPTION UNIT OTY AlW PER CODI fEDERAL 100 EQUIP STOCK OF INC lal lbl lal lbl lei Idl NO ISSUE IN Cal lbl ~ AG 5 UNIT '" Oz'" ITEM 5i !d ! o ~ U~~ NO NO ~~ ; 1ii!3 = 8 ~ ~ ~ ~~o 14 - STEERING - Continued 1401 - STEERING CONTROLS (Fig. 59) 59 1 C 0 2530-741-2445 ARM: pitman, w/integral ball (7412445) ---------------------- ea 1 59 2 C 0 4730-278-3389 PLUG PIPE: steering gear housing (103866)------------------- ea 1 59 3 C 0 2530-737-5336 WHEEL: steering, assy (7375336)---------------------------- ea 1 59 4 C 0 5310--741-2579 NUT, SLEEVE: retaining (steering wheel) (65909-801425)------- ea 1 59 . 9 C 0 2510-040-1860 SEAL: steering gear jacket access plate (65909-801279) -------- ea 1 59 10 X2 0 2530-090-9242 PLUG: oU seal, w/adapter, assy (horn switch) (8329727) .- ea 1 NON-ILLUSTRATED ITEM pcz 0 5340-737-5347 CLAMP: mounting (tube jacket to instrument panel) ea 1 (65909-649995) KEY ITEM GROUP 5 CAP 0611 6 RETAINER 0611 ~. 7:.' ROD(STEEL) 0611 s DlSK 0611 11 ·,SWlTCti 0611 10 ORO E64903 ,""'--~;£';;:_ - -- ".;'j._" . 1 jo~~ //-~ "'r~8 ~Otl~g Figure 59. Steering controls 95
  • 103.
    TM 9-2320-20S-20P Figure60. Lifting shackles 0FD E64904 • 96 ~ ~ ~.. f .•.:...j .. . ' ~4~~ ;-!-i?' Figure 61. Towing Pintle assembly 3 o ·0 00 E64905 • .. •
  • 104.
    TM 9-2320-208-20P (l)(2) (3) (4) (5) (6) I]) SOURCE. MAINT IS·DAY ILLUST AND MAINT RECOVERABILITY FEDERAL ALW PER CODE DESCRIPTION UNIT QTY 100 EQUIP (a) lb) (a) (b) lei (dl STOCK OF INC 5 NO ISSUE IN lal lb) FIG ITEM UNIT ~ Oz .... ~ ~.... i ~ um~ NO NO §~ ~ ~§ 0 :a Cc ; U S:~O "'~ 15 - FRAME, TOWING ATTACHMENTS AND DRAWBARS 1501 - LIFTING SHACKLES (Fig. 60] 60 1 P 0 5315-290-1350 CLIP: snap, lifting shackle (8332074)---------------------- ea 4 60 2 C 0 5315-769-7490 PIN, STRAIGHT, HEADED: retaining, lifting shackle ea 4 (7697490) 60 3 C 0 4030-741-0838 SHACKLE: lifting front (7410838) ------------------------- ea 2 60 4 C 0 2510-769-7512 SHACKLE: lifting, rear (7697512) ----------------------- ea 2 60 5 C 0 2540-741-0837 BRACKET: lifting shackle, front, w/spacer, assy ea 2 (7410837) ~ 0 2540-040-1887 SPACER: rear lifting shackle bracket (8328264) --------- ea 2 (non-illustrated) 1503 - TOWING PINTLE ASSEMBLY (Fig. 61) 61 1 P 0 2540-707-3209 PINTLE ASSEMBLY. TOWING: (7073209) ----------------- ea 1 61 2 C 0 2540-704-4253 SPRING, HELICAL, COMPRESSION: latch lock (7044253) --- ea 1 61 3 C 0 2540-310-1815 LOCK, SUBASSEMBLY: pintle latch (7524313) ------------- ea 1 61 4 P 0 5315-752-4316 PIN, GROOVED, HEADLESS: retaining (pintle hook latch ea 1 center oil groove) (7524316) 61 5 P 0 4730-050-4203 FITTING, LUBRICATION: stght, hyd, surface check, S, ea 2 cd-pltd or zn-chromate-fin, 1/4-28NF-2 (male end lock latch pin and lock bolt) (504203) 61 6 P 0 5315-290-6132 PIN, GROOVED, HEADLESS: retaining, latch ea 1 (7524315) NON-ILLUSTRATED ITEM C 0 2510-769-7488 SPOOL: parachute (65909-800047}------------------------ ea 4 97
  • 105.
    98 TM 9-2320-208-20P 'ORD E64906 Figure 62. SPare wheel carrier assembly
  • 106.
    TM 9-2320-208-20P (1)(2) (31 (41 (51 (61 (71 SOURCE. MAINT 15-DAY IllUST AND MAINT RECDVERABILITY FEDERAL DESCRIPTION UNIT QTY AlW PER CODE 100 EQUIP STOCK OF INC (a) (bl (a) (bl {el (d) NO ISSUE IN (a) (b) ~ ~ UNIT '" Oz .... NO NO ~ ~ ffiE a 0 FIG ITEM 0 5um~ ~~ ~ ~-' e u ~~o ~o "'~ ~ := 15 - FRAME. TOWING ATTACHMENTS, AND DRAWBARS 1504 - SPARE WHEEL CARRIER ASSEMBLY (Fig. 62) 62 1 X2 0 2510-769-7436 BRACKET: support, assy (7697436)------------------------- ea 1 62 2 P 0 5340-514-1812 ROD END, EXTERNALLY THREADED: spare wheel carrier ea 3 (7974896) 62 3 P 0 5306-042-5401 BOLT, ASSEMBLED WASHER: hex-hd, tnt-teeth lockwasher, ea 2 header-pt, S, cd- or zn-pltd, 3/8-16UNC-2A x 1-1/2 (bracket support) (425401) 99
  • 107.
    TM 9-2320-208-20P III12) (3) (4) (5) 16) (7) soum, MAINT lS-DAY ILLUST AND MAINT RECOVERABILI1Y FEDERAL DESCRIPTION UNIT QTY ALW PER CODE 100 EQUIP STOCK OF INC 101 (bl (al (bl lei Id) NO ISSUE IN 101 (bl ~ S UNIT '" Oz'" RG ITEM d ~ aE 3 o ~ UUl~ NO NO ~§ o ... ~ ~.... li u .. ~~o := 16 - SPRINGS AND SHOCK ABSORB E RS 1601 - FR ONT SPRTNGS AND RELATED PARTS (Fig, 63 ) 63 5 P 0 4730-050-4203 FITTING, LUBRICATION: stght , hyd , s ur fac e check, S, e a 4 cd- or zn -chromate-Iin. ,t!4-28NF-2 (male shackle) (5042 03) 63 6 P 0 53 10- 015 -3327 NUT, SELF-LOCKING, HEXAGON: S, cd- or an-pltd, ea 4 9/ 16 - 18UNF-3 B, 7/8 w, 11/16 thk (critic al installatio n) (96906-20365- 918) 63 7 C 0 2510-693- 0780 P LATE: s ide spring .s hac kle (8333 259) ---------.---------- e a 2 63 8 P 0 5330-699-8522 PACKING: O-ring (8333337) -------------- -------- ------- ea 4 63 9 C 0 2510-693-0778 BEARING : bu shing type , shackle, rh thd (8332928) -----.---- ea 4 63 10 C 0 5306- 695 - 7244 BOLT, U: r ht (83.33138) - - --- - ----- - - - - ---- - - . - - - - - - --- - - ea 2 63 11 P 0 5306- 575-5415 BOLT , U: (8741535) --- --------------------------------- ea 3 63 12 C a 5340-209-9376 BUMP ER, RUBBER: fr on t and rear axle (832 9600) ---------- ea 2 63 13 P 0 5306-575-5416 BOLT, U: right (8741536) --- --------- ------------------- ea 1 63 14 P 0 53 06-281- 1017 BOLT , MACHINE : pi vot, rear brac ke t hex- hd, 7/16-20NF- ea 2 3 x 3 (8332529) 63 15 P 0 It 2510-318-1068 SPRING: fr ont , w/bear ing, a s sy (M38Al and M38AIC) ea 2 (8333767) 63 16 P 0 R 2510 -699-7036 SPR ING: front , w/bearing, assy (M17 0) (7973980) - - - - - - - - - - - ea 2 63 17 C 0 5310-275-3459 NUT, PLAIN, HEXAGON: U bolt 7/ 16-20N F-2 (659 09- ea 8 339372) 63 18 C 0 2 510-040-2495 BEARING:A bushing type, eye (8329602) - - ------------- - - --- ea 2 63 19 C 0 5306- 737-1055 BOLT , MACHINE: w/nut, a s sy (7371 055) ------------------ ea 2 63 20 P 0 25 10-693 -0765 CLIP: leaf, oute r (8331234) --------- - -------------------- ea 4 63 21 C 0 25 10-693-0766 CLIP: spring le a f, intermediate, w/bolt, nut , and spacer, e a 4 assy (833 1235) 63 22 P 0 25 10-318- 1033 CL IP : le af, inner , w/bolt, nut a nd spacer, assy (Ml70) ea 4 (8329601) 63 22 C 0 2510-693-0764 CLIP : leaf, Inner, w/bolt , nut and spacer, assy ea 4 (8331232) 100
  • 108.
    TM 9-2320-208-20P III(21 (3) (41 (5) (6) (7l SOURCE. MAINT IS-DAY IlLUST AND MAINT RECDVERABILITY FEDERAL DESCRIPTION UNIT QTY AlW PER CODE 100 EQUIP STOCK OF INC (a) (b) (a) (bl (e! (dl NO ISSUE IN (al (bl ~ ~ UNIT o~ OZ'" FIG ITEM ~w ~ !~ 5 uco~ NO NO = !i;i:: ~ 8 ~ .... '" ~e ~ :c..... 8 ~~o '" =: 16 - SPRINGS AND SHOCK ABSORBERS - Continued 1601 - FRONT SPRINGS AND 'RELATED PARTS - Continued NON-ILLUSTRATED ITEMS C 0 2510-368-4938 BEARING: bushing type, front spring bracket (7697574) - ea 2 P 0 2510-652-6263 PARTS KIT, SPRING SHACKLE: (5702338) -------------- ea I Composed of: 2 SEAL (8710805) 2 SEAL (7697602) 2 RETAINER (7735843) -KE,Y Figure 63. Front springs and related parts ·~]:f5h ~ ABSORBER NUT 1604 WASHER 1604 BUSHING 1604 OROE64907 101
  • 109.
    TM 9-2320-208-20P m(2) SOURCE. JUINT IUUST AND I£cOvtlAlllltY CODE la) Cbl lal Ib) Cel Idl 51 § fiG ITIM ~ t:j ~al !i NO NO lL 1!i lE~ =: ~e j ~ (31 FEDERAL STOCK NO (,(1 DESCRIPTION 16 :... SPRINGS AND SHOCK ABSO~BERS - Continued 1601 - REAR SPRINGS AND RELATED PARTS (Fig. 64 ) (51 UNIT OF lSSUI 161 QTY INC tK UNIT (71 1S-GAY MAINT AlW PER 100 EQUIP Cal Cb) 64 64 64 64 64 64 64 64 64 64 64 64 64 64 64 64 64 64 64 102 5 6 7 8 9 10 11 12 13 14 15 16 17 18 19 20 21 21 22 C 0 5340-209-9376 C 0 5306-695-7244 5330-699-8522 P 0 2510-737-1056 C 0 2510-693-0778 C 0 2510-693-0780 P 0 5310-050-3327 P 0 4730-050-4203 P 0 5306-575-5414 COR 2510-318-1069 C 0 5306-281-1017 C 0 2510-040-2495 P '0 R 2510-693-0783 P 0 5310-275-3459 C 0 2510-693-0768 C 0 2510-693-0769 P 0 2510-318-1034 C 0 2510-693-0767 P 0 5306-695-7242 BUMPER, RUBBER: rear axle (8329600)--~---------------­BOLT, U: rht(8333138) ----~------:.--------------------­PACKING: O-ring (8333337) ----------------------------­BRACKET: mounting (spring shackle rear spring, front) (7371056) BEARING: bushing type (shackle rht) (65909-809807)-------­PLATE: side, shackle (8333259) ---~---------------------­NUT, SELF-LOCKING, HEXAGON: S, cd- or zn-pltd, 9/16-18UNF-3B, 7/8 w, 11/16 thk (critical Installation) (96906-20365-918) FITTING, LUBRICATION: stght, hyd, surface check, S, cd-pltd or zn-ehromate-fin, t/4-28NF-2 (male shackle) (504203) BOLT, U: (8741534) -----------------------------------­SPRING: rear, w/hearing , assy (M38A1 and M38A1C) (8333800) BOLT: pivot, rear bracket hex-hd, 7/16-20NF-3 x 3 (8332529) BEARING: bushing type, eye (8329602) -------------- SPRTNG: rear, w/bearing, assy (11) leaf (M170) (8333288) NUT: U bolt hex (7371061) --,.---------------------------­CLIP: leaf, outer (M38A1 and M38AIC) (8331237)---------­CLIP: rebound, rear, intermediate, w/bolt, nut and spacer, assy (8331238) CLIP: rebound, rear, large , w/bolt, nut, and spacer (M170) (8329603) CLIP: rebound, rear, large, w/bolt, nut and spacer , assy (M38A1 and M38AIC) (8331236) BOLT: center , w/nut, assy (8331239)--------------------- ea 2 ea 2 ea 4 ea 2 ea 4 ea 2. ea 4 ea 4 ea 4 ea 2. ea 2 ea 2 ea 2 ea 8 ea 4 ea 4 e a 4 ea . 4 ea 2
  • 110.
    TM 9·2320-208-20P III(21 (3) (.C) (5) 161 (7) SOURCE, MAINT IS-OAY IllUSl AND MAINT I£COVElAIlllTY FEDERAL DESCRIPTION UMIT QTY AlW PER CODE 100 EQUIP STOCK OF IMC (a) (b) (a) (b) (el Cd) NO ISSUE IN (a) (b) ~ - :2 UMIT '" Qz .... MO NO a =~ ~ 8= ....'" FIG ITlM ~§ ~ !d! Q 1;; uca~ ; ~ ~~o 16 - SPRINGS AND SHOCK ABSORBERS - Continued 1601 - REAR SPRINGS AND RELATED PARTS - Continued NON-ILLUSTRATED ITEMS P 0 5340-322-9644 SPRING: coil (M38A1C) (8710782) ------------------------- ea 2 C 0 2510-368-4938 BEARING: bushing type (rear spring bracket) (7697574) ----- ea 2 P 0 2510-652-6263 PARTS KIT SPRING, SHACKLE: (5702338)---------------- ea 'I Composed of: 2 SEAL (8710805) 2 SEAL (7697602) 2 RETAINER (7735843) OROE6490S 3 4 5 6 ~18 ~_--16 r---22 KEY ITEM SHOCK ABSORBER 2 BUSHING 3 WASHER 4 NUT Figure 64. Rear springs and related parts 103
  • 111.
    TM 9·2320-208-20P 111121 131 141 (51 (61 m SQUitE. IUIKl IS·OAY ILLUST AND MAINT RECOVERABllITY FEDERAL DESCRIPTION UNIT QTY ALW PER CODE 100 EQUIP STOCK OF INC 101 (b) (0) (b) lei Cd) NO ISSUE IN 101 (bl ~ ~ AG ITEM UNIT o'" 1; 8~§ .: ~ is ~ o .. '" NO NO ~~ Sit lR .... u '" ...... '" ~ ~~o ; 16 - SPRINGS AND SHOCK ABSORBERS - Continued 1604 - FRONT SHOCK ABSORBERS (Fig. 63) 63 1 C 0 2540 -318 -1057 SHOCK ABSORBER: direct actio n (fr ont assy) (M38Al and e a 2 M38A 1C) (8330512) 63 1 C 0 2540-693-0784 ABSORBER: s hock (fr ont a s sy) (M17 0) (833 3289) ------------ ea 2 63 2 P 0 5310-044-283 0 NUT, SEL F- LOCKING, HEXAGON: S, cd- or zri-pltd e a 4 (hug lock type) 7/16-20UNF-2B, 5/8 w, 29/64 thk (44 283 0) 63 3 P 0 5310-582-8399 WASHER, FLAT: hv, S, cd- Or zri-chromatc - fi n, 1/2 id, e a 4 1-1/ 4 oct, 0.083 (96906- 15795-217) 63 4 P 0 5340-734-3032 BUSHING, RUBBER: m oun ting pin (7343032) ea 8 1604 - REAR SnOCK ABSORBERS (Fig. 64 ) 64 1 C 0 2540-318- 1058 SHOCK ABSORBER: di r e c t actio n, rear, assy (M38Al a nd e a 2 M38A I e) (8330513) 64 1 P 0 2540-693-0785 ABSORBER: s hock, r e ar , assy (MI 70) (8333290)----------- e a 2 64 2 C 0 5340-734-3032 BUSHING, RUB BER: mount ing pi n (734303.2)------ - - - --- - -- ea 8 64 3 P 0 5310- 582-8399 WASHER, FLA T: S, cd- or zn-ch romatc-fin, 1/ 2 id, 1-1/ 4 ea 4 od , O. 083 thk for 7/16 scr ew s i ze (96906-157 95-217) 64 4 P 0 5310-044-2830 NUT, SEL F-LOCKING, HEXAGON: S, cd- or zn-pltd, ea 4 (hu glock type) 7/16-20UNF-2B, 5/8 w, 29/64 thk (442830) 104
  • 112.
    fM 9-2320-208-20P III(2) (31 (41 (51 (61 (7) SOURCt. MAIHT IS·DAY IllUST AND MAINT nCOVERABllITY FEDERAL DESCRIPTION UNIT QTY ALW PER CODE STOCK OF INC 100 EQUIP Cal Ibl Cal fbI lel Cdl NO ISSUE IN (01 Ibl FIG ITEM ~ 5 UNIT '" Oz'" c:: t: =d iiii o ~ uca~ NO NO §~ ~ 1111: a 8 ~ ~ .... ~ Co ; iii ~:Ao ,",v 16 - SPRINGS AND SHOCK ABSORBERS - Continued 1605 - FRONT STABILIZER AND RELATED PARTS (Fig. 65 ) 65 1 P 0 2530-693-0786 BAR: fr ont , w/bushing, assy (1£170) (8333291)------- ------ - ea 1 65 2 C 0 5340-696-0372 BUSHING, RUBBER: link (M170) (8333297) ------ - - - - - - - - - -- ea 4 65 3 C 0 5310-338- 1947 RETAINER: cushion (M170) (8333425) - - -------------------- ea 4 65 4 P 0 53 10-012-5348 NUT , SLOTTED, HEXAGON: S, cd- or zn-pltd, 3/8-24UNF- ea 2 2B, 9/16 w, 13/ 32 thk (125348) 65 5 P 0 5315- 255-0614 PIN, COT TER: S, cd- or zn- pl td , 3/32 x 1 (121 224)-------- ea 2 65 6 C 0 5340-338-1945 BUSHING: bar M170 (8333295)---------------------------- ea 2 65 7 P 0 5306-695-7248 BOLT EYE: belt, front (M170) (8333298) ------------------- e a 2 65 8 C 0 5340-696- 0371 BUSHING: link rubber (M170) (8333296) -------------------- ea 2 65 9 P 0 5310-013-1016 WASHER, FLAT: It , S, cd - or zn- chromate-fin, 21/32 id , ea 2 1-5/16od, 0.095 thk , for 5/8 screw size (131016) NON- ILLUSTRATED ITEM P 0 5315-013-7185 PIN, COT TER: S, cd- or zu- pl td, 1/ 8 x 1 (13 7185) - - - --- - - -- ea 2 5 4---......''I"G~1 3--- 2---+1 1---~~ 2---..... 3---' 5' 1.~-'--4 o. 3 2--~ 3 7 Figure 65. Front stabilizer and related parts "'----6 ORO E64909 lOS
  • 113.
    TM 9-2320-20S-20P III(2) (3) (4) (5) (6) (7) SOURtE. MAINl IS·DAY IlLUST AND MAlNT RECOVERABllITY FEDERAL DESCRIPTION UNIT QTY ALW PER tODE STOCK OF INC 100 EQUIP (a) (b) (a) (b) (el (d) NO ISSUE IN (0) (b) ~ FIG ITEM l:j ::l UNIT '" Ozl- ~ ~ i~ I o 1;; U~~ NO NO () I- ~:s ~ !i-' v" '"'0 iii l:j ~~O :&~ 16 - SPRINGS AND SHOCK ABSORBERS - Continued 1605 - REAR STABILIZER AND RELATED PARTS (Fig. 66) 66 1 P 0 2530-693-0787 BAR: rear, w/bushing, assy (Ml70) (8333292) ------------- ea 1 66 2 C 0 5340-696-0372 BUSHING, RUBBER: link (MI70) (8333297) ________________ ea 4 66 3 C 0 5310-338-1947 RETAINER: cushion (MI70) (8333425)--------------------- ea 4 66 4 P 0 5310-012-5348 NUT, SLOTTED, HEXAGON: S, cd- or zri-pltd, 3/8-24UNF- ea 2 2B, 9/16 w, 13/32 thk (125348) 66 5 P 0 5315-255-0614 PIN, COTTER: S, cd- or zn-pltd, 3/32'x 1 (121224)-------- ea 2 66 6 C 0 5340-338-1945 BUSHING: bar (MI70) (8333295) -------------------------- ea 2 66 7 C 0 5306-699-6890 EYE-BOLT: link (rear) (8333299) ----------------------- ea 2 66 8 C 0 5340-696-0371 BUSHING: link rubber (M170) (8333296) ----------.-------- ea 2 66 9 P 0 5310-013-1016 WASHER, FLAT: S, It, cd- or zn-chromate-fin, 21/32 id, e, 2 1-5/16od, 0.095 thk, 5/8 screw size (131016) ._- ...... 1-- 2~ 3----- ~ 106 6 Figure 66. Rear stabilizer and related parts 6 ORDE64910
  • 114.
    TM 9·2320-208-20P (J)(2) (3) (4) IS) (6) m SOURCE. MAlHI IS-DAY IllUSI AHD MAlHI RECOVERABILITY FEDERAL DESCRIPTION AlW PER CODE UNIT QrY 100 EQUIP la ) (bl la ) (bl lei Cd) STOCK OF INC NO ISSUE IN la l lb) FIG IrEM ::: § UNII '" ozl- ~ 5 id! o ~ Uca~ HO NO ~ ~; ~ o :- ~ ~ u ;; ~ ~o ~ 18 - BODY, CAB AND HOOD 180 1 - WINDSHIE LD AND RELATED PAR TS (F ig . 67) 67 1 P 0 R 2510-673-2978 WINDSHIELD, ASSElffi LY, FLAT, VEHICULAR: w/glass ea 1 (M38A1 and 11170) (8379904 ) 67 1 X2 0 R 25 10-588-7710 WINDSHIE LD: a ssy (M38ACl) (87108 12)- - ----- - - - - - - - - --- - en 1 67 2 C 0 251 0- 040- 2521 LOCK : windshiel d, ' assy clamping type (8329653)- - - - - - - - - - - ea 2 67 3 C 0 5340-321-6432 BUMPER: win ds hield to hood (r ight assy) (8328465) -------- ea 1 67 4 P 0 5340-333-6058 CL IP , END, STRAP: ball type, br , black, 1 in. (windshield ea 1 hold - down strap) (585819) 67 5 C 0 2510-040-247 6 CATCH: hood to windshiel d (8328468) -------------------- ea 1 67 6 C 0 5340-321-6431 BUMP ER: windshield to hood (left assy) (8328464) ---------- ea 1 67 7 C 0 2540-040-2523 WEATHERSTRI P : rubber (win dshiel d to cow l ) ea 1 (83296 58) 67 8 C 0 2510-040- 2524 WEATHERSTRIP : r ubber (winds hi el d glass) (8329659) ------ en 1 NON- ILLUSTRATED IT EM P 0 8305 -263-2477 WEBBING, TEXTILE: cotton, od , hv wt, w 1 in. (hold - ft i down, Windshield) (1- 1/2 ft) (ft)(27-W- 918) Figure 67. Windshie ld and r elat ed parts I I 16 INCHES _1_ ORD E64911 107
  • 115.
    TM 9-2320-208-20P (l)121 131 141 lSI 161 171 SOURCE. MAINT IS-DAY IlLUST AND MA/NT RECOVERABllITY FEDERAL DESCRIPTION AlW PER CODE UNI1 QTY 100 EQUIP FIG ITEM tl ~ UNI1 .. Ozo- leI lbl lel lbl lei ld) STOCK OF INC NO ISSUE IN leI lb l ~ ~~ ~ §S o ~ uca§ NO NO 00- S ~- u '" ~~o 'Co i ~ ,, ~ I S - BODY, CAB AND HOOD - Con tinued l S01 - WINDSHIEL D AND RELAT ED PARTS - Continued NON- IL LUSTRATED ITEMS C 0 2510-737-5312 CATCII: windshiel d l ocking clamp (65909-673553) --------- ea 2 P 0 1015-219- S176 LOCK, ASSEMB LY: traveling (M3SAlC) (S403350) --------- ea 1 P 0 5310-012-4925 NUT, PLAIN, HEXAGON: S, cd - or zn- pltd, 3/S- 24UNF- e a 1 2B, 9/ 16 w, 7/32 thk (tr aveling l ock hook) (M38AIe) (96906-35691-622) P 0 5310-543-5653 NUT, PLAIN, HEXAGON: S, cd- or zn-pltd, 3/S-24UNF- ea 1 2B, 9/16 in. w, 21/64 in . thk (traveling lock hook) (M38AIC) (120369 ) P 0 5310-050-347S NUT, P LAIN , WELDING: sq, S, 3/S- 16UNC-2B, 9/16 w, ea 2 1/ 4 thk (in strument panel ) (503478) P 0 5310-012-525S NUT, SLOTTED, HEXAGON: S, cd- or zri- pl td, 9/16- ea 1 lS UNF-2B, 7/8 w, 31/64 thk (traveling lock) (M3SA1C) (125258) P 0 5315-842-3651 PIN, COTTER: S, cd - or zri- pl td, 3/32 x 3/4 (tr aveling ea 2 lock clamp an d hood pin) (M3SA1C) (590172) P 0 5315-012-0123 PIN, COTTER: S, cd- or zn- pl td , t / s x 1-1/ 4 (traveltng ea 1 lock) (M38Al C) (88044-AN380-4- 5) P 0 25 10-769-7548 RETAINER: square nut (c owl pillar , left (2), cow l pillar, ea 9 right (3) , and r ear cowl pillar (4) (5/16 in.) (7697548) P 0 5340-506- 1510 STRAP, WEBBING: 1 x 20 in . win ds hield hold- down ea 1 (592636) P 0 5310- 582-5977 WASHER , FLAT : it, S, cd - or zn-chromate-fin, 13/ 32 Id, ea 2 13/16 od , O. 065 thk, for 3/8 in. screw size (traveling lock clamp and lock hook) (96906-1579 5-214) p a 5310-012-1458 WASHER, FLAT: S, cd- or zn-pltd, 19/ 32 id , 1-3/16od, ea 1 0.095 thk (traveling lock s upport ) (M38A1C) (121458) P 0 5310-725-0152 WASHER, LOCK: int-teetb, hv, S, ed - or zn- pl td , 3/8 ea 2 bolt size (traveling lock hook) (M3SA1C) (18 0358) P 0 5310-018-8349 WASHER , LOCK: int- ext-tceth , S, cd- or zn-pltd, no. 6 ea 3 screw size x O.510 in. od (windshield center canvas cover fas tener) (M38A1C) (178349) C 0 2510-040-2522 WEATHERSTRIP: r ubber, glove compartment door 0. 44 ea 1 in. w, 32.65 19, 0.22 thk (65909-680143) 108
  • 116.
    TM 9-2320-208-20P (1l(2) (31 (41 (5) (6) (7) SOURCE. MAINT IS-DAY IllUST AND MAINT nCOVERABllITY FEDERAL DESCRIPTION UNIT QTY ALW PER CODE 100 EQUIP STOCK OF INC (a) (bl (a ) (bl lel (d) NO ISSUE IN (0 1 lb) ~ ~ FIG ITEM i~ 5 UNIT o~ oz .... 5: ucag NO NO ~~ ~ ~1:: ~ 8 ~ ... ... '" :E~ a j- ~ ~ ~ o 18 - BODY, CAB, AND HOOD - Continued 1805 - FLOOR PLAT ES AND RELATED PARTS (Fig. 68 ) 68 1 C 0 2540-769-7523 PLATE: access (engine he a te r) (7697523) ------ - ------- - - - eo. I 68 2 C 0 2510-769-7578 COVER: drain hole (floor board transmission) (7697578) ---- eo. I 68 3 C 0 2520-769-7519 PLATE: acce s s (transfe r case bolt) (7697519) --- ---------- e o. 1 68 4 C 0 25 10-769-7525 COVER: front fl oor pan (lowe t w/weld nuts) (7697525) ------ eo. 1 68 5 X2 0 25 10-737-5158 PLATE: powe r - take-off s hift boot to floor (7375158)- - - - - - - - eo. 1 6 P 0 53 06-042-5380 BOLT, ASSEMBL ED WASHER: floo r pan drain hole c ove r eo. 2 (425380) 68 6 P 0 5306-042-5380 BOLT, ASSEMBLED WASHER: tr an smi s sion drain hole eo. 7 co ve r (425380) 68 7 C 0 2510-769-7522 COVER: inspection, floorboard (mas ter brake cylinder) eo. 1 (7697522) 68 8 C 0 2 530-769- 7526 PLATE: a c c es s (stee ring co lum n, w/weld nut s welded) eo. 1 (7697526) 68 9 X2 0 2590-741-8148 PLATE: cover (dash panel cable opening) (74181 84) _______ __ eo. 1 2 Figure 68. Floor plates and related parts 6 ORD E64912 109
  • 117.
    TM 9-2320-208-20P III(21 (3) (4) (5) (6) (7) SOUICE. MAIIIT IS-DAY IllUSl AIID MAINl RECOVERABlllTY FEDERAL DESCRIPTION UNIT QlY ALW PER CODE 100 EQUIP STOCK OF INC (a) (b) (a) (bl (el Cdl NO ISSUE IN (a) (b) = ~ :::; UNIT 0 oZ'" FIG ITEM 5 != ~ ~ U~~ 110 NO ~[ 0 :- ~ !iii:: ~ u ~~« ::l ~~ ~~o 18 - BODY, CAB, AND HOOD - Cont inued 1805 - FLOOR PLATES AND RELAT ED PARTS - Conti nued NON-ILLUSTRATED C a 2520-737- 5153 BOOT: powe r - take-off gearshift leve r (inner rubber) --- -- - - ea 1 (7375153) P a 2520-769-7527 BOOT: transfer case gears hif t leve r s to 000 1' board ----- -- ea 1 (7697527) C a 2540 - 769-7515 BOOT: transmission gear shif t lever rubber (7697515)-- ----- ea 1 P a 4730-278- 2062 CLAMP, HOSE : S, cd- or zn- chromate-fin. 2-3/4 in.------ - e a 1 (gearshift lever boo t , lower) (502924) P 0 4730-542-3019 CLAMP, HOSE: S. cd - or zn- pltd, 3/4 in, (ge a r shif t leve r e a 1 boo t, uppe r ) (502 911) C 0 25 10-769-7520 COVER: drain hol e (front 0001' pan) (7697520)_____ _________ e a 1 PC2 0 2510-640-2550 COVER: upp er 0001' pan (front) (8329733) -------------- -- ea 1 C a 5330-769-7521 GASKET: rubber (fr ont pan drain hole cov er) (7697521) - ---- e a 2 C 0 5340 -040-2552 NUT: upper an d lowe r cover plates to dash and front panels ea 23 (w/re tainer) 1/4- 20 (65909-672846) xz 0 2510-769-7579 PLATE: access (s teerin g jacket toe board) (7697579) ----- -- ea 2 C 0 5340 - 769-7581 PLUG: dra in (front floor pan rubbe r) '(7697581) - - - - - - - - - - - - - ea 1 C 0 2520 -769- 7577 ruNG: shifter lever housing cover bo ot (76975 77) - - - - - - - - - - - - ea 1 C 0 2590-736 - 1994 SEAL: accelerato r pedal rod and powerstake-off shift ea 2 lever (inne r r ubber) (7361994) C a 5330-734-8567 SEAL: transmission drain hole (fr ont 0 0 01' pan uppe r and ft 'I l ower , brake cy li nder inspection cover. engine heater s teer ing ja cket, and trans fer case bolt acce s s plate) (80) (It) lg (ft) (7348567) 110
  • 118.
    TM 9-2320-208-20P III(21 (31 (4) (51 (6) m SOURCE, MAINT IS-DAY ILLUST AND MAINT llECOVERABILITY FEDERAL DESCRIPTION UNIT QTY ALW PER CODE STOCK OF INC 100 EQUIP (0) (b) (01 (b) (el ld) NO ISSUE IN (0) (b! FIG ITEM ~ ~ UNIT .. oz .... ..~ ~ r=d ! 0 ~ ...... um~ oj 51 u <0 ~ = ~~O NO NO §~ ~~ i; 0 :;; 18 - BODY, CA)3, AND HOOD - Continued 1806 - SEATS (Fig. 69) 69 1 P 0 2540-786-9237 CUSHION, SEAT, VEHICULAR: driver's and passenger's, ea 2 front) (M38Al and M38AlC) (10885494) NON-ILLUSTRATED ITEMS P 0 5340-606-9457 HOOK: cushion spring, 1 in. Ig (retaining pin) (582944) ------ ea 4 P 0 5315-597-7775 PIN, COTTER: S, cd- Or zn-pltd, 3/32 x 2-1/4 retaining ea 2 pin (590169) C 0 5315-737-6905 PIN, STRAIGHT, HEADED: front seat hinge pivot ea 2 (65909-677836) T . ORDE64913 Figure 69. Seats 111
  • 119.
    TM 9-2320-208-20P (l)(21 131 (4) (5) (61 (71 SOURCE. MAIHT IS-DAY IlLUST AHD MAIHT UCOYERABIUTY FEDERAL DESCRIPTION UNIT QTY AlW PER CODE 100 EQUIP STOCK OF INC (al (bl (alIbI Ie! Idl NO ISSUE IN tal lbl ~ c; ,. Ozo- FIG ITEM ::::l UNIT := !~ ;;; 5 u£ag NO NO ~§ ~ 0 ~ ~~ u ...... ;; i:l ~ ~ O 20 - HOISTS, WINCHES, CAPSTANS, WIl'DLASS, POWER CONTROL UNIT, POWER TAKEOFF 2001 - WINCH ASSEMBLY (Fi g. 70) 70 1 X2 0 2590-74 1-1944 WINC H: w/o-key, assy (M38Al and M38A IC ) (7411944) - - - - -- ea 1 70 2 P 0 R 2590~741 -1799 LI NING, FR ICTION: brake worm (M38A l and M38AIC) ea 1 (7411 799) 70 3 P 0 4730-278-3390 PLU G PIP E: sq hd 3/8 in. (gear housing fil ter (1) and drain ea 3 (2) (143934) 70 4 P 0 2590-741- 1804 CABLE: w/hook , assy (M38Al and M38AIC) (7411 804) - - - -.- ea 1 NON-ILL UST RAT ED ITEMS P 0 2520-741- 1950 SEAL : grease , bearing hanger (M38Al and M38AIC) ea 1 (7411950) P 0 2520-741-1952 SHAFT: dr ive, long , assy (M38Al and M38A IC) (7411 952)- - - ea 1 P 0 2590-741- 1953 SHAFT, STRAIGHT: drive , s hort, assy (M3 8Al and M38AIC) ea 1 (7411953) P 0 2590-741 -1951 SHIM SET: hanger bearing (M38A1 an d M38A l C) (7411 951) - - - ea I-Composed of: 2 WASHER (9304 1-149) P 0 2520-741-1677 JOINT: s lip, universal , assy (M38Al and M38AIC) ea 1 (7411677) P 0 2520-741-1685 JOINT: universal, w/setscrew, assy (M38A l and M38A IC ) ea 1 (7411685) P 0 53 15-741-1690 KEY: drive shaft (M38Al and M38A IC) (7411690) - - - - ------- ea 3 P 0 2520-741-1687 SEAL: dr ive, s haft (M38A 1 and M38A l C) (7411687) - - - - - - - . - e a 1 ORO E64914 Figure 70. Winch assembly 112
  • 120.
    TM 9-2320-208-20P (1)(2) (3) (4) (5) (6) m SOURCE. MAINT IS-DAY ILLUST AND MAINT RECOVERABILITY DESCRIPTION UNIT QTY ALW PER CODE FEDERAL 100 EQUIP STOCK OF INC (a) (b) (a) lb) (el (d) NO ISSUE IN (a) lb) ~~ ~ UNIT 0 Oz~ ~ ~ NO NO §S ~ is!: ~ 0 ....~ !E~ > u FIG ITEM 5u~g .,,,,, ~ ~ ~~o "'~ 20 - HOISTS WINCHES, CAPSTANS, WINDLASS, POWER CONTROL'UNIT, POWER TAKEOFF 2001 - WINCH FRAME (Fig. 71) 71 1 P 0 4730-050-4203 FITTING, L UBRICATING: stght, hyd, surface check. S, ea 2 cd-pltd or zn-chromate-fin, 1/4-28NF-2 male (M38A1 and M38A1C) (96906-15001-1) 71 2 P 0 5305-012-2126 SCREW, CAP, HEXAGON HEAD: Iow-carb-S, cd- or ea 8 zn-pltd, 3/8-16UNC-2A x 7/8 (122126) 71 3 P 0 5310-637-9541 WASHER, LOCK: split, med, S, cd- or zn-pltd, 3/8 screw ea 8 size (96906-35338-46) Figure 71. Winch frame ----3 ORO E64915 113
  • 121.
    TM 9-2320-208-20P -Ill(2) (3) (4) (5) (6) (7) soum. MAINT 15-DAY IllUST AND MAINT RECOVERABIlITY UNIT QN ALW PER FEDERAL DESCRIPTION CODE 100 EQUIP STOCK OF INC (0) (b) (0) [b) (e! Id) (0) (b) e: NO ISSUE IN UNIT '" oz'" FIG ITEM ::: ~ o 1;; um~ ~ ~= NO NO ~ ~!E ~ Uo :;; 0.0.", ~ ..~ ::l -Q ~~o CQ 20 - HOISTS, WINC HES. CAPSTANS, WINDLASS, POWER CONTROL UNIT, POWER TAKEO FF - Conti nued 2004 - POWER-TAKE-OFF ASSE MBLY (Fig. 73) 73 I P 0 R 352 0-3 18 - 1022 POWER-TAKE-OFF: assy (M38A1 and M38A1C) e a 1 (93041-105A) 73 2 P 0 4730-278-3390 PLUG, PIPE: sq hd, 3/8 in. (cover and housing drain) - ------ ea 2 NON-ILLUSTRATED ITEMS P 0 5305-012- 0233 SCR EW, CAP, HEXAGON HEAD: S, cd- or zri-pltd, 3/8 - ea 5 16UNC-2A x 1 (120233) P 0 5310-012-093 0 WASHER, LO CK: ext-teeth, S, phos-c td , 3/ 8 in. bolt size ea 5 (120 930) 2 ORO E64916 Figure 72. Power-takeoff assembly 114
  • 122.
    TM 9-2320-208-20P (1)(2) (3) (4l (5) (6) (7) SOURCl, MAlNT IS-DAY ILLUST AND MAINT RECOVERABILITY FEDERAL DESCRIPTION ALW PER CODE UNIT QTY 100 EQUIP STOCK OF INC (al tb) (a) (bl (el (d) NO ISSUE IN (al (b) s: ~ ~ FIG ITfM ~ a ~ UNIT :z:~ ~ ~ u :> NO NO ~E § - on :> '" on 02:: z~ ...., Q ~~ '" :z: ill ~~ '" § ~2 22 - MISCELLANEOUS BODY, CHASSIS AND ACCESSORY ITEMS 2201 - CANVAS ITEMS, BOWS, AND CURTAINS (M38A1) (Fig, 73) 73 1 P 0 R 2510-040-2558 COVER: top, w/rear curtain, assy (M38A 1) (8329754)--------- ea 1 73 2 P 0 2540-737-2890 BOW: top, front, assy (M38A1) (7372890) ------------------- ea 1 73 3 P 0 2540-737-2891 BOW: top, rear, w/pivot (M38A1) (7372891) ----------------- ea 1 73 2,3 P 0 2510-737-2889 BOW: top, w/front and rear bows, assy (M38A1) (7372889) ---- ea 1 73 4 P 0 R 2540-699-7035 DOOR: left, assy (M38A1 and Ml70) (8677572) ---------------- ea 1 73 4 P 0 R 2540-699-7032 DOOR: right, assy (M38A1) (8735779) ----------------------- ea 1 73 5 P 0 R 2540-699-7034 SIDE CURTAIN, VEHICULAR: right (M38A1) (8735778)-------- ea 1 73 5 P 0 R 2540-699-7033 SIDE CURTAIN: left (M38A1) (8735777) ---------------------- ea 1 73 6 P 0 R 2540-737-2899 HANDLE: door, w/pin, assy (M38A1) (7372899) -------------- ea 2 6 r-T'f2I l!!2!§....J Figure 73. Canvas items, bows, and curtains (M38Al) 5 ORO E64917 115
  • 123.
    TM 9-2320-208-20P (l)~(2) (3) (4) (5) (6) (7) SOURCE. MAINT IS-DAY ILLUST AND MAINT RECDVERABILITY FEDERAL DESCRIPTION UNIT QTY ALW PER CODE 100 EQUIP STOCK OF INC (a) (bl (a) (b) (el (d) NO ISSUE IN (a) (b) ~ FIG el '" UNIT 0 Oz .... ITEM !i1 is i:; uca~ .. ~~ '" !;;;~ i u ~~ <0 ~ NO NO ., ~ 0 :;; ~~o "'~ 22 - MISCELLANEOUS BODY, CHASSIS AND ACCESSORY ITEMS 2201 - CANVAS ITEMS, BOWS, AND CURTAINS (M170) (Fig. 74) 74 1 P 0 R 2540-863-1027 COVER, FITTED, VEHICULAR BODY: (M170) (8728110) ---- ea 1 74 2 P 0 R 2540-512-9137 SIDE CURTAIN, VEHICULAR: left, assy (M170) ea 1 (8735894) 74 3 P 0 R 2540-590-4924 SIDE CURTAIN, VEHICULAR: left door, assy (M170) ea 1 (8735890) 74 4 P 0 42W3-00- WASHER: 2-prong clinch base large turn-button fastnr stud, ea 30 br, black ("common sense" type) (top cover (24) and rear curtain (6» (42-W-300) 74 4 P F 42W1-00- WASHER: large turn-button fastnr eyelet, br, black ea 24 ("common sense" type) (top cover) (426696) 2 OROE6491B . Figure 74. Canvas items, cover, and curtains (M170) 116
  • 124.
    TM 9-2320-208-20P (l)(2) (3) (4) (5) (6) (7) SOURCE. MAINT IS-DAY ILlUST AND MAlNT RECOVERABILITY DESCRIPTION UNIT QTY AlW PER COOt FEDERAL 100 EQUIP STOCK OF INC (a) (bl (a) (bl (e) (dl NO ISSUE IN (a) (b) ~ 5 UNIT (l ,. oz .... FIG ITEM ~ ~d; ~ U"'~ NO NO §~ s: ~!; ~ 0u ~~~ ~o ; ~ ~~O "'~ 22 - MISCELLANEOUS BODY, CHASSIS AND ACCESSORY ITEMS 220 1 - SIDE CURTAIN AND DOOR ASSEMB LY (M170) (Fi g. 75) 75 1 P I 0 R 2510-073-8586 DOOR ASSEMBLY, VEHICULAR: right door, assy (M170) ea 1 (8735892) 75 2 P 0 R 2540 -512-9144 SIDE CURTAIN, VEHICULAR: r ight door , assy (M170) ea 1 (8735893) 75 3 P 0 R 2540 -512- 9154 SIDE CURTAIN, VEHICULAR: right, assy (M170) ea 1 (8735891) ORD E64919 F igur e 75. Side curtain and door assembly (M170) 117
  • 125.
    TM 9-2320-208-20P (l) ILLUST (0) FIG NO (2) SOURCE. MAINT AND RECOVERABILITY CODE (3) FEDERAL STOCK NO (4) DESCRIPTION 22 - MISCELLANEOUS BODY, CHASSIS AND ACCESSORY ITEMS 2201 - CANVAS ITEMS, BOWS, AND CURTAINS NON-ILLUSTRATED ITEMS (5) UNIT OF ISSUE (6) QTY INC IN UNIT (7) lS-DAY MAINT ALW PER 100 EQUIP (0) (bl 8~2 '" ~~O P 0 P 0 P 0 P 0 P 0 3110-741-1673 5340-290-7381 4010-285-9574 5340-333-6058 8305-170-4956 BEARING: ball, hanger, assy (7011 70)--------------------- ea BUCKLE: web strap, black, 1 in. (top hold-down strapr----- ea 11 CHAIN, WELDLESS: safety, S, metal thk (0. 018 in. comm ft 2 no. 00) retaining pin 1 it (ft) (M38A1) CLIP, END, STRAP: ball type, br , dull black, 1 in. (top ea 11 hold-down strap) (M38A1) (585819) DUCK: cotton, plied yarns, 36 in. no. 8, hard (top cover) --- yd P 0 27F6-301-6 FASTENER: slide, conventional, non-separating, hv, sgle ea 1 action, open top, closed-bottom, non-locking sgle pull non-rvrs slider, od 16 in. (M38A1) (27-F-630-16) P 0 5340-606-9457 HOOK: cushion spring, 1 in. 19 retainer pin (M38A1) ea 4 (582944) P 0 5315-597-7775 PIN, COTTER: S, cd- or zn-pltd, 3/32 x 2-1/4 retaining ea 2 pin (M38A1) (590169) P 0 5315-842-3651 PIN, COTTER: S, cd- or zn-pltd, 3/32 x 3 (retaining pin) ea 2 (M38A1) (590172) P 0 5320-010-4099 RIVET, SOLID: b-hd, S, plain fin. anld, 5/16 x 1 (M38A1) ea 2 (104099) C 0 5340-737-2895 ROD: side curtain (M38A1) (7372895) ---------------------- ea 2 P 0 5305-769-7593 SCREW: thumb, top bow pivot, w/chain and ring, assy ea 2 (M38A1) (7697593) P 0 5340-505-6393 STRAP: web strap buckle, end clip, 1 in. 25 19 (top bow ea 3 (2) windshield (1))(59263 7) P 0 8305-263-2477 WEBBING TEXTILE: cotton, od, hv wt, w 1 in. (top cover ft t hold-down straps) (21 ft) (ft) 118
  • 126.
    TM 9-2320-208-20P (1)(2) (31 (4) (5) (6) (7) SOURCE. MAINT IS-DAY ILLUST AND MAtNT RECOVERABllITY FEDERAL DESCRIPTION UNIT QTY A1.W PU CODE 100 EQUIP STOCK OF INC (0) Ib) (01 (bl (e! (dl NO ISSUE IN (0) (b) AG ~ i~ ~ UNIT '" oz .... ITEM o 1;; um~ NO NO ~ .. ~ ~; ~ 8 ti ~g ;; := ~~o 22 - MISCELLANEOUS BODY, CHASSIS AND ACCESSORY IT EMS - Continued 2202 - REAR VIEW llURROR (Fig. 76 ) 76 1 P 0 2540 -952-7035 MIRROR ASSEMBLY, REAR VIEW, (96906- 53015-1)----- ---- ea 1 76 2 P 0 2540-054- 7250 ARM REAR, VIEW MIRROR, adj (out side rear view mi rror) ea 1 8 in. to 11 in. (H002-0547250) (547250) 76 3 P 0 2540- 679- 4588 MIRROR ASSEMBLY, REAR VIEW, outs ide mg, 5-1/2 od, ea 1 1/ 4-28NF-2 (shaft) (84613 13) 2202 - REFLECTOR (NON-ILLUSTRATED) p 0 9905-205-2795 REFLECTOR, INDICATINO, CLEARANC E, oval frame S, e a 10 assy (ruby lens) (96906-35387-1) p 0 5305 -285-5278 SCREW, ASSEMBLED WASHER, cross-reces s - pan - hd, int- ea 4 teeth lockwashe r , he ader-pt , S, cd- or zn-pltd, 1/4- 20UNC-2A x 1/ 2 (454789) - Figure 76. Rear view mirror O ROE64920 119
  • 127.
    TM 9-2320-208-20P 111(2) (31 141 (51 161 171 SOURCE. MAINT IS-DAY IUUST AND MAlNT RECOVEWlllTY FEDERAL DESCRIPTION UNIT QTY AlW PER CODE 100 EQUIP STOCK OF INC (0) (bl (01 (bl (d ldl NO ISSUE IN 101 (bl /: t:l '" UNIT C5 1;; oz .... FIG ITEM :a !~ '" uco~ ! 0 :;; NO NO ~~ ~ ~~ u ~~O <0 ; "' ~ 22 - MISCELLANEOUS BODY, CHASSIS AND ACCESSORY IT EMS - Continued 2202 - WINDSHIELD WIPER MOTOR AND RELATED PARTS (F ig. 77) 77 1 P 0 2540-050 -0810 ARM, WINDSHIELD WIPER: adj, olive drab , 7-1 /2 closed, ea 2 12 extended (M38A1 and M170) (500 810) 77 1 P 0 2540-050-0810 AHM, WINDSHIELD WIPER: adj, olive drab, 7-1 /2 closed , ea 1 12 extended (M38A1C) (5008 10) 77 2 P 0 2540-050- 0814 BLADE, WINDSHIE LD WIPER: 10 in. Ig (M38A1 and M170 ) ea 2 (500814) 77 2 P 0 2540 -050- 08 14 BLADE,WINDSHIE LD VIPER: 10 in. 19 (M38A1C) (5008 14) - - - - ea 1 77 3 C 0 2540 -040-2596 SPACER: mounting , windshie ld wr.iper motor (65909-680787) - - ea 4 77 4 P 0 R 2540-262-7576 MOTOR, WINDSHIELD WIPER VACUUM : 130 deg throw, ea 1 w/mounting bolt (M38A1C) (500 844) 77 4 P 0 R 2540 -262-7576 MOTOR, WINDSHIELD WIPER VACUUM: 130 deg throw, ea 2 w/moun ti ng bolt (M38A1 and 11170) (500 844) 77 5 P 0 4720 -203-2668 HOSE , RUBBER: a ir or vacuum li ne s, low te mp 65 deg F , e a f- 7/32 in . id, 3 /32 in . wall thk (le ft wiper left line th rough cowl (18) in. r ight wiper at tee (1-1 /4) in. right wiper right line to cowl (14) in . and t ee to wiper and ce n ter line (8) in. (4) ft) (33-T-233) 77 6 P 0 4710-350 -9897 TUBE, ST EEL: co ld-drawn , dble wrapped , cop, brazed, 5 /16 ea f-ad, 0 .028 in. wall thk (windsh ield wiper) (27-1 / 2 In .) (ft) (80244-44-T - 5319- 65) 77 6 P 0 4710 -595- 1824 TUBE, STEEL: co ld-drawn, dble wrppd , cop , braced, 1 /4 ea # ad, 0 .028 in. wall thk (rigbt windshie ld wiper (33 irr. ) le ft windshield wiper (33 m.) windshi eld wiper (1-1 /2 tn .) and windshield wiper vacuum pump to t ee (20 m . ) (ft) (80244-44-'1'-5319-60) NON- ILLUSTRAT ED IT EMS P 0 4730 -0 13- 73 98 NUT INVERT ED, TUBE COUP LING: in verted flare, S, cd- ea 2 or zn - pltd , 5/16 ad tu , 0. 620 overall ig line s (137398) P 0 5305- 285- 5278 SCREW, ASSEMBLED WASHER: crcsa-recess-pan-hd, int ea 4 teeth lockwasher, header- pt, S, cd- or zn-pltd, 1 /4 -20UNC-2A x 1 / 2 (454789) P 0 4730-014-2432 INVERTED NUT, TUBE COUPLING: in verted fl ar e (142432) -- ea 3 P 0 4730 -0 14 -2431 INVERTED NUT , TU BE COUPLING: inverted flare (14 2431)-- e a 2 P 0 5310-012-0613 NUT , PLAIN, HEXAGON: S, cd - or zn -pltd , 1 / 4- 28UNF - 2B, ea 1 7/16w, 5/32 thk (120613) P 0 5325 -737- 11 95 GHOMMET : rubber, spar k plug ca ble support 11 / 16 in. ea 1 hole (65909-301 435) 120
  • 128.
    TM 9-2320-208-20P 11l121 13) (4) IS) (6 ) 17) SOURCt MAINT IS-DAY IlLUST ANO MAINT RECOVEWllITY FEDERAL DESCRIPTION AlW Pl:R CODE UNIT QTY 100 EQUIP STOCK OF INC (al (bl (a) lbl (el (dl NO ISSUE IN lal (bl RG ITEM ~ ; ~ 5 UNIT .. :z: .. ~ ~~; u :> ~ won NO NO ~i= 5: ~... § § :z: ill = ~ .. - !;g 22 - MISCE LLA NEOUS BODY, CHASSIS AND ACCESSORY IT E1v1S - Continued 2202 - WINDSffiELD WIPER MOTOR AND RELATED PARTS (Fig. 77) - Continued NON-ILLUSTRATED ITEMS - Continued P 0 5325 - 700-0997 GROMME T: rubber, windshield wiper hos e cowl ea 1 (65909-800802) P 0 5305 -285- 5278 SCREW , ASSEMBLED WASHER: cross-recess- pan - hd, into e a 2 teeth lockwasher (454789) P 0 4730-014-2432 NUT, TUBE COUPLING: inverted flared type, 45 deg seat e a 2 (win dshield wiper vacuum pump to tee tub e) (142432) - = f 2 1 I -=::it~ (j) ~ ­rcSt# '.W=s'0 3~' E ~l'-= ~ Figure 77. Windshield wiper motor and r elat ed paris ORo E64921 , 121
  • 129.
    TM 9-2320-208-20P 6 DISENGAGE FRONT AnE DAIV[ WHEN OPERATING ON DRY HARD SURFACED ROADS 2 ---1--3 l--_+--4 o o TRUCk AIl4BUlANCE FRONT LINE c ,/" TON 4 X4 M 17 0 ORO STOCK NO G2758 83 58686 o .' 0 •••' . ' -' 0 ' 01t .", I C' , I I . .. .. . 0 . ,. _ OOE l .0 A .. ,It 1 ....0 _ alIJl' .... ' .. 0 "7'~ O OAT. 0 11 _ e.O'" litO 0'" U Olt 0 _ 0 1 ) 0 II ".0"•• " "'t iP. C IIO o o PU8 l lCATlOfllS PARTS LIST S""l G 758 ()P{RATORS MANUAL , ... 9 801. "'A INnNA'pr~C[ .........UAlS '''''980151 '''''98015 2 o H( "::oPO ....~ I BL f P Ull( u Hf U, .,) I Ac..l N( T l,iI f "'" "'U I" II fIoA' C.f (HASS IS &1,,- - , f'f"" lI.;j;" -;;:;i 'I " R(~ 1 1';"'· • · -;; 1 1. · "" · ~ E"""q PT- 1~ o o o o 5 ORO E64922 Figure 78. Identification and data plates 122
  • 130.
    TM 9-2320-20S·20P (l)121 (3) (4) (5) (6) m SOURCE, MAlNT IS·DAY tLLUST AND MAINT RECOVERABILITY FEDERAL DESCRIPTION ALW PER CODE UNIT QTY 100 EQUIP (01 (b) (a) (bl lel (d) STOCK OF INC NO ISSUE IN (a) (b) FIG ITEM e: S UNIT '" oz'" i~ ~ iii o ,. ura~ :::~ ~ NO NO ~ '" ~; ~ o ... 0 u .. ~~o =~ ~ ~ 22 - IUSCELLANEOUS BODY, CHASSIS AND ACCESSORY ITE MS - Continued 2210 - IDENTIFICATION AND DATA PLATES (Fig. 78) --- 78 1 P 0 2590-298-6918 PLATE: shifting instr uction and pub lic at ion da ta (8386 440) - - --- e a 1 78 2 P 0 259 0- 693- 423 0 PLATE, IDENTIFICATION: weight and dimension data (M170) ea 1 (8333428) 78 3 P 0 2590- 693- 4229 PLATE: instruction (vehicle s ervicing data) (8333427)---- ----- ea 1 78 4 P 0 2590-693-4228 PLATE, IDENTIFICATION: vehicle (MI70) (8333426) --------- en 1 78 5 P 0 2590 -769-7561 PLATE, IDENTIFICATION: r esponsible a gen cy (769 7561)--- - -- ea 1 78 6 P 0 2590 -693- 423 1 PLAT E: mounting, w/ r-el ated plates , assy (8333429) - --------- en 1 NON- ILLUSTRAT ED. ITEMS P 0 2590- 858-5681 PLATE INSTRUCTION: engine over haul MWO (10929991) ------ e a 1 P 0 2540-741-2583 PLATE MOUNTING IGNITION: mounting (659 09-802634) - - - - - - ea 1 P 0 259 0-769-7554 PLATE: in struction . dee p water fording ve nt valve ea 1 (7697554) P 0 2590-858-5682 PLATE INSTRUCTION: MWO (10930014) ------ ----- --------- e a 1 P 0 259 0-858-5683 PLATE INSTRUCTION: secondnry i tem overhaul MWO ea 1 (10930 015) P 0 2590-831-6273 PLATE INSTRUCTION: secondary item overhaul, engine e a accessory (7996979) P 0 2590-831-62 71 PLATE INSTR UCTION: vehicle ove r ha ul (799 6977) --- - ------- ea 1 P 0 2590 -769-7555 PLATE, IDE NTIFICAnON: name, pate nt and serial number e a 1 (7697555) P 0 2590- 769- 7558 PLATE, IDE NTIFICAn ON: vehic le s hi pping da ta (used on e a 1 veh ic l es wlo Winch) (65909-801804) P 0 2590-298-6916 PLATE, IDENTIFICAnON: (8673360)----------------------- e a 1 p a 2590-298-6919 PLATE: data, servicing (867335 9)- ----------------- --------- e a 1 47 - GAGES 47 01 - SP EEDOMETER (Fig. 32) 32 13 P o R 668 0- 776- 0396 SPE EDOMETER: a ssembly (776039 6) -------- - ----- --------- ea 1 NON-ILLUSTRAT ED ITEMS C 0 5340-283-7521 CLAMP. LOOP: loop type. S. cd- or zn-pltd, 5/8 od tu ea 1 (hole for 1/4 bolt r etaining, flexible shaft) (120527) C 0 668 0-832- 7565 CORE: flexible shaft, assy (us ed w/s haft , 6680-832- 7566 ) e a 1 (7355830) P 0 5325 - 734-6945 GROMMET: flexible shaft dash (7346945)------- -------------- en 1 123
  • 131.
    TM 9-2320-208-20P 5 4 1 0~ ORD E64923 Figure 79. Special tools 124
  • 132.
    IlLUST ITEM S~ NO ~~ =t::: (0) FIG NO ( 2) SOURCE, MAiNT AND RECOVERABI L1TY CODE (b) (0 ) (b) lei (d) § z~= ':"s 2: ~; ~_~ ~ - (3) FEDERAL STOCK NO (4 ) DESCRIPTION GROUP 26 - TOOLS AND TEST EQillPMENT 2604 - SPECIAL TOOLS (Fig. 79) SECTION ill ORGANIZATIONAL TOOLS AND EQillPMENT VEHICLE TM 9-2320-208-20P (5) QUANTITY PER TOOL KIT (3 ) (bl KIT KIT A B P 0 P 0 4910-795-0305 TOOL KIT: Organizational Maintenance, Special Kit A: One per lettered battery, company; headquarters of units above battali on level; ba ttalio n headquarte r s , when battalion has a service co mpany (79 50305) 4910-795-0306 TOOL KIT: Organizationa l Maintenan ce, Spe cial, Kit B: One per battalion and r egiment headqua rter s (excep t whe n ba tt al ion or regiment has a ser vice company); service company; numbered battery, company; an d s imilar headqua r te r s pe r for min g maintenance work for othe r units (7950306) The items listed hereunder are eornponents of the above Tool Kits and may be requisitioned under their in di vidual stock numbers. Stock­age of components of these Tool Kits whic h are duplic at ed in basic Kit s for other ty pe ve hicles assigne d by TOE are not required beyond actual need. The quantiti es shown in s ubcolumns 5(a ) an d 5(b) indicate the numbe r of component it em aIl oted to the pa rticula r Tool Kit shown . 79 79 79 1 2 3 P 0 P 0 P 0 5120- 034-8460 ADAPTER, P ULLER: 9/16 an d 1 dia, 1-1/4 19 (r emovin g steering whe el) (used w/PUL LER 5120-422-8570) (8708564) 5120- 795- 0710 PUL LE R, WATER PUMP PULLEY: four leg, l/4-20NC, 1-7/8 center dis tance (water pump pulley) (7950710) 512 0-836- 6660 P ULL ER, THREADED: 3/8-lGNC-2, 7 1g, w/1-3/8 dia , 2- 1/2 19 body (r emovi ng or replac ing M38A1 or M170 r ear spring bushing (8366 660) 79 4 79 5 P 0 P 0 5 120- 592 -3673 REMOVER. TI E ROD, SHOCK ABSORBER: 18 Ig over-all (t ie rods) (8687082) 5120-337- 9134 WRENCH, BOX: cyli nde r head bolt, cl os e sweep, 12 point, 1/ 2 sq­drive , O. 692 openi ng , 8- 1/ 16 over- al l 19 (engin e cy l in de r head bolt) (7084207) 79 79 6 7 P 0 P 0 5 120-596- 1370 WRENCH, SOCKET: s ingle s ocket T-type, remova ble han dl e , furnish 1 wlo han dl e 2- 1/8 hex shape sock et, 3- 1/2 nom 19 ove r -vall (front axle wheel bearing nut) (7081465) 5120- 708- 0100 WRENCH, OPEN END, FIXED: double, 15 deg angle, alloy-S, 3/lG and 1 1/4 openings (brake adjus ting) (7080100) 125
  • 133.
    TM 9-2320-208-20P SECTIONIV - INDEXES ALPHABETICAL INDEX This index does not include Special Tools which are listed on page 125. Standard hardware and attaching parts are not included because of their common and multiple application in the supply system. Item Page Item Page ABSORBER Shock. . . . . . . . . . . . . . . . . . . . . . . . . .. 104 Shock, rear . . . . • . . . . . . . . . . . . . . . .. 104 ADAPTER Breather valve . . . . . . . . . . . . . . . . . . .. 21 Kit, horn wire 59 Puller. . . . . . . . . . . . . . . . . . . . . . . . .. 125 Straight, pipe to hose. . . . . . . . . . . . . . .. 14 Straight, tube to hose. . . . . . . . . . . . . . .. 14 Am CLEANER, intake. . . . . . . . . . . . . . . . . . 23 ANTI-FREEZE Arctic-type 34 Ethylene glycol. . . . . . . . . . . . . . . . . . . .. 34 ARM Pitman 95 Rear view mirror, adj 120 Windshield wiper 120 BAR Front 105 Rear 106 BATTERY, storage 61 BEARING Ball, hanger, assembly 118 Ball, thrust 19 Bushing type 100, 101, 102, 103 Roller, needle . . . . . . . . . . . . . . . . . . . .. 93 Sleeve 93 BELLCRANK Accelerator . . . . . . . . . . . . . . . . . . . . . .. 31 Assembly 93 Steering 93 BELT, multiple. . . . . . . . . . . . . . . . . . . . .. 37 BELT SET, alternator drive .. . . . . . . . . . .. 37 BLADE Fan 37 Windshield wiper 120 BLEEDER VALVE, hydraulic 81 BLOCK, adjusting . . . . . . . . . . . . . . . . . . .. 31 BOLT Assembled washer 13, 23, 36, 37, 41, 45, 51, 56, 75, 79, 81, 83, 85, 99, 109 Battery 61 Bellcrank pivot. . . . . . . . . . . . . . . . . . . .. 93 Center 102 Integral lockwasher 40 Machine 9, 10, 21, 29, 75, 100 Pivot .....•...•......•.......... 102 Pump 21 Ribbed shoulder 87, 88 126 BOLT - Continued Shoulder. . . . . . . . . . . . . . . . . . . . . . . . . 68 Shoulder, cover. . . . . . . . . . . . . . . . . . . . 14 Shoulder, mounting . . . . . . . . . . . . . . . . . 38 Shoulder, pivot .. ; . . . . . . . . . . . . . . . . . 38 U . . . . . . . . . . . . . . . . . . 71, 100, 102 1/2-20 NF 85 BOLT EYE, belt, front 105 BOOT Gearshift lever 110 Master cylinder 85 Lever rubber 110 Levers to floorboard . . . . . . 110 BOW Top, front, assembly 115 Top, rear, w/pivot . . . . . . . . . . . . . . .115 Top, w/front and rear bows 115 BOX DISTRIBUTION. . . . . . . . . . . . . . . .. 50 BRACE, tension belt. . . . . . . . . . . . . . . . .. 38 BRACKET Bellcrank. . . . . . . . . . . . . . . . . . . . . . .. 31 Lifting shackle, front. . . . . . . . . . . . . . .. 97 Mounting 102 Muffler support clamp . . . . . . . . . . . . . .. 33 Retainer 85 Support, assembly. . . . . . . . . . . . . . . . .. 99 BRAKESHOE SET, internally. . . . . . . . . . .. 79 BUCKLE, web strap, black 118 BUMPER Rubber 100, 102 Windshield to hood, left assy 107 Windshield to hood, right assy 107 BUSHING Bar, M170 105, 106 Electrical conductor . . . . . . . . . . . . . . .. 62 Link rubber .105, 106 Rubber 62 Rubber, mounting pin 104 CABLE Alternator to rectifier . . . . . . . . . . . . . .. 39 Assembly, power electrical . . . . . . . . . .. 43 Generator to generator regulator. . . . . . .. 62 Parking brake control . . . . . . . . . . . . . .. 79 Rectifier to regulator. . . . . . . . . . . . . . .. 39 Regulator to' battery 39 Special purpose, electrical. . . . . . . . . . .. 62 Tube. . . . . . . . . . . . . . . . . . . . . . . . . .. 19 W/hook 112
  • 134.
    Page Item TM9-2320-208-20P Page CAP Button .•..•.•.....•••...•••.•• .. 59 Filler pressure type . . . . . . . . . • . . . . . •. 34 Hub. . . • • • • . . . . . . . • . . . • . • • . .• 87, 88 Ignition distributor . . . . . • • . . . . . • • • . •• 44 Tire valve. . • • . • • . . . . • • • • • • . . . . . •. 91 CAPACITOR, primary filter. . • • . . . . • . . .. 44 CARBURETOR, assembly •.•• • •. •. •.... 20 CASE , differential . • • . • • . .• • • . . . . .•. 73, 77 CONE , tapered roller bearing •••. •• •.•• 87 , 88 CONNECTOR Marker light . • . . . • . . . • . . . . • • . . . . .. 51 Receptacle, electrical. . • . . . . • . . . • . . .. 66 CONTACT, electrical ...•..••.••..•..• 62 CONTROL Choke ...•.......••...•• • •.•.... 31 Dual, ventilation ••.•.••....•..•.... 25 Throttle • . . • • • . . • . . • • • . . . • • • . . • •. 31 CATCH Hood to windshield ..•....••..•.•..•. 107 Windshield locking clamp •••.•••••••.•. 108 CHAIN, weldless, safety 118 CLAMP Air cleaner . . . . • • . . . . . • • • . . . • . . . .. 23 Assembly ••.....••..•.. •........ 23 Band-type ••.•....•.•• .••••...•.. 19 Closed ..••.••.•••.. •••......... 29 Electri cal •.•.•...••..•••••••.•• 62, 66 Hose •.....•..••..•.. ........ 93, 110 Hose , band-type. • • . . . • . . . • • • . . .. 13, 23 Hose , oil filler pipe ••••.. •. ....... • • 13 Loop , end, tie rod •••.•••• • •••••..• • 94 Loop type •. • •......•.•.. ..••61, 62, 123 Mou nting .......•...•.. •.••••.. 41, 95 Primar y lead retaining • . • • • • • • • • . . . .• 44 Radio inlet and outlet hose . • • . . . . . . . . .. 35 Water pump by-pass . . . • . . • • . . . • • . . • • 35 CLEANING COMPOUND, en gi ne cooling s ystem . .34 CONTROL SIGNAL , turn signal. . . • • • . . . .. 50 CORE , fle xible shaft, assembly . • . • •...... 123 COVER Cap, assembly ••.••..•...••••.••.. 44 Drain hole ...•..••••....... • " 109, 110 Dust. • . . • . • . . . . . . . . . . . • . . . . • • . .. 92 Fitted, vehicular body .....•.•.•..•..• 116 Front flo or pan .•..•.•... •••....... 109 Hole •......••••••.......••..... 66 Indicator li ght .•... . . . . . . . • • . • . . . .. 46 Inspection ..•..•.••. • •.....•...•.. 109 Inspect ion , linkage ....•••. .. ••... • " 17 Instrument panel light. . • • • • • • • • • . • • .. 46 Top wlrear curtain • . •...........•... 115 Trailer receptacle . . . . • . . . . . • • . . . • .. 66 Upper floor pan •.••.....••......... 110 CUP Retaining .......•.•..•...•• ...•.. 68 Tapered roller bearing .......•. .... 87, 88 CLIP Brake lin e . . . . . . . . . . . . . . • • . . . . . . .. 83 Br ake lin e , closed .......•• •.....•.. 83 Breaker lever spring .. • ••.• ••.• ...• • 44 Closed .. ..•..• . .••.... .••• • .. 13, 83 End, s tra p ...........•........107, 118 Fastener, type E . •..••..• ••...... 13, 83 First splash apron •.......•.•....... 29 Fuel tank elbow .......•........••.. 25 Harness to fender. . . . . . . . . • . . . • • . . .• 66 Leaf, inner ..•........••• •........ 100 Leaf, outer .••..•.•.•.•..•.•.. 100, 102 Rebound, rear, intermediate •..• •...... , 102 Rebound, rear, large •.... •• ••......• 102 Snap ....•...•...•..•... ••..•.•..• 97 Spring leaf .••..••.••.•••••.•.••.. 100 Spring t ension. . . . • . . • . . . . • • • • • •• 54, 83 CLUTCH, pressure •••••...• •..••• •••• 17 COCK, r adiator drain . •...•.•.•••.•... 34 COIL , ig nit ion ..•.. ••• •.••. •...••••• 44 COLLAR, steering bellcrank shaft • • • . . • • .• 93 COMPOUND, insulating and sealing ..••..•• 62 CONDUIT ELECTRICAL, fl exible •..•..•.. 25 CUSHION Mounting support, rear . . . . . . . • • • . . . .. 9 Seat , vehicular ......••. ••.•••.• . • • 111 CUTTING OIL, s oluble . . . • . . . • • . . • • . • • • 63 CYLINDER Assembly, hydraulic. . . . . . . . • • • • . . . .. 85 Front wheel. . • • . . • . • . • • . . . • • • . • • .• 81 Rear wheel .•... . . . . . . . . . • • • • • . . .• 81 DISC AND PLATE SET, friction ... •...• 73, 77 DISK, horn switch centering •...• • • . . . . •• 59 DISTRIBUTOR, wlcoil • . • . . • . . . • • . . . . •. 44 DOOR Assembly taillight ..• •.••• ..•••• • 55, 56 Assembly, vehicular • • . .• . .• • •• • •• • . . 117 Blackout headlight. . . • . . . . . . • • . . • . . .. 54 Blackout marker light . . . . . . • . • • . . . • .. 51 Left , assembly ....••.•.... •••. .... 115 Right , assembly •.•••.•.•..••....... 115 Right stop and taillight. . . . . • . . . . • . . . .. 56 Service headlight .•..••..•.. •••••... 52 DRAG LINK, steering. . • . . • . . . • • . . . • . .. 92 127
  • 135.
    rM 9-2320-20S-20P ItemPage Item Page DRUM, brake 87 DUCK, cotton 118 ECCENTRIC, adjusting, shoe 81 ELBOW Flared tube . . . . . . . . . . . . . . . . . . . . . . .. 24 Hose, rocker arm cover. . . . . . . . . . . . . . .. 13 Inverted , 77 Pipe to tube 13, 58 END Assembly left. . . . . . . . . . . . . . . . . . . . . .. 94 Assembly right. . . . . . . . . . . . . . . . . . . . .. 94 EXTENSION, tail pipe . . . . . . . . . . . . . . . . .. 33 EYE-BOLT, link rear 106 FASTENER Clip . . . . . . . . . . . . . . . . . . . . . . . . . . . .. 66 Slide, conventional 118 FERRULE, electrical conductor 63, 66 FILTER Element, fluid, pressure 14, 29 Fuel 29 GASKET - Continued Oil seal 75 Rubber 110 Rubber, electrical connector 63 Screw, valve compartment cover 11 Set, manifold 16 Shaft drive flange . . . . . . . . . . . . . . . . . . . . 75 Slinger ..•.......... . ... .......... 81 Switch cover. . . . . . . . . . . . . . . . . . . . . . . . 42 Thermostat housing 35 Transfer case to transmission . . . . . . . . . . . 68 Vent body to valve compartment cover 13 Waterproof cable connector .• . . . . . . .. . .. 63 GEAR SET, differential 73, 77 GENERATOR Alternator 39 wlo pulley 38 GROMMET Flexible shaft dash ........•....•.. " 123 Rubber 27, 31, 61, 63, 121 GUARD, flexible line 83 HANDLE Assembly .. . . . . . . . . . . • . . . . . . . . . . . . 79 Door, w/pin, assembly 115 FITTING HEAD, cylinder 10 Flared tube . . . . . . . . . . . . . . . . . . . . . . .. 29 Lubrication 69, 71, 92, 94, 97, 100, 102, 113 Outlet 85 Pressure relief . . . . . . . . . . . . . . . . . . . .. 77 HEADLIGHT Assembly Blackout, ........... ..........•... 52 shielded 54 FLANGE Drive, shaft. . . . . . . . . . . . . . . . . . . . . . .. 75 Non-driving. . . . . . . . . . . . . . . . . . . . . . . . 73 FLANGE PROPELLER SHAFT, companion . . .. 69 FLASHER, thermal . . . . . . . . . . . . . . . . . . .. 50 FRAME, hold-down 61 GAGE Rod, liquid level 15 Temperature, electrical resistance. . . . . . .. 46 GASKET Annular 15, 43 Blackout marker light, door . . . . . . . . . . . .. 54 Cover 72 Cover plate . . . . . . . . . . . . . . . . . . . . . . .. 27 Cover, rocker arm ....... .....•.... " 11 Cover screw . . . . . . . . . . . . . . . • . . . . . .. 14 Cover, valve compartment .........•... , 11 Electrical connector . . . . . . . . . . . . . • . . .. 63 Filler cap . . . . . . . . . . . . • . . . . . . . . . . .. 85 Filler cap fiber . ).... . . . . . . . . . . . . . . . 34 Flexible . . . . . . . . . . . . . . . . . . . . . . . . .. 83 Inspection hole cover. . . . . • . . . . . . . . • . •. 17 Mounting 20, 21, 36, 42 Mounting arm. . . . . . . . . . • . . . . . . . . . . .. 44 128 HINGE, accelerator pedal. . . . . . . . . . . . . . . . 31 HOOK, cushion spring 111, 118 HORN, electrical. ..... •.......... . .... 59 HOSE Carburetor housing tube. . . . . . . . . . . . . . . . 13 Carburetor to air cleaner pipe • . . • . • . . . .. 23 Flexible, air cleaner 23 Preformed " 13, 35 Rubber. . . . . . . . . . . . . . . . . . . . . .. 35, 120 Rubber, coolant lines ... . . . . . . . . . . . . . . 13 HUB Rear ........•.........•.......... 88 Wlbearing cup ...................•.. 87 INDICATOR Fuel . .. . .. . . • . . . .• .. . . . " 46 Pressure .•........•.• . • .....•..... 47 INHffiITOR, rust .........•............ 34 INNER TUBE, pneumatic tire. . . . . . . . . . . • . . 91 INSERT, electrical connector.. •........•.. 63
  • 136.
    Item Page Item TM 9-2320-208-20P Page INSULATOR Case support . . . . . . . . . . . . . . . . . . . . . . . 68 Mounting support rubber .... .•...• .. ... 38 JOINT Slip, universal. . . . . . . . . . . . . . . . . . . .. 112 Universal, w/setscrew . . . . . . . . . . . . . .. 112 KEY Drive shaft . . . . . . . . . . . . . . . . . . . . . .. 112 Machine :. 88 KIT Brakeshoe hold-down . .. . . . . .•. . . .. . . • 81 Drag link, repair . . . . . . . . . . . . . . • . . . . • 92 Repair ........... ....... ..•... ... 71 Shoe ...........•.......... ....... 81 KNOB, hand lever . . . . • . . . . • . • • . . . . . . . . 69 LAMP Incandescent ............•.. 46, 50, 55, 57 Unit 52 Unit, headlight. . . . . . . . . . . . . . . . . . . . . . 52 Unit, headlight blackout 54 LEAD, ELECTRICAL, regulator to ground . . . . 40 LENS Indicator light, beam 46 Indicator light, headlight beam . . . . . . . . . . . 46 Signal light . . . . . . . . . . . . . . . . 50 LEVER Control ............... .••....•.... 19 Handbrake . . . . . . . . . . . . . . . . . . . . . . . . . 79 Ignition switch . . . . . . . . . . . . . . . . . . . . . . 49 LINE Carburetor ventilator•. . ..... • •... ..... 23 Flexible 14, 29, 83 Oil filter outlet. . . . . . . . . . . . . . . . . . . . . . 14 LINE ASSEMBLY Air cleaner to elbow vent tube 24 Bell housing tee to transfer case elbow line 24 Distributor to air cleaner and vacuum line . . . 44 Fuel pump vacuum to bell housing vent line ., 24 Fuel tank to elbow 24 Master cylinder to air cleaner 24 LINING, friction. . . . . . . . . . . . • . . . . . . .. 112 LIGHT Extension 57 Indicator . . • . . . . . . . . . . . . . . . . . . . . . . . 49 Marker clearance •..... . .... ... ....• . 51 Waterproof . . . . . . . . • . . . . . . . . . 49 LOCK Assembly, traveling ....... .••...... , 108 Subassembly.............•....•..... 97 Windshield 107 MANIFOLD, exhaust ...... ... .....• ..•• 16 MffiROR Assembly, rear view 119 Outside mg .. . . . . . . . . . . . . . . . . . . . .. 119 MOTOR, windshield wiper vacuum . . . . . . . .. 120 MOUNT, front mounting support 9 MUFFLER, exhaust 33 NIPPLE, ventilation valve to hose 25 NUT Assembled washer 9, 31 Bushing retainer. . . . . . . . . . . . . . . . . . . . . 64 Carburetor.......•................. 20 Cone seat hexagon ............. •... 87, 89 Coupling, electrical conduit .... . •....... 64 Inverted tube coupling ....13, 15, 23, 24, 29, 35, 45, 83, 120 Plain hexagon 11, 20, 29, 33, 34, 39, 41, 46, 47, 49, 52, 68, 81, 100, 108, 121 Plain, welding . . . . . . . . . . . . . . . . . . . .. 108 Self-locking, hexagon .... 9, 16, 38, 39, 42, 71 93, 100, 102, 104, 105, 106 Sleeve 95 Slotted, hexagon 38, 69, 93, 94, 108 Stamped ......•.•.. ............... 59 Tube coupling 15, 23, 35, 121 U-bolt hex. . . . . . . . . . . . . . . . • . . . . . .. 102 Upper and lower cover plates . . . . . . . . . .. 110 Ventilation control 25 PACKING O-ring 100, 102 Preformed 44, 55, 64, 87 PAD Brake pedal . . . . . . . . . . . . . . . . . . . . . . . . 85 Draft 85 Draft, pedal. . . . . . . . . . . . . . . . . . . . . . . . 19 Felt 19 Mounting, blackout marker light . . . . . . . . . . 51 Mounting, headlight rubber. . . . . . . . . . . . . . 53 Pedal 19 PARTS KIT Distributor, ignition 44 Spring shackle 101, 103 Steering gear ' ,' . . . . . .. 75 Wiring, ignition switch .. . . . . . . . . . . . . . . 49 PEDAL Accelerator . . . . . . . . . . . . . . . . . . . . . . . . 31 Assembly 19 PIN Axle shaft . . . . . . . . . . . . . . . . . . . . . . . . . 77 Contact 64 Cotter 38, 85, 88, 92, 93, 94, 105, 106, 108, 111, 118 Electrical connector . . . . . . . . . . . . . . . . . . 64 Grooved, headless 97 Straight, headed .....•.. .... 19, 31, 97, 111 129
  • 137.
    TM 9-2;320-208-20P ItemPage Item Page PINTLE ASSEMBLY, towing .. .........•.• 97 PIPE, air cleaner to carburetor air intake ..... 23 PLATE Access, engine heater . . • • . . • . . . . . . . .. 109 Access, steering column . . . . . . . . . . . • .. 109 Access, steering jacket toe board . . . . . . .. 110 Access, transfer case bolt. . • . . . . . . . . .. 109 Cover .....•.......••............ 109 Data ...........•.••• •••........ , 123 Identification . . . . . . • . • . . . • • • • . . . . .• 123 Instruction . . . . . . • . • • . . • • • . . . . . • • .• 123 Mounting . . . . . . . . . . . . . . . . . . . . . . . .. 123 Mounting ignition. . . . . . . . . . . . . . . . . .. 123 Power-take-off. . . . . . . . . . • . . . . . . . . .. 109 Responsible agency 123 Side, shackle. • . . . . . . . . . . . . . . . . . . .. 102 Side spring shackle . . . • . . • . . • . . . . . . .. 100 PLUG Adjusting. • . . . . . . . . . . . . . . . . . . . . • . . . 92 Axle end .•...•••.•.•..••....•.•... 92 Drain ...........•.•..........• 15, 110 Expansion • • . . . . . . . . . . . • . . . . . . . . . . . 10 Oil level tube •..........•.•..•...... 95 Pipe ... .•.•....... ..10, 17, 27, 42, 44, 68, 75, 77, 85, 114 Pipe front axle drain. . . . • . . . . . . . . . . . . . 72 Tip ............ ....•........ 64, 65, 67 W/hook .............••........... 112 POWER-TAKE-OFF, assembly ..........• 114 PROPELLER SHAFT W/UNIVERSAL JOINTS, rear 71 PULLER Threaded. . . . . • . . • . . . • • • • . . . . . . . •• 125 Water pump pulley.••••.• ••.••..•. ••• 125 PULLEY Drive ................•........... 38 Fan and water pump, twin groove • . . . • • . .• 37 PULLEY, GROOVE Drive, assembly .••.....•..•.•..•.... 39 Fan and water pump...........•....... 37 PUMP Fuel, engine .•......•.•.•..•.•..... 21 Water, w/pulley .•.....••...••.•..... 36 RACE, inner needle bearing. •.•........... 93 RECEPTACLE, Q2 fastener. •. • ........... 49 RECTIFIER, metallic .....•......•••.... 39 REFLECTOR, indicating, clearance 119 REGULATOR, ENGINE GENERATOR Alternator . . . . . . . . . . • . . . . . . . . . . . . . . 40 Assembly .......••.•.•.. . . . . . . . . • . 40 24 - volt .........•.•. ••.•.......•. 40 130 REMOVER, tie rod, shock absorber . . . . . . .. 125 REST, foot, accelerator . . . . . . . . . . . . . . . . . 31 RETAINER Bearing ..............•............ 88 Button cap . . . . . . . . . . . . . . . . . . . . . . . . . 59 Cushion 105, 106 Packing 65 Square nut " 108 Tube spring 19 RING Assembly. , 52 Cover boot, shifter lever housing. . . . . . . .. 110 Differential side gear , 73, 77 Retaining. . . . . . . . . . . . . . . . . . . . . . . . . . 52 RIVET, solid . . . . . . . . . . . . . • . . . . . . . .. 118 ROD End, externally threaded . . . . . . . . . . . . . . . 99 Handbrake . . . . . . . . . . . . . . . . . . . . . . . . . 79 Lever 79 Pedal shaft lever to control tube lever 19 Side curtain. . . . • . . . . . . . . . . . . . . . . .. 118 Throttle . . . . . . . . . . • . . . . . . . . . 31 Tie, left . . . . . . . . . . • . . . . . . . . . . . . . . . 94 Tie, right . . . . . . . . . . . . . . . . . . . . . . . . . 94 ROTOR, ignition distributor.. •.. .......... 44 RUBBER, sheet, cellular . . . . . . . . . . . . . . . . 61 SCREW Assembled washer 44, 50, 58, 66, 119 , 120, 121 Blackout headlight door .... .. •........ . 54 Cap, hexagon head. 33, 39, 42, 59, 75, 85, 94, 113, 114 Cover, valve compartment .. •. .. ........ 11 Cover, w/lockwasher 44 Machine 23, 27, 49, 52, 53, 54, 87, 89 Tapping ............... . ....•...... 85 Thumb.....•..... : ....•.......... 118 SEAL Access plate ..•........ ............ 95 Drain plug .....•........ ........... 27 Drive, shaft. . . . . • . . . . . . . . . . . . . . . .. 112 Dust . .........•.... ........... 19, 93 Grease . . . . . • . . . . . . .. . . . . . . . . . . . . 112 Oil ; 71,87,88 Plain, encased. . . • . . . . . . . . . . . . . . . . . . 93 Rubb er ......•..... .............19, 71 Shift lever and accelerator pedal rod. . . . .. 110 Transmission drain hole . . . . . . . . . . . . .. 110 SETSCREW, headlight door 52 SHACKLE Lifting, front. . . . . . . . . . . . . . . . . . . . . . . . 97 Lifting, rear : . . . . . . . 97
  • 138.
    Item Page Item TM 9-2320-208-20P Page SHAFT Drive ............•......•....... 112 Left ....•...•...•..••.......•.... 77 Pedal .................•.......... 85 Pivot bellcrank ..........•••..•...... 93 Propeller, front. . . . . . . • . . . . • . . . . . . . • 71 Propeller, rear • . . . • . . . • . • . . . . . . . . . . 71 Right ..•..............•..•.•..... 77 Straight. . . • . . . . • . . . . . . • . • . . . . . . " 112 W/universa! joint, left .......•...•..... 75 W/ univer sal joint, right. .. . • • . . • • . . . . . . 75 SHELL, connector .•......•.•.•.•••...• 65 SHIELD Dust cover. . . . • . . . . . . . . . . . . . . . . • . . . 92 Instrument panel light .....•.....••...• 46 SHIM SET Bearing .....•.......•...•......•.• 89 Cap.•....••..•...•...••.....•••.. 75 Hanger bearing. • . . . . . . . . • . • . . . . . • •. 112 SHOCK ABSORBER, direct action.•........ .104 SIDE CURTAIN Vehicular ...•.•....•......•.••..• 115 Vehicular, left, assy .••.......•.••. " 116 Vehicular, left door .•...•....•.•.... 116 Vehicular, right, assy . • • • • . • • • . . • • • .• 117 Vehicular, right door......•. .......•. 117 SNUBBER, insulator. . . • . . . • . . • . . • • • . . . . 68 SOCKET, contact ..••......•..••••.••.. 65 SPACER Axle shaft . • • . . • . • . . • . . . . . . • . . . . . . . 77 Fuel pump to cylinder block .....•....... 21 Mounting . . . • . . • • . . • • • • . • . . . • . . • •. 120 Rear lifting shackle bracket . . • . . . . . . . • . . 97 Support bracket to frame . • . • . . • . . . . • • . • 33 SPARK PLUG, shielded..•.......••...••. 43 SPLICE, conductor.............•....•.. 65 SPOOL, parachute. . . . . . . • • . . • . . . . . . • . . 97 SPRING Accelerator pedal hinge ..•...•...••..•. 31 Ball seat. . . . . . . • . . . . . . . . . . . . . . . . . . 92 Bellcrank to bracket dust seal. . . . . . . • • . . . 93 Coil ...••.........•........... " 103 Draft pad. . . . . . . . . . • . . . . . . . . • . . . . .. 19 Front axle tie rod. . . . • • • . . • • • • • • . . •. 94 Front, w/bearing ...•..•....•..•..... 100 Helical compression, accelerator bellcrank •. 31 Helical compression, cover screw. . . . • • . .• 14 Helical compression, lock. . . . • • • • . . . • • . 97 Helical compression, retracting • . . • . . . . . . 79 Helical compression, with filter . . . . • . . . .. 14 Helical control lever tube•....•.......•• 19 Helical, extension. . . . • . . . . . . . .. 31, 79, 81 Helical, extension, end ••..••.......... 81 Rear, w/bearing. • • . . . . . . • . . . . . . . . .. 102 SPRING - Continued Release bearing carrier. . . . . . . . . . . . . . . . 19 Retracting. . . . . . . . . . . . . . . . . . . . .. 19, 85 STARTER, engine, electrical 42 STEEL, machinery 59 STOP Control wire . . . . . . . . . . . . . . . . . . . . . . . 31 Handbrake . . . . . . . . . . . . . . . . . . . . . . . . . 79 STOPLIGHT, taillight 56 STRAP Hold-down .................•....... 27 Web strap buckle. . . . . . • . . . . . . . . . . . .. 118 Webbing " . . . • . . . . . . . . . . . . . . . . . .. 108 STUD Ball ......•.............. ........ 19 Cover, valve compartment 11 Mounting. . . . . . . . . . . . . . . . . . . • . .. 20, 46 Plain 16 SULFURIC ACID, electrolyte 61 SUPPORT Bell housing ...............•.. •..... 19 Sending unit. . . . . . . . . . . . . . . . • . . . . . . . 58 SWITCH Light 49 Pressure. . . . . . . . . . . . . . . • . . • . . . . . . . 50 Push- ..............•... .......... 50 Rotary- 49 Starter, engine 42 W/harness. . . . . . . . . . . . . . . . . • . . . . . . . 59 SWIVEL, control wire .....••.•....•.... 23 TANK, fuel 27 TEE Brake line . . . . . . . . . . . . . . . . . . . . . . . . . 83 Crank line . . . . . . . . . . . . . . . . . . . . . . . . . 83 Flared tube . . . . . . . . . . . . . . . . . • . . . . . . 29 Vent lme . 13 TERMINAL LUG Cable, solderless .................•.. 40 Clamp type 61 Solderless 54 Wire, eyelet . . . . . . . . . . . . . . .. 40, 44 Wire, solder . . . . . . . . . . . . . . . . . . .. 40, 45 Wire, solderless 40, 61 THERMOSTAT, water temperature 35 THINNER, methyl-ethyl-ketone 65 THUMBSCREW, battery box door 61 TIE ROD END, steering 94 TIRE, pneumatic 91 131
  • 139.
    TM 9-2320-208-20P ItemPage Item Page TOOL KIT Special Kit A Special Kit B 125 125 TRANSMITTER Pressure 58 Temperature, electrical 58 TUBE Copper 23, 29, 44, 61 Flex, nonmetallic 29 Rubber ~. . . . 13 steel, cold-drawn. 13, 15, 24, 29, 120 Steel, crankcase vent line 13 TUBING Copper .••..................... 24, 83 Rubber 61 WASHER - Continued Lock, split ..••..•.. , 21, 29, 38, 39, 46, 47, 49, 52, 54, 58, 81, 85, 94, 113 Mounting, blackout headlight. 54 Nonmetallic. . . . . . . . . . . . . . . . . . . . . . . . 93 Pedal draft pad ....•................ 19 Recessed. . . . . . . . . . . . . . . . . . . . • . . . . . 65 Rectangular. . . . . . . . . . . . . . . . . . . • . . . . 21 Retaining. . . . . . . . . . . . . . . . . . . • . . . . . . 59 Split ............•...........•.... 71 Spring tension . . . . . . . . . . . . . . • . . . . . . . 65 Unit screw 58 Unit screw, copper 58 2-prong.....................••.. , 116 WEATHERSTRIP, rubber 107, 108 UNIT Fuel tank gage 58 Sending unit 58 VALVE Control assy. . . . . . . . . . . . . . . . . . . .. 13, 23 Metering, crankcase vent line. . . . . . . . . . . . 13 Plug 29 VALVE CORE, pneumatic tire 91 VOLTMETER Assembly 46 W/ulamp 46 WASHER Flat 9, 10, 19, 34, 38, 42, 45, 46, 49, 68, 85, 93, 104, 105, 106, 108 Flat, plain ...............•......... 31 Instrument cluster 46 Key .....•........................ 87 Large, fastener eyelet. . . . . . . . . . . . . . .. 116 Lock, ext-teeth 23, 49, 59, 114 Lock, tnt-ext teeth . . . . . . . . . . . . . . . . .. 108 132 WEBBING Anti-squeak ........•............... 27 Cotton...............••...•....•. 108 Textile 107, 118 WHEEL Pneumatic tire . . . . . . . . . . . . . . . . . . . . . . 91 Steering, assembly.. • . . . . . . . . . . . . . . . . 95 WINCH, wlo key. . • . . . . • . . . . . . . . . . . .. 112 WINDSHIELD Assembly ..... . . . . . • . . . . . . . . . . . .. 107 Assembly, flat, vehicular ....•...... .. 107 WillE, ELECTRICAL, low tension .. 40, 45, 61, 66 WRENCH Box .........•.................. 125 Open end, fixed '" ....•........... , 125 Socket. . . . . . . . . . • . . . . . • • . . . . . . . .. 125 YOKE End 73, 77 Flange ., ...........•............. 71 Sleeve ..........•..•.............. 71 wishield. . . . . • . . . . . . . . . . . . • . . . • . . . 69
  • 140.
    TM 9-2320-208-20P ORDNANCEAND MANUFACTURER'S PART NUMBER LIST This index is prepared in strict numerical sequence; that is, all letters or dashes prefixed, suffixed or inter­spersed in the numbers are disregarded. For instance: 33-T-233 is in sequence as 33233, but the complete number is shown in the listing. All Ordnance numbers appear without any symbol prefix. Standard hardware items are not included in this index because of their common application. All numbers prefixed by a series of 5 numbers followed by a dash (e. g., 63477-FC5917) indicate a Manufacturer's or Military Standard part number. A cross-reference of these 5-digit numbers to their related commodity will be found in Section I - Preface under "Manufacturer's Symbols. " Part Number Page Part Number Page Part, Number Page 27-W-918 ,107 142427 23,29 502242 ..••..••••..••..• 19 33-T-233 .•.......•.... 120 142431 •... 15,23,24,44,83,120 502243 •.••••••.•••.••••31 42-W-300 ........•..... 116 142432 •..•••.••• 24,120,121 502495 ....••.......... 23 103196 • . . . . . . . . .. 16,20,32 143934 •...••....... " 112 502911 110 103647 ............••.. 34 144307 ..••.•••.••••• 15,24 502913 ..•......•..... , 35 103865 .....•.......... 17 150189 ..•..•••..••..•• 43 502916 . . . . • . . . . . . . . . .. 93 103866 ..•......••..... 95 159592 ........•....••. 23 502917 . . . . . . . . . . . . . . .. 35 104099 118 160046 .......•....•... 52 502922 ••.•••.•.••'. • • •. 23 105456 .••...•.••.••.•. 15 178349 ...........•.... 108 502924 ...••.••••...••. 110 107827 ...•...•••..•••• 59 180358 .....••••••..••• 108 502925 . . • • • • • • • . . • . . •• 23 111655 ...•••••••••••.. 85 181637 .•.••..•••••••.. 75 503112 • . . • • • . . • . • . .. 32,33 112572 •..••.••••.•.•.• 16 181670 ••.••..•...•••.. 39 503113 .....•........... 31 113186 .•.••••••.•.•• " 77 181673 •....•••..•...•• 94 503275 . • • • • • . • • • • • . • •• 39 118831 •••.••..•.••.• 42,44 181680 ••..••.•••..•... 39 503345 ' . • . . • • . . . • . . . .• 71 120013 •.••••••.••..••• 61 187263 ...•..••...••..• 83 503351 . • • • . • . . . . • . . . •. 9 120213 •.•.••.•.••••••.. 9 187979 •••...••...••••. 40 503354 . • . . • • . . • . . . . • •. 16 120214 ..••••...••.•• 21,85 191509 •••..•••.•••..•. 45 503357 . • • • • • . • • . . . • . .. 38 120233 ..••..••.•••.... 114 192417 ..••...••..••• 41,75 503434 . . . • • . . • • . . . • . .. 93 120361 •...••••..••.... 29 193048 •.•..•••••••.... 57 503478 ..•••.••..•••... 108 120368 .•..••.••.•..••• 41 200027 .••••.•...•••..• 44 504203 ..•...• ~ .71,97, 100, 102 120369 ...•...••.• 20,81, 108 200031 ••..•...•.•.•••. 45 504205 . • • • . • • • • • . • . • •. 69 120370 ••.....•..•..••• 34 271187 . . • • . • • . • . . . • . .. 9 504207. • . . . • • • . . . . . • .. 94 120382 •..•••••.••••• 54,81 271193 •.•••.••.•.•••• 9,31 504208 . • . • • • • • • • • • • • .• 92 120383 ...•••.•••..••.. 94 271506 .....•••.•..•••• 39 504804 . . • . . . • . • . • • . . .• 66 120388 ...•...••..••...• 9 273936 , 77 506210 . . • . . • • . . • . . . . .• 40 120393 •••..•.••.•.•.• 9,85 325200 ...•........•... 24 507032 . • • • • • • . • • • • • . •• 61 120527 ..•.•..••.• 61,62,123 420447 ............•..• 44 520944 . . • • • • . . • . . . . . .. 91 120613 '.......•........ 121 423553 ••..••...•.••••• 81 540462 . • • • • • . • • • . • • . .• 14 120614 47,52 423555 ..••••.••..•••.. 83 541402 . • • • . . . • . . . • • . .• 10 120677 .....••....•.... 32 423568 .•...•.•.••••• 51,56 544190 . . • • . • • • . . . • • . •. 19 120930 •.••..•••••.•••. 114 425380 •••.•••.•••••.•• 109 546880 . • • . . • • • . • • . . . •. 44 121224 ••.••.•• 38,94,105,106 425401 •..•••....•...•• 99 547250 •••••••••••••••• 119 121458 ....•.••..•••.•• 108 426686 ••.••..•..•.. " 116 572553 . . • • . • • • • • . • • . .. 61 121621 •••.•..••.•.•••• 39 426692 .........••.. " 116 572929 . . • • . . • • . . . . . • •• 63 121661 .••••..•••••.••• 33 426915 46 572930 . • • . • • • • • • • • • . •• 63 121749 .... : ..•........ 49 432653 •...•......•..•• 66 572931 . • . . • • . . . . • . . • .. 63 121752 . . • . . . . • . . . . . . .. 58 442696 41 572999 . . • • . . • • • • • . • . .. 62 121753 59 442830 ...........•.•.. 104 573435 . • • • . . . • • . . • . . .• 54 122089 •••••..•••.•••.. 85 442832 . . . . • . . . . . . . . . .. 9 582944 •••••••.••••• 111, 118 122126 ..•.•.••.••••••• 113 446485 ••••••...••...•• 34 585819 .••••••••••.. 107,118 124378 • • . • • • • • • • • • • • •• 42 446548 .•••••••••..••.. 42 587305 • • . • • • • • • • • • • • .• 77 124920 •.•••..•••..•••• 11 446609 .•••••.•••••.... 66 590169 ••••••..•...• 111, 118 125043 •••••.••••••••.. 38 446914 • • • • • • • • • . • • • . •• 55 590172 •.•••.••••.•. 108, 118 125250 • • . • • • . • . • • • . . •• 94 453299 ••••••.••••..••• 49 590378 •••.••...•.. " 88,93 125258 .•••.••••••••••• 108 453804 • • • • • • . . • • . . • • .. 54 590897. • • . . • . . . • . . . • .. 37 125348 ••..••••.•••• 105,106 454789 ...•... 50,119,120,121 590928 •••..••..••...•. 31 128275 •••••..••.•..••• 29 455145 ••.....••••••••• 36 592636 ..•..••......... 108 131016 •••••••••• 68,105,106 455157 • • . . • • . . • • . . • • •. 52 592637 .•••••.•••.••.•• 118 132848 53 455268 .•..•..••..••.•• 29 594224. . . • • . . . • . • . . . •. 44 133186 . . . . . . . . . . . . . . .. 72 500810 ..••..••..•••.•• 120 701170 •.••.••..•...... 118 133757 ...........•.. 87,89 500814 ..•..•..•.•.••.• 120 705423. . • . . • • . . • . . • . .. 87 135629 . • • • • • •• • . . • • • •• 49 500844 ••.•••.•••••••.. 120 705447. • • • • . • • • . • • . . •. 88 137185 ••...••••.•.•... 105 501223 ••••.•.••.•.••.••44 706836. . • • • . • • . . • • . . .. 87 137189 • . . • • • . . • • • • . . •• 66 501229 •••••••••••••••••91 706857. • • • • ... • . • • . . • .• 88 137214 .•••..•.•..•••.. 92 501648 ••..••..••.••.•.. 14 710203 . • • • • . . . . • . . . • •. 19 137223 • • • . • • • • • . • . . • •• 85 501650 •..••..••••.••..• 14 712159 . • • . . • • . . • . . • . .• 93 137398 .••••.••..•..•13,120 501924 •..••..•.•••...•.61 807495. • . . • • . • • • . • • . .• 24 137419 ............•.•. 77 502203 •..•..••••..•••.•46 807700. . • . • • . . • . . . • . .. 24 133
  • 141.
    TM 9-2320-208-20P ORDNANCEAND MANUFACTURER'S PART NUMBER LIST Part Number Page Part Number Page Part Number Page 808926 • • • • • • • . • . • • • . .• 24 810504 •••..•..•••..••• 24 810505 •.•..••••..••••• 24 811403 . . . . . . . . • . . . . . .. 24 811441 . . . . . . . . . . . . . . .. 24 906397 . • • • • • • • • • • • • • •• 93 912625 . • • • • • • • • • • • • • •• 77 912626 • • • • • • • • • • • • • • •• 77 912637 . . . . . . . . .. . . . . . .. 77 916775 . . . . . • . . . . . . • . . . 77 918179 . . • . . . . . . . . . . . .. 77 921387 . . . . . . . . . . . . . . .. 77 923005 . . • . . • . . . . . . . • .. 73 924139 ..•• • ••. •.• .. . " 73 935553 . • • . . . . . . . . . . • .. 77 935891 • . . . . . . . • . . . . . .. 73 935892 • • • • • • • • • • • • • • •• 73 1720034 ••••••••••••••• 92 24-W-11200 •••••••••••• 27 27-F-630-16 •••••••••••• 118 5160323 • • • • • • • • • • • • • • • 85 5232404 . . . . . . . . . . . .. 87,89 5232405 .. ..........• 87,89 5246557 ..•..•..•.••. " 19 5246558 ••.•.•...•.. . " 19 5261672 . • . . . . . . . . . . . .. 21 5262210 . . . . . . . . . . . . . .. 34 5294507 • • • • . . • • . • . . . • . 54 5307299 . . . . . . . • . . . . . .. 71 5307509 .•..... •.•... " 35 5308280 . • . • • . . . . • • . • .. 14 5308281 . . . . . • . • . . . . . .. 14 5308282 . . . • . • . . • . . . • .. 14 5336400 . • . . . • . • . . • . . .. 13 5381088 . . . . . . . . . . . • . • . 49 5702338 .....•.. ; •.. 101,103 5702401 . . . • . . . • . . . . . .. 49 5702525 . . . • • . • . • . . . . •. 44 6Z1667-42 ..•..•....• •. 63 6Z1667-44 •..••........ 63 6Z1667-46 63 6Z1667-47 63 6Z1947-12 .....•...••.. 83 7032606 . . . . . . . . . . . . . .. 88 7032607 ....... •....... 25 7032625 ..••..•••..•• " 83 7032635 ••••••••••••• 69,83 7033742 . • . • . . . . • . • • . .. 49 7044253 . . • • . . • • . . . • . •• 97 7047970 . • .•... ...... " 25 7047998 .....•.••.... 25,66 7048736 ....•..••.... " 32 7050005 ..••.•.•.••.•.. 50 7056708 . . • . . • . . . . . . • .. 54 7056730 • . . • . • • . . . . • • .• 61 7073209 ..•...•..•.•. " 97 7080100 ..•..•. •..•.•.• 125 7081465 .......•••.. •.. 125 7084207 .....••....•••. 125 7320658 .. •.•.••..•.. " 55 7320689 . . . . . . . . . • . . . .. 54 7324407 • • • . . • • • • • • • . .. 81 7328293 . •...•....•.. 87,88 7328294 . . • • . . . • . . . .. 87,88 134 7328371 . • . . • . . . . . . . • .. 87 7340237 '. . . . • . . • . . • . . •. 85 7343032 104 7346871 ....•....... . .. 29 7346940 . . . . . . . . . . . . • .. 61 7346945 .•...•.•.•.. ... 123 7348567 .•••••• • • •.• ••. 110 7348578 . • . • • • . . . • . . . •. 44 7351313 . . . . . . . . . . . . . .. 88 7351315 . • . . • • . . • . . . . .. 27 7351403 . . • . • . • . • . . . • .. 75 7351404 • . . . • . . • . . . . . .. 75 7351892 . . . . . . . . . . . . . .. 15 7355736 ••.• •.. ..•..... 38 7355830 . •..•.......... 123 7358502 • • . . . . . • . . . . . .. 63 7358569 • . . • • . • . . . . . . •. 44 7358582 ••..•..•.•... " 52 7358619 ..•.•.....•.• " 49 7361994 ••••••••••••••• 110 7368702 ••••••••••••••• 49 7371035 ••• • • • • • • • • • • •• 69 7371061 ••••••••••••••• 102 7371037 • • • • • • • • • • • • • •• 68 7371047 .•.....•..... " 32 7371055 .•..•....... ... 100 7371056 ....••.•...• •.. 102 7371103 72 7371110 " 75 7371188 . . . . . . . . . . . . . .. 38 7371194 . . • . . . . . . . . . • .. 31 7371272 " 13 7371337 . . . . . . . • . . . . • .. 19 7371340 ............ • " 19 7371342 • • • • • • • • • • • • • •• 19 7371364 • • • • • • • • • • • • • •• 19 7371366 • • • • • • • • • • • • • •• 19 7371390 • • • • • • • • • • • • • •• 32 7371454 . . . . . • . . . . . . . .. 31 7371589 . . . . . . . . . . . . . .. 75 7371759 ... ..•..•...•.. 68 7372342 . . . . . • . . . . . . • .. 85 7372343 . . . . • . . . . . . . • .. 83 7372551 . . . . . • . • . . . . • • • 9 7372806 ....... •..... " 36 7372816 . . . . . • . . . . . . • .. 37 7372823 • . . . . . . . . . . . . .• 19 7372826 •.••••.•••••• " 19 7372833 ..•......... . .. 83 7372834 . . . . . . . . . • . . . .. 83 7372835 • . • . . . • . . • • • . .• 83 7372836 . . . . . . . . . . . . . .. 83 7372837 . . . . • • . • . . . • . .• 83 7372839 .. •....•....•.. 83 7372864 • • • • . • • . . • • .• • • 75 7372872 ' " 75 7372878 . • . . . . . • . • . • . .. 68 7372879 .. •••. ••••• 67,68,75 7372889 .•.......... •.. 115 7372890 ...•.........•• 115 7372891 ........ .••.... 115 7372895 • • •. .• • ••• ..... 118 7372899 .........•..•.. 115 7373111 . . • . . . . • . . . . . .. 94 7373121 . . • . . • . . . . . • . . • 73 7374750 . . . . . . . . . . . . . .. 38 7374981 . . . . . . . . . . . . . .. 88 7374986 . . . . . . . . . . . . . .. 77 7374987 , . . . . . 77 7374988 • • • • • • • • • • • • • •• 88 7375021 • • • • • • • • • • • • • •• 37 7375022 • . . . • . . . • • . . . . . 53 7375023 . . . . . . . . . . . . . .. 51 7375030 . . . . • . . . . • . . . .. 34 7375036 • . . • . . . . . . . . . . • 27 7375071 . . . . . . . . . . . . . .. 38 7375075 . . . . . . . . . . . . . .. 33 7375076 . . . . . . . . . . . • . .. 33 7375077 . • • • . • . . • • . . . . . 32 7375081 . . . . . . . . . . . . . .. 68 7375082 . . . . . . . . . . . . . .. 68 7375110 . . . . . . . • . . . . . . . 44 7375114 . • . . . . . . . . . . . .. 31 7375129 . . . . . . . . . • . . . •. 31 7375136 . • . . . . • . . . . . . . . 88 7375143 ....•....... .. 87,88 7375146 . . . . . . . . . . . . . .. 58 7375153 68,110 7375158 . ...... ..... .•. 109 7375174 38 7375175 . . . . . . . . . . . . •. . . 38 7371576 . . . . . . . . . . . . . .. 85 7375177 . . . . . . . . . . . . . .. 93 7375178 • •.•......... . , 93 7375179 . . . . . • . . . . . . . .. 93 7375180 , 93 7375181 . . . . . • . . . . . . . .. 93 7375182 , 92 7375183 ..•.•.. •... ... , 93 7375185 , 93 7375186 . ..•... .•.•... , 92 7375336 . . • . . . . . . . . . • .. 95 7375377 • . . . . . • . . . . . . .. 44 7375385 . . . . . . . . . . . . . .. 21 7375388 • . . . . . . . . . . . . .• 38 7375392 • . . • . • . . . . . . • .. 31 7375440 . . • . . . • . . . • . • .• 85 73785.69 . • . . . . . . . . . . • .• 44 7384388 ..••..•.• ••... , 46 7384389 ......• •....•. , 46 7384392 ............•. , 46 7387807 ....••........ , 91 7388813 . • • • • . • • . • • . • .. 50 7389566 .•..•..•.•.. •. , 58 7389567 • • . . . . • . . • • • • .. 46 7409316 . . . • • • • • • • • . . • . 85 7410836 . ~ ..••.•.....• 13,23 7410837 • . . . • . • . . . . . . .. 97 7410838 ..•.... •....•. , 97 7411250 • • • • . . • • . • . • . .. 36 7411677 •.••.. •.... .•.. 112 7411685 .. •.....•...... 112 7411687 • .......•. . •..• 112 7411690 112 7411799 112 7411804 112 7411944 : 112 7411950 112 7411951 112 7411952 • . •• . . . •. •. . . .• 112
  • 142.
    ORDNANCE AND MANUFACTURER'SPART NUMBER LIST TM 9-2320-208-20P Part Number Page Part Number Page Part Number Page 7411953 .••.•....••. • • . 112 7412179. . • . . . . • . . . . . . • 81 7412442 . . . • . . . . . . . . . .. 59 7412445 . • • • . . • . . • . • • •• 95 7412783 • • . • . . • • . . • . . •• 57 7416478 • . • . . . • • . • . . • .. 21 7416524 . . . . . . • . • . . . . . . 85 7418141 . . . . . . . . . . • . . .. 75 7418184 .. . ••. • .. ••.. . • 109 7418343 . . . . • . . . . . . . . .. 52 7524313 . . . . . • . . . • . . . •• 97 7524315 . . . . . . • . . . . . . .. 97 7524316 .•.. ......... " 97 7525935 . . . . . . . . . . . . . .. 52 7525936 . . . • . • • . . . . . . •. 52 7525937 . . . . . . . . . . . . . .. 54 7525940 . . . • . . • • . . . . . .. 54 7526018 . . . • . . • . • . • . . •. 56 7526020 . . . • . . • . . . . . . .. 55 7526591 . . • . . . • • . . . . . .. 46 7526594 . . . . . . . . . • . . . •. 46 7526596 . . . . . . . . . . . . • . • 46 7527639 . . • . . • . . • . . . • .. 65 7527640 65 7527642 . . . . . . . . . . . . . .• 65 7527643 . . • . . . . . . . . . . . . 64 7527644 . . . . . . • . . . . • . . . 64 7527646 . . . . . . . . . . . . . .. 62 7527647 . • . • • • . . • . . • . •• 64 7527648 . . . . . . . . . . . . . •. 62 7527652 . . . . . . . • . . . . . .. 62 7527653 . . • . . . • . . . . . . •. 64 7527654 • . • . . . . . . . . . . •• 62 7527655 . . • . . . . . . • • . . .. 65 7539255 . . • • . . . • . . . . . •. 49 7696491 • . • . . • . . . . . • • . . 69 7696520 • ••..••..•.• • " 87 7696521 . . . . . . . . • . . . . • . 87 7697436 . . • . • . . • . . . . . .. 99 7697452 . . • . . . . . . . . . . . . 85 7697454 . . . . . . . . . . . . . .. 19 7697462 . . . . . . . . . . . . . .. 81 7697463 . . . . . . • . • . . . . .. 81 7697466 . . . . . . . . . . . . . .. 85 7697490 . . . . . . . . . . . . . .. 97 7697512 . . • • . . . . . . . . . .. 97 7697515 ...•.......•. .. 110 7697519 .....••....•.•. 109 7697520 ... •..•.....• • • 110 7697521 .. ............ • 110 7697522 . • ...••..••. . .• 109 7697523 • . . . . . . . .• • • .• . 109 7697525 .............•. 109 7697526 ..••...•....... 109 7697527 .............•• 110 7697548 ... ........... • 108 7697554 •. . • . . . . • • . . . . . 123 7697555 •. •..••...•..•. 123 7697561 .... ..•..•..•.. 123 7697574 101,103 7697577 •..••..•..•.••• 110 7697578 ...........••.. 109 7697579 .. • •.•••.•••. •• 110 7697581 ...• •...•..... . 110 7697588 • . .•. • • . . .• •.• • 35 7697593 . . . • . . . • . . . . .• • 118 7697602 .....•.•... • 101,103 7697613 .•...• .•..• .. " 71 7716522 ..•.....•.... " 64 7716523 •......• • •••. " 62 7716524 . . . . . . . . . . . . . .. 64 7716525 . . . . . . . . . . . . • .. 62 7716696 ........ ••..• " 64 7716697 ........ •.... " 64 7716699 ••. . . .. . . . • . . " 62 7716715 .•..•........ " 65 7716716 . . • • . • . . . • • . . .. 65 7716718 " 65 7716721 " 65 7722343 " 62 7723308 • . . . . . • . • • . • • . • 64 7723309 .•.....••.... " 64 7723899 .......•..... " 51 7726808 ...•.•.. •.•.. " 49 7728788 . . . . . . . . • . . . . .• 50 7728852 " 46 7729791 .......••.... " 51 7729796 ...•...•..... " 51 7731428 . . . • . • . • . . • • . .. 66 7735289 " 83 7735843 ..•....• .... 101,103 7741420 .......• . •... " 11 7760396 123 7760409 . . . . . . . . . . . . • " 49 7760412 ... •.... •..•• " 49 7760418 ........ ••..• " 49 7760505 . . . . . . • . . . . . . .• 54 7950305 . . • • • . . . . . . . • . . 125 7950306 .•.•...••...•.. 125 7950710 . • . . . . . . . . . . • . • 125 7954230 . . . . . . . • . • . . • •. 47 7954231 .•••.•......• " 58 7954343 .•. • •.•.. ••. • " 39 7954720 . . . . . . • . • . . . • .. 39 7966471 ..•...•.•.... " 29 7966472 .•....•...... " 29 7966482 .....•.. •.... " 29 7971766 . . . . . . . . . . . • . .. 93 7971767 •. .• . • . .• . • • . " 93 7971ilin ' . . . . . . . . • . . . . .. 93 7973980' .......• •..•.•. 100 7974896 • . . . . . . . • . • . . •. 99 7975294 . . . . . • . . • . . • . •. 27 7996977 • . . . . . . . . . . • . . . 123 · 7996979 . . . • . . . . • . . . . . . 123 8328005 ••• •.•.••..••• 75,77 8328027 •....•..• •... " · 44 8328062 .•.....• . .... " 42 8328129 .....•....•.. " 19 8328132 .....•... ••.. " 42 8328134 ......... •... " 42 8328141 • . . . . . . . . . . . . •• 42 8328264 •. .• • ..•. .• . . " 97 8328265 ..•.... .•.... " 17 8328310 " 17 8328313 • . . . . . . • • . . . • .. 17 8328391 . • • • . • . • • . • . . •. 9 8328406 .••.••.••.•.• " 15 .8328434 .••... • ..•... " 19 8328435 • . . • • •. • ••. . • " 19 · 8328436 .....•.....••• 19,85 8328437 • . • • • • • • • • . • . • • 19 8328439 • . . • . . . . . . . • . •. 19 8328440 . . . • . • . . • . . . • •• 69 8328442 . . • • . . . . . . . . . •. 81 8328456 . . . • . . . . . . . . . .. 35 8328457 .. ....•...•.. " 35 8328458 . . • . . . . . . . . . . .• 35 8328464 107 8328465 . . • . .. . . . . .. • . • 107 8328468 . . . . . . • . . . . . . • . 107 8328474 • . • • . . . • • . . . . . • 10 8328494 . . . • . . . . . . . . . .. 71 8328495 .. •.... ... .. . " 71 8328496 . • . • . . . . . . . . . .. 71 8328497 • • • • • . • . . • . • • • . 71 8328498 • . . • . . . . . . . . . . . 71 8328499 . . . . • . . . . . . . . . . 71 8329600 ....•.•..... 100,102 8329601 ... •..........• 100 8329602 100,102 8329603 ...• •.......... 102 8329607 . . . . . • • . • • • . . .. 81 8329611 . . . . . . . . . . . • . .. 81 8329612 . . . . . . . . . . . . . .. 81 8329621 . . . . . . . • . . . . . .. 27 8329623 . . . . . . . . . . . . . .. 79 8329625 . . . • . . . . . . . . . .. 79 8329626 . . . . . . . . .. . . . .. 79 8329627 • . . . • . . • . • . . • •. 79 8329628 . . . . . . • • . . . . . .. 79 8329630 . . . . . . . . . . . . . • • 79 8329633 . . . . . . . . . . . . . •. 79 8329636 . . • . . . . . . . . . . •• 25 8329639 . • . • . . . . . . . . . . . 13 8329642 . . • • . • . . . . . . . .. 23 8329643 • . . . • • . . . . • . . .. 13 8329646 • • . • . . • . . . . . . . • 23 8329653 . . . . . . . . . . . . . . . lOT 8329658 . • • . . • . . . . . . . . • 107 8329659 . • . . • . . . . . . . . • . 107 8329666 . • . . • . . . • . . . . . . 61 8329676 . • . • . . . . . . . • . . . 10 8329677 • • . • . • • . . • • . . . • 10 8329678 . . . • . . . . • • • . . • . 10 8329686 . . . • • . . . • . . . . •• 58 8329687 • . . • . . . . . . . . . .. 58 8329689 . . . . . . • . . . . . . •• 59 8329690 . . . • . . . . . . • . . .. 59 8329696 . • . . . • . . . . . . . .. 11 8329699 .•.•• •• •• • • •. " 16 8329700 . • • . . • • . . • . • . .• 71 8329701 . • . • • . . . • . . . . • . 21 8329708 , • • • • . . . . . . . . •. 21 8329715 . . . • • . . • . . . . . .. 13 8329731 . . • . . . • . . . . . . • • 87 8329733 • . . • • • . . . . • . . . • 110 8329736 • . . • • . • . . . • • • • . 62 8329739 . . . • . . . . . . . . . .. 32 8329746 • • . • . . • . . • . • . •• 94 8329747 . . . . . • . . . . . . . . • 94 8329750 . . . • . • . . . . . . . • • 16 8329751 • . • • . • • • . . . . . •. 16 8329752 . . . . . . . • . . . . . .. 16 8329754 • . . . . • . . . . . . • .. 115 8329759 . . . . . . • • . . . . . .. 31 135
  • 143.
    TM 9-2320-208-20P ORDNANCEAND MANUFACTURER'S PART NUMBER LIST Part Number Page Part Number Page Part Number Page 8329760 . . . . . . . . . . • . . .. 31 8329761 • . . . . . . . . . . . . .• 31 8329762 . . . . . . . . . . . • . .. 31 8329763 ........... •.. 31,61 8329767 . . . . . . . . . . . . . .. 31 8329769 . . . . . . . . . . . . . .. 31 8329770 • . . • . . • • • . . • . .. 31 8329774 . . . . . . . . . . . . . .. 20 8329781 . . . • . . . . . . . . . .. 27 8329782 • . . . • . . . . • . . . • . 27 8329783 -, . . . .. 29 8329784 • . . . . . . . . . . . . .. 44 8329823 . . . . . . . . . . . . . .. 20 8329873 . . . . . . . • . . . . . .. 11 8329985 . . . . . . . . . . . . . .. 66 8330124 . . . . . . . . . . . . . .. 23 8330512 • . .• . . . . . . .•. . . 104 8330513 • . . . . . . . . . .. . . . 104 8330945 . . . . . . . . . . . . . .. 13 8330946 . . . . . . . . . . . • . .. 27 8330948 . . . • . . . . . . • . . • . 79 8331232 .. •....... ..... 100 8331234 100 8331235 . . • • . . . • . . . . . . . 100 8331236 ......•........ 102 8331237 . . . . . . . . . . . . . • . 102 8331238 . . . . . . . . . . . • . . . 102 8331239 . ... • • . •...•.. . 102 8331932 . . . . . . . . . • . • . .. 14 8331934 . . . . . . . . . . . . . .. 29 8332072 . . . . . . . . . . . . . .. 19 8332074 . . . . . . . . . . . . . .. 97 8332083 . . . . . . . . . . . . . .. 85 8332127 . . . . . . . . . . . . . .. 52 8332474 . . . . . . . • . • . . . .. 94 8332475 . . . . . . . . . . . . . .. 94 8332476 . . . . . . . . . . . . . .. 94 8332518 • . • • . . . • . . • . . .. 59 8332519 . . . . . . • . . . . . . .. 88 8332520 . . . . . . . . . . . . . .. 20 8332521 . . • . . . • . . • . • . .. 21 8332524 . . . . . . . . . . . . • •. 58 8332529 . . . . . . . . . . . . 100, 102 8332530 . . . • • . • . . . . . . .. 14 8332675 . . . . • . . • . . • . . . • 13 8332677 . . . . • . . . . . . • . .. 59 8332928 . . • . . • . . . . . • . . . 100 8333061 . . . . . . . . . . . . . .. 71 8333105 . . . . . . . . . • . . . .. 81 8333106 . . . . . . . . . . . . . .. 88 8333138 100,102 8333259 100, 102 8333277 . . . . . . • . . . . . . .. 27 8333278 . . . . . . . . . . . . • .. 32 8333279 . . . . . . . . . . . . . .. 33 8333280 . . . . . . . . . . . . . .. 58 8333281 61,62 8333283 . . . . . . . . . . . . . .. 71 8333284 . . . . . . . . . . . . . . . 79 8333288 . . . . . . . . . . . • . . '. 102 8333289 . . . . . . . . . . . . . . . 104 8333290 . . . . . . . . . . . . . . . 104 8333291 105 8333292 . . . . . . . . . . . . . . . 106 8333295 ...... .•.... 105,106 8333296 . . . . . . . . . . . . 105, 106 8333297 .•...•.....• 105, 106 8333298 . . . . . . . . . . . . 100, 105 8333299 106 8333337 ....•.•....• 100,102 8333378 ..•........ .. " 87 8333425 .. ••••.••... 105,106 8333426 ...•..•• ... •... 123 8333427 123 8333428 ... .. • •. ... . ... 123 8333429 123 8333722 . . . . . . • . . . . . . .. 27 8333761 100 8333767 . . • . • . . . . . • . . . . 100 8333800 102 8334009 . . . . . . . . . . . • . .. 52 8339741 . • • . . . . . . . . • • . . 94 8357724 . • . . . . • . . . . . . .. 43 8360020 . . • . . . . • • . . . . .. 40 8366660 . . . . . . . • . . . . . .. 125 8376209 . . . . . . . . . . . • . .. 66 8376377 . . . . . . . . . . . . . .. 46 8378786 . . . . . . . . . . . . . .. 56 8379904 .. .... ..... •. .. 107 8380699 . . . . . . . . . . . . . .. 49 8386440 123 8387940 . .. , 19,85 8403350 . . . . . . . . .. • . . • . 108 8461313 . ..... •.. ... ..• 119 8673356 . . . . . . • . . . . . . .. 44 8673357 . . . • . . . . . • • • . . . 44 8673359 . . . . . . . . • . . . . . . 123 8673360 . . . . . . . . . . . . . . . 123 8677344 . . . . . . . . . . . . . .. 83 8677523 . . . . . . . . . . . . . .. 23 8677572 . . . . • . . . . . . . • .. 115 8683529 . • . . . . . . . . . . . .. 50 8383933 . . . . . . . . . . . . . .. 50 8687079 . . . . . . . . . . . . . .. 49 8687080 . . . . . . . . . . . . . .• 49 8687082 • . . . . . . . . . . • . . . 125 8689231 . . . . . . . . • . . . . .. 59 8699711 • • . . • • . . . . . . . .. 39 8699715 . . . • . . . . . . . . . .. 39 8699723 . . • . . • . . . . . . • . . 39 8699724 . . . . . • • . . . . . . .. 39 8699725 • . . • . . . . . . . • . .. 37 8699837 . . . . . . . • . . • . • .. 37 8708564 . . . . . . . . . . . . . . . 125 8710782 . . . . . • . . . . . . . .. 103 8710805 . ..... •....• 101,103 8710812 . . . . . . . . . • . . . . . 107 8720569 . . . . . . . . . . . . . .. 21 8728110 ........... •... 116 8735777 .....••.••..... 115 8735778 . . . . . . . . . . • . . . . 115 8735779 . •....... ...... 115 8735890 119 8735891 . . . . . . . . . . • . . .. 47 8735892 . .•.. . ..... .•.. 117 8735893 . • • . . • • . . • . • . •. 117 8735894 ..•...•...•.••. 116 8741534 ....•.•....•..• 102 8741535 .•....•....... . 100 8741536 •.............. 100 8741869 . . . . . . . . . . . . . .. 43 8742046 , 59 8742047 .. ..... ..... •• , 59 9409097 •• ..•. ..•..... , 23 9409098 •....••.•..... , 36 9409102 •..•.......•.. , 79 9409103 • • • . . • • . . • • . . • • 85 9409106 ...•.• ...... .. , 13 9409107 . . . . • .• . . . . • . . , 37 10885494 ....... . • ••.•• 111 10917034 , 75 10929991 .•..••........ 123 10930014 ..........•.•• 123 10930015 . ..••.• .• .. . . . 123 10947439 ..........•..• 40 44-T-5080-20 , 23 6Z19-322-39 .•. . •....• • , 62 6Z1932-251 .•........•. 29 7Z1932-283. . . . . . . . . . . .. 41 3Z12073-117 . . . . . . . . . . .. 40 07767-1000 . • . • . . . . . • . .. 73 19728-IAU6 ...•.. ...•.. , 44 19728-IG676 . . . . . . . . . . .. 44 19728-VBC-4003 UT . . • . . .. 40 19728-8X3029 . . . . • • . . . .. 44 19728-CB17812 , 52 19728-8X3029 .. •... . ... , 44 19728-IGP3028FS , 44 19728-IAT30760S , 44 23862-924552 52 35510'"36924 . • . . . .. .• •. , 40 40095-A49-8839 • . . . . . . . . 58 44537-801265 . . • • . • . . • .. 92 55168-R32-63 . . . . . . . • . .. 29 59875-14DM76 • • . . .• • . •. 92 59875-14DM120 ....•.. . . , 92 65909-A820 75 65909-A6360. . . . • . . . . . . • 19 65909-301435 , 121 65909-339372 . . . . . . . . . .. 100 65909-391404 • . . . . . . . . .. 81 65909-630305 ....•.... . , 11 65909-634814 . . . . . . • . . .. 16 65909-636863 . . . . . . . . . .. 81 65909-648798 . . . . . . . . . .. 11 65909-649955 .. • . . . . . . .. 95 65909-666619 .•.....•.. , 33 65909-672846 , 110 65909-673553 , 108 65909-677836 , 111 65909-680143 •. • . . . . . . .. 108 65909-680787 . •• ...• •... 120 65909-681166 .. . . . . . . . .. 61 65909-800047 .......•.. , 97 65909-800068 . . . . . . . . . .. 75 65909-800095 . . . . . . . . . . . 75 65909-800802 . . • . . • . • . .. 121 65909-801279 ..•..••.•. , 95 65909-801425 •• ••..••. • . .95 65909-801804 • . • . • • . • . .• 123 65909-802634 •......• •. , 123 65909-804821 . ..•..• ..•. 87 65909-806027 ..•.. .. •... 79 19728-7375377 . . . . . . . . . .. 44 19728-7348578 , 44 136
  • 144.
    TM 9-2320-208·20P ORDNANCEAND MANUFACTURER'S PART NUMBER LIST Part Number Page Part Number Page Part Number Page 65909-806028 79 65909-806186 .. . . . . . . . .. 23 65909-806626 ........•.. 29 65909-806917 .••..•.•.•. 95 65909-806950 .•.....•.•. 31 65909-807374 .. 81 65909-807377 . . . . . . . . . . . 81 65909-807378 . . . . . . . . . .. 81 65909-807713 13 65909-807779 71 65909-807780 .. . . . . . . . .. 71 65909-807961 .•.•••••••. 58 65909-809100 .. . . . . . . . . . 94 65909-809807 " 102 65909-906294 .. . . . . . . . .. 93 65909-906396 ••••••. . . .. 93 68146-98382 83 70040-1501524 46 70040-1582082 49 7221O-S5069 . . . . . • . . . . .. 92 72210-85070 . . . . . . . . . . .. 92 72210-85144 . . . . . . . . . . .. 92 72210-85145 " 92 73331-5940558. . . . . . . . . .. 54 73331-594367'/ . . . . . . . . . .. 46 77477-25756 . . . . . . . . . . .. 14 77477-25757 . . . . . . . . . . .. 14 77820-10-35531 • . • . • • • • •. 64 77820-10-35532 . . . . . . . . .. 65 77820-10-40450-128. . . . . .. 63 77820-10-40450-168 . . . . . .. 63 77820-10-40450-22. . . . . . •. 63 77820-10-40450-288. . . . . • . 63 77820-10-40459-22. . . . . . .. 64 77820-10-40459-28. . . . • . •. 64 77820-10-40553 . . • . . • • • .. 64 77820-10-40554 . . • . • . • . •. 62 137 77820-10-40555 . .. •.... " 64 77820-10-40817-9 ......•. 62 77820-10-40817-10 .•.... " 63 77820-10-40817-12 .•.... " 63 77820-10-40822-23 " 62 77820-10-40822-54-; " 63 77820-10-40822-56 .•.... " 63 77820-10-40828-518 " 63 77820-60-37005-131 " 64 77977-24-29 ..•....••. " 50 78080-2-7-2 • . • . . • • . . . •. 71 78080-16992-1 •.•.•••••. 75 78080-16992-2 •.•••••••. 75 78080-16992-3 .••••••••. 75 78080-16992-4 •.•.•••••• 75 78080-17521-2 •••••••.•• 88 78080-17521-3 •••••••••• 88 7~080-20010X •.•.•.•••• 88 80244-15-C-2165-150 . . . • .. 45 80244-15-C-2165-170 " 66 80244-15-C-2165-175 " 40 80244-15-C-2165-350 " 61 80244-17-C-18035-50 " 25 80244-17-C-18035-60 29 80244-33-T-240 .•....... 13 80244-33-T-242 ..•...... 61 80244-33-H-585 .•..•.... 13 80244 -33-R-172-50 61 80244-44-T-5080-10 •.... 24,44 80244-44-T-5080-20 . .... " 29 80244-44-T-5080-35 .• . . . • " 61 80244-44-T-531O-55 " 24 80244-44-T-5319-55 15,24 80244-44-T-5319-60 13, 120 80244-44-T-5319-65 ••••• 29,120 80244-44-T-5319-76 ••••. " 24 80244-46-87350 " 59 80244-51C01553755. . . . . . . . 34 80244-51C01554035. . . . . . .. 34 80244-51COI555000. . . . . . .. 34 80244-51COI588775. . . . . . . . 34 B0244-51-A-1562-255 . . .. . . . 61 B0244-T-5319-76 . . . . . . . .. 24 81257-6547 . . . . . . . . . . . . . 65 81366-45-6075-700-003. . . .. 27 88044-AN380-4-5 108 93041-105A .....••.... 114 93041-149 •........... 112 96906-15001 ••.......•.• 113 96906-15795-208 • . . . • • . .. 49 96906-15795-210 . . . . . . . .. 45 96906-15795-214 . . . . . .. 9,108 96906-15795-216 . . . . . . . . . 10 96906-15795-217 104 96906-15795-218 , 38,68 96906-20345-820C . . . . . . .. 42 96906-20365-918 100,102 96906-25231-313 .. . . . .. 46,50 96906-27183-21 . . . . . . . . . . 93 96906-35292-6 59 96906-35337-23 . . . . . . . . .. 46 96906-35338-29 . . . . . . . . .. 38 96906-35338-43.- .•... 29,47,52 96906-35338-46 ..•..... 81,113 96906-35338-93 .••.....• •. 91 96906-35387-1 119 96906-35392-8 91 96906-35690-825 . . . . . .. 49,68 96906-35691-622 108 96906-35909-3 43 96906-51074-1 59 96906-53015-1 119 96906-75004-1 61
  • 145.
    TM 9-2320-208-20P FEDERALSTOCK NUMBER INDEX This index is prepared in numerical sequence to assist in locating items when only the Federal stock number is known . . standard hardware items having a common application in the supply system are not included in this index. Stock Number Page Stock Number Page Stock Number Page 1015-219-8176 108 2520-692-6236 71 2510-040-1860 95 2520-735-1313 88 2510-040-2495 100, 102 2520-735-1403 75 2510-040-2521. . . . . . . . . .. 107 2520-737-1035 69 2510-040-2522. . . . . . . . . .. 108 2520-737-1110 75 2510-040-2524. . . . . . . . . .. 107 2520-737-1340.~ Hi 2510-040-2476. • . . • • . . • .• 107 2520-737-1589 75 2510-073-8586. • • . • • • . • •• 117 2520-737-2823 19 2510-318-1033. • • • • . • • • •• 100 2520-737-2826. . . . . . . . . . . . 19 2510-318-1034 ••••••••••• 102 2520-737-2872 75 2510-318-1068 •.••••.•••• 100 2520-737-2878 68 2510-318-1069 102 2520-737-4981 •••••••••••• 88 2510-368-4938 101, 103 2520-737-4986 .•..•.•••••. 77 2510-588-7710. . . . . . . . . .. 107 2520-737-4987 •.••.••.•••• 77 2510-640-2550. . . . . . . . . .. 110 2520-737-5081. 68 2510-652-6263 101, 103 2520-737-5082 68 2510-673-2978. . . . . . . . . .. 107 2520-737-5143 87, 88 2510-693-0764. . . . . . . . . .. 100 2520-737-5153 110 2510-693-0765. . . . . . . . . .. 100 2520-741-1677. . . . . . . . . .. 112 2510-693-0766 100 2520-741-1685 . . . . . . . . . .. 112 2510-693-0767. . . . . . . . . .. 102 2520-741-1687. . . . . . . . . .. 112 2510-693-0768. . . . . . . . . .. 102 2520-741~1950 .... : . . . . .. 112 2510-693-0769 102 2520-741-1952. . . . . . . . . .. 112 2510-693-0778 100, 102 2520-769-7519. . . . . . . . . .. 109 2510-693-0780 ..... ..• 100, 102 2520-769-7527. . . . . . . . . .. 110 2510-693-0783. . . . . . . . . .. 102 2520-769-7577. . . . . . . . . . . 110 2510-699-7036. . . . . . . . . .. 100 2520-788-9715 75 2510-737-1056 102 2530-040-2497 81 2510-737-2889. . . . . . . . . .. 115 2530-040-2507 79 2510-737-5158. . . . . . . . . .. 109 2530-040-2508 79 2510-737-5312. . . . . . . . . .. 108 2530-040-2509 79 2510-752-6596 ..... •.• .... 46 2530-040-2510 79 2510-769-7436 99 2530-040-2511 79 2510-769-7488 97 2530-040-2512 79 2510-769-7512 97 2530-040-2621. 94 2510-769-7520 . . . . . . . . . .. 110 2530-090-9242 95 2510-769-7522. . . . . . . . . .. 109 2530-200-5418 79 2510-769-7525. . . . . . . . . .. 109 2530-287-2314 91 2510-769-7548. . . . . . . . . .. 108 2530-291-7386 87 2510-769-7578. • . . . . . . . •. 109 2530-301-7762 81 2510-769-7579. . . . . . . . . .. 110 2530-301-7763 ........•... 88 2520-028-3434 .....•...... 71 2530.,.307-8860 81 2520-040-1885 •.......•... 33 2530-318-1049 94 2520-040-1888 17 2530-318-1050 94 2520-292-2128 17 2530-318-1059 .. •......... 94 2520-293-5128 ......•..... 71 2530-318-1060 94 2520-293-5133 71 2530-318-4335 88 2520-307-8850 17 2530-338-1943 59 2520-318-1022 114 2530-352-6962 : 87 2520-318-1026 69 2530-495-8677 83 2520-318-1031. 71 2530-495-9594 81 2520-318-1032 .......•.... 71 2530-554-8776 . . . .. . . . • . . . 81 2520-318-1044 71 2530-656-5749 73 2520-318-4332 71 2530-693-0781. 79 2520-347-4546 •.•••••.•••• 77 2530-693-0786 105 2520-368-2630 •••••••••••• 19 2530-693-0787. . . . . . . . . .. Hi6 2520-495-7074 •.•••••••••• 72 2530-693-0792 87 2520-495-7112,•••••••••••• 73 2530-703-2625 •........... 83 2520-597-2315 19, 85 2530-734-0237 85 2520-691-3546 ...•• ....... 75 2530-737-2342 85 2520-692-6051. 19 2530-737-2835 83 2530-737-2836 ........•.... 83 2530-737-2837 .....•....... 83 2530-737-2839 ......•...... 83 2530-737-3111 94 2530-737-4988 88 2530-737-5176 85 2530-737-51771· ........•... 93 2530-737-5178' ••.••••..•••. 93 2530-737-5179 1· •.••.•••••.• 93 2530-737 -5180 .•.•••••.•.•. 93 2530-737-5182 92 2530-737-5183 93 2530-737-5186 92 2530-737-5336 95 2530-740-9316 85 2530-741-2445 95 2530-741-6524 85 2530-741-8141 ' 75 2530-769-6523 75 2530-769-7452 85 2530-769-7454 19 2530-769-7462 .•...•••.•.•. 81 2530-769-7466 .....•...••.• 85 2530-769-7526 ••.•.....•.. 109 2530-918-0602 .•••..••••.•. 81 2530-977-0948 ••••.•.••..•• 93 2530-980-5192 93 2540-040-1887 .•........... 97 2540-040-2471 19 2540-040-2514 25 2540-040-2523 " 107 2540-040-2562 ........ •. ... 31 2540-040-2563 ....... ...•.. 31 2540-040-2564 ........•.... 31 2540-040-2567 31 2540-040-2569 31 2540-040-2596. . . . . . . . . . .. 120 2540-040-2625 .... .•....... 59 2540-050-0810. . • . . . . . . . •. 120 254O~050-0814. . . . . . • . . . .. 120 2540-054-7250. . . . . . . . . . .. 119 2540-262-7576. . . . . . . . . . .. 120 2540-287-8231 31 2540-310-1815 97 2540-318-0885 •.....•....•. 19 2540-318-1057 .••..•.••.... 104 2540-318-1058 , 104 2540-495-9499. . . . . . . . . . . . . 19 2540-512-9137 , 116 2540-512-9144. . • • . . • . . • .• 117 2540-512-9154 •.••.•••••. , 117 2540-524-6558 •••••••••••.. 19 2540-590-49241•••••••••••• 116 2540-679-4588 , 119 2540-693-0784 , 104 2540-693-0785. . . . . . . . . . .. 104 2540-699-7032 115 2540-699-7033 115 '2540- 699- 7034 115 2540-699-7035 , 115 2540 -704-4253. . . . . . . . . . . . . 97 138
  • 146.
    TM 9-2320-208-20P StockNumber Page Stock Number Page stock Number Page 2540-707-3209 •••.•••••••• 97 2805-569-8968 •..•..•..•.. 14 2540-737-1194 •• ~ ••••••••• 31 2805-695-1035 ..........•. 13 2540-737-2889 ••••••••••• 115 2805-770-3975. . . • . . . . . . . . 14 2540-737-2890. . • • • . • • • •• 115 2910-040-2506 • • • • • • • • • • •• 27 2540-737-2891 ••••••••• " 115 2910-040-2537 .••••••••••• 21 2540-737-2899 " 115 2910-040-2575 •••••••••••• 27 2540-737-5392 31 2910-040-2599 .••••••••••• 23 2540-741-0837 .•.......... 97 291O-141-975li 27 2540-741-2583 ••....... " 123 2910-200-5417 31 2540-769-7515 " 110 2910-291-69-64 20 2540-769-7523 " 109 2910-294-2'1,41 , .. , 20 2540-786-9237. . . . . . . . . .. 111 2910-314-0770 , . 29 2540-863-1027. . . . . . . . . .• 116 2910-318-1034 102 2540-952-7035 " 119 2910-321-7423 13 2540-953-2180 .•.......•.. 50 2910-322-7206 •••••••••••• 31 2590-298-6916 " 123 2910-535-7614. • • • • • • • • • •. 29 2590-298-6918. . . . . . . • . .. 123 2910-547-7769 •.•••••••••• 21 25l!O-298-Q919.......•. " 123 2910-576-4259 •••••••••••• 21 2590-318-8200 39 2910-696-0364 ...•........ 29 2590-318-8209 ...•........ 39 2010-696-0368 27 2590-318-8210 ....•....... 39 2910-735-1315 27 2590-321-6444 ......•..... 79 2910-735-1316 •...•.. ; 29 '2590-508-4592 ......•..... 46 2910-737-5146 58 2590-572-4206 ....•....... 59 2910-741-0836 13, 23 2590-678-6140 ..........•. 59 2920-025-9988 42 2590-693-4173 ......••.... 46 2920-040-2590 66 2590-693-4226 61 2920-143-5304 44 2590-693-4228 " 123 2920-294-3742 44 2590-693-4229 .......•. " 123 2920-322-9613, , .••... 42 2590-693-4230. . . . . . . . . .. 123 2920-324-0371 •••••••••••• 44 2590-693-4231 ..........• 123 2920-335-4677 •••••••••••• 40 2590-736-1994. . . . . . . . . .. 110 2)20-353-7206 .••••••••••. 44 2590-737-1337 ........••.. 19 2920-353-7216 •••••••••••• 44 2590-741-1799 .•.....•. " 112 2929-358-6840,•••••••••••• 44 2590-741-1804 " 112 2920-503-4763 •••••••••••• 61 2590-741-1944 " 112 '~920-504-0676 •••••••••••• 40 2590-741-1951 .•...•... " 112 J920-562-0411. ••••••••••• 39 2590-741-1953 " 112 2920-567-3231. .•......... 42 2590-741-8148 " 109 2920-606-9377 44 2590-766-7722 ...••....... 59 2920-620-3962 43 2590-769-7554. . . . . . . . . •. 123 2920-640-7230 •••••••••••• 44 2590-769-7555 ......•.. " 123 2920-698-3721 •••••••••••• 44 2590-769-7558. . . . . . . . . .. 123 2920-698-3722 •••••••••••• 44 2590-769-7561 " 123 2920-726-9545 •••••••••••• 43 2590-772-9796 .•....•••... 51 2920-735-5736 •••••••••••• 38 2590-831-6271 ...•......• 123 2920-737-4750 38 2590-831-6273 123 2920-737-5071. 38 2590-858-5681 ...•..... " 123 2920-737-5110 44 2590-858-5682 " 123 2920-737-5388 38 2590-858-5683. . . . . . . . . .. 123 2920-796-2655 •••••••• ~ ••• 49 2590-953-2179 .........•.. 50 2920-800-7993 •••••••••••• 40 2610-269-7332 91 2920-818-8635 •••••••••••• 39 2610-678-1363 ..........•. 91 2920-835-7724 •••••••••••• 43 2640-050-1229 ..........•. 91 2920-953':'9784 40 2640-052-0944 ..•....•.... 91 2930-141-8342 37 27F6-301-6 " 118 2930-278-5042 35 27Wl-120-0 27 2930-354-3772 ....•...•... 36 27W3-845-0 •. '•••••••••• 108 2930-629-0949 ...•........ 34 2805-040-2516 •••••••••••• 13 2930-699-9021. 35 2805-040-2529 •••••••••••• 58 2930-737-2806 ...•........ 36 2805-040-2543 •••••••••••• 11 2930-737-2816 37 2805-040-2619 •........... 23 2930-737-5021. 37 2805-211-8765 ...•........ 16 2930-737-5030 34 2805-360-7927 •....•...•.. 13 2940-040-2626. . . • . . . . . . . . 14 2805-391-3093 .....•...... 16 2940-141-9025 ...•........ 14 2805-391-3103 10 2940-253-7257 14 2805-537-2129 ..........•• 15 139 2940-307-8855 •••••••••••• 23 2990-040-2553 32 2990-492-5480 .••••••••••• 32 2990-696-0369 .•••.••••••• 32 2990-696-0370 ••••••.••••• 33 2990-737-5075 •••••••••••• 33 2990-737-5076' ••••••••••• 33 2990-737-5077 •••••••••••• 32 3030-505-5893 •••••••••••• 37 3030-517-0827~ ~ ~ .: ~ ~::::: 37 3110-100-0532 87 31104ioo-0551 .•.......... 88 3110-100-352IL •.......... 87 3110-100-3546 .•....•..... 88 3110-112-5781. ........•.. 93 3110-158-6196 ..•......... 19 3110-227-3438 93 3110-741-1673 ..•........ 118 3120-661-9148 .....••..... 93 4010-285-9574 118 4030-741-0838 ...........• 97 42W1-00 ...••...•...... 116 42W3-00 ...•........... 116 4710-202-8396 23, 29 4710-250-9897 13 4710-289-0653 61 4710-350-9886 23, 44, 83 4710-350-9897 29, 120 4710-595-1824 ....•.... 13, 120 4720-203-2668 120 4720-235-1777 13 4720-235-1778 " 61 4720-248-1231. 13 4720-278-5058 ..•......... 35 4720-3.18-1039 ......•..... 23 4720-350-9896. • . . . . . .. 15, 24 4720-595-4387 ........•... 23 4720-769-7588 ........••.. 35 4730-011-8831 42, 44 4730-013-7398 .....•... 13, 120 4730-014-2427'....••. 23, 29, 35 4730-014-2431 .. 15,24,44,83,120 4730-014-2432 ..... 24, 120, 121 4730-014-4307 ....•....•15, 24 4730-040-2472 ••..•...•... 19 4730-040-2536 21 4730-050-4203.71,97,100,102,113 4730-050-4205 .........•.. 69 4730-050-4207 •••••••••••• 94 4730-050-4208 •••••••••••• 92 4730-090-9235 .••••••••••• 15 4730-090-9245 •••••••••••• 85 4730-172-0034 92 4730-202-6063 27 4730-277-8273 •.........•. 13 4730-278-2039 .•.......... 19 4730-278-2040 ...•.....•.. 13 4730-278-2042. ',' • . . . . . . . . 19 4730-278-2061 ..' ......••.. 23 4730-278-2062. . . . . . . . . .. 110 4730-278-2064 .••......... 23 4730-278-2066 ..••........ 35 4730-278-2067 93 4730-278-2088 .....••.••.. 23 4730-278-2493 .........•.. 35 4730-278-3135 ...........• 29 4730-278-3380 ..••..... 72, 75
  • 147.
    Stock Number PageStock Number Page Stock Number TM 9-2320-208-20P Page 4730-278-3388 ••.•••••••• , 10 4730-278-3389 •.••••" 17, 27, 95 4730-278-3390 •••••.•• 112, 114 4730-278-3391. ..•...•.... 75 4730-278-4506 58 4730-278-4557. . . • . • . . . . . . 13 4730-278-4724 77 4730-278-5277 ....••...... 29 4730-288-7039 ..•......... 29 4730-289-4712 .. .....••... 14 4730-289-4713 14 4730-492-5042 25 4730-506-1609 77 4730-542-3019 " is, no 4730-737-2343 83 4730-737-2879 67, 68 4730-737-5440 85 4730-737-6248 13 4820-276-9040 34 4820-360-7930 ...•...... , 13 4910-795-0305 .•..•....• , 125 4910-795-0306 ...•...... , 125 5120-034-8460 .......•.. , 125 5120-337-9134 , 125 5120-592-3673 . . . . . . . . . . . 125 5120-596-1370 , 125 5120-708-0100 , 125 5120-795-0710 , 125 5120-836-6660 , 125 5305-011-1655 85 5305-012-0233 , 114 5305-012-2126 ... ......•. 113 5305-012-4378 42 5305-013-3757 87, 89 5305-015-9592 ...•........ 27 5305-016-0046 ...•........ 52 5305-018-1637· 75 5305-018-1670 39 5305-018-1673 94 5305-042-0447 44 5305-044-6609 66 5305-226-9267 53 5305-227-1815 21 5305-281-1091 58 5305-285-3952 ..•......... 54 5305-285-5156 39 5305-285-5278 50,119,120,121 5305-286-1948 .... •....... 49 5305-297-3273 ....•....... 44 5305-558-3693. • • • • • • • • • •• 59 5305-576-6987 • • • • • • • • • • •• 32 5305-639-0521 • ~ •••••••••• 61 5305-695-7209· . • • • • • • • • •. 52 5305-735-0582 52 5305-752-5938 54 5305-769-7593 , 118 5305-774-1420 11 5305-774-1421 11 5306-012-0213· . . . • • • • • • •• 9 5306-012-1661 •••••••.•• 32, 33 5306-012-2089· ••••••••• ,. 85 5306-018-7263· • • • • • • . • • •• 8~ 5306-019-1509 45 5306-019-2417 41, 75 5306-042-3553 81 5306-042-3555 83 5306-042-3568· " " 51, 56 5306-042-5380 ........ •.. 109 5306-042-5401 •.......... 99 5306-044-2696 41 5306-050-1924 61 5306-174-4312 71 5306-274-0953 75 5306-281-1017 •....... 100,102 5306-283-0405 ........•.. 23 5306-283-0407 13 5306-283-0408 ..••••. ... . 37 5306-283-0411 ...•....... 79 5306-286-1472 36 5306-286-1504 36 5306-286-1505 85 5306-286-1517 .•......... 10 5306-298-7836 ........•.. 14 5306-360-8319 38 5306-574-8361 ........•.. 10 5306-575-5414 ....•...... 102 5306-575-5415 ....•..•... 100 5306-575-5416 100 5306-575-9792 10 5306-638-7863 93 5306-695-7242 .•......... 102 5306-695-7244 100, 102 5306-695-7248 .•.•..•.... 105 5306-696-5307 ..•..••.•.. 29 5306-699-6890 ...•.....•. 106 5306-732-8293 87,88 5306-732-8294 ......•.. 87,88 5306-734-6940 .••........ 61 5306-737-1055 ....•..••.. 100 5306-737-1759 .........•• 68 5306-737-5174 ..........• 38 5306-737-5385 .........•• 21 5307-010":3196 16,20,32 5307-011-2572 16 5307-524-6557 .•••.. ..... 19 5307-752-6594 .•...•..... 46 5310-010-7827 .........•. 59 5310-012-0213 .........•. 9 5310-012-0214 ...••.•.. 21,85 5310-012-0361 29 5310-012-0368 ...•.•.•... 41 5310-012-0370 .....••.... 34 5310-012-0382 .•..•••••.. 81 5310-012-0388 .••...•.•.. 9 5310-012-0613 ......•••.. 120 5310-012-0614 .••..•.•. 47,52 5310-012-0930 ......•.... 114 5310-012-1458 .......••.. 108 5310-012-1621 ••......••• 39 5310-012-1752 ..•........ 58 5310-012-1753 ...••...... 59 5310-012-4925 ........ •.. 108 5310-012-5250 .••....••.. 94 5310-012-5258 .•...... .. . 108 5310-012-5348 .••••••• 105,106 5310-013-1016 68,106 5310-013-1182 ........••. 46 5310-013-5629 .......•.•• 49 5310-015-3327 ••.•....•.. 100 5310-018-7979 .•..•...... 40 5310-018-8349 " 108 5310-042-6915. . • . .. • . . •. 46 5310-044-2830 .......•... 104 5310-044-2832. . . . . • . . . .. 9 5310-044-6485. . . . . . . . . .. 34 5310-044-6548. . . . . . . . . .. 42 5310-045-3299. . . . . . . . . .. 49 5310-050-2203. . . . . . . . . .. 46 5310-050-2242. • . . . . . . . .. 19 5310-050-2243. . . . . . . . . .. 31 5310-050-3112 .....•.. , 32,33 5310-050-3113. . . . . . . . . .. 32 5310-050-3275 ..•...... " 39 5310-050-3327 . •......... 102 5310-050-3345. . . . . . . . . .. 71 5310-050-3351. . . . . . . . . .. 9 5310-050-3354. . . . . . . . . .. 16 5310-050-3357 .. : . . . . . . .. 38 5310-050-3434 ..........• . 93 5310-050-3478 108 5310-194-0743. . . . . . . . . .. 94 5310-194-1540 ......•.... 45 5310-197-3316 , 38,68 5310-262-3000 ....•...... 14 5310-264-1929 , 87,89 5310-275-2049. . . . • . . . . .. 42 5310-275-3459 ... •.... 100,102 5310-285-2181. . . • . . . . . .. 20 5310-297-3250. . . • . . . . • .. 39 5310-333-7543. . . . • . . . . •. 59 5310-338-1947 ....•... 105,106 5310-350-2655. . • • • • . . . .. 54 5310-495-9515 68 5310-523-2405 ...••.•• , 87,89 5310-543-2641. • . . . . . . . .. 11 5310-543-5653 20,81,108 5310-582-5977.......• , 9,108 5310-582-8399 104 5310-584-5272. • . . . . . . . .. 38 5310-596-7686. . . . • . . 29,47,52 5310-616-3023 ........•. 9,85 5310-637-9541 54,81,113 5310-655-7149. . . • . . . . • . . 10 5310-655-9371. ...•.•...49,68 5310-655-9497. • . . . . . . . .. 38 5310-655-9587. . • • . • • . . .. 49 5310-696-5175. • . . . . . . . .. 9 5310-696-5177. • . . • . . . . . 9,31 5310-697-7860. . . . . . . • • .• 64 5310-703-2606. . • . . • . . • .. 88 5310-703-2607. . . . • • • . . .. 25 5310-703-2633. . . . . . . . . .. 69 5310-725-0152 ....•....•. 108 5310-737-5065 .. .•.••••.. 19 5310-737-5147. . . • • . . • . .. 58 5310-737-5178 93 5310-741-2579. . . . • . . . . .• 95 5310-741-6478.... "..... " 21 5310-752-6591. . . • . . • • . .. 46 5310-752-7639. • • • . . . • . •• 65 5310-752-7640. . . • . . • • . .. 65 5310-753-9073. . . • . . . • • •• 58 5310-769-6520. . • . . . . . . •• 87 5310-769-6521. . • . • . . . . •• 87 5310-769-7613 .......•... 71 5310-771-6721. . . • . . . . • .. 65 5310-823-8803. • . . . . . . . •. 93 140
  • 148.
    TM 9-2320-208-20P StockNumber Page Stock Number Page Stock Number Page 5315-012-0123. , , , , , , , . , ,108 5315-013-7185 , . . . .. 105 5315-013-7214 ,. 92 5315-013-7223 , . . . .. 85 5315-054-4190. , .. , ... ,. 19 5315-059-0378. , .. , , .. ,88,93 5315-059-0928 " 31 5315-255-0614, .. 38,94,105,106 5315-282-0360 , . , . .. 88 5315-290-1350 " 97 5315-290-6132. . . . . . . . .. 97 5315-335-4710", .. , , ... " 11 5315-597-7775. , .. , .. 111,118 5315-737-2554. . . . . . . . .. 23 5315-737-6905 111 5315-741-1690 .. , 112 5315-752-4316. . . . . . . . .. 97 5315-769-7490. . . . . . . . .. 97 5315-842-3651 108,118 5320-010-4099. . . . . . . . .. 118 5325-011-7965 " 61 5325-090-5426. . . . . . . . .. 63 5325-631-6886. . . . . . . . .. 63 5325-700-0997. . . . . . . . .. 121 5325-734-6945 , . .. 123 5325-737-1195. . . . . . . . .. 120 5325-737-5036. . . . . . . . .. 27 5325-737-5129 .... , . . . .. 31 5325-737-5175. . . . . . . . .. 38 5325-753-9255. . . . . . . . .. 49 5330-040-2470 19,85 5330-050-1223. . . . . . . . .. 44 5330-054-6880. . . . . . . . .. 44 ' 5330- 200- 6231 . , .. , . . . .. 93 5330-200-6284 , 93 5330-209-1761. , . . .. 85 5330-285-5115. . . . . . . . .. 27 5330-291-9013. . . . • . . . .. 11 5330-297-7106. . . . . . . . .. 55 5330-318-4336 , ., 71 5330-359-4859 , . , , .. 43 5330-360-7918. . . . . . . . .. 11 5330-360-7970. . . . . . . . .. 32 5330-505-6609. . . . . . . . .. 61 5330-505-6700. . . . . . . . .. 87 5330-514-4458. . . . . . . . .. 65 5330-514-4460. . . . . . . . .. 65 5330-514-4461. . . . . . . . .. 65 5330-514-4462. . . . . . . . .. 65 5330-543 -6722. . . . . . . . .. 15 5330-599-6089. . . . . . . . .. 63 5330-631-3485. . . . . . . . .. 42 5330-641-4336 ... , . . . . .. 63 5330-641-4338. . . . . . . . .. 63 5330-699-8522. , ...••. 100, 102 5330-732-0689. . . . . . . . .. 54 5330-734-8567. . . . . . . . .. 110 5330-737-1364. . . . . . . . .. 19 5330-737-5181. . . . . . . . .. 93 5330-769-7521. . , . , ,. 110 5340-040-2552. , , ,. 110 5340-049-4235. . . . . . . . .. 66 5340-054-1402. . . . . . . . .. 10 5340-174-9829. , ... , . , .. 71 5340-200-8977. . . . . . . . .. 81 5340-209-9376 100,102 , 14 t 5340-281-6239 , , , , , .. 94 5340-282-7521 61,62 5340-282-7522 66 5340-282-7532 , .. , 29 5340-282-7551 .,., , . 83 5340-282-7552 " ,66 5340-283-7521 .. , 123 5340-290-7381 , 118 5340-318-1024 , . . . . . .. 9 5340-321-6431 '., •..... , .107 5340-321-6432 , 107 5340-321-6439 , . , , . , , . 29 5340-322-9644 .. , , , 103 5340-333-6058 107,118 5340-338-1945 .•..... 105,106 5340-360-4410 .......•... 14 5340-371-4134 ' ..•....•.. 83 5340-505-6233 .••........ 27 5340-505-6393 ·118 5340-506-1510 ·108 5340-514-1812 .....•.. ; . • 99 5340-514-4454 ....•...•.. 62 5340-514-4455 •.......... 64 5340-514-4456 , 62 5340-514-4457 .....•... ,. 64 5340-606-9457 .•..... 111, 118 5340-641-8645 ....•.... ,. 64 5340-682-1743 .......•.. . 62 5340-695-9727 ....... • •.. 52 5340-696-0248 .....•..... 83 5340-696-0371 .•..... 105,106 5340-696-0372 ...••.. 105,106 5340-704-7998 •....... 25,66 5340-734-3032 ...•...... 104 5340-737-1047 •.......... 32 5340-737-1454 .....•..... 31 5340-737-2551 9 5340-737-2833 .•...... ... 83 5340-737-2895 .•........ 118 5340-737-5023 .......•..• 51 5340-737-5114 •...••... •. 31 5340-737-5347 95 5340-741-2179 ....•...... 81 5340-752-7628 ...•......• 62 5340-769-7581 .•.....• ,. 110 5340-772-2343 62 5355-741-1761 ..••......• 69 5850-076-8992 .•......... 50 5910-328-8838 ••......... 44 5930-092-9511 ...•....•.. 50 5930-096-6919 .....•..... 59 5930-307-8856 ·.········,49 5930-699-9438 .....•..•.. 49 5930-741-2642 .........•• 50 5930-776-0409 ....•...•.. 49 5935-030-1562 .•..•••. • •. 65 5935-030-1563 •..••...... 65 5935-030-1564 ..•........ 65 5935-259-3143 ···········62 5935-283-3385 ·.·········65 5935-300-9909 .•...••.•.• 65 5935-333-4222 ".....• ·····64 5935-333-9414 · ..• ·······64 5935-368-4852 ···········64 5935-396-0068 . ~ . . . . . . . . . 63 5935-491-8193 62 5935-491-8194 64 5935-593-6442 63 5935-636-6876 .....•....• 62 5935-699-7827 66 5935-752-7630 63 5935-752-7648 .•......... 62 5935-752-7649 64 5935-752-7651 , • . . . . . 64 5935-752-7655 65 5935-771-6523 , •• , 62 5935-771-6524 ....•.. , 64 5935-771-6525 62 5935-771-6526 64 5935-771-6527 65 5935-772-2344 ..........• 63 5935-772-3309 .....•..... 64 5935-773-1428 ....•...... 66 5940-020-0027 .•......... 44 5940-020-0031 45 5940-020-0036 .......•... 40 5940-050-6210 40 5940-057-2929 ..•• .•. , .•. 63 5940-057-2930 ....•...... 63 5940-057-2931 , 63 5940-502-3729 61 5940-705-6708 , .•. 54 5940-705-6730 ...•....... 61 5940-729-9423 61 5945-952-3818 50 5970-224-5277 .........•. 62 5975-132-9471 ....••..... 29 5975-322-9865 ....•...••. 66 5975-333-3088 64 5975-334-2749 .•......... 63 5975-335-2588 ....•...... 25 5975-644-3156 62 5975-697-6991 64 5975-697-6992 .......•.. . 64 5975-771-6634 64 6Z16-674-2 63 6Z16-674-4 .....•....... 63 6Z16-674-6 63 6Z16-674-7 .....•....... 63 6Z19-322-35 .......•..... 13 6Z19-322-51 ......•...... 29 6Z19-322-83 .....•.. , .... 41 6Z19-471-2 ......••... 13,83 6130-314-0545 ·····,.····39 6140-643-0006 ....•...... 61 6140-057-2553 ·····.·····61 6145-705-6679 40 6145-772-0853 ···········66 6145-772-2204 ...••...... 45 6145-805-3354 61 6220-174-1375 ...•....... 49 6220-283-9490 ·····.·····51 6220-283-9906 ... •....... 54 6220-295-0006 ...•....... 49 6220-299-5564 ···········46 6220-300-9908 52 6220-337-6471 .·,·· .. ·.·.56 6220-385-7637 :·····.····52 6220-504-0981 ···········52
  • 149.
    Stock Number PageStock Number Page Stock Number TM 9-2320-208-20P Page 6220-512-9219 .•........ , 52 6220-538-1088 ...•....•. , 49 6220-693-4175 , 54 6220-695-1107 ...••••... , 54 6220-696-0249 •.•......• , 52 6220-696-0324 ..••..•..• , 52 6220-737-5022 .•.....••• , 53 6220-738-4388 ' ,' 46 6220-741-2783 , 57 6220-752-6018 , 56 6220-752-6020 .......•.. , 55 6220-772-9791 , 51 6220-776-0412 , 49 6220-776-0418 ....•...•. , 49 ·6220- 776- 0505 .•..•..... , 54 6240-044-6914. • . . . . . . . .. 55 6240-155-8714 .......•. '. 46,50 6240-155-8725 . . . . . . . • . .. 57 6620-530-7509 .••.......' . 35 6620-634-8945 . . . . . . . • . .. 58 6625-321-6365·· . . . . . • . .• 46 6625-335-9512 . . . . . . . . . .. 46 6680-024-2276. • . • . . . . . .. 46 6680-515-3456· • . . . . . . . .. 58 6680-695-7245· ......•.. , 58 6680-776-0396· .........• 123 6680-832-7565 .•..•...... 123 6685-335-9508· . . • . . • . . .. 47 6685-738;'9566· . • • . . . . . .. 58 6685-738-9567· . . . . . . . . .. 46 6810-249-9354· • . . . . . • . .. 61 6810-264-8983 • . . . . . • • . .. 65 6850-174-1806· . . . . . . . . .. 34 6850-224-8730· . . . . . . . . .. 34 6850-243-1990· . • . . . . . . .. 34 6850-243-1992· " • . . . . • .• 34 6850-664-7123 . . • . . . . . . •. 34 6'850-690-5561. . . . . . . . . .. 34 8305-170-4956· ••........ 118 8305-263-2477· 107,118 9150-234-5198· . . . . . . . . •. 63 9510-596-3738· • • . . . . . . .. 59 9905-205-2795· •......... 119 142 1
  • 150.
    By Order ofthe Secretary of the Army: Official: J. C. LAMBERT, Major General, United States Army, The Adjutant General. Distribution: HAROLD K. JOHNSON, General, United States Army, Chief of Staff. To be distributed in accordance with DA Form 12-38 Organizational Maintenance requirements for Truck, utility: 1/4-Ton, 4x4, M38Al, M38AlC and Truck, Ambulance: Front Line, 1/4-Ton, 4x4, M110. *U. S. GOVERNMENT PRINTING OFFICE: 1966-204432/1830
  • 151.
    Change t No.1) TM 9-2320-208-20P C 1 HEADQUARTERS DEPARTMENT OF THE ARMY Washington, D. C., 18 May 1970 Organizational Repair Parts and Special Tools TRUCK, UTILITY: V4 -Ton, 4X4, M38A1 and M38A1C and TRUCK, AMBULANCE: FRONT LINE, V4 -Ton, 4X4, M 170 Current as of 28 April 1970 TM9-2320-208-20P, 24 January 1966, is changed as follows: Page i: Add SECTION 1.1 Prescribed Load Allowance. Page 1, paragraph 3g, is superseded as follows: g. 15-Day Maintenance Allowance Per 100 Equipments. No quantities are listed in these columns. Refer to Prescribed Load Allowance provided herein. Page 5. Insert the Prescribed Load Allowance after paragraph 11. 12. Alphabetical Vehicle Model Codes The alphabetical vehicle model codes (if applicable) are as follows: A.. . .M38A1 B. .M38A1 w/winch C. .M38AlD F.. . .... M 170 G. . .. M38A1C
  • 152.
    Section 1.1. PllESCRIBEDLOADALLOWANCE (I) (2) (3) IS-Day o..anlzatlonal Federal .tock Detcription malntclnance allowance No. (a) (b) (e) (d) 1·5 6·20 21·50 51·00 GROUP 01 ENGINE 0100 ENGINE ASSEMBLY 5340-737-2551 Mount, Resilient 1 1 2 2 5340-318-1024 Mount, Resilient 1 1 2 2 5310-950·0039 Nut, Self-Locking, Hex 1 1 2 2 5310-044·2832 Nut, Self-Locking, Hex 1 1 2 2 0101 CRANKCASE, BLOCK, CYLINDER HEAD 2805-870-2161 Gasket Cylinder Head 1 1 2 2 2805-391-3103 Head Cylinder 1 1 2 2 5306-286-1517 Bolt, Machine 1 1 2 2 5306-575-9792 Bolt, Externally ReI 1 1 2 2 5306·574·8361 Bolt, Externally ReI 1 1 2 2 0105 VALVES, CAMSHAFTS AND TIMING SYSTEM 2805-040-2543 Gasket, Cover Rocker Ann 1 1 2 2 0106 ENGINE LUBRICATION SYSTEM 2940·141-9025 Filter Element, Fluid 2 2 3 5 5330-543-6722 Gasket Drain Plug Oil * * 2 2 4730-090-9235 Plug, Machine Thread * * 2 2 0108 MANIFOLDS 2805-211-8765 Gasket Set *-~ * 2 2 GROUP 02 CLUTCH 0201 2520-307·8850 Plate, Clutch Pressure 1 1 2 2 GROUP 03 FUEL SYSTEM 0301 CARBURETOR, FUEL INJECTOR 2910-294·2141 Float, Carburetor 1 1 2 2 2910-291-6964 Gasket * * 2 2 0302 FUEL PUMPS 2910-547-7769 Pump , Fuel, Engine 1 1 2 2 0306 TANKS, LINES, FITTINGS, HEADERS 2910·141-9758 Cap, Fuel Tank * * 2 2 0309 FUEL FILTERS 2910-735-1316 Filter Element, Fluid GROUP 04 EXHAUST SYSTEM 0401 MUFFLER AND PIPES 2990-696-0370 Pipe, Exhaust * * 2 2 5330-360-7970 Gasket F * * 2 2 2990-492-5480 Gasket * * 2 2 2990-737-5076 Muffler, Exhaust * * 2 2 2990-737-5077 Pipe, Exhaust * * 2 2 2990-040·2553 Pipe Assembly A * * 2 2 2990-040-2553 Pipe Assembly C * * 2 2 2990-040-2553 Pipe Assembly D * * 2 2 2990-040-2553 Pipe Assembly B * * 2 2 2990-696-0369 Pipe, Exhaust F * * 2 2 5310-685-3023 Nut, Plain, Hexagon * * 2 2 5306-012·1661 Screw Cap * * 2 2 5310·050·3113 Nut, Plain, Hexagon * * 2 2 5310-050-3113 Nut, Plain, Hexagon * * 2 2
  • 153.
    (I) (2) (3) IS-Day or,anlzatlonal Federal.lock Description maintenance allowance No. (a) (b) (c) (d) 1-5 6-20 21-50 51-100 GROUP 05 COOLING SYSTEM 0500 6850-243-1992 Antifreeze 2 2 4 8 6850-224-8730 Antifreeze 2 2 3 6850-174-1806 Antifreeze 2 6850-690-5561 2 2 6850-753-4967 2 3 5 0501 RADIATOR, EVAPORATIVE COOLER OR HEAT EXCHANGER 5330-599-5658 Washer, Nonmetallic * * 2 2 0503 WATER MANIFORD, HEADERS, THERMOSTATS & HOUSING GASKET 2930-699-9021 Gasket * * 2 2 4720-278-5058 Hose, Radiator Inlet 1 1 2 2 2930-278-5042 Hose, Preformed 1 1 2 2 6620-530-7509 Thermostat, Flow Control 1 1 2 2 0504 WATER PUMP 2930-354-3772 Gasket 1 1 2 2 2930-737-2806 Pump Assembly, Water 1 1 2 2 0505 FAN ASSEMBLY 3030-833-1324 1 1 2 2 3030-517-0827 1 1 2 2 GROUP 06 ELECTRICAL SYSTEM 0601 GENERATOR, ALTERNATOR 2920-818-8635 Generator, Engine AC 1 1 2 2 6130-314-0545 Rectifier, Metallic 1 1 2 2 2920-293-4380 Generator, Engine AC 1 1 2 2 2920-737-4750 Generator, Engine AC 1 1 2 2 0602 GENERATOR REGULATOR (VOLTAGE) 2920-335-4677 Regulator, Engine GE 1 1 2 2 2920-953-9784 Regulator, Engine GE 1 1 2 2 2920-900-7993 Regulator, Engine GE 1 1 2 2 2920-800-7218 Regulator, Engine Generator 1 1 2 2 0603 STARTING MOTOR 2920-025-9988 Starter, Engine, Electric 1 1 2 2 2920-322-9613 Switch Assembly, Starter 1 1 2 2 0604 2920-294-3742 Distributor, Ignition 1 1 2 2 2920-353-7206 Cap, Ignition Distributor * * 2 2 5330-054-6880 Packing, Preformed 1 1 2 2 2920-606-9377 Parts Kit, Distributor 1 1 2 2 2920-640-7230 Rotor, Ignition Distributor * * 2 2 0605 IGNITION COMPONENTS 2920-620-3962 Cable Assembly, Power, Electric * * 2 2 5330-359-4859 Gasket Spark Plug * * 2 2 2920-726-9545 Spark Plug 2 4 7 4 2920-287-9135 Spark Plug 2 4 7 11 0607 INSTRUMENT OR ENGINE CONTROL PANEL 6240-155-8725 Lamp, Incandescent * * 2 2 6240-155-8714 Lamp, Incandescent * * 2 2 5930-307-8856 Switch, Light * * 2 2 5930-776-0409 1 1 2 2 5930-699-9438 Switch, Rotary 1 1 2 2 6625-321-6365 Meter, Arbitrary Scale 1 1 2 2 6625-335-9512 Meter, Arbitrary Scale 1 1 2 2 3
  • 154.
    -- III (21(31 IS-D.y o....nization.1 Federal stock Description maintenance allowance No. (.1 (bl (c) (d) 1-5 6-20 21-50 51-100 0608 MISCELLANEOUS ITEMS 5930-092-95 I I Switch, Push * * 2 2 6240-155-8714 Lamp, Incandescent * * 2 2 0609 LIGHTS 6240-0 19-0877 Lamp, Incandescent 2 2 3 5 6240-044-69 14 Lamp, Incande scent 2 2 3 5 6240-504-098 1 Lamp, Unit Headlight 2 2 3 5 6240-696-0249 Lamp Incandescent * * 2 2 622 0-283-9906 Lamp Unit Headlight 1 1 2 2 622 0-337-6471 Stop Light, Tail Light * * 2 2 622 0-283-9490 Light , Marker, Clearance * * 2 2 6240-15 5-8725 Lamp Incandescent * * 2 2 06 10 SENIDNG UNITS AND WARNING SWITCHES 6680-695-7245 Tran smitt er, Liquid * * 2 2 6620-634-8945 Tran smitter, Pressure * * 2 2 6685-738-9566 Transmitt er, Temperature * * 2 2 6680-515-3456 Tran smitter , Liquid * * 2 2 061 2 BATIERIES, STORAGE (WET OR DRY) 6140-057-255 8 Batt ery , Storage * * 2 2 GROUP 09 PROPELLER AND PROPELLER SHAFTS 0900 PROPELLER SHAFTS 2520-028-34 34 Part s Kit, Universal * * 2 2 2520-318-4332 Packing, Preformed * * 2 2 GROUP 10 FRONT AXLE 1003 PLANETARY OR FINAL DRIVE 2530-307-8860 Brake Shoe Set, Internal 1 1 2 2 2530-554-8776 Cylinder Assembly , H 1 1 2 2 1004 STEERIN GAND LEANING WHEEL MECHANISM 2530-74 1-8 14 1 Part s Kit , Steering * * 2 2 1006 2520-788-9715 Propeller Shaft with * * 2 2 2520-735-1403 Universal Joint, Con * * 2 2 GROUP 12 BRAKES 1201 HAND BRAKES 2530-040-2510 Brake Shoe Set , Int ernal * * 2 2 2530-918-0602 Cylinder Assembly , H 1 1 2 2 1204 HYDRAULIC BRAKE SYSTEM 2530-741-6524 Cylind er Assembly, H 1 1 2 2 2530-737-2835 Hose Assembly, Rubber 1 1 2 2 2530-737-2836 Hose Assembly, Rubber 1 1 2 2 2530-737-2837 Hose Assembly Hydraulic 1 1 2 2 GROUP 13 WHEELS AND TRACKS 1313 TIRES, TUBES, TIRE CHAINS 2640-05 2-0944 Cap, Tire Valve 2 2 4 7 2610-269-7332 Inner Tub e, Pneum atic * 2 3 5 2610-678-1363 Tire, Pneumatic 1 3 5 2640-050-1229 Valve Core 2 2 4 7 GROUP 14 STEERING 1401 MECHANICAL STEERING GEAR ASSEMBLY 2530-737-5186 Parts Kit , Steering * * 2 2 2530-737-518 2 Drag Link, Steering * * 2 2 4
  • 155.
    (I) (2) (3) I5-Day o..a"Jullonal Federal.loCk Deocrlplio" maintenance allowance No. (a) (b) (e) (d) 1·5 6-20 21-50 51·100 GROUP 16 SPRINGS AND SHOCK ABSORBERS 1601 SPRINGS 2510-699-7036 Spring Assembly, Leaf * * 2 2 2510-318-1069 Spring Assembly, Leaf G .. * 2 2 2510-318·1069 Spring Assembly, Leaf B * * 2 2 2510-318-1069 Spring Assembly, Leaf C * * 2 2 2510-318 ·1069 Spring Assembly, Leaf A * * 2 2 2510-693 ·0783 Spring Assembly, Leaf, With * * 2 2 1602 2510-322-9644 Spring, Helical, Comp G 2 2 1604 SHOCK ABSORBER EQUIPMENT 2540-318-1057 Absorber Assembly A * * 2 2 2540-318 -1057 Absorber Assembly G * * 2 2 2540-318-1057 Absorber Assembly C * * 2 2 2540-318-1057 Absorber Assembly B * * 2 2 2540-693-0784 Shock Absorber, Dire F * * 2 2 2540-318·1058 Absorbre Assembly A * * 2 2 2540 -318-1058 Absorber Assembly B * * 2 2 2540-318-1058 Absorber Assembly C * * 2 2 2540-318-1058 Absorber Assembly G * * 2 2 2540-693·0785 Shock Absorber, Dire F * * 2 2 GROUP 20 HOIST, WINCH, CAPSTAN, ETC. 2001 HOIST, CAPSTAN, ETC. 2590-741-1804 Wire Rope Assembly * * 2 2 GROUP 22 BODY CHASSIS OR HULL 2202 ACCESSORY ITEMS 2540-050-0814 Blade, Windshield Wiper 2 2 2 3 2540-262-7576 Motor, Windshield Wiper * * 2 2 2540-679-4588 Mirror Assembly, Rear * * 2 2 2208 6680-832-7565 Core Flexible Shaft * * 2 2 6680-282-6165 Speedometer * * 2 2 GROUP 26 TOOLS AND TEST EQUIPMENT 2604 SPECIAL TOOLS 5120-034·8460 Adapter Puller 1 1 2 2 5120-795-071 0 Puller Water Pump 1 1 2 2 5120-836-6660 Puller Threaded 1 1 2 2 5120-592·3673 Remover Tie Rod 1 1 2 2 5120-337·9134 Wrench Box 1 1 2 2 5120-596 ·1370 Wrench Socket 1 1 2 2 5120-708-0100 Wrench Open End 1 1 2 2 GROUP 33 SPECIAL PURPOSE KITS 3307 SPECIAL PURPOSE KITS 2920-999-9324 Generator 1 1 2 2 6130-314·0545 Rectifier 1 1 2 2 2920-540-9476 Regulator 1 1 2 2 5
  • 156.
    By Order ofthe Secretary of the Army: Official: KENNETH G. WICKHAM, Major General, United States Army, The Adjutant General. W. C. WESTMORELAND, General, United States Army, ChiefofStaff Distribution: To be distributed in accordance with DA Form 12-38, organization al maintenance requirements for Truck, Ut ility : I~ Ton, M38A1, M38A1Cand Truck, Ambulance: M170. * u.s. GOVERNMENT PRINTING OFf'tCE: 1970-390-943/1909