Power window
Fungsi : …………………………………………………………………………………….
Power window dapat dioperasikan oleh …………………………………………………..
Saklar/switch power window
1. …………………………………………
………………………………………..
2. ………………………………………
3. ………………………………………
4. ………………………………………
5. ………………………………………
TRAINING
CENTRE
ASTRA MOBIL
Nama : 10 30 01 10
Perusahaan : Penyusun : Tanggal : 1 of 14
Fir/Hut Peb’98
1
54
32
Bagian-bagiannya :
1. ………………………………………
2. ………………………………………
3. ………………………………………
4. ………………………………………
5. ………………………………………
6. ………………………………………
7. ………………………………………
8. ………………………………………
9. ………………………………………
TRAINING
CENTRE
ASTRA MOBIL
Nama : 10 30 01 10
Perusahaan : Penyusun : Tanggal : 2 of 14
Fir/Hut Peb’98
1
2
3 4
5
6
7
8
9
Posisi naik (Up)
Posisi naik (Up)
Saklar utama ditekan pada bagian ………..
Saklar pengunci pada bagian ……….
Aliran arus :
Baterai ………………… ………………… ………… ………… ………
…………
Motor ………………….. dan jendela kaca …………
TRAINING
CENTRE
ASTRA MOBIL
Nama : 10 30 01 10
Perusahaan : Penyusun : Tanggal : 3 of 14
Fir/Hut Peb’98
Posisi turun (Down) Pengoperasian melalui pintu belakang
Posisi down (turun)
Saklar pintu belakang ditekan pada posisi ……………………..
Saklar pengunci posisi …………
Aliran arus
Baterai …………………… ………………………………………… …………
……………………………… …………
Motor …………………… dan jendela kaca bergerak …………
TRAINING
CENTRE
ASTRA MOBIL
Nama : 10 30 01 10
Perusahaan : Penyusun : Tanggal : 4 of 14
Fir/Hut Peb’98
Central door lock
Sistem pembuka dan penutup kunci pintu secara ……………………
Penggerak central lock terdiri dua macam
1. ………………………………
2. ……………………
TRAINING
CENTRE
ASTRA MOBIL
Nama : 10 30 01 10
Perusahaan : Penyusun : Tanggal : 5 of 14
Fir/Hut Peb’98
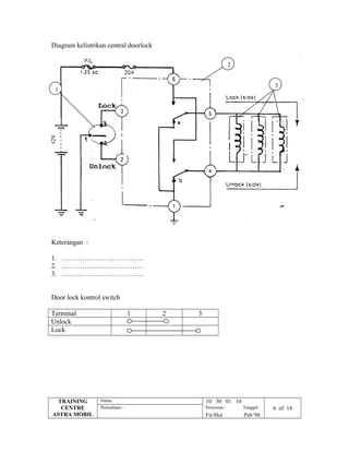
Diagram kelistrikan central doorlock
Keterangan :
1. ………………………………
2. ………………………………
3. ………………………………
Door lock kontrol switch
Terminal 1 2 3
Unlock
Lock
TRAINING
CENTRE
ASTRA MOBIL
Nama : 10 30 01 10
Perusahaan : Penyusun : Tanggal : 6 of 14
Fir/Hut Peb’98
3
1
2
Posisi lock (1 dan 3 ……………………)
(a dan 6 ……………………)
Arus dari baterai ………… …………………… ….. ….. …………………
….. ….. ….. …………
Solenoid menjadi …………………… dan pintu pada posisi …………………………
Setelah beberapa detik a membali ke ……………………, agar selenoid tidak dialiri arus
……………………
TRAINING
CENTRE
ASTRA MOBIL
Nama : 10 30 01 10
Perusahaan : Penyusun : Tanggal : 7 of 14
Fir/Hut Peb’98
Posisi unlock (membuka)
- ….. dan ….. berhubungan
- ….. dan ….. berhubungan
Arus dari baterai …..….. …..…..….. ….. ….. …..…..….. ….. …..
….. …..…..…..
• Solenoid menjadi …..…..…..….. dan pintu pada posisi …..…..…..…..…..…..…..
Setelah beberapa detik kembali ke …..…..…..…..
TRAINING
CENTRE
ASTRA MOBIL
Nama : 10 30 01 10
Perusahaan : Penyusun : Tanggal : 8 of 14
Fir/Hut Peb’98
Elektrik mirror
Fungsi : Suatu sistem yang mengatur posisi …..…..…..….. baik horizontal atau vertikal
secara …..…..…..…..
Tombol pilih kiri kanan
L = …..…..…..…..…..…..…..…..…..…..
R = …..…..…..…..…..…..…..…..…..…..
Gerakkan tombol ini ke arah kiri (L) atau
kanan (R) untuk memilih kaca yang akan
distel
Komponen
1. …..…..…..…..…..…..…..…..
2. …..…..…..…..…..…..…..…..…..…..
…..…..…..…..…..…..…..…..…..…..
…..
3. …..…..…..…..…..…..…..…..…..…..
…..…..…..…..…..…..…..…..…..…..
….
4. …..…..…..…..…..…..…..…..…..…..
…..…..…..…..…..…..…..…..…..…..
…..
5. …..…..…..…..…..…..…..…..…..…..
…..…..…..…..…..…..…..…..…..…..
….
Sumbu gerak
X = Sumbu gerak ke arah …..…..…..…..
Y = Sumbu gerak ke arah …..…..…..…..
TRAINING
CENTRE
ASTRA MOBIL
Nama : 10 30 01 10
Perusahaan : Penyusun : Tanggal : 9 of 14
Fir/Hut Peb’98
1
2
4
5
3
y
z
Diagram kelistrikan elektrik mirror
Bagian-bagiannya :
1. …..…..…..…..…..…..…..…..…..…..…..…..…..…..
2. …..…..…..…..…..…..…..…..…..…..…..…..…..…..
3. …..…..…..…..…..…..…..…..…..…..…..…..…..…..
4. …..…..…..…..…..…..…..…..…..…..…..…..…..…..
5. …..…..…..…..…..…..…..…..…..…..…..…..…..…..
6. …..…..…..…..…..…..…..…..…..…..…..…..…..…..
Diagram kerja switch
TRAINING
CENTRE
ASTRA MOBIL
Nama : 10 30 01 10
Perusahaan : Penyusun : Tanggal : 10 of 14
Fir/Hut Peb’98
1
65
4
3
2
Posisi kerja mirror sebelah kanan ke arah naik turun
Naik : Mv berhubungan dengan kontak naik C berubungan dengan E
Arus dari baterai ……… ……… ….. …….. …….. …….. …
….. ….. …... ….. …………….
* Motor …..…..…..…..….. kaca bergerak ke arah …..…..
Turun : Mv berhubungan dengan kontak point turun C berhubungan dengan B
Arus dari baterai …….. …….. ….. ….. ….. ….. …..…..…..
……. ……. …..…..…..…..….. ….. ….. …..…..…..
* Motor …..…..…..…..….. dan kaca bergerak arah …..…..…..
TRAINING
CENTRE
ASTRA MOBIL
Nama : 10 30 01 10
Perusahaan : Penyusun : Tanggal : 11 of 14
Fir/Hut Peb’98
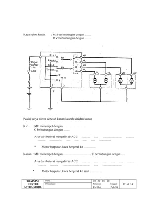
Kaca spion kanan : MH berhubungan dengan …….
MV berhubungan dengan …….
Posisi kerja mirror sebelah kanan kearah kiri dan kanan
Kiri : MH menempel dengan …..…..…..…..…..…..
C berhubungan dengan …….
Arus dari baterai mengalir ke ACC …..….. ….. …..…..…..…..….. …..…..
…..….. …..…..….. ….. ….. ….. ….. …..…..…..
* Motor berputar, kaca bergerak ke …..…..…..
Kanan : MH menempel dengan …..…..…..…..….…...….., C berhubungan dengan …..
Arus dari baterai mengalir ke ACC …..….. ….. ….. ….. ….. …..….
…..….. …..….. …..…..…..…..…..…..….. ….. …..…..…..…..…..
* Motor berputar, kaca bergerak ke arah …..…..…..
TRAINING
CENTRE
ASTRA MOBIL
Nama : 10 30 01 10
Perusahaan : Penyusun : Tanggal : 12 of 14
Fir/Hut Peb’98
Kaca spion kiri : MH berhubungan dengan …..…..
MV berhubungan dengan …..…..
Posisi mirror sebelah kiri naik turun
Naik :MV berhubungan dengan …..…..…..…..…..….., C berhubungan dengan …..
Arus mengalir dari baterai ke ACC …..….. ….. …..…..…..….. …..…..
…..….. …..…..….. ….. ….. ….. ….. …..…..…..
* Motor berputar, kaca bergerak …..…..…..
Turun :MV berhubungan dengan …..…..…..…..…..….., C berhubungan dengan …..
Arus mengalir dari baterai ke ACC …..….. ….. ….. ….. ….. …..…..
…..….. …..….. …..…..…..…..…..….. ….. ….. …..…..…..
* Motor berputar, kaca bergerak …..…..…..…..
TRAINING
CENTRE
ASTRA MOBIL
Nama : 10 30 01 10
Perusahaan : Penyusun : Tanggal : 13 of 14
Fir/Hut Peb’98
Posisi kerja mirror sebelah kiri kearah kanan-kiri
Kanan :MH berhubungan dengan …..…..…..…..…..…..….., C berhubungan dengan …..
Aliran arus mengalir dari baterai ke ACC …..….. ….. ….. ….. …..
…..….. …..….. …..…..…..…..…..…..….. ….. …..…..…..…..
* Motor berputar, kaca bergerak ke …..…..…..…..
Kiri :MH berhubungan dengan …..…..…..…..…..…..….., C berhubungan dengan …..
Aliran arus mengalir dari baterai ke ACC …..….. ….. …..…..…..…..…..…..…
…..….. …..….. …..…..….. ….. ….. ….. ….. …..…..…..….
* Motor berputar, kaca bergerak ke …..…..…..
TRAINING
CENTRE
ASTRA MOBIL
Nama : 10 30 01 10
Perusahaan : Penyusun : Tanggal : 14 of 14
Fir/Hut Peb’98

Power window siswa

  • 1.
    Power window Fungsi :……………………………………………………………………………………. Power window dapat dioperasikan oleh ………………………………………………….. Saklar/switch power window 1. ………………………………………… ……………………………………….. 2. ……………………………………… 3. ……………………………………… 4. ……………………………………… 5. ……………………………………… TRAINING CENTRE ASTRA MOBIL Nama : 10 30 01 10 Perusahaan : Penyusun : Tanggal : 1 of 14 Fir/Hut Peb’98 1 54 32
  • 2.
    Bagian-bagiannya : 1. ……………………………………… 2.……………………………………… 3. ……………………………………… 4. ……………………………………… 5. ……………………………………… 6. ……………………………………… 7. ……………………………………… 8. ……………………………………… 9. ……………………………………… TRAINING CENTRE ASTRA MOBIL Nama : 10 30 01 10 Perusahaan : Penyusun : Tanggal : 2 of 14 Fir/Hut Peb’98 1 2 3 4 5 6 7 8 9
  • 3.
    Posisi naik (Up) Posisinaik (Up) Saklar utama ditekan pada bagian ……….. Saklar pengunci pada bagian ………. Aliran arus : Baterai ………………… ………………… ………… ………… ……… ………… Motor ………………….. dan jendela kaca ………… TRAINING CENTRE ASTRA MOBIL Nama : 10 30 01 10 Perusahaan : Penyusun : Tanggal : 3 of 14 Fir/Hut Peb’98
  • 4.
    Posisi turun (Down)Pengoperasian melalui pintu belakang Posisi down (turun) Saklar pintu belakang ditekan pada posisi …………………….. Saklar pengunci posisi ………… Aliran arus Baterai …………………… ………………………………………… ………… ……………………………… ………… Motor …………………… dan jendela kaca bergerak ………… TRAINING CENTRE ASTRA MOBIL Nama : 10 30 01 10 Perusahaan : Penyusun : Tanggal : 4 of 14 Fir/Hut Peb’98
  • 5.
    Central door lock Sistempembuka dan penutup kunci pintu secara …………………… Penggerak central lock terdiri dua macam 1. ……………………………… 2. …………………… TRAINING CENTRE ASTRA MOBIL Nama : 10 30 01 10 Perusahaan : Penyusun : Tanggal : 5 of 14 Fir/Hut Peb’98
  • 6.
    Diagram kelistrikan centraldoorlock Keterangan : 1. ……………………………… 2. ……………………………… 3. ……………………………… Door lock kontrol switch Terminal 1 2 3 Unlock Lock TRAINING CENTRE ASTRA MOBIL Nama : 10 30 01 10 Perusahaan : Penyusun : Tanggal : 6 of 14 Fir/Hut Peb’98 3 1 2
  • 7.
    Posisi lock (1dan 3 ……………………) (a dan 6 ……………………) Arus dari baterai ………… …………………… ….. ….. ………………… ….. ….. ….. ………… Solenoid menjadi …………………… dan pintu pada posisi ………………………… Setelah beberapa detik a membali ke ……………………, agar selenoid tidak dialiri arus …………………… TRAINING CENTRE ASTRA MOBIL Nama : 10 30 01 10 Perusahaan : Penyusun : Tanggal : 7 of 14 Fir/Hut Peb’98
  • 8.
    Posisi unlock (membuka) -….. dan ….. berhubungan - ….. dan ….. berhubungan Arus dari baterai …..….. …..…..….. ….. ….. …..…..….. ….. ….. ….. …..…..….. • Solenoid menjadi …..…..…..….. dan pintu pada posisi …..…..…..…..…..…..….. Setelah beberapa detik kembali ke …..…..…..….. TRAINING CENTRE ASTRA MOBIL Nama : 10 30 01 10 Perusahaan : Penyusun : Tanggal : 8 of 14 Fir/Hut Peb’98
  • 9.
    Elektrik mirror Fungsi :Suatu sistem yang mengatur posisi …..…..…..….. baik horizontal atau vertikal secara …..…..…..….. Tombol pilih kiri kanan L = …..…..…..…..…..…..…..…..…..….. R = …..…..…..…..…..…..…..…..…..….. Gerakkan tombol ini ke arah kiri (L) atau kanan (R) untuk memilih kaca yang akan distel Komponen 1. …..…..…..…..…..…..…..….. 2. …..…..…..…..…..…..…..…..…..….. …..…..…..…..…..…..…..…..…..….. ….. 3. …..…..…..…..…..…..…..…..…..….. …..…..…..…..…..…..…..…..…..….. …. 4. …..…..…..…..…..…..…..…..…..….. …..…..…..…..…..…..…..…..…..….. ….. 5. …..…..…..…..…..…..…..…..…..….. …..…..…..…..…..…..…..…..…..….. …. Sumbu gerak X = Sumbu gerak ke arah …..…..…..….. Y = Sumbu gerak ke arah …..…..…..….. TRAINING CENTRE ASTRA MOBIL Nama : 10 30 01 10 Perusahaan : Penyusun : Tanggal : 9 of 14 Fir/Hut Peb’98 1 2 4 5 3 y z
  • 10.
    Diagram kelistrikan elektrikmirror Bagian-bagiannya : 1. …..…..…..…..…..…..…..…..…..…..…..…..…..….. 2. …..…..…..…..…..…..…..…..…..…..…..…..…..….. 3. …..…..…..…..…..…..…..…..…..…..…..…..…..….. 4. …..…..…..…..…..…..…..…..…..…..…..…..…..….. 5. …..…..…..…..…..…..…..…..…..…..…..…..…..….. 6. …..…..…..…..…..…..…..…..…..…..…..…..…..….. Diagram kerja switch TRAINING CENTRE ASTRA MOBIL Nama : 10 30 01 10 Perusahaan : Penyusun : Tanggal : 10 of 14 Fir/Hut Peb’98 1 65 4 3 2
  • 11.
    Posisi kerja mirrorsebelah kanan ke arah naik turun Naik : Mv berhubungan dengan kontak naik C berubungan dengan E Arus dari baterai ……… ……… ….. …….. …….. …….. … ….. ….. …... ….. ……………. * Motor …..…..…..…..….. kaca bergerak ke arah …..….. Turun : Mv berhubungan dengan kontak point turun C berhubungan dengan B Arus dari baterai …….. …….. ….. ….. ….. ….. …..…..….. ……. ……. …..…..…..…..….. ….. ….. …..…..….. * Motor …..…..…..…..….. dan kaca bergerak arah …..…..….. TRAINING CENTRE ASTRA MOBIL Nama : 10 30 01 10 Perusahaan : Penyusun : Tanggal : 11 of 14 Fir/Hut Peb’98
  • 12.
    Kaca spion kanan: MH berhubungan dengan ……. MV berhubungan dengan ……. Posisi kerja mirror sebelah kanan kearah kiri dan kanan Kiri : MH menempel dengan …..…..…..…..…..….. C berhubungan dengan ……. Arus dari baterai mengalir ke ACC …..….. ….. …..…..…..…..….. …..….. …..….. …..…..….. ….. ….. ….. ….. …..…..….. * Motor berputar, kaca bergerak ke …..…..….. Kanan : MH menempel dengan …..…..…..…..….…...….., C berhubungan dengan ….. Arus dari baterai mengalir ke ACC …..….. ….. ….. ….. ….. …..…. …..….. …..….. …..…..…..…..…..…..….. ….. …..…..…..…..….. * Motor berputar, kaca bergerak ke arah …..…..….. TRAINING CENTRE ASTRA MOBIL Nama : 10 30 01 10 Perusahaan : Penyusun : Tanggal : 12 of 14 Fir/Hut Peb’98
  • 13.
    Kaca spion kiri: MH berhubungan dengan …..….. MV berhubungan dengan …..….. Posisi mirror sebelah kiri naik turun Naik :MV berhubungan dengan …..…..…..…..…..….., C berhubungan dengan ….. Arus mengalir dari baterai ke ACC …..….. ….. …..…..…..….. …..….. …..….. …..…..….. ….. ….. ….. ….. …..…..….. * Motor berputar, kaca bergerak …..…..….. Turun :MV berhubungan dengan …..…..…..…..…..….., C berhubungan dengan ….. Arus mengalir dari baterai ke ACC …..….. ….. ….. ….. ….. …..….. …..….. …..….. …..…..…..…..…..….. ….. ….. …..…..….. * Motor berputar, kaca bergerak …..…..…..….. TRAINING CENTRE ASTRA MOBIL Nama : 10 30 01 10 Perusahaan : Penyusun : Tanggal : 13 of 14 Fir/Hut Peb’98
  • 14.
    Posisi kerja mirrorsebelah kiri kearah kanan-kiri Kanan :MH berhubungan dengan …..…..…..…..…..…..….., C berhubungan dengan ….. Aliran arus mengalir dari baterai ke ACC …..….. ….. ….. ….. ….. …..….. …..….. …..…..…..…..…..…..….. ….. …..…..…..….. * Motor berputar, kaca bergerak ke …..…..…..….. Kiri :MH berhubungan dengan …..…..…..…..…..…..….., C berhubungan dengan ….. Aliran arus mengalir dari baterai ke ACC …..….. ….. …..…..…..…..…..…..… …..….. …..….. …..…..….. ….. ….. ….. ….. …..…..…..…. * Motor berputar, kaca bergerak ke …..…..….. TRAINING CENTRE ASTRA MOBIL Nama : 10 30 01 10 Perusahaan : Penyusun : Tanggal : 14 of 14 Fir/Hut Peb’98