CHAPTER TWO
MICROWAVE DIODES &
MICROWAVE BIPOLAR TRANSISTORS
 2.1 P-i-N Diodes,
Schottky Diodes,
Varactor Diodes and
Tunnel Diodes Components
Applications in microwave circuits
2.2 Bipolar Transistors & Heterojunction Bipolar Transistors &
Their Applications in microwave circuits
PIN diode Development
 After The PN Junction Was Understood And Further Developed In The
1940s,
• Other Researches Into Variants Of The Basic PN Junction Were Undertaken.
• The first was a LF HP Rectifier Developed By Hall & Prince In 1952 & 1956
Respectively.
 Although The PIN Diode Saw Some Initial Appns As Power Rectifiers,
• It Was Later Realised That, The Lower Junction Capacitance Could Be Utilised In Mw
Applns. The First Microwave Devices Were Developed In 1958
 With The Intro Of Semiconductors As Photo Devices,
• PIN Diode Use Increased As A Photodetector.
• Its Large Depletion Area Was Ideal For Its Use In This Role.
PIN diode Development
 PIN Diode Basics & Operation
 In The PIN Diode, The PN Junction, Has An Intrinsic Layer Between The PN &
Layers.
• The Intrinsic Layer Of The PIN Diode Is A Layer Without Doping,
• This Increases The Size Of The Depletion Region - The Region B/n The P &
N Layers Without, Majority Carriers.
• Basic PIN diode structure
• This Change In The Structure Gives The PIN Diode Its Unique Properties.
PIN Diode Uses & Advantages
• High Voltage Rectifier: The Intrinsic Region Provides A Greater
Separation B/n The PN & N Regions, Allowing Higher Reverse
Voltages To Be Tolerated.
• RF Switch: The PIN Diode Makes An Ideal RF Switch.
• Photodetector: As The Conversion Of Light Into Current Takes
Place Within The Depletion Region Of A Photodiode,
• Increasing The Depletion Region By Adding The Intrinsic Layer Improves
The Performance By Increasing He Volume In Which Light Conversion
Occurs.
• PIN diode attenuator and switch circuit
• An RF Microwave
PIN Diode Attenuator
PIN Diode RF Microwave Switch
 PIN Diodes As Limiters:
• Used As Input Protection Devices For HF Test Probes.
• If The Input Signal Is Within Range, The PIN Diode Has Little
Impact As A Small Capacitance.
• If The Signal Is Large, Then The PIN Diode Conducts & Becomes A
Resistor That Shunts Most Of The Signal To Ground.
• Photodetector & Photovoltaic Cell
• PIN Photodiodes Are Used In Fibre Optic Network Cards &
Switches, As A Photodetector,
• The Point-contact Diode
• A Gold Or Tungsten Wire Is Used To Act As The Point Contact To Produce A PN
Junction Region By Passing A High Electric Current Through It.
• A Small Region Of PN Junction Is Produced Around The Edge Of The Wire
Which Is Connected To The Metal Plate.
• Point-contact Diode. P Region Around Point
•In Forward Direction Its Operation Is Quite Similar To The
PN Junction,
• But In Reverse Bias Condition, The Wire Acts Like An Insulator.
•The Insulator B/n The Junction Plates Acts As A Capacitor.
• In General The Capacitor Blocks The DC Currents When The AC
Currents Are Flowing In The Circuit At High Frequencies.
• So, These Are Used To Detect The High Frequency Signals.
The Schottky Diode
• Schottky Diodes, Also Called Hot Carrier Diodes Or Schottky Barrier Diodes,
• Use A Metal/Semiconductor Junction Instead Of A P Semiconductor / N
Semiconductor Junction
Low Junction Potential
• The Metal To Silicon Junction Used In Schottky Diodes Provides Several
Advantages (& Some Disadvantages)
• Compared With A PN Silicon Diode.
• The P Type Region Of The PN Diode Is Replaced By A Metal Anode, Usually
Gold, Silver, Platinum, Tungsten, Molybdenum Or Chromium,
• Produce A Junction Potential Called The Schottky Barrier.
Schottky Reverse Current Limitations
• Although The Schottky Junction Generates Less Heat Per Watt Than The PN
Junction,
• In Order To Keep Its Reverse Leakage Current Within Acceptable Limits,
• The Max Junction To
Must Be Kept Below Typically 125°C To 175°C
(Depending On Type)
• Compared With 200°C Or
More For A PN Diode.
Schottky Diode Appns
• Using A Schottky Diode With A Junction Potential Of Only 0.2V Allows The
Demodulator To Produce Usable Information From Weaker Signals Than
Would Be Possible Using A Silicon PN Diode.
• Am Demodulation Using A Schottky Diode
• High Speed Switching
• In A Schottky Diode, There Is No Exchanging & Re-exchanging Of Holes &
Electrons Across The Junction, As Happens In The PN Diode, Thus, The
Switching Speed Is Much Faster.
• Schottky Power Rectifiers
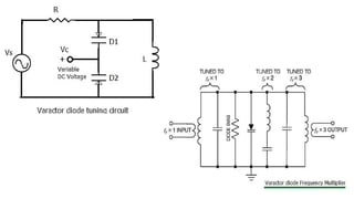
Varactor Diodes & Applications
 Varactor Diode (Varicap) Is One Of The Many
Microwave Semiconductor Devices In Use Today.
• Manufactured With Gallium Arsenide.
• Varactor Diode Is Special Type Of PN Junction Diode, In Which PN
Junction Capacitance Is Controlled Using Reverse Bias Voltage.
• When The Diode Is Forward Biased, Current Will Flow Through The
Diode.
• When The Diode Is Reverse Biased,
• Charges In The P And N Semiconductors Are Drawn Away From The PN
Junction Interface And Hence Forms The High Resistance Depletion Zone.
• The Equation Of The Varactor Capacitance Proportional To The
Reverse Bias Voltage Is: Cj = CK/(Vb - V)m
.
• From The Circuit Maximum Operating Frequency Of The Varactor
Diode Depends On The Series Resistance & Diode Capacitance & It
Is Mentioned In The Equation Below.
•F = 1 / 2*pi*Rs*Cj
• Quality Factor Of The Varactor Diode Is Mentioned In The Equation
Below.
Q = Fc/fo,
Where Fc Is The Cutoff Freq & fo Is The Operating Freq.
Varactor Diode Applications
•Following Are The Varactor Diode Appns:
• It Is Used In Variable Resonant Tank LC Circuit.
• Afc(automatic Freq Control) Used To Set LO Signal.
• Frequency Modulator.
• Frequency Multiplier In Microwave Receiver LO.
• RF Phase Shifter.
Tunnel Diodes
• A Tunnel Diode Or Esaki Diode Is A Type Of Semiconductor That Is:
• Capable Of Very Fast Operation,
• Well Into The Mw Freq Region,
• Made Possible By The Use Of The Quantum Mechanical Effect Called Tunnelling.
• It Is A Two Terminal Device.
• The Concentration Of Dopants In Both P & N Region Is Very High.
• It Is About 1024
- 1025
m-3
• The P-n Junction Is Also Abrupt.
• For This Reasons,
• The Depletion Layer Width Is Very Small.
• In The Current Voltage Characteristics Of Tunnel Diode,
• We Can Find A Negative Slope Region When Forward Bias Is Applied.
2.2 BIPOLAR JUNCTION TRANSISTORS & HETEROJUNCTION BIPOLAR TRANSISTORS &
APPLICATIONS IN MICROWAVE CIRCUITS
• Mw solid-state devices are becoming increasingly important at Mw freqs.
• They are broken down into four groups:
• The microwave bipolar junction transistor (BJT), the heterojunction bipolar transistor
(HBT), and the tunnel diodes.
• The second group includes:
Microwave Field-Effect Transistors (FETs) such as:
• Junction Field-effect Transistors (JFETs),
• Metal-Semiconductor Field-effect Transistors (MESFETs),
• High Electron Mobility Transistors (HEMTs),
• Metal-Oxide-Semiconductor Field-effect Transistors (MOSFETs),
• MOSFET & Memory Devices
• charge-coupled Devices ( CCDs).
•The Third Group, Which Is Characterized By The Bulk
Effect Of The Semiconductor, Is Called:
• The Transferred Electron Device (TED).
•These devices include:
• Gunn diode,
• Limited Space-charge-accumulation diode (LSA diode),
• Indium Phosphide Diode (InP diode), and
• Cadmium Telluride diode ( CdTe diode).
•The Devices Of The Fourth Group, Which Are Operated
By The Avalanche Effect Of The Semiconductor, Are
Referred To As Avalanche Diodes:
•Impact Ionization Avalanche Transit-time Diodes (IMPATT
diodes),
•Trapped Plasma Avalanche Triggered Transit-time Diodes
(TRAPATT diodes),
•Barrier Injected Transit-time Diodes (BARITT diodes).
•Microwave Solid-State Devices
• In Studying Microwave Solid-state Devices, The Electrical Behavior Of
Solids Is The First Item To Be Investigated.
• The Transport Of Charge Thro A Semiconductor Depends Not Only On The
Properties Of The Electron;
• But Also On The Arrangement Of Atoms In The Solids.
• Semiconductors Are A Group Of Substances Having Electrical
Conductivities That Are Intermediate Between Metals & Insulators.
• Since The Conductivity Of The Semiconductors Can Be Varied Over Wide
Ranges By Changes In Their Temperature,
• Optical Excitation & Impurity Content,
• Thus, They Are The Natural Choices For Electronic Devices.
•Properties Of Important Semiconductor Materials
• The energy bands of a semiconductor play a major role in their
electrical behavior.
• For any semiconductor, there is a forbidden energy region in which no
allowable states can exist.
• The energy band above the forbidden region is called:
• The conduction band,
• The bottom of the conduction band is designated by Ec .
• The energy band below the forbidden region is called the valence
band,
• The top of the valence band is designated by Ev .
• The separation b/n the energy of the lowest conduction band &
that of the highest valence band is called:
• The bandgap energy Eg ,
• Which is the most important parameter in semiconductors.
• Electron energy is conventionally defined as:
• Positive When Measured Upward,
• Whereas The Hole Energy Is Positive When Measured Downward.
• A simplified Energy Band Diagram
Bipolar Transistor Applications In Microwave Circuits.
• For microwave applications, the silicon (Si) bipolar transistors dominate for
frequency range from UHF to about S band (about 3 GHz).
• The Si bipolar transistor is inexpensive, durable, integrative, and
offers gain much higher than available with competing field-effect
devices.
• It has moderate noise figure in RF amplifiers and 1/f noise
characteristics that are about 10-20 dB superior to GaAs MESFETs.
• For these reasons,
• The Si BJTs dominate in amplifier applications for the lower
microwave frequencies and are often the devices of choice for
local oscillators.
• Physical Structures
• All microwave transistors are now planar in form and almost all are of the
silicon n-p-n type.
• Carrier Densities of an n-p-n Transistor
• .
• Bipolar Transistor Configurations
• In General, There Are Two Types Of Bipolar Transistors: P-n-p And N-p-n.
• In Practical Applications, A Transistor Can Be Connected As Three Different
Configurations, Depending On The Polarities Of The Bias Voltages Connected
To Its Terminals:
• Common Base (CB),
• Common Emitter (CE), And
• Common Collector (CC),.
•
• Please to reflect on this, kindly refer to Electronics I Hand-out for the BTE
Programme
• Principles of Operation
• The Bipolar Junction Transistor (BJT) Is An Active Three-terminal Device
Which Is
• Commonly Used As An Amplifier Or Switch. Its Principles Of Operation Are
Discussed In This Section.
• Modes Of Operation. A Bipolar Transistor Can Operate In Four Different
• Modes Depending On The Voltage Polarities Across The Two Junctions:
• Normal (Active) Mode,
• Saturation Mode,
• Cutoff Mode, And
• Inverse (Or Inverted) Mode.
• Please Kindly Refer To Electronics I Hand-out For The Bte Programme
• In Comparison With Si BJTs, Mw BJT Show Better
Performance In Terms Of:
• Emitter Injection Efficiency,
• Base Resistance,
• Base-emitter Capacitance, &
• Cutoff Frequency.
• They Also Offer Good Linearity, Low Phase Noise And High Power-added
Efficiency.
• Microwave BJT Applns
• Mw BJT Are Used In Both Commercial & High-reliability Appns, Such As PAs
In Mobile Telephones & Laser Drivers.
HETEROJUNCTION BIPOLAR TRANSISTORS (HBTs}
• Bipolar Transistors Can Be Constructed As:
• Homojunction Or
• Heterojunction Types Of Transistors.
• When The Transistor Junction Is Jointed By Two Similar Materials Such As
Silicon To Silicon Or Germanium To Germanium,
• It Is A Homo Junction Transistor.
• The Transistor Junction Formed By Two Different Materials, Such As Ge To
Gaas, Is Called:
• A Heterojunction Transistor.
• Physical Structures
• When the lattice constants of two semiconductor materials are matched,
they can be formed together as a heterojunction transistor.
• This lattice condition is very important because the lattice mismatch could
introduce a large number of interface states and degrade the
heterojunction operation. Currently, Ge and GaAs are the two materials
commonly used for heterojunction structures because their lattice
constants (a = 5.646 Å forGe and a = 5.653 Å for GaAs) are matched to
within 1%
• Since each material may be either p type or n type, there are four possible
heterojunction combinations:
1. p -Ge to p -GaAs junction
2. p -Ge to n -GaAs junction
3. n -Ge to p -GaAs junction
4. n -Ge to n -GaAs junction
• Model Diagram
Of A Heterojunction Transistor Formed
By n -Ge, p-GaAs, and n-GaAs materials.
• Typical I–V characteristics in a power HBT with a multifinger design under
collector current collapse
• One of the most undesirable phenomena is called “collector-current
collapse,” which results in an abrupt decrease of collector current in the
devices’ dc I–V characteristics.
• The collector-current collapse occurs
when a particular finger (usually
centre) suddenly draws most of the
collector current because of its non-
uniform current distribution, leading
to a decrease of device
current gain.
• Although collector-current collapse has not been observed to
cause catastrophic failures on power HBTs,
• The output power and performance of the device are generally
limited.
• Optimized HBT layout improves power performance and
minimizes collector current collapse.
• Comparison of
AlGaAs/GaAs HBT
and Si Bipolar
Transistors
• It follows that AlGaAs/GaAs HBTs benefit from the following advantages:
•
• (1) Lower forward transit time along with a much lower base resistance (due to the
much higher base doping concentration), giving increased cutoff frequency Fc.
•
• 2) Better intrinsic device linearity due to a higher beta (gain) early-voltage product.
• (3) Very low collector-substrate capacitance Ccs in AlGaAs/GaAs HBTs due to the use of
semi-insulating GaAs substrate (resistivity ≈107 Ohm-cm).
• (4) High efficiency due to the ability to turn off devices completely with a small base
voltage change and the extremely small turn-on voltage variation between devices.
• (5) Good wide-band impedance matching due to the resistive nature of the input and
output impedances.
• (6) Low cost and potential for high throughput. With the typical minimum feature size
of 1 µm, there is no need for e-beam lithography.
• Cross Section of an HBT
• Operational Mechanism
• When an n-Ge and a p-GaAs are isolated, their Fermi energy levels are not
aligned, as shown below
• The vacuum level is used as reference,
• The work function is denoted by Φ, n -Ge is designated as 1, and p -GaAs is referred
to as 2.
• The different energies of the conduction-band edge and the valence-band
edge are given by:
•
•
• where x = electron affinity in eV
• Eg = bandgap energy in eV
• Energy-band diagram for isolated n -Ge and p –GaAs
• Worked Example:
• Heterojunction Bipolar Transistor (HBT) A Ge-GaAs heterojunction
transistor has the following parameters:
• HBT Applications
•
• AlGaAs/GaAs HBTs are used for digital and analog microwave applns
with frequencies as high as Ku band.
• HBTs can provide faster switching speeds than silicon bipolar
transistors due to reduced base resistance & collector-to-substrate
capacitance.
HBTs for power applications are designed with a multifinger
implementation.
 In a multifinger layout, the current and temperature distributions on each
finger are different, leading to degradation of device power performance. ``
• This technology can also provide higher breakdown voltages and easier
broad-band impedance matching than GaAs FETs.
• In comparison with Si bipolar junction transistors (BJTs),
• HBTs show better performance in terms of emitter injection
efficiency, base resistance, base-emitter capacitance, and cutoff
frequency.
• They also offer good linearity, low phase noise and high power-added
efficiency.
• HBTs are used in both commercial and high-reliability applications, such
as:
• Power amplifiers in mobile telephones and laser drivers.
• The heterojunction bipolar transistor is a potential candidate
for:
• High-speed switching devices such as GaAs MESFETs.
• The analysis described previously can be applied to the
structures of Ge-GaAs and GaAsAlGaAs.
• The HBT is a potential candidate for high-speed switching devices,
• Such as GaAs MESFETs.
• The analysis described previously can be applied to the structures
of Ge-GaAs and GaAsAlGaAs.
• In other heterojunction transistors, such as the Ge-Si structure,
• The lattice mismatch (a = 5.646 Å forGe and a = 5.431 Å for Si) causes a
high interface state density & recombination- and tunneling-current
components must be counted.
END OF CHAPTER TWO

LECTURE No. 2.pptxEngineeringEngineering

  • 2.
    CHAPTER TWO MICROWAVE DIODES& MICROWAVE BIPOLAR TRANSISTORS  2.1 P-i-N Diodes, Schottky Diodes, Varactor Diodes and Tunnel Diodes Components Applications in microwave circuits 2.2 Bipolar Transistors & Heterojunction Bipolar Transistors & Their Applications in microwave circuits
  • 3.
    PIN diode Development After The PN Junction Was Understood And Further Developed In The 1940s, • Other Researches Into Variants Of The Basic PN Junction Were Undertaken. • The first was a LF HP Rectifier Developed By Hall & Prince In 1952 & 1956 Respectively.  Although The PIN Diode Saw Some Initial Appns As Power Rectifiers, • It Was Later Realised That, The Lower Junction Capacitance Could Be Utilised In Mw Applns. The First Microwave Devices Were Developed In 1958  With The Intro Of Semiconductors As Photo Devices, • PIN Diode Use Increased As A Photodetector. • Its Large Depletion Area Was Ideal For Its Use In This Role.
  • 4.
    PIN diode Development PIN Diode Basics & Operation  In The PIN Diode, The PN Junction, Has An Intrinsic Layer Between The PN & Layers. • The Intrinsic Layer Of The PIN Diode Is A Layer Without Doping, • This Increases The Size Of The Depletion Region - The Region B/n The P & N Layers Without, Majority Carriers. • Basic PIN diode structure • This Change In The Structure Gives The PIN Diode Its Unique Properties.
  • 5.
    PIN Diode Uses& Advantages • High Voltage Rectifier: The Intrinsic Region Provides A Greater Separation B/n The PN & N Regions, Allowing Higher Reverse Voltages To Be Tolerated. • RF Switch: The PIN Diode Makes An Ideal RF Switch. • Photodetector: As The Conversion Of Light Into Current Takes Place Within The Depletion Region Of A Photodiode, • Increasing The Depletion Region By Adding The Intrinsic Layer Improves The Performance By Increasing He Volume In Which Light Conversion Occurs.
  • 6.
    • PIN diodeattenuator and switch circuit • An RF Microwave PIN Diode Attenuator PIN Diode RF Microwave Switch
  • 7.
     PIN DiodesAs Limiters: • Used As Input Protection Devices For HF Test Probes. • If The Input Signal Is Within Range, The PIN Diode Has Little Impact As A Small Capacitance. • If The Signal Is Large, Then The PIN Diode Conducts & Becomes A Resistor That Shunts Most Of The Signal To Ground. • Photodetector & Photovoltaic Cell • PIN Photodiodes Are Used In Fibre Optic Network Cards & Switches, As A Photodetector,
  • 8.
    • The Point-contactDiode • A Gold Or Tungsten Wire Is Used To Act As The Point Contact To Produce A PN Junction Region By Passing A High Electric Current Through It. • A Small Region Of PN Junction Is Produced Around The Edge Of The Wire Which Is Connected To The Metal Plate. • Point-contact Diode. P Region Around Point
  • 9.
    •In Forward DirectionIts Operation Is Quite Similar To The PN Junction, • But In Reverse Bias Condition, The Wire Acts Like An Insulator. •The Insulator B/n The Junction Plates Acts As A Capacitor. • In General The Capacitor Blocks The DC Currents When The AC Currents Are Flowing In The Circuit At High Frequencies. • So, These Are Used To Detect The High Frequency Signals.
  • 10.
    The Schottky Diode •Schottky Diodes, Also Called Hot Carrier Diodes Or Schottky Barrier Diodes, • Use A Metal/Semiconductor Junction Instead Of A P Semiconductor / N Semiconductor Junction Low Junction Potential • The Metal To Silicon Junction Used In Schottky Diodes Provides Several Advantages (& Some Disadvantages) • Compared With A PN Silicon Diode. • The P Type Region Of The PN Diode Is Replaced By A Metal Anode, Usually Gold, Silver, Platinum, Tungsten, Molybdenum Or Chromium, • Produce A Junction Potential Called The Schottky Barrier.
  • 11.
    Schottky Reverse CurrentLimitations • Although The Schottky Junction Generates Less Heat Per Watt Than The PN Junction, • In Order To Keep Its Reverse Leakage Current Within Acceptable Limits, • The Max Junction To Must Be Kept Below Typically 125°C To 175°C (Depending On Type) • Compared With 200°C Or More For A PN Diode.
  • 12.
    Schottky Diode Appns •Using A Schottky Diode With A Junction Potential Of Only 0.2V Allows The Demodulator To Produce Usable Information From Weaker Signals Than Would Be Possible Using A Silicon PN Diode. • Am Demodulation Using A Schottky Diode
  • 13.
    • High SpeedSwitching • In A Schottky Diode, There Is No Exchanging & Re-exchanging Of Holes & Electrons Across The Junction, As Happens In The PN Diode, Thus, The Switching Speed Is Much Faster. • Schottky Power Rectifiers
  • 14.
    Varactor Diodes &Applications  Varactor Diode (Varicap) Is One Of The Many Microwave Semiconductor Devices In Use Today. • Manufactured With Gallium Arsenide.
  • 15.
    • Varactor DiodeIs Special Type Of PN Junction Diode, In Which PN Junction Capacitance Is Controlled Using Reverse Bias Voltage. • When The Diode Is Forward Biased, Current Will Flow Through The Diode. • When The Diode Is Reverse Biased, • Charges In The P And N Semiconductors Are Drawn Away From The PN Junction Interface And Hence Forms The High Resistance Depletion Zone. • The Equation Of The Varactor Capacitance Proportional To The Reverse Bias Voltage Is: Cj = CK/(Vb - V)m .
  • 16.
    • From TheCircuit Maximum Operating Frequency Of The Varactor Diode Depends On The Series Resistance & Diode Capacitance & It Is Mentioned In The Equation Below. •F = 1 / 2*pi*Rs*Cj • Quality Factor Of The Varactor Diode Is Mentioned In The Equation Below. Q = Fc/fo, Where Fc Is The Cutoff Freq & fo Is The Operating Freq.
  • 17.
    Varactor Diode Applications •FollowingAre The Varactor Diode Appns: • It Is Used In Variable Resonant Tank LC Circuit. • Afc(automatic Freq Control) Used To Set LO Signal. • Frequency Modulator. • Frequency Multiplier In Microwave Receiver LO. • RF Phase Shifter.
  • 19.
    Tunnel Diodes • ATunnel Diode Or Esaki Diode Is A Type Of Semiconductor That Is: • Capable Of Very Fast Operation, • Well Into The Mw Freq Region, • Made Possible By The Use Of The Quantum Mechanical Effect Called Tunnelling. • It Is A Two Terminal Device. • The Concentration Of Dopants In Both P & N Region Is Very High. • It Is About 1024 - 1025 m-3 • The P-n Junction Is Also Abrupt. • For This Reasons, • The Depletion Layer Width Is Very Small. • In The Current Voltage Characteristics Of Tunnel Diode, • We Can Find A Negative Slope Region When Forward Bias Is Applied.
  • 20.
    2.2 BIPOLAR JUNCTIONTRANSISTORS & HETEROJUNCTION BIPOLAR TRANSISTORS & APPLICATIONS IN MICROWAVE CIRCUITS • Mw solid-state devices are becoming increasingly important at Mw freqs. • They are broken down into four groups: • The microwave bipolar junction transistor (BJT), the heterojunction bipolar transistor (HBT), and the tunnel diodes. • The second group includes: Microwave Field-Effect Transistors (FETs) such as: • Junction Field-effect Transistors (JFETs), • Metal-Semiconductor Field-effect Transistors (MESFETs), • High Electron Mobility Transistors (HEMTs), • Metal-Oxide-Semiconductor Field-effect Transistors (MOSFETs), • MOSFET & Memory Devices • charge-coupled Devices ( CCDs).
  • 21.
    •The Third Group,Which Is Characterized By The Bulk Effect Of The Semiconductor, Is Called: • The Transferred Electron Device (TED). •These devices include: • Gunn diode, • Limited Space-charge-accumulation diode (LSA diode), • Indium Phosphide Diode (InP diode), and • Cadmium Telluride diode ( CdTe diode).
  • 22.
    •The Devices OfThe Fourth Group, Which Are Operated By The Avalanche Effect Of The Semiconductor, Are Referred To As Avalanche Diodes: •Impact Ionization Avalanche Transit-time Diodes (IMPATT diodes), •Trapped Plasma Avalanche Triggered Transit-time Diodes (TRAPATT diodes), •Barrier Injected Transit-time Diodes (BARITT diodes).
  • 23.
  • 24.
    • In StudyingMicrowave Solid-state Devices, The Electrical Behavior Of Solids Is The First Item To Be Investigated. • The Transport Of Charge Thro A Semiconductor Depends Not Only On The Properties Of The Electron; • But Also On The Arrangement Of Atoms In The Solids. • Semiconductors Are A Group Of Substances Having Electrical Conductivities That Are Intermediate Between Metals & Insulators. • Since The Conductivity Of The Semiconductors Can Be Varied Over Wide Ranges By Changes In Their Temperature, • Optical Excitation & Impurity Content, • Thus, They Are The Natural Choices For Electronic Devices.
  • 25.
    •Properties Of ImportantSemiconductor Materials
  • 26.
    • The energybands of a semiconductor play a major role in their electrical behavior. • For any semiconductor, there is a forbidden energy region in which no allowable states can exist. • The energy band above the forbidden region is called: • The conduction band, • The bottom of the conduction band is designated by Ec . • The energy band below the forbidden region is called the valence band, • The top of the valence band is designated by Ev .
  • 27.
    • The separationb/n the energy of the lowest conduction band & that of the highest valence band is called: • The bandgap energy Eg , • Which is the most important parameter in semiconductors. • Electron energy is conventionally defined as: • Positive When Measured Upward, • Whereas The Hole Energy Is Positive When Measured Downward.
  • 28.
    • A simplifiedEnergy Band Diagram
  • 29.
    Bipolar Transistor ApplicationsIn Microwave Circuits. • For microwave applications, the silicon (Si) bipolar transistors dominate for frequency range from UHF to about S band (about 3 GHz).
  • 30.
    • The Sibipolar transistor is inexpensive, durable, integrative, and offers gain much higher than available with competing field-effect devices. • It has moderate noise figure in RF amplifiers and 1/f noise characteristics that are about 10-20 dB superior to GaAs MESFETs. • For these reasons, • The Si BJTs dominate in amplifier applications for the lower microwave frequencies and are often the devices of choice for local oscillators.
  • 31.
    • Physical Structures •All microwave transistors are now planar in form and almost all are of the silicon n-p-n type. • Carrier Densities of an n-p-n Transistor • .
  • 32.
    • Bipolar TransistorConfigurations • In General, There Are Two Types Of Bipolar Transistors: P-n-p And N-p-n. • In Practical Applications, A Transistor Can Be Connected As Three Different Configurations, Depending On The Polarities Of The Bias Voltages Connected To Its Terminals: • Common Base (CB), • Common Emitter (CE), And • Common Collector (CC),. • • Please to reflect on this, kindly refer to Electronics I Hand-out for the BTE Programme
  • 33.
    • Principles ofOperation • The Bipolar Junction Transistor (BJT) Is An Active Three-terminal Device Which Is • Commonly Used As An Amplifier Or Switch. Its Principles Of Operation Are Discussed In This Section. • Modes Of Operation. A Bipolar Transistor Can Operate In Four Different • Modes Depending On The Voltage Polarities Across The Two Junctions: • Normal (Active) Mode, • Saturation Mode, • Cutoff Mode, And • Inverse (Or Inverted) Mode. • Please Kindly Refer To Electronics I Hand-out For The Bte Programme
  • 34.
    • In ComparisonWith Si BJTs, Mw BJT Show Better Performance In Terms Of: • Emitter Injection Efficiency, • Base Resistance, • Base-emitter Capacitance, & • Cutoff Frequency. • They Also Offer Good Linearity, Low Phase Noise And High Power-added Efficiency. • Microwave BJT Applns • Mw BJT Are Used In Both Commercial & High-reliability Appns, Such As PAs In Mobile Telephones & Laser Drivers.
  • 35.
    HETEROJUNCTION BIPOLAR TRANSISTORS(HBTs} • Bipolar Transistors Can Be Constructed As: • Homojunction Or • Heterojunction Types Of Transistors. • When The Transistor Junction Is Jointed By Two Similar Materials Such As Silicon To Silicon Or Germanium To Germanium, • It Is A Homo Junction Transistor. • The Transistor Junction Formed By Two Different Materials, Such As Ge To Gaas, Is Called: • A Heterojunction Transistor.
  • 36.
    • Physical Structures •When the lattice constants of two semiconductor materials are matched, they can be formed together as a heterojunction transistor. • This lattice condition is very important because the lattice mismatch could introduce a large number of interface states and degrade the heterojunction operation. Currently, Ge and GaAs are the two materials commonly used for heterojunction structures because their lattice constants (a = 5.646 Å forGe and a = 5.653 Å for GaAs) are matched to within 1%
  • 37.
    • Since eachmaterial may be either p type or n type, there are four possible heterojunction combinations: 1. p -Ge to p -GaAs junction 2. p -Ge to n -GaAs junction 3. n -Ge to p -GaAs junction 4. n -Ge to n -GaAs junction • Model Diagram Of A Heterojunction Transistor Formed By n -Ge, p-GaAs, and n-GaAs materials.
  • 38.
    • Typical I–Vcharacteristics in a power HBT with a multifinger design under collector current collapse • One of the most undesirable phenomena is called “collector-current collapse,” which results in an abrupt decrease of collector current in the devices’ dc I–V characteristics. • The collector-current collapse occurs when a particular finger (usually centre) suddenly draws most of the collector current because of its non- uniform current distribution, leading to a decrease of device current gain.
  • 39.
    • Although collector-currentcollapse has not been observed to cause catastrophic failures on power HBTs, • The output power and performance of the device are generally limited. • Optimized HBT layout improves power performance and minimizes collector current collapse. • Comparison of AlGaAs/GaAs HBT and Si Bipolar Transistors
  • 40.
    • It followsthat AlGaAs/GaAs HBTs benefit from the following advantages: • • (1) Lower forward transit time along with a much lower base resistance (due to the much higher base doping concentration), giving increased cutoff frequency Fc. • • 2) Better intrinsic device linearity due to a higher beta (gain) early-voltage product. • (3) Very low collector-substrate capacitance Ccs in AlGaAs/GaAs HBTs due to the use of semi-insulating GaAs substrate (resistivity ≈107 Ohm-cm). • (4) High efficiency due to the ability to turn off devices completely with a small base voltage change and the extremely small turn-on voltage variation between devices. • (5) Good wide-band impedance matching due to the resistive nature of the input and output impedances. • (6) Low cost and potential for high throughput. With the typical minimum feature size of 1 µm, there is no need for e-beam lithography.
  • 41.
  • 42.
    • Operational Mechanism •When an n-Ge and a p-GaAs are isolated, their Fermi energy levels are not aligned, as shown below • The vacuum level is used as reference, • The work function is denoted by Φ, n -Ge is designated as 1, and p -GaAs is referred to as 2. • The different energies of the conduction-band edge and the valence-band edge are given by: • • • where x = electron affinity in eV • Eg = bandgap energy in eV
  • 43.
    • Energy-band diagramfor isolated n -Ge and p –GaAs
  • 44.
    • Worked Example: •Heterojunction Bipolar Transistor (HBT) A Ge-GaAs heterojunction transistor has the following parameters:
  • 46.
    • HBT Applications • •AlGaAs/GaAs HBTs are used for digital and analog microwave applns with frequencies as high as Ku band. • HBTs can provide faster switching speeds than silicon bipolar transistors due to reduced base resistance & collector-to-substrate capacitance. HBTs for power applications are designed with a multifinger implementation.  In a multifinger layout, the current and temperature distributions on each finger are different, leading to degradation of device power performance. ``
  • 47.
    • This technologycan also provide higher breakdown voltages and easier broad-band impedance matching than GaAs FETs. • In comparison with Si bipolar junction transistors (BJTs), • HBTs show better performance in terms of emitter injection efficiency, base resistance, base-emitter capacitance, and cutoff frequency. • They also offer good linearity, low phase noise and high power-added efficiency.
  • 48.
    • HBTs areused in both commercial and high-reliability applications, such as: • Power amplifiers in mobile telephones and laser drivers. • The heterojunction bipolar transistor is a potential candidate for: • High-speed switching devices such as GaAs MESFETs. • The analysis described previously can be applied to the structures of Ge-GaAs and GaAsAlGaAs.
  • 49.
    • The HBTis a potential candidate for high-speed switching devices, • Such as GaAs MESFETs. • The analysis described previously can be applied to the structures of Ge-GaAs and GaAsAlGaAs. • In other heterojunction transistors, such as the Ge-Si structure, • The lattice mismatch (a = 5.646 Å forGe and a = 5.431 Å for Si) causes a high interface state density & recombination- and tunneling-current components must be counted.
  • 50.