コンフィグレーションマニュアル




           231-ND2824-000
                    9.0 版
               2009 年 8 月
本マニュアルに記載されている会社名と製品名は、各社の登録商標または商
標です。なお、本書中では TM、®マークは明記しておりません。

 この装置は、情報処理装置等電波障害自主規制協議会(VCCI)の基準
に基づくクラスA情報技術装置です。この装置を家庭環境で使用すると電波
妨害を引き起こすことがあります。この場合には使用者が適切な対策を講ず
るよう要求されることがあります。




                               231-ND2824-000
                                        9.0 版
                                   2009 年 8 月
231-ND2824-000                                         はじめに
9.0 版 2009 年 8 月



                   ドキュメント改版履歴

                   版   数         発行年月日         備   考

                   第 1.0 版       2004 年 7 月
                   第 2.0 版       2004 年 8 月
                   第 3.0 版       2004 年 11 月
                   第 4.0 版       2005 年 5 月
                   第 5.0 版       2005 年 8 月
                   第 6.0 版       2006 年 3 月
                   第 7.0 版       2006 年 10 月
                   第 8.0 版       2007 年 4 月
                   第 9.0 版       2009 年 8 月




                             i
231-ND2824-000                                                               はじめに
9.0 版 2009 年 8 月



はじめに
   本書では UNIVERGE IPMASTER-1040A シリーズにおけるデータ投入コマンドについて説明します。

   「第1章     コンフィグ設定手順」では、コンフィグ設定手順について説明しています。
   「第2章     こんなサービスを行いたい」では、各パターンの設定方法・設定例について記載してあります。
   「第3章     入力画面の詳細説明」では、装置の各入力画面について説明しています。
   「第4章     こんなとき」では、不具合解決の為の説明を記載しています。
   「第5章     専門用語解説」では、本書に出てくる専門用語について説明しています。
   「第6章     付録」では、即時反映パラメーター等を記載してあります。




 【※注意1】
   iExpress5800 サーバーと連携してご使用になれるモデルは下記の通りとなります。
   ・UNIVERGE IPMASTER-1041A(FXO)            … 3.2.1 項「基本設定」“モデル定義”で“FO/FXO”を選択
   ・UNIVERGE IPMASTER-1042A(OD)             … 3.2.1 項「基本設定」“モデル定義”で“OD/E&M”を選択
   ・UNIVERGE IPMASTER-1043A(BRI)(ISDN-USER) … 3.2.1 項「基本設定」“モデル定義”で“ISDN-USER”を選択

     UNIVERGE SV8500 および SV7000 サーバーと連携してご使用になれるモデルは下記の通りとなります。
     ・UNIVERGE IPMASTER-1040A(FXS)           … 3.2.1 項「基本設定」“モデル定義”で“FS/FXS”を選択
     ・UNIVERGE IPMASTER-1042A(OD)            … 3.2.1 項「基本設定」“モデル定義”で“OD/E&M”を選択
     ・UNIVERGE IPMASTER-1043A(BRI)(ISDN-NET) … 3.2.1 項「基本設定」“モデル定義”で“ISDN-NET”を選択


 【※注意2】
   運用中にコンフィグデータを変更すると通話や動作に影響を及ぼす場合があります。

 【※注意3】
   UNIVERGE IPMASTER-1041A(FXO)、UNIVERGE IPMASTER-1043A(BRI)(ISDN-USER)
     公衆回線から SIP へ着信し、SIP 網内でアナウンス等に接続された場合、公衆回線発信者に課金が生じ
     ます。また、SIP 接続先からインバンドトーン聴取(18xW/SDP)を要求された場合も、同様に公衆回線
     発信者に課金が生じます。

 【※注意4】
   UNIVERGE IPMASTER-1042A(OD)
     OD 回線から SIP へ着信し、SIP 網内でアナウンス等に接続された場合、発信 PBX 等に課金が生じること
     があります。また、SIP 接続先からインバンドトーン聴取(18xW/SDP)を要求された場合も、同様に発
     信 PBX 等に課金が生じることがあります。




                                         ii
231-ND2824-000                                                                                    目次
1.0 版 2009 年 8 月

                  UNIVERGE IPMASTER-1040A/1041A/1042A/1043A
                         コンフィグレーションマニュアル
                                   目次
 第1章        コンフィグ設定手順 ..................................... 1-1
    1.1   UNIVERGE   IPMASTER-1040A(FXS) ............................................. 1-1
    1.2   UNIVERGE   IPMASTER-1041A(FXO) ............................................. 1-2
    1.3   UNIVERGE   IPMASTER-1042A(OD) .............................................. 1-3
    1.4   UNIVERGE   IPMASTER-1043A(BRI) ............................................. 1-4

 第2章        こんなサービスを行いたい ............................... 2-1
    2.1   サービスと参照項目一覧 ................................................... 2-1
    2.2   設定例 ................................................................... 2-3
          2.2.1    UNIVERGE IPMASTER-1040A(FXS).............................................. 2-3
                   [1]   SIPサーバー連携-通常設定 ..................................................... 2-3
                   [2]   SIPサーバー連携-トランスレータ分離 ........................................... 2-5
                   [3]   PBXダイヤルイン .............................................................. 2-7
                   [4]   スタティック接続(FXS-FXS) ................................................. 2-9
                   [5]   サーバー障害時接続先指定 .................................................... 2-12
                   [6]   SIP⇒回線発信時ポート分け ................................................... 2-14
                   [7]   FXSと複数OD間の接続例(スタティック接続) ................................... 2-16
                   [8]   SIP⇒回線発信時ルート迂回 ................................................... 2-18
          2.2.2    UNIVERGE IPMASTER-1041A(FXO)............................................. 2-20
                   [1]   SIPサーバー連携-通常設定 .................................................... 2-20
                   [2]   SIPサーバー連携-トランスレータ分離 .......................................... 2-22
                   [3]   スタティック接続(FXO-OD) ................................................. 2-24
                   [4]   サーバー障害時接続先指定 .................................................... 2-26
                   [5]   SIP⇒回線発信時ポート分け ................................................... 2-28
                   [6]   SIP⇒回線発信時ルート迂回 ................................................... 2-30
                   [7]   内線延長IP化機能 ............................................................ 2-32
          2.2.3    UNIVERGE IPMASTER-1042A(OD).............................................. 2-35
                   [1]   SIPサーバー連携-通常設定 .................................................... 2-35
                   [2]   SIPサーバー連携-トランスレータ分離 .......................................... 2-37
                   [3]   スタティック接続(OD-FXS) ................................................. 2-39
                   [4]   サーバー障害時接続先指定 .................................................... 2-41
                   [5]   SIP⇒回線発信時ポート分け ................................................... 2-43
                   [6]   ODと複数OD間の接続例(スタティック接続) .................................... 2-45
                   [7]   SIP⇒回線発信時ルート迂回 ................................................... 2-47
          2.2.4    UNIVERGE IPMASTER-1043A(BRI)…ISDN-NET................................... 2-49
                   [1]   SIPサーバー連携-通常設定 .................................................... 2-49
                   [2]   SIPサーバー連携-トランスレータ分離 .......................................... 2-51
                   [3]   スタティック接続(ISDN-NET-FXO) ........................................... 2-53
                   [4]   サーバー障害時接続先指定 .................................................... 2-55
                   [5]   SIP⇒回線発信時ポート分け ................................................... 2-57
                   [6]   SIP⇒回線発信時ルート迂回 ................................................... 2-59
          2.2.5    UNIVERGE IPMASTER-1043A(BRI)…ISDN-USER.................................. 2-61
                   [1]   SIPサーバー連携-通常設定 .................................................... 2-61
                   [2]   SIPサーバー連携-トランスレータ分離 .......................................... 2-63
                   [3]   スタティック接続(ISDN-USER-FXO) .......................................... 2-65
                   [4]   サーバー障害時接続先指定 .................................................... 2-67
                   [5]   SIP⇒回線発信時ポート分け ................................................... 2-69
                   [6]   SIP⇒回線発信時ルート迂回 ................................................... 2-71
    2.3   SNMP設定例 .............................................................. 2-73
    2.4   INFOメッセージ受信 ...................................................... 2-76

                                                  ii
231-ND2824-000                                                                                        目次
1.0 版 2009 年 8 月


 第3章        入力画面の詳細説明 ..................................... 3-1
    3.1   ログイン ................................................................. 3-5
          3.1.1     初回ログイン ............................................................. 3-5
          3.1.2     2 回目以降のログイン ...................................................... 3-6
          3.1.3     ログイン後の画面 ......................................................... 3-7
    3.2   システムの設定 ........................................................... 3-8
          3.2.1     基本設定 ................................................................. 3-9
          3.2.2     時計設定 ................................................................ 3-11
          3.2.3     SNTP設定 ................................................................ 3-12
          3.2.4     ネットワーク設定 ........................................................ 3-13
                   [1]   IP設定 ...................................................................... 3-14
                   [2]   音声パケット設定 ............................................................ 3-17
    3.3   回線の設定 .............................................................. 3-20
          3.3.1     回線設定 ................................................................ 3-21
                   [1] 回線ポート設定 .............................................................. 3-22
                     <1> 回線ポート設定の追加(FS/FXS) .......................................... 3-23
                     <2> 回線ポート設定の追加(FO/FXO) .......................................... 3-26
                     <3> 回線ポート設定の追加(OD/E&M) .......................................... 3-29
                     <4> 回線ポート設定の追加(ISDN-NET) ........................................ 3-32
                     <5> 回線ポート設定の追加(ISDN-USER) ....................................... 3-35
                     <6> 回線ポート設定の削除 .................................................... 3-38
                   [2] 詳細設定(FS/FXS・FO/FXO・OD/E&M) .............................................. 3-39
                   [3] 詳細設定(ISDN-NET・ISDN-USER) ................................................ 3-41
          3.3.2     ルート設定 .............................................................. 3-44
                   [1]   ルート設定の追加 ............................................................ 3-45
                   [2]   ルート設定の削除 ............................................................ 3-47
    3.4   SIPの設定 ............................................................... 3-48
          3.4.1     SIP設定 ................................................................. 3-49
                   [1] SIPサーバ情報設定 ........................................................... 3-50
                     <1> SIPサーバ情報設定の削除 ................................................. 3-52
                   [2] SIPサービス設定 ............................................................. 3-53
    3.5   番号計画の設定 .......................................................... 3-57
          3.5.1     番号前翻訳 .............................................................. 3-58
          3.5.2     番号展開 ................................................................ 3-59
                   [1] SIP ⇒ 回線発信 ............................................................. 3-60
                     <1> SIP ⇒ 回線発信(迂回有) ............................................... 3-62
                     <2> SIP ⇒ 回線発信(削除) ................................................. 3-63
                   [2] 回線 ⇒ SIP着信 ............................................................. 3-64
                     <1> 回線 ⇒ SIP着信(迂回有) ............................................... 3-68
                     <2> 回線 ⇒ SIP着信(削除) ................................................. 3-70
          3.5.3     番号付加 ................................................................ 3-71
                   [1]   番号付加(削除) ............................................................ 3-73
          3.5.4     代表選択 ................................................................ 3-74
                   [1]   代表選択(削除) ............................................................ 3-76
    3.6   データセーブ ............................................................ 3-77
    3.7   保守機能 ................................................................ 3-78
          3.7.1     回線状態表示 ............................................................ 3-79
          3.7.2     SIPサーバ状態表示 ....................................................... 3-81
          3.7.3     システムログ表示 ........................................................ 3-82
                   [1]   ログ表示 .................................................................... 3-83
                   [2]   ログ収集設定 ................................................................ 3-86
                   [3]   ログ削除 .................................................................... 3-88

                                                   iii
231-ND2824-000                                                                                        目次
1.0 版 2009 年 8 月

                   [4]    ログファイルの保存 .......................................................... 3-89
          3.7.4     License登録 ............................................................. 3-92
          3.7.5     SNMP .................................................................... 3-93
                   [1] SNMPシステム設定 ............................................................ 3-94
                   [2] コミュニティ設定 ............................................................ 3-95
                     <1> コミュニティ設定の追加 .................................................. 3-96
                     <2> コミュニティ設定の削除 .................................................. 3-97
                   [3] SNMP TRAP設定 ............................................................... 3-98
                     <1> SNMP TRAP設定の追加 ..................................................... 3-99
                     <2> SNMP TRAP設定の削除 .................................................... 3-100
          3.7.6     発着信履歴 ............................................................. 3-101
                   [1]    SIP→回線 .................................................................. 3-102
                   [2]    回線→SIP .................................................................. 3-105
                   [3]    履歴収集設定 ............................................................... 3-109
                   [4]    履歴ログ保存 ............................................................... 3-110
          3.7.7     バックアップ ........................................................... 3-113
                   [1]    ホストマシンへセーブ ....................................................... 3-114
                   [2]    ホストマシンからロード ..................................................... 3-116
                   [3]    config一覧出力 ............................................................. 3-118
          3.7.8 バージョンUP ........................................................... 3-120
          3.7.9 再起動 ................................................................. 3-123
          3.7.10 システム初期化 ......................................................... 3-124
    3.8   ユーザ管理 ............................................................. 3-126
          3.8.1     ユーザ情報変更 ......................................................... 3-126
                   [1] ユーザ情報変更 ............................................................. 3-127
                     <1> ユーザ登録/削除(登録) ............................................... 3-128
                     <2> ユーザ登録/削除(削除) ............................................... 3-130
                     <3> パスワード変更 ......................................................... 3-131
          3.8.2     アクセス制限 ........................................................... 3-132
                   [1]    WEBアクセス制限 ............................................................ 3-133
                   [2]    TELNET/FTPアクセス制限 ..................................................... 3-134

 第4章        こんなとき............................................. 4-1
    4.1   不具合の事象とチェックポイント ........................................... 4-1
    4.2   UNIVERGE IPMASTER-1040,1041,1042 コンフィグデータ使用の注意点 ............. 4-2
    4.3   トラブル対処法 ........................................................... 4-3
                   [1]    対処方法 ..................................................................... 4-3

 第5章        専門用語解説........................................... 5-1
    5.1   用語一覧 ................................................................. 5-1
    5.2   TOS値の設定方法の詳細 .................................................... 5-3

 第6章        付録................................................... 6-1
    6.1   即時反映されないパラメーター ............................................. 6-1
    6.2   Superユーザー権限の詳細 .................................................. 6-3
    6.3   UNIVERGE SV8500 サーバー連携時の固定パラメーター一覧 ...................... 6-4




                                                    iv
231-ND2824-000                                                                         第 1 章 コンフィグ設定手順
1.0 版 2009 年 8 月                                                               1.1   UNIVERGE IPMASTER-1040A(FXS)



第1章          コンフィグ設定手順

 この章では、各装置におけるコンフィグ設定手順について説明します。


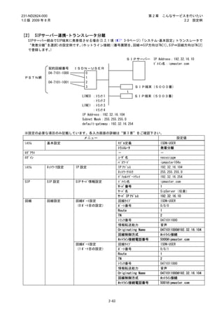
1.1    UNIVERGE IPMASTER-1040A(FXS)

                             ログイン画面                                   3.1 項(     3-5ページ)



  IPMASTER-1040A(FXS)のデフォルト IP アドレス(192.168.0.100)を WEB ブラウザで開く
 http://192.168.0.100/login.html
  初回    ユーザ名 :necvoipgw
        パスワード:なし
  以降    ユーザ名 :necvoipgw
        パスワード:ipmaster104x


      メインメニュー


       システム                           基本設定             モデル定義:FS/FXS
                                                       を設定後、一度ログアウトします
                                                       3.2.1 項( 3-9ページ)

     ログアウト
  ログアウト後、再ログイン



       システム                        ネットワーク設定                           IP 設定            IP アドレス・ネットワークマスク・
                                                                                       デフォルトゲートウェイ等の設定
                                                                                       3.2.4-[1]項(    3-14ページ)

          SIP                         SIP 設定                   SIP サーバ情報設定             ドメイン名や SIP サーバーの IP アドレス
                                                                                       等の設定
                                                                                       3.4.1-[1]項(   3-50ページ)

         回線                           回線設定                       回線ポート設定               各ポートを設定
                                                                                       (使用ポート数分のみ)
                                                                                       3.3.1-[1]項( 3-22ページ)

       番号計画                          番号前翻訳            第一数字受信後、     番号翻訳する
                                                      までの最低桁数を設定
                                                      3.5.1 項( 3-58ページ)

                                      番号展開                        回線⇒SIP 着信            接続先 SIP サーバーを設定
                                                                                       3.5.2-[2]項(  3-64ページ)



      データセーブ              登録データをFlashメモリへセーブ
                          3.6 項( 3-77ページ)



       保守機能                            再起動             本装置の再起動
                                                       3.7.9 項( 3-123ページ)




                                                      1-1
231-ND2824-000                                                                          第 1 章 コンフィグ設定手順
1.0 版 2009 年 8 月                                                                1.2   UNIVERGE IPMASTER-1041A(FXO)


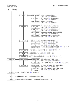
1.2     UNIVERGE IPMASTER-1041A(FXO)

                                   ログイン画面                              3.1 項(     3-5ページ)



   IPMASTER-1041A(FXO)のデフォルト IP アドレス(192.168.0.100)を WEB ブラウザで開く
 http://192.168.0.100/login.html
   初回     ユーザ名 :necvoipgw
          パスワード:なし
   以降     ユーザ名 :necvoipgw
          パスワード:ipmaster104x


      メインメニュー


        システム                             基本設定           モデル定義:FO/FXO
                                                        を設定後、一度ログアウトします
                                                        3.2.1 項( 3-9ページ)

     ログアウト
  ログアウト後、再ログイン



        システム                          ネットワーク設定                         IP 設定            IP アドレス・ネットワークマスク・
                                                                                        デフォルトゲートウェイ等の設定
                                                                                        3.2.4-[1]項(    3-14ページ)

            SIP                          SIP 設定                  SIP サーバ情報設定            ドメイン名や SIP サーバーの IP アドレス
                                                                                        等の設定
                                                                                        3.4.1-[1]項(   3-50ページ)

           回線                            回線設定                     回線ポート設定               各ポートを設定
                                                                                        (使用ポート数分のみ)
                                                                                        3.3.1-[1]項( 3-22ページ)

        番号計画                            番号前翻訳           第一数字受信後、    番号翻訳する
                                                        までの最低桁数を設定
                                                        3.5.1 項( 3-58ページ)

                                         番号展開                      回線⇒SIP 着信            接続先 SIP サーバーを設定
                                                                                        3.5.2-[2]項(  3-64ページ)



                                                                   SIP⇒回線発信             接続先トランクルートを設定
                                                                                        3.5.2-[1]項( 3-60ページ)
      データセーブ                  登録データを Flash メモリへセーブ
                              3.6 項( 3-77ページ)



        保守機能                              再起動           本装置の再起動
                                                        3.7.9 項( 3-123ページ)




                                                       1-2
231-ND2824-000                                                                         第 1 章 コンフィグ設定手順
1.0 版 2009 年 8 月                                                                1.3   UNIVERGE IPMASTER-1042A(OD)


1.3     UNIVERGE IPMASTER-1042A(OD)

                                   ログイン画面                              3.1 項(    3-5ページ)



   IPMASTER-1042A(OD)のデフォルト IP アドレス(192.168.0.100)を WEB ブラウザで開く
 http://192.168.0.100/login.html
   初回     ユーザ名 :necvoipgw
          パスワード:なし
   以降     ユーザ名 :necvoipgw
          パスワード:ipmaster104x


      メインメニュー


         システム                            基本設定           モデル定義:OD/E&M
                                                        を設定後、一度ログアウトします
                                                        3.2.1 項( 3-9ページ)

     ログアウト
  ログアウト後、再ログイン



         システム                         ネットワーク設定                         IP 設定           IP アドレス・ネットワークマスク・
                                                                                       デフォルトゲートウェイ等の設定
                                                                                       3.2.4-[1]項(    3-14ページ)

            SIP                          SIP 設定                 SIP サーバ情報設定            ドメイン名や SIP サーバーの IP アドレス
                                                                                       等の設定
                                                                                       3.4.1-[1]項(   3-50ページ)

           回線                            回線設定                     回線ポート設定              各ポートを設定
                                                                                       (使用ポート数分のみ)
                                                                                       3.3.1-[1]項( 3-22ページ)

         番号計画                           番号前翻訳          第一数字受信後、     番号翻訳する
                                                       までの最低桁数を設定
                                                       3.5.1 項( 3-58ページ)

                                         番号展開                     回線⇒SIP 着信            接続先 SIP サーバーを設定
                                                                                       3.5.2-[2]項(  3-64ページ)



                                                                      SIP⇒回線発信         接続先トランクルートを設定
                                                                                       3.5.2-[1]項( 3-60ページ)
      データセーブ                  登録データを Flash メモリへセーブ
                              3.6 項( 3-77ページ)



        保守機能                              再起動           本装置の再起動
                                                        3.7.9 項( 3-123ページ)




                                                       1-3
231-ND2824-000                                                                          第 1 章 コンフィグ設定手順
1.0 版 2009 年 8 月                                                                1.4   UNIVERGE IPMASTER-1043A(BRI)


1.4     UNIVERGE IPMASTER-1043A(BRI)

                                   ログイン画面                              3.1 項(     3-5ページ)



   IPMASTER-1043A(BRI)のデフォルト IP アドレス(192.168.0.100)を WEB ブラウザで開く
 http://192.168.0.100/login.html
   初回     ユーザ名 :necvoipgw
          パスワード:なし
   以降     ユーザ名 :necvoipgw
          パスワード:ipmaster104x


      メインメニュー


         システム                            基本設定          モデル定義:ISDN-NET、又は ISDN-USER
                                                       を設定後、一度ログアウトします
                                                       3.2.1 項( 3-9ページ)

     ログアウト
  ログアウト後、再ログイン



         システム                         ネットワーク設定                         IP 設定            IP アドレス・ネットワークマスク・
                                                                                        デフォルトゲートウェイ等の設定
                                                                                        3.2.4-[1]項(    3-14ページ)

            SIP                          SIP 設定                 SIP サーバ情報設定            ドメイン名や SIP サーバーの IP アドレス
                                                                                       等の設定
                                                                                       3.4.1-[1]項(   3-50ページ)

           回線                            回線設定                     回線ポート設定               各ポートを設定
                                                                                        (使用ポート数分のみ)
                                                                                        3.3.1-[1]項( 3-22ページ)

         番号計画                           番号前翻訳          第一数字受信後、     番号翻訳する
                                                       までの最低桁数を設定
                                                       3.5.1 項( 3-58ページ)

                                         番号展開                      回線⇒SIP 着信            接続先 SIP サーバーを設定
                                                                                        3.5.2-[2]項(  3-64ページ)



                                                                   SIP⇒回線発信             接続先トランクルートを設定
                                                                                        3.5.2-[1]項( 3-60ページ)
      データセーブ                  登録データを Flash メモリへセーブ
                              3.6 項( 3-77ページ)



        保守機能                              再起動           本装置の再起動
                                                        3.7.9 項( 3-123ページ)




                                                       1-4
231-ND2824-000                                                  第 2 章 こんなサービスを行いたい
1.0 版 2009 年 8 月                                                     2.1 サービスと参照項目一覧



第2章        こんなサービスを行いたい

 この章では、本装置においてこんな事をしたいという場合に、どのメニューの設定を行えば良いのかを説明します。
 設定の詳細については、各参照項目を参照して下さい。


2.1   サービスと参照項目一覧
      サービス                       参照項目(設定が必要な項目)                                備考
時計を合わせるには?         3.2.2 項(   3-11ページ)「システム-時計設定」                     電源を切る度に再設定が必
                                                                      要です。
自動的に時計を合わせる 3.2.3 項(             3-12ページ)「システム-SNTP設定」
には?
保留音を設定・変更するに 3.2.1 項(            3-9ページ)「システム-基本設定」“保留音種別”
は?
内 線 相 互 通 話 を 行 う に 3.3.1-[1]項(     3-22ページ)「回線-回線設定-回線ポート設定」
は?(FXS)             3.5.1 項(     3-58ページ)「番号計画-番号前翻訳」
外線発着信を行うには? 3.4.1-[1]項(             3-50ページ)「SIP-SIP設定-SIPサーバ情報設定」
(サーバー連携)            3.3.1-[1]項(     3-22ページ)「回線-回線設定-回線ポート設定」
                    3.5.1 項(     3-58ページ)「番号計画-番号前翻訳」
                    3.5.2 項(     3-59ページ)「番号計画-番号展開」
外線発着信を行うには? 3.4.1-[1]項(             3-50ページ)「SIP-SIP設定-SIPサーバ情報設定」  3.4.1- [ 1 ] 項 ( 3-50ペ ー
(スタティック)            3.3.1-[1]項(     3-22ページ)「回線-回線設定-回線ポート設定」       ジ)の“サーバIPアドレス”に、
                    3.5.1 項(     3-58ページ)「番号計画-番号前翻訳」               対向装置のIPアドレスを設定
                    3.5.2 項(     3-59ページ)「番号計画-番号展開」                して下さい。
迂回(SIP サーバー迂回) 3.4.1-[1]項(          3-50ページ)「SIP-SIP設定-SIPサーバ情報設定」
                    3.3.1-[1]項(     3-22ページ)「回線-回線設定-回線ポート設定」
                    3.5.1 項(     3-58ページ)「番号計画-番号前翻訳」
                    3.5.2-[2]-<1>項(     3-68ページ)「番号計画-番号展開-回線⇒SIP着信
                    (迂回有)」
ホットライン              3.3.1-[1]項(     3-22ページ)「回線-回線設定-回線ポート設定」       回線制御方式を“ホットライン
                    3.5.2 項(     3-59ページ)「番号計画-番号展開」                接続”にし、“ホットライン接続
                                                                    電話番号”に相手先の電話番
                                                                    号を入力して下さい。
代表選択(FXS)           3.3.1-[1]項(     3-22ページ)「回線-回線設定-回線ポート設定」
                    3.5.4 項(     3-74ページ)「番号計画-代表選択」
設定データをバックアップ 3.6 項(             3-77ページ)「データセーブ」
するには?
ダイヤルトーンを変更する 3.3.1-[2]項(            3-39ページ)「回線-回線設定-詳細設定」“発信音指定”
には?
装置に FAX を接続する       3.2.4-[2]項(       3-17ページ)「システム-ネットワーク設定-音声パ
                    ケット設定」“Fax relay”
ペイロードサイズを変更す 3.2.4-[2]項(              3-17ページ)「システム-ネットワーク設定-音声パ
るには?                ケット設定」“ペイロードサイズ”
コンフィグデータを工場出 3.7.10 項(            3-124ページ)「保守機能-システム初期化」           実施後は、再起動して下さ
荷状態に戻すには?                                                           い。
コンフィグデータをホストマ 3.7.7-[1]項(           3-114ページ)「保守機能-バックアップ-ホストマシンへ
シン(PC)上にバックアップ セーブ」
しておきたい
ホストマシン(PC)上のコン 3.7.7-[2]項(          3-116ページ)「保守機能-バックアップ-ホストマシンか アップロード後、再起動すると
フィグデータを本装置にアッ らロード」                                                 コンフィグ内容が反映されま
プロードするには?                                                           す。
ToS 値を設定したい         3.2.4-[1]項(      3-14ページ)「システム-ネットワーク設定-IP設定」
回線の状態を確認したい        3.7.1 項(   3-79ページ)「保守機能-回線状態表示」


                                            2-1
231-ND2824-000                                                           第 2 章 こんなサービスを行いたい
1.0 版 2009 年 8 月                                                              2.1 サービスと参照項目一覧



       サービス                           参照項目(設定が必要な項目)                               備考
SIP サーバーの状態を確認 3.7.2 項(          3-81ページ)「保守機能-SIPサーバ状態表示」
したい
障害ログを確認したい         3.7.3 項(      3-82ページ)「保守機能-システムログ」、
                   又は 3.7.5 項(        3-93ページ)「保守機能-SNMP」
発信履歴・着信履歴を確認し 3.7.6 項(           3-101ページ)「保守機能-発着信履歴」
たい
WEB コンソールにアクセスで 3.8.2-[1]項(          3-133ページ)「ユーザ管理-アクセス制限-WEBアクセス
きるユーザーを制限したい 制限」
TELNET や FTP でアクセス 3.8.2- [ 2 ] 項 (      3-134 ペ ー ジ ) 「 ユ ー ザ 管 理 - ア ク セ ス 制 限
できるユーザーを制限した -TELNET/FTPアクセス制限」
い




                                                  2-2
231-ND2824-000                                                      第2章    こんなサービスを行いたい
1.0 版 2009 年 8 月                                                                  2.2 設定例



2.2     設定例


2.2.1     UNIVERGE IPMASTER-1040A(FXS)


[1] SIPサーバー連携-通常設定
   SIPサーバー経由でSIP端末に発着信させる場合(3.2.1 項(                3-9ページ)
                                                          「システム-基本設定」トランスレータで
   “発着統合”を選択)の設定例です。

                                                     SIPサーバー         IP Address:192.32.16.10
                    PBX                                              ドメイン名:ipmaster.com
                             FS/FXS
                               0
       400番                    1
       401番                    2
       402番                    3
       403番
                              0 回線:300 番                    SIP端末(200番)
                              1 回線:301 番
                              2 回線:302 番
                              3 回線:303 番
                              IP Address:192.32.16.100
                              Subnet Mask:255.255.255.0
                              default-gateway:192.32.16.254

   ※設定の必要な項目のみ記載しています。各入力画面の詳細は“第 3 章”をご確認下さい。
                    メニュー                                                           設定値
 システム          基本設定                              モデル定義                   FS/FXS
                                                 トランスレータ                  発着統合
 ログアウト                                          -                        -
 ログイン                                           ユーザ名                    necvoipgw
                                                 パスワード                  ipmaster104x
 システム          ネットワーク設定     IP 設定                IP アドレス                 192.32.16.100
                                                 ネットワークマスク                255.255.255.0
                                                 デフォルトゲートウェイ            192.32.16.254
 SIP           SIP 設定       SIP サーバ情報設定         ドメイン名                   ipmaster.com
                                                 サーバ番号                   1
                                                 サーバ名                    SipServer(任意)
                                                 サーバ IP アドレス            192.32.16.10
 回線            回線設定         回線ポート設定             回線タイプ                   FXS-PBX
                            (0 ポート目の設定)         ポート番号                   0/0/0
                                                 TN                       1
                                                 内線番号                     400
                                                 Originating Name         300@192.32.16.100
                                                 回線信号                     DP/PB
                                                 回線制御方式                   着信番号接続
                            回線ポート設定             回線タイプ                   FXS-PBX
                            (1 ポート目の設定)         ポート番号                   0/0/1
                                                 TN                       1
                                                 内線番号                     401
                                                 Originating Name         301@192.32.16.100
                                                 回線信号                     DP/PB
                                                 回線制御方式                   着信番号接続



                                           2-3
231-ND2824-000                                      第2章   こんなサービスを行いたい
1.0 版 2009 年 8 月                                                 2.2 設定例



                        メニュー                                    設定値
 回線          回線設定    回線ポート設定             回線タイプ           FXS-PBX
                     (2 ポート目の設定)         ポート番号           0/0/2
                                          TN               1
                                          内線番号             402
                                          Originating Name 302@192.32.16.100
                                          回線信号             DP/PB
                                          回線制御方式           着信番号接続
                     回線ポート設定             回線タイプ           FXS-PBX
                     (3 ポート目の設定)         ポート番号           0/0/3
                                          TN               1
                                          内線番号             403
                                          Originating Name 303@192.32.16.100
                                          回線信号             DP/PB
                                          回線制御方式           着信番号接続
 番号計画        番号前翻訳                        先頭桁番号 2          3
             番号展開    回線⇒SIP 着信            (迂回の選択)          迂回無
                     (PBX 収容 TEL400 番から 着信展開番号             2
                     SIP 端末 200 番を呼び出す サーバ番号              1
                     場合)                  番号削除             0
                                          番号付加             0
                     SIP 端末から PBX 内線 400 番を呼び出す場合は、サーバー側で設定します。
                     PBX 側の設定は、FXS の 0 回線からリンガー信号を受信した場合に、内線 400 番を呼び
                     出す設定にします。
 データセーブ                                 -                -
 保守機能        再起動                          -                -




                                    2-4
231-ND2824-000                                                   第2章    こんなサービスを行いたい
1.0 版 2009 年 8 月                                                               2.2 設定例



[2] SIPサーバー連携-トランスレータ分離
   SIPサーバー経由でSIP端末に発着信させる場合(3.2.1 項( 3-9ページ)
                                           「システム-基本設定」トランスレータで
   “発着分離”を選択)の設定例です。  (番号展開を、回線⇒SIP方向はTN[1]、SIP⇒回線方向はTN[2]で登録します。)

                                                  SIPサーバー         IP Address:192.32.16.10
                   PBX                                            ドメイン名:ipmaster.com
                         FS/FXS
                           0
       400番                1
       401番                2
       402番                3
       403番
                          0 回線:300 番                    SIP端末(304番)
                          1 回線:301 番
                          2 回線:302 番
                          3 回線:303 番
                          IP Address:192.32.16.100
                          Subnet Mask:255.255.255.0
                          default-gateway:192.32.16.254

   ※設定の必要な項目のみ記載しています。各入力画面の詳細は“第 3 章”をご確認下さい。
                    メニュー                                                        設定値
 システム         基本設定                            モデル定義                   FS/FXS
                                              トランスレータ                  発着分離
 ログアウト                                       -                        -
 ログイン                                        ユーザ名                    necvoipgw
                                              パスワード                  ipmaster104x
 システム         ネットワーク設定   IP 設定                IP アドレス                 192.32.16.100
                                              ネットワークマスク                255.255.255.0
                                              デフォルトゲートウェイ            192.32.16.254
 SIP          SIP 設定     SIP サーバ情報設定         ドメイン名                   ipmaster.com
                                              サーバ番号                   1
                                              サーバ名                    SipServer(任意)
                                              サーバ IP アドレス            192.32.16.10
 回線           回線設定       回線ポート設定             回線タイプ                   FXS-PBX
                         (0 ポート目の設定)         ポート番号                   0/0/0
                                              TN                       2
                                              内線番号                     400
                                              Originating Name         300@192.32.16.100
                                              回線信号                     DP/PB
                                              回線制御方式                   着信番号接続
                         回線ポート設定             回線タイプ                   FXS-PBX
                         (1 ポート目の設定)         ポート番号                   0/0/1
                                              TN                       2
                                              内線番号                     401
                                              Originating Name         301@192.32.16.100
                                              回線信号                     DP/PB
                                              回線制御方式                   着信番号接続
                         回線ポート設定             回線タイプ                   FXS-PBX
                         (2 ポート目の設定)         ポート番号                   0/0/2
                                              TN                       2
                                              内線番号                     402
                                              Originating Name         302@192.32.16.100
                                              回線信号                     DP/PB
                                              回線制御方式                   着信番号接続

                                        2-5
231-ND2824-000                                      第2章   こんなサービスを行いたい
1.0 版 2009 年 8 月                                                 2.2 設定例



                        メニュー                                    設定値
 回線          回線設定    回線ポート設定             回線タイプ           FXS-PBX
                     (3 ポート目の設定)         ポート番号           0/0/3
                                          TN               2
                                          内線番号             403
                                          Originating Name 303@192.32.16.100
                                          回線信号             DP/PB
                                          回線制御方式           着信番号接続
 番号計画        番号前翻訳                        先頭桁番号 3          3
             番号展開    回線⇒SIP 着信            (迂回の選択)          迂回無
                     (PBX 収容 TEL400 番から 着信展開番号             3
                     SIP 端末 304 番を呼び出す サーバ番号              1
                     場合)                  番号削除             0
                                          番号付加             0
                     SIP 端末から PBX 内線 400 番を呼び出す場合は、サーバー側で設定します。
                     PBX 側の設定は、FXS の 0 回線からリンガー信号を受信した場合に、内線 400 番を呼び
                     出す設定にします。
             代表選択                         TN               2
             ※任意設定                        パイロット STN       400
                                          第 2STN           401
                                          第 3STN           402
                                          第 4STN           403
 データセーブ                                 -                -
 保守機能        再起動                          -                -




                                    2-6
231-ND2824-000                                                         第2章    こんなサービスを行いたい
1.0 版 2009 年 8 月                                                                     2.2 設定例



[3] PBXダイヤルイン
   SIPサーバー経由でSIP端末に発着信させる場合(3.3.1-[1]項(                     3-22ページ)
                                                                   「回線-回線設定-回線ポート設定」
   回線タイプで“FXS-DI”を選択)の設定例です。

                                                         SIPサーバー        IP Address:192.32.16.10
                   PBX                                                  ドメイン名:ipmaster.com
                            FS/FXS
                              0
   2200番                      1
   2201番                      2
   2202番                      3
   2203番
                                                            SIP端末(300番)
                        0 回線:05020002000 番
                        1 回線:05020002001 番
                        2 回線:05020002002 番
                        3 回線:05020002003 番
                            IP Address:192.32.16.100
                            Subnet Mask:255.255.255.0
                            default-gateway:192.32.16.254

   ※設定の必要な項目のみ記載しています。各入力画面の詳細は“第 3 章”をご確認下さい。
                   メニュー                                                               設定値
 システム        基本設定                                   モデル定義                   FS/FXS
                                                    トランスレータ                  発着統合
 ログアウト                                             -                        -
 ログイン                                              ユーザ名                    necvoipgw
                                                    パスワード                  ipmaster104x
 システム        ネットワーク設定      IP 設定                    IP アドレス                 192.32.16.100
                                                    ネットワークマスク                255.255.255.0
                                                    デフォルトゲートウェイ            192.32.16.254
 SIP         SIP 設定        SIP サーバ情報設定             ドメイン名                   ipmaster.com
                                                    サーバ番号                   1
                                                    サーバ名                    SipServer(任意)
                                                    サーバ IP アドレス            192.32.16.10
 回線          回線設定          回線ポート設定                 回線タイプ                   FXS-DI
                           (0 ポート目の設定)             ポート番号                   0/0/0
                                                    Route                    1
                                                    Originating Name         05020002000@192.32.16.100
                                                    回線制御方式                   PB ダイヤルイン接続
                           回線ポート設定                 回線タイプ                   FXS-DI
                           (1 ポート目の設定)             ポート番号                   0/0/1
                                                    Route                    1
                                                    Originating Name         05020002001@192.32.16.100
                                                    回線制御方式                   PB ダイヤルイン接続
                           回線ポート設定                 回線タイプ                   FXS-DI
                           (2 ポート目の設定)             ポート番号                   0/0/2
                                                    Route                    1
                                                    Originating Name         05020002002@192.32.16.100
                                                    回線制御方式                   PB ダイヤルイン接続
                           回線ポート設定                 回線タイプ                   FXS-DI
                           (3 ポート目の設定)             ポート番号                   0/0/3
                                                    Route                    1
                                                    Originating Name         05020002003@192.32.16.100
                                                    回線制御方式                   PB ダイヤルイン接続

                                              2-7
231-ND2824-000                                           第2章   こんなサービスを行いたい
1.0 版 2009 年 8 月                                                      2.2 設定例



                         メニュー                                        設定値
 番号計画        番号前翻訳                         先頭桁番号 3             3
             番号展開    回線⇒SIP 着信             (迂回の選択)             迂回無
                     (PBX 収容 TEL2200 番から   着信展開番号              3
                     SIP 端末 300 番を呼び出す     サーバ番号              1
                     場合)                   番号削除                0
                                           番号付加                0
                     SIP⇒回線発信              (迂回の選択)             迂回無
                                           発信展開番号              050
                                           Route 番号            1
                                           番号削除                9
                                           番号付加                1
             番号付加                          付加数字パターン番号         1
                                           付加数字                22
 データセーブ                                  -                   -
 保守機能        再起動                           -                   -




                                     2-8
231-ND2824-000                                                       第2章    こんなサービスを行いたい
1.0 版 2009 年 8 月                                                                   2.2 設定例



[4] スタティック接続(FXS-FXS)
   SIP サーバーを経由(使用)せず、直接接続相手に発着信させる場合の設定例です。(FS/FXS-②はホットライン接続)
   ※サーバ番号は“1~127”の範囲で設定する事ができます。

                                                  FS/FXS-②
                                                       0             200番
                         FS/FXS-①                      1             201番
              400番         0                           2             202番
              401番         1                           3             203番
              402番         2
              403番         3                IP Address:192.168.1.150
                                            Subnet Mask:255.255.255.0
              IP Address:192.168.1.140      default-gateway:192.168.1.1
              Subnet Mask:255.255.255.0
              default-gateway:192.168.1.1

   ※設定の必要な項目のみ記載しています。各入力画面の詳細は“第 3 章”をご確認下さい。
   FS/FXS-①側
                    メニュー                                                            設定値
 システム        基本設定                                 モデル定義                   FS/FXS
                                                  トランスレータ                  発着統合
 ログアウト                                           -                        -
 ログイン                                            ユーザ名                    necvoipgw
                                                  パスワード                  ipmaster104x
 システム        ネットワーク設定        IP 設定                IP アドレス                 192.168.1.140
                                                  ネットワークマスク                255.255.255.0
                                                  デフォルトゲートウェイ            192.168.1.1
 SIP         SIP 設定          SIP サーバ情報設定         サーバ番号                   2
                                                  サーバ名                    FXS-2(任意)
                                                  サーバ IP アドレス            192.168.1.150
 回線          回線設定            回線ポート設定             回線タイプ                   FXS-PBX
                             (0 ポート目の設定)         ポート番号                   0/0/0
                                                  TN                       1
                                                  内線番号                     400
                                                  Originating Name         400@192.168.1.140
                                                  回線信号                     DP/PB
                                                  回線制御方式                   着信番号接続
                             回線ポート設定             回線タイプ                   FXS-PBX
                             (1 ポート目の設定)         ポート番号                   0/0/1
                                                  TN                       1
                                                  内線番号                     401
                                                  Originating Name         401@192.168.1.140
                                                  回線信号                     DP/PB
                                                  回線制御方式                   着信番号接続
                             回線ポート設定             回線タイプ                   FXS-PBX
                             (2 ポート目の設定)         ポート番号                   0/0/2
                                                  TN                       1
                                                  内線番号                     402
                                                  Originating Name         402@192.168.1.140
                                                  回線信号                     DP/PB
                                                  回線制御方式                   着信番号接続




                                            2-9
231-ND2824-000                                                     第2章    こんなサービスを行いたい
1.0 版 2009 年 8 月                                                                 2.2 設定例



                            メニュー                                                  設定値
 回線          回線設定       回線ポート設定                回線タイプ                   FXS-PBX
                        (3 ポート目の設定)            ポート番号                   0/0/3
                                                TN                       1
                                                内線番号                     403
                                                Originating Name         403@192.168.1.140
                                                回線信号                     DP/PB
                                                回線制御方式                   着信番号接続
 番号計画        番号前翻訳                              先頭桁番号 2                  3
             番号展開       回線⇒SIP 着信               (迂回の選択)                  迂回無
                        (TEL400 番から TEL200 番    着信展開番号                   2
                        を呼び出す場合)                サーバ番号                   2
                                                番号削除                     0
                                                番号付加                     0
 データセーブ                                       -                        -
 保守機能        再起動                                -                        -

FS/FXS-②側
                            メニュー                                                  設定値
 システム        基本設定                               モデル定義                   FS/FXS
                                                トランスレータ                  発着統合
 ログアウト                                         -                        -
 ログイン                                          ユーザ名                    necvoipgw
                                                パスワード                  ipmaster104x
 システム        ネットワーク設定   IP 設定                   IP アドレス                 192.168.1.150
                                                ネットワークマスク                255.255.255.0
                                                デフォルトゲートウェイ            192.168.1.1
 SIP         SIP 設定     SIP サーバ情報設定            サーバ番号                   1
                                                サーバ名                    FXS-1(任意)
                                                サーバ IP アドレス            192.168.1.140
 回線          回線設定       回線ポート設定                回線タイプ                   FXS-PBX
                        (0 ポート目の設定)            ポート番号                   0/0/0
                                                TN                       1
                                                内線番号                     200
                                                Originating Name         200@192.168.1.150
                                                回線信号                     DP/PB
                                                回線制御方式                   ホットライン接続
                                                ホットライン接続電話番号             400@192.168.1.140
                        回線ポート設定                回線タイプ                   FXS-PBX
                        (1 ポート目の設定)            ポート番号                   0/0/1
                                                TN                       1
                                                内線番号                     201
                                                Originating Name         201@192.168.1.150
                                                回線信号                     DP/PB
                                                回線制御方式                   ホットライン接続
                                                ホットライン接続電話番号             401@192.168.1.140
                        回線ポート設定                回線タイプ                   FXS-PBX
                        (2 ポート目の設定)            ポート番号                   0/0/2
                                                TN                       1
                                                内線番号                     202
                                                Originating Name         202@192.168.1.150
                                                回線信号                     DP/PB
                                                回線制御方式                   ホットライン接続
                                                ホットライン接続電話番号             402@192.168.1.140


                                         2-10
231-ND2824-000                                              第2章    こんなサービスを行いたい
1.0 版 2009 年 8 月                                                          2.2 設定例



                         メニュー                                              設定値
 回線          回線設定    回線ポート設定                回線タイプ               FXS-PBX
                     (3 ポート目の設定)            ポート番号               0/0/3
                                             TN                   1
                                             内線番号                 203
                                             Originating Name     203@192.168.1.150
                                             回線信号                 DP/PB
                                             回線制御方式               ホットライン接続
                                             ホットライン接続電話番号         403@192.168.1.140
 番号計画        番号前翻訳                           先頭桁番号 4              3
             番号展開    回線⇒SIP 着信               (迂回の選択)              迂回無
                     (TEL200 番から TEL400 番    着信展開番号               4
                     を呼び出す場合)                サーバ番号               1
                                             番号削除                 0
                                             番号付加                 0
 データセーブ                                    -                    -
 保守機能        再起動                             -                    -




                                      2-11
231-ND2824-000                                                   第2章     こんなサービスを行いたい
1.0 版 2009 年 8 月                                                                2.2 設定例



[5] サーバー障害時接続先指定
   SIP サーバーに障害が発生した時に、直接 SIP 端末に接続する場合の設定例です。
   (SIP サーバーの障害時に、SIP 端末 600 番に直接接続する設定例です。)
                                                      SIPサーバー       IP Address:192.32.16.10
                   PBX                                              ドメイン名:ipmaster.com
                         FS/FXS                   ×
                           0
       400番                1
       401番                2
       402番                3
       403番                                             SIP端末(200番)
                          0 回線:300 番
                          1 回線:301 番                    SIP端末(600番)
                          2 回線:302 番                     (非常用受付電話機)
                          3 回線:303 番                     IP Address : 192.32.16.109
                          IP Address:192.32.16.100
                          Subnet Mask:255.255.255.0
                          default-gateway:192.32.16.254
   ※設定の必要な項目のみ記載しています。各入力画面の詳細は“第 3 章”をご確認下さい。
                    メニュー                                                         設定値
 システム         基本設定                               モデル定義                 FS/FXS
                                                 トランスレータ                発着統合
 ログアウト                                          -                      -
 ログイン                                           ユーザ名                  necvoipgw
                                                 パスワード                ipmaster104x
 システム         ネットワーク設定   IP 設定                   IP アドレス               192.32.16.100
                                                 ネットワークマスク              255.255.255.0
                                                 デフォルトゲートウェイ          192.32.16.254
 SIP          SIP 設定     SIP サーバ情報設定            ドメイン名                 ipmaster.com
                                                 サーバ番号                 1
                                                 サーバ名                  SipServer(任意)
                                                 サーバ IP アドレス          192.32.16.10
                         (非常用受付電話機)              サーバ番号                 2
                                                 サーバ名                  TEL600(任意)
                                                 サーバ IP アドレス          192.32.16.109
                         SIP サービス設定             サーバ障害監視タイマー           6秒
                                                 サーバ障害接続先指定            有
                                                 サーバ障害接続先付加数字          1
                                                 パターン番号
                                                 サーバ障害時の迂回方式           パイロット・サーキュラから選択
 回線           回線設定       回線ポート設定                回線タイプ                 FXS-PBX
                         (0 ポート目の設定)            ポート番号                 0/0/0
                                                 TN                     1
                                                 内線番号                   400
                                                 Originating Name       300@192.32.16.100
                                                 回線信号                   DP/PB
                                                 回線制御方式                 着信番号接続
                         回線ポート設定                回線タイプ                 FXS-PBX
                         (1 ポート目の設定)            ポート番号                 0/0/1
                                                 TN                     1
                                                 内線番号                   401
                                                 Originating Name       301@192.32.16.100
                                                 回線信号                   DP/PB
                                                 回線制御方式                 着信番号接続


                                          2-12
231-ND2824-000                                      第2章   こんなサービスを行いたい
1.0 版 2009 年 8 月                                                 2.2 設定例



                        メニュー                                    設定値
 回線          回線設定    回線ポート設定             回線タイプ           FXS-PBX
                     (2 ポート目の設定)         ポート番号           0/0/2
                                          TN               1
                                          内線番号             402
                                          Originating Name 302@192.32.16.100
                                          回線信号             DP/PB
                                          回線制御方式           着信番号接続
                     回線ポート設定             回線タイプ           FXS-PBX
                     (3 ポート目の設定)         ポート番号           0/0/3
                                          TN               1
                                          内線番号             403
                                          Originating Name 303@192.32.16.100
                                          回線信号             DP/PB
                                          回線制御方式           着信番号接続
 番号計画        番号前翻訳                        先頭桁番号 2          3
             番号展開    回線⇒SIP 着信            (迂回の選択)          迂回有
                     (PBX 収容 TEL400 番から 着信展開番号             2
                     SIP 端末 200 番を呼び出す 1st(サーバ番号)         1
                     場合)                  番号削除             0
                                          番号付加             0
                                          2nd(サーバ番号)      2
                     SIP 端末から PBX 内線 300 番を呼び出す場合は、サーバー側で設定します。
                     PBX 側の設定は、FXS の 0 回線からリンガー信号を受信した場合に、内線 300 番を呼び
                     出す設定にします。
             番号付加                         付加数字パターン番号      1
                                          付加数字             600
 データセーブ                                 -                -
 保守機能        再起動                          -                -




                                    2-13
231-ND2824-000                                                         第2章    こんなサービスを行いたい
1.0 版 2009 年 8 月                                                                     2.2 設定例



[6] SIP⇒回線発信時ポート分け
   SIP サーバーからの受信番号によって、回線ポートを使い分ける場合の設定例です。
   (本設定例では 050-XXXX-XXXX の場合はポート 0・1、090-XXXX-XXXX の場合はポート 2・3 を使います。)

                                                           SIPサーバー       IP Address:192.32.16.10
                   PBX                                                   ドメイン名:ipmaster.com
                                   FS/FXS
                         Route:1
                                    0
                         Route:1
   2200番                            1
                         Route:2
   2201番                            2
                         Route:2
   2202番                            3
   2203番
                                                              SIP端末(300番)
                        0 回線:05020002000 番
                        1 回線:05020002001 番
                        2 回線:09020002002 番
                        3 回線:09020002003 番
                            IP Address:192.32.16.100
                            Subnet Mask:255.255.255.0
                            default-gateway:192.32.16.254

   ※設定の必要な項目のみ記載しています。各入力画面の詳細は“第 3 章”をご確認下さい。
                   メニュー                                                               設定値
 システム        基本設定                                   モデル定義                   FS/FXS
                                                    トランスレータ                  発着統合
 ログアウト                                             -                        -
 ログイン                                              ユーザ名                    necvoipgw
                                                    パスワード                  ipmaster104x
 システム        ネットワーク設定      IP 設定                    IP アドレス                 192.32.16.100
                                                    ネットワークマスク                255.255.255.0
                                                    デフォルトゲートウェイ            192.32.16.254
 SIP         SIP 設定        SIP サーバ情報設定             ドメイン名                   ipmaster.com
                                                    サーバ番号                   1
                                                    サーバ名                    SipServer(任意)
                                                    サーバ IP アドレス            192.32.16.10
 回線          回線設定          回線ポート設定                 回線タイプ                   FXS-DI
                           (0 ポート目の設定)             ポート番号                   0/0/0
                                                    Route                    1
                                                    Originating Name         05020002000@192.32.16.100
                                                    回線制御方式                   PB ダイヤルイン接続
                           回線ポート設定                 回線タイプ                   FXS-DI
                           (1 ポート目の設定)             ポート番号                   0/0/1
                                                    Route                    1
                                                    Originating Name         05020002001@192.32.16.100
                                                    回線制御方式                   PB ダイヤルイン接続
                           回線ポート設定                 回線タイプ                   FXS-DI
                           (2 ポート目の設定)             ポート番号                   0/0/2
                                                    Route                    2
                                                    Originating Name         09020002002@192.32.16.100
                                                    回線制御方式                   PB ダイヤルイン接続
                           回線ポート設定                 回線タイプ                   FXS-DI
                           (3 ポート目の設定)             ポート番号                   0/0/3
                                                    Route                    2
                                                    Originating Name         09020002003@192.32.16.100
                                                    回線制御方式                   PB ダイヤルイン接続

                                             2-14
231-ND2824-000                                          第2章   こんなサービスを行いたい
1.0 版 2009 年 8 月                                                     2.2 設定例



                        メニュー                                        設定値
 番号計画        番号前翻訳                        先頭桁番号 3             3
             番号展開    回線⇒SIP 着信            (迂回の選択)             迂回無
                     (PBX 収容 TEL2200 番から 着信展開番号               3
                     SIP 端末 300 番を呼び出す サーバ番号                 1
                     場合)                  番号削除                0
                                          番号付加                0
                     SIP⇒回線発信             (迂回の選択)             迂回無
                     (SIP 端末から            発信展開番号              050
                     050-2000-200X を呼び出 Route 番号              1
                     し、 Route1 を通って 2200、 番号削除                9
                     2201 を呼び出す場合)        番号付加                1
                     (SIP 端末から            (迂回の選択)             迂回無
                     090-2000-200X を呼び出 発信展開番号                090
                     し、 Route2 を通って 2202、 Route 番号            2
                     2203 を呼び出す場合)        番号削除                9
                                          番号付加                1
             番号付加                         付加数字パターン番号         1
                                          付加数字                22
 データセーブ                                 -                   -
 保守機能        再起動                          -                   -




                                   2-15
231-ND2824-000                                                           第2章     こんなサービスを行いたい
1.0 版 2009 年 8 月                                                                        2.2 設定例



[7] FXSと複数OD間の接続例(スタティック接続)
   対向局から回線話中メッセージ(503 メッセージ)を受信した場合、SIP サーバー迂回機能(回線⇒SIP 着信コマン
   ドで迂回有)を使用し、発信局側から迂回するようにデータを設定します。
   ※サーバ番号は“1~127”の範囲で設定する事ができます。




                                                                                      PBX
                                                               OD-⑥
                                                                  0                             600番
                              FS/FXS-①                            1
                      300 番     0                                 2
                      301 番     1                                 3
                      302 番     2
                      303 番     3                       IP Address:192.168.1.145
                                                        Subnet Mask:255.255.255.0
                               0 回線:300 番               default-gateway:192.168.1.1
                               1 回線:301 番
                               2 回線:302 番                      OD-⑦
                               3 回線:303 番                           0
                   IP Address:192.168.1.140                         1
                   Subnet Mask:255.255.255.0                        2
                   default-gateway:192.168.1.1                      3


                                                         IP Address:192.168.1.146
                                                         Subnet Mask:255.255.255.0
                                                         default-gateway:192.168.1.1



   ※設定の必要な項目のみ記載しています。各入力画面の詳細は“第 3 章”をご確認下さい。
   FS/FXS-①側
                    メニュー                                                                 設定値
 システム        基本設定                                       モデル定義                  FS/FXS
                                                        トランスレータ                 発着統合
 ログアウト                                                 -                       -
 ログイン                                                  ユーザ名                   necvoipgw
                                                        パスワード                 ipmaster104x
 システム        ネットワーク設定         IP 設定                     IP アドレス                192.168.1.140
                                                        ネットワークマスク               255.255.255.0
                                                        デフォルトゲートウェイ           192.168.1.1
 SIP         SIP 設定           SIP サーバ情報設定              サーバ番号                  6
                              (OD-⑥の設定)                 サーバ名                   OD-6(任意)
                                                        サーバ IP アドレス           192.168.1.145
                              (OD-⑦の設定)                 サーバ番号                  7
                                                        サーバ名                   OD-7(任意)
                                                        サーバ IP アドレス           192.168.1.146




                                                 2-16
231-ND2824-000                                                  第2章    こんなサービスを行いたい
1.0 版 2009 年 8 月                                                              2.2 設定例



                         メニュー                                                  設定値
 回線          回線設定    回線ポート設定                回線タイプ                   FXS-PBX
                     (0 ポート目の設定)            ポート番号                   0/0/0
                                             TN                       1
                                             内線番号                     300
                                             Originating Name         300@192.168.1.140
                                             回線信号                     DP/PB
                                             回線制御方式                   着信番号接続
                     回線ポート設定                回線タイプ                   FXS-PBX
                     (1 ポート目の設定)            ポート番号                   0/0/1
                                             TN                       1
                                             内線番号                     301
                                             Originating Name         301@192.168.1.140
                                             回線信号                     DP/PB
                                             回線制御方式                   着信番号接続
                     回線ポート設定                回線タイプ                   FXS-PBX
                     (2 ポート目の設定)            ポート番号                   0/0/2
                                             TN                       1
                                             内線番号                     302
                                             Originating Name         302@192.168.1.140
                                             回線信号                     DP/PB
                                             回線制御方式                   着信番号接続
                     回線ポート設定                回線タイプ                   FXS-PBX
                     (3 ポート目の設定)            ポート番号                   0/0/3
                                             TN                       1
                                             内線番号                     303
                                             Originating Name         303@192.168.1.140
                                             回線信号                     DP/PB
                                             回線制御方式                   着信番号接続
 番号計画        番号前翻訳                           先頭桁番号 6                  3
             番号展開    回線⇒SIP 着信               (迂回の選択)                  迂回有
                     (TEL300 番から TEL600 番    着信展開番号                   6
                     を呼び出す場合)                1st サーバ番号               6
                                             番号削除                     0
                                             番号付加                     0
                                             2nd サーバ番号               7
 データセーブ                                    -                        -
 保守機能        再起動                             -                        -




                                      2-17
231-ND2824-000                                                         第2章    こんなサービスを行いたい
1.0 版 2009 年 8 月                                                                     2.2 設定例



[8] SIP⇒回線発信時ルート迂回
   Route:1 が全話中の時に、Route:2 に迂回させる場合の設定例です。
   (本設定例では Route:1(ポート 0・1)が全話中の場合は、 Route:2(ポート 2・3)に迂回して 2200・2201 に着信します。)

                                                           SIPサーバー       IP Address:192.32.16.10
                   PBX                                                   ドメイン名:ipmaster.com
                                FS/FXS
                         Route:1
                                 0
                         Route:1
   2200番                         1
                         Route:2
   2201番                         2
                         Route:2
   2202番                         3
   2203番
                                                              SIP端末(300番)
                        0 回線:05020002000 番
                        1 回線:05020002001 番
                        2 回線:09020002002 番
                        3 回線:09020002003 番
                            IP Address:192.32.16.100
                            Subnet Mask:255.255.255.0
                            default-gateway:192.32.16.254

   ※設定の必要な項目のみ記載しています。各入力画面の詳細は“第 3 章”をご確認下さい。
                   メニュー                                                               設定値
 システム        基本設定                                   モデル定義                   FS/FXS
                                                    トランスレータ                  発着統合
 ログアウト                                             -                        -
 ログイン                                              ユーザ名                    necvoipgw
                                                    パスワード                  ipmaster104x
 システム        ネットワーク設定      IP 設定                    IP アドレス                 192.32.16.100
                                                    ネットワークマスク                255.255.255.0
                                                    デフォルトゲートウェイ            192.32.16.254
 SIP         SIP 設定        SIP サーバ情報設定             ドメイン名                   ipmaster.com
                                                    サーバ番号                   1
                                                    サーバ名                    SipServer(任意)
                                                    サーバ IP アドレス            192.32.16.10
 回線          回線設定          回線ポート設定                 回線タイプ                   FXS-DI
                           (0 ポート目の設定)             ポート番号                   0/0/0
                                                    Route                    1
                                                    Originating Name         05020002000@192.32.16.100
                                                    回線制御方式                   PB ダイヤルイン接続
                           回線ポート設定                 回線タイプ                   FXS-DI
                           (1 ポート目の設定)             ポート番号                   0/0/1
                                                    Route                    1
                                                    Originating Name         05020002001@192.32.16.100
                                                    回線制御方式                   PB ダイヤルイン接続
                           回線ポート設定                 回線タイプ                   FXS-DI
                           (2 ポート目の設定)             ポート番号                   0/0/2
                                                    Route                    2
                                                    Originating Name         09020002002@192.32.16.100
                                                    回線制御方式                   PB ダイヤルイン接続
                           回線ポート設定                 回線タイプ                   FXS-DI
                           (3 ポート目の設定)             ポート番号                   0/0/3
                                                    Route                    2
                                                    Originating Name         09020002003@192.32.16.100
                                                    回線制御方式                   PB ダイヤルイン接続

                                             2-18
231-ND2824-000                                          第2章   こんなサービスを行いたい
1.0 版 2009 年 8 月                                                     2.2 設定例



                        メニュー                                        設定値
 番号計画        番号前翻訳                        先頭桁番号 3             3
             番号展開    回線⇒SIP 着信            (迂回の選択)             迂回無
                     (PBX 収容 TEL2200 番から 着信展開番号               3
                     SIP 端末 300 番を呼び出す サーバ番号                 1
                     場合)                  番号削除                0
                                          番号付加                0
                     SIP⇒回線発信             (迂回の選択)             迂回有
                     ( SIP 端 末 か ら 発信展開番号                     050
                     050-2000-200X を呼び出 1st Route             1
                     し、 Route1 を通って 2200、 番号削除                9
                     2201 を 呼 び 出 す 場 合 番号付加                  1
                     (Route1 が全話中の場合 2nd Route                2
                     は Route2 に迂回))       番号削除                9
                                          番号付加                1
                     ( SIP 端 末 か ら (迂回の選択)                    迂回無
                     090-2000-200X を呼び出 発信展開番号                090
                     し、 Route2 を通って 2202、 Route 番号            2
                     2203 を呼び出す場合)        番号削除                9
                                          番号付加                1
             番号付加                         付加数字パターン番号         1
                                          付加数字                22
 データセーブ                                 -                   -
 保守機能        再起動                          -                   -




                                   2-19
231-ND2824-000                                                    第2章     こんなサービスを行いたい
1.0 版 2009 年 8 月                                                                 2.2 設定例


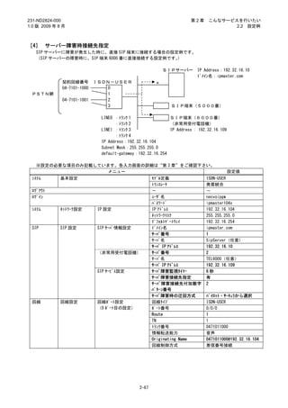
2.2.2     UNIVERGE IPMASTER-1041A(FXO)


[1] SIPサーバー連携-通常設定
   SIPサーバー経由でSIP端末に発着信させる場合(3.2.1 項(                  3-9ページ)
                                                            「システム-基本設定」トランスレータで
   “発着統合”を選択)の設定例です。  (ホットライン接続)

                                                          SIPサーバー     IP Address:192.32.16.10
                                                                      ドメイン名:ipmaster.com
               契約回線番号        FO/FXO
                0471011000     0
 PSTN網          0471011001     1
                0471021000     2
                0471021001     3                           SIP端末(5000番)
                                                      ~

                              0 回線:トランク 1                   SIP端末(5003番)
                              1 回線:トランク 2
                              2 回線:トランク 3
                              3 回線:トランク 4
                              IP Address:192.32.16.101
                              Subnet Mask:255.255.255.0
                              default-gateway:192.32.16.254
                              信号方式:ホットライン接続

   ※設定の必要な項目のみ記載しています。各入力画面の詳細は“第 3 章”をご確認下さい。
                    メニュー                                                           設定値
 システム          基本設定                                モデル定義                FO/FXO
                                                   トランスレータ               発着統合
 ログアウト                                            -                     -
 ログイン                                             ユーザ名                 necvoipgw
                                                   パスワード               ipmaster104x
 システム          ネットワーク設定      IP 設定                 IP アドレス              192.32.16.101
                                                   ネットワークマスク             255.255.255.0
                                                   デフォルトゲートウェイ         192.32.16.254
 SIP           SIP 設定        SIP サーバ情報設定          ドメイン名                ipmaster.com
                                                   サーバ番号                1
                                                   サーバ名                 SipServer(任意)
                                                   サーバ IP アドレス         192.32.16.10
 回線            回線設定          回線ポート設定              回線タイプ                FXO-PBX
                             (0 ポート目の設定)          ポート番号                0/0/0
                                                   Route                 1
                                                   TN                    1
                                                   トランク番号                0471011000
                                                   Originating Name      0471011000@192.32.16.101
                                                   回線信号                  PB
                                                   回線制御方式                ホットライン接続
                                                   ホットライン接続電話番号          5000@ipmaster.com
                             回線ポート設定              回線タイプ                FXO-PBX
                             (1 ポート目の設定)          ポート番号                0/0/1
                                                   Route                 1
                                                   TN                    1
                                                   トランク番号                0471011001
                                                   Originating Name      0471011001@192.32.16.101
                                                   回線信号                  PB
                                                   回線制御方式                ホットライン接続
                                                   ホットライン接続電話番号          5001@ipmaster.com

                                            2-20
231-ND2824-000                                            第2章    こんなサービスを行いたい
1.0 版 2009 年 8 月                                                        2.2 設定例



                        メニュー                                             設定値
 回線          回線設定    回線ポート設定              回線タイプ               FXO-PBX
                     (2 ポート目の設定)          ポート番号               0/0/2
                                           Route                1
                                           TN                   1
                                           トランク番号               0471021000
                                           Originating Name     0471021000@192.32.16.101
                                           回線信号                 PB
                                           回線制御方式               ホットライン接続
                                           ホットライン接続電話番号         5002@ipmaster.com
                     回線ポート設定              回線タイプ               FXO-PBX
                     (3 ポート目の設定)          ポート番号               0/0/3
                                           Route                1
                                           TN                   1
                                           トランク番号               0471021001
                                           Originating Name     0471021001@192.32.16.101
                                           回線信号                 PB
                                           回線制御方式               ホットライン接続
                                           ホットライン接続電話番号         5003@ipmaster.com
 番号計画        番号前翻訳                         先頭桁番号 5              4
             番号展開    回線⇒SIP 着信             (迂回の選択)              迂回無
                     (PSTN 網から SIP 端末      着信展開番号               5
                     5000 番を呼び出す場合)        サーバ番号               1
                                           番号削除                 0
                                           番号付加                 0
                     SIP⇒回線発信              (迂回の選択)              迂回無
                     (SIP 端末から PSTN 網      発信展開番号               03
                     (03-1234-3939)を呼び出    Route 番号             1
                     す場合)                  番号削除                 0
                                           番号付加                 0
 データセーブ                                  -                    -
 保守機能        再起動                           -                    -




                                    2-21
231-ND2824-000                                                       第2章    こんなサービスを行いたい
1.0 版 2009 年 8 月                                                                   2.2 設定例



[2] SIPサーバー連携-トランスレータ分離
   SIPサーバー経由でSIP端末に発着信させる場合(3.2.1 項( 3-9ページ)
                                           「システム-基本設定」トランスレータで
   “発着分離”を選択)の設定例です。  (番号展開を、回線⇒SIP方向はTN[1]、SIP⇒回線方向はTN[2]で登録します。)

                                                      SIPサーバー         IP Address:192.32.16.10
                                                                      ドメイン名:ipmaster.com
              契約回線番号        FO/FXO
               0471011000     0
 PSTN網         0471011001     1
               0471021000     2
               0471021001     3                          SIP端末(1000番)

                             0 回線:トランク 1                   SIP端末(1001番)
                             1 回線:トランク 2
                             2 回線:トランク 3
                             3 回線:トランク 4
                             IP Address:192.32.16.101
                             Subnet Mask:255.255.255.0
                             default-gateway:192.32.16.254
                             信号方式:PB ダイヤルイン

   ※設定の必要な項目のみ記載しています。各入力画面の詳細は“第 3 章”をご確認下さい。
                    メニュー                                                            設定値
 システム        基本設定                                 モデル定義                   FO/FXO
                                                  トランスレータ                  発着分離
 ログアウト                                           -                        -
 ログイン                                            ユーザ名                    necvoipgw
                                                  パスワード                  ipmaster104x
 システム        ネットワーク設定       IP 設定                 IP アドレス                 192.32.16.101
                                                  ネットワークマスク                255.255.255.0
                                                  デフォルトゲートウェイ            192.32.16.254
 SIP         SIP 設定         SIP サーバ情報設定          ドメイン名                   ipmaster.com
                                                  サーバ番号                   1
                                                  サーバ名                    SipServer(任意)
                                                  サーバ IP アドレス            192.32.16.10
 回線          回線設定           回線ポート設定              回線タイプ                   FXO-PBX
                            (0 ポート目の設定)          ポート番号                   0/0/0
                                                  Route                    1
                                                  TN                       2
                                                  トランク番号                   0471011000
                                                  Originating Name         0471011000@192.32.16.101
                                                  回線信号                     PB
                                                  回線制御方式                   PB ダイヤルイン接続
                            回線ポート設定              回線タイプ                   FXO-PBX
                            (1 ポート目の設定)          ポート番号                   0/0/1
                                                  Route                    1
                                                  TN                       2
                                                  トランク番号                   0471011001
                                                  Originating Name         0471011001@192.32.16.101
                                                  回線信号                     PB
                                                  回線制御方式                   PB ダイヤルイン接続




                                           2-22
231-ND2824-000                                                第2章    こんなサービスを行いたい
1.0 版 2009 年 8 月                                                            2.2 設定例



                        メニュー                                                 設定値
 回線          回線設定    回線ポート設定              回線タイプ                   FXO-PBX
                     (2 ポート目の設定)          ポート番号                   0/0/2
                                           Route                    1
                                           TN                       2
                                           トランク番号                   0471021000
                                           Originating Name         0471021000@192.32.16.101
                                           回線信号                     PB
                                           回線制御方式                   PB ダイヤルイン接続
                     回線ポート設定              回線タイプ                   FXO-PBX
                     (3 ポート目の設定)          ポート番号                   0/0/3
                                           Route                    1
                                           TN                       2
                                           トランク番号                   0471021001
                                           Originating Name         0471021001@192.32.16.101
                                           回線信号                     PB
                                           回線制御方式                   PB ダイヤルイン接続
 番号計画        番号前翻訳                         先頭桁番号 1                  4
             番号展開    回線⇒SIP 着信             (迂回の選択)                  迂回無
                     (PSTN 網から SIP 端末      着信展開番号                   1
                     1000 番を呼び出す場合)        サーバ番号                   1
                                           番号削除                     0
                                           番号付加                     0
                     SIP⇒回線発信              (迂回の選択)                  迂回無
                     (SIP 端末から PSTN 網      発信展開番号                   03
                     (03-1234-XXXX)を呼び出    Route 番号                 1
                     す場合)                  番号削除                     0
                                           番号付加                     0
 データセーブ                                  -                        -
 保守機能        再起動                           -                        -

 ※PB ダイヤルインの場合は、局側で 2 秒監視タイマーを持っている為、番号前翻訳は必ず受信する桁数に合わせて登
  録して下さい。




                                    2-23
231-ND2824-000                                                            第2章    こんなサービスを行いたい
1.0 版 2009 年 8 月                                                                        2.2 設定例



[3] スタティック接続(FXO-OD)
   SIP サーバーを経由(使用)せず、直接接続相手に発着信させる場合の設定例です。
   ※サーバ番号は“1~127”の範囲で設定する事ができます。

                                                                           PBX
                                                          OD/E&M-③
                                                              0                            3000番
              契約回線番号         FO/FXO-④                         1                            3001番
              0471011000        0                             2
 PSTN網        0471011001        1                             3
              0471021000        2
              0471021001        3                 IP Address:192.168.1.142
                                                  Subnet Mask:255.255.255.0
                        0 回線:トランク 1               default-gateway:192.168.1.1
                        1 回線:トランク 2
                        2 回線:トランク 3
                        3 回線:トランク 4
                        IP Address:192.168.1.141
                        Subnet Mask:255.255.255.0
                        default-gateway:192.168.1.1
                        信号方式:追加ダイヤルイン

 ※設定の必要な項目のみ記載しています。各入力画面の詳細は“第 3 章”をご確認下さい。
 FO/FXO-④側
                   メニュー                                                                  設定値
 システム        基本設定                                      モデル定義                   FO/FXO
                                                       トランスレータ                  発着統合
 ログアウト                                                -                        -
 ログイン                                                 ユーザ名                    necvoipgw
                                                       パスワード                  ipmaster104x
 システム        ネットワーク設定        IP 設定                     IP アドレス                 192.168.1.141
                                                       ネットワークマスク                255.255.255.0
                                                       デフォルトゲートウェイ            192.168.1.1
 SIP         SIP 設定          SIP サーバ情報設定              サーバ番号                   3
                                                       サーバ名                    OD-3(任意)
                                                       サーバ IP アドレス            192.168.1.142
 回線          回線設定            回線ポート設定                  回線タイプ                   FXO-PBX
                             (0 ポート目の設定)              ポート番号                   0/0/0
                                                       Route                    1
                                                       TN                       1
                                                       トランク番号                   0471011000
                                                       Originating Name         0471011000@192.168.1.141
                                                       回線信号                     PB
                                                       回線制御方式                   追加ダイヤルイン接続
                             回線ポート設定                  回線タイプ                   FXO-PBX
                             (1 ポート目の設定)              ポート番号                   0/0/1
                                                       Route                    1
                                                       TN                       1
                                                       トランク番号                   0471011001
                                                       Originating Name         0471011001@192.168.1.141
                                                       回線信号                     PB
                                                       回線制御方式                   追加ダイヤルイン接続




                                                2-24
231-ND2824-000                                                第2章    こんなサービスを行いたい
1.0 版 2009 年 8 月                                                            2.2 設定例



                        メニュー                                                 設定値
 回線          回線設定    回線ポート設定              回線タイプ                   FXO-PBX
                     (2 ポート目の設定)          ポート番号                   0/0/2
                                           Route                    1
                                           TN                       1
                                           トランク番号                   0471021000
                                           Originating Name         0471021000@192.168.1.141
                                           回線信号                     PB
                                           回線制御方式                   追加ダイヤルイン接続
                     回線ポート設定              回線タイプ                   FXO-PBX
                     (3 ポート目の設定)          ポート番号                   0/0/3
                                           Route                    1
                                           TN                       1
                                           トランク番号                   0471021001
                                           Originating Name         0471021001@192.168.1.141
                                           回線信号                     PB
                                           回線制御方式                   追加ダイヤルイン接続
 番号計画        番号前翻訳                         先頭桁番号 3                  4
             番号展開    回線⇒SIP 着信             (迂回の選択)                  迂回無
                     (PSTN 網から PBX 収容端     着信展開番号                   3
                     末 300X 番を呼び出す場        サーバ番号                   3
                     合)                    番号削除                     0
                                           番号付加                     0
                     SIP⇒回線発信              (迂回の選択)                  迂回無
                     (PBX 収容端末から PSTN      発信展開番号                   04
                     網(047185XXXX)を呼び      Route 番号                 1
                     出す場合)                 番号削除                     0
                                           番号付加                     0
 データセーブ                                  -                        -
 保守機能        再起動                           -                        -




                                    2-25
231-ND2824-000                                                       第2章     こんなサービスを行いたい
1.0 版 2009 年 8 月                                                                    2.2 設定例



[4] サーバー障害時接続先指定
   SIP サーバーに障害が発生した時に、直接 SIP 端末に接続する場合の設定例です。
   (SIP サーバーの障害時に、SIP 端末 6000 番に直接接続する設定例です。)
   ※回線制御方式が PB ダイヤルインの場合は動作しません。
     PB ダイヤルイン以外を選択して下さい。

                                                        SIPサーバー         IP Address:192.32.16.10
                                                                        ドメイン名:ipmaster.com
              契約回線番号        FO/FXO                  ×
               0471011000     0
 PSTN網         0471011001     1
               0471021000     2
               0471021001     3                              SIP端末(5000番)

                             0 回線:トランク 1                     SIP端末(6000番)
                             1 回線:トランク 2                     (非常用受付電話機)
                             2 回線:トランク 3                     IP Address : 192.32.16.109
                             3 回線:トランク 4
                             IP Address:192.32.16.101
                             Subnet Mask:255.255.255.0
                             default-gateway:192.32.16.254
                             信号方式:追加ダイヤルイン

 ※設定の必要な項目のみ記載しています。各入力画面の詳細は“第 3 章”をご確認下さい。
                   メニュー                                                              設定値
 システム        基本設定                                   モデル定義                  FO/FXO
                                                    トランスレータ                 発着統合
 ログアウト                                             -                       -
 ログイン                                              ユーザ名                   necvoipgw
                                                    パスワード                 ipmaster104x
 システム        ネットワーク設定       IP 設定                   IP アドレス                192.32.16.101
                                                    ネットワークマスク               255.255.255.0
                                                    デフォルトゲートウェイ           192.32.16.254
 SIP         SIP 設定         SIP サーバ情報設定            ドメイン名                  ipmaster.com
                                                    サーバ番号                  1
                                                    サーバ名                   SipServer(任意)
                                                    サーバ IP アドレス           192.32.16.10
                            (非常用受付電話機)              サーバ番号                  2
                                                    サーバ名                   TEL6000(任意)
                                                    サーバ IP アドレス           192.32.16.109
                            SIP サービス設定             サーバ障害監視タイマー            6秒
                                                    サーバ障害接続先指定             有
                                                    サーバ障害接続先付加数字           1
                                                    パターン番号
                                                    サーバ障害時の迂回方式            パイロット・サーキュラから選択
 回線          回線設定           回線ポート設定                回線タイプ                  FXO-PBX
                            (0 ポート目の設定)            ポート番号                  0/0/0
                                                    Route                   1
                                                    TN                      1
                                                    トランク番号                  0471011000
                                                    Originating Name        0471011000@192.32.16.101
                                                    回線信号                    PB
                                                    回線制御方式                  追加ダイヤルイン接続




                                             2-26
231-ND2824-000                                                第2章    こんなサービスを行いたい
1.0 版 2009 年 8 月                                                            2.2 設定例



                        メニュー                                                 設定値
 回線          回線設定    回線ポート設定              回線タイプ                   FXO-PBX
                     (1 ポート目の設定)          ポート番号                   0/0/1
                                           Route                    1
                                           TN                       1
                                           トランク番号                   0471011001
                                           Originating Name         0471011001@192.32.16.101
                                           回線信号                     PB
                                           回線制御方式                   追加ダイヤルイン接続
                     回線ポート設定              回線タイプ                   FXO-PBX
                     (2 ポート目の設定)          ポート番号                   0/0/2
                                           Route                    1
                                           TN                       1
                                           トランク番号                   0471021000
                                           Originating Name         0471021000@192.32.16.101
                                           回線信号                     PB
                                           回線制御方式                   追加ダイヤルイン接続
                     回線ポート設定              回線タイプ                   FXO-PBX
                     (3 ポート目の設定)          ポート番号                   0/0/3
                                           Route                    1
                                           TN                       1
                                           トランク番号                   0471021001
                                           Originating Name         0471021001@192.32.16.101
                                           回線信号                     PB
                                           回線制御方式                   追加ダイヤルイン接続
 番号計画        番号前翻訳                         先頭桁番号 5                  4
             番号展開    回線⇒SIP 着信             (迂回の選択)                  迂回有
                     (PSTN 網から SIP 端末      着信展開番号                   5
                     5000 番を呼び出す場合)        1st(サーバ番号)              1
                                           番号削除                     0
                                           番号付加                     0
                                           2nd(サーバ番号)              2
                     SIP⇒回線発信              (迂回の選択)                  迂回無
                     (SIP 端末から PSTN 網      発信展開番号                   03
                     (03-1234-XXXX)を呼び出    Route 番号                 1
                     す場合)                  番号削除                     0
                                           番号付加                     0
             番号付加                          付加数字パターン番号              1
                                           付加数字                     6000
 データセーブ                                  -                        -
 保守機能        再起動                           -                        -




                                    2-27
231-ND2824-000                                                            第2章    こんなサービスを行いたい
1.0 版 2009 年 8 月                                                                        2.2 設定例



[5] SIP⇒回線発信時ポート分け
   SIP サーバーからの受信番号によって、回線ポートを使い分ける場合の設定例です。
   (本設定例では 03-XXXX-XXXX の場合はポート 0・1、04XX-XX-XXXX の場合はポート 2・3 を使います。)

                                                                SIPサーバー     IP Address:192.32.16.10
                                                                            ドメイン名:ipmaster.com
              契約回線番号               FO/FXO
                            Route:1
               0471011000            0
                            Route:1
 PSTN網         0471011001            1
                            Route:2
               0471021000            2
                            Route:2
               0471021001            3

                      1000 受信   0 回線:トランク 1                        SIP端末(1000番)
                      1001 受信   1 回線:トランク 2
                      1000 受信   2 回線:トランク 3                        SIP端末(1001番)
                      1001 受信   3 回線:トランク 4
                                IP Address:192.32.16.101
                                Subnet Mask:255.255.255.0
                                default-gateway:192.32.16.254
                                信号方式:PB ダイヤルイン

  ※設定の必要な項目のみ記載しています。各入力画面の詳細は“第 3 章”をご確認下さい。
                   メニュー                                                                  設定値
 システム        基本設定                                      モデル定義                   FO/FXO
                                                       トランスレータ                  発着統合
 ログアウト                                                -                        -
 ログイン                                                 ユーザ名                    necvoipgw
                                                       パスワード                  ipmaster104x
 システム        ネットワーク設定         IP 設定                    IP アドレス                 192.32.16.101
                                                       ネットワークマスク                255.255.255.0
                                                       デフォルトゲートウェイ            192.32.16.254
 SIP         SIP 設定           SIP サーバ情報設定             ドメイン名                   ipmaster.com
                                                       サーバ番号                   1
                                                       サーバ名                    SipServer(任意)
                                                       サーバ IP アドレス            192.32.16.10
 回線          回線設定             回線ポート設定                 回線タイプ                   FXO-PBX
                              (0 ポート目の設定)             ポート番号                   0/0/0
                                                       Route                    1
                                                       TN                       1
                                                       トランク番号                   0471011000
                                                       Originating Name         0471011000@192.32.16.101
                                                       回線信号                     PB
                                                       回線制御方式                   PB ダイヤルイン接続
                              回線ポート設定                 回線タイプ                   FXO-PBX
                              (1 ポート目の設定)             ポート番号                   0/0/1
                                                       Route                    1
                                                       TN                       1
                                                       トランク番号                   0471011001
                                                       Originating Name         0471011001@192.32.16.101
                                                       回線信号                     PB
                                                       回線制御方式                   PB ダイヤルイン接続




                                                2-28
231-ND2824-000                                                第2章    こんなサービスを行いたい
1.0 版 2009 年 8 月                                                            2.2 設定例



                        メニュー                                                 設定値
 回線          回線設定    回線ポート設定              回線タイプ                   FXO-PBX
                     (2 ポート目の設定)          ポート番号                   0/0/2
                                           Route                    2
                                           TN                       1
                                           トランク番号                   0471021000
                                           Originating Name         0471021000@192.32.16.101
                                           回線信号                     PB
                                           回線制御方式                   PB ダイヤルイン接続
                     回線ポート設定              回線タイプ                   FXO-PBX
                     (3 ポート目の設定)          ポート番号                   0/0/3
                                           Route                    2
                                           TN                       1
                                           トランク番号                   0471021001
                                           Originating Name         0471021001@192.32.16.101
                                           回線信号                     PB
                                           回線制御方式                   PB ダイヤルイン接続
 番号計画        番号前翻訳                         先頭桁番号 1                  4
             番号展開    回線⇒SIP 着信             (迂回の選択)                  迂回無
                     (PSTN 網から SIP 端末      着信展開番号                   1
                     1000 番を呼び出す場合)        サーバ番号                   1
                                           番号削除                     0
                                           番号付加                     0
                     SIP⇒回線発信              (迂回の選択)                  迂回無
                     (SIP 端末から PSTN 網      発信展開番号                   03
                     (03-XXXX-XXXX)を呼び出    Route 番号                 1
                     す場合)                  番号削除                     0
                                           番号付加                     0
                     SIP⇒回線発信              (迂回の選択)                  迂回無
                     (SIP 端末から PSTN 網      発信展開番号                   04
                     (04XX-XX-XXXX)を呼び出    Route 番号                 2
                     す場合)                  番号削除                     0
                                           番号付加                     0
 データセーブ                                  -                        -
 保守機能        再起動                           -                        -

 ※PB ダイヤルインの場合は、局側で 2 秒監視タイマーを持っている為、番号前翻訳は必ず受信する桁数に合わせて登
  録して下さい。




                                    2-29
231-ND2824-000                                                            第2章    こんなサービスを行いたい
1.0 版 2009 年 8 月                                                                        2.2 設定例



[6] SIP⇒回線発信時ルート迂回
   Route:1 が全話中の時に、Route:2 に迂回させる場合の設定例です。
   (本設定例では Route:1(ポート 0・1)が全話中の場合は、Route:2(ポート 2・3)に迂回します。)

                                                                SIPサーバー     IP Address:192.32.16.10
                                                                            ドメイン名:ipmaster.com
              契約回線番号               FO/FXO
                            Route:1
               0471011000            0
                            Route:1
 PSTN網         0471011001            1
                            Route:2
               0471021000            2
                            Route:2
               0471021001            3

                                0 回線:トランク 1                       SIP端末(1000番)
                                1 回線:トランク 2
                                2 回線:トランク 3                       SIP端末(1001番)
                                3 回線:トランク 4
                                IP Address:192.32.16.101
                                Subnet Mask:255.255.255.0
                                default-gateway:192.32.16.254
                                信号方式:PB ダイヤルイン

 ※設定の必要な項目のみ記載しています。各入力画面の詳細は“第 3 章”をご確認下さい。
                   メニュー                                                                  設定値
 システム        基本設定                                      モデル定義                   FO/FXO
                                                       トランスレータ                  発着統合
 ログアウト                                                -                        -
 ログイン                                                 ユーザ名                    necvoipgw
                                                       パスワード                  ipmaster104x
 システム        ネットワーク設定         IP 設定                    IP アドレス                 192.32.16.101
                                                       ネットワークマスク                255.255.255.0
                                                       デフォルトゲートウェイ            192.32.16.254
 SIP         SIP 設定           SIP サーバ情報設定             ドメイン名                   ipmaster.com
                                                       サーバ番号                   1
                                                       サーバ名                    SipServer(任意)
                                                       サーバ IP アドレス            192.32.16.10
 回線          回線設定             回線ポート設定                 回線タイプ                   FXO-PBX
                              (0 ポート目の設定)             ポート番号                   0/0/0
                                                       Route                    1
                                                       TN                       1
                                                       トランク番号                   0471011000
                                                       Originating Name         0471011000@192.32.16.101
                                                       回線信号                     PB
                                                       回線制御方式                   PB ダイヤルイン接続
                              回線ポート設定                 回線タイプ                   FXO-PBX
                              (1 ポート目の設定)             ポート番号                   0/0/1
                                                       Route                    1
                                                       TN                       1
                                                       トランク番号                   0471011001
                                                       Originating Name         0471011001@192.32.16.101
                                                       回線信号                     PB
                                                       回線制御方式                   PB ダイヤルイン接続




                                                2-30
231-ND2824-000                                                第2章    こんなサービスを行いたい
1.0 版 2009 年 8 月                                                            2.2 設定例



                        メニュー                                                 設定値
 回線          回線設定    回線ポート設定              回線タイプ                   FXO-PBX
                     (2 ポート目の設定)          ポート番号                   0/0/2
                                           Route                    2
                                           TN                       1
                                           トランク番号                   0471021000
                                           Originating Name         0471021000@192.32.16.101
                                           回線信号                     PB
                                           回線制御方式                   PB ダイヤルイン接続
                     回線ポート設定              回線タイプ                   FXO-PBX
                     (3 ポート目の設定)          ポート番号                   0/0/3
                                           Route                    2
                                           TN                       1
                                           トランク番号                   0471021001
                                           Originating Name         0471021001@192.32.16.101
                                           回線信号                     PB
                                           回線制御方式                   PB ダイヤルイン接続
 番号計画        番号前翻訳                         先頭桁番号 1                  4
             番号展開    回線⇒SIP 着信             (迂回の選択)                  迂回無
                     (PSTN 網から SIP 端末      着信展開番号                   1
                     1000 番を呼び出す場合)        サーバ番号                   1
                                           番号削除                     0
                                           番号付加                     0
                     SIP⇒回線発信              (迂回の選択)                  迂回有
                     (SIP 端末から PSTN 網      発信展開番号                   047184
                     (0471-84-XXXX)を呼び出    1st Route                1
                     す場合)                  番号削除                     0
                     (Route1 が全話中の場合       番号付加                     0
                     は Route2 に迂回)         2nd Route                2
                                           番号削除                     0
                                           番号付加                     0
                     SIP⇒回線発信              (迂回の選択)                  迂回無
                     (SIP 端末から PSTN 網      発信展開番号                   047185
                     (0471-85-XXXX)を呼び出    Route 番号                 2
                     す場合)                  番号削除                     0
                                           番号付加                     0
 データセーブ                                  -                        -
 保守機能        再起動                           -                        -

 ※PB ダイヤルインの場合は、局側で 2 秒監視タイマーを持っている為、番号前翻訳は必ず受信する桁数に合わせて登
  録して下さい。




                                    2-31
231-ND2824-000                                                       第2章     こんなサービスを行いたい
1.0 版 2009 年 8 月                                                                    2.2 設定例



[7] 内線延長IP化機能
   リモート拠点側に FS/FXS を設置し、センター側に FO/FXO を対向して設置する事で、IP 網を経由して内線延長を行
   なう機能です。
   FS/FXS をホットライン接続の設定にすることで、   FS/FXS 収容端末をオフフックしただけで FO/FXO へ発信し、       FO/FXO
   にて SIP→回線発信番号を全桁削除して PBX の LC(LineCircuit)を捕捉します。 発側の端末は PBX の DT(DialTone)を
   聴取し、DTMF でダイヤル(例では 300 番)する事で、PBX に直接収容された内線として振舞う事ができます。
   ※本設定例では FS/FXS を挙げていますが、 他の装置(FO/FXO・OD/E&M・・・)でもホットライン接続とすることで使用可
     能です。

                                                      FS/FXS-②
                   PBX                                     0                      200番
                           FO/FXO-④                        1                      201番
                              0                            2                      202番
                         1200
     300番                     1                            3                      203番
                         1201
                              2
                         1202
                              3                     IP Address:192.168.1.150
                         1203
                                                    Subnet Mask:255.255.255.0
                             0 回線:ルート 1             default-gateway:192.168.1.1
                             1 回線:ルート 2             回線制御方式:ホットライン
                             2 回線:ルート 3
                             3 回線:ルート 4
                     IP Address:192.168.1.141
                     Subnet Mask:255.255.255.0
                     default-gateway:192.168.1.1
                     信号方式:ホットライン

 ※設定の必要な項目のみ記載しています。各入力画面の詳細は“第 3 章”をご確認下さい。
 FS/FXS -②側
                          メニュー                               設定値
 システム       基本設定                  モデル定義           FS/FXS
                                  トランスレータ          発着分離
 ログアウト                           -                -
 ログイン                            ユーザ名            necvoipgw
                                  パスワード          ipmaster104x
 システム       ネットワーク設定 IP 設定        IP アドレス         192.168.1.150
                                  ネットワークマスク        255.255.255.0
                                  デフォルトゲートウェイ    192.168.1.1
 SIP        SIP 設定   SIP サーバ情報設定 サーバ番号           4
                                  サーバ名            FXO-4(任意)
                                  サーバ IP アドレス    192.168.1.141
 回線         回線設定     回線ポート設定     回線タイプ           FXS-PBX
                     (0 ポート目の設定) ポート番号           0/0/0
                                  TN               2
                                  内線番号             200
                                  Originating Name 200@192.168.1.150
                                  回線信号             DP/PB
                                  回線制御方式           ホットライン接続
                                  ホットライン接続電話番号     1200@192.168.1.141
                     回線ポート設定     回線タイプ           FXS-PBX
                     (1 ポート目の設定) ポート番号           0/0/1
                                  TN               2
                                  内線番号             201
                                  Originating Name 201@192.168.1.150
                                  回線信号             DP/PB
                                  回線制御方式           ホットライン接続
                                  ホットライン接続電話番号     1201@192.168.1.141

                                             2-32
231-ND2824-000                                               第2章    こんなサービスを行いたい
1.0 版 2009 年 8 月                                                           2.2 設定例



                           メニュー                                             設定値
 回線          回線設定       回線ポート設定              回線タイプ               FXS-PBX
                        (2 ポート目の設定)          ポート番号               0/0/2
                                              TN                   2
                                              内線番号                 202
                                              Originating Name     202@192.168.1.150
                                              回線信号                 DP/PB
                                              回線制御方式               ホットライン接続
                                              ホットライン接続電話番号         1202@192.168.1.141
                        回線ポート設定              回線タイプ               FXS-PBX
                        (3 ポート目の設定)          ポート番号               0/0/3
                                              TN                   2
                                              内線番号                 203
                                              Originating Name     203@192.168.1.150
                                              回線信号                 DP/PB
                                              回線制御方式               ホットライン接続
                                              ホットライン接続電話番号         1203@192.168.1.141
 番号計画        番号前翻訳                            先頭桁番号 1              4
             番号展開       回線⇒SIP 着信             (迂回の選択)              迂回無
                        (TEL200 番から PBX 収容    着信展開番号               1
                        300 番を呼び出す場合)         サーバ番号               4
                        ※DT 聴取後、300 番をダ       番号削除                 0
                        イヤルします。               番号付加                 0
 データセーブ                                     -                    -
 保守機能        再起動                              -                    -



   FO/FXO -④側
                           メニュー                                             設定値
 システム        基本設定                             モデル定義               FO/FXO
                                              トランスレータ              発着分離
 ログアウト                                       -                    -
 ログイン                                        ユーザ名                necvoipgw
                                              パスワード              ipmaster104x
 システム        ネットワーク設定   IP 設定                 IP アドレス             192.168.1.141
                                              ネットワークマスク            255.255.255.0
                                              デフォルトゲートウェイ        192.168.1.1
 SIP         SIP 設定     SIP サーバ情報設定          サーバ番号               2
                                              サーバ名                FXS-2(任意)
                                              サーバ IP アドレス        192.168.1.150
 回線          回線設定       回線ポート設定              回線タイプ               FXO-PBX
                        (0 ポート目の設定)          ポート番号               0/0/0
                                              Route                1
                                              TN                   2
                                              トランク番号               1200
                                              Originating Name     1200@192.168.1.141
                                              回線信号                 PB
                                              回線制御方式               ホットライン接続
                                              ホットライン接続電話番号         200@192.168.1.150




                                       2-33
231-ND2824-000                                               第2章    こんなサービスを行いたい
1.0 版 2009 年 8 月                                                           2.2 設定例



                          メニュー                                              設定値
 回線           回線設定    回線ポート設定                回線タイプ               FXO-PBX
                      (1 ポート目の設定)            ポート番号               0/0/1
                                              Route                2
                                              TN                   2
                                              トランク番号               1201
                                              Originating Name     1201@192.168.1.141
                                              回線信号                 PB
                                              回線制御方式               ホットライン接続
                                              ホットライン接続電話番号         201@192.168.1.150
                      回線ポート設定                回線タイプ               FXO-PBX
                      (2 ポート目の設定)            ポート番号               0/0/2
                                              Route                3
                                              TN                   2
                                              トランク番号               1202
                                              Originating Name     1202@192.168.1.141
                                              回線信号                 PB
                                              回線制御方式               ホットライン接続
                                              ホットライン接続電話番号         202@192.168.1.150
                      回線ポート設定                回線タイプ               FXO-PBX
                      (3 ポート目の設定)            ポート番号               0/0/3
                                              Route                4
                                              TN                   2
                                              トランク番号               1203
                                              Originating Name     1203@192.168.1.141
                                              回線信号                 PB
                                              回線制御方式               ホットライン接続
                                              ホットライン接続電話番号         203@192.168.1.150
 番号計画         番号前翻訳                           先頭桁番号 2              3
              番号展開    回線⇒SIP 着信               (迂回の選択)              迂回無
                      (PBX 収容端末 300 番から       着信展開番号               2
                      FXS 内線 20X 番を呼び出す       サーバ番号               2
                      場合)                     番号削除                 0
                                              番号付加                 0
                      SIP⇒回線発信                (迂回の選択)              迂回無
                      (FXS 内線 200 から PBX 収    発信展開番号               1200
                      容端末 300 を呼び出す場          Route 番号             1
                      合)                      番号削除                 4(※全桁削除)
                                              番号付加                 0
                      SIP⇒回線発信                (迂回の選択)              迂回無
                      (FXS 内線 201 から PBX 収    発信展開番号               1201
                      容端末 300 を呼び出す場          Route 番号             2
                      合)                      番号削除                 4(※全桁削除)
                                              番号付加                 0
                      SIP⇒回線発信                (迂回の選択)              迂回無
                      (FXS 内線 202 から PBX 収    発信展開番号               1202
                      容端末 300 を呼び出す場          Route 番号             3
                      合)                      番号削除                 4(※全桁削除)
                                              番号付加                 0
                      SIP⇒回線発信                (迂回の選択)              迂回無
                      (FXS 内線 203 から PBX 収    発信展開番号               1203
                      容端末 300 を呼び出す場          Route 番号             4
                      合)                      番号削除                 4(※全桁削除)
                                              番号付加                 0
 データセーブ                                     -                    -
 保守機能         再起動                             -                    -

                                       2-34
231-ND2824-000                                                       第2章   こんなサービスを行いたい
1.0 版 2009 年 8 月                                                                  2.2 設定例



2.2.3     UNIVERGE IPMASTER-1042A(OD)


[1] SIPサーバー連携-通常設定
   SIPサーバー経由でSIP端末に発着信させる場合(3.2.1 項(                 3-9ページ)
                                                           「システム-基本設定」トランスレータで
   “発着統合”を選択)の設定例です。
   ここでは PBX を 800 局としています。

                   800局                              SIPサーバー         IP Address:192.32.16.10
                    PBX                                              ドメイン名:ipmaster.com
                             OD/E&M
                               0
       300番                    1
                               2
                               3

                              0 回線:トランク 1                   SIP端末(200番)
                              1 回線:トランク 2
                              2 回線:トランク 3
                              3 回線:トランク 4
                              IP Address:192.32.16.102
                              Subnet Mask:255.255.255.0
                              default-gateway:192.32.16.254
                              信号方式:WINK/PB

 ※設定の必要な項目のみ記載しています。各入力画面の詳細は“第 3 章”をご確認下さい。
                   メニュー                                                            設定値
 システム          基本設定                               モデル定義                   OD/E&M
                                                  トランスレータ                  発着統合
 ログアウト                                           -                        -
 ログイン                                            ユーザ名                    necvoipgw
                                                  パスワード                  ipmaster104x
 システム          ネットワーク設定     IP 設定                 IP アドレス                 192.32.16.102
                                                  ネットワークマスク                255.255.255.0
                                                  デフォルトゲートウェイ            192.32.16.254
 SIP           SIP 設定       SIP サーバ情報設定          ドメイン名                   ipmaster.com
                                                  サーバ番号                   1
                                                  サーバ名                    SipServer(任意)
                                                  サーバ IP アドレス            192.32.16.10
 回線            回線設定         回線ポート設定              回線タイプ                   OD-PBX
                            (0 ポート目の設定)          ポート番号                   0/0/0
                                                  Route                    1
                                                  TN                       1
                                                  トランク番号                   800
                                                  Originating Name         800@192.32.16.102
                                                  回線信号                     PB
                                                  回線制御方式                   接続確認(ウィンク)接続
                            回線ポート設定              回線タイプ                   OD-PBX
                            (1 ポート目の設定)          ポート番号                   0/0/1
                                                  Route                    1
                                                  TN                       1
                                                  トランク番号                   801
                                                  Originating Name         801@192.32.16.102
                                                  回線信号                     PB
                                                  回線制御方式                   接続確認(ウィンク)接続

                                           2-35
231-ND2824-000                                                第2章   こんなサービスを行いたい
1.0 版 2009 年 8 月                                                           2.2 設定例



                        メニュー                                                設定値
 回線          回線設定    回線ポート設定              回線タイプ                   OD-PBX
                     (2 ポート目の設定)          ポート番号                   0/0/2
                                           Route                    1
                                           TN                       1
                                           トランク番号                   802
                                           Originating Name         802@192.32.16.102
                                           回線信号                     PB
                                           回線制御方式                   接続確認(ウィンク)接続
                     回線ポート設定              回線タイプ                   OD-PBX
                     (3 ポート目の設定)          ポート番号                   0/0/3
                                           Route                    1
                                           TN                       1
                                           トランク番号                   803
                                           Originating Name         803@192.32.16.102
                                           回線信号                     PB
                                           回線制御方式                   接続確認(ウィンク)接続
 番号計画        番号前翻訳                         先頭桁番号 2                  3
             番号展開    回線⇒SIP 着信             (迂回の選択)                  迂回無
                     (PBX 収容 TEL300 番から    着信展開番号                   2
                     SIP 端末 200 番を呼び出す     サーバ番号                   1
                     場合)                   番号削除                     0
                                           番号付加                     0
                     SIP⇒回線発信              (迂回の選択)                  迂回無
                     (SIP 端末から PBX 内線      発信展開番号                   3
                     300 番を呼び出す場合)         Route 番号                 1
                                           番号削除                     0
                                           番号付加                     0
 データセーブ                                  -                        -
 保守機能        再起動                           -                        -




                                    2-36
231-ND2824-000                                                     第2章   こんなサービスを行いたい
1.0 版 2009 年 8 月                                                                2.2 設定例



[2] SIPサーバー連携-トランスレータ分離
   SIPサーバー経由でSIP端末に発着信させる場合(3.2.1 項(  3-9ページ)「システム-基本設定」トランスレータで
   “発着分離”を選択) の設定例です。    (番号展開を、回線⇒SIP方向はTN[1]、SIP⇒回線方向はTN[2]で登録します。)
   ここでは PBX を 800 局としています。

                   800局                            SIPサーバー         IP Address:192.32.16.10
                    PBX                                            ドメイン名:ipmaster.com
                          OD/E&M
                            0
       300番                 1
                            2
                            3

                           0 回線:トランク 1                   SIP端末(200番)
                           1 回線:トランク 2
                           2 回線:トランク 3
                           3 回線:トランク 4
                           IP Address:192.32.16.102
                           Subnet Mask:255.255.255.0
                           default-gateway:192.32.16.254
                           信号方式:WINK/PB

 ※設定の必要な項目のみ記載しています。各入力画面の詳細は“第 3 章”をご確認下さい。
                   メニュー                                                          設定値
 システム         基本設定                              モデル定義                   OD/E&M
                                                トランスレータ                  発着分離
 ログアウト                                         -                        -
 ログイン                                          ユーザ名                    necvoipgw
                                                パスワード                  ipmaster104x
 システム         ネットワーク設定    IP 設定                 IP アドレス                 192.32.16.102
                                                ネットワークマスク                255.255.255.0
                                                デフォルトゲートウェイ            192.32.16.254
 SIP          SIP 設定      SIP サーバ情報設定          ドメイン名                   ipmaster.com
                                                サーバ番号                   1
                                                サーバ名                    SipServer(任意)
                                                サーバ IP アドレス            192.32.16.10
 回線           回線設定        回線ポート設定              回線タイプ                   OD-PBX
                          (0 ポート目の設定)          ポート番号                   0/0/0
                                                Route                    1
                                                TN                       2
                                                トランク番号                   800
                                                Originating Name         800@192.32.16.102
                                                回線信号                     PB
                                                回線制御方式                   接続確認(ウィンク)接続
                          回線ポート設定              回線タイプ                   OD-PBX
                          (1 ポート目の設定)          ポート番号                   0/0/1
                                                Route                    1
                                                TN                       2
                                                トランク番号                   801
                                                Originating Name         801@192.32.16.102
                                                回線信号                     PB
                                                回線制御方式                   接続確認(ウィンク)接続




                                         2-37
231-ND2824-000                                                第2章   こんなサービスを行いたい
1.0 版 2009 年 8 月                                                           2.2 設定例



                        メニュー                                                設定値
 回線          回線設定    回線ポート設定              回線タイプ                   OD-PBX
                     (2 ポート目の設定)          ポート番号                   0/0/2
                                           Route                    1
                                           TN                       2
                                           トランク番号                   802
                                           Originating Name         802@192.32.16.102
                                           回線信号                     PB
                                           回線制御方式                   接続確認(ウィンク)接続
                     回線ポート設定              回線タイプ                   OD-PBX
                     (3 ポート目の設定)          ポート番号                   0/0/3
                                           Route                    1
                                           TN                       2
                                           トランク番号                   803
                                           Originating Name         803@192.32.16.102
                                           回線信号                     PB
                                           回線制御方式                   接続確認(ウィンク)接続
 番号計画        番号前翻訳                         先頭桁番号 2                  3
             番号展開    回線⇒SIP 着信             (迂回の選択)                  迂回無
                     (PBX 収容 TEL300 番から    着信展開番号                   2
                     SIP 端末 200 番を呼び出す     サーバ番号                   1
                     場合)                   番号削除                     0
                                           番号付加                     0
                     SIP⇒回線発信              (迂回の選択)                  迂回無
                     (SIP 端末から PBX 内線      発信展開番号                   3
                     300 番を呼び出す場合)         Route 番号                 1
                                           番号削除                     0
                                           番号付加                     0
 データセーブ                                  -                        -
 保守機能        再起動                           -                        -




                                    2-38
231-ND2824-000                                                       第2章   こんなサービスを行いたい
1.0 版 2009 年 8 月                                                                  2.2 設定例



[3] スタティック接続(OD-FXS)
   SIP サーバーを経由(使用)せず、直接接続相手に発着信させる場合の設定例です。
   ここでは PBX を 800 局としています。
   ※サーバ番号は“1~127”の範囲で設定する事ができます。



                   800局                             FS/FXS-②
                    PBX                                  0                      200番
                          OD/E&M-③                       1                      201番
                             0                           2                      202番
       300番                  1                           3                      203番
                             2
                             3                    IP Address:192.168.1.150
                                                  Subnet Mask:255.255.255.0
                           0 回線:トランク 1            default-gateway:192.168.1.1
                           1 回線:トランク 2
                           2 回線:トランク 3
                           3 回線:トランク 4
                           IP Address:192.168.1.142
                           Subnet Mask:255.255.255.0
                           default-gateway:192.168.1.1
                           信号方式:WINK/PB

 ※設定の必要な項目のみ記載しています。各入力画面の詳細は“第 3 章”をご確認下さい。
 OD/E&M -③側
                   メニュー                                                            設定値
 システム         基本設定                                モデル定義                   OD/E&M
                                                  トランスレータ                  発着統合
 ログアウト                                           -                        -
 ログイン                                            ユーザ名                    necvoipgw
                                                  パスワード                  ipmaster104x
 システム         ネットワーク設定    IP 設定                   IP アドレス                 192.168.1.142
                                                  ネットワークマスク                255.255.255.0
                                                  デフォルトゲートウェイ            192.168.1.1
 SIP          SIP 設定      SIP サーバ情報設定            サーバ番号                   2
                                                  サーバ名                    FXS-2(任意)
                                                  サーバ IP アドレス            192.168.1.150
 回線           回線設定        回線ポート設定                回線タイプ                   OD-PBX
                          (0 ポート目の設定)            ポート番号                   0/0/0
                                                  Route                    1
                                                  TN                       1
                                                  トランク番号                   800
                                                  Originating Name         800@192.168.1.142
                                                  回線信号                     PB
                                                  回線制御方式                   接続確認(ウィンク)接続
                          回線ポート設定                回線タイプ                   OD-PBX
                          (1 ポート目の設定)            ポート番号                   0/0/1
                                                  Route                    1
                                                  TN                       1
                                                  トランク番号                   801
                                                  Originating Name         801@192.168.1.142
                                                  回線信号                     PB
                                                  回線制御方式                   接続確認(ウィンク)接続




                                           2-39
231-ND2824-000                                                第2章   こんなサービスを行いたい
1.0 版 2009 年 8 月                                                           2.2 設定例



                        メニュー                                                設定値
 回線          回線設定    回線ポート設定              回線タイプ                   OD-PBX
                     (2 ポート目の設定)          ポート番号                   0/0/2
                                           Route                    1
                                           TN                       1
                                           トランク番号                   802
                                           Originating Name         802@192.168.1.142
                                           回線信号                     PB
                                           回線制御方式                   接続確認(ウィンク)接続
                     回線ポート設定              回線タイプ                   OD-PBX
                     (3 ポート目の設定)          ポート番号                   0/0/3
                                           Route                    1
                                           TN                       1
                                           トランク番号                   803
                                           Originating Name         803@192.168.1.142
                                           回線信号                     PB
                                           回線制御方式                   接続確認(ウィンク)接続
 番号計画        番号前翻訳                         先頭桁番号 2                  3
             番号展開    回線⇒SIP 着信             (迂回の選択)                  迂回無
                     (PBX 収容 TEL300 番から    着信展開番号                   2
                     FXS 収容端末 20X 番を呼び     サーバ番号                   2
                     出す場合)                 番号削除                     0
                                           番号付加                     0
                     SIP⇒回線発信              (迂回の選択)                  迂回無
                     (FXS 収容端末から PBX 収     発信展開番号                   3
                     容 TEL300 番を呼び出す場      Route 番号                 1
                     合)                    番号削除                     0
                                           番号付加                     0
 データセーブ                                  -                        -
 保守機能        再起動                           -                        -




                                    2-40
231-ND2824-000                                                     第2章     こんなサービスを行いたい
1.0 版 2009 年 8 月                                                                  2.2 設定例



[4] サーバー障害時接続先指定
   SIP サーバーに障害が発生した時に、直接 SIP 端末に接続する場合の設定例です。
   (SIP サーバーの障害時に、SIP 端末 600 番に直接接続する設定例です。)
   ここでは PBX を 800 局としています。

                   800局                              SIPサーバー         IP Address:192.32.16.10
                    PBX                                              ドメイン名:ipmaster.com
                          OD/E&M                    ×
                            0
       300番                 1
                            2
                            3                            SIP端末(200番)

                           0 回線:トランク 1                   SIP端末(600番)
                           1 回線:トランク 2                   (非常用受付電話機)
                           2 回線:トランク 3                   IP Address : 192.32.16.109
                           3 回線:トランク 4
                           IP Address:192.32.16.102
                           Subnet Mask:255.255.255.0
                           default-gateway:192.32.16.254
                           信号方式:WINK/PB

 ※設定の必要な項目のみ記載しています。各入力画面の詳細は“第 3 章”をご確認下さい。
                   メニュー                                                               設定値
 システム         基本設定                                 モデル定義                 OD/E&M
                                                   トランスレータ                発着統合
 ログアウト                                            -                      -
 ログイン                                             ユーザ名                  necvoipgw
                                                   パスワード                ipmaster104x
 システム         ネットワーク設定    IP 設定                    IP アドレス               192.32.16.102
                                                   ネットワークマスク              255.255.255.0
                                                   デフォルトゲートウェイ          192.32.16.254
 SIP          SIP 設定      SIP サーバ情報設定             ドメイン名                 ipmaster.com
                                                   サーバ番号                 1
                                                   サーバ名                  SipServer(任意)
                                                   サーバ IP アドレス          192.32.16.10
                          (非常用受付電話機)               サーバ番号                 2
                                                   サーバ名                  TEL600(任意)
                                                   サーバ IP アドレス          192.32.16.109
                          SIP サービス設定              サーバ障害監視タイマー           6秒
                                                   サーバ障害接続先指定            有
                                                   サーバ障害接続先付加数字          1
                                                   パターン番号
                                                   サーバ障害時の迂回方式           パイロット・サーキュラから選択
 回線           回線設定        回線ポート設定                 回線タイプ                 OD-PBX
                          (0 ポート目の設定)             ポート番号                 0/0/0
                                                   Route                  1
                                                   TN                     1
                                                   トランク番号                 800
                                                   Originating Name       800@192.32.16.102
                                                   回線信号                   PB
                                                   回線制御方式                 接続確認(ウィンク)接続




                                            2-41
231-ND2824-000                                                第2章   こんなサービスを行いたい
1.0 版 2009 年 8 月                                                           2.2 設定例



                        メニュー                                                設定値
 回線          回線設定    回線ポート設定              回線タイプ                   OD-PBX
                     (1 ポート目の設定)          ポート番号                   0/0/1
                                           Route                    1
                                           TN                       1
                                           トランク番号                   801
                                           Originating Name         801@192.32.16.102
                                           回線信号                     PB
                                           回線制御方式                   接続確認(ウィンク)接続
                     回線ポート設定              回線タイプ                   OD-PBX
                     (2 ポート目の設定)          ポート番号                   0/0/2
                                           Route                    1
                                           TN                       1
                                           トランク番号                   802
                                           Originating Name         802@192.32.16.102
                                           回線信号                     PB
                                           回線制御方式                   接続確認(ウィンク)接続
                     回線ポート設定              回線タイプ                   OD-PBX
                     (3 ポート目の設定)          ポート番号                   0/0/3
                                           Route                    1
                                           TN                       1
                                           トランク番号                   803
                                           Originating Name         803@192.32.16.102
                                           回線信号                     PB
                                           回線制御方式                   接続確認(ウィンク)接続
 番号計画        番号前翻訳                         先頭桁番号 2                  3
             番号展開    回線⇒SIP 着信             (迂回の選択)                  迂回有
                     (PBX 収容 TEL300 番から    着信展開番号                   2
                     SIP 端末 200 番を呼び出す     1st(サーバ番号)              1
                     場合)                   番号削除                     0
                                           番号付加                     0
                                           2nd(サーバ番号)              2
                     SIP⇒回線発信              (迂回の選択)                  迂回無
                     (SIP 端末から PBX 内線      発信展開番号                   3
                     300 番を呼び出す場合)         Route 番号                 1
                                           番号削除                     0
                                           番号付加                     0
             番号付加                          付加数字パターン番号              1
                                           付加数字                     600
 データセーブ                                  -                        -
 保守機能        再起動                           -                        -




                                    2-42
231-ND2824-000                                                          第2章   こんなサービスを行いたい
1.0 版 2009 年 8 月                                                                     2.2 設定例



[5] SIP⇒回線発信時ポート分け
   SIP サーバーからの受信番号によって、回線ポートを使い分ける場合の設定例です。
   (本設定例では 3XX の場合はポート 0・1、5XX の場合はポート 2・3 を使います。)
   ここでは PBX を 800 局としています。

                   800局                                       SIPサーバー     IP Address:192.32.16.10
                    PBX                                                   ドメイン名:ipmaster.com
                                OD/E&M
                         Route:1
                                  0
                         Route:1
       300番                       1
                         Route:2
                                  2
                         Route:2
       500番                       3

                              0 回線:トランク 1                      SIP端末(200番)
                              1 回線:トランク 2
                              2 回線:トランク 3
                              3 回線:トランク 4
                              IP Address:192.32.16.102
                              Subnet Mask:255.255.255.0
                              default-gateway:192.32.16.254
                              信号方式:WINK/PB

 ※設定の必要な項目のみ記載しています。各入力画面の詳細は“第 3 章”をご確認下さい。
                   メニュー                                                               設定値
 システム         基本設定                                   モデル定義                   OD/E&M
                                                     トランスレータ                  発着統合
 ログアウト                                              -                        -
 ログイン                                               ユーザ名                    necvoipgw
                                                     パスワード                  ipmaster104x
 システム         ネットワーク設定      IP 設定                    IP アドレス                 192.32.16.102
                                                     ネットワークマスク                255.255.255.0
                                                     デフォルトゲートウェイ            192.32.16.254
 SIP          SIP 設定        SIP サーバ情報設定             ドメイン名                   ipmaster.com
                                                     サーバ番号                   1
                                                     サーバ名                    SipServer(任意)
                                                     サーバ IP アドレス            192.32.16.10
 回線           回線設定          回線ポート設定                 回線タイプ                   OD-PBX
                            (0 ポート目の設定)             ポート番号                   0/0/0
                                                     Route                    1
                                                     TN                       1
                                                     トランク番号                   800
                                                     Originating Name         800@192.32.16.102
                                                     回線信号                     PB
                                                     回線制御方式                   接続確認(ウィンク)接続
                            回線ポート設定                 回線タイプ                   OD-PBX
                            (1 ポート目の設定)             ポート番号                   0/0/1
                                                     Route                    1
                                                     TN                       1
                                                     トランク番号                   801
                                                     Originating Name         801@192.32.16.102
                                                     回線信号                     PB
                                                     回線制御方式                   接続確認(ウィンク)接続




                                              2-43
231-ND2824-000                                                第2章   こんなサービスを行いたい
1.0 版 2009 年 8 月                                                           2.2 設定例



                        メニュー                                                設定値
 回線          回線設定    回線ポート設定              回線タイプ                   OD-PBX
                     (2 ポート目の設定)          ポート番号                   0/0/2
                                           Route                    2
                                           TN                       1
                                           トランク番号                   802
                                           Originating Name         802@192.32.16.102
                                           回線信号                     PB
                                           回線制御方式                   接続確認(ウィンク)接続
                     回線ポート設定              回線タイプ                   OD-PBX
                     (3 ポート目の設定)          ポート番号                   0/0/3
                                           Route                    2
                                           TN                       1
                                           トランク番号                   803
                                           Originating Name         803@192.32.16.102
                                           回線信号                     PB
                                           回線制御方式                   接続確認(ウィンク)接続
 番号計画        番号前翻訳                         先頭桁番号 2                  3
             番号展開    回線⇒SIP 着信             (迂回の選択)                  迂回無
                     (PBX 収容 TEL300 番から    着信展開番号                   2
                     SIP 端末 200 番を呼び出す     サーバ番号                   1
                     場合)                   番号削除                     0
                                           番号付加                     0
                     SIP⇒回線発信              (迂回の選択)                  迂回無
                     (SIP 端末から PBX 内線      発信展開番号                   3
                     300 番を呼び出す場合)         Route 番号                 1
                                           番号削除                     0
                                           番号付加                     0
                     SIP⇒回線発信              (迂回の選択)                  迂回無
                     (SIP 端末から PBX 内線      発信展開番号                   5
                     500 番を呼び出す場合)         Route 番号                 2
                                           番号削除                     0
                                           番号付加                     0
 データセーブ                                  -                        -
 保守機能        再起動                           -                        -




                                    2-44
231-ND2824-000                                                           第2章     こんなサービスを行いたい
1.0 版 2009 年 8 月                                                                        2.2 設定例



[6] ODと複数OD間の接続例(スタティック接続)
   対向局から回線話中メッセージ(503 メッセージ)を受信した場合、SIP サーバー迂回機能(回線⇒SIP 着信コマン
   ドで迂回有)を使用し、発信局側から迂回するようにデータを設定します。
   ※サーバ番号は“1~127”の範囲で設定する事ができます。




                                                                                      PBX
                                                              OD-⑥
                   PBX                                            0                             600番
                                OD-③                              1
                                0                                 2
       300番                     1                                 3
                                2
                                3                       IP Address:192.168.1.145
                                                        Subnet Mask:255.255.255.0
                               0 回線:トランク 1              default-gateway:192.168.1.1
                               1 回線:トランク 2
                               2 回線:トランク 3                    OD-⑦
                               3 回線:トランク 4                          0
                   IP Address:192.168.1.142                         1
                   Subnet Mask:255.255.255.0                        2
                   default-gateway:192.168.1.1                      3
                   信号方式:WINK/PB

                                                        IP Address:192.168.1.146
                                                        Subnet Mask:255.255.255.0
                                                        default-gateway:192.168.1.1



 ※設定の必要な項目のみ記載しています。各入力画面の詳細は“第 3 章”をご確認下さい。
 OD/E&M -③側
                   メニュー                                                                  設定値
 システム         基本設定                                      モデル定義                  OD/E&M
                                                        トランスレータ                 発着統合
 ログアウト                                                 -                       -
 ログイン                                                  ユーザ名                   necvoipgw
                                                        パスワード                 ipmaster104x
 システム         ネットワーク設定      IP 設定                       IP アドレス                192.168.1.142
                                                        ネットワークマスク               255.255.255.0
                                                        デフォルトゲートウェイ           192.168.1.1
 SIP          SIP 設定        SIP サーバ情報設定                サーバ番号                  6
                            (OD-⑥の設定)                   サーバ名                   OD-6(任意)
                                                        サーバ IP アドレス           192.168.1.145
                            (OD-⑦の設定)                   サーバ番号                  7
                                                        サーバ名                   OD-7(任意)
                                                        サーバ IP アドレス           192.168.1.146




                                                 2-45
231-ND2824-000                                                  第2章   こんなサービスを行いたい
1.0 版 2009 年 8 月                                                             2.2 設定例



                         メニュー                                                 設定値
 回線          回線設定    回線ポート設定                回線タイプ                   OD-PBX
                     (0 ポート目の設定)            ポート番号                   0/0/0
                                             Route                    1
                                             TN                       1
                                             トランク番号                   800
                                             Originating Name         800@192.168.1.142
                                             回線信号                     PB
                                             回線制御方式                   接続確認(ウィンク)接続
                     回線ポート設定                回線タイプ                   OD-PBX
                     (1 ポート目の設定)            ポート番号                   0/0/1
                                             Route                    1
                                             TN                       1
                                             トランク番号                   801
                                             Originating Name         801@192.168.1.142
                                             回線信号                     PB
                                             回線制御方式                   接続確認(ウィンク)接続
                     回線ポート設定                回線タイプ                   OD-PBX
                     (2 ポート目の設定)            ポート番号                   0/0/2
                                             Route                    1
                                             TN                       1
                                             トランク番号                   802
                                             Originating Name         802@192.168.1.142
                                             回線信号                     PB
                                             回線制御方式                   接続確認(ウィンク)接続
                     回線ポート設定                回線タイプ                   OD-PBX
                     (3 ポート目の設定)            ポート番号                   0/0/3
                                             Route                    1
                                             TN                       1
                                             トランク番号                   803
                                             Originating Name         803@192.168.1.142
                                             回線信号                     PB
                                             回線制御方式                   接続確認(ウィンク)接続
 番号計画        番号前翻訳                           先頭桁番号 6                  3
             番号展開    回線⇒SIP 着信               (迂回の選択)                  迂回有
                     (TEL300 番から TEL600 番    着信展開番号                   6
                     を呼び出す場合)                1st サーバ番号               6
                                             番号削除                     0
                                             番号付加                     0
                                             2nd サーバ番号               7
                     SIP⇒回線発信                (迂回の選択)                  迂回無
                     (TEL600 番から TEL300 番    発信展開番号                   3
                     を呼び出す場合)                Route 番号                 1
                                             番号削除                     0
                                             番号付加                     0
 データセーブ                                    -                        -
 保守機能        再起動                             -                        -




                                      2-46
231-ND2824-000                                                          第2章   こんなサービスを行いたい
1.0 版 2009 年 8 月                                                                     2.2 設定例



[7] SIP⇒回線発信時ルート迂回
   Route:1 が全話中の時に、Route:2 に迂回させる場合の設定例です。
   (本設定例では Route:1(ポート 0・1)が全話中の場合は、Route:2(ポート 2・3)に迂回します。)
   ここでは PBX を 800 局としています。

                   800局                                       SIPサーバー     IP Address:192.32.16.10
                    PBX                                                   ドメイン名:ipmaster.com
                                OD/E&M
                         Route:1
                                  0
                         Route:1
       300番                       1
                         Route:2
                                  2
                         Route:2
       500番                       3

                              0 回線:トランク 1                      SIP端末(200番)
                              1 回線:トランク 2
                              2 回線:トランク 3
                              3 回線:トランク 4
                              IP Address:192.32.16.102
                              Subnet Mask:255.255.255.0
                              default-gateway:192.32.16.254
                              信号方式:WINK/PB

 ※設定の必要な項目のみ記載しています。各入力画面の詳細は“第 3 章”をご確認下さい。
                   メニュー                                                               設定値
 システム         基本設定                                   モデル定義                   OD/E&M
                                                     トランスレータ                  発着統合
 ログアウト                                              -                        -
 ログイン                                               ユーザ名                    necvoipgw
                                                     パスワード                  ipmaster104x
 システム         ネットワーク設定      IP 設定                    IP アドレス                 192.32.16.102
                                                     ネットワークマスク                255.255.255.0
                                                     デフォルトゲートウェイ            192.32.16.254
 SIP          SIP 設定        SIP サーバ情報設定             ドメイン名                   ipmaster.com
                                                     サーバ番号                   1
                                                     サーバ名                    SipServer(任意)
                                                     サーバ IP アドレス            192.32.16.10
 回線           回線設定          回線ポート設定                 回線タイプ                   OD-PBX
                            (0 ポート目の設定)             ポート番号                   0/0/0
                                                     Route                    1
                                                     TN                       1
                                                     トランク番号                   800
                                                     Originating Name         800@192.32.16.102
                                                     回線信号                     PB
                                                     回線制御方式                   接続確認(ウィンク)接続
                            回線ポート設定                 回線タイプ                   OD-PBX
                            (1 ポート目の設定)             ポート番号                   0/0/1
                                                     Route                    1
                                                     TN                       1
                                                     トランク番号                   801
                                                     Originating Name         801@192.32.16.102
                                                     回線信号                     PB
                                                     回線制御方式                   接続確認(ウィンク)接続




                                              2-47
231-ND2824-000                                                第2章   こんなサービスを行いたい
1.0 版 2009 年 8 月                                                           2.2 設定例



                        メニュー                                                設定値
 回線          回線設定    回線ポート設定              回線タイプ                   OD-PBX
                     (2 ポート目の設定)          ポート番号                   0/0/2
                                           Route                    2
                                           TN                       1
                                           トランク番号                   802
                                           Originating Name         802@192.32.16.102
                                           回線信号                     PB
                                           回線制御方式                   接続確認(ウィンク)接続
                     回線ポート設定              回線タイプ                   OD-PBX
                     (3 ポート目の設定)          ポート番号                   0/0/3
                                           Route                    2
                                           TN                       1
                                           トランク番号                   803
                                           Originating Name         803@192.32.16.102
                                           回線信号                     PB
                                           回線制御方式                   接続確認(ウィンク)接続
 番号計画        番号前翻訳                         先頭桁番号 2                  3
             番号展開    回線⇒SIP 着信             (迂回の選択)                  迂回無
                     (PBX 収容 TEL300 番から    着信展開番号                   2
                     SIP 端末 200 番を呼び出す     サーバ番号                   1
                     場合)                   番号削除                     0
                                           番号付加                     0
                     SIP⇒回線発信              (迂回の選択)                  迂回有
                     (SIP 端末から PBX 内線      発信展開番号                   3
                     300 番を呼び出す場合)         1st Route                1
                     (Route1 が全話中の場合       番号削除                     0
                     は Route2 に迂回)         番号付加                     0
                                           2nd Route                2
                                           番号削除                     0
                                           番号付加                     0
                     SIP⇒回線発信              (迂回の選択)                  迂回無
                     (SIP 端末から PBX 内線      発信展開番号                   5
                     500 番を呼び出す場合)         Route 番号                 2
                                           番号削除                     0
                                           番号付加                     0
 データセーブ                                  -                        -
 保守機能        再起動                           -                        -




                                    2-48
231-ND2824-000                                             第2章   こんなサービスを行いたい
1.0 版 2009 年 8 月                                                        2.2 設定例



2.2.4   UNIVERGE IPMASTER-1043A(BRI)…ISDN-NET


[1] SIPサーバー連携-通常設定
   SIPサーバー経由でSIP端末に発着信させる場合(3.2.1 項(            3-9ページ)
                                                      「システム-基本設定」トランスレータで
   “発着統合”を選択)の設定例です。     (ホットライン接続)
   ここでは PBX を 900 局としています。

                   900局                         SIPサーバー     IP Address:192.32.16.10
                    PBX                                     ドメイン名:ipmaster.com
                          ISDN-NET
                             0
     300番                    1
                             2
                             3

                           LINE0:トランク 1                  SIP端末(200番)
                                                                 ~
                                :トランク 2
                           LINE1:トランク 3                  SIP端末(203番)
                                :トランク 4
                           IP Address:192.32.16.103
                           Subnet Mask:255.255.255.0
                           default-gateway:192.32.16.254

 ※設定の必要な項目のみ記載しています。各入力画面の詳細は“第 3 章”をご確認下さい。
                      メニュー                               設定値
 システム   基本設定                  モデル定義           ISDN-NET
                              トランスレータ          発着統合
 ログアウト                       -                -
 ログイン                        ユーザ名            necvoipgw
                              パスワード          ipmaster104x
 システム   ネットワーク設定 IP 設定        IP アドレス         192.32.16.103
                              ネットワークマスク        255.255.255.0
                              デフォルトゲートウェイ    192.32.16.254
 SIP    SIP 設定   SIP サーバ情報設定 ドメイン名           ipmaster.com
                              サーバ番号           1
                              サーバ名            SipServer(任意)
                              サーバ IP アドレス    192.32.16.10
 回線     回線設定     回線ポート設定     回線タイプ           ISDN-NET
                 (0 ポート目の設定) ポート番号           0/0/0
                              Route            1
                              TN               1
                              トランク番号           900
                              情報転送能力           音声
                              Originating Name 900@192.32.16.103
                              回線制御方式           ホットライン接続
                              ホットライン接続電話番号     200@ipmaster.com
                 回線ポート設定     回線タイプ           ISDN-NET
                 (1 ポート目の設定) ポート番号           0/0/1
                              Route            1
                              TN               1
                              トランク番号           900
                              情報転送能力           音声
                              Originating Name 900@192.32.16.103
                              回線制御方式           ホットライン接続
                              ホットライン接続電話番号     201@ipmaster.com

                                         2-49
231-ND2824-000                                           第2章    こんなサービスを行いたい
1.0 版 2009 年 8 月                                                       2.2 設定例



                       メニュー                                             設定値
 回線          回線設定   回線ポート設定              回線タイプ               ISDN-NET
                    (2 ポート目の設定)          ポート番号               0/0/2
                                          Route                1
                                          TN                   1
                                          トランク番号               901
                                          情報転送能力               音声
                                          Originating Name     901@192.32.16.103
                                          回線制御方式               ホットライン接続
                                          ホットライン接続電話番号         202@ipmaster.com
                    回線ポート設定              回線タイプ               ISDN-NET
                    (3 ポート目の設定)          ポート番号               0/0/3
                                          Route                1
                                          TN                   1
                                          トランク番号               901
                                          情報転送能力               音声
                                          Originating Name     901@192.32.16.103
                                          回線制御方式               ホットライン接続
                                          ホットライン接続電話番号         203@ipmaster.com
                    詳細設定                  LINE-0 接続形式          ポイント・ポイント
                                          ※契約内容による             ポイント・マルチポイント
                                                               の選択
                                          LINE-1 接続形式          ポイント・ポイント
                                          ※契約内容による             ポイント・マルチポイント
                                                               の選択
 番号計画        番号展開   回線⇒SIP 着信             (迂回の選択)              迂回無
                    (PBX 収容 TEL300 番から    着信展開番号               2
                    SIP 端末 200 番を呼び出す     サーバ番号               1
                    場合)                   番号削除                 0
                                          番号付加                 0
                    SIP⇒回線発信              (迂回の選択)              迂回無
                    (SIP 端末から PBX 内線      発信展開番号               3
                    300 番を呼び出す場合)         Route 番号             1
                                          番号削除                 0
                                          番号付加                 0
 データセーブ                                 -                    -
 保守機能        再起動                          -                    -




                                   2-50
231-ND2824-000                                                     第2章    こんなサービスを行いたい
1.0 版 2009 年 8 月                                                                 2.2 設定例



[2] SIPサーバー連携-トランスレータ分離
   SIPサーバー経由でSIP端末に発着信させる場合(3.2.1 項(  3-9ページ)「システム-基本設定」トランスレータで
   “発着分離”を選択) の設定例です。    (番号展開を、回線⇒SIP方向はTN[1]、SIP⇒回線方向はTN[2]で登録します。)
   ここでは PBX を 900 局としています。

                   900局                             SIPサーバー         IP Address:192.32.16.10
                    PBX                                             ドメイン名:ipmaster.com
                          ISDN-NET
                             0
       300番                  1
                             2
                             3

                           LINE0:トランク 1                  SIP端末(200番)
                                :トランク 2
                           LINE1:トランク 3
                                :トランク 4
                           IP Address:192.32.16.103
                           Subnet Mask:255.255.255.0
                           default-gateway:192.32.16.254

 ※設定の必要な項目のみ記載しています。各入力画面の詳細は“第 3 章”をご確認下さい。
                   メニュー                                                           設定値
 システム         基本設定                              モデル定義                   ISDN-NET
                                                トランスレータ                  発着分離
 ログアウト                                         -                        -
 ログイン                                          ユーザ名                    necvoipgw
                                                パスワード                  ipmaster104x
 システム         ネットワーク設定    IP 設定                 IP アドレス                 192.32.16.103
                                                ネットワークマスク                255.255.255.0
                                                デフォルトゲートウェイ            192.32.16.254
 SIP          SIP 設定      SIP サーバ情報設定          ドメイン名                   ipmaster.com
                                                サーバ番号                   1
                                                サーバ名                    SipServer(任意)
                                                サーバ IP アドレス            192.32.16.10
 回線           回線設定        回線ポート設定              回線タイプ                   ISDN-NET
                          (0 ポート目の設定)          ポート番号                   0/0/0
                                                Route                    1
                                                TN                       2
                                                トランク番号                   900
                                                情報転送能力                   音声
                                                Originating Name         900@192.32.16.103
                                                回線制御方式                   着信番号接続
                          回線ポート設定              回線タイプ                   ISDN-NET
                          (1 ポート目の設定)          ポート番号                   0/0/1
                                                Route                    1
                                                TN                       2
                                                トランク番号                   900
                                                情報転送能力                   音声
                                                Originating Name         900@192.32.16.103
                                                回線制御方式                   着信番号接続




                                         2-51
231-ND2824-000                                               第2章    こんなサービスを行いたい
1.0 版 2009 年 8 月                                                           2.2 設定例



                       メニュー                                                 設定値
 回線          回線設定   回線ポート設定              回線タイプ                   ISDN-NET
                    (2 ポート目の設定)          ポート番号                   0/0/2
                                          Route                    1
                                          TN                       2
                                          トランク番号                   901
                                          情報転送能力                   音声
                                          Originating Name         901@192.32.16.103
                                          回線制御方式                   着信番号接続
                    回線ポート設定              回線タイプ                   ISDN-NET
                    (3 ポート目の設定)          ポート番号                   0/0/3
                                          Route                    1
                                          TN                       2
                                          トランク番号                   901
                                          情報転送能力                   音声
                                          Originating Name         901@192.32.16.103
                                          回線制御方式                   着信番号接続
                    詳細設定                  LINE-0 接続形式              ポイント・ポイント
                                          ※契約内容による                 ポイント・マルチポイント
                                                                   の選択
                                          LINE-1 接続形式              ポイント・ポイント
                                          ※契約内容による                 ポイント・マルチポイント
                                                                   の選択
 番号計画        番号展開   回線⇒SIP 着信             (迂回の選択)                  迂回無
                    (PBX 収容 TEL300 番から    着信展開番号                   2
                    SIP 端末 200 番を呼び出す     サーバ番号                   1
                    場合)                   番号削除                     0
                                          番号付加                     0
                    SIP⇒回線発信              (迂回の選択)                  迂回無
                    (SIP 端末から PBX 内線      発信展開番号                   3
                    300 番を呼び出す場合)         Route 番号                 1
                                          番号削除                     0
                                          番号付加                     0
 データセーブ                                 -                        -
 保守機能        再起動                          -                        -




                                   2-52
231-ND2824-000                                                        第2章    こんなサービスを行いたい
1.0 版 2009 年 8 月                                                                    2.2 設定例



[3] スタティック接続(ISDN-NET-FXO)
   SIP サーバーを経由(使用)せず、直接接続相手に発着信させる場合の設定例です。
   (ISDN-NET から FO/FXO へ発信する場合の番号計画を“03-1234-XXXX”とした場合の設定例です。)
   ここでは PBX を 900 局としています。
   ※サーバ番号は“1~127”の範囲で設定する事ができます。

                   900局                               FO/FXO-③
                    PBX                                   0
                          ISDN-NET-⑤                      1                       PSTN網
                              0                           2
       300番                   1                           3
                              2
                              3                    IP Address:192.168.1.141
                                                   Subnet Mask:255.255.255.0
                            LINE0:トランク 1           default-gateway:192.168.1.1
                                 :トランク 2
                            LINE1:トランク 3
                                 :トランク 4
                            IP Address:192.168.1.143
                            Subnet Mask:255.255.255.0
                            default-gateway:192.168.1.1

 ※設定の必要な項目のみ記載しています。各入力画面の詳細は“第 3 章”をご確認下さい。
 ISDN-NET-⑤側
                   メニュー                                                              設定値
 システム         基本設定                                 モデル定義                   ISDN-NET
                                                   トランスレータ                  発着統合
 ログアウト                                            -                        -
 ログイン                                             ユーザ名                    necvoipgw
                                                   パスワード                  ipmaster104x
 システム         ネットワーク設定     IP 設定                   IP アドレス                 192.168.1.143
                                                   ネットワークマスク                255.255.255.0
                                                   デフォルトゲートウェイ            192.168.1.1
 SIP          SIP 設定       SIP サーバ情報設定            ドメイン名                   ipmaster.com
                                                   サーバ番号                   3
                                                   サーバ名                    FXO-3(任意)
                                                   サーバ IP アドレス            192.168.1.141
 回線           回線設定         回線ポート設定                回線タイプ                   ISDN-NET
                           (0 ポート目の設定)            ポート番号                   0/0/0
                                                   Route                    1
                                                   TN                       1
                                                   トランク番号                   900
                                                   情報転送能力                   音声
                                                   Originating Name         900@192.168.1.143
                                                   回線制御方式                   着信番号接続
                           回線ポート設定                回線タイプ                   ISDN-NET
                           (1 ポート目の設定)            ポート番号                   0/0/1
                                                   Route                    1
                                                   TN                       1
                                                   トランク番号                   900
                                                   情報転送能力                   音声
                                                   Originating Name         900@192.168.1.143
                                                   回線制御方式                   着信番号接続




                                            2-53
231-ND2824-000                                                第2章    こんなサービスを行いたい
1.0 版 2009 年 8 月                                                            2.2 設定例



                        メニュー                                                 設定値
 回線          回線設定   回線ポート設定               回線タイプ                   ISDN-NET
                    (2 ポート目の設定)           ポート番号                   0/0/2
                                           Route                    1
                                           TN                       1
                                           トランク番号                   901
                                           情報転送能力                   音声
                                           Originating Name         901@192.168.1.143
                                           回線制御方式                   着信番号接続
                    回線ポート設定               回線タイプ                   ISDN-NET
                    (3 ポート目の設定)           ポート番号                   0/0/3
                                           Route                    1
                                           TN                       1
                                           トランク番号                   901
                                           情報転送能力                   音声
                                           Originating Name         901@192.168.1.143
                                           回線制御方式                   着信番号接続
                    詳細設定                   LINE-0 接続形式              ポイント・ポイント
                                           ※契約内容による                 ポイント・マルチポイント
                                                                    の選択
                                           LINE-1 接続形式              ポイント・ポイント
                                           ※契約内容による                 ポイント・マルチポイント
                                                                    の選択
 番号計画        番号展開   回線⇒SIP 着信              (迂回の選択)                  迂回無
                    (PBX 収容 TEL300 番から     着信展開番号                   03
                    FXO 側 PSTN 網           サーバ番号                   3
                    (03-1234-XXXX)を呼び出     番号削除                     0
                    す場合)                   番号付加                     0
                    SIP⇒回線発信               (迂回の選択)                  迂回無
                    (FXO 側 PSTN 網から PBX    発信展開番号                   3
                    内線 300 番を呼び出す場         Route 番号                 1
                    合)                     番号削除                     0
                                           番号付加                     0
 データセーブ                                  -                        -
 保守機能        再起動                           -                        -




                                    2-54
231-ND2824-000                                                     第2章     こんなサービスを行いたい
1.0 版 2009 年 8 月                                                                  2.2 設定例



[4] サーバー障害時接続先指定
   SIP サーバーに障害が発生した時に、直接 SIP 端末に接続する場合の設定例です。
   (SIP サーバーの障害時に、SIP 端末 600 番に直接接続する設定例です。)
   ここでは PBX を 900 局としています。

                   900局                                 SIPサーバー       IP Address:192.32.16.10
                    PBX                                               ドメイン名:ipmaster.com
                          ISDN-NET                  ×
                             0
       300番                  1
                             2
                             3                           SIP端末(200番)

                           0 回線:トランク 1                   SIP端末(600番)
                           1 回線:トランク 2                   (非常用受付電話機)
                           2 回線:トランク 3                   IP Address : 192.32.16.109
                           3 回線:トランク 4
                           IP Address:192.32.16.103
                           Subnet Mask:255.255.255.0
                           default-gateway:192.32.16.254

 ※設定の必要な項目のみ記載しています。各入力画面の詳細は“第 3 章”をご確認下さい。
                   メニュー                                                               設定値
 システム         基本設定                                 モデル定義                 ISDN-NET
                                                   トランスレータ                発着統合
 ログアウト                                            -                      -
 ログイン                                             ユーザ名                  necvoipgw
                                                   パスワード                ipmaster104x
 システム         ネットワーク設定    IP 設定                    IP アドレス               192.32.16.103
                                                   ネットワークマスク              255.255.255.0
                                                   デフォルトゲートウェイ          192.32.16.254
 SIP          SIP 設定      SIP サーバ情報設定             ドメイン名                 ipmaster.com
                                                   サーバ番号                 1
                                                   サーバ名                  SipServer(任意)
                                                   サーバ IP アドレス          192.32.16.10
                          (非常用受付電話機)               サーバ番号                 2
                                                   サーバ名                  TEL600(任意)
                                                   サーバ IP アドレス          192.32.16.109
                          SIP サービス設定              サーバ障害監視タイマー           6秒
                                                   サーバ障害接続先指定            有
                                                   サーバ障害接続先付加数字          1
                                                   パターン番号
                                                   サーバ障害時の迂回方式           パイロット・サーキュラから選択
 回線           回線設定        回線ポート設定                 回線タイプ                 ISDN-NET
                          (0 ポート目の設定)             ポート番号                 0/0/0
                                                   Route                  1
                                                   TN                     1
                                                   トランク番号                 900
                                                   情報転送能力                 音声
                                                   Originating Name       900@192.32.16.103
                                                   回線制御方式                 着信番号接続




                                            2-55
231-ND2824-000                                               第2章    こんなサービスを行いたい
1.0 版 2009 年 8 月                                                           2.2 設定例



                       メニュー                                                 設定値
 回線          回線設定   回線ポート設定              回線タイプ                   ISDN-NET
                    (1 ポート目の設定)          ポート番号                   0/0/1
                                          Route                    1
                                          TN                       1
                                          トランク番号                   900
                                          情報転送能力                   音声
                                          Originating Name         900@192.32.16.103
                                          回線制御方式                   着信番号接続
                    回線ポート設定              回線タイプ                   ISDN-NET
                    (2 ポート目の設定)          ポート番号                   0/0/2
                                          Route                    1
                                          TN                       1
                                          トランク番号                   901
                                          情報転送能力                   音声
                                          Originating Name         901@192.32.16.103
                                          回線制御方式                   着信番号接続
                    回線ポート設定              回線タイプ                   ISDN-NET
                    (3 ポート目の設定)          ポート番号                   0/0/3
                                          Route                    1
                                          TN                       1
                                          トランク番号                   901
                                          情報転送能力                   音声
                                          Originating Name         901@192.32.16.103
                                          回線制御方式                   着信番号接続
                    詳細設定                  LINE-0 接続形式              ポイント・ポイント
                                          ※契約内容による                 ポイント・マルチポイント
                                                                   の選択
                                          LINE-1 接続形式              ポイント・ポイント
                                          ※契約内容による                 ポイント・マルチポイント
                                                                   の選択
 番号計画        番号展開   回線⇒SIP 着信             (迂回の選択)                  迂回有
                    (PBX 収容 TEL300 番から    着信展開番号                   2
                    SIP 端末 200 番を呼び出す     1st(サーバ番号)              1
                    場合)                   番号削除                     0
                                          番号付加                     0
                                          2nd(サーバ番号)              2
                    SIP⇒回線発信              (迂回の選択)                  迂回無
                    (SIP 端末から PBX 内線      発信展開番号                   3
                    300 番を呼び出す場合)         Route 番号                 1
                                          番号削除                     0
                                          番号付加                     0
             番号付加                         付加数字パターン番号              1
                                          付加数字                     600
 データセーブ                                 -                        -
 保守機能        再起動                          -                        -




                                   2-56
231-ND2824-000                                                          第2章    こんなサービスを行いたい
1.0 版 2009 年 8 月                                                                      2.2 設定例



[5] SIP⇒回線発信時ポート分け
   SIP サーバーからの受信番号によって、回線ポートを使い分ける場合の設定例です。
   (本設定例では 300 番の場合はポート 0・1、500 番の場合はポート 2・3 を使います。)
   ここでは PBX を 900 局としています。

                   900局                                   SIPサーバー        IP Address:192.32.16.10
                    PBX                                                  ドメイン名:ipmaster.com
                                ISDN-NET
                         Route:1
                                  0
                         Route:1
       300番                       1
                         Route:2
                                  2
                         Route:2
       500番                       3

                              LINE0:トランク 1                      SIP端末(200番)
                                   :トランク 2
                              LINE1:トランク 3
                                   :トランク 4
                              IP Address:192.32.16.103
                              Subnet Mask:255.255.255.0
                              default-gateway:192.32.16.254

 ※設定の必要な項目のみ記載しています。各入力画面の詳細は“第 3 章”をご確認下さい。
                   メニュー                                                                設定値
 システム         基本設定                                   モデル定義                   ISDN-NET
                                                     トランスレータ                  発着統合
 ログアウト                                              -                        -
 ログイン                                               ユーザ名                    necvoipgw
                                                     パスワード                  ipmaster104x
 システム         ネットワーク設定      IP 設定                    IP アドレス                 192.32.16.103
                                                     ネットワークマスク                255.255.255.0
                                                     デフォルトゲートウェイ            192.32.16.254
 SIP          SIP 設定        SIP サーバ情報設定             ドメイン名                   ipmaster.com
                                                     サーバ番号                   1
                                                     サーバ名                    SipServer(任意)
                                                     サーバ IP アドレス            192.32.16.10
 回線           回線設定          回線ポート設定                 回線タイプ                   ISDN-NET
                            (0 ポート目の設定)             ポート番号                   0/0/0
                                                     Route                    1
                                                     TN                       1
                                                     トランク番号                   900
                                                     情報転送能力                   音声
                                                     Originating Name         900@192.32.16.103
                                                     回線制御方式                   着信番号接続
                            回線ポート設定                 回線タイプ                   ISDN-NET
                            (1 ポート目の設定)             ポート番号                   0/0/1
                                                     Route                    1
                                                     TN                       1
                                                     トランク番号                   900
                                                     情報転送能力                   音声
                                                     Originating Name         900@192.32.16.103
                                                     回線制御方式                   着信番号接続




                                              2-57
231-ND2824-000                                                第2章    こんなサービスを行いたい
1.0 版 2009 年 8 月                                                            2.2 設定例



                        メニュー                                                 設定値
 回線          回線設定   回線ポート設定               回線タイプ                   ISDN-NET
                    (2 ポート目の設定)           ポート番号                   0/0/2
                                           Route                    2
                                           TN                       1
                                           トランク番号                   901
                                           情報転送能力                   音声
                                           Originating Name         901@192.32.16.103
                                           回線制御方式                   着信番号接続
                    回線ポート設定               回線タイプ                   ISDN-NET
                    (3 ポート目の設定)           ポート番号                   0/0/3
                                           Route                    2
                                           TN                       1
                                           トランク番号                   901
                                           情報転送能力                   音声
                                           Originating Name         901@192.32.16.103
                                           回線制御方式                   着信番号接続
                    詳細設定                   LINE-0 接続形式              ポイント・ポイント
                                           ※契約内容による                 ポイント・マルチポイント
                                                                    の選択
                                           LINE-1 接続形式              ポイント・ポイント
                                           ※契約内容による                 ポイント・マルチポイント
                                                                    の選択
 番号計画        番号展開   回線⇒SIP 着信              (迂回の選択)                  迂回無
                    (PBX 収容内線 300 番、500    着信展開番号                   2
                    番から SIP 端末 200 番を      サーバ番号                   1
                    呼び出す場合)                番号削除                     0
                                           番号付加                     0
                    SIP⇒回線発信               (迂回の選択)                  迂回無
                    (SIP 端末から PBX 内線       発信展開番号                   3
                    300 番を呼び出す場合)          Route 番号                 1
                                           番号削除                     0
                                           番号付加                     0
                    SIP⇒回線発信               (迂回の選択)                  迂回無
                    (SIP 端末から PBX 内線       発信展開番号                   5
                    500 番を呼び出す場合)          Route 番号                 2
                                           番号削除                     0
                                           番号付加                     0
 データセーブ                                  -                        -
 保守機能        再起動                           -                        -




                                    2-58
231-ND2824-000                                                          第2章    こんなサービスを行いたい
1.0 版 2009 年 8 月                                                                      2.2 設定例



[6] SIP⇒回線発信時ルート迂回
   Route:1 が全話中の時に、Route:2 に迂回させる場合の設定例です。
   (本設定例では Route:1(ポート 0・1)が全話中の場合は、Route:2(ポート 2・3)に迂回します。)
   ここでは PBX を 900 局としています。

                   900局                                   SIPサーバー        IP Address:192.32.16.10
                    PBX                                                  ドメイン名:ipmaster.com
                                ISDN-NET
                         Route:1
                                  0
                         Route:1
       300番                       1
                         Route:2
                                  2
                         Route:2
       500番                       3

                              LINE0:トランク 1                      SIP端末(200番)
                                   :トランク 2
                              LINE1:トランク 3
                                   :トランク 4
                              IP Address:192.32.16.103
                              Subnet Mask:255.255.255.0
                              default-gateway:192.32.16.254

 ※設定の必要な項目のみ記載しています。各入力画面の詳細は“第 3 章”をご確認下さい。
                   メニュー                                                                設定値
 システム         基本設定                                   モデル定義                   ISDN-NET
                                                     トランスレータ                  発着統合
 ログアウト                                              -                        -
 ログイン                                               ユーザ名                    necvoipgw
                                                     パスワード                  ipmaster104x
 システム         ネットワーク設定      IP 設定                    IP アドレス                 192.32.16.103
                                                     ネットワークマスク                255.255.255.0
                                                     デフォルトゲートウェイ            192.32.16.254
 SIP          SIP 設定        SIP サーバ情報設定             ドメイン名                   ipmaster.com
                                                     サーバ番号                   1
                                                     サーバ名                    SipServer(任意)
                                                     サーバ IP アドレス            192.32.16.10
 回線           回線設定          回線ポート設定                 回線タイプ                   ISDN-NET
                            (0 ポート目の設定)             ポート番号                   0/0/0
                                                     Route                    1
                                                     TN                       1
                                                     トランク番号                   900
                                                     情報転送能力                   音声
                                                     Originating Name         900@192.32.16.103
                                                     回線制御方式                   着信番号接続
                            回線ポート設定                 回線タイプ                   ISDN-NET
                            (1 ポート目の設定)             ポート番号                   0/0/1
                                                     Route                    1
                                                     TN                       1
                                                     トランク番号                   900
                                                     情報転送能力                   音声
                                                     Originating Name         900@192.32.16.103
                                                     回線制御方式                   着信番号接続




                                              2-59
231-ND2824-000                                                第2章    こんなサービスを行いたい
1.0 版 2009 年 8 月                                                            2.2 設定例



                        メニュー                                                 設定値
 回線          回線設定   回線ポート設定               回線タイプ                   ISDN-NET
                    (2 ポート目の設定)           ポート番号                   0/0/2
                                           Route                    2
                                           TN                       1
                                           トランク番号                   901
                                           情報転送能力                   音声
                                           Originating Name         901@192.32.16.103
                                           回線制御方式                   着信番号接続
                    回線ポート設定               回線タイプ                   ISDN-NET
                    (3 ポート目の設定)           ポート番号                   0/0/3
                                           Route                    2
                                           TN                       1
                                           トランク番号                   901
                                           情報転送能力                   音声
                                           Originating Name         901@192.32.16.103
                                           回線制御方式                   着信番号接続
                    詳細設定                   LINE-0 接続形式              ポイント・ポイント
                                           ※契約内容による                 ポイント・マルチポイント
                                                                    の選択
                                           LINE-1 接続形式              ポイント・ポイント
                                           ※契約内容による                 ポイント・マルチポイント
                                                                    の選択
 番号計画        番号展開   回線⇒SIP 着信              (迂回の選択)                  迂回無
                    (PBX 収容内線 300 番、500    着信展開番号                   2
                    番から SIP 端末 200 番を      サーバ番号                   1
                    呼び出す場合)                番号削除                     0
                                           番号付加                     0
                    SIP⇒回線発信               (迂回の選択)                  迂回有
                    (SIP 端末から PBX 内線       発信展開番号                   3
                    300 番を呼び出す場合)          1st Route                1
                    (Route1 が全話中の場合        番号削除                     0
                    は Route2 に迂回)          番号付加                     0
                                           2nd Route                2
                                           番号削除                     0
                                           番号付加                     0
                    SIP⇒回線発信               (迂回の選択)                  迂回無
                    (SIP 端末から PBX 内線       発信展開番号                   5
                    500 番を呼び出す場合)          Route 番号                 2
                                           番号削除                     0
                                           番号付加                     0
 データセーブ                                  -                        -
 保守機能        再起動                           -                        -




                                    2-60
231-ND2824-000                                               第2章   こんなサービスを行いたい
1.0 版 2009 年 8 月                                                          2.2 設定例



2.2.5   UNIVERGE IPMASTER-1043A(BRI)…ISDN-USER
 ※PSTN 網から受信するダイヤルイン番号は回線契約によって『市外局番が含まれない』パターンと『市外局番が含ま
  れる』パターンの 2 種類あります。本設定例では、       『市外局番が含まれない』パターンで説明します。
    例)PSTN 網から“04-7101-1000”をダイヤルした時に、『市外局番が含まれない』場合は“7101-1000”を受信し
        ます。


[1] SIPサーバー連携-通常設定
   SIPサーバー経由でSIP端末に発着信させる場合(3.2.1 項(              3-9ページ)
                                                        「システム-基本設定」トランスレータで
   “発着統合”を選択)の設定例です。
                                                  SIPサーバー    IP Address:192.32.16.10
                                                             ドメイン名:ipmaster.com
              契約回線番号         ISDN-USER
              04-7101-1000      0
 PSTN網                          1
              04-7101-1001      2
                                3

                              LINE0 :トランク 1                 SIP端末(5000番)
                                    :トランク 2
                              LINE1 :トランク 3
                                    :トランク 4
                              IP Address:192.32.16.104
                              Subnet Mask:255.255.255.0
                              default-gateway:192.32.16.254

 ※設定の必要な項目のみ記載しています。各入力画面の詳細は“第 3 章”をご確認下さい。
                      メニュー                               設定値
 システム   基本設定                  モデル定義           ISDN-USER
                              トランスレータ          発着統合
 ログアウト                       -                -
 ログイン                        ユーザ名            necvoipgw
                              パスワード          ipmaster104x
 システム   ネットワーク設定 IP 設定        IP アドレス         192.32.16.104
                              ネットワークマスク        255.255.255.0
                              デフォルトゲートウェイ    192.32.16.254
 SIP    SIP 設定   SIP サーバ情報設定 ドメイン名           ipmaster.com
                              サーバ番号           1
                              サーバ名            SipServer(任意)
                              サーバ IP アドレス    192.32.16.10
 回線     回線設定     回線ポート設定     回線タイプ           ISDN-USER
                 (0 ポート目の設定) ポート番号           0/0/0
                              Route            1
                              TN               1
                              トランク番号           0471011000
                              情報転送能力           音声
                              Originating Name 0471011000@192.32.16.104
                              回線制御方式           着信番号接続
                 回線ポート設定     回線タイプ           ISDN-USER
                 (1 ポート目の設定) ポート番号           0/0/1
                              Route            1
                              TN               1
                              トランク番号           0471011000
                              情報転送能力           音声
                              Originating Name 0471011000@192.32.16.104
                              回線制御方式           着信番号接続

                                           2-61
231-ND2824-000                                                第2章    こんなサービスを行いたい
1.0 版 2009 年 8 月                                                            2.2 設定例



                        メニュー                                                 設定値
 回線          回線設定    回線ポート設定              回線タイプ                   ISDN-USER
                     (2 ポート目の設定)          ポート番号                   0/0/2
                                           Route                    1
                                           TN                       1
                                           トランク番号                   0471011001
                                           情報転送能力                   音声
                                           Originating Name         0471011001@192.32.16.104
                                           回線制御方式                   着信番号接続
                     回線ポート設定              回線タイプ                   ISDN-USER
                     (3 ポート目の設定)          ポート番号                   0/0/3
                                           Route                    1
                                           TN                       1
                                           トランク番号                   0471011001
                                           情報転送能力                   音声
                                           Originating Name         0471011001@192.32.16.104
                                           回線制御方式                   着信番号接続
                     詳細設定                  LINE-0 接続形式              ポイント・ポイント
                                           ※契約内容による                 ポイント・マルチポイント
                                                                    の選択
                                           LINE-1 接続形式              ポイント・ポイント
                                           ※契約内容による                 ポイント・マルチポイント
                                                                    の選択
 番号計画        番号前翻訳                         先頭桁番号 7                  8
             番号展開    回線⇒SIP 着信             (迂回の選択)                  迂回無
                     (PSTN 網から SIP 端末      着信展開番号                   7101
                     5000 番を呼び出す場合)        サーバ番号                   1
                                           番号削除                     8(全桁削除)
                                           番号付加                     1
                     SIP⇒回線発信              (迂回の選択)                  迂回無
                     (SIP 端末から PSTN 網      発信展開番号                   03
                     (03-1234-XXXX)を呼び出    Route 番号                 1
                     す場合)                  番号削除                     0
                                           番号付加                     0
             番号付加                          付加数字パターン番号              1
                                           付加数字                     5000
 データセーブ                                  -                        -
 保守機能        再起動                           -                        -




                                    2-62
231-ND2824-000                                                    第2章     こんなサービスを行いたい
1.0 版 2009 年 8 月                                                                 2.2 設定例



[2] SIPサーバー連携-トランスレータ分離
   SIPサーバー経由でSIP端末に発着信させる場合(3.2.1 項(  3-9ページ)
                                            「システム-基本設定」トランスレータで
   “発着分離” を選択)の設定例です。(ホットライン接続)   (番号展開を、 回線⇒SIP方向はTN[1]、SIP⇒回線方向はTN[2]
   で登録します。 )

                                                       SIPサーバー        IP Address:192.32.16.10
                                                                      ドメイン名:ipmaster.com
              契約回線番号         ISDN-USER
              04-7101-1000       0
 PSTN網                           1
              04-7101-1001       2
                                 3                          SIP端末(5000番)
                                                        ~

                                LINE0 :トランク 1                 SIP端末(5003番)
                                      :トランク 2
                                LINE1 :トランク 3
                                      :トランク 4
                                IP Address:192.32.16.104
                                Subnet Mask:255.255.255.0
                                default-gateway:192.32.16.254

 ※設定の必要な項目のみ記載しています。各入力画面の詳細は“第 3 章”をご確認下さい。
                   メニュー                                                            設定値
 システム        基本設定                                  モデル定義                ISDN-USER
                                                   トランスレータ               発着分離
 ログアウト                                            -                     -
 ログイン                                             ユーザ名                 necvoipgw
                                                   パスワード               ipmaster104x
 システム        ネットワーク設定        IP 設定                 IP アドレス              192.32.16.104
                                                   ネットワークマスク             255.255.255.0
                                                   デフォルトゲートウェイ         192.32.16.254
 SIP         SIP 設定          SIP サーバ情報設定          ドメイン名                ipmaster.com
                                                   サーバ番号                1
                                                   サーバ名                 SipServer(任意)
                                                   サーバ IP アドレス         192.32.16.10
 回線          回線設定            回線ポート設定              回線タイプ                ISDN-USER
                             (0 ポート目の設定)          ポート番号                0/0/0
                                                   Route                 1
                                                   TN                    2
                                                   トランク番号                0471011000
                                                   情報転送能力                音声
                                                   Originating Name      0471011000@192.32.16.104
                                                   回線制御方式                ホットライン接続
                                                   ホットライン接続電話番号          5000@ipmaster.com
                             回線ポート設定              回線タイプ                ISDN-USER
                             (1 ポート目の設定)          ポート番号                0/0/1
                                                   Route                 1
                                                   TN                    2
                                                   トランク番号                0471011000
                                                   情報転送能力                音声
                                                   Originating Name      0471011000@192.32.16.104
                                                   回線制御方式                ホットライン接続
                                                   ホットライン接続電話番号          5001@ipmaster.com




                                            2-63
231-ND2824-000                                            第2章    こんなサービスを行いたい
1.0 版 2009 年 8 月                                                        2.2 設定例



                        メニュー                                             設定値
 回線          回線設定    回線ポート設定              回線タイプ               ISDN-USER
                     (2 ポート目の設定)          ポート番号               0/0/2
                                           Route                1
                                           TN                   2
                                           トランク番号               0471011001
                                           情報転送能力               音声
                                           Originating Name     0471011001@192.32.16.104
                                           回線制御方式               ホットライン接続
                                           ホットライン接続電話番号         5002@ipmaster.com
                     回線ポート設定              回線タイプ               ISDN-USER
                     (3 ポート目の設定)          ポート番号               0/0/3
                                           Route                1
                                           TN                   2
                                           トランク番号               0471011001
                                           情報転送能力               音声
                                           Originating Name     0471011001@192.32.16.104
                                           回線制御方式               ホットライン接続
                                           ホットライン接続電話番号         5003@ipmaster.com
                     詳細設定                  LINE-0 接続形式          ポイント・ポイント
                                           ※契約内容による             ポイント・マルチポイント
                                                                の選択
                                           LINE-1 接続形式          ポイント・ポイント
                                           ※契約内容による             ポイント・マルチポイント
                                                                の選択
 番号計画        番号前翻訳                         先頭桁番号 5              4
             番号展開    回線⇒SIP 着信             (迂回の選択)              迂回無
                     (PSTN 網から SIP 端末      着信展開番号               5
                     5000 番を呼び出す場合)        サーバ番号               1
                                           番号削除                 0
                                           番号付加                 0
                     SIP⇒回線発信              (迂回の選択)              迂回無
                     (SIP 端末から PSTN 網      発信展開番号               03
                     (03-1234-XXXX)を呼び出    Route 番号             1
                     す場合)                  番号削除                 0
                                           番号付加                 0
 データセーブ                                  -                    -
 保守機能        再起動                           -                    -




                                    2-64
231-ND2824-000                                                          第2章    こんなサービスを行いたい
1.0 版 2009 年 8 月                                                                      2.2 設定例



[3] スタティック接続(ISDN-USER-FXO)
   SIP サーバーを経由(使用)せず、直接接続相手に発着信させる場合の設定例です。
   (ISDN-USER から FO/FXO へ発信する場合の番号計画を“03-1234-XXXX”とした場合の設定例です。)
   ※サーバ番号は“1~127”の範囲で設定する事ができます。



                                                              FO/FXO-④
                                                                   0
              契約回線番号         ISDN-USER-⑥                           1                        PSTN網
              04-7101-1000       0                                 2
 PSTN網                           1                                 3
              04-7101-1001       2
                                 3                     IP Address : 192.168.1.141
                                                       Subnet Mask : 255.255.255.0
                                LINE0 :トランク 1          default-gateway : 192.168.1.1
                                      :トランク 2
                                LINE1 :トランク 3
                                      :トランク 4
                                IP Address:192.168.1.144
                                Subnet Mask:255.255.255.0
                                default-gateway:192.168.1.1

   ※設定の必要な項目のみ記載しています。各入力画面の詳細は“第 3 章”をご確認下さい。
   ISDN-USER-⑥側
                    メニュー                                                               設定値
 システム        基本設定                                    モデル定義                   ISDN-USER
                                                     トランスレータ                  発着統合
 ログアウト                                              -                        -
 ログイン                                               ユーザ名                    necvoipgw
                                                     パスワード                  ipmaster104x
 システム        ネットワーク設定        IP 設定                   IP アドレス                 192.168.1.144
                                                     ネットワークマスク                255.255.255.0
                                                     デフォルトゲートウェイ            192.168.1.1
 SIP         SIP 設定          SIP サーバ情報設定            ドメイン名                   ipmaster.com
                                                     サーバ番号                   4
                                                     サーバ名                    FXO-4(任意)
                                                     サーバ IP アドレス            192.168.1.141
 回線          回線設定            回線ポート設定                回線タイプ                   ISDN-USER
                             (0 ポート目の設定)            ポート番号                   0/0/0
                                                     Route                    1
                                                     TN                       1
                                                     トランク番号                   0471011000
                                                     情報転送能力                   音声
                                                     Originating Name         0471011000@192.168.1.144
                                                     回線制御方式                   着信番号接続
                             回線ポート設定                回線タイプ                   ISDN-USER
                             (1 ポート目の設定)            ポート番号                   0/0/1
                                                     Route                    1
                                                     TN                       1
                                                     トランク番号                   0471011000
                                                     情報転送能力                   音声
                                                     Originating Name         0471011000@192.168.1.144
                                                     回線制御方式                   着信番号接続




                                              2-65
231-ND2824-000                                                   第2章    こんなサービスを行いたい
1.0 版 2009 年 8 月                                                               2.2 設定例



                         メニュー                                                   設定値
 回線          回線設定    回線ポート設定                 回線タイプ                   ISDN-USER
                     (2 ポート目の設定)             ポート番号                   0/0/2
                                              Route                    1
                                              TN                       1
                                              トランク番号                   0471011001
                                              情報転送能力                   音声
                                              Originating Name         0471011001@192.168.1.144
                                              回線制御方式                   着信番号接続
                     回線ポート設定                 回線タイプ                   ISDN-USER
                     (3 ポート目の設定)             ポート番号                   0/0/3
                                              Route                    1
                                              TN                       1
                                              トランク番号                   0471011001
                                              情報転送能力                   音声
                                              Originating Name         0471011001@192.168.1.144
                                              回線制御方式                   着信番号接続
                     詳細設定                     LINE-0 接続形式              ポイント・ポイント
                                              ※契約内容による                 ポイント・マルチポイント
                                                                       の選択
                                              LINE-1 接続形式              ポイント・ポイント
                                              ※契約内容による                 ポイント・マルチポイント
                                                                       の選択
 番号計画        番号前翻訳                            先頭桁番号 7                  8
             番号展開    回線⇒SIP 着信                (迂回の選択)                  迂回無
                     (BRI 側 PSTN 網から FXO      着信展開番号                   7101
                     側 PSTN 網(04-7102-1000)   サーバ番号                   4
                     を呼び出す場合)                 番号削除                     8(全桁削除)
                                              番号付加                     1
                     SIP⇒回線発信                 (迂回の選択)                  迂回無
                     (FXO 側 PSTN 網から BRI      発信展開番号                   04
                     側 PSTN 網(04-7185-XXXX)   Route 番号                 1
                     を呼び出す場合)                 番号削除                     0
                                              番号付加                     0
             番号付加                             付加数字パターン番号              1
                                              付加数字                     0471021000
 データセーブ                                     -                        -
 保守機能        再起動                              -                        -




                                       2-66
231-ND2824-000                                                        第2章     こんなサービスを行いたい
1.0 版 2009 年 8 月                                                                     2.2 設定例



[4] サーバー障害時接続先指定
   SIP サーバーに障害が発生した時に、直接 SIP 端末に接続する場合の設定例です。
   (SIP サーバーの障害時に、SIP 端末 6000 番に直接接続する設定例です。)

                                                            SIPサーバー      IP Address:192.32.16.10
                                                                         ドメイン名:ipmaster.com
              契約回線番号         ISDN-USER                  ×
              04-7101-1000       0
 PSTN網                           1
              04-7101-1001       2
                                 3                            SIP端末(5000番)

                               LINE0 :トランク 1                 SIP端末(6000番)
                                     :トランク 2                 (非常用受付電話機)
                               LINE1 :トランク 3                 IP Address : 192.32.16.109
                                     :トランク 4
                               IP Address:192.32.16.104
                               Subnet Mask:255.255.255.0
                               default-gateway:192.32.16.254

   ※設定の必要な項目のみ記載しています。各入力画面の詳細は“第 3 章”をご確認下さい。
                    メニュー                                                                  設定値
 システム        基本設定                                      モデル定義                ISDN-USER
                                                       トランスレータ               発着統合
 ログアウト                                                -                     -
 ログイン                                                 ユーザ名                 necvoipgw
                                                       パスワード               ipmaster104x
 システム        ネットワーク設定         IP 設定                    IP アドレス              192.32.16.104
                                                       ネットワークマスク             255.255.255.0
                                                       デフォルトゲートウェイ         192.32.16.254
 SIP         SIP 設定           SIP サーバ情報設定             ドメイン名                ipmaster.com
                                                       サーバ番号                1
                                                       サーバ名                 SipServer(任意)
                                                       サーバ IP アドレス         192.32.16.10
                              (非常用受付電話機)               サーバ番号                2
                                                       サーバ名                 TEL6000(任意)
                                                       サーバ IP アドレス         192.32.16.109
                              SIP サービス設定              サーバ障害監視タイマー          6秒
                                                       サーバ障害接続先指定           有
                                                       サーバ障害接続先付加数字         2
                                                       パターン番号
                                                       サーバ障害時の迂回方式          パイロット・サーキュラから選択
 回線          回線設定             回線ポート設定                 回線タイプ                ISDN-USER
                              (0 ポート目の設定)             ポート番号                0/0/0
                                                       Route                 1
                                                       TN                    1
                                                       トランク番号                0471011000
                                                       情報転送能力                音声
                                                       Originating Name      0471011000@192.32.16.104
                                                       回線制御方式                着信番号接続




                                                2-67
231-ND2824-000                                                第2章    こんなサービスを行いたい
1.0 版 2009 年 8 月                                                            2.2 設定例



                        メニュー                                                 設定値
 回線          回線設定    回線ポート設定              回線タイプ                   ISDN-USER
                     (1 ポート目の設定)          ポート番号                   0/0/1
                                           Route                    1
                                           TN                       1
                                           トランク番号                   0471011000
                                           情報転送能力                   音声
                                           Originating Name         0471011000@192.32.16.104
                                           回線制御方式                   着信番号接続
                     回線ポート設定              回線タイプ                   ISDN-USER
                     (2 ポート目の設定)          ポート番号                   0/0/2
                                           Route                    1
                                           TN                       1
                                           トランク番号                   0471011001
                                           情報転送能力                   音声
                                           Originating Name         0471011001@192.32.16.104
                                           回線制御方式                   着信番号接続
                     回線ポート設定              回線タイプ                   ISDN-USER
                     (3 ポート目の設定)          ポート番号                   0/0/3
                                           Route                    1
                                           TN                       1
                                           トランク番号                   0471011001
                                           情報転送能力                   音声
                                           Originating Name         0471011001@192.32.16.104
                                           回線制御方式                   着信番号接続
                     詳細設定                  LINE-0 接続形式              ポイント・ポイント
                                           ※契約内容による                 ポイント・マルチポイント
                                                                    の選択
                                           LINE-1 接続形式              ポイント・ポイント
                                           ※契約内容による                 ポイント・マルチポイント
                                                                    の選択
 番号計画        番号前翻訳                         先頭桁番号 7                  8
             番号展開    回線⇒SIP 着信             (迂回の選択)                  迂回有
                     (PSTN 網から SIP 端末      着信展開番号                   7101
                     5000 番を呼び出す場合)        1st(サーバ番号)              1
                                           番号削除                     8(全桁削除)
                                           番号付加                     1
                                           2nd(サーバ番号)              2
                     SIP⇒回線発信              (迂回の選択)                  迂回無
                     (SIP 端末から PSTN 網      発信展開番号                   03
                     (03-1234-XXXX)を呼び出    Route 番号                 1
                     す場合)                  番号削除                     0
                                           番号付加                     0
             番号付加                          付加数字パターン番号              1
                                           付加数字                     5000
                                           付加数字パターン番号              2
                                           付加数字                     6000
 データセーブ                                  -                        -
 保守機能        再起動                           -                        -




                                    2-68
231-ND2824-000                                                          第2章    こんなサービスを行いたい
1.0 版 2009 年 8 月                                                                      2.2 設定例



[5] SIP⇒回線発信時ポート分け
   SIP サーバーからの受信番号によって、回線ポートを使い分ける場合の設定例です。
   (本設定例では 03-XXXX-XXXX の場合はポート 0・1、04-XXXX-XXXX の場合はポート 2・3 を使います。)

                                                         SIPサーバー         IP Address:192.32.16.10
                                                                         ドメイン名:ipmaster.com
              契約回線番号         ISDN-USER
              04-7101-1000       0
 PSTN網                           1
              04-7101-1001       2
                                 3

                              LINE0 :トランク 1                    SIP端末(5000番)
                                    :トランク 2
                              LINE1 :トランク 3
                                    :トランク 4
                              IP Address:192.32.16.104
                              Subnet Mask:255.255.255.0
                              default-gateway:192.32.16.254

 ※設定の必要な項目のみ記載しています。各入力画面の詳細は“第 3 章”をご確認下さい。
                   メニュー                                                                設定値
 システム        基本設定                                    モデル定義                   ISDN-USER
                                                     トランスレータ                  発着統合
 ログアウト                                              -                        -
 ログイン                                               ユーザ名                    necvoipgw
                                                     パスワード                  ipmaster104x
 システム        ネットワーク設定        IP 設定                   IP アドレス                 192.32.16.104
                                                     ネットワークマスク                255.255.255.0
                                                     デフォルトゲートウェイ            192.32.16.254
 SIP         SIP 設定          SIP サーバ情報設定            ドメイン名                   ipmaster.com
                                                     サーバ番号                   1
                                                     サーバ名                    SipServer(任意)
                                                     サーバ IP アドレス            192.32.16.10
 回線          回線設定            回線ポート設定                回線タイプ                   ISDN-USER
                             (0 ポート目の設定)            ポート番号                   0/0/0
                                                     Route                    1
                                                     TN                       1
                                                     トランク番号                   0471011000
                                                     情報転送能力                   音声
                                                     Originating Name         0471011000@192.32.16.104
                                                     回線制御方式                   着信番号接続
                             回線ポート設定                回線タイプ                   ISDN-USER
                             (1 ポート目の設定)            ポート番号                   0/0/1
                                                     Route                    1
                                                     TN                       1
                                                     トランク番号                   0471011000
                                                     情報転送能力                   音声
                                                     Originating Name         0471011000@192.32.16.104
                                                     回線制御方式                   着信番号接続




                                              2-69
231-ND2824-000                                                第2章    こんなサービスを行いたい
1.0 版 2009 年 8 月                                                            2.2 設定例



                        メニュー                                                 設定値
 回線          回線設定    回線ポート設定              回線タイプ                   ISDN-USER
                     (2 ポート目の設定)          ポート番号                   0/0/2
                                           Route                    2
                                           TN                       1
                                           トランク番号                   0471011001
                                           情報転送能力                   音声
                                           Originating Name         0471011001@192.32.16.104
                                           回線制御方式                   着信番号接続
                     回線ポート設定              回線タイプ                   ISDN-USER
                     (3 ポート目の設定)          ポート番号                   0/0/3
                                           Route                    2
                                           TN                       1
                                           トランク番号                   0471011001
                                           情報転送能力                   音声
                                           Originating Name         0471011001@192.32.16.104
                                           回線制御方式                   着信番号接続
                     詳細設定                  LINE-0 接続形式              ポイント・ポイント
                                           ※契約内容による                 ポイント・マルチポイント
                                                                    の選択
                                           LINE-1 接続形式              ポイント・ポイント
                                           ※契約内容による                 ポイント・マルチポイント
                                                                    の選択
 番号計画        番号前翻訳                         先頭桁番号 7                  8
             番号展開    回線⇒SIP 着信             (迂回の選択)                  迂回無
                     (PSTN 網から SIP 端末      着信展開番号                   7101
                     5000 番を呼び出す場合)        サーバ番号                   1
                                           番号削除                     8(全桁削除)
                                           番号付加                     1
                     SIP⇒回線発信              (迂回の選択)                  迂回無
                     (SIP 端末から PSTN 網      発信展開番号                   03
                     (03-1234-XXXX)を呼び出    Route 番号                 1
                     す場合)                  番号削除                     0
                                           番号付加                     0
                     SIP⇒回線発信              (迂回の選択)                  迂回無
                     (SIP 端末から PSTN 網      発信展開番号                   04
                     (04-7185-XXXX)を呼び出    Route 番号                 2
                     す場合)                  番号削除                     0
                                           番号付加                     0
             番号付加                          付加数字パターン番号              1
                                           付加数字                     5000
 データセーブ                                  -                        -
 保守機能        再起動                           -                        -




                                    2-70
231-ND2824-000                                                          第2章    こんなサービスを行いたい
1.0 版 2009 年 8 月                                                                      2.2 設定例



[6] SIP⇒回線発信時ルート迂回
   Route:1 が全話中の時に、Route:2 に迂回させる場合の設定例です。
   (本設定例では Route:1(ポート 0・1)が全話中の場合は、Route:2(ポート 2・3)に迂回します。)

                                                         SIPサーバー         IP Address:192.32.16.10
                                                                         ドメイン名:ipmaster.com
              契約回線番号         ISDN-USER
              04-7101-1000       0
 PSTN網                           1
              04-7101-1001       2
                                 3

                              LINE0 :トランク 1                    SIP端末(5000番)
                                    :トランク 2
                              LINE1 :トランク 3
                                    :トランク 4
                              IP Address:192.32.16.104
                              Subnet Mask:255.255.255.0
                              default-gateway:192.32.16.254

 ※設定の必要な項目のみ記載しています。各入力画面の詳細は“第 3 章”をご確認下さい。
                   メニュー                                                                設定値
 システム        基本設定                                    モデル定義                   ISDN-USER
                                                     トランスレータ                  発着統合
 ログアウト                                              -                        -
 ログイン                                               ユーザ名                    necvoipgw
                                                     パスワード                  ipmaster104x
 システム        ネットワーク設定        IP 設定                   IP アドレス                 192.32.16.104
                                                     ネットワークマスク                255.255.255.0
                                                     デフォルトゲートウェイ            192.32.16.254
 SIP         SIP 設定          SIP サーバ情報設定            ドメイン名                   ipmaster.com
                                                     サーバ番号                   1
                                                     サーバ名                    SipServer(任意)
                                                     サーバ IP アドレス            192.32.16.10
 回線          回線設定            回線ポート設定                回線タイプ                   ISDN-USER
                             (0 ポート目の設定)            ポート番号                   0/0/0
                                                     Route                    1
                                                     TN                       1
                                                     トランク番号                   0471011000
                                                     情報転送能力                   音声
                                                     Originating Name         0471011000@192.32.16.104
                                                     回線制御方式                   着信番号接続
                             回線ポート設定                回線タイプ                   ISDN-USER
                             (1 ポート目の設定)            ポート番号                   0/0/1
                                                     Route                    1
                                                     TN                       1
                                                     トランク番号                   0471011000
                                                     情報転送能力                   音声
                                                     Originating Name         0471011000@192.32.16.104
                                                     回線制御方式                   着信番号接続




                                              2-71
231-ND2824-000                                                第2章    こんなサービスを行いたい
1.0 版 2009 年 8 月                                                            2.2 設定例



                        メニュー                                                 設定値
 回線          回線設定    回線ポート設定              回線タイプ                   ISDN-USER
                     (2 ポート目の設定)          ポート番号                   0/0/2
                                           Route                    2
                                           TN                       1
                                           トランク番号                   0471011001
                                           情報転送能力                   音声
                                           Originating Name         0471011001@192.32.16.104
                                           回線制御方式                   着信番号接続
                     回線ポート設定              回線タイプ                   ISDN-USER
                     (3 ポート目の設定)          ポート番号                   0/0/3
                                           Route                    2
                                           TN                       1
                                           トランク番号                   0471011001
                                           情報転送能力                   音声
                                           Originating Name         0471011001@192.32.16.104
                                           回線制御方式                   着信番号接続
                     詳細設定                  LINE-0 接続形式              ポイント・ポイント
                                           ※契約内容による                 ポイント・マルチポイント
                                                                    の選択
                                           LINE-1 接続形式              ポイント・ポイント
                                           ※契約内容による                 ポイント・マルチポイント
                                                                    の選択
 番号計画        番号前翻訳                         先頭桁番号 7                  8
             番号展開    回線⇒SIP 着信             (迂回の選択)                  迂回無
                     (PSTN 網から SIP 端末      着信展開番号                   7101
                     5000 番を呼び出す場合)        サーバ番号                   1
                                           番号削除                     8(全桁削除)
                                           番号付加                     1
                     SIP⇒回線発信              (迂回の選択)                  迂回有
                     (SIP 端末から PSTN 網      発信展開番号                   03
                     (03-1234-XXXX)を呼び出    1st Route                1
                     す場合)                  番号削除                     0
                     (Route1 が全話中の場合       番号付加                     0
                     は Route2 に迂回)         2nd Route                2
                                           番号削除                     0
                                           番号付加                     0
                     SIP⇒回線発信              (迂回の選択)                  迂回無
                     (SIP 端末から PSTN 網      発信展開番号                   04
                     (04-7185-XXXX)を呼び出    Route 番号                 2
                     す場合)                  番号削除                     0
                                           番号付加                     0
             番号付加                          付加数字パターン番号              1
                                           付加数字                     5000
 データセーブ                                  -                        -
 保守機能        再起動                           -                        -




                                    2-72
231-ND2824-000                                                                          第2章      こんなサービスを行いたい
1.0 版 2009 年 8 月 9.0 版 2009 年 8 月                                                                   2.3 SNMP 設定例



2.3    SNMP 設定例

 本 SNMP 機能では 1 台の SNMP マネージャが複数台の IPMASTER の監視を行うことが可能です。
 また 1 台の IPMASTER が複数台の SNMP マネージャからの Get request を受け付ける(※)事もでき、複数台の SNMP マネー
 ジャに TRAP を送信することも可能です。
 ※複数台の SNMP マネージャから Get request を受け付ける場合は、SNMP マネージャのポート番号を統一して下さい。

 SNMP マネージャが 2 台(A、B)と IPMASTER が 2 台(IPMASTER-1、IPMASTER-2)が同一ネットワーク内に存在する場合の設
 定例を以下に示します。



  SNMPマ ー ャA
       ネ ジ                                             SNMPマ ー ャB
                                                            ネ ジ
                      IPア レ :
                         ド ス 192.168.0.15                                     IPア レ :
                                                                                 ド ス 192.168.0.115
                      コ ュ テ 名 public_snmp
                       ミ ニ ィ :                                                コ ュ テ 名 private_snmp
                                                                               ミ ニ ィ :
                      ポ ト 号 161
                       ー 番 :                                                  ポ ト 号 161
                                                                               ー 番 :
                      TRAPコ ュ テ 名 TRAP_IPM-A
                           ミ ニ ィ :                                            TRAPコ ュ テ 名 TRAP_IPM-B
                                                                                   ミ ニ ィ :
                      SNMPバ ジ ン V1
                           ー ョ :                                              SNMPバ ジ ン V2
                                                                                   ー ョ :

   ①                                                                ②

                          IPア レ :
                             ド ス 192.168.0.10                                     IPア レ :
                                                                                     ド ス 192.168.0.110
                          ロ ー ョ 情 :
                           ケ シ ン 報 IPMASTER-1                                     ロ ー ョ 情 :
                                                                                   ケ シ ン 報 IPMASTER-2
                          管 者 報 SNMP_Manager A
                           理 情 :                                                  管 者 報 SNMP_Manager B
                                                                                   理 情 :
                          ポ ト 号 161
                           ー 番 :                                                  ポ ト 号 161
                                                                                   ー 番 :
                          コ ュ テ 名 public_snmp
                           ミ ニ ィ :                                                コ ュ テ 名 private_snmp
                                                                                   ミ ニ ィ :
      ホ ト ー :
       ス ネ ム IPMASTER-1                                   ホトー:
                                                           ス ネ ム IPMASTER-2
                          ネ ト ー 範 :192.168.0.15/32
                           ッ ワ ク 囲                                                ネ ト ー 範 :192.168.0.115/32
                                                                                   ッ ワ ク 囲
                          TRAP送 先IPア レ :
                               信    ド ス 192.168.0.15                              TRAP送 先IPア レ :
                                                                                       信    ド ス 192.168.0.115
                          TRAPコ ュ テ 名 TRAP_IPM-A
                               ミ ニ ィ :                                            TRAPコ ュ テ 名 TRAP_IPM-B
                                                                                       ミ ニ ィ :
                          TRAPポ ト 号 162
                               ー 番 :                                              TRAPポ ト 号 162
                                                                                       ー 番 :
                          TRAPバ ジ ン V1
                               ー ョ :                                              TRAPバ ジ ン V2
                                                                                       ー ョ :




 ①   SNMPマネージャAとIPMASTER-1 間のSNMP設定
   SNMP マネージャ A と IPMASTER-1 間の Get request、Get response、 及び TRAP 設定を行う場合は、まず SNMP マネー
   ジャ A の SNMP マネージャソフトウェアにコミュニティ名、ポート番号、TRAP コミュニティ名、SNMP バージョン指
   定の設定を行い、IPMASTER-1 を監視対象として登録します。
   SNMP マネージャ A の設定に合わせ、IPMASTER-1 に以下の SNMP 設定を行います。

IPMASTER-1 の SNMP 設定
                                         メニュー                                                            設定値
 保守機能          SNMP                SNMP システム設定                   ロケーション情報                      IPMASTER-1
                                                                 管理者情報                         SNMP_Manager A
                                                                 ポート番号                        161
                                   コミュニティ設定                      コミュニティ名                       public_snmp
                                                                 ネットワーク範囲(左)                   192.168.0.15
                                                                 ネットワーク範囲(右)                   32 または 255.255.255.255
                                   SNMP TRAP 設定                  IP アドレス                      192.168.0.15
                                                                 SNMP バージョン                  V1
                                                                 TRAP コミュニティ名                  TRAP_IPM-A
                                                                 TRAP ポート番号                   162




                                                          2-73
231-ND2824-000                                                     第2章   こんなサービスを行いたい
1.0 版 2009 年 8 月 9.0 版 2009 年 8 月                                           2.3 SNMP 設定例


 ②   SNMPマネージャBとIPMASTER-2 間のSNMP設定
   SNMP マネージャ B と IPMASTER-2 間の Get request、Get response 、及び TRAP 設定を行う場合は、まず SNMP マネー
   ジャ B の SNMP マネージャソフトウェアにコミュニティ名、ポート番号、TRAP コミュニティ名、SNMP バージョン指定
   の設定を行い、IPMASTER-2 を監視対象として登録します。
   SNMP マネージャ B の設定に合わせ、IPMASTER-2 に以下の SNMP 設定を行います。

IPMASTER-2 の SNMP 設定
                                    メニュー                                     設定値
 保守機能         SNMP            SNMP システム設定           ロケーション情報         IPMASTER-2
                                                    管理者情報            SNMP_Manager B
                                                    ポート番号           161
                              コミュニティ設定              コミュニティ名          private_snmp
                                                    ネットワーク範囲(左)      192.168.0.115
                                                    ネットワーク範囲(右)      32 または 255.255.255.255
                              SNMP TRAP 設定          IP アドレス         192.168.0.115
                                                    SNMP バージョン     V2
                                                    TRAP コミュニティ名     TRAP_IPM-B
                                                    TRAP ポート番号      162




                                             2-74
231-ND2824-000                                                                          第2章      こんなサービスを行いたい
1.0 版 2009 年 8 月 9.0 版 2009 年 8 月                                                                   2.3 SNMP 設定例


     SNMP マネージャが IPMASTER を複数台管理する場合の例を以下に示します。



      SNMPマ ー ャA
           ネ ジ              IPア レ :
                               ド ス 192.168.0.15            SNMPマ ー ャB
                                                                ネ ジ               IPア レ :
                                                                                     ド ス 192.168.0.115
                            コ ュ テ 名 public_snmp
                             ミ ニ ィ :                                              コ ュ テ 名 private_snmp
                                                                                   ミ ニ ィ :
                            ポ ト 号 161
                             ー 番 :                                                ポ ト 号 161
                                                                                   ー 番 :
                            TRAPコ ュ テ 名 TRAP_IPM-A
                                 ミ ニ ィ :                                          TRAPコ ュ テ 名 TRAP_IPM-B
                                                                                       ミ ニ ィ :
                            SNMPバ ジ ン V1
                                 ー ョ :                                            SNMPバ ジ ン V2
                                                                                       ー ョ :


                   ④


                 ③
                               コ ュ テ 名 private_snmp
                                ミ ニ ィ :                                               コ ュ テ 名 public_snmp
                                                                                       ミ ニ ィ :
                               ネ ト ー 範 :192.168.0.115/32
                                ッ ワ ク 囲                                               ネ ト ー 範 :192.168.0.15/32
                                                                                       ッ ワ ク 囲
                               TRAP送 先IPア レ :
                                    信    ド ス 192.168.0.115                            TRAP送 先IPア レ :
                                                                                           信    ド ス 192.168.0.15
                               TRAPコ ュ テ 名 TRAP_IPM-B
                                    ミ ニ ィ :                                           TRAPコ ュ テ 名 TRAP_IPM-A
                                                                                           ミ ニ ィ :
                               TRAPポ ト 号 162
                                    ー 番 :                                             TRAPポ ト 号 162
                                                                                           ー 番 :
        ホトー:
         ス ネ ム IPMASTER-1      TRAPバ ジ ン V2
                                    ー ョ :                     ホトー:
                                                               ス ネ ム IPMASTER-2       TRAPバ ジ ン V1
                                                                                           ー ョ :




 ③   SNMPマネージャBとIPMASTER-1 間のSNMP設定
   IPMASTER-1 が SNMP マネージャ B からの Get request を受け付け、SNMP マネージャ B に対して TRAP を送信する設定を
   行う場合は、SNMP マネージャ B の監視対象に IPMASTER-1 を追加登録し、IPMASTER-1 に以下の設定を追加して下さい。

SNMP マネージャ B と IPMASTER-1 間の追加設定
                              メニュー                                                                       設定値
 保守機能          SNMP                 コミュニティ設定                      コミュニティ名                      private_snmp
                                                                  ネットワーク範囲(左)                  192.168.0.115
                                                                  ネットワーク範囲(右)                  32 または 255.255.255.255
                                    SNMP TRAP 設定                  IP アドレス                     192.168.0.115
                                                                  SNMP バージョン                 V2
                                                                  TRAP コミュニティ名                 TRAP_IPM-B
                                                                  TRAP ポート番号                  162



 ④   SNMPマネージャAとIPMASTER-2 間のSNMP設定
   IPMASTER-2 が SNMP マネージャ A からの Get request を受け付け、SNMP マネージャ A に対して TRAP を送信する設定を
   行う場合は、SNMP マネージャ A の監視対象に IPMASTER-2 を追加登録し、IPMASTER-2 に以下の設定を追加して下さい。

SNMP マネージャ A と IPMASTER-2 間の追加設定
                              メニュー                                                                       設定値
 保守機能          SNMP                 コミュニティ設定                      コミュニティ名                      public_snmp
                                                                  ネットワーク範囲(左)                  192.168.0.15
                                                                  ネットワーク範囲(右)                  32 または 255.255.255.255
                                    SNMP TRAP 設定                  IP アドレス                     192.168.0.15
                                                                  SNMP バージョン                 V1
                                                                  TRAP コミュニティ名                 TRAP_IPM-A
                                                                  TRAP ポート番号                  162




                                                           2-75
231-ND2824-000                                                 第2章   こんなサービスを行いたい
1.0 版 2009 年 8 月 9.0 版 2009 年 8 月                                    2.4 INFO メッセージ受信



2.4   INFO メッセージ受信




   IPMASTER は受信された SIP/INFO メッセージから PB 音を再生し、PBX(or PSTN)へ音として送出します。
   ※config 設定は必要ありません。



   PB 音再生を行う SIP/INFO メッセージの例を以下に示します。




        INFO sip:2143302100@172.17.2.33 SIP/2.0
        Via: SIP/2.0/UDP 172.80.2.100:5060
        From: <sip:9724401003@172.80.2.100>;tag=43
        To: <sip:2143302100@172.17.2.33>;tag=9753.0207
        Call-ID: 984072_15401962@172.80.2.100
        CSeq: 25634 INFO
        Supported: 100rel
        Supported: timer
        Content-Length: 26
        Content-Type: application/dtmf-relay

        Signal= 1
        Duration= 100




         Content-Type: application/dtmf-relay … 内容にDTMF-Relay信号を含むことを示します。

         Signal= 1                                … DTMFの“1”の信号であることを示します。

         Duration= 100                            … DTMF信号の継続時間が 100msであることを示します。




                                                  2-76
231-ND2824-000                                                           第3章     入力画面の詳細説明
1.0 版 2009 年 8 月



第3章        入力画面の詳細説明

 本章では、装置の各入力画面の説明をします。

    システム            基本設定        モデル定義・保留音等の設定           3.2.1 項(   3-9ページ)

                    時計設定        本装置の時刻設定          3.2.2 項(    3-11ページ)

                    SNTP 設定     SNTPの設定   3.2.3 項(      3-12ページ)

                   ネットワーク設定            IP 設定         IP アドレス関連の設定
                                                     3.2.4-[1]項(   3-14ページ)
                                    音声パケット設定   ジッターバッファ・ペイロードサイズ等の設定
                                                3.2.4-[2]項(      3-17ページ)
    回線              回線設定             回線ポート設定   電話端末・回線の登録
                                                3.3.1-[1]項(      3-22ページ)
                                      詳細設定      各種タイマー等の設定
                                                3.3.1-[2]項(      3-39ページ)
                    ルート設定       ルート情報の設定 3.3.2 項(      3-44ページ)

     SIP            SIP 設定           SIPサーバ情 設
                                             報 定     SIP サーバー、PROXY サーバーに関係するデータ等を設定
                                                     3.4.1-[1]項(       3-50ページ)
                                    SIP サービス設定      SIP に関するサービスの設定
                                                     3.4.1-[2]項(    3-53ページ)
  番号計画             番号前翻訳        受信桁数情報を設定          3.5.1 項(    3-58ページ)

                    番号展開            SIP⇒回線発信         相手先トランクルートを指定       3.5.2-[1]項(   3-60ページ)

                                    回線⇒SIP 着信        接続先SIPサーバーを指定      3.5.2-[2]項(    3-64ページ)

                    番号付加        発信系接続の処理で使用する付加番号情報の設定                      3.5.3 項(   3-71ページ)

                    代表選択        電話番号のグループ化。話中時に迂回する               3.5.4 項(    3-74ページ)

  保守機能             回線状態表示       回線状態(空き・話中等)の表示               3.7.1 項(    3-79ページ)

                    SIP サーバ    SIPサーバーの状態表示      3.7.2 項(    3-81ページ)
                    状態表示

                   システムログ表示          ログ表示          収集したシステムログの表示
                                                     3.7.3-[1]項(  3-83ページ)
                                     ログ収集設定         表示するログのレベル・書込み周期の設定
                                                     3.7.3-[2]項(  3-86ページ)
                                      ログ削除          システムログの削除
                                                     3.7.3-[3]項(     3-88ページ)
                                           システムログ情報をホストマシン(PC)に保存
                                    ログファイルの保存
                                           3.7.3-[4]項(    3-89ページ)
                   License 登録   ※本機能は使用しません。




                                                                                 (次ページへ続く)


                                            3-1
231-ND2824-000                                                                    第3章   入力画面の詳細説明
1.0 版 2009 年 8 月

(前ページの続き)




                         SNMP               SNMP システム設定     SNMP のシステム管理情報の設定
                                                            3.7.5-[1]項(   3-94ページ)
                                             コミュニティ設定       Get request を受け付ける為の設定
                                                            3.7.5-[2]項(    3-95ページ)
                                            SNMP TRAP 設定    TRAP 送信先サーバーの設定
                                                            3.7.5-[3]項(   3-98ページ)


                      発着信履歴                   SIP→回線        SIP→回線方向の発信通話履歴の表示
                                                            3.7.6-[1]項( 3-102ページ)
                                              回線→SIP        回線→SIP 方向の発信通話履歴の表示
                                                            3.7.6-[2]項( 3-105ページ)
                                            履歴収集設定          発着信履歴の収集設定・書込み周期の設定
                                                            3.7.6-[3]項( 3-109ページ)
                                            履歴ログ保存          発着新履歴ログ情報をホストマシン(PC)に保存
                                                            3.7.6-[4]項( 3-110ページ)


                       バックアップ             ホストマシンへセーブ     コンフィグデータをホストマシンへセーブする
                                                            3.7.7-[1]項(      3-114ページ)
                                            ホストマシンからロード コンフィグデータをホストマシンからロードする
                                                         3.7.7-[2]項(      3-116ページ)
                                            config 一覧出力     コンフィグの一覧を出力する 3.7.7-[3]項(         3-118ページ)


                      バージョン UP     サービスプログラムをバージョンアップする       3.7.8 項(    3-120ページ)


                        再起動          本装置を再起動する             3.7.9 項(    3-123ページ)


                      システム初期化        コンフィグデータを工場出荷状態に戻す             3.7.10 項(    3-124ページ)


   ユーザ管理            ユーザ情報変更               ユーザ登録/削除       保守・工事対応のユーザ登録・削除
                                                            3.8.1-[1]-<1>項( 3-128ページ)
                                             パスワード変更      パスワードの変更     3.8.1-[1]-<3>項(    3-131ページ)

                       アクセス制限                WEB アクセス制限     WEB コンソールにアクセス可能な IP アドレス登録・削除
                                                            3.8.2-[1]項(     3-133ページ)
                                             TELNET/FTP     TELNET/FTP アクセス可能な IP アドレス登録・削除
                                              アクセス制限        3.8.2-[2]項(      3-134ページ)

   データセーブ    コンフィグデータのセーブ     3.6 項(    3-77ページ)


    コマンド      旧機種用のコマンドメニュー(本書では説明は省いています。)

    ログアウト     ログアウトします(セキュリティー対策の為、席を離れる場合はログアウトして下さい。)




                                                   3-2
231-ND2824-000                                 第3章   入力画面の詳細説明
1.0 版 2009 年 8 月


   本装置の入力画面の操作方法を説明します。




         ・設定       :   入力した内容を登録する場合にクリックします。
                       また上記の画面の場合、既に登録済みのデータを修正した後にクリックすると、登録
                       内容を変更することができます。
         ・クリア      :   入力中のデータをクリアする場合にクリックします。
         ・追加       :   新規登録する場合にクリックすると、登録画面が表示されます。
         ・削除       :   登録済みデータの右側にあるチェックボックスにチェックを入れた後にクリック
                       すると、登録データを削除します。
         ・全て選択     :   登録済みデータの右側にあるチェックボックスに全てチェックを入れます。
         ・全て解除     :   登録済みデータの右側にあるチェックボックスのチェックを全て外します。




         ・中止       :   入力作業を中止し、前画面に戻ります。

 ※WEB ブラウザの戻るボタンの注意事項
    コンフィグデータの登録で、 “追加”ボタンをクリックした時、画面下部のボタン表示は「設定、クリア、中止」
    等を表示しています。ここで WEB ブラウザの“戻る”ボタンをクリックすると、「削除、全て選択、全て削除」等
    の表示になりますが、「削除、全て選択、  全て削除」をクリックしても動作しません。
                                            (画面左側のメニューをクリッ
    クして下さい。 )


                                 3-3
231-ND2824-000                                 第3章   入力画面の詳細説明
1.0 版 2009 年 8 月




         ・HELP     :   各メニューの HELP 画面を表示します。




                                   3-4
231-ND2824-000                                       第3章   入力画面の詳細説明
1.0 版 2009 年 8 月                                              3.1 ログイン



3.1     ログイン


3.1.1   初回ログイン




 (1) WEBブラウザのアドレス欄に「http://192.168.0.100/login.html」(デフォルトアドレス)を入力し、
     ログイン画面を起動します。

 (2) “ユーザ名”に necvoipgw を入力します。

 (3) “パスワード”は何も入力せずにログインをクリックします。



   ※ログイン数の制限
      複数の WEB ブラウザからの同時ログインは、データ登録の競合やエラー発生の不具合がある為、
      行わないで下さい。

   ※ログイン後、 1 時間何もしない状態から操作すると、
          約                    Timeout 機能が働きログイン画面が表示されますので、
    その場合は再ログインして下さい。
    また同じ状態から WEB ブラウザの“最新の情報に更新(F5)”を操作すると、Timeout のメッセージが 2 つ表示
    される場合があります。




                                  3-5
231-ND2824-000                                       第3章   入力画面の詳細説明
1.0 版 2009 年 8 月                                              3.1 ログイン



3.1.2   2 回目以降のログイン




 (1) WEBブラウザのアドレス欄に「http://192.168.0.100/login.html」(デフォルトアドレス)を入力し、
     ログイン画面を起動します。
     ※IPアドレスを変更した場合は、“192.168.0.100”を新しいIPアドレスと置き換えて入力して下さい。

 (2) ユーザ名”に necvoipgw を入力します。

 (3) “パスワード”に ipmaster104x を入力します。
     ※このパスワードは、初回ログイン後、データメモリに管理者のデフォルトのパスワードとして、自動的に登
      録されます。
     ※『3.8.1 <3> パスワード変更』  (  3-131ページ)でパスワードを変更した場合は、変更後のパスワードを
      入力して下さい。

 (4) “ログイン”をクリックします。

   ※ログイン不可
      V05-00-000 以降のバージョンでログインして“データセーブ”実行後に V05-00-000 より前にバージョン
      ダウンした場合は、ログインできなくなってしまいますので、ご注意下さい。
      万一、ログインできなくなった場合は、保守窓口へお問い合わせ下さい。




                                  3-6
231-ND2824-000                                   第3章   入力画面の詳細説明
1.0 版 2009 年 8 月                                          3.1 ログイン



3.1.3   ログイン後の画面




        ログインすると、上記の画面が表示されます。



        ※モデル定義を設定していない場合、下記のエラーメッセージが表示されます。
         1 回目のログイン直後に、『3.2.1 基本設定』( 3-9ページ)から、モデル定義を登録して下さい。




                                3-7
231-ND2824-000                      第3章    入力画面の詳細説明
1.0 版 2009 年 8 月                          3.2 システムの設定



3.2   システムの設定




 (1) “システム”をクリックすると、上記の画面が表示されます。




                          3-8
231-ND2824-000                                              第3章    入力画面の詳細説明
1.0 版 2009 年 8 月                                                  3.2 システムの設定



3.2.1   基本設定




 (1) “基本設定”をクリックすると、上記の画面が表示されます。

 (2) “モデル定義”を選択します。
       ・FS/FXS     : UNIVERGE   IPMASTER-1040A(FXS)
        ・FO/FXO    : UNIVERGE   IPMASTER-1041A(FXO)
        ・OD/E&M    : UNIVERGE   IPMASTER-1042A(OD)
        ・ISDN-NET  : UNIVERGE   IPMASTER-1043A(BRI)
        ・ISDN-USER : UNIVERGE   IPMASTER-1043A(BRI)

   ※本装置のモデルとモデル定義が一致しない場合、正常に動作しませんので注意して下さい。
   ※IPMASTER-1043A(BRI)の場合、SW 設定により ISDN-NET、ISDN-USER を切り替えます。
    詳細は、   “取扱説明書 第 2 章 表 2.1.3CONT SW 設定”   、又は“工事マニュアル 第 1 編 第 2 章 表 2.5.3”を参照
    して下さい。
    SW 設定を NT モードにした場合は、ISDN-NET を選択して下さい。TE モードにした場合は、ISDN-USER を選択して
    下さい。   (SW 設定とモデル定義が一致しない場合、正常に動作しません。               )
   ※IPMASTER-1043A(BRI)を iExpress5800 サーバーと連携する場合は、ISDN-USER を選択して下さい。
    また、  UNIVERGE SV8500 および SV7000(以下、 本書では特記無き場合は SV8500 と記載)サーバーと連携する場合は、
    ISDN-NET を選択して下さい。

   注)モデル定義を設定、又は変更した場合は“設定”をクリック後、一度ログアウトして下さい。
     ログアウトせずに、「回線-回線設定-回線ポート設定」を選択するとエラーが表示されたり、変更前のモデル内
     容のメニューが表示されます。



                                                                  (次ページへ続く)

                                           3-9
231-ND2824-000                                                    第3章    入力画面の詳細説明
1.0 版 2009 年 8 月                                                        3.2 システムの設定

(前ページの続き)

 (3) “トランスレータ”を選択します。
        ・発着分離     :発信、及び着信の番号展開を分離
        ・発着統合     :発信、及び着信の番号展開を統合(標準設定)
          ※コンフィグ登録済みの状態から     “発着統合”   に変更すると展開番号重複エラーが表示される場合が
           あります。その場合は対象の展開番号(       『3.5.2[1]SIP⇒回線発信』  (   3-60ページ)、
           『3.5.2
                [2] 回線⇒SIP着信』
                            (  3-64ページ) 又は
                                        、 『3.3.1 [1]<1>回線ポート設定の追加  (FS/FXS)
                                                                          』
           (    3-23ページ))を削除して、 “発着統合”に変更して下さい。

 (4) “保留音種別”を選択します。
        ・電子音(プーッププ…)    (標準設定)
        ・メヌエット
        ・エリーゼのために
        ・ノクターン
          ※電子音以外を選択した場合、保留音レベルを調整することができます。
          ※保留音レベルを調整する場合は、          保留音レベル有効にチェックを入れ、         下記の範囲でレベル調整を
           行います。 (標準:0dB)
             ・FS/FXS、OD/E&M、ISDN-NET、ISDN-USER の場合 : Loss14dB ~ Gain14dB
             ・FO/FXO の場合                           : Loss9dB ~ Gain9dB

 (5) “装置番号”を設定します。
       ※UNIVERGE SV8500 サーバーの B2BUA 機能と連携する場合は、本装置の装置番号(GW-ID)を設定します。
       ※必要に応じ、1~255 の範囲で設定して下さい。

 (6) 入力内容を確認し“設定”をクリックします。



   ※(3)トランスレータの詳細説明
     発着分離とは、   回線⇒SIP着信時の番号展開とSIP⇒回線発信時の番号展開を分けることができる機能です。                  例え
     ば、回線側の電話番号が 300 番で、SIP側の電話機が 301~304 番だったとします。これを発着統合で行おうとす
     ると、『3.5.2[1]SIP⇒回線発信』 (  3-60ページ)で 300 番(発信展開番号 300)の番号展開を登録し、      『3.5.2
     [2]回線⇒SIP着信』   (  3-64ページ)で 301~304 番(着信番号展開 301~304)の番号展開を登録しなければ
     ならず、全部で 5 登録しなければなりません。
     ここで発着分離を選択した場合、       発信と着信の番号展開を分けている為、      『3.5.2[1]  SIP⇒回線発信』(    3-60
     ページ)に 300 番(発信展開番号 3)の登録と、   『3.5.2[2]回線⇒SIP着信』(     3-64ページ)に 301~304 番(着
     信展開番号 3)の登録だけで良く、全部で 2 登録するだけで済みます。
     但し、同一装置内の電話番号を呼び出す時、発着統合の場合は番号展開を登録する必要はありませんが、発着
     分離の場合は、一度 SIP 網経由で着信させる必要があります。

         (発着統合と発着分離の設定例)回線側内線 300 番・SIP 電話 301~304 の場合…
         『3.5.2[1]SIP⇒回線発信』
                          ( 3-60ページ)『3.5.2[2]回線⇒SIP着信』
                                   、                  (                3-64ページ)の設定の
         詳細は各項を参照して下さい。

            発着統合                               発着分離
             ・「SIP⇒回線発信」                        ・「SIP⇒回線発信」
               発信展開番号 :      300   ①              発信展開番号 :    3   ①

              ・「回線⇒SIP 着信」                      ・「回線⇒SIP 着信」
                着信展開番号 :     301   ②              着信展開番号 : 3      ②
                着信展開番号 :     302   ③
                着信展開番号 :     303   ④
                着信展開番号 :     304   ⑤

                               計:5 登録                         計:2 登録




                                        3-10
231-ND2824-000                                    第3章    入力画面の詳細説明
1.0 版 2009 年 8 月                                        3.2 システムの設定



3.2.2   時計設定
   システム時計を設定します。




 (1) “時計設定”をクリックします。

 (2) 年、月、日、時、分 を設定します。
     ※2006 年 4 月 3 日 10 時 00 分の設定例
           年 : 06
           月 : 04
           日 : 03
           時 : 10
           分 : 00
      ※「年」に何も入力しない状態で、          「月」「日」「時」「分」に規定外の値を入力した場合は、
                                   ・  ・  ・                 「年に誤入力を
       行った」という内容でエラーダイアログが表示されますが、これは、          「年」→「月」→「日」→「時」→「分」
       の順番で誤入力があるかチェックする為です。
      ※「年」は 04~37 の範囲で入力して下さい。

 (3) 入力内容を確認し、“設定”をクリックします。

   ※次ページの SNTP の設定が行われていない場合、バージョンアップ、再起動、又は電源を切ると時計情報が失われ
    ますので再設定が必要となります。




                               3-11
231-ND2824-000                                          第3章    入力画面の詳細説明
1.0 版 2009 年 8 月                                              3.2 システムの設定



3.2.3   SNTP設定




 (1) “SNTP 設定”をクリックします。

 (2) IP アドレス        :   SNTP/NTP サーバーの IP アドレスを入力します。

 (3) タイムゾーン         :    タイムゾーンを選択します。
                        ・GMT-12
                            ~

                     ・GMT+13
                    ※国内(日本)で使用する場合は“GMT+9(日本標準時:JST)”を指定して下さい。

 (4) 入力内容を確認し“設定”をクリックします。

         ※SNTP の設定をやめたい(登録内容を削除する)場合は、“削除”をクリックして下さい。
         ※本メニューの設定後は、  “データセーブ”を実行して下さい。万が一“データセーブ”を実行せずに“再起
          動”を実行した場合、時刻情報の問合せ・同期は行われていますが、本メニュー内は、設定前・変更前の内
          容が表示されますので、ご注意下さい。
          この場合は、再設定を行い“データセーブ”を実行して下さい。




                                  3-12
231-ND2824-000                          第3章    入力画面の詳細説明
1.0 版 2009 年 8 月                              3.2 システムの設定



3.2.4   ネットワーク設定




 (1) “ネットワーク設定”をクリックすると、上記の画面が表示されます。




                          3-13
231-ND2824-000                                    第3章    入力画面の詳細説明
1.0 版 2009 年 8 月                                        3.2 システムの設定



[1] IP設定




 (1) “IP 設定”をクリックすると、上記の画面が表示されます。

 (2) IP アドレス        :   本装置に割り付ける新しい IP アドレスを入力します。
                         例) 192.168.0.200

 (3) ネットワークマスク      :   ネットワークマスクを入力します。
                         例) 255.255.255.0

 (4) デフォルトゲートウェイ:       ネットワークに Router 等が設置される場合、デフォルトゲートウェイの
                        IP アドレスを入力します。
                           例) 192.168.0.254

 (5) ホストネーム         :   本装置に対する任意のホストネームを入力します。   (最大 63 文字)
                         ※使用できる文字は、半角英数字(0-9、a-z、A-Z)と“-”“.”です。
                                                          、
                         ※一度登録すると削除することはできません。

 (6) LAN スピード       :  通常はデフォルトの“auto”でも動作しますが、LAN 環境で必要な場合は設定し
                       て下さい。
                        ・auto(標準設定)
                        ・10M
                        ・100M
        ※LAN スピードはネットワークに合わせたスピードを設定して下さい。10M のネットワークに 100M を設定する
         と本装置を出荷時の設定に戻す必要がありますので注意して下さい。出荷時の設定に戻す方法は取扱説明書
         の「第 4 章 工場出荷状態への戻し方」 、又は工事・保守・運用マニュアルの「第 3 章 3.6 工場出荷設定へ
         の戻し方」を参照して下さい。

                                                        (次ページへ続く)


                                 3-14
231-ND2824-000                                                  第3章    入力画面の詳細説明
1.0 版 2009 年 8 月                                                      3.2 システムの設定

(前ページの続き)

 (7) LAN モード          :
                    通常はデフォルトの“auto”でも動作しますが、LAN 環境で必要な場合は設定し
                    て下さい。
                      ・auto(標準設定)
                      ・half
                      ・full
     ※(6)(7)のどちらかで“auto”を設定すると、auto-negotiation で起動します。
         、




 (8) SIP シグナリング       :   SIP 制御ポートを指定します。(デフォルト:5060 ポート)
                            ※通常は設定する必要はありません。
                            ※1024 ~ 65535 の範囲で指定して下さい。
                            ※“0”を入力した場合は、標準値(5060 ポート)が設定されます。

 (9) RTP 音声           :   RTP 使用開始ポートを指定します。(デフォルト:16448 ポート)
                            ※通常は設定する必要はありません。
                            ※1024 ~ 65535 の範囲で指定して下さい。
                            ※“0”を入力した場合は、標準値(16448 ポート)が設定されます。

 (10)SIP シグナリング ToS   :   SIP シグナリング ToS の設定を選択、入力します。
                            ※通常は“ToS 標準設定”を指定します。
                            ※“ToS 標準設定” を設定した場合は、 Precedence = Internetwork Control(6)
                                                    IP
                              が設定されます。
                            ※Diffserv設定の詳細は『5.2 TOS値の設定方法の詳細』     (     5-3ページ)を
                              参照して下さい。

                                                                       (次ページへ続く)

                                       3-15
231-ND2824-000                                           第3章    入力画面の詳細説明
1.0 版 2009 年 8 月                                               3.2 システムの設定

(前ページの続き)

 (11)RTP 音声 ToS    :   RTP 音声 ToS の設定を選択、入力します。
                         ※通常は“ToS 標準設定”を指定します。
                         ※“ToS 標準設定”を設定した場合は、IP Precedence = CRITIC/ECP(5)が設定
                           されます。
                         ※Diffserv設定の詳細は『5.2 TOS値の設定方法の詳細』  (      5-3ページ)を
                           参照して下さい。

 (12)入力内容を確認し、“設定”をクリックします。

   ※本メニューの設定内容は、再起動後に有効となります。“データセーブ”を実行後、“再起動”を実行して下さい。
    再起動しない場合、誤作動の原因となりますので注意して下さい。
    万が一“データセーブ”を実行せずに“再起動”を実行した場合(2)~(7)項目は、変更した内容で起動しま
    すが、本メニュー内は変更前の内容が表示されますので、注意して下さい。
    この場合は、再設定を行い“データセーブ”を実行して“再起動”を実行して下さい。




                                   3-16
231-ND2824-000                                       第3章    入力画面の詳細説明
1.0 版 2009 年 8 月                                           3.2 システムの設定



[2] 音声パケット設定
 本メニューは任意設定です。必要に応じて設定して下さい。




 (1) “音声パケット設定”をクリックすると、上記の画面が表示されます。

 (2) ジッタバッファ       :   ジッターバッファの制御方式を選択します。
                        ・static :常に同じバッファサイズで制御
                        ・dynamic :ゆらぎの大きさに応じてバッファサイズを動的に制御(標準設定)

 (3) バッファ最小サイズ     :   ジッターバッファの最小サイズを入力します。
                        ※標準値
                           (2)で dynamic 選択時 ・・・ 各音声圧縮方式のペイロードサイズ
                        ※0 ~ 30 の範囲で指定して下さい。
                        ※“0”を入力した場合は、     “標準”(各音声圧縮方式のペイロードサイズ)値が
                         設定されます。
                        ※(2)で static を選択した場合は、入力する必要はありません。

 (4) バッファ最大サイズ     :   ジッタバッファの最大サイズを入力します。
                        ※標準値(static、dynamic 共通) ・・・ 300ms
                        ※0 ~ 30 の範囲で指定して下さい。
                        ※“0”を入力した場合は、     “標準”(300ms)値が設定されます。




                                                           (次ページへ続く)



                                 3-17
231-ND2824-000                                           第3章    入力画面の詳細説明
1.0 版 2009 年 8 月                                               3.2 システムの設定

(前ページの続き)

   ※(3)バッファ最小サイズ、         (4)バッファ最大サイズの登録例
     50ms を設定したい場合…
     ・50ms = 5(n) * 10ms となりますので
       “5”を入力します。

 (5) ペイロードサイズ        :   G.711、G.729a、G.723.1 のペイロードサイズを設定します。
                           ※G.711、G.729a の設定範囲     G.723.1 の設定範囲
                           ・標準(20ms)                  ・標準(30ms)
                           ・10ms                      ・30ms
                           ・20ms                      ・60ms
                           ・30ms
                           ・40ms

 (6) DTMF 方式         :   DTMF 方式を選択します。
                           ・INBAND(標準設定)
                           ・RFC2833
                           ・INFO
                           ※INFO を選択した場合、 RFC2833 に対応しない装置に対して INFO メッセージに
                             よる DTMF 信号を送出します。但し、DTMF 再生可能な装置のみ対象となりま
                             す。

 (7) ペイロードタイプ        :   ペイロードタイプを設定します。
                          ※(6)で“RFC2833”、又は“INFO”を選択した時のみ入力可能になります。
                          ※標準(101 番)
                          ※96 ~ 127 番の範囲で変更可能です。
                          ※“0”を入力した場合は、標準値(101 番)が設定されます。

 (8) SV7000FAX       :   SV8500 収容の FAX と接続する場合に設定します。
                           ・対応
                           ・未対応(標準設定)
                           ※SV8500 サーバーと連携する場合は“対応”を選択して下さい。

 (9) 接続する FAX        : 接続を行う FAX の種類に合わせて“G3 FAX”  、又は“SuperG3 FAX”を選択します。
                        ・G3 FAX(標準設定)
                        ・SuperG3 FAX
                        ※G3 と SuperG3 が混在する場合は、“SuperG3 FAX”を選択して下さい。
                        ※SV8500 サーバーと連携する場合は“SuperG3 FAX”を選択して下さい。

 (10)FAX     Codec   :   FAX 通信で使用するコーデックを選択します。
                           ・FAX 検出無し(標準設定)
                           ・G.711
                           ・G.726
                           ※SV8500 サーバーと連携する場合は“G.711”、又は“G.726”を選択して下さ
                             い。

 (11)FAX ペイロードサイズ :      FAX 通信で使用するコーデックのペイロードサイズを設定します。
                           ※(10)で“G.711”、又は“G.726”を選択時に設定可能になります。
                           ・標準 (音声通話時のペイロードサイズと同じ)
                           ・10ms
                           ・20ms
                           ・30ms
                           ・40ms



                                                               (次ページへ続く)


                                    3-18
231-ND2824-000                                         第3章    入力画面の詳細説明
1.0 版 2009 年 8 月                                             3.2 システムの設定

(前ページの続き)

 (12)FAX     送信 PAD   :   回線から SIP 網に対する FAX 通信時の音量を調整する場合に設定します。
                          ※(10)で“G.711”、又は“G.726”を選択時に設定可能になります。
                          ※標準値を選択した場合は、音声の送信 PAD と同値となります。
                           また、設定可能範囲は「回線ポート設定」の送信 PAD と同じになります。
                           各モデルの「回線ポート設定」項を参照して下さい。

 (13)FAX     受信 PAD   :   SIP 網から回線方向に対する FAX 通信時の音量を調整する場合に設定します。
                          ※(10)FAX Codec で“G.711”、又は“G.726”を選択時に設定可能になり
                            ます。
                          ※標準値を選択した場合は、音声の受信 PAD と同値となります。
                            また、設定可能範囲は「回線ポート設定」の受信 PAD と同じになります。
                            各モデルの「回線ポート設定」項を参照して下さい。

 (14)入力内容を確認し、“設定”をクリックします。




                                    3-19
231-ND2824-000                    第3章   入力画面の詳細説明
1.0 版 2009 年 8 月                          3.3 回線の設定



3.3   回線の設定




 (1) “回線”をクリックすると、上記の画面が表示されます。




                          3-20
231-ND2824-000                      第3章   入力画面の詳細説明
1.0 版 2009 年 8 月                            3.3 回線の設定



3.3.1   回線設定




 (1) “回線設定”をクリックすると、上記の画面が表示されます。




                          3-21
231-ND2824-000                                        第3章   入力画面の詳細説明
1.0 版 2009 年 8 月                                              3.3 回線の設定



[1] 回線ポート設定




 (1) “回線ポート設定”をクリックすると、上記の画面が表示されます。
      ※既に登録データが入っている場合は、登録データが表示されます。
       何も登録されていない場合は、“No data in the memory.”が表示されます。

 (2) “追加”ボタンをクリックします。        (全 4 ポート登録されている場合は“追加”ボタンは表示されません。  )
      ※『3.2.1 基本設定』  (    3-9ページ)の“モデル定義”で設定した内容により、以下の項目にお進み下さ
       い。
           ・FS/FXS    ・・・『<1> 回線ポート設定の追加(FS/FXS)(
                                                』    3-23ページ)
           ・FO/FXO    ・・・『<2> 回線ポート設定の追加(FO/FXO)(
                                                』    3-26ページ)
           ・OD/E&M    ・・・『<3> 回線ポート設定の追加(OD/E&M)(
                                                』    3-29ページ)
           ・ISDN-NET  ・・・『<4> 回線ポート設定の追加(ISDN-NET)(
                                                  』    3-32ページ)
           ・ISDN-USER ・・・『<5> 回線ポート設定の追加(ISDN-USER)(
                                                   』    3-35ページ)

   ※   削除する場合は、『<6> 回線ポート設定の削除』(        3-38ページ)にお進み下さい。




                                 3-22
231-ND2824-000                                    第3章   入力画面の詳細説明
1.0 版 2009 年 8 月                                          3.3 回線の設定



<1>     回線ポート設定の追加(FS/FXS)




 (1) 『3.2.1 基本設定』
                (   3-9ページ)の“モデル定義”でFS/FXSを選択した場合、上記の画面が表示されます。

 (2) 回線タイプ          :   回線タイプを選択します。
                         ・FXS-PBX : 電話回線の登録に使用します。  (標準設定)
                                     “内線番号”によって番号翻訳が行われます。
                                     ※通常はこの回線タイプを選択します。
                         ・FXS-DI  : PBX ダイヤルイン機能を使用する場合の電話回線登録に使用
                                    します。

 (3) ポート番号          :   収容位置情報(0/0/0 ~ 0/0/3)を登録します。
                         ・0/0/0 : ポート 0 に対応
                         ・0/0/1 : ポート 1 に対応
                         ・0/0/2 : ポート 2 に対応
                         ・0/0/3 : ポート 3 に対応
                        ※使用するポート数分だけ登録して下さい。
                        ※自動的に空きポートを若番順に選択します。必要に応じてポート番号を選択し
                         て下さい。




                                                        (次ページへ続く)


                                 3-23
231-ND2824-000                                           第3章   入力画面の詳細説明
1.0 版 2009 年 8 月                                                 3.3 回線の設定

(前ページの続き)

 (4) TN                 :   テナント番号(通常:1)
                             ・1 : 『3.2.1 基本設定』 (  3-9ページ)の“トランスレータ”で発着
                                  統合を選択時は“1”を表示
                             ・2 : 『3.2.1 基本設定』 (  3-9ページ)の“トランスレータ”で発着
                                  分離を選択時は“2”を表示
                            ※“回線タイプ”で FXS-PBX を選択した場合のみ表示されます。
                            ※自動的に選択される為、ユーザー側で選択する必要はありません。

 (5) Route              :   『[1]ルート設定の追加』  (   3-45ページ)で設定した“ルート番号”を設定
                            します。設定していない場合は、通常“1”を設定します。
                            ※1 ~ 64 の範囲で設定して下さい。
                            ※“回線タイプ”で FXS-DI を選択した場合のみ表示されます。

 (6) 内線番号               :   接続する電話機、又は PBX の電話番号を登録します。  (最大 16 桁)
                            例)1000
                            ※“回線タイプ”で FXS-PBX を選択した場合のみ表示されます。

 (7) Originating Name   : SIP に通知する発信者番号を登録します。 (電話番号@IP アドレス、電話番号@ドメ
                          イン名)   (最大 63 桁)
                          例)1000@192.168.0.100
                              1000@ipmaster.com
                          ※ドメイン名は特に異常値などの入力規制がありませんので、正しく入力するよ
                            うに注意して下さい。

 (8) 回線信号               : 接続する電話機、   又は PBX の発信ダイヤル信号に合わせて回線信号を選択します。
                          ※通常 DP/PB を選択します。
                           ・DP10
                           ・DP20
                           ・PB
                           ・DP/PB(標準設定)
                          ※“回線タイプ”で FXS-DI を選択した場合は DP/PB 固定となる為、回線信号を選
                           択する事はできません。

 (9) 回線制御方式             :   通話接続の制御方式を選択します。
                             ・着信番号接続(標準設定)
                              (“回線タイプ”で FXS-PBX を選択した場合のみ表示されます。)
                             ・ホットライン接続
                              (“回線タイプ”で FXS-PBX を選択した場合のみ表示されます。)
                             ・PBX ダイヤルイン接続
                              (“回線タイプ”で FXS-DI を選択した場合のみ表示されます。)

 (10)送信 PAD             :   回線から SIP 網に対する音声の大きさを調整する場合に設定します。
                            ※通常は変更する必要はありません。
                             ・標準(Loss3dB)
                             ・Gain14dB(大きくする)
                                   ~

                             ・Loss14dB(小さくする)

 (11)受信 PAD             :   SIP 網から回線方向に対する音声の大きさを調整する場合に設定します。
                            ※通常は変更する必要はありません。
                              ・標準(Loss8dB)
                              ・Gain14dB(大きくする)
                                    ~

                             ・Loss14dB(小さくする)

                                                               (次ページへ続く)

                                      3-24
231-ND2824-000                                         第3章   入力画面の詳細説明
1.0 版 2009 年 8 月                                               3.3 回線の設定

(前ページの続き)

 (12)第 1~4 優先コーデック   :   使用するコーデックを選択します。
                         ※ネットワーク環境に合わせて設定して下さい。
                          ・-(未設定)
                          ・G.711u
                          ・G.729a
                          ・G.723.1
                         ※各優先毎の標準設定は次のとおりです。
                          第 1 優先コーデック       : G.711u
                          第 2 優先コーデック       : G.729a
                          第 3~4 優先コーデック     : -(未設定)
                         ※現在、本装置でサポートするコーデックは 3 種類の為、第 4 優先は“-(未
                          設定)  ”として下さい。
                         ※発着信によりコーデックが変わる場合があります。 対向装置によります。
                                                          (               )
                          例)自装置(第 1:G.711u、第 2:G.729a)、対向装置(第 1:G.729a、第 2:
                              G.711u)で設定されている場合において、
                                  自装置→対向装置の送信は G.711u が選択されます。
                                  対向装置→自装置の受信は G.729a が選択されます。
                         ※対向装置側とコーデックが合わない場合は、通話が無音となったり、通話
                          接続が切断されることがありますのでコーデックの設定に注意が必要です。
                         ※必ず対向装置がサポートするコーデックを選択して下さい。

 (13)ホットライン接続電話番号    :   ホットラインで接続する相手の電話番号を設定します。
                         ※“回線制御方式”でホットラインが選択された場合のみ表示されます。
                         ※登録形式 : 接続先の電話番号@ドメイン名
                                      接続先の電話番号@IP アドレス
                          例)5000@ipmaster.com
                            5000@192.168.0.253

 (14)入力内容を確認し、“設定”をクリックします。




                                  3-25
231-ND2824-000                                  第3章   入力画面の詳細説明
1.0 版 2009 年 8 月                                        3.3 回線の設定



<2>     回線ポート設定の追加(FO/FXO)




 (1) 『3.2.1 基本設定』
                (   3-9ページ)の“モデル定義”でFO/FXOを選択した場合、上記の画面が表示されます。

 (2) 回線タイプ          :   FXO(局線インタフェース)回線の登録に使用します。

 (3) ポート番号          :   収容位置情報(0/0/0 ~ 0/0/3)を登録します。
                         ・0/0/0 : ポート 0 に対応
                         ・0/0/1 : ポート 1 に対応
                         ・0/0/2 : ポート 2 に対応
                         ・0/0/3 : ポート 3 に対応
                        ※使用するポート数分だけ登録して下さい。
                        ※自動的に空きポートを若番順に選択します。必要に応じてポート番号を選択し
                         て下さい。

 (4) Route          : 『[1]ルート設定の追加』 (   3-45ページ)で設定した“ルート番号”を設定し
                      ます。設定していない場合は、通常“1”を設定します。
                      ※1 ~ 64 の範囲で設定して下さい。




                                                      (次ページへ続く)


                                3-26
231-ND2824-000                                                     第3章    入力画面の詳細説明
1.0 版 2009 年 8 月                                                            3.3 回線の設定

(前ページの続き)

 (5) TN                 :   テナント番号(通常:1)
                             ・1 : 『3.2.1 基本設定』( 3-9ページ)の“トランスレータ”で発着
                                  統合を選択時は“1”を表示
                             ・2 : 『3.2.1 基本設定』( 3-9ページ)の“トランスレータ”で発着
                                  分離を選択時は“2”を表示
                            ※自動的に選択される為、ユーザー側で選択する必要はありません。

 (6) トランク番号             :   保守(メンテナンス)用に回線を識別する番号を入力します。
                            ※通常(7)で設定した Originating Name と同じ番号を入力します。
                            ※任意の 12 桁の数字列を設定して下さい。
                            例)Originating Name に 05020002000@192.168.0.100 を登録した場合…
                              05020002000 を登録します。

 (7) Originating Name   : SIP に通知する発信者番号を登録します。        (電話番号@IP アドレス、電話番号@ドメ
                          イン名)   (最大 63 桁)
                          例)05020002000@192.168.0.100
                              05020002000@ipmaster.com
                          ※ドメイン名は特に異常値などの入力規制がありませんので、正しく入力するよ
                            うに注意して下さい。

 (8) 回線信号               :   接続する PSTN、又は PBX の発信ダイヤル信号に合わせて回線信号を選択します。
                             ・DP10
                             ・DP20
                             ・PB(標準設定)

 (9) 回線制御方式             :   通話接続の制御方式を選択します。
                             ・ホットライン接続(標準設定)
                             ・PB ダイヤルイン接続
                             ・追加ダイヤルイン接続

 (10)送信 PAD             :   回線から SIP 網に対する音声の大きさを調整する場合に設定します。
                            ※通常は変更する必要はありません。
                             ・標準(0dB)
                             ・Gain9dB(大きくする)
                                ~

                             ・Loss9dB(小さくする)

 (11)受信 PAD             :   SIP 網から回線方向に対する音声の大きさをを調整する場合に設定します。
                            ※通常は変更する必要はありません。
                              ・標準(0dB)
                              ・Gain9dB(大きくする)
                                 ~

                             ・Loss9dB(小さくする)




                                                                          (次ページへ続く)

                                          3-27
231-ND2824-000                                         第3章   入力画面の詳細説明
1.0 版 2009 年 8 月                                               3.3 回線の設定

(前ページの続き)

 (12)第 1~4 優先コーデック   :   使用するコーデックを選択します。
                         ※ネットワーク環境に合わせて選択して下さい。
                          ・-(未設定)
                          ・G.711u
                          ・G.729a
                          ・G.723.1
                         ※各優先毎の標準設定は次のとおりです。
                          第 1 優先コーデック       : G.711u
                          第 2 優先コーデック       : G.729a
                          第 3~4 優先コーデック     : -(未設定)
                         ※現在、本装置でサポートするコーデックは 3 種類の為、第 4 優先は“-(未
                          設定)  ”として下さい。
                         ※発着信によりコーデックが変わる場合があります。 対向装置によります。
                                                          (               )
                          例)自装置(第 1:G.711u、第 2:G.729a)、対向装置(第 1:G.729a、第 2:
                              G.711u)で設定されている場合において、
                                  自装置→対向装置の送信は G.711u が選択されます。
                                  対向装置→自装置の受信は G.729a が選択されます。
                         ※対向装置側とコーデックが合わない場合は、通話が無音となったり、通話
                          接続が切断されることがありますのでコーデックの設定に注意が必要です。
                         ※必ず対向装置がサポートするコーデックを選択して下さい。

 (13)ホットライン接続電話番号 :      ホットラインで接続する相手の電話番号を設定します。
                         ※“回線制御方式”でホットラインが選択された場合のみ表示されます。
                         ※登録形式 : 接続先の電話番号@ドメイン名
                                     接続先の電話番号@IP アドレス
                           例)5000@ipmaster.com
                             5000@192.168.0.253

 (14)入力内容を確認し、“設定”をクリックします。




                                  3-28
231-ND2824-000                                    第3章   入力画面の詳細説明
1.0 版 2009 年 8 月                                          3.3 回線の設定



<3>     回線ポート設定の追加(OD/E&M)




 (1) 『3.2.1 基本設定』
                (   3-9ページ)の“モデル定義”でOD/E&Mを選択した場合、上記の画面が表示されます。

 (2) 回線タイプ          :   OD(4 線式専用線インターフェース)回線の登録に使用します。

 (3) ポート番号          :   収容位置情報(0/0/0 ~ 0/0/3)を登録します。
                         ・0/0/0 : ポート 0 に対応
                         ・0/0/1 : ポート 1 に対応
                         ・0/0/2 : ポート 2 に対応
                         ・0/0/3 : ポート 3 に対応
                        ※使用するポート数分だけ登録して下さい。
                        ※自動的に空きポートを若番順に選択します。必要に応じてポート番号を選択し
                         て下さい。

 (4) Route          :   『[1]ルート設定の追加』  (  3-45ページ)で設定した“ルート番号”を設定
                        します。設定していない場合は、通常“1”を設定します。
                        ※1 ~ 64 の範囲で設定して下さい。




                                                        (次ページへ続く)


                                 3-29
231-ND2824-000                                                第3章   入力画面の詳細説明
1.0 版 2009 年 8 月                                                      3.3 回線の設定

(前ページの続き)

 (5) TN                 :   テナント番号(通常:1)
                             ・1 : 『3.2.1 基本設定』( 3-9ページ)の“トランスレータ”で発着
                                  統合を選択時は“1”を表示
                             ・2 : 『3.2.1 基本設定』( 3-9ページ)の“トランスレータ”で発着
                                  分離を選択時は“2”を表示
                            ※自動的に選択される為、ユーザー側で選択する必要はありません。

 (6) トランク番号             :   保守(メンテナンス)用に回線を識別する番号を入力します。
                            ※通常(7)で設定した Originating Name と同じ番号を入力します。
                            ※任意の 12 桁の数字列を設定して下さい。
                            例)Originating Name に 800@192.168.0.100 を登録した場合…
                              800 を登録します。

 (7) Originating Name   : SIP に通知する発信者番号を登録します。(電話番号@IP アドレス、電話番号@ドメ
                          イン名)   (最大 63 桁)
                          例)800@192.168.0.100
                              800@ipmaster.com
                          ※ドメイン名は特に異常値などの入力規制がありませんので、正しく入力するよ
                            うに注意して下さい。

 (8) 回線信号               :   接続する PBX の発信ダイヤル信号に合わせて回線信号を選択します。
                             ・DP10
                             ・DP20
                             ・PB(標準設定)

 (9) 回線制御方式             :   通話接続の制御方式を選択します。
                            ※PBX の設定に合わせて登録して下さい。
                             ・着信番号接続(標準設定) :PBX 側の信号方式はセカンドダイヤルトーン
                                               方式となります。
                             ・ホットライン接続       :PBX 側の信号方式は、接続確認信号無し(セ
                                               カンドダイヤルトーン方式・イミディエイト
                                               方式)方式を設定して下さい。また併せて、
                                               PBX から本装置へは選択信号を送出しない設
                                               定として下さい。
                                               PBX 側の回線インターフェースが、E&M 方式
                                               の加入者回線でも接続可能です。
                             ・接続確認(ウインク)接続
                             ・イミディエイト接続
                             ・ディレイ接続         :一般海外向けの接続方式である為、国内では
                                              使用できません。設定しないで下さい。

 (10)送信 PAD             :   回線から SIP 網に対する音声の大きさを調整する場合に設定します。
                            ※通常は変更する必要はありません。
                             ・標準(0dB)
                             ・Gain14dB(大きくする)
                                ~

                             ・Loss14dB(小さくする)

 (11)受信 PAD             :   SIP 網から回線方向に対する音声の大きさを調整する場合に設定します。
                            ※通常は変更する必要はありません。
                              ・標準(0dB)
                              ・Gain14dB(大きくする)
                                 ~

                             ・Loss14dB(小さくする)

                                                                    (次ページへ続く)

                                        3-30
231-ND2824-000                                         第3章   入力画面の詳細説明
1.0 版 2009 年 8 月                                               3.3 回線の設定

(前ページの続き)

 (12)第 1~4 優先コーデック   :   使用するコーデックを選択します。
                         ※ネットワーク環境に合わせて設定して下さい。
                          ・-(未設定)
                          ・G.711u
                          ・G.729a
                          ・G.723.1
                         ※各優先毎の標準設定は次のとおりです。
                          第 1 優先コーデック       : G.711u
                          第 2 優先コーデック       : G.729a
                          第 3~4 優先コーデック     : -(未設定)
                         ※現在、本装置でサポートするコーデックは 3 種類の為、第 4 優先は“-(未
                          設定)  ”として下さい。
                         ※発着信によりコーデックが変わる場合があります。 対向装置によります。
                                                          (               )
                          例)自装置(第 1:G.711u、第 2:G.729a)、対向装置(第 1:G.729a、第 2:
                              G.711u)で設定されている場合において、
                                 自装置→対向装置の送信は G.711u が選択されます。
                                 対向装置→自装置の受信は G.729a が選択されます。
                         ※対向装置側とコーデックが合わない場合は、通話が無音となったり、通話
                          接続が切断されることがありますのでコーデックの設定に注意が必要です。
                         ※必ず対向装置がサポートするコーデックを選択して下さい。

 (13)ホットライン接続電話番号    :   ホットラインで接続する相手の電話番号を設定します。
                         ※“回線制御方式”でホットラインが選択された場合のみ表示されます。
                         ※登録形式 : 接続先の電話番号@ドメイン名
                                   接続先の電話番号@IP アドレス
                             例)5000@ipmaster.com
                               5000@192.168.0.253

 (14)入力内容を確認し、“設定”をクリックします。




                                  3-31
231-ND2824-000                                    第3章   入力画面の詳細説明
1.0 版 2009 年 8 月                                          3.3 回線の設定



<4>     回線ポート設定の追加(ISDN-NET)




 (1) 『3.2.1 基本設定』
                (   3-9ページ)の“モデル定義”でISDN-NETを選択した場合、上記の画面が表示されま
     す。

 (2) 回線タイプ          :   NET 側インターフェースの登録に使用します。

 (3) ポート番号          :   収容位置情報(0/0/0 ~ 0/0/3)を登録します。
                          ・0/0/0 : LINE0 B1 に対応
                          ・0/0/1 : LINE0 B2 に対応
                          ・0/0/2 : LINE1 B1 に対応
                          ・0/0/3 : LINE1 B2 に対応
                         ※使用するポート数分だけ登録して下さい。
                         ※自動的に空きポートを若番順に選択します。必要に応じてポート番号を選択
                           して下さい。

 (4) Route          :   『[1]ルート設定の追加』 (   3-45ページ)で設定した“ルート番号”を設定
                        します。設定していない場合は、通常“1”を設定します。
                        ※1 ~ 64 の範囲で設定して下さい。




                                                        (次ページへ続く)

                                 3-32
231-ND2824-000                                                 第3章   入力画面の詳細説明
1.0 版 2009 年 8 月                                                       3.3 回線の設定

(前ページの続き)

 (5) TN                 :   テナント番号(通常:1)
                             ・1 : 『3.2.1 基本設定』( 3-9ページ)の“トランスレータ”で発着
                                  統合を選択時は“1”を表示
                             ・2 : 『3.2.1 基本設定』( 3-9ページ)の“トランスレータ”で発着
                                  分離を選択時は“2”を表示
                            ※自動的に選択される為、ユーザー側で選択する必要はありません。

 (6) トランク番号             :   保守(メンテナンス)用に回線を識別する番号を入力します。
                            ※通常(8)で設定した Originating Name と同じ番号を入力します。
                            ※任意の 12 桁の数字列を設定して下さい。
                            例)Originating Name に 1000@192.168.0.100 を登録した場合…
                              1000 を登録します。

 (7) 情報転送能力             :   情報転送能力を選択します。
                             ・音声           : 音声のみの場合(標準設定)
                             ・3.1kHz オーディオ : FAX のみを接続する場合

 (8) Originating Name   : SIP に通知する発信者番号を登録します。 (電話番号@IP アドレス、電話番号@ドメ
                          イン名)   (最大 63 桁)
                          例)1000@192.168.0.100
                              1000@ipmaster.com
                          ※ドメイン名は特に異常値などの入力規制がありませんので、正しく入力するよ
                            うに注意して下さい。

 (9) 回線制御方式             :   通話接続の制御方式を選択します。
                             ・着信番号接続(標準設定)
                             ・ホットライン接続

 (10)送信 PAD             :   回線から SIP 網に対する音声の大きさを調整する場合に設定します。
                            ※通常は変更する必要はありません。
                             ・標準(0dB)
                             ・Gain14dB(大きくする)
                                ~

                             ・Loss14dB(小さくする)

 (11)受信 PAD             :   SIP 網から回線方向に対する音声の大きさを調整する場合に設定します。
                            ※通常は変更する必要はありません。
                              ・標準(0dB)
                              ・Gain14dB(大きくする)
                                 ~

                             ・Loss14dB(小さくする)




                                                                     (次ページへ続く)

                                        3-33
231-ND2824-000                                         第3章   入力画面の詳細説明
1.0 版 2009 年 8 月                                               3.3 回線の設定

(前ページの続き)

 (12)第 1~4 優先コーデック   :   使用するコーデックを選択します。
                         ※ネットワーク環境に合わせて設定して下さい。
                          ・-(未設定)
                          ・G.711u
                          ・G.729a
                          ・G.723.1
                         ※各優先毎の標準設定は次のとおりです。
                          第 1 優先コーデック       : G.711u
                          第 2 優先コーデック       : G.729a
                          第 3~4 優先コーデック     : -(未設定)
                         ※現在、本装置でサポートするコーデックは 3 種類の為、第 4 優先は“-(未
                          設定)  ”として下さい。
                         ※発着信によりコーデックが変わる場合があります。 対向装置によります。
                                                          (               )
                          例)自装置(第 1:G.711u、第 2:G.729a)、対向装置(第 1:G.729a、第 2:
                              G.711u)で設定されている場合において、
                                 自装置→対向装置の送信は G.711u が選択されます。
                                 対向装置→自装置の受信は G.729a が選択されます。
                         ※対向装置側とコーデックが合わない場合は、通話が無音となったり、通話
                          接続が切断されることがありますのでコーデックの設定に注意が必要です。
                         ※必ず対向装置がサポートするコーデックを選択して下さい。

 (13)ホットライン接続電話番号    :   ホットラインで接続する相手の電話番号を設定します。
                         ※“回線制御方式”でホットラインが選択された場合のみ表示されます。
                         ※登録形式 : 接続先の電話番号@ドメイン名
                                      接続先の電話番号@IP アドレス
                          例)5000@ipmaster.com
                            5000@192.168.0.253

 (14)入力内容を確認し、“設定”をクリックします。




                                  3-34
231-ND2824-000                                     第3章   入力画面の詳細説明
1.0 版 2009 年 8 月                                           3.3 回線の設定



<5>     回線ポート設定の追加(ISDN-USER)




 (1) 『3.2.1 基本設定』(   3-9ページ)の“モデル定義”でISDN-USERを選択した場合、上記の画面が表示され
     ます。

 (2) 回線タイプ           :   局線(PSTN 網)の登録に使用します。

 (3) ポート番号           :   収容位置情報(0/0/0 ~ 0/0/3)を登録します。
                           ・0/0/0 : LINE0 B1 に対応
                           ・0/0/1 : LINE0 B2 に対応
                           ・0/0/2 : LINE1 B1 に対応
                           ・0/0/3 : LINE1 B2 に対応
                          ※使用するポート数分だけ登録して下さい。
                          ※自動的に空きポートを若番順に選択します。     必要に応じてポート番号を選択し
                            て下さい。

 (4) Route           :   『[1]ルート設定の追加』 (   3-45ページ)で設定した“ルート番号”を設定
                         します。設定していない場合は、通常“1”を設定します。
                         ※1 ~ 64 の範囲で設定して下さい。




                                                         (次ページへ続く)

                                   3-35
231-ND2824-000                                                     第3章    入力画面の詳細説明
1.0 版 2009 年 8 月                                                            3.3 回線の設定

(前ページの続き)

 (5) TN                 :   テナント番号(通常:1)
                             ・1 : 『3.2.1 基本設定』( 3-9ページ)の“トランスレータ”で発着
                                  統合を選択時は“1”を表示
                             ・2 : 『3.2.1 基本設定』( 3-9ページ)の“トランスレータ”で発着
                                  分離を選択時は“2”を表示
                            ※自動的に選択される為、ユーザー側で選択する必要はありません。

 (6) トランク番号             :   保守(メンテナンス)用に回線を識別する番号を入力します。
                            ※通常(8)で設定した Originating Name と同じ番号を入力します。
                            ※任意の 12 桁の数字列を設定して下さい。
                            例)Originating Name に 0471851000@192.168.0.100 を登録した場合…
                              0471851000 を登録します。

 (7) 情報転送能力             :   情報転送能力を選択します。
                             ・音声           : 音声のみの場合(標準設定)
                             ・3.1kHz オーディオ : FAX のみを接続する場合

 (8) Originating Name   : SIP に通知する発信者番号を登録します。       (電話番号@IP アドレス、電話番号@ドメ
                          イン名)   (最大 63 桁)
                          例)0471851000@192.168.0.100
                              0471851000@ipmaster.com
                          ※ドメイン名は特に異常値などの入力規制がありませんので、正しく入力するよ
                            うに注意して下さい。

 (9) 回線制御方式             :   通話接続の制御方式を選択します。
                             ・着信番号接続(標準設定)
                             ・ホットライン接続
                             ・追加ダイヤルイン接続

 (10)送信 PAD             :   回線から SIP 網に対する音声の大きさを調整する場合に設定します。
                            ※通常は変更する必要はありません。
                             ・標準(0dB)
                             ・Gain14dB(大きくする)
                                ~

                             ・Loss14dB(小さくする)

 (11)受信 PAD             :   SIP 網から回線方向に対する音声の大きさを調整する場合に設定します。
                            ※通常は変更する必要はありません。
                              ・標準(0dB)
                              ・Gain14dB(大きくする)
                                 ~

                             ・Loss14dB(小さくする)




                                                                          (次ページへ続く)

                                          3-36
231-ND2824-000                                         第3章   入力画面の詳細説明
1.0 版 2009 年 8 月                                               3.3 回線の設定

(前ページの続き)

 (12)第 1~4 優先コーデック   :   使用するコーデックを選択します。
                         ※ネットワーク環境に合わせて設定して下さい。
                          ・-(未設定)
                          ・G.711u
                          ・G.729a
                          ・G.723.1
                         ※各優先毎の標準設定は次のとおりです。
                          第 1 優先コーデック       : G.711u
                          第 2 優先コーデック       : G.729a
                          第 3~4 優先コーデック     : -(未設定)
                         ※現在、本装置でサポートするコーデックは 3 種類の為、第 4 優先は“-(未
                          設定)  ”として下さい。
                         ※発着信によりコーデックが変わる場合があります。 対向装置によります。
                                                          (               )
                          例)自装置(第 1:G.711u、第 2:G.729a)、対向装置(第 1:G.729a、第 2:
                              G.711u)で設定されている場合において、
                                 自装置→対向装置の送信は G.711u が選択されます。
                                 対向装置→自装置の受信は G.729a が選択されます。
                         ※対向装置側とコーデックが合わない場合は、通話が無音となったり、通話
                          接続が切断されることがありますのでコーデックの設定に注意が必要です。
                         ※必ず対向装置がサポートするコーデックを選択して下さい。

 (13)ホットライン接続電話番号    :   ホットラインで接続する相手の電話番号を設定します。
                         ※“回線制御方式”でホットラインが選択された場合のみ表示されます。
                         ※登録形式 : 接続先の電話番号@ドメイン名
                                      接続先の電話番号@IP アドレス
                          例)5000@ipmaster.com
                            5000@192.168.0.253

 (14)入力内容を確認し、“設定”をクリックします。




                                  3-37
231-ND2824-000                            第3章   入力画面の詳細説明
1.0 版 2009 年 8 月                                  3.3 回線の設定



<6>     回線ポート設定の削除




 (1) “設定”ボタンの左隣にあるチェックボックスにチェックを入れ、“削除”をクリックします。

   ※回線ポートを削除した場合は“データセーブ”を実行後、“再起動”を実行して下さい。




                           3-38
231-ND2824-000                                           第3章   入力画面の詳細説明
1.0 版 2009 年 8 月                                                 3.3 回線の設定



[2] 詳細設定(FS/FXS・FO/FXO・OD/E&M)
   『3.2.1 基本設定』  (     3-9ページ)の“モデル定義”で、FS/FXS、FO/FXO、又はOD/E&Mを選択した場合の説明で
   す。ISDN-NET、ISDN-USERを選択した場合は、[3]詳細設定(ISDN-NET・ISDN-USER)』
                                 『                          (  3-41ページ)を参照し
   て下さい。
   本メニューは任意設定です。必要に応じて設定して下さい。




 (1) “詳細設定”をクリックすると、上記の画面が表示されます。

 (2) プレポーズタイマー          :   プレポーズタイマーを設定します。
                             ・標準(32 秒)
                             ・4 秒~

                             ・120 秒

 (3) 桁間タイマー             :   桁間タイマーを設定します。
                             ・標準(5 桁まで 4 秒、6 桁以上 2 秒)
                             ・2 ~ 秒

                             ・20 秒

 (4) センダプレポーズタイマー :         センダプレポーズタイマーを設定します。
                             ・標準(3 秒)
                             ・0.5~ 秒

                             ・5 秒

                                                               (次ページへ続く)


                                      3-39
231-ND2824-000                                          第3章   入力画面の詳細説明
1.0 版 2009 年 8 月                                                3.3 回線の設定

(前ページの続き)

 (5) PBX ダイヤルイン内線指定受信完了信号送出タイミング
                   : PBX ダイヤルイン時、   PSTN 網に対して内線指定受信完了信号を出すタイミングを
                     設定します。
                       ・180/183 受信 : SIP 網から 180、又は 183 を受信後に送出(標準設定)
                       ・100 受信     : SIP 網から 100 を受信後に送出
                     ※『3.2.1 基本設定』 (      3-9ページ)の“モデル定義”でFO/FXOを選択した場
                       合のみ表示されます。
                     ※『3.2.1 基本設定』 (     3-9ページ) “モデル定義” でFO/FXOを選択し、
                                                 の                  『<2>
                      回線ポート設定の追加(FO/FXO)(      』   3-26ページ) “回線制御方式”でPB
                      ダイヤルインを選択していて、         着信先SIP端末がグループラインに組まれている
                      場合は、100 受信を選択します。

 (6) 発信音指定          :   発信音(ダイヤルトーン)を指定します。
                          ・断続 : PBX 用の発信音・400Hz 断続
                          ・連続 : 公衆網用の発信音・400Hz 連続(標準設定)

 (7) 局線応答監視タイマー     :   局線側が応答するまでのタイマー(120 秒固定)を設定します。
                          ・タイマー無し(標準設定)
                          ・送出桁 6 桁以上タイマー有り
                          ・無条件にタイマー有り
                        ※『3.2.1 基本設定』( 3-9ページ)の“モデル定義”でFO/FXOを選択した
                         場合のみ表示されます。

 (8) 183 受信時の擬似応答   :   SIP 網から”183withSDP”を受信した際の、回線への擬似応答を設定します。
                           ・有効(標準設定)
                           ・無効
                        ※『3.2.1 基本設定』    (   3-9ページ)の“モデル定義”でFO/FXO、OD/E&Mを選
                          択した場合のみ表示されます。
                        ※“有効”とした場合、回線から IP 側へ発信すると、IP 側が呼び出し中でも発
                          信者は応答状態になり、公専接続の場合でもアナウンスやトーンを聴くことが
                          できます。しかし発信者に課金が発生することや、呼び出し中に起動する付加
                          サービスが利用できない、       及び呼び出し中にもフッキング操作が可能となる為、
                          意図せず転送操作を行ってしまうことがあります。
                          “無効”とした場合、回線から IP 側へ発信すると、IP 側が呼び出し中に発信
                          者は応答状態になりません。公専接続が行われている場合は呼び出しの可否に
                          関わらず呼び出し音を聴くことがあります。        また IP 側以降で専公接続が行われ
                          フリーコールへ発信した場合、発信してから約 3 分後に通話が切れることがあ
                          ります。
                        ※公専、及び専公接続を行わない場合は“無効”を選択して下さい。
                        ※SV8500 サーバーと連携する場合は“無効”を選択して下さい。

 (9) 回線閉塞時の回線制御     :   Ether リンク断発生時の回線閉塞がかかっている状態における、回線制御を設定
                        します。
                           ・ROT 接続 : 回線が捕捉されると ROT を聴取します。    (標準設定)
                           ・極性 RVS : FXS 回線の極性を反転(RVS ON)して、対局(PBX)側へ発信
                                     状態を見せ、回線を捕捉できなくします。       (FS/FXS を選択時
                                     のみ表示)
                           ・M 線起動 : OD 回線の M 線を起動して、対局(PBX)側へ発信状態を見せ、
                                     回線を捕捉できなくします。   (OD/E&M を選択時のみ表示)
                        ※『3.2.1 基本設定』 (    3-9ページ)の“モデル定義”でFS/FXS、OD/E&Mを選
                          択した場合のみ表示されます。

 (10)入力内容を確認し、“設定”をクリックします。




                                   3-40
231-ND2824-000                                           第3章   入力画面の詳細説明
1.0 版 2009 年 8 月                                                 3.3 回線の設定



[3] 詳細設定(ISDN-NET・ISDN-USER)
   『3.2.1 基本設定』  (    3-9ページ)の“モデル定義”で、ISDN-NET、ISDN-USERを選択した場合の説明です。
   FS/FXS又は、FO/FXO、OD/E&Mを選択した場合は、[2]詳細設定(FS/FXS・FO/FXO・OD/E&M)』
                                  『                             ( 3-39ページ)を参
   照して下さい。
   本メニューは任意設定です。必要に応じて設定して下さい。




 (1) “詳細設定”をクリックすると、上記の画面が表示されます。

 (2) 桁間タイマー           : 『<5> 回線ポート設定の追加(ISDN-USER)(
                                                  』 3-35ページ)の“回線制御方式”
                        で「追加ダイヤルイン」を選択している場合の桁間タイマーを設定します。
                           ・標準(5 桁まで 4 秒、6 桁以上 2 秒)
                           ・2 秒~

                          ・20 秒
                        ※『3.2.1 基本設定』
                                    ( 3-9ページ)の“モデル定義”でISDN-USERを選択した
                          場合のみ表示されます。

 (3) 発信音指定            : 『<5> 回線ポート設定の追加(ISDN-USER)(
                                                  』 3-35 ページ)の “回線制御方
                        式”で「追加ダイヤルイン」を選択している場合の発信音(ダイヤルトーン)を
                        指定します。
                          ・断続 : PBX 用の発信音・400Hz 断続
                          ・連続 : 公衆網用の発信音・400Hz 連続(標準設定)
                        ※『3.2.1 基本設定』
                                    (  3-9ページ)の“モデル定義”でISDN-USERを選択した
                         場合のみ表示されます。



                                                               (次ページへ続く)


                                    3-41
231-ND2824-000                                                      第3章     入力画面の詳細説明
1.0 版 2009 年 8 月                                                              3.3 回線の設定

(前ページの続き)

 (4) 局線応答監視タイマー       :   局線側が応答するまでのタイマー(120 秒固定)を設定します。
                           ・タイマー無し(標準設定)
                           ・送出桁 6 桁以上タイマー有り
                           ・無条件にタイマー有り
                          ※『3.2.1 基本設定』
                                      (  3-9ページ)の“モデル定義”でISDN-USERを選択し
                           た場合のみ表示されます。

 (5) 183 受信時の擬似応答     :   SIP 網から”183withSDP”を受信した際の、回線への擬似応答を設定します。
                            ・有効(標準設定)
                            ・無効
                          ※『3.2.1 基本設定』    (   3-9ページ)の“モデル定義”でISDN-USERを選択し
                            た場合のみ表示されます。
                          ※“有効”とした場合、回線から IP 側へ発信すると、IP 側が呼び出し中でも発
                            信者は応答状態になり、公専接続の場合でもアナウンスやトーンを聴くことが
                            できます。しかし発信者に課金が発生することや、呼び出し中に起動する付加
                            サービスが利用できない、       及び呼び出し中にもフッキング操作が可能となる為、
                            意図せず転送操作を行ってしまうことがあります。
                            “無効”とした場合、回線から IP 側へ発信すると、IP 側が呼び出し中に発信
                            者は応答状態になりません。公専接続が行われている場合は呼び出しの可否に
                            関わらず呼び出し音を聴くことがあります。        また IP 側以降で専公接続が行われ
                            フリーコールへ発信した場合、発信してから約 3 分後に通話が切れることがあ
                            ります。
                          ※公専、及び専公接続を行わない場合は“無効”を選択して下さい。
                          ※SV8500 サーバーと連携する場合は“無効”を選択して下さい。

 (6) 回線閉塞時の切断理由       :   Ether リンク断発生時の回線閉塞がかかっている状態で、ISDN 回線から受信され
                          る SETUP メッセージに対する RELCOM メッセージの理由表示値を設定します。
                            ・#44 : 要求回線/チャネル利用不可(標準設定)
                            ・#3    : 相手へのルート無し
                            ・#27 : 着側インターフェース起動不可
                            ・#41 : 一時的失敗

 (7) LINE-0 接続形式      :   LINE-0 側の契約している回線種別の選択をします。
                            ・ポイント・ポイント(標準設定)
                            ・ポイント・マルチポイント

 (8) LINE-1 接続形式      :   LINE-1 側の契約している回線種別の選択をします。
                            ・ポイント・ポイント(標準設定)
                            ・ポイント・マルチポイント

 (9) ISDN→SIP 発番号通知   :   ISDN 網から SIP 網へ発信する時の発番号通知を設定します。
                            ・ISDN 発番号透過 :ISDN 網からの発番号を通知(標準設定)
                            ・Originating Name :『<4>、<5>回線ポート設定の追加(ISDN -NET) (ISDN      、
                                                -USER ) (
                                                       』        3-32 、 3-35 ペ ー ジ ) で 設 定 し た
                                                Originating Nameを通知
                            ・Anonymous        :非通知設定
                                                ※『3.4.1[2]SIPサービス設定』          (     3-53ページ)
                                                  の“Display Name付加”を「する」に設定しても非通
                                                  知となります。
                                               ※環境によっては、Originating Name が通知される場
                                                  合があります。




                                                                            (次ページへ続く)

                                         3-42
231-ND2824-000                                                第3章   入力画面の詳細説明
1.0 版 2009 年 8 月                                                      3.3 回線の設定

(前ページの続き)

 (10)ISDN 発番号透過不可時 :     ISDN 網から SIP 網へ発信時に発番号情報が非通知の場合に、SIP 網へ送出する情
                         報を設定します。
                           ・Anonymous        :非通知設定(標準設定)
                           ・Originating Name : <4> 回 線 ポ ー ト 設 定 の 追 加 ( ISDN-NET )
                                              『                                    、
                                              (ISDN-USER)(
                                                         』      3-32、3-35ページ)で設定し
                                              たOriginating Nameを通知
                           ・184 付与           :SIP 網への発番号は Originating Name を使用し、
                                              着番号の先頭に”184”を付与して発信
                                              ※“184”の付与は、番号展開等による番号付加・削
                                                除を行なった後に行います。
                         ※(9)ISDN→SIP 発番号通知で“ISDN 発番号透過”以外を選択した場合は設定
                           できません。
                         ※SV8500 サーバーと連携する場合は、      “Originating Name”を設定する事を推奨
                           します。

 (11)ISDN→SIP 着信方式   :   ISDN 網から SIP 網の着信方式を設定します。
                           ・着番号着信          :着番号を『 [2]回線⇒SIP着信』
                                            (  3-64ページ)で登録した内容に従いSIP網へ
                                            着信(標準設定)
                           ・着サブアドレス着信      :着サブアドレスを『 [2]回線⇒SIP着信』
                                            (  3-64ページ)で登録した内容に従いSIP網へ
                                            着信
                                            ※着サブアドレスを必ず受信する必要があります。

 (12)SIP→ISDN 発番号通知 :    SIP 網から ISDN 網へ発信する時の発番号通知を設定します。
                           ・SIP 発番号透過      :SIP 網から来る from アドレスを ISDN 網に発番号と
                                            して通知します。   (標準設定)
                           ・ダイヤルイン番号透過 :SIP 網から来るダイヤルイン番号を ISDN 網に発番
                                            号として通知します。
                           ・発番号送信なし        :ISDN 網に発番号を送出しません。着信者に通知さ
                                            れる番号は回線契約に従います。
                           ・発番号非通知         :ISDN 網に番号通知しません。

 (13)透過番号第 1 数字指定 :      (12)で“ダイヤルイン番号透過”を選択時、透過させる番号の先頭番号
                         (0471-99-9999 の場合は“標準”(0))を指定します。
                          ・標準(0)
                          ・1 ~

                          ・9
                         ※(12)で“ダイヤルイン番号透過”以外を選択した場合は設定できません。

 (14)透過番号以外の扱い       :   (13)で指定した番号以外を受信した場合の処理を選択します。
                          ・発番号送信無し(標準設定)
                          ・発番非表示
                         ※(12)で“ダイヤルイン番号透過”以外を選択した場合は設定できません。

 (15)入力内容を確認し、“設定”をクリックします。




                                      3-43
231-ND2824-000                                         第3章   入力画面の詳細説明
1.0 版 2009 年 8 月                                               3.3 回線の設定



3.3.2    ルート設定
 『[1]回線ポート設定』   (     3-22ページ)で登録したRouteに対して、回線から受信した番号の先頭に番号を付加さ
 せる場合に登録します。付加させない場合は、本データの登録は不要です。
 本メニューは、 『<1>回線ポート設定の追加(FS/FXS)(        』   3-23ページ)の“回線タイプ”でFXS-DI、及びその他の
 回線タイプ(FXO-PBX、OD-PBX、ISDN-NET、ISDN-USER)を選択した場合、この項の設定を行って下さい。




 (1) “ルート設定”をクリックすると、上記の画面が表示されます。
     ※既に登録データが入っている場合は、登録データが表示されます。
      何も登録されていない場合は、“No data in the memory.”が表示されます。

 (2) “追加”をクリックします。(全 64 ルート登録されている場合は“追加”ボタンは表示されません。)

     ※   削除する場合は、[2]ルート設定の削除』
                 『           (       3-47ページ)へお進み下さい。




                                   3-44
231-ND2824-000                                       第3章   入力画面の詳細説明
1.0 版 2009 年 8 月                                             3.3 回線の設定



[1] ルート設定の追加




 (1) ルート番号         :   通話接続ルート毎に番号を設定します。   (通常 1 から順番に使用)
                       ※1 ~ 64 の範囲で設定して下さい。

 (2) 付加数字パターン番号    :   『3.5.3 番号付加』   (     3-71ページ)で設定した付加数字パターン番号を設定
                       します。
                       該当ルートのどの回線に着信しても、回線から受信する番号に対して、同じ番号
                       を付加させる場合に登録します。
                       ※任意:0 ~ 32 の範囲で設定して下さい。
                       ※本設定が有効となるモデルと回線制御方式の組合せを以下に示します。
                          ・FO/FXO   ・・・ PB ダイヤルイン接続
                          ・OD/E&M   ・・・ 着信番号接続・接続確認(ウインク)接続・イミディエイト
                                        接続
                          ・ISDN-NET ・・・ 着信番号接続
                          ・ISDN-USER・・・ 着信番号接続

 (3) 入力内容を確認し、“設定”をクリックします。




                                                           (次ページへ続く)


                                 3-45
231-ND2824-000                                           第3章   入力画面の詳細説明
1.0 版 2009 年 8 月                                                 3.3 回線の設定

(前ページの続き)

   ※ここで設定した内容は、      『<2>回線ポート設定の追加(FO/FXO)』   (   3-26ページ) 『<3>回線ポート設定の追加
                                                             、
    (OD/E&M)』(  3-29ページ)『<4>回線ポート設定の追加(ISDN-NET)』
                         、                          (    3-32ページ)『<5>回線ポート設定
                                                                 、
    の追加(ISDN-USER)』(   3-35ページ)『3.5.2[2] 回線⇒SIP着信』
                               、                  (    3-64ページ)で使用します。

   ※どの回線に着信しても、同じ番号を付加させたい場合の設定例
    例)回線から“2000 番”を受信し、SIP 網へ 82000 番として送出する場合…
      「番号付加」     付加数字パターン番号 : 1
                 付加数字           : 8

        「ルート設定」    ルート番号          : 1
                   付加数字パターン番号     : 1(「番号付加」で設定した“8”を付加する)




                                    3-46
231-ND2824-000                           第3章   入力画面の詳細説明
1.0 版 2009 年 8 月                                 3.3 回線の設定



[2] ルート設定の削除




 (1) “設定”ボタンの左隣にあるチェックボックスにチェックを入れ、“削除”をクリックします。




                          3-47
231-ND2824-000                     第3章   入力画面の詳細説明
1.0 版 2009 年 8 月                           3.4 SIP の設定



3.4   SIP の設定




 (1) “SIP”をクリックすると、上記の画面が表示されます。




                           3-48
231-ND2824-000                        第3章   入力画面の詳細説明
1.0 版 2009 年 8 月                              3.4 SIP の設定



3.4.1   SIP設定




 (1) “SIP 設定”をクリックすると、上記の画面が表示されます。




                           3-49
231-ND2824-000                                       第3章    入力画面の詳細説明
1.0 版 2009 年 8 月                                              3.4 SIP の設定



[1] SIPサーバ情報設定




 (1) “SIP サーバ情報設定”をクリックすると、上記の画面が表示されます。
       ※既に登録データが入っている場合は、登録データが表示されます。
         何も登録されていない場合は、“No data in the memory.”が表示されます。

 (2) ドメイン名          :   SIP サーバー、又は PROXY サーバーのドメイン名を設定して下さい。
                        (任意:最大 31 文字)
                        使用できる文字は、半角英数字(0-9、a-z、A-Z)と“-”“.”です。
                                                        、
                        例)ipmaster.com
                        ※何も入力せずに“設定”をクリックすると、設定されているドメイン名は削除
                          されます。

 (3) 入力内容を確認し、“設定”をクリックします。

 (4) 続いて、SIP サーバーの詳細データを登録します。“追加”をクリックします。(全 127 サーバー登録されてい
     る場合は“追加”ボタンは表示されません。  )

   ※   削除する場合は、『<1> SIPサーバ情報設定の削除』(      3-52ページ)へお進み下さい。




                                                            (次ページへ続く)

                                  3-50
231-ND2824-000                                     第3章   入力画面の詳細説明
1.0 版 2009 年 8 月                                           3.4 SIP の設定

(前ページの続き)




 (5) (4)の後、上記の画面が表示されます。

 (6) サーバ番号         :   SIP サーバーを識別する為の番号を入力します。(通常 1 から順番に使用)
                       ※1 ~ 127 の範囲で設定して下さい。

 (7) サーバ名          :   任意のサーバー名を入力します。(最大 63 文字)
                       使用できる文字は、半角英数字(0-9、a-z、A-Z)と“-”“_”“.”です。
                                                      、  、
                       例)Sip-Server

 (8) サーバ IP アドレス   :   SIP サーバーの IP アドレスを入力します。
                       例)192.168.0.1

 (9) サーバポート番号      :   SIP サーバーに使用するポート番号を入力します。  (通常:5060)
                       ※通常は設定する必要はありません。
                       ※1024 ~ 65535 の範囲で設定して下さい。

 (10)入力内容を確認し、“設定”をクリックします。

   ※ここで設定した内容は、『3.5.2[2] 回線⇒SIP着信』( 3-64ページ)で使用します。
   ※スタティック接続の場合は、上記サーバーは接続する相手装置のことを示します。




                                 3-51
231-ND2824-000                           第3章   入力画面の詳細説明
1.0 版 2009 年 8 月                                 3.4 SIP の設定



<1>     SIPサーバ情報設定の削除




 (1) “設定”ボタンの左隣にあるチェックボックスにチェックを入れ、“削除”をクリックします。




                          3-52
231-ND2824-000                                       第3章   入力画面の詳細説明
1.0 版 2009 年 8 月                                             3.4 SIP の設定



[2] SIPサービス設定
 本メニューは任意設定です。必要に応じて設定して下さい。




 (1) “SIP サービス設定”をクリックすると、上記の画面が表示されます。

 (2) セッションタイマ方式    :   セッションタイマーの方式を選択します。
                        ・無(標準設定)
                        ・UPDATE    : リフレッシュに UPDATE メッセージを使用
                        ・re-INVITE : リフレッシュに INVITE メッセージを使用
                       ※SV8500 および SV7000(R8 以降)サーバーの B2BUA 機能と連携する場合は
                        “UPDATE”が利用できます。

 (3) セッションタイマ値     : (2)で“無”以外を選択した場合、セッションタイマーの値を設定して下さい。
                      ・3 分
                         ~

                        ・5 時間
                       ※SV8500 サーバーと連携する場合は“30 分”が標準です。

 (4) PRACK サポート    :   PRACK メソッドのサポート機能を選択します。
                         ・無効(標準設定)
                         ・有効
                       ※SV8500 サーバーと連携する場合は“無効”を選択して下さい。



                                                           (次ページへ続く)


                                 3-53
231-ND2824-000                                                  第3章    入力画面の詳細説明
1.0 版 2009 年 8 月                                                         3.4 SIP の設定

(前ページの続き)

 (5) 183 再送機能            :   SIP サーバーから回線網を呼び出し中に、周期的に“183SessionProgress”
                             の送信を行うか選択します。
                               ・有効(標準設定)
                               ・無効
                             ※『3.2.1 基本設定』  (      3-9ページ)の“モデル定義”でFO/FXO、OD/E&M、
                               ISDN-NET、又はISDN-USERを選択時のみ表示されます。
                             ※SV8500 サーバーと連携する場合は“無効”を選択して下さい。

 (6) 183 送出タイミング         :   SIP サーバーから OD 回線を呼び出し時の“183Session Progress”の送信タ
                             イミングを選択します。
                               ・回線呼出時(標準設定)
                               ・回線捕捉時
                             ※『3.2.1 基本設定』 (  3-9ページ)の“モデル定義”でOD/E&Mを選択時の
                               み表示されます。

 (7) 180 with SDP 送信機能   :   インバンドの呼出中メッセージにおいて 183 with SDP と 180 with SDP の、ど
                             ちらを使用するか選択します。         (SIP 網の中で統一させます。)
                              ・183 with SDP 送信(標準設定)
                              ・180 with SDP 送信
                             ※『3.2.1 基本設定』   (     3-9ページ)の“モデル定義”でFO/FXO、OD/E&M、
                               ISDN-NET、又はISDN-USERを選択時のみ表示されます。
                             ※モデル定義が ISDN-NET、ISDN-USER の場合、接続形態によっては本設定に
                               関わらず 180 without SDP が送信されます。
                             ※SV8500 サーバーと連携する場合は“183withSDP 送信”を選択して下さい。

 (8) タイミング応答機能           :   タイミング応答する/しないを選択します。
                              ・無効(標準設定)
                              ・有効
                             ※『3.2.1 基本設定』( 3-9ページ)の“モデル定義”でFO/FXOを選択時の
                              み表示されます。

 (9) タイミング応答タイマー         :   タイミング応答するまでのタイマーの値を設定します。
                             ※(8)で“有効”とした時のみ入力可能となります。
                             ※0 ~ 127 秒の範囲で設定して下さい。
                             ※0 を入力した場合は、18 秒が設定されます。

 (10)Display Name付加      : 『3.3.1
                                [1] 回線ポート設定』    (     3-22ページ)で設定した  “Originating Name”
                            (例: 2000@192.168.0.100 の 2000 の部分)をSIP端末へ表示させます。但
                            し、環境(端末、サーバー) によっては、Display Name付加の設定に関わらず
                            表示する場合があります。
                              ・しない(標準設定)
                              ・する
                            ※『3.2.1 基本設定』    (     3-9ページ)の“モデル定義”でISDN-NET、又は
                              ISDN-USERを選択し、 3.3.1 3]
                                            『      [ 詳細設定(ISDN-NET・ISDN-USER)』
                                                                             (     3-41
                              ページ)の“ISDN→SIP発番号通知”でAnonymousを設定している場合、非
                              通知になります。




                                                                       (次ページへ続く)


                                       3-54
231-ND2824-000                                         第3章    入力画面の詳細説明
1.0 版 2009 年 8 月                                                3.4 SIP の設定

(前ページの続き)

 (11)サーバ障害監視タイマー    :   サーバー障害を検出するまでのタイマーの値を指定します。
                         FS/FXS、FO/FXO、OD/E&M の場合 ISDN-NET、ISDN-USER の場合
                            ・標準(32 秒)              ・標準(32 秒)
                            ・2 秒 ~                 ・2 秒~

                           ・15 秒                 ・8 秒
                        ※“標準”を設定している場合、   『3.5.2[2]<1> 回線⇒SIP着信(迂回有)』
                         (   3-68 ページ)で“迂回有”に設定した時点で、タイマーの値は
                         自動的に“3 秒”に設定されます。
                        ※局線(PSTN 網)収容時に(12)サーバ障害接続先指定を“有”にした
                         場合、“標準”設定ではキャリアの故障アナウンスに接続される為迂回
                         できません。従って“6 秒”以下に設定することを推奨します。

 (12)サーバ障害接続先指定     :   サーバー障害時に、非常用受付電話機を呼び出します。
                         ・無 : 非常用受付電話機を呼び出さない(標準設定)
                         ・有 : 非常用受付電話機を呼び出す
                        ※“有”とした場合は、必要に応じて(13)の登録を行います。

 (13)サーバ障害接続先付加数字パターン番号      :   (12)で“有”とした場合、    『3.5.3 番号付加』  (     3-71
                                 ページ)  で設定した “付加数字パターン番号”     を指定します。
                                 迂回時はこの番号で発信します。
                                 ※迂回先(非常用受付電話機)の設定は、       『3.5.2[2]<1> 回線
                                  ⇒SIP着信(迂回有)( 』   3-68ページ)で行います。
                                 ※3rd サーバ以降は、設定した“付加数字パターン番号”+1
                                  の“付加数字”が付加されます。
                                  但し、 “付加数字パターン番号”    の最大値である 32 まで達し
                                  た場合は、パターン“32”で設定した“付加数字”が付加さ
                                  れます。
                                  例)本設定を“28”とした場合…
                                       1st サーバ … 数字付加しない
                                       2nd サーバ … 付加数字パターン番号“28”の付加
                                                 数字が付加されます。
                                       3rd サーバ … 付加数字パターン番号“29”の付加
                                                 数字が付加されます。
                                       4th サーバ … 付加数字パターン番号“30”の付加
                                                 数字が付加されます。
                                       5th サーバ … 付加数字パターン番号“31”の付加
                                                 数字が付加されます。
                                       6th サーバ … 付加数字パターン番号“32”の付加
                                                 数字が付加されます。
                                       7th サーバ … 付加数字パターン番号“32”の付加
                                                 数字が付加されます。
                                       8th サーバ … 付加数字パターン番号“32”の付加
                                                 数字が付加されます。

 (14)簡易接続モード時話中迂回   :   スタティック接続モード時において、話中迂回する/しないを指定します。
                         ・無 : 迂回しない(標準設定)
                         ・有 : 迂回する
                        ※迂回先の設定は、 3.5.2[2]<1> 回線⇒SIP着信
                                  『                   (迂回有)』
                                                           ( 3-68ペー
                         ジ)で行います。
                        ※SIP サーバーとの連携時は“無”として下さい。
                        ※端末話中メッセージ(486 メッセージ)受信時に迂回します。




                                                              (次ページへ続く)

                                 3-55
231-ND2824-000                                              第3章   入力画面の詳細説明
1.0 版 2009 年 8 月                                                    3.4 SIP の設定

(前ページの続き)

 (15)サーバ障害時の迂回方式        :   サーバー障害時の SIP 迂回方式を選択します。
                              ・パイロット :優先度の高いサーバーに対して発信し、             (11)で設定
                                           したサーバ障害監視タイマーのタイムアウトによって
                                           次に優先度の高いサーバーへ順番に迂回発信を行いま
                                           す。
                                           その後についても同様に、 1 優先のサーバーに対して
                                                              第
                                           発信し、  サーバ障害監視タイマーのタイムアウトによっ
                                           て次に優先度の高いサーバーへ順番に迂回発信を行い
                                           ます。  (標準設定)
                              ・サーキュラ :優先度の高いサーバーに対して発信し、             (11)で設定
                                           したサーバ障害監視タイマーのタイムアウトによって
                                           次に優先度の高いサーバーへ順番に迂回発信を行いま
                                           す。
                                           以降、  サーバ障害監視タイマーのタイムアウトが発生し
                                           たサーバーへの発信は行われず、       発信が正常に行われた
                                           サーバーに対して発信を行います。
                              ※迂回先の設定は、     『3.5.2[2]<1> 回線⇒SIP着信(迂回有)( 』   3-68
                               ページ)で行います。
                              ※サーバーの状態は、      『3.7.2 SIPサーバ状態表示』 (   3-81ページ)で
                               確認できます。
                              ※SV8500 および SV7000(R7 以降)サーバーの B2BUA 機能を使用して接続
                               する場合は“サーキュラ”を選択して下さい。

 (16)入力内容を確認し“設定”をクリックします。

   ※(12)サーバ障害接続先指定、     (13)サーバ障害接続先付加数字パターン番号の設定例
   例)SIP 端末 4000 を呼び出したが、SIP サーバーに障害が発生した為、SIP 端末(非常用受付電話機)5000 を呼び出
    す。
    ⅰ)SIP サーバーのサーバ番号を“1”     、非常用受付電話機のサーバ番号を“2”とします。
     ※設定内容の詳細は、[1]SIPサーバ情報設定』
                    『              (  3-50ページ)を参照して下さい。

     ⅱ)『3.5.3 番号付加』(    3-71ページ)で非常用受付電話機の電話番号を登録します。
        付加数字パターン番号 : 1
        付加数字            : 5000
      ※設定内容の詳細は、    『3.5.3 番号付加』(  3-71ページ)を参照して下さい。

     ⅲ)(12)サーバ障害接続先指定を“有”(13)サーバ障害接続先付加数字パターン番号に“1”
                        、                          (ⅱで登録
       した付加数字パターン番号)を入力します。

     ⅳ)『3.5.2[2]<1>回線⇒SIP着信(迂回有)(   』    3-68ページ)でサーバー障害時の迂回設定を行います。
        (迂回有)
        着信展開番号        : 4
        最大桁数          : 4
        1st サーバ番号     : 1(ⅰで登録した SIP サーバーのサーバ番号)
        番号削除          : 0
        番号付加          : 0
        2nd サーバ番号     : 2(ⅰで登録した非常用受付電話機のサーバ番号)
      ※設定内容の詳細は、      『3.5.2[2]<1>回線⇒SIP着信(迂回有)(』   3-68ページ)を参照して下さい。




                                     3-56
231-ND2824-000                      第3章    入力画面の詳細説明
1.0 版 2009 年 8 月                          3.5 番号計画の設定



3.5   番号計画の設定




 (1) “番号計画”をクリックすると、上記の画面が表示されます。




                          3-57
231-ND2824-000                                       第3章    入力画面の詳細説明
1.0 版 2009 年 8 月                                           3.5 番号計画の設定



3.5.1   番号前翻訳
 回線側からの受信桁数情報を登録します。




 (1) “番号前翻訳”をクリックすると、上記の画面が表示されます。

 (2) 各受信番号の先頭の数字(1-0、*、#)に対して、受信する桁数を登録します。
     ※1 ~ 32 の範囲で設定して下さい。
     例)1000(4 桁)の番号を、回線側から受信する場合…
        ・先頭桁番号 1 : 4(受信桁数)

 (3) 入力内容を確認し、“設定”をクリックして下さい。

 ※(2)の注意事項
  『3.2.1 基本設定』(     3-9ページ)の“モデル定義”でISDN-NET、又はISDN-USERを選択した場合、登録内容により
   設定方法が変わります。
  ・ISDN-NET : 番号前翻訳の登録内容は参照しません。       (番号前翻訳を登録する必要はありません。      )
  ・ISDN-USER : 『3.3.1[1]<5> 回線ポート設定の追加(ISDN-USER)(
                                                 』  3-35ページ)の“回線制御方式”で…
               ①“追加ダイヤルイン接続”を選択した場合、追加ダイヤルインにてダイヤルされる番号の桁数
                を登録します。
                例)追加ダイヤルインで 5000 番をダイヤルする場合は“先頭桁番号 5:4 桁”を登録します。
               ②“ホットライン接続”を選択した場合、ホットラインで接続する相手の電話番号の桁数を登録
                します。
               ③“着信番号接続”を選択した場合は、番号前翻訳の登録内容は参照しません。            (番号前翻訳を登
                録する必要はありません。      )


                                  3-58
231-ND2824-000                             第3章    入力画面の詳細説明
1.0 版 2009 年 8 月                                 3.5 番号計画の設定



3.5.2   番号展開
 回線側からの受信番号、及び SIP サーバーからの受信番号に対して、その受信番号をそのまま加工せずに回線側、又は
 SIP サーバーへ透過させるか、また、その受信番号に対して付加・削除を行い、加工して送出するかを決定します。




 (1) “番号展開”をクリックすると、上記の画面が表示されます。




                           3-59
231-ND2824-000                                       第3章    入力画面の詳細説明
1.0 版 2009 年 8 月                                           3.5 番号計画の設定



[1] SIP ⇒ 回線発信
 相手先トランクルートを指定します。(回線側)




 (1) “SIP⇒回線発信”をクリックすると、上記の画面が表示されます。
     ※既に登録データが入っている場合は、登録データが表示されます。何も登録されていない場合は、
       “No data in the memory.”が表示されます。但し、回線ポート設定において FXS-PBX で設定した内線番号
       は、発信展開番号として自動的に登録されますが、トランクルートを指定する必要が無い為、表示していま
       せん。

 (2) (1)の後、続いて“追加”をクリックすると、次ページの画面が表示されます。(全 200 通り登録されてい
     る場合は“追加”ボタンは表示されません。)

 ※   削除する場合、『<2> SIP⇒回線発信(削除)(
                             』    3-63ページ)へお進み下さい。




                                                           (次ページへ続く)


                                 3-60
231-ND2824-000                                      第3章    入力画面の詳細説明
1.0 版 2009 年 8 月                                          3.5 番号計画の設定

(前ページの続き)




 (3) 迂回接続する相手先トランクルートを指定する場合は、   “迂回有”を選択します。
     ※“迂回有”を選択した時点で、『<1> SIP⇒回線発信(迂回有)(
                                     』   3-62ページ)の画面が表示されます。

 (4) 発信展開番号        :   SIP 網から回線側へ発信するときの番号を入力します。
                       ※“迂回有”の登録データと合わせて 200 通りの登録ができます。
                       ※回線ポート設定において FXS-PBX で設定した内線番号は、発信展開番号として
                         既に登録されています。その為、FXS-PBX で設定した内線番号を登録しようと
                         すると、 ”The DC numbers has been used.”が表示されます。

 (5) Route番号       :   『3.3.2[1]ルート設定の追加』(  3-45ページ)で設定した“ルート番号”
                       を設定します。
                       設定していない場合は、通常“1”を設定します。
                       ※1 ~ 64 の範囲で設定して下さい。

 (6) 番号削除          :   受信した番号を削除する桁数を入力します。
                       ※受信した番号の先頭から削除します。
                       ※任意:0 ~ 16 の範囲で設定して下さい。
                       ※削除を行わない場合、入力する必要はありません。

 (7) 番号付加          : 受信した番号に数字を付加する場合、  『3.5.3 番号付加』
                                                   (      3-71ページ)で設定
                     した付加数字パターン番号を入力します。
                     ※受信した番号の先頭に付加します。
                     ※任意:0 ~ 32 の範囲で設定して下さい。
                     ※付加を行わない場合、入力する必要はありません。

 (8) 入力内容を確認し、“設定”をクリックします。




                                 3-61
231-ND2824-000                                        第3章    入力画面の詳細説明
1.0 版 2009 年 8 月                                            3.5 番号計画の設定



<1>     SIP ⇒ 回線発信(迂回有)
 迂回接続する相手先トランクルートを指定します。(回線側)




 (1) 『[1]SIP⇒回線発信』
                 (       3-60ページ)の(3)で“迂回有”を選択した時点で、上記の画面が表示されま
     す。

 (2) 発信展開番号          :   SIP 網から回線側へ発信するときの番号を入力します。
                         ※“迂回有”の登録データは最大 64 通りの登録ができます。
                         ※“迂回無”の登録データと合わせて 200 通りの登録ができます。
                         ※回線ポート設定において FXS-PBX で設定した内線番号は、発信展開番号として
                           既に登録されています。その為、FXS-PBX で設定した内線番号を登録しようと
                           すると、 “The DC numbers has been used.”が表示されます。

 (3) 1st Route       :   『3.3.2[1]ルート設定の追加』 ( 3-45ページ)で設定した“ルート番号”
                         を設定します。
                         設定していない場合は、通常“1”を設定します。
                         ※1 ~ 64 の範囲で設定して下さい。
                         ※最大 4 ルート(4th)まで登録可能

 (4) 番号削除            :   受信した番号を削除する桁数を入力します。
                         ※受信した番号の先頭から削除します。
                         ※任意:0 ~ 16 の範囲で設定して下さい。
                         ※削除を行わない場合、入力する必要はありません。

 (5) 番号付加            : 受信した番号に数字を付加する場合、   『3.5.3 番号付加』
                                                      (      3-71ページ)で設
                       定した付加数字パターン番号を入力します。
                       ※受信した番号の先頭に付加します。
                       ※任意:0 ~ 32 の範囲で設定して下さい。
                       ※付加を行わない場合、入力する必要はありません。

 (6) 入力内容を確認し、“設定”をクリックします。

                                   3-62
231-ND2824-000                              第3章    入力画面の詳細説明
1.0 版 2009 年 8 月                                  3.5 番号計画の設定



<2>     SIP ⇒ 回線発信(削除)
   “SIP⇒回線発信”にデータが登録されている場合、“SIP⇒回線発信”をクリックした時点で下記画面が表示されま
   す。




 (1) チェックボックスにチェックを入れ、“削除”をクリックします。




                            3-63
231-ND2824-000                                          第3章    入力画面の詳細説明
1.0 版 2009 年 8 月                                              3.5 番号計画の設定



[2] 回線 ⇒ SIP着信
 接続先 SIP サーバーを指定します。




 (1) “回線⇒SIP 着信”をクリックすると、上記の画面が表示されます。
      ※既に登録データが入っている場合は、登録データが表示されます。
       何も登録されていない場合は、“No data in the memory.”が表示されます。

 (2) (1)の後、続いて“追加”をクリックすると、次ページの画面が表示されます。
                                         (全 200 通り登録されている
      場合は“追加”ボタンは表示されません。)

   ※   削除する場合、『<2> 回線⇒SIP着信(削除)(
                               』     3-70ページ)へお進み下さい。




                                                              (次ページへ続く)


                                   3-64
231-ND2824-000                                     第3章    入力画面の詳細説明
1.0 版 2009 年 8 月                                         3.5 番号計画の設定

(前ページの続き)




 (3) 迂回接続する相手先 SIP サーバーを指定する場合は、   “迂回有”を選択します。
     ※“迂回有”を選択した時点で、   『<1> 回線⇒SIP着信(迂回有)(
                                        』   3-68ページ)の画面が表示されます。

 (4) 着信展開番号        :   回線側から SIP 網へ着信するときの番号を入力します。
                       ※“迂回有”の登録データと合わせて 200 通りの登録ができます。

 (5) 最大桁数(注 1)     :   回線側からの受信番号に対する最大受信桁数を決定する場合に設定します。
                       ※任意:1 ~ 32 の範囲で設定して下さい。
                       ※設定する必要が無い場合、入力する必要はありません。
                       ※本データを設定しない場合は、    『3.5.1 番号前翻訳』( 3-58ページ)にて受
                        信桁数を登録して下さい。
                       ※『3.2.1 基本設定』( 3-9ページ)の“モデル定義”でISDN-NETを選択時は表
                        示されません。

 (6) サーバ番号         :   『3.4.1[1]SIPサーバ情報設定』( 3-50ページ)で設定した“サーバ番号”
                       を入力します。
                       ※1 ~ 127 の範囲で設定して下さい。

 (7) 番号削除(注 2)     :   受信した番号を削除する桁数を入力します。
                       ※受信した番号の先頭から削除します。
                       ※任意:0 ~ 16 の範囲で設定して下さい。
                       ※削除を行わない場合、入力する必要はありません。

 (8) 番号付加(注 2)     : 受信した番号に数字を付加する場合、   『3.5.3 番号付加』
                                                    (     3-71ページ)で設
                     定した付加数字パターン番号を入力します。
                     ※受信した番号の先頭に付加します。
                     ※任意:0 ~ 32 の範囲で設定して下さい。
                     ※付加を行わない場合、入力する必要はありません。
                                                         (次ページへ続く)

                                 3-65
231-ND2824-000                                             第3章    入力画面の詳細説明
1.0 版 2009 年 8 月                                                 3.5 番号計画の設定

(前ページの続き)

 (9) 入力内容を確認し“設定”をクリックします。

   例)最大桁数を使用する場合の登録例
     …2000 番(4 桁)と 21000(5 桁)が存在する場合、最大桁数を指定します。
      ①2000 番(4 桁)の登録例…
        ・2000 番(4 桁)の桁数は、    『3.5.1 番号前翻訳』( 3-58ページ)にて登録します。
            数字 2 : 4 (登録内容の詳細は『3.5.1 番号前翻訳』       (  3-58ページ)を参照)
        ・回線⇒SIP 着信は
            着信展開番号: 20
            最大桁数      : (未入力)
            サーバ番号 : 1
            番号削除      : 0
            番号付加      : 0

         ②21000 番(5 桁)の登録例…
          ・21000 番(5 桁)の桁数は、『3.5.1 番号前翻訳』(   3-58ページ)には登録しません。
            (2000 番の 4 桁が既に登録されている為)
          ・回線⇒SIP 着信は
              着信展開番号: 21
              最大桁数      : 5
              サーバ番号 : 1
              番号削除      : 0
              番号付加      : 0

   注 1)最大桁数登録時の注意事項
     『3.2.1 基本設定』  (     3-9ページ)の“モデル定義”で設定した内容により、設定方法が変わります。
    ・FS/FXS :回線から受信する番号の桁数を登録します。              (上記の登録例を参照)
    ・FO/FXO :『3.3.1[1]<2>回線ポート設定の追加(FO/FXO)(    』     3-26ページ)の“回線制御方式”で…
               ①“PB ダイヤルイン接続”を選択した場合…
                 ⅰ) 『3.3.2[1]ルート設定の追加』   (     3-45ページ)の“付加数字パターン番号”で番号付加さ
                    せる場合は、回線から受信する番号の桁数+ルート設定にて付加する番号の桁数を登録しま
                    す。
                      例)回線から 400 番(3 桁)を受信して、ルート設定の番号付加で 0(1 桁)を付加させる場合
                          最大桁数 = 0(1 桁) + 400 番(3 桁) = 4 桁
                 ⅱ) 『3.3.2[1]ルート設定の追加』   (     3-45ページ)の“付加数字パターン番号”で番号付加さ
                    せない場合は、回線から受信する番号の桁数を登録します。                 (上記の登録例を参照)
               ②“追加ダイヤルイン”を選択した場合は、追加ダイヤルインにてダイヤルされる番号の桁数を登
                 録します。
                   例)追加ダイヤルインで 5000 番をダイヤルする場合は“4 桁”を登録します。
    ・OD/E&M :『3.3.2[1]ルート設定の追加』   (     3-45ページ)の“付加数字パターン番号”で…
               ①番号付加させる場合は、      回線から受信する番号の桁数+ルート設定にて付加する番号の桁数を登録
                 します。
                   例)回線から 400 番(3 桁)を受信して、ルート設定の番号付加で 0(1 桁)を付加させる場合
                      最大桁数 = 0(1 桁) + 400 番(3 桁) = 4 桁
               ②番号付加させない場合は、回線から受信する番号の桁数を登録します。                   (上記の登録例を参照)
   ・ISDN-USER : 『3.3.1[1]<5> 回線ポート設定の追加(ISDN-USER)(   』     3-35ページ)の“回線制御方式”で…
               ①“追加ダイヤルイン接続”を選択した場合、追加ダイヤルインにてダイヤルされる番号の桁数を
                 登録します。
                   例)追加ダイヤルインで 5000 番をダイヤルする場合は“4 桁”を登録します。
               ②“着信番号接続”を選択した場合は、最大桁数の登録内容は参照しません。                   (最大桁数を登録する
                 必要はありません。     )
     ※『3.3.1[1]<1>~<5>回線ポート設定の追加』     (     3-23~3-35ページ)の“回線制御方式”で“ホットライン接
      続”を選択した場合は、最大桁数の登録内容は参照しません。                   (最大桁数を登録する必要はありません。    )
    ※最大桁数は、番号前翻訳で登録した桁数以上の値で登録して下さい。
      (番号前翻訳の受信桁数≦最大桁数)
                                                                      (次ページへ続く)

                                      3-66
231-ND2824-000                                      第3章    入力画面の詳細説明
1.0 版 2009 年 8 月                                          3.5 番号計画の設定

(前ページの続き)

   注 2)番号削除・番号付加登録時の注意事項
    『3.3.2[1]ルート設定の追加』
                     (  3-45ページ)で“付加数字パターン番号”を登録した場合、登録した付加番
    号に対して、   「番号削除」「番号付加」を設定して下さい。
                   ・
    ※「ルート設定」で付加された番号に対して、     “番号削除”“番号付加”されます。
                                    ・

     例)「番号付加」      付加数字パターン番号    :   1
                   付加数字          :   1000

                   付加数字パターン番号    :   2
                   付加数字          :   0503

         「ルート設定」   ルート番号         :   1
                   付加数字パターン番号    :   1(「番号付加」で設定した“1000”を付加する)

         「回線⇒SIP 着信」 着信展開番号  : 1(  「ルート設定」で付加した数字(1000)に対して設定する)
                     番号削除    : (未登録)
                     番号付加    : (未登録)
         上記のように登録している状態で、回線から“2000 番”を受信した場合、SIP 網には“10002000”が送出され
         ます。

         ここで、下記のように番号付加に“2” 、番号削除に“1”と設定すると、SIP 網には“05030002000”が送出さ
         れます。
         「回線⇒SIP 着信」 着信展開番号    : 1(「ルート設定」で付加した数字(1000)に対して設定する)
                     番号削除      : 1(“10002000”の先頭数字から 1 桁削除する)
                     番号付加      : 2(「番号付加」で設定した“0503”を付加する)




                                  3-67
231-ND2824-000                                       第3章    入力画面の詳細説明
1.0 版 2009 年 8 月                                           3.5 番号計画の設定



<1>     回線 ⇒ SIP着信(迂回有)
 迂回接続先 SIP サーバーを指定します。




 (1) 『[2]回線⇒SIP着信』
                 (       3-64ページ)の(3)で“迂回有”を選択した時点で、上記の画面が表示されま
     す。

 (2) 着信展開番号          :   回線側から SIP 網へ発信するときの番号を入力します。
                         ※“迂回有”の登録データは最大 128 通りの登録ができます。
                         ※“迂回無”の登録データと合わせて 200 通りの登録ができます。

 (3) 最大桁数(注 1)       :   回線側からの受信番号に対する最大受信桁数を決定する場合に設定します。
                         ※任意:1 ~ 32 の範囲で設定して下さい。
                         ※設定する必要が無い場合、入力する必要はありません。
                         ※本データを設定しない場合は、   『3.5.1 番号前翻訳』( 3-58ページ)にて受
                          信桁数を登録して下さい。

 (4) 1st Server      :   『3.4.1[1]SIPサーバ情報設定』( 3-50ページ)で設定した“サーバ番号”
                         を入力します。
                         ※1 ~ 127 の範囲で設定して下さい。

 (5) 番号削除(注 2)       :   受信した番号を削除する桁数を入力します。
                         ※受信した番号の先頭から削除します。
                         ※任意:0 ~ 16 の範囲で設定して下さい。
                         ※削除を行わない場合、入力する必要はありません。




                                                           (次ページへ続く)

                                   3-68
231-ND2824-000                                             第3章    入力画面の詳細説明
1.0 版 2009 年 8 月                                                 3.5 番号計画の設定

(前ページの続き)

 (6) 番号付加(注 2)          : 受信した番号に数字を付加する場合、   『3.5.3 番号付加』
                                                         (        3-71ページ)で設
                          定した付加数字パターン番号を入力します。
                          ※受信した番号の先頭に付加します。
                          ※任意:0 ~ 32 の範囲で設定して下さい。
                          ※付加を行わない場合、入力する必要はありません。

 (7) 2nd Server         : 迂回接続するサーバー番号(    『3.4.1[1]SIPサーバ情報設定』(  3-50ページ)
                          で設定した“サーバ番号”    )を入力します。
                          ※最大 8 サーバー(8th)まで登録可能
                          ※1 ~ 127 の範囲で設定して下さい。
                          ※(5)(6)で登録した番号削除・番号付加されて展開されます。
                               、
                          ※『3.4.1[2]SIPサービス設定』(    3-53ページ)で“サーバ障害接続先指定”
                           を“有”に設定し、    “サーバ障害接続先付加数字パターン番号”を設定すると、
                           1stサーバーに障害が発生した場合、2ndサーバー(非常用受付電話機)に迂回
                           します。

 (8) 入力内容を確認し、“設定”をクリックします。



   例)最大桁数を使用する場合の登録例
     …2000 番(4 桁)と 21000(5 桁)が存在する場合、最大桁数を指定します。
      ①2000 番(4 桁)の登録例…
        ・2000 番(4 桁)は、  『3.5.1 番号前翻訳』( 3-58ページ)にて登録します。
            数字 2 : 4 (登録内容の詳細は『3.5.1 番号前翻訳』     (  3-58ページ)を参照)
        ・回線⇒SIP 着信は
            着信展開番号         : 20
            最大桁数           : (未入力)
            1st サーバ番号 : 1
            番号削除           : 0
            番号付加           : 0
            2nd サーバ番号 : 2

         ②21000 番(5 桁)の登録例…
          ・21000 番(5 桁)は、『3.5.1 番号前翻訳』(      3-58ページ)には登録しません。
            (2000 番の 4 桁が既に登録されている為)
          ・回線⇒SIP 着信は
              着信展開番号      : 21
              最大桁数        : 5
              1st サーバ番号 : 1
              番号削除        : 0
              番号付加        : 0
              2nd サーバ番号 : 2

   注 1)(3)最大桁数登録時の注意事項
      『 [2]回線⇒SIP着信』( 3-66ページ)の“注 1)最大桁数登録時の注意事項”を参照して下さい。

   注 2)(5)番号削除・  (6)番号付加登録時の注意事項
      『 [2]回線⇒SIP着信』
                   (   3-67ページ)の“注 2)番号削除・番号付加登録時の注意事項”を参照して下さ
      い。




                                          3-69
231-ND2824-000                              第3章    入力画面の詳細説明
1.0 版 2009 年 8 月                                  3.5 番号計画の設定



<2>     回線 ⇒ SIP着信(削除)
   “回線⇒SIP 着信”にデータが登録されている場合、
                            “回線⇒SIP 着信”をクリックした時点で下記画面が表示されま
   す。




 (1) チェックボックスにチェックを入れ、“削除”をクリックします。




                            3-70
231-ND2824-000                                          第3章    入力画面の詳細説明
1.0 版 2009 年 8 月                                              3.5 番号計画の設定



3.5.3   番号付加
 SIP⇒回線発信・回線⇒SIP 着信接続時の番号付加のパターン番号を設定します。
 『3.3.2 ルート設定』(  3-44ページ)『3.5.2 番号展開』
                         、           ( 3-59ページ)で“付加数字パターン番号”を“0”、
 又は未入力とした場合は、本メニューの登録は必要ありません。




 (1) “番号付加”をクリックすると、上記の画面が表示されます。
      ※既に登録データが入っている場合は、登録データが表示されます。
       何も登録されていない場合は、“No data in the memory.”が表示されます。

 (2) “追加”をクリックすると、次ページの画面が表示されます。(全 32 パターン登録されている場合は“追加”
      ボタンは表示されません。)

   ※    削除する場合、[1]番号付加(削除)(
               『          』     3-73ページ)へお進み下さい。




                                                              (次ページへ続く)

                                 3-71
231-ND2824-000                                      第3章    入力画面の詳細説明
1.0 版 2009 年 8 月                                          3.5 番号計画の設定

(前ページの続き)




 (3) 付加数字パターン番号      :   付加数字パターン番号を入力します。   (通常 1 から順番に使用)
                         ※1 ~ 32 の範囲で設定して下さい。

 (4) 付加数字            :   付加させる数字を入力します。
                         ※最大 16 桁

 (5) 入力内容を確認し、“設定”をクリックします。

   ※ここで設定した内容は、  『3.3.2[1]ルート設定の追加』(    3-45ページ)『3.4.1[2]SIPサービス設定』
                                                、
    (  3-53ページ)『3.5.2[1]SIP⇒回線発信』
               、                 ( 3-60ページ)『3.5.2[2]回線⇒SIP着信』
                                             、
    (  3-64ページ)で使用します。

   例 1)回線側から 4 桁(2220)を受信し、その受信番号を“3000”に変換し、SIPサーバーへ送出する場合…
       『3.5.2[2]回線⇒SIP着信』( 3-64ページ)『3.5.3 番号付加』
                                   、           ( 3-71ページ)の設定の詳細は
       各項を参照して下さい。

           ・「番号展開-番号展開-回線⇒SIP 着信」
               (迂回の選択)      : 迂回無
                着信展開番号      : 2
                最大桁数        : 4
                サーバ番号       : 1
                番号削除        : 3
                番号付加        : 1

           ・「番号付加-番号付加」
               付加数字パターン番号   :   1
               付加数字         :   300




                                      3-72
231-ND2824-000                           第3章    入力画面の詳細説明
1.0 版 2009 年 8 月                               3.5 番号計画の設定



[1] 番号付加(削除)
   “番号付加”にデータが登録されている場合、“番号付加”をクリックした時点で下記画面が表示されます。




 (1) チェックボックスにチェックを入れ、“削除”をクリックします。




                           3-73
231-ND2824-000                                          第3章    入力画面の詳細説明
1.0 版 2009 年 8 月                                              3.5 番号計画の設定



3.5.4   代表選択
 『3.2.1 基本設定』 (  3-9ページ)の“モデル定義”でFS/FXSを選択した場合のみ、本メニューは表示されます。
 『3.3.1[1]<1>回線ポート設定の追加(FS/FXS)(
                              』  3-23ページ)の“回線タイプ”でFXS-PBXを選択し登録した
 内線番号でグループを組み、話中時に登録された次の端末に迂回します。FXS-DIを選択した場合、本機能は使用できま
 せん。
 パイロット方式で、代表番号が話中時に第 2STN 以降の端末を呼び出す動作をします。
 本機能を使用しない場合、設定する必要はありません。




 (1) “代表選択”をクリックすると、上記の画面が表示されます。
      ※既に登録データが入っている場合は、登録データが表示されます。
       何も登録されていない場合は、“No data in the memory.”が表示されます。

 (2) “追加”をクリックすると、次ページの画面が表示されます。

   ※    削除する場合、[1]代表選択(削除)(
               『          』     3-76ページ)へお進み下さい。




                                                              (次ページへ続く)

                                 3-74
231-ND2824-000                                        第3章    入力画面の詳細説明
1.0 版 2009 年 8 月                                            3.5 番号計画の設定

(前ページの続き)




 (3) パイロット STN     :   代表選択する電話番号
                       ※『3.3.1[1]<1>回線ポート設定の追加(FS/FXS) 』(   3-23ページ)で登録
                        した“内線番号”を入力します。

 (4) 第 2~第 4STN    :   グループに属する電話番号
                       ※最大 3 端末まで登録可能
                       ※『3.3.1[1]<1>回線ポート設定の追加(FS/FXS) 』( 3-23ページ)で登録
                        した“内線番号”(3)で指定したパイロットSTN以外)を入力します。
                                    (

 (5) 入力内容を確認し、“設定”をクリックします。




                                  3-75
231-ND2824-000                           第3章    入力画面の詳細説明
1.0 版 2009 年 8 月                               3.5 番号計画の設定



[1] 代表選択(削除)
   “代表選択”にデータが登録されている場合、“代表選択”をクリックした時点で下記画面が表示されます。




 (1) チェックボックスにチェックを入れ、“削除”をクリックします。




                           3-76
231-ND2824-000                                    第3章   入力画面の詳細説明
1.0 版 2009 年 8 月                                         3.6 データセーブ



3.6   データセーブ
 登録されているコンフィグ設定を Flash メモリへセーブします。




 (1) “データセーブ”をクリックします。

 (2) セーブが終了すると“Command is completed.”が表示されますので“OK”をクリックして下さい。




   ※コンフィグデータを設定・変更した場合は、必ず“データセーブ”を実行して下さい。
    実行せずに再起動を行った場合、変更した内容は反映されません。




                               3-77
231-ND2824-000                      第3章   入力画面の詳細説明
1.0 版 2009 年 8 月                             3.7 保守機能



3.7   保守機能




 (1) “保守機能”をクリックすると、上記の画面が表示されます。




                          3-78
231-ND2824-000                             第3章   入力画面の詳細説明
1.0 版 2009 年 8 月                                    3.7 保守機能



3.7.1   回線状態表示
 各ポートの回線状態(空き・話中等)や接続相手の IP アドレス等を表示します。




 (1) “回線状態表示”をクリックすると、上記の画面が表示されます。




                                                  (次ページへ続く)


                           3-79
231-ND2824-000                                               第3章   入力画面の詳細説明
1.0 版 2009 年 8 月                                                      3.7 保守機能

(前ページの続き)

 (2) 回線状態           :   回線状態を表示します。
                         ・空き
                         ・L1 障害中(ISDN-NET、ISDN-USER の場合のみ)
                         ・L2 未確立(ISDN-NET、ISDN-USER の場合のみ)
                         ・回線捕捉中
                         ・呼び出し中
                         ・通信中
                         ・保留中
                         ・no tone 送出中
                         ・DT 送出中
                         ・RBT 送出中
                         ・BT 送出中
                         ・ROT 送出中
                         ・SDT 送出中
                         ・SST 送出中
                         ・WT 送出中
                         ・SPDT 送出中
                         ・WRT 送出中
                         ・CPT 送出中
                         ・HLDT 送出中

 (3) コーデック          :   “回線状態”が「通信中」の場合、通信している時のコーデックを表示します。
                         ・音声:G.711
                         ・音声:G.729a
                         ・音声:G.723.1
                         ・FAX:G.711
                         ・FAX:G.726

 (4) 接続相手 IP アドレス   :   “回線状態”が「通信中」の場合、接続相手先の IP アドレスを表示します。
                         ※「通信中」でも“-”(ハイフン)が表示される場合があります。

 (5) 接続相手ポート番号      :   “回線状態”が「通信中」の場合、接続相手先のポート番号を表示します。
                         ※「通信中」でも“-”(ハイフン)が表示される場合があります。

 (6) LAN 障害による装置閉塞 :    LAN 障害状況を表示します。
                         ・閉塞 : LAN 障害が発生し、装置に閉塞がかかっている状態
                         ・無し : LAN 障害が発生していない状態

 (7) LAN スピード       :   現在の LAN のリンクスピードを表示します。
                        ・100M : 100Mbps で動作中
                        ・10M  : 10Mbps で動作中

 (8) LAN モード        :   現在の LAN のリンクモードを表示します。
                        ・Full : 全二重(Full)で動作中
                        ・Half : 半二重(Half)で動作中

 (9) “回線状態表示”、又は“更新”ボタンをクリックすることで、最新の情報に更新されます。




                                    3-80
231-ND2824-000                                      第3章   入力画面の詳細説明
1.0 版 2009 年 8 月                                             3.7 保守機能



3.7.2   SIPサーバ状態表示
   SIP サーバーの状態を表示します。




 (1) “SIP サーバ状態表示”をクリックすると、上記の画面が表示されます。

 (2) サーバ番号           : 『3.4.1[1]SIPサーバ情報設定』
                                          (   3-50ページ)で設定するサーバ番号です。

 (3) ステータス           :   各サーバ番号(1-127)におけるサーバーの状態を表示します。
                          ・運用中 : 回線側から SIP 網へ発信可能な状態
                          ・障害中 : 回線側から SIP 網へ発信不可能な状態
                                   ※SIP 網から着信した場合は、回線側への発信を行います。
                          ・更新中 : 発信試行中の為、状態が不明
                          ※登録がないサーバーのサーバ番号にはステータスを表示しません。
                          ※サーバー障害は、障害が発生しているサーバーへ発信した時点で検出が行わ
                           れます。サーバー障害発生後に、該当のサーバーへ発信していない場合はま
                           だ障害が検出されておらず、    “運用中”と表示されることがあります。

 (4) “SIP サーバ状態表示”、又は“更新”ボタンをクリックすることで、最新の情報に更新され一番先頭のペー
     ジを表示します。

   ※1 ページ当たり 32 サーバー分表示し、全 4 ページ表示します。
          ・ << ” ・・・ 一番先頭のページを表示
           “
          ・ < ”
           “       ・・・ 現在表示している画面から 1 つ前のページを表示
          ・ > ”
           “       ・・・ 現在表示している画面から 1 つ次のページを表示
          ・ >> ” ・・・ 一番最後のページを表示
           “


                                 3-81
231-ND2824-000                          第3章   入力画面の詳細説明
1.0 版 2009 年 8 月                                 3.7 保守機能



3.7.3   システムログ表示




 (1) “システムログ表示”をクリックすると、上記の画面が表示されます。




                          3-82
231-ND2824-000                                    第3章   入力画面の詳細説明
1.0 版 2009 年 8 月                                           3.7 保守機能



[1] ログ表示
 本装置が収集しているシステムログを表示します。




 (1) “ログ表示”をクリックすると、上記の画面が表示されます。
     ※表示するログが無い場合、又は『       [2]ログ収集設定』   (  3-86ページ)で表示するログレベルを設定して
      いない場合は“No data in the memory.”が表示されます。

 (2) 表示されているログの“LV”“アラーム”“時刻”のいずれかをクリックすると、右側に対象のログの詳細が
                   ・     ・
     表示されます。(各アラームの対処法・詳細については、『4.3 トラブル対処法』( 4-3ページ)を参照して
     下さい。)
     ※最新のログが一番上に表示されます。
     ※本装置リブート後、時計設定を行うまでは正しい時刻が表示されません。




                                                        (次ページへ続く)


                                3-83
231-ND2824-000                                            第3章    入力画面の詳細説明
1.0 版 2009 年 8 月                                                    3.7 保守機能

(前ページの続き)

         ※表示されるログの種類は、以下のとおりです。
           LV         アラーム                             発生要因
           MJ 呼制御プロセス再起動          装置運用中、ソフトウェア内の問題で呼制御プロセスが再起動した
           MJ 回線制御プロセス再起動         装置運用中、    ソフトウェア内の問題で回線制御プロセスが再起動した
           MJ DSP 故障検出による再開       DSP の処理で異常状態が発生し、回線制御プロセスが再起動した
           MN スレッド起動 NG           回線制御プロセス、呼制御プロセス内でスレッドが起動しなかった
          SUP Ethernet I/F 断      Ether ケーブル断等、ネットワークが切断された
          SUP L1 リンク障害(LINE:0)    ISDN 回線(LINE:0)断等によって、レイヤ 1 リンクが切断された
          SUP L1 リンク障害(LINE:1)    ISDN 回線(LINE:1)断等によって、レイヤ 1 リンクが切断された
          SUP L2 リンク障害(LINE:0)    レイヤ 2 通信障害、又は回線設定変更等によりリンクが切断された
          SUP L2 リンク障害(LINE:1)    レイヤ 2 通信障害、又は回線設定変更等によりリンクが切断された
          INF L1 リンク復旧(LINE:0)    ISDN 回線(LINE:0)のレイヤ 1 リンクが復旧した
          INF L1 リンク復旧(LINE:1)    ISDN 回線(LINE:1)のレイヤ 1 リンクが復旧した
          INF L2 リンク復旧(LINE:0)    ISDN 回線(LINE:0)のレイヤ 2 リンクが復旧した
          INF L2 リンク復旧(LINE:1)    ISDN 回線(LINE:1)のレイヤ 2 リンクが復旧した
          INF SV7000 接続規制         接続が規制されている装置と発着信が行なわれた
          INF Ethernet I/F 復旧     ネットワーク切断から復旧した
          INF RTP 監視異常            通話中に相手からの RTP パケットが約 10 秒間途切れた
          INF 呼制御プロセス起動完了         呼制御プロセスの起動が完了した
          INF 回線制御プロセス起動完了 回線制御プロセスの起動が完了した
         ※1 画面当たり 50 件表示し、最大 900 件(18 ページ)表示します。
              ・ << ” ・・・ 一番新しいシステムログを表示
               “
              ・ < ”
               “        ・・・ 現在表示している画面から 1 つ新しいシステムログを表示
              ・ > ”
               “        ・・・ 現在表示している画面から 1 つ古いシステムログを表示
              ・ >> ” ・・・ 取得したシステムログの一番古いページを表示
               “

         ※詳細画面に表示されるエラー情報の説明です。
          保守窓口へお問い合わせになる場合は、内容を控えておいて下さい。
           LV         アラーム        エラー情報 1    エラー情報 2              エラー情報 3
           MJ 呼制御プロセス再起動              -            -                -
           MJ 回線制御プロセス再起動             -            -                -
           MJ DSP 故障検出による再開           -            -                -
           MN スレッド起動 NG        スレッド名              -                -
          SUP Ethernet I/F 断          -            -                -
          SUP L1 リンク障害(LINE:0) LINE 番号             -                -
          SUP L1 リンク障害(LINE:1) LINE 番号             -                -
          SUP L2 リンク障害(LINE:0) LINE 番号    発生要因                      -
                                           0:N200 回(RR)タイムアウト
                                           1:L2 切断メッセージ受信
                                           2:回線設定変更に伴
                                             う L2 リフレッシュ
          SUP L2 リンク障害(LINE:1) LINE 番号    発生要因                        -
                                           0:N200 回(RR)タイムアウト
                                           1:L2 切断メッセージ受信
                                           2:回線設定変更に伴
                                             う L2 リフレッシュ
          INF L1 リンク復旧(LINE:0) LINE 番号             -                    -
          INF L1 リンク復旧(LINE:1) LINE 番号             -                    -
          INF L2 リンク復旧(LINE:0) LINE 番号             -                    -
          INF L2 リンク復旧(LINE:1) LINE 番号             -                    -
          INF SV7000 接続規制      発信者番号      着信者番号                         -
          INF Ethernet I/F 復旧         -            -                    -
          INF RTP 監視異常         回線のポート番号  接続先の IP アドレス         RTP ポート番号
          INF 呼制御プロセス起動完了             -            -                    -
          INF 回線制御プロセス起動完了            -            -                    -

                                     3-84
231-ND2824-000                                              第3章   入力画面の詳細説明
1.0 版 2009 年 8 月                                                     3.7 保守機能


         ※障害が発生している場合、各障害の重要度により本装置前面の ALM LED が点灯、又は点滅します。
          障害が複数発生している場合は、重要度の高い状態の ALM LED を点灯・点滅させます。
          LV               ALM LED 状態
            MJ     常時点灯
            MN     速い間隔で点滅(点灯時間:128(msec)、滅灯時間:128(msec))
           SUP     遅い間隔で点滅(点灯時間:512(msec)、滅灯時間:512(msec))
           INF     滅灯




                                        3-85
231-ND2824-000                                       第3章   入力画面の詳細説明
1.0 版 2009 年 8 月                                              3.7 保守機能



[2] ログ収集設定
 表示するログのレベル・書込み周期を設定します。




 (1) “ログ収集設定”をクリックすると、上記の画面が表示されます。

 (2) ログレベル         :   表示するログレベルを選択します。(複数選択可)
                        ・MJ(Major)        ・・・ システムダウン等の致命的な障害
                        ・MN(Minor)        ・・・ システム異常等のサービス維持に関わる重大な障害
                        ・SUP(Superior)    ・・・ Ether 障害等の回線障害系イベント
                        ・INF(Information) ・・・ 上記に属さない軽微なイベント

 (3) 書込周期          :   システムログをログファイルへ書き込む周期を設定します。
                        ・30 分  ・・・ 毎時 30 分おきに、ログファイルに書き込みます(標準設定)
                                   (ex:3 時 00 分→3 時 30 分→4 時 00 分・・・)
                        ・60 分  ・・・ 毎時 00 分に、ログファイルに書き込みます
                                   (ex:6 時 00 分→7 時 00 分→8 時 00 分・・・)
                        ・120 分 ・・・ 偶数時に、ログファイルに書き込みます
                                   (ex:10 時 00 分→12 時 00 分→14 時 00 分・・・)




                                                           (次ページへ続く)


                                  3-86
231-ND2824-000                                            第3章   入力画面の詳細説明
1.0 版 2009 年 8 月                                                   3.7 保守機能

(前ページの続き)

 (4) 障害復旧時に滅灯             :   障害から復旧した時に ALM LED を滅灯させるか選択します。
                              ※チェックを入れた場合は、障害復旧時に ALM LED を滅灯します。チェックを入
                               れない場合は、障害が復旧しても「ログ削除」するまで、ALM LED を滅灯しま
                               せん。

         ALM LED の点灯制御を行う障害イベントと、それに対応する滅灯イベントは下記の通りです。
           LV     ALM LED 点灯・点滅イベント 対応する ALM LED 滅灯イベント
           MJ   呼制御プロセス再起動             なし
           MJ   回線制御プロセス再起動            なし
           MJ   DSP 故障検出による再開          回線制御プロセス再起動
           MN   スレッド起動 NG              なし
          SUP   Ethernet I/F 断         Ethernet I/F 復旧
          SUP   L1 リンク障害(LINE:0)       L1 リンク復旧(LINE:0)
          SUP   L1 リンク障害(LINE:1)       L1 リンク復旧(LINE:1)
          SUP   L2 リンク障害(LINE:0)       L2 リンク復旧(LINE:0)
          SUP   L2 リンク障害(LINE:1)       L2 リンク復旧(LINE:1)

 (5) “設定”をクリックします。




                                       3-87
231-ND2824-000                                第3章   入力画面の詳細説明
1.0 版 2009 年 8 月                                       3.7 保守機能



[3] ログ削除
 システムログを削除します。
 本装置前面の ALM LED の点灯・点滅を止めたい場合には、ログ削除を実行します。




 (1) “ログ削除”をクリックすると、上記の画面が表示されます。

 (2) “ログ削除”ボタンをクリックすると、下記ダイアログが表示されますので“OK”をクリックします。




 (3) ログ削除が完了すると、下記ダイアログが表示されますので“OK”をクリックします。




                             3-88
231-ND2824-000                                  第3章   入力画面の詳細説明
1.0 版 2009 年 8 月                                         3.7 保守機能



[4] ログファイルの保存
 システムログ情報をホストマシン(PC)にダウンロードします。




 (1) “ログファイルの保存”をクリックすると、上記の画面が表示されます。

 (2) ログファイルを保存する際に、ファイルの圧縮有無を選択します。  (システムログファイルは csv 形式です。    )
      ・“圧縮有り” … tgz 形式で圧縮してダウンロード(ホストマシン(PC)側で tar と gzip を解凍する
                ソフトウェアが必要)
      ・“圧縮無し” … csv 形式でダウンロード




                                                      (次ページへ続く)


                              3-89
231-ND2824-000                                   第3章   入力画面の詳細説明
1.0 版 2009 年 8 月                                          3.7 保守機能

(前ページの続き)

 (3) “ログファイルを保存”ボタンをクリックすると、下記の画面が表示されますので“保存”をクリックします。




 (4) (3)の後、下記画面が表示されますので、ホストマシン(PC)内の任意の場所を指定し“保存”をクリック
     して下さい。




         ※(2)で“圧縮有り”を選択した場合、ファイル名は“XXXX.tgz”
                                           (XXXX は任意)の形式で保存して下さい。
          ホストマシン(PC)へダウンロード後に、解凍ツール等を使って解凍すると“XXXX.csv”ファイルが作成され
          ます。
          また、“圧縮無し”を選択した場合は、ファイル名は“XXXX.csv”
                                           (XXXX は任意)の形式で保存して下さい。




                                                       (次ページへ続く)


                                3-90
231-ND2824-000                                                 第3章       入力画面の詳細説明
1.0 版 2009 年 8 月                                                            3.7 保守機能

(前ページの続き)




         ※XXXX.csv ファイルを開くと、上記のような内容が表示されます。


                       列の意味                         説明
          A列       ログ連番         ログに古い順から振られる連番(0~899)
          B列       アラーム ID      発生したイベントを表す番号
                                 0x0000 : 回線制御プロセス起動完了
                                 0x0001 : 呼制御プロセス起動完了
                                 0x0002 : RTP 監視異常
                                 0x0003 : Ethernet I/F 復旧
                                 0x0004 : SV7000 接続規制
                                 0x0005 : L1 リンク復旧(LINE:0)
                                 0x0006 : L1 リンク復旧(LINE:1)
                                 0x0007 : L2 リンク復旧(LINE:0)
                                 0x0008 : L2 リンク復旧(LINE:1)
                                 0x1000 : Ethernet I/F 断
                                 0x1001 : L1 リンク障害(LINE:0)
                                 0x1002 : L1 リンク障害(LINE:1)
                                 0x1003 : L2 リンク障害(LINE:0)
                                 0x1004 : L2 リンク障害(LINE:1)
                                 0x2000 : スレッド起動 NG
                                 0x3000 : DSP 故障検出による再開
                                 0x3001 : 回線制御プロセス再起動
                                 0x3002 : 呼制御プロセス再起動
          C列       アラームレベル      イベントの内容に応じて 4 段階に設定
                                 0 : INF
                                 1 : SUP
                                 2 : MN
                                 3 : MJ
          D列       システムログ発生日時   システムログが発生した日時。
                                 年(YYYY)/月(MM)/日(DD) 時(hh):分(mm):秒(ss)
          E列       エラー情報 1      詳細画面に表示されているエラー情報 1 の内容
          F列       エラー情報 2      詳細画面に表示されているエラー情報 2 の内容
          G列       エラー情報 3      詳細画面に表示されているエラー情報 3 の内容




                                      3-91
231-ND2824-000             第3章   入力画面の詳細説明
1.0 版 2009 年 8 月                    3.7 保守機能



3.7.4   License登録
 本機能は使用しません。




                    3-92
231-ND2824-000                      第3章   入力画面の詳細説明
1.0 版 2009 年 8 月                             3.7 保守機能



3.7.5   SNMP




 (1) “SNMP”をクリックすると、上記の画面が表示されます。




                           3-93
231-ND2824-000                                          第3章   入力画面の詳細説明
1.0 版 2009 年 8 月                                                 3.7 保守機能



[1] SNMPシステム設定
 SNMP のシステム管理情報を設定します。




 (1) “SNMP システム設定”をクリックすると、上記の画面が表示されます。

 (2) ロケーション情報      :   本装置の設置場所や用途等を示す情報を入力します。    (最大 32 文字)
                       使用できる文字は、半角英数字(0-9、a-z、A-Z)と“-”“_”です。
                                                      、
                       例)IPMASTER

 (3) 管理者情報         :   管理者の連絡先等を示す情報を入力します。   (最大 32 文字)
                       使用できる文字は、半角英数字(0-9、a-z、A-Z)と“-”“_”です。
                                                      、
                       例)admin@ipmaster.co.jp

 (4) ポート番号         :   SNMP マネージャからの Get request を受け付けたり、Get response 送信時に使用
                       するポート番号を入力します。
                       (デフォルト:161 ポート)
                       ※0 ~ 65535 の範囲で指定して下さい。(他のポート番号と重ならないように注
                         意して下さい。)
                       ※何も入力しない場合は、デフォルト値(161 ポート)が設定されます。

 (5) 入力内容を確認し、“設定”をクリックします。

 (6) “ロケーション情報” “管理者情報”
                や      を削除する場合は、登録データの右側にあるチェックボックスにチェッ
      クを入れ、“削除”をクリックします。



                                   3-94
231-ND2824-000                                         第3章   入力画面の詳細説明
1.0 版 2009 年 8 月                                                3.7 保守機能



[2] コミュニティ設定
 SNMP マネージャからの Get request を受け付ける為の設定を行ないます。




 (1) “コミュニティ設定”をクリックすると、上記の画面が表示されます。
     ※既に登録データが入っている場合は、登録データが表示されます。
      何も登録されていない場合は、“No data in the memory.”が表示されます。

 (2) “追加”をクリックします。(全 8 種類登録されている場合は“追加”ボタンは表示されません。)

     ※   削除する場合は、 <2> コミュニティ設定の削除』
                 『                (     3-97ページ)へお進み下さい。




                                 3-95
231-ND2824-000                                       第3章   入力画面の詳細説明
1.0 版 2009 年 8 月                                              3.7 保守機能



<1>     コミュニティ設定の追加




 (1) コミュニティ名       :   SNMP マネージャからの Get request を受け付ける際に必要なコミュニティ名を入
                       力します。
                       ※6 ~ 16 文字の範囲で設定して下さい。
                       ※使用できる文字は、半角英数字(0-9、a-z、A-Z)と“-”“_”です。
                                                           、
                       例)public

 (2) ネットワーク範囲      :   SNMP マネージャからの Get request を受け付ける際の IP アドレスの範囲を入力
                       します。
                       左側 : IP アドレス(IPv4 形式)
                              例)192.168.0.0
                       右側 : サブネットマスク(IPv4 形式、または数値(1 ~ 32)      )
                              例)255.255.255.0、24

 (3) 入力内容を確認し、“設定”をクリックします。




                                  3-96
231-ND2824-000                           第3章   入力画面の詳細説明
1.0 版 2009 年 8 月                                  3.7 保守機能



<2>     コミュニティ設定の削除




 (1) “設定”ボタンの左隣にあるチェックボックスにチェックを入れ、“削除”をクリックします。




                          3-97
231-ND2824-000                                             第3章   入力画面の詳細説明
1.0 版 2009 年 8 月                                                    3.7 保守機能



[3] SNMP TRAP設定
 TRAP 送信先サーバーを設定します。




 (1) “SNMP TRAP 設定”をクリックすると、上記の画面が表示されます。
     ※既に登録データが入っている場合は、登録データが表示されます。
       何も登録されていない場合は、    “No data in the memory”が表示されます。

 (2) “追加”をクリックします。(全 8 箇所登録されている場合は“追加”ボタンは表示されません。)

     ※   削除する場合は、 <2> SNMP TRAP設定の削除』
                 『                   (     3-100ページ)へお進み下さい。




                                    3-98
231-ND2824-000                                        第3章   入力画面の詳細説明
1.0 版 2009 年 8 月                                               3.7 保守機能



<1>     SNMP TRAP設定の追加




 (1) IP アドレス         :   TRAP 送信先の IP アドレスを入力します。
                         例)192.168.0.200

 (2) SNMP バージョン      :   TRAP を送信する時の SNMP バージョンを選択します。
                           ・V1/V2 : V1・V2 両方とも送信
                           ・V1    : V1 の TRAP を送信
                           ・V2    : V2 の TRAP を送信

 (3) TRAP コミュニティ名    :   TRAP 用コミュニティ名を入力します。
                         ※6 ~ 16 文字の範囲で設定して下さい。
                         ※使用できる文字は、半角英数字(0-9、a-z、A-Z)と“-”“_”です。
                                                         、
                         例)public

 (4) TRAP ポート番号      :   TRAP の送信先ポート番号を入力します。 (デフォルト:162 ポート)
                         ※0 ~ 65535 の範囲で指定して下さい。(他のポート番号と重ならないように注
                           意して下さい。   )
                         ※何も入力しない場合は、デフォルト値(162 ポート)が設定されます。

 (5) 入力内容を確認し、“設定”をクリックします。




                                   3-99
231-ND2824-000                           第3章   入力画面の詳細説明
1.0 版 2009 年 8 月                                  3.7 保守機能



<2>     SNMP TRAP設定の削除




 (1) “設定”ボタンの左隣にあるチェックボックスにチェックを入れ、“削除”をクリックします。




                          3-100
231-ND2824-000                       第3章   入力画面の詳細説明
1.0 版 2009 年 8 月                              3.7 保守機能



3.7.6   発着信履歴




 (1) “発着信履歴”をクリックすると、上記の画面が表示されます。




                         3-101
231-ND2824-000                                     第3章   入力画面の詳細説明
1.0 版 2009 年 8 月                                            3.7 保守機能



[1] SIP→回線
 本装置が SIP 網から回線へ発信した通話の履歴を表示します。




 (1) “SIP→回線”をクリックすると、上記の画面が表示されます。
     ※履歴が無い場合は、  “No Data in the Memory”が表示されます。

 (2) 日付、表示順序、表示件数を選択し“表示”をクリックします。

         日付   :    表示したい履歴の日付を選択します。通話履歴は最大 7 日分保存されます。
         表示順序 :    “開始時刻”“終了時刻”を選択することができます。
                           、
                    ・ 開始時刻 … 開始時刻の新しい順に履歴を表示(標準設定)
                    ・ 終了時刻 … 終了時刻の新しい順に履歴を表示
         表示件数 :    “10 件”“20 件”“50 件”“100 件”を選択することができます。
                         、     、     、
                    ・ 10 件 … 1 画面に 10 件分の履歴を表示
                    ・ 20 件 … 1 画面に 20 件分の履歴を表示(標準設定)
                    ・ 50 件 … 1 画面に 50 件分の履歴を表示
                    ・ 100 件 … 1 画面に 100 件分の履歴を表示




                                                         (次ページへ続く)


                                   3-102
231-ND2824-000                                      第3章   入力画面の詳細説明
1.0 版 2009 年 8 月                                             3.7 保守機能

(前ページの続き)




 (3) “表示”ボタンを押すことで通話履歴が表示されます。通話履歴は 1 日あたり最大 1000 件まで保存されます。
      それぞれの内容について説明します。

                   項目                        内容
      No                履歴の項番です。
      発信者番号             発信者の電話番号です。
      着信者番号             SIP 装置から受信した着信者の番号です。
      開始時刻              通話を開始した時刻です。
      終了時刻              通話が正常に行われた場合は、通話の終了時刻が表示されます。話中等で通話が
                        行われない場合は「----/--/-- --:--:--」が表示されます。
      ステータス             正常、話中、不応答、エラーが表示されます。
                        正常 :通話が正常に行われた場合に表示されます。
                        話中 :SIP Response の端末話中メッセージ(486 メッセージ)、又は回線話中
                              メッセージ(503 メッセージ)を送信した場合に表示されます。
                        不応答:途中放棄された場合に表示されます。
                        エラー:その他の接続エラーが発生した場合に表示されます。
      情報                エラーが発生した際の情報について表示されます。




                                                          (次ページへ続く)


                                  3-103
231-ND2824-000                                        第3章   入力画面の詳細説明
1.0 版 2009 年 8 月                                               3.7 保守機能

(前ページの続き)

     ※   情報には以下のエラーコードが設定されます。
           エラーコード                           エラー要因
                   404
                     SIP 装置から受信された着番号が本装置の番号展開と一致しません。ダイヤル番
                     号、及び本装置の番号展開データを確認して下さい。
             408     着信者が応答しなかった為、呼出しがタイムアウトしました。また、回線の接続
                     に問題がある場合にも発生します。回線接続、及び回線種別を確認して下さい。
             481     SIP 装置から存在しない呼へのリクエストを受信しました。SIP メッセージの送受
                     信手順に誤りが発生しているか、再送が発生している場合があります。接続構成
                     を確認して下さい。
             486     回線が話中の為、接続に失敗しました。
             487     SIP 装置からの発信呼が途中放棄されました。
             500     内部の SIP リソースに空きがありません。ネットワーク管理者までお知らせ下さ
                     い。
             503     全回線が話中の為、接続に失敗しました。
             504     暫定応答確認(PRACK)の受信がタイムアウトしました。接続構成を確認して下さ
                     い。また、100rel(PRACK)未対応のSIP装置と接続する場合は、『3.4.1[2]SIPサー
                     ビス設定』  (  3-53ページ)のPRACKサポートを“無効”に設定して下さい。
     ※   上記表に無いエラーコードが表示された場合はネットワーク管理者までお問合せ下さい。



 (4) “削除”ボタンを押すことで“日付”で選択している履歴を削除することができます。
   “削除”ボタンをクリックすると、下記ダイアログが表示されますので“OK”をクリックします。




     ログ削除が完了すると、下記ダイアログが表示されますので“OK”をクリックします。




 (5) 履歴画面の移動
    履歴画面上にある“<<”“<”“>”“>>”ボタンを押すことで履歴画面を移動することができます。
                   、  、 、
      ・ << ” ・・・ 一番新しい通話履歴を表示
       “
      ・ < ” ・・・ 現在表示している画面から 1 つ新しい通話履歴を表示
       “
      ・ > ” ・・・ 現在表示している画面から 1 つ古い通話履歴を表示
       “
      ・ >> ” ・・・ 取得した通話履歴の一番古いページを表示
       “




                                   3-104
231-ND2824-000                                     第3章   入力画面の詳細説明
1.0 版 2009 年 8 月                                            3.7 保守機能



[2] 回線→SIP
 本装置が回線から SIP 網に送信した通話の履歴を表示します。




 (1) “回線→SIP”をクリックすると、上記の画面が表示されます。
      ※履歴が無い場合は、 “No Data in the Memory”が表示されます。

 (2) 日付、表示順序、表示件数を選択し“表示”をクリックします。

         日付   :    表示したい履歴の日付を選択します。通話履歴は最大 7 日分保存されます。
         表示順序 :    “開始時刻”“終了時刻”を選択することができます。
                           、
                    ・ 開始時刻 … 開始時刻の新しい順に履歴を表示(標準設定)
                    ・ 終了時刻 … 終了時刻の新しい順に履歴を表示
         表示件数 :    “10 件”“20 件”“50 件”“100 件”を選択することができます。
                         、     、     、
                    ・ 10 件 … 1 画面に 10 件分の履歴を表示
                    ・ 20 件 … 1 画面に 20 件分の履歴を表示(標準設定)
                    ・ 50 件 … 1 画面に 50 件分の履歴を表示
                    ・ 100 件 … 1 画面に 100 件分の履歴を表示




                                                         (次ページへ続く)


                                  3-105
231-ND2824-000                                                      第3章     入力画面の詳細説明
1.0 版 2009 年 8 月                                                               3.7 保守機能

(前ページの続き)




 (3) “表示”ボタンを押すことで履歴が表示されます。通話履歴は 1 日あたり最大 1000 件まで保存されます。それ
     ぞれの内容について説明します。

                   項目                                    内容
      No                履歴の項番です。
      発信者番号             FS/FXS、FO/FXO、又は OD/E&M を選択した場合は、本装置の使用しているポートに
                        設定されている Originating Name 中の電話番号が表示されます。
                        ISDN-NET 、 ISDN-USER を 選 択 し た 場 合 は 、 3.3.1 [ 3 ] 詳 細 設 定 (ISDN-NET ・
                                                              『
                        ISDN-USER)』(      3-41ページ)の“ISDN→SIP発番号通知”        、及び“ISDN発番号透
                        過不可時”で設定した番号が表示されます。
      着信者番号             本装置が送信した着信者の番号が表示されます。
      ポート番号             本装置が使用した回線ポート番号を表示します。
      開始時刻              通話を開始した時刻です。
      終了時刻              通話が正常に行われた場合は、通話の終了時刻が表示されます。話中等で通話が
                        行われない場合は「----/--/-- --:--:--」が表示されます。
      ステータス             正常、話中、不応答、エラーが表示されます。
                        正常 : 通話が正常に行われた場合に表示されます。
                        話中 : SIP Response の端末話中メッセージ(486 メッセージ)                、又は回線話中
                                  メッセージ(503 メッセージ)を受信した場合に表示されます。
                        不応答: 途中放棄された場合に表示されます。
                        エラー: その他の接続エラーを受信した場合に表示されます。
      情報                エラーが発生した際の情報について表示されます。
                                                                            (次ページへ続く)

                                        3-106
231-ND2824-000                                           第3章   入力画面の詳細説明
1.0 版 2009 年 8 月                                                  3.7 保守機能

(前ページの続き)

     ※   情報には以下のエラーコードが設定されます。
           エラーコード                             エラー要因
                   403
                   SIP 装置で接続が規制されました。      ダイヤル番号に誤りが無いか、          本装置の番号展
                   開データに誤りが無いか、及び接続先 SIP 装置が正常動作しているか確認して下
                   さい。
           404     SIP 装置で接続先が見つかりませんでした。       ダイヤル番号に誤りが無いか、         本装置
                   の番号展開データに誤りが無いか、及び接続先 SIP 装置が正常動作しているか確
                   認して下さい。
           407     SIP サーバーから認証要求を受けました。本装置は認証には対応しておりません。
                   ネットワーク管理者へご相談下さい。
           408     着信者が応答せず SIP サーバーが呼出タイムアウトしました。
           410     SIP 装置で接続先が見つかりませんでした。       ダイヤル番号に誤りが無いか、         本装置
                   の番号展開データに誤りが無いか、及び接続先 SIP 装置が正常動作しているか確
                   認して下さい。
           420     SIP装置が対応していない拡張機能を要求しました。           『3.4.1[2]SIPサービス設定』
                   (    3-53ページ)を確認して下さい(セッションタイマ方式、PRACKサポート等)。
           421     SIP装置から拡張機能が要求されました。       『3.4.1[2]SIPサービス設定』    (  3-53
                   ページ)を確認して下さい(セッションタイマ方式、PRACKサポート等)。
           480     何らかの原因で SIP 装置へ接続を行うことができません。ネットワーク管理者ま
                   でお知らせ下さい。
           481     SIP 装置へ存在しない呼へのリクエストを送信しました。SIP メッセージの送受信
                   手順に誤りが発生しているか、再送が発生している場合があります。接続構成を
                   確認して下さい。
           486     SIP 装置が話中の為、接続に失敗しました。
           487     SIP 装置への発信呼を途中放棄しました。
           500     SIP 装置内部で障害が発生しました。ネットワーク管理者までお知らせ下さい。
           502     SIP 装置で接続先が見つかりませんでした。       ダイヤル番号に誤りが無いか、         本装置
                   の番号展開データに誤りが無いか、及び接続先 SIP 装置が正常動作しているか確
                   認して下さい。
           503     SIP 装置が全話中もしくは障害発生の為、接続に失敗しました。
           504     SIP装置でPRACKの受信がタイムアウトしました。接続構成を確認して下さい。ま
                   た、100rel(PRACK)対応のSIP装置と接続する場合は、    『3.4.1[2]SIPサービス設定』
                   (     3-53ページ)のPRACKサポートを”有効”に設定して下さい。
     ※上記表に無いエラーコードが表示された場合はネットワーク管理者までお問合せ下さい。

 (4) “削除”ボタンを押すことで“日付”で選択している履歴を削除することができます。
   “削除”ボタンをクリックすると、下記ダイアログが表示されますので“OK”をクリックします。




                                                               (次ページへ続く)




                                    3-107
231-ND2824-000                             第3章   入力画面の詳細説明
1.0 版 2009 年 8 月                                    3.7 保守機能

(前ページの続き)

     ログ削除が完了すると、下記ダイアログが表示されますので“OK”をクリックします。




 (5) 履歴画面の移動
     履歴画面上にある“<<”“<”“>”“>>”ボタンを押すことで履歴画面を移動することができます。
                    、 、  、
      ・ << ” ・・・ 一番新しい通話履歴を表示
       “
      ・ < ” ・・・ 現在表示している画面から 1 つ新しい通話履歴を表示
       “
      ・ > ” ・・・ 現在表示している画面から 1 つ古い通話履歴を表示
       “
      ・ >> ” ・・・ 取得した通話履歴の一番古いページを表示
       “




                            3-108
231-ND2824-000                                      第3章   入力画面の詳細説明
1.0 版 2009 年 8 月                                             3.7 保守機能



[3] 履歴収集設定
 発着信履歴の収集設定・書込周期を設定します。




 (1) “履歴収集設定”をクリックすると、上記の画面が表示されます。

 (2) 履歴ログの収集設定     :   履歴ログの収集設定を選択します。
                        ・収集しない ・・・ 履歴を収集しません(標準設定)
                        ・収集する   ・・・ 履歴を収集します

 (3) 履歴ログの書込周期設定   :   履歴をログファイルへ書き込む周期を設定します。
                        ・30 分        ・・・ 毎時 30 分おきに、   ログファイルに書き込みます(標
                                         準設定)
                         (ex:3 時 00 分→3 時 30 分→4 時 00 分・・・)
                        ・60 分 ・・・ 毎時 00 分に、ログファイルに書き込みます
                         (ex:6 時 00 分→7 時 00 分→8 時 00 分・・・)
                        ・120 分 ・・・ 偶数時に、ログファイルに書き込みます
                         (ex:10 時 00 分→12 時 00 分→14 時 00 分・・・)

 (4) “設定”をクリックします。




                               3-109
231-ND2824-000                                  第3章   入力画面の詳細説明
1.0 版 2009 年 8 月                                         3.7 保守機能



[4] 履歴ログ保存
 発着信履歴ログ情報をホストマシン(PC)にダウンロードします。




 (1) “履歴ログ保存”をクリックすると、上記の画面が表示されます。

 (2) 履歴ログファイルを保存する際に、ファイルの圧縮有無を選択します。 (履歴ログファイルは csv 形式です。     )
      ・
      “圧縮有り” … tgz 形式で圧縮してダウンロード(ホストマシン(PC)側で tar と gzip を解凍する
                ソフトウェアが必要)
      ・“圧縮無し” … csv 形式でダウンロード

 (3) 保存する履歴を選択します。
      ・SIP→回線 … SIP→回線履歴を保存(標準設定)
      ・回線→SIP … 回線→SIP 履歴を保存

 (4) 保存する履歴の日付を選択します。収集している履歴ログファイルが表示されます。また、通話履歴が存在し
     ない場合は、 「SIP→回線の履歴ログファイルは存在しません」と表示されます。
     ※(3) で回線→SIP を選択し、通話履歴が存在しない場合は「回線→SIP の履歴ログファイルは存在しません」
       と表示されます。




                                                      (次ページへ続く)


                              3-110
231-ND2824-000                                   第3章   入力画面の詳細説明
1.0 版 2009 年 8 月                                          3.7 保守機能

(前ページの続き)

 (5) “保存”ボタンをクリックすると、下記の画面が表示されますので“保存”をクリックします。




 (6) (5)の後、下記画面が表示されますので、ホストマシン(PC)内の任意の場所を指定し“保存”をクリック
      して下さい。




         ※(2)で“圧縮有り”を選択した場合、ファイル名は“XXXX.tgz”
                                           (XXXX は任意)の形式で保存して下さい。
          ホストマシン(PC)へダウンロード後に、解凍ツール等を使って解凍すると“XXXX.csv”ファイルが作成され
          ます。
          また、“圧縮無し”を選択した場合は、ファイル名は“XXXX.csv”
                                           (XXXX は任意)の形式で保存して下さい。




                                                       (次ページへ続く)

                                3-111
231-ND2824-000                                            第3章    入力画面の詳細説明
1.0 版 2009 年 8 月                                                    3.7 保守機能

(前ページの続き)




         XXXX.csv ファイルを開くと、上記のような内容が表示されます。


                        列の意味                     説明
          A列       連番          履歴を書き込んだ順に振られる番号(0~999)
          B列       発着種別        0 : SIP→回線履歴
                               1 : 回線→SIP 履歴
          C列       SIP 側電話番号   SIP→回線履歴ログファイルの場合・・・
                                 発信者の電話番号
                               回線→SIP 履歴ログファイルの場合・・・
                                 本装置が送信した着信者の番号
          D列       ポート番号       回線のポート番号
                               ※SIP→回線履歴ログファイルの場合は”0:固定”となりま
                                 す。
          E列       回線側電話番号     SIP→回線履歴ログファイルの場合・・・
                                 接続相手先の電話番号
                               回線→SIP 履歴ログファイルの場合・・・
                                 本装置の該当ポートに設定されている Originating Name
                                 中の電話番号
          F列       通話開始時刻      通話を開始した日時
                                 年(YYYY)/月(MM)/日(DD) 時(hh):分(mm):秒(ss)
          G列       通話終了時刻      通話を終了した日時
                                 年(YYYY)/月(MM)/日(DD) 時(hh):分(mm):秒(ss)
                               ※話中等で通話が行なわれなかった場合は、
                                 「0000/00/00 00:00:00」が表示されます。
          H列       ステータス       0 : 正常
                               1 : 話中
                               2 : 不応答
                               3 : エラー
          I列       情報          エラーが発生した際の情報




                                    3-112
231-ND2824-000                        第3章   入力画面の詳細説明
1.0 版 2009 年 8 月                               3.7 保守機能



3.7.7   バックアップ




 (1) “バックアップ”をクリックすると、上記の画面が表示されます。




                         3-113
231-ND2824-000                              第3章   入力画面の詳細説明
1.0 版 2009 年 8 月                                     3.7 保守機能



[1] ホストマシンへセーブ
 コンフィグデータをホストマシン(PC)へダウンロードします。




 (1) “ホストマシンへセーブ”をクリックすると、上記の画面が表示されます。

 (2) “config ファイル”をクリックすると下記の画面が表示されますので“OK”をクリックします。




                                                  (次ページへ続く)


                            3-114
231-ND2824-000                                       第3章   入力画面の詳細説明
1.0 版 2009 年 8 月                                              3.7 保守機能

(前ページの続き)

 (3) (2)の後、下記画面が表示されますので、ホストマシン内の任意の場所を指定し“保存”をクリックして下
      さい。




         ※保存するファイル名を変更する場合、ファイル名の頭文字に“V”“v”は使用しないで下さい。
                                                、
          また、ファイル名は“XXXXipm.tgz”(XXXX は任意)の形式で保存して下さい。

 (4) 終了しましたら、(3)で指定した場所にコンフィグデータが保存されていることを確認して下さい。




   ※ホストマシンにセーブ(ダウンロード)したファイルは圧縮されています。
    解凍ツール等を使って解凍して出来たフォルダを開くと、以下のファイルが入っています。
    注)コンフィグデータの設定内容により、ファイル数は変わります。




         ・interfaces    :   IP アドレス・ネットワークマスク・デフォルトゲートウェイの設定ファイル
         ・ip-if         :   LAN スピード・LAN モードの設定ファイル
         ・ntp.conf      :   SNTP の設定ファイル
         ・passwd        :   telnet でログイン時のログイン名・パスワード設定ファイル
         ・snmpd.conf    :   SNMP の設定ファイル
         ・startdm.dat   :   コンフィグデータファイル

                                      3-115
231-ND2824-000                                     第3章   入力画面の詳細説明
1.0 版 2009 年 8 月                                            3.7 保守機能



[2] ホストマシンからロード
 コンフィグデータをホストマシン(PC)から本装置へアップロードします。




 (1) “ホストマシンからロード”をクリックすると、上記の画面が表示されます。

 (2) “参照…”をクリックすると下記の画面が表示されますので、ホストマシン内のコンフィグデータ
     (
     『[1]ホストマシンへセーブ』( 3-114ページ)でセーブしたファイル(例:necvoipgwipm.tgz))を選択して、
     “開く”をクリックします。




                                                         (次ページへ続く)


                                3-116
231-ND2824-000                                 第3章   入力画面の詳細説明
1.0 版 2009 年 8 月                                        3.7 保守機能

(前ページの続き)

 (3) “ロード”をクリックすると、本装置へコンフィグデータ(上記の例では necvoipgwipm.tgz)をロードします。
      下記のように“Command is completed”と表示されます。




 (4) (3)のダイアログで“OK”をクリックすると、下記のダイアログが表示されますので、“OK”をクリックし
     て再起動を行ないます。




                              3-117
231-ND2824-000                                   第3章   入力画面の詳細説明
1.0 版 2009 年 8 月                                          3.7 保守機能



[3] config一覧出力
 コンフィグデータの一覧を csv 形式でダウンロードします。




 (1) “config 一覧出力”をクリックすると、上記の画面が表示されます。

 (2) config 一覧を出力する際に、ファイルの圧縮有無を選択します。(csv 形式です。)
      ・“圧縮有り” … tgz 形式で圧縮してダウンロード(ホストマシン(PC)側で tar と gzip を解凍するソフ
                  トウェアが必要)
      ・“圧縮無し” … csv 形式でダウンロード




                                                       (次ページへ続く)


                              3-118
231-ND2824-000                                    第3章   入力画面の詳細説明
1.0 版 2009 年 8 月                                           3.7 保守機能

(前ページの続き)

 (3) “保存”ボタンをクリックすると、下記の画面が表示されますので“保存”をクリックします。




 (4) (3)の後、下記画面が表示されますので、ホストマシン(PC)内の任意の場所を指定し“保存”をクリック
     して下さい。




         ※(2)で“圧縮有り”を選択した場合、ファイル名は“XXXX.tgz”
                                           (XXXX は任意)の形式で保存して下さい。
          ホストマシン(PC)へダウンロード後に、解凍ツール等を使って解凍すると“conf_list.csv”ファイルが作
          成されます。
          また、“圧縮無し”を選択した場合は、ファイル名は“XXXX.csv”
                                           (XXXX は任意)の形式で保存して下さい。




         ※XXXX.csv ファイルを開くと、上記のような内容が表示されます。




                                 3-119
231-ND2824-000                                     第3章   入力画面の詳細説明
1.0 版 2009 年 8 月                                            3.7 保守機能



3.7.8   バージョンUP
 サービスプログラムのバージョンアップを行います。
 Static 接続数拡張機能未対応バージョン(V03 以前)から、Static 接続数拡張機能対応バージョン(V04 以降)のサービス
 プログラムにバージョンアップした場合にはコンフィグデータは引き継がれますが、対応バージョンから未対応バー
 ジョンにバージョンダウンした場合、   コンフィグデータは引き継がれません(登録データが見えなくなってしまいます)
 のでご注意下さい。




 (1) “バージョン UP”をクリックすると、上記の画面が表示されます。

 (2) “セーブ”をクリックすると、下記ダイアログが表示されますので“OK”をクリックし、コンフィグデータを
     Flash メモリへセーブします。




     ※“セーブ”を実行しなかった場合、それまでに設定・変更した内容は再起動時に反映されませんので、必ず実行
      して下さい。




                                                         (次ページへ続く)

                                3-120
231-ND2824-000                               第3章   入力画面の詳細説明
1.0 版 2009 年 8 月                                      3.7 保守機能

(前ページの続き)

 (3) “config ファイル”をクリックすると、下記の画面が表示されますので“保存”をクリックします。




 (4) (3)の後、下記画面が表示されますので、ホストマシン内の任意の場所を指定し“保存”をクリックして下
      さい。




         ※保存するファイル名を変更する場合、ファイル名の頭文字に“V”“v”は使用しないで下さい。
                                                、
          また、ファイル名は“XXXXipm.tgz”(XXXX は任意)の形式で保存して下さい。

 (5)     終了しましたら、(4)で指定した場所にコンフィグデータが保存されていることを確認して下さい。




                                                   (次ページへ続く)

                             3-121
231-ND2824-000                                                    第3章   入力画面の詳細説明
1.0 版 2009 年 8 月                                                           3.7 保守機能

(前ページの続き)

 (6) “参照…”をクリックすると下記の画面が表示されますので、ホストマシン内のバージョンアップファイル
      (V0X-XX-XXX-XXXX.tgz)を選択して“開く”をクリックします。




         注)バージョン UP ファイル(V0X-XX-XXX-104X.tgz)以外のファイルを指定しないで下さい。また、バージョン
           UP ファイルには、   「FS/FXS・FO/FXO・OD/E&M」用と、    「ISDN-NET・ISDN-USER」用と下記 2 種類ありますの
           でよく確認して実行して下さい。
             ・FS/FXS・FO/FXO・OD/E&M :V0X-XX-XXX-1040.tgz
             ・ISDN-NET・ISDN-USER   :V0X-XX-XXX-1043.tgz

 (7) “転送と実行”をクリックすると、プログラムのバージョンアップが始まります。




         ※バージョンアップ処理が始まると、上記の“バージョン UP 中”が表示されます。

 (8) バージョンアップが完了すると下記のダイアログが表示されますので、“OK”をクリックして下さい。




 (9) 装置が自動的に再起動を行いますので、約 2 分間待ちます。
     注)使用中の WEB ブラウザは一旦閉じ、再度立ち上げてからご使用下さい。ランタイムエラー等の表示が出る
       場合があります。

 (10)起動したら再度ログインし、“システム情報”の画面から“プログラムバージョン”を確認して下さい。



   注)バージョンアップ完了まで、他のメニュー・ボタンを押したり、電源を切ったりしないようにして下さい。
     上記の操作を行なった場合、製造元での再インストールとなることがありますので十分注意して下さい。




                                         3-122
231-ND2824-000                              第3章   入力画面の詳細説明
1.0 版 2009 年 8 月                                     3.7 保守機能



3.7.9   再起動
 本装置の再立ち上げを実行します。
 接続中の呼は全て切断されますので、本コマンドの使用は注意して下さい。
 また、コンフィグ内容を変更した場合、“データセーブ”を行わずに“再起動”を行うと、変更内容が反映されません
 ので、“再起動”を行う前に“データセーブ”を実行して下さい。




 (1) “再起動”をクリックすると、下記のダイアログが表示されます。“OK”をクリックすると再起動を行います。




   注)再起動後は、使用中の WEB ブラウザは一旦閉じ、再度立ち上げてからご使用下さい。ランタイムエラー等の表示
     が出る場合があります。




                            3-123
231-ND2824-000                            第3章     入力画面の詳細説明
1.0 版 2009 年 8 月                                     3.7 保守機能



3.7.10 システム初期化
 本装置に登録されているコンフィグデータや IP アドレスを初期化し、工場出荷状態に戻します。
 本コマンドの使用は注意して下さい。




 (1) “システム初期化”をクリックすると、下記のダイアログが表示されます。
                                      “OK”をクリックすると本装置の
     初期化を行います。




 (2) 初期化が終了すると、下記のダイアログが表示されます。




                                                  (次ページへ続く)

                          3-124
231-ND2824-000                             第3章   入力画面の詳細説明
1.0 版 2009 年 8 月                                    3.7 保守機能

(前ページの続き)

 (3) (2)のダイアログで、“OK”をクリックすると、下記のダイアログが表示されますので、“OK”をクリックし
      て再起動を行ないます。




                           3-125
231-ND2824-000                       第3章   入力画面の詳細説明
1.0 版 2009 年 8 月                             3.8 ユーザ管理



3.8     ユーザ管理


3.8.1   ユーザ情報変更




 (1) “ユーザ管理”をクリックすると、上記の画面が表示されます。




                         3-126
231-ND2824-000                         第3章   入力画面の詳細説明
1.0 版 2009 年 8 月                               3.8 ユーザ管理



[1] ユーザ情報変更




 (1) “ユーザ情報変更”をクリックすると、上記の画面が表示されます。




                         3-127
231-ND2824-000                                第3章   入力画面の詳細説明
1.0 版 2009 年 8 月                                      3.8 ユーザ管理



<1>     ユーザ登録/削除(登録)
 本装置にログインできる保守、工事対応ユーザーを登録/削除します。
 登録者数は管理者も含めて、最大 16 ユーザーです。




 (1) “ユーザ登録/削除”をクリックすると、上記の画面が表示されます。

 (2) “追加”をクリックすると、次ページの画面が表示されます。  (全 16 ユーザー登録されている場合は“追加”
     ボタンは表示されません。)
     ※“削除”をクリックした場合は、『<2> ユーザ登録/削除(削除)(』    3-130ページ)にお進み下さい。




                                                    (次ページへ続く)

                            3-128
231-ND2824-000                                    第3章   入力画面の詳細説明
1.0 版 2009 年 8 月                                          3.8 ユーザ管理

(前ページの続き)




 (1) 名前            :   ログイン名を入力します。(任意:最大 63 文字)
                       使用できる文字は、半角英数字(0-9、a-z、A-Z)と“-”“_”“.”です。
                                                      、  、

 (2) パスワード         :   パスワードを入力します。(任意:15 文字以内)
                       使用できる文字は、半角英数字(0-9、a-z、A-Z)と“-”“_”“.”です。
                                                      、  、

 (3) パスワード確認入力     :   (2)で入力したパスワードをもう一度入力します。

 (4) クラス           :   一般ユーザー(Normal)/特権ユーザー(Super)を選択します。
                        ・Normal
                        ・Super

 (5) 入力内容を確認し“設定”をクリックします。



   ※各ユーザークラス毎のコマンド規制
    ・一般ユーザー(Normal)
       通常保守でデータの確認ができるレベルのコマンドの使用が可能
    ・特権ユーザー(Super)
       運用に関わる局データの登録、削除、変更が可能
    ・管理者(Administrator)
       システムに関わるデータの登録、削除、変更が可能




                                3-129
231-ND2824-000                                    第3章   入力画面の詳細説明
1.0 版 2009 年 8 月                                          3.8 ユーザ管理



<2>     ユーザ登録/削除(削除)
 (1) 『<1> ユーザ登録/削除(登録)(
                      』     3-128ページ)の(1)を行います。

 (2) “削除”をクリックすると、下記の画面が表示れます。




 (3) ユーザ番号         :   該当するユーザ番号を入力します。
                       ※『<1>ユーザ登録/削除(登録) (
                                        』    3-128ページ)の(1)で表示され
                        る“番号”です。

 (4) ユーザ名          :   該当するユーザ名を入力します。
                       ※『<1>ユーザ登録/削除(登録) (
                                        』    3-128ページ)の(1)で表示され
                        る“名前”です。

 (5) 入力内容を確認し、“設定”をクリックします。




                               3-130
231-ND2824-000                                第3章   入力画面の詳細説明
1.0 版 2009 年 8 月                                      3.8 ユーザ管理



<3>     パスワード変更




 (1) “パスワード変更”をクリックすると、上記の画面が表示されます。

 (2) 変更前のパスワード     :   現在ログインしているユーザーのパスワード

 (3) 変更後のパスワード     :   新しいパスワードを入力

 (4) 変更後のパスワード再入力 :    新しいパスワードを再入力

 (5) 入力内容を確認し“設定”をクリックします。




                             3-131
231-ND2824-000                          第3章   入力画面の詳細説明
1.0 版 2009 年 8 月                                3.8 ユーザ管理



3.8.2   アクセス制限
 WEB コンソール、TELNET/FTP のアクセス制限を設定します。




 (1) “アクセス制限”をクリックすると、上記の画面が表示されます。




                                3-132
231-ND2824-000                                           第3章   入力画面の詳細説明
1.0 版 2009 年 8 月                                                 3.8 ユーザ管理



[1] WEBアクセス制限
 WEB コンソールにアクセス可能な IP アドレスの制限を行います。
 本メニューで設定した IP アドレス以外からは、WEB コンソールにアクセスできなくなります。




 (1) “WEB アクセス制限”をクリックすると、上記の画面が表示されます。

 (2) WEB アクセス制限    :   WEB アクセス制限機能の有効/無効を選択します。
                         ・無効(標準設定)
                         ・有効

 (3) IP アドレス 1~5   :   WEB コンソールへのアクセスを許可する IP アドレスを登録します。
                       例)192.168.0.*、172.16.1.100
                       ※最大 5 つまで登録可能です。
                       ※操作している PC の IP アドレスが許可されなかった場合、WEB コンソールにア
                         クセスできなくなりますので注意して下さい。万一アクセス不能になった場合
                         は、本装置を Rescue モードで起動し、WEB アクセス制限機能を無効に設定し直
                         すか、操作している PC の IP アドレスを追加設定して下さい。
                         Rescue モードではアクセス制限は一時的に解除され、WEB コンソールへのアク
                         セスが可能となります。
                         (Rescue モードでの起動方法は、      『工事マニュアル 第 1 編-第 3 章の「3.6 工
                         場出荷設定への戻し方」       (1)Rescue モードの起動』を参照して下さい。   )

 (4) 入力内容を確認し、“設定”をクリックします。

 (5) 削除する場合は、登録データの右側にあるチェックボックスにチェックを入れ、“削除”をクリックします。




                                   3-133
231-ND2824-000                                         第3章   入力画面の詳細説明
1.0 版 2009 年 8 月                                               3.8 ユーザ管理



[2] TELNET/FTPアクセス制限
 TELNET や FTP で本装置にアクセス可能な IP アドレスの制限を行います。
 本メニューで設定した IP アドレス以外からは、アクセスできなくなります。




 (1) “TELNET/FTP アクセス制限”をクリックすると、上記の画面が表示されます。

 (2) TELNET/FTP アクセス制限:   TELNET/FTP アクセス制限機能の有効/無効を選択します。
                            ・無効(標準設定)
                            ・有効

 (3) IP アドレス 1~5     :    TELNET や FTP でのアクセスを許可する IP アドレスを登録します。
                          例)192.168.0.*、172.16.1.100
                          ※最大 5 つまで登録可能です。

 (4) 入力内容を確認し、“設定”をクリックします。

 (5) 削除する場合は、登録データの右側にあるチェックボックスにチェックを入れ、“削除”をクリックします。




                                    3-134
231-ND2824-000                                                             第 4 章 こんなとき
1.0 版 2009 年 8 月                                                 4.1 不具合の事象とチェックポイント


第4章        こんなとき

 この章では、不具合解決のための説明を記載しています。
 本章以外の不具合に関しては、システム管理者に確認して下さい。


4.1   不具合の事象とチェックポイント
          こんなとき                                        チェックポイント
  RUN ランプが点灯しない                 ・3.3.1-[1]項( 3-22ページ)「回線-回線設定-回線ポート設定」で回線登録しました
                                 か?
                                 回線登録されていない場合、RUNランプは点灯しません。

  WEB ブラウザでコンフィグメニューが ・WEB ブラウザのプロキシの設定が正しくないとコンフィグメニューは表示されません。
  表示されない                               ・Windows の InternetExplorer の場合、メニューから[ツール]→[インターネット オプショ
                                        ン]→[接続]タブ→[LAN の設定]を開き、[プロキシ サーバーを使用する] の設定を確
                                        認して下さい。
  3.3.1-[1]項(      3-22ページ)「回線- ・3.2.1 項(           3-9ページ)「システム-基本設定」でモデル定義を設定しましたか?
  回線設定-回線ポート設定」で回線登録 また、モデル定義設定後、一度ログアウトしましたか?
  し よ う と し た ら “ Can not find default モデル定義を設定し、ログアウトせずに回線登録すると左記のエラーが表示されます。
  value!”とエラー表示が出る。
  3.2.4-[1]項(       3-14ページ)「シス ・再起動しましたか?IP アドレス情報は再起動後に反映されます。
  テム-ネットワーク設定-IP設定」でIP
  アドレスを変更したが、IPアドレスが変
  わらない
  回線⇒SIP 着信がうまくいかない                    ・LAN ケーブル・モジュラーケーブルは抜けていませんか?
                                       ・IPMASTER-1042(OD)の場合…アース線は正しく接地されていますか?
                                       ・3.4.1-[1]項(     3-50ページ)「SIP-SIP設定-SIPサーバ情報設定」でSIPサーバのIP
                                        アドレスは合っていますか?
                                       ・3.5.1 項(     3-58ページ)「番号計画-番号前翻訳」で設定した番号桁数は合っていま
                                        すか?
                                       ・3.5.2-[2]項(     3-64ページ)「番号計画-番号展開-回線⇒SIP着信」の設定は合っ
                                        ていますか?
  SIP⇒回線発信がうまくいかない                    ・LAN ケーブル・モジュラーケーブルは抜けていませんか?
                                       ・IPMASTER-1042(OD)の場合…アース線は正しく接地されていますか?
                                       ・3.5.2-[1]項(      3-60ページ)「番号計画-番号展開-SIP⇒回線発信」の設定は合っ
                                        ていますか?
  電源 off/on したら、時計表示がずれた ・3.2.2 項(                   3-11ページ)「システム-時計設定」の設定内容は電源を切ると消えてし
                                        まいます。再度設定しなおして下さい。
                                       ・電源を切る度に設定するのが面倒な場合は、3.2.3 項(                  3-12ページ)「システム
                                        -SNTP設定」を行って下さい。
  3.3.1-[1]項(      3-22ページ)「回線- ・回線を削除した場合は、再起動を行って下さい。
  回線設定-回線ポート設定」で登録した
  回線を削除したのにポートを掴む
  コンフィグデータを全て削除して、                    ・3.7.10 項(     3-124ページ)「保守機能-システム初期化」を実行して下さい。但し、コンフィ
  1 から登録し直したい                           グデータだけでなく、IPアドレスも初期状態(192.168.0.100)に戻ります。
  通話音量が大きい/小さい                         ・3.3.1-[1]-<1>~<5>項(        3-23~3-35ページ)「回線-回線設定-回線ポート設定」
                                        で、お使いのモデルの回線ポート設定を見て頂き、“送信PAD”・“受信PAD”の値を調
                                        整して下さい。
  回線に FAX を接続したが、うまく動作 ・3.2.4-[2]項(                     3-17ページ)「システム-ネットワーク設定-音声パケット設定」の
  しない                                   Fax relay の設定を行って下さい。
                                        繋がりにくい場合は、接続する FAX を SuperG3 FAX に変更してみて下さい。
                                       ・FAX の通信エラーが発生する場合は、送信側、及び受信側の FAX の ECM 機能を ON
                                        にしてみて下さい。また、FAX の PAD 値、ペイロードサイズ値を調整して下さい。
  通話中にノイズが発生する        ・3.2.4-[2]項( 3-17ページ)「システム-ネットワーク設定-音声パケット設定」のペイ
                       ロードサイズを調整し、それでも改善しないようであれば、ジッターバッファの調整を
                       行って下さい。
  PB ダイヤルイン接続がうまくいかない ・3.3.1-[2]項( 3-39ページ)「回線-回線設定-詳細設定」のPBXダイヤルイン内線指
                       定受信完了信号タイミングを“100 受信”に変更してみて下さい。

                                              4-1
231-ND2824-000                                                            第 4 章 こんなとき
1.0 版 2009 年 8 月                4.2 UNIVERGE IPMASTER-1040,1041,1042 コンフィグデータ使用の注意点



4.2   UNIVERGE IPMASTER-1040,1041,1042 コンフィグデータ使用の注意点

           IPMASTER-1040,1041,1042 のコンフィグ・データを UNIVERGE IPMASTER-1040A,1041A,1042A で使用される場
           合、下記の注意が必要です。
             ・IPMASTER-1040,1041,1042 では、ホットライン接続する場合、番号展開を設定せずに動作させることは
               可能でしたが、UNIVERGE IPMASTER-1040A,1041A,1042Aでは、3.5.2 項(       3-59ページ)の「番号計
               画-番号展開」を設定する必要があります。




                                            4-2
231-ND2824-000                                                       第 4 章 こんなとき
1.0 版 2009 年 8 月                                                    4.3 トラブル対処法



4.3   トラブル対処法
   『3.7.3[1]ログ表示』(        3-83ページ)で、システムログが表示された場合の対処方法を記載しています。


[1] 対処方法
      LV           アラーム                              対処方法
      MJ    呼制御プロセス再起動         ・頻発する場合は、保守窓口へお問合せ下さい。
      MJ    回線制御プロセス再起動        ・頻発する場合は、保守窓口へお問合せ下さい。
      MJ    DSP 故障検出による再開      ・頻発する場合は、装置故障が考えられます。保守窓口へお問合せ下さい。
            スレッド起動 NG          ・電源の再投入を行って下さい。
      MN
                               ・改善されない場合は保守窓口へお問合せ下さい。
      SUP   Ethernet I/F 断     ・Ether ケーブルの接続状況をご確認下さい。
      SUP   L1 リンク障害(LINE:0)   ・LINE-0 側の ISDN 回線の接続状況をご確認下さい。
      SUP   L1 リンク障害(LINE:1)   ・LINE-1 側の ISDN 回線の接続状況をご確認下さい。
            L2 リンク障害(LINE:0)   ・LINE-0 側の ISDN 回線の接続状況をご確認下さい。
                               ・ISDN 回線の契約内容をご確認下さい。(ポイント・ポイント or ポイント・マルチポイント、
      SUP                       ISDN-NETorISDN-USER)
                               ・電源の再投入を行って下さい。
                               ・改善されない場合は保守窓口へお問合せ下さい。
            L2 リンク障害(LINE:1)   ・LINE-1 側の ISDN 回線の接続状況をご確認下さい。
                               ・ISDN 回線の契約内容をご確認下さい。(ポイント・ポイント or ポイント・マルチポイント、
      SUP                       ISDN-NETorISDN-USER)
                               ・電源の再投入を行って下さい。
                               ・改善されない場合は保守窓口へお問合せ下さい。
      INF   L1 リンク復旧(LINE:0)                           -
      INF   L1 リンク復旧(LINE:1)                           -
      INF   L2 リンク復旧(LINE:0)                           -
      INF   L2 リンク復旧(LINE:1)                           -
      INF   SV7000 接続規制        ・保守窓口へお問い合わせ下さい。
      INF   Ethernet I/F 復旧                            -
      INF   RTP 監視異常           ・ネットワーク構成、対向装置との通信状態をご確認下さい。
      INF   呼制御プロセス起動完了                                -
      INF   回線制御プロセス起動完了                               -




                                         4-3
231-ND2824-000                                                     第5章    専門用語解説
1.0 版 2009 年 8 月                                                         5.1 用語一覧



第5章            専門用語解説

 この章では、本書に出てくる専門用語について解説します。


5.1   用語一覧
                用語                                  解説
      SIP            Session Initiation Protocol の略称で、IP 網の環境において IP パケットという形式
                     のデータを用いて、音声通話(固定電話、携帯電話など)をはじめ、テレビ電話など
                     のビデオ通信やチャット           (文字による会話)     などのマルチメディア通信を開始したり、
                     終了したりするために使用される通信プロトコルです。
      コーデック          (CODEC:Coder/Decoder、符号化器/復号器)音声信号を符号化あるいは復号して、圧
                     縮あるいは伸長する技術
      G.711          ITU-T の音声符号化方式の勧告の 1 つ。G.711 は、PCM(パルス符号変調)方式によっ
                     て電話線上で 64kbps の伝送速度を実現する方式
      G.729a         ITU-T の音声符号化方式の勧告の 1 つ。G.729 は、CS-ACELP(共役構造代数励振型線形
                     予測)によってアナログ電話帯域(3.4kHz≒4kHz)の信号を 8kHz でサンプリング(標
                     本化)し、8kbps の伝送速度を実現する方式
      G.723.1        ITU-T の音声符号化方式の勧告の 1 つ。         G.723.1 は、アナログ電話網を用いてテレビ電
                     話用の音声を低伝送速度で実現するための符号化方式
      G.726          ITU-T の音声符号化方式の勧告の 1 つ。G.726 は、ADPCM(適応差分パルス符号変調)
                     方式によって 32kbps の伝送速度を実現する方式
      ジッターバッファ       到着するパケットをバッファに入れて、エンドユーザーに配信する前に着信パケット
                     間の待ち時間を調整すること
      ペイロード          通信パケットのうちヘッダー部分(行き先等の付加情報)を除いた、本来転送したい
                     データ本体のこと
      RTP            リアルタイム・データ転送プロトコル。RTP は、映像と音声データを利用して遠隔会
                     議を行うアプリケーションなどで利用されることを想定し、映像や音声データをリア
                     ルタイムに適した形で転送することを目的に設計されています。RTP は、時間単位で
                     データをパケットに分割して、              パケットにデータの時間の情報を付加して転送します。
      PROXY サーバー     リクエストやレスポンスを中継するサーバー
      タイムゾーン         イギリスのグリニッジ天文台における時間(GMT:標準時間)を起点とし、地球を経緯
                     15 度の地域に分割し、同じ標準時間を使っている地域
      SNTP           (Simple Network Time Protocol)TCP/IP ネットワークを通じてコンピュータの時刻
                     を同期させるプロトコルの一つで、NTP の簡易版です。
                     NTP は時刻情報サーバーを階層的に構成し、情報を交換して時刻を同期するプロトコ
                     ルです。SNTP は NTP の仕様のうち複雑な部分を省略し、クライアントがサーバーに正
                     確な時刻を問い合わせる用途に特化しています。
      RFC2833        RTP における DTMF 信号送受信の手順
      DTMF           プッシュ方式の電話機などで、ボタンを押すたびに発信される音。プッシュ音、トー
                     ン信号と呼ばれることもあります。
      DP10           DP(Dial Pulse)10pps : 1 秒間に 10 パルスを送出する
      DP20           DP(Dial Pulse)20pps   :   1 秒間に 20 パルスを送出する
      PB             PB(Push Button)信号
      PBX            (Private Branch Exchange)構内交換機
      PBX ダイヤルイン接続   回線側から受信した下 4 桁までの番号を SIP サーバーへ送出し、SIP 端末を呼び出せ
                     る方式
      追加ダイヤルイン接続     着信した後に、目的とする相手の番号を追加してダイヤルすると、直接ダイヤルした
                     SIP 端末を呼び出せる方式
      E&M 方式         Ear & Mouth の略で送信、受信を意味します。
      ウインク接続         受信側が接続確認信号として、約 160ms のパルス信号を送り返す方式です。
                     発信側は接続確認信号を受信すると、選択信号を送出します。


                                       5-1
231-ND2824-000                                                   第5章    専門用語解説
1.0 版 2009 年 8 月                                                       5.1 用語一覧



                用語                                解説
     イミディエイト接続          即時起動方式ともいいます。
                        受信側が接続確認信号を送出する機能を持たない場合、この方式を使用することがあ
                        ります。
     ディレイ接続             発信側から起動されると、受信側はディレイ信号を出し続け、受信準備が完了すると
                        ディレイ信号を停止します。
     プレポーズタイマー          受話器を上げて BT(ビジートーン)が聞こえるまでの時間(FXS のみ)
     桁間タイマー             ダイヤル時、次の数字をダイヤルするまでの時間
     センダプレポーズタイマー SIP⇒回線発信時、ポートランプ(本装置の前面の BUSY ランプ)が点灯して、ダイヤ
                  ル情報を送出するまでの時間(FXO 及び、OD で着信番号接続・イミディエイト・ホッ
                  トライン設定時のみ)
     局線応答監視タイマー         局線が応答するまでのタイマー。タイムアウトすると呼び出し中の呼は切断されます。
     サーバ障害監視タイマー        SIP サーバーが障害を起こして通信不可能状態の場合、障害を検出するまでの時間
     RBT                (Ring Back Tone)着信者を呼び出し中に発信者が聞く音
     BT                 (Busy Tone)通話中の回線に発信した時に発信者が聞く音
     ROT                (Reorder Tone)規制音
     ToS                IP パケットのヘッダー中に含まれるフィールドのひとつで、QoS 制御のために、ルー
                        ターに対してパケットの優先度を指定するものです。
     Diffserv           インターネット・ユーザーが、送受信するトラフィック(このトラフィックのことを
                        サービスと言う)の種類を識別し、その種類に応じて通信品質(QoS:Quality of
                        Service)を提供する技術
     QoS                ネットワーク上で、ある特定の通信のための帯域を予約し、一定の通信速度を保証す
                        る技術
     DSCP               (Diffrentiated Service Code Point)パケットの優先度を定義するもの
     IP Precedence      IP パケットに優先度(8 段階)をつけます。
     セッションタイマー          通話中の接続状態を監視するするタイマー
     SDP                マルチメディア・セッションのメディアストリーム、アドレス、ポート、RTP ペイロー
                        ドタイプ、開始・停止時間、発呼者に関するテキスト情報を伝達します。
     PRACK              信頼性のある暫定的なレスポンスに対する確認リクエスト
     Originating Name   SIP に通知する発信者番号
     Display Name       SIP に通知する発信者表示名
     PSTN               一般の公衆交換電話網のこと
     SNMP               IETFで標準化されたTCP/IPネットワーク環境での管理プロトコル。   管理する側の「SNMP
                        マネージャ」と管理される側の「SNMPエージェント」の 2 つでMIB(Management
                        Information Base)と呼ばれる管理情報を交換することで、機器の管理が行なわれる。




                                        5-2
231-ND2824-000                                                       第 5 章 専門用語解説
1.0 版 2009 年 8 月                                               5.2 TOS 値の設定方法の詳細



5.2    TOS 値の設定方法の詳細

Diffservにて設定する方法を以下に示します。

・Diffserv

                               DS Field
                   (differentiated services field)

   ①   EF PHB
       EF(101110)=46を設定します。

   ②   AF   PHB

                          クラス 1                 クラス 2      クラス 3          クラス 4

                       AF11(001010)     AF21(010010)    AF31(011010)   AF41(100010)
            低ドロップ優先度
                           =   10               = 18        = 26           = 34
                       AF12(001100)     AF22(010100)    AF32(011100)   AF42(100100)
            中ドロップ優先度
                           =   12               = 20        = 28           = 36
                       AF13(001110)     AF23(010110)    AF33(011110)   AF43(100110)
            高ドロップ優先度
                           =   14               = 22        = 30           = 38




                                          5-3
231-ND2824-000                                                                  第 6 章 付録
1.0 版 2009 年 8 月                                                    6.1 即時反映されないパラメーター



第6章           付録

6.1   即時反映されないパラメーター

   ・コンフィグ設定におきまして、登録・変更してから、そのデータ登録内容が反映されるまで約 2 分程かかる項目が
    あります。
    以下にその項目を記載します。

                                                                               項番
                          メニュー                                項目
                                                                              (ページ)
       システム        基本設定                             (3)トランスレータ
                                                                               3.2.1 項
                                                    (4)保留音種別
                                                                             (3-9ページ)
                                                    (4)保留音レベル
                   ネットワーク設定      IP 設定              (8)SIP シグナリング
                                                    (9)RTP 音声                  3.2.4[1]項
                                                    (10)SIP シグナリング ToS   (3-15、3-16ページ)
                                                    (11)RTP 音声 ToS
                                 音声パケット設定          (2)ジッタバッファ
                                                    (3)バッファ最小サイズ
                                                    (4)バッファ最大サイズ
                                                    (5)ペイロードサイズ
                                                    (6)DTMF 方式
                                                    (7)ペイロードタイプ             3.2.4[2]項
                                                    (8)SV7000FAX           (3-17~3-19ページ)
                                                    (9)接続する FAX
                                                    (10)FAX Codec
                                                    (11)FAX ペイロードサイズ
                                                    (12)FAX 送信 PAD
                                                    (13)FAX 受信 PAD
       回線          回線設定          詳 細 設 定 (FS/FXS ・ (2)プレポーズタイマー
                                 FO/FXO・OD/E&M)    (3)桁間タイマー
                                                   (4)センダプレポースタイマー
                                                   (5)PBX ダイヤルイン内線指定受
                                                                               3.3.1[2]項
                                                     信完了信号送出タイミング
                                                                           (3-39、3-40ページ)
                                                   (6)発信音指定
                                                   (7)局線応答監視タイマー
                                                   (8)183 受信時の擬似応答
                                                   (9)回線閉塞時の回線制御
                                 詳 細 設 定 (ISDN-NET ・ (2)桁間タイマー
                                 ISDN-USER)          (3)発信音指定
                                                     (4)局線応答監視タイマー
                                                     (5)183 受信時の擬似応答
                                                     (6)回線閉塞時の切断理由
                                                     (7)LINE-0 接続形式
                                                     (8)LINE-1 接続形式         3.3.1[3]項
                                                     (9)ISDN→SIP 発番号通知  (3-41~3-43ページ)
                                                     (10)ISDN 発番号透過不可時
                                                     (11)ISDN→SIP 着信方式
                                                     (12)SIP→ISDN 発番号通知
                                                     (13)透過番号第 1 数字指定
                                                     (14)透過番号以外の扱い




                                              6-1
231-ND2824-000                                                              第 6 章 付録
1.0 版 2009 年 8 月                                                6.1 即時反映されないパラメーター

                                                                            項番
       メニュー                                        項目
                                                                           (ページ)
       SIP         SIP 設定      SIP サービス設定         (2)セッションタイマ方式
                                                   (3)セッションタイマ値
                                                   (4)PRACK サポート
                                                   (5)183 再送機能
                                                   (6)183 送出タイミング
                                                   (7)180 with SDP 送信機能
                                                   (8)タイミング応答機能
                                                                            3.4.1[2]項
                                                   (9)タイミング応答タイマー
                                                                        (3-53~3-56ページ)
                                                   (10)Display Name 付加
                                                   (11)サーバ障害監視タイマー
                                                   (12)サーバ障害接続先指定
                                                   (13)サーバ障害接続先付加数
                                                        字パターン番号
                                                   (14)簡易接続モード時話中迂回
                                                   (15)サーバ障害時の迂回機能
       保守機能        システムログ表示   ログ収集設定             (2)ログレベル
                                                                            3.7.3[2]項
                                                   (3)書込周期
                                                                        (3-86、3-87ページ)
                                                   (4)障害復旧時に滅灯
                   発着信履歴       履歴収集設定              (2)履歴ログの収集設定          3.7.6[3]項
                                                   (3)履歴ログの書込周期設定       (3-109ページ)




                                             6-2
231-ND2824-000                                                                           第 6 章 付録
1.0 版 2009 年 8 月                                                            6.2 Super ユーザー権限の詳細



6.2   Super ユーザー権限の詳細

   ・Super ユーザー権限でログインした場合、メニューをクリックした場合や“設定”ボタンをクリックした場合に管
    理者(administrator)パスワードを要求されることがあります。
    以下に、管理者(administrator)パスワードが要求されるメニューを記載します。

                                                                                      項番
                              メニュー                        パスワード要求されるタイミング
                                                                                     (ページ)
       システム        時計設定                               “設定”ボタンクリック時                     3.2.2 項
                                                                                    (3-11ページ)
                   SNTP 設定                            “設定”ボタンクリック時                     3.2.3 項
                                                                                    (3-12ページ)
                   ネットワーク設定          IP 設定            “設定”ボタンクリック時                    3.2.4[1]項
                                                                                    (3-14ページ)
                                     音声パケット設定        “設定”ボタンクリック時                    3.2.4[2]項
                                                                                    (3-17ページ)
       SIP         SIP 設定            SIP サーバ情報設定     “設定”ボタンクリック時                    3.4.1[1]項
                                                                                    (3-50ページ)
                                     SIP サービス設定      “設定”ボタンクリック時                   3.4.1 [2]項
                                                                                    (3-53ページ)
       データセーブ                                       “データセーブ”メニュークリック後の確認ダ          3.6 項
                                                      イアログの”OK”クリック時                (3-77ページ)
       保守機能        回線状態表示                             “回線状態表示”メニュークリック時                3.7.1 項
                                                                                    (3-79ページ)
                   SIP サーバ状態表示                       “SIP サーバ状態表示”メニュークリック時          3.7.2 項
                                                                                    (3-81ページ)
                   システムログ表示                          “システムログ表示”メニュークリック時             3.7.3 項
                                                                                    (3-82ページ)
                   License 登録                         “License 登録”メニュークリック時            3.7.4 項
                                                                                    (3-92ページ)
                   SNMP                               “SNMP”メニュークリック時                  3.7.5 項
                                                                                    (3-93ページ)
                   発着信履歴                              “発着信履歴”メニュークリック時                3.7.6 項
                                                                                   (3-101ページ)
                   バックアップ                           “バックアップ”メニュークリック時             3.7.7 項
                                                                                   (3-113ページ)
                   バージョン UP                         “バージョン UP”メニュークリック時           3.7.8 項
                                                                                   (3-120ページ)
                   再起動                                “再起動”メニュークリック時                  3.7.9 項
                                                                                   (3-123ページ)
                   システム初期化                            “システム初期化”メニュークリック時              3.7.10 項
                                                                                   (3-124ページ)
       ユーザ管理      ユーザ情報変更          ユーザ登録/削除        “設定”ボタンクリック時                   3.8.1[1]項
                                                                                   (3-127ページ)
                   アクセス制限                             “アクセス制限”メニュークリック時               3.8.2 項
                                                                                   (3-132ページ)




                                                    6-3
231-ND2824-000                                                              第 6 章 付録
1.0 版 2009 年 8 月                            6.3 UNIVERGE SV8500 サーバー連携時の固定パラメーター一覧



6.3   UNIVERGE SV8500 サーバー連携時の固定パラメーター一覧

   ・UNIVERGE SV8500 および SV7000(本書では特記無き場合は SV8500 と記載)サーバーと連携する場合、固定値となる
    パラメーターがあります。
    以下にそのパラメーターを記載します。

                                                                    設定値            項番
                       メニュー                     パラメーター
                                                                   (固定値)          (ページ)
        システム       基本設定       基本設定          装置番号              装置番号(GW-ID)          3.2.1 項
                                                                                 (3-9 ページ)
                   ネットワーク設定   音声パケット設定     SV7000 FAX(※1)    対応
                                            接続する FAX(※1)      SuperG3 FAX          3.2.4[2]項
                                            FAX Codec(※1)     G.711 又は           (3-17ページ)
                                                              G.726
        回線         回線設定       詳細設定          ISDN 発番号透過不可時     Originating Name     3.3.1[3]項
                                                              (推奨)               (3-43ページ)
        SIP        SIP 設定     SIP サービス設定   PRACK サポート       無効
                                            183 再送機能          無効                   3.4.1[2]項
                                            180withSDP 送信機能   183withSDP 送信      (3-53、3-54、
                                            サーバ障害時の迂回方式 サーキュラ                    3-56ページ)
                                            (※2)
       ※      Originating Name で登録されている番号は、SV7000 SP の番号展開に設定する必要があります。
       ※1     SV8500 収容の FAX 端末と接続する場合に設定します。FAX と接続しない場合は設定不要です。
       ※2     SV8500,SV7000(R7 以降)サーバーの B2BUA 機能を使用する場合に設定する必要があります。




                                                6-4
UNIVERGE IPMASTER-1040A シリーズ
                  コンフィグレーションマニュアル
                         231-ND2824-000
                        9.0 版 2009 年 8 月




                        日本電気株式会社




●   本説明書に記載された内容は、改良のため予告なく変更することがあります。
●   本製品は外国為替および外国貿易管理法の規定により戦略物資等(または役務)に該当しますので、日本国外に
    輸出する場合には、同法に基づき日本国政府の輸出許可が必要です。
●   本説明書に記載されている社名、製品名はそれぞれの会社の商標、または登録商標です。

© 2009 NEC Corporation
日本電気株式会社の許可なく複製・改変をおこなうことはできません。


                                                 Printed in Japan

Ipmaster1040a config 9.0

  • 1.
    コンフィグレーションマニュアル 231-ND2824-000 9.0 版 2009 年 8 月
  • 2.
  • 3.
    231-ND2824-000 はじめに 9.0 版 2009 年 8 月 ドキュメント改版履歴 版 数 発行年月日 備 考 第 1.0 版 2004 年 7 月 第 2.0 版 2004 年 8 月 第 3.0 版 2004 年 11 月 第 4.0 版 2005 年 5 月 第 5.0 版 2005 年 8 月 第 6.0 版 2006 年 3 月 第 7.0 版 2006 年 10 月 第 8.0 版 2007 年 4 月 第 9.0 版 2009 年 8 月 i
  • 4.
    231-ND2824-000 はじめに 9.0 版 2009 年 8 月 はじめに 本書では UNIVERGE IPMASTER-1040A シリーズにおけるデータ投入コマンドについて説明します。 「第1章 コンフィグ設定手順」では、コンフィグ設定手順について説明しています。 「第2章 こんなサービスを行いたい」では、各パターンの設定方法・設定例について記載してあります。 「第3章 入力画面の詳細説明」では、装置の各入力画面について説明しています。 「第4章 こんなとき」では、不具合解決の為の説明を記載しています。 「第5章 専門用語解説」では、本書に出てくる専門用語について説明しています。 「第6章 付録」では、即時反映パラメーター等を記載してあります。 【※注意1】 iExpress5800 サーバーと連携してご使用になれるモデルは下記の通りとなります。 ・UNIVERGE IPMASTER-1041A(FXO) … 3.2.1 項「基本設定」“モデル定義”で“FO/FXO”を選択 ・UNIVERGE IPMASTER-1042A(OD) … 3.2.1 項「基本設定」“モデル定義”で“OD/E&M”を選択 ・UNIVERGE IPMASTER-1043A(BRI)(ISDN-USER) … 3.2.1 項「基本設定」“モデル定義”で“ISDN-USER”を選択 UNIVERGE SV8500 および SV7000 サーバーと連携してご使用になれるモデルは下記の通りとなります。 ・UNIVERGE IPMASTER-1040A(FXS) … 3.2.1 項「基本設定」“モデル定義”で“FS/FXS”を選択 ・UNIVERGE IPMASTER-1042A(OD) … 3.2.1 項「基本設定」“モデル定義”で“OD/E&M”を選択 ・UNIVERGE IPMASTER-1043A(BRI)(ISDN-NET) … 3.2.1 項「基本設定」“モデル定義”で“ISDN-NET”を選択 【※注意2】 運用中にコンフィグデータを変更すると通話や動作に影響を及ぼす場合があります。 【※注意3】 UNIVERGE IPMASTER-1041A(FXO)、UNIVERGE IPMASTER-1043A(BRI)(ISDN-USER) 公衆回線から SIP へ着信し、SIP 網内でアナウンス等に接続された場合、公衆回線発信者に課金が生じ ます。また、SIP 接続先からインバンドトーン聴取(18xW/SDP)を要求された場合も、同様に公衆回線 発信者に課金が生じます。 【※注意4】 UNIVERGE IPMASTER-1042A(OD) OD 回線から SIP へ着信し、SIP 網内でアナウンス等に接続された場合、発信 PBX 等に課金が生じること があります。また、SIP 接続先からインバンドトーン聴取(18xW/SDP)を要求された場合も、同様に発 信 PBX 等に課金が生じることがあります。 ii
  • 5.
    231-ND2824-000 目次 1.0 版 2009 年 8 月 UNIVERGE IPMASTER-1040A/1041A/1042A/1043A コンフィグレーションマニュアル 目次 第1章 コンフィグ設定手順 ..................................... 1-1 1.1 UNIVERGE IPMASTER-1040A(FXS) ............................................. 1-1 1.2 UNIVERGE IPMASTER-1041A(FXO) ............................................. 1-2 1.3 UNIVERGE IPMASTER-1042A(OD) .............................................. 1-3 1.4 UNIVERGE IPMASTER-1043A(BRI) ............................................. 1-4 第2章 こんなサービスを行いたい ............................... 2-1 2.1 サービスと参照項目一覧 ................................................... 2-1 2.2 設定例 ................................................................... 2-3 2.2.1 UNIVERGE IPMASTER-1040A(FXS).............................................. 2-3 [1] SIPサーバー連携-通常設定 ..................................................... 2-3 [2] SIPサーバー連携-トランスレータ分離 ........................................... 2-5 [3] PBXダイヤルイン .............................................................. 2-7 [4] スタティック接続(FXS-FXS) ................................................. 2-9 [5] サーバー障害時接続先指定 .................................................... 2-12 [6] SIP⇒回線発信時ポート分け ................................................... 2-14 [7] FXSと複数OD間の接続例(スタティック接続) ................................... 2-16 [8] SIP⇒回線発信時ルート迂回 ................................................... 2-18 2.2.2 UNIVERGE IPMASTER-1041A(FXO)............................................. 2-20 [1] SIPサーバー連携-通常設定 .................................................... 2-20 [2] SIPサーバー連携-トランスレータ分離 .......................................... 2-22 [3] スタティック接続(FXO-OD) ................................................. 2-24 [4] サーバー障害時接続先指定 .................................................... 2-26 [5] SIP⇒回線発信時ポート分け ................................................... 2-28 [6] SIP⇒回線発信時ルート迂回 ................................................... 2-30 [7] 内線延長IP化機能 ............................................................ 2-32 2.2.3 UNIVERGE IPMASTER-1042A(OD).............................................. 2-35 [1] SIPサーバー連携-通常設定 .................................................... 2-35 [2] SIPサーバー連携-トランスレータ分離 .......................................... 2-37 [3] スタティック接続(OD-FXS) ................................................. 2-39 [4] サーバー障害時接続先指定 .................................................... 2-41 [5] SIP⇒回線発信時ポート分け ................................................... 2-43 [6] ODと複数OD間の接続例(スタティック接続) .................................... 2-45 [7] SIP⇒回線発信時ルート迂回 ................................................... 2-47 2.2.4 UNIVERGE IPMASTER-1043A(BRI)…ISDN-NET................................... 2-49 [1] SIPサーバー連携-通常設定 .................................................... 2-49 [2] SIPサーバー連携-トランスレータ分離 .......................................... 2-51 [3] スタティック接続(ISDN-NET-FXO) ........................................... 2-53 [4] サーバー障害時接続先指定 .................................................... 2-55 [5] SIP⇒回線発信時ポート分け ................................................... 2-57 [6] SIP⇒回線発信時ルート迂回 ................................................... 2-59 2.2.5 UNIVERGE IPMASTER-1043A(BRI)…ISDN-USER.................................. 2-61 [1] SIPサーバー連携-通常設定 .................................................... 2-61 [2] SIPサーバー連携-トランスレータ分離 .......................................... 2-63 [3] スタティック接続(ISDN-USER-FXO) .......................................... 2-65 [4] サーバー障害時接続先指定 .................................................... 2-67 [5] SIP⇒回線発信時ポート分け ................................................... 2-69 [6] SIP⇒回線発信時ルート迂回 ................................................... 2-71 2.3 SNMP設定例 .............................................................. 2-73 2.4 INFOメッセージ受信 ...................................................... 2-76 ii
  • 6.
    231-ND2824-000 目次 1.0 版 2009 年 8 月 第3章 入力画面の詳細説明 ..................................... 3-1 3.1 ログイン ................................................................. 3-5 3.1.1 初回ログイン ............................................................. 3-5 3.1.2 2 回目以降のログイン ...................................................... 3-6 3.1.3 ログイン後の画面 ......................................................... 3-7 3.2 システムの設定 ........................................................... 3-8 3.2.1 基本設定 ................................................................. 3-9 3.2.2 時計設定 ................................................................ 3-11 3.2.3 SNTP設定 ................................................................ 3-12 3.2.4 ネットワーク設定 ........................................................ 3-13 [1] IP設定 ...................................................................... 3-14 [2] 音声パケット設定 ............................................................ 3-17 3.3 回線の設定 .............................................................. 3-20 3.3.1 回線設定 ................................................................ 3-21 [1] 回線ポート設定 .............................................................. 3-22 <1> 回線ポート設定の追加(FS/FXS) .......................................... 3-23 <2> 回線ポート設定の追加(FO/FXO) .......................................... 3-26 <3> 回線ポート設定の追加(OD/E&M) .......................................... 3-29 <4> 回線ポート設定の追加(ISDN-NET) ........................................ 3-32 <5> 回線ポート設定の追加(ISDN-USER) ....................................... 3-35 <6> 回線ポート設定の削除 .................................................... 3-38 [2] 詳細設定(FS/FXS・FO/FXO・OD/E&M) .............................................. 3-39 [3] 詳細設定(ISDN-NET・ISDN-USER) ................................................ 3-41 3.3.2 ルート設定 .............................................................. 3-44 [1] ルート設定の追加 ............................................................ 3-45 [2] ルート設定の削除 ............................................................ 3-47 3.4 SIPの設定 ............................................................... 3-48 3.4.1 SIP設定 ................................................................. 3-49 [1] SIPサーバ情報設定 ........................................................... 3-50 <1> SIPサーバ情報設定の削除 ................................................. 3-52 [2] SIPサービス設定 ............................................................. 3-53 3.5 番号計画の設定 .......................................................... 3-57 3.5.1 番号前翻訳 .............................................................. 3-58 3.5.2 番号展開 ................................................................ 3-59 [1] SIP ⇒ 回線発信 ............................................................. 3-60 <1> SIP ⇒ 回線発信(迂回有) ............................................... 3-62 <2> SIP ⇒ 回線発信(削除) ................................................. 3-63 [2] 回線 ⇒ SIP着信 ............................................................. 3-64 <1> 回線 ⇒ SIP着信(迂回有) ............................................... 3-68 <2> 回線 ⇒ SIP着信(削除) ................................................. 3-70 3.5.3 番号付加 ................................................................ 3-71 [1] 番号付加(削除) ............................................................ 3-73 3.5.4 代表選択 ................................................................ 3-74 [1] 代表選択(削除) ............................................................ 3-76 3.6 データセーブ ............................................................ 3-77 3.7 保守機能 ................................................................ 3-78 3.7.1 回線状態表示 ............................................................ 3-79 3.7.2 SIPサーバ状態表示 ....................................................... 3-81 3.7.3 システムログ表示 ........................................................ 3-82 [1] ログ表示 .................................................................... 3-83 [2] ログ収集設定 ................................................................ 3-86 [3] ログ削除 .................................................................... 3-88 iii
  • 7.
    231-ND2824-000 目次 1.0 版 2009 年 8 月 [4] ログファイルの保存 .......................................................... 3-89 3.7.4 License登録 ............................................................. 3-92 3.7.5 SNMP .................................................................... 3-93 [1] SNMPシステム設定 ............................................................ 3-94 [2] コミュニティ設定 ............................................................ 3-95 <1> コミュニティ設定の追加 .................................................. 3-96 <2> コミュニティ設定の削除 .................................................. 3-97 [3] SNMP TRAP設定 ............................................................... 3-98 <1> SNMP TRAP設定の追加 ..................................................... 3-99 <2> SNMP TRAP設定の削除 .................................................... 3-100 3.7.6 発着信履歴 ............................................................. 3-101 [1] SIP→回線 .................................................................. 3-102 [2] 回線→SIP .................................................................. 3-105 [3] 履歴収集設定 ............................................................... 3-109 [4] 履歴ログ保存 ............................................................... 3-110 3.7.7 バックアップ ........................................................... 3-113 [1] ホストマシンへセーブ ....................................................... 3-114 [2] ホストマシンからロード ..................................................... 3-116 [3] config一覧出力 ............................................................. 3-118 3.7.8 バージョンUP ........................................................... 3-120 3.7.9 再起動 ................................................................. 3-123 3.7.10 システム初期化 ......................................................... 3-124 3.8 ユーザ管理 ............................................................. 3-126 3.8.1 ユーザ情報変更 ......................................................... 3-126 [1] ユーザ情報変更 ............................................................. 3-127 <1> ユーザ登録/削除(登録) ............................................... 3-128 <2> ユーザ登録/削除(削除) ............................................... 3-130 <3> パスワード変更 ......................................................... 3-131 3.8.2 アクセス制限 ........................................................... 3-132 [1] WEBアクセス制限 ............................................................ 3-133 [2] TELNET/FTPアクセス制限 ..................................................... 3-134 第4章 こんなとき............................................. 4-1 4.1 不具合の事象とチェックポイント ........................................... 4-1 4.2 UNIVERGE IPMASTER-1040,1041,1042 コンフィグデータ使用の注意点 ............. 4-2 4.3 トラブル対処法 ........................................................... 4-3 [1] 対処方法 ..................................................................... 4-3 第5章 専門用語解説........................................... 5-1 5.1 用語一覧 ................................................................. 5-1 5.2 TOS値の設定方法の詳細 .................................................... 5-3 第6章 付録................................................... 6-1 6.1 即時反映されないパラメーター ............................................. 6-1 6.2 Superユーザー権限の詳細 .................................................. 6-3 6.3 UNIVERGE SV8500 サーバー連携時の固定パラメーター一覧 ...................... 6-4 iv
  • 8.
    231-ND2824-000 第 1 章 コンフィグ設定手順 1.0 版 2009 年 8 月 1.1 UNIVERGE IPMASTER-1040A(FXS) 第1章 コンフィグ設定手順 この章では、各装置におけるコンフィグ設定手順について説明します。 1.1 UNIVERGE IPMASTER-1040A(FXS) ログイン画面 3.1 項( 3-5ページ) IPMASTER-1040A(FXS)のデフォルト IP アドレス(192.168.0.100)を WEB ブラウザで開く http://192.168.0.100/login.html 初回 ユーザ名 :necvoipgw パスワード:なし 以降 ユーザ名 :necvoipgw パスワード:ipmaster104x メインメニュー システム 基本設定 モデル定義:FS/FXS を設定後、一度ログアウトします 3.2.1 項( 3-9ページ) ログアウト ログアウト後、再ログイン システム ネットワーク設定 IP 設定 IP アドレス・ネットワークマスク・ デフォルトゲートウェイ等の設定 3.2.4-[1]項( 3-14ページ) SIP SIP 設定 SIP サーバ情報設定 ドメイン名や SIP サーバーの IP アドレス 等の設定 3.4.1-[1]項( 3-50ページ) 回線 回線設定 回線ポート設定 各ポートを設定 (使用ポート数分のみ) 3.3.1-[1]項( 3-22ページ) 番号計画 番号前翻訳 第一数字受信後、 番号翻訳する までの最低桁数を設定 3.5.1 項( 3-58ページ) 番号展開 回線⇒SIP 着信 接続先 SIP サーバーを設定 3.5.2-[2]項( 3-64ページ) データセーブ 登録データをFlashメモリへセーブ 3.6 項( 3-77ページ) 保守機能 再起動 本装置の再起動 3.7.9 項( 3-123ページ) 1-1
  • 9.
    231-ND2824-000 第 1 章 コンフィグ設定手順 1.0 版 2009 年 8 月 1.2 UNIVERGE IPMASTER-1041A(FXO) 1.2 UNIVERGE IPMASTER-1041A(FXO) ログイン画面 3.1 項( 3-5ページ) IPMASTER-1041A(FXO)のデフォルト IP アドレス(192.168.0.100)を WEB ブラウザで開く http://192.168.0.100/login.html 初回 ユーザ名 :necvoipgw パスワード:なし 以降 ユーザ名 :necvoipgw パスワード:ipmaster104x メインメニュー システム 基本設定 モデル定義:FO/FXO を設定後、一度ログアウトします 3.2.1 項( 3-9ページ) ログアウト ログアウト後、再ログイン システム ネットワーク設定 IP 設定 IP アドレス・ネットワークマスク・ デフォルトゲートウェイ等の設定 3.2.4-[1]項( 3-14ページ) SIP SIP 設定 SIP サーバ情報設定 ドメイン名や SIP サーバーの IP アドレス 等の設定 3.4.1-[1]項( 3-50ページ) 回線 回線設定 回線ポート設定 各ポートを設定 (使用ポート数分のみ) 3.3.1-[1]項( 3-22ページ) 番号計画 番号前翻訳 第一数字受信後、 番号翻訳する までの最低桁数を設定 3.5.1 項( 3-58ページ) 番号展開 回線⇒SIP 着信 接続先 SIP サーバーを設定 3.5.2-[2]項( 3-64ページ) SIP⇒回線発信 接続先トランクルートを設定 3.5.2-[1]項( 3-60ページ) データセーブ 登録データを Flash メモリへセーブ 3.6 項( 3-77ページ) 保守機能 再起動 本装置の再起動 3.7.9 項( 3-123ページ) 1-2
  • 10.
    231-ND2824-000 第 1 章 コンフィグ設定手順 1.0 版 2009 年 8 月 1.3 UNIVERGE IPMASTER-1042A(OD) 1.3 UNIVERGE IPMASTER-1042A(OD) ログイン画面 3.1 項( 3-5ページ) IPMASTER-1042A(OD)のデフォルト IP アドレス(192.168.0.100)を WEB ブラウザで開く http://192.168.0.100/login.html 初回 ユーザ名 :necvoipgw パスワード:なし 以降 ユーザ名 :necvoipgw パスワード:ipmaster104x メインメニュー システム 基本設定 モデル定義:OD/E&M を設定後、一度ログアウトします 3.2.1 項( 3-9ページ) ログアウト ログアウト後、再ログイン システム ネットワーク設定 IP 設定 IP アドレス・ネットワークマスク・ デフォルトゲートウェイ等の設定 3.2.4-[1]項( 3-14ページ) SIP SIP 設定 SIP サーバ情報設定 ドメイン名や SIP サーバーの IP アドレス 等の設定 3.4.1-[1]項( 3-50ページ) 回線 回線設定 回線ポート設定 各ポートを設定 (使用ポート数分のみ) 3.3.1-[1]項( 3-22ページ) 番号計画 番号前翻訳 第一数字受信後、 番号翻訳する までの最低桁数を設定 3.5.1 項( 3-58ページ) 番号展開 回線⇒SIP 着信 接続先 SIP サーバーを設定 3.5.2-[2]項( 3-64ページ) SIP⇒回線発信 接続先トランクルートを設定 3.5.2-[1]項( 3-60ページ) データセーブ 登録データを Flash メモリへセーブ 3.6 項( 3-77ページ) 保守機能 再起動 本装置の再起動 3.7.9 項( 3-123ページ) 1-3
  • 11.
    231-ND2824-000 第 1 章 コンフィグ設定手順 1.0 版 2009 年 8 月 1.4 UNIVERGE IPMASTER-1043A(BRI) 1.4 UNIVERGE IPMASTER-1043A(BRI) ログイン画面 3.1 項( 3-5ページ) IPMASTER-1043A(BRI)のデフォルト IP アドレス(192.168.0.100)を WEB ブラウザで開く http://192.168.0.100/login.html 初回 ユーザ名 :necvoipgw パスワード:なし 以降 ユーザ名 :necvoipgw パスワード:ipmaster104x メインメニュー システム 基本設定 モデル定義:ISDN-NET、又は ISDN-USER を設定後、一度ログアウトします 3.2.1 項( 3-9ページ) ログアウト ログアウト後、再ログイン システム ネットワーク設定 IP 設定 IP アドレス・ネットワークマスク・ デフォルトゲートウェイ等の設定 3.2.4-[1]項( 3-14ページ) SIP SIP 設定 SIP サーバ情報設定 ドメイン名や SIP サーバーの IP アドレス 等の設定 3.4.1-[1]項( 3-50ページ) 回線 回線設定 回線ポート設定 各ポートを設定 (使用ポート数分のみ) 3.3.1-[1]項( 3-22ページ) 番号計画 番号前翻訳 第一数字受信後、 番号翻訳する までの最低桁数を設定 3.5.1 項( 3-58ページ) 番号展開 回線⇒SIP 着信 接続先 SIP サーバーを設定 3.5.2-[2]項( 3-64ページ) SIP⇒回線発信 接続先トランクルートを設定 3.5.2-[1]項( 3-60ページ) データセーブ 登録データを Flash メモリへセーブ 3.6 項( 3-77ページ) 保守機能 再起動 本装置の再起動 3.7.9 項( 3-123ページ) 1-4
  • 12.
    231-ND2824-000 第 2 章 こんなサービスを行いたい 1.0 版 2009 年 8 月 2.1 サービスと参照項目一覧 第2章 こんなサービスを行いたい この章では、本装置においてこんな事をしたいという場合に、どのメニューの設定を行えば良いのかを説明します。 設定の詳細については、各参照項目を参照して下さい。 2.1 サービスと参照項目一覧 サービス 参照項目(設定が必要な項目) 備考 時計を合わせるには? 3.2.2 項( 3-11ページ)「システム-時計設定」 電源を切る度に再設定が必 要です。 自動的に時計を合わせる 3.2.3 項( 3-12ページ)「システム-SNTP設定」 には? 保留音を設定・変更するに 3.2.1 項( 3-9ページ)「システム-基本設定」“保留音種別” は? 内 線 相 互 通 話 を 行 う に 3.3.1-[1]項( 3-22ページ)「回線-回線設定-回線ポート設定」 は?(FXS) 3.5.1 項( 3-58ページ)「番号計画-番号前翻訳」 外線発着信を行うには? 3.4.1-[1]項( 3-50ページ)「SIP-SIP設定-SIPサーバ情報設定」 (サーバー連携) 3.3.1-[1]項( 3-22ページ)「回線-回線設定-回線ポート設定」 3.5.1 項( 3-58ページ)「番号計画-番号前翻訳」 3.5.2 項( 3-59ページ)「番号計画-番号展開」 外線発着信を行うには? 3.4.1-[1]項( 3-50ページ)「SIP-SIP設定-SIPサーバ情報設定」 3.4.1- [ 1 ] 項 ( 3-50ペ ー (スタティック) 3.3.1-[1]項( 3-22ページ)「回線-回線設定-回線ポート設定」 ジ)の“サーバIPアドレス”に、 3.5.1 項( 3-58ページ)「番号計画-番号前翻訳」 対向装置のIPアドレスを設定 3.5.2 項( 3-59ページ)「番号計画-番号展開」 して下さい。 迂回(SIP サーバー迂回) 3.4.1-[1]項( 3-50ページ)「SIP-SIP設定-SIPサーバ情報設定」 3.3.1-[1]項( 3-22ページ)「回線-回線設定-回線ポート設定」 3.5.1 項( 3-58ページ)「番号計画-番号前翻訳」 3.5.2-[2]-<1>項( 3-68ページ)「番号計画-番号展開-回線⇒SIP着信 (迂回有)」 ホットライン 3.3.1-[1]項( 3-22ページ)「回線-回線設定-回線ポート設定」 回線制御方式を“ホットライン 3.5.2 項( 3-59ページ)「番号計画-番号展開」 接続”にし、“ホットライン接続 電話番号”に相手先の電話番 号を入力して下さい。 代表選択(FXS) 3.3.1-[1]項( 3-22ページ)「回線-回線設定-回線ポート設定」 3.5.4 項( 3-74ページ)「番号計画-代表選択」 設定データをバックアップ 3.6 項( 3-77ページ)「データセーブ」 するには? ダイヤルトーンを変更する 3.3.1-[2]項( 3-39ページ)「回線-回線設定-詳細設定」“発信音指定” には? 装置に FAX を接続する 3.2.4-[2]項( 3-17ページ)「システム-ネットワーク設定-音声パ ケット設定」“Fax relay” ペイロードサイズを変更す 3.2.4-[2]項( 3-17ページ)「システム-ネットワーク設定-音声パ るには? ケット設定」“ペイロードサイズ” コンフィグデータを工場出 3.7.10 項( 3-124ページ)「保守機能-システム初期化」 実施後は、再起動して下さ 荷状態に戻すには? い。 コンフィグデータをホストマ 3.7.7-[1]項( 3-114ページ)「保守機能-バックアップ-ホストマシンへ シン(PC)上にバックアップ セーブ」 しておきたい ホストマシン(PC)上のコン 3.7.7-[2]項( 3-116ページ)「保守機能-バックアップ-ホストマシンか アップロード後、再起動すると フィグデータを本装置にアッ らロード」 コンフィグ内容が反映されま プロードするには? す。 ToS 値を設定したい 3.2.4-[1]項( 3-14ページ)「システム-ネットワーク設定-IP設定」 回線の状態を確認したい 3.7.1 項( 3-79ページ)「保守機能-回線状態表示」 2-1
  • 13.
    231-ND2824-000 第 2 章 こんなサービスを行いたい 1.0 版 2009 年 8 月 2.1 サービスと参照項目一覧 サービス 参照項目(設定が必要な項目) 備考 SIP サーバーの状態を確認 3.7.2 項( 3-81ページ)「保守機能-SIPサーバ状態表示」 したい 障害ログを確認したい 3.7.3 項( 3-82ページ)「保守機能-システムログ」、 又は 3.7.5 項( 3-93ページ)「保守機能-SNMP」 発信履歴・着信履歴を確認し 3.7.6 項( 3-101ページ)「保守機能-発着信履歴」 たい WEB コンソールにアクセスで 3.8.2-[1]項( 3-133ページ)「ユーザ管理-アクセス制限-WEBアクセス きるユーザーを制限したい 制限」 TELNET や FTP でアクセス 3.8.2- [ 2 ] 項 ( 3-134 ペ ー ジ ) 「 ユ ー ザ 管 理 - ア ク セ ス 制 限 できるユーザーを制限した -TELNET/FTPアクセス制限」 い 2-2
  • 14.
    231-ND2824-000 第2章 こんなサービスを行いたい 1.0 版 2009 年 8 月 2.2 設定例 2.2 設定例 2.2.1 UNIVERGE IPMASTER-1040A(FXS) [1] SIPサーバー連携-通常設定 SIPサーバー経由でSIP端末に発着信させる場合(3.2.1 項( 3-9ページ) 「システム-基本設定」トランスレータで “発着統合”を選択)の設定例です。 SIPサーバー IP Address:192.32.16.10 PBX ドメイン名:ipmaster.com FS/FXS 0 400番 1 401番 2 402番 3 403番 0 回線:300 番 SIP端末(200番) 1 回線:301 番 2 回線:302 番 3 回線:303 番 IP Address:192.32.16.100 Subnet Mask:255.255.255.0 default-gateway:192.32.16.254 ※設定の必要な項目のみ記載しています。各入力画面の詳細は“第 3 章”をご確認下さい。 メニュー 設定値 システム 基本設定 モデル定義 FS/FXS トランスレータ 発着統合 ログアウト - - ログイン ユーザ名 necvoipgw パスワード ipmaster104x システム ネットワーク設定 IP 設定 IP アドレス 192.32.16.100 ネットワークマスク 255.255.255.0 デフォルトゲートウェイ 192.32.16.254 SIP SIP 設定 SIP サーバ情報設定 ドメイン名 ipmaster.com サーバ番号 1 サーバ名 SipServer(任意) サーバ IP アドレス 192.32.16.10 回線 回線設定 回線ポート設定 回線タイプ FXS-PBX (0 ポート目の設定) ポート番号 0/0/0 TN 1 内線番号 400 Originating Name 300@192.32.16.100 回線信号 DP/PB 回線制御方式 着信番号接続 回線ポート設定 回線タイプ FXS-PBX (1 ポート目の設定) ポート番号 0/0/1 TN 1 内線番号 401 Originating Name 301@192.32.16.100 回線信号 DP/PB 回線制御方式 着信番号接続 2-3
  • 15.
    231-ND2824-000 第2章 こんなサービスを行いたい 1.0 版 2009 年 8 月 2.2 設定例 メニュー 設定値 回線 回線設定 回線ポート設定 回線タイプ FXS-PBX (2 ポート目の設定) ポート番号 0/0/2 TN 1 内線番号 402 Originating Name 302@192.32.16.100 回線信号 DP/PB 回線制御方式 着信番号接続 回線ポート設定 回線タイプ FXS-PBX (3 ポート目の設定) ポート番号 0/0/3 TN 1 内線番号 403 Originating Name 303@192.32.16.100 回線信号 DP/PB 回線制御方式 着信番号接続 番号計画 番号前翻訳 先頭桁番号 2 3 番号展開 回線⇒SIP 着信 (迂回の選択) 迂回無 (PBX 収容 TEL400 番から 着信展開番号 2 SIP 端末 200 番を呼び出す サーバ番号 1 場合) 番号削除 0 番号付加 0 SIP 端末から PBX 内線 400 番を呼び出す場合は、サーバー側で設定します。 PBX 側の設定は、FXS の 0 回線からリンガー信号を受信した場合に、内線 400 番を呼び 出す設定にします。 データセーブ - - 保守機能 再起動 - - 2-4
  • 16.
    231-ND2824-000 第2章 こんなサービスを行いたい 1.0 版 2009 年 8 月 2.2 設定例 [2] SIPサーバー連携-トランスレータ分離 SIPサーバー経由でSIP端末に発着信させる場合(3.2.1 項( 3-9ページ) 「システム-基本設定」トランスレータで “発着分離”を選択)の設定例です。 (番号展開を、回線⇒SIP方向はTN[1]、SIP⇒回線方向はTN[2]で登録します。) SIPサーバー IP Address:192.32.16.10 PBX ドメイン名:ipmaster.com FS/FXS 0 400番 1 401番 2 402番 3 403番 0 回線:300 番 SIP端末(304番) 1 回線:301 番 2 回線:302 番 3 回線:303 番 IP Address:192.32.16.100 Subnet Mask:255.255.255.0 default-gateway:192.32.16.254 ※設定の必要な項目のみ記載しています。各入力画面の詳細は“第 3 章”をご確認下さい。 メニュー 設定値 システム 基本設定 モデル定義 FS/FXS トランスレータ 発着分離 ログアウト - - ログイン ユーザ名 necvoipgw パスワード ipmaster104x システム ネットワーク設定 IP 設定 IP アドレス 192.32.16.100 ネットワークマスク 255.255.255.0 デフォルトゲートウェイ 192.32.16.254 SIP SIP 設定 SIP サーバ情報設定 ドメイン名 ipmaster.com サーバ番号 1 サーバ名 SipServer(任意) サーバ IP アドレス 192.32.16.10 回線 回線設定 回線ポート設定 回線タイプ FXS-PBX (0 ポート目の設定) ポート番号 0/0/0 TN 2 内線番号 400 Originating Name 300@192.32.16.100 回線信号 DP/PB 回線制御方式 着信番号接続 回線ポート設定 回線タイプ FXS-PBX (1 ポート目の設定) ポート番号 0/0/1 TN 2 内線番号 401 Originating Name 301@192.32.16.100 回線信号 DP/PB 回線制御方式 着信番号接続 回線ポート設定 回線タイプ FXS-PBX (2 ポート目の設定) ポート番号 0/0/2 TN 2 内線番号 402 Originating Name 302@192.32.16.100 回線信号 DP/PB 回線制御方式 着信番号接続 2-5
  • 17.
    231-ND2824-000 第2章 こんなサービスを行いたい 1.0 版 2009 年 8 月 2.2 設定例 メニュー 設定値 回線 回線設定 回線ポート設定 回線タイプ FXS-PBX (3 ポート目の設定) ポート番号 0/0/3 TN 2 内線番号 403 Originating Name 303@192.32.16.100 回線信号 DP/PB 回線制御方式 着信番号接続 番号計画 番号前翻訳 先頭桁番号 3 3 番号展開 回線⇒SIP 着信 (迂回の選択) 迂回無 (PBX 収容 TEL400 番から 着信展開番号 3 SIP 端末 304 番を呼び出す サーバ番号 1 場合) 番号削除 0 番号付加 0 SIP 端末から PBX 内線 400 番を呼び出す場合は、サーバー側で設定します。 PBX 側の設定は、FXS の 0 回線からリンガー信号を受信した場合に、内線 400 番を呼び 出す設定にします。 代表選択 TN 2 ※任意設定 パイロット STN 400 第 2STN 401 第 3STN 402 第 4STN 403 データセーブ - - 保守機能 再起動 - - 2-6
  • 18.
    231-ND2824-000 第2章 こんなサービスを行いたい 1.0 版 2009 年 8 月 2.2 設定例 [3] PBXダイヤルイン SIPサーバー経由でSIP端末に発着信させる場合(3.3.1-[1]項( 3-22ページ) 「回線-回線設定-回線ポート設定」 回線タイプで“FXS-DI”を選択)の設定例です。 SIPサーバー IP Address:192.32.16.10 PBX ドメイン名:ipmaster.com FS/FXS 0 2200番 1 2201番 2 2202番 3 2203番 SIP端末(300番) 0 回線:05020002000 番 1 回線:05020002001 番 2 回線:05020002002 番 3 回線:05020002003 番 IP Address:192.32.16.100 Subnet Mask:255.255.255.0 default-gateway:192.32.16.254 ※設定の必要な項目のみ記載しています。各入力画面の詳細は“第 3 章”をご確認下さい。 メニュー 設定値 システム 基本設定 モデル定義 FS/FXS トランスレータ 発着統合 ログアウト - - ログイン ユーザ名 necvoipgw パスワード ipmaster104x システム ネットワーク設定 IP 設定 IP アドレス 192.32.16.100 ネットワークマスク 255.255.255.0 デフォルトゲートウェイ 192.32.16.254 SIP SIP 設定 SIP サーバ情報設定 ドメイン名 ipmaster.com サーバ番号 1 サーバ名 SipServer(任意) サーバ IP アドレス 192.32.16.10 回線 回線設定 回線ポート設定 回線タイプ FXS-DI (0 ポート目の設定) ポート番号 0/0/0 Route 1 Originating Name 05020002000@192.32.16.100 回線制御方式 PB ダイヤルイン接続 回線ポート設定 回線タイプ FXS-DI (1 ポート目の設定) ポート番号 0/0/1 Route 1 Originating Name 05020002001@192.32.16.100 回線制御方式 PB ダイヤルイン接続 回線ポート設定 回線タイプ FXS-DI (2 ポート目の設定) ポート番号 0/0/2 Route 1 Originating Name 05020002002@192.32.16.100 回線制御方式 PB ダイヤルイン接続 回線ポート設定 回線タイプ FXS-DI (3 ポート目の設定) ポート番号 0/0/3 Route 1 Originating Name 05020002003@192.32.16.100 回線制御方式 PB ダイヤルイン接続 2-7
  • 19.
    231-ND2824-000 第2章 こんなサービスを行いたい 1.0 版 2009 年 8 月 2.2 設定例 メニュー 設定値 番号計画 番号前翻訳 先頭桁番号 3 3 番号展開 回線⇒SIP 着信 (迂回の選択) 迂回無 (PBX 収容 TEL2200 番から 着信展開番号 3 SIP 端末 300 番を呼び出す サーバ番号 1 場合) 番号削除 0 番号付加 0 SIP⇒回線発信 (迂回の選択) 迂回無 発信展開番号 050 Route 番号 1 番号削除 9 番号付加 1 番号付加 付加数字パターン番号 1 付加数字 22 データセーブ - - 保守機能 再起動 - - 2-8
  • 20.
    231-ND2824-000 第2章 こんなサービスを行いたい 1.0 版 2009 年 8 月 2.2 設定例 [4] スタティック接続(FXS-FXS) SIP サーバーを経由(使用)せず、直接接続相手に発着信させる場合の設定例です。(FS/FXS-②はホットライン接続) ※サーバ番号は“1~127”の範囲で設定する事ができます。 FS/FXS-② 0 200番 FS/FXS-① 1 201番 400番 0 2 202番 401番 1 3 203番 402番 2 403番 3 IP Address:192.168.1.150 Subnet Mask:255.255.255.0 IP Address:192.168.1.140 default-gateway:192.168.1.1 Subnet Mask:255.255.255.0 default-gateway:192.168.1.1 ※設定の必要な項目のみ記載しています。各入力画面の詳細は“第 3 章”をご確認下さい。 FS/FXS-①側 メニュー 設定値 システム 基本設定 モデル定義 FS/FXS トランスレータ 発着統合 ログアウト - - ログイン ユーザ名 necvoipgw パスワード ipmaster104x システム ネットワーク設定 IP 設定 IP アドレス 192.168.1.140 ネットワークマスク 255.255.255.0 デフォルトゲートウェイ 192.168.1.1 SIP SIP 設定 SIP サーバ情報設定 サーバ番号 2 サーバ名 FXS-2(任意) サーバ IP アドレス 192.168.1.150 回線 回線設定 回線ポート設定 回線タイプ FXS-PBX (0 ポート目の設定) ポート番号 0/0/0 TN 1 内線番号 400 Originating Name 400@192.168.1.140 回線信号 DP/PB 回線制御方式 着信番号接続 回線ポート設定 回線タイプ FXS-PBX (1 ポート目の設定) ポート番号 0/0/1 TN 1 内線番号 401 Originating Name 401@192.168.1.140 回線信号 DP/PB 回線制御方式 着信番号接続 回線ポート設定 回線タイプ FXS-PBX (2 ポート目の設定) ポート番号 0/0/2 TN 1 内線番号 402 Originating Name 402@192.168.1.140 回線信号 DP/PB 回線制御方式 着信番号接続 2-9
  • 21.
    231-ND2824-000 第2章 こんなサービスを行いたい 1.0 版 2009 年 8 月 2.2 設定例 メニュー 設定値 回線 回線設定 回線ポート設定 回線タイプ FXS-PBX (3 ポート目の設定) ポート番号 0/0/3 TN 1 内線番号 403 Originating Name 403@192.168.1.140 回線信号 DP/PB 回線制御方式 着信番号接続 番号計画 番号前翻訳 先頭桁番号 2 3 番号展開 回線⇒SIP 着信 (迂回の選択) 迂回無 (TEL400 番から TEL200 番 着信展開番号 2 を呼び出す場合) サーバ番号 2 番号削除 0 番号付加 0 データセーブ - - 保守機能 再起動 - - FS/FXS-②側 メニュー 設定値 システム 基本設定 モデル定義 FS/FXS トランスレータ 発着統合 ログアウト - - ログイン ユーザ名 necvoipgw パスワード ipmaster104x システム ネットワーク設定 IP 設定 IP アドレス 192.168.1.150 ネットワークマスク 255.255.255.0 デフォルトゲートウェイ 192.168.1.1 SIP SIP 設定 SIP サーバ情報設定 サーバ番号 1 サーバ名 FXS-1(任意) サーバ IP アドレス 192.168.1.140 回線 回線設定 回線ポート設定 回線タイプ FXS-PBX (0 ポート目の設定) ポート番号 0/0/0 TN 1 内線番号 200 Originating Name 200@192.168.1.150 回線信号 DP/PB 回線制御方式 ホットライン接続 ホットライン接続電話番号 400@192.168.1.140 回線ポート設定 回線タイプ FXS-PBX (1 ポート目の設定) ポート番号 0/0/1 TN 1 内線番号 201 Originating Name 201@192.168.1.150 回線信号 DP/PB 回線制御方式 ホットライン接続 ホットライン接続電話番号 401@192.168.1.140 回線ポート設定 回線タイプ FXS-PBX (2 ポート目の設定) ポート番号 0/0/2 TN 1 内線番号 202 Originating Name 202@192.168.1.150 回線信号 DP/PB 回線制御方式 ホットライン接続 ホットライン接続電話番号 402@192.168.1.140 2-10
  • 22.
    231-ND2824-000 第2章 こんなサービスを行いたい 1.0 版 2009 年 8 月 2.2 設定例 メニュー 設定値 回線 回線設定 回線ポート設定 回線タイプ FXS-PBX (3 ポート目の設定) ポート番号 0/0/3 TN 1 内線番号 203 Originating Name 203@192.168.1.150 回線信号 DP/PB 回線制御方式 ホットライン接続 ホットライン接続電話番号 403@192.168.1.140 番号計画 番号前翻訳 先頭桁番号 4 3 番号展開 回線⇒SIP 着信 (迂回の選択) 迂回無 (TEL200 番から TEL400 番 着信展開番号 4 を呼び出す場合) サーバ番号 1 番号削除 0 番号付加 0 データセーブ - - 保守機能 再起動 - - 2-11
  • 23.
    231-ND2824-000 第2章 こんなサービスを行いたい 1.0 版 2009 年 8 月 2.2 設定例 [5] サーバー障害時接続先指定 SIP サーバーに障害が発生した時に、直接 SIP 端末に接続する場合の設定例です。 (SIP サーバーの障害時に、SIP 端末 600 番に直接接続する設定例です。) SIPサーバー IP Address:192.32.16.10 PBX ドメイン名:ipmaster.com FS/FXS × 0 400番 1 401番 2 402番 3 403番 SIP端末(200番) 0 回線:300 番 1 回線:301 番 SIP端末(600番) 2 回線:302 番 (非常用受付電話機) 3 回線:303 番 IP Address : 192.32.16.109 IP Address:192.32.16.100 Subnet Mask:255.255.255.0 default-gateway:192.32.16.254 ※設定の必要な項目のみ記載しています。各入力画面の詳細は“第 3 章”をご確認下さい。 メニュー 設定値 システム 基本設定 モデル定義 FS/FXS トランスレータ 発着統合 ログアウト - - ログイン ユーザ名 necvoipgw パスワード ipmaster104x システム ネットワーク設定 IP 設定 IP アドレス 192.32.16.100 ネットワークマスク 255.255.255.0 デフォルトゲートウェイ 192.32.16.254 SIP SIP 設定 SIP サーバ情報設定 ドメイン名 ipmaster.com サーバ番号 1 サーバ名 SipServer(任意) サーバ IP アドレス 192.32.16.10 (非常用受付電話機) サーバ番号 2 サーバ名 TEL600(任意) サーバ IP アドレス 192.32.16.109 SIP サービス設定 サーバ障害監視タイマー 6秒 サーバ障害接続先指定 有 サーバ障害接続先付加数字 1 パターン番号 サーバ障害時の迂回方式 パイロット・サーキュラから選択 回線 回線設定 回線ポート設定 回線タイプ FXS-PBX (0 ポート目の設定) ポート番号 0/0/0 TN 1 内線番号 400 Originating Name 300@192.32.16.100 回線信号 DP/PB 回線制御方式 着信番号接続 回線ポート設定 回線タイプ FXS-PBX (1 ポート目の設定) ポート番号 0/0/1 TN 1 内線番号 401 Originating Name 301@192.32.16.100 回線信号 DP/PB 回線制御方式 着信番号接続 2-12
  • 24.
    231-ND2824-000 第2章 こんなサービスを行いたい 1.0 版 2009 年 8 月 2.2 設定例 メニュー 設定値 回線 回線設定 回線ポート設定 回線タイプ FXS-PBX (2 ポート目の設定) ポート番号 0/0/2 TN 1 内線番号 402 Originating Name 302@192.32.16.100 回線信号 DP/PB 回線制御方式 着信番号接続 回線ポート設定 回線タイプ FXS-PBX (3 ポート目の設定) ポート番号 0/0/3 TN 1 内線番号 403 Originating Name 303@192.32.16.100 回線信号 DP/PB 回線制御方式 着信番号接続 番号計画 番号前翻訳 先頭桁番号 2 3 番号展開 回線⇒SIP 着信 (迂回の選択) 迂回有 (PBX 収容 TEL400 番から 着信展開番号 2 SIP 端末 200 番を呼び出す 1st(サーバ番号) 1 場合) 番号削除 0 番号付加 0 2nd(サーバ番号) 2 SIP 端末から PBX 内線 300 番を呼び出す場合は、サーバー側で設定します。 PBX 側の設定は、FXS の 0 回線からリンガー信号を受信した場合に、内線 300 番を呼び 出す設定にします。 番号付加 付加数字パターン番号 1 付加数字 600 データセーブ - - 保守機能 再起動 - - 2-13
  • 25.
    231-ND2824-000 第2章 こんなサービスを行いたい 1.0 版 2009 年 8 月 2.2 設定例 [6] SIP⇒回線発信時ポート分け SIP サーバーからの受信番号によって、回線ポートを使い分ける場合の設定例です。 (本設定例では 050-XXXX-XXXX の場合はポート 0・1、090-XXXX-XXXX の場合はポート 2・3 を使います。) SIPサーバー IP Address:192.32.16.10 PBX ドメイン名:ipmaster.com FS/FXS Route:1 0 Route:1 2200番 1 Route:2 2201番 2 Route:2 2202番 3 2203番 SIP端末(300番) 0 回線:05020002000 番 1 回線:05020002001 番 2 回線:09020002002 番 3 回線:09020002003 番 IP Address:192.32.16.100 Subnet Mask:255.255.255.0 default-gateway:192.32.16.254 ※設定の必要な項目のみ記載しています。各入力画面の詳細は“第 3 章”をご確認下さい。 メニュー 設定値 システム 基本設定 モデル定義 FS/FXS トランスレータ 発着統合 ログアウト - - ログイン ユーザ名 necvoipgw パスワード ipmaster104x システム ネットワーク設定 IP 設定 IP アドレス 192.32.16.100 ネットワークマスク 255.255.255.0 デフォルトゲートウェイ 192.32.16.254 SIP SIP 設定 SIP サーバ情報設定 ドメイン名 ipmaster.com サーバ番号 1 サーバ名 SipServer(任意) サーバ IP アドレス 192.32.16.10 回線 回線設定 回線ポート設定 回線タイプ FXS-DI (0 ポート目の設定) ポート番号 0/0/0 Route 1 Originating Name 05020002000@192.32.16.100 回線制御方式 PB ダイヤルイン接続 回線ポート設定 回線タイプ FXS-DI (1 ポート目の設定) ポート番号 0/0/1 Route 1 Originating Name 05020002001@192.32.16.100 回線制御方式 PB ダイヤルイン接続 回線ポート設定 回線タイプ FXS-DI (2 ポート目の設定) ポート番号 0/0/2 Route 2 Originating Name 09020002002@192.32.16.100 回線制御方式 PB ダイヤルイン接続 回線ポート設定 回線タイプ FXS-DI (3 ポート目の設定) ポート番号 0/0/3 Route 2 Originating Name 09020002003@192.32.16.100 回線制御方式 PB ダイヤルイン接続 2-14
  • 26.
    231-ND2824-000 第2章 こんなサービスを行いたい 1.0 版 2009 年 8 月 2.2 設定例 メニュー 設定値 番号計画 番号前翻訳 先頭桁番号 3 3 番号展開 回線⇒SIP 着信 (迂回の選択) 迂回無 (PBX 収容 TEL2200 番から 着信展開番号 3 SIP 端末 300 番を呼び出す サーバ番号 1 場合) 番号削除 0 番号付加 0 SIP⇒回線発信 (迂回の選択) 迂回無 (SIP 端末から 発信展開番号 050 050-2000-200X を呼び出 Route 番号 1 し、 Route1 を通って 2200、 番号削除 9 2201 を呼び出す場合) 番号付加 1 (SIP 端末から (迂回の選択) 迂回無 090-2000-200X を呼び出 発信展開番号 090 し、 Route2 を通って 2202、 Route 番号 2 2203 を呼び出す場合) 番号削除 9 番号付加 1 番号付加 付加数字パターン番号 1 付加数字 22 データセーブ - - 保守機能 再起動 - - 2-15
  • 27.
    231-ND2824-000 第2章 こんなサービスを行いたい 1.0 版 2009 年 8 月 2.2 設定例 [7] FXSと複数OD間の接続例(スタティック接続) 対向局から回線話中メッセージ(503 メッセージ)を受信した場合、SIP サーバー迂回機能(回線⇒SIP 着信コマン ドで迂回有)を使用し、発信局側から迂回するようにデータを設定します。 ※サーバ番号は“1~127”の範囲で設定する事ができます。 PBX OD-⑥ 0 600番 FS/FXS-① 1 300 番 0 2 301 番 1 3 302 番 2 303 番 3 IP Address:192.168.1.145 Subnet Mask:255.255.255.0 0 回線:300 番 default-gateway:192.168.1.1 1 回線:301 番 2 回線:302 番 OD-⑦ 3 回線:303 番 0 IP Address:192.168.1.140 1 Subnet Mask:255.255.255.0 2 default-gateway:192.168.1.1 3 IP Address:192.168.1.146 Subnet Mask:255.255.255.0 default-gateway:192.168.1.1 ※設定の必要な項目のみ記載しています。各入力画面の詳細は“第 3 章”をご確認下さい。 FS/FXS-①側 メニュー 設定値 システム 基本設定 モデル定義 FS/FXS トランスレータ 発着統合 ログアウト - - ログイン ユーザ名 necvoipgw パスワード ipmaster104x システム ネットワーク設定 IP 設定 IP アドレス 192.168.1.140 ネットワークマスク 255.255.255.0 デフォルトゲートウェイ 192.168.1.1 SIP SIP 設定 SIP サーバ情報設定 サーバ番号 6 (OD-⑥の設定) サーバ名 OD-6(任意) サーバ IP アドレス 192.168.1.145 (OD-⑦の設定) サーバ番号 7 サーバ名 OD-7(任意) サーバ IP アドレス 192.168.1.146 2-16
  • 28.
    231-ND2824-000 第2章 こんなサービスを行いたい 1.0 版 2009 年 8 月 2.2 設定例 メニュー 設定値 回線 回線設定 回線ポート設定 回線タイプ FXS-PBX (0 ポート目の設定) ポート番号 0/0/0 TN 1 内線番号 300 Originating Name 300@192.168.1.140 回線信号 DP/PB 回線制御方式 着信番号接続 回線ポート設定 回線タイプ FXS-PBX (1 ポート目の設定) ポート番号 0/0/1 TN 1 内線番号 301 Originating Name 301@192.168.1.140 回線信号 DP/PB 回線制御方式 着信番号接続 回線ポート設定 回線タイプ FXS-PBX (2 ポート目の設定) ポート番号 0/0/2 TN 1 内線番号 302 Originating Name 302@192.168.1.140 回線信号 DP/PB 回線制御方式 着信番号接続 回線ポート設定 回線タイプ FXS-PBX (3 ポート目の設定) ポート番号 0/0/3 TN 1 内線番号 303 Originating Name 303@192.168.1.140 回線信号 DP/PB 回線制御方式 着信番号接続 番号計画 番号前翻訳 先頭桁番号 6 3 番号展開 回線⇒SIP 着信 (迂回の選択) 迂回有 (TEL300 番から TEL600 番 着信展開番号 6 を呼び出す場合) 1st サーバ番号 6 番号削除 0 番号付加 0 2nd サーバ番号 7 データセーブ - - 保守機能 再起動 - - 2-17
  • 29.
    231-ND2824-000 第2章 こんなサービスを行いたい 1.0 版 2009 年 8 月 2.2 設定例 [8] SIP⇒回線発信時ルート迂回 Route:1 が全話中の時に、Route:2 に迂回させる場合の設定例です。 (本設定例では Route:1(ポート 0・1)が全話中の場合は、 Route:2(ポート 2・3)に迂回して 2200・2201 に着信します。) SIPサーバー IP Address:192.32.16.10 PBX ドメイン名:ipmaster.com FS/FXS Route:1 0 Route:1 2200番 1 Route:2 2201番 2 Route:2 2202番 3 2203番 SIP端末(300番) 0 回線:05020002000 番 1 回線:05020002001 番 2 回線:09020002002 番 3 回線:09020002003 番 IP Address:192.32.16.100 Subnet Mask:255.255.255.0 default-gateway:192.32.16.254 ※設定の必要な項目のみ記載しています。各入力画面の詳細は“第 3 章”をご確認下さい。 メニュー 設定値 システム 基本設定 モデル定義 FS/FXS トランスレータ 発着統合 ログアウト - - ログイン ユーザ名 necvoipgw パスワード ipmaster104x システム ネットワーク設定 IP 設定 IP アドレス 192.32.16.100 ネットワークマスク 255.255.255.0 デフォルトゲートウェイ 192.32.16.254 SIP SIP 設定 SIP サーバ情報設定 ドメイン名 ipmaster.com サーバ番号 1 サーバ名 SipServer(任意) サーバ IP アドレス 192.32.16.10 回線 回線設定 回線ポート設定 回線タイプ FXS-DI (0 ポート目の設定) ポート番号 0/0/0 Route 1 Originating Name 05020002000@192.32.16.100 回線制御方式 PB ダイヤルイン接続 回線ポート設定 回線タイプ FXS-DI (1 ポート目の設定) ポート番号 0/0/1 Route 1 Originating Name 05020002001@192.32.16.100 回線制御方式 PB ダイヤルイン接続 回線ポート設定 回線タイプ FXS-DI (2 ポート目の設定) ポート番号 0/0/2 Route 2 Originating Name 09020002002@192.32.16.100 回線制御方式 PB ダイヤルイン接続 回線ポート設定 回線タイプ FXS-DI (3 ポート目の設定) ポート番号 0/0/3 Route 2 Originating Name 09020002003@192.32.16.100 回線制御方式 PB ダイヤルイン接続 2-18
  • 30.
    231-ND2824-000 第2章 こんなサービスを行いたい 1.0 版 2009 年 8 月 2.2 設定例 メニュー 設定値 番号計画 番号前翻訳 先頭桁番号 3 3 番号展開 回線⇒SIP 着信 (迂回の選択) 迂回無 (PBX 収容 TEL2200 番から 着信展開番号 3 SIP 端末 300 番を呼び出す サーバ番号 1 場合) 番号削除 0 番号付加 0 SIP⇒回線発信 (迂回の選択) 迂回有 ( SIP 端 末 か ら 発信展開番号 050 050-2000-200X を呼び出 1st Route 1 し、 Route1 を通って 2200、 番号削除 9 2201 を 呼 び 出 す 場 合 番号付加 1 (Route1 が全話中の場合 2nd Route 2 は Route2 に迂回)) 番号削除 9 番号付加 1 ( SIP 端 末 か ら (迂回の選択) 迂回無 090-2000-200X を呼び出 発信展開番号 090 し、 Route2 を通って 2202、 Route 番号 2 2203 を呼び出す場合) 番号削除 9 番号付加 1 番号付加 付加数字パターン番号 1 付加数字 22 データセーブ - - 保守機能 再起動 - - 2-19
  • 31.
    231-ND2824-000 第2章 こんなサービスを行いたい 1.0 版 2009 年 8 月 2.2 設定例 2.2.2 UNIVERGE IPMASTER-1041A(FXO) [1] SIPサーバー連携-通常設定 SIPサーバー経由でSIP端末に発着信させる場合(3.2.1 項( 3-9ページ) 「システム-基本設定」トランスレータで “発着統合”を選択)の設定例です。 (ホットライン接続) SIPサーバー IP Address:192.32.16.10 ドメイン名:ipmaster.com 契約回線番号 FO/FXO 0471011000 0 PSTN網 0471011001 1 0471021000 2 0471021001 3 SIP端末(5000番) ~ 0 回線:トランク 1 SIP端末(5003番) 1 回線:トランク 2 2 回線:トランク 3 3 回線:トランク 4 IP Address:192.32.16.101 Subnet Mask:255.255.255.0 default-gateway:192.32.16.254 信号方式:ホットライン接続 ※設定の必要な項目のみ記載しています。各入力画面の詳細は“第 3 章”をご確認下さい。 メニュー 設定値 システム 基本設定 モデル定義 FO/FXO トランスレータ 発着統合 ログアウト - - ログイン ユーザ名 necvoipgw パスワード ipmaster104x システム ネットワーク設定 IP 設定 IP アドレス 192.32.16.101 ネットワークマスク 255.255.255.0 デフォルトゲートウェイ 192.32.16.254 SIP SIP 設定 SIP サーバ情報設定 ドメイン名 ipmaster.com サーバ番号 1 サーバ名 SipServer(任意) サーバ IP アドレス 192.32.16.10 回線 回線設定 回線ポート設定 回線タイプ FXO-PBX (0 ポート目の設定) ポート番号 0/0/0 Route 1 TN 1 トランク番号 0471011000 Originating Name 0471011000@192.32.16.101 回線信号 PB 回線制御方式 ホットライン接続 ホットライン接続電話番号 5000@ipmaster.com 回線ポート設定 回線タイプ FXO-PBX (1 ポート目の設定) ポート番号 0/0/1 Route 1 TN 1 トランク番号 0471011001 Originating Name 0471011001@192.32.16.101 回線信号 PB 回線制御方式 ホットライン接続 ホットライン接続電話番号 5001@ipmaster.com 2-20
  • 32.
    231-ND2824-000 第2章 こんなサービスを行いたい 1.0 版 2009 年 8 月 2.2 設定例 メニュー 設定値 回線 回線設定 回線ポート設定 回線タイプ FXO-PBX (2 ポート目の設定) ポート番号 0/0/2 Route 1 TN 1 トランク番号 0471021000 Originating Name 0471021000@192.32.16.101 回線信号 PB 回線制御方式 ホットライン接続 ホットライン接続電話番号 5002@ipmaster.com 回線ポート設定 回線タイプ FXO-PBX (3 ポート目の設定) ポート番号 0/0/3 Route 1 TN 1 トランク番号 0471021001 Originating Name 0471021001@192.32.16.101 回線信号 PB 回線制御方式 ホットライン接続 ホットライン接続電話番号 5003@ipmaster.com 番号計画 番号前翻訳 先頭桁番号 5 4 番号展開 回線⇒SIP 着信 (迂回の選択) 迂回無 (PSTN 網から SIP 端末 着信展開番号 5 5000 番を呼び出す場合) サーバ番号 1 番号削除 0 番号付加 0 SIP⇒回線発信 (迂回の選択) 迂回無 (SIP 端末から PSTN 網 発信展開番号 03 (03-1234-3939)を呼び出 Route 番号 1 す場合) 番号削除 0 番号付加 0 データセーブ - - 保守機能 再起動 - - 2-21
  • 33.
    231-ND2824-000 第2章 こんなサービスを行いたい 1.0 版 2009 年 8 月 2.2 設定例 [2] SIPサーバー連携-トランスレータ分離 SIPサーバー経由でSIP端末に発着信させる場合(3.2.1 項( 3-9ページ) 「システム-基本設定」トランスレータで “発着分離”を選択)の設定例です。 (番号展開を、回線⇒SIP方向はTN[1]、SIP⇒回線方向はTN[2]で登録します。) SIPサーバー IP Address:192.32.16.10 ドメイン名:ipmaster.com 契約回線番号 FO/FXO 0471011000 0 PSTN網 0471011001 1 0471021000 2 0471021001 3 SIP端末(1000番) 0 回線:トランク 1 SIP端末(1001番) 1 回線:トランク 2 2 回線:トランク 3 3 回線:トランク 4 IP Address:192.32.16.101 Subnet Mask:255.255.255.0 default-gateway:192.32.16.254 信号方式:PB ダイヤルイン ※設定の必要な項目のみ記載しています。各入力画面の詳細は“第 3 章”をご確認下さい。 メニュー 設定値 システム 基本設定 モデル定義 FO/FXO トランスレータ 発着分離 ログアウト - - ログイン ユーザ名 necvoipgw パスワード ipmaster104x システム ネットワーク設定 IP 設定 IP アドレス 192.32.16.101 ネットワークマスク 255.255.255.0 デフォルトゲートウェイ 192.32.16.254 SIP SIP 設定 SIP サーバ情報設定 ドメイン名 ipmaster.com サーバ番号 1 サーバ名 SipServer(任意) サーバ IP アドレス 192.32.16.10 回線 回線設定 回線ポート設定 回線タイプ FXO-PBX (0 ポート目の設定) ポート番号 0/0/0 Route 1 TN 2 トランク番号 0471011000 Originating Name 0471011000@192.32.16.101 回線信号 PB 回線制御方式 PB ダイヤルイン接続 回線ポート設定 回線タイプ FXO-PBX (1 ポート目の設定) ポート番号 0/0/1 Route 1 TN 2 トランク番号 0471011001 Originating Name 0471011001@192.32.16.101 回線信号 PB 回線制御方式 PB ダイヤルイン接続 2-22
  • 34.
    231-ND2824-000 第2章 こんなサービスを行いたい 1.0 版 2009 年 8 月 2.2 設定例 メニュー 設定値 回線 回線設定 回線ポート設定 回線タイプ FXO-PBX (2 ポート目の設定) ポート番号 0/0/2 Route 1 TN 2 トランク番号 0471021000 Originating Name 0471021000@192.32.16.101 回線信号 PB 回線制御方式 PB ダイヤルイン接続 回線ポート設定 回線タイプ FXO-PBX (3 ポート目の設定) ポート番号 0/0/3 Route 1 TN 2 トランク番号 0471021001 Originating Name 0471021001@192.32.16.101 回線信号 PB 回線制御方式 PB ダイヤルイン接続 番号計画 番号前翻訳 先頭桁番号 1 4 番号展開 回線⇒SIP 着信 (迂回の選択) 迂回無 (PSTN 網から SIP 端末 着信展開番号 1 1000 番を呼び出す場合) サーバ番号 1 番号削除 0 番号付加 0 SIP⇒回線発信 (迂回の選択) 迂回無 (SIP 端末から PSTN 網 発信展開番号 03 (03-1234-XXXX)を呼び出 Route 番号 1 す場合) 番号削除 0 番号付加 0 データセーブ - - 保守機能 再起動 - - ※PB ダイヤルインの場合は、局側で 2 秒監視タイマーを持っている為、番号前翻訳は必ず受信する桁数に合わせて登 録して下さい。 2-23
  • 35.
    231-ND2824-000 第2章 こんなサービスを行いたい 1.0 版 2009 年 8 月 2.2 設定例 [3] スタティック接続(FXO-OD) SIP サーバーを経由(使用)せず、直接接続相手に発着信させる場合の設定例です。 ※サーバ番号は“1~127”の範囲で設定する事ができます。 PBX OD/E&M-③ 0 3000番 契約回線番号 FO/FXO-④ 1 3001番 0471011000 0 2 PSTN網 0471011001 1 3 0471021000 2 0471021001 3 IP Address:192.168.1.142 Subnet Mask:255.255.255.0 0 回線:トランク 1 default-gateway:192.168.1.1 1 回線:トランク 2 2 回線:トランク 3 3 回線:トランク 4 IP Address:192.168.1.141 Subnet Mask:255.255.255.0 default-gateway:192.168.1.1 信号方式:追加ダイヤルイン ※設定の必要な項目のみ記載しています。各入力画面の詳細は“第 3 章”をご確認下さい。 FO/FXO-④側 メニュー 設定値 システム 基本設定 モデル定義 FO/FXO トランスレータ 発着統合 ログアウト - - ログイン ユーザ名 necvoipgw パスワード ipmaster104x システム ネットワーク設定 IP 設定 IP アドレス 192.168.1.141 ネットワークマスク 255.255.255.0 デフォルトゲートウェイ 192.168.1.1 SIP SIP 設定 SIP サーバ情報設定 サーバ番号 3 サーバ名 OD-3(任意) サーバ IP アドレス 192.168.1.142 回線 回線設定 回線ポート設定 回線タイプ FXO-PBX (0 ポート目の設定) ポート番号 0/0/0 Route 1 TN 1 トランク番号 0471011000 Originating Name 0471011000@192.168.1.141 回線信号 PB 回線制御方式 追加ダイヤルイン接続 回線ポート設定 回線タイプ FXO-PBX (1 ポート目の設定) ポート番号 0/0/1 Route 1 TN 1 トランク番号 0471011001 Originating Name 0471011001@192.168.1.141 回線信号 PB 回線制御方式 追加ダイヤルイン接続 2-24
  • 36.
    231-ND2824-000 第2章 こんなサービスを行いたい 1.0 版 2009 年 8 月 2.2 設定例 メニュー 設定値 回線 回線設定 回線ポート設定 回線タイプ FXO-PBX (2 ポート目の設定) ポート番号 0/0/2 Route 1 TN 1 トランク番号 0471021000 Originating Name 0471021000@192.168.1.141 回線信号 PB 回線制御方式 追加ダイヤルイン接続 回線ポート設定 回線タイプ FXO-PBX (3 ポート目の設定) ポート番号 0/0/3 Route 1 TN 1 トランク番号 0471021001 Originating Name 0471021001@192.168.1.141 回線信号 PB 回線制御方式 追加ダイヤルイン接続 番号計画 番号前翻訳 先頭桁番号 3 4 番号展開 回線⇒SIP 着信 (迂回の選択) 迂回無 (PSTN 網から PBX 収容端 着信展開番号 3 末 300X 番を呼び出す場 サーバ番号 3 合) 番号削除 0 番号付加 0 SIP⇒回線発信 (迂回の選択) 迂回無 (PBX 収容端末から PSTN 発信展開番号 04 網(047185XXXX)を呼び Route 番号 1 出す場合) 番号削除 0 番号付加 0 データセーブ - - 保守機能 再起動 - - 2-25
  • 37.
    231-ND2824-000 第2章 こんなサービスを行いたい 1.0 版 2009 年 8 月 2.2 設定例 [4] サーバー障害時接続先指定 SIP サーバーに障害が発生した時に、直接 SIP 端末に接続する場合の設定例です。 (SIP サーバーの障害時に、SIP 端末 6000 番に直接接続する設定例です。) ※回線制御方式が PB ダイヤルインの場合は動作しません。 PB ダイヤルイン以外を選択して下さい。 SIPサーバー IP Address:192.32.16.10 ドメイン名:ipmaster.com 契約回線番号 FO/FXO × 0471011000 0 PSTN網 0471011001 1 0471021000 2 0471021001 3 SIP端末(5000番) 0 回線:トランク 1 SIP端末(6000番) 1 回線:トランク 2 (非常用受付電話機) 2 回線:トランク 3 IP Address : 192.32.16.109 3 回線:トランク 4 IP Address:192.32.16.101 Subnet Mask:255.255.255.0 default-gateway:192.32.16.254 信号方式:追加ダイヤルイン ※設定の必要な項目のみ記載しています。各入力画面の詳細は“第 3 章”をご確認下さい。 メニュー 設定値 システム 基本設定 モデル定義 FO/FXO トランスレータ 発着統合 ログアウト - - ログイン ユーザ名 necvoipgw パスワード ipmaster104x システム ネットワーク設定 IP 設定 IP アドレス 192.32.16.101 ネットワークマスク 255.255.255.0 デフォルトゲートウェイ 192.32.16.254 SIP SIP 設定 SIP サーバ情報設定 ドメイン名 ipmaster.com サーバ番号 1 サーバ名 SipServer(任意) サーバ IP アドレス 192.32.16.10 (非常用受付電話機) サーバ番号 2 サーバ名 TEL6000(任意) サーバ IP アドレス 192.32.16.109 SIP サービス設定 サーバ障害監視タイマー 6秒 サーバ障害接続先指定 有 サーバ障害接続先付加数字 1 パターン番号 サーバ障害時の迂回方式 パイロット・サーキュラから選択 回線 回線設定 回線ポート設定 回線タイプ FXO-PBX (0 ポート目の設定) ポート番号 0/0/0 Route 1 TN 1 トランク番号 0471011000 Originating Name 0471011000@192.32.16.101 回線信号 PB 回線制御方式 追加ダイヤルイン接続 2-26
  • 38.
    231-ND2824-000 第2章 こんなサービスを行いたい 1.0 版 2009 年 8 月 2.2 設定例 メニュー 設定値 回線 回線設定 回線ポート設定 回線タイプ FXO-PBX (1 ポート目の設定) ポート番号 0/0/1 Route 1 TN 1 トランク番号 0471011001 Originating Name 0471011001@192.32.16.101 回線信号 PB 回線制御方式 追加ダイヤルイン接続 回線ポート設定 回線タイプ FXO-PBX (2 ポート目の設定) ポート番号 0/0/2 Route 1 TN 1 トランク番号 0471021000 Originating Name 0471021000@192.32.16.101 回線信号 PB 回線制御方式 追加ダイヤルイン接続 回線ポート設定 回線タイプ FXO-PBX (3 ポート目の設定) ポート番号 0/0/3 Route 1 TN 1 トランク番号 0471021001 Originating Name 0471021001@192.32.16.101 回線信号 PB 回線制御方式 追加ダイヤルイン接続 番号計画 番号前翻訳 先頭桁番号 5 4 番号展開 回線⇒SIP 着信 (迂回の選択) 迂回有 (PSTN 網から SIP 端末 着信展開番号 5 5000 番を呼び出す場合) 1st(サーバ番号) 1 番号削除 0 番号付加 0 2nd(サーバ番号) 2 SIP⇒回線発信 (迂回の選択) 迂回無 (SIP 端末から PSTN 網 発信展開番号 03 (03-1234-XXXX)を呼び出 Route 番号 1 す場合) 番号削除 0 番号付加 0 番号付加 付加数字パターン番号 1 付加数字 6000 データセーブ - - 保守機能 再起動 - - 2-27
  • 39.
    231-ND2824-000 第2章 こんなサービスを行いたい 1.0 版 2009 年 8 月 2.2 設定例 [5] SIP⇒回線発信時ポート分け SIP サーバーからの受信番号によって、回線ポートを使い分ける場合の設定例です。 (本設定例では 03-XXXX-XXXX の場合はポート 0・1、04XX-XX-XXXX の場合はポート 2・3 を使います。) SIPサーバー IP Address:192.32.16.10 ドメイン名:ipmaster.com 契約回線番号 FO/FXO Route:1 0471011000 0 Route:1 PSTN網 0471011001 1 Route:2 0471021000 2 Route:2 0471021001 3 1000 受信 0 回線:トランク 1 SIP端末(1000番) 1001 受信 1 回線:トランク 2 1000 受信 2 回線:トランク 3 SIP端末(1001番) 1001 受信 3 回線:トランク 4 IP Address:192.32.16.101 Subnet Mask:255.255.255.0 default-gateway:192.32.16.254 信号方式:PB ダイヤルイン ※設定の必要な項目のみ記載しています。各入力画面の詳細は“第 3 章”をご確認下さい。 メニュー 設定値 システム 基本設定 モデル定義 FO/FXO トランスレータ 発着統合 ログアウト - - ログイン ユーザ名 necvoipgw パスワード ipmaster104x システム ネットワーク設定 IP 設定 IP アドレス 192.32.16.101 ネットワークマスク 255.255.255.0 デフォルトゲートウェイ 192.32.16.254 SIP SIP 設定 SIP サーバ情報設定 ドメイン名 ipmaster.com サーバ番号 1 サーバ名 SipServer(任意) サーバ IP アドレス 192.32.16.10 回線 回線設定 回線ポート設定 回線タイプ FXO-PBX (0 ポート目の設定) ポート番号 0/0/0 Route 1 TN 1 トランク番号 0471011000 Originating Name 0471011000@192.32.16.101 回線信号 PB 回線制御方式 PB ダイヤルイン接続 回線ポート設定 回線タイプ FXO-PBX (1 ポート目の設定) ポート番号 0/0/1 Route 1 TN 1 トランク番号 0471011001 Originating Name 0471011001@192.32.16.101 回線信号 PB 回線制御方式 PB ダイヤルイン接続 2-28
  • 40.
    231-ND2824-000 第2章 こんなサービスを行いたい 1.0 版 2009 年 8 月 2.2 設定例 メニュー 設定値 回線 回線設定 回線ポート設定 回線タイプ FXO-PBX (2 ポート目の設定) ポート番号 0/0/2 Route 2 TN 1 トランク番号 0471021000 Originating Name 0471021000@192.32.16.101 回線信号 PB 回線制御方式 PB ダイヤルイン接続 回線ポート設定 回線タイプ FXO-PBX (3 ポート目の設定) ポート番号 0/0/3 Route 2 TN 1 トランク番号 0471021001 Originating Name 0471021001@192.32.16.101 回線信号 PB 回線制御方式 PB ダイヤルイン接続 番号計画 番号前翻訳 先頭桁番号 1 4 番号展開 回線⇒SIP 着信 (迂回の選択) 迂回無 (PSTN 網から SIP 端末 着信展開番号 1 1000 番を呼び出す場合) サーバ番号 1 番号削除 0 番号付加 0 SIP⇒回線発信 (迂回の選択) 迂回無 (SIP 端末から PSTN 網 発信展開番号 03 (03-XXXX-XXXX)を呼び出 Route 番号 1 す場合) 番号削除 0 番号付加 0 SIP⇒回線発信 (迂回の選択) 迂回無 (SIP 端末から PSTN 網 発信展開番号 04 (04XX-XX-XXXX)を呼び出 Route 番号 2 す場合) 番号削除 0 番号付加 0 データセーブ - - 保守機能 再起動 - - ※PB ダイヤルインの場合は、局側で 2 秒監視タイマーを持っている為、番号前翻訳は必ず受信する桁数に合わせて登 録して下さい。 2-29
  • 41.
    231-ND2824-000 第2章 こんなサービスを行いたい 1.0 版 2009 年 8 月 2.2 設定例 [6] SIP⇒回線発信時ルート迂回 Route:1 が全話中の時に、Route:2 に迂回させる場合の設定例です。 (本設定例では Route:1(ポート 0・1)が全話中の場合は、Route:2(ポート 2・3)に迂回します。) SIPサーバー IP Address:192.32.16.10 ドメイン名:ipmaster.com 契約回線番号 FO/FXO Route:1 0471011000 0 Route:1 PSTN網 0471011001 1 Route:2 0471021000 2 Route:2 0471021001 3 0 回線:トランク 1 SIP端末(1000番) 1 回線:トランク 2 2 回線:トランク 3 SIP端末(1001番) 3 回線:トランク 4 IP Address:192.32.16.101 Subnet Mask:255.255.255.0 default-gateway:192.32.16.254 信号方式:PB ダイヤルイン ※設定の必要な項目のみ記載しています。各入力画面の詳細は“第 3 章”をご確認下さい。 メニュー 設定値 システム 基本設定 モデル定義 FO/FXO トランスレータ 発着統合 ログアウト - - ログイン ユーザ名 necvoipgw パスワード ipmaster104x システム ネットワーク設定 IP 設定 IP アドレス 192.32.16.101 ネットワークマスク 255.255.255.0 デフォルトゲートウェイ 192.32.16.254 SIP SIP 設定 SIP サーバ情報設定 ドメイン名 ipmaster.com サーバ番号 1 サーバ名 SipServer(任意) サーバ IP アドレス 192.32.16.10 回線 回線設定 回線ポート設定 回線タイプ FXO-PBX (0 ポート目の設定) ポート番号 0/0/0 Route 1 TN 1 トランク番号 0471011000 Originating Name 0471011000@192.32.16.101 回線信号 PB 回線制御方式 PB ダイヤルイン接続 回線ポート設定 回線タイプ FXO-PBX (1 ポート目の設定) ポート番号 0/0/1 Route 1 TN 1 トランク番号 0471011001 Originating Name 0471011001@192.32.16.101 回線信号 PB 回線制御方式 PB ダイヤルイン接続 2-30
  • 42.
    231-ND2824-000 第2章 こんなサービスを行いたい 1.0 版 2009 年 8 月 2.2 設定例 メニュー 設定値 回線 回線設定 回線ポート設定 回線タイプ FXO-PBX (2 ポート目の設定) ポート番号 0/0/2 Route 2 TN 1 トランク番号 0471021000 Originating Name 0471021000@192.32.16.101 回線信号 PB 回線制御方式 PB ダイヤルイン接続 回線ポート設定 回線タイプ FXO-PBX (3 ポート目の設定) ポート番号 0/0/3 Route 2 TN 1 トランク番号 0471021001 Originating Name 0471021001@192.32.16.101 回線信号 PB 回線制御方式 PB ダイヤルイン接続 番号計画 番号前翻訳 先頭桁番号 1 4 番号展開 回線⇒SIP 着信 (迂回の選択) 迂回無 (PSTN 網から SIP 端末 着信展開番号 1 1000 番を呼び出す場合) サーバ番号 1 番号削除 0 番号付加 0 SIP⇒回線発信 (迂回の選択) 迂回有 (SIP 端末から PSTN 網 発信展開番号 047184 (0471-84-XXXX)を呼び出 1st Route 1 す場合) 番号削除 0 (Route1 が全話中の場合 番号付加 0 は Route2 に迂回) 2nd Route 2 番号削除 0 番号付加 0 SIP⇒回線発信 (迂回の選択) 迂回無 (SIP 端末から PSTN 網 発信展開番号 047185 (0471-85-XXXX)を呼び出 Route 番号 2 す場合) 番号削除 0 番号付加 0 データセーブ - - 保守機能 再起動 - - ※PB ダイヤルインの場合は、局側で 2 秒監視タイマーを持っている為、番号前翻訳は必ず受信する桁数に合わせて登 録して下さい。 2-31
  • 43.
    231-ND2824-000 第2章 こんなサービスを行いたい 1.0 版 2009 年 8 月 2.2 設定例 [7] 内線延長IP化機能 リモート拠点側に FS/FXS を設置し、センター側に FO/FXO を対向して設置する事で、IP 網を経由して内線延長を行 なう機能です。 FS/FXS をホットライン接続の設定にすることで、 FS/FXS 収容端末をオフフックしただけで FO/FXO へ発信し、 FO/FXO にて SIP→回線発信番号を全桁削除して PBX の LC(LineCircuit)を捕捉します。 発側の端末は PBX の DT(DialTone)を 聴取し、DTMF でダイヤル(例では 300 番)する事で、PBX に直接収容された内線として振舞う事ができます。 ※本設定例では FS/FXS を挙げていますが、 他の装置(FO/FXO・OD/E&M・・・)でもホットライン接続とすることで使用可 能です。 FS/FXS-② PBX 0 200番 FO/FXO-④ 1 201番 0 2 202番 1200 300番 1 3 203番 1201 2 1202 3 IP Address:192.168.1.150 1203 Subnet Mask:255.255.255.0 0 回線:ルート 1 default-gateway:192.168.1.1 1 回線:ルート 2 回線制御方式:ホットライン 2 回線:ルート 3 3 回線:ルート 4 IP Address:192.168.1.141 Subnet Mask:255.255.255.0 default-gateway:192.168.1.1 信号方式:ホットライン ※設定の必要な項目のみ記載しています。各入力画面の詳細は“第 3 章”をご確認下さい。 FS/FXS -②側 メニュー 設定値 システム 基本設定 モデル定義 FS/FXS トランスレータ 発着分離 ログアウト - - ログイン ユーザ名 necvoipgw パスワード ipmaster104x システム ネットワーク設定 IP 設定 IP アドレス 192.168.1.150 ネットワークマスク 255.255.255.0 デフォルトゲートウェイ 192.168.1.1 SIP SIP 設定 SIP サーバ情報設定 サーバ番号 4 サーバ名 FXO-4(任意) サーバ IP アドレス 192.168.1.141 回線 回線設定 回線ポート設定 回線タイプ FXS-PBX (0 ポート目の設定) ポート番号 0/0/0 TN 2 内線番号 200 Originating Name 200@192.168.1.150 回線信号 DP/PB 回線制御方式 ホットライン接続 ホットライン接続電話番号 1200@192.168.1.141 回線ポート設定 回線タイプ FXS-PBX (1 ポート目の設定) ポート番号 0/0/1 TN 2 内線番号 201 Originating Name 201@192.168.1.150 回線信号 DP/PB 回線制御方式 ホットライン接続 ホットライン接続電話番号 1201@192.168.1.141 2-32
  • 44.
    231-ND2824-000 第2章 こんなサービスを行いたい 1.0 版 2009 年 8 月 2.2 設定例 メニュー 設定値 回線 回線設定 回線ポート設定 回線タイプ FXS-PBX (2 ポート目の設定) ポート番号 0/0/2 TN 2 内線番号 202 Originating Name 202@192.168.1.150 回線信号 DP/PB 回線制御方式 ホットライン接続 ホットライン接続電話番号 1202@192.168.1.141 回線ポート設定 回線タイプ FXS-PBX (3 ポート目の設定) ポート番号 0/0/3 TN 2 内線番号 203 Originating Name 203@192.168.1.150 回線信号 DP/PB 回線制御方式 ホットライン接続 ホットライン接続電話番号 1203@192.168.1.141 番号計画 番号前翻訳 先頭桁番号 1 4 番号展開 回線⇒SIP 着信 (迂回の選択) 迂回無 (TEL200 番から PBX 収容 着信展開番号 1 300 番を呼び出す場合) サーバ番号 4 ※DT 聴取後、300 番をダ 番号削除 0 イヤルします。 番号付加 0 データセーブ - - 保守機能 再起動 - - FO/FXO -④側 メニュー 設定値 システム 基本設定 モデル定義 FO/FXO トランスレータ 発着分離 ログアウト - - ログイン ユーザ名 necvoipgw パスワード ipmaster104x システム ネットワーク設定 IP 設定 IP アドレス 192.168.1.141 ネットワークマスク 255.255.255.0 デフォルトゲートウェイ 192.168.1.1 SIP SIP 設定 SIP サーバ情報設定 サーバ番号 2 サーバ名 FXS-2(任意) サーバ IP アドレス 192.168.1.150 回線 回線設定 回線ポート設定 回線タイプ FXO-PBX (0 ポート目の設定) ポート番号 0/0/0 Route 1 TN 2 トランク番号 1200 Originating Name 1200@192.168.1.141 回線信号 PB 回線制御方式 ホットライン接続 ホットライン接続電話番号 200@192.168.1.150 2-33
  • 45.
    231-ND2824-000 第2章 こんなサービスを行いたい 1.0 版 2009 年 8 月 2.2 設定例 メニュー 設定値 回線 回線設定 回線ポート設定 回線タイプ FXO-PBX (1 ポート目の設定) ポート番号 0/0/1 Route 2 TN 2 トランク番号 1201 Originating Name 1201@192.168.1.141 回線信号 PB 回線制御方式 ホットライン接続 ホットライン接続電話番号 201@192.168.1.150 回線ポート設定 回線タイプ FXO-PBX (2 ポート目の設定) ポート番号 0/0/2 Route 3 TN 2 トランク番号 1202 Originating Name 1202@192.168.1.141 回線信号 PB 回線制御方式 ホットライン接続 ホットライン接続電話番号 202@192.168.1.150 回線ポート設定 回線タイプ FXO-PBX (3 ポート目の設定) ポート番号 0/0/3 Route 4 TN 2 トランク番号 1203 Originating Name 1203@192.168.1.141 回線信号 PB 回線制御方式 ホットライン接続 ホットライン接続電話番号 203@192.168.1.150 番号計画 番号前翻訳 先頭桁番号 2 3 番号展開 回線⇒SIP 着信 (迂回の選択) 迂回無 (PBX 収容端末 300 番から 着信展開番号 2 FXS 内線 20X 番を呼び出す サーバ番号 2 場合) 番号削除 0 番号付加 0 SIP⇒回線発信 (迂回の選択) 迂回無 (FXS 内線 200 から PBX 収 発信展開番号 1200 容端末 300 を呼び出す場 Route 番号 1 合) 番号削除 4(※全桁削除) 番号付加 0 SIP⇒回線発信 (迂回の選択) 迂回無 (FXS 内線 201 から PBX 収 発信展開番号 1201 容端末 300 を呼び出す場 Route 番号 2 合) 番号削除 4(※全桁削除) 番号付加 0 SIP⇒回線発信 (迂回の選択) 迂回無 (FXS 内線 202 から PBX 収 発信展開番号 1202 容端末 300 を呼び出す場 Route 番号 3 合) 番号削除 4(※全桁削除) 番号付加 0 SIP⇒回線発信 (迂回の選択) 迂回無 (FXS 内線 203 から PBX 収 発信展開番号 1203 容端末 300 を呼び出す場 Route 番号 4 合) 番号削除 4(※全桁削除) 番号付加 0 データセーブ - - 保守機能 再起動 - - 2-34
  • 46.
    231-ND2824-000 第2章 こんなサービスを行いたい 1.0 版 2009 年 8 月 2.2 設定例 2.2.3 UNIVERGE IPMASTER-1042A(OD) [1] SIPサーバー連携-通常設定 SIPサーバー経由でSIP端末に発着信させる場合(3.2.1 項( 3-9ページ) 「システム-基本設定」トランスレータで “発着統合”を選択)の設定例です。 ここでは PBX を 800 局としています。 800局 SIPサーバー IP Address:192.32.16.10 PBX ドメイン名:ipmaster.com OD/E&M 0 300番 1 2 3 0 回線:トランク 1 SIP端末(200番) 1 回線:トランク 2 2 回線:トランク 3 3 回線:トランク 4 IP Address:192.32.16.102 Subnet Mask:255.255.255.0 default-gateway:192.32.16.254 信号方式:WINK/PB ※設定の必要な項目のみ記載しています。各入力画面の詳細は“第 3 章”をご確認下さい。 メニュー 設定値 システム 基本設定 モデル定義 OD/E&M トランスレータ 発着統合 ログアウト - - ログイン ユーザ名 necvoipgw パスワード ipmaster104x システム ネットワーク設定 IP 設定 IP アドレス 192.32.16.102 ネットワークマスク 255.255.255.0 デフォルトゲートウェイ 192.32.16.254 SIP SIP 設定 SIP サーバ情報設定 ドメイン名 ipmaster.com サーバ番号 1 サーバ名 SipServer(任意) サーバ IP アドレス 192.32.16.10 回線 回線設定 回線ポート設定 回線タイプ OD-PBX (0 ポート目の設定) ポート番号 0/0/0 Route 1 TN 1 トランク番号 800 Originating Name 800@192.32.16.102 回線信号 PB 回線制御方式 接続確認(ウィンク)接続 回線ポート設定 回線タイプ OD-PBX (1 ポート目の設定) ポート番号 0/0/1 Route 1 TN 1 トランク番号 801 Originating Name 801@192.32.16.102 回線信号 PB 回線制御方式 接続確認(ウィンク)接続 2-35
  • 47.
    231-ND2824-000 第2章 こんなサービスを行いたい 1.0 版 2009 年 8 月 2.2 設定例 メニュー 設定値 回線 回線設定 回線ポート設定 回線タイプ OD-PBX (2 ポート目の設定) ポート番号 0/0/2 Route 1 TN 1 トランク番号 802 Originating Name 802@192.32.16.102 回線信号 PB 回線制御方式 接続確認(ウィンク)接続 回線ポート設定 回線タイプ OD-PBX (3 ポート目の設定) ポート番号 0/0/3 Route 1 TN 1 トランク番号 803 Originating Name 803@192.32.16.102 回線信号 PB 回線制御方式 接続確認(ウィンク)接続 番号計画 番号前翻訳 先頭桁番号 2 3 番号展開 回線⇒SIP 着信 (迂回の選択) 迂回無 (PBX 収容 TEL300 番から 着信展開番号 2 SIP 端末 200 番を呼び出す サーバ番号 1 場合) 番号削除 0 番号付加 0 SIP⇒回線発信 (迂回の選択) 迂回無 (SIP 端末から PBX 内線 発信展開番号 3 300 番を呼び出す場合) Route 番号 1 番号削除 0 番号付加 0 データセーブ - - 保守機能 再起動 - - 2-36
  • 48.
    231-ND2824-000 第2章 こんなサービスを行いたい 1.0 版 2009 年 8 月 2.2 設定例 [2] SIPサーバー連携-トランスレータ分離 SIPサーバー経由でSIP端末に発着信させる場合(3.2.1 項( 3-9ページ)「システム-基本設定」トランスレータで “発着分離”を選択) の設定例です。 (番号展開を、回線⇒SIP方向はTN[1]、SIP⇒回線方向はTN[2]で登録します。) ここでは PBX を 800 局としています。 800局 SIPサーバー IP Address:192.32.16.10 PBX ドメイン名:ipmaster.com OD/E&M 0 300番 1 2 3 0 回線:トランク 1 SIP端末(200番) 1 回線:トランク 2 2 回線:トランク 3 3 回線:トランク 4 IP Address:192.32.16.102 Subnet Mask:255.255.255.0 default-gateway:192.32.16.254 信号方式:WINK/PB ※設定の必要な項目のみ記載しています。各入力画面の詳細は“第 3 章”をご確認下さい。 メニュー 設定値 システム 基本設定 モデル定義 OD/E&M トランスレータ 発着分離 ログアウト - - ログイン ユーザ名 necvoipgw パスワード ipmaster104x システム ネットワーク設定 IP 設定 IP アドレス 192.32.16.102 ネットワークマスク 255.255.255.0 デフォルトゲートウェイ 192.32.16.254 SIP SIP 設定 SIP サーバ情報設定 ドメイン名 ipmaster.com サーバ番号 1 サーバ名 SipServer(任意) サーバ IP アドレス 192.32.16.10 回線 回線設定 回線ポート設定 回線タイプ OD-PBX (0 ポート目の設定) ポート番号 0/0/0 Route 1 TN 2 トランク番号 800 Originating Name 800@192.32.16.102 回線信号 PB 回線制御方式 接続確認(ウィンク)接続 回線ポート設定 回線タイプ OD-PBX (1 ポート目の設定) ポート番号 0/0/1 Route 1 TN 2 トランク番号 801 Originating Name 801@192.32.16.102 回線信号 PB 回線制御方式 接続確認(ウィンク)接続 2-37
  • 49.
    231-ND2824-000 第2章 こんなサービスを行いたい 1.0 版 2009 年 8 月 2.2 設定例 メニュー 設定値 回線 回線設定 回線ポート設定 回線タイプ OD-PBX (2 ポート目の設定) ポート番号 0/0/2 Route 1 TN 2 トランク番号 802 Originating Name 802@192.32.16.102 回線信号 PB 回線制御方式 接続確認(ウィンク)接続 回線ポート設定 回線タイプ OD-PBX (3 ポート目の設定) ポート番号 0/0/3 Route 1 TN 2 トランク番号 803 Originating Name 803@192.32.16.102 回線信号 PB 回線制御方式 接続確認(ウィンク)接続 番号計画 番号前翻訳 先頭桁番号 2 3 番号展開 回線⇒SIP 着信 (迂回の選択) 迂回無 (PBX 収容 TEL300 番から 着信展開番号 2 SIP 端末 200 番を呼び出す サーバ番号 1 場合) 番号削除 0 番号付加 0 SIP⇒回線発信 (迂回の選択) 迂回無 (SIP 端末から PBX 内線 発信展開番号 3 300 番を呼び出す場合) Route 番号 1 番号削除 0 番号付加 0 データセーブ - - 保守機能 再起動 - - 2-38
  • 50.
    231-ND2824-000 第2章 こんなサービスを行いたい 1.0 版 2009 年 8 月 2.2 設定例 [3] スタティック接続(OD-FXS) SIP サーバーを経由(使用)せず、直接接続相手に発着信させる場合の設定例です。 ここでは PBX を 800 局としています。 ※サーバ番号は“1~127”の範囲で設定する事ができます。 800局 FS/FXS-② PBX 0 200番 OD/E&M-③ 1 201番 0 2 202番 300番 1 3 203番 2 3 IP Address:192.168.1.150 Subnet Mask:255.255.255.0 0 回線:トランク 1 default-gateway:192.168.1.1 1 回線:トランク 2 2 回線:トランク 3 3 回線:トランク 4 IP Address:192.168.1.142 Subnet Mask:255.255.255.0 default-gateway:192.168.1.1 信号方式:WINK/PB ※設定の必要な項目のみ記載しています。各入力画面の詳細は“第 3 章”をご確認下さい。 OD/E&M -③側 メニュー 設定値 システム 基本設定 モデル定義 OD/E&M トランスレータ 発着統合 ログアウト - - ログイン ユーザ名 necvoipgw パスワード ipmaster104x システム ネットワーク設定 IP 設定 IP アドレス 192.168.1.142 ネットワークマスク 255.255.255.0 デフォルトゲートウェイ 192.168.1.1 SIP SIP 設定 SIP サーバ情報設定 サーバ番号 2 サーバ名 FXS-2(任意) サーバ IP アドレス 192.168.1.150 回線 回線設定 回線ポート設定 回線タイプ OD-PBX (0 ポート目の設定) ポート番号 0/0/0 Route 1 TN 1 トランク番号 800 Originating Name 800@192.168.1.142 回線信号 PB 回線制御方式 接続確認(ウィンク)接続 回線ポート設定 回線タイプ OD-PBX (1 ポート目の設定) ポート番号 0/0/1 Route 1 TN 1 トランク番号 801 Originating Name 801@192.168.1.142 回線信号 PB 回線制御方式 接続確認(ウィンク)接続 2-39
  • 51.
    231-ND2824-000 第2章 こんなサービスを行いたい 1.0 版 2009 年 8 月 2.2 設定例 メニュー 設定値 回線 回線設定 回線ポート設定 回線タイプ OD-PBX (2 ポート目の設定) ポート番号 0/0/2 Route 1 TN 1 トランク番号 802 Originating Name 802@192.168.1.142 回線信号 PB 回線制御方式 接続確認(ウィンク)接続 回線ポート設定 回線タイプ OD-PBX (3 ポート目の設定) ポート番号 0/0/3 Route 1 TN 1 トランク番号 803 Originating Name 803@192.168.1.142 回線信号 PB 回線制御方式 接続確認(ウィンク)接続 番号計画 番号前翻訳 先頭桁番号 2 3 番号展開 回線⇒SIP 着信 (迂回の選択) 迂回無 (PBX 収容 TEL300 番から 着信展開番号 2 FXS 収容端末 20X 番を呼び サーバ番号 2 出す場合) 番号削除 0 番号付加 0 SIP⇒回線発信 (迂回の選択) 迂回無 (FXS 収容端末から PBX 収 発信展開番号 3 容 TEL300 番を呼び出す場 Route 番号 1 合) 番号削除 0 番号付加 0 データセーブ - - 保守機能 再起動 - - 2-40
  • 52.
    231-ND2824-000 第2章 こんなサービスを行いたい 1.0 版 2009 年 8 月 2.2 設定例 [4] サーバー障害時接続先指定 SIP サーバーに障害が発生した時に、直接 SIP 端末に接続する場合の設定例です。 (SIP サーバーの障害時に、SIP 端末 600 番に直接接続する設定例です。) ここでは PBX を 800 局としています。 800局 SIPサーバー IP Address:192.32.16.10 PBX ドメイン名:ipmaster.com OD/E&M × 0 300番 1 2 3 SIP端末(200番) 0 回線:トランク 1 SIP端末(600番) 1 回線:トランク 2 (非常用受付電話機) 2 回線:トランク 3 IP Address : 192.32.16.109 3 回線:トランク 4 IP Address:192.32.16.102 Subnet Mask:255.255.255.0 default-gateway:192.32.16.254 信号方式:WINK/PB ※設定の必要な項目のみ記載しています。各入力画面の詳細は“第 3 章”をご確認下さい。 メニュー 設定値 システム 基本設定 モデル定義 OD/E&M トランスレータ 発着統合 ログアウト - - ログイン ユーザ名 necvoipgw パスワード ipmaster104x システム ネットワーク設定 IP 設定 IP アドレス 192.32.16.102 ネットワークマスク 255.255.255.0 デフォルトゲートウェイ 192.32.16.254 SIP SIP 設定 SIP サーバ情報設定 ドメイン名 ipmaster.com サーバ番号 1 サーバ名 SipServer(任意) サーバ IP アドレス 192.32.16.10 (非常用受付電話機) サーバ番号 2 サーバ名 TEL600(任意) サーバ IP アドレス 192.32.16.109 SIP サービス設定 サーバ障害監視タイマー 6秒 サーバ障害接続先指定 有 サーバ障害接続先付加数字 1 パターン番号 サーバ障害時の迂回方式 パイロット・サーキュラから選択 回線 回線設定 回線ポート設定 回線タイプ OD-PBX (0 ポート目の設定) ポート番号 0/0/0 Route 1 TN 1 トランク番号 800 Originating Name 800@192.32.16.102 回線信号 PB 回線制御方式 接続確認(ウィンク)接続 2-41
  • 53.
    231-ND2824-000 第2章 こんなサービスを行いたい 1.0 版 2009 年 8 月 2.2 設定例 メニュー 設定値 回線 回線設定 回線ポート設定 回線タイプ OD-PBX (1 ポート目の設定) ポート番号 0/0/1 Route 1 TN 1 トランク番号 801 Originating Name 801@192.32.16.102 回線信号 PB 回線制御方式 接続確認(ウィンク)接続 回線ポート設定 回線タイプ OD-PBX (2 ポート目の設定) ポート番号 0/0/2 Route 1 TN 1 トランク番号 802 Originating Name 802@192.32.16.102 回線信号 PB 回線制御方式 接続確認(ウィンク)接続 回線ポート設定 回線タイプ OD-PBX (3 ポート目の設定) ポート番号 0/0/3 Route 1 TN 1 トランク番号 803 Originating Name 803@192.32.16.102 回線信号 PB 回線制御方式 接続確認(ウィンク)接続 番号計画 番号前翻訳 先頭桁番号 2 3 番号展開 回線⇒SIP 着信 (迂回の選択) 迂回有 (PBX 収容 TEL300 番から 着信展開番号 2 SIP 端末 200 番を呼び出す 1st(サーバ番号) 1 場合) 番号削除 0 番号付加 0 2nd(サーバ番号) 2 SIP⇒回線発信 (迂回の選択) 迂回無 (SIP 端末から PBX 内線 発信展開番号 3 300 番を呼び出す場合) Route 番号 1 番号削除 0 番号付加 0 番号付加 付加数字パターン番号 1 付加数字 600 データセーブ - - 保守機能 再起動 - - 2-42
  • 54.
    231-ND2824-000 第2章 こんなサービスを行いたい 1.0 版 2009 年 8 月 2.2 設定例 [5] SIP⇒回線発信時ポート分け SIP サーバーからの受信番号によって、回線ポートを使い分ける場合の設定例です。 (本設定例では 3XX の場合はポート 0・1、5XX の場合はポート 2・3 を使います。) ここでは PBX を 800 局としています。 800局 SIPサーバー IP Address:192.32.16.10 PBX ドメイン名:ipmaster.com OD/E&M Route:1 0 Route:1 300番 1 Route:2 2 Route:2 500番 3 0 回線:トランク 1 SIP端末(200番) 1 回線:トランク 2 2 回線:トランク 3 3 回線:トランク 4 IP Address:192.32.16.102 Subnet Mask:255.255.255.0 default-gateway:192.32.16.254 信号方式:WINK/PB ※設定の必要な項目のみ記載しています。各入力画面の詳細は“第 3 章”をご確認下さい。 メニュー 設定値 システム 基本設定 モデル定義 OD/E&M トランスレータ 発着統合 ログアウト - - ログイン ユーザ名 necvoipgw パスワード ipmaster104x システム ネットワーク設定 IP 設定 IP アドレス 192.32.16.102 ネットワークマスク 255.255.255.0 デフォルトゲートウェイ 192.32.16.254 SIP SIP 設定 SIP サーバ情報設定 ドメイン名 ipmaster.com サーバ番号 1 サーバ名 SipServer(任意) サーバ IP アドレス 192.32.16.10 回線 回線設定 回線ポート設定 回線タイプ OD-PBX (0 ポート目の設定) ポート番号 0/0/0 Route 1 TN 1 トランク番号 800 Originating Name 800@192.32.16.102 回線信号 PB 回線制御方式 接続確認(ウィンク)接続 回線ポート設定 回線タイプ OD-PBX (1 ポート目の設定) ポート番号 0/0/1 Route 1 TN 1 トランク番号 801 Originating Name 801@192.32.16.102 回線信号 PB 回線制御方式 接続確認(ウィンク)接続 2-43
  • 55.
    231-ND2824-000 第2章 こんなサービスを行いたい 1.0 版 2009 年 8 月 2.2 設定例 メニュー 設定値 回線 回線設定 回線ポート設定 回線タイプ OD-PBX (2 ポート目の設定) ポート番号 0/0/2 Route 2 TN 1 トランク番号 802 Originating Name 802@192.32.16.102 回線信号 PB 回線制御方式 接続確認(ウィンク)接続 回線ポート設定 回線タイプ OD-PBX (3 ポート目の設定) ポート番号 0/0/3 Route 2 TN 1 トランク番号 803 Originating Name 803@192.32.16.102 回線信号 PB 回線制御方式 接続確認(ウィンク)接続 番号計画 番号前翻訳 先頭桁番号 2 3 番号展開 回線⇒SIP 着信 (迂回の選択) 迂回無 (PBX 収容 TEL300 番から 着信展開番号 2 SIP 端末 200 番を呼び出す サーバ番号 1 場合) 番号削除 0 番号付加 0 SIP⇒回線発信 (迂回の選択) 迂回無 (SIP 端末から PBX 内線 発信展開番号 3 300 番を呼び出す場合) Route 番号 1 番号削除 0 番号付加 0 SIP⇒回線発信 (迂回の選択) 迂回無 (SIP 端末から PBX 内線 発信展開番号 5 500 番を呼び出す場合) Route 番号 2 番号削除 0 番号付加 0 データセーブ - - 保守機能 再起動 - - 2-44
  • 56.
    231-ND2824-000 第2章 こんなサービスを行いたい 1.0 版 2009 年 8 月 2.2 設定例 [6] ODと複数OD間の接続例(スタティック接続) 対向局から回線話中メッセージ(503 メッセージ)を受信した場合、SIP サーバー迂回機能(回線⇒SIP 着信コマン ドで迂回有)を使用し、発信局側から迂回するようにデータを設定します。 ※サーバ番号は“1~127”の範囲で設定する事ができます。 PBX OD-⑥ PBX 0 600番 OD-③ 1 0 2 300番 1 3 2 3 IP Address:192.168.1.145 Subnet Mask:255.255.255.0 0 回線:トランク 1 default-gateway:192.168.1.1 1 回線:トランク 2 2 回線:トランク 3 OD-⑦ 3 回線:トランク 4 0 IP Address:192.168.1.142 1 Subnet Mask:255.255.255.0 2 default-gateway:192.168.1.1 3 信号方式:WINK/PB IP Address:192.168.1.146 Subnet Mask:255.255.255.0 default-gateway:192.168.1.1 ※設定の必要な項目のみ記載しています。各入力画面の詳細は“第 3 章”をご確認下さい。 OD/E&M -③側 メニュー 設定値 システム 基本設定 モデル定義 OD/E&M トランスレータ 発着統合 ログアウト - - ログイン ユーザ名 necvoipgw パスワード ipmaster104x システム ネットワーク設定 IP 設定 IP アドレス 192.168.1.142 ネットワークマスク 255.255.255.0 デフォルトゲートウェイ 192.168.1.1 SIP SIP 設定 SIP サーバ情報設定 サーバ番号 6 (OD-⑥の設定) サーバ名 OD-6(任意) サーバ IP アドレス 192.168.1.145 (OD-⑦の設定) サーバ番号 7 サーバ名 OD-7(任意) サーバ IP アドレス 192.168.1.146 2-45
  • 57.
    231-ND2824-000 第2章 こんなサービスを行いたい 1.0 版 2009 年 8 月 2.2 設定例 メニュー 設定値 回線 回線設定 回線ポート設定 回線タイプ OD-PBX (0 ポート目の設定) ポート番号 0/0/0 Route 1 TN 1 トランク番号 800 Originating Name 800@192.168.1.142 回線信号 PB 回線制御方式 接続確認(ウィンク)接続 回線ポート設定 回線タイプ OD-PBX (1 ポート目の設定) ポート番号 0/0/1 Route 1 TN 1 トランク番号 801 Originating Name 801@192.168.1.142 回線信号 PB 回線制御方式 接続確認(ウィンク)接続 回線ポート設定 回線タイプ OD-PBX (2 ポート目の設定) ポート番号 0/0/2 Route 1 TN 1 トランク番号 802 Originating Name 802@192.168.1.142 回線信号 PB 回線制御方式 接続確認(ウィンク)接続 回線ポート設定 回線タイプ OD-PBX (3 ポート目の設定) ポート番号 0/0/3 Route 1 TN 1 トランク番号 803 Originating Name 803@192.168.1.142 回線信号 PB 回線制御方式 接続確認(ウィンク)接続 番号計画 番号前翻訳 先頭桁番号 6 3 番号展開 回線⇒SIP 着信 (迂回の選択) 迂回有 (TEL300 番から TEL600 番 着信展開番号 6 を呼び出す場合) 1st サーバ番号 6 番号削除 0 番号付加 0 2nd サーバ番号 7 SIP⇒回線発信 (迂回の選択) 迂回無 (TEL600 番から TEL300 番 発信展開番号 3 を呼び出す場合) Route 番号 1 番号削除 0 番号付加 0 データセーブ - - 保守機能 再起動 - - 2-46
  • 58.
    231-ND2824-000 第2章 こんなサービスを行いたい 1.0 版 2009 年 8 月 2.2 設定例 [7] SIP⇒回線発信時ルート迂回 Route:1 が全話中の時に、Route:2 に迂回させる場合の設定例です。 (本設定例では Route:1(ポート 0・1)が全話中の場合は、Route:2(ポート 2・3)に迂回します。) ここでは PBX を 800 局としています。 800局 SIPサーバー IP Address:192.32.16.10 PBX ドメイン名:ipmaster.com OD/E&M Route:1 0 Route:1 300番 1 Route:2 2 Route:2 500番 3 0 回線:トランク 1 SIP端末(200番) 1 回線:トランク 2 2 回線:トランク 3 3 回線:トランク 4 IP Address:192.32.16.102 Subnet Mask:255.255.255.0 default-gateway:192.32.16.254 信号方式:WINK/PB ※設定の必要な項目のみ記載しています。各入力画面の詳細は“第 3 章”をご確認下さい。 メニュー 設定値 システム 基本設定 モデル定義 OD/E&M トランスレータ 発着統合 ログアウト - - ログイン ユーザ名 necvoipgw パスワード ipmaster104x システム ネットワーク設定 IP 設定 IP アドレス 192.32.16.102 ネットワークマスク 255.255.255.0 デフォルトゲートウェイ 192.32.16.254 SIP SIP 設定 SIP サーバ情報設定 ドメイン名 ipmaster.com サーバ番号 1 サーバ名 SipServer(任意) サーバ IP アドレス 192.32.16.10 回線 回線設定 回線ポート設定 回線タイプ OD-PBX (0 ポート目の設定) ポート番号 0/0/0 Route 1 TN 1 トランク番号 800 Originating Name 800@192.32.16.102 回線信号 PB 回線制御方式 接続確認(ウィンク)接続 回線ポート設定 回線タイプ OD-PBX (1 ポート目の設定) ポート番号 0/0/1 Route 1 TN 1 トランク番号 801 Originating Name 801@192.32.16.102 回線信号 PB 回線制御方式 接続確認(ウィンク)接続 2-47
  • 59.
    231-ND2824-000 第2章 こんなサービスを行いたい 1.0 版 2009 年 8 月 2.2 設定例 メニュー 設定値 回線 回線設定 回線ポート設定 回線タイプ OD-PBX (2 ポート目の設定) ポート番号 0/0/2 Route 2 TN 1 トランク番号 802 Originating Name 802@192.32.16.102 回線信号 PB 回線制御方式 接続確認(ウィンク)接続 回線ポート設定 回線タイプ OD-PBX (3 ポート目の設定) ポート番号 0/0/3 Route 2 TN 1 トランク番号 803 Originating Name 803@192.32.16.102 回線信号 PB 回線制御方式 接続確認(ウィンク)接続 番号計画 番号前翻訳 先頭桁番号 2 3 番号展開 回線⇒SIP 着信 (迂回の選択) 迂回無 (PBX 収容 TEL300 番から 着信展開番号 2 SIP 端末 200 番を呼び出す サーバ番号 1 場合) 番号削除 0 番号付加 0 SIP⇒回線発信 (迂回の選択) 迂回有 (SIP 端末から PBX 内線 発信展開番号 3 300 番を呼び出す場合) 1st Route 1 (Route1 が全話中の場合 番号削除 0 は Route2 に迂回) 番号付加 0 2nd Route 2 番号削除 0 番号付加 0 SIP⇒回線発信 (迂回の選択) 迂回無 (SIP 端末から PBX 内線 発信展開番号 5 500 番を呼び出す場合) Route 番号 2 番号削除 0 番号付加 0 データセーブ - - 保守機能 再起動 - - 2-48
  • 60.
    231-ND2824-000 第2章 こんなサービスを行いたい 1.0 版 2009 年 8 月 2.2 設定例 2.2.4 UNIVERGE IPMASTER-1043A(BRI)…ISDN-NET [1] SIPサーバー連携-通常設定 SIPサーバー経由でSIP端末に発着信させる場合(3.2.1 項( 3-9ページ) 「システム-基本設定」トランスレータで “発着統合”を選択)の設定例です。 (ホットライン接続) ここでは PBX を 900 局としています。 900局 SIPサーバー IP Address:192.32.16.10 PBX ドメイン名:ipmaster.com ISDN-NET 0 300番 1 2 3 LINE0:トランク 1 SIP端末(200番) ~ :トランク 2 LINE1:トランク 3 SIP端末(203番) :トランク 4 IP Address:192.32.16.103 Subnet Mask:255.255.255.0 default-gateway:192.32.16.254 ※設定の必要な項目のみ記載しています。各入力画面の詳細は“第 3 章”をご確認下さい。 メニュー 設定値 システム 基本設定 モデル定義 ISDN-NET トランスレータ 発着統合 ログアウト - - ログイン ユーザ名 necvoipgw パスワード ipmaster104x システム ネットワーク設定 IP 設定 IP アドレス 192.32.16.103 ネットワークマスク 255.255.255.0 デフォルトゲートウェイ 192.32.16.254 SIP SIP 設定 SIP サーバ情報設定 ドメイン名 ipmaster.com サーバ番号 1 サーバ名 SipServer(任意) サーバ IP アドレス 192.32.16.10 回線 回線設定 回線ポート設定 回線タイプ ISDN-NET (0 ポート目の設定) ポート番号 0/0/0 Route 1 TN 1 トランク番号 900 情報転送能力 音声 Originating Name 900@192.32.16.103 回線制御方式 ホットライン接続 ホットライン接続電話番号 200@ipmaster.com 回線ポート設定 回線タイプ ISDN-NET (1 ポート目の設定) ポート番号 0/0/1 Route 1 TN 1 トランク番号 900 情報転送能力 音声 Originating Name 900@192.32.16.103 回線制御方式 ホットライン接続 ホットライン接続電話番号 201@ipmaster.com 2-49
  • 61.
    231-ND2824-000 第2章 こんなサービスを行いたい 1.0 版 2009 年 8 月 2.2 設定例 メニュー 設定値 回線 回線設定 回線ポート設定 回線タイプ ISDN-NET (2 ポート目の設定) ポート番号 0/0/2 Route 1 TN 1 トランク番号 901 情報転送能力 音声 Originating Name 901@192.32.16.103 回線制御方式 ホットライン接続 ホットライン接続電話番号 202@ipmaster.com 回線ポート設定 回線タイプ ISDN-NET (3 ポート目の設定) ポート番号 0/0/3 Route 1 TN 1 トランク番号 901 情報転送能力 音声 Originating Name 901@192.32.16.103 回線制御方式 ホットライン接続 ホットライン接続電話番号 203@ipmaster.com 詳細設定 LINE-0 接続形式 ポイント・ポイント ※契約内容による ポイント・マルチポイント の選択 LINE-1 接続形式 ポイント・ポイント ※契約内容による ポイント・マルチポイント の選択 番号計画 番号展開 回線⇒SIP 着信 (迂回の選択) 迂回無 (PBX 収容 TEL300 番から 着信展開番号 2 SIP 端末 200 番を呼び出す サーバ番号 1 場合) 番号削除 0 番号付加 0 SIP⇒回線発信 (迂回の選択) 迂回無 (SIP 端末から PBX 内線 発信展開番号 3 300 番を呼び出す場合) Route 番号 1 番号削除 0 番号付加 0 データセーブ - - 保守機能 再起動 - - 2-50
  • 62.
    231-ND2824-000 第2章 こんなサービスを行いたい 1.0 版 2009 年 8 月 2.2 設定例 [2] SIPサーバー連携-トランスレータ分離 SIPサーバー経由でSIP端末に発着信させる場合(3.2.1 項( 3-9ページ)「システム-基本設定」トランスレータで “発着分離”を選択) の設定例です。 (番号展開を、回線⇒SIP方向はTN[1]、SIP⇒回線方向はTN[2]で登録します。) ここでは PBX を 900 局としています。 900局 SIPサーバー IP Address:192.32.16.10 PBX ドメイン名:ipmaster.com ISDN-NET 0 300番 1 2 3 LINE0:トランク 1 SIP端末(200番) :トランク 2 LINE1:トランク 3 :トランク 4 IP Address:192.32.16.103 Subnet Mask:255.255.255.0 default-gateway:192.32.16.254 ※設定の必要な項目のみ記載しています。各入力画面の詳細は“第 3 章”をご確認下さい。 メニュー 設定値 システム 基本設定 モデル定義 ISDN-NET トランスレータ 発着分離 ログアウト - - ログイン ユーザ名 necvoipgw パスワード ipmaster104x システム ネットワーク設定 IP 設定 IP アドレス 192.32.16.103 ネットワークマスク 255.255.255.0 デフォルトゲートウェイ 192.32.16.254 SIP SIP 設定 SIP サーバ情報設定 ドメイン名 ipmaster.com サーバ番号 1 サーバ名 SipServer(任意) サーバ IP アドレス 192.32.16.10 回線 回線設定 回線ポート設定 回線タイプ ISDN-NET (0 ポート目の設定) ポート番号 0/0/0 Route 1 TN 2 トランク番号 900 情報転送能力 音声 Originating Name 900@192.32.16.103 回線制御方式 着信番号接続 回線ポート設定 回線タイプ ISDN-NET (1 ポート目の設定) ポート番号 0/0/1 Route 1 TN 2 トランク番号 900 情報転送能力 音声 Originating Name 900@192.32.16.103 回線制御方式 着信番号接続 2-51
  • 63.
    231-ND2824-000 第2章 こんなサービスを行いたい 1.0 版 2009 年 8 月 2.2 設定例 メニュー 設定値 回線 回線設定 回線ポート設定 回線タイプ ISDN-NET (2 ポート目の設定) ポート番号 0/0/2 Route 1 TN 2 トランク番号 901 情報転送能力 音声 Originating Name 901@192.32.16.103 回線制御方式 着信番号接続 回線ポート設定 回線タイプ ISDN-NET (3 ポート目の設定) ポート番号 0/0/3 Route 1 TN 2 トランク番号 901 情報転送能力 音声 Originating Name 901@192.32.16.103 回線制御方式 着信番号接続 詳細設定 LINE-0 接続形式 ポイント・ポイント ※契約内容による ポイント・マルチポイント の選択 LINE-1 接続形式 ポイント・ポイント ※契約内容による ポイント・マルチポイント の選択 番号計画 番号展開 回線⇒SIP 着信 (迂回の選択) 迂回無 (PBX 収容 TEL300 番から 着信展開番号 2 SIP 端末 200 番を呼び出す サーバ番号 1 場合) 番号削除 0 番号付加 0 SIP⇒回線発信 (迂回の選択) 迂回無 (SIP 端末から PBX 内線 発信展開番号 3 300 番を呼び出す場合) Route 番号 1 番号削除 0 番号付加 0 データセーブ - - 保守機能 再起動 - - 2-52
  • 64.
    231-ND2824-000 第2章 こんなサービスを行いたい 1.0 版 2009 年 8 月 2.2 設定例 [3] スタティック接続(ISDN-NET-FXO) SIP サーバーを経由(使用)せず、直接接続相手に発着信させる場合の設定例です。 (ISDN-NET から FO/FXO へ発信する場合の番号計画を“03-1234-XXXX”とした場合の設定例です。) ここでは PBX を 900 局としています。 ※サーバ番号は“1~127”の範囲で設定する事ができます。 900局 FO/FXO-③ PBX 0 ISDN-NET-⑤ 1 PSTN網 0 2 300番 1 3 2 3 IP Address:192.168.1.141 Subnet Mask:255.255.255.0 LINE0:トランク 1 default-gateway:192.168.1.1 :トランク 2 LINE1:トランク 3 :トランク 4 IP Address:192.168.1.143 Subnet Mask:255.255.255.0 default-gateway:192.168.1.1 ※設定の必要な項目のみ記載しています。各入力画面の詳細は“第 3 章”をご確認下さい。 ISDN-NET-⑤側 メニュー 設定値 システム 基本設定 モデル定義 ISDN-NET トランスレータ 発着統合 ログアウト - - ログイン ユーザ名 necvoipgw パスワード ipmaster104x システム ネットワーク設定 IP 設定 IP アドレス 192.168.1.143 ネットワークマスク 255.255.255.0 デフォルトゲートウェイ 192.168.1.1 SIP SIP 設定 SIP サーバ情報設定 ドメイン名 ipmaster.com サーバ番号 3 サーバ名 FXO-3(任意) サーバ IP アドレス 192.168.1.141 回線 回線設定 回線ポート設定 回線タイプ ISDN-NET (0 ポート目の設定) ポート番号 0/0/0 Route 1 TN 1 トランク番号 900 情報転送能力 音声 Originating Name 900@192.168.1.143 回線制御方式 着信番号接続 回線ポート設定 回線タイプ ISDN-NET (1 ポート目の設定) ポート番号 0/0/1 Route 1 TN 1 トランク番号 900 情報転送能力 音声 Originating Name 900@192.168.1.143 回線制御方式 着信番号接続 2-53
  • 65.
    231-ND2824-000 第2章 こんなサービスを行いたい 1.0 版 2009 年 8 月 2.2 設定例 メニュー 設定値 回線 回線設定 回線ポート設定 回線タイプ ISDN-NET (2 ポート目の設定) ポート番号 0/0/2 Route 1 TN 1 トランク番号 901 情報転送能力 音声 Originating Name 901@192.168.1.143 回線制御方式 着信番号接続 回線ポート設定 回線タイプ ISDN-NET (3 ポート目の設定) ポート番号 0/0/3 Route 1 TN 1 トランク番号 901 情報転送能力 音声 Originating Name 901@192.168.1.143 回線制御方式 着信番号接続 詳細設定 LINE-0 接続形式 ポイント・ポイント ※契約内容による ポイント・マルチポイント の選択 LINE-1 接続形式 ポイント・ポイント ※契約内容による ポイント・マルチポイント の選択 番号計画 番号展開 回線⇒SIP 着信 (迂回の選択) 迂回無 (PBX 収容 TEL300 番から 着信展開番号 03 FXO 側 PSTN 網 サーバ番号 3 (03-1234-XXXX)を呼び出 番号削除 0 す場合) 番号付加 0 SIP⇒回線発信 (迂回の選択) 迂回無 (FXO 側 PSTN 網から PBX 発信展開番号 3 内線 300 番を呼び出す場 Route 番号 1 合) 番号削除 0 番号付加 0 データセーブ - - 保守機能 再起動 - - 2-54
  • 66.
    231-ND2824-000 第2章 こんなサービスを行いたい 1.0 版 2009 年 8 月 2.2 設定例 [4] サーバー障害時接続先指定 SIP サーバーに障害が発生した時に、直接 SIP 端末に接続する場合の設定例です。 (SIP サーバーの障害時に、SIP 端末 600 番に直接接続する設定例です。) ここでは PBX を 900 局としています。 900局 SIPサーバー IP Address:192.32.16.10 PBX ドメイン名:ipmaster.com ISDN-NET × 0 300番 1 2 3 SIP端末(200番) 0 回線:トランク 1 SIP端末(600番) 1 回線:トランク 2 (非常用受付電話機) 2 回線:トランク 3 IP Address : 192.32.16.109 3 回線:トランク 4 IP Address:192.32.16.103 Subnet Mask:255.255.255.0 default-gateway:192.32.16.254 ※設定の必要な項目のみ記載しています。各入力画面の詳細は“第 3 章”をご確認下さい。 メニュー 設定値 システム 基本設定 モデル定義 ISDN-NET トランスレータ 発着統合 ログアウト - - ログイン ユーザ名 necvoipgw パスワード ipmaster104x システム ネットワーク設定 IP 設定 IP アドレス 192.32.16.103 ネットワークマスク 255.255.255.0 デフォルトゲートウェイ 192.32.16.254 SIP SIP 設定 SIP サーバ情報設定 ドメイン名 ipmaster.com サーバ番号 1 サーバ名 SipServer(任意) サーバ IP アドレス 192.32.16.10 (非常用受付電話機) サーバ番号 2 サーバ名 TEL600(任意) サーバ IP アドレス 192.32.16.109 SIP サービス設定 サーバ障害監視タイマー 6秒 サーバ障害接続先指定 有 サーバ障害接続先付加数字 1 パターン番号 サーバ障害時の迂回方式 パイロット・サーキュラから選択 回線 回線設定 回線ポート設定 回線タイプ ISDN-NET (0 ポート目の設定) ポート番号 0/0/0 Route 1 TN 1 トランク番号 900 情報転送能力 音声 Originating Name 900@192.32.16.103 回線制御方式 着信番号接続 2-55
  • 67.
    231-ND2824-000 第2章 こんなサービスを行いたい 1.0 版 2009 年 8 月 2.2 設定例 メニュー 設定値 回線 回線設定 回線ポート設定 回線タイプ ISDN-NET (1 ポート目の設定) ポート番号 0/0/1 Route 1 TN 1 トランク番号 900 情報転送能力 音声 Originating Name 900@192.32.16.103 回線制御方式 着信番号接続 回線ポート設定 回線タイプ ISDN-NET (2 ポート目の設定) ポート番号 0/0/2 Route 1 TN 1 トランク番号 901 情報転送能力 音声 Originating Name 901@192.32.16.103 回線制御方式 着信番号接続 回線ポート設定 回線タイプ ISDN-NET (3 ポート目の設定) ポート番号 0/0/3 Route 1 TN 1 トランク番号 901 情報転送能力 音声 Originating Name 901@192.32.16.103 回線制御方式 着信番号接続 詳細設定 LINE-0 接続形式 ポイント・ポイント ※契約内容による ポイント・マルチポイント の選択 LINE-1 接続形式 ポイント・ポイント ※契約内容による ポイント・マルチポイント の選択 番号計画 番号展開 回線⇒SIP 着信 (迂回の選択) 迂回有 (PBX 収容 TEL300 番から 着信展開番号 2 SIP 端末 200 番を呼び出す 1st(サーバ番号) 1 場合) 番号削除 0 番号付加 0 2nd(サーバ番号) 2 SIP⇒回線発信 (迂回の選択) 迂回無 (SIP 端末から PBX 内線 発信展開番号 3 300 番を呼び出す場合) Route 番号 1 番号削除 0 番号付加 0 番号付加 付加数字パターン番号 1 付加数字 600 データセーブ - - 保守機能 再起動 - - 2-56
  • 68.
    231-ND2824-000 第2章 こんなサービスを行いたい 1.0 版 2009 年 8 月 2.2 設定例 [5] SIP⇒回線発信時ポート分け SIP サーバーからの受信番号によって、回線ポートを使い分ける場合の設定例です。 (本設定例では 300 番の場合はポート 0・1、500 番の場合はポート 2・3 を使います。) ここでは PBX を 900 局としています。 900局 SIPサーバー IP Address:192.32.16.10 PBX ドメイン名:ipmaster.com ISDN-NET Route:1 0 Route:1 300番 1 Route:2 2 Route:2 500番 3 LINE0:トランク 1 SIP端末(200番) :トランク 2 LINE1:トランク 3 :トランク 4 IP Address:192.32.16.103 Subnet Mask:255.255.255.0 default-gateway:192.32.16.254 ※設定の必要な項目のみ記載しています。各入力画面の詳細は“第 3 章”をご確認下さい。 メニュー 設定値 システム 基本設定 モデル定義 ISDN-NET トランスレータ 発着統合 ログアウト - - ログイン ユーザ名 necvoipgw パスワード ipmaster104x システム ネットワーク設定 IP 設定 IP アドレス 192.32.16.103 ネットワークマスク 255.255.255.0 デフォルトゲートウェイ 192.32.16.254 SIP SIP 設定 SIP サーバ情報設定 ドメイン名 ipmaster.com サーバ番号 1 サーバ名 SipServer(任意) サーバ IP アドレス 192.32.16.10 回線 回線設定 回線ポート設定 回線タイプ ISDN-NET (0 ポート目の設定) ポート番号 0/0/0 Route 1 TN 1 トランク番号 900 情報転送能力 音声 Originating Name 900@192.32.16.103 回線制御方式 着信番号接続 回線ポート設定 回線タイプ ISDN-NET (1 ポート目の設定) ポート番号 0/0/1 Route 1 TN 1 トランク番号 900 情報転送能力 音声 Originating Name 900@192.32.16.103 回線制御方式 着信番号接続 2-57
  • 69.
    231-ND2824-000 第2章 こんなサービスを行いたい 1.0 版 2009 年 8 月 2.2 設定例 メニュー 設定値 回線 回線設定 回線ポート設定 回線タイプ ISDN-NET (2 ポート目の設定) ポート番号 0/0/2 Route 2 TN 1 トランク番号 901 情報転送能力 音声 Originating Name 901@192.32.16.103 回線制御方式 着信番号接続 回線ポート設定 回線タイプ ISDN-NET (3 ポート目の設定) ポート番号 0/0/3 Route 2 TN 1 トランク番号 901 情報転送能力 音声 Originating Name 901@192.32.16.103 回線制御方式 着信番号接続 詳細設定 LINE-0 接続形式 ポイント・ポイント ※契約内容による ポイント・マルチポイント の選択 LINE-1 接続形式 ポイント・ポイント ※契約内容による ポイント・マルチポイント の選択 番号計画 番号展開 回線⇒SIP 着信 (迂回の選択) 迂回無 (PBX 収容内線 300 番、500 着信展開番号 2 番から SIP 端末 200 番を サーバ番号 1 呼び出す場合) 番号削除 0 番号付加 0 SIP⇒回線発信 (迂回の選択) 迂回無 (SIP 端末から PBX 内線 発信展開番号 3 300 番を呼び出す場合) Route 番号 1 番号削除 0 番号付加 0 SIP⇒回線発信 (迂回の選択) 迂回無 (SIP 端末から PBX 内線 発信展開番号 5 500 番を呼び出す場合) Route 番号 2 番号削除 0 番号付加 0 データセーブ - - 保守機能 再起動 - - 2-58
  • 70.
    231-ND2824-000 第2章 こんなサービスを行いたい 1.0 版 2009 年 8 月 2.2 設定例 [6] SIP⇒回線発信時ルート迂回 Route:1 が全話中の時に、Route:2 に迂回させる場合の設定例です。 (本設定例では Route:1(ポート 0・1)が全話中の場合は、Route:2(ポート 2・3)に迂回します。) ここでは PBX を 900 局としています。 900局 SIPサーバー IP Address:192.32.16.10 PBX ドメイン名:ipmaster.com ISDN-NET Route:1 0 Route:1 300番 1 Route:2 2 Route:2 500番 3 LINE0:トランク 1 SIP端末(200番) :トランク 2 LINE1:トランク 3 :トランク 4 IP Address:192.32.16.103 Subnet Mask:255.255.255.0 default-gateway:192.32.16.254 ※設定の必要な項目のみ記載しています。各入力画面の詳細は“第 3 章”をご確認下さい。 メニュー 設定値 システム 基本設定 モデル定義 ISDN-NET トランスレータ 発着統合 ログアウト - - ログイン ユーザ名 necvoipgw パスワード ipmaster104x システム ネットワーク設定 IP 設定 IP アドレス 192.32.16.103 ネットワークマスク 255.255.255.0 デフォルトゲートウェイ 192.32.16.254 SIP SIP 設定 SIP サーバ情報設定 ドメイン名 ipmaster.com サーバ番号 1 サーバ名 SipServer(任意) サーバ IP アドレス 192.32.16.10 回線 回線設定 回線ポート設定 回線タイプ ISDN-NET (0 ポート目の設定) ポート番号 0/0/0 Route 1 TN 1 トランク番号 900 情報転送能力 音声 Originating Name 900@192.32.16.103 回線制御方式 着信番号接続 回線ポート設定 回線タイプ ISDN-NET (1 ポート目の設定) ポート番号 0/0/1 Route 1 TN 1 トランク番号 900 情報転送能力 音声 Originating Name 900@192.32.16.103 回線制御方式 着信番号接続 2-59
  • 71.
    231-ND2824-000 第2章 こんなサービスを行いたい 1.0 版 2009 年 8 月 2.2 設定例 メニュー 設定値 回線 回線設定 回線ポート設定 回線タイプ ISDN-NET (2 ポート目の設定) ポート番号 0/0/2 Route 2 TN 1 トランク番号 901 情報転送能力 音声 Originating Name 901@192.32.16.103 回線制御方式 着信番号接続 回線ポート設定 回線タイプ ISDN-NET (3 ポート目の設定) ポート番号 0/0/3 Route 2 TN 1 トランク番号 901 情報転送能力 音声 Originating Name 901@192.32.16.103 回線制御方式 着信番号接続 詳細設定 LINE-0 接続形式 ポイント・ポイント ※契約内容による ポイント・マルチポイント の選択 LINE-1 接続形式 ポイント・ポイント ※契約内容による ポイント・マルチポイント の選択 番号計画 番号展開 回線⇒SIP 着信 (迂回の選択) 迂回無 (PBX 収容内線 300 番、500 着信展開番号 2 番から SIP 端末 200 番を サーバ番号 1 呼び出す場合) 番号削除 0 番号付加 0 SIP⇒回線発信 (迂回の選択) 迂回有 (SIP 端末から PBX 内線 発信展開番号 3 300 番を呼び出す場合) 1st Route 1 (Route1 が全話中の場合 番号削除 0 は Route2 に迂回) 番号付加 0 2nd Route 2 番号削除 0 番号付加 0 SIP⇒回線発信 (迂回の選択) 迂回無 (SIP 端末から PBX 内線 発信展開番号 5 500 番を呼び出す場合) Route 番号 2 番号削除 0 番号付加 0 データセーブ - - 保守機能 再起動 - - 2-60
  • 72.
    231-ND2824-000 第2章 こんなサービスを行いたい 1.0 版 2009 年 8 月 2.2 設定例 2.2.5 UNIVERGE IPMASTER-1043A(BRI)…ISDN-USER ※PSTN 網から受信するダイヤルイン番号は回線契約によって『市外局番が含まれない』パターンと『市外局番が含ま れる』パターンの 2 種類あります。本設定例では、 『市外局番が含まれない』パターンで説明します。 例)PSTN 網から“04-7101-1000”をダイヤルした時に、『市外局番が含まれない』場合は“7101-1000”を受信し ます。 [1] SIPサーバー連携-通常設定 SIPサーバー経由でSIP端末に発着信させる場合(3.2.1 項( 3-9ページ) 「システム-基本設定」トランスレータで “発着統合”を選択)の設定例です。 SIPサーバー IP Address:192.32.16.10 ドメイン名:ipmaster.com 契約回線番号 ISDN-USER 04-7101-1000 0 PSTN網 1 04-7101-1001 2 3 LINE0 :トランク 1 SIP端末(5000番) :トランク 2 LINE1 :トランク 3 :トランク 4 IP Address:192.32.16.104 Subnet Mask:255.255.255.0 default-gateway:192.32.16.254 ※設定の必要な項目のみ記載しています。各入力画面の詳細は“第 3 章”をご確認下さい。 メニュー 設定値 システム 基本設定 モデル定義 ISDN-USER トランスレータ 発着統合 ログアウト - - ログイン ユーザ名 necvoipgw パスワード ipmaster104x システム ネットワーク設定 IP 設定 IP アドレス 192.32.16.104 ネットワークマスク 255.255.255.0 デフォルトゲートウェイ 192.32.16.254 SIP SIP 設定 SIP サーバ情報設定 ドメイン名 ipmaster.com サーバ番号 1 サーバ名 SipServer(任意) サーバ IP アドレス 192.32.16.10 回線 回線設定 回線ポート設定 回線タイプ ISDN-USER (0 ポート目の設定) ポート番号 0/0/0 Route 1 TN 1 トランク番号 0471011000 情報転送能力 音声 Originating Name 0471011000@192.32.16.104 回線制御方式 着信番号接続 回線ポート設定 回線タイプ ISDN-USER (1 ポート目の設定) ポート番号 0/0/1 Route 1 TN 1 トランク番号 0471011000 情報転送能力 音声 Originating Name 0471011000@192.32.16.104 回線制御方式 着信番号接続 2-61
  • 73.
    231-ND2824-000 第2章 こんなサービスを行いたい 1.0 版 2009 年 8 月 2.2 設定例 メニュー 設定値 回線 回線設定 回線ポート設定 回線タイプ ISDN-USER (2 ポート目の設定) ポート番号 0/0/2 Route 1 TN 1 トランク番号 0471011001 情報転送能力 音声 Originating Name 0471011001@192.32.16.104 回線制御方式 着信番号接続 回線ポート設定 回線タイプ ISDN-USER (3 ポート目の設定) ポート番号 0/0/3 Route 1 TN 1 トランク番号 0471011001 情報転送能力 音声 Originating Name 0471011001@192.32.16.104 回線制御方式 着信番号接続 詳細設定 LINE-0 接続形式 ポイント・ポイント ※契約内容による ポイント・マルチポイント の選択 LINE-1 接続形式 ポイント・ポイント ※契約内容による ポイント・マルチポイント の選択 番号計画 番号前翻訳 先頭桁番号 7 8 番号展開 回線⇒SIP 着信 (迂回の選択) 迂回無 (PSTN 網から SIP 端末 着信展開番号 7101 5000 番を呼び出す場合) サーバ番号 1 番号削除 8(全桁削除) 番号付加 1 SIP⇒回線発信 (迂回の選択) 迂回無 (SIP 端末から PSTN 網 発信展開番号 03 (03-1234-XXXX)を呼び出 Route 番号 1 す場合) 番号削除 0 番号付加 0 番号付加 付加数字パターン番号 1 付加数字 5000 データセーブ - - 保守機能 再起動 - - 2-62
  • 74.
    231-ND2824-000 第2章 こんなサービスを行いたい 1.0 版 2009 年 8 月 2.2 設定例 [2] SIPサーバー連携-トランスレータ分離 SIPサーバー経由でSIP端末に発着信させる場合(3.2.1 項( 3-9ページ) 「システム-基本設定」トランスレータで “発着分離” を選択)の設定例です。(ホットライン接続) (番号展開を、 回線⇒SIP方向はTN[1]、SIP⇒回線方向はTN[2] で登録します。 ) SIPサーバー IP Address:192.32.16.10 ドメイン名:ipmaster.com 契約回線番号 ISDN-USER 04-7101-1000 0 PSTN網 1 04-7101-1001 2 3 SIP端末(5000番) ~ LINE0 :トランク 1 SIP端末(5003番) :トランク 2 LINE1 :トランク 3 :トランク 4 IP Address:192.32.16.104 Subnet Mask:255.255.255.0 default-gateway:192.32.16.254 ※設定の必要な項目のみ記載しています。各入力画面の詳細は“第 3 章”をご確認下さい。 メニュー 設定値 システム 基本設定 モデル定義 ISDN-USER トランスレータ 発着分離 ログアウト - - ログイン ユーザ名 necvoipgw パスワード ipmaster104x システム ネットワーク設定 IP 設定 IP アドレス 192.32.16.104 ネットワークマスク 255.255.255.0 デフォルトゲートウェイ 192.32.16.254 SIP SIP 設定 SIP サーバ情報設定 ドメイン名 ipmaster.com サーバ番号 1 サーバ名 SipServer(任意) サーバ IP アドレス 192.32.16.10 回線 回線設定 回線ポート設定 回線タイプ ISDN-USER (0 ポート目の設定) ポート番号 0/0/0 Route 1 TN 2 トランク番号 0471011000 情報転送能力 音声 Originating Name 0471011000@192.32.16.104 回線制御方式 ホットライン接続 ホットライン接続電話番号 5000@ipmaster.com 回線ポート設定 回線タイプ ISDN-USER (1 ポート目の設定) ポート番号 0/0/1 Route 1 TN 2 トランク番号 0471011000 情報転送能力 音声 Originating Name 0471011000@192.32.16.104 回線制御方式 ホットライン接続 ホットライン接続電話番号 5001@ipmaster.com 2-63
  • 75.
    231-ND2824-000 第2章 こんなサービスを行いたい 1.0 版 2009 年 8 月 2.2 設定例 メニュー 設定値 回線 回線設定 回線ポート設定 回線タイプ ISDN-USER (2 ポート目の設定) ポート番号 0/0/2 Route 1 TN 2 トランク番号 0471011001 情報転送能力 音声 Originating Name 0471011001@192.32.16.104 回線制御方式 ホットライン接続 ホットライン接続電話番号 5002@ipmaster.com 回線ポート設定 回線タイプ ISDN-USER (3 ポート目の設定) ポート番号 0/0/3 Route 1 TN 2 トランク番号 0471011001 情報転送能力 音声 Originating Name 0471011001@192.32.16.104 回線制御方式 ホットライン接続 ホットライン接続電話番号 5003@ipmaster.com 詳細設定 LINE-0 接続形式 ポイント・ポイント ※契約内容による ポイント・マルチポイント の選択 LINE-1 接続形式 ポイント・ポイント ※契約内容による ポイント・マルチポイント の選択 番号計画 番号前翻訳 先頭桁番号 5 4 番号展開 回線⇒SIP 着信 (迂回の選択) 迂回無 (PSTN 網から SIP 端末 着信展開番号 5 5000 番を呼び出す場合) サーバ番号 1 番号削除 0 番号付加 0 SIP⇒回線発信 (迂回の選択) 迂回無 (SIP 端末から PSTN 網 発信展開番号 03 (03-1234-XXXX)を呼び出 Route 番号 1 す場合) 番号削除 0 番号付加 0 データセーブ - - 保守機能 再起動 - - 2-64
  • 76.
    231-ND2824-000 第2章 こんなサービスを行いたい 1.0 版 2009 年 8 月 2.2 設定例 [3] スタティック接続(ISDN-USER-FXO) SIP サーバーを経由(使用)せず、直接接続相手に発着信させる場合の設定例です。 (ISDN-USER から FO/FXO へ発信する場合の番号計画を“03-1234-XXXX”とした場合の設定例です。) ※サーバ番号は“1~127”の範囲で設定する事ができます。 FO/FXO-④ 0 契約回線番号 ISDN-USER-⑥ 1 PSTN網 04-7101-1000 0 2 PSTN網 1 3 04-7101-1001 2 3 IP Address : 192.168.1.141 Subnet Mask : 255.255.255.0 LINE0 :トランク 1 default-gateway : 192.168.1.1 :トランク 2 LINE1 :トランク 3 :トランク 4 IP Address:192.168.1.144 Subnet Mask:255.255.255.0 default-gateway:192.168.1.1 ※設定の必要な項目のみ記載しています。各入力画面の詳細は“第 3 章”をご確認下さい。 ISDN-USER-⑥側 メニュー 設定値 システム 基本設定 モデル定義 ISDN-USER トランスレータ 発着統合 ログアウト - - ログイン ユーザ名 necvoipgw パスワード ipmaster104x システム ネットワーク設定 IP 設定 IP アドレス 192.168.1.144 ネットワークマスク 255.255.255.0 デフォルトゲートウェイ 192.168.1.1 SIP SIP 設定 SIP サーバ情報設定 ドメイン名 ipmaster.com サーバ番号 4 サーバ名 FXO-4(任意) サーバ IP アドレス 192.168.1.141 回線 回線設定 回線ポート設定 回線タイプ ISDN-USER (0 ポート目の設定) ポート番号 0/0/0 Route 1 TN 1 トランク番号 0471011000 情報転送能力 音声 Originating Name 0471011000@192.168.1.144 回線制御方式 着信番号接続 回線ポート設定 回線タイプ ISDN-USER (1 ポート目の設定) ポート番号 0/0/1 Route 1 TN 1 トランク番号 0471011000 情報転送能力 音声 Originating Name 0471011000@192.168.1.144 回線制御方式 着信番号接続 2-65
  • 77.
    231-ND2824-000 第2章 こんなサービスを行いたい 1.0 版 2009 年 8 月 2.2 設定例 メニュー 設定値 回線 回線設定 回線ポート設定 回線タイプ ISDN-USER (2 ポート目の設定) ポート番号 0/0/2 Route 1 TN 1 トランク番号 0471011001 情報転送能力 音声 Originating Name 0471011001@192.168.1.144 回線制御方式 着信番号接続 回線ポート設定 回線タイプ ISDN-USER (3 ポート目の設定) ポート番号 0/0/3 Route 1 TN 1 トランク番号 0471011001 情報転送能力 音声 Originating Name 0471011001@192.168.1.144 回線制御方式 着信番号接続 詳細設定 LINE-0 接続形式 ポイント・ポイント ※契約内容による ポイント・マルチポイント の選択 LINE-1 接続形式 ポイント・ポイント ※契約内容による ポイント・マルチポイント の選択 番号計画 番号前翻訳 先頭桁番号 7 8 番号展開 回線⇒SIP 着信 (迂回の選択) 迂回無 (BRI 側 PSTN 網から FXO 着信展開番号 7101 側 PSTN 網(04-7102-1000) サーバ番号 4 を呼び出す場合) 番号削除 8(全桁削除) 番号付加 1 SIP⇒回線発信 (迂回の選択) 迂回無 (FXO 側 PSTN 網から BRI 発信展開番号 04 側 PSTN 網(04-7185-XXXX) Route 番号 1 を呼び出す場合) 番号削除 0 番号付加 0 番号付加 付加数字パターン番号 1 付加数字 0471021000 データセーブ - - 保守機能 再起動 - - 2-66
  • 78.
    231-ND2824-000 第2章 こんなサービスを行いたい 1.0 版 2009 年 8 月 2.2 設定例 [4] サーバー障害時接続先指定 SIP サーバーに障害が発生した時に、直接 SIP 端末に接続する場合の設定例です。 (SIP サーバーの障害時に、SIP 端末 6000 番に直接接続する設定例です。) SIPサーバー IP Address:192.32.16.10 ドメイン名:ipmaster.com 契約回線番号 ISDN-USER × 04-7101-1000 0 PSTN網 1 04-7101-1001 2 3 SIP端末(5000番) LINE0 :トランク 1 SIP端末(6000番) :トランク 2 (非常用受付電話機) LINE1 :トランク 3 IP Address : 192.32.16.109 :トランク 4 IP Address:192.32.16.104 Subnet Mask:255.255.255.0 default-gateway:192.32.16.254 ※設定の必要な項目のみ記載しています。各入力画面の詳細は“第 3 章”をご確認下さい。 メニュー 設定値 システム 基本設定 モデル定義 ISDN-USER トランスレータ 発着統合 ログアウト - - ログイン ユーザ名 necvoipgw パスワード ipmaster104x システム ネットワーク設定 IP 設定 IP アドレス 192.32.16.104 ネットワークマスク 255.255.255.0 デフォルトゲートウェイ 192.32.16.254 SIP SIP 設定 SIP サーバ情報設定 ドメイン名 ipmaster.com サーバ番号 1 サーバ名 SipServer(任意) サーバ IP アドレス 192.32.16.10 (非常用受付電話機) サーバ番号 2 サーバ名 TEL6000(任意) サーバ IP アドレス 192.32.16.109 SIP サービス設定 サーバ障害監視タイマー 6秒 サーバ障害接続先指定 有 サーバ障害接続先付加数字 2 パターン番号 サーバ障害時の迂回方式 パイロット・サーキュラから選択 回線 回線設定 回線ポート設定 回線タイプ ISDN-USER (0 ポート目の設定) ポート番号 0/0/0 Route 1 TN 1 トランク番号 0471011000 情報転送能力 音声 Originating Name 0471011000@192.32.16.104 回線制御方式 着信番号接続 2-67
  • 79.
    231-ND2824-000 第2章 こんなサービスを行いたい 1.0 版 2009 年 8 月 2.2 設定例 メニュー 設定値 回線 回線設定 回線ポート設定 回線タイプ ISDN-USER (1 ポート目の設定) ポート番号 0/0/1 Route 1 TN 1 トランク番号 0471011000 情報転送能力 音声 Originating Name 0471011000@192.32.16.104 回線制御方式 着信番号接続 回線ポート設定 回線タイプ ISDN-USER (2 ポート目の設定) ポート番号 0/0/2 Route 1 TN 1 トランク番号 0471011001 情報転送能力 音声 Originating Name 0471011001@192.32.16.104 回線制御方式 着信番号接続 回線ポート設定 回線タイプ ISDN-USER (3 ポート目の設定) ポート番号 0/0/3 Route 1 TN 1 トランク番号 0471011001 情報転送能力 音声 Originating Name 0471011001@192.32.16.104 回線制御方式 着信番号接続 詳細設定 LINE-0 接続形式 ポイント・ポイント ※契約内容による ポイント・マルチポイント の選択 LINE-1 接続形式 ポイント・ポイント ※契約内容による ポイント・マルチポイント の選択 番号計画 番号前翻訳 先頭桁番号 7 8 番号展開 回線⇒SIP 着信 (迂回の選択) 迂回有 (PSTN 網から SIP 端末 着信展開番号 7101 5000 番を呼び出す場合) 1st(サーバ番号) 1 番号削除 8(全桁削除) 番号付加 1 2nd(サーバ番号) 2 SIP⇒回線発信 (迂回の選択) 迂回無 (SIP 端末から PSTN 網 発信展開番号 03 (03-1234-XXXX)を呼び出 Route 番号 1 す場合) 番号削除 0 番号付加 0 番号付加 付加数字パターン番号 1 付加数字 5000 付加数字パターン番号 2 付加数字 6000 データセーブ - - 保守機能 再起動 - - 2-68
  • 80.
    231-ND2824-000 第2章 こんなサービスを行いたい 1.0 版 2009 年 8 月 2.2 設定例 [5] SIP⇒回線発信時ポート分け SIP サーバーからの受信番号によって、回線ポートを使い分ける場合の設定例です。 (本設定例では 03-XXXX-XXXX の場合はポート 0・1、04-XXXX-XXXX の場合はポート 2・3 を使います。) SIPサーバー IP Address:192.32.16.10 ドメイン名:ipmaster.com 契約回線番号 ISDN-USER 04-7101-1000 0 PSTN網 1 04-7101-1001 2 3 LINE0 :トランク 1 SIP端末(5000番) :トランク 2 LINE1 :トランク 3 :トランク 4 IP Address:192.32.16.104 Subnet Mask:255.255.255.0 default-gateway:192.32.16.254 ※設定の必要な項目のみ記載しています。各入力画面の詳細は“第 3 章”をご確認下さい。 メニュー 設定値 システム 基本設定 モデル定義 ISDN-USER トランスレータ 発着統合 ログアウト - - ログイン ユーザ名 necvoipgw パスワード ipmaster104x システム ネットワーク設定 IP 設定 IP アドレス 192.32.16.104 ネットワークマスク 255.255.255.0 デフォルトゲートウェイ 192.32.16.254 SIP SIP 設定 SIP サーバ情報設定 ドメイン名 ipmaster.com サーバ番号 1 サーバ名 SipServer(任意) サーバ IP アドレス 192.32.16.10 回線 回線設定 回線ポート設定 回線タイプ ISDN-USER (0 ポート目の設定) ポート番号 0/0/0 Route 1 TN 1 トランク番号 0471011000 情報転送能力 音声 Originating Name 0471011000@192.32.16.104 回線制御方式 着信番号接続 回線ポート設定 回線タイプ ISDN-USER (1 ポート目の設定) ポート番号 0/0/1 Route 1 TN 1 トランク番号 0471011000 情報転送能力 音声 Originating Name 0471011000@192.32.16.104 回線制御方式 着信番号接続 2-69
  • 81.
    231-ND2824-000 第2章 こんなサービスを行いたい 1.0 版 2009 年 8 月 2.2 設定例 メニュー 設定値 回線 回線設定 回線ポート設定 回線タイプ ISDN-USER (2 ポート目の設定) ポート番号 0/0/2 Route 2 TN 1 トランク番号 0471011001 情報転送能力 音声 Originating Name 0471011001@192.32.16.104 回線制御方式 着信番号接続 回線ポート設定 回線タイプ ISDN-USER (3 ポート目の設定) ポート番号 0/0/3 Route 2 TN 1 トランク番号 0471011001 情報転送能力 音声 Originating Name 0471011001@192.32.16.104 回線制御方式 着信番号接続 詳細設定 LINE-0 接続形式 ポイント・ポイント ※契約内容による ポイント・マルチポイント の選択 LINE-1 接続形式 ポイント・ポイント ※契約内容による ポイント・マルチポイント の選択 番号計画 番号前翻訳 先頭桁番号 7 8 番号展開 回線⇒SIP 着信 (迂回の選択) 迂回無 (PSTN 網から SIP 端末 着信展開番号 7101 5000 番を呼び出す場合) サーバ番号 1 番号削除 8(全桁削除) 番号付加 1 SIP⇒回線発信 (迂回の選択) 迂回無 (SIP 端末から PSTN 網 発信展開番号 03 (03-1234-XXXX)を呼び出 Route 番号 1 す場合) 番号削除 0 番号付加 0 SIP⇒回線発信 (迂回の選択) 迂回無 (SIP 端末から PSTN 網 発信展開番号 04 (04-7185-XXXX)を呼び出 Route 番号 2 す場合) 番号削除 0 番号付加 0 番号付加 付加数字パターン番号 1 付加数字 5000 データセーブ - - 保守機能 再起動 - - 2-70
  • 82.
    231-ND2824-000 第2章 こんなサービスを行いたい 1.0 版 2009 年 8 月 2.2 設定例 [6] SIP⇒回線発信時ルート迂回 Route:1 が全話中の時に、Route:2 に迂回させる場合の設定例です。 (本設定例では Route:1(ポート 0・1)が全話中の場合は、Route:2(ポート 2・3)に迂回します。) SIPサーバー IP Address:192.32.16.10 ドメイン名:ipmaster.com 契約回線番号 ISDN-USER 04-7101-1000 0 PSTN網 1 04-7101-1001 2 3 LINE0 :トランク 1 SIP端末(5000番) :トランク 2 LINE1 :トランク 3 :トランク 4 IP Address:192.32.16.104 Subnet Mask:255.255.255.0 default-gateway:192.32.16.254 ※設定の必要な項目のみ記載しています。各入力画面の詳細は“第 3 章”をご確認下さい。 メニュー 設定値 システム 基本設定 モデル定義 ISDN-USER トランスレータ 発着統合 ログアウト - - ログイン ユーザ名 necvoipgw パスワード ipmaster104x システム ネットワーク設定 IP 設定 IP アドレス 192.32.16.104 ネットワークマスク 255.255.255.0 デフォルトゲートウェイ 192.32.16.254 SIP SIP 設定 SIP サーバ情報設定 ドメイン名 ipmaster.com サーバ番号 1 サーバ名 SipServer(任意) サーバ IP アドレス 192.32.16.10 回線 回線設定 回線ポート設定 回線タイプ ISDN-USER (0 ポート目の設定) ポート番号 0/0/0 Route 1 TN 1 トランク番号 0471011000 情報転送能力 音声 Originating Name 0471011000@192.32.16.104 回線制御方式 着信番号接続 回線ポート設定 回線タイプ ISDN-USER (1 ポート目の設定) ポート番号 0/0/1 Route 1 TN 1 トランク番号 0471011000 情報転送能力 音声 Originating Name 0471011000@192.32.16.104 回線制御方式 着信番号接続 2-71
  • 83.
    231-ND2824-000 第2章 こんなサービスを行いたい 1.0 版 2009 年 8 月 2.2 設定例 メニュー 設定値 回線 回線設定 回線ポート設定 回線タイプ ISDN-USER (2 ポート目の設定) ポート番号 0/0/2 Route 2 TN 1 トランク番号 0471011001 情報転送能力 音声 Originating Name 0471011001@192.32.16.104 回線制御方式 着信番号接続 回線ポート設定 回線タイプ ISDN-USER (3 ポート目の設定) ポート番号 0/0/3 Route 2 TN 1 トランク番号 0471011001 情報転送能力 音声 Originating Name 0471011001@192.32.16.104 回線制御方式 着信番号接続 詳細設定 LINE-0 接続形式 ポイント・ポイント ※契約内容による ポイント・マルチポイント の選択 LINE-1 接続形式 ポイント・ポイント ※契約内容による ポイント・マルチポイント の選択 番号計画 番号前翻訳 先頭桁番号 7 8 番号展開 回線⇒SIP 着信 (迂回の選択) 迂回無 (PSTN 網から SIP 端末 着信展開番号 7101 5000 番を呼び出す場合) サーバ番号 1 番号削除 8(全桁削除) 番号付加 1 SIP⇒回線発信 (迂回の選択) 迂回有 (SIP 端末から PSTN 網 発信展開番号 03 (03-1234-XXXX)を呼び出 1st Route 1 す場合) 番号削除 0 (Route1 が全話中の場合 番号付加 0 は Route2 に迂回) 2nd Route 2 番号削除 0 番号付加 0 SIP⇒回線発信 (迂回の選択) 迂回無 (SIP 端末から PSTN 網 発信展開番号 04 (04-7185-XXXX)を呼び出 Route 番号 2 す場合) 番号削除 0 番号付加 0 番号付加 付加数字パターン番号 1 付加数字 5000 データセーブ - - 保守機能 再起動 - - 2-72
  • 84.
    231-ND2824-000 第2章 こんなサービスを行いたい 1.0 版 2009 年 8 月 9.0 版 2009 年 8 月 2.3 SNMP 設定例 2.3 SNMP 設定例 本 SNMP 機能では 1 台の SNMP マネージャが複数台の IPMASTER の監視を行うことが可能です。 また 1 台の IPMASTER が複数台の SNMP マネージャからの Get request を受け付ける(※)事もでき、複数台の SNMP マネー ジャに TRAP を送信することも可能です。 ※複数台の SNMP マネージャから Get request を受け付ける場合は、SNMP マネージャのポート番号を統一して下さい。 SNMP マネージャが 2 台(A、B)と IPMASTER が 2 台(IPMASTER-1、IPMASTER-2)が同一ネットワーク内に存在する場合の設 定例を以下に示します。 SNMPマ ー ャA ネ ジ SNMPマ ー ャB ネ ジ IPア レ : ド ス 192.168.0.15 IPア レ : ド ス 192.168.0.115 コ ュ テ 名 public_snmp ミ ニ ィ : コ ュ テ 名 private_snmp ミ ニ ィ : ポ ト 号 161 ー 番 : ポ ト 号 161 ー 番 : TRAPコ ュ テ 名 TRAP_IPM-A ミ ニ ィ : TRAPコ ュ テ 名 TRAP_IPM-B ミ ニ ィ : SNMPバ ジ ン V1 ー ョ : SNMPバ ジ ン V2 ー ョ : ① ② IPア レ : ド ス 192.168.0.10 IPア レ : ド ス 192.168.0.110 ロ ー ョ 情 : ケ シ ン 報 IPMASTER-1 ロ ー ョ 情 : ケ シ ン 報 IPMASTER-2 管 者 報 SNMP_Manager A 理 情 : 管 者 報 SNMP_Manager B 理 情 : ポ ト 号 161 ー 番 : ポ ト 号 161 ー 番 : コ ュ テ 名 public_snmp ミ ニ ィ : コ ュ テ 名 private_snmp ミ ニ ィ : ホ ト ー : ス ネ ム IPMASTER-1 ホトー: ス ネ ム IPMASTER-2 ネ ト ー 範 :192.168.0.15/32 ッ ワ ク 囲 ネ ト ー 範 :192.168.0.115/32 ッ ワ ク 囲 TRAP送 先IPア レ : 信 ド ス 192.168.0.15 TRAP送 先IPア レ : 信 ド ス 192.168.0.115 TRAPコ ュ テ 名 TRAP_IPM-A ミ ニ ィ : TRAPコ ュ テ 名 TRAP_IPM-B ミ ニ ィ : TRAPポ ト 号 162 ー 番 : TRAPポ ト 号 162 ー 番 : TRAPバ ジ ン V1 ー ョ : TRAPバ ジ ン V2 ー ョ : ① SNMPマネージャAとIPMASTER-1 間のSNMP設定 SNMP マネージャ A と IPMASTER-1 間の Get request、Get response、 及び TRAP 設定を行う場合は、まず SNMP マネー ジャ A の SNMP マネージャソフトウェアにコミュニティ名、ポート番号、TRAP コミュニティ名、SNMP バージョン指 定の設定を行い、IPMASTER-1 を監視対象として登録します。 SNMP マネージャ A の設定に合わせ、IPMASTER-1 に以下の SNMP 設定を行います。 IPMASTER-1 の SNMP 設定 メニュー 設定値 保守機能 SNMP SNMP システム設定 ロケーション情報 IPMASTER-1 管理者情報 SNMP_Manager A ポート番号 161 コミュニティ設定 コミュニティ名 public_snmp ネットワーク範囲(左) 192.168.0.15 ネットワーク範囲(右) 32 または 255.255.255.255 SNMP TRAP 設定 IP アドレス 192.168.0.15 SNMP バージョン V1 TRAP コミュニティ名 TRAP_IPM-A TRAP ポート番号 162 2-73
  • 85.
    231-ND2824-000 第2章 こんなサービスを行いたい 1.0 版 2009 年 8 月 9.0 版 2009 年 8 月 2.3 SNMP 設定例 ② SNMPマネージャBとIPMASTER-2 間のSNMP設定 SNMP マネージャ B と IPMASTER-2 間の Get request、Get response 、及び TRAP 設定を行う場合は、まず SNMP マネー ジャ B の SNMP マネージャソフトウェアにコミュニティ名、ポート番号、TRAP コミュニティ名、SNMP バージョン指定 の設定を行い、IPMASTER-2 を監視対象として登録します。 SNMP マネージャ B の設定に合わせ、IPMASTER-2 に以下の SNMP 設定を行います。 IPMASTER-2 の SNMP 設定 メニュー 設定値 保守機能 SNMP SNMP システム設定 ロケーション情報 IPMASTER-2 管理者情報 SNMP_Manager B ポート番号 161 コミュニティ設定 コミュニティ名 private_snmp ネットワーク範囲(左) 192.168.0.115 ネットワーク範囲(右) 32 または 255.255.255.255 SNMP TRAP 設定 IP アドレス 192.168.0.115 SNMP バージョン V2 TRAP コミュニティ名 TRAP_IPM-B TRAP ポート番号 162 2-74
  • 86.
    231-ND2824-000 第2章 こんなサービスを行いたい 1.0 版 2009 年 8 月 9.0 版 2009 年 8 月 2.3 SNMP 設定例 SNMP マネージャが IPMASTER を複数台管理する場合の例を以下に示します。 SNMPマ ー ャA ネ ジ IPア レ : ド ス 192.168.0.15 SNMPマ ー ャB ネ ジ IPア レ : ド ス 192.168.0.115 コ ュ テ 名 public_snmp ミ ニ ィ : コ ュ テ 名 private_snmp ミ ニ ィ : ポ ト 号 161 ー 番 : ポ ト 号 161 ー 番 : TRAPコ ュ テ 名 TRAP_IPM-A ミ ニ ィ : TRAPコ ュ テ 名 TRAP_IPM-B ミ ニ ィ : SNMPバ ジ ン V1 ー ョ : SNMPバ ジ ン V2 ー ョ : ④ ③ コ ュ テ 名 private_snmp ミ ニ ィ : コ ュ テ 名 public_snmp ミ ニ ィ : ネ ト ー 範 :192.168.0.115/32 ッ ワ ク 囲 ネ ト ー 範 :192.168.0.15/32 ッ ワ ク 囲 TRAP送 先IPア レ : 信 ド ス 192.168.0.115 TRAP送 先IPア レ : 信 ド ス 192.168.0.15 TRAPコ ュ テ 名 TRAP_IPM-B ミ ニ ィ : TRAPコ ュ テ 名 TRAP_IPM-A ミ ニ ィ : TRAPポ ト 号 162 ー 番 : TRAPポ ト 号 162 ー 番 : ホトー: ス ネ ム IPMASTER-1 TRAPバ ジ ン V2 ー ョ : ホトー: ス ネ ム IPMASTER-2 TRAPバ ジ ン V1 ー ョ : ③ SNMPマネージャBとIPMASTER-1 間のSNMP設定 IPMASTER-1 が SNMP マネージャ B からの Get request を受け付け、SNMP マネージャ B に対して TRAP を送信する設定を 行う場合は、SNMP マネージャ B の監視対象に IPMASTER-1 を追加登録し、IPMASTER-1 に以下の設定を追加して下さい。 SNMP マネージャ B と IPMASTER-1 間の追加設定 メニュー 設定値 保守機能 SNMP コミュニティ設定 コミュニティ名 private_snmp ネットワーク範囲(左) 192.168.0.115 ネットワーク範囲(右) 32 または 255.255.255.255 SNMP TRAP 設定 IP アドレス 192.168.0.115 SNMP バージョン V2 TRAP コミュニティ名 TRAP_IPM-B TRAP ポート番号 162 ④ SNMPマネージャAとIPMASTER-2 間のSNMP設定 IPMASTER-2 が SNMP マネージャ A からの Get request を受け付け、SNMP マネージャ A に対して TRAP を送信する設定を 行う場合は、SNMP マネージャ A の監視対象に IPMASTER-2 を追加登録し、IPMASTER-2 に以下の設定を追加して下さい。 SNMP マネージャ A と IPMASTER-2 間の追加設定 メニュー 設定値 保守機能 SNMP コミュニティ設定 コミュニティ名 public_snmp ネットワーク範囲(左) 192.168.0.15 ネットワーク範囲(右) 32 または 255.255.255.255 SNMP TRAP 設定 IP アドレス 192.168.0.15 SNMP バージョン V1 TRAP コミュニティ名 TRAP_IPM-A TRAP ポート番号 162 2-75
  • 87.
    231-ND2824-000 第2章 こんなサービスを行いたい 1.0 版 2009 年 8 月 9.0 版 2009 年 8 月 2.4 INFO メッセージ受信 2.4 INFO メッセージ受信 IPMASTER は受信された SIP/INFO メッセージから PB 音を再生し、PBX(or PSTN)へ音として送出します。 ※config 設定は必要ありません。 PB 音再生を行う SIP/INFO メッセージの例を以下に示します。 INFO sip:2143302100@172.17.2.33 SIP/2.0 Via: SIP/2.0/UDP 172.80.2.100:5060 From: <sip:9724401003@172.80.2.100>;tag=43 To: <sip:2143302100@172.17.2.33>;tag=9753.0207 Call-ID: 984072_15401962@172.80.2.100 CSeq: 25634 INFO Supported: 100rel Supported: timer Content-Length: 26 Content-Type: application/dtmf-relay Signal= 1 Duration= 100 Content-Type: application/dtmf-relay … 内容にDTMF-Relay信号を含むことを示します。 Signal= 1 … DTMFの“1”の信号であることを示します。 Duration= 100 … DTMF信号の継続時間が 100msであることを示します。 2-76
  • 88.
    231-ND2824-000 第3章 入力画面の詳細説明 1.0 版 2009 年 8 月 第3章 入力画面の詳細説明 本章では、装置の各入力画面の説明をします。 システム 基本設定 モデル定義・保留音等の設定 3.2.1 項( 3-9ページ) 時計設定 本装置の時刻設定 3.2.2 項( 3-11ページ) SNTP 設定 SNTPの設定 3.2.3 項( 3-12ページ) ネットワーク設定 IP 設定 IP アドレス関連の設定 3.2.4-[1]項( 3-14ページ) 音声パケット設定 ジッターバッファ・ペイロードサイズ等の設定 3.2.4-[2]項( 3-17ページ) 回線 回線設定 回線ポート設定 電話端末・回線の登録 3.3.1-[1]項( 3-22ページ) 詳細設定 各種タイマー等の設定 3.3.1-[2]項( 3-39ページ) ルート設定 ルート情報の設定 3.3.2 項( 3-44ページ) SIP SIP 設定 SIPサーバ情 設 報 定 SIP サーバー、PROXY サーバーに関係するデータ等を設定 3.4.1-[1]項( 3-50ページ) SIP サービス設定 SIP に関するサービスの設定 3.4.1-[2]項( 3-53ページ) 番号計画 番号前翻訳 受信桁数情報を設定 3.5.1 項( 3-58ページ) 番号展開 SIP⇒回線発信 相手先トランクルートを指定 3.5.2-[1]項( 3-60ページ) 回線⇒SIP 着信 接続先SIPサーバーを指定 3.5.2-[2]項( 3-64ページ) 番号付加 発信系接続の処理で使用する付加番号情報の設定 3.5.3 項( 3-71ページ) 代表選択 電話番号のグループ化。話中時に迂回する 3.5.4 項( 3-74ページ) 保守機能 回線状態表示 回線状態(空き・話中等)の表示 3.7.1 項( 3-79ページ) SIP サーバ SIPサーバーの状態表示 3.7.2 項( 3-81ページ) 状態表示 システムログ表示 ログ表示 収集したシステムログの表示 3.7.3-[1]項( 3-83ページ) ログ収集設定 表示するログのレベル・書込み周期の設定 3.7.3-[2]項( 3-86ページ) ログ削除 システムログの削除 3.7.3-[3]項( 3-88ページ) システムログ情報をホストマシン(PC)に保存 ログファイルの保存 3.7.3-[4]項( 3-89ページ) License 登録 ※本機能は使用しません。 (次ページへ続く) 3-1
  • 89.
    231-ND2824-000 第3章 入力画面の詳細説明 1.0 版 2009 年 8 月 (前ページの続き) SNMP SNMP システム設定 SNMP のシステム管理情報の設定 3.7.5-[1]項( 3-94ページ) コミュニティ設定 Get request を受け付ける為の設定 3.7.5-[2]項( 3-95ページ) SNMP TRAP 設定 TRAP 送信先サーバーの設定 3.7.5-[3]項( 3-98ページ) 発着信履歴 SIP→回線 SIP→回線方向の発信通話履歴の表示 3.7.6-[1]項( 3-102ページ) 回線→SIP 回線→SIP 方向の発信通話履歴の表示 3.7.6-[2]項( 3-105ページ) 履歴収集設定 発着信履歴の収集設定・書込み周期の設定 3.7.6-[3]項( 3-109ページ) 履歴ログ保存 発着新履歴ログ情報をホストマシン(PC)に保存 3.7.6-[4]項( 3-110ページ) バックアップ ホストマシンへセーブ コンフィグデータをホストマシンへセーブする 3.7.7-[1]項( 3-114ページ) ホストマシンからロード コンフィグデータをホストマシンからロードする 3.7.7-[2]項( 3-116ページ) config 一覧出力 コンフィグの一覧を出力する 3.7.7-[3]項( 3-118ページ) バージョン UP サービスプログラムをバージョンアップする 3.7.8 項( 3-120ページ) 再起動 本装置を再起動する 3.7.9 項( 3-123ページ) システム初期化 コンフィグデータを工場出荷状態に戻す 3.7.10 項( 3-124ページ) ユーザ管理 ユーザ情報変更 ユーザ登録/削除 保守・工事対応のユーザ登録・削除 3.8.1-[1]-<1>項( 3-128ページ) パスワード変更 パスワードの変更 3.8.1-[1]-<3>項( 3-131ページ) アクセス制限 WEB アクセス制限 WEB コンソールにアクセス可能な IP アドレス登録・削除 3.8.2-[1]項( 3-133ページ) TELNET/FTP TELNET/FTP アクセス可能な IP アドレス登録・削除 アクセス制限 3.8.2-[2]項( 3-134ページ) データセーブ コンフィグデータのセーブ 3.6 項( 3-77ページ) コマンド 旧機種用のコマンドメニュー(本書では説明は省いています。) ログアウト ログアウトします(セキュリティー対策の為、席を離れる場合はログアウトして下さい。) 3-2
  • 90.
    231-ND2824-000 第3章 入力画面の詳細説明 1.0 版 2009 年 8 月 本装置の入力画面の操作方法を説明します。 ・設定 : 入力した内容を登録する場合にクリックします。 また上記の画面の場合、既に登録済みのデータを修正した後にクリックすると、登録 内容を変更することができます。 ・クリア : 入力中のデータをクリアする場合にクリックします。 ・追加 : 新規登録する場合にクリックすると、登録画面が表示されます。 ・削除 : 登録済みデータの右側にあるチェックボックスにチェックを入れた後にクリック すると、登録データを削除します。 ・全て選択 : 登録済みデータの右側にあるチェックボックスに全てチェックを入れます。 ・全て解除 : 登録済みデータの右側にあるチェックボックスのチェックを全て外します。 ・中止 : 入力作業を中止し、前画面に戻ります。 ※WEB ブラウザの戻るボタンの注意事項 コンフィグデータの登録で、 “追加”ボタンをクリックした時、画面下部のボタン表示は「設定、クリア、中止」 等を表示しています。ここで WEB ブラウザの“戻る”ボタンをクリックすると、「削除、全て選択、全て削除」等 の表示になりますが、「削除、全て選択、 全て削除」をクリックしても動作しません。 (画面左側のメニューをクリッ クして下さい。 ) 3-3
  • 91.
    231-ND2824-000 第3章 入力画面の詳細説明 1.0 版 2009 年 8 月 ・HELP : 各メニューの HELP 画面を表示します。 3-4
  • 92.
    231-ND2824-000 第3章 入力画面の詳細説明 1.0 版 2009 年 8 月 3.1 ログイン 3.1 ログイン 3.1.1 初回ログイン (1) WEBブラウザのアドレス欄に「http://192.168.0.100/login.html」(デフォルトアドレス)を入力し、 ログイン画面を起動します。 (2) “ユーザ名”に necvoipgw を入力します。 (3) “パスワード”は何も入力せずにログインをクリックします。 ※ログイン数の制限 複数の WEB ブラウザからの同時ログインは、データ登録の競合やエラー発生の不具合がある為、 行わないで下さい。 ※ログイン後、 1 時間何もしない状態から操作すると、 約 Timeout 機能が働きログイン画面が表示されますので、 その場合は再ログインして下さい。 また同じ状態から WEB ブラウザの“最新の情報に更新(F5)”を操作すると、Timeout のメッセージが 2 つ表示 される場合があります。 3-5
  • 93.
    231-ND2824-000 第3章 入力画面の詳細説明 1.0 版 2009 年 8 月 3.1 ログイン 3.1.2 2 回目以降のログイン (1) WEBブラウザのアドレス欄に「http://192.168.0.100/login.html」(デフォルトアドレス)を入力し、 ログイン画面を起動します。 ※IPアドレスを変更した場合は、“192.168.0.100”を新しいIPアドレスと置き換えて入力して下さい。 (2) ユーザ名”に necvoipgw を入力します。 (3) “パスワード”に ipmaster104x を入力します。 ※このパスワードは、初回ログイン後、データメモリに管理者のデフォルトのパスワードとして、自動的に登 録されます。 ※『3.8.1 <3> パスワード変更』 ( 3-131ページ)でパスワードを変更した場合は、変更後のパスワードを 入力して下さい。 (4) “ログイン”をクリックします。 ※ログイン不可 V05-00-000 以降のバージョンでログインして“データセーブ”実行後に V05-00-000 より前にバージョン ダウンした場合は、ログインできなくなってしまいますので、ご注意下さい。 万一、ログインできなくなった場合は、保守窓口へお問い合わせ下さい。 3-6
  • 94.
    231-ND2824-000 第3章 入力画面の詳細説明 1.0 版 2009 年 8 月 3.1 ログイン 3.1.3 ログイン後の画面 ログインすると、上記の画面が表示されます。 ※モデル定義を設定していない場合、下記のエラーメッセージが表示されます。 1 回目のログイン直後に、『3.2.1 基本設定』( 3-9ページ)から、モデル定義を登録して下さい。 3-7
  • 95.
    231-ND2824-000 第3章 入力画面の詳細説明 1.0 版 2009 年 8 月 3.2 システムの設定 3.2 システムの設定 (1) “システム”をクリックすると、上記の画面が表示されます。 3-8
  • 96.
    231-ND2824-000 第3章 入力画面の詳細説明 1.0 版 2009 年 8 月 3.2 システムの設定 3.2.1 基本設定 (1) “基本設定”をクリックすると、上記の画面が表示されます。 (2) “モデル定義”を選択します。 ・FS/FXS : UNIVERGE IPMASTER-1040A(FXS) ・FO/FXO : UNIVERGE IPMASTER-1041A(FXO) ・OD/E&M : UNIVERGE IPMASTER-1042A(OD) ・ISDN-NET : UNIVERGE IPMASTER-1043A(BRI) ・ISDN-USER : UNIVERGE IPMASTER-1043A(BRI) ※本装置のモデルとモデル定義が一致しない場合、正常に動作しませんので注意して下さい。 ※IPMASTER-1043A(BRI)の場合、SW 設定により ISDN-NET、ISDN-USER を切り替えます。 詳細は、 “取扱説明書 第 2 章 表 2.1.3CONT SW 設定” 、又は“工事マニュアル 第 1 編 第 2 章 表 2.5.3”を参照 して下さい。 SW 設定を NT モードにした場合は、ISDN-NET を選択して下さい。TE モードにした場合は、ISDN-USER を選択して 下さい。 (SW 設定とモデル定義が一致しない場合、正常に動作しません。 ) ※IPMASTER-1043A(BRI)を iExpress5800 サーバーと連携する場合は、ISDN-USER を選択して下さい。 また、 UNIVERGE SV8500 および SV7000(以下、 本書では特記無き場合は SV8500 と記載)サーバーと連携する場合は、 ISDN-NET を選択して下さい。 注)モデル定義を設定、又は変更した場合は“設定”をクリック後、一度ログアウトして下さい。 ログアウトせずに、「回線-回線設定-回線ポート設定」を選択するとエラーが表示されたり、変更前のモデル内 容のメニューが表示されます。 (次ページへ続く) 3-9
  • 97.
    231-ND2824-000 第3章 入力画面の詳細説明 1.0 版 2009 年 8 月 3.2 システムの設定 (前ページの続き) (3) “トランスレータ”を選択します。 ・発着分離 :発信、及び着信の番号展開を分離 ・発着統合 :発信、及び着信の番号展開を統合(標準設定) ※コンフィグ登録済みの状態から “発着統合” に変更すると展開番号重複エラーが表示される場合が あります。その場合は対象の展開番号( 『3.5.2[1]SIP⇒回線発信』 ( 3-60ページ)、 『3.5.2 [2] 回線⇒SIP着信』 ( 3-64ページ) 又は 、 『3.3.1 [1]<1>回線ポート設定の追加 (FS/FXS) 』 ( 3-23ページ))を削除して、 “発着統合”に変更して下さい。 (4) “保留音種別”を選択します。 ・電子音(プーッププ…) (標準設定) ・メヌエット ・エリーゼのために ・ノクターン ※電子音以外を選択した場合、保留音レベルを調整することができます。 ※保留音レベルを調整する場合は、 保留音レベル有効にチェックを入れ、 下記の範囲でレベル調整を 行います。 (標準:0dB) ・FS/FXS、OD/E&M、ISDN-NET、ISDN-USER の場合 : Loss14dB ~ Gain14dB ・FO/FXO の場合 : Loss9dB ~ Gain9dB (5) “装置番号”を設定します。 ※UNIVERGE SV8500 サーバーの B2BUA 機能と連携する場合は、本装置の装置番号(GW-ID)を設定します。 ※必要に応じ、1~255 の範囲で設定して下さい。 (6) 入力内容を確認し“設定”をクリックします。 ※(3)トランスレータの詳細説明 発着分離とは、 回線⇒SIP着信時の番号展開とSIP⇒回線発信時の番号展開を分けることができる機能です。 例え ば、回線側の電話番号が 300 番で、SIP側の電話機が 301~304 番だったとします。これを発着統合で行おうとす ると、『3.5.2[1]SIP⇒回線発信』 ( 3-60ページ)で 300 番(発信展開番号 300)の番号展開を登録し、 『3.5.2 [2]回線⇒SIP着信』 ( 3-64ページ)で 301~304 番(着信番号展開 301~304)の番号展開を登録しなければ ならず、全部で 5 登録しなければなりません。 ここで発着分離を選択した場合、 発信と着信の番号展開を分けている為、 『3.5.2[1] SIP⇒回線発信』( 3-60 ページ)に 300 番(発信展開番号 3)の登録と、 『3.5.2[2]回線⇒SIP着信』( 3-64ページ)に 301~304 番(着 信展開番号 3)の登録だけで良く、全部で 2 登録するだけで済みます。 但し、同一装置内の電話番号を呼び出す時、発着統合の場合は番号展開を登録する必要はありませんが、発着 分離の場合は、一度 SIP 網経由で着信させる必要があります。 (発着統合と発着分離の設定例)回線側内線 300 番・SIP 電話 301~304 の場合… 『3.5.2[1]SIP⇒回線発信』 ( 3-60ページ)『3.5.2[2]回線⇒SIP着信』 、 ( 3-64ページ)の設定の 詳細は各項を参照して下さい。 発着統合 発着分離 ・「SIP⇒回線発信」 ・「SIP⇒回線発信」 発信展開番号 : 300 ① 発信展開番号 : 3 ① ・「回線⇒SIP 着信」 ・「回線⇒SIP 着信」 着信展開番号 : 301 ② 着信展開番号 : 3 ② 着信展開番号 : 302 ③ 着信展開番号 : 303 ④ 着信展開番号 : 304 ⑤ 計:5 登録 計:2 登録 3-10
  • 98.
    231-ND2824-000 第3章 入力画面の詳細説明 1.0 版 2009 年 8 月 3.2 システムの設定 3.2.2 時計設定 システム時計を設定します。 (1) “時計設定”をクリックします。 (2) 年、月、日、時、分 を設定します。 ※2006 年 4 月 3 日 10 時 00 分の設定例 年 : 06 月 : 04 日 : 03 時 : 10 分 : 00 ※「年」に何も入力しない状態で、 「月」「日」「時」「分」に規定外の値を入力した場合は、 ・ ・ ・ 「年に誤入力を 行った」という内容でエラーダイアログが表示されますが、これは、 「年」→「月」→「日」→「時」→「分」 の順番で誤入力があるかチェックする為です。 ※「年」は 04~37 の範囲で入力して下さい。 (3) 入力内容を確認し、“設定”をクリックします。 ※次ページの SNTP の設定が行われていない場合、バージョンアップ、再起動、又は電源を切ると時計情報が失われ ますので再設定が必要となります。 3-11
  • 99.
    231-ND2824-000 第3章 入力画面の詳細説明 1.0 版 2009 年 8 月 3.2 システムの設定 3.2.3 SNTP設定 (1) “SNTP 設定”をクリックします。 (2) IP アドレス : SNTP/NTP サーバーの IP アドレスを入力します。 (3) タイムゾーン : タイムゾーンを選択します。 ・GMT-12 ~ ・GMT+13 ※国内(日本)で使用する場合は“GMT+9(日本標準時:JST)”を指定して下さい。 (4) 入力内容を確認し“設定”をクリックします。 ※SNTP の設定をやめたい(登録内容を削除する)場合は、“削除”をクリックして下さい。 ※本メニューの設定後は、 “データセーブ”を実行して下さい。万が一“データセーブ”を実行せずに“再起 動”を実行した場合、時刻情報の問合せ・同期は行われていますが、本メニュー内は、設定前・変更前の内 容が表示されますので、ご注意下さい。 この場合は、再設定を行い“データセーブ”を実行して下さい。 3-12
  • 100.
    231-ND2824-000 第3章 入力画面の詳細説明 1.0 版 2009 年 8 月 3.2 システムの設定 3.2.4 ネットワーク設定 (1) “ネットワーク設定”をクリックすると、上記の画面が表示されます。 3-13
  • 101.
    231-ND2824-000 第3章 入力画面の詳細説明 1.0 版 2009 年 8 月 3.2 システムの設定 [1] IP設定 (1) “IP 設定”をクリックすると、上記の画面が表示されます。 (2) IP アドレス : 本装置に割り付ける新しい IP アドレスを入力します。 例) 192.168.0.200 (3) ネットワークマスク : ネットワークマスクを入力します。 例) 255.255.255.0 (4) デフォルトゲートウェイ: ネットワークに Router 等が設置される場合、デフォルトゲートウェイの IP アドレスを入力します。 例) 192.168.0.254 (5) ホストネーム : 本装置に対する任意のホストネームを入力します。 (最大 63 文字) ※使用できる文字は、半角英数字(0-9、a-z、A-Z)と“-”“.”です。 、 ※一度登録すると削除することはできません。 (6) LAN スピード : 通常はデフォルトの“auto”でも動作しますが、LAN 環境で必要な場合は設定し て下さい。 ・auto(標準設定) ・10M ・100M ※LAN スピードはネットワークに合わせたスピードを設定して下さい。10M のネットワークに 100M を設定する と本装置を出荷時の設定に戻す必要がありますので注意して下さい。出荷時の設定に戻す方法は取扱説明書 の「第 4 章 工場出荷状態への戻し方」 、又は工事・保守・運用マニュアルの「第 3 章 3.6 工場出荷設定へ の戻し方」を参照して下さい。 (次ページへ続く) 3-14
  • 102.
    231-ND2824-000 第3章 入力画面の詳細説明 1.0 版 2009 年 8 月 3.2 システムの設定 (前ページの続き) (7) LAN モード : 通常はデフォルトの“auto”でも動作しますが、LAN 環境で必要な場合は設定し て下さい。 ・auto(標準設定) ・half ・full ※(6)(7)のどちらかで“auto”を設定すると、auto-negotiation で起動します。 、 (8) SIP シグナリング : SIP 制御ポートを指定します。(デフォルト:5060 ポート) ※通常は設定する必要はありません。 ※1024 ~ 65535 の範囲で指定して下さい。 ※“0”を入力した場合は、標準値(5060 ポート)が設定されます。 (9) RTP 音声 : RTP 使用開始ポートを指定します。(デフォルト:16448 ポート) ※通常は設定する必要はありません。 ※1024 ~ 65535 の範囲で指定して下さい。 ※“0”を入力した場合は、標準値(16448 ポート)が設定されます。 (10)SIP シグナリング ToS : SIP シグナリング ToS の設定を選択、入力します。 ※通常は“ToS 標準設定”を指定します。 ※“ToS 標準設定” を設定した場合は、 Precedence = Internetwork Control(6) IP が設定されます。 ※Diffserv設定の詳細は『5.2 TOS値の設定方法の詳細』 ( 5-3ページ)を 参照して下さい。 (次ページへ続く) 3-15
  • 103.
    231-ND2824-000 第3章 入力画面の詳細説明 1.0 版 2009 年 8 月 3.2 システムの設定 (前ページの続き) (11)RTP 音声 ToS : RTP 音声 ToS の設定を選択、入力します。 ※通常は“ToS 標準設定”を指定します。 ※“ToS 標準設定”を設定した場合は、IP Precedence = CRITIC/ECP(5)が設定 されます。 ※Diffserv設定の詳細は『5.2 TOS値の設定方法の詳細』 ( 5-3ページ)を 参照して下さい。 (12)入力内容を確認し、“設定”をクリックします。 ※本メニューの設定内容は、再起動後に有効となります。“データセーブ”を実行後、“再起動”を実行して下さい。 再起動しない場合、誤作動の原因となりますので注意して下さい。 万が一“データセーブ”を実行せずに“再起動”を実行した場合(2)~(7)項目は、変更した内容で起動しま すが、本メニュー内は変更前の内容が表示されますので、注意して下さい。 この場合は、再設定を行い“データセーブ”を実行して“再起動”を実行して下さい。 3-16
  • 104.
    231-ND2824-000 第3章 入力画面の詳細説明 1.0 版 2009 年 8 月 3.2 システムの設定 [2] 音声パケット設定 本メニューは任意設定です。必要に応じて設定して下さい。 (1) “音声パケット設定”をクリックすると、上記の画面が表示されます。 (2) ジッタバッファ : ジッターバッファの制御方式を選択します。 ・static :常に同じバッファサイズで制御 ・dynamic :ゆらぎの大きさに応じてバッファサイズを動的に制御(標準設定) (3) バッファ最小サイズ : ジッターバッファの最小サイズを入力します。 ※標準値 (2)で dynamic 選択時 ・・・ 各音声圧縮方式のペイロードサイズ ※0 ~ 30 の範囲で指定して下さい。 ※“0”を入力した場合は、 “標準”(各音声圧縮方式のペイロードサイズ)値が 設定されます。 ※(2)で static を選択した場合は、入力する必要はありません。 (4) バッファ最大サイズ : ジッタバッファの最大サイズを入力します。 ※標準値(static、dynamic 共通) ・・・ 300ms ※0 ~ 30 の範囲で指定して下さい。 ※“0”を入力した場合は、 “標準”(300ms)値が設定されます。 (次ページへ続く) 3-17
  • 105.
    231-ND2824-000 第3章 入力画面の詳細説明 1.0 版 2009 年 8 月 3.2 システムの設定 (前ページの続き) ※(3)バッファ最小サイズ、 (4)バッファ最大サイズの登録例 50ms を設定したい場合… ・50ms = 5(n) * 10ms となりますので “5”を入力します。 (5) ペイロードサイズ : G.711、G.729a、G.723.1 のペイロードサイズを設定します。 ※G.711、G.729a の設定範囲 G.723.1 の設定範囲 ・標準(20ms) ・標準(30ms) ・10ms ・30ms ・20ms ・60ms ・30ms ・40ms (6) DTMF 方式 : DTMF 方式を選択します。 ・INBAND(標準設定) ・RFC2833 ・INFO ※INFO を選択した場合、 RFC2833 に対応しない装置に対して INFO メッセージに よる DTMF 信号を送出します。但し、DTMF 再生可能な装置のみ対象となりま す。 (7) ペイロードタイプ : ペイロードタイプを設定します。 ※(6)で“RFC2833”、又は“INFO”を選択した時のみ入力可能になります。 ※標準(101 番) ※96 ~ 127 番の範囲で変更可能です。 ※“0”を入力した場合は、標準値(101 番)が設定されます。 (8) SV7000FAX : SV8500 収容の FAX と接続する場合に設定します。 ・対応 ・未対応(標準設定) ※SV8500 サーバーと連携する場合は“対応”を選択して下さい。 (9) 接続する FAX : 接続を行う FAX の種類に合わせて“G3 FAX” 、又は“SuperG3 FAX”を選択します。 ・G3 FAX(標準設定) ・SuperG3 FAX ※G3 と SuperG3 が混在する場合は、“SuperG3 FAX”を選択して下さい。 ※SV8500 サーバーと連携する場合は“SuperG3 FAX”を選択して下さい。 (10)FAX Codec : FAX 通信で使用するコーデックを選択します。 ・FAX 検出無し(標準設定) ・G.711 ・G.726 ※SV8500 サーバーと連携する場合は“G.711”、又は“G.726”を選択して下さ い。 (11)FAX ペイロードサイズ : FAX 通信で使用するコーデックのペイロードサイズを設定します。 ※(10)で“G.711”、又は“G.726”を選択時に設定可能になります。 ・標準 (音声通話時のペイロードサイズと同じ) ・10ms ・20ms ・30ms ・40ms (次ページへ続く) 3-18
  • 106.
    231-ND2824-000 第3章 入力画面の詳細説明 1.0 版 2009 年 8 月 3.2 システムの設定 (前ページの続き) (12)FAX 送信 PAD : 回線から SIP 網に対する FAX 通信時の音量を調整する場合に設定します。 ※(10)で“G.711”、又は“G.726”を選択時に設定可能になります。 ※標準値を選択した場合は、音声の送信 PAD と同値となります。 また、設定可能範囲は「回線ポート設定」の送信 PAD と同じになります。 各モデルの「回線ポート設定」項を参照して下さい。 (13)FAX 受信 PAD : SIP 網から回線方向に対する FAX 通信時の音量を調整する場合に設定します。 ※(10)FAX Codec で“G.711”、又は“G.726”を選択時に設定可能になり ます。 ※標準値を選択した場合は、音声の受信 PAD と同値となります。 また、設定可能範囲は「回線ポート設定」の受信 PAD と同じになります。 各モデルの「回線ポート設定」項を参照して下さい。 (14)入力内容を確認し、“設定”をクリックします。 3-19
  • 107.
    231-ND2824-000 第3章 入力画面の詳細説明 1.0 版 2009 年 8 月 3.3 回線の設定 3.3 回線の設定 (1) “回線”をクリックすると、上記の画面が表示されます。 3-20
  • 108.
    231-ND2824-000 第3章 入力画面の詳細説明 1.0 版 2009 年 8 月 3.3 回線の設定 3.3.1 回線設定 (1) “回線設定”をクリックすると、上記の画面が表示されます。 3-21
  • 109.
    231-ND2824-000 第3章 入力画面の詳細説明 1.0 版 2009 年 8 月 3.3 回線の設定 [1] 回線ポート設定 (1) “回線ポート設定”をクリックすると、上記の画面が表示されます。 ※既に登録データが入っている場合は、登録データが表示されます。 何も登録されていない場合は、“No data in the memory.”が表示されます。 (2) “追加”ボタンをクリックします。 (全 4 ポート登録されている場合は“追加”ボタンは表示されません。 ) ※『3.2.1 基本設定』 ( 3-9ページ)の“モデル定義”で設定した内容により、以下の項目にお進み下さ い。 ・FS/FXS ・・・『<1> 回線ポート設定の追加(FS/FXS)( 』 3-23ページ) ・FO/FXO ・・・『<2> 回線ポート設定の追加(FO/FXO)( 』 3-26ページ) ・OD/E&M ・・・『<3> 回線ポート設定の追加(OD/E&M)( 』 3-29ページ) ・ISDN-NET ・・・『<4> 回線ポート設定の追加(ISDN-NET)( 』 3-32ページ) ・ISDN-USER ・・・『<5> 回線ポート設定の追加(ISDN-USER)( 』 3-35ページ) ※ 削除する場合は、『<6> 回線ポート設定の削除』( 3-38ページ)にお進み下さい。 3-22
  • 110.
    231-ND2824-000 第3章 入力画面の詳細説明 1.0 版 2009 年 8 月 3.3 回線の設定 <1> 回線ポート設定の追加(FS/FXS) (1) 『3.2.1 基本設定』 ( 3-9ページ)の“モデル定義”でFS/FXSを選択した場合、上記の画面が表示されます。 (2) 回線タイプ : 回線タイプを選択します。 ・FXS-PBX : 電話回線の登録に使用します。 (標準設定) “内線番号”によって番号翻訳が行われます。 ※通常はこの回線タイプを選択します。 ・FXS-DI : PBX ダイヤルイン機能を使用する場合の電話回線登録に使用 します。 (3) ポート番号 : 収容位置情報(0/0/0 ~ 0/0/3)を登録します。 ・0/0/0 : ポート 0 に対応 ・0/0/1 : ポート 1 に対応 ・0/0/2 : ポート 2 に対応 ・0/0/3 : ポート 3 に対応 ※使用するポート数分だけ登録して下さい。 ※自動的に空きポートを若番順に選択します。必要に応じてポート番号を選択し て下さい。 (次ページへ続く) 3-23
  • 111.
    231-ND2824-000 第3章 入力画面の詳細説明 1.0 版 2009 年 8 月 3.3 回線の設定 (前ページの続き) (4) TN : テナント番号(通常:1) ・1 : 『3.2.1 基本設定』 ( 3-9ページ)の“トランスレータ”で発着 統合を選択時は“1”を表示 ・2 : 『3.2.1 基本設定』 ( 3-9ページ)の“トランスレータ”で発着 分離を選択時は“2”を表示 ※“回線タイプ”で FXS-PBX を選択した場合のみ表示されます。 ※自動的に選択される為、ユーザー側で選択する必要はありません。 (5) Route : 『[1]ルート設定の追加』 ( 3-45ページ)で設定した“ルート番号”を設定 します。設定していない場合は、通常“1”を設定します。 ※1 ~ 64 の範囲で設定して下さい。 ※“回線タイプ”で FXS-DI を選択した場合のみ表示されます。 (6) 内線番号 : 接続する電話機、又は PBX の電話番号を登録します。 (最大 16 桁) 例)1000 ※“回線タイプ”で FXS-PBX を選択した場合のみ表示されます。 (7) Originating Name : SIP に通知する発信者番号を登録します。 (電話番号@IP アドレス、電話番号@ドメ イン名) (最大 63 桁) 例)1000@192.168.0.100 1000@ipmaster.com ※ドメイン名は特に異常値などの入力規制がありませんので、正しく入力するよ うに注意して下さい。 (8) 回線信号 : 接続する電話機、 又は PBX の発信ダイヤル信号に合わせて回線信号を選択します。 ※通常 DP/PB を選択します。 ・DP10 ・DP20 ・PB ・DP/PB(標準設定) ※“回線タイプ”で FXS-DI を選択した場合は DP/PB 固定となる為、回線信号を選 択する事はできません。 (9) 回線制御方式 : 通話接続の制御方式を選択します。 ・着信番号接続(標準設定) (“回線タイプ”で FXS-PBX を選択した場合のみ表示されます。) ・ホットライン接続 (“回線タイプ”で FXS-PBX を選択した場合のみ表示されます。) ・PBX ダイヤルイン接続 (“回線タイプ”で FXS-DI を選択した場合のみ表示されます。) (10)送信 PAD : 回線から SIP 網に対する音声の大きさを調整する場合に設定します。 ※通常は変更する必要はありません。 ・標準(Loss3dB) ・Gain14dB(大きくする) ~ ・Loss14dB(小さくする) (11)受信 PAD : SIP 網から回線方向に対する音声の大きさを調整する場合に設定します。 ※通常は変更する必要はありません。 ・標準(Loss8dB) ・Gain14dB(大きくする) ~ ・Loss14dB(小さくする) (次ページへ続く) 3-24
  • 112.
    231-ND2824-000 第3章 入力画面の詳細説明 1.0 版 2009 年 8 月 3.3 回線の設定 (前ページの続き) (12)第 1~4 優先コーデック : 使用するコーデックを選択します。 ※ネットワーク環境に合わせて設定して下さい。 ・-(未設定) ・G.711u ・G.729a ・G.723.1 ※各優先毎の標準設定は次のとおりです。 第 1 優先コーデック : G.711u 第 2 優先コーデック : G.729a 第 3~4 優先コーデック : -(未設定) ※現在、本装置でサポートするコーデックは 3 種類の為、第 4 優先は“-(未 設定) ”として下さい。 ※発着信によりコーデックが変わる場合があります。 対向装置によります。 ( ) 例)自装置(第 1:G.711u、第 2:G.729a)、対向装置(第 1:G.729a、第 2: G.711u)で設定されている場合において、 自装置→対向装置の送信は G.711u が選択されます。 対向装置→自装置の受信は G.729a が選択されます。 ※対向装置側とコーデックが合わない場合は、通話が無音となったり、通話 接続が切断されることがありますのでコーデックの設定に注意が必要です。 ※必ず対向装置がサポートするコーデックを選択して下さい。 (13)ホットライン接続電話番号 : ホットラインで接続する相手の電話番号を設定します。 ※“回線制御方式”でホットラインが選択された場合のみ表示されます。 ※登録形式 : 接続先の電話番号@ドメイン名 接続先の電話番号@IP アドレス 例)5000@ipmaster.com 5000@192.168.0.253 (14)入力内容を確認し、“設定”をクリックします。 3-25
  • 113.
    231-ND2824-000 第3章 入力画面の詳細説明 1.0 版 2009 年 8 月 3.3 回線の設定 <2> 回線ポート設定の追加(FO/FXO) (1) 『3.2.1 基本設定』 ( 3-9ページ)の“モデル定義”でFO/FXOを選択した場合、上記の画面が表示されます。 (2) 回線タイプ : FXO(局線インタフェース)回線の登録に使用します。 (3) ポート番号 : 収容位置情報(0/0/0 ~ 0/0/3)を登録します。 ・0/0/0 : ポート 0 に対応 ・0/0/1 : ポート 1 に対応 ・0/0/2 : ポート 2 に対応 ・0/0/3 : ポート 3 に対応 ※使用するポート数分だけ登録して下さい。 ※自動的に空きポートを若番順に選択します。必要に応じてポート番号を選択し て下さい。 (4) Route : 『[1]ルート設定の追加』 ( 3-45ページ)で設定した“ルート番号”を設定し ます。設定していない場合は、通常“1”を設定します。 ※1 ~ 64 の範囲で設定して下さい。 (次ページへ続く) 3-26
  • 114.
    231-ND2824-000 第3章 入力画面の詳細説明 1.0 版 2009 年 8 月 3.3 回線の設定 (前ページの続き) (5) TN : テナント番号(通常:1) ・1 : 『3.2.1 基本設定』( 3-9ページ)の“トランスレータ”で発着 統合を選択時は“1”を表示 ・2 : 『3.2.1 基本設定』( 3-9ページ)の“トランスレータ”で発着 分離を選択時は“2”を表示 ※自動的に選択される為、ユーザー側で選択する必要はありません。 (6) トランク番号 : 保守(メンテナンス)用に回線を識別する番号を入力します。 ※通常(7)で設定した Originating Name と同じ番号を入力します。 ※任意の 12 桁の数字列を設定して下さい。 例)Originating Name に 05020002000@192.168.0.100 を登録した場合… 05020002000 を登録します。 (7) Originating Name : SIP に通知する発信者番号を登録します。 (電話番号@IP アドレス、電話番号@ドメ イン名) (最大 63 桁) 例)05020002000@192.168.0.100 05020002000@ipmaster.com ※ドメイン名は特に異常値などの入力規制がありませんので、正しく入力するよ うに注意して下さい。 (8) 回線信号 : 接続する PSTN、又は PBX の発信ダイヤル信号に合わせて回線信号を選択します。 ・DP10 ・DP20 ・PB(標準設定) (9) 回線制御方式 : 通話接続の制御方式を選択します。 ・ホットライン接続(標準設定) ・PB ダイヤルイン接続 ・追加ダイヤルイン接続 (10)送信 PAD : 回線から SIP 網に対する音声の大きさを調整する場合に設定します。 ※通常は変更する必要はありません。 ・標準(0dB) ・Gain9dB(大きくする) ~ ・Loss9dB(小さくする) (11)受信 PAD : SIP 網から回線方向に対する音声の大きさをを調整する場合に設定します。 ※通常は変更する必要はありません。 ・標準(0dB) ・Gain9dB(大きくする) ~ ・Loss9dB(小さくする) (次ページへ続く) 3-27
  • 115.
    231-ND2824-000 第3章 入力画面の詳細説明 1.0 版 2009 年 8 月 3.3 回線の設定 (前ページの続き) (12)第 1~4 優先コーデック : 使用するコーデックを選択します。 ※ネットワーク環境に合わせて選択して下さい。 ・-(未設定) ・G.711u ・G.729a ・G.723.1 ※各優先毎の標準設定は次のとおりです。 第 1 優先コーデック : G.711u 第 2 優先コーデック : G.729a 第 3~4 優先コーデック : -(未設定) ※現在、本装置でサポートするコーデックは 3 種類の為、第 4 優先は“-(未 設定) ”として下さい。 ※発着信によりコーデックが変わる場合があります。 対向装置によります。 ( ) 例)自装置(第 1:G.711u、第 2:G.729a)、対向装置(第 1:G.729a、第 2: G.711u)で設定されている場合において、 自装置→対向装置の送信は G.711u が選択されます。 対向装置→自装置の受信は G.729a が選択されます。 ※対向装置側とコーデックが合わない場合は、通話が無音となったり、通話 接続が切断されることがありますのでコーデックの設定に注意が必要です。 ※必ず対向装置がサポートするコーデックを選択して下さい。 (13)ホットライン接続電話番号 : ホットラインで接続する相手の電話番号を設定します。 ※“回線制御方式”でホットラインが選択された場合のみ表示されます。 ※登録形式 : 接続先の電話番号@ドメイン名 接続先の電話番号@IP アドレス 例)5000@ipmaster.com 5000@192.168.0.253 (14)入力内容を確認し、“設定”をクリックします。 3-28
  • 116.
    231-ND2824-000 第3章 入力画面の詳細説明 1.0 版 2009 年 8 月 3.3 回線の設定 <3> 回線ポート設定の追加(OD/E&M) (1) 『3.2.1 基本設定』 ( 3-9ページ)の“モデル定義”でOD/E&Mを選択した場合、上記の画面が表示されます。 (2) 回線タイプ : OD(4 線式専用線インターフェース)回線の登録に使用します。 (3) ポート番号 : 収容位置情報(0/0/0 ~ 0/0/3)を登録します。 ・0/0/0 : ポート 0 に対応 ・0/0/1 : ポート 1 に対応 ・0/0/2 : ポート 2 に対応 ・0/0/3 : ポート 3 に対応 ※使用するポート数分だけ登録して下さい。 ※自動的に空きポートを若番順に選択します。必要に応じてポート番号を選択し て下さい。 (4) Route : 『[1]ルート設定の追加』 ( 3-45ページ)で設定した“ルート番号”を設定 します。設定していない場合は、通常“1”を設定します。 ※1 ~ 64 の範囲で設定して下さい。 (次ページへ続く) 3-29
  • 117.
    231-ND2824-000 第3章 入力画面の詳細説明 1.0 版 2009 年 8 月 3.3 回線の設定 (前ページの続き) (5) TN : テナント番号(通常:1) ・1 : 『3.2.1 基本設定』( 3-9ページ)の“トランスレータ”で発着 統合を選択時は“1”を表示 ・2 : 『3.2.1 基本設定』( 3-9ページ)の“トランスレータ”で発着 分離を選択時は“2”を表示 ※自動的に選択される為、ユーザー側で選択する必要はありません。 (6) トランク番号 : 保守(メンテナンス)用に回線を識別する番号を入力します。 ※通常(7)で設定した Originating Name と同じ番号を入力します。 ※任意の 12 桁の数字列を設定して下さい。 例)Originating Name に 800@192.168.0.100 を登録した場合… 800 を登録します。 (7) Originating Name : SIP に通知する発信者番号を登録します。(電話番号@IP アドレス、電話番号@ドメ イン名) (最大 63 桁) 例)800@192.168.0.100 800@ipmaster.com ※ドメイン名は特に異常値などの入力規制がありませんので、正しく入力するよ うに注意して下さい。 (8) 回線信号 : 接続する PBX の発信ダイヤル信号に合わせて回線信号を選択します。 ・DP10 ・DP20 ・PB(標準設定) (9) 回線制御方式 : 通話接続の制御方式を選択します。 ※PBX の設定に合わせて登録して下さい。 ・着信番号接続(標準設定) :PBX 側の信号方式はセカンドダイヤルトーン 方式となります。 ・ホットライン接続 :PBX 側の信号方式は、接続確認信号無し(セ カンドダイヤルトーン方式・イミディエイト 方式)方式を設定して下さい。また併せて、 PBX から本装置へは選択信号を送出しない設 定として下さい。 PBX 側の回線インターフェースが、E&M 方式 の加入者回線でも接続可能です。 ・接続確認(ウインク)接続 ・イミディエイト接続 ・ディレイ接続 :一般海外向けの接続方式である為、国内では 使用できません。設定しないで下さい。 (10)送信 PAD : 回線から SIP 網に対する音声の大きさを調整する場合に設定します。 ※通常は変更する必要はありません。 ・標準(0dB) ・Gain14dB(大きくする) ~ ・Loss14dB(小さくする) (11)受信 PAD : SIP 網から回線方向に対する音声の大きさを調整する場合に設定します。 ※通常は変更する必要はありません。 ・標準(0dB) ・Gain14dB(大きくする) ~ ・Loss14dB(小さくする) (次ページへ続く) 3-30
  • 118.
    231-ND2824-000 第3章 入力画面の詳細説明 1.0 版 2009 年 8 月 3.3 回線の設定 (前ページの続き) (12)第 1~4 優先コーデック : 使用するコーデックを選択します。 ※ネットワーク環境に合わせて設定して下さい。 ・-(未設定) ・G.711u ・G.729a ・G.723.1 ※各優先毎の標準設定は次のとおりです。 第 1 優先コーデック : G.711u 第 2 優先コーデック : G.729a 第 3~4 優先コーデック : -(未設定) ※現在、本装置でサポートするコーデックは 3 種類の為、第 4 優先は“-(未 設定) ”として下さい。 ※発着信によりコーデックが変わる場合があります。 対向装置によります。 ( ) 例)自装置(第 1:G.711u、第 2:G.729a)、対向装置(第 1:G.729a、第 2: G.711u)で設定されている場合において、 自装置→対向装置の送信は G.711u が選択されます。 対向装置→自装置の受信は G.729a が選択されます。 ※対向装置側とコーデックが合わない場合は、通話が無音となったり、通話 接続が切断されることがありますのでコーデックの設定に注意が必要です。 ※必ず対向装置がサポートするコーデックを選択して下さい。 (13)ホットライン接続電話番号 : ホットラインで接続する相手の電話番号を設定します。 ※“回線制御方式”でホットラインが選択された場合のみ表示されます。 ※登録形式 : 接続先の電話番号@ドメイン名 接続先の電話番号@IP アドレス 例)5000@ipmaster.com 5000@192.168.0.253 (14)入力内容を確認し、“設定”をクリックします。 3-31
  • 119.
    231-ND2824-000 第3章 入力画面の詳細説明 1.0 版 2009 年 8 月 3.3 回線の設定 <4> 回線ポート設定の追加(ISDN-NET) (1) 『3.2.1 基本設定』 ( 3-9ページ)の“モデル定義”でISDN-NETを選択した場合、上記の画面が表示されま す。 (2) 回線タイプ : NET 側インターフェースの登録に使用します。 (3) ポート番号 : 収容位置情報(0/0/0 ~ 0/0/3)を登録します。 ・0/0/0 : LINE0 B1 に対応 ・0/0/1 : LINE0 B2 に対応 ・0/0/2 : LINE1 B1 に対応 ・0/0/3 : LINE1 B2 に対応 ※使用するポート数分だけ登録して下さい。 ※自動的に空きポートを若番順に選択します。必要に応じてポート番号を選択 して下さい。 (4) Route : 『[1]ルート設定の追加』 ( 3-45ページ)で設定した“ルート番号”を設定 します。設定していない場合は、通常“1”を設定します。 ※1 ~ 64 の範囲で設定して下さい。 (次ページへ続く) 3-32
  • 120.
    231-ND2824-000 第3章 入力画面の詳細説明 1.0 版 2009 年 8 月 3.3 回線の設定 (前ページの続き) (5) TN : テナント番号(通常:1) ・1 : 『3.2.1 基本設定』( 3-9ページ)の“トランスレータ”で発着 統合を選択時は“1”を表示 ・2 : 『3.2.1 基本設定』( 3-9ページ)の“トランスレータ”で発着 分離を選択時は“2”を表示 ※自動的に選択される為、ユーザー側で選択する必要はありません。 (6) トランク番号 : 保守(メンテナンス)用に回線を識別する番号を入力します。 ※通常(8)で設定した Originating Name と同じ番号を入力します。 ※任意の 12 桁の数字列を設定して下さい。 例)Originating Name に 1000@192.168.0.100 を登録した場合… 1000 を登録します。 (7) 情報転送能力 : 情報転送能力を選択します。 ・音声 : 音声のみの場合(標準設定) ・3.1kHz オーディオ : FAX のみを接続する場合 (8) Originating Name : SIP に通知する発信者番号を登録します。 (電話番号@IP アドレス、電話番号@ドメ イン名) (最大 63 桁) 例)1000@192.168.0.100 1000@ipmaster.com ※ドメイン名は特に異常値などの入力規制がありませんので、正しく入力するよ うに注意して下さい。 (9) 回線制御方式 : 通話接続の制御方式を選択します。 ・着信番号接続(標準設定) ・ホットライン接続 (10)送信 PAD : 回線から SIP 網に対する音声の大きさを調整する場合に設定します。 ※通常は変更する必要はありません。 ・標準(0dB) ・Gain14dB(大きくする) ~ ・Loss14dB(小さくする) (11)受信 PAD : SIP 網から回線方向に対する音声の大きさを調整する場合に設定します。 ※通常は変更する必要はありません。 ・標準(0dB) ・Gain14dB(大きくする) ~ ・Loss14dB(小さくする) (次ページへ続く) 3-33
  • 121.
    231-ND2824-000 第3章 入力画面の詳細説明 1.0 版 2009 年 8 月 3.3 回線の設定 (前ページの続き) (12)第 1~4 優先コーデック : 使用するコーデックを選択します。 ※ネットワーク環境に合わせて設定して下さい。 ・-(未設定) ・G.711u ・G.729a ・G.723.1 ※各優先毎の標準設定は次のとおりです。 第 1 優先コーデック : G.711u 第 2 優先コーデック : G.729a 第 3~4 優先コーデック : -(未設定) ※現在、本装置でサポートするコーデックは 3 種類の為、第 4 優先は“-(未 設定) ”として下さい。 ※発着信によりコーデックが変わる場合があります。 対向装置によります。 ( ) 例)自装置(第 1:G.711u、第 2:G.729a)、対向装置(第 1:G.729a、第 2: G.711u)で設定されている場合において、 自装置→対向装置の送信は G.711u が選択されます。 対向装置→自装置の受信は G.729a が選択されます。 ※対向装置側とコーデックが合わない場合は、通話が無音となったり、通話 接続が切断されることがありますのでコーデックの設定に注意が必要です。 ※必ず対向装置がサポートするコーデックを選択して下さい。 (13)ホットライン接続電話番号 : ホットラインで接続する相手の電話番号を設定します。 ※“回線制御方式”でホットラインが選択された場合のみ表示されます。 ※登録形式 : 接続先の電話番号@ドメイン名 接続先の電話番号@IP アドレス 例)5000@ipmaster.com 5000@192.168.0.253 (14)入力内容を確認し、“設定”をクリックします。 3-34
  • 122.
    231-ND2824-000 第3章 入力画面の詳細説明 1.0 版 2009 年 8 月 3.3 回線の設定 <5> 回線ポート設定の追加(ISDN-USER) (1) 『3.2.1 基本設定』( 3-9ページ)の“モデル定義”でISDN-USERを選択した場合、上記の画面が表示され ます。 (2) 回線タイプ : 局線(PSTN 網)の登録に使用します。 (3) ポート番号 : 収容位置情報(0/0/0 ~ 0/0/3)を登録します。 ・0/0/0 : LINE0 B1 に対応 ・0/0/1 : LINE0 B2 に対応 ・0/0/2 : LINE1 B1 に対応 ・0/0/3 : LINE1 B2 に対応 ※使用するポート数分だけ登録して下さい。 ※自動的に空きポートを若番順に選択します。 必要に応じてポート番号を選択し て下さい。 (4) Route : 『[1]ルート設定の追加』 ( 3-45ページ)で設定した“ルート番号”を設定 します。設定していない場合は、通常“1”を設定します。 ※1 ~ 64 の範囲で設定して下さい。 (次ページへ続く) 3-35
  • 123.
    231-ND2824-000 第3章 入力画面の詳細説明 1.0 版 2009 年 8 月 3.3 回線の設定 (前ページの続き) (5) TN : テナント番号(通常:1) ・1 : 『3.2.1 基本設定』( 3-9ページ)の“トランスレータ”で発着 統合を選択時は“1”を表示 ・2 : 『3.2.1 基本設定』( 3-9ページ)の“トランスレータ”で発着 分離を選択時は“2”を表示 ※自動的に選択される為、ユーザー側で選択する必要はありません。 (6) トランク番号 : 保守(メンテナンス)用に回線を識別する番号を入力します。 ※通常(8)で設定した Originating Name と同じ番号を入力します。 ※任意の 12 桁の数字列を設定して下さい。 例)Originating Name に 0471851000@192.168.0.100 を登録した場合… 0471851000 を登録します。 (7) 情報転送能力 : 情報転送能力を選択します。 ・音声 : 音声のみの場合(標準設定) ・3.1kHz オーディオ : FAX のみを接続する場合 (8) Originating Name : SIP に通知する発信者番号を登録します。 (電話番号@IP アドレス、電話番号@ドメ イン名) (最大 63 桁) 例)0471851000@192.168.0.100 0471851000@ipmaster.com ※ドメイン名は特に異常値などの入力規制がありませんので、正しく入力するよ うに注意して下さい。 (9) 回線制御方式 : 通話接続の制御方式を選択します。 ・着信番号接続(標準設定) ・ホットライン接続 ・追加ダイヤルイン接続 (10)送信 PAD : 回線から SIP 網に対する音声の大きさを調整する場合に設定します。 ※通常は変更する必要はありません。 ・標準(0dB) ・Gain14dB(大きくする) ~ ・Loss14dB(小さくする) (11)受信 PAD : SIP 網から回線方向に対する音声の大きさを調整する場合に設定します。 ※通常は変更する必要はありません。 ・標準(0dB) ・Gain14dB(大きくする) ~ ・Loss14dB(小さくする) (次ページへ続く) 3-36
  • 124.
    231-ND2824-000 第3章 入力画面の詳細説明 1.0 版 2009 年 8 月 3.3 回線の設定 (前ページの続き) (12)第 1~4 優先コーデック : 使用するコーデックを選択します。 ※ネットワーク環境に合わせて設定して下さい。 ・-(未設定) ・G.711u ・G.729a ・G.723.1 ※各優先毎の標準設定は次のとおりです。 第 1 優先コーデック : G.711u 第 2 優先コーデック : G.729a 第 3~4 優先コーデック : -(未設定) ※現在、本装置でサポートするコーデックは 3 種類の為、第 4 優先は“-(未 設定) ”として下さい。 ※発着信によりコーデックが変わる場合があります。 対向装置によります。 ( ) 例)自装置(第 1:G.711u、第 2:G.729a)、対向装置(第 1:G.729a、第 2: G.711u)で設定されている場合において、 自装置→対向装置の送信は G.711u が選択されます。 対向装置→自装置の受信は G.729a が選択されます。 ※対向装置側とコーデックが合わない場合は、通話が無音となったり、通話 接続が切断されることがありますのでコーデックの設定に注意が必要です。 ※必ず対向装置がサポートするコーデックを選択して下さい。 (13)ホットライン接続電話番号 : ホットラインで接続する相手の電話番号を設定します。 ※“回線制御方式”でホットラインが選択された場合のみ表示されます。 ※登録形式 : 接続先の電話番号@ドメイン名 接続先の電話番号@IP アドレス 例)5000@ipmaster.com 5000@192.168.0.253 (14)入力内容を確認し、“設定”をクリックします。 3-37
  • 125.
    231-ND2824-000 第3章 入力画面の詳細説明 1.0 版 2009 年 8 月 3.3 回線の設定 <6> 回線ポート設定の削除 (1) “設定”ボタンの左隣にあるチェックボックスにチェックを入れ、“削除”をクリックします。 ※回線ポートを削除した場合は“データセーブ”を実行後、“再起動”を実行して下さい。 3-38
  • 126.
    231-ND2824-000 第3章 入力画面の詳細説明 1.0 版 2009 年 8 月 3.3 回線の設定 [2] 詳細設定(FS/FXS・FO/FXO・OD/E&M) 『3.2.1 基本設定』 ( 3-9ページ)の“モデル定義”で、FS/FXS、FO/FXO、又はOD/E&Mを選択した場合の説明で す。ISDN-NET、ISDN-USERを選択した場合は、[3]詳細設定(ISDN-NET・ISDN-USER)』 『 ( 3-41ページ)を参照し て下さい。 本メニューは任意設定です。必要に応じて設定して下さい。 (1) “詳細設定”をクリックすると、上記の画面が表示されます。 (2) プレポーズタイマー : プレポーズタイマーを設定します。 ・標準(32 秒) ・4 秒~ ・120 秒 (3) 桁間タイマー : 桁間タイマーを設定します。 ・標準(5 桁まで 4 秒、6 桁以上 2 秒) ・2 ~ 秒 ・20 秒 (4) センダプレポーズタイマー : センダプレポーズタイマーを設定します。 ・標準(3 秒) ・0.5~ 秒 ・5 秒 (次ページへ続く) 3-39
  • 127.
    231-ND2824-000 第3章 入力画面の詳細説明 1.0 版 2009 年 8 月 3.3 回線の設定 (前ページの続き) (5) PBX ダイヤルイン内線指定受信完了信号送出タイミング : PBX ダイヤルイン時、 PSTN 網に対して内線指定受信完了信号を出すタイミングを 設定します。 ・180/183 受信 : SIP 網から 180、又は 183 を受信後に送出(標準設定) ・100 受信 : SIP 網から 100 を受信後に送出 ※『3.2.1 基本設定』 ( 3-9ページ)の“モデル定義”でFO/FXOを選択した場 合のみ表示されます。 ※『3.2.1 基本設定』 ( 3-9ページ) “モデル定義” でFO/FXOを選択し、 の 『<2> 回線ポート設定の追加(FO/FXO)( 』 3-26ページ) “回線制御方式”でPB ダイヤルインを選択していて、 着信先SIP端末がグループラインに組まれている 場合は、100 受信を選択します。 (6) 発信音指定 : 発信音(ダイヤルトーン)を指定します。 ・断続 : PBX 用の発信音・400Hz 断続 ・連続 : 公衆網用の発信音・400Hz 連続(標準設定) (7) 局線応答監視タイマー : 局線側が応答するまでのタイマー(120 秒固定)を設定します。 ・タイマー無し(標準設定) ・送出桁 6 桁以上タイマー有り ・無条件にタイマー有り ※『3.2.1 基本設定』( 3-9ページ)の“モデル定義”でFO/FXOを選択した 場合のみ表示されます。 (8) 183 受信時の擬似応答 : SIP 網から”183withSDP”を受信した際の、回線への擬似応答を設定します。 ・有効(標準設定) ・無効 ※『3.2.1 基本設定』 ( 3-9ページ)の“モデル定義”でFO/FXO、OD/E&Mを選 択した場合のみ表示されます。 ※“有効”とした場合、回線から IP 側へ発信すると、IP 側が呼び出し中でも発 信者は応答状態になり、公専接続の場合でもアナウンスやトーンを聴くことが できます。しかし発信者に課金が発生することや、呼び出し中に起動する付加 サービスが利用できない、 及び呼び出し中にもフッキング操作が可能となる為、 意図せず転送操作を行ってしまうことがあります。 “無効”とした場合、回線から IP 側へ発信すると、IP 側が呼び出し中に発信 者は応答状態になりません。公専接続が行われている場合は呼び出しの可否に 関わらず呼び出し音を聴くことがあります。 また IP 側以降で専公接続が行われ フリーコールへ発信した場合、発信してから約 3 分後に通話が切れることがあ ります。 ※公専、及び専公接続を行わない場合は“無効”を選択して下さい。 ※SV8500 サーバーと連携する場合は“無効”を選択して下さい。 (9) 回線閉塞時の回線制御 : Ether リンク断発生時の回線閉塞がかかっている状態における、回線制御を設定 します。 ・ROT 接続 : 回線が捕捉されると ROT を聴取します。 (標準設定) ・極性 RVS : FXS 回線の極性を反転(RVS ON)して、対局(PBX)側へ発信 状態を見せ、回線を捕捉できなくします。 (FS/FXS を選択時 のみ表示) ・M 線起動 : OD 回線の M 線を起動して、対局(PBX)側へ発信状態を見せ、 回線を捕捉できなくします。 (OD/E&M を選択時のみ表示) ※『3.2.1 基本設定』 ( 3-9ページ)の“モデル定義”でFS/FXS、OD/E&Mを選 択した場合のみ表示されます。 (10)入力内容を確認し、“設定”をクリックします。 3-40
  • 128.
    231-ND2824-000 第3章 入力画面の詳細説明 1.0 版 2009 年 8 月 3.3 回線の設定 [3] 詳細設定(ISDN-NET・ISDN-USER) 『3.2.1 基本設定』 ( 3-9ページ)の“モデル定義”で、ISDN-NET、ISDN-USERを選択した場合の説明です。 FS/FXS又は、FO/FXO、OD/E&Mを選択した場合は、[2]詳細設定(FS/FXS・FO/FXO・OD/E&M)』 『 ( 3-39ページ)を参 照して下さい。 本メニューは任意設定です。必要に応じて設定して下さい。 (1) “詳細設定”をクリックすると、上記の画面が表示されます。 (2) 桁間タイマー : 『<5> 回線ポート設定の追加(ISDN-USER)( 』 3-35ページ)の“回線制御方式” で「追加ダイヤルイン」を選択している場合の桁間タイマーを設定します。 ・標準(5 桁まで 4 秒、6 桁以上 2 秒) ・2 秒~ ・20 秒 ※『3.2.1 基本設定』 ( 3-9ページ)の“モデル定義”でISDN-USERを選択した 場合のみ表示されます。 (3) 発信音指定 : 『<5> 回線ポート設定の追加(ISDN-USER)( 』 3-35 ページ)の “回線制御方 式”で「追加ダイヤルイン」を選択している場合の発信音(ダイヤルトーン)を 指定します。 ・断続 : PBX 用の発信音・400Hz 断続 ・連続 : 公衆網用の発信音・400Hz 連続(標準設定) ※『3.2.1 基本設定』 ( 3-9ページ)の“モデル定義”でISDN-USERを選択した 場合のみ表示されます。 (次ページへ続く) 3-41
  • 129.
    231-ND2824-000 第3章 入力画面の詳細説明 1.0 版 2009 年 8 月 3.3 回線の設定 (前ページの続き) (4) 局線応答監視タイマー : 局線側が応答するまでのタイマー(120 秒固定)を設定します。 ・タイマー無し(標準設定) ・送出桁 6 桁以上タイマー有り ・無条件にタイマー有り ※『3.2.1 基本設定』 ( 3-9ページ)の“モデル定義”でISDN-USERを選択し た場合のみ表示されます。 (5) 183 受信時の擬似応答 : SIP 網から”183withSDP”を受信した際の、回線への擬似応答を設定します。 ・有効(標準設定) ・無効 ※『3.2.1 基本設定』 ( 3-9ページ)の“モデル定義”でISDN-USERを選択し た場合のみ表示されます。 ※“有効”とした場合、回線から IP 側へ発信すると、IP 側が呼び出し中でも発 信者は応答状態になり、公専接続の場合でもアナウンスやトーンを聴くことが できます。しかし発信者に課金が発生することや、呼び出し中に起動する付加 サービスが利用できない、 及び呼び出し中にもフッキング操作が可能となる為、 意図せず転送操作を行ってしまうことがあります。 “無効”とした場合、回線から IP 側へ発信すると、IP 側が呼び出し中に発信 者は応答状態になりません。公専接続が行われている場合は呼び出しの可否に 関わらず呼び出し音を聴くことがあります。 また IP 側以降で専公接続が行われ フリーコールへ発信した場合、発信してから約 3 分後に通話が切れることがあ ります。 ※公専、及び専公接続を行わない場合は“無効”を選択して下さい。 ※SV8500 サーバーと連携する場合は“無効”を選択して下さい。 (6) 回線閉塞時の切断理由 : Ether リンク断発生時の回線閉塞がかかっている状態で、ISDN 回線から受信され る SETUP メッセージに対する RELCOM メッセージの理由表示値を設定します。 ・#44 : 要求回線/チャネル利用不可(標準設定) ・#3 : 相手へのルート無し ・#27 : 着側インターフェース起動不可 ・#41 : 一時的失敗 (7) LINE-0 接続形式 : LINE-0 側の契約している回線種別の選択をします。 ・ポイント・ポイント(標準設定) ・ポイント・マルチポイント (8) LINE-1 接続形式 : LINE-1 側の契約している回線種別の選択をします。 ・ポイント・ポイント(標準設定) ・ポイント・マルチポイント (9) ISDN→SIP 発番号通知 : ISDN 網から SIP 網へ発信する時の発番号通知を設定します。 ・ISDN 発番号透過 :ISDN 網からの発番号を通知(標準設定) ・Originating Name :『<4>、<5>回線ポート設定の追加(ISDN -NET) (ISDN 、 -USER ) ( 』 3-32 、 3-35 ペ ー ジ ) で 設 定 し た Originating Nameを通知 ・Anonymous :非通知設定 ※『3.4.1[2]SIPサービス設定』 ( 3-53ページ) の“Display Name付加”を「する」に設定しても非通 知となります。 ※環境によっては、Originating Name が通知される場 合があります。 (次ページへ続く) 3-42
  • 130.
    231-ND2824-000 第3章 入力画面の詳細説明 1.0 版 2009 年 8 月 3.3 回線の設定 (前ページの続き) (10)ISDN 発番号透過不可時 : ISDN 網から SIP 網へ発信時に発番号情報が非通知の場合に、SIP 網へ送出する情 報を設定します。 ・Anonymous :非通知設定(標準設定) ・Originating Name : <4> 回 線 ポ ー ト 設 定 の 追 加 ( ISDN-NET ) 『 、 (ISDN-USER)( 』 3-32、3-35ページ)で設定し たOriginating Nameを通知 ・184 付与 :SIP 網への発番号は Originating Name を使用し、 着番号の先頭に”184”を付与して発信 ※“184”の付与は、番号展開等による番号付加・削 除を行なった後に行います。 ※(9)ISDN→SIP 発番号通知で“ISDN 発番号透過”以外を選択した場合は設定 できません。 ※SV8500 サーバーと連携する場合は、 “Originating Name”を設定する事を推奨 します。 (11)ISDN→SIP 着信方式 : ISDN 網から SIP 網の着信方式を設定します。 ・着番号着信 :着番号を『 [2]回線⇒SIP着信』 ( 3-64ページ)で登録した内容に従いSIP網へ 着信(標準設定) ・着サブアドレス着信 :着サブアドレスを『 [2]回線⇒SIP着信』 ( 3-64ページ)で登録した内容に従いSIP網へ 着信 ※着サブアドレスを必ず受信する必要があります。 (12)SIP→ISDN 発番号通知 : SIP 網から ISDN 網へ発信する時の発番号通知を設定します。 ・SIP 発番号透過 :SIP 網から来る from アドレスを ISDN 網に発番号と して通知します。 (標準設定) ・ダイヤルイン番号透過 :SIP 網から来るダイヤルイン番号を ISDN 網に発番 号として通知します。 ・発番号送信なし :ISDN 網に発番号を送出しません。着信者に通知さ れる番号は回線契約に従います。 ・発番号非通知 :ISDN 網に番号通知しません。 (13)透過番号第 1 数字指定 : (12)で“ダイヤルイン番号透過”を選択時、透過させる番号の先頭番号 (0471-99-9999 の場合は“標準”(0))を指定します。 ・標準(0) ・1 ~ ・9 ※(12)で“ダイヤルイン番号透過”以外を選択した場合は設定できません。 (14)透過番号以外の扱い : (13)で指定した番号以外を受信した場合の処理を選択します。 ・発番号送信無し(標準設定) ・発番非表示 ※(12)で“ダイヤルイン番号透過”以外を選択した場合は設定できません。 (15)入力内容を確認し、“設定”をクリックします。 3-43
  • 131.
    231-ND2824-000 第3章 入力画面の詳細説明 1.0 版 2009 年 8 月 3.3 回線の設定 3.3.2 ルート設定 『[1]回線ポート設定』 ( 3-22ページ)で登録したRouteに対して、回線から受信した番号の先頭に番号を付加さ せる場合に登録します。付加させない場合は、本データの登録は不要です。 本メニューは、 『<1>回線ポート設定の追加(FS/FXS)( 』 3-23ページ)の“回線タイプ”でFXS-DI、及びその他の 回線タイプ(FXO-PBX、OD-PBX、ISDN-NET、ISDN-USER)を選択した場合、この項の設定を行って下さい。 (1) “ルート設定”をクリックすると、上記の画面が表示されます。 ※既に登録データが入っている場合は、登録データが表示されます。 何も登録されていない場合は、“No data in the memory.”が表示されます。 (2) “追加”をクリックします。(全 64 ルート登録されている場合は“追加”ボタンは表示されません。) ※ 削除する場合は、[2]ルート設定の削除』 『 ( 3-47ページ)へお進み下さい。 3-44
  • 132.
    231-ND2824-000 第3章 入力画面の詳細説明 1.0 版 2009 年 8 月 3.3 回線の設定 [1] ルート設定の追加 (1) ルート番号 : 通話接続ルート毎に番号を設定します。 (通常 1 から順番に使用) ※1 ~ 64 の範囲で設定して下さい。 (2) 付加数字パターン番号 : 『3.5.3 番号付加』 ( 3-71ページ)で設定した付加数字パターン番号を設定 します。 該当ルートのどの回線に着信しても、回線から受信する番号に対して、同じ番号 を付加させる場合に登録します。 ※任意:0 ~ 32 の範囲で設定して下さい。 ※本設定が有効となるモデルと回線制御方式の組合せを以下に示します。 ・FO/FXO ・・・ PB ダイヤルイン接続 ・OD/E&M ・・・ 着信番号接続・接続確認(ウインク)接続・イミディエイト 接続 ・ISDN-NET ・・・ 着信番号接続 ・ISDN-USER・・・ 着信番号接続 (3) 入力内容を確認し、“設定”をクリックします。 (次ページへ続く) 3-45
  • 133.
    231-ND2824-000 第3章 入力画面の詳細説明 1.0 版 2009 年 8 月 3.3 回線の設定 (前ページの続き) ※ここで設定した内容は、 『<2>回線ポート設定の追加(FO/FXO)』 ( 3-26ページ) 『<3>回線ポート設定の追加 、 (OD/E&M)』( 3-29ページ)『<4>回線ポート設定の追加(ISDN-NET)』 、 ( 3-32ページ)『<5>回線ポート設定 、 の追加(ISDN-USER)』( 3-35ページ)『3.5.2[2] 回線⇒SIP着信』 、 ( 3-64ページ)で使用します。 ※どの回線に着信しても、同じ番号を付加させたい場合の設定例 例)回線から“2000 番”を受信し、SIP 網へ 82000 番として送出する場合… 「番号付加」 付加数字パターン番号 : 1 付加数字 : 8 「ルート設定」 ルート番号 : 1 付加数字パターン番号 : 1(「番号付加」で設定した“8”を付加する) 3-46
  • 134.
    231-ND2824-000 第3章 入力画面の詳細説明 1.0 版 2009 年 8 月 3.3 回線の設定 [2] ルート設定の削除 (1) “設定”ボタンの左隣にあるチェックボックスにチェックを入れ、“削除”をクリックします。 3-47
  • 135.
    231-ND2824-000 第3章 入力画面の詳細説明 1.0 版 2009 年 8 月 3.4 SIP の設定 3.4 SIP の設定 (1) “SIP”をクリックすると、上記の画面が表示されます。 3-48
  • 136.
    231-ND2824-000 第3章 入力画面の詳細説明 1.0 版 2009 年 8 月 3.4 SIP の設定 3.4.1 SIP設定 (1) “SIP 設定”をクリックすると、上記の画面が表示されます。 3-49
  • 137.
    231-ND2824-000 第3章 入力画面の詳細説明 1.0 版 2009 年 8 月 3.4 SIP の設定 [1] SIPサーバ情報設定 (1) “SIP サーバ情報設定”をクリックすると、上記の画面が表示されます。 ※既に登録データが入っている場合は、登録データが表示されます。 何も登録されていない場合は、“No data in the memory.”が表示されます。 (2) ドメイン名 : SIP サーバー、又は PROXY サーバーのドメイン名を設定して下さい。 (任意:最大 31 文字) 使用できる文字は、半角英数字(0-9、a-z、A-Z)と“-”“.”です。 、 例)ipmaster.com ※何も入力せずに“設定”をクリックすると、設定されているドメイン名は削除 されます。 (3) 入力内容を確認し、“設定”をクリックします。 (4) 続いて、SIP サーバーの詳細データを登録します。“追加”をクリックします。(全 127 サーバー登録されてい る場合は“追加”ボタンは表示されません。 ) ※ 削除する場合は、『<1> SIPサーバ情報設定の削除』( 3-52ページ)へお進み下さい。 (次ページへ続く) 3-50
  • 138.
    231-ND2824-000 第3章 入力画面の詳細説明 1.0 版 2009 年 8 月 3.4 SIP の設定 (前ページの続き) (5) (4)の後、上記の画面が表示されます。 (6) サーバ番号 : SIP サーバーを識別する為の番号を入力します。(通常 1 から順番に使用) ※1 ~ 127 の範囲で設定して下さい。 (7) サーバ名 : 任意のサーバー名を入力します。(最大 63 文字) 使用できる文字は、半角英数字(0-9、a-z、A-Z)と“-”“_”“.”です。 、 、 例)Sip-Server (8) サーバ IP アドレス : SIP サーバーの IP アドレスを入力します。 例)192.168.0.1 (9) サーバポート番号 : SIP サーバーに使用するポート番号を入力します。 (通常:5060) ※通常は設定する必要はありません。 ※1024 ~ 65535 の範囲で設定して下さい。 (10)入力内容を確認し、“設定”をクリックします。 ※ここで設定した内容は、『3.5.2[2] 回線⇒SIP着信』( 3-64ページ)で使用します。 ※スタティック接続の場合は、上記サーバーは接続する相手装置のことを示します。 3-51
  • 139.
    231-ND2824-000 第3章 入力画面の詳細説明 1.0 版 2009 年 8 月 3.4 SIP の設定 <1> SIPサーバ情報設定の削除 (1) “設定”ボタンの左隣にあるチェックボックスにチェックを入れ、“削除”をクリックします。 3-52
  • 140.
    231-ND2824-000 第3章 入力画面の詳細説明 1.0 版 2009 年 8 月 3.4 SIP の設定 [2] SIPサービス設定 本メニューは任意設定です。必要に応じて設定して下さい。 (1) “SIP サービス設定”をクリックすると、上記の画面が表示されます。 (2) セッションタイマ方式 : セッションタイマーの方式を選択します。 ・無(標準設定) ・UPDATE : リフレッシュに UPDATE メッセージを使用 ・re-INVITE : リフレッシュに INVITE メッセージを使用 ※SV8500 および SV7000(R8 以降)サーバーの B2BUA 機能と連携する場合は “UPDATE”が利用できます。 (3) セッションタイマ値 : (2)で“無”以外を選択した場合、セッションタイマーの値を設定して下さい。 ・3 分 ~ ・5 時間 ※SV8500 サーバーと連携する場合は“30 分”が標準です。 (4) PRACK サポート : PRACK メソッドのサポート機能を選択します。 ・無効(標準設定) ・有効 ※SV8500 サーバーと連携する場合は“無効”を選択して下さい。 (次ページへ続く) 3-53
  • 141.
    231-ND2824-000 第3章 入力画面の詳細説明 1.0 版 2009 年 8 月 3.4 SIP の設定 (前ページの続き) (5) 183 再送機能 : SIP サーバーから回線網を呼び出し中に、周期的に“183SessionProgress” の送信を行うか選択します。 ・有効(標準設定) ・無効 ※『3.2.1 基本設定』 ( 3-9ページ)の“モデル定義”でFO/FXO、OD/E&M、 ISDN-NET、又はISDN-USERを選択時のみ表示されます。 ※SV8500 サーバーと連携する場合は“無効”を選択して下さい。 (6) 183 送出タイミング : SIP サーバーから OD 回線を呼び出し時の“183Session Progress”の送信タ イミングを選択します。 ・回線呼出時(標準設定) ・回線捕捉時 ※『3.2.1 基本設定』 ( 3-9ページ)の“モデル定義”でOD/E&Mを選択時の み表示されます。 (7) 180 with SDP 送信機能 : インバンドの呼出中メッセージにおいて 183 with SDP と 180 with SDP の、ど ちらを使用するか選択します。 (SIP 網の中で統一させます。) ・183 with SDP 送信(標準設定) ・180 with SDP 送信 ※『3.2.1 基本設定』 ( 3-9ページ)の“モデル定義”でFO/FXO、OD/E&M、 ISDN-NET、又はISDN-USERを選択時のみ表示されます。 ※モデル定義が ISDN-NET、ISDN-USER の場合、接続形態によっては本設定に 関わらず 180 without SDP が送信されます。 ※SV8500 サーバーと連携する場合は“183withSDP 送信”を選択して下さい。 (8) タイミング応答機能 : タイミング応答する/しないを選択します。 ・無効(標準設定) ・有効 ※『3.2.1 基本設定』( 3-9ページ)の“モデル定義”でFO/FXOを選択時の み表示されます。 (9) タイミング応答タイマー : タイミング応答するまでのタイマーの値を設定します。 ※(8)で“有効”とした時のみ入力可能となります。 ※0 ~ 127 秒の範囲で設定して下さい。 ※0 を入力した場合は、18 秒が設定されます。 (10)Display Name付加 : 『3.3.1 [1] 回線ポート設定』 ( 3-22ページ)で設定した “Originating Name” (例: 2000@192.168.0.100 の 2000 の部分)をSIP端末へ表示させます。但 し、環境(端末、サーバー) によっては、Display Name付加の設定に関わらず 表示する場合があります。 ・しない(標準設定) ・する ※『3.2.1 基本設定』 ( 3-9ページ)の“モデル定義”でISDN-NET、又は ISDN-USERを選択し、 3.3.1 3] 『 [ 詳細設定(ISDN-NET・ISDN-USER)』 ( 3-41 ページ)の“ISDN→SIP発番号通知”でAnonymousを設定している場合、非 通知になります。 (次ページへ続く) 3-54
  • 142.
    231-ND2824-000 第3章 入力画面の詳細説明 1.0 版 2009 年 8 月 3.4 SIP の設定 (前ページの続き) (11)サーバ障害監視タイマー : サーバー障害を検出するまでのタイマーの値を指定します。 FS/FXS、FO/FXO、OD/E&M の場合 ISDN-NET、ISDN-USER の場合 ・標準(32 秒) ・標準(32 秒) ・2 秒 ~ ・2 秒~ ・15 秒 ・8 秒 ※“標準”を設定している場合、 『3.5.2[2]<1> 回線⇒SIP着信(迂回有)』 ( 3-68 ページ)で“迂回有”に設定した時点で、タイマーの値は 自動的に“3 秒”に設定されます。 ※局線(PSTN 網)収容時に(12)サーバ障害接続先指定を“有”にした 場合、“標準”設定ではキャリアの故障アナウンスに接続される為迂回 できません。従って“6 秒”以下に設定することを推奨します。 (12)サーバ障害接続先指定 : サーバー障害時に、非常用受付電話機を呼び出します。 ・無 : 非常用受付電話機を呼び出さない(標準設定) ・有 : 非常用受付電話機を呼び出す ※“有”とした場合は、必要に応じて(13)の登録を行います。 (13)サーバ障害接続先付加数字パターン番号 : (12)で“有”とした場合、 『3.5.3 番号付加』 ( 3-71 ページ) で設定した “付加数字パターン番号” を指定します。 迂回時はこの番号で発信します。 ※迂回先(非常用受付電話機)の設定は、 『3.5.2[2]<1> 回線 ⇒SIP着信(迂回有)( 』 3-68ページ)で行います。 ※3rd サーバ以降は、設定した“付加数字パターン番号”+1 の“付加数字”が付加されます。 但し、 “付加数字パターン番号” の最大値である 32 まで達し た場合は、パターン“32”で設定した“付加数字”が付加さ れます。 例)本設定を“28”とした場合… 1st サーバ … 数字付加しない 2nd サーバ … 付加数字パターン番号“28”の付加 数字が付加されます。 3rd サーバ … 付加数字パターン番号“29”の付加 数字が付加されます。 4th サーバ … 付加数字パターン番号“30”の付加 数字が付加されます。 5th サーバ … 付加数字パターン番号“31”の付加 数字が付加されます。 6th サーバ … 付加数字パターン番号“32”の付加 数字が付加されます。 7th サーバ … 付加数字パターン番号“32”の付加 数字が付加されます。 8th サーバ … 付加数字パターン番号“32”の付加 数字が付加されます。 (14)簡易接続モード時話中迂回 : スタティック接続モード時において、話中迂回する/しないを指定します。 ・無 : 迂回しない(標準設定) ・有 : 迂回する ※迂回先の設定は、 3.5.2[2]<1> 回線⇒SIP着信 『 (迂回有)』 ( 3-68ペー ジ)で行います。 ※SIP サーバーとの連携時は“無”として下さい。 ※端末話中メッセージ(486 メッセージ)受信時に迂回します。 (次ページへ続く) 3-55
  • 143.
    231-ND2824-000 第3章 入力画面の詳細説明 1.0 版 2009 年 8 月 3.4 SIP の設定 (前ページの続き) (15)サーバ障害時の迂回方式 : サーバー障害時の SIP 迂回方式を選択します。 ・パイロット :優先度の高いサーバーに対して発信し、 (11)で設定 したサーバ障害監視タイマーのタイムアウトによって 次に優先度の高いサーバーへ順番に迂回発信を行いま す。 その後についても同様に、 1 優先のサーバーに対して 第 発信し、 サーバ障害監視タイマーのタイムアウトによっ て次に優先度の高いサーバーへ順番に迂回発信を行い ます。 (標準設定) ・サーキュラ :優先度の高いサーバーに対して発信し、 (11)で設定 したサーバ障害監視タイマーのタイムアウトによって 次に優先度の高いサーバーへ順番に迂回発信を行いま す。 以降、 サーバ障害監視タイマーのタイムアウトが発生し たサーバーへの発信は行われず、 発信が正常に行われた サーバーに対して発信を行います。 ※迂回先の設定は、 『3.5.2[2]<1> 回線⇒SIP着信(迂回有)( 』 3-68 ページ)で行います。 ※サーバーの状態は、 『3.7.2 SIPサーバ状態表示』 ( 3-81ページ)で 確認できます。 ※SV8500 および SV7000(R7 以降)サーバーの B2BUA 機能を使用して接続 する場合は“サーキュラ”を選択して下さい。 (16)入力内容を確認し“設定”をクリックします。 ※(12)サーバ障害接続先指定、 (13)サーバ障害接続先付加数字パターン番号の設定例 例)SIP 端末 4000 を呼び出したが、SIP サーバーに障害が発生した為、SIP 端末(非常用受付電話機)5000 を呼び出 す。 ⅰ)SIP サーバーのサーバ番号を“1” 、非常用受付電話機のサーバ番号を“2”とします。 ※設定内容の詳細は、[1]SIPサーバ情報設定』 『 ( 3-50ページ)を参照して下さい。 ⅱ)『3.5.3 番号付加』( 3-71ページ)で非常用受付電話機の電話番号を登録します。 付加数字パターン番号 : 1 付加数字 : 5000 ※設定内容の詳細は、 『3.5.3 番号付加』( 3-71ページ)を参照して下さい。 ⅲ)(12)サーバ障害接続先指定を“有”(13)サーバ障害接続先付加数字パターン番号に“1” 、 (ⅱで登録 した付加数字パターン番号)を入力します。 ⅳ)『3.5.2[2]<1>回線⇒SIP着信(迂回有)( 』 3-68ページ)でサーバー障害時の迂回設定を行います。 (迂回有) 着信展開番号 : 4 最大桁数 : 4 1st サーバ番号 : 1(ⅰで登録した SIP サーバーのサーバ番号) 番号削除 : 0 番号付加 : 0 2nd サーバ番号 : 2(ⅰで登録した非常用受付電話機のサーバ番号) ※設定内容の詳細は、 『3.5.2[2]<1>回線⇒SIP着信(迂回有)(』 3-68ページ)を参照して下さい。 3-56
  • 144.
    231-ND2824-000 第3章 入力画面の詳細説明 1.0 版 2009 年 8 月 3.5 番号計画の設定 3.5 番号計画の設定 (1) “番号計画”をクリックすると、上記の画面が表示されます。 3-57
  • 145.
    231-ND2824-000 第3章 入力画面の詳細説明 1.0 版 2009 年 8 月 3.5 番号計画の設定 3.5.1 番号前翻訳 回線側からの受信桁数情報を登録します。 (1) “番号前翻訳”をクリックすると、上記の画面が表示されます。 (2) 各受信番号の先頭の数字(1-0、*、#)に対して、受信する桁数を登録します。 ※1 ~ 32 の範囲で設定して下さい。 例)1000(4 桁)の番号を、回線側から受信する場合… ・先頭桁番号 1 : 4(受信桁数) (3) 入力内容を確認し、“設定”をクリックして下さい。 ※(2)の注意事項 『3.2.1 基本設定』( 3-9ページ)の“モデル定義”でISDN-NET、又はISDN-USERを選択した場合、登録内容により 設定方法が変わります。 ・ISDN-NET : 番号前翻訳の登録内容は参照しません。 (番号前翻訳を登録する必要はありません。 ) ・ISDN-USER : 『3.3.1[1]<5> 回線ポート設定の追加(ISDN-USER)( 』 3-35ページ)の“回線制御方式”で… ①“追加ダイヤルイン接続”を選択した場合、追加ダイヤルインにてダイヤルされる番号の桁数 を登録します。 例)追加ダイヤルインで 5000 番をダイヤルする場合は“先頭桁番号 5:4 桁”を登録します。 ②“ホットライン接続”を選択した場合、ホットラインで接続する相手の電話番号の桁数を登録 します。 ③“着信番号接続”を選択した場合は、番号前翻訳の登録内容は参照しません。 (番号前翻訳を登 録する必要はありません。 ) 3-58
  • 146.
    231-ND2824-000 第3章 入力画面の詳細説明 1.0 版 2009 年 8 月 3.5 番号計画の設定 3.5.2 番号展開 回線側からの受信番号、及び SIP サーバーからの受信番号に対して、その受信番号をそのまま加工せずに回線側、又は SIP サーバーへ透過させるか、また、その受信番号に対して付加・削除を行い、加工して送出するかを決定します。 (1) “番号展開”をクリックすると、上記の画面が表示されます。 3-59
  • 147.
    231-ND2824-000 第3章 入力画面の詳細説明 1.0 版 2009 年 8 月 3.5 番号計画の設定 [1] SIP ⇒ 回線発信 相手先トランクルートを指定します。(回線側) (1) “SIP⇒回線発信”をクリックすると、上記の画面が表示されます。 ※既に登録データが入っている場合は、登録データが表示されます。何も登録されていない場合は、 “No data in the memory.”が表示されます。但し、回線ポート設定において FXS-PBX で設定した内線番号 は、発信展開番号として自動的に登録されますが、トランクルートを指定する必要が無い為、表示していま せん。 (2) (1)の後、続いて“追加”をクリックすると、次ページの画面が表示されます。(全 200 通り登録されてい る場合は“追加”ボタンは表示されません。) ※ 削除する場合、『<2> SIP⇒回線発信(削除)( 』 3-63ページ)へお進み下さい。 (次ページへ続く) 3-60
  • 148.
    231-ND2824-000 第3章 入力画面の詳細説明 1.0 版 2009 年 8 月 3.5 番号計画の設定 (前ページの続き) (3) 迂回接続する相手先トランクルートを指定する場合は、 “迂回有”を選択します。 ※“迂回有”を選択した時点で、『<1> SIP⇒回線発信(迂回有)( 』 3-62ページ)の画面が表示されます。 (4) 発信展開番号 : SIP 網から回線側へ発信するときの番号を入力します。 ※“迂回有”の登録データと合わせて 200 通りの登録ができます。 ※回線ポート設定において FXS-PBX で設定した内線番号は、発信展開番号として 既に登録されています。その為、FXS-PBX で設定した内線番号を登録しようと すると、 ”The DC numbers has been used.”が表示されます。 (5) Route番号 : 『3.3.2[1]ルート設定の追加』( 3-45ページ)で設定した“ルート番号” を設定します。 設定していない場合は、通常“1”を設定します。 ※1 ~ 64 の範囲で設定して下さい。 (6) 番号削除 : 受信した番号を削除する桁数を入力します。 ※受信した番号の先頭から削除します。 ※任意:0 ~ 16 の範囲で設定して下さい。 ※削除を行わない場合、入力する必要はありません。 (7) 番号付加 : 受信した番号に数字を付加する場合、 『3.5.3 番号付加』 ( 3-71ページ)で設定 した付加数字パターン番号を入力します。 ※受信した番号の先頭に付加します。 ※任意:0 ~ 32 の範囲で設定して下さい。 ※付加を行わない場合、入力する必要はありません。 (8) 入力内容を確認し、“設定”をクリックします。 3-61
  • 149.
    231-ND2824-000 第3章 入力画面の詳細説明 1.0 版 2009 年 8 月 3.5 番号計画の設定 <1> SIP ⇒ 回線発信(迂回有) 迂回接続する相手先トランクルートを指定します。(回線側) (1) 『[1]SIP⇒回線発信』 ( 3-60ページ)の(3)で“迂回有”を選択した時点で、上記の画面が表示されま す。 (2) 発信展開番号 : SIP 網から回線側へ発信するときの番号を入力します。 ※“迂回有”の登録データは最大 64 通りの登録ができます。 ※“迂回無”の登録データと合わせて 200 通りの登録ができます。 ※回線ポート設定において FXS-PBX で設定した内線番号は、発信展開番号として 既に登録されています。その為、FXS-PBX で設定した内線番号を登録しようと すると、 “The DC numbers has been used.”が表示されます。 (3) 1st Route : 『3.3.2[1]ルート設定の追加』 ( 3-45ページ)で設定した“ルート番号” を設定します。 設定していない場合は、通常“1”を設定します。 ※1 ~ 64 の範囲で設定して下さい。 ※最大 4 ルート(4th)まで登録可能 (4) 番号削除 : 受信した番号を削除する桁数を入力します。 ※受信した番号の先頭から削除します。 ※任意:0 ~ 16 の範囲で設定して下さい。 ※削除を行わない場合、入力する必要はありません。 (5) 番号付加 : 受信した番号に数字を付加する場合、 『3.5.3 番号付加』 ( 3-71ページ)で設 定した付加数字パターン番号を入力します。 ※受信した番号の先頭に付加します。 ※任意:0 ~ 32 の範囲で設定して下さい。 ※付加を行わない場合、入力する必要はありません。 (6) 入力内容を確認し、“設定”をクリックします。 3-62
  • 150.
    231-ND2824-000 第3章 入力画面の詳細説明 1.0 版 2009 年 8 月 3.5 番号計画の設定 <2> SIP ⇒ 回線発信(削除) “SIP⇒回線発信”にデータが登録されている場合、“SIP⇒回線発信”をクリックした時点で下記画面が表示されま す。 (1) チェックボックスにチェックを入れ、“削除”をクリックします。 3-63
  • 151.
    231-ND2824-000 第3章 入力画面の詳細説明 1.0 版 2009 年 8 月 3.5 番号計画の設定 [2] 回線 ⇒ SIP着信 接続先 SIP サーバーを指定します。 (1) “回線⇒SIP 着信”をクリックすると、上記の画面が表示されます。 ※既に登録データが入っている場合は、登録データが表示されます。 何も登録されていない場合は、“No data in the memory.”が表示されます。 (2) (1)の後、続いて“追加”をクリックすると、次ページの画面が表示されます。 (全 200 通り登録されている 場合は“追加”ボタンは表示されません。) ※ 削除する場合、『<2> 回線⇒SIP着信(削除)( 』 3-70ページ)へお進み下さい。 (次ページへ続く) 3-64
  • 152.
    231-ND2824-000 第3章 入力画面の詳細説明 1.0 版 2009 年 8 月 3.5 番号計画の設定 (前ページの続き) (3) 迂回接続する相手先 SIP サーバーを指定する場合は、 “迂回有”を選択します。 ※“迂回有”を選択した時点で、 『<1> 回線⇒SIP着信(迂回有)( 』 3-68ページ)の画面が表示されます。 (4) 着信展開番号 : 回線側から SIP 網へ着信するときの番号を入力します。 ※“迂回有”の登録データと合わせて 200 通りの登録ができます。 (5) 最大桁数(注 1) : 回線側からの受信番号に対する最大受信桁数を決定する場合に設定します。 ※任意:1 ~ 32 の範囲で設定して下さい。 ※設定する必要が無い場合、入力する必要はありません。 ※本データを設定しない場合は、 『3.5.1 番号前翻訳』( 3-58ページ)にて受 信桁数を登録して下さい。 ※『3.2.1 基本設定』( 3-9ページ)の“モデル定義”でISDN-NETを選択時は表 示されません。 (6) サーバ番号 : 『3.4.1[1]SIPサーバ情報設定』( 3-50ページ)で設定した“サーバ番号” を入力します。 ※1 ~ 127 の範囲で設定して下さい。 (7) 番号削除(注 2) : 受信した番号を削除する桁数を入力します。 ※受信した番号の先頭から削除します。 ※任意:0 ~ 16 の範囲で設定して下さい。 ※削除を行わない場合、入力する必要はありません。 (8) 番号付加(注 2) : 受信した番号に数字を付加する場合、 『3.5.3 番号付加』 ( 3-71ページ)で設 定した付加数字パターン番号を入力します。 ※受信した番号の先頭に付加します。 ※任意:0 ~ 32 の範囲で設定して下さい。 ※付加を行わない場合、入力する必要はありません。 (次ページへ続く) 3-65
  • 153.
    231-ND2824-000 第3章 入力画面の詳細説明 1.0 版 2009 年 8 月 3.5 番号計画の設定 (前ページの続き) (9) 入力内容を確認し“設定”をクリックします。 例)最大桁数を使用する場合の登録例 …2000 番(4 桁)と 21000(5 桁)が存在する場合、最大桁数を指定します。 ①2000 番(4 桁)の登録例… ・2000 番(4 桁)の桁数は、 『3.5.1 番号前翻訳』( 3-58ページ)にて登録します。 数字 2 : 4 (登録内容の詳細は『3.5.1 番号前翻訳』 ( 3-58ページ)を参照) ・回線⇒SIP 着信は 着信展開番号: 20 最大桁数 : (未入力) サーバ番号 : 1 番号削除 : 0 番号付加 : 0 ②21000 番(5 桁)の登録例… ・21000 番(5 桁)の桁数は、『3.5.1 番号前翻訳』( 3-58ページ)には登録しません。 (2000 番の 4 桁が既に登録されている為) ・回線⇒SIP 着信は 着信展開番号: 21 最大桁数 : 5 サーバ番号 : 1 番号削除 : 0 番号付加 : 0 注 1)最大桁数登録時の注意事項 『3.2.1 基本設定』 ( 3-9ページ)の“モデル定義”で設定した内容により、設定方法が変わります。 ・FS/FXS :回線から受信する番号の桁数を登録します。 (上記の登録例を参照) ・FO/FXO :『3.3.1[1]<2>回線ポート設定の追加(FO/FXO)( 』 3-26ページ)の“回線制御方式”で… ①“PB ダイヤルイン接続”を選択した場合… ⅰ) 『3.3.2[1]ルート設定の追加』 ( 3-45ページ)の“付加数字パターン番号”で番号付加さ せる場合は、回線から受信する番号の桁数+ルート設定にて付加する番号の桁数を登録しま す。 例)回線から 400 番(3 桁)を受信して、ルート設定の番号付加で 0(1 桁)を付加させる場合 最大桁数 = 0(1 桁) + 400 番(3 桁) = 4 桁 ⅱ) 『3.3.2[1]ルート設定の追加』 ( 3-45ページ)の“付加数字パターン番号”で番号付加さ せない場合は、回線から受信する番号の桁数を登録します。 (上記の登録例を参照) ②“追加ダイヤルイン”を選択した場合は、追加ダイヤルインにてダイヤルされる番号の桁数を登 録します。 例)追加ダイヤルインで 5000 番をダイヤルする場合は“4 桁”を登録します。 ・OD/E&M :『3.3.2[1]ルート設定の追加』 ( 3-45ページ)の“付加数字パターン番号”で… ①番号付加させる場合は、 回線から受信する番号の桁数+ルート設定にて付加する番号の桁数を登録 します。 例)回線から 400 番(3 桁)を受信して、ルート設定の番号付加で 0(1 桁)を付加させる場合 最大桁数 = 0(1 桁) + 400 番(3 桁) = 4 桁 ②番号付加させない場合は、回線から受信する番号の桁数を登録します。 (上記の登録例を参照) ・ISDN-USER : 『3.3.1[1]<5> 回線ポート設定の追加(ISDN-USER)( 』 3-35ページ)の“回線制御方式”で… ①“追加ダイヤルイン接続”を選択した場合、追加ダイヤルインにてダイヤルされる番号の桁数を 登録します。 例)追加ダイヤルインで 5000 番をダイヤルする場合は“4 桁”を登録します。 ②“着信番号接続”を選択した場合は、最大桁数の登録内容は参照しません。 (最大桁数を登録する 必要はありません。 ) ※『3.3.1[1]<1>~<5>回線ポート設定の追加』 ( 3-23~3-35ページ)の“回線制御方式”で“ホットライン接 続”を選択した場合は、最大桁数の登録内容は参照しません。 (最大桁数を登録する必要はありません。 ) ※最大桁数は、番号前翻訳で登録した桁数以上の値で登録して下さい。 (番号前翻訳の受信桁数≦最大桁数) (次ページへ続く) 3-66
  • 154.
    231-ND2824-000 第3章 入力画面の詳細説明 1.0 版 2009 年 8 月 3.5 番号計画の設定 (前ページの続き) 注 2)番号削除・番号付加登録時の注意事項 『3.3.2[1]ルート設定の追加』 ( 3-45ページ)で“付加数字パターン番号”を登録した場合、登録した付加番 号に対して、 「番号削除」「番号付加」を設定して下さい。 ・ ※「ルート設定」で付加された番号に対して、 “番号削除”“番号付加”されます。 ・ 例)「番号付加」 付加数字パターン番号 : 1 付加数字 : 1000 付加数字パターン番号 : 2 付加数字 : 0503 「ルート設定」 ルート番号 : 1 付加数字パターン番号 : 1(「番号付加」で設定した“1000”を付加する) 「回線⇒SIP 着信」 着信展開番号 : 1( 「ルート設定」で付加した数字(1000)に対して設定する) 番号削除 : (未登録) 番号付加 : (未登録) 上記のように登録している状態で、回線から“2000 番”を受信した場合、SIP 網には“10002000”が送出され ます。 ここで、下記のように番号付加に“2” 、番号削除に“1”と設定すると、SIP 網には“05030002000”が送出さ れます。 「回線⇒SIP 着信」 着信展開番号 : 1(「ルート設定」で付加した数字(1000)に対して設定する) 番号削除 : 1(“10002000”の先頭数字から 1 桁削除する) 番号付加 : 2(「番号付加」で設定した“0503”を付加する) 3-67
  • 155.
    231-ND2824-000 第3章 入力画面の詳細説明 1.0 版 2009 年 8 月 3.5 番号計画の設定 <1> 回線 ⇒ SIP着信(迂回有) 迂回接続先 SIP サーバーを指定します。 (1) 『[2]回線⇒SIP着信』 ( 3-64ページ)の(3)で“迂回有”を選択した時点で、上記の画面が表示されま す。 (2) 着信展開番号 : 回線側から SIP 網へ発信するときの番号を入力します。 ※“迂回有”の登録データは最大 128 通りの登録ができます。 ※“迂回無”の登録データと合わせて 200 通りの登録ができます。 (3) 最大桁数(注 1) : 回線側からの受信番号に対する最大受信桁数を決定する場合に設定します。 ※任意:1 ~ 32 の範囲で設定して下さい。 ※設定する必要が無い場合、入力する必要はありません。 ※本データを設定しない場合は、 『3.5.1 番号前翻訳』( 3-58ページ)にて受 信桁数を登録して下さい。 (4) 1st Server : 『3.4.1[1]SIPサーバ情報設定』( 3-50ページ)で設定した“サーバ番号” を入力します。 ※1 ~ 127 の範囲で設定して下さい。 (5) 番号削除(注 2) : 受信した番号を削除する桁数を入力します。 ※受信した番号の先頭から削除します。 ※任意:0 ~ 16 の範囲で設定して下さい。 ※削除を行わない場合、入力する必要はありません。 (次ページへ続く) 3-68
  • 156.
    231-ND2824-000 第3章 入力画面の詳細説明 1.0 版 2009 年 8 月 3.5 番号計画の設定 (前ページの続き) (6) 番号付加(注 2) : 受信した番号に数字を付加する場合、 『3.5.3 番号付加』 ( 3-71ページ)で設 定した付加数字パターン番号を入力します。 ※受信した番号の先頭に付加します。 ※任意:0 ~ 32 の範囲で設定して下さい。 ※付加を行わない場合、入力する必要はありません。 (7) 2nd Server : 迂回接続するサーバー番号( 『3.4.1[1]SIPサーバ情報設定』( 3-50ページ) で設定した“サーバ番号” )を入力します。 ※最大 8 サーバー(8th)まで登録可能 ※1 ~ 127 の範囲で設定して下さい。 ※(5)(6)で登録した番号削除・番号付加されて展開されます。 、 ※『3.4.1[2]SIPサービス設定』( 3-53ページ)で“サーバ障害接続先指定” を“有”に設定し、 “サーバ障害接続先付加数字パターン番号”を設定すると、 1stサーバーに障害が発生した場合、2ndサーバー(非常用受付電話機)に迂回 します。 (8) 入力内容を確認し、“設定”をクリックします。 例)最大桁数を使用する場合の登録例 …2000 番(4 桁)と 21000(5 桁)が存在する場合、最大桁数を指定します。 ①2000 番(4 桁)の登録例… ・2000 番(4 桁)は、 『3.5.1 番号前翻訳』( 3-58ページ)にて登録します。 数字 2 : 4 (登録内容の詳細は『3.5.1 番号前翻訳』 ( 3-58ページ)を参照) ・回線⇒SIP 着信は 着信展開番号 : 20 最大桁数 : (未入力) 1st サーバ番号 : 1 番号削除 : 0 番号付加 : 0 2nd サーバ番号 : 2 ②21000 番(5 桁)の登録例… ・21000 番(5 桁)は、『3.5.1 番号前翻訳』( 3-58ページ)には登録しません。 (2000 番の 4 桁が既に登録されている為) ・回線⇒SIP 着信は 着信展開番号 : 21 最大桁数 : 5 1st サーバ番号 : 1 番号削除 : 0 番号付加 : 0 2nd サーバ番号 : 2 注 1)(3)最大桁数登録時の注意事項 『 [2]回線⇒SIP着信』( 3-66ページ)の“注 1)最大桁数登録時の注意事項”を参照して下さい。 注 2)(5)番号削除・ (6)番号付加登録時の注意事項 『 [2]回線⇒SIP着信』 ( 3-67ページ)の“注 2)番号削除・番号付加登録時の注意事項”を参照して下さ い。 3-69
  • 157.
    231-ND2824-000 第3章 入力画面の詳細説明 1.0 版 2009 年 8 月 3.5 番号計画の設定 <2> 回線 ⇒ SIP着信(削除) “回線⇒SIP 着信”にデータが登録されている場合、 “回線⇒SIP 着信”をクリックした時点で下記画面が表示されま す。 (1) チェックボックスにチェックを入れ、“削除”をクリックします。 3-70
  • 158.
    231-ND2824-000 第3章 入力画面の詳細説明 1.0 版 2009 年 8 月 3.5 番号計画の設定 3.5.3 番号付加 SIP⇒回線発信・回線⇒SIP 着信接続時の番号付加のパターン番号を設定します。 『3.3.2 ルート設定』( 3-44ページ)『3.5.2 番号展開』 、 ( 3-59ページ)で“付加数字パターン番号”を“0”、 又は未入力とした場合は、本メニューの登録は必要ありません。 (1) “番号付加”をクリックすると、上記の画面が表示されます。 ※既に登録データが入っている場合は、登録データが表示されます。 何も登録されていない場合は、“No data in the memory.”が表示されます。 (2) “追加”をクリックすると、次ページの画面が表示されます。(全 32 パターン登録されている場合は“追加” ボタンは表示されません。) ※ 削除する場合、[1]番号付加(削除)( 『 』 3-73ページ)へお進み下さい。 (次ページへ続く) 3-71
  • 159.
    231-ND2824-000 第3章 入力画面の詳細説明 1.0 版 2009 年 8 月 3.5 番号計画の設定 (前ページの続き) (3) 付加数字パターン番号 : 付加数字パターン番号を入力します。 (通常 1 から順番に使用) ※1 ~ 32 の範囲で設定して下さい。 (4) 付加数字 : 付加させる数字を入力します。 ※最大 16 桁 (5) 入力内容を確認し、“設定”をクリックします。 ※ここで設定した内容は、 『3.3.2[1]ルート設定の追加』( 3-45ページ)『3.4.1[2]SIPサービス設定』 、 ( 3-53ページ)『3.5.2[1]SIP⇒回線発信』 、 ( 3-60ページ)『3.5.2[2]回線⇒SIP着信』 、 ( 3-64ページ)で使用します。 例 1)回線側から 4 桁(2220)を受信し、その受信番号を“3000”に変換し、SIPサーバーへ送出する場合… 『3.5.2[2]回線⇒SIP着信』( 3-64ページ)『3.5.3 番号付加』 、 ( 3-71ページ)の設定の詳細は 各項を参照して下さい。 ・「番号展開-番号展開-回線⇒SIP 着信」 (迂回の選択) : 迂回無 着信展開番号 : 2 最大桁数 : 4 サーバ番号 : 1 番号削除 : 3 番号付加 : 1 ・「番号付加-番号付加」 付加数字パターン番号 : 1 付加数字 : 300 3-72
  • 160.
    231-ND2824-000 第3章 入力画面の詳細説明 1.0 版 2009 年 8 月 3.5 番号計画の設定 [1] 番号付加(削除) “番号付加”にデータが登録されている場合、“番号付加”をクリックした時点で下記画面が表示されます。 (1) チェックボックスにチェックを入れ、“削除”をクリックします。 3-73
  • 161.
    231-ND2824-000 第3章 入力画面の詳細説明 1.0 版 2009 年 8 月 3.5 番号計画の設定 3.5.4 代表選択 『3.2.1 基本設定』 ( 3-9ページ)の“モデル定義”でFS/FXSを選択した場合のみ、本メニューは表示されます。 『3.3.1[1]<1>回線ポート設定の追加(FS/FXS)( 』 3-23ページ)の“回線タイプ”でFXS-PBXを選択し登録した 内線番号でグループを組み、話中時に登録された次の端末に迂回します。FXS-DIを選択した場合、本機能は使用できま せん。 パイロット方式で、代表番号が話中時に第 2STN 以降の端末を呼び出す動作をします。 本機能を使用しない場合、設定する必要はありません。 (1) “代表選択”をクリックすると、上記の画面が表示されます。 ※既に登録データが入っている場合は、登録データが表示されます。 何も登録されていない場合は、“No data in the memory.”が表示されます。 (2) “追加”をクリックすると、次ページの画面が表示されます。 ※ 削除する場合、[1]代表選択(削除)( 『 』 3-76ページ)へお進み下さい。 (次ページへ続く) 3-74
  • 162.
    231-ND2824-000 第3章 入力画面の詳細説明 1.0 版 2009 年 8 月 3.5 番号計画の設定 (前ページの続き) (3) パイロット STN : 代表選択する電話番号 ※『3.3.1[1]<1>回線ポート設定の追加(FS/FXS) 』( 3-23ページ)で登録 した“内線番号”を入力します。 (4) 第 2~第 4STN : グループに属する電話番号 ※最大 3 端末まで登録可能 ※『3.3.1[1]<1>回線ポート設定の追加(FS/FXS) 』( 3-23ページ)で登録 した“内線番号”(3)で指定したパイロットSTN以外)を入力します。 ( (5) 入力内容を確認し、“設定”をクリックします。 3-75
  • 163.
    231-ND2824-000 第3章 入力画面の詳細説明 1.0 版 2009 年 8 月 3.5 番号計画の設定 [1] 代表選択(削除) “代表選択”にデータが登録されている場合、“代表選択”をクリックした時点で下記画面が表示されます。 (1) チェックボックスにチェックを入れ、“削除”をクリックします。 3-76
  • 164.
    231-ND2824-000 第3章 入力画面の詳細説明 1.0 版 2009 年 8 月 3.6 データセーブ 3.6 データセーブ 登録されているコンフィグ設定を Flash メモリへセーブします。 (1) “データセーブ”をクリックします。 (2) セーブが終了すると“Command is completed.”が表示されますので“OK”をクリックして下さい。 ※コンフィグデータを設定・変更した場合は、必ず“データセーブ”を実行して下さい。 実行せずに再起動を行った場合、変更した内容は反映されません。 3-77
  • 165.
    231-ND2824-000 第3章 入力画面の詳細説明 1.0 版 2009 年 8 月 3.7 保守機能 3.7 保守機能 (1) “保守機能”をクリックすると、上記の画面が表示されます。 3-78
  • 166.
    231-ND2824-000 第3章 入力画面の詳細説明 1.0 版 2009 年 8 月 3.7 保守機能 3.7.1 回線状態表示 各ポートの回線状態(空き・話中等)や接続相手の IP アドレス等を表示します。 (1) “回線状態表示”をクリックすると、上記の画面が表示されます。 (次ページへ続く) 3-79
  • 167.
    231-ND2824-000 第3章 入力画面の詳細説明 1.0 版 2009 年 8 月 3.7 保守機能 (前ページの続き) (2) 回線状態 : 回線状態を表示します。 ・空き ・L1 障害中(ISDN-NET、ISDN-USER の場合のみ) ・L2 未確立(ISDN-NET、ISDN-USER の場合のみ) ・回線捕捉中 ・呼び出し中 ・通信中 ・保留中 ・no tone 送出中 ・DT 送出中 ・RBT 送出中 ・BT 送出中 ・ROT 送出中 ・SDT 送出中 ・SST 送出中 ・WT 送出中 ・SPDT 送出中 ・WRT 送出中 ・CPT 送出中 ・HLDT 送出中 (3) コーデック : “回線状態”が「通信中」の場合、通信している時のコーデックを表示します。 ・音声:G.711 ・音声:G.729a ・音声:G.723.1 ・FAX:G.711 ・FAX:G.726 (4) 接続相手 IP アドレス : “回線状態”が「通信中」の場合、接続相手先の IP アドレスを表示します。 ※「通信中」でも“-”(ハイフン)が表示される場合があります。 (5) 接続相手ポート番号 : “回線状態”が「通信中」の場合、接続相手先のポート番号を表示します。 ※「通信中」でも“-”(ハイフン)が表示される場合があります。 (6) LAN 障害による装置閉塞 : LAN 障害状況を表示します。 ・閉塞 : LAN 障害が発生し、装置に閉塞がかかっている状態 ・無し : LAN 障害が発生していない状態 (7) LAN スピード : 現在の LAN のリンクスピードを表示します。 ・100M : 100Mbps で動作中 ・10M : 10Mbps で動作中 (8) LAN モード : 現在の LAN のリンクモードを表示します。 ・Full : 全二重(Full)で動作中 ・Half : 半二重(Half)で動作中 (9) “回線状態表示”、又は“更新”ボタンをクリックすることで、最新の情報に更新されます。 3-80
  • 168.
    231-ND2824-000 第3章 入力画面の詳細説明 1.0 版 2009 年 8 月 3.7 保守機能 3.7.2 SIPサーバ状態表示 SIP サーバーの状態を表示します。 (1) “SIP サーバ状態表示”をクリックすると、上記の画面が表示されます。 (2) サーバ番号 : 『3.4.1[1]SIPサーバ情報設定』 ( 3-50ページ)で設定するサーバ番号です。 (3) ステータス : 各サーバ番号(1-127)におけるサーバーの状態を表示します。 ・運用中 : 回線側から SIP 網へ発信可能な状態 ・障害中 : 回線側から SIP 網へ発信不可能な状態 ※SIP 網から着信した場合は、回線側への発信を行います。 ・更新中 : 発信試行中の為、状態が不明 ※登録がないサーバーのサーバ番号にはステータスを表示しません。 ※サーバー障害は、障害が発生しているサーバーへ発信した時点で検出が行わ れます。サーバー障害発生後に、該当のサーバーへ発信していない場合はま だ障害が検出されておらず、 “運用中”と表示されることがあります。 (4) “SIP サーバ状態表示”、又は“更新”ボタンをクリックすることで、最新の情報に更新され一番先頭のペー ジを表示します。 ※1 ページ当たり 32 サーバー分表示し、全 4 ページ表示します。 ・ << ” ・・・ 一番先頭のページを表示 “ ・ < ” “ ・・・ 現在表示している画面から 1 つ前のページを表示 ・ > ” “ ・・・ 現在表示している画面から 1 つ次のページを表示 ・ >> ” ・・・ 一番最後のページを表示 “ 3-81
  • 169.
    231-ND2824-000 第3章 入力画面の詳細説明 1.0 版 2009 年 8 月 3.7 保守機能 3.7.3 システムログ表示 (1) “システムログ表示”をクリックすると、上記の画面が表示されます。 3-82
  • 170.
    231-ND2824-000 第3章 入力画面の詳細説明 1.0 版 2009 年 8 月 3.7 保守機能 [1] ログ表示 本装置が収集しているシステムログを表示します。 (1) “ログ表示”をクリックすると、上記の画面が表示されます。 ※表示するログが無い場合、又は『 [2]ログ収集設定』 ( 3-86ページ)で表示するログレベルを設定して いない場合は“No data in the memory.”が表示されます。 (2) 表示されているログの“LV”“アラーム”“時刻”のいずれかをクリックすると、右側に対象のログの詳細が ・ ・ 表示されます。(各アラームの対処法・詳細については、『4.3 トラブル対処法』( 4-3ページ)を参照して 下さい。) ※最新のログが一番上に表示されます。 ※本装置リブート後、時計設定を行うまでは正しい時刻が表示されません。 (次ページへ続く) 3-83
  • 171.
    231-ND2824-000 第3章 入力画面の詳細説明 1.0 版 2009 年 8 月 3.7 保守機能 (前ページの続き) ※表示されるログの種類は、以下のとおりです。 LV アラーム 発生要因 MJ 呼制御プロセス再起動 装置運用中、ソフトウェア内の問題で呼制御プロセスが再起動した MJ 回線制御プロセス再起動 装置運用中、 ソフトウェア内の問題で回線制御プロセスが再起動した MJ DSP 故障検出による再開 DSP の処理で異常状態が発生し、回線制御プロセスが再起動した MN スレッド起動 NG 回線制御プロセス、呼制御プロセス内でスレッドが起動しなかった SUP Ethernet I/F 断 Ether ケーブル断等、ネットワークが切断された SUP L1 リンク障害(LINE:0) ISDN 回線(LINE:0)断等によって、レイヤ 1 リンクが切断された SUP L1 リンク障害(LINE:1) ISDN 回線(LINE:1)断等によって、レイヤ 1 リンクが切断された SUP L2 リンク障害(LINE:0) レイヤ 2 通信障害、又は回線設定変更等によりリンクが切断された SUP L2 リンク障害(LINE:1) レイヤ 2 通信障害、又は回線設定変更等によりリンクが切断された INF L1 リンク復旧(LINE:0) ISDN 回線(LINE:0)のレイヤ 1 リンクが復旧した INF L1 リンク復旧(LINE:1) ISDN 回線(LINE:1)のレイヤ 1 リンクが復旧した INF L2 リンク復旧(LINE:0) ISDN 回線(LINE:0)のレイヤ 2 リンクが復旧した INF L2 リンク復旧(LINE:1) ISDN 回線(LINE:1)のレイヤ 2 リンクが復旧した INF SV7000 接続規制 接続が規制されている装置と発着信が行なわれた INF Ethernet I/F 復旧 ネットワーク切断から復旧した INF RTP 監視異常 通話中に相手からの RTP パケットが約 10 秒間途切れた INF 呼制御プロセス起動完了 呼制御プロセスの起動が完了した INF 回線制御プロセス起動完了 回線制御プロセスの起動が完了した ※1 画面当たり 50 件表示し、最大 900 件(18 ページ)表示します。 ・ << ” ・・・ 一番新しいシステムログを表示 “ ・ < ” “ ・・・ 現在表示している画面から 1 つ新しいシステムログを表示 ・ > ” “ ・・・ 現在表示している画面から 1 つ古いシステムログを表示 ・ >> ” ・・・ 取得したシステムログの一番古いページを表示 “ ※詳細画面に表示されるエラー情報の説明です。 保守窓口へお問い合わせになる場合は、内容を控えておいて下さい。 LV アラーム エラー情報 1 エラー情報 2 エラー情報 3 MJ 呼制御プロセス再起動 - - - MJ 回線制御プロセス再起動 - - - MJ DSP 故障検出による再開 - - - MN スレッド起動 NG スレッド名 - - SUP Ethernet I/F 断 - - - SUP L1 リンク障害(LINE:0) LINE 番号 - - SUP L1 リンク障害(LINE:1) LINE 番号 - - SUP L2 リンク障害(LINE:0) LINE 番号 発生要因 - 0:N200 回(RR)タイムアウト 1:L2 切断メッセージ受信 2:回線設定変更に伴 う L2 リフレッシュ SUP L2 リンク障害(LINE:1) LINE 番号 発生要因 - 0:N200 回(RR)タイムアウト 1:L2 切断メッセージ受信 2:回線設定変更に伴 う L2 リフレッシュ INF L1 リンク復旧(LINE:0) LINE 番号 - - INF L1 リンク復旧(LINE:1) LINE 番号 - - INF L2 リンク復旧(LINE:0) LINE 番号 - - INF L2 リンク復旧(LINE:1) LINE 番号 - - INF SV7000 接続規制 発信者番号 着信者番号 - INF Ethernet I/F 復旧 - - - INF RTP 監視異常 回線のポート番号 接続先の IP アドレス RTP ポート番号 INF 呼制御プロセス起動完了 - - - INF 回線制御プロセス起動完了 - - - 3-84
  • 172.
    231-ND2824-000 第3章 入力画面の詳細説明 1.0 版 2009 年 8 月 3.7 保守機能 ※障害が発生している場合、各障害の重要度により本装置前面の ALM LED が点灯、又は点滅します。 障害が複数発生している場合は、重要度の高い状態の ALM LED を点灯・点滅させます。 LV ALM LED 状態 MJ 常時点灯 MN 速い間隔で点滅(点灯時間:128(msec)、滅灯時間:128(msec)) SUP 遅い間隔で点滅(点灯時間:512(msec)、滅灯時間:512(msec)) INF 滅灯 3-85
  • 173.
    231-ND2824-000 第3章 入力画面の詳細説明 1.0 版 2009 年 8 月 3.7 保守機能 [2] ログ収集設定 表示するログのレベル・書込み周期を設定します。 (1) “ログ収集設定”をクリックすると、上記の画面が表示されます。 (2) ログレベル : 表示するログレベルを選択します。(複数選択可) ・MJ(Major) ・・・ システムダウン等の致命的な障害 ・MN(Minor) ・・・ システム異常等のサービス維持に関わる重大な障害 ・SUP(Superior) ・・・ Ether 障害等の回線障害系イベント ・INF(Information) ・・・ 上記に属さない軽微なイベント (3) 書込周期 : システムログをログファイルへ書き込む周期を設定します。 ・30 分 ・・・ 毎時 30 分おきに、ログファイルに書き込みます(標準設定) (ex:3 時 00 分→3 時 30 分→4 時 00 分・・・) ・60 分 ・・・ 毎時 00 分に、ログファイルに書き込みます (ex:6 時 00 分→7 時 00 分→8 時 00 分・・・) ・120 分 ・・・ 偶数時に、ログファイルに書き込みます (ex:10 時 00 分→12 時 00 分→14 時 00 分・・・) (次ページへ続く) 3-86
  • 174.
    231-ND2824-000 第3章 入力画面の詳細説明 1.0 版 2009 年 8 月 3.7 保守機能 (前ページの続き) (4) 障害復旧時に滅灯 : 障害から復旧した時に ALM LED を滅灯させるか選択します。 ※チェックを入れた場合は、障害復旧時に ALM LED を滅灯します。チェックを入 れない場合は、障害が復旧しても「ログ削除」するまで、ALM LED を滅灯しま せん。 ALM LED の点灯制御を行う障害イベントと、それに対応する滅灯イベントは下記の通りです。 LV ALM LED 点灯・点滅イベント 対応する ALM LED 滅灯イベント MJ 呼制御プロセス再起動 なし MJ 回線制御プロセス再起動 なし MJ DSP 故障検出による再開 回線制御プロセス再起動 MN スレッド起動 NG なし SUP Ethernet I/F 断 Ethernet I/F 復旧 SUP L1 リンク障害(LINE:0) L1 リンク復旧(LINE:0) SUP L1 リンク障害(LINE:1) L1 リンク復旧(LINE:1) SUP L2 リンク障害(LINE:0) L2 リンク復旧(LINE:0) SUP L2 リンク障害(LINE:1) L2 リンク復旧(LINE:1) (5) “設定”をクリックします。 3-87
  • 175.
    231-ND2824-000 第3章 入力画面の詳細説明 1.0 版 2009 年 8 月 3.7 保守機能 [3] ログ削除 システムログを削除します。 本装置前面の ALM LED の点灯・点滅を止めたい場合には、ログ削除を実行します。 (1) “ログ削除”をクリックすると、上記の画面が表示されます。 (2) “ログ削除”ボタンをクリックすると、下記ダイアログが表示されますので“OK”をクリックします。 (3) ログ削除が完了すると、下記ダイアログが表示されますので“OK”をクリックします。 3-88
  • 176.
    231-ND2824-000 第3章 入力画面の詳細説明 1.0 版 2009 年 8 月 3.7 保守機能 [4] ログファイルの保存 システムログ情報をホストマシン(PC)にダウンロードします。 (1) “ログファイルの保存”をクリックすると、上記の画面が表示されます。 (2) ログファイルを保存する際に、ファイルの圧縮有無を選択します。 (システムログファイルは csv 形式です。 ) ・“圧縮有り” … tgz 形式で圧縮してダウンロード(ホストマシン(PC)側で tar と gzip を解凍する ソフトウェアが必要) ・“圧縮無し” … csv 形式でダウンロード (次ページへ続く) 3-89
  • 177.
    231-ND2824-000 第3章 入力画面の詳細説明 1.0 版 2009 年 8 月 3.7 保守機能 (前ページの続き) (3) “ログファイルを保存”ボタンをクリックすると、下記の画面が表示されますので“保存”をクリックします。 (4) (3)の後、下記画面が表示されますので、ホストマシン(PC)内の任意の場所を指定し“保存”をクリック して下さい。 ※(2)で“圧縮有り”を選択した場合、ファイル名は“XXXX.tgz” (XXXX は任意)の形式で保存して下さい。 ホストマシン(PC)へダウンロード後に、解凍ツール等を使って解凍すると“XXXX.csv”ファイルが作成され ます。 また、“圧縮無し”を選択した場合は、ファイル名は“XXXX.csv” (XXXX は任意)の形式で保存して下さい。 (次ページへ続く) 3-90
  • 178.
    231-ND2824-000 第3章 入力画面の詳細説明 1.0 版 2009 年 8 月 3.7 保守機能 (前ページの続き) ※XXXX.csv ファイルを開くと、上記のような内容が表示されます。 列の意味 説明 A列 ログ連番 ログに古い順から振られる連番(0~899) B列 アラーム ID 発生したイベントを表す番号 0x0000 : 回線制御プロセス起動完了 0x0001 : 呼制御プロセス起動完了 0x0002 : RTP 監視異常 0x0003 : Ethernet I/F 復旧 0x0004 : SV7000 接続規制 0x0005 : L1 リンク復旧(LINE:0) 0x0006 : L1 リンク復旧(LINE:1) 0x0007 : L2 リンク復旧(LINE:0) 0x0008 : L2 リンク復旧(LINE:1) 0x1000 : Ethernet I/F 断 0x1001 : L1 リンク障害(LINE:0) 0x1002 : L1 リンク障害(LINE:1) 0x1003 : L2 リンク障害(LINE:0) 0x1004 : L2 リンク障害(LINE:1) 0x2000 : スレッド起動 NG 0x3000 : DSP 故障検出による再開 0x3001 : 回線制御プロセス再起動 0x3002 : 呼制御プロセス再起動 C列 アラームレベル イベントの内容に応じて 4 段階に設定 0 : INF 1 : SUP 2 : MN 3 : MJ D列 システムログ発生日時 システムログが発生した日時。 年(YYYY)/月(MM)/日(DD) 時(hh):分(mm):秒(ss) E列 エラー情報 1 詳細画面に表示されているエラー情報 1 の内容 F列 エラー情報 2 詳細画面に表示されているエラー情報 2 の内容 G列 エラー情報 3 詳細画面に表示されているエラー情報 3 の内容 3-91
  • 179.
    231-ND2824-000 第3章 入力画面の詳細説明 1.0 版 2009 年 8 月 3.7 保守機能 3.7.4 License登録 本機能は使用しません。 3-92
  • 180.
    231-ND2824-000 第3章 入力画面の詳細説明 1.0 版 2009 年 8 月 3.7 保守機能 3.7.5 SNMP (1) “SNMP”をクリックすると、上記の画面が表示されます。 3-93
  • 181.
    231-ND2824-000 第3章 入力画面の詳細説明 1.0 版 2009 年 8 月 3.7 保守機能 [1] SNMPシステム設定 SNMP のシステム管理情報を設定します。 (1) “SNMP システム設定”をクリックすると、上記の画面が表示されます。 (2) ロケーション情報 : 本装置の設置場所や用途等を示す情報を入力します。 (最大 32 文字) 使用できる文字は、半角英数字(0-9、a-z、A-Z)と“-”“_”です。 、 例)IPMASTER (3) 管理者情報 : 管理者の連絡先等を示す情報を入力します。 (最大 32 文字) 使用できる文字は、半角英数字(0-9、a-z、A-Z)と“-”“_”です。 、 例)admin@ipmaster.co.jp (4) ポート番号 : SNMP マネージャからの Get request を受け付けたり、Get response 送信時に使用 するポート番号を入力します。 (デフォルト:161 ポート) ※0 ~ 65535 の範囲で指定して下さい。(他のポート番号と重ならないように注 意して下さい。) ※何も入力しない場合は、デフォルト値(161 ポート)が設定されます。 (5) 入力内容を確認し、“設定”をクリックします。 (6) “ロケーション情報” “管理者情報” や を削除する場合は、登録データの右側にあるチェックボックスにチェッ クを入れ、“削除”をクリックします。 3-94
  • 182.
    231-ND2824-000 第3章 入力画面の詳細説明 1.0 版 2009 年 8 月 3.7 保守機能 [2] コミュニティ設定 SNMP マネージャからの Get request を受け付ける為の設定を行ないます。 (1) “コミュニティ設定”をクリックすると、上記の画面が表示されます。 ※既に登録データが入っている場合は、登録データが表示されます。 何も登録されていない場合は、“No data in the memory.”が表示されます。 (2) “追加”をクリックします。(全 8 種類登録されている場合は“追加”ボタンは表示されません。) ※ 削除する場合は、 <2> コミュニティ設定の削除』 『 ( 3-97ページ)へお進み下さい。 3-95
  • 183.
    231-ND2824-000 第3章 入力画面の詳細説明 1.0 版 2009 年 8 月 3.7 保守機能 <1> コミュニティ設定の追加 (1) コミュニティ名 : SNMP マネージャからの Get request を受け付ける際に必要なコミュニティ名を入 力します。 ※6 ~ 16 文字の範囲で設定して下さい。 ※使用できる文字は、半角英数字(0-9、a-z、A-Z)と“-”“_”です。 、 例)public (2) ネットワーク範囲 : SNMP マネージャからの Get request を受け付ける際の IP アドレスの範囲を入力 します。 左側 : IP アドレス(IPv4 形式) 例)192.168.0.0 右側 : サブネットマスク(IPv4 形式、または数値(1 ~ 32) ) 例)255.255.255.0、24 (3) 入力内容を確認し、“設定”をクリックします。 3-96
  • 184.
    231-ND2824-000 第3章 入力画面の詳細説明 1.0 版 2009 年 8 月 3.7 保守機能 <2> コミュニティ設定の削除 (1) “設定”ボタンの左隣にあるチェックボックスにチェックを入れ、“削除”をクリックします。 3-97
  • 185.
    231-ND2824-000 第3章 入力画面の詳細説明 1.0 版 2009 年 8 月 3.7 保守機能 [3] SNMP TRAP設定 TRAP 送信先サーバーを設定します。 (1) “SNMP TRAP 設定”をクリックすると、上記の画面が表示されます。 ※既に登録データが入っている場合は、登録データが表示されます。 何も登録されていない場合は、 “No data in the memory”が表示されます。 (2) “追加”をクリックします。(全 8 箇所登録されている場合は“追加”ボタンは表示されません。) ※ 削除する場合は、 <2> SNMP TRAP設定の削除』 『 ( 3-100ページ)へお進み下さい。 3-98
  • 186.
    231-ND2824-000 第3章 入力画面の詳細説明 1.0 版 2009 年 8 月 3.7 保守機能 <1> SNMP TRAP設定の追加 (1) IP アドレス : TRAP 送信先の IP アドレスを入力します。 例)192.168.0.200 (2) SNMP バージョン : TRAP を送信する時の SNMP バージョンを選択します。 ・V1/V2 : V1・V2 両方とも送信 ・V1 : V1 の TRAP を送信 ・V2 : V2 の TRAP を送信 (3) TRAP コミュニティ名 : TRAP 用コミュニティ名を入力します。 ※6 ~ 16 文字の範囲で設定して下さい。 ※使用できる文字は、半角英数字(0-9、a-z、A-Z)と“-”“_”です。 、 例)public (4) TRAP ポート番号 : TRAP の送信先ポート番号を入力します。 (デフォルト:162 ポート) ※0 ~ 65535 の範囲で指定して下さい。(他のポート番号と重ならないように注 意して下さい。 ) ※何も入力しない場合は、デフォルト値(162 ポート)が設定されます。 (5) 入力内容を確認し、“設定”をクリックします。 3-99
  • 187.
    231-ND2824-000 第3章 入力画面の詳細説明 1.0 版 2009 年 8 月 3.7 保守機能 <2> SNMP TRAP設定の削除 (1) “設定”ボタンの左隣にあるチェックボックスにチェックを入れ、“削除”をクリックします。 3-100
  • 188.
    231-ND2824-000 第3章 入力画面の詳細説明 1.0 版 2009 年 8 月 3.7 保守機能 3.7.6 発着信履歴 (1) “発着信履歴”をクリックすると、上記の画面が表示されます。 3-101
  • 189.
    231-ND2824-000 第3章 入力画面の詳細説明 1.0 版 2009 年 8 月 3.7 保守機能 [1] SIP→回線 本装置が SIP 網から回線へ発信した通話の履歴を表示します。 (1) “SIP→回線”をクリックすると、上記の画面が表示されます。 ※履歴が無い場合は、 “No Data in the Memory”が表示されます。 (2) 日付、表示順序、表示件数を選択し“表示”をクリックします。 日付 : 表示したい履歴の日付を選択します。通話履歴は最大 7 日分保存されます。 表示順序 : “開始時刻”“終了時刻”を選択することができます。 、 ・ 開始時刻 … 開始時刻の新しい順に履歴を表示(標準設定) ・ 終了時刻 … 終了時刻の新しい順に履歴を表示 表示件数 : “10 件”“20 件”“50 件”“100 件”を選択することができます。 、 、 、 ・ 10 件 … 1 画面に 10 件分の履歴を表示 ・ 20 件 … 1 画面に 20 件分の履歴を表示(標準設定) ・ 50 件 … 1 画面に 50 件分の履歴を表示 ・ 100 件 … 1 画面に 100 件分の履歴を表示 (次ページへ続く) 3-102
  • 190.
    231-ND2824-000 第3章 入力画面の詳細説明 1.0 版 2009 年 8 月 3.7 保守機能 (前ページの続き) (3) “表示”ボタンを押すことで通話履歴が表示されます。通話履歴は 1 日あたり最大 1000 件まで保存されます。 それぞれの内容について説明します。 項目 内容 No 履歴の項番です。 発信者番号 発信者の電話番号です。 着信者番号 SIP 装置から受信した着信者の番号です。 開始時刻 通話を開始した時刻です。 終了時刻 通話が正常に行われた場合は、通話の終了時刻が表示されます。話中等で通話が 行われない場合は「----/--/-- --:--:--」が表示されます。 ステータス 正常、話中、不応答、エラーが表示されます。 正常 :通話が正常に行われた場合に表示されます。 話中 :SIP Response の端末話中メッセージ(486 メッセージ)、又は回線話中 メッセージ(503 メッセージ)を送信した場合に表示されます。 不応答:途中放棄された場合に表示されます。 エラー:その他の接続エラーが発生した場合に表示されます。 情報 エラーが発生した際の情報について表示されます。 (次ページへ続く) 3-103
  • 191.
    231-ND2824-000 第3章 入力画面の詳細説明 1.0 版 2009 年 8 月 3.7 保守機能 (前ページの続き) ※ 情報には以下のエラーコードが設定されます。 エラーコード エラー要因 404 SIP 装置から受信された着番号が本装置の番号展開と一致しません。ダイヤル番 号、及び本装置の番号展開データを確認して下さい。 408 着信者が応答しなかった為、呼出しがタイムアウトしました。また、回線の接続 に問題がある場合にも発生します。回線接続、及び回線種別を確認して下さい。 481 SIP 装置から存在しない呼へのリクエストを受信しました。SIP メッセージの送受 信手順に誤りが発生しているか、再送が発生している場合があります。接続構成 を確認して下さい。 486 回線が話中の為、接続に失敗しました。 487 SIP 装置からの発信呼が途中放棄されました。 500 内部の SIP リソースに空きがありません。ネットワーク管理者までお知らせ下さ い。 503 全回線が話中の為、接続に失敗しました。 504 暫定応答確認(PRACK)の受信がタイムアウトしました。接続構成を確認して下さ い。また、100rel(PRACK)未対応のSIP装置と接続する場合は、『3.4.1[2]SIPサー ビス設定』 ( 3-53ページ)のPRACKサポートを“無効”に設定して下さい。 ※ 上記表に無いエラーコードが表示された場合はネットワーク管理者までお問合せ下さい。 (4) “削除”ボタンを押すことで“日付”で選択している履歴を削除することができます。 “削除”ボタンをクリックすると、下記ダイアログが表示されますので“OK”をクリックします。 ログ削除が完了すると、下記ダイアログが表示されますので“OK”をクリックします。 (5) 履歴画面の移動 履歴画面上にある“<<”“<”“>”“>>”ボタンを押すことで履歴画面を移動することができます。 、 、 、 ・ << ” ・・・ 一番新しい通話履歴を表示 “ ・ < ” ・・・ 現在表示している画面から 1 つ新しい通話履歴を表示 “ ・ > ” ・・・ 現在表示している画面から 1 つ古い通話履歴を表示 “ ・ >> ” ・・・ 取得した通話履歴の一番古いページを表示 “ 3-104
  • 192.
    231-ND2824-000 第3章 入力画面の詳細説明 1.0 版 2009 年 8 月 3.7 保守機能 [2] 回線→SIP 本装置が回線から SIP 網に送信した通話の履歴を表示します。 (1) “回線→SIP”をクリックすると、上記の画面が表示されます。 ※履歴が無い場合は、 “No Data in the Memory”が表示されます。 (2) 日付、表示順序、表示件数を選択し“表示”をクリックします。 日付 : 表示したい履歴の日付を選択します。通話履歴は最大 7 日分保存されます。 表示順序 : “開始時刻”“終了時刻”を選択することができます。 、 ・ 開始時刻 … 開始時刻の新しい順に履歴を表示(標準設定) ・ 終了時刻 … 終了時刻の新しい順に履歴を表示 表示件数 : “10 件”“20 件”“50 件”“100 件”を選択することができます。 、 、 、 ・ 10 件 … 1 画面に 10 件分の履歴を表示 ・ 20 件 … 1 画面に 20 件分の履歴を表示(標準設定) ・ 50 件 … 1 画面に 50 件分の履歴を表示 ・ 100 件 … 1 画面に 100 件分の履歴を表示 (次ページへ続く) 3-105
  • 193.
    231-ND2824-000 第3章 入力画面の詳細説明 1.0 版 2009 年 8 月 3.7 保守機能 (前ページの続き) (3) “表示”ボタンを押すことで履歴が表示されます。通話履歴は 1 日あたり最大 1000 件まで保存されます。それ ぞれの内容について説明します。 項目 内容 No 履歴の項番です。 発信者番号 FS/FXS、FO/FXO、又は OD/E&M を選択した場合は、本装置の使用しているポートに 設定されている Originating Name 中の電話番号が表示されます。 ISDN-NET 、 ISDN-USER を 選 択 し た 場 合 は 、 3.3.1 [ 3 ] 詳 細 設 定 (ISDN-NET ・ 『 ISDN-USER)』( 3-41ページ)の“ISDN→SIP発番号通知” 、及び“ISDN発番号透 過不可時”で設定した番号が表示されます。 着信者番号 本装置が送信した着信者の番号が表示されます。 ポート番号 本装置が使用した回線ポート番号を表示します。 開始時刻 通話を開始した時刻です。 終了時刻 通話が正常に行われた場合は、通話の終了時刻が表示されます。話中等で通話が 行われない場合は「----/--/-- --:--:--」が表示されます。 ステータス 正常、話中、不応答、エラーが表示されます。 正常 : 通話が正常に行われた場合に表示されます。 話中 : SIP Response の端末話中メッセージ(486 メッセージ) 、又は回線話中 メッセージ(503 メッセージ)を受信した場合に表示されます。 不応答: 途中放棄された場合に表示されます。 エラー: その他の接続エラーを受信した場合に表示されます。 情報 エラーが発生した際の情報について表示されます。 (次ページへ続く) 3-106
  • 194.
    231-ND2824-000 第3章 入力画面の詳細説明 1.0 版 2009 年 8 月 3.7 保守機能 (前ページの続き) ※ 情報には以下のエラーコードが設定されます。 エラーコード エラー要因 403 SIP 装置で接続が規制されました。 ダイヤル番号に誤りが無いか、 本装置の番号展 開データに誤りが無いか、及び接続先 SIP 装置が正常動作しているか確認して下 さい。 404 SIP 装置で接続先が見つかりませんでした。 ダイヤル番号に誤りが無いか、 本装置 の番号展開データに誤りが無いか、及び接続先 SIP 装置が正常動作しているか確 認して下さい。 407 SIP サーバーから認証要求を受けました。本装置は認証には対応しておりません。 ネットワーク管理者へご相談下さい。 408 着信者が応答せず SIP サーバーが呼出タイムアウトしました。 410 SIP 装置で接続先が見つかりませんでした。 ダイヤル番号に誤りが無いか、 本装置 の番号展開データに誤りが無いか、及び接続先 SIP 装置が正常動作しているか確 認して下さい。 420 SIP装置が対応していない拡張機能を要求しました。 『3.4.1[2]SIPサービス設定』 ( 3-53ページ)を確認して下さい(セッションタイマ方式、PRACKサポート等)。 421 SIP装置から拡張機能が要求されました。 『3.4.1[2]SIPサービス設定』 ( 3-53 ページ)を確認して下さい(セッションタイマ方式、PRACKサポート等)。 480 何らかの原因で SIP 装置へ接続を行うことができません。ネットワーク管理者ま でお知らせ下さい。 481 SIP 装置へ存在しない呼へのリクエストを送信しました。SIP メッセージの送受信 手順に誤りが発生しているか、再送が発生している場合があります。接続構成を 確認して下さい。 486 SIP 装置が話中の為、接続に失敗しました。 487 SIP 装置への発信呼を途中放棄しました。 500 SIP 装置内部で障害が発生しました。ネットワーク管理者までお知らせ下さい。 502 SIP 装置で接続先が見つかりませんでした。 ダイヤル番号に誤りが無いか、 本装置 の番号展開データに誤りが無いか、及び接続先 SIP 装置が正常動作しているか確 認して下さい。 503 SIP 装置が全話中もしくは障害発生の為、接続に失敗しました。 504 SIP装置でPRACKの受信がタイムアウトしました。接続構成を確認して下さい。ま た、100rel(PRACK)対応のSIP装置と接続する場合は、 『3.4.1[2]SIPサービス設定』 ( 3-53ページ)のPRACKサポートを”有効”に設定して下さい。 ※上記表に無いエラーコードが表示された場合はネットワーク管理者までお問合せ下さい。 (4) “削除”ボタンを押すことで“日付”で選択している履歴を削除することができます。 “削除”ボタンをクリックすると、下記ダイアログが表示されますので“OK”をクリックします。 (次ページへ続く) 3-107
  • 195.
    231-ND2824-000 第3章 入力画面の詳細説明 1.0 版 2009 年 8 月 3.7 保守機能 (前ページの続き) ログ削除が完了すると、下記ダイアログが表示されますので“OK”をクリックします。 (5) 履歴画面の移動 履歴画面上にある“<<”“<”“>”“>>”ボタンを押すことで履歴画面を移動することができます。 、 、 、 ・ << ” ・・・ 一番新しい通話履歴を表示 “ ・ < ” ・・・ 現在表示している画面から 1 つ新しい通話履歴を表示 “ ・ > ” ・・・ 現在表示している画面から 1 つ古い通話履歴を表示 “ ・ >> ” ・・・ 取得した通話履歴の一番古いページを表示 “ 3-108
  • 196.
    231-ND2824-000 第3章 入力画面の詳細説明 1.0 版 2009 年 8 月 3.7 保守機能 [3] 履歴収集設定 発着信履歴の収集設定・書込周期を設定します。 (1) “履歴収集設定”をクリックすると、上記の画面が表示されます。 (2) 履歴ログの収集設定 : 履歴ログの収集設定を選択します。 ・収集しない ・・・ 履歴を収集しません(標準設定) ・収集する ・・・ 履歴を収集します (3) 履歴ログの書込周期設定 : 履歴をログファイルへ書き込む周期を設定します。 ・30 分 ・・・ 毎時 30 分おきに、 ログファイルに書き込みます(標 準設定) (ex:3 時 00 分→3 時 30 分→4 時 00 分・・・) ・60 分 ・・・ 毎時 00 分に、ログファイルに書き込みます (ex:6 時 00 分→7 時 00 分→8 時 00 分・・・) ・120 分 ・・・ 偶数時に、ログファイルに書き込みます (ex:10 時 00 分→12 時 00 分→14 時 00 分・・・) (4) “設定”をクリックします。 3-109
  • 197.
    231-ND2824-000 第3章 入力画面の詳細説明 1.0 版 2009 年 8 月 3.7 保守機能 [4] 履歴ログ保存 発着信履歴ログ情報をホストマシン(PC)にダウンロードします。 (1) “履歴ログ保存”をクリックすると、上記の画面が表示されます。 (2) 履歴ログファイルを保存する際に、ファイルの圧縮有無を選択します。 (履歴ログファイルは csv 形式です。 ) ・ “圧縮有り” … tgz 形式で圧縮してダウンロード(ホストマシン(PC)側で tar と gzip を解凍する ソフトウェアが必要) ・“圧縮無し” … csv 形式でダウンロード (3) 保存する履歴を選択します。 ・SIP→回線 … SIP→回線履歴を保存(標準設定) ・回線→SIP … 回線→SIP 履歴を保存 (4) 保存する履歴の日付を選択します。収集している履歴ログファイルが表示されます。また、通話履歴が存在し ない場合は、 「SIP→回線の履歴ログファイルは存在しません」と表示されます。 ※(3) で回線→SIP を選択し、通話履歴が存在しない場合は「回線→SIP の履歴ログファイルは存在しません」 と表示されます。 (次ページへ続く) 3-110
  • 198.
    231-ND2824-000 第3章 入力画面の詳細説明 1.0 版 2009 年 8 月 3.7 保守機能 (前ページの続き) (5) “保存”ボタンをクリックすると、下記の画面が表示されますので“保存”をクリックします。 (6) (5)の後、下記画面が表示されますので、ホストマシン(PC)内の任意の場所を指定し“保存”をクリック して下さい。 ※(2)で“圧縮有り”を選択した場合、ファイル名は“XXXX.tgz” (XXXX は任意)の形式で保存して下さい。 ホストマシン(PC)へダウンロード後に、解凍ツール等を使って解凍すると“XXXX.csv”ファイルが作成され ます。 また、“圧縮無し”を選択した場合は、ファイル名は“XXXX.csv” (XXXX は任意)の形式で保存して下さい。 (次ページへ続く) 3-111
  • 199.
    231-ND2824-000 第3章 入力画面の詳細説明 1.0 版 2009 年 8 月 3.7 保守機能 (前ページの続き) XXXX.csv ファイルを開くと、上記のような内容が表示されます。 列の意味 説明 A列 連番 履歴を書き込んだ順に振られる番号(0~999) B列 発着種別 0 : SIP→回線履歴 1 : 回線→SIP 履歴 C列 SIP 側電話番号 SIP→回線履歴ログファイルの場合・・・ 発信者の電話番号 回線→SIP 履歴ログファイルの場合・・・ 本装置が送信した着信者の番号 D列 ポート番号 回線のポート番号 ※SIP→回線履歴ログファイルの場合は”0:固定”となりま す。 E列 回線側電話番号 SIP→回線履歴ログファイルの場合・・・ 接続相手先の電話番号 回線→SIP 履歴ログファイルの場合・・・ 本装置の該当ポートに設定されている Originating Name 中の電話番号 F列 通話開始時刻 通話を開始した日時 年(YYYY)/月(MM)/日(DD) 時(hh):分(mm):秒(ss) G列 通話終了時刻 通話を終了した日時 年(YYYY)/月(MM)/日(DD) 時(hh):分(mm):秒(ss) ※話中等で通話が行なわれなかった場合は、 「0000/00/00 00:00:00」が表示されます。 H列 ステータス 0 : 正常 1 : 話中 2 : 不応答 3 : エラー I列 情報 エラーが発生した際の情報 3-112
  • 200.
    231-ND2824-000 第3章 入力画面の詳細説明 1.0 版 2009 年 8 月 3.7 保守機能 3.7.7 バックアップ (1) “バックアップ”をクリックすると、上記の画面が表示されます。 3-113
  • 201.
    231-ND2824-000 第3章 入力画面の詳細説明 1.0 版 2009 年 8 月 3.7 保守機能 [1] ホストマシンへセーブ コンフィグデータをホストマシン(PC)へダウンロードします。 (1) “ホストマシンへセーブ”をクリックすると、上記の画面が表示されます。 (2) “config ファイル”をクリックすると下記の画面が表示されますので“OK”をクリックします。 (次ページへ続く) 3-114
  • 202.
    231-ND2824-000 第3章 入力画面の詳細説明 1.0 版 2009 年 8 月 3.7 保守機能 (前ページの続き) (3) (2)の後、下記画面が表示されますので、ホストマシン内の任意の場所を指定し“保存”をクリックして下 さい。 ※保存するファイル名を変更する場合、ファイル名の頭文字に“V”“v”は使用しないで下さい。 、 また、ファイル名は“XXXXipm.tgz”(XXXX は任意)の形式で保存して下さい。 (4) 終了しましたら、(3)で指定した場所にコンフィグデータが保存されていることを確認して下さい。 ※ホストマシンにセーブ(ダウンロード)したファイルは圧縮されています。 解凍ツール等を使って解凍して出来たフォルダを開くと、以下のファイルが入っています。 注)コンフィグデータの設定内容により、ファイル数は変わります。 ・interfaces : IP アドレス・ネットワークマスク・デフォルトゲートウェイの設定ファイル ・ip-if : LAN スピード・LAN モードの設定ファイル ・ntp.conf : SNTP の設定ファイル ・passwd : telnet でログイン時のログイン名・パスワード設定ファイル ・snmpd.conf : SNMP の設定ファイル ・startdm.dat : コンフィグデータファイル 3-115
  • 203.
    231-ND2824-000 第3章 入力画面の詳細説明 1.0 版 2009 年 8 月 3.7 保守機能 [2] ホストマシンからロード コンフィグデータをホストマシン(PC)から本装置へアップロードします。 (1) “ホストマシンからロード”をクリックすると、上記の画面が表示されます。 (2) “参照…”をクリックすると下記の画面が表示されますので、ホストマシン内のコンフィグデータ ( 『[1]ホストマシンへセーブ』( 3-114ページ)でセーブしたファイル(例:necvoipgwipm.tgz))を選択して、 “開く”をクリックします。 (次ページへ続く) 3-116
  • 204.
    231-ND2824-000 第3章 入力画面の詳細説明 1.0 版 2009 年 8 月 3.7 保守機能 (前ページの続き) (3) “ロード”をクリックすると、本装置へコンフィグデータ(上記の例では necvoipgwipm.tgz)をロードします。 下記のように“Command is completed”と表示されます。 (4) (3)のダイアログで“OK”をクリックすると、下記のダイアログが表示されますので、“OK”をクリックし て再起動を行ないます。 3-117
  • 205.
    231-ND2824-000 第3章 入力画面の詳細説明 1.0 版 2009 年 8 月 3.7 保守機能 [3] config一覧出力 コンフィグデータの一覧を csv 形式でダウンロードします。 (1) “config 一覧出力”をクリックすると、上記の画面が表示されます。 (2) config 一覧を出力する際に、ファイルの圧縮有無を選択します。(csv 形式です。) ・“圧縮有り” … tgz 形式で圧縮してダウンロード(ホストマシン(PC)側で tar と gzip を解凍するソフ トウェアが必要) ・“圧縮無し” … csv 形式でダウンロード (次ページへ続く) 3-118
  • 206.
    231-ND2824-000 第3章 入力画面の詳細説明 1.0 版 2009 年 8 月 3.7 保守機能 (前ページの続き) (3) “保存”ボタンをクリックすると、下記の画面が表示されますので“保存”をクリックします。 (4) (3)の後、下記画面が表示されますので、ホストマシン(PC)内の任意の場所を指定し“保存”をクリック して下さい。 ※(2)で“圧縮有り”を選択した場合、ファイル名は“XXXX.tgz” (XXXX は任意)の形式で保存して下さい。 ホストマシン(PC)へダウンロード後に、解凍ツール等を使って解凍すると“conf_list.csv”ファイルが作 成されます。 また、“圧縮無し”を選択した場合は、ファイル名は“XXXX.csv” (XXXX は任意)の形式で保存して下さい。 ※XXXX.csv ファイルを開くと、上記のような内容が表示されます。 3-119
  • 207.
    231-ND2824-000 第3章 入力画面の詳細説明 1.0 版 2009 年 8 月 3.7 保守機能 3.7.8 バージョンUP サービスプログラムのバージョンアップを行います。 Static 接続数拡張機能未対応バージョン(V03 以前)から、Static 接続数拡張機能対応バージョン(V04 以降)のサービス プログラムにバージョンアップした場合にはコンフィグデータは引き継がれますが、対応バージョンから未対応バー ジョンにバージョンダウンした場合、 コンフィグデータは引き継がれません(登録データが見えなくなってしまいます) のでご注意下さい。 (1) “バージョン UP”をクリックすると、上記の画面が表示されます。 (2) “セーブ”をクリックすると、下記ダイアログが表示されますので“OK”をクリックし、コンフィグデータを Flash メモリへセーブします。 ※“セーブ”を実行しなかった場合、それまでに設定・変更した内容は再起動時に反映されませんので、必ず実行 して下さい。 (次ページへ続く) 3-120
  • 208.
    231-ND2824-000 第3章 入力画面の詳細説明 1.0 版 2009 年 8 月 3.7 保守機能 (前ページの続き) (3) “config ファイル”をクリックすると、下記の画面が表示されますので“保存”をクリックします。 (4) (3)の後、下記画面が表示されますので、ホストマシン内の任意の場所を指定し“保存”をクリックして下 さい。 ※保存するファイル名を変更する場合、ファイル名の頭文字に“V”“v”は使用しないで下さい。 、 また、ファイル名は“XXXXipm.tgz”(XXXX は任意)の形式で保存して下さい。 (5) 終了しましたら、(4)で指定した場所にコンフィグデータが保存されていることを確認して下さい。 (次ページへ続く) 3-121
  • 209.
    231-ND2824-000 第3章 入力画面の詳細説明 1.0 版 2009 年 8 月 3.7 保守機能 (前ページの続き) (6) “参照…”をクリックすると下記の画面が表示されますので、ホストマシン内のバージョンアップファイル (V0X-XX-XXX-XXXX.tgz)を選択して“開く”をクリックします。 注)バージョン UP ファイル(V0X-XX-XXX-104X.tgz)以外のファイルを指定しないで下さい。また、バージョン UP ファイルには、 「FS/FXS・FO/FXO・OD/E&M」用と、 「ISDN-NET・ISDN-USER」用と下記 2 種類ありますの でよく確認して実行して下さい。 ・FS/FXS・FO/FXO・OD/E&M :V0X-XX-XXX-1040.tgz ・ISDN-NET・ISDN-USER :V0X-XX-XXX-1043.tgz (7) “転送と実行”をクリックすると、プログラムのバージョンアップが始まります。 ※バージョンアップ処理が始まると、上記の“バージョン UP 中”が表示されます。 (8) バージョンアップが完了すると下記のダイアログが表示されますので、“OK”をクリックして下さい。 (9) 装置が自動的に再起動を行いますので、約 2 分間待ちます。 注)使用中の WEB ブラウザは一旦閉じ、再度立ち上げてからご使用下さい。ランタイムエラー等の表示が出る 場合があります。 (10)起動したら再度ログインし、“システム情報”の画面から“プログラムバージョン”を確認して下さい。 注)バージョンアップ完了まで、他のメニュー・ボタンを押したり、電源を切ったりしないようにして下さい。 上記の操作を行なった場合、製造元での再インストールとなることがありますので十分注意して下さい。 3-122
  • 210.
    231-ND2824-000 第3章 入力画面の詳細説明 1.0 版 2009 年 8 月 3.7 保守機能 3.7.9 再起動 本装置の再立ち上げを実行します。 接続中の呼は全て切断されますので、本コマンドの使用は注意して下さい。 また、コンフィグ内容を変更した場合、“データセーブ”を行わずに“再起動”を行うと、変更内容が反映されません ので、“再起動”を行う前に“データセーブ”を実行して下さい。 (1) “再起動”をクリックすると、下記のダイアログが表示されます。“OK”をクリックすると再起動を行います。 注)再起動後は、使用中の WEB ブラウザは一旦閉じ、再度立ち上げてからご使用下さい。ランタイムエラー等の表示 が出る場合があります。 3-123
  • 211.
    231-ND2824-000 第3章 入力画面の詳細説明 1.0 版 2009 年 8 月 3.7 保守機能 3.7.10 システム初期化 本装置に登録されているコンフィグデータや IP アドレスを初期化し、工場出荷状態に戻します。 本コマンドの使用は注意して下さい。 (1) “システム初期化”をクリックすると、下記のダイアログが表示されます。 “OK”をクリックすると本装置の 初期化を行います。 (2) 初期化が終了すると、下記のダイアログが表示されます。 (次ページへ続く) 3-124
  • 212.
    231-ND2824-000 第3章 入力画面の詳細説明 1.0 版 2009 年 8 月 3.7 保守機能 (前ページの続き) (3) (2)のダイアログで、“OK”をクリックすると、下記のダイアログが表示されますので、“OK”をクリックし て再起動を行ないます。 3-125
  • 213.
    231-ND2824-000 第3章 入力画面の詳細説明 1.0 版 2009 年 8 月 3.8 ユーザ管理 3.8 ユーザ管理 3.8.1 ユーザ情報変更 (1) “ユーザ管理”をクリックすると、上記の画面が表示されます。 3-126
  • 214.
    231-ND2824-000 第3章 入力画面の詳細説明 1.0 版 2009 年 8 月 3.8 ユーザ管理 [1] ユーザ情報変更 (1) “ユーザ情報変更”をクリックすると、上記の画面が表示されます。 3-127
  • 215.
    231-ND2824-000 第3章 入力画面の詳細説明 1.0 版 2009 年 8 月 3.8 ユーザ管理 <1> ユーザ登録/削除(登録) 本装置にログインできる保守、工事対応ユーザーを登録/削除します。 登録者数は管理者も含めて、最大 16 ユーザーです。 (1) “ユーザ登録/削除”をクリックすると、上記の画面が表示されます。 (2) “追加”をクリックすると、次ページの画面が表示されます。 (全 16 ユーザー登録されている場合は“追加” ボタンは表示されません。) ※“削除”をクリックした場合は、『<2> ユーザ登録/削除(削除)(』 3-130ページ)にお進み下さい。 (次ページへ続く) 3-128
  • 216.
    231-ND2824-000 第3章 入力画面の詳細説明 1.0 版 2009 年 8 月 3.8 ユーザ管理 (前ページの続き) (1) 名前 : ログイン名を入力します。(任意:最大 63 文字) 使用できる文字は、半角英数字(0-9、a-z、A-Z)と“-”“_”“.”です。 、 、 (2) パスワード : パスワードを入力します。(任意:15 文字以内) 使用できる文字は、半角英数字(0-9、a-z、A-Z)と“-”“_”“.”です。 、 、 (3) パスワード確認入力 : (2)で入力したパスワードをもう一度入力します。 (4) クラス : 一般ユーザー(Normal)/特権ユーザー(Super)を選択します。 ・Normal ・Super (5) 入力内容を確認し“設定”をクリックします。 ※各ユーザークラス毎のコマンド規制 ・一般ユーザー(Normal) 通常保守でデータの確認ができるレベルのコマンドの使用が可能 ・特権ユーザー(Super) 運用に関わる局データの登録、削除、変更が可能 ・管理者(Administrator) システムに関わるデータの登録、削除、変更が可能 3-129
  • 217.
    231-ND2824-000 第3章 入力画面の詳細説明 1.0 版 2009 年 8 月 3.8 ユーザ管理 <2> ユーザ登録/削除(削除) (1) 『<1> ユーザ登録/削除(登録)( 』 3-128ページ)の(1)を行います。 (2) “削除”をクリックすると、下記の画面が表示れます。 (3) ユーザ番号 : 該当するユーザ番号を入力します。 ※『<1>ユーザ登録/削除(登録) ( 』 3-128ページ)の(1)で表示され る“番号”です。 (4) ユーザ名 : 該当するユーザ名を入力します。 ※『<1>ユーザ登録/削除(登録) ( 』 3-128ページ)の(1)で表示され る“名前”です。 (5) 入力内容を確認し、“設定”をクリックします。 3-130
  • 218.
    231-ND2824-000 第3章 入力画面の詳細説明 1.0 版 2009 年 8 月 3.8 ユーザ管理 <3> パスワード変更 (1) “パスワード変更”をクリックすると、上記の画面が表示されます。 (2) 変更前のパスワード : 現在ログインしているユーザーのパスワード (3) 変更後のパスワード : 新しいパスワードを入力 (4) 変更後のパスワード再入力 : 新しいパスワードを再入力 (5) 入力内容を確認し“設定”をクリックします。 3-131
  • 219.
    231-ND2824-000 第3章 入力画面の詳細説明 1.0 版 2009 年 8 月 3.8 ユーザ管理 3.8.2 アクセス制限 WEB コンソール、TELNET/FTP のアクセス制限を設定します。 (1) “アクセス制限”をクリックすると、上記の画面が表示されます。 3-132
  • 220.
    231-ND2824-000 第3章 入力画面の詳細説明 1.0 版 2009 年 8 月 3.8 ユーザ管理 [1] WEBアクセス制限 WEB コンソールにアクセス可能な IP アドレスの制限を行います。 本メニューで設定した IP アドレス以外からは、WEB コンソールにアクセスできなくなります。 (1) “WEB アクセス制限”をクリックすると、上記の画面が表示されます。 (2) WEB アクセス制限 : WEB アクセス制限機能の有効/無効を選択します。 ・無効(標準設定) ・有効 (3) IP アドレス 1~5 : WEB コンソールへのアクセスを許可する IP アドレスを登録します。 例)192.168.0.*、172.16.1.100 ※最大 5 つまで登録可能です。 ※操作している PC の IP アドレスが許可されなかった場合、WEB コンソールにア クセスできなくなりますので注意して下さい。万一アクセス不能になった場合 は、本装置を Rescue モードで起動し、WEB アクセス制限機能を無効に設定し直 すか、操作している PC の IP アドレスを追加設定して下さい。 Rescue モードではアクセス制限は一時的に解除され、WEB コンソールへのアク セスが可能となります。 (Rescue モードでの起動方法は、 『工事マニュアル 第 1 編-第 3 章の「3.6 工 場出荷設定への戻し方」 (1)Rescue モードの起動』を参照して下さい。 ) (4) 入力内容を確認し、“設定”をクリックします。 (5) 削除する場合は、登録データの右側にあるチェックボックスにチェックを入れ、“削除”をクリックします。 3-133
  • 221.
    231-ND2824-000 第3章 入力画面の詳細説明 1.0 版 2009 年 8 月 3.8 ユーザ管理 [2] TELNET/FTPアクセス制限 TELNET や FTP で本装置にアクセス可能な IP アドレスの制限を行います。 本メニューで設定した IP アドレス以外からは、アクセスできなくなります。 (1) “TELNET/FTP アクセス制限”をクリックすると、上記の画面が表示されます。 (2) TELNET/FTP アクセス制限: TELNET/FTP アクセス制限機能の有効/無効を選択します。 ・無効(標準設定) ・有効 (3) IP アドレス 1~5 : TELNET や FTP でのアクセスを許可する IP アドレスを登録します。 例)192.168.0.*、172.16.1.100 ※最大 5 つまで登録可能です。 (4) 入力内容を確認し、“設定”をクリックします。 (5) 削除する場合は、登録データの右側にあるチェックボックスにチェックを入れ、“削除”をクリックします。 3-134
  • 222.
    231-ND2824-000 第 4 章 こんなとき 1.0 版 2009 年 8 月 4.1 不具合の事象とチェックポイント 第4章 こんなとき この章では、不具合解決のための説明を記載しています。 本章以外の不具合に関しては、システム管理者に確認して下さい。 4.1 不具合の事象とチェックポイント こんなとき チェックポイント RUN ランプが点灯しない ・3.3.1-[1]項( 3-22ページ)「回線-回線設定-回線ポート設定」で回線登録しました か? 回線登録されていない場合、RUNランプは点灯しません。 WEB ブラウザでコンフィグメニューが ・WEB ブラウザのプロキシの設定が正しくないとコンフィグメニューは表示されません。 表示されない ・Windows の InternetExplorer の場合、メニューから[ツール]→[インターネット オプショ ン]→[接続]タブ→[LAN の設定]を開き、[プロキシ サーバーを使用する] の設定を確 認して下さい。 3.3.1-[1]項( 3-22ページ)「回線- ・3.2.1 項( 3-9ページ)「システム-基本設定」でモデル定義を設定しましたか? 回線設定-回線ポート設定」で回線登録 また、モデル定義設定後、一度ログアウトしましたか? し よ う と し た ら “ Can not find default モデル定義を設定し、ログアウトせずに回線登録すると左記のエラーが表示されます。 value!”とエラー表示が出る。 3.2.4-[1]項( 3-14ページ)「シス ・再起動しましたか?IP アドレス情報は再起動後に反映されます。 テム-ネットワーク設定-IP設定」でIP アドレスを変更したが、IPアドレスが変 わらない 回線⇒SIP 着信がうまくいかない ・LAN ケーブル・モジュラーケーブルは抜けていませんか? ・IPMASTER-1042(OD)の場合…アース線は正しく接地されていますか? ・3.4.1-[1]項( 3-50ページ)「SIP-SIP設定-SIPサーバ情報設定」でSIPサーバのIP アドレスは合っていますか? ・3.5.1 項( 3-58ページ)「番号計画-番号前翻訳」で設定した番号桁数は合っていま すか? ・3.5.2-[2]項( 3-64ページ)「番号計画-番号展開-回線⇒SIP着信」の設定は合っ ていますか? SIP⇒回線発信がうまくいかない ・LAN ケーブル・モジュラーケーブルは抜けていませんか? ・IPMASTER-1042(OD)の場合…アース線は正しく接地されていますか? ・3.5.2-[1]項( 3-60ページ)「番号計画-番号展開-SIP⇒回線発信」の設定は合っ ていますか? 電源 off/on したら、時計表示がずれた ・3.2.2 項( 3-11ページ)「システム-時計設定」の設定内容は電源を切ると消えてし まいます。再度設定しなおして下さい。 ・電源を切る度に設定するのが面倒な場合は、3.2.3 項( 3-12ページ)「システム -SNTP設定」を行って下さい。 3.3.1-[1]項( 3-22ページ)「回線- ・回線を削除した場合は、再起動を行って下さい。 回線設定-回線ポート設定」で登録した 回線を削除したのにポートを掴む コンフィグデータを全て削除して、 ・3.7.10 項( 3-124ページ)「保守機能-システム初期化」を実行して下さい。但し、コンフィ 1 から登録し直したい グデータだけでなく、IPアドレスも初期状態(192.168.0.100)に戻ります。 通話音量が大きい/小さい ・3.3.1-[1]-<1>~<5>項( 3-23~3-35ページ)「回線-回線設定-回線ポート設定」 で、お使いのモデルの回線ポート設定を見て頂き、“送信PAD”・“受信PAD”の値を調 整して下さい。 回線に FAX を接続したが、うまく動作 ・3.2.4-[2]項( 3-17ページ)「システム-ネットワーク設定-音声パケット設定」の しない Fax relay の設定を行って下さい。 繋がりにくい場合は、接続する FAX を SuperG3 FAX に変更してみて下さい。 ・FAX の通信エラーが発生する場合は、送信側、及び受信側の FAX の ECM 機能を ON にしてみて下さい。また、FAX の PAD 値、ペイロードサイズ値を調整して下さい。 通話中にノイズが発生する ・3.2.4-[2]項( 3-17ページ)「システム-ネットワーク設定-音声パケット設定」のペイ ロードサイズを調整し、それでも改善しないようであれば、ジッターバッファの調整を 行って下さい。 PB ダイヤルイン接続がうまくいかない ・3.3.1-[2]項( 3-39ページ)「回線-回線設定-詳細設定」のPBXダイヤルイン内線指 定受信完了信号タイミングを“100 受信”に変更してみて下さい。 4-1
  • 223.
    231-ND2824-000 第 4 章 こんなとき 1.0 版 2009 年 8 月 4.2 UNIVERGE IPMASTER-1040,1041,1042 コンフィグデータ使用の注意点 4.2 UNIVERGE IPMASTER-1040,1041,1042 コンフィグデータ使用の注意点 IPMASTER-1040,1041,1042 のコンフィグ・データを UNIVERGE IPMASTER-1040A,1041A,1042A で使用される場 合、下記の注意が必要です。 ・IPMASTER-1040,1041,1042 では、ホットライン接続する場合、番号展開を設定せずに動作させることは 可能でしたが、UNIVERGE IPMASTER-1040A,1041A,1042Aでは、3.5.2 項( 3-59ページ)の「番号計 画-番号展開」を設定する必要があります。 4-2
  • 224.
    231-ND2824-000 第 4 章 こんなとき 1.0 版 2009 年 8 月 4.3 トラブル対処法 4.3 トラブル対処法 『3.7.3[1]ログ表示』( 3-83ページ)で、システムログが表示された場合の対処方法を記載しています。 [1] 対処方法 LV アラーム 対処方法 MJ 呼制御プロセス再起動 ・頻発する場合は、保守窓口へお問合せ下さい。 MJ 回線制御プロセス再起動 ・頻発する場合は、保守窓口へお問合せ下さい。 MJ DSP 故障検出による再開 ・頻発する場合は、装置故障が考えられます。保守窓口へお問合せ下さい。 スレッド起動 NG ・電源の再投入を行って下さい。 MN ・改善されない場合は保守窓口へお問合せ下さい。 SUP Ethernet I/F 断 ・Ether ケーブルの接続状況をご確認下さい。 SUP L1 リンク障害(LINE:0) ・LINE-0 側の ISDN 回線の接続状況をご確認下さい。 SUP L1 リンク障害(LINE:1) ・LINE-1 側の ISDN 回線の接続状況をご確認下さい。 L2 リンク障害(LINE:0) ・LINE-0 側の ISDN 回線の接続状況をご確認下さい。 ・ISDN 回線の契約内容をご確認下さい。(ポイント・ポイント or ポイント・マルチポイント、 SUP ISDN-NETorISDN-USER) ・電源の再投入を行って下さい。 ・改善されない場合は保守窓口へお問合せ下さい。 L2 リンク障害(LINE:1) ・LINE-1 側の ISDN 回線の接続状況をご確認下さい。 ・ISDN 回線の契約内容をご確認下さい。(ポイント・ポイント or ポイント・マルチポイント、 SUP ISDN-NETorISDN-USER) ・電源の再投入を行って下さい。 ・改善されない場合は保守窓口へお問合せ下さい。 INF L1 リンク復旧(LINE:0) - INF L1 リンク復旧(LINE:1) - INF L2 リンク復旧(LINE:0) - INF L2 リンク復旧(LINE:1) - INF SV7000 接続規制 ・保守窓口へお問い合わせ下さい。 INF Ethernet I/F 復旧 - INF RTP 監視異常 ・ネットワーク構成、対向装置との通信状態をご確認下さい。 INF 呼制御プロセス起動完了 - INF 回線制御プロセス起動完了 - 4-3
  • 225.
    231-ND2824-000 第5章 専門用語解説 1.0 版 2009 年 8 月 5.1 用語一覧 第5章 専門用語解説 この章では、本書に出てくる専門用語について解説します。 5.1 用語一覧 用語 解説 SIP Session Initiation Protocol の略称で、IP 網の環境において IP パケットという形式 のデータを用いて、音声通話(固定電話、携帯電話など)をはじめ、テレビ電話など のビデオ通信やチャット (文字による会話) などのマルチメディア通信を開始したり、 終了したりするために使用される通信プロトコルです。 コーデック (CODEC:Coder/Decoder、符号化器/復号器)音声信号を符号化あるいは復号して、圧 縮あるいは伸長する技術 G.711 ITU-T の音声符号化方式の勧告の 1 つ。G.711 は、PCM(パルス符号変調)方式によっ て電話線上で 64kbps の伝送速度を実現する方式 G.729a ITU-T の音声符号化方式の勧告の 1 つ。G.729 は、CS-ACELP(共役構造代数励振型線形 予測)によってアナログ電話帯域(3.4kHz≒4kHz)の信号を 8kHz でサンプリング(標 本化)し、8kbps の伝送速度を実現する方式 G.723.1 ITU-T の音声符号化方式の勧告の 1 つ。 G.723.1 は、アナログ電話網を用いてテレビ電 話用の音声を低伝送速度で実現するための符号化方式 G.726 ITU-T の音声符号化方式の勧告の 1 つ。G.726 は、ADPCM(適応差分パルス符号変調) 方式によって 32kbps の伝送速度を実現する方式 ジッターバッファ 到着するパケットをバッファに入れて、エンドユーザーに配信する前に着信パケット 間の待ち時間を調整すること ペイロード 通信パケットのうちヘッダー部分(行き先等の付加情報)を除いた、本来転送したい データ本体のこと RTP リアルタイム・データ転送プロトコル。RTP は、映像と音声データを利用して遠隔会 議を行うアプリケーションなどで利用されることを想定し、映像や音声データをリア ルタイムに適した形で転送することを目的に設計されています。RTP は、時間単位で データをパケットに分割して、 パケットにデータの時間の情報を付加して転送します。 PROXY サーバー リクエストやレスポンスを中継するサーバー タイムゾーン イギリスのグリニッジ天文台における時間(GMT:標準時間)を起点とし、地球を経緯 15 度の地域に分割し、同じ標準時間を使っている地域 SNTP (Simple Network Time Protocol)TCP/IP ネットワークを通じてコンピュータの時刻 を同期させるプロトコルの一つで、NTP の簡易版です。 NTP は時刻情報サーバーを階層的に構成し、情報を交換して時刻を同期するプロトコ ルです。SNTP は NTP の仕様のうち複雑な部分を省略し、クライアントがサーバーに正 確な時刻を問い合わせる用途に特化しています。 RFC2833 RTP における DTMF 信号送受信の手順 DTMF プッシュ方式の電話機などで、ボタンを押すたびに発信される音。プッシュ音、トー ン信号と呼ばれることもあります。 DP10 DP(Dial Pulse)10pps : 1 秒間に 10 パルスを送出する DP20 DP(Dial Pulse)20pps : 1 秒間に 20 パルスを送出する PB PB(Push Button)信号 PBX (Private Branch Exchange)構内交換機 PBX ダイヤルイン接続 回線側から受信した下 4 桁までの番号を SIP サーバーへ送出し、SIP 端末を呼び出せ る方式 追加ダイヤルイン接続 着信した後に、目的とする相手の番号を追加してダイヤルすると、直接ダイヤルした SIP 端末を呼び出せる方式 E&M 方式 Ear & Mouth の略で送信、受信を意味します。 ウインク接続 受信側が接続確認信号として、約 160ms のパルス信号を送り返す方式です。 発信側は接続確認信号を受信すると、選択信号を送出します。 5-1
  • 226.
    231-ND2824-000 第5章 専門用語解説 1.0 版 2009 年 8 月 5.1 用語一覧 用語 解説 イミディエイト接続 即時起動方式ともいいます。 受信側が接続確認信号を送出する機能を持たない場合、この方式を使用することがあ ります。 ディレイ接続 発信側から起動されると、受信側はディレイ信号を出し続け、受信準備が完了すると ディレイ信号を停止します。 プレポーズタイマー 受話器を上げて BT(ビジートーン)が聞こえるまでの時間(FXS のみ) 桁間タイマー ダイヤル時、次の数字をダイヤルするまでの時間 センダプレポーズタイマー SIP⇒回線発信時、ポートランプ(本装置の前面の BUSY ランプ)が点灯して、ダイヤ ル情報を送出するまでの時間(FXO 及び、OD で着信番号接続・イミディエイト・ホッ トライン設定時のみ) 局線応答監視タイマー 局線が応答するまでのタイマー。タイムアウトすると呼び出し中の呼は切断されます。 サーバ障害監視タイマー SIP サーバーが障害を起こして通信不可能状態の場合、障害を検出するまでの時間 RBT (Ring Back Tone)着信者を呼び出し中に発信者が聞く音 BT (Busy Tone)通話中の回線に発信した時に発信者が聞く音 ROT (Reorder Tone)規制音 ToS IP パケットのヘッダー中に含まれるフィールドのひとつで、QoS 制御のために、ルー ターに対してパケットの優先度を指定するものです。 Diffserv インターネット・ユーザーが、送受信するトラフィック(このトラフィックのことを サービスと言う)の種類を識別し、その種類に応じて通信品質(QoS:Quality of Service)を提供する技術 QoS ネットワーク上で、ある特定の通信のための帯域を予約し、一定の通信速度を保証す る技術 DSCP (Diffrentiated Service Code Point)パケットの優先度を定義するもの IP Precedence IP パケットに優先度(8 段階)をつけます。 セッションタイマー 通話中の接続状態を監視するするタイマー SDP マルチメディア・セッションのメディアストリーム、アドレス、ポート、RTP ペイロー ドタイプ、開始・停止時間、発呼者に関するテキスト情報を伝達します。 PRACK 信頼性のある暫定的なレスポンスに対する確認リクエスト Originating Name SIP に通知する発信者番号 Display Name SIP に通知する発信者表示名 PSTN 一般の公衆交換電話網のこと SNMP IETFで標準化されたTCP/IPネットワーク環境での管理プロトコル。 管理する側の「SNMP マネージャ」と管理される側の「SNMPエージェント」の 2 つでMIB(Management Information Base)と呼ばれる管理情報を交換することで、機器の管理が行なわれる。 5-2
  • 227.
    231-ND2824-000 第 5 章 専門用語解説 1.0 版 2009 年 8 月 5.2 TOS 値の設定方法の詳細 5.2 TOS 値の設定方法の詳細 Diffservにて設定する方法を以下に示します。 ・Diffserv DS Field (differentiated services field) ① EF PHB EF(101110)=46を設定します。 ② AF PHB クラス 1 クラス 2 クラス 3 クラス 4 AF11(001010) AF21(010010) AF31(011010) AF41(100010) 低ドロップ優先度 = 10 = 18 = 26 = 34 AF12(001100) AF22(010100) AF32(011100) AF42(100100) 中ドロップ優先度 = 12 = 20 = 28 = 36 AF13(001110) AF23(010110) AF33(011110) AF43(100110) 高ドロップ優先度 = 14 = 22 = 30 = 38 5-3
  • 228.
    231-ND2824-000 第 6 章 付録 1.0 版 2009 年 8 月 6.1 即時反映されないパラメーター 第6章 付録 6.1 即時反映されないパラメーター ・コンフィグ設定におきまして、登録・変更してから、そのデータ登録内容が反映されるまで約 2 分程かかる項目が あります。 以下にその項目を記載します。 項番 メニュー 項目 (ページ) システム 基本設定 (3)トランスレータ 3.2.1 項 (4)保留音種別 (3-9ページ) (4)保留音レベル ネットワーク設定 IP 設定 (8)SIP シグナリング (9)RTP 音声 3.2.4[1]項 (10)SIP シグナリング ToS (3-15、3-16ページ) (11)RTP 音声 ToS 音声パケット設定 (2)ジッタバッファ (3)バッファ最小サイズ (4)バッファ最大サイズ (5)ペイロードサイズ (6)DTMF 方式 (7)ペイロードタイプ 3.2.4[2]項 (8)SV7000FAX (3-17~3-19ページ) (9)接続する FAX (10)FAX Codec (11)FAX ペイロードサイズ (12)FAX 送信 PAD (13)FAX 受信 PAD 回線 回線設定 詳 細 設 定 (FS/FXS ・ (2)プレポーズタイマー FO/FXO・OD/E&M) (3)桁間タイマー (4)センダプレポースタイマー (5)PBX ダイヤルイン内線指定受 3.3.1[2]項 信完了信号送出タイミング (3-39、3-40ページ) (6)発信音指定 (7)局線応答監視タイマー (8)183 受信時の擬似応答 (9)回線閉塞時の回線制御 詳 細 設 定 (ISDN-NET ・ (2)桁間タイマー ISDN-USER) (3)発信音指定 (4)局線応答監視タイマー (5)183 受信時の擬似応答 (6)回線閉塞時の切断理由 (7)LINE-0 接続形式 (8)LINE-1 接続形式 3.3.1[3]項 (9)ISDN→SIP 発番号通知 (3-41~3-43ページ) (10)ISDN 発番号透過不可時 (11)ISDN→SIP 着信方式 (12)SIP→ISDN 発番号通知 (13)透過番号第 1 数字指定 (14)透過番号以外の扱い 6-1
  • 229.
    231-ND2824-000 第 6 章 付録 1.0 版 2009 年 8 月 6.1 即時反映されないパラメーター 項番 メニュー 項目 (ページ) SIP SIP 設定 SIP サービス設定 (2)セッションタイマ方式 (3)セッションタイマ値 (4)PRACK サポート (5)183 再送機能 (6)183 送出タイミング (7)180 with SDP 送信機能 (8)タイミング応答機能 3.4.1[2]項 (9)タイミング応答タイマー (3-53~3-56ページ) (10)Display Name 付加 (11)サーバ障害監視タイマー (12)サーバ障害接続先指定 (13)サーバ障害接続先付加数 字パターン番号 (14)簡易接続モード時話中迂回 (15)サーバ障害時の迂回機能 保守機能 システムログ表示 ログ収集設定 (2)ログレベル 3.7.3[2]項 (3)書込周期 (3-86、3-87ページ) (4)障害復旧時に滅灯 発着信履歴 履歴収集設定 (2)履歴ログの収集設定 3.7.6[3]項 (3)履歴ログの書込周期設定 (3-109ページ) 6-2
  • 230.
    231-ND2824-000 第 6 章 付録 1.0 版 2009 年 8 月 6.2 Super ユーザー権限の詳細 6.2 Super ユーザー権限の詳細 ・Super ユーザー権限でログインした場合、メニューをクリックした場合や“設定”ボタンをクリックした場合に管 理者(administrator)パスワードを要求されることがあります。 以下に、管理者(administrator)パスワードが要求されるメニューを記載します。 項番 メニュー パスワード要求されるタイミング (ページ) システム 時計設定 “設定”ボタンクリック時 3.2.2 項 (3-11ページ) SNTP 設定 “設定”ボタンクリック時 3.2.3 項 (3-12ページ) ネットワーク設定 IP 設定 “設定”ボタンクリック時 3.2.4[1]項 (3-14ページ) 音声パケット設定 “設定”ボタンクリック時 3.2.4[2]項 (3-17ページ) SIP SIP 設定 SIP サーバ情報設定 “設定”ボタンクリック時 3.4.1[1]項 (3-50ページ) SIP サービス設定 “設定”ボタンクリック時 3.4.1 [2]項 (3-53ページ) データセーブ “データセーブ”メニュークリック後の確認ダ 3.6 項 イアログの”OK”クリック時 (3-77ページ) 保守機能 回線状態表示 “回線状態表示”メニュークリック時 3.7.1 項 (3-79ページ) SIP サーバ状態表示 “SIP サーバ状態表示”メニュークリック時 3.7.2 項 (3-81ページ) システムログ表示 “システムログ表示”メニュークリック時 3.7.3 項 (3-82ページ) License 登録 “License 登録”メニュークリック時 3.7.4 項 (3-92ページ) SNMP “SNMP”メニュークリック時 3.7.5 項 (3-93ページ) 発着信履歴 “発着信履歴”メニュークリック時 3.7.6 項 (3-101ページ) バックアップ “バックアップ”メニュークリック時 3.7.7 項 (3-113ページ) バージョン UP “バージョン UP”メニュークリック時 3.7.8 項 (3-120ページ) 再起動 “再起動”メニュークリック時 3.7.9 項 (3-123ページ) システム初期化 “システム初期化”メニュークリック時 3.7.10 項 (3-124ページ) ユーザ管理 ユーザ情報変更 ユーザ登録/削除 “設定”ボタンクリック時 3.8.1[1]項 (3-127ページ) アクセス制限 “アクセス制限”メニュークリック時 3.8.2 項 (3-132ページ) 6-3
  • 231.
    231-ND2824-000 第 6 章 付録 1.0 版 2009 年 8 月 6.3 UNIVERGE SV8500 サーバー連携時の固定パラメーター一覧 6.3 UNIVERGE SV8500 サーバー連携時の固定パラメーター一覧 ・UNIVERGE SV8500 および SV7000(本書では特記無き場合は SV8500 と記載)サーバーと連携する場合、固定値となる パラメーターがあります。 以下にそのパラメーターを記載します。 設定値 項番 メニュー パラメーター (固定値) (ページ) システム 基本設定 基本設定 装置番号 装置番号(GW-ID) 3.2.1 項 (3-9 ページ) ネットワーク設定 音声パケット設定 SV7000 FAX(※1) 対応 接続する FAX(※1) SuperG3 FAX 3.2.4[2]項 FAX Codec(※1) G.711 又は (3-17ページ) G.726 回線 回線設定 詳細設定 ISDN 発番号透過不可時 Originating Name 3.3.1[3]項 (推奨) (3-43ページ) SIP SIP 設定 SIP サービス設定 PRACK サポート 無効 183 再送機能 無効 3.4.1[2]項 180withSDP 送信機能 183withSDP 送信 (3-53、3-54、 サーバ障害時の迂回方式 サーキュラ 3-56ページ) (※2) ※ Originating Name で登録されている番号は、SV7000 SP の番号展開に設定する必要があります。 ※1 SV8500 収容の FAX 端末と接続する場合に設定します。FAX と接続しない場合は設定不要です。 ※2 SV8500,SV7000(R7 以降)サーバーの B2BUA 機能を使用する場合に設定する必要があります。 6-4
  • 232.
    UNIVERGE IPMASTER-1040A シリーズ コンフィグレーションマニュアル 231-ND2824-000 9.0 版 2009 年 8 月 日本電気株式会社 ● 本説明書に記載された内容は、改良のため予告なく変更することがあります。 ● 本製品は外国為替および外国貿易管理法の規定により戦略物資等(または役務)に該当しますので、日本国外に 輸出する場合には、同法に基づき日本国政府の輸出許可が必要です。 ● 本説明書に記載されている社名、製品名はそれぞれの会社の商標、または登録商標です。 © 2009 NEC Corporation 日本電気株式会社の許可なく複製・改変をおこなうことはできません。 Printed in Japan