Embed presentation
Download as PDF, PPTX











































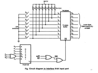
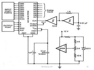
This document discusses various topics related to interfacing in computing systems. It covers I/O interfacing, memory interfacing, I/O mapped I/O, memory mapped I/O, the 8255 parallel communication interface including its pin diagram and operating modes, and analog to digital interfacing. The document is authored by Mr. B. Kannan and cites a reference book on microprocessors and microcontrollers.










































