Embed presentation
Download to read offline












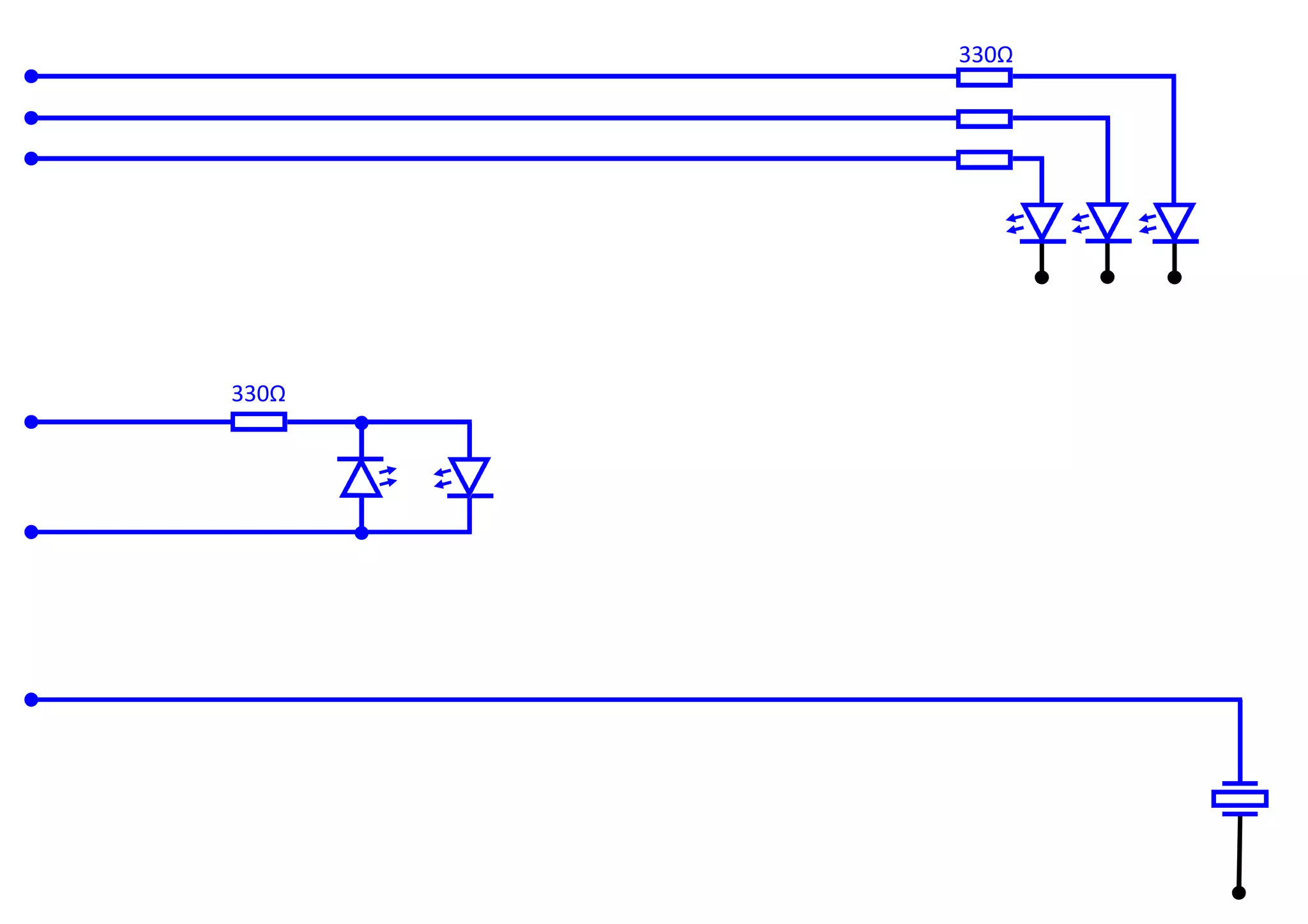
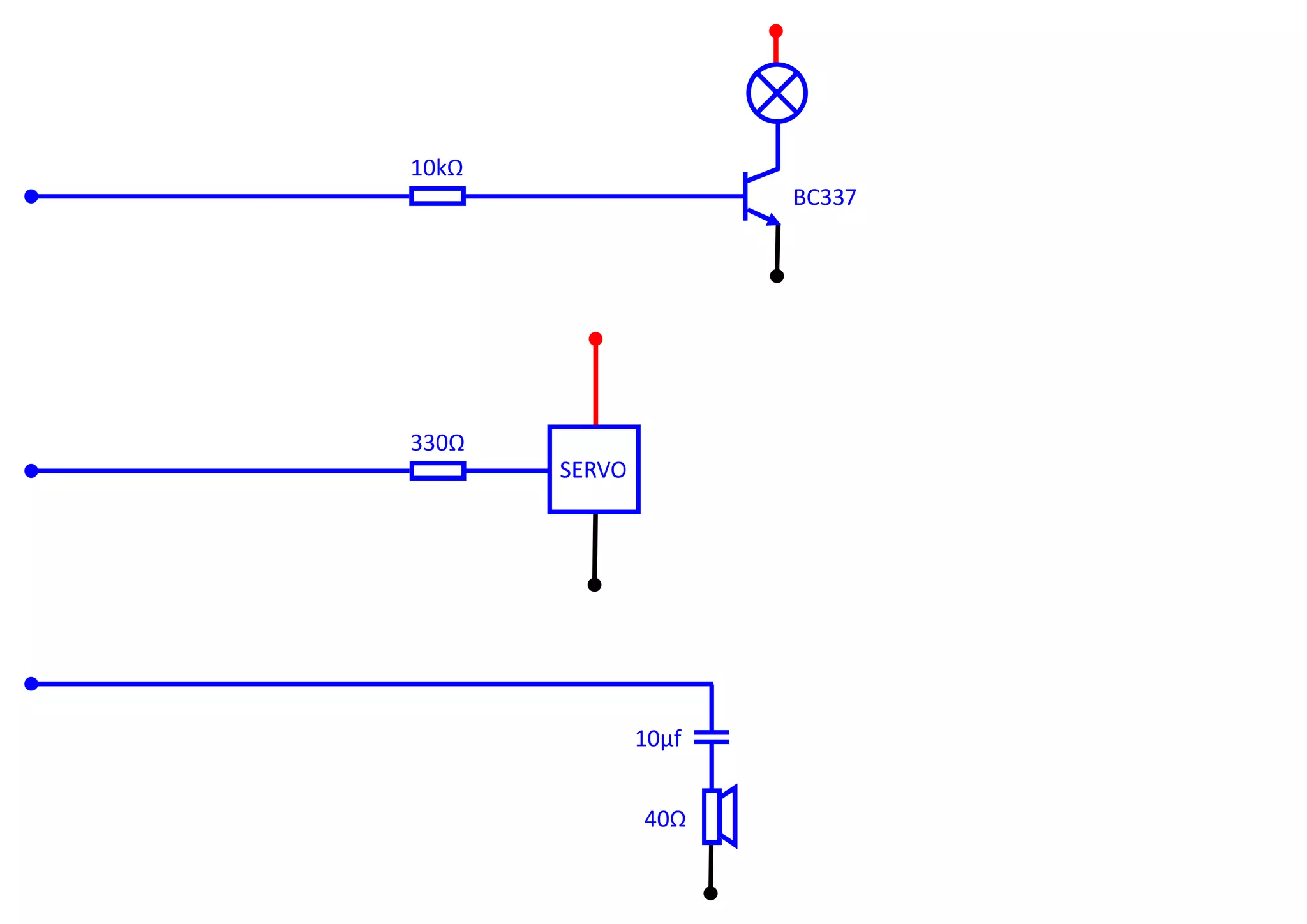
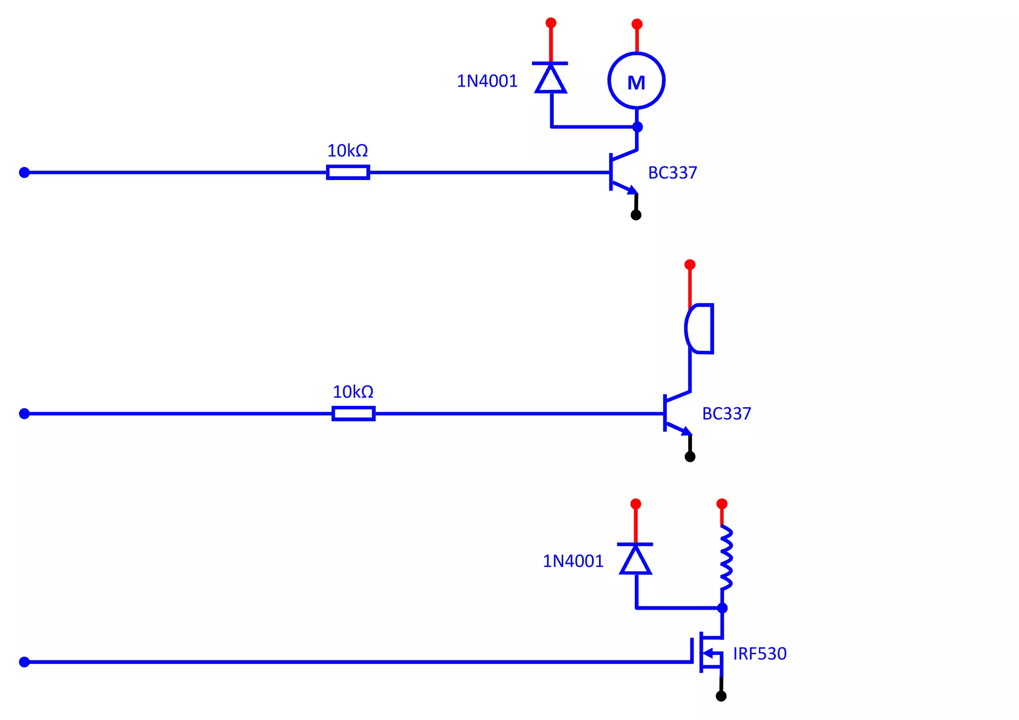
This document contains a circuit diagram with multiple inputs connected to sensors, switches, and potentiometers that are connected to various outputs such as LEDs, speakers, displays, motors, and more. The circuit uses resistors, capacitors, transistors, and a microcontroller to regulate input signals and power various electronic components and devices.











