UNIT – II
CONTROLLED RECTIFIERS
POWER ELECTRONICS
1
PHASE CONTROLLED RECTIFIERS
 RECTIFIERS CONVERT ACTO DC
 CLASSIFIED AS
 UNCONTROLLED - DIODESARED USED
 CONTROLLED -THYRISTORS ARE USED
2
CLASSIFICATION OF RECTIFIERS
 BASED ON INPUT SUPPLY
 SINGLE PHASE
 THREE PHASE
 BASED ON QUADRANT OPERATION
 1 QUADRANT
 2 QUADRANT
 4 QUADRANT
 BASED ON NO. OF PULSES
 ONE PULSE
 TWO PULSES
 THREE PULSES
 SIX PULSES
3
APPLICATIONS OF RECTIFIERS
 DC MOTOR SPEED CONTROL
 DC SUPPLY FOR INVERTERS
 ELECTROCHEMICAL PROCESSES
 DCTRACTION
 HVDCTRANSMISSION
4
RECTIFIERS
 SINGLE PHASE HALFWAVE RECTIFIERWITH R,RL,RLE
LOAD
 SINGLE PHASE FULL WAVE RECTIFIERWITH
R ,RL, RLE LOAD
 THREE PHASE HALFWAVE RECTIFIERWITH R,RL
LOAD
 THREE PHASE FULLWAVE RECTIFIERWITH R,RL
LOAD
5
SINGLE PHASE HWR WITH R LOAD
6
AVERAGE OUTPUT VOLTAGE OF SINGLE
PHASE HWR WITH R LOAD
7
RMS OUTPUT VOLTAGE OF SINGLE PHASE
HWR WITH R LOAD
8
PRINCIPAL TOPOLOGIES OF
PHASE CONTROLLED RECTIFIERS
9
SINGLE PHASE HWR WITH RL LOAD
10
WAVEFORMS OF HWR SINGLE PHASE WITH RL LOAD
11
SINGLE PHASE HWR WITH RL LOAD AND
FD
12
WAVEFORMS OF SINGLE PHASE HWR WITH RL LOAD AND FD
13
14
ADVANTAGES OF USING FREEWHEELING
DIODE
 INPUT POWER FACTOR IS IMPROVED
 LOAD CURRENTWAVEFORM IS IMPROVED AND
LOAD PERFORMANCE IS BETTER.
MAIN FUNCTIONS OF FWD
 IT PREVENTS THE REVERSAL OF LOAD VOLTAGE
EXCEPT FOR A SMALLVOLTAGE DROP
 ITTRANSFERSTHE LOAD CURRENT AWAY FROMTHE
MAIN RECTIFIER THEREBY ALLOWING ALL THE
THYRISTORSTO REGAINTHEIR BLOCKING STATES
15
SINGLE PHASE HWR WITH RLE LOAD
16
WAVEFORMS OF SINGLE PHASE HWR WITH RLE LOAD
17
SINGLE PHASE FULL WAVE CONVERTER WITH RL
LOAD AND ITS EQUIVALENT CIRCUIT
18
FULL WAVE RECTIFIER
19
FULL WAVE RECTIFIER WITH R LOAD
20
SINGLE PHASE FULL WAVE CONTROLLED
BRIDGE RECTIFIER WITH R LOAD
21
OPERATION OF FWR WITH RL LOAD
22
WAVEFORMS OF FULL WAVE MID-POINT CONVERTER WITH RL LOAD
23
THREE PHASE CONTROLLED RECTIFIERS
 ADVANTAGES
 REDUCED RIPPLE CONTENT INTHE OUTPUTVOLTAGE
 CAN BE USED FOR HIGH POWER APPLICATIONS
 TYPES
 THREE PULSE CONVERTERS
 SIX PULSE CONVERTERS
 TWELVE PULSE CONVERTERS (HIGHERTHE NO.OF
PULSES, SMOOTHER ISTHE OUTPUTVOLTAGE)
24
THREE PHASE HALF WAVE RECTIFIER WITH R
LOAD
25
WAVEFORMS OF THREE PHASE HWR WITH R LOAD
26
THREE PHASE HWR WITH RL LOAD
27
WAVEFORMS OF THREE PHASE HWR WITH
RL LOAD (α=00
)
28
WAVEFORMS OF THREE PHASE HWR WITH
RL LOAD (α=450
)
29
WAVEFORMS OF THREE PHASE HWR WITH
RL LOAD (α=900
)
30
THREE PHASE HALF WAVE CONTROLLED
RECTIFIER WITH R LOAD
31
THREE- PHASE HALF WAVE CONTROLLED
RECTIFIER
Three- phase half- wave controlled rectifier
Resistive load, α= 0º
32
Resistive load, α= 30º
33
34
35
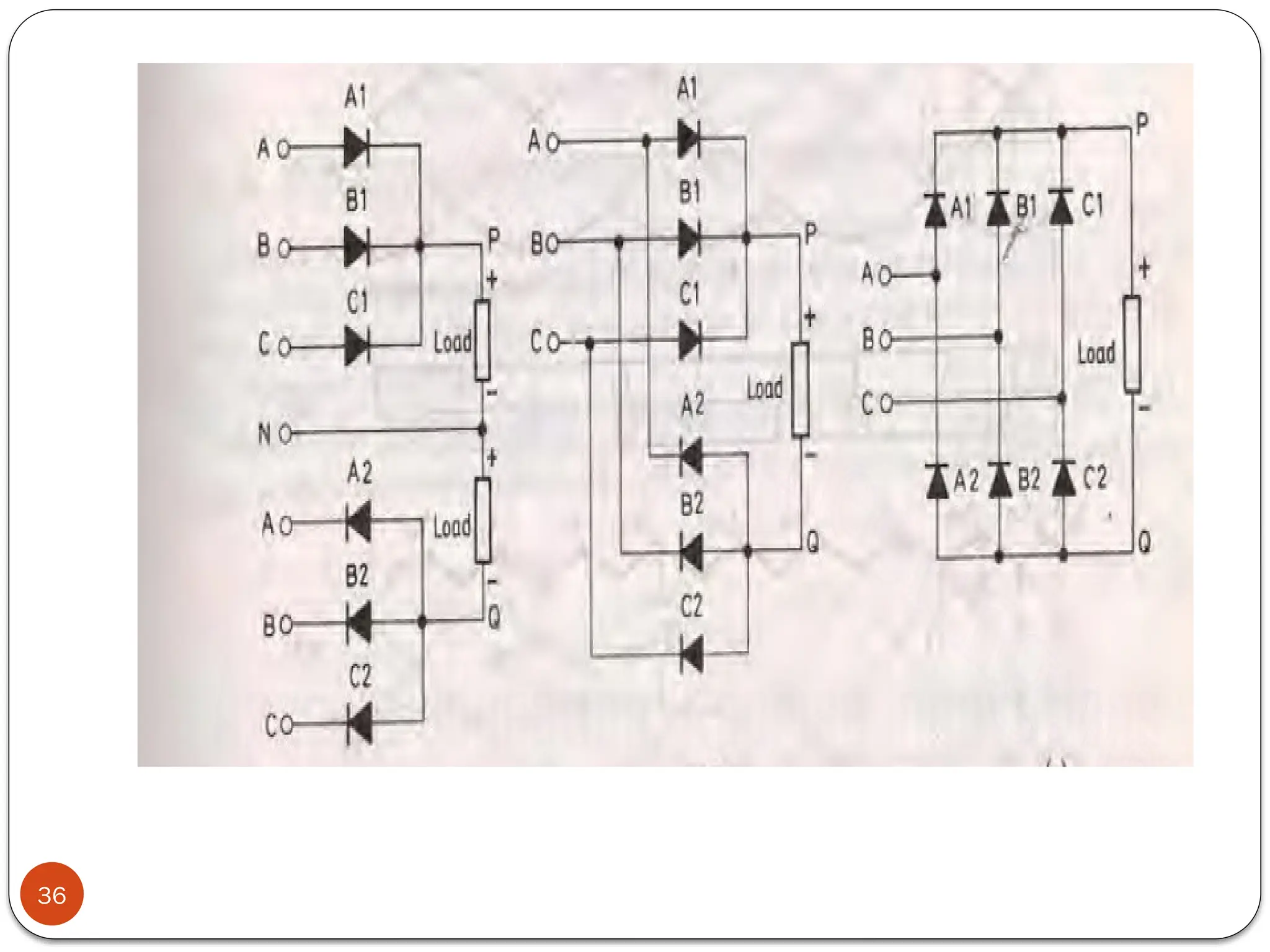
36
37
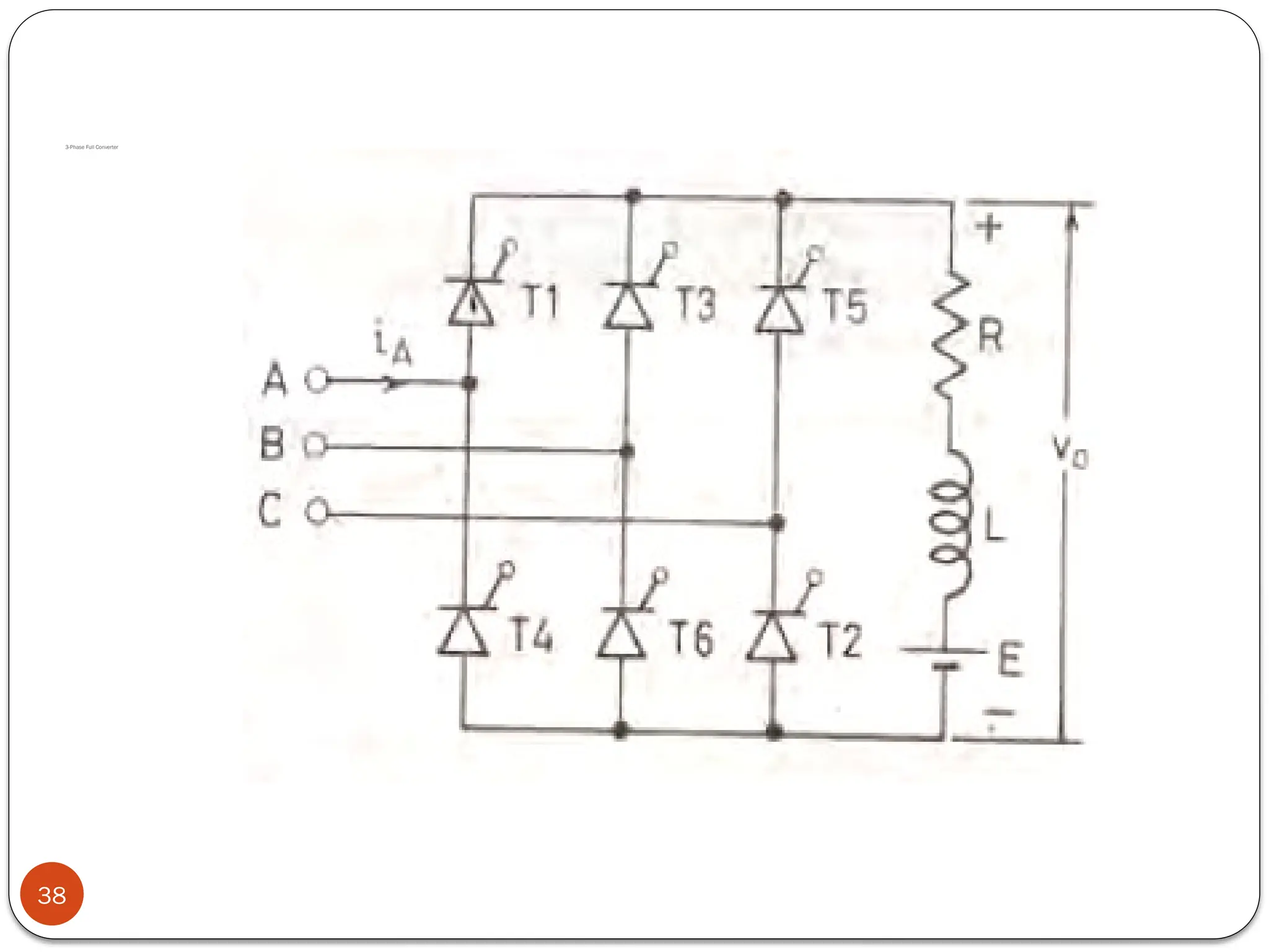
3-Phase Full Converter
38
39
40
41
42
43
44
45
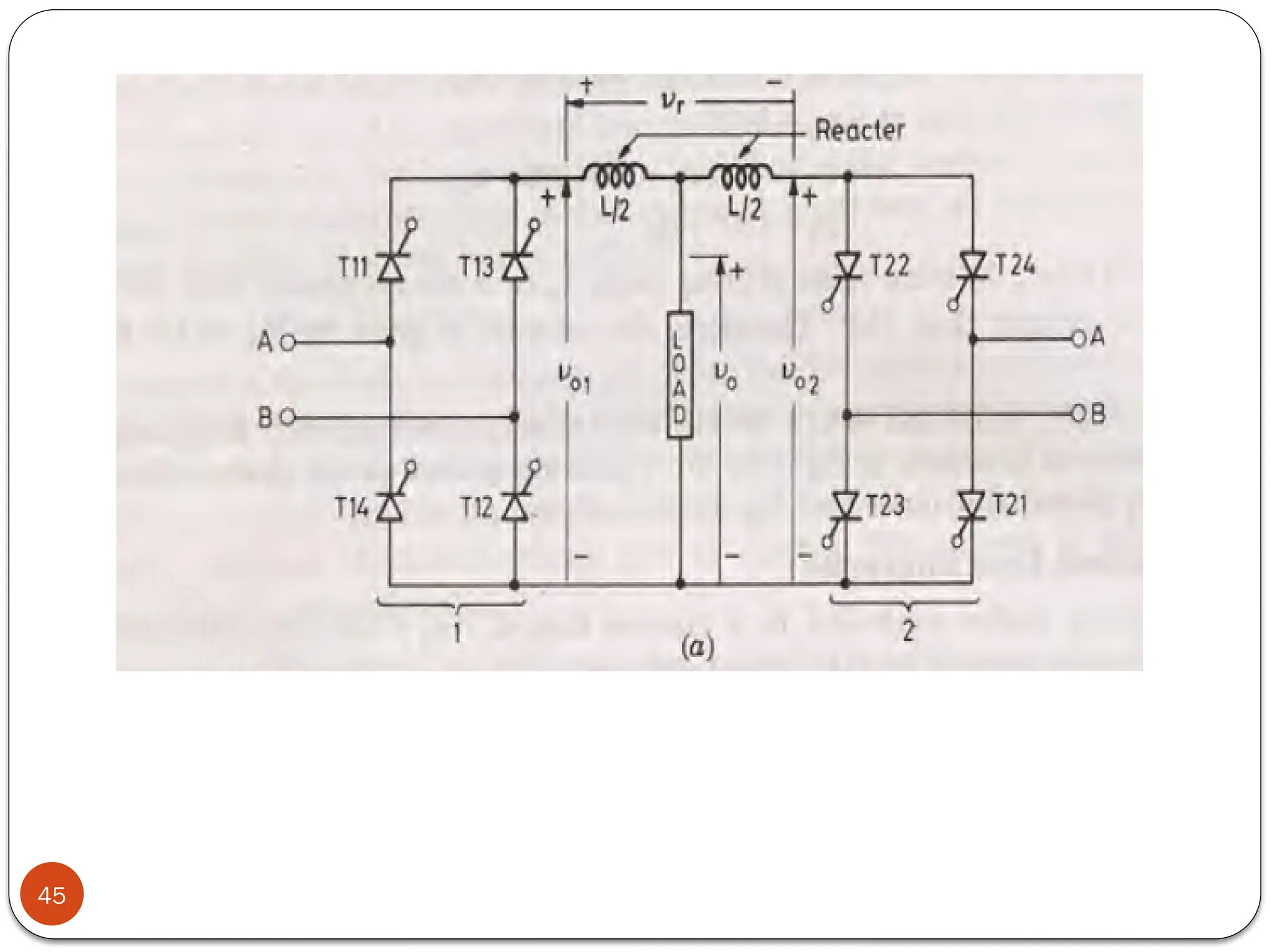
46

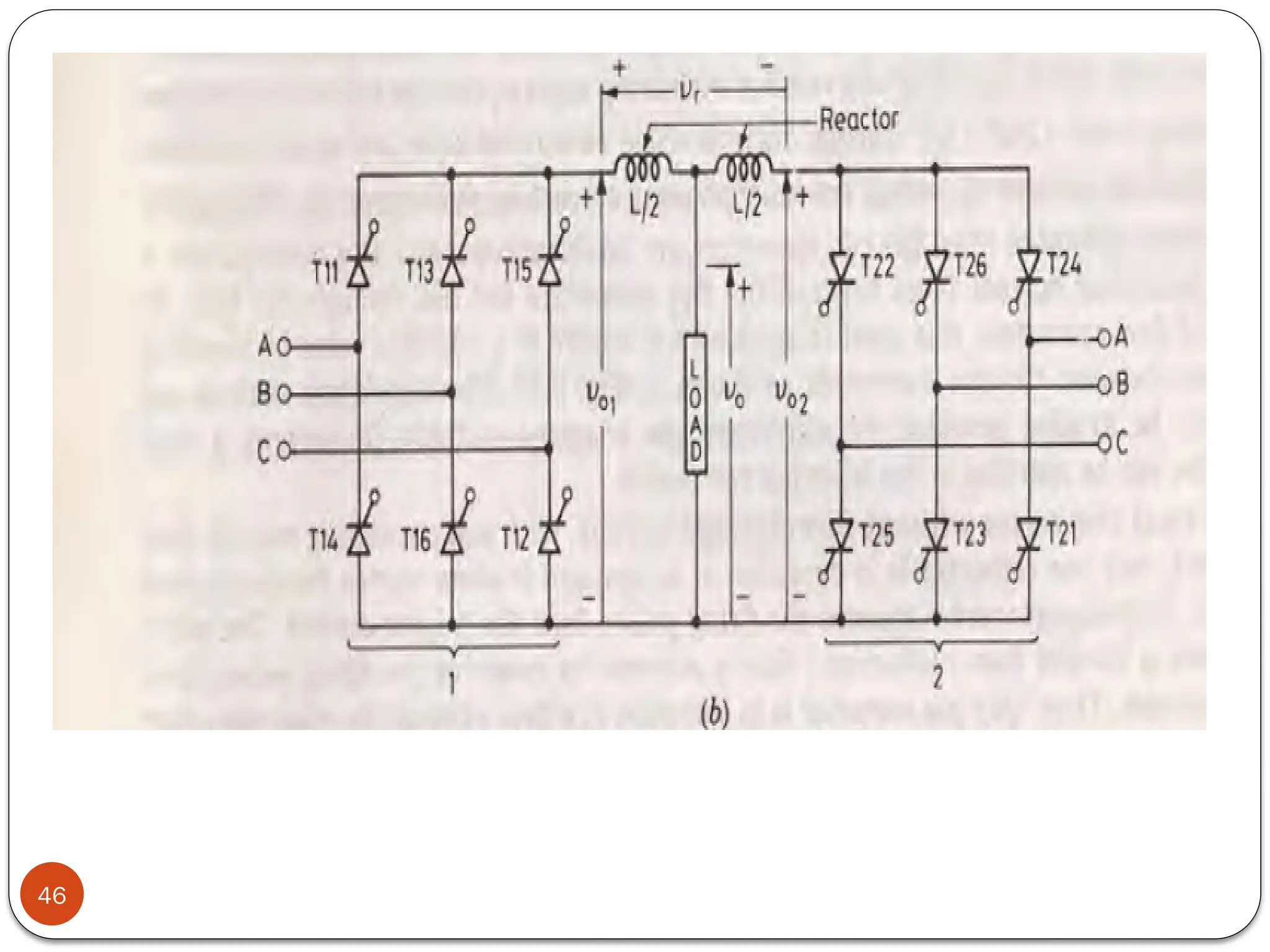
Industrial Electronics module 2 presentation