CNC – Lathe OperatingCNC – Lathe Operating
& Programming& Programming
Prepared by
Virender Singh Bhati
Akash Shukla
Guidance by Mr. Dharmendra Rajput
HOD – Tool Room Department
NSIC Rajkot
1
Introduction CNC Technology
CNC-Computer Numerical Control
CNC is a method of automatically operating a machine
by using letter, numbers and special characters.
Use of CNC Machine
For high accuracy
For lot production
For high production rate
For manufacturing critical shape which not possible on
conventional
2Prepared by V.S.Bhati & Akash Shukla
3Prepared by V.S.Bhati & Akash Shukla
4Prepared by V.S.Bhati & Akash Shukla
5Prepared by V.S.Bhati & Akash Shukla
CNC Machine
6
Prepared by V.S.Bhati & Akash
Shukla
Parts of CNC Lathe
Head Stock
Tailstock
Control Panel
Coolant Tank
Chuck
Turret
Chuck Pedal
7Prepared by V.S.Bhati & Akash Shukla
JAW
It is use
for Hold
work
piece
8
Prepared by V.S.Bhati & Akash
Shukla
9
Prepared by V.S.Bhati & Akash
Shukla
The turret
holds and
moves the
tools.
Tools are
bolted to
the turret
using a
variety of
specialized
holders,
depending
on the type
of tool.
10
Prepared by V.S.Bhati & Akash
Shukla
For Hold
Long Work
piece
During
Machining
11
Prepared by V.S.Bhati & Akash
Shukla
It is use for
Clamp(Loading) &
Decamp (Unloading) of
Work piece
12
Prepared by V.S.Bhati & Akash
Shukla
Principal of CNC Lathe
In cnc lathe machine tool in movement against
rotating work piece.
Tool in movement linear
Work piece is rotating
Work Piece – Cylinder
Tool – Single Point Cutting Tool
13Prepared by V.S.Bhati & Akash Shukla
Work Piece Zero Position
The work piece zero point (W)
is specified by the
programmer and should
always be chosen according
to the dimensioning of the
drawing. For turning work it
lies mostly on the turning axis
and the right hand face.
14Prepared by V.S.Bhati & Akash Shukla
Home Position / Ref. Position
The reference point (R) is
also called Home position.
At Home Position Machine
position is always Zero.
We can change our tool
automatically at Home
Position.
15Prepared by V.S.Bhati & Akash Shukla
Machine Zero & Program Zero
16Prepared by V.S.Bhati & Akash Shukla
Points and distances with the work space
 The machine zero point (M) is determined by the machine
manufacturer and cannot be changed. On turning machines
point is usually set on the spindle flange.
 The work piece zero point (W) is specified by the programmer
and should always be chosen according to the dimensioning
of the drawing. For turning work it lies mostly on the turning
axis and the right hand planar face.
 The reference point (R) is approached for initializing the path
measuring system, which means that at this point all axes are
set to zero. This is necessary since generally speaking the
machine zero point cannot be approached.
17Prepared by V.S.Bhati & Akash Shukla
AXIS NOMENCLATURE
From work piece zero point
 Moving left (towards spindle) Z-ve
 Moving right (away from spindle)Z+ve
 Moving above spindle center line X+ve
 Moving below spindle center line X–ve
18Prepared by V.S.Bhati & Akash Shukla
19
Prepared by V.S.Bhati & Akash
Shukla
20
Prepared by V.S.Bhati & Akash
Shukla
21
Prepared by V.S.Bhati & Akash
Shukla
22
Prepared by V.S.Bhati & Akash
Shukla
23
Prepared by V.S.Bhati & Akash
Shukla
24
Prepared by V.S.Bhati & Akash
Shukla
25
Prepared by V.S.Bhati & Akash
Shukla
26
Prepared by V.S.Bhati & Akash
Shukla
27
Prepared by V.S.Bhati & Akash
Shukla
28
Prepared by V.S.Bhati & Akash
Shukla
29
Prepared by V.S.Bhati & Akash
Shukla
30
Prepared by V.S.Bhati & Akash
Shukla
Z axis - Length of Work Piece
31
Prepared by V.S.Bhati & Akash
Shukla
32
Prepared by V.S.Bhati & Akash
Shukla
33
Prepared by V.S.Bhati & Akash
Shukla
34
Prepared by V.S.Bhati & Akash
Shukla
35
Prepared by V.S.Bhati & Akash
Shukla
36
Prepared by V.S.Bhati & Akash
Shukla
37
Prepared by V.S.Bhati & Akash
Shukla
38
Prepared by V.S.Bhati & Akash
Shukla
39
Prepared by V.S.Bhati & Akash
Shukla
40
Prepared by V.S.Bhati & Akash
Shukla
41
Prepared by V.S.Bhati & Akash
Shukla
42
Prepared by V.S.Bhati & Akash
Shukla
43
Prepared by V.S.Bhati & Akash
Shukla
44
Prepared by V.S.Bhati & Akash
Shukla
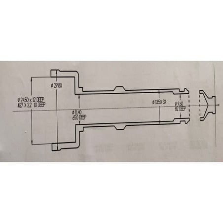
Raw Material Size:-Dia.32X70mm
Tools
1.Rough Turning Tool
2.Finish Turning Tool
CNC Lathe ToolsCNC Lathe Tools
45
Prepared by V.S.Bhati & Akash
Shukla
Boring bar SleeveBoring bar Sleeve
It is use for hold
boring bar sleeve
size is defend on
Boring bar Size
46
Prepared by V.S.Bhati & Akash
Shukla
Boring ToolBoring Tool
Tools
1.Rough Turning Tool
2.Finish Turning Tool
47
Prepared by V.S.Bhati & Akash
Shukla
Grooving ToolGrooving Tool
Tools
1.Rough Turning Tool
2.Finish Turning Tool
48
Prepared by V.S.Bhati & Akash
Shukla
Threading ToolThreading Tool
49
Prepared by V.S.Bhati & Akash
Shukla
I.D. Threading ToolI.D. Threading Tool
50
Prepared by V.S.Bhati & Akash
Shukla
Operation of CNC Lathe
Facing
Turning
Taper Turning
Drilling
Boring
Grooving
External Threading
Internal Threading
51Prepared by V.S.Bhati & Akash Shukla
52
Prepared by V.S.Bhati & Akash
Shukla
53
Prepared by V.S.Bhati & Akash
Shukla
54
Prepared by V.S.Bhati & Akash
Shukla
55
Prepared by V.S.Bhati & Akash
Shukla
Measuring Instrument
Steel Rule
The steel rule is a basic measuring tool. Steel rule is an accurate
measuring device. Steel rules come in many sizes and formats.
Basic 15cm,30cm,60cm & 100cm
Least Count 0.05mm
1mm – 1000 micron
1cm – 10 mm
1 Meter – 100 cm
1 inch – 25.4 mm
1 inch – 2.54 cm
56Prepared by V.S.Bhati & Akash Shukla
Micrometer
A micrometer sometimes known as a micrometer screw 
gauge A micrometer is a measuring instrument, used to 
very fine measurements and available in metric and 
imperial versions. It is used for thickness of plates, 
Diameter of job. It is available in 0-25mm, 25-50mm, 50-
75mm, 75-100mm.  
Least count - 0.01mm
57Prepared by V.S.Bhati & Akash Shukla
Venire Caliper
A venire caliper is a measuring tool. It can be used for 
measurements, outside distance (such as the length of 
an object), inside distance such as the width of a groove 
or the diameter of a large hole, and depth, such as the 
depth of a hole or the height of a step.
Least count - 0.02mm
58Prepared by V.S.Bhati & Akash Shukla
Digital Venire Caliper
Modern venire calipers are digital – in the sense it has an 
LCD display on which the reading appears – there is no 
possibility of human error in reading the scale
59Prepared by V.S.Bhati & Akash Shukla
Bore gauge
 A bore gauge is a convenient term for the
measuring or transfer tools that are used in
the process of accurately measuring holes. A
dial bore gauge is a special tool, calibrated
in .001 inch (.0025 centimeter) or .0001 inch
(.00025 centimeter), which is used to
accurately measure the inside diameter of a
hole, cylinder or pipe. In conjunction with a
micrometer, a bore gauge will give you the
exact reading of a bore size. A typical bore
gauge is comprised of a shaft with a dial
indicator at the top and a measuring sled at
the base. The measuring sled consists of
three guides and an actuating plunger. Dial
bore gauges give you quick and accurate
readings on the size, less than perfect
roundness or wear. 60Prepared by V.S.Bhati & Akash Shukla
Bore gauge
 Dial indicator (distance amplifying instrument)
A measuring instrument with a contact point attached to a spindle and gears
that moves a pointer on the dial. Dial indicators have graduations that are
available for reading different measurement values.
 How to use a dial bore gauge:
1. Zero the gauge. This is accomplished by measuring across the gauge with
an outside micrometer set to the precise bore size. When the zero aligns
with the needle you're ready.
2. Insert the gauge into the bore to the depth you need. Rock it back and forth
until it's properly inserted in the pipe.
3. Look at the reading. This is the lowest reading, which is taken when the
gauge is square on the bore, and the indicator needle reverses its direction.
It can be either more or less than the zero mark, and will indicate an oversize
or undersize bore
61Prepared by V.S.Bhati & Akash Shukla
Bore gauge
 Type Of Dial Gauges :
• Plunger Type Dial Gauges
• Lever Type Dial Gauges
 Plunger Type Dial Gauges:-
This is a type of sturdy dial gauge and
is provided with tolerance pointers.
Moreover, our gauges have smooth
and strong metal bezel. Our gauges
are also fitted with swiss brass bush
bearings. The other features of
these gauges are mentioned below:
62Prepared by V.S.Bhati & Akash Shukla
List of Address Codes
63Prepared by V.S.Bhati & Akash Shukla
LIST OF G CODES
64Prepared by V.S.Bhati & Akash Shukla
List of Canned Cycle
65Prepared by V.S.Bhati & Akash Shukla
G00 (Rapid Traverse)
 The G00 code executes a non cutting movement, at a rapid movement
 A G00 command is written in the following format:
G00 X _ _ Z _ _ ;
where,
 X - X axis co-ordinate values (Diameter of Work piece)
 Z - Z axis co-ordinate values (Length of Work piece)
66Prepared by V.S.Bhati & Akash Shukla
G01 (Linear Interpolation)
 The G01 code executes a cutting movement following a straight line, at a set federate
 A G01 command is written in the following format:
G01 X _ _ Z _ _ F _ _ ;
where,
 X - X axis co-ordinate values (Diameter of Work piece)
 Z - Z axis co-ordinate values (Length of Work piece)
 F – Feed rate
Note:
Programmed in absolute values as X and Z,
or
Incremental values as U and W are the X,
and Z axis co-ordinate values
67Prepared by V.S.Bhati & Akash Shukla
G02 / G03 (Circular Interpolation)
 The G02 code use for cutting a clockwise circular path, at a set federate in a radius
 The G03 code use for cutting anticlockwise circular path, at a set federate in a radius
 A G02 command is written in the following format:
G02 X _ _ Z _ _ R _ _ F _ _;
 A G03 command is written in the following format:
G03 X _ _ Z _ _ R _ _ F _ _;
 Absolute position (X, Z), the value is the dimension of the end point of the arc
Incremental position (U, W), the co-ordinate of the end point is the distance the tool
moves from the start position of the arc
68Prepared by V.S.Bhati & Akash Shukla
69Prepared by V.S.Bhati & Akash Shukla
LIST OF M-CODES
70Prepared by V.S.Bhati & Akash Shukla
M Codes
M00 (Program Stop):
 When the machine controller reads the code M00 within a block, it halts the program
 The [CYCLE START] key must be pressed to allow the program to continue
M01 (Optional Stop):
 The M01 code performs the same function as the M00 code (program stop), except
the machine controller only recognizes the signal to halt the program if the optional
[STOP] input key is activated
M03 (Spindle Rotation in Clock Wise ):
 Clockwise rotation of the spindle
 The spindle Rotation command is input stating the program
M04 (Spindle rotation in counter clock wise ):
 Counter clockwise rotation of the spindle
 The spindle Rotation command is input stating the program
71Prepared by V.S.Bhati & Akash Shukla
M Codes
M05 (Spindle Stop):
 The M05 code, to stop the spindle rotating, is activated at the end of the block in which
it is programmed, i.e. , after any axis movement
M06 (Automatic Tool Change):
 This code activates the machine turret and is followed by the code T_ _ _ _,
instructing it to move to the stated tool number
 For example, M06 T0303 ;
 This command is read change automatically from the current tool number to tool
number 3
M08 (Coolant On):
 This code switches the coolant pump on
M09 (Coolant Off):
 This code switches the coolant pump off
72Prepared by V.S.Bhati & Akash Shukla
M Codes
M19 (Spindle Orientation)
 This Code Lock the Machine spindle
 It is use when we change jaw of Machine
M30 (Program Stop and Reset):
 This code stops the running program
 Control is then reset back to the beginning of this program
 The program will be reset back to the stated block number
 The M30 code also acts as an M05 and M09
73Prepared by V.S.Bhati & Akash Shukla
G20 / G21(Inch/Metric Data Input)
 The machine controller can be programmed in either Imperial (inch) unit input (G20) or
Metric (millimeter) unit input (G21). The standard format for a CNC part program is to
write the G20 or G21 code in the Starting block of the program
74Prepared by V.S.Bhati & Akash Shukla
75Prepared by V.S.Bhati & Akash Shukla
For I.D. Finishing
Operation We Use G41
76Prepared by V.S.Bhati & Akash Shukla
For O.D. Finishing
Operation We Use G42
77Prepared by V.S.Bhati & Akash Shukla
Tool Compensation Number
1. Back Boring Tool
2. Boring Tool
3. Right Hand Turning Tool
4. Left Hand Turning Tool
5. Back Facing Tool
6. ID Grooving Tool
7. Facing Tool
8. OD Grooving Tool
9. For Centre of Work Piece 78Prepared by V.S.Bhati & Akash Shukla
79Prepared by V.S.Bhati & Akash Shukla
G50 (Max. Spindle Speed)
G50 S_ _ _ _ specifies the maximum spindle speed for constant
surface speed control, measured in R.P.M.
Format to specify the address
G50 S_ _; (specified Maximum Spindle Speed)
80Prepared by V.S.Bhati & Akash Shukla
G96 (Constant Surface Speed Control)
 If surface speed is set after the address S __ , the spindle speed is calculated so that
the surface speed is always the specified value in relation to the tool positioned
 A G96 command for surface speed control is written in the following format:
G96 S __ ;
where,
S __ is the spindle speed (mm/min or inch/min)
81Prepared by V.S.Bhati & Akash Shukla
G97 (Constant Surface Speed Control Cancel)
 The G97 command allows a spindle for constant surface speed control cancel speed
written in the units, revs per minute
 A G97 command for spindle speed control is written in the following format:
G97 S __ ;
where,
S __ is the spindle speed, written in the format revs per minute
82Prepared by V.S.Bhati & Akash Shukla
G98 (Feed per minute)
 The G98 command allows a federate written in the units, millimeters per minute or
inches per minute, to be entered into the machine controller
 G98 commend input in starting the program
83Prepared by V.S.Bhati & Akash Shukla
G99 (Per Revolution Feed)
 The G99 command allows a federate written in the units, millimeters per revolution or
inches per revolution, to be entered into the machine controller
 G99 command input at starting the program
84Prepared by V.S.Bhati & Akash Shukla
How to Calculate Spindle Speed
Vc = ╥DN/1000
N = Vc x 1000/ ╥ D
Vc = Cutting Speed
D = Diameter of Work piece
N = Spindle Speed
╥ = 3.14
85Prepared by V.S.Bhati & Akash Shukla
How to Calculate Spindle Speed
Vc = ╥DN/1000
N = Vc x 1000/ ╥ D
Vc = Cutting Speed
D = Diameter of Work piece
N = Spindle Speed
╥ = 3.14
For M.S. Dia. 30 mm
O65646;
G99 G21;
G28 U0.0 W0.0;
T0101;
G96 S250 M04;
G50 S2500;
G96 :- Minimum Spindle Speed
G50 :- Maximum Spindle Speed
N=250x1000/3.14x30
2500 RPM
86Prepared by V.S.Bhati & Akash Shukla
Feed Rate
Rough Turning/Boring - (0.18-0.25)
Finish Turning/Boring – (0.12-0.18)
Grooving/Drilling - (0.1)
87Prepared by V.S.Bhati & Akash Shukla
Example For Coordinate
Raw Material Size:-Dia.32X70
88Prepared by V.S.Bhati & Akash Shukla
Example For Coordinate
Raw Material Size:-Dia.32X70
89Prepared by V.S.Bhati & Akash Shukla
Example
Raw Material Size:-Dia.32X70
90Prepared by V.S.Bhati & Akash Shukla
Example
Raw Material Size:-Dia.32X70
N01 X17.5 Z0.0
N02 X17.5 Z-20.0
N03 X22.5 Z-20.0
N04 X22.5 Z-30.0
N05 X32.0 Z-30.0
91Prepared by V.S.Bhati & Akash Shukla
Exercise
Raw Material Size:-Dia.32X70
92Prepared by V.S.Bhati & Akash Shukla
Exercise
Raw Material Size:-Dia.32X70
N01 X20.0 Z0.0
N02 X20.0 Z-32.0
N03 X30.0 Z-32.0
N04 X30.0 Z-40.0
93Prepared by V.S.Bhati & Akash Shukla
Program Format
O1000; Program No.
G21 G99; Program parameter
G28 U0.0 W0.0; Home Position
T0101; Tool No.
M03 S800; Spindle Rotation
M08; Coolant ON
G00 X35.0 Z5.0; Near to Work Piece
G00 X30.0 Z1.0; Touch to Work Piece
;Canned Cycle
;Work Piece Coordinate
G00X50.0; Distance From
G00Z10.0; Work piece
M05; Spindle Stop
M09; Coolant OFF
G28U0.0W0.0; Home Position
M30; Program End
94Prepared by V.S.Bhati & Akash Shukla
O2001;
G21 G99;
G28 U0.0 W0.0;
T0101;
M04 S1200;
M08;
G00 X40.0 Z10.0;
G00 X32.0 Z1.0;
G01 X-2.0 F0.2;
G00 W1.0;
G00 X32.0;
G00 Z0.5;
G01 X-2.0 F0.2;
G00 W1.0;
G00 X32.0;
G00 Z0.0;
G01 X-2.0 F0.2;
G00 W1.0;
G00 X60.0;
G00 Z10.0;
M05;
M09;
G28 U0.0 W0.0;
M30
Facing Part Programming
Raw Material Size:-Dia.32
Face stock 1 mm
95Prepared by V.S.Bhati & Akash Shukla
Facing Part Programming
Raw Material Size:-Dia.32
Face stock 1 mm
96Prepared by V.S.Bhati & Akash Shukla
Turning
Work piece
Tool
97Prepared by V.S.Bhati & Akash Shukla
Exercise
Raw Material Size:-Dia.32X70
O2002;
G21 G99;
G28 U0.0 W0.0;
T0101;
M04 S1200;
M08;
G00 X40.0 Z10.0;
G00 X32.0 Z1.0;
G00 X31.0;
G01 Z-40.0 F0.2;
G00 U1.0;
G00 Z1.0;
;
G00 X30.0
G01 Z-40.0 F0.2;
G00 U1.0;
G00 Z1.0;
;
G00 X29.0 ;
G01 Z-32.0 F0.2 ;
G00 U1.0;
G00 Z1.0;
;
G00 X28.0 ;
G01 Z-32.0 F0.2 ;
G00 U1.0;
G00 Z1.0;
;
G00 X27.0 ;
G01 Z-32.0 F0.2 ;
G00 U1.0;
G00 Z1.0;
;
G00 X26.0 ;
G01 Z-32.0 F0.2 ;
G00 U1.0;
G00 Z1.0;
;
G00 X25.0 ;
G01 Z-32.0 F0.2 ;
G00 U1.0;
G00 Z1.0;
;
G00 X24.0 ;
G01 Z-32.0 F0.2 ;
G00 U1.0;
G00 Z1.0;
G00 X23.0 ;
G01 Z-32.0 F0.2 ;
G00 U1.0;
G00 Z1.0;
;
G00 X22.0 ;
G01 Z-32.0 F0.2 ;
G00 U1.0;
G00 Z1.0;
;
G00 X21.0 ;
G01 Z-32.0 F0.2 ;
G00 U1.0;
G00 Z1.0;
;
G00 X20.0 ;
G01 Z-32.0 F0.2 ;
G00 U1.0;
G00 Z1.0;
G00 X60.0;
G00 Z10.0;
M05;
M09;
G28 U0.0 W0.0;
M30 98Prepared by V.S.Bhati & Akash Shukla
G71 (Stock Removal in X Axis)
 The G71 code commands a multiple repetitive cycle, sometimes referred to as a
canned cycle
 This G71 cycles are used within a CNC program to simplify programming, since only
the dimensions describing the required component profile are required. The CNC
control will then generate the roughing cuts needed to make this component profile,
from within its own memory.
Format:
G71 U_ _R_ _
G71 P_ _Q_ _U_ _W_ _F_ _
where,
U is the depth of cut in the X axis (Radius value)
R is the escaping amount (Retract)
P is the start block number finished shape.
Q is the last block number finished shape.
U is the finishing allowance in the X axis (Diameter value).
W is the finishing allowance in the Z axis.
F is the federate for Roughing
99Prepared by V.S.Bhati & Akash Shukla
Tool Path Example
100Prepared by V.S.Bhati & Akash Shukla
Turning Exercise 01
Raw Material Size:-Dia.32X70
101Prepared by V.S.Bhati & Akash Shukla
Turning Exercise 01
Raw Material Size:-Dia.32x70
102Prepared by V.S.Bhati & Akash Shukla
Raw Material Size:-Dia.32X70O2000;
G21 G99;
G28 U0.0 W0.0;
T0101;
M04 S1200;
M08;
G00 X40.0 Z10.0;
G00 X32.0 Z1.0;
G71 U0.3 R1.0;
G71 P01 Q04 U0.0 W0.0 F0.2 ;
N01 G01 X20.0 Z0.0;
N02 G01 X20.0 Z-32.0;
N03 G01 X30.0 Z-32.0;
N04 G01 X30 Z-40.0;
G00 X60.0;
G00 Z10.0;
M05;
M09;
G28 U0.0 W0.0;
M30
%
Turning Exercise 01
103Prepared by V.S.Bhati & Akash Shukla
Turning Exercise No. 2
Raw Material Dia. 32x70 mm
104Prepared by V.S.Bhati & Akash Shukla
Raw Material Size:-Dia.32X70mmO2000;
G21 G99;
G28 U0.0 W0.0;
T0101;
M04 S1200;
M08;
G00 X40.0 Z10.0;
G00 X32.0 Z1.0;
G71 U0.3 R1.0;
G71 P01 Q06 U0.0 W0.0 F0.2 ;
N01 G01 X10.0 Z0.0;
N02 G01 X10.0 Z-10.0;
N03 G01 X20.0 Z-10.0;
N04 G01 X20.0 Z-30.0;
N05 G01 X30.0 Z-30.0;
N06 G01 X30.0 Z-60.0;
G00 X60.0;
G00 Z10.0;
M05;
M09;
G28 U0.0 W0.0;
M30
%
Turning Exercise No. 2
105Prepared by V.S.Bhati & Akash Shukla
Exercise - 01
Raw Material Size:-Dia.30X50
Raw Material Size:-Dia.25X70
Turning Exercise 03
106Prepared by V.S.Bhati & Akash Shukla
Raw Material Size:-Dia.25X70
Turning Exercise 03
O2000;
G21 G99;
G28 U0.0 W0.0;
T0101;
M04 S1200;
M08;
G00 X40.0 Z10.0;
G00 X25.0 Z1.0;
G71 U0.3 R1.0;
G71 P01 Q05 U0.0 W0.0 F0.2 ;
N01 G01 X17.50 Z0.0;
N02 G01 X17.5 Z-20.0;
N03 G01 X22.5 Z-20.0;
N04 G01 X22.5 Z-30.0;
N05 G01 X25.0 Z-30.0;
G00 X60.0;
G00 Z10.0;
M05;
M09;
G28 U0.0 W0.0;
M30
%
107Prepared by V.S.Bhati & Akash Shukla
Raw Material Size:-Dia.50X70
108Prepared by V.S.Bhati & Akash Shukla
Turning With Angle Exercise 01
O2001;
G21 G99;
G28 U0.0 W0.0;
T0101;
M04 S1200;
M08;
G00 X60.0 Z10.0;
G00 X52.0 Z1.0;
G71 U0.3 R1.0;
G71 P01 Q06 U0.0 W0.0 F0.2 ;
N01 G01 X32.88 Z0.0;
N02 G01 X39.0 Z-35.0 (A175);
N03 G01 X39 Z-40.0;
N04 G01 X44.0 Z-40.0;
N05 G01 X44.0 Z-60.0;
N06 G01 X52.0 ;
G00 X60.0;
G00 Z10.0;
M05;
M09;
G28 U0.0 W0.0;
M30
%
Raw Material Size:-Dia.52X70
109Prepared by V.S.Bhati & Akash Shukla
110Prepared by V.S.Bhati & Akash Shukla
Turning with Chamfer Exercise 01O2002;
G21 G99;
G28 U0.0 W0.0;
T0101;
M04 S1200;
M08;
G00 X40.0 Z10.0;
G00 X32.0 Z1.0;
G71 U0.3 R1.0;
G71 P01 Q10 U0.0 W0.0 F0.2 ;
N01 G01 X12.0.0 Z0.0;
N02 G01 X15.0 Z-1.5;
N03 G01X15.0 Z-15.0;
N04 G01 X22.0 Z-15.0;
N05 G01 X25.0 Z-16.5;
N06 G01 X25.0 Z-30.0;
N07 G01 X27.0 Z-30.0;
N08 G01 X30.0 Z-31.5;
N09 G01 X30.0 Z-50.0;
N10 G01 X32.0;
G00 X40.0;
G00 Z10.0;
M05;
M09;
G28U0.0W0.0;
M30; 111Prepared by V.S.Bhati & Akash Shukla
Exercise Raw Material Size:-Dia.50X70
112Prepared by V.S.Bhati & Akash Shukla
Turning with Chamfer Exercise 02
Raw Material Size:-Dia.52X70
O2003;
G21 G99;
G28 U0.0 W0.0;
T0101;
M04 S1200;
M08;
G00 X60.0 Z10.0;
G00 X52.0 Z1.0;
G71 U0.5 R1.0;
G71 P01 Q11 U0.0 W0.0 F0.2 ;
N01 G01 X18.0. Z0.0;
N02 G01 X20.0 Z-1.0;
N03 G01 X20.0 Z-12.0;
N04 G01 X28.0 Z-12.0;
N05 G01 X31.0 Z-13.5;
N06 G01 X31.0 Z-27.0;
N07 G01 X37.0 Z-27.0;
N08 G01 X41.0 Z-29.0;
N09 G01 X41.0 Z-37.0;
N10 G01 X49.0 Z-37.0;
N11 G01 X49.0 Z-45.0;
N12 G01 X52.0;
G00 X60.0;
G00 Z10.0;
M05;
M09;
G28U0.0W0.0;
M30; 113Prepared by V.S.Bhati & Akash Shukla
Turning with Radius Exercise 01
Raw Material Size:-Dia.32X70
28
114Prepared by V.S.Bhati & Akash Shukla
Exercise
Raw Material Size:-Dia.32X70
O2003;
G21 G99;
G28 U0.0 W0.0;
T0101;
M04 S1200;
M08;
G00 X40.0 Z10.0;
G00 X32.0 Z1.0;
G71 U0.3 R1.0;
G71 P01 Q06 U0.0 W0.0 F0.2 ;
N01 G01 X18.0. Z0.0;
N02 G01 X20.0 Z-4.0;
N03 G01 X20.0 Z-16.0;
N04 G03 X28.0 Z-20.0 R4;
N05 G01 X28.0 Z-30.0;
N06 G01 X32.0 Z-38.0;
G00 X60.0;
G00 Z10.0;
M05;
M09;
G28U0.0W0.0;
M30;
%
28
115Prepared by V.S.Bhati & Akash Shukla
Turning with Radius Exercise 02
Raw Material Size:-Dia.32X70
116Prepared by V.S.Bhati & Akash Shukla
Example Raw Material Size:-Dia.30X70
O2003;
G21 G99;
G28 U0.0 W0.0;
T0101;
M04 S1200;
M08;
G00 X40.0 Z10.0;
G00 X32.0 Z1.0;
G71 U0.3 R1.0;
G71 P01 Q07 U0.0 W0.0 F0.2 ;
N01 G01 X8.0. Z0.0;
N02 G03 X16.0 Z-4.0 R4;
N03 G01 X20.0 Z-12.0;
N04 G02 X20.0 Z-14.0 R2;
N05 G01 X20.0 Z-27.0;
N06 G03 X30.0 Z-32.0 R5;
N07 G01 X32.0 Z-40.0;
G00 X60.0;
G00 Z10.0;
M05;
M09;
G28U0.0W0.0;
M30;
% 117Prepared by V.S.Bhati & Akash Shukla
Facing
118Prepared by V.S.Bhati & Akash Shukla
G72 (Stock Removal in Facing)
 The G72 code commands a multiple repetitive cycle. The G72 cycle is similar to the
G71 cycle except that the cut is applied in the Z axis
A G72 command is written in the following format
G72 W _ _R _ _
G72 P_ _Q _ _U _ _W _ _F _ _
where,
W is the depth of cut in the Z axis.
R is the Retract amount
P is the start block number finished shape.
Q is the last block number finished shape.
U is the finishing allowance in the X axis (Diameter value).
W is the finishing allowance in the Z axis.
F is the federate for Roughing
119Prepared by V.S.Bhati & Akash Shukla
Tool Path Example
120Prepared by V.S.Bhati & Akash Shukla
Raw Material:- Dia. 30X70
Facing Exercise 01
121Prepared by V.S.Bhati & Akash Shukla
Example
O2002;
G40 G21 G99;
G28 U0.0 W0.0;
T0101;
M04 S1200;
M08;
G00 X40.0 Z10.0;
G00 X31.0 Z0.0;
G72 W0.5 R1.0;
G72 P01 Q03 U0.0 W0.0 F0.2 ;
N01 G01 X30.0 Z-8.0;
N02 G01 X-2.0 Z-8.0;
N03 G01 X-2.0 Z0.0;
G00 X40.0;
G00 Z10.0;
M05;
M09;
G28U0.0W0.0;
M30;
%
Raw Material:- Dia. 30X70mm
122Prepared by V.S.Bhati & Akash Shukla
G73 (Pattern Repeating)
 The function of the G73 canned cycle is to permit the cutting of a programmed profile
repeatedly. It is mainly used for machined parts where the rough shape has already
been formed by either rough machining, forging or casting
G73 U _ _W _ _R _ _;
G73 P _ _Q _ _U _ _W _ _F _ _;
where,
U – X axis distance and direction of relief.
W – Z axis distance and direction of relief.
R – Number of cutting Divisions
P - is the start block number finished shape.
Q - is the last block number finished shape.
U - is the finishing allowance in the X axis (Diameter value).
W - is the finishing allowance in the Z axis.
F - is the federate
123Prepared by V.S.Bhati & Akash Shukla
Example
O2001;
G40 G21 G99;
G28 U0.0 W0.0;
T0101;
M04 S1200;
M08;
G00 X40.0 Z10.0;
G00 X30.0 Z1.0;
G73 U5.0 W5.0 R5.0;
G73 P01 Q06 U0.0 W0.0 F0.2 ;
N01 G01 X32.88 Z0.0;
N02 G01 X39.0 Z-35.0;
N03 G01 X39 Z-40.0;
N04 G01 X44.0 Z-40.0;
N05 G01 X44.0 Z-60.0;
N06 G01 X50.0 ;
G00 X60.0;
G00 Z10.0;
M05;
M09;
G28 U0.0 W0.0;
M30
% 124Prepared by V.S.Bhati & Akash Shukla
G70 (Finishing Cycle)
 After part profile rough cutting has been completed, using the G71, G72 or G73 codes,
the G70 code can be used to perform a finishing cut/pass
A G70 finishing pass command is written in the following format
G70 P _ _Q _ _F _ _
where,
P:- is the start block number of finished shape.
Q:- is the last block number of finished shape.
F:- Feed Rate
125Prepared by V.S.Bhati & Akash Shukla
Turning with Finishing Exercise 01
N200;
G21 G99;
G28 U0.0 W0.0;
T0202;
M04 S1500;
M08;
G00 X40.0 Z10.0;
G00 X32.0 Z1.0;
G42;
G70 P01 Q06 F0.1;
G00 X60.0;
G40;
G00 Z10.0;
M05;
M09;
G28 U0.0 W0.0;
M30
%
Raw Material:- Dia. 32X70
O2003;
N100;
G21 G99;
G28 U0.0 W0.0;
T0101;
M04 S1200;
M08;
G00 X40.0 Z10.0;
G00 X32.0 Z1.0;
G71 U0.3 R1.0;
G71 P01 Q06 U0.3 W0.2 F0.2 ;
N01 G01 X18.0. Z0.0;
N02 G01 X20.0 Z-4.0;
N03 G01 X20.0 Z-16.0;
N04 G03 X28.0 Z-20.0 R4;
N05 G01 X28.0 Z-30.0;
N06 G01 X32.0 Z-38.0;
G00 X60.0;
G00 Z10.0;
M05;
M09;
G28U0.0W0.0;
126Prepared by V.S.Bhati & Akash Shukla
G74 (End Face Peck Drilling Cycle)
The G74 code use for a peck drilling cycle
The drill runs centerline of the X axis and parallel to the Z axis, the
drill will make holes in the face end of the Work Piece
G74 command is written in the following format
G74 R _ _ ;
G74 Z _ _Q _ _ F _ _ ;
where,
R is the peck return amount
Z is the total depth of the hole
Q is the pecking depth in the Z axis measured in micron
F is the feed rate
127Prepared by V.S.Bhati & Akash Shukla
Drilling Exercise 01
Drill Dia. – 10.00 mm
Raw Material Size:- Dia.52X70mm
128Prepared by V.S.Bhati & Akash Shukla
Drilling Exercise 01 Drill Dia. – 10.00 mm
Raw Material Size:-Dia.52X70mmO2004; (Drill)
G21 G99;
G28 U0.0 W0.0;
T0101;
M04 S800;
M08;
G00 X0.0 Z10.0;
G00 Z1.0;
G74 R1.0;
G74 Z-20.0 Q1000 F0.1;
G00 Z15.0;
G00 X50.0;
M05;
M09;
G28 U0.0 W0.0;
M30;
%
129Prepared by V.S.Bhati & Akash Shukla
Drilling Exercise 01 Drill Dia. – 10.00 mm
Raw Material Size:-Dia.52X70 mmO2004; (Centre Drill)
G21 G40 G99;
N100;
G28 U0.0 W0.0;
T0101;
M04 S800;
M08;
G00 X0.0 Z10.0;
G00 Z1.0;
G74 R1.0;
G74 Z-3.0 Q1000 F0.1;
G00 Z15.0;
G00 X50.0;
M05;
M09;
G28 U0.0 W0.0;
N200; (Dia. 10 mm Drill)
G28 U0.0 W0.0;
T0202;
M04 S800;
M08;
G00 X0.0 Z10.0;
G00 Z1.0;
G74 R1.0;
G74 Z-20.0 Q1000 F0.1;
G00 Z15.0;
G00 X50.0;
M05;
M09;
G28 U0.0 W0.0;
M30;
%
130Prepared by V.S.Bhati & Akash Shukla
Drilling Exercise 02 Drill Dia. – 12.00 mm
Raw Material – Dia. 32X70mm
131Prepared by V.S.Bhati & Akash Shukla
Drilling Exercise 02
O2003; (Centre Drill)
G21 G40 G99;
N100;
G28 U0.0 W0.0;
T0101;
M04 S800;
M08;
G00 X0.0 Z10.0;
G00 Z1.0;
G74 R1.0;
G74 Z-3.0 Q1000 F0.1;
G00 Z15.0;
G00 X50.0;
M05;
M09;
G28 U0.0 W0.0;
Drill Dia. – 12.00 mm
Raw Material – Dia. 32X70mm
N200; (Dia. 12 mm Drill)
G28 U0.0 W0.0;
T0202;
M04 S800;
M08;
G00 X0.0 Z10.0;
G00 Z1.0;
G74 R1.0;
G74 Z-24.0 Q1000 F0.1;
G00 Z15.0;
G00 X50.0;
M05;
M09;
G28 U0.0 W0.0;
M30;
%
132Prepared by V.S.Bhati & Akash Shukla
G90 (Outer / Internal Dia. Cutting
Cycle)
 The command G90 performs a one pass cutting cycle, where the cut is applied in the
X axis. Also, by using the command R __ within the G90 block, tapers can be
generated
 If the one pass move needs to be repeated, only the values that change need to be
entered in the next block
A G90 command for written in the following format
G90 X __ Z __ F __
where,
X __ Work piece Diameter
Z __ Work Piece Length
F __ is the feed rate
133Prepared by V.S.Bhati & Akash Shukla
Example - (Outer Cutting) 01
O2001;
G40 G21 G99;
G28 U0.0 W0.0;
T0101;
M04 S1200;
M08;
G00 X40.0 Z10.0;
G00 X32.0 Z1.0;
G90 X31.0 Z-40.0 F0.2;
X30.0;
G90 X29.0 Z-32.0 F0.2;
X28.0;
X27.0;
X26.0;
X25.0;
X24.0;
X23.0;
X22.0;
X21.0;
X20.0;
G00 X40.0;
G00 Z10.0;
M05;
M09;
G28 U0.0 W.0;
M30;
%
RAW MATERIAL – Dia.32x70mm
134Prepared by V.S.Bhati & Akash Shukla
Taper
 The sign of R depends on the cutting direction of path "P1" - in the above program, R
is entered as a minus value
 The G90 taper cut command can be used for both internal and external cutting
operations
135Prepared by V.S.Bhati & Akash Shukla
136Prepared by V.S.Bhati & Akash Shukla
Example 01 - ID Cutting (Boring)
RAW MATERIAL – OD Dia. 60x70mm
ID Dia. 35mm
137Prepared by V.S.Bhati & Akash Shukla
Example - (Boring)
O2001;
G40 G21 G99;
G28 U0.0 W0.0;
T0101;
M03 S1200;
M08;
G00 X30.0 Z10.0;
G00 X33.0 Z1.0;
G90 X35.0 Z-35.0F0.2;
X36.0;
X37.0;
X38.0;
X39.0;
X40.0;
G00 Z10.0;
G00 X80.0;
M05;
M09;
G28 U0.0 W0.0;
M30;
%
RAW MATERIAL – OD Dia. 60x70mm
ID Dia. 35mm
138Prepared by V.S.Bhati & Akash Shukla
Exercise - 01
139Prepared by V.S.Bhati & Akash Shukla
G94 (End/Taper Face Turning Cycle)
 The G94 command performs a one pass face cutting cycle, where the cut is applied in
the Z axis
 If a repartition of the move is required, only the values that change need to be entered
into the next block
A G90 command for written in the following format
G94 X __ Z __ F __
where,
X __ Work piece Diameter
Z __ Work Piece Length
F __ is the feed rate
140Prepared by V.S.Bhati & Akash Shukla
Facing by G94 Exercise 01
O2002;
G40 G21 G98;
G28 U0.0 W0.0;
T0101;
M04 S1200;
M08;
G00 X40.0 Z10.0;
G00 X31.0 Z0.0;
G94 X-2.0 Z-1.0 F0.2;
Z-2.0;
Z-3.0;
Z-4.0;
Z-5.0;
Z-6.0;
Z-7.0;
Z-8.0;
G00 X40.0;
G00 X10.0;
M05;
M09;
G28 U0.0 W.0;
M30;
%
141Prepared by V.S.Bhati & Akash Shukla
G75 (GROOVING CYCLE)
 The G75 command use for grooving in the X axis
A G75 command is written in the following format
G75 R _ _;
G75 X (U) _ _Z (W) _ _ P _ _Q _ _R _ _F _ _;
where,
the definitions of R, X (U) , Z (W) , P, Q, R and Fare the same as G74
where,
R is the peck return amount
X (U) is the diameter of the bore if step over is used (i.e., stepping along the X
axis to repeat the peck cycle)
Z (W) is the depth of the bore
P is the step over in the X axis measured in micron's (without sign)
Q is the pecking depth in the Z axis measured in micron's (without sign)
R (2) is the retract move at the base of the groove
F is the federate
142Prepared by V.S.Bhati & Akash Shukla
143Prepared by V.S.Bhati & Akash Shukla
Parting / Grooving
144Prepared by V.S.Bhati & Akash Shukla
Insert Thickness - 3mm
Grooving Exercise 01
Raw Material – Dia. 32x70 mm
145Prepared by V.S.Bhati & Akash Shukla
Insert Thickness - 3mm
Grooving Exercise 01
Raw Material – Dia. 32x70 mm
O0251;
G21 G99;
G28 U0.0 W0.0;
T0101;
M03 S500;
M08;
G00 X40.0 Z10.0;
G00 X35.0 Z1.0;
G00 Z-18.0;
G01 X28.0 F0.1;
G00 X35.0;
G00 Z-20.0;
G01 X28.0 F0.1;
G00 X35.0;
G00 X50.0;
G00 Z10.0;
M05;
M09;
G28 U0.0 W0.0;
M30;
% 146Prepared by V.S.Bhati & Akash Shukla
Example
O2002;
G40 G21 G99;
G28 U0.0 W0.0;
T0101;
M04 S1200;
M08;
G00 X40.0 Z10.0;
G00 X30.0 Z1.0;
G75 R2000
G75 X30. Z-20. P1.0 Q2.0 F0.2;
G00 X40.0;
G00 Z10.0;
M05;
M09;
G28U0.0W0.0;
M30;
%
Insert Thickness - 3mm
147Prepared by V.S.Bhati & Akash Shukla
Insert Thickness - 3mm
Grooving Exercise 02
Raw Material – Dia. 52x70mm
148Prepared by V.S.Bhati & Akash Shukla
149Prepared by V.S.Bhati & Akash Shukla
G76 (Multiple Thread Cutting Cycle)
 The G76 command contains, within two blocks, all the information required to
generate a standard thread form and pitch
A G76 uses one edge cutting to reduce the load on the tool tip
G76 P (A) / (B) / (C) _ _ _ _ _ _Q _ _R _ _;
G76 X _ _Z _ _P _ _Q _ _F _ _;
In First Block:-
G76 P (A) / (B) / (C) _ _ _ _ _ _Q _ _R _ _;
where,
 P (A) is the number of thread finishing passes (1 to 99)
 P (B) is the chamfer amount. This is the angle at which the tool leaves at the end of
the thread cutting cycle
 P (C) is the angle of the tool tip (80°, 60°, 55°, 30°, 29° and 0°)
 Note - (A), (B) and (C) are all specified at the same time by the address P,
 Ex, P030060 = number of cuts is 03, chamfer amount of 60 and tool angle of 60°
 Q is the minimum cutting depth (in microns)
 R is the finishing allowance 150Prepared by V.S.Bhati & Akash Shukla
G76 (Multiple Thread Cutting Cycle)
In Second Block:-
G76 X _ _Z _ _P _ _Q _ _F _ _;
where,
 X is the end position of the thread in the X axis (the minor diameter)
 Z is the end position of the thread in the Z axis
 P is the depth of the thread as a radius value (in microns)
 Q is the depth of the first pass as a radius value (in microns)
 F is the size of the thread Pitch
Minor Diameter
Calculation
d= Minor Diameter
D= Major Diameter
P=Thread Depth
d= D-2(P)
Thread Depth(P) = 0.6 x Pitch of Thread
Some Times
For Fine Thread 0.65
For Taper Thread:-
R=D-d/2
R – Taper
D – Major Dia.
d – Minor Dia.
151Prepared by V.S.Bhati & Akash Shukla
Threading Exercise 01
O0033; (Threadding M32x1)
G28 U0.0 W0.0;
T0101;
G97 M04 S400;
M08;
G00X50.0Z10.0;
G00X34.0Z3.0;
G76 P010060 Q100 R0.05;
G76 X30.8 Z-14.0 P600 Q200 F1;
G00X50.0;
Z10.0;
M05;
M09;
G28 U0.0 W0.0;
M30;
%
Thread Depth(P) = 0.6 x Pitch of Thread
= 0.6 x 1
= 0.6
Minor Diameter Calculation
d= Minor Diameter
D= Major Diameter
P=Thread Depth
d= D-2(P)
= 32-2(0.6)
= 32-1.2
= 30.8 152Prepared by V.S.Bhati & Akash Shukla
Threading Exercise 02
O0033; Threadding M20x1.5
G28 U0.0 W0.0;
T0101;
G97 M04 S400;
M08;
G00 X30.0 Z10.0;
G00 X25.0 Z3.0;
G76 P010060 Q100 R0.05;
G76 X18.2 Z-40.0 P900 Q300 F1.5;
G00 X30.0;
G00 Z10.0;
M05;
M09;
G28 U0.0 W0.0;
M30;
%
M20 x 1.5
Length 40mm
Thread Depth(P) = 0.6 x Pitch of Thread
= 0.6 x 1.5
= 0.9 mm
Minor Diameter Calculation
d= Minor Diameter
D= Major Diameter
P=Thread Depth
d = D - 2 (P)
= 20 – 2 (0.9)
= 20 - 1.8
= 18.2 mm
153Prepared by V.S.Bhati & Akash Shukla
G92 (Thread Cutting Cycle)
 The G92 command performs a one pass threading cycle. Only the X (U) axis moves
need to be entered in subsequent blocks, after the original read-in of the G92
command
A G92 command for straight thread cutting is written in the following format
G92 X _ _Z _ _ F (Pitch) _ _R _ _;
where,
F Pitch of thread (federate)
Minor Diameter
Calculation
d= Minor Diameter
D= Major Diameter
P=Thread Depth
d= D-2(P)
Thread Depth(P) = 0.6 x Pitch of
Thread
Some Times
:- For Fine Thread = 0.65 x Pitch of
Thread
For Taper
Thread:-
R=D-d/2
R – Taper
D – Major Dia.
d – Minor Dia.
154Prepared by V.S.Bhati & Akash Shukla
Exercise 01
O2002;
G21 G99;
G28 U0.0 W0.0;
T0101;
M04 S1200;
M08;
G00 X40.0 Z10.0;
G00 X30.0 Z1.0;
G71 U0.3 R1.0;
G71 P01 Q03 U0.0 W0.0 F0.2 ;
N01 G01 X 20.0 Z0.0;
N02 G01 X20.0 Z-25.0;
N03 G01 X30.0 Z-25..0;
G00 X40.0;
G00 Z10.0;
M05;
M09;
G28U0.0W0.0;
M30;
%
155Prepared by V.S.Bhati & Akash Shukla
Threading G92 Exercise 01
O2021;
G40 G21 G98;
G28 U0.0 W0.0;
T0101;
G97 M04 S500;
M08;
G00 X30.0 Z10.0;
G00 X25.0 Z5.0;
G92 X20.0 Z-30.0 F1.5;
X19.80;
X19.60;
X19.40;
X19.20;
X19.00;
X18.80;
X18.60;
X18.40;
X18.20;
G00 X40.0;
G00 Z10.0;
M05;
M09;
G28 U0.0 W.0;
M30;
%
 M20 x 1.5
 Thread Length 30 mm
156Prepared by V.S.Bhati & Akash Shukla
Exercise - 01
157Prepared by V.S.Bhati & Akash Shukla
PROGRAMO0041
N 100(Rough Turning)
G21 G99 G40
G28 U0.0 W0.0
T0101
G96 S220 M04
G50 S2200
M08
G00 X60.0 Z10.0
G00 X50.0 Z0.0
G71 U0.3 R1.0
G71 P01 Q10U0.0W0.0F0.2
N01 G01 X17.0 Z0.0
N02 G01 X20.0 Z-1.5
N03 G01 X20.0 Z-20.0
N04 G01 X27.0 Z-20.0
N05 G01 X30.0 Z-21.5
N06 G01 X30.0 Z-43.0
N07 G02 X34.0 Z-45.0 R2
N08 G03 X44.0 Z-50.0 R5
N09 G01 X44.0 Z-70.0
N10 G01 X50.0 Z-70.0
G00 X60.0
G00 Z10.0
M05
M09
G28 U0.0 W0.0
N200 (Finish
Turning)
G21 G99
G28 U0.0 W0.0
T0202
G96 S250 M04
G50 S2500
M08
G00 X50.0 Z10.0
G00 Z1.0 F0.2
G01 Z0.0
G42
G70 P01 Q10 F0.15
G00 X60.0
G00 Z10.0
M05
M09
G40
G28 U0.0 W0.0
N300(Grooving)
G28 U0.0 W0.0
T0303
G21 G99 G40
G96 S150 M03
G50 S1600
M08
G00 X60.0 Z10.0
G00 X52.0
Z-18.0
G00 X22.0
G01 X16.0 F0.12
G00 X22.0
G00 X52.0
Z-38.0
G00 X32.0
G01 X26.0 F0.12
G00 X38.0
G00 X52.0
G00 X60.0
Z10.0
M05
M09
G28 U0.0 W0.0
N400(Threading)
G28 U0.0 W0.0
T0404
G21 G40
G97 M04 S800
M08
G00 X60.0 Z10.0
G01 X23.0 Z5.0 F0.2
G76 P010060 Q100
R0.05
G76 X17.0 Z-15.0 P1500
Q200 F2.5
G00 X50.0
Z10.0
M05
M09
G28 U0.0 W0.0
M30
%
We use
P=0.6xThread Pitch
158Prepared by V.S.Bhati & Akash Shukla
Exercise - 02
1. Centre Drilling
2. Drilling
3. Boring
4. Internal Grooving
5. Internal Threading
159Prepared by V.S.Bhati & Akash Shukla
Exercise - 03
Raw Material Size:-Dia.32X70mm
Tools
1.Rough Turning Tool
2.Finish Turning Tool
3.Grooving
4.O.D. Threading Tool
2
160Prepared by V.S.Bhati & Akash Shukla
Exercise - 04
Raw Material Size:-Dia.32X70mm
Operation
1.Centre Drilling
2.Drilling
3.Boring
4.Grooving
5.I.D. Threading
161Prepared by V.S.Bhati & Akash Shukla
Exercise - 05
Raw Material Size:-Dia.32X70mm
Tools
1.Rough Turning Tool
2.Finish Turning Tool
162Prepared by V.S.Bhati & Akash Shukla
Tooling and Insert
163Prepared by V.S.Bhati & Akash Shukla
Safety Symbol
No Smoking. Wear hand protection.
Caution, risk of electric shock. First aid point.
164Prepared by V.S.Bhati & Akash Shukla
Workshop Safety Rules
Before you can use equipment and machines or attempt practical work in a workshop you
must understand basic safety rules. These rules will help keep you and others safe in the
workshop.
1. Always listen carefully to the teacher and follow instructions.
2. Do not run in the workshop, you could cause an accident.
3. Know where the emergency stop buttons are positioned in the workshop. If you see an
accident at the other side of the workshop you can use the emergency stop button to turn off
all electrical power to machines.
4. Always wear an apron as it will protect your clothes and hold loose clothing such as ties in
place.
5. Wear good strong shoes. training shoes are not suitable.
6. When attempting practical work all stools should be put away.
7. When learning how to use a machine, listen very carefully to all the instructions given by
the teacher. Ask questions if you do not fully understand.
8. Do not use a machine if you have not been shown how to operate it safely by the teacher.
9. Keep hands away from moving/rotating machinery.
10. Use hand tools carefully, keeping both hands behind the cutting edge.
11. Report any damage to machines/equipment as this could cause an accident.
165Prepared by V.S.Bhati & Akash Shukla
166
Prepared by V.S.Bhati & Akash
Shukla
L-N Key Set
LN key is used for open LN shape
bolt.
LN bolts are more rigid and low
cost.
167Prepared by V.S.Bhati & Akash Shukla
L-N Key Set
LN key is used for open LN shape
bolt.
LN bolts are more rigid and low
cost.
168Prepared by V.S.Bhati & Akash Shukla
General Turning Insert
169Prepared by V.S.Bhati & Akash Shukla
General Turning Insert
1. Insert Shape
2. Insert Clearance Angle
3. Tolerances
4. Insert Type (Cutting Edge & Clamp)
5. Insert Size
6. Insert Thickness
7. Nose Radius
8. Cutting Edge Condition
9. Hand of Tool
12. Manufacture Option
170Prepared by V.S.Bhati & Akash Shukla
General Turning Insert
171Prepared by V.S.Bhati & Akash Shukla
General Turning Insert
172Prepared by V.S.Bhati & Akash Shukla
General Turning Insert
173Prepared by V.S.Bhati & Akash Shukla
General Turning Insert
174Prepared by V.S.Bhati & Akash Shukla
General Turning Insert
175Prepared by V.S.Bhati & Akash Shukla
General Turning Insert
176Prepared by V.S.Bhati & Akash Shukla
General Turning Insert
177Prepared by V.S.Bhati & Akash Shukla
General Turning Insert
178Prepared by V.S.Bhati & Akash Shukla
General Turning Insert
179Prepared by V.S.Bhati & Akash Shukla
General Turning Insert
180Prepared by V.S.Bhati & Akash Shukla
General Turning Insert
181Prepared by V.S.Bhati & Akash Shukla
General Turning Insert
182Prepared by V.S.Bhati & Akash Shukla
General Turning Insert
183Prepared by V.S.Bhati & Akash Shukla
Turning Tool Holder
184Prepared by V.S.Bhati & Akash Shukla
Turning Tool Holder
185Prepared by V.S.Bhati & Akash Shukla
Turning Tool Holder
186Prepared by V.S.Bhati & Akash Shukla
Turning Tool Holder
187Prepared by V.S.Bhati & Akash Shukla
Turning Tool Holder
188Prepared by V.S.Bhati & Akash Shukla
Turning Tool Holder
189Prepared by V.S.Bhati & Akash Shukla
Turning Tool Holder
190Prepared by V.S.Bhati & Akash Shukla
Turning Tool Holder
191Prepared by V.S.Bhati & Akash Shukla
Turning Tool Holder
192Prepared by V.S.Bhati & Akash Shukla
Turning Tool Holder
193Prepared by V.S.Bhati & Akash Shukla
Turning Tool Holder
194Prepared by V.S.Bhati & Akash Shukla
Boring Bar Holder
195Prepared by V.S.Bhati & Akash Shukla

CNC Lathe Operating & Programming

  • 1.
    CNC – LatheOperatingCNC – Lathe Operating & Programming& Programming Prepared by Virender Singh Bhati Akash Shukla Guidance by Mr. Dharmendra Rajput HOD – Tool Room Department NSIC Rajkot 1
  • 2.
    Introduction CNC Technology CNC-ComputerNumerical Control CNC is a method of automatically operating a machine by using letter, numbers and special characters. Use of CNC Machine For high accuracy For lot production For high production rate For manufacturing critical shape which not possible on conventional 2Prepared by V.S.Bhati & Akash Shukla
  • 3.
    3Prepared by V.S.Bhati& Akash Shukla
  • 4.
    4Prepared by V.S.Bhati& Akash Shukla
  • 5.
    5Prepared by V.S.Bhati& Akash Shukla
  • 6.
    CNC Machine 6 Prepared byV.S.Bhati & Akash Shukla
  • 7.
    Parts of CNCLathe Head Stock Tailstock Control Panel Coolant Tank Chuck Turret Chuck Pedal 7Prepared by V.S.Bhati & Akash Shukla
  • 8.
    JAW It is use forHold work piece 8 Prepared by V.S.Bhati & Akash Shukla
  • 9.
  • 10.
    The turret holds and movesthe tools. Tools are bolted to the turret using a variety of specialized holders, depending on the type of tool. 10 Prepared by V.S.Bhati & Akash Shukla
  • 11.
  • 12.
    It is usefor Clamp(Loading) & Decamp (Unloading) of Work piece 12 Prepared by V.S.Bhati & Akash Shukla
  • 13.
    Principal of CNCLathe In cnc lathe machine tool in movement against rotating work piece. Tool in movement linear Work piece is rotating Work Piece – Cylinder Tool – Single Point Cutting Tool 13Prepared by V.S.Bhati & Akash Shukla
  • 14.
    Work Piece ZeroPosition The work piece zero point (W) is specified by the programmer and should always be chosen according to the dimensioning of the drawing. For turning work it lies mostly on the turning axis and the right hand face. 14Prepared by V.S.Bhati & Akash Shukla
  • 15.
    Home Position /Ref. Position The reference point (R) is also called Home position. At Home Position Machine position is always Zero. We can change our tool automatically at Home Position. 15Prepared by V.S.Bhati & Akash Shukla
  • 16.
    Machine Zero &Program Zero 16Prepared by V.S.Bhati & Akash Shukla
  • 17.
    Points and distanceswith the work space  The machine zero point (M) is determined by the machine manufacturer and cannot be changed. On turning machines point is usually set on the spindle flange.  The work piece zero point (W) is specified by the programmer and should always be chosen according to the dimensioning of the drawing. For turning work it lies mostly on the turning axis and the right hand planar face.  The reference point (R) is approached for initializing the path measuring system, which means that at this point all axes are set to zero. This is necessary since generally speaking the machine zero point cannot be approached. 17Prepared by V.S.Bhati & Akash Shukla
  • 18.
    AXIS NOMENCLATURE From workpiece zero point  Moving left (towards spindle) Z-ve  Moving right (away from spindle)Z+ve  Moving above spindle center line X+ve  Moving below spindle center line X–ve 18Prepared by V.S.Bhati & Akash Shukla
  • 19.
  • 20.
  • 21.
  • 22.
  • 23.
  • 24.
  • 25.
  • 26.
  • 27.
  • 28.
  • 29.
  • 30.
  • 31.
    Z axis -Length of Work Piece 31 Prepared by V.S.Bhati & Akash Shukla
  • 32.
  • 33.
  • 34.
  • 35.
  • 36.
  • 37.
  • 38.
  • 39.
  • 40.
  • 41.
  • 42.
  • 43.
  • 44.
  • 45.
    Raw Material Size:-Dia.32X70mm Tools 1.RoughTurning Tool 2.Finish Turning Tool CNC Lathe ToolsCNC Lathe Tools 45 Prepared by V.S.Bhati & Akash Shukla
  • 46.
    Boring bar SleeveBoringbar Sleeve It is use for hold boring bar sleeve size is defend on Boring bar Size 46 Prepared by V.S.Bhati & Akash Shukla
  • 47.
    Boring ToolBoring Tool Tools 1.RoughTurning Tool 2.Finish Turning Tool 47 Prepared by V.S.Bhati & Akash Shukla
  • 48.
    Grooving ToolGrooving Tool Tools 1.RoughTurning Tool 2.Finish Turning Tool 48 Prepared by V.S.Bhati & Akash Shukla
  • 49.
    Threading ToolThreading Tool 49 Preparedby V.S.Bhati & Akash Shukla
  • 50.
    I.D. Threading ToolI.D.Threading Tool 50 Prepared by V.S.Bhati & Akash Shukla
  • 51.
    Operation of CNCLathe Facing Turning Taper Turning Drilling Boring Grooving External Threading Internal Threading 51Prepared by V.S.Bhati & Akash Shukla
  • 52.
  • 53.
  • 54.
  • 55.
  • 56.
    Measuring Instrument Steel Rule Thesteel rule is a basic measuring tool. Steel rule is an accurate measuring device. Steel rules come in many sizes and formats. Basic 15cm,30cm,60cm & 100cm Least Count 0.05mm 1mm – 1000 micron 1cm – 10 mm 1 Meter – 100 cm 1 inch – 25.4 mm 1 inch – 2.54 cm 56Prepared by V.S.Bhati & Akash Shukla
  • 57.
  • 58.
  • 59.
  • 60.
    Bore gauge  Abore gauge is a convenient term for the measuring or transfer tools that are used in the process of accurately measuring holes. A dial bore gauge is a special tool, calibrated in .001 inch (.0025 centimeter) or .0001 inch (.00025 centimeter), which is used to accurately measure the inside diameter of a hole, cylinder or pipe. In conjunction with a micrometer, a bore gauge will give you the exact reading of a bore size. A typical bore gauge is comprised of a shaft with a dial indicator at the top and a measuring sled at the base. The measuring sled consists of three guides and an actuating plunger. Dial bore gauges give you quick and accurate readings on the size, less than perfect roundness or wear. 60Prepared by V.S.Bhati & Akash Shukla
  • 61.
    Bore gauge  Dialindicator (distance amplifying instrument) A measuring instrument with a contact point attached to a spindle and gears that moves a pointer on the dial. Dial indicators have graduations that are available for reading different measurement values.  How to use a dial bore gauge: 1. Zero the gauge. This is accomplished by measuring across the gauge with an outside micrometer set to the precise bore size. When the zero aligns with the needle you're ready. 2. Insert the gauge into the bore to the depth you need. Rock it back and forth until it's properly inserted in the pipe. 3. Look at the reading. This is the lowest reading, which is taken when the gauge is square on the bore, and the indicator needle reverses its direction. It can be either more or less than the zero mark, and will indicate an oversize or undersize bore 61Prepared by V.S.Bhati & Akash Shukla
  • 62.
    Bore gauge  TypeOf Dial Gauges : • Plunger Type Dial Gauges • Lever Type Dial Gauges  Plunger Type Dial Gauges:- This is a type of sturdy dial gauge and is provided with tolerance pointers. Moreover, our gauges have smooth and strong metal bezel. Our gauges are also fitted with swiss brass bush bearings. The other features of these gauges are mentioned below: 62Prepared by V.S.Bhati & Akash Shukla
  • 63.
    List of AddressCodes 63Prepared by V.S.Bhati & Akash Shukla
  • 64.
    LIST OF GCODES 64Prepared by V.S.Bhati & Akash Shukla
  • 65.
    List of CannedCycle 65Prepared by V.S.Bhati & Akash Shukla
  • 66.
    G00 (Rapid Traverse) The G00 code executes a non cutting movement, at a rapid movement  A G00 command is written in the following format: G00 X _ _ Z _ _ ; where,  X - X axis co-ordinate values (Diameter of Work piece)  Z - Z axis co-ordinate values (Length of Work piece) 66Prepared by V.S.Bhati & Akash Shukla
  • 67.
    G01 (Linear Interpolation) The G01 code executes a cutting movement following a straight line, at a set federate  A G01 command is written in the following format: G01 X _ _ Z _ _ F _ _ ; where,  X - X axis co-ordinate values (Diameter of Work piece)  Z - Z axis co-ordinate values (Length of Work piece)  F – Feed rate Note: Programmed in absolute values as X and Z, or Incremental values as U and W are the X, and Z axis co-ordinate values 67Prepared by V.S.Bhati & Akash Shukla
  • 68.
    G02 / G03(Circular Interpolation)  The G02 code use for cutting a clockwise circular path, at a set federate in a radius  The G03 code use for cutting anticlockwise circular path, at a set federate in a radius  A G02 command is written in the following format: G02 X _ _ Z _ _ R _ _ F _ _;  A G03 command is written in the following format: G03 X _ _ Z _ _ R _ _ F _ _;  Absolute position (X, Z), the value is the dimension of the end point of the arc Incremental position (U, W), the co-ordinate of the end point is the distance the tool moves from the start position of the arc 68Prepared by V.S.Bhati & Akash Shukla
  • 69.
  • 70.
    LIST OF M-CODES 70Preparedby V.S.Bhati & Akash Shukla
  • 71.
    M Codes M00 (ProgramStop):  When the machine controller reads the code M00 within a block, it halts the program  The [CYCLE START] key must be pressed to allow the program to continue M01 (Optional Stop):  The M01 code performs the same function as the M00 code (program stop), except the machine controller only recognizes the signal to halt the program if the optional [STOP] input key is activated M03 (Spindle Rotation in Clock Wise ):  Clockwise rotation of the spindle  The spindle Rotation command is input stating the program M04 (Spindle rotation in counter clock wise ):  Counter clockwise rotation of the spindle  The spindle Rotation command is input stating the program 71Prepared by V.S.Bhati & Akash Shukla
  • 72.
    M Codes M05 (SpindleStop):  The M05 code, to stop the spindle rotating, is activated at the end of the block in which it is programmed, i.e. , after any axis movement M06 (Automatic Tool Change):  This code activates the machine turret and is followed by the code T_ _ _ _, instructing it to move to the stated tool number  For example, M06 T0303 ;  This command is read change automatically from the current tool number to tool number 3 M08 (Coolant On):  This code switches the coolant pump on M09 (Coolant Off):  This code switches the coolant pump off 72Prepared by V.S.Bhati & Akash Shukla
  • 73.
    M Codes M19 (SpindleOrientation)  This Code Lock the Machine spindle  It is use when we change jaw of Machine M30 (Program Stop and Reset):  This code stops the running program  Control is then reset back to the beginning of this program  The program will be reset back to the stated block number  The M30 code also acts as an M05 and M09 73Prepared by V.S.Bhati & Akash Shukla
  • 74.
    G20 / G21(Inch/MetricData Input)  The machine controller can be programmed in either Imperial (inch) unit input (G20) or Metric (millimeter) unit input (G21). The standard format for a CNC part program is to write the G20 or G21 code in the Starting block of the program 74Prepared by V.S.Bhati & Akash Shukla
  • 75.
  • 76.
    For I.D. Finishing OperationWe Use G41 76Prepared by V.S.Bhati & Akash Shukla
  • 77.
    For O.D. Finishing OperationWe Use G42 77Prepared by V.S.Bhati & Akash Shukla
  • 78.
    Tool Compensation Number 1.Back Boring Tool 2. Boring Tool 3. Right Hand Turning Tool 4. Left Hand Turning Tool 5. Back Facing Tool 6. ID Grooving Tool 7. Facing Tool 8. OD Grooving Tool 9. For Centre of Work Piece 78Prepared by V.S.Bhati & Akash Shukla
  • 79.
  • 80.
    G50 (Max. SpindleSpeed) G50 S_ _ _ _ specifies the maximum spindle speed for constant surface speed control, measured in R.P.M. Format to specify the address G50 S_ _; (specified Maximum Spindle Speed) 80Prepared by V.S.Bhati & Akash Shukla
  • 81.
    G96 (Constant SurfaceSpeed Control)  If surface speed is set after the address S __ , the spindle speed is calculated so that the surface speed is always the specified value in relation to the tool positioned  A G96 command for surface speed control is written in the following format: G96 S __ ; where, S __ is the spindle speed (mm/min or inch/min) 81Prepared by V.S.Bhati & Akash Shukla
  • 82.
    G97 (Constant SurfaceSpeed Control Cancel)  The G97 command allows a spindle for constant surface speed control cancel speed written in the units, revs per minute  A G97 command for spindle speed control is written in the following format: G97 S __ ; where, S __ is the spindle speed, written in the format revs per minute 82Prepared by V.S.Bhati & Akash Shukla
  • 83.
    G98 (Feed perminute)  The G98 command allows a federate written in the units, millimeters per minute or inches per minute, to be entered into the machine controller  G98 commend input in starting the program 83Prepared by V.S.Bhati & Akash Shukla
  • 84.
    G99 (Per RevolutionFeed)  The G99 command allows a federate written in the units, millimeters per revolution or inches per revolution, to be entered into the machine controller  G99 command input at starting the program 84Prepared by V.S.Bhati & Akash Shukla
  • 85.
    How to CalculateSpindle Speed Vc = ╥DN/1000 N = Vc x 1000/ ╥ D Vc = Cutting Speed D = Diameter of Work piece N = Spindle Speed ╥ = 3.14 85Prepared by V.S.Bhati & Akash Shukla
  • 86.
    How to CalculateSpindle Speed Vc = ╥DN/1000 N = Vc x 1000/ ╥ D Vc = Cutting Speed D = Diameter of Work piece N = Spindle Speed ╥ = 3.14 For M.S. Dia. 30 mm O65646; G99 G21; G28 U0.0 W0.0; T0101; G96 S250 M04; G50 S2500; G96 :- Minimum Spindle Speed G50 :- Maximum Spindle Speed N=250x1000/3.14x30 2500 RPM 86Prepared by V.S.Bhati & Akash Shukla
  • 87.
    Feed Rate Rough Turning/Boring- (0.18-0.25) Finish Turning/Boring – (0.12-0.18) Grooving/Drilling - (0.1) 87Prepared by V.S.Bhati & Akash Shukla
  • 88.
    Example For Coordinate RawMaterial Size:-Dia.32X70 88Prepared by V.S.Bhati & Akash Shukla
  • 89.
    Example For Coordinate RawMaterial Size:-Dia.32X70 89Prepared by V.S.Bhati & Akash Shukla
  • 90.
  • 91.
    Example Raw Material Size:-Dia.32X70 N01X17.5 Z0.0 N02 X17.5 Z-20.0 N03 X22.5 Z-20.0 N04 X22.5 Z-30.0 N05 X32.0 Z-30.0 91Prepared by V.S.Bhati & Akash Shukla
  • 92.
  • 93.
    Exercise Raw Material Size:-Dia.32X70 N01X20.0 Z0.0 N02 X20.0 Z-32.0 N03 X30.0 Z-32.0 N04 X30.0 Z-40.0 93Prepared by V.S.Bhati & Akash Shukla
  • 94.
    Program Format O1000; ProgramNo. G21 G99; Program parameter G28 U0.0 W0.0; Home Position T0101; Tool No. M03 S800; Spindle Rotation M08; Coolant ON G00 X35.0 Z5.0; Near to Work Piece G00 X30.0 Z1.0; Touch to Work Piece ;Canned Cycle ;Work Piece Coordinate G00X50.0; Distance From G00Z10.0; Work piece M05; Spindle Stop M09; Coolant OFF G28U0.0W0.0; Home Position M30; Program End 94Prepared by V.S.Bhati & Akash Shukla
  • 95.
    O2001; G21 G99; G28 U0.0W0.0; T0101; M04 S1200; M08; G00 X40.0 Z10.0; G00 X32.0 Z1.0; G01 X-2.0 F0.2; G00 W1.0; G00 X32.0; G00 Z0.5; G01 X-2.0 F0.2; G00 W1.0; G00 X32.0; G00 Z0.0; G01 X-2.0 F0.2; G00 W1.0; G00 X60.0; G00 Z10.0; M05; M09; G28 U0.0 W0.0; M30 Facing Part Programming Raw Material Size:-Dia.32 Face stock 1 mm 95Prepared by V.S.Bhati & Akash Shukla
  • 96.
    Facing Part Programming RawMaterial Size:-Dia.32 Face stock 1 mm 96Prepared by V.S.Bhati & Akash Shukla
  • 97.
    Turning Work piece Tool 97Prepared byV.S.Bhati & Akash Shukla
  • 98.
    Exercise Raw Material Size:-Dia.32X70 O2002; G21G99; G28 U0.0 W0.0; T0101; M04 S1200; M08; G00 X40.0 Z10.0; G00 X32.0 Z1.0; G00 X31.0; G01 Z-40.0 F0.2; G00 U1.0; G00 Z1.0; ; G00 X30.0 G01 Z-40.0 F0.2; G00 U1.0; G00 Z1.0; ; G00 X29.0 ; G01 Z-32.0 F0.2 ; G00 U1.0; G00 Z1.0; ; G00 X28.0 ; G01 Z-32.0 F0.2 ; G00 U1.0; G00 Z1.0; ; G00 X27.0 ; G01 Z-32.0 F0.2 ; G00 U1.0; G00 Z1.0; ; G00 X26.0 ; G01 Z-32.0 F0.2 ; G00 U1.0; G00 Z1.0; ; G00 X25.0 ; G01 Z-32.0 F0.2 ; G00 U1.0; G00 Z1.0; ; G00 X24.0 ; G01 Z-32.0 F0.2 ; G00 U1.0; G00 Z1.0; G00 X23.0 ; G01 Z-32.0 F0.2 ; G00 U1.0; G00 Z1.0; ; G00 X22.0 ; G01 Z-32.0 F0.2 ; G00 U1.0; G00 Z1.0; ; G00 X21.0 ; G01 Z-32.0 F0.2 ; G00 U1.0; G00 Z1.0; ; G00 X20.0 ; G01 Z-32.0 F0.2 ; G00 U1.0; G00 Z1.0; G00 X60.0; G00 Z10.0; M05; M09; G28 U0.0 W0.0; M30 98Prepared by V.S.Bhati & Akash Shukla
  • 99.
    G71 (Stock Removalin X Axis)  The G71 code commands a multiple repetitive cycle, sometimes referred to as a canned cycle  This G71 cycles are used within a CNC program to simplify programming, since only the dimensions describing the required component profile are required. The CNC control will then generate the roughing cuts needed to make this component profile, from within its own memory. Format: G71 U_ _R_ _ G71 P_ _Q_ _U_ _W_ _F_ _ where, U is the depth of cut in the X axis (Radius value) R is the escaping amount (Retract) P is the start block number finished shape. Q is the last block number finished shape. U is the finishing allowance in the X axis (Diameter value). W is the finishing allowance in the Z axis. F is the federate for Roughing 99Prepared by V.S.Bhati & Akash Shukla
  • 100.
    Tool Path Example 100Preparedby V.S.Bhati & Akash Shukla
  • 101.
    Turning Exercise 01 RawMaterial Size:-Dia.32X70 101Prepared by V.S.Bhati & Akash Shukla
  • 102.
    Turning Exercise 01 RawMaterial Size:-Dia.32x70 102Prepared by V.S.Bhati & Akash Shukla
  • 103.
    Raw Material Size:-Dia.32X70O2000; G21G99; G28 U0.0 W0.0; T0101; M04 S1200; M08; G00 X40.0 Z10.0; G00 X32.0 Z1.0; G71 U0.3 R1.0; G71 P01 Q04 U0.0 W0.0 F0.2 ; N01 G01 X20.0 Z0.0; N02 G01 X20.0 Z-32.0; N03 G01 X30.0 Z-32.0; N04 G01 X30 Z-40.0; G00 X60.0; G00 Z10.0; M05; M09; G28 U0.0 W0.0; M30 % Turning Exercise 01 103Prepared by V.S.Bhati & Akash Shukla
  • 104.
    Turning Exercise No.2 Raw Material Dia. 32x70 mm 104Prepared by V.S.Bhati & Akash Shukla
  • 105.
    Raw Material Size:-Dia.32X70mmO2000; G21G99; G28 U0.0 W0.0; T0101; M04 S1200; M08; G00 X40.0 Z10.0; G00 X32.0 Z1.0; G71 U0.3 R1.0; G71 P01 Q06 U0.0 W0.0 F0.2 ; N01 G01 X10.0 Z0.0; N02 G01 X10.0 Z-10.0; N03 G01 X20.0 Z-10.0; N04 G01 X20.0 Z-30.0; N05 G01 X30.0 Z-30.0; N06 G01 X30.0 Z-60.0; G00 X60.0; G00 Z10.0; M05; M09; G28 U0.0 W0.0; M30 % Turning Exercise No. 2 105Prepared by V.S.Bhati & Akash Shukla
  • 106.
    Exercise - 01 RawMaterial Size:-Dia.30X50 Raw Material Size:-Dia.25X70 Turning Exercise 03 106Prepared by V.S.Bhati & Akash Shukla
  • 107.
    Raw Material Size:-Dia.25X70 TurningExercise 03 O2000; G21 G99; G28 U0.0 W0.0; T0101; M04 S1200; M08; G00 X40.0 Z10.0; G00 X25.0 Z1.0; G71 U0.3 R1.0; G71 P01 Q05 U0.0 W0.0 F0.2 ; N01 G01 X17.50 Z0.0; N02 G01 X17.5 Z-20.0; N03 G01 X22.5 Z-20.0; N04 G01 X22.5 Z-30.0; N05 G01 X25.0 Z-30.0; G00 X60.0; G00 Z10.0; M05; M09; G28 U0.0 W0.0; M30 % 107Prepared by V.S.Bhati & Akash Shukla
  • 108.
    Raw Material Size:-Dia.50X70 108Preparedby V.S.Bhati & Akash Shukla
  • 109.
    Turning With AngleExercise 01 O2001; G21 G99; G28 U0.0 W0.0; T0101; M04 S1200; M08; G00 X60.0 Z10.0; G00 X52.0 Z1.0; G71 U0.3 R1.0; G71 P01 Q06 U0.0 W0.0 F0.2 ; N01 G01 X32.88 Z0.0; N02 G01 X39.0 Z-35.0 (A175); N03 G01 X39 Z-40.0; N04 G01 X44.0 Z-40.0; N05 G01 X44.0 Z-60.0; N06 G01 X52.0 ; G00 X60.0; G00 Z10.0; M05; M09; G28 U0.0 W0.0; M30 % Raw Material Size:-Dia.52X70 109Prepared by V.S.Bhati & Akash Shukla
  • 110.
  • 111.
    Turning with ChamferExercise 01O2002; G21 G99; G28 U0.0 W0.0; T0101; M04 S1200; M08; G00 X40.0 Z10.0; G00 X32.0 Z1.0; G71 U0.3 R1.0; G71 P01 Q10 U0.0 W0.0 F0.2 ; N01 G01 X12.0.0 Z0.0; N02 G01 X15.0 Z-1.5; N03 G01X15.0 Z-15.0; N04 G01 X22.0 Z-15.0; N05 G01 X25.0 Z-16.5; N06 G01 X25.0 Z-30.0; N07 G01 X27.0 Z-30.0; N08 G01 X30.0 Z-31.5; N09 G01 X30.0 Z-50.0; N10 G01 X32.0; G00 X40.0; G00 Z10.0; M05; M09; G28U0.0W0.0; M30; 111Prepared by V.S.Bhati & Akash Shukla
  • 112.
    Exercise Raw MaterialSize:-Dia.50X70 112Prepared by V.S.Bhati & Akash Shukla
  • 113.
    Turning with ChamferExercise 02 Raw Material Size:-Dia.52X70 O2003; G21 G99; G28 U0.0 W0.0; T0101; M04 S1200; M08; G00 X60.0 Z10.0; G00 X52.0 Z1.0; G71 U0.5 R1.0; G71 P01 Q11 U0.0 W0.0 F0.2 ; N01 G01 X18.0. Z0.0; N02 G01 X20.0 Z-1.0; N03 G01 X20.0 Z-12.0; N04 G01 X28.0 Z-12.0; N05 G01 X31.0 Z-13.5; N06 G01 X31.0 Z-27.0; N07 G01 X37.0 Z-27.0; N08 G01 X41.0 Z-29.0; N09 G01 X41.0 Z-37.0; N10 G01 X49.0 Z-37.0; N11 G01 X49.0 Z-45.0; N12 G01 X52.0; G00 X60.0; G00 Z10.0; M05; M09; G28U0.0W0.0; M30; 113Prepared by V.S.Bhati & Akash Shukla
  • 114.
    Turning with RadiusExercise 01 Raw Material Size:-Dia.32X70 28 114Prepared by V.S.Bhati & Akash Shukla
  • 115.
    Exercise Raw Material Size:-Dia.32X70 O2003; G21G99; G28 U0.0 W0.0; T0101; M04 S1200; M08; G00 X40.0 Z10.0; G00 X32.0 Z1.0; G71 U0.3 R1.0; G71 P01 Q06 U0.0 W0.0 F0.2 ; N01 G01 X18.0. Z0.0; N02 G01 X20.0 Z-4.0; N03 G01 X20.0 Z-16.0; N04 G03 X28.0 Z-20.0 R4; N05 G01 X28.0 Z-30.0; N06 G01 X32.0 Z-38.0; G00 X60.0; G00 Z10.0; M05; M09; G28U0.0W0.0; M30; % 28 115Prepared by V.S.Bhati & Akash Shukla
  • 116.
    Turning with RadiusExercise 02 Raw Material Size:-Dia.32X70 116Prepared by V.S.Bhati & Akash Shukla
  • 117.
    Example Raw MaterialSize:-Dia.30X70 O2003; G21 G99; G28 U0.0 W0.0; T0101; M04 S1200; M08; G00 X40.0 Z10.0; G00 X32.0 Z1.0; G71 U0.3 R1.0; G71 P01 Q07 U0.0 W0.0 F0.2 ; N01 G01 X8.0. Z0.0; N02 G03 X16.0 Z-4.0 R4; N03 G01 X20.0 Z-12.0; N04 G02 X20.0 Z-14.0 R2; N05 G01 X20.0 Z-27.0; N06 G03 X30.0 Z-32.0 R5; N07 G01 X32.0 Z-40.0; G00 X60.0; G00 Z10.0; M05; M09; G28U0.0W0.0; M30; % 117Prepared by V.S.Bhati & Akash Shukla
  • 118.
  • 119.
    G72 (Stock Removalin Facing)  The G72 code commands a multiple repetitive cycle. The G72 cycle is similar to the G71 cycle except that the cut is applied in the Z axis A G72 command is written in the following format G72 W _ _R _ _ G72 P_ _Q _ _U _ _W _ _F _ _ where, W is the depth of cut in the Z axis. R is the Retract amount P is the start block number finished shape. Q is the last block number finished shape. U is the finishing allowance in the X axis (Diameter value). W is the finishing allowance in the Z axis. F is the federate for Roughing 119Prepared by V.S.Bhati & Akash Shukla
  • 120.
    Tool Path Example 120Preparedby V.S.Bhati & Akash Shukla
  • 121.
    Raw Material:- Dia.30X70 Facing Exercise 01 121Prepared by V.S.Bhati & Akash Shukla
  • 122.
    Example O2002; G40 G21 G99; G28U0.0 W0.0; T0101; M04 S1200; M08; G00 X40.0 Z10.0; G00 X31.0 Z0.0; G72 W0.5 R1.0; G72 P01 Q03 U0.0 W0.0 F0.2 ; N01 G01 X30.0 Z-8.0; N02 G01 X-2.0 Z-8.0; N03 G01 X-2.0 Z0.0; G00 X40.0; G00 Z10.0; M05; M09; G28U0.0W0.0; M30; % Raw Material:- Dia. 30X70mm 122Prepared by V.S.Bhati & Akash Shukla
  • 123.
    G73 (Pattern Repeating) The function of the G73 canned cycle is to permit the cutting of a programmed profile repeatedly. It is mainly used for machined parts where the rough shape has already been formed by either rough machining, forging or casting G73 U _ _W _ _R _ _; G73 P _ _Q _ _U _ _W _ _F _ _; where, U – X axis distance and direction of relief. W – Z axis distance and direction of relief. R – Number of cutting Divisions P - is the start block number finished shape. Q - is the last block number finished shape. U - is the finishing allowance in the X axis (Diameter value). W - is the finishing allowance in the Z axis. F - is the federate 123Prepared by V.S.Bhati & Akash Shukla
  • 124.
    Example O2001; G40 G21 G99; G28U0.0 W0.0; T0101; M04 S1200; M08; G00 X40.0 Z10.0; G00 X30.0 Z1.0; G73 U5.0 W5.0 R5.0; G73 P01 Q06 U0.0 W0.0 F0.2 ; N01 G01 X32.88 Z0.0; N02 G01 X39.0 Z-35.0; N03 G01 X39 Z-40.0; N04 G01 X44.0 Z-40.0; N05 G01 X44.0 Z-60.0; N06 G01 X50.0 ; G00 X60.0; G00 Z10.0; M05; M09; G28 U0.0 W0.0; M30 % 124Prepared by V.S.Bhati & Akash Shukla
  • 125.
    G70 (Finishing Cycle) After part profile rough cutting has been completed, using the G71, G72 or G73 codes, the G70 code can be used to perform a finishing cut/pass A G70 finishing pass command is written in the following format G70 P _ _Q _ _F _ _ where, P:- is the start block number of finished shape. Q:- is the last block number of finished shape. F:- Feed Rate 125Prepared by V.S.Bhati & Akash Shukla
  • 126.
    Turning with FinishingExercise 01 N200; G21 G99; G28 U0.0 W0.0; T0202; M04 S1500; M08; G00 X40.0 Z10.0; G00 X32.0 Z1.0; G42; G70 P01 Q06 F0.1; G00 X60.0; G40; G00 Z10.0; M05; M09; G28 U0.0 W0.0; M30 % Raw Material:- Dia. 32X70 O2003; N100; G21 G99; G28 U0.0 W0.0; T0101; M04 S1200; M08; G00 X40.0 Z10.0; G00 X32.0 Z1.0; G71 U0.3 R1.0; G71 P01 Q06 U0.3 W0.2 F0.2 ; N01 G01 X18.0. Z0.0; N02 G01 X20.0 Z-4.0; N03 G01 X20.0 Z-16.0; N04 G03 X28.0 Z-20.0 R4; N05 G01 X28.0 Z-30.0; N06 G01 X32.0 Z-38.0; G00 X60.0; G00 Z10.0; M05; M09; G28U0.0W0.0; 126Prepared by V.S.Bhati & Akash Shukla
  • 127.
    G74 (End FacePeck Drilling Cycle) The G74 code use for a peck drilling cycle The drill runs centerline of the X axis and parallel to the Z axis, the drill will make holes in the face end of the Work Piece G74 command is written in the following format G74 R _ _ ; G74 Z _ _Q _ _ F _ _ ; where, R is the peck return amount Z is the total depth of the hole Q is the pecking depth in the Z axis measured in micron F is the feed rate 127Prepared by V.S.Bhati & Akash Shukla
  • 128.
    Drilling Exercise 01 DrillDia. – 10.00 mm Raw Material Size:- Dia.52X70mm 128Prepared by V.S.Bhati & Akash Shukla
  • 129.
    Drilling Exercise 01Drill Dia. – 10.00 mm Raw Material Size:-Dia.52X70mmO2004; (Drill) G21 G99; G28 U0.0 W0.0; T0101; M04 S800; M08; G00 X0.0 Z10.0; G00 Z1.0; G74 R1.0; G74 Z-20.0 Q1000 F0.1; G00 Z15.0; G00 X50.0; M05; M09; G28 U0.0 W0.0; M30; % 129Prepared by V.S.Bhati & Akash Shukla
  • 130.
    Drilling Exercise 01Drill Dia. – 10.00 mm Raw Material Size:-Dia.52X70 mmO2004; (Centre Drill) G21 G40 G99; N100; G28 U0.0 W0.0; T0101; M04 S800; M08; G00 X0.0 Z10.0; G00 Z1.0; G74 R1.0; G74 Z-3.0 Q1000 F0.1; G00 Z15.0; G00 X50.0; M05; M09; G28 U0.0 W0.0; N200; (Dia. 10 mm Drill) G28 U0.0 W0.0; T0202; M04 S800; M08; G00 X0.0 Z10.0; G00 Z1.0; G74 R1.0; G74 Z-20.0 Q1000 F0.1; G00 Z15.0; G00 X50.0; M05; M09; G28 U0.0 W0.0; M30; % 130Prepared by V.S.Bhati & Akash Shukla
  • 131.
    Drilling Exercise 02Drill Dia. – 12.00 mm Raw Material – Dia. 32X70mm 131Prepared by V.S.Bhati & Akash Shukla
  • 132.
    Drilling Exercise 02 O2003;(Centre Drill) G21 G40 G99; N100; G28 U0.0 W0.0; T0101; M04 S800; M08; G00 X0.0 Z10.0; G00 Z1.0; G74 R1.0; G74 Z-3.0 Q1000 F0.1; G00 Z15.0; G00 X50.0; M05; M09; G28 U0.0 W0.0; Drill Dia. – 12.00 mm Raw Material – Dia. 32X70mm N200; (Dia. 12 mm Drill) G28 U0.0 W0.0; T0202; M04 S800; M08; G00 X0.0 Z10.0; G00 Z1.0; G74 R1.0; G74 Z-24.0 Q1000 F0.1; G00 Z15.0; G00 X50.0; M05; M09; G28 U0.0 W0.0; M30; % 132Prepared by V.S.Bhati & Akash Shukla
  • 133.
    G90 (Outer /Internal Dia. Cutting Cycle)  The command G90 performs a one pass cutting cycle, where the cut is applied in the X axis. Also, by using the command R __ within the G90 block, tapers can be generated  If the one pass move needs to be repeated, only the values that change need to be entered in the next block A G90 command for written in the following format G90 X __ Z __ F __ where, X __ Work piece Diameter Z __ Work Piece Length F __ is the feed rate 133Prepared by V.S.Bhati & Akash Shukla
  • 134.
    Example - (OuterCutting) 01 O2001; G40 G21 G99; G28 U0.0 W0.0; T0101; M04 S1200; M08; G00 X40.0 Z10.0; G00 X32.0 Z1.0; G90 X31.0 Z-40.0 F0.2; X30.0; G90 X29.0 Z-32.0 F0.2; X28.0; X27.0; X26.0; X25.0; X24.0; X23.0; X22.0; X21.0; X20.0; G00 X40.0; G00 Z10.0; M05; M09; G28 U0.0 W.0; M30; % RAW MATERIAL – Dia.32x70mm 134Prepared by V.S.Bhati & Akash Shukla
  • 135.
    Taper  The signof R depends on the cutting direction of path "P1" - in the above program, R is entered as a minus value  The G90 taper cut command can be used for both internal and external cutting operations 135Prepared by V.S.Bhati & Akash Shukla
  • 136.
  • 137.
    Example 01 -ID Cutting (Boring) RAW MATERIAL – OD Dia. 60x70mm ID Dia. 35mm 137Prepared by V.S.Bhati & Akash Shukla
  • 138.
    Example - (Boring) O2001; G40G21 G99; G28 U0.0 W0.0; T0101; M03 S1200; M08; G00 X30.0 Z10.0; G00 X33.0 Z1.0; G90 X35.0 Z-35.0F0.2; X36.0; X37.0; X38.0; X39.0; X40.0; G00 Z10.0; G00 X80.0; M05; M09; G28 U0.0 W0.0; M30; % RAW MATERIAL – OD Dia. 60x70mm ID Dia. 35mm 138Prepared by V.S.Bhati & Akash Shukla
  • 139.
    Exercise - 01 139Preparedby V.S.Bhati & Akash Shukla
  • 140.
    G94 (End/Taper FaceTurning Cycle)  The G94 command performs a one pass face cutting cycle, where the cut is applied in the Z axis  If a repartition of the move is required, only the values that change need to be entered into the next block A G90 command for written in the following format G94 X __ Z __ F __ where, X __ Work piece Diameter Z __ Work Piece Length F __ is the feed rate 140Prepared by V.S.Bhati & Akash Shukla
  • 141.
    Facing by G94Exercise 01 O2002; G40 G21 G98; G28 U0.0 W0.0; T0101; M04 S1200; M08; G00 X40.0 Z10.0; G00 X31.0 Z0.0; G94 X-2.0 Z-1.0 F0.2; Z-2.0; Z-3.0; Z-4.0; Z-5.0; Z-6.0; Z-7.0; Z-8.0; G00 X40.0; G00 X10.0; M05; M09; G28 U0.0 W.0; M30; % 141Prepared by V.S.Bhati & Akash Shukla
  • 142.
    G75 (GROOVING CYCLE) The G75 command use for grooving in the X axis A G75 command is written in the following format G75 R _ _; G75 X (U) _ _Z (W) _ _ P _ _Q _ _R _ _F _ _; where, the definitions of R, X (U) , Z (W) , P, Q, R and Fare the same as G74 where, R is the peck return amount X (U) is the diameter of the bore if step over is used (i.e., stepping along the X axis to repeat the peck cycle) Z (W) is the depth of the bore P is the step over in the X axis measured in micron's (without sign) Q is the pecking depth in the Z axis measured in micron's (without sign) R (2) is the retract move at the base of the groove F is the federate 142Prepared by V.S.Bhati & Akash Shukla
  • 143.
  • 144.
    Parting / Grooving 144Preparedby V.S.Bhati & Akash Shukla
  • 145.
    Insert Thickness -3mm Grooving Exercise 01 Raw Material – Dia. 32x70 mm 145Prepared by V.S.Bhati & Akash Shukla
  • 146.
    Insert Thickness -3mm Grooving Exercise 01 Raw Material – Dia. 32x70 mm O0251; G21 G99; G28 U0.0 W0.0; T0101; M03 S500; M08; G00 X40.0 Z10.0; G00 X35.0 Z1.0; G00 Z-18.0; G01 X28.0 F0.1; G00 X35.0; G00 Z-20.0; G01 X28.0 F0.1; G00 X35.0; G00 X50.0; G00 Z10.0; M05; M09; G28 U0.0 W0.0; M30; % 146Prepared by V.S.Bhati & Akash Shukla
  • 147.
    Example O2002; G40 G21 G99; G28U0.0 W0.0; T0101; M04 S1200; M08; G00 X40.0 Z10.0; G00 X30.0 Z1.0; G75 R2000 G75 X30. Z-20. P1.0 Q2.0 F0.2; G00 X40.0; G00 Z10.0; M05; M09; G28U0.0W0.0; M30; % Insert Thickness - 3mm 147Prepared by V.S.Bhati & Akash Shukla
  • 148.
    Insert Thickness -3mm Grooving Exercise 02 Raw Material – Dia. 52x70mm 148Prepared by V.S.Bhati & Akash Shukla
  • 149.
  • 150.
    G76 (Multiple ThreadCutting Cycle)  The G76 command contains, within two blocks, all the information required to generate a standard thread form and pitch A G76 uses one edge cutting to reduce the load on the tool tip G76 P (A) / (B) / (C) _ _ _ _ _ _Q _ _R _ _; G76 X _ _Z _ _P _ _Q _ _F _ _; In First Block:- G76 P (A) / (B) / (C) _ _ _ _ _ _Q _ _R _ _; where,  P (A) is the number of thread finishing passes (1 to 99)  P (B) is the chamfer amount. This is the angle at which the tool leaves at the end of the thread cutting cycle  P (C) is the angle of the tool tip (80°, 60°, 55°, 30°, 29° and 0°)  Note - (A), (B) and (C) are all specified at the same time by the address P,  Ex, P030060 = number of cuts is 03, chamfer amount of 60 and tool angle of 60°  Q is the minimum cutting depth (in microns)  R is the finishing allowance 150Prepared by V.S.Bhati & Akash Shukla
  • 151.
    G76 (Multiple ThreadCutting Cycle) In Second Block:- G76 X _ _Z _ _P _ _Q _ _F _ _; where,  X is the end position of the thread in the X axis (the minor diameter)  Z is the end position of the thread in the Z axis  P is the depth of the thread as a radius value (in microns)  Q is the depth of the first pass as a radius value (in microns)  F is the size of the thread Pitch Minor Diameter Calculation d= Minor Diameter D= Major Diameter P=Thread Depth d= D-2(P) Thread Depth(P) = 0.6 x Pitch of Thread Some Times For Fine Thread 0.65 For Taper Thread:- R=D-d/2 R – Taper D – Major Dia. d – Minor Dia. 151Prepared by V.S.Bhati & Akash Shukla
  • 152.
    Threading Exercise 01 O0033;(Threadding M32x1) G28 U0.0 W0.0; T0101; G97 M04 S400; M08; G00X50.0Z10.0; G00X34.0Z3.0; G76 P010060 Q100 R0.05; G76 X30.8 Z-14.0 P600 Q200 F1; G00X50.0; Z10.0; M05; M09; G28 U0.0 W0.0; M30; % Thread Depth(P) = 0.6 x Pitch of Thread = 0.6 x 1 = 0.6 Minor Diameter Calculation d= Minor Diameter D= Major Diameter P=Thread Depth d= D-2(P) = 32-2(0.6) = 32-1.2 = 30.8 152Prepared by V.S.Bhati & Akash Shukla
  • 153.
    Threading Exercise 02 O0033;Threadding M20x1.5 G28 U0.0 W0.0; T0101; G97 M04 S400; M08; G00 X30.0 Z10.0; G00 X25.0 Z3.0; G76 P010060 Q100 R0.05; G76 X18.2 Z-40.0 P900 Q300 F1.5; G00 X30.0; G00 Z10.0; M05; M09; G28 U0.0 W0.0; M30; % M20 x 1.5 Length 40mm Thread Depth(P) = 0.6 x Pitch of Thread = 0.6 x 1.5 = 0.9 mm Minor Diameter Calculation d= Minor Diameter D= Major Diameter P=Thread Depth d = D - 2 (P) = 20 – 2 (0.9) = 20 - 1.8 = 18.2 mm 153Prepared by V.S.Bhati & Akash Shukla
  • 154.
    G92 (Thread CuttingCycle)  The G92 command performs a one pass threading cycle. Only the X (U) axis moves need to be entered in subsequent blocks, after the original read-in of the G92 command A G92 command for straight thread cutting is written in the following format G92 X _ _Z _ _ F (Pitch) _ _R _ _; where, F Pitch of thread (federate) Minor Diameter Calculation d= Minor Diameter D= Major Diameter P=Thread Depth d= D-2(P) Thread Depth(P) = 0.6 x Pitch of Thread Some Times :- For Fine Thread = 0.65 x Pitch of Thread For Taper Thread:- R=D-d/2 R – Taper D – Major Dia. d – Minor Dia. 154Prepared by V.S.Bhati & Akash Shukla
  • 155.
    Exercise 01 O2002; G21 G99; G28U0.0 W0.0; T0101; M04 S1200; M08; G00 X40.0 Z10.0; G00 X30.0 Z1.0; G71 U0.3 R1.0; G71 P01 Q03 U0.0 W0.0 F0.2 ; N01 G01 X 20.0 Z0.0; N02 G01 X20.0 Z-25.0; N03 G01 X30.0 Z-25..0; G00 X40.0; G00 Z10.0; M05; M09; G28U0.0W0.0; M30; % 155Prepared by V.S.Bhati & Akash Shukla
  • 156.
    Threading G92 Exercise01 O2021; G40 G21 G98; G28 U0.0 W0.0; T0101; G97 M04 S500; M08; G00 X30.0 Z10.0; G00 X25.0 Z5.0; G92 X20.0 Z-30.0 F1.5; X19.80; X19.60; X19.40; X19.20; X19.00; X18.80; X18.60; X18.40; X18.20; G00 X40.0; G00 Z10.0; M05; M09; G28 U0.0 W.0; M30; %  M20 x 1.5  Thread Length 30 mm 156Prepared by V.S.Bhati & Akash Shukla
  • 157.
    Exercise - 01 157Preparedby V.S.Bhati & Akash Shukla
  • 158.
    PROGRAMO0041 N 100(Rough Turning) G21G99 G40 G28 U0.0 W0.0 T0101 G96 S220 M04 G50 S2200 M08 G00 X60.0 Z10.0 G00 X50.0 Z0.0 G71 U0.3 R1.0 G71 P01 Q10U0.0W0.0F0.2 N01 G01 X17.0 Z0.0 N02 G01 X20.0 Z-1.5 N03 G01 X20.0 Z-20.0 N04 G01 X27.0 Z-20.0 N05 G01 X30.0 Z-21.5 N06 G01 X30.0 Z-43.0 N07 G02 X34.0 Z-45.0 R2 N08 G03 X44.0 Z-50.0 R5 N09 G01 X44.0 Z-70.0 N10 G01 X50.0 Z-70.0 G00 X60.0 G00 Z10.0 M05 M09 G28 U0.0 W0.0 N200 (Finish Turning) G21 G99 G28 U0.0 W0.0 T0202 G96 S250 M04 G50 S2500 M08 G00 X50.0 Z10.0 G00 Z1.0 F0.2 G01 Z0.0 G42 G70 P01 Q10 F0.15 G00 X60.0 G00 Z10.0 M05 M09 G40 G28 U0.0 W0.0 N300(Grooving) G28 U0.0 W0.0 T0303 G21 G99 G40 G96 S150 M03 G50 S1600 M08 G00 X60.0 Z10.0 G00 X52.0 Z-18.0 G00 X22.0 G01 X16.0 F0.12 G00 X22.0 G00 X52.0 Z-38.0 G00 X32.0 G01 X26.0 F0.12 G00 X38.0 G00 X52.0 G00 X60.0 Z10.0 M05 M09 G28 U0.0 W0.0 N400(Threading) G28 U0.0 W0.0 T0404 G21 G40 G97 M04 S800 M08 G00 X60.0 Z10.0 G01 X23.0 Z5.0 F0.2 G76 P010060 Q100 R0.05 G76 X17.0 Z-15.0 P1500 Q200 F2.5 G00 X50.0 Z10.0 M05 M09 G28 U0.0 W0.0 M30 % We use P=0.6xThread Pitch 158Prepared by V.S.Bhati & Akash Shukla
  • 159.
    Exercise - 02 1.Centre Drilling 2. Drilling 3. Boring 4. Internal Grooving 5. Internal Threading 159Prepared by V.S.Bhati & Akash Shukla
  • 160.
    Exercise - 03 RawMaterial Size:-Dia.32X70mm Tools 1.Rough Turning Tool 2.Finish Turning Tool 3.Grooving 4.O.D. Threading Tool 2 160Prepared by V.S.Bhati & Akash Shukla
  • 161.
    Exercise - 04 RawMaterial Size:-Dia.32X70mm Operation 1.Centre Drilling 2.Drilling 3.Boring 4.Grooving 5.I.D. Threading 161Prepared by V.S.Bhati & Akash Shukla
  • 162.
    Exercise - 05 RawMaterial Size:-Dia.32X70mm Tools 1.Rough Turning Tool 2.Finish Turning Tool 162Prepared by V.S.Bhati & Akash Shukla
  • 163.
    Tooling and Insert 163Preparedby V.S.Bhati & Akash Shukla
  • 164.
    Safety Symbol No Smoking.Wear hand protection. Caution, risk of electric shock. First aid point. 164Prepared by V.S.Bhati & Akash Shukla
  • 165.
    Workshop Safety Rules Beforeyou can use equipment and machines or attempt practical work in a workshop you must understand basic safety rules. These rules will help keep you and others safe in the workshop. 1. Always listen carefully to the teacher and follow instructions. 2. Do not run in the workshop, you could cause an accident. 3. Know where the emergency stop buttons are positioned in the workshop. If you see an accident at the other side of the workshop you can use the emergency stop button to turn off all electrical power to machines. 4. Always wear an apron as it will protect your clothes and hold loose clothing such as ties in place. 5. Wear good strong shoes. training shoes are not suitable. 6. When attempting practical work all stools should be put away. 7. When learning how to use a machine, listen very carefully to all the instructions given by the teacher. Ask questions if you do not fully understand. 8. Do not use a machine if you have not been shown how to operate it safely by the teacher. 9. Keep hands away from moving/rotating machinery. 10. Use hand tools carefully, keeping both hands behind the cutting edge. 11. Report any damage to machines/equipment as this could cause an accident. 165Prepared by V.S.Bhati & Akash Shukla
  • 166.
  • 167.
    L-N Key Set LNkey is used for open LN shape bolt. LN bolts are more rigid and low cost. 167Prepared by V.S.Bhati & Akash Shukla
  • 168.
    L-N Key Set LNkey is used for open LN shape bolt. LN bolts are more rigid and low cost. 168Prepared by V.S.Bhati & Akash Shukla
  • 169.
    General Turning Insert 169Preparedby V.S.Bhati & Akash Shukla
  • 170.
    General Turning Insert 1.Insert Shape 2. Insert Clearance Angle 3. Tolerances 4. Insert Type (Cutting Edge & Clamp) 5. Insert Size 6. Insert Thickness 7. Nose Radius 8. Cutting Edge Condition 9. Hand of Tool 12. Manufacture Option 170Prepared by V.S.Bhati & Akash Shukla
  • 171.
    General Turning Insert 171Preparedby V.S.Bhati & Akash Shukla
  • 172.
    General Turning Insert 172Preparedby V.S.Bhati & Akash Shukla
  • 173.
    General Turning Insert 173Preparedby V.S.Bhati & Akash Shukla
  • 174.
    General Turning Insert 174Preparedby V.S.Bhati & Akash Shukla
  • 175.
    General Turning Insert 175Preparedby V.S.Bhati & Akash Shukla
  • 176.
    General Turning Insert 176Preparedby V.S.Bhati & Akash Shukla
  • 177.
    General Turning Insert 177Preparedby V.S.Bhati & Akash Shukla
  • 178.
    General Turning Insert 178Preparedby V.S.Bhati & Akash Shukla
  • 179.
    General Turning Insert 179Preparedby V.S.Bhati & Akash Shukla
  • 180.
    General Turning Insert 180Preparedby V.S.Bhati & Akash Shukla
  • 181.
    General Turning Insert 181Preparedby V.S.Bhati & Akash Shukla
  • 182.
    General Turning Insert 182Preparedby V.S.Bhati & Akash Shukla
  • 183.
    General Turning Insert 183Preparedby V.S.Bhati & Akash Shukla
  • 184.
    Turning Tool Holder 184Preparedby V.S.Bhati & Akash Shukla
  • 185.
    Turning Tool Holder 185Preparedby V.S.Bhati & Akash Shukla
  • 186.
    Turning Tool Holder 186Preparedby V.S.Bhati & Akash Shukla
  • 187.
    Turning Tool Holder 187Preparedby V.S.Bhati & Akash Shukla
  • 188.
    Turning Tool Holder 188Preparedby V.S.Bhati & Akash Shukla
  • 189.
    Turning Tool Holder 189Preparedby V.S.Bhati & Akash Shukla
  • 190.
    Turning Tool Holder 190Preparedby V.S.Bhati & Akash Shukla
  • 191.
    Turning Tool Holder 191Preparedby V.S.Bhati & Akash Shukla
  • 192.
    Turning Tool Holder 192Preparedby V.S.Bhati & Akash Shukla
  • 193.
    Turning Tool Holder 193Preparedby V.S.Bhati & Akash Shukla
  • 194.
    Turning Tool Holder 194Preparedby V.S.Bhati & Akash Shukla
  • 195.
    Boring Bar Holder 195Preparedby V.S.Bhati & Akash Shukla