Embed presentation
Download as PDF, PPTX


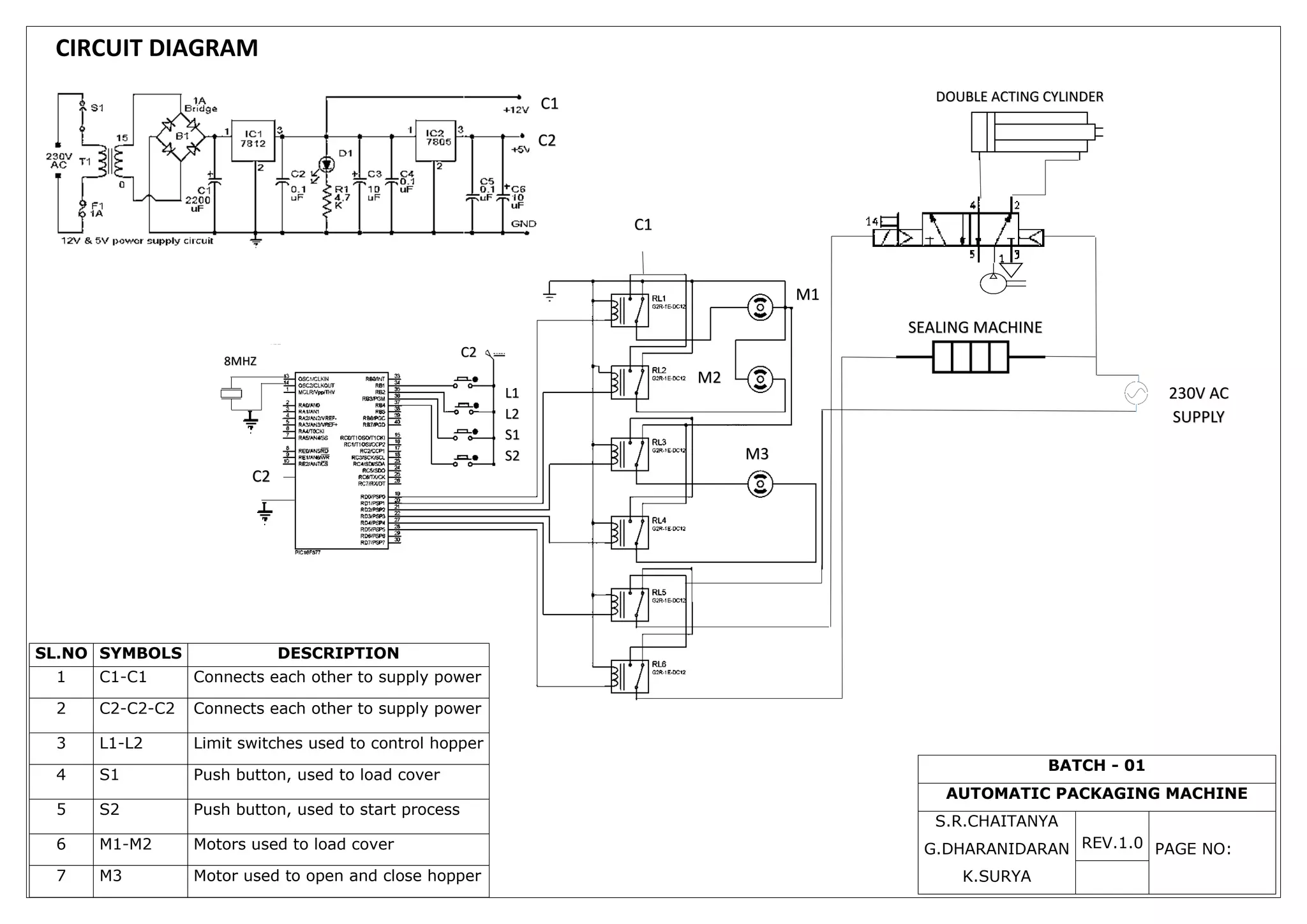
C1 and C2 components connect to supply power to the various parts of the automatic packaging machine. Limit switches L1 and L2 and motors M1, M2, and M3 control the hopper and loading of covers. Push buttons S1 and S2 allow starting the loading and packaging processes. The circuit diagram shows the components and connections for the batch 01 automatic packaging machine designed by S.R.Chaitanya, G.Dharanidaran, and K.Surya.
