4–1


                                         BAB IV

           PNEUMATIK DAN ELEKTRO-PNEUMATIK

4.1 Pneumatik


4.1.1 Pendahuluan

   Udara merupakan sumber daya alam dan sangat mudah didapatkan sehingga pada realisasi

dan aplikasi teknik sekarang ini udara banyak digunakan sebagai penggerak untuk mengontrol

peralatan dan komponen-komponennya yang kita kenal sekarang ini dengan PNEUMATIK.

Pneumatik berasal dari kata Yunani: pneuma = udara. Jadi pneumatik adalah ilmu yang berkaitan

dengan gerakan maupun kondisi yang berkaitan dengan udara.

   Perangkat pneumatik bekerja dengan memanfaatkan udara yang dimampatkan (compressed

air). Dalam hal ini udara yang dimampatkan akan didistribusikan kepada sistem yang ada

sehingga kapasitas sistem terpenuhi. Untuk memenuhi kebutuhan udara yang dimampatkan kita

memerlukan Compressor (pembangkit udara bertekanan). Debit yang diukur adalah m3/menit.

   Tekanan udara yang dibutuhkan pada alat pengontrol pneumatik seperti silinder, katup serta

peralatan lainnya adalah 6 bar, supaya efektif dan efisien dalam penggunaannya (range alat 3–10

bar). Dan untuk memelihara keawetan peralatan haruslah diperoleh udara kering, yaitu agar tidak

terjadi korosi pada pipa saluran udara, pelumasan yang ada tidak terbawa uap air, tidak terjadi

kontaminasi bila udara mampat langsung kontak dengan produk yang sensitif seperti cat dan

makanan.

   Pneumatik dewasa ini memegang peranan penting dalam pengembangan dan teknologi

otomatisasi, di samping hidraulik dan elektronik/elektrik. Sebelum 1950, pneumatik banyak

dipakai sebagai media kerja dalam bentuk energi tersimpan. Tapi setelah 1950 dipakai dan

dikembangkan sebagai elemen kerja.
4–2


4.1.1.1 Katup (valve)

1. Katup pengarah (Directional Control Valve), terdiri dari 2 jenis katup:

    a. Katup poppet, yang bekerja dengan cara melepas dan menempelkan bola/piringan

        terhadap dudukannya yang terpasang ‘seal’ yang bersifat elastis namun kuat. Gaya untuk

        menggerakkan katup poppet relatif besar karena harus melawan gaya pegas pada saat

        posisi kerja.

    b. Katup geser (slide valve), yang bekerja dengan menggeser silinder atau piringan.

2. Katup searah (Non return valve), yang jenisnya antara lain:

    a. Check valves: hanya mempunyai 1 inlet dan 1 outlet, dapat menutup aliran pada satu

        arah aliran. Pada arah lainnya katup ini dengan bebas dapat mengalirkan aliran udara

        dengan tekanan rendah.

    b. Two pressure valve: mempunyai 2 inlet dan 1 outlet. Udara mampat mengalir melalui

        katup ini bila sinyal udara terdapat pada kedua sambungan inlet. (= Logic AND

        function)

    c. Shuttle valve: (= Logic OR function) Udara mampat dapat mengalir dari salah satu atau

        kedua saluran inlet menuju outlet.

    d. Quick exhaust valve: berfungsi sebagai penambah kecepatan silinder. Dengan ini

        memungkinkan waktu yang diperlukan untuk langkah kerja silinder terutama untuk single

        act cylinder lebih singkat lagi.

3. Katup pengatur aliran (Flow control valve), berfungsi mengatur aliran udara secara

    volumetrik.

    a. Bi-directional flow control valve, mengatur udara ke dua arah.

    b. One way flow control valve, mengalirkan udara ke satu arah untuk mengatur kecepatan

        aktuator.

4. Katup pengatur tekanan (pressure valve), fungsinya mengatur besarnya tekanan udara yang

    diperlukan.
4–3

   a. Pressure regulating valve, berfungsi mengatur tekanan udara konstan yang dibutuhkan.

        Tekanan input harus lebih besar dibandingkan dengan output.

   b. Pressure limiting valve, biasanya dipakai sebagai katup pengamanan: untuk menjaga

        tekanan maksimum yang diinginkan tidak akan terlewati. Bila tekanan maksimum pada

        inlet sudah tercapai maka outlet akan membuka dan tekanan udara yang berlebihan akan

        dikeluarkan ke udara bebas.

   c. Katup berangkai (sequence valve), fungsinya juga untuk membatasi tekanan. Biasanya

        dipakai pada kontrol pneumatik bila tekanan udara yang spesifik dibutuhkan untuk

        menjalankan operasi/sistem.

5. Combinational valve.

   Beberapa katup yang fungsinya berbeda dapat digabungkan menjadi satu badan dan disebut

   katup kombinasi. Jenisnya antara lain:

   a. Time delay valve

   b. Air control valve

   c. 5/4 way valve: yang terdiri dari empat katup 2/2

   d. Air operated 8 ways valve: terdiri dari 2 katup 4/2

   e. Impulse generator: multi vibrator cycles

   f.   Vacuum generator with ejector

   g. Steppler modules: untuk sequential control teste.

   h. Command memory module: untuk start-up dengan signal input conditions.


4.1.1.2 Actuator dan Output

Actuator adalah bagian terakhir dari output suatu sistem kontrol pneumatik. Output biasanya

digunakan untuk mengidentifikasi suatu sistem kontrol ataupun aktuator. Pada pneumatik, jenis

aktuator ada bermacam-macam, diantaranya:

a. Aktuator gerakan linier:

   -    Single acting cylinder (silinder aksi tunggal)
4–4

    -    Double acting cylinder (silinder aksi ganda)

b. Aktuator gerakan berputar:

    -    Motor yang digerakkan oleh udara. Motor pneumatik adalah suatu peralatan pneumatik

         yang menghasilkan gerakan putar yang sudut putarnya tidak terbatas bila terhadap

         peralatan ini dialiri udara yang dimampatkan. Ada 4 jenis motor pneumatik, yaitu piston

         motors, sliding vane motors, gear motors, turbin.

    -    Aktuator yang berputar/gerakan putar.


4.1.1.3 Indicator

Indicator optik secara visual bisa mewakili status dari sistim pneumatik dan membantu diagnosa.

Beberapa semboyan secara visual:

    -    indicator optik dengan warna tunggal ataupun majemuk

    -    indicator optik dengan pena, untuk display dan sensor sentuh

    -    counter

    -    penunjukkan resistansi

    -    timer

Dengan menggunakan warna, indicator optik mewakili fungsi pada jaringan kerjanya. Di bawah

ini tabel arti dari warna-warna indicator optik.

 Warna             Arti                    Catatan
 Merah             Bahaya                  Status    mesin     dalam     situasi   membutuh
                                           pertolongan/bantuan dengan segera.
                                           Tidak boleh masuk.
 Kuning            Perhatian               Pengertian atau minta perhatian
 Hijau             Aman                    Operasi normal
 Biru              Info khusus
 Putih/Bening      Info umum
4–5

4.1.2 Aplikasi Pneumatik Dan Karakteristik Elemen Pneumatik

Sejalan dengan pengenalan terhadap sistem keseluruhan pada pneumatik, secara individu elemen

pneumatik pun mengalami perkembangan pesat, misalnya dalam pemilihan bahan/material,

manufaktur dan proses disain.

Contohnya silinder pneumatik memegang peranan penting sebagai elemen kerja, dimana silinder

ini murah harganya, mudah pemasangannya, sederhana dan kuat konstruksinya serta tersedia

dalam berbagai ukuran dan panjang langkah. Adapun silinder pneumatik ini mempunyai

karakteristik sbb:

        Diameter                6 – 320 mm

        Panjang langkah                  1 – 2000 mm

        Gaya                    2 – 50.000 N

        Kecepatan piston        0,02 – 1 m/s

        Gerak                   lurus, melingkar, putar

Penggunaan silinder dan elemen pneumatik yang lain dapat sbb:

- pengekleman          - pengangkat             - penepat             - pengukur

- pencari orientasi    - pengepak               - pengatur gerakan    - pengendali

- pemutar, dsb

Pada permesinan dapat dipakai sebagai pengoperasian pada:

- mesin bor            - mesin milling          - mesin bubut

- mesin gergaji        - mesin pembentuk        - quality control

Pengembangan produk dalam pneumatik bisa dibagi dalam: aktuator, sensor, prosesor, sistem

kontrol dan perlengkapan.
4–6


4.1.3 Struktur Dan Komponen Sistem Pneumatik

Di bawah ini diperlihatkan jaringan kontrol untuk sinyal aliran yang dipakai sebagai output ke

sistem kerja.

                                             Elemen-elemen tersebut pada penggunaan dalam pneumatik
       ACTUATING DEVICES
                outputs
                                             biasanya mempergunakan simbol yang menunjukkan fungsinya.
        Final control element

                                             Simbol-simbol     itu       bisa        dikombinasikan/dirangkai   untuk
     PROCESSING ELEMENTS
         processor signals                   menghasilkan solusi pada diagram jaringan kerja. Diagram kerja

                                             harus digambarkan susunannya seperti struktur di bawah ini.
        INPUT ELEMENTS
            Input signals                    Katup penentu arah dapat mempunyai fungsi sebagai pengontrol

         ENERGY SUPPLY
                                             sensor, prosesor atau aktuator. Apabila katup penentu arah
                Source
                                             dipergunakan untuk mengontrol gerakan sebuah silinder maka

katup ini berfungsi sebagai pengontrol aktuator. Apabila dipakai mengolah sinyal maka katup ini

berfungsi sebagai prosesor. Bagitu pula bila dipakai sebagai peraba sebuah gerakan maka

berfungsi sebagai sensor.


                                                             ACTUATORS
                             ACTUATING DEVICES               Pneumatic cylinders
                                                             Rotary actuators
                             Outputs
                                                             Indicators

                             ACTUATING DEVICES
                                                             CONTROL ELEMENTS
                             Control signals
                                                             Directional control valves




                             PROCESSING                      PROCESSOR
                                                             Directional control valves
                             ELEMENTS
                                                             Logic elements
                             Processor signals
                                                             Pressure control valves



                                                             SENSORS
                                                             Directional control valves
                             INPUT ELEMENTS
                                                             Limit switches
                             Input signals
                                                             Pushbuttons
                                                             Proximity sensors




                                                             ENERGY SUPPLY
                                                             Compressor
                             ENERGY SUPPLY
                                                             Receiver
                             Source
                                                             Pressure regulator
                                                             Air service equipment
4–7

4.1.4 Simbol-Simbol Dan Standard Pada Pneumatik

Pengembangan sistem pneumatik dibantu oleh metoda penunjukkan elemen dan jaringan kerja.

Simbol digunakan untuk masing-masing indicator elemen yang mempunyai karakteristik sbb:

- Fungsi                 - Metoda aktuasi                     - Jumlah sambungan

- Jumlah         - Prinsip kerja         - Penunjukkan arah jaringan

Tapi simbol-simbol tidak bisa menunjukkan karakter seperti:

    -   Ukuran dari sebuah komponen

    -   Bagian Manufaktur, metoda konstruksi ataupun harga

    -   Orientasi dan sambungan komponen

    -   Detail fisik

Simbol-simbol pneumatik yang digunakan berdasarkan DIN (Deutche Institut fur Normung) No.

1219 dan sudah dijadikan ISO dengan nomor yang sama.

1. Simbol yang digunakan untuk konversi energi dan preparasi

   Supply

    Compressor               Fixed capacity
    Air receiver and ‘T’
    junction

   Service equipment
    Filter                   Separation and filtration of
                             particles
    Water separator          Partial water removal
    Lubricator               Metered quantities of oil
                             passed to the air stream
    Pressure regulator       Relieving type – vent hole
                             for     excess     upstream
                             pressure – adjustable


   Combined symbols

    Air service unit          Filter, regulator,     gauge,
                              lubricator
4–8


                              Simplified air service unit

    Pressure source


2. Simbol katup penentu arah (simbol penyeimbangan)

     Pergantian posisi katup digambarkan dalam
     kotak bujursangkar (square)

     Jumlah kotak menunjukkan banyaknya
     pergantian posisi yang dimiliki katup

     Garis-garis menunjukkan adanya aliran,
     panah menandakan arah aliran

     Posisi tertutup dijelaskan di dalam kotak
     dengan memberikan garis menyilang tegak
     lurus (seperti huruf T)
     Sambungan (inlet dan outlet) digambarkan
     oleh garis-garis di luar kotak dan
     digambarkan menurut posisi awal katup


3. Simbol katup pengatur arah, sambungan port dan posisi

              Jumlah ‘port’
              Jumlah posisi
                                                                        2(A)

     2/2–     Way directional control valve
                                                                        1(P)

                                                                       2(A)
              Way directional control valve
     3/2–
              Normally closed                                  1(P)          3(R)
                                                                       2(A)

              Way directional control valve
     3/2–
              Normally open                                    1(P)          3(R)
                                                               4(A)          2(B)


     4/2–     Way directional control valve                    1(P)          3(R)



                                                               4(A)          2(B)

     5/2–     Way directional control valve
                                                               5(R)          3(S)
                                                                      1(P)
                                                            4(A)       2(B)

              Way directional control valve
     5/3–
              Mid position closed                           5(R) 1(P) 3(s)
4–9

4. Simbol/Metoda Aktuasi

   Mechanical

          General manual operation
          Pushbutton
          Lever operated

          Detent lever operated

          Foot pedal
          Spring return
          Spring centered
          Roller operated

          Idle return, roller
   Pneumatic

          Direct pneumatic actuation
          Indirect     pneumatic                    actuation
          (piloted)
          Pressure release
   Electrical

          Single solenoid operation
          Double solenoid operation
   Combined

          Double solenoid and pilot operation
          with manual over-ride


5. Contoh penggambaran katup penentu arah beserta sinyal/kontrolnya

                         2(A)                                                           2(A)
         12(Z)                                                    12(Z)                           10(Y)



                                                                                               3(R)
                                                                                 1(P)
                  1(P)          3(R)




                                                        4(A)              2(B)                                4(A)      2(B)
                                                                                                      14(Z)                    12(Y)
                                   14(Z)


                                           91(Pz)       5(R)              3(S)                                5(R)      3(S)
                                                           1(P)                                                  1(P)
4–10

6. Simbol katup searah

          Check valve
          Spring loaded check valve

          Shuttle valve: ‘OR’ function
          Two pressure        valve:     ‘AND’
          function

          Quick exhaust valve


7. Simbol Katup pengatur aliran

          Flow control valve adjustable
          One–way flow control valve


8. Simbol katup pengatur tekanan


          Adjustable pressure regulating
          valve, non-relieving type

          Adjustable pressure regulating
          valve, relieving type (overloads are
          vented)


          Sequence valve external source



          Sequence valve in-line




          Sequence valve combination




9. Simbol aktuator linier


          Single acting cylinder

          Double acting cylinder

          Double acting cylinder with double
          ended piston rod
4–11

          Double acting cylinder with non-
          adjustable cushioning in one
          direction
          Double acting cylinder with single
          adjustable cushioning

          Double acting cylinder with
          adjustable cushioning at both ends


10. Simbol aktuator berputar

          Air motor, rotation in one direction,
          fixed capacity
          Air motor, rotation in one direction,
          variable capacity

          Air motor, rotation in           both
          directions, variable capacity
          Rotary actuator, limited travel,
          rotation in both directions


11. Simbol pembantu

          Exhaust port
          Exhaust    port      with    treaded
          connection
          Silencer
          Line connection (fixed)
          Crossing lines (not connected)
          Pressure gauge

          Visual indicator
4–12


4.2 Elektro-Penumatik


4.2.1 Pendahuluan

   Elektropneumatik merupakan pengembangan dari pneumatik, dimana prinsip kerjanya

memilih energi pneumatik sebagai media kerja (tenaga penggerak) sedangkan media kontrolnya

mempergunakan sinyal elektrik ataupun elektronik.

   Sinyal elektrik dialirkan ke kumparan yang terpasang pada katup pneumatik dengan

mengaktifkan sakelar, sensor ataupun sakelar pembatas yang berfungsi sebagai penyambung

ataupun pemutus sinyal. Sinyal yang dikirimkan ke kumparan tadi akan menghasilkan medan

elektromagnit dan akan mengaktifkan/mengaktuasikan katup pengatur arah sebagai elemen akhir

pada rangkaian kerja pneumatik.

   Sedangkan media kerja pneumatik akan mengaktifkan atau menggerakkan elemen kerja

pneumatik seperti motor-pneumatik atau silinder yang akan menjalankan sistem.


4.2.2 Elemen utama Elektro-pneumatik

Bila energi listrik tersedia dan akan dipakai maka perlu diproses dan didistribusikan oleh

komponen utama. Untuk mempermudah penunjukkannya maka komponen itu digambarkan dalam

bentuk simbol pada diagram rangkaiannya.


4.2.2.1 Sinyal Masukan Listrik (Electrical Signal Input)

   Sinyal listrik pada teknik kontrol elektro-pneumatik diperlukan dan diproses tergantung pada

gerakan langkah kerja elemen kerja. Sinyal listrik ini didapatkan bisa dengan cara mengaktifkan

sakelar atau bisa juga dengan mengaktikan sensor, misalkan sensor mekanik ataupun elektronik.

   Sinyal masukan listrik kerjanya tergantung kepada fungsi sinyal itu. Ada yang disebut

“Normally open” (NO, pada kondisi tidak aktif sambungan tidak tersambung), “Normally

closed” (NC, kondisi tidak aktif sambungan tersambung) dan “Change Over” (tersambung

bergantian, kombinasi dari NO dan NC).
4–13

4.2.2.1.1 Sakelar tekan, dioperasikan manual


Sakelar tekan biasa

    Elemen sinyal masukan diperlukan untuk memungkinkan sebuah sistem kontrol dinyalakan.

Yang paling umum dipakai adalah sakelar tekan (Push-button switch). Disebut sakelar tekan

karena untuk mengalirkan sinyal, mengaktuasikannya dengan menekan tombol atau sakelar.

Simbol yang digunakan:

 Sakelar tekan manual secara umum untuk kontak
 NO (General Push-button switch, NO)

 Sakelar tekan manual, diaktifkan dengan cara
 ditekan untuk kontak NO

 Saklear tekan manual, diaktifkan dengan cara
 ditekan untuk kontak NC


Sakelar tekan mengunci (Latching Push-button switches)

    Sakelar ini diaktuasikan/diaktifkan dengan tombol yang mengunci. Adapun menguncinya

sakelar ini disebabkan kerja mekanik. Untuk mengembalikan ke posisi semula (posisi tidak aktif)

maka sakelar ini harus ditekan lagi.

    Penunjukkan sistem ini berdasarkan standardisasi Jerman, diatur dengan nomor DIN 43 065.

Penunjukkan aktuasi: I tanda mengaktifkan, O tanda untuk mengembalikan ke posisi sebelum

bekerja. Posisi penempatan sakelar:

a). Berjajar ke pinggir: pada posisi ini perlu diperhatikan bahwa tanda untuk mengaktifkan

disimpan disebelah kanan.

b). Berjajar ke bawah: pada posisi ini tanda untuk mengkatifkan berada pada posisi atas.

    Contoh sakelar tekan mengunci:
4–14

   Simbol-simbol yang digunakan:

 Sakelar mengunci manual, diaktifkan dengan
 cara ditekan untuk kontak NO

 Sakelar mengunci manual, diaktifkan dengan
 cara ditarik untuk kontak NC

 Sakelar mengunci manual, diaktifkan dengan
 cara diputar untuk kontak NO


4.2.2.1.2 Sakelar Pembatas (Limit Switches)


Mekanik Tipe Sentuh (Mechanical Limit Switches Contacting Type)

   Sakelar pembatas ini dipakai sebagai indikasi dalam kontrol otomasi yang menyatakan

bahwa posisi ini merupakan posisi akhir baik itu untuk mesin ataupun untuk silinder. Biasanya

sistem kontak yang dipakai adalah sistem tersambung bergantian (Change over). Sakelar




pembatas ini akan bekerja bila tuas sakelar tertekan. Contoh konstruksi dan simbol sakelar

pembatas mekanik:


Tipe Tidak Sentuh (Non-Contacting Proximity Limit Switch)

   Sakelar pembatas tipe ini biasanya dipakai bila sakelar pembatas mekanik tidak dapat

digunakan. Macam sakelar pembatas tipe ini antara lain:

a. Sakelar Pembatas (sensor) Buluh

   Penggunaan sakelar ini biasanya dikarenakan keadaan sekitar yang tidak memungkinkan

   dipasangnya sakelar mekanik, misalnya karena banyaknya debu, pasir ataupun lembab.

   Sakelar ini diaktuasikan/diaktifkan dengan magnet yang terpasang pada silinder. Dengan
4–15

    adanya magnet maka buluh kawat akan tersambung atau terputus bila magnet itu mendekati

    atau menjauhi buluh kawat tersebut.

b. Sakelar Pembatas Induktif

    Digunakan bila sakelar pembatas mekanik ataupun buluh tidak dapat digunakan. Biasa

    dipakai untuk sensor penghitung benda kerja yang terbuat dari logam, pada suatu mesin atau

    ban berjalan. Sakelar pembatas ini hanya akan beraksi atau terpakai untuk logam.

    Sakelar pembatas atau sensor ini biasanya terdiri dari oscillator, pemicu tegangan dan

    penguat. Biasanya ada dua macam, yaitu yang dialiri arus bolak-balik dan arus searah, tapi

    keduanya mempunyai tegangan operasi antara 10–30 volts.

c. Sakelar Pembatas Kapasitif

    Sensor kapasitif ini mempunyai respons terhadap segala material, metal maupun non-metal.

    Tapi sensor ini terpengaruhi oleh adanya perubahan-perubahan yang diakibatkan keadaan

    sekelilingnya, misalnya dengan debu logam.

d. Sakelar Pembatas Optik

    Sensor ini memberi respons pada semua benda kerja. Sinyal masukannya berupa sinar.


4.2.2.2 Pengolah Sinyal Listrik


4.2.2.2.1 Relay

    Relay adalah komponen untuk penyambung saluran dan pengontrol sinyal, yang kebutuhan

energinya relatif kecil. Relay ini biasanya difungsikan dengan elektromagnet yang dihasilkan dari

kumparan. Pada awalnya relay ini digunakan pada peralatan telekomunikasi yang berfungsi

sebagai penguat sinyal. Tapi sekarang sudah umum didapatkan pada perangkat kontrol, baik

pada permesinan ataupun yang lainnya.

    Pemilihan relay yang sesuai kebutuhan harus memenuhi beberapa kriteria, antara lain:

-   Perawatan yang minim

-   Kemampuan menyambungkan beberapa saluran secara independent
4–16

-     Mudah adaptasi dengan tegangan operasi dan tegangan tinggi

-     Kecepatan operasi tinggi, misalnya waktu yang diperlukan untuk menyambungkan saluran

      singkat.

      Cara kerja relay:

      Apabila pada lilitan dialiri arus listrik maka arus listrik tadi akan mengalir melalui lilitan

kawat dan akan timbul medan magnet yang mengakibatkan pelat yang ada di dekat kumparan

akan tertarik ataupun terdorong sehingga saluran dapat tersambung ataupun terputus. Hal ini

tergantung apakah sambungannya NO atau NC. Bila tidak ada arus listrik maka pelat tadi akan

kembali ke posisi semula karena ditarik dengan pegas.
                                                                        13   23   33   43
                                                                A1
      Simbol Relay:                                       K1
                                                                A2
                                                                        14   24   34   44

    Relay Normally Open                                         A1
                                                                        11   21   31   41

                                                          K1
                                                                A2
                                                                        12   22   32   42

    Relay Normally Closed                                               13   23   31   41
                                                                A1
                                                          K1
                                                                A2
                                                                        14   24   32   42

    Kombinasi NO & NC


      Penunjukkan angka pada relay mempunyai arti sebagai berikut:

      Angka yang pertama menunjukkan contactor yang keberapa sedangkan angka yang kedua

selalu bernomor ¾ untuk relay NO dan ½ untuk relay yang NC.


Keuntungan dan kerugian penggunaan Relay:

Keuntungan:

-     Mudah mengadaptasi bermacam-macam tegangan operasi

-     Tidak mudah terganggu dengan adanya perubahan temperature disekitarnya, karena relay

      masih bisa bekerja pada temperature 233 K (-40o C) sampai 353 K (80o C)

-     Mempunyai tahanan yang cukup tinggi pada kondisi tidak kontak

-     Memungkinkan untuk menyambungkan beberapa saluran secara independent
4–17

-   Adanya isolasi logam antara rangkaian kontrol dan rangkaian utama

Oleh karena keuntungan-keuntungan di atas maka penggunaan relay sampai saat ini masih

dipertahankan.

Kerugian:

-   Khususnya untuk NO, bila akan diaktifkan timbul percikan api

-   Memerlukan tempat yang cukup besar

-   Bila diaktifkan, berbunyi

-   Kontaktor bisa terpengaruh dengan adanya debu

-   Kecepatan menyambung atau memutus saluran terbatas.


4.2.2.2.2 Solenoid

    Di lapangan kita bisa menemukan solenoid dengan arus searah (DC) ataupun arus bolak

balik (AC). Sedangkan yang sering digunakan pada Electro-pneumatik adalah Solenoid DC.

    Solenoid DC secara konstruktif selalu mempunyai inti yang pejal dan terbuat dari besi lunak.

Dengan demikian mempunyai bentuk yang simple dan kokoh. Selain itu maksudnya agar

diperoleh konduktansi optimum pada medan magnet. Bila ada kelonggaran udara, tidak akan

mengakibatkan kenaikan temperature operasi, karena temperature operasi hanya akan tergantung

pada besarnya tahanan kumparan serta arus listrik yang mengalir. Bila solenoid DC diaktifkan

(switched on) maka arus listrik yang mengalir meningkat secara perlahan. Ketika arus listrik

dialirkan   ke dalam kumparan akan terjadi elektromagnet. Selama terjadinya induksi akan

menghasilkan gaya yang berlawanan dengan tegangan yang digunakan.

    Bila solenoid dipasifkan (switched off) maka medan magnet yang pernah terjadi akan hilang

dan dapat mengakibatkan tegangan induksi yang besarnya bisa beberapa kali lipat dibandingkan

dengan tegangan yang ada pada kumparan. Tegangan induksi ini dapat mengakibatkan rusaknya

isolasi pada gulungan koil, selanjutnya bila hal ini terjadi terus akan terjadi percikan api. Untuk

mengatasi hal ini maka harus dibuat rangkaian yang meredam percikan api, misalnya dengan

memasang tahanan yang dihubungkan secara paralel dengan induktansi. Sehingga bila terjadi
4–18

pemutusan arus listrik, energi akan tersimpan dalam bentuk medan magnet dan dapat hilang

lewat tahanan yang dipasang tadi.



 Keuntungan Solenoid DC                          Kerugian Solenoid DC
                                                  - Perlu peredam percikan api
                                                  - Terjadi tegangan tinggi saat pemutusan
 - Mudah pengoperasiannya
                                                     arus
 - Usianya lama
                                                  - Waktu sambung lama
 - Bunyi yang dihasilkan lemah
                                                  - Perlu adaptor bila yang dipakai tegangan
 - Tenaga untuk mengoperasikan kecil
                                                     AC
                                                  - Bagian yang kontak cepat aus


4.2.2.2.3 Relay yang dipolarisasi (Polarized Relay)

   Pada prakteknya relay ini digunakan bila energi yang diperbolehkan untuk dipakai sangat

kecil. Adapun energi listrik yang diperlukan yaitu sekitar 0,1 – 0,5 mW. Metoda operasinya ada

beberapa macam, diantaranya:

a. Posisi normal tertentu

    Posisi sambungan relay ini akan tetap pada posisi yang sama, baik itu sebelum ataupun

    sesudah diaktifkan. Bila energi listrik dialirkan maka medan magnet yang terjadi

    diintensifkan oleh medan magnet permanen. Begitu pula bila arus dialirkan hanya sebentar

    saja maka posisi kontak akan kembali ke tempat semula begitu arus diputuskan.

b. Posisi normal pada kedua sisinya

    Posisi sambungan yang aktif tidak tetap, tergantung dari posisi terakhir disambungkan. Relay

    ini bekerja bila arus listrik disalurkan, maka sambungan kontaknya akan berpindah ke

    sambungan yang lainnya. Selanjutnya bila arus listrik diputus maka posisi sambungan yang

    menyambung adalah posisi akhir setelah diaktifkan.

c. Posisi normal ditengah

    Apabila relay ini tidak diaktifkan maka tidak ada satu saluran pun yang menyambung karena

    posisi lengan kontak ada di tengah-tengah. Apabila arus listrik disalurkan maka posisi kontak
4–19

    akan ditentukan oleh arah arus yang disambungkan. Dan bila arus diputus, posisi lengan

    kembali ke tengah.


4.2.2.2.4 Relay Mengunci (Latching relays)

    Latching relay adalah relay yang dikontrol dengan electromagnetic, dimana relay ini akan

tetap berada pada posisi setelah diaktifkan walaupun sumber energi sudah diputuskan, seolah-

olah terkunci pada posisi akhir. Sistem pengunci biasanya dengan mempergunakan kerja

mekanik. Penggunaan relay ini biasanya untuk jaringan listrik di rumah tinggal.


4.2.2.2.5 Remnant Relay

    Relay ini disainnya khusus, maksudnya adalah bila relay ini diaktifkan maka akan terjadi

elektromagnet. Elektromagnet ini akan tinggal dan tetap ada walaupun sumber energinya telah

dihilangkan. Atau dengan kata lain relay ini dikunci pada posisi akhir. Untuk menyalakan relay

ini maka arus yang dipakai adalah arus positif, sedangkan untuk mematikannya mempergunakan

arus negatif.


4.2.2.2.6 Relay Tunda Waktu

    Berfungsi untuk menyambung kontaktor NO atau memutus kontaktor NC, di mana hubungan

kontaktor diputuskan ataupun disambungkan tidak langsung seketika pada saat relay diaktifkan,

melainkan perlu waktu. Waktu yang diperlukan untuk memutuskan ataupun menyambungkannya

bisa diatur.

    Ada dua jenis relay tunda waktu, yaitu relay tunda waktu hidup (time delay switch on) dan

relay tunda waktu mati (time delay switch off).
4–20


Time Delay Switch On Relay



       S                                                     1
                                                Input (S)                            15
           A1                  15                            0


                                                             1
                                                    Output                      16        18
                                                             0
                                                                 t

           A2        16         18



    Bila sakelar S diaktifkan maka relay tunda waktu mulai bekerja. Ketika waktu yang

ditentukan tercapai maka terminal 18 akan tersambungkan. Sinyal output (keluaran) akan ada

selama sinyal input ada. Elemen tunda waktu digambarkan pada kotak yang dibatasi dengan

garis strip.



           S

                                                                                A

                R1


                                     16   18
                          A1
                K1                   15        R2                           P        R
                          A2
                                     C



    Proses bekerjanya tunda waktu:

    Bila sakelar S diaktifkan maka arus listrik akan mengalir melalui tahanan R1, yang besarnya

bisa diatur. Arus ini tidak mengalir ke relay K1 melainkan akan mengalir ke terminal K1 NC,

yang selanjutnya arus listrik mengalir ke kapasitor C dan menampungnya di sana. Bila kapasitor

C tidak bisa menampung arus listrik lagi (tegangan yang diijinkan telah tercapai) maka arus

listrik akan mengalir ke relay K1. Lamanya mengisi kapasitor ini tergantung pada besarnya R1.

Selanjutnya bila relay K1 sudah aktif maka terminal 18 akan tersambung dengan terminal 15. Di

sini bisa kita bandngkan dengan katup tunda waktu hidup pada rangkaian pneumatik.
4–21


Time Delay Switch Off Relay


             A1   B1        15
                                                            1
                                                Input (S)
                                                                                        15
                                       S                    0


                                                            1
                                                Output
             A2   B2   16        18
                                                            0                      16        18




   Bila sakelar S diaktifkan maka relay tunda waktu mulai bekerja. Sinyal output akan ada

selama sinyal input ada. Tapi bila sinyal input diputus maka sinyal output tidak akan langsung

hilang, melainkan tetap ada sampai batas waktu yang telah ditentukan. Elemen tunda waktu

digambarkan pada kotak yang dibatasi dengan garis strip.




                                                                               A
    S                                      R2



                  R1
                                  K1
                                                                           P            R
             A1
        K1
                                       C
             A2



   Proses bekerjanya tunda waktu:

   Bila sakelar S diaktifkan maka arus listrik akan mengalir ke relay K1 dan relay K1 langsung

bekerja. Sebelum relay K1 diaktifkan, arus listrik mengalir ke kapasitor C melalui tahanan R2

dan menampungnya sampai kapasitor mencapai tegangan yang diijinkan. Dengan diaktifkannya

relay K1 maka switch K1 aktif sehingga arus listrik yang tertampung di kapasitor C akan

mengalir melalui R1 bila sakelar S dinon-aktifkan. Lamanya mengosongkan kapasitor C

tergantung pada besaran R1. Bila tegangan di C sudah tidak ada maka terminal 16 akan

tersambung lagi dengan terminal 15. Di sini bisa kita bandingkan dengan katup tunda waktu mati

pada rangkaian pneumatik.
4–22

4.2.2.2.7 Kontaktor

       Yang dimaksudkan dengan kontaktor adalah sakelar yang diatuasikan dengan elektromagnet.

Daya untuk mengontrolnya bisa rendah tapi daya beban bisa tinggi, dengan kata lain untuk

mengaktuasikan elektromagnet cukup misalnya dengan tegangan rendah tapi bisa menyalurkan

arus yang bertegangan lebih tinggi.

                                       Kontaktor banyak digunakan untuk keperluan yang bermacam-

       Shielded Electromagnet
                                       macam. Misalnya digunakan untuk menyalakan motor, sistem
                           Contacts
                                                                                        pemanas,       alat        pengatur
                                                           U-shaped core
                                                                                        temperatur ruangan, keran, dll.
     Winding
                      Armature
                                                                                            Tipe-tipe kontaktor:
               Contacts
                                                                                        a. Kontaktor                   yang
    U-shaped core         Rocker arm           Armature
                                                                                        elektromagnetnya dilindungi:
           Hinged-armature
              contactor                                           Contacts
                                                                                        b. Kontaktor                dengan
                                                               Core electromagnet
                                                                   contactor



                                                                                    1      3       5
                                                                     A1
                                                          K1
                                                                     A2
                                                                                    2      4       6


       elektromagnet inti:

c. Kontaktor dengan armature sistem engsel:




       Simbol kontaktor pada penggambaran rangkaian:

       Keuntungan mempergunakan kontaktor:

-      Beban tinggi bisa diaktifkan dengan beban rendah
4–23

-   Terdapat isolasi logam antara rangkaian kontrol dan rangkaian utama

-   Sedikit perawatannya

-   Tidak terpengaruh oleh temperature

    Kerugiannya:

-   Mudah aus

-   Ukurannya besar

-   Menimbulkan suara

-   Kecepatan menyambung terbatas


4.2.2.3 Elemen Akhir

    Apabila suatu kontrol mempergunakan sinyal kontrolnya dengan sinyal listrik dan sinyal

kerjanya mempergunakan pneumatik maka harus ada suatu alat yang dapat mengawinkan sinyal

kontrol listrik dengan sinyal kerja pneumatik itu. Sistem yang mengawinkan sinyal kontrol dan

sinyal kerja ini biasanya terdiri dari katup yang diaktuasikan dengan solenoid. Maksudnya adalah

untuk menyalurkan sinyal kerja mempergunakan katup-katup pneumatik, sedangkan yang

mengatur membuka atau menutup tersebut adalah arus listrik yang dialirkan ke kumparan kawat

(solenoid).
                                                  2(A)


Katup 2/2 diaktuasikan dengan sinyal listrik, kembali dengan pegas
                                                  1(P)
    Pada prinsipnya
     Solenoid head    katup ini mempunyai dua posisi dan dua saluran, konfigurasi katup adalah
                              Armature
NC. Bila katup ini akan diaktifkan maka arus listrik harus dialirkan ke solenoid yang terpasang

pada katup tersebut. Dengan diaktifkannya solenoid maka saluran 1(P) bila dihubungkan dengan

sumber energi akan menyalurkan sinyal pneumatik ke saluran 2(A). Sedangkan kembalinya bila

arus listrik ditutup (dimatikan) maka katup akan kembali ke posisi semula karena katup
                             2(A)                                                    2(A)
        1(P)
terdorong pegas   yang dipasang berlawanan dengan1(P)
                                                  solenoid. Dengan demikian saluran 1 (P)

ataupun saluran 2 (A) kedua-duanya tertutup dan udara yang ada di saluran 2(A) tidak dapat

keluar.
4–24

Katup 3/2 diaktuasikan dengan sinyal listrik, kembali dengan pegas


a. Normally Closed 3/2

   Katup 3/2 NC bekerja bila arus listrik dialirkan ke solenoid sehingga terbentuk elektromagnet

yang mengakibatkan bergesernya armature dan selanjutnya udara dialirkan dari saluran masuk

1(P) ke saluran keluar 2(A). Sedangkan sakuran 3(R) tertutup. Sebaliknya bila arus listrik

diputuskan maka elektromagnet yang terbentuk pada solenoid menghilang dan berakibat saluran

1(P) tertutup sedangkan udara yang berada di saluran 2(A) akan dibuang melalui saluran buang

                                                2(A)



             3(R)
                                               1(P) 3(R)
                                                                   3(R)




                           2(A)                                                  2(A)
 1(P)                                                     1(P)

3(R).


b. Normally Open 3/2

   Katup ini kebalikan dari katup 3/2 NC. Jadi bila arus listrik tidak ada maka saluran 1(P)

mengalirkan udara ke saluran 2(A) dan saluran 3(R0) tertutup. Tapi bila solenoid dialiri arus
                                                   2(A)

                    1(P)                                            1(P)


                                                  1(P)
                                                         3(R)




   3(R0)                          2(A)                 3(R)                       2(A)
4–25

listrik, saluran 1(P) tertutup dan udara dari 2(A) dialirkan langsung ke 3(R).


Katup 3/2 diaktuasikan sinyal listrik dan kontrol Pneumatik, kembali dengan
pegas

    Katup ini bila diaktifkan masih mempergunakan sinyal kontrol pneumatik. Sedangkan fungsi

kumparan ini hanya untuk mengaktifkan sumbat yang ada pada katup, dengan demikian gaya

elektromagnet yang diperlukan untuk mengaktifkan sumbat tidak terlalu besar. Dengan kata lain


                                                            2(A)




                                                     1(P)
                                                              3(R)
                                                                         Armatur


                                                                                              Manual auxiliar
                                                                                                actuation

                                                                     Air Channel                   Valve piston
                            3(R)                                                            3(R)


                            2(A)                                                              2(A)
 1(P)                                                                     1(P)

arus listrik yang diperlukan tidak terlalu besar pula. Prinsip kerja saluran yang terdapat pada

katup ini sama dengan prinsip kerja katup 3/2 yang telah dibahas di atas.
                                                            2(A) 4(B)




                                                        1(P) 3(R)


                                                                                 Armature

                                                                              Air channel

                                   Manual override
                                    valve piston

                                     3(R)                                                                    3(R)

 4(B)                                                                      4(B)
                                     2(A)                                                                    2(A)
 1(P)                                                                      1(P)



Katup 4/2 diaktuasikan sinyal listrik dan kontrol pneumatik, kembali dengan
pegas

    Katup 4/2 pada prinsipnya terdiri dari 2 buah katup 3/2. Biasanya digunakan untuk

mengaktuasikan silinder kerja ganda. Sinyal listrik digunakan seperti pada katup 3/2, berfungsi

sebagai pembuka sumbat sedangkan yang mengatur katup piston adalah sinyal kontrol
4–26

pneumatik. Pada posisi diaktuasikan saluran 1(P) dan saluran 4(A) tersambungkan sedangkan

saluran 2(B) dengan saluran 3(R). Apabila sinyal listrik diputuskan maka katup piston didorong

kembali ke posisi semula sehingga saluran 1(P) tersambungkan dengan 2(B) dan saluran 4(A)

dengan 3(R).


4.2.2.4 Diagram Rangkaian pada Rangkaian Listrik

    Pada diagram rangkaian listrik digambarkan bagaimana ditempatkannya perlengkapan dan

juga    alat   listrik   ditempatkan,    dengan      mempergunakan    simbol    yang     telah

ditetapkan/distandardisasikan. Diagram rangkaian ini merupakan dokumen yang sangat penting,

yang dibutuhkan oleh bagian perawatan, untuk memperbaiki dan merawat sistem kontrol listrik.

Ada beberapa cara untuk menampilkan/menggambarkan fungsi, operasi peralatan serta instalasi

rangkaian.


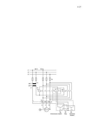
Diagram Kabel (Wiring Diagram)

    Pada sistem penunjukkan ini semua peralatan ditampilkan dalam satu gambar, baik itu

rangkaian kontrol dan juga rangkaian utama, serta diatur berdasarkan sambungan jalur kabel.

Sistem ini biasanya digunakan pada jaringan / rangkaian listrik pada kendaraan bermotor, mesin

perkakas yang ringkas ataupun peralatan pabrik lainnya. Cara penggambarannya, penyimpanan

peralatan yang digunakan bisa dimana saja, asalkan menyambungkan jaringan kabelnya betul-

betul diperhatikan. Contoh gambar instalasi kabel:
4–27




          380 V    50 Hz
L1
L2
L3



                                    F2

             T1
 380 V
 220 V
     L1      L2
              K1                                        K2




                   F1


                    U      V   W


                           M   M1
                           3
                                                     S2       S1      S3
                                   Anticlockwise rotation    Stop   Clockwise
                                                                     Rotation
4–28

Diagram Rangkaian

   Dibandingkan dengan penggambaran instalasi kabel, dimana penggambaran rangkaian

kontrol dan utamanya dijadikan satu, maka pada penggambaran rangkaian secara skematis ini

ditampilkan berdasarkan fungsinya. Dengan cara menggambarkan rangkaian kontrol dan

rangkaian utama dipisahkan.

   Pada sistem ini penggambaran untuk sambungan (NC dan NO) relay untuk keperluan

latching (mengunci sambungan) ataupun memutus sambungan akan digambarkan pada rangkaian

kontrol. Penggambaran rangkaian secara skematis biasanya menggunakan garis lurus, dimana


                                                              380 V   50 Hz
     L1                                             L1
                                                    L2
                                                    L3
             F1

                                                         F2
               S1
               Off

                                 23            23
                            K1            K2
               S3
                                 24            24
       Anticlockwise
         rotation                                   K1                    K2
                S2
          Clockwise
           rotation
                       11                11
                    K2 12             K1 12
                      A1                A1
               K1                K2                      F1
                       A2               A2                    U   V   W



                                                                      M1

arus listrik mengalir dari atas ke bawah. Di bawah ini ditampilkan gambar dengan fungsi yang

sama dengan penggambaran instalasi kabel.
4–29

Diagram Rangkaian Dasar

   Pada tingkat tertentu, misalnya dalam penggambaran awal, penggambaran rangkaian ini

tidak bisa langsung lengkap/komplit, melainkan dibuat dahulu sketsa fungsinya (pre-desain)

dengan hanya menggambarkan hal yang penting-penting saja. Begitu pula untuk penunjukkan

perlengkapannya hanya cukup dengan menunjukkan simbol huruf. Biasanya dalam

penggambaran rangkaian dasar yang digambarkan hanya rangkaian utamanya saja.

   Contoh penggambaran Diagram Rangkaian Dasar:



                                           S1
                                                F1


                                           K1        K2


                                                F2

                                                     M
                                                     3
   S1          Main switch

   K1, K2      Relays

   F1, F2      Fuses

   M3          Motor

Cara kerja pneumatik

  • 1.
    4–1 BAB IV PNEUMATIK DAN ELEKTRO-PNEUMATIK 4.1 Pneumatik 4.1.1 Pendahuluan Udara merupakan sumber daya alam dan sangat mudah didapatkan sehingga pada realisasi dan aplikasi teknik sekarang ini udara banyak digunakan sebagai penggerak untuk mengontrol peralatan dan komponen-komponennya yang kita kenal sekarang ini dengan PNEUMATIK. Pneumatik berasal dari kata Yunani: pneuma = udara. Jadi pneumatik adalah ilmu yang berkaitan dengan gerakan maupun kondisi yang berkaitan dengan udara. Perangkat pneumatik bekerja dengan memanfaatkan udara yang dimampatkan (compressed air). Dalam hal ini udara yang dimampatkan akan didistribusikan kepada sistem yang ada sehingga kapasitas sistem terpenuhi. Untuk memenuhi kebutuhan udara yang dimampatkan kita memerlukan Compressor (pembangkit udara bertekanan). Debit yang diukur adalah m3/menit. Tekanan udara yang dibutuhkan pada alat pengontrol pneumatik seperti silinder, katup serta peralatan lainnya adalah 6 bar, supaya efektif dan efisien dalam penggunaannya (range alat 3–10 bar). Dan untuk memelihara keawetan peralatan haruslah diperoleh udara kering, yaitu agar tidak terjadi korosi pada pipa saluran udara, pelumasan yang ada tidak terbawa uap air, tidak terjadi kontaminasi bila udara mampat langsung kontak dengan produk yang sensitif seperti cat dan makanan. Pneumatik dewasa ini memegang peranan penting dalam pengembangan dan teknologi otomatisasi, di samping hidraulik dan elektronik/elektrik. Sebelum 1950, pneumatik banyak dipakai sebagai media kerja dalam bentuk energi tersimpan. Tapi setelah 1950 dipakai dan dikembangkan sebagai elemen kerja.
  • 2.
    4–2 4.1.1.1 Katup (valve) 1.Katup pengarah (Directional Control Valve), terdiri dari 2 jenis katup: a. Katup poppet, yang bekerja dengan cara melepas dan menempelkan bola/piringan terhadap dudukannya yang terpasang ‘seal’ yang bersifat elastis namun kuat. Gaya untuk menggerakkan katup poppet relatif besar karena harus melawan gaya pegas pada saat posisi kerja. b. Katup geser (slide valve), yang bekerja dengan menggeser silinder atau piringan. 2. Katup searah (Non return valve), yang jenisnya antara lain: a. Check valves: hanya mempunyai 1 inlet dan 1 outlet, dapat menutup aliran pada satu arah aliran. Pada arah lainnya katup ini dengan bebas dapat mengalirkan aliran udara dengan tekanan rendah. b. Two pressure valve: mempunyai 2 inlet dan 1 outlet. Udara mampat mengalir melalui katup ini bila sinyal udara terdapat pada kedua sambungan inlet. (= Logic AND function) c. Shuttle valve: (= Logic OR function) Udara mampat dapat mengalir dari salah satu atau kedua saluran inlet menuju outlet. d. Quick exhaust valve: berfungsi sebagai penambah kecepatan silinder. Dengan ini memungkinkan waktu yang diperlukan untuk langkah kerja silinder terutama untuk single act cylinder lebih singkat lagi. 3. Katup pengatur aliran (Flow control valve), berfungsi mengatur aliran udara secara volumetrik. a. Bi-directional flow control valve, mengatur udara ke dua arah. b. One way flow control valve, mengalirkan udara ke satu arah untuk mengatur kecepatan aktuator. 4. Katup pengatur tekanan (pressure valve), fungsinya mengatur besarnya tekanan udara yang diperlukan.
  • 3.
    4–3 a. Pressure regulating valve, berfungsi mengatur tekanan udara konstan yang dibutuhkan. Tekanan input harus lebih besar dibandingkan dengan output. b. Pressure limiting valve, biasanya dipakai sebagai katup pengamanan: untuk menjaga tekanan maksimum yang diinginkan tidak akan terlewati. Bila tekanan maksimum pada inlet sudah tercapai maka outlet akan membuka dan tekanan udara yang berlebihan akan dikeluarkan ke udara bebas. c. Katup berangkai (sequence valve), fungsinya juga untuk membatasi tekanan. Biasanya dipakai pada kontrol pneumatik bila tekanan udara yang spesifik dibutuhkan untuk menjalankan operasi/sistem. 5. Combinational valve. Beberapa katup yang fungsinya berbeda dapat digabungkan menjadi satu badan dan disebut katup kombinasi. Jenisnya antara lain: a. Time delay valve b. Air control valve c. 5/4 way valve: yang terdiri dari empat katup 2/2 d. Air operated 8 ways valve: terdiri dari 2 katup 4/2 e. Impulse generator: multi vibrator cycles f. Vacuum generator with ejector g. Steppler modules: untuk sequential control teste. h. Command memory module: untuk start-up dengan signal input conditions. 4.1.1.2 Actuator dan Output Actuator adalah bagian terakhir dari output suatu sistem kontrol pneumatik. Output biasanya digunakan untuk mengidentifikasi suatu sistem kontrol ataupun aktuator. Pada pneumatik, jenis aktuator ada bermacam-macam, diantaranya: a. Aktuator gerakan linier: - Single acting cylinder (silinder aksi tunggal)
  • 4.
    4–4 - Double acting cylinder (silinder aksi ganda) b. Aktuator gerakan berputar: - Motor yang digerakkan oleh udara. Motor pneumatik adalah suatu peralatan pneumatik yang menghasilkan gerakan putar yang sudut putarnya tidak terbatas bila terhadap peralatan ini dialiri udara yang dimampatkan. Ada 4 jenis motor pneumatik, yaitu piston motors, sliding vane motors, gear motors, turbin. - Aktuator yang berputar/gerakan putar. 4.1.1.3 Indicator Indicator optik secara visual bisa mewakili status dari sistim pneumatik dan membantu diagnosa. Beberapa semboyan secara visual: - indicator optik dengan warna tunggal ataupun majemuk - indicator optik dengan pena, untuk display dan sensor sentuh - counter - penunjukkan resistansi - timer Dengan menggunakan warna, indicator optik mewakili fungsi pada jaringan kerjanya. Di bawah ini tabel arti dari warna-warna indicator optik. Warna Arti Catatan Merah Bahaya Status mesin dalam situasi membutuh pertolongan/bantuan dengan segera. Tidak boleh masuk. Kuning Perhatian Pengertian atau minta perhatian Hijau Aman Operasi normal Biru Info khusus Putih/Bening Info umum
  • 5.
    4–5 4.1.2 Aplikasi PneumatikDan Karakteristik Elemen Pneumatik Sejalan dengan pengenalan terhadap sistem keseluruhan pada pneumatik, secara individu elemen pneumatik pun mengalami perkembangan pesat, misalnya dalam pemilihan bahan/material, manufaktur dan proses disain. Contohnya silinder pneumatik memegang peranan penting sebagai elemen kerja, dimana silinder ini murah harganya, mudah pemasangannya, sederhana dan kuat konstruksinya serta tersedia dalam berbagai ukuran dan panjang langkah. Adapun silinder pneumatik ini mempunyai karakteristik sbb: Diameter 6 – 320 mm Panjang langkah 1 – 2000 mm Gaya 2 – 50.000 N Kecepatan piston 0,02 – 1 m/s Gerak lurus, melingkar, putar Penggunaan silinder dan elemen pneumatik yang lain dapat sbb: - pengekleman - pengangkat - penepat - pengukur - pencari orientasi - pengepak - pengatur gerakan - pengendali - pemutar, dsb Pada permesinan dapat dipakai sebagai pengoperasian pada: - mesin bor - mesin milling - mesin bubut - mesin gergaji - mesin pembentuk - quality control Pengembangan produk dalam pneumatik bisa dibagi dalam: aktuator, sensor, prosesor, sistem kontrol dan perlengkapan.
  • 6.
    4–6 4.1.3 Struktur DanKomponen Sistem Pneumatik Di bawah ini diperlihatkan jaringan kontrol untuk sinyal aliran yang dipakai sebagai output ke sistem kerja. Elemen-elemen tersebut pada penggunaan dalam pneumatik ACTUATING DEVICES outputs biasanya mempergunakan simbol yang menunjukkan fungsinya. Final control element Simbol-simbol itu bisa dikombinasikan/dirangkai untuk PROCESSING ELEMENTS processor signals menghasilkan solusi pada diagram jaringan kerja. Diagram kerja harus digambarkan susunannya seperti struktur di bawah ini. INPUT ELEMENTS Input signals Katup penentu arah dapat mempunyai fungsi sebagai pengontrol ENERGY SUPPLY sensor, prosesor atau aktuator. Apabila katup penentu arah Source dipergunakan untuk mengontrol gerakan sebuah silinder maka katup ini berfungsi sebagai pengontrol aktuator. Apabila dipakai mengolah sinyal maka katup ini berfungsi sebagai prosesor. Bagitu pula bila dipakai sebagai peraba sebuah gerakan maka berfungsi sebagai sensor. ACTUATORS ACTUATING DEVICES Pneumatic cylinders Rotary actuators Outputs Indicators ACTUATING DEVICES CONTROL ELEMENTS Control signals Directional control valves PROCESSING PROCESSOR Directional control valves ELEMENTS Logic elements Processor signals Pressure control valves SENSORS Directional control valves INPUT ELEMENTS Limit switches Input signals Pushbuttons Proximity sensors ENERGY SUPPLY Compressor ENERGY SUPPLY Receiver Source Pressure regulator Air service equipment
  • 7.
    4–7 4.1.4 Simbol-Simbol DanStandard Pada Pneumatik Pengembangan sistem pneumatik dibantu oleh metoda penunjukkan elemen dan jaringan kerja. Simbol digunakan untuk masing-masing indicator elemen yang mempunyai karakteristik sbb: - Fungsi - Metoda aktuasi - Jumlah sambungan - Jumlah - Prinsip kerja - Penunjukkan arah jaringan Tapi simbol-simbol tidak bisa menunjukkan karakter seperti: - Ukuran dari sebuah komponen - Bagian Manufaktur, metoda konstruksi ataupun harga - Orientasi dan sambungan komponen - Detail fisik Simbol-simbol pneumatik yang digunakan berdasarkan DIN (Deutche Institut fur Normung) No. 1219 dan sudah dijadikan ISO dengan nomor yang sama. 1. Simbol yang digunakan untuk konversi energi dan preparasi Supply Compressor Fixed capacity Air receiver and ‘T’ junction Service equipment Filter Separation and filtration of particles Water separator Partial water removal Lubricator Metered quantities of oil passed to the air stream Pressure regulator Relieving type – vent hole for excess upstream pressure – adjustable Combined symbols Air service unit Filter, regulator, gauge, lubricator
  • 8.
    4–8 Simplified air service unit Pressure source 2. Simbol katup penentu arah (simbol penyeimbangan) Pergantian posisi katup digambarkan dalam kotak bujursangkar (square) Jumlah kotak menunjukkan banyaknya pergantian posisi yang dimiliki katup Garis-garis menunjukkan adanya aliran, panah menandakan arah aliran Posisi tertutup dijelaskan di dalam kotak dengan memberikan garis menyilang tegak lurus (seperti huruf T) Sambungan (inlet dan outlet) digambarkan oleh garis-garis di luar kotak dan digambarkan menurut posisi awal katup 3. Simbol katup pengatur arah, sambungan port dan posisi Jumlah ‘port’ Jumlah posisi 2(A) 2/2– Way directional control valve 1(P) 2(A) Way directional control valve 3/2– Normally closed 1(P) 3(R) 2(A) Way directional control valve 3/2– Normally open 1(P) 3(R) 4(A) 2(B) 4/2– Way directional control valve 1(P) 3(R) 4(A) 2(B) 5/2– Way directional control valve 5(R) 3(S) 1(P) 4(A) 2(B) Way directional control valve 5/3– Mid position closed 5(R) 1(P) 3(s)
  • 9.
    4–9 4. Simbol/Metoda Aktuasi Mechanical General manual operation Pushbutton Lever operated Detent lever operated Foot pedal Spring return Spring centered Roller operated Idle return, roller Pneumatic Direct pneumatic actuation Indirect pneumatic actuation (piloted) Pressure release Electrical Single solenoid operation Double solenoid operation Combined Double solenoid and pilot operation with manual over-ride 5. Contoh penggambaran katup penentu arah beserta sinyal/kontrolnya 2(A) 2(A) 12(Z) 12(Z) 10(Y) 3(R) 1(P) 1(P) 3(R) 4(A) 2(B) 4(A) 2(B) 14(Z) 12(Y) 14(Z) 91(Pz) 5(R) 3(S) 5(R) 3(S) 1(P) 1(P)
  • 10.
    4–10 6. Simbol katupsearah Check valve Spring loaded check valve Shuttle valve: ‘OR’ function Two pressure valve: ‘AND’ function Quick exhaust valve 7. Simbol Katup pengatur aliran Flow control valve adjustable One–way flow control valve 8. Simbol katup pengatur tekanan Adjustable pressure regulating valve, non-relieving type Adjustable pressure regulating valve, relieving type (overloads are vented) Sequence valve external source Sequence valve in-line Sequence valve combination 9. Simbol aktuator linier Single acting cylinder Double acting cylinder Double acting cylinder with double ended piston rod
  • 11.
    4–11 Double acting cylinder with non- adjustable cushioning in one direction Double acting cylinder with single adjustable cushioning Double acting cylinder with adjustable cushioning at both ends 10. Simbol aktuator berputar Air motor, rotation in one direction, fixed capacity Air motor, rotation in one direction, variable capacity Air motor, rotation in both directions, variable capacity Rotary actuator, limited travel, rotation in both directions 11. Simbol pembantu Exhaust port Exhaust port with treaded connection Silencer Line connection (fixed) Crossing lines (not connected) Pressure gauge Visual indicator
  • 12.
    4–12 4.2 Elektro-Penumatik 4.2.1 Pendahuluan Elektropneumatik merupakan pengembangan dari pneumatik, dimana prinsip kerjanya memilih energi pneumatik sebagai media kerja (tenaga penggerak) sedangkan media kontrolnya mempergunakan sinyal elektrik ataupun elektronik. Sinyal elektrik dialirkan ke kumparan yang terpasang pada katup pneumatik dengan mengaktifkan sakelar, sensor ataupun sakelar pembatas yang berfungsi sebagai penyambung ataupun pemutus sinyal. Sinyal yang dikirimkan ke kumparan tadi akan menghasilkan medan elektromagnit dan akan mengaktifkan/mengaktuasikan katup pengatur arah sebagai elemen akhir pada rangkaian kerja pneumatik. Sedangkan media kerja pneumatik akan mengaktifkan atau menggerakkan elemen kerja pneumatik seperti motor-pneumatik atau silinder yang akan menjalankan sistem. 4.2.2 Elemen utama Elektro-pneumatik Bila energi listrik tersedia dan akan dipakai maka perlu diproses dan didistribusikan oleh komponen utama. Untuk mempermudah penunjukkannya maka komponen itu digambarkan dalam bentuk simbol pada diagram rangkaiannya. 4.2.2.1 Sinyal Masukan Listrik (Electrical Signal Input) Sinyal listrik pada teknik kontrol elektro-pneumatik diperlukan dan diproses tergantung pada gerakan langkah kerja elemen kerja. Sinyal listrik ini didapatkan bisa dengan cara mengaktifkan sakelar atau bisa juga dengan mengaktikan sensor, misalkan sensor mekanik ataupun elektronik. Sinyal masukan listrik kerjanya tergantung kepada fungsi sinyal itu. Ada yang disebut “Normally open” (NO, pada kondisi tidak aktif sambungan tidak tersambung), “Normally closed” (NC, kondisi tidak aktif sambungan tersambung) dan “Change Over” (tersambung bergantian, kombinasi dari NO dan NC).
  • 13.
    4–13 4.2.2.1.1 Sakelar tekan,dioperasikan manual Sakelar tekan biasa Elemen sinyal masukan diperlukan untuk memungkinkan sebuah sistem kontrol dinyalakan. Yang paling umum dipakai adalah sakelar tekan (Push-button switch). Disebut sakelar tekan karena untuk mengalirkan sinyal, mengaktuasikannya dengan menekan tombol atau sakelar. Simbol yang digunakan: Sakelar tekan manual secara umum untuk kontak NO (General Push-button switch, NO) Sakelar tekan manual, diaktifkan dengan cara ditekan untuk kontak NO Saklear tekan manual, diaktifkan dengan cara ditekan untuk kontak NC Sakelar tekan mengunci (Latching Push-button switches) Sakelar ini diaktuasikan/diaktifkan dengan tombol yang mengunci. Adapun menguncinya sakelar ini disebabkan kerja mekanik. Untuk mengembalikan ke posisi semula (posisi tidak aktif) maka sakelar ini harus ditekan lagi. Penunjukkan sistem ini berdasarkan standardisasi Jerman, diatur dengan nomor DIN 43 065. Penunjukkan aktuasi: I tanda mengaktifkan, O tanda untuk mengembalikan ke posisi sebelum bekerja. Posisi penempatan sakelar: a). Berjajar ke pinggir: pada posisi ini perlu diperhatikan bahwa tanda untuk mengaktifkan disimpan disebelah kanan. b). Berjajar ke bawah: pada posisi ini tanda untuk mengkatifkan berada pada posisi atas. Contoh sakelar tekan mengunci:
  • 14.
    4–14 Simbol-simbol yang digunakan: Sakelar mengunci manual, diaktifkan dengan cara ditekan untuk kontak NO Sakelar mengunci manual, diaktifkan dengan cara ditarik untuk kontak NC Sakelar mengunci manual, diaktifkan dengan cara diputar untuk kontak NO 4.2.2.1.2 Sakelar Pembatas (Limit Switches) Mekanik Tipe Sentuh (Mechanical Limit Switches Contacting Type) Sakelar pembatas ini dipakai sebagai indikasi dalam kontrol otomasi yang menyatakan bahwa posisi ini merupakan posisi akhir baik itu untuk mesin ataupun untuk silinder. Biasanya sistem kontak yang dipakai adalah sistem tersambung bergantian (Change over). Sakelar pembatas ini akan bekerja bila tuas sakelar tertekan. Contoh konstruksi dan simbol sakelar pembatas mekanik: Tipe Tidak Sentuh (Non-Contacting Proximity Limit Switch) Sakelar pembatas tipe ini biasanya dipakai bila sakelar pembatas mekanik tidak dapat digunakan. Macam sakelar pembatas tipe ini antara lain: a. Sakelar Pembatas (sensor) Buluh Penggunaan sakelar ini biasanya dikarenakan keadaan sekitar yang tidak memungkinkan dipasangnya sakelar mekanik, misalnya karena banyaknya debu, pasir ataupun lembab. Sakelar ini diaktuasikan/diaktifkan dengan magnet yang terpasang pada silinder. Dengan
  • 15.
    4–15 adanya magnet maka buluh kawat akan tersambung atau terputus bila magnet itu mendekati atau menjauhi buluh kawat tersebut. b. Sakelar Pembatas Induktif Digunakan bila sakelar pembatas mekanik ataupun buluh tidak dapat digunakan. Biasa dipakai untuk sensor penghitung benda kerja yang terbuat dari logam, pada suatu mesin atau ban berjalan. Sakelar pembatas ini hanya akan beraksi atau terpakai untuk logam. Sakelar pembatas atau sensor ini biasanya terdiri dari oscillator, pemicu tegangan dan penguat. Biasanya ada dua macam, yaitu yang dialiri arus bolak-balik dan arus searah, tapi keduanya mempunyai tegangan operasi antara 10–30 volts. c. Sakelar Pembatas Kapasitif Sensor kapasitif ini mempunyai respons terhadap segala material, metal maupun non-metal. Tapi sensor ini terpengaruhi oleh adanya perubahan-perubahan yang diakibatkan keadaan sekelilingnya, misalnya dengan debu logam. d. Sakelar Pembatas Optik Sensor ini memberi respons pada semua benda kerja. Sinyal masukannya berupa sinar. 4.2.2.2 Pengolah Sinyal Listrik 4.2.2.2.1 Relay Relay adalah komponen untuk penyambung saluran dan pengontrol sinyal, yang kebutuhan energinya relatif kecil. Relay ini biasanya difungsikan dengan elektromagnet yang dihasilkan dari kumparan. Pada awalnya relay ini digunakan pada peralatan telekomunikasi yang berfungsi sebagai penguat sinyal. Tapi sekarang sudah umum didapatkan pada perangkat kontrol, baik pada permesinan ataupun yang lainnya. Pemilihan relay yang sesuai kebutuhan harus memenuhi beberapa kriteria, antara lain: - Perawatan yang minim - Kemampuan menyambungkan beberapa saluran secara independent
  • 16.
    4–16 - Mudah adaptasi dengan tegangan operasi dan tegangan tinggi - Kecepatan operasi tinggi, misalnya waktu yang diperlukan untuk menyambungkan saluran singkat. Cara kerja relay: Apabila pada lilitan dialiri arus listrik maka arus listrik tadi akan mengalir melalui lilitan kawat dan akan timbul medan magnet yang mengakibatkan pelat yang ada di dekat kumparan akan tertarik ataupun terdorong sehingga saluran dapat tersambung ataupun terputus. Hal ini tergantung apakah sambungannya NO atau NC. Bila tidak ada arus listrik maka pelat tadi akan kembali ke posisi semula karena ditarik dengan pegas. 13 23 33 43 A1 Simbol Relay: K1 A2 14 24 34 44 Relay Normally Open A1 11 21 31 41 K1 A2 12 22 32 42 Relay Normally Closed 13 23 31 41 A1 K1 A2 14 24 32 42 Kombinasi NO & NC Penunjukkan angka pada relay mempunyai arti sebagai berikut: Angka yang pertama menunjukkan contactor yang keberapa sedangkan angka yang kedua selalu bernomor ¾ untuk relay NO dan ½ untuk relay yang NC. Keuntungan dan kerugian penggunaan Relay: Keuntungan: - Mudah mengadaptasi bermacam-macam tegangan operasi - Tidak mudah terganggu dengan adanya perubahan temperature disekitarnya, karena relay masih bisa bekerja pada temperature 233 K (-40o C) sampai 353 K (80o C) - Mempunyai tahanan yang cukup tinggi pada kondisi tidak kontak - Memungkinkan untuk menyambungkan beberapa saluran secara independent
  • 17.
    4–17 - Adanya isolasi logam antara rangkaian kontrol dan rangkaian utama Oleh karena keuntungan-keuntungan di atas maka penggunaan relay sampai saat ini masih dipertahankan. Kerugian: - Khususnya untuk NO, bila akan diaktifkan timbul percikan api - Memerlukan tempat yang cukup besar - Bila diaktifkan, berbunyi - Kontaktor bisa terpengaruh dengan adanya debu - Kecepatan menyambung atau memutus saluran terbatas. 4.2.2.2.2 Solenoid Di lapangan kita bisa menemukan solenoid dengan arus searah (DC) ataupun arus bolak balik (AC). Sedangkan yang sering digunakan pada Electro-pneumatik adalah Solenoid DC. Solenoid DC secara konstruktif selalu mempunyai inti yang pejal dan terbuat dari besi lunak. Dengan demikian mempunyai bentuk yang simple dan kokoh. Selain itu maksudnya agar diperoleh konduktansi optimum pada medan magnet. Bila ada kelonggaran udara, tidak akan mengakibatkan kenaikan temperature operasi, karena temperature operasi hanya akan tergantung pada besarnya tahanan kumparan serta arus listrik yang mengalir. Bila solenoid DC diaktifkan (switched on) maka arus listrik yang mengalir meningkat secara perlahan. Ketika arus listrik dialirkan ke dalam kumparan akan terjadi elektromagnet. Selama terjadinya induksi akan menghasilkan gaya yang berlawanan dengan tegangan yang digunakan. Bila solenoid dipasifkan (switched off) maka medan magnet yang pernah terjadi akan hilang dan dapat mengakibatkan tegangan induksi yang besarnya bisa beberapa kali lipat dibandingkan dengan tegangan yang ada pada kumparan. Tegangan induksi ini dapat mengakibatkan rusaknya isolasi pada gulungan koil, selanjutnya bila hal ini terjadi terus akan terjadi percikan api. Untuk mengatasi hal ini maka harus dibuat rangkaian yang meredam percikan api, misalnya dengan memasang tahanan yang dihubungkan secara paralel dengan induktansi. Sehingga bila terjadi
  • 18.
    4–18 pemutusan arus listrik,energi akan tersimpan dalam bentuk medan magnet dan dapat hilang lewat tahanan yang dipasang tadi. Keuntungan Solenoid DC Kerugian Solenoid DC - Perlu peredam percikan api - Terjadi tegangan tinggi saat pemutusan - Mudah pengoperasiannya arus - Usianya lama - Waktu sambung lama - Bunyi yang dihasilkan lemah - Perlu adaptor bila yang dipakai tegangan - Tenaga untuk mengoperasikan kecil AC - Bagian yang kontak cepat aus 4.2.2.2.3 Relay yang dipolarisasi (Polarized Relay) Pada prakteknya relay ini digunakan bila energi yang diperbolehkan untuk dipakai sangat kecil. Adapun energi listrik yang diperlukan yaitu sekitar 0,1 – 0,5 mW. Metoda operasinya ada beberapa macam, diantaranya: a. Posisi normal tertentu Posisi sambungan relay ini akan tetap pada posisi yang sama, baik itu sebelum ataupun sesudah diaktifkan. Bila energi listrik dialirkan maka medan magnet yang terjadi diintensifkan oleh medan magnet permanen. Begitu pula bila arus dialirkan hanya sebentar saja maka posisi kontak akan kembali ke tempat semula begitu arus diputuskan. b. Posisi normal pada kedua sisinya Posisi sambungan yang aktif tidak tetap, tergantung dari posisi terakhir disambungkan. Relay ini bekerja bila arus listrik disalurkan, maka sambungan kontaknya akan berpindah ke sambungan yang lainnya. Selanjutnya bila arus listrik diputus maka posisi sambungan yang menyambung adalah posisi akhir setelah diaktifkan. c. Posisi normal ditengah Apabila relay ini tidak diaktifkan maka tidak ada satu saluran pun yang menyambung karena posisi lengan kontak ada di tengah-tengah. Apabila arus listrik disalurkan maka posisi kontak
  • 19.
    4–19 akan ditentukan oleh arah arus yang disambungkan. Dan bila arus diputus, posisi lengan kembali ke tengah. 4.2.2.2.4 Relay Mengunci (Latching relays) Latching relay adalah relay yang dikontrol dengan electromagnetic, dimana relay ini akan tetap berada pada posisi setelah diaktifkan walaupun sumber energi sudah diputuskan, seolah- olah terkunci pada posisi akhir. Sistem pengunci biasanya dengan mempergunakan kerja mekanik. Penggunaan relay ini biasanya untuk jaringan listrik di rumah tinggal. 4.2.2.2.5 Remnant Relay Relay ini disainnya khusus, maksudnya adalah bila relay ini diaktifkan maka akan terjadi elektromagnet. Elektromagnet ini akan tinggal dan tetap ada walaupun sumber energinya telah dihilangkan. Atau dengan kata lain relay ini dikunci pada posisi akhir. Untuk menyalakan relay ini maka arus yang dipakai adalah arus positif, sedangkan untuk mematikannya mempergunakan arus negatif. 4.2.2.2.6 Relay Tunda Waktu Berfungsi untuk menyambung kontaktor NO atau memutus kontaktor NC, di mana hubungan kontaktor diputuskan ataupun disambungkan tidak langsung seketika pada saat relay diaktifkan, melainkan perlu waktu. Waktu yang diperlukan untuk memutuskan ataupun menyambungkannya bisa diatur. Ada dua jenis relay tunda waktu, yaitu relay tunda waktu hidup (time delay switch on) dan relay tunda waktu mati (time delay switch off).
  • 20.
    4–20 Time Delay SwitchOn Relay S 1 Input (S) 15 A1 15 0 1 Output 16 18 0 t A2 16 18 Bila sakelar S diaktifkan maka relay tunda waktu mulai bekerja. Ketika waktu yang ditentukan tercapai maka terminal 18 akan tersambungkan. Sinyal output (keluaran) akan ada selama sinyal input ada. Elemen tunda waktu digambarkan pada kotak yang dibatasi dengan garis strip. S A R1 16 18 A1 K1 15 R2 P R A2 C Proses bekerjanya tunda waktu: Bila sakelar S diaktifkan maka arus listrik akan mengalir melalui tahanan R1, yang besarnya bisa diatur. Arus ini tidak mengalir ke relay K1 melainkan akan mengalir ke terminal K1 NC, yang selanjutnya arus listrik mengalir ke kapasitor C dan menampungnya di sana. Bila kapasitor C tidak bisa menampung arus listrik lagi (tegangan yang diijinkan telah tercapai) maka arus listrik akan mengalir ke relay K1. Lamanya mengisi kapasitor ini tergantung pada besarnya R1. Selanjutnya bila relay K1 sudah aktif maka terminal 18 akan tersambung dengan terminal 15. Di sini bisa kita bandngkan dengan katup tunda waktu hidup pada rangkaian pneumatik.
  • 21.
    4–21 Time Delay SwitchOff Relay A1 B1 15 1 Input (S) 15 S 0 1 Output A2 B2 16 18 0 16 18 Bila sakelar S diaktifkan maka relay tunda waktu mulai bekerja. Sinyal output akan ada selama sinyal input ada. Tapi bila sinyal input diputus maka sinyal output tidak akan langsung hilang, melainkan tetap ada sampai batas waktu yang telah ditentukan. Elemen tunda waktu digambarkan pada kotak yang dibatasi dengan garis strip. A S R2 R1 K1 P R A1 K1 C A2 Proses bekerjanya tunda waktu: Bila sakelar S diaktifkan maka arus listrik akan mengalir ke relay K1 dan relay K1 langsung bekerja. Sebelum relay K1 diaktifkan, arus listrik mengalir ke kapasitor C melalui tahanan R2 dan menampungnya sampai kapasitor mencapai tegangan yang diijinkan. Dengan diaktifkannya relay K1 maka switch K1 aktif sehingga arus listrik yang tertampung di kapasitor C akan mengalir melalui R1 bila sakelar S dinon-aktifkan. Lamanya mengosongkan kapasitor C tergantung pada besaran R1. Bila tegangan di C sudah tidak ada maka terminal 16 akan tersambung lagi dengan terminal 15. Di sini bisa kita bandingkan dengan katup tunda waktu mati pada rangkaian pneumatik.
  • 22.
    4–22 4.2.2.2.7 Kontaktor Yang dimaksudkan dengan kontaktor adalah sakelar yang diatuasikan dengan elektromagnet. Daya untuk mengontrolnya bisa rendah tapi daya beban bisa tinggi, dengan kata lain untuk mengaktuasikan elektromagnet cukup misalnya dengan tegangan rendah tapi bisa menyalurkan arus yang bertegangan lebih tinggi. Kontaktor banyak digunakan untuk keperluan yang bermacam- Shielded Electromagnet macam. Misalnya digunakan untuk menyalakan motor, sistem Contacts pemanas, alat pengatur U-shaped core temperatur ruangan, keran, dll. Winding Armature Tipe-tipe kontaktor: Contacts a. Kontaktor yang U-shaped core Rocker arm Armature elektromagnetnya dilindungi: Hinged-armature contactor Contacts b. Kontaktor dengan Core electromagnet contactor 1 3 5 A1 K1 A2 2 4 6 elektromagnet inti: c. Kontaktor dengan armature sistem engsel: Simbol kontaktor pada penggambaran rangkaian: Keuntungan mempergunakan kontaktor: - Beban tinggi bisa diaktifkan dengan beban rendah
  • 23.
    4–23 - Terdapat isolasi logam antara rangkaian kontrol dan rangkaian utama - Sedikit perawatannya - Tidak terpengaruh oleh temperature Kerugiannya: - Mudah aus - Ukurannya besar - Menimbulkan suara - Kecepatan menyambung terbatas 4.2.2.3 Elemen Akhir Apabila suatu kontrol mempergunakan sinyal kontrolnya dengan sinyal listrik dan sinyal kerjanya mempergunakan pneumatik maka harus ada suatu alat yang dapat mengawinkan sinyal kontrol listrik dengan sinyal kerja pneumatik itu. Sistem yang mengawinkan sinyal kontrol dan sinyal kerja ini biasanya terdiri dari katup yang diaktuasikan dengan solenoid. Maksudnya adalah untuk menyalurkan sinyal kerja mempergunakan katup-katup pneumatik, sedangkan yang mengatur membuka atau menutup tersebut adalah arus listrik yang dialirkan ke kumparan kawat (solenoid). 2(A) Katup 2/2 diaktuasikan dengan sinyal listrik, kembali dengan pegas 1(P) Pada prinsipnya Solenoid head katup ini mempunyai dua posisi dan dua saluran, konfigurasi katup adalah Armature NC. Bila katup ini akan diaktifkan maka arus listrik harus dialirkan ke solenoid yang terpasang pada katup tersebut. Dengan diaktifkannya solenoid maka saluran 1(P) bila dihubungkan dengan sumber energi akan menyalurkan sinyal pneumatik ke saluran 2(A). Sedangkan kembalinya bila arus listrik ditutup (dimatikan) maka katup akan kembali ke posisi semula karena katup 2(A) 2(A) 1(P) terdorong pegas yang dipasang berlawanan dengan1(P) solenoid. Dengan demikian saluran 1 (P) ataupun saluran 2 (A) kedua-duanya tertutup dan udara yang ada di saluran 2(A) tidak dapat keluar.
  • 24.
    4–24 Katup 3/2 diaktuasikandengan sinyal listrik, kembali dengan pegas a. Normally Closed 3/2 Katup 3/2 NC bekerja bila arus listrik dialirkan ke solenoid sehingga terbentuk elektromagnet yang mengakibatkan bergesernya armature dan selanjutnya udara dialirkan dari saluran masuk 1(P) ke saluran keluar 2(A). Sedangkan sakuran 3(R) tertutup. Sebaliknya bila arus listrik diputuskan maka elektromagnet yang terbentuk pada solenoid menghilang dan berakibat saluran 1(P) tertutup sedangkan udara yang berada di saluran 2(A) akan dibuang melalui saluran buang 2(A) 3(R) 1(P) 3(R) 3(R) 2(A) 2(A) 1(P) 1(P) 3(R). b. Normally Open 3/2 Katup ini kebalikan dari katup 3/2 NC. Jadi bila arus listrik tidak ada maka saluran 1(P) mengalirkan udara ke saluran 2(A) dan saluran 3(R0) tertutup. Tapi bila solenoid dialiri arus 2(A) 1(P) 1(P) 1(P) 3(R) 3(R0) 2(A) 3(R) 2(A)
  • 25.
    4–25 listrik, saluran 1(P)tertutup dan udara dari 2(A) dialirkan langsung ke 3(R). Katup 3/2 diaktuasikan sinyal listrik dan kontrol Pneumatik, kembali dengan pegas Katup ini bila diaktifkan masih mempergunakan sinyal kontrol pneumatik. Sedangkan fungsi kumparan ini hanya untuk mengaktifkan sumbat yang ada pada katup, dengan demikian gaya elektromagnet yang diperlukan untuk mengaktifkan sumbat tidak terlalu besar. Dengan kata lain 2(A) 1(P) 3(R) Armatur Manual auxiliar actuation Air Channel Valve piston 3(R) 3(R) 2(A) 2(A) 1(P) 1(P) arus listrik yang diperlukan tidak terlalu besar pula. Prinsip kerja saluran yang terdapat pada katup ini sama dengan prinsip kerja katup 3/2 yang telah dibahas di atas. 2(A) 4(B) 1(P) 3(R) Armature Air channel Manual override valve piston 3(R) 3(R) 4(B) 4(B) 2(A) 2(A) 1(P) 1(P) Katup 4/2 diaktuasikan sinyal listrik dan kontrol pneumatik, kembali dengan pegas Katup 4/2 pada prinsipnya terdiri dari 2 buah katup 3/2. Biasanya digunakan untuk mengaktuasikan silinder kerja ganda. Sinyal listrik digunakan seperti pada katup 3/2, berfungsi sebagai pembuka sumbat sedangkan yang mengatur katup piston adalah sinyal kontrol
  • 26.
    4–26 pneumatik. Pada posisidiaktuasikan saluran 1(P) dan saluran 4(A) tersambungkan sedangkan saluran 2(B) dengan saluran 3(R). Apabila sinyal listrik diputuskan maka katup piston didorong kembali ke posisi semula sehingga saluran 1(P) tersambungkan dengan 2(B) dan saluran 4(A) dengan 3(R). 4.2.2.4 Diagram Rangkaian pada Rangkaian Listrik Pada diagram rangkaian listrik digambarkan bagaimana ditempatkannya perlengkapan dan juga alat listrik ditempatkan, dengan mempergunakan simbol yang telah ditetapkan/distandardisasikan. Diagram rangkaian ini merupakan dokumen yang sangat penting, yang dibutuhkan oleh bagian perawatan, untuk memperbaiki dan merawat sistem kontrol listrik. Ada beberapa cara untuk menampilkan/menggambarkan fungsi, operasi peralatan serta instalasi rangkaian. Diagram Kabel (Wiring Diagram) Pada sistem penunjukkan ini semua peralatan ditampilkan dalam satu gambar, baik itu rangkaian kontrol dan juga rangkaian utama, serta diatur berdasarkan sambungan jalur kabel. Sistem ini biasanya digunakan pada jaringan / rangkaian listrik pada kendaraan bermotor, mesin perkakas yang ringkas ataupun peralatan pabrik lainnya. Cara penggambarannya, penyimpanan peralatan yang digunakan bisa dimana saja, asalkan menyambungkan jaringan kabelnya betul- betul diperhatikan. Contoh gambar instalasi kabel:
  • 27.
    4–27 380 V 50 Hz L1 L2 L3 F2 T1 380 V 220 V L1 L2 K1 K2 F1 U V W M M1 3 S2 S1 S3 Anticlockwise rotation Stop Clockwise Rotation
  • 28.
    4–28 Diagram Rangkaian Dibandingkan dengan penggambaran instalasi kabel, dimana penggambaran rangkaian kontrol dan utamanya dijadikan satu, maka pada penggambaran rangkaian secara skematis ini ditampilkan berdasarkan fungsinya. Dengan cara menggambarkan rangkaian kontrol dan rangkaian utama dipisahkan. Pada sistem ini penggambaran untuk sambungan (NC dan NO) relay untuk keperluan latching (mengunci sambungan) ataupun memutus sambungan akan digambarkan pada rangkaian kontrol. Penggambaran rangkaian secara skematis biasanya menggunakan garis lurus, dimana 380 V 50 Hz L1 L1 L2 L3 F1 F2 S1 Off 23 23 K1 K2 S3 24 24 Anticlockwise rotation K1 K2 S2 Clockwise rotation 11 11 K2 12 K1 12 A1 A1 K1 K2 F1 A2 A2 U V W M1 arus listrik mengalir dari atas ke bawah. Di bawah ini ditampilkan gambar dengan fungsi yang sama dengan penggambaran instalasi kabel.
  • 29.
    4–29 Diagram Rangkaian Dasar Pada tingkat tertentu, misalnya dalam penggambaran awal, penggambaran rangkaian ini tidak bisa langsung lengkap/komplit, melainkan dibuat dahulu sketsa fungsinya (pre-desain) dengan hanya menggambarkan hal yang penting-penting saja. Begitu pula untuk penunjukkan perlengkapannya hanya cukup dengan menunjukkan simbol huruf. Biasanya dalam penggambaran rangkaian dasar yang digambarkan hanya rangkaian utamanya saja. Contoh penggambaran Diagram Rangkaian Dasar: S1 F1 K1 K2 F2 M 3 S1 Main switch K1, K2 Relays F1, F2 Fuses M3 Motor