DIAGOSTIC TESTING OF
POWER CABLES IN SERVICE
S.N. MOORCHING,
JOINT DIRECTOR (RETD.), CPRI
INTRODUCTION
RELIABILITTY -- GEN/DIST IS INCREASING
UNPLANNED SHUTDOWN –
TREMONDOUS LOSS OF REVENUE
INCONVENIENCE TO CUSTOMER
STRATEGY -- CONDITION MONITORING
CHECK QUALITY/HEALTH OF CABLE
BEFORE SETTING TO OPER/PERIODIC
NEED FOR CABLE DIAGNOSTICS
 FAILURES OF CABLES INCREASING
 FAILURE IN BANGALORE
1998-99 1656
1999-00 1713
2000-01 1611
JAN 01- DEC 01 1880


AGEING STRESS
 CABLES -- AGED
 STRESS
 DETERIORATION
 FAILURE

ELECTRICAL

THERMAL

MECHANICAL

COMBINATION

ENVIORNMENTAL
MODES OF FAILURE
 PILC

INTERNAL & SURFACE DISCAHRGES

TRACKING ALONG LAYER OF PAPER

PAPER DRYING - LACK OF IMPR FLUID

MOISTURE INGRESS

FATIGUE FAILURE DUE TO TEMP DIFF—CRACKS IN LEAD
SHEATH PI AND COND ARE FACTORS EVAULATE CABLE
CODITION
 POLYMERIC CABLES

XLPE --- PD- VOIDS/CONT, TREEING

WATER & ELECTRICAL
OVERHEATING/DEFORMATION/TRACKING
TREEING
 THREE TYPES-ELEC/WATER/ELE.CHEM
 ELEC TREE INITIATION-VOIDS/MET
IMPURITIES/PROJ IN SC SHLDG/STRESS CONC/BD
OF INS
 WATER TREEING—PRES OF MOIST+ELECT FIELD

E C TREEING—MOISTURE+CHEM+ ELEC STRESS
WATER TREE EVALUATION TECHNIQUE
 CURRENT MAGNITUDE
 CURRENT TREND
 DC CONDUCTIVITY
 DETERIORATION
 NON- LINEARITY– DR W R T
CHARGING VOLTAGE
DIAGNOSTIC TESTING TECHNIQUES
 HELPS IN– STATE CONDITION
--REPLACE/REPAIR
--EXTEND LIFE
 SEVERAL TEST METHODS
--EACH HAS ITS MERITS/DEMERITS
--NO INDUVIDUAL TEST GIVES FULL INFORMATION
--LOT OF RESEARCH WORK IS STILL IN PROGRESS
TO UNDERSTAND DEGRADATION
--FINDING TOOLS FOR INS DIAGNOSIS/RLA
DIAGNOSTIC TESTS
 IEEE-400-2001 FIELD TESTING & EVALUATON OF MV CABLES
-- AC HIPOT TESTING
--DC HIPOT
--0.1 HZ HIPOT (VLF)
-- DISS FACTOR AT VLF
--PD TESTS
--OSC WAVE PD / COMPLEX DISCHARGE ANALYSER
 EXCEPT PD – REVEAL STATE & CONDITION
PD -- INCIPIENT FAULTS
 OTHER PRACTICES
-- RECOVERY VOLTAGE
-- DIELECRIC SPECTROSCOPY, CAP & DF AT FREQ OF 0.001 TO
2HZ
-- ISOTHERMAL RELAXATION CURRENT
AC HIPOT TEST
 2-3 TIMES OPERATING VOLTAGE
 MASSIVE TEST KIT
 LARGE POWER REQUIREMENT
 GO-NO GO TEST
 DEGRADATION OF WEAK SPOT
 DO NOT IDENTIFY LOCALISED DEFECT
 REQUIRES RESONANT TEST SET
DC HIPOT TEST
MOST POPULAR SINCE LONG
--SMALL SIZE KIT
--SMALL POWER REQUIREMENT
--IDENTIFY DEFECTS LIKE WATER LAMINATION
--INDUCE SPACE CHARGE
--SOME DEFECTS GROW IN AGED CABS
--DONOT REPLICATE AC CONDITION
--DONOT REVEAL HIGH IMP DEFECTS SUCH AS
VOIDS, CUTS/NICKS
--DURING 97-02, 10% OF DC TESTED FAILED
DC HIPOT TEST
 IN USE IN CASE OF PILC CABLE SINCE LONG. TEST
VOLT LEVEL=4 TO 5 Uo AS PER AEIC AND IEEE
 COULD ISOLATE DEFECT WITHOUT DAMAGE TO
CABLE
 XLPE REQD. 5 TO 8Uo TO BREAK
 RCOMM. OF IEEE 400-2001/IEC/VDE FURNISHED
Testing according to IEEE 400-2001 Guide for Field Testing
and
Evaluation of insulation of service aged cable system
recommends the following voltages for 5kV to 500kV
cables.
System
Voltage
KV
Accepted Voltage DC
KV
Phase to Ground
Maintenance Voltage
DCKV
Phase to Ground
5 28 23
15 56 46
25 75 61
69 175 130
115 275 205
Test voltages according to IEC & VDE
System Voltage
KV
Standard After laying test KVDC
Phase to Ground
1 to 30 IEC 502
VDE 0276
4 Uo/15 min
No DC
45 to 150 IEC 840
VDE 0263
3Uo/15 min
150 to 500 No DC Not defined
DC HIPOT TEST
PREMATURE FAILURES OF DC TESTED SERVICE AGED
CABLES==ALTERNATE TESTIND TECHN.. VLF/OSC WAVE
EFFCT OF DC ON PILC CABLE
--DEGRADATION HASTENS TO AN EXTENT
--NO PREMATURE FAILRES REPORTED
--CERTAIN FAULTS-WATER ENTRY-CAN BE DETECTED
EFFECT OF DC ON XLPE
 SEVERAL FAILURES AFTER RETURNING TO SERVICE
 REDUCES LIFE/INCREASES WATER TREE GROWTH/NO
EFFECT ON NEW CABLE BEFORE ENERGISING
 LONG LIFE SPACE CHARGES PRODUCED AROUND
DEFECTS– INCREASES LOCALISED FIELD STRENTH DURING
POSITIVE HALF CYCLE OF AC
VERY LOW FREQ HIPOT TEST
 POPULARITY ON INCREASE
 PORTABLE KIT
 CONUMES LESS POWER (1/500OF AC)
 GOOD TEST FOR CONDUCTING AND
HIGH IMPEDANCE DEFECTS
 DONOT INDUCE SPACE CHARGE
 SOME DEFCTS GROW IN AGED CABLE
 DO NOT REPLICATE AC CONDITIONS
VLF TEST SET
VERY LOW FREQUENCY
VLF
 CHARGING CURRENT :

I= V C @ 50 Hz

LARGE TESTING TRANSFORMERS

EXORBITANT COST
 VLF : LOWER COST

0.1 Hz SOURCE < 500 TIMES @ 50 Hz

0.1,0.005,0.02 or 0.01 Hz (AC)
D.C SOURCE XLPE D.C POLARIZATION
VLF SOURCE  CAP 50 F
DIELECTRIC
LOSS ANGLE
 GIVES INFORMATION REG WEAK SPOTS
 PORTABLE
 COSUMES LESS POWER
 EVALUATE WATER TREES – FREQ DOMAIN
 IDENTIFY BAD JOINTS/TERMINATIONS
 Premature failure - HV & EHV
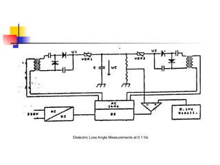
Dielectric Loss Angle Measurements at 0.1 Hz
DIELECTRIC LOSS ANGLE
 IMPERFECTION IN THE DIELECTRIC
 D.L : V 2
ω C TAN 
 D.L : TAN 
 LIMITING VALUES : XLPE
 SOME COUNTRIES
 HEALTHY CABLES
TAN  @ 2 Uo < 1.2 %
Δ TAN   2 Uo & Uo < 0.6 %
 AGED CABLES:
TAN  @ 2 Uo > 2.2 %
Δ TAN   2 Uo & Uo  1.0 %
DIELECTRIC LOSS ANGLE
Cx
R3
Cn
C4
R4
Rx
Rx
Cx
I1
VR = I1 Rx
Vc = I1
/ w Cx
I
V
V1
VR
VC

Tan  = VR / VC
= w Rx Cx
Rx = (C4 / C3) R3
Cx = ( R4 / R3) Cn
Tan  = w R4C4
Cx = Winding capacitance
Cn = Loss-free standard capacitor
R3 = Variable resistance
R4 = Fixed standard resistance
C4 = Variable capacitance
D = Oscilloscopic Null indicator
D
Schematic diagram of measuring circuit of High Voltage
Schering bridge
DIELECTRIC LOSS ANGLE
Tan 
Gaseous loss
Material loss
Voltage
Typical tan delta voltage characteristics
Tan 
Voltage
Degraded insulation
Sound insulation
Curves depicting Sound & Degraded Insulation
PARTIAL DISCHARGE
--XIVE LOCAL ELECTRIC FIELD IN INS
--DUE TO STRESS ENHANCEMENT---
VOIDS/CONTAMINATIONS/CUTS/NICK
WEAKENING OF STRESS—THIN SPOT
--POWERFUL TOOL/LOCATION
POSSIBLE/MAPPING OF SITES/MAGNITU
=CANNOT LOCATE MOISTURE
PARTIAL DISCHARGE CONCEPT
Partial Discharge Test
* Concept of Partial discharges
- Discharge process in which the gap between two
electrodes is only partially bridged.
HV Void
Conductor
Insulation
* Occur in voids & other inhomogenities in the insulation.
* Cause chemical & mechanical destruction of the surrounding
medium & hence premature failure.
PARTIAL DISCHARGE TEST
• AIR GAPS BETWEEN CONDUCTOR AND INSULATION,SHARP
PROJECTIONS FROM CONDUCTORS PROTRUDING TO
INSULATION,MICRO VOIDS,FOREIGN IMPURITIES
• STRAIGHT DETECTION METHOD
Z-Detection
impedance
DETECTOR
T
CX
CB
PARTIAL DISCHARGE
 PATTERN RECOGNIZE & LOCATE
ON SITE
 REALISTIC RESULTS
 HIGH POWER SOURCE
 VLF OR RESONANCE SOURCE
PARTIAL DISCHARGE
VLF PD Detection Set up
VLF PD Detection Set up
TIME DOMAIN REFLECTROMETRY
METHOD ( TDR )
 OFF LINE
 STEP –I : LV TDR MAPPING
 STEP –II :SENSITIVITY
 STEP -III:DIAGNOSTIC TEST FOLLOWED BY DATA ANALYSIS-
INTERPRETATION
 PULSE—4 & 8 V
 WIDTH :20 seconds to 650  seconds
 MATCHING IMPEDANDE 12-35 
 PULSE TRAVELLING –LENGTH CABLE
 CHARCTERISTIC SPEED 480 TO 500 ft /  secs
 IMPEDANCE CHANGES - PULSE REFLECTED
 ESTIMATOR—ORIGINAL & REFLEDTED PULSE
 DIGITALLY PROCESSED
CALIBRATION
 CORRECT SIGNAL MAGNITUDE @ FACTORY
REFERENCE
 TDR MAPPING
 CABLE – SYSTEM-EXCITATION VOLTAGE APPLIED
OPERATING VOLTAGE
 VOLTAGE  RAMPED MAX  DECREASED
OPERATING VOLTAGE -- ZERO
 EACH CABLE- LV TDR- DIAGNOSTIC ANALYSIS --
INFORMATION -- LOCATION OF DEFECTS --SITES
 EACH SITE – GRAPH –  PHASE ANGLE –
MAGNITUDE—pC
STEP-1
STEP - 2
CABLE TEST REPORT
OSCILLATING TEST VOLTAGE METHOD
 PD –SYSTEM -- HUGE SOURCE
 VLF OR RESONANCE
 ALTERNATIVE -- OSCILLATING TEST
VOLTAGE

RISE TIME :10 Secs 

TAIL TIME : 10 m Secs 
 PD DURING TAIL TIME
 NON-CONVENTIONAL TRASIENT VOLTAGE STRESS
 CDA – COMPLEX DISCHARGE ANALYSIS
OSCILLATING WAVE METHOD
 EVALUATE PD
 CABLES
 ACCESSORIES
OSCILLATING WAVE METHOD
 SEQUENCE:
 CABLE- DC VOLTAGE –FEW SECONDS
 DISCH ACROSS CABLE -L (AIR) 1S USING ELEC HV SWITCH
 CREATES AN OSCILLATING VOLTAGE
 RESONANCE FREQUENCY OF DECAY VOLTAGE IS:
 F= 1 / 2   LC
 50 TO 1 K Hz
 TAN  LOW- Q FACTOR : 30 to > 100
 SLOW DECAYING OSCILLATING WAVEFORM , T :0.3 to 1.0 SEC
 PD SIGNALS SIMILLAR TO 50 Hz
 REALISTIC RESULTS
 HIGH POWER SOURCE
 VLF OR RESONANCE SOURCE
EVALUATION
 STEP I :
 PD PULSES ANALYSED

REFLECTION TRAVELLING WAVE ANALYSIS
 PD LOCATION : STATISTICAL EVALUATION
 STEP II :
 CAP & TAN  OSCILLATING TRUE AND FREQUENCY
CHARACTERISTICS
STEP III :PHASE RESOLVED PD PATTERN
 PATTERNS SIMILLAR TO PF CONDITIONS
LIMITING VALUES OF PD MAGNITUDE
Damped AC Circuit & PD Detecting System
Damped AC Circuit & PD Detecting System
FREQUENCY TUNED RESONANT TEST
 ON SITE TEST
 SYSTEM:
 FREQUENCY CONVERTER
 EXCITER TRANSFORMER
 RESONANT REACTOR ( FIXED L )
 HV FILTER Cm ,Cc & Zm
  PD NOISE LEVEL –SITE
  LENGTH - CABLE
COMPLEX DISCHARGE ANALYSER
 ON SITE MEASUREMENTS
 PD HV CABLE
 ATTENUATION—HIGH NOISE
 ACCESSORIES - PROBLEM
 OVER COME –TWO DIRECTIONAL COUPLER SENSORS
—ONE ON EACH SIDE
OF THE JOINT
 LOCATION – ABOVE SEMICON
 ACTUAL DISCHARGE- PD- NOISE
 PD-ON SITE-AFTER LAYING-PERMANENT
MONITORING VALUES
CDA Method
 Front Time : 10 seconds
 Tail time : 10 milli seconds
 PD measurement during the tail
time
 More realistic
 Low voltage stress
 Low Power Demand
Voltage Shape of CDA Test Voltage
Voltage Shape of CDA Test Voltage
COMPARISON OF PD TEST METHOD
PD results identical to Power demand System design demands
Operating conditions and complexity
AC TEST SET Yes Very high High
VLF TEST SET Partially Low High
OSCILLATING WAVE No Low Moderate
CDA TEST SET Yes Low Low
RECOVERY VOLTAGE / RETURN
VOLTAGE TEST
 OFF LINE TEST
 NON- DESTRUCTIVE
 PILC: AGEING EFFECTS AND MOISTURE
CONTENT – BULK INSULATION
 RETURN VOLTAGE CURVE

DETECT DEFECTS
 TEMPERATURE DEPENDENT
 CABLE LENGTH
DIELECTRIC CIRCUIT
 COMBINATION

–IR—PARALLEL

CAPACITANCES

POLAR COMPONENTS

SERIES R-C CIRCUIT

WATER INGRESS -BULK OF INSULATION
 DISCHARGE PATTERN DIFFERS
 PILC, XLPE
 DAMAGE – PILC

LOSS OF OIL

WATER HIGHER CONDUCTIVITY

HIGHER PERMITTIVITY
RVM –TEST SEQUENCE
 CABLE EARTH ISOLATED
 CHARGE @ 1 Kv : 30  minutes
 QUICK DISCHARGE 2-5  seconds
 MEASURE & RECORD RETURN VOLTAGE FOR 30 
minutes
 CHARGE @ 2 Kv : 30  minutes
 QUICK DISCHARGE 2- 5  seconds
 MEASURE & RECORD RETURN VOLTAGE FOR 30 
minutes
 ANALYSE -  PC
POLARIZATION SPECTRUM & DIAGNOSTICS
METHOD
•Principle – Determination of Polarization
spectrum by applying DC Charging &
Discharging of insulation
•Steps 1 thru 5
Plot Ur against time constant tc; Plot gives Polarization spectrum
POLARIZATION SPECTRUM
POLARIZATION SPECTRUM
RVM –TEST – ANALYSIS
 RATIO : RETURN VOLTAEE 1kV/2kV --
PERIOD 30  minutes
 DECREASE OF IR
 INTEGRITY OF INSULATION
 NON-DESTRUCTIVE TEST
 POLARIZATION OF DIELECTRIC
 CURVE:CHARACTERISTIC INFORMATION
AGEING & MOISTURE CONTENT
 FEEDBACK :INGRESS OF MOISTURE
ISOTHERMAL RELAXATION
CURRENT TEST
IRC USES 1 KV DC 1000 SECS TO POLARISE CABLE
INSULATION
 INS POLARISATION TRAPS CHARGE AT DISCRETE
ENERGY LEVELS
DISCHARGE INS. FOR 5 SECS
 DURING THIS PROCESS ELS GIVES RAISE TO DIFF TIME
CONSTANTS IN DISCHARGE CURRENT
 IRC TEST LOOKS FOR TIME CONSTANTS FOR WATER
TREES IN DEGRADED CABLE
 REL CURRENT OCCURING AFTER INS DISCHARGE IS
DIGITISED & PROCSSED
IRC
PC CONVERTS CURRENT INTO CHARGE
AND PLOTS AGAINST TIME
AGEING IS IDENTIFIED BY REL VALUES OF
TIME CONSTANTS
 AUTOMATED CABLE DIGNOSIS IS IN 2
PARTS -- DESTRUCTIVE FREE DETERN. OF
AGEING STATUS
--REIDUAL STRENGTH PROGNASIS IN
THE FORM Kuo=AVAILABLE BY
DESTRUCTIVE STEP TEST
IRC-measurement ABC-1 ABC-2 ABC-3 DEF-1
IRC-ageing class old mid-life mid-life critical
typical RSP 65 kV 80 kV 80 kV 36 kV
calculated RSP 63 kV 62 kV 53 kV 24 kV
comparable RSP 72 kV 82 kV 96 kV 24 kV
Prognosis (mU0
) 5 U0
7 U0
6 U0
3 U0
Step test result (kU0
) 5 U0
8 U0
7 U0
2 U0
IRC PROGNOSIS TABLE
DIELECTRIC RESPONSE IN
FREQUECY DOMAIN
MAJOR PROBLEM—DETERIRATION DUE TO WATER TREES
ONSITE MEAS. USING DIELECTRIC SPECTROSCOPY DETECT
WATER TREES
APPLN OF DIEL FIELD ON MATERIAL--
MECHANISM OF POARISATION & CONDUCTION ARE
ACTUATED
PRESENCE OF WATER TREES LEADS SUCH INCREASES. IN
TURN LEADS TO INC IN DF
FREQ DOMAIN DIELEC SPECTROSCPY-MEAS OF CAP &
DFAS A FN OF FREQAROUND 0.1HZ
FREQ DOMAIN DIELECTRIC
SPECTROSCOPY
SWEPT FREQ—DIFF STAGES OF WATER TREE AGEING, ALSO
OF ACCESSORIES
TYPPICALLY TECHNIQUE MEASURES==
==DF, CAPACITANCE, PERMITTIVITY
==FREQ DOMAIN0.01mHZ TO 1 KHZ
==VOLTAGES UPTO 30 KV
VARIATION OF DP, CAP—REVEALS CONDITION
DR IS CAPABLE OF DISTINGUISHING INFLUENCE OF
JOINTS, TERMIN AND INS DEGRADATION DUE TO WATER
TREEING
METHODOLOGY OF TESTING
SUBJECT CABLE == 5 FREQ SWEEPS
==AT 0.25U, 0.5U, 0.75U, U& BACK
0.5U
==FREQ 0.01 HZ TO 1 KHZ
DR IS ANALYSED
RESIDUAL CHARGE
MEASUREMENT
 DC VOLTAGE FOR PRESTRESSING
 CHARGES ACCUMULATED IN WATER
TREEING
 SHORT CKT FOR 1 MT.
 AC VOLTAGE IS APPLIED
 CHARGES ACCUMULATED IN WATER
TREERELEASED DURING AC,
PRODUCES DC COMPONENT
 CURRENT FLOWING =AC+ DC COMP
 DC COMPONENT IS DETECTED USING
LOW PASS FILTER
 RES CHARGE IS OBTAINED BY
INTEGRATION OF CURRENT SIGNAL
Residual charge Method- Measurement Circuit
Residual charge Method- Measurement Circuit
CABLE DIAGNOSTICS testing - 15-8-2007.ppt
CABLE DIAGNOSTICS testing - 15-8-2007.ppt

CABLE DIAGNOSTICS testing - 15-8-2007.ppt

  • 1.
    DIAGOSTIC TESTING OF POWERCABLES IN SERVICE S.N. MOORCHING, JOINT DIRECTOR (RETD.), CPRI
  • 2.
    INTRODUCTION RELIABILITTY -- GEN/DISTIS INCREASING UNPLANNED SHUTDOWN – TREMONDOUS LOSS OF REVENUE INCONVENIENCE TO CUSTOMER STRATEGY -- CONDITION MONITORING CHECK QUALITY/HEALTH OF CABLE BEFORE SETTING TO OPER/PERIODIC
  • 3.
    NEED FOR CABLEDIAGNOSTICS  FAILURES OF CABLES INCREASING  FAILURE IN BANGALORE 1998-99 1656 1999-00 1713 2000-01 1611 JAN 01- DEC 01 1880  
  • 4.
    AGEING STRESS  CABLES-- AGED  STRESS  DETERIORATION  FAILURE  ELECTRICAL  THERMAL  MECHANICAL  COMBINATION  ENVIORNMENTAL
  • 5.
    MODES OF FAILURE PILC  INTERNAL & SURFACE DISCAHRGES  TRACKING ALONG LAYER OF PAPER  PAPER DRYING - LACK OF IMPR FLUID  MOISTURE INGRESS  FATIGUE FAILURE DUE TO TEMP DIFF—CRACKS IN LEAD SHEATH PI AND COND ARE FACTORS EVAULATE CABLE CODITION  POLYMERIC CABLES  XLPE --- PD- VOIDS/CONT, TREEING  WATER & ELECTRICAL OVERHEATING/DEFORMATION/TRACKING
  • 8.
    TREEING  THREE TYPES-ELEC/WATER/ELE.CHEM ELEC TREE INITIATION-VOIDS/MET IMPURITIES/PROJ IN SC SHLDG/STRESS CONC/BD OF INS  WATER TREEING—PRES OF MOIST+ELECT FIELD  E C TREEING—MOISTURE+CHEM+ ELEC STRESS
  • 15.
    WATER TREE EVALUATIONTECHNIQUE  CURRENT MAGNITUDE  CURRENT TREND  DC CONDUCTIVITY  DETERIORATION  NON- LINEARITY– DR W R T CHARGING VOLTAGE
  • 16.
    DIAGNOSTIC TESTING TECHNIQUES HELPS IN– STATE CONDITION --REPLACE/REPAIR --EXTEND LIFE  SEVERAL TEST METHODS --EACH HAS ITS MERITS/DEMERITS --NO INDUVIDUAL TEST GIVES FULL INFORMATION --LOT OF RESEARCH WORK IS STILL IN PROGRESS TO UNDERSTAND DEGRADATION --FINDING TOOLS FOR INS DIAGNOSIS/RLA
  • 17.
    DIAGNOSTIC TESTS  IEEE-400-2001FIELD TESTING & EVALUATON OF MV CABLES -- AC HIPOT TESTING --DC HIPOT --0.1 HZ HIPOT (VLF) -- DISS FACTOR AT VLF --PD TESTS --OSC WAVE PD / COMPLEX DISCHARGE ANALYSER
  • 18.
     EXCEPT PD– REVEAL STATE & CONDITION PD -- INCIPIENT FAULTS  OTHER PRACTICES -- RECOVERY VOLTAGE -- DIELECRIC SPECTROSCOPY, CAP & DF AT FREQ OF 0.001 TO 2HZ -- ISOTHERMAL RELAXATION CURRENT
  • 19.
    AC HIPOT TEST 2-3 TIMES OPERATING VOLTAGE  MASSIVE TEST KIT  LARGE POWER REQUIREMENT  GO-NO GO TEST  DEGRADATION OF WEAK SPOT  DO NOT IDENTIFY LOCALISED DEFECT  REQUIRES RESONANT TEST SET
  • 20.
    DC HIPOT TEST MOSTPOPULAR SINCE LONG --SMALL SIZE KIT --SMALL POWER REQUIREMENT --IDENTIFY DEFECTS LIKE WATER LAMINATION --INDUCE SPACE CHARGE --SOME DEFECTS GROW IN AGED CABS --DONOT REPLICATE AC CONDITION --DONOT REVEAL HIGH IMP DEFECTS SUCH AS VOIDS, CUTS/NICKS --DURING 97-02, 10% OF DC TESTED FAILED
  • 22.
    DC HIPOT TEST IN USE IN CASE OF PILC CABLE SINCE LONG. TEST VOLT LEVEL=4 TO 5 Uo AS PER AEIC AND IEEE  COULD ISOLATE DEFECT WITHOUT DAMAGE TO CABLE  XLPE REQD. 5 TO 8Uo TO BREAK  RCOMM. OF IEEE 400-2001/IEC/VDE FURNISHED
  • 23.
    Testing according toIEEE 400-2001 Guide for Field Testing and Evaluation of insulation of service aged cable system recommends the following voltages for 5kV to 500kV cables. System Voltage KV Accepted Voltage DC KV Phase to Ground Maintenance Voltage DCKV Phase to Ground 5 28 23 15 56 46 25 75 61 69 175 130 115 275 205
  • 24.
    Test voltages accordingto IEC & VDE System Voltage KV Standard After laying test KVDC Phase to Ground 1 to 30 IEC 502 VDE 0276 4 Uo/15 min No DC 45 to 150 IEC 840 VDE 0263 3Uo/15 min 150 to 500 No DC Not defined
  • 25.
    DC HIPOT TEST PREMATUREFAILURES OF DC TESTED SERVICE AGED CABLES==ALTERNATE TESTIND TECHN.. VLF/OSC WAVE EFFCT OF DC ON PILC CABLE --DEGRADATION HASTENS TO AN EXTENT --NO PREMATURE FAILRES REPORTED --CERTAIN FAULTS-WATER ENTRY-CAN BE DETECTED
  • 26.
    EFFECT OF DCON XLPE  SEVERAL FAILURES AFTER RETURNING TO SERVICE  REDUCES LIFE/INCREASES WATER TREE GROWTH/NO EFFECT ON NEW CABLE BEFORE ENERGISING  LONG LIFE SPACE CHARGES PRODUCED AROUND DEFECTS– INCREASES LOCALISED FIELD STRENTH DURING POSITIVE HALF CYCLE OF AC
  • 27.
    VERY LOW FREQHIPOT TEST  POPULARITY ON INCREASE  PORTABLE KIT  CONUMES LESS POWER (1/500OF AC)  GOOD TEST FOR CONDUCTING AND HIGH IMPEDANCE DEFECTS  DONOT INDUCE SPACE CHARGE  SOME DEFCTS GROW IN AGED CABLE  DO NOT REPLICATE AC CONDITIONS
  • 28.
  • 29.
    VERY LOW FREQUENCY VLF CHARGING CURRENT :  I= V C @ 50 Hz  LARGE TESTING TRANSFORMERS  EXORBITANT COST  VLF : LOWER COST  0.1 Hz SOURCE < 500 TIMES @ 50 Hz  0.1,0.005,0.02 or 0.01 Hz (AC) D.C SOURCE XLPE D.C POLARIZATION VLF SOURCE  CAP 50 F
  • 30.
    DIELECTRIC LOSS ANGLE  GIVESINFORMATION REG WEAK SPOTS  PORTABLE  COSUMES LESS POWER  EVALUATE WATER TREES – FREQ DOMAIN  IDENTIFY BAD JOINTS/TERMINATIONS  Premature failure - HV & EHV
  • 31.
    Dielectric Loss AngleMeasurements at 0.1 Hz
  • 32.
    DIELECTRIC LOSS ANGLE IMPERFECTION IN THE DIELECTRIC  D.L : V 2 ω C TAN   D.L : TAN   LIMITING VALUES : XLPE  SOME COUNTRIES  HEALTHY CABLES TAN  @ 2 Uo < 1.2 % Δ TAN   2 Uo & Uo < 0.6 %  AGED CABLES: TAN  @ 2 Uo > 2.2 % Δ TAN   2 Uo & Uo  1.0 %
  • 34.
    DIELECTRIC LOSS ANGLE Cx R3 Cn C4 R4 Rx Rx Cx I1 VR= I1 Rx Vc = I1 / w Cx I V V1 VR VC  Tan  = VR / VC = w Rx Cx Rx = (C4 / C3) R3 Cx = ( R4 / R3) Cn Tan  = w R4C4 Cx = Winding capacitance Cn = Loss-free standard capacitor R3 = Variable resistance R4 = Fixed standard resistance C4 = Variable capacitance D = Oscilloscopic Null indicator D Schematic diagram of measuring circuit of High Voltage Schering bridge
  • 35.
    DIELECTRIC LOSS ANGLE Tan Gaseous loss Material loss Voltage Typical tan delta voltage characteristics Tan  Voltage Degraded insulation Sound insulation Curves depicting Sound & Degraded Insulation
  • 36.
    PARTIAL DISCHARGE --XIVE LOCALELECTRIC FIELD IN INS --DUE TO STRESS ENHANCEMENT--- VOIDS/CONTAMINATIONS/CUTS/NICK WEAKENING OF STRESS—THIN SPOT --POWERFUL TOOL/LOCATION POSSIBLE/MAPPING OF SITES/MAGNITU =CANNOT LOCATE MOISTURE
  • 37.
    PARTIAL DISCHARGE CONCEPT PartialDischarge Test * Concept of Partial discharges - Discharge process in which the gap between two electrodes is only partially bridged. HV Void Conductor Insulation * Occur in voids & other inhomogenities in the insulation. * Cause chemical & mechanical destruction of the surrounding medium & hence premature failure.
  • 38.
    PARTIAL DISCHARGE TEST •AIR GAPS BETWEEN CONDUCTOR AND INSULATION,SHARP PROJECTIONS FROM CONDUCTORS PROTRUDING TO INSULATION,MICRO VOIDS,FOREIGN IMPURITIES • STRAIGHT DETECTION METHOD Z-Detection impedance DETECTOR T CX CB
  • 39.
    PARTIAL DISCHARGE  PATTERNRECOGNIZE & LOCATE ON SITE  REALISTIC RESULTS  HIGH POWER SOURCE  VLF OR RESONANCE SOURCE
  • 40.
    PARTIAL DISCHARGE VLF PDDetection Set up VLF PD Detection Set up
  • 41.
    TIME DOMAIN REFLECTROMETRY METHOD( TDR )  OFF LINE  STEP –I : LV TDR MAPPING  STEP –II :SENSITIVITY  STEP -III:DIAGNOSTIC TEST FOLLOWED BY DATA ANALYSIS- INTERPRETATION  PULSE—4 & 8 V  WIDTH :20 seconds to 650  seconds  MATCHING IMPEDANDE 12-35   PULSE TRAVELLING –LENGTH CABLE  CHARCTERISTIC SPEED 480 TO 500 ft /  secs  IMPEDANCE CHANGES - PULSE REFLECTED  ESTIMATOR—ORIGINAL & REFLEDTED PULSE  DIGITALLY PROCESSED
  • 42.
    CALIBRATION  CORRECT SIGNALMAGNITUDE @ FACTORY REFERENCE  TDR MAPPING  CABLE – SYSTEM-EXCITATION VOLTAGE APPLIED OPERATING VOLTAGE  VOLTAGE  RAMPED MAX  DECREASED OPERATING VOLTAGE -- ZERO  EACH CABLE- LV TDR- DIAGNOSTIC ANALYSIS -- INFORMATION -- LOCATION OF DEFECTS --SITES  EACH SITE – GRAPH –  PHASE ANGLE – MAGNITUDE—pC
  • 43.
  • 44.
  • 45.
  • 47.
    OSCILLATING TEST VOLTAGEMETHOD  PD –SYSTEM -- HUGE SOURCE  VLF OR RESONANCE  ALTERNATIVE -- OSCILLATING TEST VOLTAGE  RISE TIME :10 Secs   TAIL TIME : 10 m Secs   PD DURING TAIL TIME  NON-CONVENTIONAL TRASIENT VOLTAGE STRESS  CDA – COMPLEX DISCHARGE ANALYSIS
  • 48.
    OSCILLATING WAVE METHOD EVALUATE PD  CABLES  ACCESSORIES
  • 50.
    OSCILLATING WAVE METHOD SEQUENCE:  CABLE- DC VOLTAGE –FEW SECONDS  DISCH ACROSS CABLE -L (AIR) 1S USING ELEC HV SWITCH  CREATES AN OSCILLATING VOLTAGE  RESONANCE FREQUENCY OF DECAY VOLTAGE IS:  F= 1 / 2   LC  50 TO 1 K Hz  TAN  LOW- Q FACTOR : 30 to > 100  SLOW DECAYING OSCILLATING WAVEFORM , T :0.3 to 1.0 SEC  PD SIGNALS SIMILLAR TO 50 Hz  REALISTIC RESULTS  HIGH POWER SOURCE  VLF OR RESONANCE SOURCE
  • 51.
    EVALUATION  STEP I:  PD PULSES ANALYSED  REFLECTION TRAVELLING WAVE ANALYSIS  PD LOCATION : STATISTICAL EVALUATION  STEP II :  CAP & TAN  OSCILLATING TRUE AND FREQUENCY CHARACTERISTICS STEP III :PHASE RESOLVED PD PATTERN  PATTERNS SIMILLAR TO PF CONDITIONS
  • 53.
    LIMITING VALUES OFPD MAGNITUDE
  • 54.
    Damped AC Circuit& PD Detecting System Damped AC Circuit & PD Detecting System
  • 55.
    FREQUENCY TUNED RESONANTTEST  ON SITE TEST  SYSTEM:  FREQUENCY CONVERTER  EXCITER TRANSFORMER  RESONANT REACTOR ( FIXED L )  HV FILTER Cm ,Cc & Zm   PD NOISE LEVEL –SITE   LENGTH - CABLE
  • 56.
    COMPLEX DISCHARGE ANALYSER ON SITE MEASUREMENTS  PD HV CABLE  ATTENUATION—HIGH NOISE  ACCESSORIES - PROBLEM  OVER COME –TWO DIRECTIONAL COUPLER SENSORS —ONE ON EACH SIDE OF THE JOINT  LOCATION – ABOVE SEMICON  ACTUAL DISCHARGE- PD- NOISE  PD-ON SITE-AFTER LAYING-PERMANENT MONITORING VALUES
  • 58.
    CDA Method  FrontTime : 10 seconds  Tail time : 10 milli seconds  PD measurement during the tail time  More realistic  Low voltage stress  Low Power Demand
  • 59.
    Voltage Shape ofCDA Test Voltage Voltage Shape of CDA Test Voltage
  • 60.
    COMPARISON OF PDTEST METHOD PD results identical to Power demand System design demands Operating conditions and complexity AC TEST SET Yes Very high High VLF TEST SET Partially Low High OSCILLATING WAVE No Low Moderate CDA TEST SET Yes Low Low
  • 61.
    RECOVERY VOLTAGE /RETURN VOLTAGE TEST  OFF LINE TEST  NON- DESTRUCTIVE  PILC: AGEING EFFECTS AND MOISTURE CONTENT – BULK INSULATION  RETURN VOLTAGE CURVE  DETECT DEFECTS  TEMPERATURE DEPENDENT  CABLE LENGTH
  • 62.
    DIELECTRIC CIRCUIT  COMBINATION  –IR—PARALLEL  CAPACITANCES  POLARCOMPONENTS  SERIES R-C CIRCUIT  WATER INGRESS -BULK OF INSULATION  DISCHARGE PATTERN DIFFERS  PILC, XLPE  DAMAGE – PILC  LOSS OF OIL  WATER HIGHER CONDUCTIVITY  HIGHER PERMITTIVITY
  • 63.
    RVM –TEST SEQUENCE CABLE EARTH ISOLATED  CHARGE @ 1 Kv : 30  minutes  QUICK DISCHARGE 2-5  seconds  MEASURE & RECORD RETURN VOLTAGE FOR 30  minutes  CHARGE @ 2 Kv : 30  minutes  QUICK DISCHARGE 2- 5  seconds  MEASURE & RECORD RETURN VOLTAGE FOR 30  minutes  ANALYSE -  PC
  • 64.
    POLARIZATION SPECTRUM &DIAGNOSTICS METHOD •Principle – Determination of Polarization spectrum by applying DC Charging & Discharging of insulation •Steps 1 thru 5 Plot Ur against time constant tc; Plot gives Polarization spectrum
  • 65.
  • 66.
  • 67.
    RVM –TEST –ANALYSIS  RATIO : RETURN VOLTAEE 1kV/2kV -- PERIOD 30  minutes  DECREASE OF IR  INTEGRITY OF INSULATION  NON-DESTRUCTIVE TEST  POLARIZATION OF DIELECTRIC  CURVE:CHARACTERISTIC INFORMATION AGEING & MOISTURE CONTENT  FEEDBACK :INGRESS OF MOISTURE
  • 68.
    ISOTHERMAL RELAXATION CURRENT TEST IRCUSES 1 KV DC 1000 SECS TO POLARISE CABLE INSULATION  INS POLARISATION TRAPS CHARGE AT DISCRETE ENERGY LEVELS DISCHARGE INS. FOR 5 SECS  DURING THIS PROCESS ELS GIVES RAISE TO DIFF TIME CONSTANTS IN DISCHARGE CURRENT  IRC TEST LOOKS FOR TIME CONSTANTS FOR WATER TREES IN DEGRADED CABLE  REL CURRENT OCCURING AFTER INS DISCHARGE IS DIGITISED & PROCSSED
  • 69.
    IRC PC CONVERTS CURRENTINTO CHARGE AND PLOTS AGAINST TIME AGEING IS IDENTIFIED BY REL VALUES OF TIME CONSTANTS  AUTOMATED CABLE DIGNOSIS IS IN 2 PARTS -- DESTRUCTIVE FREE DETERN. OF AGEING STATUS --REIDUAL STRENGTH PROGNASIS IN THE FORM Kuo=AVAILABLE BY DESTRUCTIVE STEP TEST
  • 72.
    IRC-measurement ABC-1 ABC-2ABC-3 DEF-1 IRC-ageing class old mid-life mid-life critical typical RSP 65 kV 80 kV 80 kV 36 kV calculated RSP 63 kV 62 kV 53 kV 24 kV comparable RSP 72 kV 82 kV 96 kV 24 kV Prognosis (mU0 ) 5 U0 7 U0 6 U0 3 U0 Step test result (kU0 ) 5 U0 8 U0 7 U0 2 U0 IRC PROGNOSIS TABLE
  • 73.
    DIELECTRIC RESPONSE IN FREQUECYDOMAIN MAJOR PROBLEM—DETERIRATION DUE TO WATER TREES ONSITE MEAS. USING DIELECTRIC SPECTROSCOPY DETECT WATER TREES APPLN OF DIEL FIELD ON MATERIAL-- MECHANISM OF POARISATION & CONDUCTION ARE ACTUATED PRESENCE OF WATER TREES LEADS SUCH INCREASES. IN TURN LEADS TO INC IN DF FREQ DOMAIN DIELEC SPECTROSCPY-MEAS OF CAP & DFAS A FN OF FREQAROUND 0.1HZ
  • 75.
    FREQ DOMAIN DIELECTRIC SPECTROSCOPY SWEPTFREQ—DIFF STAGES OF WATER TREE AGEING, ALSO OF ACCESSORIES TYPPICALLY TECHNIQUE MEASURES== ==DF, CAPACITANCE, PERMITTIVITY ==FREQ DOMAIN0.01mHZ TO 1 KHZ ==VOLTAGES UPTO 30 KV VARIATION OF DP, CAP—REVEALS CONDITION DR IS CAPABLE OF DISTINGUISHING INFLUENCE OF JOINTS, TERMIN AND INS DEGRADATION DUE TO WATER TREEING
  • 76.
    METHODOLOGY OF TESTING SUBJECTCABLE == 5 FREQ SWEEPS ==AT 0.25U, 0.5U, 0.75U, U& BACK 0.5U ==FREQ 0.01 HZ TO 1 KHZ DR IS ANALYSED
  • 86.
    RESIDUAL CHARGE MEASUREMENT  DCVOLTAGE FOR PRESTRESSING  CHARGES ACCUMULATED IN WATER TREEING  SHORT CKT FOR 1 MT.  AC VOLTAGE IS APPLIED  CHARGES ACCUMULATED IN WATER TREERELEASED DURING AC, PRODUCES DC COMPONENT
  • 87.
     CURRENT FLOWING=AC+ DC COMP  DC COMPONENT IS DETECTED USING LOW PASS FILTER  RES CHARGE IS OBTAINED BY INTEGRATION OF CURRENT SIGNAL
  • 88.
    Residual charge Method-Measurement Circuit Residual charge Method- Measurement Circuit