B 737 NG Ground School.
See the aircraft study guide at www.theorycentre.com
The information contained here is for training purposes only. It is of a general nature it is
unamended and does not relate to any individual aircraft. The FCOM must be consulted for
up to date information on any particular aircraft.
LANDING GEAR
Introduction
The airplane has two main landing gear and a single nose gear. Each main gear is
a conventional two–wheel landing gear unit. The nose gear is a conventional
steerable two–wheel unit.
Hydraulic power for retraction, extension, and nose wheel steering is normally
supplied by hydraulic system A.
A manual landing gear extension system and an alternate source of hydraulic
power for nose wheel steering are also provided.
The normal brake system is powered by hydraulic system B. The alternate brake
system is powered by hydraulic system A.
Antiskid protection is provided on both brake systems, but the autobrake system is
available only with the normal brake system.
System A Powers.
Landing Gear
extension and
retraction (Normal).
Nose Wheel
Steering .
ALTERNATE
BRAKING.
System B Powers.
Normal Braking
Alternate Nose
Wheel Steering.
Alternate
RETRACTION
ONLY.
Landing Gear Extension
When the LANDING GEAR lever is moved to DN, hydraulic system A
pressure is used to release the uplocks. The landing gear extends by
hydraulic pressure, gravity and air loads. Over centre mechanical and
hydraulic locks hold the gear at full extension.
The nose wheel doors remain open when the gear is down.
Normal Operation :
Hydraulic system A.
DOWN selection puts HYD
pressure to down lines.
Landing Gear Retraction
When the LANDING GEAR lever is moved to UP, the landing gear begins to
retract.
During retraction, the brakes automatically stop rotation of the main gear
wheels.
After retraction, the main gear are held in place by mechanical uplocks.
Rubber seals and oversized hubcaps complete the fairing of the outboard
wheels.
The nose wheels retract forward into the wheel well and nose wheel rotation is
stopped by snubbers. The nose gear is held in place by an over center lock and
enclosed by doors which are mechanically linked to the gear.
Normal Operation :
Hydraulic system A.
DOWN selection puts HYD
pressure to down lines.
UP Hydraulic Pressure to UP lines.
.
During retraction, the brakes automatically stop rotation of the
main gear wheels.
Nose wheel rotation is stopped by snubbers
Hydraulic pressure is removed from the landing gear system with the
LANDING GEAR lever in the OFF position.
Normal Operation :
Hydraulic system A.
DOWN selection puts HYD
pressure to down lines.
UP Hydraulic Pressure to UP lines.
OFF REMOVES PRESSURE.
EXTEND 270 Knots or M0.82. (Air loads on the nose gear.)
RETRACT 235 Knots. (Air loads)
EXTENDED 320 Knots or M0.82
OPERATING LIMITATIONS.
MAIN LANDING GEAR ACTUATION
Down and locked
Up lock
Down lock
Up lock
roller
Actuator
Locked up
Transit
NOSE LANDING GEAR ACTUATION
FWD
Down and locked
Actuator
Lock Mechanism
Lock Actuator
Transit
Locked up
Landing Gear Operation
The landing gear are normally controlled by the LANDING GEAR
lever.
On the ground, a landing gear lever lock, prevents the LANDING
GEAR lever from moving to the up position.
An override trigger in the lever may be used to bypass the landing gear
lever lock.
In flight, the air/ground system energizes a solenoid which opens the
lever lock.
Landing Gear Lever Lock Mechanism
In Ground mode. The landing gear lever is locked in the down position.
Landing gear lever lock pawl
(Lever lock position.)
Landing gear lever unlock solenoid
Landing Gear Lever Lock Mechanism
In Air mode the Lever lock solenoid is energised and the lever is
unlocked. The lever must be pulled out before it can be moved to UP
Locked Ground mode. Unlocked Air mode.
Landing Gear Lever Lock Mechanism
In Air mode the Lever lock solenoid is energised and the lever is
unlocked. The lever must be pulled out before it can be moved to UP
Unlocked Air mode.
Unlocked and lever pulled out.
Landing Gear Lever Lock Mechanism
If the lever lock fails to unlock the Lever Lock Override Trigger may be used to
manually unlock the lever.
Solenoid failed. Locking
pawl lock position
Landing gear lever
pulled out and lock
release trigger pulled
Use of the landing gear override trigger must be strictly in
accordance with the QRH.
This will be found in the Unannunciated section
(No lights or other indications)
There are 3 reasons why this may have happened.
1. The unlocking solenoid has failed. This is simple and the gear can be
retracted using the override trigger.
2. A failure of the Air/Ground sensing system. This means that many
aircraft systems are still in the ground mode and will not correctly
function in flight. The aircraft must be landed.
3. The Ground spoiler bypass valve failed to close at takeoff. (mechanical
linkage on the right main gear.) This means that use of the speed brakes in
flight could potentially cause the ground spoilers to deploy. Items 2 and 3
require a landing. Follow the QRH procedures to identify the failure.
The landing gear position indicating and warning system shows landing gear
position in the flight compartment. It also warns the pilots when the landing
gear is not down for a landing.
Inputs
The landing gear position indicating and warning system uses these proximity
sensors to supply landing gear position data to the proximity switch
electronics unit (PSEU):
Left and right main gear up and locked sensors (2 on each up lock)
Left and right main gear down lock sensors (2 on each down lock)
Nose gear up/down lock sensors (2 the same sensors are used Up and Down)
Nose gear down sensors (2).
The PSEU processes all of the inputs and sends signals to the landing gear
position lights and the aural warning module.
Three red landing gear position lights come on when the landing gear moves
during extension and retraction and during the gear not down warning.
When the landing gear extends to the down and locked position, three
primary and three auxiliary green landing gear position lights come on. The
primary and secondary indicators use independent sensors.
LANDING GEAR POSITION INDICATING
AFT OVERHEAD PANEL
Landing Gear Indicator Lights (overhead)
Illuminated (green) – related gear down and locked.
Note: Landing gear warning horn is deactivated with
all gear down and locked.
Note: Landing gear is down and locked as long as
one green landing gear indicator light (centre panel or
overhead panel) for each gear is illuminated.
Extinguished – landing gear is not down and locked.
Primary indicators
Auxiliary indicators.
Landing Gear Manual Extension
If hydraulic system A pressure is lost, the manual extension system
provides another means of landing gear extension. Manual gear
releases on the flight deck are used to release uplocks that allow the
gear to free–fall to the down and locked position.
The forces that pull the gear down are gravity and air loads.
With the manual extension access door open:
• manual landing gear extension is possible with the LANDING
GEAR lever in any position. The lever should be in the OFF position
to ensure that no hydraulic lock exists.
• normal landing gear extension is possible if hydraulic system A
pressure is available.
• landing gear retraction is disabled a switch on the access door
electrically depressurises the up lines to ensure the gear is free to
lower.
Alternate Lowering.
If Hydraulic System A is
failed then the gear must
be extended Manually.
Alternate Lowering.
• Maximum airspeed is 270 Knots
• Nose wheel extension assisted by air load
• Allow 15 seconds for gear to extend & lock
• Gear Lever should be selected OFF
• Recommended for F/O to extend.
Alternate Lowering.
Manual Gear Extension handles
• Located on the floor aft of, &
between, the FOs seat & the centre
console
• Length of cable is 60 cm First part of
travel is free play only.
• Friction through last portion of travel
actually releases the up locks.
• Manual Extension Access Door
• With the door open, NORMAL
Extension is Possible. (With SYS A)
• RETRACTION IS NOT POSSIBLE
• Door position switch sets selector valve
to bypass. Up lines are open to return
system only. This ensures no hydraulic
lock during manual extension.
• If the gear will not retract check that the
access door is properly closed.
SYS A SYS B
NORMAL ALTERNATE
N2 < 50%
LANDING GEAR TRANSFER UNIT
B system supplies the volume of hydraulic fluid required to raise the
landing gear at the normal rate when all of the following conditions exist:
• airborne
• No. 1 engine RPM drops below a limit value
• LANDING GEAR lever is positioned UP
• either main landing gear is not up and locked.
SYS A SYS B
NORMAL ALTERNATE
N2 < 50%
LANDING GEAR TRANSFER UNIT
B system supplies the volume of hydraulic fluid required to raise the
landing gear at the normal rate when all of the following conditions exist:
• airborne
• No. 1 engine RPM drops below a limit value
• LANDING GEAR lever is positioned UP
• either main landing gear is not up and locked.
This allows rapid gear retraction if an engine failure occurs between V1
and gear up.
fran·gi·ble adj.Capable of being broken; breakable.
If a main landing gear tire is damaged during takeoff, it is possible that
braking of the main gear wheels during retraction may be affected. A
spinning tire with a loose tread must be stopped prior to entering the
wheel well or it can cause damage to wheel well components. When a
spinning tire with loose tread impacts a fitting in the wheel well ring
opening, that gear stops retracting and free falls back to the down position.
The affected gear cannot be retracted until the fitting is replaced.
Frangible Fitting
Hydraulic A system pressure
Volume fuse
Frangible fitting
Main gear retract pressure
If the frangible fitting breaks the volume fuse seals the line after a measured volume of fluid
has passed. This preserves the remainder of the system fluid.
FRANGIBLE FITTING
Air/Ground System
In flight and ground operation of various airplane systems are
controlled by the air/ground system.
The system receives air/ground logic signals from six sensors, two on
each landing gear. These signals are used to configure the airplane
systems to the appropriate air or ground status.
The air/ground system supplies air/ground discrete signals to
many airplane systems.
The proximity switch electronics unit (PSEU) is a component of
the air/ground system. Many airplane systems send signals to
the PSEU through position sensors and switches. The PSEU
also controls the air/ground relays.
Proximity Switch Electronic Unit (PSEU)
The PSEU monitors the following systems:
• takeoff configuration warnings
• landing configurations warnings
• landing gear
• air/ground sensing.
The PSEU, its sensors, and its input signals are monitored for internal faults. When designated
faults are detected, a PSEU light on the aft overhead panel illuminates, and the OVERHEAD
system annunciator light and MASTER CAUTION lights illuminate.
The PSEU light, OVERHEAD system annunciator and Master Caution illuminate
automatically for simple faults, but only after a landing. The PSEU light
extinguishes when a parking brake is set or when both engines are turned off.
The PSEU light is inhibited:
• in flight
• when the thrust levers are advanced toward takeoff power
• for 30 seconds after landing.
Some aircraft the PSEU light may illuminate during recall. In this case, with a simple
fault, resetting the MASTER CAUTION system extinguishes the PSEU light.
A proximity sensor is an electronic sensor capable of detecting the
presence of nearby objects without physical contact. It emits an
electromagnetic field and then looks for changes in the return signal or
field. The object that is being sensed is the proximity sensor's target. An
inductive proximity sensor requires a metal target. Proximity sensors have
a long functional life and high reliability due to the absence of mechanical
parts and the lack of physical contact between the sensor and the target.
The sensor normally does not move it is mounted to the aircraft or
component. The target moves close and the sensor sends a NEAR signal
to the PSEU or the target moves away from the sensor and the sensor
send a FAR signal. These are the only 2 sensing conditions.
Typical aircraft installation.
2 sensors channel A &B
Moving steel target
Near or Far.
MAIN GEAR AIR GROUND SENSORS
Sensors Amber. Targets Green
Weight on wheels Near Ground mode
Weight off wheels Far Air mode.
Nose Wheel Steering
Nose wheel steering is available when the nose gear is in the down
position and compressed by weight of the airplane. Positioning the
landing gear control lever to down makes system A hydraulic pressure
available to the steering metering valve. Alternate nose wheel steering
can be activated to provide system B pressure to the nose wheels when
the NOSE WHEEL STEERING switch is placed to ALT, normal
quantity is in the system B reservoir, and the airplane is on the ground.
In the event of a hydraulic leak downstream of the Landing Gear
Transfer Unit resulting in a loss of hydraulic system B fluid in the
reservoir, a sensor closes the Landing Gear Transfer Valve and
alternate steering will be lost.
Primary steering is controlled through the nose wheel steering wheel.
Limited steering control is available through the rudder pedals. A
pointer on the nose steering wheel assembly shows nose wheel
steering position relative to the neutral setting. Rudder pedal steering
is deactivated as the nose gear strut extends.
A lockout pin may be installed in the towing lever to depressurize nose
wheel steering. This allows airplane pushback or towing without
depressurizing the hydraulic systems.
Steering pointer centred
Full right indication
Steering lock out pin fitted
Simplified Nose Wheel Steering System Diagram.
Captains Steering tiller
FO’s Steering tiller (Option)
Rudder pedal input
Nose gear shock strut inner cylinder
Push pull actuators
Steering input
summing lever
Steering metering valve
Steering shut off valve
Landing gear transfer valve
System A normal System B Altn
Steering inputs are from the steering wheels or the rudder pedals. When you move the captain or
first officer steering wheel full travel, the nose wheels turn a maximum of 78 degrees in the left
or right direction. When you move the rudder pedals full travel on the ground, the nose wheels
turn a maximum of 7 degrees in the left or right direction. Steering inputs from the steering
wheels or rudder pedals go to the metering valve through a cable loop and summing mechanism.
78⁰ Tiller
7⁰ Pedals
Tail turning radius
74.9 feet 22.8 Metres
Wing tip turning radius
72.1 feet 22.0 Metres
Turning radius for -800. 600, 700 and 900 differ.
Red line on the door indicates the
maximum steering angle for the
tow bar. 78⁰ limit.
SYS A SYS B
NORMAL ALTERNATE
Nose Wheel Steering
Alternate nose wheel steering can be
activated to provide system B pressure
to the nose wheels when the NOSE WHEEL
STEERING switch is placed to ALT,
Alternate Nose wheel steering selector switch.
SYS A SYS B
NORMAL ALTERNATE
GUARDED NORMAL.
HYD SYS A.
ALT. HYD SYS B
NOSE WHEEL STEERING SW.
Nose Wheel Steering
Alternate nose wheel steering can be
activated to provide system B pressure
to the nose wheels when the NOSE WHEEL
STEERING switch is placed to ALT,
SYS A SYS B
NORMAL ALTERNATE
GUARDED NORMAL.
HYD SYS A.
ALT. HYD SYS B
NOSE WHEEL STEERING
SW.
Requires:
Switch to Alternate.
Sys B Reservoir quantity Normal. More than
21% in the reservoir. This protects B system if
there is a leak in the NWS system.
Nose Gear AIR/Ground SYS Ground mode.
Then Landing Gear transfer unit allows SYS B
Pressure to Steering actuator.
If the manual gear extension door is open is it possible to retract the gear?
If the manual gear extension door is open is it possible to retract the gear?
Normal gear extension is possible retraction is not possible.
landing gear retraction is disabled a switch on the access
door electrically depressurises the up lines to ensure the
gear is free to lower.
The air/ground sensing system receives logic signals from.
The air/ground sensing system receives logic signals from.
Two proximity sensors on each gear.
Air/Ground System
In flight and ground operation of various airplane systems
are controlled by the air/ground system.
The system receives air/ground logic signals from six
sensors, two on each landing gear.
Located on the Aft Overhead Panel.
Independent Down Locked Indication.
Is the gear down and locked?
Located on the Aft Overhead Panel.
Independent Down Locked Indication.
Is the gear down and locked?
YES there is one green light for
each gear. A green light cannot
show if the gear is not locked
down.
The primary channel is showing
a right gear red light because
that channel is not detecting the
down locked sensor.
If the nose gear steering lock out pin is not installed during
pushback what is it necessary to do?
a. Select hydraulic system B pumps OFF.
b. Keep your feet clear of the rudder pedals to prevent
damage to the steering system.
c. Select hydraulic system A pumps OFF.
d. Select all hydraulic pumps OFF.
If the nose gear steering lock out pin is not installed during
pushback what is it necessary do?
a. Select hydraulic system B pumps OFF.
b. Keep your feet clear of the rudder pedals to prevent
damage to the steering system.
c. Select hydraulic system A pumps OFF.
d. Select all hydraulic pumps OFF.
Positioning the landing gear control lever to down makes system A
hydraulic pressure available to the steering metering valve.
Impact frangible fittings on the rim of each main wheel well are intended to?
B737 Tire speed limit = 225 MPH / 195 kt.
Tyre failure at 120 MPH!
fran·gi·ble adj.Capable of being broken; breakable.
If a main landing gear tire is damaged during takeoff, it is possible that
braking of the main gear wheels during retraction may be affected. A
spinning tire with a loose tread must be stopped prior to entering the
wheel well or it can cause damage to wheel well components. When a
spinning tire with loose tread impacts a fitting in the wheel well ring
opening, that gear stops retracting and free falls back to the down position.
The affected gear cannot be retracted until the fitting is replaced.
Frangible Fitting
Hydraulic A system pressure
Volume fuse
Frangible fitting
Main gear retract pressure
If the frangible fitting breaks the volume fuse seals the line after a measured volume of fluid
has passed. This preserves the remainder of the system fluid.
Brake System
Each main gear wheel has a multi–disc hydraulic powered brake.
The brake pedals provide independent control of the left and right brakes.
The nose wheels have no brakes. The brake system includes:
• normal brake system
• alternate brake system
• brake accumulator
• antiskid protection
• autobrake system
• parking brake
Optional
• brake temperature indication
Multi disc brake assembly
Hydraulic pistons act on pressure plate to
apply brakes
Springs in the adjuster pull the
pressure plate back to release
the brakes
Hydraulic Piston
Pressure plate
Wear pin
Available wear remaining with
Brakes ON
Automatic adjuster and return spring
Brake Systems
• There are three brake systems
• Normal
Hydraulic system B.
Brake metering valves toe operated from
rudder pedals. Adjust system pressure
more force applied on pedals higher brake
Pressure.
Brake Systems
Auto brake control module is an electronic
Metering valve.
Anti skid valves adjust the brake pressure
To each wheel to prevent wheel locking.
Brake Systems
Alternate
Hydraulic system A. Automatically
selected if System B is low pressure
Alternate brake metering valves
Slaved together with normal metering
Valves. Adjust A system hydraulic
Pressure according to force applied to
The brake pedal.
Alternate anti skid valves. One for
each wheel pair on an axle. Slightly
less efficient and greater breaking
distance required.
Gas N2 Pre Charge is 1,000 psi
Hydraulic System zero pressure.
Hydraulic Accumulator
A floating separator piston keeps the
hydraulic fluid and Nitrogen gas
separated in the accumulator.
Gas N2 Pre Charge is 1,000 psi
Hydraulic System zero pressure.
B737 Cockpit Pressure Gage
Shows Nitrogen gas pressure
in the Brake accumulator.
Hydraulic Accumulator
Gas N2 Pre Charge is 1,000 psi
Hydraulic System zero pressure.
Hydraulic System
Pressure 3,000 psi
Gas Pressure 3,000 psi
Energy stored in the
nitrogen gas.
B737 Cockpit Pressure Gage
Hydraulic Accumulator
Brake Systems
• Accumulator
The brake accumulator is pressurized by
hydraulic system B. If both normal and
alternate brake system pressure is lost,
trapped hydraulic pressure in the brake
accumulator can still provide several braking
applications or parking brake application.
Brake Systems
Accumulator brakes
• System B hydraulics pressurises the accumulator to
3,000 psi - accumulator has a 1,000 psi N2 pre-charge
Brake Pressure Indicator
Brake Accumulator
(behind bulkhead)
Pressure Gauge
AFT WALL
(main wheel well)
Brake Systems
Accumulator brakes
• System B hydraulics pressurises the accumulator to
3,000 psi - accumulator has a 1,000 psi N2 pre-charge
Brake Pressure Indicator
OLD 737 Accumulator is In the Wheel well. NG
moved to the Wing to body fairing aft of wheel well
Brake Accumulator
(behind bulkhead)
Brake pressure transducer
Brake pedal installation Cockpit
Main and Alternate Brake metering valves Main wheel well
WHEEL SPEED TRANSDUCERS
Electrical generator.
As the wheel turns
faster more volts are
produced
Antiskid Protection
Antiskid protection is provided in the normal and alternate brake
systems.
The normal brake hydraulic system provides each main gear wheel with
individual antiskid protection. When the system detects a skid, the
associated antiskid valve reduces brake pressure until skidding stops. The
alternate brake hydraulic system works similar to the normal system
however antiskid protection is applied to main gear wheel pairs instead
of individual wheels.
Both normal and alternate brake systems provide skid, locked wheel,
touchdown and hydroplane protection.
Antiskid protection is available even with loss of both hydraulic systems.
Wheel Speed
Transducers
Antiskid System
The antiskid system monitors wheel deceleration
and controls the brake metered pressure to prevent
skid conditions. These are the antiskid functions:
* Skid control operates at more than eight knots to
control each wheel deceleration during normal
antiskid and both wheels on each main landing gear
during alternate antiskid
* Locked wheel protection compares wheel speeds
more than 25 knots difference between the two
inboard or the two outboard wheels and releases
brake pressure from the slower wheel
Wheel Speed
Transducers
Antiskid System
The antiskid system monitors wheel deceleration
and controls the brake metered pressure to prevent
skid conditions. These are the antiskid functions:
* Touchdown protection prevents wheel brake
application on wheels 2 and 4 when the airplane is
in the air
Wheel Speed
Transducers
ADIRU
Antiskid System
The antiskid system monitors wheel deceleration
and controls the brake metered pressure to prevent
skid conditions. These are the antiskid functions:
* Hydroplane protection decreases wheel brake
pressure to wheel 1 and 3 when ground speed is
more than wheel speed uses the ADIRU ground
speed.
Antiskid System
The antiskid system monitors wheel
deceleration and controls the brake metered
pressure to prevent skid conditions. These are
the antiskid functions:
* Gear retract inhibit prevents the alternate anti
skid system from operation during normal
landing gear retraction. This ensures the wheels
are stopped during retraction.
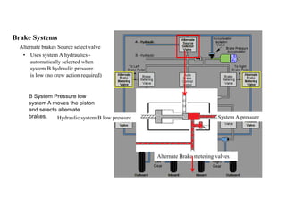
Brake Systems
Alternate brakes Source select valve
• Uses system A hydraulics -
automatically selected when
system B hydraulic pressure
is low (no crew action required)
B System Pressure keeps
Alternate Source selector
closed.
Hydraulic system B pressure System A pressure
Brake Systems
Alternate brakes Source select valve
• Uses system A hydraulics -
automatically selected when
system B hydraulic pressure
is low (no crew action required)
B System Pressure low
system A moves the piston
and selects alternate
brakes. Hydraulic system B low pressure System A pressure
Alternate Brake metering valves
System A UP LINE PRESSURE
Alternate Brake Metering Valves
During retraction, the brakes automatically stop rotation of the main gear wheels. Gear retract
inhibit prevents the alternate anitskid system from operation during normal landing gear
retraction. This ensures the wheels are stopped during retraction.
Alternate source select valve
Brake Systems
• If system B hydraulics fails, brake accumulator
pressure is isolated from the system by the
accumulator isolation valve
Brake Systems
• If system B hydraulics fails, brake accumulator
pressure is isolated from the system by the
accumulator isolation valve
• If system A & B hydraulics fail, accumulator pressure
moves the isolation valve to send pressure to normal
system
• Antiskid operates normally - expect about 8 full brake
applications
• Auto Brake is not available
NORMAL BRAKES SYSTEM AAND B WORKING
ALTERNATE BRAKING WITH SYSTEM B FAILED.
ACCUMULATOR BRAKING SYSTEM A & B FAILED.
Brake Systems
Brake pressure indications
• Normal system pressure = 3,000 psi
• Nitrogen Gas Pre Charge is 1,000 PSI
• If brake pressure indicates 0 psi then the pre-charge is
lost
• if system A or B hydraulics is normal then expect
normal braking, Parking brake will NOT HOLD
WITH PUMPS OFF!
Brake Systems
Brake pressure indications
• Normal system pressure = 3,000 psi
• Nitrogen Gas Pre Charge is 1,000 PSI
• If brake pressure indicates 0 psi then the pre-charge is
lost
• if system A or B hydraulics is normal then expect
normal braking, Parking brake will NOT HOLD
WITH PUMPS OFF!
Auto brake System
The auto brake system uses hydraulic system B pressure to provide maximum
deceleration for rejected takeoff and automatic braking at preselected deceleration rates
immediately after touchdown. The system operates only when the normal brake system
is functioning. Antiskid system protection is provided during auto brake operation.
Rejected Takeoff (RTO)
The RTO mode can be selected only when on the ground. Upon selection, the AUTO BRAKE
DISARM light illuminates for one to two seconds and then extinguishes, indicating that an
automatic self–test has been successfully accomplished.
To arm the RTO mode prior to takeoff the following conditions must exist:
• airplane on the ground
• antiskid and auto brake systems operational
• AUTO BRAKE select switch positioned to RTO
• wheel speed less than 60 knots
• forward thrust levers positioned to IDLE.
With RTO selected, if the takeoff is rejected prior to wheel speed reaching 90 knots auto
braking is not initiated, the AUTO BRAKE DISARM light does not illuminate and the RTO
auto brake function remains armed.
If the takeoff is rejected after reaching a wheel speed of 90 knots, maximum braking is
applied automatically when the forward thrust levers are retarded to IDLE.
The RTO mode is automatically disarmed when both air/ground systems indicate the air
mode. The AUTO BRAKE DISARM light does not illuminate and the AUTO BRAKE select
switch remains in the RTO position. To reset or manually disarm the auto brake
system, position the selector to OFF.
If a landing is made with RTO selected (AUTO BRAKE select switch not cycled through
OFF), no automatic braking action occurs and the AUTO BRAKE DISARM light illuminates
two seconds after touchdown.
Auto Brake System
• Select RTO on ground before departure;
Conducts self test & initiates system if:
• Wheel speed is 60 kts
• Forward thrust levers are at idle
• RTO braking (3,000 psi) is activated when:
• Wheel speed is 90 kts
• Forward thrust levers are retarded
• Aircraft is on the ground (disarmed in air mode)
• If take-off is rejected below 90 kts then:
• No braking action occurs
• The AUTO BRAKE DISARM light does not illuminate Brakes stay
Armed.
Landing
When a landing auto brake selection is made, the system performs a turn–
on– self–test. If the turn–on–self–test is not successful, the AUTO BRAKE
DISARM light illuminates and the auto brake system does not arm.
Four levels of deceleration can be selected for landing. However, on dry
runways, the maximum auto brake deceleration rate in the landing mode is
less than that produced by full pedal braking.
After landing, auto brake application begins when:
• both forward thrust levers are retarded to IDLE
• the main wheels spin–up. One wheel on each main gear above 60 knots.
Note: Landing auto brake settings may be selected after touchdown prior to
decelerating through 30 kts of ground speed. Braking initiates immediately
if the above conditions are met.
To maintain the selected landing deceleration rate, auto brake pressure is
reduced as other controls, such as thrust reversers and spoilers, contribute
to total deceleration. The deceleration level can be changed (without
disarming the system) by rotating the selector. The auto brake system
brings the airplane to a complete stop unless the braking is terminated by
the pilot by selecting the auto brake switch to OFF, Increasing the metered
brake pressure by pressing the brake pedals or advancing the thrust levers
above idle.
Auto Brake System
Auto Brake settings & deceleration rates
for landing are:
• 1 = 4 ft/sec (Max 1,285 psi)
• 2 = 5 ft/sec (Max 1,500 psi)
• 3 = 7.2 ft/sec (Max 2,000 psi)
• Max = 14 ft/sec 80 kts & 12 ft/sec 80 kts (3,000 psi)
These are Deceleration rates:
If Reverse thrust and or spoilers are used Pressures will be
reduced to maintain the deceleration rate!
NOTE; RTO and MAX auto brake are similar. The main difference
being that RTO is not a selected deceleration rate it is maximum
braking.
AUTO BRAKE DISARM Light
Illuminated (amber) –
• SPEED BRAKE lever moved to down detent during RTO or
landing
• manual brakes applied during RTO or landing
• thrust lever(s) advanced during RTO or landing
(except during first 3 seconds after touchdown for landing)
• landing made with RTO selected illuminates 2 seconds after
main wheel spin up.
• RTO mode selected on ground
• illuminates for one to two seconds during system self test then
extinguishes
• a malfunction exists in automatic braking system.
Extinguished –
• AUTO BRAKE select switch set to OFF
• auto brake armed.
Antiskid Inoperative (ANTISKID INOP) Light
Illuminated (amber) – a system fault is detected by antiskid
monitoring system.
Extinguished – antiskid system operating normally.
Antiskid Inoperative (ANTISKID INOP) Light
Illuminated (amber) – a system fault is detected by antiskid
monitoring system.
Extinguished – antiskid system operating normally.
Landing Gear Limitations
Operation with assumed temperature reduced takeoff
thrust is not permitted with anti-skid inoperative.
Non–AFM Operational Information
Note: The following items are not AFM
limitations, but are provided for flight crew
information.
Do not apply brakes until after touchdown.
AUTO BRAKE REQUIRES ANTI SKID!
ANTI SKID WILL WORK WITHOUT AUTO BRAKE.
AUTO BRAKE REQUIRES ANTI SKID!
ANTI SKID WILL WORK WITHOUT AUTO BRAKE.
IF ANTI SKID IS INOP AUTO
BRAKE IS NOT AVAILABLE!
Parking Brake
The parking brake can be set with either A or B hydraulic systems pressurized. If A and B
hydraulic systems are not pressurized, parking brake pressure is maintained by the brake
accumulator. Accumulator pressure is shown on the HYD BRAKE PRESS indicator.
The parking brake is set by depressing both brake pedals fully, while simultaneously pulling
the PARKING BRAKE lever up. This mechanically latches the pedals in the depressed
position and commands the parking brake valve to close.
The parking brake is released by depressing the pedals until the PARKING BRAKE lever
releases.
A fault in the parking brake system may cause the ANTISKID INOP light to illuminate. This is
because the Normal anti skid system releases pressure through the park brake valve. If the
valve is not fully open anti skid may not be able to control brake pressure correctly.
Parking Brake lever UP Brakes ON
Red light indicates
Parking brake valve
is closed.
The TAKEOFF CONFIG lights (option) illuminate and the takeoff configuration warning horn
sounds if either forward thrust lever is advanced for takeoff with the parking brake set.
Main Panel F/O
Main panel Captain
Brake Temperature (BRAKE TEMP) Light
Illuminated (amber) -
• temperature of one or more brakes exceed 4.9
• extinguishes when a hot brake condition is no longer indicated on the display unit.
Option on F/O’s main panel
Option SYS page lower DU
Brake Temperature
Indicates a relative value of wheel brake temperature
• values range from 0.0 to 9.9
• displayed (white) - normal brake temperature range, 0.0 to 4.9
• displayed (amber) - high brake temperature, exceeds 4.9.
Brake Symbol
Displayed (blank) - indicates any brake less than 2.5.
Displayed (solid white) - indicates the hottest brake on each main gear truck,
within the range of 2.5 to 4.9.
Displayed (solid amber) - indicates brake overheat condition on each wheel within
the range of 5.0 to 9.9. Symbol remains until value is less than 3.5.
How can you verify that the parking brake is set?
How can you verify that the parking brake is set?
Parking brake lever up and parking brake light illuminated.
Lever Up indicates pedals are locked in On position
Light indicates only that the Parking brake valve is closed.
How can you verify that the parking brake is set?
1,000 PSI is gas pre
charge only!
Full charge should
give a brake hold over
time of 8 Hours.
There must be a pressure of more than
1,000 psi or the brakes will not be ON.
How can you verify that the parking brake is set?
A fault in the parking brake system may cause
the ANTISKID INOP light to illuminate.
The END of Landing Gear
Now Take the test at www.theorycentre.com
Or contact us for further information info@theorycentre.com

B737 NG Landing gear

  • 1.
    B 737 NGGround School. See the aircraft study guide at www.theorycentre.com The information contained here is for training purposes only. It is of a general nature it is unamended and does not relate to any individual aircraft. The FCOM must be consulted for up to date information on any particular aircraft.
  • 2.
  • 3.
    Introduction The airplane hastwo main landing gear and a single nose gear. Each main gear is a conventional two–wheel landing gear unit. The nose gear is a conventional steerable two–wheel unit. Hydraulic power for retraction, extension, and nose wheel steering is normally supplied by hydraulic system A. A manual landing gear extension system and an alternate source of hydraulic power for nose wheel steering are also provided. The normal brake system is powered by hydraulic system B. The alternate brake system is powered by hydraulic system A. Antiskid protection is provided on both brake systems, but the autobrake system is available only with the normal brake system.
  • 5.
    System A Powers. LandingGear extension and retraction (Normal). Nose Wheel Steering . ALTERNATE BRAKING.
  • 6.
    System B Powers. NormalBraking Alternate Nose Wheel Steering. Alternate RETRACTION ONLY.
  • 7.
    Landing Gear Extension Whenthe LANDING GEAR lever is moved to DN, hydraulic system A pressure is used to release the uplocks. The landing gear extends by hydraulic pressure, gravity and air loads. Over centre mechanical and hydraulic locks hold the gear at full extension. The nose wheel doors remain open when the gear is down.
  • 8.
    Normal Operation : Hydraulicsystem A. DOWN selection puts HYD pressure to down lines.
  • 9.
    Landing Gear Retraction Whenthe LANDING GEAR lever is moved to UP, the landing gear begins to retract. During retraction, the brakes automatically stop rotation of the main gear wheels. After retraction, the main gear are held in place by mechanical uplocks. Rubber seals and oversized hubcaps complete the fairing of the outboard wheels. The nose wheels retract forward into the wheel well and nose wheel rotation is stopped by snubbers. The nose gear is held in place by an over center lock and enclosed by doors which are mechanically linked to the gear.
  • 10.
    Normal Operation : Hydraulicsystem A. DOWN selection puts HYD pressure to down lines. UP Hydraulic Pressure to UP lines. .
  • 11.
    During retraction, thebrakes automatically stop rotation of the main gear wheels. Nose wheel rotation is stopped by snubbers
  • 12.
    Hydraulic pressure isremoved from the landing gear system with the LANDING GEAR lever in the OFF position.
  • 13.
    Normal Operation : Hydraulicsystem A. DOWN selection puts HYD pressure to down lines. UP Hydraulic Pressure to UP lines. OFF REMOVES PRESSURE.
  • 14.
    EXTEND 270 Knotsor M0.82. (Air loads on the nose gear.) RETRACT 235 Knots. (Air loads) EXTENDED 320 Knots or M0.82 OPERATING LIMITATIONS.
  • 15.
    MAIN LANDING GEARACTUATION Down and locked Up lock Down lock Up lock roller Actuator Locked up Transit
  • 16.
    NOSE LANDING GEARACTUATION FWD Down and locked Actuator Lock Mechanism Lock Actuator Transit Locked up
  • 17.
    Landing Gear Operation Thelanding gear are normally controlled by the LANDING GEAR lever. On the ground, a landing gear lever lock, prevents the LANDING GEAR lever from moving to the up position. An override trigger in the lever may be used to bypass the landing gear lever lock. In flight, the air/ground system energizes a solenoid which opens the lever lock.
  • 18.
    Landing Gear LeverLock Mechanism In Ground mode. The landing gear lever is locked in the down position. Landing gear lever lock pawl (Lever lock position.) Landing gear lever unlock solenoid
  • 19.
    Landing Gear LeverLock Mechanism In Air mode the Lever lock solenoid is energised and the lever is unlocked. The lever must be pulled out before it can be moved to UP Locked Ground mode. Unlocked Air mode.
  • 20.
    Landing Gear LeverLock Mechanism In Air mode the Lever lock solenoid is energised and the lever is unlocked. The lever must be pulled out before it can be moved to UP Unlocked Air mode. Unlocked and lever pulled out.
  • 21.
    Landing Gear LeverLock Mechanism If the lever lock fails to unlock the Lever Lock Override Trigger may be used to manually unlock the lever. Solenoid failed. Locking pawl lock position Landing gear lever pulled out and lock release trigger pulled
  • 22.
    Use of thelanding gear override trigger must be strictly in accordance with the QRH. This will be found in the Unannunciated section (No lights or other indications) There are 3 reasons why this may have happened. 1. The unlocking solenoid has failed. This is simple and the gear can be retracted using the override trigger. 2. A failure of the Air/Ground sensing system. This means that many aircraft systems are still in the ground mode and will not correctly function in flight. The aircraft must be landed. 3. The Ground spoiler bypass valve failed to close at takeoff. (mechanical linkage on the right main gear.) This means that use of the speed brakes in flight could potentially cause the ground spoilers to deploy. Items 2 and 3 require a landing. Follow the QRH procedures to identify the failure.
  • 23.
    The landing gearposition indicating and warning system shows landing gear position in the flight compartment. It also warns the pilots when the landing gear is not down for a landing. Inputs The landing gear position indicating and warning system uses these proximity sensors to supply landing gear position data to the proximity switch electronics unit (PSEU): Left and right main gear up and locked sensors (2 on each up lock) Left and right main gear down lock sensors (2 on each down lock) Nose gear up/down lock sensors (2 the same sensors are used Up and Down) Nose gear down sensors (2). The PSEU processes all of the inputs and sends signals to the landing gear position lights and the aural warning module. Three red landing gear position lights come on when the landing gear moves during extension and retraction and during the gear not down warning. When the landing gear extends to the down and locked position, three primary and three auxiliary green landing gear position lights come on. The primary and secondary indicators use independent sensors. LANDING GEAR POSITION INDICATING
  • 24.
    AFT OVERHEAD PANEL LandingGear Indicator Lights (overhead) Illuminated (green) – related gear down and locked. Note: Landing gear warning horn is deactivated with all gear down and locked. Note: Landing gear is down and locked as long as one green landing gear indicator light (centre panel or overhead panel) for each gear is illuminated. Extinguished – landing gear is not down and locked. Primary indicators Auxiliary indicators.
  • 25.
    Landing Gear ManualExtension If hydraulic system A pressure is lost, the manual extension system provides another means of landing gear extension. Manual gear releases on the flight deck are used to release uplocks that allow the gear to free–fall to the down and locked position. The forces that pull the gear down are gravity and air loads. With the manual extension access door open: • manual landing gear extension is possible with the LANDING GEAR lever in any position. The lever should be in the OFF position to ensure that no hydraulic lock exists. • normal landing gear extension is possible if hydraulic system A pressure is available. • landing gear retraction is disabled a switch on the access door electrically depressurises the up lines to ensure the gear is free to lower.
  • 26.
    Alternate Lowering. If HydraulicSystem A is failed then the gear must be extended Manually.
  • 27.
    Alternate Lowering. • Maximumairspeed is 270 Knots • Nose wheel extension assisted by air load • Allow 15 seconds for gear to extend & lock • Gear Lever should be selected OFF • Recommended for F/O to extend.
  • 28.
    Alternate Lowering. Manual GearExtension handles • Located on the floor aft of, & between, the FOs seat & the centre console • Length of cable is 60 cm First part of travel is free play only. • Friction through last portion of travel actually releases the up locks. • Manual Extension Access Door • With the door open, NORMAL Extension is Possible. (With SYS A) • RETRACTION IS NOT POSSIBLE • Door position switch sets selector valve to bypass. Up lines are open to return system only. This ensures no hydraulic lock during manual extension. • If the gear will not retract check that the access door is properly closed.
  • 29.
    SYS A SYSB NORMAL ALTERNATE N2 < 50% LANDING GEAR TRANSFER UNIT B system supplies the volume of hydraulic fluid required to raise the landing gear at the normal rate when all of the following conditions exist: • airborne • No. 1 engine RPM drops below a limit value • LANDING GEAR lever is positioned UP • either main landing gear is not up and locked.
  • 30.
    SYS A SYSB NORMAL ALTERNATE N2 < 50% LANDING GEAR TRANSFER UNIT B system supplies the volume of hydraulic fluid required to raise the landing gear at the normal rate when all of the following conditions exist: • airborne • No. 1 engine RPM drops below a limit value • LANDING GEAR lever is positioned UP • either main landing gear is not up and locked. This allows rapid gear retraction if an engine failure occurs between V1 and gear up.
  • 31.
    fran·gi·ble adj.Capable ofbeing broken; breakable. If a main landing gear tire is damaged during takeoff, it is possible that braking of the main gear wheels during retraction may be affected. A spinning tire with a loose tread must be stopped prior to entering the wheel well or it can cause damage to wheel well components. When a spinning tire with loose tread impacts a fitting in the wheel well ring opening, that gear stops retracting and free falls back to the down position. The affected gear cannot be retracted until the fitting is replaced. Frangible Fitting Hydraulic A system pressure Volume fuse Frangible fitting Main gear retract pressure If the frangible fitting breaks the volume fuse seals the line after a measured volume of fluid has passed. This preserves the remainder of the system fluid.
  • 32.
  • 33.
    Air/Ground System In flightand ground operation of various airplane systems are controlled by the air/ground system. The system receives air/ground logic signals from six sensors, two on each landing gear. These signals are used to configure the airplane systems to the appropriate air or ground status. The air/ground system supplies air/ground discrete signals to many airplane systems. The proximity switch electronics unit (PSEU) is a component of the air/ground system. Many airplane systems send signals to the PSEU through position sensors and switches. The PSEU also controls the air/ground relays.
  • 34.
    Proximity Switch ElectronicUnit (PSEU) The PSEU monitors the following systems: • takeoff configuration warnings • landing configurations warnings • landing gear • air/ground sensing. The PSEU, its sensors, and its input signals are monitored for internal faults. When designated faults are detected, a PSEU light on the aft overhead panel illuminates, and the OVERHEAD system annunciator light and MASTER CAUTION lights illuminate. The PSEU light, OVERHEAD system annunciator and Master Caution illuminate automatically for simple faults, but only after a landing. The PSEU light extinguishes when a parking brake is set or when both engines are turned off. The PSEU light is inhibited: • in flight • when the thrust levers are advanced toward takeoff power • for 30 seconds after landing. Some aircraft the PSEU light may illuminate during recall. In this case, with a simple fault, resetting the MASTER CAUTION system extinguishes the PSEU light.
  • 35.
    A proximity sensoris an electronic sensor capable of detecting the presence of nearby objects without physical contact. It emits an electromagnetic field and then looks for changes in the return signal or field. The object that is being sensed is the proximity sensor's target. An inductive proximity sensor requires a metal target. Proximity sensors have a long functional life and high reliability due to the absence of mechanical parts and the lack of physical contact between the sensor and the target. The sensor normally does not move it is mounted to the aircraft or component. The target moves close and the sensor sends a NEAR signal to the PSEU or the target moves away from the sensor and the sensor send a FAR signal. These are the only 2 sensing conditions. Typical aircraft installation. 2 sensors channel A &B Moving steel target Near or Far.
  • 36.
    MAIN GEAR AIRGROUND SENSORS Sensors Amber. Targets Green Weight on wheels Near Ground mode Weight off wheels Far Air mode.
  • 37.
    Nose Wheel Steering Nosewheel steering is available when the nose gear is in the down position and compressed by weight of the airplane. Positioning the landing gear control lever to down makes system A hydraulic pressure available to the steering metering valve. Alternate nose wheel steering can be activated to provide system B pressure to the nose wheels when the NOSE WHEEL STEERING switch is placed to ALT, normal quantity is in the system B reservoir, and the airplane is on the ground. In the event of a hydraulic leak downstream of the Landing Gear Transfer Unit resulting in a loss of hydraulic system B fluid in the reservoir, a sensor closes the Landing Gear Transfer Valve and alternate steering will be lost. Primary steering is controlled through the nose wheel steering wheel. Limited steering control is available through the rudder pedals. A pointer on the nose steering wheel assembly shows nose wheel steering position relative to the neutral setting. Rudder pedal steering is deactivated as the nose gear strut extends. A lockout pin may be installed in the towing lever to depressurize nose wheel steering. This allows airplane pushback or towing without depressurizing the hydraulic systems.
  • 38.
  • 39.
  • 40.
    Simplified Nose WheelSteering System Diagram. Captains Steering tiller FO’s Steering tiller (Option) Rudder pedal input Nose gear shock strut inner cylinder Push pull actuators Steering input summing lever Steering metering valve Steering shut off valve Landing gear transfer valve System A normal System B Altn
  • 41.
    Steering inputs arefrom the steering wheels or the rudder pedals. When you move the captain or first officer steering wheel full travel, the nose wheels turn a maximum of 78 degrees in the left or right direction. When you move the rudder pedals full travel on the ground, the nose wheels turn a maximum of 7 degrees in the left or right direction. Steering inputs from the steering wheels or rudder pedals go to the metering valve through a cable loop and summing mechanism. 78⁰ Tiller 7⁰ Pedals Tail turning radius 74.9 feet 22.8 Metres Wing tip turning radius 72.1 feet 22.0 Metres Turning radius for -800. 600, 700 and 900 differ.
  • 42.
    Red line onthe door indicates the maximum steering angle for the tow bar. 78⁰ limit.
  • 43.
    SYS A SYSB NORMAL ALTERNATE Nose Wheel Steering Alternate nose wheel steering can be activated to provide system B pressure to the nose wheels when the NOSE WHEEL STEERING switch is placed to ALT,
  • 44.
    Alternate Nose wheelsteering selector switch.
  • 45.
    SYS A SYSB NORMAL ALTERNATE GUARDED NORMAL. HYD SYS A. ALT. HYD SYS B NOSE WHEEL STEERING SW. Nose Wheel Steering Alternate nose wheel steering can be activated to provide system B pressure to the nose wheels when the NOSE WHEEL STEERING switch is placed to ALT,
  • 46.
    SYS A SYSB NORMAL ALTERNATE GUARDED NORMAL. HYD SYS A. ALT. HYD SYS B NOSE WHEEL STEERING SW. Requires: Switch to Alternate. Sys B Reservoir quantity Normal. More than 21% in the reservoir. This protects B system if there is a leak in the NWS system. Nose Gear AIR/Ground SYS Ground mode. Then Landing Gear transfer unit allows SYS B Pressure to Steering actuator.
  • 47.
    If the manualgear extension door is open is it possible to retract the gear?
  • 48.
    If the manualgear extension door is open is it possible to retract the gear? Normal gear extension is possible retraction is not possible. landing gear retraction is disabled a switch on the access door electrically depressurises the up lines to ensure the gear is free to lower.
  • 49.
    The air/ground sensingsystem receives logic signals from.
  • 50.
    The air/ground sensingsystem receives logic signals from. Two proximity sensors on each gear. Air/Ground System In flight and ground operation of various airplane systems are controlled by the air/ground system. The system receives air/ground logic signals from six sensors, two on each landing gear.
  • 51.
    Located on theAft Overhead Panel. Independent Down Locked Indication. Is the gear down and locked?
  • 52.
    Located on theAft Overhead Panel. Independent Down Locked Indication. Is the gear down and locked? YES there is one green light for each gear. A green light cannot show if the gear is not locked down. The primary channel is showing a right gear red light because that channel is not detecting the down locked sensor.
  • 53.
    If the nosegear steering lock out pin is not installed during pushback what is it necessary to do? a. Select hydraulic system B pumps OFF. b. Keep your feet clear of the rudder pedals to prevent damage to the steering system. c. Select hydraulic system A pumps OFF. d. Select all hydraulic pumps OFF.
  • 54.
    If the nosegear steering lock out pin is not installed during pushback what is it necessary do? a. Select hydraulic system B pumps OFF. b. Keep your feet clear of the rudder pedals to prevent damage to the steering system. c. Select hydraulic system A pumps OFF. d. Select all hydraulic pumps OFF. Positioning the landing gear control lever to down makes system A hydraulic pressure available to the steering metering valve.
  • 55.
    Impact frangible fittingson the rim of each main wheel well are intended to?
  • 56.
    B737 Tire speedlimit = 225 MPH / 195 kt. Tyre failure at 120 MPH!
  • 57.
    fran·gi·ble adj.Capable ofbeing broken; breakable. If a main landing gear tire is damaged during takeoff, it is possible that braking of the main gear wheels during retraction may be affected. A spinning tire with a loose tread must be stopped prior to entering the wheel well or it can cause damage to wheel well components. When a spinning tire with loose tread impacts a fitting in the wheel well ring opening, that gear stops retracting and free falls back to the down position. The affected gear cannot be retracted until the fitting is replaced. Frangible Fitting Hydraulic A system pressure Volume fuse Frangible fitting Main gear retract pressure If the frangible fitting breaks the volume fuse seals the line after a measured volume of fluid has passed. This preserves the remainder of the system fluid.
  • 58.
    Brake System Each maingear wheel has a multi–disc hydraulic powered brake. The brake pedals provide independent control of the left and right brakes. The nose wheels have no brakes. The brake system includes: • normal brake system • alternate brake system • brake accumulator • antiskid protection • autobrake system • parking brake Optional • brake temperature indication
  • 59.
    Multi disc brakeassembly Hydraulic pistons act on pressure plate to apply brakes Springs in the adjuster pull the pressure plate back to release the brakes
  • 60.
    Hydraulic Piston Pressure plate Wearpin Available wear remaining with Brakes ON Automatic adjuster and return spring
  • 61.
    Brake Systems • Thereare three brake systems • Normal Hydraulic system B. Brake metering valves toe operated from rudder pedals. Adjust system pressure more force applied on pedals higher brake Pressure.
  • 62.
    Brake Systems Auto brakecontrol module is an electronic Metering valve. Anti skid valves adjust the brake pressure To each wheel to prevent wheel locking.
  • 63.
    Brake Systems Alternate Hydraulic systemA. Automatically selected if System B is low pressure Alternate brake metering valves Slaved together with normal metering Valves. Adjust A system hydraulic Pressure according to force applied to The brake pedal. Alternate anti skid valves. One for each wheel pair on an axle. Slightly less efficient and greater breaking distance required.
  • 64.
    Gas N2 PreCharge is 1,000 psi Hydraulic System zero pressure. Hydraulic Accumulator A floating separator piston keeps the hydraulic fluid and Nitrogen gas separated in the accumulator.
  • 65.
    Gas N2 PreCharge is 1,000 psi Hydraulic System zero pressure. B737 Cockpit Pressure Gage Shows Nitrogen gas pressure in the Brake accumulator. Hydraulic Accumulator
  • 66.
    Gas N2 PreCharge is 1,000 psi Hydraulic System zero pressure. Hydraulic System Pressure 3,000 psi Gas Pressure 3,000 psi Energy stored in the nitrogen gas. B737 Cockpit Pressure Gage Hydraulic Accumulator
  • 67.
    Brake Systems • Accumulator Thebrake accumulator is pressurized by hydraulic system B. If both normal and alternate brake system pressure is lost, trapped hydraulic pressure in the brake accumulator can still provide several braking applications or parking brake application.
  • 68.
    Brake Systems Accumulator brakes •System B hydraulics pressurises the accumulator to 3,000 psi - accumulator has a 1,000 psi N2 pre-charge Brake Pressure Indicator Brake Accumulator (behind bulkhead) Pressure Gauge AFT WALL (main wheel well)
  • 69.
    Brake Systems Accumulator brakes •System B hydraulics pressurises the accumulator to 3,000 psi - accumulator has a 1,000 psi N2 pre-charge Brake Pressure Indicator OLD 737 Accumulator is In the Wheel well. NG moved to the Wing to body fairing aft of wheel well Brake Accumulator (behind bulkhead) Brake pressure transducer
  • 70.
  • 71.
    Main and AlternateBrake metering valves Main wheel well
  • 72.
    WHEEL SPEED TRANSDUCERS Electricalgenerator. As the wheel turns faster more volts are produced
  • 73.
    Antiskid Protection Antiskid protectionis provided in the normal and alternate brake systems. The normal brake hydraulic system provides each main gear wheel with individual antiskid protection. When the system detects a skid, the associated antiskid valve reduces brake pressure until skidding stops. The alternate brake hydraulic system works similar to the normal system however antiskid protection is applied to main gear wheel pairs instead of individual wheels. Both normal and alternate brake systems provide skid, locked wheel, touchdown and hydroplane protection. Antiskid protection is available even with loss of both hydraulic systems.
  • 74.
    Wheel Speed Transducers Antiskid System Theantiskid system monitors wheel deceleration and controls the brake metered pressure to prevent skid conditions. These are the antiskid functions: * Skid control operates at more than eight knots to control each wheel deceleration during normal antiskid and both wheels on each main landing gear during alternate antiskid * Locked wheel protection compares wheel speeds more than 25 knots difference between the two inboard or the two outboard wheels and releases brake pressure from the slower wheel
  • 75.
    Wheel Speed Transducers Antiskid System Theantiskid system monitors wheel deceleration and controls the brake metered pressure to prevent skid conditions. These are the antiskid functions: * Touchdown protection prevents wheel brake application on wheels 2 and 4 when the airplane is in the air
  • 76.
    Wheel Speed Transducers ADIRU Antiskid System Theantiskid system monitors wheel deceleration and controls the brake metered pressure to prevent skid conditions. These are the antiskid functions: * Hydroplane protection decreases wheel brake pressure to wheel 1 and 3 when ground speed is more than wheel speed uses the ADIRU ground speed.
  • 77.
    Antiskid System The antiskidsystem monitors wheel deceleration and controls the brake metered pressure to prevent skid conditions. These are the antiskid functions: * Gear retract inhibit prevents the alternate anti skid system from operation during normal landing gear retraction. This ensures the wheels are stopped during retraction.
  • 78.
    Brake Systems Alternate brakesSource select valve • Uses system A hydraulics - automatically selected when system B hydraulic pressure is low (no crew action required) B System Pressure keeps Alternate Source selector closed. Hydraulic system B pressure System A pressure
  • 79.
    Brake Systems Alternate brakesSource select valve • Uses system A hydraulics - automatically selected when system B hydraulic pressure is low (no crew action required) B System Pressure low system A moves the piston and selects alternate brakes. Hydraulic system B low pressure System A pressure Alternate Brake metering valves
  • 80.
    System A UPLINE PRESSURE Alternate Brake Metering Valves During retraction, the brakes automatically stop rotation of the main gear wheels. Gear retract inhibit prevents the alternate anitskid system from operation during normal landing gear retraction. This ensures the wheels are stopped during retraction. Alternate source select valve
  • 81.
    Brake Systems • Ifsystem B hydraulics fails, brake accumulator pressure is isolated from the system by the accumulator isolation valve
  • 82.
    Brake Systems • Ifsystem B hydraulics fails, brake accumulator pressure is isolated from the system by the accumulator isolation valve • If system A & B hydraulics fail, accumulator pressure moves the isolation valve to send pressure to normal system • Antiskid operates normally - expect about 8 full brake applications • Auto Brake is not available
  • 83.
    NORMAL BRAKES SYSTEMAAND B WORKING
  • 84.
    ALTERNATE BRAKING WITHSYSTEM B FAILED.
  • 85.
  • 86.
    Brake Systems Brake pressureindications • Normal system pressure = 3,000 psi • Nitrogen Gas Pre Charge is 1,000 PSI • If brake pressure indicates 0 psi then the pre-charge is lost • if system A or B hydraulics is normal then expect normal braking, Parking brake will NOT HOLD WITH PUMPS OFF!
  • 87.
    Brake Systems Brake pressureindications • Normal system pressure = 3,000 psi • Nitrogen Gas Pre Charge is 1,000 PSI • If brake pressure indicates 0 psi then the pre-charge is lost • if system A or B hydraulics is normal then expect normal braking, Parking brake will NOT HOLD WITH PUMPS OFF!
  • 88.
    Auto brake System Theauto brake system uses hydraulic system B pressure to provide maximum deceleration for rejected takeoff and automatic braking at preselected deceleration rates immediately after touchdown. The system operates only when the normal brake system is functioning. Antiskid system protection is provided during auto brake operation.
  • 89.
    Rejected Takeoff (RTO) TheRTO mode can be selected only when on the ground. Upon selection, the AUTO BRAKE DISARM light illuminates for one to two seconds and then extinguishes, indicating that an automatic self–test has been successfully accomplished. To arm the RTO mode prior to takeoff the following conditions must exist: • airplane on the ground • antiskid and auto brake systems operational • AUTO BRAKE select switch positioned to RTO • wheel speed less than 60 knots • forward thrust levers positioned to IDLE. With RTO selected, if the takeoff is rejected prior to wheel speed reaching 90 knots auto braking is not initiated, the AUTO BRAKE DISARM light does not illuminate and the RTO auto brake function remains armed. If the takeoff is rejected after reaching a wheel speed of 90 knots, maximum braking is applied automatically when the forward thrust levers are retarded to IDLE. The RTO mode is automatically disarmed when both air/ground systems indicate the air mode. The AUTO BRAKE DISARM light does not illuminate and the AUTO BRAKE select switch remains in the RTO position. To reset or manually disarm the auto brake system, position the selector to OFF. If a landing is made with RTO selected (AUTO BRAKE select switch not cycled through OFF), no automatic braking action occurs and the AUTO BRAKE DISARM light illuminates two seconds after touchdown.
  • 90.
    Auto Brake System •Select RTO on ground before departure; Conducts self test & initiates system if: • Wheel speed is 60 kts • Forward thrust levers are at idle • RTO braking (3,000 psi) is activated when: • Wheel speed is 90 kts • Forward thrust levers are retarded • Aircraft is on the ground (disarmed in air mode) • If take-off is rejected below 90 kts then: • No braking action occurs • The AUTO BRAKE DISARM light does not illuminate Brakes stay Armed.
  • 91.
    Landing When a landingauto brake selection is made, the system performs a turn– on– self–test. If the turn–on–self–test is not successful, the AUTO BRAKE DISARM light illuminates and the auto brake system does not arm. Four levels of deceleration can be selected for landing. However, on dry runways, the maximum auto brake deceleration rate in the landing mode is less than that produced by full pedal braking. After landing, auto brake application begins when: • both forward thrust levers are retarded to IDLE • the main wheels spin–up. One wheel on each main gear above 60 knots. Note: Landing auto brake settings may be selected after touchdown prior to decelerating through 30 kts of ground speed. Braking initiates immediately if the above conditions are met. To maintain the selected landing deceleration rate, auto brake pressure is reduced as other controls, such as thrust reversers and spoilers, contribute to total deceleration. The deceleration level can be changed (without disarming the system) by rotating the selector. The auto brake system brings the airplane to a complete stop unless the braking is terminated by the pilot by selecting the auto brake switch to OFF, Increasing the metered brake pressure by pressing the brake pedals or advancing the thrust levers above idle.
  • 92.
    Auto Brake System AutoBrake settings & deceleration rates for landing are: • 1 = 4 ft/sec (Max 1,285 psi) • 2 = 5 ft/sec (Max 1,500 psi) • 3 = 7.2 ft/sec (Max 2,000 psi) • Max = 14 ft/sec 80 kts & 12 ft/sec 80 kts (3,000 psi) These are Deceleration rates: If Reverse thrust and or spoilers are used Pressures will be reduced to maintain the deceleration rate! NOTE; RTO and MAX auto brake are similar. The main difference being that RTO is not a selected deceleration rate it is maximum braking.
  • 93.
    AUTO BRAKE DISARMLight Illuminated (amber) – • SPEED BRAKE lever moved to down detent during RTO or landing • manual brakes applied during RTO or landing • thrust lever(s) advanced during RTO or landing (except during first 3 seconds after touchdown for landing) • landing made with RTO selected illuminates 2 seconds after main wheel spin up. • RTO mode selected on ground • illuminates for one to two seconds during system self test then extinguishes • a malfunction exists in automatic braking system. Extinguished – • AUTO BRAKE select switch set to OFF • auto brake armed.
  • 94.
    Antiskid Inoperative (ANTISKIDINOP) Light Illuminated (amber) – a system fault is detected by antiskid monitoring system. Extinguished – antiskid system operating normally.
  • 95.
    Antiskid Inoperative (ANTISKIDINOP) Light Illuminated (amber) – a system fault is detected by antiskid monitoring system. Extinguished – antiskid system operating normally. Landing Gear Limitations Operation with assumed temperature reduced takeoff thrust is not permitted with anti-skid inoperative. Non–AFM Operational Information Note: The following items are not AFM limitations, but are provided for flight crew information. Do not apply brakes until after touchdown.
  • 96.
    AUTO BRAKE REQUIRESANTI SKID! ANTI SKID WILL WORK WITHOUT AUTO BRAKE.
  • 97.
    AUTO BRAKE REQUIRESANTI SKID! ANTI SKID WILL WORK WITHOUT AUTO BRAKE. IF ANTI SKID IS INOP AUTO BRAKE IS NOT AVAILABLE!
  • 98.
    Parking Brake The parkingbrake can be set with either A or B hydraulic systems pressurized. If A and B hydraulic systems are not pressurized, parking brake pressure is maintained by the brake accumulator. Accumulator pressure is shown on the HYD BRAKE PRESS indicator. The parking brake is set by depressing both brake pedals fully, while simultaneously pulling the PARKING BRAKE lever up. This mechanically latches the pedals in the depressed position and commands the parking brake valve to close. The parking brake is released by depressing the pedals until the PARKING BRAKE lever releases. A fault in the parking brake system may cause the ANTISKID INOP light to illuminate. This is because the Normal anti skid system releases pressure through the park brake valve. If the valve is not fully open anti skid may not be able to control brake pressure correctly. Parking Brake lever UP Brakes ON Red light indicates Parking brake valve is closed.
  • 99.
    The TAKEOFF CONFIGlights (option) illuminate and the takeoff configuration warning horn sounds if either forward thrust lever is advanced for takeoff with the parking brake set. Main Panel F/O Main panel Captain
  • 100.
    Brake Temperature (BRAKETEMP) Light Illuminated (amber) - • temperature of one or more brakes exceed 4.9 • extinguishes when a hot brake condition is no longer indicated on the display unit. Option on F/O’s main panel Option SYS page lower DU Brake Temperature Indicates a relative value of wheel brake temperature • values range from 0.0 to 9.9 • displayed (white) - normal brake temperature range, 0.0 to 4.9 • displayed (amber) - high brake temperature, exceeds 4.9.
  • 101.
    Brake Symbol Displayed (blank)- indicates any brake less than 2.5. Displayed (solid white) - indicates the hottest brake on each main gear truck, within the range of 2.5 to 4.9. Displayed (solid amber) - indicates brake overheat condition on each wheel within the range of 5.0 to 9.9. Symbol remains until value is less than 3.5.
  • 102.
    How can youverify that the parking brake is set?
  • 103.
    How can youverify that the parking brake is set? Parking brake lever up and parking brake light illuminated. Lever Up indicates pedals are locked in On position Light indicates only that the Parking brake valve is closed.
  • 104.
    How can youverify that the parking brake is set? 1,000 PSI is gas pre charge only! Full charge should give a brake hold over time of 8 Hours. There must be a pressure of more than 1,000 psi or the brakes will not be ON.
  • 105.
    How can youverify that the parking brake is set? A fault in the parking brake system may cause the ANTISKID INOP light to illuminate.
  • 106.
    The END ofLanding Gear Now Take the test at www.theorycentre.com Or contact us for further information info@theorycentre.com