SCHEMATIC DIAGRAM
BASIC THEORY
WHAT IS SCHEMATIC DIAGRAM?
“Wiring Diagram” yang menunjukkan gambaran
rangkaian peralatan listrik secara detail mulai dari
koneksi power utama peralatan, rangkaian control,
rangkaian indicator, list terminal koneksi, list kabel,
sinyal control/feedback dan lain-lain.
Digunakan sebagai acuan saat troubleshooting.
Rangkaian Power
Rangkaian Kontrol
Rangkaian Indikator
Sinyal
Control/Feedback
COMPONENT
CIRCUIT BREAKER
 Peralatan listrik yang digunakan untuk memutus dan
menyambung rangkaian listrik sekaligus sebagai pengaman
rangkaian listrik.
 CB dapat dibedakan berdasarkan kapasitas pemutusnya
menjadi Vacuum Circuit Breaker (VCB), Air Circuit Breaker
(ACB), Molded Case Circuit Breaker (MCCB) dan Miniature
Circuit Breaker (MCB).
FUSE
 Sebagai pengaman rangkaian. Pada umumnya, fuse
terdiri dari kawat halus yang pendek serta dapat
terputus jika mengalami arus listrik secara berlebih.
EMERGENCY PUSH BUTTON
 Alat kelistrikan yang berfungsi sebagai alat safety
untuk mematikan mesin atau sistem kontrol dalam
kondisi darurat atau perbaikan.
RELAY
 Relay merupakan komponen elektromagnetik
yang dioperasikan sebagai saklar dengan
menggunakan listrik sebagai penggeraknya.
 Relay dapat digunakan sebagai proteksi,
memberikan sinyal status dan control untuk
start/stop beban.
MAGNETIC CONTACTOR
 Kegunaan Contactor adalah untuk memutus
dan menghubungkan rangkaian listrik sesuai
dengan prinsip kerja induksi magnetic.
Contactor biasanya digunakan untuk
start/stop motor.
THERMAL OVERLOAD RELAY (TOR)
 Komponen TOR digunakan untuk proteksi dari
arus lebih. Biasanya digunakan untuk
memproteksi motor. Prinsipnya dengan
menggunakan bahan bimetal sehingga jika
suhunya meningkat maka bimetal tersebut
akan melengkung.
CURRENT TRANSFORMER (CT)
 CT merupakan komponen yang sangat
penting pada panel. Fungsinya untuk
mengukur arus. CT dapat digunakan untuk
komponen proteksi dan dapat juga untuk
monitoring.
VOLTMETER & AMPEREMETER
 Digunakan untuk monitoring tegangan dan
arus
PUSH BUTTON
 Push button atau tombol digunakan untuk
memberikan perintah start/stop secara
manual. Terkadang pada panel listrik
terdapat selector switch untuk memilih jenis
operasi beban apakah manual atau
automatic.
SELECTOR SWITCH
 Switch untuk merubah jalur rangkaian
control. Biasanya terdiri dari mode
Local/Remote.
 Local berarti control/start-stop equipment
dengan manual dari lokasi equipment
 Remote berarti control/start-stop
equipment dikendalikan dari control room
INDICATION LAMP
 Indication lamp digunakan sebagai indikasi
yang menunjukkan tegangan fasa R-S-T telah
masuk ke panel. Dapat juga digunakan untuk
menunjukkan status start/stop beban atau
status trip.
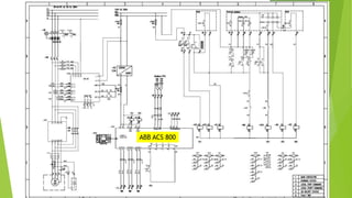
EXAMPLE
ABB ACS 800
TERIMA KASIH

2. Basic Learning of Schematic Diagram.pptx

  • 1.
  • 2.
  • 3.
    WHAT IS SCHEMATICDIAGRAM? “Wiring Diagram” yang menunjukkan gambaran rangkaian peralatan listrik secara detail mulai dari koneksi power utama peralatan, rangkaian control, rangkaian indicator, list terminal koneksi, list kabel, sinyal control/feedback dan lain-lain. Digunakan sebagai acuan saat troubleshooting.
  • 4.
    Rangkaian Power Rangkaian Kontrol RangkaianIndikator Sinyal Control/Feedback
  • 6.
  • 7.
    CIRCUIT BREAKER  Peralatanlistrik yang digunakan untuk memutus dan menyambung rangkaian listrik sekaligus sebagai pengaman rangkaian listrik.  CB dapat dibedakan berdasarkan kapasitas pemutusnya menjadi Vacuum Circuit Breaker (VCB), Air Circuit Breaker (ACB), Molded Case Circuit Breaker (MCCB) dan Miniature Circuit Breaker (MCB).
  • 8.
    FUSE  Sebagai pengamanrangkaian. Pada umumnya, fuse terdiri dari kawat halus yang pendek serta dapat terputus jika mengalami arus listrik secara berlebih.
  • 9.
    EMERGENCY PUSH BUTTON Alat kelistrikan yang berfungsi sebagai alat safety untuk mematikan mesin atau sistem kontrol dalam kondisi darurat atau perbaikan.
  • 10.
    RELAY  Relay merupakankomponen elektromagnetik yang dioperasikan sebagai saklar dengan menggunakan listrik sebagai penggeraknya.  Relay dapat digunakan sebagai proteksi, memberikan sinyal status dan control untuk start/stop beban.
  • 11.
    MAGNETIC CONTACTOR  KegunaanContactor adalah untuk memutus dan menghubungkan rangkaian listrik sesuai dengan prinsip kerja induksi magnetic. Contactor biasanya digunakan untuk start/stop motor.
  • 12.
    THERMAL OVERLOAD RELAY(TOR)  Komponen TOR digunakan untuk proteksi dari arus lebih. Biasanya digunakan untuk memproteksi motor. Prinsipnya dengan menggunakan bahan bimetal sehingga jika suhunya meningkat maka bimetal tersebut akan melengkung.
  • 13.
    CURRENT TRANSFORMER (CT) CT merupakan komponen yang sangat penting pada panel. Fungsinya untuk mengukur arus. CT dapat digunakan untuk komponen proteksi dan dapat juga untuk monitoring.
  • 14.
    VOLTMETER & AMPEREMETER Digunakan untuk monitoring tegangan dan arus
  • 15.
    PUSH BUTTON  Pushbutton atau tombol digunakan untuk memberikan perintah start/stop secara manual. Terkadang pada panel listrik terdapat selector switch untuk memilih jenis operasi beban apakah manual atau automatic.
  • 16.
    SELECTOR SWITCH  Switchuntuk merubah jalur rangkaian control. Biasanya terdiri dari mode Local/Remote.  Local berarti control/start-stop equipment dengan manual dari lokasi equipment  Remote berarti control/start-stop equipment dikendalikan dari control room
  • 17.
    INDICATION LAMP  Indicationlamp digunakan sebagai indikasi yang menunjukkan tegangan fasa R-S-T telah masuk ke panel. Dapat juga digunakan untuk menunjukkan status start/stop beban atau status trip.
  • 18.
  • 27.
  • 28.