4
ABSTRACT
The Vector Control technique allows the dynamic control of induction motors in particular
to a performance level comparable to that of a DC machine. Various control methods of
induction motor drive like voltage control, voltage and frequency control, current control etc,
provide steady state performance, but their dynamic response is poor. The vector control
technique, which is also called Field Oriented Control (FOC), allows a squirrel cage induction
motor to be driven with high dynamic performance that is comparable to the characteristics of
a DC motor.
The vector control technique decouples the stator current in two components: one for the
control of torque and other for controlling flux. The vector control technique can further be
classified into direct vector control and indirect vector control. In this technique the stator
currents are converted to a fictitious Synchronously Rotating Reference Frame (SRRF) with the
flux vector.
In this work, Vector Control Induction Motor drive (VCIMD) has been modelled in
MATLAB and simulated under different operating conditions like step change in speed, speed
reversal, load perturbation and starting. Further, the dynamic response of the VCIMD depends
on the type of speed controller used in the closed loop operation. The different speed controllers
used in the VCIMD are proportional integral (PI),fuzzy logic (FL) and hybrid (PI and FL), A
comparative study of the response obtained from VCIMD is carried out with different speed
controllers using MATLAB Simulink software.
TABLE OF CONTENTS
Page No.
CERTIFICATE 2
ACKNOWLEDGEMENT 3
ABSTRACT 4
TABLE OF CONTENTS 5
5
LIST OF FIGURES 7
LIST OF TABLE 9
CHAPTER-I INTRODUCTION 10
1.1 General 10
I .2 Concept Of Vector Control 10
1.3 Analogy 12
1.4 Vector Control Classification 13
1.5 Scope Of Work 13
1.6 Application of VCIMD 14
1.7 Chapter outline 14
CHAPTER-2 LITERATURE REVIEW 15
CHAPTER- 3 DESCRIPTION OF INDIRECT VECTOR CONTROLLED 17
INDUCTION MOTOR DRIVE
3.1 Operating Principle 17
3.2 VCIMD System Description 19
3.2.1 Speed Controller 19
3.2.2 Field Weakening Control 19
3.2.3 Limiter 19
3.2.4 Vector Controller 19
3.2.5 Rotating To Stationary Frame Transformation 20
3.2.6 Current Controller 20
3.2.7 Voltage Source Inverter 20
3.2.8 Three Phase Induction Motor 20
CHAPTER-4 MODELLING OF VCIMD 21
4.1 Modelling Of Speed Controller 22
4.1.1 Proportional Integral (PI) Controller 23
4.1.2 Fuzzy Logic Controller
6
4. I .3 Hybrid Fuzzy — PI Controller 26
CHAPTER-5 SIMULATION RESULTS 28
5.1 Start Mode Dynamics 28
5.2 Reversal Dynamics 32
5.3 Drive On Load 36
5.4 Load Perturbation 40
5.5 Quadratic Load 43
5.6 Step change In Speed
5.7 Breaking Mode 47
5.8 Comparative Analysis 47
5.9 Conclusion 49
CHAPTER-6 CONCLUSION & FUTURE SCOPE 50
6.1 General 50
6.2 Conclusion 50
6.3 Future Scope Of Work 51
APPENDIX 52
REFERENCES 53-57
LIST OF FIGURES
Fig 1.1 Block diagram of indirect vector induction motor drive
Fig 1.2 shows the analogy between the induction motor operated in
11
vector control mode and separately excited DC motor 12
Fig 3.1 Schematic block diagram of indirect vector control
Fig 4.1 Schematic Block Diagram of Indirect Vector controlled
18
induction motor Drive 21
Fig 4.2 Basic model of indirect vector control in MATLAB frame 22
7
Fig 4.3 Block schematic of PI speed controller 23
Fig 4.4 Realization of PI speed controller in MATLAB environment 24
Fig 4.5 Block schematic of FL speed controller 25
Fig 4.6 Realization of FL speed controller in Matlab 26
Fig 4.7 Block diagram of Hybrid Fuzzy-PI controller 27
Fig 4.8 Realization of hybrid Fuzzy- PI speed controller in Matlab 27
Fig 5.1 Starting Dynamics of VCIMD with PI
Fig 5.2 Starting dynamics ofVCIMD with fuzzy
29
Fig 5.3 Starting dynamics of VCIMD with IC 31
Fig 5.4 Reversal dynamics of VCIMD with PI 32
Fig 5.5 Reversal dynamics ofVCIMD with Fuzzy logic 33
Fig 5.6 Reversal dynamics of VCIMD with IC 34
Fig 5.7 Load application dynamics of VCIMD with PI 35
Fig 5.8 Load application dynamics of VCIMD with FL 36
Fig 5.9 Load application dynamics of VCIMD with IC 37
Fig 5.10 Load Perturbation dynamics with PI 38
Fig 5.11 Load Perturbation dynamics with FL 39
Fig 5.12 Load Perturbation dynamics with IC
Fig 5.13 Quadratic Load with PI Controller
40
Fig 5.14 Quadratic Load with FL Controller 43
Fig 5.15 Quadratic Load with IC 44
Fig 5.16 Step change in Speed dynamics with PI,FL and IC 45
Fig 5.17 Breaking dynamics with PI,FL and IC
8
List of Tables
Table-I Logic Rule for fuzzy logic speed controller 25
Table 5.1 Observation From. Various Operating point 52
9
Chapter-I Introduction
1.1 GENERAL
To the industrial application, induction motors are commonly used. It requires to run at a
constant speed(on nearly constant). It has many advantages over other types of motor, are simple
structure, less maintenance, low weight for a particular power rating, low cost. But in industrial
applications, DC motors used to run on variable speed over induction motors. DC motor price
is costly, has a high maintenance cost of commutators & brushes, has less life of commutators
due to the light load of operation and risk at high speed. There are various reasons to replace a
DC motor with an induction motor.
Due to non-linearity, the induction motor drives complex results. In separate DC motor,
armature and field winding are 900 electrically apart from each other which allows independent
control of torque and flux. Advancement of power electronics technology is a simple control
technique to work with the variable speed drives. In present, with the help of digital signal
processors(DSP's) and microcontrollers have made it possible to implement the control scheme
to decrease the amount of hardware and has been replaced by equivalent necessary software.
Therefore, a complex control scheme for induction motor drives can be implemented with
simplicity.
1.2 Concept of Vector Control
Control technique produced two hypothetical, decoupled signals. First is control of torque and
next is control flux. a three-phase induction motor treat as a separately excited and compensated
DC motor. This is referred to as Vector Control(VC) or Field Oriented Control(FOC). This
concept arose in the early 70s, it gave a new turn in technology. With the help of this method,
we have an option to use the induction motor in industrial applications. It required four-quadrant
operation with a fast dynamic on a wide range speed. Here both decoupled signals of the stator
current phasor are assumed as a control variable, which is expressed in d-q is Synchronous
rotating reference frame(SRRF). SRRF current signals are generated by the vector controller,
also three phases of current signals produced by the current signal are identical to each other,
the vector mode achieved.
10
Showing VCIMD(vector controlled induction motor drive) block diagram in Fig 1.1 here
feedback signal processor takes the rotor speed (Or) as input signal along with the set reference
speed (Or *) which generated the command value of torque (T)* and the exciting current
In SRFF, vector controlled computed decoupled current signal of stator Current phasor(ias and
These signal transformed into three stationary reference currents Three
phase current and third current is computed by the balanced system equation. The current
controller matches the actual and reference currents and provides the gate signal instantly to the
voltage source inverter(VSI) and after fast control is achieved.
Fig I .1 Block Diagram of Indirect Vector Control Induction Motor Drive
1.3 Analogy
Fig 1.2 shows the analogy between the induction motor operated in vector control mode and
separately excited DC motor. The torque equation of DC motor is :
Where Kt is the torque constant of DC motor, la and Ifreferred to the torque and flux
component of current.
11
(a)
(b)
Fig 1.2 shows the analogy between the induction motor operated in vector control mode and
separately excited DC motor
The two control signals of induction motor Ids and Iqs are analogous to If and la respectively
of
DC motor. It is showing in Fig 1.2(b). torque equation of induction motor is
Where Kt is the torque constant of the induction motor. Iqs and Ids is torque and flux produce
components of stator current vectors.
Torque expressions are identical in two torque equations. Orthogonal relationship between two
feed is maintained and does not depend on speed and load torque. In case of compensated DC
motors. This way DC motor achieved independent control similarly in case of induction motor
igs
12
independent control achieved by controlling it in SRRF. DC quantities are two hypothetical
decoupled current signals and also orthogonal to each other. It is independent of speed and load
torque. So, with the help of vector control technique, the induction motor control technique is
similar to separately excited DC motors.
1.4 Vector Control Classification
Vector control technique applied on induction motors is classified into two ways. First
classification is based on determining the rotor flux vector and the second way is based on the
selection of a reference frame for controlling purpose. The important thing in implementing
field orientation in an induction motor is determining the information regarding the magnitude
and position of the rotating rotor flux vector which refer to the frame for stator current and
voltage, vector control technique divide into two groups using the rotor flux vector is DVC and
IVC.
Both methods have their own advantages and disadvantages.
The selection of the reference frame is the second aspect of the classification of vector control.
It has two hypothetical current components i.e SRRF can be aligned along with the stator rotor
and then three types of vector control is stator field-oriented, rotor fixed oriented and airfield
gap oriented. Mostly used rotor field used just because of simple structure and better
performance.
1.5 SCOPE OF WORK
Variable speed drives with excellent dynamic characteristic replace separately by induction
motor. With the various type of speed controllers VCIMD investigate various operating
condition. Proportional integral(PI) controller, fuzzy logic(FL) controller and intelligent
controller(IC) has been considered in this investigation dynamic performance of VCIMD
improve by speed controller. It is subjected to various type of load application such as fan load,
pump load, etc. induction motor operation is similar to separately excited DC motor (variable
13
speed ) in vector control mode. Current controlled voltage source inverter(CC-VSI) obtained
fast and quick regulation of varying winding current under transient condition.
1.6 APPLICATION OF VCIMD
In industrial application VCIMD considered for various application. Induction motor operation
in vector control has been taken place of DC separately excited motor. Many factor are involved
to restrict use VCIMD, such factor are excellent dynamic character smooth transaction between
various operation with low maintenance but with good efficiency, the time factor, etc. in the
modern age, there are various application like air-conditioning, refrigerator, fans, blower, pump
waste, water treatment plans, elevator, lift, traction, electric vehicle, etc.
1.7 CHAPTER OUTLINE
The dissertation contents are divided into the following chapters:
Chapter:l
This chapter elaborates on the introduction and concept of VCIMD.
Chapter:2
This chapter explains about the historical standpoint of VCIMD.
Chapter:3
This chapter explains the theory and concept of Indirect VCIMD (IVCIMD).
Chapter:4
This chapter describes the model of VCIMD do.
Chapter:5
This chapter describes VCIMD's simulation result using different speed control and compares
between many types of speed control from various operation conditions.
Chapter-2 LITERATURE REVIEW
This chapter reviewed various aspects and the development in VCIMD presented.
In 1972, BLASCHKE[34] was introduced as Vector control(VC). It is a revolutionary concept
about induction motor's controlling speed with variable speed driver, gives excellent dynamic
14
performance is same as separately excited motor sclar control technique [7]-[17]
[46][81] used to control the induction machine,Before invention. obtained a dynamic response
with this technique was not satisfied [4]-[7],[11]. so, I need excellent technique for better
response of induction motor(IM) in many conditions due to this advantage of scalar control
technique. experiment was performed to the looking technique to the advantage of separately
excited DC motor and induction motor
Our main focus is to achieve VC( vector control) technique to control the speed of the induction
motor, the same as a separately excited DC motor and advantage of the machine in a single
variable speed .
the following advantages of DC motor lower inertia, low maintenance requirement, better
power to weight ratio and robust Rotor. easy control and better dynamic performance is the
main advantage of DC motors. using control techniques in the induction motor and single
variable speed. brushless motor drive in DC motor.with the help of many theories [9] induction
motor is developed. with the help of digital processors [ 37]-[ 38],[ 70] ,[80],[ 98][100], [ 102],
[ 125],[ 141] possible to implement Complex algorithms like VC. Simulink has created a
simulation of VC. Reduction in hardware Fast control is achieved Using DSP and
microcontroller . Due to the speed controller VCIMD performance affected, it has many Type
of speed controllers to investigate VCIMD operational conditions.
Self tuning algorithm solves parameter variation , load distribution, etc. with the help of a fuzzy
Algorithm pave the way for exact mathematical model and sensitivity parameter variation. This
algorithm is used for speed control improvement. The main disadvantage of
Fuzzy Algorithm speed controllers result in steady state error, when the drive is Run.
In variable speed Drive application, major problems exist on distorted voltage at the point of
common coupling(PCC) terminal and the harmonic component of current. It occurred When
fed through AC-DC converters [ 23] .
Various topologies describe AC-DC converters. The first topology is all about single phase
ACDC converters. It is a unidirectional and uncontrolled bridge rectifier, gives High THD and
poor PF[26]. improved power factor correction (IPFC) is modified bridge configuration with
diode and IGBT switch to maintain DC link voltage independently and with improved power
factor supply sinusoidal current. voltage source converter (VSC) logically and Mathematically
15
parametric set with solid state switches Bridge. It is an advantage ofbidirectional power flow .
Another topology is all about AC-DC converters . It is a three phase uncontrolled converter,
three phase voltage source converter(VSC) and multi- purpose converter [ 121].
16
CHAPTER-3 DESCRIPTION OF INDIRECT VECTOR
CONTROLLED INDUCTION MOTOR DRIVE
Application of induction motors developed in vector control areas at variable speed with the
help of this method provide a three phase brushless control Drive. Which advantage for
separately excited DC motor and induction motor. This chapter describes the
operating principle of the proposed drive and various parts .
3.1 OPERATING PRINCIPLE
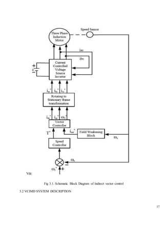
The schematic block diagram of the VCIMD is shown in Fig. 3.1. The control system
comprises two loops, one is outer speed feedback loop and other is inner current feedback loop.
Two of the three phase current (ias , ibs , ics) of induction motor is sensed and the third current
of motor is calculated from the two of the three phase current as the induction motor is balanced
load, Further speed error is calculated. A limiter is put in the output of a speed controller which
limits the torque within maximum permissible value and the output of the limiter is considered
as reference torque .
The input to the Field Weakening Controller (FWC) is speed signal (or) and output of FWC
provide reference excitation current (imr*). Therefore, the two signals T* and the (imr*) are the
reference signal for the vector controller. In the vector control the d-axis component (i * ) and
the q-axis component (Iqs *) of the stator current signals are computed which are responsible
for the flux control and torque control respectively. The slip frequency signal (02* ) is also
calculated in vector control to find out the flux angle of the rotor flux vector. The flux angle is
calculated by addition of slip speed and the rotor speed. By using flux angle control signal of
flux and torque are transferred in SRF three phase current from SRRF.For current control of
VSI fed induction motor drive,the reference current (las *lbs *ICS *) and sensed actual winding
current (ias , ibs , ics) of the motor are fed into the pulse width modulated current controlled.
The current in a signal is amplified and used as the modulated signal for the PWM converter. A
triangular career waveform used. beach airport to the drive circuit of the IGBT of VSI feeding
in the induction motor .
17
Vdc
Fig 3.1. Schematic Block Diagram of Indirect vector control
3.2 VCIMD SYSTEM DESCRIPTION
18
The vector controlled techniques of induction motor drive (IMD) consists of many
important different parts. Fig 3.1 shows the block main diagram of VCIMD. The figure consists
of various components named as speed controller block, field weakening control block, limiter
block, vector control block, current controller block, voltage source inverter, speed sensor and
the induction motor
3.2.1 Speed Controller
The actual speed of motor wr and reference speed are compared and the generated speed
error is the input to the speed controller, and output of this controller is torque. Different types
of speed controllers have been implemented to check the drive performance .
3.2.2 Field Weakening control
This block is used when the drive is operated on greater than the base speed. Excitation
current imr* is generated from this block. This rated value of excitation current is supplied for
the normal operation i.e. below the base speed operation. As soon as the speed approaches above
base speed, the value of imr* becomes inversely proportional to the rotor speed
3.2.3 Limiter
The output of speed controller is limited by the limiter and the reference command of
torque T* is generated. This block ensures that the generated torque T* does not go beyond the
breakdown limits during transients operation of the drive. Since the torque producing
component iqs* depends on the reference value of torque T*. A very high reference torque can
cause overcurrent problems which may be dangerous to the drive and make the drive unstable.
Therefore, the limiter provides overcurrent protection and stability to the drive.
3.2.4 Vector Controller
The output of speed controller is reference torque T* after putting a limit and excitation
current imr from a field weakening block (FWC). This signal is input to the vector controller.
The reference value of two phase SRRF d-qaxis hypothetical component of stator current vector
(ids* and iqs*) are computed along slip frequency 02*.
19
3.2.5 Rotating to Stationary Frame Transformation
The reference value of synchronous rotating decoupled component of currents (ids* and
Iqs*) is now converted into three-phase current (ias* and ics*) in a stationary reference frame
(SRF) by utilizing the flux angle . The flux angle is given by integrating the sum of slip speed
.and the rotor speed or.
3.2.6 Current Controller
The Current controller block compares the two current and generates the switching pulse
for CC-VSI. The actual three phase current (ias ,ibs and ics) and the transformed reference three
phase currents SRF (ias* and ics*) are compared. The compared error signal is then amplified
and used as a modulating signal which is compared with the carrier triangular signal. The
intersection point generates the switching signal in such a manner that the actual and the
reference currents closely match within a band to ensure the vector control operation.
3.2.7 Voltage Source Inverter
A three-phase CC-VSI is configured by using six controlled devices (IGBT/MOSFET)
in the bridge form. These switches operate with the receiving gate signal from the current
controller. CC- VSI provides variable frequency variable voltage source to feed 1M operated in
VCM .
3.2.7 Speed Sensor
For accurate measurement of rotor flux angle. The accurate information regarding rotor
speed is required to achieve indirect vector control. Hence, shaft encoders or speed resolvers
are used to sense the speed.
3.2.8 Three Phase Induction Motor
To run a variable speed drive, a three phase induction motor is required which receives
the electrical signal from CC-VSI and converts it into mechanical energy. The induction motor
is the component which is being controlled by vector control technique .
CHAPTER-4
20
MODELING OF VECTOR CONTROLLED INDUCTION MOTOR
DRIVE
The previous chapter has described the different important parts of VCIMD. The working
of each component also briefly. This chapter includes the mathematical modelling of VCIMD
in the MATLAB/SIMULINK platform that is created in accordance with the generalized block
diagram of indirect vector control shown in fig4.1. The different parts of this vector control
drives are modeled using MATLAB Simulink in discrete time frame (DTF) as shown in
fig4.2.This system is divided into the following subsystem .
Fig4.1 Schematic Block of Indirect Vector controlled Induction Motor Drive
21
Fig 4.2 Basic model of Indirect Vector Control in MATLAB frame.
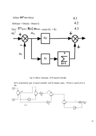
4.1 MODELING OF SPEED CONTROLLERS
The speed error (Awre) is computed. This speed is sent to the input of the speed
controller which generates reference torque for the motor according to speed error input at
the n instant.
And output of the speed controller puts a limiter which controls current within safe limits.
4.1.1 PROPORTIONAL INTEGRAL (PI) SPEED CONTROLLER
The block diagram of the PI speed controller is shown in below fig4.3. And the output of
the PI speed controller is calculated from the torque equation which functions as a speed error.
The controller mathematically modelling as given below which is in DTF .
22
AO(n) Or(n) 4.1
AOre(n) = Ore(n) - Ore(n-l) 4.2
T(n) - ore(n-l)} + Ki 4.3
Fig 4.3 Block Schematic of PI Speed Controller
KP is proportional gain of speed controller and Kl integral gains., Wre(n) is speed error at
nth
23
Fig 4.4 PI speed controller in MATLAB Environment
4.1.2 FUZZY LOGIC CONTROLLER
The rule base Fuzzy logic controller block diagram is shown in below fig4.5 and
corresponding MATLAB Simulink block diagram is also in fig4.6. The fuzzy logic controller
block diagram consists of three stage input stage, processing stage, and output stage. The
processing stage has three parts: Fuzzification ,rule base , defuzzification.
The following Step used for Fuzzy logic speed controller are:
First calculate speed error from reference speed and actual speed of motor and then calculate
change in speed error.
These two signals are converted into linguistics format from the crisp.
Put the rule in the form of IF- THEN from the relation between input and output.
Calculate output in linguistics format by using defined rule base . Mamdani method is used.
Convert the linguistics output value into again a crisp value by using a defuzzification block.
Centroid method is used .
Output crisp value is re-scaled to calculate torque.
Fig 4.5Block Schematic of FL Speed Controller
Change in
error
Emor
Control
24
NM NS ZE PS PM
UNB
NM NS NE
NM NM NM NS ZE PS
NS NM NS NS PM
NS ZE PS PM
PS NM NS ZE PS PS PM
PM NS ZE PS PM PM
PS PM
TABLE-I LOGIC RULES FOR FUZZY LOGIC SPEED CONTROLLER
Fig 4.6 Realization of FL Speed controller in MATLAB
4.1.3 HYBRID FUZZY -PI CONTROLLER
The main purpose of the hybrid controller is to take both advantages of PI and Fuzzy. By
combining the speed controller through a control switch. Starting fuzzy logic controller gives
better speed response compared to PI controller. PI controller is used in steady state which
25
eliminates the steady state speed error and is capable of overload torque variations. Block
diagram of hybrid controller is shown in below fig4.7
By using speed error and time of simulation. We can control the switch in such a way
when the response has large speed errors with set appropriate time then a fuzzy logic controller
is used. And when the speed error is small with set appropriate time then use a PI speed
controller. The function of the switch is given below.
e > Sand t < T ( Fuzzy)
Switch
=
e < E and t ST: )
Fig 4.7 Block diagram of Hybrid Fuzzy-PI Controller
26
Fig 4.8 Realization of Hybrid Fuzzy-Pi Speed controller in MATLAB
CHAPTER-5 SIMULATION RESULTS
5.1 START MODE DYNAMICS
The induction motor used in vector control techniques is initially starting with very low
frequency. The controller used in speed control of Induction motor drive controls the drive
frequency. And the motor finally runs at a set point called steady state point with limited torque
value. Due to use of a controller in VCIMD, it limits the starting current of induction motor
drives and which limit torque .
5.2 REVERSAL DYNAMICS
In case of reversal dynamic behavior of motor, if the motor is run at set speed value 210.
if we change the set speed value to -210. Then the controller first decreases the frequency,
braking takes place with opposite torque and next the motor starts rotating in reverse direction
by phase reversal. As there is no change in the dynamic condition of the motor (operate at no
load) so on changes in inverter current direction as well as in magnitude independent of rotor
direction of rotation .
32
5.3 DRIVE ON LOAD
For load application of induction motor drive the vector control test the performance of the
motor with different types of load and also by using different speed controller techniques. There
are many types of load available linear, nonlinear, like load torque as function of speed or
function of square of speed variation. To test the motor performance with different load motors
initially started at set speed value and then load are applied. And when the motor actual speed
and set speed are equal value then the electromagnet torque is zero
36
5.10 STEP CHANGE IN SPEED
If a motor is running at a certain set speed point, if command of speed changes to some other
value according to requirement of application, then vector control techniques check changes in
speed command of motor. whether it should operate either in armature control or FWC.
47
5.11 BRAKING MODE
In steady state, drives running at the set speed 210 electrical rad/sec, if the motor speed
brought to zero value from reference speed value then the frequency of stator is reduced by the
controller.The motor generates opposite torque with speed direction is same. At the time of
electrical braking a generative action also takes place so power is also transferred. back to the
supply, with negative torque motor speed gets reduced and comes to the zero value. As the
braking as well as generative action both take place at the same time, it is also called regenerative
braking of the motor.
oramny OL Ine muwr.
5.12 COMPARATIVE ANALYSIS
The VCIMD performance has been investigated with simulation results under various
dynamic conditions namely step change in speed, load perturbation, starting, speed reversal,
using the stated speed controllers namely PI, FL and Hybrid speed controller respectively. The
obtained results are shown in figure and observed data is tabulated in table. The following
observation may be made from these results. Table shows that for the same reference speed.
Various speed controllers show persistent change in starting and reverse time respectively. In
comparison to proportional integral controllers, fuzzy logic controllers are having disadvantages
of speed error in steady state on load perturbation. In order to take the advantages of proportional
integral and Fuzzy Logic controller and to eliminate disadvantages of the FL controller, both the
control techniques are combined and named as a Hybrid speed controller. Some other controllers
are also used to improve the dynamic performance of an induction motor.
5.13 CONCLUSION
The VCIMD has been mathematically modeled in MATLAB along with Simulink. The
drive response has been simulated using the developed model with various operating conditions
such as speed reversal, starting, step change in speed and load perturbation etc. A comparative
study of different speed controllers has been carried out for the VCIMD system. Different Speed
controllers have their own merits as well as demerits. Depending on requirement, a particular
speed controller may be designed. When the requirement is simplicity and ease of application,
the PI speed controller is to be a good choice. When intelligence and fast dynamic response are
important then the FL technique may be selected. A comparative study between different types
of speed controllers has been taken which show the advantage and disadvantage of individual
speed controllers. PI controller is the most commonly used speed controller because it is simple
in construction ease of application but it has some overshoot and undershoot at the load applied
and removal application. This problem can be eliminated by Rule base nonlinear controller
techniques called Fuzzy logic controller techniques. The main demerit in this option is the
presence of steady state error on load perturbation. To eliminate such a problem and to maintain
the high level of performance in combination with fast dynamic response, the Hybrid speed
controller is a better option, which is a combination of Fuzzy Logic (FL) and proportional
integral (PI). Finally, when high level accuracy is required then Hybrid controller is much
preferred, Intelligence and performance of
VCIMD system.
49
CHAPTER-6
Conclusion and future Scope
6.1 GENERAL
The main objective of the thesis has been aimed towards modelling of Vector Control
Induction motor (VCIMD), implementation of VCIMD using a fast speed, dedicated digital
signal processor (DSP) and improvement of the AC supply power quality of the VCIMD.
Modelling and simulation of the VCIMD with various operating conditions has been carried out
using different closed loop speed controllers in MATLAB environment using Simulink and
power system blockset (PSB) toolboxes .
6.2 CONCLUSION
The VCIMD has been mathematically model in MATLAB along with Simulink. The drive
response has been simulated using the developed model with various operating conditions such
as speed reversal, starting, step change in speed and load perturbation etc. A comparative study
of different speed controllers has been carried out for the VCIMD system. Different Speed
controllers have their own merits as well as demerits. Depending on requirement, a particular
speed controller may be designed. When the requirement is simplicity and ease of application,
the PI speed controller is to be a good choice. When intelligence and fast dynamic responses are
important then the FL technique may be selected. The main demerit in this option is the presence
of steady state error on load perturbation. To eliminate such a problem and to maintain the high
level of performance in combination with fast dynamic response, the Hybrid speed controller is
a better option, which is a combination of Fuzzy Logic (FL) and proportional integral (PI).
6.3 FUTURE SCOPE OF WORK.
In the previous chapter, it has been shown that the main objective is achieved. To explore
the work and extend it toward some other important aspects.
I The performance of
50
2 VCIMD may also be carried out with different type speed controllers like artificial neural
network, Pre-compensated Posicast speed controller and SMC.
3 To improve the power quality of ac- dc converter on the source side we use topologies based
on autotransformer.
4 Conventional speed controllers of 1M generally suffer from parameter variation.so we use
auto tuned PI controller which is an online parameters estimation based speed controller.
5 To improve the quality of supply. Passive filters. we can also use it.
51
APPENDIX
Induction motor specification:
30HP, 3-phase, 4-pole, Y-connected, 415V, 45A, 50Hz
0.251 Q, 0.249 Q , Lm = 0.0416H, Us = 0.00416H, = 0.001397, Llr= 0.001397H ,
0.305Kgm2
Controller specifications:
PI Controller: 350, RI = 50
HYBRID Controller : Combine PI controller and FL controller. Both PI controller and FL
controller.
52
REFERENCES
[l] R. Krishnan, Electric Motor Drives: Modeling, Analysis, and Control, 1st ed. Upper Saddle River,
N.J: Prentice Hall, Feb. 2001.
[2] W. Leonard, Control ofElectric Drives, New Delhi, Narosa Publication, 1985.
[3] P C. Krause,Analysis ofElectrical Machinery, Mc Graw-Hill Book Company, 1986.
F. Blaschke, "The principle offield orientation as applied to the new TRANSVECTOR-closed loop
control systemsfor rotatingfield machines," 1972.
[5] B.K. Bose,Modern PowerElectronics and ACDrives, 1st ed. Upper Saddle River, NJ:Prentice Hall,
Oct. 2001
[6] Bhim Singh, B. P. Singh and Sumit Ghatak Choudhuri, "Comparative Study of Different Speed
Controllers for Vector Control of an Induction Motor Drive," in Proc. National Systems Conf.,2000, pp.
446—451
[7] L. A. Zadeh, "Fuzzy sets," Information and Control, vol. 8, no. 3, pp. 338—353, Jun. 1965.
Bhim Singh and Sumit Ghatak Choudhuri, "Fuzzy Logic Based Speed Controllers for Vector
Controlled Induction Motor Drive," IETEJournal of Research,vol. 48, no. 6, Nov/Dec 2002, pp. 441447
Bhim Singh and Sumit Ghatak Choudhuri, "Simplified Model for Simulation of Vector Controlled
Induction Motor Drive (VCIMD) using MATLAB", CERA, 11T Roorkee, 2005, pp. 274-278.
[ 10
] c.c. Lee,"Fuzzy Logic on Control Systems-Part I," IEEE Trans. on Systems, Man and Cybernetics,
vol. 20, no. 2, Mar/Apr 1990, pp. 404-418.
[11] c.c. Lee, "Fuzzy Logic on Control Systems-Part Il," IEEE Trans. on Systems, Man and
Cybernetics, vol.2 0, no. 2, Mar/Apr 1990, pp. 419-435.
[12] J. Y. Hung, "POSICAST Control Past and Present," IEEE Trans. Magn., vol. 2, no. 1,
March2007.
[13] J. Y. Hung, "Application of POSICAST principles in feedback control," in 2002 IEEE
International Symposium on Industrial Electronics, pp. 500-504, July 2000.
[14] F. C. .Feng and N. Y. Sheng,"Application of Fuzzy Logic in the Speed Control of AC Servo
System and an Intelligent Inverter, " IEEE Trans. on Energy Conversion, vol. 8, No.2, pp. 312-3 18
53
[15] ] Sumit Ghatak Choudhuri, "Analysis and Development of Vector Control of Induction
Motor Drive", Ph.D dissertation, Dept. of Electrical Engg. Indian Institute of Technology, Delhi, India,
2004.
[16] M. Barut,M. Gokasan, and O.Bogosyan, "An extended Kalman filter basedsensorless direct
vector control of induction motors," in The 29th Annual Conference of the IEEE Industrial Electronics
Society, 2003. IECON '03, vol. 1, Nov. 2003, pp. 318-322 vol. 1.
[17] Bhim Singh and Sumit GhatakChoudhuri, "DSP Based Implementation of VectorControlled
Induction Motor Drive using Fuzzy Pre-compensated Proportional Integral Speed Controllers," in Proc.
International Conf on Power Electronics, Drives and Energy Systems, 12-15 Dec,2006, pp. 1-6.
[18] Suneel Kumar Agrawal and Sumit Ghatak Choudhuri, "Simulation of Vector Controlled
Induction Motor Drive in MATLAB for Various Applications: A Comparative Study, " in Proc. Michael
Faraday IET International Summit-2015, 12-13 Sept, 2015, pp.533-54.
[19] Anirban Ghoshal and Vinod John, "Anti-windup Schemes for Proportional Integral and
Proportional Resonant Controller", in proc. National Power electronic conference,Roorkee, 2010
[20] C.Bohn and D.P.Atherton. Ananalysis package comparing pid anti windup strategies.IEEE
Systems Magazine, 15(2):34—40, April 1995
[21] D. Vranv
ci'c. Design of Anti-Windup and bumpless Transfer Protection. PhD thesis,
University of Ljubljana, Slovenia, 1997
[22] A. Visioli. Modified anti-windup scheme for pid controllers. IEE Control Theory
andApplications, January 2003.
[23] R.Arulmozhiyal and Baskaran.K, "Space Vector Pulse Width Modulation Based Speed
Control of Induction Motor Using Fuzzy PIController" International Journal of Computer and Electrical
Engineering volume 01,Number I PP(98-103).
[24] Yen-Shin Lai, Juo-Chiun Lin, "New hybrid fuzzy controller for direct torque control
induction motor drives", PowerElectronics, IEEE Transactionson ,Volume: 18 ,Issue:5 ,Pages:1211—
1219,Sept. 2003.
[25] S. Mir, M. E. Elbuluk, and D. S. Zinger, "PI and fuzzy estimators for tuning the stator
resistance in direct torque control of induction machines," Proc. IEEE PESC,pp. 744—751, 1994.
[26] Anirban Ghoshal and Vinod John, "Anti-windup Schemes for Proportional Integral and
Proportional Resonant Controller", in proc. National Power electronic conference,Roorkee, 2010.
[27] SHEN Yan-Nia and CHEN Zhong-wei, "Induction Motor Vector Control System Based on
Antiwindup Controller", 6th IEEE Conference on Industrial Electronics and Applications, Beijing, 21-
23 June, 2011.
[28] Sul (2011), "Control of Electric Machine Drive Systems", John Wiley & Sons, Hoboken,
New John Wiley & Sons, Hoboken, New Jersey.
54
[29] Dubey (2011), "Fundamental of Electrical Drives Fundamental of Electrical Drives", Narosa
Publication, Second Edition.
[30] Dey,Singh, Dwivedi, and Chandra (2009), " VectorControl of Three-Phase Induction Motor
using Al Technique" ARPN Journal of Engineering and Applied Science, Vol. 4, No. 4.
[31] Kohlrursz, Fodar, and Hungavan (2011), "Comparison of Scalar & Vector ControlStrategies
of Induction Motor", Journal of Industrial Chemistry Veszprem, Vol. 39.
[32] Bruno Francois, Philippe Degobert, "Vector Control ofInduction machines", Springer.
[33] Dheeraj, and Meghna (2013), "Comparison of Vector Control Techniquesfor Induction
Motor.
[34] H. Haq, M. Hasan Imran, H. Ibrahim Okumus, and M. Habibullah, "Speed Control of
Induction Motor using FOC Method." Int. Journal of Engineering Research and Applications ISSN:
2248-9622, Vol.5, Issue 3, pp. 154- 158, March 2015.
[35] Sunita Jain, F. Sharma and Mukesh Baliwal, "Modeling and Simulation of an Induction
Motor. "International Journal ofEngineering Research and Development elSSN:2278-067X, Vol. 10,
Issue 4 PP.57-61,April 2014
[36] Walid Emar, IssamTtrad, and Ziad Sobih, "Control of an Induction Motor with PIController
or with Sliding Mode Controller." International Journal of Automation and Control Engineering, Vol. 2,
Issue 4, November 2013
[37] Sobha C. Barik, "Sliding mode vector Control of three phase induction motor." Master of
Technology in Power Control and Drives', Department of Electrical Engineering, NIT, May 2007
[38] V.I. Utkin, "Sliding mode control design principle and application to electric drives. " IEEE
Transaction on Industrial Electronics, Vol.40, No. I , pp.23-36, February 1993
[39] K.B. Mohanty, "Sensorless sliding mode control of induction motor drives." Tencon, IEEE
Region 10 Conference , vol. l, no. 6, pp. 19-21, November 2008
[40] Arun Kumar R and Febin Daya J L, "A Novel Self - Tuning Fuzzy Based PID Controller for
Speed Control of Induction Motor Drive", 2013 International Conference on Control Communication
and Computing (ICCC),pp 62-67.
[41] L.Zhen and L.Xu, "Fuzzy learning enhanced speed control of an indirect field-oriented
induction machine drives," IEEE Trans. On Control System Technology, Vol-8,no-2,pp.270-
278,March2000
[42] Mini Sreejeth, Madhusudhan Singh, Pramod Kumar, "Efficiency Optimization of Vector
Controlled Induction Motor Drive", Proceedings of 38th Annual Conference on IEEE Industrial
Electronics Society (ECON 2012), Oct 2012, Page(s):1758 - 176
[43] M. A. Magzoub, N. B Saad, R. B. Ibrahim, "An intelligent speed controller for indirect
fieldoriented controlled induction motor drives", Proceedings of the IEEE Conference on Clean Energy
and Technology (CEAT),2013, Page(s):327-331.
55
[44] Divya Rai, Swati Sharma, Vijay Bhuria, "Fuzzy Speed Controller Design of Three Phase
Induction Motor", International Journal of Emerging Technology and Advanced Engineering, Volume
2, Issue 5, May 2012, pp 145-149.
[45] Gilberto C.D.Sousa,Bimal K.Bose and John G. Cleland "Fuzzy Logic Based On-Line
Efficiency Optimisation Vector-Controlled Induction Motor Drives," IEEE Trans.Industrial Electronics,
Vol.42,pp.192-198,April 1995.
[46] Goyat, S. and Ahuja, R. K. , 2012. "Speed Control of Induction Motor using Vector or Field
Oriented Control", IJAET.
[47] Von Zuben, F.J., Netto, M.L.A., Bim, E., Szajner, J. , 1994. "Adaptive vector control of a
threephase induction motor using neural networks," Neural Networks, 1994. IEEE World Congress on
Computational Intelligence., 1994 IEEE International Conference on , vol.6, no., pp.3750-3755 vol.6.
[48] Ba-Razzouk, A.,Cheriti, A.,Olivier, G.,1997."A neuralnetworks basedfield oriented control
scheme for induction motors," Industry Applications Conference, 1997. Thirty-Second IAS Annual
Meeting, IAS '97., Conference Record of the 1997 IEEE , vol. 2, no., pp. 804-811 vol.2
[49] Yatim A H.M., and Utomo W.M., 2004. " On-Line Optimal Control of Variable Speed
Compressor Motor Drive Using NeuralControl Model." PECon Proceedings Conference,pp. 83-87
[50] Ba-Razzouk, A., Cheriti, A., Olivier, G., Sicard, P., 1995 , "Field oriented control of
induction motors using neural networks decouplers," Industrial Electronics, Control, and
Instrumentation, 1995. Proceedings of the 1995 IEEE IECON 21st International Conference on , vol.2,
no., pp. 1428-1433 vol.2.
] Levi E. , Jones M., Vukosavic S. N. and Toliyat H. A. , "A novel concept of a multiphase,
multimotor vector controlled drive system supplied from a single voltage source inverter", In: IEEE
Trans. Power Electronics (2004), vol. 19, no.2, March 2004, pp. 320-335.
[52] Wang J., Wang Y. , Wang Z. , Yang J. , Pei Y. and Dong Q. , "Comparative study of vector
control schemesfor parallel connectedinduction motors", In: Proceedings of powerelectronics specialist
conference,IEEE , 2005, pp. 1264-1270
[53] Gratzfeld P.and Skudelny H.C., "Dynamic performance of two parallel-connected induction
machines for traction drives," In: Proceedings of IEEEIAS Conf Rec.,1984 Annual Meeting, pp. 287295
[54] Matsuse K.,Kouno Y. ,KawaiH.and Oikawa J., "Characteristics of speedsensor-less vector
controlled dual induction motor drive connected in parallel fed by a single Inverter", In: IEEE Trans.
Industry Applications (2004), vol. 40, Jan./Feb. 2004, pp. 153-161.
[55] Kubota H. and Matsuse K., "Speed sensorless fieldoriented control of induction motor with
rotor resistance adaptation," In: IEEE Trans. Industry Applications (1994), vol. 30, Sept. /Oct. 1994, pp.
1219— 1224.
56
[56] Young-Real Kim, Seung-Ki Sul and Min-Ho Park, "Speed sensorless vector control of
induction motor using Extended Kalman Filter", In: IEEE Trans.lndustry Applications (1994), vol. 30,
no. 5, Sept. / Oct. 1994, pp. 1225-1233.
[57] Mohamed Rashed,Fraser Stronach and Peter Vas,"A Stable MRAS-based sensorless vector
control induction motor drive at low speeds", In: Proceedings ofIEEE, 2003, pp. 1181-1188
[58] Mineo Tsuji, Yousuke Umesaki, Ryo Nakayama,and Katsuhiro Izumi, "A Simplified MRAS
based sensorless vector control method of induction motor", In: Proceedings of IEEE, 2002, pp.
10901095.
[59] Murat Barut, Seta Bogosyan and Metin Gokasan, "Experimental evaluation of braided EKF
for sensorless control of induction motors", In:IEEE Trans. Industrial Electronics (2008), VOL 55, no.
2, Feb.
2008, pp. 620-632.

Thesis shailesh

  • 1.
    4 ABSTRACT The Vector Controltechnique allows the dynamic control of induction motors in particular to a performance level comparable to that of a DC machine. Various control methods of induction motor drive like voltage control, voltage and frequency control, current control etc, provide steady state performance, but their dynamic response is poor. The vector control technique, which is also called Field Oriented Control (FOC), allows a squirrel cage induction motor to be driven with high dynamic performance that is comparable to the characteristics of a DC motor. The vector control technique decouples the stator current in two components: one for the control of torque and other for controlling flux. The vector control technique can further be classified into direct vector control and indirect vector control. In this technique the stator currents are converted to a fictitious Synchronously Rotating Reference Frame (SRRF) with the flux vector. In this work, Vector Control Induction Motor drive (VCIMD) has been modelled in MATLAB and simulated under different operating conditions like step change in speed, speed reversal, load perturbation and starting. Further, the dynamic response of the VCIMD depends on the type of speed controller used in the closed loop operation. The different speed controllers used in the VCIMD are proportional integral (PI),fuzzy logic (FL) and hybrid (PI and FL), A comparative study of the response obtained from VCIMD is carried out with different speed controllers using MATLAB Simulink software. TABLE OF CONTENTS Page No. CERTIFICATE 2 ACKNOWLEDGEMENT 3 ABSTRACT 4 TABLE OF CONTENTS 5
  • 2.
    5 LIST OF FIGURES7 LIST OF TABLE 9 CHAPTER-I INTRODUCTION 10 1.1 General 10 I .2 Concept Of Vector Control 10 1.3 Analogy 12 1.4 Vector Control Classification 13 1.5 Scope Of Work 13 1.6 Application of VCIMD 14 1.7 Chapter outline 14 CHAPTER-2 LITERATURE REVIEW 15 CHAPTER- 3 DESCRIPTION OF INDIRECT VECTOR CONTROLLED 17 INDUCTION MOTOR DRIVE 3.1 Operating Principle 17 3.2 VCIMD System Description 19 3.2.1 Speed Controller 19 3.2.2 Field Weakening Control 19 3.2.3 Limiter 19 3.2.4 Vector Controller 19 3.2.5 Rotating To Stationary Frame Transformation 20 3.2.6 Current Controller 20 3.2.7 Voltage Source Inverter 20 3.2.8 Three Phase Induction Motor 20 CHAPTER-4 MODELLING OF VCIMD 21 4.1 Modelling Of Speed Controller 22 4.1.1 Proportional Integral (PI) Controller 23 4.1.2 Fuzzy Logic Controller
  • 3.
    6 4. I .3Hybrid Fuzzy — PI Controller 26 CHAPTER-5 SIMULATION RESULTS 28 5.1 Start Mode Dynamics 28 5.2 Reversal Dynamics 32 5.3 Drive On Load 36 5.4 Load Perturbation 40 5.5 Quadratic Load 43 5.6 Step change In Speed 5.7 Breaking Mode 47 5.8 Comparative Analysis 47 5.9 Conclusion 49 CHAPTER-6 CONCLUSION & FUTURE SCOPE 50 6.1 General 50 6.2 Conclusion 50 6.3 Future Scope Of Work 51 APPENDIX 52 REFERENCES 53-57 LIST OF FIGURES Fig 1.1 Block diagram of indirect vector induction motor drive Fig 1.2 shows the analogy between the induction motor operated in 11 vector control mode and separately excited DC motor 12 Fig 3.1 Schematic block diagram of indirect vector control Fig 4.1 Schematic Block Diagram of Indirect Vector controlled 18 induction motor Drive 21 Fig 4.2 Basic model of indirect vector control in MATLAB frame 22
  • 4.
    7 Fig 4.3 Blockschematic of PI speed controller 23 Fig 4.4 Realization of PI speed controller in MATLAB environment 24 Fig 4.5 Block schematic of FL speed controller 25 Fig 4.6 Realization of FL speed controller in Matlab 26 Fig 4.7 Block diagram of Hybrid Fuzzy-PI controller 27 Fig 4.8 Realization of hybrid Fuzzy- PI speed controller in Matlab 27 Fig 5.1 Starting Dynamics of VCIMD with PI Fig 5.2 Starting dynamics ofVCIMD with fuzzy 29 Fig 5.3 Starting dynamics of VCIMD with IC 31 Fig 5.4 Reversal dynamics of VCIMD with PI 32 Fig 5.5 Reversal dynamics ofVCIMD with Fuzzy logic 33 Fig 5.6 Reversal dynamics of VCIMD with IC 34 Fig 5.7 Load application dynamics of VCIMD with PI 35 Fig 5.8 Load application dynamics of VCIMD with FL 36 Fig 5.9 Load application dynamics of VCIMD with IC 37 Fig 5.10 Load Perturbation dynamics with PI 38 Fig 5.11 Load Perturbation dynamics with FL 39 Fig 5.12 Load Perturbation dynamics with IC Fig 5.13 Quadratic Load with PI Controller 40 Fig 5.14 Quadratic Load with FL Controller 43 Fig 5.15 Quadratic Load with IC 44 Fig 5.16 Step change in Speed dynamics with PI,FL and IC 45 Fig 5.17 Breaking dynamics with PI,FL and IC
  • 5.
    8 List of Tables Table-ILogic Rule for fuzzy logic speed controller 25 Table 5.1 Observation From. Various Operating point 52
  • 6.
    9 Chapter-I Introduction 1.1 GENERAL Tothe industrial application, induction motors are commonly used. It requires to run at a constant speed(on nearly constant). It has many advantages over other types of motor, are simple structure, less maintenance, low weight for a particular power rating, low cost. But in industrial applications, DC motors used to run on variable speed over induction motors. DC motor price is costly, has a high maintenance cost of commutators & brushes, has less life of commutators due to the light load of operation and risk at high speed. There are various reasons to replace a DC motor with an induction motor. Due to non-linearity, the induction motor drives complex results. In separate DC motor, armature and field winding are 900 electrically apart from each other which allows independent control of torque and flux. Advancement of power electronics technology is a simple control technique to work with the variable speed drives. In present, with the help of digital signal processors(DSP's) and microcontrollers have made it possible to implement the control scheme to decrease the amount of hardware and has been replaced by equivalent necessary software. Therefore, a complex control scheme for induction motor drives can be implemented with simplicity. 1.2 Concept of Vector Control Control technique produced two hypothetical, decoupled signals. First is control of torque and next is control flux. a three-phase induction motor treat as a separately excited and compensated DC motor. This is referred to as Vector Control(VC) or Field Oriented Control(FOC). This concept arose in the early 70s, it gave a new turn in technology. With the help of this method, we have an option to use the induction motor in industrial applications. It required four-quadrant operation with a fast dynamic on a wide range speed. Here both decoupled signals of the stator current phasor are assumed as a control variable, which is expressed in d-q is Synchronous rotating reference frame(SRRF). SRRF current signals are generated by the vector controller, also three phases of current signals produced by the current signal are identical to each other, the vector mode achieved.
  • 7.
    10 Showing VCIMD(vector controlledinduction motor drive) block diagram in Fig 1.1 here feedback signal processor takes the rotor speed (Or) as input signal along with the set reference speed (Or *) which generated the command value of torque (T)* and the exciting current In SRFF, vector controlled computed decoupled current signal of stator Current phasor(ias and These signal transformed into three stationary reference currents Three phase current and third current is computed by the balanced system equation. The current controller matches the actual and reference currents and provides the gate signal instantly to the voltage source inverter(VSI) and after fast control is achieved. Fig I .1 Block Diagram of Indirect Vector Control Induction Motor Drive 1.3 Analogy Fig 1.2 shows the analogy between the induction motor operated in vector control mode and separately excited DC motor. The torque equation of DC motor is : Where Kt is the torque constant of DC motor, la and Ifreferred to the torque and flux component of current.
  • 8.
    11 (a) (b) Fig 1.2 showsthe analogy between the induction motor operated in vector control mode and separately excited DC motor The two control signals of induction motor Ids and Iqs are analogous to If and la respectively of DC motor. It is showing in Fig 1.2(b). torque equation of induction motor is Where Kt is the torque constant of the induction motor. Iqs and Ids is torque and flux produce components of stator current vectors. Torque expressions are identical in two torque equations. Orthogonal relationship between two feed is maintained and does not depend on speed and load torque. In case of compensated DC motors. This way DC motor achieved independent control similarly in case of induction motor igs
  • 9.
    12 independent control achievedby controlling it in SRRF. DC quantities are two hypothetical decoupled current signals and also orthogonal to each other. It is independent of speed and load torque. So, with the help of vector control technique, the induction motor control technique is similar to separately excited DC motors. 1.4 Vector Control Classification Vector control technique applied on induction motors is classified into two ways. First classification is based on determining the rotor flux vector and the second way is based on the selection of a reference frame for controlling purpose. The important thing in implementing field orientation in an induction motor is determining the information regarding the magnitude and position of the rotating rotor flux vector which refer to the frame for stator current and voltage, vector control technique divide into two groups using the rotor flux vector is DVC and IVC. Both methods have their own advantages and disadvantages. The selection of the reference frame is the second aspect of the classification of vector control. It has two hypothetical current components i.e SRRF can be aligned along with the stator rotor and then three types of vector control is stator field-oriented, rotor fixed oriented and airfield gap oriented. Mostly used rotor field used just because of simple structure and better performance. 1.5 SCOPE OF WORK Variable speed drives with excellent dynamic characteristic replace separately by induction motor. With the various type of speed controllers VCIMD investigate various operating condition. Proportional integral(PI) controller, fuzzy logic(FL) controller and intelligent controller(IC) has been considered in this investigation dynamic performance of VCIMD improve by speed controller. It is subjected to various type of load application such as fan load, pump load, etc. induction motor operation is similar to separately excited DC motor (variable
  • 10.
    13 speed ) invector control mode. Current controlled voltage source inverter(CC-VSI) obtained fast and quick regulation of varying winding current under transient condition. 1.6 APPLICATION OF VCIMD In industrial application VCIMD considered for various application. Induction motor operation in vector control has been taken place of DC separately excited motor. Many factor are involved to restrict use VCIMD, such factor are excellent dynamic character smooth transaction between various operation with low maintenance but with good efficiency, the time factor, etc. in the modern age, there are various application like air-conditioning, refrigerator, fans, blower, pump waste, water treatment plans, elevator, lift, traction, electric vehicle, etc. 1.7 CHAPTER OUTLINE The dissertation contents are divided into the following chapters: Chapter:l This chapter elaborates on the introduction and concept of VCIMD. Chapter:2 This chapter explains about the historical standpoint of VCIMD. Chapter:3 This chapter explains the theory and concept of Indirect VCIMD (IVCIMD). Chapter:4 This chapter describes the model of VCIMD do. Chapter:5 This chapter describes VCIMD's simulation result using different speed control and compares between many types of speed control from various operation conditions. Chapter-2 LITERATURE REVIEW This chapter reviewed various aspects and the development in VCIMD presented. In 1972, BLASCHKE[34] was introduced as Vector control(VC). It is a revolutionary concept about induction motor's controlling speed with variable speed driver, gives excellent dynamic
  • 11.
    14 performance is sameas separately excited motor sclar control technique [7]-[17] [46][81] used to control the induction machine,Before invention. obtained a dynamic response with this technique was not satisfied [4]-[7],[11]. so, I need excellent technique for better response of induction motor(IM) in many conditions due to this advantage of scalar control technique. experiment was performed to the looking technique to the advantage of separately excited DC motor and induction motor Our main focus is to achieve VC( vector control) technique to control the speed of the induction motor, the same as a separately excited DC motor and advantage of the machine in a single variable speed . the following advantages of DC motor lower inertia, low maintenance requirement, better power to weight ratio and robust Rotor. easy control and better dynamic performance is the main advantage of DC motors. using control techniques in the induction motor and single variable speed. brushless motor drive in DC motor.with the help of many theories [9] induction motor is developed. with the help of digital processors [ 37]-[ 38],[ 70] ,[80],[ 98][100], [ 102], [ 125],[ 141] possible to implement Complex algorithms like VC. Simulink has created a simulation of VC. Reduction in hardware Fast control is achieved Using DSP and microcontroller . Due to the speed controller VCIMD performance affected, it has many Type of speed controllers to investigate VCIMD operational conditions. Self tuning algorithm solves parameter variation , load distribution, etc. with the help of a fuzzy Algorithm pave the way for exact mathematical model and sensitivity parameter variation. This algorithm is used for speed control improvement. The main disadvantage of Fuzzy Algorithm speed controllers result in steady state error, when the drive is Run. In variable speed Drive application, major problems exist on distorted voltage at the point of common coupling(PCC) terminal and the harmonic component of current. It occurred When fed through AC-DC converters [ 23] . Various topologies describe AC-DC converters. The first topology is all about single phase ACDC converters. It is a unidirectional and uncontrolled bridge rectifier, gives High THD and poor PF[26]. improved power factor correction (IPFC) is modified bridge configuration with diode and IGBT switch to maintain DC link voltage independently and with improved power factor supply sinusoidal current. voltage source converter (VSC) logically and Mathematically
  • 12.
    15 parametric set withsolid state switches Bridge. It is an advantage ofbidirectional power flow . Another topology is all about AC-DC converters . It is a three phase uncontrolled converter, three phase voltage source converter(VSC) and multi- purpose converter [ 121].
  • 13.
    16 CHAPTER-3 DESCRIPTION OFINDIRECT VECTOR CONTROLLED INDUCTION MOTOR DRIVE Application of induction motors developed in vector control areas at variable speed with the help of this method provide a three phase brushless control Drive. Which advantage for separately excited DC motor and induction motor. This chapter describes the operating principle of the proposed drive and various parts . 3.1 OPERATING PRINCIPLE The schematic block diagram of the VCIMD is shown in Fig. 3.1. The control system comprises two loops, one is outer speed feedback loop and other is inner current feedback loop. Two of the three phase current (ias , ibs , ics) of induction motor is sensed and the third current of motor is calculated from the two of the three phase current as the induction motor is balanced load, Further speed error is calculated. A limiter is put in the output of a speed controller which limits the torque within maximum permissible value and the output of the limiter is considered as reference torque . The input to the Field Weakening Controller (FWC) is speed signal (or) and output of FWC provide reference excitation current (imr*). Therefore, the two signals T* and the (imr*) are the reference signal for the vector controller. In the vector control the d-axis component (i * ) and the q-axis component (Iqs *) of the stator current signals are computed which are responsible for the flux control and torque control respectively. The slip frequency signal (02* ) is also calculated in vector control to find out the flux angle of the rotor flux vector. The flux angle is calculated by addition of slip speed and the rotor speed. By using flux angle control signal of flux and torque are transferred in SRF three phase current from SRRF.For current control of VSI fed induction motor drive,the reference current (las *lbs *ICS *) and sensed actual winding current (ias , ibs , ics) of the motor are fed into the pulse width modulated current controlled. The current in a signal is amplified and used as the modulated signal for the PWM converter. A triangular career waveform used. beach airport to the drive circuit of the IGBT of VSI feeding in the induction motor .
  • 14.
    17 Vdc Fig 3.1. SchematicBlock Diagram of Indirect vector control 3.2 VCIMD SYSTEM DESCRIPTION
  • 15.
    18 The vector controlledtechniques of induction motor drive (IMD) consists of many important different parts. Fig 3.1 shows the block main diagram of VCIMD. The figure consists of various components named as speed controller block, field weakening control block, limiter block, vector control block, current controller block, voltage source inverter, speed sensor and the induction motor 3.2.1 Speed Controller The actual speed of motor wr and reference speed are compared and the generated speed error is the input to the speed controller, and output of this controller is torque. Different types of speed controllers have been implemented to check the drive performance . 3.2.2 Field Weakening control This block is used when the drive is operated on greater than the base speed. Excitation current imr* is generated from this block. This rated value of excitation current is supplied for the normal operation i.e. below the base speed operation. As soon as the speed approaches above base speed, the value of imr* becomes inversely proportional to the rotor speed 3.2.3 Limiter The output of speed controller is limited by the limiter and the reference command of torque T* is generated. This block ensures that the generated torque T* does not go beyond the breakdown limits during transients operation of the drive. Since the torque producing component iqs* depends on the reference value of torque T*. A very high reference torque can cause overcurrent problems which may be dangerous to the drive and make the drive unstable. Therefore, the limiter provides overcurrent protection and stability to the drive. 3.2.4 Vector Controller The output of speed controller is reference torque T* after putting a limit and excitation current imr from a field weakening block (FWC). This signal is input to the vector controller. The reference value of two phase SRRF d-qaxis hypothetical component of stator current vector (ids* and iqs*) are computed along slip frequency 02*.
  • 16.
    19 3.2.5 Rotating toStationary Frame Transformation The reference value of synchronous rotating decoupled component of currents (ids* and Iqs*) is now converted into three-phase current (ias* and ics*) in a stationary reference frame (SRF) by utilizing the flux angle . The flux angle is given by integrating the sum of slip speed .and the rotor speed or. 3.2.6 Current Controller The Current controller block compares the two current and generates the switching pulse for CC-VSI. The actual three phase current (ias ,ibs and ics) and the transformed reference three phase currents SRF (ias* and ics*) are compared. The compared error signal is then amplified and used as a modulating signal which is compared with the carrier triangular signal. The intersection point generates the switching signal in such a manner that the actual and the reference currents closely match within a band to ensure the vector control operation. 3.2.7 Voltage Source Inverter A three-phase CC-VSI is configured by using six controlled devices (IGBT/MOSFET) in the bridge form. These switches operate with the receiving gate signal from the current controller. CC- VSI provides variable frequency variable voltage source to feed 1M operated in VCM . 3.2.7 Speed Sensor For accurate measurement of rotor flux angle. The accurate information regarding rotor speed is required to achieve indirect vector control. Hence, shaft encoders or speed resolvers are used to sense the speed. 3.2.8 Three Phase Induction Motor To run a variable speed drive, a three phase induction motor is required which receives the electrical signal from CC-VSI and converts it into mechanical energy. The induction motor is the component which is being controlled by vector control technique . CHAPTER-4
  • 17.
    20 MODELING OF VECTORCONTROLLED INDUCTION MOTOR DRIVE The previous chapter has described the different important parts of VCIMD. The working of each component also briefly. This chapter includes the mathematical modelling of VCIMD in the MATLAB/SIMULINK platform that is created in accordance with the generalized block diagram of indirect vector control shown in fig4.1. The different parts of this vector control drives are modeled using MATLAB Simulink in discrete time frame (DTF) as shown in fig4.2.This system is divided into the following subsystem . Fig4.1 Schematic Block of Indirect Vector controlled Induction Motor Drive
  • 18.
    21 Fig 4.2 Basicmodel of Indirect Vector Control in MATLAB frame. 4.1 MODELING OF SPEED CONTROLLERS The speed error (Awre) is computed. This speed is sent to the input of the speed controller which generates reference torque for the motor according to speed error input at the n instant. And output of the speed controller puts a limiter which controls current within safe limits. 4.1.1 PROPORTIONAL INTEGRAL (PI) SPEED CONTROLLER The block diagram of the PI speed controller is shown in below fig4.3. And the output of the PI speed controller is calculated from the torque equation which functions as a speed error. The controller mathematically modelling as given below which is in DTF .
  • 19.
    22 AO(n) Or(n) 4.1 AOre(n)= Ore(n) - Ore(n-l) 4.2 T(n) - ore(n-l)} + Ki 4.3 Fig 4.3 Block Schematic of PI Speed Controller KP is proportional gain of speed controller and Kl integral gains., Wre(n) is speed error at nth
  • 20.
    23 Fig 4.4 PIspeed controller in MATLAB Environment 4.1.2 FUZZY LOGIC CONTROLLER The rule base Fuzzy logic controller block diagram is shown in below fig4.5 and corresponding MATLAB Simulink block diagram is also in fig4.6. The fuzzy logic controller block diagram consists of three stage input stage, processing stage, and output stage. The processing stage has three parts: Fuzzification ,rule base , defuzzification. The following Step used for Fuzzy logic speed controller are: First calculate speed error from reference speed and actual speed of motor and then calculate change in speed error. These two signals are converted into linguistics format from the crisp. Put the rule in the form of IF- THEN from the relation between input and output. Calculate output in linguistics format by using defined rule base . Mamdani method is used. Convert the linguistics output value into again a crisp value by using a defuzzification block. Centroid method is used . Output crisp value is re-scaled to calculate torque. Fig 4.5Block Schematic of FL Speed Controller Change in error Emor Control
  • 21.
    24 NM NS ZEPS PM UNB NM NS NE NM NM NM NS ZE PS NS NM NS NS PM NS ZE PS PM PS NM NS ZE PS PS PM PM NS ZE PS PM PM PS PM TABLE-I LOGIC RULES FOR FUZZY LOGIC SPEED CONTROLLER Fig 4.6 Realization of FL Speed controller in MATLAB 4.1.3 HYBRID FUZZY -PI CONTROLLER The main purpose of the hybrid controller is to take both advantages of PI and Fuzzy. By combining the speed controller through a control switch. Starting fuzzy logic controller gives better speed response compared to PI controller. PI controller is used in steady state which
  • 22.
    25 eliminates the steadystate speed error and is capable of overload torque variations. Block diagram of hybrid controller is shown in below fig4.7 By using speed error and time of simulation. We can control the switch in such a way when the response has large speed errors with set appropriate time then a fuzzy logic controller is used. And when the speed error is small with set appropriate time then use a PI speed controller. The function of the switch is given below. e > Sand t < T ( Fuzzy) Switch = e < E and t ST: ) Fig 4.7 Block diagram of Hybrid Fuzzy-PI Controller
  • 23.
    26 Fig 4.8 Realizationof Hybrid Fuzzy-Pi Speed controller in MATLAB CHAPTER-5 SIMULATION RESULTS 5.1 START MODE DYNAMICS The induction motor used in vector control techniques is initially starting with very low frequency. The controller used in speed control of Induction motor drive controls the drive frequency. And the motor finally runs at a set point called steady state point with limited torque value. Due to use of a controller in VCIMD, it limits the starting current of induction motor drives and which limit torque .
  • 24.
    5.2 REVERSAL DYNAMICS Incase of reversal dynamic behavior of motor, if the motor is run at set speed value 210. if we change the set speed value to -210. Then the controller first decreases the frequency, braking takes place with opposite torque and next the motor starts rotating in reverse direction by phase reversal. As there is no change in the dynamic condition of the motor (operate at no load) so on changes in inverter current direction as well as in magnitude independent of rotor direction of rotation . 32
  • 25.
    5.3 DRIVE ONLOAD For load application of induction motor drive the vector control test the performance of the motor with different types of load and also by using different speed controller techniques. There are many types of load available linear, nonlinear, like load torque as function of speed or function of square of speed variation. To test the motor performance with different load motors initially started at set speed value and then load are applied. And when the motor actual speed and set speed are equal value then the electromagnet torque is zero
  • 26.
    36 5.10 STEP CHANGEIN SPEED If a motor is running at a certain set speed point, if command of speed changes to some other value according to requirement of application, then vector control techniques check changes in speed command of motor. whether it should operate either in armature control or FWC.
  • 28.
    47 5.11 BRAKING MODE Insteady state, drives running at the set speed 210 electrical rad/sec, if the motor speed brought to zero value from reference speed value then the frequency of stator is reduced by the controller.The motor generates opposite torque with speed direction is same. At the time of electrical braking a generative action also takes place so power is also transferred. back to the supply, with negative torque motor speed gets reduced and comes to the zero value. As the braking as well as generative action both take place at the same time, it is also called regenerative braking of the motor. oramny OL Ine muwr. 5.12 COMPARATIVE ANALYSIS The VCIMD performance has been investigated with simulation results under various dynamic conditions namely step change in speed, load perturbation, starting, speed reversal, using the stated speed controllers namely PI, FL and Hybrid speed controller respectively. The obtained results are shown in figure and observed data is tabulated in table. The following observation may be made from these results. Table shows that for the same reference speed.
  • 29.
    Various speed controllersshow persistent change in starting and reverse time respectively. In comparison to proportional integral controllers, fuzzy logic controllers are having disadvantages of speed error in steady state on load perturbation. In order to take the advantages of proportional integral and Fuzzy Logic controller and to eliminate disadvantages of the FL controller, both the control techniques are combined and named as a Hybrid speed controller. Some other controllers are also used to improve the dynamic performance of an induction motor. 5.13 CONCLUSION The VCIMD has been mathematically modeled in MATLAB along with Simulink. The drive response has been simulated using the developed model with various operating conditions such as speed reversal, starting, step change in speed and load perturbation etc. A comparative study of different speed controllers has been carried out for the VCIMD system. Different Speed controllers have their own merits as well as demerits. Depending on requirement, a particular speed controller may be designed. When the requirement is simplicity and ease of application, the PI speed controller is to be a good choice. When intelligence and fast dynamic response are important then the FL technique may be selected. A comparative study between different types of speed controllers has been taken which show the advantage and disadvantage of individual speed controllers. PI controller is the most commonly used speed controller because it is simple in construction ease of application but it has some overshoot and undershoot at the load applied and removal application. This problem can be eliminated by Rule base nonlinear controller techniques called Fuzzy logic controller techniques. The main demerit in this option is the presence of steady state error on load perturbation. To eliminate such a problem and to maintain the high level of performance in combination with fast dynamic response, the Hybrid speed controller is a better option, which is a combination of Fuzzy Logic (FL) and proportional integral (PI). Finally, when high level accuracy is required then Hybrid controller is much preferred, Intelligence and performance of VCIMD system.
  • 30.
    49 CHAPTER-6 Conclusion and futureScope 6.1 GENERAL The main objective of the thesis has been aimed towards modelling of Vector Control Induction motor (VCIMD), implementation of VCIMD using a fast speed, dedicated digital signal processor (DSP) and improvement of the AC supply power quality of the VCIMD. Modelling and simulation of the VCIMD with various operating conditions has been carried out using different closed loop speed controllers in MATLAB environment using Simulink and power system blockset (PSB) toolboxes . 6.2 CONCLUSION The VCIMD has been mathematically model in MATLAB along with Simulink. The drive response has been simulated using the developed model with various operating conditions such as speed reversal, starting, step change in speed and load perturbation etc. A comparative study of different speed controllers has been carried out for the VCIMD system. Different Speed controllers have their own merits as well as demerits. Depending on requirement, a particular speed controller may be designed. When the requirement is simplicity and ease of application, the PI speed controller is to be a good choice. When intelligence and fast dynamic responses are important then the FL technique may be selected. The main demerit in this option is the presence of steady state error on load perturbation. To eliminate such a problem and to maintain the high level of performance in combination with fast dynamic response, the Hybrid speed controller is a better option, which is a combination of Fuzzy Logic (FL) and proportional integral (PI). 6.3 FUTURE SCOPE OF WORK. In the previous chapter, it has been shown that the main objective is achieved. To explore the work and extend it toward some other important aspects. I The performance of
  • 31.
    50 2 VCIMD mayalso be carried out with different type speed controllers like artificial neural network, Pre-compensated Posicast speed controller and SMC. 3 To improve the power quality of ac- dc converter on the source side we use topologies based on autotransformer. 4 Conventional speed controllers of 1M generally suffer from parameter variation.so we use auto tuned PI controller which is an online parameters estimation based speed controller. 5 To improve the quality of supply. Passive filters. we can also use it.
  • 32.
    51 APPENDIX Induction motor specification: 30HP,3-phase, 4-pole, Y-connected, 415V, 45A, 50Hz 0.251 Q, 0.249 Q , Lm = 0.0416H, Us = 0.00416H, = 0.001397, Llr= 0.001397H , 0.305Kgm2 Controller specifications: PI Controller: 350, RI = 50 HYBRID Controller : Combine PI controller and FL controller. Both PI controller and FL controller.
  • 33.
    52 REFERENCES [l] R. Krishnan,Electric Motor Drives: Modeling, Analysis, and Control, 1st ed. Upper Saddle River, N.J: Prentice Hall, Feb. 2001. [2] W. Leonard, Control ofElectric Drives, New Delhi, Narosa Publication, 1985. [3] P C. Krause,Analysis ofElectrical Machinery, Mc Graw-Hill Book Company, 1986. F. Blaschke, "The principle offield orientation as applied to the new TRANSVECTOR-closed loop control systemsfor rotatingfield machines," 1972. [5] B.K. Bose,Modern PowerElectronics and ACDrives, 1st ed. Upper Saddle River, NJ:Prentice Hall, Oct. 2001 [6] Bhim Singh, B. P. Singh and Sumit Ghatak Choudhuri, "Comparative Study of Different Speed Controllers for Vector Control of an Induction Motor Drive," in Proc. National Systems Conf.,2000, pp. 446—451 [7] L. A. Zadeh, "Fuzzy sets," Information and Control, vol. 8, no. 3, pp. 338—353, Jun. 1965. Bhim Singh and Sumit Ghatak Choudhuri, "Fuzzy Logic Based Speed Controllers for Vector Controlled Induction Motor Drive," IETEJournal of Research,vol. 48, no. 6, Nov/Dec 2002, pp. 441447 Bhim Singh and Sumit Ghatak Choudhuri, "Simplified Model for Simulation of Vector Controlled Induction Motor Drive (VCIMD) using MATLAB", CERA, 11T Roorkee, 2005, pp. 274-278. [ 10 ] c.c. Lee,"Fuzzy Logic on Control Systems-Part I," IEEE Trans. on Systems, Man and Cybernetics, vol. 20, no. 2, Mar/Apr 1990, pp. 404-418. [11] c.c. Lee, "Fuzzy Logic on Control Systems-Part Il," IEEE Trans. on Systems, Man and Cybernetics, vol.2 0, no. 2, Mar/Apr 1990, pp. 419-435. [12] J. Y. Hung, "POSICAST Control Past and Present," IEEE Trans. Magn., vol. 2, no. 1, March2007. [13] J. Y. Hung, "Application of POSICAST principles in feedback control," in 2002 IEEE International Symposium on Industrial Electronics, pp. 500-504, July 2000. [14] F. C. .Feng and N. Y. Sheng,"Application of Fuzzy Logic in the Speed Control of AC Servo System and an Intelligent Inverter, " IEEE Trans. on Energy Conversion, vol. 8, No.2, pp. 312-3 18
  • 34.
    53 [15] ] SumitGhatak Choudhuri, "Analysis and Development of Vector Control of Induction Motor Drive", Ph.D dissertation, Dept. of Electrical Engg. Indian Institute of Technology, Delhi, India, 2004. [16] M. Barut,M. Gokasan, and O.Bogosyan, "An extended Kalman filter basedsensorless direct vector control of induction motors," in The 29th Annual Conference of the IEEE Industrial Electronics Society, 2003. IECON '03, vol. 1, Nov. 2003, pp. 318-322 vol. 1. [17] Bhim Singh and Sumit GhatakChoudhuri, "DSP Based Implementation of VectorControlled Induction Motor Drive using Fuzzy Pre-compensated Proportional Integral Speed Controllers," in Proc. International Conf on Power Electronics, Drives and Energy Systems, 12-15 Dec,2006, pp. 1-6. [18] Suneel Kumar Agrawal and Sumit Ghatak Choudhuri, "Simulation of Vector Controlled Induction Motor Drive in MATLAB for Various Applications: A Comparative Study, " in Proc. Michael Faraday IET International Summit-2015, 12-13 Sept, 2015, pp.533-54. [19] Anirban Ghoshal and Vinod John, "Anti-windup Schemes for Proportional Integral and Proportional Resonant Controller", in proc. National Power electronic conference,Roorkee, 2010 [20] C.Bohn and D.P.Atherton. Ananalysis package comparing pid anti windup strategies.IEEE Systems Magazine, 15(2):34—40, April 1995 [21] D. Vranv ci'c. Design of Anti-Windup and bumpless Transfer Protection. PhD thesis, University of Ljubljana, Slovenia, 1997 [22] A. Visioli. Modified anti-windup scheme for pid controllers. IEE Control Theory andApplications, January 2003. [23] R.Arulmozhiyal and Baskaran.K, "Space Vector Pulse Width Modulation Based Speed Control of Induction Motor Using Fuzzy PIController" International Journal of Computer and Electrical Engineering volume 01,Number I PP(98-103). [24] Yen-Shin Lai, Juo-Chiun Lin, "New hybrid fuzzy controller for direct torque control induction motor drives", PowerElectronics, IEEE Transactionson ,Volume: 18 ,Issue:5 ,Pages:1211— 1219,Sept. 2003. [25] S. Mir, M. E. Elbuluk, and D. S. Zinger, "PI and fuzzy estimators for tuning the stator resistance in direct torque control of induction machines," Proc. IEEE PESC,pp. 744—751, 1994. [26] Anirban Ghoshal and Vinod John, "Anti-windup Schemes for Proportional Integral and Proportional Resonant Controller", in proc. National Power electronic conference,Roorkee, 2010. [27] SHEN Yan-Nia and CHEN Zhong-wei, "Induction Motor Vector Control System Based on Antiwindup Controller", 6th IEEE Conference on Industrial Electronics and Applications, Beijing, 21- 23 June, 2011. [28] Sul (2011), "Control of Electric Machine Drive Systems", John Wiley & Sons, Hoboken, New John Wiley & Sons, Hoboken, New Jersey.
  • 35.
    54 [29] Dubey (2011),"Fundamental of Electrical Drives Fundamental of Electrical Drives", Narosa Publication, Second Edition. [30] Dey,Singh, Dwivedi, and Chandra (2009), " VectorControl of Three-Phase Induction Motor using Al Technique" ARPN Journal of Engineering and Applied Science, Vol. 4, No. 4. [31] Kohlrursz, Fodar, and Hungavan (2011), "Comparison of Scalar & Vector ControlStrategies of Induction Motor", Journal of Industrial Chemistry Veszprem, Vol. 39. [32] Bruno Francois, Philippe Degobert, "Vector Control ofInduction machines", Springer. [33] Dheeraj, and Meghna (2013), "Comparison of Vector Control Techniquesfor Induction Motor. [34] H. Haq, M. Hasan Imran, H. Ibrahim Okumus, and M. Habibullah, "Speed Control of Induction Motor using FOC Method." Int. Journal of Engineering Research and Applications ISSN: 2248-9622, Vol.5, Issue 3, pp. 154- 158, March 2015. [35] Sunita Jain, F. Sharma and Mukesh Baliwal, "Modeling and Simulation of an Induction Motor. "International Journal ofEngineering Research and Development elSSN:2278-067X, Vol. 10, Issue 4 PP.57-61,April 2014 [36] Walid Emar, IssamTtrad, and Ziad Sobih, "Control of an Induction Motor with PIController or with Sliding Mode Controller." International Journal of Automation and Control Engineering, Vol. 2, Issue 4, November 2013 [37] Sobha C. Barik, "Sliding mode vector Control of three phase induction motor." Master of Technology in Power Control and Drives', Department of Electrical Engineering, NIT, May 2007 [38] V.I. Utkin, "Sliding mode control design principle and application to electric drives. " IEEE Transaction on Industrial Electronics, Vol.40, No. I , pp.23-36, February 1993 [39] K.B. Mohanty, "Sensorless sliding mode control of induction motor drives." Tencon, IEEE Region 10 Conference , vol. l, no. 6, pp. 19-21, November 2008 [40] Arun Kumar R and Febin Daya J L, "A Novel Self - Tuning Fuzzy Based PID Controller for Speed Control of Induction Motor Drive", 2013 International Conference on Control Communication and Computing (ICCC),pp 62-67. [41] L.Zhen and L.Xu, "Fuzzy learning enhanced speed control of an indirect field-oriented induction machine drives," IEEE Trans. On Control System Technology, Vol-8,no-2,pp.270- 278,March2000 [42] Mini Sreejeth, Madhusudhan Singh, Pramod Kumar, "Efficiency Optimization of Vector Controlled Induction Motor Drive", Proceedings of 38th Annual Conference on IEEE Industrial Electronics Society (ECON 2012), Oct 2012, Page(s):1758 - 176 [43] M. A. Magzoub, N. B Saad, R. B. Ibrahim, "An intelligent speed controller for indirect fieldoriented controlled induction motor drives", Proceedings of the IEEE Conference on Clean Energy and Technology (CEAT),2013, Page(s):327-331.
  • 36.
    55 [44] Divya Rai,Swati Sharma, Vijay Bhuria, "Fuzzy Speed Controller Design of Three Phase Induction Motor", International Journal of Emerging Technology and Advanced Engineering, Volume 2, Issue 5, May 2012, pp 145-149. [45] Gilberto C.D.Sousa,Bimal K.Bose and John G. Cleland "Fuzzy Logic Based On-Line Efficiency Optimisation Vector-Controlled Induction Motor Drives," IEEE Trans.Industrial Electronics, Vol.42,pp.192-198,April 1995. [46] Goyat, S. and Ahuja, R. K. , 2012. "Speed Control of Induction Motor using Vector or Field Oriented Control", IJAET. [47] Von Zuben, F.J., Netto, M.L.A., Bim, E., Szajner, J. , 1994. "Adaptive vector control of a threephase induction motor using neural networks," Neural Networks, 1994. IEEE World Congress on Computational Intelligence., 1994 IEEE International Conference on , vol.6, no., pp.3750-3755 vol.6. [48] Ba-Razzouk, A.,Cheriti, A.,Olivier, G.,1997."A neuralnetworks basedfield oriented control scheme for induction motors," Industry Applications Conference, 1997. Thirty-Second IAS Annual Meeting, IAS '97., Conference Record of the 1997 IEEE , vol. 2, no., pp. 804-811 vol.2 [49] Yatim A H.M., and Utomo W.M., 2004. " On-Line Optimal Control of Variable Speed Compressor Motor Drive Using NeuralControl Model." PECon Proceedings Conference,pp. 83-87 [50] Ba-Razzouk, A., Cheriti, A., Olivier, G., Sicard, P., 1995 , "Field oriented control of induction motors using neural networks decouplers," Industrial Electronics, Control, and Instrumentation, 1995. Proceedings of the 1995 IEEE IECON 21st International Conference on , vol.2, no., pp. 1428-1433 vol.2. ] Levi E. , Jones M., Vukosavic S. N. and Toliyat H. A. , "A novel concept of a multiphase, multimotor vector controlled drive system supplied from a single voltage source inverter", In: IEEE Trans. Power Electronics (2004), vol. 19, no.2, March 2004, pp. 320-335. [52] Wang J., Wang Y. , Wang Z. , Yang J. , Pei Y. and Dong Q. , "Comparative study of vector control schemesfor parallel connectedinduction motors", In: Proceedings of powerelectronics specialist conference,IEEE , 2005, pp. 1264-1270 [53] Gratzfeld P.and Skudelny H.C., "Dynamic performance of two parallel-connected induction machines for traction drives," In: Proceedings of IEEEIAS Conf Rec.,1984 Annual Meeting, pp. 287295 [54] Matsuse K.,Kouno Y. ,KawaiH.and Oikawa J., "Characteristics of speedsensor-less vector controlled dual induction motor drive connected in parallel fed by a single Inverter", In: IEEE Trans. Industry Applications (2004), vol. 40, Jan./Feb. 2004, pp. 153-161. [55] Kubota H. and Matsuse K., "Speed sensorless fieldoriented control of induction motor with rotor resistance adaptation," In: IEEE Trans. Industry Applications (1994), vol. 30, Sept. /Oct. 1994, pp. 1219— 1224.
  • 37.
    56 [56] Young-Real Kim,Seung-Ki Sul and Min-Ho Park, "Speed sensorless vector control of induction motor using Extended Kalman Filter", In: IEEE Trans.lndustry Applications (1994), vol. 30, no. 5, Sept. / Oct. 1994, pp. 1225-1233. [57] Mohamed Rashed,Fraser Stronach and Peter Vas,"A Stable MRAS-based sensorless vector control induction motor drive at low speeds", In: Proceedings ofIEEE, 2003, pp. 1181-1188 [58] Mineo Tsuji, Yousuke Umesaki, Ryo Nakayama,and Katsuhiro Izumi, "A Simplified MRAS based sensorless vector control method of induction motor", In: Proceedings of IEEE, 2002, pp. 10901095. [59] Murat Barut, Seta Bogosyan and Metin Gokasan, "Experimental evaluation of braided EKF for sensorless control of induction motors", In:IEEE Trans. Industrial Electronics (2008), VOL 55, no. 2, Feb. 2008, pp. 620-632.