GUIDED BY :SUMAN SWAMI

PREPARED BY :SUCHITRA [10EEBEC081]
SUMAN SIDH [10EEBEC083]
SUSHMA TANWAR
Introduction
The circuit works on the feedback principle. The speed
of the fan varies with the variation in the temperature. The
speed of the fan increases if the temperature is increased and
the speed of the fan decreases with the decrease in the
temperature.
LM35 produces its output voltage corresponding to the
temperature. The temperature is given to ADC which converts
the analogue variation in the voltage into the digital form.
When the Vref is properly selected (1V in this case) then the
temperature value appears on the output pins of the ADC in
the binary form. This output is given as input to the 8051
microcontroller. The input is compared in the microcontroller
and the required output is produced.
List of components :-

• LM35

Temperature sensor
• Micro-controller unit
• Brushless variable speed DC Motor
• N mosfet
• Resistors
• Breadboard
• Red LED
• Voltage regulator IC
• Diodes
• Capacitors
Hardware

Micro controller unit is used as the controller to
maintain the DC motor speed at desired value,
based on the input from the temperature sensor, in
order to control the temperature. The duty cycle of
the PWM (pulse width modulation ) from
microcontroller will determine the speed of the DC
motor.
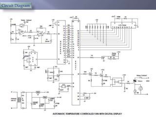
Circuit Diagram
ALGORITHM
1. Initialize Ports, LCD and Motor Driver IC Input.
2. Display project name on LCD.
3. Clear LCD.
4. Display set temperature range on LCD.
5. Read analog Voltage Value from Temperature Sensor on AN0 of PIC.
6. Temperature = Voltage / 10
7. If Temperature < Lower Temperature Range then
7.1. Switch ON Heater
7.2. Switch OFF FAN
8. If Temperature >= Lower Temperature Range & Temperature <= Upper
Temperature then
8.1. Switch OFF Heater
8.2. Switch OFF FAN
9. If Temperature > Upper Temperature Range then
9.1. Switch OFF Heater
9.2. Switch ON FAN and control its speed using PWM generation
10. Display Current Temperature range on LCD.
11. Repeat Steps 5 to 11 infinitely.
SPEED CONTROLLER:

To control the speed of the fan a PWM (pulse width modulation) is used.
.

PWM (PULSE WIDTH MODULATION):
In pulse width modulation the power delivered to the load is varied by changing the duty cycle of the output
voltage.
1.
2.

To deliver high power duty cycle is kept high
To deliver less power duty cycle is kept low

Normal case:

Pulse Width Modulation:
Construction
The construction started with mounting of the components on a
project-board(Breadboard). The project board circuit
arrangement is done stage by stage. The components for the
temperature measurement stage, ramp generator comparator
and ac power control components consisting of the optocoupler and power triac are connected together with jumper
wires. The temperature level control and power switch are put
in place and eventually the power supply is connected finally to
power the circuit. The analog to digital converter stage is also
set up including the LED seven segment display to display the
temperature value. The complete circuit is tested on project
board.
Testing :-

The power supply is connected first of all and
tested to ensure proper supply voltages. The
temperature sensor output is measured also
followed by the ramp generator, comparator, optocoupler, power triac and the ADC. The test carried
out is heating up the sensor and observing the
speed of the fan increasing with the increased
temperature picked up by the sensor and the test
is also carried to establish the relationship between
the temperature levels and the fan speed levels.
Applications :-

Temperature based fan speed controller is useful
for cooling the processor in the laptops and
personal computers “more efficiently”. Generally
fan in laptop comes with only two or three
possible speeds. So it results in more power
consumption. The fan designed in this project,
has different values of speed according to
temperature change. This can be also used in
small scale industries for cooling the
electrical/mechanical equipment. The whole
circuit except motor and fan can be
manufactured on a single PCB, and it can be
used for temperature based control operations.
THANK YOU

Temperature based speed control of fan

  • 1.
    GUIDED BY :SUMANSWAMI PREPARED BY :SUCHITRA [10EEBEC081] SUMAN SIDH [10EEBEC083] SUSHMA TANWAR
  • 2.
    Introduction The circuit workson the feedback principle. The speed of the fan varies with the variation in the temperature. The speed of the fan increases if the temperature is increased and the speed of the fan decreases with the decrease in the temperature. LM35 produces its output voltage corresponding to the temperature. The temperature is given to ADC which converts the analogue variation in the voltage into the digital form. When the Vref is properly selected (1V in this case) then the temperature value appears on the output pins of the ADC in the binary form. This output is given as input to the 8051 microcontroller. The input is compared in the microcontroller and the required output is produced.
  • 3.
    List of components:- • LM35 Temperature sensor • Micro-controller unit • Brushless variable speed DC Motor • N mosfet • Resistors • Breadboard • Red LED • Voltage regulator IC • Diodes • Capacitors
  • 4.
    Hardware Micro controller unitis used as the controller to maintain the DC motor speed at desired value, based on the input from the temperature sensor, in order to control the temperature. The duty cycle of the PWM (pulse width modulation ) from microcontroller will determine the speed of the DC motor.
  • 5.
  • 6.
    ALGORITHM 1. Initialize Ports,LCD and Motor Driver IC Input. 2. Display project name on LCD. 3. Clear LCD. 4. Display set temperature range on LCD. 5. Read analog Voltage Value from Temperature Sensor on AN0 of PIC. 6. Temperature = Voltage / 10 7. If Temperature < Lower Temperature Range then 7.1. Switch ON Heater 7.2. Switch OFF FAN 8. If Temperature >= Lower Temperature Range & Temperature <= Upper Temperature then 8.1. Switch OFF Heater 8.2. Switch OFF FAN 9. If Temperature > Upper Temperature Range then 9.1. Switch OFF Heater 9.2. Switch ON FAN and control its speed using PWM generation 10. Display Current Temperature range on LCD. 11. Repeat Steps 5 to 11 infinitely.
  • 7.
    SPEED CONTROLLER: To controlthe speed of the fan a PWM (pulse width modulation) is used. . PWM (PULSE WIDTH MODULATION): In pulse width modulation the power delivered to the load is varied by changing the duty cycle of the output voltage. 1. 2. To deliver high power duty cycle is kept high To deliver less power duty cycle is kept low Normal case: Pulse Width Modulation:
  • 8.
    Construction The construction startedwith mounting of the components on a project-board(Breadboard). The project board circuit arrangement is done stage by stage. The components for the temperature measurement stage, ramp generator comparator and ac power control components consisting of the optocoupler and power triac are connected together with jumper wires. The temperature level control and power switch are put in place and eventually the power supply is connected finally to power the circuit. The analog to digital converter stage is also set up including the LED seven segment display to display the temperature value. The complete circuit is tested on project board.
  • 9.
    Testing :- The powersupply is connected first of all and tested to ensure proper supply voltages. The temperature sensor output is measured also followed by the ramp generator, comparator, optocoupler, power triac and the ADC. The test carried out is heating up the sensor and observing the speed of the fan increasing with the increased temperature picked up by the sensor and the test is also carried to establish the relationship between the temperature levels and the fan speed levels.
  • 10.
    Applications :- Temperature basedfan speed controller is useful for cooling the processor in the laptops and personal computers “more efficiently”. Generally fan in laptop comes with only two or three possible speeds. So it results in more power consumption. The fan designed in this project, has different values of speed according to temperature change. This can be also used in small scale industries for cooling the electrical/mechanical equipment. The whole circuit except motor and fan can be manufactured on a single PCB, and it can be used for temperature based control operations.
  • 11.