HYDRAULIC
Oleh :
Zharfan Ghafara Gunawan
D4 – Teknik Perancangan dan
Konstruksi Mesin
Prime Mover
Pressure
Generator
Pressure
Regulator
Directional
Control Valve
Flow ControlAktuator
a) Pengenalan
 Sistem hidrolik adalah suatu sistem yang menggunakan fluida bertekanan untuk
mentransmisikan daya antar tempat dimana daya tersebut dihasilakan ke suatu tempat
daya itu digunakan.
Berbagai Karakteristik Transmisi Daya
Mekanik Elektrik Pneumatik Hydraulic
Murah dan sederhana Jarak tidak terbatas Jarak relativ jauh Untuk beban berat
Rugi-rugi kecil Rugi-rugi besar Mudah dikontrol Mudah dikendalikan
Jarak Terbatas Kecepatan tinggi Kecepatan rendah
Untuk Beban ringan Rugi-rugi besar η = 70%
Jarak terbatas
 Konversi satuan :
1 Pascal = 1 N/m2
1 Bar = 105
Pascal = 14,7 Psi
1 Psi = 1 lb/inch2
= 1/14,7 Bar
1 Mpa = 1 N/mm2
 Komponen Sistem Hidrolik
P
T
P T
Ts
A
P
A
P T
A B
P T
A B
P T
1. Pompa Hidrolik
Berfungsi sebagai pressure generator (pembangkit tekanan). Ada 2 macam pompa :
Simbol 1 flow direction
Simbol 2 flow direction
2. Pressure Relieve Valve (PRV)
Berfungsi sebagai pembatas takanan kerja sistem hidrolik. Tekanan dapat disetel
sesuai kebutuhan, jika tekanan sistem hampir melebihi tekanan yang telah disetel,
maka katupnya akan membuka sehingga tekanan kembali dibawah tekanan yang
disetel.
Simbol pressure relieve valve
3. Hydraulic Power Package
Merupakan 1 paket yang terdiri atas Motor, Pompa, Pressure Relieve Valve, dan
Barometer. Biasanya dijual di pasaran dengan spesifikasi tertentu, dan ada yang
terdiri dari 2 pompa dalam 1 Power Package.
Simbol Hydrauic Power Package
4. Katup Kontrol Arah Aliran (Directional Control Valve)
Penamaan katup sesuai jenisnya :
2/2 Normally Closed 3/2 Normally Closed
4/2 4/3
A
PA
P
A
P A
PA
P A
P
A
P
A
P
A B
C
A B
C
b) Standar Penomoran Berdasarkan DIN-ISO5599-3
DIN ISO
Pressure P 1
Output A, B 2, 4
Return R, S, T 3, 5
Signal Z, Y, X 10, 12, 14
1. Metode Aliran :
 General Manual Operation
 Push Button
 Level Operated
 Level Operated Detent
 Font Pedal
 Mechanical Spring
 Mechanical Roller
 Mechanical Roller Idle
2. Katup Gerbang
 Katup fungsi OR
 Katup fungsi AND
3. Aktuator Linear
 Single Acting
 Double Acting
4. Akumulator
Berfungsi sebagai penstabil tekanan (mengghindari hydraulic impact) dan sebagai tempat
penyimpan cadangan tekanan.
Lambang Akumulator
Latihan 1 : Mesin Pengangkat Mobil
Beban maks (W) = 3 ton
Panjang langkah (L) = 2 m
Waktu tempuh (t) = 30 sec
Tekanan maks (P) = 6 bar
Tentukan dimensi piston (diameter), spesifikasi power pack, dan rancang rangkaian
sistem hidrolik !
Penyelesaian :
Diasumsikan pressure drop : Pressure line = 1 bar
Suction line = 0,5 bar
Return line = 0,5 bar
Total = 2 bar,
maka P efektif = 6 – 2 = 4 bar = 4 x 105
Pascal
Maka gaya yang harus diberikan piston adalah
F = W + 10%.W = 110% W
= 1,1 .(3000) = 3300 kg = 32.373 N
P = F/A
A = F/P
Diameter piston :
√ √
Flow max :
Q = A.v ; v = 2/30 = 0,06 m/s
Q = π (0,32/2)2
. 0,06 = 4,82 x 10-3
m3
/s = 4,82 liter/sec
Daya fluida = P.Q = (6x105
) (4,82x10-3
) = 2892 Watt
Daya mekanik = Daya fluida/ηp = 2892/0,9
= 3213 Watt
P T
Ts
A
P T
A
B
P T
Ts
A B
P T
A
BA
B
Daya motor = Daya mekanik x fc = 3213 x 1,2
= 3856 Watt = 3,856 kW = 4 kW
Spesifikasi Power Pack : Flow max > 4,82 liter/sec
Pressure max > 6 bar
Daya input = 4 kW
Rangkaian sistem hidrolik :
Alternatif 1 Alternatif 2
Latihan 2 (PR)
LIFT HIDROLIK
Diketahui:
L = 3 meter
Waktu tempuh = 10 detik
Kapasitas angkat = 1000 kg
Tekanan power pack = 200 bar
Rugi-rugi hidrolis = 20%
Rugi-rugi mekanis = 10%
Diameter batang piston (d) = 5 cm
Tentukan diameter piston (D) dan spesifikasi power pack yang dibutuhkan !
Rancang sistem hidroliknya jika lat tersebut naik dengan kecepatan maksimum dan
kecepatan turunnya dapat diatur, juga pada saat lift mati, posisi ift harus tetap
P efektif = 200 – (200.20%) = 160 bar = 160 x 105
Pascal
F = W + 10%W = 110% W = 1,1 . 1000 = 1100 kg = 10.791 N
P = F/A maka A = F/P
Abesar – Akecil = F/P
D2
= 3,359 x 10-3
D = 0,0579 m = 5,8 mm dan dipasaran tersedia 63 mm
Q > A.v ; v = L/t = 3/10 = 0,3 m/s
Q > (π/4) (0,0632
- 0,052
) . 0,3 = 3,45 x 10-4
m3
/s = 0,35 l/s
Maka Q > 350 cc/s
P T
Ts
A B
P T
A
B
P T
Ts
A
B
A
P
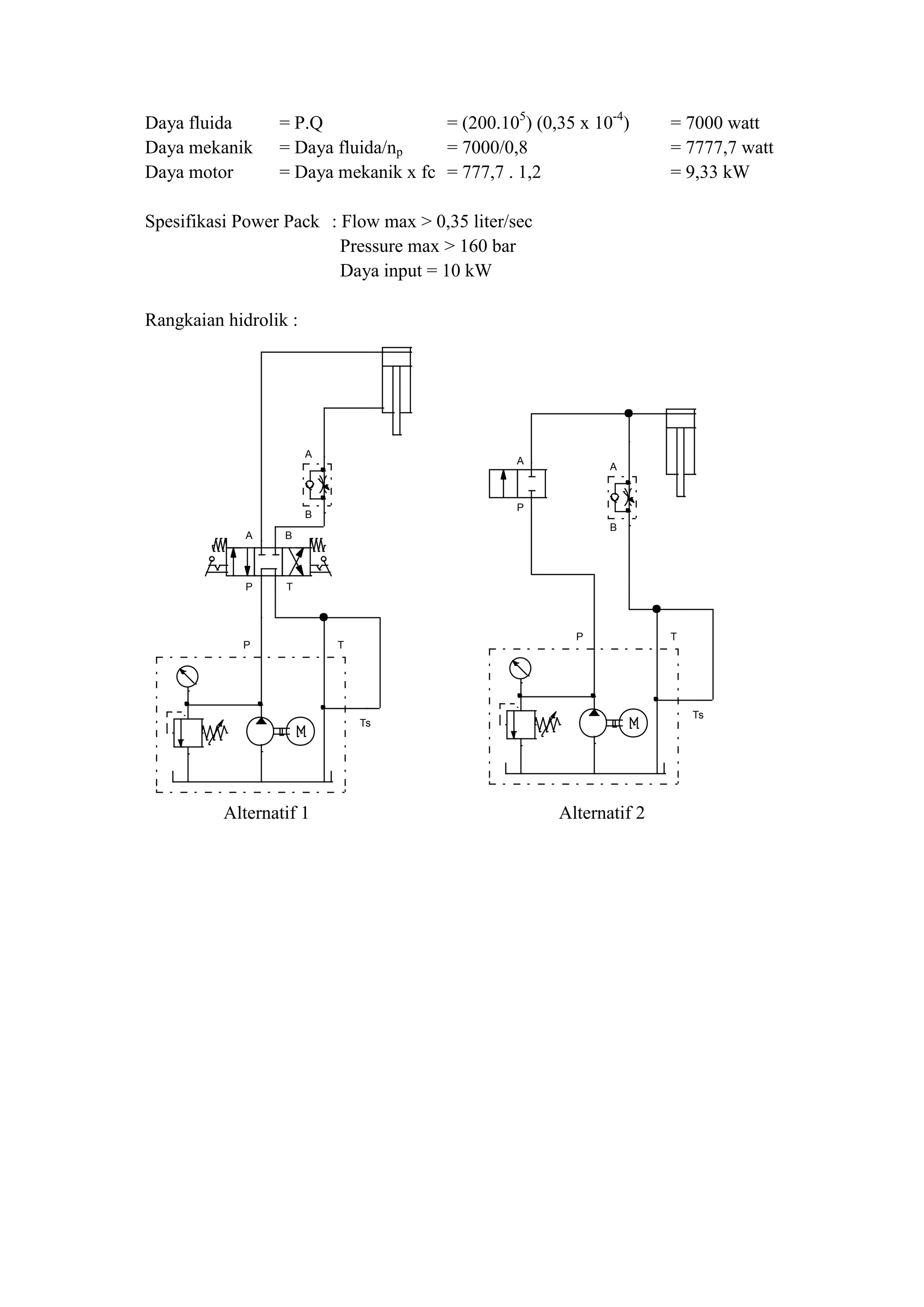
Daya fluida = P.Q = (200.105
) (0,35 x 10-4
) = 7000 watt
Daya mekanik = Daya fluida/np = 7000/0,8 = 7777,7 watt
Daya motor = Daya mekanik x fc = 777,7 . 1,2 = 9,33 kW
Spesifikasi Power Pack : Flow max > 0,35 liter/sec
Pressure max > 160 bar
Daya input = 10 kW
Rangkaian hidrolik :
Alternatif 1 Alternatif 2
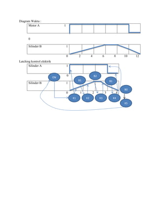
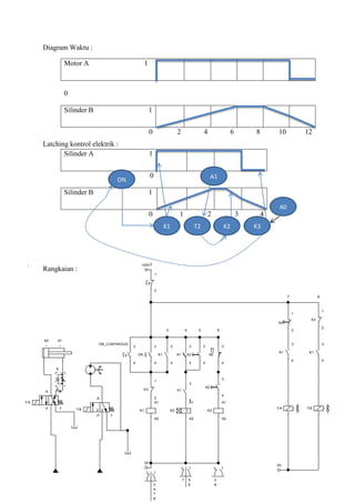
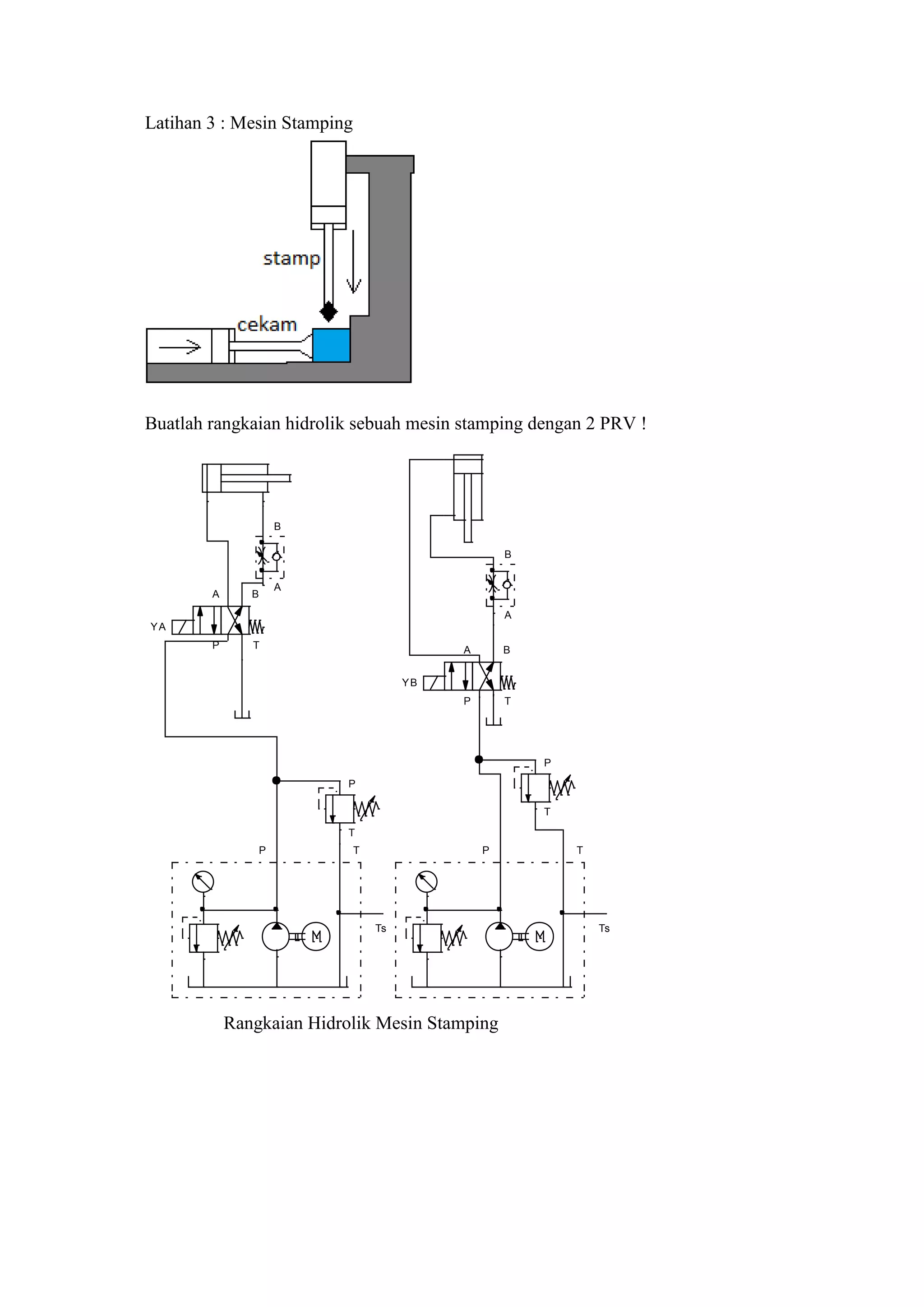
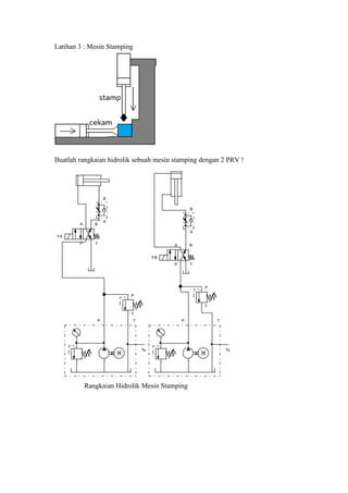
Latihan 3 : Mesin Stamping
Buatlah rangkaian hidrolik sebuah mesin stamping dengan 2 PRV !
Rangkaian Hidrolik Mesin Stamping
P T
Ts
P T
Ts
A B
P T
YA
A
B
A
B
P
T
P
T
A B
P T
YB
A B
P T
YA
A
P T
YB
A
B
P T
Ts
P T
Ts
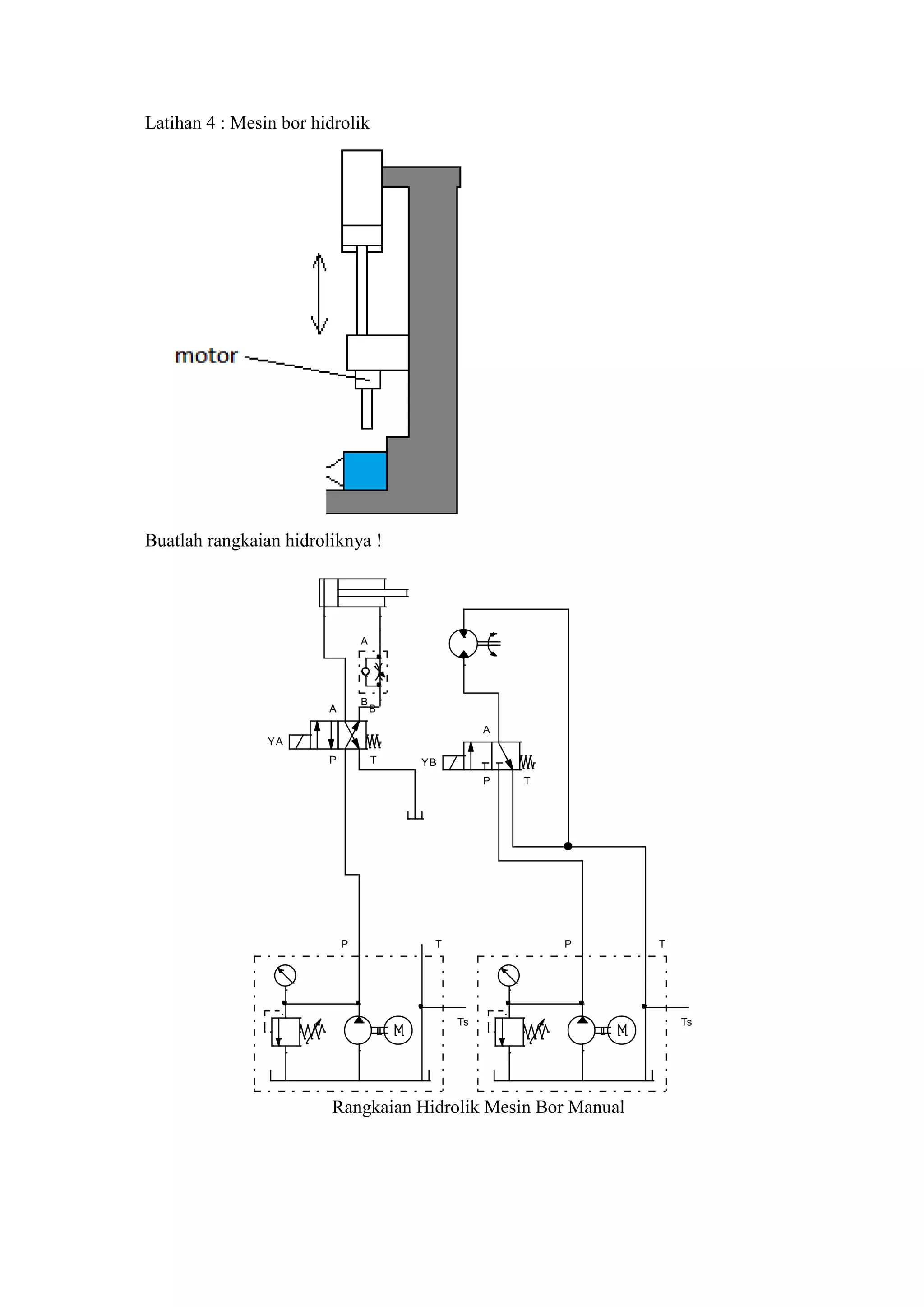
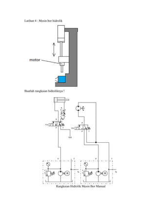
Latihan 4 : Mesin bor hidrolik
Buatlah rangkaian hidroliknya !
Rangkaian Hidrolik Mesin Bor Manual
Sensing
Element
Pump
3
4
1
2
3
4
1
2
1
2 4
34
+24V
0V34
9 10 11 12 13 14
34 0V
34
+24V
9 10 11 12 13 14
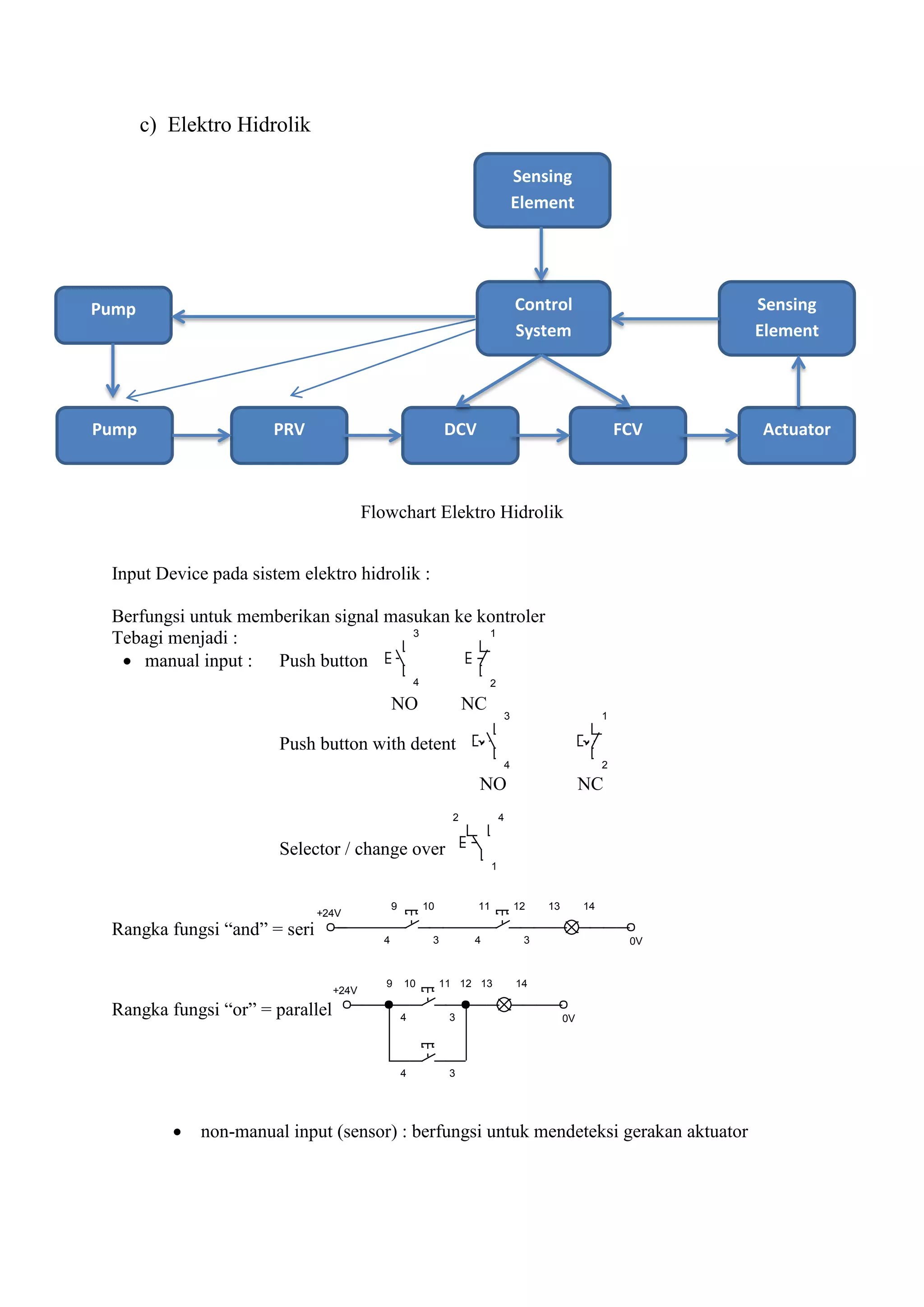
c) Elektro Hidrolik
Flowchart Elektro Hidrolik
Input Device pada sistem elektro hidrolik :
Berfungsi untuk memberikan signal masukan ke kontroler
Tebagi menjadi :
 manual input : Push button
NO NC
Push button with detent
NO NC
Selector / change over
Rangka fungsi “and” = seri
Rangka fungsi “or” = parallel
 non-manual input (sensor) : berfungsi untuk mendeteksi gerakan aktuator
Control
System
ActuatorFCVDCVPRVPump
Sensing
Element
A1
A2
P T
Ts
A B
P T
YA
A
B
A0A1
+24V
0V
ON
3
4
OFF
1
2
A1
1
2
K1
3
4
+24V
0V
YA
K1
3
4
K1
A1
A2
1 3
2
3
Terdiri atas : - Sensor kontak (limit switch)
- Sensor induktif (benda logam)
- Sensor optik (cahaya/warna)
- Sensor Magnetik (feromagnetik)
- Kapasitif (semua benda)
- Ultrasonik (benda tidak berpori)
Output Device : berfungsi untuk meneruskan signal kontroler ke aktuator
 Relay dan Kontaktor
 Selenoid Valve
d) Perancangan Kontrol Gerakan
1. Metode Intuitif (trial and error)
2. Metode cascade (pneumatic)
3. Metode shift register (pneumatic)
4. Metode logic (mikrokontroller)
5. Metode latching (hidrolik)
Metode Intuitif :
Latihan 5 : Mesin Angkat Mobil Otomatis
Rangkaian Hidrolik Mesin Angkay Mobil Otomatis
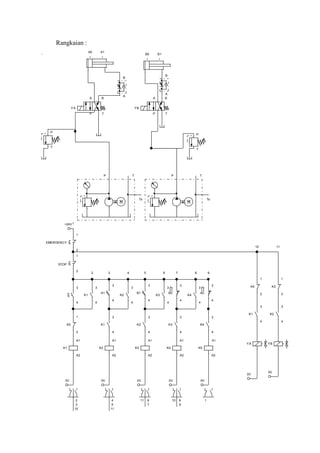
Latihan 6 : Mesin Stamping Elektrik dengan Metode Latching
Metode Latching
1. Identifikasi gerakan : A maju, B maju, B mundur, A mundur
A+ B+ B- A-
Waktu : 6 det, 6 det, 2 det, 2 det.
Diagram langkah
Silinder A 1
0
Silinder B 1
0 1 2 3 4
Diagram Waktu
A
B
0 1 2 3 4 5 6 7 8 9 10 11 12 13 14 15 16
2. Rancang rangkaian sistem hidrolik berdasarkan diagram langkah dan diagram waktu
yang telah dibuat
3. Tentukan aktuasi katup apakah single selenoid atau double selenoid
4. Siapkan kontaktor atau relay yang dibutuhkan
Jumlah relay = Jumlah gerakan + 1
5. Buat urutan aktivasi komponen sistem kontrol sesuai diagram langkah
Silinder A 1
0
Silinder B 1
0 1 2 3 4
ON
K1 K2 K3 K4 K5
A1
B1
B0
A0
P T
Ts
P T
Ts
A B
P T
YA
A
B
A
B
P
T
P
T
+24V
0V
3
4
K1
A1
A2
K1
3
4
STOP
1
2
A0 A1
B0 B1
0V
YA
A B
P T
YB
0V
K2
A1
A2
K2
3
4
0V
K3
A1
A2
K3
3
4
0V
K4
A1
A2
K4
3
4
0V
K5
A1
A2
K2
3
4
K4
3
4
K3
3
4
A1
3
4
B1
3
4
B0
3
4
A0
3
4
0V
YB
K1
3
4
K2
3
4
K5
1
2
K4
1
2
K3
1
2
EMERGENCY
1
2
K1
3
4
1
2 3 4 5 6 7 8 9
10 11
2
3
10
4
5
11
6
7
11 8
9
10 1
Rangkaian :
Latihan 7 : Mesin pemindah barang otomatis
Identifikasi gerakan : A maju, B maju, A dan B mundur
A+ ; B+ ; A-B-
Diagram langkah :
Silinder A 1
0
Silinder B 1
0 1 2 3
Diagram waktu :
Sil. A
Sil. B
0 1 2 3 4 5 6 7 8 9 10 11 12 13 14
+24V
0V
3
4
K1
A1
A2
K1
3
4
STOP
1
2
YA
K2
A1
A2
K2
3
4
K3
A1
A2
K3
3
4
K4
A1
A2
K2
3
4
K3
3
4
A1
3
4
B1
3
4
A0
3
4
YB
K1
3
4
K2
3
4
K4
1
2
K3
1
2
K3
1
2
EMERGENCY
1
2
K1
3
4
A B
P T
YA
A
B
A
B
P
T
P
T
A0A1
B0B1
A B
P T
YB
3
4
0V
+24V
1
2
3 4 5 6 7
10
11
12
3
4
9
5
6
12
7
8
9
12
2
Single selenoid, Relay = 3 + 1 = 4 relay
Silinder A 1
0
Silinder B 1
0 1 2 3
Rangkaian :
ON
K1 K2 K3
B1
B0
A1
K4
A B
P T
YA
A
B
A
B
P
T
P
T
+24V
0V
3
4
K1
A1
A2
K1
3
4
STOP
1
2
A0A1
B0B1
0V
YA
A B
P T
YB
0V
YB
K1
3
4
B1
1
2
EMERGENCY
1
2
A1
3
4
3
4
B0
3
4
2
4
3
4
Rangkaian Mesin Pemindah Barang Versi Metode Intuitif (1 relay) :
Latihan 8 : Mesin Bor Hidrolik Otomatis
Identifikasi Gerakan : MA ON ; B+ ; B- ; MA OFF
Diagram langkah :
Motor A 1
0
Silinder B 1
0 1 2 3 4
timer
A B
P T
YA
A
P T
YB
+24V
0V
ON
3
4
K1
A1
A2
K1
3
4
K2
3
4
K3
A1
A2
A1
3
4
K3
1
2
YA YB
0V
K1
3
4
K1
3
4
A0 A1
K1
3
4
K2
3
4
ON_CONTINOUS
3
4
K2
1
2
K3
1
2
A0
3
4
K2 2
A1
A2
1
2
A
B
2
3 4 5 6
7 8
3
4
7
8
5
6
7 2
8
Diagram Waktu :
Motor A 1
0
Silinder B 1
0 2 4 6 8 10 12
Latching kontrol elektrik :
Silinder A 1
0
Silinder B 1
0 1 2 3 4
Rangkaian :
ON
K1 T2 K2 K3
A1
A0
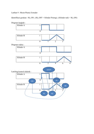
Latihan 9 : Mesin Plastic Extruder
Identifikasi gerakan : MA ON ; (MA OFF + Silinder Potong) ; (Silinder naik + MA ON)
Diagram langkah :
Silinder A 1
0
Silinder B 1
0 1 2 3
Diagram waktu :
Silinder A 1
0
Silinder B 1
0 2 4 6 8
Latching kontrol elektrik :
Silinder A 1
0
Silinder B 1
0 1 2 3
ON
K1 K2
A1
A0
switch
A B
P T
YA
A
P T
YB
+24V
0V
ON
3
4
K1
3
4
YA YB
0V
K2
3
4
K1
3
4
A0 A1
ON_CONTINOUS
3
4
K2
1
2
1
2
A
B
K1
A1
A2
PLAT
3
4
K2
A1
A2
A1
1
2
K2
3
4
K1
3
4
2
3 4
6
3
4
7
Rangkaian :
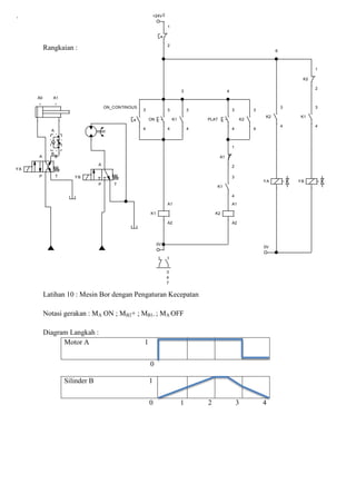
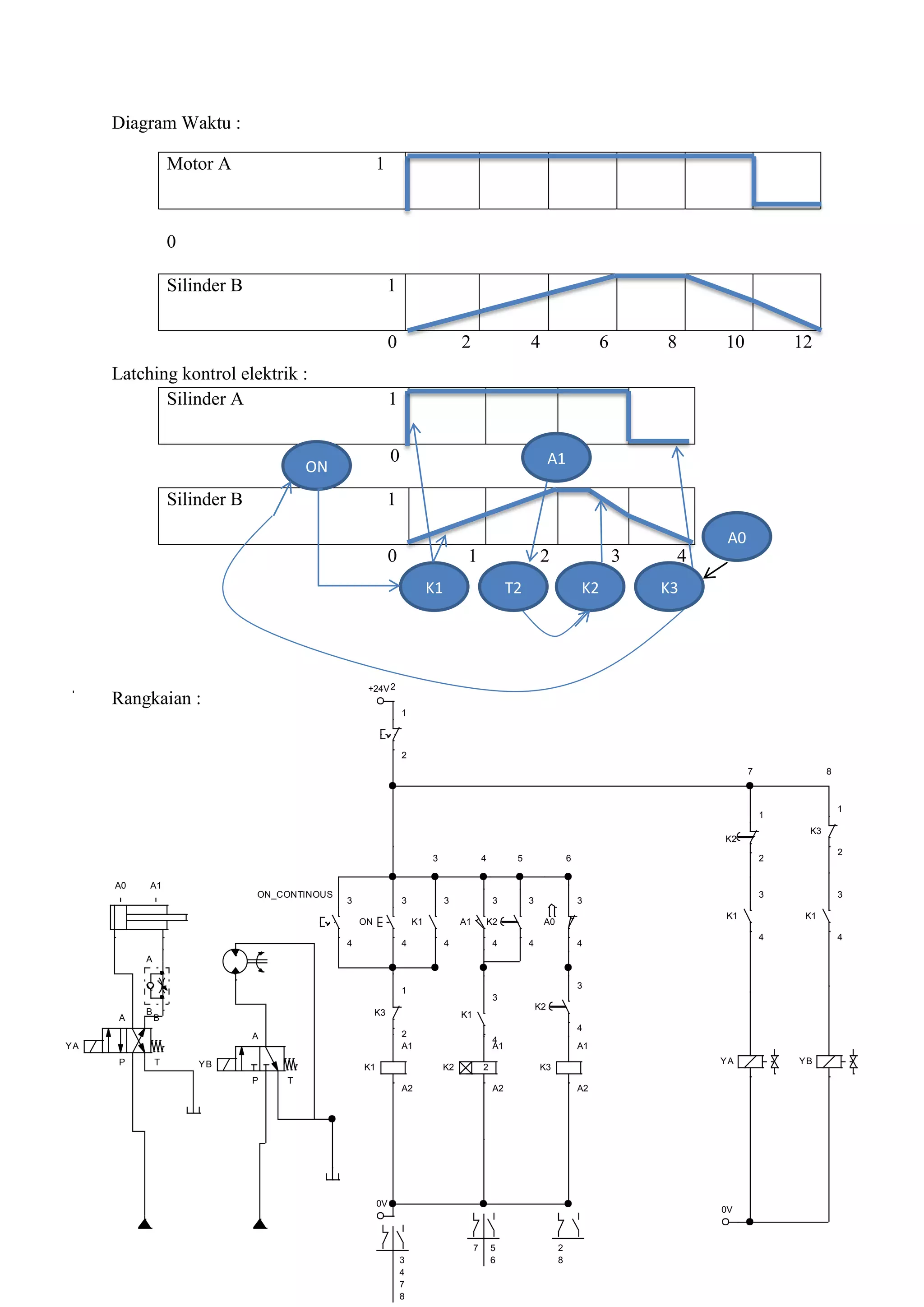
Latihan 10 : Mesin Bor dengan Pengaturan Kecepatan
Notasi gerakan : MA ON ; MB2+ ; MB1- ; MA OFF
Diagram Langkah :
Motor A 1
0
Silinder B 1
0 1 2 3 4
Diagram Waktu :
Motor A 1
0
Silinder B 1
0 2 4 6 8 10 12
Latching kontrol elektrik
Silinder A 1
0
Silinder B 1
0 1 2 3 4
ON
K1 K2 K3 K4
B2
B0
B1 B1
K5
A0A1A2
P
T
A
B
A
B
P
T
0V
+24V
1
2
START
3
4
K1
3
4
SILINDER A
SILINDER M
OTOMATIS
3
4
K1
A1
A2
K6
1
2
YA2YA1YMA
K1
3
4
OFF
1
2
K2
A1
A2
K1
3
4
K2
3
4 K2
1
2
A2
3
4
K2
k2
4
K3
3
4
YA1 = GERAK CEPAT
YA2 = GERAK LAMBAT
A B
P T
YA1 YA3
A
P
YA2
BA
YA3
K2
3
4
K1
3
4
K3
1
2
K3
3
4
A1
3
4
K4
A1
A2
K3
k2
4
K4
3
4
K4
1
2
K4
3
4
K4
k2
4
K5
3
4
K5 1
A1
A2
A1
3
4
K4
1
2
K5
3
4
A0
3
4
K6
A1
A2
K5
k2
4
A
P
YMA
A
B
K3 1
A1
A2
2
3 4 5 6 7 8 9 10 11
13 14 15
3
4
13
14
5
6
15
14 7
8
16
15 9
10
10
13
16
11
12
17
2
Rangkaian :

Hidrolik dan Elektro-Hidrolik (Hydraulic and Electrical-Hidraulic)

  • 1.
    HYDRAULIC Oleh : Zharfan GhafaraGunawan D4 – Teknik Perancangan dan Konstruksi Mesin
  • 2.
    Prime Mover Pressure Generator Pressure Regulator Directional Control Valve FlowControlAktuator a) Pengenalan  Sistem hidrolik adalah suatu sistem yang menggunakan fluida bertekanan untuk mentransmisikan daya antar tempat dimana daya tersebut dihasilakan ke suatu tempat daya itu digunakan. Berbagai Karakteristik Transmisi Daya Mekanik Elektrik Pneumatik Hydraulic Murah dan sederhana Jarak tidak terbatas Jarak relativ jauh Untuk beban berat Rugi-rugi kecil Rugi-rugi besar Mudah dikontrol Mudah dikendalikan Jarak Terbatas Kecepatan tinggi Kecepatan rendah Untuk Beban ringan Rugi-rugi besar η = 70% Jarak terbatas  Konversi satuan : 1 Pascal = 1 N/m2 1 Bar = 105 Pascal = 14,7 Psi 1 Psi = 1 lb/inch2 = 1/14,7 Bar 1 Mpa = 1 N/mm2  Komponen Sistem Hidrolik
  • 3.
    P T P T Ts A P A P T AB P T A B P T 1. Pompa Hidrolik Berfungsi sebagai pressure generator (pembangkit tekanan). Ada 2 macam pompa : Simbol 1 flow direction Simbol 2 flow direction 2. Pressure Relieve Valve (PRV) Berfungsi sebagai pembatas takanan kerja sistem hidrolik. Tekanan dapat disetel sesuai kebutuhan, jika tekanan sistem hampir melebihi tekanan yang telah disetel, maka katupnya akan membuka sehingga tekanan kembali dibawah tekanan yang disetel. Simbol pressure relieve valve 3. Hydraulic Power Package Merupakan 1 paket yang terdiri atas Motor, Pompa, Pressure Relieve Valve, dan Barometer. Biasanya dijual di pasaran dengan spesifikasi tertentu, dan ada yang terdiri dari 2 pompa dalam 1 Power Package. Simbol Hydrauic Power Package 4. Katup Kontrol Arah Aliran (Directional Control Valve) Penamaan katup sesuai jenisnya : 2/2 Normally Closed 3/2 Normally Closed 4/2 4/3
  • 4.
    A PA P A P A PA P A P A P A P AB C A B C b) Standar Penomoran Berdasarkan DIN-ISO5599-3 DIN ISO Pressure P 1 Output A, B 2, 4 Return R, S, T 3, 5 Signal Z, Y, X 10, 12, 14 1. Metode Aliran :  General Manual Operation  Push Button  Level Operated  Level Operated Detent  Font Pedal  Mechanical Spring  Mechanical Roller  Mechanical Roller Idle 2. Katup Gerbang  Katup fungsi OR  Katup fungsi AND 3. Aktuator Linear  Single Acting  Double Acting 4. Akumulator Berfungsi sebagai penstabil tekanan (mengghindari hydraulic impact) dan sebagai tempat penyimpan cadangan tekanan. Lambang Akumulator
  • 5.
    Latihan 1 :Mesin Pengangkat Mobil Beban maks (W) = 3 ton Panjang langkah (L) = 2 m Waktu tempuh (t) = 30 sec Tekanan maks (P) = 6 bar Tentukan dimensi piston (diameter), spesifikasi power pack, dan rancang rangkaian sistem hidrolik ! Penyelesaian : Diasumsikan pressure drop : Pressure line = 1 bar Suction line = 0,5 bar Return line = 0,5 bar Total = 2 bar, maka P efektif = 6 – 2 = 4 bar = 4 x 105 Pascal Maka gaya yang harus diberikan piston adalah F = W + 10%.W = 110% W = 1,1 .(3000) = 3300 kg = 32.373 N P = F/A A = F/P Diameter piston : √ √ Flow max : Q = A.v ; v = 2/30 = 0,06 m/s Q = π (0,32/2)2 . 0,06 = 4,82 x 10-3 m3 /s = 4,82 liter/sec Daya fluida = P.Q = (6x105 ) (4,82x10-3 ) = 2892 Watt Daya mekanik = Daya fluida/ηp = 2892/0,9 = 3213 Watt
  • 6.
    P T Ts A P T A B PT Ts A B P T A BA B Daya motor = Daya mekanik x fc = 3213 x 1,2 = 3856 Watt = 3,856 kW = 4 kW Spesifikasi Power Pack : Flow max > 4,82 liter/sec Pressure max > 6 bar Daya input = 4 kW Rangkaian sistem hidrolik : Alternatif 1 Alternatif 2
  • 7.
    Latihan 2 (PR) LIFTHIDROLIK Diketahui: L = 3 meter Waktu tempuh = 10 detik Kapasitas angkat = 1000 kg Tekanan power pack = 200 bar Rugi-rugi hidrolis = 20% Rugi-rugi mekanis = 10% Diameter batang piston (d) = 5 cm Tentukan diameter piston (D) dan spesifikasi power pack yang dibutuhkan ! Rancang sistem hidroliknya jika lat tersebut naik dengan kecepatan maksimum dan kecepatan turunnya dapat diatur, juga pada saat lift mati, posisi ift harus tetap P efektif = 200 – (200.20%) = 160 bar = 160 x 105 Pascal F = W + 10%W = 110% W = 1,1 . 1000 = 1100 kg = 10.791 N P = F/A maka A = F/P Abesar – Akecil = F/P D2 = 3,359 x 10-3 D = 0,0579 m = 5,8 mm dan dipasaran tersedia 63 mm Q > A.v ; v = L/t = 3/10 = 0,3 m/s Q > (π/4) (0,0632 - 0,052 ) . 0,3 = 3,45 x 10-4 m3 /s = 0,35 l/s Maka Q > 350 cc/s
  • 8.
    P T Ts A B PT A B P T Ts A B A P Daya fluida = P.Q = (200.105 ) (0,35 x 10-4 ) = 7000 watt Daya mekanik = Daya fluida/np = 7000/0,8 = 7777,7 watt Daya motor = Daya mekanik x fc = 777,7 . 1,2 = 9,33 kW Spesifikasi Power Pack : Flow max > 0,35 liter/sec Pressure max > 160 bar Daya input = 10 kW Rangkaian hidrolik : Alternatif 1 Alternatif 2
  • 9.
    Latihan 3 :Mesin Stamping Buatlah rangkaian hidrolik sebuah mesin stamping dengan 2 PRV ! Rangkaian Hidrolik Mesin Stamping P T Ts P T Ts A B P T YA A B A B P T P T A B P T YB
  • 10.
    A B P T YA A PT YB A B P T Ts P T Ts Latihan 4 : Mesin bor hidrolik Buatlah rangkaian hidroliknya ! Rangkaian Hidrolik Mesin Bor Manual
  • 11.
    Sensing Element Pump 3 4 1 2 3 4 1 2 1 2 4 34 +24V 0V34 9 1011 12 13 14 34 0V 34 +24V 9 10 11 12 13 14 c) Elektro Hidrolik Flowchart Elektro Hidrolik Input Device pada sistem elektro hidrolik : Berfungsi untuk memberikan signal masukan ke kontroler Tebagi menjadi :  manual input : Push button NO NC Push button with detent NO NC Selector / change over Rangka fungsi “and” = seri Rangka fungsi “or” = parallel  non-manual input (sensor) : berfungsi untuk mendeteksi gerakan aktuator Control System ActuatorFCVDCVPRVPump Sensing Element
  • 12.
    A1 A2 P T Ts A B PT YA A B A0A1 +24V 0V ON 3 4 OFF 1 2 A1 1 2 K1 3 4 +24V 0V YA K1 3 4 K1 A1 A2 1 3 2 3 Terdiri atas : - Sensor kontak (limit switch) - Sensor induktif (benda logam) - Sensor optik (cahaya/warna) - Sensor Magnetik (feromagnetik) - Kapasitif (semua benda) - Ultrasonik (benda tidak berpori) Output Device : berfungsi untuk meneruskan signal kontroler ke aktuator  Relay dan Kontaktor  Selenoid Valve d) Perancangan Kontrol Gerakan 1. Metode Intuitif (trial and error) 2. Metode cascade (pneumatic) 3. Metode shift register (pneumatic) 4. Metode logic (mikrokontroller) 5. Metode latching (hidrolik) Metode Intuitif : Latihan 5 : Mesin Angkat Mobil Otomatis Rangkaian Hidrolik Mesin Angkay Mobil Otomatis
  • 13.
    Latihan 6 :Mesin Stamping Elektrik dengan Metode Latching Metode Latching 1. Identifikasi gerakan : A maju, B maju, B mundur, A mundur A+ B+ B- A- Waktu : 6 det, 6 det, 2 det, 2 det. Diagram langkah Silinder A 1 0 Silinder B 1 0 1 2 3 4 Diagram Waktu A B 0 1 2 3 4 5 6 7 8 9 10 11 12 13 14 15 16 2. Rancang rangkaian sistem hidrolik berdasarkan diagram langkah dan diagram waktu yang telah dibuat 3. Tentukan aktuasi katup apakah single selenoid atau double selenoid 4. Siapkan kontaktor atau relay yang dibutuhkan Jumlah relay = Jumlah gerakan + 1 5. Buat urutan aktivasi komponen sistem kontrol sesuai diagram langkah Silinder A 1 0 Silinder B 1 0 1 2 3 4 ON K1 K2 K3 K4 K5 A1 B1 B0 A0
  • 14.
    P T Ts P T Ts AB P T YA A B A B P T P T +24V 0V 3 4 K1 A1 A2 K1 3 4 STOP 1 2 A0 A1 B0 B1 0V YA A B P T YB 0V K2 A1 A2 K2 3 4 0V K3 A1 A2 K3 3 4 0V K4 A1 A2 K4 3 4 0V K5 A1 A2 K2 3 4 K4 3 4 K3 3 4 A1 3 4 B1 3 4 B0 3 4 A0 3 4 0V YB K1 3 4 K2 3 4 K5 1 2 K4 1 2 K3 1 2 EMERGENCY 1 2 K1 3 4 1 2 3 4 5 6 7 8 9 10 11 2 3 10 4 5 11 6 7 11 8 9 10 1 Rangkaian :
  • 15.
    Latihan 7 :Mesin pemindah barang otomatis Identifikasi gerakan : A maju, B maju, A dan B mundur A+ ; B+ ; A-B- Diagram langkah : Silinder A 1 0 Silinder B 1 0 1 2 3 Diagram waktu : Sil. A Sil. B 0 1 2 3 4 5 6 7 8 9 10 11 12 13 14
  • 16.
    +24V 0V 3 4 K1 A1 A2 K1 3 4 STOP 1 2 YA K2 A1 A2 K2 3 4 K3 A1 A2 K3 3 4 K4 A1 A2 K2 3 4 K3 3 4 A1 3 4 B1 3 4 A0 3 4 YB K1 3 4 K2 3 4 K4 1 2 K3 1 2 K3 1 2 EMERGENCY 1 2 K1 3 4 A B P T YA A B A B P T P T A0A1 B0B1 AB P T YB 3 4 0V +24V 1 2 3 4 5 6 7 10 11 12 3 4 9 5 6 12 7 8 9 12 2 Single selenoid, Relay = 3 + 1 = 4 relay Silinder A 1 0 Silinder B 1 0 1 2 3 Rangkaian : ON K1 K2 K3 B1 B0 A1 K4
  • 17.
    A B P T YA A B A B P T P T +24V 0V 3 4 K1 A1 A2 K1 3 4 STOP 1 2 A0A1 B0B1 0V YA AB P T YB 0V YB K1 3 4 B1 1 2 EMERGENCY 1 2 A1 3 4 3 4 B0 3 4 2 4 3 4 Rangkaian Mesin Pemindah Barang Versi Metode Intuitif (1 relay) : Latihan 8 : Mesin Bor Hidrolik Otomatis Identifikasi Gerakan : MA ON ; B+ ; B- ; MA OFF Diagram langkah : Motor A 1 0 Silinder B 1 0 1 2 3 4 timer
  • 18.
    A B P T YA A PT YB +24V 0V ON 3 4 K1 A1 A2 K1 3 4 K2 3 4 K3 A1 A2 A1 3 4 K3 1 2 YA YB 0V K1 3 4 K1 3 4 A0 A1 K1 3 4 K2 3 4 ON_CONTINOUS 3 4 K2 1 2 K3 1 2 A0 3 4 K2 2 A1 A2 1 2 A B 2 3 4 5 6 7 8 3 4 7 8 5 6 7 2 8 Diagram Waktu : Motor A 1 0 Silinder B 1 0 2 4 6 8 10 12 Latching kontrol elektrik : Silinder A 1 0 Silinder B 1 0 1 2 3 4 Rangkaian : ON K1 T2 K2 K3 A1 A0
  • 19.
    Latihan 9 :Mesin Plastic Extruder Identifikasi gerakan : MA ON ; (MA OFF + Silinder Potong) ; (Silinder naik + MA ON) Diagram langkah : Silinder A 1 0 Silinder B 1 0 1 2 3 Diagram waktu : Silinder A 1 0 Silinder B 1 0 2 4 6 8 Latching kontrol elektrik : Silinder A 1 0 Silinder B 1 0 1 2 3 ON K1 K2 A1 A0 switch
  • 20.
    A B P T YA A PT YB +24V 0V ON 3 4 K1 3 4 YA YB 0V K2 3 4 K1 3 4 A0 A1 ON_CONTINOUS 3 4 K2 1 2 1 2 A B K1 A1 A2 PLAT 3 4 K2 A1 A2 A1 1 2 K2 3 4 K1 3 4 2 3 4 6 3 4 7 Rangkaian : Latihan 10 : Mesin Bor dengan Pengaturan Kecepatan Notasi gerakan : MA ON ; MB2+ ; MB1- ; MA OFF Diagram Langkah : Motor A 1 0 Silinder B 1 0 1 2 3 4
  • 21.
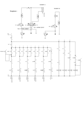
    Diagram Waktu : MotorA 1 0 Silinder B 1 0 2 4 6 8 10 12 Latching kontrol elektrik Silinder A 1 0 Silinder B 1 0 1 2 3 4 ON K1 K2 K3 K4 B2 B0 B1 B1 K5
  • 22.
    A0A1A2 P T A B A B P T 0V +24V 1 2 START 3 4 K1 3 4 SILINDER A SILINDER M OTOMATIS 3 4 K1 A1 A2 K6 1 2 YA2YA1YMA K1 3 4 OFF 1 2 K2 A1 A2 K1 3 4 K2 3 4K2 1 2 A2 3 4 K2 k2 4 K3 3 4 YA1 = GERAK CEPAT YA2 = GERAK LAMBAT A B P T YA1 YA3 A P YA2 BA YA3 K2 3 4 K1 3 4 K3 1 2 K3 3 4 A1 3 4 K4 A1 A2 K3 k2 4 K4 3 4 K4 1 2 K4 3 4 K4 k2 4 K5 3 4 K5 1 A1 A2 A1 3 4 K4 1 2 K5 3 4 A0 3 4 K6 A1 A2 K5 k2 4 A P YMA A B K3 1 A1 A2 2 3 4 5 6 7 8 9 10 11 13 14 15 3 4 13 14 5 6 15 14 7 8 16 15 9 10 10 13 16 11 12 17 2 Rangkaian :