Popular Serial
Communication Interfaces
09/13/2025
Outline
• Synchronous Serial Interfaces
• SPI (Serial Peripheral Interface)
• I2
C (Inter-Integrated Circuit Bus)
• Asynchronous Serial Interfaces
• RS-232C
• RS-422
• RS-485
Synchronous Serial Interfaces
Serial Peripheral Interface
• SPI was developed by Motorola in 1980
• Synchronous serial protocol
• The master (CPU) and the slave (peripheral) are synchronized with a clock generated by
the master.
• Four wire interface
• MOSI: Master Out Slave In
• MISO: Master In Slave Out
• SCLK/SCK: Serial Clock
• /CS: Chip Select or /SS: Slave Select
Serial Peripheral Interface (cont’d.)
• SPI transmission
• Both masters and slaves contain a serial shift register
• Upon the completion of data transmission, the contents of the two shift
registers are exchanged
• Both a write and a read operation are performed with the slave
simultaneously
Serial Peripheral Interface (cont’d.)
• SPI transmission
MSB 7
6
5
4
3
2
1
LSB 0
MSB 7
6
5
4
3
2
1
LSB 0
Master Slave
Serial Peripheral Interface (cont’d.)
• Daisy-chaining three SPI devices
• Not all SPI device supports daisy-chains
Four Modes of SPI Operations
• Clock polarity
• Low clock polarity
• High clock polarity
Idle
Transfer
SCK
Idle
Transfer
SCK
Four Modes of SPI Operations (cont’d.)
• Clock polarity & clock phase
Idle
Transfer
SCK
Idle
Transfer
SCK
Low clock polarity
High clock polarity
Clock phase 0 Clock phase 1
Four Modes of SPI Operations (cont’d.)
Four Modes of SPI Operations (cont’d.)
Four Modes of SPI Operations (cont’d.)
Four Modes of SPI Operations (cont’d.)
Overview of I2
C
• Inter-Integrated Circuit (I2
C) bus
• developed in 1982
• by Philips labs in Eindhoven, Netherlands
• similar to SPI
• synchronous serial communication protocol
• two-wire interface
• SDA: serial data (open drain)
• SCL: serial clock (open drain)
• low speed (100 kbps in standard mode, and 400 kbps in fast mode)
• bidirectional
• Synchronous to a common clock
Open Drain/Collector Logic Gates
• Logic gates without an output pull-up device
• Need to use a pull-up resistor
Overview of I2
C
• I2
C bus
• A multi-master bus
• Each device has a unique address and can operate as either
• a transmitter (a bus master),
• a receiver (a bus slave), or
• both
Idle
• Both SDA and SCL are high
Idle
Start Condition
• A I2C transaction begins with a start condition
Start
Transmitting a Bit
• The bit must become valid on SDA while SCL is low.
• The bit is sampled on the rising edge of SCL and must remain valid
until SCL goes low once more.
Sample Sample
Transmitter:
Prepare Data
Receiver:
Read Data
Receiver:
Read Data
Acknowledge
• Each byte transmitted must be acknowledged by the receiver.
• Upon the transmission of the eighth data bit, the master releases the
data line SDA and generates an additional clock pulse on SCL. Then,
the receiver has to pull SDA low. Fail to do so would cause a
transmission error.
Transmitting a Byte
• MSB is transmitted first
• Acknowledge bit
Stop condition
• The transaction completes by SCL returning high followed by SDA.
This is known as a “STOP condition.”
Stop
Addressing
• The first byte of an I2C transfer contains
• 7-bit address, and
• 1-bit data direction (Read/Write)
I2
C Packet
1
0
A6 A5 A4 A3 A2 A1 A0 D7 D6 D5 D4 D3 D2 D1 D0
0 0
Read: 1
Write: 0
Asynchronous Serial Interfaces
UARTs
• Universal Asynchronous Receiver Transmitter
• RS-232 was first introduced in 1960
• Asynchronous: no clock is transmitted with the serial data.
• Matched local clocks
UARTs (cont’d.)
• Universal Asynchronous Receiver Transmitter
• Baud rate (bit/sec)
UARTs (cont’d.)
• UART bit stream
• 1 start bit
• 7/8 data bits
• 1/0 parity bit
• 1/1.5/2 stop bit(s):
8052 Timer2 Baud Rate Generator
• T2CON
8052 Timer2 Baud Rate Generator
• T2CON
8052 Timer2 Baud Rate Generator
• Baud Rate
8052 Timer2 Baud Rate Generator
• Baud Rate Calculator
• https://www.keil.com/c51/baudrate.asp
Error Detection
• Parity (Hardware)
• Even parity: even number of 1’s
• E.g., 11101011
• Odd parity: odd number of 1’s
• E.g., 00101101
• Able to detect 1-bit error
• More than 2 bits?
• Consider using the Cyclic Redundancy Check (CRC) algorithm
RS-232C
• Unbalanced: the voltage level of a data bit being transmitted is
referenced to local ground.
• High: -5 to -15 V
• Low: 5 to 15 V
• Max. cable length: 15 m
RS-232C (cont’d.)
• Data Terminal Equipment (DTE)
• Data Communication Equipment (DCE): Modem
RS-232C (cont’d.)
RS-232C (cont’d.)
RS-232C (cont’d.)
• Handshaking: Hardware, Software, or None
• Transmitter waits for a ready signal from receiver
• None handshaking
• Hardware handshaking: CTS, RTS
• Software handshaking: XON/XOFF
• XON: 0x11
• XOFF: 0x13
Transmitter Receiver
RTS
CTS
RS-232C (cont’d.)
• Implementing an RS-232C Interface
RS-232C (cont’d.)
• Using a Serial Port as a Power Supply
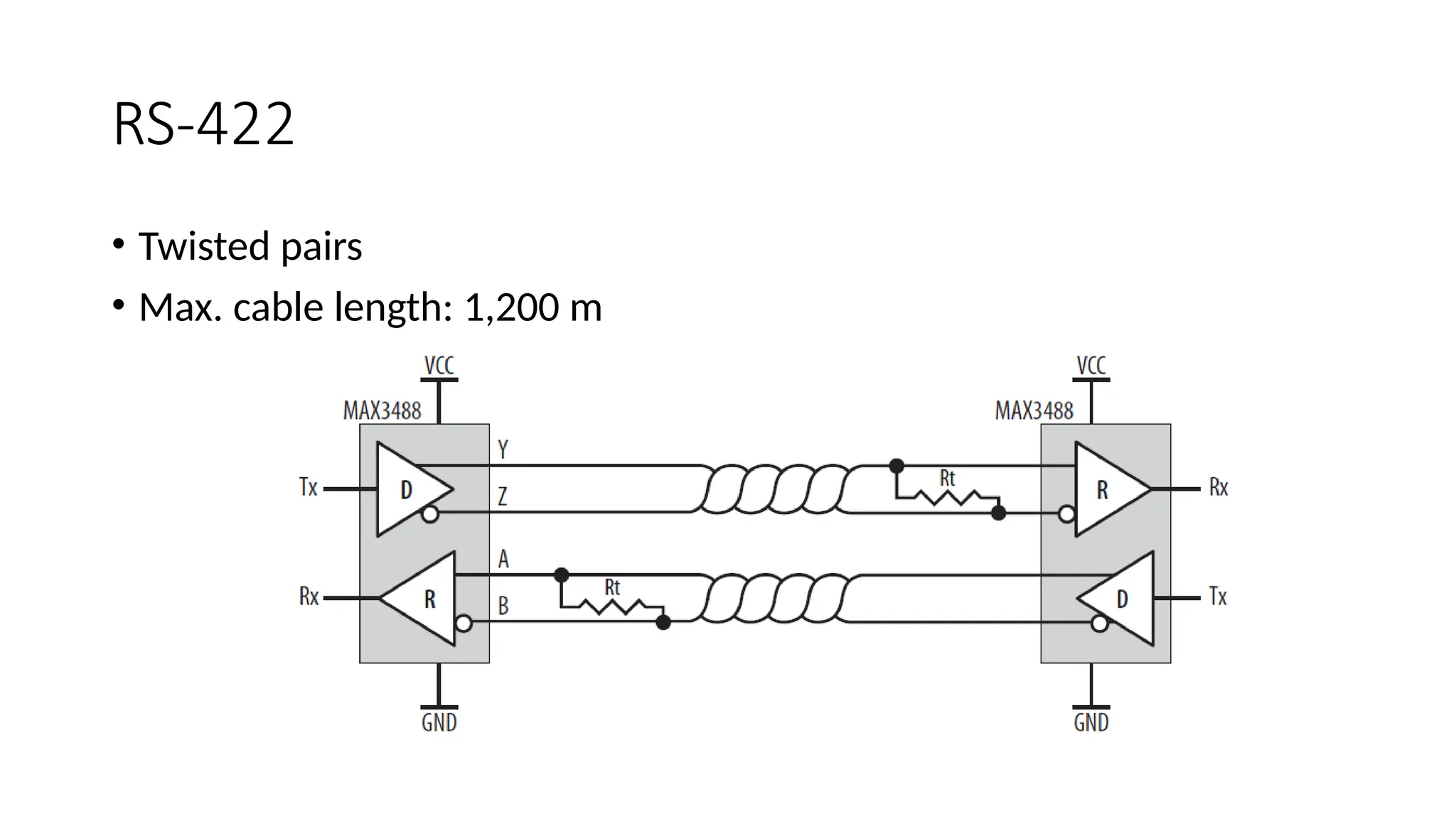
RS-422
• Twisted pairs
• Max. cable length: 1,200 m
RS-485
• Variation of RS-422
• Max. cable length: 1,200 m
8051/8052 UART
• Special Function Registers
8051/8052 UART
• SCON: Serial Port Control Register
8051/8052 UART
• SCON: Serial Port Control Register
• TI: Transmit Interrupt Flag
• RI: Receive Interrupt Flag
8051/8052 UART
• UART Interrupt
Interrupt Service Routine
• Interrupt number and register bank
In main program, SBUF = obuf[0]; oidx = 1;
void timer0_isr(void) __interrupt (4) __using(3)
{
if (TI) {
…
SBUF = obuf[o_idx++];
} else if (RI) {
ibuf[i_idx++] = SBUF;
…
}
}

SerialCommInterface 透過序列埠傳輸資料,支援位元組流交換、同步控制與錯誤檢測,用於裝置間通訊。

  • 1.
  • 2.
    Outline • Synchronous SerialInterfaces • SPI (Serial Peripheral Interface) • I2 C (Inter-Integrated Circuit Bus) • Asynchronous Serial Interfaces • RS-232C • RS-422 • RS-485
  • 3.
  • 4.
    Serial Peripheral Interface •SPI was developed by Motorola in 1980 • Synchronous serial protocol • The master (CPU) and the slave (peripheral) are synchronized with a clock generated by the master. • Four wire interface • MOSI: Master Out Slave In • MISO: Master In Slave Out • SCLK/SCK: Serial Clock • /CS: Chip Select or /SS: Slave Select
  • 5.
    Serial Peripheral Interface(cont’d.) • SPI transmission • Both masters and slaves contain a serial shift register • Upon the completion of data transmission, the contents of the two shift registers are exchanged • Both a write and a read operation are performed with the slave simultaneously
  • 6.
    Serial Peripheral Interface(cont’d.) • SPI transmission MSB 7 6 5 4 3 2 1 LSB 0 MSB 7 6 5 4 3 2 1 LSB 0 Master Slave
  • 7.
    Serial Peripheral Interface(cont’d.) • Daisy-chaining three SPI devices • Not all SPI device supports daisy-chains
  • 8.
    Four Modes ofSPI Operations • Clock polarity • Low clock polarity • High clock polarity Idle Transfer SCK Idle Transfer SCK
  • 9.
    Four Modes ofSPI Operations (cont’d.) • Clock polarity & clock phase Idle Transfer SCK Idle Transfer SCK Low clock polarity High clock polarity Clock phase 0 Clock phase 1
  • 10.
    Four Modes ofSPI Operations (cont’d.)
  • 11.
    Four Modes ofSPI Operations (cont’d.)
  • 12.
    Four Modes ofSPI Operations (cont’d.)
  • 13.
    Four Modes ofSPI Operations (cont’d.)
  • 14.
    Overview of I2 C •Inter-Integrated Circuit (I2 C) bus • developed in 1982 • by Philips labs in Eindhoven, Netherlands • similar to SPI • synchronous serial communication protocol • two-wire interface • SDA: serial data (open drain) • SCL: serial clock (open drain) • low speed (100 kbps in standard mode, and 400 kbps in fast mode) • bidirectional • Synchronous to a common clock
  • 15.
    Open Drain/Collector LogicGates • Logic gates without an output pull-up device • Need to use a pull-up resistor
  • 16.
    Overview of I2 C •I2 C bus • A multi-master bus • Each device has a unique address and can operate as either • a transmitter (a bus master), • a receiver (a bus slave), or • both
  • 17.
    Idle • Both SDAand SCL are high Idle
  • 18.
    Start Condition • AI2C transaction begins with a start condition Start
  • 19.
    Transmitting a Bit •The bit must become valid on SDA while SCL is low. • The bit is sampled on the rising edge of SCL and must remain valid until SCL goes low once more. Sample Sample Transmitter: Prepare Data Receiver: Read Data Receiver: Read Data
  • 20.
    Acknowledge • Each bytetransmitted must be acknowledged by the receiver. • Upon the transmission of the eighth data bit, the master releases the data line SDA and generates an additional clock pulse on SCL. Then, the receiver has to pull SDA low. Fail to do so would cause a transmission error.
  • 21.
    Transmitting a Byte •MSB is transmitted first • Acknowledge bit
  • 22.
    Stop condition • Thetransaction completes by SCL returning high followed by SDA. This is known as a “STOP condition.” Stop
  • 23.
    Addressing • The firstbyte of an I2C transfer contains • 7-bit address, and • 1-bit data direction (Read/Write)
  • 24.
    I2 C Packet 1 0 A6 A5A4 A3 A2 A1 A0 D7 D6 D5 D4 D3 D2 D1 D0 0 0 Read: 1 Write: 0
  • 25.
  • 26.
    UARTs • Universal AsynchronousReceiver Transmitter • RS-232 was first introduced in 1960 • Asynchronous: no clock is transmitted with the serial data. • Matched local clocks
  • 27.
    UARTs (cont’d.) • UniversalAsynchronous Receiver Transmitter • Baud rate (bit/sec)
  • 28.
    UARTs (cont’d.) • UARTbit stream • 1 start bit • 7/8 data bits • 1/0 parity bit • 1/1.5/2 stop bit(s):
  • 29.
    8052 Timer2 BaudRate Generator • T2CON
  • 30.
    8052 Timer2 BaudRate Generator • T2CON
  • 31.
    8052 Timer2 BaudRate Generator • Baud Rate
  • 32.
    8052 Timer2 BaudRate Generator • Baud Rate Calculator • https://www.keil.com/c51/baudrate.asp
  • 33.
    Error Detection • Parity(Hardware) • Even parity: even number of 1’s • E.g., 11101011 • Odd parity: odd number of 1’s • E.g., 00101101 • Able to detect 1-bit error • More than 2 bits? • Consider using the Cyclic Redundancy Check (CRC) algorithm
  • 34.
    RS-232C • Unbalanced: thevoltage level of a data bit being transmitted is referenced to local ground. • High: -5 to -15 V • Low: 5 to 15 V • Max. cable length: 15 m
  • 35.
    RS-232C (cont’d.) • DataTerminal Equipment (DTE) • Data Communication Equipment (DCE): Modem
  • 36.
  • 37.
  • 38.
    RS-232C (cont’d.) • Handshaking:Hardware, Software, or None • Transmitter waits for a ready signal from receiver • None handshaking • Hardware handshaking: CTS, RTS • Software handshaking: XON/XOFF • XON: 0x11 • XOFF: 0x13 Transmitter Receiver RTS CTS
  • 39.
  • 40.
    RS-232C (cont’d.) • Usinga Serial Port as a Power Supply
  • 41.
    RS-422 • Twisted pairs •Max. cable length: 1,200 m
  • 42.
    RS-485 • Variation ofRS-422 • Max. cable length: 1,200 m
  • 43.
    8051/8052 UART • SpecialFunction Registers
  • 44.
    8051/8052 UART • SCON:Serial Port Control Register
  • 45.
    8051/8052 UART • SCON:Serial Port Control Register • TI: Transmit Interrupt Flag • RI: Receive Interrupt Flag
  • 46.
  • 47.
    Interrupt Service Routine •Interrupt number and register bank In main program, SBUF = obuf[0]; oidx = 1; void timer0_isr(void) __interrupt (4) __using(3) { if (TI) { … SBUF = obuf[o_idx++]; } else if (RI) { ibuf[i_idx++] = SBUF; … } }