Piping system
PIPING SYSTEM AND PLAN
AN EFFICIENT PIPING SYSTEM IS ESSENTIAL TO THE SAFETY AND
CORRECT OPERATION OF ANY ENGINEERING COMPLEX:
This is especially true for marine installation like ships. A ships
machinery / deck contains hundreds of meters of piping and
hundreds of fittings.
Valves, strainers, branch pipes, etc. Are examples of fittings
which are found in a pipe system. Piping arrangement cover all
systems and fittings.
The influences of operational and safety requirements , as well
as legislation result in somewhat complicated arrangements.
PREPARATION OF PLAN
• It is a usual practice for piping plans to be in
diagrammatic form and this is accepted in general by
most classification society rules.
• Many firms adopt the method of having a separate
diagram for each of the piping system on vessel
which simplifies the work and reduce possibility of
mistakes.
EXAMPLES OF PIPING SYSTEMS
• Bilge system.
• Ballast system.
• Oil fuel transfer system.
• Oil fuel service system.
• Cooling water system.
• Lubrication oil system.
• Compressed air system.
• Steam system.
• Exhaust system.
• Boiler feed system.
• Cargo tank pumping system.
• Inert gas system. & etc. etc .
POINTS TO BE TAKEN CARE IN DIAGRAMATIC
FORM OF PIPING SYSTEM:
• Representing pipelines moving in line to each other:
As diagrams are two dimensional so system in vertical plane
will be one above the other and it will be difficult for an
observer to follow the diagram. To avoid possibility of this
problem all pipelines in vertical plane are placed side by side.
• Representing pipelines moving at angles or perpendicular to
each other:
It is important to make it clear whether lines which cross each
other represent pipes which are entirely separate or form a
pipe junction.
• Size of pipeline i.e. Bore of pipe to be clearly stated
on the plan. Outside diameter or the thickness of
the pipe should be stated for pressure pipes and for
air and sounding pipes which are fitted to tanks
forming part of ships structure.
• Direction of flow should be indicated on pipe: i.e.
leading to and from pumps and each pipe should be
completed to the final terminal point.
• Diagrams of bilge system in the machinery space
should indicate capacity of the pumps for bilge
service etc.
Cross & Junction
USE OF SYMBOLS
• Symbols are most helpful in diagrammatic work.
Some firms have table of standard symbols
amounting to 100 or more in numbers. This would be
exceedingly difficult to keep their meaning in mind
without constant reference to the table. It is always
advisable to keep the no. of symbols within
reasonable limits and they should be indicated in
some convenient position on each plan.
Symbols
General pumping arrangement
• The basic plan for most ships pumping system
shows suction pipes, together with air and
sounding pipes, for all the compartments
outside machinery space.
Sounding arrangement
Non Return Valves on hold bilge
suction
Scupper for draining holds
Blanking arrangement for deep
tanks
Closing appliances for air pipes
Closing appliances for air pipes
Bilge system cargo ship
Bilge system tanker machinery space
Bilge system
• Features:
Main bilge line to which the bilge suctions from various
compartments are connected with two bilge pumps.
Emergency bilge suction from machinery space led to
main circulating pump or to the cooling water pump
sea inlet line.
In tankers one direct bilge suction in after well, while
the bilge injection and the other direct bilge suction
are fitted at opposite sides of the forward end of
machinery space.
Reciprocating pump suction lifts at various
temperatures.
Oil Fuel Overflow System
Limitation of filling pressure by relief pipe
Overflow arrangement for daily service and
settling tank
Overflow arrangement-- common breather
pipe
Cooling water returns to sea inlet.
Lubricating oil standby pumps
Emergency lubricating supply in turbine
ships
Compressed Air System
Ballast system
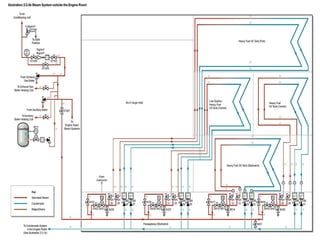
Steam System
• Saturated steam is led from the oil fired boiler or the exhaust
gas boiler at a normal pressure of 7.0kg/cm2. The steam line
from each boiler goes to the common 7.0kg/cm2 steam line
from where steam is distributed to users. The common steam
line has a branch to the steam dump valve which is pressure
controlled and dumps excess steam to the drain cooler.
• Caution: Water hammer in steam lines can be a problem and
can cause damage to the pipe system and even steam line
failure resulting in scalding of personnel. It is essential that all
steam lines are drained of condensate and that steam be
supplied to cold lines gradually with line drain valves open.
This allows the steam line to warm through and for the
condensate to drain. Drain valves are located at a number of
places in the steam system and these must be opened before
the steam valve to that section of line is opened.
Procedure for Supplying Steam to the Steam System
The auxiliary boiler is operating on automatic control and generates
saturated steam at a pressure of 7.0kg/cm2. The description assumes
that the entire steam system is shut down and is being warmed through
from cold.
a) Ensure that the boiler is operating correctly and that the correct steam
pressure is being generated.
b) Start the sea water cooling system for the central fresh water coolers and
ensure that there is a LT cooling water flow through the drain cooler.
c) Open all steam line drain valves and drain the section of steam pipe of
condensate as the pipe warms up. Where drain traps are fitted, line drain
valves may be left open after the pipe has warmed through, otherwise
the drain valve must be closed when the pipe is warm and steam issues
from the drain valve.
d) Open the steam inlet valves to the steam supply section systems.
Procedure for Supplying Steam to the Steam System
e) Where a steam supply valve is linked with a temperature
controlled valve the operating medium for that valve (if any)
must be available at the valve.
f) When a steam line is warmed through and steam is issuing
from the drain, close the drain valve.
g) Ensure that each steam line’s associated drain valves are
open and that the drain trap is functioning.
h) Frequently check the steam system for signs of steam
leakage.
Note: The drain inlet system to the dump condenser and the
inspection tank must be functioning.
Drains & Feed water system description
• Drains from the auxiliary steam services are returned to the cascade tank, via the
drain cooler and the inspection tank. The condensate is then returned to the feed
water system. As there is a possibility of contamination from hydrocarbons from oil
heating services, the drains are checked in the inspection tank before returning to
the system, the inspection tank is also fitted with an oil content detection probe.
From the inspection tank the condensate returns to the main body of the cascade
tank via a weir line with and external isolating valve and a filter grid. The drain
cooler is also used to condense excess steam generated by the exhaust gas boiler
in order to maintain the desired steam system pressure. The drain cooler
condensate water level is maintained by a water trap in the water outlet.
• Valves at the drain line entry to the condenser allow the drain cooler to be
bypassed if necessary allowing the condensate to flow directly to the inspection
tank. This arrangement allows the temperature of the water in the inspection tank
to be increased, by allowing hot condensate directly into the inspection tank,
there is no control feature on the bypass line. The condenser bypass can also be
used when the dump condenser is being serviced, or when it is defective.
• Water flows from the bottom of the inspection tank to the filter tank which is
provided with a steam injection heating system in order to heat the boiler feed
water should that be necessary.
Drains & Feed water system description
• The level in the cascade tank is maintained automatically by transferring distilled water from
the distilled water tank by means of the feed water transfer pump, float switches located in
the after end of the cascade tank control the starting and stopping of the pump. The cooling
water transfer pump may be used for this duty should the feed water transfer pump be
unavailable. The cascade tank is equipped with a low level alarm and a low temperature
alarm.
• The inspection tank is fitted with a inspection windows and hydrocarbon monitoring
equipment. Should any oil be detected an alarm will sound, steps must then be taken to
prevent the pumping of oil into the boilers. The flow from the inspection tank to the cascade
tank via isolating valve is from the bottom of the inspection tank, therefore this will reduce
the risk of oil carry over to the cascade tank in the short term (depending upon how big the
oil leakage is into the condensate system) and hence to the feed pump suction. Any floating
sediment or oil in the inspection tank should then be drained through the scum line into the
inspection tank to the bilge.
• Water from the cascade tank provides the boiler feed pumps with a positive inlet head of
pressure to the pump suctions. The condensate outlet temperature from the drain cooler
should be sufficient to maintain a temperature of 90°C in the cascade tank. As mentioned
previously, the drain cooler bypass valve allows direct entry from the drains in to the
inspection tank. If the temperature of the feed water in the tank cannot be maintained in this
way, there is a direct live steam injection line into the condensate tank which is fitted with a
temperature regulator.
Drains & Feed water system description
• A salinity sensor is located in the feed pump suction line, this may be
bypassed if required. The sensor is linked to a salinity alarm.
• There are two boiler feed pumps; these are used for the oil fired auxiliary
boiler and the exhaust gas boiler. Each boiler has two feed water lines, the
main feed line to each boiler has a control valve which is regulated by the
water level in the boiler. In order to ensure a flow of water through the
feed pump, even when the feed control valve is closed, there is a return
line from the feed pump outlet to the cascade tank. The line from each
pump is fitted with an orifice plate in order to reduce the pressure of the
water returning to the cascade tank. The auxiliary feed valve on each
boiler allows manual control of the water level should there be a
malfunction in the feed control system.
• Drain traps allow the passage of condensate but not steam, therefore they
allow for efficient use of heating steam as the latent heat of evaporation is
recovered when the steam condenses. If a drain trap is defective it will
allow steam to pass and this results in low efficiency.
Drains & Feed water system description
• Oil Contamination : If oil contamination occurs every effort must be made
to avoid pumping oil into the boilers. The scum valve should be opened in
order to remove oil from the surface of the inspection tank. The
temperature in the inspection tank should be maintained in order to assist
in the oil removal operation. If oil is present in the inspection tank, the
drains from the drain traps on all the oil system steam services should be
checked until the defective service is located and this must then be
isolated for repair. After repair, the drain line and drain trap from the
defective service must be cleaned to remove all traces of oil. The
inspection tank and the oil content monitor probe must also be cleaned.
Drains & Feed water system description
• The heating coils in the following services return to the inspection tank
through the drains cooler:
• HFO storage, service and settling tanks
• Calorifier
• Heat exchanger for the accommodation
• Steam tracing
• Air conditioning unit
• Oil fired and exhaust gas boiler systems
• Waste/sludge oil tanks
• FO and LO sludge tanks
• Main engine LO tanks
• Main engine LO sump tank
• HFO and LO separator heaters
• Main engine, boiler and diesel generator HFO system heaters
• FO overflow tank
• Main engine and generator engine jacket FW preheaters
• Reefer containers CFW heater
Drains & Feed water system description
• Procedure for Preparing the Main Condensate System for
Operation This description assumes that the system is not yet
operational.
a) Ensure that the pressure gauge and instrumentation valves are
open.
b) Fill the cascade tank from the distilled water tank using the feed
water transfer pump. The distilled water tank outlet valve must
be open as must the feed water transfer pump inlet valve and
outlet valve . The inlet valve to the cascade filter tank must be
opened, the pump should be operated manually until the
cascade tank reaches the desired level and then transferred onto
automatic control. The manual/automatic (MAN/AUTO) selection
switch is on local group starter panel (LGSP) for the feed water
transfer pump in the air conditioning/refrigeration plant area .
Drains & Feed water system description
c) Check the cascade tank is at the correct level when the boiler is at its
operating level.
Operational conditions has shown that a high head of water in the distilled
water tank has a tendency to force its way through the feed water transfer
pump when the pump is set for automatic operations with all of the
system valves open. Therefore due to the low losses in the system except
for when blowdown operations are carried out, the feed transfer pump
can remain in manual with the inlet valve to the cascade tank shut.
d) Set up the drain system valves according to the following tables: It is
assumed that the LT cooling system is in operation.
e) The various services can now be put into operation as required, by opening
the associated drain trap outlet valve.
Drains & Feed water system description
Note 1: In an emergency the cooling water transfer pump may be used
to replenish the cascade filter tank from the distilled water tank.
Crossover valves must be open as must the pump suction valve and
discharge valve . It is essential that the suction valves from the jacket
water drain tank and air cooler water drain tank , are closed when
using the cooling water transfer pump for transferring boiler feed
water.
Note 2: Drain valves for all systems are normally left open when a drain
trap is fitted, however, if a service is shut down for maintenance the
drain valve should be shut as well as the steam valve after the line has
been allowed to cool down. The cooling down period is required in
order to ensure a vacuum is not formed in the steam line if any
remaining steam in the heating coil/ heater condenses.
Note 3: Excessive temperature at the drains cooler would indicate a
defective drain trap. Services should be isolated in turn until the
defective trap is located.
Boiler Feed Water System
• The boiler feed water system is the section of the steam generating plant
which circulates feed water from the cascade tank to the oil fired auxiliary
boiler and the exhaust gas boiler via the boiler feed water pumps and the
feed water regulators.
• The feed water flow to each boiler is automatically controlled by the feed
water regulating valve in accordance with the variation in water level in
the boiler, to maintain the water level constant.
• Two boiler feed pumps take suction from the cascade tank and supply the
boilers at a maximum rate of 15m3/h and pressure of 15kg/cm2. The feed
pumps supply the oil fired auxiliary boiler and the exhaust gas boiler via
the main and auxiliary feed lines. The main lines to each boiler are fitted
with a feed water control valve which automatically regulates the flow of
water to the boiler, in order to maintain the correct water level. The
auxiliary feed lines provide for direct feed supply; manual control of the
water level in the boiler is required when using the auxiliary feed line.
Boiler Feed Water System
• A small amount of water is directed back to the cascade tank from each
feed pump outlet before the feed pump discharge valve; the discharge line
from each pump to the cascade tank has an orifice plate in order to
reduce the pressure of the water flowing back to the cascade tank. This
water discharge ensures that there is always a water flow through the
operating feed pump even when the boiler feed control valve is closed.
• There are chemical dosing units which supply treatment chemicals to the
boiler system. Each dosing unit has a pump which pumps a measured
quantity of diluted treatment chemical into the feed system over a period
of time. Treatment chemical in the dosing tank is diluted with water from
the hydrophore system. One unit pumps treatment chemical into the feed
suction line before the feed water pumps. There are two other chemical
dosing units, one pumping chemical into the feed line to the oil fired
boiler and the other pumping chemical into the feed line to the exhaust
gas boiler; which unit operates depends upon which boiler is operating.
Procedure for Preparing the Boiler Feed Water System
for Operation
• The description assumes that the feed water pumps are set to supply the
oil fired auxiliary boiler and exhaust gas boiler, with one pump set as the
duty pump and the other as the standby pump. The main feed valves are
being used via the feed regulator.
• a) Ensure that the pressure gauge and instrumentation valves are open.
• b) Set up the valves as required.
• The feed water pumps can be started and stopped locally or from the
pump control screen display in the engine control room; at the control
screen one of the pumps is started as the duty pump and another is
selected as the standby pump, the pump display is shown below. The
standby pump starts automatically if the operating pump is unable to
maintain pressure for any reason. A pressure switch on the discharge side
of the pumps provides the start signal for the standby pump. The
Local/Remote selector switch for each pump is located on it’s respective
group starter panel (GSP) on the main switchboard.
Procedure for Preparing the Boiler Feed Water System
for Operation
• Failure of the running pump or a pressure drop below the cut-in set value
will start the standby pump.
• For initial start only:
a) Shut the discharge valve of the selected feed pump.
b) Start the feed pump locally and slowly open the discharge valve until the
discharge line reaches working pressure.
c) Check the operation of the feed water valves on the boiler .
d) Fill the boiler(s) to working level. If filling from empty it is preferable to use
the auxiliary feed line until the boiler is at it’s correct level.
e) Set the duty pump to Master and other pump to Standby. The boiler(s) can
now be brought into operation.
Note: When supplying chemical feed treatment to the boiler(s), the
treatment supply valves to the feed water pipe on the boiler in use must
be opened and the chemical treatment dosing pumps started.
Water Sampling and Treatment System
• Sampling and treatment of the boiler water is undertaken in order to
prevent corrosion and scale formation in the auxiliary and exhaust gas
boilers and to prevent the degradation of the steam quality. Incorrect or
inadequate boiler water treatment will seriously damage the boilers and
frequent testing and treatment is needed in order to reduce the risk of
damage. Even though distilled water is used for boiler feed, the risk of
corrosion is present. The pH of the water changes in service and oxygen
can dissolve in the water where the feed system is open to the
atmosphere. Although maintaining the feed water temperature at a
relatively high value, above 60°C, will minimise the amount of dissolved
oxygen, the problem is ever present.
Water Sampling and Treatment System
• Analytical tests and chemical treatment must be undertaken in
accordance with the instructions supplied by the chemical manufacturer.
The treatment must be added in order to maintain the chemical levels
within an acceptable range. Excessive treatment can often result in more
severe damage than insufficient treatment. The results of chemical
analysis on the boiler water must be recorded and the effects of the
treatment added can be monitored over a period of time. Floating solid
materials in the boiler can be removed periodically by means of the scum
valve for each boiler, whilst dissolved solids can be reduced by blowing
some of the water out of the boiler and replacing it with fresh distilled
feed water. This is boiler blowdown and it is accomplished by opening the
boiler blowdown valve for each boiler. The scum and blowdown lines
connect to the same blowdown pipe which connects into the starboard
overboard sea chest.
Water Sampling and Treatment System
• The oil fired auxiliary boiler and the exhaust gas boiler are provided with
water sampling connections, the outlet from these being directed to a
sample cooler which is cooled by water from the domestic cold water
system; the sample cooler is located on the bulkhead directly outboard of
the oil fired boiler. When taking a sample of water from the boiler the
water must be allowed to run from the boiler for a minute in order to
ensure that a truly representative sample is obtained. The sampling valve
on the boiler is located so that it will produce a representative sample, but
old water in the lines and cooler must be purged before the testing sample
is drawn. The boiler water must be tested every day. The instructions
supplied by the water treatment test kit supplier must be followed
precisely in order to ensure that the boiler water is correctly treated.
Water Sampling and Treatment System
• Chemicals to be added to the boiler water are mixed with water in
chemical dosing unit tanks. Chemical treatment from two of these units
injected into the feed lines after the feed pumps but before the feed water
regulator for each boilers, the feed water line to the pumps has it’s own
injection pump and dosing tank.
• Both the auxiliary boiler and the exhaust gas boiler use the same feed tank
and so they use the same treated feed water. When shutting down one of
the boilers for a short period of time (such as the exhaust gas boiler when
the ship is in port) it is essential to ensure that the water in the boiler has
been correctly treated. A water test should be carried out as soon as
possible after a shutdown boiler is put back on line.
Procedure for Taking a Sample of Boiler
Water
a) Open the sample cooler fresh water inlet valve and check the flow of fresh
water through the sample cooler.
b) Open the water sample inlet valve on the sample cooler and slowly open
the sampling valve on the boiler from which a water sample is required
and allow boiler water to flow through the sample cooler. For the exhaust
gas boiler there is also a line valve which must be opened first. Ensure that
water is leaving the sample cooler outlet and not a mixture of steam and
water. If the temperature of the boiler water leaving the sample cooler is
too high, reduce the flow of boiler water to the sample cooler.
c) After the boiler water has been flowing for one minute, collect a sample of
the boiler water for analysis.
d) Close the boiler sampling valve and then close the sample cooler cooling
water valve and the sample inlet valve.
e) Analyse the sample of boiler water in accordance with the instructions of
the chemical treatment supplier and record the information. Add chemical
treatment to the boiler feed water dosing units as required.
Procedure for Taking a Sample of Boiler
Water
WARNING
• The sampling lines from the boiler are under boiler pressure and the
temperature of the water being drawn from the boiler is high. Care must
be taken when operating the sampling equipment. The cooling water
supply must be confirmed to be flowing before the boiler sample valve is
opened. Valves must be opened slowly
Chemical Treatment Supply to the Boiler
Feed Water
• After analysis of the boiler water a decision must be made as to the
amount and type of chemicals which are to be added to the boiler feed
water, if any. The chemical treatment supplier’s instructions must be
followed precisely as under treatment and over-treatment can result in
boiler damage. Chemical treatment must be recorded in the boiler water
treatment log book.
WARNING
Care must be taken when handling boiler water treatment chemicals.
Protective clothing and goggles must be used.
Note: It is essential that details of water analysis are recorded together with
details of the treatment added. Only with detailed information is it
possible to determine the cause of possible future problems.
Boiler Blowdown
• If the level of boiler water dissolved solids is too high, some of the water
must be removed from the boiler and replaced with distilled water from
the feed tank. The procedure for blowing down the boiler safely must be
followed. If the ship is in port the bridge must be consulted in order to
ensure that blowing down the boiler will not cause danger.
WARNING
When blowing the boiler down the overboard discharge valve must be
opened before the boiler or scum blowdown valves. Opening the boiler
valves first will subject the blowdown line to full boiler pressure.
Procedure for Blowing Down the Auxiliary and
Exhaust Gas Boilers
The blowdown procedure must be performed during low load.
a) Check with the bridge that it is safe to blow down the boiler if the ship is in
port.
b) Open the ship’s side blowdown valves .
c) Ensure that the boiler is filled to the high water level.
d) Slowly open the boiler scum valve and reduce the water level to the
normal position, then close the scum valve.
e) Refill the boiler to the high water level position and blow down the boiler
using the blowdown valve. After the blowdown of the boiler, close the
boiler blowdown valve and then close the line and ship’s side valves.
f) Test the boiler chemical concentrations and adjust as necessary.
Distilled water Transfer and Distribution
System
• The distilled feed water is supplied to the cascade tank from the distilled
water tank or if necessary from the main engine air cooler drain tank
which receives condensate water from the main engine air coolers when
the main engine is in operation. From the distilled water tank (or the main
engine air cooler drain tank) water is transferred to the cascade tank via a
feed water transfer pump located in an area below the bottom plates on
the starboard side. Control level floats in the cascade tank control the cut-
in and cut-out operation of the pump when it is set into automatic
operation. The pump can be started locally or from the starter panel on
LGSP which is located in the air conditioning/domestic refrigeration room.
The manual/automatic selection switch for the pump is also positioned on
this panel.
Distilled water Transfer and Distribution
System
• If the feed water transfer pump is inoperative, it’s duties can be taken over
by the cooling water transfer pump, in which case the two crossover
valves must be opened. When the cooling water transfer pump is used for
this duty it will be necessary to control the starting and stopping of the
pump manually.
• The distillate from the fresh water generator can be discharged to the port
and starboard fresh water tanks via a rehardening filter and silver ion
steriliser. When the distillate is to be directed to the distilled water tank
for use in the boiler, the rehardening filter and steriliser unit must be by
passed.
Procedure for Preparing the Feed Water Transfer
Pump for Operation
a) Ensure that the pressure gauge and instrumentation valves are open.
b) Open the distilled water tank outlet valve and the feed water transfer
pump inlet valve and outlet valve . Open the inlet valve to the cascade
filter tank . Set the pump into manual or automatic mode (MAN/AUTO).
c) Check the cascade tank is at the correct level when the boiler is at its
operating level.
• Operational conditions has shown that a high head of water in the distilled
water tank has a tendency to force its way through the feed water transfer
pump when the pump is set for automatic operations with all of the
system valves open. Therefore due to the low losses in the system except
for when boiler blowdown and scumming operations are carried out, the
feed transfer pump can remain in manual mode with the inlet valve to the
cascade tank shut.
Procedure for Preparing the Feed Water Transfer
Pump for Operation
• When blowdown and scumming operations are to take place the cascade
inlet valve should be opened and the pump set into AUTO mode. On
completion of the boiler water condition control, the pump can be set
back into manual and the cascade tank inlet valve shut. It is important that
notice is made to the engineering staff on which valve in the system is
shut when the pump is on manual control.
Note: In an emergency the cooling water transfer pump may be used to
replenish the cascade filter tank from the distilled water tank. Crossover
valves must be open as must the pump suction valve and discharge valve
. It is essential that the suction valves from the jacket water drain tank
and air cooler water drain tank , are closed when using the cooling water
transfer pump for transferring boiler feed water.
Main and Auxiliary Sea water Systems
• The main sea water cooling pumps supply cooling sea water to the two
low temperature central fresh water coolers. Main sea water cooling
pump No.3 which is fitted with a twin speed motor and a self priming unit
has an emergency direct bilge suction form the starboard forward tank top
area, the valve handwheel of which projects approximately 1.0m above
the floor plate level.
• The fresh water generator sea water pump operates the vacuum ejector
on the FW generator, it also provides cooling water to cool the vapour
produced during operation and supplies the FW generator with feed
water.
• The sea water pumps take suction from the SW crossover main which
connects with the low sea chest on the port side of the ship and the high
sea chest on the starboard side. The common sea water suction manifold
has suction filters at each end, the filters connecting with the port and
starboard sea chests at the sides of the vessel.
Main and Auxiliary Sea water Systems
• An anti-fouling marine growth prevention system (MGPS) is fitted which
inhibits the growth of marine organisms in the entire sea water system
and prevents corrosion in the system. The MGPS system must be
operational at all times when the sea water system is working.
• The sea suction valves at each sea chest are remotely operated by means
of hydraulic deck stand valves located at the 3rd deck level; the deck stand
valve for valve is located just aft of the HFO service tanks, the deck stand
valves are located just aft of the auxiliary boiler control panel. If necessary
the valves may be operated locally if required. This is carried out by lining
up the manual handle and spindle key slot and inserting the attached
drive key. It is necessary to swing the bypass lever on the control cylinder
to the open position, turning the valve handle will operated the valve in
the required direction. The overboard discharge valves for the reefer
cooling sea water system and the fresh water generator sea water system
are operated locally. The discharge lines are lead to common overboard
sea chests rather than directly to the ship’s side.
Main and Auxiliary Sea water Systems
• The starboard overboard sea chest houses the discharges from the central
coolers, FW evaporator, main engine air cooler drain tank cooling water
transfer pump (via an oil content sampling unit), ballast overboard
discharge to starboard, auxiliary and exhaust gas boiler blowdown, black
and grey direct sewage discharge. The port overboard sea chest serves the
reefer container coolers, port ballast discharge, bilge discharge from the
fire and bilge pump and the discharge from the cargo hold pump.
• The main cooling sea water pumps discharge to a common sea water
pressure manifold which supplies sea water to the two central fresh water
coolers. The sea water then flows overboard through the starboard
overboard sea chest. A branch line from the main sea water pump
discharge line supplies water to the sewage plant for flushing purposes.
• The reefer cooling sea water pumps discharge into a common sea water
pressure manifold which supplies the two reefer fresh water coolers. The
sea water then flows overboard through the port overboard sea chest.
Main and Auxiliary Sea water Systems
• The central fresh water coolers and the reefer fresh water coolers have a
facility for backflushing, the backflushing system is operated in order to
remove debris from the sea water side of the cooler; this helps maintain the
effectiveness of the coolers. Each cooler has an inline filter at the sea water
inlet, this must be maintained in a clean condition by removal and manual
cleaning as necessary. The interval between cleaning of the inline filter (and
backflushing) depends upon the nature and condition of the sea water in
which the vessel is operating. An increase in the sea water pressure drop
across the cooler indicates fouling and cleaning of the inline filter is
necessary. If this cleaning does not reduce the pressure drop the cooler
should be back flushed. Inline filter cleaning at monthly intervals should
maintain the cooler sea water surfaces in a clean condition.
• Cleaning of an cooler inline filter means removal of the filter from the cooler.
This requires the cooler to be isolated from the sea water circulation system,
by closing the cooler sea water inlet and outlet valves, and then draining of
the cooler sea water side. Sea water in the cooler is drained to the bilge and
the operator must be prepared to pump the bilge after draining the cooler.
Each central cooler holds approximately 987 litres of sea water, the reefer
cooler each hold approximately 307 litres of sea water.
Main and Auxiliary Sea water Systems
• The sea water cooling pumps can be started and stopped locally or from the pump
control screen display in the engine control room; at the control screen one of the
pumps is started as the duty pump and another is selected as the standby pump,
the pump display is shown on the next page. The standby pump starts
automatically if the operating pump is unable to maintain pressure for any reason.
A pressure switch on the discharge side of the pumps provides the start signal for
the standby pump. The Local/Remote selector switch for each pump is located on
it’s respective group starter panel (GSP) on the main switchboard. The GSP for each
main sea water pump also houses an ammeter, hour meter, space heater on/off
switch plus indicator and a start/stop button.
• Failure of either running pump or a pressure drop below the cut-in set value will
start the standby pump.
• Other pumps taking suction from the SW crossover main are:
 Fire and general service pump
 Fire and bilge pumps
 Two ballast pumps
• The port low sea chest has a vent pipe extending to the upper deck level,
additionally, each sea chest has a steam connection for weed/ice clearing.
Procedure for the Operation of the Sea Water Cooling
System Crossover Suction Main
a) Ensure that all suction strainers are clear.
b) Ensure all the pressure gauge and instrumentation valves are open and
that the instrumentation is reading correctly.
c) Set up the valves as shown in the table below. In this case the low (port)
sea suction is in use
d) Ensure that the MGPS is operational and start the MGPS when one or
more sea water pumps is operating, the procedure for operating the
MGPS is described on page 6 of this section.
e) The sea suction main is now fully functional, the required sea water
pumps may be started as required when a consumer is lined up.
Procedure for the Operation of the Main Sea Water
Cooling System
a) Ensure that the sea water crossover suction main is operational as
described above.
b) Ensure all the pressure gauge and instrumentation valves are open and
that the instrumentation is reading correctly.
c) Set up the valves as shown in the table below.
d) Select the duty pump(s) and the standby pump for the main cooling sea
water system and start the duty pump(s) from the screen display.
e) Vent the coolers to ensure that there are no pockets of air in the line.
Main sea water pump No.3 offers the system a degree of flexibility and
therefore an increase in the plant efficiency due to it’s twin speed
operation mode, this allows the delivery volume of the sea water pumps
to be more closely matched to the cooling load. Normally two pumps are
required for operation when the sea water temperature reaches 26°C.
Procedure for the Operation of the Backflushing
System on the Main Central Fresh Water Coolers
a) Ensure that the cooling load will be maintained by one cooler while the
other one is being backflushed. Each main cooler has a capacity of 60% of
the maximum cooling load on the system. The cooler being back-flushed
will still be generating a cooling effect as the silt/debris is being cleaned
away.
b) Set the sea water cooling valves as indicated below:
• For No.1 Central Fresh Water Cooler
 Open the backflushing outlet valve and inlet valve
 Close the sea water inlet valve and outlet valve
• For No.2 Central Fresh Water Cooler
 Open the backflushing outlet valve CS29 and inlet valve CS28
 Close the sea water inlet valve CS27 and outlet valve CS30
Procedure for the Operation of the Backflushing
System on the Main Central Fresh Water Coolers
• c) Sea water will flow into the central cooler via the outlet connection and
will flow out via the inlet connection. Debris on the cooler surfaces will be
dislodged by this counter flow of sea water and will be discharged
overboard.
• d) Leave the backflushing system operating for about 15 minutes and then
open the cooler main sea water inlet and outlet valves and close the
backflushing inlet and outlet valves. Check the sea water flow through the
cooler. The cooler is now back in operation and the other cooler may be
back-flushed. If the cooling load can be maintained during the
backflushing operation, then the backflush operation can be maintained
for as long as is practicable before reverting to the normal flow
Procedure for the Operation of the Fresh
Water Evaporator Sea Water System
a) Ensure that the sea water crossover suction main is
operational as described above.
b) Ensure all the pressure gauge and instrumentation
valves are open and that the instrumentation is
reading correctly.
c) Set up the valves as shown in the following table:
d) Start the fresh water generator ejector pump and
operate the fresh water generator as required.
The Sea Water MGPS Antifouling System
• The sea water system is protected against fouling by the antifouling
system. The system protects against marine growth and corrosion by
means of anodes. The marine growth protection anodes (MG) are made
from copper and the trap corrosion anodes (TC) are made from
aluminium. The anodes are fitted in the suction strainers.
• The port and starboard side strainers each have two MG anodes and two
TC anodes. Anode life is approximately 2.5 years. A low current must be
maintained at the sea suction strainer which is not operating.
• The MG anodes release copper ions when an electric current is applied
and these ions combine with those released from the sea water during
electrolysis. The effect of the ions is to prevent or discourage micro-
organisms from entering the sea water circulation system thus preventing
the breeding of these organisms within the sea water system.
• The TC anodes form aluminium hydroxide when an electric current is
applied. This forms an anti-corrosion barrier on the steel pipework of the
sea water system.
The Sea Water MGPS Antifouling System
• It is essential that the correct current is always applied to the anodes at
the operating sea water suction chest; too low a current results in
insufficient protection and too high a current results in rapid wasting of
the anodes. The anodes must be checked periodically in order to ensure
that they are wasting at the expected rate. Rapid wasting will result in loss
of protection when the anodes are depleted but the rapid wasting of the
copper anodes can result in high copper deposits on the sea suction
strainer resulting in partial blockage. The design current is for the sea
water flow of 3,000m3/h, if the sea water flow rate is reduced from this
value the current applied to the anodes should also be reduced.
• The current settings for the MG and TC anodes should be the same and
the currents are adjusted by means of the setting knobs on the control
panel. Adjustment of current should only be made after consulting the
Cathelco operating manual. Incorrect setting of the current can result in
inadequate protection against marine growth and corrosion.
• The control panel is located at engine room lower plate level .
The Sea Water MGPS Antifouling System
• Operating Procedure
a) Turn the main power switch at the control panel to the ON position.
b) Set the anode currents to the desired values by means of the control
knobs, checking the current on the digital ammeter above the control
knob.
• When the vessel is in ‘Blue Water’ the anode life may be extended by
turning the current down to 0.2 A.
• If there is signs of marine growth infestation the current may be increased
by a maximum of 0.2 A, but if no fouling is present the current may be
reduced by a maximum of 0.2 A.
Note: If the ship is in fresh or brackish water the display may not reach the
recommended current value and this may cause the warning LED to
illuminate. This can be ignored as it is the setting in sea water which is
important.
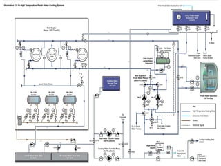
Fresh Water Generator system
• The fresh water generator fitted is able to produce up to 35m3 of fresh
water per day and essentially consists of the following main components:
 Evaporator - The evaporator is a plate type heat exchanger located in the
lower part of the generator and is supplied with sea water (feed) and hot
water from the main engine high temperature cooling system.
 Separator - The separator separates out the brine from the fresh water
vapour produced inside the generator and is located between the
evaporator and condenser sections.
 Condenser - The condenser is located in the upper part of the generator
and condenses the hot vapour into liquid so that it can be easily pumped
to the distilled water storage tanks
 Combined brine/air ejector - The brine and air ejector is driven by sea
water supplied from the fresh water generator ejector pump and is used
to extract spent brine and any condensable gases from inside the
generator casing. In doing this the ejector also produces a vacuum inside
the generator’s casing.
Fresh Water Generator system
 Sea water ejector pump - The fresh water generator ejector pump
supplies the generator with sea water for use in the evaporator and
driving water for the brine/air ejector. The pump is independent of the
generator and takes its suction from the sea water crossover main.
 Fresh water distillate pump - The distillate pump extracts the condensed
fresh water vapour from the condenser and pumps it to the port and
starboard domestic fresh water tanks or the distillate tank.
 Salinometer - The salinometer continually monitors the quality of the
water being produced and directs any out of specification fresh water into
the evaporator eductor.
 Control panel - The control panel is mounted on the fresh water
generator and contains the motor starters, running lights, salinometer,
contacts for remote alarms and controls for starting and stopping the
generator.
Fresh Water Generator Operation
• The fresh water generator is based on two sets of titanium plate heat
exchangers acting as an evaporator (lower section) and condenser (upper
section) respectively with the heat input to the generator being supplied from
the ship’s main engine high temperature cooling system.
• To achieve low temperature evaporation within the generator and so improve
its operating efficiency, the pressure within the evaporator chamber is
reduced. This is achieved using the sea water driven eductor that operates as
a brine eductor on the evaporator casing. The sea water flow initially passes
through the eductor before being directed into the condenser plate stack at
the top of the evaporator. Prior to the sea water entering the eductor a small
branch line is taken of the main, this is used as the feed supply via an orifice
and manually adjusted feed regulating valve into the evaporator. The feed
water entering the evaporator flashes off in response to its lowered boiling
point due to the vacuum conditions. After passing around a deflector plate
and then passing through a demister, the hot water vapour is drawn upwards
into the condensing heat exchanger fitted near the top of the unit. The brine
droplets are separated out in the demister and fall to the bottom of the
evaporator chamber where they are extracted by the combined brine and air
ejector that is driven by the sea water ejector pump.
Fresh Water Generator Operation
• Sea water supplied by the sea water ejector pump condenses the vapour
to form distilled water. This is extracted by the distillate pump and
discharged through a salinometer which monitors the salinity of the fresh
water. In the event that it rises above a preset value, 10ppm, an alarm is
sounded through the local control panel to the engine room alarm system,
the condensate is then directed into the eductor suction line via a
solenoid operated dump valve.
• A flow meter is fitted at the distillate pump discharge to monitor the
amount of fresh water being produced, at full capacity the generator is
capable of producing 35 tonnes of fresh water per day.
• The distillate from the fresh water generator can be discharged to the port
and starboard fresh water tanks via a rehardening filter and silver ion
steriliser. The distillate can also be directed to the distillate tank for use in
the boiler, in this case bypassing the rehardening filter and steriliser unit.
• There is also a connection on the discharge line that allows for filling of
the fresh water generator chemical treatment tank.
Procedure for Starting the Fresh Water Generator
• To operate the fresh water generator, the main engine HT fresh water cooling
system and the main engine must both be operational. The sea water crossover
main must also be operational.
a) A filling valve on one of the fresh water tanks water tank must be opened.
b) Ensure that the fresh water generator control panel is switched on, that instrument
and gauge cocks are open and that all of the instrumentation is reading correctly.
Switching on the fresh water generator also starts the salinometer but by default
the alarm is deactivated for a period of 10 minutes at start up.
c) Add the correct chemical to the chemical treatment dosing tank and dilute to the
correct concentration using fresh water. The fresh water is supplied from the fresh
water generator outlet, this should be done when the fresh water generator is
operating. Alternatively fresh water may be added manually from the domestic
fresh water system by means of a water container.
• Treatment chemical is added to the feed sea water in order to prevent scaling in the
fresh water generator and foaming during evaporation. The flow valve must be
adjusted to give the correct flow rate and this depends upon the treatment
chemical used. The suction effect of the sea water flow draws treatment chemical
into the water flow and so no dosing pump is required.
Procedure for Starting the Fresh Water Generator
d) Ensure that the fresh water generator jacket water bypass valve CH10 is open
and that the fresh water generator jacket water inlet valve CH08 and outlet
valve CH09 are closed.
e) The distillate pump outlet valve must be initially closed as must the evaporator
feed water inlet valve
f) Ensure that the fresh water generator ejector pump discharge strainer is clean.
g) Close the air vent valves on the evaporator shell.
h) Set the valves as in the following table:
i) Close the drain valve on the water ejector.
j) Start the sea water ejector pump to create a vacuum inside the fresh water
generator.
k) When the minimum of 90% vacuum has been obtained open the feed water
inlet valve to the evaporator, open the chemical treatment valve and start the
pump, check that the flow rate is correct. The flow rate must be adjusted at the
fresh water generator supply valve to give the dosing rate recommended by the
chemical treatment supplier. The flow meter will indicate the flow rate.
Procedure for Starting the Fresh Water Generator
l) Open the fresh water generator jacket cooling water outlet valve and the inlet
valve. The inlet valve should be opened slowly in order to avoid thermal shock.
As the inlet valve is opened the bypass valve should be throttled, insure the
pressure and flow are maintained in the HT circuit.
m) Boiling will commence in the evaporator section and the vacuum will fall to
about 85%.
n) Ensure that the salinometer is operating and that the salinometer alarm level is
set to 10ppm.
o) Allow the evaporator to stabilise ensuring water levels are steady and
temperatures are not excessive. Once evaporation has stabilised check the
salinometer reading by pressing the SETUP pushbutton. Pressing the + or -
pushbuttons at this stage enables the alarm setting to be changed.
p) When fresh water is present in the inspection glass on the suction side of the
distillate pump, start the distillate pump and open the outlet valve from the
distillate pump to the fresh water storage tanks.
Procedure for Starting the Fresh Water Generator
• The output capacity is regulated by increasing or decreasing the amount of
main engine jacket water passing through the heat exchanger. Operate the
evaporator jacket water bypass valve to regulate the output capacity, ensuring
that under-cooling does not occur. This should be done gradually over a
prolonged period of time.
• To check that the fresh water generator is operating correctly and that no
fouling has occurred, compare the operating temperatures, pressures and
production with the data supplied in the manufacturer’s manual and adjust the
flow rates and temperatures accordingly.
WARNING
• Do not operate the plant in restricted waters if the water produced is to be
used for human consumption. There are strict regulations governing the
operation of fresh water generators near coasts and estuaries and these
should be observed. Contact the bridge for information regarding these
restrictions when the ship is in coastal waters.
CAUTION
• It is important to note that the fresh water generator must not be operated
without water inside the unit as permanent damage can be caused.
Stopping the Fresh Water Generator Plant
a) Fully open the fresh water generator jacket water bypass valve and then close
the HT outlet and inlet valves, . The valves should be operated slowly to avoid
thermal shock.
b) Stop the chemical feed water treatment, close the supply valve.
c) Stop the distillate pump and close the discharge valve.
d) Press the salinometer ALARM OFF pushbutton to silence the alarm when the
fresh water generator is shut down.
e) Allow the fresh water generator to cool down before stopping the ejector pump,
approximately one hour.
f) Open the vacuum breaker air screw valve.
g) Close the overboard discharge valve and the ejector pump valves .
h) Close the filling valve on the fresh water tank or distilled water tank being filled.
i) Open the water ejector drain valve.
j) Switch off the fresh water generator at the control panel.
Note: Only approved water treatment chemicals must be used and the
recommended concentration must be strictly adhered to at all times.
Chemical Treatment
• During sea water evaporation inside the fresh water generator there is a risk of
scale formation on the heating surfaces that can reduce the efficiency of the
plant resulting in decreased fresh water production.
• It is therefore important that during normal operations, when the evaporator is
working on boiling temperatures above 45°C, that chemical injection into the
feed water system is utilised. The injection unit is filled with chemical diluted
with water in accordance with the chemical supplier’s recommendations. It is
important to ensure that the diluted mix is thoroughly stirred to provide a
homogenous blend of chemicals and water and that it is prepared before it is
required for use. The flow meter from the chemical dosing unit to the feed
water line should be adjusted to cover the maximum fresh water output from
the fresh water generator but the exact quantity is dependent on which
supplier’s chemical is used.
WARNING
Care must be taken when handling feed water treatment chemicals to avoid
direct skin, eye or clothing contact. Approved eye protection and gloves MUST
be worn at all times. In the event of accidental contact, seek medical
attention immediately.
High Temperature Cooling Water System
Main Engine Fresh Water Cooling System
• The main engine high temperature (HT) cooling system has two cooling water
pumps rated at 489m3/h with a pressure of 30mth. The pumps supply cooling
water to the main engine jackets, cylinder heads and exhaust valves.
• The system operates on a closed circuit principle with the pumps discharging
water to the engine cooling system; from the engine the cooling water returns
to the pump suction. Cooling water from the engine outlet may also be
passed through the fresh water generator as the heating medium. Return
water from the fresh water generator is led to the pump suction. A three-way
valve in the return line to the pump suction also has a connection with the
low temperature central cooling system allowing cooler water from the LT
system to flow into the HT system should the temperature at the engine
outlet exceed the set value of 90°C. Water flowing from the LT to the HT
cooling system replaces hotter water from the HT system which flows to the
LT system via valve CH11 which is normally open. Valve CH11 is closed when
warming through the HT system via the preheater.
High Temperature Cooling Water System
• High temperature water flowing into the fresh water generator is regulated by the
inlet valve and outlet valves at the fresh water. Between the fresh water generator
inlet and outlet pipes there is a fresh water generator bypass valve which must be
fully open when the fresh water generator is not in use. The fresh water generator is
the only direct means of cooling water circulating in the HT system hence the need for
transfer of water between the HT and LT systems.
• A jacket cooling water preheater is provided, this being steam heated. The preheater
is used when it is necessary to warm through the main engine prior to starting from
cold; normally the main engine will be circulated with water in order to maintain
temperature. The preheater is located between the HT cooling water circulation
pumps and the engine inlet. A valve bypassing the preheater, is throttled to ensure a
flow through the preheater at all times. The preheater maintains the main engine
jacket cooling water temperature when the main engine is at idle or on low load.
• Jacket cooling fresh water is supplied by the circulating pumps to the engine cooling
water inlet pipe and from this it is directed to the individual cylinder units which are
provided with inlet and outlet valves. These valves allow individual cylinder units to be
isolated for maintenance; drains at the cylinder units allow water to be drained to the
jacket water drain tank. Each cylinder unit can be isolated and drained as necessary.
High Temperature Cooling Water System
• The upper part of the engine cooling water system is connected to the cooling
water expansion tank by means of a vent pipe, this allowing for expansion in the
system and the venting of air.
• The HT cooling fresh water system is linked to the LT central cooling system by
means of two pipe connections. One of these allows water from the HT system
to flow into the LT central cooling system via CH11, the other allows water from
the LT central cooling system to flow into the HT system, via the temperature
controlled three-way valve. The temperature at the HT cooling water outlet from
the engine is maintained at 90°C, with the three-way valve regulating the flow of
water between the LT and HT systems in order to maintain set point value. The
HT cooling water system is balanced so that any water flowing out is
immediately replaced by water flowing in from the LT system. The LT system
connection to the three-way valve is at the outlet from main engine air coolers.
• When the engine is operating the water entering the main engine jacket HT
cooling fresh water pump suction is a mixture of water from the HT system and
from the LT central cooling system. The actual mixture depends upon the
temperature of the water leaving the main engine and hence the opening of the
three-way valve.
High Temperature Cooling Water System
• When preheating the main engine from cold, the system discharge valve to the LT
system CH11 should be closed. This prevents the flow of water between the HT
and LT systems, so assisting the HT system to retain heat during the warming
through period.
• A portion of the circulating cooling water may be directed through the preheater
(the quantity is regulated by means of the bypass valve CH05). The preheater is
normally maintained in operation when the engine is stopped or operating at low
load, it may also be operated in order to ensure sufficient heat is available in the
jacket cooling fresh water for operation of the fresh water generator. The steam
supply to the main engine jacket cooling fresh water preheater is automatically
controlled by a temperature sensor in the inlet line to the main engine.
• The expansion tank provides a positive head to the system as well as allowing for
thermal expansion of the water in the system. The system can be drained to the
jacket water drain tank, which when a unit(s) is being refilled, the water drained
into the jacket water drain tank can be transferred back to the expansion header
tank via the cooling water transfer pump and isolating valve CH33. The expansion
tank can also be replenished using the fresh water hydrophore system. The cooling
water expansion tank is fitted with a local level indicator and a temperature
indicator.
High Temperature Cooling Water System
• In order to prevent corrosion, chemical treatment is added to the fresh
cooling water. This treatment is added to the fresh water expansion tank and
is applicable to the HT and LT systems as they both use the same circulating
water. It is essential that the circulating fresh water is tested daily and the
correct chemical treatment is added in order to prevent corrosion in the
cooling water system. A log must be kept of the cooling water tests and the
treatment added.
Preparation for the Operation of the Main Engine
Jacket Cooling Water System
• The description assumes that the system is being started from cold.
a) Ensure that the HT cooling fresh water system is fully charged with water and that
all air is vented from the system. Ensure that the cooling fresh water expansion
tank is at the correct level and top up from the fresh water system if necessary.
b) Ensure that power is available at the three-way control valve and that the valve is
operational.
c) Ensure all the pressure gauge and instrumentation valves are open and that all
instruments and gauges are reading correctly.
d) Ensure that the fresh water generator is bypassed, that valve CH10 is open and the
fresh water generator inlet valve CH08 and outlet valve CH09 are closed.
e) Ensure that all the main engine individual cylinder inlet and outlet valves are open.
f) Ensure that all the main engine individual cylinder vent and drain valves are closed.
g) Ensure that the condensate drain line is open from the jacket water preheater
SE10, that there is a steam supply available and that the steam supply
temperature control valve is operational.
h) Set up the valves as shown in the following table:
Preparation for the Operation of the Main Engine
Jacket Cooling Water System
i) Select and start one main engine jacket HT cooling pump as the duty pump and
set the other as the standby.
• The HT cooling pumps can be started and stopped locally or from the pump
control screen display in the engine control room; at the control screen one of
the pumps is started as the duty pump and another is selected as the standby
pump, the pump display is shown on the next column. The standby pump
starts automatically if the operating pump is unable to maintain pressure for
any reason. A pressure switch on the discharge side of the pumps provides the
start signal for the standby pump. The Local/Remote selector switch for each
pump is located on it’s respective group starter panel (GSP) on the main
switchboard.
• Failure of the running pump or a pressure drop below the cut-in set value will
start the standby pump.
Preparation for the Operation of the Main
Engine Jacket Cooling Water System
j) Vent the system, including all engine cylinders.
k) Supply steam to the preheater via the system steam isolating valve and the
steam control valve, check that condensate flows from the preheater, a
drain valve is fitted at the drain trap.
l) Slowly bring the jacket cooling water temperature up to operating
temperature in line with the engine manufacturers recommendations. The
steam supply control valve is regulated by the temperature of the jacket
cooling water being supplied to the main engine. The normal engine inlet
temperature should be 73°C.
m)As the temperature approaches normal operating temperature, the LT link
valve CH11 should be opened. The HT and LT system are now linked.
Preparation for the Operation of the Main
Engine Jacket Cooling Water System
n) Test the system for chemical concentration daily and add chemicals as
required. The system is connected to the LT central cooling system and so
both systems are tested and treated together.
o) When the jacket system is at the correct temperature and the main engine
has been warmed through for the required period of time, the main
engine may be started provided that all other systems are operational. The
preheater bypass valve CH05 must be throttled in when the main engine is
started.
p) When the engine is at full power, circulate water through the fresh water
generator and operate as required.
Note: When the engine is warmed through from the cold condition
attention must be paid to all pipe connections, joints and valves in order
that any leaks may be quickly detected.
Low temperature Cooling water System
• The low temperature central fresh water cooling system works on the
closed circuit principle; it is linked to the HT main engine jacket cooling
fresh water system but it may be considered as a closed circuit. The
system has the following features:
• Three circulating pumps which supply the services at a rate of 950m3/h and
a pressure of 25mth.
• Pressure switches on the pump discharges which start the standby pump on
low pressure.
• Two central coolers, which are cooled by sea water.
• An expansion tank which provides a positive head to the system, as well as
allowing for thermal expansion. This tank can be topped up from the fresh
water hydrophore system or via the cooling water transfer pump. The
positive head ensures that, in the event of failure at the coolers, fresh
water leaks into the sea water system and sea water does not leak into the
fresh water system. This prevents contamination of the fresh water system
by sea water which could cause corrosion.
Low temperature Cooling water System
• Water in the LT system circulates through individual systems as required in
order to maintain the desired temperatures in those systems. The
pipework is permanently vented from the highest point of the system to
the expansion tank.
• The circulating pumps receive suction from the system return main lines
and discharge water into the outlet main via the fresh water coolers. A
three-way temperature controlled valve at the outlet from the coolers
allows some of the circulating water to bypass the coolers. Water flowing
from the pumps to the LT cooling water distribution manifold is a
combination of water which has passed through the coolers and water
which has bypassed the coolers. The setting of the three-way valve
maintains a water temperature at the distribution manifold of 36°C. Each
of the central fresh water coolers has a capacity of 60% of the total
maximum cooling requirement.
Low temperature Cooling water System
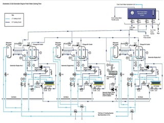
• The LT central cooling system supplies the following:
• Main engine charge air coolers
• Generator engine (No.1, 2 and 3 jacket cooling system and HT charge air
cooler (engine driven circulation pumps); LO cooler, LT charge air cooler
and alternator
• Generator engine nozzle cooling units
• The intermediate shaft bearings (two)
• Main engine LO coolers
• Turbocharger LO cooler
• Stern tube LO cooler
• Steam dump condenser/drain cooler
• No.1, No.2 and No.3 main air compressors
• Accommodation air conditioning units and provision refrigeration units
• No.1 and No.2 engine control room and workshop unit coolers
• Fin stabiliser oil coolers
Low temperature Cooling water System
• Each generator engine is provided with an engine driven cooling water
pump for the HT circuit which covers the cylinders and the HT charge air
cooler. A preheating unit, with an electrically driven pump, is fitted in
order to ensure that the engines may be warmed through before starting.
With one engine operating and the central cooling water system up to
temperature, warm water from the central cooling system will circulate
around the standby generator engines and maintain them in a warm
condition.
• The LT central cooling pumps supply cooling water to the main engine
charge air coolers and to other items of plant.
• The main engine LO coolers are provide with a temperature controlled
threeway bypass valve which maintains the LO temperature at the desired
value of 45°C. This valve diverts some of the cooling the water flow
directly into the outlet line from the LO coolers thus reducing the cooling
effect on the LO circulating through the coolers.
Preparation for the Operation of the Low Temperature
Fresh Water Cooling System
• The description assumes setting up the system for the first time. In
practice the system will normally be operating with at least one generator
engine running and so heated water will be circulating. Generator engine
jacket cooling is part of the low temperature cooling system and so heated
water will be available to the jacket systems of engines on standby. Excess
heat from the operating generator engine(s) and other operating
equipment is removed by sea water circulating through the central
coolers. The generator engine cooling fresh water system is provided with
an electric preheater in order to allow the generator engines to be
warmed through when on shore power prior to starting. The preheater
unit has its own electrically driven circulation pump.
a) Replenish the system from the expansion tank, which is filled from the
fresh water system or the cooling water transfer pump if water is available
in this tank.
b) Ensure all pressure gauge and instrumentation valves are open and that
instruments and gauges are operating correctly.
c) Set up valves as shown in the tables below:
Preparation for the Operation of the Low Temperature
Fresh Water Cooling System
• The description assumes setting up the system for the first time. In
practice the system will normally be operating with at least one generator
engine running and so heated water will be circulating. Generator engine
jacket cooling is part of the low temperature cooling system and so heated
water will be available to the jacket systems of engines on standby. Excess
heat from the operating generator engine(s) and other operating
equipment is removed by sea water circulating through the central
coolers. The generator engine cooling fresh water system is provided with
an electric preheater in order to allow the generator engines to be
warmed through when on shore power prior to starting. The preheater
unit has its own electrically driven circulation pump.
a) Replenish the system from the expansion tank, which is filled from the
fresh water system or the cooling water transfer pump if water is available
in this tank.
b) Ensure all pressure gauge and instrumentation valves are open and that
instruments and gauges are operating correctly.
Preparation for the Operation of the Low Temperature
Fresh Water Cooling System
• Note: System valves in the above table are shown as open but they must be
closed if an item of equipment is being isolated for maintenance.
Operation
a) Start one low temperature cooling fresh water pump. Under normal
circumstances two pumps will be running in Master mode when the operating
load is established and most of the services that can be supplied are on line,
the third pump will be set to Standby.
b) Supply sea water to the central fresh water cooler. Fresh cooling water in the
central cooling system will bypass the central coolers by means of the
temperature controlled three-way valve until the cooling fresh water reaches
the desired temperature.
c) Check the level of chemical treatment and dose as necessary.
d) Start the generator engine preheater and raise the temperature of one or more
generator engine jacket cooling systems. When the temperature is correct the
generator engine can be started. As the generator operates it will supply heated
water to the central cooling system.
Preparation for the Operation of the Low Temperature
Fresh Water Cooling System
e) The central LT cooling system will warm up due to heat supplied by the
generator engine. Other machinery systems may be operated as required.
When the load on the system increases to the point where it is necessary to
start the second pump, bring the second pump on line. Two pumps should now
be running with the third on standby. If the ship has been on shore power, a
number of systems may already be operating at their operating temperature.
When the systems come on line check that the correct temperatures are being
maintained throughout the system and that there are no leaks. Vent as
necessary the sections on the system.
f) When the low temperature central cooling system is operating at the desired
temperature the generator engine preheater unit may be shut down.
g) Check the water condition in the central cooling system on a daily basis and add
treatment chemicals as required.
Note: Chemicals may be added to the cooling water expansion tank via the
hopper at the top of the tank.
Generator Engine Nozzle Cooling System
• Nozzle cooling modules provide cooling for the generator engine fuel
injectors. One nozzle cooling module serves No.1 generator engine and the
other nozzle cooling module serves No.2 and No.3 generator engines. A pump
circulates the nozzle cooling water through a heat exchanger to the engine
fuel injectors. The return is via a sight glass, any FO contamination of the
nozzle cooling water should be observed in this sight glass.
• The heat exchanger which is a sealed type is cooled by water from the LT FW
cooling system. The nozzle cooling water returns to the pump suction; the
complete system is pressurised by a 2.0 bar buffer pre-charged to 1.5 bar.
There is one nozzle cooling pump for each module, make-up water for the
system is supplied to the unit from the LT cooling fresh water system into the
suction side of the pump.
• The nozzle unit control panel has a manual/auto selection switch which when
set to AUTO starts and stops the nozzle cooling pump only when a generator
engine on the system is running. The control panel also has a hours run meter,
manual start and stop pushbuttons, stopped and run indication, indication
lamps for the power source being on and any abnormal fault condition.
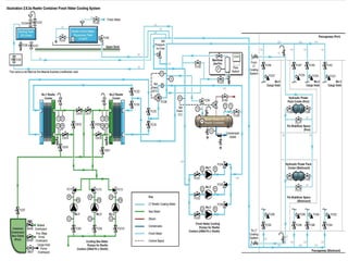
Refer Container Fresh water cooling System
• Container cooling fresh water is supplied by a separate fresh water circulation
system which has its own fresh water pumps, coolers, heater, sea water
pumps, expansion tank, chemical dosing plant and steriliser unit. The
expansion tank is supplied with make-up water from the fresh water
hydrophore system and is provided with a low level alarm.
• The coolers are supplied with sea water by means of container cooling sea
water pumps. The container cooling fresh water system operates on demand
from the reefer container system. The container cooling fresh water preheater
maintains a minimum temperature of 3°C in the circulating water system on
return from the reefer containers; this prevents the water freezing in the
pipeline system.
• A three-way temperature controlled valve located in the cooler outlet line
regulates the water flow through the coolers or bypassing the coolers thereby
regulating the temperature of the water being supplied to the reefer
containers. The temperature is maintained at 25°C in the supply line to the
reefer units.
Refer Container Fresh water cooling System
• The steriliser is located between the container cooling water supply and
return lines. The steriliser branch line valves should always be open to ensure
that there is always a flow of water through the steriliser. The steriliser
operates automatically to maintain the water in a sterile condition.
• A pressure control valve is fitted to maintain the pressure in the reefer water
circuits within acceptable limits; the valve is set to a pressure of 5.0 bar. This
valve bypasses the reefer circuit and passes water from the delivery to the
return lines.
• A chemical dosing tank located adjacent to the expansion tank is provided to
allow the introduction of corrosion inhibiting chemicals to the cooling water
system. The tank is isolated from the system, a charge of chemicals is put in
the tank and then the supply and return valves are opened so that the
chemical is discharged into the circulation system.
Note: On the vessel, the chemical dosing tank does not have isolation valve
fitted, the supply from the pump, therefore the dosing tank is always under
pressure.
Procedure for Operating the Reefer Container
Fresh Water Cooling System
a) Check that the container cooling fresh water expansion tank is at the
correct level and top up as necessary. This is achieved by means of the
filling valve from the fresh water hydrophore system.
b) Check all instrumentation on the system and ensure that it is operational
and reads correctly.
c) Ensure that the inlet and outlet valves for the holds are open and that the
supply and return valves for each tier of containers are also open.
d) Supply sea water to the container cooling fresh water coolers
Note: Each tier of containers has a supply and return manifold with inlet and
outlet cooling water valves at the pipe connections to the container hoses.
The manifold valves must be open when a reefer container is operational.
Procedure for Operating the Reefer Container
Fresh Water Cooling System
f) Select one of the container cooling fresh water pumps as the duty pump
and the others as standby pumps. The number of pumps required will
depend upon the cooling requirement which is determined by the
number of reefer containers on board. Each pump and cooler is rated as
50% of the total reefer load, therefore the pump and cooler
requirements will be determined by the reefer load being carried.
g) Start the duty pump and check that water is circulating around the
container cooling fresh water system and that the correct temperature is
being maintained.
h) Start the steriliser unit and ensure that it is operating correctly.
i) Open the heater steam supply and drain valves and ensure that the
temperature control valves are operating for the steam supply and
cooler bypass as required.
j) Open the supply and return valves at the reefer containers as required and
check their operation.
Procedure for Operating the Reefer Container
Fresh Water Cooling System
k) Check that the container cooling fresh water system is being maintained at
the correct temperature and that there are no leaks.
l) Test the concentration of corrosion inhibiting chemical level in the
circulating water each day and operate the dosing unit to add treatment
chemicals as necessary.
Main Engine Fuel Oil Service System
• The main and diesel generator engines are intended to burn HFO at all times.
Such fuel normally has a viscosity of up to 700cSt at 50°C and this is too high
for effective atomisation and combustion. A viscosity at the fuel injectors of
between 13 and 17cSt is needed for effective engine operation therefore the
fuel must be heated before it is delivered to the engine fuel injection system.
The temperature to which it is heated depends upon the initial viscosity of the
fuel. A viscosity-temperature chart is provided so that the heating temperature
can be determined for any fuel of known viscosity. The viscosity controller
monitors viscosity directly and adjusts the heating accordingly so there should
be no need for the engineer to intervene. However, knowing what the heating
temperature should be allows the engineer to check the functioning of the
viscosity controller and enables manual intervention, should the viscosity
controller malfunction.
• Heavy fuel oil is stored on board in four HFO storage tanks, one of these being
dedicated to low sulphur HFO. There are separate HFO and low sulphur heavy
fuel oil (LSHFO) settling and service tanks. Under normal circumstances the
main engine and generator engines operate continuously on HFO but when
environmental circumstances dictate the fuel oil supply system is changed over
to LSHFO operation.
Main Engine Fuel Oil Service System
• Fuel oil (HFO or LSHFO) is transferred from the storage tank(s) to the
associated settling tank by means of the HFO transfer pump and from the
settling tank the fuel oil is passed through a centrifugal separator before
discharge to the associated service tank. There is one HFO transfer pump and
one MDO transfer pump; a crossover pipe system, fitted with blanks, allows
either pump to be used for HFO or MDO as required. The HFO and MDO
transfer pumps are normally used to transfer fuel oil from the storage to the
settling tanks (MDO service tank in the case of MDO) but they may be used to
transfer HFO between the storage tanks (if necessary) in order to maintain the
trim and stability of the vessel.
• There are three centrifugal separators which are used to process HFO and fill
the appropriate HFO service tank. Each separator has its own feed pump but
cross connection valves allow the pumps to be used with any separator.
Centrifugal separator No.3 may also be used for diesel oil and it is generally set
up for this operation.
Main Engine Fuel Oil Service System
• At least one of the HFO separators will normally be running at all times, with
the throughput balanced to match the fuel consumption of the main and
generator engines and the auxiliary boiler. In an emergency the main engine
and can be changed over to diesel oil operation, in this case the generator
engines will also have to run on MDO. The three diesel generator engines
normally operate on HFO, the supply being taken from the fuel oil preparation
unit which also supplies the main engine, although they (one or and
combination) can be run on MDO independently from the main engine FO
supply. Flow meters in the diesel generator engine fuel supply and return lines
enable the fuel consumption of the diesel generator engines to be determined.
A flow meter in the fuel oil preparation unit after the FO supply pumps enables
the total fuel consumption to be calculated for the main engine and generator
engines.
• The boiler HFO supply is taken from the service tanks and supplied to the
burner unit via the boiler FO pumps and a heater. The boiler may also burn
MDO from the MDO service tank and waste sludge oil from the clarified oil
boiler tank or the sludge preparation tank. The boiler pilot burner operates on
diesel oil.
Main Engine Fuel Oil Service System
• Outlet valves from all fuel tanks are of the quick-closing type with a collapsible
bridge which can be operated from the fire control station on A deck. After being
tripped from the fire control station the valves must be reset locally. The FO service
and settling tanks are also fitted with a self-closing test cocks to test for the
presence of water and to drain any water present. Tundishes under the self-closing
test cock drain any test liquid to the waste oil tank. All tanks and heaters are
supplied with steam at 7kg/cm² from the ship’s steam supply, with condensate
flowing to the drain cooler and then into the observation tank before passing into
the cascade tank, the observation tank is fitted with an oil detection unit.
• The steam supply to both fuel oil preparation unit heaters is controlled by a
viscosity controller. All fuel oil pipework is trace heated by small bore steam pipes
laid adjacent to the fuel oil pipe and encased in the same lagging.
• Heated and filtered fuel oil is supplied to the main engine from the HFO service
tank, or the LSHFO service tank if operating on low sulphur fuel. However, it is
possible to run the main engine on MDO should that be necessary. There are
supply valves to the fuel oil preparation unit from the HFO service tanks and the
MDO service tanks, in normal operations the valve from the HFO service tanks is
open and the valve from the MDO service tank is closed. In order to change to
operation on MDO the valve from the MDO service tank is opened and the three-
way valve is changed over from the HFO service tanks to the MDO service tank.
Main Engine Fuel Oil Service System
• Heavy fuel oil from the HFO service tank, or LSHFO service tank, is supplied to one
of two low pressure fuel oil supply pumps. The second pump will be on automatic
standby and will start in the event of discharge pressure drop or voltage failure of
the running pump. A suction filter is located immediately before each low
pressure FO supply pump, an automatic backflushing filter set (15μm) with a
manual bypass filter is located directly after the FO supply pumps. A fuel
flowmeter is located at the outlet from the low pressure FO supply pumps and
automatic filter unit. A pressure regulating valve, set at a pressure of 5.0kg/cm2 is
located after the FO supply pumps, this returns released FO back to the pump
suction.
• The low pressure FO supply pumps discharge through the flowmeter to the fuel
mixing unit from which the FO circulation pumps take suction. There is also a
connection to the fuel mixing unit from the main engine and generator engine
return fuel lines. Valve FM32 connects the return FO line to the fuel mixing unit,
this return line is also provided with an automatic regulating valve from the main
engine FO supply line, set at 10.0kg/cm2. If necessary the FO return can be
directed back to the FO service tank via FM33, in normal operations is valve is
kept shut, it is necessary to use this return line then the appropriate inlet valve to
the HFO or LSHFO service tank must be open.
Main Engine Fuel Oil Service System
• Heavy fuel oil is drawn from the fuel mixing unit into the operating FO circulating
pump which discharges to the FO heaters and viscosity testing and control unit.
The second FO circulating pump will be selected for automatic standby and will
start in the event of discharge pressure drop or voltage failure of the running
pump. The fuel oil circulating pump discharges through a pair of main engine fuel
oil heaters where the oil is heated to a temperature corresponding to a viscosity
of 12cSt using steam at a pressure of 7kg/cm² A viscosity controller is located in
the fuel line after the heaters and is used to regulate the steam supply to the
heaters in order to maintain the correct fuel viscosity. The viscosity measuring
device can be bypassed if necessary. Normally only one of the fuel oil heaters is
required in order to maintain the HFO at the desired viscosity.
• The heated FO passes through a final filter (35μm) to the main engine fuel rail
which supplies the common rail fuel pumps. The inlet line to the engine fuel
system, which is provided with a pressure regulating valve, connects the engine
fuel supply line with the outlet fuel line from the engine. This valve is set at a
pressure of 8kg/cm2 and it regulates the pressure at the inlet to the main engine
fuel pumps, diverting excess oil to the HFO outlet line from the engine to the fuel
oil mixing unit.
Main Engine Fuel Oil Service System
• The main engine operates on the common rail fuel system with a number of
engine driven high pressure fuel pumps pressurising the fuel rail. From the
common fuel rail the high pressure fuel is directed to the cylinder injectors via the
volumetric fuel control unit.
• Fuel is supplied to the cylinder fuel injectors with the correct timing and in the
correct amount to allow the cylinders to develop the desired power. There is no
circulation of fuel through the fuel injectors but fuel is released at the fuel rail
pressurisation pumps and the common fuel rail; this ensures circulation of fuel
and maintains the common fuel rail at the correct temperature at all times. The
released fuel flows back to the FO mixing unit in the fuel preparation unit.
• The high pressure fuel pump lines, the common fuel rail and the high pressure
fuel injector pipes on the engine, between the common rail and the injectors, are
sheathed; any leakage from the annular spaces formed between the sheathing
and the high pressure pipe is led to an alarmed leakage tank and then to the fuel
oil drain tank.
• The generator engine HFO supply is taken at the outlet from the fuel preparation
unit before the final filter. The FO return line from the generator engines joins the
main engine fuel return system between the main engine outlet and the fuel
mixing unit.
Main Engine Fuel Oil Service System
CAUTION
• Care must always be exercised when dealing with fuel oil and the overheating of
HFO and MDO in the service tanks and the fuel system must be avoided.
• Note: The main and generator engines are normally operated continuously on
HFO. The fuel preparation unit supplies the main and generator engines and so if
the fuel supply to the fuel preparation unit is changed to MDO or LSHFO the main
and generator engines will be supplied with the same fuel.
• Note: If circumstances require a change to low sulphur fuel consideration must
be given to changing the main engine cylinder lubricant. Normally the cylinder
lubricating oil has a high alkalinity in order to neutralise the acid products of
combustion. If the engine fuel is changed to one with a very low sulphur content
(below about 1.5%) the high alkaline additive in the cylinder oil can result in
deposits on the cylinder line which can cause damage to the line and piston rings.
The engine builder and cylinder lubricant supplier must be consulted for advice
on cylinder lubrication if the main engine is to operate for prolonged periods on
very low sulphur fuel.
Main Engine Fuel Oil Service System
CAUTION
• Care must always be exercised when dealing with fuel oil and the overheating of
HFO and MDO in the service tanks and the fuel system must be avoided.
• Note: The main and generator engines are normally operated continuously on
HFO. The fuel preparation unit supplies the main and generator engines and so if
the fuel supply to the fuel preparation unit is changed to MDO or LSHFO the main
and generator engines will be supplied with the same fuel.
• Note: If circumstances require a change to low sulphur fuel consideration must
be given to changing the main engine cylinder lubricant. Normally the cylinder
lubricating oil has a high alkalinity in order to neutralise the acid products of
combustion. If the engine fuel is changed to one with a very low sulphur content
(below about 1.5%) the high alkaline additive in the cylinder oil can result in
deposits on the cylinder line which can cause damage to the line and piston rings.
The engine builder and cylinder lubricant supplier must be consulted for advice
on cylinder lubrication if the main engine is to operate for prolonged periods on
very low sulphur fuel.
Procedure for Preparing the Main Engine Fuel
Oil Service System for Operation
• It should be remembered that the main engine and the generator engines normally
operate on HFO at all times and they use the same HFO system. A change to MDO can
be made for reasons given below and either the entire fuel system or the generator
engine fuel system is changed to MDO operation for normal use. It is possible to
change just one generator engine to MDO operation, this would for example be done
prior to shutting down for major maintenance. A ‘port’ generator engine MDO pump
is provided to flush MDO through a generator(s) engine’s fuel system and supply MDO
to the generator engines separately from the main fuel preparation unit. There are
separate HFO and MDO supply and return lines for all generator engines. The MDO
supply line has a pressure relief valve which operates at a pressure of 4.0kg/cm2
returning back to the MDO service tank.
• The following procedure illustrates starting from cold, with the entire fuel system
charged with MDO and in a shut down condition. This will only occur during dry-
docking when shore power is used; the generator engines would then be flushed
through with MDO and would need to be changed to HFO operation when the main
fuel system is changed to HFO. The main engine is to be started on MDO and be
changed over to HFO operation when running. Changing to HFO operation should take
place when the main engine is operating below 75% of MCR and this power should be
maintained until the fuel temperature has stabilised at the correct value.
Procedure for Preparing the Main Engine Fuel
Oil Service System for Operation
a) Start one of the HFO separators and fill the HFO service tank/ LSHFO service tank from the
appropriate FO settling tank. Ensure that the MDO service tank has sufficient fuel for
operating the main engine and generator engines, replenish this tank if required.
b) Ensure that the filters are clean.
c) Ensure that the HFO service tank/LSHFO service tank is heated to the desired temperature
and that trace heating steam is available at the HFO lines. A steam supply must be available
for tank and trace heating.
d) Ensure that all instrumentation valves are open and that all instruments and gauges are
reading correctly.
• The main engine is supplied with MDO from the MDO service tank via tank quick-closing
valve FM59EV, line non-return valve FM65 and three-way supply valve FM03
• The generator engines will be operating on MDO which is supplied by the fuel preparation
unit or the ‘port’ generator engine MDO pump. When the fuel oil preparation unit is
operating it may also be used to supply MDO to the generator engines. However, when the
fuel oil preparation unit is changed to HFO the generator engines will be supplied with HFO
and this can cause instability in power generation and electrical supply due to changes in
fuel temperature. In order to avoid this the generator engines should be supplied with MDO
by the ‘port’ generator engine MDO pump until the main engine is operating satisfactorily
on HFO.
Procedure for Preparing the Main Engine Fuel
Oil Service System for Operation
• Individual generator engines can be changed to HFO operation off load . The ‘port’
generator engine MDO pump suction valve FM60 and discharge valve FM62 are
normally left open but the recirculation line valve back to the MDO service tank
FM63 is normally closed.
f) Check that there is sufficient HFO in the HFO service tank and that the fuel in the
tank has been heated to the correct temperature.
g) Select and start the duty FO supply pump and the duty high pressure FO circulating
pump.
• The FO circulating and supply pumps can be started and stopped locally or from the
pump control screen display in the engine control room. The standby pump starts
automatically if the operating pump is unable to maintain pressure for any reason.
A pressure switch on the discharge side of the pumps provides the start signal for
the standby pump. The Local/ Remote selector switch for each pump is located on
it’s respective group starter panel (GSP) on the main switchboard.
Procedure for Preparing the Main Engine Fuel
Oil Service System for Operation
• Failure of the running pump or a pressure drop below the cut-in set value will start the
standby pump.
h) Start and run the main engine on MDO and ensure that it operates correctly. When the
time has come to change over to HFO operation and the engine is operating steadily at
below 75% MCR, proceed as follows.
i) Open the engine HFO line trace heating steam and drain valves together with the steam
supply and drain valves for the fuel heaters.
j) Check that the trace heating lines are warm and that the HFO in the HFO service tank is at
the correct temperature.
k) Check that the HFO service tank quick-closing outlet valve FM01EV is open (this will
normally be open when it is permitted to burn HFO as the tank valve also supplies the
auxiliary boiler). Turn the three-way fuel supply valve FM03 so that the FO supply pumps
take suction from the HFO service tank rather than the MDO service tank. Heated HFO
will be drawn from the HFO service tank and will flow through the system. It will be
mixed with returning MDO flowing back to the fuel mixing unit, the viscosity controller
will monitor the mixture and adjust the steam supply to the heater in order to obtain the
correct viscosity.
Procedure for Preparing the Main Engine Fuel
Oil Service System for Operation
l) Monitor the engine operation for any abnormal conditions. The engine conditions will
fluctuate slightly during the transition phase from MDO to HFO operation and exhaust
temperatures and speed will vary slightly.
m) Gradually all MDO in the return line and the fuel mixing unit will be used and the engine will
be operating on HFO with the viscosity controller maintaining the correct fuel viscosity. The
time taken for all of the MDO to be displaced depends upon the engine’s fuel consumption
but all MDO in the engine fuel supply system should have been used in about 15 minutes.
n) When the engine is running under stable conditions on HFO, the load may be increased
above 75% MCR to the desired value.
o) The outlet quick-closing valve FM59EV from the MDO service tank must be left open as MDO
is supplied to the generator engines via the ‘port’ generator engine MDO pump. The
nonreturn line valve (FM65) from the MDO service tank to the fuel preparation unit three-
way supply valve should be closed.
p) The main engine is now operating on HFO.
Note: The main engine is designed to run and manoeuvre on HFO and the change to MDO
operation should only be made if the fuel system is to be flushed through for maintenance
work, or when the plant is to be switched off for prolonged periods or for environmental
reasons.
Procedure for Preparing the Main Engine Fuel
Oil Service System for Operation
Note: It is assumed that the HFO service tank is to be used and return oil will pass to this tank
when the change is made to HFO operation.
CAUTION
Trace heating should not be applied to sections of pipeline isolated by any closed valves on the
fuel oil side as damage could occur due to the restricted expansion of the contents.
• As the main engine and the generator engines take fuel from the same fuel preparation unit,
changing from HFO to MDO or vice versa will cause both engine systems to operate on the
same fuel. The main engine and generator engines are designed to run on HFO at all times.
However, changeover to MDO can become necessary if, for instance, an engine in question is
expected to have a prolonged inactive period due to major repairs of the fuel oil system etc,
or a dry-docking resulting in a prolonged stoppage of the main engine. Additionally,
environmental legislation may require the use of low sulphur fuels. If there is a need to
change the main and generator engines to LSHFO or MDO for environmental or other
reasons, the entire fuel system may be charged with LSHFO or MDO.
Procedure for Changing the Entire Fuel System to Low Sulphur
Heavy Fuel Oil Operation from Heavy Fuel Oil Operation whilst
the Engine is Running
• A change from HFO to LSHFO may be made at any time whilst the engine is
running without any special precautions as the LSHFO has similar heating
requirements as the HFO. Under normal circumstances a changeover to
LSHFO will be made before the vessel arrives at the environmentally sensitive
region and a change from LSHFO to HFO operation will be made when the
vessel is at sea moving away from the environmentally sensitive region.
a) Ensure that the main engine is operating under stable conditions and that the
HFO and LSHFO service tanks have sufficient fuel for prolonged operation of
the main and generator engines and the auxiliary boiler.
b) Ensure that the fuel tanks are at the correct temperature, that all trace heating
is satisfactory and that the fuel preparation unit is operating correctly.
c) Open the quick-closing outlet valve from the LSHFO service tank FM02EV. Close
the quick-closing outlet valve from the HFO service tank FM01EV. LSHFO will
be supplied to the fuel preparation unit and will gradually replace all of the
HFO in the fuel system. The main and generator engines will then operate on
LSHFO.
Procedure for Changing the Entire Fuel System to Low Sulphur
Heavy Fuel Oil Operation from Heavy Fuel Oil Operation whilst
the Engine is Running
d) When all HFO in the system has been replaced by LSHFO (about 10 to 15
minutes with the engine operating at normal full speed), open the return line
inlet valve FM34 to the LSHFO service tank and close the return line inlet valve
FM66 to the HFO service tank. The returning fuel from the main engine goes
to the FO mixing unit and not to the service tank but returning fuel from the
boiler fuel unit goes back to the service tank and so it is important that the
return valve is open on the tank from which fuel is taken.
Note: The procedure for changing the fuel system from LSHFO to HFO operation
is the same as that described above except that the HFO tank valve is opened
and the LSHFO service tank valve is closed. When changing from LSHFO to
HFO operation the tank return valves must also be changed over as soon as
the change to HFO operation is made. This avoids the risk of any HFO being
returned to the LSHFO service tank and so prevents contamination of the
LSHFO in the tank.
Note: The HFO and LSHFO service tanks should be replenished from the
associated settling tank via the separator system in order to maintain an
adequate supply in the tank.
Procedure for Changing the Entire Fuel System to Diesel Oil
Operation from Heavy Fuel Oil Operation whilst the Engine
is Running
• A changeover can be performed at any time during engine running but is
more usually carried out just prior to arrival in port. To protect the injection
equipment against rapid temperature changes, which may cause sticking/
scuffing of the fuel valves and of the fuel pump plungers and suction valves,
the changeover is carried out as follows (manually).
• This procedure puts the entire fuel system on MDO operation and so the
generator engines will also be changed to MDO operation.
a) Check that there is sufficient MDO in the MDO service tank and fill the tank if
necessary.
b) Reduce the main engine load to 50% of MCR load.
c) Open the sludge cock on the MDO service tank in order to remove any water
from the tank.
d) Check that the MDO service tank quick-closing valve FM59EV is open. This
valve will always be left open to supply MDO to the ‘port’ generator engine
MDO pump.
e) Shut off the steam supply to the FO heaters and the trace heating lines.
Procedure for Changing the Entire Fuel System to Diesel Oil Operation
from Heavy Fuel Oil Operation whilst the Engine is Running
f) When the temperature of the HFO in the FO heater has dropped to about 25ºC above
the temperature in the MDO service tank, but not below 75ºC, open the non-return
fuel line valve FM65 from the MDO service tank. Change the fuel supply three-way
valve in order to supply MDO to the fuel preparation unit and shut off HFO from the
fuel preparation unit.
g) The HFO service tank quick-closing valve FM01EV (or the LSHFO service tank valve
FM02EV if LSHFO is being supplied) should remain open in order to supply HFO or
LSHFO to the boiler. The appropriate return valve on the HFO or LSHFO tank must be
left open.
h) Diesel oil is now fed to the FO supply pumps and as the HFO is gradually used by the
engine MDO will fill the fuel lines.
Note: If, after the changeover, the temperature at the heater suddenly drops
considerably, the transition must be moderated by supplying a small amount of steam
to the heater, which now contains diesel oil.
Note: The generator engines will be changed to MDO operation at the same time as the
main engine and the operation of the generator engines must also be monitored
during this changeover period. In order to prevent generator engine instability
problems during the changeover period it is preferable to change at least one
generator engine to MDO operation separately prior to carrying out the changeover
operation.
Procedure for Changing the Entire Fuel System from Heavy
Fuel Oil Supply to Diesel Oil Supply during Standstill
• Ideally the change to MDO should be undertaken whilst the main engine is running but
under some circumstances it may be necessary to flush the fuel system with MDO
whilst the engine is stopped. It should be remembered that the main engine is
normally manoeuvred on HFO and HFO will remain in the fuel system whilst the engine
is stopped under normal circumstances. Heavy fuel oil is recirculated from the main
engine fuel manifold outlet back to the fuel mixing unit from where the FO circulating
pump takes suction. When changing from HFO to MDO during engine standstill, the
HFO in the fuel lines must be replaced by MDO and the HFO is forced back to the HFO
service tank, or the LSHFO service tank if the engine has been operating on LSHFO, as
it is replaced by MDO.
• The procedure described below assumes that the fuel system is still being circulated
with hot HFO supplied from the HFO service tank.
a) Shut off the steam supply to the FO heaters and the trace heating system.
b) Ensure that there is sufficient ullage in the HFO service tank (or the LSHFO service tank)
to accommodate the oil displaced from the fuel system. Ensure that the return inlet
valve to the HFO service tank FM66 (or the return inlet valve FM34 to the LSHFO
service tank if the engine has been operating on LSHFO) is open. This valve should
always be open when the engine is operating on this type of fuel.
c) Sludge the MDO service tank to remove any water.
Procedure for Changing the Entire Fuel System from
Heavy Fuel Oil Supply to Diesel Oil Supply during
Standstill
• Regarding temperature levels before changeover, see ‘Changeover from Heavy
Fuel to Diesel Oil during Running’.
d) Check that the MDO service tank quick-closing outlet valve FM59EV is open.
This valve will normally be left open to supply MDO to the ‘port’ generator
engine MDO pump.
e) Open the MDO supply non-return line valve FM65 and turn the fuel supply
three-way valve FM03 to supply MDO to the fuel preparation unit.
f) The operating HFO service tank quick-closing valve FM01EV (or the LSHFO
service tank valve FM02EV) should remain open in order to supply fuel to the
auxiliary boiler from this tank.
g) Open the fuel system return valve to the service tank FM33 and close the fuel
mixing unit inlet valve FM32.
h) The FO supply pump and FO circulating pump will draw MDO into the fuel
system and displace HFO (or LSHFO).
Procedure for Changing the Entire Fuel System from
Heavy Fuel Oil Supply to Diesel Oil Supply during
Standstill
i) When the HFO is replaced by MDO, open the inlet valve to the fuel mixing unit
FM32 and close the return line valve to the fuel oil service tanks FM33. It will
take about 10 minutes for all of the HFO in the system to be displaced by
MDO; a check can be made on the temperature of the inlet line to the fuel
service tanks as a drop in temperature will indicate the return of MDO rather
than heated HFO. Some MDO will be pumped to the HFO service tank (or the
LSHFO service tank if that has been operating) but the quantity will be small
and the MDO will be diluted in the HFO in the tank.
j) When the system is filled with MDO stop the viscosity controller.
k) When convenient, the FO supply and circulating pumps may be stopped if the
generator engines are to be supplied by the ‘port’ DO pump, otherwise the
supply and circulating pumps must remain in service to maintain the supply to
the generator engines.
Generator Engine Fuel Oil Service System
• The three generator engines are designed to run on HFO at all times but they may
operate on MDO should that become necessary. The fuel lines should be flushed
with MDO when an engine is shut down for prolonged periods.
• Heavy fuel oil is supplied to the generator engine from the main fuel supply line
after the viscosity transducer of the fuel preparation unit. Fuel supply lines to the
generator engines are fitted with trace steam heating. A pressure regulating valve
is located in the supply line to the generator engines and this is adjusted to give a
pressure of 7.5kg/cm2 in the generator engine fuel supply line. This pressure
regulating valve may be bypassed.
• Fuel oil flowing from the main FO line passes through a flow meter to the generator
engine supply manifold and then to the individual generator engines via supply
valves arranged in a manifold with the return, crossover isolation valves and flow
control valves in one area. Immediately before the individual engine inlets there is
a quick-closing valve, these valves are operated from control cabinets located in
way of the respective forward entrance doors to the generator rooms on the third
deck.
• The flow control valve should be adjusted to ensure the correct fuel supply
pressure to the generator engine. Some heated HFO will always bypass the engine
through this valve, this ensures that the engine fuel supply system remains hot
even when the engine is not running.
Generator Engine Fuel Oil Service System
• Excess fuel is supplied to the engine and that fuel not used by the engine, together with the
fuel flowing through the flow control valve, returns to the mixing unit of the fuel preparation
unit. Return flow is via a flow meter thus allowing the generator engine fuel consumption to
be determined (the fuel inlet flow meter reading minus the fuel outlet flow meter reading).
• There is a supply connection to the generator engines from the ‘port’ generator engine MDO
pumps for flushing through the system and for operation on MDO should that be required.
Return MDO lines from the generator engines flow to the MDO service tank. A pressure
relief valve in the return line to the MDO service tank (located by the manifold valves for
No.2 and 3 generator engine) is set at a pressure of 4.0kg/cm2, this allows that pressure to
be maintained in the MDO generator system. The ‘port’ generator engine MDO pump has a
direct line back to the MDO service tank via the pressure relief valve and line valve FM63
which should be open when initially circulation MDO when the generators are being
prepared to be changed over to run on MDO.
• Individual generator engines may be changed to MDO operation as required with the other
engines operating on HFO.
• The high pressure fuel injection lines on the engine are sheathed and any leakage from the
annular spaces formed by the sheathing is led initially to a fuel oil leakage pot which is
adjacent to the line filters on the engine. The hot FO supply pipeline into the engine passes
through this leakage alarm pot to ensure any liquid in the pot remains hot and fluid and
does not set. From here the fuel leakage runs down to the to the fuel oil drain tank.
Procedure for the Operation of the Generator Engine
Fuel Oil Service System
a) Ensure that all instrumentation valves are open and check that all instrumentation is reading
correctly.
b) Ensure the filters are clean.
c) The generator engines will operate on HFO which comes from the main fuel system, the
viscosity being regulated by the viscosity controller and the heaters raising the
temperature.
• If any work is to be carried out on the fuel system of the generator engine the fuel system
may be flushed through with MDO.
• The ‘port’ generator engine MDO pump suction and discharge valves must be open,
together with the MDO service tank outlet valve FM59EV, in order to ensure that the
generator engines will be able to operate on MDO should that be necessary. The line valve
FM63 to the pressure regulating valve must also be open to ensure circulation until a
generator is changed over to MDO, this valve should then be shut when a generator is
changed onto MDO.
Note: When a generator engine is shut down, heated HFO will be circulated through the fuel
system by the high pressure FO circulating pump and the fuel system will remain ready for
an engine restart. The fuel bypass flow control valve allows some circulating fuel to bypass
the engine and this ensures that the fuel system is maintained in a warm condition.
Procedure for Flushing an Generator Engine Fuel System
with Diesel Oil when the Engine is Stopped
a) Ensure that the engine is shut down and the starting system is disabled.
b) Ensure that there is sufficient MDO in the MDO service tank.
c) The system valves must be set as in the description above for normal operation of the generator fuel
system.
d) For the generator engine concerned set the valves.
e) Shut off tracing steam to the fuel system of the generator engine concerned.
f) Start the ‘port’ generator engine MDO pump and supply MDO to the fuel system of the generator engine
concerned. HFO will be forced out of the generator engine system and be replaced by MDO. The HFO
will flow back through the FO return line and into the fuel mixing unit.
g) When the HFO has been replaced by MDO in the engine system open the MDO outlet valve for the
generator engine concerned and close the HFO outlet valve for that engine. Purging of the HFO from the
generator engine system will take about 5 minutes; when the temperature of the fuel outlet pipe from
the engine falls this indicates that MDO is flowing.
h) When the fuel system of the generator engine concerned is charged with MDO stop the ‘port’ generator
engine MDO pump.
• The generator engine fuel oil system is now charged with MDO.
i) The engine may be run on MDO if the MDO ‘port’ pump is kept operating in order to supply MDO to the
generator engine concerned.
• If the fuel system of another generator engine is to be flushed through with MDO the above procedure
is repeated for that engine.
• Before starting the engine the fuel system may be refilled with heated HFO from the fuel preparation
unit.
Procedure for Flushing the Generator Engine Fuel
System with Heated Heavy Fuel Oil for Starting
a) Ensure that heated HFO is circulating in the main fuel system and that the fuel
preparation unit is functioning correctly.
b) Ensure that the generator engine concerned is disabled and cannot be started
accidentally.
c) For the generator engine concerned set the valves as follows:
d) Heated HFO will circulate through the generator engine fuel oil system and the
displaced MDO will flow to the fuel mixing unit and will mix with the HFO
already in the system.
Note: In each case the HFO outlet valve from the engine must be opened and
the MDO outlet valve closed; this is quickly followed by opening of the HFO
inlet valve and closing of the MDO inlet valve.
Note: Although the system described above allows MDO to flow into the HFO
circulation system, the amount is very small compared with the quantity of
HFO circulating and the dilution effect is insignificant. Allowing the MDO to
flow into the HFO system prevents any HFO from getting into the MDO
system.
Boiler Fuel Oil System
Boiler Fuel Oil System
• Fuel oil for the boiler is taken from the HFO service tank or the low sulphur
HFO service tank. The boiler may also be operated on MDO from the MDO
service tank when starting from cold and when setting the supply line for
sludge burning. MDO is used in the ignition burner which provides ignition for
the main burner. The MDO for the ignition burner is taken from the MDO
supply line to the MDO supply pump.
• The boiler may also burn sludge oil taken from the sludge preparation tank or
the clarified oil boiler tank. Sludge oil is pumped to the sludge preparation
tank by the sludge pump, which takes suction from the waste oil tank, the
main engine LO sludge tank, the generator engine LO sludge tank and the fuel
oil sludge tank. The sludge preparation tank overflows to the waste oil tank.
• Fuel is supplied to the boiler’s main burner by one of two FO service pumps
which are part of the boiler fuel oil unit. The pump switches on the boiler’s
control panel must be turned to MAN in order to enable the pumps to
operate. Selector switches on the boiler control panels are used to select the
pumps for duty and standby operation. The burner inlet pressure sensing
point activates the pump changeover in the event of low pressure indicating
boiler FO burner pump failure.
Boiler Fuel Oil System
• Oil from the clarified oil boiler tank is supplied to the boiler by the sludge burning
pump which has a sludge grinder (milling type with comminution blades attached)
pump operating in series. The grinder pump homogenises the oil before it is
discharged to the sludge burning pump or back to the clarified oil boiler tank. The
sludge grinder pump, and hence the sludge burning pump, can also take suction
from the sludge preparation tank which allows waste oil in this tank to be burned
in the boiler.
• Heavy fuel oil and sludge oil are heated before being supplied to the boiler main
burner, this is achieved in the boiler FO heater which is located after the boiler FO
service pumps or the boiler sludge heater which is located after the sludge
burning pump.
• There is a separate fuel MDO pump for use when burning MDO. Change over
valves allows for change between HFO and MDO and between HFO and sludge,
the change over operation for the HFO and sludge is carried out via a
pneumatically operated piston. A similar return line change over valve is fitted to
return HFO to the HFO service tank or back into the pump suction via valve FB14.
There is no return MDO line from the boiler burner but there is a pressure
regulating relief valve at the MDO pump outlet which returns oil to the MDO
service tank if the boiler is not using all of the MDO delivered by the pump.
Boiler Fuel Oil System
• The HFO and sludge lines are fitted with relief valves which maintain the
correct pressure in the system, the released oil returning to the tank from
which it has been taken.
• The boiler FO pumps take suction from the HFO service tank or the LSHFO
service tank, whichever is operating; the quick-closing outlet valve from the
tank must be open as must the tank return valve.
• The boiler has a MDO ignition pump which takes suction from the MDO
service tank, via the pump suction filter, and supplies MDO to the ignition
burner. The ignition burner supply solenoid valve is controlled by the
automatic combustion control system.
• The boiler burner is of the rotary cup type therefore no atomising steam or air
is required. Oil is supplied to the boiler burner via a flow meter, which can be
bypassed if necessary.
Procedure for the Operation of the Boiler Fuel Oil
Service System from Cold
• As no steam is available to heat HFO when starting from cold, the boiler must be initially
fired with MDO. Once steam is available, the HFO tank heating and boiler FO heater can be
used; the boiler can then be fired with HFO.
a) Check the levels of oil in the HFO service tank, the LSHFO service tank and the MDO service
tank; replenish the tanks as necessary.
b) Check that all of the filters are clean.
c) Ensure that all instrumentation valves are open and that the instruments are reading
correctly.
d) Ensure that the control system is functioning, that there is power at the combustion control
system and the FO heater control unit.
e) Set up the valves as in the following table. The valve settings assume that the boiler will be
started on MDO but will be changed to HFO operation when steam has been raised; HFO
will be taken from the HFO service tank. The boiler could be operated on LSHFO taken from
the LSHFO service tank if required.
Note: Valves without numbers are part of the boiler fuel oil supply unit which is fitted in the
ship as a complete item.
Note: This description assumes that the boiler is going to change from MDO firing to HFO
when steam is available; if environmental circumstances dictate that LSHFO has to be
burned the changeover procedure is the same except that fuel is taken from the LSHFO
service tank and not the HFO service tank.
Procedure for the Operation of the Boiler Fuel Oil
Service System from Cold
f) Supply electrical power to the boiler burner unit control system and ensure
that the rotary cup is turning.
g) Start one boiler MDO burner pump.
h) Ensure that the heater unit is vented of air.
i) Start the diesel oil ignition pump and flash up the boiler ignition burner using
the electrical ignition.
j) Start the combustion control system so that the main burner starts with MDO
supply.
k) Raise steam at the rate recommended by the boiler manufacturer.
l) When steam is available supply heating steam to the HFO service tank (or the
LSHFO service tank if the burning of LSHFO is required) and raise the
temperature of the HFO (or LSHFO) in the tank.
m) When the temperature of the HFO in the HFO settling tank (or LSHFO in the
LSHFO service tank) reaches approximately 75°C, supply trace heating steam
to the boiler fuel lines and open the drains from the trace heating steam lines.
Procedure for the Operation of the Boiler Fuel Oil
Service System from Cold
f) Supply electrical power to the boiler burner unit control system and ensure that the
rotary cup is turning.
g) Start one boiler MDO burner pump.
h) Ensure that the heater unit is vented of air.
i) Start the diesel oil ignition pump and flash up the boiler ignition burner using the
electrical ignition.
j) Start the combustion control system so that the main burner starts with MDO
supply.
k) Raise steam at the rate recommended by the boiler manufacturer.
l) When steam is available supply heating steam to the HFO service tank (or the
LSHFO service tank if the burning of LSHFO is required) and raise the temperature
of the HFO (or LSHFO) in the tank.
m) When the temperature of the HFO in the HFO settling tank (or LSHFO in the LSHFO
service tank) reaches approximately 75°C, supply trace heating steam to the boiler
fuel lines and open the drains from the trace heating steam lines.
CAUTION Trace heating should not be applied to sections of pipeline isolated by any
closed valves on the FO side as damage could occur due to the expansion of the
contents.
Procedure for the Operation of the Boiler Fuel Oil
Service System from Cold
When sufficient steam pressure is available:
n) Stop firing the boiler.
o) Start one of the boiler fuel oil pumps and circulate HFO. HFO will be taken from the
HFO service tank and pumped through the boiler FO heater. Due to the setting of
the boiler threeway changeover valves the HFO will be returned to the pump
suction via FB14.
p) Supply steam to the boiler FO heater.
q) When the temperature of the HFO is correct for burning operate the fuel
changeover system and supply HFO to the boiler.
r) Start the boiler firing on HFO. Carefully monitor the fuel temperature at the fuel
heater outlet and check the firing of the boiler
s) Monitor the boiler system closely until a stable operation exists.
• The boiler is designed to operate and remain on standby using HFO. Changeover
to MDO is only necessary when maintenance is required and for long periods of
shut down, such as refit.
Note: Changeover to HFO must take place whilst still firing the boiler. However, this
could lead to unstable flame conditions due to incorrect temperature settings at
the heater.
Procedure for the Operation of the Boiler Fuel Oil
Service System from Cold
• Changing from HFO operation to MDO operation is the reverse of the above
procedure. Trace heating should be shut off when firing is stopped on HFO
and the valves are changed from HFO supply to MDO supply. The steam on
the heater must also be shut off at this point.
• In environmentally sensitive areas where local requirements insist on low
sulphur emissions, LSHFO must be used instead of HFO. The burning of LSHFO
is the same as the burning of HFO. When changing between HFO and LSHFO it
is only necessary to ensure that the service tank quick-closing outlet valves
are set correctly. When changing from HFO to LSHFO the LSHFO service tank
quick-closing outlet valve FM02EV must be opened and then the HFO service
tank quick-closing outlet valve FM01EV must be closed. When changing from
LSHFO to HFO the HFO service tank quick-closing outlet valve FM01EV must
be opened and then the LSHFO service tank quickclosing outlet valve FM02EV
must be closed.
Burning Clarified Sludge Oil in the Boiler
Burning Clarified Sludge Oil in the Boiler
• The boiler can burn waste oil from the clarified oil boiler tank. Waste oil
from the waste oil tank and sludge oil from the fuel oil separators and the LO
separators is initially discharged to the sludge preparation tank. The
contents of this tank must then be transferred to the clarified oil tank via the
sludge grinder pump as shown in illustration 2.6.3c on the following page.
• The contents of the waste oil tank and the sludge tanks can be pumped
ashore if required using the sludge pump but normally the waste oil and
sludge is pumped to the sludge preparation tank. The design concept is/was
for the treatment of the waste oil in a sludge decanter which would process
the waste oil from the preparation tank and transfer the residual liquid to
the clarified tank for burning in the boiler. The sludge decanter would
remove heavy particles from the waste oil and sludge and discharge clarified
oil. The heavy material separated from the sludge is known as super sludge,
this would be discharged to a drum by a super sludge pump; the super
sludge would then be sent ashore for disposal. Clarified oil from the sludge
decanter would be directed to the clarified oil boiler tank.
• The sludge oil decanter system is a centrifugal separator designed for the
treatment of sludge. The cleaned or clarified oil is removed from the sludge
oil decanter by the clarified oil transfer pump.
Burning Clarified Sludge Oil in the Boiler
• The burning of clarified sludge oil in the boiler should not present any
problems as long as the clarified sludge oil does not have a high water
content or is mainly LO. Water can be manually drained from the clarified
oil boiler tank by means of the self-closing water drain valve. Clarified oil
derived from lubricating oil sludge can present problems when it is being
burned depending upon the specification of the oil; many lubricating oils
contain high levels of anti-oxidants which inhibit ignition and good
combustion. The boiler furnace must be thoroughly heated before the
burning clarified oil with a high LO content is attempted and the
temperature of the oil must be high enough to ensure ignition and
combustion.
• Prior to burning clarified oil the grinding pump must be operated; this
ensures an even temperature distribution throughout the charge and also
ensures that the clarified oil is effectively homogenised. The grinding
pump must remain in operation whilst the burning of sludge oil is taking
place. A collector tank located after the sludge grinding pump is fitted with
a water content monitor and a water drain valve; water should be drained
from the line when the water monitor indicates a high water level.
Procedure for Burning Clarified Oil in the boiler
a) Check the contents in the clarified oil boiler tank and apply steam heating to
the tank. The self-closing drain valve on the tank should be operated to drain
any water to the oily water tank.
b) For burning waste oil from the clarified oil boiler tank the grinding pump must
be used prior to burning the oil in order to ensure an even temperature
distribution throughout the tank and homogenisation of the contents of the
tank.
c) Open the sludge grinding pump suction valve together with the clarified oil
boiler tank quick-closing outlet valve FB20EV and outlet line valve to the
grinding pump FB18. The outlet valve from the sludge preparation tank
FB21EV must be closed as must the line valve to the sludge pump FB17. The
return valve to the clarified oil boiler tank must be open.
d) The recirculation valve from the grinding pump and the clarified oil boiler tank
return line valves must be open.
e) Start the sludge grinding pump from the boiler control panel. Clarified oil will
be circulated by this pump, taking suction from the clarified oil boiler tank and
returning the clarified oil to the same tank. When the temperature of the tank
is at the correct value the burning of clarified oil may commence. The
temperature should be such as to give a viscosity of about 20cSt at 50°C.
Procedure for Burning Clarified Oil in the boiler
f) The sludge burning pump suction and discharge valves must be open
together with the boiler sludge heater inlet and outlet valves. The
condensate drain and steam supply valves to the heater must be open.
The clarified oil line pressure regulating valve inlet valve must be open
together with the clarified oil recirculation valve.
g) The boiler should be operating normally on HFO or LSHFO as described
above.
h) The sludge burning pump is started from the boiler control panel, clarified
oil will be pumped through the heater and returned to the clarified oil
boiler tank through the recirculation valve, the grinding pump remains in
operation.
i) When the clarified oil is at the correct temperature for burning set the
selector switch on the boiler control panel to the SLUDGE position. The
pneumatic cylinder will swing the HFO/sludge three-way valve directing
and clarified oil to the boiler burner. The grinding pump must remain
operating; it has a greater capacity than the boiler sludge burning pump
and the excess clarified oil is returned to the clarified oil boiler tank.
j) The boiler fuel oil pump be maintained in operation to continue circulation
in the FO system.
Procedure for Burning Clarified Oil in the boiler
k) Check that the clarified oil burns correctly and that the boiler operates
normally without smoke.
l) When the level of the clarified oil boiler tank reaches about 20% the
burning of clarified oil is stopped. The operator must be prepared to
change back to the burning of HFO if the boiler is to continue in operation.
The fuel type selection switch is set into the ‘Heavy’ position, the
pneumatic control cylinder will swing the three-way valve into the HFO
position.
k) The sludge grinding pump and the sludge burning pump should now be
stopped before the pumps lose suction. Shut off the steam heating on the
sludge heater.
Procedure for Transferring Sludge/Waste Oil from the Sludge
Tanks and Waste Oil Tank to the Sludge Preparation Tank Using
the Sludge Transfer Pump
• Sludge oil is transferred from the sludge tanks and the waste oil tank using the sludge
transfer pump. This pump may also be used to pump sludge ashore via the shore
connection. The shore connection line blanks must always be secured except when
pumping ashore. The sludge preparation tank overflows to the waste oil tank.
• The procedure described below is for pumping waste oil from the waste oil tank to the
sludge preparation tank. The procedure is the same for pumping sludge from the sludge
tanks except for the setting of the valves.
a) Check the contents in the waste oil and sludge tanks and ensure that the sludge
preparation tank has sufficient capacity for the amount to be pumped.
b) Ensure that tank heating is on so that the contents of the tank being pumped are at the
correct temperature for pumping.
c) Set the valves as in the following table:
d) Ensure that the blanks are secure on the shore discharge connections.
e) Start the sludge transfer pump and transfer the contents of the waste oil tank to the
sludge preparation tank. Stop the pump before the pump loses suction in order to
prevent damage to the pump.
f) At the end of the sludge transfer stop the pump, close all valves which have been opened
and record the transfer in the Oil Record Book.
Procedure for Transferring Sludge/Waste Oil from the Sludge
Tanks and Waste Oil Tank to the Sludge Preparation Tank Using
the Sludge Transfer Pump
Procedure for Transferring Sludge /Waste Oil from the Sludge
Tanks and Waste Oil Tank to the Shore Connection
• Sludge oil in the sludge tanks and waste oil in the waste oil tank may be transferred
ashore or to a barge using the sludge transfer pump. There are shore connections
on the port and starboard sides of the ship on the upper deck at the
accommodation block. Blanks are fitted to the shore discharge pipes and the blank
on one side of the ship must be removed in order to attach the flexible shore
connection hose. The same restrictions and conditions apply to the discharge
ashore of sludge oil as they do to the loading of fuel
• The procedure is the same as that described above except for the setting of the
valves. The inlet valve to the sludge preparation tank is closed and the blank
removed from the port or starboard shore connection as required. The hose is
securely attached to the shore discharge connection being used and a check is
made on the blank at the shore discharge connection not being used.
• Before pumping starts agreement must be reached with the shore facility or barge
about the amount of sludge/waste oil being transferred and the rate of transfer.
When all is set for transfer the sludge pump is started. At the end of transfer the
sludge pump is stopped. If more than one tank is being discharged the suction valve
to the new tank must be opened before the sludge pump loses suction.
Procedure for Transferring Sludge /Waste Oil from the Sludge
Tanks and Waste Oil Tank to the Shore Connection
• Trace heating should be supplied to the lines which are to be used before
pumping starts.
CAUTION
Trace heating should not be applied to sections of pipeline isolated by any closed
valves as damage could occur due to the expansion of the contents.
• When the transfer is complete stop the sludge transfer pump. Allow the
discharge pipe to drain and then disconnect the pipe, refit the blank, close all
valves and record the transfer in the Oil Record Book.
Engine Room Waste Oil and Drains System
Engine Room Waste Oil and Drains System
• There are a number of tanks in the engine room which take waste and drain oil from
systems in the engine room.
• Waste Oil Tank
• Waste oil flows to the waste oil tank from a number of locations in the engine room.
These include drains from oil tanks and trays around items of equipment such as
fuel pumps. Drains from oil tanks include water as the drain valve is opened in order
to drain water from the tank, the drain valve being of the spring loaded self-closing
type.
• Waste oil enters the waste oil tank via non-return valves; separate entry nonreturn
valves and associated lines are fitted for different system. The scavenge space drains
enter the waste oil tank via two residue oil traps. Other LO systems have separate
entry non-return valves and lines which serve different areas of the engine room.
• The waste oil tank is vented at the upper deck.
• A steam heating coil is fitted in the waste oil tank and is used to ensure that the
viscosity of the oil in the tank is reduced so that it may be readily pumped. The
contents of the waste oil tank may be pumped by the sludge pump to the sludge
preparation tank or ashore via the shore discharges on the port and starboard sides
of the ship.
• The waste oil tank takes drains from the following locations:
Engine Room Waste Oil and Drains System
• Non-return valve FD09
• HFO and MDO pump unit tray
• Clarified oil boiler tank drain
• MDO storage and service tank drains
• LSHFO settling and service tank drains
• HFO service and settling tank drains
• Grinding pump drain
• Boiler fuel pump tray
• Boiler fuel and sludge heater drains
• FO separator feed pump trays
• FO separator working table drain
• FO separator heater drains
• FO separator trays
• Auxiliary boiler tray
• Main engine fuel preparation unit tray
• Main engine fuel heater drains
• Main engine fuel line drain
• Non-return valve LD35
• Main engine scavenge space drains;
via oil residue traps
• Non-return valve LD26
• Main engine piston rod stuffing box
drains
• Non-return valve LD25
• Sludge pump tray
• Cylinder oil measuring tank drain
• No.1 generator engine LO filter tray
• Main engine oil mist vent return line
Engine Room Waste Oil and Drains System
• Non-return valve LD22
• LO transfer pump tray
• Main engine LO separator feed pump
tray
• Turbocharger LO pump tray
• Turbocharger LO tank drain
• Turbocharger LO cooler drain and
tray
• Turbocharger LO filter tray
• Main engine LO crosshead pump tray
• Main engine LO filter tray
• Main engine LO cooler drain and tray
• Main engine LO separator working
table drain
• Main engine LO separator tray and
heater drain
•
• Cylinder oil transfer pump tray
• Maine engine LO settling and
storage tank drains
• Main engine cylinder oil storage tank
drains
• Generator engine LO separator
working table drain
• Generator engine LO separator feed
pump tray
• No.1 and 2 generator engine LO
filter trays
• Generator engine LO separator tray
• Generator separator LO heater
drains and tray
• Generator engine LO storage and
filling tank drains
• Hydraulic power pack tray
Engine Room Waste Oil and Drains System
• Fuel Oil Drain Tank : The fuel oil drain tank takes fuel oil drains from the main engine and
the generator engines; it also takes the drains from the main engine fuel oil automatic
backflush filter. The fuel oil drain tank is provided with a steam heating coil and is vented
at the USCG box above the upper deck level. Oil in the fuel oil drain tank is pumped out
by the HFO transfer pump and discharged to the HFO settling tank or one of the HFO
storage tanks.
• Sludge Tanks : There is a sludge tank for the fuel oil separators, a sludge tank for the
main engine LO separator and a sludge tank for the generator LO separators. These tanks
receive sludge from their associated centrifugal separators. All sludge tanks may be
pumped out by means of the sludge pump as described in section 2.6.3 above. The
sludge pump may discharge to the sludge preparation tank, to the waste oil tank or to a
shore reception facility via the shore discharge connections on the upper deck.
• Tank Vents: Any tank containing oil or other volatile substance (such as gas generated by
sewage decomposition) must be vented to a safe position. This prevents overpressure in
the tank which could result in damage and reduces the risk of an explosion. Explosive
gases must be liberated to atmosphere though an element which will prevent the
blowback of flame should the gases or vapours ignite after release. These elements
should be checked at intervals to ensure that they are correctly in position and are not
damaged. Any damage must be reported and the element changed immediately. All lines
connecting tanks to the release vent or the vent/oil mist box must be clear without
obstruction to flow. The oil mist box located in the funnel has vent line connections from
the main engine crankcase.
Engine Room Waste Oil and Drains System
• Fuel Oil Drain Tank : The fuel oil drain tank takes fuel oil drains from the main engine and
the generator engines; it also takes the drains from the main engine fuel oil automatic
backflush filter. The fuel oil drain tank is provided with a steam heating coil and is vented
at the USCG box above the upper deck level. Oil in the fuel oil drain tank is pumped out
by the HFO transfer pump and discharged to the HFO settling tank or one of the HFO
storage tanks.
• Sludge Tanks : There is a sludge tank for the fuel oil separators, a sludge tank for the
main engine LO separator and a sludge tank for the generator LO separators. These tanks
receive sludge from their associated centrifugal separators. All sludge tanks may be
pumped out by means of the sludge pump as described in section 2.6.3 above. The
sludge pump may discharge to the sludge preparation tank, to the waste oil tank or to a
shore reception facility via the shore discharge connections on the upper deck.
• Tank Vents: Any tank containing oil or other volatile substance (such as gas generated by
sewage decomposition) must be vented to a safe position. This prevents overpressure in
the tank which could result in damage and reduces the risk of an explosion. Explosive
gases must be liberated to atmosphere though an element which will prevent the
blowback of flame should the gases or vapours ignite after release. These elements
should be checked at intervals to ensure that they are correctly in position and are not
damaged. Any damage must be reported and the element changed immediately. All lines
connecting tanks to the release vent or the vent/oil mist box must be clear without
obstruction to flow. The oil mist box located in the funnel has vent line connections from
the main engine crankcase.
Fuel Oil and Diesel Oil Bunkering & Transfer System
Fuel Oil and Diesel Oil Bunkering & Transfer System
• Fuel Oil System
• Heavy fuel oil, for the main engine, generator engines and boiler, is stored
in three HFO deep tanks located in No.4 cargo hold area. In addition there
is one LSHFO storage deep tank, also located in No.4 cargo hold. These
bunker tanks are filled from the bunker lines at the port and starboard
bunker stations, which are located on the A deck. There is one HFO
connection to the fuel oil filling main on the starboard side of the ship and
one on the port side. The bunker stations also have connections to the
MDO storage tank filling line. The FO deep tanks are fitted with remotely
operated suction valves and filling valves which are remotely operated
from the FO/DO System screen mimic. The remaining valves in the system
apart from the vent isolating valve AV76 are manually operated. The
bunkering system manifold crossover line is fittedwith a relief valve FO32
which is set at a pressure of 4.0kg/cm2, with the discharge flowing directly
into the fuel oil overflow tank.
• All fuel oil storage deep tanks are fitted with high and high high level
alarms which are activated when the tanks are 90% and 95% full
respectively. In normal operations the deep tanks should only ever be
filled to an absolute maximum of 90%. Local port regulations may only
allow a lower figure than this.
Fuel Oil and Diesel Oil Bunkering & Transfer System
• Fuel oil is transferred from the storage deep tanks to the settling tanks
(HFO and LSHFO) by means of the HFO transfer pump. Cross connections
allow theMDO transfer pump to be used for HFO transfer in an emergency
and enable to the HFO transfer pump to be used for MDO transfer if
necessary.
• Filling and outlet valves from the HFO/LSHFO settling tanks and the HFO/
LSHFO service tanks are remotely operated quick-closing valves, with a
collapsible bridge which can be operated from the ship fire station. There
is also a quick-closing valve on the transfer pump suction line from the
storage tanks and on the HFO overflow tank suction line. After being
tripped, the valves must be reset locally. Each FO service and settling tank
is fitted with a self-closing test cock to test for the presence of water and
to drain any water present. Tundishes, under the self-closing test cocks,
drain any liquid to the waste oil tank. All of the FO settling, service and
bunker tanks are provided with remote level and temperature indication
displayed on the relevant screen mimics. The HFO, LSHFO and MDO
service and settling tanks overflow to the overflow tank via a sight glass.
Fuel Oil and Diesel Oil Bunkering & Transfer System
• All HFO tanks are fitted with heating coils, the heating steam being
supplied from the main steam system. Condensate from the heating coils
flows to the drain cooler and then to an inspection tank before entering
the cascade tank.
• All FO transfer lines are trace heated by steam.
• The HFO transfer pump is normally set for automatic operation, being
started and stopped by float switches in the HFO and LSHFO settling tank.
A selector switch on the LGSP for the HFO transfer pump has the following
options:
1 Manual operation
2 Low sulphur HFO settling tank
3 HFO settling tank
• Heavy Fuel Oil Tanks Port HFO deep tank , Starboard HFO deep tank ,
Centre HFO deep tank , Centre LSHFO deep tank, HFO overflow tank , HFO
settling tank , HFO service tank , Low sulphur HFO settling tank , Low
sulphur HFO service tank
Precautions to be Observed Prior to and During the
Loading of Bunkers
• Company bunkering procedures must be observed at all times and all
personnel involved in the bunkering procedure, whether planning or in the
actual operation of bunkering, must be fully aware of the contents of the
document Oil Transfer Procedures - Bunkering and the Chief Engineer’s
Standing Orders for bunkering. It is essential that all personnel involved in
the bunkering procedure know who is in charge of the bunkering
operation. The following licensed/certificated officers are generally
designated as persons in charge:
• Chief Officer
• Chief Engineer
• First Engineer/Second Engineer
• The Chief Engineer is in overall charge of the bunkering operation but if he
is unable to be present the 1st/2nd engineer will take charge. The 3rd/4th
engineer is normally responsible for carrying out the tasks involved in the
bunkering operation and they must not undertake a night duty when
bunkering is taking place; if it is the 3rd/4th engineer’s duty night then a
replacement duty engineer must be assigned.
Precautions to be Observed Prior to and During the
Loading of Bunkers
• All engineers and other personnel involved in the bunkering process should know
exactly what role they are to play and what their duties are to be. Personnel
involved should know the location of all valves and gauges and be able to operate
the valves both remotely and locally if required. A bunker plan should be drawn up
prior to bunkering and all personnel involved in bunkering must be fully aware of
the contents of the plan and understand the entire operational procedure. Before
bunkering a meeting must take place so that all personnel involved in the
bunkering operation understand the requirements of the bunkering operation and
their duties in that operation.
• Shore or barge tanks, whichever form is being used, should be checked for water
content.
• Representative samples are to be drawn using the continuous drip method for the
duration of the loading operation and dispatched for analysis. Samples should be
taken at the bunker supply manifold inlet to the ship system.
• As far as possible new bunkers should be segregated from existing bunkers on
board. If bunkers being received are to be loaded into the same tanks as existing
bunkers on board, great care must be taken to avoid problems of incompatibility. If
there is any doubt about the compatibility between the new and existing bunkers
the new bunkers should not be loaded on top of existing bunkers.
Precautions to be Observed Prior to and During the
Loading of Bunkers
• No internal transferring of bunkers should take place during bunker loading
operations, unless permission has been obtained from the Chief Engineer.
• The Chief Engineer should calculate the estimated finishing ullages/dips, prior to the
starting of loading.
• Bunker tanks should not exceed 90% full; high and high high level alarms are fitted at
90% and 95% full level for all tanks.
• Any bunker barges attending the vessel are to be safely moored alongside before any
part of the bunker loading operation begins.
• Level alarms fitted to bunker tanks should be tested prior to any bunker loading
operations.
• The soundness of all lines should be verified by visual inspection.
• The pre-bunkering checklist must be completed.
• The Chief Engineer, or other designated licensed/certificated officer as indicated
above, is responsible for bunker loading operations, assisted at all times by a
sufficient number of officers and ratings to ensure that the operation is carried out
safely.
• A watch must be kept at the manifold during loading.
• All personnel involved in the bunkering operation must be in radio contact.
Precautions to be Observed Prior to and During the
Loading of Bunkers
• The maximum pressure in the bunker manifold should be below 4.0kg/cm2, at
which point the line relief valve will discharge to the HFO overflow tank.
• Safe means of access to barges/shore shall be used at all times.
• Scuppers and save-alls, including those around bunker tank vents, should be
effectively plugged.
• Drip trays are to be provided at bunker hose connections and means of
containing any oil spills must be in place. Spill cleaning equipment must be
checked before bunkering and must be available at the bunkering station during
bunkering.
• The bunkering operation is carried out from the ECR with control of the bunker
filling valves via the FO/DO SYSTEM screen display.
• The initial loading rate must be agreed with the barge or shore station and
bunkering commenced at an agreed signal. Only upon confirmation of no
leakage and fuel going into only the nominated tank, should the loading rate be
increased to the agreed maximum. On this vessel the maximum loading rate is
1,130m³/h, the topping off rate is 417m³/h.
Precautions to be Observed Prior to and During the
Loading of Bunkers
•When the tank being filled reaches 80% full, the filling rate should be reduced by
diverting some of the flow to another bunker tank. When the final tank is being
filled the pumping rate must be reduced to a maximum value of 417m³/h when
the 80% capacity is reached. Filling of the tank must be stopped when the tank
reaches 90% full. For the final tank the filling rate must be reduced at the barge
or shore station and not by throttling the filling valve.
CAUTION
• At least one bunker tank filling valve must be fully open at all times during the
bunkering operation.
• All relevant information regarding the bunkering operation is to be entered in
the Oil Record Book. Information required to be entered includes date, time,
quantity transferred, tanks used and individuals involved. The fuel transfer lines
and valves should be pressure tested once each year and details of the tests
inserted in the engine room log book.
Procedure for the Loading of Fuel Oil Bunkers from a
Shore Station or Barge
a) At the bunker connection to be used, remove the blank and connect the bunkering
hose. Check the joint and fit a new one if there are any signs of damage.
b) Ensure that the blanks on the other bunkering connections are secure and that all valves
are closed, including the drain and sampling valves. The drip tray must be empty and
the drain valve closed.
c) Set the manual valves in the system, ensure that the bunker line drain valves in the port
passageway are both shut, FO30 and FO29. Ensure that the FO transfer isolation valve
on deck FO31 is shut.
d) Open the filling valve(s) on the HFO storage tanks to be filled from the FO/DO SYSTEM
screen display.
• The operator responsible for the bunkering procedure at the mimic must ensure that
the valves are set correctly. When HFO is being loaded the individual tank filling valves
are controlled manually from the mimic in order to ensure that the tanks are filled to
the required capacity.
• Tank Filling Valves: Port HFO deep storage tank remotely operated valve , Port HFO
deep storage tank manually operated valve ,Starboard HFO deep storage tank remotely
operated valve , Centre HFO deep storage tank remotely operated valve , Centre LSHFO
deep storage tank remotely operated valve
• Line Valves : Port bunker manifold valve , Starboard bunker manifold valve , Bunkering
line block valve
Procedure for the Loading of Fuel Oil Bunkers from a
Shore Station or Barge
Note: It is essential that the tank valve is open for any particular tank together with the
line valves connecting that tank to the bunker supply manifold. Failure to open all valves
will prevent the tank from being filled and will result in over pressure in the bunker line.
Note: Ensure that the vent line valve to the overflow tank is open.
e) Open the valve at the selected bunkering station, for the port bunker station or for the
starboard bunker station. Open the block line valve to the storage deep tanks . Ensure
that the bunker line aft drain valve to the HFO overflow tank is closed and that the deck
line valve from the HFO transfer pump is closed. Ensure that the forward bunker line
drain valve to the port HFO storage tank is closed. Check that the manifold drain and
sampling valves are closed. After the bunker line is set for loading HFO into selected
tanks the line settings must be checked to ensure that the HFO will only go to the
selected tanks.
f) Establish effective communication between the ship’s control centre, the ECR, the deck
filling manifold and the bunkering shore station using UHF sets. Bunkering control is
normally from the screen mimic in the SCC.
g) Agree and understand the filling rates and signalling systems with the barge or shore
station. Agree the quantity and specification of the fuel oil to be supplied.
h) Signal to the shore station to commence bunkering HFO at the agreed slow rate.
Procedure for the Loading of Fuel Oil Bunkers from a
Shore Station or Barge
i) Check the ship to shore connection and pipeline for leaks.
j) Check that HFO is flowing into the required HFO storage tank(s), and not to any other
tank.
k) Increase the bunkering rate to the agreed maximum which for this class of vessels is
1,130m³/h.
l) Commence taking the bunker sample at the cock at the deck manifold.
m) As the level in the first storage tank approaches 80%, open another tank filling valve to
top up the tank slowly, then close the first tank’s filling valve when the required 90%
(normal maximum allowed) full level is reached. At least one tank filling valve must be
open at all times when filing at the maximum rate.
n) Fill the remaining tanks in the same way. For the final storage tank the filling rate must
be reduced to a maximum value of 417m³/h by slowing the pumping operation, this
must be signalled to the barge or shore station.
o) When the final tank is full (90% maximum), the barge or shore station must be
signalled to stop pumping.
p) Ensure that the sample containers are properly sealed and have them despatched for
analysis, as required by the Chief Engineer’s Standing Orders.
Procedure for the Loading of Fuel Oil Bunkers from a
Shore Station or Barge
q) Open the bunker line vent valve and allow the hose to drain back to the supplier. Allow
the bunkering line to drain to the port bunker tank . The bunker line can be drained to
the FO overflow tank if there is a marked stern trim. Ensure both valves are closed after
the draining is completed.
r) Close all bunker station valves, the line valves and tank filling valves. Check that all valves
are closed.
s) Disconnect the hose and replace the blank at the bunker station connection.
t) Check tank levels and agree quantity supplied then, if satisfied, sign the bunker receipt.
• Procedures for Handling High H2S Bunker Fuel : In recent years it has become more
evident that residual bunker fuel is containing naturally higher values of H2S. MARPOL
Annex VI. Annex C outlines the precautions and general guidance when dealing with
residual fuels which contain H2S. The description outlines how the H2S levels increase
with heating, agitation during transfer and the size of the vapour head space available
in a tank containing the fuel. A vapour monitoring period on the bunkered tanks carried
out every 24, 48 and 72 hours should take place. The maximum permissible H2S value
after the first 24 hour period following the taking of bunkers is 200ppm, if the recorded
level in a tank(s) vapour space is higher than this, then the tank must be vented under
controlled conditions after a risk assessment has be carried out. Annex C gives general
guidance on the risk assessment points that need to be considered before venting a
vapour space.
Procedure for the Loading of Fuel Oil Bunkers from a
Shore Station or Barge
• Hydrogen sulphide is classed as an enzyme inhibitor which has the effect of
temporarily stopping the transport of oxygen between body tissues. The gas,
which is heavier than air, invisible to the naked eye and highly explosive, will
kill immediately in concentrations over 1,000ppm.
• The gas, which has a smell similar to rotten eggs, will kill the sense of smell in 3
to 15 minutes when in concentrations above 100ppm, there will also be a
stinging of the eyes and throat. In concentrations above 200ppm there will
additionally be losses of the sense of reasoning and balance. Above 500ppm
unconsciousness will quickly set in with respiratory paralysis within 30 to 45
minutes. At 700ppm, breathing will stop unless immediate artificial
resuscitation is administered in a safe area.
Procedure for Transferring Heavy Fuel Oil from the Heavy Fuel Oil
Storage Deep Tanks to the Heavy Fuel Oil Settling Tank
Procedure for Transferring Heavy Fuel Oil from the Heavy Fuel Oil
Storage Deep Tanks to the Heavy Fuel Oil Settling Tank
• HFO is transferred from the storage deep tanks to the HFO settling tank as
required. The normal arrangement is for automatic transfer using the HFO transfer
pump in automatic mode, the pump being started and stopped according to the
level in the HFO (or LSHFO depending the setting on the pump automatic control
selection switch) settling tank.
• When the HFO transfer pump is selected for automatic operation the pump is
started when the level in the selected settling tank falls to 70m³ (approximately
40%) full and the pump stops when the tank level rises to 145m³ (approximately
85%) full (57m³ and 119m³ for the LSHFO tank respectively). The pump may be
manually operated if required but that will require constant supervision by the
duty engineer during the pumping operation. When selected for automatic
operation the HFO transfer pump will maintain the desired level in the HFO settling
tank, starting and stopping as necessary.
• The duty engineer must ensure that the HFO deep tank from which fuel is taken
has sufficient HFO to ensure that the HFO transfer pump does not lose suction at
any time during automatic operation. During UMS periods the operating deep tank
must always contain fuel. For final stripping out of the duty FO tank the pump
should be carried out manually, stopping the pump when it finally losses suction.
Procedure for Transferring Heavy Fuel Oil from the Heavy Fuel Oil
Storage Deep Tanks to the Heavy Fuel Oil Settling Tank
a) Select the HFO transfer pump for automatic operation, either position 2 or 3
depending which FO settling tank is being filled.
b) Set the valves as in the following table. The description assumes that HFO is
being taken from the port HFO deep tank and transferred to the HFO settling
tank.
b) As the pump is selected for automatic operation it will start and stop according
to the operation of the level switches in the HFO settling tank.
Note: The duty engineer must always ensure that there is sufficient HFO in the
selected HFO deep tank, especially during a period of UMS operation. When a
deep tank is nearly empty the duty engineer should operate the HFO transfer
pump in manual mode, pumping oil until the pump loses suction indicating
that the deep tank is empty. The operator should then operate the valves to
take suction from another deep tank. Selection of operating HFO deep tank
should always be made in co-operation with the deck department in order to
ensure stability of the vessel.
• The procedure for taking HFO from any of the other HFO deep tanks is the
same as that described above except for the setting of the deep tank remotely
operated valves.
Procedure for Transferring Heavy Fuel Oil between Heavy
Fuel Oil Deep Storage Tanks using the Heavy Fuel Oil Transfer Pump
Procedure for Transferring Heavy Fuel Oil between Heavy
Fuel Oil Deep Storage Tanks using the Heavy Fuel Oil Transfer Pump
• It is possible to transfer HFO between the port and starboard deep tanks for
trim or other purposes.
• The HFO transfer pump is used for transferring HFO between the deep storage
tanks; the crossover blanks between the HFO transfer pump and the MDO
transfer pump on the suction and discharge sides must be closed. The transfer
pipeline is set up at the FO mimic as the tank suction and filling valves are of
the remotely operated type. The HFO transfer pump valves are manually
operated and must be set locally. Normally the HFO transfer pump suction and
discharge valves are maintained in the open position.
Note: Transferring fuel oil between bunker tanks can have an adverse effect on
the stability of the ship. Such transfer should only be undertaken after
consultation with the deck department when details of the amount of oil to be
transferred and the tanks involved are discussed.
a) Select the HFO transfer pump to manual operation.
b) Determine how much fuel is to be transferred and check that there is sufficient
capacity in the receiving deep storage tank to accommodate the HFO being
transferred.
Procedure for Transferring Heavy Fuel Oil between Heavy
Fuel Oil Deep Storage Tanks using the Heavy Fuel Oil Transfer Pump
c) Set up the pump valves as in the following table. The description used assumes
that the HFO transfer pump is being used and that HFO is being transferred
from the port HFO deep tank to the starboard HFO deep tank.
Note: On on account must HFO be transferred in to the LSHFO tank.
d) Confirm the amount of HFO to be transferred and the tanks between which the
transfer is to take place; check that the pipeline system valves have been
correctly set. Check that the blanks are fitted at the bunker station
connections.
e) Start the HFO transfer pump in manual mode and commence the transfer of
HFO between the selected tanks. Check that the HFO is going from the
selected tank to the designated tank and not any other tanks. The pipeline
system must be checked for leaks.
f) Stop the operating HFO transfer pump when the desired quantity of HFO has
been transferred.
g) Close the tank and line valves as necessary.
h) Record details of the HFO transfer in the Oil Record Book.
Note: The procedure is the same for transferring HFO between any other tanks
except for the setting of the system and tank valves.
Diesel Oil System
Diesel Oil System
• Diesel oil for all purposes on board the ship is stored in the MDO storage tank
and the MDO service tank. Diesel oil is transferred from the storage tank to the
MDO service tank using the MDO transfer pump or the MDO separator (this is
No.3 HFO/MDO separator and may be used for HFO or MDO but the blanks are
fitted so that it is normally used for MDO). Diesel oil can be supplied to the
main engine, generator engines and boiler, but under normal circumstances
only the boiler pilot burner will be burning MDO. The emergency generator
uses MDO from its own service tank.
• The MDO storage tank is filled from the MDO bunkering lines; the bunker
connections are located on the port and starboard side of the ship at A deck
level. The MDO service tank may also be filled from the bunker station if
required. The MDO transfer pump is located in the engine room at floor plate
level port side and is used to transfer from the MDO storage tank to the MDO
service tank.
• It is possible to use the HFO transfer pump for MDO service, and vice versa: for
this purpose the suction and discharge interconnection blanks must be
removed.
• Diesel Oil System Tanks : MDO storage tank , MDO service tank
Diesel Oil System
• The outlet valves from the MDO storage tank and the MDO service tank are of
the remote operated quick-closing type, with a collapsible bridge which can be
pneumatically operated from the ship’s fire station. After being tripped from
the ship’s fire station the valve must be reset locally. The MDO service tank is
also fitted with a self-closing test cock to test for the presence of water and to
drain any water present. A tundish under the self-closing test cock drains any
liquid to the waste oil tank. All tanks are provided with temperature indication,
plus remote level indication which registers in the control room. The storage
tank also has an overfill alarm set at 95% capacity. The MDO service tank
overflows to the MDO storage tank.
Procedure for Loading Diesel Oil from a Shore
Station or Barge
• The precautions and organisation for loading MDO which should be followed
are the same as described for HFO.
a) The bunker line blank is removed and the bunkering hose connected at the
bunker connection to be used. The joint should be inspected and replaced if it
shows signs of damage.
b) A drip tray is arranged beneath the bunker pipe connection and equipment
should be organised to deal with any oil spill.
c) Ensure that the blank on the other bunkering connection is secure and that the
valve is closed. Ensure that the drain and sampling valves are closed.
d) Set the valves as in the following table; this assumes that the MDO storage tank
is being filled from the port bunker station. Usually the MDO service tank will
have been filled from the MDO storage tank, therefore only the valves for the
MDO storage tank will be open. However, it may be necessary to fill both the
MDO storage tank and the MDO service tank from the bunker connection if
both tanks are depleted.
Procedure for Loading Diesel Oil from a Shore
Station or Barge
e)When all pipes and connections are checked, signal the shore station or bunker
barge to commence pumping at the agreed low rate. The maximum bunkering
rate allowed for this class of ship is 70m³/h, during topping off, which should
take place when the tank level reaches 80%, the maximum rate is reduced to
30m³/h.
f) When it is confirmed that there are no leaks, signal to increase the delivery rate
to the agreed maximum.
g) Begin taking a sample of the delivered MDO.
h) As the level in the MDO storage tank approaches 80% signal the barge or shore
station to slow the pumping rate in order to top off the storage tank slowly.
When the tank is 90%, full signal to stop pumping.
i) Open the vent and allow the bunker hose to drain.
j) Disconnect the hose and refit the blank.
k) Collect the MDO sample and have it sent for analysis.
l) Check the quantity of MDO delivered to the storage tanks, agree the delivery
quantity with the supplier and sign the receipt.
Diesel Oil System
Procedure for the Transfer of Diesel Oil using the
Diesel Oil Transfer Pump
MDO is transferred from the MDO storage tank to the MDO service tank using the
MDO transfer pump.
a) Open the MDO storage tank quick closing valve . Check that the interconnection
tank outlet line blank is closed and that the interconnecting line valve is closed.
b) Open the MDO transfer pump suction valve and the discharge valve .
c) Ensure that the interconnecting suction and discharge line blanks, to the HFO
transfer pump, are closed. (This is the normal state).
d) Open the filling valve on the MDO service tank and check the interconnecting
line valve to the HFO storage tank is closed.
e) Start the MDO transfer pump and pump the desired quantity of MDO from the
MDO storage tank to the MDO service tank.
f) Stop the pump when the desired quantity of MDO has been transferred.
g) Close all tank, line and pump valves. Record the transfer in the Oil Record Book.
Procedure for the Transfer of Diesel Oil using the
Fuel Oil Transfer Pump
The HFO transfer pump can be used to pump MDO ashore as explained in the
section above. In order to do this the following has to be completed:
a) Open the suction and discharge crossover blanks between the MDO and HFO
transfer pumps.
b) Open the HFO transfer pump suction valve and the pump discharge valve . The
suction valves from the HFO system and the discharge valve to the HFO system
must be closed. The suction valves from the MDO system and the discharge
valves to the MDO system must be set as in the previous procedures for
transfer using the MDO transfer pump.
c) The HFO transfer pump can be started in manual mode and the desired
quantity of MDO pumped from the MDO storage tank to the MDO service
tank.
CAUTION
• Ensure that all HFO is flushed out of the HFO transfer pump prior to using it
on MDO. This can be achieved by opening the MDO suction and pumping for
a few moments with a discharge to the HFO tanks open. Before starting the
pump to transfer MDO, make absolutely sure that all discharges to the HFO
system are securely closed.
Emergency Generator Fuel System
• Fuel for the emergency generator engine is stored in the emergency generator
engine MDO tank located in the emergency generator engine room. This tank
must always hold sufficient MDO for at least 24 hours continuous operation of
the emergency generator at full load.
• The emergency generator engine fuel tank is filled from a connection on A
deck. Fuel oil stored in drums is pumped to the emergency generator engine
fuel tank as required using a hand operated pump. The plug on the tank filling
line must be removed before filling the tank and must be replaced securely
after the tank has been filled.
Fuel oil Seperator System
Fuel Oil and Diesel Oil Separating System
• There are three centrifugal self-cleaning HFO separators, two are dedicated to
HFO and the third to HFO and MDO. The HFO/MDO separator is normally set
for MDO operation but it can be used for HFO if necessary. Normally one HFO
separator is in use, with the second being cleaned or ready to use. Each
separator is equipped with a supply pump, duplex filter and steam heater; the
separators are located in the purifier room.
• Instrument air is supplied to the separators to control the supply of oil to the
bowl and the automatic discharge facility. Fresh water is supplied for sealing
and flushing purposes.
• The HFO separators normally draw from the HFO and LSHFO settling tanks,
although they can if necessary take suction from the HFO and LSHFO service
tanks. The cleaned HFO or LSHFO is processed to the HFO or LSHFO service
tank.
• The HFO and LSHFO service tanks overflow to the associated settling tank.
Normally the separator throughput is set to match the fuel consumption in the
main and generator engines and auxiliary boiler, if the separator throughput
exceeds the consumption the excess delivered to the service tank will overflow
to the settling tank when the service tank becomes full.
Fuel Oil and Diesel Oil Separating System
• The separator supply pump feeds oil to its associated separator via a heater. The
steam heaters maintain an oil temperature of 98ºC for HFO and from the heater
the HFO flows into the separator. After cleaning the oil is discharged to the HFO
service tank, or to the low sulphur HFO service tank if applicable. The separator has
an alarm which activates if the HFO temperature exceeds 108ºC or falls below
88ºC.
• Separator Operation : Liquid mixtures and solid/liquid mixtures can be separated
by two methods, the gravity field of a settling tank or the centrifugal field of a
separator bowl. Both systems rely on the product components having different
densities. Since the centrifugal force of a separator is considerably more effective
than the gravity field of a settling tank the centrifugal force method is used. The
heated dirty oil enters the separator and the centrifugal force created by the
rotating bowl causes the liquid mixture to separate into its different constituents
within the disc stack.
• The solid particles suspended in the oil settle on the underside of the discs and
slide down into the solids holding space at the periphery of the bowl. The smooth
disc surfaces allow the solids to slide down and provide self-cleaning of the discs.
Each bowl assembly is fitted with a regulating ring, sometimes referred to as a
gravity disc. The diameter of the gravity disc will determine the position of the
interface between the oil and the collected separated water and is set according to
the density of the oil to be cleaned.
Fuel Oil and Diesel Oil Separating System
• Being of the self-cleaning type, the accumulated solids within the holding
space are ejected at predetermined intervals depending on the quality of the
oil. The cleaning cycle is achieved automatically; a number of control valves act
to allow the oil to bypass the separator and to open the bowl for a set time.
There is a water monitoring system (WMS), which controls the discharge of
water and a sludge monitoring system (SMS), which controls the discharge of
sludge.
• Separator Control System
• The D10 control unit is used for the automatic ejection control and condition
monitoring of the fuel oil separator. Each fuel oil separator has its own D10
control unit.
• The control unit has three modes of operation.
1) Partial ejections
2) Total ejections
3) Preselected partial ejections followed by total ejection
• The monitoring and control system provides two basic monitoring systems.
1) Water monitoring system (WMS)
2) Sludge space monitoring system (SMS)
Fuel Oil and Diesel Oil Separating System
• Water Monitoring System : Water which is separated from the oil collects in
the outer part of the bowl. The separating disc in the bowl continuously directs
a small flow from the outer part of the bowl to the sensing liquid pump, which
discharges this flow to a conductivity sensor. If the conductivity sensor detects
the presence of water it means that a reasonable amount of water is present
in the bowl. The control system then opens a solenoid operated valve to
discharge the water through the dirty water outlet; the separator is operating
as a purifier. When the water has been discharged the valve is closed and the
separator resumes operation as a clarifier.
• Sludge Monitoring System : Desludging of the bowl normally takes place at
timed intervals, which are changed to suit the quality of the oil being treated.
A sensor in the sludge monitoring system detects the buildup of sludge/water
in the sludge space of the bowl. If the amount of sludge becomes excessive,
the system will activate the automatic desludging procedure even though a
timed desludging operation is not due. If there are more than two untimed
desludging operations between normal timed desludging operations an alarm
is activated and this requires the intervention of an engineer.
Fuel Oil and Diesel Oil Separating System
• The illuminated Liquid Crystal Display (LCD) provides information about the
operating parameters of the separator; all the relevant process data and alarm
conditions are displayed. The components which are controlled or monitored by
the control system include:
• Oil inlet/bypass valve (three-way circulation valve)
• Flushing water
• Operating water
• Circuit and water discharge valve
• Water sensor
• Oil inlet temperature
• Audible alarms
• Software assignment for each separator is carried out in the factory using a
password function. Any alterations to the set parameters should only be carried
out by a person authorised to make such changes. Changes in parameter settings is
not an operational requirement of the separators and is not normally necessary
once the system has been configured for the type of fuel oil being treated. If any
change in parameter settings is required this must only be carried out with the
approval of the Chief Engineer and after consultation with the control system
manual.
Fuel Oil and Diesel Oil Separating System
• The desludging time interval is initially set so that the bowl will open and
discharge the sludge and water before the sludge space is filled. If the
desludging time interval is too short there is excessive sludging and efficiency
of the system can suffer.
• The fuel oil separators require compressed air and fresh water supplies for
control and bowl operation/flushing.
• Each separator discharges sludge from the separator to the FO sludge
collection tank.
Procedure for Separating Heavy Fuel Oil in the
Centrifugal Separator System
• The procedure described is for one separator operation, with a single
separator dealing with the HFO and the other unit being cleaned or awaiting
operation. The description assumes that HFO is being treated and that the
LSHFO system is shut off. The description is for No.1 and No.2 HFO separators
set for HFO separation. It is assumed that the No.3 HFO separator is set for
MDO separation.
a) Ensure that the HFO settling tank filling system is operating.
b) Check and record the level of oil in HFO settling tank and the HFO service tank.
This should be done daily.
c) All valves in the separator system are to be initially closed.
d) Clean the separator feed pump strainers.
e) Set the valves, to take suction from the HFO settling tank and discharge cleaned
HFO to the HFO service tank. The operator must check that the valves are
correctly set before starting the separator.
Note: If No.3 HFO separator is to be used for HFO treatment, the feed pump
suction valve and the feed pump discharge valve must be open. The separator
valves must be open as must the discharge valve to the HFO service tank.
Procedure for Separating Heavy Fuel Oil in the
Centrifugal Separator System
CAUTION
• Before operating a separator a second check must be made to ensure that
the correct valves are open for the separator, heater and pump to be
operated as well as the HFO tank system.
• The separator heater is supplied with steam as the heating medium and the
drain valve from the heater must always be open. The heater is controlled by
the control system and the main separator control system regulates the steam
supply to give the correct temperature for the grade of oil. This temperature
will have been set at commissioning and will not require changing unless the
grade of HFO is changed.
• The separator regulating inlet valve should be set for the desired flow rate and
should not be adjusted during normal running conditions.
f) Ensure the separator brake is off and that the separator is free to rotate. Check
the separator gearbox oil level.
g) Turn the separator power supply switch to the ON position and check that there
is power at the control box and that the control panel is illuminated.
Procedure for Separating Heavy Fuel Oil in the
Centrifugal Separator System
h) Ensure that the D10 control unit is switched on and that it is fully functional.
The LAMP TEST pushbutton, on the D10 panel, must be pressed to test all
illuminated indicators.
i) Start the separator feed/supply pump by pressing the Start/Run pushbutton at
the separator local panel on LGSP . The threeway valve will ensure the HFO
bypasses the separator and returns to HFO settling tank.
j) Start the separator by pressing the Start/Run pushbutton at the separator local
panel on LGSP . Ensure that the bowl runs up to speed smoothly before
continuing. Monitor the load on the separator as it runs up, when the amps
(load) drop back this will indicate that it is up to full speed.
k) Using the manual valves on the solenoid valves ensure the operating water
opens and closes the bowl.
l) Slowly open the steam supply for the separator heater; the drain valve is
normally left open.
m) Check that the automatic controller has taken control of the system and is
maintaining the oil at the correct temperature.
Procedure for Separating Heavy Fuel Oil in the
Centrifugal Separator System
n) Once the HFO temperature is above the minimum setting, start the programme by
pressing PROCESS START soft pushbutton on the D10 control panel. This will initiate
a start sequence including a sludge and discharge test and operate the separator in
automatic mode. Once the separator is running and no signs of abnormal
vibrations are evident, all temperatures and pressures should be recorded. Check
the levels of the fuel tanks in use.
Note: The separator will operate automatically, sludging at timed intervals or when
the control system detects a high level of sludge in the bowl. Water will be
discharged automatically from the bowl. Manual intervention is not required but
visual checks must be undertaken frequently to ensure that the system is
functioning correctly.
• The HFO separator may be operated continuously as required but it must be shut
down periodically for cleaning and inspection according to the manufacturer’s
recommendations.
• The controller has been preprogrammed to perform the desired cycle for HFO
separation. A change in the programmed settings may be required if the
specification of the HFO is changed. The controller handbook must be consulted for
instructions on changing system parameters. Parameters must only be changed by
approved personnel and with the permission of the Chief Engineer.
Procedure for Separating Heavy Fuel Oil in the
Centrifugal Separator System
• Procedure to Stop the Separator
a) Press the PROCESS STOP soft pushbutton. Two total ejections will be triggered
and the separator will stop automatically. The HFO will be automatically
recirculated through the three-way valve back to HFO settling tank.
b) Regulate the steam to the heater and allow the oil to cool.
c) The feed pump will need to be stopped manually.
d) Close the control air and operating water valves to the separator along with any
other valves opened prior to start up.
e) Once the separator has come to a complete stop the brake can be applied and
preparations made for cleaning if required.
CAUTION
• It is essential that the manufacturer’s instructions regarding the stopping and
dismantling of the separator are followed exactly to avoid the risk of
damage. Separator bowls rotate at very high speed and any imbalance or
loose connection can have serious consequences..
Procedure for Separating Heavy Fuel Oil in the
Centrifugal Separator System
• Separating Fuel Oil from the Fuel Oil Service Tank
• The HFO separators may be used for cleaning oil from the HFO service tank
and returning the cleaned oil to the HFO service tank. This is accomplished by
opening the line outlet valve from the HFO service tank. The feed pump
suction valve from the HFO service tank (for No.1 separator or for No.2
separator) must be opened and the feed pump suction valve from the HFO
settling tank ( for No.1 separator or for No.2 separator) must be closed. The
separator valves are open as in the procedure above.
• The separator is operated as above and HFO will be taken from the HFO service
tank and returned to that tank after cleaning in the separator.
• Separating Low Sulphur Fuel Oil
• The HFO separators may be used for treating low sulphur fuel oil in exactly the
same way as described in the procedure above for cleaning HFO. LSHFO is
taken from the LSHFO settling tank and cleaned in the operating separator
then discharged to the LSHFO service tank.
• The procedure is the same as above except for the setting of the valves.
Procedure for Separating Heavy Fuel Oil in the
Centrifugal Separator System
1
2
3
4
5
6
8
8
7
9
9
10
10
11
14
13
15
16
17
18 19
21 20
29
24
22
23
21
26
27 28
30
SAFE ZONE HAZARDOUS ZONE
25
I.G. SYSTEM
IG SYSTEM PIPING
• Heating steam for deck seal
• Vent valve
• Non-return valve
• Deck isolating valve
• Tank isolating valve
• P/V breather valve
• P/V breaker
• I.G. Shore connection
• Purge pipe
• P/V bypass valve
• Flame screen
• Scrubber water pump
• Seal water pump
• Cargo tank
• Safety barrier
• Boiler Uptake
• Flue gas isolating valve
• Scrubber
• Scrubber Seal
• Scrubber drain
• Demister
• Inlet for gas freeing
• Blower inlet valve
• Blower
• Blower outlet valve
• IG atmosphere valve
• Gas regulating valve
• Oxygen analyzer (fixed)
• Deck seal
IG SYSTEM PIPING KEY
1. Boiler Uptake
2. Flue gas isolating valve
3. Scrubber
4. Scrubber Seal
5. Scrubber drain
6. Demister
7. Inlet for gas freeing
8. Blower inlet valve
9. Blower
10. Blower outlet valve
11. IG atmosphere valve
13.Gas regulating valve
14. Oxygen analyzer (fixed)
15. Deck seal
16. Heating steam for deck seal
17. Vent valve
18. Non-return valve
19. Deck isolating valve
20. Tank isolating valve
21. P/V breather valve
22. P/V breaker
23. I.G. Shore connection
24. Purge pipe
25. P/V bypass valve
26. Flame screen
27. Scrubber water pump
28. Seal water pump
29. Cargo tank
30. Safety barrier
1
2
3
4
5
6
8
8
7
9
9
10
10
11
14
13
15
16
17
18 19
21 20
29
24
22
23
21
26
27 28
30
SAFE ZONE HAZARDOUS ZONE
25
1. Boiler Uptake 15. Deck seal
2. Flue gas isolating valve 16. Heating steam for deck seal
3. Scrubber 17. Vent valve
4. Scrubber Seal 18. Non-return valve
5. Scrubber drain 19. Deck isolating valve 28. Seal water pump
6. Demister 20. Tank isolating valve 29. Cargo tank
7. Inlet for gas freeing 21. P/V breather valve 30. Safety barrier
8. Blower inlet valve 22. P/V breaker
9. Blower 23. I.G. Shore connection
10. Blower outlet valve 24. Purge pipe
11. IG atmosphere valve 25. P/V bypass valve
13. Gas regulating valve 26. Flame screen
14. Oxygen analyzer (fixed) 27. Scrubber water pump
I.G. SYSTEM
Color coding as per ISO standard 14726-1
Color coding as per ISO standard 14726-1
Color coding as per ISO standard 14726
Pipelines to be marked
atleast once in each room,
at each penetration point
in bulkheads, wall and
decks close to each valve
within a distance of 3m to
5m of the length of
pipeline whereby local
condition may require
marking due to pipe bends
or the close proximity of
pipes of different services.
Definitions
• Piping is defined to include the following components:
— pipes
— flanges with gaskets and bolts and other pipe connections
— expansion elements
— valves, including hydraulic and pneumatic actuators, and fittings
— hangers and supports
— flexible hoses
— pump housings.
• A piping system is defined to include piping, as well as components in
direct connection to the piping such as pumps, heat exchangers,
evaporators, independent tanks etc. with the exception of main
components such as steam and gas turbines, diesel engines, reduction
gears and boilers.
Classes of piping systems. For the purpose of testing,
type of joint to be adopted, heat treatment and welding procedure,
piping is subdivided into three classes as indicated in Table

Piping system

  • 1.
  • 2.
    PIPING SYSTEM ANDPLAN AN EFFICIENT PIPING SYSTEM IS ESSENTIAL TO THE SAFETY AND CORRECT OPERATION OF ANY ENGINEERING COMPLEX: This is especially true for marine installation like ships. A ships machinery / deck contains hundreds of meters of piping and hundreds of fittings. Valves, strainers, branch pipes, etc. Are examples of fittings which are found in a pipe system. Piping arrangement cover all systems and fittings. The influences of operational and safety requirements , as well as legislation result in somewhat complicated arrangements.
  • 3.
    PREPARATION OF PLAN •It is a usual practice for piping plans to be in diagrammatic form and this is accepted in general by most classification society rules. • Many firms adopt the method of having a separate diagram for each of the piping system on vessel which simplifies the work and reduce possibility of mistakes.
  • 4.
    EXAMPLES OF PIPINGSYSTEMS • Bilge system. • Ballast system. • Oil fuel transfer system. • Oil fuel service system. • Cooling water system. • Lubrication oil system. • Compressed air system. • Steam system. • Exhaust system. • Boiler feed system. • Cargo tank pumping system. • Inert gas system. & etc. etc .
  • 5.
    POINTS TO BETAKEN CARE IN DIAGRAMATIC FORM OF PIPING SYSTEM: • Representing pipelines moving in line to each other: As diagrams are two dimensional so system in vertical plane will be one above the other and it will be difficult for an observer to follow the diagram. To avoid possibility of this problem all pipelines in vertical plane are placed side by side. • Representing pipelines moving at angles or perpendicular to each other: It is important to make it clear whether lines which cross each other represent pipes which are entirely separate or form a pipe junction.
  • 6.
    • Size ofpipeline i.e. Bore of pipe to be clearly stated on the plan. Outside diameter or the thickness of the pipe should be stated for pressure pipes and for air and sounding pipes which are fitted to tanks forming part of ships structure. • Direction of flow should be indicated on pipe: i.e. leading to and from pumps and each pipe should be completed to the final terminal point. • Diagrams of bilge system in the machinery space should indicate capacity of the pumps for bilge service etc.
  • 7.
  • 8.
    USE OF SYMBOLS •Symbols are most helpful in diagrammatic work. Some firms have table of standard symbols amounting to 100 or more in numbers. This would be exceedingly difficult to keep their meaning in mind without constant reference to the table. It is always advisable to keep the no. of symbols within reasonable limits and they should be indicated in some convenient position on each plan.
  • 9.
  • 11.
    General pumping arrangement •The basic plan for most ships pumping system shows suction pipes, together with air and sounding pipes, for all the compartments outside machinery space.
  • 12.
  • 13.
    Non Return Valveson hold bilge suction
  • 14.
  • 15.
  • 16.
  • 17.
  • 18.
  • 19.
    Bilge system tankermachinery space
  • 20.
    Bilge system • Features: Mainbilge line to which the bilge suctions from various compartments are connected with two bilge pumps. Emergency bilge suction from machinery space led to main circulating pump or to the cooling water pump sea inlet line. In tankers one direct bilge suction in after well, while the bilge injection and the other direct bilge suction are fitted at opposite sides of the forward end of machinery space.
  • 21.
    Reciprocating pump suctionlifts at various temperatures.
  • 22.
  • 23.
    Limitation of fillingpressure by relief pipe
  • 24.
    Overflow arrangement fordaily service and settling tank
  • 25.
  • 26.
    Cooling water returnsto sea inlet.
  • 27.
  • 28.
  • 29.
  • 30.
  • 33.
    Steam System • Saturatedsteam is led from the oil fired boiler or the exhaust gas boiler at a normal pressure of 7.0kg/cm2. The steam line from each boiler goes to the common 7.0kg/cm2 steam line from where steam is distributed to users. The common steam line has a branch to the steam dump valve which is pressure controlled and dumps excess steam to the drain cooler. • Caution: Water hammer in steam lines can be a problem and can cause damage to the pipe system and even steam line failure resulting in scalding of personnel. It is essential that all steam lines are drained of condensate and that steam be supplied to cold lines gradually with line drain valves open. This allows the steam line to warm through and for the condensate to drain. Drain valves are located at a number of places in the steam system and these must be opened before the steam valve to that section of line is opened.
  • 34.
    Procedure for SupplyingSteam to the Steam System The auxiliary boiler is operating on automatic control and generates saturated steam at a pressure of 7.0kg/cm2. The description assumes that the entire steam system is shut down and is being warmed through from cold. a) Ensure that the boiler is operating correctly and that the correct steam pressure is being generated. b) Start the sea water cooling system for the central fresh water coolers and ensure that there is a LT cooling water flow through the drain cooler. c) Open all steam line drain valves and drain the section of steam pipe of condensate as the pipe warms up. Where drain traps are fitted, line drain valves may be left open after the pipe has warmed through, otherwise the drain valve must be closed when the pipe is warm and steam issues from the drain valve. d) Open the steam inlet valves to the steam supply section systems.
  • 35.
    Procedure for SupplyingSteam to the Steam System e) Where a steam supply valve is linked with a temperature controlled valve the operating medium for that valve (if any) must be available at the valve. f) When a steam line is warmed through and steam is issuing from the drain, close the drain valve. g) Ensure that each steam line’s associated drain valves are open and that the drain trap is functioning. h) Frequently check the steam system for signs of steam leakage. Note: The drain inlet system to the dump condenser and the inspection tank must be functioning.
  • 38.
    Drains & Feedwater system description • Drains from the auxiliary steam services are returned to the cascade tank, via the drain cooler and the inspection tank. The condensate is then returned to the feed water system. As there is a possibility of contamination from hydrocarbons from oil heating services, the drains are checked in the inspection tank before returning to the system, the inspection tank is also fitted with an oil content detection probe. From the inspection tank the condensate returns to the main body of the cascade tank via a weir line with and external isolating valve and a filter grid. The drain cooler is also used to condense excess steam generated by the exhaust gas boiler in order to maintain the desired steam system pressure. The drain cooler condensate water level is maintained by a water trap in the water outlet. • Valves at the drain line entry to the condenser allow the drain cooler to be bypassed if necessary allowing the condensate to flow directly to the inspection tank. This arrangement allows the temperature of the water in the inspection tank to be increased, by allowing hot condensate directly into the inspection tank, there is no control feature on the bypass line. The condenser bypass can also be used when the dump condenser is being serviced, or when it is defective. • Water flows from the bottom of the inspection tank to the filter tank which is provided with a steam injection heating system in order to heat the boiler feed water should that be necessary.
  • 39.
    Drains & Feedwater system description • The level in the cascade tank is maintained automatically by transferring distilled water from the distilled water tank by means of the feed water transfer pump, float switches located in the after end of the cascade tank control the starting and stopping of the pump. The cooling water transfer pump may be used for this duty should the feed water transfer pump be unavailable. The cascade tank is equipped with a low level alarm and a low temperature alarm. • The inspection tank is fitted with a inspection windows and hydrocarbon monitoring equipment. Should any oil be detected an alarm will sound, steps must then be taken to prevent the pumping of oil into the boilers. The flow from the inspection tank to the cascade tank via isolating valve is from the bottom of the inspection tank, therefore this will reduce the risk of oil carry over to the cascade tank in the short term (depending upon how big the oil leakage is into the condensate system) and hence to the feed pump suction. Any floating sediment or oil in the inspection tank should then be drained through the scum line into the inspection tank to the bilge. • Water from the cascade tank provides the boiler feed pumps with a positive inlet head of pressure to the pump suctions. The condensate outlet temperature from the drain cooler should be sufficient to maintain a temperature of 90°C in the cascade tank. As mentioned previously, the drain cooler bypass valve allows direct entry from the drains in to the inspection tank. If the temperature of the feed water in the tank cannot be maintained in this way, there is a direct live steam injection line into the condensate tank which is fitted with a temperature regulator.
  • 40.
    Drains & Feedwater system description • A salinity sensor is located in the feed pump suction line, this may be bypassed if required. The sensor is linked to a salinity alarm. • There are two boiler feed pumps; these are used for the oil fired auxiliary boiler and the exhaust gas boiler. Each boiler has two feed water lines, the main feed line to each boiler has a control valve which is regulated by the water level in the boiler. In order to ensure a flow of water through the feed pump, even when the feed control valve is closed, there is a return line from the feed pump outlet to the cascade tank. The line from each pump is fitted with an orifice plate in order to reduce the pressure of the water returning to the cascade tank. The auxiliary feed valve on each boiler allows manual control of the water level should there be a malfunction in the feed control system. • Drain traps allow the passage of condensate but not steam, therefore they allow for efficient use of heating steam as the latent heat of evaporation is recovered when the steam condenses. If a drain trap is defective it will allow steam to pass and this results in low efficiency.
  • 41.
    Drains & Feedwater system description • Oil Contamination : If oil contamination occurs every effort must be made to avoid pumping oil into the boilers. The scum valve should be opened in order to remove oil from the surface of the inspection tank. The temperature in the inspection tank should be maintained in order to assist in the oil removal operation. If oil is present in the inspection tank, the drains from the drain traps on all the oil system steam services should be checked until the defective service is located and this must then be isolated for repair. After repair, the drain line and drain trap from the defective service must be cleaned to remove all traces of oil. The inspection tank and the oil content monitor probe must also be cleaned.
  • 42.
    Drains & Feedwater system description • The heating coils in the following services return to the inspection tank through the drains cooler: • HFO storage, service and settling tanks • Calorifier • Heat exchanger for the accommodation • Steam tracing • Air conditioning unit • Oil fired and exhaust gas boiler systems • Waste/sludge oil tanks • FO and LO sludge tanks • Main engine LO tanks • Main engine LO sump tank • HFO and LO separator heaters • Main engine, boiler and diesel generator HFO system heaters • FO overflow tank • Main engine and generator engine jacket FW preheaters • Reefer containers CFW heater
  • 43.
    Drains & Feedwater system description • Procedure for Preparing the Main Condensate System for Operation This description assumes that the system is not yet operational. a) Ensure that the pressure gauge and instrumentation valves are open. b) Fill the cascade tank from the distilled water tank using the feed water transfer pump. The distilled water tank outlet valve must be open as must the feed water transfer pump inlet valve and outlet valve . The inlet valve to the cascade filter tank must be opened, the pump should be operated manually until the cascade tank reaches the desired level and then transferred onto automatic control. The manual/automatic (MAN/AUTO) selection switch is on local group starter panel (LGSP) for the feed water transfer pump in the air conditioning/refrigeration plant area .
  • 44.
    Drains & Feedwater system description c) Check the cascade tank is at the correct level when the boiler is at its operating level. Operational conditions has shown that a high head of water in the distilled water tank has a tendency to force its way through the feed water transfer pump when the pump is set for automatic operations with all of the system valves open. Therefore due to the low losses in the system except for when blowdown operations are carried out, the feed transfer pump can remain in manual with the inlet valve to the cascade tank shut. d) Set up the drain system valves according to the following tables: It is assumed that the LT cooling system is in operation. e) The various services can now be put into operation as required, by opening the associated drain trap outlet valve.
  • 45.
    Drains & Feedwater system description Note 1: In an emergency the cooling water transfer pump may be used to replenish the cascade filter tank from the distilled water tank. Crossover valves must be open as must the pump suction valve and discharge valve . It is essential that the suction valves from the jacket water drain tank and air cooler water drain tank , are closed when using the cooling water transfer pump for transferring boiler feed water. Note 2: Drain valves for all systems are normally left open when a drain trap is fitted, however, if a service is shut down for maintenance the drain valve should be shut as well as the steam valve after the line has been allowed to cool down. The cooling down period is required in order to ensure a vacuum is not formed in the steam line if any remaining steam in the heating coil/ heater condenses. Note 3: Excessive temperature at the drains cooler would indicate a defective drain trap. Services should be isolated in turn until the defective trap is located.
  • 47.
    Boiler Feed WaterSystem • The boiler feed water system is the section of the steam generating plant which circulates feed water from the cascade tank to the oil fired auxiliary boiler and the exhaust gas boiler via the boiler feed water pumps and the feed water regulators. • The feed water flow to each boiler is automatically controlled by the feed water regulating valve in accordance with the variation in water level in the boiler, to maintain the water level constant. • Two boiler feed pumps take suction from the cascade tank and supply the boilers at a maximum rate of 15m3/h and pressure of 15kg/cm2. The feed pumps supply the oil fired auxiliary boiler and the exhaust gas boiler via the main and auxiliary feed lines. The main lines to each boiler are fitted with a feed water control valve which automatically regulates the flow of water to the boiler, in order to maintain the correct water level. The auxiliary feed lines provide for direct feed supply; manual control of the water level in the boiler is required when using the auxiliary feed line.
  • 48.
    Boiler Feed WaterSystem • A small amount of water is directed back to the cascade tank from each feed pump outlet before the feed pump discharge valve; the discharge line from each pump to the cascade tank has an orifice plate in order to reduce the pressure of the water flowing back to the cascade tank. This water discharge ensures that there is always a water flow through the operating feed pump even when the boiler feed control valve is closed. • There are chemical dosing units which supply treatment chemicals to the boiler system. Each dosing unit has a pump which pumps a measured quantity of diluted treatment chemical into the feed system over a period of time. Treatment chemical in the dosing tank is diluted with water from the hydrophore system. One unit pumps treatment chemical into the feed suction line before the feed water pumps. There are two other chemical dosing units, one pumping chemical into the feed line to the oil fired boiler and the other pumping chemical into the feed line to the exhaust gas boiler; which unit operates depends upon which boiler is operating.
  • 49.
    Procedure for Preparingthe Boiler Feed Water System for Operation • The description assumes that the feed water pumps are set to supply the oil fired auxiliary boiler and exhaust gas boiler, with one pump set as the duty pump and the other as the standby pump. The main feed valves are being used via the feed regulator. • a) Ensure that the pressure gauge and instrumentation valves are open. • b) Set up the valves as required. • The feed water pumps can be started and stopped locally or from the pump control screen display in the engine control room; at the control screen one of the pumps is started as the duty pump and another is selected as the standby pump, the pump display is shown below. The standby pump starts automatically if the operating pump is unable to maintain pressure for any reason. A pressure switch on the discharge side of the pumps provides the start signal for the standby pump. The Local/Remote selector switch for each pump is located on it’s respective group starter panel (GSP) on the main switchboard.
  • 50.
    Procedure for Preparingthe Boiler Feed Water System for Operation • Failure of the running pump or a pressure drop below the cut-in set value will start the standby pump. • For initial start only: a) Shut the discharge valve of the selected feed pump. b) Start the feed pump locally and slowly open the discharge valve until the discharge line reaches working pressure. c) Check the operation of the feed water valves on the boiler . d) Fill the boiler(s) to working level. If filling from empty it is preferable to use the auxiliary feed line until the boiler is at it’s correct level. e) Set the duty pump to Master and other pump to Standby. The boiler(s) can now be brought into operation. Note: When supplying chemical feed treatment to the boiler(s), the treatment supply valves to the feed water pipe on the boiler in use must be opened and the chemical treatment dosing pumps started.
  • 51.
    Water Sampling andTreatment System • Sampling and treatment of the boiler water is undertaken in order to prevent corrosion and scale formation in the auxiliary and exhaust gas boilers and to prevent the degradation of the steam quality. Incorrect or inadequate boiler water treatment will seriously damage the boilers and frequent testing and treatment is needed in order to reduce the risk of damage. Even though distilled water is used for boiler feed, the risk of corrosion is present. The pH of the water changes in service and oxygen can dissolve in the water where the feed system is open to the atmosphere. Although maintaining the feed water temperature at a relatively high value, above 60°C, will minimise the amount of dissolved oxygen, the problem is ever present.
  • 52.
    Water Sampling andTreatment System • Analytical tests and chemical treatment must be undertaken in accordance with the instructions supplied by the chemical manufacturer. The treatment must be added in order to maintain the chemical levels within an acceptable range. Excessive treatment can often result in more severe damage than insufficient treatment. The results of chemical analysis on the boiler water must be recorded and the effects of the treatment added can be monitored over a period of time. Floating solid materials in the boiler can be removed periodically by means of the scum valve for each boiler, whilst dissolved solids can be reduced by blowing some of the water out of the boiler and replacing it with fresh distilled feed water. This is boiler blowdown and it is accomplished by opening the boiler blowdown valve for each boiler. The scum and blowdown lines connect to the same blowdown pipe which connects into the starboard overboard sea chest.
  • 53.
    Water Sampling andTreatment System • The oil fired auxiliary boiler and the exhaust gas boiler are provided with water sampling connections, the outlet from these being directed to a sample cooler which is cooled by water from the domestic cold water system; the sample cooler is located on the bulkhead directly outboard of the oil fired boiler. When taking a sample of water from the boiler the water must be allowed to run from the boiler for a minute in order to ensure that a truly representative sample is obtained. The sampling valve on the boiler is located so that it will produce a representative sample, but old water in the lines and cooler must be purged before the testing sample is drawn. The boiler water must be tested every day. The instructions supplied by the water treatment test kit supplier must be followed precisely in order to ensure that the boiler water is correctly treated.
  • 54.
    Water Sampling andTreatment System • Chemicals to be added to the boiler water are mixed with water in chemical dosing unit tanks. Chemical treatment from two of these units injected into the feed lines after the feed pumps but before the feed water regulator for each boilers, the feed water line to the pumps has it’s own injection pump and dosing tank. • Both the auxiliary boiler and the exhaust gas boiler use the same feed tank and so they use the same treated feed water. When shutting down one of the boilers for a short period of time (such as the exhaust gas boiler when the ship is in port) it is essential to ensure that the water in the boiler has been correctly treated. A water test should be carried out as soon as possible after a shutdown boiler is put back on line.
  • 55.
    Procedure for Takinga Sample of Boiler Water a) Open the sample cooler fresh water inlet valve and check the flow of fresh water through the sample cooler. b) Open the water sample inlet valve on the sample cooler and slowly open the sampling valve on the boiler from which a water sample is required and allow boiler water to flow through the sample cooler. For the exhaust gas boiler there is also a line valve which must be opened first. Ensure that water is leaving the sample cooler outlet and not a mixture of steam and water. If the temperature of the boiler water leaving the sample cooler is too high, reduce the flow of boiler water to the sample cooler. c) After the boiler water has been flowing for one minute, collect a sample of the boiler water for analysis. d) Close the boiler sampling valve and then close the sample cooler cooling water valve and the sample inlet valve. e) Analyse the sample of boiler water in accordance with the instructions of the chemical treatment supplier and record the information. Add chemical treatment to the boiler feed water dosing units as required.
  • 56.
    Procedure for Takinga Sample of Boiler Water WARNING • The sampling lines from the boiler are under boiler pressure and the temperature of the water being drawn from the boiler is high. Care must be taken when operating the sampling equipment. The cooling water supply must be confirmed to be flowing before the boiler sample valve is opened. Valves must be opened slowly
  • 57.
    Chemical Treatment Supplyto the Boiler Feed Water • After analysis of the boiler water a decision must be made as to the amount and type of chemicals which are to be added to the boiler feed water, if any. The chemical treatment supplier’s instructions must be followed precisely as under treatment and over-treatment can result in boiler damage. Chemical treatment must be recorded in the boiler water treatment log book. WARNING Care must be taken when handling boiler water treatment chemicals. Protective clothing and goggles must be used. Note: It is essential that details of water analysis are recorded together with details of the treatment added. Only with detailed information is it possible to determine the cause of possible future problems.
  • 58.
    Boiler Blowdown • Ifthe level of boiler water dissolved solids is too high, some of the water must be removed from the boiler and replaced with distilled water from the feed tank. The procedure for blowing down the boiler safely must be followed. If the ship is in port the bridge must be consulted in order to ensure that blowing down the boiler will not cause danger. WARNING When blowing the boiler down the overboard discharge valve must be opened before the boiler or scum blowdown valves. Opening the boiler valves first will subject the blowdown line to full boiler pressure.
  • 59.
    Procedure for BlowingDown the Auxiliary and Exhaust Gas Boilers The blowdown procedure must be performed during low load. a) Check with the bridge that it is safe to blow down the boiler if the ship is in port. b) Open the ship’s side blowdown valves . c) Ensure that the boiler is filled to the high water level. d) Slowly open the boiler scum valve and reduce the water level to the normal position, then close the scum valve. e) Refill the boiler to the high water level position and blow down the boiler using the blowdown valve. After the blowdown of the boiler, close the boiler blowdown valve and then close the line and ship’s side valves. f) Test the boiler chemical concentrations and adjust as necessary.
  • 61.
    Distilled water Transferand Distribution System • The distilled feed water is supplied to the cascade tank from the distilled water tank or if necessary from the main engine air cooler drain tank which receives condensate water from the main engine air coolers when the main engine is in operation. From the distilled water tank (or the main engine air cooler drain tank) water is transferred to the cascade tank via a feed water transfer pump located in an area below the bottom plates on the starboard side. Control level floats in the cascade tank control the cut- in and cut-out operation of the pump when it is set into automatic operation. The pump can be started locally or from the starter panel on LGSP which is located in the air conditioning/domestic refrigeration room. The manual/automatic selection switch for the pump is also positioned on this panel.
  • 62.
    Distilled water Transferand Distribution System • If the feed water transfer pump is inoperative, it’s duties can be taken over by the cooling water transfer pump, in which case the two crossover valves must be opened. When the cooling water transfer pump is used for this duty it will be necessary to control the starting and stopping of the pump manually. • The distillate from the fresh water generator can be discharged to the port and starboard fresh water tanks via a rehardening filter and silver ion steriliser. When the distillate is to be directed to the distilled water tank for use in the boiler, the rehardening filter and steriliser unit must be by passed.
  • 63.
    Procedure for Preparingthe Feed Water Transfer Pump for Operation a) Ensure that the pressure gauge and instrumentation valves are open. b) Open the distilled water tank outlet valve and the feed water transfer pump inlet valve and outlet valve . Open the inlet valve to the cascade filter tank . Set the pump into manual or automatic mode (MAN/AUTO). c) Check the cascade tank is at the correct level when the boiler is at its operating level. • Operational conditions has shown that a high head of water in the distilled water tank has a tendency to force its way through the feed water transfer pump when the pump is set for automatic operations with all of the system valves open. Therefore due to the low losses in the system except for when boiler blowdown and scumming operations are carried out, the feed transfer pump can remain in manual mode with the inlet valve to the cascade tank shut.
  • 64.
    Procedure for Preparingthe Feed Water Transfer Pump for Operation • When blowdown and scumming operations are to take place the cascade inlet valve should be opened and the pump set into AUTO mode. On completion of the boiler water condition control, the pump can be set back into manual and the cascade tank inlet valve shut. It is important that notice is made to the engineering staff on which valve in the system is shut when the pump is on manual control. Note: In an emergency the cooling water transfer pump may be used to replenish the cascade filter tank from the distilled water tank. Crossover valves must be open as must the pump suction valve and discharge valve . It is essential that the suction valves from the jacket water drain tank and air cooler water drain tank , are closed when using the cooling water transfer pump for transferring boiler feed water.
  • 66.
    Main and AuxiliarySea water Systems • The main sea water cooling pumps supply cooling sea water to the two low temperature central fresh water coolers. Main sea water cooling pump No.3 which is fitted with a twin speed motor and a self priming unit has an emergency direct bilge suction form the starboard forward tank top area, the valve handwheel of which projects approximately 1.0m above the floor plate level. • The fresh water generator sea water pump operates the vacuum ejector on the FW generator, it also provides cooling water to cool the vapour produced during operation and supplies the FW generator with feed water. • The sea water pumps take suction from the SW crossover main which connects with the low sea chest on the port side of the ship and the high sea chest on the starboard side. The common sea water suction manifold has suction filters at each end, the filters connecting with the port and starboard sea chests at the sides of the vessel.
  • 67.
    Main and AuxiliarySea water Systems • An anti-fouling marine growth prevention system (MGPS) is fitted which inhibits the growth of marine organisms in the entire sea water system and prevents corrosion in the system. The MGPS system must be operational at all times when the sea water system is working. • The sea suction valves at each sea chest are remotely operated by means of hydraulic deck stand valves located at the 3rd deck level; the deck stand valve for valve is located just aft of the HFO service tanks, the deck stand valves are located just aft of the auxiliary boiler control panel. If necessary the valves may be operated locally if required. This is carried out by lining up the manual handle and spindle key slot and inserting the attached drive key. It is necessary to swing the bypass lever on the control cylinder to the open position, turning the valve handle will operated the valve in the required direction. The overboard discharge valves for the reefer cooling sea water system and the fresh water generator sea water system are operated locally. The discharge lines are lead to common overboard sea chests rather than directly to the ship’s side.
  • 68.
    Main and AuxiliarySea water Systems • The starboard overboard sea chest houses the discharges from the central coolers, FW evaporator, main engine air cooler drain tank cooling water transfer pump (via an oil content sampling unit), ballast overboard discharge to starboard, auxiliary and exhaust gas boiler blowdown, black and grey direct sewage discharge. The port overboard sea chest serves the reefer container coolers, port ballast discharge, bilge discharge from the fire and bilge pump and the discharge from the cargo hold pump. • The main cooling sea water pumps discharge to a common sea water pressure manifold which supplies sea water to the two central fresh water coolers. The sea water then flows overboard through the starboard overboard sea chest. A branch line from the main sea water pump discharge line supplies water to the sewage plant for flushing purposes. • The reefer cooling sea water pumps discharge into a common sea water pressure manifold which supplies the two reefer fresh water coolers. The sea water then flows overboard through the port overboard sea chest.
  • 69.
    Main and AuxiliarySea water Systems • The central fresh water coolers and the reefer fresh water coolers have a facility for backflushing, the backflushing system is operated in order to remove debris from the sea water side of the cooler; this helps maintain the effectiveness of the coolers. Each cooler has an inline filter at the sea water inlet, this must be maintained in a clean condition by removal and manual cleaning as necessary. The interval between cleaning of the inline filter (and backflushing) depends upon the nature and condition of the sea water in which the vessel is operating. An increase in the sea water pressure drop across the cooler indicates fouling and cleaning of the inline filter is necessary. If this cleaning does not reduce the pressure drop the cooler should be back flushed. Inline filter cleaning at monthly intervals should maintain the cooler sea water surfaces in a clean condition. • Cleaning of an cooler inline filter means removal of the filter from the cooler. This requires the cooler to be isolated from the sea water circulation system, by closing the cooler sea water inlet and outlet valves, and then draining of the cooler sea water side. Sea water in the cooler is drained to the bilge and the operator must be prepared to pump the bilge after draining the cooler. Each central cooler holds approximately 987 litres of sea water, the reefer cooler each hold approximately 307 litres of sea water.
  • 70.
    Main and AuxiliarySea water Systems • The sea water cooling pumps can be started and stopped locally or from the pump control screen display in the engine control room; at the control screen one of the pumps is started as the duty pump and another is selected as the standby pump, the pump display is shown on the next page. The standby pump starts automatically if the operating pump is unable to maintain pressure for any reason. A pressure switch on the discharge side of the pumps provides the start signal for the standby pump. The Local/Remote selector switch for each pump is located on it’s respective group starter panel (GSP) on the main switchboard. The GSP for each main sea water pump also houses an ammeter, hour meter, space heater on/off switch plus indicator and a start/stop button. • Failure of either running pump or a pressure drop below the cut-in set value will start the standby pump. • Other pumps taking suction from the SW crossover main are:  Fire and general service pump  Fire and bilge pumps  Two ballast pumps • The port low sea chest has a vent pipe extending to the upper deck level, additionally, each sea chest has a steam connection for weed/ice clearing.
  • 71.
    Procedure for theOperation of the Sea Water Cooling System Crossover Suction Main a) Ensure that all suction strainers are clear. b) Ensure all the pressure gauge and instrumentation valves are open and that the instrumentation is reading correctly. c) Set up the valves as shown in the table below. In this case the low (port) sea suction is in use d) Ensure that the MGPS is operational and start the MGPS when one or more sea water pumps is operating, the procedure for operating the MGPS is described on page 6 of this section. e) The sea suction main is now fully functional, the required sea water pumps may be started as required when a consumer is lined up.
  • 72.
    Procedure for theOperation of the Main Sea Water Cooling System a) Ensure that the sea water crossover suction main is operational as described above. b) Ensure all the pressure gauge and instrumentation valves are open and that the instrumentation is reading correctly. c) Set up the valves as shown in the table below. d) Select the duty pump(s) and the standby pump for the main cooling sea water system and start the duty pump(s) from the screen display. e) Vent the coolers to ensure that there are no pockets of air in the line. Main sea water pump No.3 offers the system a degree of flexibility and therefore an increase in the plant efficiency due to it’s twin speed operation mode, this allows the delivery volume of the sea water pumps to be more closely matched to the cooling load. Normally two pumps are required for operation when the sea water temperature reaches 26°C.
  • 73.
    Procedure for theOperation of the Backflushing System on the Main Central Fresh Water Coolers a) Ensure that the cooling load will be maintained by one cooler while the other one is being backflushed. Each main cooler has a capacity of 60% of the maximum cooling load on the system. The cooler being back-flushed will still be generating a cooling effect as the silt/debris is being cleaned away. b) Set the sea water cooling valves as indicated below: • For No.1 Central Fresh Water Cooler  Open the backflushing outlet valve and inlet valve  Close the sea water inlet valve and outlet valve • For No.2 Central Fresh Water Cooler  Open the backflushing outlet valve CS29 and inlet valve CS28  Close the sea water inlet valve CS27 and outlet valve CS30
  • 74.
    Procedure for theOperation of the Backflushing System on the Main Central Fresh Water Coolers • c) Sea water will flow into the central cooler via the outlet connection and will flow out via the inlet connection. Debris on the cooler surfaces will be dislodged by this counter flow of sea water and will be discharged overboard. • d) Leave the backflushing system operating for about 15 minutes and then open the cooler main sea water inlet and outlet valves and close the backflushing inlet and outlet valves. Check the sea water flow through the cooler. The cooler is now back in operation and the other cooler may be back-flushed. If the cooling load can be maintained during the backflushing operation, then the backflush operation can be maintained for as long as is practicable before reverting to the normal flow
  • 75.
    Procedure for theOperation of the Fresh Water Evaporator Sea Water System a) Ensure that the sea water crossover suction main is operational as described above. b) Ensure all the pressure gauge and instrumentation valves are open and that the instrumentation is reading correctly. c) Set up the valves as shown in the following table: d) Start the fresh water generator ejector pump and operate the fresh water generator as required.
  • 76.
    The Sea WaterMGPS Antifouling System • The sea water system is protected against fouling by the antifouling system. The system protects against marine growth and corrosion by means of anodes. The marine growth protection anodes (MG) are made from copper and the trap corrosion anodes (TC) are made from aluminium. The anodes are fitted in the suction strainers. • The port and starboard side strainers each have two MG anodes and two TC anodes. Anode life is approximately 2.5 years. A low current must be maintained at the sea suction strainer which is not operating. • The MG anodes release copper ions when an electric current is applied and these ions combine with those released from the sea water during electrolysis. The effect of the ions is to prevent or discourage micro- organisms from entering the sea water circulation system thus preventing the breeding of these organisms within the sea water system. • The TC anodes form aluminium hydroxide when an electric current is applied. This forms an anti-corrosion barrier on the steel pipework of the sea water system.
  • 77.
    The Sea WaterMGPS Antifouling System • It is essential that the correct current is always applied to the anodes at the operating sea water suction chest; too low a current results in insufficient protection and too high a current results in rapid wasting of the anodes. The anodes must be checked periodically in order to ensure that they are wasting at the expected rate. Rapid wasting will result in loss of protection when the anodes are depleted but the rapid wasting of the copper anodes can result in high copper deposits on the sea suction strainer resulting in partial blockage. The design current is for the sea water flow of 3,000m3/h, if the sea water flow rate is reduced from this value the current applied to the anodes should also be reduced. • The current settings for the MG and TC anodes should be the same and the currents are adjusted by means of the setting knobs on the control panel. Adjustment of current should only be made after consulting the Cathelco operating manual. Incorrect setting of the current can result in inadequate protection against marine growth and corrosion. • The control panel is located at engine room lower plate level .
  • 78.
    The Sea WaterMGPS Antifouling System • Operating Procedure a) Turn the main power switch at the control panel to the ON position. b) Set the anode currents to the desired values by means of the control knobs, checking the current on the digital ammeter above the control knob. • When the vessel is in ‘Blue Water’ the anode life may be extended by turning the current down to 0.2 A. • If there is signs of marine growth infestation the current may be increased by a maximum of 0.2 A, but if no fouling is present the current may be reduced by a maximum of 0.2 A. Note: If the ship is in fresh or brackish water the display may not reach the recommended current value and this may cause the warning LED to illuminate. This can be ignored as it is the setting in sea water which is important.
  • 80.
    Fresh Water Generatorsystem • The fresh water generator fitted is able to produce up to 35m3 of fresh water per day and essentially consists of the following main components:  Evaporator - The evaporator is a plate type heat exchanger located in the lower part of the generator and is supplied with sea water (feed) and hot water from the main engine high temperature cooling system.  Separator - The separator separates out the brine from the fresh water vapour produced inside the generator and is located between the evaporator and condenser sections.  Condenser - The condenser is located in the upper part of the generator and condenses the hot vapour into liquid so that it can be easily pumped to the distilled water storage tanks  Combined brine/air ejector - The brine and air ejector is driven by sea water supplied from the fresh water generator ejector pump and is used to extract spent brine and any condensable gases from inside the generator casing. In doing this the ejector also produces a vacuum inside the generator’s casing.
  • 81.
    Fresh Water Generatorsystem  Sea water ejector pump - The fresh water generator ejector pump supplies the generator with sea water for use in the evaporator and driving water for the brine/air ejector. The pump is independent of the generator and takes its suction from the sea water crossover main.  Fresh water distillate pump - The distillate pump extracts the condensed fresh water vapour from the condenser and pumps it to the port and starboard domestic fresh water tanks or the distillate tank.  Salinometer - The salinometer continually monitors the quality of the water being produced and directs any out of specification fresh water into the evaporator eductor.  Control panel - The control panel is mounted on the fresh water generator and contains the motor starters, running lights, salinometer, contacts for remote alarms and controls for starting and stopping the generator.
  • 82.
    Fresh Water GeneratorOperation • The fresh water generator is based on two sets of titanium plate heat exchangers acting as an evaporator (lower section) and condenser (upper section) respectively with the heat input to the generator being supplied from the ship’s main engine high temperature cooling system. • To achieve low temperature evaporation within the generator and so improve its operating efficiency, the pressure within the evaporator chamber is reduced. This is achieved using the sea water driven eductor that operates as a brine eductor on the evaporator casing. The sea water flow initially passes through the eductor before being directed into the condenser plate stack at the top of the evaporator. Prior to the sea water entering the eductor a small branch line is taken of the main, this is used as the feed supply via an orifice and manually adjusted feed regulating valve into the evaporator. The feed water entering the evaporator flashes off in response to its lowered boiling point due to the vacuum conditions. After passing around a deflector plate and then passing through a demister, the hot water vapour is drawn upwards into the condensing heat exchanger fitted near the top of the unit. The brine droplets are separated out in the demister and fall to the bottom of the evaporator chamber where they are extracted by the combined brine and air ejector that is driven by the sea water ejector pump.
  • 83.
    Fresh Water GeneratorOperation • Sea water supplied by the sea water ejector pump condenses the vapour to form distilled water. This is extracted by the distillate pump and discharged through a salinometer which monitors the salinity of the fresh water. In the event that it rises above a preset value, 10ppm, an alarm is sounded through the local control panel to the engine room alarm system, the condensate is then directed into the eductor suction line via a solenoid operated dump valve. • A flow meter is fitted at the distillate pump discharge to monitor the amount of fresh water being produced, at full capacity the generator is capable of producing 35 tonnes of fresh water per day. • The distillate from the fresh water generator can be discharged to the port and starboard fresh water tanks via a rehardening filter and silver ion steriliser. The distillate can also be directed to the distillate tank for use in the boiler, in this case bypassing the rehardening filter and steriliser unit. • There is also a connection on the discharge line that allows for filling of the fresh water generator chemical treatment tank.
  • 84.
    Procedure for Startingthe Fresh Water Generator • To operate the fresh water generator, the main engine HT fresh water cooling system and the main engine must both be operational. The sea water crossover main must also be operational. a) A filling valve on one of the fresh water tanks water tank must be opened. b) Ensure that the fresh water generator control panel is switched on, that instrument and gauge cocks are open and that all of the instrumentation is reading correctly. Switching on the fresh water generator also starts the salinometer but by default the alarm is deactivated for a period of 10 minutes at start up. c) Add the correct chemical to the chemical treatment dosing tank and dilute to the correct concentration using fresh water. The fresh water is supplied from the fresh water generator outlet, this should be done when the fresh water generator is operating. Alternatively fresh water may be added manually from the domestic fresh water system by means of a water container. • Treatment chemical is added to the feed sea water in order to prevent scaling in the fresh water generator and foaming during evaporation. The flow valve must be adjusted to give the correct flow rate and this depends upon the treatment chemical used. The suction effect of the sea water flow draws treatment chemical into the water flow and so no dosing pump is required.
  • 85.
    Procedure for Startingthe Fresh Water Generator d) Ensure that the fresh water generator jacket water bypass valve CH10 is open and that the fresh water generator jacket water inlet valve CH08 and outlet valve CH09 are closed. e) The distillate pump outlet valve must be initially closed as must the evaporator feed water inlet valve f) Ensure that the fresh water generator ejector pump discharge strainer is clean. g) Close the air vent valves on the evaporator shell. h) Set the valves as in the following table: i) Close the drain valve on the water ejector. j) Start the sea water ejector pump to create a vacuum inside the fresh water generator. k) When the minimum of 90% vacuum has been obtained open the feed water inlet valve to the evaporator, open the chemical treatment valve and start the pump, check that the flow rate is correct. The flow rate must be adjusted at the fresh water generator supply valve to give the dosing rate recommended by the chemical treatment supplier. The flow meter will indicate the flow rate.
  • 86.
    Procedure for Startingthe Fresh Water Generator l) Open the fresh water generator jacket cooling water outlet valve and the inlet valve. The inlet valve should be opened slowly in order to avoid thermal shock. As the inlet valve is opened the bypass valve should be throttled, insure the pressure and flow are maintained in the HT circuit. m) Boiling will commence in the evaporator section and the vacuum will fall to about 85%. n) Ensure that the salinometer is operating and that the salinometer alarm level is set to 10ppm. o) Allow the evaporator to stabilise ensuring water levels are steady and temperatures are not excessive. Once evaporation has stabilised check the salinometer reading by pressing the SETUP pushbutton. Pressing the + or - pushbuttons at this stage enables the alarm setting to be changed. p) When fresh water is present in the inspection glass on the suction side of the distillate pump, start the distillate pump and open the outlet valve from the distillate pump to the fresh water storage tanks.
  • 87.
    Procedure for Startingthe Fresh Water Generator • The output capacity is regulated by increasing or decreasing the amount of main engine jacket water passing through the heat exchanger. Operate the evaporator jacket water bypass valve to regulate the output capacity, ensuring that under-cooling does not occur. This should be done gradually over a prolonged period of time. • To check that the fresh water generator is operating correctly and that no fouling has occurred, compare the operating temperatures, pressures and production with the data supplied in the manufacturer’s manual and adjust the flow rates and temperatures accordingly. WARNING • Do not operate the plant in restricted waters if the water produced is to be used for human consumption. There are strict regulations governing the operation of fresh water generators near coasts and estuaries and these should be observed. Contact the bridge for information regarding these restrictions when the ship is in coastal waters. CAUTION • It is important to note that the fresh water generator must not be operated without water inside the unit as permanent damage can be caused.
  • 88.
    Stopping the FreshWater Generator Plant a) Fully open the fresh water generator jacket water bypass valve and then close the HT outlet and inlet valves, . The valves should be operated slowly to avoid thermal shock. b) Stop the chemical feed water treatment, close the supply valve. c) Stop the distillate pump and close the discharge valve. d) Press the salinometer ALARM OFF pushbutton to silence the alarm when the fresh water generator is shut down. e) Allow the fresh water generator to cool down before stopping the ejector pump, approximately one hour. f) Open the vacuum breaker air screw valve. g) Close the overboard discharge valve and the ejector pump valves . h) Close the filling valve on the fresh water tank or distilled water tank being filled. i) Open the water ejector drain valve. j) Switch off the fresh water generator at the control panel. Note: Only approved water treatment chemicals must be used and the recommended concentration must be strictly adhered to at all times.
  • 89.
    Chemical Treatment • Duringsea water evaporation inside the fresh water generator there is a risk of scale formation on the heating surfaces that can reduce the efficiency of the plant resulting in decreased fresh water production. • It is therefore important that during normal operations, when the evaporator is working on boiling temperatures above 45°C, that chemical injection into the feed water system is utilised. The injection unit is filled with chemical diluted with water in accordance with the chemical supplier’s recommendations. It is important to ensure that the diluted mix is thoroughly stirred to provide a homogenous blend of chemicals and water and that it is prepared before it is required for use. The flow meter from the chemical dosing unit to the feed water line should be adjusted to cover the maximum fresh water output from the fresh water generator but the exact quantity is dependent on which supplier’s chemical is used. WARNING Care must be taken when handling feed water treatment chemicals to avoid direct skin, eye or clothing contact. Approved eye protection and gloves MUST be worn at all times. In the event of accidental contact, seek medical attention immediately.
  • 91.
    High Temperature CoolingWater System Main Engine Fresh Water Cooling System • The main engine high temperature (HT) cooling system has two cooling water pumps rated at 489m3/h with a pressure of 30mth. The pumps supply cooling water to the main engine jackets, cylinder heads and exhaust valves. • The system operates on a closed circuit principle with the pumps discharging water to the engine cooling system; from the engine the cooling water returns to the pump suction. Cooling water from the engine outlet may also be passed through the fresh water generator as the heating medium. Return water from the fresh water generator is led to the pump suction. A three-way valve in the return line to the pump suction also has a connection with the low temperature central cooling system allowing cooler water from the LT system to flow into the HT system should the temperature at the engine outlet exceed the set value of 90°C. Water flowing from the LT to the HT cooling system replaces hotter water from the HT system which flows to the LT system via valve CH11 which is normally open. Valve CH11 is closed when warming through the HT system via the preheater.
  • 92.
    High Temperature CoolingWater System • High temperature water flowing into the fresh water generator is regulated by the inlet valve and outlet valves at the fresh water. Between the fresh water generator inlet and outlet pipes there is a fresh water generator bypass valve which must be fully open when the fresh water generator is not in use. The fresh water generator is the only direct means of cooling water circulating in the HT system hence the need for transfer of water between the HT and LT systems. • A jacket cooling water preheater is provided, this being steam heated. The preheater is used when it is necessary to warm through the main engine prior to starting from cold; normally the main engine will be circulated with water in order to maintain temperature. The preheater is located between the HT cooling water circulation pumps and the engine inlet. A valve bypassing the preheater, is throttled to ensure a flow through the preheater at all times. The preheater maintains the main engine jacket cooling water temperature when the main engine is at idle or on low load. • Jacket cooling fresh water is supplied by the circulating pumps to the engine cooling water inlet pipe and from this it is directed to the individual cylinder units which are provided with inlet and outlet valves. These valves allow individual cylinder units to be isolated for maintenance; drains at the cylinder units allow water to be drained to the jacket water drain tank. Each cylinder unit can be isolated and drained as necessary.
  • 93.
    High Temperature CoolingWater System • The upper part of the engine cooling water system is connected to the cooling water expansion tank by means of a vent pipe, this allowing for expansion in the system and the venting of air. • The HT cooling fresh water system is linked to the LT central cooling system by means of two pipe connections. One of these allows water from the HT system to flow into the LT central cooling system via CH11, the other allows water from the LT central cooling system to flow into the HT system, via the temperature controlled three-way valve. The temperature at the HT cooling water outlet from the engine is maintained at 90°C, with the three-way valve regulating the flow of water between the LT and HT systems in order to maintain set point value. The HT cooling water system is balanced so that any water flowing out is immediately replaced by water flowing in from the LT system. The LT system connection to the three-way valve is at the outlet from main engine air coolers. • When the engine is operating the water entering the main engine jacket HT cooling fresh water pump suction is a mixture of water from the HT system and from the LT central cooling system. The actual mixture depends upon the temperature of the water leaving the main engine and hence the opening of the three-way valve.
  • 94.
    High Temperature CoolingWater System • When preheating the main engine from cold, the system discharge valve to the LT system CH11 should be closed. This prevents the flow of water between the HT and LT systems, so assisting the HT system to retain heat during the warming through period. • A portion of the circulating cooling water may be directed through the preheater (the quantity is regulated by means of the bypass valve CH05). The preheater is normally maintained in operation when the engine is stopped or operating at low load, it may also be operated in order to ensure sufficient heat is available in the jacket cooling fresh water for operation of the fresh water generator. The steam supply to the main engine jacket cooling fresh water preheater is automatically controlled by a temperature sensor in the inlet line to the main engine. • The expansion tank provides a positive head to the system as well as allowing for thermal expansion of the water in the system. The system can be drained to the jacket water drain tank, which when a unit(s) is being refilled, the water drained into the jacket water drain tank can be transferred back to the expansion header tank via the cooling water transfer pump and isolating valve CH33. The expansion tank can also be replenished using the fresh water hydrophore system. The cooling water expansion tank is fitted with a local level indicator and a temperature indicator.
  • 95.
    High Temperature CoolingWater System • In order to prevent corrosion, chemical treatment is added to the fresh cooling water. This treatment is added to the fresh water expansion tank and is applicable to the HT and LT systems as they both use the same circulating water. It is essential that the circulating fresh water is tested daily and the correct chemical treatment is added in order to prevent corrosion in the cooling water system. A log must be kept of the cooling water tests and the treatment added.
  • 96.
    Preparation for theOperation of the Main Engine Jacket Cooling Water System • The description assumes that the system is being started from cold. a) Ensure that the HT cooling fresh water system is fully charged with water and that all air is vented from the system. Ensure that the cooling fresh water expansion tank is at the correct level and top up from the fresh water system if necessary. b) Ensure that power is available at the three-way control valve and that the valve is operational. c) Ensure all the pressure gauge and instrumentation valves are open and that all instruments and gauges are reading correctly. d) Ensure that the fresh water generator is bypassed, that valve CH10 is open and the fresh water generator inlet valve CH08 and outlet valve CH09 are closed. e) Ensure that all the main engine individual cylinder inlet and outlet valves are open. f) Ensure that all the main engine individual cylinder vent and drain valves are closed. g) Ensure that the condensate drain line is open from the jacket water preheater SE10, that there is a steam supply available and that the steam supply temperature control valve is operational. h) Set up the valves as shown in the following table:
  • 97.
    Preparation for theOperation of the Main Engine Jacket Cooling Water System i) Select and start one main engine jacket HT cooling pump as the duty pump and set the other as the standby. • The HT cooling pumps can be started and stopped locally or from the pump control screen display in the engine control room; at the control screen one of the pumps is started as the duty pump and another is selected as the standby pump, the pump display is shown on the next column. The standby pump starts automatically if the operating pump is unable to maintain pressure for any reason. A pressure switch on the discharge side of the pumps provides the start signal for the standby pump. The Local/Remote selector switch for each pump is located on it’s respective group starter panel (GSP) on the main switchboard. • Failure of the running pump or a pressure drop below the cut-in set value will start the standby pump.
  • 98.
    Preparation for theOperation of the Main Engine Jacket Cooling Water System j) Vent the system, including all engine cylinders. k) Supply steam to the preheater via the system steam isolating valve and the steam control valve, check that condensate flows from the preheater, a drain valve is fitted at the drain trap. l) Slowly bring the jacket cooling water temperature up to operating temperature in line with the engine manufacturers recommendations. The steam supply control valve is regulated by the temperature of the jacket cooling water being supplied to the main engine. The normal engine inlet temperature should be 73°C. m)As the temperature approaches normal operating temperature, the LT link valve CH11 should be opened. The HT and LT system are now linked.
  • 99.
    Preparation for theOperation of the Main Engine Jacket Cooling Water System n) Test the system for chemical concentration daily and add chemicals as required. The system is connected to the LT central cooling system and so both systems are tested and treated together. o) When the jacket system is at the correct temperature and the main engine has been warmed through for the required period of time, the main engine may be started provided that all other systems are operational. The preheater bypass valve CH05 must be throttled in when the main engine is started. p) When the engine is at full power, circulate water through the fresh water generator and operate as required. Note: When the engine is warmed through from the cold condition attention must be paid to all pipe connections, joints and valves in order that any leaks may be quickly detected.
  • 101.
    Low temperature Coolingwater System • The low temperature central fresh water cooling system works on the closed circuit principle; it is linked to the HT main engine jacket cooling fresh water system but it may be considered as a closed circuit. The system has the following features: • Three circulating pumps which supply the services at a rate of 950m3/h and a pressure of 25mth. • Pressure switches on the pump discharges which start the standby pump on low pressure. • Two central coolers, which are cooled by sea water. • An expansion tank which provides a positive head to the system, as well as allowing for thermal expansion. This tank can be topped up from the fresh water hydrophore system or via the cooling water transfer pump. The positive head ensures that, in the event of failure at the coolers, fresh water leaks into the sea water system and sea water does not leak into the fresh water system. This prevents contamination of the fresh water system by sea water which could cause corrosion.
  • 102.
    Low temperature Coolingwater System • Water in the LT system circulates through individual systems as required in order to maintain the desired temperatures in those systems. The pipework is permanently vented from the highest point of the system to the expansion tank. • The circulating pumps receive suction from the system return main lines and discharge water into the outlet main via the fresh water coolers. A three-way temperature controlled valve at the outlet from the coolers allows some of the circulating water to bypass the coolers. Water flowing from the pumps to the LT cooling water distribution manifold is a combination of water which has passed through the coolers and water which has bypassed the coolers. The setting of the three-way valve maintains a water temperature at the distribution manifold of 36°C. Each of the central fresh water coolers has a capacity of 60% of the total maximum cooling requirement.
  • 103.
    Low temperature Coolingwater System • The LT central cooling system supplies the following: • Main engine charge air coolers • Generator engine (No.1, 2 and 3 jacket cooling system and HT charge air cooler (engine driven circulation pumps); LO cooler, LT charge air cooler and alternator • Generator engine nozzle cooling units • The intermediate shaft bearings (two) • Main engine LO coolers • Turbocharger LO cooler • Stern tube LO cooler • Steam dump condenser/drain cooler • No.1, No.2 and No.3 main air compressors • Accommodation air conditioning units and provision refrigeration units • No.1 and No.2 engine control room and workshop unit coolers • Fin stabiliser oil coolers
  • 104.
    Low temperature Coolingwater System • Each generator engine is provided with an engine driven cooling water pump for the HT circuit which covers the cylinders and the HT charge air cooler. A preheating unit, with an electrically driven pump, is fitted in order to ensure that the engines may be warmed through before starting. With one engine operating and the central cooling water system up to temperature, warm water from the central cooling system will circulate around the standby generator engines and maintain them in a warm condition. • The LT central cooling pumps supply cooling water to the main engine charge air coolers and to other items of plant. • The main engine LO coolers are provide with a temperature controlled threeway bypass valve which maintains the LO temperature at the desired value of 45°C. This valve diverts some of the cooling the water flow directly into the outlet line from the LO coolers thus reducing the cooling effect on the LO circulating through the coolers.
  • 105.
    Preparation for theOperation of the Low Temperature Fresh Water Cooling System • The description assumes setting up the system for the first time. In practice the system will normally be operating with at least one generator engine running and so heated water will be circulating. Generator engine jacket cooling is part of the low temperature cooling system and so heated water will be available to the jacket systems of engines on standby. Excess heat from the operating generator engine(s) and other operating equipment is removed by sea water circulating through the central coolers. The generator engine cooling fresh water system is provided with an electric preheater in order to allow the generator engines to be warmed through when on shore power prior to starting. The preheater unit has its own electrically driven circulation pump. a) Replenish the system from the expansion tank, which is filled from the fresh water system or the cooling water transfer pump if water is available in this tank. b) Ensure all pressure gauge and instrumentation valves are open and that instruments and gauges are operating correctly. c) Set up valves as shown in the tables below:
  • 106.
    Preparation for theOperation of the Low Temperature Fresh Water Cooling System • The description assumes setting up the system for the first time. In practice the system will normally be operating with at least one generator engine running and so heated water will be circulating. Generator engine jacket cooling is part of the low temperature cooling system and so heated water will be available to the jacket systems of engines on standby. Excess heat from the operating generator engine(s) and other operating equipment is removed by sea water circulating through the central coolers. The generator engine cooling fresh water system is provided with an electric preheater in order to allow the generator engines to be warmed through when on shore power prior to starting. The preheater unit has its own electrically driven circulation pump. a) Replenish the system from the expansion tank, which is filled from the fresh water system or the cooling water transfer pump if water is available in this tank. b) Ensure all pressure gauge and instrumentation valves are open and that instruments and gauges are operating correctly.
  • 108.
    Preparation for theOperation of the Low Temperature Fresh Water Cooling System • Note: System valves in the above table are shown as open but they must be closed if an item of equipment is being isolated for maintenance. Operation a) Start one low temperature cooling fresh water pump. Under normal circumstances two pumps will be running in Master mode when the operating load is established and most of the services that can be supplied are on line, the third pump will be set to Standby. b) Supply sea water to the central fresh water cooler. Fresh cooling water in the central cooling system will bypass the central coolers by means of the temperature controlled three-way valve until the cooling fresh water reaches the desired temperature. c) Check the level of chemical treatment and dose as necessary. d) Start the generator engine preheater and raise the temperature of one or more generator engine jacket cooling systems. When the temperature is correct the generator engine can be started. As the generator operates it will supply heated water to the central cooling system.
  • 109.
    Preparation for theOperation of the Low Temperature Fresh Water Cooling System e) The central LT cooling system will warm up due to heat supplied by the generator engine. Other machinery systems may be operated as required. When the load on the system increases to the point where it is necessary to start the second pump, bring the second pump on line. Two pumps should now be running with the third on standby. If the ship has been on shore power, a number of systems may already be operating at their operating temperature. When the systems come on line check that the correct temperatures are being maintained throughout the system and that there are no leaks. Vent as necessary the sections on the system. f) When the low temperature central cooling system is operating at the desired temperature the generator engine preheater unit may be shut down. g) Check the water condition in the central cooling system on a daily basis and add treatment chemicals as required. Note: Chemicals may be added to the cooling water expansion tank via the hopper at the top of the tank.
  • 111.
    Generator Engine NozzleCooling System • Nozzle cooling modules provide cooling for the generator engine fuel injectors. One nozzle cooling module serves No.1 generator engine and the other nozzle cooling module serves No.2 and No.3 generator engines. A pump circulates the nozzle cooling water through a heat exchanger to the engine fuel injectors. The return is via a sight glass, any FO contamination of the nozzle cooling water should be observed in this sight glass. • The heat exchanger which is a sealed type is cooled by water from the LT FW cooling system. The nozzle cooling water returns to the pump suction; the complete system is pressurised by a 2.0 bar buffer pre-charged to 1.5 bar. There is one nozzle cooling pump for each module, make-up water for the system is supplied to the unit from the LT cooling fresh water system into the suction side of the pump. • The nozzle unit control panel has a manual/auto selection switch which when set to AUTO starts and stops the nozzle cooling pump only when a generator engine on the system is running. The control panel also has a hours run meter, manual start and stop pushbuttons, stopped and run indication, indication lamps for the power source being on and any abnormal fault condition.
  • 113.
    Refer Container Freshwater cooling System • Container cooling fresh water is supplied by a separate fresh water circulation system which has its own fresh water pumps, coolers, heater, sea water pumps, expansion tank, chemical dosing plant and steriliser unit. The expansion tank is supplied with make-up water from the fresh water hydrophore system and is provided with a low level alarm. • The coolers are supplied with sea water by means of container cooling sea water pumps. The container cooling fresh water system operates on demand from the reefer container system. The container cooling fresh water preheater maintains a minimum temperature of 3°C in the circulating water system on return from the reefer containers; this prevents the water freezing in the pipeline system. • A three-way temperature controlled valve located in the cooler outlet line regulates the water flow through the coolers or bypassing the coolers thereby regulating the temperature of the water being supplied to the reefer containers. The temperature is maintained at 25°C in the supply line to the reefer units.
  • 114.
    Refer Container Freshwater cooling System • The steriliser is located between the container cooling water supply and return lines. The steriliser branch line valves should always be open to ensure that there is always a flow of water through the steriliser. The steriliser operates automatically to maintain the water in a sterile condition. • A pressure control valve is fitted to maintain the pressure in the reefer water circuits within acceptable limits; the valve is set to a pressure of 5.0 bar. This valve bypasses the reefer circuit and passes water from the delivery to the return lines. • A chemical dosing tank located adjacent to the expansion tank is provided to allow the introduction of corrosion inhibiting chemicals to the cooling water system. The tank is isolated from the system, a charge of chemicals is put in the tank and then the supply and return valves are opened so that the chemical is discharged into the circulation system. Note: On the vessel, the chemical dosing tank does not have isolation valve fitted, the supply from the pump, therefore the dosing tank is always under pressure.
  • 115.
    Procedure for Operatingthe Reefer Container Fresh Water Cooling System a) Check that the container cooling fresh water expansion tank is at the correct level and top up as necessary. This is achieved by means of the filling valve from the fresh water hydrophore system. b) Check all instrumentation on the system and ensure that it is operational and reads correctly. c) Ensure that the inlet and outlet valves for the holds are open and that the supply and return valves for each tier of containers are also open. d) Supply sea water to the container cooling fresh water coolers Note: Each tier of containers has a supply and return manifold with inlet and outlet cooling water valves at the pipe connections to the container hoses. The manifold valves must be open when a reefer container is operational.
  • 116.
    Procedure for Operatingthe Reefer Container Fresh Water Cooling System f) Select one of the container cooling fresh water pumps as the duty pump and the others as standby pumps. The number of pumps required will depend upon the cooling requirement which is determined by the number of reefer containers on board. Each pump and cooler is rated as 50% of the total reefer load, therefore the pump and cooler requirements will be determined by the reefer load being carried. g) Start the duty pump and check that water is circulating around the container cooling fresh water system and that the correct temperature is being maintained. h) Start the steriliser unit and ensure that it is operating correctly. i) Open the heater steam supply and drain valves and ensure that the temperature control valves are operating for the steam supply and cooler bypass as required. j) Open the supply and return valves at the reefer containers as required and check their operation.
  • 117.
    Procedure for Operatingthe Reefer Container Fresh Water Cooling System k) Check that the container cooling fresh water system is being maintained at the correct temperature and that there are no leaks. l) Test the concentration of corrosion inhibiting chemical level in the circulating water each day and operate the dosing unit to add treatment chemicals as necessary.
  • 120.
    Main Engine FuelOil Service System • The main and diesel generator engines are intended to burn HFO at all times. Such fuel normally has a viscosity of up to 700cSt at 50°C and this is too high for effective atomisation and combustion. A viscosity at the fuel injectors of between 13 and 17cSt is needed for effective engine operation therefore the fuel must be heated before it is delivered to the engine fuel injection system. The temperature to which it is heated depends upon the initial viscosity of the fuel. A viscosity-temperature chart is provided so that the heating temperature can be determined for any fuel of known viscosity. The viscosity controller monitors viscosity directly and adjusts the heating accordingly so there should be no need for the engineer to intervene. However, knowing what the heating temperature should be allows the engineer to check the functioning of the viscosity controller and enables manual intervention, should the viscosity controller malfunction. • Heavy fuel oil is stored on board in four HFO storage tanks, one of these being dedicated to low sulphur HFO. There are separate HFO and low sulphur heavy fuel oil (LSHFO) settling and service tanks. Under normal circumstances the main engine and generator engines operate continuously on HFO but when environmental circumstances dictate the fuel oil supply system is changed over to LSHFO operation.
  • 121.
    Main Engine FuelOil Service System • Fuel oil (HFO or LSHFO) is transferred from the storage tank(s) to the associated settling tank by means of the HFO transfer pump and from the settling tank the fuel oil is passed through a centrifugal separator before discharge to the associated service tank. There is one HFO transfer pump and one MDO transfer pump; a crossover pipe system, fitted with blanks, allows either pump to be used for HFO or MDO as required. The HFO and MDO transfer pumps are normally used to transfer fuel oil from the storage to the settling tanks (MDO service tank in the case of MDO) but they may be used to transfer HFO between the storage tanks (if necessary) in order to maintain the trim and stability of the vessel. • There are three centrifugal separators which are used to process HFO and fill the appropriate HFO service tank. Each separator has its own feed pump but cross connection valves allow the pumps to be used with any separator. Centrifugal separator No.3 may also be used for diesel oil and it is generally set up for this operation.
  • 122.
    Main Engine FuelOil Service System • At least one of the HFO separators will normally be running at all times, with the throughput balanced to match the fuel consumption of the main and generator engines and the auxiliary boiler. In an emergency the main engine and can be changed over to diesel oil operation, in this case the generator engines will also have to run on MDO. The three diesel generator engines normally operate on HFO, the supply being taken from the fuel oil preparation unit which also supplies the main engine, although they (one or and combination) can be run on MDO independently from the main engine FO supply. Flow meters in the diesel generator engine fuel supply and return lines enable the fuel consumption of the diesel generator engines to be determined. A flow meter in the fuel oil preparation unit after the FO supply pumps enables the total fuel consumption to be calculated for the main engine and generator engines. • The boiler HFO supply is taken from the service tanks and supplied to the burner unit via the boiler FO pumps and a heater. The boiler may also burn MDO from the MDO service tank and waste sludge oil from the clarified oil boiler tank or the sludge preparation tank. The boiler pilot burner operates on diesel oil.
  • 123.
    Main Engine FuelOil Service System • Outlet valves from all fuel tanks are of the quick-closing type with a collapsible bridge which can be operated from the fire control station on A deck. After being tripped from the fire control station the valves must be reset locally. The FO service and settling tanks are also fitted with a self-closing test cocks to test for the presence of water and to drain any water present. Tundishes under the self-closing test cock drain any test liquid to the waste oil tank. All tanks and heaters are supplied with steam at 7kg/cm² from the ship’s steam supply, with condensate flowing to the drain cooler and then into the observation tank before passing into the cascade tank, the observation tank is fitted with an oil detection unit. • The steam supply to both fuel oil preparation unit heaters is controlled by a viscosity controller. All fuel oil pipework is trace heated by small bore steam pipes laid adjacent to the fuel oil pipe and encased in the same lagging. • Heated and filtered fuel oil is supplied to the main engine from the HFO service tank, or the LSHFO service tank if operating on low sulphur fuel. However, it is possible to run the main engine on MDO should that be necessary. There are supply valves to the fuel oil preparation unit from the HFO service tanks and the MDO service tanks, in normal operations the valve from the HFO service tanks is open and the valve from the MDO service tank is closed. In order to change to operation on MDO the valve from the MDO service tank is opened and the three- way valve is changed over from the HFO service tanks to the MDO service tank.
  • 124.
    Main Engine FuelOil Service System • Heavy fuel oil from the HFO service tank, or LSHFO service tank, is supplied to one of two low pressure fuel oil supply pumps. The second pump will be on automatic standby and will start in the event of discharge pressure drop or voltage failure of the running pump. A suction filter is located immediately before each low pressure FO supply pump, an automatic backflushing filter set (15μm) with a manual bypass filter is located directly after the FO supply pumps. A fuel flowmeter is located at the outlet from the low pressure FO supply pumps and automatic filter unit. A pressure regulating valve, set at a pressure of 5.0kg/cm2 is located after the FO supply pumps, this returns released FO back to the pump suction. • The low pressure FO supply pumps discharge through the flowmeter to the fuel mixing unit from which the FO circulation pumps take suction. There is also a connection to the fuel mixing unit from the main engine and generator engine return fuel lines. Valve FM32 connects the return FO line to the fuel mixing unit, this return line is also provided with an automatic regulating valve from the main engine FO supply line, set at 10.0kg/cm2. If necessary the FO return can be directed back to the FO service tank via FM33, in normal operations is valve is kept shut, it is necessary to use this return line then the appropriate inlet valve to the HFO or LSHFO service tank must be open.
  • 125.
    Main Engine FuelOil Service System • Heavy fuel oil is drawn from the fuel mixing unit into the operating FO circulating pump which discharges to the FO heaters and viscosity testing and control unit. The second FO circulating pump will be selected for automatic standby and will start in the event of discharge pressure drop or voltage failure of the running pump. The fuel oil circulating pump discharges through a pair of main engine fuel oil heaters where the oil is heated to a temperature corresponding to a viscosity of 12cSt using steam at a pressure of 7kg/cm² A viscosity controller is located in the fuel line after the heaters and is used to regulate the steam supply to the heaters in order to maintain the correct fuel viscosity. The viscosity measuring device can be bypassed if necessary. Normally only one of the fuel oil heaters is required in order to maintain the HFO at the desired viscosity. • The heated FO passes through a final filter (35μm) to the main engine fuel rail which supplies the common rail fuel pumps. The inlet line to the engine fuel system, which is provided with a pressure regulating valve, connects the engine fuel supply line with the outlet fuel line from the engine. This valve is set at a pressure of 8kg/cm2 and it regulates the pressure at the inlet to the main engine fuel pumps, diverting excess oil to the HFO outlet line from the engine to the fuel oil mixing unit.
  • 126.
    Main Engine FuelOil Service System • The main engine operates on the common rail fuel system with a number of engine driven high pressure fuel pumps pressurising the fuel rail. From the common fuel rail the high pressure fuel is directed to the cylinder injectors via the volumetric fuel control unit. • Fuel is supplied to the cylinder fuel injectors with the correct timing and in the correct amount to allow the cylinders to develop the desired power. There is no circulation of fuel through the fuel injectors but fuel is released at the fuel rail pressurisation pumps and the common fuel rail; this ensures circulation of fuel and maintains the common fuel rail at the correct temperature at all times. The released fuel flows back to the FO mixing unit in the fuel preparation unit. • The high pressure fuel pump lines, the common fuel rail and the high pressure fuel injector pipes on the engine, between the common rail and the injectors, are sheathed; any leakage from the annular spaces formed between the sheathing and the high pressure pipe is led to an alarmed leakage tank and then to the fuel oil drain tank. • The generator engine HFO supply is taken at the outlet from the fuel preparation unit before the final filter. The FO return line from the generator engines joins the main engine fuel return system between the main engine outlet and the fuel mixing unit.
  • 127.
    Main Engine FuelOil Service System CAUTION • Care must always be exercised when dealing with fuel oil and the overheating of HFO and MDO in the service tanks and the fuel system must be avoided. • Note: The main and generator engines are normally operated continuously on HFO. The fuel preparation unit supplies the main and generator engines and so if the fuel supply to the fuel preparation unit is changed to MDO or LSHFO the main and generator engines will be supplied with the same fuel. • Note: If circumstances require a change to low sulphur fuel consideration must be given to changing the main engine cylinder lubricant. Normally the cylinder lubricating oil has a high alkalinity in order to neutralise the acid products of combustion. If the engine fuel is changed to one with a very low sulphur content (below about 1.5%) the high alkaline additive in the cylinder oil can result in deposits on the cylinder line which can cause damage to the line and piston rings. The engine builder and cylinder lubricant supplier must be consulted for advice on cylinder lubrication if the main engine is to operate for prolonged periods on very low sulphur fuel.
  • 128.
    Main Engine FuelOil Service System CAUTION • Care must always be exercised when dealing with fuel oil and the overheating of HFO and MDO in the service tanks and the fuel system must be avoided. • Note: The main and generator engines are normally operated continuously on HFO. The fuel preparation unit supplies the main and generator engines and so if the fuel supply to the fuel preparation unit is changed to MDO or LSHFO the main and generator engines will be supplied with the same fuel. • Note: If circumstances require a change to low sulphur fuel consideration must be given to changing the main engine cylinder lubricant. Normally the cylinder lubricating oil has a high alkalinity in order to neutralise the acid products of combustion. If the engine fuel is changed to one with a very low sulphur content (below about 1.5%) the high alkaline additive in the cylinder oil can result in deposits on the cylinder line which can cause damage to the line and piston rings. The engine builder and cylinder lubricant supplier must be consulted for advice on cylinder lubrication if the main engine is to operate for prolonged periods on very low sulphur fuel.
  • 129.
    Procedure for Preparingthe Main Engine Fuel Oil Service System for Operation • It should be remembered that the main engine and the generator engines normally operate on HFO at all times and they use the same HFO system. A change to MDO can be made for reasons given below and either the entire fuel system or the generator engine fuel system is changed to MDO operation for normal use. It is possible to change just one generator engine to MDO operation, this would for example be done prior to shutting down for major maintenance. A ‘port’ generator engine MDO pump is provided to flush MDO through a generator(s) engine’s fuel system and supply MDO to the generator engines separately from the main fuel preparation unit. There are separate HFO and MDO supply and return lines for all generator engines. The MDO supply line has a pressure relief valve which operates at a pressure of 4.0kg/cm2 returning back to the MDO service tank. • The following procedure illustrates starting from cold, with the entire fuel system charged with MDO and in a shut down condition. This will only occur during dry- docking when shore power is used; the generator engines would then be flushed through with MDO and would need to be changed to HFO operation when the main fuel system is changed to HFO. The main engine is to be started on MDO and be changed over to HFO operation when running. Changing to HFO operation should take place when the main engine is operating below 75% of MCR and this power should be maintained until the fuel temperature has stabilised at the correct value.
  • 130.
    Procedure for Preparingthe Main Engine Fuel Oil Service System for Operation a) Start one of the HFO separators and fill the HFO service tank/ LSHFO service tank from the appropriate FO settling tank. Ensure that the MDO service tank has sufficient fuel for operating the main engine and generator engines, replenish this tank if required. b) Ensure that the filters are clean. c) Ensure that the HFO service tank/LSHFO service tank is heated to the desired temperature and that trace heating steam is available at the HFO lines. A steam supply must be available for tank and trace heating. d) Ensure that all instrumentation valves are open and that all instruments and gauges are reading correctly. • The main engine is supplied with MDO from the MDO service tank via tank quick-closing valve FM59EV, line non-return valve FM65 and three-way supply valve FM03 • The generator engines will be operating on MDO which is supplied by the fuel preparation unit or the ‘port’ generator engine MDO pump. When the fuel oil preparation unit is operating it may also be used to supply MDO to the generator engines. However, when the fuel oil preparation unit is changed to HFO the generator engines will be supplied with HFO and this can cause instability in power generation and electrical supply due to changes in fuel temperature. In order to avoid this the generator engines should be supplied with MDO by the ‘port’ generator engine MDO pump until the main engine is operating satisfactorily on HFO.
  • 131.
    Procedure for Preparingthe Main Engine Fuel Oil Service System for Operation • Individual generator engines can be changed to HFO operation off load . The ‘port’ generator engine MDO pump suction valve FM60 and discharge valve FM62 are normally left open but the recirculation line valve back to the MDO service tank FM63 is normally closed. f) Check that there is sufficient HFO in the HFO service tank and that the fuel in the tank has been heated to the correct temperature. g) Select and start the duty FO supply pump and the duty high pressure FO circulating pump. • The FO circulating and supply pumps can be started and stopped locally or from the pump control screen display in the engine control room. The standby pump starts automatically if the operating pump is unable to maintain pressure for any reason. A pressure switch on the discharge side of the pumps provides the start signal for the standby pump. The Local/ Remote selector switch for each pump is located on it’s respective group starter panel (GSP) on the main switchboard.
  • 132.
    Procedure for Preparingthe Main Engine Fuel Oil Service System for Operation • Failure of the running pump or a pressure drop below the cut-in set value will start the standby pump. h) Start and run the main engine on MDO and ensure that it operates correctly. When the time has come to change over to HFO operation and the engine is operating steadily at below 75% MCR, proceed as follows. i) Open the engine HFO line trace heating steam and drain valves together with the steam supply and drain valves for the fuel heaters. j) Check that the trace heating lines are warm and that the HFO in the HFO service tank is at the correct temperature. k) Check that the HFO service tank quick-closing outlet valve FM01EV is open (this will normally be open when it is permitted to burn HFO as the tank valve also supplies the auxiliary boiler). Turn the three-way fuel supply valve FM03 so that the FO supply pumps take suction from the HFO service tank rather than the MDO service tank. Heated HFO will be drawn from the HFO service tank and will flow through the system. It will be mixed with returning MDO flowing back to the fuel mixing unit, the viscosity controller will monitor the mixture and adjust the steam supply to the heater in order to obtain the correct viscosity.
  • 133.
    Procedure for Preparingthe Main Engine Fuel Oil Service System for Operation l) Monitor the engine operation for any abnormal conditions. The engine conditions will fluctuate slightly during the transition phase from MDO to HFO operation and exhaust temperatures and speed will vary slightly. m) Gradually all MDO in the return line and the fuel mixing unit will be used and the engine will be operating on HFO with the viscosity controller maintaining the correct fuel viscosity. The time taken for all of the MDO to be displaced depends upon the engine’s fuel consumption but all MDO in the engine fuel supply system should have been used in about 15 minutes. n) When the engine is running under stable conditions on HFO, the load may be increased above 75% MCR to the desired value. o) The outlet quick-closing valve FM59EV from the MDO service tank must be left open as MDO is supplied to the generator engines via the ‘port’ generator engine MDO pump. The nonreturn line valve (FM65) from the MDO service tank to the fuel preparation unit three- way supply valve should be closed. p) The main engine is now operating on HFO. Note: The main engine is designed to run and manoeuvre on HFO and the change to MDO operation should only be made if the fuel system is to be flushed through for maintenance work, or when the plant is to be switched off for prolonged periods or for environmental reasons.
  • 134.
    Procedure for Preparingthe Main Engine Fuel Oil Service System for Operation Note: It is assumed that the HFO service tank is to be used and return oil will pass to this tank when the change is made to HFO operation. CAUTION Trace heating should not be applied to sections of pipeline isolated by any closed valves on the fuel oil side as damage could occur due to the restricted expansion of the contents. • As the main engine and the generator engines take fuel from the same fuel preparation unit, changing from HFO to MDO or vice versa will cause both engine systems to operate on the same fuel. The main engine and generator engines are designed to run on HFO at all times. However, changeover to MDO can become necessary if, for instance, an engine in question is expected to have a prolonged inactive period due to major repairs of the fuel oil system etc, or a dry-docking resulting in a prolonged stoppage of the main engine. Additionally, environmental legislation may require the use of low sulphur fuels. If there is a need to change the main and generator engines to LSHFO or MDO for environmental or other reasons, the entire fuel system may be charged with LSHFO or MDO.
  • 135.
    Procedure for Changingthe Entire Fuel System to Low Sulphur Heavy Fuel Oil Operation from Heavy Fuel Oil Operation whilst the Engine is Running • A change from HFO to LSHFO may be made at any time whilst the engine is running without any special precautions as the LSHFO has similar heating requirements as the HFO. Under normal circumstances a changeover to LSHFO will be made before the vessel arrives at the environmentally sensitive region and a change from LSHFO to HFO operation will be made when the vessel is at sea moving away from the environmentally sensitive region. a) Ensure that the main engine is operating under stable conditions and that the HFO and LSHFO service tanks have sufficient fuel for prolonged operation of the main and generator engines and the auxiliary boiler. b) Ensure that the fuel tanks are at the correct temperature, that all trace heating is satisfactory and that the fuel preparation unit is operating correctly. c) Open the quick-closing outlet valve from the LSHFO service tank FM02EV. Close the quick-closing outlet valve from the HFO service tank FM01EV. LSHFO will be supplied to the fuel preparation unit and will gradually replace all of the HFO in the fuel system. The main and generator engines will then operate on LSHFO.
  • 136.
    Procedure for Changingthe Entire Fuel System to Low Sulphur Heavy Fuel Oil Operation from Heavy Fuel Oil Operation whilst the Engine is Running d) When all HFO in the system has been replaced by LSHFO (about 10 to 15 minutes with the engine operating at normal full speed), open the return line inlet valve FM34 to the LSHFO service tank and close the return line inlet valve FM66 to the HFO service tank. The returning fuel from the main engine goes to the FO mixing unit and not to the service tank but returning fuel from the boiler fuel unit goes back to the service tank and so it is important that the return valve is open on the tank from which fuel is taken. Note: The procedure for changing the fuel system from LSHFO to HFO operation is the same as that described above except that the HFO tank valve is opened and the LSHFO service tank valve is closed. When changing from LSHFO to HFO operation the tank return valves must also be changed over as soon as the change to HFO operation is made. This avoids the risk of any HFO being returned to the LSHFO service tank and so prevents contamination of the LSHFO in the tank. Note: The HFO and LSHFO service tanks should be replenished from the associated settling tank via the separator system in order to maintain an adequate supply in the tank.
  • 137.
    Procedure for Changingthe Entire Fuel System to Diesel Oil Operation from Heavy Fuel Oil Operation whilst the Engine is Running • A changeover can be performed at any time during engine running but is more usually carried out just prior to arrival in port. To protect the injection equipment against rapid temperature changes, which may cause sticking/ scuffing of the fuel valves and of the fuel pump plungers and suction valves, the changeover is carried out as follows (manually). • This procedure puts the entire fuel system on MDO operation and so the generator engines will also be changed to MDO operation. a) Check that there is sufficient MDO in the MDO service tank and fill the tank if necessary. b) Reduce the main engine load to 50% of MCR load. c) Open the sludge cock on the MDO service tank in order to remove any water from the tank. d) Check that the MDO service tank quick-closing valve FM59EV is open. This valve will always be left open to supply MDO to the ‘port’ generator engine MDO pump. e) Shut off the steam supply to the FO heaters and the trace heating lines.
  • 138.
    Procedure for Changingthe Entire Fuel System to Diesel Oil Operation from Heavy Fuel Oil Operation whilst the Engine is Running f) When the temperature of the HFO in the FO heater has dropped to about 25ºC above the temperature in the MDO service tank, but not below 75ºC, open the non-return fuel line valve FM65 from the MDO service tank. Change the fuel supply three-way valve in order to supply MDO to the fuel preparation unit and shut off HFO from the fuel preparation unit. g) The HFO service tank quick-closing valve FM01EV (or the LSHFO service tank valve FM02EV if LSHFO is being supplied) should remain open in order to supply HFO or LSHFO to the boiler. The appropriate return valve on the HFO or LSHFO tank must be left open. h) Diesel oil is now fed to the FO supply pumps and as the HFO is gradually used by the engine MDO will fill the fuel lines. Note: If, after the changeover, the temperature at the heater suddenly drops considerably, the transition must be moderated by supplying a small amount of steam to the heater, which now contains diesel oil. Note: The generator engines will be changed to MDO operation at the same time as the main engine and the operation of the generator engines must also be monitored during this changeover period. In order to prevent generator engine instability problems during the changeover period it is preferable to change at least one generator engine to MDO operation separately prior to carrying out the changeover operation.
  • 139.
    Procedure for Changingthe Entire Fuel System from Heavy Fuel Oil Supply to Diesel Oil Supply during Standstill • Ideally the change to MDO should be undertaken whilst the main engine is running but under some circumstances it may be necessary to flush the fuel system with MDO whilst the engine is stopped. It should be remembered that the main engine is normally manoeuvred on HFO and HFO will remain in the fuel system whilst the engine is stopped under normal circumstances. Heavy fuel oil is recirculated from the main engine fuel manifold outlet back to the fuel mixing unit from where the FO circulating pump takes suction. When changing from HFO to MDO during engine standstill, the HFO in the fuel lines must be replaced by MDO and the HFO is forced back to the HFO service tank, or the LSHFO service tank if the engine has been operating on LSHFO, as it is replaced by MDO. • The procedure described below assumes that the fuel system is still being circulated with hot HFO supplied from the HFO service tank. a) Shut off the steam supply to the FO heaters and the trace heating system. b) Ensure that there is sufficient ullage in the HFO service tank (or the LSHFO service tank) to accommodate the oil displaced from the fuel system. Ensure that the return inlet valve to the HFO service tank FM66 (or the return inlet valve FM34 to the LSHFO service tank if the engine has been operating on LSHFO) is open. This valve should always be open when the engine is operating on this type of fuel. c) Sludge the MDO service tank to remove any water.
  • 140.
    Procedure for Changingthe Entire Fuel System from Heavy Fuel Oil Supply to Diesel Oil Supply during Standstill • Regarding temperature levels before changeover, see ‘Changeover from Heavy Fuel to Diesel Oil during Running’. d) Check that the MDO service tank quick-closing outlet valve FM59EV is open. This valve will normally be left open to supply MDO to the ‘port’ generator engine MDO pump. e) Open the MDO supply non-return line valve FM65 and turn the fuel supply three-way valve FM03 to supply MDO to the fuel preparation unit. f) The operating HFO service tank quick-closing valve FM01EV (or the LSHFO service tank valve FM02EV) should remain open in order to supply fuel to the auxiliary boiler from this tank. g) Open the fuel system return valve to the service tank FM33 and close the fuel mixing unit inlet valve FM32. h) The FO supply pump and FO circulating pump will draw MDO into the fuel system and displace HFO (or LSHFO).
  • 141.
    Procedure for Changingthe Entire Fuel System from Heavy Fuel Oil Supply to Diesel Oil Supply during Standstill i) When the HFO is replaced by MDO, open the inlet valve to the fuel mixing unit FM32 and close the return line valve to the fuel oil service tanks FM33. It will take about 10 minutes for all of the HFO in the system to be displaced by MDO; a check can be made on the temperature of the inlet line to the fuel service tanks as a drop in temperature will indicate the return of MDO rather than heated HFO. Some MDO will be pumped to the HFO service tank (or the LSHFO service tank if that has been operating) but the quantity will be small and the MDO will be diluted in the HFO in the tank. j) When the system is filled with MDO stop the viscosity controller. k) When convenient, the FO supply and circulating pumps may be stopped if the generator engines are to be supplied by the ‘port’ DO pump, otherwise the supply and circulating pumps must remain in service to maintain the supply to the generator engines.
  • 143.
    Generator Engine FuelOil Service System • The three generator engines are designed to run on HFO at all times but they may operate on MDO should that become necessary. The fuel lines should be flushed with MDO when an engine is shut down for prolonged periods. • Heavy fuel oil is supplied to the generator engine from the main fuel supply line after the viscosity transducer of the fuel preparation unit. Fuel supply lines to the generator engines are fitted with trace steam heating. A pressure regulating valve is located in the supply line to the generator engines and this is adjusted to give a pressure of 7.5kg/cm2 in the generator engine fuel supply line. This pressure regulating valve may be bypassed. • Fuel oil flowing from the main FO line passes through a flow meter to the generator engine supply manifold and then to the individual generator engines via supply valves arranged in a manifold with the return, crossover isolation valves and flow control valves in one area. Immediately before the individual engine inlets there is a quick-closing valve, these valves are operated from control cabinets located in way of the respective forward entrance doors to the generator rooms on the third deck. • The flow control valve should be adjusted to ensure the correct fuel supply pressure to the generator engine. Some heated HFO will always bypass the engine through this valve, this ensures that the engine fuel supply system remains hot even when the engine is not running.
  • 144.
    Generator Engine FuelOil Service System • Excess fuel is supplied to the engine and that fuel not used by the engine, together with the fuel flowing through the flow control valve, returns to the mixing unit of the fuel preparation unit. Return flow is via a flow meter thus allowing the generator engine fuel consumption to be determined (the fuel inlet flow meter reading minus the fuel outlet flow meter reading). • There is a supply connection to the generator engines from the ‘port’ generator engine MDO pumps for flushing through the system and for operation on MDO should that be required. Return MDO lines from the generator engines flow to the MDO service tank. A pressure relief valve in the return line to the MDO service tank (located by the manifold valves for No.2 and 3 generator engine) is set at a pressure of 4.0kg/cm2, this allows that pressure to be maintained in the MDO generator system. The ‘port’ generator engine MDO pump has a direct line back to the MDO service tank via the pressure relief valve and line valve FM63 which should be open when initially circulation MDO when the generators are being prepared to be changed over to run on MDO. • Individual generator engines may be changed to MDO operation as required with the other engines operating on HFO. • The high pressure fuel injection lines on the engine are sheathed and any leakage from the annular spaces formed by the sheathing is led initially to a fuel oil leakage pot which is adjacent to the line filters on the engine. The hot FO supply pipeline into the engine passes through this leakage alarm pot to ensure any liquid in the pot remains hot and fluid and does not set. From here the fuel leakage runs down to the to the fuel oil drain tank.
  • 145.
    Procedure for theOperation of the Generator Engine Fuel Oil Service System a) Ensure that all instrumentation valves are open and check that all instrumentation is reading correctly. b) Ensure the filters are clean. c) The generator engines will operate on HFO which comes from the main fuel system, the viscosity being regulated by the viscosity controller and the heaters raising the temperature. • If any work is to be carried out on the fuel system of the generator engine the fuel system may be flushed through with MDO. • The ‘port’ generator engine MDO pump suction and discharge valves must be open, together with the MDO service tank outlet valve FM59EV, in order to ensure that the generator engines will be able to operate on MDO should that be necessary. The line valve FM63 to the pressure regulating valve must also be open to ensure circulation until a generator is changed over to MDO, this valve should then be shut when a generator is changed onto MDO. Note: When a generator engine is shut down, heated HFO will be circulated through the fuel system by the high pressure FO circulating pump and the fuel system will remain ready for an engine restart. The fuel bypass flow control valve allows some circulating fuel to bypass the engine and this ensures that the fuel system is maintained in a warm condition.
  • 147.
    Procedure for Flushingan Generator Engine Fuel System with Diesel Oil when the Engine is Stopped a) Ensure that the engine is shut down and the starting system is disabled. b) Ensure that there is sufficient MDO in the MDO service tank. c) The system valves must be set as in the description above for normal operation of the generator fuel system. d) For the generator engine concerned set the valves. e) Shut off tracing steam to the fuel system of the generator engine concerned. f) Start the ‘port’ generator engine MDO pump and supply MDO to the fuel system of the generator engine concerned. HFO will be forced out of the generator engine system and be replaced by MDO. The HFO will flow back through the FO return line and into the fuel mixing unit. g) When the HFO has been replaced by MDO in the engine system open the MDO outlet valve for the generator engine concerned and close the HFO outlet valve for that engine. Purging of the HFO from the generator engine system will take about 5 minutes; when the temperature of the fuel outlet pipe from the engine falls this indicates that MDO is flowing. h) When the fuel system of the generator engine concerned is charged with MDO stop the ‘port’ generator engine MDO pump. • The generator engine fuel oil system is now charged with MDO. i) The engine may be run on MDO if the MDO ‘port’ pump is kept operating in order to supply MDO to the generator engine concerned. • If the fuel system of another generator engine is to be flushed through with MDO the above procedure is repeated for that engine. • Before starting the engine the fuel system may be refilled with heated HFO from the fuel preparation unit.
  • 148.
    Procedure for Flushingthe Generator Engine Fuel System with Heated Heavy Fuel Oil for Starting a) Ensure that heated HFO is circulating in the main fuel system and that the fuel preparation unit is functioning correctly. b) Ensure that the generator engine concerned is disabled and cannot be started accidentally. c) For the generator engine concerned set the valves as follows: d) Heated HFO will circulate through the generator engine fuel oil system and the displaced MDO will flow to the fuel mixing unit and will mix with the HFO already in the system. Note: In each case the HFO outlet valve from the engine must be opened and the MDO outlet valve closed; this is quickly followed by opening of the HFO inlet valve and closing of the MDO inlet valve. Note: Although the system described above allows MDO to flow into the HFO circulation system, the amount is very small compared with the quantity of HFO circulating and the dilution effect is insignificant. Allowing the MDO to flow into the HFO system prevents any HFO from getting into the MDO system.
  • 149.
  • 150.
    Boiler Fuel OilSystem • Fuel oil for the boiler is taken from the HFO service tank or the low sulphur HFO service tank. The boiler may also be operated on MDO from the MDO service tank when starting from cold and when setting the supply line for sludge burning. MDO is used in the ignition burner which provides ignition for the main burner. The MDO for the ignition burner is taken from the MDO supply line to the MDO supply pump. • The boiler may also burn sludge oil taken from the sludge preparation tank or the clarified oil boiler tank. Sludge oil is pumped to the sludge preparation tank by the sludge pump, which takes suction from the waste oil tank, the main engine LO sludge tank, the generator engine LO sludge tank and the fuel oil sludge tank. The sludge preparation tank overflows to the waste oil tank. • Fuel is supplied to the boiler’s main burner by one of two FO service pumps which are part of the boiler fuel oil unit. The pump switches on the boiler’s control panel must be turned to MAN in order to enable the pumps to operate. Selector switches on the boiler control panels are used to select the pumps for duty and standby operation. The burner inlet pressure sensing point activates the pump changeover in the event of low pressure indicating boiler FO burner pump failure.
  • 151.
    Boiler Fuel OilSystem • Oil from the clarified oil boiler tank is supplied to the boiler by the sludge burning pump which has a sludge grinder (milling type with comminution blades attached) pump operating in series. The grinder pump homogenises the oil before it is discharged to the sludge burning pump or back to the clarified oil boiler tank. The sludge grinder pump, and hence the sludge burning pump, can also take suction from the sludge preparation tank which allows waste oil in this tank to be burned in the boiler. • Heavy fuel oil and sludge oil are heated before being supplied to the boiler main burner, this is achieved in the boiler FO heater which is located after the boiler FO service pumps or the boiler sludge heater which is located after the sludge burning pump. • There is a separate fuel MDO pump for use when burning MDO. Change over valves allows for change between HFO and MDO and between HFO and sludge, the change over operation for the HFO and sludge is carried out via a pneumatically operated piston. A similar return line change over valve is fitted to return HFO to the HFO service tank or back into the pump suction via valve FB14. There is no return MDO line from the boiler burner but there is a pressure regulating relief valve at the MDO pump outlet which returns oil to the MDO service tank if the boiler is not using all of the MDO delivered by the pump.
  • 152.
    Boiler Fuel OilSystem • The HFO and sludge lines are fitted with relief valves which maintain the correct pressure in the system, the released oil returning to the tank from which it has been taken. • The boiler FO pumps take suction from the HFO service tank or the LSHFO service tank, whichever is operating; the quick-closing outlet valve from the tank must be open as must the tank return valve. • The boiler has a MDO ignition pump which takes suction from the MDO service tank, via the pump suction filter, and supplies MDO to the ignition burner. The ignition burner supply solenoid valve is controlled by the automatic combustion control system. • The boiler burner is of the rotary cup type therefore no atomising steam or air is required. Oil is supplied to the boiler burner via a flow meter, which can be bypassed if necessary.
  • 153.
    Procedure for theOperation of the Boiler Fuel Oil Service System from Cold • As no steam is available to heat HFO when starting from cold, the boiler must be initially fired with MDO. Once steam is available, the HFO tank heating and boiler FO heater can be used; the boiler can then be fired with HFO. a) Check the levels of oil in the HFO service tank, the LSHFO service tank and the MDO service tank; replenish the tanks as necessary. b) Check that all of the filters are clean. c) Ensure that all instrumentation valves are open and that the instruments are reading correctly. d) Ensure that the control system is functioning, that there is power at the combustion control system and the FO heater control unit. e) Set up the valves as in the following table. The valve settings assume that the boiler will be started on MDO but will be changed to HFO operation when steam has been raised; HFO will be taken from the HFO service tank. The boiler could be operated on LSHFO taken from the LSHFO service tank if required. Note: Valves without numbers are part of the boiler fuel oil supply unit which is fitted in the ship as a complete item. Note: This description assumes that the boiler is going to change from MDO firing to HFO when steam is available; if environmental circumstances dictate that LSHFO has to be burned the changeover procedure is the same except that fuel is taken from the LSHFO service tank and not the HFO service tank.
  • 154.
    Procedure for theOperation of the Boiler Fuel Oil Service System from Cold f) Supply electrical power to the boiler burner unit control system and ensure that the rotary cup is turning. g) Start one boiler MDO burner pump. h) Ensure that the heater unit is vented of air. i) Start the diesel oil ignition pump and flash up the boiler ignition burner using the electrical ignition. j) Start the combustion control system so that the main burner starts with MDO supply. k) Raise steam at the rate recommended by the boiler manufacturer. l) When steam is available supply heating steam to the HFO service tank (or the LSHFO service tank if the burning of LSHFO is required) and raise the temperature of the HFO (or LSHFO) in the tank. m) When the temperature of the HFO in the HFO settling tank (or LSHFO in the LSHFO service tank) reaches approximately 75°C, supply trace heating steam to the boiler fuel lines and open the drains from the trace heating steam lines.
  • 155.
    Procedure for theOperation of the Boiler Fuel Oil Service System from Cold f) Supply electrical power to the boiler burner unit control system and ensure that the rotary cup is turning. g) Start one boiler MDO burner pump. h) Ensure that the heater unit is vented of air. i) Start the diesel oil ignition pump and flash up the boiler ignition burner using the electrical ignition. j) Start the combustion control system so that the main burner starts with MDO supply. k) Raise steam at the rate recommended by the boiler manufacturer. l) When steam is available supply heating steam to the HFO service tank (or the LSHFO service tank if the burning of LSHFO is required) and raise the temperature of the HFO (or LSHFO) in the tank. m) When the temperature of the HFO in the HFO settling tank (or LSHFO in the LSHFO service tank) reaches approximately 75°C, supply trace heating steam to the boiler fuel lines and open the drains from the trace heating steam lines. CAUTION Trace heating should not be applied to sections of pipeline isolated by any closed valves on the FO side as damage could occur due to the expansion of the contents.
  • 156.
    Procedure for theOperation of the Boiler Fuel Oil Service System from Cold When sufficient steam pressure is available: n) Stop firing the boiler. o) Start one of the boiler fuel oil pumps and circulate HFO. HFO will be taken from the HFO service tank and pumped through the boiler FO heater. Due to the setting of the boiler threeway changeover valves the HFO will be returned to the pump suction via FB14. p) Supply steam to the boiler FO heater. q) When the temperature of the HFO is correct for burning operate the fuel changeover system and supply HFO to the boiler. r) Start the boiler firing on HFO. Carefully monitor the fuel temperature at the fuel heater outlet and check the firing of the boiler s) Monitor the boiler system closely until a stable operation exists. • The boiler is designed to operate and remain on standby using HFO. Changeover to MDO is only necessary when maintenance is required and for long periods of shut down, such as refit. Note: Changeover to HFO must take place whilst still firing the boiler. However, this could lead to unstable flame conditions due to incorrect temperature settings at the heater.
  • 157.
    Procedure for theOperation of the Boiler Fuel Oil Service System from Cold • Changing from HFO operation to MDO operation is the reverse of the above procedure. Trace heating should be shut off when firing is stopped on HFO and the valves are changed from HFO supply to MDO supply. The steam on the heater must also be shut off at this point. • In environmentally sensitive areas where local requirements insist on low sulphur emissions, LSHFO must be used instead of HFO. The burning of LSHFO is the same as the burning of HFO. When changing between HFO and LSHFO it is only necessary to ensure that the service tank quick-closing outlet valves are set correctly. When changing from HFO to LSHFO the LSHFO service tank quick-closing outlet valve FM02EV must be opened and then the HFO service tank quick-closing outlet valve FM01EV must be closed. When changing from LSHFO to HFO the HFO service tank quick-closing outlet valve FM01EV must be opened and then the LSHFO service tank quickclosing outlet valve FM02EV must be closed.
  • 158.
    Burning Clarified SludgeOil in the Boiler
  • 159.
    Burning Clarified SludgeOil in the Boiler • The boiler can burn waste oil from the clarified oil boiler tank. Waste oil from the waste oil tank and sludge oil from the fuel oil separators and the LO separators is initially discharged to the sludge preparation tank. The contents of this tank must then be transferred to the clarified oil tank via the sludge grinder pump as shown in illustration 2.6.3c on the following page. • The contents of the waste oil tank and the sludge tanks can be pumped ashore if required using the sludge pump but normally the waste oil and sludge is pumped to the sludge preparation tank. The design concept is/was for the treatment of the waste oil in a sludge decanter which would process the waste oil from the preparation tank and transfer the residual liquid to the clarified tank for burning in the boiler. The sludge decanter would remove heavy particles from the waste oil and sludge and discharge clarified oil. The heavy material separated from the sludge is known as super sludge, this would be discharged to a drum by a super sludge pump; the super sludge would then be sent ashore for disposal. Clarified oil from the sludge decanter would be directed to the clarified oil boiler tank. • The sludge oil decanter system is a centrifugal separator designed for the treatment of sludge. The cleaned or clarified oil is removed from the sludge oil decanter by the clarified oil transfer pump.
  • 160.
    Burning Clarified SludgeOil in the Boiler • The burning of clarified sludge oil in the boiler should not present any problems as long as the clarified sludge oil does not have a high water content or is mainly LO. Water can be manually drained from the clarified oil boiler tank by means of the self-closing water drain valve. Clarified oil derived from lubricating oil sludge can present problems when it is being burned depending upon the specification of the oil; many lubricating oils contain high levels of anti-oxidants which inhibit ignition and good combustion. The boiler furnace must be thoroughly heated before the burning clarified oil with a high LO content is attempted and the temperature of the oil must be high enough to ensure ignition and combustion. • Prior to burning clarified oil the grinding pump must be operated; this ensures an even temperature distribution throughout the charge and also ensures that the clarified oil is effectively homogenised. The grinding pump must remain in operation whilst the burning of sludge oil is taking place. A collector tank located after the sludge grinding pump is fitted with a water content monitor and a water drain valve; water should be drained from the line when the water monitor indicates a high water level.
  • 161.
    Procedure for BurningClarified Oil in the boiler a) Check the contents in the clarified oil boiler tank and apply steam heating to the tank. The self-closing drain valve on the tank should be operated to drain any water to the oily water tank. b) For burning waste oil from the clarified oil boiler tank the grinding pump must be used prior to burning the oil in order to ensure an even temperature distribution throughout the tank and homogenisation of the contents of the tank. c) Open the sludge grinding pump suction valve together with the clarified oil boiler tank quick-closing outlet valve FB20EV and outlet line valve to the grinding pump FB18. The outlet valve from the sludge preparation tank FB21EV must be closed as must the line valve to the sludge pump FB17. The return valve to the clarified oil boiler tank must be open. d) The recirculation valve from the grinding pump and the clarified oil boiler tank return line valves must be open. e) Start the sludge grinding pump from the boiler control panel. Clarified oil will be circulated by this pump, taking suction from the clarified oil boiler tank and returning the clarified oil to the same tank. When the temperature of the tank is at the correct value the burning of clarified oil may commence. The temperature should be such as to give a viscosity of about 20cSt at 50°C.
  • 162.
    Procedure for BurningClarified Oil in the boiler f) The sludge burning pump suction and discharge valves must be open together with the boiler sludge heater inlet and outlet valves. The condensate drain and steam supply valves to the heater must be open. The clarified oil line pressure regulating valve inlet valve must be open together with the clarified oil recirculation valve. g) The boiler should be operating normally on HFO or LSHFO as described above. h) The sludge burning pump is started from the boiler control panel, clarified oil will be pumped through the heater and returned to the clarified oil boiler tank through the recirculation valve, the grinding pump remains in operation. i) When the clarified oil is at the correct temperature for burning set the selector switch on the boiler control panel to the SLUDGE position. The pneumatic cylinder will swing the HFO/sludge three-way valve directing and clarified oil to the boiler burner. The grinding pump must remain operating; it has a greater capacity than the boiler sludge burning pump and the excess clarified oil is returned to the clarified oil boiler tank. j) The boiler fuel oil pump be maintained in operation to continue circulation in the FO system.
  • 163.
    Procedure for BurningClarified Oil in the boiler k) Check that the clarified oil burns correctly and that the boiler operates normally without smoke. l) When the level of the clarified oil boiler tank reaches about 20% the burning of clarified oil is stopped. The operator must be prepared to change back to the burning of HFO if the boiler is to continue in operation. The fuel type selection switch is set into the ‘Heavy’ position, the pneumatic control cylinder will swing the three-way valve into the HFO position. k) The sludge grinding pump and the sludge burning pump should now be stopped before the pumps lose suction. Shut off the steam heating on the sludge heater.
  • 164.
    Procedure for TransferringSludge/Waste Oil from the Sludge Tanks and Waste Oil Tank to the Sludge Preparation Tank Using the Sludge Transfer Pump • Sludge oil is transferred from the sludge tanks and the waste oil tank using the sludge transfer pump. This pump may also be used to pump sludge ashore via the shore connection. The shore connection line blanks must always be secured except when pumping ashore. The sludge preparation tank overflows to the waste oil tank. • The procedure described below is for pumping waste oil from the waste oil tank to the sludge preparation tank. The procedure is the same for pumping sludge from the sludge tanks except for the setting of the valves. a) Check the contents in the waste oil and sludge tanks and ensure that the sludge preparation tank has sufficient capacity for the amount to be pumped. b) Ensure that tank heating is on so that the contents of the tank being pumped are at the correct temperature for pumping. c) Set the valves as in the following table: d) Ensure that the blanks are secure on the shore discharge connections. e) Start the sludge transfer pump and transfer the contents of the waste oil tank to the sludge preparation tank. Stop the pump before the pump loses suction in order to prevent damage to the pump. f) At the end of the sludge transfer stop the pump, close all valves which have been opened and record the transfer in the Oil Record Book.
  • 165.
    Procedure for TransferringSludge/Waste Oil from the Sludge Tanks and Waste Oil Tank to the Sludge Preparation Tank Using the Sludge Transfer Pump
  • 166.
    Procedure for TransferringSludge /Waste Oil from the Sludge Tanks and Waste Oil Tank to the Shore Connection • Sludge oil in the sludge tanks and waste oil in the waste oil tank may be transferred ashore or to a barge using the sludge transfer pump. There are shore connections on the port and starboard sides of the ship on the upper deck at the accommodation block. Blanks are fitted to the shore discharge pipes and the blank on one side of the ship must be removed in order to attach the flexible shore connection hose. The same restrictions and conditions apply to the discharge ashore of sludge oil as they do to the loading of fuel • The procedure is the same as that described above except for the setting of the valves. The inlet valve to the sludge preparation tank is closed and the blank removed from the port or starboard shore connection as required. The hose is securely attached to the shore discharge connection being used and a check is made on the blank at the shore discharge connection not being used. • Before pumping starts agreement must be reached with the shore facility or barge about the amount of sludge/waste oil being transferred and the rate of transfer. When all is set for transfer the sludge pump is started. At the end of transfer the sludge pump is stopped. If more than one tank is being discharged the suction valve to the new tank must be opened before the sludge pump loses suction.
  • 167.
    Procedure for TransferringSludge /Waste Oil from the Sludge Tanks and Waste Oil Tank to the Shore Connection • Trace heating should be supplied to the lines which are to be used before pumping starts. CAUTION Trace heating should not be applied to sections of pipeline isolated by any closed valves as damage could occur due to the expansion of the contents. • When the transfer is complete stop the sludge transfer pump. Allow the discharge pipe to drain and then disconnect the pipe, refit the blank, close all valves and record the transfer in the Oil Record Book.
  • 168.
    Engine Room WasteOil and Drains System
  • 169.
    Engine Room WasteOil and Drains System • There are a number of tanks in the engine room which take waste and drain oil from systems in the engine room. • Waste Oil Tank • Waste oil flows to the waste oil tank from a number of locations in the engine room. These include drains from oil tanks and trays around items of equipment such as fuel pumps. Drains from oil tanks include water as the drain valve is opened in order to drain water from the tank, the drain valve being of the spring loaded self-closing type. • Waste oil enters the waste oil tank via non-return valves; separate entry nonreturn valves and associated lines are fitted for different system. The scavenge space drains enter the waste oil tank via two residue oil traps. Other LO systems have separate entry non-return valves and lines which serve different areas of the engine room. • The waste oil tank is vented at the upper deck. • A steam heating coil is fitted in the waste oil tank and is used to ensure that the viscosity of the oil in the tank is reduced so that it may be readily pumped. The contents of the waste oil tank may be pumped by the sludge pump to the sludge preparation tank or ashore via the shore discharges on the port and starboard sides of the ship. • The waste oil tank takes drains from the following locations:
  • 170.
    Engine Room WasteOil and Drains System • Non-return valve FD09 • HFO and MDO pump unit tray • Clarified oil boiler tank drain • MDO storage and service tank drains • LSHFO settling and service tank drains • HFO service and settling tank drains • Grinding pump drain • Boiler fuel pump tray • Boiler fuel and sludge heater drains • FO separator feed pump trays • FO separator working table drain • FO separator heater drains • FO separator trays • Auxiliary boiler tray • Main engine fuel preparation unit tray • Main engine fuel heater drains • Main engine fuel line drain • Non-return valve LD35 • Main engine scavenge space drains; via oil residue traps • Non-return valve LD26 • Main engine piston rod stuffing box drains • Non-return valve LD25 • Sludge pump tray • Cylinder oil measuring tank drain • No.1 generator engine LO filter tray • Main engine oil mist vent return line
  • 171.
    Engine Room WasteOil and Drains System • Non-return valve LD22 • LO transfer pump tray • Main engine LO separator feed pump tray • Turbocharger LO pump tray • Turbocharger LO tank drain • Turbocharger LO cooler drain and tray • Turbocharger LO filter tray • Main engine LO crosshead pump tray • Main engine LO filter tray • Main engine LO cooler drain and tray • Main engine LO separator working table drain • Main engine LO separator tray and heater drain • • Cylinder oil transfer pump tray • Maine engine LO settling and storage tank drains • Main engine cylinder oil storage tank drains • Generator engine LO separator working table drain • Generator engine LO separator feed pump tray • No.1 and 2 generator engine LO filter trays • Generator engine LO separator tray • Generator separator LO heater drains and tray • Generator engine LO storage and filling tank drains • Hydraulic power pack tray
  • 172.
    Engine Room WasteOil and Drains System • Fuel Oil Drain Tank : The fuel oil drain tank takes fuel oil drains from the main engine and the generator engines; it also takes the drains from the main engine fuel oil automatic backflush filter. The fuel oil drain tank is provided with a steam heating coil and is vented at the USCG box above the upper deck level. Oil in the fuel oil drain tank is pumped out by the HFO transfer pump and discharged to the HFO settling tank or one of the HFO storage tanks. • Sludge Tanks : There is a sludge tank for the fuel oil separators, a sludge tank for the main engine LO separator and a sludge tank for the generator LO separators. These tanks receive sludge from their associated centrifugal separators. All sludge tanks may be pumped out by means of the sludge pump as described in section 2.6.3 above. The sludge pump may discharge to the sludge preparation tank, to the waste oil tank or to a shore reception facility via the shore discharge connections on the upper deck. • Tank Vents: Any tank containing oil or other volatile substance (such as gas generated by sewage decomposition) must be vented to a safe position. This prevents overpressure in the tank which could result in damage and reduces the risk of an explosion. Explosive gases must be liberated to atmosphere though an element which will prevent the blowback of flame should the gases or vapours ignite after release. These elements should be checked at intervals to ensure that they are correctly in position and are not damaged. Any damage must be reported and the element changed immediately. All lines connecting tanks to the release vent or the vent/oil mist box must be clear without obstruction to flow. The oil mist box located in the funnel has vent line connections from the main engine crankcase.
  • 173.
    Engine Room WasteOil and Drains System • Fuel Oil Drain Tank : The fuel oil drain tank takes fuel oil drains from the main engine and the generator engines; it also takes the drains from the main engine fuel oil automatic backflush filter. The fuel oil drain tank is provided with a steam heating coil and is vented at the USCG box above the upper deck level. Oil in the fuel oil drain tank is pumped out by the HFO transfer pump and discharged to the HFO settling tank or one of the HFO storage tanks. • Sludge Tanks : There is a sludge tank for the fuel oil separators, a sludge tank for the main engine LO separator and a sludge tank for the generator LO separators. These tanks receive sludge from their associated centrifugal separators. All sludge tanks may be pumped out by means of the sludge pump as described in section 2.6.3 above. The sludge pump may discharge to the sludge preparation tank, to the waste oil tank or to a shore reception facility via the shore discharge connections on the upper deck. • Tank Vents: Any tank containing oil or other volatile substance (such as gas generated by sewage decomposition) must be vented to a safe position. This prevents overpressure in the tank which could result in damage and reduces the risk of an explosion. Explosive gases must be liberated to atmosphere though an element which will prevent the blowback of flame should the gases or vapours ignite after release. These elements should be checked at intervals to ensure that they are correctly in position and are not damaged. Any damage must be reported and the element changed immediately. All lines connecting tanks to the release vent or the vent/oil mist box must be clear without obstruction to flow. The oil mist box located in the funnel has vent line connections from the main engine crankcase.
  • 174.
    Fuel Oil andDiesel Oil Bunkering & Transfer System
  • 175.
    Fuel Oil andDiesel Oil Bunkering & Transfer System • Fuel Oil System • Heavy fuel oil, for the main engine, generator engines and boiler, is stored in three HFO deep tanks located in No.4 cargo hold area. In addition there is one LSHFO storage deep tank, also located in No.4 cargo hold. These bunker tanks are filled from the bunker lines at the port and starboard bunker stations, which are located on the A deck. There is one HFO connection to the fuel oil filling main on the starboard side of the ship and one on the port side. The bunker stations also have connections to the MDO storage tank filling line. The FO deep tanks are fitted with remotely operated suction valves and filling valves which are remotely operated from the FO/DO System screen mimic. The remaining valves in the system apart from the vent isolating valve AV76 are manually operated. The bunkering system manifold crossover line is fittedwith a relief valve FO32 which is set at a pressure of 4.0kg/cm2, with the discharge flowing directly into the fuel oil overflow tank. • All fuel oil storage deep tanks are fitted with high and high high level alarms which are activated when the tanks are 90% and 95% full respectively. In normal operations the deep tanks should only ever be filled to an absolute maximum of 90%. Local port regulations may only allow a lower figure than this.
  • 176.
    Fuel Oil andDiesel Oil Bunkering & Transfer System • Fuel oil is transferred from the storage deep tanks to the settling tanks (HFO and LSHFO) by means of the HFO transfer pump. Cross connections allow theMDO transfer pump to be used for HFO transfer in an emergency and enable to the HFO transfer pump to be used for MDO transfer if necessary. • Filling and outlet valves from the HFO/LSHFO settling tanks and the HFO/ LSHFO service tanks are remotely operated quick-closing valves, with a collapsible bridge which can be operated from the ship fire station. There is also a quick-closing valve on the transfer pump suction line from the storage tanks and on the HFO overflow tank suction line. After being tripped, the valves must be reset locally. Each FO service and settling tank is fitted with a self-closing test cock to test for the presence of water and to drain any water present. Tundishes, under the self-closing test cocks, drain any liquid to the waste oil tank. All of the FO settling, service and bunker tanks are provided with remote level and temperature indication displayed on the relevant screen mimics. The HFO, LSHFO and MDO service and settling tanks overflow to the overflow tank via a sight glass.
  • 177.
    Fuel Oil andDiesel Oil Bunkering & Transfer System • All HFO tanks are fitted with heating coils, the heating steam being supplied from the main steam system. Condensate from the heating coils flows to the drain cooler and then to an inspection tank before entering the cascade tank. • All FO transfer lines are trace heated by steam. • The HFO transfer pump is normally set for automatic operation, being started and stopped by float switches in the HFO and LSHFO settling tank. A selector switch on the LGSP for the HFO transfer pump has the following options: 1 Manual operation 2 Low sulphur HFO settling tank 3 HFO settling tank • Heavy Fuel Oil Tanks Port HFO deep tank , Starboard HFO deep tank , Centre HFO deep tank , Centre LSHFO deep tank, HFO overflow tank , HFO settling tank , HFO service tank , Low sulphur HFO settling tank , Low sulphur HFO service tank
  • 178.
    Precautions to beObserved Prior to and During the Loading of Bunkers • Company bunkering procedures must be observed at all times and all personnel involved in the bunkering procedure, whether planning or in the actual operation of bunkering, must be fully aware of the contents of the document Oil Transfer Procedures - Bunkering and the Chief Engineer’s Standing Orders for bunkering. It is essential that all personnel involved in the bunkering procedure know who is in charge of the bunkering operation. The following licensed/certificated officers are generally designated as persons in charge: • Chief Officer • Chief Engineer • First Engineer/Second Engineer • The Chief Engineer is in overall charge of the bunkering operation but if he is unable to be present the 1st/2nd engineer will take charge. The 3rd/4th engineer is normally responsible for carrying out the tasks involved in the bunkering operation and they must not undertake a night duty when bunkering is taking place; if it is the 3rd/4th engineer’s duty night then a replacement duty engineer must be assigned.
  • 179.
    Precautions to beObserved Prior to and During the Loading of Bunkers • All engineers and other personnel involved in the bunkering process should know exactly what role they are to play and what their duties are to be. Personnel involved should know the location of all valves and gauges and be able to operate the valves both remotely and locally if required. A bunker plan should be drawn up prior to bunkering and all personnel involved in bunkering must be fully aware of the contents of the plan and understand the entire operational procedure. Before bunkering a meeting must take place so that all personnel involved in the bunkering operation understand the requirements of the bunkering operation and their duties in that operation. • Shore or barge tanks, whichever form is being used, should be checked for water content. • Representative samples are to be drawn using the continuous drip method for the duration of the loading operation and dispatched for analysis. Samples should be taken at the bunker supply manifold inlet to the ship system. • As far as possible new bunkers should be segregated from existing bunkers on board. If bunkers being received are to be loaded into the same tanks as existing bunkers on board, great care must be taken to avoid problems of incompatibility. If there is any doubt about the compatibility between the new and existing bunkers the new bunkers should not be loaded on top of existing bunkers.
  • 180.
    Precautions to beObserved Prior to and During the Loading of Bunkers • No internal transferring of bunkers should take place during bunker loading operations, unless permission has been obtained from the Chief Engineer. • The Chief Engineer should calculate the estimated finishing ullages/dips, prior to the starting of loading. • Bunker tanks should not exceed 90% full; high and high high level alarms are fitted at 90% and 95% full level for all tanks. • Any bunker barges attending the vessel are to be safely moored alongside before any part of the bunker loading operation begins. • Level alarms fitted to bunker tanks should be tested prior to any bunker loading operations. • The soundness of all lines should be verified by visual inspection. • The pre-bunkering checklist must be completed. • The Chief Engineer, or other designated licensed/certificated officer as indicated above, is responsible for bunker loading operations, assisted at all times by a sufficient number of officers and ratings to ensure that the operation is carried out safely. • A watch must be kept at the manifold during loading. • All personnel involved in the bunkering operation must be in radio contact.
  • 181.
    Precautions to beObserved Prior to and During the Loading of Bunkers • The maximum pressure in the bunker manifold should be below 4.0kg/cm2, at which point the line relief valve will discharge to the HFO overflow tank. • Safe means of access to barges/shore shall be used at all times. • Scuppers and save-alls, including those around bunker tank vents, should be effectively plugged. • Drip trays are to be provided at bunker hose connections and means of containing any oil spills must be in place. Spill cleaning equipment must be checked before bunkering and must be available at the bunkering station during bunkering. • The bunkering operation is carried out from the ECR with control of the bunker filling valves via the FO/DO SYSTEM screen display. • The initial loading rate must be agreed with the barge or shore station and bunkering commenced at an agreed signal. Only upon confirmation of no leakage and fuel going into only the nominated tank, should the loading rate be increased to the agreed maximum. On this vessel the maximum loading rate is 1,130m³/h, the topping off rate is 417m³/h.
  • 182.
    Precautions to beObserved Prior to and During the Loading of Bunkers •When the tank being filled reaches 80% full, the filling rate should be reduced by diverting some of the flow to another bunker tank. When the final tank is being filled the pumping rate must be reduced to a maximum value of 417m³/h when the 80% capacity is reached. Filling of the tank must be stopped when the tank reaches 90% full. For the final tank the filling rate must be reduced at the barge or shore station and not by throttling the filling valve. CAUTION • At least one bunker tank filling valve must be fully open at all times during the bunkering operation. • All relevant information regarding the bunkering operation is to be entered in the Oil Record Book. Information required to be entered includes date, time, quantity transferred, tanks used and individuals involved. The fuel transfer lines and valves should be pressure tested once each year and details of the tests inserted in the engine room log book.
  • 183.
    Procedure for theLoading of Fuel Oil Bunkers from a Shore Station or Barge a) At the bunker connection to be used, remove the blank and connect the bunkering hose. Check the joint and fit a new one if there are any signs of damage. b) Ensure that the blanks on the other bunkering connections are secure and that all valves are closed, including the drain and sampling valves. The drip tray must be empty and the drain valve closed. c) Set the manual valves in the system, ensure that the bunker line drain valves in the port passageway are both shut, FO30 and FO29. Ensure that the FO transfer isolation valve on deck FO31 is shut. d) Open the filling valve(s) on the HFO storage tanks to be filled from the FO/DO SYSTEM screen display. • The operator responsible for the bunkering procedure at the mimic must ensure that the valves are set correctly. When HFO is being loaded the individual tank filling valves are controlled manually from the mimic in order to ensure that the tanks are filled to the required capacity. • Tank Filling Valves: Port HFO deep storage tank remotely operated valve , Port HFO deep storage tank manually operated valve ,Starboard HFO deep storage tank remotely operated valve , Centre HFO deep storage tank remotely operated valve , Centre LSHFO deep storage tank remotely operated valve • Line Valves : Port bunker manifold valve , Starboard bunker manifold valve , Bunkering line block valve
  • 184.
    Procedure for theLoading of Fuel Oil Bunkers from a Shore Station or Barge Note: It is essential that the tank valve is open for any particular tank together with the line valves connecting that tank to the bunker supply manifold. Failure to open all valves will prevent the tank from being filled and will result in over pressure in the bunker line. Note: Ensure that the vent line valve to the overflow tank is open. e) Open the valve at the selected bunkering station, for the port bunker station or for the starboard bunker station. Open the block line valve to the storage deep tanks . Ensure that the bunker line aft drain valve to the HFO overflow tank is closed and that the deck line valve from the HFO transfer pump is closed. Ensure that the forward bunker line drain valve to the port HFO storage tank is closed. Check that the manifold drain and sampling valves are closed. After the bunker line is set for loading HFO into selected tanks the line settings must be checked to ensure that the HFO will only go to the selected tanks. f) Establish effective communication between the ship’s control centre, the ECR, the deck filling manifold and the bunkering shore station using UHF sets. Bunkering control is normally from the screen mimic in the SCC. g) Agree and understand the filling rates and signalling systems with the barge or shore station. Agree the quantity and specification of the fuel oil to be supplied. h) Signal to the shore station to commence bunkering HFO at the agreed slow rate.
  • 185.
    Procedure for theLoading of Fuel Oil Bunkers from a Shore Station or Barge i) Check the ship to shore connection and pipeline for leaks. j) Check that HFO is flowing into the required HFO storage tank(s), and not to any other tank. k) Increase the bunkering rate to the agreed maximum which for this class of vessels is 1,130m³/h. l) Commence taking the bunker sample at the cock at the deck manifold. m) As the level in the first storage tank approaches 80%, open another tank filling valve to top up the tank slowly, then close the first tank’s filling valve when the required 90% (normal maximum allowed) full level is reached. At least one tank filling valve must be open at all times when filing at the maximum rate. n) Fill the remaining tanks in the same way. For the final storage tank the filling rate must be reduced to a maximum value of 417m³/h by slowing the pumping operation, this must be signalled to the barge or shore station. o) When the final tank is full (90% maximum), the barge or shore station must be signalled to stop pumping. p) Ensure that the sample containers are properly sealed and have them despatched for analysis, as required by the Chief Engineer’s Standing Orders.
  • 186.
    Procedure for theLoading of Fuel Oil Bunkers from a Shore Station or Barge q) Open the bunker line vent valve and allow the hose to drain back to the supplier. Allow the bunkering line to drain to the port bunker tank . The bunker line can be drained to the FO overflow tank if there is a marked stern trim. Ensure both valves are closed after the draining is completed. r) Close all bunker station valves, the line valves and tank filling valves. Check that all valves are closed. s) Disconnect the hose and replace the blank at the bunker station connection. t) Check tank levels and agree quantity supplied then, if satisfied, sign the bunker receipt. • Procedures for Handling High H2S Bunker Fuel : In recent years it has become more evident that residual bunker fuel is containing naturally higher values of H2S. MARPOL Annex VI. Annex C outlines the precautions and general guidance when dealing with residual fuels which contain H2S. The description outlines how the H2S levels increase with heating, agitation during transfer and the size of the vapour head space available in a tank containing the fuel. A vapour monitoring period on the bunkered tanks carried out every 24, 48 and 72 hours should take place. The maximum permissible H2S value after the first 24 hour period following the taking of bunkers is 200ppm, if the recorded level in a tank(s) vapour space is higher than this, then the tank must be vented under controlled conditions after a risk assessment has be carried out. Annex C gives general guidance on the risk assessment points that need to be considered before venting a vapour space.
  • 187.
    Procedure for theLoading of Fuel Oil Bunkers from a Shore Station or Barge • Hydrogen sulphide is classed as an enzyme inhibitor which has the effect of temporarily stopping the transport of oxygen between body tissues. The gas, which is heavier than air, invisible to the naked eye and highly explosive, will kill immediately in concentrations over 1,000ppm. • The gas, which has a smell similar to rotten eggs, will kill the sense of smell in 3 to 15 minutes when in concentrations above 100ppm, there will also be a stinging of the eyes and throat. In concentrations above 200ppm there will additionally be losses of the sense of reasoning and balance. Above 500ppm unconsciousness will quickly set in with respiratory paralysis within 30 to 45 minutes. At 700ppm, breathing will stop unless immediate artificial resuscitation is administered in a safe area.
  • 188.
    Procedure for TransferringHeavy Fuel Oil from the Heavy Fuel Oil Storage Deep Tanks to the Heavy Fuel Oil Settling Tank
  • 189.
    Procedure for TransferringHeavy Fuel Oil from the Heavy Fuel Oil Storage Deep Tanks to the Heavy Fuel Oil Settling Tank • HFO is transferred from the storage deep tanks to the HFO settling tank as required. The normal arrangement is for automatic transfer using the HFO transfer pump in automatic mode, the pump being started and stopped according to the level in the HFO (or LSHFO depending the setting on the pump automatic control selection switch) settling tank. • When the HFO transfer pump is selected for automatic operation the pump is started when the level in the selected settling tank falls to 70m³ (approximately 40%) full and the pump stops when the tank level rises to 145m³ (approximately 85%) full (57m³ and 119m³ for the LSHFO tank respectively). The pump may be manually operated if required but that will require constant supervision by the duty engineer during the pumping operation. When selected for automatic operation the HFO transfer pump will maintain the desired level in the HFO settling tank, starting and stopping as necessary. • The duty engineer must ensure that the HFO deep tank from which fuel is taken has sufficient HFO to ensure that the HFO transfer pump does not lose suction at any time during automatic operation. During UMS periods the operating deep tank must always contain fuel. For final stripping out of the duty FO tank the pump should be carried out manually, stopping the pump when it finally losses suction.
  • 190.
    Procedure for TransferringHeavy Fuel Oil from the Heavy Fuel Oil Storage Deep Tanks to the Heavy Fuel Oil Settling Tank a) Select the HFO transfer pump for automatic operation, either position 2 or 3 depending which FO settling tank is being filled. b) Set the valves as in the following table. The description assumes that HFO is being taken from the port HFO deep tank and transferred to the HFO settling tank. b) As the pump is selected for automatic operation it will start and stop according to the operation of the level switches in the HFO settling tank. Note: The duty engineer must always ensure that there is sufficient HFO in the selected HFO deep tank, especially during a period of UMS operation. When a deep tank is nearly empty the duty engineer should operate the HFO transfer pump in manual mode, pumping oil until the pump loses suction indicating that the deep tank is empty. The operator should then operate the valves to take suction from another deep tank. Selection of operating HFO deep tank should always be made in co-operation with the deck department in order to ensure stability of the vessel. • The procedure for taking HFO from any of the other HFO deep tanks is the same as that described above except for the setting of the deep tank remotely operated valves.
  • 191.
    Procedure for TransferringHeavy Fuel Oil between Heavy Fuel Oil Deep Storage Tanks using the Heavy Fuel Oil Transfer Pump
  • 192.
    Procedure for TransferringHeavy Fuel Oil between Heavy Fuel Oil Deep Storage Tanks using the Heavy Fuel Oil Transfer Pump • It is possible to transfer HFO between the port and starboard deep tanks for trim or other purposes. • The HFO transfer pump is used for transferring HFO between the deep storage tanks; the crossover blanks between the HFO transfer pump and the MDO transfer pump on the suction and discharge sides must be closed. The transfer pipeline is set up at the FO mimic as the tank suction and filling valves are of the remotely operated type. The HFO transfer pump valves are manually operated and must be set locally. Normally the HFO transfer pump suction and discharge valves are maintained in the open position. Note: Transferring fuel oil between bunker tanks can have an adverse effect on the stability of the ship. Such transfer should only be undertaken after consultation with the deck department when details of the amount of oil to be transferred and the tanks involved are discussed. a) Select the HFO transfer pump to manual operation. b) Determine how much fuel is to be transferred and check that there is sufficient capacity in the receiving deep storage tank to accommodate the HFO being transferred.
  • 193.
    Procedure for TransferringHeavy Fuel Oil between Heavy Fuel Oil Deep Storage Tanks using the Heavy Fuel Oil Transfer Pump c) Set up the pump valves as in the following table. The description used assumes that the HFO transfer pump is being used and that HFO is being transferred from the port HFO deep tank to the starboard HFO deep tank. Note: On on account must HFO be transferred in to the LSHFO tank. d) Confirm the amount of HFO to be transferred and the tanks between which the transfer is to take place; check that the pipeline system valves have been correctly set. Check that the blanks are fitted at the bunker station connections. e) Start the HFO transfer pump in manual mode and commence the transfer of HFO between the selected tanks. Check that the HFO is going from the selected tank to the designated tank and not any other tanks. The pipeline system must be checked for leaks. f) Stop the operating HFO transfer pump when the desired quantity of HFO has been transferred. g) Close the tank and line valves as necessary. h) Record details of the HFO transfer in the Oil Record Book. Note: The procedure is the same for transferring HFO between any other tanks except for the setting of the system and tank valves.
  • 194.
  • 195.
    Diesel Oil System •Diesel oil for all purposes on board the ship is stored in the MDO storage tank and the MDO service tank. Diesel oil is transferred from the storage tank to the MDO service tank using the MDO transfer pump or the MDO separator (this is No.3 HFO/MDO separator and may be used for HFO or MDO but the blanks are fitted so that it is normally used for MDO). Diesel oil can be supplied to the main engine, generator engines and boiler, but under normal circumstances only the boiler pilot burner will be burning MDO. The emergency generator uses MDO from its own service tank. • The MDO storage tank is filled from the MDO bunkering lines; the bunker connections are located on the port and starboard side of the ship at A deck level. The MDO service tank may also be filled from the bunker station if required. The MDO transfer pump is located in the engine room at floor plate level port side and is used to transfer from the MDO storage tank to the MDO service tank. • It is possible to use the HFO transfer pump for MDO service, and vice versa: for this purpose the suction and discharge interconnection blanks must be removed. • Diesel Oil System Tanks : MDO storage tank , MDO service tank
  • 196.
    Diesel Oil System •The outlet valves from the MDO storage tank and the MDO service tank are of the remote operated quick-closing type, with a collapsible bridge which can be pneumatically operated from the ship’s fire station. After being tripped from the ship’s fire station the valve must be reset locally. The MDO service tank is also fitted with a self-closing test cock to test for the presence of water and to drain any water present. A tundish under the self-closing test cock drains any liquid to the waste oil tank. All tanks are provided with temperature indication, plus remote level indication which registers in the control room. The storage tank also has an overfill alarm set at 95% capacity. The MDO service tank overflows to the MDO storage tank.
  • 197.
    Procedure for LoadingDiesel Oil from a Shore Station or Barge • The precautions and organisation for loading MDO which should be followed are the same as described for HFO. a) The bunker line blank is removed and the bunkering hose connected at the bunker connection to be used. The joint should be inspected and replaced if it shows signs of damage. b) A drip tray is arranged beneath the bunker pipe connection and equipment should be organised to deal with any oil spill. c) Ensure that the blank on the other bunkering connection is secure and that the valve is closed. Ensure that the drain and sampling valves are closed. d) Set the valves as in the following table; this assumes that the MDO storage tank is being filled from the port bunker station. Usually the MDO service tank will have been filled from the MDO storage tank, therefore only the valves for the MDO storage tank will be open. However, it may be necessary to fill both the MDO storage tank and the MDO service tank from the bunker connection if both tanks are depleted.
  • 198.
    Procedure for LoadingDiesel Oil from a Shore Station or Barge e)When all pipes and connections are checked, signal the shore station or bunker barge to commence pumping at the agreed low rate. The maximum bunkering rate allowed for this class of ship is 70m³/h, during topping off, which should take place when the tank level reaches 80%, the maximum rate is reduced to 30m³/h. f) When it is confirmed that there are no leaks, signal to increase the delivery rate to the agreed maximum. g) Begin taking a sample of the delivered MDO. h) As the level in the MDO storage tank approaches 80% signal the barge or shore station to slow the pumping rate in order to top off the storage tank slowly. When the tank is 90%, full signal to stop pumping. i) Open the vent and allow the bunker hose to drain. j) Disconnect the hose and refit the blank. k) Collect the MDO sample and have it sent for analysis. l) Check the quantity of MDO delivered to the storage tanks, agree the delivery quantity with the supplier and sign the receipt.
  • 199.
  • 200.
    Procedure for theTransfer of Diesel Oil using the Diesel Oil Transfer Pump MDO is transferred from the MDO storage tank to the MDO service tank using the MDO transfer pump. a) Open the MDO storage tank quick closing valve . Check that the interconnection tank outlet line blank is closed and that the interconnecting line valve is closed. b) Open the MDO transfer pump suction valve and the discharge valve . c) Ensure that the interconnecting suction and discharge line blanks, to the HFO transfer pump, are closed. (This is the normal state). d) Open the filling valve on the MDO service tank and check the interconnecting line valve to the HFO storage tank is closed. e) Start the MDO transfer pump and pump the desired quantity of MDO from the MDO storage tank to the MDO service tank. f) Stop the pump when the desired quantity of MDO has been transferred. g) Close all tank, line and pump valves. Record the transfer in the Oil Record Book.
  • 201.
    Procedure for theTransfer of Diesel Oil using the Fuel Oil Transfer Pump The HFO transfer pump can be used to pump MDO ashore as explained in the section above. In order to do this the following has to be completed: a) Open the suction and discharge crossover blanks between the MDO and HFO transfer pumps. b) Open the HFO transfer pump suction valve and the pump discharge valve . The suction valves from the HFO system and the discharge valve to the HFO system must be closed. The suction valves from the MDO system and the discharge valves to the MDO system must be set as in the previous procedures for transfer using the MDO transfer pump. c) The HFO transfer pump can be started in manual mode and the desired quantity of MDO pumped from the MDO storage tank to the MDO service tank. CAUTION • Ensure that all HFO is flushed out of the HFO transfer pump prior to using it on MDO. This can be achieved by opening the MDO suction and pumping for a few moments with a discharge to the HFO tanks open. Before starting the pump to transfer MDO, make absolutely sure that all discharges to the HFO system are securely closed.
  • 202.
    Emergency Generator FuelSystem • Fuel for the emergency generator engine is stored in the emergency generator engine MDO tank located in the emergency generator engine room. This tank must always hold sufficient MDO for at least 24 hours continuous operation of the emergency generator at full load. • The emergency generator engine fuel tank is filled from a connection on A deck. Fuel oil stored in drums is pumped to the emergency generator engine fuel tank as required using a hand operated pump. The plug on the tank filling line must be removed before filling the tank and must be replaced securely after the tank has been filled.
  • 203.
  • 204.
    Fuel Oil andDiesel Oil Separating System • There are three centrifugal self-cleaning HFO separators, two are dedicated to HFO and the third to HFO and MDO. The HFO/MDO separator is normally set for MDO operation but it can be used for HFO if necessary. Normally one HFO separator is in use, with the second being cleaned or ready to use. Each separator is equipped with a supply pump, duplex filter and steam heater; the separators are located in the purifier room. • Instrument air is supplied to the separators to control the supply of oil to the bowl and the automatic discharge facility. Fresh water is supplied for sealing and flushing purposes. • The HFO separators normally draw from the HFO and LSHFO settling tanks, although they can if necessary take suction from the HFO and LSHFO service tanks. The cleaned HFO or LSHFO is processed to the HFO or LSHFO service tank. • The HFO and LSHFO service tanks overflow to the associated settling tank. Normally the separator throughput is set to match the fuel consumption in the main and generator engines and auxiliary boiler, if the separator throughput exceeds the consumption the excess delivered to the service tank will overflow to the settling tank when the service tank becomes full.
  • 205.
    Fuel Oil andDiesel Oil Separating System • The separator supply pump feeds oil to its associated separator via a heater. The steam heaters maintain an oil temperature of 98ºC for HFO and from the heater the HFO flows into the separator. After cleaning the oil is discharged to the HFO service tank, or to the low sulphur HFO service tank if applicable. The separator has an alarm which activates if the HFO temperature exceeds 108ºC or falls below 88ºC. • Separator Operation : Liquid mixtures and solid/liquid mixtures can be separated by two methods, the gravity field of a settling tank or the centrifugal field of a separator bowl. Both systems rely on the product components having different densities. Since the centrifugal force of a separator is considerably more effective than the gravity field of a settling tank the centrifugal force method is used. The heated dirty oil enters the separator and the centrifugal force created by the rotating bowl causes the liquid mixture to separate into its different constituents within the disc stack. • The solid particles suspended in the oil settle on the underside of the discs and slide down into the solids holding space at the periphery of the bowl. The smooth disc surfaces allow the solids to slide down and provide self-cleaning of the discs. Each bowl assembly is fitted with a regulating ring, sometimes referred to as a gravity disc. The diameter of the gravity disc will determine the position of the interface between the oil and the collected separated water and is set according to the density of the oil to be cleaned.
  • 206.
    Fuel Oil andDiesel Oil Separating System • Being of the self-cleaning type, the accumulated solids within the holding space are ejected at predetermined intervals depending on the quality of the oil. The cleaning cycle is achieved automatically; a number of control valves act to allow the oil to bypass the separator and to open the bowl for a set time. There is a water monitoring system (WMS), which controls the discharge of water and a sludge monitoring system (SMS), which controls the discharge of sludge. • Separator Control System • The D10 control unit is used for the automatic ejection control and condition monitoring of the fuel oil separator. Each fuel oil separator has its own D10 control unit. • The control unit has three modes of operation. 1) Partial ejections 2) Total ejections 3) Preselected partial ejections followed by total ejection • The monitoring and control system provides two basic monitoring systems. 1) Water monitoring system (WMS) 2) Sludge space monitoring system (SMS)
  • 207.
    Fuel Oil andDiesel Oil Separating System • Water Monitoring System : Water which is separated from the oil collects in the outer part of the bowl. The separating disc in the bowl continuously directs a small flow from the outer part of the bowl to the sensing liquid pump, which discharges this flow to a conductivity sensor. If the conductivity sensor detects the presence of water it means that a reasonable amount of water is present in the bowl. The control system then opens a solenoid operated valve to discharge the water through the dirty water outlet; the separator is operating as a purifier. When the water has been discharged the valve is closed and the separator resumes operation as a clarifier. • Sludge Monitoring System : Desludging of the bowl normally takes place at timed intervals, which are changed to suit the quality of the oil being treated. A sensor in the sludge monitoring system detects the buildup of sludge/water in the sludge space of the bowl. If the amount of sludge becomes excessive, the system will activate the automatic desludging procedure even though a timed desludging operation is not due. If there are more than two untimed desludging operations between normal timed desludging operations an alarm is activated and this requires the intervention of an engineer.
  • 208.
    Fuel Oil andDiesel Oil Separating System • The illuminated Liquid Crystal Display (LCD) provides information about the operating parameters of the separator; all the relevant process data and alarm conditions are displayed. The components which are controlled or monitored by the control system include: • Oil inlet/bypass valve (three-way circulation valve) • Flushing water • Operating water • Circuit and water discharge valve • Water sensor • Oil inlet temperature • Audible alarms • Software assignment for each separator is carried out in the factory using a password function. Any alterations to the set parameters should only be carried out by a person authorised to make such changes. Changes in parameter settings is not an operational requirement of the separators and is not normally necessary once the system has been configured for the type of fuel oil being treated. If any change in parameter settings is required this must only be carried out with the approval of the Chief Engineer and after consultation with the control system manual.
  • 209.
    Fuel Oil andDiesel Oil Separating System • The desludging time interval is initially set so that the bowl will open and discharge the sludge and water before the sludge space is filled. If the desludging time interval is too short there is excessive sludging and efficiency of the system can suffer. • The fuel oil separators require compressed air and fresh water supplies for control and bowl operation/flushing. • Each separator discharges sludge from the separator to the FO sludge collection tank.
  • 210.
    Procedure for SeparatingHeavy Fuel Oil in the Centrifugal Separator System • The procedure described is for one separator operation, with a single separator dealing with the HFO and the other unit being cleaned or awaiting operation. The description assumes that HFO is being treated and that the LSHFO system is shut off. The description is for No.1 and No.2 HFO separators set for HFO separation. It is assumed that the No.3 HFO separator is set for MDO separation. a) Ensure that the HFO settling tank filling system is operating. b) Check and record the level of oil in HFO settling tank and the HFO service tank. This should be done daily. c) All valves in the separator system are to be initially closed. d) Clean the separator feed pump strainers. e) Set the valves, to take suction from the HFO settling tank and discharge cleaned HFO to the HFO service tank. The operator must check that the valves are correctly set before starting the separator. Note: If No.3 HFO separator is to be used for HFO treatment, the feed pump suction valve and the feed pump discharge valve must be open. The separator valves must be open as must the discharge valve to the HFO service tank.
  • 211.
    Procedure for SeparatingHeavy Fuel Oil in the Centrifugal Separator System CAUTION • Before operating a separator a second check must be made to ensure that the correct valves are open for the separator, heater and pump to be operated as well as the HFO tank system. • The separator heater is supplied with steam as the heating medium and the drain valve from the heater must always be open. The heater is controlled by the control system and the main separator control system regulates the steam supply to give the correct temperature for the grade of oil. This temperature will have been set at commissioning and will not require changing unless the grade of HFO is changed. • The separator regulating inlet valve should be set for the desired flow rate and should not be adjusted during normal running conditions. f) Ensure the separator brake is off and that the separator is free to rotate. Check the separator gearbox oil level. g) Turn the separator power supply switch to the ON position and check that there is power at the control box and that the control panel is illuminated.
  • 212.
    Procedure for SeparatingHeavy Fuel Oil in the Centrifugal Separator System h) Ensure that the D10 control unit is switched on and that it is fully functional. The LAMP TEST pushbutton, on the D10 panel, must be pressed to test all illuminated indicators. i) Start the separator feed/supply pump by pressing the Start/Run pushbutton at the separator local panel on LGSP . The threeway valve will ensure the HFO bypasses the separator and returns to HFO settling tank. j) Start the separator by pressing the Start/Run pushbutton at the separator local panel on LGSP . Ensure that the bowl runs up to speed smoothly before continuing. Monitor the load on the separator as it runs up, when the amps (load) drop back this will indicate that it is up to full speed. k) Using the manual valves on the solenoid valves ensure the operating water opens and closes the bowl. l) Slowly open the steam supply for the separator heater; the drain valve is normally left open. m) Check that the automatic controller has taken control of the system and is maintaining the oil at the correct temperature.
  • 213.
    Procedure for SeparatingHeavy Fuel Oil in the Centrifugal Separator System n) Once the HFO temperature is above the minimum setting, start the programme by pressing PROCESS START soft pushbutton on the D10 control panel. This will initiate a start sequence including a sludge and discharge test and operate the separator in automatic mode. Once the separator is running and no signs of abnormal vibrations are evident, all temperatures and pressures should be recorded. Check the levels of the fuel tanks in use. Note: The separator will operate automatically, sludging at timed intervals or when the control system detects a high level of sludge in the bowl. Water will be discharged automatically from the bowl. Manual intervention is not required but visual checks must be undertaken frequently to ensure that the system is functioning correctly. • The HFO separator may be operated continuously as required but it must be shut down periodically for cleaning and inspection according to the manufacturer’s recommendations. • The controller has been preprogrammed to perform the desired cycle for HFO separation. A change in the programmed settings may be required if the specification of the HFO is changed. The controller handbook must be consulted for instructions on changing system parameters. Parameters must only be changed by approved personnel and with the permission of the Chief Engineer.
  • 214.
    Procedure for SeparatingHeavy Fuel Oil in the Centrifugal Separator System • Procedure to Stop the Separator a) Press the PROCESS STOP soft pushbutton. Two total ejections will be triggered and the separator will stop automatically. The HFO will be automatically recirculated through the three-way valve back to HFO settling tank. b) Regulate the steam to the heater and allow the oil to cool. c) The feed pump will need to be stopped manually. d) Close the control air and operating water valves to the separator along with any other valves opened prior to start up. e) Once the separator has come to a complete stop the brake can be applied and preparations made for cleaning if required. CAUTION • It is essential that the manufacturer’s instructions regarding the stopping and dismantling of the separator are followed exactly to avoid the risk of damage. Separator bowls rotate at very high speed and any imbalance or loose connection can have serious consequences..
  • 215.
    Procedure for SeparatingHeavy Fuel Oil in the Centrifugal Separator System • Separating Fuel Oil from the Fuel Oil Service Tank • The HFO separators may be used for cleaning oil from the HFO service tank and returning the cleaned oil to the HFO service tank. This is accomplished by opening the line outlet valve from the HFO service tank. The feed pump suction valve from the HFO service tank (for No.1 separator or for No.2 separator) must be opened and the feed pump suction valve from the HFO settling tank ( for No.1 separator or for No.2 separator) must be closed. The separator valves are open as in the procedure above. • The separator is operated as above and HFO will be taken from the HFO service tank and returned to that tank after cleaning in the separator. • Separating Low Sulphur Fuel Oil • The HFO separators may be used for treating low sulphur fuel oil in exactly the same way as described in the procedure above for cleaning HFO. LSHFO is taken from the LSHFO settling tank and cleaned in the operating separator then discharged to the LSHFO service tank. • The procedure is the same as above except for the setting of the valves.
  • 216.
    Procedure for SeparatingHeavy Fuel Oil in the Centrifugal Separator System
  • 217.
  • 218.
    IG SYSTEM PIPING •Heating steam for deck seal • Vent valve • Non-return valve • Deck isolating valve • Tank isolating valve • P/V breather valve • P/V breaker • I.G. Shore connection • Purge pipe • P/V bypass valve • Flame screen • Scrubber water pump • Seal water pump • Cargo tank • Safety barrier • Boiler Uptake • Flue gas isolating valve • Scrubber • Scrubber Seal • Scrubber drain • Demister • Inlet for gas freeing • Blower inlet valve • Blower • Blower outlet valve • IG atmosphere valve • Gas regulating valve • Oxygen analyzer (fixed) • Deck seal
  • 219.
    IG SYSTEM PIPINGKEY 1. Boiler Uptake 2. Flue gas isolating valve 3. Scrubber 4. Scrubber Seal 5. Scrubber drain 6. Demister 7. Inlet for gas freeing 8. Blower inlet valve 9. Blower 10. Blower outlet valve 11. IG atmosphere valve 13.Gas regulating valve 14. Oxygen analyzer (fixed) 15. Deck seal 16. Heating steam for deck seal 17. Vent valve 18. Non-return valve 19. Deck isolating valve 20. Tank isolating valve 21. P/V breather valve 22. P/V breaker 23. I.G. Shore connection 24. Purge pipe 25. P/V bypass valve 26. Flame screen 27. Scrubber water pump 28. Seal water pump 29. Cargo tank 30. Safety barrier
  • 220.
    1 2 3 4 5 6 8 8 7 9 9 10 10 11 14 13 15 16 17 18 19 21 20 29 24 22 23 21 26 2728 30 SAFE ZONE HAZARDOUS ZONE 25 1. Boiler Uptake 15. Deck seal 2. Flue gas isolating valve 16. Heating steam for deck seal 3. Scrubber 17. Vent valve 4. Scrubber Seal 18. Non-return valve 5. Scrubber drain 19. Deck isolating valve 28. Seal water pump 6. Demister 20. Tank isolating valve 29. Cargo tank 7. Inlet for gas freeing 21. P/V breather valve 30. Safety barrier 8. Blower inlet valve 22. P/V breaker 9. Blower 23. I.G. Shore connection 10. Blower outlet valve 24. Purge pipe 11. IG atmosphere valve 25. P/V bypass valve 13. Gas regulating valve 26. Flame screen 14. Oxygen analyzer (fixed) 27. Scrubber water pump I.G. SYSTEM
  • 221.
    Color coding asper ISO standard 14726-1
  • 222.
    Color coding asper ISO standard 14726-1
  • 223.
    Color coding asper ISO standard 14726 Pipelines to be marked atleast once in each room, at each penetration point in bulkheads, wall and decks close to each valve within a distance of 3m to 5m of the length of pipeline whereby local condition may require marking due to pipe bends or the close proximity of pipes of different services.
  • 224.
    Definitions • Piping isdefined to include the following components: — pipes — flanges with gaskets and bolts and other pipe connections — expansion elements — valves, including hydraulic and pneumatic actuators, and fittings — hangers and supports — flexible hoses — pump housings. • A piping system is defined to include piping, as well as components in direct connection to the piping such as pumps, heat exchangers, evaporators, independent tanks etc. with the exception of main components such as steam and gas turbines, diesel engines, reduction gears and boilers.
  • 225.
    Classes of pipingsystems. For the purpose of testing, type of joint to be adopted, heat treatment and welding procedure, piping is subdivided into three classes as indicated in Table