INTRODUCTION TO MECHATRONICS
Chapter Three
Signal Conditioning
Data Acquisition System
Signal is a time /space varying quantity
that carries energy and information
• narrow band
switching at 6
kHz
• intermodulation
with 100 kHz
distortion which
is coming from
upstream
• tripping of
residual current
devices (RCD)
Source : Angela, Jil, Selcuk , Electromobility I Project - supraharmonics
Supraharmonics
• Amplification (mV → high energy level)
• Filtering
• Isolation and Protection
• Linearization
• Multiplexing
• ADC and DAC Processes
• Modulation
• Demodulation
Signal Conditioning Processes (3.2)
(Shaping and Manipulation of Signal)
Signal Manipulation and Conversion
• As a solid-state universal integrated circuit
(IC).
• As a versatile device in the field of electronics
with external feedback for controlling its
function and responses with a very high gain.
• As a basic fundamental component for the
design and development of analog electronic
circuits and devices, like analog computers.
Operational Amplifiers
Performs mathematical operations such as:
• summation,
• difference,
• logarithmic operation,
• Exponential
• integration,
• and differentiation.
Types of Op-amp
Amplifier, a filter, a
comparator, oscillator,
shifter, zero detector,
current to voltage
converter.
This device offers infinite
(1)/ high input impedance
and zero /low output
impedance.
± 5V to ± 15V
• o/p terminal
High voltage
gain and
voltage
amplification
Inverting Op-amp
Non-inverting Op-amp
Difference Op-amp
Summing Op-amp
Differentiator Op-amp
𝑄 = 𝐶𝑉𝑖
𝑖𝑐 =
𝑑𝑄
𝑑𝑡
= 𝐶
𝑑𝑉𝑖
𝑑𝑡
= −𝐼𝑟
https://www.youtube.com/watch?v=jPMxF_qYZdg&t=276s
Integrator Op-amp
𝐼𝑟 = −𝑖𝑐
𝑉𝑖
𝑅
= −𝐶
𝑑𝑉𝑜
𝑑𝑡
𝑉𝑖
−𝑅𝐶
=
𝑑𝑉𝑜
𝑑𝑡
𝑉𝑜 = − න
0
𝑡
𝑉𝑖
𝑅𝐶
𝑑𝑡 + 𝑉𝑖𝑛𝑖𝑡𝑖𝑎𝑙
𝐺𝑓 =
𝑉𝑜
𝑉𝑖
= − න
0
𝑡
1
𝑅𝐶
𝑑𝑡
Comparators
• Determining higher or lower level of voltage
𝑉𝑖 > 𝑉𝑟𝑒𝑓 , 𝑉𝑑 = - ve , 𝑉
𝑜 = - 𝑉𝑠𝑎𝑡 ≅ −𝑉
𝑠
𝑉𝑖 < 𝑉𝑟𝑒𝑓 , 𝑉𝑑 = + ve , 𝑉
𝑜 = + 𝑉𝑠𝑎𝑡 ≅ +𝑉
𝑠
𝑉
𝑜 = A 𝑉𝑑 , 𝑉𝑑 = + 𝑉𝑟𝑒𝑓 - 𝑉𝑖
105
− 108
(a) Negative feedback (b) Positive feedback (c) Output Characteristics
• Revision of non inverting amplifier
Voltage follower (Unity gain amplifier)
• Revision of non inverting amplifier
Voltage follower (Unity gain amplifier)
Voltage follower
• Isolation of two circuits and used when the input
impedance of circuit 2 is small
• Eliminate loading effect of a buffer amplifier
• Circuit become unstable while driving a high capacity
load due to strong feedback. Hence load should be
connected with a resistor
Comparator Vs Schmitt Trigger
Comparator with noise
• Bi-stable multi-
vibrator (two
stable states)
Hysteresis Curve
Inverting Schmitt Trigger
• It is a process of removing a certain band
of frequencies from a signal (transducer
output signal) and allowing transmission
of other signals for amplification .
• The order of filter is determined by the
number of reactive components (L and C)
used in the filter design .
Filtering
Types of filters
𝑓𝐻 =
1
2𝜋𝑅1𝐶1
𝑓𝐿 =
1
2𝜋𝑅1𝐶1
𝑓𝑏 = 𝑓𝐻 − 𝑓𝐿
𝑅1 =
𝑄
2𝜋𝑓𝐶𝐺
𝑅2 =
𝑄
2𝜋𝑓𝐶(2𝑄2 − 𝐺)
𝑅3 =
𝑄
𝜋𝑓𝐶
𝑓 → 𝑐𝑒𝑛𝑡𝑟𝑒 𝑓𝑟𝑒𝑞𝑢𝑒𝑛𝑐𝑦, 𝑄 → 𝑄𝑢𝑎𝑙𝑖𝑡𝑦 𝑓𝑎𝑐𝑡𝑜𝑟, 𝐺 → 𝑔𝑎𝑖𝑛
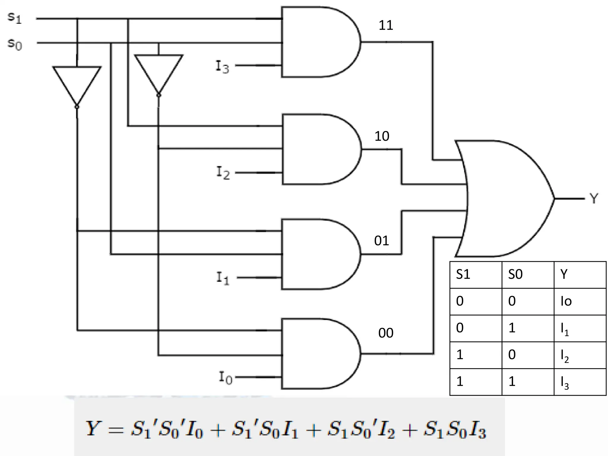
Multiplexer
combinational circuit that has maximum of 2n data
inputs, ‘n’ selection lines and single output line.
00
01
10
11
S1 S0 Y
0 0 Io
0 1 I1
1 0 I2
1 1 I3
• Op Amp requires protection against excessive
current, such as in cases of short circuit, over
voltage, electrostatic charges, and high common
differential voltage input.
• Designs of modern Op Amp offers protection
circuits at the cost of reduction in some of the
performances such as speed of operation,
dynamic range, and level of output signal swing.
• Op Amps requires protecting diodes along with
resistors at their input terminals .
Circuit protection
Protection
• Connection of Sensor to
microprocessor may
damage due to high
current or voltage – series
resistor or fuse.
• High voltage and wrong
polarity protection – Zener
diode.
• Zener diode has low
resistance for current in
one direction and high in
the opposite direction.
• Correct polarity gives high resistance across the
output and a high voltage drop. In reverse
connection Zener diode has low resistance and
little voltage drop across the output.
• Complete isolation and
remove electrical
connection – Optoisolator
• Output current to input
current – transfer ratio (TR)
• Photo transistor – o/p
current is smaller than i/p
current thus -TR 30%
• Darlington o/p current is
larger than i/p current - TR
800%
• Triac used with AC
• Triac with zero crossing
reduce transients and EMI
Rectification
Analog –to digital conversion
• Block diagram scheme of Analog to digital
converter.
𝐴 = 𝜋𝑟2
Vo=[b5
1
𝑅
+b4
1
2𝑅
+..b0
1
32𝑅
] Rf*Vref
If the digital binary coded input for
a 4-bit word to a DAC is 1100, find
its equivalent analog value for a
reference voltage of 5 V.
Successive approximation ADC
Find the digital value for an S/A 4 bit
ADC, if the test transducer analog
output voltage fed to the ADC is 3.217 V
at a reference voltage of 5V.
• Determine the digital output pattern for an 8
bit ADC if the transducer output voltage for
digital conversion is Vin =1V and the reference
voltage is 5V. 00110011
PDF UNIT -3 Signal Coe2e3e3nditioning.pdf

PDF UNIT -3 Signal Coe2e3e3nditioning.pdf

  • 1.
    INTRODUCTION TO MECHATRONICS ChapterThree Signal Conditioning
  • 2.
  • 3.
    Signal is atime /space varying quantity that carries energy and information
  • 4.
    • narrow band switchingat 6 kHz • intermodulation with 100 kHz distortion which is coming from upstream • tripping of residual current devices (RCD) Source : Angela, Jil, Selcuk , Electromobility I Project - supraharmonics Supraharmonics
  • 5.
    • Amplification (mV→ high energy level) • Filtering • Isolation and Protection • Linearization • Multiplexing • ADC and DAC Processes • Modulation • Demodulation Signal Conditioning Processes (3.2) (Shaping and Manipulation of Signal)
  • 6.
  • 7.
    • As asolid-state universal integrated circuit (IC). • As a versatile device in the field of electronics with external feedback for controlling its function and responses with a very high gain. • As a basic fundamental component for the design and development of analog electronic circuits and devices, like analog computers. Operational Amplifiers
  • 8.
    Performs mathematical operationssuch as: • summation, • difference, • logarithmic operation, • Exponential • integration, • and differentiation. Types of Op-amp Amplifier, a filter, a comparator, oscillator, shifter, zero detector, current to voltage converter. This device offers infinite (1)/ high input impedance and zero /low output impedance.
  • 9.
    ± 5V to± 15V • o/p terminal High voltage gain and voltage amplification
  • 11.
  • 12.
  • 13.
  • 14.
  • 15.
    Differentiator Op-amp 𝑄 =𝐶𝑉𝑖 𝑖𝑐 = 𝑑𝑄 𝑑𝑡 = 𝐶 𝑑𝑉𝑖 𝑑𝑡 = −𝐼𝑟
  • 16.
  • 17.
    Integrator Op-amp 𝐼𝑟 =−𝑖𝑐 𝑉𝑖 𝑅 = −𝐶 𝑑𝑉𝑜 𝑑𝑡 𝑉𝑖 −𝑅𝐶 = 𝑑𝑉𝑜 𝑑𝑡 𝑉𝑜 = − න 0 𝑡 𝑉𝑖 𝑅𝐶 𝑑𝑡 + 𝑉𝑖𝑛𝑖𝑡𝑖𝑎𝑙 𝐺𝑓 = 𝑉𝑜 𝑉𝑖 = − න 0 𝑡 1 𝑅𝐶 𝑑𝑡
  • 18.
    Comparators • Determining higheror lower level of voltage 𝑉𝑖 > 𝑉𝑟𝑒𝑓 , 𝑉𝑑 = - ve , 𝑉 𝑜 = - 𝑉𝑠𝑎𝑡 ≅ −𝑉 𝑠 𝑉𝑖 < 𝑉𝑟𝑒𝑓 , 𝑉𝑑 = + ve , 𝑉 𝑜 = + 𝑉𝑠𝑎𝑡 ≅ +𝑉 𝑠 𝑉 𝑜 = A 𝑉𝑑 , 𝑉𝑑 = + 𝑉𝑟𝑒𝑓 - 𝑉𝑖 105 − 108
  • 19.
    (a) Negative feedback(b) Positive feedback (c) Output Characteristics
  • 20.
    • Revision ofnon inverting amplifier Voltage follower (Unity gain amplifier)
  • 21.
    • Revision ofnon inverting amplifier Voltage follower (Unity gain amplifier)
  • 22.
  • 23.
    • Isolation oftwo circuits and used when the input impedance of circuit 2 is small • Eliminate loading effect of a buffer amplifier • Circuit become unstable while driving a high capacity load due to strong feedback. Hence load should be connected with a resistor
  • 24.
  • 25.
  • 26.
    • Bi-stable multi- vibrator(two stable states)
  • 28.
  • 29.
  • 30.
    • It isa process of removing a certain band of frequencies from a signal (transducer output signal) and allowing transmission of other signals for amplification . • The order of filter is determined by the number of reactive components (L and C) used in the filter design . Filtering
  • 31.
  • 33.
  • 34.
  • 35.
    𝑓𝑏 = 𝑓𝐻− 𝑓𝐿
  • 36.
    𝑅1 = 𝑄 2𝜋𝑓𝐶𝐺 𝑅2 = 𝑄 2𝜋𝑓𝐶(2𝑄2− 𝐺) 𝑅3 = 𝑄 𝜋𝑓𝐶 𝑓 → 𝑐𝑒𝑛𝑡𝑟𝑒 𝑓𝑟𝑒𝑞𝑢𝑒𝑛𝑐𝑦, 𝑄 → 𝑄𝑢𝑎𝑙𝑖𝑡𝑦 𝑓𝑎𝑐𝑡𝑜𝑟, 𝐺 → 𝑔𝑎𝑖𝑛
  • 38.
    Multiplexer combinational circuit thathas maximum of 2n data inputs, ‘n’ selection lines and single output line.
  • 39.
    00 01 10 11 S1 S0 Y 00 Io 0 1 I1 1 0 I2 1 1 I3
  • 40.
    • Op Amprequires protection against excessive current, such as in cases of short circuit, over voltage, electrostatic charges, and high common differential voltage input. • Designs of modern Op Amp offers protection circuits at the cost of reduction in some of the performances such as speed of operation, dynamic range, and level of output signal swing. • Op Amps requires protecting diodes along with resistors at their input terminals . Circuit protection
  • 41.
    Protection • Connection ofSensor to microprocessor may damage due to high current or voltage – series resistor or fuse. • High voltage and wrong polarity protection – Zener diode. • Zener diode has low resistance for current in one direction and high in the opposite direction. • Correct polarity gives high resistance across the output and a high voltage drop. In reverse connection Zener diode has low resistance and little voltage drop across the output.
  • 42.
    • Complete isolationand remove electrical connection – Optoisolator • Output current to input current – transfer ratio (TR) • Photo transistor – o/p current is smaller than i/p current thus -TR 30% • Darlington o/p current is larger than i/p current - TR 800% • Triac used with AC • Triac with zero crossing reduce transients and EMI Rectification
  • 43.
    Analog –to digitalconversion • Block diagram scheme of Analog to digital converter.
  • 45.
  • 46.
    If the digitalbinary coded input for a 4-bit word to a DAC is 1100, find its equivalent analog value for a reference voltage of 5 V.
  • 47.
  • 48.
    Find the digitalvalue for an S/A 4 bit ADC, if the test transducer analog output voltage fed to the ADC is 3.217 V at a reference voltage of 5V.
  • 49.
    • Determine thedigital output pattern for an 8 bit ADC if the transducer output voltage for digital conversion is Vin =1V and the reference voltage is 5V. 00110011