pg. 1
KATA PENGANTAR
Puji syukur saya panjatkan kehadirat Allah SWT yang telah memberikan rahmat serta
karunia-Nya kepada kami sehingga kami berhasil menyelesaikan Makalah ini yang
alhamdulillah tepat pada waktunya yang berjudul “ Osilator “.
Makalah ini berisikan tentang informasi osilator dan di susun berdasarkan hasil
pencarian di berbagai sumber. Kami menyadari bahwa makalah ini masih jauh dari sempurna,
oleh karena itu kritik dan saran dari semua pihak yang bersifat membangun selalu saya
harapkan demi kesempurnaan makalah ini.
Semoga makalah ini dapat membantu dan memberikan manfaat bagi kita dalam
mempelajari osilator.
Depok 10 April, 2016
Penyusun
pg. 2
Daftar Isi
Kata Pengantar.........................................................................................1
Daftar Isi..................................................................................................2
BAB I......................................................................................................3
Pengertian osilator....................................................................................3
BAB II.....................................................................................................4
Jenis – Jenis oscillator..............................................................................4
II.1. Oscillator harmonisa .......................................................................4
II.2. Oscillator Relaksasi..........................................................................11
BAB III
III.1 Osilator Tertala Input dan Tertala Output ......................................16
III.2 Oscillators yg tak tertala..................................................................19
III.3 Stabilitas Oscillator ........................................................................20
III.4 Oscillator kristal...............................................................................22
DAFTAR PUSTAKA..............................................................................27
BAB I
I.I Pengertian Osilator
Osilator yaitu suatu rangkaian elektronika yang dapat membangkitkan getaran listrik
dengan frekuensi tertentu dan amplitudonya tetap. Dasar dari sebuah osilator yaitu sebuah
rangkaian penguat dengan sistem feedback, yaitu sebagian sinyal keluaran yang dikembalikan
lagi ke masukan dengan phase dan tegangan yang sama sehingga terjadi osilasi yang terus
menerus.
Adapun beberapa bagian yang menjadi syarat untuk sebuah osilator supaya terjadi osilasi yaitu
adanya rangkaian penguat, rangkaian feedback, dan rangkaian tank circuit.
Rangkaian feedback yaitu suatu rangkaian umpan balik yang sebagian sinyal
keluarannya dikembalikan lagi ke masukan, hal ini salah satu sistem supaya terjadinya
tegangan dan phase yang sama antara input dan output, juga menjadi salah satu syarat penting
pg. 3
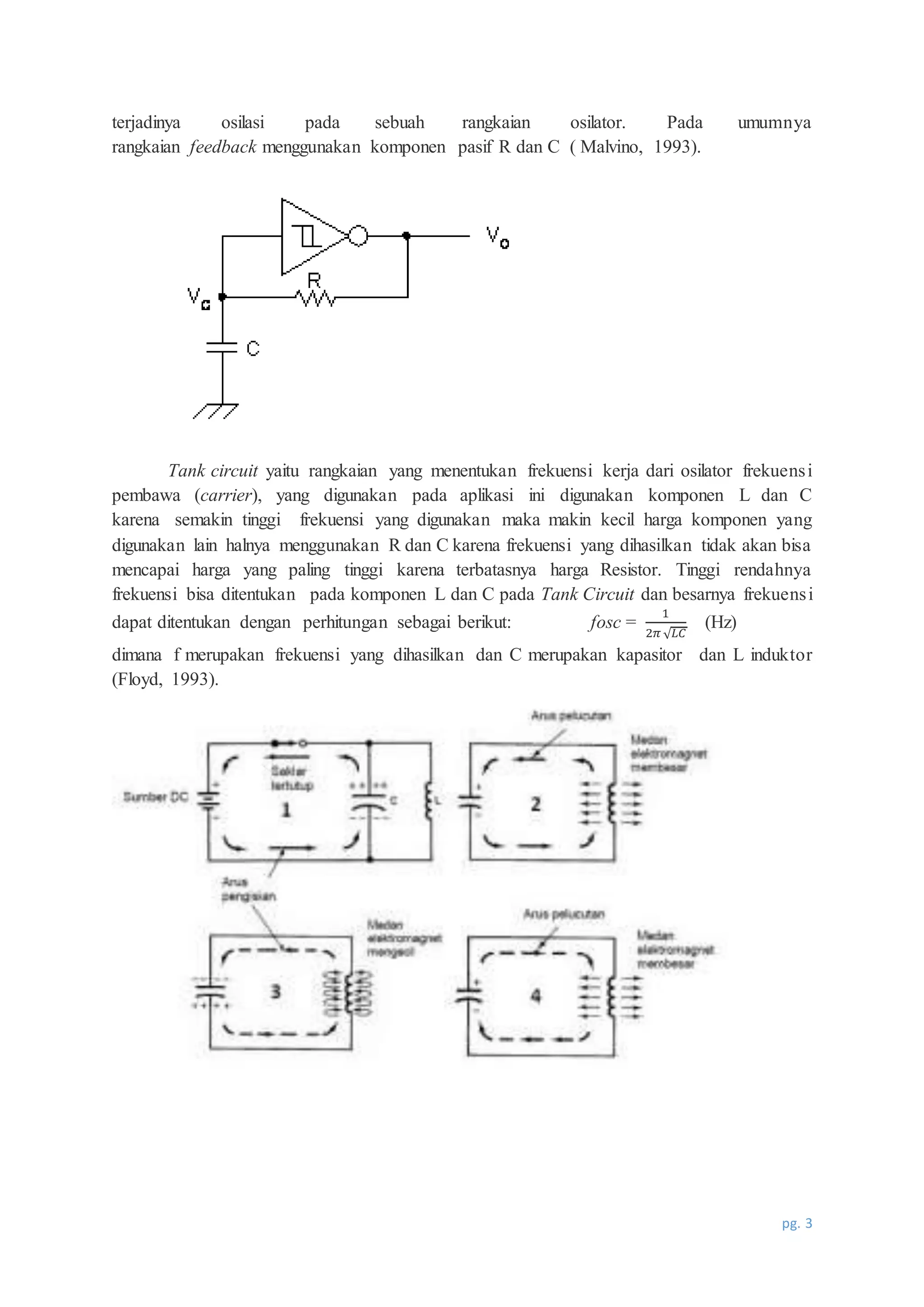
terjadinya osilasi pada sebuah rangkaian osilator. Pada umumnya
rangkaian feedback menggunakan komponen pasif R dan C ( Malvino, 1993).
Tank circuit yaitu rangkaian yang menentukan frekuensi kerja dari osilator frekuensi
pembawa (carrier), yang digunakan pada aplikasi ini digunakan komponen L dan C
karena semakin tinggi frekuensi yang digunakan maka makin kecil harga komponen yang
digunakan lain halnya menggunakan R dan C karena frekuensi yang dihasilkan tidak akan bisa
mencapai harga yang paling tinggi karena terbatasnya harga Resistor. Tinggi rendahnya
frekuensi bisa ditentukan pada komponen L dan C pada Tank Circuit dan besarnya frekuensi
dapat ditentukan dengan perhitungan sebagai berikut: fosc =
1
2𝜋 √ 𝐿𝐶
(Hz)
dimana f merupakan frekuensi yang dihasilkan dan C merupakan kapasitor dan L induktor
(Floyd, 1993).
pg. 4
BAB II
Jenis-Jenis Osilator
Secara umum prinsip rangkaian osilator dibagi dua, yaitu Osilator Harmonisa (Osilator
LC,Osilator RC) dan Osilator Relaksasi.
1. Osilator Harmonisa
Osilator harmonisa menghasilkan bentuk gelombang sinusoida. Osilator harmonisa disebut
juga dengan Osilator Linear. Bentuk dasar osilator harmonisa terdiri dari sebuah penguat dan
sebuah filter yang membentuk umpan balik positif yang menentukan frekuensi output.
Persyaratan utama bagi osilator sinus adalah,
 Frekuensi spesifik yang dapat dicapai
 Amplitudo keluaran
 Kemantapan frekuensi
 Kemurnian keluaran, yaitu perbandingan banyaknya cacat harmonic dalam bentuk
gelombang keluaran.
Amplitudo yang benar dan cacat yang sedikit dapat diperoleh dengan mengendalikan
penguatan penguat sedemikian rupa sehingga tepat cukup untuk mengganti kerugian-
kerugian dalam kalang penentu frekuensi. Dalam beberapa penerapan, kemantapan
frekuensi menjadi prioritas. Perubahan-perubahan dalam frekuensi keluaran dapat
disebabkan oleh beberapa faktor. Untuk jangka panjang, hanyutan harga komponen dan
parameter karena penuaan menjadi sebab utama. Perubahan jangka pendek dara disebabkan
oleh:
 Variasi beban, hal ini dapat dikurangi dengan menggunakan penguat penyangga
pada keluaran.
 Pencatu daya, perubahan-perubahan dalam tegangan pencatu daya akan merubah
parameter-parameter dalam kalang, pencatu daya dimantapkan menyelesaikan
masalah ini.
 Perubahan harga komponen karena suhu, hal ini terutama mempengaruhi komponen
penentu frekuensi. Semua komponen pasif berubah harganya karena suhu
Prinsip osilator ini dimulai dengan adanya noise/desah saat pertama kali power
dinyalakan. Noise/desah ini kemudian dimasukkan kembali ke input penguat dengan
melalui filter tertentu. Karena hal ini terjadi berulang-ulang, maka sinyal noise akan
menjadi semakin besar dan membentuk periode tertentu sesuai dengan jaringan filter
yang dipasang. Periode inilah yang kemudian menjadi nilai frekuensi sebuah
osilator.
Macam-macam osilator harmonisa/ sinus :
a) Osilator Hartley
pg. 5
Osilator Hartley seperti pada gambar 1 banyak digunakan pada rangkaian
penerima radio AM dan FM. Frekuensi resonansi ditentukan oleh harga T1
dan C1 . Kapasitor C2 berfungsi sebagai penggandeng AC ke basis Q1 .
Tegangan panjar Q1 diberikan oleh resistor R 2 dan R1 . Kapasitor C4
sebagai penggandeng variasi tegangan kolektor dengan bagian bawah T1 .
Kumparan penarik RF (L1 ) menahan AC agar tidak ke pencatu daya. L1
juga berfungsi sebagai beban rangkaian. Q1 adalah dari tipe n-p-n dengan
konfigurasi emitor bersama.
Gambar 1 Rangkaian Osilator Hartley
Saat daya DC diberikan pada rangkaian, arus mengalir dari bagian negatif
dari sumber lewat R1 ke emitor. Kolektor dan basis keduanya dihubungkan
ke bagian positif dari VCC . Ini akan memberikan panjar maju pada emitor-
basis dan panjar mundur pada kolektor. Pada awalnya E I , B I dan C I
mengalir lewat Q1 . Dengan C I mengalir lewat L1 , tegangan kolektor
mengalami penurunan. Tegangan ke arah negative ini diberikan pada bagian
bawah T 1 oleh kapasitor C4. Ini mengakibatkan arus mengalir pada
kumparan bawah. Elektromagnet akan membesar di sekitar kumparan. Ini
akan memotong kumparan bagian atas dan memberikan tegangan positif
mengisi kapasitor C1. Tegangan ini juga diberikan pada Q1 melalui C2 . Q1
akhirnya sampai pada titik jenuh dan mengakibatkan tidak terjadinya
pg. 6
perubahan pada VC . Medan di bagian bawah T1 akan dengan cepat habis
dan mengakibatkan terjadinya perubahan polaritas tegangan pada bagian
atas. Keping C1 bagian atas sekarang menjadi negative sedangkan bagian
bawah menjadi positif. Muatan C1 yang telah terakumulasi akan mulai
dilucuti melalui T1 melalui proses rangkaian tangki.
Tegangan negatif pada bagian atas C1 menyebabkan Q 1 berubah ke negatif
menuju cut off. Selanjutnya ini akan mengakibatkan V C membesar dengan
cepat. Tegangan ke arah positif kemudian ditransfer ke bagian bawah T1 oleh
C4, memberikan balikan. Tegangan ini akan tertambahkan pada tegangan C
1 . Perubahan pada VC beragsur-angsur berhenti, dan tidak ada tegangan
yang dibalikkan melalui C4. C1 telah sepenuhnya terlucuti. Medan magnet
di bagian bawah L1 kemudian menghilang. C1 kemudian termuati lagi,
dengan bagian bawah berpolaritas positif dan bagian atas negatif. Q1
kemudian berkonduksi lagi. Proses ini akan berulang terus. Rangkaian tangki
menghasilkan gelombang kontinu dimana hilangnya isi tangki dipenuhi lagi
melalui balikan. Sifat khusus osilator Hartley adalah adanya tapped coil.
Sejumlah variasi rangkaian dimungkinkan. Kumparan mungkin dapat
dipasang seri dengan kolektor. Variasi ini biasa disebut sebagai osilator
Series-fed Hartley.
b) . Osilator Collpits
Perbedaan yang pokok adalah pada bagian rangkaian tangkinya. Pada
osilator Colpitts, digunakan dua kapasitor sebagai pengganti kumparan yang
terbagi. Balikan dikembangkan dengan menggunakan “medan elektrostatik”
melalui jaringan pembagi kapasitor. Frekuensi ditentukan oleh dua kapasitor
terhubung seri dan induktor. Gambar 2 memperlihatkan rangkaian osilator
Colpitts. Tegangan panjar untuk basis diberikan oleh R1 dan R2 sedangkan
untuk emiitor diberikan oleh R4. Kolektor diberi panjar mundur dengan
menghubungkan ke bagian positif dari VCC melalui R3 . Resistor ini juga
berfungsi sebagai beban kolektor.
pg. 7
Gambar 2 Osilator Collpits
Transistor dihubungkan dengan konfigurasi emitor-bersama. Ketika daya
DC diberikan pada rangkaian, arus mengalir dari bagian negatif V CC
melalui R4, Q1 dan R3 . Arus IC yang mengalir melalui R3 menyebabkan
penurunan tegangan VC dengan harga positif. Tegangan yang berubah ke
arah negatif ini dikenakan ke bagian atas C1 melalui C3. Bagian bawah C2
bermuatan positif dan tertambahkan ke tegangan basis dan menaikkan harga
IB. Transistor Q1 akan semakin berkonduksi sampai pada titik jenuh. Saat
Q1 sampai pada titik jenuh maka tidak ada lagi kenaikan IC dan perubahan
VC juga akan terhenti. Tidak terdapat balikan ke bagian atas C2 . C1 dan C
2 akan dilucuti lewat L1 dan selanjutnya medan magnet di sekitarnya akan
menghilang.
Arus pengosongan tetap berlangsung untuk sesaat. Keping C2 bagian bawah
menjadi bermuatan negatif dan keping C1 bagian atas bermuatan positif. Ini
akan mengurangi tegangan maju Q1 dan IC akan menurun. Harga VC akan
mulai naik. Kenaikan ini akan diupankan kembali ke bagian atas keping C1
melalui C3 . C1 akan bermuatan lebih positif dan bagian bawah C 2 menjadi
lebih negatif. Proses ini terus berlanjut sampai Q1 sampai pada titik cut off.
Saat Q1 sampai pada titik cut off, tidak ada arus IC . Tidak ada tegangan
balikan ke C1 . Gabungan muatan yang terkumpul pada C1 dan C2 dilucuti
melalui L1 . Arus pelucutan mengalir dari bagian bawah C2 ke bagian atas
C1 . Muatan negatif pada C2 secepatnya akan habis dan medan magnet di
sekitar L1 akan menghilang. Arus yang mengalir masih terus berlanjut.
Keping C2 bagian bawah menjadi bermuatan positif dan keping C1 bagian
atas bermuatan negatif. Tegangan positif pada C2 menarik Q1 dari daerah
daerah cut off . Selanjutnya IC akan mulai mengalir lagi dan proses dimulai
lagi dari titik ini. Energi balikan ditambahkan ke rangkaian tangki sesaat pada
setiap adanya perubahan. Besarnya balikan pada rangkaian osilator Colpitts
ditentukan oleh “nisbah kapasitansi” C1 dan C2 . Harga C1 pada rangkaian
ini jauh lebih kecil dibandingkan dengan C2 atau C1 C2 X > X . Tegangan
pada C 1 lebih besar dibandingkan pada C2 . Dengan membuat C2lebih kecil
akan diperoleh tegangan balikan yang lebih besar. Namun dengan menaikkan
balikan terlalu tinggi akan mengakibatkan terjadinya distorsi. Biasanya
sekitar 10-50% tegangan kolektor dikembalikan ke rangkaian tangki sebagai
balikan.
c) Osilator Amstrong
Osilator amstrong dinamai sesuai dengan nama penemunya Edwin
Amstrong. Osilator amstrong terdiri dari sebuah penguat dan sebuat umpan
balik rangkaian
pg. 8
LC. Rangkaian dasar dibuat dengan memberikan panjar maju pada
sambungan emitor-basis dan panjar mundur pada kolektor. Pemberian panjar
dilakukan lewat resistor 3 R . Resistor 1 R dan 2 R berlaku sebagai pembagi
tegangan. Saat awal
Gambar Rangkaian Osilator Amstrong
transistor diberi daya, resistor 1 R dan 2 R membawa transistor ke titik
pengoperasian Q pada bagian tengah garis beban.
Dengan tanpa adanya perubahan pada VC pada kumparan primer T1 ,
tegangan pada kumparan sekunder secepatnya akan menjadi nol. Tegangan
basis secapatnya akan kembali pada titik Q. Penurunan tegangan basis ke
arah negatif ini (dari jenuh ke titik Q) membawa V C ke arah positif. Melalui
transformator, ini akan nampak sebagai tegangan ke arah positif pada basis.
Proses ini akan berlangsung melewati titik Qsampai berhenti pada saat titik
cut off dicapai. Transformator selanjutnya akan berhenti memberikan
masukan tegangan ke basis. Transistor segera akan berbalik arah. R1 dan R
2 menyebabkan tegangan basis naik lagi ke titik Q. Proses ini akan terus
berulang: Q 1 akan sampai di titik jenuh – kembali ke titik Q – ke cutoff -
kembali ke titik Q. Dengan demikian tegangan AC akan terjadi pada
kumparan sekunder dari transformator.
Keluaran dari osilator Armstrong seperti pada gambar 3 dapat diubah dengan
mengatur harga R3 . Penguatan akan mencapai harga tertinggi dengan
memasang R 3 pada harga optimum. Namun pemasangan 3 R yang terlalu
tinggi akan mengakibatkan terjadinya distorsi, misalnya keluaran akan
berupa gelombang kotak karena isyarat keluaran terpotong.
d) Osilator Clapp
Osilator Clapp termasuk jenis osilator LC. Osilator Clapp tersusun dari tiga
buah kapasitor dan satu buah induktor. Konfigurasi osilator clapp sama
dengan osilator colpits namun ada penambahan kapasitor yang disusun seri
pg. 9
dengan induktor (L). Osilator Clapp diperkenalkan oleh James K. Clapp pada
tahun 1948.
Gambar Osilator Clapp
e) Osilator pergeseran Fasa
Osilator pergeseran fasa termasuk jenis osilator RC. Pada osilator pergeseran
fasa terdapat sebuah pembalik fasa total 180 derajat. Pembalik fasa ini di
menggeser fasa sinyal output sebesar 180 derajat dan memasukkan kembali
ke input sehingga terjadi umpan balik positif. Rangkaian pembalik fasa ini
biasanya dibentuk oleh tiga buah rangkaian RC.
pg. 10
f) Osilator Kristal
Osilator Kristal adalah osilator yang rangkaian resonansinya tidak
menggunakanan LC atau RC melainkan sebuah kristal kwarsa. Rangkaian
dalam kristal mewakili rangkaian R, L dan C yang disusun seri.
Osilator Pierce ditemukan oleh George W. Pierce. Osilator Pierce banyak
dipakai pada rangkaian digital karena bentuknya yang simpel dan
frekuensinya yang stabil.
Gambar Osilator Kristal
g) Osilator Jembatan Wien
Osilator ini termasuk jenis osilator RC. Osilator jembatan Wien disebut juga
osilator “Twin-T” karena menggunakan dua “T” sirkuit RC beroperasi secara
paralel. Satu rangkaian adalah sebuah RCR “T” yang bertindak sebagai filter
low-pass. Rangkaian kedua adalah CRC “T” yang beroperasi sebagai
pg. 11
penyaring bernilai tinggi. Bersama-sama, sirkuit ini membentuk sebuah
jembatan yang disetel pada frekuensi osilasi yang diinginkan. Sinyal di
cabang CRC dari filter Twin-T yang maju, di RCR itu – tertunda, sehingga
mereka dapat melemahkan satu sama lain pada frekuensi
Osilator Jembatan wien
Setiap tipe mempunyai keuntungan khusus dan daerah penerapan masing-
masing. Jembatan Wien banyak dipakai dalam osilator frekuensi audio
terutama karena kemantapan frekuensinya yang baik dan relatif mudah
dibuat.
2. Osilator Relaksasi.
adalah osilator yang memanfaatkan prinsip saklar secara terus menerus dengan
periode tertentu yang menentukan frekuensi output. Osilator relaksasi menghasilkan
beberapa bentuk gelombang non sinus, yaitu : Gelombang kotak, segitiga, pulsa dan gigi
gergaji.
Osilator relaksasi sederhana adalah sebuah multivibrator / flip-flop. Prinsipnya adalah
mensaklar tagangan suply oleh sebuah komponen transistor atau FET.
Pada dasarnya pada osilator relaksasi ini tergantung pada proses pengosongan-pengisian
rangkaian kapasitor-resistor (RC). Perubahan tegangan pada jaringan digunakan untuk
mengubah-ubah konduksi perangkat elektronik. Sebagai pengontrol proses pengisian dan
pengosongan rangkaian RC, pada osilator dapat digunakan transistor, UJT (uni junction
transistors) atau IC (integrated circuit). Proses pengisian dan pengosongan kapasitor pada
rangkaian seri RC akan mengikuti fungsi eksponensial dengan konstanta waktu yang
tergantung pada harga RC. Pada proses pengisian, satu konstanta waktu dapat mengisi
sebanyak 63% dari sumber tegangan yang digunakan dan akan penuh setelah lima kali
konstanta waktu. Sebaliknya saat proses pengosongan, isi kapasitor akan berkurang
sebanyak 37% setelah satu konstanta waktu dan akan terlucuti secara penuh setelah lima
konstanta waktu
seperti pada gambar berikut.
Proses Dan Kurva Pengisian Kapasitor
pg. 12
Proses Dan Kurva Pengosongan Kapasitor
Proses pengisian dan pengosongan kapasitor melalui resistor seperti pada gambar diatas
dapat digunakan untuk menghasilkan gelombang gergaji. Saklar pengisian dan
pengosongan pada rangkaian gambar diatas dapat diganti dengan saklar elektronik, yaitu
dengan menggunakan transistor atau IC. Rangkaian yang terhubung dengan cara ini
dikelompokkan sebagai osilator relaksasi. Saat komponen pengganti saklar tersebut
berkonduksi disebut “aktif” dan saat tidak berkonduksi disebut “rileks”. Demgan kondisi
tersebut secara berulang dan kontinyu maka gelombang gergaji akan terjadi pada ujung
kaki kapasitor.
Contoh Rangkaian Oscilator Relaksasi Dengan UJT
pg. 13
Dari contoh rangkaian oscilator relaksasi diatas rangkaian RC terdiri atas R1 dan C1 . Titik
sambungan rangkaian RC dihubungkan dengan emitor dari UJT. UJT tidak akan
berkonduksi sampai pada harga tegangan tertentu yang dicapai pada pengisian kapasitor.
Saat terjadi konduksi sambungan E-B1 menjadi beresistansi rendah. Ini memberikan
proses pengosongan C dengan resistansi rendah. Arus hanya mengalir lewat R3 saat UJT
berkonduksi. Pada rangkaian ini sebagai R3 adalah speaker. Pada saat pertama kali diberi
catu daya, osilator UJT dalam kondisi tidak berkonduksi sehingga titik sambungan RC E-
B1 mendapat bias mundur. Dalam waktu singkat muatan pada C1 akan terpenuhi (dalam
hal ini ukuran waktu adalah R*C ). Dengan termuatinya C1 akan menyebabkan sambungan
E- B1 menjadi konduktif atau memiliki resistansi rendah. Selanjutnya terjadi
pengosoangan C1 lewat sambungan E- B1 yang memiliki resistansi rendah. Ini akan
menghilangkan bias maju pada emitor. UJT selanjutnya menjadi tidak berkonduksi dan C1
mulai terisi kembali melalui R1 dan proses ini secara kontinu akan berulang. Osilator UJT
dipakai untuk aplikasi yang memerlukan tegangan dengan waktu kenaikan (rise time)
lambat dan waktu jatuh (fall time) cepat. Sambungan E- B1 dari UJT memiliki keluaran
tipe ini. Antara B1 dan “ground” pada UJT menghasilkan pulsa yang tajam (spike pulse).
Keluaran tipe ini biasanya digunakan untuk rangkaian pengatur waktu dan rangkaian
penghitung. Sebagai kesimpulan osilator UJT sangat stabil dan akurat untuk konstanta
waktu satu atau lebih rendah.
Rangkaian Osilator Relaksasi dengan Op-Amp
pg. 14
Bagian lain dari rangkaian Gambar 1 adalah rangkaian umpanbalik negatif yang
terdiri dari resistor R dan kapasitor C. Sama halnya seperti rangkaian umpanbalik positif,
tegangan referensi negatif pada bagian ini juga akan berubah-ubah tergantung dari
tegangan keluaran pada saat itu. Kita sebut saja titik referensi komparator ini -vref.
Bedanya, pada rangkaian umpanbalik negatif ada komponen C yang sangat berperan
dalam pembentukan osilasi. Tegangan -vref akan berbentuk eksponensial sesuai dengan
sifat pengisian kapasitor. Dari keadaan kapasitor C yang kosong, tegangan akan menaik
secara ekponensial. Namun pada rangkaian ini tegangan -vref tidak akan dapat mencapai
tegangan tertinggi +Vsat. Karena ketika tegangan -vref sudah mencapai titik UTP maka
keluaran komparator op-amp akan relaks menjadi -Vsat.
Demikian juga sebaliknya ketika tegangan keluaran op-amp relaks pada titik saturasi
terendah -Vsat, kapasitor C kembali kosong secara eksponensial. Tentu saja pengosongan
kapasitor C tidak akan sampai menyebabkan tegangan -vref mencapai -Vsat. Ingat jika
tegangan keluaran op-amp pada titik saturasi terendah (-Vsat), tegangan referensi positif
berubah menjadi titik LTP, sehingga ketika -vref < LTP tegangan keluaran op-amp
kembali relaks ke titik saturasi tertinggi (+Vsat). Demikian seterusnya sehingga terbentuk
osilasi pada keluaran komparator.
Osilator relaksasi juga ada yang menggunakan IC yaitu yang terkenal adalah dengan IC
555.
pg. 15
Pada rangkaian tank cirucit multivibrator astabil dengan IC 555 diperlukan dua resistor,
sebuah kapasitor. Kemudian untuk merangkai tank circuit tersebut resistor RA
dihubungkan antara +VCC dan terminal discharger (pin 7). Resistor RB dihubungkan
antara pin 7 dengan terminal treshod (pin 6). Kapasitor dihubungkan antara pin treshold
dan ground. Triger (pin 2) dan input treshold (pin 6) dihubungkan menjadi satu. Pada saat
sumber tegangan pertama kali diberikan, kapasitor akan terisi melalui RA dan RB . Ketika
tegangan pada pin 6 ada naik di atas dua pertigaVCC, maka terjadi perubahan kondisi pada
komparator 1. Ini akan me-reset flip-flop dan outputnya akan berubah ke positif. Keluaran
(pin 3) berubah low dan basis Q1 mendapat bias maju. Q1 mengosongkan muatan C lewat
RB ke ground.
Bentuk Output Astabil Multivibrator IC 555
Ketika tegangan pada kapasitor C turun sampai di bawah sepertigaVCC, ini akan
memberikan energi ke komparator 2. Antara triger (pin 2) dan pin 6 masih terhubung
bersama. Komparator 2 menyebabkan tegangan positif pada input set dari flip-flop dan
memberikan output negatif. Output (pin 3) akan berubah ke harga +VCC dan terjadi proses
pengosongan melalui (pin7). Kemudian C mulai terisi lagi ke harga VCC melalui RA dan
RB. Kapasitor C akan terisi dengan harga berkisar antara sepertiga dan dua pertiga VCC.
Frekuensi output astable multivibrator dinyatakan sebagai f = 1/T . Ini menunjukkan
sebagai total waktu yang diperlukan untuk pengisian dan pengosongan kapasitor C. Waktu
pengisian ditunjukkan oleh jarak t1 dan t3. Waktu pengosongan diberikan oleh t2 dan t4.
pg. 16
Frekuensi kerja astabil multivibrator dengan IC 555 diatas dapat dirumuskan secara
matematis sebagai berikut :
𝐹 =
1
𝑇
=
1,44
( 𝑅 𝐴 + 2𝑅 𝐵) 𝐶
Nilai resistansi RA dan RB sangat penting untuk pengoperasian astable multivibrator. Jika
RB lebih dari setengah harga RA, rangkaian tidak akan berosilasi. Harga ini menghalangi
sinyal triger turun dari harga dua pertiga VCC ke sepertigaVCC. Ini berarti IC tidak
mampu untuk memicu kembali secara mandiri atau tidak siap untuk operasi berikutnya.
BAB III
III.I Osilator Tertala Input dan Tertala Output
Kinerja tahap Noise teoritis dari Osilator tertala input dan tertala output (TITO) diatur
dianalisis dengan pendekatan yang ketat, dan menghasilkan persamaan untuk meredam
noise yang ada yang tertutup fase bentuk, dan noise tersebut dapat tertutup tergantung
hanya pada nilai komponen sirkuit dan konsumsi pada saat osilator. Sebuah perbandingan
langsung dengan diferensial LC, Tank osilator lebih umum digunakan untuk menunjukkan
bahwa Osilator tertala input dan tertala output (TITO) setidaknya jika perilaku osilator
tidak terlalu jauh dari perilaku yang ideal dipertimbangkan dalam analisis. simulasi tahap
Noise cocok mengagumkan dari hasil teoritis. Jadi Osilator ini digunakan kebanyakan
untuk meredam noise dan nilai tersebut noise nya diredam dengan bagaimana nilai L dan
C nya.
pg. 17
Contoh gambar osilator TITO menggunakan JFET.
Jadi intinya, osilator tito dapat bdijadikan sebagai pelengkap atau kombinasi untuk penguat
dan persamaan model penguat, contohnya seperti yang tertera pada diatas oscillator dapat
digunakan sebagai penguat pada impedansi atau model impedansi, dan osilator tito dapat
dengan persamaan frekuensi resonansi.
Hubungan antara penguat dengan osilator TITO
Penguat kelas E dapat diubah menjadi suatu bentuk penguat yang lebih efisien,
dengan osilator tuned-input, tuned-output (TITO) yang ditambahi dengan osilator tertala
(tuned-oscillator) pada gerbang-gerbangnya. Penguat dengan osilator seperti ini memiliki
penambahan daya hingga orde 80%, dan dapat diatala ke frekuensi yang akan dikuatkan.
pg. 18
Osilatornya adalah mode-terkunci dengan menambahkan sebuah transistor kedua, yang
dibawa ke frekuensi yang akan dikuatkan. Hasil keseluruhan efisiensi penambahan daya
adalah pada orde 60%.Konsep ini telah diverifikasi pada simulasi, untuk MOSFETs yang
dibangun dengan AMIS C3(0,35 micron) CMOS, dan beroperasi pada 915 Mhz. Suatu
transistor tunggal dengan W/L = 100 um/0.35 um melepaskan 6mW ke suatu beban
50ohm.
PRINSIP OPERASI DAN KONSEP PENGEMBANGAN
Penguat kelas E , referensi 1, mampu mencapai efisiensi yang tinggi hanya ketika disipasi
daya pada perlengkapan keluaran dipertimbangkan. Tetapi daya yang dibutuhkan untuk
menghantarkan gerbang pada perangkat keluaran, karena itu diperlukan suatu sinyal yang
cukup besar untuk menghasilkan suatu kanal dengan resistansi rendah yang mendekati
lama separuh periode carrier. Daya yang didisipasikan oleh gerbang menyebabkan
efisiensi keseluruhan daya rangkaian menjadi turun antara 30% dan 40%.Rangkaian
pembawa mendisipasikan daya dengan mengisi atau tidak mengisi (discaharging)
kapasitansi gerbang pada perangkat keluaran selama satu putaran. Tsai dan Gray
(Referensi 2) dan Mertens dan Steyaert (Referensi 3) mengurangi daya hilang pada
gerbang dengan membangun osilator dengan frekuensi free-running mendekati frekuensi
yang akan dikuatkan, kemudian dengan injection-locking osilator tersebut. Mereka
melakukan ini untuk kedua tingkat keluaran dan driver. Sebuah perbedaan, tetapi secara
intuitif, pendekatan untuk lebih mengurangi kehilangan energi ini adalah dengan
menyimpan ke dalam rangkaian resonan dengan pendekatan pada Referensi 4. Pendekatan
ini adalah sebuah masalah karena ketika suatu hubungan resonant-gate ditala pada
frekuensi yang dekat dengan frekuensi yang ditala pada jaringan keluaran kelas E, maka
penguat akan menjadi suatu penguat dengan osilator input tertala dan output tertala
(TITO). Telah dilakukan pengamatan tentang osilator TITO melalui suatu simulasi untuk
mengetahui keuntungan pada efisiensi penambahan daya yang melebihi 80%,
dibandingkan dengan yang terlihat pada rangkaian transistor penguat (belum termasuk
rangkaian gate drive) yang dioptimalkan pada penguat kelas E. Merujuk pada gambar 1,
transistor penguat/osilator adalah M1.Osilator adalah injection-locked dengan tambahan
transistor ke dua, M9. Gerbang M9 diarahkan rail-to-rail oleh inverter konvensional, yang
akan mengarahkan pada frekuensi yang akan dikuatkan. Karena osilasi sistem adalah ditala
pada frekuensi yang akan dikuatkan, M9 dapat “menyetir” osilasi sitem dengan arus realtif
kecil. M9 bisa jadi lebih kecil secara signifikan disbanding dengan M1. Dengan demikina
keseluruhan efisiensi daya-tambah (power-added) lebih besar daripada jika gerbang M1
diarahkan secara rail-to-rail.
Jadi hubungan osilator dengan rangkaian penguat sangat erat, itu bisa terjadi sebagai
penambah daya untuk keluaran lebih semprna pada saat resonansi dengan ditala pada salah
satu input atau outputnya.
pg. 19
III.2 Oscillators yg tak tertala
Berbeda dengan osilator yang tertala, osilator yg tak disetel tidak memiliki LC
tangki-sirkuit, RC frekuensi-selektif atau sirkuit kristal di jalur umpan balik nya.
Sebaliknya, sebuah osilator yg tak tertala menggunakan umpan balik nonlinear dan
umumnya gelombang keluaran dari osilator yg tak tertala adalah non-sinusoidal seperti
gelombang persegi, segitiga-gelombang atau pulsa yang ditandai dengan transisi tiba-tiba
dari salah satu kondisi stabilitas atau pernyataan yang berikutnya.
Contoh phase shift osilator RC
Pada pergeseran fasa frekuensi nya diberi nilai :
𝑓 =
1
2𝜋√6𝑅𝐶
Pada saat frekuensi ini, banyak tegangan jatuh kisaran tegangan jatuh nya disebabkan
karena RC tadi, yang berkisar sampai 1/29, jadi pada inverting amplifier tegangan jatuh
ini menghasilkan gain dan bernilai | Au | = Rf / R kemudian Rf = 29R.
osilator yg tak tertala yang lebih dikenal sebagai osilator relaksasi. Jenis osilator yg tak
tertala meliputi:
a). Cincin Oscillator : cincin osilator terdiri dari "ganjil" jumlah gerbang logika
atau amplifier terhubung bersama-sama dalam rantai seri sehingga output yang
terakhir terhubung ke input yang pertama dan memproduksi rangkaian jenis
dering. Frekuensi osilasi tergantung pada delay propagasi dari komponen yang
digunakan, dan jumlah ganjil tersebut adalah tingkat yang berada di dalam ring.
frekuensi osilasi sangat tinggi untuk mengkonsumsi daya. Oleh karena itu
pg. 20
osilator cincin lebih dari hal yang baru sebagai frekuensi tinggi dan penggunaan
komponennya membuat mereka tidak praktis sebagai osilator karena sangat
menyerap daya.
b). Relaksasi Oscillators : osilator relaksasi yang lebih dikenal sebagai
multivibrators, adalah kelas osilator di mana perangkat aktif (biasanya transistor)
di sirkuit untuk didorong jauh melampaui keadaan cut-off dan saturasi daerah
untuk jangka waktu tertentu. osilator relaksasi yang murah dan mudah untuk
membangun dengan tiga jenis utama dari wujud multivibrator :
1. Astabil multivibrator : tidak memiliki keadaan stabil.
2. Monostable multivibrator : memiliki satu keadaan stabil.
3. Bistable multivibrator : memiliki dua keadaan stabil.
ic555 dan Timer Chips : Seperti halnya favorit kami timer NE555 dan
variasinya, ada berbagai chip iC yang setara dengan ic555 yang berbeda yang
tersedia dalam TTL dan CMOS yang dapat digunakan untuk menghasilkan
berbagai bentuk gelombang yang berbeda dan sinyal berbeda dengan beberapa
yang paling populer adalah : 74LS121, 74LS123, 74LS221 dan varian mereka.
III.3 Stabilitas Oscillator
Selain suara, taji, dan harmonik, osilator memiliki masalah dengan ketidakstabilan
frekuensi / fase.
Model yang lebih baik untuk sinyal osilator adalah :
Vc (t) = Ac Cos [𝜔0 𝑡 + ø 𝑟(𝑡)]
Dimana ø 𝑟( 𝑡) proses acak
maka frekuensi akan juga menjadi proses acak :
ω (t) =
𝜔0 𝑡+ø 𝑟(𝑡)
𝑑𝑡
= 𝜔0 +
𝑑 ø 𝑟(𝑡)
𝑑𝑡
= 𝜔0 + 𝜔𝑟 ( 𝑡)
Catatan turunan dari random proses adalah seperti random proses itu sendiri. Dengan kata
lain, frekuensi osilator akan bervariasi sedikit dengan waktu. Kami menyebut ini variasi
acak sebagai osilator ketidakstabilan, dan ketidakstabilan ini datang dalam dua jenis
umum:
1). ketidakstabilan jangka panjang
Ini adalah perubahan lambat dalam
osilator yang frekuensi dari waktu ke waktu (misalnya, menit, jam, atau hari),
umumnya karena perubahan suhu dan / atau osilator yang proses penuaan.
Untuk osilator yang bagus, ketidakstabilan ini diukur dalam bagian tiap
pg. 21
jutaan (ppm). Bagian per juta adalah mirip dengan menggambarkan ketidakstabilan
dihal persentase perubahan frekuensi osilator. Namun, bukannya mengungkapkan
perubahan ini relatif satu seperseratus frekuensi osilator 0 ω (mis., satu persen
frekuensi osilator), kita menyatakan perubahan ini relatif satu satu juta frekuensi
osilator 0 ω!
Cara yang lebih langsung mengungkapkan "bagian per juta" adalah "Hz per MHz "-
dengan kata lain jumlah perubahan frekuensi △ 𝜔0 di Hz, dibagi dengan frekuensi
osilator dinyatakan dalam MHz.
Misalnya, sebuah osilator beroperasi pada frekuensi 𝑓0 =100 MHz osilator yang
frekuensi ini akan dapat (perlahan) mengubah sebanyak ±Δ𝑓𝑟 = 10 kHz dari waktu
ke waktu. dengan demikian kita mengatakan bahwa stabilitas jangka panjang dari
osilator adalah :
△ 𝑓𝑟(𝐻𝑧)
𝑓0 (𝑀𝐻𝑧)
=
±10,000
100
= ±100 𝑝𝑝𝑚
2). Ketidakstabilan jangka pendek.
ketidakstabilan jangka pendek osilator yang sering disebut sebagai fase noise.
Hasilnya memiliki resonator yang tidak sempurna!
Dengan fase kebisingan, proses acak 𝜔0 (𝑡) yang dimiliki sangat kecil
besarnya, tetapi perubahan yang sangat cepat (mis, milidetik atau
mikrodetik). Ini sama dengan frekuensi band modulation (FM), dan hasilnya adalah
penyebaran spektrum sinyal osilator yang frekuensi nya sempit.
Tahap kebisingan adalah fenomena yang sangat kompleks, namun dapat menjadi
penting
terhadap kinerja (atau ketiadaan) dari penerima radio karean dapat meredam noise
yang menyebar dari tahapan penerima radio!
pg. 22
III.4 Osilator kristal
Sebelumnya sempat ada di jenis jenis osilator dan sekarang pembahasan lebih dalam nya.
Kristal lazimnya digunakan untuk rangkaian osilator yang menuntut stabilitas frekuensi
yang tinggi dalam jangka waktu yang panjang. Alasan utamanya adalah karena
perubahan nilai frekuensi kristal seiring dengan waktu, atau disebut juga dengan istilah
faktor penuaan frekuensi (frequency aging), jauh lebih kecil dari pada osilator-osilator
lain. Faktor penuaan frekuensi untuk kristal berkisar pada angka ±5ppm/tahun, jauh lebih
baik dari pada faktor penuaan frekuensi osilator RC ataupun osilator LC yang biasanya
berada diatas ±1%/tahun.
Simbol KristalKristal juga mempunyai stabilitas suhu yang sangat bagus. Lazimnya, nilai
koefisien suhu kristal berada dikisaran ±50ppm direntangan suhu operasi normal dari -
20°C sampai dengan +70°C. Bandingkan dengan koefisien suhu kapasitor yang bisa
mencapai beberapa persen. Untuk aplikasi yang menuntut stabilitas suhu yang lebih
tinggi, kristal dapat dioperasikan didalam sebuah oven kecil yang dijaga agar suhunya
selalu konstan.
Tatanan Fisik
Material yang mempunyai bentuk struktur kristalin, seperti quartz, mempunyai satu sifat
unik yaitu mampu menghasilkan tegangan listrik ketika diberi tekanan mekanikal dan
juga sebaliknya, berubah bentuk mekanikalnya ketika diberi tegangan listrik. Sifat ini
dikenal dengan nama efek piezo-electric.
Sifat inilah yang dimanfaatkan untuk menghasilkan resonansi listrik-mekanik, sehingga
kristal akan bergetar pada frekuensi alami tertentu jika diberi tegangan listrik bolak-balik.
Frekuensi alami ini ditentukan oleh potongan dan dimensi keping kristal, yang ditetapkan
pada saat pembuatan.
Karena potongan dan dimensi keping kristal dapat dikontrol secara presisi pada saat
proses produksi, maka kristal mempunyai frekuensi getar alami yang sangat akurat.
Akurasi kristal umumnya berada pada kisaran ±30ppm, dengan akurasi yang lebih tinggi
juga tersedia walaupun harganya tentu lebih mahal.
Potongan keping kristal mengacu kepada orientasi sudut pemotongan keping kristal
terhadap garis struktur kristalin, dan juga bentuk keping kristal tersebut. Ada banyak
standar potongan keping kristal, yang masing-masing mempunyai karakteristik yang
berbeda-beda. Sebagai contoh, potongan AT yang populer mempunyai frekuensi
fundamental maksimum yang tidak terlalu tinggi dan koefisien suhu yang cukup baik
pg. 23
(berbentuk kurva fungsi kubik). Contoh lain adalah potongan BT, yang mempunyai
frekuensi fundamental maksimum yang lebih tinggi tetapi koefisien suhunya lebih buruk
(berbentuk kurva parabolik).
Kristal dapat dioperasikan pada frekuensi fundamental atau salah satu dari frekuensi-
frekuensi harmonik ganjil (odd harmonics) yang biasa disebut dengan istilah overtones.
Frekuensi fundamental maksimum sebuah kristal ditentukan oleh potongan dan dimensi
keping kristal. Semakin tinggi frekuensi fundamental sebuah kristal, semakin tipis keping
kristal tersebut, sehingga keping kristal menjadi rapuh dan mudah patah. Jadi untuk
mencapai spesifikasi frekuensi getar yang lebih tinggi, kristal harus beroperasi
menggunakan salah satu overtone yang ada.
Walaupun quartz adalah material yang paling sering digunakan untuk membuat kristal,
material lain seperti lithium-niobate, lithium-tantalate, bismuth-germanium oxide dan
alumimium-phosphate juga dapat dipakai untuk membuat kristal. Material lain yang juga
dapat digunakan adalah sejenis keramik yang terbuat dari padatan timbal, zirconium dan
titanium dan material polimer seperti polyvinyl chloride dan difluorpolyethylene.
Rangkaian Ekuivalen
Rangkaian Ekuivalen Kristal Dari sudut pandang bidang elektronika, tata kerja kristal
dapat diilustrasikan melalui rangkaian ekuivalen yang terdiri dari dua buah kapasitor,
satu buah induktor dan satu buah resistor.
Induktor L1 (motional inductance) adalah padanan dari massa keping kristal yang
bergetar, kapasitor C1 (motional capacitance) adalah padanan dari kekakuan keping
kristal melawan getaran dan resistor R1 adalah padanan dari energi yang hilang diserap
oleh kristal karena bentuknya mengalami perubahan ketika bergetar. Kapasitor C0 (shunt
capacitor) adalah kapasitansi yang terbentuk diantara dua elektroda yang mengapit
potongan kristal.
Frekuensi getar alami kristal diberikan oleh persamaan berikut:
Umumnya, nilai induktansi L1 adalah sangat tinggi sementara nilai kapasitansi C1 sangat
rendah. Sebagai contoh, sebuah kristal yang mempunyai frekuensi getar 10MHz
mempunyai nilai L1 = 0.05H, C1 = 0.0051pF, R1 = 5Ω dan C0 = 6pF.
pg. 24
Rasio antara nilai induktansi L1 dan kapasitansi C1 yang sangat besar, jauh melampaui
nilai rasio yang lazim didapat jika menggunakan komponen biasa, sehingga nilai faktor
kualitas (Q) dari kristal menjadi jauh lebih tinggi daripada rangkaian LC biasa.
Faktor kualitas sebuah kristal diberikan oleh persamaan berikut:
Nilai faktor kualitas kristal umumnya bekisar diantara 104
sampai dengan 106, bandingkan dengan nilai faktor-kualitas rangkaian LC biasa yang
hanya berkisar diangka ratusan.
Kristal dapat diterapkan pada rangkaian resonansi-seri ataupun resonansi-paralel. Pada
rangkaian resonansi-seri, kristal bersifat seolah-olah terdiri dari sebuah kapasitor dan
sebuah induktor yang dirangkai secara seri. Impedansi kristal akan mencapai nilai
terendah, yaitu sama dengan nilai tahanan R1, pada frekuensi getar alami.
Pada rangkaian resonansi-paralel, kristal bersifat seperti terdiri dari sebuah kapasitor dan
sebuah induktor yang dirangkai secara paralel. Impedansi kristal akan mencapai nilai
tertinggi pada frekuensi getar alami. Perlu dicatat bahwa frekuensi getar alami sebuah
kristal yang sama jika beroperasi secara resonansi-paralel adalah sedikit lebih tinggi
daripada ketika dioperasikan secara resonansi-seri. Fenomena ini dikenal dengan istilah
pulling, yang besarannya tergantung kepada rasio dari C1 dengan C0 dan CL.
Besarnya perubahan frekuensi yang disebabkan oleh faktor pulling ini diberikan oleh
persamaan berikut:
Kristal biasanya dibentuk sedemikian rupa sehingga lebih optimal jika dioperasikan pada
salah satu mode tertentu, baik itu secara resonansi-seri ataupun resonansi-paralel.
pg. 25
Aplikasi Kristal
Osilator ColpittsKristal dapat digunakan sebagai pengganti jajaran resonansi LC untuk
hampir semua jenis rangkaian osilator, baik secara resonansi-seri maupun resonansi-
paralel. Sebagai contoh adalah rangkaian osilator Colpitts yang menggunakan jajaran
kristal dan kapasitor secara resonansi-seri.
Osilator PierceSatu contoh lain adalah rangkaian osilator Pierce yang menggunakan
jajaran kristal dan kapasitor secara resonansi-paralel pada jalur umpan-balik. Osilator
Pierce ini sangat populer dan kerap digunakan karena mempunyai karakteristik stabilitas
yang lebih superior dibandingkan dengan rangkaian osilator lainnya.
pg. 26
Osilator CMOS Rangkaian osilator populer lain menggunakan sebuah CMOS inverter
yang menerapkan kristal pada jalur umpan-balik dari kaki output ke kaki input. Osilator
ini mempunyai prinsip kerja yang serupa dengan osilator Pierce.
Rangkaian osilator klasik ini diterapkan secara luas sebagai sumber frekuensi denyut
(clock frequency) pada rangkaian digital dan juga menjadi dasar cara kerja rangkaian
osilator terpadu yang biasa digunakan oleh mikrokontroler.
Kedua kapasitor yang terhubung dari kaki-kaki kristal ke ground adalah kapasitor beban
(load capacitance) yang perlu untuk berfungsinya rangkaian osilator ini. Nilai total
kapasitor beban akan mempengaruhi frekuensi getar sebuah kristal. Efek ini juga disebut
pulling, dimana perubahan nilai kapasitor beban (atau mode resonansi, seperti disebutkan
diatas) dalam rangkaian osilator kristal akan merubah frekuensi getar kristal tersebut.
Pulling dapat digunakan untuk mengatur frekuensi getar kristal, walaupun hanya dalam
rentangan yang terbatas. Biasanya, lembaran data kristal mencantumkan nilai nominal
kapasitor beban yang tepat untuk mendapatkan spesifikasi frekuensi getar yang tertera.
Resistor R2 berfungsi untuk membatasi tingkat pasokan daya (drive level) kepada kristal.
Tingkat pasokan daya yang terlalu rendah akan menyebabkan kristal gagal berosilasi dan
sebaliknya, jika terlalu tinggi akan mempengaruhi stabilitas frekuensi kristal atau malah
dapat menyebabkan keping kristal menjadi retak.
Kristal jenis HC49 memerlukan tingkat pasokan daya dikisaran 1mW, sedangkan kristal
HC49S atau HC49SM memerlukan sekitar 100µW. Semakin besar dimensi kepingan
kristal, akan semakin tinggi pasokan daya yang dibutuhkan. Tingkat pasokan daya juga
dipengaruhi oleh frekuensi getar, dimana frekuensi getar yang lebih tinggi akan
memerlukan pasokan daya yang lebih besar.
Kemasan Kristal
Kemasan KristalKristal tersedia dalam berbagai bentuk kemasan. Kemasan yang populer
adalah HC49 dan HC49S. HC49S mempunyai bentuk tapak yang sama dengan HC49,
tetapi kemasannya lebih pendek. HC49S juga tersedia untuk aplikasi SMD (HC49SM),
dengan kaki yang ditekuk rata dibawah dasar yang terbuat dari plastik. Kemasan SMD
bentuk lain juga banyak tersedia dipasaran.
pg. 27
Perlu diingat bahwa kristal dengan kemasan yang berbeda akan mempunyai karakteristik
yang berbeda pula. Hal ini disebabkan karena dimensi dan bentuk keping kristal
tergantung kepada besarnya kemasan. Sebagai contoh, kemasan HC49 biasanya
berisikan keping kristal yang berbentuk piringan, sedangkan kemasan HC49S, karena
lebih pendek, berisikan keping kristal berbentuk persegi panjang.
DAFTAR PUSTAKA
Suwana, Wayan. Osilator harmonic. Pendidikn Fisika universitas lampung
http://id.wikipedia.org/wiki/Osilasi
http://en.wikipedia.org/wiki/Oscillation
http://www.sisilain.net/2011/04/pengertian-osilator-adalah.html
http://elkakom.blogspot.com/2011/04/pengertian-osilator-dan-cara-kerjanya.html
http://rizqidiaz.blogspot.com/2012/05/osilator.html
http://www.sisilain.net/2011/04/pengertian-osilator-adalah.html
http://www.scribd.com/doc/43876534/Makalah-Kuliah-Osilator-9-Nopember-2002
http://elektronika-dasar.web.id/konsep-dasar-oscilator-umpan-balik/
http://elektronika-dasar.web.id/konsep-dasar-oscilator-relaksasi/
http://elektronika-dasar.web.id/astable-multivibrator-ic-555/
http://ezinearticles.com/?Whats-the-Difference-Between-a-Tuned-and-an-Untuned-
Oscillator-Circuit?&id=4622180
EE 414 Lectures series by Dr. Muhammad H. Rais
2005/03/07 Oscillator Stability.doc 3/3
Jim Stiles The Univ. dari Kansas Departemen EECS
http://www.elektronikaonline.com/majalah-elektronika/kristal.htm

Osilator

  • 1.
    pg. 1 KATA PENGANTAR Pujisyukur saya panjatkan kehadirat Allah SWT yang telah memberikan rahmat serta karunia-Nya kepada kami sehingga kami berhasil menyelesaikan Makalah ini yang alhamdulillah tepat pada waktunya yang berjudul “ Osilator “. Makalah ini berisikan tentang informasi osilator dan di susun berdasarkan hasil pencarian di berbagai sumber. Kami menyadari bahwa makalah ini masih jauh dari sempurna, oleh karena itu kritik dan saran dari semua pihak yang bersifat membangun selalu saya harapkan demi kesempurnaan makalah ini. Semoga makalah ini dapat membantu dan memberikan manfaat bagi kita dalam mempelajari osilator. Depok 10 April, 2016 Penyusun
  • 2.
    pg. 2 Daftar Isi KataPengantar.........................................................................................1 Daftar Isi..................................................................................................2 BAB I......................................................................................................3 Pengertian osilator....................................................................................3 BAB II.....................................................................................................4 Jenis – Jenis oscillator..............................................................................4 II.1. Oscillator harmonisa .......................................................................4 II.2. Oscillator Relaksasi..........................................................................11 BAB III III.1 Osilator Tertala Input dan Tertala Output ......................................16 III.2 Oscillators yg tak tertala..................................................................19 III.3 Stabilitas Oscillator ........................................................................20 III.4 Oscillator kristal...............................................................................22 DAFTAR PUSTAKA..............................................................................27 BAB I I.I Pengertian Osilator Osilator yaitu suatu rangkaian elektronika yang dapat membangkitkan getaran listrik dengan frekuensi tertentu dan amplitudonya tetap. Dasar dari sebuah osilator yaitu sebuah rangkaian penguat dengan sistem feedback, yaitu sebagian sinyal keluaran yang dikembalikan lagi ke masukan dengan phase dan tegangan yang sama sehingga terjadi osilasi yang terus menerus. Adapun beberapa bagian yang menjadi syarat untuk sebuah osilator supaya terjadi osilasi yaitu adanya rangkaian penguat, rangkaian feedback, dan rangkaian tank circuit. Rangkaian feedback yaitu suatu rangkaian umpan balik yang sebagian sinyal keluarannya dikembalikan lagi ke masukan, hal ini salah satu sistem supaya terjadinya tegangan dan phase yang sama antara input dan output, juga menjadi salah satu syarat penting
  • 3.
    pg. 3 terjadinya osilasipada sebuah rangkaian osilator. Pada umumnya rangkaian feedback menggunakan komponen pasif R dan C ( Malvino, 1993). Tank circuit yaitu rangkaian yang menentukan frekuensi kerja dari osilator frekuensi pembawa (carrier), yang digunakan pada aplikasi ini digunakan komponen L dan C karena semakin tinggi frekuensi yang digunakan maka makin kecil harga komponen yang digunakan lain halnya menggunakan R dan C karena frekuensi yang dihasilkan tidak akan bisa mencapai harga yang paling tinggi karena terbatasnya harga Resistor. Tinggi rendahnya frekuensi bisa ditentukan pada komponen L dan C pada Tank Circuit dan besarnya frekuensi dapat ditentukan dengan perhitungan sebagai berikut: fosc = 1 2𝜋 √ 𝐿𝐶 (Hz) dimana f merupakan frekuensi yang dihasilkan dan C merupakan kapasitor dan L induktor (Floyd, 1993).
  • 4.
    pg. 4 BAB II Jenis-JenisOsilator Secara umum prinsip rangkaian osilator dibagi dua, yaitu Osilator Harmonisa (Osilator LC,Osilator RC) dan Osilator Relaksasi. 1. Osilator Harmonisa Osilator harmonisa menghasilkan bentuk gelombang sinusoida. Osilator harmonisa disebut juga dengan Osilator Linear. Bentuk dasar osilator harmonisa terdiri dari sebuah penguat dan sebuah filter yang membentuk umpan balik positif yang menentukan frekuensi output. Persyaratan utama bagi osilator sinus adalah,  Frekuensi spesifik yang dapat dicapai  Amplitudo keluaran  Kemantapan frekuensi  Kemurnian keluaran, yaitu perbandingan banyaknya cacat harmonic dalam bentuk gelombang keluaran. Amplitudo yang benar dan cacat yang sedikit dapat diperoleh dengan mengendalikan penguatan penguat sedemikian rupa sehingga tepat cukup untuk mengganti kerugian- kerugian dalam kalang penentu frekuensi. Dalam beberapa penerapan, kemantapan frekuensi menjadi prioritas. Perubahan-perubahan dalam frekuensi keluaran dapat disebabkan oleh beberapa faktor. Untuk jangka panjang, hanyutan harga komponen dan parameter karena penuaan menjadi sebab utama. Perubahan jangka pendek dara disebabkan oleh:  Variasi beban, hal ini dapat dikurangi dengan menggunakan penguat penyangga pada keluaran.  Pencatu daya, perubahan-perubahan dalam tegangan pencatu daya akan merubah parameter-parameter dalam kalang, pencatu daya dimantapkan menyelesaikan masalah ini.  Perubahan harga komponen karena suhu, hal ini terutama mempengaruhi komponen penentu frekuensi. Semua komponen pasif berubah harganya karena suhu Prinsip osilator ini dimulai dengan adanya noise/desah saat pertama kali power dinyalakan. Noise/desah ini kemudian dimasukkan kembali ke input penguat dengan melalui filter tertentu. Karena hal ini terjadi berulang-ulang, maka sinyal noise akan menjadi semakin besar dan membentuk periode tertentu sesuai dengan jaringan filter yang dipasang. Periode inilah yang kemudian menjadi nilai frekuensi sebuah osilator. Macam-macam osilator harmonisa/ sinus : a) Osilator Hartley
  • 5.
    pg. 5 Osilator Hartleyseperti pada gambar 1 banyak digunakan pada rangkaian penerima radio AM dan FM. Frekuensi resonansi ditentukan oleh harga T1 dan C1 . Kapasitor C2 berfungsi sebagai penggandeng AC ke basis Q1 . Tegangan panjar Q1 diberikan oleh resistor R 2 dan R1 . Kapasitor C4 sebagai penggandeng variasi tegangan kolektor dengan bagian bawah T1 . Kumparan penarik RF (L1 ) menahan AC agar tidak ke pencatu daya. L1 juga berfungsi sebagai beban rangkaian. Q1 adalah dari tipe n-p-n dengan konfigurasi emitor bersama. Gambar 1 Rangkaian Osilator Hartley Saat daya DC diberikan pada rangkaian, arus mengalir dari bagian negatif dari sumber lewat R1 ke emitor. Kolektor dan basis keduanya dihubungkan ke bagian positif dari VCC . Ini akan memberikan panjar maju pada emitor- basis dan panjar mundur pada kolektor. Pada awalnya E I , B I dan C I mengalir lewat Q1 . Dengan C I mengalir lewat L1 , tegangan kolektor mengalami penurunan. Tegangan ke arah negative ini diberikan pada bagian bawah T 1 oleh kapasitor C4. Ini mengakibatkan arus mengalir pada kumparan bawah. Elektromagnet akan membesar di sekitar kumparan. Ini akan memotong kumparan bagian atas dan memberikan tegangan positif mengisi kapasitor C1. Tegangan ini juga diberikan pada Q1 melalui C2 . Q1 akhirnya sampai pada titik jenuh dan mengakibatkan tidak terjadinya
  • 6.
    pg. 6 perubahan padaVC . Medan di bagian bawah T1 akan dengan cepat habis dan mengakibatkan terjadinya perubahan polaritas tegangan pada bagian atas. Keping C1 bagian atas sekarang menjadi negative sedangkan bagian bawah menjadi positif. Muatan C1 yang telah terakumulasi akan mulai dilucuti melalui T1 melalui proses rangkaian tangki. Tegangan negatif pada bagian atas C1 menyebabkan Q 1 berubah ke negatif menuju cut off. Selanjutnya ini akan mengakibatkan V C membesar dengan cepat. Tegangan ke arah positif kemudian ditransfer ke bagian bawah T1 oleh C4, memberikan balikan. Tegangan ini akan tertambahkan pada tegangan C 1 . Perubahan pada VC beragsur-angsur berhenti, dan tidak ada tegangan yang dibalikkan melalui C4. C1 telah sepenuhnya terlucuti. Medan magnet di bagian bawah L1 kemudian menghilang. C1 kemudian termuati lagi, dengan bagian bawah berpolaritas positif dan bagian atas negatif. Q1 kemudian berkonduksi lagi. Proses ini akan berulang terus. Rangkaian tangki menghasilkan gelombang kontinu dimana hilangnya isi tangki dipenuhi lagi melalui balikan. Sifat khusus osilator Hartley adalah adanya tapped coil. Sejumlah variasi rangkaian dimungkinkan. Kumparan mungkin dapat dipasang seri dengan kolektor. Variasi ini biasa disebut sebagai osilator Series-fed Hartley. b) . Osilator Collpits Perbedaan yang pokok adalah pada bagian rangkaian tangkinya. Pada osilator Colpitts, digunakan dua kapasitor sebagai pengganti kumparan yang terbagi. Balikan dikembangkan dengan menggunakan “medan elektrostatik” melalui jaringan pembagi kapasitor. Frekuensi ditentukan oleh dua kapasitor terhubung seri dan induktor. Gambar 2 memperlihatkan rangkaian osilator Colpitts. Tegangan panjar untuk basis diberikan oleh R1 dan R2 sedangkan untuk emiitor diberikan oleh R4. Kolektor diberi panjar mundur dengan menghubungkan ke bagian positif dari VCC melalui R3 . Resistor ini juga berfungsi sebagai beban kolektor.
  • 7.
    pg. 7 Gambar 2Osilator Collpits Transistor dihubungkan dengan konfigurasi emitor-bersama. Ketika daya DC diberikan pada rangkaian, arus mengalir dari bagian negatif V CC melalui R4, Q1 dan R3 . Arus IC yang mengalir melalui R3 menyebabkan penurunan tegangan VC dengan harga positif. Tegangan yang berubah ke arah negatif ini dikenakan ke bagian atas C1 melalui C3. Bagian bawah C2 bermuatan positif dan tertambahkan ke tegangan basis dan menaikkan harga IB. Transistor Q1 akan semakin berkonduksi sampai pada titik jenuh. Saat Q1 sampai pada titik jenuh maka tidak ada lagi kenaikan IC dan perubahan VC juga akan terhenti. Tidak terdapat balikan ke bagian atas C2 . C1 dan C 2 akan dilucuti lewat L1 dan selanjutnya medan magnet di sekitarnya akan menghilang. Arus pengosongan tetap berlangsung untuk sesaat. Keping C2 bagian bawah menjadi bermuatan negatif dan keping C1 bagian atas bermuatan positif. Ini akan mengurangi tegangan maju Q1 dan IC akan menurun. Harga VC akan mulai naik. Kenaikan ini akan diupankan kembali ke bagian atas keping C1 melalui C3 . C1 akan bermuatan lebih positif dan bagian bawah C 2 menjadi lebih negatif. Proses ini terus berlanjut sampai Q1 sampai pada titik cut off. Saat Q1 sampai pada titik cut off, tidak ada arus IC . Tidak ada tegangan balikan ke C1 . Gabungan muatan yang terkumpul pada C1 dan C2 dilucuti melalui L1 . Arus pelucutan mengalir dari bagian bawah C2 ke bagian atas C1 . Muatan negatif pada C2 secepatnya akan habis dan medan magnet di sekitar L1 akan menghilang. Arus yang mengalir masih terus berlanjut. Keping C2 bagian bawah menjadi bermuatan positif dan keping C1 bagian atas bermuatan negatif. Tegangan positif pada C2 menarik Q1 dari daerah daerah cut off . Selanjutnya IC akan mulai mengalir lagi dan proses dimulai lagi dari titik ini. Energi balikan ditambahkan ke rangkaian tangki sesaat pada setiap adanya perubahan. Besarnya balikan pada rangkaian osilator Colpitts ditentukan oleh “nisbah kapasitansi” C1 dan C2 . Harga C1 pada rangkaian ini jauh lebih kecil dibandingkan dengan C2 atau C1 C2 X > X . Tegangan pada C 1 lebih besar dibandingkan pada C2 . Dengan membuat C2lebih kecil akan diperoleh tegangan balikan yang lebih besar. Namun dengan menaikkan balikan terlalu tinggi akan mengakibatkan terjadinya distorsi. Biasanya sekitar 10-50% tegangan kolektor dikembalikan ke rangkaian tangki sebagai balikan. c) Osilator Amstrong Osilator amstrong dinamai sesuai dengan nama penemunya Edwin Amstrong. Osilator amstrong terdiri dari sebuah penguat dan sebuat umpan balik rangkaian
  • 8.
    pg. 8 LC. Rangkaiandasar dibuat dengan memberikan panjar maju pada sambungan emitor-basis dan panjar mundur pada kolektor. Pemberian panjar dilakukan lewat resistor 3 R . Resistor 1 R dan 2 R berlaku sebagai pembagi tegangan. Saat awal Gambar Rangkaian Osilator Amstrong transistor diberi daya, resistor 1 R dan 2 R membawa transistor ke titik pengoperasian Q pada bagian tengah garis beban. Dengan tanpa adanya perubahan pada VC pada kumparan primer T1 , tegangan pada kumparan sekunder secepatnya akan menjadi nol. Tegangan basis secapatnya akan kembali pada titik Q. Penurunan tegangan basis ke arah negatif ini (dari jenuh ke titik Q) membawa V C ke arah positif. Melalui transformator, ini akan nampak sebagai tegangan ke arah positif pada basis. Proses ini akan berlangsung melewati titik Qsampai berhenti pada saat titik cut off dicapai. Transformator selanjutnya akan berhenti memberikan masukan tegangan ke basis. Transistor segera akan berbalik arah. R1 dan R 2 menyebabkan tegangan basis naik lagi ke titik Q. Proses ini akan terus berulang: Q 1 akan sampai di titik jenuh – kembali ke titik Q – ke cutoff - kembali ke titik Q. Dengan demikian tegangan AC akan terjadi pada kumparan sekunder dari transformator. Keluaran dari osilator Armstrong seperti pada gambar 3 dapat diubah dengan mengatur harga R3 . Penguatan akan mencapai harga tertinggi dengan memasang R 3 pada harga optimum. Namun pemasangan 3 R yang terlalu tinggi akan mengakibatkan terjadinya distorsi, misalnya keluaran akan berupa gelombang kotak karena isyarat keluaran terpotong. d) Osilator Clapp Osilator Clapp termasuk jenis osilator LC. Osilator Clapp tersusun dari tiga buah kapasitor dan satu buah induktor. Konfigurasi osilator clapp sama dengan osilator colpits namun ada penambahan kapasitor yang disusun seri
  • 9.
    pg. 9 dengan induktor(L). Osilator Clapp diperkenalkan oleh James K. Clapp pada tahun 1948. Gambar Osilator Clapp e) Osilator pergeseran Fasa Osilator pergeseran fasa termasuk jenis osilator RC. Pada osilator pergeseran fasa terdapat sebuah pembalik fasa total 180 derajat. Pembalik fasa ini di menggeser fasa sinyal output sebesar 180 derajat dan memasukkan kembali ke input sehingga terjadi umpan balik positif. Rangkaian pembalik fasa ini biasanya dibentuk oleh tiga buah rangkaian RC.
  • 10.
    pg. 10 f) OsilatorKristal Osilator Kristal adalah osilator yang rangkaian resonansinya tidak menggunakanan LC atau RC melainkan sebuah kristal kwarsa. Rangkaian dalam kristal mewakili rangkaian R, L dan C yang disusun seri. Osilator Pierce ditemukan oleh George W. Pierce. Osilator Pierce banyak dipakai pada rangkaian digital karena bentuknya yang simpel dan frekuensinya yang stabil. Gambar Osilator Kristal g) Osilator Jembatan Wien Osilator ini termasuk jenis osilator RC. Osilator jembatan Wien disebut juga osilator “Twin-T” karena menggunakan dua “T” sirkuit RC beroperasi secara paralel. Satu rangkaian adalah sebuah RCR “T” yang bertindak sebagai filter low-pass. Rangkaian kedua adalah CRC “T” yang beroperasi sebagai
  • 11.
    pg. 11 penyaring bernilaitinggi. Bersama-sama, sirkuit ini membentuk sebuah jembatan yang disetel pada frekuensi osilasi yang diinginkan. Sinyal di cabang CRC dari filter Twin-T yang maju, di RCR itu – tertunda, sehingga mereka dapat melemahkan satu sama lain pada frekuensi Osilator Jembatan wien Setiap tipe mempunyai keuntungan khusus dan daerah penerapan masing- masing. Jembatan Wien banyak dipakai dalam osilator frekuensi audio terutama karena kemantapan frekuensinya yang baik dan relatif mudah dibuat. 2. Osilator Relaksasi. adalah osilator yang memanfaatkan prinsip saklar secara terus menerus dengan periode tertentu yang menentukan frekuensi output. Osilator relaksasi menghasilkan beberapa bentuk gelombang non sinus, yaitu : Gelombang kotak, segitiga, pulsa dan gigi gergaji. Osilator relaksasi sederhana adalah sebuah multivibrator / flip-flop. Prinsipnya adalah mensaklar tagangan suply oleh sebuah komponen transistor atau FET. Pada dasarnya pada osilator relaksasi ini tergantung pada proses pengosongan-pengisian rangkaian kapasitor-resistor (RC). Perubahan tegangan pada jaringan digunakan untuk mengubah-ubah konduksi perangkat elektronik. Sebagai pengontrol proses pengisian dan pengosongan rangkaian RC, pada osilator dapat digunakan transistor, UJT (uni junction transistors) atau IC (integrated circuit). Proses pengisian dan pengosongan kapasitor pada rangkaian seri RC akan mengikuti fungsi eksponensial dengan konstanta waktu yang tergantung pada harga RC. Pada proses pengisian, satu konstanta waktu dapat mengisi sebanyak 63% dari sumber tegangan yang digunakan dan akan penuh setelah lima kali konstanta waktu. Sebaliknya saat proses pengosongan, isi kapasitor akan berkurang sebanyak 37% setelah satu konstanta waktu dan akan terlucuti secara penuh setelah lima konstanta waktu seperti pada gambar berikut. Proses Dan Kurva Pengisian Kapasitor
  • 12.
    pg. 12 Proses DanKurva Pengosongan Kapasitor Proses pengisian dan pengosongan kapasitor melalui resistor seperti pada gambar diatas dapat digunakan untuk menghasilkan gelombang gergaji. Saklar pengisian dan pengosongan pada rangkaian gambar diatas dapat diganti dengan saklar elektronik, yaitu dengan menggunakan transistor atau IC. Rangkaian yang terhubung dengan cara ini dikelompokkan sebagai osilator relaksasi. Saat komponen pengganti saklar tersebut berkonduksi disebut “aktif” dan saat tidak berkonduksi disebut “rileks”. Demgan kondisi tersebut secara berulang dan kontinyu maka gelombang gergaji akan terjadi pada ujung kaki kapasitor. Contoh Rangkaian Oscilator Relaksasi Dengan UJT
  • 13.
    pg. 13 Dari contohrangkaian oscilator relaksasi diatas rangkaian RC terdiri atas R1 dan C1 . Titik sambungan rangkaian RC dihubungkan dengan emitor dari UJT. UJT tidak akan berkonduksi sampai pada harga tegangan tertentu yang dicapai pada pengisian kapasitor. Saat terjadi konduksi sambungan E-B1 menjadi beresistansi rendah. Ini memberikan proses pengosongan C dengan resistansi rendah. Arus hanya mengalir lewat R3 saat UJT berkonduksi. Pada rangkaian ini sebagai R3 adalah speaker. Pada saat pertama kali diberi catu daya, osilator UJT dalam kondisi tidak berkonduksi sehingga titik sambungan RC E- B1 mendapat bias mundur. Dalam waktu singkat muatan pada C1 akan terpenuhi (dalam hal ini ukuran waktu adalah R*C ). Dengan termuatinya C1 akan menyebabkan sambungan E- B1 menjadi konduktif atau memiliki resistansi rendah. Selanjutnya terjadi pengosoangan C1 lewat sambungan E- B1 yang memiliki resistansi rendah. Ini akan menghilangkan bias maju pada emitor. UJT selanjutnya menjadi tidak berkonduksi dan C1 mulai terisi kembali melalui R1 dan proses ini secara kontinu akan berulang. Osilator UJT dipakai untuk aplikasi yang memerlukan tegangan dengan waktu kenaikan (rise time) lambat dan waktu jatuh (fall time) cepat. Sambungan E- B1 dari UJT memiliki keluaran tipe ini. Antara B1 dan “ground” pada UJT menghasilkan pulsa yang tajam (spike pulse). Keluaran tipe ini biasanya digunakan untuk rangkaian pengatur waktu dan rangkaian penghitung. Sebagai kesimpulan osilator UJT sangat stabil dan akurat untuk konstanta waktu satu atau lebih rendah. Rangkaian Osilator Relaksasi dengan Op-Amp
  • 14.
    pg. 14 Bagian laindari rangkaian Gambar 1 adalah rangkaian umpanbalik negatif yang terdiri dari resistor R dan kapasitor C. Sama halnya seperti rangkaian umpanbalik positif, tegangan referensi negatif pada bagian ini juga akan berubah-ubah tergantung dari tegangan keluaran pada saat itu. Kita sebut saja titik referensi komparator ini -vref. Bedanya, pada rangkaian umpanbalik negatif ada komponen C yang sangat berperan dalam pembentukan osilasi. Tegangan -vref akan berbentuk eksponensial sesuai dengan sifat pengisian kapasitor. Dari keadaan kapasitor C yang kosong, tegangan akan menaik secara ekponensial. Namun pada rangkaian ini tegangan -vref tidak akan dapat mencapai tegangan tertinggi +Vsat. Karena ketika tegangan -vref sudah mencapai titik UTP maka keluaran komparator op-amp akan relaks menjadi -Vsat. Demikian juga sebaliknya ketika tegangan keluaran op-amp relaks pada titik saturasi terendah -Vsat, kapasitor C kembali kosong secara eksponensial. Tentu saja pengosongan kapasitor C tidak akan sampai menyebabkan tegangan -vref mencapai -Vsat. Ingat jika tegangan keluaran op-amp pada titik saturasi terendah (-Vsat), tegangan referensi positif berubah menjadi titik LTP, sehingga ketika -vref < LTP tegangan keluaran op-amp kembali relaks ke titik saturasi tertinggi (+Vsat). Demikian seterusnya sehingga terbentuk osilasi pada keluaran komparator. Osilator relaksasi juga ada yang menggunakan IC yaitu yang terkenal adalah dengan IC 555.
  • 15.
    pg. 15 Pada rangkaiantank cirucit multivibrator astabil dengan IC 555 diperlukan dua resistor, sebuah kapasitor. Kemudian untuk merangkai tank circuit tersebut resistor RA dihubungkan antara +VCC dan terminal discharger (pin 7). Resistor RB dihubungkan antara pin 7 dengan terminal treshod (pin 6). Kapasitor dihubungkan antara pin treshold dan ground. Triger (pin 2) dan input treshold (pin 6) dihubungkan menjadi satu. Pada saat sumber tegangan pertama kali diberikan, kapasitor akan terisi melalui RA dan RB . Ketika tegangan pada pin 6 ada naik di atas dua pertigaVCC, maka terjadi perubahan kondisi pada komparator 1. Ini akan me-reset flip-flop dan outputnya akan berubah ke positif. Keluaran (pin 3) berubah low dan basis Q1 mendapat bias maju. Q1 mengosongkan muatan C lewat RB ke ground. Bentuk Output Astabil Multivibrator IC 555 Ketika tegangan pada kapasitor C turun sampai di bawah sepertigaVCC, ini akan memberikan energi ke komparator 2. Antara triger (pin 2) dan pin 6 masih terhubung bersama. Komparator 2 menyebabkan tegangan positif pada input set dari flip-flop dan memberikan output negatif. Output (pin 3) akan berubah ke harga +VCC dan terjadi proses pengosongan melalui (pin7). Kemudian C mulai terisi lagi ke harga VCC melalui RA dan RB. Kapasitor C akan terisi dengan harga berkisar antara sepertiga dan dua pertiga VCC. Frekuensi output astable multivibrator dinyatakan sebagai f = 1/T . Ini menunjukkan sebagai total waktu yang diperlukan untuk pengisian dan pengosongan kapasitor C. Waktu pengisian ditunjukkan oleh jarak t1 dan t3. Waktu pengosongan diberikan oleh t2 dan t4.
  • 16.
    pg. 16 Frekuensi kerjaastabil multivibrator dengan IC 555 diatas dapat dirumuskan secara matematis sebagai berikut : 𝐹 = 1 𝑇 = 1,44 ( 𝑅 𝐴 + 2𝑅 𝐵) 𝐶 Nilai resistansi RA dan RB sangat penting untuk pengoperasian astable multivibrator. Jika RB lebih dari setengah harga RA, rangkaian tidak akan berosilasi. Harga ini menghalangi sinyal triger turun dari harga dua pertiga VCC ke sepertigaVCC. Ini berarti IC tidak mampu untuk memicu kembali secara mandiri atau tidak siap untuk operasi berikutnya. BAB III III.I Osilator Tertala Input dan Tertala Output Kinerja tahap Noise teoritis dari Osilator tertala input dan tertala output (TITO) diatur dianalisis dengan pendekatan yang ketat, dan menghasilkan persamaan untuk meredam noise yang ada yang tertutup fase bentuk, dan noise tersebut dapat tertutup tergantung hanya pada nilai komponen sirkuit dan konsumsi pada saat osilator. Sebuah perbandingan langsung dengan diferensial LC, Tank osilator lebih umum digunakan untuk menunjukkan bahwa Osilator tertala input dan tertala output (TITO) setidaknya jika perilaku osilator tidak terlalu jauh dari perilaku yang ideal dipertimbangkan dalam analisis. simulasi tahap Noise cocok mengagumkan dari hasil teoritis. Jadi Osilator ini digunakan kebanyakan untuk meredam noise dan nilai tersebut noise nya diredam dengan bagaimana nilai L dan C nya.
  • 17.
    pg. 17 Contoh gambarosilator TITO menggunakan JFET. Jadi intinya, osilator tito dapat bdijadikan sebagai pelengkap atau kombinasi untuk penguat dan persamaan model penguat, contohnya seperti yang tertera pada diatas oscillator dapat digunakan sebagai penguat pada impedansi atau model impedansi, dan osilator tito dapat dengan persamaan frekuensi resonansi. Hubungan antara penguat dengan osilator TITO Penguat kelas E dapat diubah menjadi suatu bentuk penguat yang lebih efisien, dengan osilator tuned-input, tuned-output (TITO) yang ditambahi dengan osilator tertala (tuned-oscillator) pada gerbang-gerbangnya. Penguat dengan osilator seperti ini memiliki penambahan daya hingga orde 80%, dan dapat diatala ke frekuensi yang akan dikuatkan.
  • 18.
    pg. 18 Osilatornya adalahmode-terkunci dengan menambahkan sebuah transistor kedua, yang dibawa ke frekuensi yang akan dikuatkan. Hasil keseluruhan efisiensi penambahan daya adalah pada orde 60%.Konsep ini telah diverifikasi pada simulasi, untuk MOSFETs yang dibangun dengan AMIS C3(0,35 micron) CMOS, dan beroperasi pada 915 Mhz. Suatu transistor tunggal dengan W/L = 100 um/0.35 um melepaskan 6mW ke suatu beban 50ohm. PRINSIP OPERASI DAN KONSEP PENGEMBANGAN Penguat kelas E , referensi 1, mampu mencapai efisiensi yang tinggi hanya ketika disipasi daya pada perlengkapan keluaran dipertimbangkan. Tetapi daya yang dibutuhkan untuk menghantarkan gerbang pada perangkat keluaran, karena itu diperlukan suatu sinyal yang cukup besar untuk menghasilkan suatu kanal dengan resistansi rendah yang mendekati lama separuh periode carrier. Daya yang didisipasikan oleh gerbang menyebabkan efisiensi keseluruhan daya rangkaian menjadi turun antara 30% dan 40%.Rangkaian pembawa mendisipasikan daya dengan mengisi atau tidak mengisi (discaharging) kapasitansi gerbang pada perangkat keluaran selama satu putaran. Tsai dan Gray (Referensi 2) dan Mertens dan Steyaert (Referensi 3) mengurangi daya hilang pada gerbang dengan membangun osilator dengan frekuensi free-running mendekati frekuensi yang akan dikuatkan, kemudian dengan injection-locking osilator tersebut. Mereka melakukan ini untuk kedua tingkat keluaran dan driver. Sebuah perbedaan, tetapi secara intuitif, pendekatan untuk lebih mengurangi kehilangan energi ini adalah dengan menyimpan ke dalam rangkaian resonan dengan pendekatan pada Referensi 4. Pendekatan ini adalah sebuah masalah karena ketika suatu hubungan resonant-gate ditala pada frekuensi yang dekat dengan frekuensi yang ditala pada jaringan keluaran kelas E, maka penguat akan menjadi suatu penguat dengan osilator input tertala dan output tertala (TITO). Telah dilakukan pengamatan tentang osilator TITO melalui suatu simulasi untuk mengetahui keuntungan pada efisiensi penambahan daya yang melebihi 80%, dibandingkan dengan yang terlihat pada rangkaian transistor penguat (belum termasuk rangkaian gate drive) yang dioptimalkan pada penguat kelas E. Merujuk pada gambar 1, transistor penguat/osilator adalah M1.Osilator adalah injection-locked dengan tambahan transistor ke dua, M9. Gerbang M9 diarahkan rail-to-rail oleh inverter konvensional, yang akan mengarahkan pada frekuensi yang akan dikuatkan. Karena osilasi sistem adalah ditala pada frekuensi yang akan dikuatkan, M9 dapat “menyetir” osilasi sitem dengan arus realtif kecil. M9 bisa jadi lebih kecil secara signifikan disbanding dengan M1. Dengan demikina keseluruhan efisiensi daya-tambah (power-added) lebih besar daripada jika gerbang M1 diarahkan secara rail-to-rail. Jadi hubungan osilator dengan rangkaian penguat sangat erat, itu bisa terjadi sebagai penambah daya untuk keluaran lebih semprna pada saat resonansi dengan ditala pada salah satu input atau outputnya.
  • 19.
    pg. 19 III.2 Oscillatorsyg tak tertala Berbeda dengan osilator yang tertala, osilator yg tak disetel tidak memiliki LC tangki-sirkuit, RC frekuensi-selektif atau sirkuit kristal di jalur umpan balik nya. Sebaliknya, sebuah osilator yg tak tertala menggunakan umpan balik nonlinear dan umumnya gelombang keluaran dari osilator yg tak tertala adalah non-sinusoidal seperti gelombang persegi, segitiga-gelombang atau pulsa yang ditandai dengan transisi tiba-tiba dari salah satu kondisi stabilitas atau pernyataan yang berikutnya. Contoh phase shift osilator RC Pada pergeseran fasa frekuensi nya diberi nilai : 𝑓 = 1 2𝜋√6𝑅𝐶 Pada saat frekuensi ini, banyak tegangan jatuh kisaran tegangan jatuh nya disebabkan karena RC tadi, yang berkisar sampai 1/29, jadi pada inverting amplifier tegangan jatuh ini menghasilkan gain dan bernilai | Au | = Rf / R kemudian Rf = 29R. osilator yg tak tertala yang lebih dikenal sebagai osilator relaksasi. Jenis osilator yg tak tertala meliputi: a). Cincin Oscillator : cincin osilator terdiri dari "ganjil" jumlah gerbang logika atau amplifier terhubung bersama-sama dalam rantai seri sehingga output yang terakhir terhubung ke input yang pertama dan memproduksi rangkaian jenis dering. Frekuensi osilasi tergantung pada delay propagasi dari komponen yang digunakan, dan jumlah ganjil tersebut adalah tingkat yang berada di dalam ring. frekuensi osilasi sangat tinggi untuk mengkonsumsi daya. Oleh karena itu
  • 20.
    pg. 20 osilator cincinlebih dari hal yang baru sebagai frekuensi tinggi dan penggunaan komponennya membuat mereka tidak praktis sebagai osilator karena sangat menyerap daya. b). Relaksasi Oscillators : osilator relaksasi yang lebih dikenal sebagai multivibrators, adalah kelas osilator di mana perangkat aktif (biasanya transistor) di sirkuit untuk didorong jauh melampaui keadaan cut-off dan saturasi daerah untuk jangka waktu tertentu. osilator relaksasi yang murah dan mudah untuk membangun dengan tiga jenis utama dari wujud multivibrator : 1. Astabil multivibrator : tidak memiliki keadaan stabil. 2. Monostable multivibrator : memiliki satu keadaan stabil. 3. Bistable multivibrator : memiliki dua keadaan stabil. ic555 dan Timer Chips : Seperti halnya favorit kami timer NE555 dan variasinya, ada berbagai chip iC yang setara dengan ic555 yang berbeda yang tersedia dalam TTL dan CMOS yang dapat digunakan untuk menghasilkan berbagai bentuk gelombang yang berbeda dan sinyal berbeda dengan beberapa yang paling populer adalah : 74LS121, 74LS123, 74LS221 dan varian mereka. III.3 Stabilitas Oscillator Selain suara, taji, dan harmonik, osilator memiliki masalah dengan ketidakstabilan frekuensi / fase. Model yang lebih baik untuk sinyal osilator adalah : Vc (t) = Ac Cos [𝜔0 𝑡 + ø 𝑟(𝑡)] Dimana ø 𝑟( 𝑡) proses acak maka frekuensi akan juga menjadi proses acak : ω (t) = 𝜔0 𝑡+ø 𝑟(𝑡) 𝑑𝑡 = 𝜔0 + 𝑑 ø 𝑟(𝑡) 𝑑𝑡 = 𝜔0 + 𝜔𝑟 ( 𝑡) Catatan turunan dari random proses adalah seperti random proses itu sendiri. Dengan kata lain, frekuensi osilator akan bervariasi sedikit dengan waktu. Kami menyebut ini variasi acak sebagai osilator ketidakstabilan, dan ketidakstabilan ini datang dalam dua jenis umum: 1). ketidakstabilan jangka panjang Ini adalah perubahan lambat dalam osilator yang frekuensi dari waktu ke waktu (misalnya, menit, jam, atau hari), umumnya karena perubahan suhu dan / atau osilator yang proses penuaan. Untuk osilator yang bagus, ketidakstabilan ini diukur dalam bagian tiap
  • 21.
    pg. 21 jutaan (ppm).Bagian per juta adalah mirip dengan menggambarkan ketidakstabilan dihal persentase perubahan frekuensi osilator. Namun, bukannya mengungkapkan perubahan ini relatif satu seperseratus frekuensi osilator 0 ω (mis., satu persen frekuensi osilator), kita menyatakan perubahan ini relatif satu satu juta frekuensi osilator 0 ω! Cara yang lebih langsung mengungkapkan "bagian per juta" adalah "Hz per MHz "- dengan kata lain jumlah perubahan frekuensi △ 𝜔0 di Hz, dibagi dengan frekuensi osilator dinyatakan dalam MHz. Misalnya, sebuah osilator beroperasi pada frekuensi 𝑓0 =100 MHz osilator yang frekuensi ini akan dapat (perlahan) mengubah sebanyak ±Δ𝑓𝑟 = 10 kHz dari waktu ke waktu. dengan demikian kita mengatakan bahwa stabilitas jangka panjang dari osilator adalah : △ 𝑓𝑟(𝐻𝑧) 𝑓0 (𝑀𝐻𝑧) = ±10,000 100 = ±100 𝑝𝑝𝑚 2). Ketidakstabilan jangka pendek. ketidakstabilan jangka pendek osilator yang sering disebut sebagai fase noise. Hasilnya memiliki resonator yang tidak sempurna! Dengan fase kebisingan, proses acak 𝜔0 (𝑡) yang dimiliki sangat kecil besarnya, tetapi perubahan yang sangat cepat (mis, milidetik atau mikrodetik). Ini sama dengan frekuensi band modulation (FM), dan hasilnya adalah penyebaran spektrum sinyal osilator yang frekuensi nya sempit. Tahap kebisingan adalah fenomena yang sangat kompleks, namun dapat menjadi penting terhadap kinerja (atau ketiadaan) dari penerima radio karean dapat meredam noise yang menyebar dari tahapan penerima radio!
  • 22.
    pg. 22 III.4 Osilatorkristal Sebelumnya sempat ada di jenis jenis osilator dan sekarang pembahasan lebih dalam nya. Kristal lazimnya digunakan untuk rangkaian osilator yang menuntut stabilitas frekuensi yang tinggi dalam jangka waktu yang panjang. Alasan utamanya adalah karena perubahan nilai frekuensi kristal seiring dengan waktu, atau disebut juga dengan istilah faktor penuaan frekuensi (frequency aging), jauh lebih kecil dari pada osilator-osilator lain. Faktor penuaan frekuensi untuk kristal berkisar pada angka ±5ppm/tahun, jauh lebih baik dari pada faktor penuaan frekuensi osilator RC ataupun osilator LC yang biasanya berada diatas ±1%/tahun. Simbol KristalKristal juga mempunyai stabilitas suhu yang sangat bagus. Lazimnya, nilai koefisien suhu kristal berada dikisaran ±50ppm direntangan suhu operasi normal dari - 20°C sampai dengan +70°C. Bandingkan dengan koefisien suhu kapasitor yang bisa mencapai beberapa persen. Untuk aplikasi yang menuntut stabilitas suhu yang lebih tinggi, kristal dapat dioperasikan didalam sebuah oven kecil yang dijaga agar suhunya selalu konstan. Tatanan Fisik Material yang mempunyai bentuk struktur kristalin, seperti quartz, mempunyai satu sifat unik yaitu mampu menghasilkan tegangan listrik ketika diberi tekanan mekanikal dan juga sebaliknya, berubah bentuk mekanikalnya ketika diberi tegangan listrik. Sifat ini dikenal dengan nama efek piezo-electric. Sifat inilah yang dimanfaatkan untuk menghasilkan resonansi listrik-mekanik, sehingga kristal akan bergetar pada frekuensi alami tertentu jika diberi tegangan listrik bolak-balik. Frekuensi alami ini ditentukan oleh potongan dan dimensi keping kristal, yang ditetapkan pada saat pembuatan. Karena potongan dan dimensi keping kristal dapat dikontrol secara presisi pada saat proses produksi, maka kristal mempunyai frekuensi getar alami yang sangat akurat. Akurasi kristal umumnya berada pada kisaran ±30ppm, dengan akurasi yang lebih tinggi juga tersedia walaupun harganya tentu lebih mahal. Potongan keping kristal mengacu kepada orientasi sudut pemotongan keping kristal terhadap garis struktur kristalin, dan juga bentuk keping kristal tersebut. Ada banyak standar potongan keping kristal, yang masing-masing mempunyai karakteristik yang berbeda-beda. Sebagai contoh, potongan AT yang populer mempunyai frekuensi fundamental maksimum yang tidak terlalu tinggi dan koefisien suhu yang cukup baik
  • 23.
    pg. 23 (berbentuk kurvafungsi kubik). Contoh lain adalah potongan BT, yang mempunyai frekuensi fundamental maksimum yang lebih tinggi tetapi koefisien suhunya lebih buruk (berbentuk kurva parabolik). Kristal dapat dioperasikan pada frekuensi fundamental atau salah satu dari frekuensi- frekuensi harmonik ganjil (odd harmonics) yang biasa disebut dengan istilah overtones. Frekuensi fundamental maksimum sebuah kristal ditentukan oleh potongan dan dimensi keping kristal. Semakin tinggi frekuensi fundamental sebuah kristal, semakin tipis keping kristal tersebut, sehingga keping kristal menjadi rapuh dan mudah patah. Jadi untuk mencapai spesifikasi frekuensi getar yang lebih tinggi, kristal harus beroperasi menggunakan salah satu overtone yang ada. Walaupun quartz adalah material yang paling sering digunakan untuk membuat kristal, material lain seperti lithium-niobate, lithium-tantalate, bismuth-germanium oxide dan alumimium-phosphate juga dapat dipakai untuk membuat kristal. Material lain yang juga dapat digunakan adalah sejenis keramik yang terbuat dari padatan timbal, zirconium dan titanium dan material polimer seperti polyvinyl chloride dan difluorpolyethylene. Rangkaian Ekuivalen Rangkaian Ekuivalen Kristal Dari sudut pandang bidang elektronika, tata kerja kristal dapat diilustrasikan melalui rangkaian ekuivalen yang terdiri dari dua buah kapasitor, satu buah induktor dan satu buah resistor. Induktor L1 (motional inductance) adalah padanan dari massa keping kristal yang bergetar, kapasitor C1 (motional capacitance) adalah padanan dari kekakuan keping kristal melawan getaran dan resistor R1 adalah padanan dari energi yang hilang diserap oleh kristal karena bentuknya mengalami perubahan ketika bergetar. Kapasitor C0 (shunt capacitor) adalah kapasitansi yang terbentuk diantara dua elektroda yang mengapit potongan kristal. Frekuensi getar alami kristal diberikan oleh persamaan berikut: Umumnya, nilai induktansi L1 adalah sangat tinggi sementara nilai kapasitansi C1 sangat rendah. Sebagai contoh, sebuah kristal yang mempunyai frekuensi getar 10MHz mempunyai nilai L1 = 0.05H, C1 = 0.0051pF, R1 = 5Ω dan C0 = 6pF.
  • 24.
    pg. 24 Rasio antaranilai induktansi L1 dan kapasitansi C1 yang sangat besar, jauh melampaui nilai rasio yang lazim didapat jika menggunakan komponen biasa, sehingga nilai faktor kualitas (Q) dari kristal menjadi jauh lebih tinggi daripada rangkaian LC biasa. Faktor kualitas sebuah kristal diberikan oleh persamaan berikut: Nilai faktor kualitas kristal umumnya bekisar diantara 104 sampai dengan 106, bandingkan dengan nilai faktor-kualitas rangkaian LC biasa yang hanya berkisar diangka ratusan. Kristal dapat diterapkan pada rangkaian resonansi-seri ataupun resonansi-paralel. Pada rangkaian resonansi-seri, kristal bersifat seolah-olah terdiri dari sebuah kapasitor dan sebuah induktor yang dirangkai secara seri. Impedansi kristal akan mencapai nilai terendah, yaitu sama dengan nilai tahanan R1, pada frekuensi getar alami. Pada rangkaian resonansi-paralel, kristal bersifat seperti terdiri dari sebuah kapasitor dan sebuah induktor yang dirangkai secara paralel. Impedansi kristal akan mencapai nilai tertinggi pada frekuensi getar alami. Perlu dicatat bahwa frekuensi getar alami sebuah kristal yang sama jika beroperasi secara resonansi-paralel adalah sedikit lebih tinggi daripada ketika dioperasikan secara resonansi-seri. Fenomena ini dikenal dengan istilah pulling, yang besarannya tergantung kepada rasio dari C1 dengan C0 dan CL. Besarnya perubahan frekuensi yang disebabkan oleh faktor pulling ini diberikan oleh persamaan berikut: Kristal biasanya dibentuk sedemikian rupa sehingga lebih optimal jika dioperasikan pada salah satu mode tertentu, baik itu secara resonansi-seri ataupun resonansi-paralel.
  • 25.
    pg. 25 Aplikasi Kristal OsilatorColpittsKristal dapat digunakan sebagai pengganti jajaran resonansi LC untuk hampir semua jenis rangkaian osilator, baik secara resonansi-seri maupun resonansi- paralel. Sebagai contoh adalah rangkaian osilator Colpitts yang menggunakan jajaran kristal dan kapasitor secara resonansi-seri. Osilator PierceSatu contoh lain adalah rangkaian osilator Pierce yang menggunakan jajaran kristal dan kapasitor secara resonansi-paralel pada jalur umpan-balik. Osilator Pierce ini sangat populer dan kerap digunakan karena mempunyai karakteristik stabilitas yang lebih superior dibandingkan dengan rangkaian osilator lainnya.
  • 26.
    pg. 26 Osilator CMOSRangkaian osilator populer lain menggunakan sebuah CMOS inverter yang menerapkan kristal pada jalur umpan-balik dari kaki output ke kaki input. Osilator ini mempunyai prinsip kerja yang serupa dengan osilator Pierce. Rangkaian osilator klasik ini diterapkan secara luas sebagai sumber frekuensi denyut (clock frequency) pada rangkaian digital dan juga menjadi dasar cara kerja rangkaian osilator terpadu yang biasa digunakan oleh mikrokontroler. Kedua kapasitor yang terhubung dari kaki-kaki kristal ke ground adalah kapasitor beban (load capacitance) yang perlu untuk berfungsinya rangkaian osilator ini. Nilai total kapasitor beban akan mempengaruhi frekuensi getar sebuah kristal. Efek ini juga disebut pulling, dimana perubahan nilai kapasitor beban (atau mode resonansi, seperti disebutkan diatas) dalam rangkaian osilator kristal akan merubah frekuensi getar kristal tersebut. Pulling dapat digunakan untuk mengatur frekuensi getar kristal, walaupun hanya dalam rentangan yang terbatas. Biasanya, lembaran data kristal mencantumkan nilai nominal kapasitor beban yang tepat untuk mendapatkan spesifikasi frekuensi getar yang tertera. Resistor R2 berfungsi untuk membatasi tingkat pasokan daya (drive level) kepada kristal. Tingkat pasokan daya yang terlalu rendah akan menyebabkan kristal gagal berosilasi dan sebaliknya, jika terlalu tinggi akan mempengaruhi stabilitas frekuensi kristal atau malah dapat menyebabkan keping kristal menjadi retak. Kristal jenis HC49 memerlukan tingkat pasokan daya dikisaran 1mW, sedangkan kristal HC49S atau HC49SM memerlukan sekitar 100µW. Semakin besar dimensi kepingan kristal, akan semakin tinggi pasokan daya yang dibutuhkan. Tingkat pasokan daya juga dipengaruhi oleh frekuensi getar, dimana frekuensi getar yang lebih tinggi akan memerlukan pasokan daya yang lebih besar. Kemasan Kristal Kemasan KristalKristal tersedia dalam berbagai bentuk kemasan. Kemasan yang populer adalah HC49 dan HC49S. HC49S mempunyai bentuk tapak yang sama dengan HC49, tetapi kemasannya lebih pendek. HC49S juga tersedia untuk aplikasi SMD (HC49SM), dengan kaki yang ditekuk rata dibawah dasar yang terbuat dari plastik. Kemasan SMD bentuk lain juga banyak tersedia dipasaran.
  • 27.
    pg. 27 Perlu diingatbahwa kristal dengan kemasan yang berbeda akan mempunyai karakteristik yang berbeda pula. Hal ini disebabkan karena dimensi dan bentuk keping kristal tergantung kepada besarnya kemasan. Sebagai contoh, kemasan HC49 biasanya berisikan keping kristal yang berbentuk piringan, sedangkan kemasan HC49S, karena lebih pendek, berisikan keping kristal berbentuk persegi panjang. DAFTAR PUSTAKA Suwana, Wayan. Osilator harmonic. Pendidikn Fisika universitas lampung http://id.wikipedia.org/wiki/Osilasi http://en.wikipedia.org/wiki/Oscillation http://www.sisilain.net/2011/04/pengertian-osilator-adalah.html http://elkakom.blogspot.com/2011/04/pengertian-osilator-dan-cara-kerjanya.html http://rizqidiaz.blogspot.com/2012/05/osilator.html http://www.sisilain.net/2011/04/pengertian-osilator-adalah.html http://www.scribd.com/doc/43876534/Makalah-Kuliah-Osilator-9-Nopember-2002 http://elektronika-dasar.web.id/konsep-dasar-oscilator-umpan-balik/ http://elektronika-dasar.web.id/konsep-dasar-oscilator-relaksasi/ http://elektronika-dasar.web.id/astable-multivibrator-ic-555/ http://ezinearticles.com/?Whats-the-Difference-Between-a-Tuned-and-an-Untuned- Oscillator-Circuit?&id=4622180 EE 414 Lectures series by Dr. Muhammad H. Rais 2005/03/07 Oscillator Stability.doc 3/3 Jim Stiles The Univ. dari Kansas Departemen EECS http://www.elektronikaonline.com/majalah-elektronika/kristal.htm