1
TEC-495 B
WIRELESS SURVEILLANCE ROBOT
Submitted to
Department of Electronics and Communication Engineering
G.B Pant University of Agriculture and Technology
Pantnagar-263145, Uttarakhand, India
Submitted by
Kanhaiya Lal Gupta (54962)
Guided by
Dr. REETA VERMA
FOR THE DEGREE OF
BACHELOR OF TECHNOLOGY
(ELECTRONICS AND COMMUNICATION ENGINEERING)
July, 2022
2
ACKNOWLEDGEMENT
In the accomplishment of completion of our project on
“WIRELESS SURVEILLANCE ROBOT” ,We would like to convey our special gratitude
to our Project Guide Dr. Reeta Verma, Assistant Professor, Department of Electronics and
Communication Engineering and Dr. Sanjay Mathur, Head, Department of Electronics and
Communication Engineering.
Your valuable, guidance and suggestions helped us in various phases of the completion of
this project. We will always be thankful to you in this regard.
We would also like to thank all our friends, family, seniors, PG Students and especially our
classmates for their continues support and help during the making of this project. At last we
individually like to thanks each one of us in the group for their support and contribution in
making this project a success.
NAME ID NO.
Mr. Aakash 53561
Mr. Deepesh Kumar 54960
Ms. Junyali Das 54961
Mr. Kanhaiya Lal Gupta 54962
3
CERTIFICATE
This is to certify that the project entitled “WIRELESS SURVEILLANCE ROBOT”
Submitted by
Name ID No.
Kanhaiya Lal Gupta 54962
Is the record of the work done by them in the requirements for the degree of Bachelor of
Technology in Electronics and Communication Engineering, College of Technology, G.B.
Pant University of Agriculture and Technology, Pantnagar.
Pantnagar (Dr. Reeta Verma)
July, 2022 Project Guide
4
ABSTRACT
Every day in the military a need arises for a robot which can help security personal’s for
keeping surveillance on the potential threat to the society. The concept of surveillance is an
old ancient one but with time changing and technological advancement the method through
which it is conducted continue to rapidly change. In the present scenarios robots and drones
are used to keep land and air surveillance on any person or place which could poses a threat to
anyone. In this regard many advancements have taken place in the past three decades. Our
project is aim at to develop a Wireless Surveillance robot which can travel up to the range
of 1.2km and which can be used in different terraing.We have fitted different cameras in like
HD for high resolution images and videos in day light and with IR camera for clear images in
night. Our robot has a clamp attached to it to hold objects like a bomb which can be used to
dispose a threat by holding and removing is safely. There can be different uses also for this
kind of robots like in war like situation to map the area which can be dangerous for an human
to do so and in fire like situation to locate the persons in need. It can also be used to deliver
medical kits in a remote locations around a difficult terrains.
5
CONTENTS
SI. No. DESCRIPTION PAGE No.
CHAPTER 1 INTRODUCTION 1-9
CHAPTER 2 REVIEW OF WORK 10-15
CHAPTER 3 MATERIALS & METHODS 16-44
CHAPTER 4 RESULTS & DISCUSSION 46
CHAPTER 5 CONCLUSION 47
REFERENCES 48
VITA 49
6
CHAPTER 1 INTRODUCTION
Technology has brought a dynamic and tremendous change in robotics and automation field
which ranges in all kinds of areas. Surveillance is the process of close systematic observation
or supervision maintained over a person, group, etc. especially one in custody or under
suspicion. Thus surveillance is mainly required in the areas such as border areas, public places,
offices and in industries. It is mainly used for monitoring activities. The act of surveillance can
be performed both indoor as well as in outdoor areas by humans or with the help of embedded
systems such as robots and other automation devices. A robot is nothing but an automatic
electronic machine that is capable of performing programmed activities thus replacing human
work, providing highly accurate results and easily overcoming the limitations of human beings.
Thus replacing humans in the surveillance fields is one of the great advancement in robotics.
The robot consists of Arduino Uno microcontroller which acts as the heart piece of the robot.
This robot also consists of DC motors, wheel chassis, battery, Wi-Fi module (ESP8266 12e)
and various types of sensors such as ultrasonic sensor for obstacle detection, IR sensor for
detecting pits. The robot can be either operated automatically or manually. User end
communicates with the robot by implementing the concept of Internet of Things.
• Robots reduces human efforts
• Robots can be controlled using mobile phones
• This is Dual Tone Multiple Frequency (DTMF) technology
• DTMF decorder-decodes the frequencies to identify the key pressed
(1) It has been very challenging for every country to control the terrorists who are using various
plastic explosives. During the diffusion process many soldiers or experts lost their lives or
severely injured. In this perspective, a wireless surveillance robot which can diffuse explosives
with expert aid remotely has been designed and developed. One of such explosives like
landmines and plastic explosives may cause damage by direct blast effect, by fragments that
are thrown by the blast, or by both. In earlier days, the process of surveillance and diffusing of
landmines was carried out by humans. Later sensors, metal detectors, mechanical probes and
prodders were used to detect these landmines.
(2) Many technologies like infrared imaging system, nuclear magnetic resonance, x – ray
backscatter, electric impedance tomography, etc. were used to detect the landmines. These
7
systems are used to detect the landmines, but they need human interference for diffusing. This
may be harmful to the human which even puts the life of a person in danger.
(3) Later surveillance process was even carried out using unmanned aerial vehicles (UAV)
which may not put the life of a human in risk but the process of diffusion may not be carried
out using this vehicle.
(4) Robots developed for location can do surveillance with movement.
(5) Whereas they unable to crawl over the stones or unbiased surfaces. Hence, a system which
fulfills the process of surveillance and diffusing is created which can be operated from a
minimum safest distance which can crawl over unbiased surfaces.
(6) This assemblage of wireless video transmitting device which fulfills surveillance process
and a robotic arm which fulfills diffusing process is standardized on the chassis of an RF based
vehicle which is used to move the system to the desired location.
(7) It is always challenging to design and develop a prototype for sensitive operations like to
diffuse any explosive.
(8) In this investigation, a prototype of mobile surveillance robot has been developed to build
an automatic surveillance and live monitoring using radio frequency signals which cannot be
interpreted by any individual.
(9) In order to identify remotely and diffuse any type of explosives such as landmines remotely
by operating the robotic arms without any risk to human.
(10) Haptic arms developed will not be suitable to unmanned ground robots, as they cannot lift
the loads, wire cutting and other extraction operations.
(11) These operations have been completed with the help of live 360 degree
monitoring/surveillance system, crawler and a 4 DOF robotic arm (whereas using this design
it be applied to 8 DOF robotic arm also).
(12) This wireless robot can fulfill other applications such as motion detection, material
handling, processing operations, assembly, inspection, loading and unloading operations, etc.
8
Figure 1.1: Block Diagram of Communication System
Figure 1.2: Block Diagram of FPV Camera Communication System
9
Figure 1.3: Circuit Diagram of Wireless Surveillance Robot
10
CHAPTER 2 REVIEW OF WORK
The word robot comes from the Czech word for forced labour, or serf. A robot is a
reprogrammable, multifunctional manipulator designed to move materials, parts, tools or
specialized devices through variable programmed motions for the performance of a variety of
tasks. Basically a robot consists of a mechanical structure, such as a wheeled platform, arm, or
other construction, capable of interacting with its environment. Sensors to sense the
environment and give useful feedback to the device. Systems to process sensory input in the
context of the current situation and instruct the device to perform actions in response to the
situation.
1) Characteristics of Robotics Robots come in a tremendous variety of “sizes and flavors”
such as Manipulator, Legged robot, wheeled robot, Autonomous underwater robot, unmanned
aerial robot. The robot performs the Jobs that are dangerous, boring, stressful, or labor-
intensive for humans. There are some essential characteristics that a robot must have and this
might help us to decide what a robot is and what not a robot is. It will also help us to decide
what features we need to build a machine before it can count as a robot.
A. Sensing: First of all, Robot would have to be able to sense its surroundings. A robot needs
to move around its environment. Whether rolling on wheels, walking on legs.
B. Energy: A robot needs to be power itself. A robot might be solar powered, electrically
powered, battery powered.
3. Intelligence: A robot needs some kind of "smarts." This is where programming enters the
pictures. A programmer is the person who gives the robot its 'smarts.' The robot will have to
have some way to receive the program so that it knows what it is to do.
A. Adaptability: Adaptability is where a certain robot can be used to carry out more than one
task. A simple example is a robot being used to weld car bodies. If a different car body is to be
manufactured, the program which controls the robot can be changed. The robot will then carry
out a different series of movements to weld the new car body.
1)Laws of Robotics Asimov proposed three “Laws of Robotics”
Law 1: A robot may not injure a human being or through inaction, allow a human being to
come to harm.
Law 2: A robot must obey orders given to it by human beings, except where such orders would
conflict with a higher order law.
Law 3: A robot must protect its own existence as long as such protection does not conflict with
a higher order law.
11
1.Need for Robots Often, robots are used to do jobs that could be done by humans.
However, there are many reasons why robots are better than humans in performing certain
tasks.
Speed: Robot may be used because they are FASTER than people at carrying out tasks. This
is because a robot is really a mechanism which is controlled by a computer. Some robots
actually MOVE more quickly than we can, so they can carry out a task such as picking up and
inserting items, more quickly.
Hazardous (Dangerous Environments): Robots may be used because they can work in places
where a human would be in danger. For example, robots can be designed to withstand greater
amounts of Heat, Radiation, Chemical fumes, than humans could.
Repetitive Tasks: Sometimes robots are not really much faster than humans, but they are good
at simply doing the same job over and over again. This is easy for a robot, because once the
robot has been programmed to do a job once; the same program can be run many times to carry
out a job many times. And the robot will not get bored as a human would.
Efficiency: Efficiency is all about carrying tasks without waste. This could mean not wasting
time, not wasting materials, not wasting energy.
Accuracy: Accuracy is all about carrying out tasks very precisely. In a factory manufacturing
items, each item has to be made identically. When items are being assembled, a robot can
position parts within fractions of millimetre.
OPERATIONS INVOLVED IN SURVEILLANCE ROBOT
General Principles OF Surveillance Robot Surveillance robot is to recognize and detect
motion automatically around a robot's environment. The robot design has been partitioned into
sensor, control, and planning subsystems. Robotic surveillance appliance is built on a moving
platform designed for surveillance and security tasks. This robot can be operated in “remote
eyes” or “automatic trip” modes. This means it can be steered remotely by a human watchman
as a moving surveillance camera or it can drive autonomously along an undefined route,
detecting all inconsistencies in the video input. Secret surveillance in tightly constrained spaces
is demanded in many military and civilian activities, such as cave-in enemy raids and indoor
hostage rescue missions. In our approach, moving targets can be detected by the robot using
motion detection sensor and wireless camera. To adapt to different lighting conditions, the
target model is updated regularly based on an update mechanism. To ensure robust tracking,
the robot detects abnormal human behaviour by tracking the upper body of a person. To lower
the false alarms by motion detection system, gas detector, fire sensor, metal detector directs
12
the robot to the scene where events occur and the robot can employ its camera to further
confirm the occurrence of the events. In the present scenario, every nation and every country
in the entire world are focused on setting up a robust defense system with profound
advancements in robotics and mechatronics. It has been very challenging for every country to
control the terrorists who are using various plastic explosives. During the diffusion process
many soldiers or experts lost their lives or severely injured. In this perspective, a wireless
surveillance robot which can diffuse explosives with expert aid remotely has been designed
and developed. One of such explosives like landmines and plastic explosives may cause
damage by direct blast effect, by fragments that are thrown by the blast, or by both. In earlier
days, the process of surveillance and diffusing of landmines was carried out by humans. Later
sensors, metal detectors, mechanical probes and prodders were used to detect these landmines.
Many technologies like infrared imaging system, nuclear magnetic resonance, x – ray
backscatter, electric impedance tomography, etc. were used to detect the landmines. These
systems are used to detect the landmines, but they need human interference for diffusing. This
may be harmful to the human which even puts the life of a person in danger. Later surveillance
process was even carried out using unmanned aerial vehicles (UAV) which may not put the
life of a human in risk but the process of diffusion may not be carried out using this vehicle.
Robots developed for location can do surveillance with movement, whereas they unable to
crawl over the stones or unbiased surfaces. Hence, a system which fulfills the process of
surveillance and diffusing is created which can be operated from a minimum safest distance
which can crawl over unbiased surfaces. This assemblage of wireless video transmitting device
which fulfills surveillance process and a robotic arm which fulfills diffusing process is
standardized on the chassis of an RF based vehicle which is used to move the system to the
desired location. It is always challenging to design and develop a prototype for sensitive
operations like to diffuse any explosive. In this investigation, a prototype of mobile surveillance
robot has been developed to build an automatic surveillance and live monitoring using radio
frequency signals which cannot be interpreted by any individual. In order to identify remotely
and diffuse any type of explosives such as landmines remotely by operating the robotic arms
without any risk to human. Haptic arms developed will not be suitable to unmanned ground
robots, as they cannot lift the loads, wire cutting and other extraction operations. These
operations have been completed with the help of live 360 degree monitoring/surveillance
system, crawler and a 4 DOF robotic arm. This wireless robot can fulfill other applications
such as motion detection, material handling, processing operations, assembly, inspection,
loading and unloading operations, etc.
13
Working of surveillance and diffusing system
This surveillance and diffusing system for explosives like landmines is designed to identify
and diffuse the explosives without human risk.
Surveillance process
• The system is moved to the desired location using the RF Based Vehicle by controlling it
with RF controller.
• The location where it was sent was monitored through an android mobile by connecting this
android mobile to the wireless video transmitting device.
• While monitoring the location, the presence of any unusual object was identified.
• By moving the vehicle and rotating the wireless video transmitting device, we can examine
the unusual object.If the unusual object which was found was turned out to be a landmine or a
wired bomb, the complete information of the situation was examined in order to diffuse it.
Diffusing process
• When a landmine or a wired bomb is identified, using the rotations of the wireless video
transmitting device, one can examine the situation like its location, connections, etc.
• The complete information of the landmine or wired bomb was collected so that we can adopt
the specific diffusion process.
• Using the 4 DOF robotic arm, the process of diffusion is carried out like cutting the wires or
diffusing the switches, etc.
Paper [1] discusses the use of robot in rescue and search mission. Here RF technology is used
to control the robot wirelessly. The obstacles are detected using Ultrasonic sensor. Smartphone
camera attached to the robot provides omnidirectional view, thus facilitating complete control
of robot. From paper [2], Robots are referred as Unmanned ground vehicles or self-controlled
robots as it finds application in Border patrol, surveillance and in active combat. Human
navigation commands guides the robot to travel from one point to another. Paper [3] illustrates
how human hand movements could direct the robotic motor. Here specific mode of operation
is used such as hand wave mode or gesture controlled mode. Paper [4] deals with PC-Based
Robotic arm (PC- ROBOARM) which is developed to prove the results obtained by simulation.
Here computer software called Smart arm is used for robotic arm design and control solution.
It also deals with six degrees of freedom.
14
Related Works:
M. A. K.Yusoff presented the development of a wireless mobile robot arm. A mobile robot
that functional to do pick and place operation and be controlled by using wireless PS2
controller. It can move forward, reverse, turn right and left for a specific distance according to
the controller specification. The development of this robot is based on Arduino Mega platform
that interfaced with the wireless controller to the mobile robotic arm (Mohd Ashiq Kamaril
Yusoff, 2012).
M. J. Mohamed described the construction of a rover mobile robot which was used to follow
the resultant optimal path from the global path planning technique. A remote computer is used
to control the motion of the mobile robot and to upload the data of the path wirelessly. The
control (positioning and directing) of the robot is based on the readings of two wheel encoders.
The current direction and position of the robot are calculated relatively to its previous direction
and position. The control algorithm is capable to move the mobile robot in order to follow a
certain path (Dr. Mohamed Jasim Mohamed, Mustaffawaad Abbas, 2013).
V. R. Kale presented a mechatronics color sorting system solution with the application of
image processing. Image processing procedure senses the objects in an image captured in real-
time by a webcam and then identifies color and information out of it. This information was
processed by image processing for pick-and-place mechanism (Vishnu, R., 2013).
P.Jain presented designing the RF based spy robot which involves wireless camera. So that
from it can examine rivals when it required. This robot can quietly enter into enemy area and
sends the information via wireless camera. On the other hand one more feature is added in this
robot that is color sensor. Color sensor senses the color of surface and according to that robot
will change its color. Because of this feature this robot can’t easily detected by enemies. The
movement of this robot is wirelessly controlled by a hand held RF transmitter to send
commands to the RF receiver mounted on the moving robot (Prerna Jain, 2014).
A. Ronank designed a prototype consists of robotic arm along with grippers capable of
moving in the three axes and an ATMEGA 8 microcontroller. Software such as AVR Studio is
used for programming, PROTESUS is used for simulation and PROGISP is used for dumping
the program. RFID is used for identifying the books and it has two IR Sensors for detecting the
path. This robot is about 4 kg in weight and it is capable of picking and placing a book of
weight 1 kg (Anusha Ronanki and M. Kranthi, 2015).
15
CHAPTER 3 MATERIALS & METHODS
These are the Components which is required to make our Project.
• Arduino Uno
• L298N Motor Drive
• Wheels(4x)
• TT Gear Motor (4x) (300 RPM)
• FSI6 Transmitter and 6CH Receiver
• 3x18650 Battery
• Male and Female Jumper wire/TT Wire
• Three LED
• WIFI based camera HAVING IT’S OWN TRANSRECEIVER
• RoboTIC arm claw
• Solar cells (9v)
• Mica Sheet
• Battery Charger Module
• Hotspot Module
• Wolf-whoop Micro FPV AIO 600TVL Camera 5.8 G
• SG90 Micro Servo Motor
• UNO R3 Development Micro controller Board
16
Arduino board
Arduino board uses a variety of microprocessors and controllers. These boards are equipped
with sets of digital and analog input/output pins (14 digital pins and 6 analog pins) that may be
interfaced to various expansion boards or breadboards and other circuits. The boards feature
serial communication interfaces which are used for loading programs from personal computers
(17). The microcontrollers can be programmed using C and C++ programming languages using
Arduino IDE software. It can be powered through a USB cable or by an external battery with
an input voltage ranging from 7 to 20 volts. depicts the Arduino board used for surveillance
and diffusing system.
Figure 2.1: Arduino board ( https://images.app.goo.gl/rK8UH5F7CiYjJKLS )
17
Arduino Program Method and Analysis
In the previous Paragraph we have seen how to setup the Arduino IDE, compile (or verify)
the sketch, upload the sketch to the Arduino UNO board and check for error messages. We
have seen all this with the help of an example sketch “Blink” that is provided in the Ardui-
uno IDE.
After that, we will try to work on the Blink program, its components, some syntax and some
predefined functions We will also try to make some changes to the original Blink sketch and
see what difference it makes to the output.
In the HIGH output and LOW output are executed consecutively at very high speed so that
pin is given HIGH and LOW at that speed. Because of this very high speed switching of
LED between ON and OFF, we cannot see if the LED is blinking or not and the result will
be dimly glowed LED In order to slow down this process and properly see the LED blinki-
ng, we use the delay function. The syntax of the functions are DelaY(time in milli seconds)
and Delay Microseconds (time in micro seconds).
So, coming back to the program, in order to turn ON and OFF the LED at an interval of 1
second (1000 milli seconds), we use the delay function Delay (1000); after each function
experiment, we can connect an LED (with a current limiting resistor) to any other pin and
write the sketch accordingly. Also,we can change delay time and see the rate at which the
LED blinks.
L298N Motor Drive
This L298N Motor Driver Module is a high power motor driver module for driving DC and
Stepper Motors. This module consists of an L298 motor driver IC and a 78M05 5V
regulator. L298N Module can control up to 4 DC motors, or 2 DC motors with directional and
speed control.
18
L298N Module Pinout Configuration
Pin Name Description
IN1 & IN2 Motor A input pins. Used to control the spinning direction of Motor A
IN3 & IN4 Motor B input pins. Used to control the spinning direction of Motor B
ENA Enables PWM signal for Motor A
ENB Enables PWM signal for Motor B
OUT1 & OUT2 Output pins of Motor A
OUT3 & OUT4 Output pins of Motor B
12V 12V input from DC power Source
5V Supplies power for the switching logic circuitry inside L298N IC
GND Ground pin
Table 2.1: L298N Module Pinout Configuration
Features & Specifications
• Driver Model: L298N 2A
• Driver Chip: Double H Bridge L298N
• Motor Supply Voltage (Maximum): 46V
• Motor Supply Current (Maximum): 2A
• Logic Voltage: 5V
19
• Driver Voltage: 5-35V
• Driver Current:2A
• Logical Current:0-36mA
• Maximum Power (W): 25W
• Current Sense for each motor
• Heatsink for better performance
• Power-On LED indicator
Alternate Driver Modules:
TMC2209, DRV8825, A4988, L9110S, DRV8711 Related Components: LM298 Motor
Driver IC, 78M05 Voltage Regulator, Capacitors, Resistors, Heat Sink
Figure2.2 L298N Motor Drive(https://components101.com/modules/l293n-motor-driver-
module
When the power supply is less than or equal to 12V, then the internal circuitry will be powered
by the voltage regulator and the 5V pin can be used as an output pin to power the
microcontroller. The jumper should not be placed when the power supply is greater than 12V
and separate 5V should be given through 5V terminal to power the internal circuitry.
20
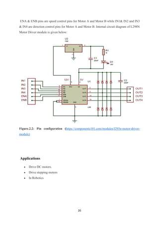
ENA & ENB pins are speed control pins for Motor A and Motor B while IN1& IN2 and IN3
& IN4 are direction control pins for Motor A and Motor B. Internal circuit diagram of L298N
Motor Driver module is given below:
Figure.2.2: Pin configuration (https://components101.com/modules/l293n-motor-driver-
module)
Applications
• Drive DC motors.
• Drive stepping motors
• In Robotics
21
L298N Motor Drive Method and Analysis
Let’s start by connecting the power supply to the motors. In our experiment we are using
commonly found in four-wheel-drive robots. They are rated for 3 to 12V. Therefore, we will
connect the external 12V power supply to the VS terminal. Considering the internal voltage
drop of the L298N IC, the motors will receive 10V and spin at a slightly lower RPM. But that’s
fine.
Next, we need to supply 5V to the logic circuitry of the L298N. We will be using the on-
board 5V regulator to get 5V from the motor power supply, so leave the 5V-EN jumper in
place.Now connect the L298N module’s Input and Enable pins (ENA, IN1, IN2, IN3, IN4
and ENB) to the six Arduino digital output pins (9, 8, 7, 5, 4 and 3). Note that Arduino output
pins 9 and 3 are both PWM-enabled. Finally connect one motor to terminal A and the other
motor to terminal B. we can interchange the connections of our motor. There is technically no
right or wrong way.
WHEELS(4X)
7×4MM DC MOTOR TYRE A wheel is a circular component that is intended to rotate on an
axle bearing. The wheel is one of the key components of the wheel and axle which is one of
the six simple machines. Wheels, in conjunction with axles, allow heavy objects to be moved
easily facilitating movement or transportation while supporting a load, or performing labor in
machines. Wheels are also used for other purposes, such as a ship's wheel, steering wheel,
potter's wheel and flywheel. Common examples are found in transport applications. A wheel
greatly reduces friction by facilitating motion by rolling together with the use of axles. In order
for wheels to rotate, a moment needs to be applied to the wheel about its axis, either by way of
gravity or by the application of another external force or torque. Using the wheel, Sumerians
invented a contraption that spins clay as a potter shapes it into the desired object.
Specifications
• Diameter - 7 cm
• Width of wheel - 4 cms
• Shaft bore - 6 mm
• Screw provided to tight wheel
22
Figure2.3: WHEELS(4X)(https://www.flipkart.com/easy-electronics-tyre-gear-motor-)
TT Gear Motor (4x) (300 RPM)
Description:
The 300 RPM BO Motor Plastic Gear Motor – BO series straight motor gives good torque and
rpm at lower operating voltages, which is the biggest advantage of these motors. Small shaft
with matching wheels gives an optimized design for your application or robot. Mounting holes
on the body & light weight makes it suitable for in-circuit placement. This motor can be used
with 69mm Diameter Wheel for Plastic Gear Motors and 87mm Diameter
Multipurpose Wheel for Plastic Gear Motors.
Specification:
Operating Voltage 3~12V DC
Shaft Length 8.5 mm
Shaft Diameter 5.5 mm
No Load Current 40-180Ma
Rated Speed(After Reduction) 300 RPM
Rated Torque 0.35 Kgcm
Table 2.2 Specifications of TT Gear motor
23
Figure2.4: TT Gear motor (https://www.amazon.in/Easy-Electronics-Gear-Motor)
Features:
• Cost-effectiveness of the injection-molding process.
• Elimination of machining operations.
• Low density: lightweight, low inertia.
• Uniformity of parts. Capability to absorb shock and vibration as a result of elastic
compliance.
• Ability to operate with minimum or no lubrication, due to inherent lubricity.
• The relatively low coefficient of friction.
• Corrosion-resistance; elimination of plating, or protective coatings.
• The quietness of operation.
• Tolerances often less critical than for metal gears, due in part to their greater resilience.
• Consistency with the trend to greater use of plastic housings and other components
24
Dimensions:
Figure 2.5: Dimensions Gear Motor
06CH Receiver
The Fly Sky FS-i6 is a great low cost entry level 6-channel 2.4 GHz Transmitter and Receiver
that uses solid and reliable Automatic Frequency Hopping Digital System (AFHDS) spread
spectrum technology. The Fly Sky FS-i6 has both a nice quality look and feel, while the
programming is simple to use .It also comes with a FS-iA6 6-channel receiver.
The ultra slim case design ergonomically fits your hands leading to less hand fatigue especially
during long flights. Digital trims, backlit LCD screen, and simple programming give the FS-i6
a modern feel with all the features you want. With a low profile antenna, the FS-i6 is easy to
store and no worries about breaking it. Adjustable length sticks, and a loop for attaching a neck
strap round out the list of comfort features this radio offers. For changing flight modes or
25
multiple flap position options, the FS-i6 has a 3-position switch, as well as two adjustable
knobs.
Expand the capabilities of your models or just know what is going on with the optional
telemetry receivers and variety of sensors. Normally you would have to spend hundreds of
dollars to get a transmitter with this capability. Not so with the availability of the FS-i6.
Table 2.3: Specifications of 06CH Receiver
26
3x18650 Battery
The 3.7v lithium battery is a lithium battery with a nominal voltage of 3.7v and a full-charge
voltage of 4.2v. Its capacity ranges from several hundred to several thousand mAh. It
is generally used in various instruments and meters, testing instruments, medical instruments,
POS machines, notebook computers, and other products.
Figure 2.6: FSI6 Receiver ( https://www.electroniclinic.com/5-8ghz-fpv-camera-hd)
Analysis ( After Testing )
AREA Result (Range)
Free Air 400-450m
Huddles 350-400m
Maximum Huddles 150-200
Table 2.4: Analysis
27
About the capacity of 3.7V lithium battery capacity, the larger the volume of a single lithium
battery, the greater the capacity, or we can say that the more the number of lithium batteries in
parallel, the greater the capacity.Generally, a 3.7v lithium battery needs a “protection board”
for over-charging&discharging. The battery without a protection board can only be charged
with 4.2V voltage, because the ideal full charge voltage of a lithium battery is 4.2v, once the
voltage exceeds 4.2v, the battery may be damaged. Charging in this way requires someone to
monitor the condition of the battery at all times.
On the contrary, the battery with a protection board can be charged with 5V (range from 4.8V
to 5.2V). As we know, in most cases, a 5V charger can be used for USB of computers and
mobile phones.
The charging cut-off voltage of the 3.7V battery is 4.2V and the discharge cut-off voltage is
3.0V. Therefore, when the open-circuit voltage of the battery is lower than 3.6V, it should be
able to charge. It is better to use the 4.2V constant voltage charging mode, so you don’t need
to pay attention to the charging time. If 5V charging is used, overcharging is easy to happen
.
Figure 2.7 3*1850 Battery
(https://www.grepow.com/blog/the-charging-voltage-of-3-7v-lithium-battery/)
28
Figure. Jumper wire/TT Wire (https://www.indiamart.com/proddetail/jumper-wire)
WIFI based camera HAVING its OWN TRANSRECEIVER
WIFI IP BASED CAMERA Wireless Wi-Fi IP Based Camera An Internet Protocol camera, or
IP camera, is a type of digital video camera commonly employed for surveillance, and which,
unlike analog closed-circuit television (CCTV) cameras, can send and receive data via a
computer network and the Internet. Although most cameras that do this are webcams, the term
IP camera or netcam is usually applied only to those used for surveillance that can be directly
accessed over a network connection. FEATURES OF WIRELESS WI-FI IP BASED
CAMERA.
• SMART TECHNOLOGY: Motion detection and intelligent alerts can send real-time push
notifications to your phone with captured images while you're away. Works and connect to
Male and Female Jumper wire/TT Wire
Jumper wires Jumper wires are simply wires that have connector pins at each end, allowing
them to be used to connect two points to each other without soldering. Jumper wires are
typically used with breadboards and other prototyping tools in order to make it easy to change
a circuit as needed. Jumper wires typically come in three versions: maleto-male, male-to-
female and female-to-female.
29
your phone even without Wi-Fi in AP Mode. Our cameras are CE and FCC certified with UL
compliant power supplies.
• PAN AND TILT: Full HD Video at 25fps. Remarkable Field of View with Super Wide 120
degree Viewing Angle, Remote Pan/Tilt create a complete 355° coverage, Intelligent Digital
Zoom. Supports remote viewing & recording from anywhere. Wi-Fi connection is compulsory
for installing this camera without Wifi this camera cannot be used.
• NIGHT VISION: With 11 IR LEDs, night vision up to 26 feet, longer distance makes you
see further and clearer through infrared red light even in the darkness! provides the protection
you need and act as a deterrent against crimes like theft, burglaries, and vandalism. Rely on
this trusted night vision camera technology to monitor and record your surroundings, so you
can feel protected from the unknown! ENHANCED TWO-WAY AUDIO: Receive messages
sent by the wireless network camera from your phone! With the help of smart camera, every
potential risk will be identified accurately and sent to you immediately. Motion detection
camera technology allows you to avoid taping hours of inactivity.Based on twoway audio, you
are able to talk with others anywhere anytime trough this security camera!
• IR NIGHT VISION: HD night vision with inbuilt IR lens for crisp & clear image even in
dark. MOTION DETECTION: Will send alerts whenever any motion is detected.
• 360 DEGREE MOBILECONTROL: Rotate camera horizontally or vertically from
anywhere.
Figure 2.9: WIFI based camera HAVING its OWN TRANSRECEIVER
(https://www.amazon.in/RFV1-Wireless-Resolution-Calling-
Supports/dp/B09TVT8HW1)
30
Solar cells (9v)
DIAGRAM OF SOLAR PANEL SOLAR PANEL a solar cell, or photovoltaic cell, is an
electrical device that converts the energy of light directly into electricity by the photovoltaic
effect. Which is a physical and chemical phenomenon. [1] It is a form of photoelectric cell,
defined as a device whose electrical characteristics, such as current, voltage, or resistance, vary
when exposed to light. Individual solar cell devices can be combined to form modules,
otherwise known as solar panels. In basic terms a single junction silicon solar cell can produce
a maximum open circuit voltage of approximately 0.5 to 0.6 volts. [2] Solar cells are described
as being photovoltaic, irrespective of whether the source is sunlight or an artificial light. They
are used as a photodetector (for example infrared detectors), detecting light or other
electromagnetic radiation near the visible range, or measuring light intensity. The operation of
a photovoltaic (PV) cell requires three basic attributes:
• The absorption of light, generating either electron-hole pairs or excitons.
• The separation of charge carriers of opposite types.
• The separate extraction of those carriers to an external circuit.
Figure 2.1.1: Solar cells (9v) (https://www.youtube.com/watch?v=thi_pUj0flI)
31
Kit4Curious Robotic Gripper for Robotic arm with servo SG-90
This is an excellent robotic gripper for development of any robotic arm project without
spending a lot of money. This beautiful robotic arm gripper is best suitable for pick and place
type robots and it can also be used for other robotic and IoT projects. It is a perfect hold and
release gripper. This is a pre-assembled high quality multi-purpose laser cut acrylic robotic
gripper.
Specifications
Table 2.5: Specifications of Robotic Arm
Figure 2.1.2: Robotic arm with servo SG-90 (https://www.amazon.in/Acrylic-Robotic-
gripper- /)
32
Mica Sheet
Sheet mica is used principally in the electronic and electrical industries. Its usefulness in these
applications is derived from its unique electrical and thermal properties and its mechanical
properties, which allow it to be cut, punched, stamped, and machined to close tolerances.
Figure. Mica Sheet 2.1.3: Mica(Sheethttps://www.glamplyanddecor.com/sunmica-
sheet.html)
Battery Charger module
This module is made for charging rechargeable lithium batteries using the constant-
current/constant-voltage (CC/CV) charging method. In addition to safely charging a lithium
battery the module also provides necessary protection required by lithium batteries. See below
concerning the protection features this module provides.
• Small Size and Portable
• suitable for 3to4v lithium battery
33
Specifications
Brand Name Embsys
Item Weight 10 grams
Number of Items 1
Part Number ESPSU460863
Table 2.7: Specification of Battery Charger module
Figure2.1.4: Battery Charger module (https://www.electronicscomp.com/)
Hotspot Module
• This device is compatible with both prepaid and post paid SIM simcards JIOFI2 M2S
• Easy to connect. Simply switch on the 4G Hotspot and connect to India’s JIOFI2
M2Stest network ,Connect up to 10 Wi-Fi enabled devices such as smartphones,
laptops, tablets, smart TVs and more
• Create your own 4G Wi-Fi network at home, work, or on-the-go JIOFI2 M2S
34
• Experience stronger and better Wi-Fi coverage with Multi-Input and Multi-Output
technology,No install JIOFI2 M2Sation required. Just get a new 4G device SIM from
the nearest retailer, insert it, switch on the device and you are ready to go
• Enjoy 4G speeds even on non-4G devices,4G Hotspot and connect to India’s fastest
network Experie JIOFI2 M2Snce stronger and better Wi-Fi coverage with Multi-
Input and Multi-Output technology Enjoy 4G speeds even on non-4G devices
Figure 2.1.5 Hotspot Modulehttps://www.addmecart.com/product/70723838)
Wolf-whoop Micro FPV AIO 600TVL Camera 5.8 G
This is Easy installation for racing drone. Five bands 40 channels with Raceband.
• Wolf-whoop Micro FPV AIO 600TVL Camera 5.8 G 40CH 25mW/50mW/200mW
Adjustable Transmitter
• This is Easy installation for racing drone
• Five bands 40 channels with Raceband
35
Figure 2.1.5 Wolf-whoop Micro FPV AIO 600TVL Camera 5.8 G
(https://www.amazon.in/Wolfwhoop-adjustable-Transmitter-Cloverlea)
SG90 Micro Servo Motor
Micro Servo Motor SG90 is a tiny and lightweight server motor with high output power. Servo
can rotate approximately 180 degrees (90 in each direction), and works just like the standard
kinds but smaller. You can use any servo code, hardware or library to control these servos.
Good for beginners who want to make stuff move without building a motor controller with
feedback & gear box, especially since it will fit in small places. It comes with a 3 horns (arms)
and hardware.
• 9G Rc Robot Helicopter Airplane Boat Controls
• Temperature Range: -30 to +60
• Operating Speed: 0.12 second or 60 degree (4.8V no load)
• Colour: blue
• Comes with 2 Pieces
36
Specifications
Brand Name Robotbanao
Ean 0689786540087
Included
Components
Tower Pro Sg90 Micro Servo Motor 2 pcs
Item Weight 150 grams
Manufacturer
Series Number
RB2XSG90
Model Number EAEC100100-226
Number of Items 2
Part Number EAEC100100-226
Table 2.8: Specifications of Micro servo motor
Figure 2.1.6 SG90 Micro Servo Motor https://www.flipkart.com/
37
UNO R3 Development Micro controller Board
• It is an easy USB interface. This allows interface with USB as this is like a serial device.
• The chip on the board plugs straight into your USB port and supports on your computer
as a virtual serial port.
• It is easy-to-find the micro controller brain which is the ATmega328 chip.
• It is a 16 MHz clock which is fast enough for most applications and does not speeds up
the microcontroller.
• It is very convenient to manage power inside it and it had a feature of built-in voltage
regulation .This can also be powered directly off a USB port without any external
power.
Features:
• Microcontroller ATmega328P .6.
• Operating Voltage : 5V
• Digital I/O Pins
• 14 (of which 6 provide PWM output) PWM
• Digital I/O Pins .6 Analog Input Pins, 6 Flash Memory 32 KB (ATmega328P) of
which 0.5 KB used by bootloader
Figure 2.1.7 Micro controller Board(https://www.amazon.in/Robotbanao-Atmega328p)
38
Specifications
Colour Blue and Black
Included Components T9-NHXR-186H Uno R3 Atmega328p With Usb Cable
Length 1 Feet, Blue and Black
Item Weight 160 grams
Manufacturer Series Number RBUNO
Model Number T9-NHXR-186H
Number of Items 2
Part Number UNO R3
Pattern Semiconductors
Specification Met
Style UNO R3 BOARD
Table 2.9 : Specifications micro controller
Module Buck Converter
DC-DC Buck Converter Step Down Module LM2596 Power Supply is a step-down(buck)
switching regulator, capable of driving a 3-A load with excellent line and load regulation.
These devices are available in fixed output voltages of 3.3 V, 5 V, 12 V, and an adjustable
output version. The LM2596 series operates at a switching frequency of 150kHz, thus allowing
39
smaller sized filter components than what would be required with lower frequency switching
regulators.
• 100% Brand New and High Quality
• Quantity: 1 x MP1495 DC Voltage Regulator Step Down Power Supply Module
• Suitable for all kinds of LCD TV, small signal power supply repair replacement,
three lines to power maintenance.
Specifications
Brand Name Electronic spices
Colour Multicolour
Number of Items 1
Part Number MODULEMINI
Table 2.1.0: Specifications of Module Buck Converter
Figure 2.1.8: Module Buck Converter(https://www.google.com/aclk?sa=l&ai)
40
COMPONENT PRICE LIST
PRODUCT OF
COMPONENT
QUANTITY PRICE MODE OF BUY
1. Motor (Gear Motor) 12v,
500rpm
4 1451 Online
2. L29N Motor Driver Module 1 229 Online
3. Mica sheet
10*10inch+Cardboard sheet
1 170 Offline
4. Arduino UNO Atmega 328p 1 861 Online
5. Transmitter and Receiver Fsi6,
6 Channel
1 6150 Online
6. HD 1080p IR Camera wifi
based
1 1299 Online
7. 40ch 5.8GHZ FPV Camera with
Transmitter
1 3599 Online
8. Jio fi 4G hotspot module 1 999 Offline
9. Antenna 20db attachment for
Hotspot
1 292 Online
10. Servo motor 9gram for gimble 1 360 Online
11. Robotic Arm with 9g servo
meter
1 422 Online
12. Flesh Light LED 2 50 Offline
13. Leisure pointer LED 1 40 Offline
14. Solar Panel 3v + 6v module 3 325 Online
15. Buck Convertor 12v to 5v DC
Convertor
1 355 Online
16. Tyre for motor 4*4 with clamp 4 282 Online
17. Switch + LED + Wires 5 200 Offline
18. Camera Gimble for FPV
Camera
1 850 Online
19. Paint (Spray paint) 2 400 Offline
20. Soldering wire 1 110 Offline
41
21. Double sided tape 2 80 Offline
22. Aluminium Foil 1 90 Offline
23. FPV Receiver 5.86Hz for
Camera
1 2196 Online
24. Nuts and Bolts (screws) 18 90 Offline
25. Glu gun rod 4 40 Offline
26. Fevicol 2 90 Offline
27. Cutting blade for Cardboard 2 20 Offline
28. Jumper wires 1 193 Online
29. Connectors 4 180 Online
30. FSI6 Data line cable access
wiring for connecting
transmitting
1 549 Online
31. Lithium ion Battery Charging
module
1 399 Online
32. Lithium ion Battery 3.7v DC 9 810 Offline
Name ID No.
Aakash 53561 ………………
Deepesh Kumar 54960 ………………
Junyali Das 54961 ……………...
Kanahaiya Lal Gupta 54962 ……………...
Project Guide Dr. REETA VERMA
42
Failure (Damage) Components
This section will be used to define the testing required to determine whether performance based
requirements will be met by the Robotic Surveillance Vehicle. These tests will be developed
based on the requirement being tested. Each of the following sections will define tests for each
related requirement.
Performance Testing Quantity (number of components)
• Solar Panel 1
• Arduino Uno 1
• Wheels 4
• Motors(100 rpm) 4
• Servo Motor 1
• Switches 3
• Jumper Wires 6
43
CHAPTER 4 RESULTS & DISCUSSION
It is apparent from the results obtained through practical running of the robot that the accuracy
of the system is satisfactory. The accuracy of the system is measured in terms of image
transmission capabilities. The comparison between actual frame rate that is captured from the
surrounding and the frame rate after transmission to the operator determines the accuracy of
the system. Distant controlled robot has a huge scope in distant engineering education and
distant treatment of patients. Mainly this developed robot can be used in: Surveillance based
application, long distance observation of any equipment, device or machinery, control of any
process/system from far, observation of office, home, classroom environment, road traffic and
security system monitoring, remote image capturing and processing, hazardous environment
situational image and control, track mapping for any desired location as well as satellite
mapping for further decision making etc.
The designed robot can be employed in areas such as reconnaissance missions in military,
handling radioactive wastes, safe disposal of bombs in police and military force. The
characteristics and reliability of the designed prototype may not meet the actual design. The
designed prototype reveals the feasibility of the original design. The future scope of the work
lies in large scale implementation of the designed robot, small sized robots, authentic and faster
technology based bots and intelligence based robotic systems.
SCOPE FOR FUTURE WORK
This project offers a lot of scope for adding newer features. Since all image processing is done
remotely, there are no resource constraints apart from the bandwidth of the network. We can
program the robot such that it can detect objects and reach them on its own. Also, with the
presence of GPS navigation and mapping software, the robot has the capability of finding the
best route possible to reach a certain location. Also, by making it sturdier and giving it extra
protection, we can make it an robot, which would make it ideal for a surveillance robot. There
is also the option of adding sound processing to the remote computer, thus giving it greater
surveillance capabilities. The possibilities are endless. This robot in its current state provides a
platform for further research into improving its capabilities.
44
CHAPTER 5 CONCLUSION
The framework for making a robot for surveillance purpose is proposed. It overcomes the
problem of limited range surveillance by using the concept of IOT. We can control the robot
with the help of laptop/mobile manually. Automatic monitoring can also be done. Our proposed
robot is small in size thus maneuvering into area where human access is impossible. Wireless
technology is one of the most integral technologies in the electronics field. This technology is
used to serve our project as a supreme part of surveillance act. This provides highly efficient
and a cost effective robot that replaces human work and reduces human labor and performing
monitoring works in a well effective manner.
• DTMF Based robot using Arduino microcontroller develop.
• Advantage of wide range of control.
Developed Unmanned Ground robot is unique with its features that enables artificial
intelligence based surveillance. Hence a surveillance system that is very difficult to get hacked
in short time and a unique diffusing system has been developed by assembling various
components like RF crawler, Wireless Video Transmitting device and a 4 DOF robotic arm.
This system can detect the explosives landmines or any other unusual objects with the help of
the live monitoring system with artificial intelligence. After detecting these landmines, with
the help of the 4 DOF Robotic arm any defense expert can operate the system and diffuse these
explosives remotely without risk and in a secured WPS line. The surveillance process is
achieved by Wireless Video Transmitting Device. In order to detect the explosives like mines
which are under the ground, a metal detector or other sensors can be attached to the system.
This is a prototype for the conceptualization with execution strategy and in order to use it for
real-time challenges, one should use the technologies with greater ranges.
45
REFERENCES
1. Balamurgan M. S, Sharma. A, “Mobile robotic system for search mission”, International
Conference on Innovations in Information, Embedded and Communication Systems
(ICIIECS), 2015, pp.1-7.
2. Mithileysh Sathiyanarayanan, Syed Azharuddin, Santhosh Kumar, Gibran Khan, “Self-
controlled robot for military purpose”, International jornal of technological research in
Engineering, Vol.1, 2014,pp.1075-1077.
3. Mithileysh Sathiyanarayanan, Syed Azharuddin, Santhosh Kumar, Gibran Khan, “ Guesture
Controlled robot for military purpose”, International journal of technological research in
Engineering, , Vol.1, 2014,pp.1300-1303.
4. W. G. Hao, Y. Y. Leck, L. C. Hun, “6-DOF PC-Based Robotic Arm (PC-ROBOARM) with
efficient trajectory planning and speed control”, IEEE 4th International Conference On
Mechatronics (ICOM), 2011, pp.53-56.
5. Saadoon, A. T., AbdulQader, D. A., Naser, M. T., & Jadian, Z. R. (2021, March). Design
and Implementation of a Moving Robot Equipped with an Arm and an FPGA to Deliver
Objects between Two Positions. In Journal of Physics: Conference Series (Vol. 1818, No. 1,
p. 012066). IOP Publishing.
6. Keerthana, S., Vellaiyan, A. R., & Rajamohan, M. Bomb detection and disposal robot: Aid
for risky Military Fields. Mepco Schlenk Engineering College, International Journal of
Engineering and Advanced Technology (IJEAT) ISSN, 2249-8958.
7. Mahapatruni, N., Ramana Rao, K. V., Velangini Sarat, P., & Bhaumik, M. (2020).
Unmanned ground robot for diffusing explo-sives with surveillance. Indian Journal of Science
and Technology, 13(31), 3160-3175.
8. Hasan, S. M., Rasid, S. M. R., Mallik, A., & Rokunuzzaman, M. Development of a Wireless
Surveillance Robot for Controlling from Long Distance.
9. Priyanka, D., & Karthik, V. (2015). Wireless Surveillance Robot with Motion Detection and
Live Video Transmission and Gas Detection. International Journal of Scientific Engineering
and Technology Research, 4(17), 3099-3106.
10. Manish Yadhav, Vibha Singh, Vinay Uniyal, Manish Singh. “Smart Aero Amphibian
Surveillance System” Department of Electronics Engineering, Thakur College of Engineering
and Technology, Mumbai, India. (201
46
47
VITA
1. Name & ID No. – Kanhaiya Lal Gupta (54962)
2. Fathers and mothers name- Mr. Nand Lal Gupta and Mrs. Rani Gupta
3. Education Qualification
Examination Board Passing
Year % Marks Division
X 76.8%(UK
Board)
1ST
XII - -
B.Tech. 7.346CGPA 1st
DIPLOMA 72.6% 1st
4. Gate – N/A
5. Placement-fresher
6. Academic Achievements- executive member of electronica, robotic club
pantnagar
7. Address-SH-9 Jamaur Khatima, U.S. Nagar Uttarakhand 262308
8. E-mail:- knhyagupta555@gmail.com
9. Mobile no.- 7985512207
10.WhatsApp/Telegram No.- 9758061492
11.Linkdin:https://www.linkedin.com/in/kanhaiya-lal-gupta-226b12250

military surveillance robot

  • 1.
    1 TEC-495 B WIRELESS SURVEILLANCEROBOT Submitted to Department of Electronics and Communication Engineering G.B Pant University of Agriculture and Technology Pantnagar-263145, Uttarakhand, India Submitted by Kanhaiya Lal Gupta (54962) Guided by Dr. REETA VERMA FOR THE DEGREE OF BACHELOR OF TECHNOLOGY (ELECTRONICS AND COMMUNICATION ENGINEERING) July, 2022
  • 2.
    2 ACKNOWLEDGEMENT In the accomplishmentof completion of our project on “WIRELESS SURVEILLANCE ROBOT” ,We would like to convey our special gratitude to our Project Guide Dr. Reeta Verma, Assistant Professor, Department of Electronics and Communication Engineering and Dr. Sanjay Mathur, Head, Department of Electronics and Communication Engineering. Your valuable, guidance and suggestions helped us in various phases of the completion of this project. We will always be thankful to you in this regard. We would also like to thank all our friends, family, seniors, PG Students and especially our classmates for their continues support and help during the making of this project. At last we individually like to thanks each one of us in the group for their support and contribution in making this project a success. NAME ID NO. Mr. Aakash 53561 Mr. Deepesh Kumar 54960 Ms. Junyali Das 54961 Mr. Kanhaiya Lal Gupta 54962
  • 3.
    3 CERTIFICATE This is tocertify that the project entitled “WIRELESS SURVEILLANCE ROBOT” Submitted by Name ID No. Kanhaiya Lal Gupta 54962 Is the record of the work done by them in the requirements for the degree of Bachelor of Technology in Electronics and Communication Engineering, College of Technology, G.B. Pant University of Agriculture and Technology, Pantnagar. Pantnagar (Dr. Reeta Verma) July, 2022 Project Guide
  • 4.
    4 ABSTRACT Every day inthe military a need arises for a robot which can help security personal’s for keeping surveillance on the potential threat to the society. The concept of surveillance is an old ancient one but with time changing and technological advancement the method through which it is conducted continue to rapidly change. In the present scenarios robots and drones are used to keep land and air surveillance on any person or place which could poses a threat to anyone. In this regard many advancements have taken place in the past three decades. Our project is aim at to develop a Wireless Surveillance robot which can travel up to the range of 1.2km and which can be used in different terraing.We have fitted different cameras in like HD for high resolution images and videos in day light and with IR camera for clear images in night. Our robot has a clamp attached to it to hold objects like a bomb which can be used to dispose a threat by holding and removing is safely. There can be different uses also for this kind of robots like in war like situation to map the area which can be dangerous for an human to do so and in fire like situation to locate the persons in need. It can also be used to deliver medical kits in a remote locations around a difficult terrains.
  • 5.
    5 CONTENTS SI. No. DESCRIPTIONPAGE No. CHAPTER 1 INTRODUCTION 1-9 CHAPTER 2 REVIEW OF WORK 10-15 CHAPTER 3 MATERIALS & METHODS 16-44 CHAPTER 4 RESULTS & DISCUSSION 46 CHAPTER 5 CONCLUSION 47 REFERENCES 48 VITA 49
  • 6.
    6 CHAPTER 1 INTRODUCTION Technologyhas brought a dynamic and tremendous change in robotics and automation field which ranges in all kinds of areas. Surveillance is the process of close systematic observation or supervision maintained over a person, group, etc. especially one in custody or under suspicion. Thus surveillance is mainly required in the areas such as border areas, public places, offices and in industries. It is mainly used for monitoring activities. The act of surveillance can be performed both indoor as well as in outdoor areas by humans or with the help of embedded systems such as robots and other automation devices. A robot is nothing but an automatic electronic machine that is capable of performing programmed activities thus replacing human work, providing highly accurate results and easily overcoming the limitations of human beings. Thus replacing humans in the surveillance fields is one of the great advancement in robotics. The robot consists of Arduino Uno microcontroller which acts as the heart piece of the robot. This robot also consists of DC motors, wheel chassis, battery, Wi-Fi module (ESP8266 12e) and various types of sensors such as ultrasonic sensor for obstacle detection, IR sensor for detecting pits. The robot can be either operated automatically or manually. User end communicates with the robot by implementing the concept of Internet of Things. • Robots reduces human efforts • Robots can be controlled using mobile phones • This is Dual Tone Multiple Frequency (DTMF) technology • DTMF decorder-decodes the frequencies to identify the key pressed (1) It has been very challenging for every country to control the terrorists who are using various plastic explosives. During the diffusion process many soldiers or experts lost their lives or severely injured. In this perspective, a wireless surveillance robot which can diffuse explosives with expert aid remotely has been designed and developed. One of such explosives like landmines and plastic explosives may cause damage by direct blast effect, by fragments that are thrown by the blast, or by both. In earlier days, the process of surveillance and diffusing of landmines was carried out by humans. Later sensors, metal detectors, mechanical probes and prodders were used to detect these landmines. (2) Many technologies like infrared imaging system, nuclear magnetic resonance, x – ray backscatter, electric impedance tomography, etc. were used to detect the landmines. These
  • 7.
    7 systems are usedto detect the landmines, but they need human interference for diffusing. This may be harmful to the human which even puts the life of a person in danger. (3) Later surveillance process was even carried out using unmanned aerial vehicles (UAV) which may not put the life of a human in risk but the process of diffusion may not be carried out using this vehicle. (4) Robots developed for location can do surveillance with movement. (5) Whereas they unable to crawl over the stones or unbiased surfaces. Hence, a system which fulfills the process of surveillance and diffusing is created which can be operated from a minimum safest distance which can crawl over unbiased surfaces. (6) This assemblage of wireless video transmitting device which fulfills surveillance process and a robotic arm which fulfills diffusing process is standardized on the chassis of an RF based vehicle which is used to move the system to the desired location. (7) It is always challenging to design and develop a prototype for sensitive operations like to diffuse any explosive. (8) In this investigation, a prototype of mobile surveillance robot has been developed to build an automatic surveillance and live monitoring using radio frequency signals which cannot be interpreted by any individual. (9) In order to identify remotely and diffuse any type of explosives such as landmines remotely by operating the robotic arms without any risk to human. (10) Haptic arms developed will not be suitable to unmanned ground robots, as they cannot lift the loads, wire cutting and other extraction operations. (11) These operations have been completed with the help of live 360 degree monitoring/surveillance system, crawler and a 4 DOF robotic arm (whereas using this design it be applied to 8 DOF robotic arm also). (12) This wireless robot can fulfill other applications such as motion detection, material handling, processing operations, assembly, inspection, loading and unloading operations, etc.
  • 8.
    8 Figure 1.1: BlockDiagram of Communication System Figure 1.2: Block Diagram of FPV Camera Communication System
  • 9.
    9 Figure 1.3: CircuitDiagram of Wireless Surveillance Robot
  • 10.
    10 CHAPTER 2 REVIEWOF WORK The word robot comes from the Czech word for forced labour, or serf. A robot is a reprogrammable, multifunctional manipulator designed to move materials, parts, tools or specialized devices through variable programmed motions for the performance of a variety of tasks. Basically a robot consists of a mechanical structure, such as a wheeled platform, arm, or other construction, capable of interacting with its environment. Sensors to sense the environment and give useful feedback to the device. Systems to process sensory input in the context of the current situation and instruct the device to perform actions in response to the situation. 1) Characteristics of Robotics Robots come in a tremendous variety of “sizes and flavors” such as Manipulator, Legged robot, wheeled robot, Autonomous underwater robot, unmanned aerial robot. The robot performs the Jobs that are dangerous, boring, stressful, or labor- intensive for humans. There are some essential characteristics that a robot must have and this might help us to decide what a robot is and what not a robot is. It will also help us to decide what features we need to build a machine before it can count as a robot. A. Sensing: First of all, Robot would have to be able to sense its surroundings. A robot needs to move around its environment. Whether rolling on wheels, walking on legs. B. Energy: A robot needs to be power itself. A robot might be solar powered, electrically powered, battery powered. 3. Intelligence: A robot needs some kind of "smarts." This is where programming enters the pictures. A programmer is the person who gives the robot its 'smarts.' The robot will have to have some way to receive the program so that it knows what it is to do. A. Adaptability: Adaptability is where a certain robot can be used to carry out more than one task. A simple example is a robot being used to weld car bodies. If a different car body is to be manufactured, the program which controls the robot can be changed. The robot will then carry out a different series of movements to weld the new car body. 1)Laws of Robotics Asimov proposed three “Laws of Robotics” Law 1: A robot may not injure a human being or through inaction, allow a human being to come to harm. Law 2: A robot must obey orders given to it by human beings, except where such orders would conflict with a higher order law. Law 3: A robot must protect its own existence as long as such protection does not conflict with a higher order law.
  • 11.
    11 1.Need for RobotsOften, robots are used to do jobs that could be done by humans. However, there are many reasons why robots are better than humans in performing certain tasks. Speed: Robot may be used because they are FASTER than people at carrying out tasks. This is because a robot is really a mechanism which is controlled by a computer. Some robots actually MOVE more quickly than we can, so they can carry out a task such as picking up and inserting items, more quickly. Hazardous (Dangerous Environments): Robots may be used because they can work in places where a human would be in danger. For example, robots can be designed to withstand greater amounts of Heat, Radiation, Chemical fumes, than humans could. Repetitive Tasks: Sometimes robots are not really much faster than humans, but they are good at simply doing the same job over and over again. This is easy for a robot, because once the robot has been programmed to do a job once; the same program can be run many times to carry out a job many times. And the robot will not get bored as a human would. Efficiency: Efficiency is all about carrying tasks without waste. This could mean not wasting time, not wasting materials, not wasting energy. Accuracy: Accuracy is all about carrying out tasks very precisely. In a factory manufacturing items, each item has to be made identically. When items are being assembled, a robot can position parts within fractions of millimetre. OPERATIONS INVOLVED IN SURVEILLANCE ROBOT General Principles OF Surveillance Robot Surveillance robot is to recognize and detect motion automatically around a robot's environment. The robot design has been partitioned into sensor, control, and planning subsystems. Robotic surveillance appliance is built on a moving platform designed for surveillance and security tasks. This robot can be operated in “remote eyes” or “automatic trip” modes. This means it can be steered remotely by a human watchman as a moving surveillance camera or it can drive autonomously along an undefined route, detecting all inconsistencies in the video input. Secret surveillance in tightly constrained spaces is demanded in many military and civilian activities, such as cave-in enemy raids and indoor hostage rescue missions. In our approach, moving targets can be detected by the robot using motion detection sensor and wireless camera. To adapt to different lighting conditions, the target model is updated regularly based on an update mechanism. To ensure robust tracking, the robot detects abnormal human behaviour by tracking the upper body of a person. To lower the false alarms by motion detection system, gas detector, fire sensor, metal detector directs
  • 12.
    12 the robot tothe scene where events occur and the robot can employ its camera to further confirm the occurrence of the events. In the present scenario, every nation and every country in the entire world are focused on setting up a robust defense system with profound advancements in robotics and mechatronics. It has been very challenging for every country to control the terrorists who are using various plastic explosives. During the diffusion process many soldiers or experts lost their lives or severely injured. In this perspective, a wireless surveillance robot which can diffuse explosives with expert aid remotely has been designed and developed. One of such explosives like landmines and plastic explosives may cause damage by direct blast effect, by fragments that are thrown by the blast, or by both. In earlier days, the process of surveillance and diffusing of landmines was carried out by humans. Later sensors, metal detectors, mechanical probes and prodders were used to detect these landmines. Many technologies like infrared imaging system, nuclear magnetic resonance, x – ray backscatter, electric impedance tomography, etc. were used to detect the landmines. These systems are used to detect the landmines, but they need human interference for diffusing. This may be harmful to the human which even puts the life of a person in danger. Later surveillance process was even carried out using unmanned aerial vehicles (UAV) which may not put the life of a human in risk but the process of diffusion may not be carried out using this vehicle. Robots developed for location can do surveillance with movement, whereas they unable to crawl over the stones or unbiased surfaces. Hence, a system which fulfills the process of surveillance and diffusing is created which can be operated from a minimum safest distance which can crawl over unbiased surfaces. This assemblage of wireless video transmitting device which fulfills surveillance process and a robotic arm which fulfills diffusing process is standardized on the chassis of an RF based vehicle which is used to move the system to the desired location. It is always challenging to design and develop a prototype for sensitive operations like to diffuse any explosive. In this investigation, a prototype of mobile surveillance robot has been developed to build an automatic surveillance and live monitoring using radio frequency signals which cannot be interpreted by any individual. In order to identify remotely and diffuse any type of explosives such as landmines remotely by operating the robotic arms without any risk to human. Haptic arms developed will not be suitable to unmanned ground robots, as they cannot lift the loads, wire cutting and other extraction operations. These operations have been completed with the help of live 360 degree monitoring/surveillance system, crawler and a 4 DOF robotic arm. This wireless robot can fulfill other applications such as motion detection, material handling, processing operations, assembly, inspection, loading and unloading operations, etc.
  • 13.
    13 Working of surveillanceand diffusing system This surveillance and diffusing system for explosives like landmines is designed to identify and diffuse the explosives without human risk. Surveillance process • The system is moved to the desired location using the RF Based Vehicle by controlling it with RF controller. • The location where it was sent was monitored through an android mobile by connecting this android mobile to the wireless video transmitting device. • While monitoring the location, the presence of any unusual object was identified. • By moving the vehicle and rotating the wireless video transmitting device, we can examine the unusual object.If the unusual object which was found was turned out to be a landmine or a wired bomb, the complete information of the situation was examined in order to diffuse it. Diffusing process • When a landmine or a wired bomb is identified, using the rotations of the wireless video transmitting device, one can examine the situation like its location, connections, etc. • The complete information of the landmine or wired bomb was collected so that we can adopt the specific diffusion process. • Using the 4 DOF robotic arm, the process of diffusion is carried out like cutting the wires or diffusing the switches, etc. Paper [1] discusses the use of robot in rescue and search mission. Here RF technology is used to control the robot wirelessly. The obstacles are detected using Ultrasonic sensor. Smartphone camera attached to the robot provides omnidirectional view, thus facilitating complete control of robot. From paper [2], Robots are referred as Unmanned ground vehicles or self-controlled robots as it finds application in Border patrol, surveillance and in active combat. Human navigation commands guides the robot to travel from one point to another. Paper [3] illustrates how human hand movements could direct the robotic motor. Here specific mode of operation is used such as hand wave mode or gesture controlled mode. Paper [4] deals with PC-Based Robotic arm (PC- ROBOARM) which is developed to prove the results obtained by simulation. Here computer software called Smart arm is used for robotic arm design and control solution. It also deals with six degrees of freedom.
  • 14.
    14 Related Works: M. A.K.Yusoff presented the development of a wireless mobile robot arm. A mobile robot that functional to do pick and place operation and be controlled by using wireless PS2 controller. It can move forward, reverse, turn right and left for a specific distance according to the controller specification. The development of this robot is based on Arduino Mega platform that interfaced with the wireless controller to the mobile robotic arm (Mohd Ashiq Kamaril Yusoff, 2012). M. J. Mohamed described the construction of a rover mobile robot which was used to follow the resultant optimal path from the global path planning technique. A remote computer is used to control the motion of the mobile robot and to upload the data of the path wirelessly. The control (positioning and directing) of the robot is based on the readings of two wheel encoders. The current direction and position of the robot are calculated relatively to its previous direction and position. The control algorithm is capable to move the mobile robot in order to follow a certain path (Dr. Mohamed Jasim Mohamed, Mustaffawaad Abbas, 2013). V. R. Kale presented a mechatronics color sorting system solution with the application of image processing. Image processing procedure senses the objects in an image captured in real- time by a webcam and then identifies color and information out of it. This information was processed by image processing for pick-and-place mechanism (Vishnu, R., 2013). P.Jain presented designing the RF based spy robot which involves wireless camera. So that from it can examine rivals when it required. This robot can quietly enter into enemy area and sends the information via wireless camera. On the other hand one more feature is added in this robot that is color sensor. Color sensor senses the color of surface and according to that robot will change its color. Because of this feature this robot can’t easily detected by enemies. The movement of this robot is wirelessly controlled by a hand held RF transmitter to send commands to the RF receiver mounted on the moving robot (Prerna Jain, 2014). A. Ronank designed a prototype consists of robotic arm along with grippers capable of moving in the three axes and an ATMEGA 8 microcontroller. Software such as AVR Studio is used for programming, PROTESUS is used for simulation and PROGISP is used for dumping the program. RFID is used for identifying the books and it has two IR Sensors for detecting the path. This robot is about 4 kg in weight and it is capable of picking and placing a book of weight 1 kg (Anusha Ronanki and M. Kranthi, 2015).
  • 15.
    15 CHAPTER 3 MATERIALS& METHODS These are the Components which is required to make our Project. • Arduino Uno • L298N Motor Drive • Wheels(4x) • TT Gear Motor (4x) (300 RPM) • FSI6 Transmitter and 6CH Receiver • 3x18650 Battery • Male and Female Jumper wire/TT Wire • Three LED • WIFI based camera HAVING IT’S OWN TRANSRECEIVER • RoboTIC arm claw • Solar cells (9v) • Mica Sheet • Battery Charger Module • Hotspot Module • Wolf-whoop Micro FPV AIO 600TVL Camera 5.8 G • SG90 Micro Servo Motor • UNO R3 Development Micro controller Board
  • 16.
    16 Arduino board Arduino boarduses a variety of microprocessors and controllers. These boards are equipped with sets of digital and analog input/output pins (14 digital pins and 6 analog pins) that may be interfaced to various expansion boards or breadboards and other circuits. The boards feature serial communication interfaces which are used for loading programs from personal computers (17). The microcontrollers can be programmed using C and C++ programming languages using Arduino IDE software. It can be powered through a USB cable or by an external battery with an input voltage ranging from 7 to 20 volts. depicts the Arduino board used for surveillance and diffusing system. Figure 2.1: Arduino board ( https://images.app.goo.gl/rK8UH5F7CiYjJKLS )
  • 17.
    17 Arduino Program Methodand Analysis In the previous Paragraph we have seen how to setup the Arduino IDE, compile (or verify) the sketch, upload the sketch to the Arduino UNO board and check for error messages. We have seen all this with the help of an example sketch “Blink” that is provided in the Ardui- uno IDE. After that, we will try to work on the Blink program, its components, some syntax and some predefined functions We will also try to make some changes to the original Blink sketch and see what difference it makes to the output. In the HIGH output and LOW output are executed consecutively at very high speed so that pin is given HIGH and LOW at that speed. Because of this very high speed switching of LED between ON and OFF, we cannot see if the LED is blinking or not and the result will be dimly glowed LED In order to slow down this process and properly see the LED blinki- ng, we use the delay function. The syntax of the functions are DelaY(time in milli seconds) and Delay Microseconds (time in micro seconds). So, coming back to the program, in order to turn ON and OFF the LED at an interval of 1 second (1000 milli seconds), we use the delay function Delay (1000); after each function experiment, we can connect an LED (with a current limiting resistor) to any other pin and write the sketch accordingly. Also,we can change delay time and see the rate at which the LED blinks. L298N Motor Drive This L298N Motor Driver Module is a high power motor driver module for driving DC and Stepper Motors. This module consists of an L298 motor driver IC and a 78M05 5V regulator. L298N Module can control up to 4 DC motors, or 2 DC motors with directional and speed control.
  • 18.
    18 L298N Module PinoutConfiguration Pin Name Description IN1 & IN2 Motor A input pins. Used to control the spinning direction of Motor A IN3 & IN4 Motor B input pins. Used to control the spinning direction of Motor B ENA Enables PWM signal for Motor A ENB Enables PWM signal for Motor B OUT1 & OUT2 Output pins of Motor A OUT3 & OUT4 Output pins of Motor B 12V 12V input from DC power Source 5V Supplies power for the switching logic circuitry inside L298N IC GND Ground pin Table 2.1: L298N Module Pinout Configuration Features & Specifications • Driver Model: L298N 2A • Driver Chip: Double H Bridge L298N • Motor Supply Voltage (Maximum): 46V • Motor Supply Current (Maximum): 2A • Logic Voltage: 5V
  • 19.
    19 • Driver Voltage:5-35V • Driver Current:2A • Logical Current:0-36mA • Maximum Power (W): 25W • Current Sense for each motor • Heatsink for better performance • Power-On LED indicator Alternate Driver Modules: TMC2209, DRV8825, A4988, L9110S, DRV8711 Related Components: LM298 Motor Driver IC, 78M05 Voltage Regulator, Capacitors, Resistors, Heat Sink Figure2.2 L298N Motor Drive(https://components101.com/modules/l293n-motor-driver- module When the power supply is less than or equal to 12V, then the internal circuitry will be powered by the voltage regulator and the 5V pin can be used as an output pin to power the microcontroller. The jumper should not be placed when the power supply is greater than 12V and separate 5V should be given through 5V terminal to power the internal circuitry.
  • 20.
    20 ENA & ENBpins are speed control pins for Motor A and Motor B while IN1& IN2 and IN3 & IN4 are direction control pins for Motor A and Motor B. Internal circuit diagram of L298N Motor Driver module is given below: Figure.2.2: Pin configuration (https://components101.com/modules/l293n-motor-driver- module) Applications • Drive DC motors. • Drive stepping motors • In Robotics
  • 21.
    21 L298N Motor DriveMethod and Analysis Let’s start by connecting the power supply to the motors. In our experiment we are using commonly found in four-wheel-drive robots. They are rated for 3 to 12V. Therefore, we will connect the external 12V power supply to the VS terminal. Considering the internal voltage drop of the L298N IC, the motors will receive 10V and spin at a slightly lower RPM. But that’s fine. Next, we need to supply 5V to the logic circuitry of the L298N. We will be using the on- board 5V regulator to get 5V from the motor power supply, so leave the 5V-EN jumper in place.Now connect the L298N module’s Input and Enable pins (ENA, IN1, IN2, IN3, IN4 and ENB) to the six Arduino digital output pins (9, 8, 7, 5, 4 and 3). Note that Arduino output pins 9 and 3 are both PWM-enabled. Finally connect one motor to terminal A and the other motor to terminal B. we can interchange the connections of our motor. There is technically no right or wrong way. WHEELS(4X) 7×4MM DC MOTOR TYRE A wheel is a circular component that is intended to rotate on an axle bearing. The wheel is one of the key components of the wheel and axle which is one of the six simple machines. Wheels, in conjunction with axles, allow heavy objects to be moved easily facilitating movement or transportation while supporting a load, or performing labor in machines. Wheels are also used for other purposes, such as a ship's wheel, steering wheel, potter's wheel and flywheel. Common examples are found in transport applications. A wheel greatly reduces friction by facilitating motion by rolling together with the use of axles. In order for wheels to rotate, a moment needs to be applied to the wheel about its axis, either by way of gravity or by the application of another external force or torque. Using the wheel, Sumerians invented a contraption that spins clay as a potter shapes it into the desired object. Specifications • Diameter - 7 cm • Width of wheel - 4 cms • Shaft bore - 6 mm • Screw provided to tight wheel
  • 22.
    22 Figure2.3: WHEELS(4X)(https://www.flipkart.com/easy-electronics-tyre-gear-motor-) TT GearMotor (4x) (300 RPM) Description: The 300 RPM BO Motor Plastic Gear Motor – BO series straight motor gives good torque and rpm at lower operating voltages, which is the biggest advantage of these motors. Small shaft with matching wheels gives an optimized design for your application or robot. Mounting holes on the body & light weight makes it suitable for in-circuit placement. This motor can be used with 69mm Diameter Wheel for Plastic Gear Motors and 87mm Diameter Multipurpose Wheel for Plastic Gear Motors. Specification: Operating Voltage 3~12V DC Shaft Length 8.5 mm Shaft Diameter 5.5 mm No Load Current 40-180Ma Rated Speed(After Reduction) 300 RPM Rated Torque 0.35 Kgcm Table 2.2 Specifications of TT Gear motor
  • 23.
    23 Figure2.4: TT Gearmotor (https://www.amazon.in/Easy-Electronics-Gear-Motor) Features: • Cost-effectiveness of the injection-molding process. • Elimination of machining operations. • Low density: lightweight, low inertia. • Uniformity of parts. Capability to absorb shock and vibration as a result of elastic compliance. • Ability to operate with minimum or no lubrication, due to inherent lubricity. • The relatively low coefficient of friction. • Corrosion-resistance; elimination of plating, or protective coatings. • The quietness of operation. • Tolerances often less critical than for metal gears, due in part to their greater resilience. • Consistency with the trend to greater use of plastic housings and other components
  • 24.
    24 Dimensions: Figure 2.5: DimensionsGear Motor 06CH Receiver The Fly Sky FS-i6 is a great low cost entry level 6-channel 2.4 GHz Transmitter and Receiver that uses solid and reliable Automatic Frequency Hopping Digital System (AFHDS) spread spectrum technology. The Fly Sky FS-i6 has both a nice quality look and feel, while the programming is simple to use .It also comes with a FS-iA6 6-channel receiver. The ultra slim case design ergonomically fits your hands leading to less hand fatigue especially during long flights. Digital trims, backlit LCD screen, and simple programming give the FS-i6 a modern feel with all the features you want. With a low profile antenna, the FS-i6 is easy to store and no worries about breaking it. Adjustable length sticks, and a loop for attaching a neck strap round out the list of comfort features this radio offers. For changing flight modes or
  • 25.
    25 multiple flap positionoptions, the FS-i6 has a 3-position switch, as well as two adjustable knobs. Expand the capabilities of your models or just know what is going on with the optional telemetry receivers and variety of sensors. Normally you would have to spend hundreds of dollars to get a transmitter with this capability. Not so with the availability of the FS-i6. Table 2.3: Specifications of 06CH Receiver
  • 26.
    26 3x18650 Battery The 3.7vlithium battery is a lithium battery with a nominal voltage of 3.7v and a full-charge voltage of 4.2v. Its capacity ranges from several hundred to several thousand mAh. It is generally used in various instruments and meters, testing instruments, medical instruments, POS machines, notebook computers, and other products. Figure 2.6: FSI6 Receiver ( https://www.electroniclinic.com/5-8ghz-fpv-camera-hd) Analysis ( After Testing ) AREA Result (Range) Free Air 400-450m Huddles 350-400m Maximum Huddles 150-200 Table 2.4: Analysis
  • 27.
    27 About the capacityof 3.7V lithium battery capacity, the larger the volume of a single lithium battery, the greater the capacity, or we can say that the more the number of lithium batteries in parallel, the greater the capacity.Generally, a 3.7v lithium battery needs a “protection board” for over-charging&discharging. The battery without a protection board can only be charged with 4.2V voltage, because the ideal full charge voltage of a lithium battery is 4.2v, once the voltage exceeds 4.2v, the battery may be damaged. Charging in this way requires someone to monitor the condition of the battery at all times. On the contrary, the battery with a protection board can be charged with 5V (range from 4.8V to 5.2V). As we know, in most cases, a 5V charger can be used for USB of computers and mobile phones. The charging cut-off voltage of the 3.7V battery is 4.2V and the discharge cut-off voltage is 3.0V. Therefore, when the open-circuit voltage of the battery is lower than 3.6V, it should be able to charge. It is better to use the 4.2V constant voltage charging mode, so you don’t need to pay attention to the charging time. If 5V charging is used, overcharging is easy to happen . Figure 2.7 3*1850 Battery (https://www.grepow.com/blog/the-charging-voltage-of-3-7v-lithium-battery/)
  • 28.
    28 Figure. Jumper wire/TTWire (https://www.indiamart.com/proddetail/jumper-wire) WIFI based camera HAVING its OWN TRANSRECEIVER WIFI IP BASED CAMERA Wireless Wi-Fi IP Based Camera An Internet Protocol camera, or IP camera, is a type of digital video camera commonly employed for surveillance, and which, unlike analog closed-circuit television (CCTV) cameras, can send and receive data via a computer network and the Internet. Although most cameras that do this are webcams, the term IP camera or netcam is usually applied only to those used for surveillance that can be directly accessed over a network connection. FEATURES OF WIRELESS WI-FI IP BASED CAMERA. • SMART TECHNOLOGY: Motion detection and intelligent alerts can send real-time push notifications to your phone with captured images while you're away. Works and connect to Male and Female Jumper wire/TT Wire Jumper wires Jumper wires are simply wires that have connector pins at each end, allowing them to be used to connect two points to each other without soldering. Jumper wires are typically used with breadboards and other prototyping tools in order to make it easy to change a circuit as needed. Jumper wires typically come in three versions: maleto-male, male-to- female and female-to-female.
  • 29.
    29 your phone evenwithout Wi-Fi in AP Mode. Our cameras are CE and FCC certified with UL compliant power supplies. • PAN AND TILT: Full HD Video at 25fps. Remarkable Field of View with Super Wide 120 degree Viewing Angle, Remote Pan/Tilt create a complete 355° coverage, Intelligent Digital Zoom. Supports remote viewing & recording from anywhere. Wi-Fi connection is compulsory for installing this camera without Wifi this camera cannot be used. • NIGHT VISION: With 11 IR LEDs, night vision up to 26 feet, longer distance makes you see further and clearer through infrared red light even in the darkness! provides the protection you need and act as a deterrent against crimes like theft, burglaries, and vandalism. Rely on this trusted night vision camera technology to monitor and record your surroundings, so you can feel protected from the unknown! ENHANCED TWO-WAY AUDIO: Receive messages sent by the wireless network camera from your phone! With the help of smart camera, every potential risk will be identified accurately and sent to you immediately. Motion detection camera technology allows you to avoid taping hours of inactivity.Based on twoway audio, you are able to talk with others anywhere anytime trough this security camera! • IR NIGHT VISION: HD night vision with inbuilt IR lens for crisp & clear image even in dark. MOTION DETECTION: Will send alerts whenever any motion is detected. • 360 DEGREE MOBILECONTROL: Rotate camera horizontally or vertically from anywhere. Figure 2.9: WIFI based camera HAVING its OWN TRANSRECEIVER (https://www.amazon.in/RFV1-Wireless-Resolution-Calling- Supports/dp/B09TVT8HW1)
  • 30.
    30 Solar cells (9v) DIAGRAMOF SOLAR PANEL SOLAR PANEL a solar cell, or photovoltaic cell, is an electrical device that converts the energy of light directly into electricity by the photovoltaic effect. Which is a physical and chemical phenomenon. [1] It is a form of photoelectric cell, defined as a device whose electrical characteristics, such as current, voltage, or resistance, vary when exposed to light. Individual solar cell devices can be combined to form modules, otherwise known as solar panels. In basic terms a single junction silicon solar cell can produce a maximum open circuit voltage of approximately 0.5 to 0.6 volts. [2] Solar cells are described as being photovoltaic, irrespective of whether the source is sunlight or an artificial light. They are used as a photodetector (for example infrared detectors), detecting light or other electromagnetic radiation near the visible range, or measuring light intensity. The operation of a photovoltaic (PV) cell requires three basic attributes: • The absorption of light, generating either electron-hole pairs or excitons. • The separation of charge carriers of opposite types. • The separate extraction of those carriers to an external circuit. Figure 2.1.1: Solar cells (9v) (https://www.youtube.com/watch?v=thi_pUj0flI)
  • 31.
    31 Kit4Curious Robotic Gripperfor Robotic arm with servo SG-90 This is an excellent robotic gripper for development of any robotic arm project without spending a lot of money. This beautiful robotic arm gripper is best suitable for pick and place type robots and it can also be used for other robotic and IoT projects. It is a perfect hold and release gripper. This is a pre-assembled high quality multi-purpose laser cut acrylic robotic gripper. Specifications Table 2.5: Specifications of Robotic Arm Figure 2.1.2: Robotic arm with servo SG-90 (https://www.amazon.in/Acrylic-Robotic- gripper- /)
  • 32.
    32 Mica Sheet Sheet micais used principally in the electronic and electrical industries. Its usefulness in these applications is derived from its unique electrical and thermal properties and its mechanical properties, which allow it to be cut, punched, stamped, and machined to close tolerances. Figure. Mica Sheet 2.1.3: Mica(Sheethttps://www.glamplyanddecor.com/sunmica- sheet.html) Battery Charger module This module is made for charging rechargeable lithium batteries using the constant- current/constant-voltage (CC/CV) charging method. In addition to safely charging a lithium battery the module also provides necessary protection required by lithium batteries. See below concerning the protection features this module provides. • Small Size and Portable • suitable for 3to4v lithium battery
  • 33.
    33 Specifications Brand Name Embsys ItemWeight 10 grams Number of Items 1 Part Number ESPSU460863 Table 2.7: Specification of Battery Charger module Figure2.1.4: Battery Charger module (https://www.electronicscomp.com/) Hotspot Module • This device is compatible with both prepaid and post paid SIM simcards JIOFI2 M2S • Easy to connect. Simply switch on the 4G Hotspot and connect to India’s JIOFI2 M2Stest network ,Connect up to 10 Wi-Fi enabled devices such as smartphones, laptops, tablets, smart TVs and more • Create your own 4G Wi-Fi network at home, work, or on-the-go JIOFI2 M2S
  • 34.
    34 • Experience strongerand better Wi-Fi coverage with Multi-Input and Multi-Output technology,No install JIOFI2 M2Sation required. Just get a new 4G device SIM from the nearest retailer, insert it, switch on the device and you are ready to go • Enjoy 4G speeds even on non-4G devices,4G Hotspot and connect to India’s fastest network Experie JIOFI2 M2Snce stronger and better Wi-Fi coverage with Multi- Input and Multi-Output technology Enjoy 4G speeds even on non-4G devices Figure 2.1.5 Hotspot Modulehttps://www.addmecart.com/product/70723838) Wolf-whoop Micro FPV AIO 600TVL Camera 5.8 G This is Easy installation for racing drone. Five bands 40 channels with Raceband. • Wolf-whoop Micro FPV AIO 600TVL Camera 5.8 G 40CH 25mW/50mW/200mW Adjustable Transmitter • This is Easy installation for racing drone • Five bands 40 channels with Raceband
  • 35.
    35 Figure 2.1.5 Wolf-whoopMicro FPV AIO 600TVL Camera 5.8 G (https://www.amazon.in/Wolfwhoop-adjustable-Transmitter-Cloverlea) SG90 Micro Servo Motor Micro Servo Motor SG90 is a tiny and lightweight server motor with high output power. Servo can rotate approximately 180 degrees (90 in each direction), and works just like the standard kinds but smaller. You can use any servo code, hardware or library to control these servos. Good for beginners who want to make stuff move without building a motor controller with feedback & gear box, especially since it will fit in small places. It comes with a 3 horns (arms) and hardware. • 9G Rc Robot Helicopter Airplane Boat Controls • Temperature Range: -30 to +60 • Operating Speed: 0.12 second or 60 degree (4.8V no load) • Colour: blue • Comes with 2 Pieces
  • 36.
    36 Specifications Brand Name Robotbanao Ean0689786540087 Included Components Tower Pro Sg90 Micro Servo Motor 2 pcs Item Weight 150 grams Manufacturer Series Number RB2XSG90 Model Number EAEC100100-226 Number of Items 2 Part Number EAEC100100-226 Table 2.8: Specifications of Micro servo motor Figure 2.1.6 SG90 Micro Servo Motor https://www.flipkart.com/
  • 37.
    37 UNO R3 DevelopmentMicro controller Board • It is an easy USB interface. This allows interface with USB as this is like a serial device. • The chip on the board plugs straight into your USB port and supports on your computer as a virtual serial port. • It is easy-to-find the micro controller brain which is the ATmega328 chip. • It is a 16 MHz clock which is fast enough for most applications and does not speeds up the microcontroller. • It is very convenient to manage power inside it and it had a feature of built-in voltage regulation .This can also be powered directly off a USB port without any external power. Features: • Microcontroller ATmega328P .6. • Operating Voltage : 5V • Digital I/O Pins • 14 (of which 6 provide PWM output) PWM • Digital I/O Pins .6 Analog Input Pins, 6 Flash Memory 32 KB (ATmega328P) of which 0.5 KB used by bootloader Figure 2.1.7 Micro controller Board(https://www.amazon.in/Robotbanao-Atmega328p)
  • 38.
    38 Specifications Colour Blue andBlack Included Components T9-NHXR-186H Uno R3 Atmega328p With Usb Cable Length 1 Feet, Blue and Black Item Weight 160 grams Manufacturer Series Number RBUNO Model Number T9-NHXR-186H Number of Items 2 Part Number UNO R3 Pattern Semiconductors Specification Met Style UNO R3 BOARD Table 2.9 : Specifications micro controller Module Buck Converter DC-DC Buck Converter Step Down Module LM2596 Power Supply is a step-down(buck) switching regulator, capable of driving a 3-A load with excellent line and load regulation. These devices are available in fixed output voltages of 3.3 V, 5 V, 12 V, and an adjustable output version. The LM2596 series operates at a switching frequency of 150kHz, thus allowing
  • 39.
    39 smaller sized filtercomponents than what would be required with lower frequency switching regulators. • 100% Brand New and High Quality • Quantity: 1 x MP1495 DC Voltage Regulator Step Down Power Supply Module • Suitable for all kinds of LCD TV, small signal power supply repair replacement, three lines to power maintenance. Specifications Brand Name Electronic spices Colour Multicolour Number of Items 1 Part Number MODULEMINI Table 2.1.0: Specifications of Module Buck Converter Figure 2.1.8: Module Buck Converter(https://www.google.com/aclk?sa=l&ai)
  • 40.
    40 COMPONENT PRICE LIST PRODUCTOF COMPONENT QUANTITY PRICE MODE OF BUY 1. Motor (Gear Motor) 12v, 500rpm 4 1451 Online 2. L29N Motor Driver Module 1 229 Online 3. Mica sheet 10*10inch+Cardboard sheet 1 170 Offline 4. Arduino UNO Atmega 328p 1 861 Online 5. Transmitter and Receiver Fsi6, 6 Channel 1 6150 Online 6. HD 1080p IR Camera wifi based 1 1299 Online 7. 40ch 5.8GHZ FPV Camera with Transmitter 1 3599 Online 8. Jio fi 4G hotspot module 1 999 Offline 9. Antenna 20db attachment for Hotspot 1 292 Online 10. Servo motor 9gram for gimble 1 360 Online 11. Robotic Arm with 9g servo meter 1 422 Online 12. Flesh Light LED 2 50 Offline 13. Leisure pointer LED 1 40 Offline 14. Solar Panel 3v + 6v module 3 325 Online 15. Buck Convertor 12v to 5v DC Convertor 1 355 Online 16. Tyre for motor 4*4 with clamp 4 282 Online 17. Switch + LED + Wires 5 200 Offline 18. Camera Gimble for FPV Camera 1 850 Online 19. Paint (Spray paint) 2 400 Offline 20. Soldering wire 1 110 Offline
  • 41.
    41 21. Double sidedtape 2 80 Offline 22. Aluminium Foil 1 90 Offline 23. FPV Receiver 5.86Hz for Camera 1 2196 Online 24. Nuts and Bolts (screws) 18 90 Offline 25. Glu gun rod 4 40 Offline 26. Fevicol 2 90 Offline 27. Cutting blade for Cardboard 2 20 Offline 28. Jumper wires 1 193 Online 29. Connectors 4 180 Online 30. FSI6 Data line cable access wiring for connecting transmitting 1 549 Online 31. Lithium ion Battery Charging module 1 399 Online 32. Lithium ion Battery 3.7v DC 9 810 Offline Name ID No. Aakash 53561 ……………… Deepesh Kumar 54960 ……………… Junyali Das 54961 ……………... Kanahaiya Lal Gupta 54962 ……………... Project Guide Dr. REETA VERMA
  • 42.
    42 Failure (Damage) Components Thissection will be used to define the testing required to determine whether performance based requirements will be met by the Robotic Surveillance Vehicle. These tests will be developed based on the requirement being tested. Each of the following sections will define tests for each related requirement. Performance Testing Quantity (number of components) • Solar Panel 1 • Arduino Uno 1 • Wheels 4 • Motors(100 rpm) 4 • Servo Motor 1 • Switches 3 • Jumper Wires 6
  • 43.
    43 CHAPTER 4 RESULTS& DISCUSSION It is apparent from the results obtained through practical running of the robot that the accuracy of the system is satisfactory. The accuracy of the system is measured in terms of image transmission capabilities. The comparison between actual frame rate that is captured from the surrounding and the frame rate after transmission to the operator determines the accuracy of the system. Distant controlled robot has a huge scope in distant engineering education and distant treatment of patients. Mainly this developed robot can be used in: Surveillance based application, long distance observation of any equipment, device or machinery, control of any process/system from far, observation of office, home, classroom environment, road traffic and security system monitoring, remote image capturing and processing, hazardous environment situational image and control, track mapping for any desired location as well as satellite mapping for further decision making etc. The designed robot can be employed in areas such as reconnaissance missions in military, handling radioactive wastes, safe disposal of bombs in police and military force. The characteristics and reliability of the designed prototype may not meet the actual design. The designed prototype reveals the feasibility of the original design. The future scope of the work lies in large scale implementation of the designed robot, small sized robots, authentic and faster technology based bots and intelligence based robotic systems. SCOPE FOR FUTURE WORK This project offers a lot of scope for adding newer features. Since all image processing is done remotely, there are no resource constraints apart from the bandwidth of the network. We can program the robot such that it can detect objects and reach them on its own. Also, with the presence of GPS navigation and mapping software, the robot has the capability of finding the best route possible to reach a certain location. Also, by making it sturdier and giving it extra protection, we can make it an robot, which would make it ideal for a surveillance robot. There is also the option of adding sound processing to the remote computer, thus giving it greater surveillance capabilities. The possibilities are endless. This robot in its current state provides a platform for further research into improving its capabilities.
  • 44.
    44 CHAPTER 5 CONCLUSION Theframework for making a robot for surveillance purpose is proposed. It overcomes the problem of limited range surveillance by using the concept of IOT. We can control the robot with the help of laptop/mobile manually. Automatic monitoring can also be done. Our proposed robot is small in size thus maneuvering into area where human access is impossible. Wireless technology is one of the most integral technologies in the electronics field. This technology is used to serve our project as a supreme part of surveillance act. This provides highly efficient and a cost effective robot that replaces human work and reduces human labor and performing monitoring works in a well effective manner. • DTMF Based robot using Arduino microcontroller develop. • Advantage of wide range of control. Developed Unmanned Ground robot is unique with its features that enables artificial intelligence based surveillance. Hence a surveillance system that is very difficult to get hacked in short time and a unique diffusing system has been developed by assembling various components like RF crawler, Wireless Video Transmitting device and a 4 DOF robotic arm. This system can detect the explosives landmines or any other unusual objects with the help of the live monitoring system with artificial intelligence. After detecting these landmines, with the help of the 4 DOF Robotic arm any defense expert can operate the system and diffuse these explosives remotely without risk and in a secured WPS line. The surveillance process is achieved by Wireless Video Transmitting Device. In order to detect the explosives like mines which are under the ground, a metal detector or other sensors can be attached to the system. This is a prototype for the conceptualization with execution strategy and in order to use it for real-time challenges, one should use the technologies with greater ranges.
  • 45.
    45 REFERENCES 1. Balamurgan M.S, Sharma. A, “Mobile robotic system for search mission”, International Conference on Innovations in Information, Embedded and Communication Systems (ICIIECS), 2015, pp.1-7. 2. Mithileysh Sathiyanarayanan, Syed Azharuddin, Santhosh Kumar, Gibran Khan, “Self- controlled robot for military purpose”, International jornal of technological research in Engineering, Vol.1, 2014,pp.1075-1077. 3. Mithileysh Sathiyanarayanan, Syed Azharuddin, Santhosh Kumar, Gibran Khan, “ Guesture Controlled robot for military purpose”, International journal of technological research in Engineering, , Vol.1, 2014,pp.1300-1303. 4. W. G. Hao, Y. Y. Leck, L. C. Hun, “6-DOF PC-Based Robotic Arm (PC-ROBOARM) with efficient trajectory planning and speed control”, IEEE 4th International Conference On Mechatronics (ICOM), 2011, pp.53-56. 5. Saadoon, A. T., AbdulQader, D. A., Naser, M. T., & Jadian, Z. R. (2021, March). Design and Implementation of a Moving Robot Equipped with an Arm and an FPGA to Deliver Objects between Two Positions. In Journal of Physics: Conference Series (Vol. 1818, No. 1, p. 012066). IOP Publishing. 6. Keerthana, S., Vellaiyan, A. R., & Rajamohan, M. Bomb detection and disposal robot: Aid for risky Military Fields. Mepco Schlenk Engineering College, International Journal of Engineering and Advanced Technology (IJEAT) ISSN, 2249-8958. 7. Mahapatruni, N., Ramana Rao, K. V., Velangini Sarat, P., & Bhaumik, M. (2020). Unmanned ground robot for diffusing explo-sives with surveillance. Indian Journal of Science and Technology, 13(31), 3160-3175. 8. Hasan, S. M., Rasid, S. M. R., Mallik, A., & Rokunuzzaman, M. Development of a Wireless Surveillance Robot for Controlling from Long Distance. 9. Priyanka, D., & Karthik, V. (2015). Wireless Surveillance Robot with Motion Detection and Live Video Transmission and Gas Detection. International Journal of Scientific Engineering and Technology Research, 4(17), 3099-3106. 10. Manish Yadhav, Vibha Singh, Vinay Uniyal, Manish Singh. “Smart Aero Amphibian Surveillance System” Department of Electronics Engineering, Thakur College of Engineering and Technology, Mumbai, India. (201
  • 46.
  • 47.
    47 VITA 1. Name &ID No. – Kanhaiya Lal Gupta (54962) 2. Fathers and mothers name- Mr. Nand Lal Gupta and Mrs. Rani Gupta 3. Education Qualification Examination Board Passing Year % Marks Division X 76.8%(UK Board) 1ST XII - - B.Tech. 7.346CGPA 1st DIPLOMA 72.6% 1st 4. Gate – N/A 5. Placement-fresher 6. Academic Achievements- executive member of electronica, robotic club pantnagar 7. Address-SH-9 Jamaur Khatima, U.S. Nagar Uttarakhand 262308 8. E-mail:- knhyagupta555@gmail.com 9. Mobile no.- 7985512207 10.WhatsApp/Telegram No.- 9758061492 11.Linkdin:https://www.linkedin.com/in/kanhaiya-lal-gupta-226b12250