Electric Drives
and Controls Hydraulics
Linear Motion and
Assembly Technologies Pneumatics Service
Project manual
Mobile hydraulics
Load sensing control 2M4-12
Trainer's manual
RE 09970/03.11
Replaces: 05.08
1
RE 09970/03.11 I Foreword Bosch Rexroth AG
Foreword
The present project manual for the area mobile hydraulics serves as accompanying and
work book for the knowledge transfer by means of project works. Projects are described
that are especially based on practical examples from the mobile control technology. The
trainees are expected to have basic hydraulic knowledge.
It must generally be noted that the project results documented in this manual may slightly
vary depending on the relevant circumstances.
Project / trainer information
For the projects with mobile hydraulics, the device set has been extended. For explana-
tions on the practice stand, please refer to the corresponding operating instructions.
Before the projects are carried out, the hydraulic basics should be discussed and intro-
ductory practice described must have been completed.
We recommend carrying out the projects in the specified order starting with project 01.
The description of a project practice comprises information for trainers as well as project/
trainer information for the completion of the relevant project.
This information is only contained in the trainer manual.
2 Foreword I RE 09970/03.11
Bosch Rexroth AG
Notes
3
RE 09970/03.11 I Introduction Bosch Rexroth AG
Introduction
History of mobile hydraulics
Since the 1960s, construction machines have increasingly been operated with hydraulics.
Before, mainly fully mechanical rope machines were used.
With these machines, the force was transmitted by means of gears and couplings.
The machine operator must operate the mechanical couplings with large levers.
Operation was a real feat of strength.
As compared to today's machines, the working speed were relatively slow.
The efficiency of excavator applications on construction sites was not perfect.
A rope excavator with gripper can hardly penetrate solid ground and often only scratches
at the surface.
Thanks to the hydraulics, the force transmission is more flexible and easier than with pure
mechanics.
The large, heavy gears and couplings as well as the rope drums could be omitted.
As then, the hydraulics often did not have today's tried and tested components, there
were many problems to lose for the piping and hose material for the high pressures had to
be developed and improved first. The same was true for pumps and control blocks.
The working movements of the first hydraulic excavators were much slower and more
jerky than with today's hydraulic excavators.
Fig. 0-1: Rope excavator 1928 in operation
4 Introduction I RE 09970/03.11
Bosch Rexroth AG
In the beginning, the hydraulic control blocks were arranged under the operator who oper-
ated the directional valve spools by means of mechanical levers.
The introduction of the hydraulic remote control was another step; it simplified the opera-
tion and made the arrangement of the control blocks in the machine more flexible. Now,
the control block could be mounted in places where it was e.g. most favorable for the
piping.
The machines became faster and faster and increasingly powerful.
Fig. 0-2: Hydraulic excavator today
Adjustment boom
Hydraulic
pumps
Diesel motor
Hydraulic control block
Slew drive
Arm
Bucket
Operating elements
5
RE 09970/03.11 I Introduction Bosch Rexroth AG
With the increased working speeds, the jerky motion sequence had more and more nega-
tive effects. The advancement focused on the optimization of the controls regarding the
best and jerk-free controllability of the working movements possible
(load sensitivity).
The previously used throttle control was amended by load sensing systems in the 1980s.
Load sensing reduces the power loss and simplifies the operation as the control is load
pressure-independent. Apart from that, the multi-circuit systems with several pumps nec-
essary in the throttle control could be replaced by one-circuit systems with one pump.
Another development is the LUDV system, in which the flow is load pressure-independent
of all operated actuators (LUDV = abbreviation of the German term for load pressure
independent flow distribution).
The special advantage of this system is that no actuator stops when all operated actua-
tors require more oil than can be delivered by the pump. In this case, the LUDV system
reduces the actuator velocities proportionally according to the pump delivery volume.
In the future, also electronic systems will be used by means of which the actuator veloci-
ties and pumps will be controlled.
Fig. 0-3: Harvester in forestry operation
6 Introduction I RE 09970/03.11
Bosch Rexroth AG
Notes
7
RE 09970/03.11 I Introduction Bosch Rexroth AG
Knowledge transfer by means of project works
By means of the mobile hydraulic project manuals, the necessary expert knowledge regarding
the hydraulic control technology can be transferred in practice-oriented applications.
Logically set-up project works are to help the trainee:
•	 To understand physical principles like pressure differential, opening cross-section and
flow,
To read specific switching symbols,
•	
To identify the function of the throttle control,
•	
To understand the connection between control and velocity,
•	
To get to know the function of the throttle control in parallel operation,
•	
To work out the function and application of the hydraulic pilot control,
•	
To carry out measurements of specific values.
•	
The project tasks and project works described in the mobile hydraulic project manuals
provide the trainers and trainees with information and instruments for satisfying the re-
quirements on the knowledge transfer regarding the hydraulic expert knowledge.
Due to the preparedness and ability to solve tasks and problems on the basis of technical
knowledge and skills in a target-oriented, appropriate, method-guided and independent
way and to evaluate the result, the trainees develop their technical competence.
Teaching
contents
Technical
competence
8 Introduction I RE 09970/03.11
Bosch Rexroth AG
As mentioned above, the trainee is to work off the project task and/or the project order in
6 steps.
1. Information
On the basis of the project definition, the trainee is to get a clear idea of the complete
solution including the necessary details. This is possible by the systematic analysis of the
project documents and queries, if necessary.
Possible auxiliary questions:	 a)	 What is to be done?
				 b)	 Have I understood the task completely?
				 c)	
Which hydraulic component / system is to be
worked out?
2. Planning
Planning means theoretical preparation and anticipation of a concrete execution. In detail,
planning requires the competence for processing the project order and for organizing the
project processing steps.
Possible auxiliary questions:	 a)	 How to proceed?
				 b)	 Which knowledge is necessary?
				 c)	 Which aids are available?
				 d)	 Are there comparable applications in my company?
3. Decision-making
After the planning phase, the trainee makes the decision regarding the determination of
the aids, e.g. which data sheets are necessary for processing the project task. He also
makes the decision regarding the sequence and the dependencies of the individual proj-
ect steps. It must also be decided whether the project task can be completed more easily
in a team.
Possible auxiliary questions:	 a)	 Which hydraulic and electrical components are used?
				 b)	 How do you recognize the up-to-dateness of the
					 data sheets?
				 c)	 Have I used all possible sources of information?
				 d)	 Do I have the prescribed safety instructions?
Professional
competence
of action
9
RE 09970/03.11 I Introduction Bosch Rexroth AG
4. Execution
The order will be executed according to the work instructions in Order execution chap-
ter complying with the safety instructions. After a careful preparation phase, the trainee
should execute the project order as independently as possible. After preparation of the
written solution, it should be verified and/or asked whether the correct solution has been
chosen.
Possible auxiliary question:	 a)	 Have I chosen the correct order?
5. Checks
The trainer checks the intermediate results already during the execution phase. Some-
times, the result can be compared to manufacturer documents. In measurement practice it
has to be checked whether the measurement results are realistic.
The documentation is also to be finally corrected, improved, finished and completed. This
includes the preparation of the final report. Upon completion, there is a final check by the
trainer.
Possible auxiliary questions:	 a)	 Has the control been mounted professionally?
				 b)	 Has the project target been achieved?
				 c)	 Which documentation is necessary?
				 d)	
Is the result complete and documented in an or-
dered form?
6. Evaluation
In the final evaluation face, the comparison of project order documents, assembled control
and measurement and control results is to be used as basis for an external or own evalua-
tion.
Possible errors and error causes are to be analyzed and the possibilities for avoiding
future errors are to be discussed.
The trainees are to learn to assess their strengths and weaknesses and to develop objec-
tive quality standards for their actions which will finally lead to personal competence. The
evaluation can be completed by a technical discussion, also with a customer discussion, if
applicable.
10 Introduction I RE 09970/03.11
Bosch Rexroth AG
General instructions:
For didactic reasons, the present manual only talks of trainees and trainers. It is express-
ly stated that it also refers to all other parties involved in the training and further develop-
ment: The female trainees and trainers, the female and male teachers, project managers,
etc.
In this manual, we do not provide any information on procedural knowledge (explanatory
knowledge). It is the knowledge on which measures, procedures or processes are nec-
essary to achieve a certain result. In this case how the learning target can be achieved.
The present manual is to be understood as tool for transferring the required core and
technical qualifications that are to be transferred in the industrial metal professions in
an integrated form according to the regulation on the professional training considering
independent planning, executing and controlling.
As recurring individual symbols, the listed pictograms are to transfer information as simpli-
fied graphical presentation in a language-independent form and as fast as possible.
Procedural
knowledge
Pictogram
Notes
11
RE 09970/03.11 I Introduction Bosch Rexroth AG
Safety aspects
So that the possible dangers of machines and systems are recognized, safety regulations,
product information and operating instructions must be observed.
The present mobile hydraulic project manual contains information referring to the risk of
personal injury or damage to property.
The measures described foravoiding dangers must be adhered to.
The signal words/symbols have the following meaning:
Warning sign (warning triangle)	
•	 → Draws attention to the hazard
Signal word		
•	 → Identifies the degree of hazard
Type of risk		
•	 → Specifies the type or source of the hazard
Consequences		
•	 → Describes the consequences of non-compliance
Precautions		
•	 → Specifies how the hazard can be prevented
The following table summarizes the application of the most important pictograms and
signal words.
Important:
The electrohydraulic components and systems described in the project manual are tech-
nical equipment and not designed for private use.
The intended use also includes having read and understood the subsequently listed
safety regulations, product information and operating instructions.
Signal
word
Application
	Danger
Indicates an imminently hazardous situation which will certainly result in
serious injuries or even death if not avoided.
Warning
Indicates a potentially hazardous situation which, if not avoided, could
result in death or serious injury.
Caution
Indicates a potentially dangerous situation which can could result in
moderate or minor injuries or damage to property if not avoided.
Non-compliance with this information may result in deterioration in the
operating procedure.
12 Introduction I RE 09970/03.11
Bosch Rexroth AG
Assembly, commissioning and operation, disassembly, service and maintenance require
basic mechanical and electrohydraulic knowledge as well as knowledge of the appropri-
ate technical terms. In order to guarantee operational safety, these activities may only be
carried out by a corresponding expert or an instructed person under the direction and
supervision of an expert.
Experts are those who can recognize potential hazards and apply the appropriate safety
measures due to their professional training, knowledge and experience, as well as their
understanding of the relevant conditions pertaining to the work to be undertaken. An
expert must observe the relevant specific professional rules.
This means that the trainer must finally inform the trainee about possible dangers and the
related prevention of dangers.
In case of improper works at hydraulic components and systems, there is a risk
of injury as well as a safety risk when operating the system, including danger
to life!
In case of damage resulting from the improper use and from unauthorized interventions
not intended in the mobile hydraulics project manual, any liability for defects and any liabil-
ity claim vis-à-vis Bosch Rexroth AG will be forfeited.
If the projects 01 to 11 described in the mobile hydraulics project manual are carried out
at practice stands and with electrohydraulic components not supplied by Bosch Rexroth,
i.e. competitor makes, any liability for defects and any liability claim vis-à-vis Bosch
Rexroth AG will be forfeited in this case, as well.
When using competitive products, the safety instructions prescribed by the
manufacturer apply, whereas it has to be ensured that the components and sys-
tems comply with the currently valid and relevant EU directives.
The commissioning is therefore prohibited until it was confirmed that the hy-
draulic components and systems that are to be used comply with the provisions
of all relevant EU directives.
Important:
The necessary safety provisions, product information* and operating instructions must be
handed over to and/or be accessible to the trainee in the latest version.
In the mobile hydraulics project manual, no explicit reference is made in the project prac-
tice 01 to 11 to the correct handling of hydraulic fluids. For corresponding information,
please refer to the safety data sheet.
*	
Bosch Rexroth product information only applies to hydraulic products that are oper-
ated with hydraulic fluid on mineral oil basis unless other hydraulic fluids are explicitly
admitted in the operating instructions.
Qualification
of personnel
Warning
Liability
Warning
1
RE 09970/03.11 I Basics of mobile hydraulics Bosch Rexroth AG
Basics of mobile hydraulics
Mobile hydraulics are used in mobile machines.
In most cases, these are earth-moving machines like e.g. excavators, wheel loaders and
caterpillars.
Another field of application is agricultural and forestry machinery like e.g. tractors and
wood harvester machinery.
Cranes and forklifts are part of the conveyance field of application.
In mobile machines, the force is transmitted from the diesel motor to the working equip-
ment by means of hydraulic fluid. The processes are controlled by hydraulic control tech-
nology.
In mobile hydraulics, the two basic principles of hydraulic are used:
The principle of the closed circuit with hydraulic pump and hydraulic motor is mainly
1)	
used for traction drives, winches and slew drives.
In the closed circuit, the return oil from the actuator is directly fed back into the pump.
The velocity is checked by adjusting the pump and the motor.
Parallel operation of several actuators and single-rod cylinders is not possible.
Abtriebsdrehzahl
n = variabel
Volumenstrom
q = variabel
Hilfspumpe zum
Leckageausgleich
Auxiliary pump for leak-
age compensation
Flow
q = variable
Output speed
n = variable
Cooler
Fig. 0-4: Closed hydraulic circuit
2 Basics of mobile hydraulics I RE 09970/03.11
Bosch Rexroth AG
2.	 The open circuit with hydraulic pump, cylinders and hydraulic motors is used for appli-
cations with working equipment and several simultaneously operated actuators.
In the open circuit, the return oil from the actuators is led into the tank and is then
sucked in again by the pump.
For controlling the actuators, valves are necessary.
With the circuit diagram shown, there is high power loss in the unoperated condition
of the directional valves as the entire pump delivery volume is delivered to the tank at
maximum pressure.
Volumenstrom
q = konstant
Flow
q = constant
Fig. 0-5: Open hydraulic circuit
3
RE 09970/03.11 I Basics of mobile hydraulics Bosch Rexroth AG
The machines are controlled by a machine operator. This operator controls the move-
ments having the working equipment or the load in view. Automatic operation as in indus-
trial systems is normally not possible.
A control that can easily be controlled and easily be operated is important.
With mobile machines, low component weight and good efficiency are important.
Bad efficiency means high losses and makes itself felt in high fuel consumption rates.
In 11 projects, this manual deals with the control technology in the open circuit with the
load sensing control.
Fig. 0-6: Crawler excavator
4 Basics of mobile hydraulics I RE 09970/03.11
Bosch Rexroth AG
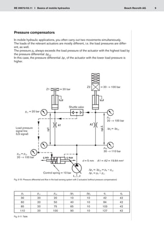
Load sensing (LS), load pressure signal
Load sensing systems (LS systems) have been developed in order to eliminate the de-
pendency of the throttle control on the load pressure and to reduce the high power loss.
This resulted in more efficient systems that can be operated more easily. The efficiency
could be achieved by means of pumps controlled by the load pressure, which are always
adjusted to the relevant load conditions.
Due to the load pressure compensation, the machine operation could be simplified.
There are numerous applications for load sensing systems like e.g. construction machinery,
forestry machinery, drilling equipment, cranes, stackers and stationary applications.
Load sensing is the recording (measurement) of the load by the load pressure. This load
pressure signal is used for controlling the pump and pressure compensators.
The load pressure signal is generally also referred to as LS signal.
For the correction functioning, it is important to always record and forward the highest
load pressure signal.
For that purpose, the pressure is recorded by the relevant working port by means of bores
in the directional valve spools and forwarded to the pump controller via shuttle valves.
The shuttle valves guarantee that in parallel operation, always the highest load pressure is
forwarded to the pump controller.
Fig. 0-7: Displacement-controlled pump with load pressure signal (LS) for individual actuator operation (load 100 bar)
pP 110 bar
pL2 100 bar
pL1 10 bar
pLS = pL2
100 bar
Control spring = 10 bar
ΔpLS = pP – pLS
= 100 bar
Shuttle valve
pP = 110 bar
Load pressure
signal
5
RE 09970/03.11 I Basics of mobile hydraulics Bosch Rexroth AG
The pump controller is a so-called displacement controller and controls the pressure differ-
ential ΔpLS.
The pump controller has been designed so that the pump pressure pP always exceeds the
load sensing signal p LS by a certain value (e.g. 10 bar).
Here, you also talk of ΔpLS = pP – pLS.
With the pressure differential ΔpLS, the oil is delivered through the resistances of lines and
control block.
The pump controller always keeps the pressure differential ΔpLS constant, i.e. changes in
the load pressure also result in changes in the pump pressure.
This is to be clarified by an example:
The load pressure of a cylinder = pLS = 100 bar, the pressure differential ΔpLS = 10 bar.
The pump pressure pP = pLS + ΔpLS = 100 + 10 = 110 bar.
This means in practice that if possible, the pump pressure should only be 10 bar higher
than the highest load pressure in the system.
The force of the control spring in the pump controller determines the pressure differential
ΔpLS. The spring force can be set by means of a set screw. The amount of the pressure
differential ΔpLS depends on the resistances in the lines and control blocks and may range
between 10 and 22 bar.
Energy balance
In order to show the energy differences, 3 systems are compared:
Fixed displacement pump with throttle (constant delivery system)
A	
Pressure-controlled pump with throttle (constant pressure system)
B	
Displacement-controlled pump with throttle (load sensing system)
C	
A	 Fixed displacement pump with throttle (constant delivery system)
A fixed displacement pump always delivers the same flow into the system. The pressure is
determined by the loads and resistances. The maximum system pressure is determined by
the pressure relief valve. The delivery rate is 100 l/min, the max. system pressure is limited
to 200 bar. The cylinder is loaded with 50 bar and the throttle is set so that 25 l/min flow.
The delivery volume not flowing to the cylinder is discharged to the tank via the pressure
relief valve.
The power calculation results in:
Drive power:	 PDrive = 200 bar • 100 l/min / 600 = 33 kW
Effective power:	 PEffective = 50 bar • 25 l/min / 600 = 2 kW
Power loss DB:	 PLoss 1 = 200 bar • 75 l/min / 600 = 25 kW
Power loss throttle:	 PLoss 2 = (200 bar – 50 bar) • 25 l/min / 600 = 6 kW
Of 33 kW drive power, only 2 kW are utilized for the working movement and 31 kW are
converted into heat. The pump efficiencies have not been considered.
6 Basics of mobile hydraulics I RE 09970/03.11
Bosch Rexroth AG
B	 Pressure-controlled pump with throttle (constant pressure system)
A pressure-controlled pump only delivers the flow into the system that is necessary in
order to maintain the set pressure.
The pressure is determined by the loads and resistances. The maximum system pressure
is determined by the pressure controller. The delivery rate can be 0 - 100 l/min, the max.
system pressure is set to 200 bar. The cylinder is loaded with 50 bar and the throttle is
set so that 25 l/min flow.
The pump delivery volume is limited to a rate which also flows to the cylinder.
The calculation of the power for the specified conditions results in:
Drive power:	 PDrive = 200 bar • 25 l/min / 600 = 8 kW
Effective power:	 PEffective = 50 bar • 25 l/min / 600 = 2 kW
Power loss throttle:	 PLoss 2 = (200 bar – 50 bar) • 25 l/min / 600 = 6 kW
Of 8 kW drive power, 2 kW are utilized for the working movement and only 6 kW are
converted into heat. The pump efficiencies have not been considered.
A considerable improvement as compared to the fixed displacement pump.
C	 Displacement-controlled pump with throttle (load sensing system)
A displacement-controlled pump only delivers the flow into the system that is necessary in
order to maintain the set pressure differential (ΔpLS).
The pressure differential is determined by the control spring.
The system pressure is always 10 bar higher than the load pressure.
The maximum system pressure is limited by a pressure relief valve or an additional pres-
sure controller.
The delivery rate can be 0 - 100 l/min, the pressure differential is set to 10 bar. The cylin-
der is loaded with 50 bar and the throttle is set so that 25 l/min flow.
The pump delivery volume is limited to a rate which also flows to the cylinder.
The calculation of the power for the specified conditions results in:
Drive power:	 PDrive = (50 bar + 10 bar) • 25 l/min / 600 = 2.5 kW
Effective power:	 PEffective = 50 bar • 25 l/min / 600 = 2.1 kW
Power loss throttle:	 PLoss 2 = (60 bar – 50 bar) • 25 l/min / 600 = 0.4 kW
Of 2.5 kW drive power, 2.1 kW are utilized for the working movement and only 0.4 kW
are converted into heat. The pump efficiencies have not been considered.
Another considerable improvement as compared to the constant pressure system.
7
RE 09970/03.11 I Basics of mobile hydraulics Bosch Rexroth AG
Principle of the load sensing system
In order to understand the hydraulic control technology, a certain basic knowledge is nec-
essary.
The flow through a directional valve and thus the actuator velocity depend on two factors.
The opening cross-section and the pressure differential across this cross-section.
The larger the cross-section (A) and the higher the pressure differential (Δp), the higher is
the flow (q). This is expressed by the equation qV = aD • A• √2/r • √Δp.
The factor f is a flow and viscosity coefficient by means of which the properties of oil are
taken into consideration.
A clear example is to clarify the connection between cross-section, pressure differential
and flow.
A	 Constant pressure system
Fig. 0-8: Pressure differential and flow in the constant pressure system
Pressure
controller
Control spring = 100 bar
Load 2 = 30 bar
Load 1 = 30 bar
Load 0 = 10 bar
d = 5 mm
psys pL
psys – pL = Δp → q
Load 0 100 – 10 = 90 bar	
127 l/min
Load 1 100 – 40 = 60 bar	
103 l/min
Load 2 100 – 70 = 30 bar	 73 l/min
The valve opening corresponds to a bore d = 5 mm, the system pressure is 100 bar, the
load on the cylinder changes with the charging and thus the load pressure.
Using the formula qV = aD • A• √2/r • √Δp, the flow in l/min can be calculated
(A = d2 • π/4). The exact calculation depends on more factors and conditions which are
not to be addressed here in more detail. With hydraulic valves, the flow values are mea-
sured as calculations are difficult due to the flow conditions and the geometry in the hous-
ing.
It can be seen that with increasing load, the pressure differential Δp and thus also the flow
increasingly decrease. This means in practice that with identical valve opening, the cylin-
der moves faster without load than with load.
8 Basics of mobile hydraulics I RE 09970/03.11
Bosch Rexroth AG
B	 Load sensing system
Using the load sensing system, the pressure differential Δp at the throttling point is kept
constant, at e.g. 10 bar. For that purpose, the load pressure is recorded and forwarded to
the pump's displacement controller.
Together with the control spring, the load pressure acts on the actuating piston, the pump
pressure on the same actuating cylinder surface. Together with the control spring, the
load pressure results in an increase in the delivery volume (→ qmax.).
If the pump pressure pP exceeds the load pressure together with the control spring, this
results in a decrease in the delivery volume (→ qmin.). The pressure in front of the throttle
is therefore always 10 bar higher than the load pressure. The spring force of the control
spring determines the pressure differential Δp at the throttling point.
Fig. 0-9: Pressure differential and flow in the load sensing system
d = 5 mm
psys – pL = Δp → q
Load 0 20 – 10 = 10 bar	 42 l/min
Load 1 50 – 40 = 10 bar	 42 l/min
Load 2 80 – 70 = 10 bar	 42 l/min
Control spring = 10 bar
Load 2 = 30 bar
Load 1 = 30 bar
Load 0 = 10 bar
LS signal
(load pressure)
Displacement
controller
pp pL
The valve opening corresponds to a bore d = 5 mm, the displacement controller is set to
a pressure differential = 10 bar, the load on the cylinder changes with the charging and
thus the load pressure.
Using the formula qV = aD • A• √2/r • √Δp, the flow in l/min can be calculated
(A = d2 • π/4).
With increasing load, the pressure differential Δp remains constant at 10 bar and thus,
the flow is constant, as well. This means in practice that with identical valve opening, the
cylinder moves as fast without load as with load. This behavior is also referred to as load
pressure compensation.
9
RE 09970/03.11 I Basics of mobile hydraulics Bosch Rexroth AG
Pressure compensators
In mobile hydraulic applications, you often carry out two movements simultaneously.
The loads of the relevant actuators are mostly different, i.e. the load pressures are differ-
ent, as well.
The pressure pP always exceeds the load pressure of the actuator with the highest load by
the pressure differential ΔpLS.
In this case, the pressure differential Δp1 of the actuator with the lower load pressure is
higher.
Fig. 0-11: Table
Fig. 0-10: Pressure differential and flow in the load sensing system with 2 actuators (without pressure compensators)
pL1 = 20 bar
Z1	 = 20 bar
Z2	 = 20 → 100 bar
Shuttle valve
d = 5 mm	 A1 = A2 = 19.64 mm2
Δp2 = ΔpLS = pP – pL2
Δp1 = pP – pL1
Δp2 = ΔpL2
Control spring = 10 bar
pLS = pL2
20 → 100 bar
Load pressure
signal line
(LS signal)
pP2
30 → 110 bar
pL2
20 → 100 bar
pp pL1 pL2 Δp1 Δp2 q1 q2
30 20 20 10 10 42 42
60 20 50 40 10 84 42
85 20 75 65 10 103 42
110 20 100 90 10 127 42
10 Basics of mobile hydraulics I RE 09970/03.11
Bosch Rexroth AG
The valve openings correspond to a bore d = 5 mm, the displacement controller is set to
a pressure differential Δp = 10 bar, the load pressure of cylinder 2 is changed with the
charging from 20 to 100 bar. The loading of cylinder 1 remains constant with 20 bar.
It must be noted that the flow qV1 strongly increases if the load pressure p2 increases, while
the flow qV2 remains constant due to the load pressure compensation.
In the operation of the machine, this behavior is very annoying.
For a perfect behavior, it is therefore necessary to individually compensate the load pres-
sures for every actuator.
The following graphic shows a system with individual pressure compensators.
The individual load pressure compensation is effected by means of pressure compensa-
tors for every actuator.
By means of pressure compensators, the pressure differential ΔpV at the relevant valve
openings is kept constant.
The pressure compensator comprises a symmetric spool (1) that loaded on the area AK
(2) with the pressure in front of the valve opening and on the other area AK (3) with the
load pressure pL and a control spring (4).
The pressure compensator is opened by the load pressure pL and a control spring (4).
The pressure in front of the valve opening pV closes the pressure compensator.
The control spring (4) corresponds e.g. to 10 bar and the load pressure pL = 20 bar; thus,
the pressure compensator is opened with 30 bar.
The pressure pP = 100 bar is available up to the directional valve due to the opened pres-
sure compensator.
Fig. 0-12: Pressure compensator
pL
AK (2)
Spool (1)
pL
pV
pP
pV
pP
Control spring (4)
AK (3)
pP
11
RE 09970/03.11 I Basics of mobile hydraulics Bosch Rexroth AG
The pressure in front of the valve opening, however, acts on the spool area (2) and closes the
pressure compensator if 30 bar have been reached. The opening grooves (5) of the pressure
compensator (DW) throttle the oil flow and now, a pressure differential ΔpDW results.
With a pressure differential ΔpDW = 70 bar, 100 bar – 70 bar = 30 are available in front of the
valve opening and the pressure compensator will stop closing as the forces at the spool (1) bal-
anced. If the pressure differential ΔpDW is increased to above bar, the pressure compensator will
be re-opened as in front of the valve opening, 30 bar are no longer achieved.
The pressure compensator is in a control position.
The pressure in front of the valve opening is controlled to 30 bar.
As the load pressure pL amounts to 20 bar, the pressure differential ΔpV at the valve opening is
10 bar.
When the load pressure changes, the pressure compensator will also change the control posi-
tion until a pressure differential ΔpV = 10 bar is reached.
If the pressure pP changes, the pressure compensator will change the control position in this
case, as well, until a pressure differential ΔpV = 10 bar is reached.
That means that the pressure compensator compensates all pressure changes.
By means of the control spring, the pressure differential ΔpV at the metering orifice A1 is
kept constant.
In systems with pressure compensators, the pump controller setting must exceed the setting of
systems without pressure compensators by the control pressure differential. The pressure com-
pensator of actuator 1 with the lower load pressure generates a pressure differential ΔpDW of
90 bar and keeps the pressure differential ΔpV = pV1 – pL1 = 30 – 20 = 10 bar constant.
With the pressure compensator, the annoying behavior with different load pressures no longer
exists as the pressure differential ΔpV1 = ΔpV2 = 10 bar remains constant.
The pressure compensator of actuator 2 with the high load pressure generates a pressure dif-
ferential ΔpDW = 10 bar.
Fig. 0-13: Individual pressure compensators in the load sensing system
= 100 bar
ΔpDW = 10 bar
ΔpV2 = 10 bar
pV2 = 110 bar
pL2 = 100 bar
= 20 bar
pL1 = 20 bar
ΔpV1 = 10 bar
pV1 = 30 bar
ΔpDW = 90 bar
Control spring
= 10 bar
Control spring = 20 bar
pP = 120 bar
pP = 120 bar
12 Basics of mobile hydraulics I RE 09970/03.11
Bosch Rexroth AG
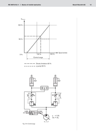
Actuator flow and stroke limitation
For simplification, we have until now always assumed a constant valve opening d = 5 mm.
In the control block, the valve opening A with the control spool stroke and the control
grooves can be selected by the operator using the operating levers.
As the pressure differential Δp at the control grooves is kept constant by the pressure
compensator, the position of the operating lever always corresponds to the same velocity,
regardless whether with or without load, in individual and parallel operation (in the satu-
rated condition).
With stroke limitations, the maximum flow rates of the individual actuators can be set, e.g.
the max. actuator flow shall only be 60 l/min instead of the possible 100 l/min. Using the
set screw, the control spool stop is adjusted so that only 60 % of the stroke are possible.
In this regard, it has to be considered that 40 % of the possible control stroke can no
longer be utilized.
If now, only 25 l/min shall flow, only 25 % of the control stroke are available. This resolu-
tion is quite bad and may often be reflected in bad controllability.
For good controllability, the actuator velocity is to be resolved to the largest control spool
stroke possible.
That is way control spools with graduated flow rates are available.
A spool E25/25 has, with a stroke of 100 %, a flow in A and B of 25 l/min each. In the
same way, the resolution deteriorates if spools for 100 l/min are used with a pump deliv-
ery volume of 50 l/min. In this case, there will be no more velocity increase from 50 % of
the stroke, i.e. 50 % of the control stroke are not utilized.
The control pressure differential Δp is not achieved. The pressure compensator opens
from 50 % of the control stroke.
Notes
13
RE 09970/03.11 I Basics of mobile hydraulics Bosch Rexroth AG
50 % 100 %
100 %
50 %
0 %
Fig. 0-14: Control range
Spool stroke
qActuator
Control range
Stroke limitation 60 %
q pump 50 %
q	 = f (A)
Δp1	= Δp2
14 Basics of mobile hydraulics I RE 09970/03.11
Bosch Rexroth AG
Load sensing pressure limitation (LS)
In individual cases in which certain actuators must not work with the maximum system
pressure, the actuator pressure must be limited.
You can do so using the secondary pressure relief valves. When the actuator pressure
is reached, the entire actuator flow will then, however, be discharged to the tank (high
power loss).
By means of limitation of the LS pressure, the pressure in the spring chamber of the pres-
sure compensator is limited. If the actuator pressure has been reached, the pressure in
the spring chamber will stop increasing and the pressure compensator closes.
There is only a relatively small pilot oil flow of approx. 2.5 l/min.
q actuator greater than q pump
The operating limit of a load sensing system has been exceeded if the entire actuator
volume requested by the directional valves is greater than the maximum displacement of
the pump possible. In this case, the pump is in the maximum stop. The required system
pressure for the actuator with the highest load pressure can no longer be maintained as
the oil preferably flows to the actuator with the lower load pressure.
For the actuator with the highest load pressure this means that it is only supplied with the
residual oil quantity or it also stops completely, if applicable.
Both actuator valve openings are opened for 100 l/min.
The maximum pump delivery volume is only 100 l/min, the system is under-supplied. Cyl-
inder 1 has a load pressure of 20 bar and cylinder 2 has a load pressure of 100 bar. Both
pressure compensators are completely open as the pressure for closing the pressure
compensators is not achieved.
The resistance of valve opening 1 is not sufficient for generating a pressure differential Δp
= 10 bar. The pressure compensator cannot be closed with 28 bar. This is only possible
from 30 bar. The pressure loss of a completely opened pressure compensator is only
minor and thus, the system pressure is now also on the lower level of 28 bar.
For the actuator 2 with a load pressure of 100 bar, this means standstill. If actuator 1 is
only open for 75 l/min, 25 l/min remain for actuator 2.
In this case, there resistance of valve opening 1 is sufficient for generating a pressure dif-
ferential Δp = 10 bar and closing.
Now, the system pressure can rise to values above 100 bar and move cylinder 2.
When operating a machine, this behavior may be annoying; therefore, the delivery volume
of the pump in the load sensing system must always be sufficient for all simultaneously
operated actuators.
Example
15
RE 09970/03.11 I Basics of mobile hydraulics Bosch Rexroth AG
Load pressure-independent flow distribution (LUDV)
Full supply in the LUDV system
With the Load pressure-independent flow distribution (LUDV) system, the velocity of all
actuators is reduced in the same ratio in case of undersupply.
In the example specified above, every cylinder would be operated with 50 l/min.
In the LUDV system, the pressure compensators are located downstream the metering
orifice and they are all provided with the highest load pressure.
The pressure compensators are symmetrical spools without spring.
The load pressure acts in the closing direction. The pressure after the valve opening acts
in the opening direction.
If the pressure in front of the pressure compensator (after the valve opening) is larger than
the load pressure, the pressure compensator starts to open. In this way, this pressure
always corresponds to the highest load pressure.
The displacement controller of the pump controls the pump pressure pP to a value 10 bar
higher than the load pressure.
Fig. 0-15: Undersupply in the load sensing system
Z1	 = 20 bar Z2	 = 100 bar
­
↑qP =
100 l/min
= 10 bar 10 bar =
↑qV1 =
100 l/min
qV2 =
0 l/min ↑
qP  qV1 + qV2 (controlled)
= 0 bar
100 bar
28 bar
28 bar
20 bar
8 bar
= 100 l/min
= 100 l/min
28 bar
16 Basics of mobile hydraulics I RE 09970/03.11
Bosch Rexroth AG
Undersupply in the LUDV system
If there is an undersupply, the pump is maximally deflected. Due to the reduced pressure
differential Δp at all valve openings, a reduced flow results. The closing of both pressure
compensators prevents the standstill of both actuators.
As the reduced pressure differential Δpred. is the same again at all valve openings, the flow
rates are in the same ratio again, as well.
Important:
If the LUDV system returns into the full supply from the undersupply (command value
cancellation), the actuators are accelerated. This unwanted acceleration is not admis-
sible with mobile machines (e.g. crane) (see EN 13000).
Calculation reduced flow qred.:
Σ Σ
Σ
q q
q
1 2
100 50
+ +
= = 150 l/min = 100 %
=
100
1,
red.
5
5
50
1,5
= 100 l/min
= 66,7 = 100 l/mi
+
+
Σqred.
,
33 3 n
n = 100 %
Fig. 0-16: Full supply in the LUDV system
20 bar
= 20 bar = 100 bar
100 bar
= 80 bar = 0 bar
100 bar
100 bar
Δp1 = 10 bar
pP = 110 bar
qV1 = ­
↑
50 l/min
qP = 100 l/min
Δp1 = Δp2
Δp2 = 10 bar
qV2 = 50 l/min
10 bar
= 50 l/min 50 l/min =
17
RE 09970/03.11 I Basics of mobile hydraulics Bosch Rexroth AG
Delivery volume of the pump qmax. = 100 l/min.
If only actuator 1 is operated, the pressure differential Δp at the valve opening is 10 bar
and the flow is 100 l/min.
If only actuator 2 is operated, the pressure differential Δp at the valve opening is 10 bar
and the flow is 50 l/min.
If the actuators 1 + 2 are operated, the system is undersupplied as the pump delivery
volume with 100 l/min is not sufficient for both actuators = 150 l/min.
The actuator flows are reduced in the ratio of the undersupply 1 : 1.5.
The reduced actuator flows are 100 / 1.5 = 66.7 l/min and 50 / 1.5 = 33.3 l/min.
The calculation results in Δpred. = 4.4 bar.
In practice, the reduction of the actuator flow rates takes effect correspondingly faster in
case of fast actuation of the second actuator and may lead to an abrupt deceleration of
the first actuator.
Disadvantage: If the command values are canceled, the actuators are accelerated.
Example
Fig. 0-17: Undersupply in the LUDV system
20 bar
= 20 bar = 100 bar
100 bar
= 80 bar = 0 bar
100 bar
100 bar
Δp1 = 4.4 bar
= 100 l/min
qV1 = ­
↑
66.7 l/min
Δp1 = Δp2 = Δpred.
Δp2 = 4.4 bar
qV2 = 33.3 l/min
10 bar
pP = 104.4 bar
qP = 100 l/min
50 l/min =
18 Basics of mobile hydraulics I RE 09970/03.11
Bosch Rexroth AG
Primary and secondary pressure valve
The primary pressure valve is located at the input element. This pressure relief valve is
used to set the maximum system pressure in channel P.
The secondary valve is installed in the actuator ports. This pressure relief valve is used
to limit the max. actuator pressure. The secondary valves are used as protection against
pressure peaks and external forces; they take effect when the control spool is not oper-
ated.
Secondary valves are designed as pure pressure valves or as valves with pressure and
feed function. The feed function is a check valve that opens when the pressure in the
actuator is lower than the pressure in channel T.
This function is important in order to prevent vacuum and cavitation in the actuators.
Vacuum in cylinders results in air separations from the oil leading to seal damage and
unwanted delays in the working behavior of the machine.
Vacuum in hydraulic motors leads to cavitation destroying the motor and the machine may
completely get out of control.
This is very dangerous with winches and carriages; for safety reasons, there is therefore
additional safety equipment like lowering brake valves in order to prevent this.
Hydraulic pilot control
The operation with mechanical handle-operated levers requires the operator to be directly
at the control block.
With many construction machines, the control block is in a central position and the con-
struction machine operator sits in a cabin having good view of the working area.
An operation using rods is too inflexible and complex.
With most construction machines, the operating elements e.g. hydraulic pilot control units
are integrated in the driver's seat armrest and in this way allow for comfortable operation
of the machine.
The signal is transmitted by means of hydraulic pressure from the hydraulic pilot control
unit to the control spool.
In the hydraulic pilot control unit, a pressure reducing valve is used to set a pressure con-
tinuously, depending on the characteristic curve, from 6 to 24 bar. This pilot pressure acts
on the pilot spool that is clamped by the centering springs.
The spring force increases with an increasing stroke.
Proportionately to the lever deflection of the pilot control unit, a pilot pressure is gener-
ated that again adjusts the directional valve main spool until the forces at the directional
valve spool are balanced.
19
RE 09970/03.11 I Basics of mobile hydraulics Bosch Rexroth AG
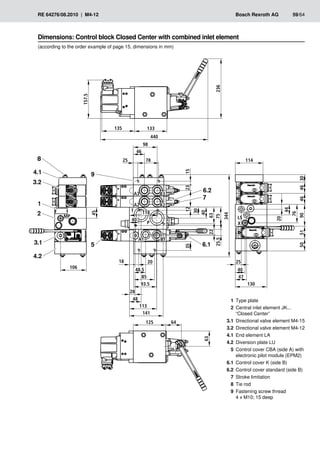
	 1	 Housing
	 2	 Main spool
	 3	 Pressure compensator
	 4	 LS pressure limitation valve
	 5.1	 Secondary shock/feed valve
	 5.2	 Plug screw
	 6.1	 A side stroke limitation
	 6.2	 A side stroke limitation
	 6.3	 B side stroke limitation
	 7	 LS shuttle valve
	 8	 Spring chamber
	 9.1	 Pressure reducing valves
		 (Pilot control valve a)
	 9.2	 Pressure reducing valves
		 (Pilot control valve b)
	 10	 Handle-operated lever
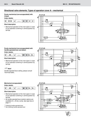
Function LS control block M4-12
The sectional drawing shows a directional valve element with mechanical and
electrohydraulic actuation.
Mechanical operation (see figure 0-18)
Using the handle-operated lever (10), the main spool (2) can be operated in
both directions.
The stroke limitations (6.1, 6.2, 6.3) can be used to set the maximum flow rate.
Two set screws (6.1 or 6.2) influence the flow of P → A, one set screw (6.3) the
flow P → B.
Fig. 0-18: Sectional drawing control block M4-12
Cover B
Cover A
20 Basics of mobile hydraulics I RE 09970/03.11
Bosch Rexroth AG
Hydraulic and electrohydraulic operation (see figure 0-18)
The hydraulic pilot pressure can either be controlled using the hydraulic pilot control unit
4TH6 or using the electrical pressure reducing valves (9.1, 9.2).
The hydraulic control connections are always located in the cover A. Through a bore in
the housing, the pilot pressure reaches the cover B.
The pilot oil supply X comes from the input element into which a pilot oil supply has been
installed.
The pilot oil drain Y must be led to the tank at zero pressure.
Using the main spool (2), the flow direction is controlled and using the stroke the
flow rate.
Apart from that, the load pressure is recorded by means of bores in the main spool (2).
Grooves are milled into the main spool (2), the opening cross-section of which determines
the flow rate in the supply and also the flow rate to the T channel.
Pressure compensators (see figure 0-18)
The pressure compensator consists of a spool (3) with milled-in grooves and a bore for
recording the pressure in front of the main spool (2). The spool (3) is loaded with a spring
determining the pressure differential Δp at the main spool.
By means of shims, the spring force and consequently the pressure differential Δp and
thus the maximum flow with identical opening cross-section of the valve can be changed.
The pressure compensator shown has moreover a load holding function. This prevents the
lowering of the load if the pressure in P is less than the load pressure.
LS signal (see figure 0-18)
The LS signal is recorded by bores in the main spool and led into the pressure compensa-
tor spring chamber. In this area, the LS signal can be limited by means of the LS pressure
relief valve for every actuator port. At the measuring points MA and MB, the LS pressure
can be measured or also influenced by means of external valves.
The LS signal is forwarded to the pump controller via the shuttle valve (7).
Pressure limitation (see figure 0-18)
The actuator ports A and B can be protected from excessive pressure by means of sec-
ondary pressure valves (5.1). The secondary valve shown is not adjustable.
It simultaneously offers a feed function by acting as check valve of T → A.
The plug screw (5.2) is necessary if neither the pressure limitation nor the feed-in is nec-
essary.
21
RE 09970/03.11 I Basics of mobile hydraulics Bosch Rexroth AG
Input element (see figure 0-18)
The input element accommodates the primary pressure valve and the pilot oil supply.
P line, T line, LS line and pilot oil line (X, Y) are connected at the input element.
There are input elements in different designs (see data sheet RE 64276).
End elements
In the end elements, the LS pressure is discharged. Alternatively to the discharge, there
may be an external LS port for more LS actuators.
Discharge of the LS pressure to the tank in the non-operated condition of the directional
valves is important for the failure-free functioning of the system. In this connection, the
pump's displacement controller is notified a low pressure level (standby pressure).
This must also be ensured with an external LS connection (see data sheet RE 64276).
Fig. 0-19: Circuit diagram M4-12
	 1	 Housing
	 2	 Directional valve main spool
	 3	 Pressure compensator
	 4	 LS pressure relief valve
	 5	
Secondary pressure relief valve (with
cavitation protection) and plug screw
	 6	 Stroke limitation
	 7	 Shuttle valve
	 8	 Handle-operated lever
	 9	 Proportional pressure reducing valve
1
8
6
22 Basics of mobile hydraulics I RE 09970/03.11
Bosch Rexroth AG
Function LUDV control block SX-12
The sectional drawing shows a directional valve element with mechanical actuation.
Mechanical operation (see figure 0-20)
The main spool (2) can be operated in both directions.
Stroke limitations are not provided.
Hydraulic operation (not shown)
The hydraulic pilot pressure can be set using the hydraulic pilot control unit 4TH6. With
hydraulic actuation, stroke limitations are possible.
The hydraulic control connections are located in the covers.
Main spool (see figure 0-20)
Using the main spool (2), the flow direction is controlled and using the stroke the
flow rate.
Grooves are milled into the main spool (2), the opening cross-sections of which determine
both, the flow rate in the supply and the flow rate to the T channel.
Fig. 0-20: Sectional drawing control block SX-12
	 1	 Housing
	 2	 Main spool
	 3	 Check valve
	 4	 Pressure compensator
	 5	 Secondary valve
	 6	 Plug screw
23
RE 09970/03.11 I Basics of mobile hydraulics Bosch Rexroth AG
Pressure compensators (see figure 0-20)
The pressure compensator consists of a spool (4) with milled-in grooves and a bore for
recording the pressure after the main spool (2).
The spool (4) is symmetrical and not loaded with a spring.
The pressure differential Δp at the main spool is determined by the pump controller and in
case of undersupply results due to reduced flows. (See basics)
The check valves (3) have the load holding function. This prevents the lowering of the load
if the pressure in P is less than the load pressure.
LS signal (see figure 0-20)
The load pressure is recorded by means of a bore in the spool of the pressure compensa-
tors (4).
The pressure compensator of the actuator with the highest load is always complete-
ly open.
Only in this case is the bore open.
That means that only the load pressure of the actuator with the highest load is recorded
and forwarded to the pump and the other pressure compensators.
The pressure compensators of the actuators with lower load pressure are in a control
position in which the bore is overlapped.
Shuttle valves are therefore not required.
Pressure limitation (see figure 0-20)
The actuator ports A, B can be protected from excessive pressure by means of secondary
pressure valves (5). It simultaneously offers a feed function by acting as check valve of T
→ B.
The plug screw (6) is screwed in if neither the pressure limitation nor the feed-in is neces-
sary.
Input element (see figure 0-20)
The input element accommodates the primary pressure limitation and the LS unloading.
The primary pressure limitation is effected by limiting the LS signal.
As option, the input element can be equipped with a flushing valve, opening a connection
P → T.
The P line, T line, LS line and pilot oil X, Y are connected at the input element.
There are input elements in different designs (see data sheet RE 64128).
End elements
As end element, there may be an end plate or a plate with additional port P3 (see data
sheet RE 64128).
24 Basics of mobile hydraulics I RE 09970/03.11
Bosch Rexroth AG
Notes
25
RE 09970/03.11 I Safety instructions Bosch Rexroth AG
General safety instructions
So that the possible dangers of machines and systems are recognized, safety regulations,
product information and operating instructions must be observed.
Trainer must make the necessary documentation available to the trainee. When us-
ing competitive products, the safety instructions prescribed by the manufacturer apply,
whereas it has to be ensured that the components and systems comply with the currently
valid and relevant EU directives.
The commissioning is therefore prohibited until it was confirmed that the elec-
trohydraulic components and systems that are to be used comply with the pro-
visions of all relevant EU directives.
General, basic safety instructions
Then following is to be observed:
•	 Danger warnings and safety instructions at the machine,
Operating instructions
•	 regulating the behavior during operation in order to avoid
accidents and damage to health, which are to be prepared by the operator / employer
e.g. on the basis of accident prevention regulations
Operating instructions
•	 ensuring the proper, intended use of the hydraulic system.
The operating instructions are to provide information and avoid dangers when
installing the hydraulic components into the system – in this case the installa-
tion of the electrohydraulic components into the practice stand - and it provides
information and notes for transport, storage and maintenance (inspection, ser-
vice, repair) of the hydraulic system.
Only in case of strict compliance with the operating instructions can accidents
and damage to property be avoided and failure-free operation of the hydraulic
system be guaranteed.
Apart from that, compliance with the operating instructions results in:
Reduced down times and repair costs
•	
Increased service life of the hydraulic system.
•	
Warning
Warning
26 Safety instructions I RE 09970/03.11
Bosch Rexroth AG
Hydraulic oil on mineral oil basis is water-endangering and inflammable. It may only
be used if the corresponding safety data sheet is available and all measures prescribed
therein have been realized.
The hydraulic system may only be operated in a technically unobjectionable condition.
The intended use, performance data and operating conditions must not be changed.
You must not decommission protective devices / components, e.g. by bridging end
switches, valves and other control components.
If for maintenance works, protective devices have to be bridged, safety measures have
to be taken in advance which guarantee that no dangerous situation can result. The supe-
rior machine operating instructions have to be observed.
The operation of adjustment equipment at components and/or changes at program-
mable control systems may only be carried out by authorized personnel within the scope
of the intended use of the hydraulic system.
In an emergency, in case of error or other irregularities:
Hydraulic systems are to be switched off and the main switch is to be secured against
•	
re-activation,
The danger zone is to be secured so that nobody can access the danger zone in an
•	
uncontrolled form and without this being known,
Responsible specialists must be informed immediately.
•	
Uncontrolled access of company-external persons to the direct operating‑area of the
hydraulic system (also if the hydraulic system stands still) is forbidden.
Important:
Those are general safety provisions that have to be observed in detail in every proj-
ect task.
Air may be available in hydraulic oils in the following forms: As dissolved air (invisible), as
surface foam (visible) and as undissolved, dispersed air (visible). While dissolved air and
a little bit of surface foam have hardly any disadvantageous effects, dispersed air can lead
to major problems. As the oil contains very small air bubbles in a very finely dispersed
form that can only rise to the surface very slowly, the following faults may occur:
Unequal or jerky movements of the hydraulic pistons, vibration in the system due to an
•	
increase in the compressibility, changed actuating times of servo valves
Noise in the pump
•	
Cavitation damage at pumps, lines and seals
•	
Accelerated aging of the oil
•	
Microdiesel effect, one form of thermal cracking due to high temperatures in com-
•	
pressed small air bubbles
Effects of air
in the oil
27
RE 09970/03.11 I Safety instructions Bosch Rexroth AG
In order to avoid undissolved air in the oil, the following has to be observed: Leak-tight-
ness of the system on the suction side, perfect size of the storage tank, installation of
baffles in the oil storage tank, favorable design of the suction system without throttling
points, sufficient oil level, low oil circulation speeds, submersible pumps instead of high
suction heads.
Hydraulic systems are closed systems. I.e. in case of intended use, the hydraulic oil is not
released in the environment. Leak-tightness of the units and timely maintenance / repair
have to be ensured. Particularly hydraulic hoses and hose connections are to be closely
monitored and checked. The oil change has to be completed appropriately and profession-
ally; the used oil has to be disposed of complying with all legal provisions.
Hydraulic fluids on mineral oil basis are water-endangering and inflammable.
Hydraulic fluids may only be used if the corresponding safety data sheet of the
manufacturer is available and all measures prescribed therein have been real-
ized.
If leakage at the hydraulic product can lead to water and soil contamination, the
hydraulic product must be put into a suitable drain tray.
One of the basic prerequisites for the failure-free operation of a hydraulic system is the
unobjectionable condition of the hydraulic fluid as pollution still is one of the main reasons
for failure of hydraulic components. The following sketch shows different types of pollution
that may lead to pollution of the hydraulic fluid.
Environmental
aspects
Safety aspects
	Danger
Filtration
Notes
28 Safety instructions I RE 09970/03.11
Bosch Rexroth AG
Fig. 0-22: Sources of pollution
1	 External pollution
2	 Assembly + Repair
3	 New oil
4	 Wear debris in pump
5	 Wear debris of seals
The technical data sheets of the component manufacturers include information on the
evaluation of the solid share in the hydraulic fluid by means of classification ‑ systems
(standardized cleanliness classes).
Today, the standards NAS 1638 (National American Standard) and ISO DIS 4406 are
most widely used.
Today, specification of the filtration rating in μm is no longer common; it is, however, still
frequently used in the preparation of circuit diagrams.
Important:
The detailed topic Filtration and maintenance is not dealt with in the mobile hydraulic
project manuals.
The sources of information mentioned in this project manual like data sheets, operating
instructions and reference books contain information on the Filtration topic.
Classification
29
RE 09970/03.11 I Operation LS unit Bosch Rexroth AG
Operation load sensing (LS) unit
•	 Displacement-controlled vane pumps (2.1)
Pressure relief valves 70 bar (2.32, 2.52); type-tested
•	
Return line filter (3.0)
•	
Connection blocks with plug-in couplings for P1-3, T1-2, LS
•	
3-way ball valves (7.1, 7.2)
•	
LS pressure relief valves (2.0)
•	
Measuring ports MP1, MX
•	
The 3-way ball valves (7.1, 7.2) are in position P → L (lever downwards).
In this position, the line from the pump is blocked and the connection block to the leakage
oil is unloaded and depressurized.
After switch-on of the electric motor, the pumps are controlled to a pressure of 15 bar. By
operation of the 3-way ball valve by 90°, the connection block P is connected with P1 of
the pump (operating position).
Without pressure in port LS, the pressure P remains at 15 bar, according to the spring
value at the displacement controller X.
In order to get a higher pressure in P, a pressure signal must be available at the port LS.
Together with the spring, this LS pressure acts on the displacement controller X.
The pressure P is therefore always 15 bar higher than the LS pressure.
If the LS pressure is taken from port P1, the pump behaves like a pressure-
controlled pump.
The controlled pump pressure is set using the LS pressure relief valve (2.0).
In order to prevent overloading of the LS pressure relief valve (2.0) with excessive flow, a
limitation nozzle 0.8 (3.0) has been installed upstream.
The LS pressure relief valve (2.0) has a 50 bar compression spring.
With max. load, a controlled pressure P of 65 bar can be set.
In practices with constant pressure (industrial hydraulics), the LS pressure must be taken
from P1.
The controlled pressure P is set to 50 bar using the LS pressure relief valve (2.0).
In practices with load sensing (mobile hydraulics), the LS pressure must be taken from the
LS port of the control blocks used.
The control pressure is set to 60 bar using the LS pressure relief valve (2.0).
In the rest position (lever vertically downwards), the connection block to the leakage oil is
unloaded and the P line is blocked.
In the operating position (lever horizontal), the 3-way ball valve is used to connect the con-
nection block P with P1 or P2 pump.
The pressure P only amounts to 15 bar and increases very slowly after the 3-way ball
•	
valve has been brought into operating position.
Cause: No LS pressure at controller X (measuring point MX)
•	
→ In this case, the LS pressure will only rise above the controller spool leakage.
Constant pressure: No connection established from P1 to LS
•	
Load sensing: LS connection not established
•	
Nozzle 0.8 (3.0) blocked
•	 → Remove the LS coupling connector and check and clean
the nozzle, if necessary.
Set-up
Function
Operation in
training mode
Error possibilities
30 Operation LS unit I RE 09970/03.11
Bosch Rexroth AG
Setting instruction for external control block pressure relief valve
(primary pressure relief valve)
For setting the maximum working pressure, an external pressure relief valve DD1.N-W
(item 02) is used for didactic reasons.
Valve setting procedure:
Connect port P1 with the LS port at the connection block.
1.	
Establish the measuring points MP and MP1.
2.	
Connect the pressure relief valve at port P2 and port T via the distributor with port T2
3.	
at the connection block.
Switch on the training system.
4.	
Bring the 3-way ball valve (item 7.1, 7.2: from the rest position into the operating
5.	
position (lever horizontal).
Set the control block pressure relief valve to 40 or 50 bar (value varies depending on
6.	
the practice).
Important:
The primary valves that are usually installed in the SM12 control block are set at the test
stand with a flow qV = 5 l/min and 55 °C oil temperature.
Setting instruction for pre-filling pressure of the hydraulic accumulator
The diaphragm-type hydraulic accumulator must be filled before every commissioning or
practice with nitrogen (not included in scope of delivery) to the necessary, gas-side pre-
filling pressure (p0 = 15 to 18 bar) or unloaded accordingly. For this purpose, the filling
and test equipment for hydraulic accumulators is necessary (Mat. no. R900001439; not
included in the standard scope of delivery).
Important:
The hydraulic accumulator used in the training system may be operated with the follow-
ing pressure ratio:
Operating pressure p / pre-filling pressure p
•	 0	 → 8 : 1
(e.g. max. operating pressure x jcyl. = 60 bar x 1.69 = 101.4 bar	 → p0 =  13 bar
Attention: In case of improper use, the hydraulic accumulator may be destroyed!
31
RE
09970/03.11
I
Practice
Bosch
Rexroth
AG
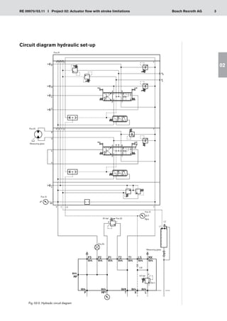
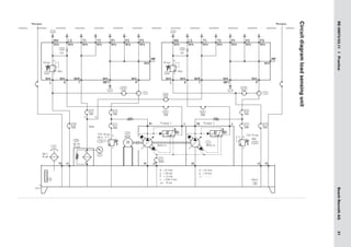
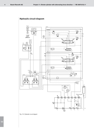
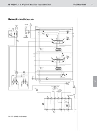
Circuit
diagram
load
sensing
unit
32 Practice I RE 09970/03.11
Bosch Rexroth AG
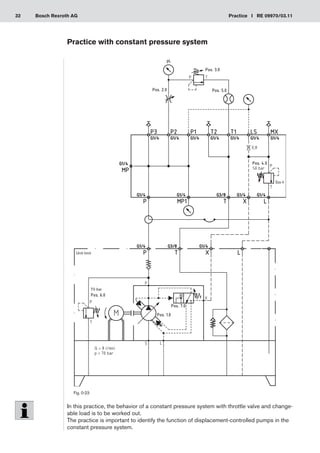
In this practice, the behavior of a constant pressure system with throttle valve and change-
able load is to be worked out.
The practice is important to identify the function of displacement-controlled pumps in the
constant pressure system.
Fig. 0-23
Size 4
Unit limit
70 bar
Practice with constant pressure system
33
RE 09970/03.11 I Practice Bosch Rexroth AG
•	 The pump is a displacement-controlled vane pump V7 (1).
Using the throttle valve (2), the delivery volume is set to 5 l/min.
•	
The load is changed using the pressure relief valve (3).
•	
Using the pilot pressure relief valve (4), the maximum pump pressure is set.
•	
In the supply of the pilot pressure relief valve (4), a nozzle 0.8 mm has been installed.
•	
The actuator volume is measured by means of a flow meter (5).
•	
The pump has two control spools max. and min. and one controller (7).
The max. spool has a larger diameter and is moreover spring-loaded so that the pump can
deliver upon start-up.
The min. spool has a smaller diameter and is connected with P.
The controller (7) is kept in the position P → max. by a spring. In this position, the max.
spool is loaded with pressure from P. The stroke ring is moved in the displacement direc-
tion until the pressure P is greater than the pressure X + spring value. If the pressure P is
greater, the controller spool (7) is moved and the max. spool is unloaded. The stroke ring
is now moved from min. spool in the zero stroke direction. If the pressure P falls below the
pressure X + spring value, the controller spool (7) is pushed back by the spring and the
stroke ring moves back in the displacement direction. The control spool (7) controls the
stroke ring position.
The control pressure LS is recorded in front of the throttle (2) and corresponds to the
pressure P.
The pilot pressure valve (4) limits the pressure after the supply nozzle 0.8 and forwards it
to the controller (7).
As the pressure in P corresponds to the pressure in X, the stroke ring is maintained at max.
displacement until the pilot pressure relief valve (4) opens and limits the pressure X. The
nozzle 0.8 is necessary for the pilot oil limitation and the pressure drop in X.
Pressure X corresponds to pressure P minus the spring value.
Using the pilot pressure relief valve (4), the pressure P can be remotely adjusted.
The pilot pressure relief valve (4) is absolutely necessary as otherwise, the stroke ring is
not moved to zero stroke. In this case, the pump pressure would increase until the safety
pressure relief valves (6) open. If the entire delivery volume is discharged to the tank via
the safety pressure relief valves (6), the oil heats up considerably.
Set-up according to circuit diagram.
The flow meter must be installed after the load pressure relief valve in order to record the
actuator volume.
It is important to measure the pilot pressure in front of the throttle.
Unload the pressure relief valves (3, 4).
1.	
Open the throttle valve (2) completely.
2.	
Switch on the pump, bring the 3-way ball valve into operating position.
3.	
Close the throttle valve (2).
4.	
Use the pilot pressure relief valve (4) to set a pressure P = 50 bar.
5.	
Use the throttle valve to set the flow rate to 5 l/min, with unloaded load pressure valve
6.	
(3).
Use the load pressure valve (3) to increase the load pressure in 5 bar steps.
7.	
Enter the pressures
8.	 p, pL, pX and the flow values qV into the table.
Calculation of the pressure differential
9.	 Δp at the throttle and the power loss with
Pv = qV • ΔpDr / 600.
Components
Function
Practice
implementation
34 Practice I RE 09970/03.11
Bosch Rexroth AG
Using the pilot pressure relief valve (4), the pressure p can be adjusted.
The pressure in the line P and the pressure pX are always almost constant.
Using the throttle valve (2), the flow 5 l/min can be set.
If the load pressure is increased, the flow continuously decreases as the pressure differ-
ential Δp at the throttle decreases.
With low load pressure, the power loss is highest.
Important:
With real machine for example, the pressure in line P is  250 bar and the delivery vol-
ume is  100 l/min.
Here, the power loss with low load pressures is much higher.
250 bar • 5 l/min / 600 = 2 kW or 250 bar • 100 l/min / 600 = 41.7 kW
Result
Fig. 0-25
Device
arrangement
pL
(in bar)
p
(in bar)
pX
(in bar)
qV
(in l/min)
ΔpR
(in bar)
ΔpDr
(in bar)
PV
(in kW)
5 48.8 35.1 5 13.7 43.8 0.365
10 49 35.1 4.7 13.9 39 0.31
15 49.1 35.1 4.4 14 34.1 0.25
20 49.2 35.1 4.0 14.1 29.2 0.19
25 49.4 35.2 3.6 14.2 24.4 0.15
30 49.5 35.2 3.1 14.3 19.5 0.10
35 49.6 35.1 2.6 14.5 14.6 0.06
40 49.8 35.1 2.1 14.7 9.8 0.03
45 50 35.2 1.4 14.8 5 0.01
Fig. 0-24: Table 1 (DR)
35
RE 09970/03.11 I Practice Bosch Rexroth AG
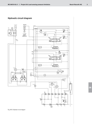
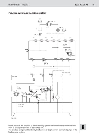
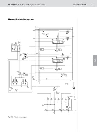
Practice with load sensing system
In this practice, the behavior of a load sensing system with throttle valve under the influ-
ence of changeable load is to be worked out.
The practice is important to identify the function of displacement-controlled pumps in the
load sensing system.
Fig. 0-26
Size 4
Unit limit
70 bar
36 Practice I RE 09970/03.11
Bosch Rexroth AG
•	 The pump is a displacement-controlled vane pump V7 (item 1.0).
Using the throttle valve (item 2.0), the delivery volume is set to 5 l/min.
•	
The load is changed using the pressure relief valve (item 3.0).
•	
Using the pilot pressure relief valve (
•	 item 4.0), the maximum pump pressure is set.
In the supply of the pilot pressure relief valve (item 4.0), a nozzle with a diameter of
•	
0.8 mm is installed.
The actuator volume is measured by means of a flow meter (item 5.0).
•	
The V7 pump has a controller (item 7.0) and two control spools with different diameter.
The spool with the smaller diameter is connected with port P. The spool with the larger
diameter is spring-loaded in order to bring the stroke ring in idle run into an eccentric
position. Consequently, pump delivery upon start-up is possible.
A spring keeps the controller (item 7.0) in the position p → max. In this position, the larger
spool is loaded with pressure from line P. The stroke ring is moved in the displacement di-
rection until the pressure p is greater than the pressure pX + spring value. If the pressure
p is greater, the controller spool is moved and the larger spool is unloaded. The stroke
ring is now moved from the smaller spool in the zero stroke direction. If the pressure p
falls below the pressure pX + spring value, the controller spool is pushed back by the
spring and the stroke ring moves back in the displacement direction. The control spool
controls the stroke ring position.
The pilot pressure X is measured after the throttle (item 2.0) and corresponds to the pres-
sure pL.
The pressure pL = pX with an unloaded load pressure valve corresponds to approx. 0 bar.
The pressure p moves the control spool against the control spring on position P → L and
the larger spool is unloaded, the pressure p moves the stroke ring on zero stroke. The
spring value corresponds to the zero stroke pressure.
The pressure p therefore always exceeds the pressure pLS, namely by the spring value.
The pressures pX and pLS always fall below the pressure p, namely by the spring value.
In this way, the pressure differential Δp at the throttle is kept constant.
Using the pilot pressure relief valve (item 4.0), the pressure after the supply nozzle is
limited. Opening this valve limits the pressure pX. The nozzle (0.8) is necessary for limiting
the pilot oil and for the pressure drop at port X.
Using the pilot pressure relief valve, the maximum pressure at port P can be set.
The pilot pressure relief valve (item 4.0) is absolutely necessary as otherwise, the stroke
ring is not moved to zero stroke. In this case, the pump pressure would increase until the
safety pressure relief valves (item 6.0) open. If the entire delivery volume is discharged to
the tank via the safety pressure relief valves, the oil heats up considerably.
Set-up according to circuit diagram.
Components
Function
Practice
implementation
37
RE 09970/03.11 I Practice Bosch Rexroth AG
pL
(in bar)
p
(in bar)
pX
(in bar)
qV
(in l/min)
ΔpR
(in bar)
ΔpDr
(in bar)
PV
(in kW)
5 19.4 5.7 5 13.7 14.4 0.12
10 24.5 10.8 5 13.7 14.5 0.12
15 29.4 15.7 5 13.7 14.4 0.12
20 34.4 20.7 5 13.7 14.4 0.12
25 39.4 25.7 5 13.7 14.4 0.12
30 44.4 30.7 5 13.7 14.4 0.12
35 47.8 34 4.3 13.8 12.8 0.09
40 49 34.7 3 14.3 9 0.05
45 49.6 35 1.4 14.6 4.6 0.01
Fig. 0-27: Table 1 (LS)
Device
arrangement
Fig. 0-28
The flow meter must be installed after the load pressure relief valve in order to record the
actuator volume.
It is important to measure the pilot pressure after the throttle.
Unload the pressure relief valves (3,4).
1.	
Open the throttle valve (2) completely
2.	
Switch on the pump, 3-way ball valve in operating position
3.	
Screw in the load pressure relief valve (3) to stop (max. pressure)
4.	
Using the pilot pressure relief valve (4), set
5.	 p = 50 bar
Unload the load pressure relief valve (3) completely again (min. pressure)
6.	
Using the throttle valve (2), set 5 l/min, with unloaded load pressure valve (3)
7.	
Use the load pressure valve (3) to increase the load pressure in 5 bar steps.
8.	
Enter the pressures
9.	 p, pL, pX and the flow values qV into the table
Calculation of the pressure differential
10.	 ΔpR = p – pX at the pump controller, the pressure dif-
ferential ΔpDr = p – pl at the throttle, the power loss at the throttle with Pv = qV • ΔpDr/600.
38 Practice I RE 09970/03.11
Bosch Rexroth AG
Using the pilot pressure relief valve (4), the maximum pressure p can be limited.
The pressure differential ∆p at the throttle valve is constant until the maximum pump pres-
sure is achieved.
Using the throttle valve (2), the flow 5 l/min can be set.
If the load pressure is increased, the flow remains almost constant as long as the pres-
sure differential ∆p at the throttle remains constant.
If the maximum pump pressure is reached, the pilot pressure pX is limited and the pres-
sure differential ∆p at the throttle and the flow decrease.
A load sensing system only functions if the pressure differential ∆p at the throttle can be
kept constant.
If the maximum pump pressure set is achieved and the load pressure continues to in-
crease, the pressure differential decreases and the flow delivered to the actuator decreas-
es.
Important:
With real machines, the pressure p is e.g.  250 bar and the delivery volume is  100 l/min.
Here, the constantly low power loss for energy saving has very positive effects.
20 bar • 5 l/min / 600 = 0.17 kW or 20 bar • 100 l/min / 600 = 3.3 kW
•	
Using the spring pretensioning at the displacement controller (item 7.0), the pressure
differential ∆pR can be changed.
Result
Notes
1
RE 09970/03.11 I Project 01: Primary pressure limitation Bosch Rexroth AG
01
Project 01: Primary pressure limitation
Project definition
A large rotary drill is operated with a load sensing control for the top drive and the cylinder
feed.
Settings are to be made in the commissioning.
The maximum system pressure is to be limited so that the device cannot be overloaded.
The maximum safety pressure is set using the primary pressure valve.
The maximum operating pressure is set using the load sensing pressure limitation (LS-
DB) at the connection block.
Project tasks
The differences between the pressure limitations are to be worked out.
•	
Determination of the correct order when setting the pressures.
•	
Find the location of the set screws.
•	
Measuring and setting the pressures.
•	
Determine the system behavior of the different pressure limitations with primary pres-
•	
sure valve and LS-DB.
Fig. 01-1:	 Drill in operation
2 Project 01: Primary pressure limitation I RE 09970/03.11
Bosch Rexroth AG
01
Project steps
•	 Information:	 What is the current condition of the machine?
		 What exactly is to be done?
•	 Planning: 	 Selecting and inspection documents for information.
		 Component selection.
		 Where are the components, set screws and measuring
		 points located?
		 Preparation of the hydraulic circuit diagram.
•	 Decision-making:	 How must the components be connected with each other in
		 order to realize the requirements?
•	 Execution: 	 Setup of the hydraulic control.
		 Setting the required values and their documentation.
•	 Checks:	 Are the required values achieved?
•	 Evaluation: 	 How is the system behavior?
Notes
3
RE 09970/03.11 I Project 01: Primary pressure limitation Bosch Rexroth AG
01
Circuit diagram hydraulic power unit
Fig. 01-2: Hydraulic circuit diagram
Unit limit
70 bar
Size 4
4 Project 01: Primary pressure limitation I RE 09970/03.11
Bosch Rexroth AG
01
Circuit diagram hydraulic set-up
Fig. 01-3: Hydraulic circuit diagram
Measuring glass
Size 4
5
RE 09970/03.11 I Project 01: Primary pressure limitation Bosch Rexroth AG
01
Component select with parts list
item Quantity Device designation Type designation
01 1 Load sensing mobile control block 2M4-12
02 1 Pressure relief valve DD1.1
03 1 Distributor DZ4
04 1 Flow meter + Multi-handy DZ30
09 1
Pressure gauge with measuring hose
(or digital pressure sensor)
DZ1.4
5 Hose line 90° 1000 mm DKO/DKO90x1000
1 Hose line 90° 700 mm DKO/DKO90x700
1 Hose line 90° 2000 mm VSL3.1
1 Hose line 630 mm VSK1
Fig. 01-4: Parts list for hydraulic circuit diagram Fig. 01-3
6 Project 01: Primary pressure limitation I RE 09970/03.11
Bosch Rexroth AG
01
Device arrangement
Fig. 01-5: Device arrangement for parts list Fig. 01-4 and hydraulic circuit diagram Fig. 01-2
Notes
7
RE 09970/03.11 I Project 01: Primary pressure limitation Bosch Rexroth AG
01
Safety instructions
The operating instructions and accident prevention regulations must be observed.
Danger due do flying component parts.
Do not disassemble components under pressure.
Risk from pressurized oil.
Risk of injury from leaking oil and oil jet.
Connect the return line T properly.
Only assemble/disassemble circuits at zero pressure.
Pressure release:
Lower the load
1)	
3-way ball valve in rest position (vertical)
2)	
Switch the directional valve several times
3)	
Unload accumulator
4)	
Control by means of pressure gauge: 0 bar in P, A, B
5)	
Risk of injury from leaking oil and oil jet.
If the tank port is closed, the control block may burst.
The tank channel is only approved for 30 bar.
If the tank port at the control block is closed, 60 bar and - with the pressure
intensification of the cylinder - 100 bar may result in the T channel!
The correct connection of the return lines T is particularly important!
Control block T must be connected at the connection block T1 or T2.
The pilot oil return line Y is to be connected at zero pressure, e.g. at the measur-
ing glass. Accumulator T must be connected at the connection block T1 or T2.
After termination of the practice:
Lower the load
1.	
Switch the 3-way ball valve in rest position
2.	
Switch the directional valve spool through several times in both directions
3.	
in order to discharge residual pressures.
Empty the pilot oil accumulator by opening the unloading valve.
4.	
Control by means of pressure gauge
5.	
Switch off the pump
6.	
Warning
Caution
Caution
8 Project 01: Primary pressure limitation I RE 09970/03.11
Bosch Rexroth AG
01
Order execution
Requirements on the control:
The hydraulic circuit is set up so that first of all, no actuator is connected.
The primary pressure is limited by means of a pressure relief valve in the P line and the LS
pressure limitation in the connection block.
For evaluating the system behavior, the flow rate in the P line from the connection block to
the distributor is measured.
Note for trainers:
Using the data sheet RE 64276, the correct connection of the M4-12 control block can
be worked out. Ports T, P, LS and Y must be used.
The pilot pressure ports a, b must be short-circuited. Otherwise, the control spools is
blocked by leakage oil.
With the data sheet, it is also possible to determine the position of the components and
the measuring points.
In the control block, there is no primary pressure valve. This function is performed by an
external pressure relief valve DD1 at the distributor.
The LS-DB is located in the connection block (see operating instructions).
The sealed pressure valves at the unit must not be adjusted.
Set up the circuit. In this connection, proceed according to the following points:
1.	 Hydraulic control
Work out the circuit diagram and the parts list in order to satisfy the requirements.
Hang in the hydraulic components according to the circuit diagram and establish the hose
connections.
For connecting pressure gauges with DZ1.4 measuring line, pressure hoses DZ 25.1 are
used.
Manually tighten the pressure gauge measuring lines at the relevant measuring port of the
pressure hose.
Check the correct tight connection of the components with the pressure hoses by turning
the hoses.
2.	 Setting the pressures and measuring the flow rate qP
Before switch-on of the pump, the LS-DB and the primary pressure valve are unloaded.
After pump switch-on and operating position of the 3-way ball valve, only a low pressure
will build up.
First of all, the safety pressure is to be set using the primary pressure valve.
As this pressure is the higher one, the LS-DB must first of all be set to max. by rotating
the set screw to the right stop.
The 1A directional valve is operated. There is no actuator flow as the system is operated
against the closed couplings.
Using the primary pressure valve, the safety pressure is set to p = 65 bar (measuring
point MP).
Note down the flow rate qP with operated directional valve.
Operate the 1A directional valve and unload the LS-DB until an operating pressure p =
40 bar is reached.
Here, note the flow rate qP with operated directional valve, as well.
9
RE 09970/03.11 I Project 01: Primary pressure limitation Bosch Rexroth AG
01
3.	 Determining the power loss
With P (kW) = p (bar) • qP (l/min) / 600, the power loss can be calculated.
Power loss at safety pressure	 = 0.63 kW (~ 6.5 l/min • 65 / 600)
Power loss at operating pressure	 = 0.07 kW (~ 1.0 l/min • 40 / 600)
Note for trainers:
The order of the pressure settings is: First the higher safety pressure, then the lower
operating pressure.
At the safety pressure, the entire pump delivery volume flows off via the primary pressure
valve with max. pressure.
A considerable amount of heat is generated.
At the operating pressure, the pressure signal to the pump controller is limited by the LS-
DB and the pump is regulated. In this case, not much heat is generated as there is no
pump delivery.
In practice, this means a reduction in the heat loss and thus a reduction in the fuel con-
sumption if actuators are moved to stop.
In practice, the difference between primary pressure valve and LS-DB is to be at least
20 bar.
Assessment of the work results
a)	 In which order do you have to set the maximum pressures?
First of all, the higher safety pressure and then the lower operating pressure is set.
Which pressure limitation results in the higher power loss?
b)	
The safety pressure limitation results in the higher power loss as the
entire delivery volume flows off with high pressure via the primary pressure valve.
Project/trainer information
In the present project 01, knowledge of the correct pressure setting is developed in a
practical set-up.
In the practical set-up, the following knowledge is to be gained:
Knowledge of the measuring points
•	
Order of the pressure setting of safety and operating pressure
•	
Determination of the power losses with the different pressure limitations
•
10 Project 01: Primary pressure limitation I RE 09970/03.11
Bosch Rexroth AG
01
Notes
1
RE 09970/03.11 I Project 02: Actuator flow with stroke limitations Bosch Rexroth AG
02
Project 02: Actuator flow with stroke limitations
Project definition
A large rotary drill is operated with a load sensing control for the rotary disk and the cylin-
der feed.
Settings are to be made in the commissioning.
The maximum speed of the rotary disk is to be limited so that the drill works perfectly and
is not overloaded. The max. actuator flows shall be A1 = 4 l/min and B1 = 5 l/min.
Fig. 02-1: Caterpillar crane
Project tasks
The function of the directional valve element with pressure compensator is to be
•	
worked out.
Find the location of the set screws.
•	
Measuring and setting the actuator flows.
•
2 Project 02: Actuator flow with stroke limitations I RE 09970/03.11
Bosch Rexroth AG
02
Project steps
•	 Information: 	 What is the current condition of the machine?
		 What exactly is to be done?
•	 Planning: 	 Selecting and inspection documents for information.
		 Component selection.
		 Where are the components, set screws and measuring
		 points located?
		 Preparation of the hydraulic circuit diagram.
•	 Decision-making:	 How must the components be connected with each other in
		 order to realize the requirements?
•	 Execution: 	 Setup of the hydraulic control.
		 Setting the required values and their documentation.
•	 Checks:	 Are the required values achieved?
•	 Evaluation: 	 How is the system behavior?
Notes
3
RE 09970/03.11 I Project 02: Actuator flow with stroke limitations Bosch Rexroth AG
02
Circuit diagram hydraulic set-up
Fig. 02-2: Hydraulic circuit diagram
Size 4
Measuring glass
Measuring glass
4 Project 02: Actuator flow with stroke limitations I RE 09970/03.11
Bosch Rexroth AG
02
Component select with parts list
Fig. 02-3: Parts list for hydraulic circuit diagram Fig. 02-2
item Quantity Device designation Type designation
01 1 Load sensing mobile control block 2M4-12
02 1 Pressure relief valve DD1.1
04 1 Flow meter + Multi-handy DZ30
05 1 Motor DM8
12 2
Pressure gauge with measuring hose
(or digital pressure sensor)
DZ1.4
2 Hose line 90° 1000 mm DKO/DKO90x1000
1
Hose line 90° 1000 mm with measur-
ing port
DKO/DKO90x1000 M
1 Hose line 90° 2000 mm VSL3.1
1 Hose line 90° 700 mm DKO/DKO90x700
3 Hose line 630 mm VSK1
2 Hose line 630 mm with measuring port DZ25.3
1 Optical speed sensor (optional) E19
5
RE 09970/03.11 I Project 02: Actuator flow with stroke limitations Bosch Rexroth AG
02
Device arrangement
Fig. 02-4: Device arrangement for parts list Fig. 02-3 and hydraulic circuit diagram Fig. 02-2
Notes
6 Project 02: Actuator flow with stroke limitations I RE 09970/03.11
Bosch Rexroth AG
02
Safety instructions
The operating instructions and accident prevention regulations must be observed.
Danger due do flying component parts.
Do not disassemble components under pressure.
Risk from pressurized oil.
Risk of injury from leaking oil and oil jet.
Connect the return line T properly.
Only assemble/disassemble circuits at zero pressure.
Pressure release:
Lower the load
1)	
3-way ball valve in rest position (vertical)
2)	
Switch the directional valve several times
3)	
Unload accumulator
4)	
Control by means of pressure gauge: 0 bar in P, A, B
5)	
Risk of injury from leaking oil and oil jet.
If the tank port is closed, the control block may burst.
The tank channel is only approved for 30 bar.
If the tank port at the control block is closed, 60 bar and - with the pressure
intensification of the cylinder - 100 bar may result in the T channel!
The correct connection of the return lines T is particularly important!
Control block T must be connected at the connection block T1 or T2.
The pilot oil return line Y is to be connected at zero pressure, e.g. at the measur-
ing glass. Accumulator T must be connected at the connection block T1 or T2.
After termination of the practice:
Lower the load
1.	
Switch the 3-way ball valve in rest position
2.	
Switch the directional valve spool through several times in both directions
3.	
in order to discharge residual pressures
Empty the pilot oil accumulator by opening the unloading valve
4.	
Control by means of pressure gauge
5.	
Switch off the pump
6.	
Order execution
Requirements on the control:
The hydraulic circuit is set up so that the rotary motor is connected to A1, B1.
The primary pressure is limited by means of a pressure relief valve in the P line and the LS
pressure limitation in the connection block.
The flow rate is measured in the P line from the connection block to the control block.
Warning
Caution
Caution
7
RE 09970/03.11 I Project 02: Actuator flow with stroke limitations Bosch Rexroth AG
02
Note for trainers:
Using the data sheet RE 64276, the correct connection of the M4-12 control block can
be worked out. Ports T, P, LS, Y, A1 and B1 must be used.
The pilot pressure ports a and b must be short-circuited.
With the data sheet, it is also possible to determine the position of the components and
the measuring points.
In the control block, there is no primary pressure valve. This function is performed by an
external pressure relief valve DD1 at the connection block.
The LS-DB is located in the connection block (see operating instructions).
The sealed pressure valves at the unit must not be adjusted.
Using the pressure compensators available in the directional valve element, the pressure
difference is maintained constant using the control spool.
Thus, the flow volume is only controlled by means of the opening cross-section.
The stroke limitations can be used to set the maximum opening cross-section.
It can be worked out by means of the sectional drawing which set screw is to be ad-
justed for the relevant actuator.
Set up the circuit. In this connection, proceed according to the following points:
1.	 Hydraulic control
Work out the circuit diagram and the parts list in order to satisfy the requirements.
Hang in the hydraulic components according to the circuit diagram and establish the hose
connections. For connecting pressure gauges with DZ1.4 measuring line, pressure hoses
DZ 25.1 are used.
Manually tighten the pressure gauge measuring lines at the relevant measuring port of the
pressure hose.
2.	 Setting the actuator flows and measurement of the flow rate qP
The pressure settings from project 01 are taken over.
After switch-on of the pump, only a pressure = 15 bar will build up measuring point MP1).
This pressure is the so-called standby pressure that is available with de-energized actua-
tors.
The A1 directional valve is operated. There is an actuator flow according to the directional
valve opening. With max. operation, the actuator volume is set to 4 l/min.
Operate the B1 directional valve and set the actuator volume to 5 l/min.
Note for trainers:
By explaining the pressure differential Δp and the pressure compensator, the function of
the directional valve elements and stroke limitations can be made clear.
It is important to see that with the stroke limitations, the maximum actuator flows and
thus the maximum velocities can be set individually.
Assessment of the work results
8 Project 02: Actuator flow with stroke limitations I RE 09970/03.11
Bosch Rexroth AG
02
Notes
a)	 Which actuating elements are used to set the max. actuator flow volume?
Stroke limitations are used to set the max. actuator flow volume.
Why can the max. actuator flow volume be set with the stroke limitations?
b)	
The max. actuator flow rate can - because of the constant pressure differential Δp at
the directional valve spools - be set with the stroke limitations.
Which component is used to keep the pressure differential
c)	 Δp at the directional valve
spools constant?
Pressure compensators keep the pressure differential Δp at the directional valve
spools constant.
Project/trainer information
In the present project 02, knowledge of the setting of maximum flow rates is developed in
a practical set-up.
In the practical set-up, the following knowledge is to be gained:
Knowledge of the measuring points
•	
Setting possibilities for the max. actuator flow volume
•
1
RE 09970/03.11 I Project 03: Load pressure compensation Bosch Rexroth AG
03
Project 03: Load pressure compensation
Project definition
A large rotary drill is operated with a load sensing control for the rotary disk and the cylin-
der feed.
Now, the speed of the rotary disk is to be check with different loads.
In case of loading by solid ground, the speed of the rotary disk is to remain constant, if
possible, so that the drilling power is not reduced.
The max. actuator flow for drilling is A1 = 4 l/min.
Fig. 03-1: Mobile excavator
Project tasks
The function of the directional valve element with pressure compensator is to be
•	
worked out.
Working out and using the pressure compensator function.
•	
Measuring the input pressure and the LS pressure.
•	
Calculation of the pressure differential
•	 ΔpLS.
2 Project 03: Load pressure compensation I RE 09970/03.11
Bosch Rexroth AG
03
Project steps
•	 Information:	 What is the current condition of the machine?
		 What exactly is to be done?
•	 Planning:	 Selecting and inspection documents for information.
		 Component selection.
		 Where are the components, set screws and measuring
		 points located?
		 Preparation of the hydraulic circuit diagram.
•	 Decision-making:	 How must the components be connected with each other in
		 order to realize the requirements?
•	 Execution:	 Setup of the hydraulic control.
		 Setting the required values and their documentation.
•	 Checks:	 Is the requested constant speed achieved and complied with?
•	 Evaluation: 	 How is the system behavior?
Notes
3
RE 09970/03.11 I Project 03: Load pressure compensation Bosch Rexroth AG
03
Hydraulic circuit diagram
Fig. 03-2: Hydraulic circuit diagram
Size 4
Measuring
glass
Measuring glass
Measuring glass
4 Project 03: Load pressure compensation I RE 09970/03.11
Bosch Rexroth AG
03
Component select with parts list
Fig. 03-3: Parts list for hydraulic circuit diagram Fig. 03-2
item Quantity Device designation Type designation
01 1 Load sensing mobile control block 2M4-12
02 1 Pressure relief valve DD1.1
04 1 Flow meter + Multi-handy DZ30
05 1 Motor DM8
06 1 Pressure sequence valve DD3
13 3
Pressure gauge with measuring hose
(or digital pressure sensor)
DZ1.4
2 Hose line 90° 1000 mm DKO/DKO90x1000
1 Hose line 90° 1000 mm with measur-
ing port
DKO/DKO90x1000 M
1 Hose line 90° 2000 mm VSL3.1
3 Hose line 90° 700 mm DKO/DKO90x700
4 Hose line 630 mm VSK1
2 Hose line 630 mm with measuring port DZ25.3
1 Optical speed sensor (optional) E19
5
RE 09970/03.11 I Project 03: Load pressure compensation Bosch Rexroth AG
03
Device arrangement
Fig. 03-4: Device arrangement for parts list Fig. 03-3 and hydraulic circuit diagram Fig. 03-2
Notes
6 Project 03: Load pressure compensation I RE 09970/03.11
Bosch Rexroth AG
03
Safety instructions
The operating instructions and accident prevention regulations must be observed.
Danger due do flying component parts.
Do not disassemble components under pressure.
Risk from pressurized oil.
Risk of injury from leaking oil and oil jet.
Connect the return line T properly.
Only assemble/disassemble circuits at zero pressure.
Pressure release:
Lower the load
1)	
3-way ball valve in rest position (vertical)
2)	
Switch the directional valve several times
3)	
Unload accumulator
4)	
Control by means of pressure gauge: 0 bar in P, A, B
5)	
Risk of injury from leaking oil and oil jet.
If the tank port is closed, the control block may burst.
The tank channel is only approved for 30 bar.
If the tank port at the control block is closed, 60 bar and - with the pressure
intensification of the cylinder - 100 bar may result in the T channel!
The correct connection of the return lines T is particularly important!
Control block T must be connected at the connection block T1 or T2.
The pilot oil return line Y is to be connected at zero pressure, e.g. at the measur-
ing glass. Accumulator T must be connected at the connection block T1 or T2.
After termination of the practice:
Lower the load
1.	
Switch the 3-way ball valve in rest position
2.	
Switch the directional valve spool through several times in both directions
3.	
in order to discharge residual pressures
Empty the pilot oil accumulator by opening the unloading valve
4.	
Control by means of pressure gauge
5.	
Switch off the pump
6.	
Order execution
Requirements on the control:
The hydraulic circuit is set up so that the rotary motor is connected to A1, B1.
The primary pressure limitation 65 bar is realized using a pressure relief valve in the P line
and the LS pressure limitation 50 bar in the connection block.
For simulating the load, a pressure sequence valve is installed in the A1 line in front of the
motor.
Warning
Caution
Caution
7
RE 09970/03.11 I Project 03: Load pressure compensation Bosch Rexroth AG
03
Fig. 03-5: Table
Load pressure
MpL
(in bar)
Pressure Mp
(in bar)
Pressure MpLS
(in bar)
Pressure differen-
tial DpLS
(in bar)
Motor speed n
(in min–1)
Motor 1 Motor 2 Motor 1 Motor 2 Motor 1 Motor 2
17 31.2 28.8 17.5 16 14.3 480 466
20 34.5 32.0 20.8 18 14.1 480 466
25 39.4 37.3 25.7 25 14 480 466
30 44.6 42.2 30.9 30 13.9 480 466
35 48 46.0 34.7 35 12 450 430
40 48.9 47.2 35.6 38 8.4 310 330
45 49.5 47.8 36.3 40 4.1 170 143
50 50 0
Note for trainers:
The DD3 pressure sequence valve is installed for load simulation in the A1 line in front
of the motor.
That is why the DD3 pressure sequence valve only opens above the set pressure and
keeps the pressure in the A1 line at the set value. The idle run resistance of the motor is
not influenced.
For the control block function, the pressure in the actuator port A1 is decisive.
The leakage oil connection T of the DD3 pressure sequence valve must be connected at
zero pressure.
Set up the circuit. In this connection, proceed according to the following points:
1.	 Hydraulic control
Work out the circuit diagram and the parts list in order to satisfy the requirements.
Hang in the hydraulic components according to the circuit diagram and establish the hose
connections.
For connecting pressure gauges with DZ1.4 measuring line, pressure hoses DZ 25.1 are
used.
Tighten the pressure gauge measuring lines at the relevant measuring port of the pressure
hose manually.
2.	 Setting different load pressures, measurement of speed and pressures Mp,
	 MpLS, MpL
After switch-on of the pump, only a pressure = 15 bar will build up.
This pressure is the so-called standby pressure that is available with de-energized actuators.
The DD3 pressure sequence valve is completely unloaded.
The A1 directional valve is fully operated (pull the lever).
The motor rotates with pressures according to the load.
The load pressure is increased in 5 bar steps up to 50 bar.
Enter the pressures Mp, MpLS, the pressure differential ΔpLS and the motor speed n into
the table.
Measure the load pressure in front of the pressure sequence valve and MpL at A of the motor.
Smallest load pressure: 17 bar
8 Project 03: Load pressure compensation I RE 09970/03.11
Bosch Rexroth AG
03
Note for trainers:
By explaining the pressure differential Δp and pressure compensator, the function of the
directional valve elements can be made clear.
It is important to see that the motor speed also remains almost constant under load.
By means of the pressure compensators, the pressure differential Δp at the control
spools is kept constant.
It can moreover be seen that the LS pressure pLS and the load pressure pL are identical.
This shows that the LS pressure always corresponds to the load pressure.
The pump pressure pP always exceeds the LS pressure by the control pressure differ-
ence of the pump controller. This is necessary so that the oil can overcome the resis-
tances in the P line and in the control block.
Without pressure differential no flow!
From a load pressure of 35 bar, the LS pressure limitation takes effect and consequently,
the pressure differential ΔpLS decreases.
Assessment of the work results
a)	 How has the motor speed changed in case of load changes behavior?
The motor speed has changed only slightly.
How large is the pressure differential LS pressure - load pressure?
b)	
The pressure differential is very low.
How large is the pressure differential pump pressure - LS pressure?
c)	
The pressure differential is approx. 15 bar and corresponds to the control pressure
differential of the pump controller.
Project/trainer information
In the present project 03, the independence of the motor speed from the load pressure is
developed in a practical set-up.
In the practical set-up, the following knowledge is to be gained:
Function of the pressure compensator and its application
•	
Pressures in the load sensing system
•
1
RE 09970/03.11 I Project 04: Pressure losses in P line Bosch Rexroth AG
04
Project 04: Pressure losses in P line
Project definition
With large drills, the winches are installed in the mast.
The control block is also to be installed in the mast. This enlarges the distance to the
pump and thus the length of the P line. The longer the P line the higher is the pressure
loss.
It is to be determined in a practice whether this influences the performance of the winch-
es.
Fig. 04-1: Mobile excavator
Project tasks
A possibility for simulating the pressure loss is to be worked out.
•	
Determining the necessary measuring points.
•	
Perform measurements for evaluating the system.
•	
Evaluating the influence of a higher pressure loss in the P line.
•
2 Project 04: Pressure losses in P line I RE 09970/03.11
Bosch Rexroth AG
04
Project steps
•	 Information:	 What exactly is to be done?
•	 Planning:	 Selecting and inspection documents for information.
		 Component selection.
		 How can the higher pressure loss be simulated?
		 Preparation of the hydraulic circuit diagram.
•	 Decision-making:	 How must the components be connected with each other in
		 order to realize the requirements?
•	 Execution:	 Setup of the hydraulic control.
		 Measuring the required values and their documentation.
•	 Checks:	 Which influence does a higher press loss in the P line have on
		 the drilling power?
•	 Evaluation:	 How is the system behavior?
Notes
3
RE 09970/03.11 I Project 04: Pressure losses in P line Bosch Rexroth AG
04
Hydraulic circuit diagram
Fig. 04-2: Hydraulic circuit diagram
Size 4
Measuring glass
Measuring glass
4 Project 04: Pressure losses in P line I RE 09970/03.11
Bosch Rexroth AG
04
Component select with parts list
Fig. 04-3: Parts list for hydraulic circuit diagram Fig. 04-2
item Quantity Device designation Type designation
01 1 Load sensing mobile control block 2M4-12
02 1 Pressure relief valve DD1.1
04 1 Flow meter + Multi-handy DZ30
05 1 Motor DM8
06 1 Throttle valve DF1
13 3
Pressure gauge with measuring hose
(or digital pressure sensor)
DZ1.4
3 Hose line 90° 1000 mm DKO/DKO90x1000
1
Hose line 90° 1000 mm with mea-
suring port
DKO/DKO90x1000 M
1 Hose line 90° 2000 mm VSL3.1
2 Hose line 90° 700 mm DKO/DKO90x700
3 Hose line 630 mm VSK1
2 Hose line 630 mm with measuring port DZ25.3
1 Optical speed sensor (optional) E19
5
RE 09970/03.11 I Project 04: Pressure losses in P line Bosch Rexroth AG
04
Device arrangement
Fig. 04-4: Device arrangement for parts list Fig. 04-3 and hydraulic circuit diagram Fig. 04-2
Notes
6 Project 04: Pressure losses in P line I RE 09970/03.11
Bosch Rexroth AG
04
Safety instructions
The operating instructions and accident prevention regulations must be observed.
Danger due do flying component parts.
Do not disassemble components under pressure.
Risk from pressurized oil.
Risk of injury from leaking oil and oil jet.
Connect the return line T properly.
Only assemble/disassemble circuits at zero pressure.
Pressure release:
Lower the load
1)	
3-way ball valve in rest position (vertical)
2)	
Switch the directional valve several times
3)	
Unload accumulator
4)	
Control by means of pressure gauge: 0 bar in P, A, B
5)	
Risk of injury from leaking oil and oil jet.
If the tank port is closed, the control block may burst.
The tank channel is only approved for 30 bar.
If the tank port at the control block is closed, 60 bar and - with the pressure
intensification of the cylinder - 100 bar may result in the T channel!
The correct connection of the return lines T is particularly important!
Control block T must be connected at the connection block T1 or T2.
The pilot oil return line Y is to be connected at zero pressure, e.g. at the measur-
ing glass. Accumulator T must be connected at the connection block T1 or T2.
After termination of the practice:
Lower the load
1.	
Switch the 3-way ball valve in rest position
2.	
Switch the directional valve spool through several times in both directions
3.	
in order to discharge residual pressures
Empty the pilot oil accumulator by opening the unloading valve
4.	
Control by means of pressure gauge
5.	
Switch off the pump
6.	
Order execution
Requirements on the control:
The hydraulic circuit is set up so that the motor is connected to A1, B1.
For simulating the pressure loss in the P line, a DF1.2 throttle valve is installed.
A flow meter is used to measure the displacement in the P line.
Warning
Caution
Caution
7
RE 09970/03.11 I Project 04: Pressure losses in P line Bosch Rexroth AG
04
Note for trainers:
Using the DF1.2 throttle valve, an increased pressure loss can be simulated.
In practice, there is an increased pressure loss if the lines are long and the cross-section
is too small.
Set up the circuit. In this connection, proceed according to the following points:
1.	 Hydraulic control
Work out the circuit diagram and the parts list in order to satisfy the requirements.
Hang in the hydraulic components at the grid according to the circuit diagram and estab-
lish the hose connections.
For connecting pressure gauges with DZ1.4 measuring line, DZ25.1 pressure hoses are
used.
Tighten the pressure gauge measuring lines at the relevant measuring port of the pressure
hose manually.
Primary pressure valve setting: 65 bar
2.	 Setting different pressure losses, measurement of the pressures Mp1, Mp,
	 MpLS, displacement qP
After pump switch-on and operating position of the 3-way ball valve (horizontal), the motor
is operated.
With completely opened throttle, an actuator flow A1 = 4 l/min is set.
In this practice, the oil temperature has an important influence; therefore, the
oil temperature should be approx. 25 °C.
The pressure loss Mp1 – Mp is set to 5 bar and increased in 1 bar steps to 10 bar.
Enter the pressures Mp1 in front of the throttle, Mp at the block input, pLS (MpLS) at the
block and the displacement qP in the P line in the table.
Fig. 04-5: Table
Pressure loss Mp1 – Mp.
calculated (in bar)
Pressure Mp1
(in bar)
Pressure Mp
(in bar)
Pressure MpLS
(in bar)
Displacement qP
(in l/min)
5 21 16 9.0 8.0 4.0 3.8
6 21 15 8.0 8.0 3.8 3.7
7 21 14 8.0 7.0 3.5 3.3
8 21 13 7.0 6.6 3.1 3.0
9 20 11 3.0 5.7 0.2 2.3
10 18 8 0 4.0 0 1.0
Note for trainers:
This practice is to clarify the influence of the line losses on the system.
It is important to see that with increasing line loss the displacement decreases.
Due to the higher pressure losses in the P line, the pressure differential decreases. thus,
the pressure differential ∆p at the control spools is also lower as is the flow. The pump
controller only controls the pressure differential ∆p = Mp1 – MpLS.
The influence of the pressure reduction can be compensated by increasing the control
pressure difference at the pump controller.
8 Project 04: Pressure losses in P line I RE 09970/03.11
Bosch Rexroth AG
04
This means in practice that the control pressure difference at the pump controller must
be set accordingly high for each device depending on the losses in the P line. It must be
ensured that the maximum displacement required can flow.
Assessment of the work results
a)	 How did the increase in the pressure losses in the P line influence the winch performance?
The winch performance has decreased as the displacement decreased.
How has the pressure differential (input pressure - LS pressure) changed?
b)	
The pressure differential has decreased.
How has the pressure differential (pump pressure - LS pressure) changed?
c)	
The pressure differential has not changed and corresponds to the control pressure
differential of the pump controller.
Which effects does this have in practice?
d)	
In practice, the control pressure difference must be set so high that the line losses are
compensated and the maximum displacement required can flow.
Project/trainer information
In the present project 04, the influence of the pressure loss in the P line is developed in a
practical set-up.
In the practical set-up, the following knowledge is to be gained:
Influence of the pressure loss in P line
•	
Differential pressures in the load sensing system and their effect
•
1
RE 09970/03.11 I Project 05: Hydraulic pilot control Bosch Rexroth AG
05
Project 05: Hydraulic pilot control
Project definition
The drill is equipped with a winch for lifting the drilling equipment.
The winch is remotely controlled from the driver's cab.
By deflecting the hydraulic control lever in the direction of the operator (pulling), the which
is to rotate counterclockwise.
By deflecting the hydraulic pilot control lever away from the operator (pushing), the which
is to rotate clockwise.
The maximum speed possible is to be achieved.
In order to evaluate the winch control, a characteristic curve of the winch against the pilot
pressure is to be prepared.
In order to always ensure the pilot oil supply, even with low load pressure or if the drive
motor is standing still, a pilot oil accumulator is to be provided.
Fig. 05-1: Control unit
Project tasks
Working out the correct pinout for the specified directions of rotation.
•	
Working out the hydraulic remote control function.
•	
Correct installation of the pilot oil accumulator.
•	
Checking the hydraulic remote control function.
•	
Preparation of a characteristic curve motor speed / pilot pressure.
•
2 Project 05: Hydraulic pilot control I RE 09970/03.11
Bosch Rexroth AG
05
Project steps
•	 Information:	 What exactly is to be done?
•	 Planning:	 Selecting and inspection documents for information.
		 Component selection.
		 Where are the components and measuring points located?
		 Preparation of the hydraulic circuit diagram.
•	 Decision-making:	 How must the components be connected with each other in
		 order to achieve the specified directions of rotation?
•	 Execution:	 Setup of the hydraulic control.
		 Checking the hydraulic remote control function
•	 Checks:	 Are the directions of rotation correct?
		 Is the pilot oil supply always guaranteed?
•	 Evaluation:	 How is the system behavior with hydraulic remote control?
Notes
3
RE 09970/03.11 I Project 05: Hydraulic pilot control Bosch Rexroth AG
05
Hydraulic circuit diagram
Fig. 05-2: Hydraulic circuit diagram
Measuring glass
Size 4
Measuring
glass
Measur-
ing glass
4 Project 05: Hydraulic pilot control I RE 09970/03.11
Bosch Rexroth AG
05
Component select with parts list
Fig. 05-3: Parts list for hydraulic circuit diagram Fig. 05-2
item Quantity Device designation Type designation
01 1 Load sensing mobile control block 2M4-12
02 1 Pressure relief valve DD1.1
03 2 Distributor DZ4
05 1 Motor DM8
06 1 Hydraulic pilot control unit 2-2TH6-L70
07 1 Accumulator 0.7 l DZ3.2
09 1 Check valve DS2.1
16 3
Pressure gauge with measuring hose
(or digital pressure sensor)
DZ1.4
5 Hose line 90° 1000 mm DKO/DKO90x1000
1
Hose line 90° 1000 mm with
measuring port
DKO/DKO90x1000 M
2 Hose line 90° 2000 mm VSL3.1
3 Hose line 90° 700 mm DKO/DKO90x700
1 Hose line 630 mm VSK1
2 Hose line 630 mm with measuring port DZ25.3
1 Optical speed sensor (optional) E19
5
RE 09970/03.11 I Project 05: Hydraulic pilot control Bosch Rexroth AG
05
Device arrangement
Fig. 05-4: Device arrangement for parts list Fig. 05-3 and hydraulic circuit diagram Fig. 05-2
Notes
6 Project 05: Hydraulic pilot control I RE 09970/03.11
Bosch Rexroth AG
05
Safety instructions
The operating instructions and accident prevention regulations must be observed.
Danger due do flying component parts.
Do not disassemble components under pressure.
Risk from pressurized oil.
Risk of injury from leaking oil and oil jet.
Connect the return line T properly.
Only assemble/disassemble circuits at zero pressure.
Pressure release:
Lower the load
1)	
3-way ball valve in rest position (vertical)
2)	
Switch the directional valve several times
3)	
Unload accumulator
4)	
Control by means of pressure gauge: 0 bar in P, A, B
5)	
Risk of injury from leaking oil and oil jet.
If the tank port is closed, the control block may burst.
The tank channel is only approved for 30 bar.
If the tank port at the control block is closed, 60 bar and - with the pressure
intensification of the cylinder - 100 bar may result in the T channel!
The correct connection of the return lines T is particularly important!
Control block T must be connected at the connection block T1 or T2.
The pilot oil return line Y is to be connected at zero pressure, e.g. at the measur-
ing glass. Accumulator T must be connected at the connection block T1 or T2.
After termination of the practice:
Lower the load
1.	
Switch the 3-way ball valve in rest position
2.	
Switch the directional valve spool through several times in both directions
3.	
in order to discharge residual pressures
Empty the pilot oil accumulator by opening the unloading valve
4.	
Control by means of pressure gauge
5.	
Switch off the pump
6.	
Order execution
Requirements on the control
The hydraulic circuit is set up so that with the control block M4-12 ports A1, B1, the winch
can be operated. When the lever is pushed, the winch must be rotated clockwise.
The max. operating pressure for the pilot control unit 2-2 TH6 must be max. 50 bar in
port P.
Warning
Caution
Caution
7
RE 09970/03.11 I Project 05: Hydraulic pilot control Bosch Rexroth AG
05
The max. admissible pressure in port T is 3 bar.
The minimum response pressure of the pre-tensioned directional valve spring is 8.5 bar.
For hydraulically operating the directional valve spool, 30 bar are absolutely enough as
with 22.5 bar, the directional valve spools are fully controlled.
Pilot control units are normally operated with a separate 30 bar pilot oil system.
It has to be ensured that the max. pilot pressure P for the pilot control unit is not higher
than 30 bar and always available. Therefore, the pilot control unit is connected at the pilot
oil accumulator.
In the M4-12 control block, a 30 bar pilot oil supply is integrated. The pilot oil supply is
connected at the pilot oil port X. A check valve prevents pilot oil from flowing off via the
M4-12 control block if the working pressure falls below the pilot pressure.
The pilot pressure pst. in a1, b1 of the hydraulic operations is to be measured.
Note for trainers:
Using the sectional diagram and explanation of the function of the directional valve ele-
ment, the correct connection of the actuators at the control block can be worked out.
It is important to see that the hydraulic pressure moves the directional valve spool
against the opposite spring. The hydraulic pressure acts on the spool area and generates
a force.
This force compresses the spring until the spring force corresponds to the hydraulic
force. During that time, the directional valve spool covers a corresponding stroke.
With low pressure, the hydraulic force is less and the spring is only compressed a little
bit; consequently, the spool stroke is accordingly shorter. I.e. with the amount of the
hydraulic pressure, you can control the spool stroke.
No pressure must build up in port T of the hydraulic pilot control unit as otherwise, it
supports the spring force and consequently falsifies the control characteristic curve.
Therefore, port T of the 2-2TH6 is to be connected at the measuring glass at zero pres-
sure.
Set up the circuit. In this connection, proceed according to the following points:
1.	 Hydraulic control
Work out the circuit diagram and the parts list in order to satisfy the requirements.
Hang in the hydraulic components at the grid according to the circuit diagram and estab-
lish the hose connections.
For connecting pressure gauges with DZ1.4 measuring line, pressure hoses DZ 25.1 are
used.
Manually tighten the pressure gauge measuring lines at the relevant measuring port of the
pressure hose.
Check the correct tight connection of the components with the pressure hoses by turning
the hoses.
2.	 Hydraulic remote control
Set the maximum flow rates.
For checking the directions of rotation, the motor is operated in both directions.
At first, however, actuation without pilot oil accumulator; for this purpose, the isolator
valve is closed and the accumulator is completely unloaded.
Measure the achievable pilot pressure.	 Result: 16 bar
Measure the achievable motor speed.	 Result: 350 min–1 (both directions of rotation)
8 Project 05: Hydraulic pilot control I RE 09970/03.11
Bosch Rexroth AG
05
Fig. 05-5: Table
Pilot pressure Mpst. a1
(in bar)
Speed
(in min–1)
Pilot pressure Mpst. a1
(in bar)
Speed
(in min–1)
Motor 1 Motor 2 Motor 1 Motor 2
0 0 16 400 300
5 0 17 450 375
9 80 18 500 400
10 100 19 570 450
11 140 100 20 630 480
12 210 113 21 670 565
13 250 138 22 710 596
14 300 200 23 750 598
15 350 217 24 780 598
Pressure pst. b1 with all deflections: 0.1 bar
Note for trainers:
Ad 2.:
With the standby pressure of 15 bar, the directional valve spools cannot be fully con-
trolled properly.
If the load pressure of the controlled actuator is too low, the directional valve spool
cannot be fully controlled either. Therefore, the required actuator velocity cannot
be achieved.
With the pilot oil accumulator there is always sufficient pilot oil pressure, irrespective of
the system pressure. Another important function of the pilot oil accumulator is to always
have pilot pressure available even if the pumps are switched off. In this case, a load can
e.g. be lowered with the pilot oil from the accumulator or the system pressure can be
relieved.
In order to be able to load the pilot oil accumulator, the a2 hydraulic operation is con-
nected at the pilot control unit.
Connect the pilot oil accumulator and close the unloading valve.
As the motor load pressure is not sufficient to charge the accumulator with 30 bar, the
hydraulic operation a2 is operated.
Actuator port A2 of the directional valve 2 is closed and upon operation, the maximum
operating pressure of 50 bar results.
The accumulator pressure now increases up to 30 bar.
If afterwards, the motor is operated using directional valve 1 at b1, the control spool can
be operated with 30 bar even if the load pressure is much less.
Measure the achievable motor speed.	 Result: 600 min–1.
(Press the pilot control lever 1)
3.	 Measurements of the motor speed against the pilot pressure pst.
Install the pressure gauge in the control lines, close to the hydraulic operations a1 and b1.
Installing the tachometer.
Set different pressure ratings by pressing the pilot control lever 1 according to the follow-
ing table (clockwise direction of rotation of the motor).
Record the motor speed and the pilot pressure Mpst. a1 and enter the values in the table.
9
RE 09970/03.11 I Project 05: Hydraulic pilot control Bosch Rexroth AG
05
Ad 3.:
It is important to see that the pilot pressure increases linearly from 9 bar and rapidly from
25 bar to 30 bar. Thereafter, the pilot pressure remains at 30 bar in order to safely hold
the directional valve spool in the end position.
This characteristic curve corresponds to control curve 70, please refer to the data sheet
RE 64552, page 5.
Different control curves are provided for the relevant control block types. This is neces-
sary as the directional valve spools have different diameters, springs and strokes.
Assessment of the work results
a)	 What is the advantage of a hydraulic pilot control?
Using the hydraulic pilot control, the directional valve spools can also be operated from
another position than the control block.
With which pressure is the LS pilot oil system operated?
b)	
The pilot oil system is a separate system with 30 bar pressure.
How is the pilot oil removed from the high-pressure system?
c)	
Via a pressure reducing valve, the pilot oil is removed from the high-pressure system
in the control block P channel.
How is the pilot oil supply ensured also in case of low load pressure?
d)	
The pilot oil supply is ensured by means of a pilot oil accumulator.
What is the special property of the pilot control unit?
e)	
The pilot control unit has a pilot pressure characteristic curve that is adjusted to the
relevant control block.
Project/trainer information
In the present project 05, knowledge of the function of the hydraulic remote control is
developed in a practical set-up.
In the practical set-up, the following knowledge is to be gained:
Set-up and function of the pilot oil circuit with accumulator
•	
Set-up and function of the 2-2TH6 pilot control unit
•	
Characteristic curve of the pilot control unit
•
10 Project 05: Hydraulic pilot control I RE 09970/03.11
Bosch Rexroth AG
05
Notes
1
RE 09970/03.11 I Project 06: Boom cylinder with external action of forces Bosch Rexroth AG
06
Project 06: Boom cylinder with external action of forces
Project definition
The boom of an excavator is operated by means of cylinders.
The boom is lowered with weight and the load.
The boom is to be lifted by pulling the lever towards the operator.
The boom is to be lowered by pushing the lever away from the operator.
External forces must not cause any damage and must be limited.
External forces can e.g. act on a non-operated actuator by means of working movements
(secondary protection).
The maximum cylinder pressure must not exceed 70 bar.
For simulating the external forces, a hydraulic circuit is to be developed.
Fig. 06-1: Crawler excavator
Project tasks
Working out the correct pinout for the specified stroke direction.
•	
Simulation of an external cylinder load.
•	
Checking the function of the secondary valve with external load.
•
2 Project 06: Boom cylinder with action of external forces I RE 09970/03.11
Bosch Rexroth AG
06
Project steps
•	 Information:	 What exactly is to be done?
•	 Planning:	 Selecting and inspection documents for information.
		 Component selection.
		 Where are the components and measuring points located?
		 How can external loads be simulated?
		 How can the LS signal in this connection be forwarded to the
		 pump controller if the directional valve element A2, B2 is not to
		 be operated?
		 Preparation of the hydraulic circuit diagram.
•	 Decision-making:	 How must the components be connected with each other in
		 order to get the specified stroke direction with pulled lever?
	
•	 Execution: 	 Setup of the hydraulic control.
		 Determining the required values and their documentation.
•	 Checks:	 Is the stroke direction correct?
		 Does the secondary valve work?
•	 Evaluation: 	 How is the system behavior?
Notes
3
RE 09970/03.11 I Project 06: Boom cylinder with external action of forces Bosch Rexroth AG
06
Hydraulic circuit diagram
Fig. 06-2: Hydraulic circuit diagram
Size 4
Mea-
suring
glass
Measuring glass
item 05
4 Project 06: Boom cylinder with action of external forces I RE 09970/03.11
Bosch Rexroth AG
06
Component select with parts list
Fig. 06-3: Parts list for hydraulic circuit diagram Fig. 06-2
item Quantity Device designation Type designation
01 1 Load sensing mobile control block 2M4-12
02 1 Pressure relief valve DD1.1
05 1 Load unit 80 kg DS-LAST/BF-L80E03
06 1 Hydraulic pilot control unit 2-2TH6-L70
07 1 Accumulator 0.7 l DZ3.2
08 3 Distributor DZ4
09 1 Check valve DS2.1
16 3
Pressure gauge with measuring hose
(or digital pressure sensor)
DZ1.4
17 1 Pressure reducing valve DD2
4 Hose line 90° 1000 mm DKO/DKO90x1000
1
Hose line 90° 1000 mm with
measuring port
DKO/DKO90x1000 M
2 Hose line 90° 2000 mm VSL3.1
2 Hose line 90° 700 mm DKO/DKO90x700
4 Hose line 630 mm VSK1
1 Hose line 630 mm with measuring port DZ25.3
5
RE 09970/03.11 I Project 06: Boom cylinder with external action of forces Bosch Rexroth AG
06
Device arrangement
Fig. 06-4: Device arrangement for parts list Fig. 06-3 and hydraulic circuit diagram Fig. 06-2
Notes
6 Project 06: Boom cylinder with action of external forces I RE 09970/03.11
Bosch Rexroth AG
06
Safety instructions
The operating instructions and accident prevention regulations must be observed.
Danger due do flying component parts.
Do not disassemble components under pressure.
Risk from pressurized oil.
Risk of injury from leaking oil and oil jet.
Connect the return line T properly.
Only assemble/disassemble circuits at zero pressure.
Pressure release:
Lower the load
1)	
3-way ball valve in rest position (vertical)
2)	
Switch the directional valve several times
3)	
Unload accumulator
4)	
Control by means of pressure gauge: 0 bar in P, A, B
5)	
Risk of injury from leaking oil and oil jet.
If the tank port is closed, the control block may burst.
The tank channel is only approved for 30 bar.
If the tank port at the control block is closed, 60 bar and - with the pressure
intensification of the cylinder - 100 bar may result in the T channel!
The correct connection of the return lines T is particularly important!
Control block T must be connected at the connection block T1 or T2.
The pilot oil return line Y is to be connected at zero pressure, e.g. at the measur-
ing glass. Accumulator T must be connected at the connection block T1 or T2.
After termination of the practice:
Lower the load
1.	
Switch the 3-way ball valve in rest position
2.	
Switch the directional valve spool through several times in both directions
3.	
in order to discharge residual pressures
Empty the pilot oil accumulator by opening the unloading valve
4.	
Control by means of pressure gauge
5.	
Switch off the pump
6.	
Order execution
Requirements on the control:
The hydraulic circuit is set up so that the boom can be lifted and lowered using the A2,
B2 directional valve element. When the pilot control lever is pulled towards the operator,
the boom must be lifted.
Warning
Caution
Caution
7
RE 09970/03.11 I Project 06: Boom cylinder with external action of forces Bosch Rexroth AG
06
A pressure relief valve is to be used to set the max. primary pressure to 65 bar.
On the cylinder piston side, external loads are to be simulated with hydraulic pressure.
During the load simulation, a corresponding LS signal for the pump controller
must result.
The simulation of the external load shall be adjustable by means of a valve. The load pres-
sure must be so high that the secondary valve opens at 70 bar.
Note for trainers:
Using the sectional diagram and explanation of the function of the directional valve ele-
ment, the correct connection of the cylinder and the control lines at the control block can
be worked out.
The position of the secondary valves is obvious, as well.
By means of the load cylinder, the weight is lifted with the cylinder ring side
(= lift boom).
For the load simulation on the cylinder piston side, a DD2.NV pressure reducing valve is
used. This valve is also connected at the cylinder piston side using a distributor.
The oil supply is ensured via the directional valve element A1 at the control block; for
that purpose, the pressure reducing valve is connected at the directional valve element
A1 with P. By operating the M4-12 handle-operated lever downwards (P – A1), the load
simulation is activated and with the pressure reducing valve, the load can be set. This
circuit secures the LS signal for the pump controller.
Set up the circuit. In this connection, proceed according to the following points:
1.	 Hydraulic control
Work out the circuit diagram and the parts list in order to satisfy the requirements.
Hang in the hydraulic components at the grid according to the circuit diagram and estab-
lish the hose connections.
For connecting pressure gauges with DZ1.4 measuring line, pressure hoses DZ 25.1 are
used.
Manually tighten the pressure gauge measuring lines at the relevant measuring port of the
pressure hose.
Check the correct tight connection of the components with the pressure hoses by turning
the hoses.
2.	 Function of the secondary valve in case of external load
For the measurement, connect the pressure gauge at the cylinder piston MA2 and the
ring side MB2.
Fully retract the cylinder with directional valve 2 (pull the pilot control lever 2).
The control spool of the directional valve A2, B2 is then not operated, i.e. it remains in the
blocked central position.
Operate the directional valve A1 for the load simulation (pull the pilot control lever 1).
While doing so, use the DD2.NV pressure reducing valve to increase the load pressure
on the cylinder piston side until the cylinder is lowered.
Carefully observe the cylinder and the pressures of the MB2 cylinder ring side before the
motion starts.
The secondary pressure valve is to be set so that it opens at 70 bar.
Note for the adjustment of the secondary pressure valves:
The adjustment spindle is secured by means of a lateral grub screw!
(Allen key 2 mm required)
8 Project 06: Boom cylinder with action of external forces I RE 09970/03.11
Bosch Rexroth AG
06
Note for trainers:
It is important to see that the cylinder may also be lowered if the control spool in the
directional valve element concerned is not operated.
Increasing the pressure on the cylinder piston side increases the pressure on the cylin-
der ring side by the cylinder gear ratio.
At 70 bar, the secondary valve opens.
If the cracking pressure of the secondary pressure valve is achieved, it opens and the cyl-
inder is shut down via the secondary pressure valve. The oil is led into the T channel.
Important:
The cylinder must not be in the extended end position (counterforce cylinder, spring).
Using the secondary pressure valve, overloads can be limited by external forces, even
if the control spool is not operated. External forces may e.g. result from superimposed
working movements or from the fast deceleration of large weights like excavator booms,
slew drives, etc.
Secondary pressure valves aim at protecting the machine against overloads.
Normally, the cracking pressure of secondary pressure valves should at least be 20 bar
higher than the primary pressure.
The cracking pressure of secondary pressure valves may also be lower than the primary
pressure if the actuator must not be loaded with the primary pressure.
Assessment of the work results
a)	 What are secondary valves used for?
Secondary pressure valves are used to protect the machine from overloads.
When do secondary valves take effect?
b)	
Secondary pressure valves take effect in case of excessive pressure even if the actua-
tor is not operated.
How can a machine be protected against overload by external forces?
c)	
If external forces act, they can be limited by means of secondary pressure valves.
Project/trainer information
In the present project 06, knowledge of the protection against overload is developed in a
practical set-up.
In the practical set-up, the following knowledge is to be gained:
Simulation of an external load
•	
The secondary pressure valves opens if the pressure in the actuator channel is larger
•	
than the set pressure
The secondary pressure valve protects the cylinder against overload even if the control
•	
spool is not operated
Via the secondary pressure valve, the cylinder may give under overload
•
1
RE 09970/03.11 I Project 07: Secondary pressure limitation Bosch Rexroth AG
07
Project 07: Secondary pressure limitation
Project definition
A large rotary drill is operated with a load sensing control for the rotary disk and the cylin-
der feed.
The bore rods are to be lifted by pulling the lever towards the operator.
By pushing the lever away from the operator the bore rods are to be lowered and the feed
is to be controlled.
In order not to overload the bore rods, the maximum feed pressure may only be 35 bar.
For the additional functions of the device, 60 bar are necessary.
Fig. 07-1: Walking excavator in the vineyard
Project tasks
Working out the correct pinout for the specified stroke direction.
•	
Setting the maximum cylinder force for the feed.
•	
Checking the function of the secondary valve for force limitation.
•	
Power loss calculation upon response by the secondary pressure valve.
•
2 Project 07: Secondary pressure limitation I RE 09970/03.11
Bosch Rexroth AG
07
Project steps
•	 Information:	 What is the current condition of the machine?
		 What exactly is to be done?
•	 Planning:	 Selecting and inspection documents for information.
		 Component selection.
		 How can the maximum feed force be limited?
		 Preparation of the hydraulic circuit diagram.
•	 Decision-making:	 How must the components be connected with each other in
		 order to get the specified stroke direction with pulled lever?
•	 Execution:	 Setup of the hydraulic control.
		 Determining the required values and their documentation.
•	 Checks:	 Is the stroke direction correct?
		 Does the secondary valve work?
•	 Evaluation:	 How is the system behavior?
Notes
3
RE 09970/03.11 I Project 07: Secondary pressure limitation Bosch Rexroth AG
07
Hydraulic circuit diagram
Fig. 07-2: Hydraulic circuit diagram
Measuring
glass
Measuring glass
Size 4
item 05
4 Project 07: Secondary pressure limitation I RE 09970/03.11
Bosch Rexroth AG
07
Component select with parts list
Fig. 07-3: Parts list for hydraulic circuit diagram Fig. 07-2
item Quantity Device designation Type designation
01 1 Load sensing mobile control block 2M4-12
02 1 Pressure relief valve DD1.1
04 1 Flow meter + Multi-handy DZ30
05 1 Load unit 80 kg DS-LAST/BF-L80E03
06 1 Hydraulic pilot control unit 2-2TH6-L70
07 1 Accumulator 0.7 l DZ3.2
08 2 Distributor DZ4
09 1 Check valve DS2.1
16 3
Pressure gauge with measuring hose
(or digital pressure sensor)
DZ1.4
4 Hose line 90° 1000 mm DKO/DKO90x1000
1
Hose line 90° 1000 mm with
measuring port
DKO/DKO90x1000 M
2 Hose line 90° 2000 mm VSL3.1
1 Hose line 90° 700 mm DKO/DKO90x700
1 Hose line 630 mm VSK1
1 Hose line 630 mm with measuring port DZ25.3
5
RE 09970/03.11 I Project 07: Secondary pressure limitation Bosch Rexroth AG
07
Device arrangement
Fig. 07-4: Device arrangement for parts list Fig. 07-3 and hydraulic circuit diagram Fig. 07-2
Notes
6 Project 07: Secondary pressure limitation I RE 09970/03.11
Bosch Rexroth AG
07
Safety instructions
The operating instructions and accident prevention regulations must be observed.
Danger due do flying component parts.
Do not disassemble components under pressure.
Risk from pressurized oil.
Risk of injury from leaking oil and oil jet.
Connect the return line T properly.
Only assemble/disassemble circuits at zero pressure.
Pressure release:
Lower the load
1)	
3-way ball valve in rest position (vertical)
2)	
Switch the directional valve several times
3)	
Unload accumulator
4)	
Control by means of pressure gauge: 0 bar in P, A, B
5)	
Risk of injury from leaking oil and oil jet.
If the tank port is closed, the control block may burst.
The tank channel is only approved for 30 bar.
If the tank port at the control block is closed, 60 bar and - with the pressure
intensification of the cylinder - 100 bar may result in the T channel!
The correct connection of the return lines T is particularly important!
Control block T must be connected at the connection block T1 or T2.
The pilot oil return line Y is to be connected at zero pressure, e.g. at the measur-
ing glass. Accumulator T must be connected at the connection block T1 or T2.
After termination of the practice:
Lower the load
1.	
Switch the 3-way ball valve in rest position
2.	
Switch the directional valve spool through several times in both directions
3.	
in order to discharge residual pressures
Empty the pilot oil accumulator by opening the unloading valve
4.	
Control by means of pressure gauge
5.	
Switch off the pump
6.	
Order execution
Requirements on the control:
The hydraulic circuit is set up so that with the directional valve element 2 with flow
P → B2, the boom can be lifted and with flow P → A2, it can be lowered. When the pilot
control lever is pulled towards the operator, the rods must be lifted.
Warning
Caution
Caution
7
RE 09970/03.11 I Project 07: Secondary pressure limitation Bosch Rexroth AG
07
A pressure relief valve is to be used to set the max. primary pressure to 60 bar.
By means of the secondary valve in A2, the maximum feed force = pressure in the cylinder
piston chamber is to be set to 35 bar.
For the system evaluation, a flow meter is installed in the P line.
Note for trainers:
Using the sectional diagram and explanation of the function of the directional valve ele-
ment, the correct connection of the cylinder and the control lines at the control block can
be worked out.
The position of the secondary valves is obvious, as well.
With the load cylinder, the weight is lifted with the cylinder ring side.
The feed force is limited by the pressure limitation in the cylinder piston chamber with
the secondary valve in A2.
If the maximum feed force has been reached, the secondary valve opens and the entire
actuator flow volume flows off to port T with a large pressure differential. This generates
heat. (P = q • Δp / 600)
In order to recognize this, the flow meter is installed in the P line and the flow is measured.
Set up the circuit. In this connection, proceed according to the following points:
1.	 Hydraulic control
Work out the circuit diagram and the parts list in order to satisfy the requirements.
Hang in the hydraulic components at the grid according to the circuit diagram and estab-
lish the hose connections.
For connecting pressure gauges with DZ1.4 measuring line, pressure hoses DZ 25.1 are
used.
Manually tighten the pressure gauge measuring lines at the relevant measuring port of the
pressure hose.
Check the correct tight connection of the components with the pressure hoses by turning
the hoses.
2.	 Function of the secondary valve for limiting the feed force
For the measurement, connect the pressure gauge at the cylinder piston MA2 and the
ring side MB2.
By operating the directional valve 2 with flow P → A2, extend the load cylinder into the
end position.
At which pressure does the secondary pressure valve open?
Set the secondary pressure valve until there are max. 35 bar in the cylinder piston cham-
ber.
Measure and note down the flow during the cylinder movement and in the extended end
position and re-calculate the power loss.
Note for trainers:
It is important to see that the cylinder pressure can be limited by means of the secondary
valve.
At 35 bar, the secondary valve opens.
If the cracking pressure of the secondary pressure valve is achieved, it opens and the oil
flows off into the T channel via the secondary pressure valve.
Secondary pressure valves aim at protecting the machine against overloads.
8 Project 07: Secondary pressure limitation I RE 09970/03.11
Bosch Rexroth AG
07
The cracking pressure of secondary pressure valves lies below the primary pressure if
the actuator must not be loaded with the primary pressure.
If the secondary valve is open, a power loss results corresponding to q • Δp. This can be
accepted temporarily, e.g. for limiting short overload peaks. If this is, however, the case
for a longer period of time, e.g. in order to continue drilling with maximum feed, this may
lead to inadmissibly high oil temperatures. Apart from that, the fuel consumption is high.
These findings are important for the next project.
Assessment of the work results
a)	 What are secondary valves used for?
Secondary pressure valves are used to protect the machine from overloads.
When do secondary valves take effect?
b)	
Secondary pressure valves limit the maximum working forces and take effect if they
have been reached.
What is the disadvantage of this type of pressure limitation?
c)	
If working pressures are limited by means of secondary pressure valves, heat results in
continuous operation that may lead to high oil temperatures.
Project/trainer information
In the present project 07, knowledge of the limitation of working forces is developed in a
practical set-up.
In the practical set-up, the following knowledge is to be gained:
The secondary pressure valves opens if the pressure in the actuator channel is larger
•	
than the set pressure.
The secondary pressure valve limits the pressure in the cylinder and thus the maximum
•	
force.
This type of force limitation results in high power loss.
•
1
RE 09970/03.11 I Project 08: Load sensing pressure limitation Bosch Rexroth AG
08
Project 08: Load sensing pressure limitation
Project definition
A large rotary drill is operated with a load sensing control for the rotary disk and the cylin-
der feed.
The bore rods are to be lifted by pulling the lever towards the operator.
By pushing the lever away from the operator the bore rods are to be lowered and the feed
is to be controlled.
So that the bore rods do not get stuck, the maximum feed pressure may only be 35 bar.
The pressure limitation with the secondary valve cannot be used due to the high power
loss.
For the additional functions of the device, 60 bar are necessary.
Fig. 08-1: Telescopic crane
Project tasks
Working out the correct pinout for the specified stroke direction.
•	
Setting the maximum cylinder force for the feed using the LS pressure limitation.
•	
Checking the LS pressure limitation function for the force limitation.
•	
Power loss calculation upon response by the LS DB valve.
•
2 Project 08: Load sensing pressure limitation I RE 09970/03.11
Bosch Rexroth AG
08
Project steps
•	 Information:	 What is the current condition of the machine?
		 What exactly is to be done?
•	 Planning:	 Selecting and inspection documents for information.
		 Component selection.
		 How can the maximum feed force be limited without the second-
		 ary valve?
		 Preparation of the hydraulic circuit diagram.
•	 Decision-making:	 How must the components be connected with each other in
		 order to get the specified stroke direction with pulled lever?
•	 Execution: 	 Setup of the hydraulic control.
		 Determining the required values and their documentation.
•	 Checks:	 Is the stroke direction correct?
		 Does the LS pressure limitation function?
•	 Evaluation: 	 How is the system behavior?
Notes
3
RE 09970/03.11 I Project 08: Load sensing pressure limitation Bosch Rexroth AG
08
Hydraulic circuit diagram
Fig. 08-2: Hydraulic circuit diagram
Measuring glass
Size 4
Measuring
glass
item 05
4 Project 08: Load sensing pressure limitation I RE 09970/03.11
Bosch Rexroth AG
08
Component select with parts list
Fig. 08-3: Parts list for hydraulic circuit diagram Fig. 08-2
item Quantity Device designation Type designation
01 1 Load sensing mobile control block 2M4-12
02 1 Pressure relief valve DD1.1
04 1 Flow meter + Multi-handy DZ30
05 1 Load unit 80 kg DS-LAST/BF-L80E03
06 1 Hydraulic pilot control unit 2-2TH6-L70
07 1 Accumulator 0.7 l DZ3.2
08 2 Distributor DZ4
09 1 Check valve DS2.1
16 3
Pressure gauge with measuring hose
(or digital pressure sensor)
DZ1.4
3 Hose line 90° 1000 mm DKO/DKO90x1000
2 Hose line 90° 2000 mm VSL3.1
2 Hose line 90° 700 mm DKO/DKO90x700
3 Hose line 630 mm VSK1
3
Hose line 630 mm with
measuring port
DZ25.3
5
RE 09970/03.11 I Project 08: Load sensing pressure limitation Bosch Rexroth AG
08
Device arrangement
Fig. 08-4: Device arrangement for parts list Fig. 08-3 and hydraulic circuit diagram Fig. 08-2
Notes
6 Project 08: Load sensing pressure limitation I RE 09970/03.11
Bosch Rexroth AG
08
Safety instructions
The operating instructions and accident prevention regulations must be observed.
Danger due do flying component parts.
Do not disassemble components under pressure.
Risk from pressurized oil.
Risk of injury from leaking oil and oil jet.
Connect the return line T properly.
Only assemble/disassemble circuits at zero pressure.
Pressure release:
Lower the load
1)	
3-way ball valve in rest position (vertical)
2)	
Switch the directional valve several times
3)	
Unload accumulator
4)	
Control by means of pressure gauge: 0 bar in P, A, B
5)	
Risk of injury from leaking oil and oil jet.
If the tank port is closed, the control block may burst.
The tank channel is only approved for 30 bar.
If the tank port at the control block is closed, 60 bar and - with the pressure
intensification of the cylinder - 100 bar may result in the T channel!
The correct connection of the return lines T is particularly important!
Control block T must be connected at the connection block T1 or T2.
The pilot oil return line Y is to be connected at zero pressure, e.g. at the measur-
ing glass. Accumulator T must be connected at the connection block T1 or T2.
After termination of the practice:
Lower the load
1.	
Switch the 3-way ball valve in rest position
2.	
Switch the directional valve spool through several times in both directions
3.	
in order to discharge residual pressures
Empty the pilot oil accumulator by opening the unloading valve
4.	
Control by means of pressure gauge
5.	
Switch off the pump
6.	
Order execution
Requirements on the control:
The hydraulic circuit is set up so that with the directional valve element 2 with flow
P → B2, the boom can be lifted and with flow P → A2, it can be lowered. When the lever
is pulled towards the operator, the boom must be lifted.
Warning
Caution
Caution
7
RE 09970/03.11 I Project 08: Load sensing pressure limitation Bosch Rexroth AG
08
A pressure relief valve is to be used to set the max. primary pressure to 60 bar.
By means of the LS pressure relief valve in A2, the maximum feed force = pressure in the
cylinder piston chamber is to be set to 35 bar.
For the system evaluation, a flow meter is installed in the P line.
Note for trainers:
Using the sectional diagram and explanation of the function of the directional valve ele-
ment, the correct connection of the cylinder and the control lines at the control block can
be worked out.
The position of the LS pressure valves is obvious, as well.
With the load cylinder, the weight is lifted with the cylinder ring side.
The feed force is limited by the pressure limitation in the cylinder piston chamber with
the LS pressure valve in A2.
If the maximum feed force has been reached, the LS signal is limited and the pressure
compensator closes.
In this case, no more oil flows into the actuator channel and the power loss is very low.
Only pilot oil is flowing through the LS pressure valves (P = q • Δp / 600).
In order to recognize this, the flow meter is installed in the P line and the flow is measured.
With the relatively low flow volumes in the teaching system, the difference in the power
loss (see project 07) is not very large; with real systems with e.g. 150 l/min flow rate,
the difference is much clearer.
Set up the circuit. In this connection, proceed according to the following points:
1.	 Hydraulic control
Work out the circuit diagram and the parts list in order to satisfy the requirements.
Hang in the hydraulic components at the mounting grid according to the circuit diagram
and establish the hose connections.
For connecting pressure gauges with DZ1.4 measuring line, pressure hoses DZ 25.1 are used.
Manually tighten the pressure gauge measuring lines at the relevant measuring port of the
pressure hose.
Check the correct tight connection of the components with the pressure hoses by turning
the hoses.
2.	 Function of the LS pressure valve for limiting the feed force
For the measurement, connect the pressure gauge at the cylinder piston MA2 and the
cylinder ring side MB2.
By operating the directional valve 2 with flow P → A2, extend the load cylinder into the
end position.
So that the LS pressure valve and the secondary pressure relief valve do not influence
each other, the secondary pressure relief valve is set to 50 bar. Thus, the secondary pres-
sure relief valve has an additional safety function.
At which pressure does the LS pressure valve open?
Set the LS pressure valve so that there are max. 35 bar in the cylinder piston chamber.
Measure and note down the flow during the cylinder movement and in the extended end
position and re-calculate the power loss.
8 Project 08: Load sensing pressure limitation I RE 09970/03.11
Bosch Rexroth AG
08
Note for trainers:
It is important to see that the cylinder pressure can be limited by means of the LS pres-
sure valve.
At 35 bar, the LS pressure limitation takes effect and the pressure compensator closes.
Now, no more oil flows into the actuator channel.
The measured flow value in the P line is the pilot oil volume for the LS pressure valve.
LS pressure valves aim at the low-loss limitation of working pressures.
The working pressures may be lower than the primary pressure without generating ad-
ditional high losses.
The secondary pressure valve is set 10 to 20 bar higher than the LS pressure valve.
Thus, it is a safety valve.
Assessment of the work results
a)	 What are LS pressure valves used for?
Using LS pressure valves, the maximum working pressures are set to values below
the primary pressure.
How does the LS pressure limitation function?
b)	
Limitation of the LS signal closes the pressure compensator and the power loss is
minimized.
What is the advantage of this type of pressure limitation?
c)	
If working pressures are limited by means of LS pressure valves, only low power loss
results in continuous operation.
Project/trainer information
In the present project 08, knowledge of the limitation of working forces is developed in a
practical set-up.
In the practical set-up, the following knowledge is to be gained:
Function of the LS pressure limitation
•	
Safety function of the secondary pressure valve
•	
This type of force limitation does not result in high power loss
•
1
RE 09970/03.11 I Project 09: Parallel operation with sufficient delivery volume Bosch Rexroth AG
09
Project 09:	Parallel operation with sufficient delivery volume
Project definition
The boom of a crane is operated by means of a cylinder.
The winch is driven by a hydraulic motor.
2-2TH6:
By moving the pilot control lever 1 away from the operator (pushing), the which is to
rotate clockwise. By deflecting the pilot control lever 2 in the direction of the operator
(pulling), the boom is to be lifted.
4TH6:
By deflecting the lever to the right, the winch is to be operated clockwise and the load is
to be lifted (only with 4TH6).
The boom is to be lifted by deflecting the lever towards the operator.
The winch functions analogously to the boom.
Winch and boom are to be moved simultaneously.
The winch speed is to be kept constant, if possible, while the boom is moved simultaneously.
Fig. 09-1: Heavy telescopic crane
Project tasks
Working out the correct pinout for the specified stroke directions.
•	
Setting the specified flow values.
•	
Checking the function in individual and parallel operation.
•
2 Project 09: Parallel operation with sufficient displacement I RE 09970/03.11
Bosch Rexroth AG
09
Project steps
•	 Information:	 What is the current condition of the machine?
		 What exactly is to be done?
•	 Planning:	 Selecting and inspection documents for information.
		 Component selection.
		 Where are the components and measuring points located?
		 Preparation of the hydraulic circuit diagram.
•	 Decision-making:	 How must the components be connected with each other in
		 order to get the specified stroke direction?
•	 Execution:	 Setup of the hydraulic control.
		 Checking the function in individual and parallel operation
•	 Checks:	 Are the stroke direction and flow values correct?
•	 Evaluation:	
What is the system behavior in individual and parallel operation?
Notes
3
RE 09970/03.11 I Project 09: Parallel operation with sufficient delivery volume Bosch Rexroth AG
09
Hydraulic circuit diagram
Fig. 09-2: Hydraulic circuit diagram
Measuring
glass
Measuring glass
Size 4
Measuring glass
4 Project 09: Parallel operation with sufficient displacement I RE 09970/03.11
Bosch Rexroth AG
09
Component select with parts list
Fig. 09-3: Parts list for hydraulic circuit diagram Fig. 09-2
item Quantity Device designation Type designation
01 1 Load sensing mobile control block 2M4-12
02 1 Pressure relief valve DD1.1
04 1 Motor DM8
05 1 Load unit 80 kg DS-LAST/BF-L80E03
06 1 Hydraulic pilot control unit 2-2TH6-L70; alternatively 4TH6-97
07 1 Accumulator 0.7 l DZ3.2
08 2 Distributor DZ4
09 1 Check valve DS2.1
16 1 Flow meter + Multi-handy DZ30
17 3
Pressure gauge with measuring hose
(or digital pressure sensor)
DZ1.4
3 Hose line 90° 1000 mm DKO/DKO90x1000
1
Hose line 90° 1000 mm with
measuring port
DKO/DKO90x1000 M
2 Hose line 90° 2000 mm VSL3.1
3 Hose line 90° 700 mm DKO/DKO90x700
2 Hose line 630 mm VSK1
2 Hose line 630 mm with measuring port DZ25.3
1 Optical speed sensor (optional) E19
5
RE 09970/03.11 I Project 09: Parallel operation with sufficient delivery volume Bosch Rexroth AG
09
Device arrangement
Fig. 09-4: Device arrangement for parts list Fig. 09-4 and hydraulic circuit diagram Fig. 09-2
Notes
6 Project 09: Parallel operation with sufficient displacement I RE 09970/03.11
Bosch Rexroth AG
09
Safety instructions
The operating instructions and accident prevention regulations must be observed.
Danger due do flying component parts.
Do not disassemble components under pressure.
Risk from pressurized oil.
Risk of injury from leaking oil and oil jet.
Connect the return line T properly.
Only assemble/disassemble circuits at zero pressure.
Pressure release:
Lower the load
1)	
3-way ball valve in rest position (vertical)
2)	
Switch the directional valve several times
3)	
Unload accumulator
4)	
Control by means of pressure gauge: 0 bar in P, A, B
5)	
Risk of injury from leaking oil and oil jet.
If the tank port is closed, the control block may burst.
The tank channel is only approved for 30 bar.
If the tank port at the control block is closed, 60 bar and - with the pressure
intensification of the cylinder - 100 bar may result in the T channel!
The correct connection of the return lines T is particularly important!
Control block T must be connected at the connection block T1 or T2.
The pilot oil return line Y is to be connected at zero pressure, e.g. at the measur-
ing glass. Accumulator T must be connected at the connection block T1 or T2.
After termination of the practice:
Lower the load
1.	
Switch the 3-way ball valve in rest position
2.	
Switch the directional valve spool through several times in both directions
3.	
in order to discharge residual pressures
Empty the pilot oil accumulator by opening the unloading valve
4.	
Control by means of pressure gauge
5.	
Switch off the pump
6.	
Order execution
Requirements on the control:
The hydraulic circuit is set up so that with the control block M4-12 ports A1, B1, the
winch can be operated.
Using A2, B2, the boom is lifted and lowered.
Warning
Caution
Caution
7
RE 09970/03.11 I Project 09: Parallel operation with sufficient delivery volume Bosch Rexroth AG
09
Note for trainers:
Using the sectional diagram and explanation of the function of the M4-12 directional
valve element, the correct connection of the actuators at the control block can be worked
out.
With the load unit, the weight is lifted with the cylinder ring side = Lift boom.
Work out the function of the directional valve element particularly that of the pressure com-
pensators and the shuttle valves by means of circuit diagram and sectional diagram.
In parallel operation, the actuator with the highest load determines the LS pressure. This
is achieved via the LS shuttle valves.
The pressure compensator controls the pressure differential Δp at the control spool (me-
tering orifice); consequently, the pressure differential is always constant.
I.e. in parallel operation, changed pressure conditions are automatically compensated
by the pressure compensators. This makes the operation of the machine easier for the
operator as with constant lever deflection, the actuator velocity will also remain constant.
Parallel operation with the LS system will only function if the pump displacement is suf-
ficient for all actuators. If the flow rate of all actuators becomes larger than the maximum
pump displacement, the pressure compensators can no longer work properly. Conse-
quently, the actuator with the highest load will become slower or come to a complete
standstill.
In order to avoid this effect in this project, the actuator volumes are set to 4 l/min.
The pump delivery volume is 8 l/min and is - with 2x4 l/min - not exceeded.
Set up the circuit. In this connection, proceed according to the following points:
1.	 Hydraulic control
Work out the circuit diagram and the parts list in order to satisfy the requirements.
Hang in the hydraulic components at the grid according to the circuit diagram and estab-
lish the hose connections.
For connecting pressure gauges with DZ1.4 measuring line, pressure hoses DZ 25.1 are
used.
Manually tighten the pressure gauge measuring lines at the relevant measuring port of the
pressure hose.
Check the correct tight connection of the components with the pressure hoses by turning
the hoses.
2.	 Individual operation of winch and boom
For checking the stroke directions, the actuators are individually operated in both direc-
tions. The flow rates are set as follows:
Motor A1, B1	 = 4 l/min
Cylinder A2, B2	 = 4 l/min
(For the setting, short-circuit A2, B2 with hose.)
8 Project 09: Parallel operation with sufficient displacement I RE 09970/03.11
Bosch Rexroth AG
09
3.	 Parallel operation with max. motor speed first; then operate the boom cylinder
The motor is operated with max. speed, i.e. the lever is first of all switched through com-
pletely.
Then, the boom cylinder is connected in the Lift direction.
Observe the behavior of the two actuators.
4.	 Parallel operation: Lift boom cylinder first, then operate the motor
The boom cylinder is slowly lifted, i.e. the lever is operated first.
Then, the motor is slowly connected up to the max. speed.
Observe the behavior of the two actuators.
5.	 Parallel operation with 50 % motor speed and lift boom cylinder
Using the lever, the motor is first of all brought to 50 % speed.
The lever position for the motor actuation remains unchanged while the cylinder is slowly
operated in the Lift direction.
Observe the behavior of the two actuators.
6.	 Parallel operation with 50 % motor speed and lower boom cylinder
Using the lever, the motor is first of all brought to 50 % speed.
The lever position for the motor actuation remains unchanged while the cylinder is slowly
operated in the lower direction.
Observe the behavior of the two actuators.
7.	 Parallel operation with const. 50 % motor speed and lift and lower boom
Using the lever, the motor is first of all brought to 50 % speed.
The lever position for the motor actuation is now changed so that the speed remains con-
stant while the cylinder is slowly operated in the Lift and Lower direction.
Observe the behavior of the two actuators.
Note for trainers:
Ad 2.:
The individual operation is unchanged with regard to the previous projects.
Ad 3., 4.:
It is important to see that with 100 % operation of the first element with 4 l/min = max.
motor speed, the cylinder performs a movement corresponding to the lever deflection. In
parallel operation, the actuators with the higher load pressures (lift cylinder) and those
with the lower load pressure are to be operated independently of each other.
Ad 5., 6.:
It is important to see that the two actuators do not influence each other in parallel opera-
tion.
If the lever position for the motor is maintained without changes while the boom is oper-
ated, the motor speed does not change.
In order to lift the cylinder, higher pressure is necessary than the pressure for the motor.
By increasing the pressure p (Mp), the pressure differential Δp at the pressure compensator
for the motor is increased. Consequently, the pressure compensator reduces the opening
cross-section, the flow is identical and the motor keeps the speed almost constant.
By means of the pressure compensator, the pressure differential Δp at the control spools
is kept constant.
If the cylinder is lowered, the lower load pressure is here. In this case, the pressure com-
pensator for the cylinder will now reduce the opening cross-section.
9
RE 09970/03.11 I Project 09: Parallel operation with sufficient delivery volume Bosch Rexroth AG
09
Ad 7.:
Here, it now becomes clear why pressure compensators are advantageous for controlling a
machine with different load pressures. Thus the term load pressure compensation.
This is much more difficult with the throttle control as the operator must provide for the
load pressure compensation.
With mobile machines, superimposed movements are common like in this project in
which a crane winch has to be operated simultaneously with the boom movement.
The pressure compensators are able to compensate changes in the pressure differential
Δp in order to keep the speed constant.
The faster the movements are operated and the faster the pressure conditions change,
the more advantageous is the operation.
So it is also possible to supply all actuators jointly with one pump circuit.
Assessment of the work results
a)	 Why are the actuator flow rates set to 2x4 l/min?
In parallel operation, the max. pump displacement of 8 l/min must not be exceeded.
Which component simplifies the parallel operation with different load pressures?
b)	
The pressure compensator keeps the pressure differential Δp at the control spool
constant and in this way simplifies the operation.
Do the actuators influence each other in parallel operation?
c)	
In parallel operation, the actuators do not influence each other.
How does the pressure compensator of the actuator with the lower load pressure react?
d)	
Due to the larger pressure differential Δp, the pressure compensator reduces the
opening cross-section. At the actuator grooves, Δp remains constant.
What effects does this have on the operation?
e)	
This simplifies the machine operation.
Which other advantage does this system offer?
f)	
It is possible to connect the actuators to one joint pump circuit.
Project/trainer information
In the present project 09, knowledge of the behavior in parallel operation with sufficient
delivery volume for all simultaneously operated actuators is developed in a practical
set-up.
In the practical set-up, the following knowledge is to be gained:
Set the flow rates
•	
Load pressure compensation: In parallel operation, pressure compensators keep the
•	
pressure differential Δp at the control spools constant
The actuators do not influence each other in parallel operation
•	
Controls with pressure compensators are easier to operate
•
10 Project 09: Parallel operation with sufficient displacement I RE 09970/03.11
Bosch Rexroth AG
09
Notes
1
RE 09970/03.11 I Project 10: Parallel operation with insufficient delivery volume Bosch Rexroth AG
10
Project 10:	 Parallel operation with insufficient delivery volume
Project definition
The boom of a crane is operated by means of a cylinder. The winch is driven by a hydrau-
lic motor. By moving the pilot control lever 1 away from the operator (pushing), the which
is to rotate clockwise.
By deflecting the pilot control lever 2 in the direction of the operator (pulling), the boom is
to be lifted.
By deflecting the lever to the right, the winch is to be operated clockwise and the load is
to be lifted (only with 4TH6).
The boom is to be lifted by deflecting the lever towards the operator.
The winch functions analogously to the boom.
Winch and boom are to be moved simultaneously.
The winch speed is to be kept constant, if possible, while the boom is moved simultane-
ously. For increasing the working speeds, the flow rates are to be increased.
Fig. 10-1: City excavator
Project tasks
Working out the correct pinout for the specified stroke directions.
•	
Setting the specified flow values.
•	
Checking the function in individual and parallel operation.
•
2 Project 10: Parallel operation with insufficient displacement I RE 09970/03.11
Bosch Rexroth AG
10
Project steps
•	 Information:	 What is the current condition of the machine?
		 What exactly is to be done?
•	 Planning:	 Selecting and inspection documents for information.
		 Component selection.
		 Where are the components and measuring points located?
		 Preparation of the hydraulic circuit diagram.
•	 Decision-making:	 How must the components be connected with each other in
		 order to get the specified stroke direction?
•	 Execution:	 Setup of the hydraulic control.
		 Checking the function in individual and parallel operation.
•	 Checks:	 Are the stroke direction and flow values correct?
•	 Evaluation:	 What is the system behavior in individual and parallel operation?
Notes
3
RE 09970/03.11 I Project 10: Parallel operation with insufficient delivery volume Bosch Rexroth AG
10
Hydraulic circuit diagram
Fig. 10-2: Hydraulic circuit diagram
Measuring
glass
Measuring glass
Measuring glass
Size 4
4 Project 10: Parallel operation with insufficient displacement I RE 09970/03.11
Bosch Rexroth AG
10
Component select with parts list
Fig. 10-3: Parts list for hydraulic circuit diagram Fig. 10-2
item Quantity Device designation Type designation
01 1 Load sensing mobile control block 2M4-12
02 1 Pressure relief valve DD1.1
04 1 Motor DM8
05 1 Load unit 80 kg DS-LAST/BF-L80E03
06 1 Hydraulic pilot control unit 2-2TH6-L70; alternatively 4TH6-97
07 1 Accumulator 0.7 l DZ3.2
08 2 Distributor DZ4
09 1 Check valve DS2.1
16 1 Flow meter + Multi-handy DZ30
17 3
Pressure gauge with measuring hose
(or digital pressure sensor)
DZ1.4
3 Hose line 90° 1000 mm DKO/DKO90x1000
1
Hose line 90° 1000 mm with
measuring port
DKO/DKO90x1000 M
2 Hose line 90° 2000 mm VSL3.1
3 Hose line 90° 700 mm DKO/DKO90x700
2 Hose line 630 mm VSK1
2 Hose line 630 mm with measuring port DZ25.3
1 Optical speed sensor (optional) E19
5
RE 09970/03.11 I Project 10: Parallel operation with insufficient delivery volume Bosch Rexroth AG
10
Device arrangement
Fig. 10-4: Device arrangement for parts list Fig. 10-5 and hydraulic circuit diagram Fig. 10-3
Notes
6 Project 10: Parallel operation with insufficient displacement I RE 09970/03.11
Bosch Rexroth AG
10
Safety instructions
The operating instructions and accident prevention regulations must be observed.
Danger due do flying component parts.
Do not disassemble components under pressure.
Risk from pressurized oil.
Risk of injury from leaking oil and oil jet.
Connect the return line T properly.
Only assemble/disassemble circuits at zero pressure.
Pressure release:
Lower the load
1)	
3-way ball valve in rest position (vertical)
2)	
Switch the directional valve several times
3)	
Unload accumulator
4)	
Control by means of pressure gauge: 0 bar in P, A, B
5)	
Risk of injury from leaking oil and oil jet.
If the tank port is closed, the control block may burst.
The tank channel is only approved for 30 bar.
If the tank port at the control block is closed, 60 bar and - with the pressure
intensification of the cylinder - 100 bar may result in the T channel!
The correct connection of the return lines T is particularly important!
Control block T must be connected at the connection block T1 or T2.
The pilot oil return line Y is to be connected at zero pressure, e.g. at the measur-
ing glass. Accumulator T must be connected at the connection block T1 or T2.
After termination of the practice:
Lower the load
1.	
Switch the 3-way ball valve in rest position
2.	
Switch the directional valve spool through several times in both directions
3.	
in order to discharge residual pressures
Empty the pilot oil accumulator by opening the unloading valve
4.	
Control by means of pressure gauge
5.	
Switch off the pump
6.	
Order execution
Requirements on the control:
The hydraulic circuit is set up so that the winch can be operated with the control block
M4-12 ports A1, B1.
Using A2, B2, the boom is lifted and lowered.
Warning
Caution
Caution
7
RE 09970/03.11 I Project 10: Parallel operation with insufficient delivery volume Bosch Rexroth AG
10
Note for trainers:
Using the sectional diagram and explanation of the function of the M4-12 directional
valve element, the correct connection of the actuators at the control block can be worked
out.
With the load unit, the weight is lifted with the cylinder ring side = Lift boom.
Work out the function of the directional valve element particularly that of the pressure com-
pensators and the shuttle valves by means of circuit diagram and sectional diagram.
In parallel operation, the actuator with the highest load determines the LS pressure. This
is achieved via the LS shuttle valves.
The pressure compensator controls the pressure differential Δp at the control spool (me-
tering orifice); consequently, the pressure differential is always constant.
I.e. in parallel operation, changed pressure conditions are automatically compensated
by the pressure compensators. This makes the operation of the machine easier for the
operator as with constant lever deflection, the actuator velocity will also remain constant.
Parallel operation with the LS system will only function if the pump displacement is suf-
ficient for all actuators. If the flow rate of all actuators becomes larger than the maximum
pump displacement, the pressure compensators can no longer work properly. Conse-
quently, the actuator with the highest load will become slower or come to a complete
standstill.
In order to get this effect in this project, the actuator volumes are set to 6 l/min.
The pump delivery volume is 8 l/min and is - with 2x6 l/min - exceeded if the actuators
are fully controlled.
Set up the circuit. In this connection, proceed according to the following points:
1.	 Hydraulic control
Work out the circuit diagram and the parts list in order to satisfy the requirements.
Hang in the hydraulic components at the grid according to the circuit diagram and estab-
lish the hose connections.
For connecting pressure gauges with DZ1.4 measuring line, pressure hoses DZ 25.1 are
used.
Manually tighten the pressure gauge measuring lines at the relevant measuring port of the
pressure hose.
Check the correct tight connection of the components with the pressure hoses by turning
the hoses.
2.	 Individual operation of winch and boom
For checking the stroke directions, the actuators are individually operated in both direc-
tions. The flow rates are set as follows:
Motor A1, B1	 = 6 l/min
Cylinder A2, B2	 = 6 l/min
(For the setting, short-circuit A2, B2 with hose.)
8 Project 10: Parallel operation with insufficient displacement I RE 09970/03.11
Bosch Rexroth AG
10
3.	 Parallel operation with max. motor speed first; then operate the boom cylinder
The motor is operated with max. speed.
Then, the boom cylinder is connected in the Lift direction.
Observe the behavior of the two actuators.
4.	 Parallel operation: Lift boom cylinder first, then operate the motor
The boom cylinder is slowly lifted until 50 % pump delivery volume, i.e. the lever is oper-
ated first.
Then, the motor is slowly connected up to the max. speed.
Observe the behavior of the two actuators.
5.	 Parallel operation with 50 % motor speed and lift boom cylinder
Using the lever, the motor is first of all brought to 50 % speed.
The lever position for the motor actuation remains unchanged while the cylinder is slowly
operated in the Lift direction until 50 % pump delivery volume.
Observe the behavior of the two actuators.
6.	 Parallel operation with 50 % motor speed and lower boom cylinder
Using the lever, the motor is first of all brought to 50 % speed.
The lever position for the motor actuation remains unchanged while the cylinder is slowly
operated in the Lower direction until 50 % pump delivery volume.
Observe the behavior of the two actuators.
7.	 Parallel operation with const. 50 % motor speed and lift and lower boom
Using the lever, the motor is first of all brought to 50 % speed.
The lever position for the motor actuation is now changed so that the speed remains con-
stant while the cylinder is slowly operated in the Lift and Lower direction.
Observe the behavior of the two actuators.
Note for trainers:
Ad 2.:
The individual operation is unchanged with regard to the previous projects.
Ad 3., 4.:
It is important to see that with 100 % operation of the first element with 6 l/min = max.
motor speed, the cylinder only performs a slow movement. In parallel operation with
insufficient displacement, actuators with higher load pressure (lift cylinder) are slower.
In this case, both pressure compensators go in the direction of the close position. The
actuators can no longer be operated independently of each other. That means throttle
control of both actuators.
Ad 5., 6.:
It is important to see that as with the throttle control, the two actuators influence each
other in parallel operation with insufficient delivery volume.
In order to lift the cylinder, higher pressure is necessary than the pressure for the motor.
The cylinder slows down.
If the cylinder is lowered, the lower load pressure is here.
The motor slows down.
The oil always flows the path of least resistance.
9
RE 09970/03.11 I Project 10: Parallel operation with insufficient delivery volume Bosch Rexroth AG
10
Ad 7.:
Here, the effect of insufficient delivery volume in parallel operation does now be-
come clear.
The pump delivery volume must - for independent parallel operation - always be suffi-
cient for all simultaneously operated actuators.
Assessment of the work results
a)	 Has the increase in the actuator flow rate to 2x6 l/min led to an increase in the working
velocities?
In individual operation, the working velocity increased.
In parallel operation, the working velocity did not increase and interfering influences
of the actuators resulted.
Do the actuators influence each other in parallel operation?
b)	
In parallel operation, the actuators influence each other as the maximum pump delivery
volume of 8 l/min is exceeded.
What effects does this have on the operation?
c)	
This has disturbing effects on the machine operation.
What has to be observed for failure-free parallel operation?
d)	
The actuator flow rates of all simultaneously operated actuators must not exceed the
pump delivery volume.
Project/trainer information
In the present project 10, knowledge of the behavior in individual and parallel operation is
developed in a practical set-up.
In the practical set-up, the following knowledge is to be gained:
Set the flow rates
•	
The actuators influence each other in parallel operation if the actuator flow rates of all
•	
simultaneously operated actuators exceed the pump delivery volume
10 Project 10: Parallel operation with insufficient displacement I RE 09970/03.11
Bosch Rexroth AG
10
Notes
1
RE 09970/03.11 I Project 11: Stroke cylinders with alternating direction of force Bosch Rexroth AG
11
Project 11: Stroke cylinders with alternating direction of force
Project definition
An excavator is operated with a load sensing control.
The boom is to be lifted by pulling the lever towards the operator.
The boom is to be lowered by pushing the lever away from the operator.
When the equipment touches the ground, the device operator expects immediate digging
force.
After fast lowering of the equipment, it firstly stops for a short period before the digging
force is available. This behavior is not accepted by the device operator and an operation
sequence without interruptions must be possible.
Fig. 11-1: Excavator in operation
Project tasks
Working out the correct pinout for the specified stroke direction.
•	
Examination of the described operation sequence.
•	
Working out measures for an operation sequence without interruptions.
•
2 Project 11: Stroke cylinder with alternating force direction I RE 09970/03.11
Bosch Rexroth AG
11
Project steps
•	 Information:	 What exactly is to be done?
•	 Planning:	 Selecting and inspection documents for information.
		 Component selection.
		 Where are the components and measuring points located?
		 Preparation of the hydraulic circuit diagram.
•	 Decision-making:	 How can the problem be analyzed?
•	 Execution:	 Setup of the hydraulic control.
		 Determination of the necessary values and their analysis.
		 Working out a system optimization.
•	 Checks:	 Is the operation sequence free of interruptions?
•	 Evaluation:	 How is the system behavior?
Notes
3
RE 09970/03.11 I Project 11: Stroke cylinders with alternating direction of force Bosch Rexroth AG
11
Hydraulic circuit diagram
Fig. 11-2: Hydraulic circuit diagram
Size 4
Measuring
glass
Measuring glass
4 Project 11: Stroke cylinder with alternating force direction I RE 09970/03.11
Bosch Rexroth AG
11
Fig. 11-3: Hydraulic circuit diagram
Hydraulic circuit diagram
Size 4
Measuring
glass
Measuring glass
5
RE 09970/03.11 I Project 11: Stroke cylinders with alternating direction of force Bosch Rexroth AG
11
Component selection with parts list for Fig. 11-2
Fig. 11-4: Parts list for hydraulic circuit diagram Fig. 11-2
item Quantity Device designation Type designation
01 1 Load sensing mobile control block 2M4-12
02 1 Pressure relief valve DD1.1
03 2 Distributor DZ4
05 1 Load unit 80 kg DS-LAST/BF-L80E03
06 1 Hydraulic pilot control unit 4TH6-97
07 1 Accumulator 0.7 l DZ3.2
09 1 Check valve DS2.1
16 2
Pressure gauge with measuring hose
(or digital pressure sensor)
DZ1.4
5 Hose line 90° 1000 mm DKO/DKO90x1000
1
Hose line 90° 1000 mm with
measuring port
DKO/DKO90x1000 M
2 Hose line 90° 2000 mm VSL3.1
3 Hose line 90° 700 mm DKO/DKO90x700
1 Hose line 630 mm VSK1
1 Hose line 630 mm with measuring port DZ25.3
6 Project 11: Stroke cylinder with alternating force direction I RE 09970/03.11
Bosch Rexroth AG
11
Component selection with parts list for Fig. 11-3
Fig. 11-5: Parts list for hydraulic circuit diagram Fig. 11-3
item Quantity Device designation Type designation
01 1 Load sensing mobile control block 2M4-12
02 1 Pressure relief valve DD1.1
03 2 Distributor DZ4
04 1 Pressure sequence valve DD3
05 1 Load unit 80 kg DS-LAST/BF-L80E03
06 1 Hydraulic pilot control unit 4TH6-97
07 1 Accumulator 0.7 l DZ3.2
09 1 Check valve DS2.1
16 2
Pressure gauge with measuring hose
(or digital pressure sensor)
DZ1.4
5 Hose line 90° 1000 mm DKO/DKO90x1000
1
Hose line 90° 1000 mm with
measuring port
DKO/DKO90x1000 M
2 Hose line 90° 2000 mm VSL3.1
3 Hose line 90° 700 mm DKO/DKO90x700
3 Hose line 630 mm VSK1
1 Hose line 630 mm with measuring port DZ25.3
7
RE 09970/03.11 I Project 11: Stroke cylinders with alternating direction of force Bosch Rexroth AG
11
Device arrangement
Fig. 11-6: Device arrangement for parts list Fig. 11-5 and hydraulic circuit diagram Fig. 11-3
Notes
8 Project 11: Stroke cylinder with alternating force direction I RE 09970/03.11
Bosch Rexroth AG
11
Safety instructions
The operating instructions and accident prevention regulations must be observed.
Danger due do flying component parts.
Do not disassemble components under pressure.
Risk from pressurized oil.
Risk of injury from leaking oil and oil jet.
Connect the return line T properly.
Only assemble/disassemble circuits at zero pressure.
Pressure release:
Lower the load
1)	
3-way ball valve in rest position (vertical)
2)	
Switch the directional valve several times
3)	
Unload accumulator
4)	
Control by means of pressure gauge: 0 bar in P, A, B
5)	
Risk of injury from leaking oil and oil jet.
If the tank port is closed, the control block may burst.
The tank channel is only approved for 30 bar.
If the tank port at the control block is closed, 60 bar and - with the pressure
intensification of the cylinder - 100 bar may result in the T channel!
The correct connection of the return lines T is particularly important!
Control block T must be connected at the connection block T1 or T2.
The pilot oil return line Y is to be connected at zero pressure, e.g. at the measur-
ing glass. Accumulator T must be connected at the connection block T1 or T2.
After termination of the practice:
Lower the load
1.	
Switch the 3-way ball valve in rest position
2.	
Switch the directional valve spool through several times in both directions
3.	
in order to discharge residual pressures
Empty the pilot oil accumulator by opening the unloading valve
4.	
Control by means of pressure gauge
5.	
Switch off the pump
6.	
Warning
Caution
Caution
9
RE 09970/03.11 I Project 11: Stroke cylinders with alternating direction of force Bosch Rexroth AG
11
Order execution
Requirements on the control:
The hydraulic circuit is set up so that with the directional valve element 2 with flow
P → B2, the boom can be lifted and with flow P → A2, it can be lowered. When the pilot
control lever is pulled towards the operator, the boom must be lifted.
A pressure relief valve is to be used to set the max. primary pressure to 60 bar.
For the system evaluation, the following measurement points are necessary:
Pressures in
•	 Mp, MpLS, MA2
Note for trainers:
In this project, the pressure in the cylinder piston chamber is particularly interesting.
This project can only be implemented with a vertical (hanging at the cylinder) and heavy
load of approx. 80 kg.
In order to maintain the load cycle, the cylinder is loaded at the stroke end with a spring.
Set up the circuit. In this connection, proceed according to the following points:
1.	 Hydraulic control
Work out the circuit diagram and the parts list in order to satisfy the requirements.
Hang in the hydraulic components at the grid according to the circuit diagram and estab-
lish the hose connections.
For connecting pressure gauges with DZ1.4 measuring line, pressure hoses DZ 25.1 are
used.
Manually tighten the pressure gauge measuring lines at the relevant measuring port of the
pressure hose.
Check the correct tight connection of the components with the pressure hoses by turning
the hoses.
2.	 Analysis of the system behavior
For the measurement, connect the pressure gauge at the cylinder piston side.
By operating the directional valve P → A2, extend the load cylinder several times into the
end position using different velocities.
While doing so, observe in particular the velocity of the cylinder when it hits the
load spring.
Determine the pressures with negative (pulling) load, upon touching and with positive
(pushing) load.
3.	 System optimization
As the vacuum in the cylinder piston chamber is the reason for the interruption in the mo-
tion, it has to be avoided.
The vacuum is generated during lowering as the load pulls the cylinder out faster than the
oil from the control block flows in. In this case, there is a charging deficit.
There can only be hydraulic traction if the charging deficit has been remedied. During this
period, no motion is possible as the oil flowing in must first of all re-fill the cylinder.
I.e. it has to be ensured that the pressure on the supply side (cylinder piston chamber)
10 Project 11: Stroke cylinder with alternating force direction I RE 09970/03.11
Bosch Rexroth AG
11
never falls below 5 bar so that no air is dissolved.
This can be achieved by compensating the load.
For this purpose, the pressure on the discharge side (cylinder ring side) must be able to
hold the load.
As the system is operated with different velocities and always the same load weight, a
pressure valve can be used for the load compensation.
The pressure in throttle valves are velocity-dependent and not suitable for this application.
In real applications, the load velocities and weights are in most cases variable.
In order to avoid the vacuum in this case, lowering brake valves have to be used.
Lowering brake valves are throttle or pressure valves that act on the discharge side and
are controlled from the supply side.
As here, no suitable lowering brake valves are available, the load is-compensated by
means of a pressure valve.
The advantage of the DD3 pressure sequence valve is that the bypass check valve for
lifting is integrated.
Connect the cylinder ring side at the DD3 pressure sequence valve at P, A at control
block B, L at leakage oil.
Set the DD3 pressure sequence valve so that the pressure in the cylinder piston chamber
is 5 bar during lowering.
Observe the system behavior with different velocities.
Note for trainers:
Ad 2.:
It is important to see from the lowering that with negative load, the pressure in the cylin-
der piston chamber is below 1 bar.
When contacting the load spring, the pressure first of all remains below 1 bar. The mo-
tion is interrupted until the load pressure increases.
Vacuum is always related to air dissolution in the cylinder piston chamber when lowering
with negative load. The motion can only be continued if the dissolved air has been com-
pressed.
Ad 3.:
It is important to see that the charging deficit is only completely excluded with a pres-
sure  1 bar during the entire lowering stroke. The motion is now continued without
delay in the load cycle as no air has to be compressed any more.
As compared to throttle valves, another advantage of pressure valves and lowering brake
valves that are used as hydraulic counterpressure is that they block the discharge line
and hold the load.
In safety-relevant applications (e.g. lifting gear), these valves must be directly mounted at
the cylinder.
In this project, only the charging deficit at the cylinder can be considered.
The charging deficit at hydraulic motors is much more critical!
If here, a charging deficit results, the dissolved air is - together with the pistons of the rota-
tional unit - carried forward to the discharge side. On the discharge side, the pistons must
be supported by an oil column, that is not available in case of a charging deficit.
The pistons fall into nothingness and the motor rotates faster which even increases the
charging deficit. An uncontrolled overspeed results and the motor may be destroyed.
It is fatal if this happens with a crane winch with loads in great height or with a carriage
on a slope.
11
RE 09970/03.11 I Project 11: Stroke cylinders with alternating direction of force Bosch Rexroth AG
11
Assessment of the work results
a)	 What interrupts the motion sequence after the load has been lowered? During the low-
ering of the load, there is a charging deficit in the cylinder piston chamber which must
first of all be removed.
What happens in case of vacuum?
b)	
In case of a vacuum, air is dissolved from the oil.
Which measure can be taken to prevent vacuum?
c)	
The load must be compensated with pressure on the discharge side.
Project/trainer information
In the present project 11, knowledge of the effect and compensation of negative forces is
developed in a practical set-up.
In the practical set-up, the following knowledge is to be gained:
Effects of vacuum in the hydraulic system
•	
Application of load compensation
•	
Fig. 11-7: Air dissolution due to vacuum
1/64
Load-sensing control block in
mono and sandwich plate design
Type M4-12
Nominal size 12
Unit series 2X
Nominal pressure 350 bar (pump side)
Nominal pressure 420 bar (actuator side)
Maximum flow
– Pump side:	 200 l/min for central inlet element
	 150 l/min for lateral inlet element
– Actuator side:	 130 l/min with pressure compensator and
	 load holding function
RE 64276/08.2010
Replaces: 08.2008
HAD 7407
Content Page
Features 2
Function 2
Cross-section 3
Symbol 3
Technical data 4
Modular structure 5 to 7
Order details 8 to 11
Order examples 12 to 16
Inlet elements 17
Closed Center (J)  17 to 21
Open Center (P)  22
Monoblock Closed Center (JM) 23
Monoblock Open Center (PM) 24
Directional valve elements
Pressure compensator 25
LS pressure relief function 26 to 30
Main spool 31, 32
Flow 33
Types of operation cover A – mechanical 34 to 40
Voltage supply and plugs 40
Types of operation cover B 41, 4242
Secondary valves 43, 44
Housing options that can be ordered 45
End elements 46, 47
Dimensions 48 to 60
On-board electronics (EPM) 61
Electronic pilot module: Pin assignment 62
Electronic pilot module: Accessories 63
Table of contents
2/64	 Bosch Rexroth AG	 M4-12 | RE 64276/08.2010
System
Load pressure-independent flow control
•
•
Open center for fixed displacement pump
–
–
Closed center for variable displacement pump
–
–
Type
Sandwich plate design
•
•
Inlet element
–
–
Up to 10 directional valve elements
–
–
Up to 20 directional valves with central inlet element
–
–
End element
–
–
Monoblock (single)
•
•
Inlet element combined with 1 spool axis
–
–
Up to 9 directional valve elements flangeable
–
–
Types of operation
Mechanical:
•
•
Handle-operated lever
–
–
Tongue
–
–
Hydraulic
•
•
Servohydraulic
•
•
Electrohydraulic (switching, proportional)
•
•
Electrohydraulic with on-board electronics (EPM2)
•
•
Features
Function
Control block M4-12
The directional valves are proportional valves according to
the load-sensing principle.
Actuator control
The flow direction and magnitude of flow reaching the
actuator ports (A or B) is determined by the main spool (2).
Pressure reducing valves (9) control the position of the
main spool (2). The level of electric current at the pressure
reducing valve determines the level of pilot pressure in the
spring chambers (8) and therefore also the stroke of the
main spool (P → A; P → B).
The pressure difference at the main spool (2), and
consequently the flow to the actuator, is maintained constant
via the pressure compensator (3).
Load pressure compensation
Pressure changes at the actuators or at the pump are
compensated by the pressure compensator (3). The flow to
the actuator remains constant even if the load varies.
Flow limitation
The maximum flow can be set mechanically and individually
via stroke limitations (6).
Pressure relief function
The LS pressure as per actuator port can be adjusted
internally via the LS pressure relief valves (4) or externally
via the LS ports MA, MB.
Shock valves with combined feed function (5) protect the
actuator ports A and B from pressure peaks.
The highest load pressure is signaled to the pump via the
LS line and the integrated shuttle valves (7).
Flow
Load pressure compensated
•
•
High repeatability
•
•
Low hysteresis
•
•
Adjustable via stroke limitation
•
•
Pressure relief function
Inlet element:
•
•
Pilot-operated pressure valves with large nominal width
–
–
Directional valve element / actuator ports
•
•
Compact shock valves with feed function
–
–
LS pressure relief function
Adjustable for each actuator port
•
•
External pressure adjustment for each actuator port
•
•
possible
Electro-proportional per section
•
•
Areas of application
Truck applications
•
•
Drilling machinery
•
•
Forestry machines
•
•
Large-size and telescopic
•
•
forklifts
Municipal vehicles
•
•
Cranes
•
•
Construction machines
•
•
Lifting platforms
•
•
Heavy load vehicles
•
•
Ship engineering
•
•
Mining applications
•
•
Stationary applications
•
•
�
� � �
�
��
���
��� ���
�� � ��
���
���
��
��� ���
�
�
�
�
�
�
���
���
�
���
�
�� ��
�
�
�
�����
���
���
� �
� �
�
���
�
�
�
���
�
�
��
��
RE 64276/08.2010 | M4-12	 Bosch Rexroth AG	 3/64
Cross-section
1	 Housing
2	 Main spool
3	 Pressure compensator
4	 LS pressure relief valves
5.1	 Shock valve with feed function
5.2	 Plug screw
6.1	 A side stroke limitation
6.2	 B side stroke limitation
7	 LS shuttle valve
8	 Spring chamber
9.1	 Pressure reducing valve
(pilot valve “a”)
9.2	 Pressure reducing valve
(pilot valve “b”)
10	 Compression spring
11	 Handle-operated lever
12	 Cover A
13	 Cover B
Symbol
Connections:
P	 Pump
A, B	 Actuator
T	 Tank
X	 Pilot oil supply
Y	 Tank, depressurized
LS	 Load-sensing (LS)
MA, MB	 External LS ports
4/64	 Bosch Rexroth AG	 M4-12 | RE 64276/08.2010
general
Installation position Any
Type of connection Pipe thread according to ISO 228/1
Mass – Inlet element:	 Closed center J kg 4.3
	 Open center P kg 6.0
Central inlet element: Closed center JZ kg 8.4
Monoblock kg 5.6
Directional valve element Operation
Mechanical Hydraulic El.-hydraulic with EPM2
kg 4.9 4.2 4.5 4.8
Excess weight of handle-operated lever kg 0.6
End element kg 2.6
Hydraulic fluid and ambient temperature range	 ϑ °C –20 to +80
Painting Standard painting
hydraulic
max. flow at port P qV max l/min 200 with central inlet element
l/min 150 with lateral inlet element
A, B qV max l/min 140
Nominal pressure pnom bar 350 (400 on inquiry)
max. operating pressure
at port
P pmax bar 350 (400 on inquiry)
A, B pmax bar 420
LS pmax bar 330
T pmax bar 30, or 20 for purely mechanic model
Y pmax bar Depressurized to the tank
max. pilot pressure at port X pctrl bar 35
a, b pctrl bar 35
Pilot pressure range Hydraulic pctrl bar 8.5 to 22.5
Electrohydraulic pctrl bar 6.5 to 17.2
Required control Δp at the
control block
Versions S; C p bar 18
Recommended hydraulic pilot control units Characteristic curve TH 6... , see RE 64552
LS pressure relief function (adjustment ranges) bar 50 to 149; 150 to 330 (selected in the factory)
Hydraulic fluid Mineral oil (HL, HLP) according to DIN 51524, other hydraulic fluids,
such as HEES (synthetic esters) according to VDMA 24568 as well as
hydraulic fluids as specified under RE 90221, on inquiry
Viscosity range ν mm²/s 10 to 380
Maximum permitted degree of contamination of the hydraulic fluid
cleanliness class according to ISO 4406 (c)
Class 20/18/15, for this we recommend a filter with a minimum reten-
tion rate of β10 ≥ 75
servohydraulic
STDS 0014
STDS 0015
STDS 0016
See data sheet RE 29617-B2
See data sheet RE 29616-B2
See data sheet RE 29618-B2 2)
electrical
Electrical pilot control valves FTWE 2 K...; see RE 58007 1)
FTDRE 2 K...; see RE 58032 1)
Recommended amplifiers
(further control options on inquiry)
RA 1-0/10; 1 axis, see RE 95230
RA 2-1/10; 4 to 6 axes, see RE 95230
Control units RC see RE 95200
On-board electronics (EPM2) Data from page 61; see also RE 64815-B
Technical data (Please inquire in case the intended use of unit is outside the given values!)
Note!
The technical data were determined with a viscosity of
= 32 mm²/s (HLP46: 50 °C).
1)	 Plug-in connectors are not included in the scope of supply and
need to be ordered separately, see page 41.
2) 	Projected
Note!
You can find more information on using the hydraulic
products of Bosch Rexroth in our publication “Hydraulic
valves for mobile applications - General information”,
RE 64020-B1.
2.4
2.
2.2
3.
2.1
2.3
1.
2.5
A
B
C
A
B
C
D
A
B
C
E
A
B
C
RE 64276/08.2010 | M4-12	 Bosch Rexroth AG	 5/64
Modular structure: Control block with lateral inlet element
Inlet element
1.	
A: Monoblock inlet (combined with 1 spool axis)
B: Open center “P”
C: Closed center “J”
Directional valve elements
2.	
2.1 	 LS pressure relief function
2.2 	 Secondary valves
2.3 	 Operation cover “A”
A: 	Mechanical operation “A”
B: 	Hydraulic operation “H”
C: 	Electrohydraulic operation “W”
D: 	Servohydraulic operation “S”
E: 	Electrohydraulic operation with on-board
electronics EPM2 “CBA”
2.4 	 Operation cover “B”
A: 	Mechanical operation “Z”
B: 	Standard cover “–”
C: 	Mechanical operation “K” with handle-operated
lever
2.5 	 Electro-proportional LS pressure relief function
End element
3.	
A: 	with LS unloading “LA”
B: 	with LS port “LZ”
C: 	with two installation bores “LAW…W…”
Control blocks of the series M4-12 have a modular structure. They
can be combined without problems for the specific application.
2.
2.4
2.
2.2
3.
2.1
2.3
3.
2.5
1.
A
B
C
A
B
C
E
D
D
E
C
A
B
6/64	 Bosch Rexroth AG	 M4-12 | RE 64276/08.2010
Modular structure: Control block with lateral inlet element
Central inlet element “JZ”
1.	
Directional valve elements
2.	
2.1	 LS pressure relief function
2.2	 Secondary valves
2.3	 Operation cover “A”
A:	 Mechanical operation “A”
B:	 Hydraulic operation “H”
C:	 Electrohydraulic operation “W”
D:	 Servohydraulic operation “S”
E:	 Electrohydraulic operation with on-board
electronics EPM2 “CBA”
2.4	 Operation cover “B”
A:	 Mechanical operation “Z”
B:	 Standard cover “–”
C:	 Mechanical operation “K” with
handle-operated lever
2.5	 Electro-proportional LS pressure relief function
End element
3.	
A: Diversion plate “LU”
B: with two installation bores “LUW…W…”
C: with LS unloading “LA”
D: with LS port “LZ”
E: with two installation bores “LAW…W…”
1.4
1.3
1.5
1.7
1.
1.2
1.1
1.6
A
B
C
A
B
C
E
D
2.
RE 64276/08.2010 | M4-12	 Bosch Rexroth AG	 7/64
Modular structure: Monoblock
1	 Monoblock (combining inlet, 1 spool axis and end element)
1.1	 LS pressure relief function
1.2	 Secondary valves
1.3	 Primary pressure relief function
1.4	 Electro-proportional LS pressure relief function
1.5	 LS shut-off
1.6	 Operation cover “A”
	 A: 	Mechanical operation “A”
	 B: 	Hydraulic operation “H”
	 C: 	
Electrohydraulic operation “W”
	 D: 	
Servohydraulic operation “S”
	 E: 	Electrohydraulic operation with on-board
	 electronics EPM2 “CBA”
1.7	 Operation cover “B”
	 A:	Mechanical operation “Z”
	 B:	Standard cover
	 C:	Mechanical operation “K” with handle-operated lever
2	 Flangeable directional valve elements
8/64	 Bosch Rexroth AG	 M4-12 | RE 64276/08.2010
Number of directional valves
1 to 20 1)
Nominal size 12	 = 12
Unit series 20 to 29	 = 2X
(unchanged installation
and connection dimensions)
Closed
center
Open
center
Sandwich plate design
Lateral = J = P
Central = JZ
Central for M4-12/15 = JK
Monoblock (inlet combined with 1 spool axis)
Standard = JM 2) = PM 3)
without primary pressure relief valve	 = Q
(not for open center)
with primary pressure relief valve	 = …
(pressure information in bar, 3-digit; not with OC monoblock)
without primary pressure relief valve	 = Z
(cannot be retrofitted, only in combination with JZ)
Pilot oil supply
with internal pilot oil supply	 = Y
for external pilot oil supply	 = X
with LS shut-off (only in combination with J, P)	 = A
Order details
Short code Inlet element Directional valve element
1. Spool axis
2. Spool axis
3. Spool axis etc.
M4 12 2X
Order details see pages 10 and 11
Example for a short code of the M4-12 control block with
three directional valve elements:
M4 – 7654 – 2 0 / 3 M4 – 12 J W2 K V 01 –450
Control block No.
Unit series of the unit
series (2X)
Revision status of the
series
Number of Directional valve
elements
Inlet
Operation A side (prevalent operation)
Operation B side (prevalent operation)
Sealing material
Threaded connection
SO number if any
= Standard product range (M4 configurator)
1)	 max. 10 elements per side, of which a maximum of 6
with servohydraulic operation
2)	 Installation of further directional valve elements
possible.
Consult Technical Sales.
3)	 Installation of further directional valve elements not
possible.
Consult Technical Sales.
Short code
Complete control blocks are defined
according to type key.
The order text is for detailing the technical
features and requirements.
The order text is used by the Rexroth sales
department to derive a short code as well as
a material number.
RE 64276/08.2010 | M4-12	 Bosch Rexroth AG	 9/64
Order details
01 *
End element Additional details
Further information in the clear text
SO numbers
–038 =	 Resistant to sea water 4)
–450 =	 Aluminum free
S =	 For safety-relevant applications
Supply voltage 24 V Supply voltage 12 V Supply voltage and plug-in connector 6)
1 3 Junior Timer 2-pin (AMP)
8 9 DT04-2P (Deutsch)
01 =	 Connections as pipe thread acc. to ISO 228/1
V =	 FKM seals 5)
M =	 NBR seals (on inquiry)
End element
LA =	 End element without ports, with internal LS unloading
LAPT =	 End element LA with additional P and T port
LZ =	 End element with LS port, without internal LS unloading
LZPT =	 End element LZ with additional P and T port
LU =	 End element for use with central inlet element
LAK =	 End element LA with internal pilot oil supply for servohydraulic operation
LZK =	 End element LZ with internal pilot oil supply for servohydraulic operation
LA = End element LA with two installation bores
LU = End element LU with two installation bores
Q =	 Plug screw
W2 =	 Electrohydraulically proportional
W4 =	 Electrohydraulically switchable
LA 	 =	 End element LA with three installation bores
Q	 =	 Plug screw
…	 =	 Pressure reducing valve (pressure info in bar, 3-digit)
Q	 =	 Plug screw
KKDER…	 =	 4/2 way spool valve, according to RE 18136-05 (information in plain text)
LM	 =	 Monoblock, no end element
L8 …	 =	 Adapter plate for SP-08 directional valve elements, inlet pressure relief function (pressure info in bar, 3-digit)
LC	 =	 Adapter plate for Bosch Rexroth Oil Control 4)
= Standard product range (M4 configurator)
4)	 At request only. Rating by Technical Sales.
5)	 The block preferably contains FKM, but also NBR seals. Observe
sealing compatibility of the hydraulic fluid used!
6)	 Information required only for electrohydraulic operation and
electroproportional pressure relief function.
Note!
Plug-in connectors are not included in the scope of supply
and need to be ordered separately, see also page 40.
10/64	 Bosch Rexroth AG	 M4-12 | RE 64276/08.2010
Order details for directional valve element
= Standard product range (M4 configurator)
1)	 Rating by Technical Sales.
2)	 Detailed information in plain text, see data starting on page 29;
see also data sheet RE 18139.
3)	 At request only. Rating by Technical Sales.
For
available
combinations,
see
table
on
page
45.
Pressure compensator
with pressure compensator, with load holding function	 = S
without pressure compensator, with load holding function (not in combination with PM)	 = C
without pressure compensator, without load holding function	 = Q
with sensitive pressure compensator, with load holding function	 = F
with 3-way pressure compensator (only in combination with PM)	 = D
with pressure compensator, with priority function (only in connection with JM)	 = V
without pressure compensator bore for change-over axis	 = Z
LS valve
with LS pressure relief valve
(pressure information in bar, 3-digit) (no Z possible)
= … …
with LS pressure relief valve (pressure relief function) plug screw (no Z possible) = Q Q
with only 1 LS pressurerelief valve
for same pressure setting in A and B
= = M …
with LS unloading plug = B B
without LS pressure relief valve
(LS pressure relief valve cannot be retrofitted) (no M possible)
= Z Z
Housing with measuring ports	 =	 M
Housing without measuring ports	 =	 Z
Housing for change-over axis 1) (possible in combination with ZUZ only)	 =	 U
Housing for electroproportional or switchable pressure relief function 2)	 =	 K
	 –210 bar, decreasing characteristic curve 2)	 =	 L
	 –210 bar, rising characteristic curve 2)	 =	 J
	 –350 bar, decreasing characteristic curve 2)	 =	 R
	 –350 bar, rising characteristic curve 2)	 =	 N
Spool symbol
E spool	 = E
J spool	 = J
Q spool	 = Q
Spool with regeneration function	 = R
Plunger cylinder as actuator	 = P 3)
Float position spool	 = W 3)
Float position spool 	 = Y 3)
Flow in l/min, 3-digit, e. g. 070-070; actuator ports “A” and “B”	 = … – …
Spool with pressure function T, only in connection with E, J or Q spool 3)	 = … T …
*
RE 64276/08.2010 | M4-12	 Bosch Rexroth AG	 11/64
Further information in the clear text
SO numbers
–011 =	 One-sided operation, two spool positions
Secondary valves
F	 =	 Flange surface 3)
A …	 =	 Shock/Feed valve, adjustable
H …	 =	 Shock/Feed valve, non-adjustable
Q	 =	 Plug screw (secondary valves can be retrofitted)
Z	 =	 G 3/4 without secondary valve (cannot be retrofitted)
X	 =	 G 1/2 without secondary valve (cannot be retrofitted)
Operation B side cover
— =	 Standard cover
Position of handle-operated lever without
Handle-
operated
lever
Encapsulated operation
60° 0° –60°
K L M R Handle-operated lever following
N O P X Handle-operated lever, non-following
see notes on page 42	 further versions
purely mechanical operation
Z =	 Tongue 5)
N =	 Tongue with lever 3); 5)
Supply voltage 24 V Supply voltage 12 V Supply voltage and plug-in connector 6)
1 3 Junior Timer 2-pin (AMP)
8 9 DT04-2P (Deutsch)
Encapsulated,
spring centered
Purely mechanical 5) Operation A side cover
Spring
centered
Detent in
1 2 1, 2
M A B1 B2 B4 Mechanical
H	 =	 Hydraulic
S	 =	 Servohydraulic 3); 7)
Standard
with damping
orifice, both
sides
with measuring
ports, both sides
with damping ori-
fice, with measuring
ports, both sides
Orifice + check
valve for hydrau-
lic superposition)
W2 W8 G2 Electrohydraulically proportional
W4 W5 W6 W7 G4 Electrohydraulically switchable
Standard with position
sensor
with measuring ports,
both sides
Orifice + check
valve, both sides
Electrohydraulic with digital on-Board
electronics (EPM2) 4)
CBA CPA 3) CXA CXC
Order details for directional valve element
Actuator
port
“A”
Actuator
port
“B”
Note!
Plug-in connectors are not included in the scope of supply
and need to be ordered separately; see also page 40.
= Standard product range (M4 configurator)
3)	 At request only. Rating by Technical Sales.
4)	 Further ordering codes according to operating instructions
RE 64815-B.
The supply includes daisy chain cabling.
5)	 Not available aluminum-free.
6)	 Information required only for electrohydraulic operation
	 and electroproportional pressure relief function.
7)	 Not in combination with following handle-operated lever
�
��
�
�
�
�
�
�
�
�� ��
�
�
�
�
���
���
�
�� ��
���
���
���
���
��
�
�
�
�� ��
�
�
�
�
�
�
�
�
12/64	 Bosch Rexroth AG	 M4-12 | RE 64276/08.2010
Order example closed center with lateral inlet element and change-over axis
Example: 3-fold control block
•
•
Variable displacement pump
•
•
qV max = 150 l/m
Directional valve number, inlet element
Closed Center with lateral primary
•
•
pressure relief valve, set to 250 bar,
internal pilot oil supply
1. Spool axis with pressure compensator, with load
•
•
holding function
without LS pressure relief valve bore
•
•
Spool symbol J, flow in A and
•
•
B 100 l/min
Types of operation:
•
•
Electrohydraulically proportional
Junior Timer 2-pin (AMP) 24 V
•
•
without secondary valves (cannot be
•
•
retrofitted)
2. Spool axis without pressure compensator, change-
•
•
over axis
without LS pressure relief valve bore
•
•
Housing for change-over axis
•
•
Spool symbol J, flow in C
•
•
65 l/min, 90 l/min for internal actuators
Types of operation:
•
•
Electrohydraulically switchable
Junior Timer 2-pin (AMP) 24 V
•
•
without secondary valves (cannot be
•
•
retrofitted)
3. Spool axis with pressure compensator, with load
•
•
holding function
with LS pressure relief valve for actuator
•
•
port A 180 bar, Actuator port B closed
Spool symbol J, flow in A and B 85 l/min
•
•
Types of operation: Digital OBE
•
•
Overriding handle-operated lever
•
•
(following)
Secondary valves: Pressure relief/feed
•
•
valves, actuator port A and B 350 bar
(non-adjustable)
End element,
additional
information
with internal LS unloading, FKM seals,
•
•
pipe thread connections
Order details:
1. Spool axis
2. Spool axis
3. Spool axis
S Z Z Z J 100-100 W2 1 — Z Z
LA V 01
3 M4 12 2X J250Y
Z Z U Z J 065-090 W4 1 – Z Z
S 180 M Q J 085-085 CBA K H350 H350
End element
�
��
�
�
�
�
�
�� ��
�
�� ��
�
�
�
�
��
�
��
���
���
��
�
�
��
��
�
�
�
�
�
�
�
�
�
�
�
�
��
��
RE 64276/08.2010 | M4-12	 Bosch Rexroth AG	 13/64
Order example open center with lateral inlet element
Example: 3-fold control block
•
•
Fixed displacement pump
•
• qV max = 150 l/min
Directional valve number, inlet element
Open Center with lateral primary pressure
•
•
relief valve, set to 300 bar
Internal pilot oil supply
•
•
1. Spool axis without pressure compensator, with load
•
•
holding function
with LS pressure relief valve for actuator port A
•
•
250 bar and LS unloading plugs in B
Spool symbol E, flow in
•
•
A 50 l/min, flow in B 0 l/min, connection closed
Types of operation: Mechanical, spring
•
•
centered, not encapsulated, with tongue
Secondary valves: Adjustable shock/feed valve
•
•
for actuator port A 230 bar, secondary valve
bore B closed
2. Spool axis without pressure compensator, without load
•
•
holding function
with 1 LS pressure relief valve for actuator port
•
•
A and B 275 bar,
Spool symbol E, flow in A and B 100 l/min
•
•
Types of operation: Hydraulic
•
•
Secondary valves: Non-adjustable shock/feed
•
•
valve for actuator port A 100 bar, adjustable
shock/feed valve for actuator port B 230 bar
3. Spool axis with pressure compensator, with load holding
•
•
function
without LS pressure relief valve bore
•
•
Spool symbol J, flow in A and B 70 l/min
•
•
Types of operation: Electrohydraulically
•
•
switchable, with damping orifices, with
measuring ports
with DT04-2P plug (Deutsch) 24 V
•
•
Handle-operated lever cover, not following,
•
•
without handle-operated lever
without secondary valves (cannot be retrofitted)
•
•
End element without internal LS unloading, with LS port,
•
•
with P and T port FKM seals, pipe thread
connections
Order details:
1. Spool axis
2. Spool axis
C 250MB E 050-000 A Z A230 Q
LZPT V 01
Q = M275 E 100-100 H – H100 A230
End element
3. Spool axis
S ZZZ J 070-070 W7 8 X Z Z
3 M4 12 2X P300 Y
��
�
�
��
�
�
��
�
�� � � �
��
�
�
��
�
�
��
�
���
���
�
�� ��
�
�
�
�
��
���
���
�
�
�
�
��
14/64	 Bosch Rexroth AG	 M4-12 | RE 64276/08.2010
Order example closed center for central inlet with primary valve
Example: 2-fold control block
•
•
Fixed displacement pump
•
• qV max = 200 l/min
Directional valve number, end element
Diversion plate
•
•
1. Spool axis with pressure compensator, with load
•
•
holding function
without LS pressure relief valves
•
•
(cannot be retrofitted)
Spool symbol E, flow in A and
•
•
B 100 l/min
Types of operation: Electrohydraulically
•
•
proportional with measuring ports on both
sides
Junior Timer 2-pin (AMP) 24 V
•
•
Actuation with handle-operated lever
•
•
(following)
Secondary valve bores closed
•
•
Inlet element Central Closed Center with primary
•
•
pressure relief valve, set to 300 bar
with internal pilot oil supply
•
•
2. Spool axis with pressure compensator, with load
•
•
holding function
with LS pressure relief valves,
•
•
actuator port A 270 bar,
actuator port B 300 bar
with electroprop. pressure relief function,
•
•
pressure relief function, 210 bar
(decreasing characteristic curve)
Spool symbol E, flow in A and B 90 l/min
•
•
Types of operation: Digital OBE
•
•
Overriding handle-operated lever
•
•
(following)
Secondary valve bores closed
•
•
End element,
additional
information
with internal LS unloading, FKM seals,
•
•
pipe thread connections
Order details:
1. Spool axis
2. Spool axis
Inlet element
S ZZZ E 100-100 W6 1 K Q Q
LA V 01
JZ 300 Y
S 270L300 E 090-090 CBA K Q Q KBPSL8BA
End element
2 M4 12 2X LU
�
�� � � �
��
�� ��
�
�
�
�
�
�
��
��
�
�
��
���
���
�� ��
�� �� �� ��
�
�
�
�
�
�
��
��
�
�
��
���
���
�
�
��
�
�
�
�
�
�
���
���
RE 64276/08.2010 | M4-12	 Bosch Rexroth AG	 15/64
Order example closed center with combined inlet element
Example: 3-fold control block
•
•
Fixed displacement pump
•
•
qV max = 200 l/min
Directional valve number, end element
Diversion plate
•
•
1. Spool axis
M4-15
with pressure compensator, without load
•
•
holding function
with LS pressure relief valve,
•
•
actuator port A 230 bar,
actuator port B unloaded
Spool symbol E,
•
•
Flow in A 190 l/min, flow in B 0 l/min,
•
•
connection closed
Types of operation: Digital OBE
•
•
Overriding handle-operated lever
•
•
(following)
Secondary valve bores closed
•
•
Inlet element
M4-12/15
Central inlet element for M4-12/M4-15
•
•
Primary pressure relief valve, set to
•
•
280 bar
with integrated pilot oil supply
•
•
2. and 3.
spool axis
M4-12
with pressure compensator, with load
•
•
holding function
with LS pressure relief valves,
•
•
actuator port A 180 bar,
actuator port B 120 bar
Spool symbol E
•
•
Flow in A and B 90 l/min
•
•
Types of operation: Digital OBE
•
•
without secondary valve bores
•
•
End element
M4-12
with internal LS unloading, FKM seals, pipe
•
•
thread connections
Order details:
1. Spool axis
2. Spool axis
T 230MB E 190-000 CBA K Q Q
LA V 01
S 180M120 E 090-090 CBA – Z Z
End element
3 M4 15 2X LU
JK 280 Y
3. Spool axis
S 180M120 E 090-090 CBA – Z Z
Inlet element
�
�
�
�
�
�
�
�
���
���
�
16/64	 Bosch Rexroth AG	 M4-12 | RE 64276/08.2010
Example: Single monoblock
•
•
Fixed displacement pump
•
•
qV max = 130 l/min
Directional valve number, inlet element
Open Center monoblock without primary
•
•
pressure relief valve
Internal pilot oil supply
•
•
1. Spool axis with 3-way pressure compensator
•
•
with 1 LS pressure relief valve for actuator
•
•
port A and B 210 bar,
Spool symbol J, flow in A and B 85 l/min
•
•
Types of operation:
•
•
Electrohydraulically proportional
Junior Timer 2-pin (AMP) 24 V
•
•
without secondary valves (cannot be
•
•
retrofitted)
End element without end element (monoblock)
•
•
FKM seals
•
•
Pipe thread connection
•
•
Order details:
1. Spool axis
D = M210 J 085-085 W2 1 Z Z
LM V 01
End element
1 M4 12 2X PMZ Y
Order example monoblock
�
��
� �
�
�
�
��
� �
�
�
�
�
��
� �
�
�
�
��
� �
�
30+5
bar
45
bar
30+5
bar
45
bar
RE 64276/08.2010 | M4-12	 Bosch Rexroth AG	 17/64
Inlet elements Closed Center (J) for sandwich plate design
Without primary pressure relief valve,
for external pilot oil supply
Order details:
M4 12 2X J Q X
Short description
For variable displacement pumps up to 150 l/min
•
•
With primary pressure relief valve,
for external pilot oil supply
Order details:
M4 12 2X J … X
Short description
For variable displacement pumps up to 150 l/min
•
•
Pressure information in bar after J ... required
•
•
(3-digit)
Without primary pressure relief valve,
with internal pilot oil supply
Order details:
M4 12 2X J Q Y
Short description
For variable displacement pumps up to 150 l/min
•
•
With primary pressure relief valve,
with internal pilot oil supply
Order details:
M4 12 2X J … Y
Short description
For variable displacement pumps up to 150 l/min
•
•
Pressure information in bar after J ... required (3-digit)
•
•
�
��
� �
�
�
30 +5
bar
45
bar
�
��
� �
�
�
18/64	 Bosch Rexroth AG	 M4-12 | RE 64276/08.2010
Pilot oil supply (Y)
Pressure relief function 45 bar
•
•
Pilot pressure max. 30 + 5 bar
•
•
With LS shut-off
Order details:
M4 12 2X J Q Y A
Short description
LS line is connected de-energized with the Y line to
•
•
the tank
All downstream M4-12 sandwich plates remain in
•
•
the load-holding mode
Inlet elements Closed Center (J) for sandwich plate design
Attention!
In case of internal pilot oil supply, the X connection
f
f
can also be used to lead way pilot oil for other
actuators. However, this may affect the switching
times at the M4-12. Consult Technical Sales
regarding possible effects.
In case of external pilot oil supply the “X” connection
f
f
is not closed in general. It needs to be closed when
not in use (e. g. in case of hydraulic control “H”).
Notes on the dimensioning of pilot oil supply with servohydraulic operation
If servohydraulic operation is used in the control block, please note:
External pilot oil supply:
p
•
• ctrl = 33 +2 bar constant
q
•
• ctrl = 2 l/min per servohydraulic spool axis
Required and mandatory for inlet element P
•
•
Internal pilot oil supply
6 servohydraulically controlled spool axes maximum possible
•
•
No pilot oil supply for external actuators
•
•
•
• p at the inlet element needs to be 40 bar
No internal pilot oil supply in the inlet element
•
•
�
��
�
�
� ���������
��
�
��
�
�
�
��
�
��
�
�
� ���������
��
�
��
�
�
�
��
RE 64276/08.2010 | M4-12	 Bosch Rexroth AG	 19/64
Central inlet elements Closed Center (JZ) for sandwich plate design
Without primary pressure relief valve,
with internal pilot oil supply
Order details:
M4 12 2X JZ Q Y
Short description
For variable displacement pumps up to
•
•
200 l/min
Without primary pressure relief valve,
for external pilot oil supply
Order details:
M4 12 2X JZ Q X
Short description
For variable displacement pumps up to 200 l/
•
•
min
With primary pressure relief valve,
with internal pilot oil supply
Order details:
M4 12 2X JZ … Y
Short description
For variable displacement pumps up to
•
•
200 l/min
Pressure information in bar behind JZ...
•
•
required (3-digit)
With primary pressure relief valve,
for external pilot oil supply
Order details:
M4 12 2X JZ … X
Short description
For variable displacement pumps up to
•
•
200 l/min
Pressure information in bar behind JZ...
•
•
required (3-digit)
�
��
�
�
� ���������
��
�
��
�
�
�
��
20/64	 Bosch Rexroth AG	 M4-12 | RE 64276/08.2010
Without primary pressure relief valve,
with internal pilot oil supply
Order details:
M4 12 2X JZ Z Y
Short description
For variable displacement pumps up to 200 l/min
•
•
Primary pressure relief valve cannot be retrofitted
•
•
Without primary pressure relief valve,
for external pilot oil supply
Order details:
M4 12 2X JZ Z X
Short description
For variable displacement pumps up to 200 l/min
•
•
Primary pressure relief valve cannot be retrofitted
•
•
Central inlet elements Close Center (JZ) for sandwich plate design
�
��
�
�
� ���������
��
�
��
�
�
� ���������
��
M4-12
M4-15
M4-12
M4-15
�
��
�
�
�
��
M4-12
M4-15
M4-12
M4-15
�
��
�
�
�
��
RE 64276/08.2010 | M4-12	 Bosch Rexroth AG	 21/64
For the connection of direction valve elements of
sizes 12 and 15
Without primary pressure relief valve,
with internal pilot oil supply
Order details:
M4 12 2X JK Q Y
Short description
For variable displacement pumps up to 200 l/min
•
•
For the connection of direction valve elements
of sizes 12 and 15
With primary pressure relief valve,
with internal pilot oil supply
Order details:
M4 12 2X JK … Y
Short description
For variable displacement pumps up to 200 l/min
•
•
Pressure information in bar behind JK... required
•
•
(3-digit)
Central inlet elements Close Center (JZ) for sandwich plate design
For the connection of direction valve elements of
sizes 12 and 15
Without primary pressure relief valve,
for external pilot oil supply
Order details:
M4 12 2X JK Q X
Short description
For variable displacement pumps up to 200 l/min
•
•
For the connection of direction valve elements
of sizes 12 and 15
With primary pressure relief valve,
for external pilot oil supply
Order details:
M4 12 2X JK … X
Short description
For variable displacement pumps up to 200 l/min
•
•
Pressure information in bar behind JK... required
•
•
(3-digit)
�
��
� �
�
�
�
��
� �
�
�
�
��
� �
�
�
22/64	 Bosch Rexroth AG	 M4-12 | RE 64276/08.2010
With primary pressure relief valve,
for external pilot oil supply
Order details:
M4 12 2X P … X
Short description
For fixed displacement pumps up to 150 l/min
•
•
Pressure information in bar after P ... required
•
•
(3-digit)
With primary pressure relief valve,
with internal pilot oil supply
Order details:
M4 12 2X P … Y
Short description
For fixed displacement pumps up to 150 l/min
•
•
Pressure information in bar after P ... required
•
•
(3-digit)
With LS shut-off
Order details:
M4 12 2X P … Y A
Short description
LS line is connected de-energized with the Y line to
•
•
the tank
All downstream M4-12 sandwich plates remain in
•
•
the load-holding mode
Inlet elements: Open Center (P) for sandwich plate design
� �
� �
���
�
�
�
�
���
���
��
��
�
� �
� �
�
� ��
�
�
�
�
���
���
��
��
�
��
� �
� �
�
� ��
�
�
�
�
���
���
��
��
��
� �
� �
RE 64276/08.2010 | M4-12	 Bosch Rexroth AG	 23/64
Without primary pressure relief valve, with
internal pilot oil supply
Order details:
M4 12 2X JM Z Y
S QM… J …–… W2 1 – H… H…
LM V 01
Short description
For variable displacement pumps up to 150 l/min
•
•
With priority function, without primary pressure
relief valve, for external pilot oil supply
Order details:
M4 12 2X JM Z X
V …M… J …–… W2 1 – H… H…
LM V 01
Short description
For variable displacement pumps up to 150 l/min
•
•
Priority for the integrated M4-12 axis
•
•
Remaining flow to external actuator
•
•
Inlet elements: Monoblock Closed Center (JM)
With priority function, without primary pressure
relief valve, for external pilot oil supply, for the
connection of further directional valve elements
Order details:
M4 12 2X JM Z X
V …M… J …–… W2 1 – H… H…
Short description
For variable displacement pumps up to 150 l/min
•
•
Priority for the integrated M4-12 axis
•
•
Remaining flow for flanged-on M4-12 axes
•
•
Note!
Please consult Technical Sales.
� �
� �
�
�
�
�
�
���
���
��
��
�
� �
� �
�
�
�
�
�
���
���
�
�
24/64	 Bosch Rexroth AG	 M4-12 | RE 64276/08.2010
Inlet elements: Monoblock Open Center (PM)
With primary pressure relief valve, with internal
pilot oil supply
Order details:
M4 12 2X PM Z Y
D …M… J …–… W2 1 – Q Q
LM V 01
Short description
For fixed displacement pumps up to 130 l/min
•
•
Primary pressure relief via pressure compensator
•
•
and LS pressure relief valve
Note!
Please consult Technical Sales.
With primary pressure relief valve, for external
pilot oil supply
Order details:
M4 12 2X PM Z X
D = M… J …–… W2 1 – H… H…
LM V 01
Short description
For fixed displacement pumps up to 130 l/min
•
•
Primary pressure relief via pressure
•
•
compensator and LS pressure relief valve
Note!
Please consult Technical Sales.
�
��
���
��
��
��
���
�� ��� ��� ��� ��� ���
RE 64276/08.2010 | M4-12	 Bosch Rexroth AG	 25/64
In the central position of the main spool, there is no
connection from P to the actuator ports A and B. In this
operating state, the pressure compensator spool (1)
is moved to the left against the spring (2) by the pump
pressure.
When the main spool (3) is operated (= metering orifice),
the LS pressure reaches the spring chamber (4) and moves
the pressure compensator spool to the right into the control
position. The flow is kept constant even in case of parallel
operation of actuators with different load pressures.
The pressure compensator “S” boasts a load holding
function. This function is not free of leak oil.
In its standard version it is equipped with one ring (5). The
number of the rings inserted depends on the required flow.
Directional valve elements: Pressure compensator
Flow
in
L/min
→
Flow control by pressure compensator
Pressure difference in bar →
Main spool operated
Main spool in central position
�� � � � � �
��
���
�
�
�
� �
�
�� � � � � �
��
���
�
�
�
� �
�
Pressure compensator spool variants
Order details Short description Symbol
S
with pressure compensator
•
•
with load holding function
•
• 1)
max. flow 130 l/min
•
•
C
without pressure compensator
•
•
with load holding function
•
• 1)
max. flow 140 l/min
•
•
Q
without pressure compensator
•
•
without load holding function
•
•
max. flow 140 l/min
•
•
F
with pressure compensator
•
•
with load holding function
•
• 1)
Sensitive for flows up to 20 l/min
•
•
D 2) with 3-way pressure compensator
•
•
V 3) with priority function
•
•
1)	 The load holding function is not free of leak oil.
2)	 only with PM
3)	 only with JM
� �� ��� ��� ��� ��� ��� ���
��
��
��
��
���
�
��
��
���
�
�
�
�
� �
� �
���
���
� �
��
�
�
�
�
��
� �
� �
���
���
��
26/64	 Bosch Rexroth AG	 M4-12 | RE 64276/08.2010
Directional valve elements: LS pressure relief function
With LS pressure relief valve and LS plug
screw
Order details:
S … M Q J …–… W2 1 – H… H…
Short description
Pressure information in bar for actuator port A
•
•
(3-digit)
Plug screw for actuation port B
•
•
For the QMQ version, the LS pressure relief
•
•
function can be retrofitted at the directional valve
element.
The LS pressure can be influenced externally
•
•
via the ports MA and MB. These ports can also
be used as measuring ports.
Flow
in
%
→
Characteristic curves
Reduction of the actuator flow through LS pressure
relief function
Minimum setting:	 50 bar
Maximum setting:	330 bar
Set value (example)
LS pressure in bar →
With LS pressure relief valve and Unloading plugs
Order details:
S … M B E …–000 W2 1 – H… Q
Short description
Pressure information in bar for actuator port A
•
•
(3-digit)
Unloading plug for actuator port B
•
•
e.g. for cylinders with one-sided operation
•
•
Note!
Please consult Technical Sales.
�
��
��
���
�
�
�
�
� �
� �
���
���
�
���
�
�
�
�
� �
� �
���
���
�
���
�
�
�
� �
� �
���
���
RE 64276/08.2010 | M4-12	 Bosch Rexroth AG	 27/64
With only 1 LS pressure relief valve
Order details:
S = M … J …–… W2 1 – H… H…
Short description
Only 1 LS pressure relief valve for identical
•
•
pressure setting in A and B, pressure
information in bar (3-digit)
1 measuring port
•
•
Directional valve elements: LS pressure relief function
Without LS pressure relief valves
Order details:
S Z Z Z J …–… W2 1 – H… H…
Short description
LS pressure relief valve cannot be retrofitted
•
•
Housing without measuring ports
•
•
Max. flow of internal actuators 90 l/min
•
•
Housing for change-over axis
Order details:
Z Z U Z J …–… W4 1 K Z Z
Short description
Housing for change-over axis
•
•
� �
��
�
�
�
�
�
�
� �
� �
�
�
�
��� ���
28/64	 Bosch Rexroth AG	 M4-12 | RE 64276/08.2010
Short description
Differentiation between:
Type KBPS – electrohydraulically proportional
1.	
Type MH2DAD and Type KBPS
2.	
Type KKDE – electrohydraulically switchable
3.	
Porting pattern KBPS and cover plate
4.	
Housing KBPS and plug
5.	
The exact description of the valve is to be clear
text as follows.
Directional valve elements: LS pressure relief function
KBPS…BA:
Decreasing characteristic
curve
KBPS…AA:
Rising characteristic curve
Electroproportional pressure relief valve
1.	
Type KBPS
(see also data sheet RE 18139-04; RE 18139-05)
Standard product range:
S … L … J …–… H – H… H… KBPSL8BA
S … J … J …–… H – H… H… KBPSL8AA
S … R … J …–… H – H… H… KBPSR8BA
S … N … J …–… H – H… H… KBPSR8AA
Extension program, such as:
S … K … J …–… H – H… H… KBPSH8BA -033
Electroproportional / hydraulically switchable pressure relief function
Pressure cut-off valve, type MH2DAD, and
2.	
electroproportional pressure relief valve,
type KBPS
(see also data sheet RE 64586;
RE 18139-04; RE 18139-05)
S … K … J …–… H – H… H… MH2DAD+KBPSH8BA
� ���
�� �� ��
��
���
���
���
���
���
���
���
���
�
�
�
�
RE 64276/08.2010 | M4-12	 Bosch Rexroth AG	 29/64
Directional valve elements: LS pressure relief function
Technical data KBPS (see also RE 18139-04)
electrical standard
Supply voltage V 12 DC 24 DC
Maximum control current mA max. nominal current 1,760 mA max. nominal current 1,200 mA
Coil resistance – Cold value with 20°C Ω 2.3 4.8
– max. hot value Ω 3.65 7.2
Duty cycle % 100 1)
Maximum coil temperature 2) °C 150
Protection type acc. to
VDE 0470-1 (DIN EN 60529),
DIN 40050-9
– Version “K4” IP 65 with plug-in connector mounted and locked
– Version “C4” IP 66 with plug-in connector mounted and locked
IP 69K with Rexroth plug-in connector (Material No. R901022127)
– Version “K40” IP 69K with plug-in connector mounted and locked
1)	 If use  2,000 m via NN, we recommend consulting the
manufacturer.
2) 	Due to the surface temperatures of solenoid coils, the standards
EN 563 and EN 982 must be adhered to!
Pressure control through electroproportional
LS pressure relief function
Pressure
in
the
main
connection
1
in
bar
→
Command value in % →
Falling
characteristic
curve
Rising
characteristic
curve
Addition
SO no.
(Option:
24 V; 0.8 A)
50 bar KBPSC8BA KBPSC8AA
–033
100 bar KBPSF8BA KBPSF8AA
150 bar KBPSH8BA KBPSH8AA
210 bar KBPSL8BA (2) KBPSL8AA (4)
250 bar KBPSN8BA KBPSN8AA
315 bar KBPSP8BA KBPSP8AA
350 bar KBPSR8BA (1) KBPSR8AA (3)
420 bar KBPST8BA KBPST8AA
= Standard product range
30/64	 Bosch Rexroth AG	 M4-12 | RE 64276/08.2010
Directional valve elements: LS pressure relief function
2/2 way spool valve type KKDE
3.	
S … K … J …–… H – H… H… KKDER8PA
De-energized open De-energized closed
KKDER8PA KKDER8NA
KKDE…NA:
De-energized closed
KKDE…PA:
De-energized open
Technical data KKDE (see also RD 18136-08)
electrical standard
Type of voltage Direct voltage
Supply voltage V 12 DC 24 DC
Voltage tolerance and ambient temperature See characteristic curve RE 18136-08 page 5
Power consumption Ω 22
Duty cycle % See characteristic curve RE 18136-08 page 5
Maximum coil temperature 2) °C 150
Switching time according to
ISO 6403 (solenoid horizontal)
– ON ms ≤ 80
– OFF ms ≤ 150
Maximum switching frequency cy/h 15,000
Protection type acc. to VDE
0470-1 (DIN EN 60529),
DIN 40050-9
– Version “K4” IP 65 with plug-in connector mounted and locked
– Version “C4” IP 66 with plug-in connector mounted and locked
IP 69K with Rexroth plug-in connector (material no. R901022127)
– Version “K40” IP 69K with plug-in connector mounted and locked
At the electrical connection “K4”, the protective earth
conductor (PE ) must be connected correctly.
1)	 If use  2000 m via NN, we recommend consulting the
manufacturer.
2)	 Due to the surface temperatures of the solenoid coils, the European
standards EN 563 and EN 982 must be adhered to!
Note!
Consumer pressure does not become depressurized!
Plug
Cover plate
Porting pattern KBPS and cover plate
4.	
S … K … J …–… H – H… H… A
Housing KBPS and plug
5.	
S … K … J …–… H – H… H… Q
� �
��
�
� ��
��
� �
��
�
� ��
��
� �
��
�
� ��
��
� �
��
�
� ��
��
� �
��
�
� ��
��
� �
��
�
� ��
��
� �
��
�
� ��
��
� �
��
�
� ��
��
RE 64276/08.2010 | M4-12	 Bosch Rexroth AG	 31/64
Directional valve elements: Main spool
Main spool variants
Order details
Flow information in l/min
Main use Symbol
E … – … Hydro cylinder as actuator
J … – … Hydro motors as actuator
Q … – …
Application with defined residual opening
(A/B → T)
Actuator port unloaded in neutral position
R … – …
Regeneration function
(P, B → A)
W … – … Float position
Y … – … Float position
P … – … Plunger cylinder as actuator
(E, J, Q) … T … Spool with pressure function
��
���
����
� �� �� �� �� ��
�
��
�� �� �� �� �� ��
��� ���� ���
��� ���� ��� ���� ��� ����
�
�
�
�
�
�
�
��
��
��
��
���
���
�
���
�
�
��
���� ��� ���
���� ���� ���� ���� ���� ����
�
���
�� ��� ��� ��� ���
�
Current in milliamperes →
32/64	 Bosch Rexroth AG	 M4-12 | RE 64276/08.2010
Directional valve elements: Main spool
electrohydraulic
operation
hydraulic
operation
Flow
in
l/min
Spool characteristic curves (symmetric spools)
P → A/B
Pilot pressure in bar →
Nominal
flow
→
Current in amperes →
Command value in digits (steps) →
digital on-board
electronics (EPM2)
(24 V actuation)
(12 V actuation)
servohydraulic
operation
(at pctrl = 35 bar)
RE 64276/08.2010 | M4-12	 Bosch Rexroth AG	 33/64
Directional valve elements: Flow
Symmetric spools
Spool type
Pressure
compen­
sator
Flow in l/min (spool characteristic curve see page 32)
E, J, Q
S
130–130 (1) 100–100 073–073 052–052 034–034 023–023 014–014 007–007
120–120 (2) 085–085 (4) 065–065 (5) 045–045 (6) 030–030 (7) 020–020 (8) 012–012 (9) 006–006 (10)
100–100 (3) 070–070 057–057 038–038 026–026 017–017 010–010 005–005
C 140–140 115–115 090–090 063–063 042–042 028–028 017–017 008–008
Flow without washer (pressure compensator Δp = 4 to 7 bar)
Flow with 1 washer (pressure compensator Δp = 6 to 9.5 bar)
Volume flow with 2 washers (pressure compensator Δp = 8.5 to 11.5 bar)
Example:
Spool type J
•
•
Pressure compensator S
•
•
Command value: Q
•
• Actuator = 90 l/min
Spool type
Pressure
compensator
Flow in l/min
E, J, Q S
100–100
085–085
070–070
Solution:
→ 85 liter spool + 2 washers = 100 l/min
→ Set 90 liters via stroke limitation.
Note!
Position directional valve elements with maximum flow as
close as possible to the inlet element.
Asymmetric spools
Spool type
Pressure
compen­
sator
Flow in l/min
E, J, Q
S
100–073 100–052 052–034 034–023 023–014
085–065 085–045 045–030 030–020 020–012
070–057 070–038 038–026 026–017 017–010
C 115–090 115–063 063–042 042–028 028–017
Float position, regeneration and plunger spools
Spool type
Pressure
compen­
sator
Nominal flow in l/min (more on inquiry)
W S 030–030
Y S 030–030
R S 130–101 085–030 065–025
P S 140–000
(1)… (10) Notes on spool characteristic curve, page 32.
Note!
Please consult Technical Sales.
��
��
�
��
��
���
�
�
�
�
� �
� �
���
���
�
��
��
���
�
�
�
�
� �
� �
�
��
��
���
�
�
�
�
� �
� �
34/64	 Bosch Rexroth AG	 M4-12 | RE 64276/08.2010
Directional valve elements: Types of operation cover A – mechanical
Mechanical (encapsulated)
Order details:
S … M … J …–… M K H… H…
Short description
Mechanical operation of the main spool. In case
•
•
of non-operation centering in central position by
springs
All handle-operated lever position options are
•
•
available (K, L, M etc.) comp. also type key on
page 11
1)	 Following handle-operated lever
2)	 Non-following handle-operated lever
Purely mechanical (non-encapsulated) with
tongue
Order details:
S Z Z Z J …–… A Z Z Z
Short description
Mechanical operation of the main spool. In case
•
•
of non-operation centering in central position by
springs
Purely mechanical (non-encapsulated) with
handle-operated lever and detent
Order details:
S … M … J …–… B1 N H… H…
Short description
Mechanical operation of the main spool. In case
•
•
of non-operation centering in central position by
springs
Note!
Handle-operated lever setting, please consult
Technical Sales.
�
��
��
���
�
�
�
�
� �
� �
�
�
�
���
�
�
�
�
� �
� �
RE 64276/08.2010 | M4-12	 Bosch Rexroth AG	 35/64
Hydraulic
Order details:
S … M … J …–… H – H… H…
Short description
Recommended hydraulic pilot control units:
•
•
Type TH6 according to RE 64555
Directional valve elements: Types of operation Cover A – hydraulic
Servohydraulic
Order details:
S Z Z Z J …–… S – Q Q
Short description
Voltage:	 7 VDC min.
•
•
Current type:	 Direct current
•
•
Nominal current:	 ±20 mA
•
•
Max. current:	 ±25 mA
•
•
STDS 0014; see RE 29617-B2
STDS 0015; see RE 29616-B2
STDS 0016; see RE 29618-B2
Note!
Rating by Technical Sales.
Directional valve elements: Types of operation Cover A – servohydraulic
�
��
��
���
�
�
�
�
� �
� �
���
���
�
��
��
���
�
�
�
�
� �
� �
���
���
�
��
��
���
�
�
�
�
� �
� �
���
���
��
��
36/64	 Bosch Rexroth AG	 M4-12 | RE 64276/08.2010
Electrohydraulically switchable
Order details:
S … M … J …–… W4 1 – H… H…
Short description
Switching valves, type FTWE 2 K according to
•
•
RE 58007
Directional valve elements: Types of operation Cover A – electrohydraulically switchable
Electrohydraulically switchable with
measuring ports on both sides
Order details:
S … M … J …–… W6 3 – H… H…
Short description
Switching valves, type FTWE 2 K according to
•
•
RE 58007
Electrohydraulically switchable with damping
orifice on both sides
Order details:
S … M … J …–… W5 3 – H… H…
Short description
Switching valves, type FTWE 2 K according to
•
•
RE 58007
�
��
��
���
�
�
�
�
� �
� �
���
���
�
�
�
���
�
�
�
�
� �
� �
���
���
��
��
��
��
RE 64276/08.2010 | M4-12	 Bosch Rexroth AG	 37/64
Directional valve elements: Types of operation Cover A – electrohydraulically switchable
Electrohydraulically switchable with orifice
and check valve for hydraulic override
Order details:
S … M … J …–… G4 3 – H… H…
Short description
Switching valves, type FTWE 2 K according to
•
•
RE 58007
Electrohydraulically switchable with damping
orifice, with measuring ports on both sides
Order details:
S … M … J …–… W7 1 – H… H…
Short description
Switching valves, type FTWE 2 K according to
•
•
RE 58007
Technical data FTWE 2K (see also RE 58007)
electrical
Type of voltage Direct voltage
Nominal voltage V 12 24
Power consumption at 20 ℃ W 14.4 14.4
Coil resistance R20 Ω 10 40
Duty cycle % 100
Switching time ton ms ≤ 20
toff ms ≤ 30
Protection type according to
DIN 40050-9
– Solenoid
•
• IP 69K
– Electrical
•
•
connection
C4
K40
IP 69K 1)
IP 69K 1)
Switching frequency Hz 5
1)	 Recommended plug-in connector see page 40.
�
��
��
���
�
�
�
�
� �
� �
���
���
��
��
�
��
��
���
�
�
�
�
� �
� �
���
���
��
��
�
��
��
���
�
�
�
�
� �
� �
���
���
�
�
38/64	 Bosch Rexroth AG	 M4-12 | RE 64276/08.2010
Electrohydraulically proportional with handle-
operated lever (encapsulated)
Order details:
S … M … J …–… W2 1 K H… H…
Short description
Proportional pressure reducing valve
•
•
Type FTDRE 2 K according to RE 58032
Safety notes!
Following handle-operated lever
f
f 1):
Electrohydraulic operation can be overruled by
mechanical operation. The handle-operated
lever is connected directly with the main spool
and follows the spool movement in case of
electrohydraulic control.
Non-following handle-operated lever
f
f 2):
The handle-operated lever is connected with
the main spool via a coupling. When the
main spool is in central position, the handle-
operated lever can be detented. Thus, it does
not follow the movement of the spool in case of
electrohydraulic operation.
Directional valve elements: Types of operation Cover A – electrohydraulically proportional
Electrohydraulically proportional with
measuring ports on both sides
Order details:
S … M … J …–… W8 9 – H… H…
Short description
Proportional pressure reducing valve,
•
•
type FTDRE 2 K according to RE 58032
Electrohydraulically proportional with
damping orifice and check valve
Order details:
S … M … J …–… G2 1 – H… H…
Short description
Proportional pressure reducing valve,
•
•
type FTDRE 2 K according to RE 58032
�
��
��
���
�
�
�
�
� �
� �
���
���
�
��
��
���
�
�
�
�
� �
� �
���
���
RE 64276/08.2010 | M4-12	 Bosch Rexroth AG	 39/64
Directional valve elements: Types of operation Cover A – electrohydraulically proportional
Technical data FTDRE 2K (see also RE 58032)
electrical
Type of voltage Direct voltage
Nominal voltage of the amplifier V 12 24
Maximum control current A 1.8 0.8
Coil resistance (20 ℃) Ω 2.4 12
Duty cycle (with amplifier) % 100
Electrical connection See ordering codes
Protection type according to
DIN 40050-9
– Solenoid IP 69K
– Electrical connection C4
K40
IP 69K 1)
IP 69K 1)
PWM frequency (recommended) 1) Hz 150
1)	 The PWM frequency is to be optimized depending on the individual application.
In this regard, the operating temperature must be taken into account.
	 Recommended plug-in connector see page 40.
Directional valve elements: Types of operation Cover A – on-board electronics
Electronic pilot module
Order details:
S … M … J …–… CBA – H… H…
Short description
Digital interface, standard
•
•
see RE 64815-B
Electronic pilot module with position sensor
Order details:
S … M … J …–… CPA – Q Q
Short description
Digital interface with position sensor,
•
•
see RE 64815-B
Note!
At request only. Rating by Technical Sales.
40/64	 Bosch Rexroth AG	 M4-12 | RE 64276/08.2010
All control blocks with EPM2 are supplied with mounted
daisy chain cabling and final resistance plug. The final
resistance is mounted to the last sandwich plate of the
block.
Recommended cable for connection to the machine electronics:
Material number: R917c02724
Directional valve elements: Types of operation cover A – on-board electronics
�
�
�
�
�
�
� � � �
Open plug for
connection to the
machine electronics
Daisy chain Plug with final
resistance
End
element
Inlet
­
element
Directional valve elements: Voltage supply and plugs
Plug type
Supply voltage Junior Timer
2-pin (AMP)
DT04-2P
(Deutsch)
24 V 1 8
12 V 3 9
This information is required only in case of electrohydraulic
operation and / or electroproportional pressure relief
function.
Recommended plug-in connector for connector type
Junior Timer 2-pin (AMP)
Plug-in connector for FTDRE… and FTWE… protection type
IP 69K
Material number: R900313533
For a litz wire cross-section of 0.5 to 1 mm² and for an
insulation diameter of the individual seals of 1.2 to 2.1 mm
Material number: R901022127
For a litz wire cross-section of 0.5 to 1 mm² and for an
insulation diameter of the individual seals of 2.2 to 3 mm
Note!
Plug-in connectors are not included in the scope of supply
and must be ordered separately.
Recommended plug-in connector for Junior Timer 2-pin
(AMP)
RE 64276/08.2010 | M4-12	 Bosch Rexroth AG	 41/64
�
�
� �
�
�
�
�
�
�
Mechanical - Non-encapsulated operation (purely mechanical)
Spring centered + Tongue
Spring centered + Tongue
with lever
A Z A N
Detent + Tongue Detent + Tongue with lever
B1 Z B1 N B1 =	 Detent in 1
B2 Z B2 N B2 =	 Detent in 2
B4 Z B4 N B4 =	 Detent in 1, 2
Operating force:
Tongue  250 N (spool axis)
•
•
Directional valve elements: Types of operation cover B
Note!
Handle-operated lever setting, please consult Technical
Sales.
60˚ = K, N
0˚ = L, O
-60˚ = M, P
0˚ = F, H
30˚ = B1, G1
-30˚ = D1, J1
1
2
3
60˚ = B, G
-60˚ = D, J
42/64	 Bosch Rexroth AG	 M4-12 | RE 64276/08.2010
Directional valve elements: Types of operation cover B
Mechanical - encapsulated operation
Top, 60° Top, 30° Straight, 0°
Bottom,
–30°
Bottom,
–60°
without
lever
Standard – Following K L M R
– Non-following N O P X
Clamping
piece with
lever
– Following B
B
B
1
2
3
B1
B1
B1
1
2
3
F
F
F
1
2
3
D1
D1
D1
1
2
3
D
D
D
1
2
3
– Non-following G
G
G
1
2
3
G1
G1
G1
1
2
3
H
H
H
1
2
3
J1
J1
J1
1
2
3
J
J
J
1
2
3
Clamping
piece
without lever
– Following T T1 U V1 V
– Non-following
Q Q1 S C1 C
Operating force (at the handle-operated lever):
Mechanical  20 N
•
•
Hydraulic, handle-operated lever override  70 N
•
•
Electrohydraulic, handle-operated lever override  50 N
•
•
Further handle-operated lever options (aluminum-free) on inquiry.
Standard lever Clamping piece with lever
(example: lever screwing in Pos. 2)
Lever screwing at the
clamping piece
= Standard product range
�
��
��
���
�
�
�
�
� �
� �
���
���
�
��
��
���
�
�
�
�
� �
� �
���
���
RE 64276/08.2010 | M4-12	 Bosch Rexroth AG	 43/64
Shock/Feed valves, adjustable
Order details:
S … M … J …–… W2 1 – Q A…
Short description
Adjustable shock/feed valve
•
•
Pressure information in bar behind A ... required
•
•
(3-digit)
Example: QA200
Q: Plug screw for actuator side A
A200: Shock/feed valve, set to 200 bar for actuator
port B
The directional valve is ready for retroactive fitting of
secondary valves.
Note!
Suitable only to reduce pressure peaks, not to be
used as pressure relief valve!
Directional valve elements: Secondary valves
Shock/feed valve, non-adjustable
Order details:
S … M … J …–… W2 1 – H100 H150
Short description
Non-adjustable shock/feed valve
•
•
Pressure information in bar behind H ... required
•
•
(3-digit)
Example: H100, H150
H100: Shock/feed valve, set to 100 bar for actuator port A
H150: Shock/feed valve, set to 150 bar for actuator port B
Note!
Suitable only to reduce pressure peaks, not to be
used as pressure relief valve!
Preferred pressure settings for shock valves with feed function
Pressure setting in bar in the actuator ports A and B
H050 =	 50 bar H140 =	 140 bar H210 =	 210 bar H280 =	 280 bar
H063 =	 63 bar H150 =	 150 bar H230 =	 230 bar H300 =	 300 bar
H080 =	 80 bar H160 =	 160 bar H240 =	 240 bar H320 =	 320 bar
H100 =	 100 bar H175 =	 175 bar H250 =	 250 bar H350 =	 350 bar
H125 =	 125 bar H190 =	 190 bar
Adjustable pressure levels in bar in the actuator ports
A and B
10 – 70 201 – 270
71 – 120 271 – 320
121 – 200 321 – 380
Note!
Shock valves have a fixed setting!
�
��
��
���
�
�
�
�
� �
� �
���
���
�
��
��
���
�
�
�
�
� �
� �
���
���
44/64	 Bosch Rexroth AG	 M4-12 | RE 64276/08.2010
Without secondary valves
Order details:
S … M … J …–… W2 1 – Z Z
Short description
Secondary valves cannot be retrofitted
•
•
Actuator port G 3/4
•
•
Order details:
S … M … J …–… W2 1 – X X
Short description
Secondary valves cannot be retrofitted
•
•
Actuator port G 1/2
•
•
Directional valve elements: Secondary valves
Without secondary valves, with flange
surface
Order details:
S … M … J …–… W2 1 – F F … …
Short description
Secondary valves cannot be retrofitted
•
•
Information on the flange valves in clear text
•
•
Note!
Dimensioning of the flanged installation housing
with screwable valves by Technical Sales.
RE 64276/08.2010 | M4-12	 Bosch Rexroth AG	 45/64
Directional valve elements: Housing options that can be ordered
With
secondary
valve option
(can be
retrofitted)
G 1/2
Without
secondary
valve options
(cannot be
retrofitted)
G 1/2
Without
secondary
valve options
(cannot be
retrofitted)
G 3/4
Flange surface
Q, A…, H… XX ZZ FF
Standard
Without LS pressure relief valves
(LS pressure relief valve cannot be
retrofitted)
ZZZ • • •
Without LS pressure relief valves, for
change-over axis (LS pressure relief valve
cannot be retrofitted)
ZUZ •
With only 1 LS pressure relief valve for same
pressure setting in A and B
= M … • •
With 2 LS pressure relief valves
(pressure info in bar, 3-digit)
…M… • • • •
With LS pressure relief valves
(pressure info in bar, 3-digit)
Housing for electroproportional or switchable
pressure relief function
…K… • •
Mechanical
Without LS pressure relief valves
(LS pressure relief valve cannot be
retrofitted)
ZZZ • •
With only 1 LS pressure relief valve for same
pressure setting in A and B
= M …
With 2 LS pressure relief valves
(pressure info in bar, 3-digit)
…M… • • •
With LS pressure relief valves
(pressure info in bar, 3-digit)
Housing for electroproportional or switchable
pressure relief function
…K…
�� �
��
���
��
�
�
�
� ���
�
� �
� �� ��
�� �
� �
� �� �
�
�� �� �� �� �� ��
46/64	 Bosch Rexroth AG	 M4-12 | RE 64276/08.2010
End elements
End element with LS unloading
Order details:
LA
End element with LS port
Order details:
LZ
Short description
LS unloading must be ensured externally
•
•
End element LA with additional P and T port
Order details:
LAPT
End element LZ with additional P and T port
Order details:
LZPT
Short description
LS unloading must be ensured externally
•
•
End element LA with two installation bores for
FTDRE, FTWE
Consult Technical Sales for use of units!
Order details:
LA W4 W2
Short description
For 30 bar control pressure.
•
•
End element LA with three installation bores for
pressure reducing valve, KKDER...
Consult Technical Sales for use of units!
Order details:
LA … KKDER… … KKDER… Q Q
Short description
Max. 40 l/min per working port
•
•
See also RE 18136-05
•
•
��
�
� �
� �� ��
�
� �
� �� M4-12
SP-08
RE 64276/08.2010 | M4-12	 Bosch Rexroth AG	 47/64
End element to be combined with central inlet element
End element LU with installation bores for FTDRE,
FTWE
Consult Technical Sales for use of units!
Order details:
M4 12 2X LU Q W4
Short description:
For 30 bar control pressure
•
•
End element for use with central inlet element
Order details:
M4 12 2X LU
End elements – adapter plate
Adapter plate for SP-08 directional valve elements
Order details:
L8 210
Short description:
With integrated 2-way pressure compensator
•
•
With LS pressure relief valve, set to 210 bar
•
•
Type key for flange-mounted SP-08 sandwich plates
•
•
according to RE 64139
Maximum 7 directional valve elements permitted
•
•
Adapter plate for ED valves from BROC
Use only on inquiry!
Order details:
LC
Short description:
Type key for flange-mounted ED valves according to
•
•
RIE 00159
Attention!
Rating by Technical Sales.
48/64	 Bosch Rexroth AG	 M4-12 | RE 64276/08.2010
Dimensions: Line connections
Inlet element lateral Closed center P G 3/4
T G 3/4
LS G 1/4
X, Y G 1/4
M G 1/4
Open center P G 3/4
T G 1
LS G 1/4
X, Y G 1/4
M G 1/4
Inlet element central Closed center P G 1
T G 1
LS G 1/4
X, Y G 1/4
MP G 1/4
Directional valve element with secondary valves A
B
G 1/2
without secondary valves
(option Z)
A
B
G 3/4
without secondary valves
(option X)
A
B
G 1/2
a
b
G 1/4
MA
MB
G 1/4
Ma
Mb
G 1/8
Change-over axis C G 3/4
End element P G 1/2
T G 1/2
LS G 1/4
LSZ G 1/4
X, Y G 1/4
C1, C2 … C6 G 1/4
For LAPT, LZPT P, T G 3/4
Connections according to ISO 1179-1
Fastening screws M10
according to EN ISO 4762 or EN ISO 4014:
Property class: 8.8 10.9
Fastening torque: 41 ± 2 Nm 60 ± 3 Nm
P = Pump M, MP = Pump measuring port
A, B = Actuator MA, MB = LS pressure measuring ports
a, b = Pilot line Ma, Mb = Pilot pressure measuring ports
T = Tank C = External actuators
X = Pilot oil supply C1, C2 … C6 = Additional actuators
Y = Tank, depressurized
LS = Load-sensing (LS)
LSZ = LS - feed
�
�
��
�
�
�
����
��
��
��
��
����
��
��
���
��
��
��
�� �
���
�
��
��
���
��
��
����
���
����
��
��
��
����
��
��
��
���
��
��
����
���
��
�
�
�
�
�
��
�
��
�� ��
����������� �����������
�����������
��
��
��
��
��
��
��
��
��
��
��
��
��
����
�����
��
�
�
��
�
�
��
���
��
���
��
��
��
���
��
��
��
��
��
���
��
�
�
�
�
���
���
������ �� ������
��
��
��������������
��
��
��
��
��
��
deep deep
deep
deep
RE 64276/08.2010 | M4-12	 Bosch Rexroth AG	 49/64
Dimensions: Inlet elements
Lateral inlet element J...Y Lateral inlet element P...Y
Central inlet element JZ Central inlet element JK
20,5
29
50
94
72
125
18
15
93
47
27
103
68
Y
LS
T
P
16,5
52
168
37
88
94
44,5
78,5
37,5
15,5
17,5
36,5
89
107,5
63
50/64	 Bosch Rexroth AG	 M4-12 | RE 64276/08.2010
Standard monoblock Closed Center JM as inlet element with 1 axis; more directional valve elements flangeable
Dimensions: Single monoblock
43
33
72
41
98
95
50
94
72
78.5
125
18
15
98.5
40
67
114.5
87.5
19
124
119
RE 64276/08.2010 | M4-12	 Bosch Rexroth AG	 51/64
Dimensions: Single monoblock
Standard monoblock Open Center PM
���
��
��
��
�
�
���
��
����
��
��
��
�
�
��
�
��
��
��
��
��
��
��
��
��
�
��
��
���
41.5
52
8
Ø8
X
128
280
X
52/64	 Bosch Rexroth AG	 M4-12 | RE 64276/08.2010
Housing with secondary valve bore,
actuator port G1/2
Order details:
… A… A… …
… H… H… …
… Q Q …
Dimensions: Directional valve elements
Housing without secondary valve bore,
actuator port G3/4
actuator port G1/2
Order details:
… Z Z …
… X X …
Housing for change-over axis
actuator port G3/4
Order details:
… ZUZ … Z Z …
Dimensions: Operation
Purely mechanical operation with
tongue
Order details:
… A Z …
Cover A Cover B
Purely mechanical operation with tongue and lever
Order details:
… B1 N …
Cover A Cover B
86.5
64 56.5
63
39
86.5
39
b
a
63
108
152
169
86
135
230
46
6
0
˚
RE 64276/08.2010 | M4-12	 Bosch Rexroth AG	 53/64
Dimensions: Operation
Mechanical / hydraulic operation with
standard cover
Order details:
… M – …
… H – …
Electrohydraulic operation
Order details:
… W . …
Electronic pilot module EPM2
with handle-operated lever
Order details:
… C . A K …
Cover A Cover B
Cover A Cover B
Cover A Cover B
63
114
30
15
15
83.5
46.5
67
114.5
125
15
103
M10
25
15
15
46.5
67
114.5
125
15
103
M10
25
83.5
35
87
P
T
50
63
114
63
114
30
15
15
83.5
46.5
67
114.5
125
15
103
M10
25
LSZ
27
17
15
15
46.5
67
114.5
125
15
103
M10
25
83.5
35
87
P
T
50
63
114
LSZ
27
37
54/64	 Bosch Rexroth AG	 M4-12 | RE 64276/08.2010
Order details:
LA
Order details:
LZPT
Dimensions: End elements
Order details:
LZ
Order details:
LAPT
45.5
123.5
20
P1
C2
C1
Y1
T
LSz
47
77
105
15
67
87.5
135
150
33
64
75
88
83.5
35
17.5
64
84
114
M10
93.5
27
50
18
33
M10
20
103
12.5
114
35
15
83.5
46.5
114.5
125
25
67
M10
20
45.5
123.5
18
50 28
47
106
33
64
77
96
83.5
67
87.5
135
145
17.5
63
90
114
24
35
P
C2
C1
Y
T
16
33
17 8
93.5
15
RE 64276/08.2010 | M4-12	 Bosch Rexroth AG	 55/64
Dimensions: End elements
Order details:
LU
Order details:
LU … …
Order details:
LA … …
38.5
18
LS
P
Y
X
86.5
63
b
a
429
230
54
98
B2
A2
C
47
T M
B1
A1
46
48
114
30
46
46
46
50
114 4
239
56.5
114.5
83.5
MA
MB
M
4
4
13
65
89
125
135 86
27
40
44.5
49
28
23
23
28
85
46.5
67
15
103
25
12
15
33
19
103
72
30
25
34
10
6.1
6.2
9
8
5.1
2
5.2
8
4
7
1
3
39
108
152
83.5
56/64	 Bosch Rexroth AG	 M4-12 | RE 64276/08.2010
Dimensions: Control block Closed Center with lateral inlet element
1 Type plate
2 Inlet element J...Y
“Closed Center”
3 Directional valve elements
4 End element LA
5.1 Control cover W (side A) for
electrohydraulic operation
5.2 Control cover CBA (side A)
with electronic pilot module
(EPM2)
6.1 Control cover standard (side
B)
6.2 Control cover K (side B)
7 Stroke limitation
8 Secondary valves
9 Tie rod
10 Fastening screw thread
4 x M10; 15 deep
(according to the order example of page 12, dimensions in mm)
6.2
83.5
25
M
X
LS
b
a
86.5
79
50
51.5
63
43
48
50
35
83.5
30
33
65
46
46
46
50
39
114 34
257
a b
Y
T
LSZ
A
B
A
B
A
B
A3
B3
B2
A2
B1
A1
T
P
Ø8
P
20
103
12
13
15
19
25
30
26
64 91.5
7
45
49
98 56.5
52
13
27
86.5
23
4
92
114
13.5
25
132
317
91.5
45
35
1
4
5.3
5.2
5.1
8
9
6.3
6.1
7
10
2
39
31.5
125 86
46 41.5
46.5
67
114.5
87
15
103
108
3
RE 64276/08.2010 | M4-12	 Bosch Rexroth AG	 57/64
Dimensions: Control block Open Center with lateral inlet element
(according to the order example of page 13, dimensions in mm)
1 Type plate
2 Inlet element P...Y
“Open Center”
3 Directional valve elements
4 End element LZPT
5.1 Control cover A (side A) for
mechanical operation
5.2 Control cover H (side A) for
hydraulic operation
5.3 Control cover W (side A) for
electrohydraulic operation
6.1 Purely mechanical operation
with tongue (side B)
6.2 Control cover standard (side B)
Control cover X (side B)
7 Stroke limitation
8 Secondary valves
9 Tie rod
10 Fastening screw thread
4 x M10; 15 deep
6
0
˚
83.5
15
114.5
67
46.5
125
63
86.5
b
a
39
137
8.5
49
125
83.5
18
28
T
P
LS
B1
A2
B2
27
53
65
125
90.5
67.5
28.5
A1
114
6
270
Y
X
MP
A
B
15
80
65
46
46
35
30
114
93
43
25
7
4
30
67
83.5
52.5
152
86
125 170
230
15
114.5
97
46.5
103
137
20
8.5
34.5
112.5
25
25
15
9
4
3
7
6.2
1
2
6.1
5
3
10
8
11
25
103
108
135
58/64	 Bosch Rexroth AG	 M4-12 | RE 64276/08.2010
(according to the order example of page 14, dimensions in mm)
Dimensions: Control block Closed Center with central inlet element
1 Type plate
2 Central inlet element JZ
“Closed Center”
3 Directional valve elements
4 End element LA
5 Diversion plate LU
6.1 Control cover W (side A) for
electrohydraulic operation
6.2 Control cover CBA (side A)
with electronic pilot module
(EPM2)
7 Control cover K (side B)
8 Stroke limitation
9 Electroproportional pressure
relief valve, type KBPS
10 Tie rod
11 Fastening screw thread
4 x M10; 15 deep
12
7
6.2
20
25
15
23
22
28
133
135
440
157.5
236
25 78
46
98
114
18
48.5
85
93.5
40
113
141
20
48
106
45
30
40
63
75
25.5
35
118
44
76
90
46
46
30
51
50
40
47
130
344
125 64
63
T
P
A1 B1
A2 B2
A3 B3
MP
X
LS
1
2
3.1
3.2
4.1
4.2
5 6.1
8
9
RE 64276/08.2010 | M4-12	 Bosch Rexroth AG	 59/64
Dimensions: Control block Closed Center with combined inlet element
(according to the order example of page 15, dimensions in mm)
1 Type plate
2 Central inlet element JK...
“Closed Center”
3.1 Directional valve element M4-15
3.2 Directional valve element M4-12
4.1 End element LA
4.2 Diversion plate LU
5 Control cover CBA (side A) with
electronic pilot module (EPM2)
6.1 Control cover K (side B)
6.2 Control cover standard (side B)
7 Stroke limitation
8 Tie rod
9 Fastening screw thread
4 x M10; 15 deep
33
95
50
94
72
78.5
125
18
15 98.5
124
72
41
98
43
T
Y
P
T
A B
67
119
19
43
87.5
90.5
11
40
67
144.5
105.4
294.5
1
2
3
4
5
5
6
60/64	 Bosch Rexroth AG	 M4-12 | RE 64276/08.2010
(according to the order example of page 16, dimensions in mm)
Dimensions: Monoblock Open Center
1 Type plate
2 Housing PM
3 Control cover W (side A) for
electrohydraulic operation
4 Control cover K (side B)
5 Stroke limitation
6 Fastening screw thread
4 x M10; 20 deep
RE 64276/08.2010 | M4-12	 Bosch Rexroth AG	 61/64
On-board electronics: Electronic pilot module (EPM)
M4-12 with EPM2
Function
The electronic pilot module controls the flow at the control
block M4-12 by means of an analog or digital electrical
signal.
An analog (voltage or PWM signal) or digital (CAN bus)
input signal is converted by the pilot module into a pilot
pressure via two electrohydraulic pressure reducing valves.
In case of an analog input signal, each pilot module is
connected individually to the control electronics of the
machine.
In case of CAN bus actuation, it is possible to loop the
electrical connection to the next pilot module via a second
plug-in connection (daisy chain cabling). The complete valve
control block is then connected to the control of the machine
via the 4-pin plug of the first pilot module.
The electrical connection is realized via a 4-pin plug of type
Bosch Kompakt 1.
It is also possible to connect further CAN bus stations at the
output to the last pilot module (see also RE 64815‑B).
Features
Time functions (ramp functions), the form and gradient of
characteristic curves can be parameterized and changed
directly during the operating cycle via the CAN bus.
Various diagnosis functions allow to monitor the fault-free
operation of the pilot module.
The following elements are monitored in the basic version:
•
•
Correct reception of a valid command value signal
•
•
Stability of the connection with the command value
•
•
encoder
Adherence to the defined limits of supply voltage
•
•
Function of the pilot valves (short circuit, cable break)
•
•
Malfunctions are indicated in the form of an error code
(flashing code) via an LED that can be seen from the
outside.
With the analog module, there is a relay output available as
error indicator.
With the CAN bus variant, the error code is transferred to
the control in the status telegram of the pilot module and can
then be analyzed by the control:
Reduced cabling effort with CAN wiring through daisy
•
•
chain
Controlled output stages with superimposed dither
•
•
Processor-independent watchdog
•
•
Time ramps can be selected separately for valve outputs
•
•
A and B, Open and Close (only for CAN, fixed parameter
for analog module)
Modifiable characteristic curve from linear to progressive
•
•
form separately for A and B (only CAN, fixed parameter
for analog module)
Linear reduction of the curve, modifiable in operation, and
•
•
therefore also linear reduction of the total flow (CAN only,
fixed parameter for analog module)
Selectable time ramps for shutdown in case of error (only
•
•
for analog module)
Selectable monitoring limits for operating voltage
•
•
parameterizable via CAN bus
Protection type according to EN 60529 IP 69K
•
•
(only with connected Bosch Kompakt plug-in connectors)
Comprehensive options for customized parameterization
•
•
by Rexroth in the factory
Options
Position sensor
•
•
with measuring port
•
•
Electronic pilot module – parameterization specifications
You can find the form for the parameterization specifications in the data sheet RE 64815-02.
Its purpose is to set the electronic pilot module according to the requirements of the client on delivery.
62/64	 Bosch Rexroth AG	 M4-12 | RE 64276/08.2010
�
�
�
�
�
���
���
���
���
���
����
� � � �
�
�
�
�
�
�������
������
���
���
� � � �
��� ������
Electronic pilot module: Pin assignment
Pin assignment at the Bosch Kompakt plug-in
connector
Pin assignment at the CAN plug-in connector
Connection via Bosch Kompakt plug coding 1.
The second Bosch Kompakt plug, coding 2, can be used in
conjunction with CAN control to establish a connection to the
next module or to another CAN station.
Note!
Connecting cables and plugs are not included in the scope
of supply and must be ordered separately (see also page
63).
Attention!
Please observe the safety notes of the operating
f
f
instructions RE 64815-B at all times.
Bosch Rexroth warrants the correct functioning of
f
f
the unit as described in the operating instructions
RE 64815-B. With this unit, Bosch Rexroth declines any
warranty for the safe operation of the machine or plant of
which this unit is a part.
Coding 1
(black plug-in
connector)
Coding 2
(gray plug-in connector)
RE 64276/08.2010 | M4-12	 Bosch Rexroth AG	 63/64
Material number Type Description Length
Daisy chain cable
R917c02581
R917c02599
R917c02628
Cable
Cable
Cable
For the connection of two pilot modules (standard)
For the connection of two pilot modules
For the connection of two pilot modules via central inlet
190 mm
240 mm
370 mm
Special cable
R9017c05332 Cable with two plug-in connectors, coding 1 (black) 90°
R917c05333 Cable with two plug-in connectors, coding 2 (gray) 90°
Connecting cable
R917c02724
R917c04484
Cable
Cable
with one plug-in connector, coding 1 (black)
with one plug-in connector, coding 2 (gray)
4,000 mm
4,000 mm
Plug-in connectors and plug-in connector kits
R917c05459
R917c02627
Plug-in
connector
Plug-in
connector
Coding 1 (black), dummy plug
Coding 2 (gray), dummy plug
R917c05458
R917c04605
Plug-in
connector
Plug-in
connector
Coding 1 (black), dummy plug with integrated final resistance
Coding 2 (gray), dummy plug with integrated final resistance
R900785606
Plug-in
connector
kit
Bosch Kompakt coding 1 (black)
R900785607
Plug-in
connector
kit
Bosch Kompakt coding 2 (gray)
Electronic pilot module: Accessories
Notes
64/64	 Bosch Rexroth AG	 M4-12 | RE 64276/08.2010
Bosch Rexroth AG
Hydraulics
Zum Eisengießer 1
97816 Lohr am Main, Germany
Phone	 +49 (0) 93 52 / 18-0
Fax	+49 (0) 93 52 / 18-23 58
info.brm-mc@boschrexroth.de
www.boschrexroth.de
© This document, as well as the data, specifications and other
information set forth in it, are the exclusive property of Bosch Rexroth
AG. It may not be reproduced or given to third parties without its
consent.
The data specified above only serve to describe the product. No
statements concerning a certain condition or suitability for a certain
application can be derived from our information. The information given
does not release the user from the obligation of own judgment and
verification. It must be remembered that our products are subject to a
natural process of wear and aging.
Type 2TH6
Series 1X
Hydraulic pilot control unit of sandwich
plate design for the remote control of
directional valves, pumps, motors
RE 64 552/05.06 1/8
Replaces: 05.03
Contents
Functional description, section 2
Symbol hydraulic 3
Technical data 3
Ordering details 4
Characteristics curves 5
Unit dimensions 6 to 7
Contact location within the plugs 8
Features
– Progressive, sensitive control
– Precise and play-free control characteristics
– Low actuation force at the lever
– Rust-free plunger
Further remote controls and pilot control units:
– Hydraulic remote control
• Pilot control unit type 2 TH 6 R, pedal version (see
RE 64551)
• Pilot control unit types 4 TH 6, 4 TH 5, 4TH 6 N, for arm rest
installation (see RE 64555)
• Pilot control device type TH 7, for instrument panel installati-
on or in pedal design (see RE 64558)
• Pilot control device with end position locking type 4/5 THF 6
(see RE 64553) or type 4/6 THF 5 (see RE 64557)
– Electronic pilot control device
• Electronic remote control device type THE6 for direct
controlling of electrical or electro-hydraulical pilot operated
actuators (see RE 29771)
• Electronic pilot control device type THE5 (see RE 29881)
– B2 TH 6 (see picture opposite)
• Recommended for use with a single 2 TH 6 control axis
• This pilot control unit cannot be flanged on
Bosch Rexroth AG
� �
�
�
�
1
9
7
5
6
3
4
2
8
13
12
11
10
Type 2 TH6 | RE 64 552/05.06
Functional description, section
Hydraulic operating principle
Hydraulic pilot control units of the type 2TH6 operate on the
basis of direct operated pressure reducing valves.
Pilot control units of the type 2TH6 basically comprise of a
control lever (1), two pressure reducing valves and a housing
(6).
Each pressure reducing valve consists of a control spool (2), a
control spring (3), a return spring (4) and a plunger (5).
In the non-actuated condition, the control lever is held in the
neutral position by the return spring (4). The control ports (1,2)
are connected to tank port T via a drilling (8).
When the control lever (1) is deflected, the plunger (5) is
pressed against the return spring (4) and the control spring
(3). The control spring (3) initially moves the control spool (2)
downwards and closes the connection between the relevant
port and tank port T. At the same time, the relevant port is
connected to port P via the drilling (8). The control phase starts
as soon as the control spool (2) finds its balance between the
force from the control spring (3) and the force resulting from
the hydraulic pressure in the relevant ports (ports 1, 2).
As a result of the interaction of the control spool (2) and
the control spring (3) the pressure in the relevant ports is
proportional to the stroke of the plunger (5) and thus to the
position of the control lever (1).
This pressure control as a function of the control lever (1)
position and the characteristics of the control spring (3)
enables the proportional hydraulic control of directional valves
and high response control valves for hydraulic pumps and
motors.
A rubber gaiter (9) protects the mechanical parts in the
housing against contamination and ensures that the 2TH6 pilot
control units can also be used for the arduous applications.
Electro-magnetic lock
End position locking is only provided for the control
connections which require that the control lever is held in the
deflected position.
An additional spring (12), which is fitted below an additional
plate (13) warns, by means of an increased force, which is
required for compressing this spring, that the plunger (5) and
the control lever (1) have almost reached the end position.
When this threshold is overcome, a ring (10) contacts the
solenoid (11); if the solenoid is energised, then control lever (1)
is held in its end position by magnetic force.
Unlocking can performed automatically when the solenoid
current is switched off.
Holding
solenoid
2/8
Bosch Rexroth AG
T P
1 2
T P
1 2
RE 64 552/05.06 | Type 2 TH6
Symbol, hydraulic
Technical data, mechanical (for applications outside these parameters, please consult us!)
Variants without electrical detent: L, M, P, T, N Variants with electrical detent: G, H, J
Inlet pressure bar up to 50
Back pressure at port T bar up to 3
Control fluid flow (P to 1 - 2) l/min up to 16
Hysterises bar up to 1
Pressure fluid
1)
suitable for NBR seals mineral oil (HL, HLP) to DIN 51524 1)
2)
suitable for FKM seals phosphate ester (HFD-R) 2)
Pressure fluid temperature range °C – 20 to + 80
Viscosity range mm2
/s 10 to 380
Degree of pressure fluid contamination Maximum permissible degree of contamination of the pressure
fluid is to NAS 1638 class 9. We, therefore, recommend a
filter with a minimum retention rate of ß10
≥ 75
Max. permissible operating torque at lever Nm 10 in operation
Nm 80 for an exceptional, one time loading
Weight (dependent on the actuating element) kg 1.2 to 1.8
Technical data, electrical (for applications outside these parameters, please consult us!)
E-contact technical data for actuator N
• Switching capacity
- DC 1 A - 30 V 250 000 cycles
- AC 0.3 A - 250 V 250 000 cycles
0.6 A - 125 V 250 000 cycles
• Max. start contact resistance mW 50
• Min. isolation resistance at 500 V DC MW 1 000
• Dielectric strength 1 000 V eff. 50 Hz min. between outputs
1 500 V eff. 50 Hz min. between outputs and mass
Solenoid supply voltage V 24 (20 to 27) / DC
Power consumption of each solenoid 8.5 W at 24 V
Safety guidelines (this list is not intended to be considered as complete)
Application guidelines (this list is not intended to be considered as complete)
– Do not direct the jet of a pressure washing unit directly at the unit.
– The electrical cable must be kept free of any mechanical forces.
– During operation protection via the rubber boot must be ensured.
– Only one function control must be allocated to an E-contact.
– The circuit functions are to be so designed that uncontrolled machine movements, caused by the application, are prevented and
that it is possible to switch from one function to another.
– Take into account all of the application limits, particulary those application limits stated within this catalogue sheet.
3/8
Bosch Rexroth AG
� � �
� � �
�
�
�
�
�
�
Type 2 TH6 | RE 64 552/05.06
Ordering details
Pilot control unit with N flangeable control axis
N = number of control axes 1 to 6
-1X /
- 2 TH 6
1st control axis
*
Further details in clear text
Example
3-2 TH 6 L06-1X
M70
L06 M01
*
-1X/
B 2 TH 6
Example
B 2 TH 6 L06-1X/M01
Pilot control unit with 1 control
axis, not flangeable
Control axis, separate *
-1X/
2 TH 6
Example
2 TH 6 L06-1X/M01
Actuator type
1 lever without detent = L
1 lever with detent in 3 positions = M
1 lever held in any position by a friction
coupling = P
1 lever with detent in 3 positions and held
in any position by a friction coupling = T
1 lever with E-contact = N
1 lever with electrical detent in position 1 = G
1 lever with electrical detent in position 2 = H
1 lever with electrical detent in both positions = J
Series 10 à 19 = 1X
(10 to 19 : unchanged installation and connection dimensions))
Connection threads
01 = G 1/4 pipe thread to
standard ISO 228/1
05 = 9/16 UNF-2 B connections
to standard ISO 11926
Seals
M = NBR seals
V = FKM seals
! Attention!
The compatibility of the seals and
pressure fluid has to be taken into
account
Plug (voir page 8)
5 = DEUTSCH sealed plug IP 67
for wiring the solenoid on a 2 TH 6 G/H/J
6 = Plug AMP MAT-N-LOK
for wiring the solenoid on a 2 TH 6 G/H/J
7 = DEUTSCH sealed plug IP 67
for wiring the solenoids on a 2 TH 6 N
8 = Plug AMP MAT-N-LOK
for wiring the solenoids on a 2 TH 6 N
No code = Without plug
Drillings for connections P and T: connection possibilities (seen from above)
3-2 TH 6 L06-1X/
M70
L06 M01
1-2 TH 6 L06-1X/M01 B 2 TH 6 L06-1X/M01 2 TH 6 L06-1X/M01/
2nd control axis
3rd control axis
4th control axis
5th control axis
6th control axis
Enter the identification number of the control curve that is
required (see page 5)
P and T P and T P and T P and T
4/8
Bosch Rexroth AG
�
�
�
��
�
�
�
����
����
�
�
�
��
�
�
�
����
����
�
�
��
�����
����
�
�
�
�
�
����
���
�
����
����
RE 64 552/05.06 | Type 2 TH6
Characteristic curves: control ranges, actuation moments
06 Control curve, identification no. 06
This curve is used for the pilot control of the SM12, SM18, M1 control blocks
Lever deflection
Control
pressure
in
bar
Inlet
pressure
70 Control curve, identification no. 70
This curve is used for the pilot control of the SX14, SX18 control blocks
20 Control curve, identification no. 20
This curve is used for the pilot control of the SP12 control blocks
97 Control curve, identification no. 97 (only for actuators L, M, P, N and T)
This curve is used for the pilot control of the M7 control blocks
Inter-section point A B C D
Lever deflection 3° 18° 21° 25°
Actuation moment
for actuator L in N.m
0.8 / 2.7 3.8
(p = 35 bar)
Actuation moment
for actuators G, H, J in N.m
0.8 1.8 3.2 4.3
(p=35 bar)
B = resistance point before changeover to inlet pressure
Inter-section point A B C D
Lever deflection 3° 18° 21° 25°
Actuation moment
for actuator L in N.m
0.8 / 2.7 3.8
(p = 35 bar)
Actuation moment
for actuators G, H, J in N.m
0.8 3.2 3.6 4.3
(p=35 bar)
B = resistance point before changeover to inlet pressure
Inter-section point A B C D
Lever deflection 3° 18° 21° 25°
Actuation moment
for actuator L in N.m
1 / 2.9 3.8
(p = 35 bar)
Actuation moment
for actuators G, H, J in N.m
1 3.1 3.4 4.3
(p=35 bar)
B = resistance point before changeover to inlet pressure
Inter-section point A C
Lever deflection 3° 25°
Actuation moment
for actuator L in N.m
0.8 3.3
The actuation moments stated are theoritical values which do not take into account the rubber boot resistance.
Lever deflection
Inlet
pressure
Control
pressure
in
bar
Lever deflection
Inlet
pressure
Control
pressure
in
bar
Lever deflection
Inlet
pressure
Control
pressure
in
bar
5/8
Bosch Rexroth AG
2 TH6 L 06-1X/M01
1-2 TH6 L 06-1X/M01
M
P
T
N
1 2
25° 25°
Ø18
Ø10
Ø12
42
56
120
301
5
2
94
T
P
49
32
31 31
62
37
8,5
1
T
P
2
100
120
78
32
1 2
39
50 60
16
16
1
P
2
T
T
P
62
37
1616
39 39
78
94
32
2
5
101
1 2
60
50
16
16
100
120
Type 2 TH6 | RE 64 552/05.06
Unit dimensions (Dimensions in mm)
B2 TH6 (upper part is identical with the above depicted 2 TH 6 or 1-2 TH 6)
for version 2 TH 6 the threads are open
for version 1-2 TH 6 the threads are closed
the version 2 TH6 N has other dimensions for the lever and bush
*
1 pressurisation of control port 1
2 pressurisation of control port 2
2 holes Ø 9.5
counter bore Ø 27
2 holes M8 x 1 *
2 holes Ø 8.3
2 counter bores Ø 20.4±0.
1
deep 1±0.
1
2 holes Ø 9.5
counter bore
ports 01= Ø 25
ports 05= Ø 26
ports 01= Ø 25
ports 05= Ø 26
2 counter bores
deep 1.5 maxi
upper
part
6/8
Bosch Rexroth AG
3-2 TH6 H06-1X/H06 L06 M01
G
J
G
J
5 4 3
7
6
114
T
P
301
1 2
1 2
1 2
16
16
16
16
50 60
156
120
100
1 2
25° 25°
1
T
P
2
101
62
5
8,5
37
16 16
39 39
78
RE 64 552/05.06 | Type 2 TH6
1 pressurisation of control port 1
2 pressurisation of control port 2
3 1st control axis (H06)
4 2nd control axis (H06)
5 3rd control axis (L06)
6 O-rings: 17.5 x 1.5 (2 off per contact surface)
7 plug factory fitted
Installation guidelines
– Mounting flange area: Flatness = 0.5 mm
– Screw head imensions = Ø13 mm
– Tightening torque for the flange fixing screws = Max. 10 Nm
– Tightening torque for the pipe connections = Max. 30 Nm
Unit dimensions (Dimensions in mm)
2 holes Ø 9.5
2 counter bores Ø 20.4±0.
1
deep 1±0.
1
7/8
Bosch Rexroth AG
Hydraulics
Produktsegment
Axialkolbenmaschinen
Werk Elchingen
Glockeraustraße 2
89275 Elchingen, Germany
Tel. +49 (0) 73 08 82-0
Fax. +49 (0) 73 08 72 74
info.brm-ak@boschrexroth.de
www.boschrexroth.com/brm
Bosch Rexroth DSI S.A.S.
BP 101
91, bd Irène Joliot-Curie
69634 Vénissieux Cedex, France
Tel. +33 (0) 4 78 78 52 52
Fax. +33 (0) 4 78 78 52 26
www.boschrexroth.fr
© This document, as well as the data, specifications and other information set forth
in it, are the exclusive property of Bosch Rexroth AG. It may not be reproduced or
given to third parties without its consent.
The data specified above only serve to describe the product. No statements
concerning a certain condition or suitability for a certain application can be derived
from our information. The information given does not release the user from the
obligation of own judgment and verification. It must be remembered that our
products are subject to a natural process of wear and ageing.
Subject to revision.
Bosch Rexroth AG Type 2 TH6 | RE 64 552/05.06
Contact location within the plugs for wiring the solenoids of the
electro-magnetic lock 2 TH 6 G / H / J
DEUTSCH sealed plug IP 67 (ordering code = 5)
Plug AMP MAT-N-LOK (ordering code = 6)
DEUTSCH sealed plug IP 67 (ordering code = 7) Plug AMP MAT-N-LOK (ordering code = 8)
Contact location within the plugs for wiring the 2 TH 6 N
grey yellow
View F
DEUTSCH cover DT 04 - 2P - CE 04
View F
AMP cover 350778 - 1
DEUTSCH cover DT 04 - 6P - CE 04
lock connection no.1
lock connection no.2
View F
Electrical contact symbol for version 2 TH 6 N
AMP cover 350781 - 1
lock connection no.1
lock connection no.2
View F
8/8
Type 4TH5, 4TH6, 4TH6N
Series 1X
Hydraulic pilot control units for
armrest installation
RE 64 555/04.06 1/12
Replaces: 05.05
Contents
Functional description, section, symbol 2
Technical data 3
Ordering details 4
Unit dimensions 5
Characteristic curves 6 and 7
Variations of ergonomic grip EC2000 8
Contact location within the plugs for wiring grip
EC2000 9
Guidelines 10
Special features
– Progressive, sensitive operation.
– Low actuation forces.
– Low force deviations when lever is actuated
(4TH5, 4TH6N).
– Several ergonomic grips with various E contacts.
– All connections point downwards.
Bosch Rexroth AG
� �
� � � �
4TH6
4TH6N
12
5
8
7
9
10
11
6
10
4TH5
Type 4TH5, 4TH6, 4TH6N | RE 64 555/04.06
Ports
P Supply
T Tank
1, 2, 3, 4 Control ports
Design
The 4TH6, 4TH6N and 4TH5 pilot control units basically com-
prise of a control lever (5), four pressure adjustment valves and
a housing (10).
Each pressure adjustment valve comprises of a control spool
(6), a control spring (7), a return spring (8) and a plunger (9).
General
The design of the 4TH6N and 4TH5 versions differs from that
of the 4TH6. Thereby the force‘s deviations, which are felt
when the lever is deflected, are reduced.
As the 4TH5 is smaller and lighter, it is normally used for appli-
cations in compact machines.
Hydraulic symbol
Function
When not actuated the control lever is held in zero position
by the four return springs (8). The control ports (1, 2, 3, 4) are
connected to the tank port T via the drilling (11).
With deflection of the control lever (5) the plunger (9) pushes
against the return spring (8) and the control spring (7). The
control spring (7) firstly moves the control spool (6) down-
wards and closes the connection between the appropriate
port and tank port T. At the same time the appropriate port is
connected to the port P via the drilling (11). The control phase
begins as soon as the control spool (6) has found its balance
between the force of the control spring (7) and the force which
results from the hydraulic pressure in the appropriate port
(ports 1, 2, 3 or 4).
Through the interaction of control spool (6) and control spring
(7) the pressure in the appropriate ports is proportional to the
stroke of the plunger (9) and thus the position of the control
lever (5).
A rubber boot (12) protects the mechanical components of the
housing from contamination.
Functional description, section, symbol
2/12
Bosch Rexroth AG
RE 64 555/04.06 | Type 4TH5, 4TH6, 4TH6N
Electrical
Technical data for the grips switch EC2000
• Switching capacity
– minimal current resistive load 100mA at 12VDC or 24VDC
– maximal current resistive load 5A at 12VDC or 24VDC
• Microswitch lifetime
– resistive load at 12VDC 100 to 500mA 5 millions cycles
5A 300000 cycles
– resistive load at 24VDC 100 to 500mA 3 millions cycles
5A 150000 cycles
– inductive load L/R=5ms at 12VDC or 24VDC 1,25A 200000 cycles
• Maximal contact resistance m Ω 20
• Switching on/off with low loads
– minimum voltage V 12
– minimum current strength mA 100
• E-contact type high current
Grip protection IP65
Switching guidelines for DC voltages to ensure the service life of the electrical switch, we
recommend the use of free-wheeling diodes that are switched
parallel to the inductivity.
Technical data (for applications outside these parameters, please consult us!)
Mechanical
4TH6, 4TH6N 4TH5
Inlet pressure bar up to 50 up to 35
Back pressure at port T bar up to 3
Pilot oil flow (P to 1 - 2 - 3 - 4) l/mn up to 16 up to 13
Pressure fluid
1)
suitable for NBR seals mineral oil (HL, HLP) to DIN 51524 1)
2)
suitable for FPM seals phosphate ester (HFD-R) 2)
Pressure fluid temperature range °C -20 to +80
Viscosity range mm2
/s 10 to 380
Degree of pressure fluid contamination to NAS 1638 class 9. We, therefore, recommend a filter with a
minimum retention rate of ß10
≥ 75
Max. permissible operating torque at lever Nm 10 during operation
Nm 80 with an exceptional, one time loading
Weight kg approx. 2,6 approx. 1,9
3/12
Bosch Rexroth AG
4 TH 5
4 TH 6
Type 4TH5, 4TH6, 4TH6N | RE 64 555/04.06
Ordering details
Operating force deviations
For 4 TH 5 :
– Reduced no code
For 4 TH 6 :
– Conventional no code
– Reduced = N
1X *
Grip range
Ergonomic EC2000 = E
Ergonomic EC4000 = H
Ergonomic EC2000+ = I
Ergonomic EC1000 = J1)
Customer's no code
Without grip = Z
Series 10 to 19 (10 to 19: unchanged installation and connection dimensions) = 1X
Type of ergonomic grip
Grip type E (see page 8) = TT, ST, VT, YT, YU
Grip type H, I or J1)
see datasheet RE 64547
Without grip no code
Further details in clear text
— /
Grip orientation (see page 5) 4TH6 4TH6N 4TH5
Lever straight, grip in the direction of control port 3 • • 03
Levercurved15°inthedirectionofcontrolport4.Gripinthedirectionofcontrolport3 • • • 43
Levercurved15°inthedirectionofcontrolport2.Gripinthedirectionofcontrolport3 • • • 23
Plugs (see page 9) 4TH6 4TH6N 4TH5
DEUTSCH sealed plug IP 67 for wiring the grip • • • 5
Plug AMP MAT-N-LOK for wiring the grip • • 6
Without plug no code • • •
Seals type 4TH6 4TH6N 4TH5
NBR seals ! Attention! the compatibility of the seals and • • • M
FPM seals pressure fluid has to be taken into account • • V
Connection threads 4TH6 4TH6N 4TH5
Pipe thread to standard ISO 228/1 G 1/4 • • • 01
Metric connections to standard ISO 9974 M 14 x 1,5 • 02
Connections to standard JIS 2351 • • 04
UNF connections to standard ISO 11926 9/16 UNF-2B • • • 05
Control curve (see pages 6 and 7) 4TH6 4TH6N 4TH5
Curve 06 • • • 06
Curve 20 • 20
Curve 70 • • • 70
Curve 97 • • 97
Curve 106 • • 106
Different control curve: state identification No. •
1)
handle EC1000 for 4TH6 and 4TH6N only.
4/12
Bosch Rexroth AG
1 2 1
2 1 2 1
2
P T
3
4
2
1
P
T
3
4
2
1
4TH6, 4TH6N 4TH5
EC1000 236
EC2000 207 207,5
EC2000+ 215 216,5
EC4000 251 248,5
4 TH 5 E XX - 1X / - - 43 - - -
4 TH 6 E XX - 1X / - - 43 - - -
4 TH 6 N E XX - 1X / - - 43 - - -
4 TH 5 E XX - 1X / - - 23 - - -
4 TH 6 E XX - 1X / - - 23 - - -
4 TH 6 N E XX - 1X / - - 23 - - -
RE 64 555/04.06 | Type 4TH5, 4TH6, 4TH6N
Unit dimension Y in function of the grip type :
Unit dimensions (dimensions in mm)
Type designation of the pilot control units shown:
4 TH 6 E XX - 1X / - - 43 - - -
4 TH 6 N E XX - 1X / - - 43 - - -
Type designation of the pilot control unit shown:
4 TH 5 I XX - 1X / - - 23 - - -
1 Lever deflection when actuating 1 actuator.
2 Lever deflection when simultaneously actuating
2 actuators.
Pilot control unit left hand Pilot control unit right hand
Cable
length
:
300
Cable
length
:
300
Fixing bolts Fixing bolts
type of grip
Orientation of the pilot control units at the driver‘s seat (viewed from above)
5/12
Bosch Rexroth AG
06
70
4TH6 4TH6N 4TH5
1 2 1 2 1 2
A 0,72 1,43 0,68 1,35 0,68 1,35
B 1,99 3,99 1,46 2,92 1,45 2,90
C 2,93* 5,86* 2,10 4,19 2,08 4,16 *p = 35 bar
�
�
�
��
�����
���
� ��� ����� �����
106
4TH6 4TH6N 4TH5
1 2 1 2 1 2
A 0,73 1,45 0,68 1,37 0,69 1,37
B 2,33 4,67 1,69 3,39 1,69 3,39
C 2,93* 5,86* 2,10 4,19 2,08 4,16 *p = 35 bar
4TH6 4TH5
1 2 1 2
A 0,72 1,44 0,68 1,36
B 2,17 4,34 1,58 3,15
C 2,93* 5,86* 2,08 4,16 *p = 35 bar
�
�
�
��
�
� ��� ����� �����
����
���
Type 4TH5, 4TH6, 4TH6N | RE 64 555/04.06
Control curve, identification No. 06
This curve is used for the pilot control of the
SM12, SM18, M1, M6 control blocks
Control curve, identification No. 70
This curve is used for the pilot control of the
SX12, SX14, SX18 control blocks
Characteristic curves : control ranges, actuation moments
The operating torques stated are theoritical values which do not take into account the rubber boot resistance.
Lever deflection in °
(1 actuator – 2 actuators)
Control
pressure
in
bar
Inlet pressure
1)
4TH5 control pressure in bar : 5,9 maxi - 19 mini
Lever deflection in °
(1 actuator – 2 actuators)
Control
pressure
in
bar
Inlet pressure
Lever deflection in °
(1 actuator – 2 actuators)
Control
pressure
in
bar
Inlet pressure
Control curve, identification No. 106
This curve is used for the pilot control of the
SM12 control blocks
(application example : mini excavator)
No. of actuated actuators
Operating torque in Nm
No. of actuated actuators
Operating torque in Nm
No. of actuated actuators
Operating torque in Nm
6/12
Bosch Rexroth AG
�
�
�
��
�
� ��� ����� �����
����
���
�
�
��
�
� ��� �����
����
���
20
97
4TH6
1 2
A 0,83 1,65
B 2,21 4,42
C 2,93* 5,86* *p = 35 bar
4TH6 4TH6N
1 2 1 2
A 0,72 1,44 0,68 1,36
C 2,45* 4,91* 1,77 3,53 *p = 35 bar
RE 64 555/04.06 | Type 4TH5, 4TH6, 4TH6N
Lever deflection in °
(1 actuator – 2 actuators)
Control
pressure
in
bar
Inlet pressure
Lever deflection in °
(1 actuator – 2 actuators)
Control
pressure
in
bar
Inlet pressure
Control curve, identification No. 20
This curve is used for the pilot control of the
SP12 control blocks
Control curve, identification No. 97
This curve is used for the pilot control of the M7,
M4 control blocks
No. of actuated actuators
Operating torque in Nm
No. of actuated actuators
Operating torque in Nm
The operating torques stated are theoritical values which do not take into account the rubber boot resistance.
Characteristic curves : control ranges, actuation moments
7/12
Bosch Rexroth AG
TT
ST
VT
YT
YU
Type 4TH5, 4TH6, 4TH6N | RE 64 555/04.06
– without E-contact
– single E-contact on
top
– double E-contact
with rocker switch
– double E-contact
with rocker switch
– single E-contact on
top
– double E-contact
with rocker switch
– single E-contact on
top
– single E-contact to
the front
Variations of ergonomic grip EC2000
yellow
yellow black grey white
green
green red blue brown
yellow black grey
green red blue
black grey
red blue
8/12
Bosch Rexroth AG
�
� � �
� � �
� � �
�
� � �
� � �
�
�
�
�
�
�
�
�
�
�
�
�
�
�
�
�
�
�
�
� �
�
RE 64 555/04.06 | Type 4TH5, 4TH6, 4TH6N
Contact location within the plugs for wiring grip EC2000
DEUTSCH sealed plug IP 67
(ordering detail = 5)
Plug AMP MAT-N-LOCK
(ordering detail = 6)
Grip ST Grip ST
Grip VT or YT
View F
View F
Grip VT or YT
View F
Grip YU Grip YU
View F View F
cover DEUTSCH DT 04 - 2P - CE 04
cover DEUTSCH DT 04 - 6P - CE 04
cover DEUTSCH DT 04 - 8P - CE 04 cover AMP 350782 - 1
cover AMP 350781 - 1
cover AMP 350778 - 1
View F
3
1
2
4
7
5
6
8
Identifica-
tion in the
plug
red
black
grey
blue
wire
colour
identifica-
tion in the
plug
yellow
green
white
wire
colour
brown
3
1
2
4
7
5
6
8
Identifica-
tion in the
plug
grey
black
red
blue
wire
colour
identifica-
tion in the
plug
yellow
green
white
wire
colour
brown
3
1
2
4
5
6
VT
Identifica-
tion in the
plug YT
red
black
grey
blue
yellow
green
Ergonomic grip type
wire
colour
X X
X X
X X
X X
X
X
3
1
2
4
5
6
VT YT
Identifica-
tion in the
plug
grey
black
red
blue
yellow
green
Ergonomic grip type
wire
colour
X X
X X
X X
X X
X
X
9/12
Bosch Rexroth AG
Ø 108 Ø 7
Ø
9
6
100 x 100
D Ø 7
Ø
8
5
100 x 100
Type 4TH5, 4TH6, 4TH6N | RE 64 555/04.06
– Mounting flange area: Flatness = 0.5 mm
– Screw head dimensions = Ø 10 mm
– Tightening torque for the flange fixing screws = Max. 10 Nm
– Tightening torque for the pipe connections = Max. 30 Nm
Installation hole 4 TH 5
Installation hole 4 TH 6
– Do not direct the jet of a pressure washing unit directly at the unit.
– The electrical cable must be kept free of any mechanical forces.
– During operation protection via the rubber boot must be ensured.
– Only use the unit with its original grip and lever.
– Ensure that the inertia data of the original grip are not exceeded.
– Replace worn push buttons, so that the integrity of the EC2000 grip is ensured.
– Only one function control must be allocated to an E-contact.
– The circuit functions are to be so designed that uncontrolled machine movements caused by the application are prevented and
that it is possible to switch from one function to another.
– Take into account all of the application limits, particularly those application limits stated within this catalogue sheet.
– Preparation for assembly and testing on the machine: The various checks must include all the functions of the pilot control
device.
Application guidelines (these guidelines are not intended to be considered as complete)
Safety guidelines (these guidelines are not intended to be considered as complete)
Installation guidelines 4TH6, 4TH6N, 4TH5
– Ø 108 = Nominal diameter / fixing via 4 screws
– Nominal diameter / fixing via 4 screws
D = 92 to 100 mm or 100 to 108 mm
Fixing bolts
Fixing bolts
10/12
Bosch Rexroth AG
RE 64 555/04.06 | Type 4TH5, 4TH6, 4TH6N
Notes
11/12
Bosch Rexroth AG
Bosch Rexroth AG
Hydraulics
Produktsegment
Axialkolbenmaschinen
Werk Elchingen
Glockeraustraße 2
89275 Elchingen, Germany
Tel. +49 (0) 73 08 82-0
Fax. +49 (0) 73 08 72 74
info.brm-ak@boschrexroth.de
www.boschrexroth.com/brm
Bosch Rexroth DSI S.A.S.
BP 101
91, bd Irène Joliot-Curie
69634 Vénissieux Cedex, France
Tel. +33 (0) 4 78 78 52 52
Fax. +33 (0) 4 78 78 52 26
www.boschrexroth.fr
© This document, as well as the data, specifications and other information set forth
in it, are the exclusive property of Bosch Rexroth AG. It may not be reproduced or
given to third parties without its consent.
The data specified above only serve to describe the product. No statements
concerning a certain condition or suitability for a certain application can be derived
from our information. The information given does not release the user from the
obligation of own judgment and verification. It must be remembered that our
products are subject to a natural process of wear and ageing.
Subject to revision.
Type 4TH5, 4TH6, 4TH6N | RE 64 555/04.06
Notes
12/12
© This document, as well as the data,
specifications and other information set
forth in it, are the exclusive property of Bo-
sch Rexroth AG. It may not be reproduced
or given to third parties without its consent.
The data specified above only serve to
describe the product. No statements con-
cerning a certain condition or suitability for
a certain application can be derived from
our information. The information given does
not release the user from the obligation of
own judgment and verification. It must be
remembered that our products are subject
to a natural process of wear and aging.
Printed in Germany
RE 09970/03.11	 Replaces: 05.08
Mat. no. R961005147
Bosch Rexroth AG
Drive  Control Academy
Bahnhofplatz 2
97070 Würzburg
Phone:	 +49 (0)9352/18-1041
Fax:	 +49 (0)9352/18-6882
Email:	 academy@boschrexroth.de
www.boschrexroth.com/academy

Load sensing control 2M4-12.pdf

  • 1.
    Electric Drives and ControlsHydraulics Linear Motion and Assembly Technologies Pneumatics Service Project manual Mobile hydraulics Load sensing control 2M4-12 Trainer's manual RE 09970/03.11 Replaces: 05.08
  • 3.
    1 RE 09970/03.11 IForeword Bosch Rexroth AG Foreword The present project manual for the area mobile hydraulics serves as accompanying and work book for the knowledge transfer by means of project works. Projects are described that are especially based on practical examples from the mobile control technology. The trainees are expected to have basic hydraulic knowledge. It must generally be noted that the project results documented in this manual may slightly vary depending on the relevant circumstances. Project / trainer information For the projects with mobile hydraulics, the device set has been extended. For explana- tions on the practice stand, please refer to the corresponding operating instructions. Before the projects are carried out, the hydraulic basics should be discussed and intro- ductory practice described must have been completed. We recommend carrying out the projects in the specified order starting with project 01. The description of a project practice comprises information for trainers as well as project/ trainer information for the completion of the relevant project. This information is only contained in the trainer manual.
  • 4.
    2 Foreword IRE 09970/03.11 Bosch Rexroth AG Notes
  • 5.
    3 RE 09970/03.11 IIntroduction Bosch Rexroth AG Introduction History of mobile hydraulics Since the 1960s, construction machines have increasingly been operated with hydraulics. Before, mainly fully mechanical rope machines were used. With these machines, the force was transmitted by means of gears and couplings. The machine operator must operate the mechanical couplings with large levers. Operation was a real feat of strength. As compared to today's machines, the working speed were relatively slow. The efficiency of excavator applications on construction sites was not perfect. A rope excavator with gripper can hardly penetrate solid ground and often only scratches at the surface. Thanks to the hydraulics, the force transmission is more flexible and easier than with pure mechanics. The large, heavy gears and couplings as well as the rope drums could be omitted. As then, the hydraulics often did not have today's tried and tested components, there were many problems to lose for the piping and hose material for the high pressures had to be developed and improved first. The same was true for pumps and control blocks. The working movements of the first hydraulic excavators were much slower and more jerky than with today's hydraulic excavators. Fig. 0-1: Rope excavator 1928 in operation
  • 6.
    4 Introduction IRE 09970/03.11 Bosch Rexroth AG In the beginning, the hydraulic control blocks were arranged under the operator who oper- ated the directional valve spools by means of mechanical levers. The introduction of the hydraulic remote control was another step; it simplified the opera- tion and made the arrangement of the control blocks in the machine more flexible. Now, the control block could be mounted in places where it was e.g. most favorable for the piping. The machines became faster and faster and increasingly powerful. Fig. 0-2: Hydraulic excavator today Adjustment boom Hydraulic pumps Diesel motor Hydraulic control block Slew drive Arm Bucket Operating elements
  • 7.
    5 RE 09970/03.11 IIntroduction Bosch Rexroth AG With the increased working speeds, the jerky motion sequence had more and more nega- tive effects. The advancement focused on the optimization of the controls regarding the best and jerk-free controllability of the working movements possible (load sensitivity). The previously used throttle control was amended by load sensing systems in the 1980s. Load sensing reduces the power loss and simplifies the operation as the control is load pressure-independent. Apart from that, the multi-circuit systems with several pumps nec- essary in the throttle control could be replaced by one-circuit systems with one pump. Another development is the LUDV system, in which the flow is load pressure-independent of all operated actuators (LUDV = abbreviation of the German term for load pressure independent flow distribution). The special advantage of this system is that no actuator stops when all operated actua- tors require more oil than can be delivered by the pump. In this case, the LUDV system reduces the actuator velocities proportionally according to the pump delivery volume. In the future, also electronic systems will be used by means of which the actuator veloci- ties and pumps will be controlled. Fig. 0-3: Harvester in forestry operation
  • 8.
    6 Introduction IRE 09970/03.11 Bosch Rexroth AG Notes
  • 9.
    7 RE 09970/03.11 IIntroduction Bosch Rexroth AG Knowledge transfer by means of project works By means of the mobile hydraulic project manuals, the necessary expert knowledge regarding the hydraulic control technology can be transferred in practice-oriented applications. Logically set-up project works are to help the trainee: • To understand physical principles like pressure differential, opening cross-section and flow, To read specific switching symbols, • To identify the function of the throttle control, • To understand the connection between control and velocity, • To get to know the function of the throttle control in parallel operation, • To work out the function and application of the hydraulic pilot control, • To carry out measurements of specific values. • The project tasks and project works described in the mobile hydraulic project manuals provide the trainers and trainees with information and instruments for satisfying the re- quirements on the knowledge transfer regarding the hydraulic expert knowledge. Due to the preparedness and ability to solve tasks and problems on the basis of technical knowledge and skills in a target-oriented, appropriate, method-guided and independent way and to evaluate the result, the trainees develop their technical competence. Teaching contents Technical competence
  • 10.
    8 Introduction IRE 09970/03.11 Bosch Rexroth AG As mentioned above, the trainee is to work off the project task and/or the project order in 6 steps. 1. Information On the basis of the project definition, the trainee is to get a clear idea of the complete solution including the necessary details. This is possible by the systematic analysis of the project documents and queries, if necessary. Possible auxiliary questions: a) What is to be done? b) Have I understood the task completely? c) Which hydraulic component / system is to be worked out? 2. Planning Planning means theoretical preparation and anticipation of a concrete execution. In detail, planning requires the competence for processing the project order and for organizing the project processing steps. Possible auxiliary questions: a) How to proceed? b) Which knowledge is necessary? c) Which aids are available? d) Are there comparable applications in my company? 3. Decision-making After the planning phase, the trainee makes the decision regarding the determination of the aids, e.g. which data sheets are necessary for processing the project task. He also makes the decision regarding the sequence and the dependencies of the individual proj- ect steps. It must also be decided whether the project task can be completed more easily in a team. Possible auxiliary questions: a) Which hydraulic and electrical components are used? b) How do you recognize the up-to-dateness of the data sheets? c) Have I used all possible sources of information? d) Do I have the prescribed safety instructions? Professional competence of action
  • 11.
    9 RE 09970/03.11 IIntroduction Bosch Rexroth AG 4. Execution The order will be executed according to the work instructions in Order execution chap- ter complying with the safety instructions. After a careful preparation phase, the trainee should execute the project order as independently as possible. After preparation of the written solution, it should be verified and/or asked whether the correct solution has been chosen. Possible auxiliary question: a) Have I chosen the correct order? 5. Checks The trainer checks the intermediate results already during the execution phase. Some- times, the result can be compared to manufacturer documents. In measurement practice it has to be checked whether the measurement results are realistic. The documentation is also to be finally corrected, improved, finished and completed. This includes the preparation of the final report. Upon completion, there is a final check by the trainer. Possible auxiliary questions: a) Has the control been mounted professionally? b) Has the project target been achieved? c) Which documentation is necessary? d) Is the result complete and documented in an or- dered form? 6. Evaluation In the final evaluation face, the comparison of project order documents, assembled control and measurement and control results is to be used as basis for an external or own evalua- tion. Possible errors and error causes are to be analyzed and the possibilities for avoiding future errors are to be discussed. The trainees are to learn to assess their strengths and weaknesses and to develop objec- tive quality standards for their actions which will finally lead to personal competence. The evaluation can be completed by a technical discussion, also with a customer discussion, if applicable.
  • 12.
    10 Introduction IRE 09970/03.11 Bosch Rexroth AG General instructions: For didactic reasons, the present manual only talks of trainees and trainers. It is express- ly stated that it also refers to all other parties involved in the training and further develop- ment: The female trainees and trainers, the female and male teachers, project managers, etc. In this manual, we do not provide any information on procedural knowledge (explanatory knowledge). It is the knowledge on which measures, procedures or processes are nec- essary to achieve a certain result. In this case how the learning target can be achieved. The present manual is to be understood as tool for transferring the required core and technical qualifications that are to be transferred in the industrial metal professions in an integrated form according to the regulation on the professional training considering independent planning, executing and controlling. As recurring individual symbols, the listed pictograms are to transfer information as simpli- fied graphical presentation in a language-independent form and as fast as possible. Procedural knowledge Pictogram Notes
  • 13.
    11 RE 09970/03.11 IIntroduction Bosch Rexroth AG Safety aspects So that the possible dangers of machines and systems are recognized, safety regulations, product information and operating instructions must be observed. The present mobile hydraulic project manual contains information referring to the risk of personal injury or damage to property. The measures described foravoiding dangers must be adhered to. The signal words/symbols have the following meaning: Warning sign (warning triangle) • → Draws attention to the hazard Signal word • → Identifies the degree of hazard Type of risk • → Specifies the type or source of the hazard Consequences • → Describes the consequences of non-compliance Precautions • → Specifies how the hazard can be prevented The following table summarizes the application of the most important pictograms and signal words. Important: The electrohydraulic components and systems described in the project manual are tech- nical equipment and not designed for private use. The intended use also includes having read and understood the subsequently listed safety regulations, product information and operating instructions. Signal word Application Danger Indicates an imminently hazardous situation which will certainly result in serious injuries or even death if not avoided. Warning Indicates a potentially hazardous situation which, if not avoided, could result in death or serious injury. Caution Indicates a potentially dangerous situation which can could result in moderate or minor injuries or damage to property if not avoided. Non-compliance with this information may result in deterioration in the operating procedure.
  • 14.
    12 Introduction IRE 09970/03.11 Bosch Rexroth AG Assembly, commissioning and operation, disassembly, service and maintenance require basic mechanical and electrohydraulic knowledge as well as knowledge of the appropri- ate technical terms. In order to guarantee operational safety, these activities may only be carried out by a corresponding expert or an instructed person under the direction and supervision of an expert. Experts are those who can recognize potential hazards and apply the appropriate safety measures due to their professional training, knowledge and experience, as well as their understanding of the relevant conditions pertaining to the work to be undertaken. An expert must observe the relevant specific professional rules. This means that the trainer must finally inform the trainee about possible dangers and the related prevention of dangers. In case of improper works at hydraulic components and systems, there is a risk of injury as well as a safety risk when operating the system, including danger to life! In case of damage resulting from the improper use and from unauthorized interventions not intended in the mobile hydraulics project manual, any liability for defects and any liabil- ity claim vis-à-vis Bosch Rexroth AG will be forfeited. If the projects 01 to 11 described in the mobile hydraulics project manual are carried out at practice stands and with electrohydraulic components not supplied by Bosch Rexroth, i.e. competitor makes, any liability for defects and any liability claim vis-à-vis Bosch Rexroth AG will be forfeited in this case, as well. When using competitive products, the safety instructions prescribed by the manufacturer apply, whereas it has to be ensured that the components and sys- tems comply with the currently valid and relevant EU directives. The commissioning is therefore prohibited until it was confirmed that the hy- draulic components and systems that are to be used comply with the provisions of all relevant EU directives. Important: The necessary safety provisions, product information* and operating instructions must be handed over to and/or be accessible to the trainee in the latest version. In the mobile hydraulics project manual, no explicit reference is made in the project prac- tice 01 to 11 to the correct handling of hydraulic fluids. For corresponding information, please refer to the safety data sheet. * Bosch Rexroth product information only applies to hydraulic products that are oper- ated with hydraulic fluid on mineral oil basis unless other hydraulic fluids are explicitly admitted in the operating instructions. Qualification of personnel Warning Liability Warning
  • 15.
    1 RE 09970/03.11 IBasics of mobile hydraulics Bosch Rexroth AG Basics of mobile hydraulics Mobile hydraulics are used in mobile machines. In most cases, these are earth-moving machines like e.g. excavators, wheel loaders and caterpillars. Another field of application is agricultural and forestry machinery like e.g. tractors and wood harvester machinery. Cranes and forklifts are part of the conveyance field of application. In mobile machines, the force is transmitted from the diesel motor to the working equip- ment by means of hydraulic fluid. The processes are controlled by hydraulic control tech- nology. In mobile hydraulics, the two basic principles of hydraulic are used: The principle of the closed circuit with hydraulic pump and hydraulic motor is mainly 1) used for traction drives, winches and slew drives. In the closed circuit, the return oil from the actuator is directly fed back into the pump. The velocity is checked by adjusting the pump and the motor. Parallel operation of several actuators and single-rod cylinders is not possible. Abtriebsdrehzahl n = variabel Volumenstrom q = variabel Hilfspumpe zum Leckageausgleich Auxiliary pump for leak- age compensation Flow q = variable Output speed n = variable Cooler Fig. 0-4: Closed hydraulic circuit
  • 16.
    2 Basics ofmobile hydraulics I RE 09970/03.11 Bosch Rexroth AG 2. The open circuit with hydraulic pump, cylinders and hydraulic motors is used for appli- cations with working equipment and several simultaneously operated actuators. In the open circuit, the return oil from the actuators is led into the tank and is then sucked in again by the pump. For controlling the actuators, valves are necessary. With the circuit diagram shown, there is high power loss in the unoperated condition of the directional valves as the entire pump delivery volume is delivered to the tank at maximum pressure. Volumenstrom q = konstant Flow q = constant Fig. 0-5: Open hydraulic circuit
  • 17.
    3 RE 09970/03.11 IBasics of mobile hydraulics Bosch Rexroth AG The machines are controlled by a machine operator. This operator controls the move- ments having the working equipment or the load in view. Automatic operation as in indus- trial systems is normally not possible. A control that can easily be controlled and easily be operated is important. With mobile machines, low component weight and good efficiency are important. Bad efficiency means high losses and makes itself felt in high fuel consumption rates. In 11 projects, this manual deals with the control technology in the open circuit with the load sensing control. Fig. 0-6: Crawler excavator
  • 18.
    4 Basics ofmobile hydraulics I RE 09970/03.11 Bosch Rexroth AG Load sensing (LS), load pressure signal Load sensing systems (LS systems) have been developed in order to eliminate the de- pendency of the throttle control on the load pressure and to reduce the high power loss. This resulted in more efficient systems that can be operated more easily. The efficiency could be achieved by means of pumps controlled by the load pressure, which are always adjusted to the relevant load conditions. Due to the load pressure compensation, the machine operation could be simplified. There are numerous applications for load sensing systems like e.g. construction machinery, forestry machinery, drilling equipment, cranes, stackers and stationary applications. Load sensing is the recording (measurement) of the load by the load pressure. This load pressure signal is used for controlling the pump and pressure compensators. The load pressure signal is generally also referred to as LS signal. For the correction functioning, it is important to always record and forward the highest load pressure signal. For that purpose, the pressure is recorded by the relevant working port by means of bores in the directional valve spools and forwarded to the pump controller via shuttle valves. The shuttle valves guarantee that in parallel operation, always the highest load pressure is forwarded to the pump controller. Fig. 0-7: Displacement-controlled pump with load pressure signal (LS) for individual actuator operation (load 100 bar) pP 110 bar pL2 100 bar pL1 10 bar pLS = pL2 100 bar Control spring = 10 bar ΔpLS = pP – pLS = 100 bar Shuttle valve pP = 110 bar Load pressure signal
  • 19.
    5 RE 09970/03.11 IBasics of mobile hydraulics Bosch Rexroth AG The pump controller is a so-called displacement controller and controls the pressure differ- ential ΔpLS. The pump controller has been designed so that the pump pressure pP always exceeds the load sensing signal p LS by a certain value (e.g. 10 bar). Here, you also talk of ΔpLS = pP – pLS. With the pressure differential ΔpLS, the oil is delivered through the resistances of lines and control block. The pump controller always keeps the pressure differential ΔpLS constant, i.e. changes in the load pressure also result in changes in the pump pressure. This is to be clarified by an example: The load pressure of a cylinder = pLS = 100 bar, the pressure differential ΔpLS = 10 bar. The pump pressure pP = pLS + ΔpLS = 100 + 10 = 110 bar. This means in practice that if possible, the pump pressure should only be 10 bar higher than the highest load pressure in the system. The force of the control spring in the pump controller determines the pressure differential ΔpLS. The spring force can be set by means of a set screw. The amount of the pressure differential ΔpLS depends on the resistances in the lines and control blocks and may range between 10 and 22 bar. Energy balance In order to show the energy differences, 3 systems are compared: Fixed displacement pump with throttle (constant delivery system) A Pressure-controlled pump with throttle (constant pressure system) B Displacement-controlled pump with throttle (load sensing system) C A Fixed displacement pump with throttle (constant delivery system) A fixed displacement pump always delivers the same flow into the system. The pressure is determined by the loads and resistances. The maximum system pressure is determined by the pressure relief valve. The delivery rate is 100 l/min, the max. system pressure is limited to 200 bar. The cylinder is loaded with 50 bar and the throttle is set so that 25 l/min flow. The delivery volume not flowing to the cylinder is discharged to the tank via the pressure relief valve. The power calculation results in: Drive power: PDrive = 200 bar • 100 l/min / 600 = 33 kW Effective power: PEffective = 50 bar • 25 l/min / 600 = 2 kW Power loss DB: PLoss 1 = 200 bar • 75 l/min / 600 = 25 kW Power loss throttle: PLoss 2 = (200 bar – 50 bar) • 25 l/min / 600 = 6 kW Of 33 kW drive power, only 2 kW are utilized for the working movement and 31 kW are converted into heat. The pump efficiencies have not been considered.
  • 20.
    6 Basics ofmobile hydraulics I RE 09970/03.11 Bosch Rexroth AG B Pressure-controlled pump with throttle (constant pressure system) A pressure-controlled pump only delivers the flow into the system that is necessary in order to maintain the set pressure. The pressure is determined by the loads and resistances. The maximum system pressure is determined by the pressure controller. The delivery rate can be 0 - 100 l/min, the max. system pressure is set to 200 bar. The cylinder is loaded with 50 bar and the throttle is set so that 25 l/min flow. The pump delivery volume is limited to a rate which also flows to the cylinder. The calculation of the power for the specified conditions results in: Drive power: PDrive = 200 bar • 25 l/min / 600 = 8 kW Effective power: PEffective = 50 bar • 25 l/min / 600 = 2 kW Power loss throttle: PLoss 2 = (200 bar – 50 bar) • 25 l/min / 600 = 6 kW Of 8 kW drive power, 2 kW are utilized for the working movement and only 6 kW are converted into heat. The pump efficiencies have not been considered. A considerable improvement as compared to the fixed displacement pump. C Displacement-controlled pump with throttle (load sensing system) A displacement-controlled pump only delivers the flow into the system that is necessary in order to maintain the set pressure differential (ΔpLS). The pressure differential is determined by the control spring. The system pressure is always 10 bar higher than the load pressure. The maximum system pressure is limited by a pressure relief valve or an additional pres- sure controller. The delivery rate can be 0 - 100 l/min, the pressure differential is set to 10 bar. The cylin- der is loaded with 50 bar and the throttle is set so that 25 l/min flow. The pump delivery volume is limited to a rate which also flows to the cylinder. The calculation of the power for the specified conditions results in: Drive power: PDrive = (50 bar + 10 bar) • 25 l/min / 600 = 2.5 kW Effective power: PEffective = 50 bar • 25 l/min / 600 = 2.1 kW Power loss throttle: PLoss 2 = (60 bar – 50 bar) • 25 l/min / 600 = 0.4 kW Of 2.5 kW drive power, 2.1 kW are utilized for the working movement and only 0.4 kW are converted into heat. The pump efficiencies have not been considered. Another considerable improvement as compared to the constant pressure system.
  • 21.
    7 RE 09970/03.11 IBasics of mobile hydraulics Bosch Rexroth AG Principle of the load sensing system In order to understand the hydraulic control technology, a certain basic knowledge is nec- essary. The flow through a directional valve and thus the actuator velocity depend on two factors. The opening cross-section and the pressure differential across this cross-section. The larger the cross-section (A) and the higher the pressure differential (Δp), the higher is the flow (q). This is expressed by the equation qV = aD • A• √2/r • √Δp. The factor f is a flow and viscosity coefficient by means of which the properties of oil are taken into consideration. A clear example is to clarify the connection between cross-section, pressure differential and flow. A Constant pressure system Fig. 0-8: Pressure differential and flow in the constant pressure system Pressure controller Control spring = 100 bar Load 2 = 30 bar Load 1 = 30 bar Load 0 = 10 bar d = 5 mm psys pL psys – pL = Δp → q Load 0 100 – 10 = 90 bar 127 l/min Load 1 100 – 40 = 60 bar 103 l/min Load 2 100 – 70 = 30 bar 73 l/min The valve opening corresponds to a bore d = 5 mm, the system pressure is 100 bar, the load on the cylinder changes with the charging and thus the load pressure. Using the formula qV = aD • A• √2/r • √Δp, the flow in l/min can be calculated (A = d2 • π/4). The exact calculation depends on more factors and conditions which are not to be addressed here in more detail. With hydraulic valves, the flow values are mea- sured as calculations are difficult due to the flow conditions and the geometry in the hous- ing. It can be seen that with increasing load, the pressure differential Δp and thus also the flow increasingly decrease. This means in practice that with identical valve opening, the cylin- der moves faster without load than with load.
  • 22.
    8 Basics ofmobile hydraulics I RE 09970/03.11 Bosch Rexroth AG B Load sensing system Using the load sensing system, the pressure differential Δp at the throttling point is kept constant, at e.g. 10 bar. For that purpose, the load pressure is recorded and forwarded to the pump's displacement controller. Together with the control spring, the load pressure acts on the actuating piston, the pump pressure on the same actuating cylinder surface. Together with the control spring, the load pressure results in an increase in the delivery volume (→ qmax.). If the pump pressure pP exceeds the load pressure together with the control spring, this results in a decrease in the delivery volume (→ qmin.). The pressure in front of the throttle is therefore always 10 bar higher than the load pressure. The spring force of the control spring determines the pressure differential Δp at the throttling point. Fig. 0-9: Pressure differential and flow in the load sensing system d = 5 mm psys – pL = Δp → q Load 0 20 – 10 = 10 bar 42 l/min Load 1 50 – 40 = 10 bar 42 l/min Load 2 80 – 70 = 10 bar 42 l/min Control spring = 10 bar Load 2 = 30 bar Load 1 = 30 bar Load 0 = 10 bar LS signal (load pressure) Displacement controller pp pL The valve opening corresponds to a bore d = 5 mm, the displacement controller is set to a pressure differential = 10 bar, the load on the cylinder changes with the charging and thus the load pressure. Using the formula qV = aD • A• √2/r • √Δp, the flow in l/min can be calculated (A = d2 • π/4). With increasing load, the pressure differential Δp remains constant at 10 bar and thus, the flow is constant, as well. This means in practice that with identical valve opening, the cylinder moves as fast without load as with load. This behavior is also referred to as load pressure compensation.
  • 23.
    9 RE 09970/03.11 IBasics of mobile hydraulics Bosch Rexroth AG Pressure compensators In mobile hydraulic applications, you often carry out two movements simultaneously. The loads of the relevant actuators are mostly different, i.e. the load pressures are differ- ent, as well. The pressure pP always exceeds the load pressure of the actuator with the highest load by the pressure differential ΔpLS. In this case, the pressure differential Δp1 of the actuator with the lower load pressure is higher. Fig. 0-11: Table Fig. 0-10: Pressure differential and flow in the load sensing system with 2 actuators (without pressure compensators) pL1 = 20 bar Z1 = 20 bar Z2 = 20 → 100 bar Shuttle valve d = 5 mm A1 = A2 = 19.64 mm2 Δp2 = ΔpLS = pP – pL2 Δp1 = pP – pL1 Δp2 = ΔpL2 Control spring = 10 bar pLS = pL2 20 → 100 bar Load pressure signal line (LS signal) pP2 30 → 110 bar pL2 20 → 100 bar pp pL1 pL2 Δp1 Δp2 q1 q2 30 20 20 10 10 42 42 60 20 50 40 10 84 42 85 20 75 65 10 103 42 110 20 100 90 10 127 42
  • 24.
    10 Basics ofmobile hydraulics I RE 09970/03.11 Bosch Rexroth AG The valve openings correspond to a bore d = 5 mm, the displacement controller is set to a pressure differential Δp = 10 bar, the load pressure of cylinder 2 is changed with the charging from 20 to 100 bar. The loading of cylinder 1 remains constant with 20 bar. It must be noted that the flow qV1 strongly increases if the load pressure p2 increases, while the flow qV2 remains constant due to the load pressure compensation. In the operation of the machine, this behavior is very annoying. For a perfect behavior, it is therefore necessary to individually compensate the load pres- sures for every actuator. The following graphic shows a system with individual pressure compensators. The individual load pressure compensation is effected by means of pressure compensa- tors for every actuator. By means of pressure compensators, the pressure differential ΔpV at the relevant valve openings is kept constant. The pressure compensator comprises a symmetric spool (1) that loaded on the area AK (2) with the pressure in front of the valve opening and on the other area AK (3) with the load pressure pL and a control spring (4). The pressure compensator is opened by the load pressure pL and a control spring (4). The pressure in front of the valve opening pV closes the pressure compensator. The control spring (4) corresponds e.g. to 10 bar and the load pressure pL = 20 bar; thus, the pressure compensator is opened with 30 bar. The pressure pP = 100 bar is available up to the directional valve due to the opened pres- sure compensator. Fig. 0-12: Pressure compensator pL AK (2) Spool (1) pL pV pP pV pP Control spring (4) AK (3) pP
  • 25.
    11 RE 09970/03.11 IBasics of mobile hydraulics Bosch Rexroth AG The pressure in front of the valve opening, however, acts on the spool area (2) and closes the pressure compensator if 30 bar have been reached. The opening grooves (5) of the pressure compensator (DW) throttle the oil flow and now, a pressure differential ΔpDW results. With a pressure differential ΔpDW = 70 bar, 100 bar – 70 bar = 30 are available in front of the valve opening and the pressure compensator will stop closing as the forces at the spool (1) bal- anced. If the pressure differential ΔpDW is increased to above bar, the pressure compensator will be re-opened as in front of the valve opening, 30 bar are no longer achieved. The pressure compensator is in a control position. The pressure in front of the valve opening is controlled to 30 bar. As the load pressure pL amounts to 20 bar, the pressure differential ΔpV at the valve opening is 10 bar. When the load pressure changes, the pressure compensator will also change the control posi- tion until a pressure differential ΔpV = 10 bar is reached. If the pressure pP changes, the pressure compensator will change the control position in this case, as well, until a pressure differential ΔpV = 10 bar is reached. That means that the pressure compensator compensates all pressure changes. By means of the control spring, the pressure differential ΔpV at the metering orifice A1 is kept constant. In systems with pressure compensators, the pump controller setting must exceed the setting of systems without pressure compensators by the control pressure differential. The pressure com- pensator of actuator 1 with the lower load pressure generates a pressure differential ΔpDW of 90 bar and keeps the pressure differential ΔpV = pV1 – pL1 = 30 – 20 = 10 bar constant. With the pressure compensator, the annoying behavior with different load pressures no longer exists as the pressure differential ΔpV1 = ΔpV2 = 10 bar remains constant. The pressure compensator of actuator 2 with the high load pressure generates a pressure dif- ferential ΔpDW = 10 bar. Fig. 0-13: Individual pressure compensators in the load sensing system = 100 bar ΔpDW = 10 bar ΔpV2 = 10 bar pV2 = 110 bar pL2 = 100 bar = 20 bar pL1 = 20 bar ΔpV1 = 10 bar pV1 = 30 bar ΔpDW = 90 bar Control spring = 10 bar Control spring = 20 bar pP = 120 bar pP = 120 bar
  • 26.
    12 Basics ofmobile hydraulics I RE 09970/03.11 Bosch Rexroth AG Actuator flow and stroke limitation For simplification, we have until now always assumed a constant valve opening d = 5 mm. In the control block, the valve opening A with the control spool stroke and the control grooves can be selected by the operator using the operating levers. As the pressure differential Δp at the control grooves is kept constant by the pressure compensator, the position of the operating lever always corresponds to the same velocity, regardless whether with or without load, in individual and parallel operation (in the satu- rated condition). With stroke limitations, the maximum flow rates of the individual actuators can be set, e.g. the max. actuator flow shall only be 60 l/min instead of the possible 100 l/min. Using the set screw, the control spool stop is adjusted so that only 60 % of the stroke are possible. In this regard, it has to be considered that 40 % of the possible control stroke can no longer be utilized. If now, only 25 l/min shall flow, only 25 % of the control stroke are available. This resolu- tion is quite bad and may often be reflected in bad controllability. For good controllability, the actuator velocity is to be resolved to the largest control spool stroke possible. That is way control spools with graduated flow rates are available. A spool E25/25 has, with a stroke of 100 %, a flow in A and B of 25 l/min each. In the same way, the resolution deteriorates if spools for 100 l/min are used with a pump deliv- ery volume of 50 l/min. In this case, there will be no more velocity increase from 50 % of the stroke, i.e. 50 % of the control stroke are not utilized. The control pressure differential Δp is not achieved. The pressure compensator opens from 50 % of the control stroke. Notes
  • 27.
    13 RE 09970/03.11 IBasics of mobile hydraulics Bosch Rexroth AG 50 % 100 % 100 % 50 % 0 % Fig. 0-14: Control range Spool stroke qActuator Control range Stroke limitation 60 % q pump 50 % q = f (A) Δp1 = Δp2
  • 28.
    14 Basics ofmobile hydraulics I RE 09970/03.11 Bosch Rexroth AG Load sensing pressure limitation (LS) In individual cases in which certain actuators must not work with the maximum system pressure, the actuator pressure must be limited. You can do so using the secondary pressure relief valves. When the actuator pressure is reached, the entire actuator flow will then, however, be discharged to the tank (high power loss). By means of limitation of the LS pressure, the pressure in the spring chamber of the pres- sure compensator is limited. If the actuator pressure has been reached, the pressure in the spring chamber will stop increasing and the pressure compensator closes. There is only a relatively small pilot oil flow of approx. 2.5 l/min. q actuator greater than q pump The operating limit of a load sensing system has been exceeded if the entire actuator volume requested by the directional valves is greater than the maximum displacement of the pump possible. In this case, the pump is in the maximum stop. The required system pressure for the actuator with the highest load pressure can no longer be maintained as the oil preferably flows to the actuator with the lower load pressure. For the actuator with the highest load pressure this means that it is only supplied with the residual oil quantity or it also stops completely, if applicable. Both actuator valve openings are opened for 100 l/min. The maximum pump delivery volume is only 100 l/min, the system is under-supplied. Cyl- inder 1 has a load pressure of 20 bar and cylinder 2 has a load pressure of 100 bar. Both pressure compensators are completely open as the pressure for closing the pressure compensators is not achieved. The resistance of valve opening 1 is not sufficient for generating a pressure differential Δp = 10 bar. The pressure compensator cannot be closed with 28 bar. This is only possible from 30 bar. The pressure loss of a completely opened pressure compensator is only minor and thus, the system pressure is now also on the lower level of 28 bar. For the actuator 2 with a load pressure of 100 bar, this means standstill. If actuator 1 is only open for 75 l/min, 25 l/min remain for actuator 2. In this case, there resistance of valve opening 1 is sufficient for generating a pressure dif- ferential Δp = 10 bar and closing. Now, the system pressure can rise to values above 100 bar and move cylinder 2. When operating a machine, this behavior may be annoying; therefore, the delivery volume of the pump in the load sensing system must always be sufficient for all simultaneously operated actuators. Example
  • 29.
    15 RE 09970/03.11 IBasics of mobile hydraulics Bosch Rexroth AG Load pressure-independent flow distribution (LUDV) Full supply in the LUDV system With the Load pressure-independent flow distribution (LUDV) system, the velocity of all actuators is reduced in the same ratio in case of undersupply. In the example specified above, every cylinder would be operated with 50 l/min. In the LUDV system, the pressure compensators are located downstream the metering orifice and they are all provided with the highest load pressure. The pressure compensators are symmetrical spools without spring. The load pressure acts in the closing direction. The pressure after the valve opening acts in the opening direction. If the pressure in front of the pressure compensator (after the valve opening) is larger than the load pressure, the pressure compensator starts to open. In this way, this pressure always corresponds to the highest load pressure. The displacement controller of the pump controls the pump pressure pP to a value 10 bar higher than the load pressure. Fig. 0-15: Undersupply in the load sensing system Z1 = 20 bar Z2 = 100 bar ­ ↑qP = 100 l/min = 10 bar 10 bar = ↑qV1 = 100 l/min qV2 = 0 l/min ↑ qP qV1 + qV2 (controlled) = 0 bar 100 bar 28 bar 28 bar 20 bar 8 bar = 100 l/min = 100 l/min 28 bar
  • 30.
    16 Basics ofmobile hydraulics I RE 09970/03.11 Bosch Rexroth AG Undersupply in the LUDV system If there is an undersupply, the pump is maximally deflected. Due to the reduced pressure differential Δp at all valve openings, a reduced flow results. The closing of both pressure compensators prevents the standstill of both actuators. As the reduced pressure differential Δpred. is the same again at all valve openings, the flow rates are in the same ratio again, as well. Important: If the LUDV system returns into the full supply from the undersupply (command value cancellation), the actuators are accelerated. This unwanted acceleration is not admis- sible with mobile machines (e.g. crane) (see EN 13000). Calculation reduced flow qred.: Σ Σ Σ q q q 1 2 100 50 + + = = 150 l/min = 100 % = 100 1, red. 5 5 50 1,5 = 100 l/min = 66,7 = 100 l/mi + + Σqred. , 33 3 n n = 100 % Fig. 0-16: Full supply in the LUDV system 20 bar = 20 bar = 100 bar 100 bar = 80 bar = 0 bar 100 bar 100 bar Δp1 = 10 bar pP = 110 bar qV1 = ­ ↑ 50 l/min qP = 100 l/min Δp1 = Δp2 Δp2 = 10 bar qV2 = 50 l/min 10 bar = 50 l/min 50 l/min =
  • 31.
    17 RE 09970/03.11 IBasics of mobile hydraulics Bosch Rexroth AG Delivery volume of the pump qmax. = 100 l/min. If only actuator 1 is operated, the pressure differential Δp at the valve opening is 10 bar and the flow is 100 l/min. If only actuator 2 is operated, the pressure differential Δp at the valve opening is 10 bar and the flow is 50 l/min. If the actuators 1 + 2 are operated, the system is undersupplied as the pump delivery volume with 100 l/min is not sufficient for both actuators = 150 l/min. The actuator flows are reduced in the ratio of the undersupply 1 : 1.5. The reduced actuator flows are 100 / 1.5 = 66.7 l/min and 50 / 1.5 = 33.3 l/min. The calculation results in Δpred. = 4.4 bar. In practice, the reduction of the actuator flow rates takes effect correspondingly faster in case of fast actuation of the second actuator and may lead to an abrupt deceleration of the first actuator. Disadvantage: If the command values are canceled, the actuators are accelerated. Example Fig. 0-17: Undersupply in the LUDV system 20 bar = 20 bar = 100 bar 100 bar = 80 bar = 0 bar 100 bar 100 bar Δp1 = 4.4 bar = 100 l/min qV1 = ­ ↑ 66.7 l/min Δp1 = Δp2 = Δpred. Δp2 = 4.4 bar qV2 = 33.3 l/min 10 bar pP = 104.4 bar qP = 100 l/min 50 l/min =
  • 32.
    18 Basics ofmobile hydraulics I RE 09970/03.11 Bosch Rexroth AG Primary and secondary pressure valve The primary pressure valve is located at the input element. This pressure relief valve is used to set the maximum system pressure in channel P. The secondary valve is installed in the actuator ports. This pressure relief valve is used to limit the max. actuator pressure. The secondary valves are used as protection against pressure peaks and external forces; they take effect when the control spool is not oper- ated. Secondary valves are designed as pure pressure valves or as valves with pressure and feed function. The feed function is a check valve that opens when the pressure in the actuator is lower than the pressure in channel T. This function is important in order to prevent vacuum and cavitation in the actuators. Vacuum in cylinders results in air separations from the oil leading to seal damage and unwanted delays in the working behavior of the machine. Vacuum in hydraulic motors leads to cavitation destroying the motor and the machine may completely get out of control. This is very dangerous with winches and carriages; for safety reasons, there is therefore additional safety equipment like lowering brake valves in order to prevent this. Hydraulic pilot control The operation with mechanical handle-operated levers requires the operator to be directly at the control block. With many construction machines, the control block is in a central position and the con- struction machine operator sits in a cabin having good view of the working area. An operation using rods is too inflexible and complex. With most construction machines, the operating elements e.g. hydraulic pilot control units are integrated in the driver's seat armrest and in this way allow for comfortable operation of the machine. The signal is transmitted by means of hydraulic pressure from the hydraulic pilot control unit to the control spool. In the hydraulic pilot control unit, a pressure reducing valve is used to set a pressure con- tinuously, depending on the characteristic curve, from 6 to 24 bar. This pilot pressure acts on the pilot spool that is clamped by the centering springs. The spring force increases with an increasing stroke. Proportionately to the lever deflection of the pilot control unit, a pilot pressure is gener- ated that again adjusts the directional valve main spool until the forces at the directional valve spool are balanced.
  • 33.
    19 RE 09970/03.11 IBasics of mobile hydraulics Bosch Rexroth AG 1 Housing 2 Main spool 3 Pressure compensator 4 LS pressure limitation valve 5.1 Secondary shock/feed valve 5.2 Plug screw 6.1 A side stroke limitation 6.2 A side stroke limitation 6.3 B side stroke limitation 7 LS shuttle valve 8 Spring chamber 9.1 Pressure reducing valves (Pilot control valve a) 9.2 Pressure reducing valves (Pilot control valve b) 10 Handle-operated lever Function LS control block M4-12 The sectional drawing shows a directional valve element with mechanical and electrohydraulic actuation. Mechanical operation (see figure 0-18) Using the handle-operated lever (10), the main spool (2) can be operated in both directions. The stroke limitations (6.1, 6.2, 6.3) can be used to set the maximum flow rate. Two set screws (6.1 or 6.2) influence the flow of P → A, one set screw (6.3) the flow P → B. Fig. 0-18: Sectional drawing control block M4-12 Cover B Cover A
  • 34.
    20 Basics ofmobile hydraulics I RE 09970/03.11 Bosch Rexroth AG Hydraulic and electrohydraulic operation (see figure 0-18) The hydraulic pilot pressure can either be controlled using the hydraulic pilot control unit 4TH6 or using the electrical pressure reducing valves (9.1, 9.2). The hydraulic control connections are always located in the cover A. Through a bore in the housing, the pilot pressure reaches the cover B. The pilot oil supply X comes from the input element into which a pilot oil supply has been installed. The pilot oil drain Y must be led to the tank at zero pressure. Using the main spool (2), the flow direction is controlled and using the stroke the flow rate. Apart from that, the load pressure is recorded by means of bores in the main spool (2). Grooves are milled into the main spool (2), the opening cross-section of which determines the flow rate in the supply and also the flow rate to the T channel. Pressure compensators (see figure 0-18) The pressure compensator consists of a spool (3) with milled-in grooves and a bore for recording the pressure in front of the main spool (2). The spool (3) is loaded with a spring determining the pressure differential Δp at the main spool. By means of shims, the spring force and consequently the pressure differential Δp and thus the maximum flow with identical opening cross-section of the valve can be changed. The pressure compensator shown has moreover a load holding function. This prevents the lowering of the load if the pressure in P is less than the load pressure. LS signal (see figure 0-18) The LS signal is recorded by bores in the main spool and led into the pressure compensa- tor spring chamber. In this area, the LS signal can be limited by means of the LS pressure relief valve for every actuator port. At the measuring points MA and MB, the LS pressure can be measured or also influenced by means of external valves. The LS signal is forwarded to the pump controller via the shuttle valve (7). Pressure limitation (see figure 0-18) The actuator ports A and B can be protected from excessive pressure by means of sec- ondary pressure valves (5.1). The secondary valve shown is not adjustable. It simultaneously offers a feed function by acting as check valve of T → A. The plug screw (5.2) is necessary if neither the pressure limitation nor the feed-in is nec- essary.
  • 35.
    21 RE 09970/03.11 IBasics of mobile hydraulics Bosch Rexroth AG Input element (see figure 0-18) The input element accommodates the primary pressure valve and the pilot oil supply. P line, T line, LS line and pilot oil line (X, Y) are connected at the input element. There are input elements in different designs (see data sheet RE 64276). End elements In the end elements, the LS pressure is discharged. Alternatively to the discharge, there may be an external LS port for more LS actuators. Discharge of the LS pressure to the tank in the non-operated condition of the directional valves is important for the failure-free functioning of the system. In this connection, the pump's displacement controller is notified a low pressure level (standby pressure). This must also be ensured with an external LS connection (see data sheet RE 64276). Fig. 0-19: Circuit diagram M4-12 1 Housing 2 Directional valve main spool 3 Pressure compensator 4 LS pressure relief valve 5 Secondary pressure relief valve (with cavitation protection) and plug screw 6 Stroke limitation 7 Shuttle valve 8 Handle-operated lever 9 Proportional pressure reducing valve 1 8 6
  • 36.
    22 Basics ofmobile hydraulics I RE 09970/03.11 Bosch Rexroth AG Function LUDV control block SX-12 The sectional drawing shows a directional valve element with mechanical actuation. Mechanical operation (see figure 0-20) The main spool (2) can be operated in both directions. Stroke limitations are not provided. Hydraulic operation (not shown) The hydraulic pilot pressure can be set using the hydraulic pilot control unit 4TH6. With hydraulic actuation, stroke limitations are possible. The hydraulic control connections are located in the covers. Main spool (see figure 0-20) Using the main spool (2), the flow direction is controlled and using the stroke the flow rate. Grooves are milled into the main spool (2), the opening cross-sections of which determine both, the flow rate in the supply and the flow rate to the T channel. Fig. 0-20: Sectional drawing control block SX-12 1 Housing 2 Main spool 3 Check valve 4 Pressure compensator 5 Secondary valve 6 Plug screw
  • 37.
    23 RE 09970/03.11 IBasics of mobile hydraulics Bosch Rexroth AG Pressure compensators (see figure 0-20) The pressure compensator consists of a spool (4) with milled-in grooves and a bore for recording the pressure after the main spool (2). The spool (4) is symmetrical and not loaded with a spring. The pressure differential Δp at the main spool is determined by the pump controller and in case of undersupply results due to reduced flows. (See basics) The check valves (3) have the load holding function. This prevents the lowering of the load if the pressure in P is less than the load pressure. LS signal (see figure 0-20) The load pressure is recorded by means of a bore in the spool of the pressure compensa- tors (4). The pressure compensator of the actuator with the highest load is always complete- ly open. Only in this case is the bore open. That means that only the load pressure of the actuator with the highest load is recorded and forwarded to the pump and the other pressure compensators. The pressure compensators of the actuators with lower load pressure are in a control position in which the bore is overlapped. Shuttle valves are therefore not required. Pressure limitation (see figure 0-20) The actuator ports A, B can be protected from excessive pressure by means of secondary pressure valves (5). It simultaneously offers a feed function by acting as check valve of T → B. The plug screw (6) is screwed in if neither the pressure limitation nor the feed-in is neces- sary. Input element (see figure 0-20) The input element accommodates the primary pressure limitation and the LS unloading. The primary pressure limitation is effected by limiting the LS signal. As option, the input element can be equipped with a flushing valve, opening a connection P → T. The P line, T line, LS line and pilot oil X, Y are connected at the input element. There are input elements in different designs (see data sheet RE 64128). End elements As end element, there may be an end plate or a plate with additional port P3 (see data sheet RE 64128).
  • 38.
    24 Basics ofmobile hydraulics I RE 09970/03.11 Bosch Rexroth AG Notes
  • 39.
    25 RE 09970/03.11 ISafety instructions Bosch Rexroth AG General safety instructions So that the possible dangers of machines and systems are recognized, safety regulations, product information and operating instructions must be observed. Trainer must make the necessary documentation available to the trainee. When us- ing competitive products, the safety instructions prescribed by the manufacturer apply, whereas it has to be ensured that the components and systems comply with the currently valid and relevant EU directives. The commissioning is therefore prohibited until it was confirmed that the elec- trohydraulic components and systems that are to be used comply with the pro- visions of all relevant EU directives. General, basic safety instructions Then following is to be observed: • Danger warnings and safety instructions at the machine, Operating instructions • regulating the behavior during operation in order to avoid accidents and damage to health, which are to be prepared by the operator / employer e.g. on the basis of accident prevention regulations Operating instructions • ensuring the proper, intended use of the hydraulic system. The operating instructions are to provide information and avoid dangers when installing the hydraulic components into the system – in this case the installa- tion of the electrohydraulic components into the practice stand - and it provides information and notes for transport, storage and maintenance (inspection, ser- vice, repair) of the hydraulic system. Only in case of strict compliance with the operating instructions can accidents and damage to property be avoided and failure-free operation of the hydraulic system be guaranteed. Apart from that, compliance with the operating instructions results in: Reduced down times and repair costs • Increased service life of the hydraulic system. • Warning Warning
  • 40.
    26 Safety instructionsI RE 09970/03.11 Bosch Rexroth AG Hydraulic oil on mineral oil basis is water-endangering and inflammable. It may only be used if the corresponding safety data sheet is available and all measures prescribed therein have been realized. The hydraulic system may only be operated in a technically unobjectionable condition. The intended use, performance data and operating conditions must not be changed. You must not decommission protective devices / components, e.g. by bridging end switches, valves and other control components. If for maintenance works, protective devices have to be bridged, safety measures have to be taken in advance which guarantee that no dangerous situation can result. The supe- rior machine operating instructions have to be observed. The operation of adjustment equipment at components and/or changes at program- mable control systems may only be carried out by authorized personnel within the scope of the intended use of the hydraulic system. In an emergency, in case of error or other irregularities: Hydraulic systems are to be switched off and the main switch is to be secured against • re-activation, The danger zone is to be secured so that nobody can access the danger zone in an • uncontrolled form and without this being known, Responsible specialists must be informed immediately. • Uncontrolled access of company-external persons to the direct operating‑area of the hydraulic system (also if the hydraulic system stands still) is forbidden. Important: Those are general safety provisions that have to be observed in detail in every proj- ect task. Air may be available in hydraulic oils in the following forms: As dissolved air (invisible), as surface foam (visible) and as undissolved, dispersed air (visible). While dissolved air and a little bit of surface foam have hardly any disadvantageous effects, dispersed air can lead to major problems. As the oil contains very small air bubbles in a very finely dispersed form that can only rise to the surface very slowly, the following faults may occur: Unequal or jerky movements of the hydraulic pistons, vibration in the system due to an • increase in the compressibility, changed actuating times of servo valves Noise in the pump • Cavitation damage at pumps, lines and seals • Accelerated aging of the oil • Microdiesel effect, one form of thermal cracking due to high temperatures in com- • pressed small air bubbles Effects of air in the oil
  • 41.
    27 RE 09970/03.11 ISafety instructions Bosch Rexroth AG In order to avoid undissolved air in the oil, the following has to be observed: Leak-tight- ness of the system on the suction side, perfect size of the storage tank, installation of baffles in the oil storage tank, favorable design of the suction system without throttling points, sufficient oil level, low oil circulation speeds, submersible pumps instead of high suction heads. Hydraulic systems are closed systems. I.e. in case of intended use, the hydraulic oil is not released in the environment. Leak-tightness of the units and timely maintenance / repair have to be ensured. Particularly hydraulic hoses and hose connections are to be closely monitored and checked. The oil change has to be completed appropriately and profession- ally; the used oil has to be disposed of complying with all legal provisions. Hydraulic fluids on mineral oil basis are water-endangering and inflammable. Hydraulic fluids may only be used if the corresponding safety data sheet of the manufacturer is available and all measures prescribed therein have been real- ized. If leakage at the hydraulic product can lead to water and soil contamination, the hydraulic product must be put into a suitable drain tray. One of the basic prerequisites for the failure-free operation of a hydraulic system is the unobjectionable condition of the hydraulic fluid as pollution still is one of the main reasons for failure of hydraulic components. The following sketch shows different types of pollution that may lead to pollution of the hydraulic fluid. Environmental aspects Safety aspects Danger Filtration Notes
  • 42.
    28 Safety instructionsI RE 09970/03.11 Bosch Rexroth AG Fig. 0-22: Sources of pollution 1 External pollution 2 Assembly + Repair 3 New oil 4 Wear debris in pump 5 Wear debris of seals The technical data sheets of the component manufacturers include information on the evaluation of the solid share in the hydraulic fluid by means of classification ‑ systems (standardized cleanliness classes). Today, the standards NAS 1638 (National American Standard) and ISO DIS 4406 are most widely used. Today, specification of the filtration rating in μm is no longer common; it is, however, still frequently used in the preparation of circuit diagrams. Important: The detailed topic Filtration and maintenance is not dealt with in the mobile hydraulic project manuals. The sources of information mentioned in this project manual like data sheets, operating instructions and reference books contain information on the Filtration topic. Classification
  • 43.
    29 RE 09970/03.11 IOperation LS unit Bosch Rexroth AG Operation load sensing (LS) unit • Displacement-controlled vane pumps (2.1) Pressure relief valves 70 bar (2.32, 2.52); type-tested • Return line filter (3.0) • Connection blocks with plug-in couplings for P1-3, T1-2, LS • 3-way ball valves (7.1, 7.2) • LS pressure relief valves (2.0) • Measuring ports MP1, MX • The 3-way ball valves (7.1, 7.2) are in position P → L (lever downwards). In this position, the line from the pump is blocked and the connection block to the leakage oil is unloaded and depressurized. After switch-on of the electric motor, the pumps are controlled to a pressure of 15 bar. By operation of the 3-way ball valve by 90°, the connection block P is connected with P1 of the pump (operating position). Without pressure in port LS, the pressure P remains at 15 bar, according to the spring value at the displacement controller X. In order to get a higher pressure in P, a pressure signal must be available at the port LS. Together with the spring, this LS pressure acts on the displacement controller X. The pressure P is therefore always 15 bar higher than the LS pressure. If the LS pressure is taken from port P1, the pump behaves like a pressure- controlled pump. The controlled pump pressure is set using the LS pressure relief valve (2.0). In order to prevent overloading of the LS pressure relief valve (2.0) with excessive flow, a limitation nozzle 0.8 (3.0) has been installed upstream. The LS pressure relief valve (2.0) has a 50 bar compression spring. With max. load, a controlled pressure P of 65 bar can be set. In practices with constant pressure (industrial hydraulics), the LS pressure must be taken from P1. The controlled pressure P is set to 50 bar using the LS pressure relief valve (2.0). In practices with load sensing (mobile hydraulics), the LS pressure must be taken from the LS port of the control blocks used. The control pressure is set to 60 bar using the LS pressure relief valve (2.0). In the rest position (lever vertically downwards), the connection block to the leakage oil is unloaded and the P line is blocked. In the operating position (lever horizontal), the 3-way ball valve is used to connect the con- nection block P with P1 or P2 pump. The pressure P only amounts to 15 bar and increases very slowly after the 3-way ball • valve has been brought into operating position. Cause: No LS pressure at controller X (measuring point MX) • → In this case, the LS pressure will only rise above the controller spool leakage. Constant pressure: No connection established from P1 to LS • Load sensing: LS connection not established • Nozzle 0.8 (3.0) blocked • → Remove the LS coupling connector and check and clean the nozzle, if necessary. Set-up Function Operation in training mode Error possibilities
  • 44.
    30 Operation LSunit I RE 09970/03.11 Bosch Rexroth AG Setting instruction for external control block pressure relief valve (primary pressure relief valve) For setting the maximum working pressure, an external pressure relief valve DD1.N-W (item 02) is used for didactic reasons. Valve setting procedure: Connect port P1 with the LS port at the connection block. 1. Establish the measuring points MP and MP1. 2. Connect the pressure relief valve at port P2 and port T via the distributor with port T2 3. at the connection block. Switch on the training system. 4. Bring the 3-way ball valve (item 7.1, 7.2: from the rest position into the operating 5. position (lever horizontal). Set the control block pressure relief valve to 40 or 50 bar (value varies depending on 6. the practice). Important: The primary valves that are usually installed in the SM12 control block are set at the test stand with a flow qV = 5 l/min and 55 °C oil temperature. Setting instruction for pre-filling pressure of the hydraulic accumulator The diaphragm-type hydraulic accumulator must be filled before every commissioning or practice with nitrogen (not included in scope of delivery) to the necessary, gas-side pre- filling pressure (p0 = 15 to 18 bar) or unloaded accordingly. For this purpose, the filling and test equipment for hydraulic accumulators is necessary (Mat. no. R900001439; not included in the standard scope of delivery). Important: The hydraulic accumulator used in the training system may be operated with the follow- ing pressure ratio: Operating pressure p / pre-filling pressure p • 0 → 8 : 1 (e.g. max. operating pressure x jcyl. = 60 bar x 1.69 = 101.4 bar → p0 = 13 bar Attention: In case of improper use, the hydraulic accumulator may be destroyed!
  • 45.
  • 46.
    32 Practice IRE 09970/03.11 Bosch Rexroth AG In this practice, the behavior of a constant pressure system with throttle valve and change- able load is to be worked out. The practice is important to identify the function of displacement-controlled pumps in the constant pressure system. Fig. 0-23 Size 4 Unit limit 70 bar Practice with constant pressure system
  • 47.
    33 RE 09970/03.11 IPractice Bosch Rexroth AG • The pump is a displacement-controlled vane pump V7 (1). Using the throttle valve (2), the delivery volume is set to 5 l/min. • The load is changed using the pressure relief valve (3). • Using the pilot pressure relief valve (4), the maximum pump pressure is set. • In the supply of the pilot pressure relief valve (4), a nozzle 0.8 mm has been installed. • The actuator volume is measured by means of a flow meter (5). • The pump has two control spools max. and min. and one controller (7). The max. spool has a larger diameter and is moreover spring-loaded so that the pump can deliver upon start-up. The min. spool has a smaller diameter and is connected with P. The controller (7) is kept in the position P → max. by a spring. In this position, the max. spool is loaded with pressure from P. The stroke ring is moved in the displacement direc- tion until the pressure P is greater than the pressure X + spring value. If the pressure P is greater, the controller spool (7) is moved and the max. spool is unloaded. The stroke ring is now moved from min. spool in the zero stroke direction. If the pressure P falls below the pressure X + spring value, the controller spool (7) is pushed back by the spring and the stroke ring moves back in the displacement direction. The control spool (7) controls the stroke ring position. The control pressure LS is recorded in front of the throttle (2) and corresponds to the pressure P. The pilot pressure valve (4) limits the pressure after the supply nozzle 0.8 and forwards it to the controller (7). As the pressure in P corresponds to the pressure in X, the stroke ring is maintained at max. displacement until the pilot pressure relief valve (4) opens and limits the pressure X. The nozzle 0.8 is necessary for the pilot oil limitation and the pressure drop in X. Pressure X corresponds to pressure P minus the spring value. Using the pilot pressure relief valve (4), the pressure P can be remotely adjusted. The pilot pressure relief valve (4) is absolutely necessary as otherwise, the stroke ring is not moved to zero stroke. In this case, the pump pressure would increase until the safety pressure relief valves (6) open. If the entire delivery volume is discharged to the tank via the safety pressure relief valves (6), the oil heats up considerably. Set-up according to circuit diagram. The flow meter must be installed after the load pressure relief valve in order to record the actuator volume. It is important to measure the pilot pressure in front of the throttle. Unload the pressure relief valves (3, 4). 1. Open the throttle valve (2) completely. 2. Switch on the pump, bring the 3-way ball valve into operating position. 3. Close the throttle valve (2). 4. Use the pilot pressure relief valve (4) to set a pressure P = 50 bar. 5. Use the throttle valve to set the flow rate to 5 l/min, with unloaded load pressure valve 6. (3). Use the load pressure valve (3) to increase the load pressure in 5 bar steps. 7. Enter the pressures 8. p, pL, pX and the flow values qV into the table. Calculation of the pressure differential 9. Δp at the throttle and the power loss with Pv = qV • ΔpDr / 600. Components Function Practice implementation
  • 48.
    34 Practice IRE 09970/03.11 Bosch Rexroth AG Using the pilot pressure relief valve (4), the pressure p can be adjusted. The pressure in the line P and the pressure pX are always almost constant. Using the throttle valve (2), the flow 5 l/min can be set. If the load pressure is increased, the flow continuously decreases as the pressure differ- ential Δp at the throttle decreases. With low load pressure, the power loss is highest. Important: With real machine for example, the pressure in line P is 250 bar and the delivery vol- ume is 100 l/min. Here, the power loss with low load pressures is much higher. 250 bar • 5 l/min / 600 = 2 kW or 250 bar • 100 l/min / 600 = 41.7 kW Result Fig. 0-25 Device arrangement pL (in bar) p (in bar) pX (in bar) qV (in l/min) ΔpR (in bar) ΔpDr (in bar) PV (in kW) 5 48.8 35.1 5 13.7 43.8 0.365 10 49 35.1 4.7 13.9 39 0.31 15 49.1 35.1 4.4 14 34.1 0.25 20 49.2 35.1 4.0 14.1 29.2 0.19 25 49.4 35.2 3.6 14.2 24.4 0.15 30 49.5 35.2 3.1 14.3 19.5 0.10 35 49.6 35.1 2.6 14.5 14.6 0.06 40 49.8 35.1 2.1 14.7 9.8 0.03 45 50 35.2 1.4 14.8 5 0.01 Fig. 0-24: Table 1 (DR)
  • 49.
    35 RE 09970/03.11 IPractice Bosch Rexroth AG Practice with load sensing system In this practice, the behavior of a load sensing system with throttle valve under the influ- ence of changeable load is to be worked out. The practice is important to identify the function of displacement-controlled pumps in the load sensing system. Fig. 0-26 Size 4 Unit limit 70 bar
  • 50.
    36 Practice IRE 09970/03.11 Bosch Rexroth AG • The pump is a displacement-controlled vane pump V7 (item 1.0). Using the throttle valve (item 2.0), the delivery volume is set to 5 l/min. • The load is changed using the pressure relief valve (item 3.0). • Using the pilot pressure relief valve ( • item 4.0), the maximum pump pressure is set. In the supply of the pilot pressure relief valve (item 4.0), a nozzle with a diameter of • 0.8 mm is installed. The actuator volume is measured by means of a flow meter (item 5.0). • The V7 pump has a controller (item 7.0) and two control spools with different diameter. The spool with the smaller diameter is connected with port P. The spool with the larger diameter is spring-loaded in order to bring the stroke ring in idle run into an eccentric position. Consequently, pump delivery upon start-up is possible. A spring keeps the controller (item 7.0) in the position p → max. In this position, the larger spool is loaded with pressure from line P. The stroke ring is moved in the displacement di- rection until the pressure p is greater than the pressure pX + spring value. If the pressure p is greater, the controller spool is moved and the larger spool is unloaded. The stroke ring is now moved from the smaller spool in the zero stroke direction. If the pressure p falls below the pressure pX + spring value, the controller spool is pushed back by the spring and the stroke ring moves back in the displacement direction. The control spool controls the stroke ring position. The pilot pressure X is measured after the throttle (item 2.0) and corresponds to the pres- sure pL. The pressure pL = pX with an unloaded load pressure valve corresponds to approx. 0 bar. The pressure p moves the control spool against the control spring on position P → L and the larger spool is unloaded, the pressure p moves the stroke ring on zero stroke. The spring value corresponds to the zero stroke pressure. The pressure p therefore always exceeds the pressure pLS, namely by the spring value. The pressures pX and pLS always fall below the pressure p, namely by the spring value. In this way, the pressure differential Δp at the throttle is kept constant. Using the pilot pressure relief valve (item 4.0), the pressure after the supply nozzle is limited. Opening this valve limits the pressure pX. The nozzle (0.8) is necessary for limiting the pilot oil and for the pressure drop at port X. Using the pilot pressure relief valve, the maximum pressure at port P can be set. The pilot pressure relief valve (item 4.0) is absolutely necessary as otherwise, the stroke ring is not moved to zero stroke. In this case, the pump pressure would increase until the safety pressure relief valves (item 6.0) open. If the entire delivery volume is discharged to the tank via the safety pressure relief valves, the oil heats up considerably. Set-up according to circuit diagram. Components Function Practice implementation
  • 51.
    37 RE 09970/03.11 IPractice Bosch Rexroth AG pL (in bar) p (in bar) pX (in bar) qV (in l/min) ΔpR (in bar) ΔpDr (in bar) PV (in kW) 5 19.4 5.7 5 13.7 14.4 0.12 10 24.5 10.8 5 13.7 14.5 0.12 15 29.4 15.7 5 13.7 14.4 0.12 20 34.4 20.7 5 13.7 14.4 0.12 25 39.4 25.7 5 13.7 14.4 0.12 30 44.4 30.7 5 13.7 14.4 0.12 35 47.8 34 4.3 13.8 12.8 0.09 40 49 34.7 3 14.3 9 0.05 45 49.6 35 1.4 14.6 4.6 0.01 Fig. 0-27: Table 1 (LS) Device arrangement Fig. 0-28 The flow meter must be installed after the load pressure relief valve in order to record the actuator volume. It is important to measure the pilot pressure after the throttle. Unload the pressure relief valves (3,4). 1. Open the throttle valve (2) completely 2. Switch on the pump, 3-way ball valve in operating position 3. Screw in the load pressure relief valve (3) to stop (max. pressure) 4. Using the pilot pressure relief valve (4), set 5. p = 50 bar Unload the load pressure relief valve (3) completely again (min. pressure) 6. Using the throttle valve (2), set 5 l/min, with unloaded load pressure valve (3) 7. Use the load pressure valve (3) to increase the load pressure in 5 bar steps. 8. Enter the pressures 9. p, pL, pX and the flow values qV into the table Calculation of the pressure differential 10. ΔpR = p – pX at the pump controller, the pressure dif- ferential ΔpDr = p – pl at the throttle, the power loss at the throttle with Pv = qV • ΔpDr/600.
  • 52.
    38 Practice IRE 09970/03.11 Bosch Rexroth AG Using the pilot pressure relief valve (4), the maximum pressure p can be limited. The pressure differential ∆p at the throttle valve is constant until the maximum pump pres- sure is achieved. Using the throttle valve (2), the flow 5 l/min can be set. If the load pressure is increased, the flow remains almost constant as long as the pres- sure differential ∆p at the throttle remains constant. If the maximum pump pressure is reached, the pilot pressure pX is limited and the pres- sure differential ∆p at the throttle and the flow decrease. A load sensing system only functions if the pressure differential ∆p at the throttle can be kept constant. If the maximum pump pressure set is achieved and the load pressure continues to in- crease, the pressure differential decreases and the flow delivered to the actuator decreas- es. Important: With real machines, the pressure p is e.g. 250 bar and the delivery volume is 100 l/min. Here, the constantly low power loss for energy saving has very positive effects. 20 bar • 5 l/min / 600 = 0.17 kW or 20 bar • 100 l/min / 600 = 3.3 kW • Using the spring pretensioning at the displacement controller (item 7.0), the pressure differential ∆pR can be changed. Result Notes
  • 53.
    1 RE 09970/03.11 IProject 01: Primary pressure limitation Bosch Rexroth AG 01 Project 01: Primary pressure limitation Project definition A large rotary drill is operated with a load sensing control for the top drive and the cylinder feed. Settings are to be made in the commissioning. The maximum system pressure is to be limited so that the device cannot be overloaded. The maximum safety pressure is set using the primary pressure valve. The maximum operating pressure is set using the load sensing pressure limitation (LS- DB) at the connection block. Project tasks The differences between the pressure limitations are to be worked out. • Determination of the correct order when setting the pressures. • Find the location of the set screws. • Measuring and setting the pressures. • Determine the system behavior of the different pressure limitations with primary pres- • sure valve and LS-DB. Fig. 01-1: Drill in operation
  • 54.
    2 Project 01:Primary pressure limitation I RE 09970/03.11 Bosch Rexroth AG 01 Project steps • Information: What is the current condition of the machine? What exactly is to be done? • Planning: Selecting and inspection documents for information. Component selection. Where are the components, set screws and measuring points located? Preparation of the hydraulic circuit diagram. • Decision-making: How must the components be connected with each other in order to realize the requirements? • Execution: Setup of the hydraulic control. Setting the required values and their documentation. • Checks: Are the required values achieved? • Evaluation: How is the system behavior? Notes
  • 55.
    3 RE 09970/03.11 IProject 01: Primary pressure limitation Bosch Rexroth AG 01 Circuit diagram hydraulic power unit Fig. 01-2: Hydraulic circuit diagram Unit limit 70 bar Size 4
  • 56.
    4 Project 01:Primary pressure limitation I RE 09970/03.11 Bosch Rexroth AG 01 Circuit diagram hydraulic set-up Fig. 01-3: Hydraulic circuit diagram Measuring glass Size 4
  • 57.
    5 RE 09970/03.11 IProject 01: Primary pressure limitation Bosch Rexroth AG 01 Component select with parts list item Quantity Device designation Type designation 01 1 Load sensing mobile control block 2M4-12 02 1 Pressure relief valve DD1.1 03 1 Distributor DZ4 04 1 Flow meter + Multi-handy DZ30 09 1 Pressure gauge with measuring hose (or digital pressure sensor) DZ1.4 5 Hose line 90° 1000 mm DKO/DKO90x1000 1 Hose line 90° 700 mm DKO/DKO90x700 1 Hose line 90° 2000 mm VSL3.1 1 Hose line 630 mm VSK1 Fig. 01-4: Parts list for hydraulic circuit diagram Fig. 01-3
  • 58.
    6 Project 01:Primary pressure limitation I RE 09970/03.11 Bosch Rexroth AG 01 Device arrangement Fig. 01-5: Device arrangement for parts list Fig. 01-4 and hydraulic circuit diagram Fig. 01-2 Notes
  • 59.
    7 RE 09970/03.11 IProject 01: Primary pressure limitation Bosch Rexroth AG 01 Safety instructions The operating instructions and accident prevention regulations must be observed. Danger due do flying component parts. Do not disassemble components under pressure. Risk from pressurized oil. Risk of injury from leaking oil and oil jet. Connect the return line T properly. Only assemble/disassemble circuits at zero pressure. Pressure release: Lower the load 1) 3-way ball valve in rest position (vertical) 2) Switch the directional valve several times 3) Unload accumulator 4) Control by means of pressure gauge: 0 bar in P, A, B 5) Risk of injury from leaking oil and oil jet. If the tank port is closed, the control block may burst. The tank channel is only approved for 30 bar. If the tank port at the control block is closed, 60 bar and - with the pressure intensification of the cylinder - 100 bar may result in the T channel! The correct connection of the return lines T is particularly important! Control block T must be connected at the connection block T1 or T2. The pilot oil return line Y is to be connected at zero pressure, e.g. at the measur- ing glass. Accumulator T must be connected at the connection block T1 or T2. After termination of the practice: Lower the load 1. Switch the 3-way ball valve in rest position 2. Switch the directional valve spool through several times in both directions 3. in order to discharge residual pressures. Empty the pilot oil accumulator by opening the unloading valve. 4. Control by means of pressure gauge 5. Switch off the pump 6. Warning Caution Caution
  • 60.
    8 Project 01:Primary pressure limitation I RE 09970/03.11 Bosch Rexroth AG 01 Order execution Requirements on the control: The hydraulic circuit is set up so that first of all, no actuator is connected. The primary pressure is limited by means of a pressure relief valve in the P line and the LS pressure limitation in the connection block. For evaluating the system behavior, the flow rate in the P line from the connection block to the distributor is measured. Note for trainers: Using the data sheet RE 64276, the correct connection of the M4-12 control block can be worked out. Ports T, P, LS and Y must be used. The pilot pressure ports a, b must be short-circuited. Otherwise, the control spools is blocked by leakage oil. With the data sheet, it is also possible to determine the position of the components and the measuring points. In the control block, there is no primary pressure valve. This function is performed by an external pressure relief valve DD1 at the distributor. The LS-DB is located in the connection block (see operating instructions). The sealed pressure valves at the unit must not be adjusted. Set up the circuit. In this connection, proceed according to the following points: 1. Hydraulic control Work out the circuit diagram and the parts list in order to satisfy the requirements. Hang in the hydraulic components according to the circuit diagram and establish the hose connections. For connecting pressure gauges with DZ1.4 measuring line, pressure hoses DZ 25.1 are used. Manually tighten the pressure gauge measuring lines at the relevant measuring port of the pressure hose. Check the correct tight connection of the components with the pressure hoses by turning the hoses. 2. Setting the pressures and measuring the flow rate qP Before switch-on of the pump, the LS-DB and the primary pressure valve are unloaded. After pump switch-on and operating position of the 3-way ball valve, only a low pressure will build up. First of all, the safety pressure is to be set using the primary pressure valve. As this pressure is the higher one, the LS-DB must first of all be set to max. by rotating the set screw to the right stop. The 1A directional valve is operated. There is no actuator flow as the system is operated against the closed couplings. Using the primary pressure valve, the safety pressure is set to p = 65 bar (measuring point MP). Note down the flow rate qP with operated directional valve. Operate the 1A directional valve and unload the LS-DB until an operating pressure p = 40 bar is reached. Here, note the flow rate qP with operated directional valve, as well.
  • 61.
    9 RE 09970/03.11 IProject 01: Primary pressure limitation Bosch Rexroth AG 01 3. Determining the power loss With P (kW) = p (bar) • qP (l/min) / 600, the power loss can be calculated. Power loss at safety pressure = 0.63 kW (~ 6.5 l/min • 65 / 600) Power loss at operating pressure = 0.07 kW (~ 1.0 l/min • 40 / 600) Note for trainers: The order of the pressure settings is: First the higher safety pressure, then the lower operating pressure. At the safety pressure, the entire pump delivery volume flows off via the primary pressure valve with max. pressure. A considerable amount of heat is generated. At the operating pressure, the pressure signal to the pump controller is limited by the LS- DB and the pump is regulated. In this case, not much heat is generated as there is no pump delivery. In practice, this means a reduction in the heat loss and thus a reduction in the fuel con- sumption if actuators are moved to stop. In practice, the difference between primary pressure valve and LS-DB is to be at least 20 bar. Assessment of the work results a) In which order do you have to set the maximum pressures? First of all, the higher safety pressure and then the lower operating pressure is set. Which pressure limitation results in the higher power loss? b) The safety pressure limitation results in the higher power loss as the entire delivery volume flows off with high pressure via the primary pressure valve. Project/trainer information In the present project 01, knowledge of the correct pressure setting is developed in a practical set-up. In the practical set-up, the following knowledge is to be gained: Knowledge of the measuring points • Order of the pressure setting of safety and operating pressure • Determination of the power losses with the different pressure limitations •
  • 62.
    10 Project 01:Primary pressure limitation I RE 09970/03.11 Bosch Rexroth AG 01 Notes
  • 63.
    1 RE 09970/03.11 IProject 02: Actuator flow with stroke limitations Bosch Rexroth AG 02 Project 02: Actuator flow with stroke limitations Project definition A large rotary drill is operated with a load sensing control for the rotary disk and the cylin- der feed. Settings are to be made in the commissioning. The maximum speed of the rotary disk is to be limited so that the drill works perfectly and is not overloaded. The max. actuator flows shall be A1 = 4 l/min and B1 = 5 l/min. Fig. 02-1: Caterpillar crane Project tasks The function of the directional valve element with pressure compensator is to be • worked out. Find the location of the set screws. • Measuring and setting the actuator flows. •
  • 64.
    2 Project 02:Actuator flow with stroke limitations I RE 09970/03.11 Bosch Rexroth AG 02 Project steps • Information: What is the current condition of the machine? What exactly is to be done? • Planning: Selecting and inspection documents for information. Component selection. Where are the components, set screws and measuring points located? Preparation of the hydraulic circuit diagram. • Decision-making: How must the components be connected with each other in order to realize the requirements? • Execution: Setup of the hydraulic control. Setting the required values and their documentation. • Checks: Are the required values achieved? • Evaluation: How is the system behavior? Notes
  • 65.
    3 RE 09970/03.11 IProject 02: Actuator flow with stroke limitations Bosch Rexroth AG 02 Circuit diagram hydraulic set-up Fig. 02-2: Hydraulic circuit diagram Size 4 Measuring glass Measuring glass
  • 66.
    4 Project 02:Actuator flow with stroke limitations I RE 09970/03.11 Bosch Rexroth AG 02 Component select with parts list Fig. 02-3: Parts list for hydraulic circuit diagram Fig. 02-2 item Quantity Device designation Type designation 01 1 Load sensing mobile control block 2M4-12 02 1 Pressure relief valve DD1.1 04 1 Flow meter + Multi-handy DZ30 05 1 Motor DM8 12 2 Pressure gauge with measuring hose (or digital pressure sensor) DZ1.4 2 Hose line 90° 1000 mm DKO/DKO90x1000 1 Hose line 90° 1000 mm with measur- ing port DKO/DKO90x1000 M 1 Hose line 90° 2000 mm VSL3.1 1 Hose line 90° 700 mm DKO/DKO90x700 3 Hose line 630 mm VSK1 2 Hose line 630 mm with measuring port DZ25.3 1 Optical speed sensor (optional) E19
  • 67.
    5 RE 09970/03.11 IProject 02: Actuator flow with stroke limitations Bosch Rexroth AG 02 Device arrangement Fig. 02-4: Device arrangement for parts list Fig. 02-3 and hydraulic circuit diagram Fig. 02-2 Notes
  • 68.
    6 Project 02:Actuator flow with stroke limitations I RE 09970/03.11 Bosch Rexroth AG 02 Safety instructions The operating instructions and accident prevention regulations must be observed. Danger due do flying component parts. Do not disassemble components under pressure. Risk from pressurized oil. Risk of injury from leaking oil and oil jet. Connect the return line T properly. Only assemble/disassemble circuits at zero pressure. Pressure release: Lower the load 1) 3-way ball valve in rest position (vertical) 2) Switch the directional valve several times 3) Unload accumulator 4) Control by means of pressure gauge: 0 bar in P, A, B 5) Risk of injury from leaking oil and oil jet. If the tank port is closed, the control block may burst. The tank channel is only approved for 30 bar. If the tank port at the control block is closed, 60 bar and - with the pressure intensification of the cylinder - 100 bar may result in the T channel! The correct connection of the return lines T is particularly important! Control block T must be connected at the connection block T1 or T2. The pilot oil return line Y is to be connected at zero pressure, e.g. at the measur- ing glass. Accumulator T must be connected at the connection block T1 or T2. After termination of the practice: Lower the load 1. Switch the 3-way ball valve in rest position 2. Switch the directional valve spool through several times in both directions 3. in order to discharge residual pressures Empty the pilot oil accumulator by opening the unloading valve 4. Control by means of pressure gauge 5. Switch off the pump 6. Order execution Requirements on the control: The hydraulic circuit is set up so that the rotary motor is connected to A1, B1. The primary pressure is limited by means of a pressure relief valve in the P line and the LS pressure limitation in the connection block. The flow rate is measured in the P line from the connection block to the control block. Warning Caution Caution
  • 69.
    7 RE 09970/03.11 IProject 02: Actuator flow with stroke limitations Bosch Rexroth AG 02 Note for trainers: Using the data sheet RE 64276, the correct connection of the M4-12 control block can be worked out. Ports T, P, LS, Y, A1 and B1 must be used. The pilot pressure ports a and b must be short-circuited. With the data sheet, it is also possible to determine the position of the components and the measuring points. In the control block, there is no primary pressure valve. This function is performed by an external pressure relief valve DD1 at the connection block. The LS-DB is located in the connection block (see operating instructions). The sealed pressure valves at the unit must not be adjusted. Using the pressure compensators available in the directional valve element, the pressure difference is maintained constant using the control spool. Thus, the flow volume is only controlled by means of the opening cross-section. The stroke limitations can be used to set the maximum opening cross-section. It can be worked out by means of the sectional drawing which set screw is to be ad- justed for the relevant actuator. Set up the circuit. In this connection, proceed according to the following points: 1. Hydraulic control Work out the circuit diagram and the parts list in order to satisfy the requirements. Hang in the hydraulic components according to the circuit diagram and establish the hose connections. For connecting pressure gauges with DZ1.4 measuring line, pressure hoses DZ 25.1 are used. Manually tighten the pressure gauge measuring lines at the relevant measuring port of the pressure hose. 2. Setting the actuator flows and measurement of the flow rate qP The pressure settings from project 01 are taken over. After switch-on of the pump, only a pressure = 15 bar will build up measuring point MP1). This pressure is the so-called standby pressure that is available with de-energized actua- tors. The A1 directional valve is operated. There is an actuator flow according to the directional valve opening. With max. operation, the actuator volume is set to 4 l/min. Operate the B1 directional valve and set the actuator volume to 5 l/min. Note for trainers: By explaining the pressure differential Δp and the pressure compensator, the function of the directional valve elements and stroke limitations can be made clear. It is important to see that with the stroke limitations, the maximum actuator flows and thus the maximum velocities can be set individually. Assessment of the work results
  • 70.
    8 Project 02:Actuator flow with stroke limitations I RE 09970/03.11 Bosch Rexroth AG 02 Notes a) Which actuating elements are used to set the max. actuator flow volume? Stroke limitations are used to set the max. actuator flow volume. Why can the max. actuator flow volume be set with the stroke limitations? b) The max. actuator flow rate can - because of the constant pressure differential Δp at the directional valve spools - be set with the stroke limitations. Which component is used to keep the pressure differential c) Δp at the directional valve spools constant? Pressure compensators keep the pressure differential Δp at the directional valve spools constant. Project/trainer information In the present project 02, knowledge of the setting of maximum flow rates is developed in a practical set-up. In the practical set-up, the following knowledge is to be gained: Knowledge of the measuring points • Setting possibilities for the max. actuator flow volume •
  • 71.
    1 RE 09970/03.11 IProject 03: Load pressure compensation Bosch Rexroth AG 03 Project 03: Load pressure compensation Project definition A large rotary drill is operated with a load sensing control for the rotary disk and the cylin- der feed. Now, the speed of the rotary disk is to be check with different loads. In case of loading by solid ground, the speed of the rotary disk is to remain constant, if possible, so that the drilling power is not reduced. The max. actuator flow for drilling is A1 = 4 l/min. Fig. 03-1: Mobile excavator Project tasks The function of the directional valve element with pressure compensator is to be • worked out. Working out and using the pressure compensator function. • Measuring the input pressure and the LS pressure. • Calculation of the pressure differential • ΔpLS.
  • 72.
    2 Project 03:Load pressure compensation I RE 09970/03.11 Bosch Rexroth AG 03 Project steps • Information: What is the current condition of the machine? What exactly is to be done? • Planning: Selecting and inspection documents for information. Component selection. Where are the components, set screws and measuring points located? Preparation of the hydraulic circuit diagram. • Decision-making: How must the components be connected with each other in order to realize the requirements? • Execution: Setup of the hydraulic control. Setting the required values and their documentation. • Checks: Is the requested constant speed achieved and complied with? • Evaluation: How is the system behavior? Notes
  • 73.
    3 RE 09970/03.11 IProject 03: Load pressure compensation Bosch Rexroth AG 03 Hydraulic circuit diagram Fig. 03-2: Hydraulic circuit diagram Size 4 Measuring glass Measuring glass Measuring glass
  • 74.
    4 Project 03:Load pressure compensation I RE 09970/03.11 Bosch Rexroth AG 03 Component select with parts list Fig. 03-3: Parts list for hydraulic circuit diagram Fig. 03-2 item Quantity Device designation Type designation 01 1 Load sensing mobile control block 2M4-12 02 1 Pressure relief valve DD1.1 04 1 Flow meter + Multi-handy DZ30 05 1 Motor DM8 06 1 Pressure sequence valve DD3 13 3 Pressure gauge with measuring hose (or digital pressure sensor) DZ1.4 2 Hose line 90° 1000 mm DKO/DKO90x1000 1 Hose line 90° 1000 mm with measur- ing port DKO/DKO90x1000 M 1 Hose line 90° 2000 mm VSL3.1 3 Hose line 90° 700 mm DKO/DKO90x700 4 Hose line 630 mm VSK1 2 Hose line 630 mm with measuring port DZ25.3 1 Optical speed sensor (optional) E19
  • 75.
    5 RE 09970/03.11 IProject 03: Load pressure compensation Bosch Rexroth AG 03 Device arrangement Fig. 03-4: Device arrangement for parts list Fig. 03-3 and hydraulic circuit diagram Fig. 03-2 Notes
  • 76.
    6 Project 03:Load pressure compensation I RE 09970/03.11 Bosch Rexroth AG 03 Safety instructions The operating instructions and accident prevention regulations must be observed. Danger due do flying component parts. Do not disassemble components under pressure. Risk from pressurized oil. Risk of injury from leaking oil and oil jet. Connect the return line T properly. Only assemble/disassemble circuits at zero pressure. Pressure release: Lower the load 1) 3-way ball valve in rest position (vertical) 2) Switch the directional valve several times 3) Unload accumulator 4) Control by means of pressure gauge: 0 bar in P, A, B 5) Risk of injury from leaking oil and oil jet. If the tank port is closed, the control block may burst. The tank channel is only approved for 30 bar. If the tank port at the control block is closed, 60 bar and - with the pressure intensification of the cylinder - 100 bar may result in the T channel! The correct connection of the return lines T is particularly important! Control block T must be connected at the connection block T1 or T2. The pilot oil return line Y is to be connected at zero pressure, e.g. at the measur- ing glass. Accumulator T must be connected at the connection block T1 or T2. After termination of the practice: Lower the load 1. Switch the 3-way ball valve in rest position 2. Switch the directional valve spool through several times in both directions 3. in order to discharge residual pressures Empty the pilot oil accumulator by opening the unloading valve 4. Control by means of pressure gauge 5. Switch off the pump 6. Order execution Requirements on the control: The hydraulic circuit is set up so that the rotary motor is connected to A1, B1. The primary pressure limitation 65 bar is realized using a pressure relief valve in the P line and the LS pressure limitation 50 bar in the connection block. For simulating the load, a pressure sequence valve is installed in the A1 line in front of the motor. Warning Caution Caution
  • 77.
    7 RE 09970/03.11 IProject 03: Load pressure compensation Bosch Rexroth AG 03 Fig. 03-5: Table Load pressure MpL (in bar) Pressure Mp (in bar) Pressure MpLS (in bar) Pressure differen- tial DpLS (in bar) Motor speed n (in min–1) Motor 1 Motor 2 Motor 1 Motor 2 Motor 1 Motor 2 17 31.2 28.8 17.5 16 14.3 480 466 20 34.5 32.0 20.8 18 14.1 480 466 25 39.4 37.3 25.7 25 14 480 466 30 44.6 42.2 30.9 30 13.9 480 466 35 48 46.0 34.7 35 12 450 430 40 48.9 47.2 35.6 38 8.4 310 330 45 49.5 47.8 36.3 40 4.1 170 143 50 50 0 Note for trainers: The DD3 pressure sequence valve is installed for load simulation in the A1 line in front of the motor. That is why the DD3 pressure sequence valve only opens above the set pressure and keeps the pressure in the A1 line at the set value. The idle run resistance of the motor is not influenced. For the control block function, the pressure in the actuator port A1 is decisive. The leakage oil connection T of the DD3 pressure sequence valve must be connected at zero pressure. Set up the circuit. In this connection, proceed according to the following points: 1. Hydraulic control Work out the circuit diagram and the parts list in order to satisfy the requirements. Hang in the hydraulic components according to the circuit diagram and establish the hose connections. For connecting pressure gauges with DZ1.4 measuring line, pressure hoses DZ 25.1 are used. Tighten the pressure gauge measuring lines at the relevant measuring port of the pressure hose manually. 2. Setting different load pressures, measurement of speed and pressures Mp, MpLS, MpL After switch-on of the pump, only a pressure = 15 bar will build up. This pressure is the so-called standby pressure that is available with de-energized actuators. The DD3 pressure sequence valve is completely unloaded. The A1 directional valve is fully operated (pull the lever). The motor rotates with pressures according to the load. The load pressure is increased in 5 bar steps up to 50 bar. Enter the pressures Mp, MpLS, the pressure differential ΔpLS and the motor speed n into the table. Measure the load pressure in front of the pressure sequence valve and MpL at A of the motor. Smallest load pressure: 17 bar
  • 78.
    8 Project 03:Load pressure compensation I RE 09970/03.11 Bosch Rexroth AG 03 Note for trainers: By explaining the pressure differential Δp and pressure compensator, the function of the directional valve elements can be made clear. It is important to see that the motor speed also remains almost constant under load. By means of the pressure compensators, the pressure differential Δp at the control spools is kept constant. It can moreover be seen that the LS pressure pLS and the load pressure pL are identical. This shows that the LS pressure always corresponds to the load pressure. The pump pressure pP always exceeds the LS pressure by the control pressure differ- ence of the pump controller. This is necessary so that the oil can overcome the resis- tances in the P line and in the control block. Without pressure differential no flow! From a load pressure of 35 bar, the LS pressure limitation takes effect and consequently, the pressure differential ΔpLS decreases. Assessment of the work results a) How has the motor speed changed in case of load changes behavior? The motor speed has changed only slightly. How large is the pressure differential LS pressure - load pressure? b) The pressure differential is very low. How large is the pressure differential pump pressure - LS pressure? c) The pressure differential is approx. 15 bar and corresponds to the control pressure differential of the pump controller. Project/trainer information In the present project 03, the independence of the motor speed from the load pressure is developed in a practical set-up. In the practical set-up, the following knowledge is to be gained: Function of the pressure compensator and its application • Pressures in the load sensing system •
  • 79.
    1 RE 09970/03.11 IProject 04: Pressure losses in P line Bosch Rexroth AG 04 Project 04: Pressure losses in P line Project definition With large drills, the winches are installed in the mast. The control block is also to be installed in the mast. This enlarges the distance to the pump and thus the length of the P line. The longer the P line the higher is the pressure loss. It is to be determined in a practice whether this influences the performance of the winch- es. Fig. 04-1: Mobile excavator Project tasks A possibility for simulating the pressure loss is to be worked out. • Determining the necessary measuring points. • Perform measurements for evaluating the system. • Evaluating the influence of a higher pressure loss in the P line. •
  • 80.
    2 Project 04:Pressure losses in P line I RE 09970/03.11 Bosch Rexroth AG 04 Project steps • Information: What exactly is to be done? • Planning: Selecting and inspection documents for information. Component selection. How can the higher pressure loss be simulated? Preparation of the hydraulic circuit diagram. • Decision-making: How must the components be connected with each other in order to realize the requirements? • Execution: Setup of the hydraulic control. Measuring the required values and their documentation. • Checks: Which influence does a higher press loss in the P line have on the drilling power? • Evaluation: How is the system behavior? Notes
  • 81.
    3 RE 09970/03.11 IProject 04: Pressure losses in P line Bosch Rexroth AG 04 Hydraulic circuit diagram Fig. 04-2: Hydraulic circuit diagram Size 4 Measuring glass Measuring glass
  • 82.
    4 Project 04:Pressure losses in P line I RE 09970/03.11 Bosch Rexroth AG 04 Component select with parts list Fig. 04-3: Parts list for hydraulic circuit diagram Fig. 04-2 item Quantity Device designation Type designation 01 1 Load sensing mobile control block 2M4-12 02 1 Pressure relief valve DD1.1 04 1 Flow meter + Multi-handy DZ30 05 1 Motor DM8 06 1 Throttle valve DF1 13 3 Pressure gauge with measuring hose (or digital pressure sensor) DZ1.4 3 Hose line 90° 1000 mm DKO/DKO90x1000 1 Hose line 90° 1000 mm with mea- suring port DKO/DKO90x1000 M 1 Hose line 90° 2000 mm VSL3.1 2 Hose line 90° 700 mm DKO/DKO90x700 3 Hose line 630 mm VSK1 2 Hose line 630 mm with measuring port DZ25.3 1 Optical speed sensor (optional) E19
  • 83.
    5 RE 09970/03.11 IProject 04: Pressure losses in P line Bosch Rexroth AG 04 Device arrangement Fig. 04-4: Device arrangement for parts list Fig. 04-3 and hydraulic circuit diagram Fig. 04-2 Notes
  • 84.
    6 Project 04:Pressure losses in P line I RE 09970/03.11 Bosch Rexroth AG 04 Safety instructions The operating instructions and accident prevention regulations must be observed. Danger due do flying component parts. Do not disassemble components under pressure. Risk from pressurized oil. Risk of injury from leaking oil and oil jet. Connect the return line T properly. Only assemble/disassemble circuits at zero pressure. Pressure release: Lower the load 1) 3-way ball valve in rest position (vertical) 2) Switch the directional valve several times 3) Unload accumulator 4) Control by means of pressure gauge: 0 bar in P, A, B 5) Risk of injury from leaking oil and oil jet. If the tank port is closed, the control block may burst. The tank channel is only approved for 30 bar. If the tank port at the control block is closed, 60 bar and - with the pressure intensification of the cylinder - 100 bar may result in the T channel! The correct connection of the return lines T is particularly important! Control block T must be connected at the connection block T1 or T2. The pilot oil return line Y is to be connected at zero pressure, e.g. at the measur- ing glass. Accumulator T must be connected at the connection block T1 or T2. After termination of the practice: Lower the load 1. Switch the 3-way ball valve in rest position 2. Switch the directional valve spool through several times in both directions 3. in order to discharge residual pressures Empty the pilot oil accumulator by opening the unloading valve 4. Control by means of pressure gauge 5. Switch off the pump 6. Order execution Requirements on the control: The hydraulic circuit is set up so that the motor is connected to A1, B1. For simulating the pressure loss in the P line, a DF1.2 throttle valve is installed. A flow meter is used to measure the displacement in the P line. Warning Caution Caution
  • 85.
    7 RE 09970/03.11 IProject 04: Pressure losses in P line Bosch Rexroth AG 04 Note for trainers: Using the DF1.2 throttle valve, an increased pressure loss can be simulated. In practice, there is an increased pressure loss if the lines are long and the cross-section is too small. Set up the circuit. In this connection, proceed according to the following points: 1. Hydraulic control Work out the circuit diagram and the parts list in order to satisfy the requirements. Hang in the hydraulic components at the grid according to the circuit diagram and estab- lish the hose connections. For connecting pressure gauges with DZ1.4 measuring line, DZ25.1 pressure hoses are used. Tighten the pressure gauge measuring lines at the relevant measuring port of the pressure hose manually. Primary pressure valve setting: 65 bar 2. Setting different pressure losses, measurement of the pressures Mp1, Mp, MpLS, displacement qP After pump switch-on and operating position of the 3-way ball valve (horizontal), the motor is operated. With completely opened throttle, an actuator flow A1 = 4 l/min is set. In this practice, the oil temperature has an important influence; therefore, the oil temperature should be approx. 25 °C. The pressure loss Mp1 – Mp is set to 5 bar and increased in 1 bar steps to 10 bar. Enter the pressures Mp1 in front of the throttle, Mp at the block input, pLS (MpLS) at the block and the displacement qP in the P line in the table. Fig. 04-5: Table Pressure loss Mp1 – Mp. calculated (in bar) Pressure Mp1 (in bar) Pressure Mp (in bar) Pressure MpLS (in bar) Displacement qP (in l/min) 5 21 16 9.0 8.0 4.0 3.8 6 21 15 8.0 8.0 3.8 3.7 7 21 14 8.0 7.0 3.5 3.3 8 21 13 7.0 6.6 3.1 3.0 9 20 11 3.0 5.7 0.2 2.3 10 18 8 0 4.0 0 1.0 Note for trainers: This practice is to clarify the influence of the line losses on the system. It is important to see that with increasing line loss the displacement decreases. Due to the higher pressure losses in the P line, the pressure differential decreases. thus, the pressure differential ∆p at the control spools is also lower as is the flow. The pump controller only controls the pressure differential ∆p = Mp1 – MpLS. The influence of the pressure reduction can be compensated by increasing the control pressure difference at the pump controller.
  • 86.
    8 Project 04:Pressure losses in P line I RE 09970/03.11 Bosch Rexroth AG 04 This means in practice that the control pressure difference at the pump controller must be set accordingly high for each device depending on the losses in the P line. It must be ensured that the maximum displacement required can flow. Assessment of the work results a) How did the increase in the pressure losses in the P line influence the winch performance? The winch performance has decreased as the displacement decreased. How has the pressure differential (input pressure - LS pressure) changed? b) The pressure differential has decreased. How has the pressure differential (pump pressure - LS pressure) changed? c) The pressure differential has not changed and corresponds to the control pressure differential of the pump controller. Which effects does this have in practice? d) In practice, the control pressure difference must be set so high that the line losses are compensated and the maximum displacement required can flow. Project/trainer information In the present project 04, the influence of the pressure loss in the P line is developed in a practical set-up. In the practical set-up, the following knowledge is to be gained: Influence of the pressure loss in P line • Differential pressures in the load sensing system and their effect •
  • 87.
    1 RE 09970/03.11 IProject 05: Hydraulic pilot control Bosch Rexroth AG 05 Project 05: Hydraulic pilot control Project definition The drill is equipped with a winch for lifting the drilling equipment. The winch is remotely controlled from the driver's cab. By deflecting the hydraulic control lever in the direction of the operator (pulling), the which is to rotate counterclockwise. By deflecting the hydraulic pilot control lever away from the operator (pushing), the which is to rotate clockwise. The maximum speed possible is to be achieved. In order to evaluate the winch control, a characteristic curve of the winch against the pilot pressure is to be prepared. In order to always ensure the pilot oil supply, even with low load pressure or if the drive motor is standing still, a pilot oil accumulator is to be provided. Fig. 05-1: Control unit Project tasks Working out the correct pinout for the specified directions of rotation. • Working out the hydraulic remote control function. • Correct installation of the pilot oil accumulator. • Checking the hydraulic remote control function. • Preparation of a characteristic curve motor speed / pilot pressure. •
  • 88.
    2 Project 05:Hydraulic pilot control I RE 09970/03.11 Bosch Rexroth AG 05 Project steps • Information: What exactly is to be done? • Planning: Selecting and inspection documents for information. Component selection. Where are the components and measuring points located? Preparation of the hydraulic circuit diagram. • Decision-making: How must the components be connected with each other in order to achieve the specified directions of rotation? • Execution: Setup of the hydraulic control. Checking the hydraulic remote control function • Checks: Are the directions of rotation correct? Is the pilot oil supply always guaranteed? • Evaluation: How is the system behavior with hydraulic remote control? Notes
  • 89.
    3 RE 09970/03.11 IProject 05: Hydraulic pilot control Bosch Rexroth AG 05 Hydraulic circuit diagram Fig. 05-2: Hydraulic circuit diagram Measuring glass Size 4 Measuring glass Measur- ing glass
  • 90.
    4 Project 05:Hydraulic pilot control I RE 09970/03.11 Bosch Rexroth AG 05 Component select with parts list Fig. 05-3: Parts list for hydraulic circuit diagram Fig. 05-2 item Quantity Device designation Type designation 01 1 Load sensing mobile control block 2M4-12 02 1 Pressure relief valve DD1.1 03 2 Distributor DZ4 05 1 Motor DM8 06 1 Hydraulic pilot control unit 2-2TH6-L70 07 1 Accumulator 0.7 l DZ3.2 09 1 Check valve DS2.1 16 3 Pressure gauge with measuring hose (or digital pressure sensor) DZ1.4 5 Hose line 90° 1000 mm DKO/DKO90x1000 1 Hose line 90° 1000 mm with measuring port DKO/DKO90x1000 M 2 Hose line 90° 2000 mm VSL3.1 3 Hose line 90° 700 mm DKO/DKO90x700 1 Hose line 630 mm VSK1 2 Hose line 630 mm with measuring port DZ25.3 1 Optical speed sensor (optional) E19
  • 91.
    5 RE 09970/03.11 IProject 05: Hydraulic pilot control Bosch Rexroth AG 05 Device arrangement Fig. 05-4: Device arrangement for parts list Fig. 05-3 and hydraulic circuit diagram Fig. 05-2 Notes
  • 92.
    6 Project 05:Hydraulic pilot control I RE 09970/03.11 Bosch Rexroth AG 05 Safety instructions The operating instructions and accident prevention regulations must be observed. Danger due do flying component parts. Do not disassemble components under pressure. Risk from pressurized oil. Risk of injury from leaking oil and oil jet. Connect the return line T properly. Only assemble/disassemble circuits at zero pressure. Pressure release: Lower the load 1) 3-way ball valve in rest position (vertical) 2) Switch the directional valve several times 3) Unload accumulator 4) Control by means of pressure gauge: 0 bar in P, A, B 5) Risk of injury from leaking oil and oil jet. If the tank port is closed, the control block may burst. The tank channel is only approved for 30 bar. If the tank port at the control block is closed, 60 bar and - with the pressure intensification of the cylinder - 100 bar may result in the T channel! The correct connection of the return lines T is particularly important! Control block T must be connected at the connection block T1 or T2. The pilot oil return line Y is to be connected at zero pressure, e.g. at the measur- ing glass. Accumulator T must be connected at the connection block T1 or T2. After termination of the practice: Lower the load 1. Switch the 3-way ball valve in rest position 2. Switch the directional valve spool through several times in both directions 3. in order to discharge residual pressures Empty the pilot oil accumulator by opening the unloading valve 4. Control by means of pressure gauge 5. Switch off the pump 6. Order execution Requirements on the control The hydraulic circuit is set up so that with the control block M4-12 ports A1, B1, the winch can be operated. When the lever is pushed, the winch must be rotated clockwise. The max. operating pressure for the pilot control unit 2-2 TH6 must be max. 50 bar in port P. Warning Caution Caution
  • 93.
    7 RE 09970/03.11 IProject 05: Hydraulic pilot control Bosch Rexroth AG 05 The max. admissible pressure in port T is 3 bar. The minimum response pressure of the pre-tensioned directional valve spring is 8.5 bar. For hydraulically operating the directional valve spool, 30 bar are absolutely enough as with 22.5 bar, the directional valve spools are fully controlled. Pilot control units are normally operated with a separate 30 bar pilot oil system. It has to be ensured that the max. pilot pressure P for the pilot control unit is not higher than 30 bar and always available. Therefore, the pilot control unit is connected at the pilot oil accumulator. In the M4-12 control block, a 30 bar pilot oil supply is integrated. The pilot oil supply is connected at the pilot oil port X. A check valve prevents pilot oil from flowing off via the M4-12 control block if the working pressure falls below the pilot pressure. The pilot pressure pst. in a1, b1 of the hydraulic operations is to be measured. Note for trainers: Using the sectional diagram and explanation of the function of the directional valve ele- ment, the correct connection of the actuators at the control block can be worked out. It is important to see that the hydraulic pressure moves the directional valve spool against the opposite spring. The hydraulic pressure acts on the spool area and generates a force. This force compresses the spring until the spring force corresponds to the hydraulic force. During that time, the directional valve spool covers a corresponding stroke. With low pressure, the hydraulic force is less and the spring is only compressed a little bit; consequently, the spool stroke is accordingly shorter. I.e. with the amount of the hydraulic pressure, you can control the spool stroke. No pressure must build up in port T of the hydraulic pilot control unit as otherwise, it supports the spring force and consequently falsifies the control characteristic curve. Therefore, port T of the 2-2TH6 is to be connected at the measuring glass at zero pres- sure. Set up the circuit. In this connection, proceed according to the following points: 1. Hydraulic control Work out the circuit diagram and the parts list in order to satisfy the requirements. Hang in the hydraulic components at the grid according to the circuit diagram and estab- lish the hose connections. For connecting pressure gauges with DZ1.4 measuring line, pressure hoses DZ 25.1 are used. Manually tighten the pressure gauge measuring lines at the relevant measuring port of the pressure hose. Check the correct tight connection of the components with the pressure hoses by turning the hoses. 2. Hydraulic remote control Set the maximum flow rates. For checking the directions of rotation, the motor is operated in both directions. At first, however, actuation without pilot oil accumulator; for this purpose, the isolator valve is closed and the accumulator is completely unloaded. Measure the achievable pilot pressure. Result: 16 bar Measure the achievable motor speed. Result: 350 min–1 (both directions of rotation)
  • 94.
    8 Project 05:Hydraulic pilot control I RE 09970/03.11 Bosch Rexroth AG 05 Fig. 05-5: Table Pilot pressure Mpst. a1 (in bar) Speed (in min–1) Pilot pressure Mpst. a1 (in bar) Speed (in min–1) Motor 1 Motor 2 Motor 1 Motor 2 0 0 16 400 300 5 0 17 450 375 9 80 18 500 400 10 100 19 570 450 11 140 100 20 630 480 12 210 113 21 670 565 13 250 138 22 710 596 14 300 200 23 750 598 15 350 217 24 780 598 Pressure pst. b1 with all deflections: 0.1 bar Note for trainers: Ad 2.: With the standby pressure of 15 bar, the directional valve spools cannot be fully con- trolled properly. If the load pressure of the controlled actuator is too low, the directional valve spool cannot be fully controlled either. Therefore, the required actuator velocity cannot be achieved. With the pilot oil accumulator there is always sufficient pilot oil pressure, irrespective of the system pressure. Another important function of the pilot oil accumulator is to always have pilot pressure available even if the pumps are switched off. In this case, a load can e.g. be lowered with the pilot oil from the accumulator or the system pressure can be relieved. In order to be able to load the pilot oil accumulator, the a2 hydraulic operation is con- nected at the pilot control unit. Connect the pilot oil accumulator and close the unloading valve. As the motor load pressure is not sufficient to charge the accumulator with 30 bar, the hydraulic operation a2 is operated. Actuator port A2 of the directional valve 2 is closed and upon operation, the maximum operating pressure of 50 bar results. The accumulator pressure now increases up to 30 bar. If afterwards, the motor is operated using directional valve 1 at b1, the control spool can be operated with 30 bar even if the load pressure is much less. Measure the achievable motor speed. Result: 600 min–1. (Press the pilot control lever 1) 3. Measurements of the motor speed against the pilot pressure pst. Install the pressure gauge in the control lines, close to the hydraulic operations a1 and b1. Installing the tachometer. Set different pressure ratings by pressing the pilot control lever 1 according to the follow- ing table (clockwise direction of rotation of the motor). Record the motor speed and the pilot pressure Mpst. a1 and enter the values in the table.
  • 95.
    9 RE 09970/03.11 IProject 05: Hydraulic pilot control Bosch Rexroth AG 05 Ad 3.: It is important to see that the pilot pressure increases linearly from 9 bar and rapidly from 25 bar to 30 bar. Thereafter, the pilot pressure remains at 30 bar in order to safely hold the directional valve spool in the end position. This characteristic curve corresponds to control curve 70, please refer to the data sheet RE 64552, page 5. Different control curves are provided for the relevant control block types. This is neces- sary as the directional valve spools have different diameters, springs and strokes. Assessment of the work results a) What is the advantage of a hydraulic pilot control? Using the hydraulic pilot control, the directional valve spools can also be operated from another position than the control block. With which pressure is the LS pilot oil system operated? b) The pilot oil system is a separate system with 30 bar pressure. How is the pilot oil removed from the high-pressure system? c) Via a pressure reducing valve, the pilot oil is removed from the high-pressure system in the control block P channel. How is the pilot oil supply ensured also in case of low load pressure? d) The pilot oil supply is ensured by means of a pilot oil accumulator. What is the special property of the pilot control unit? e) The pilot control unit has a pilot pressure characteristic curve that is adjusted to the relevant control block. Project/trainer information In the present project 05, knowledge of the function of the hydraulic remote control is developed in a practical set-up. In the practical set-up, the following knowledge is to be gained: Set-up and function of the pilot oil circuit with accumulator • Set-up and function of the 2-2TH6 pilot control unit • Characteristic curve of the pilot control unit •
  • 96.
    10 Project 05:Hydraulic pilot control I RE 09970/03.11 Bosch Rexroth AG 05 Notes
  • 97.
    1 RE 09970/03.11 IProject 06: Boom cylinder with external action of forces Bosch Rexroth AG 06 Project 06: Boom cylinder with external action of forces Project definition The boom of an excavator is operated by means of cylinders. The boom is lowered with weight and the load. The boom is to be lifted by pulling the lever towards the operator. The boom is to be lowered by pushing the lever away from the operator. External forces must not cause any damage and must be limited. External forces can e.g. act on a non-operated actuator by means of working movements (secondary protection). The maximum cylinder pressure must not exceed 70 bar. For simulating the external forces, a hydraulic circuit is to be developed. Fig. 06-1: Crawler excavator Project tasks Working out the correct pinout for the specified stroke direction. • Simulation of an external cylinder load. • Checking the function of the secondary valve with external load. •
  • 98.
    2 Project 06:Boom cylinder with action of external forces I RE 09970/03.11 Bosch Rexroth AG 06 Project steps • Information: What exactly is to be done? • Planning: Selecting and inspection documents for information. Component selection. Where are the components and measuring points located? How can external loads be simulated? How can the LS signal in this connection be forwarded to the pump controller if the directional valve element A2, B2 is not to be operated? Preparation of the hydraulic circuit diagram. • Decision-making: How must the components be connected with each other in order to get the specified stroke direction with pulled lever? • Execution: Setup of the hydraulic control. Determining the required values and their documentation. • Checks: Is the stroke direction correct? Does the secondary valve work? • Evaluation: How is the system behavior? Notes
  • 99.
    3 RE 09970/03.11 IProject 06: Boom cylinder with external action of forces Bosch Rexroth AG 06 Hydraulic circuit diagram Fig. 06-2: Hydraulic circuit diagram Size 4 Mea- suring glass Measuring glass item 05
  • 100.
    4 Project 06:Boom cylinder with action of external forces I RE 09970/03.11 Bosch Rexroth AG 06 Component select with parts list Fig. 06-3: Parts list for hydraulic circuit diagram Fig. 06-2 item Quantity Device designation Type designation 01 1 Load sensing mobile control block 2M4-12 02 1 Pressure relief valve DD1.1 05 1 Load unit 80 kg DS-LAST/BF-L80E03 06 1 Hydraulic pilot control unit 2-2TH6-L70 07 1 Accumulator 0.7 l DZ3.2 08 3 Distributor DZ4 09 1 Check valve DS2.1 16 3 Pressure gauge with measuring hose (or digital pressure sensor) DZ1.4 17 1 Pressure reducing valve DD2 4 Hose line 90° 1000 mm DKO/DKO90x1000 1 Hose line 90° 1000 mm with measuring port DKO/DKO90x1000 M 2 Hose line 90° 2000 mm VSL3.1 2 Hose line 90° 700 mm DKO/DKO90x700 4 Hose line 630 mm VSK1 1 Hose line 630 mm with measuring port DZ25.3
  • 101.
    5 RE 09970/03.11 IProject 06: Boom cylinder with external action of forces Bosch Rexroth AG 06 Device arrangement Fig. 06-4: Device arrangement for parts list Fig. 06-3 and hydraulic circuit diagram Fig. 06-2 Notes
  • 102.
    6 Project 06:Boom cylinder with action of external forces I RE 09970/03.11 Bosch Rexroth AG 06 Safety instructions The operating instructions and accident prevention regulations must be observed. Danger due do flying component parts. Do not disassemble components under pressure. Risk from pressurized oil. Risk of injury from leaking oil and oil jet. Connect the return line T properly. Only assemble/disassemble circuits at zero pressure. Pressure release: Lower the load 1) 3-way ball valve in rest position (vertical) 2) Switch the directional valve several times 3) Unload accumulator 4) Control by means of pressure gauge: 0 bar in P, A, B 5) Risk of injury from leaking oil and oil jet. If the tank port is closed, the control block may burst. The tank channel is only approved for 30 bar. If the tank port at the control block is closed, 60 bar and - with the pressure intensification of the cylinder - 100 bar may result in the T channel! The correct connection of the return lines T is particularly important! Control block T must be connected at the connection block T1 or T2. The pilot oil return line Y is to be connected at zero pressure, e.g. at the measur- ing glass. Accumulator T must be connected at the connection block T1 or T2. After termination of the practice: Lower the load 1. Switch the 3-way ball valve in rest position 2. Switch the directional valve spool through several times in both directions 3. in order to discharge residual pressures Empty the pilot oil accumulator by opening the unloading valve 4. Control by means of pressure gauge 5. Switch off the pump 6. Order execution Requirements on the control: The hydraulic circuit is set up so that the boom can be lifted and lowered using the A2, B2 directional valve element. When the pilot control lever is pulled towards the operator, the boom must be lifted. Warning Caution Caution
  • 103.
    7 RE 09970/03.11 IProject 06: Boom cylinder with external action of forces Bosch Rexroth AG 06 A pressure relief valve is to be used to set the max. primary pressure to 65 bar. On the cylinder piston side, external loads are to be simulated with hydraulic pressure. During the load simulation, a corresponding LS signal for the pump controller must result. The simulation of the external load shall be adjustable by means of a valve. The load pres- sure must be so high that the secondary valve opens at 70 bar. Note for trainers: Using the sectional diagram and explanation of the function of the directional valve ele- ment, the correct connection of the cylinder and the control lines at the control block can be worked out. The position of the secondary valves is obvious, as well. By means of the load cylinder, the weight is lifted with the cylinder ring side (= lift boom). For the load simulation on the cylinder piston side, a DD2.NV pressure reducing valve is used. This valve is also connected at the cylinder piston side using a distributor. The oil supply is ensured via the directional valve element A1 at the control block; for that purpose, the pressure reducing valve is connected at the directional valve element A1 with P. By operating the M4-12 handle-operated lever downwards (P – A1), the load simulation is activated and with the pressure reducing valve, the load can be set. This circuit secures the LS signal for the pump controller. Set up the circuit. In this connection, proceed according to the following points: 1. Hydraulic control Work out the circuit diagram and the parts list in order to satisfy the requirements. Hang in the hydraulic components at the grid according to the circuit diagram and estab- lish the hose connections. For connecting pressure gauges with DZ1.4 measuring line, pressure hoses DZ 25.1 are used. Manually tighten the pressure gauge measuring lines at the relevant measuring port of the pressure hose. Check the correct tight connection of the components with the pressure hoses by turning the hoses. 2. Function of the secondary valve in case of external load For the measurement, connect the pressure gauge at the cylinder piston MA2 and the ring side MB2. Fully retract the cylinder with directional valve 2 (pull the pilot control lever 2). The control spool of the directional valve A2, B2 is then not operated, i.e. it remains in the blocked central position. Operate the directional valve A1 for the load simulation (pull the pilot control lever 1). While doing so, use the DD2.NV pressure reducing valve to increase the load pressure on the cylinder piston side until the cylinder is lowered. Carefully observe the cylinder and the pressures of the MB2 cylinder ring side before the motion starts. The secondary pressure valve is to be set so that it opens at 70 bar. Note for the adjustment of the secondary pressure valves: The adjustment spindle is secured by means of a lateral grub screw! (Allen key 2 mm required)
  • 104.
    8 Project 06:Boom cylinder with action of external forces I RE 09970/03.11 Bosch Rexroth AG 06 Note for trainers: It is important to see that the cylinder may also be lowered if the control spool in the directional valve element concerned is not operated. Increasing the pressure on the cylinder piston side increases the pressure on the cylin- der ring side by the cylinder gear ratio. At 70 bar, the secondary valve opens. If the cracking pressure of the secondary pressure valve is achieved, it opens and the cyl- inder is shut down via the secondary pressure valve. The oil is led into the T channel. Important: The cylinder must not be in the extended end position (counterforce cylinder, spring). Using the secondary pressure valve, overloads can be limited by external forces, even if the control spool is not operated. External forces may e.g. result from superimposed working movements or from the fast deceleration of large weights like excavator booms, slew drives, etc. Secondary pressure valves aim at protecting the machine against overloads. Normally, the cracking pressure of secondary pressure valves should at least be 20 bar higher than the primary pressure. The cracking pressure of secondary pressure valves may also be lower than the primary pressure if the actuator must not be loaded with the primary pressure. Assessment of the work results a) What are secondary valves used for? Secondary pressure valves are used to protect the machine from overloads. When do secondary valves take effect? b) Secondary pressure valves take effect in case of excessive pressure even if the actua- tor is not operated. How can a machine be protected against overload by external forces? c) If external forces act, they can be limited by means of secondary pressure valves. Project/trainer information In the present project 06, knowledge of the protection against overload is developed in a practical set-up. In the practical set-up, the following knowledge is to be gained: Simulation of an external load • The secondary pressure valves opens if the pressure in the actuator channel is larger • than the set pressure The secondary pressure valve protects the cylinder against overload even if the control • spool is not operated Via the secondary pressure valve, the cylinder may give under overload •
  • 105.
    1 RE 09970/03.11 IProject 07: Secondary pressure limitation Bosch Rexroth AG 07 Project 07: Secondary pressure limitation Project definition A large rotary drill is operated with a load sensing control for the rotary disk and the cylin- der feed. The bore rods are to be lifted by pulling the lever towards the operator. By pushing the lever away from the operator the bore rods are to be lowered and the feed is to be controlled. In order not to overload the bore rods, the maximum feed pressure may only be 35 bar. For the additional functions of the device, 60 bar are necessary. Fig. 07-1: Walking excavator in the vineyard Project tasks Working out the correct pinout for the specified stroke direction. • Setting the maximum cylinder force for the feed. • Checking the function of the secondary valve for force limitation. • Power loss calculation upon response by the secondary pressure valve. •
  • 106.
    2 Project 07:Secondary pressure limitation I RE 09970/03.11 Bosch Rexroth AG 07 Project steps • Information: What is the current condition of the machine? What exactly is to be done? • Planning: Selecting and inspection documents for information. Component selection. How can the maximum feed force be limited? Preparation of the hydraulic circuit diagram. • Decision-making: How must the components be connected with each other in order to get the specified stroke direction with pulled lever? • Execution: Setup of the hydraulic control. Determining the required values and their documentation. • Checks: Is the stroke direction correct? Does the secondary valve work? • Evaluation: How is the system behavior? Notes
  • 107.
    3 RE 09970/03.11 IProject 07: Secondary pressure limitation Bosch Rexroth AG 07 Hydraulic circuit diagram Fig. 07-2: Hydraulic circuit diagram Measuring glass Measuring glass Size 4 item 05
  • 108.
    4 Project 07:Secondary pressure limitation I RE 09970/03.11 Bosch Rexroth AG 07 Component select with parts list Fig. 07-3: Parts list for hydraulic circuit diagram Fig. 07-2 item Quantity Device designation Type designation 01 1 Load sensing mobile control block 2M4-12 02 1 Pressure relief valve DD1.1 04 1 Flow meter + Multi-handy DZ30 05 1 Load unit 80 kg DS-LAST/BF-L80E03 06 1 Hydraulic pilot control unit 2-2TH6-L70 07 1 Accumulator 0.7 l DZ3.2 08 2 Distributor DZ4 09 1 Check valve DS2.1 16 3 Pressure gauge with measuring hose (or digital pressure sensor) DZ1.4 4 Hose line 90° 1000 mm DKO/DKO90x1000 1 Hose line 90° 1000 mm with measuring port DKO/DKO90x1000 M 2 Hose line 90° 2000 mm VSL3.1 1 Hose line 90° 700 mm DKO/DKO90x700 1 Hose line 630 mm VSK1 1 Hose line 630 mm with measuring port DZ25.3
  • 109.
    5 RE 09970/03.11 IProject 07: Secondary pressure limitation Bosch Rexroth AG 07 Device arrangement Fig. 07-4: Device arrangement for parts list Fig. 07-3 and hydraulic circuit diagram Fig. 07-2 Notes
  • 110.
    6 Project 07:Secondary pressure limitation I RE 09970/03.11 Bosch Rexroth AG 07 Safety instructions The operating instructions and accident prevention regulations must be observed. Danger due do flying component parts. Do not disassemble components under pressure. Risk from pressurized oil. Risk of injury from leaking oil and oil jet. Connect the return line T properly. Only assemble/disassemble circuits at zero pressure. Pressure release: Lower the load 1) 3-way ball valve in rest position (vertical) 2) Switch the directional valve several times 3) Unload accumulator 4) Control by means of pressure gauge: 0 bar in P, A, B 5) Risk of injury from leaking oil and oil jet. If the tank port is closed, the control block may burst. The tank channel is only approved for 30 bar. If the tank port at the control block is closed, 60 bar and - with the pressure intensification of the cylinder - 100 bar may result in the T channel! The correct connection of the return lines T is particularly important! Control block T must be connected at the connection block T1 or T2. The pilot oil return line Y is to be connected at zero pressure, e.g. at the measur- ing glass. Accumulator T must be connected at the connection block T1 or T2. After termination of the practice: Lower the load 1. Switch the 3-way ball valve in rest position 2. Switch the directional valve spool through several times in both directions 3. in order to discharge residual pressures Empty the pilot oil accumulator by opening the unloading valve 4. Control by means of pressure gauge 5. Switch off the pump 6. Order execution Requirements on the control: The hydraulic circuit is set up so that with the directional valve element 2 with flow P → B2, the boom can be lifted and with flow P → A2, it can be lowered. When the pilot control lever is pulled towards the operator, the rods must be lifted. Warning Caution Caution
  • 111.
    7 RE 09970/03.11 IProject 07: Secondary pressure limitation Bosch Rexroth AG 07 A pressure relief valve is to be used to set the max. primary pressure to 60 bar. By means of the secondary valve in A2, the maximum feed force = pressure in the cylinder piston chamber is to be set to 35 bar. For the system evaluation, a flow meter is installed in the P line. Note for trainers: Using the sectional diagram and explanation of the function of the directional valve ele- ment, the correct connection of the cylinder and the control lines at the control block can be worked out. The position of the secondary valves is obvious, as well. With the load cylinder, the weight is lifted with the cylinder ring side. The feed force is limited by the pressure limitation in the cylinder piston chamber with the secondary valve in A2. If the maximum feed force has been reached, the secondary valve opens and the entire actuator flow volume flows off to port T with a large pressure differential. This generates heat. (P = q • Δp / 600) In order to recognize this, the flow meter is installed in the P line and the flow is measured. Set up the circuit. In this connection, proceed according to the following points: 1. Hydraulic control Work out the circuit diagram and the parts list in order to satisfy the requirements. Hang in the hydraulic components at the grid according to the circuit diagram and estab- lish the hose connections. For connecting pressure gauges with DZ1.4 measuring line, pressure hoses DZ 25.1 are used. Manually tighten the pressure gauge measuring lines at the relevant measuring port of the pressure hose. Check the correct tight connection of the components with the pressure hoses by turning the hoses. 2. Function of the secondary valve for limiting the feed force For the measurement, connect the pressure gauge at the cylinder piston MA2 and the ring side MB2. By operating the directional valve 2 with flow P → A2, extend the load cylinder into the end position. At which pressure does the secondary pressure valve open? Set the secondary pressure valve until there are max. 35 bar in the cylinder piston cham- ber. Measure and note down the flow during the cylinder movement and in the extended end position and re-calculate the power loss. Note for trainers: It is important to see that the cylinder pressure can be limited by means of the secondary valve. At 35 bar, the secondary valve opens. If the cracking pressure of the secondary pressure valve is achieved, it opens and the oil flows off into the T channel via the secondary pressure valve. Secondary pressure valves aim at protecting the machine against overloads.
  • 112.
    8 Project 07:Secondary pressure limitation I RE 09970/03.11 Bosch Rexroth AG 07 The cracking pressure of secondary pressure valves lies below the primary pressure if the actuator must not be loaded with the primary pressure. If the secondary valve is open, a power loss results corresponding to q • Δp. This can be accepted temporarily, e.g. for limiting short overload peaks. If this is, however, the case for a longer period of time, e.g. in order to continue drilling with maximum feed, this may lead to inadmissibly high oil temperatures. Apart from that, the fuel consumption is high. These findings are important for the next project. Assessment of the work results a) What are secondary valves used for? Secondary pressure valves are used to protect the machine from overloads. When do secondary valves take effect? b) Secondary pressure valves limit the maximum working forces and take effect if they have been reached. What is the disadvantage of this type of pressure limitation? c) If working pressures are limited by means of secondary pressure valves, heat results in continuous operation that may lead to high oil temperatures. Project/trainer information In the present project 07, knowledge of the limitation of working forces is developed in a practical set-up. In the practical set-up, the following knowledge is to be gained: The secondary pressure valves opens if the pressure in the actuator channel is larger • than the set pressure. The secondary pressure valve limits the pressure in the cylinder and thus the maximum • force. This type of force limitation results in high power loss. •
  • 113.
    1 RE 09970/03.11 IProject 08: Load sensing pressure limitation Bosch Rexroth AG 08 Project 08: Load sensing pressure limitation Project definition A large rotary drill is operated with a load sensing control for the rotary disk and the cylin- der feed. The bore rods are to be lifted by pulling the lever towards the operator. By pushing the lever away from the operator the bore rods are to be lowered and the feed is to be controlled. So that the bore rods do not get stuck, the maximum feed pressure may only be 35 bar. The pressure limitation with the secondary valve cannot be used due to the high power loss. For the additional functions of the device, 60 bar are necessary. Fig. 08-1: Telescopic crane Project tasks Working out the correct pinout for the specified stroke direction. • Setting the maximum cylinder force for the feed using the LS pressure limitation. • Checking the LS pressure limitation function for the force limitation. • Power loss calculation upon response by the LS DB valve. •
  • 114.
    2 Project 08:Load sensing pressure limitation I RE 09970/03.11 Bosch Rexroth AG 08 Project steps • Information: What is the current condition of the machine? What exactly is to be done? • Planning: Selecting and inspection documents for information. Component selection. How can the maximum feed force be limited without the second- ary valve? Preparation of the hydraulic circuit diagram. • Decision-making: How must the components be connected with each other in order to get the specified stroke direction with pulled lever? • Execution: Setup of the hydraulic control. Determining the required values and their documentation. • Checks: Is the stroke direction correct? Does the LS pressure limitation function? • Evaluation: How is the system behavior? Notes
  • 115.
    3 RE 09970/03.11 IProject 08: Load sensing pressure limitation Bosch Rexroth AG 08 Hydraulic circuit diagram Fig. 08-2: Hydraulic circuit diagram Measuring glass Size 4 Measuring glass item 05
  • 116.
    4 Project 08:Load sensing pressure limitation I RE 09970/03.11 Bosch Rexroth AG 08 Component select with parts list Fig. 08-3: Parts list for hydraulic circuit diagram Fig. 08-2 item Quantity Device designation Type designation 01 1 Load sensing mobile control block 2M4-12 02 1 Pressure relief valve DD1.1 04 1 Flow meter + Multi-handy DZ30 05 1 Load unit 80 kg DS-LAST/BF-L80E03 06 1 Hydraulic pilot control unit 2-2TH6-L70 07 1 Accumulator 0.7 l DZ3.2 08 2 Distributor DZ4 09 1 Check valve DS2.1 16 3 Pressure gauge with measuring hose (or digital pressure sensor) DZ1.4 3 Hose line 90° 1000 mm DKO/DKO90x1000 2 Hose line 90° 2000 mm VSL3.1 2 Hose line 90° 700 mm DKO/DKO90x700 3 Hose line 630 mm VSK1 3 Hose line 630 mm with measuring port DZ25.3
  • 117.
    5 RE 09970/03.11 IProject 08: Load sensing pressure limitation Bosch Rexroth AG 08 Device arrangement Fig. 08-4: Device arrangement for parts list Fig. 08-3 and hydraulic circuit diagram Fig. 08-2 Notes
  • 118.
    6 Project 08:Load sensing pressure limitation I RE 09970/03.11 Bosch Rexroth AG 08 Safety instructions The operating instructions and accident prevention regulations must be observed. Danger due do flying component parts. Do not disassemble components under pressure. Risk from pressurized oil. Risk of injury from leaking oil and oil jet. Connect the return line T properly. Only assemble/disassemble circuits at zero pressure. Pressure release: Lower the load 1) 3-way ball valve in rest position (vertical) 2) Switch the directional valve several times 3) Unload accumulator 4) Control by means of pressure gauge: 0 bar in P, A, B 5) Risk of injury from leaking oil and oil jet. If the tank port is closed, the control block may burst. The tank channel is only approved for 30 bar. If the tank port at the control block is closed, 60 bar and - with the pressure intensification of the cylinder - 100 bar may result in the T channel! The correct connection of the return lines T is particularly important! Control block T must be connected at the connection block T1 or T2. The pilot oil return line Y is to be connected at zero pressure, e.g. at the measur- ing glass. Accumulator T must be connected at the connection block T1 or T2. After termination of the practice: Lower the load 1. Switch the 3-way ball valve in rest position 2. Switch the directional valve spool through several times in both directions 3. in order to discharge residual pressures Empty the pilot oil accumulator by opening the unloading valve 4. Control by means of pressure gauge 5. Switch off the pump 6. Order execution Requirements on the control: The hydraulic circuit is set up so that with the directional valve element 2 with flow P → B2, the boom can be lifted and with flow P → A2, it can be lowered. When the lever is pulled towards the operator, the boom must be lifted. Warning Caution Caution
  • 119.
    7 RE 09970/03.11 IProject 08: Load sensing pressure limitation Bosch Rexroth AG 08 A pressure relief valve is to be used to set the max. primary pressure to 60 bar. By means of the LS pressure relief valve in A2, the maximum feed force = pressure in the cylinder piston chamber is to be set to 35 bar. For the system evaluation, a flow meter is installed in the P line. Note for trainers: Using the sectional diagram and explanation of the function of the directional valve ele- ment, the correct connection of the cylinder and the control lines at the control block can be worked out. The position of the LS pressure valves is obvious, as well. With the load cylinder, the weight is lifted with the cylinder ring side. The feed force is limited by the pressure limitation in the cylinder piston chamber with the LS pressure valve in A2. If the maximum feed force has been reached, the LS signal is limited and the pressure compensator closes. In this case, no more oil flows into the actuator channel and the power loss is very low. Only pilot oil is flowing through the LS pressure valves (P = q • Δp / 600). In order to recognize this, the flow meter is installed in the P line and the flow is measured. With the relatively low flow volumes in the teaching system, the difference in the power loss (see project 07) is not very large; with real systems with e.g. 150 l/min flow rate, the difference is much clearer. Set up the circuit. In this connection, proceed according to the following points: 1. Hydraulic control Work out the circuit diagram and the parts list in order to satisfy the requirements. Hang in the hydraulic components at the mounting grid according to the circuit diagram and establish the hose connections. For connecting pressure gauges with DZ1.4 measuring line, pressure hoses DZ 25.1 are used. Manually tighten the pressure gauge measuring lines at the relevant measuring port of the pressure hose. Check the correct tight connection of the components with the pressure hoses by turning the hoses. 2. Function of the LS pressure valve for limiting the feed force For the measurement, connect the pressure gauge at the cylinder piston MA2 and the cylinder ring side MB2. By operating the directional valve 2 with flow P → A2, extend the load cylinder into the end position. So that the LS pressure valve and the secondary pressure relief valve do not influence each other, the secondary pressure relief valve is set to 50 bar. Thus, the secondary pres- sure relief valve has an additional safety function. At which pressure does the LS pressure valve open? Set the LS pressure valve so that there are max. 35 bar in the cylinder piston chamber. Measure and note down the flow during the cylinder movement and in the extended end position and re-calculate the power loss.
  • 120.
    8 Project 08:Load sensing pressure limitation I RE 09970/03.11 Bosch Rexroth AG 08 Note for trainers: It is important to see that the cylinder pressure can be limited by means of the LS pres- sure valve. At 35 bar, the LS pressure limitation takes effect and the pressure compensator closes. Now, no more oil flows into the actuator channel. The measured flow value in the P line is the pilot oil volume for the LS pressure valve. LS pressure valves aim at the low-loss limitation of working pressures. The working pressures may be lower than the primary pressure without generating ad- ditional high losses. The secondary pressure valve is set 10 to 20 bar higher than the LS pressure valve. Thus, it is a safety valve. Assessment of the work results a) What are LS pressure valves used for? Using LS pressure valves, the maximum working pressures are set to values below the primary pressure. How does the LS pressure limitation function? b) Limitation of the LS signal closes the pressure compensator and the power loss is minimized. What is the advantage of this type of pressure limitation? c) If working pressures are limited by means of LS pressure valves, only low power loss results in continuous operation. Project/trainer information In the present project 08, knowledge of the limitation of working forces is developed in a practical set-up. In the practical set-up, the following knowledge is to be gained: Function of the LS pressure limitation • Safety function of the secondary pressure valve • This type of force limitation does not result in high power loss •
  • 121.
    1 RE 09970/03.11 IProject 09: Parallel operation with sufficient delivery volume Bosch Rexroth AG 09 Project 09: Parallel operation with sufficient delivery volume Project definition The boom of a crane is operated by means of a cylinder. The winch is driven by a hydraulic motor. 2-2TH6: By moving the pilot control lever 1 away from the operator (pushing), the which is to rotate clockwise. By deflecting the pilot control lever 2 in the direction of the operator (pulling), the boom is to be lifted. 4TH6: By deflecting the lever to the right, the winch is to be operated clockwise and the load is to be lifted (only with 4TH6). The boom is to be lifted by deflecting the lever towards the operator. The winch functions analogously to the boom. Winch and boom are to be moved simultaneously. The winch speed is to be kept constant, if possible, while the boom is moved simultaneously. Fig. 09-1: Heavy telescopic crane Project tasks Working out the correct pinout for the specified stroke directions. • Setting the specified flow values. • Checking the function in individual and parallel operation. •
  • 122.
    2 Project 09:Parallel operation with sufficient displacement I RE 09970/03.11 Bosch Rexroth AG 09 Project steps • Information: What is the current condition of the machine? What exactly is to be done? • Planning: Selecting and inspection documents for information. Component selection. Where are the components and measuring points located? Preparation of the hydraulic circuit diagram. • Decision-making: How must the components be connected with each other in order to get the specified stroke direction? • Execution: Setup of the hydraulic control. Checking the function in individual and parallel operation • Checks: Are the stroke direction and flow values correct? • Evaluation: What is the system behavior in individual and parallel operation? Notes
  • 123.
    3 RE 09970/03.11 IProject 09: Parallel operation with sufficient delivery volume Bosch Rexroth AG 09 Hydraulic circuit diagram Fig. 09-2: Hydraulic circuit diagram Measuring glass Measuring glass Size 4 Measuring glass
  • 124.
    4 Project 09:Parallel operation with sufficient displacement I RE 09970/03.11 Bosch Rexroth AG 09 Component select with parts list Fig. 09-3: Parts list for hydraulic circuit diagram Fig. 09-2 item Quantity Device designation Type designation 01 1 Load sensing mobile control block 2M4-12 02 1 Pressure relief valve DD1.1 04 1 Motor DM8 05 1 Load unit 80 kg DS-LAST/BF-L80E03 06 1 Hydraulic pilot control unit 2-2TH6-L70; alternatively 4TH6-97 07 1 Accumulator 0.7 l DZ3.2 08 2 Distributor DZ4 09 1 Check valve DS2.1 16 1 Flow meter + Multi-handy DZ30 17 3 Pressure gauge with measuring hose (or digital pressure sensor) DZ1.4 3 Hose line 90° 1000 mm DKO/DKO90x1000 1 Hose line 90° 1000 mm with measuring port DKO/DKO90x1000 M 2 Hose line 90° 2000 mm VSL3.1 3 Hose line 90° 700 mm DKO/DKO90x700 2 Hose line 630 mm VSK1 2 Hose line 630 mm with measuring port DZ25.3 1 Optical speed sensor (optional) E19
  • 125.
    5 RE 09970/03.11 IProject 09: Parallel operation with sufficient delivery volume Bosch Rexroth AG 09 Device arrangement Fig. 09-4: Device arrangement for parts list Fig. 09-4 and hydraulic circuit diagram Fig. 09-2 Notes
  • 126.
    6 Project 09:Parallel operation with sufficient displacement I RE 09970/03.11 Bosch Rexroth AG 09 Safety instructions The operating instructions and accident prevention regulations must be observed. Danger due do flying component parts. Do not disassemble components under pressure. Risk from pressurized oil. Risk of injury from leaking oil and oil jet. Connect the return line T properly. Only assemble/disassemble circuits at zero pressure. Pressure release: Lower the load 1) 3-way ball valve in rest position (vertical) 2) Switch the directional valve several times 3) Unload accumulator 4) Control by means of pressure gauge: 0 bar in P, A, B 5) Risk of injury from leaking oil and oil jet. If the tank port is closed, the control block may burst. The tank channel is only approved for 30 bar. If the tank port at the control block is closed, 60 bar and - with the pressure intensification of the cylinder - 100 bar may result in the T channel! The correct connection of the return lines T is particularly important! Control block T must be connected at the connection block T1 or T2. The pilot oil return line Y is to be connected at zero pressure, e.g. at the measur- ing glass. Accumulator T must be connected at the connection block T1 or T2. After termination of the practice: Lower the load 1. Switch the 3-way ball valve in rest position 2. Switch the directional valve spool through several times in both directions 3. in order to discharge residual pressures Empty the pilot oil accumulator by opening the unloading valve 4. Control by means of pressure gauge 5. Switch off the pump 6. Order execution Requirements on the control: The hydraulic circuit is set up so that with the control block M4-12 ports A1, B1, the winch can be operated. Using A2, B2, the boom is lifted and lowered. Warning Caution Caution
  • 127.
    7 RE 09970/03.11 IProject 09: Parallel operation with sufficient delivery volume Bosch Rexroth AG 09 Note for trainers: Using the sectional diagram and explanation of the function of the M4-12 directional valve element, the correct connection of the actuators at the control block can be worked out. With the load unit, the weight is lifted with the cylinder ring side = Lift boom. Work out the function of the directional valve element particularly that of the pressure com- pensators and the shuttle valves by means of circuit diagram and sectional diagram. In parallel operation, the actuator with the highest load determines the LS pressure. This is achieved via the LS shuttle valves. The pressure compensator controls the pressure differential Δp at the control spool (me- tering orifice); consequently, the pressure differential is always constant. I.e. in parallel operation, changed pressure conditions are automatically compensated by the pressure compensators. This makes the operation of the machine easier for the operator as with constant lever deflection, the actuator velocity will also remain constant. Parallel operation with the LS system will only function if the pump displacement is suf- ficient for all actuators. If the flow rate of all actuators becomes larger than the maximum pump displacement, the pressure compensators can no longer work properly. Conse- quently, the actuator with the highest load will become slower or come to a complete standstill. In order to avoid this effect in this project, the actuator volumes are set to 4 l/min. The pump delivery volume is 8 l/min and is - with 2x4 l/min - not exceeded. Set up the circuit. In this connection, proceed according to the following points: 1. Hydraulic control Work out the circuit diagram and the parts list in order to satisfy the requirements. Hang in the hydraulic components at the grid according to the circuit diagram and estab- lish the hose connections. For connecting pressure gauges with DZ1.4 measuring line, pressure hoses DZ 25.1 are used. Manually tighten the pressure gauge measuring lines at the relevant measuring port of the pressure hose. Check the correct tight connection of the components with the pressure hoses by turning the hoses. 2. Individual operation of winch and boom For checking the stroke directions, the actuators are individually operated in both direc- tions. The flow rates are set as follows: Motor A1, B1 = 4 l/min Cylinder A2, B2 = 4 l/min (For the setting, short-circuit A2, B2 with hose.)
  • 128.
    8 Project 09:Parallel operation with sufficient displacement I RE 09970/03.11 Bosch Rexroth AG 09 3. Parallel operation with max. motor speed first; then operate the boom cylinder The motor is operated with max. speed, i.e. the lever is first of all switched through com- pletely. Then, the boom cylinder is connected in the Lift direction. Observe the behavior of the two actuators. 4. Parallel operation: Lift boom cylinder first, then operate the motor The boom cylinder is slowly lifted, i.e. the lever is operated first. Then, the motor is slowly connected up to the max. speed. Observe the behavior of the two actuators. 5. Parallel operation with 50 % motor speed and lift boom cylinder Using the lever, the motor is first of all brought to 50 % speed. The lever position for the motor actuation remains unchanged while the cylinder is slowly operated in the Lift direction. Observe the behavior of the two actuators. 6. Parallel operation with 50 % motor speed and lower boom cylinder Using the lever, the motor is first of all brought to 50 % speed. The lever position for the motor actuation remains unchanged while the cylinder is slowly operated in the lower direction. Observe the behavior of the two actuators. 7. Parallel operation with const. 50 % motor speed and lift and lower boom Using the lever, the motor is first of all brought to 50 % speed. The lever position for the motor actuation is now changed so that the speed remains con- stant while the cylinder is slowly operated in the Lift and Lower direction. Observe the behavior of the two actuators. Note for trainers: Ad 2.: The individual operation is unchanged with regard to the previous projects. Ad 3., 4.: It is important to see that with 100 % operation of the first element with 4 l/min = max. motor speed, the cylinder performs a movement corresponding to the lever deflection. In parallel operation, the actuators with the higher load pressures (lift cylinder) and those with the lower load pressure are to be operated independently of each other. Ad 5., 6.: It is important to see that the two actuators do not influence each other in parallel opera- tion. If the lever position for the motor is maintained without changes while the boom is oper- ated, the motor speed does not change. In order to lift the cylinder, higher pressure is necessary than the pressure for the motor. By increasing the pressure p (Mp), the pressure differential Δp at the pressure compensator for the motor is increased. Consequently, the pressure compensator reduces the opening cross-section, the flow is identical and the motor keeps the speed almost constant. By means of the pressure compensator, the pressure differential Δp at the control spools is kept constant. If the cylinder is lowered, the lower load pressure is here. In this case, the pressure com- pensator for the cylinder will now reduce the opening cross-section.
  • 129.
    9 RE 09970/03.11 IProject 09: Parallel operation with sufficient delivery volume Bosch Rexroth AG 09 Ad 7.: Here, it now becomes clear why pressure compensators are advantageous for controlling a machine with different load pressures. Thus the term load pressure compensation. This is much more difficult with the throttle control as the operator must provide for the load pressure compensation. With mobile machines, superimposed movements are common like in this project in which a crane winch has to be operated simultaneously with the boom movement. The pressure compensators are able to compensate changes in the pressure differential Δp in order to keep the speed constant. The faster the movements are operated and the faster the pressure conditions change, the more advantageous is the operation. So it is also possible to supply all actuators jointly with one pump circuit. Assessment of the work results a) Why are the actuator flow rates set to 2x4 l/min? In parallel operation, the max. pump displacement of 8 l/min must not be exceeded. Which component simplifies the parallel operation with different load pressures? b) The pressure compensator keeps the pressure differential Δp at the control spool constant and in this way simplifies the operation. Do the actuators influence each other in parallel operation? c) In parallel operation, the actuators do not influence each other. How does the pressure compensator of the actuator with the lower load pressure react? d) Due to the larger pressure differential Δp, the pressure compensator reduces the opening cross-section. At the actuator grooves, Δp remains constant. What effects does this have on the operation? e) This simplifies the machine operation. Which other advantage does this system offer? f) It is possible to connect the actuators to one joint pump circuit. Project/trainer information In the present project 09, knowledge of the behavior in parallel operation with sufficient delivery volume for all simultaneously operated actuators is developed in a practical set-up. In the practical set-up, the following knowledge is to be gained: Set the flow rates • Load pressure compensation: In parallel operation, pressure compensators keep the • pressure differential Δp at the control spools constant The actuators do not influence each other in parallel operation • Controls with pressure compensators are easier to operate •
  • 130.
    10 Project 09:Parallel operation with sufficient displacement I RE 09970/03.11 Bosch Rexroth AG 09 Notes
  • 131.
    1 RE 09970/03.11 IProject 10: Parallel operation with insufficient delivery volume Bosch Rexroth AG 10 Project 10: Parallel operation with insufficient delivery volume Project definition The boom of a crane is operated by means of a cylinder. The winch is driven by a hydrau- lic motor. By moving the pilot control lever 1 away from the operator (pushing), the which is to rotate clockwise. By deflecting the pilot control lever 2 in the direction of the operator (pulling), the boom is to be lifted. By deflecting the lever to the right, the winch is to be operated clockwise and the load is to be lifted (only with 4TH6). The boom is to be lifted by deflecting the lever towards the operator. The winch functions analogously to the boom. Winch and boom are to be moved simultaneously. The winch speed is to be kept constant, if possible, while the boom is moved simultane- ously. For increasing the working speeds, the flow rates are to be increased. Fig. 10-1: City excavator Project tasks Working out the correct pinout for the specified stroke directions. • Setting the specified flow values. • Checking the function in individual and parallel operation. •
  • 132.
    2 Project 10:Parallel operation with insufficient displacement I RE 09970/03.11 Bosch Rexroth AG 10 Project steps • Information: What is the current condition of the machine? What exactly is to be done? • Planning: Selecting and inspection documents for information. Component selection. Where are the components and measuring points located? Preparation of the hydraulic circuit diagram. • Decision-making: How must the components be connected with each other in order to get the specified stroke direction? • Execution: Setup of the hydraulic control. Checking the function in individual and parallel operation. • Checks: Are the stroke direction and flow values correct? • Evaluation: What is the system behavior in individual and parallel operation? Notes
  • 133.
    3 RE 09970/03.11 IProject 10: Parallel operation with insufficient delivery volume Bosch Rexroth AG 10 Hydraulic circuit diagram Fig. 10-2: Hydraulic circuit diagram Measuring glass Measuring glass Measuring glass Size 4
  • 134.
    4 Project 10:Parallel operation with insufficient displacement I RE 09970/03.11 Bosch Rexroth AG 10 Component select with parts list Fig. 10-3: Parts list for hydraulic circuit diagram Fig. 10-2 item Quantity Device designation Type designation 01 1 Load sensing mobile control block 2M4-12 02 1 Pressure relief valve DD1.1 04 1 Motor DM8 05 1 Load unit 80 kg DS-LAST/BF-L80E03 06 1 Hydraulic pilot control unit 2-2TH6-L70; alternatively 4TH6-97 07 1 Accumulator 0.7 l DZ3.2 08 2 Distributor DZ4 09 1 Check valve DS2.1 16 1 Flow meter + Multi-handy DZ30 17 3 Pressure gauge with measuring hose (or digital pressure sensor) DZ1.4 3 Hose line 90° 1000 mm DKO/DKO90x1000 1 Hose line 90° 1000 mm with measuring port DKO/DKO90x1000 M 2 Hose line 90° 2000 mm VSL3.1 3 Hose line 90° 700 mm DKO/DKO90x700 2 Hose line 630 mm VSK1 2 Hose line 630 mm with measuring port DZ25.3 1 Optical speed sensor (optional) E19
  • 135.
    5 RE 09970/03.11 IProject 10: Parallel operation with insufficient delivery volume Bosch Rexroth AG 10 Device arrangement Fig. 10-4: Device arrangement for parts list Fig. 10-5 and hydraulic circuit diagram Fig. 10-3 Notes
  • 136.
    6 Project 10:Parallel operation with insufficient displacement I RE 09970/03.11 Bosch Rexroth AG 10 Safety instructions The operating instructions and accident prevention regulations must be observed. Danger due do flying component parts. Do not disassemble components under pressure. Risk from pressurized oil. Risk of injury from leaking oil and oil jet. Connect the return line T properly. Only assemble/disassemble circuits at zero pressure. Pressure release: Lower the load 1) 3-way ball valve in rest position (vertical) 2) Switch the directional valve several times 3) Unload accumulator 4) Control by means of pressure gauge: 0 bar in P, A, B 5) Risk of injury from leaking oil and oil jet. If the tank port is closed, the control block may burst. The tank channel is only approved for 30 bar. If the tank port at the control block is closed, 60 bar and - with the pressure intensification of the cylinder - 100 bar may result in the T channel! The correct connection of the return lines T is particularly important! Control block T must be connected at the connection block T1 or T2. The pilot oil return line Y is to be connected at zero pressure, e.g. at the measur- ing glass. Accumulator T must be connected at the connection block T1 or T2. After termination of the practice: Lower the load 1. Switch the 3-way ball valve in rest position 2. Switch the directional valve spool through several times in both directions 3. in order to discharge residual pressures Empty the pilot oil accumulator by opening the unloading valve 4. Control by means of pressure gauge 5. Switch off the pump 6. Order execution Requirements on the control: The hydraulic circuit is set up so that the winch can be operated with the control block M4-12 ports A1, B1. Using A2, B2, the boom is lifted and lowered. Warning Caution Caution
  • 137.
    7 RE 09970/03.11 IProject 10: Parallel operation with insufficient delivery volume Bosch Rexroth AG 10 Note for trainers: Using the sectional diagram and explanation of the function of the M4-12 directional valve element, the correct connection of the actuators at the control block can be worked out. With the load unit, the weight is lifted with the cylinder ring side = Lift boom. Work out the function of the directional valve element particularly that of the pressure com- pensators and the shuttle valves by means of circuit diagram and sectional diagram. In parallel operation, the actuator with the highest load determines the LS pressure. This is achieved via the LS shuttle valves. The pressure compensator controls the pressure differential Δp at the control spool (me- tering orifice); consequently, the pressure differential is always constant. I.e. in parallel operation, changed pressure conditions are automatically compensated by the pressure compensators. This makes the operation of the machine easier for the operator as with constant lever deflection, the actuator velocity will also remain constant. Parallel operation with the LS system will only function if the pump displacement is suf- ficient for all actuators. If the flow rate of all actuators becomes larger than the maximum pump displacement, the pressure compensators can no longer work properly. Conse- quently, the actuator with the highest load will become slower or come to a complete standstill. In order to get this effect in this project, the actuator volumes are set to 6 l/min. The pump delivery volume is 8 l/min and is - with 2x6 l/min - exceeded if the actuators are fully controlled. Set up the circuit. In this connection, proceed according to the following points: 1. Hydraulic control Work out the circuit diagram and the parts list in order to satisfy the requirements. Hang in the hydraulic components at the grid according to the circuit diagram and estab- lish the hose connections. For connecting pressure gauges with DZ1.4 measuring line, pressure hoses DZ 25.1 are used. Manually tighten the pressure gauge measuring lines at the relevant measuring port of the pressure hose. Check the correct tight connection of the components with the pressure hoses by turning the hoses. 2. Individual operation of winch and boom For checking the stroke directions, the actuators are individually operated in both direc- tions. The flow rates are set as follows: Motor A1, B1 = 6 l/min Cylinder A2, B2 = 6 l/min (For the setting, short-circuit A2, B2 with hose.)
  • 138.
    8 Project 10:Parallel operation with insufficient displacement I RE 09970/03.11 Bosch Rexroth AG 10 3. Parallel operation with max. motor speed first; then operate the boom cylinder The motor is operated with max. speed. Then, the boom cylinder is connected in the Lift direction. Observe the behavior of the two actuators. 4. Parallel operation: Lift boom cylinder first, then operate the motor The boom cylinder is slowly lifted until 50 % pump delivery volume, i.e. the lever is oper- ated first. Then, the motor is slowly connected up to the max. speed. Observe the behavior of the two actuators. 5. Parallel operation with 50 % motor speed and lift boom cylinder Using the lever, the motor is first of all brought to 50 % speed. The lever position for the motor actuation remains unchanged while the cylinder is slowly operated in the Lift direction until 50 % pump delivery volume. Observe the behavior of the two actuators. 6. Parallel operation with 50 % motor speed and lower boom cylinder Using the lever, the motor is first of all brought to 50 % speed. The lever position for the motor actuation remains unchanged while the cylinder is slowly operated in the Lower direction until 50 % pump delivery volume. Observe the behavior of the two actuators. 7. Parallel operation with const. 50 % motor speed and lift and lower boom Using the lever, the motor is first of all brought to 50 % speed. The lever position for the motor actuation is now changed so that the speed remains con- stant while the cylinder is slowly operated in the Lift and Lower direction. Observe the behavior of the two actuators. Note for trainers: Ad 2.: The individual operation is unchanged with regard to the previous projects. Ad 3., 4.: It is important to see that with 100 % operation of the first element with 6 l/min = max. motor speed, the cylinder only performs a slow movement. In parallel operation with insufficient displacement, actuators with higher load pressure (lift cylinder) are slower. In this case, both pressure compensators go in the direction of the close position. The actuators can no longer be operated independently of each other. That means throttle control of both actuators. Ad 5., 6.: It is important to see that as with the throttle control, the two actuators influence each other in parallel operation with insufficient delivery volume. In order to lift the cylinder, higher pressure is necessary than the pressure for the motor. The cylinder slows down. If the cylinder is lowered, the lower load pressure is here. The motor slows down. The oil always flows the path of least resistance.
  • 139.
    9 RE 09970/03.11 IProject 10: Parallel operation with insufficient delivery volume Bosch Rexroth AG 10 Ad 7.: Here, the effect of insufficient delivery volume in parallel operation does now be- come clear. The pump delivery volume must - for independent parallel operation - always be suffi- cient for all simultaneously operated actuators. Assessment of the work results a) Has the increase in the actuator flow rate to 2x6 l/min led to an increase in the working velocities? In individual operation, the working velocity increased. In parallel operation, the working velocity did not increase and interfering influences of the actuators resulted. Do the actuators influence each other in parallel operation? b) In parallel operation, the actuators influence each other as the maximum pump delivery volume of 8 l/min is exceeded. What effects does this have on the operation? c) This has disturbing effects on the machine operation. What has to be observed for failure-free parallel operation? d) The actuator flow rates of all simultaneously operated actuators must not exceed the pump delivery volume. Project/trainer information In the present project 10, knowledge of the behavior in individual and parallel operation is developed in a practical set-up. In the practical set-up, the following knowledge is to be gained: Set the flow rates • The actuators influence each other in parallel operation if the actuator flow rates of all • simultaneously operated actuators exceed the pump delivery volume
  • 140.
    10 Project 10:Parallel operation with insufficient displacement I RE 09970/03.11 Bosch Rexroth AG 10 Notes
  • 141.
    1 RE 09970/03.11 IProject 11: Stroke cylinders with alternating direction of force Bosch Rexroth AG 11 Project 11: Stroke cylinders with alternating direction of force Project definition An excavator is operated with a load sensing control. The boom is to be lifted by pulling the lever towards the operator. The boom is to be lowered by pushing the lever away from the operator. When the equipment touches the ground, the device operator expects immediate digging force. After fast lowering of the equipment, it firstly stops for a short period before the digging force is available. This behavior is not accepted by the device operator and an operation sequence without interruptions must be possible. Fig. 11-1: Excavator in operation Project tasks Working out the correct pinout for the specified stroke direction. • Examination of the described operation sequence. • Working out measures for an operation sequence without interruptions. •
  • 142.
    2 Project 11:Stroke cylinder with alternating force direction I RE 09970/03.11 Bosch Rexroth AG 11 Project steps • Information: What exactly is to be done? • Planning: Selecting and inspection documents for information. Component selection. Where are the components and measuring points located? Preparation of the hydraulic circuit diagram. • Decision-making: How can the problem be analyzed? • Execution: Setup of the hydraulic control. Determination of the necessary values and their analysis. Working out a system optimization. • Checks: Is the operation sequence free of interruptions? • Evaluation: How is the system behavior? Notes
  • 143.
    3 RE 09970/03.11 IProject 11: Stroke cylinders with alternating direction of force Bosch Rexroth AG 11 Hydraulic circuit diagram Fig. 11-2: Hydraulic circuit diagram Size 4 Measuring glass Measuring glass
  • 144.
    4 Project 11:Stroke cylinder with alternating force direction I RE 09970/03.11 Bosch Rexroth AG 11 Fig. 11-3: Hydraulic circuit diagram Hydraulic circuit diagram Size 4 Measuring glass Measuring glass
  • 145.
    5 RE 09970/03.11 IProject 11: Stroke cylinders with alternating direction of force Bosch Rexroth AG 11 Component selection with parts list for Fig. 11-2 Fig. 11-4: Parts list for hydraulic circuit diagram Fig. 11-2 item Quantity Device designation Type designation 01 1 Load sensing mobile control block 2M4-12 02 1 Pressure relief valve DD1.1 03 2 Distributor DZ4 05 1 Load unit 80 kg DS-LAST/BF-L80E03 06 1 Hydraulic pilot control unit 4TH6-97 07 1 Accumulator 0.7 l DZ3.2 09 1 Check valve DS2.1 16 2 Pressure gauge with measuring hose (or digital pressure sensor) DZ1.4 5 Hose line 90° 1000 mm DKO/DKO90x1000 1 Hose line 90° 1000 mm with measuring port DKO/DKO90x1000 M 2 Hose line 90° 2000 mm VSL3.1 3 Hose line 90° 700 mm DKO/DKO90x700 1 Hose line 630 mm VSK1 1 Hose line 630 mm with measuring port DZ25.3
  • 146.
    6 Project 11:Stroke cylinder with alternating force direction I RE 09970/03.11 Bosch Rexroth AG 11 Component selection with parts list for Fig. 11-3 Fig. 11-5: Parts list for hydraulic circuit diagram Fig. 11-3 item Quantity Device designation Type designation 01 1 Load sensing mobile control block 2M4-12 02 1 Pressure relief valve DD1.1 03 2 Distributor DZ4 04 1 Pressure sequence valve DD3 05 1 Load unit 80 kg DS-LAST/BF-L80E03 06 1 Hydraulic pilot control unit 4TH6-97 07 1 Accumulator 0.7 l DZ3.2 09 1 Check valve DS2.1 16 2 Pressure gauge with measuring hose (or digital pressure sensor) DZ1.4 5 Hose line 90° 1000 mm DKO/DKO90x1000 1 Hose line 90° 1000 mm with measuring port DKO/DKO90x1000 M 2 Hose line 90° 2000 mm VSL3.1 3 Hose line 90° 700 mm DKO/DKO90x700 3 Hose line 630 mm VSK1 1 Hose line 630 mm with measuring port DZ25.3
  • 147.
    7 RE 09970/03.11 IProject 11: Stroke cylinders with alternating direction of force Bosch Rexroth AG 11 Device arrangement Fig. 11-6: Device arrangement for parts list Fig. 11-5 and hydraulic circuit diagram Fig. 11-3 Notes
  • 148.
    8 Project 11:Stroke cylinder with alternating force direction I RE 09970/03.11 Bosch Rexroth AG 11 Safety instructions The operating instructions and accident prevention regulations must be observed. Danger due do flying component parts. Do not disassemble components under pressure. Risk from pressurized oil. Risk of injury from leaking oil and oil jet. Connect the return line T properly. Only assemble/disassemble circuits at zero pressure. Pressure release: Lower the load 1) 3-way ball valve in rest position (vertical) 2) Switch the directional valve several times 3) Unload accumulator 4) Control by means of pressure gauge: 0 bar in P, A, B 5) Risk of injury from leaking oil and oil jet. If the tank port is closed, the control block may burst. The tank channel is only approved for 30 bar. If the tank port at the control block is closed, 60 bar and - with the pressure intensification of the cylinder - 100 bar may result in the T channel! The correct connection of the return lines T is particularly important! Control block T must be connected at the connection block T1 or T2. The pilot oil return line Y is to be connected at zero pressure, e.g. at the measur- ing glass. Accumulator T must be connected at the connection block T1 or T2. After termination of the practice: Lower the load 1. Switch the 3-way ball valve in rest position 2. Switch the directional valve spool through several times in both directions 3. in order to discharge residual pressures Empty the pilot oil accumulator by opening the unloading valve 4. Control by means of pressure gauge 5. Switch off the pump 6. Warning Caution Caution
  • 149.
    9 RE 09970/03.11 IProject 11: Stroke cylinders with alternating direction of force Bosch Rexroth AG 11 Order execution Requirements on the control: The hydraulic circuit is set up so that with the directional valve element 2 with flow P → B2, the boom can be lifted and with flow P → A2, it can be lowered. When the pilot control lever is pulled towards the operator, the boom must be lifted. A pressure relief valve is to be used to set the max. primary pressure to 60 bar. For the system evaluation, the following measurement points are necessary: Pressures in • Mp, MpLS, MA2 Note for trainers: In this project, the pressure in the cylinder piston chamber is particularly interesting. This project can only be implemented with a vertical (hanging at the cylinder) and heavy load of approx. 80 kg. In order to maintain the load cycle, the cylinder is loaded at the stroke end with a spring. Set up the circuit. In this connection, proceed according to the following points: 1. Hydraulic control Work out the circuit diagram and the parts list in order to satisfy the requirements. Hang in the hydraulic components at the grid according to the circuit diagram and estab- lish the hose connections. For connecting pressure gauges with DZ1.4 measuring line, pressure hoses DZ 25.1 are used. Manually tighten the pressure gauge measuring lines at the relevant measuring port of the pressure hose. Check the correct tight connection of the components with the pressure hoses by turning the hoses. 2. Analysis of the system behavior For the measurement, connect the pressure gauge at the cylinder piston side. By operating the directional valve P → A2, extend the load cylinder several times into the end position using different velocities. While doing so, observe in particular the velocity of the cylinder when it hits the load spring. Determine the pressures with negative (pulling) load, upon touching and with positive (pushing) load. 3. System optimization As the vacuum in the cylinder piston chamber is the reason for the interruption in the mo- tion, it has to be avoided. The vacuum is generated during lowering as the load pulls the cylinder out faster than the oil from the control block flows in. In this case, there is a charging deficit. There can only be hydraulic traction if the charging deficit has been remedied. During this period, no motion is possible as the oil flowing in must first of all re-fill the cylinder. I.e. it has to be ensured that the pressure on the supply side (cylinder piston chamber)
  • 150.
    10 Project 11:Stroke cylinder with alternating force direction I RE 09970/03.11 Bosch Rexroth AG 11 never falls below 5 bar so that no air is dissolved. This can be achieved by compensating the load. For this purpose, the pressure on the discharge side (cylinder ring side) must be able to hold the load. As the system is operated with different velocities and always the same load weight, a pressure valve can be used for the load compensation. The pressure in throttle valves are velocity-dependent and not suitable for this application. In real applications, the load velocities and weights are in most cases variable. In order to avoid the vacuum in this case, lowering brake valves have to be used. Lowering brake valves are throttle or pressure valves that act on the discharge side and are controlled from the supply side. As here, no suitable lowering brake valves are available, the load is-compensated by means of a pressure valve. The advantage of the DD3 pressure sequence valve is that the bypass check valve for lifting is integrated. Connect the cylinder ring side at the DD3 pressure sequence valve at P, A at control block B, L at leakage oil. Set the DD3 pressure sequence valve so that the pressure in the cylinder piston chamber is 5 bar during lowering. Observe the system behavior with different velocities. Note for trainers: Ad 2.: It is important to see from the lowering that with negative load, the pressure in the cylin- der piston chamber is below 1 bar. When contacting the load spring, the pressure first of all remains below 1 bar. The mo- tion is interrupted until the load pressure increases. Vacuum is always related to air dissolution in the cylinder piston chamber when lowering with negative load. The motion can only be continued if the dissolved air has been com- pressed. Ad 3.: It is important to see that the charging deficit is only completely excluded with a pres- sure  1 bar during the entire lowering stroke. The motion is now continued without delay in the load cycle as no air has to be compressed any more. As compared to throttle valves, another advantage of pressure valves and lowering brake valves that are used as hydraulic counterpressure is that they block the discharge line and hold the load. In safety-relevant applications (e.g. lifting gear), these valves must be directly mounted at the cylinder. In this project, only the charging deficit at the cylinder can be considered. The charging deficit at hydraulic motors is much more critical! If here, a charging deficit results, the dissolved air is - together with the pistons of the rota- tional unit - carried forward to the discharge side. On the discharge side, the pistons must be supported by an oil column, that is not available in case of a charging deficit. The pistons fall into nothingness and the motor rotates faster which even increases the charging deficit. An uncontrolled overspeed results and the motor may be destroyed. It is fatal if this happens with a crane winch with loads in great height or with a carriage on a slope.
  • 151.
    11 RE 09970/03.11 IProject 11: Stroke cylinders with alternating direction of force Bosch Rexroth AG 11 Assessment of the work results a) What interrupts the motion sequence after the load has been lowered? During the low- ering of the load, there is a charging deficit in the cylinder piston chamber which must first of all be removed. What happens in case of vacuum? b) In case of a vacuum, air is dissolved from the oil. Which measure can be taken to prevent vacuum? c) The load must be compensated with pressure on the discharge side. Project/trainer information In the present project 11, knowledge of the effect and compensation of negative forces is developed in a practical set-up. In the practical set-up, the following knowledge is to be gained: Effects of vacuum in the hydraulic system • Application of load compensation • Fig. 11-7: Air dissolution due to vacuum
  • 153.
    1/64 Load-sensing control blockin mono and sandwich plate design Type M4-12 Nominal size 12 Unit series 2X Nominal pressure 350 bar (pump side) Nominal pressure 420 bar (actuator side) Maximum flow – Pump side: 200 l/min for central inlet element 150 l/min for lateral inlet element – Actuator side: 130 l/min with pressure compensator and load holding function RE 64276/08.2010 Replaces: 08.2008 HAD 7407 Content Page Features 2 Function 2 Cross-section 3 Symbol 3 Technical data 4 Modular structure 5 to 7 Order details 8 to 11 Order examples 12 to 16 Inlet elements 17 Closed Center (J) 17 to 21 Open Center (P) 22 Monoblock Closed Center (JM) 23 Monoblock Open Center (PM) 24 Directional valve elements Pressure compensator 25 LS pressure relief function 26 to 30 Main spool 31, 32 Flow 33 Types of operation cover A – mechanical 34 to 40 Voltage supply and plugs 40 Types of operation cover B 41, 4242 Secondary valves 43, 44 Housing options that can be ordered 45 End elements 46, 47 Dimensions 48 to 60 On-board electronics (EPM) 61 Electronic pilot module: Pin assignment 62 Electronic pilot module: Accessories 63 Table of contents
  • 154.
    2/64 Bosch RexrothAG M4-12 | RE 64276/08.2010 System Load pressure-independent flow control • • Open center for fixed displacement pump – – Closed center for variable displacement pump – – Type Sandwich plate design • • Inlet element – – Up to 10 directional valve elements – – Up to 20 directional valves with central inlet element – – End element – – Monoblock (single) • • Inlet element combined with 1 spool axis – – Up to 9 directional valve elements flangeable – – Types of operation Mechanical: • • Handle-operated lever – – Tongue – – Hydraulic • • Servohydraulic • • Electrohydraulic (switching, proportional) • • Electrohydraulic with on-board electronics (EPM2) • • Features Function Control block M4-12 The directional valves are proportional valves according to the load-sensing principle. Actuator control The flow direction and magnitude of flow reaching the actuator ports (A or B) is determined by the main spool (2). Pressure reducing valves (9) control the position of the main spool (2). The level of electric current at the pressure reducing valve determines the level of pilot pressure in the spring chambers (8) and therefore also the stroke of the main spool (P → A; P → B). The pressure difference at the main spool (2), and consequently the flow to the actuator, is maintained constant via the pressure compensator (3). Load pressure compensation Pressure changes at the actuators or at the pump are compensated by the pressure compensator (3). The flow to the actuator remains constant even if the load varies. Flow limitation The maximum flow can be set mechanically and individually via stroke limitations (6). Pressure relief function The LS pressure as per actuator port can be adjusted internally via the LS pressure relief valves (4) or externally via the LS ports MA, MB. Shock valves with combined feed function (5) protect the actuator ports A and B from pressure peaks. The highest load pressure is signaled to the pump via the LS line and the integrated shuttle valves (7). Flow Load pressure compensated • • High repeatability • • Low hysteresis • • Adjustable via stroke limitation • • Pressure relief function Inlet element: • • Pilot-operated pressure valves with large nominal width – – Directional valve element / actuator ports • • Compact shock valves with feed function – – LS pressure relief function Adjustable for each actuator port • • External pressure adjustment for each actuator port • • possible Electro-proportional per section • • Areas of application Truck applications • • Drilling machinery • • Forestry machines • • Large-size and telescopic • • forklifts Municipal vehicles • • Cranes • • Construction machines • • Lifting platforms • • Heavy load vehicles • • Ship engineering • • Mining applications • • Stationary applications • •
  • 155.
    � � � � � �� ��� ������ �� � �� ��� ��� �� ��� ��� � � � � � � ��� ��� � ��� � �� �� � � � ����� ��� ��� � � � � � ��� � � � ��� � � �� �� RE 64276/08.2010 | M4-12 Bosch Rexroth AG 3/64 Cross-section 1 Housing 2 Main spool 3 Pressure compensator 4 LS pressure relief valves 5.1 Shock valve with feed function 5.2 Plug screw 6.1 A side stroke limitation 6.2 B side stroke limitation 7 LS shuttle valve 8 Spring chamber 9.1 Pressure reducing valve (pilot valve “a”) 9.2 Pressure reducing valve (pilot valve “b”) 10 Compression spring 11 Handle-operated lever 12 Cover A 13 Cover B Symbol Connections: P Pump A, B Actuator T Tank X Pilot oil supply Y Tank, depressurized LS Load-sensing (LS) MA, MB External LS ports
  • 156.
    4/64 Bosch RexrothAG M4-12 | RE 64276/08.2010 general Installation position Any Type of connection Pipe thread according to ISO 228/1 Mass – Inlet element: Closed center J kg 4.3 Open center P kg 6.0 Central inlet element: Closed center JZ kg 8.4 Monoblock kg 5.6 Directional valve element Operation Mechanical Hydraulic El.-hydraulic with EPM2 kg 4.9 4.2 4.5 4.8 Excess weight of handle-operated lever kg 0.6 End element kg 2.6 Hydraulic fluid and ambient temperature range ϑ °C –20 to +80 Painting Standard painting hydraulic max. flow at port P qV max l/min 200 with central inlet element l/min 150 with lateral inlet element A, B qV max l/min 140 Nominal pressure pnom bar 350 (400 on inquiry) max. operating pressure at port P pmax bar 350 (400 on inquiry) A, B pmax bar 420 LS pmax bar 330 T pmax bar 30, or 20 for purely mechanic model Y pmax bar Depressurized to the tank max. pilot pressure at port X pctrl bar 35 a, b pctrl bar 35 Pilot pressure range Hydraulic pctrl bar 8.5 to 22.5 Electrohydraulic pctrl bar 6.5 to 17.2 Required control Δp at the control block Versions S; C p bar 18 Recommended hydraulic pilot control units Characteristic curve TH 6... , see RE 64552 LS pressure relief function (adjustment ranges) bar 50 to 149; 150 to 330 (selected in the factory) Hydraulic fluid Mineral oil (HL, HLP) according to DIN 51524, other hydraulic fluids, such as HEES (synthetic esters) according to VDMA 24568 as well as hydraulic fluids as specified under RE 90221, on inquiry Viscosity range ν mm²/s 10 to 380 Maximum permitted degree of contamination of the hydraulic fluid cleanliness class according to ISO 4406 (c) Class 20/18/15, for this we recommend a filter with a minimum reten- tion rate of β10 ≥ 75 servohydraulic STDS 0014 STDS 0015 STDS 0016 See data sheet RE 29617-B2 See data sheet RE 29616-B2 See data sheet RE 29618-B2 2) electrical Electrical pilot control valves FTWE 2 K...; see RE 58007 1) FTDRE 2 K...; see RE 58032 1) Recommended amplifiers (further control options on inquiry) RA 1-0/10; 1 axis, see RE 95230 RA 2-1/10; 4 to 6 axes, see RE 95230 Control units RC see RE 95200 On-board electronics (EPM2) Data from page 61; see also RE 64815-B Technical data (Please inquire in case the intended use of unit is outside the given values!) Note! The technical data were determined with a viscosity of = 32 mm²/s (HLP46: 50 °C). 1) Plug-in connectors are not included in the scope of supply and need to be ordered separately, see page 41. 2) Projected Note! You can find more information on using the hydraulic products of Bosch Rexroth in our publication “Hydraulic valves for mobile applications - General information”, RE 64020-B1.
  • 157.
    2.4 2. 2.2 3. 2.1 2.3 1. 2.5 A B C A B C D A B C E A B C RE 64276/08.2010 |M4-12 Bosch Rexroth AG 5/64 Modular structure: Control block with lateral inlet element Inlet element 1. A: Monoblock inlet (combined with 1 spool axis) B: Open center “P” C: Closed center “J” Directional valve elements 2. 2.1 LS pressure relief function 2.2 Secondary valves 2.3 Operation cover “A” A: Mechanical operation “A” B: Hydraulic operation “H” C: Electrohydraulic operation “W” D: Servohydraulic operation “S” E: Electrohydraulic operation with on-board electronics EPM2 “CBA” 2.4 Operation cover “B” A: Mechanical operation “Z” B: Standard cover “–” C: Mechanical operation “K” with handle-operated lever 2.5 Electro-proportional LS pressure relief function End element 3. A: with LS unloading “LA” B: with LS port “LZ” C: with two installation bores “LAW…W…” Control blocks of the series M4-12 have a modular structure. They can be combined without problems for the specific application.
  • 158.
    2. 2.4 2. 2.2 3. 2.1 2.3 3. 2.5 1. A B C A B C E D D E C A B 6/64 Bosch RexrothAG M4-12 | RE 64276/08.2010 Modular structure: Control block with lateral inlet element Central inlet element “JZ” 1. Directional valve elements 2. 2.1 LS pressure relief function 2.2 Secondary valves 2.3 Operation cover “A” A: Mechanical operation “A” B: Hydraulic operation “H” C: Electrohydraulic operation “W” D: Servohydraulic operation “S” E: Electrohydraulic operation with on-board electronics EPM2 “CBA” 2.4 Operation cover “B” A: Mechanical operation “Z” B: Standard cover “–” C: Mechanical operation “K” with handle-operated lever 2.5 Electro-proportional LS pressure relief function End element 3. A: Diversion plate “LU” B: with two installation bores “LUW…W…” C: with LS unloading “LA” D: with LS port “LZ” E: with two installation bores “LAW…W…”
  • 159.
    1.4 1.3 1.5 1.7 1. 1.2 1.1 1.6 A B C A B C E D 2. RE 64276/08.2010 |M4-12 Bosch Rexroth AG 7/64 Modular structure: Monoblock 1 Monoblock (combining inlet, 1 spool axis and end element) 1.1 LS pressure relief function 1.2 Secondary valves 1.3 Primary pressure relief function 1.4 Electro-proportional LS pressure relief function 1.5 LS shut-off 1.6 Operation cover “A” A: Mechanical operation “A” B: Hydraulic operation “H” C: Electrohydraulic operation “W” D: Servohydraulic operation “S” E: Electrohydraulic operation with on-board electronics EPM2 “CBA” 1.7 Operation cover “B” A: Mechanical operation “Z” B: Standard cover C: Mechanical operation “K” with handle-operated lever 2 Flangeable directional valve elements
  • 160.
    8/64 Bosch RexrothAG M4-12 | RE 64276/08.2010 Number of directional valves 1 to 20 1) Nominal size 12 = 12 Unit series 20 to 29 = 2X (unchanged installation and connection dimensions) Closed center Open center Sandwich plate design Lateral = J = P Central = JZ Central for M4-12/15 = JK Monoblock (inlet combined with 1 spool axis) Standard = JM 2) = PM 3) without primary pressure relief valve = Q (not for open center) with primary pressure relief valve = … (pressure information in bar, 3-digit; not with OC monoblock) without primary pressure relief valve = Z (cannot be retrofitted, only in combination with JZ) Pilot oil supply with internal pilot oil supply = Y for external pilot oil supply = X with LS shut-off (only in combination with J, P) = A Order details Short code Inlet element Directional valve element 1. Spool axis 2. Spool axis 3. Spool axis etc. M4 12 2X Order details see pages 10 and 11 Example for a short code of the M4-12 control block with three directional valve elements: M4 – 7654 – 2 0 / 3 M4 – 12 J W2 K V 01 –450 Control block No. Unit series of the unit series (2X) Revision status of the series Number of Directional valve elements Inlet Operation A side (prevalent operation) Operation B side (prevalent operation) Sealing material Threaded connection SO number if any = Standard product range (M4 configurator) 1) max. 10 elements per side, of which a maximum of 6 with servohydraulic operation 2) Installation of further directional valve elements possible. Consult Technical Sales. 3) Installation of further directional valve elements not possible. Consult Technical Sales. Short code Complete control blocks are defined according to type key. The order text is for detailing the technical features and requirements. The order text is used by the Rexroth sales department to derive a short code as well as a material number.
  • 161.
    RE 64276/08.2010 |M4-12 Bosch Rexroth AG 9/64 Order details 01 * End element Additional details Further information in the clear text SO numbers –038 = Resistant to sea water 4) –450 = Aluminum free S = For safety-relevant applications Supply voltage 24 V Supply voltage 12 V Supply voltage and plug-in connector 6) 1 3 Junior Timer 2-pin (AMP) 8 9 DT04-2P (Deutsch) 01 = Connections as pipe thread acc. to ISO 228/1 V = FKM seals 5) M = NBR seals (on inquiry) End element LA = End element without ports, with internal LS unloading LAPT = End element LA with additional P and T port LZ = End element with LS port, without internal LS unloading LZPT = End element LZ with additional P and T port LU = End element for use with central inlet element LAK = End element LA with internal pilot oil supply for servohydraulic operation LZK = End element LZ with internal pilot oil supply for servohydraulic operation LA = End element LA with two installation bores LU = End element LU with two installation bores Q = Plug screw W2 = Electrohydraulically proportional W4 = Electrohydraulically switchable LA = End element LA with three installation bores Q = Plug screw … = Pressure reducing valve (pressure info in bar, 3-digit) Q = Plug screw KKDER… = 4/2 way spool valve, according to RE 18136-05 (information in plain text) LM = Monoblock, no end element L8 … = Adapter plate for SP-08 directional valve elements, inlet pressure relief function (pressure info in bar, 3-digit) LC = Adapter plate for Bosch Rexroth Oil Control 4) = Standard product range (M4 configurator) 4) At request only. Rating by Technical Sales. 5) The block preferably contains FKM, but also NBR seals. Observe sealing compatibility of the hydraulic fluid used! 6) Information required only for electrohydraulic operation and electroproportional pressure relief function. Note! Plug-in connectors are not included in the scope of supply and need to be ordered separately, see also page 40.
  • 162.
    10/64 Bosch RexrothAG M4-12 | RE 64276/08.2010 Order details for directional valve element = Standard product range (M4 configurator) 1) Rating by Technical Sales. 2) Detailed information in plain text, see data starting on page 29; see also data sheet RE 18139. 3) At request only. Rating by Technical Sales. For available combinations, see table on page 45. Pressure compensator with pressure compensator, with load holding function = S without pressure compensator, with load holding function (not in combination with PM) = C without pressure compensator, without load holding function = Q with sensitive pressure compensator, with load holding function = F with 3-way pressure compensator (only in combination with PM) = D with pressure compensator, with priority function (only in connection with JM) = V without pressure compensator bore for change-over axis = Z LS valve with LS pressure relief valve (pressure information in bar, 3-digit) (no Z possible) = … … with LS pressure relief valve (pressure relief function) plug screw (no Z possible) = Q Q with only 1 LS pressurerelief valve for same pressure setting in A and B = = M … with LS unloading plug = B B without LS pressure relief valve (LS pressure relief valve cannot be retrofitted) (no M possible) = Z Z Housing with measuring ports = M Housing without measuring ports = Z Housing for change-over axis 1) (possible in combination with ZUZ only) = U Housing for electroproportional or switchable pressure relief function 2) = K –210 bar, decreasing characteristic curve 2) = L –210 bar, rising characteristic curve 2) = J –350 bar, decreasing characteristic curve 2) = R –350 bar, rising characteristic curve 2) = N Spool symbol E spool = E J spool = J Q spool = Q Spool with regeneration function = R Plunger cylinder as actuator = P 3) Float position spool = W 3) Float position spool = Y 3) Flow in l/min, 3-digit, e. g. 070-070; actuator ports “A” and “B” = … – … Spool with pressure function T, only in connection with E, J or Q spool 3) = … T …
  • 163.
    * RE 64276/08.2010 |M4-12 Bosch Rexroth AG 11/64 Further information in the clear text SO numbers –011 = One-sided operation, two spool positions Secondary valves F = Flange surface 3) A … = Shock/Feed valve, adjustable H … = Shock/Feed valve, non-adjustable Q = Plug screw (secondary valves can be retrofitted) Z = G 3/4 without secondary valve (cannot be retrofitted) X = G 1/2 without secondary valve (cannot be retrofitted) Operation B side cover — = Standard cover Position of handle-operated lever without Handle- operated lever Encapsulated operation 60° 0° –60° K L M R Handle-operated lever following N O P X Handle-operated lever, non-following see notes on page 42 further versions purely mechanical operation Z = Tongue 5) N = Tongue with lever 3); 5) Supply voltage 24 V Supply voltage 12 V Supply voltage and plug-in connector 6) 1 3 Junior Timer 2-pin (AMP) 8 9 DT04-2P (Deutsch) Encapsulated, spring centered Purely mechanical 5) Operation A side cover Spring centered Detent in 1 2 1, 2 M A B1 B2 B4 Mechanical H = Hydraulic S = Servohydraulic 3); 7) Standard with damping orifice, both sides with measuring ports, both sides with damping ori- fice, with measuring ports, both sides Orifice + check valve for hydrau- lic superposition) W2 W8 G2 Electrohydraulically proportional W4 W5 W6 W7 G4 Electrohydraulically switchable Standard with position sensor with measuring ports, both sides Orifice + check valve, both sides Electrohydraulic with digital on-Board electronics (EPM2) 4) CBA CPA 3) CXA CXC Order details for directional valve element Actuator port “A” Actuator port “B” Note! Plug-in connectors are not included in the scope of supply and need to be ordered separately; see also page 40. = Standard product range (M4 configurator) 3) At request only. Rating by Technical Sales. 4) Further ordering codes according to operating instructions RE 64815-B. The supply includes daisy chain cabling. 5) Not available aluminum-free. 6) Information required only for electrohydraulic operation and electroproportional pressure relief function. 7) Not in combination with following handle-operated lever
  • 164.
    � �� � � � � � � � �� �� � � � � ��� ��� � �� �� ��� ��� ��� ��� �� � � � ���� � � � � � � � � 12/64 Bosch Rexroth AG M4-12 | RE 64276/08.2010 Order example closed center with lateral inlet element and change-over axis Example: 3-fold control block • • Variable displacement pump • • qV max = 150 l/m Directional valve number, inlet element Closed Center with lateral primary • • pressure relief valve, set to 250 bar, internal pilot oil supply 1. Spool axis with pressure compensator, with load • • holding function without LS pressure relief valve bore • • Spool symbol J, flow in A and • • B 100 l/min Types of operation: • • Electrohydraulically proportional Junior Timer 2-pin (AMP) 24 V • • without secondary valves (cannot be • • retrofitted) 2. Spool axis without pressure compensator, change- • • over axis without LS pressure relief valve bore • • Housing for change-over axis • • Spool symbol J, flow in C • • 65 l/min, 90 l/min for internal actuators Types of operation: • • Electrohydraulically switchable Junior Timer 2-pin (AMP) 24 V • • without secondary valves (cannot be • • retrofitted) 3. Spool axis with pressure compensator, with load • • holding function with LS pressure relief valve for actuator • • port A 180 bar, Actuator port B closed Spool symbol J, flow in A and B 85 l/min • • Types of operation: Digital OBE • • Overriding handle-operated lever • • (following) Secondary valves: Pressure relief/feed • • valves, actuator port A and B 350 bar (non-adjustable) End element, additional information with internal LS unloading, FKM seals, • • pipe thread connections Order details: 1. Spool axis 2. Spool axis 3. Spool axis S Z Z Z J 100-100 W2 1 — Z Z LA V 01 3 M4 12 2X J250Y Z Z U Z J 065-090 W4 1 – Z Z S 180 M Q J 085-085 CBA K H350 H350 End element
  • 165.
    � �� � � � � � �� �� � �� �� � � � � �� � �� ��� ��� �� � � �� �� � � � � � � � � � � � � �� �� RE64276/08.2010 | M4-12 Bosch Rexroth AG 13/64 Order example open center with lateral inlet element Example: 3-fold control block • • Fixed displacement pump • • qV max = 150 l/min Directional valve number, inlet element Open Center with lateral primary pressure • • relief valve, set to 300 bar Internal pilot oil supply • • 1. Spool axis without pressure compensator, with load • • holding function with LS pressure relief valve for actuator port A • • 250 bar and LS unloading plugs in B Spool symbol E, flow in • • A 50 l/min, flow in B 0 l/min, connection closed Types of operation: Mechanical, spring • • centered, not encapsulated, with tongue Secondary valves: Adjustable shock/feed valve • • for actuator port A 230 bar, secondary valve bore B closed 2. Spool axis without pressure compensator, without load • • holding function with 1 LS pressure relief valve for actuator port • • A and B 275 bar, Spool symbol E, flow in A and B 100 l/min • • Types of operation: Hydraulic • • Secondary valves: Non-adjustable shock/feed • • valve for actuator port A 100 bar, adjustable shock/feed valve for actuator port B 230 bar 3. Spool axis with pressure compensator, with load holding • • function without LS pressure relief valve bore • • Spool symbol J, flow in A and B 70 l/min • • Types of operation: Electrohydraulically • • switchable, with damping orifices, with measuring ports with DT04-2P plug (Deutsch) 24 V • • Handle-operated lever cover, not following, • • without handle-operated lever without secondary valves (cannot be retrofitted) • • End element without internal LS unloading, with LS port, • • with P and T port FKM seals, pipe thread connections Order details: 1. Spool axis 2. Spool axis C 250MB E 050-000 A Z A230 Q LZPT V 01 Q = M275 E 100-100 H – H100 A230 End element 3. Spool axis S ZZZ J 070-070 W7 8 X Z Z 3 M4 12 2X P300 Y
  • 166.
    �� � � �� � � �� � �� � �� �� � � �� � � �� � ��� ��� � �� �� � � � � �� ��� ��� � � � � �� 14/64 Bosch Rexroth AG M4-12 | RE 64276/08.2010 Order example closed center for central inlet with primary valve Example: 2-fold control block • • Fixed displacement pump • • qV max = 200 l/min Directional valve number, end element Diversion plate • • 1. Spool axis with pressure compensator, with load • • holding function without LS pressure relief valves • • (cannot be retrofitted) Spool symbol E, flow in A and • • B 100 l/min Types of operation: Electrohydraulically • • proportional with measuring ports on both sides Junior Timer 2-pin (AMP) 24 V • • Actuation with handle-operated lever • • (following) Secondary valve bores closed • • Inlet element Central Closed Center with primary • • pressure relief valve, set to 300 bar with internal pilot oil supply • • 2. Spool axis with pressure compensator, with load • • holding function with LS pressure relief valves, • • actuator port A 270 bar, actuator port B 300 bar with electroprop. pressure relief function, • • pressure relief function, 210 bar (decreasing characteristic curve) Spool symbol E, flow in A and B 90 l/min • • Types of operation: Digital OBE • • Overriding handle-operated lever • • (following) Secondary valve bores closed • • End element, additional information with internal LS unloading, FKM seals, • • pipe thread connections Order details: 1. Spool axis 2. Spool axis Inlet element S ZZZ E 100-100 W6 1 K Q Q LA V 01 JZ 300 Y S 270L300 E 090-090 CBA K Q Q KBPSL8BA End element 2 M4 12 2X LU
  • 167.
    � �� � �� �� �� �� � � � � � � �� �� � � �� ��� ��� �� �� �� �� �� �� � � � � � � �� �� � � �� ��� ��� � � �� � � � � � � ��� ��� RE 64276/08.2010 | M4-12 Bosch Rexroth AG 15/64 Order example closed center with combined inlet element Example: 3-fold control block • • Fixed displacement pump • • qV max = 200 l/min Directional valve number, end element Diversion plate • • 1. Spool axis M4-15 with pressure compensator, without load • • holding function with LS pressure relief valve, • • actuator port A 230 bar, actuator port B unloaded Spool symbol E, • • Flow in A 190 l/min, flow in B 0 l/min, • • connection closed Types of operation: Digital OBE • • Overriding handle-operated lever • • (following) Secondary valve bores closed • • Inlet element M4-12/15 Central inlet element for M4-12/M4-15 • • Primary pressure relief valve, set to • • 280 bar with integrated pilot oil supply • • 2. and 3. spool axis M4-12 with pressure compensator, with load • • holding function with LS pressure relief valves, • • actuator port A 180 bar, actuator port B 120 bar Spool symbol E • • Flow in A and B 90 l/min • • Types of operation: Digital OBE • • without secondary valve bores • • End element M4-12 with internal LS unloading, FKM seals, pipe • • thread connections Order details: 1. Spool axis 2. Spool axis T 230MB E 190-000 CBA K Q Q LA V 01 S 180M120 E 090-090 CBA – Z Z End element 3 M4 15 2X LU JK 280 Y 3. Spool axis S 180M120 E 090-090 CBA – Z Z Inlet element
  • 168.
    � � � � � � � � ��� ��� � 16/64 Bosch RexrothAG M4-12 | RE 64276/08.2010 Example: Single monoblock • • Fixed displacement pump • • qV max = 130 l/min Directional valve number, inlet element Open Center monoblock without primary • • pressure relief valve Internal pilot oil supply • • 1. Spool axis with 3-way pressure compensator • • with 1 LS pressure relief valve for actuator • • port A and B 210 bar, Spool symbol J, flow in A and B 85 l/min • • Types of operation: • • Electrohydraulically proportional Junior Timer 2-pin (AMP) 24 V • • without secondary valves (cannot be • • retrofitted) End element without end element (monoblock) • • FKM seals • • Pipe thread connection • • Order details: 1. Spool axis D = M210 J 085-085 W2 1 Z Z LM V 01 End element 1 M4 12 2X PMZ Y Order example monoblock
  • 169.
    � �� � � � � � �� � � � � � � �� �� � � � �� � � � 30+5 bar 45 bar 30+5 bar 45 bar RE 64276/08.2010 | M4-12 Bosch Rexroth AG 17/64 Inlet elements Closed Center (J) for sandwich plate design Without primary pressure relief valve, for external pilot oil supply Order details: M4 12 2X J Q X Short description For variable displacement pumps up to 150 l/min • • With primary pressure relief valve, for external pilot oil supply Order details: M4 12 2X J … X Short description For variable displacement pumps up to 150 l/min • • Pressure information in bar after J ... required • • (3-digit) Without primary pressure relief valve, with internal pilot oil supply Order details: M4 12 2X J Q Y Short description For variable displacement pumps up to 150 l/min • • With primary pressure relief valve, with internal pilot oil supply Order details: M4 12 2X J … Y Short description For variable displacement pumps up to 150 l/min • • Pressure information in bar after J ... required (3-digit) • •
  • 170.
    � �� � � � � 30 +5 bar 45 bar � �� �� � � 18/64 Bosch Rexroth AG M4-12 | RE 64276/08.2010 Pilot oil supply (Y) Pressure relief function 45 bar • • Pilot pressure max. 30 + 5 bar • • With LS shut-off Order details: M4 12 2X J Q Y A Short description LS line is connected de-energized with the Y line to • • the tank All downstream M4-12 sandwich plates remain in • • the load-holding mode Inlet elements Closed Center (J) for sandwich plate design Attention! In case of internal pilot oil supply, the X connection f f can also be used to lead way pilot oil for other actuators. However, this may affect the switching times at the M4-12. Consult Technical Sales regarding possible effects. In case of external pilot oil supply the “X” connection f f is not closed in general. It needs to be closed when not in use (e. g. in case of hydraulic control “H”). Notes on the dimensioning of pilot oil supply with servohydraulic operation If servohydraulic operation is used in the control block, please note: External pilot oil supply: p • • ctrl = 33 +2 bar constant q • • ctrl = 2 l/min per servohydraulic spool axis Required and mandatory for inlet element P • • Internal pilot oil supply 6 servohydraulically controlled spool axes maximum possible • • No pilot oil supply for external actuators • • • • p at the inlet element needs to be 40 bar No internal pilot oil supply in the inlet element • •
  • 171.
    � �� � � � ��������� �� � �� � � � �� � �� � � � ��������� �� � �� � � � �� RE64276/08.2010 | M4-12 Bosch Rexroth AG 19/64 Central inlet elements Closed Center (JZ) for sandwich plate design Without primary pressure relief valve, with internal pilot oil supply Order details: M4 12 2X JZ Q Y Short description For variable displacement pumps up to • • 200 l/min Without primary pressure relief valve, for external pilot oil supply Order details: M4 12 2X JZ Q X Short description For variable displacement pumps up to 200 l/ • • min With primary pressure relief valve, with internal pilot oil supply Order details: M4 12 2X JZ … Y Short description For variable displacement pumps up to • • 200 l/min Pressure information in bar behind JZ... • • required (3-digit) With primary pressure relief valve, for external pilot oil supply Order details: M4 12 2X JZ … X Short description For variable displacement pumps up to • • 200 l/min Pressure information in bar behind JZ... • • required (3-digit)
  • 172.
    � �� � � � ��������� �� � �� � � � �� 20/64 BoschRexroth AG M4-12 | RE 64276/08.2010 Without primary pressure relief valve, with internal pilot oil supply Order details: M4 12 2X JZ Z Y Short description For variable displacement pumps up to 200 l/min • • Primary pressure relief valve cannot be retrofitted • • Without primary pressure relief valve, for external pilot oil supply Order details: M4 12 2X JZ Z X Short description For variable displacement pumps up to 200 l/min • • Primary pressure relief valve cannot be retrofitted • • Central inlet elements Close Center (JZ) for sandwich plate design
  • 173.
    � �� � � � ��������� �� � �� � � � ��������� �� M4-12 M4-15 M4-12 M4-15 � �� � � � �� M4-12 M4-15 M4-12 M4-15 � �� � � � �� RE64276/08.2010 | M4-12 Bosch Rexroth AG 21/64 For the connection of direction valve elements of sizes 12 and 15 Without primary pressure relief valve, with internal pilot oil supply Order details: M4 12 2X JK Q Y Short description For variable displacement pumps up to 200 l/min • • For the connection of direction valve elements of sizes 12 and 15 With primary pressure relief valve, with internal pilot oil supply Order details: M4 12 2X JK … Y Short description For variable displacement pumps up to 200 l/min • • Pressure information in bar behind JK... required • • (3-digit) Central inlet elements Close Center (JZ) for sandwich plate design For the connection of direction valve elements of sizes 12 and 15 Without primary pressure relief valve, for external pilot oil supply Order details: M4 12 2X JK Q X Short description For variable displacement pumps up to 200 l/min • • For the connection of direction valve elements of sizes 12 and 15 With primary pressure relief valve, for external pilot oil supply Order details: M4 12 2X JK … X Short description For variable displacement pumps up to 200 l/min • • Pressure information in bar behind JK... required • • (3-digit)
  • 174.
    � �� � � � � � �� � � � � � �� �� � � 22/64 Bosch Rexroth AG M4-12 | RE 64276/08.2010 With primary pressure relief valve, for external pilot oil supply Order details: M4 12 2X P … X Short description For fixed displacement pumps up to 150 l/min • • Pressure information in bar after P ... required • • (3-digit) With primary pressure relief valve, with internal pilot oil supply Order details: M4 12 2X P … Y Short description For fixed displacement pumps up to 150 l/min • • Pressure information in bar after P ... required • • (3-digit) With LS shut-off Order details: M4 12 2X P … Y A Short description LS line is connected de-energized with the Y line to • • the tank All downstream M4-12 sandwich plates remain in • • the load-holding mode Inlet elements: Open Center (P) for sandwich plate design
  • 175.
    � � � � ��� � � � � ��� ��� �� �� � �� � � � � �� � � � � ��� ��� �� �� � �� � � � � � � �� � � � � ��� ��� �� �� �� � � � � RE 64276/08.2010 | M4-12 Bosch Rexroth AG 23/64 Without primary pressure relief valve, with internal pilot oil supply Order details: M4 12 2X JM Z Y S QM… J …–… W2 1 – H… H… LM V 01 Short description For variable displacement pumps up to 150 l/min • • With priority function, without primary pressure relief valve, for external pilot oil supply Order details: M4 12 2X JM Z X V …M… J …–… W2 1 – H… H… LM V 01 Short description For variable displacement pumps up to 150 l/min • • Priority for the integrated M4-12 axis • • Remaining flow to external actuator • • Inlet elements: Monoblock Closed Center (JM) With priority function, without primary pressure relief valve, for external pilot oil supply, for the connection of further directional valve elements Order details: M4 12 2X JM Z X V …M… J …–… W2 1 – H… H… Short description For variable displacement pumps up to 150 l/min • • Priority for the integrated M4-12 axis • • Remaining flow for flanged-on M4-12 axes • • Note! Please consult Technical Sales.
  • 176.
    � � � � � � � � � ��� ��� �� �� � �� � � � � � � � ��� ��� � � 24/64 Bosch Rexroth AG M4-12 | RE 64276/08.2010 Inlet elements: Monoblock Open Center (PM) With primary pressure relief valve, with internal pilot oil supply Order details: M4 12 2X PM Z Y D …M… J …–… W2 1 – Q Q LM V 01 Short description For fixed displacement pumps up to 130 l/min • • Primary pressure relief via pressure compensator • • and LS pressure relief valve Note! Please consult Technical Sales. With primary pressure relief valve, for external pilot oil supply Order details: M4 12 2X PM Z X D = M… J …–… W2 1 – H… H… LM V 01 Short description For fixed displacement pumps up to 130 l/min • • Primary pressure relief via pressure • • compensator and LS pressure relief valve Note! Please consult Technical Sales.
  • 177.
    � �� ��� �� �� �� ��� �� ��� ������ ��� ��� RE 64276/08.2010 | M4-12 Bosch Rexroth AG 25/64 In the central position of the main spool, there is no connection from P to the actuator ports A and B. In this operating state, the pressure compensator spool (1) is moved to the left against the spring (2) by the pump pressure. When the main spool (3) is operated (= metering orifice), the LS pressure reaches the spring chamber (4) and moves the pressure compensator spool to the right into the control position. The flow is kept constant even in case of parallel operation of actuators with different load pressures. The pressure compensator “S” boasts a load holding function. This function is not free of leak oil. In its standard version it is equipped with one ring (5). The number of the rings inserted depends on the required flow. Directional valve elements: Pressure compensator Flow in L/min → Flow control by pressure compensator Pressure difference in bar → Main spool operated Main spool in central position �� � � � � � �� ��� � � � � � � �� � � � � � �� ��� � � � � � � Pressure compensator spool variants Order details Short description Symbol S with pressure compensator • • with load holding function • • 1) max. flow 130 l/min • • C without pressure compensator • • with load holding function • • 1) max. flow 140 l/min • • Q without pressure compensator • • without load holding function • • max. flow 140 l/min • • F with pressure compensator • • with load holding function • • 1) Sensitive for flows up to 20 l/min • • D 2) with 3-way pressure compensator • • V 3) with priority function • • 1) The load holding function is not free of leak oil. 2) only with PM 3) only with JM
  • 178.
    � �� ������ ��� ��� ��� ��� �� �� �� �� ��� � �� �� ��� � � � � � � � � ��� ��� � � �� � � � � �� � � � � ��� ��� �� 26/64 Bosch Rexroth AG M4-12 | RE 64276/08.2010 Directional valve elements: LS pressure relief function With LS pressure relief valve and LS plug screw Order details: S … M Q J …–… W2 1 – H… H… Short description Pressure information in bar for actuator port A • • (3-digit) Plug screw for actuation port B • • For the QMQ version, the LS pressure relief • • function can be retrofitted at the directional valve element. The LS pressure can be influenced externally • • via the ports MA and MB. These ports can also be used as measuring ports. Flow in % → Characteristic curves Reduction of the actuator flow through LS pressure relief function Minimum setting: 50 bar Maximum setting: 330 bar Set value (example) LS pressure in bar → With LS pressure relief valve and Unloading plugs Order details: S … M B E …–000 W2 1 – H… Q Short description Pressure information in bar for actuator port A • • (3-digit) Unloading plug for actuator port B • • e.g. for cylinders with one-sided operation • • Note! Please consult Technical Sales.
  • 179.
    � �� �� ��� � � � � � � � � ��� ��� � ��� � � � � �� � � ��� ��� � ��� � � � � � � � ��� ��� RE 64276/08.2010 | M4-12 Bosch Rexroth AG 27/64 With only 1 LS pressure relief valve Order details: S = M … J …–… W2 1 – H… H… Short description Only 1 LS pressure relief valve for identical • • pressure setting in A and B, pressure information in bar (3-digit) 1 measuring port • • Directional valve elements: LS pressure relief function Without LS pressure relief valves Order details: S Z Z Z J …–… W2 1 – H… H… Short description LS pressure relief valve cannot be retrofitted • • Housing without measuring ports • • Max. flow of internal actuators 90 l/min • • Housing for change-over axis Order details: Z Z U Z J …–… W4 1 K Z Z Short description Housing for change-over axis • •
  • 180.
    � � �� � � � � � � � � �� � � � ��� ��� 28/64 Bosch Rexroth AG M4-12 | RE 64276/08.2010 Short description Differentiation between: Type KBPS – electrohydraulically proportional 1. Type MH2DAD and Type KBPS 2. Type KKDE – electrohydraulically switchable 3. Porting pattern KBPS and cover plate 4. Housing KBPS and plug 5. The exact description of the valve is to be clear text as follows. Directional valve elements: LS pressure relief function KBPS…BA: Decreasing characteristic curve KBPS…AA: Rising characteristic curve Electroproportional pressure relief valve 1. Type KBPS (see also data sheet RE 18139-04; RE 18139-05) Standard product range: S … L … J …–… H – H… H… KBPSL8BA S … J … J …–… H – H… H… KBPSL8AA S … R … J …–… H – H… H… KBPSR8BA S … N … J …–… H – H… H… KBPSR8AA Extension program, such as: S … K … J …–… H – H… H… KBPSH8BA -033 Electroproportional / hydraulically switchable pressure relief function Pressure cut-off valve, type MH2DAD, and 2. electroproportional pressure relief valve, type KBPS (see also data sheet RE 64586; RE 18139-04; RE 18139-05) S … K … J …–… H – H… H… MH2DAD+KBPSH8BA
  • 181.
    � ��� �� ���� �� ��� ��� ��� ��� ��� ��� ��� ��� � � � � RE 64276/08.2010 | M4-12 Bosch Rexroth AG 29/64 Directional valve elements: LS pressure relief function Technical data KBPS (see also RE 18139-04) electrical standard Supply voltage V 12 DC 24 DC Maximum control current mA max. nominal current 1,760 mA max. nominal current 1,200 mA Coil resistance – Cold value with 20°C Ω 2.3 4.8 – max. hot value Ω 3.65 7.2 Duty cycle % 100 1) Maximum coil temperature 2) °C 150 Protection type acc. to VDE 0470-1 (DIN EN 60529), DIN 40050-9 – Version “K4” IP 65 with plug-in connector mounted and locked – Version “C4” IP 66 with plug-in connector mounted and locked IP 69K with Rexroth plug-in connector (Material No. R901022127) – Version “K40” IP 69K with plug-in connector mounted and locked 1) If use 2,000 m via NN, we recommend consulting the manufacturer. 2) Due to the surface temperatures of solenoid coils, the standards EN 563 and EN 982 must be adhered to! Pressure control through electroproportional LS pressure relief function Pressure in the main connection 1 in bar → Command value in % → Falling characteristic curve Rising characteristic curve Addition SO no. (Option: 24 V; 0.8 A) 50 bar KBPSC8BA KBPSC8AA –033 100 bar KBPSF8BA KBPSF8AA 150 bar KBPSH8BA KBPSH8AA 210 bar KBPSL8BA (2) KBPSL8AA (4) 250 bar KBPSN8BA KBPSN8AA 315 bar KBPSP8BA KBPSP8AA 350 bar KBPSR8BA (1) KBPSR8AA (3) 420 bar KBPST8BA KBPST8AA = Standard product range
  • 182.
    30/64 Bosch RexrothAG M4-12 | RE 64276/08.2010 Directional valve elements: LS pressure relief function 2/2 way spool valve type KKDE 3. S … K … J …–… H – H… H… KKDER8PA De-energized open De-energized closed KKDER8PA KKDER8NA KKDE…NA: De-energized closed KKDE…PA: De-energized open Technical data KKDE (see also RD 18136-08) electrical standard Type of voltage Direct voltage Supply voltage V 12 DC 24 DC Voltage tolerance and ambient temperature See characteristic curve RE 18136-08 page 5 Power consumption Ω 22 Duty cycle % See characteristic curve RE 18136-08 page 5 Maximum coil temperature 2) °C 150 Switching time according to ISO 6403 (solenoid horizontal) – ON ms ≤ 80 – OFF ms ≤ 150 Maximum switching frequency cy/h 15,000 Protection type acc. to VDE 0470-1 (DIN EN 60529), DIN 40050-9 – Version “K4” IP 65 with plug-in connector mounted and locked – Version “C4” IP 66 with plug-in connector mounted and locked IP 69K with Rexroth plug-in connector (material no. R901022127) – Version “K40” IP 69K with plug-in connector mounted and locked At the electrical connection “K4”, the protective earth conductor (PE ) must be connected correctly. 1) If use 2000 m via NN, we recommend consulting the manufacturer. 2) Due to the surface temperatures of the solenoid coils, the European standards EN 563 and EN 982 must be adhered to! Note! Consumer pressure does not become depressurized! Plug Cover plate Porting pattern KBPS and cover plate 4. S … K … J …–… H – H… H… A Housing KBPS and plug 5. S … K … J …–… H – H… H… Q
  • 183.
    � � �� � � �� �� �� �� � � �� �� � � �� � � �� �� � � �� � � �� �� � � �� � � �� �� � � �� � � �� �� � � �� � � �� �� � � �� � � �� �� RE 64276/08.2010 | M4-12 Bosch Rexroth AG 31/64 Directional valve elements: Main spool Main spool variants Order details Flow information in l/min Main use Symbol E … – … Hydro cylinder as actuator J … – … Hydro motors as actuator Q … – … Application with defined residual opening (A/B → T) Actuator port unloaded in neutral position R … – … Regeneration function (P, B → A) W … – … Float position Y … – … Float position P … – … Plunger cylinder as actuator (E, J, Q) … T … Spool with pressure function
  • 184.
    �� ��� ���� � �� ���� �� �� � �� �� �� �� �� �� �� ��� ���� ��� ��� ���� ��� ���� ��� ���� � � � � � � � �� �� �� �� ��� ��� � ��� � � �� ���� ��� ��� ���� ���� ���� ���� ���� ���� � ��� �� ��� ��� ��� ��� � Current in milliamperes → 32/64 Bosch Rexroth AG M4-12 | RE 64276/08.2010 Directional valve elements: Main spool electrohydraulic operation hydraulic operation Flow in l/min Spool characteristic curves (symmetric spools) P → A/B Pilot pressure in bar → Nominal flow → Current in amperes → Command value in digits (steps) → digital on-board electronics (EPM2) (24 V actuation) (12 V actuation) servohydraulic operation (at pctrl = 35 bar)
  • 185.
    RE 64276/08.2010 |M4-12 Bosch Rexroth AG 33/64 Directional valve elements: Flow Symmetric spools Spool type Pressure compen­ sator Flow in l/min (spool characteristic curve see page 32) E, J, Q S 130–130 (1) 100–100 073–073 052–052 034–034 023–023 014–014 007–007 120–120 (2) 085–085 (4) 065–065 (5) 045–045 (6) 030–030 (7) 020–020 (8) 012–012 (9) 006–006 (10) 100–100 (3) 070–070 057–057 038–038 026–026 017–017 010–010 005–005 C 140–140 115–115 090–090 063–063 042–042 028–028 017–017 008–008 Flow without washer (pressure compensator Δp = 4 to 7 bar) Flow with 1 washer (pressure compensator Δp = 6 to 9.5 bar) Volume flow with 2 washers (pressure compensator Δp = 8.5 to 11.5 bar) Example: Spool type J • • Pressure compensator S • • Command value: Q • • Actuator = 90 l/min Spool type Pressure compensator Flow in l/min E, J, Q S 100–100 085–085 070–070 Solution: → 85 liter spool + 2 washers = 100 l/min → Set 90 liters via stroke limitation. Note! Position directional valve elements with maximum flow as close as possible to the inlet element. Asymmetric spools Spool type Pressure compen­ sator Flow in l/min E, J, Q S 100–073 100–052 052–034 034–023 023–014 085–065 085–045 045–030 030–020 020–012 070–057 070–038 038–026 026–017 017–010 C 115–090 115–063 063–042 042–028 028–017 Float position, regeneration and plunger spools Spool type Pressure compen­ sator Nominal flow in l/min (more on inquiry) W S 030–030 Y S 030–030 R S 130–101 085–030 065–025 P S 140–000 (1)… (10) Notes on spool characteristic curve, page 32. Note! Please consult Technical Sales.
  • 186.
    �� �� � �� �� ��� � � � � � � � � ��� ��� � �� �� ��� � � � � �� � � � �� �� ��� � � � � � � � � 34/64 Bosch Rexroth AG M4-12 | RE 64276/08.2010 Directional valve elements: Types of operation cover A – mechanical Mechanical (encapsulated) Order details: S … M … J …–… M K H… H… Short description Mechanical operation of the main spool. In case • • of non-operation centering in central position by springs All handle-operated lever position options are • • available (K, L, M etc.) comp. also type key on page 11 1) Following handle-operated lever 2) Non-following handle-operated lever Purely mechanical (non-encapsulated) with tongue Order details: S Z Z Z J …–… A Z Z Z Short description Mechanical operation of the main spool. In case • • of non-operation centering in central position by springs Purely mechanical (non-encapsulated) with handle-operated lever and detent Order details: S … M … J …–… B1 N H… H… Short description Mechanical operation of the main spool. In case • • of non-operation centering in central position by springs Note! Handle-operated lever setting, please consult Technical Sales.
  • 187.
    � �� �� ��� � � � � � � � � � � � ��� � � � � �� � � RE 64276/08.2010 | M4-12 Bosch Rexroth AG 35/64 Hydraulic Order details: S … M … J …–… H – H… H… Short description Recommended hydraulic pilot control units: • • Type TH6 according to RE 64555 Directional valve elements: Types of operation Cover A – hydraulic Servohydraulic Order details: S Z Z Z J …–… S – Q Q Short description Voltage: 7 VDC min. • • Current type: Direct current • • Nominal current: ±20 mA • • Max. current: ±25 mA • • STDS 0014; see RE 29617-B2 STDS 0015; see RE 29616-B2 STDS 0016; see RE 29618-B2 Note! Rating by Technical Sales. Directional valve elements: Types of operation Cover A – servohydraulic
  • 188.
    � �� �� ��� � � � � � � � � ��� ��� � �� �� ��� � � � � �� � � ��� ��� � �� �� ��� � � � � � � � � ��� ��� �� �� 36/64 Bosch Rexroth AG M4-12 | RE 64276/08.2010 Electrohydraulically switchable Order details: S … M … J …–… W4 1 – H… H… Short description Switching valves, type FTWE 2 K according to • • RE 58007 Directional valve elements: Types of operation Cover A – electrohydraulically switchable Electrohydraulically switchable with measuring ports on both sides Order details: S … M … J …–… W6 3 – H… H… Short description Switching valves, type FTWE 2 K according to • • RE 58007 Electrohydraulically switchable with damping orifice on both sides Order details: S … M … J …–… W5 3 – H… H… Short description Switching valves, type FTWE 2 K according to • • RE 58007
  • 189.
    � �� �� ��� � � � � � � � � ��� ��� � � � ��� � � � � �� � � ��� ��� �� �� �� �� RE 64276/08.2010 | M4-12 Bosch Rexroth AG 37/64 Directional valve elements: Types of operation Cover A – electrohydraulically switchable Electrohydraulically switchable with orifice and check valve for hydraulic override Order details: S … M … J …–… G4 3 – H… H… Short description Switching valves, type FTWE 2 K according to • • RE 58007 Electrohydraulically switchable with damping orifice, with measuring ports on both sides Order details: S … M … J …–… W7 1 – H… H… Short description Switching valves, type FTWE 2 K according to • • RE 58007 Technical data FTWE 2K (see also RE 58007) electrical Type of voltage Direct voltage Nominal voltage V 12 24 Power consumption at 20 ℃ W 14.4 14.4 Coil resistance R20 Ω 10 40 Duty cycle % 100 Switching time ton ms ≤ 20 toff ms ≤ 30 Protection type according to DIN 40050-9 – Solenoid • • IP 69K – Electrical • • connection C4 K40 IP 69K 1) IP 69K 1) Switching frequency Hz 5 1) Recommended plug-in connector see page 40.
  • 190.
    � �� �� ��� � � � � � � � � ��� ��� �� �� � �� �� ��� � � � � �� � � ��� ��� �� �� � �� �� ��� � � � � � � � � ��� ��� � � 38/64 Bosch Rexroth AG M4-12 | RE 64276/08.2010 Electrohydraulically proportional with handle- operated lever (encapsulated) Order details: S … M … J …–… W2 1 K H… H… Short description Proportional pressure reducing valve • • Type FTDRE 2 K according to RE 58032 Safety notes! Following handle-operated lever f f 1): Electrohydraulic operation can be overruled by mechanical operation. The handle-operated lever is connected directly with the main spool and follows the spool movement in case of electrohydraulic control. Non-following handle-operated lever f f 2): The handle-operated lever is connected with the main spool via a coupling. When the main spool is in central position, the handle- operated lever can be detented. Thus, it does not follow the movement of the spool in case of electrohydraulic operation. Directional valve elements: Types of operation Cover A – electrohydraulically proportional Electrohydraulically proportional with measuring ports on both sides Order details: S … M … J …–… W8 9 – H… H… Short description Proportional pressure reducing valve, • • type FTDRE 2 K according to RE 58032 Electrohydraulically proportional with damping orifice and check valve Order details: S … M … J …–… G2 1 – H… H… Short description Proportional pressure reducing valve, • • type FTDRE 2 K according to RE 58032
  • 191.
    � �� �� ��� � � � � � � � � ��� ��� � �� �� ��� � � � � �� � � ��� ��� RE 64276/08.2010 | M4-12 Bosch Rexroth AG 39/64 Directional valve elements: Types of operation Cover A – electrohydraulically proportional Technical data FTDRE 2K (see also RE 58032) electrical Type of voltage Direct voltage Nominal voltage of the amplifier V 12 24 Maximum control current A 1.8 0.8 Coil resistance (20 ℃) Ω 2.4 12 Duty cycle (with amplifier) % 100 Electrical connection See ordering codes Protection type according to DIN 40050-9 – Solenoid IP 69K – Electrical connection C4 K40 IP 69K 1) IP 69K 1) PWM frequency (recommended) 1) Hz 150 1) The PWM frequency is to be optimized depending on the individual application. In this regard, the operating temperature must be taken into account. Recommended plug-in connector see page 40. Directional valve elements: Types of operation Cover A – on-board electronics Electronic pilot module Order details: S … M … J …–… CBA – H… H… Short description Digital interface, standard • • see RE 64815-B Electronic pilot module with position sensor Order details: S … M … J …–… CPA – Q Q Short description Digital interface with position sensor, • • see RE 64815-B Note! At request only. Rating by Technical Sales.
  • 192.
    40/64 Bosch RexrothAG M4-12 | RE 64276/08.2010 All control blocks with EPM2 are supplied with mounted daisy chain cabling and final resistance plug. The final resistance is mounted to the last sandwich plate of the block. Recommended cable for connection to the machine electronics: Material number: R917c02724 Directional valve elements: Types of operation cover A – on-board electronics � � � � � � � � � � Open plug for connection to the machine electronics Daisy chain Plug with final resistance End element Inlet ­ element Directional valve elements: Voltage supply and plugs Plug type Supply voltage Junior Timer 2-pin (AMP) DT04-2P (Deutsch) 24 V 1 8 12 V 3 9 This information is required only in case of electrohydraulic operation and / or electroproportional pressure relief function. Recommended plug-in connector for connector type Junior Timer 2-pin (AMP) Plug-in connector for FTDRE… and FTWE… protection type IP 69K Material number: R900313533 For a litz wire cross-section of 0.5 to 1 mm² and for an insulation diameter of the individual seals of 1.2 to 2.1 mm Material number: R901022127 For a litz wire cross-section of 0.5 to 1 mm² and for an insulation diameter of the individual seals of 2.2 to 3 mm Note! Plug-in connectors are not included in the scope of supply and must be ordered separately. Recommended plug-in connector for Junior Timer 2-pin (AMP)
  • 193.
    RE 64276/08.2010 |M4-12 Bosch Rexroth AG 41/64 � � � � � � � � � � Mechanical - Non-encapsulated operation (purely mechanical) Spring centered + Tongue Spring centered + Tongue with lever A Z A N Detent + Tongue Detent + Tongue with lever B1 Z B1 N B1 = Detent in 1 B2 Z B2 N B2 = Detent in 2 B4 Z B4 N B4 = Detent in 1, 2 Operating force: Tongue 250 N (spool axis) • • Directional valve elements: Types of operation cover B Note! Handle-operated lever setting, please consult Technical Sales.
  • 194.
    60˚ = K,N 0˚ = L, O -60˚ = M, P 0˚ = F, H 30˚ = B1, G1 -30˚ = D1, J1 1 2 3 60˚ = B, G -60˚ = D, J 42/64 Bosch Rexroth AG M4-12 | RE 64276/08.2010 Directional valve elements: Types of operation cover B Mechanical - encapsulated operation Top, 60° Top, 30° Straight, 0° Bottom, –30° Bottom, –60° without lever Standard – Following K L M R – Non-following N O P X Clamping piece with lever – Following B B B 1 2 3 B1 B1 B1 1 2 3 F F F 1 2 3 D1 D1 D1 1 2 3 D D D 1 2 3 – Non-following G G G 1 2 3 G1 G1 G1 1 2 3 H H H 1 2 3 J1 J1 J1 1 2 3 J J J 1 2 3 Clamping piece without lever – Following T T1 U V1 V – Non-following Q Q1 S C1 C Operating force (at the handle-operated lever): Mechanical 20 N • • Hydraulic, handle-operated lever override 70 N • • Electrohydraulic, handle-operated lever override 50 N • • Further handle-operated lever options (aluminum-free) on inquiry. Standard lever Clamping piece with lever (example: lever screwing in Pos. 2) Lever screwing at the clamping piece = Standard product range
  • 195.
    � �� �� ��� � � � � � � � � ��� ��� � �� �� ��� � � � � �� � � ��� ��� RE 64276/08.2010 | M4-12 Bosch Rexroth AG 43/64 Shock/Feed valves, adjustable Order details: S … M … J …–… W2 1 – Q A… Short description Adjustable shock/feed valve • • Pressure information in bar behind A ... required • • (3-digit) Example: QA200 Q: Plug screw for actuator side A A200: Shock/feed valve, set to 200 bar for actuator port B The directional valve is ready for retroactive fitting of secondary valves. Note! Suitable only to reduce pressure peaks, not to be used as pressure relief valve! Directional valve elements: Secondary valves Shock/feed valve, non-adjustable Order details: S … M … J …–… W2 1 – H100 H150 Short description Non-adjustable shock/feed valve • • Pressure information in bar behind H ... required • • (3-digit) Example: H100, H150 H100: Shock/feed valve, set to 100 bar for actuator port A H150: Shock/feed valve, set to 150 bar for actuator port B Note! Suitable only to reduce pressure peaks, not to be used as pressure relief valve! Preferred pressure settings for shock valves with feed function Pressure setting in bar in the actuator ports A and B H050 = 50 bar H140 = 140 bar H210 = 210 bar H280 = 280 bar H063 = 63 bar H150 = 150 bar H230 = 230 bar H300 = 300 bar H080 = 80 bar H160 = 160 bar H240 = 240 bar H320 = 320 bar H100 = 100 bar H175 = 175 bar H250 = 250 bar H350 = 350 bar H125 = 125 bar H190 = 190 bar Adjustable pressure levels in bar in the actuator ports A and B 10 – 70 201 – 270 71 – 120 271 – 320 121 – 200 321 – 380 Note! Shock valves have a fixed setting!
  • 196.
    � �� �� ��� � � � � � � � � ��� ��� � �� �� ��� � � � � �� � � ��� ��� 44/64 Bosch Rexroth AG M4-12 | RE 64276/08.2010 Without secondary valves Order details: S … M … J …–… W2 1 – Z Z Short description Secondary valves cannot be retrofitted • • Actuator port G 3/4 • • Order details: S … M … J …–… W2 1 – X X Short description Secondary valves cannot be retrofitted • • Actuator port G 1/2 • • Directional valve elements: Secondary valves Without secondary valves, with flange surface Order details: S … M … J …–… W2 1 – F F … … Short description Secondary valves cannot be retrofitted • • Information on the flange valves in clear text • • Note! Dimensioning of the flanged installation housing with screwable valves by Technical Sales.
  • 197.
    RE 64276/08.2010 |M4-12 Bosch Rexroth AG 45/64 Directional valve elements: Housing options that can be ordered With secondary valve option (can be retrofitted) G 1/2 Without secondary valve options (cannot be retrofitted) G 1/2 Without secondary valve options (cannot be retrofitted) G 3/4 Flange surface Q, A…, H… XX ZZ FF Standard Without LS pressure relief valves (LS pressure relief valve cannot be retrofitted) ZZZ • • • Without LS pressure relief valves, for change-over axis (LS pressure relief valve cannot be retrofitted) ZUZ • With only 1 LS pressure relief valve for same pressure setting in A and B = M … • • With 2 LS pressure relief valves (pressure info in bar, 3-digit) …M… • • • • With LS pressure relief valves (pressure info in bar, 3-digit) Housing for electroproportional or switchable pressure relief function …K… • • Mechanical Without LS pressure relief valves (LS pressure relief valve cannot be retrofitted) ZZZ • • With only 1 LS pressure relief valve for same pressure setting in A and B = M … With 2 LS pressure relief valves (pressure info in bar, 3-digit) …M… • • • With LS pressure relief valves (pressure info in bar, 3-digit) Housing for electroproportional or switchable pressure relief function …K…
  • 198.
    �� � �� ��� �� � � � � ��� � �� � �� �� �� � � � � �� � � �� �� �� �� �� �� 46/64 Bosch Rexroth AG M4-12 | RE 64276/08.2010 End elements End element with LS unloading Order details: LA End element with LS port Order details: LZ Short description LS unloading must be ensured externally • • End element LA with additional P and T port Order details: LAPT End element LZ with additional P and T port Order details: LZPT Short description LS unloading must be ensured externally • • End element LA with two installation bores for FTDRE, FTWE Consult Technical Sales for use of units! Order details: LA W4 W2 Short description For 30 bar control pressure. • • End element LA with three installation bores for pressure reducing valve, KKDER... Consult Technical Sales for use of units! Order details: LA … KKDER… … KKDER… Q Q Short description Max. 40 l/min per working port • • See also RE 18136-05 • •
  • 199.
    �� � � � � ���� � � � � �� M4-12 SP-08 RE 64276/08.2010 | M4-12 Bosch Rexroth AG 47/64 End element to be combined with central inlet element End element LU with installation bores for FTDRE, FTWE Consult Technical Sales for use of units! Order details: M4 12 2X LU Q W4 Short description: For 30 bar control pressure • • End element for use with central inlet element Order details: M4 12 2X LU End elements – adapter plate Adapter plate for SP-08 directional valve elements Order details: L8 210 Short description: With integrated 2-way pressure compensator • • With LS pressure relief valve, set to 210 bar • • Type key for flange-mounted SP-08 sandwich plates • • according to RE 64139 Maximum 7 directional valve elements permitted • • Adapter plate for ED valves from BROC Use only on inquiry! Order details: LC Short description: Type key for flange-mounted ED valves according to • • RIE 00159 Attention! Rating by Technical Sales.
  • 200.
    48/64 Bosch RexrothAG M4-12 | RE 64276/08.2010 Dimensions: Line connections Inlet element lateral Closed center P G 3/4 T G 3/4 LS G 1/4 X, Y G 1/4 M G 1/4 Open center P G 3/4 T G 1 LS G 1/4 X, Y G 1/4 M G 1/4 Inlet element central Closed center P G 1 T G 1 LS G 1/4 X, Y G 1/4 MP G 1/4 Directional valve element with secondary valves A B G 1/2 without secondary valves (option Z) A B G 3/4 without secondary valves (option X) A B G 1/2 a b G 1/4 MA MB G 1/4 Ma Mb G 1/8 Change-over axis C G 3/4 End element P G 1/2 T G 1/2 LS G 1/4 LSZ G 1/4 X, Y G 1/4 C1, C2 … C6 G 1/4 For LAPT, LZPT P, T G 3/4 Connections according to ISO 1179-1 Fastening screws M10 according to EN ISO 4762 or EN ISO 4014: Property class: 8.8 10.9 Fastening torque: 41 ± 2 Nm 60 ± 3 Nm P = Pump M, MP = Pump measuring port A, B = Actuator MA, MB = LS pressure measuring ports a, b = Pilot line Ma, Mb = Pilot pressure measuring ports T = Tank C = External actuators X = Pilot oil supply C1, C2 … C6 = Additional actuators Y = Tank, depressurized LS = Load-sensing (LS) LSZ = LS - feed
  • 201.
    � � �� � � � ���� �� �� �� �� ���� �� �� ��� �� �� �� �� � ��� � �� �� ��� �� �� ���� ��� ���� �� �� �� ���� �� �� �� ��� �� �� ���� ��� �� � � � � � �� � �� �� �� ���������������������� ����������� �� �� �� �� �� �� �� �� �� �� �� �� �� ���� ����� �� � � �� � � �� ��� �� ��� �� �� �� ��� �� �� �� �� �� ��� �� � � � � ��� ��� ������ �� ������ �� �� �������������� �� �� �� �� �� �� deep deep deep deep RE 64276/08.2010 | M4-12 Bosch Rexroth AG 49/64 Dimensions: Inlet elements Lateral inlet element J...Y Lateral inlet element P...Y Central inlet element JZ Central inlet element JK
  • 202.
    20,5 29 50 94 72 125 18 15 93 47 27 103 68 Y LS T P 16,5 52 168 37 88 94 44,5 78,5 37,5 15,5 17,5 36,5 89 107,5 63 50/64 Bosch RexrothAG M4-12 | RE 64276/08.2010 Standard monoblock Closed Center JM as inlet element with 1 axis; more directional valve elements flangeable Dimensions: Single monoblock
  • 203.
    43 33 72 41 98 95 50 94 72 78.5 125 18 15 98.5 40 67 114.5 87.5 19 124 119 RE 64276/08.2010 |M4-12 Bosch Rexroth AG 51/64 Dimensions: Single monoblock Standard monoblock Open Center PM
  • 204.
    ��� �� �� �� � � ��� �� ���� �� �� �� � � �� � �� �� �� �� �� �� �� �� �� � �� �� ��� 41.5 52 8 Ø8 X 128 280 X 52/64 Bosch RexrothAG M4-12 | RE 64276/08.2010 Housing with secondary valve bore, actuator port G1/2 Order details: … A… A… … … H… H… … … Q Q … Dimensions: Directional valve elements Housing without secondary valve bore, actuator port G3/4 actuator port G1/2 Order details: … Z Z … … X X … Housing for change-over axis actuator port G3/4 Order details: … ZUZ … Z Z … Dimensions: Operation Purely mechanical operation with tongue Order details: … A Z … Cover A Cover B Purely mechanical operation with tongue and lever Order details: … B1 N … Cover A Cover B
  • 205.
    86.5 64 56.5 63 39 86.5 39 b a 63 108 152 169 86 135 230 46 6 0 ˚ RE 64276/08.2010| M4-12 Bosch Rexroth AG 53/64 Dimensions: Operation Mechanical / hydraulic operation with standard cover Order details: … M – … … H – … Electrohydraulic operation Order details: … W . … Electronic pilot module EPM2 with handle-operated lever Order details: … C . A K … Cover A Cover B Cover A Cover B Cover A Cover B
  • 206.
  • 207.
  • 208.
    38.5 18 LS P Y X 86.5 63 b a 429 230 54 98 B2 A2 C 47 T M B1 A1 46 48 114 30 46 46 46 50 114 4 239 56.5 114.5 83.5 MA MB M 4 4 13 65 89 125 13586 27 40 44.5 49 28 23 23 28 85 46.5 67 15 103 25 12 15 33 19 103 72 30 25 34 10 6.1 6.2 9 8 5.1 2 5.2 8 4 7 1 3 39 108 152 83.5 56/64 Bosch Rexroth AG M4-12 | RE 64276/08.2010 Dimensions: Control block Closed Center with lateral inlet element 1 Type plate 2 Inlet element J...Y “Closed Center” 3 Directional valve elements 4 End element LA 5.1 Control cover W (side A) for electrohydraulic operation 5.2 Control cover CBA (side A) with electronic pilot module (EPM2) 6.1 Control cover standard (side B) 6.2 Control cover K (side B) 7 Stroke limitation 8 Secondary valves 9 Tie rod 10 Fastening screw thread 4 x M10; 15 deep (according to the order example of page 12, dimensions in mm)
  • 209.
    6.2 83.5 25 M X LS b a 86.5 79 50 51.5 63 43 48 50 35 83.5 30 33 65 46 46 46 50 39 114 34 257 a b Y T LSZ A B A B A B A3 B3 B2 A2 B1 A1 T P Ø8 P 20 103 12 13 15 19 25 30 26 6491.5 7 45 49 98 56.5 52 13 27 86.5 23 4 92 114 13.5 25 132 317 91.5 45 35 1 4 5.3 5.2 5.1 8 9 6.3 6.1 7 10 2 39 31.5 125 86 46 41.5 46.5 67 114.5 87 15 103 108 3 RE 64276/08.2010 | M4-12 Bosch Rexroth AG 57/64 Dimensions: Control block Open Center with lateral inlet element (according to the order example of page 13, dimensions in mm) 1 Type plate 2 Inlet element P...Y “Open Center” 3 Directional valve elements 4 End element LZPT 5.1 Control cover A (side A) for mechanical operation 5.2 Control cover H (side A) for hydraulic operation 5.3 Control cover W (side A) for electrohydraulic operation 6.1 Purely mechanical operation with tongue (side B) 6.2 Control cover standard (side B) Control cover X (side B) 7 Stroke limitation 8 Secondary valves 9 Tie rod 10 Fastening screw thread 4 x M10; 15 deep
  • 210.
    6 0 ˚ 83.5 15 114.5 67 46.5 125 63 86.5 b a 39 137 8.5 49 125 83.5 18 28 T P LS B1 A2 B2 27 53 65 125 90.5 67.5 28.5 A1 114 6 270 Y X MP A B 15 80 65 46 46 35 30 114 93 43 25 7 4 30 67 83.5 52.5 152 86 125 170 230 15 114.5 97 46.5 103 137 20 8.5 34.5 112.5 25 25 15 9 4 3 7 6.2 1 2 6.1 5 3 10 8 11 25 103 108 135 58/64 BoschRexroth AG M4-12 | RE 64276/08.2010 (according to the order example of page 14, dimensions in mm) Dimensions: Control block Closed Center with central inlet element 1 Type plate 2 Central inlet element JZ “Closed Center” 3 Directional valve elements 4 End element LA 5 Diversion plate LU 6.1 Control cover W (side A) for electrohydraulic operation 6.2 Control cover CBA (side A) with electronic pilot module (EPM2) 7 Control cover K (side B) 8 Stroke limitation 9 Electroproportional pressure relief valve, type KBPS 10 Tie rod 11 Fastening screw thread 4 x M10; 15 deep
  • 211.
    12 7 6.2 20 25 15 23 22 28 133 135 440 157.5 236 25 78 46 98 114 18 48.5 85 93.5 40 113 141 20 48 106 45 30 40 63 75 25.5 35 118 44 76 90 46 46 30 51 50 40 47 130 344 125 64 63 T P A1B1 A2 B2 A3 B3 MP X LS 1 2 3.1 3.2 4.1 4.2 5 6.1 8 9 RE 64276/08.2010 | M4-12 Bosch Rexroth AG 59/64 Dimensions: Control block Closed Center with combined inlet element (according to the order example of page 15, dimensions in mm) 1 Type plate 2 Central inlet element JK... “Closed Center” 3.1 Directional valve element M4-15 3.2 Directional valve element M4-12 4.1 End element LA 4.2 Diversion plate LU 5 Control cover CBA (side A) with electronic pilot module (EPM2) 6.1 Control cover K (side B) 6.2 Control cover standard (side B) 7 Stroke limitation 8 Tie rod 9 Fastening screw thread 4 x M10; 15 deep
  • 212.
    33 95 50 94 72 78.5 125 18 15 98.5 124 72 41 98 43 T Y P T A B 67 119 19 43 87.5 90.5 11 40 67 144.5 105.4 294.5 1 2 3 4 5 5 6 60/64 Bosch Rexroth AG M4-12 | RE 64276/08.2010 (according to the order example of page 16, dimensions in mm) Dimensions: Monoblock Open Center 1 Type plate 2 Housing PM 3 Control cover W (side A) for electrohydraulic operation 4 Control cover K (side B) 5 Stroke limitation 6 Fastening screw thread 4 x M10; 20 deep
  • 213.
    RE 64276/08.2010 |M4-12 Bosch Rexroth AG 61/64 On-board electronics: Electronic pilot module (EPM) M4-12 with EPM2 Function The electronic pilot module controls the flow at the control block M4-12 by means of an analog or digital electrical signal. An analog (voltage or PWM signal) or digital (CAN bus) input signal is converted by the pilot module into a pilot pressure via two electrohydraulic pressure reducing valves. In case of an analog input signal, each pilot module is connected individually to the control electronics of the machine. In case of CAN bus actuation, it is possible to loop the electrical connection to the next pilot module via a second plug-in connection (daisy chain cabling). The complete valve control block is then connected to the control of the machine via the 4-pin plug of the first pilot module. The electrical connection is realized via a 4-pin plug of type Bosch Kompakt 1. It is also possible to connect further CAN bus stations at the output to the last pilot module (see also RE 64815‑B). Features Time functions (ramp functions), the form and gradient of characteristic curves can be parameterized and changed directly during the operating cycle via the CAN bus. Various diagnosis functions allow to monitor the fault-free operation of the pilot module. The following elements are monitored in the basic version: • • Correct reception of a valid command value signal • • Stability of the connection with the command value • • encoder Adherence to the defined limits of supply voltage • • Function of the pilot valves (short circuit, cable break) • • Malfunctions are indicated in the form of an error code (flashing code) via an LED that can be seen from the outside. With the analog module, there is a relay output available as error indicator. With the CAN bus variant, the error code is transferred to the control in the status telegram of the pilot module and can then be analyzed by the control: Reduced cabling effort with CAN wiring through daisy • • chain Controlled output stages with superimposed dither • • Processor-independent watchdog • • Time ramps can be selected separately for valve outputs • • A and B, Open and Close (only for CAN, fixed parameter for analog module) Modifiable characteristic curve from linear to progressive • • form separately for A and B (only CAN, fixed parameter for analog module) Linear reduction of the curve, modifiable in operation, and • • therefore also linear reduction of the total flow (CAN only, fixed parameter for analog module) Selectable time ramps for shutdown in case of error (only • • for analog module) Selectable monitoring limits for operating voltage • • parameterizable via CAN bus Protection type according to EN 60529 IP 69K • • (only with connected Bosch Kompakt plug-in connectors) Comprehensive options for customized parameterization • • by Rexroth in the factory Options Position sensor • • with measuring port • • Electronic pilot module – parameterization specifications You can find the form for the parameterization specifications in the data sheet RE 64815-02. Its purpose is to set the electronic pilot module according to the requirements of the client on delivery.
  • 214.
    62/64 Bosch RexrothAG M4-12 | RE 64276/08.2010 � � � � � ��� ��� ��� ��� ��� ���� � � � � � � � � � ������� ������ ��� ��� � � � � ��� ������ Electronic pilot module: Pin assignment Pin assignment at the Bosch Kompakt plug-in connector Pin assignment at the CAN plug-in connector Connection via Bosch Kompakt plug coding 1. The second Bosch Kompakt plug, coding 2, can be used in conjunction with CAN control to establish a connection to the next module or to another CAN station. Note! Connecting cables and plugs are not included in the scope of supply and must be ordered separately (see also page 63). Attention! Please observe the safety notes of the operating f f instructions RE 64815-B at all times. Bosch Rexroth warrants the correct functioning of f f the unit as described in the operating instructions RE 64815-B. With this unit, Bosch Rexroth declines any warranty for the safe operation of the machine or plant of which this unit is a part. Coding 1 (black plug-in connector) Coding 2 (gray plug-in connector)
  • 215.
    RE 64276/08.2010 |M4-12 Bosch Rexroth AG 63/64 Material number Type Description Length Daisy chain cable R917c02581 R917c02599 R917c02628 Cable Cable Cable For the connection of two pilot modules (standard) For the connection of two pilot modules For the connection of two pilot modules via central inlet 190 mm 240 mm 370 mm Special cable R9017c05332 Cable with two plug-in connectors, coding 1 (black) 90° R917c05333 Cable with two plug-in connectors, coding 2 (gray) 90° Connecting cable R917c02724 R917c04484 Cable Cable with one plug-in connector, coding 1 (black) with one plug-in connector, coding 2 (gray) 4,000 mm 4,000 mm Plug-in connectors and plug-in connector kits R917c05459 R917c02627 Plug-in connector Plug-in connector Coding 1 (black), dummy plug Coding 2 (gray), dummy plug R917c05458 R917c04605 Plug-in connector Plug-in connector Coding 1 (black), dummy plug with integrated final resistance Coding 2 (gray), dummy plug with integrated final resistance R900785606 Plug-in connector kit Bosch Kompakt coding 1 (black) R900785607 Plug-in connector kit Bosch Kompakt coding 2 (gray) Electronic pilot module: Accessories
  • 216.
    Notes 64/64 Bosch RexrothAG M4-12 | RE 64276/08.2010 Bosch Rexroth AG Hydraulics Zum Eisengießer 1 97816 Lohr am Main, Germany Phone +49 (0) 93 52 / 18-0 Fax +49 (0) 93 52 / 18-23 58 info.brm-mc@boschrexroth.de www.boschrexroth.de © This document, as well as the data, specifications and other information set forth in it, are the exclusive property of Bosch Rexroth AG. It may not be reproduced or given to third parties without its consent. The data specified above only serve to describe the product. No statements concerning a certain condition or suitability for a certain application can be derived from our information. The information given does not release the user from the obligation of own judgment and verification. It must be remembered that our products are subject to a natural process of wear and aging.
  • 217.
    Type 2TH6 Series 1X Hydraulicpilot control unit of sandwich plate design for the remote control of directional valves, pumps, motors RE 64 552/05.06 1/8 Replaces: 05.03 Contents Functional description, section 2 Symbol hydraulic 3 Technical data 3 Ordering details 4 Characteristics curves 5 Unit dimensions 6 to 7 Contact location within the plugs 8 Features – Progressive, sensitive control – Precise and play-free control characteristics – Low actuation force at the lever – Rust-free plunger Further remote controls and pilot control units: – Hydraulic remote control • Pilot control unit type 2 TH 6 R, pedal version (see RE 64551) • Pilot control unit types 4 TH 6, 4 TH 5, 4TH 6 N, for arm rest installation (see RE 64555) • Pilot control device type TH 7, for instrument panel installati- on or in pedal design (see RE 64558) • Pilot control device with end position locking type 4/5 THF 6 (see RE 64553) or type 4/6 THF 5 (see RE 64557) – Electronic pilot control device • Electronic remote control device type THE6 for direct controlling of electrical or electro-hydraulical pilot operated actuators (see RE 29771) • Electronic pilot control device type THE5 (see RE 29881) – B2 TH 6 (see picture opposite) • Recommended for use with a single 2 TH 6 control axis • This pilot control unit cannot be flanged on
  • 218.
    Bosch Rexroth AG �� � � � 1 9 7 5 6 3 4 2 8 13 12 11 10 Type 2 TH6 | RE 64 552/05.06 Functional description, section Hydraulic operating principle Hydraulic pilot control units of the type 2TH6 operate on the basis of direct operated pressure reducing valves. Pilot control units of the type 2TH6 basically comprise of a control lever (1), two pressure reducing valves and a housing (6). Each pressure reducing valve consists of a control spool (2), a control spring (3), a return spring (4) and a plunger (5). In the non-actuated condition, the control lever is held in the neutral position by the return spring (4). The control ports (1,2) are connected to tank port T via a drilling (8). When the control lever (1) is deflected, the plunger (5) is pressed against the return spring (4) and the control spring (3). The control spring (3) initially moves the control spool (2) downwards and closes the connection between the relevant port and tank port T. At the same time, the relevant port is connected to port P via the drilling (8). The control phase starts as soon as the control spool (2) finds its balance between the force from the control spring (3) and the force resulting from the hydraulic pressure in the relevant ports (ports 1, 2). As a result of the interaction of the control spool (2) and the control spring (3) the pressure in the relevant ports is proportional to the stroke of the plunger (5) and thus to the position of the control lever (1). This pressure control as a function of the control lever (1) position and the characteristics of the control spring (3) enables the proportional hydraulic control of directional valves and high response control valves for hydraulic pumps and motors. A rubber gaiter (9) protects the mechanical parts in the housing against contamination and ensures that the 2TH6 pilot control units can also be used for the arduous applications. Electro-magnetic lock End position locking is only provided for the control connections which require that the control lever is held in the deflected position. An additional spring (12), which is fitted below an additional plate (13) warns, by means of an increased force, which is required for compressing this spring, that the plunger (5) and the control lever (1) have almost reached the end position. When this threshold is overcome, a ring (10) contacts the solenoid (11); if the solenoid is energised, then control lever (1) is held in its end position by magnetic force. Unlocking can performed automatically when the solenoid current is switched off. Holding solenoid 2/8
  • 219.
    Bosch Rexroth AG TP 1 2 T P 1 2 RE 64 552/05.06 | Type 2 TH6 Symbol, hydraulic Technical data, mechanical (for applications outside these parameters, please consult us!) Variants without electrical detent: L, M, P, T, N Variants with electrical detent: G, H, J Inlet pressure bar up to 50 Back pressure at port T bar up to 3 Control fluid flow (P to 1 - 2) l/min up to 16 Hysterises bar up to 1 Pressure fluid 1) suitable for NBR seals mineral oil (HL, HLP) to DIN 51524 1) 2) suitable for FKM seals phosphate ester (HFD-R) 2) Pressure fluid temperature range °C – 20 to + 80 Viscosity range mm2 /s 10 to 380 Degree of pressure fluid contamination Maximum permissible degree of contamination of the pressure fluid is to NAS 1638 class 9. We, therefore, recommend a filter with a minimum retention rate of ß10 ≥ 75 Max. permissible operating torque at lever Nm 10 in operation Nm 80 for an exceptional, one time loading Weight (dependent on the actuating element) kg 1.2 to 1.8 Technical data, electrical (for applications outside these parameters, please consult us!) E-contact technical data for actuator N • Switching capacity - DC 1 A - 30 V 250 000 cycles - AC 0.3 A - 250 V 250 000 cycles 0.6 A - 125 V 250 000 cycles • Max. start contact resistance mW 50 • Min. isolation resistance at 500 V DC MW 1 000 • Dielectric strength 1 000 V eff. 50 Hz min. between outputs 1 500 V eff. 50 Hz min. between outputs and mass Solenoid supply voltage V 24 (20 to 27) / DC Power consumption of each solenoid 8.5 W at 24 V Safety guidelines (this list is not intended to be considered as complete) Application guidelines (this list is not intended to be considered as complete) – Do not direct the jet of a pressure washing unit directly at the unit. – The electrical cable must be kept free of any mechanical forces. – During operation protection via the rubber boot must be ensured. – Only one function control must be allocated to an E-contact. – The circuit functions are to be so designed that uncontrolled machine movements, caused by the application, are prevented and that it is possible to switch from one function to another. – Take into account all of the application limits, particulary those application limits stated within this catalogue sheet. 3/8
  • 220.
    Bosch Rexroth AG �� � � � � � � � � � � Type 2 TH6 | RE 64 552/05.06 Ordering details Pilot control unit with N flangeable control axis N = number of control axes 1 to 6 -1X / - 2 TH 6 1st control axis * Further details in clear text Example 3-2 TH 6 L06-1X M70 L06 M01 * -1X/ B 2 TH 6 Example B 2 TH 6 L06-1X/M01 Pilot control unit with 1 control axis, not flangeable Control axis, separate * -1X/ 2 TH 6 Example 2 TH 6 L06-1X/M01 Actuator type 1 lever without detent = L 1 lever with detent in 3 positions = M 1 lever held in any position by a friction coupling = P 1 lever with detent in 3 positions and held in any position by a friction coupling = T 1 lever with E-contact = N 1 lever with electrical detent in position 1 = G 1 lever with electrical detent in position 2 = H 1 lever with electrical detent in both positions = J Series 10 à 19 = 1X (10 to 19 : unchanged installation and connection dimensions)) Connection threads 01 = G 1/4 pipe thread to standard ISO 228/1 05 = 9/16 UNF-2 B connections to standard ISO 11926 Seals M = NBR seals V = FKM seals ! Attention! The compatibility of the seals and pressure fluid has to be taken into account Plug (voir page 8) 5 = DEUTSCH sealed plug IP 67 for wiring the solenoid on a 2 TH 6 G/H/J 6 = Plug AMP MAT-N-LOK for wiring the solenoid on a 2 TH 6 G/H/J 7 = DEUTSCH sealed plug IP 67 for wiring the solenoids on a 2 TH 6 N 8 = Plug AMP MAT-N-LOK for wiring the solenoids on a 2 TH 6 N No code = Without plug Drillings for connections P and T: connection possibilities (seen from above) 3-2 TH 6 L06-1X/ M70 L06 M01 1-2 TH 6 L06-1X/M01 B 2 TH 6 L06-1X/M01 2 TH 6 L06-1X/M01/ 2nd control axis 3rd control axis 4th control axis 5th control axis 6th control axis Enter the identification number of the control curve that is required (see page 5) P and T P and T P and T P and T 4/8
  • 221.
    Bosch Rexroth AG � � � �� � � � ���� ���� � � � �� � � � ���� ���� � � �� ����� ���� � � � � � ���� ��� � ���� ���� RE64 552/05.06 | Type 2 TH6 Characteristic curves: control ranges, actuation moments 06 Control curve, identification no. 06 This curve is used for the pilot control of the SM12, SM18, M1 control blocks Lever deflection Control pressure in bar Inlet pressure 70 Control curve, identification no. 70 This curve is used for the pilot control of the SX14, SX18 control blocks 20 Control curve, identification no. 20 This curve is used for the pilot control of the SP12 control blocks 97 Control curve, identification no. 97 (only for actuators L, M, P, N and T) This curve is used for the pilot control of the M7 control blocks Inter-section point A B C D Lever deflection 3° 18° 21° 25° Actuation moment for actuator L in N.m 0.8 / 2.7 3.8 (p = 35 bar) Actuation moment for actuators G, H, J in N.m 0.8 1.8 3.2 4.3 (p=35 bar) B = resistance point before changeover to inlet pressure Inter-section point A B C D Lever deflection 3° 18° 21° 25° Actuation moment for actuator L in N.m 0.8 / 2.7 3.8 (p = 35 bar) Actuation moment for actuators G, H, J in N.m 0.8 3.2 3.6 4.3 (p=35 bar) B = resistance point before changeover to inlet pressure Inter-section point A B C D Lever deflection 3° 18° 21° 25° Actuation moment for actuator L in N.m 1 / 2.9 3.8 (p = 35 bar) Actuation moment for actuators G, H, J in N.m 1 3.1 3.4 4.3 (p=35 bar) B = resistance point before changeover to inlet pressure Inter-section point A C Lever deflection 3° 25° Actuation moment for actuator L in N.m 0.8 3.3 The actuation moments stated are theoritical values which do not take into account the rubber boot resistance. Lever deflection Inlet pressure Control pressure in bar Lever deflection Inlet pressure Control pressure in bar Lever deflection Inlet pressure Control pressure in bar 5/8
  • 222.
    Bosch Rexroth AG 2TH6 L 06-1X/M01 1-2 TH6 L 06-1X/M01 M P T N 1 2 25° 25° Ø18 Ø10 Ø12 42 56 120 301 5 2 94 T P 49 32 31 31 62 37 8,5 1 T P 2 100 120 78 32 1 2 39 50 60 16 16 1 P 2 T T P 62 37 1616 39 39 78 94 32 2 5 101 1 2 60 50 16 16 100 120 Type 2 TH6 | RE 64 552/05.06 Unit dimensions (Dimensions in mm) B2 TH6 (upper part is identical with the above depicted 2 TH 6 or 1-2 TH 6) for version 2 TH 6 the threads are open for version 1-2 TH 6 the threads are closed the version 2 TH6 N has other dimensions for the lever and bush * 1 pressurisation of control port 1 2 pressurisation of control port 2 2 holes Ø 9.5 counter bore Ø 27 2 holes M8 x 1 * 2 holes Ø 8.3 2 counter bores Ø 20.4±0. 1 deep 1±0. 1 2 holes Ø 9.5 counter bore ports 01= Ø 25 ports 05= Ø 26 ports 01= Ø 25 ports 05= Ø 26 2 counter bores deep 1.5 maxi upper part 6/8
  • 223.
    Bosch Rexroth AG 3-2TH6 H06-1X/H06 L06 M01 G J G J 5 4 3 7 6 114 T P 301 1 2 1 2 1 2 16 16 16 16 50 60 156 120 100 1 2 25° 25° 1 T P 2 101 62 5 8,5 37 16 16 39 39 78 RE 64 552/05.06 | Type 2 TH6 1 pressurisation of control port 1 2 pressurisation of control port 2 3 1st control axis (H06) 4 2nd control axis (H06) 5 3rd control axis (L06) 6 O-rings: 17.5 x 1.5 (2 off per contact surface) 7 plug factory fitted Installation guidelines – Mounting flange area: Flatness = 0.5 mm – Screw head imensions = Ø13 mm – Tightening torque for the flange fixing screws = Max. 10 Nm – Tightening torque for the pipe connections = Max. 30 Nm Unit dimensions (Dimensions in mm) 2 holes Ø 9.5 2 counter bores Ø 20.4±0. 1 deep 1±0. 1 7/8
  • 224.
    Bosch Rexroth AG Hydraulics Produktsegment Axialkolbenmaschinen WerkElchingen Glockeraustraße 2 89275 Elchingen, Germany Tel. +49 (0) 73 08 82-0 Fax. +49 (0) 73 08 72 74 info.brm-ak@boschrexroth.de www.boschrexroth.com/brm Bosch Rexroth DSI S.A.S. BP 101 91, bd Irène Joliot-Curie 69634 Vénissieux Cedex, France Tel. +33 (0) 4 78 78 52 52 Fax. +33 (0) 4 78 78 52 26 www.boschrexroth.fr © This document, as well as the data, specifications and other information set forth in it, are the exclusive property of Bosch Rexroth AG. It may not be reproduced or given to third parties without its consent. The data specified above only serve to describe the product. No statements concerning a certain condition or suitability for a certain application can be derived from our information. The information given does not release the user from the obligation of own judgment and verification. It must be remembered that our products are subject to a natural process of wear and ageing. Subject to revision. Bosch Rexroth AG Type 2 TH6 | RE 64 552/05.06 Contact location within the plugs for wiring the solenoids of the electro-magnetic lock 2 TH 6 G / H / J DEUTSCH sealed plug IP 67 (ordering code = 5) Plug AMP MAT-N-LOK (ordering code = 6) DEUTSCH sealed plug IP 67 (ordering code = 7) Plug AMP MAT-N-LOK (ordering code = 8) Contact location within the plugs for wiring the 2 TH 6 N grey yellow View F DEUTSCH cover DT 04 - 2P - CE 04 View F AMP cover 350778 - 1 DEUTSCH cover DT 04 - 6P - CE 04 lock connection no.1 lock connection no.2 View F Electrical contact symbol for version 2 TH 6 N AMP cover 350781 - 1 lock connection no.1 lock connection no.2 View F 8/8
  • 225.
    Type 4TH5, 4TH6,4TH6N Series 1X Hydraulic pilot control units for armrest installation RE 64 555/04.06 1/12 Replaces: 05.05 Contents Functional description, section, symbol 2 Technical data 3 Ordering details 4 Unit dimensions 5 Characteristic curves 6 and 7 Variations of ergonomic grip EC2000 8 Contact location within the plugs for wiring grip EC2000 9 Guidelines 10 Special features – Progressive, sensitive operation. – Low actuation forces. – Low force deviations when lever is actuated (4TH5, 4TH6N). – Several ergonomic grips with various E contacts. – All connections point downwards.
  • 226.
    Bosch Rexroth AG �� � � � � 4TH6 4TH6N 12 5 8 7 9 10 11 6 10 4TH5 Type 4TH5, 4TH6, 4TH6N | RE 64 555/04.06 Ports P Supply T Tank 1, 2, 3, 4 Control ports Design The 4TH6, 4TH6N and 4TH5 pilot control units basically com- prise of a control lever (5), four pressure adjustment valves and a housing (10). Each pressure adjustment valve comprises of a control spool (6), a control spring (7), a return spring (8) and a plunger (9). General The design of the 4TH6N and 4TH5 versions differs from that of the 4TH6. Thereby the force‘s deviations, which are felt when the lever is deflected, are reduced. As the 4TH5 is smaller and lighter, it is normally used for appli- cations in compact machines. Hydraulic symbol Function When not actuated the control lever is held in zero position by the four return springs (8). The control ports (1, 2, 3, 4) are connected to the tank port T via the drilling (11). With deflection of the control lever (5) the plunger (9) pushes against the return spring (8) and the control spring (7). The control spring (7) firstly moves the control spool (6) down- wards and closes the connection between the appropriate port and tank port T. At the same time the appropriate port is connected to the port P via the drilling (11). The control phase begins as soon as the control spool (6) has found its balance between the force of the control spring (7) and the force which results from the hydraulic pressure in the appropriate port (ports 1, 2, 3 or 4). Through the interaction of control spool (6) and control spring (7) the pressure in the appropriate ports is proportional to the stroke of the plunger (9) and thus the position of the control lever (5). A rubber boot (12) protects the mechanical components of the housing from contamination. Functional description, section, symbol 2/12
  • 227.
    Bosch Rexroth AG RE64 555/04.06 | Type 4TH5, 4TH6, 4TH6N Electrical Technical data for the grips switch EC2000 • Switching capacity – minimal current resistive load 100mA at 12VDC or 24VDC – maximal current resistive load 5A at 12VDC or 24VDC • Microswitch lifetime – resistive load at 12VDC 100 to 500mA 5 millions cycles 5A 300000 cycles – resistive load at 24VDC 100 to 500mA 3 millions cycles 5A 150000 cycles – inductive load L/R=5ms at 12VDC or 24VDC 1,25A 200000 cycles • Maximal contact resistance m Ω 20 • Switching on/off with low loads – minimum voltage V 12 – minimum current strength mA 100 • E-contact type high current Grip protection IP65 Switching guidelines for DC voltages to ensure the service life of the electrical switch, we recommend the use of free-wheeling diodes that are switched parallel to the inductivity. Technical data (for applications outside these parameters, please consult us!) Mechanical 4TH6, 4TH6N 4TH5 Inlet pressure bar up to 50 up to 35 Back pressure at port T bar up to 3 Pilot oil flow (P to 1 - 2 - 3 - 4) l/mn up to 16 up to 13 Pressure fluid 1) suitable for NBR seals mineral oil (HL, HLP) to DIN 51524 1) 2) suitable for FPM seals phosphate ester (HFD-R) 2) Pressure fluid temperature range °C -20 to +80 Viscosity range mm2 /s 10 to 380 Degree of pressure fluid contamination to NAS 1638 class 9. We, therefore, recommend a filter with a minimum retention rate of ß10 ≥ 75 Max. permissible operating torque at lever Nm 10 during operation Nm 80 with an exceptional, one time loading Weight kg approx. 2,6 approx. 1,9 3/12
  • 228.
    Bosch Rexroth AG 4TH 5 4 TH 6 Type 4TH5, 4TH6, 4TH6N | RE 64 555/04.06 Ordering details Operating force deviations For 4 TH 5 : – Reduced no code For 4 TH 6 : – Conventional no code – Reduced = N 1X * Grip range Ergonomic EC2000 = E Ergonomic EC4000 = H Ergonomic EC2000+ = I Ergonomic EC1000 = J1) Customer's no code Without grip = Z Series 10 to 19 (10 to 19: unchanged installation and connection dimensions) = 1X Type of ergonomic grip Grip type E (see page 8) = TT, ST, VT, YT, YU Grip type H, I or J1) see datasheet RE 64547 Without grip no code Further details in clear text — / Grip orientation (see page 5) 4TH6 4TH6N 4TH5 Lever straight, grip in the direction of control port 3 • • 03 Levercurved15°inthedirectionofcontrolport4.Gripinthedirectionofcontrolport3 • • • 43 Levercurved15°inthedirectionofcontrolport2.Gripinthedirectionofcontrolport3 • • • 23 Plugs (see page 9) 4TH6 4TH6N 4TH5 DEUTSCH sealed plug IP 67 for wiring the grip • • • 5 Plug AMP MAT-N-LOK for wiring the grip • • 6 Without plug no code • • • Seals type 4TH6 4TH6N 4TH5 NBR seals ! Attention! the compatibility of the seals and • • • M FPM seals pressure fluid has to be taken into account • • V Connection threads 4TH6 4TH6N 4TH5 Pipe thread to standard ISO 228/1 G 1/4 • • • 01 Metric connections to standard ISO 9974 M 14 x 1,5 • 02 Connections to standard JIS 2351 • • 04 UNF connections to standard ISO 11926 9/16 UNF-2B • • • 05 Control curve (see pages 6 and 7) 4TH6 4TH6N 4TH5 Curve 06 • • • 06 Curve 20 • 20 Curve 70 • • • 70 Curve 97 • • 97 Curve 106 • • 106 Different control curve: state identification No. • 1) handle EC1000 for 4TH6 and 4TH6N only. 4/12
  • 229.
    Bosch Rexroth AG 12 1 2 1 2 1 2 P T 3 4 2 1 P T 3 4 2 1 4TH6, 4TH6N 4TH5 EC1000 236 EC2000 207 207,5 EC2000+ 215 216,5 EC4000 251 248,5 4 TH 5 E XX - 1X / - - 43 - - - 4 TH 6 E XX - 1X / - - 43 - - - 4 TH 6 N E XX - 1X / - - 43 - - - 4 TH 5 E XX - 1X / - - 23 - - - 4 TH 6 E XX - 1X / - - 23 - - - 4 TH 6 N E XX - 1X / - - 23 - - - RE 64 555/04.06 | Type 4TH5, 4TH6, 4TH6N Unit dimension Y in function of the grip type : Unit dimensions (dimensions in mm) Type designation of the pilot control units shown: 4 TH 6 E XX - 1X / - - 43 - - - 4 TH 6 N E XX - 1X / - - 43 - - - Type designation of the pilot control unit shown: 4 TH 5 I XX - 1X / - - 23 - - - 1 Lever deflection when actuating 1 actuator. 2 Lever deflection when simultaneously actuating 2 actuators. Pilot control unit left hand Pilot control unit right hand Cable length : 300 Cable length : 300 Fixing bolts Fixing bolts type of grip Orientation of the pilot control units at the driver‘s seat (viewed from above) 5/12
  • 230.
    Bosch Rexroth AG 06 70 4TH64TH6N 4TH5 1 2 1 2 1 2 A 0,72 1,43 0,68 1,35 0,68 1,35 B 1,99 3,99 1,46 2,92 1,45 2,90 C 2,93* 5,86* 2,10 4,19 2,08 4,16 *p = 35 bar � � � �� ����� ��� � ��� ����� ����� 106 4TH6 4TH6N 4TH5 1 2 1 2 1 2 A 0,73 1,45 0,68 1,37 0,69 1,37 B 2,33 4,67 1,69 3,39 1,69 3,39 C 2,93* 5,86* 2,10 4,19 2,08 4,16 *p = 35 bar 4TH6 4TH5 1 2 1 2 A 0,72 1,44 0,68 1,36 B 2,17 4,34 1,58 3,15 C 2,93* 5,86* 2,08 4,16 *p = 35 bar � � � �� � � ��� ����� ����� ���� ��� Type 4TH5, 4TH6, 4TH6N | RE 64 555/04.06 Control curve, identification No. 06 This curve is used for the pilot control of the SM12, SM18, M1, M6 control blocks Control curve, identification No. 70 This curve is used for the pilot control of the SX12, SX14, SX18 control blocks Characteristic curves : control ranges, actuation moments The operating torques stated are theoritical values which do not take into account the rubber boot resistance. Lever deflection in ° (1 actuator – 2 actuators) Control pressure in bar Inlet pressure 1) 4TH5 control pressure in bar : 5,9 maxi - 19 mini Lever deflection in ° (1 actuator – 2 actuators) Control pressure in bar Inlet pressure Lever deflection in ° (1 actuator – 2 actuators) Control pressure in bar Inlet pressure Control curve, identification No. 106 This curve is used for the pilot control of the SM12 control blocks (application example : mini excavator) No. of actuated actuators Operating torque in Nm No. of actuated actuators Operating torque in Nm No. of actuated actuators Operating torque in Nm 6/12
  • 231.
    Bosch Rexroth AG � � � �� � ���� ����� ����� ���� ��� � � �� � � ��� ����� ���� ��� 20 97 4TH6 1 2 A 0,83 1,65 B 2,21 4,42 C 2,93* 5,86* *p = 35 bar 4TH6 4TH6N 1 2 1 2 A 0,72 1,44 0,68 1,36 C 2,45* 4,91* 1,77 3,53 *p = 35 bar RE 64 555/04.06 | Type 4TH5, 4TH6, 4TH6N Lever deflection in ° (1 actuator – 2 actuators) Control pressure in bar Inlet pressure Lever deflection in ° (1 actuator – 2 actuators) Control pressure in bar Inlet pressure Control curve, identification No. 20 This curve is used for the pilot control of the SP12 control blocks Control curve, identification No. 97 This curve is used for the pilot control of the M7, M4 control blocks No. of actuated actuators Operating torque in Nm No. of actuated actuators Operating torque in Nm The operating torques stated are theoritical values which do not take into account the rubber boot resistance. Characteristic curves : control ranges, actuation moments 7/12
  • 232.
    Bosch Rexroth AG TT ST VT YT YU Type4TH5, 4TH6, 4TH6N | RE 64 555/04.06 – without E-contact – single E-contact on top – double E-contact with rocker switch – double E-contact with rocker switch – single E-contact on top – double E-contact with rocker switch – single E-contact on top – single E-contact to the front Variations of ergonomic grip EC2000 yellow yellow black grey white green green red blue brown yellow black grey green red blue black grey red blue 8/12
  • 233.
    Bosch Rexroth AG � �� � � � � � � � � � � � � � � � � � � � � � � � � � � � � � � � � � � � � RE 64 555/04.06 | Type 4TH5, 4TH6, 4TH6N Contact location within the plugs for wiring grip EC2000 DEUTSCH sealed plug IP 67 (ordering detail = 5) Plug AMP MAT-N-LOCK (ordering detail = 6) Grip ST Grip ST Grip VT or YT View F View F Grip VT or YT View F Grip YU Grip YU View F View F cover DEUTSCH DT 04 - 2P - CE 04 cover DEUTSCH DT 04 - 6P - CE 04 cover DEUTSCH DT 04 - 8P - CE 04 cover AMP 350782 - 1 cover AMP 350781 - 1 cover AMP 350778 - 1 View F 3 1 2 4 7 5 6 8 Identifica- tion in the plug red black grey blue wire colour identifica- tion in the plug yellow green white wire colour brown 3 1 2 4 7 5 6 8 Identifica- tion in the plug grey black red blue wire colour identifica- tion in the plug yellow green white wire colour brown 3 1 2 4 5 6 VT Identifica- tion in the plug YT red black grey blue yellow green Ergonomic grip type wire colour X X X X X X X X X X 3 1 2 4 5 6 VT YT Identifica- tion in the plug grey black red blue yellow green Ergonomic grip type wire colour X X X X X X X X X X 9/12
  • 234.
    Bosch Rexroth AG Ø108 Ø 7 Ø 9 6 100 x 100 D Ø 7 Ø 8 5 100 x 100 Type 4TH5, 4TH6, 4TH6N | RE 64 555/04.06 – Mounting flange area: Flatness = 0.5 mm – Screw head dimensions = Ø 10 mm – Tightening torque for the flange fixing screws = Max. 10 Nm – Tightening torque for the pipe connections = Max. 30 Nm Installation hole 4 TH 5 Installation hole 4 TH 6 – Do not direct the jet of a pressure washing unit directly at the unit. – The electrical cable must be kept free of any mechanical forces. – During operation protection via the rubber boot must be ensured. – Only use the unit with its original grip and lever. – Ensure that the inertia data of the original grip are not exceeded. – Replace worn push buttons, so that the integrity of the EC2000 grip is ensured. – Only one function control must be allocated to an E-contact. – The circuit functions are to be so designed that uncontrolled machine movements caused by the application are prevented and that it is possible to switch from one function to another. – Take into account all of the application limits, particularly those application limits stated within this catalogue sheet. – Preparation for assembly and testing on the machine: The various checks must include all the functions of the pilot control device. Application guidelines (these guidelines are not intended to be considered as complete) Safety guidelines (these guidelines are not intended to be considered as complete) Installation guidelines 4TH6, 4TH6N, 4TH5 – Ø 108 = Nominal diameter / fixing via 4 screws – Nominal diameter / fixing via 4 screws D = 92 to 100 mm or 100 to 108 mm Fixing bolts Fixing bolts 10/12
  • 235.
    Bosch Rexroth AG RE64 555/04.06 | Type 4TH5, 4TH6, 4TH6N Notes 11/12
  • 236.
    Bosch Rexroth AG BoschRexroth AG Hydraulics Produktsegment Axialkolbenmaschinen Werk Elchingen Glockeraustraße 2 89275 Elchingen, Germany Tel. +49 (0) 73 08 82-0 Fax. +49 (0) 73 08 72 74 info.brm-ak@boschrexroth.de www.boschrexroth.com/brm Bosch Rexroth DSI S.A.S. BP 101 91, bd Irène Joliot-Curie 69634 Vénissieux Cedex, France Tel. +33 (0) 4 78 78 52 52 Fax. +33 (0) 4 78 78 52 26 www.boschrexroth.fr © This document, as well as the data, specifications and other information set forth in it, are the exclusive property of Bosch Rexroth AG. It may not be reproduced or given to third parties without its consent. The data specified above only serve to describe the product. No statements concerning a certain condition or suitability for a certain application can be derived from our information. The information given does not release the user from the obligation of own judgment and verification. It must be remembered that our products are subject to a natural process of wear and ageing. Subject to revision. Type 4TH5, 4TH6, 4TH6N | RE 64 555/04.06 Notes 12/12
  • 238.
    © This document,as well as the data, specifications and other information set forth in it, are the exclusive property of Bo- sch Rexroth AG. It may not be reproduced or given to third parties without its consent. The data specified above only serve to describe the product. No statements con- cerning a certain condition or suitability for a certain application can be derived from our information. The information given does not release the user from the obligation of own judgment and verification. It must be remembered that our products are subject to a natural process of wear and aging. Printed in Germany RE 09970/03.11 Replaces: 05.08 Mat. no. R961005147 Bosch Rexroth AG Drive Control Academy Bahnhofplatz 2 97070 Würzburg Phone: +49 (0)9352/18-1041 Fax: +49 (0)9352/18-6882 Email: academy@boschrexroth.de www.boschrexroth.com/academy