Volvo Truck Corporation
Curitiba, Brazil

Service Bulletin
Trucks
Date

Group

No.

Release

Page

11.2010

370

00

02

1(81)

Wiring diagrams
VM, CHID E122563–

Wiring diagrams
Contents
“Example of wiring diagram”, page 2
“List of sub-diagrams”, page 5
“Sub-diagrams”, page 7
“List of illustrations”, page 46
“Illustrations”, page 47
“Electrical centre”, page 71
“List of fuses”, page 72
“List of relays”, page 74
“List of connectors”, page 75
“List of components”, page 78
“Electrical cables colours”, page 81

88988316
ENG44121

English
Printed in Brazil
Volvo Truck Corporation
Service Bulletin

Date
11.2010

Group

No.

Release

370

00

02

Page
2(81)

Example of wiring diagram
Example of wiring diagram

Title of component wiring diagram, variant/subtitle and symbol.

Coordinates (Line B Column 1).

+ Battery voltage.
+ 30 Voltage with S12 key connected (main switch).
+ DR Voltage with the ignition key in the drive position, the
preheating position and the start position.

Connection point
Volvo Truck Corporation
Service Bulletin

Date
11.2010

Group

No.

Release

370

00

02

Page
3(81)

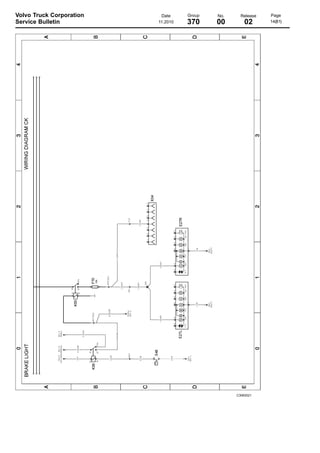
Fuse.

Reference arrow for BA wiring diagram, coordinate 0 C,
component A17, connector PA, pin 29.

The maximum number of variants has been included in this
wiring diagram. Therefore, remember that not all of the
components and cables listed here will be installed in your
vehicle. Their presence or absence will depend on the variants which are used in your vehicle.

Switch

Relay.

Conduction path on the printed circuit board.

Connector MB pin 9.
Volvo Truck Corporation
Service Bulletin

Date
11.2010

Group

No.

Release

370

00

02

Page
4(81)

Cable section and colour

Single lines, cables

Connection to ground on the printed circuit board.

Wireless connection to ground.

The same connection point can be shown for several diagrams. The cable from the connection point to ground is
depicted and coded in only one diagram (ZC connections
to ground). In the other diagrams it is shown as in the picture.
Volvo Truck Corporation
Service Bulletin

Date
11.2010

Group

No.

Release

370

00

02

Page
5(81)

List of sub-diagrams
List of sub-diagrams
AA
BA
BB
BX
BY
CE
CG
CK
CL
CN
DL
EA
EE
EF
ER
EV
EX
EZ
FA
FW
GA
HA
HC
HD
HG
HM
JA
KA
KH
LD
LS
LT
MA

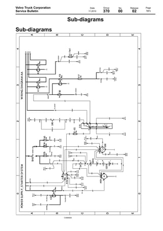
Electric current power supply, starter system ......................................................................

“”, page 7

Engine ECU.........................................................................................................................

“”, page 8

Gateway ..............................................................................................................................

“”, page 9

Telematics ...........................................................................................................................

“”, page 10

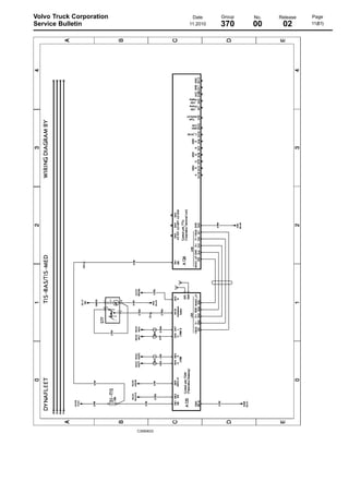
Dynafleet .............................................................................................................................

“”, page 11

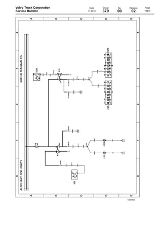
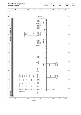
Full beam light, position light, parking light, spotlight ..........................................................

“”, page 12

Fog light, rear fog light.........................................................................................................

“”, page 13

Brake light ...........................................................................................................................

“”, page 14

Engine brake .......................................................................................................................

“”, page 15

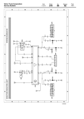
Direction indicator, warning light..........................................................................................

“”, page 16

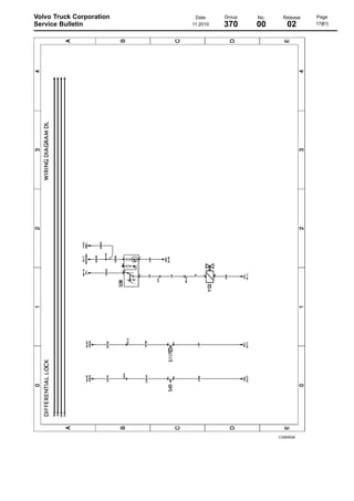
Differential lock ....................................................................................................................

“”, page 17

Reverse light .......................................................................................................................

“”, page 18

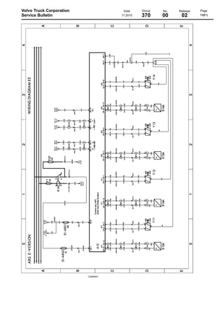
ABS e-version .....................................................................................................................

“”, page 19

ABS trailer connection.........................................................................................................

“”, page 20

Interior lighting, L1H1/ L2H1................................................................................................

“”, page 21

Cigarette lighter ...................................................................................................................

“”, page 22

Auxiliary socket 12V ............................................................................................................

“”, page 23

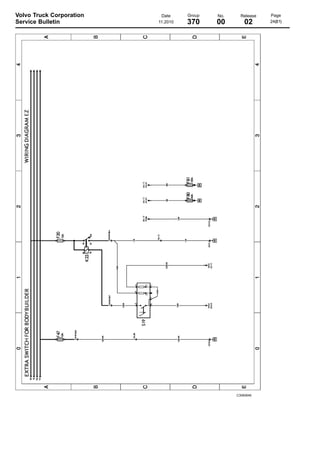
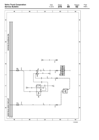
Extra switch for implement ..................................................................................................

“”, page 24

Horn.....................................................................................................................................

“”, page 25

Fifth wheel lighting...............................................................................................................

“”, page 26

Windscreen wiper and washer ............................................................................................

“”, page 27

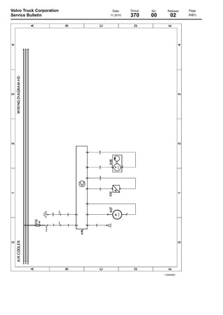
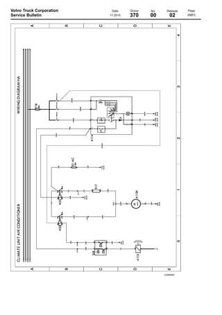
Climate unit .........................................................................................................................

“”, page 28

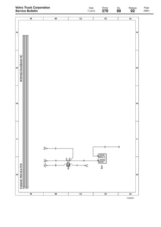
Engine preheater.................................................................................................................

“”, page 29

Climate unit .........................................................................................................................

“”, page 30

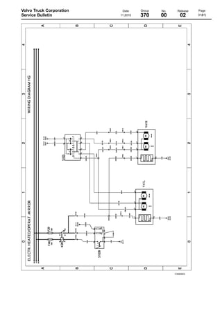
Electrically heated rear view mirrors ...................................................................................

“”, page 31

Electrically heated fuel filter.................................................................................................

“”, page 32

Radio ...................................................................................................................................

“”, page 33

Electric window control ........................................................................................................

“”, page 34

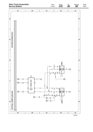
Doors central lock................................................................................................................

“”, page 35

Power take-off .....................................................................................................................

“”, page 36

Range gear inhibitor ............................................................................................................

“”, page 37

First gear inhibitor................................................................................................................

“”, page 38

Bogie ...................................................................................................................................

“”, page 39

MB

Splitter gear inhibitor ...........................................................................................................

“”, page 40
Volvo Truck Corporation
Service Bulletin

MC
NA
NC
OA
ZA

Date
11.2010

Group

No.

Release

370

00

02

Page
6(81)

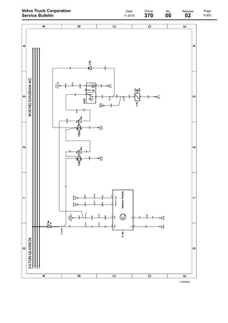
Gearbox, F16108LL ............................................................................................................

“”, page 41

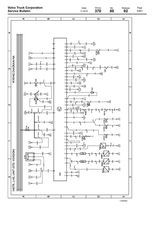
Instruments, LHS.................................................................................................................

“”, page 42

Tachograph..........................................................................................................................

“”, page 43

Implement interior light (Van)...............................................................................................

“”, page 44

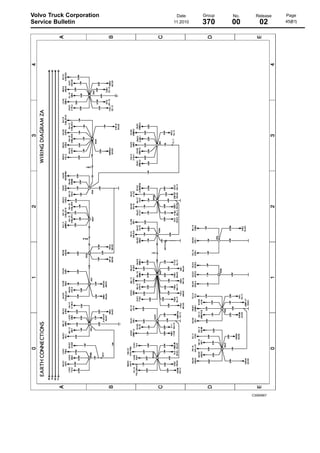
Earth connections................................................................................................................

“”, page 45
Volvo Truck Corporation
Service Bulletin

Date
11.2010

Group

No.

Release

370

00

02

Sub-diagrams
Sub-diagrams

C3060629

Page
7(81)
Volvo Truck Corporation
Service Bulletin

Date
11.2010

C3060630

Group

No.

Release

370

00

02

Page
8(81)
Volvo Truck Corporation
Service Bulletin

Date
11.2010

C3060631

Group

No.

Release

370

00

02

Page
9(81)
Volvo Truck Corporation
Service Bulletin

Date
11.2010

C3060632

Group

No.

Release

370

00

02

Page
10(81)
Volvo Truck Corporation
Service Bulletin

Date
11.2010

C3060633

Group

No.

Release

370

00

02

Page
11(81)
Volvo Truck Corporation
Service Bulletin

Date
11.2010

C3060634

Group

No.

Release

370

00

02

Page
12(81)
Volvo Truck Corporation
Service Bulletin

Date
11.2010

Group

No.

Release

370

00

02

C3060635

Page
13(81)
Volvo Truck Corporation
Service Bulletin

Date
11.2010

Group

No.

Release

370

00

02

C3062021

Page
14(81)
Volvo Truck Corporation
Service Bulletin

Date
11.2010

Group

No.

Release

370

00

02

C3060637

Page
15(81)
Volvo Truck Corporation
Service Bulletin

Date
11.2010

Group

No.

Release

370

00

02

C3060638

Page
16(81)
Volvo Truck Corporation
Service Bulletin

Date
11.2010

Group

No.

Release

370

00

02

C3060639

Page
17(81)
Volvo Truck Corporation
Service Bulletin

Date
11.2010

Group

No.

Release

370

00

02

C3060640

Page
18(81)
Volvo Truck Corporation
Service Bulletin

Date
11.2010

C3060641

Group

No.

Release

370

00

02

Page
19(81)
Volvo Truck Corporation
Service Bulletin

Date
11.2010

C3060642

Group

No.

Release

370

00

02

Page
20(81)
Volvo Truck Corporation
Service Bulletin

Date
11.2010

Group

No.

Release

370

00

02

C3060643

Page
21(81)
Volvo Truck Corporation
Service Bulletin

Date
11.2010

Group

No.

Release

370

00

02

C3060644

Page
22(81)
Volvo Truck Corporation
Service Bulletin

Date
11.2010

Group

No.

Release

370

00

02

C3060645

Page
23(81)
Volvo Truck Corporation
Service Bulletin

Date
11.2010

Group

No.

Release

370

00

02

C3060646

Page
24(81)
Volvo Truck Corporation
Service Bulletin

Date
11.2010

C3060647

Group

No.

Release

370

00

02

Page
25(81)
Volvo Truck Corporation
Service Bulletin

Date
11.2010

Group

No.

Release

370

00

02

C3060648

Page
26(81)
Volvo Truck Corporation
Service Bulletin

Date
11.2010

Group

No.

Release

370

00

02

C3060649

Page
27(81)
Volvo Truck Corporation
Service Bulletin

Date
11.2010

Group

No.

Release

370

00

02

C3060650

Page
28(81)
Volvo Truck Corporation
Service Bulletin

Date
11.2010

Group

No.

Release

370

00

02

C3060651

Page
29(81)
Volvo Truck Corporation
Service Bulletin

Date
11.2010

Group

No.

Release

370

00

02

C3060652

Page
30(81)
Volvo Truck Corporation
Service Bulletin

Date
11.2010

Group

No.

Release

370

00

02

C3060653

Page
31(81)
Volvo Truck Corporation
Service Bulletin

Date
11.2010

C3060654

Group

No.

Release

370

00

02

Page
32(81)
Volvo Truck Corporation
Service Bulletin

Date
11.2010

C3060655

Group

No.

Release

370

00

02

Page
33(81)
Volvo Truck Corporation
Service Bulletin

Date
11.2010

Group

No.

Release

370

00

02

C3060656

Page
34(81)
Volvo Truck Corporation
Service Bulletin

Date
11.2010

Group

No.

Release

370

00

02

C3060657

Page
35(81)
Volvo Truck Corporation
Service Bulletin

Date
11.2010

Group

No.

Release

370

00

02

C3060658

Page
36(81)
Volvo Truck Corporation
Service Bulletin

Date
11.2010

Group

No.

Release

370

00

02

C3060659

Page
37(81)
Volvo Truck Corporation
Service Bulletin

Date
11.2010

Group

No.

Release

370

00

02

C3060660

Page
38(81)
Volvo Truck Corporation
Service Bulletin

Date
11.2010

Group

No.

Release

370

00

02

C3060661

Page
39(81)
Volvo Truck Corporation
Service Bulletin

Date
11.2010

Group

No.

Release

370

00

02

C3060662

Page
40(81)
Volvo Truck Corporation
Service Bulletin

Date
11.2010

Group

No.

Release

370

00

02

C3060663

Page
41(81)
Volvo Truck Corporation
Service Bulletin

Date
11.2010

Group

No.

Release

370

00

02

C3060664

Page
42(81)
Volvo Truck Corporation
Service Bulletin

Date
11.2010

Group

No.

Release

370

00

02

C3060665

Page
43(81)
Volvo Truck Corporation
Service Bulletin

Date
11.2010

Group

No.

Release

370

00

02

C3060666

Page
44(81)
Volvo Truck Corporation
Service Bulletin

Date
11.2010

Group

No.

Release

370

00

02

C3060667

Page
45(81)
Volvo Truck Corporation
Service Bulletin

Date
11.2010

Group

No.

Release

370

00

02

Page
46(81)

List of illustrations
List of illustrations
-

Cable harness, climate unit water pump..............................................................................

“”, page 47

1000

Cable harness, instruments ................................................................................................

“”, page 48

1006

Cable harness, cab upper part L1H1...................................................................................

“”, page 50

1006

Cable harness, cab upper part L2H1...................................................................................

“”, page 51

1012

Cable harness, steering wheel ............................................................................................

“”, page 52

1020

Cable harness, headlights ...................................................................................................

“”, page 53

1030

Cable harness, engine.........................................................................................................

“”, page 55

1040

Cable harness, rear lighting.................................................................................................

“”, page 57

1057

Cable harness, fuel tank sensor / wear indicator for the brake pad, RHS ...........................

“”, page 59

1057

Cable harness, connection block sensors / left-hand brake pad wear indicator, TRACTOR

“”, page 60

1057

Cable harness, connection block sensors / left-hand brake pad wear indicator, RIGID ......

“”, page 61

1063

Cable harness, trailer...........................................................................................................

“”, page 62

1083-B

Cable harness, driver door ..................................................................................................

“”, page 64

1083-C

Cable harness, passenger door...........................................................................................

“”, page 65

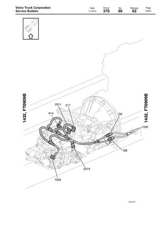
1432

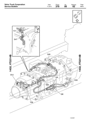
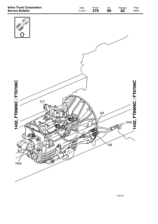
Cable harness, gearbox.......................................................................................................

“”, page 66

1501

Cable harness, front ............................................................................................................

“”, page 70
Volvo Truck Corporation
Service Bulletin

Date
11.2010

Group

No.

Release

370

00

02

Illustrations
Illustrations

C3002327

Page
47(81)
Volvo Truck Corporation
Service Bulletin

Date
11.2010

Group

No.

Release

370

00

02

C3029916

Page
48(81)
Volvo Truck Corporation
Service Bulletin

Date
11.2010

Group

No.

Release

370

00

02

C3029571

Page
49(81)
Volvo Truck Corporation
Service Bulletin

Date
11.2010

Group

No.

Release

370

00

02

C3029572

Page
50(81)
Volvo Truck Corporation
Service Bulletin

Date
11.2010

Group

No.

Release

370

00

02

C3029612

Page
51(81)
Volvo Truck Corporation
Service Bulletin

Date
11.2010

Group

No.

Release

370

00

02

C3029762

Page
52(81)
Volvo Truck Corporation
Service Bulletin

Date
11.2010

Group

No.

Release

370

00

02

C3029763

Page
53(81)
Volvo Truck Corporation
Service Bulletin

Date
11.2010

Group

No.

Release

370

00

02

C3029900

Page
54(81)
Volvo Truck Corporation
Service Bulletin

Date
11.2010

Group

No.

Release

370

00

02

C3002372

Page
55(81)
Volvo Truck Corporation
Service Bulletin

Date
11.2010

Group

No.

Release

370

00

02

C3002371

Page
56(81)
Volvo Truck Corporation
Service Bulletin

Date
11.2010

Group

No.

Release

370

00

02

C3002321

Page
57(81)
Volvo Truck Corporation
Service Bulletin

Date
11.2010

Group

No.

Release

370

00

02

C3002320

Page
58(81)
Volvo Truck Corporation
Service Bulletin

Date
11.2010

Group

No.

Release

370

00

02

C3002329

Page
59(81)
Volvo Truck Corporation
Service Bulletin

Date
11.2010

Group

No.

Release

370

00

02

C3029808

Page
60(81)
Volvo Truck Corporation
Service Bulletin

Date
11.2010

Group

No.

Release

370

00

02

C3029814

Page
61(81)
Volvo Truck Corporation
Service Bulletin

Date
11.2010

Group

No.

Release

370

00

02

C3002324

Page
62(81)
Volvo Truck Corporation
Service Bulletin

Date
11.2010

Group

No.

Release

370

00

02

C3002323

Page
63(81)
Volvo Truck Corporation
Service Bulletin

Date
11.2010

Group

No.

Release

370

00

02

C3029780

Page
64(81)
Volvo Truck Corporation
Service Bulletin

Date
11.2010

Group

No.

Release

370

00

02

C3029785

Page
65(81)
Volvo Truck Corporation
Service Bulletin

Date
11.2010

Group

No.

Release

370

00

02

C3029807

Page
66(81)
Volvo Truck Corporation
Service Bulletin

Date
11.2010

Group

No.

Release

370

00

02

C3001871

Page
67(81)
Volvo Truck Corporation
Service Bulletin

Date
11.2010

Group

No.

Release

370

00

02

C3001873

Page
68(81)
Volvo Truck Corporation
Service Bulletin

Date
11.2010

Group

No.

Release

370

00

02

C3029934

Page
69(81)
Volvo Truck Corporation
Service Bulletin

Date
11.2010

Group

No.

Release

370

00

02

C3002322

Page
70(81)
Volvo Truck Corporation
Service Bulletin

Date
11.2010

Group

No.

Release

370

00

02

Electrical centre
Electrical centre

C3029921

Page
71(81)
Volvo Truck Corporation
Service Bulletin

Date
11.2010

Group

No.

Release

370

00

02

Page
72(81)

List of fuses
List of fuses
F1

Splitter.................................................................................................................................

(MB 0 A) (EE
1 A)

F2

Parking light, front...............................................................................................................

(CE 0 B)

F3

Position light ......................................................................................................................

(CE 1 B)

F4

Trailer position lamp ...........................................................................................................

(CE 1 B)

F5

Bodybuilder position lamp...................................................................................................

(CE 2 B)

F7

Power take-off.....................................................................................................................

(LD 1 A)

F8

Fog lamp.............................................................................................................................

(CG 1 A)

F12

Lamp, full and dipped beam light........................................................................................

(CE 2 A)

F13

Lamp, full and dipped beam light........................................................................................

(CE 3 A)

F14

Lamp, position light.............................................................................................................

(CE 3 A)

F16

Tachograph / instrument panel / EDC diagnosis / extra EDC relay ....................................

(NA 1 A)

F17

30V Converter.....................................................................................................................

(AA 3 C)

F18

Air conditioning ..................................................................................................................

(HA 3 A)

F19

Fuel filter heater..................................................................................................................

(HM 1 A)

F20

Connection socket for implement .......................................................................................

(EZ 2 A)

F21

Implement switch ................................................................................................................

(OA 0 A)

F22

Climate unit.........................................................................................................................

(HD 0 A)

F23

Internal lighting ..................................................................................................................

(ER 2 A)

F24

Electric windows .................................................................................................................

(KA 0 A)

F25

Tachograph, 5A...................................................................................................................

(AA 1 A)

F26

Horn ....................................................................................................................................

(FA 0 C)

F27

ABS trailer...........................................................................................................................

(EE 2 A)

F28

Internal lighting ...................................................................................................................

(OA 2 A)

F29

Rear view mirror demister...................................................................................................

(HG 0 A)

F30

Cigarette lighter ..................................................................................................................

(AA 3 B)

F32

Windscreen wiper ...............................................................................................................

(GA 1 A)

F33

Fifth wheel light...................................................................................................................

(FW 0 A)

F34

Warning lamps....................................................................................................................

(AA 1 A)

F35

3rd axle lift (6x2) .................................................................................................................

(MA 1 A)

F36

Control Unit, F16108LL gearbox ........................................................................................

(MC 0 A)

F37

Lamp, internal lighting.........................................................................................................

(ER 3 A)

F43

12V Converter / Radio ........................................................................................................

(EX 0 A)

F45

Door central locking ............................................................................................................

(AA 1 A)

F46

Auxiliary fuel heater relay / rear view mirror demister relay / trailer brake relay / reverse
lamp ....................................................................................................................................

(HG 0 A) (HM
1 A) (EA 0 A)

F47

Connection socket for implement .......................................................................................

(EZ 0 A)

F49

Range gear inhibitor relay...................................................................................................

(LS 0 A)

F70

Lamp, brake light ................................................................................................................

(CK 1 B)

F80

Main switch .........................................................................................................................

(EZ 2 D)
Volvo Truck Corporation
Service Bulletin
F81

Date
11.2010

Group

No.

Release

370

00

02

Main switch .........................................................................................................................

Page
73(81)

(EZ 2 D)
Volvo Truck Corporation
Service Bulletin

Date
11.2010

Group

No.

Release

370

00

02

Page
74(81)

List of relays
List of relays
K1

Extra fuse / bodybuilder ....................................................................................................

(AA 3 A)

K2

Extra fuse / bodybuilder ....................................................................................................

(AA 4 A)

K3

Windscreen wiper .............................................................................................................

(GA 1 A)

K5

Parking light ......................................................................................................................

(CE 1 A)

K6

Extra equipment................................................................................................................

(AA 3 B)

K9

Front fog lamp...................................................................................................................

(CG 1 B)

K10

Rear fog lamp ...................................................................................................................

(CG 3 B)

K11

Headlamps........................................................................................................................

(CE 2 A)

K12

Full beam ..........................................................................................................................

(CE 3 B)

K13

Spot lamp..........................................................................................................................

(CE 3 B)

K14

ABS...................................................................................................................................

(EE 1 A)

K20

Rear view mirror demister.................................................................................................

(HG 0 B)

K21

Intermittent windscreen wiper1 ..........................................................................................

(GA 1 D)

K23

Extra - bodybuilder............................................................................................................

(EZ 2 B)

K24

Range gear inhibitor .........................................................................................................

(LS 0 B)

K32

Direction indicators ...........................................................................................................

(CN 0 C)

K33

Start switch .......................................................................................................................

(AA 0 B)

K34

5th wheel lighting ..............................................................................................................

(FW 1 C)

K35

Reverse light, trailer ..........................................................................................................

(EA 3 B)

K38

Relay, polarity change.......................................................................................................

(CK 0 B)

preheating2

K40

Engine

...........................................................................................................

(HC 0 B)

K41

Fuel filter heater ................................................................................................................

(HM 1 B)

K43

Extra .................................................................................................................................

(NA 2 A)

K50

Brake light .........................................................................................................................

(CK 1 B)

K51

Air conditioning ................................................................................................................

(HA 1 B)

K53

Air conditioning ................................................................................................................

(HA 0 B)

K80

1st gear inhibitor ...............................................................................................................

(LT 0 B)

K84

Gearbox split.....................................................................................................................

(MB 0 B)

K85

Gearbox safety mode, F16108LL .....................................................................................

(MC 2 B)

K85A

Gearbox safety mode, F16108LL .....................................................................................

(MC 2 B)

K90

Inside implement lamp ......................................................................................................

(OA 2 B)

1Relay
2Relay

located behind the front panel of the vehicle.
located inside the battery box.
Volvo Truck Corporation
Service Bulletin

Date
11.2010

Group

No.

Release

370

00

02

List of connectors
List of connectors
ABS1:1

(EE 0 B)

AG:19

(MB 0 C) (MC 3 C)

WHITE:A7

(AA 1 B)

ABS1:2

(EE 0 B)

AG:20

(CN 1 D)

WHITE:A8

(ZA 2 C)

ABS1:3

(EE 2 B)

AG:21

(CN 1 E)

WHITE:A9

(LS 0 B)

ABS1:4

(EE 2 B)

YELLOW8:3

(EX 0 B)

WHITE:A12

(HA 3 B)

ABS1:5

(EE 3 B)

YELLOW8:8

(CE 1 C)

WHITE:A13

(HA 3 B)

ABS1:6

(EE 2 B)

YELLOW:A1

(CE 1 C)

WHITE:B1

(FA 0 C)

ABS1:7

(EE 2 B)

YELLOW:A2

(NA 1 B)

WHITE:B2

(OA 2 B)

ABS1:8

(EE 4 C)

YELLOW:A3

(NA 1 B)

WHITE:B4

(CE 2 B)

ABS2:1

(EE 0 C)

YELLOW:A4

(CG 3 C)

WHITE:B5

(AA 3 D)

ABS2:2

(EE 0 C)

YELLOW:A5

(HA 2 B)

WHITE:B6

(AA 4 D)

ABS2:3

(EE 1 C)

YELLOW:A6

(GA 1 B)

WHITE:B7

(CG 3 B)

ABS2:4

(EE 1 C)

YELLOW:A7

(MB 0 B)

WHITE:B8

(CE 2 B)

ABS2:5

(EE 2 C)

YELLOW:A9

(AA 4 B)

WHITE:B9

(CE 3 B)

ABS2:6

(EE 2 C)

YELLOW:A11

(AA 0 B)

WHITE:B10

(CE 1 B)

ABS2:7

(EE 3 C)

YELLOW:A12

(AA 0 B)

WHITE:B11

(CE 4 A)

ABS2:8

(EE 3 C)

YELLOW:A13

(AA 0 B)

CA:1

(NA 1 C)

ABS3:1

(EE 0 C)

YELLOW:B1

(CE 2 C)

CA:2

(NA 2 D)

ABS3:2

(EE 0 C)

YELLOW:B2

(NA 2 B)

CA:3

(CN 3 D)

ABS3:3

(EE 1 C)

YELLOW:B3

(EA 0 B)

CA:4

(CN 3 D)

ABS3:4

(EE 1 C)

YELLOW:B4

(CG 2 C)

CA:9

(NA 1 D)

ABS3:5

(EE 2 C)

YELLOW:B6

(GA 2 B)

CA:10

(NA 2 E)

ABS3:6

(EE 2 C)

YELLOW:B7

(GA 1 B)

CB:1

(ER 3 D)

ABS3:7

(EE 3 C)

YELLOW:B8

(AA 1 B)

CB:2

(ER 3 B)

ABS3:8

(EE 3 C)

YELLOW:B9

(AA 2 B)

CB:3

(NK 3 B)

AG:1

(ZA 1 C)

YELLOW:B10

(AA 3 C)

CB:4

(NK 3 B)

AG:2

(NA 1 C)

YELLOW:B11

(AA 3 C)

CB:5

(NK 3 B)

AG:3

(NA 1 D)

YELLOW:B12

(AA 0 B)

CB:6

(NK 1C)

AG:4

(AA 1 C)

BB1:2

(LD 1 B)

CB:7

(NK 3 C)

AG:5

(NA 2 C)

BB1:4

(LD 0 B)

CB:8

(NK 3 C)

AG:6

(MA 1 C)

BB1:5

(LD 0 B)

CLA:1

(BY 0 B)

AG:7

(CL 1 B)

BB1:6

(LD 1 C)

CLA:2

(BY 0 C)

AG:8

(NA 1 C)

BB1:7

(LD 1 C)

CLA:3

(BY 1 C)

AG:9

(CK 0 C)

WHITE8:2

(CK 0 B)

CLA:4

(BY 2 B)

AG:10

(NA 2 C)

WHITE8:4

(FW 0 B)

CLA:5

(BY 2 B)

AG:11

(FW 1 C)

WHITE8:5

(EZ 0 B)

CLA:6

(BY 4 B)

AG:12

(NA 3 B)

WHITE8:6

(CK 1 B)

CLA:7

(BY 4 C)

AG:13

(CL 1 C)

WHITE:A1

(MA 1 B)

CLA:8

(BY 4 D)

AG:14

(NA 2 D)

WHITE:A2

(FA 0 C)

CLB:1

(BY 1 D)

AG:15

(DL 1 B)

WHITE:A3

(OA 0 B)

CLB:2

(BY 1 D)

AG:16

(HM 0 B)

WHITE:A4

(CE 0 B)

CLB:4

(BY 3 C)

AG:17

(HM 0 D)

WHITE:A5

(CE 2 B)

CLB:6

(BY 2 D)

AG:18

(NA 4 C)

WHITE:A6

(CE 3 B)

CLB:7

(BY 2 D)

Page
75(81)
Volvo Truck Corporation
Service Bulletin

Date
11.2010

Group

No.

Release

370

00

02

CLB:8

(BY 1 D)

DDA:6

(KA 0 B) (KB 0 A)

EC:21

(BA 2 D)

GREY2:1

(AA 0 A)

DDA:7

(KH 1 D)

ED:1

(BA 0 B)

GREY2:2

(AA 0 A)

DDA:8

(KH 0 D)

ED:2

(BA 0 B)

GREY8:2

(CG 1 C)

DDB:1

(ZA 3 B)

ED:3

(BA 0 B)

GREY8:3

(CG 0 B)

DDB:2

(HG 1 C)

ED:4

(BA 0 B)

GREY8:4

(CG 1 C)

DDB:3

(HG 2 C)

ED:5

(BA 0 B)

GREY8:5

(CE 1 C)

DDB:4

(HG 2 C)

ED:6

(BA 3 A)

GREY8:6

(CE 4 B)

DDB:5

(HG 2 C)

ED:7

(NA 3 C)

GREY8:7

(CE 3 B)

DDB:6

(KB 2 C)

ED:8

(BA 1 B)

GREY8:8

(CE 3 B)

DDB:7

(KB 2 D)

ED:9

(BA 1 B)

CP:3

(MC 3 B)

DDB:8

(KB 1 D)

ED:10

(BA 2 B)

CP:6

(MC 3 B)

DPA:1

(KH 1 C)

ED:11

(BA 1 C)

CP:7

(MC 3 C)

DPA:2

(ER 0 C)

ED:12

(BA 1 B)

CU:1

(ER 2 B)

DPA:3

(KA 1 C) (KB 1 C)

ED:13

(NA 4 C)

CU:2

(HD 0 B)

DPA:4

(KA 1 C) (KB 1 C)

ED:14

(BA 2 C)

CU:3

(HD 1 B)

DPA:5

(KA 2 D) (KB 0 B)

ED:15

(BA 2 B)

CU:4

(JA 1 B)

DPA:6

(KH 2 D)

ED:16

(BA 2 C)

CU:5

(CE 1 C)

DPA:7

(KH 2 D)

ED:17

(CL 1 C)

CU:6

(ER 1 C)

DPA:8

(ZA 2 B)

ED:18

(CL 1 B)

CU:7

(JA 1 B)

DPB:1

(HG 2 C)

ED:19

(BA 1 C)

CX:1

(GA 1 C)

DPB:2

(HG 2 C)

ED:20

(NA 3 C)

CX:2

(FA 0C)

DPB:3

(HG 2 C)

ED:21

(LT 0 C)

CX:3

(GA 2 C)

DPB:4

(HG 2 C)

EE:1

(BA 1 B)

CX:4

(GA 1 C)

DPB:5

(KB 1 D)

EE:2

(BA 1 B)

CX:5

(GA 1 C)

DPB:6

(KB 1 D)

EE:3

(BA 0 B)

CX:6

(GA 1 B)

DPB:7

(KB 0 D)

EE:4

(BA 0 B)

CX:7

(GA 1 C)

DPB:8

(KB 0 D)

EG:1

(AA 0 C)

CY:1

(CE 0 B)

EC:1

(BA 2 C)

EL:1

(CE 2 B)

CY:2

(CE 1B)

EC:2

(BA 2 C)

EL:2

(FA 0 D)

CY:3

(CE 4 A)

EC:3

(BA 1 C)

EL:3

(CE 2 B)

CY:4

(FA 0A)

EC:4

(BA 1 C)

EL:4

(CN 1 D)

CY:5

(CG 0 C)

EC:5

(NA 3 B)

EL:5

(CE 0 C)

CY:6

(CN 1 B)

EC:6

(BA 2 B)

EL:8

(FA 1 D)

CY:7

(CN 1 B)

EC:7

(BA 1 D)

EL:10

(CE 3 B)

CY:8

(CG 3 B)

EC:8

(HA 0 B)

EL:11

(ZA 3 C)

CZ:1

(BA 1 B)

EC:9

(HA 0 C)

EL:12

(CN 2 D)

CZ:2

(BA 1 A)

EC:10

(CL 0 B)

EL:13

(CG 1 C)

CZ:4

(BA 2 B)

EC:11

(HA 1 B)

EL:14

(CE 3 C)

CZ:5

(BA 2 B)

EC:12

(CL 0 C)

EL:15

(CE 3 D)

CZ:6

(BA 2 A)

EC:13

(MC 0 B)

EN:1

(EA 0 B)

CZ:7

(BA 1 B)

EC:14

(MC 1 B)

EN:2

(NA 2 C)

DDA:1

(KH 0 C)

EC:15

(BA 1 D)

EN:3

(HA 0 B)

DDA:2

(ER 0 C)

EC:16

(NA 3 B)

EN:4

(NA 1 C)

DDA:3

(KA 2 D) (KB 2 C)

EC:17

(BA 0 D)

EN:5

(NA 3 D)

DDA:4

(KA 1 C) (KB 1 B)

EC:18

(BA 0 D)

EN:6

(AA 1 D)

DDA:5

(KA 1 C) (KB 1 B)

EC:20

(BA 2 D)

EN:8

(LD 2 B)

Page
76(81)
Volvo Truck Corporation
Service Bulletin

Date
11.2010

Group

No.

Release

370

00

02

EN:9

(HM 1 C)

RA:4

(EA 1 B)

RED:A10

(CE 0 C)

EN:10

(AA 2 C)

RA:5

(DL 0 B)

RED:A11

(CE 0 C)

EN:11

(EA 0 B)

RA:7

(NC 1 C)

RED:A12

(NA 2 B)

EN:12

(NA 0 C)

RA:12

(CE 2 C)

RED:B1

(EX 0 B)

EN:13

(AA 2 D)

RA:13

(EZ 2 C)

RED:B2

(ER 3 B)

EN:14

(LS 0 C)

RA:14

(CN 3 D)

RED:B3

(EA 1 B)

EN:15

(LS 0 C)

RA:15

(CE 0 C)

RED:B4

(CE 1 C)

EN:16

(BA 0 D)

RA:16

(CG 3 C)

RED:B5

(CE 1 C)

EN:17

(BA 1 D)

RA:17

(OA 2 C)

RED:B6

(AA 3 D)

EN:18

(NC 0 C)

RA:18

(OA 1 C)

RED:B7

(AA 3 B)

EN:19

(NC 0 C)

RA:19

(OA 0 C)

RED:B9

(ER 1 B)

EN:20

(NC 0 C)

RA:20

(EZ 0 C)

VIOLET8:1

(HD 0 A)

EN:21

(NC 0 C)

TC:4

(EA 3 C)

VIOLET8:3

(HM 0 B)

GA:1

(EA 0 C)

TC:5

(CE 1 D)

VIOLET8:6

(HM 1 B)

GA:2

(ZA 0 B)

TC:6

(CN 2 D)

VIOLET8:8

(CE 1 C)

GA:3

(NA 3 D) (MC 1 B)

TC:7

(CN 1 D)

WA:11

(GA 2 C)

GA:4

(LT 0 C) (MC 1 B)

TC:8

(CK 2 C)

WA:12

(GA 2 D)

GA:5

(EA 0 C)

TC:9

(CE 1 C)

WA:13

(GA 3 C)

GA:6

(LS 0 C) (MC 0 C)

TD:1

(BY 3 D)

WA:14

(GA 2 C)

GA:7

(LS 0 C) (MC 1 C

TD:2

(BY 2 D)

GB:1

(AA 2 B)

TD:3

(BY 2 D)

WA:15

(GA 3 C)

GB:2

(AA 2 A)

TD:4

(BY 2 D)

X21A:1

(OA 1 D)

GB:3

(NC 0 C)

TD:5

(BY 2 D)

X21A:2

(OA 2 D)

GB:4

(NC 0 C)

RED8:1

(HG 1 B)

X21A:3

(OA 0 D)

GB:5

(NC 0 C)

RED8:2

(AA 1 B)

X21A:4

(OA 2 D)

GB:6

(NC 0 C)

RED8:3

(HG 0 B)

X21B:1

(CE 2 D)

GB:7

(MC 1 D)

RED8:4

(KA 0 B)

X21B:2

(CE 3 D)

BROWN8:1

(AA 0 B)

RED8:5

(CE 1 C)

X21C:1

(LD 1 C)

BROWN8:2

(CE 2 C)

RED8:6

(HG 0 B)

X21C:2

(LD 1 C)

BROWN8:3

(CE 1 C)

RED8:7

(ER 0 B)

X21C:3

(LD 1 C)

BROWN8:4

(EZ 2 B)

RED8:8

(ER 4 B)

X21C:5

(LD 0 C)

BROWN8:7

(EZ 1 B)

RED:A1

(ER 2 B)

X21C:6

(LD 0 C)

BROWN8:8

(LD 1 B)

RED:A2

(CE 2 C)

X21D:1

(EZ 2 D)

BROWN:1

(AA 0 B)

RED:A3

(EA 0 B)

X21D:2

(EZ 2 D)

BROWN:2

(HM 1 B)

RED:A5

(CE 1 C)

X21D:3

(EZ 0 D)

BLACK2:2

(MC 0 B)

RED:A6

(AA 1 B)

X21VL:1

(BY 2 D)

RA:1

(CK 1 C)

RED:A7

(FW 1 B)

X21VL:2

(BY 2 D)

RA:2

(CN 0 D)

RED:A8

(ER 1 B)

X21VL:3

(BY 3 D)

RA:3

(CE 1 D)

RED:A9

(ER 1 B)

X21VL:4

(BY 3 D)

Page
77(81)
Volvo Truck Corporation
Service Bulletin

Date
11.2010

Group

No.

Release

370

00

02

Page
78(81)

List of components
List of components
B40A

Sensor, brake wear indicator, left-hand
side, front axle (NA 2 C)

B41A

Sensor, brake wear indicator, right-hand
side, front axle (NA 2 D)

B51

Sensor, fuel pressure (BA 3 B)

B52

Sensor, water level, water separator (HD
1 C)

Fuse connector (AA 2 C)

B60LF

Loudspeaker, left, front (JA 1 D)

51-TIS

Fuse connector (BY 0 B)

B60RF

Loudspeaker, right, front (JA 1 D)

51-TM1

Fuse connector (AA 4 B)

B63

Microphone, (handsfree) (JA 3 B)

A03

Combined instrument (NA 0 B)

B81

Sensor, water in fuel (BA 3 B)

A07

Radio (JA 0 C)

B118

Sensor, oil pressure (BA 3 B)

A11

Control unit, door locking (KH 0 B)

B133

Sensor, air filter restriction (NA 4 D)

A12

Control unit, ABS (EE 0 B)

B139

A31

Control unit, anti-theft alarm (NK 0 B)

Sensor, pressure, distributor pipe ( BA
4 B)

A33

Tachograph (NC 0 B)

B148

Sensor, pressure, turbo (BA 2 D)

A71

Hour recorder (NC 1 B)

B189

Speed sensor (BA 3 B)

A81

Control unit, Engine gateway (BA 0 D)

B190

Speed sensor (BA 4 B)

A96

Control unit, climate unit (HD 0 B)

BB

A113

Control unit, engine fan temperature (HA
0 D)

Interface with bodybuilder (CE 3 D) (CE
2 D) (OA 0 D) (OA 1 D) (OA 2 D) (EZ 2
D) (EZ 0 D)

A113A

Control unit, air conditioning fan motor
(HA 1 D)

E03L

Lamp, position light, left (CE 3 D)

E03R

Lamp, position light, right (CE 3 D)

A114

Control unit, temperature (HA 2 C)

E05

Lamp, fifth wheel light (FW 1 D)

A125

Control unit, TGW (BY 0 C)

E07L

Lamp, fog light, left (CG 1 D)

A126

Control unit, TTU (BY 2 C)

E07R

Lamp, fog light, right (CG 1 D)

A127

Control unit, engine (EDC) MID 128 (BA
0 C)

E12L

Lamp, outside roof light, left (CE 1 D)

E12R

Lamp, outside roof light, right (CE 1 D)

A144

Control Unit, gearbox F16108LL

E13LF

A146

Control unit, tracking system (BX 1 C)

Lamp, direction indicator light, left, front
(CN 1 D)

B06A

Sensor, air pressure, air tank, front (NA
0 D)

E13LS

Lamp, direction indicator light, side, left
(CN 1 D)

B06B

Sensor, air pressure, air tank, rear (NA
1D)

E13RF

Lamp, direction indicator light, right, front
(CN 2 D)

B07

Sensor, fuel level (NA 1 D)

E13RS

B12

Sensor, tachograph/speedometer (NC
0 D)

Lamp, direction indicator light, side, right
(CN 3 D)

E16DS

Lamp, door light (ER 0 C)

B13A

Sensor, wheel speed (EE 0 D)

E16PS

Lamp, door light (ER 0 C)

B14A

Sensor, wheel speed (EE 1 D)

E17A

Lamp, inside light (ER 2 C)

B15A

Sensor, wheel speed (EE 2 D)

E17RR

Lamp, inside light (ER 3 C)

B16A

Sensor, wheel speed (EE 3 D)

E23

Lamp, luggage compartment (OA 2 D)

B21

Sensor, coolant temperature, engine
(NA 0 D)

E27L

Rear lamp, left-hand module (CE 0 D)
(CG 2 D) (CK 0 D) (CN 0 D) (EA 1 C)

B21E

Sensor, coolant (BA 2 D)

E27R

B25

Sensor, accelerator pedal (BA 2 B)

Rear lamp, right-hand module (CE 0 D)
(CG 3 D) (CK 1 D) (CN 3 D) (EA 1 C)

51-ABS-1

Fuse connector (EE 0 B)

51-ABS-2

Fuse connector (EE 0 B)

51-ABS-3

Fuse connector (EF 0 B)

51-AC

Fuse connector (HA 1 B)

51-EDC

Fuse connector (BA 0 A)

51-O

Fuse connector (EX 1 C)

51-SS
Volvo Truck Corporation
Service Bulletin

Date
11.2010

Group

No.

Release

370

00

02

Page
79(81)

S28A

Switch, power take-off (LD 3 B)

S41

Switch, main battery (AA 1 C)

S43

Pressure switch, parking brake indicator,
NF (normal closed) (NA 3 A)

Lamp, full and dipped beam light, right
(CE 0 D) (CE 3 C) (CN 2 D)

S44-L

Brake contact, inside light, left (ER 1 B)

E30RS

Lamp, full and dipped beam light, right
(CE 0 C) (CE 3 C)

S44-R

Brake contact, inside light, right (ER 1 B)

S45

E40

Side lamp, implement (CE 2 D)

Position switch, differential lock indicator,
NF (normal closed) or NA (normal open)
(DL 0 C)

G01A

Battery (AA 1 C)

S47

G01B

Battery (AA 1 D)

Position switch, low splitter gear indicator
(NA 3 D)

G02

Alternator (AA 1 D)

S47A

Splitter gear contact ( MB 0 C)

H01

Air-operated horn (FA 1 D)

S48

Closing contact, brake lights (CK 0 C)

H09

Electric horn (FA 0 D)

S49

Position switch, reverse lamps (EA 0 C)

M01

Motor, windscreen wiper (GA 2 D)

S57

M02

Motor, windscreen wiper pump (GA 0 D)

Switch, storage compartment lighting
(OA 1 B)

M04

Starter motor (AA 0 D)

S58B

Position switch, clutch pedal, NA (normal
open) (BA 1 B)

M06DS

Motor, electric window, driver’s side (KA
2 C) (KB 1 D)

S63

Contact, low range gear (LS 0 D)

M06PS

Motor, electric window, passenger’s side
(KA 1 D) (KB 0 D)

S76

Switch, position light (CE 3 C)

S77

Switch, emergency call (BY 1 B)

M09DS

Motor, door locking, driver’s side (KH 0
D)

S90

Position switch, neutral (AA 2 B)

S103

Motor, door locking, passenger’s side
(KH 1 D)

Switch, mirror with heating, adjustment
(HG 2 B)

S103B

Switch, mirror with heating (HG 0 C)

M27

Motor, roof cooler fan (HD 1 C)

S105

Switch, damage warning light (CN 2 B)

M28

Motor, roof cooler cleaner (HD 2 C)

S106_DD

R01

Heater, engine pre-heater (HC 0 D)

Switch, passenger’s electric window
(driver’s side) (KA 1 B) (KB 1 B)

R04

Cigarette lighter (EV 0 B)

S106_DP

Switch, passenger’s electric window (KA
1 D) (KB 1 C)

R05

Heater, air heater (HM 0 C)

S107

R09

Heater, fuel filter (HM 1 C)

Switch, driver’s electric window (KA 2 B)
(KB 2 B)

R14

Termination resistor (BA 0 C)

S117

R17

Resistor (HA 1 C)

Position switch, differential lock, between
axles (DL 1 C)

S02

Control lever, full/dipped beam (CG 0 C)
(CN 1 B)

S125

Switch, bodybuilder, lighting (OA 1 D)

S137

Switch, bodybuilder (not supplied by
Volvo) (LD 1 D)

S151

Rheostat, temperature control (NA 0 A)

E30LP

Lamp, full and dipped beam light, left
(CE 2 C) (CE 0 D) (CN 1 D)

E30LS

Lamp, full and dipped beam light, left
(CE 0 C) (CE 2 C)

E30RP

M09PS

S02A
S04
S06

Switch, full and dipped beam (CE 4 B)
(CE 1 A) (CE 0 A) (CG 3 A) (FA 0 B)
Switch, climate unit fan type selector
(HA 0 C)

S152

Switch, fifth wheel position 9 (FW 0 B)

S165

Control lever, windscreen wiper (GA 1
B) (BA 2 B)

Switch, Volvo Action Service, SAM (BY
2 B)

S191F

Contact, warning light, service brake
light (NA 1 D)

S191R

Contact, warning light, service brake
light (NA 1 D)

S192

Contact, warning light, oil pressure light
(NA 1 C)

S193

Switch, warning light, air conditioning
light, NF (normal closed) (NA 2 D)

S194

Switch, warning light, coolant, NA
(normal open) (NA 2 D)

S07

Switch, engine brake (CL 0 B)

S08

Switch, differential gear lock (DL 1 B)

S11

Switch, bogie (MA 1 B)

S15

Switch, ignition (AA 2 D)

S16

Switch, air horn (FA 1 C)

S19

Switch, extra (EZ 1 C)

S28

Closing contact, power take-off operation
(LD 2 C)
Volvo Truck Corporation
Service Bulletin

Date
11.2010

Group

No.

Release

370

00

02

Page
80(81)

X02

Trailer connector, ABS/EBS (EF 0 C)

X04

Trailer connector, 7 poles, 24 V

X07

Socket 12V (EX 1 D)

Switch, panic alarm (BX 2 B)

X10

B+ pass-through, cab (AA 0 B)

S232

Switch, F16108LL gearbox safety mode
(MC 3 B)

Y01

Solenoid valve, engine brake (CL 1 B)

Y05

Solenoid valve, bogie (MA 1 D)

sym234_68

Interface, implement (LD 0 C)

Y06

sym240_35

Interface, implement (LD 1 C)

Solenoid valve, range gear inhibitor (LS
0 D)

sym240_96

Interface, implement (BY 3 D)

Y27

sym241_99

Interface, implement (BY 3 D)

Solenoid valve, VT2214B low splitter
gear (MB 0 C)

sym242_99

Interface, implement (BY 2 D)

Y31

sym243_99

Interface, implement (BY 2 D)

Solenoid valve, first gear inhibitor (LT 0
D)

sym246_35

Interface, implement (LD 1 C)

Y33A

Solenoid valve, unit injector (BA 3 D)

sym247_35

Interface, implement (LD 1 C)

Y33B

Solenoid valve, unit injector (BA 3 D)

sym248_35

Interface, implement (LD 0 C)

Y33C

Solenoid valve, unit injector (BA 3 D)

U06R11

Voltage converter, 11A (EX 0 C)

Y33D

Solenoid valve, unit injector (BA 3 D)

U06R19

Voltage converter, 19A (EX 1 C)

Y33E

Solenoid valve, unit injector (BA 4 D)

V01

Diode (NA 2 D)

Y33F

Solenoid valve, unit injector (BA 4 D)

V03

Diode (CE 0 A)

Y41L

Electric rear view mirror, left (HG 0 D)

V04

Diode (CE 1 A)

Y41R

Electric rear view mirror, right (HG 2 D)

V05

Diode (MC 4 B)

Y79

X01

Vehicle diagnostic connector (BA 0 E)

Solenoid valve, F16108LL gearbox
safety mode (MC 3 C)

S196

Switch, 2-speed rear axle, NA (normal
open) (NC 1 D)

S206

Switch, diagnostic EDC MID 128 (BA 2
A)

S207
Volvo Truck Corporation
Service Bulletin

Date
11.2010

Group

No.

Release

370

00

02

Electrical cables colours
Electrical cables colours
BL ................................................

Blue

BN................................................

Brown

GN ...............................................

Green

GR ...............................................

Gray

I....................................................

Ivory

LBL ..............................................

Light blue

LBN..............................................

Light brown

OR ...............................................

Orange

P ..................................................

Pink

PU................................................

Purple

R ..................................................

Red

SB................................................

Black

VO ...............................................

Violet

W .................................................

White

Y ..................................................

Yellow

Note: If a cable has two colours, it will be marked according to the following example: Y/R = Yellow/Red.

Page
81(81)

volvo wiring diagram vm

  • 1.
    Volvo Truck Corporation Curitiba,Brazil Service Bulletin Trucks Date Group No. Release Page 11.2010 370 00 02 1(81) Wiring diagrams VM, CHID E122563– Wiring diagrams Contents “Example of wiring diagram”, page 2 “List of sub-diagrams”, page 5 “Sub-diagrams”, page 7 “List of illustrations”, page 46 “Illustrations”, page 47 “Electrical centre”, page 71 “List of fuses”, page 72 “List of relays”, page 74 “List of connectors”, page 75 “List of components”, page 78 “Electrical cables colours”, page 81 88988316 ENG44121 English Printed in Brazil
  • 2.
    Volvo Truck Corporation ServiceBulletin Date 11.2010 Group No. Release 370 00 02 Page 2(81) Example of wiring diagram Example of wiring diagram Title of component wiring diagram, variant/subtitle and symbol. Coordinates (Line B Column 1). + Battery voltage. + 30 Voltage with S12 key connected (main switch). + DR Voltage with the ignition key in the drive position, the preheating position and the start position. Connection point
  • 3.
    Volvo Truck Corporation ServiceBulletin Date 11.2010 Group No. Release 370 00 02 Page 3(81) Fuse. Reference arrow for BA wiring diagram, coordinate 0 C, component A17, connector PA, pin 29. The maximum number of variants has been included in this wiring diagram. Therefore, remember that not all of the components and cables listed here will be installed in your vehicle. Their presence or absence will depend on the variants which are used in your vehicle. Switch Relay. Conduction path on the printed circuit board. Connector MB pin 9.
  • 4.
    Volvo Truck Corporation ServiceBulletin Date 11.2010 Group No. Release 370 00 02 Page 4(81) Cable section and colour Single lines, cables Connection to ground on the printed circuit board. Wireless connection to ground. The same connection point can be shown for several diagrams. The cable from the connection point to ground is depicted and coded in only one diagram (ZC connections to ground). In the other diagrams it is shown as in the picture.
  • 5.
    Volvo Truck Corporation ServiceBulletin Date 11.2010 Group No. Release 370 00 02 Page 5(81) List of sub-diagrams List of sub-diagrams AA BA BB BX BY CE CG CK CL CN DL EA EE EF ER EV EX EZ FA FW GA HA HC HD HG HM JA KA KH LD LS LT MA Electric current power supply, starter system ...................................................................... “”, page 7 Engine ECU......................................................................................................................... “”, page 8 Gateway .............................................................................................................................. “”, page 9 Telematics ........................................................................................................................... “”, page 10 Dynafleet ............................................................................................................................. “”, page 11 Full beam light, position light, parking light, spotlight .......................................................... “”, page 12 Fog light, rear fog light......................................................................................................... “”, page 13 Brake light ........................................................................................................................... “”, page 14 Engine brake ....................................................................................................................... “”, page 15 Direction indicator, warning light.......................................................................................... “”, page 16 Differential lock .................................................................................................................... “”, page 17 Reverse light ....................................................................................................................... “”, page 18 ABS e-version ..................................................................................................................... “”, page 19 ABS trailer connection......................................................................................................... “”, page 20 Interior lighting, L1H1/ L2H1................................................................................................ “”, page 21 Cigarette lighter ................................................................................................................... “”, page 22 Auxiliary socket 12V ............................................................................................................ “”, page 23 Extra switch for implement .................................................................................................. “”, page 24 Horn..................................................................................................................................... “”, page 25 Fifth wheel lighting............................................................................................................... “”, page 26 Windscreen wiper and washer ............................................................................................ “”, page 27 Climate unit ......................................................................................................................... “”, page 28 Engine preheater................................................................................................................. “”, page 29 Climate unit ......................................................................................................................... “”, page 30 Electrically heated rear view mirrors ................................................................................... “”, page 31 Electrically heated fuel filter................................................................................................. “”, page 32 Radio ................................................................................................................................... “”, page 33 Electric window control ........................................................................................................ “”, page 34 Doors central lock................................................................................................................ “”, page 35 Power take-off ..................................................................................................................... “”, page 36 Range gear inhibitor ............................................................................................................ “”, page 37 First gear inhibitor................................................................................................................ “”, page 38 Bogie ................................................................................................................................... “”, page 39 MB Splitter gear inhibitor ........................................................................................................... “”, page 40
  • 6.
    Volvo Truck Corporation ServiceBulletin MC NA NC OA ZA Date 11.2010 Group No. Release 370 00 02 Page 6(81) Gearbox, F16108LL ............................................................................................................ “”, page 41 Instruments, LHS................................................................................................................. “”, page 42 Tachograph.......................................................................................................................... “”, page 43 Implement interior light (Van)............................................................................................... “”, page 44 Earth connections................................................................................................................ “”, page 45
  • 7.
    Volvo Truck Corporation ServiceBulletin Date 11.2010 Group No. Release 370 00 02 Sub-diagrams Sub-diagrams C3060629 Page 7(81)
  • 8.
    Volvo Truck Corporation ServiceBulletin Date 11.2010 C3060630 Group No. Release 370 00 02 Page 8(81)
  • 9.
    Volvo Truck Corporation ServiceBulletin Date 11.2010 C3060631 Group No. Release 370 00 02 Page 9(81)
  • 10.
    Volvo Truck Corporation ServiceBulletin Date 11.2010 C3060632 Group No. Release 370 00 02 Page 10(81)
  • 11.
    Volvo Truck Corporation ServiceBulletin Date 11.2010 C3060633 Group No. Release 370 00 02 Page 11(81)
  • 12.
    Volvo Truck Corporation ServiceBulletin Date 11.2010 C3060634 Group No. Release 370 00 02 Page 12(81)
  • 13.
    Volvo Truck Corporation ServiceBulletin Date 11.2010 Group No. Release 370 00 02 C3060635 Page 13(81)
  • 14.
    Volvo Truck Corporation ServiceBulletin Date 11.2010 Group No. Release 370 00 02 C3062021 Page 14(81)
  • 15.
    Volvo Truck Corporation ServiceBulletin Date 11.2010 Group No. Release 370 00 02 C3060637 Page 15(81)
  • 16.
    Volvo Truck Corporation ServiceBulletin Date 11.2010 Group No. Release 370 00 02 C3060638 Page 16(81)
  • 17.
    Volvo Truck Corporation ServiceBulletin Date 11.2010 Group No. Release 370 00 02 C3060639 Page 17(81)
  • 18.
    Volvo Truck Corporation ServiceBulletin Date 11.2010 Group No. Release 370 00 02 C3060640 Page 18(81)
  • 19.
    Volvo Truck Corporation ServiceBulletin Date 11.2010 C3060641 Group No. Release 370 00 02 Page 19(81)
  • 20.
    Volvo Truck Corporation ServiceBulletin Date 11.2010 C3060642 Group No. Release 370 00 02 Page 20(81)
  • 21.
    Volvo Truck Corporation ServiceBulletin Date 11.2010 Group No. Release 370 00 02 C3060643 Page 21(81)
  • 22.
    Volvo Truck Corporation ServiceBulletin Date 11.2010 Group No. Release 370 00 02 C3060644 Page 22(81)
  • 23.
    Volvo Truck Corporation ServiceBulletin Date 11.2010 Group No. Release 370 00 02 C3060645 Page 23(81)
  • 24.
    Volvo Truck Corporation ServiceBulletin Date 11.2010 Group No. Release 370 00 02 C3060646 Page 24(81)
  • 25.
    Volvo Truck Corporation ServiceBulletin Date 11.2010 C3060647 Group No. Release 370 00 02 Page 25(81)
  • 26.
    Volvo Truck Corporation ServiceBulletin Date 11.2010 Group No. Release 370 00 02 C3060648 Page 26(81)
  • 27.
    Volvo Truck Corporation ServiceBulletin Date 11.2010 Group No. Release 370 00 02 C3060649 Page 27(81)
  • 28.
    Volvo Truck Corporation ServiceBulletin Date 11.2010 Group No. Release 370 00 02 C3060650 Page 28(81)
  • 29.
    Volvo Truck Corporation ServiceBulletin Date 11.2010 Group No. Release 370 00 02 C3060651 Page 29(81)
  • 30.
    Volvo Truck Corporation ServiceBulletin Date 11.2010 Group No. Release 370 00 02 C3060652 Page 30(81)
  • 31.
    Volvo Truck Corporation ServiceBulletin Date 11.2010 Group No. Release 370 00 02 C3060653 Page 31(81)
  • 32.
    Volvo Truck Corporation ServiceBulletin Date 11.2010 C3060654 Group No. Release 370 00 02 Page 32(81)
  • 33.
    Volvo Truck Corporation ServiceBulletin Date 11.2010 C3060655 Group No. Release 370 00 02 Page 33(81)
  • 34.
    Volvo Truck Corporation ServiceBulletin Date 11.2010 Group No. Release 370 00 02 C3060656 Page 34(81)
  • 35.
    Volvo Truck Corporation ServiceBulletin Date 11.2010 Group No. Release 370 00 02 C3060657 Page 35(81)
  • 36.
    Volvo Truck Corporation ServiceBulletin Date 11.2010 Group No. Release 370 00 02 C3060658 Page 36(81)
  • 37.
    Volvo Truck Corporation ServiceBulletin Date 11.2010 Group No. Release 370 00 02 C3060659 Page 37(81)
  • 38.
    Volvo Truck Corporation ServiceBulletin Date 11.2010 Group No. Release 370 00 02 C3060660 Page 38(81)
  • 39.
    Volvo Truck Corporation ServiceBulletin Date 11.2010 Group No. Release 370 00 02 C3060661 Page 39(81)
  • 40.
    Volvo Truck Corporation ServiceBulletin Date 11.2010 Group No. Release 370 00 02 C3060662 Page 40(81)
  • 41.
    Volvo Truck Corporation ServiceBulletin Date 11.2010 Group No. Release 370 00 02 C3060663 Page 41(81)
  • 42.
    Volvo Truck Corporation ServiceBulletin Date 11.2010 Group No. Release 370 00 02 C3060664 Page 42(81)
  • 43.
    Volvo Truck Corporation ServiceBulletin Date 11.2010 Group No. Release 370 00 02 C3060665 Page 43(81)
  • 44.
    Volvo Truck Corporation ServiceBulletin Date 11.2010 Group No. Release 370 00 02 C3060666 Page 44(81)
  • 45.
    Volvo Truck Corporation ServiceBulletin Date 11.2010 Group No. Release 370 00 02 C3060667 Page 45(81)
  • 46.
    Volvo Truck Corporation ServiceBulletin Date 11.2010 Group No. Release 370 00 02 Page 46(81) List of illustrations List of illustrations - Cable harness, climate unit water pump.............................................................................. “”, page 47 1000 Cable harness, instruments ................................................................................................ “”, page 48 1006 Cable harness, cab upper part L1H1................................................................................... “”, page 50 1006 Cable harness, cab upper part L2H1................................................................................... “”, page 51 1012 Cable harness, steering wheel ............................................................................................ “”, page 52 1020 Cable harness, headlights ................................................................................................... “”, page 53 1030 Cable harness, engine......................................................................................................... “”, page 55 1040 Cable harness, rear lighting................................................................................................. “”, page 57 1057 Cable harness, fuel tank sensor / wear indicator for the brake pad, RHS ........................... “”, page 59 1057 Cable harness, connection block sensors / left-hand brake pad wear indicator, TRACTOR “”, page 60 1057 Cable harness, connection block sensors / left-hand brake pad wear indicator, RIGID ...... “”, page 61 1063 Cable harness, trailer........................................................................................................... “”, page 62 1083-B Cable harness, driver door .................................................................................................. “”, page 64 1083-C Cable harness, passenger door........................................................................................... “”, page 65 1432 Cable harness, gearbox....................................................................................................... “”, page 66 1501 Cable harness, front ............................................................................................................ “”, page 70
  • 47.
    Volvo Truck Corporation ServiceBulletin Date 11.2010 Group No. Release 370 00 02 Illustrations Illustrations C3002327 Page 47(81)
  • 48.
    Volvo Truck Corporation ServiceBulletin Date 11.2010 Group No. Release 370 00 02 C3029916 Page 48(81)
  • 49.
    Volvo Truck Corporation ServiceBulletin Date 11.2010 Group No. Release 370 00 02 C3029571 Page 49(81)
  • 50.
    Volvo Truck Corporation ServiceBulletin Date 11.2010 Group No. Release 370 00 02 C3029572 Page 50(81)
  • 51.
    Volvo Truck Corporation ServiceBulletin Date 11.2010 Group No. Release 370 00 02 C3029612 Page 51(81)
  • 52.
    Volvo Truck Corporation ServiceBulletin Date 11.2010 Group No. Release 370 00 02 C3029762 Page 52(81)
  • 53.
    Volvo Truck Corporation ServiceBulletin Date 11.2010 Group No. Release 370 00 02 C3029763 Page 53(81)
  • 54.
    Volvo Truck Corporation ServiceBulletin Date 11.2010 Group No. Release 370 00 02 C3029900 Page 54(81)
  • 55.
    Volvo Truck Corporation ServiceBulletin Date 11.2010 Group No. Release 370 00 02 C3002372 Page 55(81)
  • 56.
    Volvo Truck Corporation ServiceBulletin Date 11.2010 Group No. Release 370 00 02 C3002371 Page 56(81)
  • 57.
    Volvo Truck Corporation ServiceBulletin Date 11.2010 Group No. Release 370 00 02 C3002321 Page 57(81)
  • 58.
    Volvo Truck Corporation ServiceBulletin Date 11.2010 Group No. Release 370 00 02 C3002320 Page 58(81)
  • 59.
    Volvo Truck Corporation ServiceBulletin Date 11.2010 Group No. Release 370 00 02 C3002329 Page 59(81)
  • 60.
    Volvo Truck Corporation ServiceBulletin Date 11.2010 Group No. Release 370 00 02 C3029808 Page 60(81)
  • 61.
    Volvo Truck Corporation ServiceBulletin Date 11.2010 Group No. Release 370 00 02 C3029814 Page 61(81)
  • 62.
    Volvo Truck Corporation ServiceBulletin Date 11.2010 Group No. Release 370 00 02 C3002324 Page 62(81)
  • 63.
    Volvo Truck Corporation ServiceBulletin Date 11.2010 Group No. Release 370 00 02 C3002323 Page 63(81)
  • 64.
    Volvo Truck Corporation ServiceBulletin Date 11.2010 Group No. Release 370 00 02 C3029780 Page 64(81)
  • 65.
    Volvo Truck Corporation ServiceBulletin Date 11.2010 Group No. Release 370 00 02 C3029785 Page 65(81)
  • 66.
    Volvo Truck Corporation ServiceBulletin Date 11.2010 Group No. Release 370 00 02 C3029807 Page 66(81)
  • 67.
    Volvo Truck Corporation ServiceBulletin Date 11.2010 Group No. Release 370 00 02 C3001871 Page 67(81)
  • 68.
    Volvo Truck Corporation ServiceBulletin Date 11.2010 Group No. Release 370 00 02 C3001873 Page 68(81)
  • 69.
    Volvo Truck Corporation ServiceBulletin Date 11.2010 Group No. Release 370 00 02 C3029934 Page 69(81)
  • 70.
    Volvo Truck Corporation ServiceBulletin Date 11.2010 Group No. Release 370 00 02 C3002322 Page 70(81)
  • 71.
    Volvo Truck Corporation ServiceBulletin Date 11.2010 Group No. Release 370 00 02 Electrical centre Electrical centre C3029921 Page 71(81)
  • 72.
    Volvo Truck Corporation ServiceBulletin Date 11.2010 Group No. Release 370 00 02 Page 72(81) List of fuses List of fuses F1 Splitter................................................................................................................................. (MB 0 A) (EE 1 A) F2 Parking light, front............................................................................................................... (CE 0 B) F3 Position light ...................................................................................................................... (CE 1 B) F4 Trailer position lamp ........................................................................................................... (CE 1 B) F5 Bodybuilder position lamp................................................................................................... (CE 2 B) F7 Power take-off..................................................................................................................... (LD 1 A) F8 Fog lamp............................................................................................................................. (CG 1 A) F12 Lamp, full and dipped beam light........................................................................................ (CE 2 A) F13 Lamp, full and dipped beam light........................................................................................ (CE 3 A) F14 Lamp, position light............................................................................................................. (CE 3 A) F16 Tachograph / instrument panel / EDC diagnosis / extra EDC relay .................................... (NA 1 A) F17 30V Converter..................................................................................................................... (AA 3 C) F18 Air conditioning .................................................................................................................. (HA 3 A) F19 Fuel filter heater.................................................................................................................. (HM 1 A) F20 Connection socket for implement ....................................................................................... (EZ 2 A) F21 Implement switch ................................................................................................................ (OA 0 A) F22 Climate unit......................................................................................................................... (HD 0 A) F23 Internal lighting .................................................................................................................. (ER 2 A) F24 Electric windows ................................................................................................................. (KA 0 A) F25 Tachograph, 5A................................................................................................................... (AA 1 A) F26 Horn .................................................................................................................................... (FA 0 C) F27 ABS trailer........................................................................................................................... (EE 2 A) F28 Internal lighting ................................................................................................................... (OA 2 A) F29 Rear view mirror demister................................................................................................... (HG 0 A) F30 Cigarette lighter .................................................................................................................. (AA 3 B) F32 Windscreen wiper ............................................................................................................... (GA 1 A) F33 Fifth wheel light................................................................................................................... (FW 0 A) F34 Warning lamps.................................................................................................................... (AA 1 A) F35 3rd axle lift (6x2) ................................................................................................................. (MA 1 A) F36 Control Unit, F16108LL gearbox ........................................................................................ (MC 0 A) F37 Lamp, internal lighting......................................................................................................... (ER 3 A) F43 12V Converter / Radio ........................................................................................................ (EX 0 A) F45 Door central locking ............................................................................................................ (AA 1 A) F46 Auxiliary fuel heater relay / rear view mirror demister relay / trailer brake relay / reverse lamp .................................................................................................................................... (HG 0 A) (HM 1 A) (EA 0 A) F47 Connection socket for implement ....................................................................................... (EZ 0 A) F49 Range gear inhibitor relay................................................................................................... (LS 0 A) F70 Lamp, brake light ................................................................................................................ (CK 1 B) F80 Main switch ......................................................................................................................... (EZ 2 D)
  • 73.
    Volvo Truck Corporation ServiceBulletin F81 Date 11.2010 Group No. Release 370 00 02 Main switch ......................................................................................................................... Page 73(81) (EZ 2 D)
  • 74.
    Volvo Truck Corporation ServiceBulletin Date 11.2010 Group No. Release 370 00 02 Page 74(81) List of relays List of relays K1 Extra fuse / bodybuilder .................................................................................................... (AA 3 A) K2 Extra fuse / bodybuilder .................................................................................................... (AA 4 A) K3 Windscreen wiper ............................................................................................................. (GA 1 A) K5 Parking light ...................................................................................................................... (CE 1 A) K6 Extra equipment................................................................................................................ (AA 3 B) K9 Front fog lamp................................................................................................................... (CG 1 B) K10 Rear fog lamp ................................................................................................................... (CG 3 B) K11 Headlamps........................................................................................................................ (CE 2 A) K12 Full beam .......................................................................................................................... (CE 3 B) K13 Spot lamp.......................................................................................................................... (CE 3 B) K14 ABS................................................................................................................................... (EE 1 A) K20 Rear view mirror demister................................................................................................. (HG 0 B) K21 Intermittent windscreen wiper1 .......................................................................................... (GA 1 D) K23 Extra - bodybuilder............................................................................................................ (EZ 2 B) K24 Range gear inhibitor ......................................................................................................... (LS 0 B) K32 Direction indicators ........................................................................................................... (CN 0 C) K33 Start switch ....................................................................................................................... (AA 0 B) K34 5th wheel lighting .............................................................................................................. (FW 1 C) K35 Reverse light, trailer .......................................................................................................... (EA 3 B) K38 Relay, polarity change....................................................................................................... (CK 0 B) preheating2 K40 Engine ........................................................................................................... (HC 0 B) K41 Fuel filter heater ................................................................................................................ (HM 1 B) K43 Extra ................................................................................................................................. (NA 2 A) K50 Brake light ......................................................................................................................... (CK 1 B) K51 Air conditioning ................................................................................................................ (HA 1 B) K53 Air conditioning ................................................................................................................ (HA 0 B) K80 1st gear inhibitor ............................................................................................................... (LT 0 B) K84 Gearbox split..................................................................................................................... (MB 0 B) K85 Gearbox safety mode, F16108LL ..................................................................................... (MC 2 B) K85A Gearbox safety mode, F16108LL ..................................................................................... (MC 2 B) K90 Inside implement lamp ...................................................................................................... (OA 2 B) 1Relay 2Relay located behind the front panel of the vehicle. located inside the battery box.
  • 75.
    Volvo Truck Corporation ServiceBulletin Date 11.2010 Group No. Release 370 00 02 List of connectors List of connectors ABS1:1 (EE 0 B) AG:19 (MB 0 C) (MC 3 C) WHITE:A7 (AA 1 B) ABS1:2 (EE 0 B) AG:20 (CN 1 D) WHITE:A8 (ZA 2 C) ABS1:3 (EE 2 B) AG:21 (CN 1 E) WHITE:A9 (LS 0 B) ABS1:4 (EE 2 B) YELLOW8:3 (EX 0 B) WHITE:A12 (HA 3 B) ABS1:5 (EE 3 B) YELLOW8:8 (CE 1 C) WHITE:A13 (HA 3 B) ABS1:6 (EE 2 B) YELLOW:A1 (CE 1 C) WHITE:B1 (FA 0 C) ABS1:7 (EE 2 B) YELLOW:A2 (NA 1 B) WHITE:B2 (OA 2 B) ABS1:8 (EE 4 C) YELLOW:A3 (NA 1 B) WHITE:B4 (CE 2 B) ABS2:1 (EE 0 C) YELLOW:A4 (CG 3 C) WHITE:B5 (AA 3 D) ABS2:2 (EE 0 C) YELLOW:A5 (HA 2 B) WHITE:B6 (AA 4 D) ABS2:3 (EE 1 C) YELLOW:A6 (GA 1 B) WHITE:B7 (CG 3 B) ABS2:4 (EE 1 C) YELLOW:A7 (MB 0 B) WHITE:B8 (CE 2 B) ABS2:5 (EE 2 C) YELLOW:A9 (AA 4 B) WHITE:B9 (CE 3 B) ABS2:6 (EE 2 C) YELLOW:A11 (AA 0 B) WHITE:B10 (CE 1 B) ABS2:7 (EE 3 C) YELLOW:A12 (AA 0 B) WHITE:B11 (CE 4 A) ABS2:8 (EE 3 C) YELLOW:A13 (AA 0 B) CA:1 (NA 1 C) ABS3:1 (EE 0 C) YELLOW:B1 (CE 2 C) CA:2 (NA 2 D) ABS3:2 (EE 0 C) YELLOW:B2 (NA 2 B) CA:3 (CN 3 D) ABS3:3 (EE 1 C) YELLOW:B3 (EA 0 B) CA:4 (CN 3 D) ABS3:4 (EE 1 C) YELLOW:B4 (CG 2 C) CA:9 (NA 1 D) ABS3:5 (EE 2 C) YELLOW:B6 (GA 2 B) CA:10 (NA 2 E) ABS3:6 (EE 2 C) YELLOW:B7 (GA 1 B) CB:1 (ER 3 D) ABS3:7 (EE 3 C) YELLOW:B8 (AA 1 B) CB:2 (ER 3 B) ABS3:8 (EE 3 C) YELLOW:B9 (AA 2 B) CB:3 (NK 3 B) AG:1 (ZA 1 C) YELLOW:B10 (AA 3 C) CB:4 (NK 3 B) AG:2 (NA 1 C) YELLOW:B11 (AA 3 C) CB:5 (NK 3 B) AG:3 (NA 1 D) YELLOW:B12 (AA 0 B) CB:6 (NK 1C) AG:4 (AA 1 C) BB1:2 (LD 1 B) CB:7 (NK 3 C) AG:5 (NA 2 C) BB1:4 (LD 0 B) CB:8 (NK 3 C) AG:6 (MA 1 C) BB1:5 (LD 0 B) CLA:1 (BY 0 B) AG:7 (CL 1 B) BB1:6 (LD 1 C) CLA:2 (BY 0 C) AG:8 (NA 1 C) BB1:7 (LD 1 C) CLA:3 (BY 1 C) AG:9 (CK 0 C) WHITE8:2 (CK 0 B) CLA:4 (BY 2 B) AG:10 (NA 2 C) WHITE8:4 (FW 0 B) CLA:5 (BY 2 B) AG:11 (FW 1 C) WHITE8:5 (EZ 0 B) CLA:6 (BY 4 B) AG:12 (NA 3 B) WHITE8:6 (CK 1 B) CLA:7 (BY 4 C) AG:13 (CL 1 C) WHITE:A1 (MA 1 B) CLA:8 (BY 4 D) AG:14 (NA 2 D) WHITE:A2 (FA 0 C) CLB:1 (BY 1 D) AG:15 (DL 1 B) WHITE:A3 (OA 0 B) CLB:2 (BY 1 D) AG:16 (HM 0 B) WHITE:A4 (CE 0 B) CLB:4 (BY 3 C) AG:17 (HM 0 D) WHITE:A5 (CE 2 B) CLB:6 (BY 2 D) AG:18 (NA 4 C) WHITE:A6 (CE 3 B) CLB:7 (BY 2 D) Page 75(81)
  • 76.
    Volvo Truck Corporation ServiceBulletin Date 11.2010 Group No. Release 370 00 02 CLB:8 (BY 1 D) DDA:6 (KA 0 B) (KB 0 A) EC:21 (BA 2 D) GREY2:1 (AA 0 A) DDA:7 (KH 1 D) ED:1 (BA 0 B) GREY2:2 (AA 0 A) DDA:8 (KH 0 D) ED:2 (BA 0 B) GREY8:2 (CG 1 C) DDB:1 (ZA 3 B) ED:3 (BA 0 B) GREY8:3 (CG 0 B) DDB:2 (HG 1 C) ED:4 (BA 0 B) GREY8:4 (CG 1 C) DDB:3 (HG 2 C) ED:5 (BA 0 B) GREY8:5 (CE 1 C) DDB:4 (HG 2 C) ED:6 (BA 3 A) GREY8:6 (CE 4 B) DDB:5 (HG 2 C) ED:7 (NA 3 C) GREY8:7 (CE 3 B) DDB:6 (KB 2 C) ED:8 (BA 1 B) GREY8:8 (CE 3 B) DDB:7 (KB 2 D) ED:9 (BA 1 B) CP:3 (MC 3 B) DDB:8 (KB 1 D) ED:10 (BA 2 B) CP:6 (MC 3 B) DPA:1 (KH 1 C) ED:11 (BA 1 C) CP:7 (MC 3 C) DPA:2 (ER 0 C) ED:12 (BA 1 B) CU:1 (ER 2 B) DPA:3 (KA 1 C) (KB 1 C) ED:13 (NA 4 C) CU:2 (HD 0 B) DPA:4 (KA 1 C) (KB 1 C) ED:14 (BA 2 C) CU:3 (HD 1 B) DPA:5 (KA 2 D) (KB 0 B) ED:15 (BA 2 B) CU:4 (JA 1 B) DPA:6 (KH 2 D) ED:16 (BA 2 C) CU:5 (CE 1 C) DPA:7 (KH 2 D) ED:17 (CL 1 C) CU:6 (ER 1 C) DPA:8 (ZA 2 B) ED:18 (CL 1 B) CU:7 (JA 1 B) DPB:1 (HG 2 C) ED:19 (BA 1 C) CX:1 (GA 1 C) DPB:2 (HG 2 C) ED:20 (NA 3 C) CX:2 (FA 0C) DPB:3 (HG 2 C) ED:21 (LT 0 C) CX:3 (GA 2 C) DPB:4 (HG 2 C) EE:1 (BA 1 B) CX:4 (GA 1 C) DPB:5 (KB 1 D) EE:2 (BA 1 B) CX:5 (GA 1 C) DPB:6 (KB 1 D) EE:3 (BA 0 B) CX:6 (GA 1 B) DPB:7 (KB 0 D) EE:4 (BA 0 B) CX:7 (GA 1 C) DPB:8 (KB 0 D) EG:1 (AA 0 C) CY:1 (CE 0 B) EC:1 (BA 2 C) EL:1 (CE 2 B) CY:2 (CE 1B) EC:2 (BA 2 C) EL:2 (FA 0 D) CY:3 (CE 4 A) EC:3 (BA 1 C) EL:3 (CE 2 B) CY:4 (FA 0A) EC:4 (BA 1 C) EL:4 (CN 1 D) CY:5 (CG 0 C) EC:5 (NA 3 B) EL:5 (CE 0 C) CY:6 (CN 1 B) EC:6 (BA 2 B) EL:8 (FA 1 D) CY:7 (CN 1 B) EC:7 (BA 1 D) EL:10 (CE 3 B) CY:8 (CG 3 B) EC:8 (HA 0 B) EL:11 (ZA 3 C) CZ:1 (BA 1 B) EC:9 (HA 0 C) EL:12 (CN 2 D) CZ:2 (BA 1 A) EC:10 (CL 0 B) EL:13 (CG 1 C) CZ:4 (BA 2 B) EC:11 (HA 1 B) EL:14 (CE 3 C) CZ:5 (BA 2 B) EC:12 (CL 0 C) EL:15 (CE 3 D) CZ:6 (BA 2 A) EC:13 (MC 0 B) EN:1 (EA 0 B) CZ:7 (BA 1 B) EC:14 (MC 1 B) EN:2 (NA 2 C) DDA:1 (KH 0 C) EC:15 (BA 1 D) EN:3 (HA 0 B) DDA:2 (ER 0 C) EC:16 (NA 3 B) EN:4 (NA 1 C) DDA:3 (KA 2 D) (KB 2 C) EC:17 (BA 0 D) EN:5 (NA 3 D) DDA:4 (KA 1 C) (KB 1 B) EC:18 (BA 0 D) EN:6 (AA 1 D) DDA:5 (KA 1 C) (KB 1 B) EC:20 (BA 2 D) EN:8 (LD 2 B) Page 76(81)
  • 77.
    Volvo Truck Corporation ServiceBulletin Date 11.2010 Group No. Release 370 00 02 EN:9 (HM 1 C) RA:4 (EA 1 B) RED:A10 (CE 0 C) EN:10 (AA 2 C) RA:5 (DL 0 B) RED:A11 (CE 0 C) EN:11 (EA 0 B) RA:7 (NC 1 C) RED:A12 (NA 2 B) EN:12 (NA 0 C) RA:12 (CE 2 C) RED:B1 (EX 0 B) EN:13 (AA 2 D) RA:13 (EZ 2 C) RED:B2 (ER 3 B) EN:14 (LS 0 C) RA:14 (CN 3 D) RED:B3 (EA 1 B) EN:15 (LS 0 C) RA:15 (CE 0 C) RED:B4 (CE 1 C) EN:16 (BA 0 D) RA:16 (CG 3 C) RED:B5 (CE 1 C) EN:17 (BA 1 D) RA:17 (OA 2 C) RED:B6 (AA 3 D) EN:18 (NC 0 C) RA:18 (OA 1 C) RED:B7 (AA 3 B) EN:19 (NC 0 C) RA:19 (OA 0 C) RED:B9 (ER 1 B) EN:20 (NC 0 C) RA:20 (EZ 0 C) VIOLET8:1 (HD 0 A) EN:21 (NC 0 C) TC:4 (EA 3 C) VIOLET8:3 (HM 0 B) GA:1 (EA 0 C) TC:5 (CE 1 D) VIOLET8:6 (HM 1 B) GA:2 (ZA 0 B) TC:6 (CN 2 D) VIOLET8:8 (CE 1 C) GA:3 (NA 3 D) (MC 1 B) TC:7 (CN 1 D) WA:11 (GA 2 C) GA:4 (LT 0 C) (MC 1 B) TC:8 (CK 2 C) WA:12 (GA 2 D) GA:5 (EA 0 C) TC:9 (CE 1 C) WA:13 (GA 3 C) GA:6 (LS 0 C) (MC 0 C) TD:1 (BY 3 D) WA:14 (GA 2 C) GA:7 (LS 0 C) (MC 1 C TD:2 (BY 2 D) GB:1 (AA 2 B) TD:3 (BY 2 D) WA:15 (GA 3 C) GB:2 (AA 2 A) TD:4 (BY 2 D) X21A:1 (OA 1 D) GB:3 (NC 0 C) TD:5 (BY 2 D) X21A:2 (OA 2 D) GB:4 (NC 0 C) RED8:1 (HG 1 B) X21A:3 (OA 0 D) GB:5 (NC 0 C) RED8:2 (AA 1 B) X21A:4 (OA 2 D) GB:6 (NC 0 C) RED8:3 (HG 0 B) X21B:1 (CE 2 D) GB:7 (MC 1 D) RED8:4 (KA 0 B) X21B:2 (CE 3 D) BROWN8:1 (AA 0 B) RED8:5 (CE 1 C) X21C:1 (LD 1 C) BROWN8:2 (CE 2 C) RED8:6 (HG 0 B) X21C:2 (LD 1 C) BROWN8:3 (CE 1 C) RED8:7 (ER 0 B) X21C:3 (LD 1 C) BROWN8:4 (EZ 2 B) RED8:8 (ER 4 B) X21C:5 (LD 0 C) BROWN8:7 (EZ 1 B) RED:A1 (ER 2 B) X21C:6 (LD 0 C) BROWN8:8 (LD 1 B) RED:A2 (CE 2 C) X21D:1 (EZ 2 D) BROWN:1 (AA 0 B) RED:A3 (EA 0 B) X21D:2 (EZ 2 D) BROWN:2 (HM 1 B) RED:A5 (CE 1 C) X21D:3 (EZ 0 D) BLACK2:2 (MC 0 B) RED:A6 (AA 1 B) X21VL:1 (BY 2 D) RA:1 (CK 1 C) RED:A7 (FW 1 B) X21VL:2 (BY 2 D) RA:2 (CN 0 D) RED:A8 (ER 1 B) X21VL:3 (BY 3 D) RA:3 (CE 1 D) RED:A9 (ER 1 B) X21VL:4 (BY 3 D) Page 77(81)
  • 78.
    Volvo Truck Corporation ServiceBulletin Date 11.2010 Group No. Release 370 00 02 Page 78(81) List of components List of components B40A Sensor, brake wear indicator, left-hand side, front axle (NA 2 C) B41A Sensor, brake wear indicator, right-hand side, front axle (NA 2 D) B51 Sensor, fuel pressure (BA 3 B) B52 Sensor, water level, water separator (HD 1 C) Fuse connector (AA 2 C) B60LF Loudspeaker, left, front (JA 1 D) 51-TIS Fuse connector (BY 0 B) B60RF Loudspeaker, right, front (JA 1 D) 51-TM1 Fuse connector (AA 4 B) B63 Microphone, (handsfree) (JA 3 B) A03 Combined instrument (NA 0 B) B81 Sensor, water in fuel (BA 3 B) A07 Radio (JA 0 C) B118 Sensor, oil pressure (BA 3 B) A11 Control unit, door locking (KH 0 B) B133 Sensor, air filter restriction (NA 4 D) A12 Control unit, ABS (EE 0 B) B139 A31 Control unit, anti-theft alarm (NK 0 B) Sensor, pressure, distributor pipe ( BA 4 B) A33 Tachograph (NC 0 B) B148 Sensor, pressure, turbo (BA 2 D) A71 Hour recorder (NC 1 B) B189 Speed sensor (BA 3 B) A81 Control unit, Engine gateway (BA 0 D) B190 Speed sensor (BA 4 B) A96 Control unit, climate unit (HD 0 B) BB A113 Control unit, engine fan temperature (HA 0 D) Interface with bodybuilder (CE 3 D) (CE 2 D) (OA 0 D) (OA 1 D) (OA 2 D) (EZ 2 D) (EZ 0 D) A113A Control unit, air conditioning fan motor (HA 1 D) E03L Lamp, position light, left (CE 3 D) E03R Lamp, position light, right (CE 3 D) A114 Control unit, temperature (HA 2 C) E05 Lamp, fifth wheel light (FW 1 D) A125 Control unit, TGW (BY 0 C) E07L Lamp, fog light, left (CG 1 D) A126 Control unit, TTU (BY 2 C) E07R Lamp, fog light, right (CG 1 D) A127 Control unit, engine (EDC) MID 128 (BA 0 C) E12L Lamp, outside roof light, left (CE 1 D) E12R Lamp, outside roof light, right (CE 1 D) A144 Control Unit, gearbox F16108LL E13LF A146 Control unit, tracking system (BX 1 C) Lamp, direction indicator light, left, front (CN 1 D) B06A Sensor, air pressure, air tank, front (NA 0 D) E13LS Lamp, direction indicator light, side, left (CN 1 D) B06B Sensor, air pressure, air tank, rear (NA 1D) E13RF Lamp, direction indicator light, right, front (CN 2 D) B07 Sensor, fuel level (NA 1 D) E13RS B12 Sensor, tachograph/speedometer (NC 0 D) Lamp, direction indicator light, side, right (CN 3 D) E16DS Lamp, door light (ER 0 C) B13A Sensor, wheel speed (EE 0 D) E16PS Lamp, door light (ER 0 C) B14A Sensor, wheel speed (EE 1 D) E17A Lamp, inside light (ER 2 C) B15A Sensor, wheel speed (EE 2 D) E17RR Lamp, inside light (ER 3 C) B16A Sensor, wheel speed (EE 3 D) E23 Lamp, luggage compartment (OA 2 D) B21 Sensor, coolant temperature, engine (NA 0 D) E27L Rear lamp, left-hand module (CE 0 D) (CG 2 D) (CK 0 D) (CN 0 D) (EA 1 C) B21E Sensor, coolant (BA 2 D) E27R B25 Sensor, accelerator pedal (BA 2 B) Rear lamp, right-hand module (CE 0 D) (CG 3 D) (CK 1 D) (CN 3 D) (EA 1 C) 51-ABS-1 Fuse connector (EE 0 B) 51-ABS-2 Fuse connector (EE 0 B) 51-ABS-3 Fuse connector (EF 0 B) 51-AC Fuse connector (HA 1 B) 51-EDC Fuse connector (BA 0 A) 51-O Fuse connector (EX 1 C) 51-SS
  • 79.
    Volvo Truck Corporation ServiceBulletin Date 11.2010 Group No. Release 370 00 02 Page 79(81) S28A Switch, power take-off (LD 3 B) S41 Switch, main battery (AA 1 C) S43 Pressure switch, parking brake indicator, NF (normal closed) (NA 3 A) Lamp, full and dipped beam light, right (CE 0 D) (CE 3 C) (CN 2 D) S44-L Brake contact, inside light, left (ER 1 B) E30RS Lamp, full and dipped beam light, right (CE 0 C) (CE 3 C) S44-R Brake contact, inside light, right (ER 1 B) S45 E40 Side lamp, implement (CE 2 D) Position switch, differential lock indicator, NF (normal closed) or NA (normal open) (DL 0 C) G01A Battery (AA 1 C) S47 G01B Battery (AA 1 D) Position switch, low splitter gear indicator (NA 3 D) G02 Alternator (AA 1 D) S47A Splitter gear contact ( MB 0 C) H01 Air-operated horn (FA 1 D) S48 Closing contact, brake lights (CK 0 C) H09 Electric horn (FA 0 D) S49 Position switch, reverse lamps (EA 0 C) M01 Motor, windscreen wiper (GA 2 D) S57 M02 Motor, windscreen wiper pump (GA 0 D) Switch, storage compartment lighting (OA 1 B) M04 Starter motor (AA 0 D) S58B Position switch, clutch pedal, NA (normal open) (BA 1 B) M06DS Motor, electric window, driver’s side (KA 2 C) (KB 1 D) S63 Contact, low range gear (LS 0 D) M06PS Motor, electric window, passenger’s side (KA 1 D) (KB 0 D) S76 Switch, position light (CE 3 C) S77 Switch, emergency call (BY 1 B) M09DS Motor, door locking, driver’s side (KH 0 D) S90 Position switch, neutral (AA 2 B) S103 Motor, door locking, passenger’s side (KH 1 D) Switch, mirror with heating, adjustment (HG 2 B) S103B Switch, mirror with heating (HG 0 C) M27 Motor, roof cooler fan (HD 1 C) S105 Switch, damage warning light (CN 2 B) M28 Motor, roof cooler cleaner (HD 2 C) S106_DD R01 Heater, engine pre-heater (HC 0 D) Switch, passenger’s electric window (driver’s side) (KA 1 B) (KB 1 B) R04 Cigarette lighter (EV 0 B) S106_DP Switch, passenger’s electric window (KA 1 D) (KB 1 C) R05 Heater, air heater (HM 0 C) S107 R09 Heater, fuel filter (HM 1 C) Switch, driver’s electric window (KA 2 B) (KB 2 B) R14 Termination resistor (BA 0 C) S117 R17 Resistor (HA 1 C) Position switch, differential lock, between axles (DL 1 C) S02 Control lever, full/dipped beam (CG 0 C) (CN 1 B) S125 Switch, bodybuilder, lighting (OA 1 D) S137 Switch, bodybuilder (not supplied by Volvo) (LD 1 D) S151 Rheostat, temperature control (NA 0 A) E30LP Lamp, full and dipped beam light, left (CE 2 C) (CE 0 D) (CN 1 D) E30LS Lamp, full and dipped beam light, left (CE 0 C) (CE 2 C) E30RP M09PS S02A S04 S06 Switch, full and dipped beam (CE 4 B) (CE 1 A) (CE 0 A) (CG 3 A) (FA 0 B) Switch, climate unit fan type selector (HA 0 C) S152 Switch, fifth wheel position 9 (FW 0 B) S165 Control lever, windscreen wiper (GA 1 B) (BA 2 B) Switch, Volvo Action Service, SAM (BY 2 B) S191F Contact, warning light, service brake light (NA 1 D) S191R Contact, warning light, service brake light (NA 1 D) S192 Contact, warning light, oil pressure light (NA 1 C) S193 Switch, warning light, air conditioning light, NF (normal closed) (NA 2 D) S194 Switch, warning light, coolant, NA (normal open) (NA 2 D) S07 Switch, engine brake (CL 0 B) S08 Switch, differential gear lock (DL 1 B) S11 Switch, bogie (MA 1 B) S15 Switch, ignition (AA 2 D) S16 Switch, air horn (FA 1 C) S19 Switch, extra (EZ 1 C) S28 Closing contact, power take-off operation (LD 2 C)
  • 80.
    Volvo Truck Corporation ServiceBulletin Date 11.2010 Group No. Release 370 00 02 Page 80(81) X02 Trailer connector, ABS/EBS (EF 0 C) X04 Trailer connector, 7 poles, 24 V X07 Socket 12V (EX 1 D) Switch, panic alarm (BX 2 B) X10 B+ pass-through, cab (AA 0 B) S232 Switch, F16108LL gearbox safety mode (MC 3 B) Y01 Solenoid valve, engine brake (CL 1 B) Y05 Solenoid valve, bogie (MA 1 D) sym234_68 Interface, implement (LD 0 C) Y06 sym240_35 Interface, implement (LD 1 C) Solenoid valve, range gear inhibitor (LS 0 D) sym240_96 Interface, implement (BY 3 D) Y27 sym241_99 Interface, implement (BY 3 D) Solenoid valve, VT2214B low splitter gear (MB 0 C) sym242_99 Interface, implement (BY 2 D) Y31 sym243_99 Interface, implement (BY 2 D) Solenoid valve, first gear inhibitor (LT 0 D) sym246_35 Interface, implement (LD 1 C) Y33A Solenoid valve, unit injector (BA 3 D) sym247_35 Interface, implement (LD 1 C) Y33B Solenoid valve, unit injector (BA 3 D) sym248_35 Interface, implement (LD 0 C) Y33C Solenoid valve, unit injector (BA 3 D) U06R11 Voltage converter, 11A (EX 0 C) Y33D Solenoid valve, unit injector (BA 3 D) U06R19 Voltage converter, 19A (EX 1 C) Y33E Solenoid valve, unit injector (BA 4 D) V01 Diode (NA 2 D) Y33F Solenoid valve, unit injector (BA 4 D) V03 Diode (CE 0 A) Y41L Electric rear view mirror, left (HG 0 D) V04 Diode (CE 1 A) Y41R Electric rear view mirror, right (HG 2 D) V05 Diode (MC 4 B) Y79 X01 Vehicle diagnostic connector (BA 0 E) Solenoid valve, F16108LL gearbox safety mode (MC 3 C) S196 Switch, 2-speed rear axle, NA (normal open) (NC 1 D) S206 Switch, diagnostic EDC MID 128 (BA 2 A) S207
  • 81.
    Volvo Truck Corporation ServiceBulletin Date 11.2010 Group No. Release 370 00 02 Electrical cables colours Electrical cables colours BL ................................................ Blue BN................................................ Brown GN ............................................... Green GR ............................................... Gray I.................................................... Ivory LBL .............................................. Light blue LBN.............................................. Light brown OR ............................................... Orange P .................................................. Pink PU................................................ Purple R .................................................. Red SB................................................ Black VO ............................................... Violet W ................................................. White Y .................................................. Yellow Note: If a cable has two colours, it will be marked according to the following example: Y/R = Yellow/Red. Page 81(81)