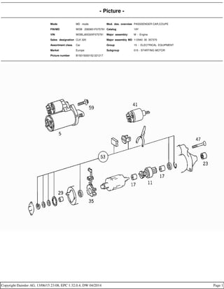
- Picture -
Mode MD mode Mod. des. overview PASSSENGER CAR,COUPE
FIN/MD WDB 2083651F075791 Catalog 19Y
VIN WDBLJ65G0XF075791 Major assembly: M - Engine
Sales designation CLK 320 Major assembly MD 112940 30 357370
Assortment class Car Group 01 - ENGINE HOUSING
Market Europe Subgroup 005 - DESIGN GROUP ORIENTATION TABLE
Picture number B01005000030.021209
Copyright Daimler AG, 13/06/15 22:46, EPC 1.32.0.4, DW 04/2014 Page 1
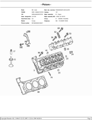
- Picture -
Mode MD mode Mod. des. overview PASSSENGER CAR,COUPE
FIN/MD WDB 2083651F075791 Catalog 19Y
VIN WDBLJ65G0XF075791 Major assembly: M - Engine
Sales designation CLK 320 Major assembly MD 112940 30 357370
Assortment class Car Group 01 - ENGINE HOUSING
Market Europe Subgroup 010 - ENGINE
Picture number B01010000023.961023
Copyright Daimler AG, 13/06/15 22:47, EPC 1.32.0.4, DW 04/2014 Page 1
- Parts list -
Mode MD mode Mod. des. overview PASSSENGER CAR,COUPE
FIN/MD WDB 2083651F075791 Catalog 19Y
VIN WDBLJ65G0XF075791 Major assembly: M - Engine
Sales designation CLK 320 Major assembly MD 112940 30 357370
Assortment class Car Group 01 - ENGINE HOUSING
Market Europe Subgroup 020 - CYLINDER CRANKCASE
Item no. Part number Designation/description Quantity Version
5 A 112 010 06 06 CRANKCASE
WITH PISTONS FITTED
001 L
23 N 000000 001811 . SCREW
. CRANKSHAFT BEARING CAP M 10X90
008
29 N 000000 001810 . SCREW
. CRANKSHAFT BEARING CAP M 8X75
008
35 N 910143 008018 . SCREW
. CRANKSHAFT BEARING CAP M 8X40
004
41 A 117 997 02 30 . SCREW PLUG
. TO PLUG OIL PASSAGE, TOP
001
47 A 023 997 70 48 . SEAL RING
. TO PLUG OIL PASSAGE, TOP
001
53 N 000000 004057 . CAP
. LOCKING MECHANISM, OIL OPENING
. BEARING BLOCK
002
59 N 000443 020000 . EXPANSION PLUG
. TO PLUG OIL PASSAGE, FRONT AND
. REAR
002
65 A 601 992 01 25 . SLEEVE
. REAR CRANKSHAFT SEALING COVER TO
. CYLINDER CRANKCASE
002
71 A 112 990 09 01 . SCREW
. CYLINDER CRANKCASE WATER DRAIN
002
77 A 112 997 01 44 . . SEAL RING
. . [417] NO LONGER AVAILABLE; ORDER RANGE OF DELIVERY
002
83 A 112 991 04 41 . CLAMPING PIN
. TRANSMISSION TO CRANKCASE
002
89 A 112 991 03 41 . CLAMPING PIN
. CYLINDER HEAD TO CYLINDER
. CRANKCASE
004
95 A 102 991 03 41 . CLAMPING PIN
. TIMING CASE TO CYLINDER CRANKCASE
002
101 A 112 180 04 43 . OIL NOZZLE
. PISTON COOLING
003
107 A 112 990 00 14 . SCREW
. OIL SPRAY NOZZLE TO CYLINDER
. CRANKCASE
003
113 A 112 011 02 08 COVER
CRANKSHAFT SEALING,REAR
001
119 A 112 997 00 46 SEAL RING
Replaced by: A 112 997 02 46
-
119 A 112 997 02 46 SEAL RING
CRANKSHAFT SEALING,REAR
Optional with: A 112 997 03 46
001
119 A 112 997 01 46 SEAL RING
Replaced by: A 112 997 03 46
-
119 A 112 997 03 46 SEAL RING
CRANKSHAFT SEALING,REAR
Optional with: A 112 997 02 46
001
125 N 910143 006001 SCREW
REAR CRANKSHAFT SEALING COVER TO
CYLINDER CRANKCASE M6X16
011
Copyright Daimler AG, 13/06/15 22:49, EPC 1.32.0.4, DW 04/2014 Page 1
- Picture -
Mode MD mode Mod. des. overview PASSSENGER CAR,COUPE
FIN/MD WDB 2083651F075791 Catalog 19Y
VIN WDBLJ65G0XF075791 Major assembly: M - Engine
Sales designation CLK 320 Major assembly MD 112940 30 357370
Assortment class Car Group 01 - ENGINE HOUSING
Market Europe Subgroup 020 - CYLINDER CRANKCASE
Picture number B01020000002.020823
Copyright Daimler AG, 13/06/15 22:49, EPC 1.32.0.4, DW 04/2014 Page 1
- Parts list -
Mode MD mode Mod. des. overview PASSSENGER CAR,COUPE
FIN/MD WDB 2083651F075791 Catalog 19Y
VIN WDBLJ65G0XF075791 Major assembly: M - Engine
Sales designation CLK 320 Major assembly MD 112940 30 357370
Assortment class Car Group 01 - ENGINE HOUSING
Market Europe Subgroup 030 - TIMING CASE
Item no. Part number Designation/description Quantity Version
8 A 112 015 02 02 TIMING CASE
Replaced by: A 112 010 00 33
[013] EXHAUST STOCK OF OLD PARTS UP TO ENGINE
-
8 A 112 010 00 33 TIMING CASE
Replaced by: A 112 010 04 33
+001 A 112 015 06 30
+001 A 112 184 00 80
+001 N 000908 012009
+001 N 007603 012110
Code: -(494/828)
[024] FIRST EXHAUST STOCK OF OLD PARTS UP TO ENGINE
-
8 A 112 010 04 33 TIMING CASE
Replaced by: A 112 010 06 33
+001 A 112 201 01 80
Code: -(494/828)
-
8 A 112 010 06 33 TIMING CASE
Code: -(494/828)
[030] Up to engine:
001
8 A 112 010 07 33 TIMING CASE
[031] As of engine
001
11 A 111 992 02 25 . SLEEVE
. [015] As of engine
001
14 A 023 997 84 47 . SEAL RING
. CRANKSHAFT,FRONT
001
17 A 112 010 00 35 COVER
Replaced by: A 112 015 06 30
+001 A 112 184 00 80
[024] FIRST EXHAUST STOCK OF OLD PARTS UP TO ENGINE
-
20 A 112 015 06 30 EXPANSION PLUG
TIMING CASE
001
23 N 000000 001116 SCREW
CAP ON TIMING CASE
002
26 A 112 184 01 61 SEAL RING
CAP ON TIMING CASE
[025] Up to engine: 30 510814
001
29 A 112 184 02 80 GASKET
CAP ON TIMING CASE
[026] As of engine 30 510815
001
32 N 000908 012009 SCREW PLUG
EXPANSION PLUG
[026] As of engine 30 510815
001
35 N 007603 012110 SEAL RING
EXPANSION PLUG
[026] As of engine 30 510815
001
38 A 112 997 08 45 SEAL RING
TIMING CASE TO CYLINDER CRANKCASE
002
41 N 910143 008003 SCREW
TIMING CASE TO CYLINDER CRANKCASE
M 8X30
002
41 N 910143 008009 HEXALOBULAR BOLT
TIMING CASE TO CYLINDER CRANKCASE
M8X70
007
41 N 910143 008011 HEXALOBULAR BOLT
TIMING CASE TO CYLINDER CRANKCASE
M8X90
001
41 N 910143 008012 HEXALOBULAR BOLT 001
Copyright Daimler AG, 13/06/15 22:50, EPC 1.32.0.4, DW 04/2014 Page 1
41 N 910143 008012 HEXALOBULAR BOLT
TIMING CASE TO CYLINDER CRANKCASE
M8X100
001
41 N 910143 008010 HEXALOBULAR BOLT
TIMING CASE TO CYLINDER CRANKCASE
M8X80
001
Copyright Daimler AG, 13/06/15 22:50, EPC 1.32.0.4, DW 04/2014 Page 2
- Picture -
Mode MD mode Mod. des. overview PASSSENGER CAR,COUPE
FIN/MD WDB 2083651F075791 Catalog 19Y
VIN WDBLJ65G0XF075791 Major assembly: M - Engine
Sales designation CLK 320 Major assembly MD 112940 30 357370
Assortment class Car Group 01 - ENGINE HOUSING
Market Europe Subgroup 030 - TIMING CASE
Picture number B01030000251.071106
Copyright Daimler AG, 13/06/15 22:50, EPC 1.32.0.4, DW 04/2014 Page 1
- Parts list -
Mode MD mode Mod. des. overview PASSSENGER CAR,COUPE
FIN/MD WDB 2083651F075791 Catalog 19Y
VIN WDBLJ65G0XF075791 Major assembly: M - Engine
Sales designation CLK 320 Major assembly MD 112940 30 357370
Assortment class Car Group 01 - ENGINE HOUSING
Market Europe Subgroup 045 - OIL PAN
OIL LEVEL DISPLAY
Item no. Part number Designation/description Quantity Version
5 A 112 014 07 02 OIL PAN
UPPER PART
[011] NOT WITH 4 MATIC
001
23 N 910143 008003 HEXALOBULAR BOLT
OIL PAN TO CYLINDER CRANKCASE
002
29 N 910143 006002 HEXALOBULAR BOLT
OIL PAN TO CYLINDER CRANKCASE M
6X20
011
29 N 910143 006006 SCREW
OIL PAN TO CYLINDER CRANKCASE M
6X40
005
29 N 910143 006010 SCREW
OIL SUMP ON CRANKCASE COVER, REAR
M 6X90
002
29 N 910143 006002 SCREW
OIL PAN TO TIMING CASE M 6X20
004
29 N 910143 006006 HEXALOBULAR BOLT
OIL PAN TO TIMING CASE
002
35 A 112 010 03 28 OIL PAN
Replaced by: A 112 010 06 28
+001 A 001 542 72 18
[022] FIRST EXHAUST STOCK OF OLD PARTS UP TO ENGINE
-
35 A 112 010 06 28 OIL PAN
LOWER PART
001
41 A 111 997 03 30 . SCREW PLUG, FILLING
. OIL DRAIN
001
47 N 007603 014106 . SEAL RING
. OIL DRAIN
001
53 N 000000 001117 SCREW
LOWER PART OF OIL PAN TO UPPER
PART
012
59 A 112 014 01 33 COVER
MOUNTING HOLE IN OIL PAN
001
65 A 112 010 02 66 GUIDE TUBE 001
71 A 112 018 00 80 GASKET
GUIDE TUBE
001
77 A 112 010 03 72 OIL DIPSTICK
[011] NOT WITH 4 MATIC
001
78 A 006 997 26 45 . SEAL RING
. OIL DIPSTICK
001
85 A 113 010 00 72 OIL DIPSTICK
[010] ONLY WITH 4 MATIC
001
90 A 006 997 26 45 . SEAL RING
. OIL DIPSTICK
001
Copyright Daimler AG, 13/06/15 22:51, EPC 1.32.0.4, DW 04/2014 Page 1
- Picture -
Mode MD mode Mod. des. overview PASSSENGER CAR,COUPE
FIN/MD WDB 2083651F075791 Catalog 19Y
VIN WDBLJ65G0XF075791 Major assembly: M - Engine
Sales designation CLK 320 Major assembly MD 112940 30 357370
Assortment class Car Group 01 - ENGINE HOUSING
Market Europe Subgroup 045 - OIL PAN
OIL LEVEL DISPLAY Picture number B01045000198.120302
Copyright Daimler AG, 13/06/15 22:51, EPC 1.32.0.4, DW 04/2014 Page 1
- Parts list -
Mode MD mode Mod. des. overview PASSSENGER CAR,COUPE
FIN/MD WDB 2083651F075791 Catalog 19Y
VIN WDBLJ65G0XF075791 Major assembly: M - Engine
Sales designation CLK 320 Major assembly MD 112940 30 357370
Assortment class Car Group 01 - ENGINE HOUSING
Market Europe Subgroup 060 - CYLINDER HEAD
Item no. Part number Designation/description Quantity Version
5 A 112 010 14 20 CYLINDER HEAD
LEFT
001
5 A 112 010 15 20 CYLINDER HEAD
RIGHT
001
11 A 113 053 02 31 . VALVE SEAT RING
. INTAKE;STANDARD 37,1 MM
012
11 A 113 053 03 31 . VALVE SEAT RING
. INTAKE,REPAIR SIZE 38,3 MM
012
11 A 113 053 02 32 . VALVE SEAT RING
. EXHAUST,STANDARD 42,1 MM
006
11 A 113 053 03 32 . VALVE SEAT RING
. EXHAUST,REPAIR SIZE 43,3 MM
006
17 A 113 053 03 29 . VALVE GUIDE
. INTAKE AND EXHAUST; REPAIR SIZE I
. 12,7 MM AUSSEN, 6,5 MM INNEN
018
17 A 113 053 04 29 . VALVE GUIDE
. INTAKE AND EXHAUST; REPAIR SIZE II
. 13,1 MM AUSSEN, 6,5 MM INNEN
018
23 A 403 997 06 20 . EXPANSION PLUG
. TO PLUG CORE HOLES
004
23 A 403 997 06 20 . EXPANSION PLUG
. TO PLUG AIR-INJECTION BORE
002
29 A 112 990 03 78 . CONNECTOR
. CYLINDER HEAD, LEFT, HEATING WATER
. FEED
001
35 N 000000 006534 . CAP
. CYLINDER HEAD, RIGHT, WATER JACKET
. AT REAR
001
41 A 112 991 05 41 . CLAMPING PIN
. CAMSHAFT BEARING TO CYLINDER HEAD
004
53 A 112 990 10 22 SCREW
CAMSHAFT BEARING TO CYINDER HEAD,
LEFT
012
53 A 112 990 10 22 SCREW
CAMSHAFT BEARING TO CYLINDER HEAD,
RIGHT
012
56 A 002 990 97 22 SCREW
CAMSHAFT BEARING TO CYINDER HEAD,
LEFT
002
62 A 112 055 00 45 FLANGE
TO CAMSHAFT BEARING
NO.1,FRONT,LEFT AND RIGHT
002
68 A 112 990 10 22 SCREW
TO CAMSHAFT BEARING
NO.1,FRONT,LEFT AND RIGHT
004
74 A 272 990 00 05 STUD
EXHAUST MANIFOLD TO CYLINDER HEAD
012
80 A 112 016 03 20 CYLINDER HEAD GASKET
LEFT
001
80 A 112 016 04 20 CYLINDER HEAD GASKET
RIGHT
001
86 A 112 990 02 12 SCREW
CYLINDER HEAD TO CYLINDER
CRANKCASE
Optional with: A 112 990 03 12
016
86 A 112 990 03 12 SCREW
CYLINDER HEAD TO CYLINDER
CRANKCASE
Optional with: A 112 990 02 12
016
Copyright Daimler AG, 13/06/15 22:52, EPC 1.32.0.4, DW 04/2014 Page 1
86 N 910105 008019 SCREW
CYLINDER HEAD TO CYLINDER
CRANKCASE M 8X50
004
86 N 910143 008003 SCREW
CYLINDER HEAD TO CYLINDER
CRANKCASE M 8X30
004
Copyright Daimler AG, 13/06/15 22:52, EPC 1.32.0.4, DW 04/2014 Page 2
- Picture -
Mode MD mode Mod. des. overview PASSSENGER CAR,COUPE
FIN/MD WDB 2083651F075791 Catalog 19Y
VIN WDBLJ65G0XF075791 Major assembly: M - Engine
Sales designation CLK 320 Major assembly MD 112940 30 357370
Assortment class Car Group 01 - ENGINE HOUSING
Market Europe Subgroup 060 - CYLINDER HEAD
Picture number B01060000203.050817
Copyright Daimler AG, 13/06/15 22:52, EPC 1.32.0.4, DW 04/2014 Page 1
- Parts list -
Mode MD mode Mod. des. overview PASSSENGER CAR,COUPE
FIN/MD WDB 2083651F075791 Catalog 19Y
VIN WDBLJ65G0XF075791 Major assembly: M - Engine
Sales designation CLK 320 Major assembly MD 112940 30 357370
Assortment class Car Group 01 - ENGINE HOUSING
Market Europe Subgroup 075 - CYLINDER HEAD COVER
Item no. Part number Designation/description Quantity Version
5 A 112 010 05 30 CYLINDER HEAD COVER
LEFT
001
11 A 112 010 04 30 CYLINDER HEAD COVER
RIGHT
001
14 N 000912 005010 . SCREW
. LEFT M 5X18
003
14 N 000912 005010 . SCREW
. RIGHT M 5X18
002
17 A 112 016 02 21 GASKET
CYLINDER HEAD COVER,LEFT
001
23 A 112 016 03 21 GASKET
CYLINDER HEAD COVER,RIGHT
001
29 A 001 990 83 22 SCREW
CYLINDER HEAD COVER TO CYLINDER
HEAD, LEFT M6X30
006
29 A 001 990 84 22 SCREW
CYLINDER HEAD COVER TO CYLINDER
HEAD, LEFT M6X85
003
29 A 001 990 83 22 SCREW
CYLINDER HEAD COVER TO CYLINDER
HEAD, RIGHT M6X30
007
29 A 001 990 84 22 SCREW
CYLINDER HEAD COVER TO CYLINDER
HEAD, RIGHT M6X85
002
35 A 112 010 00 64 OIL FILLER NECK 001
41 A 111 018 00 80 . GASKET 001
47 A 000 010 14 85 FILLER CAP
OIL FILLER CAP, CYLINDER HEAD
COVER, RIGHT
001
53 A 111 018 00 80 . GASKET
. OIL FILLER CAP
001
59 A 112 010 00 67 COVER PLATE
CYLINDER HEAD COVER
[014] Up to engine:
001
59 A 112 010 00 67 COVER PLATE
CYLINDER HEAD COVER
Code: -(494/828)
[015, 036] As of engine
001
59 A 112 010 01 67 COVER PLATE
Code: -(494/828)
[205, 037] Up to ident. no.:
001
65 A 112 094 00 41 . BRACKET
. [205] Up to ident. no.:
003
71 A 112 094 01 41 . BRACKET
. [205] Up to ident. no.:
001
77 A 112 016 00 80 . GASKET
. [205] Up to ident. no.:
002
89 A 112 090 00 89 BEARING
COVERING TO CYLINDER HEAD COVER
003
Copyright Daimler AG, 13/06/15 22:52, EPC 1.32.0.4, DW 04/2014 Page 1
- Picture -
Mode MD mode Mod. des. overview PASSSENGER CAR,COUPE
FIN/MD WDB 2083651F075791 Catalog 19Y
VIN WDBLJ65G0XF075791 Major assembly: M - Engine
Sales designation CLK 320 Major assembly MD 112940 30 357370
Assortment class Car Group 01 - ENGINE HOUSING
Market Europe Subgroup 075 - CYLINDER HEAD COVER
Picture number B01075000309.040216
Copyright Daimler AG, 13/06/15 22:52, EPC 1.32.0.4, DW 04/2014 Page 1
- Parts list -
Mode MD mode Mod. des. overview PASSSENGER CAR,COUPE
FIN/MD WDB 2083651F075791 Catalog 19Y
VIN WDBLJ65G0XF075791 Major assembly: M - Engine
Sales designation CLK 320 Major assembly MD 112940 30 357370
Assortment class Car Group 01 - ENGINE HOUSING
Market Europe Subgroup 075 - CYLINDER HEAD COVER
Item no. Part number Designation/description Quantity Version
5 A 112 010 05 30 CYLINDER HEAD COVER
LEFT
001
11 A 112 010 04 30 CYLINDER HEAD COVER
RIGHT
001
14 N 000912 005010 . SCREW
. LEFT M 5X18
003
14 N 000912 005010 . SCREW
. RIGHT M 5X18
002
17 A 112 016 02 21 GASKET
CYLINDER HEAD COVER,LEFT
001
23 A 112 016 03 21 GASKET
CYLINDER HEAD COVER,RIGHT
001
29 A 001 990 83 22 SCREW
CYLINDER HEAD COVER TO CYLINDER
HEAD, LEFT M6X30
006
29 A 001 990 84 22 SCREW
CYLINDER HEAD COVER TO CYLINDER
HEAD, LEFT M6X85
003
29 A 001 990 83 22 SCREW
CYLINDER HEAD COVER TO CYLINDER
HEAD, RIGHT M6X30
007
29 A 001 990 84 22 SCREW
CYLINDER HEAD COVER TO CYLINDER
HEAD, RIGHT M6X85
002
35 A 112 010 00 64 OIL FILLER NECK 001
41 A 111 018 00 80 . GASKET 001
47 A 000 010 14 85 FILLER CAP
OIL FILLER CAP, CYLINDER HEAD
COVER, RIGHT
001
53 A 111 018 00 80 . GASKET
. OIL FILLER CAP
001
59 A 112 010 00 67 COVER PLATE
CYLINDER HEAD COVER
[014] Up to engine:
001
59 A 112 010 00 67 COVER PLATE
CYLINDER HEAD COVER
Code: -(494/828)
[015, 036] As of engine
001
59 A 112 010 01 67 COVER PLATE
Code: -(494/828)
[205, 037] Up to ident. no.:
001
65 A 112 094 00 41 . BRACKET
. [205] Up to ident. no.:
003
71 A 112 094 01 41 . BRACKET
. [205] Up to ident. no.:
001
77 A 112 016 00 80 . GASKET
. [205] Up to ident. no.:
002
89 A 112 090 00 89 BEARING
COVERING TO CYLINDER HEAD COVER
003
Copyright Daimler AG, 13/06/15 22:53, EPC 1.32.0.4, DW 04/2014 Page 1
- Picture -
Mode MD mode Mod. des. overview PASSSENGER CAR,COUPE
FIN/MD WDB 2083651F075791 Catalog 19Y
VIN WDBLJ65G0XF075791 Major assembly: M - Engine
Sales designation CLK 320 Major assembly MD 112940 30 357370
Assortment class Car Group 01 - ENGINE HOUSING
Market Europe Subgroup 075 - CYLINDER HEAD COVER
Picture number B01075000265.980306
Copyright Daimler AG, 13/06/15 22:53, EPC 1.32.0.4, DW 04/2014 Page 1
- Parts list -
Mode MD mode Mod. des. overview PASSSENGER CAR,COUPE
FIN/MD WDB 2083651F075791 Catalog 19Y
VIN WDBLJ65G0XF075791 Major assembly: M - Engine
Sales designation CLK 320 Major assembly MD 112940 30 357370
Assortment class Car Group 03 - MOVING PARTS
Market Europe Subgroup 015 - CRANKSHAFT AND FLYWHEEL
Item no. Part number Designation/description Quantity Version
5 A 112 031 05 01 CRANKSHAFT
Replaced by: A 112 030 16 01
-
5 A 112 030 16 01 CRANKSHAFT
Replaced by: A 112 030 26 01
+008 A 004 990 32 12
[009] EXHAUST STOCK OF OLD PARTS UP TO ENGINE 31 067270
- A
5 A 112 030 26 01 CRANKSHAFT
[015] Up to engine: 31 757521
001
5 A 112 030 34 01 CRANKSHAFT
[016] As of engine 31 757522
001
8 A 601 997 04 10 . PIN
. FLYWHEEL OR STARTER RING GEAR ON
. CRANKSHAFT
001
11 N 006888 005005 WOODRUFF KEY
VIBRATION ABSORBER TO CRANKSHAFT
001
17 A 155 050 00 03 CRANKSHAFT GEAR 001
23 A 112 035 13 00 VIBRATION ABSORBER
VIBRATION ABSORBER
001
29 A 006 990 70 04 SCREW
VIBRATION ABSORBER TO CRANKSHAFT
001
47 A 628 030 00 12 RING GEAR
[015] Up to engine: 31 757521
001 A
47 A 112 030 08 12 RING GEAR
[016] As of engine 31 757522
001 A
59 A 111 032 01 76 WASHER
[015] Up to engine: 31 757521
001 A
59 A 112 032 02 52 SPACER WASHER
[016] As of engine 31 757522
001 A
65 A 001 990 57 12 SCREW
[010] Up to engine: 31 067270
008 A
65 A 004 990 32 12 SCREW
[011] As of engine 31 067271
008 A
65 A 004 990 32 12 SCREW
[015] Up to engine: 31 757521
008 A
65 A 007 990 51 04 SCREW
[016] As of engine 31 757522
008 A
77 A 112 030 00 40 CRANKSHAFT BEARING
PARTS KIT,STANDARD 64.00 MM
[002] WHEN ORDERING, PLEASE STATE ADDITIONAL CODE: 52 = BLUE...
004
77 A 112 030 01 40 CRANKSHAFT BEARING
PARTS KIT,REPAIR SIZE I 63.80 MM
004
80 A 112 033 04 02 CRANKSHAFT BEARING HALF
LOWER;STANDARD
[003] WHEN ORDERING,PLEASE STATE ADDITIONAL CODE: 57 = WHITE...
004
83 A 112 030 00 62 GUARD PLATE
PARTS KIT,STANDARD 2.65 MM
002
83 A 112 030 01 62 GUARD PLATE
PARTS KIT,REPAIR SIZE I 2.85 MM
002
Copyright Daimler AG, 13/06/15 22:54, EPC 1.32.0.4, DW 04/2014 Page 1
- Picture -
Mode MD mode Mod. des. overview PASSSENGER CAR,COUPE
FIN/MD WDB 2083651F075791 Catalog 19Y
VIN WDBLJ65G0XF075791 Major assembly: M - Engine
Sales designation CLK 320 Major assembly MD 112940 30 357370
Assortment class Car Group 03 - MOVING PARTS
Market Europe Subgroup 015 - CRANKSHAFT AND FLYWHEEL
Picture number B03015000188.020823
Copyright Daimler AG, 13/06/15 22:54, EPC 1.32.0.4, DW 04/2014 Page 1
- Parts list -
Mode MD mode Mod. des. overview PASSSENGER CAR,COUPE
FIN/MD WDB 2083651F075791 Catalog 19Y
VIN WDBLJ65G0XF075791 Major assembly: M - Engine
Sales designation CLK 320 Major assembly MD 112940 30 357370
Assortment class Car Group 03 - MOVING PARTS
Market Europe Subgroup 020 - DIFFERENTIAL SHAFT
Item no. Part number Designation/description Quantity Version
5 A 112 030 27 72 DRIVE SHAFT
DIFFERENTIAL SHAFT
001
11 A 112 034 01 73 LOCK
DIFFERENTIAL SHAFT TO CRANKCASE
001
17 A 112 990 00 14 SCREW
DIFFERENTIAL SHAFT TO CRANKCASE
001
23 A 112 034 07 22 COUNTERWEIGHT
ON DIFFERENTIAL SHAFT,REAR
001
29 N 910105 008019 SCREW
COMPENSATION WEIGHT ON
DIFFERENTIAL SHAFT,REAR M 8X50
001
Copyright Daimler AG, 13/06/15 22:55, EPC 1.32.0.4, DW 04/2014 Page 1
- Picture -
Mode MD mode Mod. des. overview PASSSENGER CAR,COUPE
FIN/MD WDB 2083651F075791 Catalog 19Y
VIN WDBLJ65G0XF075791 Major assembly: M - Engine
Sales designation CLK 320 Major assembly MD 112940 30 357370
Assortment class Car Group 03 - MOVING PARTS
Market Europe Subgroup 020 - DIFFERENTIAL SHAFT
Picture number B03020000001.961211
Copyright Daimler AG, 13/06/15 22:55, EPC 1.32.0.4, DW 04/2014 Page 1
- Parts list -
Mode MD mode Mod. des. overview PASSSENGER CAR,COUPE
FIN/MD WDB 2083651F075791 Catalog 19Y
VIN WDBLJ65G0XF075791 Major assembly: M - Engine
Sales designation CLK 320 Major assembly MD 112940 30 357370
Assortment class Car Group 03 - MOVING PARTS
Market Europe Subgroup 030 - CONNECTING ROD AND PISTONS
Item no. Part number Designation/description Quantity Version
5 A 113 030 00 20 CONNECTING ROD 006
11 A 112 038 00 50 . PISTON PIN BUSHING
. Optional with: A 112 038 01 50
006
11 A 112 038 01 50 . PISTON PIN BUSHING
. Optional with: A 112 038 00 50
006
17 A 112 038 00 71 . SCREW 012
23 A 112 030 00 60 CONNECTING ROD BEARING
PARTS KIT,STANDARD 52.00 MM
006
23 A 112 030 01 60 CONNECTING ROD BEARING
PARTS KIT,REPAIR SIZE I 51.80 MM
006
29 A 112 030 06 17 PISTON
Replaced by: A 112 030 37 17
Code: -828
-
29 A 112 030 53 17 PISTON
Replaced by: A 112 030 66 17
Code: -828
[021] EXHAUST STOCK OF OLD PARTS UP TO ENGINE A 41 116
-
29 A 112 030 66 17 PISTON
STANDARD 89.90 MM
Optional with: A 112 030 37 17
Code: -828
006
29 A 112 030 37 17 PISTON
STANDARD 89.90 MM
Optional with: A 112 030 66 17
Code: -828
006
29 A 112 030 13 17 PISTON
REPAIR SIZE I 90.15 MM
006
35 A 112 030 01 24 PISTON RING
PARTS KIT,STANDARD
Optional with: A 112 030 11 24
006
35 A 112 030 03 24 PISTON RING
Replaced by: A 112 030 11 24
[020] EXHAUST STOCK OF OLD PARTS UP TO ENGINE 31 919963
-
35 A 112 030 11 24 PISTON RING
PARTS KIT,STANDARD
Optional with: A 112 030 01 24
006
35 A 112 030 08 24 PISTON RING
PARTS KIT,REPAIR SIZE I
Optional with: A 112 030 06 24
006
35 A 112 030 06 24 PISTON RING
PARTS KIT,REPAIR SIZE I
Optional with: A 112 030 08 24
006
41 A 102 994 01 35 SNAP RING 012
Copyright Daimler AG, 13/06/15 22:56, EPC 1.32.0.4, DW 04/2014 Page 1
- Picture -
Mode MD mode Mod. des. overview PASSSENGER CAR,COUPE
FIN/MD WDB 2083651F075791 Catalog 19Y
VIN WDBLJ65G0XF075791 Major assembly: M - Engine
Sales designation CLK 320 Major assembly MD 112940 30 357370
Assortment class Car Group 03 - MOVING PARTS
Market Europe Subgroup 030 - CONNECTING ROD AND PISTONS
Picture number B03030000037.961023
Copyright Daimler AG, 13/06/15 22:56, EPC 1.32.0.4, DW 04/2014 Page 1
- Parts list -
Mode MD mode Mod. des. overview PASSSENGER CAR,COUPE
FIN/MD WDB 2083651F075791 Catalog 19Y
VIN WDBLJ65G0XF075791 Major assembly: M - Engine
Sales designation CLK 320 Major assembly MD 112940 30 357370
Assortment class Car Group 05 - TIMING
Market Europe Subgroup 015 - CAMSHAFT AND CHAIN DRIVE
Item no. Part number Designation/description Quantity Version
5 A 112 050 40 01 CAMSHAFT
LEFT
001
5 A 112 050 41 01 CAMSHAFT
RIGHT
001
11 A 112 050 07 31 ROCKER ARM SPINDLE
INTAKE
002
17 A 112 050 09 31 ROCKER ARM SPINDLE
EXHAUST
002
23 A 113 050 00 33 ROCKER ARM
INTAKE VALVE NO: 1
006
29 A 113 050 01 33 ROCKER ARM
INTAKE VALVE NO: 2
006
35 A 113 050 05 34 ROCKER ARM
EXHAUST VALVE
006
41 A 113 055 00 76 . WASHER 018
47 A 113 050 00 80 . HYDRAULIC ELEMENT
. INTAKE VALVE
012
47 A 113 050 03 80 . HYDRAULIC ELEMENT
. EXHAUST VALVE
006
53 A 112 050 02 04 CAMSHAFT GEAR 002
59 N 910143 012002 SCREW
CAMSHAFT GEAR TO CAMSHAFT
002
65 A 003 997 68 94 ROLLER CHAIN
DOUBLE
001
71 A 000 997 22 98 . CHAIN LOCK LINK
. IWIS
001
77 A 112 052 01 16 SLIDING RAIL
TOP
002
83 A 112 052 00 16 SLIDING RAIL
BOTTOM
001
89 A 112 052 02 16 SLIDING RAIL
(CLAMPING RAIL)
001
95 A 112 052 01 74 PIN
HINGE PIN FOR SLIDE RAIL AND
TENSIONING RAIL
007
101 A 112 050 08 11 CHAIN TIGHTENER 001
107 A 112 997 00 44 . SEAL RING
. CHAIN TIGHTENER TO CYLINDER HEAD
001
Copyright Daimler AG, 13/06/15 22:57, EPC 1.32.0.4, DW 04/2014 Page 1
- Picture -
Mode MD mode Mod. des. overview PASSSENGER CAR,COUPE
FIN/MD WDB 2083651F075791 Catalog 19Y
VIN WDBLJ65G0XF075791 Major assembly: M - Engine
Sales designation CLK 320 Major assembly MD 112940 30 357370
Assortment class Car Group 05 - TIMING
Market Europe Subgroup 015 - CAMSHAFT AND CHAIN DRIVE
Picture number B05015000137.961023
Copyright Daimler AG, 13/06/15 22:57, EPC 1.32.0.4, DW 04/2014 Page 1
- Parts list -
Mode MD mode Mod. des. overview PASSSENGER CAR,COUPE
FIN/MD WDB 2083651F075791 Catalog 19Y
VIN WDBLJ65G0XF075791 Major assembly: M - Engine
Sales designation CLK 320 Major assembly MD 112940 30 357370
Assortment class Car Group 05 - TIMING
Market Europe Subgroup 060 - VALVES
Item no. Part number Designation/description Quantity Version
5 A 113 053 05 01 INTAKE VALVE 012
5 A 113 050 02 27 EXHAUST VALVE 006
11 A 612 050 00 58 SEAL
PARTS KIT,VALVE STEM SEALING
005
23 A 113 053 00 25 SPRING RETAINER
BOTTOM
018
29 A 113 053 00 20 VALVE SPRING 018
35 A 603 053 03 25 SPRING RETAINER
TOP
018
41 A 102 053 02 26 VALVE COLLET 036
Copyright Daimler AG, 13/06/15 22:57, EPC 1.32.0.4, DW 04/2014 Page 1
- Picture -
Mode MD mode Mod. des. overview PASSSENGER CAR,COUPE
FIN/MD WDB 2083651F075791 Catalog 19Y
VIN WDBLJ65G0XF075791 Major assembly: M - Engine
Sales designation CLK 320 Major assembly MD 112940 30 357370
Assortment class Car Group 05 - TIMING
Market Europe Subgroup 060 - VALVES
Picture number B05060000023.961023
Copyright Daimler AG, 13/06/15 22:57, EPC 1.32.0.4, DW 04/2014 Page 1
- Parts list -
Mode MD mode Mod. des. overview PASSSENGER CAR,COUPE
FIN/MD WDB 2083651F075791 Catalog 19Y
VIN WDBLJ65G0XF075791 Major assembly: M - Engine
Sales designation CLK 320 Major assembly MD 112940 30 357370
Assortment class Car Group 07 - INJECTION
Market Europe Subgroup 085 - INJECTION VALVES,FUEL DISTRIBUTOR
Item no. Part number Designation/description Quantity Version
5 A 112 070 02 95 FUEL DISTRIBUTOR 001
11 A 000 078 43 49 . VALVE
. FUEL PRESSURE TEST CONNECTION TO
. 112 070 01 95
001
14 A 000 078 07 29 . ELEMENT
. FUEL PRESSURE TEST CONNECTION TO
. 112 070 02 95
001
17 N 007603 012111 . SEAL RING
. FUEL PRESSURE TEST CONNECTION TO
. 112 070 01 95
001
23 A 000 070 01 95 . INTERMEDIATE PIECE
. FUEL PRESSURE TEST CONNECTION TO
. 112 070 01 95
001
26 A 001 988 59 35 . CAP
. FUEL PRESSURE TEST CONNECTION TO
. 112 070 02 95, 04 95
001
29 A 112 078 00 49 VALVE
INJECTION VALVE
[801] UP TO THE END OF MODEL YEAR 2000 - CODE 800
006
29 A 112 078 01 49 VALVE
INJECTION VALVE
[810] FROM MODEL YEAR 2001 - CODE 801
006
35 A 019 997 13 48 . O-RING
. INJECTION VALVE
012
41 A 119 078 06 41 BRACKET
INJECTION VALVE TO FUEL
DISTRIBUTOR
006
47 N 910143 006001 SCREW
FUEL DISTRIBUTOR TO INTAKE
MANIFOLD M 6X16
004
Copyright Daimler AG, 13/06/15 22:58, EPC 1.32.0.4, DW 04/2014 Page 1
- Picture -
Mode MD mode Mod. des. overview PASSSENGER CAR,COUPE
FIN/MD WDB 2083651F075791 Catalog 19Y
VIN WDBLJ65G0XF075791 Major assembly: M - Engine
Sales designation CLK 320 Major assembly MD 112940 30 357370
Assortment class Car Group 07 - INJECTION
Market Europe Subgroup 085 - INJECTION VALVES,FUEL DISTRIBUTOR
Picture number B07085000005.010904
Copyright Daimler AG, 13/06/15 22:58, EPC 1.32.0.4, DW 04/2014 Page 1
- Parts list -
Mode MD mode Mod. des. overview PASSSENGER CAR,COUPE
FIN/MD WDB 2083651F075791 Catalog 19Y
VIN WDBLJ65G0XF075791 Major assembly: M - Engine
Sales designation CLK 320 Major assembly MD 112940 30 357370
Assortment class Car Group 09 - AIR CLEANER
Market Europe Subgroup 015 - AIR CLEANER
Item no. Part number Designation/description Quantity Version
FOR AIR CLEANER,SEE CHASSIS PARTS
LIST,GROUP 52
155 A 112 090 07 01 AIR CLEANER
MAKE MANN & HUMMEL
[205] Up to ident. no.:
001
161 A 604 094 13 04 . FILTER ELEMENT
. MAKE MANN & HUMMEL
. Optional with: A 604 094 14 04
. [205] Up to ident. no.:
001
161 A 604 094 14 04 . FILTER ELEMENT
. MAKE KNECHT
. Optional with: A 604 094 13 04
. [205] Up to ident. no.:
001
164 A 028 997 97 48 . SEAL RING
. [205] Up to ident. no.:
001
167 A 604 094 00 85 RUBBER BUFFER
MUFFLER FILTER TO RIGHT WHEEL ARCH
[205] Up to ident. no.:
003
173 A 202 528 00 91 BOOT
[205] Up to ident. no.:
001
179 A 208 528 00 07 PIPE ELBOW
[205] Up to ident. no.:
001
185 A 208 528 00 04 SCOOP
COLD AIR INTAKE
[205] Up to ident. no.:
001
191 A 202 505 01 86 BOOT
[205] Up to ident. no.:
001
197 A 123 990 00 92 RIVET
[205] Up to ident. no.:
003
Copyright Daimler AG, 13/06/15 23:00, EPC 1.32.0.4, DW 04/2014 Page 1
- Picture -
Mode MD mode Mod. des. overview PASSSENGER CAR,COUPE
FIN/MD WDB 2083651F075791 Catalog 19Y
VIN WDBLJ65G0XF075791 Major assembly: M - Engine
Sales designation CLK 320 Major assembly MD 112940 30 357370
Assortment class Car Group 09 - AIR CLEANER
Market Europe Subgroup 015 - AIR CLEANER
Picture number B09015000119.050817
Copyright Daimler AG, 13/06/15 23:00, EPC 1.32.0.4, DW 04/2014 Page 1
- Parts list -
Mode MD mode Mod. des. overview PASSSENGER CAR,COUPE
FIN/MD WDB 2083651F075791 Catalog 19Y
VIN WDBLJ65G0XF075791 Major assembly: M - Engine
Sales designation CLK 320 Major assembly MD 112940 30 357370
Assortment class Car Group 13 - POWER STEERG.PUMP,REFRIG.COMPRESSOR
Market Europe Subgroup 030 - TANDEM PUMP AND POWER STEERING PUMP
Item no. Part number Designation/description Quantity Version
5 A 002 466 24 01 HYDRAULIC PUMP
LUK
Optional with: A 002 466 12 01
Code: -(214/480)
[205, 010] Up to ident. no.:
001
5 A 002 466 12 01 HYDRAULIC PUMP
ZF
Optional with: A 002 466 24 01
Code: -(214/480)
[205, 010] Up to ident. no.:
001
20 A 000 460 01 83 OIL TANK
[205] Up to ident. no.:
001
23 A 001 466 27 05 . HOUSING COVER
. OIL TANK
. [205] Up to ident. no.:
001
Copyright Daimler AG, 13/06/15 23:02, EPC 1.32.0.4, DW 04/2014 Page 1
- Picture -
Mode MD mode Mod. des. overview PASSSENGER CAR,COUPE
FIN/MD WDB 2083651F075791 Catalog 19Y
VIN WDBLJ65G0XF075791 Major assembly: M - Engine
Sales designation CLK 320 Major assembly MD 112940 30 357370
Assortment class Car Group 13 - POWER STEERG.PUMP,REFRIG.COMPRESSOR
Market Europe Subgroup 030 - TANDEM PUMP AND POWER STEERING PUMP
Picture number B13030000176.020823
Copyright Daimler AG, 13/06/15 23:02, EPC 1.32.0.4, DW 04/2014 Page 1
- Parts list -
Mode MD mode Mod. des. overview PASSSENGER CAR,COUPE
FIN/MD WDB 2083651F075791 Catalog 19Y
VIN WDBLJ65G0XF075791 Major assembly: M - Engine
Sales designation CLK 320 Major assembly MD 112940 30 357370
Assortment class Car Group 13 - POWER STEERG.PUMP,REFRIG.COMPRESSOR
Market Europe Subgroup 045 - POWER STEERING PUMP ATTACHMENT PARTS
Item no. Part number Designation/description Quantity Version
11 N 000000 001141 SCREW
POWER STEERING PUMP ON TIMING CASE
[205] Up to ident. no.:
002
35 A 000 466 18 80 GASKET
SUSTION FITTING,POWER STEERING
PUMP
[205] Up to ident. no.:
001
41 A 000 460 01 83 OIL TANK
OIL RESERVOIR ON POWER STEERING
PUMP
[205] Up to ident. no.:
001
47 N 000000 001117 SCREW
OIL RESERVOIR ON TIMING CASE
[205] Up to ident. no.:
001
53 A 003 994 54 45 LOCK
TO OIL RESERVOIR FEED FITTING
[205] Up to ident. no.:
001
Copyright Daimler AG, 13/06/15 23:02, EPC 1.32.0.4, DW 04/2014 Page 1
- Picture -
Mode MD mode Mod. des. overview PASSSENGER CAR,COUPE
FIN/MD WDB 2083651F075791 Catalog 19Y
VIN WDBLJ65G0XF075791 Major assembly: M - Engine
Sales designation CLK 320 Major assembly MD 112940 30 357370
Assortment class Car Group 13 - POWER STEERG.PUMP,REFRIG.COMPRESSOR
Market Europe Subgroup 045 - POWER STEERING PUMP ATTACHMENT PARTS
Picture number B13045000151.010904
Copyright Daimler AG, 13/06/15 23:02, EPC 1.32.0.4, DW 04/2014 Page 1
- Parts list -
Mode MD mode Mod. des. overview PASSSENGER CAR,COUPE
FIN/MD WDB 2083651F075791 Catalog 19Y
VIN WDBLJ65G0XF075791 Major assembly: M - Engine
Sales designation CLK 320 Major assembly MD 112940 30 357370
Assortment class Car Group 13 - POWER STEERG.PUMP,REFRIG.COMPRESSOR
Market Europe Subgroup 060 - REFRIGERANT COMPRESSOR
Item no. Part number Designation/description Quantity Version
5 A 000 230 70 11 COMPRESSOR
[205, 691, 697] Up to ident. no.:
001
14 A 000 230 21 28 . COUPLING
. COUPLER WITH SOLENOID TO A 000 230
. 20 11, 70 11
. [205] Up to ident. no.:
001
17 A 000 997 29 34 . SCREW
. TO A 000 230 20 11, 70 11
. [205] Up to ident. no.:
001
23 A 023 997 48 48 . SEAL RING
. TO A 000 230 20 11, 70 11
. [205] Up to ident. no.:
001
26 N 000912 008134 . SCREW
. REFRIGERANT LINE TO COMPRESSOR M
. 8X28
. [205] Up to ident. no.:
001
29 N 007984 008003 . SCREW
. REFRIGERANT LINE TO COMPRESSOR M
. 8X18
. [205] Up to ident. no.:
001
32 N 000125 008443 . WASHER
. [205] Up to ident. no.:
002
Copyright Daimler AG, 13/06/15 23:03, EPC 1.32.0.4, DW 04/2014 Page 1
- Picture -
Mode MD mode Mod. des. overview PASSSENGER CAR,COUPE
FIN/MD WDB 2083651F075791 Catalog 19Y
VIN WDBLJ65G0XF075791 Major assembly: M - Engine
Sales designation CLK 320 Major assembly MD 112940 30 357370
Assortment class Car Group 13 - POWER STEERG.PUMP,REFRIG.COMPRESSOR
Market Europe Subgroup 060 - REFRIGERANT COMPRESSOR
Picture number B13060000137.010928
Copyright Daimler AG, 13/06/15 23:03, EPC 1.32.0.4, DW 04/2014 Page 1
- Parts list -
Mode MD mode Mod. des. overview PASSSENGER CAR,COUPE
FIN/MD WDB 2083651F075791 Catalog 19Y
VIN WDBLJ65G0XF075791 Major assembly: M - Engine
Sales designation CLK 320 Major assembly MD 112940 30 357370
Assortment class Car Group 13 - POWER STEERG.PUMP,REFRIG.COMPRESSOR
Market Europe Subgroup 075 - REFRIGERANT COMPRESSOR ATTACHMENT PARTS
Item no. Part number Designation/description Quantity Version
5 N 910143 008011 HEXALOBULAR BOLT
REFRIGERANT COMPRESSOR ON TIMING
CASE AND ENGINE CARRIER M8X90
[205] Up to ident. no.:
003
14 A 112 230 02 56 SUCTION LINE
[040, 691] Up to ident. no.:
001
14 A 112 230 13 56 SUCTION LINE
[041, 205, 691] As of ident. no.
001
23 A 210 997 03 45 . SEAL RING
. [205, 691] Up to ident. no.:
001
29 A 140 997 08 45 . SEAL RING
. [205, 691] Up to ident. no.:
001
32 A 220 997 04 45 . SEAL RING
. [205, 691] Up to ident. no.:
001
47 A 112 230 01 56 PIPE
DELIVERY LINE
[205] Up to ident. no.:
001
59 A 140 997 07 45 . SEAL RING
. [205, 691, 012] Up to ident. no.:
001
65 A 140 997 08 45 . SEAL RING
. [205, 012, 691] Up to ident. no.:
001
Copyright Daimler AG, 13/06/15 23:03, EPC 1.32.0.4, DW 04/2014 Page 1
- Picture -
Mode MD mode Mod. des. overview PASSSENGER CAR,COUPE
FIN/MD WDB 2083651F075791 Catalog 19Y
VIN WDBLJ65G0XF075791 Major assembly: M - Engine
Sales designation CLK 320 Major assembly MD 112940 30 357370
Assortment class Car Group 13 - POWER STEERG.PUMP,REFRIG.COMPRESSOR
Market Europe Subgroup 075 - REFRIGERANT COMPRESSOR ATTACHMENT PARTS
Picture number B13075000138.030722
Copyright Daimler AG, 13/06/15 23:03, EPC 1.32.0.4, DW 04/2014 Page 1
- Parts list -
Mode MD mode Mod. des. overview PASSSENGER CAR,COUPE
FIN/MD WDB 2083651F075791 Catalog 19Y
VIN WDBLJ65G0XF075791 Major assembly: M - Engine
Sales designation CLK 320 Major assembly MD 112940 30 357370
Assortment class Car Group 13 - POWER STEERG.PUMP,REFRIG.COMPRESSOR
Market Europe Subgroup 075 - REFRIGERANT COMPRESSOR ATTACHMENT PARTS
Item no. Part number Designation/description Quantity Version
5 N 910143 008011 HEXALOBULAR BOLT
REFRIGERANT COMPRESSOR ON TIMING
CASE AND ENGINE CARRIER M8X90
[205] Up to ident. no.:
003
14 A 112 230 02 56 SUCTION LINE
[040, 691] Up to ident. no.:
001
14 A 112 230 13 56 SUCTION LINE
[041, 205, 691] As of ident. no.
001
23 A 210 997 03 45 . SEAL RING
. [205, 691] Up to ident. no.:
001
29 A 140 997 08 45 . SEAL RING
. [205, 691] Up to ident. no.:
001
32 A 220 997 04 45 . SEAL RING
. [205, 691] Up to ident. no.:
001
47 A 112 230 01 56 PIPE
DELIVERY LINE
[205] Up to ident. no.:
001
59 A 140 997 07 45 . SEAL RING
. [205, 691, 012] Up to ident. no.:
001
65 A 140 997 08 45 . SEAL RING
. [205, 012, 691] Up to ident. no.:
001
Copyright Daimler AG, 13/06/15 23:04, EPC 1.32.0.4, DW 04/2014 Page 1
- Picture -
Mode MD mode Mod. des. overview PASSSENGER CAR,COUPE
FIN/MD WDB 2083651F075791 Catalog 19Y
VIN WDBLJ65G0XF075791 Major assembly: M - Engine
Sales designation CLK 320 Major assembly MD 112940 30 357370
Assortment class Car Group 13 - POWER STEERG.PUMP,REFRIG.COMPRESSOR
Market Europe Subgroup 075 - REFRIGERANT COMPRESSOR ATTACHMENT PARTS
Picture number B13075000160.001222
Copyright Daimler AG, 13/06/15 23:04, EPC 1.32.0.4, DW 04/2014 Page 1
- Parts list -
Mode MD mode Mod. des. overview PASSSENGER CAR,COUPE
FIN/MD WDB 2083651F075791 Catalog 19Y
VIN WDBLJ65G0XF075791 Major assembly: M - Engine
Sales designation CLK 320 Major assembly MD 112940 30 357370
Assortment class Car Group 13 - POWER STEERG.PUMP,REFRIG.COMPRESSOR
Market Europe Subgroup 135 - V-BELT
Item no. Part number Designation/description Quantity Version
5 A 011 997 97 92 V-BELT
21.36X2390
[205, 691] Up to ident. no.:
001
Copyright Daimler AG, 13/06/15 23:04, EPC 1.32.0.4, DW 04/2014 Page 1
- Picture -
Mode MD mode Mod. des. overview PASSSENGER CAR,COUPE
FIN/MD WDB 2083651F075791 Catalog 19Y
VIN WDBLJ65G0XF075791 Major assembly: M - Engine
Sales designation CLK 320 Major assembly MD 112940 30 357370
Assortment class Car Group 13 - POWER STEERG.PUMP,REFRIG.COMPRESSOR
Market Europe Subgroup 135 - V-BELT
Picture number B13135000037.001222
Copyright Daimler AG, 13/06/15 23:04, EPC 1.32.0.4, DW 04/2014 Page 1
- Parts list -
Mode MD mode Mod. des. overview PASSSENGER CAR,COUPE
FIN/MD WDB 2083651F075791 Catalog 19Y
VIN WDBLJ65G0XF075791 Major assembly: M - Engine
Sales designation CLK 320 Major assembly MD 112940 30 357370
Assortment class Car Group 14 - INTAKE AND EXHAUST MANIFOLDS
Market Europe Subgroup 030 - INTAKE MANIFOLD
Item no. Part number Designation/description Quantity Version
5 A 112 140 11 01 INTAKE MANIFOLD
Replaced by: A 112 140 15 01
+001 A 112 141 21 80
-
5 A 112 140 21 01 INTAKE MANIFOLD 001
11 A 111 997 05 45 . SEAL RING
. CONNECTION PIECE,BRAKE PRESSURE
. LINE
001
17 A 111 141 02 42 . CLAMPING RING
. CONNECTION PIECE,BRAKE PRESSURE
. LINE
001
23 A 111 141 00 81 . CAP
. CONNECTION PIECE,BRAKE PRESSURE
. LINE
001
29 A 112 141 00 69 . VACUUM BOX
. RESONANCE VALVE
001
35 N 000000 001181 . SCREW
. VACUUM CELL ON INTAKE MANIFOLD
002
41 A 002 540 18 97 . VALVE
. (ELECTRIC CHANGE-OVER VALVE)
001
47 N 912010 003003 . LOCK PLATE
. AT INTAKE MANIFOLD
001
53 A 117 997 09 82 . HOSE
. BETWEEN ELECTRIC CHANGE-OVER VALVE
. AND VACUUM BOX 170 MM
. [404] ORDER BY THE METER
NB
56 A 000 276 00 30 . LINE
. FROM INTAKE MANIFOLD TO ELECTRIC
. CHANGE-OVER VALVE,REGENERATION 260 MM
. [404, 001] ORDER BY THE METER
NB
59 A 000 987 11 45 LOCKING CAP NB
62 A 003 997 02 86 PLUG
CONNECTOR
NB
65 A 112 141 09 80 GASKET
INTAKE MANIFOLD TO CYLINDER HEAD
Code: -(494/925)
[010, 801] ONLY FOR VEHICLES WITHOUT AIR PUMP
002
65 A 112 141 20 80 GASKET
INTAKE MANIFOLD TO CYLINDER HEAD
Code: -(494/925)
[810] FROM MODEL YEAR 2001 - CODE 801
002
71 N 910143 008003 SCREW
INTAKE MANIFOLD TO CYLINDER HEAD
008
80 A 112 141 00 25 SLIDE
ELECTRONIC GAS ACTUATOR
[801] UP TO THE END OF MODEL YEAR 2000 - CODE 800
001
80 A 112 141 01 25 SLIDE
ELECTRONIC GAS ACTUATOR
[810] FROM MODEL YEAR 2001 - CODE 801
001
83 A 001 546 00 43 . BRACKET
. [810] FROM MODEL YEAR 2001 - CODE 801
001
86 A 001 990 53 12 SCREW
ELECTRONIC GAS ACTUATOR TO INTAKE
MANIFOLD
004
89 A 305 997 03 45 SEAL RING
ELECTRONIC GAS ACTUATOR TO INTAKE
MANIFOLD
001
92 A 112 141 01 87 BUFFER 002
Copyright Daimler AG, 13/06/15 23:05, EPC 1.32.0.4, DW 04/2014 Page 1
92 A 112 141 01 87 BUFFER
AT FUEL DISTRIBUTOR LINE
002
98 A 112 140 03 12 PIPE LINE
INTAKE LINE
[205] Up to ident. no.:
001
101 A 112 159 00 80 . GASKET
. [205] Up to ident. no.:
001
104 N 910143 006002 SCREW
INTAKE LINE TO CYLINDER HEAD COVER
[205] Up to ident. no.:
001
119 A 112 094 00 48 MASS AIRFLOW SENSOR
[205] Up to ident. no.:
001
122 A 006 997 08 90 LOOM TIE
AIR-MASS SENSOR TO INTAKE LINE
[205] Up to ident. no.:
001
128 A 112 140 00 87 DAMPER
[205] Up to ident. no.:
001
134 A 112 141 00 83 HOSE
CAMPER ON INTAKE LINE
[205] Up to ident. no.:
001
140 A 112 018 04 82 HOSE
FULL-LOAD CRANKCASE VENTILATION
001
146 A 112 018 01 82 HOSE
PART LOAD CRANKCASE VENTILATION
001
152 A 112 018 02 82 HOSE
PART LOAD CRANKCASE VENTILATION
001
158 A 112 018 02 09 CONNECTOR
PART LOAD CRANKCASE VENTILATION
001
164 A 117 990 15 78 CONNECTOR
PART LOAD CRANKCASE VENTILATION
003
170 A 112 018 03 82 HOSE
PART LOAD CRANKCASE VENTILATION
001
176 A 112 010 00 70 BREATHER PIPE
REGENERATION VALVE TO INTAKE PIPE
[205] Up to ident. no.:
001
Copyright Daimler AG, 13/06/15 23:05, EPC 1.32.0.4, DW 04/2014 Page 2
- Picture -
Mode MD mode Mod. des. overview PASSSENGER CAR,COUPE
FIN/MD WDB 2083651F075791 Catalog 19Y
VIN WDBLJ65G0XF075791 Major assembly: M - Engine
Sales designation CLK 320 Major assembly MD 112940 30 357370
Assortment class Car Group 14 - INTAKE AND EXHAUST MANIFOLDS
Market Europe Subgroup 030 - INTAKE MANIFOLD
Picture number B14030000235.060904
Copyright Daimler AG, 13/06/15 23:05, EPC 1.32.0.4, DW 04/2014 Page 1
- Parts list -
Mode MD mode Mod. des. overview PASSSENGER CAR,COUPE
FIN/MD WDB 2083651F075791 Catalog 19Y
VIN WDBLJ65G0XF075791 Major assembly: M - Engine
Sales designation CLK 320 Major assembly MD 112940 30 357370
Assortment class Car Group 14 - INTAKE AND EXHAUST MANIFOLDS
Market Europe Subgroup 030 - INTAKE MANIFOLD
Item no. Part number Designation/description Quantity Version
5 A 112 140 11 01 INTAKE MANIFOLD
Replaced by: A 112 140 15 01
+001 A 112 141 21 80
-
5 A 112 140 21 01 INTAKE MANIFOLD 001
11 A 111 997 05 45 . SEAL RING
. CONNECTION PIECE,BRAKE PRESSURE
. LINE
001
17 A 111 141 02 42 . CLAMPING RING
. CONNECTION PIECE,BRAKE PRESSURE
. LINE
001
23 A 111 141 00 81 . CAP
. CONNECTION PIECE,BRAKE PRESSURE
. LINE
001
29 A 112 141 00 69 . VACUUM BOX
. RESONANCE VALVE
001
35 N 000000 001181 . SCREW
. VACUUM CELL ON INTAKE MANIFOLD
002
41 A 002 540 18 97 . VALVE
. (ELECTRIC CHANGE-OVER VALVE)
001
47 N 912010 003003 . LOCK PLATE
. AT INTAKE MANIFOLD
001
53 A 117 997 09 82 . HOSE
. BETWEEN ELECTRIC CHANGE-OVER VALVE
. AND VACUUM BOX 170 MM
. [404] ORDER BY THE METER
NB
56 A 000 276 00 30 . LINE
. FROM INTAKE MANIFOLD TO ELECTRIC
. CHANGE-OVER VALVE,REGENERATION 260 MM
. [404, 001] ORDER BY THE METER
NB
59 A 000 987 11 45 LOCKING CAP NB
62 A 003 997 02 86 PLUG
CONNECTOR
NB
65 A 112 141 09 80 GASKET
INTAKE MANIFOLD TO CYLINDER HEAD
Code: -(494/925)
[010, 801] ONLY FOR VEHICLES WITHOUT AIR PUMP
002
65 A 112 141 20 80 GASKET
INTAKE MANIFOLD TO CYLINDER HEAD
Code: -(494/925)
[810] FROM MODEL YEAR 2001 - CODE 801
002
71 N 910143 008003 SCREW
INTAKE MANIFOLD TO CYLINDER HEAD
008
80 A 112 141 00 25 SLIDE
ELECTRONIC GAS ACTUATOR
[801] UP TO THE END OF MODEL YEAR 2000 - CODE 800
001
80 A 112 141 01 25 SLIDE
ELECTRONIC GAS ACTUATOR
[810] FROM MODEL YEAR 2001 - CODE 801
001
83 A 001 546 00 43 . BRACKET
. [810] FROM MODEL YEAR 2001 - CODE 801
001
86 A 001 990 53 12 SCREW
ELECTRONIC GAS ACTUATOR TO INTAKE
MANIFOLD
004
89 A 305 997 03 45 SEAL RING
ELECTRONIC GAS ACTUATOR TO INTAKE
MANIFOLD
001
92 A 112 141 01 87 BUFFER 002
Copyright Daimler AG, 13/06/15 23:05, EPC 1.32.0.4, DW 04/2014 Page 1
92 A 112 141 01 87 BUFFER
AT FUEL DISTRIBUTOR LINE
002
98 A 112 140 03 12 PIPE LINE
INTAKE LINE
[205] Up to ident. no.:
001
101 A 112 159 00 80 . GASKET
. [205] Up to ident. no.:
001
104 N 910143 006002 SCREW
INTAKE LINE TO CYLINDER HEAD COVER
[205] Up to ident. no.:
001
119 A 112 094 00 48 MASS AIRFLOW SENSOR
[205] Up to ident. no.:
001
122 A 006 997 08 90 LOOM TIE
AIR-MASS SENSOR TO INTAKE LINE
[205] Up to ident. no.:
001
128 A 112 140 00 87 DAMPER
[205] Up to ident. no.:
001
134 A 112 141 00 83 HOSE
CAMPER ON INTAKE LINE
[205] Up to ident. no.:
001
140 A 112 018 04 82 HOSE
FULL-LOAD CRANKCASE VENTILATION
001
146 A 112 018 01 82 HOSE
PART LOAD CRANKCASE VENTILATION
001
152 A 112 018 02 82 HOSE
PART LOAD CRANKCASE VENTILATION
001
158 A 112 018 02 09 CONNECTOR
PART LOAD CRANKCASE VENTILATION
001
164 A 117 990 15 78 CONNECTOR
PART LOAD CRANKCASE VENTILATION
003
170 A 112 018 03 82 HOSE
PART LOAD CRANKCASE VENTILATION
001
176 A 112 010 00 70 BREATHER PIPE
REGENERATION VALVE TO INTAKE PIPE
[205] Up to ident. no.:
001
Copyright Daimler AG, 13/06/15 23:05, EPC 1.32.0.4, DW 04/2014 Page 2
- Picture -
Mode MD mode Mod. des. overview PASSSENGER CAR,COUPE
FIN/MD WDB 2083651F075791 Catalog 19Y
VIN WDBLJ65G0XF075791 Major assembly: M - Engine
Sales designation CLK 320 Major assembly MD 112940 30 357370
Assortment class Car Group 14 - INTAKE AND EXHAUST MANIFOLDS
Market Europe Subgroup 030 - INTAKE MANIFOLD
Picture number B14030000236.000403
Copyright Daimler AG, 13/06/15 23:05, EPC 1.32.0.4, DW 04/2014 Page 1
- Parts list -
Mode MD mode Mod. des. overview PASSSENGER CAR,COUPE
FIN/MD WDB 2083651F075791 Catalog 19Y
VIN WDBLJ65G0XF075791 Major assembly: M - Engine
Sales designation CLK 320 Major assembly MD 112940 30 357370
Assortment class Car Group 14 - INTAKE AND EXHAUST MANIFOLDS
Market Europe Subgroup 060 - EXHAUST MANIFOLD
Item no. Part number Designation/description Quantity Version
5 A 112 140 16 09 EXHAUST MANIFOLD
Replaced by: A 112 140 32 09
+012 A 112 142 01 72
+012 A 272 990 00 05
-
5 A 112 140 32 09 EXHAUST MANIFOLD
CYLINDERS NOS.1-3
[205] Up to ident. no.:
001
11 A 112 140 15 09 EXHAUST MANIFOLD
Replaced by: A 112 140 31 09
+012 A 112 142 01 72
-
11 A 112 140 31 09 EXHAUST MANIFOLD
CYLINDERS NOS.4-6
[205] Up to ident. no.:
001
17 A 000 990 25 52 . NUT
. [205] Up to ident. no.:
004
23 A 112 142 01 80 GASKET
EXHAUST MANIFOLD TO CYLINDER HEAD
[205] Up to ident. no.:
006
29 A 112 142 00 72 HEXAGON NUT
EXHAUST MANIFOLD TO CYLINDER HEAD
[205] Up to ident. no.:
012
Copyright Daimler AG, 13/06/15 23:06, EPC 1.32.0.4, DW 04/2014 Page 1
- Picture -
Mode MD mode Mod. des. overview PASSSENGER CAR,COUPE
FIN/MD WDB 2083651F075791 Catalog 19Y
VIN WDBLJ65G0XF075791 Major assembly: M - Engine
Sales designation CLK 320 Major assembly MD 112940 30 357370
Assortment class Car Group 14 - INTAKE AND EXHAUST MANIFOLDS
Market Europe Subgroup 060 - EXHAUST MANIFOLD
Picture number B14060000074.001222
Copyright Daimler AG, 13/06/15 23:06, EPC 1.32.0.4, DW 04/2014 Page 1
- Parts list -
Mode MD mode Mod. des. overview PASSSENGER CAR,COUPE
FIN/MD WDB 2083651F075791 Catalog 19Y
VIN WDBLJ65G0XF075791 Major assembly: M - Engine
Sales designation CLK 320 Major assembly MD 112940 30 357370
Assortment class Car Group 14 - INTAKE AND EXHAUST MANIFOLDS
Market Europe Subgroup 090 - EXHAUST GAS RECIRCULATION
Item no. Part number Designation/description Quantity Version
5 A 112 140 00 60 VALVE
EXHAUST GAS RECIRCULATION VALVE
001
11 A 117 078 02 81 . HOSE 001
17 A 117 997 09 82 . HOSE
. 100 MM
. [404] ORDER BY THE METER
001
20 A 117 078 05 81 . HOSE 001
23 A 112 142 02 80 GASKET
EXHAUST GAS RECIRCULATION VALVE TO
CYLINDER HEAD
001
29 N 910143 008005 SCREW
EXHAUST GAS RECIRCULATION VALVE TO
CYLINDER HEAD M 8X40
002
35 A 112 140 01 08 EXHAUST LINE
EXHAUST GAS RECIRCULATION LINE
001
41 A 000 990 73 67 SEAL CONE
PIPE LINE TO EXHAUST GAS
RECIRCULATION VALVE
001
47 A 000 990 68 54 NUT
PIPE LINE TO EXHAUST GAS
RECIRCULATION VALVE
001
53 A 112 141 21 80 GASKET
EXHAUST GAS RECIRCULATION LINE TO
INTAKE MANIFOLD
001
59 N 910143 006001 SCREW
EXHAUST GAS RECIRCULATION LINE TO
INTAKE MANIFOLD
002
65 A 117 997 09 82 HOSE
102 MM
[404] ORDER BY THE METER
001
Copyright Daimler AG, 13/06/15 23:06, EPC 1.32.0.4, DW 04/2014 Page 1
- Picture -
Mode MD mode Mod. des. overview PASSSENGER CAR,COUPE
FIN/MD WDB 2083651F075791 Catalog 19Y
VIN WDBLJ65G0XF075791 Major assembly: M - Engine
Sales designation CLK 320 Major assembly MD 112940 30 357370
Assortment class Car Group 14 - INTAKE AND EXHAUST MANIFOLDS
Market Europe Subgroup 090 - EXHAUST GAS RECIRCULATION
Picture number B14090000037.980528
Copyright Daimler AG, 13/06/15 23:06, EPC 1.32.0.4, DW 04/2014 Page 1
- Parts list -
Mode MD mode Mod. des. overview PASSSENGER CAR,COUPE
FIN/MD WDB 2083651F075791 Catalog 19Y
VIN WDBLJ65G0XF075791 Major assembly: M - Engine
Sales designation CLK 320 Major assembly MD 112940 30 357370
Assortment class Car Group 14 - INTAKE AND EXHAUST MANIFOLDS
Market Europe Subgroup 105 - AIR PUMP
Item no. Part number Designation/description Quantity Version
5 A 000 140 37 85 PUMP
(AIR PUMP),ELECTRIC
001
11 A 112 237 02 40 BRACKET
AIR PUMP
001
71 A 002 540 70 97 CHANGE-OVER VALVE
(ELECTRIC CHANGE-OVER VALVE)
[810] FROM MODEL YEAR 2001 - CODE 801
001
77 A 117 078 09 81 BOOT
AIR PUMP CONTROL
[810] FROM MODEL YEAR 2001 - CODE 801
001
86 A 005 153 50 28 SENDER UNIT
(PRESSURE SENSOR)
[810] FROM MODEL YEAR 2001 - CODE 801
001
87 A 027 997 27 48 . SEAL RING
. [810] FROM MODEL YEAR 2001 - CODE 801
001
95 N 910142 006001 SCREW
PRESSURE SENSOR AT BRACKET M 6X16
[810] FROM MODEL YEAR 2001 - CODE 801
001
101 A 000 158 14 35 PIPE LINE
FROM ELECTRIC CHANGE-OVER VALVE TO
DISTRIBUTOR 110 MM
[404] ORDER BY THE METER
001
104 N 040621 018200 INSULATING HOSE
150 MM
[404] ORDER BY THE METER
NB
104 N 040621 012200 INSULATING HOSE
180 MM
[404] ORDER BY THE METER
NB
107 A 601 078 02 45 BRANCH-OFF FITTING
FROM ELECTRIC CHANGE-OVER VALVE TO
SHUT-OFF VALVE
[017] Up to engine: 32 000449
001
107 A 111 078 00 81 HOSE
[018] As of engine 32 000450
001
113 A 116 276 09 29 NOZZLE
SHUT-OFF VALVE RIGHT
001
119 A 117 997 09 82 HOSE
SHUT-OFF VALVE 245 MM
[404] ORDER BY THE METER
001
119 A 117 997 09 82 HOSE
PRESSURE SENSOR TO INTAKE MANIFOLD
245 MM
[404] ORDER BY THE METER
001
119 A 117 997 09 82 HOSE
FROM INTAKE MANIFOLD TO ELECTRIC
CHANGE-OVER VALVE 245 MM
[404] ORDER BY THE METER
001
125 A 117 078 03 81 HOSE
ELECTRIC CHANGE-OVER VALVE
001
131 A 117 078 05 81 HOSE
FROM INTAKE MANIFOLD TO ELECTRIC
CHANGE-OVER VALVE
001
137 A 002 140 84 60 VALVE
CHECK VALVE
001
Copyright Daimler AG, 13/06/15 23:07, EPC 1.32.0.4, DW 04/2014 Page 1
- Picture -
Mode MD mode Mod. des. overview PASSSENGER CAR,COUPE
FIN/MD WDB 2083651F075791 Catalog 19Y
VIN WDBLJ65G0XF075791 Major assembly: M - Engine
Sales designation CLK 320 Major assembly MD 112940 30 357370
Assortment class Car Group 14 - INTAKE AND EXHAUST MANIFOLDS
Market Europe Subgroup 105 - AIR PUMP
Picture number B14105000030.021216
Copyright Daimler AG, 13/06/15 23:07, EPC 1.32.0.4, DW 04/2014 Page 1
- Parts list -
Mode MD mode Mod. des. overview PASSSENGER CAR,COUPE
FIN/MD WDB 2083651F075791 Catalog 19Y
VIN WDBLJ65G0XF075791 Major assembly: M - Engine
Sales designation CLK 320 Major assembly MD 112940 30 357370
Assortment class Car Group 15 - ELECTRICAL EQUIPMENT
Market Europe Subgroup 015 - STARTING MOTOR
Item no. Part number Designation/description Quantity Version
5 A 005 151 65 01 STARTING MOTOR
[205, 697] Up to ident. no.:
001 L
11 A 001 151 21 13 . PINION
. TO 005 151 65 01, 112 151 00 01
. [205] Up to ident. no.:
001 L
17 A 000 151 53 50 . . BUSHING
. . STARTER PINION TO 005 151 65 01,
. . 112 151 00 01
. . [205] Up to ident. no.:
003 L
23 A 019 981 19 10 . NEEDLE BEARING
. DRIVE END BEARING TO 005 151 65
. 01, 112 151 00 01
. [205] Up to ident. no.:
001 L
29 A 000 151 68 50 . BUSHING
. COMMUTATOR END SHIELD TO 005 151
. 01 01, 65 01, 112 151 00 01
. [205] Up to ident. no.:
001
35 A 001 151 45 14 . CARBON BRUSH SET
. TO 005 151 01 01, 112 151 00 01
. [205] Up to ident. no.:
001
35 A 001 151 49 14 . CARBON BRUSH SET
. TO 005 151 65 01
. [205] Up to ident. no.:
001 L
41 A 001 152 28 10 . SOLENOID SWITCH
. TO 005 151 65 01, 112 151 00 01
. [205] Up to ident. no.:
001 L
47 A 004 990 27 12 . SCREW
. SOLENOID SWITCH TO HOUSING TO 005
. 151 65 01, 112 151 00 01
. [205] Up to ident. no.:
003 L
53 A 000 151 64 15 ARMATURE
(PARTS KT),DRIVE END BEARING TO
005 151 01 01, 112 151 00 01
[205] Up to ident. no.:
001
53 A 000 151 36 15 ARMATURE
(PARTS KT),DRIVE END BEARING TO
005 151 65 01
[205] Up to ident. no.:
001 L
59 N 910105 010044 SCREW
STARTING MOTOR TO CRANKCASE
[205] Up to ident. no.:
002
Copyright Daimler AG, 13/06/15 23:08, EPC 1.32.0.4, DW 04/2014 Page 1
- Picture -
Mode MD mode Mod. des. overview PASSSENGER CAR,COUPE
FIN/MD WDB 2083651F075791 Catalog 19Y
VIN WDBLJ65G0XF075791 Major assembly: M - Engine
Sales designation CLK 320 Major assembly MD 112940 30 357370
Assortment class Car Group 15 - ELECTRICAL EQUIPMENT
Market Europe Subgroup 015 - STARTING MOTOR
Picture number B15015000152.021217
Copyright Daimler AG, 13/06/15 23:08, EPC 1.32.0.4, DW 04/2014 Page 1
- Parts list -
Mode MD mode Mod. des. overview PASSSENGER CAR,COUPE
FIN/MD WDB 2083651F075791 Catalog 19Y
VIN WDBLJ65G0XF075791 Major assembly: M - Engine
Sales designation CLK 320 Major assembly MD 112940 30 357370
Assortment class Car Group 15 - ELECTRICAL EQUIPMENT
Market Europe Subgroup 030 - ALTERNATOR
Item no. Part number Designation/description Quantity Version
5 A 010 154 32 02 ALTERNATOR
115A; BOSCH
[019, 697] Up to ident. no.:
001
5 A 011 154 27 02 ALTERNATOR
120A; BOSCH
Replaced by: A 013 154 80 02
[020] As of ident. no.
001
5 A 013 154 80 02 ALTERNATOR
120A; BOSCH
Optional with: A 011 154 62 02
[020, 205, 697] As of ident. no.
001
5 A 011 154 62 02 ALTERNATOR
120A; VALEO
Optional with: A 013 154 80 02
[020, 205, 697] As of ident. no.
001
11 A 001 990 29 20 . SCREW
. DRIVE END BEARING
. [019, 022] Up to ident. no.:
004
11 A 002 990 19 20 . SCREW
. DRIVE END BEARING
. [020, 205] As of ident. no.
004
17 A 007 981 89 25 . BALL BEARING
. DRIVE END BEARING
. [019, 022] Up to ident. no.:
001
17 A 008 981 68 25 . BALL BEARING
. DRIVE END BEARING BOSCH
. [020, 205] As of ident. no.
001
23 A 007 981 73 25 . BALL BEARING
. SLIP RING SIDE
. [019, 022] Up to ident. no.:
001
23 A 008 981 86 25 . BALL BEARING
. SLIP RING SIDE BOSCH
. [020, 205] As of ident. no.
001
29 A 000 154 06 57 . RING
. SLIP RING SIDE
. [019, 022] Up to ident. no.:
001
29 A 000 154 15 57 . RING
. SLIP RING SIDE BOSCH
. [020, 205] As of ident. no.
001
35 A 000 154 35 04 . COVER
. BOSCH
. [019] Up to ident. no.:
001
38 A 000 154 40 04 . COVER
. BOSCH
. [020, 205] As of ident. no.
001
39 A 000 154 37 04 . COVER
. VALEO
. [020, 205] As of ident. no.
001
41 A 006 990 32 01 . SCREW
. COVER
. [019, 022] Up to ident. no.:
003
43 A 005 990 34 51 . NUT
. COVER
. [020, 205] As of ident. no.
001
45 A 005 990 35 51 . NUT
. COVER
001
Copyright Daimler AG, 13/06/15 23:08, EPC 1.32.0.4, DW 04/2014 Page 1
45 A 005 990 35 51 . NUT
. COVER
. [020, 205] As of ident. no.
001
47 A 002 154 92 06 . REGULATOR AND CUT-OUT
. BOSCH
. [019] Up to ident. no.:
001
50 A 003 154 25 06 . REGULATOR AND CUT-OUT
. BOSCH
. [020, 205] As of ident. no.
001
51 A 003 154 18 06 . REGULATOR AND CUT-OUT
. VALEO
. [020, 205] As of ident. no.
001
53 N 914026 004105 . COMBINATION BOLT
. REGULATOR AND CUT-OUT M 4X25
. [019, 022] Up to ident. no.:
002
56 A 001 990 56 21 . SCREW
. REGULATOR AND CUT-OUT
. [020, 205] As of ident. no.
002
59 A 001 990 14 21 . SCREW
. HOUSING
. [019, 022] Up to ident. no.:
004
59 A 000 990 20 03 . SCREW
. HOUSING
. [020, 205] As of ident. no.
004
61 A 001 990 57 21 . SCREW
. HOUSING
. [020, 205] As of ident. no.
001
63 A 001 990 60 21 . SCREW
. RECTIFIER
. [020, 205] As of ident. no.
003
65 A 112 155 02 15 . PULLEY
. BOSCH
. [020, 205] As of ident. no.
001
65 A 119 155 02 15 . PULLEY
. B0SCH
. [019, 022, 205] Up to ident. no.:
001
65 A 119 155 02 15 . PULLEY
. BOSCH
. [020, 205] As of ident. no.
001
67 A 119 155 02 15 . PULLEY
. VALEO
. [019, 022] Up to ident. no.:
001
67 A 119 155 02 15 . PULLEY
. VALEO
. [020, 205] As of ident. no.
001
67 A 112 155 02 15 . PULLEY
. VALEO
. [019] Up to ident. no.:
001
71 A 000 990 22 50 . NUT
. PULLEY TO ALTERNATOR
. [205] Up to ident. no.:
001
73 A 000 980 50 15 GROOVED BALL BEARING
PARTS KIT
[019] Up to ident. no.:
001
77 A 001 990 70 22 SCREW
ALTENATOR ON TIMING CASE AND WATER
PUMP
[010] Up to engine:
002
77 N 000000 001143 HEXALOBULAR BOLT
ALTENATOR ON TIMING CASE AND WATER
PUMP
[011, 205] As of engine
002
83 A 112 203 01 40 BRACKET
BRACKET TO ALTERNATOR
[205] Up to ident. no.:
001
89 A 220 832 03 14 BRACKET
BRACKET TO BRACKET
[205] Up to ident. no.:
001
Copyright Daimler AG, 13/06/15 23:08, EPC 1.32.0.4, DW 04/2014 Page 2
- Picture -
Mode MD mode Mod. des. overview PASSSENGER CAR,COUPE
FIN/MD WDB 2083651F075791 Catalog 19Y
VIN WDBLJ65G0XF075791 Major assembly: M - Engine
Sales designation CLK 320 Major assembly MD 112940 30 357370
Assortment class Car Group 15 - ELECTRICAL EQUIPMENT
Market Europe Subgroup 030 - ALTERNATOR
Picture number B15030000251.110627
Copyright Daimler AG, 13/06/15 23:08, EPC 1.32.0.4, DW 04/2014 Page 1
- Parts list -
Mode MD mode Mod. des. overview PASSSENGER CAR,COUPE
FIN/MD WDB 2083651F075791 Catalog 19Y
VIN WDBLJ65G0XF075791 Major assembly: M - Engine
Sales designation CLK 320 Major assembly MD 112940 30 357370
Assortment class Car Group 15 - ELECTRICAL EQUIPMENT
Market Europe Subgroup 060 - IGNITION SYSTEM
Item no. Part number Designation/description Quantity Version
5 A 000 158 78 03 IGNITION COIL 006
11 A 001 990 72 12 SCREW
IGNITION COIL ON CYLINDER HEAD
COVER
006
17 A 112 150 02 18 IGNITION CABLE
IGNITION COIL 1A TO SPARK PLUG 1A
001
17 A 112 150 02 18 IGNITION CABLE
IGNITION COIL 3B TO SPARK PLUG 3B
001
17 A 112 150 02 18 IGNITION CABLE
IGNITION COIL 4A TO SPARK PLUG 4A
001
17 A 112 150 02 18 IGNITION CABLE
IGNITION COIL 6B TO SPARK PLUG 6B
001
17 A 112 150 01 18 IGNITION CABLE
IGNITION COIL 1B TO SPARK PLUG 1B
001
17 A 112 150 01 18 IGNITION CABLE
IGNITION COIL 2A TO SPARK PLUG 2A
001
17 A 112 150 01 18 IGNITION CABLE
IGNITION COIL 2B TO SPARK PLUG 2B
001
17 A 112 150 01 18 IGNITION CABLE
IGNITION COIL 3A TO SPARK PLUG 3A
001
17 A 112 150 01 18 IGNITION CABLE
IGNITION COIL 4B TO SPARK PLUG 4B
001
17 A 112 150 01 18 IGNITION CABLE
IGNITION COIL 5A TO SPARK PLUG 5A
001
17 A 112 150 01 18 IGNITION CABLE
IGNITION COIL 5B TO SPARK PLUG 5B
001
17 A 112 150 01 18 IGNITION CABLE
IGNITION COIL 6A TO SPARK PLUG 6A
001
23 A 003 159 66 03 SPARK PLUG
Replaced by: A 004 159 19 03
[024] FIRST EXHAUST STOCK OF OLD PARTS UP TO ENGINE 31 263958
-
23 A 004 159 19 03 SPARK PLUG
Optional with: A 003 159 94 03
Optional with: A 004 159 50 03
012
23 A 003 159 86 03 SPARK PLUG
Replaced by: A 003 159 94 03
[021] FIRST EXHAUST STOCK OF OLD PARTS UP TO ENGINE 31 199255
-
23 A 003 159 94 03 SPARK PLUG
Optional with: A 004 159 19 03
Optional with: A 004 159 50 03
012
23 A 004 159 50 03 SPARK PLUG
Optional with: A 003 159 94 03
Optional with: A 004 159 19 03
012
Copyright Daimler AG, 13/06/15 23:09, EPC 1.32.0.4, DW 04/2014 Page 1
- Picture -
Mode MD mode Mod. des. overview PASSSENGER CAR,COUPE
FIN/MD WDB 2083651F075791 Catalog 19Y
VIN WDBLJ65G0XF075791 Major assembly: M - Engine
Sales designation CLK 320 Major assembly MD 112940 30 357370
Assortment class Car Group 15 - ELECTRICAL EQUIPMENT
Market Europe Subgroup 060 - IGNITION SYSTEM
Picture number B15060000059.961023
Copyright Daimler AG, 13/06/15 23:09, EPC 1.32.0.4, DW 04/2014 Page 1
- Parts list -
Mode MD mode Mod. des. overview PASSSENGER CAR,COUPE
FIN/MD WDB 2083651F075791 Catalog 19Y
VIN WDBLJ65G0XF075791 Major assembly: M - Engine
Sales designation CLK 320 Major assembly MD 112940 30 357370
Assortment class Car Group 15 - ELECTRICAL EQUIPMENT
Market Europe Subgroup 075 - T.D.C. SENDER UNIT,POSITION SENDER UNIT,
KNOCK
SENSOR,AND GROUND STRAP
Item no. Part number Designation/description Quantity Version
5 A 003 153 95 28 SENDER UNIT
POSITION SENDER UNIT
Optional with: A 003 153 96 28
[801] UP TO THE END OF MODEL YEAR 2000 - CODE 800
001
5 A 003 153 96 28 SENDER UNIT
POSITION SENDER UNIT
Optional with: A 003 153 95 28
[801] UP TO THE END OF MODEL YEAR 2000 - CODE 800
001
5 A 003 153 28 28 POSITION SENSOR
CRANKSHAFT POSITION SENDER UNIT
[810] FROM MODEL YEAR 2001 - CODE 801
001
11 N 910142 006001 SCREW
CRANKSHAFT POSITION SENDER UNIT
M6X16
001
17 A 004 153 69 28 SENDER UNIT
CAMSHAFT POSITION SENDER UNIT
001
23 A 022 997 25 48 . SEAL RING 001
29 A 001 990 95 22 SCREW
CAMSHAFT POSITION SENDER UNIT
001
35 A 003 153 86 28 KNOCK SENSOR 002
41 N 910142 008009 SCREW
(KNOCK SENSOR),ON CYLINDER
CRANKCASE M8X30
002
47 A 124 540 00 41 GROUND STRAP
[205] Up to ident. no.:
001
53 N 304017 008021 SCREW
[205] Up to ident. no.:
001
59 N 913023 006001 NUT
[205] Up to ident. no.:
001
Copyright Daimler AG, 13/06/15 23:10, EPC 1.32.0.4, DW 04/2014 Page 1
- Picture -
Mode MD mode Mod. des. overview PASSSENGER CAR,COUPE
FIN/MD WDB 2083651F075791 Catalog 19Y
VIN WDBLJ65G0XF075791 Major assembly: M - Engine
Sales designation CLK 320 Major assembly MD 112940 30 357370
Assortment class Car Group 15 - ELECTRICAL EQUIPMENT
Market Europe Subgroup 075 - T.D.C. SENDER UNIT,POSITION SENDER UNIT,
KNOCK
SENSOR,AND GROUND STRAP
Picture number B15075000061.010904
Copyright Daimler AG, 13/06/15 23:10, EPC 1.32.0.4, DW 04/2014 Page 1
- Parts list -
Mode MD mode Mod. des. overview PASSSENGER CAR,COUPE
FIN/MD WDB 2083651F075791 Catalog 19Y
VIN WDBLJ65G0XF075791 Major assembly: M - Engine
Sales designation CLK 320 Major assembly MD 112940 30 357370
Assortment class Car Group 15 - ELECTRICAL EQUIPMENT
Market Europe Subgroup 120 - SWITCHES,SENDER UNITS,SENSORS
Item no. Part number Designation/description Quantity Version
5 A 275 905 00 00 FILL-LEVEL SENSOR
OIL LEVEL CONTACTOR
001
11 A 023 997 43 48 . SEAL RING 001
17 N 910143 006001 SCREW
OIL LEVEL CONTACTOR TO OIL PAN
M6X16
002
29 A 000 905 07 00 TEMPERATURE SENSOR
COOLING WATER TEMPERATURE
001
35 A 022 997 98 48 . SEAL RING 001
41 A 008 988 91 78 CLIP
TEMPERATURE SENSOR ON TIMING CASE
001
Copyright Daimler AG, 13/06/15 23:10, EPC 1.32.0.4, DW 04/2014 Page 1
- Picture -
Mode MD mode Mod. des. overview PASSSENGER CAR,COUPE
FIN/MD WDB 2083651F075791 Catalog 19Y
VIN WDBLJ65G0XF075791 Major assembly: M - Engine
Sales designation CLK 320 Major assembly MD 112940 30 357370
Assortment class Car Group 15 - ELECTRICAL EQUIPMENT
Market Europe Subgroup 120 - SWITCHES,SENDER UNITS,SENSORS
Picture number B15120000019.050817
Copyright Daimler AG, 13/06/15 23:10, EPC 1.32.0.4, DW 04/2014 Page 1
- Parts list -
Mode MD mode Mod. des. overview PASSSENGER CAR,COUPE
FIN/MD WDB 2083651F075791 Catalog 19Y
VIN WDBLJ65G0XF075791 Major assembly: M - Engine
Sales designation CLK 320 Major assembly MD 112940 30 357370
Assortment class Car Group 18 - ENGINE LUBRICATION
Market Europe Subgroup 015 - OIL PUMP
Item no. Part number Designation/description Quantity Version
5 A 112 180 10 01 OIL PUMP 001
11 A 000 990 99 14 SCREW
OIL PUMP ON CRANKCASE
003
17 A 003 997 74 94 ROLLER CHAIN
SINGLE
001
23 A 000 997 32 98 . CHAIN LOCK LINK 001
29 A 112 181 00 59 CLAMPING BRACKET
OIL PUMP CHAIN TIGHTENER
001
35 A 112 993 02 20 SPRING
OIL PUMP CHAIN TIGHTENER
001
41 A 112 181 00 74 PIN
OIL PUMP CLAMPING BRACKET BEARING
001
47 A 611 180 01 15 PRESSURE RELIEF VALVE
NON-RETURN VALVE
001
Copyright Daimler AG, 13/06/15 23:11, EPC 1.32.0.4, DW 04/2014 Page 1
- Picture -
Mode MD mode Mod. des. overview PASSSENGER CAR,COUPE
FIN/MD WDB 2083651F075791 Catalog 19Y
VIN WDBLJ65G0XF075791 Major assembly: M - Engine
Sales designation CLK 320 Major assembly MD 112940 30 357370
Assortment class Car Group 18 - ENGINE LUBRICATION
Market Europe Subgroup 015 - OIL PUMP
Picture number B18015000220.040323
Copyright Daimler AG, 13/06/15 23:11, EPC 1.32.0.4, DW 04/2014 Page 1
- Parts list -
Mode MD mode Mod. des. overview PASSSENGER CAR,COUPE
FIN/MD WDB 2083651F075791 Catalog 19Y
VIN WDBLJ65G0XF075791 Major assembly: M - Engine
Sales designation CLK 320 Major assembly MD 112940 30 357370
Assortment class Car Group 18 - ENGINE LUBRICATION
Market Europe Subgroup 060 - OIL FILTER AND OIL COOLER
Item no. Part number Designation/description Quantity Version
5 A 112 184 01 02 HOUSING
OIL FILTER HOUSING
Code: -(494/828)
[013] Up to engine:
001
11 A 112 188 03 01 OIL COOLER
OIL/WATER HEAT EXCHANGER
Replaced by: A 112 188 04 01
+004 A 002 990 84 12
Code: -(494/828)
-
11 A 112 188 04 01 OIL COOLER
OIL/WATER HEAT EXCHANGER
Code: -(494/828)
[013] Up to engine:
001
17 A 112 184 02 61 SEAL RING
HEAT EXCHANGER ON OIL FILTER
HOUSING
Code: -(494/828)
[013] Up to engine:
001
23 A 112 184 03 61 SEAL RING
HEAT EXCHANGER ON OIL FILTER
HOUSING
Code: -(494/828)
[013] Up to engine:
001
26 A 002 990 84 12 SCREW
HEAT EXCHANGER ON OIL FILTER
HOUSING
Code: -(494/828)
[013] Up to engine:
004
35 A 112 184 00 61 SEAL RING
OIL FILTER HOUSING ON TIMING CASE
Code: -(494/828)
[013] Up to engine:
001
41 A 112 184 00 17 FITTING
OIL FILTER HOUSING ON TIMING CASE
Code: -(494/828)
[013] Up to engine:
001
47 A 112 180 07 10 OIL FILTER 001
53 A 025 997 66 48 . SEAL RING
. COVER TO FILTER HOUSING
001
59 A 025 997 65 48 . SEAL RING
. CENTRE BOLT
001
65 A 025 997 64 48 . SEAL RING
. CENTRE BOLT
001
71 A 025 997 62 48 . SEAL RING
. CENTRE BOLT
001
77 A 000 180 26 09 TS OIL FILTER ELEMENT
FLEECE OIL FILTER
001
Copyright Daimler AG, 13/06/15 23:11, EPC 1.32.0.4, DW 04/2014 Page 1
- Picture -
Mode MD mode Mod. des. overview PASSSENGER CAR,COUPE
FIN/MD WDB 2083651F075791 Catalog 19Y
VIN WDBLJ65G0XF075791 Major assembly: M - Engine
Sales designation CLK 320 Major assembly MD 112940 30 357370
Assortment class Car Group 18 - ENGINE LUBRICATION
Market Europe Subgroup 060 - OIL FILTER AND OIL COOLER
Picture number B18060000180.100802
Copyright Daimler AG, 13/06/15 23:12, EPC 1.32.0.4, DW 04/2014 Page 1
- Parts list -
Mode MD mode Mod. des. overview PASSSENGER CAR,COUPE
FIN/MD WDB 2083651F075791 Catalog 19Y
VIN WDBLJ65G0XF075791 Major assembly: M - Engine
Sales designation CLK 320 Major assembly MD 112940 30 357370
Assortment class Car Group 20 - ENGINE COOLING SYSTEM
Market Europe Subgroup 015 - WATER PUMP
Item no. Part number Designation/description Quantity Version
5 A 112 200 02 01 WATER PUMP
Replaced by: A 112 200 04 01
+001 A 112 200 01 23
+001 A 112 202 01 10
+002 N 000000 001143
Code: -494
-
5 A 112 200 14 01 WATER PUMP
WITH FITTING FOR OIL COOLING
SYSTEM
Code: -494
[007, 015] Up to engine: 31 000000
001
5 A 112 200 15 01 WATER PUMP
WITHOUT FITTING FOR OIL COOLING
SYSTEM
Code: -494
[008, 016] As of engine 31 000001
001
11 A 112 201 00 39 . FLANGE
. ONLY APPLICABLE TO TO 112 200 02
. 01
. [005] EXCEPT FOR 112.940 30 308926
001
17 A 001 201 03 19 . SEAL
. Replaced by: A 001 201 13 19
-
17 A 001 201 13 19 . SEAL
. Optional with: A 001 201 08 19
001
17 A 001 201 04 19 . SEAL
. Replaced by: A 001 201 08 19
-
17 A 001 201 08 19 . SEAL
. Optional with: A 001 201 13 19
001
23 A 112 201 00 07 . IMPELLER
. TO 112 200 02 01,04 01,05 01
001
23 A 611 201 00 07 . IMPELLER
. TO 112 200 11 01,12 01,14 01,15
. 01
001
26 A 111 992 02 25 . SLEEVE
. Code: -494
. [011, 005] As of engine 30 036809
001
29 A 112 201 00 80 . GASKET
. AT TIMING CASE TO 112 200 11 01,12
. 01,14 01,15 01
. [003] FOR USE WITH: TIMING CASE A 112 010 04 33/05 33
001
29 A 112 201 01 80 . GASKET
. TO 112 200 11 01,12 01,14 01,15
. 01
. [004] FOR USE WITH: TIMING CASE A 112 010 06 33/07 33
001
29 A 112 201 00 80 GASKET
AT TIMING CASE TO 112 200 02 01,04
01,05 01,13 01
001
35 N 910143 008010 HEXALOBULAR BOLT
TO TIMING CASE AND TO CYLILNDER
CRANKCASE M8X80
001
35 N 910143 008011 HEXALOBULAR BOLT
TO TIMING CASE AND TO CYLILNDER
CRANKCASE M8X90
001
35 N 910105 008024 SCREW
TO TIMING CASE AND TO CYLILNDER
CRANKCASE M 8X110
002
35 N 000000 001117 HEXALOBULAR BOLT
AT TIMING CASE M 6X23
007
35 N 000000 001121 SCREW 003
Copyright Daimler AG, 13/06/15 23:12, EPC 1.32.0.4, DW 04/2014 Page 1
35 N 000000 001121 SCREW
AT TIMING CASE M 6X43
003
41 A 112 202 00 10 PULLEY
ONLY APPLICABLE TO TO 112 200 02
01
Code: -494
[005] EXCEPT FOR 112.940 30 308926
001
41 A 112 202 01 10 SYNCHRONOUS BELT PULLEY
Code: -494
[005] EXCEPT FOR 112.940 30 308926
001
47 N 910143 006012 SCREW
PULLEY TO WATER PUMP M 6X10
[005] EXCEPT FOR 112.940 30 308926
004
53 A 112 203 02 75 THERMOSTAT ELEMENT 001
59 A 112 203 00 76 . GASKET 001
65 N 000000 001117 SCREW
AT TIMING CASE
002
71 A 112 203 03 82 HOSE
BETWEEN OIL COOLER AND TIMING CASE
Code: -(494/828)
[014] Up to engine: 30 791890
001
77 A 210 997 10 90 LOOM TIE
BETWEEN OIL COOLER AND TIMING CASE
Code: -(494/828)
[014] Up to engine: 30 791890
002
83 A 112 203 03 82 HOSE
BETWEEN OIL COOLER AND WATER PUMP
Code: -(494/828)
[014] Up to engine: 30 791890
001
89 A 210 997 10 90 LOOM TIE
BETWEEN OIL COOLER AND WATER PUMP
Code: -(494/828)
[014] Up to engine: 30 791890
002
Copyright Daimler AG, 13/06/15 23:12, EPC 1.32.0.4, DW 04/2014 Page 2
- Picture -
Mode MD mode Mod. des. overview PASSSENGER CAR,COUPE
FIN/MD WDB 2083651F075791 Catalog 19Y
VIN WDBLJ65G0XF075791 Major assembly: M - Engine
Sales designation CLK 320 Major assembly MD 112940 30 357370
Assortment class Car Group 20 - ENGINE COOLING SYSTEM
Market Europe Subgroup 015 - WATER PUMP
Picture number B20015000319.020823
Copyright Daimler AG, 13/06/15 23:12, EPC 1.32.0.4, DW 04/2014 Page 1
- Picture -
Mode MD mode Mod. des. overview PASSSENGER CAR,COUPE
FIN/MD WDB 2083651F075791 Catalog 19Y
VIN WDBLJ65G0XF075791 Major assembly: M - Engine
Sales designation CLK 320 Major assembly MD 112940 30 357370
Assortment class Car Group 20 - ENGINE COOLING SYSTEM
Market Europe Subgroup 030 - FAN
Picture number B20030000134.961023
Copyright Daimler AG, 13/06/15 23:13, EPC 1.32.0.4, DW 04/2014 Page 1
- Parts list -
Mode MD mode Mod. des. overview PASSSENGER CAR,COUPE
FIN/MD WDB 2083651F075791 Catalog 19Y
VIN WDBLJ65G0XF075791 Major assembly: M - Engine
Sales designation CLK 320 Major assembly MD 112940 30 357370
Assortment class Car Group 20 - ENGINE COOLING SYSTEM
Market Europe Subgroup 100 - COOLING WATER PRE-HEATER
Item no. Part number Designation/description Quantity Version
11 A 604 200 00 96 PREHEATER
Code: -(460/494)
001
23 A 210 545 29 40 BRACKET
Code: -(460/494)
001
35 A 112 203 00 61 HOUSING
AT TIMING CASE
[205] Up to ident. no.:
001
41 A 140 995 00 44 CLAMP
Code: -(460/494)
001
47 N 000000 001117 SCREW
AT TIMING CASE
[205] Up to ident. no.:
002
Copyright Daimler AG, 13/06/15 23:13, EPC 1.32.0.4, DW 04/2014 Page 1
- Picture -
Mode MD mode Mod. des. overview PASSSENGER CAR,COUPE
FIN/MD WDB 2083651F075791 Catalog 19Y
VIN WDBLJ65G0XF075791 Major assembly: M - Engine
Sales designation CLK 320 Major assembly MD 112940 30 357370
Assortment class Car Group 20 - ENGINE COOLING SYSTEM
Market Europe Subgroup 100 - COOLING WATER PRE-HEATER
Picture number B20100000006.040825
Copyright Daimler AG, 13/06/15 23:14, EPC 1.32.0.4, DW 04/2014 Page 1
- Parts list -
Mode MD mode Mod. des. overview PASSSENGER CAR,COUPE
FIN/MD WDB 2083651F075791 Catalog 19Y
VIN WDBLJ65G0XF075791 Major assembly: M - Engine
Sales designation CLK 320 Major assembly MD 112940 30 357370
Assortment class Car Group 22 - ENGINE SUSPENSION
Market Europe Subgroup 010 - ENGINE SUPPORTS AND ATTACHMENT PARTS
Item no. Part number Designation/description Quantity Version
5 A 112 223 14 04 ENGINE SUPPORT
LEFT
001
17 A 112 223 37 04 ENGINE SUPPORT
RIGHT
[002] UP TO ENGINE 30 158399 ADAPT MOUNTING OF STARTER WIRING HARNESS
001
23 N 910143 008003 SCREW
ENGINE SUPPORT TO CYLINDER
CRANKCASE M 8X30
008
26 A 112 223 03 41 SUSPENSION EYE
LEFT
001
29 A 112 223 04 41 SUSPENSION EYE
RIGHT
001
Copyright Daimler AG, 13/06/15 23:14, EPC 1.32.0.4, DW 04/2014 Page 1
- Picture -
Mode MD mode Mod. des. overview PASSSENGER CAR,COUPE
FIN/MD WDB 2083651F075791 Catalog 19Y
VIN WDBLJ65G0XF075791 Major assembly: M - Engine
Sales designation CLK 320 Major assembly MD 112940 30 357370
Assortment class Car Group 22 - ENGINE SUSPENSION
Market Europe Subgroup 010 - ENGINE SUPPORTS AND ATTACHMENT PARTS
Picture number B22010000066.021216
Copyright Daimler AG, 13/06/15 23:14, EPC 1.32.0.4, DW 04/2014 Page 1
- Parts list -
Mode MD mode Mod. des. overview PASSSENGER CAR,COUPE
FIN/MD WDB 2083651F075791 Catalog 19Y
VIN WDBLJ65G0XF075791 Major assembly: M - Engine
Sales designation CLK 320 Major assembly MD 112940 30 357370
Assortment class Car Group 54 - ENGINE CABLE HARNESSES
Market Europe Subgroup 165 - ENGINE CABLE HARNESS, C/CLK-CLASS
Item no. Part number Designation/description Quantity Version
5 A 208 540 04 05 CABLE HARNESS
ENGINE CABLE HARNESS
Code: -(494/925)
[801] UP TO THE END OF MODEL YEAR 2000 - CODE 800
001 L
10 A 208 540 68 09 CABLE HARNESS
ENGINE CABLE HARNESS
[810, 021] FROM MODEL YEAR 2001 - CODE 801
001 L
10 A 208 540 14 32 ELECTRIC CABLE
ENGINE CABLE HARNESS
[022] As of engine
001 L
50 A 030 545 02 28 . PIN BUSHING HOUSING
. CO-DRIVER'S AIR BAG
. [801] UP TO THE END OF MODEL YEAR 2000 - CODE 800
001
50 A 036 545 67 28 . PIN BUSHING HOUSING
. CO-DRIVER'S AIR BAG
. [810] FROM MODEL YEAR 2001 - CODE 801
001
55 A 000 540 46 05 . CABLE HARNESS
. REPAIR SOLUTION CONTACTING 0.75
. MM2
. [774] CONNECTORS MUST ALSO BE ORDERED IN ACCORDANCE WITH THE...
NB
57 A 220 545 94 28 . PLUG
. ENGINE CONTROL MODULE
. [810] FROM MODEL YEAR 2001 - CODE 801
001
60 A 210 545 81 28 . PLUG
. CO-DRIVER'S AIR BAG
001
65 A 003 545 68 26 . CONTACT SPRING
. 0.5-1.0 MM2
001
70 A 014 545 93 28 . PIN BUSHING HOUSING
. KNOCK SENSOR
. [801] UP TO THE END OF MODEL YEAR 2000 - CODE 800
002
72 A 203 545 39 28 . PLUG
. KNOCK SENSOR
. [810] FROM MODEL YEAR 2001 - CODE 801
002
76 A 011 545 81 26 . CONTACT SPRING
. 0.5-1.0 MM2
NB
87 A 140 540 33 81 . PIN BUSHING HOUSING
. FINAL CONTROL ELEMENT IDLING-SPEED
. CONTROL
. [801] UP TO THE END OF MODEL YEAR 2000 - CODE 800
001
88 A 003 545 48 26 . ROUND PIN BUSHING
. 1 MM
. [801] UP TO THE END OF MODEL YEAR 2000 - CODE 800
006
90 A 210 540 36 81 . PIN BUSHING HOUSING
. FINAL CONTROL ELEMENT IDLING-SPEED
. CONTROL
. [810] FROM MODEL YEAR 2001 - CODE 801
001
92 A 000 540 26 05 . CABLE HARNESS
. REPAIR SOLUTION CONTACTING 0.75
. MM2
. [774] CONNECTORS MUST ALSO BE ORDERED IN ACCORDANCE WITH THE...
NB
97 A 210 540 80 81 . PIN BUSHING HOUSING
. IGNITION COIL
. [801] UP TO THE END OF MODEL YEAR 2000 - CODE 800
006
97 A 210 540 80 81 . PIN BUSHING HOUSING
. CAMSHAFT POSITION SENDER UNIT
. [801] UP TO THE END OF MODEL YEAR 2000 - CODE 800
001
97 A 203 545 30 28 . PIN BUSHING HOUSING
. IGNITION COIL
006
Copyright Daimler AG, 13/06/15 23:17, EPC 1.32.0.4, DW 04/2014 Page 1
97 A 203 545 30 28 . PIN BUSHING HOUSING
. IGNITION COIL
. [810] FROM MODEL YEAR 2001 - CODE 801
006
97 A 203 545 30 28 . PIN BUSHING HOUSING
. CAMSHAFT POSITION SENDER UNIT
. [810] FROM MODEL YEAR 2001 - CODE 801
001
107 A 000 545 25 84 . CONNECTOR 001
110 A 140 545 35 28 . PIN BUSHING HOUSING
. INJECTION VALVE
. [801] UP TO THE END OF MODEL YEAR 2000 - CODE 800
006
110 A 203 545 05 28 . PLUG
. INJECTION VALVE
. [810] FROM MODEL YEAR 2001 - CODE 801
006
110 A 140 545 35 28 . PIN BUSHING HOUSING
. PRESSURE CONVERTER
. [801] UP TO THE END OF MODEL YEAR 2000 - CODE 800
001
110 A 203 545 34 28 . PIN BUSHING HOUSING
. PRESSURE CONVERTER
. [810] FROM MODEL YEAR 2001 - CODE 801
001
110 A 140 545 35 28 . PIN BUSHING HOUSING
. INTAKE MANIFOLD
. [801] UP TO THE END OF MODEL YEAR 2000 - CODE 800
001
110 A 203 545 05 28 . PLUG
. INTAKE MANIFOLD
. [810] FROM MODEL YEAR 2001 - CODE 801
001
113 A 168 545 30 28 . PIN BUSHING HOUSING
. CRANKSHAFT POSITION SENDER UNIT
. [810] FROM MODEL YEAR 2001 - CODE 801
001
113 A 168 545 30 28 . PIN BUSHING HOUSING
. ALTERNATOR
. [022] As of engine
001
117 A 013 545 15 26 . CONTACT SPRING
. 0.5-1.0 MM2
NB
125 A 170 545 01 28 . PLUG
. AIR-MASS SENSOR
. [801] UP TO THE END OF MODEL YEAR 2000 - CODE 800
001
125 A 220 545 46 28 . PIN BUSHING HOUSING
. AIR-MASS SENSOR
. [810] FROM MODEL YEAR 2001 - CODE 801
001
128 A 000 545 31 84 . CONNECTOR
. AIR-MASS SENSOR
. [801] UP TO THE END OF MODEL YEAR 2000 - CODE 800
001
129 A 000 545 25 46 . BOOT
. AIR-MASS SENSOR
. [810] FROM MODEL YEAR 2001 - CODE 801
001
130 A 000 540 38 05 . CABLE HARNESS
. REPAIR SOLUTION CONTACTING 0.75
. MM2
. [774] CONNECTORS MUST ALSO BE ORDERED IN ACCORDANCE WITH THE...
NB
130 A 000 540 28 05 . REP.SET CONTACT
. REPAIR SOLUTION CONTACTING 2.5 MM2
. [774] CONNECTORS MUST ALSO BE ORDERED IN ACCORDANCE WITH THE...
NB
130 A 000 540 27 05 . REP.SET CONTACT
. REPAIR SOLUTION CONTACTING 1.0 MM2
. [774] CONNECTORS MUST ALSO BE ORDERED IN ACCORDANCE WITH THE...
NB
137 A 000 545 78 80 . BLIND PLUG
. GREEN
NB
140 A 210 540 21 81 . PIN BUSHING HOUSING
. OIL SENSOR
001
140 A 210 540 21 81 . PIN BUSHING HOUSING
. INTAKE MANIFOLD PRESSURE SENSOR
. [810] FROM MODEL YEAR 2001 - CODE 801
001
155 A 210 540 20 81 . PIN BUSHING HOUSING
. REFRIGERANT TEMPERATURE SENDER
. UNIT
001
155 A 210 540 20 81 . PIN BUSHING HOUSING
. AIR PUMP
. [810] FROM MODEL YEAR 2001 - CODE 801
001
160 A 000 540 25 05 . CABLE HARNESS
. REPAIR SOLUTION CONTACTING 0.5 MM2
. [774] CONNECTORS MUST ALSO BE ORDERED IN ACCORDANCE WITH THE...
NB
Copyright Daimler AG, 13/06/15 23:17, EPC 1.32.0.4, DW 04/2014 Page 2
190 A 011 545 71 28 . PIN BUSHING HOUSING
. AIR INJECTION
. [810] FROM MODEL YEAR 2001 - CODE 801
001
195 A 003 545 26 26 . ROUND PIN BUSHING NB
210 A 029 545 72 28 . PIN BUSHING HOUSING
. CONTROL MODULE BOX/ENGINE
. CONNECTOR
. [810] FROM MODEL YEAR 2001 - CODE 801
001
212 A 000 540 59 05 . CABLE HARNESS
. REPAIR SOLUTION CONTACTING 1.0 MM2
. [810, 774] FROM MODEL YEAR 2001 - CODE 801
NB
215 A 168 545 08 28 . PLUG HOUSING
. ENGINE TIMING
. [810] FROM MODEL YEAR 2001 - CODE 801
001
220 A 168 545 07 28 . PLUG HOUSING
. ENGINE TIMING
. [810] FROM MODEL YEAR 2001 - CODE 801
001
240 A 000 540 45 05 . CABLE HARNESS
. REPAIR SOLUTION CONTACTING 0.5 MM2
. [774] CONNECTORS MUST ALSO BE ORDERED IN ACCORDANCE WITH THE...
NB
240 A 000 540 46 05 . CABLE HARNESS
. REPAIR SOLUTION CONTACTING 0.75
. MM2
. [774] CONNECTORS MUST ALSO BE ORDERED IN ACCORDANCE WITH THE...
NB
300 A 000 546 02 80 . CABLE GUIDE 001
310 A 202 997 29 81 . GROMMET
. [810] FROM MODEL YEAR 2001 - CODE 801
001
330 A 001 546 99 41 SOLDERING END CUPS
GREEN 0.7-2.4 MM2
NB
330 A 002 546 00 41 SOLDERING END CUPS
RED 2.0-4.0 MM2
NB
330 A 002 546 01 41 SOLDERING END CUPS
BLUE 3.5-8.0 MM2
NB
330 A 002 546 11 41 SOLDERING END CUPS
FOR COLOR NUMBERS AND PAINT CODES
USED FOR OUTSIDE PARTS, SEE FOOTNOTE:
7.5-12.0 MM2
NB
340 A 002 546 13 41 CABLE CONNECTOR
0.5 MM2
NB
340 A 002 546 14 41 BUTT CONNECTOR
0.8 MM2
NB
340 A 002 546 15 41 BUTT CONNECTOR
1.3 MM2
NB
340 A 002 546 16 41 BUTT CONNECTOR
2.0 MM2
NB
600 A 001 997 83 90 LOOM TIE NB
605 A 001 995 85 01 CLAMP
CABLE RAIL TO BRACKET
001
610 N 007976 004302 TAPPING SCREW
CABLE RAIL TO BRACKET
001
615 A 000 995 52 44 CLAMP
ENGINE CABLE HARNESS BRACKET 18 MM
001
620 A 220 546 18 43 BRACKET
[810] FROM MODEL YEAR 2001 - CODE 801
001
630 A 000 995 44 14 BRACKET
AT TIMING CASE COVER
001
Copyright Daimler AG, 13/06/15 23:17, EPC 1.32.0.4, DW 04/2014 Page 3
- Picture -
Mode MD mode Mod. des. overview PASSSENGER CAR,COUPE
FIN/MD WDB 2083651F075791 Catalog 19Y
VIN WDBLJ65G0XF075791 Major assembly: M - Engine
Sales designation CLK 320 Major assembly MD 112940 30 357370
Assortment class Car Group 54 - ENGINE CABLE HARNESSES
Market Europe Subgroup 165 - ENGINE CABLE HARNESS, C/CLK-CLASS
Picture number B54165000010.090917
Copyright Daimler AG, 13/06/15 23:17, EPC 1.32.0.4, DW 04/2014 Page 1
- Parts list -
Mode MD mode Mod. des. overview PASSSENGER CAR,COUPE
FIN/MD WDB 2083651F075791 Catalog 19Y
VIN WDBLJ65G0XF075791 Major assembly: M - Engine
Sales designation CLK 320 Major assembly MD 112940 30 357370
Assortment class Car Group 54 - ENGINE CABLE HARNESSES
Market Europe Subgroup 165 - ENGINE CABLE HARNESS, C/CLK-CLASS
Item no. Part number Designation/description Quantity Version
5 A 208 540 04 05 CABLE HARNESS
ENGINE CABLE HARNESS
Code: -(494/925)
[801] UP TO THE END OF MODEL YEAR 2000 - CODE 800
001 L
10 A 208 540 68 09 CABLE HARNESS
ENGINE CABLE HARNESS
[810, 021] FROM MODEL YEAR 2001 - CODE 801
001 L
10 A 208 540 14 32 ELECTRIC CABLE
ENGINE CABLE HARNESS
[022] As of engine
001 L
50 A 030 545 02 28 . PIN BUSHING HOUSING
. CO-DRIVER'S AIR BAG
. [801] UP TO THE END OF MODEL YEAR 2000 - CODE 800
001
50 A 036 545 67 28 . PIN BUSHING HOUSING
. CO-DRIVER'S AIR BAG
. [810] FROM MODEL YEAR 2001 - CODE 801
001
55 A 000 540 46 05 . CABLE HARNESS
. REPAIR SOLUTION CONTACTING 0.75
. MM2
. [774] CONNECTORS MUST ALSO BE ORDERED IN ACCORDANCE WITH THE...
NB
57 A 220 545 94 28 . PLUG
. ENGINE CONTROL MODULE
. [810] FROM MODEL YEAR 2001 - CODE 801
001
60 A 210 545 81 28 . PLUG
. CO-DRIVER'S AIR BAG
001
65 A 003 545 68 26 . CONTACT SPRING
. 0.5-1.0 MM2
001
70 A 014 545 93 28 . PIN BUSHING HOUSING
. KNOCK SENSOR
. [801] UP TO THE END OF MODEL YEAR 2000 - CODE 800
002
72 A 203 545 39 28 . PLUG
. KNOCK SENSOR
. [810] FROM MODEL YEAR 2001 - CODE 801
002
76 A 011 545 81 26 . CONTACT SPRING
. 0.5-1.0 MM2
NB
87 A 140 540 33 81 . PIN BUSHING HOUSING
. FINAL CONTROL ELEMENT IDLING-SPEED
. CONTROL
. [801] UP TO THE END OF MODEL YEAR 2000 - CODE 800
001
88 A 003 545 48 26 . ROUND PIN BUSHING
. 1 MM
. [801] UP TO THE END OF MODEL YEAR 2000 - CODE 800
006
90 A 210 540 36 81 . PIN BUSHING HOUSING
. FINAL CONTROL ELEMENT IDLING-SPEED
. CONTROL
. [810] FROM MODEL YEAR 2001 - CODE 801
001
92 A 000 540 26 05 . CABLE HARNESS
. REPAIR SOLUTION CONTACTING 0.75
. MM2
. [774] CONNECTORS MUST ALSO BE ORDERED IN ACCORDANCE WITH THE...
NB
97 A 210 540 80 81 . PIN BUSHING HOUSING
. IGNITION COIL
. [801] UP TO THE END OF MODEL YEAR 2000 - CODE 800
006
97 A 210 540 80 81 . PIN BUSHING HOUSING
. CAMSHAFT POSITION SENDER UNIT
. [801] UP TO THE END OF MODEL YEAR 2000 - CODE 800
001
97 A 203 545 30 28 . PIN BUSHING HOUSING
. IGNITION COIL
006
Copyright Daimler AG, 13/06/15 23:17, EPC 1.32.0.4, DW 04/2014 Page 1
97 A 203 545 30 28 . PIN BUSHING HOUSING
. IGNITION COIL
. [810] FROM MODEL YEAR 2001 - CODE 801
006
97 A 203 545 30 28 . PIN BUSHING HOUSING
. CAMSHAFT POSITION SENDER UNIT
. [810] FROM MODEL YEAR 2001 - CODE 801
001
107 A 000 545 25 84 . CONNECTOR 001
110 A 140 545 35 28 . PIN BUSHING HOUSING
. INJECTION VALVE
. [801] UP TO THE END OF MODEL YEAR 2000 - CODE 800
006
110 A 203 545 05 28 . PLUG
. INJECTION VALVE
. [810] FROM MODEL YEAR 2001 - CODE 801
006
110 A 140 545 35 28 . PIN BUSHING HOUSING
. PRESSURE CONVERTER
. [801] UP TO THE END OF MODEL YEAR 2000 - CODE 800
001
110 A 203 545 34 28 . PIN BUSHING HOUSING
. PRESSURE CONVERTER
. [810] FROM MODEL YEAR 2001 - CODE 801
001
110 A 140 545 35 28 . PIN BUSHING HOUSING
. INTAKE MANIFOLD
. [801] UP TO THE END OF MODEL YEAR 2000 - CODE 800
001
110 A 203 545 05 28 . PLUG
. INTAKE MANIFOLD
. [810] FROM MODEL YEAR 2001 - CODE 801
001
113 A 168 545 30 28 . PIN BUSHING HOUSING
. CRANKSHAFT POSITION SENDER UNIT
. [810] FROM MODEL YEAR 2001 - CODE 801
001
113 A 168 545 30 28 . PIN BUSHING HOUSING
. ALTERNATOR
. [022] As of engine
001
117 A 013 545 15 26 . CONTACT SPRING
. 0.5-1.0 MM2
NB
125 A 170 545 01 28 . PLUG
. AIR-MASS SENSOR
. [801] UP TO THE END OF MODEL YEAR 2000 - CODE 800
001
125 A 220 545 46 28 . PIN BUSHING HOUSING
. AIR-MASS SENSOR
. [810] FROM MODEL YEAR 2001 - CODE 801
001
128 A 000 545 31 84 . CONNECTOR
. AIR-MASS SENSOR
. [801] UP TO THE END OF MODEL YEAR 2000 - CODE 800
001
129 A 000 545 25 46 . BOOT
. AIR-MASS SENSOR
. [810] FROM MODEL YEAR 2001 - CODE 801
001
130 A 000 540 38 05 . CABLE HARNESS
. REPAIR SOLUTION CONTACTING 0.75
. MM2
. [774] CONNECTORS MUST ALSO BE ORDERED IN ACCORDANCE WITH THE...
NB
130 A 000 540 28 05 . REP.SET CONTACT
. REPAIR SOLUTION CONTACTING 2.5 MM2
. [774] CONNECTORS MUST ALSO BE ORDERED IN ACCORDANCE WITH THE...
NB
130 A 000 540 27 05 . REP.SET CONTACT
. REPAIR SOLUTION CONTACTING 1.0 MM2
. [774] CONNECTORS MUST ALSO BE ORDERED IN ACCORDANCE WITH THE...
NB
137 A 000 545 78 80 . BLIND PLUG
. GREEN
NB
140 A 210 540 21 81 . PIN BUSHING HOUSING
. OIL SENSOR
001
140 A 210 540 21 81 . PIN BUSHING HOUSING
. INTAKE MANIFOLD PRESSURE SENSOR
. [810] FROM MODEL YEAR 2001 - CODE 801
001
155 A 210 540 20 81 . PIN BUSHING HOUSING
. REFRIGERANT TEMPERATURE SENDER
. UNIT
001
155 A 210 540 20 81 . PIN BUSHING HOUSING
. AIR PUMP
. [810] FROM MODEL YEAR 2001 - CODE 801
001
160 A 000 540 25 05 . CABLE HARNESS
. REPAIR SOLUTION CONTACTING 0.5 MM2
. [774] CONNECTORS MUST ALSO BE ORDERED IN ACCORDANCE WITH THE...
NB
Copyright Daimler AG, 13/06/15 23:17, EPC 1.32.0.4, DW 04/2014 Page 2
190 A 011 545 71 28 . PIN BUSHING HOUSING
. AIR INJECTION
. [810] FROM MODEL YEAR 2001 - CODE 801
001
195 A 003 545 26 26 . ROUND PIN BUSHING NB
210 A 029 545 72 28 . PIN BUSHING HOUSING
. CONTROL MODULE BOX/ENGINE
. CONNECTOR
. [810] FROM MODEL YEAR 2001 - CODE 801
001
212 A 000 540 59 05 . CABLE HARNESS
. REPAIR SOLUTION CONTACTING 1.0 MM2
. [810, 774] FROM MODEL YEAR 2001 - CODE 801
NB
215 A 168 545 08 28 . PLUG HOUSING
. ENGINE TIMING
. [810] FROM MODEL YEAR 2001 - CODE 801
001
220 A 168 545 07 28 . PLUG HOUSING
. ENGINE TIMING
. [810] FROM MODEL YEAR 2001 - CODE 801
001
240 A 000 540 45 05 . CABLE HARNESS
. REPAIR SOLUTION CONTACTING 0.5 MM2
. [774] CONNECTORS MUST ALSO BE ORDERED IN ACCORDANCE WITH THE...
NB
240 A 000 540 46 05 . CABLE HARNESS
. REPAIR SOLUTION CONTACTING 0.75
. MM2
. [774] CONNECTORS MUST ALSO BE ORDERED IN ACCORDANCE WITH THE...
NB
300 A 000 546 02 80 . CABLE GUIDE 001
310 A 202 997 29 81 . GROMMET
. [810] FROM MODEL YEAR 2001 - CODE 801
001
330 A 001 546 99 41 SOLDERING END CUPS
GREEN 0.7-2.4 MM2
NB
330 A 002 546 00 41 SOLDERING END CUPS
RED 2.0-4.0 MM2
NB
330 A 002 546 01 41 SOLDERING END CUPS
BLUE 3.5-8.0 MM2
NB
330 A 002 546 11 41 SOLDERING END CUPS
FOR COLOR NUMBERS AND PAINT CODES
USED FOR OUTSIDE PARTS, SEE FOOTNOTE:
7.5-12.0 MM2
NB
340 A 002 546 13 41 CABLE CONNECTOR
0.5 MM2
NB
340 A 002 546 14 41 BUTT CONNECTOR
0.8 MM2
NB
340 A 002 546 15 41 BUTT CONNECTOR
1.3 MM2
NB
340 A 002 546 16 41 BUTT CONNECTOR
2.0 MM2
NB
600 A 001 997 83 90 LOOM TIE NB
605 A 001 995 85 01 CLAMP
CABLE RAIL TO BRACKET
001
610 N 007976 004302 TAPPING SCREW
CABLE RAIL TO BRACKET
001
615 A 000 995 52 44 CLAMP
ENGINE CABLE HARNESS BRACKET 18 MM
001
620 A 220 546 18 43 BRACKET
[810] FROM MODEL YEAR 2001 - CODE 801
001
630 A 000 995 44 14 BRACKET
AT TIMING CASE COVER
001
Copyright Daimler AG, 13/06/15 23:17, EPC 1.32.0.4, DW 04/2014 Page 3
- Picture -
Mode MD mode Mod. des. overview PASSSENGER CAR,COUPE
FIN/MD WDB 2083651F075791 Catalog 19Y
VIN WDBLJ65G0XF075791 Major assembly: M - Engine
Sales designation CLK 320 Major assembly MD 112940 30 357370
Assortment class Car Group 54 - ENGINE CABLE HARNESSES
Market Europe Subgroup 165 - ENGINE CABLE HARNESS, C/CLK-CLASS
Picture number B54165000017.090917
Copyright Daimler AG, 13/06/15 23:17, EPC 1.32.0.4, DW 04/2014 Page 1
- Parts list -
Mode MD mode Mod. des. overview PASSSENGER CAR,COUPE
FIN/MD WDB 2083651F075791 Catalog 19Y
VIN WDBLJ65G0XF075791 Major assembly: M - Engine
Sales designation CLK 320 Major assembly MD 112940 30 357370
Assortment class Car Group 54 - ENGINE CABLE HARNESSES
Market Europe Subgroup 165 - ENGINE CABLE HARNESS, C/CLK-CLASS
Item no. Part number Designation/description Quantity Version
5 A 208 540 04 05 CABLE HARNESS
ENGINE CABLE HARNESS
Code: -(494/925)
[801] UP TO THE END OF MODEL YEAR 2000 - CODE 800
001 L
10 A 208 540 68 09 CABLE HARNESS
ENGINE CABLE HARNESS
[810, 021] FROM MODEL YEAR 2001 - CODE 801
001 L
10 A 208 540 14 32 ELECTRIC CABLE
ENGINE CABLE HARNESS
[022] As of engine
001 L
50 A 030 545 02 28 . PIN BUSHING HOUSING
. CO-DRIVER'S AIR BAG
. [801] UP TO THE END OF MODEL YEAR 2000 - CODE 800
001
50 A 036 545 67 28 . PIN BUSHING HOUSING
. CO-DRIVER'S AIR BAG
. [810] FROM MODEL YEAR 2001 - CODE 801
001
55 A 000 540 46 05 . CABLE HARNESS
. REPAIR SOLUTION CONTACTING 0.75
. MM2
. [774] CONNECTORS MUST ALSO BE ORDERED IN ACCORDANCE WITH THE...
NB
57 A 220 545 94 28 . PLUG
. ENGINE CONTROL MODULE
. [810] FROM MODEL YEAR 2001 - CODE 801
001
60 A 210 545 81 28 . PLUG
. CO-DRIVER'S AIR BAG
001
65 A 003 545 68 26 . CONTACT SPRING
. 0.5-1.0 MM2
001
70 A 014 545 93 28 . PIN BUSHING HOUSING
. KNOCK SENSOR
. [801] UP TO THE END OF MODEL YEAR 2000 - CODE 800
002
72 A 203 545 39 28 . PLUG
. KNOCK SENSOR
. [810] FROM MODEL YEAR 2001 - CODE 801
002
76 A 011 545 81 26 . CONTACT SPRING
. 0.5-1.0 MM2
NB
87 A 140 540 33 81 . PIN BUSHING HOUSING
. FINAL CONTROL ELEMENT IDLING-SPEED
. CONTROL
. [801] UP TO THE END OF MODEL YEAR 2000 - CODE 800
001
88 A 003 545 48 26 . ROUND PIN BUSHING
. 1 MM
. [801] UP TO THE END OF MODEL YEAR 2000 - CODE 800
006
90 A 210 540 36 81 . PIN BUSHING HOUSING
. FINAL CONTROL ELEMENT IDLING-SPEED
. CONTROL
. [810] FROM MODEL YEAR 2001 - CODE 801
001
92 A 000 540 26 05 . CABLE HARNESS
. REPAIR SOLUTION CONTACTING 0.75
. MM2
. [774] CONNECTORS MUST ALSO BE ORDERED IN ACCORDANCE WITH THE...
NB
97 A 210 540 80 81 . PIN BUSHING HOUSING
. IGNITION COIL
. [801] UP TO THE END OF MODEL YEAR 2000 - CODE 800
006
97 A 210 540 80 81 . PIN BUSHING HOUSING
. CAMSHAFT POSITION SENDER UNIT
. [801] UP TO THE END OF MODEL YEAR 2000 - CODE 800
001
97 A 203 545 30 28 . PIN BUSHING HOUSING
. IGNITION COIL
006
Copyright Daimler AG, 13/06/15 23:18, EPC 1.32.0.4, DW 04/2014 Page 1
97 A 203 545 30 28 . PIN BUSHING HOUSING
. IGNITION COIL
. [810] FROM MODEL YEAR 2001 - CODE 801
006
97 A 203 545 30 28 . PIN BUSHING HOUSING
. CAMSHAFT POSITION SENDER UNIT
. [810] FROM MODEL YEAR 2001 - CODE 801
001
107 A 000 545 25 84 . CONNECTOR 001
110 A 140 545 35 28 . PIN BUSHING HOUSING
. INJECTION VALVE
. [801] UP TO THE END OF MODEL YEAR 2000 - CODE 800
006
110 A 203 545 05 28 . PLUG
. INJECTION VALVE
. [810] FROM MODEL YEAR 2001 - CODE 801
006
110 A 140 545 35 28 . PIN BUSHING HOUSING
. PRESSURE CONVERTER
. [801] UP TO THE END OF MODEL YEAR 2000 - CODE 800
001
110 A 203 545 34 28 . PIN BUSHING HOUSING
. PRESSURE CONVERTER
. [810] FROM MODEL YEAR 2001 - CODE 801
001
110 A 140 545 35 28 . PIN BUSHING HOUSING
. INTAKE MANIFOLD
. [801] UP TO THE END OF MODEL YEAR 2000 - CODE 800
001
110 A 203 545 05 28 . PLUG
. INTAKE MANIFOLD
. [810] FROM MODEL YEAR 2001 - CODE 801
001
113 A 168 545 30 28 . PIN BUSHING HOUSING
. CRANKSHAFT POSITION SENDER UNIT
. [810] FROM MODEL YEAR 2001 - CODE 801
001
113 A 168 545 30 28 . PIN BUSHING HOUSING
. ALTERNATOR
. [022] As of engine
001
117 A 013 545 15 26 . CONTACT SPRING
. 0.5-1.0 MM2
NB
125 A 170 545 01 28 . PLUG
. AIR-MASS SENSOR
. [801] UP TO THE END OF MODEL YEAR 2000 - CODE 800
001
125 A 220 545 46 28 . PIN BUSHING HOUSING
. AIR-MASS SENSOR
. [810] FROM MODEL YEAR 2001 - CODE 801
001
128 A 000 545 31 84 . CONNECTOR
. AIR-MASS SENSOR
. [801] UP TO THE END OF MODEL YEAR 2000 - CODE 800
001
129 A 000 545 25 46 . BOOT
. AIR-MASS SENSOR
. [810] FROM MODEL YEAR 2001 - CODE 801
001
130 A 000 540 38 05 . CABLE HARNESS
. REPAIR SOLUTION CONTACTING 0.75
. MM2
. [774] CONNECTORS MUST ALSO BE ORDERED IN ACCORDANCE WITH THE...
NB
130 A 000 540 28 05 . REP.SET CONTACT
. REPAIR SOLUTION CONTACTING 2.5 MM2
. [774] CONNECTORS MUST ALSO BE ORDERED IN ACCORDANCE WITH THE...
NB
130 A 000 540 27 05 . REP.SET CONTACT
. REPAIR SOLUTION CONTACTING 1.0 MM2
. [774] CONNECTORS MUST ALSO BE ORDERED IN ACCORDANCE WITH THE...
NB
137 A 000 545 78 80 . BLIND PLUG
. GREEN
NB
140 A 210 540 21 81 . PIN BUSHING HOUSING
. OIL SENSOR
001
140 A 210 540 21 81 . PIN BUSHING HOUSING
. INTAKE MANIFOLD PRESSURE SENSOR
. [810] FROM MODEL YEAR 2001 - CODE 801
001
155 A 210 540 20 81 . PIN BUSHING HOUSING
. REFRIGERANT TEMPERATURE SENDER
. UNIT
001
155 A 210 540 20 81 . PIN BUSHING HOUSING
. AIR PUMP
. [810] FROM MODEL YEAR 2001 - CODE 801
001
160 A 000 540 25 05 . CABLE HARNESS
. REPAIR SOLUTION CONTACTING 0.5 MM2
. [774] CONNECTORS MUST ALSO BE ORDERED IN ACCORDANCE WITH THE...
NB
Copyright Daimler AG, 13/06/15 23:18, EPC 1.32.0.4, DW 04/2014 Page 2
190 A 011 545 71 28 . PIN BUSHING HOUSING
. AIR INJECTION
. [810] FROM MODEL YEAR 2001 - CODE 801
001
195 A 003 545 26 26 . ROUND PIN BUSHING NB
210 A 029 545 72 28 . PIN BUSHING HOUSING
. CONTROL MODULE BOX/ENGINE
. CONNECTOR
. [810] FROM MODEL YEAR 2001 - CODE 801
001
212 A 000 540 59 05 . CABLE HARNESS
. REPAIR SOLUTION CONTACTING 1.0 MM2
. [810, 774] FROM MODEL YEAR 2001 - CODE 801
NB
215 A 168 545 08 28 . PLUG HOUSING
. ENGINE TIMING
. [810] FROM MODEL YEAR 2001 - CODE 801
001
220 A 168 545 07 28 . PLUG HOUSING
. ENGINE TIMING
. [810] FROM MODEL YEAR 2001 - CODE 801
001
240 A 000 540 45 05 . CABLE HARNESS
. REPAIR SOLUTION CONTACTING 0.5 MM2
. [774] CONNECTORS MUST ALSO BE ORDERED IN ACCORDANCE WITH THE...
NB
240 A 000 540 46 05 . CABLE HARNESS
. REPAIR SOLUTION CONTACTING 0.75
. MM2
. [774] CONNECTORS MUST ALSO BE ORDERED IN ACCORDANCE WITH THE...
NB
300 A 000 546 02 80 . CABLE GUIDE 001
310 A 202 997 29 81 . GROMMET
. [810] FROM MODEL YEAR 2001 - CODE 801
001
330 A 001 546 99 41 SOLDERING END CUPS
GREEN 0.7-2.4 MM2
NB
330 A 002 546 00 41 SOLDERING END CUPS
RED 2.0-4.0 MM2
NB
330 A 002 546 01 41 SOLDERING END CUPS
BLUE 3.5-8.0 MM2
NB
330 A 002 546 11 41 SOLDERING END CUPS
FOR COLOR NUMBERS AND PAINT CODES
USED FOR OUTSIDE PARTS, SEE FOOTNOTE:
7.5-12.0 MM2
NB
340 A 002 546 13 41 CABLE CONNECTOR
0.5 MM2
NB
340 A 002 546 14 41 BUTT CONNECTOR
0.8 MM2
NB
340 A 002 546 15 41 BUTT CONNECTOR
1.3 MM2
NB
340 A 002 546 16 41 BUTT CONNECTOR
2.0 MM2
NB
600 A 001 997 83 90 LOOM TIE NB
605 A 001 995 85 01 CLAMP
CABLE RAIL TO BRACKET
001
610 N 007976 004302 TAPPING SCREW
CABLE RAIL TO BRACKET
001
615 A 000 995 52 44 CLAMP
ENGINE CABLE HARNESS BRACKET 18 MM
001
620 A 220 546 18 43 BRACKET
[810] FROM MODEL YEAR 2001 - CODE 801
001
630 A 000 995 44 14 BRACKET
AT TIMING CASE COVER
001
Copyright Daimler AG, 13/06/15 23:18, EPC 1.32.0.4, DW 04/2014 Page 3
- Picture -
Mode MD mode Mod. des. overview PASSSENGER CAR,COUPE
FIN/MD WDB 2083651F075791 Catalog 19Y
VIN WDBLJ65G0XF075791 Major assembly: M - Engine
Sales designation CLK 320 Major assembly MD 112940 30 357370
Assortment class Car Group 54 - ENGINE CABLE HARNESSES
Market Europe Subgroup 165 - ENGINE CABLE HARNESS, C/CLK-CLASS
Picture number B54165000018.090917
Copyright Daimler AG, 13/06/15 23:18, EPC 1.32.0.4, DW 04/2014 Page 1

Mercedes benz m112 engine - epc

  • 1.
    - Picture - ModeMD mode Mod. des. overview PASSSENGER CAR,COUPE FIN/MD WDB 2083651F075791 Catalog 19Y VIN WDBLJ65G0XF075791 Major assembly: M - Engine Sales designation CLK 320 Major assembly MD 112940 30 357370 Assortment class Car Group 01 - ENGINE HOUSING Market Europe Subgroup 005 - DESIGN GROUP ORIENTATION TABLE Picture number B01005000030.021209 Copyright Daimler AG, 13/06/15 22:46, EPC 1.32.0.4, DW 04/2014 Page 1
  • 2.
    - Picture - ModeMD mode Mod. des. overview PASSSENGER CAR,COUPE FIN/MD WDB 2083651F075791 Catalog 19Y VIN WDBLJ65G0XF075791 Major assembly: M - Engine Sales designation CLK 320 Major assembly MD 112940 30 357370 Assortment class Car Group 01 - ENGINE HOUSING Market Europe Subgroup 010 - ENGINE Picture number B01010000023.961023 Copyright Daimler AG, 13/06/15 22:47, EPC 1.32.0.4, DW 04/2014 Page 1
  • 3.
    - Parts list- Mode MD mode Mod. des. overview PASSSENGER CAR,COUPE FIN/MD WDB 2083651F075791 Catalog 19Y VIN WDBLJ65G0XF075791 Major assembly: M - Engine Sales designation CLK 320 Major assembly MD 112940 30 357370 Assortment class Car Group 01 - ENGINE HOUSING Market Europe Subgroup 020 - CYLINDER CRANKCASE Item no. Part number Designation/description Quantity Version 5 A 112 010 06 06 CRANKCASE WITH PISTONS FITTED 001 L 23 N 000000 001811 . SCREW . CRANKSHAFT BEARING CAP M 10X90 008 29 N 000000 001810 . SCREW . CRANKSHAFT BEARING CAP M 8X75 008 35 N 910143 008018 . SCREW . CRANKSHAFT BEARING CAP M 8X40 004 41 A 117 997 02 30 . SCREW PLUG . TO PLUG OIL PASSAGE, TOP 001 47 A 023 997 70 48 . SEAL RING . TO PLUG OIL PASSAGE, TOP 001 53 N 000000 004057 . CAP . LOCKING MECHANISM, OIL OPENING . BEARING BLOCK 002 59 N 000443 020000 . EXPANSION PLUG . TO PLUG OIL PASSAGE, FRONT AND . REAR 002 65 A 601 992 01 25 . SLEEVE . REAR CRANKSHAFT SEALING COVER TO . CYLINDER CRANKCASE 002 71 A 112 990 09 01 . SCREW . CYLINDER CRANKCASE WATER DRAIN 002 77 A 112 997 01 44 . . SEAL RING . . [417] NO LONGER AVAILABLE; ORDER RANGE OF DELIVERY 002 83 A 112 991 04 41 . CLAMPING PIN . TRANSMISSION TO CRANKCASE 002 89 A 112 991 03 41 . CLAMPING PIN . CYLINDER HEAD TO CYLINDER . CRANKCASE 004 95 A 102 991 03 41 . CLAMPING PIN . TIMING CASE TO CYLINDER CRANKCASE 002 101 A 112 180 04 43 . OIL NOZZLE . PISTON COOLING 003 107 A 112 990 00 14 . SCREW . OIL SPRAY NOZZLE TO CYLINDER . CRANKCASE 003 113 A 112 011 02 08 COVER CRANKSHAFT SEALING,REAR 001 119 A 112 997 00 46 SEAL RING Replaced by: A 112 997 02 46 - 119 A 112 997 02 46 SEAL RING CRANKSHAFT SEALING,REAR Optional with: A 112 997 03 46 001 119 A 112 997 01 46 SEAL RING Replaced by: A 112 997 03 46 - 119 A 112 997 03 46 SEAL RING CRANKSHAFT SEALING,REAR Optional with: A 112 997 02 46 001 125 N 910143 006001 SCREW REAR CRANKSHAFT SEALING COVER TO CYLINDER CRANKCASE M6X16 011 Copyright Daimler AG, 13/06/15 22:49, EPC 1.32.0.4, DW 04/2014 Page 1
  • 4.
    - Picture - ModeMD mode Mod. des. overview PASSSENGER CAR,COUPE FIN/MD WDB 2083651F075791 Catalog 19Y VIN WDBLJ65G0XF075791 Major assembly: M - Engine Sales designation CLK 320 Major assembly MD 112940 30 357370 Assortment class Car Group 01 - ENGINE HOUSING Market Europe Subgroup 020 - CYLINDER CRANKCASE Picture number B01020000002.020823 Copyright Daimler AG, 13/06/15 22:49, EPC 1.32.0.4, DW 04/2014 Page 1
  • 5.
    - Parts list- Mode MD mode Mod. des. overview PASSSENGER CAR,COUPE FIN/MD WDB 2083651F075791 Catalog 19Y VIN WDBLJ65G0XF075791 Major assembly: M - Engine Sales designation CLK 320 Major assembly MD 112940 30 357370 Assortment class Car Group 01 - ENGINE HOUSING Market Europe Subgroup 030 - TIMING CASE Item no. Part number Designation/description Quantity Version 8 A 112 015 02 02 TIMING CASE Replaced by: A 112 010 00 33 [013] EXHAUST STOCK OF OLD PARTS UP TO ENGINE - 8 A 112 010 00 33 TIMING CASE Replaced by: A 112 010 04 33 +001 A 112 015 06 30 +001 A 112 184 00 80 +001 N 000908 012009 +001 N 007603 012110 Code: -(494/828) [024] FIRST EXHAUST STOCK OF OLD PARTS UP TO ENGINE - 8 A 112 010 04 33 TIMING CASE Replaced by: A 112 010 06 33 +001 A 112 201 01 80 Code: -(494/828) - 8 A 112 010 06 33 TIMING CASE Code: -(494/828) [030] Up to engine: 001 8 A 112 010 07 33 TIMING CASE [031] As of engine 001 11 A 111 992 02 25 . SLEEVE . [015] As of engine 001 14 A 023 997 84 47 . SEAL RING . CRANKSHAFT,FRONT 001 17 A 112 010 00 35 COVER Replaced by: A 112 015 06 30 +001 A 112 184 00 80 [024] FIRST EXHAUST STOCK OF OLD PARTS UP TO ENGINE - 20 A 112 015 06 30 EXPANSION PLUG TIMING CASE 001 23 N 000000 001116 SCREW CAP ON TIMING CASE 002 26 A 112 184 01 61 SEAL RING CAP ON TIMING CASE [025] Up to engine: 30 510814 001 29 A 112 184 02 80 GASKET CAP ON TIMING CASE [026] As of engine 30 510815 001 32 N 000908 012009 SCREW PLUG EXPANSION PLUG [026] As of engine 30 510815 001 35 N 007603 012110 SEAL RING EXPANSION PLUG [026] As of engine 30 510815 001 38 A 112 997 08 45 SEAL RING TIMING CASE TO CYLINDER CRANKCASE 002 41 N 910143 008003 SCREW TIMING CASE TO CYLINDER CRANKCASE M 8X30 002 41 N 910143 008009 HEXALOBULAR BOLT TIMING CASE TO CYLINDER CRANKCASE M8X70 007 41 N 910143 008011 HEXALOBULAR BOLT TIMING CASE TO CYLINDER CRANKCASE M8X90 001 41 N 910143 008012 HEXALOBULAR BOLT 001 Copyright Daimler AG, 13/06/15 22:50, EPC 1.32.0.4, DW 04/2014 Page 1
  • 6.
    41 N 910143008012 HEXALOBULAR BOLT TIMING CASE TO CYLINDER CRANKCASE M8X100 001 41 N 910143 008010 HEXALOBULAR BOLT TIMING CASE TO CYLINDER CRANKCASE M8X80 001 Copyright Daimler AG, 13/06/15 22:50, EPC 1.32.0.4, DW 04/2014 Page 2
  • 7.
    - Picture - ModeMD mode Mod. des. overview PASSSENGER CAR,COUPE FIN/MD WDB 2083651F075791 Catalog 19Y VIN WDBLJ65G0XF075791 Major assembly: M - Engine Sales designation CLK 320 Major assembly MD 112940 30 357370 Assortment class Car Group 01 - ENGINE HOUSING Market Europe Subgroup 030 - TIMING CASE Picture number B01030000251.071106 Copyright Daimler AG, 13/06/15 22:50, EPC 1.32.0.4, DW 04/2014 Page 1
  • 8.
    - Parts list- Mode MD mode Mod. des. overview PASSSENGER CAR,COUPE FIN/MD WDB 2083651F075791 Catalog 19Y VIN WDBLJ65G0XF075791 Major assembly: M - Engine Sales designation CLK 320 Major assembly MD 112940 30 357370 Assortment class Car Group 01 - ENGINE HOUSING Market Europe Subgroup 045 - OIL PAN OIL LEVEL DISPLAY Item no. Part number Designation/description Quantity Version 5 A 112 014 07 02 OIL PAN UPPER PART [011] NOT WITH 4 MATIC 001 23 N 910143 008003 HEXALOBULAR BOLT OIL PAN TO CYLINDER CRANKCASE 002 29 N 910143 006002 HEXALOBULAR BOLT OIL PAN TO CYLINDER CRANKCASE M 6X20 011 29 N 910143 006006 SCREW OIL PAN TO CYLINDER CRANKCASE M 6X40 005 29 N 910143 006010 SCREW OIL SUMP ON CRANKCASE COVER, REAR M 6X90 002 29 N 910143 006002 SCREW OIL PAN TO TIMING CASE M 6X20 004 29 N 910143 006006 HEXALOBULAR BOLT OIL PAN TO TIMING CASE 002 35 A 112 010 03 28 OIL PAN Replaced by: A 112 010 06 28 +001 A 001 542 72 18 [022] FIRST EXHAUST STOCK OF OLD PARTS UP TO ENGINE - 35 A 112 010 06 28 OIL PAN LOWER PART 001 41 A 111 997 03 30 . SCREW PLUG, FILLING . OIL DRAIN 001 47 N 007603 014106 . SEAL RING . OIL DRAIN 001 53 N 000000 001117 SCREW LOWER PART OF OIL PAN TO UPPER PART 012 59 A 112 014 01 33 COVER MOUNTING HOLE IN OIL PAN 001 65 A 112 010 02 66 GUIDE TUBE 001 71 A 112 018 00 80 GASKET GUIDE TUBE 001 77 A 112 010 03 72 OIL DIPSTICK [011] NOT WITH 4 MATIC 001 78 A 006 997 26 45 . SEAL RING . OIL DIPSTICK 001 85 A 113 010 00 72 OIL DIPSTICK [010] ONLY WITH 4 MATIC 001 90 A 006 997 26 45 . SEAL RING . OIL DIPSTICK 001 Copyright Daimler AG, 13/06/15 22:51, EPC 1.32.0.4, DW 04/2014 Page 1
  • 9.
    - Picture - ModeMD mode Mod. des. overview PASSSENGER CAR,COUPE FIN/MD WDB 2083651F075791 Catalog 19Y VIN WDBLJ65G0XF075791 Major assembly: M - Engine Sales designation CLK 320 Major assembly MD 112940 30 357370 Assortment class Car Group 01 - ENGINE HOUSING Market Europe Subgroup 045 - OIL PAN OIL LEVEL DISPLAY Picture number B01045000198.120302 Copyright Daimler AG, 13/06/15 22:51, EPC 1.32.0.4, DW 04/2014 Page 1
  • 10.
    - Parts list- Mode MD mode Mod. des. overview PASSSENGER CAR,COUPE FIN/MD WDB 2083651F075791 Catalog 19Y VIN WDBLJ65G0XF075791 Major assembly: M - Engine Sales designation CLK 320 Major assembly MD 112940 30 357370 Assortment class Car Group 01 - ENGINE HOUSING Market Europe Subgroup 060 - CYLINDER HEAD Item no. Part number Designation/description Quantity Version 5 A 112 010 14 20 CYLINDER HEAD LEFT 001 5 A 112 010 15 20 CYLINDER HEAD RIGHT 001 11 A 113 053 02 31 . VALVE SEAT RING . INTAKE;STANDARD 37,1 MM 012 11 A 113 053 03 31 . VALVE SEAT RING . INTAKE,REPAIR SIZE 38,3 MM 012 11 A 113 053 02 32 . VALVE SEAT RING . EXHAUST,STANDARD 42,1 MM 006 11 A 113 053 03 32 . VALVE SEAT RING . EXHAUST,REPAIR SIZE 43,3 MM 006 17 A 113 053 03 29 . VALVE GUIDE . INTAKE AND EXHAUST; REPAIR SIZE I . 12,7 MM AUSSEN, 6,5 MM INNEN 018 17 A 113 053 04 29 . VALVE GUIDE . INTAKE AND EXHAUST; REPAIR SIZE II . 13,1 MM AUSSEN, 6,5 MM INNEN 018 23 A 403 997 06 20 . EXPANSION PLUG . TO PLUG CORE HOLES 004 23 A 403 997 06 20 . EXPANSION PLUG . TO PLUG AIR-INJECTION BORE 002 29 A 112 990 03 78 . CONNECTOR . CYLINDER HEAD, LEFT, HEATING WATER . FEED 001 35 N 000000 006534 . CAP . CYLINDER HEAD, RIGHT, WATER JACKET . AT REAR 001 41 A 112 991 05 41 . CLAMPING PIN . CAMSHAFT BEARING TO CYLINDER HEAD 004 53 A 112 990 10 22 SCREW CAMSHAFT BEARING TO CYINDER HEAD, LEFT 012 53 A 112 990 10 22 SCREW CAMSHAFT BEARING TO CYLINDER HEAD, RIGHT 012 56 A 002 990 97 22 SCREW CAMSHAFT BEARING TO CYINDER HEAD, LEFT 002 62 A 112 055 00 45 FLANGE TO CAMSHAFT BEARING NO.1,FRONT,LEFT AND RIGHT 002 68 A 112 990 10 22 SCREW TO CAMSHAFT BEARING NO.1,FRONT,LEFT AND RIGHT 004 74 A 272 990 00 05 STUD EXHAUST MANIFOLD TO CYLINDER HEAD 012 80 A 112 016 03 20 CYLINDER HEAD GASKET LEFT 001 80 A 112 016 04 20 CYLINDER HEAD GASKET RIGHT 001 86 A 112 990 02 12 SCREW CYLINDER HEAD TO CYLINDER CRANKCASE Optional with: A 112 990 03 12 016 86 A 112 990 03 12 SCREW CYLINDER HEAD TO CYLINDER CRANKCASE Optional with: A 112 990 02 12 016 Copyright Daimler AG, 13/06/15 22:52, EPC 1.32.0.4, DW 04/2014 Page 1
  • 11.
    86 N 910105008019 SCREW CYLINDER HEAD TO CYLINDER CRANKCASE M 8X50 004 86 N 910143 008003 SCREW CYLINDER HEAD TO CYLINDER CRANKCASE M 8X30 004 Copyright Daimler AG, 13/06/15 22:52, EPC 1.32.0.4, DW 04/2014 Page 2
  • 12.
    - Picture - ModeMD mode Mod. des. overview PASSSENGER CAR,COUPE FIN/MD WDB 2083651F075791 Catalog 19Y VIN WDBLJ65G0XF075791 Major assembly: M - Engine Sales designation CLK 320 Major assembly MD 112940 30 357370 Assortment class Car Group 01 - ENGINE HOUSING Market Europe Subgroup 060 - CYLINDER HEAD Picture number B01060000203.050817 Copyright Daimler AG, 13/06/15 22:52, EPC 1.32.0.4, DW 04/2014 Page 1
  • 13.
    - Parts list- Mode MD mode Mod. des. overview PASSSENGER CAR,COUPE FIN/MD WDB 2083651F075791 Catalog 19Y VIN WDBLJ65G0XF075791 Major assembly: M - Engine Sales designation CLK 320 Major assembly MD 112940 30 357370 Assortment class Car Group 01 - ENGINE HOUSING Market Europe Subgroup 075 - CYLINDER HEAD COVER Item no. Part number Designation/description Quantity Version 5 A 112 010 05 30 CYLINDER HEAD COVER LEFT 001 11 A 112 010 04 30 CYLINDER HEAD COVER RIGHT 001 14 N 000912 005010 . SCREW . LEFT M 5X18 003 14 N 000912 005010 . SCREW . RIGHT M 5X18 002 17 A 112 016 02 21 GASKET CYLINDER HEAD COVER,LEFT 001 23 A 112 016 03 21 GASKET CYLINDER HEAD COVER,RIGHT 001 29 A 001 990 83 22 SCREW CYLINDER HEAD COVER TO CYLINDER HEAD, LEFT M6X30 006 29 A 001 990 84 22 SCREW CYLINDER HEAD COVER TO CYLINDER HEAD, LEFT M6X85 003 29 A 001 990 83 22 SCREW CYLINDER HEAD COVER TO CYLINDER HEAD, RIGHT M6X30 007 29 A 001 990 84 22 SCREW CYLINDER HEAD COVER TO CYLINDER HEAD, RIGHT M6X85 002 35 A 112 010 00 64 OIL FILLER NECK 001 41 A 111 018 00 80 . GASKET 001 47 A 000 010 14 85 FILLER CAP OIL FILLER CAP, CYLINDER HEAD COVER, RIGHT 001 53 A 111 018 00 80 . GASKET . OIL FILLER CAP 001 59 A 112 010 00 67 COVER PLATE CYLINDER HEAD COVER [014] Up to engine: 001 59 A 112 010 00 67 COVER PLATE CYLINDER HEAD COVER Code: -(494/828) [015, 036] As of engine 001 59 A 112 010 01 67 COVER PLATE Code: -(494/828) [205, 037] Up to ident. no.: 001 65 A 112 094 00 41 . BRACKET . [205] Up to ident. no.: 003 71 A 112 094 01 41 . BRACKET . [205] Up to ident. no.: 001 77 A 112 016 00 80 . GASKET . [205] Up to ident. no.: 002 89 A 112 090 00 89 BEARING COVERING TO CYLINDER HEAD COVER 003 Copyright Daimler AG, 13/06/15 22:52, EPC 1.32.0.4, DW 04/2014 Page 1
  • 14.
    - Picture - ModeMD mode Mod. des. overview PASSSENGER CAR,COUPE FIN/MD WDB 2083651F075791 Catalog 19Y VIN WDBLJ65G0XF075791 Major assembly: M - Engine Sales designation CLK 320 Major assembly MD 112940 30 357370 Assortment class Car Group 01 - ENGINE HOUSING Market Europe Subgroup 075 - CYLINDER HEAD COVER Picture number B01075000309.040216 Copyright Daimler AG, 13/06/15 22:52, EPC 1.32.0.4, DW 04/2014 Page 1
  • 15.
    - Parts list- Mode MD mode Mod. des. overview PASSSENGER CAR,COUPE FIN/MD WDB 2083651F075791 Catalog 19Y VIN WDBLJ65G0XF075791 Major assembly: M - Engine Sales designation CLK 320 Major assembly MD 112940 30 357370 Assortment class Car Group 01 - ENGINE HOUSING Market Europe Subgroup 075 - CYLINDER HEAD COVER Item no. Part number Designation/description Quantity Version 5 A 112 010 05 30 CYLINDER HEAD COVER LEFT 001 11 A 112 010 04 30 CYLINDER HEAD COVER RIGHT 001 14 N 000912 005010 . SCREW . LEFT M 5X18 003 14 N 000912 005010 . SCREW . RIGHT M 5X18 002 17 A 112 016 02 21 GASKET CYLINDER HEAD COVER,LEFT 001 23 A 112 016 03 21 GASKET CYLINDER HEAD COVER,RIGHT 001 29 A 001 990 83 22 SCREW CYLINDER HEAD COVER TO CYLINDER HEAD, LEFT M6X30 006 29 A 001 990 84 22 SCREW CYLINDER HEAD COVER TO CYLINDER HEAD, LEFT M6X85 003 29 A 001 990 83 22 SCREW CYLINDER HEAD COVER TO CYLINDER HEAD, RIGHT M6X30 007 29 A 001 990 84 22 SCREW CYLINDER HEAD COVER TO CYLINDER HEAD, RIGHT M6X85 002 35 A 112 010 00 64 OIL FILLER NECK 001 41 A 111 018 00 80 . GASKET 001 47 A 000 010 14 85 FILLER CAP OIL FILLER CAP, CYLINDER HEAD COVER, RIGHT 001 53 A 111 018 00 80 . GASKET . OIL FILLER CAP 001 59 A 112 010 00 67 COVER PLATE CYLINDER HEAD COVER [014] Up to engine: 001 59 A 112 010 00 67 COVER PLATE CYLINDER HEAD COVER Code: -(494/828) [015, 036] As of engine 001 59 A 112 010 01 67 COVER PLATE Code: -(494/828) [205, 037] Up to ident. no.: 001 65 A 112 094 00 41 . BRACKET . [205] Up to ident. no.: 003 71 A 112 094 01 41 . BRACKET . [205] Up to ident. no.: 001 77 A 112 016 00 80 . GASKET . [205] Up to ident. no.: 002 89 A 112 090 00 89 BEARING COVERING TO CYLINDER HEAD COVER 003 Copyright Daimler AG, 13/06/15 22:53, EPC 1.32.0.4, DW 04/2014 Page 1
  • 16.
    - Picture - ModeMD mode Mod. des. overview PASSSENGER CAR,COUPE FIN/MD WDB 2083651F075791 Catalog 19Y VIN WDBLJ65G0XF075791 Major assembly: M - Engine Sales designation CLK 320 Major assembly MD 112940 30 357370 Assortment class Car Group 01 - ENGINE HOUSING Market Europe Subgroup 075 - CYLINDER HEAD COVER Picture number B01075000265.980306 Copyright Daimler AG, 13/06/15 22:53, EPC 1.32.0.4, DW 04/2014 Page 1
  • 17.
    - Parts list- Mode MD mode Mod. des. overview PASSSENGER CAR,COUPE FIN/MD WDB 2083651F075791 Catalog 19Y VIN WDBLJ65G0XF075791 Major assembly: M - Engine Sales designation CLK 320 Major assembly MD 112940 30 357370 Assortment class Car Group 03 - MOVING PARTS Market Europe Subgroup 015 - CRANKSHAFT AND FLYWHEEL Item no. Part number Designation/description Quantity Version 5 A 112 031 05 01 CRANKSHAFT Replaced by: A 112 030 16 01 - 5 A 112 030 16 01 CRANKSHAFT Replaced by: A 112 030 26 01 +008 A 004 990 32 12 [009] EXHAUST STOCK OF OLD PARTS UP TO ENGINE 31 067270 - A 5 A 112 030 26 01 CRANKSHAFT [015] Up to engine: 31 757521 001 5 A 112 030 34 01 CRANKSHAFT [016] As of engine 31 757522 001 8 A 601 997 04 10 . PIN . FLYWHEEL OR STARTER RING GEAR ON . CRANKSHAFT 001 11 N 006888 005005 WOODRUFF KEY VIBRATION ABSORBER TO CRANKSHAFT 001 17 A 155 050 00 03 CRANKSHAFT GEAR 001 23 A 112 035 13 00 VIBRATION ABSORBER VIBRATION ABSORBER 001 29 A 006 990 70 04 SCREW VIBRATION ABSORBER TO CRANKSHAFT 001 47 A 628 030 00 12 RING GEAR [015] Up to engine: 31 757521 001 A 47 A 112 030 08 12 RING GEAR [016] As of engine 31 757522 001 A 59 A 111 032 01 76 WASHER [015] Up to engine: 31 757521 001 A 59 A 112 032 02 52 SPACER WASHER [016] As of engine 31 757522 001 A 65 A 001 990 57 12 SCREW [010] Up to engine: 31 067270 008 A 65 A 004 990 32 12 SCREW [011] As of engine 31 067271 008 A 65 A 004 990 32 12 SCREW [015] Up to engine: 31 757521 008 A 65 A 007 990 51 04 SCREW [016] As of engine 31 757522 008 A 77 A 112 030 00 40 CRANKSHAFT BEARING PARTS KIT,STANDARD 64.00 MM [002] WHEN ORDERING, PLEASE STATE ADDITIONAL CODE: 52 = BLUE... 004 77 A 112 030 01 40 CRANKSHAFT BEARING PARTS KIT,REPAIR SIZE I 63.80 MM 004 80 A 112 033 04 02 CRANKSHAFT BEARING HALF LOWER;STANDARD [003] WHEN ORDERING,PLEASE STATE ADDITIONAL CODE: 57 = WHITE... 004 83 A 112 030 00 62 GUARD PLATE PARTS KIT,STANDARD 2.65 MM 002 83 A 112 030 01 62 GUARD PLATE PARTS KIT,REPAIR SIZE I 2.85 MM 002 Copyright Daimler AG, 13/06/15 22:54, EPC 1.32.0.4, DW 04/2014 Page 1
  • 18.
    - Picture - ModeMD mode Mod. des. overview PASSSENGER CAR,COUPE FIN/MD WDB 2083651F075791 Catalog 19Y VIN WDBLJ65G0XF075791 Major assembly: M - Engine Sales designation CLK 320 Major assembly MD 112940 30 357370 Assortment class Car Group 03 - MOVING PARTS Market Europe Subgroup 015 - CRANKSHAFT AND FLYWHEEL Picture number B03015000188.020823 Copyright Daimler AG, 13/06/15 22:54, EPC 1.32.0.4, DW 04/2014 Page 1
  • 19.
    - Parts list- Mode MD mode Mod. des. overview PASSSENGER CAR,COUPE FIN/MD WDB 2083651F075791 Catalog 19Y VIN WDBLJ65G0XF075791 Major assembly: M - Engine Sales designation CLK 320 Major assembly MD 112940 30 357370 Assortment class Car Group 03 - MOVING PARTS Market Europe Subgroup 020 - DIFFERENTIAL SHAFT Item no. Part number Designation/description Quantity Version 5 A 112 030 27 72 DRIVE SHAFT DIFFERENTIAL SHAFT 001 11 A 112 034 01 73 LOCK DIFFERENTIAL SHAFT TO CRANKCASE 001 17 A 112 990 00 14 SCREW DIFFERENTIAL SHAFT TO CRANKCASE 001 23 A 112 034 07 22 COUNTERWEIGHT ON DIFFERENTIAL SHAFT,REAR 001 29 N 910105 008019 SCREW COMPENSATION WEIGHT ON DIFFERENTIAL SHAFT,REAR M 8X50 001 Copyright Daimler AG, 13/06/15 22:55, EPC 1.32.0.4, DW 04/2014 Page 1
  • 20.
    - Picture - ModeMD mode Mod. des. overview PASSSENGER CAR,COUPE FIN/MD WDB 2083651F075791 Catalog 19Y VIN WDBLJ65G0XF075791 Major assembly: M - Engine Sales designation CLK 320 Major assembly MD 112940 30 357370 Assortment class Car Group 03 - MOVING PARTS Market Europe Subgroup 020 - DIFFERENTIAL SHAFT Picture number B03020000001.961211 Copyright Daimler AG, 13/06/15 22:55, EPC 1.32.0.4, DW 04/2014 Page 1
  • 21.
    - Parts list- Mode MD mode Mod. des. overview PASSSENGER CAR,COUPE FIN/MD WDB 2083651F075791 Catalog 19Y VIN WDBLJ65G0XF075791 Major assembly: M - Engine Sales designation CLK 320 Major assembly MD 112940 30 357370 Assortment class Car Group 03 - MOVING PARTS Market Europe Subgroup 030 - CONNECTING ROD AND PISTONS Item no. Part number Designation/description Quantity Version 5 A 113 030 00 20 CONNECTING ROD 006 11 A 112 038 00 50 . PISTON PIN BUSHING . Optional with: A 112 038 01 50 006 11 A 112 038 01 50 . PISTON PIN BUSHING . Optional with: A 112 038 00 50 006 17 A 112 038 00 71 . SCREW 012 23 A 112 030 00 60 CONNECTING ROD BEARING PARTS KIT,STANDARD 52.00 MM 006 23 A 112 030 01 60 CONNECTING ROD BEARING PARTS KIT,REPAIR SIZE I 51.80 MM 006 29 A 112 030 06 17 PISTON Replaced by: A 112 030 37 17 Code: -828 - 29 A 112 030 53 17 PISTON Replaced by: A 112 030 66 17 Code: -828 [021] EXHAUST STOCK OF OLD PARTS UP TO ENGINE A 41 116 - 29 A 112 030 66 17 PISTON STANDARD 89.90 MM Optional with: A 112 030 37 17 Code: -828 006 29 A 112 030 37 17 PISTON STANDARD 89.90 MM Optional with: A 112 030 66 17 Code: -828 006 29 A 112 030 13 17 PISTON REPAIR SIZE I 90.15 MM 006 35 A 112 030 01 24 PISTON RING PARTS KIT,STANDARD Optional with: A 112 030 11 24 006 35 A 112 030 03 24 PISTON RING Replaced by: A 112 030 11 24 [020] EXHAUST STOCK OF OLD PARTS UP TO ENGINE 31 919963 - 35 A 112 030 11 24 PISTON RING PARTS KIT,STANDARD Optional with: A 112 030 01 24 006 35 A 112 030 08 24 PISTON RING PARTS KIT,REPAIR SIZE I Optional with: A 112 030 06 24 006 35 A 112 030 06 24 PISTON RING PARTS KIT,REPAIR SIZE I Optional with: A 112 030 08 24 006 41 A 102 994 01 35 SNAP RING 012 Copyright Daimler AG, 13/06/15 22:56, EPC 1.32.0.4, DW 04/2014 Page 1
  • 22.
    - Picture - ModeMD mode Mod. des. overview PASSSENGER CAR,COUPE FIN/MD WDB 2083651F075791 Catalog 19Y VIN WDBLJ65G0XF075791 Major assembly: M - Engine Sales designation CLK 320 Major assembly MD 112940 30 357370 Assortment class Car Group 03 - MOVING PARTS Market Europe Subgroup 030 - CONNECTING ROD AND PISTONS Picture number B03030000037.961023 Copyright Daimler AG, 13/06/15 22:56, EPC 1.32.0.4, DW 04/2014 Page 1
  • 23.
    - Parts list- Mode MD mode Mod. des. overview PASSSENGER CAR,COUPE FIN/MD WDB 2083651F075791 Catalog 19Y VIN WDBLJ65G0XF075791 Major assembly: M - Engine Sales designation CLK 320 Major assembly MD 112940 30 357370 Assortment class Car Group 05 - TIMING Market Europe Subgroup 015 - CAMSHAFT AND CHAIN DRIVE Item no. Part number Designation/description Quantity Version 5 A 112 050 40 01 CAMSHAFT LEFT 001 5 A 112 050 41 01 CAMSHAFT RIGHT 001 11 A 112 050 07 31 ROCKER ARM SPINDLE INTAKE 002 17 A 112 050 09 31 ROCKER ARM SPINDLE EXHAUST 002 23 A 113 050 00 33 ROCKER ARM INTAKE VALVE NO: 1 006 29 A 113 050 01 33 ROCKER ARM INTAKE VALVE NO: 2 006 35 A 113 050 05 34 ROCKER ARM EXHAUST VALVE 006 41 A 113 055 00 76 . WASHER 018 47 A 113 050 00 80 . HYDRAULIC ELEMENT . INTAKE VALVE 012 47 A 113 050 03 80 . HYDRAULIC ELEMENT . EXHAUST VALVE 006 53 A 112 050 02 04 CAMSHAFT GEAR 002 59 N 910143 012002 SCREW CAMSHAFT GEAR TO CAMSHAFT 002 65 A 003 997 68 94 ROLLER CHAIN DOUBLE 001 71 A 000 997 22 98 . CHAIN LOCK LINK . IWIS 001 77 A 112 052 01 16 SLIDING RAIL TOP 002 83 A 112 052 00 16 SLIDING RAIL BOTTOM 001 89 A 112 052 02 16 SLIDING RAIL (CLAMPING RAIL) 001 95 A 112 052 01 74 PIN HINGE PIN FOR SLIDE RAIL AND TENSIONING RAIL 007 101 A 112 050 08 11 CHAIN TIGHTENER 001 107 A 112 997 00 44 . SEAL RING . CHAIN TIGHTENER TO CYLINDER HEAD 001 Copyright Daimler AG, 13/06/15 22:57, EPC 1.32.0.4, DW 04/2014 Page 1
  • 24.
    - Picture - ModeMD mode Mod. des. overview PASSSENGER CAR,COUPE FIN/MD WDB 2083651F075791 Catalog 19Y VIN WDBLJ65G0XF075791 Major assembly: M - Engine Sales designation CLK 320 Major assembly MD 112940 30 357370 Assortment class Car Group 05 - TIMING Market Europe Subgroup 015 - CAMSHAFT AND CHAIN DRIVE Picture number B05015000137.961023 Copyright Daimler AG, 13/06/15 22:57, EPC 1.32.0.4, DW 04/2014 Page 1
  • 25.
    - Parts list- Mode MD mode Mod. des. overview PASSSENGER CAR,COUPE FIN/MD WDB 2083651F075791 Catalog 19Y VIN WDBLJ65G0XF075791 Major assembly: M - Engine Sales designation CLK 320 Major assembly MD 112940 30 357370 Assortment class Car Group 05 - TIMING Market Europe Subgroup 060 - VALVES Item no. Part number Designation/description Quantity Version 5 A 113 053 05 01 INTAKE VALVE 012 5 A 113 050 02 27 EXHAUST VALVE 006 11 A 612 050 00 58 SEAL PARTS KIT,VALVE STEM SEALING 005 23 A 113 053 00 25 SPRING RETAINER BOTTOM 018 29 A 113 053 00 20 VALVE SPRING 018 35 A 603 053 03 25 SPRING RETAINER TOP 018 41 A 102 053 02 26 VALVE COLLET 036 Copyright Daimler AG, 13/06/15 22:57, EPC 1.32.0.4, DW 04/2014 Page 1
  • 26.
    - Picture - ModeMD mode Mod. des. overview PASSSENGER CAR,COUPE FIN/MD WDB 2083651F075791 Catalog 19Y VIN WDBLJ65G0XF075791 Major assembly: M - Engine Sales designation CLK 320 Major assembly MD 112940 30 357370 Assortment class Car Group 05 - TIMING Market Europe Subgroup 060 - VALVES Picture number B05060000023.961023 Copyright Daimler AG, 13/06/15 22:57, EPC 1.32.0.4, DW 04/2014 Page 1
  • 27.
    - Parts list- Mode MD mode Mod. des. overview PASSSENGER CAR,COUPE FIN/MD WDB 2083651F075791 Catalog 19Y VIN WDBLJ65G0XF075791 Major assembly: M - Engine Sales designation CLK 320 Major assembly MD 112940 30 357370 Assortment class Car Group 07 - INJECTION Market Europe Subgroup 085 - INJECTION VALVES,FUEL DISTRIBUTOR Item no. Part number Designation/description Quantity Version 5 A 112 070 02 95 FUEL DISTRIBUTOR 001 11 A 000 078 43 49 . VALVE . FUEL PRESSURE TEST CONNECTION TO . 112 070 01 95 001 14 A 000 078 07 29 . ELEMENT . FUEL PRESSURE TEST CONNECTION TO . 112 070 02 95 001 17 N 007603 012111 . SEAL RING . FUEL PRESSURE TEST CONNECTION TO . 112 070 01 95 001 23 A 000 070 01 95 . INTERMEDIATE PIECE . FUEL PRESSURE TEST CONNECTION TO . 112 070 01 95 001 26 A 001 988 59 35 . CAP . FUEL PRESSURE TEST CONNECTION TO . 112 070 02 95, 04 95 001 29 A 112 078 00 49 VALVE INJECTION VALVE [801] UP TO THE END OF MODEL YEAR 2000 - CODE 800 006 29 A 112 078 01 49 VALVE INJECTION VALVE [810] FROM MODEL YEAR 2001 - CODE 801 006 35 A 019 997 13 48 . O-RING . INJECTION VALVE 012 41 A 119 078 06 41 BRACKET INJECTION VALVE TO FUEL DISTRIBUTOR 006 47 N 910143 006001 SCREW FUEL DISTRIBUTOR TO INTAKE MANIFOLD M 6X16 004 Copyright Daimler AG, 13/06/15 22:58, EPC 1.32.0.4, DW 04/2014 Page 1
  • 28.
    - Picture - ModeMD mode Mod. des. overview PASSSENGER CAR,COUPE FIN/MD WDB 2083651F075791 Catalog 19Y VIN WDBLJ65G0XF075791 Major assembly: M - Engine Sales designation CLK 320 Major assembly MD 112940 30 357370 Assortment class Car Group 07 - INJECTION Market Europe Subgroup 085 - INJECTION VALVES,FUEL DISTRIBUTOR Picture number B07085000005.010904 Copyright Daimler AG, 13/06/15 22:58, EPC 1.32.0.4, DW 04/2014 Page 1
  • 29.
    - Parts list- Mode MD mode Mod. des. overview PASSSENGER CAR,COUPE FIN/MD WDB 2083651F075791 Catalog 19Y VIN WDBLJ65G0XF075791 Major assembly: M - Engine Sales designation CLK 320 Major assembly MD 112940 30 357370 Assortment class Car Group 09 - AIR CLEANER Market Europe Subgroup 015 - AIR CLEANER Item no. Part number Designation/description Quantity Version FOR AIR CLEANER,SEE CHASSIS PARTS LIST,GROUP 52 155 A 112 090 07 01 AIR CLEANER MAKE MANN & HUMMEL [205] Up to ident. no.: 001 161 A 604 094 13 04 . FILTER ELEMENT . MAKE MANN & HUMMEL . Optional with: A 604 094 14 04 . [205] Up to ident. no.: 001 161 A 604 094 14 04 . FILTER ELEMENT . MAKE KNECHT . Optional with: A 604 094 13 04 . [205] Up to ident. no.: 001 164 A 028 997 97 48 . SEAL RING . [205] Up to ident. no.: 001 167 A 604 094 00 85 RUBBER BUFFER MUFFLER FILTER TO RIGHT WHEEL ARCH [205] Up to ident. no.: 003 173 A 202 528 00 91 BOOT [205] Up to ident. no.: 001 179 A 208 528 00 07 PIPE ELBOW [205] Up to ident. no.: 001 185 A 208 528 00 04 SCOOP COLD AIR INTAKE [205] Up to ident. no.: 001 191 A 202 505 01 86 BOOT [205] Up to ident. no.: 001 197 A 123 990 00 92 RIVET [205] Up to ident. no.: 003 Copyright Daimler AG, 13/06/15 23:00, EPC 1.32.0.4, DW 04/2014 Page 1
  • 30.
    - Picture - ModeMD mode Mod. des. overview PASSSENGER CAR,COUPE FIN/MD WDB 2083651F075791 Catalog 19Y VIN WDBLJ65G0XF075791 Major assembly: M - Engine Sales designation CLK 320 Major assembly MD 112940 30 357370 Assortment class Car Group 09 - AIR CLEANER Market Europe Subgroup 015 - AIR CLEANER Picture number B09015000119.050817 Copyright Daimler AG, 13/06/15 23:00, EPC 1.32.0.4, DW 04/2014 Page 1
  • 31.
    - Parts list- Mode MD mode Mod. des. overview PASSSENGER CAR,COUPE FIN/MD WDB 2083651F075791 Catalog 19Y VIN WDBLJ65G0XF075791 Major assembly: M - Engine Sales designation CLK 320 Major assembly MD 112940 30 357370 Assortment class Car Group 13 - POWER STEERG.PUMP,REFRIG.COMPRESSOR Market Europe Subgroup 030 - TANDEM PUMP AND POWER STEERING PUMP Item no. Part number Designation/description Quantity Version 5 A 002 466 24 01 HYDRAULIC PUMP LUK Optional with: A 002 466 12 01 Code: -(214/480) [205, 010] Up to ident. no.: 001 5 A 002 466 12 01 HYDRAULIC PUMP ZF Optional with: A 002 466 24 01 Code: -(214/480) [205, 010] Up to ident. no.: 001 20 A 000 460 01 83 OIL TANK [205] Up to ident. no.: 001 23 A 001 466 27 05 . HOUSING COVER . OIL TANK . [205] Up to ident. no.: 001 Copyright Daimler AG, 13/06/15 23:02, EPC 1.32.0.4, DW 04/2014 Page 1
  • 32.
    - Picture - ModeMD mode Mod. des. overview PASSSENGER CAR,COUPE FIN/MD WDB 2083651F075791 Catalog 19Y VIN WDBLJ65G0XF075791 Major assembly: M - Engine Sales designation CLK 320 Major assembly MD 112940 30 357370 Assortment class Car Group 13 - POWER STEERG.PUMP,REFRIG.COMPRESSOR Market Europe Subgroup 030 - TANDEM PUMP AND POWER STEERING PUMP Picture number B13030000176.020823 Copyright Daimler AG, 13/06/15 23:02, EPC 1.32.0.4, DW 04/2014 Page 1
  • 33.
    - Parts list- Mode MD mode Mod. des. overview PASSSENGER CAR,COUPE FIN/MD WDB 2083651F075791 Catalog 19Y VIN WDBLJ65G0XF075791 Major assembly: M - Engine Sales designation CLK 320 Major assembly MD 112940 30 357370 Assortment class Car Group 13 - POWER STEERG.PUMP,REFRIG.COMPRESSOR Market Europe Subgroup 045 - POWER STEERING PUMP ATTACHMENT PARTS Item no. Part number Designation/description Quantity Version 11 N 000000 001141 SCREW POWER STEERING PUMP ON TIMING CASE [205] Up to ident. no.: 002 35 A 000 466 18 80 GASKET SUSTION FITTING,POWER STEERING PUMP [205] Up to ident. no.: 001 41 A 000 460 01 83 OIL TANK OIL RESERVOIR ON POWER STEERING PUMP [205] Up to ident. no.: 001 47 N 000000 001117 SCREW OIL RESERVOIR ON TIMING CASE [205] Up to ident. no.: 001 53 A 003 994 54 45 LOCK TO OIL RESERVOIR FEED FITTING [205] Up to ident. no.: 001 Copyright Daimler AG, 13/06/15 23:02, EPC 1.32.0.4, DW 04/2014 Page 1
  • 34.
    - Picture - ModeMD mode Mod. des. overview PASSSENGER CAR,COUPE FIN/MD WDB 2083651F075791 Catalog 19Y VIN WDBLJ65G0XF075791 Major assembly: M - Engine Sales designation CLK 320 Major assembly MD 112940 30 357370 Assortment class Car Group 13 - POWER STEERG.PUMP,REFRIG.COMPRESSOR Market Europe Subgroup 045 - POWER STEERING PUMP ATTACHMENT PARTS Picture number B13045000151.010904 Copyright Daimler AG, 13/06/15 23:02, EPC 1.32.0.4, DW 04/2014 Page 1
  • 35.
    - Parts list- Mode MD mode Mod. des. overview PASSSENGER CAR,COUPE FIN/MD WDB 2083651F075791 Catalog 19Y VIN WDBLJ65G0XF075791 Major assembly: M - Engine Sales designation CLK 320 Major assembly MD 112940 30 357370 Assortment class Car Group 13 - POWER STEERG.PUMP,REFRIG.COMPRESSOR Market Europe Subgroup 060 - REFRIGERANT COMPRESSOR Item no. Part number Designation/description Quantity Version 5 A 000 230 70 11 COMPRESSOR [205, 691, 697] Up to ident. no.: 001 14 A 000 230 21 28 . COUPLING . COUPLER WITH SOLENOID TO A 000 230 . 20 11, 70 11 . [205] Up to ident. no.: 001 17 A 000 997 29 34 . SCREW . TO A 000 230 20 11, 70 11 . [205] Up to ident. no.: 001 23 A 023 997 48 48 . SEAL RING . TO A 000 230 20 11, 70 11 . [205] Up to ident. no.: 001 26 N 000912 008134 . SCREW . REFRIGERANT LINE TO COMPRESSOR M . 8X28 . [205] Up to ident. no.: 001 29 N 007984 008003 . SCREW . REFRIGERANT LINE TO COMPRESSOR M . 8X18 . [205] Up to ident. no.: 001 32 N 000125 008443 . WASHER . [205] Up to ident. no.: 002 Copyright Daimler AG, 13/06/15 23:03, EPC 1.32.0.4, DW 04/2014 Page 1
  • 36.
    - Picture - ModeMD mode Mod. des. overview PASSSENGER CAR,COUPE FIN/MD WDB 2083651F075791 Catalog 19Y VIN WDBLJ65G0XF075791 Major assembly: M - Engine Sales designation CLK 320 Major assembly MD 112940 30 357370 Assortment class Car Group 13 - POWER STEERG.PUMP,REFRIG.COMPRESSOR Market Europe Subgroup 060 - REFRIGERANT COMPRESSOR Picture number B13060000137.010928 Copyright Daimler AG, 13/06/15 23:03, EPC 1.32.0.4, DW 04/2014 Page 1
  • 37.
    - Parts list- Mode MD mode Mod. des. overview PASSSENGER CAR,COUPE FIN/MD WDB 2083651F075791 Catalog 19Y VIN WDBLJ65G0XF075791 Major assembly: M - Engine Sales designation CLK 320 Major assembly MD 112940 30 357370 Assortment class Car Group 13 - POWER STEERG.PUMP,REFRIG.COMPRESSOR Market Europe Subgroup 075 - REFRIGERANT COMPRESSOR ATTACHMENT PARTS Item no. Part number Designation/description Quantity Version 5 N 910143 008011 HEXALOBULAR BOLT REFRIGERANT COMPRESSOR ON TIMING CASE AND ENGINE CARRIER M8X90 [205] Up to ident. no.: 003 14 A 112 230 02 56 SUCTION LINE [040, 691] Up to ident. no.: 001 14 A 112 230 13 56 SUCTION LINE [041, 205, 691] As of ident. no. 001 23 A 210 997 03 45 . SEAL RING . [205, 691] Up to ident. no.: 001 29 A 140 997 08 45 . SEAL RING . [205, 691] Up to ident. no.: 001 32 A 220 997 04 45 . SEAL RING . [205, 691] Up to ident. no.: 001 47 A 112 230 01 56 PIPE DELIVERY LINE [205] Up to ident. no.: 001 59 A 140 997 07 45 . SEAL RING . [205, 691, 012] Up to ident. no.: 001 65 A 140 997 08 45 . SEAL RING . [205, 012, 691] Up to ident. no.: 001 Copyright Daimler AG, 13/06/15 23:03, EPC 1.32.0.4, DW 04/2014 Page 1
  • 38.
    - Picture - ModeMD mode Mod. des. overview PASSSENGER CAR,COUPE FIN/MD WDB 2083651F075791 Catalog 19Y VIN WDBLJ65G0XF075791 Major assembly: M - Engine Sales designation CLK 320 Major assembly MD 112940 30 357370 Assortment class Car Group 13 - POWER STEERG.PUMP,REFRIG.COMPRESSOR Market Europe Subgroup 075 - REFRIGERANT COMPRESSOR ATTACHMENT PARTS Picture number B13075000138.030722 Copyright Daimler AG, 13/06/15 23:03, EPC 1.32.0.4, DW 04/2014 Page 1
  • 39.
    - Parts list- Mode MD mode Mod. des. overview PASSSENGER CAR,COUPE FIN/MD WDB 2083651F075791 Catalog 19Y VIN WDBLJ65G0XF075791 Major assembly: M - Engine Sales designation CLK 320 Major assembly MD 112940 30 357370 Assortment class Car Group 13 - POWER STEERG.PUMP,REFRIG.COMPRESSOR Market Europe Subgroup 075 - REFRIGERANT COMPRESSOR ATTACHMENT PARTS Item no. Part number Designation/description Quantity Version 5 N 910143 008011 HEXALOBULAR BOLT REFRIGERANT COMPRESSOR ON TIMING CASE AND ENGINE CARRIER M8X90 [205] Up to ident. no.: 003 14 A 112 230 02 56 SUCTION LINE [040, 691] Up to ident. no.: 001 14 A 112 230 13 56 SUCTION LINE [041, 205, 691] As of ident. no. 001 23 A 210 997 03 45 . SEAL RING . [205, 691] Up to ident. no.: 001 29 A 140 997 08 45 . SEAL RING . [205, 691] Up to ident. no.: 001 32 A 220 997 04 45 . SEAL RING . [205, 691] Up to ident. no.: 001 47 A 112 230 01 56 PIPE DELIVERY LINE [205] Up to ident. no.: 001 59 A 140 997 07 45 . SEAL RING . [205, 691, 012] Up to ident. no.: 001 65 A 140 997 08 45 . SEAL RING . [205, 012, 691] Up to ident. no.: 001 Copyright Daimler AG, 13/06/15 23:04, EPC 1.32.0.4, DW 04/2014 Page 1
  • 40.
    - Picture - ModeMD mode Mod. des. overview PASSSENGER CAR,COUPE FIN/MD WDB 2083651F075791 Catalog 19Y VIN WDBLJ65G0XF075791 Major assembly: M - Engine Sales designation CLK 320 Major assembly MD 112940 30 357370 Assortment class Car Group 13 - POWER STEERG.PUMP,REFRIG.COMPRESSOR Market Europe Subgroup 075 - REFRIGERANT COMPRESSOR ATTACHMENT PARTS Picture number B13075000160.001222 Copyright Daimler AG, 13/06/15 23:04, EPC 1.32.0.4, DW 04/2014 Page 1
  • 41.
    - Parts list- Mode MD mode Mod. des. overview PASSSENGER CAR,COUPE FIN/MD WDB 2083651F075791 Catalog 19Y VIN WDBLJ65G0XF075791 Major assembly: M - Engine Sales designation CLK 320 Major assembly MD 112940 30 357370 Assortment class Car Group 13 - POWER STEERG.PUMP,REFRIG.COMPRESSOR Market Europe Subgroup 135 - V-BELT Item no. Part number Designation/description Quantity Version 5 A 011 997 97 92 V-BELT 21.36X2390 [205, 691] Up to ident. no.: 001 Copyright Daimler AG, 13/06/15 23:04, EPC 1.32.0.4, DW 04/2014 Page 1
  • 42.
    - Picture - ModeMD mode Mod. des. overview PASSSENGER CAR,COUPE FIN/MD WDB 2083651F075791 Catalog 19Y VIN WDBLJ65G0XF075791 Major assembly: M - Engine Sales designation CLK 320 Major assembly MD 112940 30 357370 Assortment class Car Group 13 - POWER STEERG.PUMP,REFRIG.COMPRESSOR Market Europe Subgroup 135 - V-BELT Picture number B13135000037.001222 Copyright Daimler AG, 13/06/15 23:04, EPC 1.32.0.4, DW 04/2014 Page 1
  • 43.
    - Parts list- Mode MD mode Mod. des. overview PASSSENGER CAR,COUPE FIN/MD WDB 2083651F075791 Catalog 19Y VIN WDBLJ65G0XF075791 Major assembly: M - Engine Sales designation CLK 320 Major assembly MD 112940 30 357370 Assortment class Car Group 14 - INTAKE AND EXHAUST MANIFOLDS Market Europe Subgroup 030 - INTAKE MANIFOLD Item no. Part number Designation/description Quantity Version 5 A 112 140 11 01 INTAKE MANIFOLD Replaced by: A 112 140 15 01 +001 A 112 141 21 80 - 5 A 112 140 21 01 INTAKE MANIFOLD 001 11 A 111 997 05 45 . SEAL RING . CONNECTION PIECE,BRAKE PRESSURE . LINE 001 17 A 111 141 02 42 . CLAMPING RING . CONNECTION PIECE,BRAKE PRESSURE . LINE 001 23 A 111 141 00 81 . CAP . CONNECTION PIECE,BRAKE PRESSURE . LINE 001 29 A 112 141 00 69 . VACUUM BOX . RESONANCE VALVE 001 35 N 000000 001181 . SCREW . VACUUM CELL ON INTAKE MANIFOLD 002 41 A 002 540 18 97 . VALVE . (ELECTRIC CHANGE-OVER VALVE) 001 47 N 912010 003003 . LOCK PLATE . AT INTAKE MANIFOLD 001 53 A 117 997 09 82 . HOSE . BETWEEN ELECTRIC CHANGE-OVER VALVE . AND VACUUM BOX 170 MM . [404] ORDER BY THE METER NB 56 A 000 276 00 30 . LINE . FROM INTAKE MANIFOLD TO ELECTRIC . CHANGE-OVER VALVE,REGENERATION 260 MM . [404, 001] ORDER BY THE METER NB 59 A 000 987 11 45 LOCKING CAP NB 62 A 003 997 02 86 PLUG CONNECTOR NB 65 A 112 141 09 80 GASKET INTAKE MANIFOLD TO CYLINDER HEAD Code: -(494/925) [010, 801] ONLY FOR VEHICLES WITHOUT AIR PUMP 002 65 A 112 141 20 80 GASKET INTAKE MANIFOLD TO CYLINDER HEAD Code: -(494/925) [810] FROM MODEL YEAR 2001 - CODE 801 002 71 N 910143 008003 SCREW INTAKE MANIFOLD TO CYLINDER HEAD 008 80 A 112 141 00 25 SLIDE ELECTRONIC GAS ACTUATOR [801] UP TO THE END OF MODEL YEAR 2000 - CODE 800 001 80 A 112 141 01 25 SLIDE ELECTRONIC GAS ACTUATOR [810] FROM MODEL YEAR 2001 - CODE 801 001 83 A 001 546 00 43 . BRACKET . [810] FROM MODEL YEAR 2001 - CODE 801 001 86 A 001 990 53 12 SCREW ELECTRONIC GAS ACTUATOR TO INTAKE MANIFOLD 004 89 A 305 997 03 45 SEAL RING ELECTRONIC GAS ACTUATOR TO INTAKE MANIFOLD 001 92 A 112 141 01 87 BUFFER 002 Copyright Daimler AG, 13/06/15 23:05, EPC 1.32.0.4, DW 04/2014 Page 1
  • 44.
    92 A 112141 01 87 BUFFER AT FUEL DISTRIBUTOR LINE 002 98 A 112 140 03 12 PIPE LINE INTAKE LINE [205] Up to ident. no.: 001 101 A 112 159 00 80 . GASKET . [205] Up to ident. no.: 001 104 N 910143 006002 SCREW INTAKE LINE TO CYLINDER HEAD COVER [205] Up to ident. no.: 001 119 A 112 094 00 48 MASS AIRFLOW SENSOR [205] Up to ident. no.: 001 122 A 006 997 08 90 LOOM TIE AIR-MASS SENSOR TO INTAKE LINE [205] Up to ident. no.: 001 128 A 112 140 00 87 DAMPER [205] Up to ident. no.: 001 134 A 112 141 00 83 HOSE CAMPER ON INTAKE LINE [205] Up to ident. no.: 001 140 A 112 018 04 82 HOSE FULL-LOAD CRANKCASE VENTILATION 001 146 A 112 018 01 82 HOSE PART LOAD CRANKCASE VENTILATION 001 152 A 112 018 02 82 HOSE PART LOAD CRANKCASE VENTILATION 001 158 A 112 018 02 09 CONNECTOR PART LOAD CRANKCASE VENTILATION 001 164 A 117 990 15 78 CONNECTOR PART LOAD CRANKCASE VENTILATION 003 170 A 112 018 03 82 HOSE PART LOAD CRANKCASE VENTILATION 001 176 A 112 010 00 70 BREATHER PIPE REGENERATION VALVE TO INTAKE PIPE [205] Up to ident. no.: 001 Copyright Daimler AG, 13/06/15 23:05, EPC 1.32.0.4, DW 04/2014 Page 2
  • 45.
    - Picture - ModeMD mode Mod. des. overview PASSSENGER CAR,COUPE FIN/MD WDB 2083651F075791 Catalog 19Y VIN WDBLJ65G0XF075791 Major assembly: M - Engine Sales designation CLK 320 Major assembly MD 112940 30 357370 Assortment class Car Group 14 - INTAKE AND EXHAUST MANIFOLDS Market Europe Subgroup 030 - INTAKE MANIFOLD Picture number B14030000235.060904 Copyright Daimler AG, 13/06/15 23:05, EPC 1.32.0.4, DW 04/2014 Page 1
  • 46.
    - Parts list- Mode MD mode Mod. des. overview PASSSENGER CAR,COUPE FIN/MD WDB 2083651F075791 Catalog 19Y VIN WDBLJ65G0XF075791 Major assembly: M - Engine Sales designation CLK 320 Major assembly MD 112940 30 357370 Assortment class Car Group 14 - INTAKE AND EXHAUST MANIFOLDS Market Europe Subgroup 030 - INTAKE MANIFOLD Item no. Part number Designation/description Quantity Version 5 A 112 140 11 01 INTAKE MANIFOLD Replaced by: A 112 140 15 01 +001 A 112 141 21 80 - 5 A 112 140 21 01 INTAKE MANIFOLD 001 11 A 111 997 05 45 . SEAL RING . CONNECTION PIECE,BRAKE PRESSURE . LINE 001 17 A 111 141 02 42 . CLAMPING RING . CONNECTION PIECE,BRAKE PRESSURE . LINE 001 23 A 111 141 00 81 . CAP . CONNECTION PIECE,BRAKE PRESSURE . LINE 001 29 A 112 141 00 69 . VACUUM BOX . RESONANCE VALVE 001 35 N 000000 001181 . SCREW . VACUUM CELL ON INTAKE MANIFOLD 002 41 A 002 540 18 97 . VALVE . (ELECTRIC CHANGE-OVER VALVE) 001 47 N 912010 003003 . LOCK PLATE . AT INTAKE MANIFOLD 001 53 A 117 997 09 82 . HOSE . BETWEEN ELECTRIC CHANGE-OVER VALVE . AND VACUUM BOX 170 MM . [404] ORDER BY THE METER NB 56 A 000 276 00 30 . LINE . FROM INTAKE MANIFOLD TO ELECTRIC . CHANGE-OVER VALVE,REGENERATION 260 MM . [404, 001] ORDER BY THE METER NB 59 A 000 987 11 45 LOCKING CAP NB 62 A 003 997 02 86 PLUG CONNECTOR NB 65 A 112 141 09 80 GASKET INTAKE MANIFOLD TO CYLINDER HEAD Code: -(494/925) [010, 801] ONLY FOR VEHICLES WITHOUT AIR PUMP 002 65 A 112 141 20 80 GASKET INTAKE MANIFOLD TO CYLINDER HEAD Code: -(494/925) [810] FROM MODEL YEAR 2001 - CODE 801 002 71 N 910143 008003 SCREW INTAKE MANIFOLD TO CYLINDER HEAD 008 80 A 112 141 00 25 SLIDE ELECTRONIC GAS ACTUATOR [801] UP TO THE END OF MODEL YEAR 2000 - CODE 800 001 80 A 112 141 01 25 SLIDE ELECTRONIC GAS ACTUATOR [810] FROM MODEL YEAR 2001 - CODE 801 001 83 A 001 546 00 43 . BRACKET . [810] FROM MODEL YEAR 2001 - CODE 801 001 86 A 001 990 53 12 SCREW ELECTRONIC GAS ACTUATOR TO INTAKE MANIFOLD 004 89 A 305 997 03 45 SEAL RING ELECTRONIC GAS ACTUATOR TO INTAKE MANIFOLD 001 92 A 112 141 01 87 BUFFER 002 Copyright Daimler AG, 13/06/15 23:05, EPC 1.32.0.4, DW 04/2014 Page 1
  • 47.
    92 A 112141 01 87 BUFFER AT FUEL DISTRIBUTOR LINE 002 98 A 112 140 03 12 PIPE LINE INTAKE LINE [205] Up to ident. no.: 001 101 A 112 159 00 80 . GASKET . [205] Up to ident. no.: 001 104 N 910143 006002 SCREW INTAKE LINE TO CYLINDER HEAD COVER [205] Up to ident. no.: 001 119 A 112 094 00 48 MASS AIRFLOW SENSOR [205] Up to ident. no.: 001 122 A 006 997 08 90 LOOM TIE AIR-MASS SENSOR TO INTAKE LINE [205] Up to ident. no.: 001 128 A 112 140 00 87 DAMPER [205] Up to ident. no.: 001 134 A 112 141 00 83 HOSE CAMPER ON INTAKE LINE [205] Up to ident. no.: 001 140 A 112 018 04 82 HOSE FULL-LOAD CRANKCASE VENTILATION 001 146 A 112 018 01 82 HOSE PART LOAD CRANKCASE VENTILATION 001 152 A 112 018 02 82 HOSE PART LOAD CRANKCASE VENTILATION 001 158 A 112 018 02 09 CONNECTOR PART LOAD CRANKCASE VENTILATION 001 164 A 117 990 15 78 CONNECTOR PART LOAD CRANKCASE VENTILATION 003 170 A 112 018 03 82 HOSE PART LOAD CRANKCASE VENTILATION 001 176 A 112 010 00 70 BREATHER PIPE REGENERATION VALVE TO INTAKE PIPE [205] Up to ident. no.: 001 Copyright Daimler AG, 13/06/15 23:05, EPC 1.32.0.4, DW 04/2014 Page 2
  • 48.
    - Picture - ModeMD mode Mod. des. overview PASSSENGER CAR,COUPE FIN/MD WDB 2083651F075791 Catalog 19Y VIN WDBLJ65G0XF075791 Major assembly: M - Engine Sales designation CLK 320 Major assembly MD 112940 30 357370 Assortment class Car Group 14 - INTAKE AND EXHAUST MANIFOLDS Market Europe Subgroup 030 - INTAKE MANIFOLD Picture number B14030000236.000403 Copyright Daimler AG, 13/06/15 23:05, EPC 1.32.0.4, DW 04/2014 Page 1
  • 49.
    - Parts list- Mode MD mode Mod. des. overview PASSSENGER CAR,COUPE FIN/MD WDB 2083651F075791 Catalog 19Y VIN WDBLJ65G0XF075791 Major assembly: M - Engine Sales designation CLK 320 Major assembly MD 112940 30 357370 Assortment class Car Group 14 - INTAKE AND EXHAUST MANIFOLDS Market Europe Subgroup 060 - EXHAUST MANIFOLD Item no. Part number Designation/description Quantity Version 5 A 112 140 16 09 EXHAUST MANIFOLD Replaced by: A 112 140 32 09 +012 A 112 142 01 72 +012 A 272 990 00 05 - 5 A 112 140 32 09 EXHAUST MANIFOLD CYLINDERS NOS.1-3 [205] Up to ident. no.: 001 11 A 112 140 15 09 EXHAUST MANIFOLD Replaced by: A 112 140 31 09 +012 A 112 142 01 72 - 11 A 112 140 31 09 EXHAUST MANIFOLD CYLINDERS NOS.4-6 [205] Up to ident. no.: 001 17 A 000 990 25 52 . NUT . [205] Up to ident. no.: 004 23 A 112 142 01 80 GASKET EXHAUST MANIFOLD TO CYLINDER HEAD [205] Up to ident. no.: 006 29 A 112 142 00 72 HEXAGON NUT EXHAUST MANIFOLD TO CYLINDER HEAD [205] Up to ident. no.: 012 Copyright Daimler AG, 13/06/15 23:06, EPC 1.32.0.4, DW 04/2014 Page 1
  • 50.
    - Picture - ModeMD mode Mod. des. overview PASSSENGER CAR,COUPE FIN/MD WDB 2083651F075791 Catalog 19Y VIN WDBLJ65G0XF075791 Major assembly: M - Engine Sales designation CLK 320 Major assembly MD 112940 30 357370 Assortment class Car Group 14 - INTAKE AND EXHAUST MANIFOLDS Market Europe Subgroup 060 - EXHAUST MANIFOLD Picture number B14060000074.001222 Copyright Daimler AG, 13/06/15 23:06, EPC 1.32.0.4, DW 04/2014 Page 1
  • 51.
    - Parts list- Mode MD mode Mod. des. overview PASSSENGER CAR,COUPE FIN/MD WDB 2083651F075791 Catalog 19Y VIN WDBLJ65G0XF075791 Major assembly: M - Engine Sales designation CLK 320 Major assembly MD 112940 30 357370 Assortment class Car Group 14 - INTAKE AND EXHAUST MANIFOLDS Market Europe Subgroup 090 - EXHAUST GAS RECIRCULATION Item no. Part number Designation/description Quantity Version 5 A 112 140 00 60 VALVE EXHAUST GAS RECIRCULATION VALVE 001 11 A 117 078 02 81 . HOSE 001 17 A 117 997 09 82 . HOSE . 100 MM . [404] ORDER BY THE METER 001 20 A 117 078 05 81 . HOSE 001 23 A 112 142 02 80 GASKET EXHAUST GAS RECIRCULATION VALVE TO CYLINDER HEAD 001 29 N 910143 008005 SCREW EXHAUST GAS RECIRCULATION VALVE TO CYLINDER HEAD M 8X40 002 35 A 112 140 01 08 EXHAUST LINE EXHAUST GAS RECIRCULATION LINE 001 41 A 000 990 73 67 SEAL CONE PIPE LINE TO EXHAUST GAS RECIRCULATION VALVE 001 47 A 000 990 68 54 NUT PIPE LINE TO EXHAUST GAS RECIRCULATION VALVE 001 53 A 112 141 21 80 GASKET EXHAUST GAS RECIRCULATION LINE TO INTAKE MANIFOLD 001 59 N 910143 006001 SCREW EXHAUST GAS RECIRCULATION LINE TO INTAKE MANIFOLD 002 65 A 117 997 09 82 HOSE 102 MM [404] ORDER BY THE METER 001 Copyright Daimler AG, 13/06/15 23:06, EPC 1.32.0.4, DW 04/2014 Page 1
  • 52.
    - Picture - ModeMD mode Mod. des. overview PASSSENGER CAR,COUPE FIN/MD WDB 2083651F075791 Catalog 19Y VIN WDBLJ65G0XF075791 Major assembly: M - Engine Sales designation CLK 320 Major assembly MD 112940 30 357370 Assortment class Car Group 14 - INTAKE AND EXHAUST MANIFOLDS Market Europe Subgroup 090 - EXHAUST GAS RECIRCULATION Picture number B14090000037.980528 Copyright Daimler AG, 13/06/15 23:06, EPC 1.32.0.4, DW 04/2014 Page 1
  • 53.
    - Parts list- Mode MD mode Mod. des. overview PASSSENGER CAR,COUPE FIN/MD WDB 2083651F075791 Catalog 19Y VIN WDBLJ65G0XF075791 Major assembly: M - Engine Sales designation CLK 320 Major assembly MD 112940 30 357370 Assortment class Car Group 14 - INTAKE AND EXHAUST MANIFOLDS Market Europe Subgroup 105 - AIR PUMP Item no. Part number Designation/description Quantity Version 5 A 000 140 37 85 PUMP (AIR PUMP),ELECTRIC 001 11 A 112 237 02 40 BRACKET AIR PUMP 001 71 A 002 540 70 97 CHANGE-OVER VALVE (ELECTRIC CHANGE-OVER VALVE) [810] FROM MODEL YEAR 2001 - CODE 801 001 77 A 117 078 09 81 BOOT AIR PUMP CONTROL [810] FROM MODEL YEAR 2001 - CODE 801 001 86 A 005 153 50 28 SENDER UNIT (PRESSURE SENSOR) [810] FROM MODEL YEAR 2001 - CODE 801 001 87 A 027 997 27 48 . SEAL RING . [810] FROM MODEL YEAR 2001 - CODE 801 001 95 N 910142 006001 SCREW PRESSURE SENSOR AT BRACKET M 6X16 [810] FROM MODEL YEAR 2001 - CODE 801 001 101 A 000 158 14 35 PIPE LINE FROM ELECTRIC CHANGE-OVER VALVE TO DISTRIBUTOR 110 MM [404] ORDER BY THE METER 001 104 N 040621 018200 INSULATING HOSE 150 MM [404] ORDER BY THE METER NB 104 N 040621 012200 INSULATING HOSE 180 MM [404] ORDER BY THE METER NB 107 A 601 078 02 45 BRANCH-OFF FITTING FROM ELECTRIC CHANGE-OVER VALVE TO SHUT-OFF VALVE [017] Up to engine: 32 000449 001 107 A 111 078 00 81 HOSE [018] As of engine 32 000450 001 113 A 116 276 09 29 NOZZLE SHUT-OFF VALVE RIGHT 001 119 A 117 997 09 82 HOSE SHUT-OFF VALVE 245 MM [404] ORDER BY THE METER 001 119 A 117 997 09 82 HOSE PRESSURE SENSOR TO INTAKE MANIFOLD 245 MM [404] ORDER BY THE METER 001 119 A 117 997 09 82 HOSE FROM INTAKE MANIFOLD TO ELECTRIC CHANGE-OVER VALVE 245 MM [404] ORDER BY THE METER 001 125 A 117 078 03 81 HOSE ELECTRIC CHANGE-OVER VALVE 001 131 A 117 078 05 81 HOSE FROM INTAKE MANIFOLD TO ELECTRIC CHANGE-OVER VALVE 001 137 A 002 140 84 60 VALVE CHECK VALVE 001 Copyright Daimler AG, 13/06/15 23:07, EPC 1.32.0.4, DW 04/2014 Page 1
  • 54.
    - Picture - ModeMD mode Mod. des. overview PASSSENGER CAR,COUPE FIN/MD WDB 2083651F075791 Catalog 19Y VIN WDBLJ65G0XF075791 Major assembly: M - Engine Sales designation CLK 320 Major assembly MD 112940 30 357370 Assortment class Car Group 14 - INTAKE AND EXHAUST MANIFOLDS Market Europe Subgroup 105 - AIR PUMP Picture number B14105000030.021216 Copyright Daimler AG, 13/06/15 23:07, EPC 1.32.0.4, DW 04/2014 Page 1
  • 55.
    - Parts list- Mode MD mode Mod. des. overview PASSSENGER CAR,COUPE FIN/MD WDB 2083651F075791 Catalog 19Y VIN WDBLJ65G0XF075791 Major assembly: M - Engine Sales designation CLK 320 Major assembly MD 112940 30 357370 Assortment class Car Group 15 - ELECTRICAL EQUIPMENT Market Europe Subgroup 015 - STARTING MOTOR Item no. Part number Designation/description Quantity Version 5 A 005 151 65 01 STARTING MOTOR [205, 697] Up to ident. no.: 001 L 11 A 001 151 21 13 . PINION . TO 005 151 65 01, 112 151 00 01 . [205] Up to ident. no.: 001 L 17 A 000 151 53 50 . . BUSHING . . STARTER PINION TO 005 151 65 01, . . 112 151 00 01 . . [205] Up to ident. no.: 003 L 23 A 019 981 19 10 . NEEDLE BEARING . DRIVE END BEARING TO 005 151 65 . 01, 112 151 00 01 . [205] Up to ident. no.: 001 L 29 A 000 151 68 50 . BUSHING . COMMUTATOR END SHIELD TO 005 151 . 01 01, 65 01, 112 151 00 01 . [205] Up to ident. no.: 001 35 A 001 151 45 14 . CARBON BRUSH SET . TO 005 151 01 01, 112 151 00 01 . [205] Up to ident. no.: 001 35 A 001 151 49 14 . CARBON BRUSH SET . TO 005 151 65 01 . [205] Up to ident. no.: 001 L 41 A 001 152 28 10 . SOLENOID SWITCH . TO 005 151 65 01, 112 151 00 01 . [205] Up to ident. no.: 001 L 47 A 004 990 27 12 . SCREW . SOLENOID SWITCH TO HOUSING TO 005 . 151 65 01, 112 151 00 01 . [205] Up to ident. no.: 003 L 53 A 000 151 64 15 ARMATURE (PARTS KT),DRIVE END BEARING TO 005 151 01 01, 112 151 00 01 [205] Up to ident. no.: 001 53 A 000 151 36 15 ARMATURE (PARTS KT),DRIVE END BEARING TO 005 151 65 01 [205] Up to ident. no.: 001 L 59 N 910105 010044 SCREW STARTING MOTOR TO CRANKCASE [205] Up to ident. no.: 002 Copyright Daimler AG, 13/06/15 23:08, EPC 1.32.0.4, DW 04/2014 Page 1
  • 56.
    - Picture - ModeMD mode Mod. des. overview PASSSENGER CAR,COUPE FIN/MD WDB 2083651F075791 Catalog 19Y VIN WDBLJ65G0XF075791 Major assembly: M - Engine Sales designation CLK 320 Major assembly MD 112940 30 357370 Assortment class Car Group 15 - ELECTRICAL EQUIPMENT Market Europe Subgroup 015 - STARTING MOTOR Picture number B15015000152.021217 Copyright Daimler AG, 13/06/15 23:08, EPC 1.32.0.4, DW 04/2014 Page 1
  • 57.
    - Parts list- Mode MD mode Mod. des. overview PASSSENGER CAR,COUPE FIN/MD WDB 2083651F075791 Catalog 19Y VIN WDBLJ65G0XF075791 Major assembly: M - Engine Sales designation CLK 320 Major assembly MD 112940 30 357370 Assortment class Car Group 15 - ELECTRICAL EQUIPMENT Market Europe Subgroup 030 - ALTERNATOR Item no. Part number Designation/description Quantity Version 5 A 010 154 32 02 ALTERNATOR 115A; BOSCH [019, 697] Up to ident. no.: 001 5 A 011 154 27 02 ALTERNATOR 120A; BOSCH Replaced by: A 013 154 80 02 [020] As of ident. no. 001 5 A 013 154 80 02 ALTERNATOR 120A; BOSCH Optional with: A 011 154 62 02 [020, 205, 697] As of ident. no. 001 5 A 011 154 62 02 ALTERNATOR 120A; VALEO Optional with: A 013 154 80 02 [020, 205, 697] As of ident. no. 001 11 A 001 990 29 20 . SCREW . DRIVE END BEARING . [019, 022] Up to ident. no.: 004 11 A 002 990 19 20 . SCREW . DRIVE END BEARING . [020, 205] As of ident. no. 004 17 A 007 981 89 25 . BALL BEARING . DRIVE END BEARING . [019, 022] Up to ident. no.: 001 17 A 008 981 68 25 . BALL BEARING . DRIVE END BEARING BOSCH . [020, 205] As of ident. no. 001 23 A 007 981 73 25 . BALL BEARING . SLIP RING SIDE . [019, 022] Up to ident. no.: 001 23 A 008 981 86 25 . BALL BEARING . SLIP RING SIDE BOSCH . [020, 205] As of ident. no. 001 29 A 000 154 06 57 . RING . SLIP RING SIDE . [019, 022] Up to ident. no.: 001 29 A 000 154 15 57 . RING . SLIP RING SIDE BOSCH . [020, 205] As of ident. no. 001 35 A 000 154 35 04 . COVER . BOSCH . [019] Up to ident. no.: 001 38 A 000 154 40 04 . COVER . BOSCH . [020, 205] As of ident. no. 001 39 A 000 154 37 04 . COVER . VALEO . [020, 205] As of ident. no. 001 41 A 006 990 32 01 . SCREW . COVER . [019, 022] Up to ident. no.: 003 43 A 005 990 34 51 . NUT . COVER . [020, 205] As of ident. no. 001 45 A 005 990 35 51 . NUT . COVER 001 Copyright Daimler AG, 13/06/15 23:08, EPC 1.32.0.4, DW 04/2014 Page 1
  • 58.
    45 A 005990 35 51 . NUT . COVER . [020, 205] As of ident. no. 001 47 A 002 154 92 06 . REGULATOR AND CUT-OUT . BOSCH . [019] Up to ident. no.: 001 50 A 003 154 25 06 . REGULATOR AND CUT-OUT . BOSCH . [020, 205] As of ident. no. 001 51 A 003 154 18 06 . REGULATOR AND CUT-OUT . VALEO . [020, 205] As of ident. no. 001 53 N 914026 004105 . COMBINATION BOLT . REGULATOR AND CUT-OUT M 4X25 . [019, 022] Up to ident. no.: 002 56 A 001 990 56 21 . SCREW . REGULATOR AND CUT-OUT . [020, 205] As of ident. no. 002 59 A 001 990 14 21 . SCREW . HOUSING . [019, 022] Up to ident. no.: 004 59 A 000 990 20 03 . SCREW . HOUSING . [020, 205] As of ident. no. 004 61 A 001 990 57 21 . SCREW . HOUSING . [020, 205] As of ident. no. 001 63 A 001 990 60 21 . SCREW . RECTIFIER . [020, 205] As of ident. no. 003 65 A 112 155 02 15 . PULLEY . BOSCH . [020, 205] As of ident. no. 001 65 A 119 155 02 15 . PULLEY . B0SCH . [019, 022, 205] Up to ident. no.: 001 65 A 119 155 02 15 . PULLEY . BOSCH . [020, 205] As of ident. no. 001 67 A 119 155 02 15 . PULLEY . VALEO . [019, 022] Up to ident. no.: 001 67 A 119 155 02 15 . PULLEY . VALEO . [020, 205] As of ident. no. 001 67 A 112 155 02 15 . PULLEY . VALEO . [019] Up to ident. no.: 001 71 A 000 990 22 50 . NUT . PULLEY TO ALTERNATOR . [205] Up to ident. no.: 001 73 A 000 980 50 15 GROOVED BALL BEARING PARTS KIT [019] Up to ident. no.: 001 77 A 001 990 70 22 SCREW ALTENATOR ON TIMING CASE AND WATER PUMP [010] Up to engine: 002 77 N 000000 001143 HEXALOBULAR BOLT ALTENATOR ON TIMING CASE AND WATER PUMP [011, 205] As of engine 002 83 A 112 203 01 40 BRACKET BRACKET TO ALTERNATOR [205] Up to ident. no.: 001 89 A 220 832 03 14 BRACKET BRACKET TO BRACKET [205] Up to ident. no.: 001 Copyright Daimler AG, 13/06/15 23:08, EPC 1.32.0.4, DW 04/2014 Page 2
  • 59.
    - Picture - ModeMD mode Mod. des. overview PASSSENGER CAR,COUPE FIN/MD WDB 2083651F075791 Catalog 19Y VIN WDBLJ65G0XF075791 Major assembly: M - Engine Sales designation CLK 320 Major assembly MD 112940 30 357370 Assortment class Car Group 15 - ELECTRICAL EQUIPMENT Market Europe Subgroup 030 - ALTERNATOR Picture number B15030000251.110627 Copyright Daimler AG, 13/06/15 23:08, EPC 1.32.0.4, DW 04/2014 Page 1
  • 60.
    - Parts list- Mode MD mode Mod. des. overview PASSSENGER CAR,COUPE FIN/MD WDB 2083651F075791 Catalog 19Y VIN WDBLJ65G0XF075791 Major assembly: M - Engine Sales designation CLK 320 Major assembly MD 112940 30 357370 Assortment class Car Group 15 - ELECTRICAL EQUIPMENT Market Europe Subgroup 060 - IGNITION SYSTEM Item no. Part number Designation/description Quantity Version 5 A 000 158 78 03 IGNITION COIL 006 11 A 001 990 72 12 SCREW IGNITION COIL ON CYLINDER HEAD COVER 006 17 A 112 150 02 18 IGNITION CABLE IGNITION COIL 1A TO SPARK PLUG 1A 001 17 A 112 150 02 18 IGNITION CABLE IGNITION COIL 3B TO SPARK PLUG 3B 001 17 A 112 150 02 18 IGNITION CABLE IGNITION COIL 4A TO SPARK PLUG 4A 001 17 A 112 150 02 18 IGNITION CABLE IGNITION COIL 6B TO SPARK PLUG 6B 001 17 A 112 150 01 18 IGNITION CABLE IGNITION COIL 1B TO SPARK PLUG 1B 001 17 A 112 150 01 18 IGNITION CABLE IGNITION COIL 2A TO SPARK PLUG 2A 001 17 A 112 150 01 18 IGNITION CABLE IGNITION COIL 2B TO SPARK PLUG 2B 001 17 A 112 150 01 18 IGNITION CABLE IGNITION COIL 3A TO SPARK PLUG 3A 001 17 A 112 150 01 18 IGNITION CABLE IGNITION COIL 4B TO SPARK PLUG 4B 001 17 A 112 150 01 18 IGNITION CABLE IGNITION COIL 5A TO SPARK PLUG 5A 001 17 A 112 150 01 18 IGNITION CABLE IGNITION COIL 5B TO SPARK PLUG 5B 001 17 A 112 150 01 18 IGNITION CABLE IGNITION COIL 6A TO SPARK PLUG 6A 001 23 A 003 159 66 03 SPARK PLUG Replaced by: A 004 159 19 03 [024] FIRST EXHAUST STOCK OF OLD PARTS UP TO ENGINE 31 263958 - 23 A 004 159 19 03 SPARK PLUG Optional with: A 003 159 94 03 Optional with: A 004 159 50 03 012 23 A 003 159 86 03 SPARK PLUG Replaced by: A 003 159 94 03 [021] FIRST EXHAUST STOCK OF OLD PARTS UP TO ENGINE 31 199255 - 23 A 003 159 94 03 SPARK PLUG Optional with: A 004 159 19 03 Optional with: A 004 159 50 03 012 23 A 004 159 50 03 SPARK PLUG Optional with: A 003 159 94 03 Optional with: A 004 159 19 03 012 Copyright Daimler AG, 13/06/15 23:09, EPC 1.32.0.4, DW 04/2014 Page 1
  • 61.
    - Picture - ModeMD mode Mod. des. overview PASSSENGER CAR,COUPE FIN/MD WDB 2083651F075791 Catalog 19Y VIN WDBLJ65G0XF075791 Major assembly: M - Engine Sales designation CLK 320 Major assembly MD 112940 30 357370 Assortment class Car Group 15 - ELECTRICAL EQUIPMENT Market Europe Subgroup 060 - IGNITION SYSTEM Picture number B15060000059.961023 Copyright Daimler AG, 13/06/15 23:09, EPC 1.32.0.4, DW 04/2014 Page 1
  • 62.
    - Parts list- Mode MD mode Mod. des. overview PASSSENGER CAR,COUPE FIN/MD WDB 2083651F075791 Catalog 19Y VIN WDBLJ65G0XF075791 Major assembly: M - Engine Sales designation CLK 320 Major assembly MD 112940 30 357370 Assortment class Car Group 15 - ELECTRICAL EQUIPMENT Market Europe Subgroup 075 - T.D.C. SENDER UNIT,POSITION SENDER UNIT, KNOCK SENSOR,AND GROUND STRAP Item no. Part number Designation/description Quantity Version 5 A 003 153 95 28 SENDER UNIT POSITION SENDER UNIT Optional with: A 003 153 96 28 [801] UP TO THE END OF MODEL YEAR 2000 - CODE 800 001 5 A 003 153 96 28 SENDER UNIT POSITION SENDER UNIT Optional with: A 003 153 95 28 [801] UP TO THE END OF MODEL YEAR 2000 - CODE 800 001 5 A 003 153 28 28 POSITION SENSOR CRANKSHAFT POSITION SENDER UNIT [810] FROM MODEL YEAR 2001 - CODE 801 001 11 N 910142 006001 SCREW CRANKSHAFT POSITION SENDER UNIT M6X16 001 17 A 004 153 69 28 SENDER UNIT CAMSHAFT POSITION SENDER UNIT 001 23 A 022 997 25 48 . SEAL RING 001 29 A 001 990 95 22 SCREW CAMSHAFT POSITION SENDER UNIT 001 35 A 003 153 86 28 KNOCK SENSOR 002 41 N 910142 008009 SCREW (KNOCK SENSOR),ON CYLINDER CRANKCASE M8X30 002 47 A 124 540 00 41 GROUND STRAP [205] Up to ident. no.: 001 53 N 304017 008021 SCREW [205] Up to ident. no.: 001 59 N 913023 006001 NUT [205] Up to ident. no.: 001 Copyright Daimler AG, 13/06/15 23:10, EPC 1.32.0.4, DW 04/2014 Page 1
  • 63.
    - Picture - ModeMD mode Mod. des. overview PASSSENGER CAR,COUPE FIN/MD WDB 2083651F075791 Catalog 19Y VIN WDBLJ65G0XF075791 Major assembly: M - Engine Sales designation CLK 320 Major assembly MD 112940 30 357370 Assortment class Car Group 15 - ELECTRICAL EQUIPMENT Market Europe Subgroup 075 - T.D.C. SENDER UNIT,POSITION SENDER UNIT, KNOCK SENSOR,AND GROUND STRAP Picture number B15075000061.010904 Copyright Daimler AG, 13/06/15 23:10, EPC 1.32.0.4, DW 04/2014 Page 1
  • 64.
    - Parts list- Mode MD mode Mod. des. overview PASSSENGER CAR,COUPE FIN/MD WDB 2083651F075791 Catalog 19Y VIN WDBLJ65G0XF075791 Major assembly: M - Engine Sales designation CLK 320 Major assembly MD 112940 30 357370 Assortment class Car Group 15 - ELECTRICAL EQUIPMENT Market Europe Subgroup 120 - SWITCHES,SENDER UNITS,SENSORS Item no. Part number Designation/description Quantity Version 5 A 275 905 00 00 FILL-LEVEL SENSOR OIL LEVEL CONTACTOR 001 11 A 023 997 43 48 . SEAL RING 001 17 N 910143 006001 SCREW OIL LEVEL CONTACTOR TO OIL PAN M6X16 002 29 A 000 905 07 00 TEMPERATURE SENSOR COOLING WATER TEMPERATURE 001 35 A 022 997 98 48 . SEAL RING 001 41 A 008 988 91 78 CLIP TEMPERATURE SENSOR ON TIMING CASE 001 Copyright Daimler AG, 13/06/15 23:10, EPC 1.32.0.4, DW 04/2014 Page 1
  • 65.
    - Picture - ModeMD mode Mod. des. overview PASSSENGER CAR,COUPE FIN/MD WDB 2083651F075791 Catalog 19Y VIN WDBLJ65G0XF075791 Major assembly: M - Engine Sales designation CLK 320 Major assembly MD 112940 30 357370 Assortment class Car Group 15 - ELECTRICAL EQUIPMENT Market Europe Subgroup 120 - SWITCHES,SENDER UNITS,SENSORS Picture number B15120000019.050817 Copyright Daimler AG, 13/06/15 23:10, EPC 1.32.0.4, DW 04/2014 Page 1
  • 66.
    - Parts list- Mode MD mode Mod. des. overview PASSSENGER CAR,COUPE FIN/MD WDB 2083651F075791 Catalog 19Y VIN WDBLJ65G0XF075791 Major assembly: M - Engine Sales designation CLK 320 Major assembly MD 112940 30 357370 Assortment class Car Group 18 - ENGINE LUBRICATION Market Europe Subgroup 015 - OIL PUMP Item no. Part number Designation/description Quantity Version 5 A 112 180 10 01 OIL PUMP 001 11 A 000 990 99 14 SCREW OIL PUMP ON CRANKCASE 003 17 A 003 997 74 94 ROLLER CHAIN SINGLE 001 23 A 000 997 32 98 . CHAIN LOCK LINK 001 29 A 112 181 00 59 CLAMPING BRACKET OIL PUMP CHAIN TIGHTENER 001 35 A 112 993 02 20 SPRING OIL PUMP CHAIN TIGHTENER 001 41 A 112 181 00 74 PIN OIL PUMP CLAMPING BRACKET BEARING 001 47 A 611 180 01 15 PRESSURE RELIEF VALVE NON-RETURN VALVE 001 Copyright Daimler AG, 13/06/15 23:11, EPC 1.32.0.4, DW 04/2014 Page 1
  • 67.
    - Picture - ModeMD mode Mod. des. overview PASSSENGER CAR,COUPE FIN/MD WDB 2083651F075791 Catalog 19Y VIN WDBLJ65G0XF075791 Major assembly: M - Engine Sales designation CLK 320 Major assembly MD 112940 30 357370 Assortment class Car Group 18 - ENGINE LUBRICATION Market Europe Subgroup 015 - OIL PUMP Picture number B18015000220.040323 Copyright Daimler AG, 13/06/15 23:11, EPC 1.32.0.4, DW 04/2014 Page 1
  • 68.
    - Parts list- Mode MD mode Mod. des. overview PASSSENGER CAR,COUPE FIN/MD WDB 2083651F075791 Catalog 19Y VIN WDBLJ65G0XF075791 Major assembly: M - Engine Sales designation CLK 320 Major assembly MD 112940 30 357370 Assortment class Car Group 18 - ENGINE LUBRICATION Market Europe Subgroup 060 - OIL FILTER AND OIL COOLER Item no. Part number Designation/description Quantity Version 5 A 112 184 01 02 HOUSING OIL FILTER HOUSING Code: -(494/828) [013] Up to engine: 001 11 A 112 188 03 01 OIL COOLER OIL/WATER HEAT EXCHANGER Replaced by: A 112 188 04 01 +004 A 002 990 84 12 Code: -(494/828) - 11 A 112 188 04 01 OIL COOLER OIL/WATER HEAT EXCHANGER Code: -(494/828) [013] Up to engine: 001 17 A 112 184 02 61 SEAL RING HEAT EXCHANGER ON OIL FILTER HOUSING Code: -(494/828) [013] Up to engine: 001 23 A 112 184 03 61 SEAL RING HEAT EXCHANGER ON OIL FILTER HOUSING Code: -(494/828) [013] Up to engine: 001 26 A 002 990 84 12 SCREW HEAT EXCHANGER ON OIL FILTER HOUSING Code: -(494/828) [013] Up to engine: 004 35 A 112 184 00 61 SEAL RING OIL FILTER HOUSING ON TIMING CASE Code: -(494/828) [013] Up to engine: 001 41 A 112 184 00 17 FITTING OIL FILTER HOUSING ON TIMING CASE Code: -(494/828) [013] Up to engine: 001 47 A 112 180 07 10 OIL FILTER 001 53 A 025 997 66 48 . SEAL RING . COVER TO FILTER HOUSING 001 59 A 025 997 65 48 . SEAL RING . CENTRE BOLT 001 65 A 025 997 64 48 . SEAL RING . CENTRE BOLT 001 71 A 025 997 62 48 . SEAL RING . CENTRE BOLT 001 77 A 000 180 26 09 TS OIL FILTER ELEMENT FLEECE OIL FILTER 001 Copyright Daimler AG, 13/06/15 23:11, EPC 1.32.0.4, DW 04/2014 Page 1
  • 69.
    - Picture - ModeMD mode Mod. des. overview PASSSENGER CAR,COUPE FIN/MD WDB 2083651F075791 Catalog 19Y VIN WDBLJ65G0XF075791 Major assembly: M - Engine Sales designation CLK 320 Major assembly MD 112940 30 357370 Assortment class Car Group 18 - ENGINE LUBRICATION Market Europe Subgroup 060 - OIL FILTER AND OIL COOLER Picture number B18060000180.100802 Copyright Daimler AG, 13/06/15 23:12, EPC 1.32.0.4, DW 04/2014 Page 1
  • 70.
    - Parts list- Mode MD mode Mod. des. overview PASSSENGER CAR,COUPE FIN/MD WDB 2083651F075791 Catalog 19Y VIN WDBLJ65G0XF075791 Major assembly: M - Engine Sales designation CLK 320 Major assembly MD 112940 30 357370 Assortment class Car Group 20 - ENGINE COOLING SYSTEM Market Europe Subgroup 015 - WATER PUMP Item no. Part number Designation/description Quantity Version 5 A 112 200 02 01 WATER PUMP Replaced by: A 112 200 04 01 +001 A 112 200 01 23 +001 A 112 202 01 10 +002 N 000000 001143 Code: -494 - 5 A 112 200 14 01 WATER PUMP WITH FITTING FOR OIL COOLING SYSTEM Code: -494 [007, 015] Up to engine: 31 000000 001 5 A 112 200 15 01 WATER PUMP WITHOUT FITTING FOR OIL COOLING SYSTEM Code: -494 [008, 016] As of engine 31 000001 001 11 A 112 201 00 39 . FLANGE . ONLY APPLICABLE TO TO 112 200 02 . 01 . [005] EXCEPT FOR 112.940 30 308926 001 17 A 001 201 03 19 . SEAL . Replaced by: A 001 201 13 19 - 17 A 001 201 13 19 . SEAL . Optional with: A 001 201 08 19 001 17 A 001 201 04 19 . SEAL . Replaced by: A 001 201 08 19 - 17 A 001 201 08 19 . SEAL . Optional with: A 001 201 13 19 001 23 A 112 201 00 07 . IMPELLER . TO 112 200 02 01,04 01,05 01 001 23 A 611 201 00 07 . IMPELLER . TO 112 200 11 01,12 01,14 01,15 . 01 001 26 A 111 992 02 25 . SLEEVE . Code: -494 . [011, 005] As of engine 30 036809 001 29 A 112 201 00 80 . GASKET . AT TIMING CASE TO 112 200 11 01,12 . 01,14 01,15 01 . [003] FOR USE WITH: TIMING CASE A 112 010 04 33/05 33 001 29 A 112 201 01 80 . GASKET . TO 112 200 11 01,12 01,14 01,15 . 01 . [004] FOR USE WITH: TIMING CASE A 112 010 06 33/07 33 001 29 A 112 201 00 80 GASKET AT TIMING CASE TO 112 200 02 01,04 01,05 01,13 01 001 35 N 910143 008010 HEXALOBULAR BOLT TO TIMING CASE AND TO CYLILNDER CRANKCASE M8X80 001 35 N 910143 008011 HEXALOBULAR BOLT TO TIMING CASE AND TO CYLILNDER CRANKCASE M8X90 001 35 N 910105 008024 SCREW TO TIMING CASE AND TO CYLILNDER CRANKCASE M 8X110 002 35 N 000000 001117 HEXALOBULAR BOLT AT TIMING CASE M 6X23 007 35 N 000000 001121 SCREW 003 Copyright Daimler AG, 13/06/15 23:12, EPC 1.32.0.4, DW 04/2014 Page 1
  • 71.
    35 N 000000001121 SCREW AT TIMING CASE M 6X43 003 41 A 112 202 00 10 PULLEY ONLY APPLICABLE TO TO 112 200 02 01 Code: -494 [005] EXCEPT FOR 112.940 30 308926 001 41 A 112 202 01 10 SYNCHRONOUS BELT PULLEY Code: -494 [005] EXCEPT FOR 112.940 30 308926 001 47 N 910143 006012 SCREW PULLEY TO WATER PUMP M 6X10 [005] EXCEPT FOR 112.940 30 308926 004 53 A 112 203 02 75 THERMOSTAT ELEMENT 001 59 A 112 203 00 76 . GASKET 001 65 N 000000 001117 SCREW AT TIMING CASE 002 71 A 112 203 03 82 HOSE BETWEEN OIL COOLER AND TIMING CASE Code: -(494/828) [014] Up to engine: 30 791890 001 77 A 210 997 10 90 LOOM TIE BETWEEN OIL COOLER AND TIMING CASE Code: -(494/828) [014] Up to engine: 30 791890 002 83 A 112 203 03 82 HOSE BETWEEN OIL COOLER AND WATER PUMP Code: -(494/828) [014] Up to engine: 30 791890 001 89 A 210 997 10 90 LOOM TIE BETWEEN OIL COOLER AND WATER PUMP Code: -(494/828) [014] Up to engine: 30 791890 002 Copyright Daimler AG, 13/06/15 23:12, EPC 1.32.0.4, DW 04/2014 Page 2
  • 72.
    - Picture - ModeMD mode Mod. des. overview PASSSENGER CAR,COUPE FIN/MD WDB 2083651F075791 Catalog 19Y VIN WDBLJ65G0XF075791 Major assembly: M - Engine Sales designation CLK 320 Major assembly MD 112940 30 357370 Assortment class Car Group 20 - ENGINE COOLING SYSTEM Market Europe Subgroup 015 - WATER PUMP Picture number B20015000319.020823 Copyright Daimler AG, 13/06/15 23:12, EPC 1.32.0.4, DW 04/2014 Page 1
  • 73.
    - Picture - ModeMD mode Mod. des. overview PASSSENGER CAR,COUPE FIN/MD WDB 2083651F075791 Catalog 19Y VIN WDBLJ65G0XF075791 Major assembly: M - Engine Sales designation CLK 320 Major assembly MD 112940 30 357370 Assortment class Car Group 20 - ENGINE COOLING SYSTEM Market Europe Subgroup 030 - FAN Picture number B20030000134.961023 Copyright Daimler AG, 13/06/15 23:13, EPC 1.32.0.4, DW 04/2014 Page 1
  • 74.
    - Parts list- Mode MD mode Mod. des. overview PASSSENGER CAR,COUPE FIN/MD WDB 2083651F075791 Catalog 19Y VIN WDBLJ65G0XF075791 Major assembly: M - Engine Sales designation CLK 320 Major assembly MD 112940 30 357370 Assortment class Car Group 20 - ENGINE COOLING SYSTEM Market Europe Subgroup 100 - COOLING WATER PRE-HEATER Item no. Part number Designation/description Quantity Version 11 A 604 200 00 96 PREHEATER Code: -(460/494) 001 23 A 210 545 29 40 BRACKET Code: -(460/494) 001 35 A 112 203 00 61 HOUSING AT TIMING CASE [205] Up to ident. no.: 001 41 A 140 995 00 44 CLAMP Code: -(460/494) 001 47 N 000000 001117 SCREW AT TIMING CASE [205] Up to ident. no.: 002 Copyright Daimler AG, 13/06/15 23:13, EPC 1.32.0.4, DW 04/2014 Page 1
  • 75.
    - Picture - ModeMD mode Mod. des. overview PASSSENGER CAR,COUPE FIN/MD WDB 2083651F075791 Catalog 19Y VIN WDBLJ65G0XF075791 Major assembly: M - Engine Sales designation CLK 320 Major assembly MD 112940 30 357370 Assortment class Car Group 20 - ENGINE COOLING SYSTEM Market Europe Subgroup 100 - COOLING WATER PRE-HEATER Picture number B20100000006.040825 Copyright Daimler AG, 13/06/15 23:14, EPC 1.32.0.4, DW 04/2014 Page 1
  • 76.
    - Parts list- Mode MD mode Mod. des. overview PASSSENGER CAR,COUPE FIN/MD WDB 2083651F075791 Catalog 19Y VIN WDBLJ65G0XF075791 Major assembly: M - Engine Sales designation CLK 320 Major assembly MD 112940 30 357370 Assortment class Car Group 22 - ENGINE SUSPENSION Market Europe Subgroup 010 - ENGINE SUPPORTS AND ATTACHMENT PARTS Item no. Part number Designation/description Quantity Version 5 A 112 223 14 04 ENGINE SUPPORT LEFT 001 17 A 112 223 37 04 ENGINE SUPPORT RIGHT [002] UP TO ENGINE 30 158399 ADAPT MOUNTING OF STARTER WIRING HARNESS 001 23 N 910143 008003 SCREW ENGINE SUPPORT TO CYLINDER CRANKCASE M 8X30 008 26 A 112 223 03 41 SUSPENSION EYE LEFT 001 29 A 112 223 04 41 SUSPENSION EYE RIGHT 001 Copyright Daimler AG, 13/06/15 23:14, EPC 1.32.0.4, DW 04/2014 Page 1
  • 77.
    - Picture - ModeMD mode Mod. des. overview PASSSENGER CAR,COUPE FIN/MD WDB 2083651F075791 Catalog 19Y VIN WDBLJ65G0XF075791 Major assembly: M - Engine Sales designation CLK 320 Major assembly MD 112940 30 357370 Assortment class Car Group 22 - ENGINE SUSPENSION Market Europe Subgroup 010 - ENGINE SUPPORTS AND ATTACHMENT PARTS Picture number B22010000066.021216 Copyright Daimler AG, 13/06/15 23:14, EPC 1.32.0.4, DW 04/2014 Page 1
  • 78.
    - Parts list- Mode MD mode Mod. des. overview PASSSENGER CAR,COUPE FIN/MD WDB 2083651F075791 Catalog 19Y VIN WDBLJ65G0XF075791 Major assembly: M - Engine Sales designation CLK 320 Major assembly MD 112940 30 357370 Assortment class Car Group 54 - ENGINE CABLE HARNESSES Market Europe Subgroup 165 - ENGINE CABLE HARNESS, C/CLK-CLASS Item no. Part number Designation/description Quantity Version 5 A 208 540 04 05 CABLE HARNESS ENGINE CABLE HARNESS Code: -(494/925) [801] UP TO THE END OF MODEL YEAR 2000 - CODE 800 001 L 10 A 208 540 68 09 CABLE HARNESS ENGINE CABLE HARNESS [810, 021] FROM MODEL YEAR 2001 - CODE 801 001 L 10 A 208 540 14 32 ELECTRIC CABLE ENGINE CABLE HARNESS [022] As of engine 001 L 50 A 030 545 02 28 . PIN BUSHING HOUSING . CO-DRIVER'S AIR BAG . [801] UP TO THE END OF MODEL YEAR 2000 - CODE 800 001 50 A 036 545 67 28 . PIN BUSHING HOUSING . CO-DRIVER'S AIR BAG . [810] FROM MODEL YEAR 2001 - CODE 801 001 55 A 000 540 46 05 . CABLE HARNESS . REPAIR SOLUTION CONTACTING 0.75 . MM2 . [774] CONNECTORS MUST ALSO BE ORDERED IN ACCORDANCE WITH THE... NB 57 A 220 545 94 28 . PLUG . ENGINE CONTROL MODULE . [810] FROM MODEL YEAR 2001 - CODE 801 001 60 A 210 545 81 28 . PLUG . CO-DRIVER'S AIR BAG 001 65 A 003 545 68 26 . CONTACT SPRING . 0.5-1.0 MM2 001 70 A 014 545 93 28 . PIN BUSHING HOUSING . KNOCK SENSOR . [801] UP TO THE END OF MODEL YEAR 2000 - CODE 800 002 72 A 203 545 39 28 . PLUG . KNOCK SENSOR . [810] FROM MODEL YEAR 2001 - CODE 801 002 76 A 011 545 81 26 . CONTACT SPRING . 0.5-1.0 MM2 NB 87 A 140 540 33 81 . PIN BUSHING HOUSING . FINAL CONTROL ELEMENT IDLING-SPEED . CONTROL . [801] UP TO THE END OF MODEL YEAR 2000 - CODE 800 001 88 A 003 545 48 26 . ROUND PIN BUSHING . 1 MM . [801] UP TO THE END OF MODEL YEAR 2000 - CODE 800 006 90 A 210 540 36 81 . PIN BUSHING HOUSING . FINAL CONTROL ELEMENT IDLING-SPEED . CONTROL . [810] FROM MODEL YEAR 2001 - CODE 801 001 92 A 000 540 26 05 . CABLE HARNESS . REPAIR SOLUTION CONTACTING 0.75 . MM2 . [774] CONNECTORS MUST ALSO BE ORDERED IN ACCORDANCE WITH THE... NB 97 A 210 540 80 81 . PIN BUSHING HOUSING . IGNITION COIL . [801] UP TO THE END OF MODEL YEAR 2000 - CODE 800 006 97 A 210 540 80 81 . PIN BUSHING HOUSING . CAMSHAFT POSITION SENDER UNIT . [801] UP TO THE END OF MODEL YEAR 2000 - CODE 800 001 97 A 203 545 30 28 . PIN BUSHING HOUSING . IGNITION COIL 006 Copyright Daimler AG, 13/06/15 23:17, EPC 1.32.0.4, DW 04/2014 Page 1
  • 79.
    97 A 203545 30 28 . PIN BUSHING HOUSING . IGNITION COIL . [810] FROM MODEL YEAR 2001 - CODE 801 006 97 A 203 545 30 28 . PIN BUSHING HOUSING . CAMSHAFT POSITION SENDER UNIT . [810] FROM MODEL YEAR 2001 - CODE 801 001 107 A 000 545 25 84 . CONNECTOR 001 110 A 140 545 35 28 . PIN BUSHING HOUSING . INJECTION VALVE . [801] UP TO THE END OF MODEL YEAR 2000 - CODE 800 006 110 A 203 545 05 28 . PLUG . INJECTION VALVE . [810] FROM MODEL YEAR 2001 - CODE 801 006 110 A 140 545 35 28 . PIN BUSHING HOUSING . PRESSURE CONVERTER . [801] UP TO THE END OF MODEL YEAR 2000 - CODE 800 001 110 A 203 545 34 28 . PIN BUSHING HOUSING . PRESSURE CONVERTER . [810] FROM MODEL YEAR 2001 - CODE 801 001 110 A 140 545 35 28 . PIN BUSHING HOUSING . INTAKE MANIFOLD . [801] UP TO THE END OF MODEL YEAR 2000 - CODE 800 001 110 A 203 545 05 28 . PLUG . INTAKE MANIFOLD . [810] FROM MODEL YEAR 2001 - CODE 801 001 113 A 168 545 30 28 . PIN BUSHING HOUSING . CRANKSHAFT POSITION SENDER UNIT . [810] FROM MODEL YEAR 2001 - CODE 801 001 113 A 168 545 30 28 . PIN BUSHING HOUSING . ALTERNATOR . [022] As of engine 001 117 A 013 545 15 26 . CONTACT SPRING . 0.5-1.0 MM2 NB 125 A 170 545 01 28 . PLUG . AIR-MASS SENSOR . [801] UP TO THE END OF MODEL YEAR 2000 - CODE 800 001 125 A 220 545 46 28 . PIN BUSHING HOUSING . AIR-MASS SENSOR . [810] FROM MODEL YEAR 2001 - CODE 801 001 128 A 000 545 31 84 . CONNECTOR . AIR-MASS SENSOR . [801] UP TO THE END OF MODEL YEAR 2000 - CODE 800 001 129 A 000 545 25 46 . BOOT . AIR-MASS SENSOR . [810] FROM MODEL YEAR 2001 - CODE 801 001 130 A 000 540 38 05 . CABLE HARNESS . REPAIR SOLUTION CONTACTING 0.75 . MM2 . [774] CONNECTORS MUST ALSO BE ORDERED IN ACCORDANCE WITH THE... NB 130 A 000 540 28 05 . REP.SET CONTACT . REPAIR SOLUTION CONTACTING 2.5 MM2 . [774] CONNECTORS MUST ALSO BE ORDERED IN ACCORDANCE WITH THE... NB 130 A 000 540 27 05 . REP.SET CONTACT . REPAIR SOLUTION CONTACTING 1.0 MM2 . [774] CONNECTORS MUST ALSO BE ORDERED IN ACCORDANCE WITH THE... NB 137 A 000 545 78 80 . BLIND PLUG . GREEN NB 140 A 210 540 21 81 . PIN BUSHING HOUSING . OIL SENSOR 001 140 A 210 540 21 81 . PIN BUSHING HOUSING . INTAKE MANIFOLD PRESSURE SENSOR . [810] FROM MODEL YEAR 2001 - CODE 801 001 155 A 210 540 20 81 . PIN BUSHING HOUSING . REFRIGERANT TEMPERATURE SENDER . UNIT 001 155 A 210 540 20 81 . PIN BUSHING HOUSING . AIR PUMP . [810] FROM MODEL YEAR 2001 - CODE 801 001 160 A 000 540 25 05 . CABLE HARNESS . REPAIR SOLUTION CONTACTING 0.5 MM2 . [774] CONNECTORS MUST ALSO BE ORDERED IN ACCORDANCE WITH THE... NB Copyright Daimler AG, 13/06/15 23:17, EPC 1.32.0.4, DW 04/2014 Page 2
  • 80.
    190 A 011545 71 28 . PIN BUSHING HOUSING . AIR INJECTION . [810] FROM MODEL YEAR 2001 - CODE 801 001 195 A 003 545 26 26 . ROUND PIN BUSHING NB 210 A 029 545 72 28 . PIN BUSHING HOUSING . CONTROL MODULE BOX/ENGINE . CONNECTOR . [810] FROM MODEL YEAR 2001 - CODE 801 001 212 A 000 540 59 05 . CABLE HARNESS . REPAIR SOLUTION CONTACTING 1.0 MM2 . [810, 774] FROM MODEL YEAR 2001 - CODE 801 NB 215 A 168 545 08 28 . PLUG HOUSING . ENGINE TIMING . [810] FROM MODEL YEAR 2001 - CODE 801 001 220 A 168 545 07 28 . PLUG HOUSING . ENGINE TIMING . [810] FROM MODEL YEAR 2001 - CODE 801 001 240 A 000 540 45 05 . CABLE HARNESS . REPAIR SOLUTION CONTACTING 0.5 MM2 . [774] CONNECTORS MUST ALSO BE ORDERED IN ACCORDANCE WITH THE... NB 240 A 000 540 46 05 . CABLE HARNESS . REPAIR SOLUTION CONTACTING 0.75 . MM2 . [774] CONNECTORS MUST ALSO BE ORDERED IN ACCORDANCE WITH THE... NB 300 A 000 546 02 80 . CABLE GUIDE 001 310 A 202 997 29 81 . GROMMET . [810] FROM MODEL YEAR 2001 - CODE 801 001 330 A 001 546 99 41 SOLDERING END CUPS GREEN 0.7-2.4 MM2 NB 330 A 002 546 00 41 SOLDERING END CUPS RED 2.0-4.0 MM2 NB 330 A 002 546 01 41 SOLDERING END CUPS BLUE 3.5-8.0 MM2 NB 330 A 002 546 11 41 SOLDERING END CUPS FOR COLOR NUMBERS AND PAINT CODES USED FOR OUTSIDE PARTS, SEE FOOTNOTE: 7.5-12.0 MM2 NB 340 A 002 546 13 41 CABLE CONNECTOR 0.5 MM2 NB 340 A 002 546 14 41 BUTT CONNECTOR 0.8 MM2 NB 340 A 002 546 15 41 BUTT CONNECTOR 1.3 MM2 NB 340 A 002 546 16 41 BUTT CONNECTOR 2.0 MM2 NB 600 A 001 997 83 90 LOOM TIE NB 605 A 001 995 85 01 CLAMP CABLE RAIL TO BRACKET 001 610 N 007976 004302 TAPPING SCREW CABLE RAIL TO BRACKET 001 615 A 000 995 52 44 CLAMP ENGINE CABLE HARNESS BRACKET 18 MM 001 620 A 220 546 18 43 BRACKET [810] FROM MODEL YEAR 2001 - CODE 801 001 630 A 000 995 44 14 BRACKET AT TIMING CASE COVER 001 Copyright Daimler AG, 13/06/15 23:17, EPC 1.32.0.4, DW 04/2014 Page 3
  • 81.
    - Picture - ModeMD mode Mod. des. overview PASSSENGER CAR,COUPE FIN/MD WDB 2083651F075791 Catalog 19Y VIN WDBLJ65G0XF075791 Major assembly: M - Engine Sales designation CLK 320 Major assembly MD 112940 30 357370 Assortment class Car Group 54 - ENGINE CABLE HARNESSES Market Europe Subgroup 165 - ENGINE CABLE HARNESS, C/CLK-CLASS Picture number B54165000010.090917 Copyright Daimler AG, 13/06/15 23:17, EPC 1.32.0.4, DW 04/2014 Page 1
  • 82.
    - Parts list- Mode MD mode Mod. des. overview PASSSENGER CAR,COUPE FIN/MD WDB 2083651F075791 Catalog 19Y VIN WDBLJ65G0XF075791 Major assembly: M - Engine Sales designation CLK 320 Major assembly MD 112940 30 357370 Assortment class Car Group 54 - ENGINE CABLE HARNESSES Market Europe Subgroup 165 - ENGINE CABLE HARNESS, C/CLK-CLASS Item no. Part number Designation/description Quantity Version 5 A 208 540 04 05 CABLE HARNESS ENGINE CABLE HARNESS Code: -(494/925) [801] UP TO THE END OF MODEL YEAR 2000 - CODE 800 001 L 10 A 208 540 68 09 CABLE HARNESS ENGINE CABLE HARNESS [810, 021] FROM MODEL YEAR 2001 - CODE 801 001 L 10 A 208 540 14 32 ELECTRIC CABLE ENGINE CABLE HARNESS [022] As of engine 001 L 50 A 030 545 02 28 . PIN BUSHING HOUSING . CO-DRIVER'S AIR BAG . [801] UP TO THE END OF MODEL YEAR 2000 - CODE 800 001 50 A 036 545 67 28 . PIN BUSHING HOUSING . CO-DRIVER'S AIR BAG . [810] FROM MODEL YEAR 2001 - CODE 801 001 55 A 000 540 46 05 . CABLE HARNESS . REPAIR SOLUTION CONTACTING 0.75 . MM2 . [774] CONNECTORS MUST ALSO BE ORDERED IN ACCORDANCE WITH THE... NB 57 A 220 545 94 28 . PLUG . ENGINE CONTROL MODULE . [810] FROM MODEL YEAR 2001 - CODE 801 001 60 A 210 545 81 28 . PLUG . CO-DRIVER'S AIR BAG 001 65 A 003 545 68 26 . CONTACT SPRING . 0.5-1.0 MM2 001 70 A 014 545 93 28 . PIN BUSHING HOUSING . KNOCK SENSOR . [801] UP TO THE END OF MODEL YEAR 2000 - CODE 800 002 72 A 203 545 39 28 . PLUG . KNOCK SENSOR . [810] FROM MODEL YEAR 2001 - CODE 801 002 76 A 011 545 81 26 . CONTACT SPRING . 0.5-1.0 MM2 NB 87 A 140 540 33 81 . PIN BUSHING HOUSING . FINAL CONTROL ELEMENT IDLING-SPEED . CONTROL . [801] UP TO THE END OF MODEL YEAR 2000 - CODE 800 001 88 A 003 545 48 26 . ROUND PIN BUSHING . 1 MM . [801] UP TO THE END OF MODEL YEAR 2000 - CODE 800 006 90 A 210 540 36 81 . PIN BUSHING HOUSING . FINAL CONTROL ELEMENT IDLING-SPEED . CONTROL . [810] FROM MODEL YEAR 2001 - CODE 801 001 92 A 000 540 26 05 . CABLE HARNESS . REPAIR SOLUTION CONTACTING 0.75 . MM2 . [774] CONNECTORS MUST ALSO BE ORDERED IN ACCORDANCE WITH THE... NB 97 A 210 540 80 81 . PIN BUSHING HOUSING . IGNITION COIL . [801] UP TO THE END OF MODEL YEAR 2000 - CODE 800 006 97 A 210 540 80 81 . PIN BUSHING HOUSING . CAMSHAFT POSITION SENDER UNIT . [801] UP TO THE END OF MODEL YEAR 2000 - CODE 800 001 97 A 203 545 30 28 . PIN BUSHING HOUSING . IGNITION COIL 006 Copyright Daimler AG, 13/06/15 23:17, EPC 1.32.0.4, DW 04/2014 Page 1
  • 83.
    97 A 203545 30 28 . PIN BUSHING HOUSING . IGNITION COIL . [810] FROM MODEL YEAR 2001 - CODE 801 006 97 A 203 545 30 28 . PIN BUSHING HOUSING . CAMSHAFT POSITION SENDER UNIT . [810] FROM MODEL YEAR 2001 - CODE 801 001 107 A 000 545 25 84 . CONNECTOR 001 110 A 140 545 35 28 . PIN BUSHING HOUSING . INJECTION VALVE . [801] UP TO THE END OF MODEL YEAR 2000 - CODE 800 006 110 A 203 545 05 28 . PLUG . INJECTION VALVE . [810] FROM MODEL YEAR 2001 - CODE 801 006 110 A 140 545 35 28 . PIN BUSHING HOUSING . PRESSURE CONVERTER . [801] UP TO THE END OF MODEL YEAR 2000 - CODE 800 001 110 A 203 545 34 28 . PIN BUSHING HOUSING . PRESSURE CONVERTER . [810] FROM MODEL YEAR 2001 - CODE 801 001 110 A 140 545 35 28 . PIN BUSHING HOUSING . INTAKE MANIFOLD . [801] UP TO THE END OF MODEL YEAR 2000 - CODE 800 001 110 A 203 545 05 28 . PLUG . INTAKE MANIFOLD . [810] FROM MODEL YEAR 2001 - CODE 801 001 113 A 168 545 30 28 . PIN BUSHING HOUSING . CRANKSHAFT POSITION SENDER UNIT . [810] FROM MODEL YEAR 2001 - CODE 801 001 113 A 168 545 30 28 . PIN BUSHING HOUSING . ALTERNATOR . [022] As of engine 001 117 A 013 545 15 26 . CONTACT SPRING . 0.5-1.0 MM2 NB 125 A 170 545 01 28 . PLUG . AIR-MASS SENSOR . [801] UP TO THE END OF MODEL YEAR 2000 - CODE 800 001 125 A 220 545 46 28 . PIN BUSHING HOUSING . AIR-MASS SENSOR . [810] FROM MODEL YEAR 2001 - CODE 801 001 128 A 000 545 31 84 . CONNECTOR . AIR-MASS SENSOR . [801] UP TO THE END OF MODEL YEAR 2000 - CODE 800 001 129 A 000 545 25 46 . BOOT . AIR-MASS SENSOR . [810] FROM MODEL YEAR 2001 - CODE 801 001 130 A 000 540 38 05 . CABLE HARNESS . REPAIR SOLUTION CONTACTING 0.75 . MM2 . [774] CONNECTORS MUST ALSO BE ORDERED IN ACCORDANCE WITH THE... NB 130 A 000 540 28 05 . REP.SET CONTACT . REPAIR SOLUTION CONTACTING 2.5 MM2 . [774] CONNECTORS MUST ALSO BE ORDERED IN ACCORDANCE WITH THE... NB 130 A 000 540 27 05 . REP.SET CONTACT . REPAIR SOLUTION CONTACTING 1.0 MM2 . [774] CONNECTORS MUST ALSO BE ORDERED IN ACCORDANCE WITH THE... NB 137 A 000 545 78 80 . BLIND PLUG . GREEN NB 140 A 210 540 21 81 . PIN BUSHING HOUSING . OIL SENSOR 001 140 A 210 540 21 81 . PIN BUSHING HOUSING . INTAKE MANIFOLD PRESSURE SENSOR . [810] FROM MODEL YEAR 2001 - CODE 801 001 155 A 210 540 20 81 . PIN BUSHING HOUSING . REFRIGERANT TEMPERATURE SENDER . UNIT 001 155 A 210 540 20 81 . PIN BUSHING HOUSING . AIR PUMP . [810] FROM MODEL YEAR 2001 - CODE 801 001 160 A 000 540 25 05 . CABLE HARNESS . REPAIR SOLUTION CONTACTING 0.5 MM2 . [774] CONNECTORS MUST ALSO BE ORDERED IN ACCORDANCE WITH THE... NB Copyright Daimler AG, 13/06/15 23:17, EPC 1.32.0.4, DW 04/2014 Page 2
  • 84.
    190 A 011545 71 28 . PIN BUSHING HOUSING . AIR INJECTION . [810] FROM MODEL YEAR 2001 - CODE 801 001 195 A 003 545 26 26 . ROUND PIN BUSHING NB 210 A 029 545 72 28 . PIN BUSHING HOUSING . CONTROL MODULE BOX/ENGINE . CONNECTOR . [810] FROM MODEL YEAR 2001 - CODE 801 001 212 A 000 540 59 05 . CABLE HARNESS . REPAIR SOLUTION CONTACTING 1.0 MM2 . [810, 774] FROM MODEL YEAR 2001 - CODE 801 NB 215 A 168 545 08 28 . PLUG HOUSING . ENGINE TIMING . [810] FROM MODEL YEAR 2001 - CODE 801 001 220 A 168 545 07 28 . PLUG HOUSING . ENGINE TIMING . [810] FROM MODEL YEAR 2001 - CODE 801 001 240 A 000 540 45 05 . CABLE HARNESS . REPAIR SOLUTION CONTACTING 0.5 MM2 . [774] CONNECTORS MUST ALSO BE ORDERED IN ACCORDANCE WITH THE... NB 240 A 000 540 46 05 . CABLE HARNESS . REPAIR SOLUTION CONTACTING 0.75 . MM2 . [774] CONNECTORS MUST ALSO BE ORDERED IN ACCORDANCE WITH THE... NB 300 A 000 546 02 80 . CABLE GUIDE 001 310 A 202 997 29 81 . GROMMET . [810] FROM MODEL YEAR 2001 - CODE 801 001 330 A 001 546 99 41 SOLDERING END CUPS GREEN 0.7-2.4 MM2 NB 330 A 002 546 00 41 SOLDERING END CUPS RED 2.0-4.0 MM2 NB 330 A 002 546 01 41 SOLDERING END CUPS BLUE 3.5-8.0 MM2 NB 330 A 002 546 11 41 SOLDERING END CUPS FOR COLOR NUMBERS AND PAINT CODES USED FOR OUTSIDE PARTS, SEE FOOTNOTE: 7.5-12.0 MM2 NB 340 A 002 546 13 41 CABLE CONNECTOR 0.5 MM2 NB 340 A 002 546 14 41 BUTT CONNECTOR 0.8 MM2 NB 340 A 002 546 15 41 BUTT CONNECTOR 1.3 MM2 NB 340 A 002 546 16 41 BUTT CONNECTOR 2.0 MM2 NB 600 A 001 997 83 90 LOOM TIE NB 605 A 001 995 85 01 CLAMP CABLE RAIL TO BRACKET 001 610 N 007976 004302 TAPPING SCREW CABLE RAIL TO BRACKET 001 615 A 000 995 52 44 CLAMP ENGINE CABLE HARNESS BRACKET 18 MM 001 620 A 220 546 18 43 BRACKET [810] FROM MODEL YEAR 2001 - CODE 801 001 630 A 000 995 44 14 BRACKET AT TIMING CASE COVER 001 Copyright Daimler AG, 13/06/15 23:17, EPC 1.32.0.4, DW 04/2014 Page 3
  • 85.
    - Picture - ModeMD mode Mod. des. overview PASSSENGER CAR,COUPE FIN/MD WDB 2083651F075791 Catalog 19Y VIN WDBLJ65G0XF075791 Major assembly: M - Engine Sales designation CLK 320 Major assembly MD 112940 30 357370 Assortment class Car Group 54 - ENGINE CABLE HARNESSES Market Europe Subgroup 165 - ENGINE CABLE HARNESS, C/CLK-CLASS Picture number B54165000017.090917 Copyright Daimler AG, 13/06/15 23:17, EPC 1.32.0.4, DW 04/2014 Page 1
  • 86.
    - Parts list- Mode MD mode Mod. des. overview PASSSENGER CAR,COUPE FIN/MD WDB 2083651F075791 Catalog 19Y VIN WDBLJ65G0XF075791 Major assembly: M - Engine Sales designation CLK 320 Major assembly MD 112940 30 357370 Assortment class Car Group 54 - ENGINE CABLE HARNESSES Market Europe Subgroup 165 - ENGINE CABLE HARNESS, C/CLK-CLASS Item no. Part number Designation/description Quantity Version 5 A 208 540 04 05 CABLE HARNESS ENGINE CABLE HARNESS Code: -(494/925) [801] UP TO THE END OF MODEL YEAR 2000 - CODE 800 001 L 10 A 208 540 68 09 CABLE HARNESS ENGINE CABLE HARNESS [810, 021] FROM MODEL YEAR 2001 - CODE 801 001 L 10 A 208 540 14 32 ELECTRIC CABLE ENGINE CABLE HARNESS [022] As of engine 001 L 50 A 030 545 02 28 . PIN BUSHING HOUSING . CO-DRIVER'S AIR BAG . [801] UP TO THE END OF MODEL YEAR 2000 - CODE 800 001 50 A 036 545 67 28 . PIN BUSHING HOUSING . CO-DRIVER'S AIR BAG . [810] FROM MODEL YEAR 2001 - CODE 801 001 55 A 000 540 46 05 . CABLE HARNESS . REPAIR SOLUTION CONTACTING 0.75 . MM2 . [774] CONNECTORS MUST ALSO BE ORDERED IN ACCORDANCE WITH THE... NB 57 A 220 545 94 28 . PLUG . ENGINE CONTROL MODULE . [810] FROM MODEL YEAR 2001 - CODE 801 001 60 A 210 545 81 28 . PLUG . CO-DRIVER'S AIR BAG 001 65 A 003 545 68 26 . CONTACT SPRING . 0.5-1.0 MM2 001 70 A 014 545 93 28 . PIN BUSHING HOUSING . KNOCK SENSOR . [801] UP TO THE END OF MODEL YEAR 2000 - CODE 800 002 72 A 203 545 39 28 . PLUG . KNOCK SENSOR . [810] FROM MODEL YEAR 2001 - CODE 801 002 76 A 011 545 81 26 . CONTACT SPRING . 0.5-1.0 MM2 NB 87 A 140 540 33 81 . PIN BUSHING HOUSING . FINAL CONTROL ELEMENT IDLING-SPEED . CONTROL . [801] UP TO THE END OF MODEL YEAR 2000 - CODE 800 001 88 A 003 545 48 26 . ROUND PIN BUSHING . 1 MM . [801] UP TO THE END OF MODEL YEAR 2000 - CODE 800 006 90 A 210 540 36 81 . PIN BUSHING HOUSING . FINAL CONTROL ELEMENT IDLING-SPEED . CONTROL . [810] FROM MODEL YEAR 2001 - CODE 801 001 92 A 000 540 26 05 . CABLE HARNESS . REPAIR SOLUTION CONTACTING 0.75 . MM2 . [774] CONNECTORS MUST ALSO BE ORDERED IN ACCORDANCE WITH THE... NB 97 A 210 540 80 81 . PIN BUSHING HOUSING . IGNITION COIL . [801] UP TO THE END OF MODEL YEAR 2000 - CODE 800 006 97 A 210 540 80 81 . PIN BUSHING HOUSING . CAMSHAFT POSITION SENDER UNIT . [801] UP TO THE END OF MODEL YEAR 2000 - CODE 800 001 97 A 203 545 30 28 . PIN BUSHING HOUSING . IGNITION COIL 006 Copyright Daimler AG, 13/06/15 23:18, EPC 1.32.0.4, DW 04/2014 Page 1
  • 87.
    97 A 203545 30 28 . PIN BUSHING HOUSING . IGNITION COIL . [810] FROM MODEL YEAR 2001 - CODE 801 006 97 A 203 545 30 28 . PIN BUSHING HOUSING . CAMSHAFT POSITION SENDER UNIT . [810] FROM MODEL YEAR 2001 - CODE 801 001 107 A 000 545 25 84 . CONNECTOR 001 110 A 140 545 35 28 . PIN BUSHING HOUSING . INJECTION VALVE . [801] UP TO THE END OF MODEL YEAR 2000 - CODE 800 006 110 A 203 545 05 28 . PLUG . INJECTION VALVE . [810] FROM MODEL YEAR 2001 - CODE 801 006 110 A 140 545 35 28 . PIN BUSHING HOUSING . PRESSURE CONVERTER . [801] UP TO THE END OF MODEL YEAR 2000 - CODE 800 001 110 A 203 545 34 28 . PIN BUSHING HOUSING . PRESSURE CONVERTER . [810] FROM MODEL YEAR 2001 - CODE 801 001 110 A 140 545 35 28 . PIN BUSHING HOUSING . INTAKE MANIFOLD . [801] UP TO THE END OF MODEL YEAR 2000 - CODE 800 001 110 A 203 545 05 28 . PLUG . INTAKE MANIFOLD . [810] FROM MODEL YEAR 2001 - CODE 801 001 113 A 168 545 30 28 . PIN BUSHING HOUSING . CRANKSHAFT POSITION SENDER UNIT . [810] FROM MODEL YEAR 2001 - CODE 801 001 113 A 168 545 30 28 . PIN BUSHING HOUSING . ALTERNATOR . [022] As of engine 001 117 A 013 545 15 26 . CONTACT SPRING . 0.5-1.0 MM2 NB 125 A 170 545 01 28 . PLUG . AIR-MASS SENSOR . [801] UP TO THE END OF MODEL YEAR 2000 - CODE 800 001 125 A 220 545 46 28 . PIN BUSHING HOUSING . AIR-MASS SENSOR . [810] FROM MODEL YEAR 2001 - CODE 801 001 128 A 000 545 31 84 . CONNECTOR . AIR-MASS SENSOR . [801] UP TO THE END OF MODEL YEAR 2000 - CODE 800 001 129 A 000 545 25 46 . BOOT . AIR-MASS SENSOR . [810] FROM MODEL YEAR 2001 - CODE 801 001 130 A 000 540 38 05 . CABLE HARNESS . REPAIR SOLUTION CONTACTING 0.75 . MM2 . [774] CONNECTORS MUST ALSO BE ORDERED IN ACCORDANCE WITH THE... NB 130 A 000 540 28 05 . REP.SET CONTACT . REPAIR SOLUTION CONTACTING 2.5 MM2 . [774] CONNECTORS MUST ALSO BE ORDERED IN ACCORDANCE WITH THE... NB 130 A 000 540 27 05 . REP.SET CONTACT . REPAIR SOLUTION CONTACTING 1.0 MM2 . [774] CONNECTORS MUST ALSO BE ORDERED IN ACCORDANCE WITH THE... NB 137 A 000 545 78 80 . BLIND PLUG . GREEN NB 140 A 210 540 21 81 . PIN BUSHING HOUSING . OIL SENSOR 001 140 A 210 540 21 81 . PIN BUSHING HOUSING . INTAKE MANIFOLD PRESSURE SENSOR . [810] FROM MODEL YEAR 2001 - CODE 801 001 155 A 210 540 20 81 . PIN BUSHING HOUSING . REFRIGERANT TEMPERATURE SENDER . UNIT 001 155 A 210 540 20 81 . PIN BUSHING HOUSING . AIR PUMP . [810] FROM MODEL YEAR 2001 - CODE 801 001 160 A 000 540 25 05 . CABLE HARNESS . REPAIR SOLUTION CONTACTING 0.5 MM2 . [774] CONNECTORS MUST ALSO BE ORDERED IN ACCORDANCE WITH THE... NB Copyright Daimler AG, 13/06/15 23:18, EPC 1.32.0.4, DW 04/2014 Page 2
  • 88.
    190 A 011545 71 28 . PIN BUSHING HOUSING . AIR INJECTION . [810] FROM MODEL YEAR 2001 - CODE 801 001 195 A 003 545 26 26 . ROUND PIN BUSHING NB 210 A 029 545 72 28 . PIN BUSHING HOUSING . CONTROL MODULE BOX/ENGINE . CONNECTOR . [810] FROM MODEL YEAR 2001 - CODE 801 001 212 A 000 540 59 05 . CABLE HARNESS . REPAIR SOLUTION CONTACTING 1.0 MM2 . [810, 774] FROM MODEL YEAR 2001 - CODE 801 NB 215 A 168 545 08 28 . PLUG HOUSING . ENGINE TIMING . [810] FROM MODEL YEAR 2001 - CODE 801 001 220 A 168 545 07 28 . PLUG HOUSING . ENGINE TIMING . [810] FROM MODEL YEAR 2001 - CODE 801 001 240 A 000 540 45 05 . CABLE HARNESS . REPAIR SOLUTION CONTACTING 0.5 MM2 . [774] CONNECTORS MUST ALSO BE ORDERED IN ACCORDANCE WITH THE... NB 240 A 000 540 46 05 . CABLE HARNESS . REPAIR SOLUTION CONTACTING 0.75 . MM2 . [774] CONNECTORS MUST ALSO BE ORDERED IN ACCORDANCE WITH THE... NB 300 A 000 546 02 80 . CABLE GUIDE 001 310 A 202 997 29 81 . GROMMET . [810] FROM MODEL YEAR 2001 - CODE 801 001 330 A 001 546 99 41 SOLDERING END CUPS GREEN 0.7-2.4 MM2 NB 330 A 002 546 00 41 SOLDERING END CUPS RED 2.0-4.0 MM2 NB 330 A 002 546 01 41 SOLDERING END CUPS BLUE 3.5-8.0 MM2 NB 330 A 002 546 11 41 SOLDERING END CUPS FOR COLOR NUMBERS AND PAINT CODES USED FOR OUTSIDE PARTS, SEE FOOTNOTE: 7.5-12.0 MM2 NB 340 A 002 546 13 41 CABLE CONNECTOR 0.5 MM2 NB 340 A 002 546 14 41 BUTT CONNECTOR 0.8 MM2 NB 340 A 002 546 15 41 BUTT CONNECTOR 1.3 MM2 NB 340 A 002 546 16 41 BUTT CONNECTOR 2.0 MM2 NB 600 A 001 997 83 90 LOOM TIE NB 605 A 001 995 85 01 CLAMP CABLE RAIL TO BRACKET 001 610 N 007976 004302 TAPPING SCREW CABLE RAIL TO BRACKET 001 615 A 000 995 52 44 CLAMP ENGINE CABLE HARNESS BRACKET 18 MM 001 620 A 220 546 18 43 BRACKET [810] FROM MODEL YEAR 2001 - CODE 801 001 630 A 000 995 44 14 BRACKET AT TIMING CASE COVER 001 Copyright Daimler AG, 13/06/15 23:18, EPC 1.32.0.4, DW 04/2014 Page 3
  • 89.
    - Picture - ModeMD mode Mod. des. overview PASSSENGER CAR,COUPE FIN/MD WDB 2083651F075791 Catalog 19Y VIN WDBLJ65G0XF075791 Major assembly: M - Engine Sales designation CLK 320 Major assembly MD 112940 30 357370 Assortment class Car Group 54 - ENGINE CABLE HARNESSES Market Europe Subgroup 165 - ENGINE CABLE HARNESS, C/CLK-CLASS Picture number B54165000018.090917 Copyright Daimler AG, 13/06/15 23:18, EPC 1.32.0.4, DW 04/2014 Page 1