REVISION - 1
APRIL - 2013
Published by - Service Engineering
Technical Hub
WIRING MANUAL
BOLERO MAXITRUCK PLUS
MAN - 00222
BS III & BS IV
m2DiCR
The repair methods given by the manufacturer in this document are based on the technical specifications, current at the time of release. The methods may be modified as a result of changes introduced by the manufacturer in the production of the various component
units and accessories from which the vehicles are manufactured. The reproduction, translation, transmission, in part of or whole of the present document,are prohibited without the prior written consent of Mahindra & Mahindra Ltd. The use of this document by any
person other than the trained personnel, at the Authorized Service Centre of Mahindra & Mahindra Ltd.,will amount to unauthorized use and shall be liable for penalty/prosecution © 2013 Mahindra & Mahindra Ltd.
MAN-00222
APRIL 2013/Rev1
WIRING MANUAL
04022013
ABOUT THE WIRING MANUAL…………………………………………………………………...03
GOOD ELECTRICAL/ELECTRONIC TROUBLESHOOTING PROCESS……..04
HOW TO READ THE WIRING MANUAL……………………………………………………..05
A. CONTROLLERS/FUSES/RELAYS - LOCATIONS
LOCATION - FUSE BOXS/RELAYS/CONTROLLERS……………………………….06
MAIN FUSE BOX - FUSES/CIRCUITS/RATINGS……………………………………..07
ECU FUSE BOX - FUSES/CIRCUITS/RATINGS………………………………………..07
MAXI FUSE - FUSES/CIRCUITS/RATINGS……………………………………………….07
B. INDIVIDUAL CIRCUITS
ENGINE MANAGEMENT SYSTEM 1…………………………………………………………..08
ENGINE MANAGEMENT SYSTEM 2…………………………………………………………..09
IMMOBILISER………………………………………………………………………………………………….10
CHARGING CIRCUIT………………………………………………………………………………………11
STARTING CIRCUIT………………………………………………………………………………………..12
INSTRUMENT CLUSTER OVERVIEW…………………………………………………………13
INSTRUMENT CLUSTER CIRCUIT………………………………………………………………14
HORN CIRCUIT………………………………………………………………………………………………..15
12 VOLT CHARGING PORT………………………………………………………………………….16
TURN AMD HAZARD CIRCUIT…………………………………………………………………….17
WIPER AND WASHER CIRCUIT………………………………………………………………….18
HEAD LAMP…………………………………………………………………………………………………….19
HEAD LAMP LEVELING CIRCUIT…………………………………………………………………20
STOP LAMP……………………………………………………………………………………………………..21
REVERSE LIGHT………………………………………………………………………………...................22
REGISTRATION PLATE LAMP CIRCUIT………………………………………………………23
PARKING LAMP CIRCUIT……………………………………………………………………………..24
INTERIOR AND READING LAMP…………………………………………………………………25
START STOP – STARTING CIRCUIT ………………………………………………………..26
C. WIRING HARNESS LAYOUT
ENGINE WIRING HARNESS LAYOUT (E)……………………………………………………27
CHASSIS WIRING HARNESS LAYOUT (C) ……………..………………………………..29
BODY WIRING HARNESS LAYOUT (B)………………………………………………………31
WIRING HARNESS ROUTING - COMPLETE VEHICLE……………………………..33
D INTER HARNESS CONNECTORS……………………………………………………….34
E GROUND LOCATION ……………………………………………………………………………..35
F APENDIX
ELECTRICAL SYMBOLS……………………………………………………………………...............36
WIRE COLOR CODING CHART…………………………………………………………………….40
CONTENTS
2
The repair methods given by the manufacturer in this document are based on the technical specifications, current at the time of release. The methods may be modified as a result of changes introduced by the manufacturer in the production of the various component
units and accessories from which the vehicles are manufactured. The reproduction, translation, transmission, in part of or whole of the present document,are prohibited without the prior written consent of Mahindra & Mahindra Ltd. The use of this document by any
person other than the trained personnel, at the Authorized Service Centre of Mahindra & Mahindra Ltd.,will amount to unauthorized use and shall be liable for penalty/prosecution © 2013 Mahindra & Mahindra Ltd.
MAN-00222
APRIL 2013/Rev1
WIRING MANUAL
04022013
ABOUT THE WIRING MANUAL
The wiring manual outlines complete electrical network plan of the Mahindra Bolero
Maxitruck Plus vehicle. Wiring diagrams are technical drawings representing the electrical /
electronic structure of the vehicle.
Understanding this manual is the quickest way to identify and repair a trouble, first time right.
The manual defines as to how the various systems are integrated and works, functions and
operates. All the electrical components are shown, including their locations, colours of
connecting wires and connectors.
The manual is structured as below:-
Components locations – indicates schematically the location of the crucial components like
fuses, relays and controllers (ECUs).
Fuse layouts – indicates the physical layout of the fuse in the vehicle.
Wiring diagrams – system wise individual wiring diagrams.
Ground points – specifies the location of the various grounding points across the vehicle body.
Harness layout – indicates the physical layout of the wiring harness across the topography of
the vehicle. It also indicates the connectors, their codes/ locations and terminal connectors
face views.
Inter- harness connectors – specifies the code, location and pin- out view of the connectors in
between separate wiring harnesses.
3
The repair methods given by the manufacturer in this document are based on the technical specifications, current at the time of release. The methods may be modified as a result of changes introduced by the manufacturer in the production of the various component
units and accessories from which the vehicles are manufactured. The reproduction, translation, transmission, in part of or whole of the present document,are prohibited without the prior written consent of Mahindra & Mahindra Ltd. The use of this document by any
person other than the trained personnel, at the Authorized Service Centre of Mahindra & Mahindra Ltd.,will amount to unauthorized use and shall be liable for penalty/prosecution © 2013 Mahindra & Mahindra Ltd.
MAN-00222
APRIL 2013/Rev1
WIRING MANUAL
04022013
GOOD ELECTRICAL/ELECTRONIC TROUBLESHOOTING PROCESS
When troubleshooting any problem related to electrical/electronic system, follow the 5-step
process:-
SETP 1 – Verify the customer complaint
• Turn on all the component/function in the problem circuit to check accuracy of the
customer complaint.
• Replicate the customer complaint
• Note down the symptoms
• Do not begin disassembly or testing unless you have narrowed down the probable
causes.
STEP 2 – Read and analyze the wiring diagrams
• Locate the specific circuit diagram of the problem circuit
• Understand how the circuit is supposed to work by tracing the circuit from power
source through components on to ground.
• Check other circuits which share components/fuse/ground/switch with this circuit.
• Isolate the circuit/components with problem.
STEP 3 – Inspect circuit/components with problem isolated
• Make a circuit test to check the diagnosis
• Narrow down the probable causes using troubleshooting charts/diagnosis charts
STEP 4 – Repair the problem
• Make necessary repairs as authorized
STEP 5 – Re-check the circuit
• Repeat the system check to ensure that the problem is eliminated
• Check related circuits
• Ensure that the customer symptom is eliminated
4
WIRING MANUAL
The repair methods given by the manufacturer in this document are based on the technical specifications, current at the time of release. The methods may be modified as a result of changes introduced by the manufacturer in the production of the various component units and accessories from which the vehicles are manufactured. The reproduction,
translation, transmission, in part of or whole of the present document,are prohibited without the prior written consent of Mahindra & Mahindra Ltd. The use of this document by any person other than the trained personnel, at the Authorized Service Centre of Mahindra & Mahindra Ltd.,will amount to unauthorized use and shall be liable for penalty/
prosecution © 2013 Mahindra & Mahindra Ltd.
MAN-00222
APRIL 2013/Rev1
04022013
Fuse With RaƟng
Splice Joint
Ground Point
Wire Color
Name Of The Component
Inter harness connector number
Inter harness Pin Number
Connector Face View
Wire Cross SecƟon Area In sq mm
HOW TO READ THE WIRING MANUAL
5
WIRING MANUAL
The repair methods given by the manufacturer in this document are based on the technical specifications, current at the time of release. The methods may be modified as a result of changes introduced by the manufacturer in the production of the various component units and accessories from which the vehicles are manufactured. The reproduction,
translation, transmission, in part of or whole of the present document,are prohibited without the prior written consent of Mahindra & Mahindra Ltd. The use of this document by any person other than the trained personnel, at the Authorized Service Centre of Mahindra & Mahindra Ltd.,will amount to unauthorized use and shall be liable for penalty/
prosecution © 2013 Mahindra & Mahindra Ltd.
MAN-00222
APRIL 2013/Rev1
04022013
LOCATION - FUSEBOXS/RELAYS AND CONTROLLERS
6
WIRING MANUAL
The repair methods given by the manufacturer in this document are based on the technical specifications, current at the time of release. The methods may be modified as a result of changes introduced by the manufacturer in the production of the various component units and accessories from which the vehicles are manufactured. The reproduction,
translation, transmission, in part of or whole of the present document,are prohibited without the prior written consent of Mahindra & Mahindra Ltd. The use of this document by any person other than the trained personnel, at the Authorized Service Centre of Mahindra & Mahindra Ltd.,will amount to unauthorized use and shall be liable for penalty/
prosecution © 2013 Mahindra & Mahindra Ltd.
MAN-00222
APRIL 2013/Rev1
04022013
FUSE BOXS DETAILS
7
WIRING MANUAL
The repair methods given by the manufacturer in this document are based on the technical specifications, current at the time of release. The methods may be modified as a result of changes introduced by the manufacturer in the production of the various component units and accessories from which the vehicles are manufactured. The reproduction,
translation, transmission, in part of or whole of the present document,are prohibited without the prior written consent of Mahindra & Mahindra Ltd. The use of this document by any person other than the trained personnel, at the Authorized Service Centre of Mahindra & Mahindra Ltd.,will amount to unauthorized use and shall be liable for penalty/
prosecution © 2013 Mahindra & Mahindra Ltd.
MAN-00222
APRIL 2013/Rev1
04022013
ENGINE MANAGEMENT SYSTEM 1
WIRING MANUAL
The repair methods given by the manufacturer in this document are based on the technical specifications, current at the time of release. The methods may be modified as a result of changes introduced by the manufacturer in the production of the various component units and accessories from which the vehicles are manufactured. The reproduction,
translation, transmission, in part of or whole of the present document,are prohibited without the prior written consent of Mahindra & Mahindra Ltd. The use of this document by any person other than the trained personnel, at the Authorized Service Centre of Mahindra & Mahindra Ltd.,will amount to unauthorized use and shall be liable for penalty/
prosecution © 2013 Mahindra & Mahindra Ltd.
MAN-00222
APRIL 2013/Rev1
04022013
ENGINE MANAGEMENT SYSTEM 2
9
WIRING MANUAL
The repair methods given by the manufacturer in this document are based on the technical specifications, current at the time of release. The methods may be modified as a result of changes introduced by the manufacturer in the production of the various component units and accessories from which the vehicles are manufactured. The reproduction,
translation, transmission, in part of or whole of the present document,are prohibited without the prior written consent of Mahindra & Mahindra Ltd. The use of this document by any person other than the trained personnel, at the Authorized Service Centre of Mahindra & Mahindra Ltd.,will amount to unauthorized use and shall be liable for penalty/
prosecution © 2013 Mahindra & Mahindra Ltd.
MAN-00222
APRIL 2013/Rev1
04022013
BATTERY (+) POSITIVE
IGNITION
IMMOBILIZER
10
WIRING MANUAL
The repair methods given by the manufacturer in this document are based on the technical specifications, current at the time of release. The methods may be modified as a result of changes introduced by the manufacturer in the production of the various component units and accessories from which the vehicles are manufactured. The reproduction,
translation, transmission, in part of or whole of the present document,are prohibited without the prior written consent of Mahindra & Mahindra Ltd. The use of this document by any person other than the trained personnel, at the Authorized Service Centre of Mahindra & Mahindra Ltd.,will amount to unauthorized use and shall be liable for penalty/
prosecution © 2013 Mahindra & Mahindra Ltd.
MAN-00222
APRIL 2013/Rev1
04022013
CHARGING CIRCUIT
11
The repair methods given by the manufacturer in this document are based on the technical specifications, current at the time of release. The methods may be modified as a result of changes introduced by the manufacturer in the production of the various component
units and accessories from which the vehicles are manufactured. The reproduction, translation, transmission, in part of or whole of the present document,are prohibited without the prior written consent of Mahindra & Mahindra Ltd. The use of this document by any
person other than the trained personnel, at the Authorized Service Centre of Mahindra & Mahindra Ltd.,will amount to unauthorized use and shall be liable for penalty/prosecution © 2013 Mahindra & Mahindra Ltd.
MAN-00222
APRIL 2013/Rev1
WIRING MANUAL
04022013
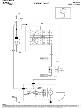
STARTING CIRCUIT
12
WIRING MANUAL
The repair methods given by the manufacturer in this document are based on the technical specifications, current at the time of release. The methods may be modified as a result of changes introduced by the manufacturer in the production of the various component units and accessories from which the vehicles are manufactured. The reproduction,
translation, transmission, in part of or whole of the present document,are prohibited without the prior written consent of Mahindra & Mahindra Ltd. The use of this document by any person other than the trained personnel, at the Authorized Service Centre of Mahindra & Mahindra Ltd.,will amount to unauthorized use and shall be liable for penalty/
prosecution © 2013 Mahindra & Mahindra Ltd.
MAN-00222
APRIL 2013/Rev1
04022013
1
23
456
7 8 9 10
11 12 13 14
1. BRAKE FLUID / PARK BRAKE
2. CHECK ENGINE LAMP
3. LEFT TURN INDICATOR
4. WATER IN FUEL WARNING
5.BATTERY CHARGE WARNING
6.LOW OIL PRESSURE WARNING
7.ENGINE TEMPERATURE WARNING
8. HIGH BEAM HEADLAMP
9.RIGHT TURN INDICATOR
10.OBD LAMP
11.FUEL GAUGE
12. ODOMETER
13. START/ STOP INDICATOR
14.TEMPERATURE GAUGE
INSTRUMENT CLUSTER OVERVIEW
13
WIRING MANUAL
The repair methods given by the manufacturer in this document are based on the technical specifications, current at the time of release. The methods may be modified as a result of changes introduced by the manufacturer in the production of the various component units and accessories from which the vehicles are manufactured. The reproduction,
translation, transmission, in part of or whole of the present document,are prohibited without the prior written consent of Mahindra & Mahindra Ltd. The use of this document by any person other than the trained personnel, at the Authorized Service Centre of Mahindra & Mahindra Ltd.,will amount to unauthorized use and shall be liable for penalty/
prosecution © 2013 Mahindra & Mahindra Ltd.
MAN-00222
APRIL 2013/Rev1
04022013
INSTRUMENT CLUSTER CIRCUIT
14
WIRING MANUAL
The repair methods given by the manufacturer in this document are based on the technical specifications, current at the time of release. The methods may be modified as a result of changes introduced by the manufacturer in the production of the various component units and accessories from which the vehicles are manufactured. The reproduction,
translation, transmission, in part of or whole of the present document,are prohibited without the prior written consent of Mahindra & Mahindra Ltd. The use of this document by any person other than the trained personnel, at the Authorized Service Centre of Mahindra & Mahindra Ltd.,will amount to unauthorized use and shall be liable for penalty/
prosecution © 2013 Mahindra & Mahindra Ltd.
MAN-00222
APRIL 2013/Rev1
04022013
HORN CIRCUIT
15
The repair methods given by the manufacturer in this document are based on the technical specifications, current at the time of release. The methods may be modified as a result of changes introduced by the manufacturer in the production of the various component
units and accessories from which the vehicles are manufactured. The reproduction, translation, transmission, in part of or whole of the present document,are prohibited without the prior written consent of Mahindra & Mahindra Ltd. The use of this document by any
person other than the trained personnel, at the Authorized Service Centre of Mahindra & Mahindra Ltd.,will amount to unauthorized use and shall be liable for penalty/prosecution © 2013 Mahindra & Mahindra Ltd.
MAN-00222
APRIL 2013/Rev1
WIRING MANUAL
04022013
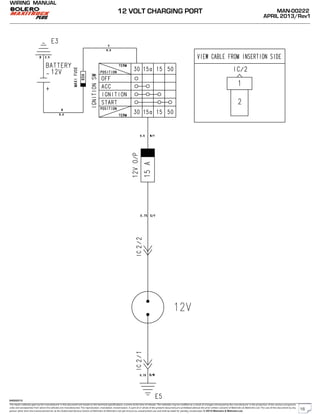
12 VOLT CHARGING PORT
16
WIRING MANUAL
The repair methods given by the manufacturer in this document are based on the technical specifications, current at the time of release. The methods may be modified as a result of changes introduced by the manufacturer in the production of the various component units and accessories from which the vehicles are manufactured. The reproduction,
translation, transmission, in part of or whole of the present document,are prohibited without the prior written consent of Mahindra & Mahindra Ltd. The use of this document by any person other than the trained personnel, at the Authorized Service Centre of Mahindra & Mahindra Ltd.,will amount to unauthorized use and shall be liable for penalty/
prosecution © 2013 Mahindra & Mahindra Ltd.
MAN-00222
APRIL 2013/Rev1
04022013
TURN AND HAZARD CIRCUIT
17
WIRING MANUAL
The repair methods given by the manufacturer in this document are based on the technical specifications, current at the time of release. The methods may be modified as a result of changes introduced by the manufacturer in the production of the various component units and accessories from which the vehicles are manufactured. The reproduction,
translation, transmission, in part of or whole of the present document,are prohibited without the prior written consent of Mahindra & Mahindra Ltd. The use of this document by any person other than the trained personnel, at the Authorized Service Centre of Mahindra & Mahindra Ltd.,will amount to unauthorized use and shall be liable for penalty/
prosecution © 2013 Mahindra & Mahindra Ltd.
MAN-00222
APRIL 2013/Rev1
04022013
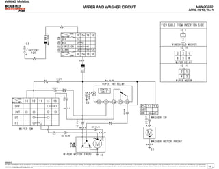
WIPER AND WASHER CIRCUIT
18
WIRING MANUAL
The repair methods given by the manufacturer in this document are based on the technical specifications, current at the time of release. The methods may be modified as a result of changes introduced by the manufacturer in the production of the various component units and accessories from which the vehicles are manufactured. The reproduction,
translation, transmission, in part of or whole of the present document,are prohibited without the prior written consent of Mahindra & Mahindra Ltd. The use of this document by any person other than the trained personnel, at the Authorized Service Centre of Mahindra & Mahindra Ltd.,will amount to unauthorized use and shall be liable for penalty/
prosecution © 2013 Mahindra & Mahindra Ltd.
MAN-00222
APRIL 2013/Rev1
04022013
HEAD LAMP
19
WIRING MANUAL
The repair methods given by the manufacturer in this document are based on the technical specifications, current at the time of release. The methods may be modified as a result of changes introduced by the manufacturer in the production of the various component units and accessories from which the vehicles are manufactured. The reproduction,
translation, transmission, in part of or whole of the present document,are prohibited without the prior written consent of Mahindra & Mahindra Ltd. The use of this document by any person other than the trained personnel, at the Authorized Service Centre of Mahindra & Mahindra Ltd.,will amount to unauthorized use and shall be liable for penalty/
prosecution © 2013 Mahindra & Mahindra Ltd.
MAN-00222
APRIL 2013/Rev1
04022013
HEAD LAMP LEVELING CIRCUIT
20
The repair methods given by the manufacturer in this document are based on the technical specifications, current at the time of release. The methods may be modified as a result of changes introduced by the manufacturer in the production of the various component
units and accessories from which the vehicles are manufactured. The reproduction, translation, transmission, in part of or whole of the present document,are prohibited without the prior written consent of Mahindra & Mahindra Ltd. The use of this document by any
person other than the trained personnel, at the Authorized Service Centre of Mahindra & Mahindra Ltd.,will amount to unauthorized use and shall be liable for penalty/prosecution © 2013 Mahindra & Mahindra Ltd.
MAN-00222
APRIL 2013/Rev1
WIRING MANUAL
04022013
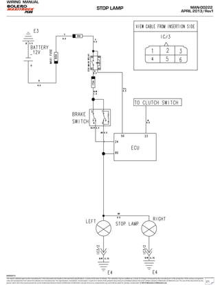
STOP LAMP
21
The repair methods given by the manufacturer in this document are based on the technical specifications, current at the time of release. The methods may be modified as a result of changes introduced by the manufacturer in the production of the various component
units and accessories from which the vehicles are manufactured. The reproduction, translation, transmission, in part of or whole of the present document,are prohibited without the prior written consent of Mahindra & Mahindra Ltd. The use of this document by any
person other than the trained personnel, at the Authorized Service Centre of Mahindra & Mahindra Ltd.,will amount to unauthorized use and shall be liable for penalty/prosecution © 2013 Mahindra & Mahindra Ltd.
MAN-00222
APRIL 2013/Rev1
WIRING MANUAL
04022013
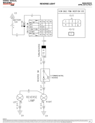
REVERSE LIGHT
22
The repair methods given by the manufacturer in this document are based on the technical specifications, current at the time of release. The methods may be modified as a result of changes introduced by the manufacturer in the production of the various component
units and accessories from which the vehicles are manufactured. The reproduction, translation, transmission, in part of or whole of the present document,are prohibited without the prior written consent of Mahindra & Mahindra Ltd. The use of this document by any
person other than the trained personnel, at the Authorized Service Centre of Mahindra & Mahindra Ltd.,will amount to unauthorized use and shall be liable for penalty/prosecution © 2013 Mahindra & Mahindra Ltd.
MAN-00222
APRIL 2013/Rev1
WIRING MANUAL
04022013
REGISTRATION PLATE LAMP CIRCUIT
23
The repair methods given by the manufacturer in this document are based on the technical specifications, current at the time of release. The methods may be modified as a result of changes introduced by the manufacturer in the production of the various component
units and accessories from which the vehicles are manufactured. The reproduction, translation, transmission, in part of or whole of the present document,are prohibited without the prior written consent of Mahindra & Mahindra Ltd. The use of this document by any
person other than the trained personnel, at the Authorized Service Centre of Mahindra & Mahindra Ltd.,will amount to unauthorized use and shall be liable for penalty/prosecution © 2013 Mahindra & Mahindra Ltd.
MAN-00222
APRIL 2013/Rev1
WIRING MANUAL
04022013
PARKING LAMP CIRCUIT
24
The repair methods given by the manufacturer in this document are based on the technical specifications, current at the time of release. The methods may be modified as a result of changes introduced by the manufacturer in the production of the various component
units and accessories from which the vehicles are manufactured. The reproduction, translation, transmission, in part of or whole of the present document,are prohibited without the prior written consent of Mahindra & Mahindra Ltd. The use of this document by any
person other than the trained personnel, at the Authorized Service Centre of Mahindra & Mahindra Ltd.,will amount to unauthorized use and shall be liable for penalty/prosecution © 2013 Mahindra & Mahindra Ltd.
MAN-00222
APRIL 2013/Rev1
WIRING MANUAL
04022013
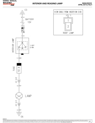
INTERIOR AND READING LAMP
25
The repair methods given by the manufacturer in this document are based on the technical specifications, current at the time of release. The methods may be modified as a result of changes introduced by the manufacturer in the production of the various component
units and accessories from which the vehicles are manufactured. The reproduction, translation, transmission, in part of or whole of the present document,are prohibited without the prior written consent of Mahindra & Mahindra Ltd. The use of this document by any
person other than the trained personnel, at the Authorized Service Centre of Mahindra & Mahindra Ltd.,will amount to unauthorized use and shall be liable for penalty/prosecution © 2013 Mahindra & Mahindra Ltd.
MAN-00222
APRIL 2013/Rev1
WIRING MANUAL
04022013
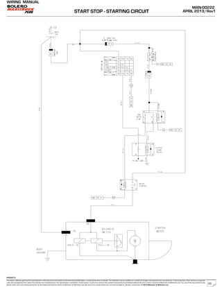
START STOP - STARTING CIRCUIT
26
WIRING MANUAL
The repair methods given by the manufacturer in this document are based on the technical specifications, current at the time of release. The methods may be modified as a result of changes introduced by the manufacturer in the production of the various component units and accessories from which the vehicles are manufactured. The reproduction,
translation, transmission, in part of or whole of the present document,are prohibited without the prior written consent of Mahindra & Mahindra Ltd. The use of this document by any person other than the trained personnel, at the Authorized Service Centre of Mahindra & Mahindra Ltd.,will amount to unauthorized use and shall be liable for penalty/
prosecution © 2013 Mahindra & Mahindra Ltd.
MAN-00222
APRIL 2013/Rev1
04022013
ENGINE WIRING HARNESS - LAYOUT (E)
27
WIRING MANUAL
The repair methods given by the manufacturer in this document are based on the technical specifications, current at the time of release. The methods may be modified as a result of changes introduced by the manufacturer in the production of the various component units and accessories from which the vehicles are manufactured. The reproduction,
translation, transmission, in part of or whole of the present document,are prohibited without the prior written consent of Mahindra & Mahindra Ltd. The use of this document by any person other than the trained personnel, at the Authorized Service Centre of Mahindra & Mahindra Ltd.,will amount to unauthorized use and shall be liable for penalty/
prosecution © 2013 Mahindra & Mahindra Ltd.
MAN-00222
APRIL 2013/Rev1
04022013
WIRE INSERTION VIEW
ENGINE WIRING HARNESS - CONNECTORS
28
WIRING MANUAL
The repair methods given by the manufacturer in this document are based on the technical specifications, current at the time of release. The methods may be modified as a result of changes introduced by the manufacturer in the production of the various component units and accessories from which the vehicles are manufactured. The reproduction,
translation, transmission, in part of or whole of the present document,are prohibited without the prior written consent of Mahindra & Mahindra Ltd. The use of this document by any person other than the trained personnel, at the Authorized Service Centre of Mahindra & Mahindra Ltd.,will amount to unauthorized use and shall be liable for penalty/
prosecution © 2013 Mahindra & Mahindra Ltd.
MAN-00222
APRIL 2013/Rev1
04022013
CHASSIS WIRING HARNESS - LAYOUT (C)
29
WIRING MANUAL
The repair methods given by the manufacturer in this document are based on the technical specifications, current at the time of release. The methods may be modified as a result of changes introduced by the manufacturer in the production of the various component units and accessories from which the vehicles are manufactured. The reproduction,
translation, transmission, in part of or whole of the present document,are prohibited without the prior written consent of Mahindra & Mahindra Ltd. The use of this document by any person other than the trained personnel, at the Authorized Service Centre of Mahindra & Mahindra Ltd.,will amount to unauthorized use and shall be liable for penalty/
prosecution © 2013 Mahindra & Mahindra Ltd.
MAN-00222
APRIL 2013/Rev1
04022013
WIRE INSERTION VIEW
CHASSIS WIRING HARNESS - CONNECTORS
30
WIRING MANUAL
The repair methods given by the manufacturer in this document are based on the technical specifications, current at the time of release. The methods may be modified as a result of changes introduced by the manufacturer in the production of the various component units and accessories from which the vehicles are manufactured. The reproduction,
translation, transmission, in part of or whole of the present document,are prohibited without the prior written consent of Mahindra & Mahindra Ltd. The use of this document by any person other than the trained personnel, at the Authorized Service Centre of Mahindra & Mahindra Ltd.,will amount to unauthorized use and shall be liable for penalty/
prosecution © 2013 Mahindra & Mahindra Ltd.
MAN-00222
APRIL 2013/Rev1
04022013
BODY WIRING HARNESS - LAYOUT (B)
31
WIRING MANUAL
The repair methods given by the manufacturer in this document are based on the technical specifications, current at the time of release. The methods may be modified as a result of changes introduced by the manufacturer in the production of the various component units and accessories from which the vehicles are manufactured. The reproduction,
translation, transmission, in part of or whole of the present document,are prohibited without the prior written consent of Mahindra & Mahindra Ltd. The use of this document by any person other than the trained personnel, at the Authorized Service Centre of Mahindra & Mahindra Ltd.,will amount to unauthorized use and shall be liable for penalty/
prosecution © 2013 Mahindra & Mahindra Ltd.
MAN-00222
APRIL 2013/Rev1
04022013
WIRE INSERTION VIEW
BODY WIRING HARNESS - CONNECTORS
32
WIRING MANUAL
The repair methods given by the manufacturer in this document are based on the technical specifications, current at the time of release. The methods may be modified as a result of changes introduced by the manufacturer in the production of the various component units and accessories from which the vehicles are manufactured. The reproduction,
translation, transmission, in part of or whole of the present document,are prohibited without the prior written consent of Mahindra & Mahindra Ltd. The use of this document by any person other than the trained personnel, at the Authorized Service Centre of Mahindra & Mahindra Ltd.,will amount to unauthorized use and shall be liable for penalty/
prosecution © 2013 Mahindra & Mahindra Ltd.
MAN-00222
APRIL 2013/Rev1
04022013
WIRING HARNESS ROUTING - COMPLETE VEHICLE
33
The repair methods given by the manufacturer in this document are based on the technical specifications, current at the time of release. The methods may be modified as a result of changes introduced by the manufacturer in the production of the various component
units and accessories from which the vehicles are manufactured. The reproduction, translation, transmission, in part of or whole of the present document,are prohibited without the prior written consent of Mahindra & Mahindra Ltd. The use of this document by any
person other than the trained personnel, at the Authorized Service Centre of Mahindra & Mahindra Ltd.,will amount to unauthorized use and shall be liable for penalty/prosecution © 2013 Mahindra & Mahindra Ltd.
MAN-00222
APRIL 2013/Rev1
WIRING MANUAL
04022013
INTER CONNECTOR DETAILS ( WIRE INSERTION VIEW )
INTER HARNESS CONNECTORS
34
WIRING MANUAL
The repair methods given by the manufacturer in this document are based on the technical specifications, current at the time of release. The methods may be modified as a result of changes introduced by the manufacturer in the production of the various component units and accessories from which the vehicles are manufactured. The reproduction,
translation, transmission, in part of or whole of the present document,are prohibited without the prior written consent of Mahindra & Mahindra Ltd. The use of this document by any person other than the trained personnel, at the Authorized Service Centre of Mahindra & Mahindra Ltd.,will amount to unauthorized use and shall be liable for penalty/
prosecution © 2013 Mahindra & Mahindra Ltd.
MAN-00222
APRIL 2013/Rev1
04022013
GROUND LOCATION
35
The repair methods given by the manufacturer in this document are based on the technical specifications, current at the time of release. The methods may be modified as a result of changes introduced by the manufacturer in the production of the various component
units and accessories from which the vehicles are manufactured. The reproduction, translation, transmission, in part of or whole of the present document,are prohibited without the prior written consent of Mahindra & Mahindra Ltd. The use of this document by any
person other than the trained personnel, at the Authorized Service Centre of Mahindra & Mahindra Ltd.,will amount to unauthorized use and shall be liable for penalty/prosecution © 2013 Mahindra & Mahindra Ltd.
MAN-00222
APRIL 2013/Rev1
WIRING MANUAL
04022013
ELECTRICAL SYMBOLS
36
The repair methods given by the manufacturer in this document are based on the technical specifications, current at the time of release. The methods may be modified as a result of changes introduced by the manufacturer in the production of the various component
units and accessories from which the vehicles are manufactured. The reproduction, translation, transmission, in part of or whole of the present document,are prohibited without the prior written consent of Mahindra & Mahindra Ltd. The use of this document by any
person other than the trained personnel, at the Authorized Service Centre of Mahindra & Mahindra Ltd.,will amount to unauthorized use and shall be liable for penalty/prosecution © 2013 Mahindra & Mahindra Ltd.
MAN-00222
APRIL 2013/Rev1
WIRING MANUAL
04022013
ELECTRICAL SYMBOLS
37
The repair methods given by the manufacturer in this document are based on the technical specifications, current at the time of release. The methods may be modified as a result of changes introduced by the manufacturer in the production of the various component
units and accessories from which the vehicles are manufactured. The reproduction, translation, transmission, in part of or whole of the present document,are prohibited without the prior written consent of Mahindra & Mahindra Ltd. The use of this document by any
person other than the trained personnel, at the Authorized Service Centre of Mahindra & Mahindra Ltd.,will amount to unauthorized use and shall be liable for penalty/prosecution © 2013 Mahindra & Mahindra Ltd.
MAN-00222
APRIL 2013/Rev1
WIRING MANUAL
04022013
ELECTRICAL SYMBOLS
38
The repair methods given by the manufacturer in this document are based on the technical specifications, current at the time of release. The methods may be modified as a result of changes introduced by the manufacturer in the production of the various component
units and accessories from which the vehicles are manufactured. The reproduction, translation, transmission, in part of or whole of the present document,are prohibited without the prior written consent of Mahindra & Mahindra Ltd. The use of this document by any
person other than the trained personnel, at the Authorized Service Centre of Mahindra & Mahindra Ltd.,will amount to unauthorized use and shall be liable for penalty/prosecution © 2013 Mahindra & Mahindra Ltd.
MAN-00222
APRIL 2013/Rev1
WIRING MANUAL
04022013
ELECTRICAL SYMBOLS
39
The repair methods given by the manufacturer in this document are based on the technical specifications, current at the time of release. The methods may be modified as a result of changes introduced by the manufacturer in the production of the various component
units and accessories from which the vehicles are manufactured. The reproduction, translation, transmission, in part of or whole of the present document,are prohibited without the prior written consent of Mahindra & Mahindra Ltd. The use of this document by any
person other than the trained personnel, at the Authorized Service Centre of Mahindra & Mahindra Ltd.,will amount to unauthorized use and shall be liable for penalty/prosecution © 2013 Mahindra & Mahindra Ltd.
MAN-00222
APRIL 2013/Rev1
WIRING MANUAL
04022013
WIRE COLOR CODING CHART
40

Mahindra bolero wiring

  • 1.
    REVISION - 1 APRIL- 2013 Published by - Service Engineering Technical Hub WIRING MANUAL BOLERO MAXITRUCK PLUS MAN - 00222 BS III & BS IV m2DiCR
  • 2.
    The repair methodsgiven by the manufacturer in this document are based on the technical specifications, current at the time of release. The methods may be modified as a result of changes introduced by the manufacturer in the production of the various component units and accessories from which the vehicles are manufactured. The reproduction, translation, transmission, in part of or whole of the present document,are prohibited without the prior written consent of Mahindra & Mahindra Ltd. The use of this document by any person other than the trained personnel, at the Authorized Service Centre of Mahindra & Mahindra Ltd.,will amount to unauthorized use and shall be liable for penalty/prosecution © 2013 Mahindra & Mahindra Ltd. MAN-00222 APRIL 2013/Rev1 WIRING MANUAL 04022013 ABOUT THE WIRING MANUAL…………………………………………………………………...03 GOOD ELECTRICAL/ELECTRONIC TROUBLESHOOTING PROCESS……..04 HOW TO READ THE WIRING MANUAL……………………………………………………..05 A. CONTROLLERS/FUSES/RELAYS - LOCATIONS LOCATION - FUSE BOXS/RELAYS/CONTROLLERS……………………………….06 MAIN FUSE BOX - FUSES/CIRCUITS/RATINGS……………………………………..07 ECU FUSE BOX - FUSES/CIRCUITS/RATINGS………………………………………..07 MAXI FUSE - FUSES/CIRCUITS/RATINGS……………………………………………….07 B. INDIVIDUAL CIRCUITS ENGINE MANAGEMENT SYSTEM 1…………………………………………………………..08 ENGINE MANAGEMENT SYSTEM 2…………………………………………………………..09 IMMOBILISER………………………………………………………………………………………………….10 CHARGING CIRCUIT………………………………………………………………………………………11 STARTING CIRCUIT………………………………………………………………………………………..12 INSTRUMENT CLUSTER OVERVIEW…………………………………………………………13 INSTRUMENT CLUSTER CIRCUIT………………………………………………………………14 HORN CIRCUIT………………………………………………………………………………………………..15 12 VOLT CHARGING PORT………………………………………………………………………….16 TURN AMD HAZARD CIRCUIT…………………………………………………………………….17 WIPER AND WASHER CIRCUIT………………………………………………………………….18 HEAD LAMP…………………………………………………………………………………………………….19 HEAD LAMP LEVELING CIRCUIT…………………………………………………………………20 STOP LAMP……………………………………………………………………………………………………..21 REVERSE LIGHT………………………………………………………………………………...................22 REGISTRATION PLATE LAMP CIRCUIT………………………………………………………23 PARKING LAMP CIRCUIT……………………………………………………………………………..24 INTERIOR AND READING LAMP…………………………………………………………………25 START STOP – STARTING CIRCUIT ………………………………………………………..26 C. WIRING HARNESS LAYOUT ENGINE WIRING HARNESS LAYOUT (E)……………………………………………………27 CHASSIS WIRING HARNESS LAYOUT (C) ……………..………………………………..29 BODY WIRING HARNESS LAYOUT (B)………………………………………………………31 WIRING HARNESS ROUTING - COMPLETE VEHICLE……………………………..33 D INTER HARNESS CONNECTORS……………………………………………………….34 E GROUND LOCATION ……………………………………………………………………………..35 F APENDIX ELECTRICAL SYMBOLS……………………………………………………………………...............36 WIRE COLOR CODING CHART…………………………………………………………………….40 CONTENTS 2
  • 3.
    The repair methodsgiven by the manufacturer in this document are based on the technical specifications, current at the time of release. The methods may be modified as a result of changes introduced by the manufacturer in the production of the various component units and accessories from which the vehicles are manufactured. The reproduction, translation, transmission, in part of or whole of the present document,are prohibited without the prior written consent of Mahindra & Mahindra Ltd. The use of this document by any person other than the trained personnel, at the Authorized Service Centre of Mahindra & Mahindra Ltd.,will amount to unauthorized use and shall be liable for penalty/prosecution © 2013 Mahindra & Mahindra Ltd. MAN-00222 APRIL 2013/Rev1 WIRING MANUAL 04022013 ABOUT THE WIRING MANUAL The wiring manual outlines complete electrical network plan of the Mahindra Bolero Maxitruck Plus vehicle. Wiring diagrams are technical drawings representing the electrical / electronic structure of the vehicle. Understanding this manual is the quickest way to identify and repair a trouble, first time right. The manual defines as to how the various systems are integrated and works, functions and operates. All the electrical components are shown, including their locations, colours of connecting wires and connectors. The manual is structured as below:- Components locations – indicates schematically the location of the crucial components like fuses, relays and controllers (ECUs). Fuse layouts – indicates the physical layout of the fuse in the vehicle. Wiring diagrams – system wise individual wiring diagrams. Ground points – specifies the location of the various grounding points across the vehicle body. Harness layout – indicates the physical layout of the wiring harness across the topography of the vehicle. It also indicates the connectors, their codes/ locations and terminal connectors face views. Inter- harness connectors – specifies the code, location and pin- out view of the connectors in between separate wiring harnesses. 3
  • 4.
    The repair methodsgiven by the manufacturer in this document are based on the technical specifications, current at the time of release. The methods may be modified as a result of changes introduced by the manufacturer in the production of the various component units and accessories from which the vehicles are manufactured. The reproduction, translation, transmission, in part of or whole of the present document,are prohibited without the prior written consent of Mahindra & Mahindra Ltd. The use of this document by any person other than the trained personnel, at the Authorized Service Centre of Mahindra & Mahindra Ltd.,will amount to unauthorized use and shall be liable for penalty/prosecution © 2013 Mahindra & Mahindra Ltd. MAN-00222 APRIL 2013/Rev1 WIRING MANUAL 04022013 GOOD ELECTRICAL/ELECTRONIC TROUBLESHOOTING PROCESS When troubleshooting any problem related to electrical/electronic system, follow the 5-step process:- SETP 1 – Verify the customer complaint • Turn on all the component/function in the problem circuit to check accuracy of the customer complaint. • Replicate the customer complaint • Note down the symptoms • Do not begin disassembly or testing unless you have narrowed down the probable causes. STEP 2 – Read and analyze the wiring diagrams • Locate the specific circuit diagram of the problem circuit • Understand how the circuit is supposed to work by tracing the circuit from power source through components on to ground. • Check other circuits which share components/fuse/ground/switch with this circuit. • Isolate the circuit/components with problem. STEP 3 – Inspect circuit/components with problem isolated • Make a circuit test to check the diagnosis • Narrow down the probable causes using troubleshooting charts/diagnosis charts STEP 4 – Repair the problem • Make necessary repairs as authorized STEP 5 – Re-check the circuit • Repeat the system check to ensure that the problem is eliminated • Check related circuits • Ensure that the customer symptom is eliminated 4
  • 5.
    WIRING MANUAL The repairmethods given by the manufacturer in this document are based on the technical specifications, current at the time of release. The methods may be modified as a result of changes introduced by the manufacturer in the production of the various component units and accessories from which the vehicles are manufactured. The reproduction, translation, transmission, in part of or whole of the present document,are prohibited without the prior written consent of Mahindra & Mahindra Ltd. The use of this document by any person other than the trained personnel, at the Authorized Service Centre of Mahindra & Mahindra Ltd.,will amount to unauthorized use and shall be liable for penalty/ prosecution © 2013 Mahindra & Mahindra Ltd. MAN-00222 APRIL 2013/Rev1 04022013 Fuse With RaƟng Splice Joint Ground Point Wire Color Name Of The Component Inter harness connector number Inter harness Pin Number Connector Face View Wire Cross SecƟon Area In sq mm HOW TO READ THE WIRING MANUAL 5
  • 6.
    WIRING MANUAL The repairmethods given by the manufacturer in this document are based on the technical specifications, current at the time of release. The methods may be modified as a result of changes introduced by the manufacturer in the production of the various component units and accessories from which the vehicles are manufactured. The reproduction, translation, transmission, in part of or whole of the present document,are prohibited without the prior written consent of Mahindra & Mahindra Ltd. The use of this document by any person other than the trained personnel, at the Authorized Service Centre of Mahindra & Mahindra Ltd.,will amount to unauthorized use and shall be liable for penalty/ prosecution © 2013 Mahindra & Mahindra Ltd. MAN-00222 APRIL 2013/Rev1 04022013 LOCATION - FUSEBOXS/RELAYS AND CONTROLLERS 6
  • 7.
    WIRING MANUAL The repairmethods given by the manufacturer in this document are based on the technical specifications, current at the time of release. The methods may be modified as a result of changes introduced by the manufacturer in the production of the various component units and accessories from which the vehicles are manufactured. The reproduction, translation, transmission, in part of or whole of the present document,are prohibited without the prior written consent of Mahindra & Mahindra Ltd. The use of this document by any person other than the trained personnel, at the Authorized Service Centre of Mahindra & Mahindra Ltd.,will amount to unauthorized use and shall be liable for penalty/ prosecution © 2013 Mahindra & Mahindra Ltd. MAN-00222 APRIL 2013/Rev1 04022013 FUSE BOXS DETAILS 7
  • 8.
    WIRING MANUAL The repairmethods given by the manufacturer in this document are based on the technical specifications, current at the time of release. The methods may be modified as a result of changes introduced by the manufacturer in the production of the various component units and accessories from which the vehicles are manufactured. The reproduction, translation, transmission, in part of or whole of the present document,are prohibited without the prior written consent of Mahindra & Mahindra Ltd. The use of this document by any person other than the trained personnel, at the Authorized Service Centre of Mahindra & Mahindra Ltd.,will amount to unauthorized use and shall be liable for penalty/ prosecution © 2013 Mahindra & Mahindra Ltd. MAN-00222 APRIL 2013/Rev1 04022013 ENGINE MANAGEMENT SYSTEM 1
  • 9.
    WIRING MANUAL The repairmethods given by the manufacturer in this document are based on the technical specifications, current at the time of release. The methods may be modified as a result of changes introduced by the manufacturer in the production of the various component units and accessories from which the vehicles are manufactured. The reproduction, translation, transmission, in part of or whole of the present document,are prohibited without the prior written consent of Mahindra & Mahindra Ltd. The use of this document by any person other than the trained personnel, at the Authorized Service Centre of Mahindra & Mahindra Ltd.,will amount to unauthorized use and shall be liable for penalty/ prosecution © 2013 Mahindra & Mahindra Ltd. MAN-00222 APRIL 2013/Rev1 04022013 ENGINE MANAGEMENT SYSTEM 2 9
  • 10.
    WIRING MANUAL The repairmethods given by the manufacturer in this document are based on the technical specifications, current at the time of release. The methods may be modified as a result of changes introduced by the manufacturer in the production of the various component units and accessories from which the vehicles are manufactured. The reproduction, translation, transmission, in part of or whole of the present document,are prohibited without the prior written consent of Mahindra & Mahindra Ltd. The use of this document by any person other than the trained personnel, at the Authorized Service Centre of Mahindra & Mahindra Ltd.,will amount to unauthorized use and shall be liable for penalty/ prosecution © 2013 Mahindra & Mahindra Ltd. MAN-00222 APRIL 2013/Rev1 04022013 BATTERY (+) POSITIVE IGNITION IMMOBILIZER 10
  • 11.
    WIRING MANUAL The repairmethods given by the manufacturer in this document are based on the technical specifications, current at the time of release. The methods may be modified as a result of changes introduced by the manufacturer in the production of the various component units and accessories from which the vehicles are manufactured. The reproduction, translation, transmission, in part of or whole of the present document,are prohibited without the prior written consent of Mahindra & Mahindra Ltd. The use of this document by any person other than the trained personnel, at the Authorized Service Centre of Mahindra & Mahindra Ltd.,will amount to unauthorized use and shall be liable for penalty/ prosecution © 2013 Mahindra & Mahindra Ltd. MAN-00222 APRIL 2013/Rev1 04022013 CHARGING CIRCUIT 11
  • 12.
    The repair methodsgiven by the manufacturer in this document are based on the technical specifications, current at the time of release. The methods may be modified as a result of changes introduced by the manufacturer in the production of the various component units and accessories from which the vehicles are manufactured. The reproduction, translation, transmission, in part of or whole of the present document,are prohibited without the prior written consent of Mahindra & Mahindra Ltd. The use of this document by any person other than the trained personnel, at the Authorized Service Centre of Mahindra & Mahindra Ltd.,will amount to unauthorized use and shall be liable for penalty/prosecution © 2013 Mahindra & Mahindra Ltd. MAN-00222 APRIL 2013/Rev1 WIRING MANUAL 04022013 STARTING CIRCUIT 12
  • 13.
    WIRING MANUAL The repairmethods given by the manufacturer in this document are based on the technical specifications, current at the time of release. The methods may be modified as a result of changes introduced by the manufacturer in the production of the various component units and accessories from which the vehicles are manufactured. The reproduction, translation, transmission, in part of or whole of the present document,are prohibited without the prior written consent of Mahindra & Mahindra Ltd. The use of this document by any person other than the trained personnel, at the Authorized Service Centre of Mahindra & Mahindra Ltd.,will amount to unauthorized use and shall be liable for penalty/ prosecution © 2013 Mahindra & Mahindra Ltd. MAN-00222 APRIL 2013/Rev1 04022013 1 23 456 7 8 9 10 11 12 13 14 1. BRAKE FLUID / PARK BRAKE 2. CHECK ENGINE LAMP 3. LEFT TURN INDICATOR 4. WATER IN FUEL WARNING 5.BATTERY CHARGE WARNING 6.LOW OIL PRESSURE WARNING 7.ENGINE TEMPERATURE WARNING 8. HIGH BEAM HEADLAMP 9.RIGHT TURN INDICATOR 10.OBD LAMP 11.FUEL GAUGE 12. ODOMETER 13. START/ STOP INDICATOR 14.TEMPERATURE GAUGE INSTRUMENT CLUSTER OVERVIEW 13
  • 14.
    WIRING MANUAL The repairmethods given by the manufacturer in this document are based on the technical specifications, current at the time of release. The methods may be modified as a result of changes introduced by the manufacturer in the production of the various component units and accessories from which the vehicles are manufactured. The reproduction, translation, transmission, in part of or whole of the present document,are prohibited without the prior written consent of Mahindra & Mahindra Ltd. The use of this document by any person other than the trained personnel, at the Authorized Service Centre of Mahindra & Mahindra Ltd.,will amount to unauthorized use and shall be liable for penalty/ prosecution © 2013 Mahindra & Mahindra Ltd. MAN-00222 APRIL 2013/Rev1 04022013 INSTRUMENT CLUSTER CIRCUIT 14
  • 15.
    WIRING MANUAL The repairmethods given by the manufacturer in this document are based on the technical specifications, current at the time of release. The methods may be modified as a result of changes introduced by the manufacturer in the production of the various component units and accessories from which the vehicles are manufactured. The reproduction, translation, transmission, in part of or whole of the present document,are prohibited without the prior written consent of Mahindra & Mahindra Ltd. The use of this document by any person other than the trained personnel, at the Authorized Service Centre of Mahindra & Mahindra Ltd.,will amount to unauthorized use and shall be liable for penalty/ prosecution © 2013 Mahindra & Mahindra Ltd. MAN-00222 APRIL 2013/Rev1 04022013 HORN CIRCUIT 15
  • 16.
    The repair methodsgiven by the manufacturer in this document are based on the technical specifications, current at the time of release. The methods may be modified as a result of changes introduced by the manufacturer in the production of the various component units and accessories from which the vehicles are manufactured. The reproduction, translation, transmission, in part of or whole of the present document,are prohibited without the prior written consent of Mahindra & Mahindra Ltd. The use of this document by any person other than the trained personnel, at the Authorized Service Centre of Mahindra & Mahindra Ltd.,will amount to unauthorized use and shall be liable for penalty/prosecution © 2013 Mahindra & Mahindra Ltd. MAN-00222 APRIL 2013/Rev1 WIRING MANUAL 04022013 12 VOLT CHARGING PORT 16
  • 17.
    WIRING MANUAL The repairmethods given by the manufacturer in this document are based on the technical specifications, current at the time of release. The methods may be modified as a result of changes introduced by the manufacturer in the production of the various component units and accessories from which the vehicles are manufactured. The reproduction, translation, transmission, in part of or whole of the present document,are prohibited without the prior written consent of Mahindra & Mahindra Ltd. The use of this document by any person other than the trained personnel, at the Authorized Service Centre of Mahindra & Mahindra Ltd.,will amount to unauthorized use and shall be liable for penalty/ prosecution © 2013 Mahindra & Mahindra Ltd. MAN-00222 APRIL 2013/Rev1 04022013 TURN AND HAZARD CIRCUIT 17
  • 18.
    WIRING MANUAL The repairmethods given by the manufacturer in this document are based on the technical specifications, current at the time of release. The methods may be modified as a result of changes introduced by the manufacturer in the production of the various component units and accessories from which the vehicles are manufactured. The reproduction, translation, transmission, in part of or whole of the present document,are prohibited without the prior written consent of Mahindra & Mahindra Ltd. The use of this document by any person other than the trained personnel, at the Authorized Service Centre of Mahindra & Mahindra Ltd.,will amount to unauthorized use and shall be liable for penalty/ prosecution © 2013 Mahindra & Mahindra Ltd. MAN-00222 APRIL 2013/Rev1 04022013 WIPER AND WASHER CIRCUIT 18
  • 19.
    WIRING MANUAL The repairmethods given by the manufacturer in this document are based on the technical specifications, current at the time of release. The methods may be modified as a result of changes introduced by the manufacturer in the production of the various component units and accessories from which the vehicles are manufactured. The reproduction, translation, transmission, in part of or whole of the present document,are prohibited without the prior written consent of Mahindra & Mahindra Ltd. The use of this document by any person other than the trained personnel, at the Authorized Service Centre of Mahindra & Mahindra Ltd.,will amount to unauthorized use and shall be liable for penalty/ prosecution © 2013 Mahindra & Mahindra Ltd. MAN-00222 APRIL 2013/Rev1 04022013 HEAD LAMP 19
  • 20.
    WIRING MANUAL The repairmethods given by the manufacturer in this document are based on the technical specifications, current at the time of release. The methods may be modified as a result of changes introduced by the manufacturer in the production of the various component units and accessories from which the vehicles are manufactured. The reproduction, translation, transmission, in part of or whole of the present document,are prohibited without the prior written consent of Mahindra & Mahindra Ltd. The use of this document by any person other than the trained personnel, at the Authorized Service Centre of Mahindra & Mahindra Ltd.,will amount to unauthorized use and shall be liable for penalty/ prosecution © 2013 Mahindra & Mahindra Ltd. MAN-00222 APRIL 2013/Rev1 04022013 HEAD LAMP LEVELING CIRCUIT 20
  • 21.
    The repair methodsgiven by the manufacturer in this document are based on the technical specifications, current at the time of release. The methods may be modified as a result of changes introduced by the manufacturer in the production of the various component units and accessories from which the vehicles are manufactured. The reproduction, translation, transmission, in part of or whole of the present document,are prohibited without the prior written consent of Mahindra & Mahindra Ltd. The use of this document by any person other than the trained personnel, at the Authorized Service Centre of Mahindra & Mahindra Ltd.,will amount to unauthorized use and shall be liable for penalty/prosecution © 2013 Mahindra & Mahindra Ltd. MAN-00222 APRIL 2013/Rev1 WIRING MANUAL 04022013 STOP LAMP 21
  • 22.
    The repair methodsgiven by the manufacturer in this document are based on the technical specifications, current at the time of release. The methods may be modified as a result of changes introduced by the manufacturer in the production of the various component units and accessories from which the vehicles are manufactured. The reproduction, translation, transmission, in part of or whole of the present document,are prohibited without the prior written consent of Mahindra & Mahindra Ltd. The use of this document by any person other than the trained personnel, at the Authorized Service Centre of Mahindra & Mahindra Ltd.,will amount to unauthorized use and shall be liable for penalty/prosecution © 2013 Mahindra & Mahindra Ltd. MAN-00222 APRIL 2013/Rev1 WIRING MANUAL 04022013 REVERSE LIGHT 22
  • 23.
    The repair methodsgiven by the manufacturer in this document are based on the technical specifications, current at the time of release. The methods may be modified as a result of changes introduced by the manufacturer in the production of the various component units and accessories from which the vehicles are manufactured. The reproduction, translation, transmission, in part of or whole of the present document,are prohibited without the prior written consent of Mahindra & Mahindra Ltd. The use of this document by any person other than the trained personnel, at the Authorized Service Centre of Mahindra & Mahindra Ltd.,will amount to unauthorized use and shall be liable for penalty/prosecution © 2013 Mahindra & Mahindra Ltd. MAN-00222 APRIL 2013/Rev1 WIRING MANUAL 04022013 REGISTRATION PLATE LAMP CIRCUIT 23
  • 24.
    The repair methodsgiven by the manufacturer in this document are based on the technical specifications, current at the time of release. The methods may be modified as a result of changes introduced by the manufacturer in the production of the various component units and accessories from which the vehicles are manufactured. The reproduction, translation, transmission, in part of or whole of the present document,are prohibited without the prior written consent of Mahindra & Mahindra Ltd. The use of this document by any person other than the trained personnel, at the Authorized Service Centre of Mahindra & Mahindra Ltd.,will amount to unauthorized use and shall be liable for penalty/prosecution © 2013 Mahindra & Mahindra Ltd. MAN-00222 APRIL 2013/Rev1 WIRING MANUAL 04022013 PARKING LAMP CIRCUIT 24
  • 25.
    The repair methodsgiven by the manufacturer in this document are based on the technical specifications, current at the time of release. The methods may be modified as a result of changes introduced by the manufacturer in the production of the various component units and accessories from which the vehicles are manufactured. The reproduction, translation, transmission, in part of or whole of the present document,are prohibited without the prior written consent of Mahindra & Mahindra Ltd. The use of this document by any person other than the trained personnel, at the Authorized Service Centre of Mahindra & Mahindra Ltd.,will amount to unauthorized use and shall be liable for penalty/prosecution © 2013 Mahindra & Mahindra Ltd. MAN-00222 APRIL 2013/Rev1 WIRING MANUAL 04022013 INTERIOR AND READING LAMP 25
  • 26.
    The repair methodsgiven by the manufacturer in this document are based on the technical specifications, current at the time of release. The methods may be modified as a result of changes introduced by the manufacturer in the production of the various component units and accessories from which the vehicles are manufactured. The reproduction, translation, transmission, in part of or whole of the present document,are prohibited without the prior written consent of Mahindra & Mahindra Ltd. The use of this document by any person other than the trained personnel, at the Authorized Service Centre of Mahindra & Mahindra Ltd.,will amount to unauthorized use and shall be liable for penalty/prosecution © 2013 Mahindra & Mahindra Ltd. MAN-00222 APRIL 2013/Rev1 WIRING MANUAL 04022013 START STOP - STARTING CIRCUIT 26
  • 27.
    WIRING MANUAL The repairmethods given by the manufacturer in this document are based on the technical specifications, current at the time of release. The methods may be modified as a result of changes introduced by the manufacturer in the production of the various component units and accessories from which the vehicles are manufactured. The reproduction, translation, transmission, in part of or whole of the present document,are prohibited without the prior written consent of Mahindra & Mahindra Ltd. The use of this document by any person other than the trained personnel, at the Authorized Service Centre of Mahindra & Mahindra Ltd.,will amount to unauthorized use and shall be liable for penalty/ prosecution © 2013 Mahindra & Mahindra Ltd. MAN-00222 APRIL 2013/Rev1 04022013 ENGINE WIRING HARNESS - LAYOUT (E) 27
  • 28.
    WIRING MANUAL The repairmethods given by the manufacturer in this document are based on the technical specifications, current at the time of release. The methods may be modified as a result of changes introduced by the manufacturer in the production of the various component units and accessories from which the vehicles are manufactured. The reproduction, translation, transmission, in part of or whole of the present document,are prohibited without the prior written consent of Mahindra & Mahindra Ltd. The use of this document by any person other than the trained personnel, at the Authorized Service Centre of Mahindra & Mahindra Ltd.,will amount to unauthorized use and shall be liable for penalty/ prosecution © 2013 Mahindra & Mahindra Ltd. MAN-00222 APRIL 2013/Rev1 04022013 WIRE INSERTION VIEW ENGINE WIRING HARNESS - CONNECTORS 28
  • 29.
    WIRING MANUAL The repairmethods given by the manufacturer in this document are based on the technical specifications, current at the time of release. The methods may be modified as a result of changes introduced by the manufacturer in the production of the various component units and accessories from which the vehicles are manufactured. The reproduction, translation, transmission, in part of or whole of the present document,are prohibited without the prior written consent of Mahindra & Mahindra Ltd. The use of this document by any person other than the trained personnel, at the Authorized Service Centre of Mahindra & Mahindra Ltd.,will amount to unauthorized use and shall be liable for penalty/ prosecution © 2013 Mahindra & Mahindra Ltd. MAN-00222 APRIL 2013/Rev1 04022013 CHASSIS WIRING HARNESS - LAYOUT (C) 29
  • 30.
    WIRING MANUAL The repairmethods given by the manufacturer in this document are based on the technical specifications, current at the time of release. The methods may be modified as a result of changes introduced by the manufacturer in the production of the various component units and accessories from which the vehicles are manufactured. The reproduction, translation, transmission, in part of or whole of the present document,are prohibited without the prior written consent of Mahindra & Mahindra Ltd. The use of this document by any person other than the trained personnel, at the Authorized Service Centre of Mahindra & Mahindra Ltd.,will amount to unauthorized use and shall be liable for penalty/ prosecution © 2013 Mahindra & Mahindra Ltd. MAN-00222 APRIL 2013/Rev1 04022013 WIRE INSERTION VIEW CHASSIS WIRING HARNESS - CONNECTORS 30
  • 31.
    WIRING MANUAL The repairmethods given by the manufacturer in this document are based on the technical specifications, current at the time of release. The methods may be modified as a result of changes introduced by the manufacturer in the production of the various component units and accessories from which the vehicles are manufactured. The reproduction, translation, transmission, in part of or whole of the present document,are prohibited without the prior written consent of Mahindra & Mahindra Ltd. The use of this document by any person other than the trained personnel, at the Authorized Service Centre of Mahindra & Mahindra Ltd.,will amount to unauthorized use and shall be liable for penalty/ prosecution © 2013 Mahindra & Mahindra Ltd. MAN-00222 APRIL 2013/Rev1 04022013 BODY WIRING HARNESS - LAYOUT (B) 31
  • 32.
    WIRING MANUAL The repairmethods given by the manufacturer in this document are based on the technical specifications, current at the time of release. The methods may be modified as a result of changes introduced by the manufacturer in the production of the various component units and accessories from which the vehicles are manufactured. The reproduction, translation, transmission, in part of or whole of the present document,are prohibited without the prior written consent of Mahindra & Mahindra Ltd. The use of this document by any person other than the trained personnel, at the Authorized Service Centre of Mahindra & Mahindra Ltd.,will amount to unauthorized use and shall be liable for penalty/ prosecution © 2013 Mahindra & Mahindra Ltd. MAN-00222 APRIL 2013/Rev1 04022013 WIRE INSERTION VIEW BODY WIRING HARNESS - CONNECTORS 32
  • 33.
    WIRING MANUAL The repairmethods given by the manufacturer in this document are based on the technical specifications, current at the time of release. The methods may be modified as a result of changes introduced by the manufacturer in the production of the various component units and accessories from which the vehicles are manufactured. The reproduction, translation, transmission, in part of or whole of the present document,are prohibited without the prior written consent of Mahindra & Mahindra Ltd. The use of this document by any person other than the trained personnel, at the Authorized Service Centre of Mahindra & Mahindra Ltd.,will amount to unauthorized use and shall be liable for penalty/ prosecution © 2013 Mahindra & Mahindra Ltd. MAN-00222 APRIL 2013/Rev1 04022013 WIRING HARNESS ROUTING - COMPLETE VEHICLE 33
  • 34.
    The repair methodsgiven by the manufacturer in this document are based on the technical specifications, current at the time of release. The methods may be modified as a result of changes introduced by the manufacturer in the production of the various component units and accessories from which the vehicles are manufactured. The reproduction, translation, transmission, in part of or whole of the present document,are prohibited without the prior written consent of Mahindra & Mahindra Ltd. The use of this document by any person other than the trained personnel, at the Authorized Service Centre of Mahindra & Mahindra Ltd.,will amount to unauthorized use and shall be liable for penalty/prosecution © 2013 Mahindra & Mahindra Ltd. MAN-00222 APRIL 2013/Rev1 WIRING MANUAL 04022013 INTER CONNECTOR DETAILS ( WIRE INSERTION VIEW ) INTER HARNESS CONNECTORS 34
  • 35.
    WIRING MANUAL The repairmethods given by the manufacturer in this document are based on the technical specifications, current at the time of release. The methods may be modified as a result of changes introduced by the manufacturer in the production of the various component units and accessories from which the vehicles are manufactured. The reproduction, translation, transmission, in part of or whole of the present document,are prohibited without the prior written consent of Mahindra & Mahindra Ltd. The use of this document by any person other than the trained personnel, at the Authorized Service Centre of Mahindra & Mahindra Ltd.,will amount to unauthorized use and shall be liable for penalty/ prosecution © 2013 Mahindra & Mahindra Ltd. MAN-00222 APRIL 2013/Rev1 04022013 GROUND LOCATION 35
  • 36.
    The repair methodsgiven by the manufacturer in this document are based on the technical specifications, current at the time of release. The methods may be modified as a result of changes introduced by the manufacturer in the production of the various component units and accessories from which the vehicles are manufactured. The reproduction, translation, transmission, in part of or whole of the present document,are prohibited without the prior written consent of Mahindra & Mahindra Ltd. The use of this document by any person other than the trained personnel, at the Authorized Service Centre of Mahindra & Mahindra Ltd.,will amount to unauthorized use and shall be liable for penalty/prosecution © 2013 Mahindra & Mahindra Ltd. MAN-00222 APRIL 2013/Rev1 WIRING MANUAL 04022013 ELECTRICAL SYMBOLS 36
  • 37.
    The repair methodsgiven by the manufacturer in this document are based on the technical specifications, current at the time of release. The methods may be modified as a result of changes introduced by the manufacturer in the production of the various component units and accessories from which the vehicles are manufactured. The reproduction, translation, transmission, in part of or whole of the present document,are prohibited without the prior written consent of Mahindra & Mahindra Ltd. The use of this document by any person other than the trained personnel, at the Authorized Service Centre of Mahindra & Mahindra Ltd.,will amount to unauthorized use and shall be liable for penalty/prosecution © 2013 Mahindra & Mahindra Ltd. MAN-00222 APRIL 2013/Rev1 WIRING MANUAL 04022013 ELECTRICAL SYMBOLS 37
  • 38.
    The repair methodsgiven by the manufacturer in this document are based on the technical specifications, current at the time of release. The methods may be modified as a result of changes introduced by the manufacturer in the production of the various component units and accessories from which the vehicles are manufactured. The reproduction, translation, transmission, in part of or whole of the present document,are prohibited without the prior written consent of Mahindra & Mahindra Ltd. The use of this document by any person other than the trained personnel, at the Authorized Service Centre of Mahindra & Mahindra Ltd.,will amount to unauthorized use and shall be liable for penalty/prosecution © 2013 Mahindra & Mahindra Ltd. MAN-00222 APRIL 2013/Rev1 WIRING MANUAL 04022013 ELECTRICAL SYMBOLS 38
  • 39.
    The repair methodsgiven by the manufacturer in this document are based on the technical specifications, current at the time of release. The methods may be modified as a result of changes introduced by the manufacturer in the production of the various component units and accessories from which the vehicles are manufactured. The reproduction, translation, transmission, in part of or whole of the present document,are prohibited without the prior written consent of Mahindra & Mahindra Ltd. The use of this document by any person other than the trained personnel, at the Authorized Service Centre of Mahindra & Mahindra Ltd.,will amount to unauthorized use and shall be liable for penalty/prosecution © 2013 Mahindra & Mahindra Ltd. MAN-00222 APRIL 2013/Rev1 WIRING MANUAL 04022013 ELECTRICAL SYMBOLS 39
  • 40.
    The repair methodsgiven by the manufacturer in this document are based on the technical specifications, current at the time of release. The methods may be modified as a result of changes introduced by the manufacturer in the production of the various component units and accessories from which the vehicles are manufactured. The reproduction, translation, transmission, in part of or whole of the present document,are prohibited without the prior written consent of Mahindra & Mahindra Ltd. The use of this document by any person other than the trained personnel, at the Authorized Service Centre of Mahindra & Mahindra Ltd.,will amount to unauthorized use and shall be liable for penalty/prosecution © 2013 Mahindra & Mahindra Ltd. MAN-00222 APRIL 2013/Rev1 WIRING MANUAL 04022013 WIRE COLOR CODING CHART 40